Asyst Technologies ATR9100 Advantag 9100 User Manual ATR9100 TM
Asyst Technologies, Inc. Advantag 9100 ATR9100 TM
Users Manual

Rev. A Date: 06/05/2003
Printed on Standard Paper
P/N: 2000-3160-02
Copyright ©2003
Asyst Technologies, Incorporated
All rights reserved.
AdvanTag 9100
AdvanTag Gateway
Technical Manual

Rev. A Released Page i
AdvanTag 9100/Gateway Technical Manual
Disclaimers
a
Disclaimers
This manual may not be reproduced, either wholly or in part, for any reason whatsoever, without prior written permission
from Asyst Technologies, Inc. (“Asyst”). Material contained in this manual is provided for informational purposes and is
subject to change without notice.
If this manual is marked “Preliminary” or “Draft,” then Asyst has not yet released a final version of the manual and the
manual is likely to be incomplete and will be revised. Contact Asyst at the address below to obtain a final copy of the
manual.
Manual Information
PCN: E12464
Part Number: 2000-3160-02
Date: 06/05/2003
Release: x
Printing Description: Printed on Standard Paper.
Asyst Technologies, Inc.
48761 Kato Road
Fremont, California 94538
Telephone: (510) 661-5000
FAX: (510) 661-5166
Technical Support: 1-800-342-SMIF
Trademarks
Asyst, the Asyst logo(s), FLOUROTRAC, KPOD, ADU and MANUAFACTURING CONNECTIVITY are registered
trademarks ® of Asyst Technologies, Inc.
VERSAPORT, PLUS, INX, ADVAN-TAG, LINK MANAGER, SMART-TAG, SMART-STATION, SMART-STORAGE,
SMART-TRAVELER, SMART-COMM, AXYS, FASTRACK, FASTMOVE, FASTLOAD, FASTORE are trademarksTM of
Asyst Technologies, Inc.
All other product and company names mentioned herein may be trademarks and/or service marks of their respective
owners.
Equipment Modification
Any change, alteration, or modification to this equipment, as well as use of this equipment in a manner inconsistent with its
intended use will void this equipment’s warranty and may render this equipment unsafe for use or unfit for its intended
purposes.
Training and Languages
User training for equipment operation and maintenance is conducted in English. Translators are available on an as needed
basis. English versions of the manuals and other technical materials are provided and reviewed during the training. Please
contact the Asyst Training department or http://www.asyst.com for the training schedule and signup requirements.
Warranty
For warranty information, see Asyst’s Standard Terms and Conditions.

Page ii Released Rev. A
AdvanTag 9100/Gateway Technical Manual
Reader Comments a
Reader Comments
We welcome your comments regarding this manual. Your comments and suggestions
help us to improve our publications.
Please send comments and suggestions to:
Asyst Technologies, Inc.
Technical Publications Manager
48761 Kato Rd.
Fremont CA 94538
Or fax: Attention—Tech Pubs Manager at 1-510-661-5185
Or email: TechPubs@asyst.com
Include the following:
Name:
Company:
Contact Phone # (in case we have questions):
Email:
Document Information (Name of document, Part Number, Revision):
Location of comment (page number or other reference):
Comments: (The more specific the comments, the more useful they are to us.)
Thank you for helping to improve the manuals and to maintain accuracy.

Rev. A Released Page iii
a
Acronym List
AMHS Automated Material Handling System
ASCII American Standard Coding for Information Interchange
ATR AdvanTag Reader
CAN Control Area Network
CIM Computer-Integrated Manufacturing
EMF Electromagnetic Field
EMI Electromagnetic Interference
EMO Emergency (Machine) Off
ESD Electrostatic Discharge
MID Material IDentification
OEM Original Equipment Manufacturer
PN or P/N Part Number
RFID Radio Frequency IDentification
SECS Semiconductor Equipment Communication Standard
SEMI Semiconductor Equipment and Materials International
SMIF Standard Mechanical Interface

Page iv Released Rev. A
AdvanTag 9100/Gateway Technical Manual a

Rev. A Released Page v
a
Revision History
Date Author Version Revision Information
06/05/2003 Royden Tonomura A Original version - release ECN E12464

Page vi Released Rev. A
AdvanTag 9100/Gateway Technical Manual a

Rev. A Released Page vii
AdvanTag 9100/Gateway Technical Manual
Table of Contents
a
Table of Contents
Disclaimers . . . . . . . . . . . . . . . . . . . . . . . . . . . . . . . . . . . . . . . . . . . . . . . . . . . . . . .i
Manual Information . . . . . . . . . . . . . . . . . . . . . . . . . . . . . . . . . . . . . . . . . . . . . . . . .i
Trademarks . . . . . . . . . . . . . . . . . . . . . . . . . . . . . . . . . . . . . . . . . . . . . . . . . . . . . . .i
Equipment Modification. . . . . . . . . . . . . . . . . . . . . . . . . . . . . . . . . . . . . . . . . . . . . .i
Training and Languages . . . . . . . . . . . . . . . . . . . . . . . . . . . . . . . . . . . . . . . . . . . . .i
Warranty . . . . . . . . . . . . . . . . . . . . . . . . . . . . . . . . . . . . . . . . . . . . . . . . . . . . . . . . .i
Reader Comments . . . . . . . . . . . . . . . . . . . . . . . . . . . . . . . . . . . . . . . . . . . . . . . . ii
Acronym List. . . . . . . . . . . . . . . . . . . . . . . . . . . . . . . . . . . . . . . . . . . . . . iii
Revision History . . . . . . . . . . . . . . . . . . . . . . . . . . . . . . . . . . . . . . . . . . . .v
Preface . . . . . . . . . . . . . . . . . . . . . . . . . . . . . . . . . . . . . . . . . . . . . . . . . . 1
Purpose and Audience . . . . . . . . . . . . . . . . . . . . . . . . . . . . . . . . . . . . . . . . . . . . . 1
About this Manual . . . . . . . . . . . . . . . . . . . . . . . . . . . . . . . . . . . . . . . . . . . . . . . . . 1
References . . . . . . . . . . . . . . . . . . . . . . . . . . . . . . . . . . . . . . . . . . . . . . . . . . . . . . 1
Conventions . . . . . . . . . . . . . . . . . . . . . . . . . . . . . . . . . . . . . . . . . . . . . . . . . . . . . 1
Safety Tags. . . . . . . . . . . . . . . . . . . . . . . . . . . . . . . . . . . . . . . . . . . . . . . . . . . . . . 2
Chapter 1: General Information. . . . . . . . . . . . . . . . . . . . . . . . . . . . . . . 5
Technical Data (Specifications and Outline Drawing) . . . . . . . . . . . . . . . . . . . . . . 5
Safety . . . . . . . . . . . . . . . . . . . . . . . . . . . . . . . . . . . . . . . . . . . . . . . . . . . . . . . . . . 7
General Requirements . . . . . . . . . . . . . . . . . . . . . . . . . . . . . . . . . . . . . . . . 7
Servicing. . . . . . . . . . . . . . . . . . . . . . . . . . . . . . . . . . . . . . . . . . . . . . . . . . . 7
ESD / EMI Precautions . . . . . . . . . . . . . . . . . . . . . . . . . . . . . . . . . . . . . . . . . . 7
Electrical Power/Input Power Requirements . . . . . . . . . . . . . . . . . . . . . . . . . . 7
Environmental . . . . . . . . . . . . . . . . . . . . . . . . . . . . . . . . . . . . . . . . . . . . . . . . . 8
Warranty and Liability . . . . . . . . . . . . . . . . . . . . . . . . . . . . . . . . . . . . . . . . . . . 8
FCC Compliance . . . . . . . . . . . . . . . . . . . . . . . . . . . . . . . . . . . . . . . . . . . . . . . 8
Definition . . . . . . . . . . . . . . . . . . . . . . . . . . . . . . . . . . . . . . . . . . . . . . . . . . 8
Compliance . . . . . . . . . . . . . . . . . . . . . . . . . . . . . . . . . . . . . . . . . . . . . . . . 8
Antenna Requirements. . . . . . . . . . . . . . . . . . . . . . . . . . . . . . . . . . . . . . . . 8
Labeling Requirements . . . . . . . . . . . . . . . . . . . . . . . . . . . . . . . . . . . . . . . 8
Location of Labels used on the AdvanTag . . . . . . . . . . . . . . . . . . . . . . . . . . 10
Chapter 2: Theory of Operation. . . . . . . . . . . . . . . . . . . . . . . . . . . . . . 11
AdvanTag Reader. . . . . . . . . . . . . . . . . . . . . . . . . . . . . . . . . . . . . . . . . . . . . . . . 11

Page viii Released Rev. A
AdvanTag 9100/Gateway Technical Manual
Table of Contents a
AdvanTag Gateway. . . . . . . . . . . . . . . . . . . . . . . . . . . . . . . . . . . . . . . . . . . . . . . 12
Multiplexing . . . . . . . . . . . . . . . . . . . . . . . . . . . . . . . . . . . . . . . . . . . . . . . . . . 13
Protocols and Connections . . . . . . . . . . . . . . . . . . . . . . . . . . . . . . . . . . . 13
Message Format and Translation. . . . . . . . . . . . . . . . . . . . . . . . . . . . . . . 14
Messages Supported. . . . . . . . . . . . . . . . . . . . . . . . . . . . . . . . . . . . . . . . . . . 15
Specifications. . . . . . . . . . . . . . . . . . . . . . . . . . . . . . . . . . . . . . . . . . . . . . . . . 15
Features . . . . . . . . . . . . . . . . . . . . . . . . . . . . . . . . . . . . . . . . . . . . . . . . . . . . . . . 16
LEDs. . . . . . . . . . . . . . . . . . . . . . . . . . . . . . . . . . . . . . . . . . . . . . . . . . . . . 16
Baud rates . . . . . . . . . . . . . . . . . . . . . . . . . . . . . . . . . . . . . . . . . . . . . . . . 16
Integration of Parts . . . . . . . . . . . . . . . . . . . . . . . . . . . . . . . . . . . . . . . . . . . . . . . 17
Mounting . . . . . . . . . . . . . . . . . . . . . . . . . . . . . . . . . . . . . . . . . . . . . . . . . . . . 17
Ports . . . . . . . . . . . . . . . . . . . . . . . . . . . . . . . . . . . . . . . . . . . . . . . . . . . . . . . 17
Data Storage—AdvanTag Reader . . . . . . . . . . . . . . . . . . . . . . . . . . . . . . . . . . . 18
Memory . . . . . . . . . . . . . . . . . . . . . . . . . . . . . . . . . . . . . . . . . . . . . . . . . . . . . 18
MicroTags . . . . . . . . . . . . . . . . . . . . . . . . . . . . . . . . . . . . . . . . . . . . . . . . . . . 18
AdvanTag Gateway. . . . . . . . . . . . . . . . . . . . . . . . . . . . . . . . . . . . . . . . . . . . . . . 24
Commands Supported by the Gateway . . . . . . . . . . . . . . . . . . . . . . . . . . 24
Commands Routed to Heads (ATR 9100s connected on CAN bus):. . . . 24
Code Upgrade Functionality in ATR Gateway . . . . . . . . . . . . . . . . . . . . . 25
Interfaces . . . . . . . . . . . . . . . . . . . . . . . . . . . . . . . . . . . . . . . . . . . . . . . . . . . . . . 25
LEDs . . . . . . . . . . . . . . . . . . . . . . . . . . . . . . . . . . . . . . . . . . . . . . . . . . . . . . . 25
Power Indicator . . . . . . . . . . . . . . . . . . . . . . . . . . . . . . . . . . . . . . . . . . . . 25
Host Comm . . . . . . . . . . . . . . . . . . . . . . . . . . . . . . . . . . . . . . . . . . . . . . . 25
Read/Write (9100 Reader only) . . . . . . . . . . . . . . . . . . . . . . . . . . . . . . . . 26
Connectors . . . . . . . . . . . . . . . . . . . . . . . . . . . . . . . . . . . . . . . . . . . . . . . . . . 26
Power . . . . . . . . . . . . . . . . . . . . . . . . . . . . . . . . . . . . . . . . . . . . . . . . . . . . 26
Communication . . . . . . . . . . . . . . . . . . . . . . . . . . . . . . . . . . . . . . . . . . . . 27
Antenna . . . . . . . . . . . . . . . . . . . . . . . . . . . . . . . . . . . . . . . . . . . . . . . . . . 27
External Presence (9100 Reader only) . . . . . . . . . . . . . . . . . . . . . . . . . . 28
Ethernet (in development) . . . . . . . . . . . . . . . . . . . . . . . . . . . . . . . . . . . . 28
Buttons/Switches . . . . . . . . . . . . . . . . . . . . . . . . . . . . . . . . . . . . . . . . . . . . . . 28
Reset . . . . . . . . . . . . . . . . . . . . . . . . . . . . . . . . . . . . . . . . . . . . . . . . . . . . 28
Code Upgrade . . . . . . . . . . . . . . . . . . . . . . . . . . . . . . . . . . . . . . . . . . . . . 28
Long Range (9100 Reader only) . . . . . . . . . . . . . . . . . . . . . . . . . . . . . . . 29
Node Address (9100 Reader only). . . . . . . . . . . . . . . . . . . . . . . . . . . . . . 29
Communications . . . . . . . . . . . . . . . . . . . . . . . . . . . . . . . . . . . . . . . . . . . . . . 30
To Host. . . . . . . . . . . . . . . . . . . . . . . . . . . . . . . . . . . . . . . . . . . . . . . . . . . 30
Read Range . . . . . . . . . . . . . . . . . . . . . . . . . . . . . . . . . . . . . . . . . . . . . . . 30
SECS/ASCII . . . . . . . . . . . . . . . . . . . . . . . . . . . . . . . . . . . . . . . . . . . . . . . 30

Rev. A Released Page ix
AdvanTag 9100/Gateway Technical Manual
Table of Contents
a
Serial Communications Interface . . . . . . . . . . . . . . . . . . . . . . . . . . . . . . . 31
CAN Communications . . . . . . . . . . . . . . . . . . . . . . . . . . . . . . . . . . . . . . . 31
Ethernet Communications . . . . . . . . . . . . . . . . . . . . . . . . . . . . . . . . . . . . 31
Software. . . . . . . . . . . . . . . . . . . . . . . . . . . . . . . . . . . . . . . . . . . . . . . . . . . . . 31
Antenna Performance . . . . . . . . . . . . . . . . . . . . . . . . . . . . . . . . . . . . . . . . . . 32
Read/Write Performance Factors. . . . . . . . . . . . . . . . . . . . . . . . . . . . . . . 32
RF Field Diagrams (9100 Reader only) . . . . . . . . . . . . . . . . . . . . . . . . . . 32
Stick Antennas . . . . . . . . . . . . . . . . . . . . . . . . . . . . . . . . . . . . . . . . . . . . . 32
Chapter 3: Troubleshooting. . . . . . . . . . . . . . . . . . . . . . . . . . . . . . . . . 35
Troubleshooting Chart. . . . . . . . . . . . . . . . . . . . . . . . . . . . . . . . . . . . . . . . . . . . . 35

Page x Released Rev. A
AdvanTag 9100/Gateway Technical Manual
Table of Contents a

Rev. A Released Page xi
AdvanTag 9100/Gateway Technical Manual
List of Figures
a
List of Figures
Figure 1 Outline Drawing, AdvanTag 9100 Reader . . . . . . . . . . . . . . . . . . . . . . . 6
Figure 2 Label Locations, AdvanTag 9100 Reader . . . . . . . . . . . . . . . . . . . . . . 10
Figure 3 Label Locations, AdvanTag . . . . . . . . . . . . . . . . . . . . . . . . . . . . . . . . . 10
Figure 4 AdvanTag Top View . . . . . . . . . . . . . . . . . . . . . . . . . . . . . . . . . . . . . . . .11
Figure 5 AdvanTag 9100 Gateway . . . . . . . . . . . . . . . . . . . . . . . . . . . . . . . . . . . 12
Figure 6 ATR Gateway Connectivity with Host and Slave ATRs . . . . . . . . . . . . 13
Figure 7 AdvanTag 9100 Reader LEDs . . . . . . . . . . . . . . . . . . . . . . . . . . . . . . . 25
Figure 8 Long Range Switch, AdvanTag 9100 Reader, Side View . . . . . . . . . . 29
Figure 9 Node Address Switches (9100 Reader only) . . . . . . . . . . . . . . . . . . . . 30
Figure 10 Stick Antenna 9700-9097-01 (Standard Range only). . . . . . . . . . . . . . 33

Page xii Released Rev. A
AdvanTag 9100/Gateway Technical Manual
List of Figures a

Rev. A Released Page xiii
AdvanTag 9100/Gateway Technical Manual
List of Tables
a
List of Tables
Table 1 AdvanTag 9100 Specifications . . . . . . . . . . . . . . . . . . . . . . . . . . . . . . . . 5
Table 2 Labels. . . . . . . . . . . . . . . . . . . . . . . . . . . . . . . . . . . . . . . . . . . . . . . . . . . 9
Table 3 Attribute Values (ECID and SVID) . . . . . . . . . . . . . . . . . . . . . . . . . . . . 19
Table 4 Power Cable Pin Outs . . . . . . . . . . . . . . . . . . . . . . . . . . . . . . . . . . . . . 26
Table 5 Serial Port Pin Usage. . . . . . . . . . . . . . . . . . . . . . . . . . . . . . . . . . . . . . 31
Table 6 ATR Errors and Solutions. . . . . . . . . . . . . . . . . . . . . . . . . . . . . . . . . . . 35

Page xiv Released Rev. A
AdvanTag 9100/Gateway Technical Manual
List of Tables a

Rev. A Released Page 1
a
Preface
Purpose and Audience
This manual describes the Asyst AdvanTag 9100 Reader, also referred to as the ATR
9100, which is part of Asyst’s radio-frequency auto ID system, AdvanTag. The AdvanTag
Reader is an Asyst OEM, SEMI-standard device that reads and writes to tags embedded
in wafer cassettes, pods, FOUPs, reticle boxes, and so on.
This document is intended for user of the AdvanTag system and the ATR 9100. Service is
not applicable to the ATR 9100; see “Servicing” on page 7.
About this Manual
The AdvanTag Reader Manual is organized as follows:
Chapter 1, General Information, provides specifications and describes safety
considerations and labeling for the AdvanTag 9100 Reader and the AdvanTag Gateway.
Chapter 2, Theory of Operation, provides an operational overview of the AdvanTag 9100
Reader and the AdvanTag Gateway.
Chapter 3 provides troubleshooting.
An Index is also provided in the back of the manual.
References
This manual uses information from several sources, including application notes and other
internal documentation.
Conventions
The following keyboard conventions and terminology are used.
Example Meaning
Bold User action on keyboard keys or other objects are bold.
Choose The word choose is used for menu choices. Submenus are separated by a >.
For example: Choose File > Import > File...

Page 2 Released Rev. A
AdvanTag 9100/Gateway Technical Manual
Safety Tags a
Safety Tags
Special tags are used in this document to alert technicians to personal and equipment
safety hazards.
Before using this document, a thorough understanding of AdvanTag safety issues
detailed in the AdvanTag Reader ATR 9100 Manual must be understood.
The following types of safety tags appear in this document. Note that the following are
only examples; they do not indicate a specific hazard associated with the AdvanTag.
DANGER
CORROSION HAZARD
DANGERS ALERT PERSONNEL TO POTENTIALLY HAZARDOUS
SITUATIONS WHICH, IF NOT AVOIDED, WILL RESULT IN
SERIOUS INJURY OR DEATH.
Click Refers to mouse actions.
For example: Click the hand icon.
Courier New Font Text displayed on the screen uses Courier New.
DOS and windows path names are displayed in Courier New.
For example: Use the C:\Folder\SubFolder\SubFolder2 to access this file.
Source code or DOS commands use courier new.
Hexidecimal streams and examples.
Double quotes Used when discussing or describing an action, functional word, or definition.
Folder Used instead of Directory, unless discussing DOS movement commands.
Italic Italics are used to show computer entry from the users keyboard or Teach Pendant.
Press Shows action by a user on a key or physical button.
For example: Press PF1, then type the file name.
Select Used if the user is to pick from several choices.
For example: Select the lot number from the list supplies.
Type Shows entry.
For example: Type the Product Name and Model Number at the top of the page. Press
Enter.
Example Meaning

Rev. A Released Page 3
AdvanTag 9100/Gateway Technical Manual
Safety Tags
a
WARNING
CORROSION HAZARD
WARNINGS ALERT PERSONNEL TO POTENTIALLY HAZARDOUS
SITUATIONS WHICH, IF NOT AVOIDED, MAY RESULT IN SERIOUS
INJURY OR DEATH.
GENERAL HAZARD
CAUTION
STANDARD CAUTIONS—AS OPPOSED TO EQUIPMENT-DAMAGE
CAUTIONS SHOWN BELOW—ALERT PERSONNEL TO
POTENTIALLY HAZARDOUS SITUATIONS WHICH, IF NOT
AVOIDED, MAY RESULT IN INJURY.
CAUTION
THESE CAUTIONS ALERT PERSONNEL TO SITUATIONS THAT
MAY LEAD TO EQUIPMENT DAMAGE. FAILURE TO FOLLOW
DIRECTIONS WILL RESULT IN DAMAGE TO THE EQUIPMENT
AND/OR DAMAGE TO RELATED PRODUCTS (E.G., WAFERS)
AND VOIDING OF WARRANTY.
NOTE . . .
NOTES EMPHASIZE, OR EXPAND UPON, THE PRESENTED INFORMATION.

Page 4 Released Rev. A
AdvanTag 9100/Gateway Technical Manual
Safety Tags a

Rev. A Released Page 5
a
Chapter 1: General Information
Technical Data (Specifications and Outline Drawing)
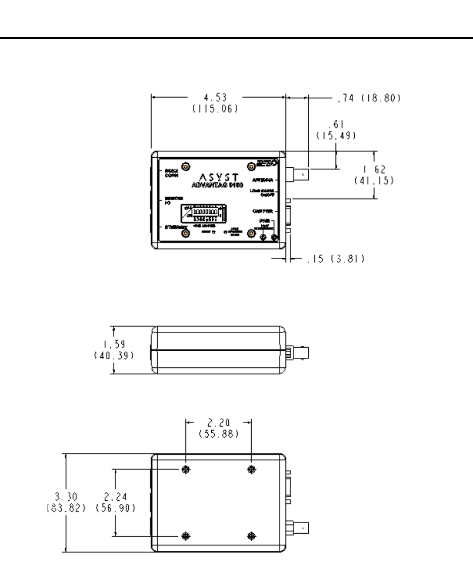
TABLE 1 AdvanTag 9100 Specifications
Width 115.06 mm (4.53 inches)
Depth 41.15 mm (1.62 inches)
Height 40.39 mm (1.59 inches)
Weight TBD
Communications Serial RS-232, Ethernet, CANbus
• Protocols: ASCII, CIDRW SECS, HSMS, CAN Open
Host Protocols supported: ASCII, CIDRW SECS, HSMS
Power Reader: 24 VDC (± 10%);
70mA (current draw in normal condition—no read or write)
225mA maximum (short range, write mode), 125mA maximum (short
range, read mode)
350mA maximum (long range, write mode), 250mA maximum (long
range, read mode)
Gateway: Reader: 24 VDC (± 10%); 300mA
Environmental Operating Temperature 0°to 30° C (non-condensing)
Operating Humidity 30%- 95% (non-condensing)
Storage Temperature 0° to +55° C
Storage Humidity 5%- 90%
Mounting Mounting hardware and mounting pattern provided

Page 6 Released Rev. A
AdvanTag 9100/Gateway Technical Manual
Technical Data (Specifications and Outline Drawing) a
FIGURE 1 Outline Drawing, AdvanTag 9100 Reader

Rev. A Released Page 7
AdvanTag 9100/Gateway Technical Manual
Safety
a
Safety
Before attempting any operation or service, it is essential that the information presented
in this section be read and thoroughly understood. Important information is provided
regarding safety hazards that may be encountered while working with these systems.
General Requirements
Warnings and cautions are used throughout this manual to identify potential hazards to
personnel and equipment, respectively.
All warnings and cautions immediately precede the step or operation in which the
hazardous condition may be encountered. All personnel operating or performing service
on Asyst equipment must fully understand warnings, cautions, and all general safety
regulations associated with electromechanical equipment.
Personnel should become thoroughly familiar with all aspects of safety for individuals and
equipment prior to operating or performing service on this equipment.
Servicing
Refer all service to qualified personnel. There are no user-serviceable parts located
inside the chassis. Return defective units to Asyst Technologies.
ESD / EMI Precautions
The AdvanTag is a certified Radiated EMI Class A product. Radiated susceptibility is
10kV.
GENERAL HAZARD
CAUTION
FOR ESD AND EMI CONSIDERATIONS AND POWER SUPPLY
PROTECTION, THE GROUND CABLE MUST BE PROPERLY INSTALLED.
Electrical Power/Input Power Requirements
Electrical power for the AdvanTag is 24V DC (±10%). In the event of an emergency, all
power can be removed from the AdvanTag by turning off the power to the Host equipment
chassis if the AdvanTag is connected to the EMO of the Host equipment.
SHOCK HAZARD
CAUTION
DO NOT REMOVE COVERS. THERE IS A RISK OF SHOCK.

Page 8 Released Rev. A
AdvanTag 9100/Gateway Technical Manual
Safety a
Environmental
The AdvanTag uses no chemicals or combustibles, and creates no hazardous waste.
Warranty and Liability
See “Warranty” on page i.
NOTE . . .
CHANGES OR MODIFICATIONS TO THE ADVANTAG 9100 NOT EXPRESSLY
APPROVED BY ASYST COULD VOID THE USER'S AUTHORITY TO OPERATE THE
EQUIPMENT.
FCC Compliance
Definition
Class A digital device. A digital device that is marketed for use in a commercial,
industrial or business environment, exclusive of a device which is marketed for use by the
general public or is intended to be used in the home.
Compliance
This equipment has been tested and found to comply with the limits for a Class A digital
device, pursuant to Part 15 of the FCC Rules. These limits are designed to provide
reasonable protection against harmful interference when the equipment is operated in a
commercial environment. This equipment generates, uses, and can radiate radio
frequency energy and, if not installed and used in accordance with the instruction manual,
may cause harmful interference to radio communications. Operation of this equipment in
a residential area is likely to cause harmful interference in which case the user will be
required to correct the interference at his/her own expense.
Antenna Requirements
The antenna is removable and does not employ a unique connector; however, the device
is professionally installed and maintained. Therefore, the AdvanTag 9100 complies with
FCC15.203.
Labeling Requirements
The AdvanTag 9100 is not large enough to accommodate a label with the standard FCC
compliance statement. It is therefore provided here as follows:
This device complies with Part 15 of the FCC Rules. Operation is subject to the following
two conditions: (1) this device may not cause harmful interference, and (2) this device
must accept any interference received, including interference that may cause undesired
operation.

Rev. A Released Page 9
AdvanTag 9100/Gateway Technical Manual
Safety
a
Labeling
TABLE 2 Labels
No. Label Description/Location
1AdvanTag 9100 Reader label The AdvanTag 9100 Reader Label identifies the
various components of the unit. It is located on
the top of the reader. See Figure 3 on page 10.
2AdvanTag Gateway label The AdvanTag Gateway Label identifies the
various components of the unit. It is located on
the top of the reader. See Figure 3 on page 10.
3Serial Number Label (9100 Reader and
Gateway)
The model and serial number labels for the
AdvanTag 9100 Reader and AdvanTag Gateway
are located on the bottom of the respective units.
See Figure 3 on page 10.
These numbers are required when contacting
Asyst Technologies for any matter concerning
the equipment.

Page 10 Released Rev. A
AdvanTag 9100/Gateway Technical Manual
Safety a
Location of Labels used on the AdvanTag
FIGURE 2 Label Locations, AdvanTag 9100 Reader
FIGURE 3 Label Locations, AdvanTag
Serial Number label
AdvanTag 9100 Reader
label
AdvanTag Gateway label Serial Number label

Rev. A Released Page 11
a
Chapter 2: Theory of Operation
AdvanTag Reader
The AdvanTag Reader, designed to meet SEMI and Carrier ID standards, reads and
writes to the MicroTag embedded in wafer cassettes, pods, FOUPs, reticle boxes, etc.
The AdvanTag stores and automatically communicates detailed lot information to a
process tool and fab CIM upon arrival at a load port or during transport in the AMHS.
The main component of this unit is a transmitter that generates radio waves through an
antenna. This Tiris compatible, low-frequency (134.2 kHz), low-power RF energy is used
to read from or write to a transponder near the antenna. The RFID Reader/Writer
provides serial communication with a host through an RS-232 port, using either SECS or
ASCII. It also supports HSMS protocol on its LAN Port and CAN open protocol on its CAN
port. Power is supplied by an external source.
Operating program is field upgradeable via download over the serial host connection.
This unit is designed for versatile installation in many different situations. It can be
installed within OEM tools, within load ports, inside stockers, and on tabletops. Once a
power source, an external antenna, and a communication cable have been connected
and the reader's address (TargetID and DeviceID as described in “Communications” on
page 30) has been set, it is possible to communicate using Stream 18 SECS messages
or ASCII messages (depending on the host protocol being used).
The software and hardware provide integrated self-test and diagnostics. A watchdog
timer and non-volatile memory provide power-failure recovery.
The AdvanTag operates on 24V DC (±10%) supplied by an external power source.
Communication is through a RS232 port, CAN Bus port (only for communicating with the
Gateway), or the LAN port.
FIGURE 4 AdvanTag Top View
LEDs
Ports

Page 12 Released Rev. A
AdvanTag 9100/Gateway Technical Manual
Chapter 2: Theory of Operation
AdvanTag Gateway a
AdvanTag Gateway
The newest Multiplexer available in the Asyst Smart Traveler System (STS) product
family, the ATR Gateway (see Figure 5) enables multiplexing of up to 31 ATR 9000s or
9100s via a single host. The Host system can address each of the ATRs via the Gateway,
which makes the Gateway a transparent system. The communication between the host
and the ATR Gateway is possible via CIDRW_SECS—on RS-232 (or
soon-to-be-available HSMS over ethernet)—or CIDRW_ASCII messages. The
communication between the ATR Gateway and the multiplexed ATRs occurs on the CAN
bus (see Figure 6 on page 13).
FIGURE 5 AdvanTag 9100 Gateway

Rev. A Released Page 13
AdvanTag 9100/Gateway Technical Manual
Chapter 2: Theory of Operation
AdvanTag Gateway
a
FIGURE 6 ATR Gateway Connectivity with Host and Slave ATRs
Multiplexing
The ATR Gateway 9100 can multiplex any SECS message received on the Host port
(RS-232 or HSMS) to CAN bus, and vice versa. It can also multiplex any CIDRW ASCII
message received on the RS-232 Host port to CAN bus. The multiplexing is limited to
Asyst Technologies, Inc. specific CIDRW message standard.
Messages would be routed by Target ID mechanism. Target ID is the ID of each ATR box
which can be set using the DIP Switches on the box. Target ID is always present in any
CIDRW SECS / ASCII message. The ATR Gateway parses the incoming message from
the Host and based on the Target ID value, routes the message to the targeted node
connected on the CAN bus.
The Target ID of the ATR Gateway itself is always 0. Target Ids 1 through 8 would be
dedicated for each of the connected ATRs.
Protocols and Connections
The ATR Gateway can communicate with the host on the SECS or HSMS ports. Please
note that at a time only one of the two channels can be used as a host port.
USING SECS PROTOCOL AS HOST. The ATR gateway can receive a SECSI/II
message on its RS-232 port. In this mode normal SECS 1 handshake takes place
between the Host and the ATR Gateway. Once the entire SECS message is received by
the ATR, its sent over to the desired node as described in next section. Please note that
only CIDRW SECS messages are supported by the ATR Gateway for multiplexing.

Page 14 Released Rev. A
AdvanTag 9100/Gateway Technical Manual
Chapter 2: Theory of Operation
AdvanTag Gateway a
USING HSMS PROTOCOL AS HOST. The HSMS protocol can be used in two modes
ACTIVE mode and PASSIVE mode. The ATR gateway would be used as a PASSIVE
device. In this mode of operation, the ATR Gateway opens up a socket which would listen
for an incoming connection request from an ACTIVE HSMS host. After the initial
handshake, a connection between the Host and the ATR gateway is established. Once a
connection had been established, the host and ATR Gateway can exchange messages
between each other.
To establish a connection with an ATR Gateway, the following gateway specific
information must be present with the host:
• ATR Gateway IP Address: The IP address of the ATR Gateway must be known to
the host so that a connection request could be made on that address. Please note
that HSMS is an IP address associated protocol thus for HSMS communication IP
address of the Passive entity must be known to the Active entity.
• ATR Gateway Port Number: The ATR gateway opens a listening socket as
mentioned earlier but the connection is opened on an ETHERNET PORT. This
number also must be used by the Active entity (the host) to establish a
connection.
NOTE . . .
IT MIGHT BE NOTED THAT THE IP ADDRESS ASSIGNED TO THE ATR GATEWAY
WOULD BE A STATIC IP ADDRESS AND NOT ONE OBTAINED VIA DHCP SERVER.
THE REASON FOR THIS IS THAT HSMS IS AN IP ADDRESS BASED PROTOCOL.
Message Format and Translation
The messages as described in Section 1.1 have to be of the CIDRW SECS and ASCII
standard. The host could communicate with the ATR Gateway on either the RS-232 port
or the ethernet port. On the RS-232 port, the host could communicate over SECS or
ASCII version. When the host communicates over the ethernet, the communication would
happen over the HSMS protocol.
Each CIDRW SECS message (either on the SECS or HSMS port) would have a target ID
in its message body as an item. For example, the command Read MID (S18F9) has the
format
S18F9: 'S18F9' W
<A '##'>. * Target ID.
The item ## represents the Target ID of the node which the host wants to access.
Assuming the host needs to read the MID from node '09', following is the sequence of
operations that would take place.
1. Host sends S18F9 command to the ATR Gateway.
2. ATR Gateway parses the message for validity of data and format and extracts the
Target ID out of the data stream.

Rev. A Released Page 15
AdvanTag 9100/Gateway Technical Manual
Chapter 2: Theory of Operation
AdvanTag Gateway
a
3. ATR Gateway converts the command to CIDRW ASCII format. (09 HCS RMID)
4. ATR Gateway sends this command on the CAN Bus via the CAN-Open Master
protocol.
5. The ATR connected on the node address 09 (Target ID 09) receives the message and
since this command has to read the MID written in the Micro Tag, issues the
command to read the MID.
6. If the radio communication was successful, the MID data would be returned by the
ATR to the ATR Gateway on ASCII command RMIDA.
7. The ATR Gateway receives this command from the ATR, converts the same in to
CIDRW SECS protocol and sends the SECS message to the host.Message
Received on the host
S18F10
<L[4]
<A '09'> *Target ID
<A'NO'> *SSACK
<A'ABCDE'> *MID (Assuming ABCDE was the MID in MicroTag)
<L[4]
<A''>
<A''>
<A''>
<A''>
>
>.
Messages Supported
The ATR Gateway supports only CIDRW ASCII And CIDRW SECS messages as
described in the message set documents CIDRW_ASCII_R.DOC and
CIDRW_SECS_R.Doc
For any other message which is not described on the above said message sets, the ATR
sends back an error message saying that the command is not supported.
At a time only one message can be sent to one of the nodes on the ATR Gateway. The
host has to wait for receiving the reply of a previous message before sending another
message to the same node.
Specifications
• Firmware of the gateway can be upgraded using Software command over the
RS-232 port.
• Can connect to a host on serial port at baud rates of 9600 and 19200.

Page 16 Released Rev. A
AdvanTag 9100/Gateway Technical Manual
Chapter 2: Theory of Operation
Features a
• Supports a 10/100 Base-T ethernet connection for HSMS communication.
• Runs CAN - Open Master protocol for CAN communication and message routing.
Features
LEDs
See “Interfaces” on page 25 for details.
Baud rates
The AdvanTag supports 9600 and 19200 baud rates for communication through the serial
port. Default is 9600.
TCP/IP data rate is 10/100 base T.

Rev. A Released Page 17
AdvanTag 9100/Gateway Technical Manual
Chapter 2: Theory of Operation
Integration of Parts
a
Integration of Parts
Mounting
GENERAL HAZARD
CAUTION
ALL MOUNTING OPERATIONS SHOULD BE PERFORMED WITH
THE POWER CORD TO THE ADVANTAG DISCONNECTED. ALSO,
BE SURE THE 24 VDC POWER CONNECTOR IS
DISCONNECTED. FAILURE TO DISCONNECT BOTH COULD
RESULT IN DAMAGE TO THE ADVANTAG AND PERSONAL
INJURY FROM MECHANICAL AND/OR ELECTRICAL HAZARDS
WITHIN THE FRONT-LOAD ENCLOSURE.
IF REMOVAL OF THE LOAD PORT FROM THE HOST TOOL IS
REQUIRED, ENSURE THAT THE POWER TO THE HOST TOOL IS
REMOVED AND THE POWER DISCONNECT DEVICE IS LOCKED
OUT IN THE OFF POSITION.
On the back of the AdvanTag reader, there are four M3 X .5 holes that can be used for
mounting. An installation kit for mounting the unit to an Asyst 300mm Front-Load is
available; contact Asyst for details.
Other details:
• Install the AdvanTag reader in a dry and clean environment.
• The AdvanTag reader should be mounted to a grounded panel.
• The AdvanTag reader should be mounted where there is easy access to the front
and rear panels and where the air vents on the top and front panel are unblocked.
• The AdvanTag reader should be located as close as possible to the physical cen-
ter of the devices that will be connected to it (the maximum recommended serial
cable length is 10 meters).
For more details, consult instructions for the appropriate installation kit.
Ports
For details on the AdvanTag reader’s ports, see “Connectors” on page 26.

Page 18 Released Rev. A
AdvanTag 9100/Gateway Technical Manual
Chapter 2: Theory of Operation
Data Storage—AdvanTag Reader a
Data Storage—AdvanTag Reader
Memory
The ATR9100 can read/write up to 136 bytes of data from/to the transponder (MicroTag).
This memory is divided into two sections. The first is for Material Identification (MID),
which is configurable using the attribute set and can be up to 136 bytes long (range:
8-136, standard: 16). The second (Notepad) is for the balance of the memory. The
amount of available MID and Notepad memory is dependent upon the MicroTag used.
Two types of MicroTags are available, single page and seventeen page versions. Each
page contains 64 bits, resulting in eight bytes of memory per page. MicroTags are
available as read/write or read only.
MicroTags
The AdvanTag reader can interact with MicroTags with regard to the following information:
SECS communication:
• Are You There - This message is used to perform the heartbeat between the host
and the connected device.
• Read Attribute Request - This message requests the current values of ECID or
SVID of the subsystem component indicated in TargetID.
• Write Attribute Request - This message requests the subsystem to set the value
of ECID of the component specified in TargetID to configure desired behavior.
Only applicable write-able attributes (like ECID) may be used in this message.
• Read Data Request - This message reads the “NOTEPAD” (Linear Memory) sec-
tion of the subsystem component indicated in TargetID.
• Write Data Request - This message writes data to the NOTEPAD section of the
subsystem component indicted in TargetID.
• Read Material ID Request - This message is used to request the subsystem indi-
cated by TargetID to read an MID.
• Write Material ID Request - This message is used to request the subsystem indi-
cated by TargetID to write a Material identifier.
• Subsystem Command Request - This message is used to request the subsystem
indicated in TargetID to perform a specific action. Included in this set are the fol-
lowing commands: SSCMD 04 - LED BLINK/ON/OFF on Node Device; SSCMD
07 - Perform Diagnostics; SSCMD 13 - Reset; SSCMD 15 - Change State;
SSCMD GetStatus.
• Event Report Send - This message is used to send events to the host. Included in
this set are the following commands: CEID 01 - Material (Pod/Cassette) Arrival
Event; CEID 02 Material (pod/Cassette) Removal Event; CEID 03 - Operator
Arrival Event; CEID 04 - Operator Leaving Event; CEID 08 - AdvanTag/LinkMan-
ager Power up; CEID 09 - Code Upgrade Event.

Rev. A Released Page 19
AdvanTag 9100/Gateway Technical Manual
Chapter 2: Theory of Operation
Data Storage—AdvanTag Reader
a
• Read STATE Request - This message will query the CIDRW state of the transition
model.
ASCII communication:
• Are You There - This message is used to perform the heartbeat between the host
and the connected device.
• Read Attribute Request - This message requests the current values of ECID or
SVID of the subsystem component indicated in TargetID.
• Read Data Request - This message reads the “NOTEPAD” (Linear Memory) sec-
tion of the subsystem component indicated in TargetID.
• Write Data Request - This message writes data to the NOTEPAD section of the
subsystem component indicted in TargetID.
• Read Material ID Request - This message is used to request the subsystem indi-
cated by TargetID to read an MID.
• Write Material ID Request -This message is used to request the subsystem indi-
cated by TargerID to write Material identifier
• Subsystem Command Request - This message is used to request the subsystem
indicated in TargetID to perform a specific action. Included in this set are the fol-
lowing commands: SSCMD 04 - Blink LED on Node/Device; SSCMD 07 - Perform
Diagnostics; SSCMD 13 - Reset; SSCMD 15 - Change State; SSCMD GetStatus.
• Event Report Send - This message is used to send events to the host. Included in
this set are the following commands: CEID 01 - Material (Pod/Cassette) Arrival
Event; CEID 02 Material (pod/Cassette) Removal Event; CEID 03 - Operator
Arrival Event; CEID 04 - Operator Leaving Event; CEID 08 - AdvanTag/LinkMan-
ager Power up.
• Read STATE Request - This message will query the CIDRW state of the transition
model.
Attribute Values:
TABLE 3 Attribute Values (ECID and SVID)
Attribute Description and Limits or Values
AlarmStatus The Alarm Status
Value = 0 or 1
CarrierIDOffset 0 to CID_MAX_LENGTH-1
CarrierIDOffset + CarrierIDLength <=
CID_MAX_LENGTH
CarrierIDLength 1 to CID_MAX_LENGTH
CarrierIDOffset + CarrierIDLength <=
CID_MAX_LENGTH
CID_MAX_LENGTH (8*N) N = Page1 to 17

Page 20 Released Rev. A
AdvanTag 9100/Gateway Technical Manual
Chapter 2: Theory of Operation
Data Storage—AdvanTag Reader a
CID_DISPLAY ON = Enable
OFF= Disable
CID_NP_ASCII ON = Enable
OFF= Disable
CID_ERROR ON = Enable
OFF= Disable
CID_JUSTIFY R = Right
L= Left
CID_PAD NUL = 0x00
ZERO = 0x30
Configuration
(Applicable only to version 21A
and later)
01 through 31
ENABLE_EVENTS Enable Events (Pod or Operator
arrival/removal, and powerup.
ON = Event will be generated.
OFF = Events will not be generated.
Default = ON
EXTENDEDSSACK
(Applicable only to version 20C
and later)
Enables the extended error codes in SSACK.
The SEMI standard specifies only five codes
(NO, EE, CE, HE, and TE). When this option
is ON, up to 100 error codes might be
generated. Please see SSACK for all error
code.
ON = All error codes generated.
OFF= Only SEMI standard error codes
generated
HardwareRevisionLevel
Applicable only to version 21A
and later
Subsystem Hardware Rev. of Upstream
Controller OR Head (as applicable)
Up to 8 bytes
HeadID
(Applicable only to version 21A
and later)
Returns the HeadID or TargetID
Two digits
HeadStatus
(Applicable only to version 21A
and later)
IDLE or MANT
HSMS_IP
(SECS only)
HSMS IP address (Passive Connection)
HSMS_PORT
(SECS only)
HSMS Port address (Passive Connection)
HWREV Same as HardwareRevisionLevel
TABLE 3 Attribute Values (ECID and SVID)
Attribute Description and Limits or Values

Rev. A Released Page 21
AdvanTag 9100/Gateway Technical Manual
Chapter 2: Theory of Operation
Data Storage—AdvanTag Reader
a
Manufacturer
(Applicable only to version 21A
and later)
Returns “Asyst”
MANTWRITEONLY If this attribute is enabled, then MID (CID)
and Data is read and written according to the
E99 standard
EN = Enable
DI = Disable
Default = DI
MDLN Asyst Model designation of Upstream
Controller OR Head (as applicable)
Up to 8 bytes
ModelNumber
(Applicable only to version 21A
and later)
Same as MDLN
OIP Operator Arrival Status
OIP_AUTOREAD Auto read On or OFF
ON = On
OFF = Off
Default = OFF
OIP_AUTOREAD_DATA The memory type to read upon Pod-In-Place
Event:
(Offset, or MID
Note: Offset applies only to NOTEPAD.
This attribute should be modified with respect
to OIP_AUTOREAD_LENGTH
Default = MID
OIP_AUTOREAD_LENGTH Length of NOTPAD data to read upon
Operator arrival.
Applies only to NOTEPAD
Note: This attribute should be modified with
respect to OIP_AUTOREAD_DATA
Default = 16
OIP_SENSOR_POLARITY OIP Sensor Polarity.
HI = Active-High. When Sensor goes high,
Operator Arrival event is generated
LO = Active-Low. When Sensor goes low,
Operator Arrival event is generated
Default = LO
OperationalStatus
(Applicable only to version 21A
and later)
IDLE or MANT
Note: Set through only Subsystem commands
TABLE 3 Attribute Values (ECID and SVID)
Attribute Description and Limits or Values

Page 22 Released Rev. A
AdvanTag 9100/Gateway Technical Manual
Chapter 2: Theory of Operation
Data Storage—AdvanTag Reader a
PIP Pod In Place status
PIP_AUTOREAD_DATA The memory type to read upon Pod-In-Place
Event:
(Offset, or MID)
Note: Offset applies only to NOTEPAD.
Note: This attribute should be modified with
respect to PIP_AUTOREAD_LENGTH
Default = MID
PIP_AUTOREAD_LENGTH Length of NOTEPAD data to read upon Pod
arrival.
Note: Applicable only if data type is
NOTEPAD
Note: This attribute should be modified with
respect to PIP_AUTOREAD_DATA
Default = 16
PIP_SENSOR_POLARITY PIP Sensor Polarity.
HI = Active-High. When Sensor goes high,
Pod Arrival event is generated
LO = Active-Low. When Sensor goes low, Pod
Arrival event is generated
Default = LO
RDA
(Applicable only to version 21A
and later)
AdvanTag returns either RD or RDA in
response to the ASCII RD command.
EN = Enabled, returns RDA
DI = Disabled, returns RD
Default = EN
SECS_T1 (SECS only) SECS T1 timeout
Default = 5
SECS_T2 (SECS only)
(Host port on LM)
SECS T2 timeout
Default = 50
SECS_T3 (SECS only)
(Host port on LM)
SECS T3 timeout
Default = 45
SECS_T4 (SECS only)
(Host port on LM)
SECS T4 timeout
Default = 45
SECS_RETRY (SECS only)
(Host port on LM)
SECS-1 Protocol Retry limit
Default = 3
SERIALNUM The SerialNumber
SerialNumber
(Applicable only to version 21A
and later)
Same as SerialNumber
TABLE 3 Attribute Values (ECID and SVID)
Attribute Description and Limits or Values

Rev. A Released Page 23
AdvanTag 9100/Gateway Technical Manual
Chapter 2: Theory of Operation
Data Storage—AdvanTag Reader
a
Please refer to the Asyst CIDRW Messages SECS protocol manual (Asyst part number
2000-1442-01) and Asyst CIDRW Messages ASCII protocol manual (Asyst part number
2000-1455-01) for more detailed information on communication with the AdvanTag.
SOFTREV Subsystem Software Rev. of Upstream
Controller OR Head (as applicable)
8 bytes
SoftwareRevisionLevel
(Applicable only to version 21A
and later)
Same as SOFTREV
SELF_TEST_RESULT Last self test result
P = Pass
F = Fail
TARGETID The TargetID of the device, set-able through
the DIP switches
TABLE 3 Attribute Values (ECID and SVID)
Attribute Description and Limits or Values

Page 24 Released Rev. A
AdvanTag 9100/Gateway Technical Manual
Chapter 2: Theory of Operation
AdvanTag Gateway a
AdvanTag Gateway
Commands Supported by the Gateway
S1F1. This command is supported on the Gateway only. The Gateway would respond
with a reply of S1F2 with the model number of “AG9100” and Soft Rev of “G10AB1”.
S18F1. This command is intended for reading the attributes of the Gateway itself. The
attributes supported by the Gateway are “Configuration”, “AlarmStatus”, “Operational
Status”, “SoftwareRevisionLevel”, “ModelNumber”, “DeviceType”, “Manufacturer”,
“BAUDRATE”, “SECS_T1”, “SECS_T2”, “SECS_T3”, “SECS_T4”, “SECS_RETRY”.
S18F2 is returned with the values of each of the attributes requested.
S18F3. This command is intended for writing the attributes to the Gateway. The attributes
supported are described in the previous section B. S18F4 is returned with the appropriate
SSACK response.
Sub System Commands. The Gateway supports the following sub system commands:
• Sub system command 7 (Perform Diagnostics): The Gateway performs
diagnostics on itself and returns a S18F14.
• Sub system command 13 (Reset): The Gateway accepts the Reset command
and resets itself. No event is sent on reset of the Gateway.
NOTE . . .
THE HOST SOFTWARE MUST WAIT FOR AT LEAST 10 SECONDS BEFORE ISSUING
ANY COMMAND TO THE GATEWAY OR ONE OF THE HEADS.
• Sub system command GetStatus: The Gateway returns the status to be either
IDLE or MANT depending upon its current status.
Commands Routed to Heads (ATR 9100s connected on CAN bus):
The commands supported by the ATR Gateway to be routed to the nodes on the CAN
bus are in the E99 standard. The commands with a target ID of 1 through 31 are routed
on the CAN bus. The commands supported are:
S18F1 (Read Attribute)
S18F3 (Write Attribute)
S18F5 (Read Data)
S18F7 (Write Data)
S18F9 (ReadID)
S18F11 (Write ID)
S18F13 (Subsystem commands)
S18F79 (Read Status)

Rev. A Released Page 25
AdvanTag 9100/Gateway Technical Manual
Chapter 2: Theory of Operation
Interfaces
a
Code Upgrade Functionality in ATR Gateway
Code Upgrade functionality would be provided by the processor’s On Chip boot loader. To
achieve the Code Upgrade functionality, the ATR needs to be switched to the Code
Upgrade mode. See “Code Upgrade” on page 28 for further details.
Interfaces
There are three LEDs to signify activity, a RESET button, and a switch panel for
specifying the unit's address (TargetID). See below for more details.
LEDs
The LEDs located on the top of the reader (see Figure 7) indicate the operational status
of the AdvanTag.
FIGURE 7 AdvanTag 9100 Reader LEDs
Power Indicator
The POWER indicator, when lit, indicates that power is applied to the AdvanTag.
Host Comm
Green/Red/Amber, controllable by host command (on/off/blinking).
Light Status Power
Off No power
Green Power on
Read/Write
LED
Host
Comm
LED
Power LED

Page 26 Released Rev. A
AdvanTag 9100/Gateway Technical Manual
Chapter 2: Theory of Operation
Interfaces a
Read/Write (9100 Reader only)
The Read/Write LEDs indicates communication status:
Read/Write failures occur as a result of one of the following:
• Attempted to read multiple pages of a single-page MicroTag
• Multiple MicroTags are in range
• Attempted a write operation on a read-only MicroTag or a looked page
For read/write ranges, see “Antenna Performance” on page 32.
Connectors
The AdvanTag reader features four external ports.
Power
The port labeled PWR/CAN is for a power supply of 24VDC. Asyst can supply a
120-220V adapter or the OEM can supply this power.
This is a DB9 male receptacle, 24 VDC (+/- 10%), 70mA typical, 350mA maximum
(Gateway is 300mA); see Table 1, “AdvanTag 9100 Specifications,” on page 5 for further
details. The following table shows the pin outs.
Light Communication Status
Off Radio off
Green Successful read/write
Red Read/Write failure (details below)
TABLE 4 Power Cable Pin Outs
From Color To From To Color Signal
X-9 RED/1 Y-9 -- -- -- 24VDC
J1-1 P1-1 PS+12VDC BLK
Y-6 BLK/1 V-6 -- -- -- GND
Y- 5 B L K / 7 Y- 5 - - - - - - G N D
J1-2 P1-2 P/S-GND BLK
Y- 3 B L K - 3 Y- 3 - - - - - - G N D
Y-2 WHT/3 Y-7 -- -- -- CAN-L
Y- 7 B L U / 4 Y- 7 - - - - - - C A N - H

Rev. A Released Page 27
AdvanTag 9100/Gateway Technical Manual
Chapter 2: Theory of Operation
Interfaces
a
Communication
The port labeled RS232 COMM is for RS232 communication.
This is a shielded RJ45 socket. A cable which connects the Reader to a PC is available
from Asyst.
SHOCK HAZARD
CAUTION
DO NOT TOUCH THE INSIDE OF THE ANTENNA CONNECTOR.
FAILURE TO COMPLY MAY RESULT IN INJURY.
Antenna
CAUTION
ANTENNAS SHOULD ONLY BE INSTALLED BY QUALIFIED
PERSONNEL. FAILURE TO COMPLY MAY RESULT IN
MALFUNCTION OR DAMAGE TO THE UNIT AND/OR ANTENNA.
The port labeled REMOTE ANTENNA is for an external antenna. Contact Asyst for
available antennas.
This is a BNC socket; use with Asyst antennas is required.
GENERAL HAZARD
CAUTION
NEVER USE A NON-ASYST ANTENNA WITH THE ADVANTAG
9100. FAILURE TO COMPLY WILL VOID FCC AND CE
CERTIFICATION.
Pin Signal
4Ground
5Tx Data
6Rx Data

Page 28 Released Rev. A
AdvanTag 9100/Gateway Technical Manual
Chapter 2: Theory of Operation
Interfaces a
External Presence (9100 Reader only)
The port labeled REMOTE I/O is for an external presence sensor that detects events
such as pod arrival and pod removal.
The REMOTE I/O port is a shielded RJ45 socket used for the external presence sensor.
Ethernet (in development)
The Ethernet port is a shielded RJ45 socket used for communication to a host using
HSMS.
NOTE . . .
FOR INFORMATION ON COMMUNICATION THROUGH ALL PORTS, PLEASE REFER
TO THE SOFTWARE MANUAL.
Buttons/Switches
Reset
Press this button to reset the unit. This will set the baud rate to 9600 and the SECS
DeviceID to match the TargetID (default is 0003).
Code Upgrade
It will be necessary to put the AdvanTag in Upgrade mode in order to download new
software through the serial port.
To set the AdvanTag 9100 in Upgrade mode, press the Reset and Code Upgrade buttons
simultaneously, then release the Reset button, then wait approximately 2-3 seconds, then
release the Code Upgrade button.
To exit Upgrade mode, press the Reset button.
Pin Signal
124 VDC
2Presence
4Ground
Pin Signal
1TX+
2TX-
3RX+
6RX-

Rev. A Released Page 29
AdvanTag 9100/Gateway Technical Manual
Chapter 2: Theory of Operation
Interfaces
a
Long Range (9100 Reader only)
Located on the side of the unit (see Figure 8 on page 29), this dip switch controls the
read/write range of the antenna. When the switch is in the On position, the unit is in
Standard Range mode. When the switch is in the Off Position, the unit is in Long Range
mode (see “Antenna Performance” on page 32).
FIGURE 8 Long Range Switch, AdvanTag 9100 Reader, Side View
Node Address (9100 Reader only)
CAUTION
THE NODE ADDRESS PANEL (SEE Figure 9 on page 30)
SHOULD ONLY BE ACCESSED BY QUALIFIED PERSONNEL.
FAILURE TO COMPLY MAY RESULT IN MALFUNCTION OR
DAMAGE TO THE UNIT.
Used to specify the unit's address or TargetID. The switches represent powers of binary
digits:
The ON setting represents 1 and the OFF setting represents 0. For example, to set the
address to “15,” set switches 1, 2, 3, 4 ON and 5, 6 OFF. See Figure 9 on page 30.
Switch # Binary Digit
11
22
34
48
516
632
Antenna
Connector
CAN PWR
Connector
Long Range
Switch

Page 30 Released Rev. A
AdvanTag 9100/Gateway Technical Manual
Chapter 2: Theory of Operation
Interfaces a
FIGURE 9 Node Address Switches (9100 Reader only)
Communications
To Host
The AdvanTag reader communicates to the host via RS-232, CAN, or LAN ports.
Read Range
Typical read range of the AdvanTag reader is 1 to 4 inches (1 to 7 inches in Long Range
mode). Read range is dependent on the antenna design and the operational environment
in which the antenna is installed. See “Antenna Performance” on page 32 for further
details.
SECS/ASCII
Refer to the specific protocol documentation concerning either Stream 18 SECS
messages or Asyst ASCII messages for details. The basic functions available are to read
and write attributes, read and write material IDs (MIDs), read and write data, and various
subsystem commands such as turning an LED on or off. Note that the single-page
transponders hold an 8 byte MID only and the multi-page transponders hold a 16-byte
MID and 120 bytes of data.
The TargetID (as described in the SEMI E99 and E5 standards) can be set with the
NODE ADDRESS switches; default value is 3. The SECS I DeviceID can be set through
an attribute or the Reset button. When Reset, the DeviceID is automatically changed to
match the TargetID; the baud rate will be changed to the default 9600 as well. The baud
rate can also be set through an attribute setting. Byte format is 8 data bits, 1 stop bit and
no parity. The SECS I timeouts and retries can be set through attribute settings; defaults
are T1 = 0.5 secs, T2 = 10 secs, T3 = 45 secs, T4 = 45 secs, Retries = 3.
When connected on CANbus, no two AdvanTag 9100s should have the same Target ID.

Rev. A Released Page 31
AdvanTag 9100/Gateway Technical Manual
Chapter 2: Theory of Operation
Interfaces
a
Serial Communications Interface
The AdvanTag has one port for serial-computer-communications interface. It is an RJ45
RS232 interface. It has a transmit (TX) and a receive (RX) line and ground. See Tabl e 5
on page 31.
CAN Communications
The ATR 9100 has one port for CAN communications. It is a DB-9 male connector; see
pinout in Table 4 on page 26.
Ethernet Communications
The ATR 9100 has an Ethernet port, which is an RJ45 socket. Communication protocol is
HSMS.
NOTE . . .
1. SERIAL CABLES MUST BE WIRED AS NULL-MODEM CABLES.
2. CABLES CANNOT BE DAISY-CHAINED.
Software
For more software information, please refer to the Asyst CIDRW Messages SECS
protocol Manual (Asyst part number 2000-1442-01 and the Asyst CIDRW Messages
ASCII protocol Manual (Asyst part number 2000-1455-01).
TABLE 5 Serial Port Pin Usage
Pin
Number Name Serial Comm
(SECS/ASCII) RJ45
1(N/C) not used
2(N/C) not used
3(N/C) not used
4Ground X
5TX X
6RX X
7(N/C) not used
8(N/C) not used

Page 32 Released Rev. A
AdvanTag 9100/Gateway Technical Manual
Chapter 2: Theory of Operation
Interfaces a
Antenna Performance
The AdvanTag antennas work in conjunction with the AdvanTag Reader ATR9100 to read
and write the MicroTag. Communications occur between the antenna and the MicroTag
using very low radio frequency (134.2khz). Performance of these antennas (read and
write distance as well as speed) is affected by the presence of metal and RF generators,
such as color monitors in the antenna communication field.
Read/Write Performance Factors
Factors that influence tag read and write performance:
• Proximity of the tag and antenna
• Length of cable between the AdvanTag Reader and the antenna (including exten-
sion cables)
• Orientation of the tag to the antenna
• Amount of metal adjacent to either the tag or the antenna
• Amount of background EMF in the environment
NOTE . . .
IF AN ANTENNA IS POSITIONED AGAINST A MICROTAG, THE ANTENNA WILL NOT
READ IN MOST CASES. ALL OF THE RESULTS LISTED WERE TESTED IN AN OFFICE
ENVIRONMENT.
RF Field Diagrams (9100 Reader only)
The diagrams accompanying the types of antenna for reference only. Note the following
conditions for each diagram:
• The coil of micro-tag must be completely contained in write area.
• The shaded area in center is a non-write area (null).
• Write ranges are approximately 50% of read ranges.
• The read and write distances cited are for reference only. Ranges are dependent
upon actual installed environment.
• It may not be possible to replicate the same results outside of lab environments
due to a variety of environmental conditions.
Stick Antennas
The stick antenna 9700-9097-01 is designed to be attached to the external antenna
connector of the ATR 9100 and optimized for use in metallic environments such as a
300mm Front-Load (PN 9700-6224-02). The average read range is 2.0" (50.8mm). These
stick antenna diagrams refer to a stick antenna as being flat on the YZ axis, centered at
0,0,0.

Rev. A Released Page 33
AdvanTag 9100/Gateway Technical Manual
Chapter 2: Theory of Operation
Interfaces
a
FIGURE 10 Stick Antenna 9700-9097-01 (Standard Range only)

Page 34 Released Rev. A
AdvanTag 9100/Gateway Technical Manual
Chapter 2: Theory of Operation
Interfaces a

Rev. A Released Page 35
a
Chapter 3: Troubleshooting
This chapter presents the common problems that may occur when using the AdvanTag
unit.
Troubleshooting Chart
If there are any other problems, or if none of the above corrective actions clears the
problem, replace the AdvanTag.
If there are any other problems, or if none of the above corrective actions clears the
problem, replace the AdvanTag. Other considerations to assure proper ATR functioning:
• The baud rate is to be the same between Host and ATR.
• The target ID is to be correct in the SECS and ASCII message that gets sent to
the ATR.
• The MicroTag is to be in the proper range and relative location to the antenna.
TABLE 6 ATR Errors and Solutions
Error or Symptom Likely Cause(s) Corrective Action
Unit not functioning
properly.
Power failure. Check connection for power cables.
Is the power LED on? It must be green.
Note: Host Comm, Read/Write LEDs—each
to blink for approximately 2 seconds total at
green, orange, then red before they turn off.
Communication cables loose
or disconnected.
Check serial cables for loose connector.
Check connector for bent pin(s).
During read and write
programs, the
READ/WRITE LED turns
red.
MicroTag or antenna is not
installed correctly.
Install MicroTag correctly. The
READ/WRITE LED should turn green only.
Refer to ATR magnetic field pattern diagram.
During read and write
programs, the
READ/WRITE LED turns
orange instead of green.
MicroTag is not present or
out of range.
The antenna cable is loose.
The antenna is bad.
Install MicroTag or antenna properly. The
READ/WRITE LED should turn green.
Tighten the antenna cable.
Replace the antenna.
Adjust the location of the antenna.
During read and write
programs, the
READ/WRITE LED does
not blink.
The RS232 cable is loose.
The RS232 cable is bad.
The ATR is bad.
Host command is wrong.
Tighten the RS232 cable.
Replace the RS232 cable.
Replace the ATR.
Check Host command and target ID.

Page 36 Released Rev. A
AdvanTag 9100/Gateway Technical Manual
Troubleshooting Chart a

Rev. A Released Page 37
AdvanTag 9100/Gateway Technical Manual
a
A
antennas
stick 32
tubular 32
audience 1
B
baud rates 16
binary digits 29
C
comments, reader ii
conventions 1
D
default settings 16, 28
deviceID 30
disclaimers i
E
equipment modification i
H
Host Comm LED 25
I
installation kit, 300mm Front-Load 17
L
languages i
M
MicroTag 32
N
node address 29
O
operating program 11
outline drawing 5
P
power indicator 25
R
ranges
read
typical 30
read/write performance factors 32
references 1
reset 28
S
SEMI safety standards 11
specifications 5
T
targetID 30
theory of operation 11
trademarks i
training i