Audi Aud S Users Manual 190 113269B Aug 2007
AUD-S to the manual 0608ef4e-6dd1-459d-ba04-6cdf88da6320
2015-01-24
: Audi Audi-Aud-S-Users-Manual-310346 audi-aud-s-users-manual-310346 audi pdf
Open the PDF directly: View PDF
.
Page Count: 24

INSTALLATION AND
OWNER’S MANUAL
As of date of manufacture,
meets all ANSI/UL 325
Safety Requirements for
Vehicular door operators
AUD-S
AU SERIES WITH SOLID STATE CONTROL CIRCUITRY
DRAWBAR COMMERCIAL VEHICULAR DOOR
OPERATORS
READ THIS MANUAL
CAREFULLY BEFORE
INSTALLATION OR USE
SAVE THESE INSTRUCTIONS !
Serial #:
Date Installed:
Your Dealer:
107093

READ THESE STATEMENTS CAREFULLY AND FOLLOW THE
INSTRUCTIONS CLOSELY.
The Warning and Caution boxes throughout this manual are there to protect you and
your equipment. Pay close attention to these boxes as you follow the manual.
WARNING
Indicates a MECHANICAL
hazard of INJURY OR
DEATH. Gives instructions
to avoid the hazard.
CAUTION
Indicates a MECHANICAL hazard
of DAMAGE to your operator or
equipment. Gives instructions to
avoid the hazard.
Indicates an ELECTRICAL
hazard of INJURY OR
DEATH. Gives instructions
to avoid the hazard.
WARNING
Indicates an ELECTRICAL hazard
of DAMAGE to your operator or
equipment. Gives instructions to
avoid the hazard.
CAUTION
Description ...........................................................................................................Page
Model AUD-S Drawbar Operator Features................................................................ 3
Model AUD-S Applications ........................................................................................ 3
Preparation................................................................................................................. 4
Figure 1 - Component Identification Pictorial (Unpacking)..................................... 4
Important Installation Warnings (Things To Do Before & During Installation)...... 5
Table 1 - Component Identification Listing .............................................................. 5
Rail/Chain Assembly Instructions ............................................................................ 6
Installation Instructions........................................................................................ 7-12
Electrical Wiring Instructions.................................................................................. 10
Pneumatic Door Edge Installation .......................................................................... 11
Field Wiring ......................................................................................................11 & 12
Turning on Power to the Operator .......................................................................... 12
Operation and Adjustment Instructions ............................................................ 13-19
Important Safety Instructions for Owner................................................................ 13
Setting the Switch Selectable Operating Modes.................................................... 14
Set-Up Operating Characteristics Instructions`..................................................... 15
Brake Adjustment .................................................................................................... 16
Setting The Limits .................................................................................................... 17
Clutch Adjustment ................................................................................................... 18
Testing ...................................................................................................................... 19
Maintenance ............................................................................................................ 19
Wiring Diagrams/Schematics (Single & Three Phase) ..................................20 & 21
Operator Dimensions............................................................................................... 22
Parts Identification................................................................................................... 23
Operator Specifications........................................................................................... 24
Warranty ................................................................................................................... 24
2 TABLE OF CONTENTS

MODEL AUD-S OPERATOR APPLICATIONS:
Drawbar operators are for commercial and industrial
use on sectional overhead doors which use horizontal
track with normal radius. A draw bar operator is not
suitable for doors with high lift exceeding 24 inches or
vertical lift doors. The installation requires a minimum
clearance of 5 inches above the high arc of the door
(the highest point reached by the door at any part of its
travel). For back-room requirement refer to Figure 24,
Page 22. When properly installed a drawbar operator
effectively locks the door in the closed position.
The Model AUD drawbar operators are used in the
following applications:
-Continuous Duty, Medium Cycle Commercial
installations only
-Indoor Use Only
-Up to 22 foot high doors with a maximum area of
480 square feet for 3/4 HP, 280 square feet for 1/2
HP and 200 square feet for 1/3 HP - maximum area
slightly higher for lighter doors - consult factory
-Use with foam or pneumatic reversing edge door
components - REQUIRED where the 3 button
station is out of sight of the door or any other
automatic, remote or manual control is used to
activate the door.
The purpose of this booklet is to provide assembly,
installation and operation information concerning the
Model AUD-S Commercial Vehicular Garage Door
Operators and related Accessory Products.
NOTICE
IT IS IMPORTANT THAT THIS INSTRUCTION
MANUAL BE READ AND UNDERSTOOD
COMPLETELY BEFORE INSTALLATION OR
OPERATION IS ATTEMPTED. IT IS INTENDED
THAT THE INSTALLATION OF THIS UNIT WILL BE
DONE ONLY BY PERSONS TRAINED AND
QUALIFIED IN THE INSTALLATION, ADJUSTMENT
AND SERVICE OF COMMERCIAL OVERHEAD
DOORS AND DOOR OPERATORS AND BY
QUALIFIED ELECTRICIANS.
NOTICE
THE IMPORTANT SAFEGUARDS AND
INSTRUCTIONS IN THIS MANUAL CANNOT COVER
ALL POSSIBLE CONDITIONS AND SITUATIONS
WHICH MAY OCCUR DURING ITS USE. IT MUST
BE UNDERSTOOD THAT COMMON SENSE AND
CAUTION MUST BE EXERCISED BY THE PERSON
(S) INSTAL- LING, MAINTAINING AND OPERATING
THE EQUIPMENT DESCRIBED HEREIN. DO NOT
USE THIS EQUIPMENT FOR ANY OTHER THAN ITS
INTENDED PURPOSE - OPERATING OVERHEAD
COMMERCIAL VEHICULAR GARAGE DOORS.
STANDARD FEATURES:
Solid State Controls: The openers employ solid state
technology with advanced standard features to provide
for a complete commercial door operating system.
Switch Selectable Operating Modes: Six distinct base
operation modes can be selected by resetting the switches
on the motor control board: a standard Open, Close, Stop
(B2, momentary button push); three constant pressure
modes (C2, D1, and E2); two Timer to Close modes (T
and TS). See page 14 for complete description of the
modes.
Switch Selectable Characteristic Modes: Five different
operating characteristics can be activated and/or modified
through the switches on the motor control board: Delay
On Reverse, Close Limit Delay, Mid Stop Travel, Timer
to Close, Maximum Run Timer.
Limit Switches: Driven limit switches, easily adjusted
over a wide range. The motor may be removed without
affecting the limit switch adjustments
Manual Release: Permits manual operation of the door
in the event of a power failure.
Control Circuit: Standard three button open, close and
stop. 5 Volts DC.
Connections For Auxiliary Entrapment Protection
Devices: Use with foam or pneumatic reversing door
edge components or a photoelectric beam (across the
opening).
OPTIONAL FEATURES:
Digital Radio Controls: Open, Close and Stop
operation. Radio units are available to control up to 27
doors from one transmitter
Keyless Entry System: Connection terminals provided
for hard wired or wireless keyless entry system.
Brake: Optional on 1/3 & 1/2HP, Standard on 3/4 HP.
Can be added in the field.
3
PRODUCT FEATURES

Before starting the installation of the operator, the door must be in
good working condition and properly counterbalanced. Inspect the
door and track for loose or missing hardware. Test the door
manually for balance and ease of operation. Lubricate door hinges
and rollers. If necessary, adjust the springs for proper
counterbalance of the door.
Before removing the operator powerhead from the shipping carton,
inspect the nameplate on the cover of the operator control box to
verify that it is the correct model for the intended application and
that the voltage and phase are in accordance with electrical power
provided at the job site.
The rails and drawbar chain/hardware package are shipped
separately from the powerhead. Warning: Rope off the area
to keep personnel and vehicles clear of the door and floor
space in the vicinity of the operator during the
installation.
ELECTRIC DOOR OPENERS ARE DESIGNED
FOR DOORS IN GOOD WORKING CONDITION,
PROPERLY COUNTERBALANCED AND
PROPERLY ADJUSTED IN ACCORDANCE WITH
THE DOOR MANUFACTURER'S INSTALLATION
INSTRUCTIONS.
WARNING
SPRINGS ARE SUBJECT TO VERY
HIGH FORCES AT ALL TIMES AND
ADJUSTMENTS MUST BE MADE ONLY
BY A QUALIFIED PROFESSIONAL
DOOR INSTALLER.
WARNING
REMOVE OR DISABLE ANY LOCKING
DEVICES FROM DOOR AND REMOVE
ALL ROPES
WARNING
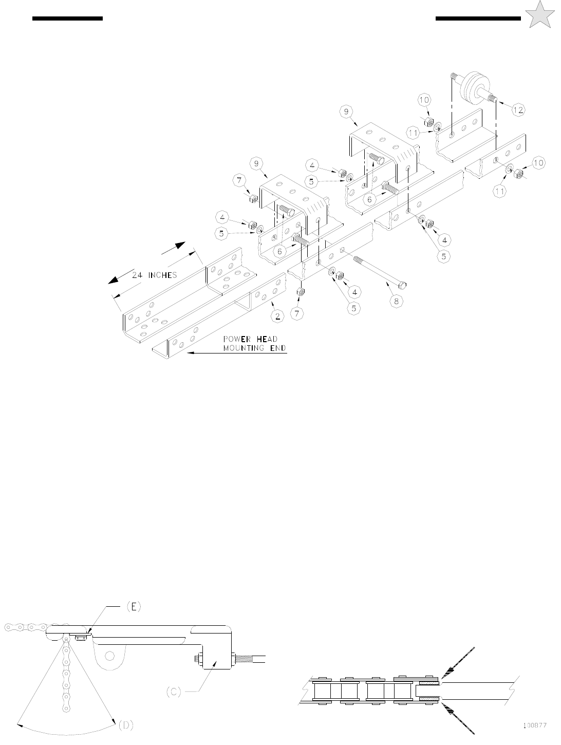
COMPONENT IDENTIFICATION PICTORIAL
107100
Figure 1
4 PREPARATION

TO REDUCE THE RISK OF SEVERE INJURY
OR DEATH: READ AND FOLLOW ALL
INSTALLATION INSTRUCTIONS!
WARNING
ITEM # PART# DESCRIPTION QUAN.
1 Operator Power Head 1
2 Track Rails 2
7 006031 3/8-16 Keps Hex Nut 6
8 101315 3/8 - 16 X 6-1/2 Hex Head Blot 1
9 107049 Track Bracket AR
10 006034 1/2 - 15 Hex Nut 2
11 006049 1/2 Split Lockwasher 2
12 106265 Front Idler Assembly 1
13 Chain For Track Rail 1
14 3 Piece Chain Connecting Link 1
15 006084 Chain Tension Adjustment Bolt 1
16 006031 3/8 - 16 Keps Hex Nut 2
17 100512 Track Trolley 1
—— AR - As Required
ITEM # PART# DESCRIPTION QUAN
18 005031 3 Button Station 1
19 100513 Release Door Arm 1
20 100236 Extension Door Arm 2
21 100235 Curved Door Arm 1
22 100108 Door Bracket 1
23 100469 Hardware Pkg Com. Door Arm 1
26 3/8 - 16 X 2-1/2 Carriage Bolt 2
16 3/8 - 16 X 1 Hex Head Bolt 1
27 3/8 Nylon Insert Locknut 1
28 5/16 - 18 X 1-1/4 Hex Head Bolt 4
29 5/16 - 18 Keps Hex Nuts 4
25 100468 Hardware Pkg Com. Track Assy 1
4 3/8 - 16 Hex Nut AR
5 3/8 Split Lockwasher AR
6 3/8 - 16 X 1-1/2 Hex Head Bolt AR
• Install only on a properly balanced garage
door. An improperly balanced door could cause
severe injury. Have a qualified service person
make repairs to cables, spring assemblies and
other hardware before installing the opener.
• Remove all ropes and remove or make
inoperative all locks (unless mechanically and/or
electrically interlocked to the power unit) that are
connected to the garage door before installing the
opener.
• Lightweight doors (fiberglass, aluminum etc.)
must be reinforced to avoid door damage. Check
the door manufacturer’s instruction manual for a
bracing procedure or the availability or a
Reinforcement Kit. See Page 9.
• Model AUD-S is a Commercial Vehicular
Door Operator and as such IS NOT recommended
for pedestrian traffic. In installations where it is
known that pedestrians will be nearby ensure a
pedestrian door is available for entrance and exit
to the building. In addition YOU MUST install an
auxiliary entrapment protection device (reversing
door edge or photoelectric beam device).
• Connect an auxiliary entrapment protection
device (reversing edge or photoelectric device
across the door opening). a device of this type is
STRONGLY ADVISED FOR ALL commercial
operator installations. An auxiliary entrapment
protection device is REQUIRED when the three
button control station is out of sight of the door
or any other automatic or manual control is
used.
• Install the opener at least 8 feet or more
above the floor.
• Do not connect the opener to the source of
power until instructed to do so.
• Locate the control station:
a) within sight of the door and;
b) at a minimum height of five feet above
the floor and;
c) away from all moving parts of the door.
• Do not overtighten the clutch adjustment to
compensate for a poorly working door.
• Securely attach any WARNING signs or
placards to either the door or above the control
station as directed.
• After installing the opener, all safety features
must be tested for proper operation (see page
19).
COMPONENT IDENTIFICATION LISTING
5
IMPORTANT INSTALLATION WARNINGS

2) After the track is assembled, position track assembly onto
the operator power head and attach with four 3/8”-16 x 1” bolts,
lock washers and nuts (supplied in a separate hardware package
#100470).
NOTE: To keep #41 chain (used
on 1/2 and 3/4 H.P. operators) centered
on the threaded stud, place a .065" thick flat
washer (provided) on each side of the flat, as
indicated by the arrows in Figure 4, when installing
the connecting link. One-third horsepower operators use the
narrower #65 chain and the use of the spacers is not required.
Install chain around drive sprocket at operator head then around
idler at front end of rail and thread through opening at front end
of carrier. If the rail is equipped with a chain guide-spacer near
its center (12 foot rail or longer only) pass the chain over it in one
direction and under it in the other direction to separate the two
lengths of chain. Apply initial tension by pushing forward on the
carrier while pulling chain tight through opening in the carrier in
the direction of D. When maximum tension has been applied by
this means, swing chain forward and insert retaining plate, E, in
place. Insert 1/4-20 x 5/8 hex head machine screw through
retaining plate, E, and tighten plate in place. Make final
adjustment of chain tension to remove excess sag by adjusting
nuts on threaded rod at chain lug, C.
RAIL/CHAIN ASSEMBLY
Refer to Figure 1 parts illustrations. The part names and item numbers are
referenced identically to the part names and numbers in the assembly procedures
that follow. Before starting assembly of the operator track check for the
proper length. The tracks are supplied for 8 Foot, 10/12/14 Foot,
16/18 Foot and 20/22 Foot high doors. The tracks should be
three (3) feet longer than the door height. If the tracks
supplied with the operator are longer than the door
height plus 3 feet, it will be necessary to cut off two
feet (or 4 feet for 10 Foot rail) from the power head
mounting end as shown in Figure 2.
CAUTION: WHEN NECESSARY TO
CUT THE TRACK ENSURE THE
ENDS ARE LINED UP AS IN
FIGURE 2.
1) Assemble the
operator track by
assembling the items
as shown in Figure 2.
3) Referring to Figure 1 , 2 and 3 (below) , slide the trolley
onto the track with the chain take up bolt lug (C) toward the
power head. Thread one 3/8-16 keps nut (attached star washer)
onto the Chain take up bolt with the keps part (attached star
washer) away from the chain attachment end. Insert the chain
take up bolt threaded end through the lug hole on the trolley (C)
just far enough to start a second 3/8-16 keps nut. Attach one end
of the chain to the opposite end of the threaded stud using a 3-
piece chain link (provided). See Figure 3.
Figure 3
100461
Figure 4
Figure 2
107068
48” FOR 10FT RAIL
6 RAIL/CHAIN ASSEMBLY INSTRUCTIONS

TO AVOID DAMAGE TO DOOR AND OPERATOR
ENSURE ALL DOOR LOCKS ARE DISABLED.
USE AN INTERLOCK SWITCH IF A LOCK IS
REQUIRED TO RETAIN FUNCTIONALITY.
CAUTION
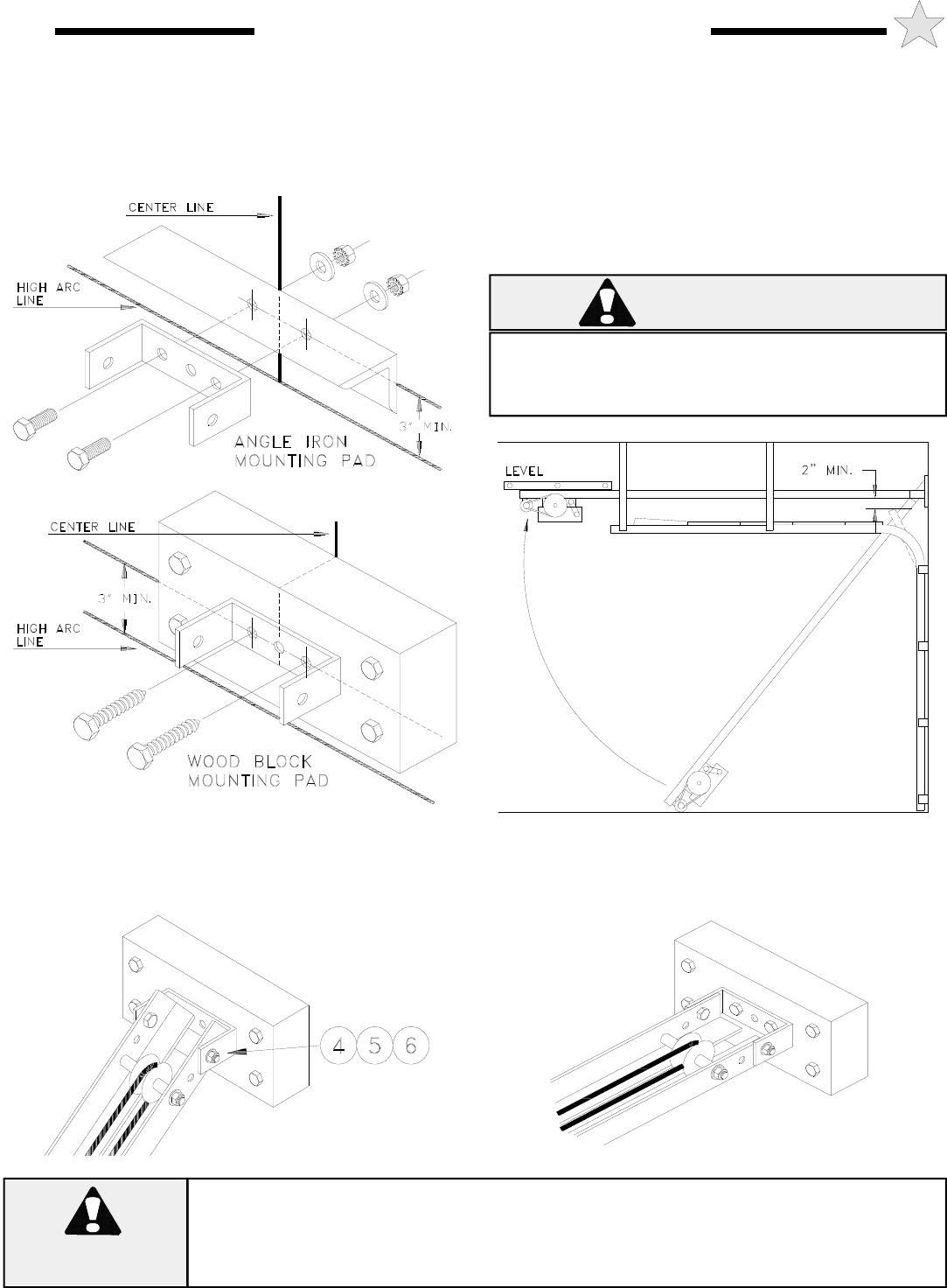
1) Locate the center of the door and mark a line on the wall
directly above the door. Extend this line approximately 20” up
the wall. See Figure 5.
A MINIMUM OF TWO PERSONS ARE
REQUIRED FOR OPERATOR
INSTALLATION.
ENSURE A SAFE RIGID WORKING
PLATFORM IS AVAILABLE.
CAUTION
3) Using the projected lines for location, mount a suitable
wood block or angle iron, depending on the structure of the
building, to the wall above the door opening as shown in Figure
7. Ensure the block or angle iron used will provide a sound and
secure mounting pad for the operator rail front mounting bracket,
see CAUTION warning below.
2) Slowly raise the garage door and observe the action of the
top section. When the top section reaches the highest point
(high arc), use a level and project a line from this point to the
center of the door. See Figure 6.
THE FRONT MOUNTING SURFACE FOR THE
OPERATOR MUST BE SOUND AND SECURE.
IF NECESSARY PROVIDE REINFORCEMENT
IN THIS AREA BEFORE MOUNTING THE
OPERATOR RAIL FRONT MOUNTING
BRACKET.
CAUTION
Figure 6
107095
Figure 5
107094
Figure 7
107096
7
INSTALLATION INSTRUCTIONS

4) Mount the front mounting bracket (Item 9) to the mounting
pad as shown in Figure 8. The location of the door’s torsion
shaft may prevent you from placing the mounting pad in the
location shown. Mount the pad as close as possible to three (3)
inches above the door’s high arc point.
6) Swing the operator to a horizontal position above the door
guide rails (high enough to raise the door) and temporarily
secure by suspending from the ceiling with a suitable rope or
chain or support from the floor to the operator. Now open the
garage door slowly, being careful not to dislodge the temporary
support. Lower the operator until it is level. Make sure the
operator is aligned with the center of the door and the bottom of
the rail is at least 2” above the high arc of the door. See Figure
10.
5) With the door in the down position, loosely attach the rail
support to the mounting bracket using two (2) bolts, lockwashers
and nuts (Items 4, 5, 6). See Figure 9.
7) Tighten securely the two (2) bolts, nuts and washers that
were loosely attached in Step 5. See Figure 11.
FAILURE TO SUSPEND THE OPERATOR
SECURELY MAY RESULT IN SERIOUS
PERSONAL INJURY OR DEATH.
WARNING
SPRINGS, PULLEYS, CABLES AND MOUNTING HARDWARE USED TO
BALANCE YOUR GARAGE DOOR ARE UNDER EXTREME TENSION AT
ALL TIMES AND CAN CAUSE SEVERE INJURY OR DEATH IF DISTURBED.
DO NOT ATTEMPT ADJUSTMENT.
WARNING
Figure 8
107051
Figure 10
107052
107054
Figure 11
Figure 9
107053
8 INSTALLATION INSTRUCTIONS

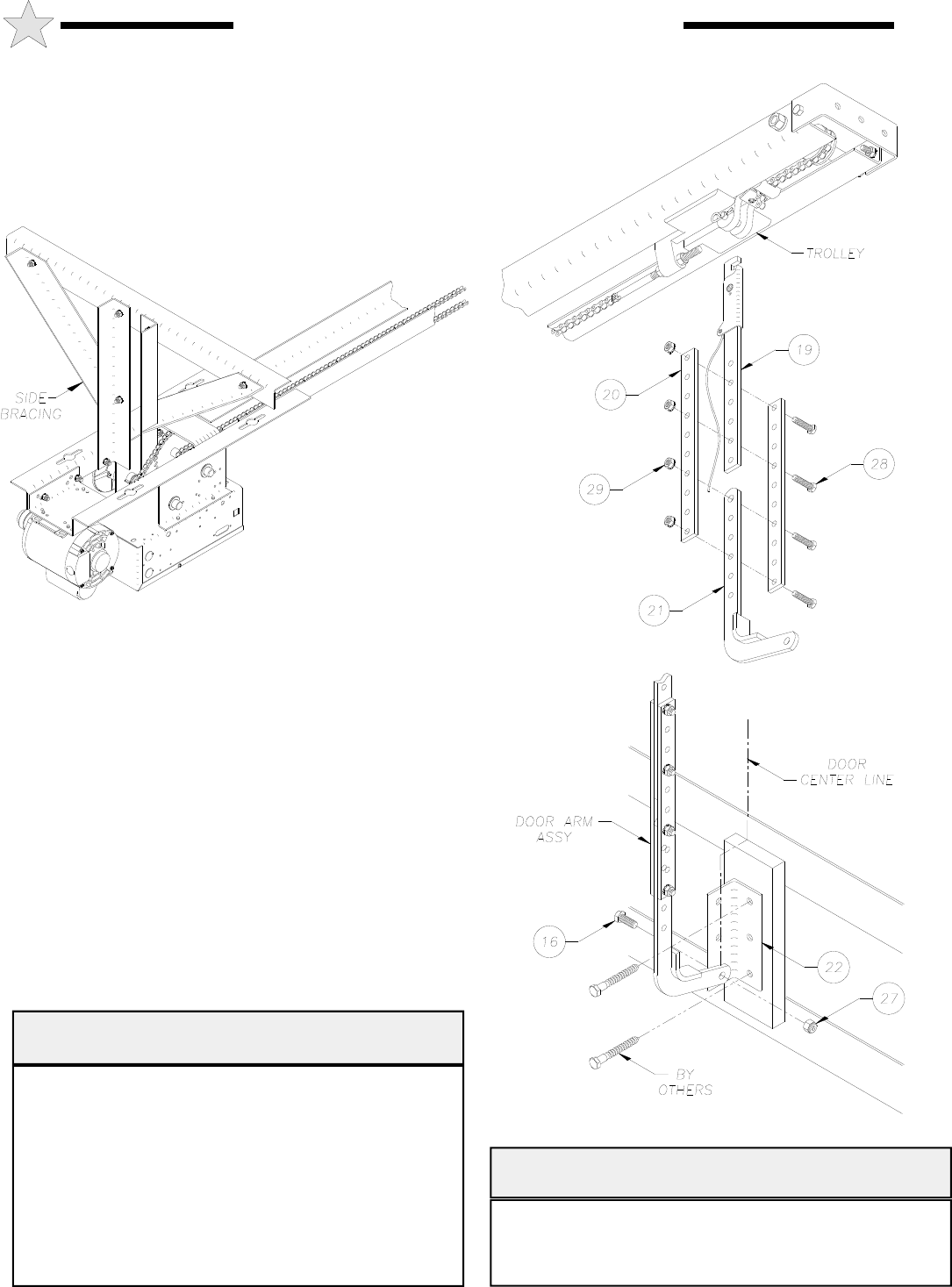
8) Figure 12 details a typical method of hanging the operator
from the ceiling. Each installation will vary due to the
difference in building structures; but in all installations side
braces should be used to further strengthen the installation. If
the operator track (rail) is longer than 15 feet a mid support is
recommended.
9) Fully close the door and move the trolley to within 2
inches of the idler sprocket. Using Figure 13 as a guide,
connect the release arm (Item 19) to the trolley. Connect the
two extension arms (Item 20) and the door curved arm (Item 21)
to the door release arm with 5/16 inch bolts and keps nuts
(Items 28 & 29).
10) Refer to Figure 14. Attach the door bracket (Item 22) to
the curved arm using a 3/8 bolt and locknut (Items 16 & 27).
Tighten the bolt until snug then back off 1/4 to 1/2 turns so as to
allow the arm to pivot on the bolt freely. Position the door
bracket to the scribed center line on the door. Use suitable
hardware to attach the door bracket to the door.
TO AVOID DAMAGE TO THE DOOR TOP
SECTION REINFORCE THE CENTER STILE
WITH A VERTICAL BRACE. ADDITIONAL
BRACING/REINFORCEMENT MAY BE
REQUIRED WHEN THE DOOR IS
CONTROLLED BY AN AUTOMATIC DOOR
OPERATOR; CONSULT THE DOOR
MANUFACTURER FOR INSTRUCTIONS.
IMPORTANT
BEFORE PROCEEDING RECHECK ALL
BOLTS, NUTS AND LAG SCREWS AND
ENSURE THEY ARE TIGHT.
NOTE
Figure 12
107141
Figure 13
107142
Figure 14
107143
9
INSTALLATION INSTRUCTIONS

TO AVOID DAMAGE TO DOOR AND OPERATOR
ENSURE ALL DOOR LOCKS ARE DISABLED.
USE AN INTERLOCK SWITCH IF A LOCK IS
REQUIRED TO RETAIN FUNCTIONALITY.
CAUTION
TO PREVENT THE RISK OF PERSONAL
INJURY AND/OR DAMAGE TO DOOR OR
PROPERTY, ONLY OPERATE DOOR
CONTROL WHEN DOOR IS IN CLEAR VIEW.
IF CONTROL STATION CANNOT BE
LOCATED WHERE THE DOOR IS VISIBLE
OR IF ANY OTHER DEVICE IS USED TO
CONTROL THE DOOR AN AUXILIARY
ENTRAPMENT DEVISE (DOOR EDGE OR
PHOTOELECTRIC) MUST BE CONNECTED.
WARNING
RISK OF ENTRAPMENT THAT MAY
RESULT IN SERIOUS PERSONAL INJURY
OR DEATH. DISCONNECT POWER TO
THE OPENER BEFORE AND DURING
INSTALLATION OF AN ACCESSORY
REVERSING DOOR EDGE OR
PHOTOELECTRIC DEVICE. DO NOT
RECONNECT POWER TO OPENER UNTIL
INSTRUCTED TO DO SO. ENSURE
DOORWAY IS CLEAR BEFORE STARTING
TESTING OF UNIT.
WARNING
TO PREVENT THE RISK OF PERSONAL INJURY
OR DEATH :
• DISCONNECT POWER AT THE FUSE BOX
BEFORE PROCEEDING.
• ELECTRICAL CONNECTIONS MUST BE MADE
BY A QUALIFIED INDIVIDUAL.
• OBSERVE LOCAL ELECTRICAL CODES WHEN
WIRING THE OPERATOR.
WARNING
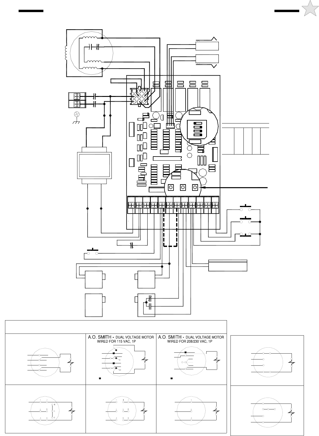
WARNING: The AUD-S Series operators have been designed
and constructed for use with voltages from 115 Volts AC to
480 Volts AC, in single or three phase. Check the operator
nameplate label on the control box cover for the proper
voltage and phase. The application of an improper input
voltage or phase will result in catastrophic failure to the
internal electrical components.
Observe local electrical codes when wiring the operator.
When hard wiring, observe state and local electrical codes. A
wiring diagram is attached to the inside of the control box cover.
Connect the appropriate voltage and phase power leads to the
appropriate terminals as per the wiring diagram and connect a
ground wire to the grounding screw. On three phase units,
incorrect phasing of the power supply will cause the motor to
rotate in the wrong direction (open when CLOSE button is pushed
and vice versa). To correct this, interchange any two of the
incoming three phase conductors.
The wiring diagram attached inside the cover of the control box
details all of the field wiring terminal connections for the operator.
Always connect the wires to the push-button controls and auxiliary
devices exactly as shown.
Warning: Control voltage of the opener is 5 volts DC, Class 2.
Do not run the power leads and control circuit wiring in the same
electrical conduit.
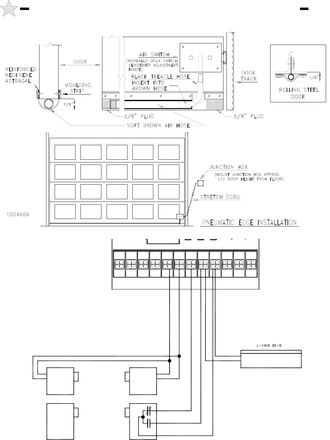
Note: AUD-S Series model openers are pre-wired for door
reversing edge components. To comply with code requirements,
the door reversing edge components must be installed and wired
to the opener. Refer to Figure 15 Door Edge component
installation and Figure 16 for Door Edge and photoelectric
device wiring.
If a Safe-Finish™ or Access Alliance Safe-Finish II™ photo-
beam is connected and the photo-beam detects an obstruction or
becomes inactive, an opening door continues to open and a
closing door stops, pauses and starts open. While in this mode,
if a problem is detected while the opener is stopped, a close
action will require constant activation of the push button. If the
photo-beam is attached and is properly working for 1 second, it
will be auto detected and the monitored function will be
turned on. Once the monitoring function is active, it will remain
active even if the power is removed and the photo-beam is
disconnected and power is restored. While in this mode, if a
problem is detected while the opener is stopped, a close will
require constant activation.
Openers which are equipped with a reversing edge circuit may
have one or more additional means of control which should be
wired in accordance with the diagram supplied in the opener
and also illustrated on Pages 20 & 21. To add a second three
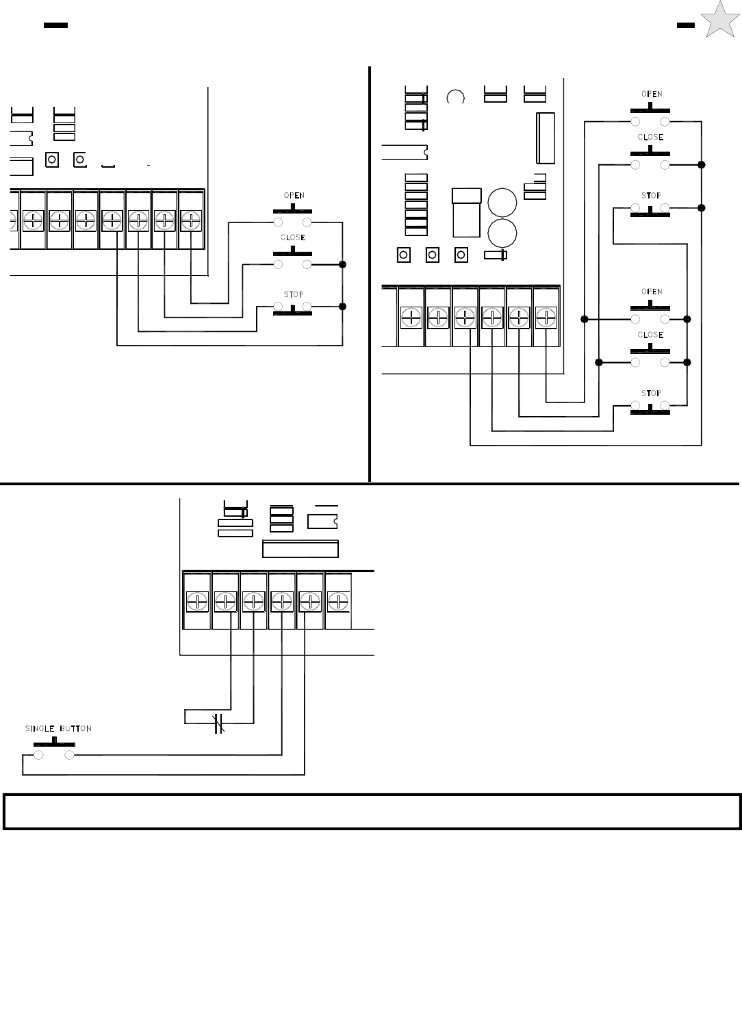
button station, refer to Figure 18.
Number 22 gauge wire or heavier must be used for wiring
the control stations and auxiliary control devices to the
operator. Smaller gauge wire will cause operational
problems, especially when multiple push-button stations are
used or during summer months.
10 ELECTRICAL WIRING INSTRUCTIONS

Figure 15
OPEN
TB1
STOPCLOSEOPEN
COM
CLOSE
STOP
NO REV
NC REV
PHOTO
COM
SINGLE
ILOCK
24 VAC
COM
SAFE FINISH PHOTOBEAM
3-WIRE PHOTOBEAM
MOTOR
CONTROL
BOARD
Door Edge and Photoelectric Wiring
See text on page 10 for operation when Safe-Finish™ or Access
Alliance Safe-Finish II™ photo-beams are connected.
Note: When adding a
photocell device with a
Normally Closed output
remove the factory installed
jumper from the connection
terminals.
Figure 16
11
PNEUMATIC DOOR EDGE INSTALLATION - FIELD WIRING

12
NOTE: It is now necessary to turn on the power in order to change the Operating Mode (if
applicable), program any changes desired to the operator’s other settings, check for proper
performance of all the operator’s features to include the brake (if applicable) and clutch
(adjusting settings if necessary); and to set and finalize any adjustments to the limit settings.
Before doing so, ensure that all mounting hardware are installed and properly tightened, that all
electrical connections are per local code requirements, and that proper wiring practices have been
followed. Also, double-check that all ropes have been removed from the door and that the
doorway is clear.
Figure 17
PCB 112695 REV B TSLK
OPEN
C25
PB1 PB2 PB3
U5
STOPCLOSEOPEN
C1
R84 R2
R3
D12
COM
CLOSE
STOP
NO REV
NC REV
PHOTO
MOTOR
CONTROL
BOARD
Single 3 Button Station
MOTOR
CONTROL
BOARD
CDOMCB 2005
c.p. ALLSTAR COR
P
R8
R24
TB1
P5
R93 U5
R4
C21
D1
EXTERNAL INTERLOCK
PHOTO
COM
SINGLE
ILOCK
24 VAC
COM
Single Button and External Interlock Wiring
Figure 19
Note: When adding an External Interlock
remove the factory installed jumper from
the connection terminals.
TURNING ON THE POWER TO THE OPERATOR
RADIO
24V
R56
R55
R54
PCB 112695 REV B TSLK
OPEN
RM1
RM2
RM3
VCC
COM
P7
C25
R94
R87
R38
PB1 PB2 PB3
R5
R25
STOPCLOSEOPEN
C24
U1
D8
U4
C11
R30
R26
R29
C3
C1 C8
R95
R2
R3
D2
R65
C10
D3
C9
D12
R57
COM
CLOSE
STOP
NO REV
NC REV
MOTOR
CONTROL
BOARD
Multiple 3 Button Station Figure 18
3/SINGLE BUTTON STATION / INTERLOCK FIELD WIRING

OPERATION AND ADJUSTMENT INSTRUCTIONS 13
IMPORTANT SAFETY INSTRUCTIONS FOR OWNER
• Understand all of the operating features of your door control system at the
time of its installation. Your installing dealer will demonstrate them for you.
• NEVER let children operate or play with door controls. Keep the Remote
Control away from children.
• ALWAYS keep a moving door in sight and keep people and objects away from
the door area until the door is completely closed. NO ONE SHOULD CROSS
THE PATH OF A MOVING DOOR.
• TEST THE DOOR OPENER’S REVERSING FEATURE (where applicable)
MONTHLY. The door MUST reverse upon contact with a 4” high object on the
floor. After adjusting the force setting (clutch) or the limit of travel, ALWAYS
RETEST the Opener. Failure to ADJUST THE OPENER PROPERLY may result
in SERIOUS INJURY OR DEATH.
• If possible, USE THE MANUAL RELEASE only when the door is closed. Use
caution when using the Release with the door open. WEAK OR BROKEN
SPRINGS MAY ALLOW THE DOOR TO CLOSE RAPIDLY, CAUSING SEVERE
INJURY OR DEATH.
• KEEP THE GARAGE DOOR PROPERLY BALANCED. See the door owner's
manual. An improperly balanced door MAY CAUSE SEVERE INJURY OR
DEATH. Have a QUALIFIED SERVICE PERSON MAKE REPAIRS TO CABLES,
SPRING ASSEMBLIES AND OTHER HARDWARE. SAVE THIS INSTRUCTION
MANUAL FOR END USER
• Inspect and maintain your door system as described in this manual.
TO REDUCE THE RISK OF SEVERE INJURY OR
DEATH: READ AND FOLLOW ALL INSTRUCTIONS!
WARNING
AVOID ELECTROCUTION:
DO NOT ROUTE LOW VOLTAGE WIRES IN
SAME CONDUIT AS HIGH VOLTAGE
WIRES. FOLLOW ALL LOCAL
ELECTRICAL CODES OR THE NATIONAL
ELECTRICAL CODE.
WARNING
FAILURE TO TEST REVERSING
SYSTEM COULD RESULT IN DEATH
OR SERIOUS INJURY. TEST THIS
SYSTEM ONCE A MONTH.
WARNING

14 OPERATION AND ADJUSTMENT INSTRUCTIONS
Changing the Switch Selectable Operation Modes
The following modes are selected by setting the on-board dip
switches, Figure 20 at right shows where the switches are
located on the operator control board. For each Operational
Mode, the switches are set to either ON or OFF according to the
table at right below. For all the modes, if a reversing device is
attached, it will function as noted. If a monitored reversing
device has been recognized and becomes inactive then the mode
will default to constant pressure activation for close regardless
of the dip switch setting. The switches must be set to one of the
six Operational Mode combinations for the operator to function.
C2 Operation (Factory default)
Open Button: Momentary activation; open override of closing
door.
Close Button: Constant activation, door will stop when butto full
open (ignores mid-stop) unless stopped by stop pushbutton
input.
Mid-Stop: Activation stops an opening door; momentary contact
of open button at mid stop will restart door to full open position;
if door is moving open, constant pressure on open button will
bypass mid-stop.n is released.
Stop Button: Momentary activation; stops open, close or reverse
action.
Single Button: Momentary activation to open; open override of
closing door.
Reverse: Momentary activation will reverse a closing door,
reverse to
Auto Close Timer: N/A.
B2 Operation
Open Button: Momentary activation; open override of closing
door.
Close Button: Momentary activation.
Stop Button: Momentary activation; stops open, close or reverse
action.
Single Button: Momentary activation to open; open override of
closing door, closes door from mid-stop or open limit.
Reverse: Momentary activation will reverse a closing door,
reverse to full open (ignores mid-stop) unless stopped by stop
pushbutton input.
Mid-Stop: Activation stops an opening door; momentary contact
of open button at mid stop will restart door to full open position;
if door is moving open, constant pressure on open button will
bypass mid-stop.
Auto Close Timer: N/A.
D1 Operation
Open Button: Constant activation; open override of closing
door.
Close Button: Constant activation, door will stop when button is
released.
Stop Button: Momentary activation; stops open, close or reverse
action (not required).
Single Button: N/A.
Reverse: Momentary activation will stop a closing door.
Mid-Stop: Activation stops an opening door; after the door stops
at the mid stop, constant contact of open button at mid stop will
restart door to full open position.
Auto Close Timer: N/A.
E2 Operation (roll-back)
Open Button: Momentary activation; open override of closing
door.
Close Button: Constant activation, door will reverse to full open
(ignores mid-stop) when button is released.
Stop Button: Momentary activation; stops open, close or reverse
action.
Single Button: N/A.
Reverse: Momentary activation to reverse a closing door,
reverse to full open (ignores mid-stop) unless stopped by stop
pushbutton input.
Mid-Stop: Activation stops an opening door; momentary contact
of open button at mid stop will restart door to full open position;
if door is moving open, constant pressure on open button will
bypass mid-stop.
Auto Close Timer: N/A
CDOMCB 2005
EDGE
RADIO
c.p. ALLSTAR CORP.
P4
24V
S1
R58
R56
R55
R54
R45
R46
R53
PCB 112695 REV B TSLK
K2K4K3K5
K6
COM
OLS
CLS
COM
HIGH VOLTAGE
OPEN
MO4
MO3
MO2
MO1
ILK
24V
COM
VCC
FRA
COM
24V
RM1
RM2
RM3
VCC
COM
P7
R8
R24
C12
TB1
STATUS
LD4
OFF
S4
S3
S2
S1
C25
R94
R87
R38
R22
R10
P5
PB1 PB2 PB3
R49
C6
R93
R90
U5
R62
R61
R60
R5
R25
R9
R23
R51
R19
R17
R13
R20
R18
R14
STOPCLOSEOPEN
R7R6
R16R15
R11 R12
POWER
C24
R85
U1
C2
RO1
D8
U4
C11
R30
R26
R29
C3
C1 C8
R47
R84
R95
SW1
R83
R82
R33
R34
R2
R3
R4
C21
R21
D2
R65
C10
D3
C9
TR4
TR2
R52
C14
TR1
R48
C13
TR3
R89
Q1
C7
D1
D12
R28
R27
C16
LD3
LD2
P2 P3
R1
C30
P1
R31
P6
R57
COM
CLOSE
STOP
NO REV
NC REV
PHOTO
COM
SINGLE
ILOCK
24 VAC
COM
MOTOR CONTROL BOARD
US
LD4
OFF
S4
S3
S2
S1
R61
R60
R5
SW1
R83
R28
R27
3
Figure 20
Settable
Switches
Location
Operating
Mode
Switch
1
Switch
2
Switch
3
Switch
4
C2 Operation OFF OFF OFF OFF
B2 Operation ON OFF OFF OFF
D1 Operation OFF ON OFF OFF
E2 Operation ON ON OFF OFF
TS Operation OFF OFF ON OFF
T Operation ON OFF ON OFF
SETTING THE SWITCH SELECTABLE OPERATING MODES

OPERATION AND ADJUSTMENT INSTRUCTIONS 15
TS Operation
Open Button: Momentary activation; open override of closing
door.
Close Button: Momentary activation.
Stop Button: Momentary activation; stops open, close or reverse
action.
Single Button: Momentary activation to open; open override of
closing door, closes door from mid-stop or open limit.
Reverse: Momentary activation will reverse a closing door,
reverse to full open (ignores mid-stop) unless stopped by stop
pushbutton input.
Mid-Stop: Activation stops an opening door; momentary contact
of open button at mid stop will restart door to full open position;
if door is moving open, constant pressure on open button will
bypass mid-stop.
Auto Close Timer: Closes door from mid-stop or open limit after
pre-set time. Stop will deactivate the auto close timer. Open will
reactivate the auto close timer or reset the auto close timer when
the door is at the mid-stop or open limit. Single button will reset
the auto close timer from the mid-stop or open limit. Reverse
will reactivate the auto close timer or reset the auto close timer
when the door is at the mid-stop or open limit.
T Operation, Dip-Switch Setting
Open Button: Momentary activation; open override of closing
door.
Close Button: Momentary activation.
Stop Button: Momentary activation; stops open, close or reverse
action.
Single Button: Momentary activation to open; open override of
closing door, closes door from mid-stop or open limit.
Reverse: Momentary activation will reverse a closing door,
reverse to full open (ignores mid-stop) unless stopped by stop
pushbutton input.
Mid-Stop: Activation stops an opening door; momentary contact
of open button at mid stop will restart door to full open position;
if door is moving open, constant pressure on open button will
bypass mid-stop.
Auto Close Timer: Closes door from mid-stop or open limit after
pre-set time. Stop will deactivate the auto close timer. Open will
reactivate the auto close timer or reset the auto close timer when
the door is at the open limit. Single button will reset the auto
close timer from the mid-stop or open limit. Reverse deactivates
the auto close timer if the door is closing. Reverse will reset the
auto close timer at the mid-stop or open limit if the auto close
timer has not been previously deactivated.
SETUP MODES
Setup Modes
Various operating characteristics can be modified via the setup
modes. The operator is moved to the close limit position and
the on-board dip switches (see Figure 20, page 14) are
TEMPORARILY set according to the table at right to enter a
Setup Mode. The on board OPEN and STOP buttons are used
to modify the characteristic. Once set, the values are stored in
non-volatile memory.
These values are set to factory defaults that should be
satisfactory for many applications. All values as described here
can be reset to the factory defaults as follows:
Remove 24 VAC power from the control board.
Press and hold the on-board stop button.
Re-apply 24 VAC while holding the on-board stop button.
After completing the procedure to modify the operating
characteristic the switches must be returned to the originally set
Operating Mode setting (see section previous).
Delay on Reverse Setup
To help prevent stress on the door components, this feature
allows for a delay time between the door stopping and reversing
when a command to reverse is received as the door is closing.
The factory default time is 0.75 seconds; the minimum time is
0.4 seconds; the maximum time is 2 seconds.
After moving the door to the close position and temporarily
setting the switches to the appropriate settings in the table,
pressing STOP will reset the time to the minimum setting.
Every time OPEN is pressed, 200 mS is added to the time (up to
the maximum).
Changing the dip-switch setting to any other setting will save
the new time. Return the dip switches to the originally set
Operating Mode setting (see section previous).
Close Limit Delay Setup
To provide for irregularities in the floor, this feature allows for
the door to continue to travel down after the Reverse Cutout
Limit is activated. The factory default time is 0.32 seconds; the
minimum time is 0.12 seconds; the maximum time is 0.66
seconds.
After moving the door to the close position and temporarily
setting the switches to the appropriate settings in the table,
pressing STOP will reset the time to the minimum setting.
Every time OPEN is pressed, 0.02 seconds are added to the time
(up to the maximum).
Changing the dip-switch setting to any other setting will save
the new time. Return the dip switches to the originally set
Operating Mode setting (see section previous).
Setup Mode Switch
1
Switch
2
Switch
3
Switch
4
Delay on Reverse ON ON ON ON
Mid-Stop Limit ON OFF ON ON
Auto Close Timer OFF OFF ON ON
Maximum Run
Time
OFF ON OFF ON
Close Limit Delay OFF ON ON ON

The solenoid operated brake may require
occasional adjustment. Adjustment is necessary
if door tends to drift downward after reaching the
open limit. Follow the instructions below and
use Figure 21 as a guide.
(1) Loosen shoe adjusting screw and bottom
bracket arm of solenoid.
(2) Move tab until drum has a slight drag.
(3) Reverse drag slightly from tab and tighten
shoe adjustment screw.
107103
Figure 21
16 OPERATION AND ADJUSTMENT INSTRUCTIONS
BRAKE ADJUSTMENT
Mid-Stop Limit Setup
This features provides a timing function to stop a door as it is
traveling open at a Mid Stop position instead of the full open
position. The door can then be moved to the full open position
if desired by pressing the Open button. A single button input
when the door is at the mid stop position will cause the door to
begin moving in the close direction. The factory default is not
set; the minimum run time to mid-stop limit is 6 seconds.
After moving the door to the close position and temporarily
setting the switches to the appropriate settings in the table,
pressing STOP will remove the mid-stop limit setting.
Pressing OPEN will start the door open. When the door reaches
the desired mid-stop position, press STOP.
Changing the dip-switch setting to any other setting will save
the mid-stop limit position. Return the dip switches to the
originally set Operating Mode setting (see section previous).
Note: The door must move a sufficient distance to fully
disengage the Reverse Cutout Limit nut from the Reverse Cutout
Limit switch to set the mid-stop limit.
Auto Close Timer Setup
This feature allows for a modification of the amount of time
between the door reaching either the Mid Stop or the Full Open
position and automatically starting in the close direction. The
Auto Close feature is only active when the operator is set to the
T or TS Operating Mode (see section previous). The factory
default is 30 seconds; the minimum time is 5 seconds; the
maximum time is 5 minutes.
After moving the door to the close position and temporarily
setting the switches to the appropriate settings in the table,
pressing STOP will clear and turn off the auto close timer.
Every time OPEN is pressed, 5 seconds is added to the time.
Changing the dip-switch settings to any other settings will save
the new time. Return the dip switches to the originally set
Operating Mode setting (see section previous).
Maximum Run Time Setup
This feature provides for a maximum amount of time the motor
will be energized after an input is recognized. The factory
default time is 30 seconds; the maximum time is 60 seconds.
After moving the door to the close position and temporarily
setting the switches to the appropriate settings in the table,
pressing STOP will reset the time to the factory default setting.
Pressing OPEN will start the door open. The run time will be
recorded when the door reaches the open limit. To prevent
nuisance problems, 0.75 seconds are added to this time. Pressing
stop before the door reaches the open limit will stop the door
and reset the time to the factory default.
Changing the dip-switch setting to any other setting will save
the new time. Return the dip switches to the originally set
Operating Mode setting (see section previous).

remember to use the STOP button to stop the door at the Fully
Open Position.
4) Depress the limit nut retaining plate (D) so it disengages
from the slots in the limit nuts. Turn the OPEN limit nut (E) on
the shaft until it engages the Open Limit Switch (A). You will
need to listen for an audible click. Release the retaining bracket
and be sure that it engages in slots of both limit nuts.
5) With all due care use the built-in three button station on
the motor control board or the wall mounted three button station
to lower the door to approximately 4 inches shy of the fully
closed position and repeat Step #4 with the Close Limit nut (C)
and the Close Limit switch (B). The actual Close Limit position
is a timed function whereas the door continues to run for a
certain period of time after the Close Limit switch is activated.
This amount of time (Close Limit Delay) is factory set to 0.32
seconds and will provide reversing cutout of approximately 4
inches from the floor for a door traveling at 12 inches per
seconds. If the door fails to reverse when an object at least four
inches high is placed in its path (see Testing, page 19) it may be
necessary to adjust the Close Limit Delay time, see procedure
on page 15.
6) Move the door to the fully open position then the fully
closed position and observe the stopping position. Reset the
Limit Nut(s) per above instructions if desired.
7) A fine adjustment can be done (if necessary) by loosening
the screws holding the Limit Switches to the V bracket and
moving the switch within the slots on the bracket.
TO AVOID RISK OF ENTRAPMENT AND
POSSIBLE DAMAGE TO THE DOOR AND
OPERATOR THE CLUTCH MUST BE
ADJUSTED AND ANY ENTRAPMENT
PRTOTECTION DEVICES CONNECTED
BEFORE APPLYING POWER TO THE
OPERATOR TO SET THE LIMITS.
WARNING
SETTING THE LIMIT SWITCHES
1) With the cover open on the electrical enclosure, reference
Figure 23 below. There are two (2) switches (A and B) mounted
to the ‘V’ bracket (F). The switches are activated by the two limit
nuts (C and E) on the threaded shaft which move laterally along
the shaft as the operator opens and closes the door. When a limit
nut nears the end of the shaft it activates a switch, that send a
message back to the motor control board to stop the door. Follow
either 2 or 2A below depending on how the door and trolley are
orientated.
2) For original installation setting, the door (connected as
normal to the operator trolley) should be positioned approximately
4 inches shy of the fully closed position. If this is the case, depress
the Limit Nut Retention Plate (D) so it disengages from the slots
in the limit nuts and move the Close Limit Nut (C) on the shaft
until it engages the Close limit
Limit Switch (B) (see Step 5 for an
explanation of the Close limit
function). You will need to listen
for an audible click. Move the
Open Limit Nut (E) to the center of
the threaded shaft. Release the
retaining bracket and be sure that it
engages in slots of both limit nuts.
2A) If the door and operator
trolley are at some other position
other than fully closed, depress the
Limit Nut Retention Plate (D) so it
disengages from the slots in the
limit nuts and move the BOTH the
Limit nuts to the center of the
threaded shaft. Release the
retaining bracket and be sure that it
engages in slots of both limit nuts.
3) With all due care use the
built-in three button station on the
motor control board or the wall
mounted three button station to
raise the door to the fully open
position. You will need to
A
113116
B
E
C
D
F
Figure 22
Limit Assembly
A - OPEN LIMIT SWITCH
B - CLOSE LIMIT SWITCH
C - CLOSE LIMIT NUT
D - LIMIT NUT RETAINING PLATE
E - OPEN LIMIT NUT
F - “V” BRACKET
OPERATION AND ADJUSTMENT INSTRUCTIONS 17

CLUTCH ADJUSTMENT
The clutch serves to protect the door, the electric operator and
other equipment from undue stress or damage caused by starting
forces and/or an obstruction to the door. It should be set no
tighter than is necessary to smoothly and consistently move the
door throughout its full range of travel. When properly set, it will
slip freely if the door should encounter an obstruction, and it
should be possible to stop the travel of the door by hand.
WARNING: Before adjustment remove power to the
operator.
To adjust the clutch, loosen the jamb nut, , and turn the adjusting
nut, as shown at right Make adjustments in 1/4 turn increments.
Always re-tighten the jamb nut before running the operator to
prevent clutch from changing its setting.
CAUTION
NEVER COMPRESS CLUTCH SPRING BEYOND
POINT LIMITED BY THE DESIGN OF THE
OPERATOR OR REPLACE IT WITH A
HEAVIER SPRING
Due to changing conditions of the door and normal wear, it may
be necessary to occasionally readjust the clutch to obtain
dependable operation.
WARNING: BEFORE DOING SO BE CERTAIN THAT
THE DOOR IS IN GOOD WORKING CONDITION,
PROPERLY COUNTERBALANCED AND THAT THE
CLUTCH IS NOT SLIPPING BECAUSE OF LOOSE OR
MISSING HARDWARE, BINDING IN THE TRACK,
RUBBING AGAINST THE DOOR STOPS OR DEFECTIVE
OR MISADJUSTED SPRINGS. ANY SERVICE
REQUIRED TO THE DOOR, DOOR SPRINGS OR DOOR
OPERATOR MUST BE PREFORMED BY A QUALIFIED
PROFESSIONAL DOOR INSTALLER.
The fiber disk will wear during normal operation and should be
replaced when it becomes difficult or impossible to sufficiently
tighten the clutch to obtain smooth operation of the door when it
is in good working condition. To replace the fiber disk, first
loosen the motor mounting bolts and remove the V-belt then the
clutch adjusting nuts, spring and clutch pulley. Check condition
of V-belt before reassembly and replace if required. After
reassembly, adjust clutch as described above.
RISK OF ENTRAPMENT THAT MAY
RESULT IN SERIOUS PERSONAL
INJURY OR DEATH. DISCONNECT
POWER TO THE OPENER BEFORE
SERVICING OR MAKING
ADJUSTMENTS. ENSURE DOORWAY
IS CLEAR BEFORE STARTING TESTING
OF OPERATOR.
WARNING
IMPROPER ADJUSTMENT OF CLUTCH
SETTING COULD CAUSE ENTRAPMENT,
INJURY OR DEATH.
SET CLUTCH ADJUSTMENT FOR JUST
ENOUGH FORCE TO OPERATE THE DOOR
RELIABLY, BUT NO STRONGER. Contact a
service professional to correct any binding,
sticking or other door problems. DO NOT
OVER-ADJUST CLUTCH SETTING TO
COMPENSATE FOR A POORLY WORKING
DOOR.
WARNING
Figure 23
107101
18 OPERATION AND ADJUSTMENT INSTRUCTIONS

Following installation, the operator MUST be tested and
respond correctly to all controls as specified on the wiring
diagram. Keep personnel and equipment clear of the area
beneath the door when performing the tests. When testing the
3-button wall station, first observe that each button operates the
door in the direction indicated and that the STOP button
performs that function. With the door stopped at its full open
position, the OPEN button should be inoperative. This should
be verified and, likewise, the CLOSE button should be
inoperative with the door fully closed.
Certain operator control circuits use only a single button or a
two button control station and may be designed to function
differently than the more common three-button circuit
described above. Test the controls in accordance with the
description of operation as indicated on the wiring diagram and
as selected on pages 14, 15, and 16, Operating & Set-Up
Modes.
Observe the door when traveling in each direction for
smoothness of operation. Test the setting of the clutch by
restraining the door by hand. The clutch should slip. Re-check
the limit settings. The door should close tightly at the floor
without excessive impact. Likewise, it should fully clear the
door opening without the carrier striking the stops on the rail.
The AU-S series operators are equipped with a reversing edge
circuit and to conform with code, need to be connected to a
pneumatic or foam door edge or photoelectric device. To test an
edge for proper reversal, place an object beneath the leading
edge of the door. To test a photoelectric device for proper
reversal, start the door down and obstruct the beam. The door
TESTING
should instantly reverse when it comes into contact with the
object provided the height of the object exceeds the cut out point
built into the close limit switch (approx. four (4) inches).
If the operator is equipped with other means of control, such as
additional 3 button stations or radio controls, each of these should
be tested separately for proper operation.
Test the manual disconnect with the door in the fully closed
position. The door arm should freely fall away from the carrier
when the release chain is pulled. If it is difficult to release and the
door arm appears to be under compression, reset the CLOSE limit
slightly to reduce the travel of the carrier in the close direction.
ALWAYS DISCONNECT POWER TO
THE OPERATOR BEFORE SERVICING,
CONNECTING ACCESSORY DEVICES
OR MAKING ADJUSTMENTS.
WARNING
CAUTION
DO NOT STAND UNDER DOOR
TO TEST REVERSING EDGE
USE A CORRUGATED BOX
OR OTHER SIMILAR OBJECT
Normally, very little maintenance is required. A monthly visual
inspection must be made for loose or missing hardware and for
excessive slack in the V-Belt and drawbar chain. The clutch
must be tested periodically and adjustments made if necessary
(see page 18). The brake (where applicable) is adjusted at the
factory and will need periodic adjustment for wear. When
adjustment becomes necessary see Figure 21 on page 16 for
the adjustment procedure.
Test the reversing edge circuit at least once a month by
permitting the door to contact an obstruction while closing. To
test a pneumatic or foam door edge for proper reversal, place an
object beneath the leading edge of the door. To test a
photoelectric device for proper reversal, start the door down
and obstruct the beam. The door should instantly reverse when
it comes into contact with the object provided the height of the
object exceeds the cut out point built into the close limit switch
(approx. four (4) inches).
Lubrication of the operator is not required. It is important, for
trouble free service from the operator, that the door be kept free
from binding, properly counter balanced and periodically
lubricated. An annual inspection of the door by a qualified
overhead door professional is recommended.
Warning: Repairs and adjustments to the door and operator
should be performed only by someone qualified to service
commercial overhead doors and operators.
CAUTION
DO NOT STAND UNDER DOOR
TO TEST REVERSING EDGE
USE A CORRUGATED BOX
OR OTHER SIMILAR OBJECT
MAINTENANCE
OPERATION AND ADJUSTMENT INSTRUCTIONS 19

575 VOLTS, 3 PHASE
SINGLE VOLTAGE MOTOR
BL/BLK
BL/BLK
TO REVERSE MOTOR, SWITCH LEADS 1 & 3
L1
4
L2
YELLOW
WHITE
BLACK
ORANGE
BLUE
RED
Wire Nut Connection
3
BLUE (T,J,H)
YELLOW
BLUE
RED
BLACK
A.O. SMITH
SINGLE VOLTAGE - 115 VAC, 1P MOTOR
RED (AU)
YELLOW
3
2
1
4
Wire Nut Connection
L1
L2
12
3
RED
BLUE
ORANGE
BLACK
WHITE
YELLOW
4
BRAKE
WHITE
BLUE (AU)
RED (T,J,H)
RED (T,J,H)
BLUE (AU)
WHITE
YELLOW
RED (AU)
BLUE (T,J,H)
BRAKE
BL/BLK
BL/BLK
YELLOW
WHITE
BLUE (T,J,H)
RED (AU)
BRAKE
BL/BLK
BL/BLK
TO REVERSE MOTOR, SWITCH LEADS 3/4 & 2/1 TO REVERSE MOTOR, SWITCH LEADS L1 & L2
BLUE (AU)
RED (T,J,H)
RED (AU)
BLUE (T,J,H)
YELLOW YELLOW
BLUE (T,J,H)
RED (AU)
RED (T,J,H)
BLUE (AU) BLUE (AU)
RED (T,J,H)
RED (AU)
BLUE (T,J,H)
YELLOW
BRAKE
BL/BLK
BL/BLK BL/BLK
BL/BLK
BRAKE
BL/BLK
BL/BLK
BRAKE
MOTOR WIRING CHART
CDO OPERATORS WITH CDO-MCB MOTOR CONTROL SYSTEM
ANY TWO INCOMING LEADS.
TO REVERSE MOTOR DIRECTION, SWITCH
DUAL VOLTAGE MOTOR
208/230 VOLTS, 3 PHASE 460 VOLTS, 3 PHASE
DUAL VOLTAGE MOTOR
TO REVERSE MOTOR DIRECTION, SWITCH
ANY TWO INCOMING LEADS.
TO REVERSE MOTOR DIRECTION, SWITCH
ANY TWO INCOMING LEADS.
BL/BLK
BL/BLK
BRAKE
31
5
YELLOW
BLUE (AU)
4
8
2
WHITE
RED (T,J,H)
BLUE (T,J,H)
RED (AU)
DUAL VOLTAGE MOTOR - 115V 1P
TO REVERSE MOTOR DIRECTION, SWITCH
INCOMING LEADS TO TERMINALS 5 AND 8.
BALDOR
TO REVERSE MOTOR DIRECTION, SWITCH
INCOMING LEADS TO TERMINALS 5 AND 8.
DUAL VOLTAGE MOTOR - 230V 1P
RED (AU)
BLUE (T,J,H)
WHITE
4
8
BALDOR
YELLOW
5
1
23
BRAKE
BL/BLK
BL/BLK
CDOMCB 2005
EDGE
RADIO
c.p. AL LSTA R CORP.
P4
24V
S1
R58
R56
R55
R54
R45
R46
K4K3K5
K6
COM
OLS
CLS
COM
HIGH VOLTAGE
OPEN
MO4
MO3
MO2
MO1
ILK
24V
COM
VCC
FRA
COM
24V
RM1
RM2
RM3
VCC
COM
P7
R8
R24
C12
TB1
R87
R38
R22
R10
P5
R49
C6
R93
R90
R62
R51
R19
R17
R13
R20
R18
R14
R7R6
R16R15
R11 R12
POWE
C24
R85
U1
C2
RO1
D8
U4
C11
R30
R26
R29
C1 C8
R47
R82
R4
C21
R21
D2
R65
C10
D3
C9
TR4
TR2
R52
C14
TR1
R48
C13
TR3
R89
Q1
C7
D1
C16
P2 P3
R1
C30
P1
R31
P6
R57
GROUND
GREY NO
COM
COM
NO
CLOSE LIMIT
OPEN LIMIT
GREY
ORANGE
ORANGE
24 VAC
TRANSFORMER
LINE
LOAD
YELLOW
YELLOW
EXTERNAL INTERLOCK
STOP
CLOSE
OPEN
SINGLE BUTTON
2-WIRE EDGE
COM
CLOSE
STOP
NO REV
NC REV
PHOTO
COM
SINGLE
ILOCK
24 VAC
COM
3-WIRE
WHITE
START
RUN
YELLOW
BLUE
RED
WHITE
L1
N
BLACK
OVERLOAD
WHITE
DEVICE
BRAKE
SW1
OFF
S1
S2
S3
S4
R3
OPEN CLOSE STOP
PB3PB2PB1
C25
PHOTOBEAM
PHOTOBEAM
SAFE FINISH
SINGLE PHASE
CAPACITOR START
MOTOR - 120 VAC
*
REMOVE FACTORY JUMPER
IF USING NC REV INPUT
*
OPERATING MODES
SWITCH SETTINGS
MODE S1 S2 S3 S4
C2 OFF OFF OFF OFF
B2 ON OFF OFF OFF
D1 OFF ON OFF OFF
E2 ON ON OFF OFF
TS OFF OFF ON OFF
T ON OFF ON OFF
ON BOARD OPEN/CLOSE/
STOP CONTROL BUTTONS
WIRING DIAGRAM/SCHEMATIC - SINGLE PHASE
20

WIRING DIAGRAM/SCHEMATIC - THREE PHASE 21
575 VOLTS, 3 PHASE
SINGLE VOLTAGE MOTOR
BL/BLK
BL/BLK
TO REVERSE MOTOR, SWITCH LEADS 1 & 3
L1
4
L2
YELLOW
WHITE
BLACK
ORANGE
BLUE
RED
Wire Nut Connection
3
BLUE (T,J,H)
YELLOW
BLUE
RED
BLACK
A.O. SMITH
SINGLE VOLTAGE - 115 VAC, 1P MOTOR
RED (AU)
YELLOW
3
2
1
4
Wire Nut Connection
L1
L2
12
3
RED
BLUE
ORANGE
BLACK
WHITE
YELLOW
4
BRAKE
WHITE
BLUE (AU)
RED (T,J,H) RED (T,J,H)
BLUE (AU)
WHITE
YELLOW
RED (AU)
BLUE (T,J,H)
BRAKE
BL/BLK
BL/BLK
YELLOW
WHITE
BLUE (T,J,H)
RED (AU)
BRAKE
BL/BLK
BL/BLK
TO REVERSE MOTOR, SWITCH LEADS 3/4 & 2/1 TO REVERSE MOTOR, SWITCH LEADS L1 & L2
BLUE (AU)
RED (T,J,H)
RED (AU)
BLUE (T,J,H)
YELLOW YELLOW
BLUE (T,J,H)
RED (AU)
RED (T,J,H)
BLUE (AU) BLUE (AU)
RED (T,J,H)
RED (AU)
BLUE (T,J,H)
YELLOW
BRAKE
BL/BLK
BL/BLK BL/BLK
BL/BLK
BRAKE
BL/BLK
BL/BLK
BRAKE
MOTOR WIRING CHART
CDO OPERATORS WITH CDO-MCB MOTOR CONTROL SYSTEM
ANY TWO INCOMING LEADS.
TO REVERSE MOTOR DIRECTION, SWITCH
DUAL VOLTAGE MOTOR
208/230 VOLTS, 3 PHASE 460 VOLTS, 3 PHASE
DUAL VOLTAGE MOTOR
TO REVERSE MOTOR DIRECTION, SWITCH
ANY TWO INCOMING LEADS.
TO REVERSE MOTOR DIRECTION, SWITCH
ANY TWO INCOMING LEADS.
BL/BLK
BL/BLK
BRAKE
31
5
YELLOW
BLUE (AU)
4
8
2
WHITE
RED (T,J,H)
BLUE (T,J,H)
RED (AU)
DUAL VOLTAGE MOTOR - 115V 1P
TO REVERSE MOTOR DIRECTION, SWITCH
INCOMING LEADS TO TERMINALS 5 AND 8.
BALDOR
TO REVERSE MOTOR DIRECTION, SWITCH
INCOMING LEADS TO TERMINALS 5 AND 8.
DUAL VOLTAGE MOTOR - 230V 1P
RED (AU)
BLUE (T,J,H)
WHITE
4
8
BALDOR
YELLOW
5
1
23
BRAKE
BL/BLK
BL/BLK
CDOMCB 2005
EDGE
RADIO
c.p. ALLS TAR CO RP.
P4
24V
S1
R58
R56
R55
R54
R45
R46
K4K3K5
K6
COM
OLS
CLS
COM
HIGH VOLTAGE
OPEN
MO4
MO3
MO2
MO1
ILK
24V
COM
VCC
FRA
COM
24V
RM1
RM2
RM3
VCC
COM
P7
R8
R24
C12
TB1
R87
R38
R22
R10
P5
R49
C6
R93
R90
R62
R51
R19
R17
R13
R20
R18
R14
R7R6
R16R15
R11 R12
POWE
C24
R85
U1
C2
RO1
D8
U4
C11
R30
R26
R29
C1 C8
R47
R82
R4
C21
R21
D2
R65
C10
D3
C9
TR4
TR2
R52
C14
TR1
R48
C13
TR3
R89
Q1
C7
D1
C16
P2 P3
R1
C30
P1
R31
P6
R57
L2
L1 BLACK
GROUND
GREY
RED
BLUE
NO
COM
COM
NO
CLOSE LIMIT
OPEN LIMIT
GREY
ORANGE
ORANGE
WHITE
24 VAC
TRANSFORMER
LINE
LOAD
YELLOW
YELLOW
WHITE
EXTERNAL INTERLOCK
L3 ORANGE
OVERLOAD
DEVICE
STOP
CLOSE
OPEN
SINGLE BUTTON
2-WIRE EDGE
COM
CLOSE
STOP
NO REV
NC REV
PHOTO
COM
SINGLE
ILOCK
24 VAC
COM
3-WIRE
SW1
OFF
S1
S2
S3
S4
R3
OPEN CLOSE STOP
PB3PB2PB1
C25
PHOTOBEAM
PHOTOBEAM
SAFE FINISH
*
REMOVE FACTORY JUMPER
IF USING NC REV INPUT
*
OPERATING MODES
SWITCH SETTINGS
MODE S1 S2 S3 S4
C2 OFF OFF OFF OFF
B2 ON OFF OFF OFF
D1 OFF ON OFF OFF
E2 ON ON OFF OFF
TS OFF OFF ON OFF
T ON OFF ON OFF
BRAKE +
208/230/460 VAC
MOTOR
THREE PHASE
+CONNECTION SHOWN FOR 208 &
230V - FOR 460V SEE MOTOR DIAG.
ON INSIDE OF CONT. BOX COVER
ON BOARD OPEN/CLOSE/
STOP CONTROL BUTTONS
DEVICE
OVERLOAD

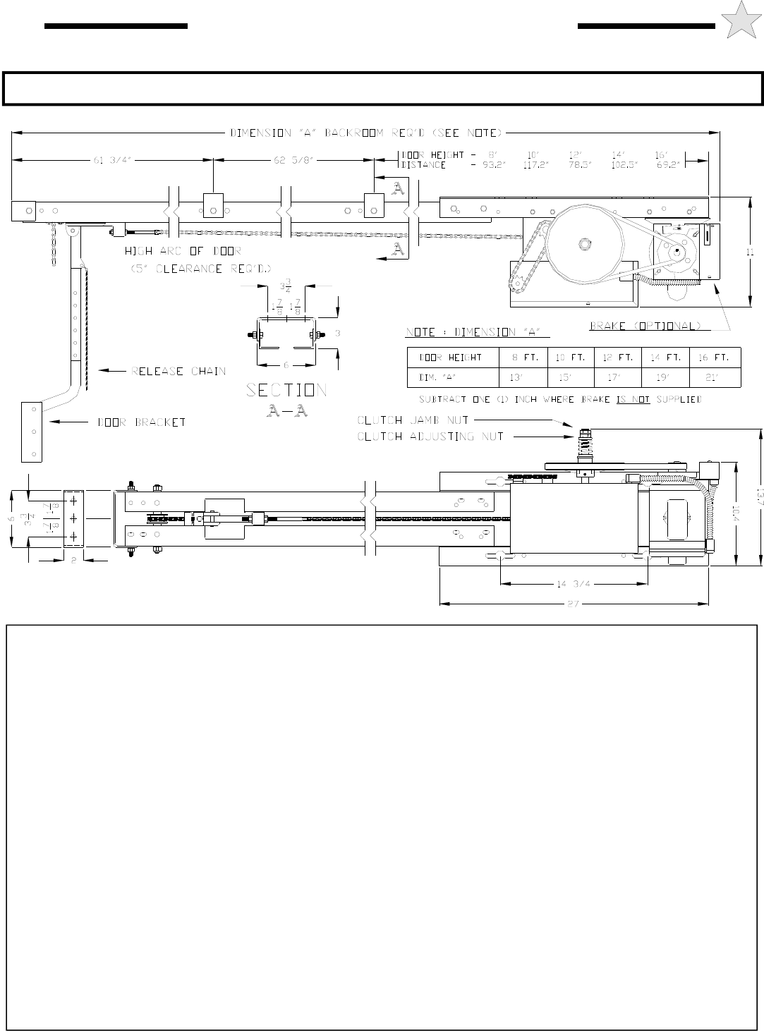
FIGURE 24 - OPERATOR DIMENSIONS
107093
OPERATOR DIMENSIONS / NOTES
22
NOTES

Ref Part # Description
Assemblies
A 106798 Frame Assembly w/Shafts, AUD (1/3 HP)
107412 Frame Assembly w/Shafts, AUD (1/2 & 3/4 HP)
C 110075 Clutch Shaft Assembly, AUD
D 109848 Drive Shaft Assembly, AUD (1/3 HP)
110078 Drive Shaft Assembly, AUD (1/2 & 3/4 HP)
F 106265 Front Idler Assembly
G 100174 Door Arm Assembly
H 100512 Trolley Assembly
Brake standard on 1/2 & 3/4 HP, optional on 1/3 HP
K 109273 Brake Assembly, AUD, 115 VAC
109274 Brake Assembly, AUD, 230 VAC (also used on 460 VAC)
N Call Control Box Assembly
O Call Track and Chain Packages
Motors
P 100465 Motor, 1/3 HP, 48 Frame, ODP, 115 VAC, 1 Phase
100466 Motor, 1/2 HP, 48 Frame, ODP, 115 VAC, 1 Phase
005156 Motor, 1/3 HP, 56 Frame, ODP, 115/230 VAC, 1 Phase
005026 Motor, 1/2 HP, 56 Frame, ODP, 115/230 VAC, 1 Phase
005027 Motor, 3/4 HP, 56 Frame, ODP, 115/230 VAC, 1 Phase
005183 Motor, 1/3 HP, 56 Frame, ODP, 230/460 VAC, 3 Phase
005184 Motor, 1/2 HP, 56 Frame, ODP, 230/460 VAC, 3 Phase
005038 Motor, 3/4 HP, 56 Frame, ODP, 230/460 VAC, 3 Phase
PARTS IDENTIFICATION 23
Ref Part # Description
Parts
1 100513 Straight Arm with Disconnect
2 108877 Curved Arm
3 100236 Arm Extension (2 Required)
4 008071 Flange Bearing, 3/4” ID
5 105549 Snap Ring, 3/4”
7 009044 Motor Pulley, 4L
8 106814 Sprocket, 65B10, 3/4” Bore
9 106815 Sprocket, 65B27, 3/4” Bore
10 100314 Sprocket, 41B10, 3/4” Bore
12 009244 Limit Chain, #65, 18” with Master Link
13 107144 Primary Chain, #65, 17” with Master Link
15 105385 Brake Solenoid, 115 VAC
105386 Brake Solenoid, 230 VAC (also used on 460 VAC)
17 110042 Brake Shoe
18 106806 Brake Drum with 4L Pulley, 5/8” Bore
19 009087 V Belt, 4L350
20 009155 Clutch Pulley with Bushing, 4L
21 009028 Clutch Fiber Disk
22 100133 Clutch Plate
23 105308 Clutch Spring
24 100636 Clutch Lock Nut
25 107517 Clutch Adjusting Nut

Manufacturer’s Limited Warranty
Linear LLC warrants its Allstar brand commercial door operators to be free from defect in material and workmanship for a period of two (2)
years from the date of purchase. To obtain service contact your dealer.
To obtain service under this warranty the buyer must obtain authorization instructions for the return of any goods from Linear before
returning the goods. The goods must be returned with complete identification, with copy of proof-of-purchase, freight prepaid and in
accordance with Linear’s instructions or they will not be accepted. In no event will Linear be responsible for goods returned without proper
authorization or identification.
Goods returned to Linear for warranty repair within the warranty period, which upon receipt by Linear are confirmed to be defective and
covered by this limited warranty, will be repaired or replaced at Linear’s sole option, at no cost and returned pre-paid. Defective parts will
be repaired or replaced with new or factory rebuilt parts at Linear’s sole option.
This limited warranty does not cover non-defect damage, damage caused by unreasonable use, damage caused by improper installation or
care, vandalism or lightning, fire or excessive heat, flood or other acts of God (including, but not limited to misuse, abuse or alterations,
failure to provide reasonable and necessary maintenance), labor charges for dismantling or reinstalling a repaired or replaced unit, or
replacement batteries.
These warranties are in lieu of all other warranties, either expressed or implied. All implied warranties of merchantability and/or fitness for a
particular purpose are hereby disclaimed and excluded. Under no circumstances shall Linear be liable for consequential, incidental or special
damages arising in connection with the use or inability to use this product. In no event shall Linear’s liability for breach of warranty, breach
of contract, negligence or strict liability exceed the cost of the product covered hereby. No person is authorized to assume for Linear any
other liability in connection with the sale of this product.
This warranty gives you specific legal rights. You may also have other rights which vary from state to state. Warranty effective after
October 1st 2007.
For Information:
877-441-9300 800-421-1587 www.allstarcorp.com
24
SPECIFICATIONS
MODEL : AUD_ _ _ _S HP:_____
VOLTS : _____ PHASE : _____
* UL AND CANADIAN UL LISTED
* HIGH STARTING TORQUE, CONTINUOUS DUTY MOTOR
* MOTOR OVERLOAD PROTECTION
* CLASS 2 (24 VOLT) CONTROL CIRCUIT
* SOLENOID BRAKE (STANDARD ON 3/4 HP, OPTIONAL
* SOLID STATE MOTOR CONTROL CIRCUITRY WITH
* THREE BUTTON CONTROL: OPEN, CLOSE, STOP
* HEAVY GAUGE, POWDER-COATED STEEL FRAME
* ALL SPROCKETS AND PULLEYS PINNED OR KEYED,
* FULLY ADJUSTABLE FRICTION CLUTCH
* WIRED TO ACCEPT REVERSING EDGE INPUT
RAILS AND CONTROL BOX
SOLID STEEL DRIVE SHAFTS
* MANUAL DOOR DISCONNECT
* FULLY ADJUSTABLE, INTERNAL, SHAFT DRIVEN LIMITS
ADVANCED OPERATIONAL FEATURES STANDARD
ON 1/3 HP AND 1/2 HP)
P/N 190-113269 Rev. B August 2007 Copyright © 2007 Linear LLC
This Door Operator is built in the USA and
complies with all requirements of
ANSI/UL Standard 325.