Auldey Toy Industry AD223127 R/C Controller User Manual 1
Guangdong Auldey Toy Industry Ltd R/C Controller 1
UserManual.wiki
>
Auldey Toy Industry
>
AD223127 User Manual HTML Version
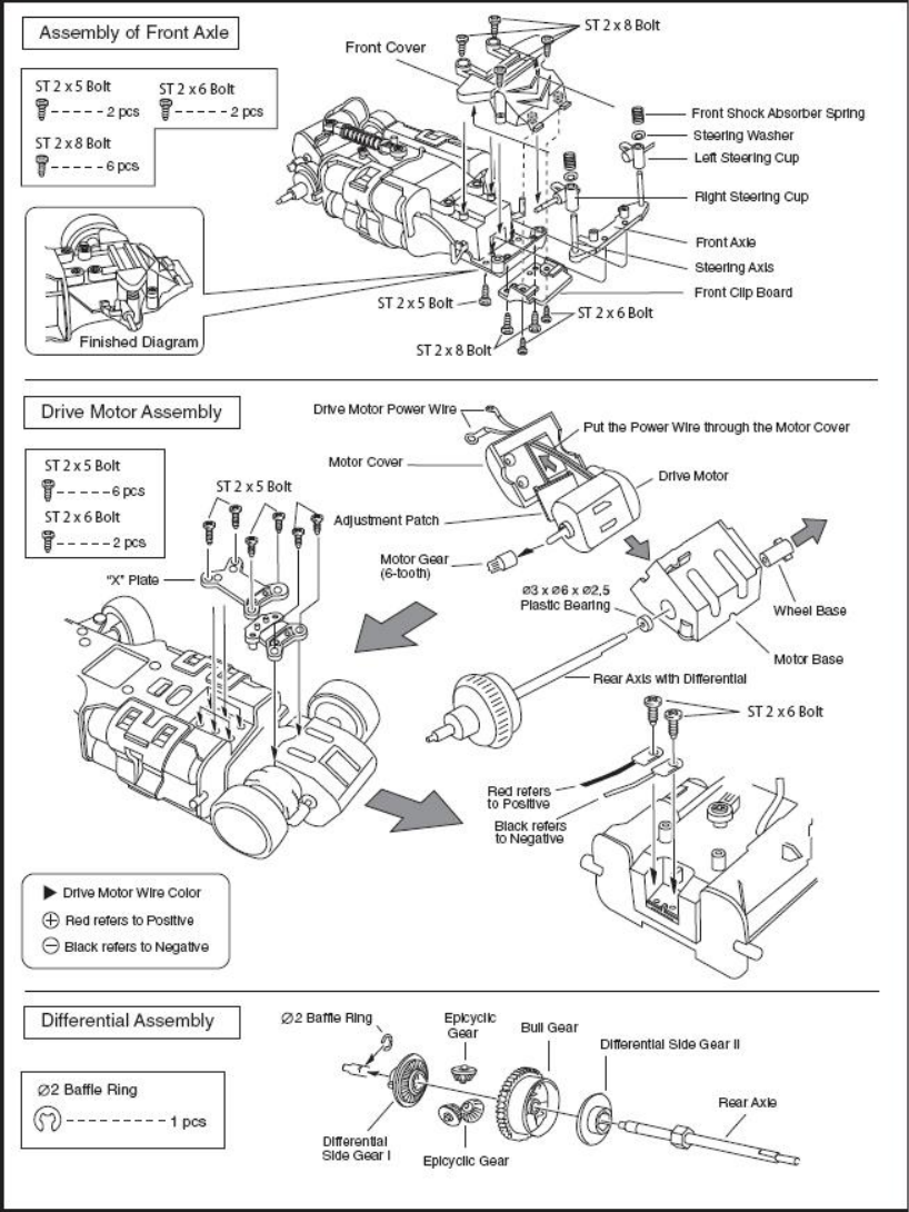
User Manual
Navigation menu
Upload a User Manual
Namespaces
Wiki Guide
HTML
PDF
Info
Views
User Manual
Discussion / Help
Navigation