Axell Wireless 50-1574SERIES UHF Hybrid Repeater, Model 50-157401 User Manual Q116431

Axell Wireless UHF Hybrid Repeater, Model 50-157401 Q116431

Manual

AXELL WIRELESS UK Aerial House Asheridge Road Chesham, Buckinghamshire HP5 2QD, United Kingdom Tel: + 44 (0) 1494 777000 Fax: + 44 (0) 1494 777002 info@axellwireless.com www.axellwireless.com AXELL WIRELESS SWEDEN Box 7139 174 07 Sundbyberg Sweden Tel: + 46 (0) 8 475 4700 Fax: + 46 (0) 8 475 4799                       15 Channel UHF Hybrid Select Repeater User Handbook  For DFAS Limestone - F67100  AWL Works Order  Q116431 AWL Product Part No.  50-157401                    AFL and Avitec have merged to form Axell Wireless
Axell Wireless Limited Technical Literature 15 Channel UHF Hybrid Select Repeater Document Number 50-157401HBK  Issue No. 1  Date 26/03/2008  Page 2 of 50   Table of Contents   1. INTRODUCTION.......................................................................................................................... 4 1.1. Scope and Purpose of Document............................................................................................ 4 1.2. Limitation of Liability Notice ..................................................................................................... 4 2. SAFETY CONSIDERATIONS...................................................................................................... 5 2.1. Earthing of Equipment ............................................................................................................. 5 2.2. Electric Shock Hazard ............................................................................................................. 5 2.3. RF Radiation Hazard ............................................................................................................... 5 2.4. Lifting and other Health and Safety Recommendations .......................................................... 5 2.5. Chemical Hazard ..................................................................................................................... 6 2.6. Laser safety ............................................................................................................................. 6 2.7. Emergency Contact Numbers .................................................................................................6 3. EQUIPMENT OVERVIEW ...........................................................................................................7 3.1. 15 Channel Repeater 50-157401 Rack layout ........................................................................8 3.2. 15 Channel Repeater 50-157401 Overall System Diagram .................................................... 9 3.3. 15 Channel Repeater 50-157401 Illustrations ....................................................................... 10 3.3.1. Front View ............................................................................................................................ 10 3.3.2. Rear View.........................................................................................................................11 3.4. 15 Channel Repeater 50-157401 Specification.....................................................................12 4 15 CHANNEL REPEATER 50-157401 MAJOR SUB-COMPONENTS...................................... 13 4.1. Downlink Splitter/Combiner 50-157402 ................................................................................. 14 4.1.1. Downlink Splitter/Combiner 50-157402 Illustrations......................................................... 15 4.1.1.1. System Diagram .......................................................................................................15 4.1.1.2. Front View .................................................................................................................... 16 4.1.1.3. Rear View .................................................................................................................17 4.1.2. Downlink Splitter/Combiner 50-157402 Major Sub-Components..................................... 18 4.2. Channel Module Shelf 50-157403 (6 channels) .................................................................... 19 4.2.1. Channel Module Shelf 50-157403 Illustrations................................................................. 20 4.2.1.1. Channel Module Shelf 50-157403 System Diagram ................................................ 20 4.2.1.2. Channel Module Shelf 1 (Channels 1 to 6) Front View ............................................ 21 4.2.1.3. Channel Module Shelf 2 (Channels 7 to 12) Front View .......................................... 22 4.2.1.4. Channel Module Shelves1 & 2 Rear View................................................................ 23 4.2.2. Channel Module Shelf 50-157403 Major Sub-Components............................................. 24 4.3. Channel Module Shelf 50-157404 (3 channels) .................................................................... 25 4.3.1. Channel Module Shelf 50-157404 Illustrations................................................................. 26 4.3.1.1. Channel Module Shelf 50-157404 System Diagram ................................................ 26 4.3.1.2. Channel Module Shelf 3 (Channels 13 to 16) Front View ........................................ 27 4.3.1.3. Channel Module Shelf 3 (Channels 13 to 16) Rear View ......................................... 28 4.3.2 Channel Module Shelf 50-157404 Major Sub-Components............................................. 29 4.4. 100W Power Amplifier 80-245103.........................................................................................30 4.4.1. 100W Power Amplifier 80-245103 Illustrations ................................................................31 4.4.1.1. 100W Power Amplifier 80-245103 System Diagram ................................................ 31 4.4.1.2. 100W Power Amplifier 80-245103 Front View.......................................................... 32 4.4.1.3. 100W Power Amplifier 80-245103 Rear View .......................................................... 32 4.4.1.4. Connections between 50-157402 and 80-245103.................................................... 33 4.4.2. 100W Power Amplifier 80-245103 Specification .............................................................. 34 4.4.3. 100W Power Amplifier 80-245103 Major Sub Components............................................. 34 4.5. Uplink Triplexer Shelves 50-157405...................................................................................... 35 4.5.1. Uplink Triplexer Shelves 50-157405 Illustrations ............................................................. 36 4.5.1.1. Uplink Triplexer Shelves 50-157405 System Diagram ............................................. 36 4.5.1.2. Uplink Triplexer Shelves 50-157405 Rear Views ..................................................... 37 4.5.2. Uplink Triplexer Shelves 50-157405 Major Sub Components.......................................... 37 4.7. Uplink 5W Amplifier Shelf 50-157406.................................................................................... 38 4.7.1. Uplink 5W Amplifier Shelves 50-157406 Illustrations.......................................................39 4.7.1.1. Uplink 5W Amplifier Shelves 50-157406 System Diagrams..................................... 39
Axell Wireless Limited Technical Literature 15 Channel UHF Hybrid Select Repeater Document Number 50-157401HBK  Issue No. 1  Date 26/03/2008  Page 3 of 50  4.7.1.2. Uplink 5W Amplifier Shelve 50-157406 Front View..................................................40 4.7.1.3. Uplink 5W Amplifier Shelve 50-157406 Rear View .................................................. 40 4.7.2. Uplink 5W Amplifier Shelf 50-157406 Specification ......................................................... 41 PARAMETER....................................................................................................................................... 41 SPECIFICATION ................................................................................................................................. 41 4.7.3. 5W Amplifier Shelf 50-157406 Major Sub Components................................................... 41 5. INSTALLATION.......................................................................................................................... 42 5.1 Initial Installation Record ....................................................................................................... 42 6. FAULT FINDING & MAINTENANCE ......................................................................................... 42 6.1 General Fault Finding Procedures......................................................................................... 42 6.2 Downlink ................................................................................................................................ 42 6.3 Uplink..................................................................................................................................... 43 6.4 Fault repair ............................................................................................................................43 6.5 Checking service ................................................................................................................... 43 6.6 Service Support ..................................................................................................................... 43 6.7 Tools & Test Equipment ........................................................................................................ 43 6.8 General Maintenance Procedures.........................................................................................44 6.9 Module Removal (LNAs, general procedure) ........................................................................ 44 6.10 Module Replacement (general) ............................................................................................. 44 6.11 Power Amplifiers.................................................................................................................... 44 6.12 Low Power Amplifier Replacement........................................................................................ 45 6.13 Module Transportation...........................................................................................................45 APPENDIX A ....................................................................................................................................... 46 A.1. Glossary of Terms used in this document ............................................................................. 46 A.2. Key to Drawing Symbols used in this document ................................................................... 47 A.3. EC Declaration of Conformity ................................................................................................ 48 A.4. Document Amendment Record ............................................................................................. 49 APPENDIX B ....................................................................................................................................... 50 B.1  Initial Equipment Set-Up Calculations ................................................................................... 50
Axell Wireless Limited Technical Literature 15 Channel UHF Hybrid Select Repeater Document Number 50-157401HBK  Issue No. 1  Date 26/03/2008  Page 4 of 50    1. INTRODUCTION  1.1.  Scope and Purpose of Document  This handbook is for use solely with the equipment identified by the Axell Wireless Limited (AWL) Part Number shown on the front cover. It is not to be used with any other equipment unless specifically authorised by AWL. This is a controlled release document and, as such, becomes a part of the Axell Wireless Total Quality Management System. Alterations and modification may therefore only be performed by Axell Wireless.  AWL recommends that the installer of this equipment familiarise themselves with the safety and installation procedures contained within this document before installation commences.  The purpose of this handbook is to provide the user/maintainer with sufficient information to service and repair the equipment to the level agreed. Maintenance and adjustments to any deeper level must be performed by AWL, normally at the company’s repair facility in Chesham, England.  This handbook has been prepared in accordance with BS 4884, and AWL’s Quality procedures, which maintain the company’s registration to BS EN ISO 9001:2000 and to the R&TTE Directive of the European Parliament. Copies of the relevant certificates and the company Quality Manual can be supplied on application to the Quality Manager. This document fulfils the relevant requirements of Article 6 of the R&TTE Directive.  1.2. Limitation of Liability Notice  This manual is written for the use of technically competent operators/service persons. No liability is accepted by AWL for use or misuse of this manual, the information contained therein, or the consequences of any actions resulting from the use of the said information, including, but not limited to, descriptive, procedural, typographical, arithmetical, or listing errors.  Furthermore, AWL does not warrant the absolute accuracy of the information contained within this manual, or its completeness, fitness for purpose, or scope.  AWL has a policy of continuous product development and enhancement, and as such, reserves the right to amend, alter, update and generally change the contents, appearance and pertinence of this document without notice.  All AWL products carry a twelve month warranty from date of shipment. The warranty is expressly on a return to base repair or exchange basis and the warranty cover does not extend to on-site repair or complete unit exchange.
Axell Wireless Limited Technical Literature 15 Channel UHF Hybrid Select Repeater Document Number 50-157401HBK  Issue No. 1  Date 26/03/2008  Page 5 of 50   2. SAFETY CONSIDERATIONS  2.1.  Earthing of Equipment  Equipment supplied from the mains must be connected to grounded outlets and earthed in conformity with appropriate local, national and international electricity supply and safety regulations.    2.2.  Electric Shock Hazard  The risk of electrical shocks due to faulty mains driven power supplies whilst potentially ever present in any electrical equipment, would be minimised by adherence to good installation practice and thorough testing at the following stages:     All test equipment must be in good working order prior to its use. High current power supplies can be dangerous because of the possibility of substantial arcing. Always switch off during disconnection and reconnection.  2.3.  RF Radiation Hazard  RF radiation, (especially at UHF frequencies) arising from transmitter outputs connected to AWL’s equipment, must be considered a safety hazard.  This condition might only occur in the event of cable disconnection, or because a ‘spare’ output has been left un-terminated. Either of these conditions would impair the system’s efficiency. No investigation should be carried out until all RF power sources have been removed. This would always be a wise precaution, despite the severe mismatch between the impedance of an N type connector at 50, and that of free space at 377, which would severely mitigate against the efficient radiation of RF power. Radio frequency burns could also be a hazard, if any RF power carrying components were to be carelessly touched!  Antenna positions should be chosen to comply with requirements (both local & statutory) regarding exposure of personnel to RF radiation. When connected to an antenna, the unit is capable of producing RF field strengths, which may exceed guideline safe values especially if used with antennas having appreciable gain. In this regard the use of directional antennas with backscreens and a strict site rule that personnel must remain behind the screen while the RF power is on, is strongly recommended.  Where the equipment is used near power lines or in association with temporary masts not having lightning protection, the use of a safety earth connected to the case-earthing bolt is strongly advised.  2.4.  Lifting and other Health and Safety Recommendations  Certain items of AWL equipment are heavy and care should be taken when lifting them by hand.  Ensure that a suitable number of personnel, appropriate lifting apparatus and appropriate personal protective equipment is used especially when installing Cell Enhancers above ground e.g. on a mast or pole.   a) Original assembly. b) Commissioning. c)  Regular intervals, thereafter.
Axell Wireless Limited Technical Literature 15 Channel UHF Hybrid Select Repeater Document Number 50-157401HBK  Issue No. 1  Date 26/03/2008  Page 6 of 50   2.5. Chemical Hazard  Beryllium Oxide, also known as Beryllium Monoxide, or Thermalox™, is sometimes used in devices within equipment produced by Axell Wireless Ltd. Beryllium oxide dust can be toxic if inhaled, leading to chronic respiratory problems. It is harmless if ingested or by contact.  Products that contain beryllium are load terminations (dummy loads) and some power amplifiers. These products can be identified by a yellow and black “skull and crossbones” danger symbol (shown above). They are marked as hazardous in line with international regulations, but pose no threat under normal circumstances. Only if a component containing beryllium oxide has suffered catastrophic failure, or exploded, will there be any danger of the formation of dust. Any dust that has been created will be contained within the equipment module as long as the module remains sealed. For this reason, any module carrying the yellow and black danger sign should not be opened. If the equipment is suspected of failure, or is at the end of its life-cycle, it must be returned to Axell Wireless Ltd. for disposal.  To return such equipment, please contact the Quality Department, who will give you a Returned Materials Authorisation (RMA) number. Please quote this number on the packing documents, and on all correspondence relating to the shipment.  PolyTetraFluoroEthylene, (P.T.F.E.) and P.T.F.E. Composite Materials Many modules/components in AWL equipment contain P.T.F.E. as part of the RF insulation barrier. This material should never be heated to the point where smoke or fumes are evolved. Any person feeling drowsy after coming into contact with P.T.F.E. especially dust or fumes should seek medical attention.  2.6. Laser safety  General good working practices  adapted from EN60825-2: 2004/ EC 60825-2:2004  Do not stare with unprotected eyes or with any unapproved optical device at the fibre ends or connector faces or point them at other people, Use only approved filtered or attenuating viewing aids. Any single or multiple fibre end or ends found not to be terminated (for example, matched, spliced) shall be individually or collectively covered when not being worked on. They shall not be readily visible and sharp ends shall not be exposed. When using test cords, the optical power source shall be the last connected and the first disconnected; use only approved methods for cleaning and preparing optical fibres and optical connectors. Always keep optical connectors covered to avoid physical damage and do not allow any dirt/foreign material ingress on the optical connector bulkheads. The optical fibre jumper cable maximum bend radius is 3cm; any smaller radii may result in optical cable breakage or excessive transmission losses. Caution: The FO units are NOT weather proof.  2.7.  Emergency Contact Numbers  The AWL Quality Department can be contacted on: Telephone   +44 (0)1494 777000 Fax.    +44 (0)1494 777002 e-mail   qa@axellwireless.com
Axell Wireless Limited Technical Literature 15 Channel UHF Hybrid Select Repeater Document Number 50-157401HBK  Issue No. 1  Date 26/03/2008  Page 7 of 50   3. Equipment Overview  15 Channel UHF Hybrid Select Repeater 50-157401  The repeater consists of 10 rack mount chassis housed in a 43U, 19” equipment mounting rack  Downlink signals are received from the RX antenna and passed into the Downlink Splitter/Combiner shelf 50-157402. The signal is passes through a bandpass filter to remove out of band noise and then passes through a low noise amplifier. The signal is then split into three separate paths, each path then leaves the Splitter/Combiner shelf and passes into the channel module shelves, (Qty. 2, 6 channel shelves (50-157403) and a 3 channel shelf (50-157404) providing 15 channels) where the channel modules ‘pick-out’ the required channels from within the frequency band, providing selectivity, automatic gain levelling.   After leaving the channel modules the signals are re-combined and pass back into the Splitter/Combiner where the signal passes through a 1W power amplifier. After the signal has been amplified it again leaves the Splitter/Combiner shelf to pass through 100W Amplifier Shelf 80-245103 then returns to the Splitter/Combiner shelf to pass through a further bandpass filter before being passed through a hybrid splitter/combiner (which separates the downlink from the uplink) and then the signal exits the Splitter/Combiner shelf and is passed to the two LCX cables.     Uplink signals are received into Splitter/Combiner shelf 50-157402 from the LCX cables and pass through the hybrid splitter/combiner before exiting the Splitter/Combiner shelf and entering the first of the two Triplexer shelves 50-157405. This first Triplexer shelf splits the Uplink signal into three paths, each path then passes through its own dedicated 5W Amplifier shelf 50-157406, each shelf provides amplification and further bandpass filtering. After the three signals leave the 5W amplifier shelves they enter the second Triplexer shelf where the three paths are combined to produce a single output which is then passed to the TX Antenna.  The main RF connections to the rack are made to a patch-panel located on the lid of the rack  Downlink Splitter/Combiner shelf 50-157402 also contains two PSUs which are fed by a 110V AC mains input, the AC connection is made via a terminal block mounted inside in the top of the rack. The PSUs provides 2, 24V DC outputs to power the amplifier modules in 100W Amplifier Shelf 80-245103 and 6, 12V DC outputs to power the Channel Module racks and the 5W Uplink Amplifier Shelves.   All the Amplifier Shelves and the Channel Module shelves are equipped with alarm outputs which are terminated at a Krone Block mounted inside at the top of the rack. There are two cable glands mounted in the lid of the rack; one allows the AC mains cable to enter and the other allows the alarm cable to exit.
Axell Wireless Limited Technical Literature 15 Channel UHF Hybrid Select Repeater Document Number 50-157401HBK  Issue No. 1  Date 26/03/2008  Page 8 of 50   3.1.  15 Channel Repeater 50-157401 Rack layout Drawing Number 50-157451
Axell Wireless Limited Technical Literature 15 Channel UHF Hybrid Select Repeater Document Number 50-157401HBK  Issue No. 1  Date 26/03/2008  Page 9 of 50   3.2.  15 Channel Repeater 50-157401 Overall System Diagram Drawing Number 50-157481
Axell Wireless Limited Technical Literature 15 Channel UHF Hybrid Select Repeater Document Number 50-157401HBK  Issue No. 1  Date 26/03/2008  Page 10 of 50   3.3.  15 Channel Repeater 50-157401 Illustrations  3.3.1. Front View                                          A  Downlink 100W Amplifier 80-245103 B  Downlink Splitter/Combiner 50-157402 C  Channel Module Shelf 1 (channels 1 to 6) 50-157403 D  Channel Module Shelf 2 (channels 7 to12) 50-157403 E  Channel Module Shelf 3 (channels 13 to 15) 50-157404 F  Uplink Splitting Triplexer 50-157405 G  Uplink 5W Amplifier 1 ( 412.95 to 413.65MHz) 50-157406 H  Uplink 5W Amplifier 2 ( 415.88 to 417.20MHz) 50-157406 I  Uplink 5W Amplifier 3 ( 419.05 to 420.00MHz) 50-157406 J  Uplink Combining Triplexer 50-157405 K  1U Blanking Panels L Rack Door
Axell Wireless Limited Technical Literature 15 Channel UHF Hybrid Select Repeater Document Number 50-157401HBK  Issue No. 1  Date 26/03/2008  Page 11 of 50   3.3.2. Rear View                                           A  Downlink 100W Amplifier 80-245103 B  Downlink Splitter/Combiner 50-157402 C  Channel Module Shelf 1 (channels 1 to 6) 50-157403 D  Channel Module Shelf 2 (channels 7 to12) 50-157403 E  Channel Module Shelf 3 (channels 13 to 15) 50-157404 F  Uplink Splitting Triplexer 50-157405 G  Uplink 5W Amplifier 1 ( 412.95 to 413.65MHz) 50-157406 H  Uplink 5W Amplifier 2 ( 415.88 to 417.20MHz) 50-157406 I  Uplink 5W Amplifier 3 ( 419.05 to 420.00MHz) 50-157406 J  Uplink Combining Triplexer 50-157405 K  AC Input terminal block L  Alarm Krone Block M  RF Connector Patch Panel
Axell Wireless Limited Technical Literature 15 Channel UHF Hybrid Select Repeater Document Number 50-157401HBK  Issue No. 1  Date 26/03/2008  Page 12 of 50   3.4.  15 Channel Repeater 50-157401 Specification  Parameter  Specification  Downlink Number of Channels 15 Channel 1 410.000 MHz Channel 2 407.175 MHz Channel 3 409.650 MHz Channel 4 406.575 MHz Channel 5 408.250 MHz Channel 6 409.925 MHz Channel 7 407.325 MHz Channel 8 408.000 MHz Channel 9 408.175 MHz Channel 10 409.225 MHz Channel 11 410.225 MHz Channel 12 410.300 MHz Channel 13 409.475 MHz Channel 14 410.525 MHz Channel 15 410.850 MHz Channel Bandwidths 30kHz Passband Gain >85 dB Passband Ripple <±1.5dB Gain Adjustment 0 to 30dB in 2dB steps OIP3 +67dBm Noise Figure <5dB (max.gain) In Band Spurious Noise 30kHz Bandwidth < -13 dBm @ (85dB gain)  Uplink Number of Channels 3 Channel 1 412.950 to 413.650MHz Channel 2 415.880 to 417.200MHz Channel 3 419.050 to 420.000MHz Channel 1 700kHz Channel 2 1.32MHz Channel Bandwidths Channel 3 950kHz Passband Gain  85 dB Nominal Passband Ripple <±1.5 dB Gain Adjustment 0 to 30dB in 2dB steps ALC +32.0dBm  OIP3 >+47dBm  Noise Figure <5dB (max.gain) In Band Spurious Noise 30kHz Bandwidth < -13Bm @ (max gain)  General Housing 43U 19” Rack (600Mmm x 600mm AC Supply Voltage 110V RF Connectors N type female Alarms Fitted (summary volt-free contacts) Downlink Amplifiers Fail Uplink Amplifiers Fail AC Fail Downlink Channel Alarms Uplink Channel Alarms operation -20°C to +60°C Temperature Range  storage -40°C to +70° Humidity 95% RHNC
Axell Wireless Limited Technical Literature 15 Channel UHF Hybrid Select Repeater Document Number 50-157401HBK  Issue No. 1  Date 26/03/2008  Page 13 of 50   4  15 Channel Repeater 50-157401 Major Sub-Components  Section  Component Part Component Part Description  Qty Per Assembly4.1. 50-157402 Downlink Splitter/Combiner  1 4.2.  50-157403  Channel Module Shelf (6 channels)  2 4.3.  50-157404  Channel Module Shelf (3 channels)  1 4.4.  80-245103  100W Power Amplifier  1 4.5. 50-157405 Triplexer Shelf  2 4.7.  50-157406  5W Amplifier Shelf  3
Axell Wireless Limited Technical Literature 15 Channel UHF Hybrid Select Repeater Document Number 50-157401HBK  Issue No. 1  Date 26/03/2008  Page 14 of 50   4.1. Downlink Splitter/Combiner 50-157402  Downlink Splitter/Combiner 50-157402 is housed in an 8U rack mount chassis.  Downlink signals are received from the RX antenna via the port labelled “RX ANT” in the top of the rack and are fed down to enter the Downlink Splitter/Combiner via the port labelled “RX ANT”  The downlink signal is first passed through a bandpass filter (02-011204) to reject out-of-band noise and then a 30dB Low Noise Amplifier (11-007402). Next the signal; passes through a switched attenuator (10-000701) which provides up to 30dB of signal attenuation in 2dB steps. The adjustment switches for this attenuator are accessible on the back panel of the shelf. After leaving the attenuator the signal is passed through a second Low Noise Amplifier (11-007302) this time providing 20dB of signal gain.   After leaving the second Low Noise Amplifier the signal is split into three equal paths by a Splitter/Combiner (05-003803) each of the three signal paths then leaves the Downlink Splitter/Combiner for the Channel Module Shelves (50-157403 & 50-157404), via the SMA ports labelled “A”, “B” and “C”.  Port A takes the signal to Channel Module Shelf 1 (50-157403) which houses the channel selectivity modules for channels 1 to 6. Port B takes the signal to Channel Module Shelf 2 (50-157403) which houses the channel selectivity modules for channels 7 to 12. Port C takes the signal to Channel Module Shelf 3 (50-157404) which houses the channel selectivity modules for channels 13 to 15.  The signals from the Channel Module Shelves re-enter the Downlink Splitter/Combiner via the SMA ports labelled “D”, “E” and “F”.  Port D is the input from Channel Module Shelf 1, channels 1 to 6. Port E is the input from Channel Module Shelf 2, channels 7 to 12. Port F is the input from Channel Module Shelf 3, channels 13 to 15. After the three signal paths from the Channel Module Shelves re-enter the Downlink Splitter/Combiner they are combined by a second Splitter/Combiner (05-003803), the combined signal then passes through a second switched attenuator (10-000701); this attenuator is factory pre-set to its required value, is not accessible and requires no adjustment. After leaving the attenuator the signal is passed through a 1W Power Amplifier (12-021801) providing 15dB of gain.   The Downlink signal now exits the Downlink Splitter/Combiner shelf again via the SMA port labelled “RF O/P” on the front panel, this output goes to the 100W Amplifier shelf (80-245103), after leaving the 100W Amplifier shelf the signal re-enters the Downlink Splitter/Combiner shelf via the SMA port labelled “RF I/P” on the front panel. The signal is then passed through a second bandpass filter (02-011204) to further reject out-of-band noise and then the signal enters 4 Port Hybrid Coupler (05-000101) where the signal is split into two paths, each path then leaves the Downlink Splitter/Combiner shelf via the ports labelled “LCX 1” and “LCX 2” and are fed up to the ports in the top of the rack, also labelled “LCX 1” and “LCX 2”, from here the connection is made to the LCX Cables.  The Uplink signals are received from the two LCX Cables at the ports labelled “LCX1” and “LCX2” in the top of the rack and fed down to enter the Downlink Splitter/Combiner 50-157402 via the Ports labelled “LCX 1” and “LCX 2”, the signal enters 4 Port Hybrid Coupler (05-000101) where the two signal paths are combined into a into a single path which then leaves the Downlink Splitter/Combiner for the first of the Uplink Triplexer Shelves 50-157405 via the port labelled “N”
Axell Wireless Limited Technical Literature 15 Channel UHF Hybrid Select Repeater Document Number 50-157401HBK  Issue No. 1  Date 26/03/2008  Page 15 of 50   4.1.1. Downlink Splitter/Combiner 50-157402 Illustrations  4.1.1.1. System Diagram Drawing Number 50-157482
Axell Wireless Limited Technical Literature 15 Channel UHF Hybrid Select Repeater Document Number 50-157401HBK  Issue No. 1  Date 26/03/2008  Page 16 of 50  24V DC OUTPUT24V DC OUTPUTPOWER ALARMFUSE 15AFUSE 15AALARM PORT ARF O/PALARM PORT BRF I/PABCDEFGHIJ  4.1.1.2. Front View                          A  RF Output to Downlink 100W Amplifier 80-245103 B  Alarm Input from Amplifier Module A in Downlink 100W Amplifier 80-245103 C  24V DC output to Amplifier Module A in Downlink 100W Amplifier 80-245103 D  15A Fuse for 24V DC output to Amplifier Module A E  RF Input from Downlink 100W Amplifier 80-245103 F  Alarm Input from Amplifier Module B in Downlink 100W Amplifier 80-245103 G  24V DC output to Amplifier Module B in Downlink 100W Amplifier 80-245103 H  15A Fuse for 24V DC output to Amplifier Module B I  Green LED “Power On” J  Red LED “Alarm”
Axell Wireless Limited Technical Literature 15 Channel UHF Hybrid Select Repeater Document Number 50-157401HBK  Issue No. 1  Date 26/03/2008  Page 17 of 50  110V AC I/P AC TRIP12V DC O/P 12V DC O/P12V DC O/P 12V DC O/P12V DC O/P 12V DC O/PFUSE 6.3A FUSE 6.3AFUSE 6.3A FUSE 6.3AFUSE 6.3A FUSE 6.3AALARMNRX ANTALARM I/P ALARM I/P ALARM I/PLCX 1 LCX 2ABCDEFACEDEDEDFGHIJBKLMN 4.1.1.3. Rear View                                 A  Port “N” output to Uplink Splitting Triplexer 50-157405 B  Port “RX ANT” input from RX Antenna C  Alarm output to Krone Block D  6.3 A fuse for 12V DC outputs E  12V DC outputs F  110V AC Input G  AC Trip Switch H  Alarm inputs from Channel Module Shelves 50-157403 & 50-157404 I Earth Connection J  Downlink Switched Attenuator 10-000701 K  Inputs from Channel Module Shelves 50-157403 & 50-157404 ** L  Outputs to Channel Module Shelves 50-157403 & 50-157404 ** M  Connection to LCX 2 N  Connection to LCX 1  **  Port “A” is output to Channel Module Shelf 50-157403 for Channels 1 to 6 Port “B” is output to Channel Module Shelf 50-157403 for Channels 7 to 12 Port “C” is output to Channel Module Shelf 50-157404 for Channels 13 to 15 Port “D” is input from Channel Module Shelf 50-157403 for Channels 1 to 6 Port “E” is input from Channel Module Shelf 50-157403 for Channels 7 to 12 Port “F” is input from Channel Module Shelf 50-157404 for Channels 13 to 15
Axell Wireless Limited Technical Literature 15 Channel UHF Hybrid Select Repeater Document Number 50-157401HBK  Issue No. 1  Date 26/03/2008  Page 18 of 50   4.1.2. Downlink Splitter/Combiner 50-157402 Major Sub-Components  Line Item Component Part Component Part Description  Qty Per Assembly1 02-011204 Bandpass Filter  2 2  05-000101  4 Port Hybrid Coupler  1 3  05-003803  3 Way Splitter/Combiner  2 4  10-000701  Switched Attenuator 0.25Watt, 0 - 30dB  1 5  11-007302  Low Noise Amplifier 20dB   1 6  11-007402  Low Noise Amplifier 30dB   1 7  12-021801  1W Power Amplifier  1 8 13-003301 Mains Filter   1 12  20-001601  12V Relay Board  3 13  20-001602  24V Relay Board  1 18  80-008901  12V Relay Assembly  1 33  94-100004  Dual Diode Assembly  1 39 96-300057 PSU 400W   1 40 96-300067 PSU 600W   2
Axell Wireless Limited Technical Literature 15 Channel UHF Hybrid Select Repeater Document Number 50-157401HBK  Issue No. 1  Date 26/03/2008  Page 19 of 50   4.2.  Channel Module Shelf 50-157403 (6 channels)  There are two, 6 channel, Channel Module Shelves in this system, one houses the Channel Selectivity Modules that define the passbands for channels 1 to 6 and the other houses the Channel Selectivity Modules that define the passbands for channels 7 to 12. Each 6 channel shelf is housed in a 4U rack mount sub-rack assembly.  Downlink signals enter the Channel Module Shelves from the Downlink Splitter/Combiner shelf via the SMA ports at the rear of the Channel Module Shelves.  For the shelf that houses Channel Selectivity Modules for channels 1 to 6 the input port is labelled “A”. On the shelf that houses Channel Selectivity Modules for channels 7 to 13 the input port is labelled “B”  The following describes shelf 1, shelf 2 (except for the channel frequencies) is identical.  The downlink signal is split into two equal paths by 2 Way Splitter/Combiner 05-002603, each path is then split into three equal paths by a pair of 3 Way Splitter/Combiners (05-003803), this provides six signal paths. Each path is then fed to a Channel Selectivity Module (17-003047)  The channel modules are used to provide the required selectivity to define the operating passband; they provide selectivity, automatic gain levelling and on frequency operation using phase-locked tuning from a set of 16 DIP switches which digitally control the channel frequency. The DIP switches are housed in an accompanying Channel Control Module 17-002101, one Control Module is provided for each Selectivity Module.  After leaving the Channel Selectivity Modules each set of three paths is combined by a second set of 3 Way Splitter/Combiners (05-003803), the resultant two signal paths are further combined by another 2 Way Splitter/Combiner (05-002603) and the downlink signal then exits the Channel Module Shelf to return to the Downlink Splitter/Combiner shelf via the SMA ports at the rear of the Channel Module Shelves. For the shelf that houses Channel Selectivity Modules for channels 1 to 6 the output port is labelled “D”. On the shelf that houses Channel Selectivity Modules for channels 7 to 13 the output port is labelled “E”
Axell Wireless Limited Technical Literature 15 Channel UHF Hybrid Select Repeater Document Number 50-157401HBK  Issue No. 1  Date 26/03/2008  Page 20 of 50   4.2.1.  Channel Module Shelf 50-157403 Illustrations  4.2.1.1.  Channel Module Shelf 50-157403 System Diagram Drawing Number 50-157483
Axell Wireless Limited Technical Literature 15 Channel UHF Hybrid Select Repeater Document Number 50-157401HBK  Issue No. 1  Date 26/03/2008  Page 21 of 50   4.2.1.2.  Channel Module Shelf 1 (Channels 1 to 6) Front View                        A  Channel Selectivity Module 17-003047 (channel 1) B  Channel Selectivity Module 17-003047 (channel 2) C  Channel Selectivity Module 17-003047 (channel 3) D  Channel Selectivity Module 17-003047 (channel 4) E  Channel Selectivity Module 17-003047 (channel 5) F  Channel Selectivity Module 17-003047 (channel 6) G  Channel Control Module 17-002101 (channel 1) H  Channel Control Module 17-002101 (channel 2) I  Channel Control Module 17-002101 (channel 3) J  Channel Control Module 17-002101 (channel 4) K  Channel Control Module 17-002101 (channel 5) L  Channel Control Module 17-002101 (channel 6) M  Spare Channel Control Module  N  3 Way Splitter/Combiners 05-003803 (Splitting) O  3 Way Splitter/Combiners 05-003803 (Combining)    Channel 1  410.000 MHz Channel 2  407.175 MHz Channel 3  409.650 MHz Channel 4  406.575 MHz Channel 5  408.250 MHz Channel 6  409.925 MHz
Axell Wireless Limited Technical Literature 15 Channel UHF Hybrid Select Repeater Document Number 50-157401HBK  Issue No. 1  Date 26/03/2008  Page 22 of 50   4.2.1.3.  Channel Module Shelf 2 (Channels 7 to 12) Front View                       A  Channel Selectivity Module 17-003047 (channel 7) B  Channel Selectivity Module 17-003047 (channel 8) C  Channel Selectivity Module 17-003047 (channel 9) D  Channel Selectivity Module 17-003047 (channel 10) E  Channel Selectivity Module 17-003047 (channel 11) F  Channel Selectivity Module 17-003047 (channel 12) G  Channel Control Module 17-002101 (channel 7) H  Channel Control Module 17-002101 (channel 8) I  Channel Control Module 17-002101 (channel 9) J  Channel Control Module 17-002101 (channel 10) K  Channel Control Module 17-002101 (channel 11) L  Channel Control Module 17-002101 (channel 12) M  Spare Channel Control Module  N  3 Way Splitter/Combiners 05-003803 (Splitting) O  3 Way Splitter/Combiners 05-003803 (Combining)     Channel 7 407.325 MHz Channel 8 408.000 MHz Channel 9 408.175 MHz Channel 10 409.225 MHz Channel 11 410.225 MHz Channel 12 410.300 MHz
Axell Wireless Limited Technical Literature 15 Channel UHF Hybrid Select Repeater Document Number 50-157401HBK  Issue No. 1  Date 26/03/2008  Page 23 of 50   4.2.1.4.  Channel Module Shelves1 & 2 Rear View                         A  Channel Selectivity Module 17-003047 (channel 1) B  Channel Selectivity Module 17-003047 (channel 2) C  Channel Selectivity Module 17-003047 (channel 3) D  Channel Selectivity Module 17-003047 (channel 4) E  Channel Selectivity Module 17-003047 (channel 5) F  Channel Selectivity Module 17-003047 (channel 6) G  2 Way Splitter/Combiner 05-002603 (Splitting) H  2 Way Splitter/Combiner 05-002603 (Combining) I  RF Input (Port “A”) from Downlink Splitter/Combiner 50-157402 ** J  RF Output (Port “D”)to Downlink Splitter/Combiner 50-157402 ** K  12V DC Input from Downlink Splitter/Combiner 50-157402 L  4A Fuse for 12V DC Input Shelf 1 M  Alarm output to Downlink Splitter/Combiner 50-157402 N  Channel Selectivity Module 17-003047 (channel 7) O  Channel Selectivity Module 17-003047 (channel 8) P  Channel Selectivity Module 17-003047 (channel 9) Q  Channel Selectivity Module 17-003047 (channel 10) R  Channel Selectivity Module 17-003047 (channel 11) S  Channel Selectivity Module 17-003047 (channel 12) T  2 Way Splitter/Combiner 05-002603 (Splitting) U  2 Way Splitter/Combiner 05-002603 (Combining) V  RF Input (Port “B”) from Downlink Splitter/Combiner 50-157402 ** W  RF Output (Port “E”) to Downlink Splitter/Combiner 50-157402 ** X  12V DC Input from Downlink Splitter/Combiner 50-157402 Y  4A Fuse for 12V DC Input Shelf 2 Z  Alarm output to Downlink Splitter/Combiner 50-157402   AA  Position of Earth Connections **  Port “A” is input from Splitter/Combiner 50-157402 for Channels 1 to 6 Port “D” is output to Splitter/Combiner 50-157402 for Channels 1 to 6 Port “B” is input from Splitter/Combiner 50-157402 for Channels 7 to 12 Port “E” is output to Splitter/Combiner 50-157402 for Channels 7 to 12
Axell Wireless Limited Technical Literature 15 Channel UHF Hybrid Select Repeater Document Number 50-157401HBK  Issue No. 1  Date 26/03/2008  Page 24 of 50   4.2.2.  Channel Module Shelf 50-157403 Major Sub-Components   Line Item Component Part Component Part Description  Qty Per Assembly 1  05-002603  2 Way Splitter/Combiner  2 2  05-003803  3 Way Splitter/Combiner  4 3  17-002101  Channel Control Module (4 channels)  2 4  17-003047  Channel Selectivity Module  6
Axell Wireless Limited Technical Literature 15 Channel UHF Hybrid Select Repeater Document Number 50-157401HBK  Issue No. 1  Date 26/03/2008  Page 25 of 50   4.3.  Channel Module Shelf 50-157404 (3 channels)   There is one, 3 channel, Channel Module Shelf in this system, it houses the Channel Selectivity Modules that define the passbands for channels 13 to 15 and is housed in a 4U rack mount sub-rack assembly.  Downlink signals enter the Channel Module Shelf from the Downlink Splitter/Combiner shelf via the SMA port labelled “C” at the rear of the Channel Module Shelf.  The downlink signal passes through 2 Way Splitter/Combiner 05-002603 (this has one of its outputs terminated with a 50 Load Termination (93-930003) providing scope for future expansion), the path is then split into three equal paths by a 3 Way Splitter/Combiner (05-003803), each path is then fed to a Channel Selectivity Module (17-003047)  The channel modules are used to provide the required selectivity to define the operating passband; they provide selectivity, automatic gain levelling and on frequency operation using phase-locked tuning from a set of 16 DIP switches which digitally control the channel frequency. The DIP switches are housed in an accompanying Channel Control Module 17-002101, one Control Module is provided for each Selectivity Module.  After leaving the Channel Selectivity Modules the three paths are combined by a second 3 Way Splitter/Combiner (05-003803), the resultant signal path then passes through a second 2 Way Splitter/Combiner 05-002603 (with one of its inputs terminated with a 50 Load Termination (93-930003) providing scope for future expansion). The downlink signal then exits the Channel Module Shelf to return to the Downlink Splitter/Combiner shelf via the SMA port labelled “E” at the rear of the Channel Module Shelf
Axell Wireless Limited Technical Literature 15 Channel UHF Hybrid Select Repeater Document Number 50-157401HBK  Issue No. 1  Date 26/03/2008  Page 26 of 50   4.3.1.  Channel Module Shelf 50-157404 Illustrations  4.3.1.1.  Channel Module Shelf 50-157404 System Diagram Drawing Number 50-157484
Axell Wireless Limited Technical Literature 15 Channel UHF Hybrid Select Repeater Document Number 50-157401HBK  Issue No. 1  Date 26/03/2008  Page 27 of 50   4.3.1.2.  Channel Module Shelf 3 (Channels 13 to 16) Front View                           A  Channel Selectivity Module 17-003047 (channel 13) B  Channel Selectivity Module 17-003047 (channel 14) C  Channel Selectivity Module 17-003047 (channel 15) D  Channel Control Module 17-002101 (channel 13) E  Channel Control Module 17-002101 (channel 14) F  Channel Control Module 17-002101 (channel 15) G  Spare Channel Control Module H  2 Way Splitter/Combiner 05-002603 (Splitting) I  3 Way Splitter/Combiners 05-003803 (Splitting) J  3 Way Splitter/Combiners 05-003803 (Combining) K  2 Way Splitter/Combiner 05-002603 (Combining)   Channel 13  409.475 MHz Channel 14  410.525 MHz Channel 15  410.850 MHz
Axell Wireless Limited Technical Literature 15 Channel UHF Hybrid Select Repeater Document Number 50-157401HBK  Issue No. 1  Date 26/03/2008  Page 28 of 50   4.3.1.3.  Channel Module Shelf 3 (Channels 13 to 16) Rear View                   A  Channel Selectivity Module 17-003047 (channel 13) B  Channel Selectivity Module 17-003047 (channel 14) C  Channel Selectivity Module 17-003047 (channel 15) D  2 Way Splitter/Combiner 05-002603 (Splitting) E  2 Way Splitter/Combiner 05-002603 (Combining) F  RF Input (Port “C”) from Downlink Splitter/Combiner 50-157402 ** G  RF Output (Port “F”) to Downlink Splitter/Combiner 50-157402 ** H  12V DC Input from Downlink Splitter/Combiner 50-157402 I  4A Fuse for 12V DC Input J  Alarm output to Downlink Splitter/Combiner 50-157402 K  Position of Earth Connections  **  Port “C” is input from Splitter/Combiner 50-157402 for Channels 13 to 15 Port “F” is output to Splitter/Combiner 50-157402 for Channels 13 to 15
Axell Wireless Limited Technical Literature 15 Channel UHF Hybrid Select Repeater Document Number 50-157401HBK  Issue No. 1  Date 26/03/2008  Page 29 of 50   4.3.2  Channel Module Shelf 50-157404 Major Sub-Components  Line Item Component Part Component Part Description  Qty Per Assembly 1  05-002603  2 Way Splitter/Combiner  2 2  05-003803  3 Way Splitter/Combiner  4 3  17-002101  Channel Control Module (4 channels)  1 4  17-003047  Channel Selectivity Module  3 5 93-930003 50 Load Termination 3
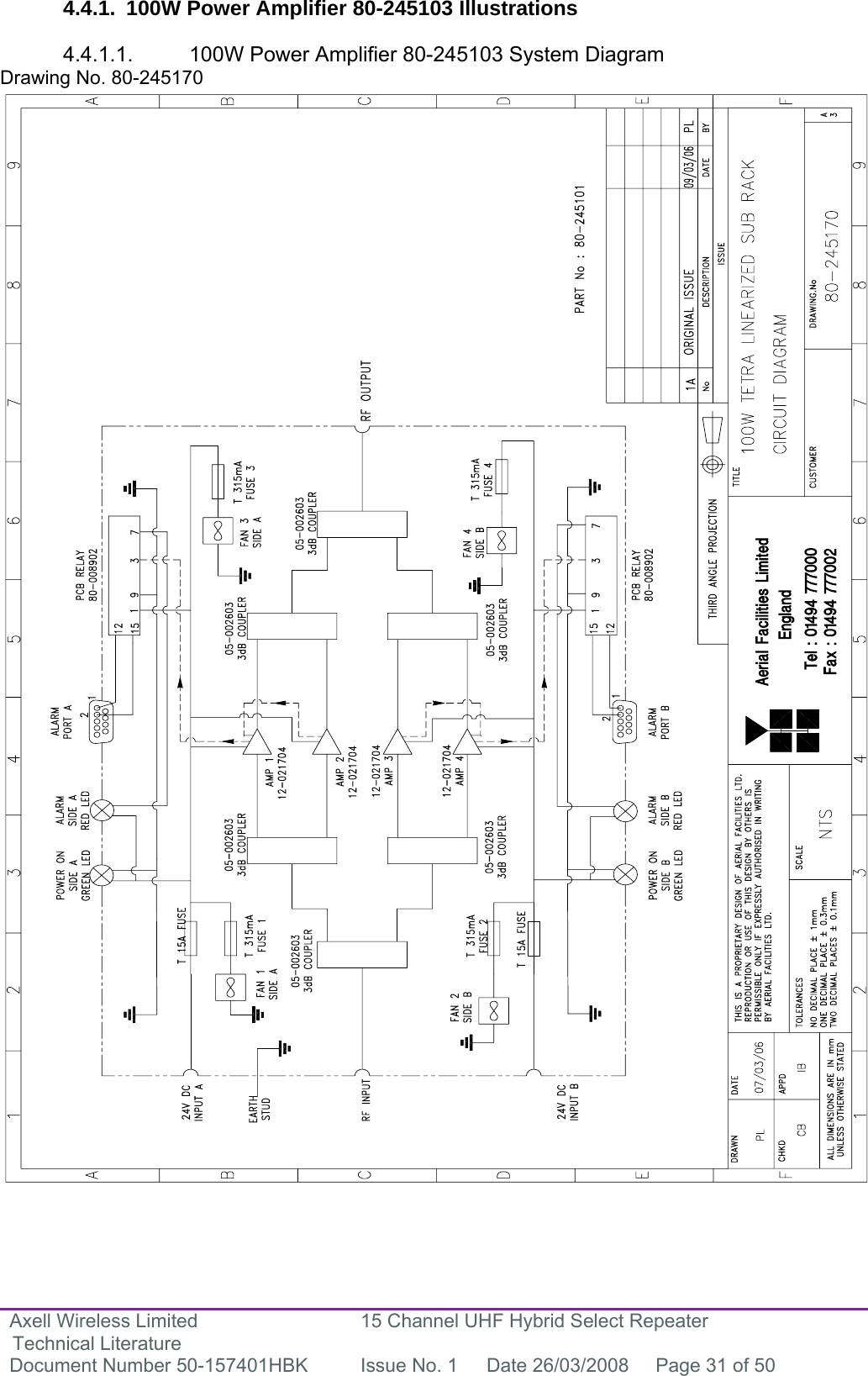
Axell Wireless Limited Technical Literature 15 Channel UHF Hybrid Select Repeater Document Number 50-157401HBK  Issue No. 1  Date 26/03/2008  Page 30 of 50   4.4.  100W Power Amplifier 80-245103  The 100W Power Amplifier shelf (80-245103) is a Class A 100W TETRA Linearised Class A amplifier where 4, 25W linearised power amplifier modules (Pair “A” and Pair “B”) are combined together in a parallel/phased configuration. Its housing is a 4U, 19” Rack mount tray with SMA connectors for the RF input/output, 2 D-Type connectors for the alarm function and 2 DC connectors with fuse for the 24 DC supply. Its cooling is realized by fans mounted on the front panel.  It has a built in Current Fault Alarm Function with the four amplifiers in two summary alarm paths. The summary alarm on D connector ‘A’ will show an alarm for the two amplifiers mounted on the top of the shelf (Pair “A”) The summary alarm on D connector ‘B’ will show an alarm for the two amplifiers mounted at the bottom of the shelf (Pair “B”).  The downlink signal is received from Downlink Splitter/Combiner 50-157402 via the SMA port on the front panel labelled “RF INPUT” and the signal is split into two paths by a 3dB splitter/Combiner 05-002603, one path is routed to Amplifier Pair A and the other is routed to Amplifier Pair B. Each signal path is then further split by another pair of 3dB splitter/Combiners 05-002603 providing one path for each of the four Amplifier Modules.   The four separate paths are then each passed through their respective Amplifier Modules 12-026901, this configuration provides double redundancy, so should any of the 25W driver amps fail, coverage would still continue, albeit with a slight loss in power.   After leaving the Amplifier Modules each pair of paths is then combined by a pair of 3dB splitter/Combiners 05-002603 the resultant two paths are then combined by a further 3dB splitter/Combiner 05-002603 and the combined signal then leaves the Amplifier Shelf to return to the Downlink Splitter/Combiner 50-157402 via the SMA port on the front panel labelled “RF OUTPUT”
Axell Wireless Limited Technical Literature 15 Channel UHF Hybrid Select Repeater Document Number 50-157401HBK  Issue No. 1  Date 26/03/2008  Page 31 of 50   4.4.1.  100W Power Amplifier 80-245103 Illustrations  4.4.1.1.  100W Power Amplifier 80-245103 System Diagram Drawing No. 80-245170
Axell Wireless Limited Technical Literature 15 Channel UHF Hybrid Select Repeater Document Number 50-157401HBK  Issue No. 1  Date 26/03/2008  Page 32 of 50   4.4.1.2.  100W Power Amplifier 80-245103 Front View                  A  Green LED “Power On” for Amplifier Modules Pair “A” B  Red LED “Alarm” for Amplifier Modules Pair “A” C  RF input from Downlink Splitter/Combiner 50-157402 D  Alarm output from Amplifier pair “A” E  DC input to Amplifier pair “A” F  15A fuse for DC Input to Amplifier pair “A” G  Earth Connection  H Cooling Fans I  Green LED “Power On” for Amplifier Modules Pair “B” J  Red LED “Alarm” for Amplifier Modules Pair “B” K  RF output to Downlink Splitter/Combiner 50-157402 L  Alarm output from Amplifier pair “B” M  DC input to Amplifier pair “B” N  15A fuse for DC Input to Amplifier pair “B”  4.4.1.3.  100W Power Amplifier 80-245103 Rear View                  A  Amplifier Modules Pair “A” B  Amplifier Modules Pair “B” C  Earth Connection to Rack
Axell Wireless Limited Technical Literature 15 Channel UHF Hybrid Select Repeater Document Number 50-157401HBK  Issue No. 1  Date 26/03/2008  Page 33 of 50   4.4.1.4. Connections between 50-157402 and 80-245103                                     A  RF Output from 50-157402 B  RF Input to 80-245103 C  Alarm Output (Amplifier Module pair “A”) from 80-245103 D  Alarm Input (Amplifier Module pair “A”) to 50-157402 E  24V DC output (Amplifier Module pair “A”) from 50-157402 F  24V DC Input (Amplifier Module pair “A”) to 80-245103 G  RF Output from 80-245103 H  RF Input to 50-157402 I  Alarm Output (Amplifier Module pair “B”) from 80-245103 J  Alarm Input (Amplifier Module pair “B”) to 50-157402 K  24V DC output (Amplifier Module pair “B”) from 50-157402 L  24V DC Input (Amplifier Module pair “B”) to 80-245103
Axell Wireless Limited Technical Literature 15 Channel UHF Hybrid Select Repeater Document Number 50-157401HBK  Issue No. 1  Date 26/03/2008  Page 34 of 50   4.4.2.  100W Power Amplifier 80-245103 Specification  PARAMETER  SPECIFICATION Frequency range 380-410MHz  Gain ≥ 36.0 dB Gain Flatness 0.4 dB/10MHz I/O Return loss >18dB 1dB compression point +50dBm OIP3 +69dBm Supply voltage 24V DC (x2) Supply current 18-19Amps Impedance 50 RF Connectors SMA Environmental protection rating IP44 operational -10°C to +70°C Temperature range  storage -40°C to +80°C Weight Approx 9kg      4.4.3.  100W Power Amplifier 80-245103 Major Sub Components  Line Item No Component Part Component Part Description  Qty Per Assembly 1 05-002603 3dB splitter/Combiner  6 2  12-026901  25W Linearised Power Amplifier  4 3  80-008902  24V Relay Assembly  2 4 96-400002 Cooling Fan  4
Axell Wireless Limited Technical Literature 15 Channel UHF Hybrid Select Repeater Document Number 50-157401HBK  Issue No. 1  Date 26/03/2008  Page 35 of 50   4.5.  Uplink Triplexer Shelves 50-157405   There are two Triplexer Shelves in the system; both are in the Uplink path. Each Triplexer is housed in a 4U, 19” Rack Mount Tray and they provide passband definition for the three uplink signal paths.   Triplexer 1 (the Uplink Splitting Triplexer) is positioned before the 5W Amplifier Shelves 50-157406 and serves to split the signal from the LCX Cables into three paths, one each for each of the 5W Amplifier Shelves. Triplexer 2 (the Downlink Combining Triplexer) is positioned after the 5W Amplifier Shelves 50-157406 and serves to combine the three signals from the 5W Amplifier Shelves into a single path which is then passed to the TX Antenna.  The Uplink signal arrives at Triplexer 1 from the Downlink Splitter/Combiner 50-157402 via the port labelled “N”, the signal is split by means of critical length harness into three paths and each path is then fed through a bandpass filter (02-013401 and 02016801) which are tuned to the required passband frequency and rejects out-of-band noise. The three passbands are: Channel 1  412.950 to 413.650MHz Channel 2  415.880 to 417.200MHz Channel 3  419.050 to 420.000MHz The Bandpass filters employed on Channels 1 and 3 are 02-013401, the bandpass filter on Channel 2 is 02-016801 as this a wider bandwidth.  After exiting the Bandpass Filters the three Uplink signal paths leave the Triplexer, Channel 1 via the port labelled “G” Channel 2 via the port labelled “H” Channel 3 via the port labelled “J” The three signal paths then go to their respective 5W Amplifier Shelves.  After leaving the 5W Amplifier Shelves the three uplink signal paths enter Triplexer 2  Channel 1 via the port labelled “K” Channel 2 via the port labelled “L” Channel 3 via the port labelled “M” Each path is then fed through a bandpass filter (02-013401 and 02016801 in the same order as in Triplexer 1) which are tuned to the required passband frequency and rejects out-of-band noise. After passing through the Bandpass Filters the three signals are combined by means of critical length harness into a single path which then exits the Triplexer via the port labelled “TX ANT” and is fed up to the port in the top of the rack also labelled “TX ANT” where the connection is made to the TX Antenna
Axell Wireless Limited Technical Literature 15 Channel UHF Hybrid Select Repeater Document Number 50-157401HBK  Issue No. 1  Date 26/03/2008  Page 36 of 50  4.5.1.  Uplink Triplexer Shelves 50-157405 Illustrations  4.5.1.1.  Uplink Triplexer Shelves 50-157405 System Diagram  Drawing Number 50-157485
Axell Wireless Limited Technical Literature 15 Channel UHF Hybrid Select Repeater Document Number 50-157401HBK  Issue No. 1  Date 26/03/2008  Page 37 of 50  GHJNMKLTX ANTTriplexer 1 Splitting TriplexerTriplexer 2 Combining TriplexerAB C DHE F GIJ 4.5.1.2. Uplink Triplexer Shelves 50-157405 Rear Views                                   A  Port “N” Input from Downlink Splitter/Combiner 50-157402 B  Port “G” output to 5W Amplifier 50-157406 for Channel 1 C  Port “H” output to 5W Amplifier 50-157406 for Channel 2 D  Port “J” output to 5W Amplifier 50-157406 for Channel 3 E  Port “M” Input from 5W Amplifier 50-157406 for Channel 3 F  Port “K” Input from 5W Amplifier 50-157406 for Channel 1 G  Port “L” Input from 5W Amplifier 50-157406 for Channel 2 H  Port “H” Output to TX Antenna I  Earth Connection Triplexer 1 J  Earth Connection Triplexer 2   4.5.2.  Uplink Triplexer Shelves 50-157405 Major Sub Components    Line Item No Component Part Component Part Description Qty Per Assembly 1 02-013401 Bandpass Filter  2 2 02-016801 Bandpass Filter  1
Axell Wireless Limited Technical Literature 15 Channel UHF Hybrid Select Repeater Document Number 50-157401HBK  Issue No. 1  Date 26/03/2008  Page 38 of 50   4.7. Uplink 5W Amplifier Shelf 50-157406   There are three 5W Amplifier Shelves in this system (one for each of the three Uplink Channels.); each Amplifier is housed in a 3U, 19” Rack Mount Tray.  The three channels are as follows Channel 1 is 412.950 to 413.650MHz Channel 2 is 415.880 to 417.200MHz Channel 3 is 419.050 to 420.000MHz  The uplink signal enters the 5W Amplifier shelf from the Splitting Duplexer 50-157405 via the uppermost “N” type port on the back and then passes through the first of three amplification stages; the first amplification stage is provided by a Low Noise Amplifier (11-007402) which provides 30dB of gain.   After the first stage of amplification the signal then passes through a Switched Attenuator (10-000701) which provides up to 20dB of signal attenuation in 2dB steps; the setting switches for this Attenuator are accessed on the back panel of the shelf.   After leaving the Attenuator the signal then passes into the second stage of Amplification, this is provided by a second Low Noise Amplifier (11-007402) providing a further 30dB of gain. The signal then passes through a Bandpass Filter (02-007309) which is tuned to the required passband frequency and rejects out-of-band noise.  After the Bandpass Filter the signal enters the third stage of Amplification which is provided by a 5W Power Amplifier (12-021601). The second and third stages of amplification are straddled by an Automatic Gain Control assembly (17-019802 and 17-016401) which provides further signal attenuation if needed. The signal then exits the 5W Amplifier shelf to go to the Combining Duplexer 50-157405 via the lowermost “N” type port on the back.
Axell Wireless Limited Technical Literature 15 Channel UHF Hybrid Select Repeater Document Number 50-157401HBK  Issue No. 1  Date 26/03/2008  Page 39 of 50   4.7.1. Uplink 5W Amplifier Shelves 50-157406 Illustrations  4.7.1.1.  Uplink 5W Amplifier Shelves 50-157406 System Diagrams Drawing Number 50-157486
Axell Wireless Limited Technical Literature 15 Channel UHF Hybrid Select Repeater Document Number 50-157401HBK  Issue No. 1  Date 26/03/2008  Page 40 of 50   4.7.1.2.  Uplink 5W Amplifier Shelve 50-157406 Front View             A  Green LED “Power On” B  Red LED “Alarm”       4.7.1.3.  Uplink 5W Amplifier Shelve 50-157406 Rear View                 A  RF Input** from Triplexer 1 B  RF Output** to Triplexer 2 C Earth Connection D Attenuator Controls E  Alarm Output to Krone Block R  4A Fuse for DC Input G  12V DC Input from Downlink Splitter/Combiner 50-157402   **On the 5W Amplifier shelf for Uplink Channel 1 (412.950 to 413.650MHz) the Input Port is labelled “G” and the Output Port is labelled “K”  **On the 5W Amplifier shelf for Uplink Channel 2 (415.880 to 417.200MHz) the Input Port is labelled “H” and the Output Port is labelled “L”  **On the 5W Amplifier shelf for Uplink Channel 3 (419.050 to 420.000MHz) the Input Port is labelled “J” and the Output Port is labelled “M”
Axell Wireless Limited Technical Literature 15 Channel UHF Hybrid Select Repeater Document Number 50-157401HBK  Issue No. 1  Date 26/03/2008  Page 41 of 50   4.7.2. Uplink 5W Amplifier Shelf 50-157406 Specification  PARAMETER  SPECIFICATION Channel 1 412.95 to 413.65MHz Channel 2 415.880 to 417.200MHz Passband Channel 3 419.050 to 420.000MHz Channel 1 700kHz Channel 2 1.32MHz Passband bandwidth  Channel 3 950kHz Maximum Gain  > 85dB Passband ripple < +/-1.5dB Maximum output power (ALC) +36dBm In 3MHz Band Spurious Noise30kHz Bandwidth  < -36dBm at Max gain 3rd Order Intercept Point +50dBm Switched attenuator 0 - 30dB in 2dB steps Supply voltage 12V DC Supply current 2.9 Amps Impedance 50 RF Connectors N Environmental protection rating IP44 operational -10°C to +70°C Temperature range  storage -40°C to +80°C Weight Approx 4kg      4.7.3.  5W Amplifier Shelf 50-157406 Major Sub Components  Line Item No Component Part Component Part Description  Qty Per Assembly 1 02-007309 Bandpass Filter  1 2  10-000701  Switched Attenuator 0.25Watt, 0 - 30dB  1 3  11-007402  Low Noise Amplifier  2 4  12-021601  5W Power Amplifier  1 6 17-016401 AGC Attenuator  1 7 17-019801 AGC Detector  1 9  80-008901  12V Relay Assembly  1
Axell Wireless Limited Technical Literature 15 Channel UHF Hybrid Select Repeater Document Number 50-157401HBK  Issue No. 1  Date 26/03/2008  Page 42 of 50    5. INSTALLATION  5.1 Initial Installation Record  When this equipment is initially commissioned, please use the equipment set-up record sheet in Appendix B. This will help both the installation personnel and Axell Wireless should these figures be needed for future reference or diagnosis.   6.  Fault Finding & MAINTENANCE   6.1  General Fault Finding Procedures  In the event that the performance of the system is suspect, a methodical and logical approach to the problem will reveal the cause of the difficulty.  Transmissions from the main base stations are passed though the system to the mobile radio equipment; this could be a handheld radio or a transceiver in a vehicle. This path is referred to as the downlink. The return signal path from the mobile radio equipment to the base station is referred to as the uplink.  The first operation is to check the alarms of each of the active units and determine that the power supplies to the equipment are connected and active. This can be achieved remotely (via CEMS, the RS232 Coverage Enhancement Management System, if fitted), or locally with the front panel LEDs. The green LED on the front panel should be illuminated, while the red alarm indicator should be off.  If an alarm is on, then that individual shelf/module must be isolated and individually tested against the original test specification. The individual amplifier units have a green LED showing through a hole in their case, which is illuminated if the unit is working correctly.  If an amplifier is suspect, check the DC power supply to the unit. If no other fault is apparent use a spectrum analyser to measure the incoming signal level at the input and then after reconnecting the amplifier input, measure the output level. Consult with the system diagram to determine the expected gain and compare result.  In the event that there are no alarms on and all units appear to be functioning it will be necessary to test the system in a systematic manner to confirm correct operation.   6.2 Downlink  Confirm that there is a signal at the expected frequency and strength from the base station. If this is not present then the fault may lay outside the system. To confirm this, inject a downlink frequency signal from a known source at the master site BTS input and check for output at the remote site feeder output.  If a signal is not received at the output it will be necessary to follow the downlink path through the system to find a point at which the signal is lost. The expected downlink output for the given input can be found in the end-to-end test specification.
Axell Wireless Limited Technical Literature 15 Channel UHF Hybrid Select Repeater Document Number 50-157401HBK  Issue No. 1  Date 26/03/2008  Page 43 of 50   6.3 Uplink  Testing the uplink involves a similar procedure to the downlink except that the frequencies used are those transmitted by the mobile equipment.  6.4 Fault repair  Once a faulty component has been identified, a decision must be made on the appropriate course to carry out a repair. A competent engineer can quickly remedy typical faults such as faulty connections or cables. The exceptions to this are cable assemblies connecting bandpass filter assemblies that are manufactured to critical lengths to maintain a 50-ohm system. Care should be taken when replacing cables or connectors to ensure that items are of the correct specification. The repair of component modules such as amplifiers and bandpass filters will not usually be possible in the field, as they frequently require specialist knowledge and test equipment to ensure correct operation. It is recommended that items of this type are replaced with a spare unit and the faulty unit returned to AWL for repair.  6.5 Checking service  Following the repair of any part of the system it is recommended that a full end-to-end test is carried out in accordance with the test specification and that the coverage is checked by survey. It is important to bear in mind that the system includes a radiating cable network and base stations that may be faulty or may have been damaged.  6.6 Service Support  Advice and assistance with maintaining and servicing this system are available by contacting Axell Wireless Ltd.  6.7  Tools & Test Equipment  The minimum tools and test equipment needed to successfully service this Axell product are as follows:-  Spectrum analyser  100kHz to 2GHz (Dynamic range = 90dB). Signal Generator  30MHz to 2GHz (-120dBm to 0dBm o/p level). Attenuator  20dB, 10W, DC-2GHz, (N male – N female). Test Antenna  Yagi or dipole for operating frequency. Digital multi-meter  Universal Volt-Ohm-Amp meter. Test cable x 2  N male – N male, 2M long RG214. Test cable x 2  SMA male – N male, 1m long RG223. Hand tools  Philips #1&2 tip screwdriver. 3mm flat bladed screwdriver. SMA spanner and torque setter.
Axell Wireless Limited Technical Literature 15 Channel UHF Hybrid Select Repeater Document Number 50-157401HBK  Issue No. 1  Date 26/03/2008  Page 44 of 50   6.8  General Maintenance Procedures   Many of the active modules contain semiconductor devices utilising MOS technology, which can be damaged by electrostatic discharge. Correct handling of such modules is mandatory to ensure their long-term reliability.  To prevent damage to a module, it must be withdrawn/inserted with care. The module may have connectors on its underside, which might not be visible to the service operative.  6.9  Module Removal (LNAs, general procedure)  The following general rules should be followed to remove a module:  1  Remove power to the unit 2  Remove all visible connectors (RF, DC & alarm) 3  Release module retaining screws. 4  Slowly but firmly, pull the module straight out of its position. Take care not to twist/turn the   module during withdrawal. (When the module is loose, care may be needed, as there may be   concealed connections underneath).  6.10  Module Replacement (general)  1  Carefully align the module into its location then slowly push the module directly straight into its   position, taking care not to twist/turn it during insertion. 2  Reconnect all connectors, RF, alarm, power etc., (concealed connectors may have to be  connected first). 3  Replace retaining screws (if any). 4  Double-check all connections before applying power.  6.11 Power Amplifiers  1)  Remove power to the unit. (Switch off at the mains/battery, or remove DC in connector)  2)  Remove alarm wires from alarm screw terminal block or disconnect multi-way alarm connector.  3)  Carefully disconnect the RF input and output coaxial connectors (usually SMA)   4)  If the amplifier to be removed has a heatsink attached, there may be several different ways it can have been assembled. The most commonly used method, is screws through the front of the heatsink to threaded screw holes (or nuts and bolts), into the amplifier within the main case. If the heatsink is mounted on the rear of the main case (e.g., against a wall in the case of wall mounted enclosures), then the fixing method for the heatsink will be from within the case, (otherwise the enclosure would have to be removed from the wall in order to remove the heatsink).  When the heatsink has been removed, the amplifier may be unscrewed from the main casing by its four corner fixings and gently withdrawn.  Fitting a new power amplifier module will be the exact reverse of the above.  Note:  Do not forget to apply fresh heatsink compound to the heatsink/main case joint and also between the amplifier and the main case.
Axell Wireless Limited Technical Literature 15 Channel UHF Hybrid Select Repeater Document Number 50-157401HBK  Issue No. 1  Date 26/03/2008  Page 45 of 50   6.12  Low Power Amplifier Replacement  Disconnect the mains power supply and disconnect the 24V dc supply connector for the LPA. Disconnect the RF input and output cables from the LPA. Disconnect the alarm connector. Remove the alarm monitoring wires from (D type connector) pins 9 and 10. Remove the LPA module by removing the four retaining screws, replace with a new LPA module and secure it with the screws. Connect the RF cables to the LPA input and output connectors. Reconnect the wires to the alarm board connector pins 9 and 10. Reconnect the DC supply connector and turn the mains switch on.  Note:  Tighten SMA connectors using only a dedicated SMA torque spanner. If SMA connectors are over-tightened, irreparable damage will occur. Do not use adjustable pliers to loosen/tighten SMA connectors.  Also take care not to drop or knock the module as this can damage (or misalign in the case of tuned passive modules) sensitive internal components. Always store the modules in an environmentally friendly location  6.13 Module Transportation  To maintain the operation, performance and reliability of any module it must be stored and transported correctly. Any module not installed in a whole system must be kept in an anti-static bag or container. These bags or containers are normally identified by being pink or black, and are often marked with an ESD label. Any module sent back to AWL for investigation/repair must be so protected. Please contact AWL’s quality department before returning a module.
Axell Wireless Limited Technical Literature 15 Channel UHF Hybrid Select Repeater Document Number 50-157401HBK  Issue No. 1  Date 26/03/2008  Page 46 of 50   Appendix A A.1.  Glossary of Terms used in this document  Repeater or Cell Enhancer A Radio Frequency (RF) amplifier which can simultaneously amplify and re-broadcast Mobile Station (MS) and Base Transceiver Station (BTS) signals. Band Selective  Repeater A Cell Enhancer designed for operation on a range of channels within a specified frequency band. Channel Selective Repeater A Cell Enhancer, designed for operation on specified channel(s) within a specified frequency band. Channel frequencies may be factory set or on-site programmable. AC Alternating Current AGC  Automatic Gain Control BBU  Battery Backup Unit BTS  Base Transceiver Station CEMS  Coverage Enhanced Management System C/NR Carrier-to-Noise Ratio DC Direct Current Downlink (D/L)  RF signals TX from the BTS to the Master Site FO Fibre Optic GND Ground ID Identification Number LED  Light Emitting Diode LNA  Low Noise Amplifier LPA Low Power Amplifier MOU  Master Optical Unit M.S. Mobile Station MTBF  Mean Time Between Failures N/A Not Applicable N/C No Connection OFR  On Frequency Repeater OIP3  Output Third Order Intercept Point P1dB  1dB Compression Point PA Power Amplifier RF Radio Frequency RSA Receiver/Splitter Amplifier RX Receiver S/N Serial Number TX Transmitter Uplink (U/L)  RF signals transmitted from the MS to the BTS VSWR  Voltage Standing Wave Ratio WDM  Wave division multiplex
Axell Wireless Limited Technical Literature 15 Channel UHF Hybrid Select Repeater Document Number 50-157401HBK  Issue No. 1  Date 26/03/2008  Page 47 of 50  C0-AX  CABLEC0-AX  CABLECAT 5  CABLECABLES24/FIBRE OPTIC CABLE/LINKCABLE 1/2"RADIATING CABLETAPPER/COUPLERSTATIONBASE TRANSCEIVERMISCHUBSFIBRE MAIN HUBEXPANSION HUBBI-DIRECTIONAL AMPLIFIEREBTSFMHEH7/8" DIA1/2" DIA6dB DIRECTIONAL COUPLER10dB COUPLERC10CROSS BAND COUPLERCOUPLERSJ    JUMPERC6C10 10dB DIRECTIONAL COUPLER6 dB DIRECTIONAL COUPLERDIRECTIONAL COUPLERPANEL ANTENNA(MOUNTED AT HIGH LEVEL)DIRECTIONAL ANTENNAFLAT PLATE ANTENNAYAGI ANTENNAANTENNASREMOTE ANTENNA UNITOMNI ANTENNASPLITTERS ANTENNARAUBAND PASS FILTERCAVITY RESONATORNOTCH FILTERISOLATORHYBRID COMBINEREARTH STUDLEEKY FEEDEROutputs to receiversR.S.AAMPLIFIERMISCdB ATTENUATOR (VARIABLE)A.G.CAGC dBCONTROLLERMONITORINGMODEMMONITORING CONTROLLERMODEM(CELL ENHANCER)FREQUENCY PROGRAMMING DATAB/W=30 to 200kHzCHANNEL MODULEFIBRE-OPTICMODULATORFIBRE-OPTICDEMODULATORLOCAL OSCILLATOR(up to16 way)OutputsDUMMY LOADLOCAL OSCILLATORSPLITTERMISC8/FIBRE OPTIC CABLE/LINKSTANDARD FOR LEVEL (dBm)-73 = BELOW ACCEPTABLESIGNAL LEVEL(dBm)ALL AIRPORTSBCCH (BROADCASTIDENTITY CODE)BSIC (BASIC SITELEVEL (dBm)-83 = BELOW ACCEPTABLESIGNAL LEVEL(dBm)-82 = ACCEPTABLE SIGNAL-72 = ACCEPTABLE SIGNALCONTROL CHANNEL)= READING POSITION22 =602 =SIGNAL KEYSTANDARD EXCEPTFOR AIRPORTS(SEE BELOW)BLADE ANTENNAATTENUATOR (FIXED)dBOUTINCOUPLEDHI COMLOWHYBRID SPLITTERININOUTOUTINOUTBYDATEDESCRIPTIONNoTHIRD ANGLE PROJECTION123456789ABCDEF123456789ABCDEFax : 01494 777002Tel : 01494 777000Aerial Facilities LimitedTHIS IS A PROPRIETARY DESIGN OF AERIAL FACILITIES LTD.REPRODUCTION OR USE OF THIS DESIGN BY OTHERS ISPERMISSIBLE ONLY IF EXPRESSLY AUTHORISED IN WRITINGBY AERIAL FACILITIES LTD.NO DECIMAL PLACE ± 1mmONE DECIMAL PLACE ± 0.3mmTWO DECIMAL PLACES ± 0.1mmALL DIMENSIONS ARE IN mmUNLESS OTHERWISE STATEDCHKDDRAWN        APPDDATETOLERANCES SCALEEngland90-000001AANTSPL 10/05/00ORIGINAL ISSUEPL23/05/0021/06/00 PLBLADE ANTENNA ADDED1A2A ECN3165RFRFPLUG & SOCKETFIBRE OPTIC CONNECTOR FC/APCSOCKETPLUGMISCDCDCAC TO DC PSUDC TO DC CONVERTERFUSERELAYN.O. (CLEAR CONTACT)N.C. (FILLED CONTACT)COMMB GD26/01/04 PL2B TEXT CORRECTION 28/07/04 PLISSUEFCUSTOMER                      DRAWING.NoTITLE3AAFL - STANDARD SYMBOLS A.2.  Key to Drawing Symbols used in this document
Axell Wireless Limited Technical Literature 15 Channel UHF Hybrid Select Repeater Document Number 50-157401HBK  Issue No. 1  Date 26/03/2008  Page 48 of 50   A.3.  EC Declaration of Conformity            In accordance with BS EN ISO/IEC 17050-1&-2:2004  Axell Wireless Limited Aerial House Asheridge Road Chesham Buckinghamshire HP5 2QD United Kingdom  DECLARES, UNDER OUR SOLE RESPONSIBILITY THAT THE FOLLOWING PRODUCT: PRODUCT PART NO[S]  50-157401 PRODUCT DESCRIPTION  15 Channel UHF Hybrid Select Repeater  IN ACCORDANCE WITH THE FOLLOWING DIRECTIVES:  1999/5/EC    The Radio & Telecommunications Terminal Equipment Directive Annex V        and its amending directives  HAS BEEN DESIGNED AND MANUFACTURED TO THE FOLLOWING STANDARD[S] OR OTHER NORMATIVE DOCUMENT[S]:  BS EN 60950  Information technology equipment.     Safety. General requirements   ETS EN 301 489-1  EMC standard for radio equipment and services.        Part 1.  Common technical requirements  I hereby declare that the equipment named above has been designed to comply with the relevant sections of the above referenced specifications. The unit complies with all essential requirements of the Directives. SIGNED    B. S. Barton Operations Director     DATE: 17/01/2008      Registered Office: Aerial House, Asheridge Road, Chesham, Buckinghamshire, HP5 2QD England  Registered No. 4042808 (England) www.axellwireless.com
Axell Wireless Limited Technical Literature 15 Channel UHF Hybrid Select Repeater Document Number 50-157401HBK  Issue No. 1  Date 26/03/2008  Page 49 of 50   A.4.  Document Amendment Record                           Issue No. Date  Incorporated by Section Amended Reason for new issue A 05/03/2008 AJS    Draft 1 26/03/2008 AJS    First Issue
Axell Wireless Limited Technical Literature 15 Channel UHF Hybrid Select Repeater Document Number 50-157401HBK  Issue No. 1  Date 26/03/2008  Page 50 of 50   Appendix B B.1   Initial Equipment Set-Up Calculations  General Information Site Name:    Client Name:   Date:   AWL Equip. Model No.    Antenna Systems  Model Gain Azimuth Comments A - Service Antenna         B – Donor Antenna          Type Loss Length Comments C – Service Feeder         D – Donor Feeder          Initial Parameters E – CE Output Power  dBmF – Antenna Isolation  dBG – Input signal level from donor BTS  dBmOperating Voltage  V  Downlink Calculations Parameter Comments  Value Input signal level (G)    dBmCE max. o/p power (E)    dBmGain setting  E - G  dBIsolation required  (Gain + 10dB)  dBService antenna gain (A)    dBService antenna feeder loss (C)    dBEffective radiated power (ERP)  E+A-C  dBmAttenuator setting  CE gain-gain setting  dB  If the input signal level in the uplink path is known and steady, use the following calculation table to determine the gain setting. If the CE features Automatic Gain Control the attenuator should be set to zero and if not, then the attenuation setting for both uplink and downlink should be similar.  Uplink Calculations Parameter Comments  Value Input signal level    dBmCE max. o/p power (E)    dBmGain setting    dBRequired isolation    dBDonor antenna gain (B)    dBDonor antenna feeder loss (D)    dBEffective radiated power (ERP)  E+B-D  dBmAttenuator setting  (CE gain-gain setting)  dB

Navigation menu