Axell Wireless 60-2287SERIES 60-228701 Bi-Directional Amplifier System User Manual handbook

Axell Wireless 60-228701 Bi-Directional Amplifier System handbook

handbook

Axell Wireless Limited Technical Literature WMATA CRCS Redundant Antenna System General Overview Document Number 60-228701HBK  Issue No. 3  Date 28/05/2010  Page 1 of 114                   WMATA CRCS Redundant Antenna System General Overview Handbook  For GPD Telecom Inc.  AWL Works Order Q119862 AWL Product Part Nos.: 60-228801 - WMATA Jackson Graham Building CRAS System  60-228701 - WMATA Carmen Turner Facility CRAS System 60-228901 - WMATA Gallery Place Station CRAS System                  Axell Wireless UK Aerial House Asheridge Road Chesham, Buckinghamshire HP5 2QD, United Kingdom Tel: + 44 (0) 1494 777000 Fax: + 44 (0) 1494 777002 info@axellwireless.com www.axellwireless.com Axell Wireless Sweden Box 7139 174 07 Sundbyberg Sweden Tel: + 46 (0) 8 475 4700 Fax: + 46 (0) 8 475 4799
Axell Wireless Limited Technical Literature WMATA CRCS Redundant Antenna System General Overview Document Number 60-228701HBK  Issue No. 3  Date 28/05/2010  Page 2 of 114   Table of Contents  1. Introduction .................................................................................................................................... 5 1.1. Scope and Purpose of Document................................................................................................... 5 1.2. Limitation of Liability Notice ............................................................................................................ 5 2. Safety Considerations .................................................................................................................... 6 2.1. Earthing of Equipment .................................................................................................................... 6 2.2. Electric Shock Hazard .................................................................................................................... 6 2.3. RF Radiation Hazard ...................................................................................................................... 6 2.4. Lifting and other Health and Safety Recommendations .................................................................. 6 2.5. Chemical Hazard ........................................................................................................................... 7 2.6. Laser Safety ................................................................................................................................... 7 2.7. Emergency Contact Numbers ........................................................................................................ 7 3. 60-228801 - WMATA Jackson Graham Building CRAS System ..................................................... 8 3.1. 60-228801 List of Major Sub-Components ..................................................................................... 8 3.2. 60-228801 System Diagram ........................................................................................................... 9 3.3. Dual Fiber Optic Unit 60-228703 .................................................................................................. 10 3.3.1. Dual Fiber Optic Unit 60-228703 List of Major Sub-Components ............................................. 11 3.3.2. Dual Fiber Optic Unit 60-228703 Specification ......................................................................... 11 3.3.3. Dual Fiber Optic Unit 60-228703 System Diagram ................................................................... 12 3.3.3.1. Dual Fiber Optic Unit 60-228703 Alarm Outputs ................................................................... 13 3.3.4. Dual Fiber Optic Unit 60-228703 Front View ............................................................................ 14 3.3.5. Dual Fiber Optic Unit 60-228703 Rear View ............................................................................. 15 3.3.6. Dual Fiber Optic Unit 60-228703 DC Inlet ................................................................................ 16 3.3.6.1. Free Socket for 60-228703 DC Inlet ..................................................................................... 16 3.4. Dual Redundant PSU 60-091705 ................................................................................................. 17 3.4.1. Dual Redundant PSU 60-091705 List of Major Sub-Components ............................................ 17 3.4.2. Dual Redundant PSU 60-091705 Specification ........................................................................ 17 3.4.3. Dual Redundant PSU 60-091705 System Diagram .................................................................. 18 3.4.4. Dual Redundant PSU 60-091705 Front View ........................................................................... 19 3.4.5. Dual Redundant PSU 60-091705 Rear View ............................................................................ 19 4. 60-228701 - WMATA Carmen Turner Facility CRAS System ....................................................... 20 4.1. 60-228701 List of Major Sub-Components ................................................................................... 21 4.2. 60-228701 System Diagram ......................................................................................................... 22 4.3. 60-228701 Rack Elevations ......................................................................................................... 23 4.3.1 Rack Front View ....................................................................................................................... 23 4.3.2. Rack Rear View ....................................................................................................................... 24 4.3.3. Ports on the Rack Lid ............................................................................................................... 25 4.3.4. 60-228701 Alarm Wiring Schematic ......................................................................................... 26 4.4. Quadplexer (Base) 60-228706 ..................................................................................................... 27 4.4.1. Quadplexer (Base) 60-228706 Major Sub-Components ........................................................... 28 4.4.2. Quadplexer (Base) 60-228706 Specification ............................................................................ 28 4.4.3. Quadplexer (Base) 60-228706 System Diagram ...................................................................... 29 4.4.4. Quadplexer (Base) 60-228706 Front View ............................................................................... 30 4.4.5. Quadplexer (Base) 60-228706 Rear View ................................................................................ 30 4.5. 8 Channel Squelch Gated BDA 60-228704 .................................................................................. 31 4.5.1. 8 Ch. Squelch Gated BDA 60-228704 List of Major Sub-Components ..................................... 32 4.5.2. 8 Ch. Squelch Gated BDA 60-228704 Specification ................................................................. 32 4.5.3. 8 Ch. Squelch Gated BDA 60-228704 System Diagram ........................................................... 34 4.5.3.1 8 Ch. Squelch Gated BDA 60-228704 Alarm Wiring Diagram............................................... 35 4.5.4. 8 Ch. Squelch Gated BDA 60-228704 Front View .................................................................... 36 4.5.5. 8 Ch. Squelch Gated BDA 60-228704 Rear View ..................................................................... 37 4.6. 8 Ch. Squelch Gated BDA 60-228705 .......................................................................................... 38 4.6.1 8 Ch. Squelch Gated BDA 60-228705 List of Major Sub Components ..................................... 39
Axell Wireless Limited Technical Literature WMATA CRCS Redundant Antenna System General Overview Document Number 60-228701HBK  Issue No. 3  Date 28/05/2010  Page 3 of 114  4.6.2. 8 Ch. Squelch Gated BDA 60-228705 Specification ................................................................. 39 4.6.3. 8 Ch. Squelch Gated BDA 60-228705 System Diagram ........................................................... 41 4.6.3.1. 8 Ch. Squelch Gated BDA 60-228705 Alarm Wiring Diagram............................................... 42 4.6.4. 8 Ch. Squelch Gated BDA 60-228705 Front View .................................................................... 43 4.6.5. 8 Ch. Squelch Gated BDA 60-228705 Rear View ..................................................................... 44 4.7. Splitter/Combiner Unit 60-228702 ................................................................................................ 45 4.7.1. Splitter/Combiner Unit 60-228702 List of Major Sub-Components ............................................ 45 4.7.2. Splitter/Combiner Unit 60-228702 Specification ....................................................................... 45 4.7.3. Splitter/Combiner Unit 60-228702 System Diagram ................................................................. 46 4.7.4. Splitter/Combiner Unit 60-228702 Front View .......................................................................... 47 4.7.5. Splitter/Combiner Unit 60-228702 Rear View ........................................................................... 47 4.8. Dual Fiber Optic Unit 60-228703 .................................................................................................. 48 4.8.1. Dual Fiber Optic Unit 60-228703 List of Major Sub-Components ............................................. 49 4.8.2. Dual Fiber Optic Unit 60-228703 Specification ......................................................................... 49 4.8.3. Dual Fiber Optic Unit 60-228703 System Diagram ................................................................... 50 4.8.3.1. Dual Fiber Optic Unit 60-228703 Alarm Outputs ................................................................... 51 4.8.4. Dual Fiber Optic Unit 60-228703 Front View ............................................................................ 52 4.8.5. Dual Fiber Optic Unit 60-228703 Rear View ............................................................................. 53 4.9. Quadplexer (DAS) 60-228706 ...................................................................................................... 54 4.9.1. Quadplexer (DAS) 60-228706 List of Major Sub-Components ................................................. 55 4.9.2. Quadplexer (DAS) 60-228706 Specification ............................................................................. 55 4.9.3. Quadplexer (DAS) 60-228706 System Diagram ....................................................................... 56 4.9.4. Quadplexer (DAS) 60-228706 Front View ................................................................................ 57 4.9.5. Quadplexer (DAS) 60-228706 Rear View ................................................................................. 57 4.10. PSU Housing Shelf 96-300090 .................................................................................................... 58 4.10.1. PSU module 96-300091 Specification .................................................................................. 58 4.10.2. PSU Module Chassis 96-300090 Rear View ........................................................................ 59 4.10.3. PSU Module Chassis 96-300090 Alarm Wiring .................................................................... 59 4.10.4. DC Connector Details ........................................................................................................... 60 4.10.4.1. DC Inlet Free Socket ............................................................................................................ 60 5.10.4.2. Typical DC Inlet Panel Plug .................................................................................................. 60 5. 60-228901 - WMATA Gallery Place Station CRAS System .......................................................... 61 5.1. Simplified System Sketch ............................................................................................................. 62 5.2. Rack 1 Equipment Layout ............................................................................................................ 63 5.3. Rack 2 Equipment Layout ............................................................................................................ 64 5.4. Rack 1 Front View ........................................................................................................................ 65 5.5. Rack 1 Rear View ........................................................................................................................ 66 5.6. Rack 1 elevations showing RF connections ................................................................................. 67 5.7. Rack 2 Front View ........................................................................................................................ 68 5.8. Rack 2 Rear View ........................................................................................................................ 69 5.9. Rack 2 elevations showing RF connections ................................................................................. 70 5.10. Rack Alarm Wiring Diagrams ....................................................................................................... 71 5.10.1. Rack 1 Alarm Wiring ............................................................................................................. 71 5.10.2. Rack 2 Alarm Wiring ............................................................................................................. 72 5.11 Dual Fiber Optic Unit 60-228703 (Gallery Place Station) .............................................................. 73 5.11.1. Dual Fiber Optic Unit 60-228703 List of Major Sub-Components .......................................... 74 5.11.2. Dual Fiber Optic Unit 60-228703 Specification ..................................................................... 74 5.11.3. Dual Fiber Optic Unit 60-228703 System Diagram ............................................................... 75 5.11.3.1. Dual Fiber Optic Unit 60-228703 Alarm Outputs ................................................................... 76 5.11.4. Dual Fiber Optic Unit 60-228703 Front View ........................................................................ 77 5.11.5. Dual Fiber Optic Unit 60-228703 Rear View ......................................................................... 78 5.12. RF Failover Switch Unit 60-228905 .............................................................................................. 79 5.12.1. RF Failover Switch Unit 60-228905 List of Major Sub-Components...................................... 80 5.12.2. RF Failover Switch Unit 60-228905 Specification ................................................................. 81 5.12.3. RF Failover Switch Unit 60-228905 System Diagram ........................................................... 82 5.12.4. RF Failover Switch Unit 60-228905 Alarm Wiring Diagram ................................................... 83
Axell Wireless Limited Technical Literature WMATA CRCS Redundant Antenna System General Overview Document Number 60-228701HBK  Issue No. 3  Date 28/05/2010  Page 4 of 114  5.12.4.1. RF Failover Switch Unit 60-228905 Alarm Outputs ............................................................... 84 5.12.5. RF Failover Switch Unit 60-228905 Front View .................................................................... 85 5.12.6. RF Failover Switch Unit 60-228905 Rear View ..................................................................... 86 5.13. Combiner Unit 60-228906 ............................................................................................................ 87 5.13.1. Combiner Unit 60-228906 List of Major Sub-Components .................................................... 87 5.13.2. Combiner Unit 60-228906 System Diagram ......................................................................... 88 5.13.3. Combiner Unit 60-228906 Front and Rear Views ................................................................. 89 5.14. Combiner Unit 60-228908 ............................................................................................................ 90 5.14.1. Combiner Unit 60-228908 List of Major Sub-Components .................................................... 90 5.14.2. Combiner Unit 60-228908 System Diagram ......................................................................... 91 5.14.3. Combiner Unit 60-228908 Front and Rear Views ................................................................. 92 5.15. Combiner Unit 60-228909 ............................................................................................................ 93 5.15.1. Combiner Unit 60-228909 List of Major Sub-Components .................................................... 93 5.15.2. Combiner Unit 60-228909 System Diagram ......................................................................... 94 5.15.3. Combiner Unit 60-228909 Front and Rear Views ................................................................. 95 5.16. Combiner Unit 60-228907 ............................................................................................................ 96 5.16.1. Combiner Unit 60-228907 List of Major Sub-Components .................................................... 96 5.16.2. Combiner Unit 60-228907 System Diagram ......................................................................... 97 5.16.3. Combiner Unit 60-228907 Front and Rear Views ................................................................. 98 5.17. 16 Ch. DSP U/L Squelch Gate 60-228904 ................................................................................... 99 5.17.1. 16 Ch. DSP U/L Squelch Gate 60-228904  List of Major Sub-Components ........................ 100 5.17.2. 16 Ch. DSP U/L Squelch Gate 60-228904 Specification..................................................... 101 5.17.3. 16 Ch. DSP U/L Squelch Gate 60-228904 System Diagram .............................................. 102 5.17.3.1. 16 Ch. DSP U/L Squelch Gate 60-228904 Alarm Output .................................................... 103 5.17.4. 16 Ch. DSP U/L Squelch Gate 60-228904 Front View ........................................................ 104 5.17.5. 16 Ch. DSP U/L Squelch Gate 60-228904 Rear View ........................................................ 105 5.18. PSU Housing Shelf 96-300090 .................................................................................................. 106 5.18.1. PSU module 96-300091 Specification ................................................................................ 106 5.18.2. PSU Module Chassis 96-300090 Rear View ...................................................................... 107 5.18.3. PSU Module Chassis 96-300090 Alarm Wiring .................................................................. 107 5.18.4. DC Connector Details ......................................................................................................... 108 5.18.4.1. DC Inlet Free Socket .......................................................................................................... 108 5.18.4.2. Typical DC Inlet Panel Plug ................................................................................................ 108 Appendix A ................................................................................................................................................ 110 A.1. Glossary of Terms used in this document .................................................................................. 110 A.2. Key to Drawing Symbols used in this document ......................................................................... 111 A.3. EC Declaration of Conformity ..................................................................................................... 112 A.4. Waste Electrical and Electronic Equipment (WEEE) Notice ....................................................... 113 A.5. Document Amendment Record .................................................................................................. 114
Axell Wireless Limited Technical Literature WMATA CRCS Redundant Antenna System General Overview Document Number 60-228701HBK  Issue No. 3  Date 28/05/2010  Page 5 of 114   1.  Introduction  1.1.  Scope and Purpose of Document  This  handbook  is  for  use  solely  with  the  equipment  identified  by  the  Axell  Wireless  Limited  (AWL)  Part Number  shown  on  the  front  page.  It  is  not  to  be  used  with  any  other  equipment  unless  specifically authorized  by  AWL.  This  is  a  controlled  release  document  and,  as  such,  becomes  a  part  of  the  Axell Wireless Total Quality Management System. Alterations and modification may therefore only be performed by Axell Wireless.  AWL recommends that the installer of this equipment familiarize themselves with the safety and installation procedures contained within this document before installation commences.  The  purpose  of  this  handbook  is  to  provide  the  user/maintainer  with  sufficient  information  to  service  and repair  the  equipment  to  the  level  agreed.  Maintenance  and  adjustments  to  any  deeper  level  must  be performed by AWL, normally at the company’s repair facility in Chesham, England.  This  handbook  has  been  prepared  in  accordance  with  BS  4884,  and  AWL’s  Quality  procedures,  which maintain the company’s registration to BS EN ISO 9001:2000 and to the R&TTE Directive of the European Parliament.  Copies  of  the  relevant  certificates  and  the  company  Quality  Manual  can  be  supplied  on application to the Operations Support Director (see section 2.7.). This document fulfils the relevant requirements of Article 6 of the R&TTE Directive.  1.2.  Limitation of Liability Notice  This  manual  is  written  for  the  use  of  technically  competent  operators/service  persons.  No  liability  is accepted by AWL for use or misuse of this manual, the information contained therein, or the consequences of  any  actions  resulting  from  the  use  of  the  said  information,  including,  but  not  limited  to,  descriptive, procedural, typographical, arithmetical, or listing errors.  Furthermore, AWL does not warrant the absolute accuracy of the information contained within this manual, or its completeness, fitness for purpose, or scope.  AWL has a policy of continuous product development and enhancement, and as such, reserves the right to amend,  alter,  update  and  generally  change  the  contents,  appearance  and  pertinence  of  this  document without notice.  Unless  specified  otherwise,  all  AWL  products  carry  a  twelve  month  warranty from  date  of  shipment.  The warranty is expressly on a return-to-base repair or exchange basis and the warranty cover does not extend to on-site repair or complete unit exchange.
Axell Wireless Limited Technical Literature WMATA CRCS Redundant Antenna System General Overview Document Number 60-228701HBK  Issue No. 3  Date 28/05/2010  Page 6 of 114   2.  Safety Considerations  2.1.  Earthing of Equipment  Equipment  supplied  from  the  mains  must  be  connected  to  grounded  outlets  and  earthed  in conformity  with  appropriate  local,  national  and  international  electricity  supply  and  safety regulations.    2.2.  Electric Shock Hazard  The risk of electrical shocks due to faulty mains driven power supplies While potentially ever present  in  any electrical equipment,  would be  minimized  by adherence  to  good installation practice and thorough testing at the following stages:   a)  Original assembly.   b)  Commissioning.       c)  Regular intervals, thereafter.   All  test  equipment  must  be  in  good  working  order  prior  to  its  use.  High  current  power  supplies  can  be dangerous  because  of  the  possibility  of  substantial  arcing.  Always  switch  off  during  disconnection  and reconnection.  2.3.  RF Radiation Hazard  RF radiation, (especially at UHF frequencies) arising from transmitter outputs connected to AWL’s equipment, must be considered a safety hazard. This  condition  might  only  occur  in  the  event  of  cable  disconnection,  or  because  a  ‘spare’ output  has  been  left  un-terminated.  Either  of  these  conditions  would  impair  the  system’s efficiency.  No  investigation  should  be  carried  out  until  all  RF  power  sources  have  been removed. This would always be a wise precaution, despite the severe mismatch between the impedance of an N type connector at 50Ω, and that of free space at 377Ω, which would severely compromise the efficient radiation of RF power. Radio frequency burns could also be a hazard, if any RF power carrying components were to be carelessly touched!  Antenna  positions  should  be  chosen  to  comply  with  requirements  (both  local  &  statutory)  regarding exposure of personnel to RF radiation. When connected to an antenna, the unit is capable of producing RF field strengths, which may exceed guideline safe values especially if used with antennas having appreciable gain.  In  this  regard the  use  of  directional  antennas  with backscreens and  a  strict site  rule  that  personnel must remain behind the screen while the RF power is on, is strongly recommended.  Where the equipment is used near power lines or in association with temporary masts not having lightning protection, the use of a safety earth connected to the case-earthing bolt is strongly advised.  2.4.  Lifting and other Health and Safety Recommendations  Certain items of AWL equipment are heavy and care should be taken when lifting them by hand.    Ensure  that  a  suitable  number  of  personnel,  appropriate  lifting  apparatus  and appropriate  personal  protective  equipment  is  used  especially  when  installing  Equipment above ground e.g. on a mast or pole and manual handling precautions relevant to items of the weight of the equipment being worked on must be observed at all times when handling, installing or dismounting this equipment.
Axell Wireless Limited Technical Literature WMATA CRCS Redundant Antenna System General Overview Document Number 60-228701HBK  Issue No. 3  Date 28/05/2010  Page 7 of 114   2.5.  Chemical Hazard  Beryllium Oxide, also known as Beryllium Monoxide, or Thermalox™, is sometimes used in devices within equipment produced by Axell Wireless Ltd. Beryllium oxide dust can be toxic if inhaled, leading to chronic respiratory problems. It is harmless if ingested or by contact.  Products  that  contain  beryllium  are  load  terminations  (dummy  loads)  and  some  power amplifiers. These products  can be  identified  by a yellow and black  “skull and crossbones”  danger symbol (shown  above).  They  are  marked  as  hazardous  in  line  with  international  regulations,  but  pose  no  threat under  normal  circumstances.  Only  if  a  component  containing  beryllium  oxide  has  suffered  catastrophic failure, or exploded, will there be any danger of the formation of dust. Any dust that has been created will be contained within the equipment module as long as the module remains sealed. For this reason, any module carrying the yellow and black danger sign should not be opened. If the equipment is suspected of failure, or is at the end of its life-cycle, it must be returned to Axell Wireless Ltd. for disposal.  To return such equipment, please contact the Operations Support Department, who will give you a Returned Materials  Authorization  (RMA)  number.  Please  quote  this  number  on  the  packing  documents,  and  on  all correspondence relating to the shipment.  Polytetrafluoroethylene, (P.T.F.E.) and P.T.F.E. Composite Materials Many modules/components in AWL equipment contain P.T.F.E. as part of the RF insulation barrier. This material should never be heated to the point where smoke or fumes are evolved. Any person feeling drowsy after coming into contact with P.T.F.E., especially dust or fumes should seek medical attention.  2.6.  Laser Safety  General good working practices adapted from EN60825-2: 2004/ EC 60825-2:2004  Do not stare with unprotected eyes or with any unapproved optical device at the fiber ends or connector  faces  or  point  them  at  other  people,  Use  only  approved  filtered  or  attenuating viewing aids. Any single or multiple fiber end or ends found not to be terminated (for example, matched, spliced) shall be individually or  collectively covered when not  being worked on. They shall not be  readily visible and sharp ends shall not be exposed. When using test cords, the optical power source shall be the last connected and the first disconnected; use only approved methods for cleaning and preparing optical fibers and optical connectors. Always keep optical connectors covered to avoid physical damage and do not allow any dirt/foreign material ingress on the optical connector bulkheads. The optical fiber jumper cable minimum bend radius is 3cm; bending to a smaller radius may result in optical cable breakage and excessive transmission losses. Caution: The F/O units are NOT weather proof.  2.7.  Emergency Contact Numbers  The AWL Operations Support Department can be contacted on: Telephone   +44 (0)1494 777000 Fax.    +44 (0)1494 777002 e-mail    qa@axellwireless.com
Axell Wireless Limited Technical Literature WMATA CRCS Redundant Antenna System General Overview Document Number 60-228701HBK  Issue No. 3  Date 28/05/2010  Page 8 of 114   3.  60-228801 - WMATA Jackson Graham Building CRAS System  The WMATA Jackson Graham Building CRAS System consists of the following equipment:  Part No. 60-228703  Dual Fiber Optic Unit  Part No. 60-091705  Dual Redundant PSU  The  Jackson  Graham  Building CRAS System  provides the  Primary Downlink  to and receives the  Primary Uplink signal from the Gallery Place Station CRAS System.  The Downlink signal is received from a BTS via a direct connection and is modulated onto an optical signal which  is  then  fed  to  the  Gallery  Place  Station  CRAS  System  via  fiber  optic  cables.  This  Downlink  is  the Primary  Downlink  from  the  Jackson  Graham  Building  CRAS  System  to  the  Gallery  Place  Station  CRAS System.  Uplink  optical  signals  from  the  Gallery  Place  Station  CRAS  System  are  received  via  fiber  optic  cables, demodulated  to  RF  and  fed to  the  BTS. This  Uplink  is  the  Primary Uplink from  the Gallery  Place  Station CRAS System to the Jackson Graham Building CRAS System.  Provision is made for a redundant standby path in both the Downlink and Uplink, these are referred to as the “Main Primary” and “Standby Redundant” paths.   3.1.  60-228801 List of Major Sub-Components   Component Part Component Part Description  Qty Per Assembly 60-228703  Dual Fiber Optic Unit  1 60-091705  Dual Redundant PSU  1
Axell Wireless Limited Technical Literature WMATA CRCS Redundant Antenna System General Overview Document Number 60-228701HBK  Issue No. 3  Date 28/05/2010  Page 9 of 114  Date: 15/02/2010© AWL 2010Page 1 of 1A4Issue: 2Drawn by: EW/AJSNot to ScaleAerial HouseAsheridge RoadCheshamBuckinghamshireHP5 2QD United KingdomTelephone: +44 (0) 1494 777000Facsimile: +44 (0) 1494 777002E-Mail: info@axellwireless.comwww.axellwireless.comJackson Graham BuildingCRAS System DiagramPort TX1  D/L I/PTX1 MonitorPort TX2  D/L I/PTX2 MonitorPort RX1 U/L O/PRX1 MonitorRX2 MonitorPort RX2  U/L O/P+24V DC +12V DCDC I/PDual Fibre Optic Unit 60-228703AC INPUT12V DC OutputsDual Redundant PSU Shelf 60-091705Optical Port 1 “TX”  D/L O/P Optical Port 1 “RX”  U/L I/P Optical Port 2 “TX”  D/L O/P Optical Port 2 “RX”  U/L I/P  3.2.  60-228801 System Diagram
Axell Wireless Limited Technical Literature WMATA CRCS Redundant Antenna System General Overview Document Number 60-228701HBK  Issue No. 3  Date 28/05/2010  Page 10 of 114   3.3.  Dual Fiber Optic Unit 60-228703  Dual Fiber Optic Unit 60-228703 is built into a 2U, 19” rack-mount case.  The  Main  Primary  Downlink  RF  path  from  the  BTS  enters  the  Dual  Fiber  Optic  Unit  via  the  N  type  port labeled  “TX  1”  (annotated  “A”  in  section  3.3.4.)  and  then  passes  through  a  20dB  Directional Coupler  90-852420 which couples off a small portion of the signal and feeds it to the N type port labeled “MON -20dB TX  1”  (annotated  “B”  in  section  3.3.4.)  which  provides  a  20dB  test/monitor  port  for  the  Main  Primary Downlink input.   The Main Primary Downlink path then passes into a Fiber Optic Transmitter Module 20-005401 where the RF signal is modulated onto a laser and the optical signal thus produced then exits the Dual Fiber Optic Unit via the SC/APC optical port 1 “TX” (annotated “C” in section 3.3.4.) and is transmitted to the Gallery Place Station CRAS System via a fiber optic cable link.  The N type port labeled “TX 2” (annotated “D” in section 3.3.4..) is a Downlink input to a separate, parallel, Standby  Redundant  Downlink  path  with  its  own  Directional  Coupler,  test  monitor  port  (annotated  “E”  in section  3.3.4.)  and  Fiber  Optic  Transmitter  Module.  The  Optical  output  from  the  Standby  Redundant Downlink path exits the Dual Fiber Optic Unit via the SC/APC optical port 2 “TX” (annotated “F” in section 3.3.4.)  Switching  between  the  Main  and  Standby  Redundant  Downlink  paths  is  accomplished  manually  by disconnecting  the  Downlink  RF  input  from  the  “TX  1”  port  and  connecting  it  to  the  “TX  2”  port,  and  by disconnecting the optical Downlink output cable from the SC/APC optical port 1 “TX” and connecting it to the SC/APC  optical  port  2  “TX”    N.B.  The  safety  precautions  noted  in  section  2  must  be  observed  when changing from main to standby.  The Main Primary Uplink optical signal from the Gallery Place Station CRAS System enters the Dual Fiber Optic Unit via the SC/APC optical port 1 “RX” (annotated “G” in section 3.3.4.) and passes into a Fiber Optic Receiver  Module  20-005501  which  demodulates  the  Uplink  signal  to  RF  and  the  Uplink  RF  signal  then passes through a 20dB Directional Coupler 90-852420 which couples off a small portion of the signal and feeds it to the N type port labeled “MON -20dB RX 1” (annotated “I” in section 3.3.4.) which provides a 20dB test/monitor port for the Main Primary Uplink output. The Main Primary Uplink path then exits the Dual Fiber Optic Unit for the BTS via the N type port labeled “RX 1” (annotated “H” in section 3.3.4.)  The SC/APC optical port 2 “RX” (annotated “J” in section 3.3.4.) is an Uplink input to a separate, parallel, Standby  Redundant  Uplink  path  with  its  own  Fiber  Optic  Receiver  Module,  Directional  Coupler  and test/monitor port (annotated “L” in section 3.3.4.) The RF output from the standby Uplink path exits the Dual Fiber Optic Unit for the BTS via the N type port labeled “RX 2” (annotated “K” in section 3.3.4.)  Switching  between  the  Main  and  Standby  Redundant  Uplink  paths  is  accomplished  manually  by disconnecting the optical Uplink  input  cable from the SC/APC optical port  1  “RX” and connecting it to the SC/APC optical port 2 “RX”, and by disconnecting the Uplink RF output from the “RX 1” port and connecting it to the “RX 2” port. N.B. The safety precautions noted in section 2 must be observed when changing from main to standby.  Dual Fiber Optic  Unit 60-228703  is  powered by  a  12V DC supply  from Dual Redundant  PSU  60-091705, which powers the fiber optic modules within the unit   An alarm system is fitted to Dual Fiber Optic Unit 60-228703, each of the fiber optic modules carries its own voltage-free contact alarm relay output which are summed at the 15 way “D” panel plug labeled “ALARM” (annotated “EE” in section 3.3.4.)
Axell Wireless Limited Technical Literature WMATA CRCS Redundant Antenna System General Overview Document Number 60-228701HBK  Issue No. 3  Date 28/05/2010  Page 11 of 114   3.3.1.  Dual Fiber Optic Unit 60-228703 List of Major Sub-Components  Component Part Part Description  Qty Per Assembly 20-001601  12V Dual Relay Board  1 20-005401  Fiber Optic Transmitter Module  2 20-005501  Fiber Optic Receiver Module  2 96-110013  3.15 A Fuse  2 96-200024  DC/DC Converter  2 90-852420  20dB Directional Coupler  4 94-100003  Power Diode  3    3.3.2.  Dual Fiber Optic Unit 60-228703 Specification  PARAMETER  SPECIFICATION RF Downlink Frequency range 489.5MHz to 491.0MHz 496.3MHz to 496.7MHz Coupling TX1 to Mon TX1 20 dB±1 Coupling TX2 to Mon TX2 20 dB±1 Optical Downlink Wavelength 1310nm TX(A) Optical TX Power 1-3 dBm TX(B) Optical TX Power 1-3 dBm Optical Uplink Wavelength 1550nm RX(A) Gain >+15 dB RX(A) Gain Set To 0 dB±0.5 RX(A) Alarm Threshold < -10dBm RX(B) Gain >+15 dB RX(A) Gain Set To 0 dB±0.5 RX(B) Alarm Threshold < -10dBm RF Uplink Frequency range 499.3MHz to 499.7MHz 492.5MHz to 494.0MHz Coupling RX1 to Mon RX1 20 dB±1 Coupling RX2 to Mon RX2 20 dB±1 General Supply Voltage 12V DC or 24V DC Current consumption < 1.0A @ 24V DC input < 1.5A @ 12V DC input Alarm output Summary volts free dry contact output (Closed = Normal / Open = Alarm) F/O TX1 contact output Pin 1 & 2 F/O TX2 contact output Pin 3 & 4 F/O RX1 contact output Pin 5 & 6 F/O RX1 contact output Pin 7 & 8 24V DC-DC contact output Pin 9 & 10**  **This alarm is not operational when the unit is powered from 12V DC
Axell Wireless Limited Technical Literature WMATA CRCS Redundant Antenna System General Overview Document Number 60-228701HBK  Issue No. 3  Date 28/05/2010  Page 12 of 114  20-00540120-00550120-001601Local AlarmTX1 MonitorTX2 MonitorRX1 MonitorRX2 Monitor20-00540120-00550190-85242090-85242090-85242090-852420+24 VDC2 x 96-200024+12 VDC3 x 94-100003DC I/PPort TX1 Main Primary D/L I/PPort TX2 Standby Redundant D/L I/PPort RX1 Main Primary U/L O/PPort RX2 Standby Redundant U/L O/POptical Port 1 “TX” Main Primary D/L O/P to Gallery Place Station CRAS systemOptical Port 1 “RX” Main Primary U/L I/P from Gallery Place Station CRAS systemOptical Port 2 “TX” Standby Redundant D/L O/P to Gallery Place Station CRAS systemOptical Port 2 “RX” Standby Redundant U/L I/P from Gallery Place Station CRAS systemDual Fibre Optic Unit 60-228703System Diagram (Jackson Graham Building CRAS System)Date: 15/02/2010Aerial HouseAsheridge RoadCheshamBuckinghamshireHP5 2QD United Kingdom© AWL 2010Page 1 of 1A4Issue: 3Drawn by: EW/AJSNot to ScaleTelephone: +44 (0) 1494 777000Facsimile: +44 (0) 1494 777002E-Mail: info@axellwireless.comwww.axellwireless.com 3.3.3.  Dual Fiber Optic Unit 60-228703 System Diagram
Axell Wireless Limited Technical Literature WMATA CRCS Redundant Antenna System General Overview Document Number 60-228701HBK  Issue No. 3  Date 28/05/2010  Page 13 of 114   3.3.3.1.  Dual Fiber Optic Unit 60-228703 Alarm Outputs   15  pin  “D”  panel  plug  “ALARM”,  local  alarm  output  to  Krone  terminal  block  on  rack  (annotated  “EE”  in section 3.3.3.)  Dry Contact Outputs (Closed = Normal / Open = Alarm)  F/O TX 1 (main), contact output Pin 1 & 2 F/O TX 2 (standby), contact output Pin 3 & 4 F/O RX 1 (main), contact output Pin 5 & 6 F/O RX 2 (standby), contact output Pin 7 & 8 24V DC>DC contact output Pin 9 & 10
Axell Wireless Limited Technical Literature WMATA CRCS Redundant Antenna System General Overview Document Number 60-228701HBK  Issue No. 3  Date 28/05/2010  Page 14 of 114  TX         RXTX         RX12POWERALARMGAIN ADJPOWERALARMPOWERALARMPOWERALARMGAIN ADJMON-20dB TX 1MON-20dB RX 1MON-20dB RX 2MON-20dB TX 2TX 1 RX 1TX 2 RX 2 TX 1 RX 1 TX 2 RX 2DC/DC FAILALARM24V T3.15A12V T3.15A+24/12V DCBDC AEFG HIL KJ MONPRQWYX ZUT VSAABBCCDDEE 3.3.4.  Dual Fiber Optic Unit 60-228703 Front View                 A  N type port “TX1”, Main Primary RF D/L I/P from BTS B  N type port “MON -20dB TX 1”, 20dB test/monitor port coupled from D/L input to port “TX1” C  SC/APC optical port 1 “TX”, Main Primary optical D/L O/P to Gallery Place Station CRAS System D  N type port “TX2”, Standby Redundant RF D/L I/P from BTS E  N type port “MON -20dB TX 2”, 20dB test/monitor port coupled from D/L input to port “TX2” F  SC/APC optical port 2 “TX”, Standby Redundant optical D/L O/P to Gallery Place Station CRAS System G  SC/APC optical port 1 “RX”, Main Primary optical U/L I/P from Gallery Place Station CRAS System H  N type port “RX1”, Main Primary RF U/L O/P to BTS I  N type port “MON -20dB RX 1”, 20dB test/monitor port coupled from U/L output to port “RX1” J  SC/APC optical port 2 “RX”, standby optical U/L I/P from Gallery Place Station CRAS System K  N type port “RX2”, Standby Redundant RF U/L O/P to BTS L  N type port “MON -20dB RX 2”, 20dB test/monitor port coupled from U/L output to port “RX2” M  Status Indicators for F/O TX Module 1 (Main Primary D/L to Gallery Place Station CRAS System) N  Green LED “POWER”, Fiber Optic TX Power On indicator illuminated during normal operation O  Green LED “ALARM”, Fiber Optic TX Alarm indicator extinguished during alarm state P  Status Indicators for F/O TX Module 2 (Standby Redundant D/L to Gallery Place Station CRAS System) Q  Green LED “POWER”, Fiber Optic TX Power On indicator illuminated during normal operation R  Green LED “ALARM”, Fiber Optic TX Alarm indicator extinguished during alarm state S  Status Indicators for F/O RX Module 1 (Main Primary U/L from Gallery Place Station CRAS System) T  Green LED “POWER”, Fiber Optic RX Power On indicator illuminated during normal operation U  Green LED “ALARM”, Fiber Optic RX Alarm indicator extinguished during alarm state V  Fiber Optic RX RF gain adjustment W  Status  Indicators  for  F/O  RX  Module  2  (Standby  Redundant  U/L  from  Gallery  Place  Station  CRAS System) X  Green LED “POWER”, Fiber Optic RX Power On indicator illuminated during normal operation Y  Green LED “ALARM”, Fiber Optic RX Alarm indicator extinguished during alarm state Z  Fiber Optic RX RF gain adjustment AA  DC input (12V or 24V) BB  3.15A Fuse for 24V DC input CC 3.15A Fuse for 12V DC input DD Red LED “DC/DC FAIL” illuminated in alarm state (DC/DC convertor failure) EE  15 pin “D” panel plug “ALARM” local alarm output
Axell Wireless Limited Technical Literature WMATA CRCS Redundant Antenna System General Overview Document Number 60-228701HBK  Issue No. 3  Date 28/05/2010  Page 15 of 114   3.3.5.  Dual Fiber Optic Unit 60-228703 Rear View            A  Earthing connection
Axell Wireless Limited Technical Literature WMATA CRCS Redundant Antenna System General Overview Document Number 60-228701HBK  Issue No. 3  Date 28/05/2010  Page 16 of 114   3.3.6.  Dual Fiber Optic Unit 60-228703 DC Inlet  The  Dual Fiber Optic Unit 60-228703  is a  standard module  used  in  three different  locations: the  Jackson Graham  Building,  the  Carmen  Turner  Facility  and  the  Gallery  Place  Station.  The  DC  supply  voltage available at the Carmen Turner Facility and the Gallery Place Station locations is 24V While the DC supply at  the  Jackson  Graham  Building  is  12V  so  to  enable  the  provision  of  a  standardized  unit  the  Dual  Fiber Optic Unit 60-228703 is configured to operate from both 24V and 12V DC supplies                 A  Pin 3, 12V, (Red Wire) B  Pin 2, 0V, (Black wire) C  Pin 1, not connected (used for 24V I/P) D  Guide keyway E  Fuse access   3.3.6.1.  Free Socket for 60-228703 DC Inlet                 A  Pin 3, 12V (Red Wire) B  Pin 2, 0V (Black wire) C Pin 1, not connected D Guide key E  Locking/release lug
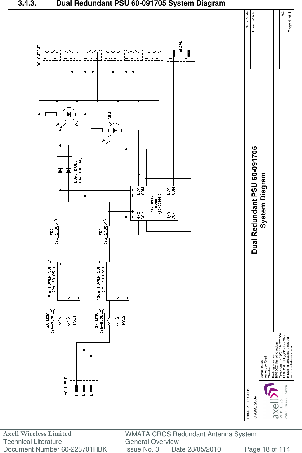
Axell Wireless Limited Technical Literature WMATA CRCS Redundant Antenna System General Overview Document Number 60-228701HBK  Issue No. 3  Date 28/05/2010  Page 17 of 114   3.4.  Dual Redundant PSU 60-091705  Dual Redundant PSU 60-091705 is built into a 4U, 19” rack-mount case.  The  PSU  case  houses  two  mains  driven  PSU  modules  whose  outputs  are  parallel  combined  using  high power,  low  volt-drop  diodes.  This  means  that  if  either  supply  fails  the  other  will  seamlessly  take  over  all power provision until the fault is rectified. Both supplies’ outputs are monitored  and  an alarm will become active should either module fail.     3.4.1.  Dual Redundant PSU 60-091705 List of Major Sub-Components  Component Part Part Description  Qty Per Assembly 20-001601  12V Dual Relay Board  1 94-100004  Dual Diode Assembly  1 96-300051  100W PSU Module  2 96-920022  3A Circuit Breaker  2     3.4.2.  Dual Redundant PSU 60-091705 Specification    PARAMETER  SPECIFICATION Input 115/230V AC 50/60Hz (nominal, single port) Outputs 6 x 12V DC at 16A (max. total) Indicators Green ‘DC on’ LED Red LED (alarm1) Alarm Interface 9-way ‘D’ connector PSU1 alarm pins 1 & 2 PSU2 alarm Pins 1 & 4
Axell Wireless Limited Technical Literature WMATA CRCS Redundant Antenna System General Overview Document Number 60-228701HBK  Issue No. 3  Date 28/05/2010  Page 18 of 114   3.4.3.  Dual Redundant PSU 60-091705 System Diagram
Axell Wireless Limited Technical Literature WMATA CRCS Redundant Antenna System General Overview Document Number 60-228701HBK  Issue No. 3  Date 28/05/2010  Page 19 of 114  POWERALARMA B 3.4.4.  Dual Redundant PSU 60-091705 Front View                  A  Green LED “POWER”, illuminated during normal operation B  Red LED “ALARM”, illuminated during alarm condition      3.4.5.  Dual Redundant PSU 60-091705 Rear View                   A  AC Mains input B  Trip switch for PSU module 1 C Trip switch for PSU module 2 D 12V DC outputs E  9 way “D” panel plug, alarm output F  Earthing connection
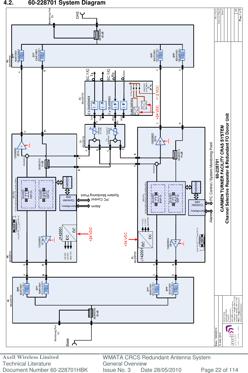
Axell Wireless Limited Technical Literature WMATA CRCS Redundant Antenna System General Overview Document Number 60-228701HBK  Issue No. 3  Date 28/05/2010  Page 20 of 114   4.  60-228701 - WMATA Carmen Turner Facility CRAS System  The WMATA Carmen Turner Facility CRAS System consists of the following equipment mounted in a 41U, 19” equipment housing rack  Part No. 96-300090  PSU Housing Shelf   Contains Qty. 2, Part No. 96-300091 PSU Modules Part No. 60-228703  Dual Fiber Optic Unit  Part No. 60-228702  Splitter/Combiner Unit  Part No. 60-228706  Quadplexer (Base)  Part No. 60-228706  Quadplexer (DAS)  Part No. 60-228704  8 Ch. Squelch Gated BDA (Band 1) Part No. 60-228705  8 Ch. Squelch Gated BDA (band 2)  The  Carmen  Turner  Facility  CRAS  System  provides  the  Redundant  Downlink  to  and  receives  the Redundant  Uplink  signal  from  the  Gallery  Place  Station  CRAS  System.  In  addition,  the  Carmen  Turner Facility CRAS System also provides a Downlink to and receives an Uplink from a local Distributed Antenna System within the Carmen Turner Facility building  Downlink RF from a remote off-air BTS is received and the signal is split into two paths; each path consists of a pair of frequencies, Downlink and Uplink, within the overall operating passband which can be processed together While allowing the easy rejection of opposing frequencies. For the sake of convention, within the Carmen Turner Facility CRAS System, the descriptions “Band 1” and “Band 2” will be used to refer to the two Downlink and Uplink pairs according to the following table:  Band 1  Downlink  489.5MHz to 491.0MHz Uplink  492.5MHz to 494.0MHz Band 2  Downlink  496.3MHz to 496.7MHz Uplink  499.3MHz to 499.7MHz  The Downlink signals are then processes utilizing SDR technology to define the eight operating channels. and then amplified. The two paths are re-combined and then fed to the distributed antenna system.  RF Uplink from the distributed antenna system is split into two paths, for the reasons outlined above, which are processed utilizing SDR technology to define the eight operating channels and amplified. The two paths are then re-combined and then fed to the BTS.   In the Downlink path the signal is split by means of a directional coupler and fed to a fiber optic transmitter which modulates the RF signal on to an optical signal which is then fed to the Gallery Place Station CRAS System.  Optical Uplink signals from the Gallery Place Station CRAS System are received and demodulated to  RF and coupled onto the Uplink path to the remote off-air BTS.  Provision is  made for a redundant  standby  path  in  both the  Downlink and  Uplink to  and from  the  Gallery Place  Station  CRAS  System;  these  are  referred  to  as  the  “Main  Redundant”  and  “Standby  Redundant” paths.
Axell Wireless Limited Technical Literature WMATA CRCS Redundant Antenna System General Overview Document Number 60-228701HBK  Issue No. 3  Date 28/05/2010  Page 21 of 114   4.1.  60-228701 List of Major Sub-Components  Component Part Component Part Description  Qty Per Assembly 60-228706 Quadplexer (Base)  1 60-228704 8 Ch. Squelch Gated BDA (Band 1)  1 60-228705 8 Ch. Squelch Gated BDA (band 2)  1 60-228702 Splitter/Combiner Unit  1 60-228703 Dual Fiber Optic Unit  2 60-228706 Quadplexer (DAS)  1 96-300090 PSU Housing Shelf  1 96-300091 PSU Module  2 97-500424 41U 19" Equipment Rack  1
Axell Wireless Limited Technical Literature WMATA CRCS Redundant Antenna System General Overview Document Number 60-228701HBK  Issue No. 3  Date 28/05/2010  Page 22 of 114  Controller H56Alarm/BatteryAlarmController H56Alarm/BatteryPC ControlSystem Monitoring Point 4.2.  60-228701 System Diagram
Axell Wireless Limited Technical Literature WMATA CRCS Redundant Antenna System General Overview Document Number 60-228701HBK  Issue No. 3  Date 28/05/2010  Page 23 of 114   4.3.  60-228701 Rack Elevations  4.3.1  Rack Front View                                           A  PSU Housing Shelf 96-300090 B  Dual Fiber Optic Unit 60-228703 C Splitter/Combiner Unit 60-228702 D Quadplexer (Base) 60-228706 E  Quadplexer (DAS) 60-228706 F  8 Ch. Squelch Gated BDA 60-228704 G 8 Ch. Squelch Gated BDA 60-228705 H 1U Blanking Panels I  5U Blanking Panel
Axell Wireless Limited Technical Literature WMATA CRCS Redundant Antenna System General Overview Document Number 60-228701HBK  Issue No. 3  Date 28/05/2010  Page 24 of 114   4.3.2.  Rack Rear View                                     A  Position of PSU Housing Shelf 96-300090   B  Dual Fiber Optic Unit 60-228703 C  Splitter/Combiner Unit 60-228702 D  Quadplexer (Base) 60-228706 E  Quadplexer (DAS) 60-228706 F  8 Ch. Squelch Gated BDA 60-228704 G 8 Ch. Squelch Gated BDA 60-228705 H  Cable gland for AC mains wiring I  Terminal blocks for AC input connection J  AC circuit breaker K  Krone terminal block for alarm outputs from components shelves L  N type ports connections to/from BTS and DAS M Cable gland for optical fiber links to/from Gallery Place Station CRAS System N  15 way “D” panel plugs for alarm outputs O Position of rack cooling fans P  Terminal blocks for AC distribution Q Rack earthing connection AHIJKL M NOQPBCDEFG
Axell Wireless Limited Technical Literature WMATA CRCS Redundant Antenna System General Overview Document Number 60-228701HBK  Issue No. 3  Date 28/05/2010  Page 25 of 114    4.3.3.  Ports on the Rack Lid                        A  N type port “BASE PORT”, D/L I/P from and U/L O/P to BTS B  Cable gland for optical fiber links to/from Gallery Place Station CRAS System C  N type port “DAS PORT”, D/L O/P to and U/L I/P from DAS D  Cable gland for AC mains wiring E  15 way “D” panel plug “PA & PSU ALARM O/P” alarm output from system amplifiers and PSU modules F  15 way “D” panel plug “F/O ALARM O/P” alarm output from fiber optic modules G Rack earthing connection
Axell Wireless Limited Technical Literature WMATA CRCS Redundant Antenna System General Overview Document Number 60-228701HBK  Issue No. 3  Date 28/05/2010  Page 26 of 114  11223344556677889900654321109871514131211654321109871514131211654321109871514131211 4.3.4.  60-228701 Alarm Wiring Schematic
Axell Wireless Limited Technical Literature WMATA CRCS Redundant Antenna System General Overview Document Number 60-228701HBK  Issue No. 3  Date 28/05/2010  Page 27 of 114   4.4.  Quadplexer (Base) 60-228706  Quadplexer (Base) 60-228706 is built into a 4U, 19” rack-mount case  Downlink RF from the BTS enters the rack via the N type connector labeled “BASE PORT” on the rack lid (annotated  “A”  in  section  4.3.3.)  and  the  signal  is  fed  to  the  N  type  port  on  the  Quadplexer  front  panel labeled “BASE” (annotated “A” in section 4.4.4.). The signal path passes through 30dB Directional Coupler 90-852330 which is used to provide a test/monitor port for the Uplink signal and then the signal path is split into two branches, Band 1 and Band 2, by means of critical harness.   The Band 1 branch is then further split by critical harness into Uplink and Downlink paths and the Band 1 Downlink path  passes  through  a Bandpass  Filter  02-016801  which is  tuned to  pass the Band 1  Downlink passband of 489.5MHz to 491.0MHz and to reject out-of-band signals and noise.  The Band 2 branch is also further split by critical harness into Uplink and Downlink paths and the Band 2 Downlink path  passes  through  a Bandpass  Filter  02-013401  which is  tuned to  pass the Band 2  Downlink passband of 496.3MHz to 496.7MHz and to reject out-of-band signals and noise.  The two Downlink paths, Band 1 and Band 2 then exit the Quadplexer for their respective BDAs; the Band 1 Downlink exits the shelf for 8 Ch. Squelch Gated BDA 60-228704 via the N type port labeled “A” (annotated “B” in section 4.4.4.) and the Band 2 Downlink exits the shelf for 8 Ch. Squelch Gated BDA 60-228705 via the N type port labeled “C” (annotated “C” in section 4.4.4.)  The Band 1 Uplink from 8 Ch. Squelch Gated BDA 60-228704 enters the shelf via the N type port labeled “B”  (annotated  “D”  in  section  4.4.4.)  and  passes  through  a  Bandpass  Filter  02-013401  which  is  tuned  to pass the Band 1 Uplink passband  of  492.5MHz to 494.0MHz and to  reject out-of-band signals and noise. The  Band  1  Uplink  path  is  then  combined  with  that  of  the  Band  1  Downlink  path  by  means  of  critical harness.  The Band 2 Uplink from 8 Ch. Squelch Gated BDA 60-228705 enters the shelf via the N type port labeled “D”  (annotated  “E”  in  section  4.4.4.)  and  passes  through  a  Bandpass  Filter  02-013401  which  is  tuned  to pass the Band 2 Uplink passband of 499.3MHz to 499.7MHz and to reject out-of-band signals and noise.   The Band 2 Uplink path is then combined with that of the Band 2 Downlink path by means of critical harness and  the Band  1  and  Band  2  Uplink  paths  are then  combined  again  by  means of  critical harness  and  the combined Uplink  path passes through  the 30dB Directional Coupler  90-852330 which couples  off a  small portion of the Uplink signal and feeds it to the N type port labeled “MONITORING” (annotated “F” in section 4.4.4.) providing a 30dB test/monitor port for the Uplink signal. The main Uplink signal then exits the shelf via  the  N  type  port  labeled  “BASE”  (annotated  “A”  in  section  4.4.4.)  and  the  signal  is  fed  to  the  N  type connector labeled “BASE PORT” on the rack lid (annotated “A” in section 4.3.3.).
Axell Wireless Limited Technical Literature WMATA CRCS Redundant Antenna System General Overview Document Number 60-228701HBK  Issue No. 3  Date 28/05/2010  Page 28 of 114    4.4.1.  Quadplexer (Base) 60-228706 Major Sub-Components  Component Part Part Description  Qty Per Assembly 02-013401  Bandpass Filter  2 02-016801  Bandpass Filter  2 90-852330  30dB Directional Coupler  1     4.4.2.  Quadplexer (Base) 60-228706 Specification   PARAMETER  SPECIFICATION Band 1 D/L (Base port to port A) Frequency Range 489.5-491.0 MHz Rejection 492.5-494.0 MHz  > 65 dB Insertion Loss ≤ 3.0 dB Band 1 U/L (port B to Base port) Frequency Range 492.5-494.0 MHz Rejection 489.5-491.0 MHz  > 40 dB  496.3-496.7 MHz  > 65 dB Insertion Loss ≤ 3.0 dB Port B to Monitoring port 33dB ±1 dB Band 2 D/L (Base port to port C) Frequency Range 496.3-496.7 MHz Rejection 492.5-494.0 MHz  > 65 dB  499.3-499.7 MHz  > 60 dB Insertion Loss ≤ 3.0 dB Band 2 U/L (port D to Base port) Frequency Range 499.3-499.7 MHz Rejection 496.3-496.7 MHz  > 75 dB Insertion Loss ≤ 3.0 dB Port D to Monitoring port 33dB ±1 dB
Axell Wireless Limited Technical Literature WMATA CRCS Redundant Antenna System General Overview Document Number 60-228701HBK  Issue No. 3  Date 28/05/2010  Page 29 of 114  02-016801489.5-491.0 MHz90-85233030 dBPort A,  Band 1 D/L O/P to 8 Ch. Squelch Gated BDA 60-228704Date: 19/11/2009© AWL 2009Page 1 of 1A4Issue: 1Drawn by: EW/AJSNot to ScaleAerial HouseAsheridge RoadCheshamBuckinghamshireHP5 2QD United KingdomTelephone: +44 (0) 1494 777000Facsimile: +44 (0) 1494 777002E-Mail: info@axellwireless.comwww.axellwireless.comQuadplexer (Base) 60-228706System Diagram02-016801492.5-494.0 MHz02-013401496.3-496.7 MHz02-013401499.3-499.7 MHzPort B, Band 1 U/L I/P from 8 Ch. Squelch Gated BDA 60-228704Port D, Band 2 U/L I/P from 8 Ch. Squelch Gated BDA 60-228705Port C, Band 2 D/L O/P to 8 Ch. Squelch Gated BDA 60-228705Monitor Port 30dB coupled from U/L O/PD/L I/P from BTSU/L O/P to BTS 4.4.3.  Quadplexer (Base) 60-228706 System Diagram
Axell Wireless Limited Technical Literature WMATA CRCS Redundant Antenna System General Overview Document Number 60-228701HBK  Issue No. 3  Date 28/05/2010  Page 30 of 114   4.4.4.  Quadplexer (Base) 60-228706 Front View                     A  N type port “BASE”, Downlink input from and Uplink output to BTS B  N type port “A”, Band 1 Downlink output to 8 Ch. Squelch Gated BDA 60-228704 C N type port “C”, Band 2 Downlink output to 8 Ch. Squelch Gated BDA 60-228705 D N type port “B”, Band 1 Uplink input from 8 Ch. Squelch Gated BDA 60-228704 E  N type port “D”, Band 2 Uplink input from 8 Ch. Squelch Gated BDA 60-228705 F  N type port “MONITORING”, 30dB test/monitor port coupled from the Uplink O/P path       4.4.5.  Quadplexer (Base) 60-228706 Rear View                  A  Earthing connection
Axell Wireless Limited Technical Literature WMATA CRCS Redundant Antenna System General Overview Document Number 60-228701HBK  Issue No. 3  Date 28/05/2010  Page 31 of 114   4.5.  8 Channel Squelch Gated BDA 60-228704  8 Ch. Squelch Gated BDA 60-228704 is built into an 8U, 19” rack-mount case   60-228704  utilizes  Software  Defined  Radio  (SDR)  technology to  digitally  process  the  signal  to  define  the required channel frequencies and  bandwidth (eight channels in  the Downlink  path and eight in the  Uplink path).  As part of  the  digital  signal  processing function the  signal  amplitude is  monitored  to  apply  squelch functionality to the signal path to attenuate unwanted noise when the input signal level is low. The unit is pre-programmed  with  the  8  required  duplex  frequencies  and  channel  bandwidths  as  indicated  in  section 4.5.2., these can be modified by the use of RMC software.  Band  1  Downlink  RF  from  Quadplexer  (Base) 60-228706  enters  the  BDA via  the  N type  port  labeled  “A” (annotated “A”  in section 4.5.4.)  and the  Downlink  signal passes through  the Downlink path  of UHF SDR Module E931030 to define the 8 required Downlink channels.  After  passing  through  the  SDR  module  the  Band  1  Downlink  signal  is  split  into  two  equal  paths  by  3dB Splitter/Combiner 05-002603; The first path passes through the Downlink 25W Power Amplifier 12-026902 which  provides  37dB  of  signal  gain  and  then  the  signal  exits  the  BDA  via  the  N  type  port  labeled  “C” (annotated “B” in section 4.5.4.) on its way to the local DAS by way of Quadplexer (DAS) 60-228706.   The second path from 3dB Splitter/Combiner 05-002603 exits the BDA for Splitter/Combiner Unit 60-228702 (and ultimately the Gallery Place Station CRAS System)  via the N type port  labeled “F”  (annotated “C”  in section 4.5.4.)  Band 1 Uplink RF from the local DAS (by way of Quadplexer (DAS) 60-228706) enters the BDA via the N type  port  labeled  “D”  (annotated  “D”  in  section  4.5.4.)  and  passes  through  15dB  Directional  Coupler  90-852315 before entering UHF SDR Module E931030.  Band  1  Uplink  RF  from Splitter/Combiner  Unit  60-228702  (from  the Gallery Place  Station  CRAS  System) enters  the  BDA  via  the  N  type  port  labeled  “E  ”  (annotated  “E”  in  section  4.5.4.)  and  also  passes through15dB  Directional  Coupler  90-852315  where  it  is  coupled  onto  the  main  Uplink  signal  path  which passes  through  the  Uplink  path  of  UHF  SDR  Module  E931030  which  utilizes  SDR  technology to  digitally process  the  signal  to  define  the  8  required  Uplink  channels.  After  passing  through  the  SDR  module  the Band 1  Uplink  signal passes through the Uplink 25W Power Amplifier 12-026902 which provides 37dB  of signal gain and then the signal exits the BDA via the N type port labeled “B” (annotated “F” in section 4.5.4.) on its way to the BTS by way of Quadplexer (Base) 60-228706.   8 Ch. Squelch Gated BDA 60-228704 is powered by a 24V DC supply from the Redundant PSU Modules 96-300091 in PSU Housing Shelf 96-300090, The 24V DC supply powers the Power Amplifiers and an on-board DC/DC converter J1421001 steps down the  24V supply to  provide 6.45v and 15v  DC to  power the SDR, Controller and Ext. Alarm/battery modules within the BDA.   Each Power Amplifiers have alarm outputs which are summed at the 9 way “D” panel plug labeled “ALARM” on the front panel (annotated “J” in section 4.5.4.), the alarm data is connected to the External Alarm and Battery Module J1161030 (annotated “K” in section 3.6.3.), from where the summary alarm data is fed to the Krone terminal block located near the top of the rack (see section 4.3.2.).  The SDR controller module H561003 is used to control and supervise the SDR functionality, two ports are provided  where  an  operator  may  connect  into  the  system,  a  local  serial  port,  (a  9  way  “D”  panel  socket annotated  “N”  in  section  4.6.4.)  is  used  with  a  laptop  PC  running  suitable  terminal-emulation  software  to interrogate and control the equipment using GET and SET commands. Alternatively the equipment can be configured  using  RMC  software  via  the  RJ45  ethernet  port  (annotated  “O”  in  section  4.6.4.)  To  ensure synchronous communications  between the  SDR  and  the H56  controller,  a  high stability 10MHz  reference generator, R031002 is incorporated in the equipment backplane.
Axell Wireless Limited Technical Literature WMATA CRCS Redundant Antenna System General Overview Document Number 60-228701HBK  Issue No. 3  Date 28/05/2010  Page 32 of 114   4.5.1.  8 Ch. Squelch Gated BDA 60-228704 List of Major Sub-Components  Component Part Part Description  Qty Per Assembly 05-002603  3dB Splitter/Combiner  1 12-026902  25W Power Amplifier  2 19-002202  Interconnection Assembly  1 90-852315  15dB Directional Coupler  1 96-110015  15A Fuse   1 E931030  UHF SDR Module (489.25MHz to 494.25MHz)  1 H561003  Control Module  1 J1161030  External Alarm and Battery Module  1 J1421001  DC/DC Converter  1 R031002  Reference Generator  1   4.5.2.  8 Ch. Squelch Gated BDA 60-228704 Specification   PARAMETER  SPECIFICATION Downlink Frequency Range 489.5MHz to 491.0MHz No of Channels 8 (1) Maximum Gain >+95 dB Passband ripple ≤ ±1.5 dB ALC Setting (all channels on) +28 ±1 dBm ALC Dynamic Range >30 dB  Switched attenuator 0dB to 30 dB in 2dB steps ± 1dB Noise Figure ≤ 4.5 dB (at maximum gain) In Band Spurious Noise (30kHz B/W) < -36 dBm (at maximum gain) Squelch Level -95dBm ±2 dBm Uplink Frequency Range 492.5MHz to 494.0MHz No of Channels 8 (2) Maximum Gain >+95  Passband ripple ≤ ±1.5 dB ALC Setting (all channels on) +23 ±1 dBm ALC Dynamic Range >30 dB  Switched attenuator 0dB to 30 dB in 2dB steps ± 1dB Noise Figure ≤ 4.5 dB (at maximum gain) In Band Spurious Noise (30kHz B/W) < -36 dBm (at maximum gain) Squelch Level -95 ±2 dBm General Supply Voltage 24V DC Current consumption <  12 A Alarm output Summary volts free dry contact output (Closed = Normal / Open = Alarm) pins 7 & 8  - Alarm connector terminal on External Alarm and Battery Module J1161030
Axell Wireless Limited Technical Literature WMATA CRCS Redundant Antenna System General Overview Document Number 60-228701HBK  Issue No. 3  Date 28/05/2010  Page 33 of 114   (1)Downlink Channels  Channel Number  Channel Frequency  Channel Bandwidth 14  489.5125 MHz  12.5 kHz 13  489.5375 MHz  12.5 kHz 2  490.7875 MHz  25.0 kHz 12  490.8375 MHz  12.5 kHz 1  490.8625 MHz  12.5 kHz 11  490.8875 MHz  12.5 kHz 10  490.9125 MHz  12.5 kHz 9  490.9625 MHz  25.0 kHz   (2)Uplink Channels  Channel Number  Channel Frequency  Channel Bandwidth 14  492.5125 MHz  12.5 kHz 13  492.5375 MHz  12.5 kHz 2  493.7875 MHz  25.0 kHz 12  493.8375 MHz  12.5 kHz 1  493.8625 MHz  12.5 kHz 11  493.8875 MHz  12.5 kHz 10  493.9125 MHz  12.5 kHz 9  493.9625 MHz  25.0 kHz
Axell Wireless Limited Technical Literature WMATA CRCS Redundant Antenna System General Overview Document Number 60-228701HBK  Issue No. 3  Date 28/05/2010  Page 34 of 114  12-02690225 W24 V4550 mAAlarm12-02690225 W24 V4550 mA05-00260390-85231515 dBPort E, Band 1 U/L I/P from Splitter/Combiner Unit 60-228702Port F,  Band 1 D/L O/P to Splitter/Combiner Unit 60-228702Port C, Band 1 D/L O/P to Quadplexer (DAS) 60-228706E931030TETRA SDR MODULE 489.25-494.25 MHzController H561003Alarm/BatteryJ116103019-00220210 VLoop PA U/L Loop PA D/L37dB37dBPC ControlSystem Monitoring PointPort D, Band 1 U/L I/P from Quadplexer (DAS) 60-228706Port A, Band 1 D/L I/P from Quadplexer (BASE) 60-228706Port B, Band 1 U/L O/P to Quadplexer (BASE) 60-2287068 Ch. Squelch Gated BDA 60-228704System DiagramDate: 19/11/2009Page 1 of 1A4Issue: 1Drawn by: EW/AJSNot to ScaleAerial HouseAsheridge RoadCheshamBuckinghamshireHP5 2QD United KingdomTelephone: +44 (0) 1494 777000Facsimile: +44 (0) 1494 777002E-Mail: info@axellwireless.comwww.axellwireless.com© AWL 20099+24 VDCJ142001+15 VDC +12 VDC +6.45 VDC 96-11001515A FUSE8 CHANNELDSP D/L8 CHANNELDSP U/L 4.5.3.  8 Ch. Squelch Gated BDA 60-228704 System Diagram
Axell Wireless Limited Technical Literature WMATA CRCS Redundant Antenna System General Overview Document Number 60-228701HBK  Issue No. 3  Date 28/05/2010  Page 35 of 114  91 4.5.3.1  8 Ch. Squelch Gated BDA 60-228704 Alarm Wiring Diagram
Axell Wireless Limited Technical Literature WMATA CRCS Redundant Antenna System General Overview Document Number 60-228701HBK  Issue No. 3  Date 28/05/2010  Page 36 of 114  LMT PortModem StatusModem PowerStatusLogin 4.5.4.  8 Ch. Squelch Gated BDA 60-228704 Front View                                  A  N type port “A”, Band 1 D/L I/P from Quadplexer (Base) 60-228706 B  N type port “C”, Band 1 D/L O/P to Quadplexer (DAS) 60-228706 C  N type port “F”, Band 1 D/L O/P to Splitter/Combiner Unit 60-228702 (1) D  N type port “D”, Band 1 U/L I/P from Quadplexer (DAS) 60-228706 E  N type port “E”, Band 1 U/L I/P from Splitter/Combiner Unit 60-228702 (2) F  N type port “B”, Band 1 U/L O/P to Quadplexer (Base) 60-228706 G 24V DC input from PSU module 96-300091 in PSU shelf 96-300090 H  15A fuse for DC input  I  Green LED “POWER”, illuminated during normal operation J  9 pin “D” panel plug “ALARM” local alarm output K  External Alarm and Battery Module J1161030 (3) L  Control Module H561003 (3) M Alarm to Krone Terminal Block on rack N  9 pin “D” panel socket “LMT Port”, A local serial port enabling interrogation of alarm data by PC/laptop O RJ45 Ethernet socket enabling interrogation of alarm data by PC/laptop  (1) Coupled from the D/L O/P to port “C” (2) Coupled to the U/L O/P to port “B” (3) For more information on the Control Module H561003 and External Alarm and Battery Module J1161030, see document A1829300.
Axell Wireless Limited Technical Literature WMATA CRCS Redundant Antenna System General Overview Document Number 60-228701HBK  Issue No. 3  Date 28/05/2010  Page 37 of 114  A60-228704 4.5.5.  8 Ch. Squelch Gated BDA 60-228704 Rear View                                 A  Earthing connection
Axell Wireless Limited Technical Literature WMATA CRCS Redundant Antenna System General Overview Document Number 60-228701HBK  Issue No. 3  Date 28/05/2010  Page 38 of 114   4.6.  8 Ch. Squelch Gated BDA 60-228705  8 Ch. Squelch Gated BDA 60-228705 is built into an 8U, 19” rack-mount case.  60-228705 utilizes Software Defined Radio technology to digitally process the signal to define the required channel frequencies and bandwidth (eight channels in the Downlink path and eight in the Uplink path). As part of the digital signal processing function the signal amplitude is monitored to apply squelch functionality to  the  signal  path  to  attenuate  unwanted  noise  when  the  input  signal  level  is  low.  The  unit  is  pre-programmed with the 8 required duplex frequencies and channel bandwidths as indicated in section 4.6.2, these can be modified by the use of RMC software.  Band  2  Downlink  RF  from  Quadplexer  (Base) 60-228706  enters  the  BDA via  the  N type  port  labeled  “A” (annotated “A”  in section 4.6.4.)  and the  Downlink  signal passes through  the Downlink path  of UHF SDR Module E941030 to define the 8 required Downlink channels.  After  passing  through  the  SDR  module  the  Band  2  Downlink  signal  is  split  into  two  equal  paths  by  3dB Splitter/Combiner 05-002603; The first path passes through the Downlink 25W Power Amplifier 12-026902 which  provides  37dB  of  signal  gain  and  then  the  signal  exits  the  BDA  via  the  N  type  port  labeled  “C” (annotated “B” in section 4.6.4.) on its way to the local DAS by way of Quadplexer (DAS) 60-228706.   The second path from 3dB Splitter/Combiner 05-002603 exits the BDA for Splitter/Combiner Unit 60-228702 (and ultimately the Gallery Place Station CRAS System)  via the N type port  labeled “F”  (annotated “C”  in section 4.6.4.)  Band 2 Uplink RF from the local DAS (by way of Quadplexer (DAS) 60-228706) enters the BDA via the N type  port  labeled  “D”  (annotated  “D”  in  section  4.6.4.)  and  passes  through  15dB  Directional  Coupler  90-852315 before entering UHF SDR Module E941030.  Band  2  Uplink  RF  from Splitter/Combiner  Unit  60-228702  (from  the Gallery Place  Station  CRAS  System) enters  the  BDA  via  the  N  type  port  labeled  “E  ”  (annotated  “E”  in  section  4.6.4.)  and  also  passes through15dB  Directional  Coupler  90-852315  where  it  is  coupled  onto  the  main  Uplink  signal  path  which passes  through  the  Uplink  path  of  UHF  SDR  Module  E941030  which  utilizes  SDR  technology to  digitally process  the  signal  to  define  the  8  required  Uplink  channels.  After  passing  through  the  SDR  module  the Band 2  Uplink  signal passes through the Uplink 25W Power Amplifier 12-026902 which provides 37dB  of signal gain and then the signal exits the BDA via the N type port labeled “B” (annotated “F” in section 4.6.4.) on its way to the BTS by way of Quadplexer (Base) 60-228706.  8 Ch. Squelch Gated BDA 60-228705 is powered by a 24V DC supply from the Redundant PSU Modules 96-300091 in PSU Housing Shelf 96-300090, The 24V DC supply powers the Power Amplifiers and an on-board DC/DC converter J1421001 steps down the  24V supply to  provide 6.45v and 15v  DC to  power the SDR, Controller and Ext. Alarm/battery modules within the BDA.   Each of the Power Amplifiers have alarm  outputs which are  summed at the 9 way “D” panel plug  labeled “ALARM” on  the front  panel (annotated  “J” in  section 4.6.4.),  the alarm  data  is connected  to the External Alarm and Battery Module J1161030 (annotated “K” in section 4.6.4.), from where the summary alarm data is fed to the Krone terminal block located near the top of the rack (see section 4.3.2.).  The SDR controller module H561003 is used to control and supervise the SDR functionality, two ports are provided  where  an  operator  may  connect  into  the  system,  a  local  serial  port,  (a  9  way  “D”  panel  socket annotated  “N”  in  section  4.6.4.)  is  used  with  a  laptop  PC  running  suitable  terminal-emulation  software  to interrogate and control the equipment using GET and SET commands. Alternatively the equipment can be configured  using  RMC  software  via  the  RJ45  ethernet  port  (annotated  “O”  in  section  4.6.4.)  To  ensure synchronous communications  between the  SDR  and  the H56  controller,  a  high stability 10MHz  reference generator, R031002 is incorporated in the equipment backplane.
Axell Wireless Limited Technical Literature WMATA CRCS Redundant Antenna System General Overview Document Number 60-228701HBK  Issue No. 3  Date 28/05/2010  Page 39 of 114   4.6.1  8 Ch. Squelch Gated BDA 60-228705 List of Major Sub Components  Component Part Part Description  Qty Per Assembly 05-002603  3dB Splitter/Combiner  1 12-026902  25W Power Amplifier  2 19-002202  Interconnection Assembly  1 90-852315  15dB Directional Coupler  1 96-110015  15A Fuse   1 E941030  UHF SDR Module (495.5 - 500.5MHz)  1 H561003  Control Module  1 J1161030  External Alarm and Battery Module  1 J1421001  DC/DC Converter  1 R031002  Reference Generator  1   4.6.2.  8 Ch. Squelch Gated BDA 60-228705 Specification   PARAMETER  SPECIFICATION Downlink Frequency Range 496.3MHz to 496.7MHz No of Channels 8 (1) Maximum Gain >+95 dB Passband ripple ≤ ±1.5 dB ALC Setting (all channels on) +28 ±1 dBm ALC Dynamic Range >30 dB  Switched attenuator 0dB to 30 dB in 2dB steps ± 1dB Noise Figure ≤ 4.5 dB (at maximum gain) In Band Spurious Noise (30kHz B/W) < -36 dBm (at maximum gain) Squelch Level -95dBm ± 2 dBm Uplink Frequency Range 499.3MHz to 499.7MHz No of Channels 8 (2) Maximum Gain >+95  Passband ripple ≤ ±1.5 dB ALC Setting (all channels on) +23 ±1 dBm ALC Dynamic Range >30 dB  Switched attenuator 0dB to 30 dB in 2dB steps ± 1dB Noise Figure ≤ 4.5 dB (at maximum gain) In Band Spurious Noise (30kHz B/W) < -36 dBm (at maximum gain) Squelch Level -95 ± 2 dBm General Supply Voltage 24V DC Current consumption <  12 A Alarm output Summary volts free dry contact output (Closed = Normal / Open = Alarm) pins 7 & 8  - Alarm connector terminal on External Alarm and Battery Module J1161030
Axell Wireless Limited Technical Literature WMATA CRCS Redundant Antenna System General Overview Document Number 60-228701HBK  Issue No. 3  Date 28/05/2010  Page 40 of 114    (1)Downlink Channels  Channel Number  Channel Frequency  Channel Bandwidth 8  496.3375 MHz  25.0 kHz 3  496.4375 MHz  25.0 kHz 7  496.4875 MHz  12.5 kHz Paging  496.5125 MHz  12.5 kHz 4  496.5375 MHz  12.5 kHz 6  496.5626 MHz  12.5 kHz 15  496.5875 MHz  12.5 kHz 5  496.6125 MHz  12.5 kHz   (2)Uplink Channels  Channel Number  Channel Frequency  Channel Bandwidth 8  499.3375 MHz  25.0 kHz 3  499.4375 MHz  25.0 kHz 7  499.4875 MHz  12.5 kHz Paging  499.5125 MHz  12.5 kHz 4  499.5375 MHz  12.5 kHz 6  499.5626 MHz  12.5 kHz 15  499.5875 MHz  12.5 kHz 5  499.6125 MHz  12.5 kHz
Axell Wireless Limited Technical Literature WMATA CRCS Redundant Antenna System General Overview Document Number 60-228701HBK  Issue No. 3  Date 28/05/2010  Page 41 of 114  12-02690225 W24 V4550 mAAlarm12-02690225 W24 V4550 mA05-00260390-85231515 dBPort C, Band 2 D/L O/P to Quadplexer (DAS) 60-228706E941030TETRA SDR MODULE 495.5 - 500.5 MHz19-00220237dB37dBPC ControlSystem Monitoring PointPort D, Band 2 U/L I/P from Quadplexer (DAS) 60-228706Port A, Band 2 D/L I/P from Quadplexer (BASE) 60-228706Port B, Band 2 U/L O/P to Quadplexer (BASE) 60-2287068 Ch. Squelch Gated BDA 60-228705System DiagramDate: 19/11/2009Page 1 of 1A4Issue: 1Drawn by: EW/AJSNot to ScaleAerial HouseAsheridge RoadCheshamBuckinghamshireHP5 2QD United KingdomTelephone: +44 (0) 1494 777000Facsimile: +44 (0) 1494 777002E-Mail: info@axellwireless.comwww.axellwireless.com© AWL 200910 VLoop PA U/L Loop PA D/L9Port E, Band 2 U/L I/P from Splitter/Combiner Unit 60-228702Port F, Band 2 D/L O/P to Splitter/Combiner Unit 60-228702Controller H561003Alarm/BatteryJ1161030+24 VDCJ142001+15 VDC +12 VDC +6.45 VDC 96-11001515A FUSE8 CHANNELDSP D/L8 CHANNELDSP U/L 4.6.3.  8 Ch. Squelch Gated BDA 60-228705 System Diagram
Axell Wireless Limited Technical Literature WMATA CRCS Redundant Antenna System General Overview Document Number 60-228701HBK  Issue No. 3  Date 28/05/2010  Page 42 of 114  91+15 V OrangeGND9 way “D” plug, alarm output on 8 Ch. Squelch Gated BDA 60-228705Red BlueAlarm Dry Contact Output toKrone terminal block, terminals 7 & 7 for 60-228705Date: 30/11/2009© AWL 2009Page 1 of 1A4Issue: 1Drawn by: EW/AJSNot to Scale8 Ch. Squelch Gated BDA 60-228705Alarm Wiring DiagramAerial HouseAsheridge RoadCheshamBuckinghamshireHP5 2QD United KingdomTelephone: +44 (0) 1494 777000Facsimile: +44 (0) 1494 777002E-Mail: info@axellwireless.comwww.axellwireless.com 4.6.3.1.  8 Ch. Squelch Gated BDA 60-228705 Alarm Wiring Diagram
Axell Wireless Limited Technical Literature WMATA CRCS Redundant Antenna System General Overview Document Number 60-228701HBK  Issue No. 3  Date 28/05/2010  Page 43 of 114  ABCDE F+24V DCT15APOWER121314157891011123456PWRBatteryPowerONOFF Ethernet 10 /100LMT PortModem StatusModem PowerStatusLoginALARMAB DE C J IH GFKNLMO 4.6.4.  8 Ch. Squelch Gated BDA 60-228705 Front View                                  A  N type port “A”, Band 2 D/L I/P from Quadplexer (Base) 60-228706 B  N type port “C”, Band 2 D/L O/P to Quadplexer (DAS) 60-228706 C  N type port “F”, Band 2 D/L O/P to Splitter/Combiner Unit 60-228702 (1) D  N type port “D”, Band 2 U/L I/P from Quadplexer (DAS) 60-228706 E  N type port “E”, Band 2 U/L I/P from Splitter/Combiner Unit 60-228702 (2) F  N type port “B”, Band 2 U/L O/P to Quadplexer (Base) 60-228706 G 24V DC input from PSU module 96-300091 in PSU shelf 96-300090 H  15A fuse for DC input I  Green LED “POWER”, illuminated during normal operation J  9 pin “D” panel plug “ALARM” local alarm output K  External Alarm and Battery Module J1161030 (3) L  Control Module H561003 (3) M Alarm to Krone Terminal Block on rack N  9 pin “D” panel socket “LMT Port”, A local serial port enabling interrogation of alarm data by PC/laptop O RJ45 Ethernet socket enabling interrogation of alarm data by PC/laptop  (1) Coupled from D/L O/P to port “C” (2) Coupled to U/L O/P to port “B” (3) For more information on the Control Module H561003 and External Alarm and Battery Module J1161030, see document A1829300.
Axell Wireless Limited Technical Literature WMATA CRCS Redundant Antenna System General Overview Document Number 60-228701HBK  Issue No. 3  Date 28/05/2010  Page 44 of 114  A60-228705 4.6.5.  8 Ch. Squelch Gated BDA 60-228705 Rear View                                  A  Earthing connection
Axell Wireless Limited Technical Literature WMATA CRCS Redundant Antenna System General Overview Document Number 60-228701HBK  Issue No. 3  Date 28/05/2010  Page 45 of 114   4.7.  Splitter/Combiner Unit 60-228702  Splitter/Combiner Unit 60-228702 is built into a 2U, 19” rack-mount case.  Band 1 Downlink RF from 8 Ch. Squelch Gated BDA 60-228704 enters the Splitter/Combiner Unit via the N type port labeled “A” (annotated “A” in section 4.7.4.) and passes into the Downlink 3dB Splitter/Combiner 05-002603.   Band 2 Downlink RF from 8 Ch. Squelch Gated BDA 60-228705 enters the Splitter/Combiner Unit via the N type  port  labeled  “B”  (annotated  “B”  in  section  4.7.4.)  and  also  passes  into  the  Downlink  3dB Splitter/Combiner 05-002603 which combines the two Downlink paths and the combined path then passes through the Downlink Variable Switched Attenuator 10-000901 (annotated “A” in section 4.7.5.) which can provide up to 15dB of signal gain (in 1dB steps) if required; the attenuation value is controlled by the four toggle switches on the attenuator body; each switch is clearly marked with the attenuation it provides, and the total attenuation in-line is the sum of the values switched in.   After passing through the Downlink attenuator the Downlink signal exits the Splitter/Combiner for Dual Fiber Optic Unit 60-228703 via the N type port labeled “TX” (annotated “C” in section 4.7.4.).  Uplink  RF  from  Dual  Fiber  Optic  Unit  60-228703  enters  the Splitter/Combiner  via  the  N type  port  labeled “RX”  (annotated “D”  in section  4.7.4.) and  the  Uplink  signal passes  through the  Uplink  Variable Switched Attenuator 10-000701 (annotated “B” in section 4.7.5.) which can provide up to 30dB of signal gain (in 2dB steps)  if  required;  the  attenuation  value  is  controlled  by  the  four  toggle  switches  on  the  attenuator  body; each switch is clearly marked with the attenuation it provides, and the total attenuation in-line is the sum of the values switched in.  After passing through the Uplink attenuator the signal path passes into the Uplink 3dB Splitter/Combiner 05-002603  which  splits  the  signal  into  two  equal  paths,  One  path  (Band  1)  exits  Splitter/Combiner  Unit  60-228702 for 8 Ch. Squelch Gated BDA 60-228704 via the N type port labeled “C” (annotated “E” in section 4.7.4.) and the second path (Band 2) exits Splitter/Combiner Unit 60-228702 for 8 Ch. Squelch Gated BDA 60-228705 via the N type port labeled “D” (annotated “F” in section 4.7.4.).    4.7.1.  Splitter/Combiner Unit 60-228702 List of Major Sub-Components  Component Part Part Description  Qty Per Assembly 05-002603  3dB Splitter/Combiner  2 10-000701  Variable Switched Attenuator 0-30dB  1 10-000901  Variable Switched Attenuator 0-15dB  1   4.7.2.  Splitter/Combiner Unit 60-228702 Specification  PARAMETER  SPECIFICATION Downlink Frequency range Band 1, 489.5MHz to 491.0MHz Band 2, 496.3MHz to 496.7MHz Switched attenuator 0dB to 15 dB in 1dB steps Uplink Frequency range Band 1, 492.5MHz to 494.0MHz Band 2, 499.3MHz to 499.7MHz Switched attenuator 0dB to 30 dB in 2 dB steps
Axell Wireless Limited Technical Literature WMATA CRCS Redundant Antenna System General Overview Document Number 60-228701HBK  Issue No. 3  Date 28/05/2010  Page 46 of 114  Port A, Band 1 D/L I/P from8 Ch. Squelch Gated BDA 60-228704Port TX, D/L O/P toDual Fibre Optic Unit 60-22870310-0009010-15 dB05-00260310-0007010-30 dBDate: 26/11/2009© AWL 2009Page 1 of 1A4Issue: 1Drawn by: EW/AJSNot to ScaleAerial HouseAsheridge RoadCheshamBuckinghamshireHP5 2QD United KingdomTelephone: +44 (0) 1494 777000Facsimile: +44 (0) 1494 777002E-Mail: info@axellwireless.comwww.axellwireless.comSplitter/Combiner Unit 60-228702System DiagramPort A, Band 2 D/L I/P from8 Ch. Squelch Gated BDA 60-228705Port RX, U/L I/P fromDual Fibre Optic Unit 60-22870305-002603Port C, Band 1 U/L O/P to8 Ch. Squelch Gated BDA 60-228704Port D, Band 2 U/L O/P to8 Ch. Squelch Gated BDA 60-228705 4.7.3.  Splitter/Combiner Unit 60-228702 System Diagram
Axell Wireless Limited Technical Literature WMATA CRCS Redundant Antenna System General Overview Document Number 60-228701HBK  Issue No. 3  Date 28/05/2010  Page 47 of 114   4.7.4.  Splitter/Combiner Unit 60-228702 Front View               A  N type port “A”, D/L I/P from 8 Ch. Squelch Gated BDA 60-228704 B  N type port “B”, D/L I/P from 8 Ch. Squelch Gated BDA 60-228705 C N type port “TX” D/L O/P to Dual Fiber Optic Unit 60-228703 D N type port “RX” U/L I/P from Dual Fiber Optic Unit 60-228703 E  N type port “C”, U/L O/P to 8 Ch. Squelch Gated BDA 60-228704 F  N type port “D”, U/L O/P to 8 Ch. Squelch Gated BDA 60-228705       4.7.5.  Splitter/Combiner Unit 60-228702 Rear View                A  Downlink Variable Switched Attenuator 10-000901 (0-15dB) B  Uplink Variable Switched Attenuator 10-000701 (0-30dB) C Earthing connection
Axell Wireless Limited Technical Literature WMATA CRCS Redundant Antenna System General Overview Document Number 60-228701HBK  Issue No. 3  Date 28/05/2010  Page 48 of 114   4.8.  Dual Fiber Optic Unit 60-228703  Dual Fiber Optic Unit 60-228703 is built into a 2U, 19” rack-mount case.  Downlink  RF from  Splitter/Combiner  Unit  60-228702  enters  the  Dual  Fiber  Optic  Unit  via  the  N  type  port labeled “TX 1” (annotated “A” in section 4.8.4.) and passes through a 20dB Directional Coupler 90-852420 which couples  off a small portion of the signal and feeds  it  to the  N  type port labeled “MON -20dB TX  1” (annotated “B” in section 4.8.4.) which provides a 20dB test/monitor port for the Downlink input.   The main Downlink path then passes into a Fiber Optic Transmitter Module 20-005401 where the RF signal is modulated onto a laser and the optical signal thus produced then exits the Dual Fiber Optic Unit via the SC/APC optical port 1 “TX” (annotated “C” in section 4.8.4.) and is transmitted to the Gallery Place Station CRAS System via a fiber optic cable link, this is the Main Redundant optical Downlink signal.  The N type port labeled “TX 2” (annotated “D” in section 4.8.4.) is a Downlink input to a separate, parallel, Standby  Redundant  Downlink  path  with  its  own  Directional  Coupler,  test  monitor  port  (annotated  “E”  in section  4.8.4.)  and  Fiber  Optic  Transmitter  Module.  The  Optical  output  from  the  Standby  Redundant Downlink path exits the Dual Fiber Optic Unit via the SC/APC optical port 2 “TX” (annotated “F” in section 4.8.4.)  Switching  between  the  Main  Redundant  and  Standby  Redundant  Downlink  paths  is  accomplished manually by disconnecting the Downlink RF input from the “TX 1” port and connecting it to the “TX 2” port, and by disconnecting the optical Downlink output cable from the SC/APC optical port 1 “TX” and connecting it to the SC/APC optical port 2 “TX”. N.B. The safety precautions noted in section 2 must be observed when changing from Main to Standby Redundant.  The  Main  Redundant  Uplink  optical  signal  from  the  Gallery  Place  Station  CRAS  System  enters  the  Dual Fiber Optic Unit via the SC/APC optical port 1 “RX” (annotated “G” in section 4.8.4.) and passes into a Fiber Optic Receiver Module 20-005501 which demodulates the Uplink signal to RF and the Uplink RF signal then passes through a 20dB Directional Coupler 90-852420 which couples off a small portion of the signal and feeds it to the N type port labeled “MON -20dB RX 1” (annotated “I” in section 4.8.4.) which provides a 20dB test/monitor port for the Main Redundant Uplink output. The Main Redundant Uplink path then exits the Dual Fiber Optic Unit for Splitter/Combiner Unit 60-228702 via the N type port labeled “RX 1” (annotated “H” in section 4.8.4.)  The SC/APC optical port 2 “RX” (annotated “J” in section 4.8.4.) is an Uplink input to a separate, parallel, Standby  Redundant  Uplink  path  with  its  own  Fiber  Optic  Receiver  Module,  Directional  Coupler  and test/monitor port (annotated “L” in section 4.8.4.) The RF output from the Standby Redundant Uplink path exits  the  Dual  Fiber  Optic  Unit  for  Splitter/Combiner  Unit  60-228702  via  the  N  type  port  labeled  “RX  2” (annotated “K” in section 4.8.4.)  Switching between the Main Redundant and Standby Redundant Uplink paths is accomplished manually by disconnecting the optical Uplink  input  cable from the SC/APC optical port  1  “RX” and connecting it to the SC/APC optical port 2 “RX”, and by disconnecting the Uplink RF output from the “RX 1” port and connecting it to the “RX 2” port. N.B. The safety precautions noted in section 2 must be observed when changing from Main to Standby Redundant.  Dual Fiber Optic Unit 60-228703 is powered by a 24V DC supply from one of the PSU Modules 96-300091 in PSU Housing Shelf 96-300090, The 24V DC supply powers two on-board DC/DC converters 96-200024 arranged in a parallel dual redundant configuration, the outputs of which are combined by power diodes to provide a 12V DC supply for the fiber optic modules within the unit   An alarm system is fitted to Dual Fiber Optic Unit 60-228703, each of the fiber optic modules carries its own voltage-free contact alarm relay output which are summed at the 15 way “D” panel plug labeled “ALARM” (annotated “EE”  in section  4.8.4.) which  connects  to the  Krone terminal  block located  near the top  of the rack (see section 4.3.2.).
Axell Wireless Limited Technical Literature WMATA CRCS Redundant Antenna System General Overview Document Number 60-228701HBK  Issue No. 3  Date 28/05/2010  Page 49 of 114    4.8.1.  Dual Fiber Optic Unit 60-228703 List of Major Sub-Components  Component Part Part Description  Qty Per Assembly 20-001601  12V Dual Relay Board  1 20-005401  Fiber Optic Transmitter Module  2 20-005501  Fiber Optic Receiver Module  2 96-110013  3.15 A Fuse  2 96-200024  DC/DC Converter  2 90-852420  20dB Directional Coupler  4 94-100003  Power Diode  3   4.8.2.  Dual Fiber Optic Unit 60-228703 Specification  PARAMETER  SPECIFICATION RF Downlink Frequency range 489.5MHz to 491.0MHz 496.3MHz to 496.7MHz Coupling TX1 to Mon TX1 20 dB±1 Coupling TX2 to Mon TX2 20 dB±1 Optical Downlink Wavelength 1310nm TX(A) Optical TX Power 1-3 dBm TX(B) Optical TX Power 1-3 dBm Optical Uplink Wavelength 1550nm RX(A) Gain >+15 dB RX(A) Gain Set To 0 dB±0.5 RX(A) Alarm Threshold < -10dBm RX(B) Gain >+15 dB RX(A) Gain Set To 0 dB±0.5 RX(B) Alarm Threshold < -10dBm RF Uplink Frequency range 499.3MHz to 499.7MHz 492.5MHz to 494.0MHz Coupling RX1 to Mon RX1 20 dB±1 Coupling RX2 to Mon RX2 20 dB±1 General Supply Voltage 12V DC or 24V DC Current consumption < 1.0A @ 24V DC input < 1.5A @ 12V DC input Alarm output Summary volts free dry contact output (Closed = Normal / Open = Alarm) F/O TX1 contact output Pin 1 & 2 F/O TX2 contact output Pin 3 & 4 F/O RX1 contact output Pin 5 & 6 F/O RX1 contact output Pin 7 & 8 24V DC-DC contact output Pin 9 & 10**  **This alarm is not operational when the unit is powered from 12V DC
Axell Wireless Limited Technical Literature WMATA CRCS Redundant Antenna System General Overview Document Number 60-228701HBK  Issue No. 3  Date 28/05/2010  Page 50 of 114  Dual Fibre Optic Unit 60-228703System Diagram(Carmen Turner Facility System)20-00540120-005501Port TX1 Main Redundant D/L I/P fromSplitter/Combiner Unit 60-22870220-001601Local AlarmTX1 MonitorPort TX2 Standby Redundant D/L I/P fromSplitter/Combiner Unit 60-228702TX2 MonitorPort RX1 Main Redundant U/L O/P toSplitter/Combiner Unit 60-228702RX1 MonitorRX2 MonitorPort RX2 Standby Redundant U/L O/P toSplitter/Combiner Unit 60-22870220-00540120-00550190-85242090-85242090-85242090-852420+24 VDC2 x 96-200024+12 VDC3 x 94-100003Date: 8/12/2009Aerial HouseAsheridge RoadCheshamBuckinghamshireHP5 2QD United Kingdom© AWL 2009Optical Port 1 “TX” Main Redundant D/L O/P to Gallery Place Station systemOptical Port 1 “RX” Main Redundant U/L I/P from Gallery Place Station systemOptical Port 2 “TX” Standby Redundant D/L O/P to Gallery Place Station systemOptical Port 2 “RX” Standby Redundant U/L I/P from Gallery Place Station systemDC I/PPage 1 of 1A4Issue: 2Drawn by: EW/AJSNot to ScaleTelephone: +44 (0) 1494 777000Facsimile: +44 (0) 1494 777002E-Mail: info@axellwireless.comwww.axellwireless.com 4.8.3.  Dual Fiber Optic Unit 60-228703 System Diagram
Axell Wireless Limited Technical Literature WMATA CRCS Redundant Antenna System General Overview Document Number 60-228701HBK  Issue No. 3  Date 28/05/2010  Page 51 of 114   4.8.3.1.  Dual Fiber Optic Unit 60-228703 Alarm Outputs   15  pin  “D”  panel  plug  “ALARM”,  local  alarm  output  to  Krone  terminal  block  on  rack  (annotated  “EE”  in section 3.8.4.)  Dry Contact Outputs (Closed = Normal / Open = Alarm)      F/O TX1 contact output Pin 1 & 2 F/O TX2 contact output Pin 3 & 4 F/O RX1 contact output Pin 5 & 6 F/O RX1 contact output Pin 7 & 8 24V DC>DC contact output Pin 9 & 10
Axell Wireless Limited Technical Literature WMATA CRCS Redundant Antenna System General Overview Document Number 60-228701HBK  Issue No. 3  Date 28/05/2010  Page 52 of 114  TX         RXTX         RX12POWERALARMGAIN ADJPOWERALARMPOWERALARMPOWERALARMGAIN ADJMON-20dB TX 1MON-20dB RX 1MON-20dB RX 2MON-20dB TX 2TX 1 RX 1TX 2 RX 2 TX 1 RX 1 TX 2 RX 2DC/DC FAILALARM24V T3.15A12V T3.15A+24/12V DCBDC AEFG HIL KJ MONPRQWYX ZUT VSAABBCCDDEE  4.8.4.  Dual Fiber Optic Unit 60-228703 Front View                 A  N type port “TX1”, Main Redundant D/L I/P from Splitter/Combiner Unit 60-228702 B  N type port “MON -20dB TX 1”, 20dB test/monitor port coupled from D/L input to port “TX1” C  SC/APC optical port 1 “TX”, Main Redundant optical D/L O/P to Gallery Place Station CRAS System D  N type port “TX2”, Standby Redundant D/L I/P from Splitter/Combiner Unit 60-228702 E  N type port “MON -20dB TX 2”, 20dB test/monitor port coupled from standby D/L input to port “TX2” F  SC/APC  optical  port  2  “TX”,  Standby  Redundant  optical  D/L  O/P  to  Gallery  Place  Station  CRAS System G  SC/APC optical port 1 “RX”, Main Redundant optical U/L I/P from Gallery Place Station CRAS System  H  N type port “RX1”, Main Redundant U/L O/P to Splitter/Combiner Unit 60-228702 I  N type port “MON -20dB RX 1”, 20dB test/monitor port coupled from U/L output to port “RX1” J  SC/APC  optical  port  2  “RX”,  Standby  Redundant  optical  U/L  I/P  from  Gallery  Place  Station  CRAS System K  N type port “RX2”, Standby Redundant U/L O/P to Splitter/Combiner Unit 60-228702 L  N type port “MON -20dB RX 2”, 20dB test/monitor port coupled from standby U/L output to port “RX2” M  Status Indicators for F/O TX Module 1 (Main Redundant D/L to Gallery Place Station CRAS System) N  Green LED “POWER”, Fiber Optic TX Power On indicator illuminated during normal operation O  Green LED “ALARM”, Fiber Optic TX Alarm indicator extinguished during alarm state P  Status  Indicators  for  F/O  TX  Module  2  (Standby  Redundant  D/L  to  Gallery  Place  Station  CRAS System) Q  Green LED “POWER”, Fiber Optic TX Power On indicator illuminated during normal operation R  Green LED “ALARM”, Fiber Optic TX Alarm indicator extinguished during alarm state S  Status  Indicators  for  F/O  RX  Module  1  (Main  Redundant  U/L  from  Gallery  Place  Station  CRAS System) T  Green LED “POWER”, Fiber Optic RX Power On indicator illuminated during normal operation U  Green LED “ALARM”, Fiber Optic RX Alarm indicator extinguished during alarm state V  Fiber Optic RX RF gain adjustment W  Status  Indicators  for  F/O  RX  Module 2  (Standby Redundant  U/L  from Gallery  Place  Station  CRAS System) X  Green LED “POWER”, Fiber Optic RX Power On indicator illuminated during normal operation Y  Green LED “ALARM”, Fiber Optic RX Alarm indicator extinguished during alarm state Z  Fiber Optic RX RF gain adjustment AA  DC input (12V or 24V) BB  3.15A Fuse for 24V DC input CC 3.15A Fuse for 12V DC input DD Red LED “DC/DC FAIL” illuminated in alarm state (DC/DC convertor failure) EE  15 pin “D” panel plug “ALARM” local alarm output to Krone terminal block on rack
Axell Wireless Limited Technical Literature WMATA CRCS Redundant Antenna System General Overview Document Number 60-228701HBK  Issue No. 3  Date 28/05/2010  Page 53 of 114   4.8.5.  Dual Fiber Optic Unit 60-228703 Rear View            A  Earthing connection
Axell Wireless Limited Technical Literature WMATA CRCS Redundant Antenna System General Overview Document Number 60-228701HBK  Issue No. 3  Date 28/05/2010  Page 54 of 114   4.9.  Quadplexer (DAS) 60-228706  Quadplexer (DAS) 60-228706 is built into a 4U, 19” rack-mount case  Band  1  Downlink  RF from the  8  Ch. Squelch  Gated  BDA  60-228704  enters  the  shelf  via  the  N  type  port labeled  “A”  (annotated  “A”  in  section  4.9.4.)  and  passes  through  a  Bandpass  Filter  02-016801  which  is tuned to pass the Band 1 Downlink passband of 489.5MHz to 491.0MHz and to reject out-of-band signals and noise. The Band 1 Downlink link path is then combined with that of the Band 1 Uplink path by means of critical harness.  Band  2  Downlink  RF from the  8  Ch. Squelch  Gated  BDA  60-228705  enters  the  shelf  via  the  N  type  port labeled  “C”  (annotated  “B”  in  section  4.9.4.)  and  passes  through  a  Bandpass  Filter  02-013401  which  is tuned to pass the Band 2 Downlink passband of 496.3MHz to 496.7MHz and to reject out-of-band signals and noise.   The  Band 2  Downlink  link  path is then combined with that  of the Band 2 Uplink path  by  means of  critical harness and the High and Band 1 Downlink paths are then combined again by means of critical harness and the combined Downlink path passes through 30dB Directional Coupler 90-852330 which couples off a small portion  of  the  Downlink  signal  and  feeds  it  to  the  N  type  port  labeled  “MONITORING”  (annotated  “D”  in section 4.9.4.) providing a 30dB test/monitor port for the Downlink signal.   The main Downlink signal then exits the shelf via the N type port labeled “DAS” (annotated “C” in section 4.9.4.) and the signal is fed to the N type connector labeled “DAS PORT” on the rack lid (annotated “C” in section 4.3.3.).  Uplink  RF  from  the  DAS  enters  the  rack  via  the  N  type  connector  labeled  “DAS  PORT”  on  the  rack  lid (annotated  “C”  in  section  4.3.3.)  and  the  signal  is  fed  to  the  N  type  port  on  the  Quadplexer  front  panel labeled “DAS”  (annotated “C” in section 4.9.4.). The signal path passes through 30dB Directional Coupler 90-852330 which is used to provide a test/monitor port for the Downlink signal and then the signal path is split into two branches (Band 2 and Band 1) by means of critical harness.   The Band 1 branch is then further split by critical harness into Uplink and Downlink paths and the Band 1 Uplink  path  passes  through  a  Bandpass  Filter  02-016801  which  is  tuned  to  pass  the  Band  1  Uplink passband of 492.5MHz to 494.0MHz and to reject out-of-band signals and noise.  The Band 2 branch is also further split by critical harness into Uplink and Downlink paths and the Band 2 Uplink  path  passes  through  a  Bandpass  Filter  02-013401  which  is  tuned  to  pass  the  Band  2  Uplink passband of U/L 499.3MHz to 499.7MHz and to reject out-of-band signals and noise.  The  two  Uplink  paths,  High  and  Band  1  then  exit  the  Quadplexer  for  their  respective  BDAs;  the  Band  1 Uplink exits the shelf for 8 Ch. Squelch Gated BDA 60-228704 via the N type port labeled “B” (annotated “E” in section 4.9.4.) and the Band 2 Uplink exits the shelf for 8 Ch. Squelch Gated BDA 60-228705 via the N type port labeled “D” (annotated “F” in section 4.9.4.)
Axell Wireless Limited Technical Literature WMATA CRCS Redundant Antenna System General Overview Document Number 60-228701HBK  Issue No. 3  Date 28/05/2010  Page 55 of 114    4.9.1.  Quadplexer (DAS) 60-228706 List of Major Sub-Components  Component Part Part Description  Qty Per Assembly 02-013401  Bandpass Filter  2 02-016801  Bandpass Filter  2 90-852330  30dB Directional Coupler  1    4.9.2.  Quadplexer (DAS) 60-228706 Specification   PARAMETER  SPECIFICATION Band 1 D/L (port A to DAS port) Frequency Range 489.5-491.0 MHz Rejection 492.5-494.0 MHz  > 65 dB Insertion Loss ≤ 3.0 dB Port A to Monitoring port 33dB ±1 dB Band 1 U/L (DAS port to port B) Frequency Range 492.5-494.0 MHz Rejection 489.5-491.0 MHz  > 40 dB  496.3-496.7 MHz  > 65 dB Insertion Loss ≤ 3.0 dB Band 2 D/L (port C to DAS port) Frequency Range 496.3-496.7 MHz Rejection 492.5-494.0 MHz  > 65 dB  499.3-499.7 MHz  > 60 dB Insertion Loss ≤ 3.0 dB Port C to Monitoring port 33dB ±1 dB Band 2 U/L (DAS port to port D) Frequency Range 499.3-499.7 MHz Rejection 496.3-496.7 MHz  > 75 dB Insertion Loss ≤ 3.0 dB
Axell Wireless Limited Technical Literature WMATA CRCS Redundant Antenna System General Overview Document Number 60-228701HBK  Issue No. 3  Date 28/05/2010  Page 56 of 114  02-016801489.5-491.0 MHz90-85233030 dBPort A,  Band 1 D/L I/P from 8 Ch. Squelch Gated BDA 60-228704Date: 23/11/2009© AWL 2009Page 1 of 1A4Issue: 1Drawn by: EW/AJSNot to ScaleAerial HouseAsheridge RoadCheshamBuckinghamshireHP5 2QD United KingdomTelephone: +44 (0) 1494 777000Facsimile: +44 (0) 1494 777002E-Mail: info@axellwireless.comwww.axellwireless.comQuadplexer (DAS) 60-228706System Diagram02-016801492.5-494.0 MHz02-013401496.3-496.7 MHz02-013401499.3-499.7 MHzPort B, Band 1 U/L O/P to 8 Ch. Squelch Gated BDA 60-228704Port D,  Band 2 U/L O/P to 8 Ch. Squelch Gated BDA 60-228705Port C, Band 2 D/L I/P from 8 Ch. Squelch Gated BDA 60-228705Monitor Port 30dB coupled from D/L O/PD/L O/P to DASU/L I/P from DAS 4.9.3.  Quadplexer (DAS) 60-228706 System Diagram
Axell Wireless Limited Technical Literature WMATA CRCS Redundant Antenna System General Overview Document Number 60-228701HBK  Issue No. 3  Date 28/05/2010  Page 57 of 114   4.9.4.  Quadplexer (DAS) 60-228706 Front View                      A  N type port “A”, Band 1 Downlink input from 8 Ch. Squelch Gated BDA 60-228704 B  N type port “C”, Band 2 Downlink input from 8 Ch. Squelch Gated BDA 60-228705 C  N type port “DAS”, Downlink output to and Uplink input from the DAS D  N type port “MONITORING”, 30dB test/monitor port coupled from the Downlink O/P path E  N type port “B”, Band 1 Uplink output to 8 Ch. Squelch Gated BDA 60-228704 F  N type port “D”, Band 2 Uplink output to 8 Ch. Squelch Gated BDA 60-228705      4.9.5.  Quadplexer (DAS) 60-228706 Rear View                  A  Earthing connection
Axell Wireless Limited Technical Literature WMATA CRCS Redundant Antenna System General Overview Document Number 60-228701HBK  Issue No. 3  Date 28/05/2010  Page 58 of 114   4.10.  PSU Housing Shelf 96-300090  This  is  a  1U,  19”  Rack  Mount shelf  housing  two,  960W, fan cooled,  AC mains  driven  PSU modules (96-300091) the outputs of which are combined to provide a 24V DC supply to the other chassis in the system. The DC leads connected to the output terminals (annotated “B” and “C” in section 4.10.2.) are terminated with  right-angle  XLR  female  connectors  which  mate  with  corresponding  panel  mounting  male  XLR connectors on the front panels of those units which require a DC input.     4.10.1.  PSU module 96-300091 Specification  Output DC Voltage 24V  Rated Current 40A  Current Range 0 ~ 40A  Rated Power 960W  Ripple & Noise (max.) 200mVp-p  Voltage Adj. Range 23.2 ~ 24.8V  Voltage Tolerance ±1.0% Line Regulation ±0.5% Load Regulation ±0.5% Setup, Rise Time 1000ms, 60ms/230V AC at full load Hold Time (Typ.) 16ms/230V AC at full load Input Voltage Range 90 ~ 264V AC   127 ~ 370V DC  Frequency Range 47 ~ 63Hz  Efficiency (Typ.) 87%  AC Current (Typ.) 10.5A/115V AC 5.5A/230V AC  Inrush Current (Typ.) Cold Start 50A  Leakage Current <1.1mA / 230VAC  Protection Over Load 105 ~ 125% rated output power  Protection type : Constant current limiting, recovers automatically after fault condition is removed Over Voltage 26.4 ~ 32.4V  Protection type : Shut down o/p voltage, re-power on to recover Over Temperature 75 5°C ±5°C  (TSW1) Detect on heatsink of power transistor  85 5°C  ±5°C (TSW2) Detect on heatsink of power diode Protection type : Shut down o/p voltage, recovers automatically after temperature goes down
Axell Wireless Limited Technical Literature WMATA CRCS Redundant Antenna System General Overview Document Number 60-228701HBK  Issue No. 3  Date 28/05/2010  Page 59 of 114   4.10.2.  PSU Module Chassis 96-300090 Rear View           A  AC inputs B  24V DC terminal (connects to rack 24V busbar) C 0V DC terminal (connects to rack 0V busbar) D Alarm output to Krone terminal block on rack E  Earthing connector     4.10.3.  PSU Module Chassis 96-300090 Alarm Wiring   25 pin “D” panel socket, local alarm/control output to Krone terminal block on rack (annotated “D” in section 4.10.2.)   Pin 1  ON/OFF PSU A Pin 2  AC OK PSU A Pin 3  DC OK PSU A Pin 5  T-ALARM PSU A Pin 9  AC OK PSU B Pin 8  ON/OFF PSU B Pin 10  DC OK PSU B Pin 12  T-ALARM PSU B Pin 21  -S -ve SENSING Pin 20  +S +ve SENSING
Axell Wireless Limited Technical Literature WMATA CRCS Redundant Antenna System General Overview Document Number 60-228701HBK  Issue No. 3  Date 28/05/2010  Page 60 of 114    4.10.4.  DC Connector Details  4.10.4.1.  DC Inlet Free Socket  These are the free sockets that are connected to the rack busbars           A  Pin 1, 24V (Red Wire) B  Pin 2, 0V (Black wire) C Pin 3, not connected D Guide key E  Locking/release lug           5.10.4.2.  Typical DC Inlet Panel Plug   Typical DC Inlet Panel Plug showing pin allocations for the rack equipment shelves               A  Pin 1, 24V (Red Wire) B  Pin 2, 0V (Black wire) C Pin 3, not connected D Guide keyway E  Fuse access
Axell Wireless Limited Technical Literature WMATA CRCS Redundant Antenna System General Overview Document Number 60-228701HBK  Issue No. 3  Date 28/05/2010  Page 61 of 114   5.  60-228901 - WMATA Gallery Place Station CRAS System  The WMATA Gallery Place Station CRAS System consists of the following equipment mounted in two 41U, 19” equipment housing racks, each rack is loaded with equipment on both the front and rear aspects.  Rack 1 (part No, 60-228902)  Front: Part No. 96-300090  PSU Housing Shelf   Contains Qty. 2, Part No. 96-300091 PSU Modules Part No. 60-228703  Dual Fiber Optic Unit  Part No. 60-228905  RF Failover Switch Unit  Part No. 60-228907  Combiner Unit  Part No. 60-228904  16 Ch. DSP U/L Squelch Gate (No. 22) Part No. 60-228904  16 Ch. DSP U/L Squelch Gate (No. 23) Part No. 60-228904  16 Ch. DSP U/L Squelch Gate (No. 24) Part No. 60-228904  16 Ch. DSP U/L Squelch Gate (No. 25) Part No. 60-228904  16 Ch. DSP U/L Squelch Gate (No. 26)  Rear: Part No. 60-228909  Combiner Unit  Part No. 60-228904  16 Ch. DSP U/L Squelch Gate (No. 15) Part No. 60-228904  16 Ch. DSP U/L Squelch Gate (No. 16) Part No. 60-228904  16 Ch. DSP U/L Squelch Gate (No. 17) Part No. 60-228904  16 Ch. DSP U/L Squelch Gate (No. 18) Part No. 60-228904  16 Ch. DSP U/L Squelch Gate (No. 19) Part No. 60-228904  16 Ch. DSP U/L Squelch Gate (No. 20) Part No. 60-228904  16 Ch. DSP U/L Squelch Gate (No. 21)   Rack 2 (part No, 60-228903)  Front: Part No. 96-300090  PSU Housing Shelf   Contains Qty. 2, Part No. 96-300091 PSU Modules Part No. 60-228906  Combiner Unit  Part No. 60-228904  16 Ch. DSP U/L Squelch Gate (No. 1) Part No. 60-228904  16 Ch. DSP U/L Squelch Gate (No. 2) Part No. 60-228904  16 Ch. DSP U/L Squelch Gate (No. 3) Part No. 60-228904  16 Ch. DSP U/L Squelch Gate (No. 4) Part No. 60-228904  16 Ch. DSP U/L Squelch Gate (No. 5) Part No. 60-228904  16 Ch. DSP U/L Squelch Gate (No. 6) Part No. 60-228904  16 Ch. DSP U/L Squelch Gate (No. 7)  Rear: Part No. 60-228908  Combiner Unit  Part No. 60-228904  16 Ch. DSP U/L Squelch Gate (No. 8) Part No. 60-228904  16 Ch. DSP U/L Squelch Gate (No. 9) Part No. 60-228904  16 Ch. DSP U/L Squelch Gate (No. 10) Part No. 60-228904  16 Ch. DSP U/L Squelch Gate (No. 11) Part No. 60-228904  16 Ch. DSP U/L Squelch Gate (No. 12) Part No. 60-228904  16 Ch. DSP U/L Squelch Gate (No. 13) Part No. 60-228904  16 Ch. DSP U/L Squelch Gate (No. 14)
Axell Wireless Limited Technical Literature WMATA CRCS Redundant Antenna System General Overview Document Number 60-228701HBK  Issue No. 3  Date 28/05/2010  Page 62 of 114  RF/OpticalRFRelay16 Ch. DSP U/L Squelch Gate 116 Ch. DSP U/L Squelch Gate 26Primary  Downlink Optical Input from Jackson Graham Building systemRedundant Downlink Optical Input from Carmen Turner Facility systemPrimary Uplink Optical Output to Jackson Graham Building systemRedundant Uplink Optical Output to Carmen Turner Facility systemRF Downlink Output to CRCS Donor UnitRF Uplink Input from CRCS Donor UnitRF Uplink Input from CRCS Donor UnitRF Combiner16 Ch. DSP U/L Squelch Gates 2 to 25 The  Gallery  Place  Station  CRAS  System  receives  a  Primary  optical  Downlink  from  the  Jackson  Graham Building CRAS System and a Redundant optical Downlink from the Carmen Turner Facility CRAS System, both  optical  Downlink  feeds  enter  the  Gallery  Place  Station  CRAS  System  and  are  demodulated  to  RF. Normally the Primary Downlink signal from the Jackson Graham Building is passed on to the CRCS Donor Unit but if the signal strength of the Primary Downlink path falls below a pre-set threshold then RF relays in the Gallery Place Station CRAS System automatically switch to the Redundant signal path from the Carmen Turner Facility CRAS System.  26  Uplink  paths  are  received  from  the  CRCS  Donor  Unit;  each  path  is  fed  into  a  Channelized  DSP  U/L Squelch Gate  and the  outputs from  those 26  units are  combined and  modulated  onto  optical signals, the Primary optical Uplink being fed to the Jackson Graham Building CRAS System and in the event that the main  signal  path  is  switched  out,  the  Redundant  optical  Uplink  path  is  fed  to  the  Carmen  Turner  Facility CRAS System      5.1.  Simplified System Sketch
Axell Wireless Limited Technical Literature WMATA CRCS Redundant Antenna System General Overview Document Number 60-228701HBK  Issue No. 3  Date 28/05/2010  Page 63 of 114  WMATA GALLERY PLACE STATION GATED U/LRACK LAYOUT CABINET 160-228952PL 28/08/09AS STATEDFRONT ELEVATION(DOOR REMOVED)SCALE 1:4REAR ELEVATION(DOOR REMOVED)SCALE 1:460-2289072U COMBINER UNIT1U BLANK1U BLANK1U BLANK1U BLANK1U BLANK1U BLANK2U BLANK96-300090 + 96-300091x21U PSU SHELFPLAN VIEWSCALE 1:10SECTION VIEW ON A-ASCALE 1:4A60-2289053U RF FAIL OVER UNIT60-2289092U COMBINER UNIT1U BLANK1U BLANK1U BLANK1U BLANK1U BLANK1U BLANKA60-2287032U DUAL F/O TRANSCEIVER UNIT1U BLANK1U BLANK1U BLANK1U BLANK1U BLANK2U BLANK60-2289044U 16 CHANNELU/L GATING UNIT60-2289044U 16 CHANNELU/L GATING UNIT60-2289044U 16 CHANNELU/L GATING UNIT60-2289044U 16 CHANNELU/L GATING UNIT60-2289044U 16 CHANNELU/L GATING UNIT60-2289044U 16 CHANNELU/L GATING UNIT60-2289044U 16 CHANNELU/L GATING UNIT60-2289044U 16 CHANNELU/L GATING UNIT60-2289044U 16 CHANNELU/L GATING UNIT60-2289044U 16 CHANNELU/L GATING UNIT60-2289044U 16 CHANNELU/L GATING UNIT60-2289044U 16 CHANNELU/L GATING UNIT 5.2.  Rack 1 Equipment Layout Drawing number 60-228952
Axell Wireless Limited Technical Literature WMATA CRCS Redundant Antenna System General Overview Document Number 60-228701HBK  Issue No. 3  Date 28/05/2010  Page 64 of 114  WMATA GALLERY PLACE STATION GATED U/LRACK LAYOUT CABINET 260-228953PL 28/08/09AS STATEDFRONT ELEVATION(DOOR REMOVED)SCALE 1:4REAR ELEVATION(DOOR REMOVED)SCALE 1:41U BLANK1U BLANK1U BLANK1U BLANK1U BLANK1U BLANK1U BLANKPLAN VIEWSCALE 1:10SECTION VIEW ON A-ASCALE 1:4A1U BLANK1U BLANK1U BLANK1U BLANK1U BLANK1U BLANK1U BLANKA96-300090 + 96-300091x21U PSU SHELF60-2289062U COMBINER UNIT60-2289082U COMBINER UNIT60-2289044U 16 CHANNELU/L GATING UNIT1U BLANK1U BLANK60-2289044U 16 CHANNELU/L GATING UNIT60-2289044U 16 CHANNELU/L GATING UNIT60-2289044U 16 CHANNELU/L GATING UNIT60-2289044U 16 CHANNELU/L GATING UNIT60-2289044U 16 CHANNELU/L GATING UNIT60-2289044U 16 CHANNELU/L GATING UNIT60-2289044U 16 CHANNELU/L GATING UNIT60-2289044U 16 CHANNELU/L GATING UNIT60-2289044U 16 CHANNELU/L GATING UNIT60-2289044U 16 CHANNELU/L GATING UNIT60-2289044U 16 CHANNELU/L GATING UNIT60-2289044U 16 CHANNELU/L GATING UNIT60-2289044U 16 CHANNELU/L GATING UNIT 5.3.  Rack 2 Equipment Layout Drawing number 60-228953
Axell Wireless Limited Technical Literature WMATA CRCS Redundant Antenna System General Overview Document Number 60-228701HBK  Issue No. 3  Date 28/05/2010  Page 65 of 114   5.4.  Rack 1 Front View                                            A  PSU Housing Shelf 96-300090 + Qty. 2, Part No. 96-300091 PSU Modules B  Dual Fiber Optic Unit 60-228703 C  RF Failover Switch Unit 60-228905 D  Combiner Unit 60-228907 E  16 Ch. DSP U/L Squelch Gate No. 22 F  16 Ch. DSP U/L Squelch Gate No. 23 G 16 Ch. DSP U/L Squelch Gate No. 24 H  16 Ch. DSP U/L Squelch Gate No. 25 I  16 Ch. DSP U/L Squelch Gate No. 26
Axell Wireless Limited Technical Literature WMATA CRCS Redundant Antenna System General Overview Document Number 60-228701HBK  Issue No. 3  Date 28/05/2010  Page 66 of 114   5.5.  Rack 1 Rear View                                            A  Combiner Unit 60-228909 B  16 Ch. DSP U/L Squelch Gate No. 15 C 16 Ch. DSP U/L Squelch Gate No. 16 D 16 Ch. DSP U/L Squelch Gate No. 17 E  16 Ch. DSP U/L Squelch Gate No. 18 F  16 Ch. DSP U/L Squelch Gate No. 19 G 16 Ch. DSP U/L Squelch Gate No. 20 H 16 Ch. DSP U/L Squelch Gate No. 21 I  AC Circuit Breaker J  Krone terminal blocks for alarm outputs
Axell Wireless Limited Technical Literature WMATA CRCS Redundant Antenna System General Overview Document Number 60-228701HBK  Issue No. 3  Date 28/05/2010  Page 67 of 114  WMATA Gallery Place Station SystemRack 1 Front and Rear ViewsDate: 30/11/2009Page 1 of 1A3Issue: 1Drawn by: EW/AJSNot to ScaleAerial HouseAsheridge RoadCheshamBuckinghamshireHP5 2QD United KingdomTelephone: +44 (0) 1494 777000Facsimile: +44 (0) 1494 777002E-Mail: info@axellwireless.comwww.axellwireless.com© AWL 2009PSU Shelf 96-300090 + 2 x 96-30009116 Ch. DSP U/L Squelch Gate60-228904 2216 Ch. DSP U/L Squelch Gate 60-2289042316 Ch. DSP U/L Squelch Gate 60-2289042416 Ch. DSP U/L Squelch Gate 60-2289042516 Ch. DSP U/L Squelch Gate 60-2289042616 Ch. DSP U/L Squelch Gate 60-2289041516 Ch. DSP U/L Squelch Gate 60-2289041616 Ch. DSP U/L Squelch Gate 60-2289041716 Ch. DSP U/L Squelch Gate 60-2289041816 Ch. DSP U/L Squelch Gate 60-2289041916 Ch. DSP U/L Squelch Gate 60-2289042016 Ch. DSP U/L Squelch Gate 60-22890421Dual FO Unit 60-228703RF Failover Switch 60-2289055 U/L Combiner Unit (22-26) 60-228907D/L Output toCRCS donor unit Redundant F/O D/L I/P fromCarmen Turner FacilityPrimary F/O D/L I/P fromJackson Graham BuildingSum of 1-26Sum of 22-26(LINK)Sum of 15-21Mon Mon7 U/L Combiner Unit (15-21) 60-228909U/L Inputs from CRCS donor unit Seg. 22-26U/L Inputs from CRCS donor unit Seg. 15-2106-00190106-00190106-001801RACK 1 FRONT RACK 1 REARPrimary F/O U/L O/P toJackson Graham BuildingRedundant F/O U/L O/P to Carmen Turner FacilityUplink input from Rack 2 (Front)Sum of 16 Ch. DSP U/L Squelch Gates 1 - 7Uplink input from Rack 2 (Rear)Sum of 16 Ch. DSP U/L Squelch Gates 8 - 15Alarm output Krone terminal blocksAC Circuit breaker 5.6.  Rack 1 elevations showing RF connections
Axell Wireless Limited Technical Literature WMATA CRCS Redundant Antenna System General Overview Document Number 60-228701HBK  Issue No. 3  Date 28/05/2010  Page 68 of 114   5.7.  Rack 2 Front View                                            A  PSU Housing Shelf 96-300090 + Qty. 2, Part No. 96-300091 PSU Modules B  Combiner Unit 60-228906 C  16 Ch. DSP U/L Squelch Gate No. 1 D  16 Ch. DSP U/L Squelch Gate No. 2 E  16 Ch. DSP U/L Squelch Gate No. 3 F  16 Ch. DSP U/L Squelch Gate No. 4 G 16 Ch. DSP U/L Squelch Gate No. 5 H  16 Ch. DSP U/L Squelch Gate No. 6 I  16 Ch. DSP U/L Squelch Gate No. 7
Axell Wireless Limited Technical Literature WMATA CRCS Redundant Antenna System General Overview Document Number 60-228701HBK  Issue No. 3  Date 28/05/2010  Page 69 of 114   5.8.  Rack 2 Rear View                                            A  Combiner Unit 60-228908 B  16 Ch. DSP U/L Squelch Gate No. 8 C 16 Ch. DSP U/L Squelch Gate No. 9 D 16 Ch. DSP U/L Squelch Gate No. 10 E  16 Ch. DSP U/L Squelch Gate No. 11 F  16 Ch. DSP U/L Squelch Gate No. 12 G 16 Ch. DSP U/L Squelch Gate No. 13 H 16 Ch. DSP U/L Squelch Gate No. 14 I  AC Circuit Breaker J  Krone terminal blocks for alarm outputs
Axell Wireless Limited Technical Literature WMATA CRCS Redundant Antenna System General Overview Document Number 60-228701HBK  Issue No. 3  Date 28/05/2010  Page 70 of 114  WMATA Gallery Place Station SystemRack 2 Front and Rear ViewsDate: 03/12/2009Page 1 of 1A3Issue: 1Drawn by: EW/AJSNot to ScaleAerial HouseAsheridge RoadCheshamBuckinghamshireHP5 2QD United KingdomTelephone: +44 (0) 1494 777000Facsimile: +44 (0) 1494 777002E-Mail: info@axellwireless.comwww.axellwireless.com© AWL 2009Uplink output from Rack 2 (Front)Sum of 16 Ch. DSP U/L Squelch Gates 1 - 7Uplink output from Rack 2 (Rear)Sum of 16 Ch. DSP U/L Squelch Gates 8 - 1416 Ch. DSP U/L Squelch Gate 60-228904816 Ch. DSP U/L Squelch Gate 60-228904916 Ch. DSP U/L Squelch Gate 60-2289041016 Ch. DSP U/L Squelch Gate 60-2289041116 Ch. DSP U/L Squelch Gate 60-2289041216 Ch. DSP U/L Squelch Gate 60-2289041316 Ch. DSP U/L Squelch Gate 60-22890414Sum of 8-14PSU Shelf 96-300090 + 2 x 96-30009116 Ch. DSP U/L Squelch Gate 60-228904116 Ch. DSP U/L Squelch Gate 60-228904216 Ch. DSP U/L Squelch Gate 60-228904316 Ch. DSP U/L Squelch Gate 60-228904416 Ch. DSP U/L Squelch Gate 60-228904516 Ch. DSP U/L Squelch Gate 60-228904616 Ch. DSP U/L Squelch Gate 60-2289047Sum of 1-77 U/L Combiner Unit (8-14) 60-2289087 U/L Combiner Unit(1-7) 60-228906U/L Inputs from CRCS donor unit Seg. 8-1406-00190106-001901U/L Inputs from CRCS donor unit Seg. 1-7RACK 2 BACK RACK 2 FRONTAlarm output Krone terminal blocksAC Circuit breaker 5.9.  Rack 2 elevations showing RF connections
Axell Wireless Limited Technical Literature WMATA CRCS Redundant Antenna System General Overview Document Number 60-228701HBK  Issue No. 3  Date 28/05/2010  Page 71 of 114  WMATA Gallery Place StationRack 1, Part No. 60-228902 Alarm Wiring DiagramDate: 04/12/2009Page 1 of 3A4Issue: 2Drawn by: EWNot to ScaleAerial HouseAsheridge RoadCheshamBuckinghamshireHP5 2QD United KingdomTelephone: +44 (0) 1494 777000Facsimile: +44 (0) 1494 777002E-Mail: info@axellwireless.comwww.axellwireless.com© AWL 200960-228904 No. 1560-228904 No. 2425 way “D” socket on PSU Housing Shelf 96-300090Pin 2 AC OK PSU APin 9 AC OK PSU BPin 3 DC OK PSU APin 10 DC OK PSU BPin 5 T-ALARM PSU APin 12 T-ALARM PSU BPin 1 ON/OFF PSU APin 8 ON/OFF PSU BPin 21 -S SENSEPin 20 +S SENSE11223344556677889900Krone Terminal Block A Krone Terminal Block B11227889900Krone Terminal Block CAlarm outputs from terminals 7 & 8 of External Alarm and Battery Modules J1161030 on front faces of 16 Ch. DSP U/L Squelch Gates 60-2289041122334455667788990060-228904 Nos. 16 to 2360-228904 No. 2560-228904 No. 26+vebusbar -ve busbar15 way “D” plug, alarm output from Dual Fibre Optic Unit60-228703115654321109871514131211Pins 1 to 10199 way “D” plug, alarm output from RF Failover Switch Unit 60-228905654321987Pins 1 to 8125 5.10.  Rack Alarm Wiring Diagrams  5.10.1.  Rack 1 Alarm Wiring
Axell Wireless Limited Technical Literature WMATA CRCS Redundant Antenna System General Overview Document Number 60-228701HBK  Issue No. 3  Date 28/05/2010  Page 72 of 114  Pin 1 ON/OFF PSU APin 8 ON/OFF PSU BPin 21 -S SENSEPin 20 +S SENSEPin 2 AC OK PSU APin 9 AC OK PSU BPin 3 DC OK PSU APin 10 DC OK PSU BPin 5 T-ALARM PSU APin 12 T-ALARM PSU B+vebusbar -ve busbarKrone Terminal Block AWMATA Gallery Place StationRack 2, Part No. 60-228903 Alarm Wiring DiagramDate: 04/12/2009Page 2 of 3A4Issue: 2Drawn by: EWNot to ScaleAerial HouseAsheridge RoadCheshamBuckinghamshireHP5 2QD United KingdomTelephone: +44 (0) 1494 777000Facsimile: +44 (0) 1494 777002E-Mail: info@axellwireless.comwww.axellwireless.com© AWL 200925 way “D” socket on PSU Housing Shelf 96-30009012560-228904 No. 1Alarm outputs from terminals 7 & 8 of External Alarm and Battery Modules J1161030 on front faces of 16 Ch. DSP U/L Squelch Gates  60-22890460-228904No. 760-228904 Nos. 2 to 660-228904 No. 860-228904 No. 1460-228904 No. 960-228904 No. 1060-228904 Nos. 11 to 13Krone Terminal Block B 5.10.2.  Rack 2 Alarm Wiring
Axell Wireless Limited Technical Literature WMATA CRCS Redundant Antenna System General Overview Document Number 60-228701HBK  Issue No. 3  Date 28/05/2010  Page 73 of 114   5.11  Dual Fiber Optic Unit 60-228703 (Gallery Place Station)  Dual Fiber Optic Unit 60-228703 is built into a 2U, 19” rack-mount case.  The Primary Downlink optical signal from the Jackson Graham Building CRAS System enters the Dual Fiber Optic  Unit  via  the  SC/APC  optical port  1  “RX”  (annotated  “A”  in  section  5.11.4.)  and  passes  into  a  Fiber Optic Receiver Module 20-005501 which demodulates the Downlink optical signal to RF and the Downlink RF signal then passes through a 20dB Directional Coupler 90-852420 which couples off a small portion of the signal and feeds it to the N type port labeled “MON -20dB RX 1” (annotated “C” in section 5.11.4.) which provides a 20dB test/monitor port for the Primary Downlink output. The Primary Downlink path then exits the Dual  Fiber  Optic  Unit  for  the  RF  Failover  Switch  Unit  60-228905  via  the  N  type  port  labeled  “RX  1” (annotated “B” in section 5.11.4.)  The  Redundant  Downlink  optical  signal  from  the  Carmen  Turner  Facility  CRAS  System  enters  the  Dual Fiber  Optic Unit  via the  SC/APC  optical  port 2  “RX”  (annotated  “G”  in  section  5.11.4.)  and  passes into  a Fiber Optic Receiver Module 20-005501 which demodulates the Downlink signal to RF and the Downlink RF signal then passes through a 20dB Directional Coupler 90-852420 which couples off a small portion of the signal  and feeds  it  to the  N type  port  labeled “MON  -20dB  RX 2”  (annotated  “I” in  section  5.11.4.)  which provides a 20dB test/monitor port for the Redundant Downlink output. The Redundant Downlink path then exits the Dual Fiber Optic Unit for the RF Failover Switch Unit 60-228905 via the N type port labeled “RX 2” (annotated “H” in section 5.11.4.)  The Primary RF Uplink from the RF Failover Switch Unit 60-228905 enters the Dual Fiber Optic Unit via the N type port labeled “TX1” (annotated “D” in section 5.11.4.) and passes through a 20dB Directional Coupler 90-852420 which couples  off a small portion  of the  signal and feeds it to  the  N type port  labeled “MON -20dB TX 1” (annotated “E” in section 5.11.4.) which provides a 20dB test/monitor port for the Primary Uplink input.   The Primary Uplink path then passes into a Fiber Optic Transmitter Module 20-005401 where the RF signal is modulated onto a laser and the optical signal thus produced then exits the Dual Fiber Optic Unit via the SC/APC  optical  port  1  “TX”  (annotated  “F”  in  section  5.11.4.)  and  is  transmitted  to  the  Jackson  Graham Building CRAS System via a fiber optic cable link.  The Redundant RF Uplink from the RF Failover Switch Unit 60-228905 enters the Dual Fiber Optic Unit via the  N  type  port  labeled  “TX2”  (annotated  “J”  in  section  5.11.4.)  and  passes  through  a  20dB  Directional Coupler 90-852420 which couples off a small portion of  the signal and feeds it to  the N type port labeled “MON  -20dB  TX  2”  (annotated  “K”  in  section  5.11.4.)  which  provides  a  20dB  test/monitor  port  for  the Redundant Uplink input.   The  Redundant  Uplink  path  then  passes  into  a  Fiber  Optic  Transmitter  Module 20-005401  where  the  RF signal is modulated onto a laser and the optical signal thus produced then exits the Dual Fiber Optic Unit via the SC/APC optical port 2 “TX” (annotated “L” in section 5.11.4.) and is transmitted to the Carmen Turner Facility CRAS System via a fiber optic cable link.  Dual Fiber Optic Unit 60-228703 is powered by a 24V DC supply from one of the PSU Modules 96-300091 in PSU Housing Shelf 96-300090, The 24V DC supply powers two on-board DC/DC converters 96-200024 arranged in a parallel dual redundant configuration, the outputs of which are combined by power diodes to provide a 12V DC supply for the fiber optic modules within the unit   An alarm system is fitted to Dual Fiber Optic Unit 60-228703, each of the fiber optic modules carries its own voltage-free contact alarm relay output which are summed at the 15 way “D” panel plug labeled “ALARM” (annotated “EE” in section 5.11.4.)
Axell Wireless Limited Technical Literature WMATA CRCS Redundant Antenna System General Overview Document Number 60-228701HBK  Issue No. 3  Date 28/05/2010  Page 74 of 114   5.11.1.  Dual Fiber Optic Unit 60-228703 List of Major Sub-Components  Component Part Part Description  Qty Per Assembly 20-001601  12V Dual Relay Board  1 20-005401  Fiber Optic Transmitter Module  2 20-005501  Fiber Optic Receiver Module  2 96-110013  3.15 A Fuse  2 96-200024  DC/DC Converter  2 90-852420  20dB Directional Coupler  4 94-100003  Power Diode  3     5.11.2.  Dual Fiber Optic Unit 60-228703 Specification  PARAMETER  SPECIFICATION RF Downlink Frequency range 489.5MHz to 491.0MHz 496.3MHz to 496.7MHz Coupling TX1 to Mon TX1 20 dB ± 1dB Coupling TX2 to Mon TX2 20 dB ± 1dB Optical Downlink Wavelength 1310nm TX(A) Optical TX Power 1-3 dBm TX(B) Optical TX Power 1-3 dBm Optical Uplink Wavelength 1550nm RX(A) Gain >+15 dB RX(A) Gain Set To 0 dB±0.5 RX(A) Alarm Threshold < -10dBm RX(B) Gain >+15 dB RX(A) Gain Set To 0 dB±0.5 RX(B) Alarm Threshold < -10dBm RF Uplink Frequency range 499.3MHz to 499.7MHz 492.5MHz to 494.0MHz Coupling RX1 to Mon RX1 20 dB ± 1dB Coupling RX2 to Mon RX2 20 dB ± 1dB General Supply Voltage 12V DC or 24V DC Current consumption < 1.0A @ 24V DC input < 1.5A @ 12V DC input Alarm output Summary volts free dry contact output (Closed = Normal / Open = Alarm) F/O TX1 contact output Pin 1 & 2 F/O TX2 contact output Pin 3 & 4 F/O RX1 contact output Pin 5 & 6 F/O RX1 contact output Pin 7 & 8 24V DC-DC contact output Pin 9 & 10**  **This alarm is not operational when the unit is powered from 12V DC
Axell Wireless Limited Technical Literature WMATA CRCS Redundant Antenna System General Overview Document Number 60-228701HBK  Issue No. 3  Date 28/05/2010  Page 75 of 114  20-001601Local AlarmTX1 MonitorTX2 MonitorRF Port “RX1” Primary D/L O/P toRF Failover Switch Unit 60-228905RX1 Monitor90-85242090-85242090-85242090-852420+24 VDC2 x 96-200024+12 VDC3 x 94-100003DC I/POptical Port 1 “RX” Primary F/O D/L I/P fromJackson Graham Building systemOptical Port 2 “RX” Redundant F/O D/L I/P fromCarmen Turner Facility systemOptical Port 1 “TX” Primary F/O U/L O/P toJackson Graham Building systemOptical Port 2 “TX” Redundant F/O U/L O/P toCarmen Turner Facility systemRF Port “RX2” Redundant D/L O/P toRF Failover Switch Unit 60-228905RX2 MonitorRF Port “TX1” Primary U/L I/P fromRF Failover Switch Unit 60-228905RF Port “TX2” Redundant U/L I/P fromRF Failover Switch Unit 60-22890520-00540120-00540120-00550120-005501Dual Fibre Optic Unit 60-228703System Diagram(Gallery Place Station System)Date: 8/12/2009Aerial HouseAsheridge RoadCheshamBuckinghamshireHP5 2QD United Kingdom© AWL 2009Page 1 of 1A4Issue: 2Drawn by: EW/AJSNot to ScaleTelephone: +44 (0) 1494 777000Facsimile: +44 (0) 1494 777002E-Mail: info@axellwireless.comwww.axellwireless.com 5.11.3.  Dual Fiber Optic Unit 60-228703 System Diagram
Axell Wireless Limited Technical Literature WMATA CRCS Redundant Antenna System General Overview Document Number 60-228701HBK  Issue No. 3  Date 28/05/2010  Page 76 of 114   5.11.3.1.  Dual Fiber Optic Unit 60-228703 Alarm Outputs   15 pin “D” panel plug “ALARM”, local alarm output to Krone terminal block “A” on rack (see section 5.5.)  Dry Contact Outputs (Closed = Normal / Open = Alarm)  F/O TX 1 (main), contact output Pin 1 & 2 F/O TX 2 (standby), contact output Pin 3 & 4 F/O RX 1 (main), contact output Pin 5 & 6 F/O RX 2 (standby), contact output Pin 7 & 8 24V DC>DC contact output Pin 9 & 10
Axell Wireless Limited Technical Literature WMATA CRCS Redundant Antenna System General Overview Document Number 60-228701HBK  Issue No. 3  Date 28/05/2010  Page 77 of 114  TX         RXTX         RX12POWERALARMGAIN ADJPOWERALARMPOWERALARMPOWERALARMGAIN ADJMON-20dB TX 1MON-20dB RX 1MON-20dB RX 2MON-20dB TX 2TX 1 RX 1TX 2 RX 2 TX 1 RX 1 TX 2 RX 2DC/DC FAILALARM24V T3.15A12V T3.15A+24/12V DCEJF DKLA BCI HG MONPRQWYX ZUT VSAABBCCDDEE 5.11.4.  Dual Fiber Optic Unit 60-228703 Front View                  A  SC/APC optical port 1 “RX”, Primary optical D/L I/P from Jackson Graham Building CRAS System B  N type port “RX1”, Primary D/L O/P to RF Failover Switch Unit 60-228905 C  N type port “MON -20dB RX 1”, 20dB test/monitor port coupled from D/L O/P to port “RX1” D  N type port “TX1”, Primary U/L I/P from RF Failover Switch Unit 60-228905 E  N type port “MON -20dB TX 1”, 20dB test/monitor port coupled from U/L input from port “TX1” F  SC/APC optical port 1 “TX”, Primary optical U/L O/P to Jackson Graham Building CRAS System G  SC/APC optical port 2 “RX”, Redundant optical D/L I/P from Carmen Turner Facility CRAS System H  N type port “RX2”, Redundant D/L O/P to RF Failover Switch Unit 60-228905 I  N type port “MON -20dB RX 2”, 20dB test/monitor port coupled from D/L O/P to port “RX2” J  N type port “TX2”, Redundant U/L I/P from RF Failover Switch Unit 60-228905 K  N type port “MON -20dB TX 2”, 20dB test/monitor port coupled from U/L input from port “TX2” L  SC/APC optical port 2 “TX”, Redundant optical U/L O/P to Carmen Turner Facility CRAS System M  Status  Indicators  for  F/O  TX  Module  1  (Primary  F/O  U/L  O/P  to  Jackson  Graham  Building  CRAS System) N  Green LED “POWER”, Fiber Optic TX Power On indicator illuminated during normal operation O  Green LED “ALARM”, Fiber Optic TX Alarm indicator extinguished during alarm state P  Status  Indicators  for  F/O  TX  Module  2  (Redundant  F/O  U/L  O/P  to  Carmen  Turner  Facility  CRAS System) Q  Green LED “POWER”, Fiber Optic TX Power On indicator illuminated during normal operation R  Green LED “ALARM”, Fiber Optic TX Alarm indicator extinguished during alarm state S  Status Indicators for F/O RX Module 1 (Primary F/O D/L I/P from Jackson Graham Building CRAS System) T  Green LED “POWER”, Fiber Optic RX Power On indicator illuminated during normal operation U  Green LED “ALARM”, Fiber Optic RX Alarm indicator extinguished during alarm state V  Fiber Optic RX RF gain adjustment W  Status Indicators for F/O RX Module 2 (Redundant F/O D/L I/P from Carmen Turner Facility CRAS System) X  Green LED “POWER”, Fiber Optic RX Power On indicator illuminated during normal operation Y  Green LED “ALARM”, Fiber Optic RX Alarm indicator extinguished during alarm state Z  Fiber Optic RX RF gain adjustment AA  DC input (12V/24V) BB  3.15A Fuse for 24V DC input CC 3.15A Fuse for 12V DC input DD Red LED “DC/DC FAIL” illuminated in alarm state (DC/DC convertor failure) EE  15 pin “D” panel plug “ALARM” local alarm output to Krone terminal block on rack
Axell Wireless Limited Technical Literature WMATA CRCS Redundant Antenna System General Overview Document Number 60-228701HBK  Issue No. 3  Date 28/05/2010  Page 78 of 114   5.11.5.  Dual Fiber Optic Unit 60-228703 Rear View            A  Earthing connection
Axell Wireless Limited Technical Literature WMATA CRCS Redundant Antenna System General Overview Document Number 60-228701HBK  Issue No. 3  Date 28/05/2010  Page 79 of 114   5.12.  RF Failover Switch Unit 60-228905  RF  Failover  Switch  Unit  60-228905  is  built  into  a  2U,  19”  rack-mount  case  and  receives  both  Primary (Jackson Graham Building) and Redundant (Carmen Turner Facility) Downlink signals from the Dual Fiber Optic  Unit  60-228703;  the  RF  level of  the  Primary  Downlink  is  monitored  by  a  power  detector  and  if  the signal  falls  below  a  preset  threshold  the  unit  automatically  switches  from  the  Primary  to  the  standby Redundant path; the Uplink paths are switched at the same time.  The Primary Downlink signal from the Jackson Graham Building CRAS System by way of Dual Fiber Optic Unit  60-228703,  enters  RF  Failover  Switch  Unit  60-228905  via  the  N  type  port  labeled  “PATH  1  D/L” (annotated “A” in section 5.12.5.) and the signal passes through an 8dB In-line Attenuator 93-000065 and then through a 1W Low Power Amplifier 12-030301 which provides 30dB of signal gain, the amplifier is used to overcome the subsequent power splitting losses of the CRCS fiber system. The Downlink path is then fed out of the shelf via the SMA port labeled “PATH 1a” (annotated “B” in section 5.12.5.) which is connected to the  SMA  port  labeled  “PATH  1b”  (annotated  “D”  in  section  5.12.5.)  by  a  short  length  of  UT141  cable (annotated “C” in section 5.12.5.). This break in the signal path allows the amplifier to be isolated from the rest of the path for testing purposes.  Upon re-entering the unit the Primary Downlink path passes through a 20dB Directional Coupler 90-852320 which couples off the signal and feeds it to an RF Detector Module 17-019805 which monitors the Downlink signal strength  and  the main Primary  Downlink  path passes through  the Downlink  RF  Transfer  Relay  96-900045.  The  detector  module  has  a  DC  monitor  jack  labeled  “PATH  1  MON”  (annotated  “W”  in  section 5.12.5.) where the signal can be monitored with a multimeter with reference to the “0V” jack (annotated “Y” in  section  5.12.5.),  the  RF  level  at  which  the  transfer  relay  operates  is  adjusted  by  the  variable potentiometer labeled “RX 1 ADJ” (annotated “U” in section 5.12.5.). There is a Green LED indicator labeled “RX 1 ACTIVE” (annotated “BB” in section 5.12.5.) that illuminates when the RF signal level  is above the required threshold.  The  Redundant  Downlink  signal  enters  RF  Failover  Switch  Unit  60-228905  via  the  N  type  port  labeled “PATH 2 D/L” (annotated “G” in section 5.12.5.) and the signal passes through an 8dB In-line Attenuator 93-000065  and  then  through  a 1W Low  Power Amplifier  12-030301  which provides 30dB  of  signal  gain,  the amplifier  is  used  to  overcome  the  subsequent  power  splitting  losses  of  the  CRCS  fiber  system.  The Redundant Downlink path is then fed out of the shelf via the SMA port labeled “PATH 2a” (annotated “H” in section 5.12.5.) which is connected to the SMA port labeled “PATH 2b” (annotated “J” in section 5.12.5.) by a short length of UT141 cable (annotated “I” in section 5.12.5.). As with the Primary Downlink, this break in the signal path allows the amplifier to be isolated from the rest of the path for testing purposes.  Upon  re-entering  the  unit  the  Redundant  Downlink  path  passes  through  a  20dB  Directional  Coupler  90-852320 which couples off the signal and feed  it to an RF Detector Module 17-019805 which monitors the Redundant Downlink signal strength  and  the  Redundant Downlink path also passes into the  Downlink RF Transfer  Relay  96-900045  to  provide  the  signal  should  the  Primary  Downlink  signal  fail.  The  detector module has a DC monitor jack labeled “PATH 2 MON” (annotated “X” in section 5.12.5.) where the signal can be monitored with reference to the “0V” jack, the RF level at which the Green LED indicator labeled “RX 2 ACTIVE” (annotated “CC” in section 5.12.5.) illuminates is adjusted by the variable potentiometer labeled “RX 2 ADJ” (annotated “V” in section 5.12.5.).   After  passing  through  the  RF  Relay  the  Downlink  path  passes  through  a  30dB  Directional  Coupler  90-852330 which couples off the signal to provide a monitor/test port labeled “D/L MON -30dB” (annotated “F” in section 5.12.5.) for the Downlink output. The Downlink path then exits the Unit for CRCS Donor Unit via the N type port labeled “REMOTE D/L” (annotated “E” in section 5.12.5.).
Axell Wireless Limited Technical Literature WMATA CRCS Redundant Antenna System General Overview Document Number 60-228701HBK  Issue No. 3  Date 28/05/2010  Page 80 of 114   The Automatic changeover of the transfer relay function can be overridden by selecting the Manual position of the switch labeled “AUTO / MANUAL” (annotated “S” in section 5.12.5.), the GREEN LED labeled “AUTO” (annotated  “DD”  in  section  5.12.5.)  is  illuminated  when  in  the  Auto  mode,  the  YELLOW  LED  labeled “MANUAL”  (annotated  “EE”  in  section  5.12.5.)  will  illuminate  when  the  Manual  mode  is  selected.  In  the Manual mode, the switch labeled “RX 1 / RX 2” (annotated “T” in section 5.12.5.) enables the signal source to be manually selected between Primary and Redundant paths.   When the Transfer Relay has selected the Redundant path, the RED LED labeled “RELAY” (annotated “AA” in section 5.12.5.) will illuminate.  In the reverse direction back to the Donor base station, the Uplink signals from the external Combiner Unit 60-228907 enters the RF Failover Switch Unit via the N type port labeled “REMOTE U/L” (annotated “K” in section 5.12.5.) and passes through a 30dB Directional Coupler 90-852330 which couples off the signal to provide a monitor/test port labeled “UL MON -30dB” (annotated “L” in section 5.12.5.) for the Uplink input.   The Uplink path then passes through the Uplink RF Transfer Relay 96-900045 which is normally set to pass the Uplink signal along the Primary Uplink path to the Jackson Graham Building CRAS System by way of Dual  Fiber  Optic  Unit  60-228703;  this  path  exits  the  RF  Failover  Switch  Unit  via  the  N  type  port  labeled “PATH  1  U/L”  (annotated  “M”  in  section  5.12.5.)  but  if  the  RF  Transfer  Relays  96-900045  have  been switched from the Primary to the Redundant paths then the Uplink signal is diverted to the Redundant path to the Carmen Turner Facility CRAS System by way of Dual Fiber Optic Unit 60-228703, this path exits the RF Failover Switch Unit via the N type port labeled “PATH 2 U/L” (annotated “N” in section 5.12.5.)  RF  Failover  Switch  Unit  60-228905  is  powered  by  a  24V  DC  supply  from  one  of  the  PSU  Modules  96-300091 in PSU Housing Shelf 96-300090, The 24V DC supply powers two on-board DC/DC converters 96-200024  arranged  in a  parallel dual  redundant configuration,  the  outputs of  which are  combined by power diodes to provide a 12V DC supply active modules within the unit   Each of the  two LPAs and  the dual  DC/DC  convertors  are monitored for  alarms, should a fault  occur the front panel RED LED labeled “ALARM” (annotated “R” in section 5.12.5.) will illuminate and a contact alarm relay  output  will  be  activated  on  “D”  panel  plug  labeled  “ALARM”  (annotated  “EE”  in  section  5.12.5.)  the status of the Transfer relay is also indicated on the Alarm connector.   5.12.1.  RF Failover Switch Unit 60-228905 List of Major Sub-Components  Component Part Part Description  Qty Per Assembly 12-030301  1W Low Power Amplifier  2 17-019805  RF Detector Module  2 20-001601  12V Dual Relay Board  3 90-852320  20dB Directional Coupler  2 90-852330  30dB Directional Coupler  2 93-000065  8dB In-line Attenuator  2 93-930007  1W Load Termination  2 94-100003  Power Diode  2 96-110013  3.15A Fuse   1 96-200024  DC/DC Converter  2 96-900045  RF Transfer Relay  2 96-920002  DPDT Mini Toggle Switch  2
Axell Wireless Limited Technical Literature WMATA CRCS Redundant Antenna System General Overview Document Number 60-228701HBK  Issue No. 3  Date 28/05/2010  Page 81 of 114   5.12.2.  RF Failover Switch Unit 60-228905 Specification   PARAMETER  SPECIFICATION RF Downlink  Frequency range 489.5MHz to 491.0MHz 496.3MHz to 496.7MHz RF Uplink  Frequency range 499.3MHz to 499.7MHz 492.5MHz to 494.0MHz Coupling D/L Output to Mon D/L 20 dB ± 1dB Coupling U/L Input to Mon U/L 20 dB ± 1dB Optical Downlink Wavelength 1310nm RX(A) Gain >+15 dB RX(A) Gain Set To 0 dB±0.5 RX(A) Alarm Threshold < -10dBm RX(B) Gain >+15 dB RX(A) Gain Set To 0 dB±0.5 RX(B) Alarm Threshold < -10dBm Optical Uplink Wavelength 1310nm TX(A) Optical TX Power 1-3 dBm TX(B) Optical TX Power 1-3 dBm Coupling RX1 to Mon RX1 20 dB ± 1dB Coupling RX2 to Mon RX2 20 dB ± 1dB  Downlink Gain from Fiber 20dB Typical carrier power to CRCS output 0dBm per carrier RF Detection Level -10dBm to +20dBm Composite Detection Level Setting 0dBm Relay Switching Time <200ms General Supply Voltage 24V DC Current consumption < 1.0A @ 24V DC input Alarm output Summary volt free dry contact output (Closed = Normal / Open = Alarm) Summary Alarm output Pin 1 & 2 Primary Relay Status output Pin 3,4 & 5 Redunt. Relay Status output Pin 6,7 & 8 0v Ground Pin 9
Axell Wireless Limited Technical Literature WMATA CRCS Redundant Antenna System General Overview Document Number 60-228701HBK  Issue No. 3  Date 28/05/2010  Page 82 of 114  RF Failover Switch Unit 60-228905RF Circuit DiagramDate: 01/12/2009Page 1 of 1A3Issue: 4Drawn by: EW/AJSNot to Scale© AWL 2009Aerial HouseAsheridge RoadCheshamBuckinghamshireHP5 2QD United KingdomTelephone: +44 (0) 1494 777000Facsimile: +44 (0) 1494 777002E-Mail: info@axellwireless.comwww.axellwireless.com30 dB30 dBRF Detector12-03030112-03030190-85232020 dB17-01980517-01980593-9300070 V0 VRelays Shown when level from Fiber Optic Receiver Path 1 is above ThresholdRx2is ActiveAuto / Manual Schmidt with Hysteresis12 V520 mA12 V520 mAD/L Path 1, Primary D/L I/P from Dual Fibre Optic Unit 60-2287032 X 96-900045+12VManualonPath 1aPath 1 Mon0 VRX1 / RX20 VAutoon+12VRelay0V0 V0 V0 VRx1is ActiveSchmidt with HysteresisSchmidt with HysteresisPath 2 MonPath 1bPath 2a Path 2bMon DLU/L I/P from 5 U/L Combiner Unit 60-228907Mon UL90-85233030 dB93-93000790-85232020 dB90-85233030 dB8 dB93-0000658 dB93-00006512341234RF DetectorD/L Path 2, Redundant D/L I/P from Dual Fibre Optic Unit 60-228703U/L Path 1, Primary U/L O/P to Dual Fibre Optic Unit 60-228703U/L Path 2, Redundant U/L O/P to Dual Fibre Optic Unit 60-228703 D/L O/P to CRCS Donor Unit 5.12.3.  RF Failover Switch Unit 60-228905 System Diagram
Axell Wireless Limited Technical Literature WMATA CRCS Redundant Antenna System General Overview Document Number 60-228701HBK  Issue No. 3  Date 28/05/2010  Page 83 of 114  190VAGC 1ALARMVOLT FREE CONTACT19190VAGC 2 0VRELAYAuto OnAuto / Manual0VManual Rx1/ Rx20V2 x 96-9200020VRx2 is Active0V0V0V+24 V2x96-90004520-001601 ALARM LEDNONCCOMNONCCOM+12 V0VLOOP Gray+12V 3A96-200024DC Converter 1 60W96-11000196-1100133.15 A2 x 94-100003+12V0V96-200024DC Converter 2 60W17-01980517-019805+12V+12V+12V+12V+12V+12V+12V+12V+12V1919NONCCOMNONCCOM+12 V0 V0 VYellowBlue20-001601NONCCOMNONCCOMNONCCOMNONCCOM+12 V+12 V0 V0 V20-001601NONCCOMNONCCOMNONCCOMNONCCOM+12 V+12 V0 V0 V0VPath 1 Mon(Primary D/L)Path 2 Mon(Redundant D/L)COMNO NC+24 VRF Failover Switch Unit 60-228905Alarm Wiring DiagramDate: 01/12/2009Page 1 of 1A3Issue: 4Drawn by: EW/AJSNot to Scale© AWL 2009Aerial HouseAsheridge RoadCheshamBuckinghamshireHP5 2QD United KingdomTelephone: +44 (0) 1494 777000Facsimile: +44 (0) 1494 777002E-Mail: info@axellwireless.comwww.axellwireless.comManual OnRx1 is Active 5.12.4.  RF Failover Switch Unit 60-228905 Alarm Wiring Diagram
Axell Wireless Limited Technical Literature WMATA CRCS Redundant Antenna System General Overview Document Number 60-228701HBK  Issue No. 3  Date 28/05/2010  Page 84 of 114  Pin 9Pin 6Pin 5Pin 1 5.12.4.1.  RF Failover Switch Unit 60-228905 Alarm Outputs   Front  panel  9  pin  “D”  panel  plug  “ALARM”,  local  alarm  output  to  Krone  terminal  block  “A”  on  rack  (see section 5.5.)  Dry Contact Outputs (Closed = Normal / Open = Alarm)  Summary output PSU modules Pins 1 & 2 Uplink path relay Pins 3, 4 & 5 Downlink path relay Pins 6, 7 & 8
Axell Wireless Limited Technical Literature WMATA CRCS Redundant Antenna System General Overview Document Number 60-228701HBK  Issue No. 3  Date 28/05/2010  Page 85 of 114   5.12.5.  RF Failover Switch Unit 60-228905 Front View                    A  N type port “PATH 1 D/L”, Primary D/L I/P from Jackson Graham Building CRAS System B  SMA port “PATH 1a” Primary D/L O/P  Allows signal path monitoring between  ports “A” and “B” and ports “D” and “E” C  UT141 link between ports annotated “B” and “D” D  SMA port “PATH 1b” Primary D/L I/P E  N type port “REMOTE D/L”, Primary D/L O/P to CRCS donor unit  F  N type port “D/L MON -30dB”, test/monitor port coupled from Primary D/L O/P to CRCS donor unit G  N type port “PATH 2 D/L”, Redundant D/L I/P from Carmen Turner Facility CRAS System H  SMA port “PATH 2a” Redundant D/L O/P  Allows signal path monitoring between  ports “G” and “H” and ports “J” and “E”  when secondary RF path is switched in I  UT141 link between ports annotated “H” and “J” J  SMA port “PATH 2b” Redundant D/L I/P K  N type port “REMOTE U/L”, combined U/L I/P from 5 U/L Combiner Unit 60-228907 L  N type port “U/L MON -30dB”, test/monitor port coupled from combined U/L I/P from 60-228907 M  N type port “PATH 1 U/L”, Primary U/L O/P to Jackson Graham Building CRAS System N  N type port “PATH 2 U/L”, Redundant U/L O/P to Carmen Turner Facility CRAS System O  24V DC input from PSU module 96-300091 in PSU shelf 96-300090 P  3.15A fuse for DC input Q  Green LED “POWER”, illuminated during normal operation R  Red LED “ALARM”, Illuminated during alarm condition S  Toggle switch “AUTO MANUAL”, switches out signal sensing to allow manual choice of D/L path T  Toggle switch “RX 1 RX 2”, for manual switching between Main and Standby Downlink paths U  Signal threshold adjust for Primary Downlink path V  Signal threshold adjust for Redundant Downlink path W  4mm banana socket “PATH 1 MON” Allows DC monitoring of RF path signal strength X  4mm banana socket “PATH 2 MON” Y  4mm banana socket “0V” Z  9 way “D” panel plug “ALARM”, local alarm summary output to Krone terminal block on rack AA Red LED “RELAY”, illuminated when relay is switched from Primary to Redundant D/L path BB Green LED “RX 1 ACTIVE”, illuminated when Primary Downlink path is active CC Green LED “RX 2 ACTIVE”, illuminated when Redundant Downlink path is active DD Green LED “AUTO”, illuminated when signal sensing is switched in to monitor D/L path signal strength EE Yellow LED “MANUAL”, illuminated when signal sensing is switched out to allow manual choice of D/L path
Axell Wireless Limited Technical Literature WMATA CRCS Redundant Antenna System General Overview Document Number 60-228701HBK  Issue No. 3  Date 28/05/2010  Page 86 of 114   5.12.6.  RF Failover Switch Unit 60-228905 Rear View                A  Earthing connection
Axell Wireless Limited Technical Literature WMATA CRCS Redundant Antenna System General Overview Document Number 60-228701HBK  Issue No. 3  Date 28/05/2010  Page 87 of 114   5.13.  Combiner Unit 60-228906  Combiner  Unit  60-228906  is  built  onto  a  2U,  19”  rack  mount  front  panel  and  combines  the Uplink  output paths  from  the  seven,  16  Ch.  DSP  U/L  Squelch  Gates  60-228904  mounted  in  the  front  of  Rack  2  and passes the combined Uplink signal to Combiner Unit 60-228907 mounted in the front of Rack 1.   5.13.1.  Combiner Unit 60-228906 List of Major Sub-Components   Component Part Part Description  Qty Per Assembly 06-001901  8 Way Hybrid Splitter/Combiner  1 93-930008  2W Load Termination  1
Axell Wireless Limited Technical Literature WMATA CRCS Redundant Antenna System General Overview Document Number 60-228701HBK  Issue No. 3  Date 28/05/2010  Page 88 of 114  Date: 07/12/2009© AWL 2009Page 1 of 1A4Issue: 1Drawn by: EW/AJSNot to ScaleAerial HouseAsheridge RoadCheshamBuckinghamshireHP5 2QD United KingdomTelephone: +44 (0) 1494 777000Facsimile: +44 (0) 1494 777002E-Mail: info@axellwireless.comwww.axellwireless.comCombiner Unit 60-22906System DiagramRack 2, Front93-930008Patch-panelU/L inputs from CRCS Donor Unit for 16 Ch. DSP U/L Squelch Gates 1-7(connections on rear of front panel)Combined U/L output to Combiner Unit 60-228907U/L O/P to 16 Ch. DSP U/L Squelch Gate 3U/L O/P to 16 Ch. DSP U/L Squelch Gate 4U/L O/P to 16 Ch. DSP U/L Squelch Gate 5U/L O/P to 16 Ch. DSP U/L Squelch Gate 6U/L O/P to 16 Ch. DSP U/L Squelch Gate 7U/L I/P from 16 Ch. DSP U/L Squelch Gate 1U/L I/P from 16 Ch. DSP U/L Squelch Gate 2U/L I/P from 16 Ch. DSP U/L Squelch Gate 3U/L I/P from 16 Ch. DSP U/L Squelch Gate 4U/L I/P from 16 Ch. DSP U/L Squelch Gate 5U/L I/P from 16 Ch. DSP U/L Squelch Gate 6U/L I/P from 16 Ch. DSP U/L Squelch Gate 7U/L O/P to 16 Ch. DSP U/L Squelch Gate 1U/L O/P to 16 Ch. DSP U/L Squelch Gate 2 5.13.2.  Combiner Unit 60-228906 System Diagram
Axell Wireless Limited Technical Literature WMATA CRCS Redundant Antenna System General Overview Document Number 60-228701HBK  Issue No. 3  Date 28/05/2010  Page 89 of 114  DangerBeryllium oxide 5.13.3.  Combiner Unit 60-228906 Front and Rear Views                           A  Patch-panel for U/L I/Ps from CRCS donor unit and O/Ps to 16 Ch. DSP U/L Squelch Gates 1 to 7 B  Uplink input for 16 Ch. DSP U/L Squelch Gate No. 1 from CRCS donor unit C  Uplink input for 16 Ch. DSP U/L Squelch Gate No. 2 from CRCS donor unit D  Uplink input for 16 Ch. DSP U/L Squelch Gate No. 3 from CRCS donor unit E  Uplink input for 16 Ch. DSP U/L Squelch Gate No. 4 from CRCS donor unit F  Uplink input for 16 Ch. DSP U/L Squelch Gate No. 5 from CRCS donor unit G  Uplink input for 16 Ch. DSP U/L Squelch Gate No. 6  from CRCS donor unit H  Uplink input for 16 Ch. DSP U/L Squelch Gate No. 7 from CRCS donor unit I  N type port “AMP 1, U/L O/P to 16 Ch. DSP U/L Squelch Gate No. 1 J  N type port “AMP 2, U/L O/P to 16 Ch. DSP U/L Squelch Gate No. 2 K  N type port “AMP 3, U/L O/P to 16 Ch. DSP U/L Squelch Gate No. 3 L  N type port “AMP 4, U/L O/P to 16 Ch. DSP U/L Squelch Gate No. 4 M  N type port “AMP 5, U/L O/P to 16 Ch. DSP U/L Squelch Gate No. 5 N  N type port “AMP 6, U/L O/P to 16 Ch. DSP U/L Squelch Gate No. 6 O  N type port “AMP 7, U/L O/P to 16 Ch. DSP U/L Squelch Gate No. 7 P  N type port “UPLINK OUT”, U/L input from 16 Ch. DSP U/L Squelch Gate No. 1 Q  N type port “UPLINK OUT”, U/L input from 16 Ch. DSP U/L Squelch Gate No. 2 R  N type port “UPLINK OUT”, U/L input from 16 Ch. DSP U/L Squelch Gate No. 3 S  N type port “UPLINK OUT”, U/L input from 16 Ch. DSP U/L Squelch Gate No. 4 T  N type port “UPLINK OUT”, U/L input from 16 Ch. DSP U/L Squelch Gate No. 5 U  N type port “UPLINK OUT”, U/L input from 16 Ch. DSP U/L Squelch Gate No. 6 V  N type port “UPLINK OUT”, U/L input from 16 Ch. DSP U/L Squelch Gate No. 7 W Unused U/L input terminated with Load Termination 93-930008 X  N type port “SUM OF 1-7”, combined U/L O/P from 16 Ch. DSP U/L Squelch Gates No. 1 to 7 Y  8 Way Hybrid Splitter/Combiner 06-001901 (Combining) Z  Rear of N type port (X) “SUM OF 1-7”
Axell Wireless Limited Technical Literature WMATA CRCS Redundant Antenna System General Overview Document Number 60-228701HBK  Issue No. 3  Date 28/05/2010  Page 90 of 114   5.14.  Combiner Unit 60-228908  Combiner  Unit  60-228908  is  built  onto  a  2U,  19”  rack  mount  front  panel  and  combines  the Uplink  output paths from the seven, 16 Ch. DSP U/L Squelch Gates 60-228904 mounted in the rear of Rack 2 and passes the combined Uplink signal to Combiner Unit 60-228907 mounted in the front of Rack 1.   5.14.1.  Combiner Unit 60-228908 List of Major Sub-Components   Component Part Part Description  Qty Per Assembly 06-001901  8 Way Hybrid Splitter/Combiner  1 93-930008  2W Load Termination  1
Axell Wireless Limited Technical Literature WMATA CRCS Redundant Antenna System General Overview Document Number 60-228701HBK  Issue No. 3  Date 28/05/2010  Page 91 of 114  Date: 07/12/2009© AWL 2009Page 1 of 1A4Issue: 1Drawn by: EW/AJSNot to ScaleAerial HouseAsheridge RoadCheshamBuckinghamshireHP5 2QD United KingdomTelephone: +44 (0) 1494 777000Facsimile: +44 (0) 1494 777002E-Mail: info@axellwireless.comwww.axellwireless.comCombiner Unit 60-22908System DiagramRack 2, Rear93-930008Patch-panelU/L inputs from CRCS Donor Unit for 16 Ch. DSP U/L Squelch Gates 8-14(connections on rear of front panel)Combined U/L output to Combiner Unit 60-228907U/L O/P to 16 Ch. DSP U/L Squelch Gate 10U/L O/P to 16 Ch. DSP U/L Squelch Gate 11U/L O/P to 16 Ch. DSP U/L Squelch Gate 12U/L O/P to 16 Ch. DSP U/L Squelch Gate 13U/L O/P to 16 Ch. DSP U/L Squelch Gate 14U/L I/P from 16 Ch. DSP U/L Squelch Gate 8U/L I/P from 16 Ch. DSP U/L Squelch Gate 9U/L I/P from 16 Ch. DSP U/L Squelch Gate 10U/L I/P from 16 Ch. DSP U/L Squelch Gate 11U/L I/P from 16 Ch. DSP U/L Squelch Gate 12U/L I/P from 16 Ch. DSP U/L Squelch Gate 13U/L I/P from 16 Ch. DSP U/L Squelch Gate 14U/L O/P to 16 Ch. DSP U/L Squelch Gate 8U/L O/P to 16 Ch. DSP U/L Squelch Gate 9 5.14.2.  Combiner Unit 60-228908 System Diagram
Axell Wireless Limited Technical Literature WMATA CRCS Redundant Antenna System General Overview Document Number 60-228701HBK  Issue No. 3  Date 28/05/2010  Page 92 of 114  DangerBeryllium oxide 5.14.3.  Combiner Unit 60-228908 Front and Rear Views                           A  Patch-panel for U/L I/Ps from CRCS donor unit and O/Ps to 16 Ch. DSP U/L Squelch Gates 8 to 14 B  Uplink input for 16 Ch. DSP U/L Squelch Gate No. 8 from CRCS donor unit C  Uplink input for 16 Ch. DSP U/L Squelch Gate No. 9 from CRCS donor unit D  Uplink input for 16 Ch. DSP U/L Squelch Gate No. 10 from CRCS donor unit E  Uplink input for 16 Ch. DSP U/L Squelch Gate No. 11 from CRCS donor unit F  Uplink input for 16 Ch. DSP U/L Squelch Gate No. 12 from CRCS donor unit G  Uplink input for 16 Ch. DSP U/L Squelch Gate No. 13  from CRCS donor unit H  Uplink input for 16 Ch. DSP U/L Squelch Gate No. 14 from CRCS donor unit I  N type port “AMP 8, U/L O/P to 16 Ch. DSP U/L Squelch Gate No. 8 J  N type port “AMP 9, U/L O/P to 16 Ch. DSP U/L Squelch Gate No. 9 K  N type port “AMP 10, U/L O/P to 16 Ch. DSP U/L Squelch Gate No. 10 L  N type port “AMP 11, U/L O/P to 16 Ch. DSP U/L Squelch Gate No. 11 M  N type port “AMP 12, U/L O/P to 16 Ch. DSP U/L Squelch Gate No. 12 N  N type port “AMP 13, U/L O/P to 16 Ch. DSP U/L Squelch Gate No. 13 O  N type port “AMP 14, U/L O/P to 16 Ch. DSP U/L Squelch Gate No. 14 P  N type port “UPLINK OUT”, U/L input from 16 Ch. DSP U/L Squelch Gate No. 8 Q  N type port “UPLINK OUT”, U/L input from 16 Ch. DSP U/L Squelch Gate No. 9 R  N type port “UPLINK OUT”, U/L input from 16 Ch. DSP U/L Squelch Gate No. 10 S  N type port “UPLINK OUT”, U/L input from 16 Ch. DSP U/L Squelch Gate No. 11 T  N type port “UPLINK OUT”, U/L input from 16 Ch. DSP U/L Squelch Gate No. 12 U  N type port “UPLINK OUT”, U/L input from 16 Ch. DSP U/L Squelch Gate No. 13 V  N type port “UPLINK OUT”, U/L input from 16 Ch. DSP U/L Squelch Gate No. 14 W Unused U/L input terminated with Load Termination 93-930008 X  N type port “SUM OF 8-14”, combined U/L O/P from 16 Ch. DSP U/L Squelch Gates No. 8 to 14 Y  8 Way Hybrid Splitter/Combiner 06-001901 (Combining) Z  Rear of N type port (X) “SUM OF 8-14”
Axell Wireless Limited Technical Literature WMATA CRCS Redundant Antenna System General Overview Document Number 60-228701HBK  Issue No. 3  Date 28/05/2010  Page 93 of 114   5.15.  Combiner Unit 60-228909  Combiner  Unit  60-228909  is  built  onto  a  2U,  19”  rack  mount  front  panel  and  combines  the Uplink  output paths from the seven, 16 Ch. DSP U/L Squelch Gates 60-228904 mounted in the rear of Rack 1 and passes the combined Uplink signal to Combiner Unit 60-228907 mounted in the front of Rack 1.   5.15.1.  Combiner Unit 60-228909 List of Major Sub-Components   Component Part Part Description  Qty Per Assembly 06-001901  8 Way Hybrid Splitter/Combiner  1 93-930008  2W Load Termination  1
Axell Wireless Limited Technical Literature WMATA CRCS Redundant Antenna System General Overview Document Number 60-228701HBK  Issue No. 3  Date 28/05/2010  Page 94 of 114  Date: 07/12/2009© AWL 2009Page 1 of 1A4Issue: 1Drawn by: EW/AJSNot to ScaleAerial HouseAsheridge RoadCheshamBuckinghamshireHP5 2QD United KingdomTelephone: +44 (0) 1494 777000Facsimile: +44 (0) 1494 777002E-Mail: info@axellwireless.comwww.axellwireless.comCombiner Unit 60-22908System DiagramRack 2, Rear06-00190193-930008Patch-panelU/L inputs from CRCS Donor Unit for 16 Ch. DSP U/L Squelch Gates 8-14(connections on rear of front panel)Combined U/L output to Combiner Unit 60-228907U/L O/P to 16 Ch. DSP U/L Squelch Gate 10U/L O/P to 16 Ch. DSP U/L Squelch Gate 11U/L O/P to 16 Ch. DSP U/L Squelch Gate 12U/L O/P to 16 Ch. DSP U/L Squelch Gate 13U/L O/P to 16 Ch. DSP U/L Squelch Gate 14U/L I/P from 16 Ch. DSP U/L Squelch Gate 8U/L I/P from 16 Ch. DSP U/L Squelch Gate 9U/L I/P from 16 Ch. DSP U/L Squelch Gate 10U/L I/P from 16 Ch. DSP U/L Squelch Gate 11U/L I/P from 16 Ch. DSP U/L Squelch Gate 12U/L I/P from 16 Ch. DSP U/L Squelch Gate 13U/L I/P from 16 Ch. DSP U/L Squelch Gate 14U/L O/P to 16 Ch. DSP U/L Squelch Gate 8U/L O/P to 16 Ch. DSP U/L Squelch Gate 9 5.15.2.  Combiner Unit 60-228909 System Diagram
Axell Wireless Limited Technical Literature WMATA CRCS Redundant Antenna System General Overview Document Number 60-228701HBK  Issue No. 3  Date 28/05/2010  Page 95 of 114  DangerBeryllium oxide 5.15.3.  Combiner Unit 60-228909 Front and Rear Views                           A  Patch-panel for U/L I/Ps from CRCS donor unit and O/Ps to 16 Ch. DSP U/L Squelch Gates 15 to 21 B  Uplink input for 16 Ch. DSP U/L Squelch Gate No. 15 from CRCS donor unit C  Uplink input for 16 Ch. DSP U/L Squelch Gate No. 16 from CRCS donor unit D  Uplink input for 16 Ch. DSP U/L Squelch Gate No. 17 from CRCS donor unit E  Uplink input for 16 Ch. DSP U/L Squelch Gate No. 18 from CRCS donor unit F  Uplink input for 16 Ch. DSP U/L Squelch Gate No. 19 from CRCS donor unit G  Uplink input for 16 Ch. DSP U/L Squelch Gate No. 20 from CRCS donor unit H  Uplink input for 16 Ch. DSP U/L Squelch Gate No. 21 from CRCS donor unit I  N type port “AMP 15”, U/L O/P to 16 Ch. DSP U/L Squelch Gate No. 15 J  N type port “AMP 16”, U/L O/P to 16 Ch. DSP U/L Squelch Gate No. 16 K  N type port “AMP 17”, U/L O/P to 16 Ch. DSP U/L Squelch Gate No. 17 L  N type port “AMP 18”, U/L O/P to 16 Ch. DSP U/L Squelch Gate No. 18 M  N type port “AMP 19”, U/L O/P to 16 Ch. DSP U/L Squelch Gate No. 19 N  N type port “AMP 20”, U/L O/P to 16 Ch. DSP U/L Squelch Gate No. 20 O  N type port “AMP 21”, U/L O/P to 16 Ch. DSP U/L Squelch Gate No. 21 P  N type port “UPLINK OUT”, U/L input from 16 Ch. DSP U/L Squelch Gate No. 15 Q  N type port “UPLINK OUT”, U/L input from 16 Ch. DSP U/L Squelch Gate No. 16 R  N type port “UPLINK OUT”, U/L input from 16 Ch. DSP U/L Squelch Gate No. 17 S  N type port “UPLINK OUT”, U/L input from 16 Ch. DSP U/L Squelch Gate No. 18 T  N type port “UPLINK OUT”, U/L input from 16 Ch. DSP U/L Squelch Gate No. 19 U  N type port “UPLINK OUT”, U/L input from 16 Ch. DSP U/L Squelch Gate No. 20 V  N type port “UPLINK OUT”, U/L input from 16 Ch. DSP U/L Squelch Gate No. 21 W Unused U/L input terminated with Load Termination 93-930008 X  N type port “SUM OF 15-21”,combined U/L O/P from 16 Ch. DSP U/L Squelch Gates No. 15 to 21 Y  8 Way Hybrid Splitter/Combiner 06-001901 (Combining) Z  Rear of N type port (X) “SUM OF 15-21”
Axell Wireless Limited Technical Literature WMATA CRCS Redundant Antenna System General Overview Document Number 60-228701HBK  Issue No. 3  Date 28/05/2010  Page 96 of 114   5.16.  Combiner Unit 60-228907  Combiner  Unit  60-228907  is  built  onto  a  2U,  19”  rack  mount  front  panel  and  combines  the Uplink  output paths from Combiner units 60-228906. 60-228908 & 60-228909 with the Uplink paths from the five, 16 Ch. DSP U/L Squelch Gates 60-228904 mounted in the front of Rack 1 and passes the combined Uplink signal to RF Failover Switch Unit 60-228905.    5.16.1.  Combiner Unit 60-228907 List of Major Sub-Components   Component Part Part Description  Qty Per Assembly 06-001801  4 Way Hybrid Splitter/Combiner  1 06-001901  8 Way Hybrid Splitter/Combiner  1 93-930008  2W Load Termination  3
Axell Wireless Limited Technical Literature WMATA CRCS Redundant Antenna System General Overview Document Number 60-228701HBK  Issue No. 3  Date 28/05/2010  Page 97 of 114  Date: 02/12/2009© AWL 2009Page 1 of 1A4Issue: 1Drawn by: EW/AJSNot to ScaleAerial HouseAsheridge RoadCheshamBuckinghamshireHP5 2QD United KingdomTelephone: +44 (0) 1494 777000Facsimile: +44 (0) 1494 777002E-Mail: info@axellwireless.comwww.axellwireless.comCombiner Unit 60-228907System DiagramRack 1, Front3 x 93-930008Combined U/L I/P from Combiner Unit 60-22890616 Ch. DSP U/L Squelch Gates 1 to 7Patch-panelU/L inputs from CRCS Donor Unit for 16 Ch. DSP U/L Squelch Gates 22-26(connections on rear of front panel)RG223 jump lead, connectors on front panelU/L output to RF Failover Switch Unit 60-228905U/L O/P to 16 Ch. DSP U/L Squelch Gate 22U/L O/P to 16 Ch. DSP U/L Squelch Gate 23U/L O/P to 16 Ch. DSP U/L Squelch Gate 24U/L O/P to 16 Ch. DSP U/L Squelch Gate 25U/L O/P to 16 Ch. DSP U/L Squelch Gate 26U/L I/P from 16 Ch. DSP U/L Squelch Gate 22U/L I/P from 16 Ch. DSP U/L Squelch Gate 23U/L I/P from 16 Ch. DSP U/L Squelch Gate 24U/L I/P from 16 Ch. DSP U/L Squelch Gate 25U/L I/P from 16 Ch. DSP U/L Squelch Gate 26Combined U/L I/P from Combiner Unit 60-22890816 Ch. DSP U/L Squelch Gates 8 to 14Combined U/L I/P from Combiner Unit 60-22890916 Ch. DSP U/L Squelch Gates 15 to 21 5.16.2.  Combiner Unit 60-228907 System Diagram
Axell Wireless Limited Technical Literature WMATA CRCS Redundant Antenna System General Overview Document Number 60-228701HBK  Issue No. 3  Date 28/05/2010  Page 98 of 114  DangerBeryllium oxide 5.16.3.  Combiner Unit 60-228907 Front and Rear Views                           A  Patch-panel for U/L I/Ps from CRCS donor unit and O/Ps to 16 Ch. DSP U/L Squelch Gates 22 to 26 B  Uplink input for 16 Ch. DSP U/L Squelch Gate No. 22 from CRCS donor unit C  Uplink input for 16 Ch. DSP U/L Squelch Gate No. 23 from CRCS donor unit D  Uplink input for 16 Ch. DSP U/L Squelch Gate No. 24 from CRCS donor unit E  Uplink input for 16 Ch. DSP U/L Squelch Gate No. 25 from CRCS donor unit F  Uplink input for 16 Ch. DSP U/L Squelch Gate No. 26 from CRCS donor unit G  N type port “AMP 22”, U/L O/P to 16 Ch. DSP U/L Squelch Gate No. 22 H  N type port “AMP 23”, U/L O/P to 16 Ch. DSP U/L Squelch Gate No. 23 I  N type port “AMP 24”, U/L O/P to 16 Ch. DSP U/L Squelch Gate No. 24 J  N type port “AMP 25”, U/L O/P to 16 Ch. DSP U/L Squelch Gate No. 25 K  N type port “AMP 26”, U/L O/P to 16 Ch. DSP U/L Squelch Gate No. 26 L  N type port “UPLINK OUT”, U/L input from 16 Ch. DSP U/L Squelch Gate No. 22 M  N type port “UPLINK OUT”, U/L input from 16 Ch. DSP U/L Squelch Gate No. 23 N  N type port “UPLINK OUT”, U/L input from 16 Ch. DSP U/L Squelch Gate No. 24 O  N type port “UPLINK OUT”, U/L input from 16 Ch. DSP U/L Squelch Gate No. 25 P  N type port “UPLINK OUT”, U/L input from 16 Ch. DSP U/L Squelch Gate No. 26 Q  Unused U/L inputs terminated with Load Terminations 93-930008 R  N type port “LINK”, combined U/L O/P from 16 Ch. DSP U/L Squelch Gates No. 22 to 26 S  RG223 jump lead T  N type port “LINK 22-26”,combined U/L I/P from 16 Ch. DSP U/L Squelch Gates No. 22 to 26 U  N type port “SUM OF 15-21”, combined U/L I/P from 16 Ch. DSP U/L Squelch Gates No. 15 to 21 V  N type port “SUM OF 8-14”, combined U/L I/P from 16 Ch. DSP U/L Squelch Gates No. 8 to 14 W  N type port “SUM OF 1-7”,combined U/L I/P from 16 Ch. DSP U/L Squelch Gates No. 1 to 7 X  N type port “SUM OF 1-26, ” combined U/L O/P to RF Failover Switch Unit 60-228905 Y  8 Way Hybrid Splitter/Combiner 06-001901 (Combining)  AA Rear of N type port (R) “LINK” Z  4 Way Hybrid Splitter/Combiner 06-001801 (Combining)  BB Rear of N type port (X) “sum of 1-26”
Axell Wireless Limited Technical Literature WMATA CRCS Redundant Antenna System General Overview Document Number 60-228701HBK  Issue No. 3  Date 28/05/2010  Page 99 of 114   5.17.  16 Ch. DSP U/L Squelch Gate 60-228904  16 Ch. DSP U/L Squelch Gate 60-228904 is built onto a 4U, 19” rack-mount case.  There are 26 DSP U/L Squelch Gate units in the Gallery Place System each one receives an Uplink input from  the  existing  CRCS  donor  unit.  The  purpose  of  the  Squelch  gate  is  to  selectively  filter  the  required frequencies from  the input broadband  noise  and intermodulation  and  to incorporate  a digit  squelch to the signal. This ensures that only uplink paths with radio traffic are fed to the base station which in turn gives over 13dB improvement in the carrier to signal noise floor.  The  60-228904  utilizes Software  Defined Radio (SDR) technology to  digitally process the  signal to define the required channel frequencies and bandwidth (eight channels in the Uplink band 1 path and eight in the Uplink Band  2  path). As part  of the  digital  signal processing function the signal amplitude is monitored  to apply squelch functionality to the signal path to attenuate unwanted noise when the input signal level is low. The unit is pre-programmed with the 16 required uplink frequencies and channel bandwidths as indicated in section 5.17.2., these can be modified by the use of RMC software.  The Uplink signals from the CRCS donor unit fiber optic receivers enter the Squelch Gate unit via the N type port  labeled  “UPLINK  IN”  (annotated  “A”  in  section  5.17.4.),  the  signal  passes  through  a  3dB Splitter/Combiner 05-002603 which splits  the signal  into two equal  paths, each  path then  enters the UHF SDR Module E921030.  Path  A  handles frequencies in the range of 492.5MHz to  494.0MHz While Path B handles  frequencies  in  the  range  of  499.3MHz  to  499.7MHz.  The  SDR  module  selectively  amplifies  and down  converts  each  band  of  frequencies  to  a  VHF  Intermediate  Frequency  which  is  converted  from Analogue  to  Digital  before  Digital  Signal  Processing  to  the  required  pass  bandwidth  and  frequency  (16 Uplink channels per Squelch Gate unit). During the digital processing, the amplitude of the required channel is compared with a preset reference and if the signal exceeds the threshold setting, the signal is enabled to the output. After signal processing has taken place, the signals pass through a Digital to Analogue process before being up converted back to the original to frequency bands. The two Uplink signal paths (A & B) are then  recombined  by  a  second  3dB  Splitter/Combiner  05-002603  and  the  Uplink  signal  exits  the  Squelch Gate via the N type port labeled “UPLINK OUT” (annotated “B” in section 5.17.4.)  16  Ch.  DSP  U/L  Squelch  Gate  60-228904  is  powered  by  a  24V  DC  supply  from  the  Redundant  PSU Modules  96-300091  in  PSU  Housing  Shelf  96-300090,  The  24V  DC  supply  feeds  an  on-board  DC/DC converter  J1421001  which  steps  down  the  24V  supply  to  provide  6.45v  and  15v  DC  to  power  the  SDR, Controller and Ext. Alarm/battery modules within the Squelch Gate shelf.   An alarm system is fitted, the Squelch Gate shelf has an alarm output which is accessible from the terminals on  the  front  of  the  External  Alarm  and  Battery  Module  J1161030  (annotated  “E”  in  section  5.17.4.),  from where the alarm data is fed to the Krone terminal block located near the top of the rack (see section 5.10.).  The SDR controller module H561003 is used to control and supervise the SDR functionality, two ports are provided  where  an  operator  may  connect  into  the  system,  a  local  serial  port,  (a  9  way  “D”  panel  socket annotated “H” in section 5.17.4.) is used with a laptop PC running suitable terminal-emulation software to interrogate and control the equipment using GET and SET commands. Alternatively the equipment can be configured  using  RMC  software  via  the  RJ45  ethernet  port  (annotated  “I”  in  section  5.17.4.)  To  ensure synchronous communications  between the  SDR  and  the H56  controller,  a  high stability 10MHz  reference generator, R031002 is incorporated in the equipment backplane.
Axell Wireless Limited Technical Literature WMATA CRCS Redundant Antenna System General Overview Document Number 60-228701HBK  Issue No. 3  Date 28/05/2010  Page 100 of 114   5.17.1.  16 Ch. DSP U/L Squelch Gate 60-228904   List of Major Sub-Components   Component Part Part Description  Qty Per Assembly 05-002603  3dB Splitter/Combiner  2 19-002202  Interconnection Assembly  1 96-110009  6.3A Fuse  1 E921030  UHF SDR Module (489.25-500.50MHz)  1 H561003  Control Module  1 J1161030  External Alarm and Battery Module  1 J1421001  DC/DC Converter  1 R031002  Reference Generator  1
Axell Wireless Limited Technical Literature WMATA CRCS Redundant Antenna System General Overview Document Number 60-228701HBK  Issue No. 3  Date 28/05/2010  Page 101 of 114   5.17.2.  16 Ch. DSP U/L Squelch Gate 60-228904 Specification   SPECIFICATION  PARAMETER Uplink Frequency Range 492.5MHz to 494.0MHz 499.3MHz to 499.7MHz No. of Channels 16 (1) Maximum Gain +43 ±1dB Passband ripple ≤ ±1.5 dB ALC Setting All channels ON -7.5±1dBm ALC Dynamic Range >30 dB  Switched attenuator 0dB to 30 dB in 2dB steps ±1dB In Band Spurious Noise (30kHz B/W) < -36 dBm @ max. gain Squelch Level -90 ±2dBm Squelch Level -80 ±2dBm Squelch Level -70 ±2dBm General Supply Voltage 24V DC Current consumption < 1.5 A Alarm output Summary volts free dry contact output (Closed = Normal / Open = Alarm) pins 7 & 8 - Alarm connector terminal on External Alarm and Battery Module J1161030   (1) Uplink Channels  Channel Number  Channel Frequency  Channel Bandwidth 14  492.5125 MHz  12.5 kHz 13  492.5375 MHz  12.5 kHz 2  493.7875 MHz  25.0 kHz 12  493.8375 MHz  12.5 kHz 1  493.8625 MHz  12.5 kHz 11  493.8875 MHz  12.5 kHz 10  493.9125 MHz  12.5 kHz 9  493.9625 MHz  25.0 kHz 8  499.3375 MHz  25.0 kHz 3  499.4375 MHz  25.0 kHz 7  499.4875 MHz  12.5 kHz Paging  499.5125 MHz  12.5 kHz 4  499.5375 MHz  12.5 kHz 6  499.5626 MHz  12.5 kHz 15  499.5875 MHz  12.5 kHz 5  499.6125 MHz  12.5 kHz
Axell Wireless Limited Technical Literature WMATA CRCS Redundant Antenna System General Overview Document Number 60-228701HBK  Issue No. 3  Date 28/05/2010  Page 102 of 114  Date: 10/12/2009© AWL 2009Aerial HouseAsheridge RoadCheshamBuckinghamshireHP5 2QD United KingdomTelephone: +44 (0) 1494 777000Facsimile: +44 (0) 1494 777002E-Mail: info@axellwireless.comwww.axellwireless.com16 Ch. DSP U/L Squelch Gate 60-228904System DiagramUPLINK RF INUPLINK RF OUT+24 VDCJ142001AlarmE921030TETRA SDR MODULE 489,25 - 500,50 MHz19-002202+15 VDC +12 VDC +6.45 VDC PC ControlSystem Monitoring Point05-0026038 CHANNELDSP8 CHANNELDSP05-00260396-1100016.3A FUSEPage 1 of 1A4Issue: 2Drawn by: EW/AJSNot to Scale 5.17.3.  16 Ch. DSP U/L Squelch Gate 60-228904 System Diagram
Axell Wireless Limited Technical Literature WMATA CRCS Redundant Antenna System General Overview Document Number 60-228701HBK  Issue No. 3  Date 28/05/2010  Page 103 of 114   5.17.3.1.  16 Ch. DSP U/L Squelch Gate 60-228904 Alarm Output
Axell Wireless Limited Technical Literature WMATA CRCS Redundant Antenna System General Overview Document Number 60-228701HBK  Issue No. 3  Date 28/05/2010  Page 104 of 114  LMT PortModem StatusModem PowerStatusLogin 5.17.4.  16 Ch. DSP U/L Squelch Gate 60-228904 Front View                      A  N type port “A”, Uplink input from Combiner Unit 60-228907  B  N type port “B”, Uplink output to Combiner Unit 60-228907 C  24V DC input from PSU module 96-300091 in PSU shelf 96-300090 D  6.3A fuse for DC input E  External Alarm and Battery Module J1161030 (1) F  Control Module H561003 (1) G Alarm to Krone Terminal Block on rack H  9 pin “D” panel socket “LMT Port”, A local serial port enabling interrogation of alarm data by PC/laptop I  RJ45 Ethernet socket enabling interrogation of alarm data by PC/laptop    (1) For more information on the Control Module H561003 and External Alarm and Battery Module J1161030, see document A1829300.
Axell Wireless Limited Technical Literature WMATA CRCS Redundant Antenna System General Overview Document Number 60-228701HBK  Issue No. 3  Date 28/05/2010  Page 105 of 114   5.17.5.  16 Ch. DSP U/L Squelch Gate 60-228904 Rear View                  A  Earthing connection
Axell Wireless Limited Technical Literature WMATA CRCS Redundant Antenna System General Overview Document Number 60-228701HBK  Issue No. 3  Date 28/05/2010  Page 106 of 114   5.18.  PSU Housing Shelf 96-300090  These are 1U high, 19” Rack Mount shelves each housing two, 960W, fan cooled, AC mains driven PSU modules (96-300091) the outputs of which are combined to provide a 24V DC supply to the other chassis in the system. The DC leads connected to the output terminals (annotated “B” and “C” in section 5.18.2.) are connected to two pairs of busbars, one on either side of each rack. Separate DC leads for each shelf are then connected to the busbars, one pair of busbars feeds the shelves loaded into the front of the rack and the  second  pair  of  busbars  feeds  the  shelves  loaded  into  the  rear  of  the  rack.  The  DC  leads  from  the busbars  are  terminated  with  right-angle  XLR  female  connectors  which  mate  with  corresponding  panel mounting male XLR connectors on the front panels of those units which require a DC input.   5.18.1.  PSU module 96-300091 Specification  Output DC Voltage 24V  Rated Current 40A  Current Range 0 ~ 40A  Rated Power 960W  Ripple & Noise (max.) 200mVp-p  Voltage Adj. Range 23.2 ~ 24.8V  Voltage Tolerance ±1.0% Line Regulation ±0.5% Load Regulation ±0.5% Setup, Rise Time 1000ms, 60ms/230V AC at full load Hold Time (Typ.) 16ms/230V AC at full load Input Voltage Range 90 ~ 264V AC   127 ~ 370V DC  Frequency Range 47 ~ 63Hz  Efficiency (Typ.) 87%  AC Current (Typ.) 10.5A/115V AC 5.5A/230V AC  Inrush Current (Typ.) Cold Start 50A  Leakage Current <1.1mA / 230VAC  Protection Over Load 105 ~ 125% rated output power  Protection type : Constant current limiting, recovers automatically after fault condition is removed Over Voltage 26.4 ~ 32.4V  Protection type : Shut down o/p voltage, re-power on to recover Over Temperature 75 5°C ±5°C  (TSW1) Detect on heatsink of power transistor  85 5°C  ±5°C (TSW2) Detect on heatsink of power diode Protection type : Shut down o/p voltage, recovers automatically after temperature goes down
Axell Wireless Limited Technical Literature WMATA CRCS Redundant Antenna System General Overview Document Number 60-228701HBK  Issue No. 3  Date 28/05/2010  Page 107 of 114   5.18.2.  PSU Module Chassis 96-300090 Rear View           A  AC inputs B  24V DC terminal (connects to rack 24V busbar) C 0V DC terminal (connects to rack 0V busbar) D Alarm output to Krone terminal block on rack E  Earthing connector     5.18.3.  PSU Module Chassis 96-300090 Alarm Wiring   25 pin “D” panel socket, local alarm/control output to Krone terminal blocks on rack (see section 5.10)   Pin 1  ON/OFF PSU A Pin 2  AC OK PSU A Pin 3  DC OK PSU A Pin 5  T-ALARM PSU A Pin 9  AC OK PSU B Pin 8  ON/OFF PSU B Pin 10  DC OK PSU B Pin 12  T-ALARM PSU B Pin 21  -S -ve SENSING Pin 20  +S +ve SENSING
Axell Wireless Limited Technical Literature WMATA CRCS Redundant Antenna System General Overview Document Number 60-228701HBK  Issue No. 3  Date 28/05/2010  Page 108 of 114   5.18.4.  DC Connector Details  5.18.4.1.  DC Inlet Free Socket  These are the free sockets that are connected to the rack busbars            A  Pin 1, 24V (Red Wire) B  Pin 2, 0V (Black wire) C Pin 3, not connected D Guide key E  Locking/release lug          5.18.4.2.  Typical DC Inlet Panel Plug   Typical DC Inlet Panel Plug showing pin allocations for the rack equipment shelves               A  Pin 1, 24V (Red Wire) B  Pin 2, 0V (Black wire) C Pin 3, not connected D Guide keyway E  Fuse access
Axell Wireless Limited Technical Literature WMATA CRCS Redundant Antenna System General Overview Document Number 60-228701HBK  Issue No. 3  Date 28/05/2010  Page 109 of 114
Axell Wireless Limited Technical Literature WMATA CRCS Redundant Antenna System General Overview Document Number 60-228701HBK  Issue No. 3  Date 28/05/2010  Page 110 of 114   Appendix A A.1.  Glossary of Terms used in this document  Repeater or Cell Enhancer A Radio Frequency (RF) amplifier which can simultaneously amplify and re-broadcast Mobile Station (MS) and Base Transceiver Station (BTS) signals. Band Selective  Repeater A Repeater designed for operation on a range of channels within a specified frequency band. Channel Selective Repeater A Repeater, designed for operation on specified channel(s) within a specified frequency band. Channel frequencies may be factory set or on-site programmable. AC  Alternating Current AGC  Automatic Gain Control BDA  Bi-directional Amplifier BTS  Base Transceiver Station (Base Station) B/W  Bandwidth C/NR  Carrier-to-Noise Ratio CRCS  Comprehensive Radio Communications System CRAS  CRCS Redundant Antenna System DAS  Distributed Antenna System DC  Direct Current Downlink (D/L)  Signals transmitted from the BTS to the Mobiles DSP  Digital Signal Processing F/O  Fiber Optic GND  Ground ID  Identification (Number) I/P  Input LCX  Leaky Coaxial Cable (Leaky Feeder). LED  Light Emitting Diode LNA  Low Noise Amplifier LPA  Low Power Amplifier Mobile(s)  Hand-portable or other “Mobile” RF Transceiver equipment MOU  Master Optical Unit MTBF  Mean Time Between Failures N/A  Not Applicable N/C (of Relays)  Normally Closed N/O (of Relays)  Normally Open OFR  On Frequency Repeater OIP3  Output Third Order Intercept Point O/P  Output P1dB  1dB Compression Point PA  Power Amplifier RF  Radio Frequency RHNC  Relative Humidity, Non Condensing RSA  Receiver/Splitter Amplifier RX  Receiver (Received) SDR  Software-Defined Radio S/N  Serial Number TX  Transmitter (Transmitted) Uplink (U/L)  Signals transmitted from the Mobiles to the BTS VSWR  Voltage Standing Wave Ratio Date Format  Date Format used in this document is dd/mm/yyyy
Axell Wireless Limited Technical Literature WMATA CRCS Redundant Antenna System General Overview Document Number 60-228701HBK  Issue No. 3  Date 28/05/2010  Page 111 of 114   A.2.  Key to Drawing Symbols used in this document
Axell Wireless Limited Technical Literature WMATA CRCS Redundant Antenna System General Overview Document Number 60-228701HBK  Issue No. 3  Date 28/05/2010  Page 112 of 114   A.3.  EC Declaration of Conformity           In accordance with BS EN ISO/IEC 17050-1&-2:2004  Axell Wireless Limited Aerial House Asheridge Road Chesham Buckinghamshire HP5 2QD United Kingdom  Declares, under our sole responsibility that the following product: Product Part Nos. and Product Descriptions     60-228701 - WMATA Carmen Turner Facility CRAS System   60-228801 - WMATA Jackson Graham Building CRAS System   60-228901 - WMATA Gallery Place Station CRAS System  In accordance with the following directives:  1999/5/EC    The Radio & Telecommunications Terminal Equipment Directive Annex V       and its amending directives  Has been designed and manufactured to the following standard[s] or other normative document[s]:  BS EN 60950    Information technology equipment.        Safety. General requirements.   ETS EN 301 489-1  EMC standard for radio equipment and services.        Part 1.  Common technical requirements.  I hereby declare that the equipment named above has been designed to comply with the relevant  sections of the above referenced specifications. The unit complies with all essential requirements  of the Directives. SIGNED    B. S. Barton Operations Director          DATE: DATE: 18/11/2009     Registered Office: Aerial House, Asheridge Road, Chesham, Buckinghamshire, HP5 2QD England Registered No. 4042808 (England) www.axellwireless.com
Axell Wireless Limited Technical Literature WMATA CRCS Redundant Antenna System General Overview Document Number 60-228701HBK  Issue No. 3  Date 28/05/2010  Page 113 of 114   A.4.  Waste Electrical and Electronic Equipment (WEEE) Notice   The Waste Electrical and Electronic Equipment (WEEE) Directive became law in most EU countries during 2005. The directive applies to the disposal of waste electrical and electronic equipment within the member states of the European Union.   As part of the legislation, electrical and electronic equipment will feature the crossed out wheeled bin symbol (see image at left) on the product or in the documentation to show that these products must be disposed of in accordance with the WEEE Directive.   In the European Union, this label indicates that this product should not be disposed of with  domestic  or  "ordinary"  waste.  It  should  be  deposited  at  an  appropriate  facility  to enable recovery and recycling.
Axell Wireless Limited Technical Literature WMATA CRCS Redundant Antenna System General Overview Document Number 60-228701HBK  Issue No. 3  Date 28/05/2010  Page 114 of 114   A.5.  Document Amendment Record                        Issue No. Date  Incorporated by Section Amended Reason for new issue 1  18/11/2009  AJS/GD    Draft 2  15/02/2010  AJS    Customer changes CRCS & CRAS 3  28/05/2010  AJS    Reformat to US Letter size

Navigation menu