Axis Communications 233D Users Manual
233D to the manual b14d7116-2ab0-49c8-a9fb-03c536bc54cf
2015-02-02
: Axis-Communications Axis-Communications-233D-Users-Manual-419213 axis-communications-233d-users-manual-419213 axis-communications pdf
Open the PDF directly: View PDF
.
Page Count: 70
AXIS 233D
Network Dome Camera
User’s Manual

AXIS COMMUNICATIONS
<Product Name> Quick User’s Guide
2 About This Document
This manual is intended for administrators and users of the
AXIS 233D Network Dome Camera, and is applicable for
software release 4.40. It includes instructions for using and
managing the AXIS 233D on your network. Previous
experience of networking will be of use when installing
and using this product. Some knowledge of UNIX or
Linux-based systems would also be beneficial, for
developing shell scripts and applications. Later versions of
this document will be posted to the Axis Website, as
required. See also the product’s online help, available via
the Web-based interface.
Intellectual Property Rights
Axis AB has intellectual property rights relating to
technology embodied in the product described in this
document. In particular, and without limitation, these
intellectual property rights may include one or more of the
patents listed at http://www.axis.com/patent.htm and one
or more additional patents or pending patent applications
in the US and other countries.
This product includes software developed by the OpenSSL
Project for use in the OpenSSL Toolkit:
http://www.openssl.org/
Legal Considerations
Camera surveillance can be prohibited by laws that vary
from country to country. Check the laws in your local
region before using this product for surveillance purposes.
This product includes one (1) MPEG-4 decoder license. To
purchase further licenses, contact your reseller.
Electromagnetic Compatibility (EMC)
This equipment generates, uses and can radiate radio
frequency energy and, if not installed and used in
accordance with the instructions, may cause harmful
interference to radio communications. However, there is no
guarantee that interference will not occur in a particular
installation.
If this equipment does cause harmful interference to radio
or television reception, which can be determined by turning
the equipment off and on, the user is encouraged to try to
correct the interference by one or more of the following
measures: Re-orient or relocate the receiving antenna.
Increase the separation between the equipment and
receiver. Connect the equipment to an outlet on a different
circuit to the receiver. Consult your dealer or an
experienced radio/TV technician for help. Shielded (STP)
network cables must be used with this unit to ensure
compliance with EMC standards.
USA - This equipment has been tested and found to
comply with the limits for a Class B computing device
pursuant to Subpart B of Part 15 of FCC rules, which are
designed to provide reasonable protection against such
interference when operated in a commercial environment.
Operation of this equipment in a residential area is likely to
cause interference, in which case the user at his/her own
expense will be required to take whatever measures may be
required to correct the interference.
Canada - This Class B digital apparatus complies with
Canadian ICES-003.
Europe - This digital equipment fulfills the
requirements for radiated emission according to limit B of
EN55022/1998, and the requirements for immunity
according to EN55024/1998 residential, commercial, and
light industry.
Japan - This is a class B product based on the standard of
the Voluntary Control Council for Interference from
Information Technology Equipment (VCCI). If this is used
near a radio or television receiver in a domestic environment, it
may cause radio interference. Install and use the equipment
according to the instruction manual.
Australia - This electronic device meets the requirements of
the Radio communications (Electromagnetic Compatibility)
Standard 1998 AS/NZS 3548.
Liability
Every care has been taken in the preparation of this manual;
Please inform your local Axis office of any inaccuracies or
omissions. Axis Communications AB cannot be held responsible
for any technical or typographical errors and reserves the right
to make changes to the product and manuals without prior
notice. Axis Communications AB makes no warranty of any
kind with regard to the material contained within this
document, including, but not limited to, the implied warranties
of merchantability and fitness for a particular purpose. Axis
Communications AB shall not be liable nor responsible for
incidental or consequential damages in connection with the
furnishing, performance or use of this material.
Trademark Acknowledgments
Acrobat, Adobe, Boa, Ethernet, IBM, Internet Explorer, Linux,
Macintosh, Microsoft, Mozilla, Netscape Navigator, UNIX,
Windows, WWW are registered trademarks of the respective
holders. Java and all Java-based trademarks and logos are
trademarks or registered trademarks of Sun Microsystems, Inc.
in the United States and other countries. UPnP is a certification
mark of the UPnPTM Implementers Corporation. Axis
Communications AB is independent of Sun Microsystems Inc.
WEEE Directive
The European Union has enacted a Directive 2002/96/EC
on Waste Electrical and Electronic Equipment (WEEE
Directive). This directive is applicable in the European
Union member states.
The WEEE marking on this product (see right) or its
documentation indicates that the product must not be
disposed of together with household waste. To prevent possible
harm to human health and/or the environment, the product must
be disposed of in an approved and environmentally safe recycling
process. For further information on how to dispose of this product
correctly, contact the product supplier, or the local authority
responsible for waste disposal in your area.
Business users should contact the product supplier for
information on how to dispose of this product correctly. This
product should not be mixed with other commercial waste.
AXIS 233D Network Dome Camera User’s Manual
Revision 1.0
Date: January 2007
Part No: 28074
Copyright© Axis Communications AB, 2007

3
Axis Customer Services
Should you require any technical assistance, please contact
your Axis reseller. If your questions cannot be answered
immediately, your reseller will forward your queries
through the appropriate channels to ensure a rapid
response. If you are connected to the Internet, you can:
• download user documentation and firmware updates
• find answers to resolved problems in the FAQ database.
Search by product, category, or phrases
• report problems to Axis support staff by logging in to
your private support area
• visit the Axis Support Web at www.axis.com/techsup/
Safety Notice - Battery Replacement
The AXIS 233D uses a 3.0V CR2032 Lithium battery as the
power supply for its internal real-time clock (RTC). This
battery will, under normal conditions, last for a minimum
of 5 years. Low battery power affects the operation of the
RTC, causing it to reset at every power-up. A log message
will appear when battery replacement is required.
The battery should not be replaced unless required!
If the battery does need replacing, please observe the
following points:
Caution!
• Danger of Explosion if battery is incorrectly replaced
• Replace only with the same or equivalent battery,
as recommended by the manufacturer.
• Dispose of used batteries according to the manufacturer's
instructions.

4 AXIS 233D
Table of contents
Product Overview . . . . . . . . . . . . . . . . . . . . . . . . . . . . . . . . . . . . . . . . . . . . . . . . . . . . . . . . . . . . . . . . 6
Overview . . . . . . . . . . . . . . . . . . . . . . . . . . . . . . . . . . . . . . . . . . . . . . . . . . . . . . . . . . . .7
Status LED Indicator. . . . . . . . . . . . . . . . . . . . . . . . . . . . . . . . . . . . . . . . . . . . . . . . . . . 8
Using the Network Dome Camera . . . . . . . . . . . . . . . . . . . . . . . . . . . . . . . . . . . . . . . . . . . . . . . . . . . 9
Accessing the AXIS 233D . . . . . . . . . . . . . . . . . . . . . . . . . . . . . . . . . . . . . . . . . . . . . . . 9
Video Streams . . . . . . . . . . . . . . . . . . . . . . . . . . . . . . . . . . . . . . . . . . . . . . . . . . . . . . . . . . . . . . . . . . 13
Stream Types. . . . . . . . . . . . . . . . . . . . . . . . . . . . . . . . . . . . . . . . . . . . . . . . . . . . . . . . 13
MPEG-4 protocols and communication methods . . . . . . . . . . . . . . . . . . . . . . . . . . 14
Other methods of accessing the video stream . . . . . . . . . . . . . . . . . . . . . . . . . . . . . 16
Other MPEG-4 clients . . . . . . . . . . . . . . . . . . . . . . . . . . . . . . . . . . . . . . . . . . . . . . . . 16
Configuring the Network Dome Camera. . . . . . . . . . . . . . . . . . . . . . . . . . . . . . . . . . . . . . . . . . . . . 17
Accessing the Setup Tools . . . . . . . . . . . . . . . . . . . . . . . . . . . . . . . . . . . . . . . . . . . . . 17
Overview of the Setup Tools . . . . . . . . . . . . . . . . . . . . . . . . . . . . . . . . . . . . . . . . . . . 17
Video & Image Settings . . . . . . . . . . . . . . . . . . . . . . . . . . . . . . . . . . . . . . . . . . . . . . 18
MPEG-4 Settings . . . . . . . . . . . . . . . . . . . . . . . . . . . . . . . . . . . . . . . . . . . . . . . . . . . . 22
Audio . . . . . . . . . . . . . . . . . . . . . . . . . . . . . . . . . . . . . . . . . . . . . . . . . . . . . . . . . . . . . . . . . . . . . . . . . 23
Audio Settings. . . . . . . . . . . . . . . . . . . . . . . . . . . . . . . . . . . . . . . . . . . . . . . . . . . . . . . 23
Advanced Audio . . . . . . . . . . . . . . . . . . . . . . . . . . . . . . . . . . . . . . . . . . . . . . . . . . . . . 25
Live View Config . . . . . . . . . . . . . . . . . . . . . . . . . . . . . . . . . . . . . . . . . . . . . . . . . . . . . . . . . . . . . . . . 26
Layout . . . . . . . . . . . . . . . . . . . . . . . . . . . . . . . . . . . . . . . . . . . . . . . . . . . . . . . . . . . . .26
HTML Examples. . . . . . . . . . . . . . . . . . . . . . . . . . . . . . . . . . . . . . . . . . . . . . . . . . . . . . 29
External Video. . . . . . . . . . . . . . . . . . . . . . . . . . . . . . . . . . . . . . . . . . . . . . . . . . . . . . . 30
Sequence Mode . . . . . . . . . . . . . . . . . . . . . . . . . . . . . . . . . . . . . . . . . . . . . . . . . . . . . 30
Dome Configuration . . . . . . . . . . . . . . . . . . . . . . . . . . . . . . . . . . . . . . . . . . . . . . . . . . . . . . . . . . . . . 31
Preset Positions. . . . . . . . . . . . . . . . . . . . . . . . . . . . . . . . . . . . . . . . . . . . . . . . . . . . . . 31
Event Configuration . . . . . . . . . . . . . . . . . . . . . . . . . . . . . . . . . . . . . . . . . . . . . . . . . . . . . . . . . . . . . 33
Event Servers. . . . . . . . . . . . . . . . . . . . . . . . . . . . . . . . . . . . . . . . . . . . . . . . . . . . . . . . 33
Event Types . . . . . . . . . . . . . . . . . . . . . . . . . . . . . . . . . . . . . . . . . . . . . . . . . . . . . . . . 34
Motion Detection . . . . . . . . . . . . . . . . . . . . . . . . . . . . . . . . . . . . . . . . . . . . . . . . . . . . 37
Port Status . . . . . . . . . . . . . . . . . . . . . . . . . . . . . . . . . . . . . . . . . . . . . . . . . . . . . . . . . 38
System Options . . . . . . . . . . . . . . . . . . . . . . . . . . . . . . . . . . . . . . . . . . . . . . . . . . . . . . . . . . . . . . . . . 39
Security . . . . . . . . . . . . . . . . . . . . . . . . . . . . . . . . . . . . . . . . . . . . . . . . . . . . . . . . . . . . 39
Date & Time . . . . . . . . . . . . . . . . . . . . . . . . . . . . . . . . . . . . . . . . . . . . . . . . . . . . . . . . 41
Network - Basic TCP/IP Settings . . . . . . . . . . . . . . . . . . . . . . . . . . . . . . . . . . . . . . . 43
Network - Advanced TCP/IP Settings . . . . . . . . . . . . . . . . . . . . . . . . . . . . . . . . . . . . 44

5
AXIS 233D
SOCKS . . . . . . . . . . . . . . . . . . . . . . . . . . . . . . . . . . . . . . . . . . . . . . . . . . . . . . . . . . . . . 47
QoS (Quality of service) . . . . . . . . . . . . . . . . . . . . . . . . . . . . . . . . . . . . . . . . . . . . . . . 47
SMTP (email). . . . . . . . . . . . . . . . . . . . . . . . . . . . . . . . . . . . . . . . . . . . . . . . . . . . . . . . 47
SNMP. . . . . . . . . . . . . . . . . . . . . . . . . . . . . . . . . . . . . . . . . . . . . . . . . . . . . . . . . . . . . . 48
UPnP™ . . . . . . . . . . . . . . . . . . . . . . . . . . . . . . . . . . . . . . . . . . . . . . . . . . . . . . . . . . . . . 48
RTP / MPEG-4 . . . . . . . . . . . . . . . . . . . . . . . . . . . . . . . . . . . . . . . . . . . . . . . . . . . . . . . 48
Bonjour . . . . . . . . . . . . . . . . . . . . . . . . . . . . . . . . . . . . . . . . . . . . . . . . . . . . . . . . . . . . 48
Ports & devices . . . . . . . . . . . . . . . . . . . . . . . . . . . . . . . . . . . . . . . . . . . . . . . . . . . . . . 48
Maintenance. . . . . . . . . . . . . . . . . . . . . . . . . . . . . . . . . . . . . . . . . . . . . . . . . . . . . . . . 48
Support . . . . . . . . . . . . . . . . . . . . . . . . . . . . . . . . . . . . . . . . . . . . . . . . . . . . . . . . . . . . 50
Advanced. . . . . . . . . . . . . . . . . . . . . . . . . . . . . . . . . . . . . . . . . . . . . . . . . . . . . . . . . . . 50
About. . . . . . . . . . . . . . . . . . . . . . . . . . . . . . . . . . . . . . . . . . . . . . . . . . . . . . . . . . . . . .51
Resetting to Factory Default Settings. . . . . . . . . . . . . . . . . . . . . . . . . . . . . . . . . . . . 51
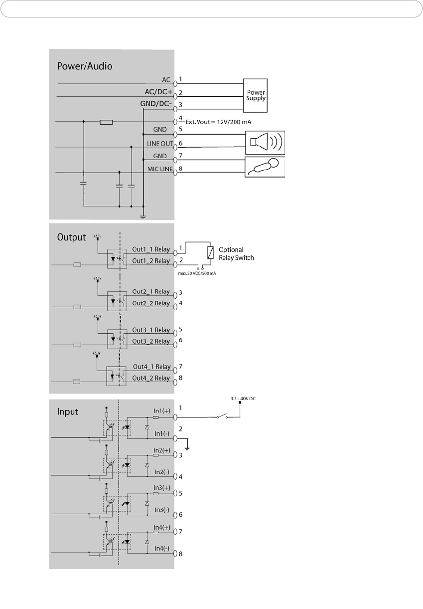
I/O terminal Connectors . . . . . . . . . . . . . . . . . . . . . . . . . . . . . . . . . . . . . . . . . . . . . . . . . . . . . . . . . . 52
Power connections . . . . . . . . . . . . . . . . . . . . . . . . . . . . . . . . . . . . . . . . . . . . . . . . . . . 53
I/O terminal connector blocks . . . . . . . . . . . . . . . . . . . . . . . . . . . . . . . . . . . . . . . . . . 54
Troubleshooting . . . . . . . . . . . . . . . . . . . . . . . . . . . . . . . . . . . . . . . . . . . . . . . . . . . . . . . . . . . . . . . . 56
Checking the Firmware . . . . . . . . . . . . . . . . . . . . . . . . . . . . . . . . . . . . . . . . . . . . . . . 56
Updating the Firmware . . . . . . . . . . . . . . . . . . . . . . . . . . . . . . . . . . . . . . . . . . . . . . . 56
Emergency Recovery Procedure . . . . . . . . . . . . . . . . . . . . . . . . . . . . . . . . . . . . . . . . 57
LED Indicator flash routine . . . . . . . . . . . . . . . . . . . . . . . . . . . . . . . . . . . . . . . . . . . . 58
Support . . . . . . . . . . . . . . . . . . . . . . . . . . . . . . . . . . . . . . . . . . . . . . . . . . . . . . . . . . . . 59
Symptoms, Possible Causes and Remedial Actions . . . . . . . . . . . . . . . . . . . . . . . . . 60
Technical Specifications. . . . . . . . . . . . . . . . . . . . . . . . . . . . . . . . . . . . . . . . . . . . . . . . . . . . . . . . . . 62
General performance considerations . . . . . . . . . . . . . . . . . . . . . . . . . . . . . . . . . . . . 65
Optimizing your system . . . . . . . . . . . . . . . . . . . . . . . . . . . . . . . . . . . . . . . . . . . . . . . 65
Frame rates . . . . . . . . . . . . . . . . . . . . . . . . . . . . . . . . . . . . . . . . . . . . . . . . . . . . . . . . . 66
Bandwidth. . . . . . . . . . . . . . . . . . . . . . . . . . . . . . . . . . . . . . . . . . . . . . . . . . . . . . . . . . 66
Index . . . . . . . . . . . . . . . . . . . . . . . . . . . . . . . . . . . . . . . . . . . . . . . . . . . . . . . . . . . . . . . . . . . . . . . . . 68

6 AXIS 233D - Product Overview
Product Overview
The AXIS 233D Network Dome Camera is a high-performance, progressive-scan camera
with security features such as HTTPS and IP address filtering for use in professional and
demanding surveillance situations.
The perfect choice for large area surveillance environments where superior image quality
on moving objects is important from a long distance.
Key Features
• 35x Zoom with EIS- EIS (Electronic Image Stabilizer) reduces the effect of the
vibrations on the image. This feature is especially useful when the network
camera is installed in places that are subject to vibrations such as near a highway
• Wide Dynamic Range - provides a better image in extreme lighting conditions
• Area zoom - Draw a square in the live view with your mouse and the AXIS 233D
will zoom in that area
• Full frame rate at all resolutions in MPEG-4 or Motion JPEG
• E-flip - Electronic Flip inverts the image when a tracked target moves under the
camera.
• Pan and Tilt speed: 0.05 - 450o/Sec
• Two-way audio
• Pre-/post-alarm buffer

7
AXIS 233D - Product Overview
Overview
Network Restart button
Control button
Indicator
Status LED
Power/Audio
I/O terminal
Connector
Serial number label
Network connector - The AXIS 233D connects to the network via a RJ-45 Ethernet
connector. Using shielded cables is recommended.
Power/Audio connector - for connecting power supply and audio. See Power connections,
on page 53.
I/O terminal connectors - The AXIS 233D has 3 (8 pin) I/O terminal connectors that
provide the physical interface to four solid state relay outputs, 4 alarm inputs, auxiliary
power and ground. See I/O terminal connector blocks, on page 54

8 AXIS 233D - Product Overview
Serial number - This number is located on the product label at the base of the camera and
is used during installation and restoring the camera to factory default settings. Included in
the package is an extra product label, put this in a safe place for future reference.
Restart button - This button power cycles the camera and is to be used during firmware
upgrade or factory reset.
Control button - This button is used to restore the factory default settings as described in
Resetting to Factory Default Settings, on page 51.
For instructions on how to install the AXIS 233D please refer to the Installation Guide
which is supplied with the product in printed format or in PDF format from the Axis Web
site at http://www.axis.com
Status LED Indicator
After completion of the startup and self test routines, the indicator flashes as follows. For
more indicator flash routines see page 58.
Unlit Steady connection/normal operation
Amber Steady for system initiating. Flashes during
firmware upgrade or reset to factory
default
Amber/red Flashes amber/red for no network connec-
tion
Red Flashes red for firmware upgrade failure
Green Shows steady green for 10 sec. for normal
operation after restart
Color Description

9
AXIS 233D - Using the Network Dome Camera
Using the Network Dome Camera
This document includes instructions for using and managing the AXIS 233D. For
instructions on how to install the AXIS 233D on your network refer to the Installation
Guide which is supplied with the product in printed format or in PDF format from the Axis
Web site at http://www.axis.com
The AXIS 233D can be used with most standard operating systems and supports Microsoft
Internet Explorer 6.x or later, Netscape 7.x or later and Mozilla 1.4 or later.
Accessing the AXIS 233D
1. Start a Web browser (Internet Explorer, Mozilla, Netscape Navigator).
2. Enter the IP address or host name
of the AXIS 233D in the
Location/Address field of your
Web browser.
3. Enter the user name and password set by the administrator.
4. A video image is displayed in your Web browser.
Note: • To be able to view streaming video in Microsoft Internet Explorer, you must set your Web browser to allow
ActiveX controls. If your working environment restricts the use of additional software components, you can
configure the AXIS 233D to use a Java applet for updating images. Please refer to the online help files for
more information.
• User functions in the AXIS 233D may have been customized to meet the specific requirements of the
application. Consequently, many of the examples and functions in this section may differ from those
displayed in your Live View page.

10 AXIS 233D - Using the Network Dome Camera
If the AXIS 233D has been customized, the buttons and other items described below will be
displayed accordingly on the Live View page. The following provides an overview of each
button:
The Video Format drop-down list allows the video format on the Live
View page to be temporarily changed.
The Output buttons control an output directly from the Live View page. These
buttons are configured under Setup > Live View Config > Layout.
Pulse - click this button to activate the port for a defined period of time, e.g. to
switch on a light for 20 seconds.
Active/Inactive - click these buttons to manually start and stop a connected
device, e.g. switch a light on/off.
These buttons start/stop the Sequence Mode. This mode is created in Setup >
Live View Config > Sequence mode and automatically displays the view from
preset positions at set intervals.
The Action buttons trigger an action directly from the Live View page. These
buttons are configured under Setup > Live View Config > Layout. Click these
buttons to manually start and stop events.
Use the Snapshot button to capture a snapshot of the image currently being
displayed in the window. Right-click on the image to save it in JPEG format
on your computer.
Click the Ctrl panel button to access the following buttons:
•Auto focus: Automatically adjusts the image focus.
•Auto iris: Automatically adjusts the amount of light reaching
the image sensor for best image results.
•Backlight comp: Enabling backlight compensation makes the
subject clearer if the image background is too bright, or if the
subject is too dark.
•IR cut filter: When set to off, the camera will be able to “see”
infrared light, e.g. at night, it increases light sensitivity. The
image is shown in black & white when the IR cut filter is off.
Set to Auto to automatically turn the filter off when the
available visible light falls below the minimum requirement.
Note: There are different buttons in the Control Panel depending on the computer’s operating system but the
descriptions and functionality are the same.

11
AXIS 233D - Using the Network Dome Camera
Area Zoom
This allows you to draw a box over a desired area to zoom into. To activate, click the
Center button described in the AMC viewer toolbar or in other Internet browsers choose
PTZ > Center. Using your mouse click in the image and while holding down the left mouse
button draw a square over the area you would like to zoom into.
Pan/Tilt/Zoom Controls
The Live View page also displays the Pan/Tilt/Zoom controls. The administrator
can enable/disable the control for specified users under System Options >
Security > Users > User List.
Pan/Tilt/Zoom Control Queue
The time the user is in control of the PTZ settings is limited and a queue of users has been
set up. Use the buttons to request or release control of the Pan/Tilt/Zoom controllers.
The AMC viewer toolbar (AXIS Media Control), available from Microsoft Internet
Explorer, displays the following buttons:
The Play/Stop buttons start and stop the live video stream.
The Snapshot button takes a snapshot of the currently displayed image. The
Snapshot function and the target directory for saving snapshots can be configured
from AMC (AXIS Media Control), which is available from the Windows Control
Panel (Internet Explorer only).
Click the View Full Screen button and the video image will fill the entire screen
area. No other windows will be visible. Press Esc (Escape) on the computer
keyboard to cancel full screen view.
Click-in-image movement
Click the Set emulated joystick mode button and click in the image to move the
camera in the desired direction
Click the Center button and the camera view will center on the position that was
clicked. The location to move to has a definite position, e.g. position x,y.

12 AXIS 233D - Using the Network Dome Camera
The Pan/Tilt/Zoom Control Queue is set up by the administrator under:
Dome Configuration > Advanced > Control Queue.
The Toolbar available from Mozilla Firefox, displays the following buttons:
The Play/Stop buttons start and stop the live video stream.
The Snapshot button takes a snapshot of the currently displayed image. The
Snapshot function and the target directory for saving snapshots can be configured
from AMC (AXIS Media Control), which is available from the Windows Control
Panel (Internet Explorer only).
Click the View Full Screen button and the video image will fill the entire screen
area. No other windows will be visible. Press Esc (Escape) on the computer
keyboard to cancel full screen view.
Click the Set emulated joystick mode button and click in the image to move the
camera in the desired direction
Click the Center button and the camera view will center on the position that was
clicked. The location to move to has a definite position, e.g. position x,y.
AXIS 295 Video Surveillance Joystick
The AXIS 295 is a USB device that gives responsive and accurate control of the pan, tilt,
zoom functionality. On installation, the joystick is automatically detected by AXIS Media
Control where the 12 buttons can be programmed for a customized video surveillance
system. For more information, please visit the Axis Website at http://www.axis.com

13
AXIS 233D - Video Streams
Video Streams
The AXIS 233D provides several different image and video stream formats. The type to use
depends on your requirements and on the properties of your network.
The Live View page in the AXIS 233D provides access to Motion JPEG and MPEG-4 video
streams, as well as to single JPEG images. Other applications and clients can also access
these video streams/images directly, without going via the Live View page.
Stream Types
Motion JPEG
This format uses standard JPEG still images in the video stream. These images are then
displayed and updated at a rate sufficient to create a stream that shows constantly updated
motion.
The Motion JPEG stream uses more bandwidth, but also provides excellent image quality
and access to each and every individual image contained in the stream.
Note also that multiple clients accessing Motion JPEG streams can use different image
settings.
MPEG-4
This is a video compression standard that makes good use of bandwidth, and which can
provide high quality video streams at less than 1 Mbit/s.
Notes: • MPEG-4 is licensed technology. The AXIS 233D includes one viewing client license. Installing addi-
tional unlicensed copies of the viewing client is prohibited. To purchase additional licenses, contact
your Axis reseller.
• All clients viewing the MPEG-4 stream must use the same image settings.
The MPEG-4 standard provides scope for a large range of different coding tools for use by
various applications in different situations, and the AXIS 233D provides certain subsets of
these tools. These are represented as Video object types, which are selected for use with
different viewing clients. The supported video object types are:
•Simple - sets the coding type to H.263, as used by e.g. QuickTime™.
•Advanced Simple - sets the coding type to MPEG-4 Part 2, as used by AMC (AXIS
Media Control)
When using MPEG-4 it is also possible to control the bit rate, which in turn allows the
amount of bandwidth usage to be controlled. CBR (Constant Bit Rate) is used to achieve a
specific bit rate by varying the quality of the MPEG-4 stream. When using VBR (Variable
Bit Rate), the quality of the video stream is kept as constant as possible, at the cost of a
varying bit rate.

14 AXIS 233D - Video Streams
MPEG-4 protocols and communication methods
To deliver live streaming video over IP networks, various combinations of transport
protocols and broadcast methods are employed.
• RTP (Realtime Transport Protocol) is a protocol that allows programs to manage the
real-time transmission of multimedia data, via unicast or multicast.
• RTSP (Real Time Streaming Protocol) serves as a control protocol, to negotiate which
transport protocol to use for the stream. RTSP is thus used by a viewing client to start a
unicast session, see below.
• UDP (User Datagram Protocol) is a communications protocol that offers limited service
for exchanging data in a network that uses the Internet Protocol (IP). UDP is an alterna-
tive to the Transmission Control Protocol (TCP). The advantage of UDP is that it is not
required to deliver all data and may drop network packets when there is e.g. network
congestion. This is suitable for live video, as there is no point in re-transmitting old
information that will not be displayed anyway.
• Unicasting is communication between a single sender and a single receiver over a net-
work. This means that the video stream goes independently to each user, and each user
gets their own stream. A benefit of unicasting is that if one stream fails, it only affects
one user.
• Multicast is bandwidth-conserving technology that reduces bandwidth usage by simul-
taneously delivering a single stream of information to multiple network recipients. This
technology is used primarily on delimited networks (intranets), as each user needs an
uninterrupted data flow and should not rely on network routers.

15
AXIS 233D - Video Streams
How to stream MPEG-4
Deciding on the combination of protocols and methods to use depends on your viewing
requirements, and on the properties of your network.
RTP+RTSP
This method (actually RTP over UDP and RTSP over TCP) should be your first consideration
for live video, especially when it is important to always have an up-to-date video stream,
even if some images do get dropped. This can be configured as multicast or unicast.
Multicasting provides the most efficient usage of bandwidth, especially when there are
large numbers of clients viewing simultaneously. Note however, that a multicast broadcast
cannot pass a network router unless the router is configured to allow this. It is thus not
possible to multicast over e.g. the Internet.
Unicasting should be used for video-on-demand broadcasting. However, if more and more
unicast clients connect simultaneously, the server will at some point become overloaded.
There is also a maximum of 20 simultaneous viewers to be considered.
RTP/RTSP
This unicast method is RTP tunneled over RTSP. This can be used to exploit the fact that it
is relatively simple to configure firewalls to allow RTSP traffic.
RTP/RTSP/HTTP or RTP/RTSP/HTTPS
These two methods can also be used to traverse firewalls. Firewalls are commonly
configured to allow the HTTP protocol, thus allowing RTP to be tunneled.

16 AXIS 233D - Video Streams
The AXIS Media Control
The recommended method of accessing live video (MPEG-4 and/or Motion JPEG) from the
AXIS 233D is to use the AXIS Media Control (AMC) in Microsoft Internet Explorer in
Windows. This ActiveX component is automatically installed on first use, after which it
can be configured by opening the AMC Control Panel applet from the Windows Control
Panel. Alternatively, right-click the video image in Internet Explorer.
Other methods of accessing the video stream
Video/images from the AXIS 233D can also be accessed in the following ways:
• If supported by the client, the AXIS 233D can use Motion JPEG server push to display
video. This option maintains an open HTTP connection to the browser and sends data as
and when required, for as long as required.
• As single JPEG images in a browser. Enter e.g. the path:
http://<ip>/axis-cgi/jpg/image.cgi?resolution=CIF
• Windows Media Player. This requires AMC and the MPEG-4 decoder to be installed. The
paths that can be used are listed below, in the order of preference.
• Unicast via RTP: axrtpu://<ip>/mpeg4/media.amp
• Unicast via RTSP: axrtsp://<ip>/mpeg4/media.amp
• Unicast via RTSP, tunneled via HTTP: axrtsphttp://<ip>/mpeg4/media.amp
• Unicast via RTSP, tunneled via HTTPS: axrtsphttps://<ip>/mpeg4/media.amp
• Multicast: axrtpm://<ip>/mpeg4/media.amp
Other MPEG-4 clients
Although it may be possible to use other clients to view the MPEG-4 stream, this is not
guaranteed by Axis. For some other clients, e.g. QuickTime™ the Video Object Type must
be set to Simple, under Video & Image > Advanced > MPEG-4. It may also be necessary
to adjust the advanced MPEG-4 settings.To assess the video stream from e.g. QuickTime™
the following path can be used:
rtsp://<ip>/mpeg4/media.amp
This path is for all supported methods, and the client will negotiate with the network
camera to determine exactly which transport protocol to use.
Notes: <ip> = IP address

17
AXIS 233D - Configuring the Network Dome Camera
Configuring the Network Dome Camera
This section describes how to configure the AXIS 233D and is intended for the product
Administrator who has unrestricted access to all Setup tools and Operator who has access
to Video & Image, Live View Config and Event Configuration. See the section on Security,
on page 39 for more information on user access control.
The AXIS 233D is configured under Setup from a standard browser.
Accessing the Setup Tools
Follow the instructions below to access the Setup Tools from a Web browser.
1. Start the Web browser and enter
the IP address or domain name
of the AXIS 233D in the
location/address field.
2. The Live View page is now displayed. Click Setup to display the Setup configuration
tools.
Overview of the Setup Tools
Setup Configuration

18 AXIS 233D - Configuring the Network Dome Camera
Video & Image Settings
The following descriptions offer examples of the available features in the AXIS 233D. For
details of each setting, please refer to the online help files which are available from each
page. Click to access the help files.
Image Settings
To optimize the video images according to your requirements, modify the following
settings under Image Appearance. Each setting is described in the online help files
All configuration of images and overlays will affect the performance of the network
camera, depending on the usage and the available bandwidth.
• High resolution generates larger files
• Lower compression improves image quality, but generates larger files
• Black & White uses less bandwidth than Color
See also the specifications for frame rates and bandwidth in General performance
considerations, on page 65.

19
AXIS 233D - Configuring the Network Dome Camera
Overlay Settings
Use these settings to include an image
as an overlay, and/or the date and
time, along with text of your own.
Text overlays are all included on one
line at the top or bottom of the video
image. Use text overlays in
combination with OSDI (On-Screen
Directional Indicator) on page 31 to aid the viewer in navigating the camera.
Example:
To set up
PTZ coordinates in
text overlay.
To show the Preset and OSDI Zone name as text overlay use #P #L
Video Stream
The Maximum video stream time can be set as Unlimited, or a maximum stream time per
session in seconds, minutes or hours can be defined. When the set time has expired, a new
stream can be started by refreshing the page in the Web browser. Note that the maximum
video stream time does not apply to clients connecting via multicast.
To avoid bandwidth problems on the network, the frame rate allowed to each viewer can
also be limited. Select either Unlimited or define a maximum frame rate per viewer.
For a preview of the image and overlay settings before saving, click Test. When you are
satisfied with the settings, click Save.
Please use the online help files for more information.
Overlay Image Settings
An overlay image is an image included in the video image. This might, for example, be
your own company logo. Follow these instructions to upload and use an overlay image:
1. Go to Setup > Video & Image > Overlay Image.
2. To upload the file (a logo or image) to the AXIS 233D, click the Browse button and
locate it on your computer or server.
3. Click the Upload button and follow the on-screen instructions.
4. The image is now available in the Use overlay image drop-down list.
5. Click Save.
6. Go to Setup > Video & Image and modify the parameters under Overlay Settings.
Date &
Time
Overlay
image

Overlay image requirements Overlay image limitations
Image Formats Image Size
The height and width of the overlay
image in pixels must be exactly
divisible by 4.
20 AXIS 233D - Configuring the Network Dome Camera
Privacy Mask
Privacy masks allow you to mask areas in an image that are prohibited for the viewer. A
3D mask, covers the area regardless of the camera’s angle or zoom position.
To set up a privacy mask:
1. Go to Setup > Video & Image > Privacy Mask and click on the Add button.
2. Move the camera’s view so that the area to be masked is at the center of the image.
3. Use zoom or change the Width and Height values to adjust size of the masked area.
4. Click Save.
Advanced Camera Settings
To optimize the lighting settings according to your requirements, modify the following
settings under Lighting Conditions:
• Color level, Brightness and Sharpness- Find the level that best suits your image
needs by testing.
• Exposure control - this setting is used to adapt to the amount/type of light being
used. Allow slow shutter can be enabled/disabled when the exposure control is
set to Automatic.
• Exposure area-This setting determines which part of the image will be used to
calculate the exposure.
• IR cut filter - when the IR cut filter is set to OFF, the camera will be able to ‘see’
infrared light, e.g. at night, thus making the image clearer. The image is shown in
black & white when the IR cut filter is off.
Note: If set to Auto, the camera will automatically switch between IR cut filter ON
and OFF, according to the current lighting conditions. This is only possible when
the iris is set to Auto Iris, and the exposure control is set to Automatic.
• Wide dynamic range - Corrects the exposure when the contrast is extreme
• If the image overlay and text overlay are larger
than the video image, no overlay will be dis-
played. When also using a text overlay, this
will occupy 16 pixels in height and as many in
width as the video image.
• If the overlay is initially positioned so that
part of it is outside the video image, it will be
relocated so that it appears over the video
image, i.e. the entire image is always dis-
played.
• The maximum overlay image size supported by
the AXIS 233D is the same as the maximum
image resolution. See Technical Specifications,
on page 46.
• Windows 24-bit BMP (full color)
• Windows 4-bit BMP (16 colors)
• OS/2 4-bit BMP (16 colors)

21
AXIS 233D - Configuring the Network Dome Camera
between light and dark in an image. Test the different levels to find the one that
works best of your light conditions.
• Backlight compensation - this setting is used to make the subject appear clearer,
e.g. against a bright background.
Low Light Behavior
The settings for Low Light Behavior determine how the camera will behave at low light
levels. These settings affect video image quality and frame rate.
Exposure control - This setting is used to adapt to the amount or type of light used.
Automatic is the default setting and can be used in most situations. The shutter speed is
automatically set to produce optimum image quality. Use Manual if you have special
requirements for the exposure setting
Max exposure time - Increasing the exposure time will improve image quality, but at the
expense of the total frame rate. There may also be an increase in motion blur.
Max gain - Measured in decibels (dB), the default value is 36 dB. A high level of
amplification may provide a better image in very low light situations.
Shutter speed - A slower shutter speed in dark conditions will help to produce a brighter
image, but will produce fewer frames per second which may cause images to be blurry
during motion.
Please use the online help files for more information.
Image Settings
• Auto focus enabled (default setting).
• Stabilizer - When monitoring an environment that is subject to vibrations (i.e.
traffic control) the images can appear to be unsteady. Choose the frequency (High
or Low) that best applies to your environment to improve image quality.
• Image freeze on PTZ - Set this option to On to freeze the image during camera
movement. Once the camera reaches its position the current image is shown. Auto
freezes images only between preset positions.

22 AXIS 233D - Configuring the Network Dome Camera
MPEG-4 Settings
Tools for adjusting the MPEG-4 settings and for controlling the video bit rate.
The MPEG-4 standard provides many different coding tools for various applications in
different situations. As most MPEG-4 clients do not support all of these tools, it is usual to
instead define and use subsets for different clients or groups of clients. These settings allow
you to define the type of viewing client to use.
Adjusting the maximum bit rate and setting it to variable or constant is a good way of
controlling the bandwidth used by the MPEG-4 video stream.
For more information on these advanced settings, please see the online help files

23
AXIS 233D - Audio
Audio
The AXIS 233D can transmit audio to other clients by connecting an external microphone
and can play audio received from other clients via a connected speaker.
Audio Settings
This section describes how to configure the basic audio settings for the AXIS 233D, e.g. set
the communication mode and adjust the sound levels in the microphone and speaker
connected to the camera.
Enable Audio - Check this box to enable audio.
Audio Channels
The AXIS 233D has four types of audio transmission. Choose which type best suits your
needs.
Audio mode
•Full duplex mode has simultaneous two-way audio, which means you can talk
and listen at the same time.
•Half duplex mode transmits and receives audio in both directions, but only in one
direction at a time. This means that you must select when to receive or transmit
audio with the push-to-talk button. To speak, press and hold the button (check
that the microphone is not muted). When finished speaking, release the button
and you will receive audio from the other end of the connection.
Note: the push-to-talk button is configured from AMC. It is also possible to configure the push-to-talk button so
that it toggles between speaking and listening modes.
• When selecting Simplex - Network Camera speaker only mode, the speaker con-
nected to the camera will play audio, but no audio will be transmitted from the
camera to other web clients. This could be used to e.g. provide spoken instruc-
tions to a person seen in the camera. This mode requires you to use the
push-to-talk button.
•Simplex - Network Camera microphone only mode transmits audio only from
the AXIS 233D to web clients. It will not receive audio from any other web cli-
ents. This can be used in remote monitoring, web attractions etc., to provide live
audio, as well as video, of a monitored situation.
When using half-duplex, the Send the sound from the active client to all other clients
option transmits the audio signal from the client that is talking to all the other clients.

24 AXIS 233D - Audio
Audio Input
Audio from an external microphone or a line source can be connected to the Audio in
Power/Audio connector of the AXIS 233D, see I/O terminal connector blocks, on page 54.
The audio source must be set to Microphone or Line depending on the connected device.
When Microphone is selected as a Source, set the Input sensitivity to High for an
ordinary (unamplified) microphone, e.g. a computer mic or clip-on mic. Set to Low for a
microphone with a built-in line amplifier.
The Enable microphone power option provides DC power for an external microphone. If
using a small electret condenser microphone such as a clip-on or PC microphone, this
option needs to be enabled.
Note: To use a high impedance dynamic microphone, DC power should not be enabled. DC power will not harm
the microphone, but if you are uncertain, try switching it off and on. The default value is DC power enabled.
To use a professional microphone requiring 48V phantom power, you need an external power supply and
must use a balanced-unbalanced converter (audio transformer) in between.
If there are problems with the sound input being too low or high, adjust the input gain for
the microphone attached to the AXIS 233D.
Select the desired audio Encoding format, G711, G726.
Depending on the selected encoding, set the desired audio quality (Bit rate). The settings
depend on the available bandwidth and the required audio quality.
The AXIS 233D can be set to trigger an event if the incoming sound level rises above, falls
below or passes the set value. The Alarm level is set between 0-100%.
Audio Output
If the sound from the speaker is too low or high, adjust the output gain for the active
speaker attached to the AXIS 233D.
When satisfied with the settings, click Save, or click Reset to revert to the previously saved
settings.
Note: To receive synchronized video and audio, it is recommended that the time settings in the camera and client
PC are synchronized with an NTP Server. This is enabled in the camera under System Options > Date &
Time. Please refer to the help pages for more information.

25
AXIS 233D - Audio
Advanced Audio
Advanced audio settings can improve audio quality by speech filtering and echo and noise
cancellation.
When enabled the speech filter reduces noise by filtering out all the frequencies below
100HZ and above 3500 Hz. This improves the sound quality if a person is close to the
microphone when talking and will reduce background noises.
Enable echo cancellation to reduce acoustic echoing that can be caused by audio coming
from a speaker being captured by a microphone.
Noise cancelling is a way of reducing the background noise if the microphone, for
example, is set up in a noisy environment and you are only interested in hearing a person
who is talking close to the microphone. The noise canceller attenuation produces
maximum noise reduction when set to 18dB of attenuation. Optimize the sound quality by
listening to the sound and adjusting the attenuation level as required.

26 AXIS 233D - Live View Config
Live View Config
Layout
These are the tools for deciding the layout
of the Live View page.
The layout can be set in 3 ways:
• Use Axis look - the layout is unchanged.
• Use custom settings - modify the default
page with your own colors, images etc.
Click the Configure button and see the
following page.
• Own Home Page - Upload and use your
own custom made page as the default
web page. Click the Configure button
and see the following page.
The other settings on this page concern
which other features to include, e.g. buttons
and links. See page 27 for more
information.
Customizing the default page
The appearance of the default AXIS
233D Live View page can be
customized to suit your own
requirements, or you can upload and
use your own home page. To upload
your own files, click the
Upload/Remove button and see the
description below.
Note that the setup address is:
http://<ip address>/operator/basic.shtml

27
AXIS 233D - Live View Config
Upload Own Web Files
Your own web files, background picture, color etc. must first be uploaded to the AXIS
233D in order to be available for selection in the Custom Settings setup dialog. Once
uploaded, the files are shown in the drop-down list.
1.Enter the path to the file, e.g. a file located on your workstation or click the
Browse button.
2.Select the user level for the uploaded file. Setting the user access level means that
you have complete control over which pages can be viewed by which users.
3.When the path is shown correctly in the text field, click the Upload button.
All uploaded files are shown in the list in the lower section of the page. To remove a file,
check the box provided next to it and then click the Remove button.
• To use your uploaded file, click the radio button and select the file from the drop-down
list by Own:
• To use an external file located somewhere other than in the AXIS 233D, click the radio
button and enter the URL by External:
Own Home Page
To use a previously uploaded web page as the default page, check the checkbox, select the
page from the drop-down list and click OK.
User Defined Links
User defined links can be CGI links or web links.
Once configured, the link(s) will appear on the Live
View page.
To set up a web link, select the Use as web link radio
button, enter a descriptive name and enter the URL in
the provided field. Click Save and the link will
appear on the Live View page.
User defined CGI links can be used to issue HTTP API
requests, e.g. PTZ commands.
Example:
1. Check Show Custom Link 1
2. Enter a descriptive name, e.g. CAM START.
3. Select the Use as cgi link radio button and enter
the cgi link in the field:
http://192.168.0.125/axis-cgi/com/ptz.cgi?continuouspantiltmove=30,-30
User Defined Links

28 AXIS 233D - Live View Config
4. Check Show Custom Link 2.
5. Enter a descriptive name, e.g. CAM STOP.
6. Select the Use as cgi link radio button and enter the cgi link in the field:
http://192.168.0.125/axis-cgi/com/ptz.cgi?continuouspantiltmove=0,0
7. These links will appear in the web interface and can be used to control the AXIS 233D.
For more information on the Axis HTTP API, see the Support / Developer pages on the
Axis Web site at http://www.axis.com.
Please use the online help files for more information.
For more information on the Axis HTTP API, see the Support / Developer pages on the
Axis Web site at http://www.axis.com. See also the section on PTZ, on page 11.
Action Buttons
These buttons can be used to manually trigger and stop an event from the Live View page.
The snapshot button allows you to take a snapshot of the video stream and save it to a
computer.
Output Buttons
These buttons are used to control the outputs on the AXIS 233D and thus the equipment
connected to them, e.g. to switch a light on or off:
• The Pulse button activates the port for a defined period
• Active/Inactive displays 2 buttons, one for each action (on/off)
Default Video Format
Select the default video format to use on the Live View page. Checking the box for Show
video format selection displays a drop-down list on the Live View page allowing you to
temporarily change the format.
When using MPEG-4 as the video format, the default viewer is AXIS Media Control with
Internet Explorer.
Note: It is also possible to view Motion JPEG when MPEG-4 is chosen as default and vice versa.

29
AXIS 233D - Live View Config
Default Viewer
From the drop-down lists, select the default method for viewing video images for your
browser. The camera will attempt to show the video images in the selected video format
and viewer. If this is not possible, the camera will override the settings and select the best
available combination.
AMC Recommended viewer in Windows Internet Explorer (MPEG-4 /Motion JPEG).
QuickTime MPEG-4 only.
Java applet A slower imaging alternative to AMC. Requires one of the following installed on the client:
Still image Displays still images only. Hit the Refresh button in your browser to view a new image.
Server Push Recommended viewer for other browsers (Motion JPEG).
QuickTime MPEG-4 only.
Java applet A slower imaging alternative to Server Push (Motion JPEG only).
Still image Displays still images only. Hit the Refresh button in your browser to view a new image.
Viewer Settings
Checking the Show viewer toolbar box displays the toolbar under the video stream.
By checking the Enable MPEG-4 decoder installation box, it is also possible for the
Administrator to enable or disable the installation of the MPEG-4 decoder. This is used to
prevent the installation of unlicensed copies. Further decoder licenses can be purchased
from your Axis dealer.
Check the Show crosshair in PTZ joystick mode checkbox to indicate the center of the
image when viewing the video stream in PTZ joystick mode.
Enable recording button - allows the viewer to start a recording at any time by clicking on
the record button.
HTML Examples
You can add live video from the AXIS 233D to your own web site. The camera can
transmit a Motion JPEG stream to up to 20 simultaneous connections, although an
administrator can restrict this to fewer. If MPEG-4 is set as video format, multicasting is
used and the audio and video stream will be available for an unlimited number of viewers
connected to the parts of the network where multicast is enabled. Please note that a
separate MPEG-4 license is required for each viewer.
Select the preferred Video Format from the drop down list. The available options are
Motion JPEG, MPEG-4 using AMC and MPEG-4 using QuickTime.
Browser Viewer Description
Windows
Internet Explorer • JVM (J2SE) 1.4.2 or higher
• JRE (J2SE) 5.0 or higher
Other browsers

30 AXIS 233D - Live View Config
The Motion JPEG selection has additional settings for Image Type, Image size and other
optional settings to configure the video stream to suit your Web page.
Click Update once satisfied.
The camera generates the required source code for your configuration. Copy this code and
paste it into your own Web page code.
External Video
An external video source is a source originating from some other Axis device on the
network. The images from these sources can be displayed just as if they were produced by
the AXIS 233D.
The External Video Source list shows all of the external video sources currently
configured. The information displayed is the source's name and the path to the video
stream. Up to 20 external video sources can be configured.
Working with External Video Sources
1. To add a new video source, click the Add button. This opens the External Video
Source Setup dialog, which is used to make all the necessary settings.
2. To modify an existing video source, select it and click the Modify button.
3. To delete an external video source, select it and click the Remove button.
Sequence Mode
Sequence Mode is a configuration that automatically displays the view from multiple,
previously defined Preset Positions (see Dome Configuration, on page 31 and the online
help).
This is useful for e.g. security personnel viewing a surveillance system that constantly
rotates through the selected preset positions, in the listed order, or randomly.
To set up sequence mode, simply select the desired preset positions and enter the number
of seconds or minutes to display each position for. Each position can be displayed for up to
59 minutes.

31
AXIS 233D - Dome Configuration
Dome Configuration
Preset Positions
A preset position is a pre-defined camera view than can be used to quickly move the
camera to a specific location.
From Preset Position Setup, use the Pan, Tilt and Zoom (PTZ) controls to steer the camera
to the required position. When satisfied with the camera's position, enter a descriptive
name. The camera position, iris and focus settings are then saved as a preset position.
The position can be assumed at any time,
by selecting the preset's name from the
Preset positions drop-down list. Preset
positions can be selected in Live View,
from events, in Sequence mode and in
the Guard Tour.
One position can be set as the Home
position, which is readily accessible by
clicking on the H button in both the Preset
Position Setup window and the Live View
window. The position's name will have (H)
added, e.g. Office Entrance (H).
Include the preset position name in the overlay text. See Overlay Settings, on page 19.
Guard Tour
A guard tour displays the different preset positions, one-by-one, in a pre-determined order
or randomly, and for configurable time periods. Once the preset position has been set, and
added to the guard tour, the following settings can be made:
• View Time in seconds or minutes
• Move Speed - sets the speed of the Pan/Tilt movements to the preset position
• View Order (or Random)
OSDI Zones
On-screen Direction Indicator Zones are areas that you define with coordinates and a
descriptive name. These zones can then be included in the Image text to aid the viewer in
navigating the camera.

32 AXIS 233D - Dome Configuration
The camera uses the coordinates of the center of the image to set the lower left and upper
right zone areas. First navigate where you would like the most lower left point of the OSDI
Zone to be located. By clicking on the Get button the coordinates are set. Proceed to where
the upper right point of the zone should be located and click on its Get button. Give the
zone a descriptive name and go to Overlay Settings, on page 19 for information about
including the name of OSDI Zone in the Image text.
Advanced
Limits -Define the pan, tilt, zoom and focus limits for the AXIS 233D. Movements to the
left and right, up and down can be restricted to narrow the area under surveillance. The
near focus limit can be set to avoid focusing on objects too close to the camera.
Note: Once a limit has been saved, this position can not be exceeded by the AXIS 233D unless the values have
been reset and saved to a greater value first (i.e. reset the default values of the mechanical restrictions).
Move speed sets the speed of the camera's Pan/Tilt movements. The default setting is
maximum speed.
E-flip - This flips the image automatically when the target moves, for example, under the
camera and then moves on. In situations where E-flip is not desired set the Lower limit to
-90 °, which will turn off this function.
Ctrl Panel - Shortcut command buttons can be created to provide direct access to various
commands provided by the AXIS 233D. The buttons are then displayed in the PTZ Panel
which is available on the Live View page by clicking Ctrl Panel (see page 10). AXIS VAPIX
gives you the possibility to create your own commands. For more information go to
www.axis.com
Control Queue - The administrator can set up a queue for the PTZ controllers. Once set up,
the PTZ Control Queue buttons will appear on the Live View page offering one viewer
exclusive control for a limited amount of time. Other users will be placed in the queue.
PTZ Control Queue on Live View page
Please use the online help files for more information.

33
AXIS 233D - Event Configuration
Event Configuration
This section describes how to configure the AXIS 233D for alarm handling. The AXIS 233D
can be configured to perform certain actions when certain types of events occur.
Event type A set of parameters describing how and when the Network Dome Camera is to perform certain actions
the circumstances that start an event e.g. at a signal from an external device, such as a door switch or
a motion sensor
Scheduled Event page 36 the circumstances that start an event e.g. at a pre-programmed time
Action what occurs when the event triggers e.g. uploaded video images to an FTP server, email notification,
etc.
Event Servers
Event Servers are used, e.g. for receiving uploaded image files and/or notification
messages. To set up Event server connections in your AXIS 233D, go to Setup > Event
Configuration > Event Servers and enter the required information according to the
selected server type.
Server type Purpose Requires information
HTTP Server
TCP Server
For details on each setting, please refer to the online help files which are available
from each web page.
Note: Pre-trigger and Post-trigger buffers will be lost if the connection to the event server fails.
When the setup is complete, the connection can be tested by clicking the Test button (the
connection test will take approximately 10 seconds).
Triggered Event page 34
FTP Server • used for uploading saved images • Descriptive name of your choice
• User Name and Password (to FTP server)
• Upload path e.g. images/
• Port number e.g. port 21
• Use passive mode if there is a firewall between
the AXIS 233D and the FTP server
• used for notification messages
• used for uploading saved images
• Descriptive name of your choice
•URL
• User Name and Password (to HTTP server)
• Proxy address/Proxy port (if required)
• Proxy User Name and Password (if required)
• used for notification messages • Descriptive name of your choice
• User Name and Password (to TCP server)
• Port number e.g. port 80

34 AXIS 233D - Event Configuration
Event Types
An Event Type is a set of
parameters describing how and
when the Network Dome Camera is
to perform certain actions.
Example: If a door is opened, and an event
has been configured to act on this, the Network
Dome Camera can e.g. record and save video
images to an FTP server or send a notification
email to a pre-configured email address with a
pre-configured message. Video images can be
sent as an attachment with the email.
Triggered Event
A Triggered event is activated from, e.g:
• a switch (doorbell) connected to an input port on the Network Dome Camera
• lost signal from the camera
• a manually activated action e.g. from an action button in the web interface
• on restart (reboot) after e.g. power loss
How to set up a triggered event
This example describes how to set the Network Dome Camera to upload images when the
main door is opened:
1. Click Add triggered on the Event types page.
2. Enter a descriptive name for the event, e.g. Main door.
3. Set the priority - High, Normal or Low (see online help files).
4. Set the Respond to Trigger... parameters when the event is to be active,
e.g. only after office hours
5. Select the trigger alternative from the Triggered by... drop-down list, e.g. an Input
port with a connected sensor if the door is opened.
6. Set the When Triggered... parameters i.e. set what the Network Dome Camera is to
do if the main door is opened e.g. upload images to an FTP server.
7. Click OK to save the Event in the Event Types list.
Please use the online help files for descriptions of each available option.

35
AXIS 233D - Event Configuration
Pre-trigger and Post-trigger buffers
This function is very useful when checking to see what happened immediately before and
after a trigger, e.g. 2 minutes before and after a door has been opened.
Go to Event Types > Add Triggered... >
When Triggered... and check the Upload
images checkbox to expand the web page
with the available options.
Buffer size - up to 36 MB buffer. The
maximum length of time of the
pre-/post-buffer depends on the image
size and selected frame rate.
Include pre-trigger buffer - images stored
internally in the server from the time
immediately preceding the trigger. Check
the box to enable the pre-trigger buffer,
enter the desired length of time and
specify the required image frequency.
Include post-trigger buffer - contains images from the time immediately after the trigger.
Configure as for pre-trigger.
Note: If the pre- or post-buffer is too large for the internal memory, the frame rate will be reduced and individual
images may be missing. If this occurs, an entry will be created in the unit's log file.
Continue image upload (unbuffered) - enable the upload of images for a fixed length of
time. Specify the length of time for the uploaded recording, in seconds, minutes or hours,
or for as long as the trigger is active. Finally, set the desired image frequency to the
maximum (the maximum available) or to a specified frame rate. The frame rate will be the
best possible, but might not be as high as specified, especially if uploading via a slow
connection.

36 AXIS 233D - Event Configuration
Scheduled Event
A Scheduled event can be activated at pre-set times, in a repeating pattern on selected
weekdays.
How to set up a scheduled event
This example describes how to set the Network Dome Camera to send an email notification
with saved images from at a set time:
1. Click Add scheduled on the Event types page.
2. Enter a descriptive name for the event,
e.g. Scheduled email.
3. Set the priority (High, Normal or Low).
4. Set the Activation Time parameters
(24h clock) when the event is to be
active, e.g. start on Fridays at 18.00
with a duration of 62 hours.
5. Set the When Activated... parameters
i.e. set what the Network Dome Camera
is to do at the specified time e.g. send
uploaded images to an email address.
6. Click OK to save the Event in the Event
Types list.
Please use the online help files for descriptions of each available option.

37
AXIS 233D - Event Configuration
Motion Detection
Motion detection is used to generate an alarm whenever movement occurs (or stops) in the
video image. A total of 10 Include and/or Exclude windows can be configured.
•Included windows target specific areas within the whole video image
•Excluded windows define areas within an Include window that should be ignored
(areas outside Include windows are automatically ignored)
Once configured, the motion detection windows will appear in the list of available triggers,
for triggering events. See How to set up a triggered event above.
Note: Using the motion detection feature may decrease the camera’s overall performance.
Configuring Motion Detection
1. Click Motion Detection in the Event Configuration menu.
2. Click the Configure Included Window radio button and click New.
3. Enter a descriptive name under Window name.
4. Adjust the size (drag the bottom right-hand corner) and position (click on the text
at the top and drag to the desired position).
5. Adjust the Object size, History and Sensitivity profile sliders (see table below for
details). Any detected motion within an active window is then indicated by red
peaks in the Activity window (the active window has a red frame).
6. Click Save.
To exclude parts of the Include window, click the Configure Excluded Windows button
and position the Exclude window as required, within the Include window.

38 AXIS 233D - Event Configuration
Please see the online help for descriptions of each available option.
High level Only very large objects
trigger motion detection
An object that appears in the region will
trigger the motion detection for a long
period
Ordinary colored objects on ordinary
backgrounds will trigger the motion
detection
Low level Even very small objects
trigger motion detection
An object that appears in the region will
trigger motion detection for only a very
short period
Only very bright objects on a dark back-
ground will trigger motion detection
Default value Low Medium to High Medium to High
Examples:
• Avoid triggering on small objects in the video image by setting the object size level to high.
• To reduce the number of triggers if there is a lot of movement during a short period of time, select a high
history level.
• To only detect flashing light, low sensitivity can be selected. In other cases, a high sensitivity level is
recommended.
Port Status
Under Event Configuration > Port Status there is a list that shows the status for the
connected inputs and outputs of the AXIS 233D for the benefit of the Operator who cannot
access the System Options section.
Example: If the Normal state for a push button (e.g. doorbell) connected to an input is set to Open circuit - as
long as the button is not pushed, the state is inactive. If the push button is pushed, the state of the input
changes to active.
Object Size History Sensitivity

39
AXIS 233D - System Options
System Options
Security
User access control is enabled by default, the administrator sets the root password on first
access. Other users are authorized with user names and passwords, or the administrator can
choose to allow anonymous viewer login to the Live View page, as described below:
Users - the user list displays the authorized users and access levels:
User Description
Viewer Provides the lowest level of access, which only allows the user access to the Live View page.
Operator An Operator can view the Live View page, create and modify event types and adjust certain other
settings. The Operator does not have access to the Systems Options configuration pages.
Administrator An administrator has unrestricted access to the Setup Tools and can determine the registration of all
other users.
User Settings - check the corresponding checkboxes to enable:
•Anonymous viewer login - allows any viewer direct access to the Live View
page.
•Maximum number of simultaneous viewers - enter a value here to restrict the
number of Motion JPEG and MPEG-4 viewers accessing the unit. This is useful if
you need to save on bandwidth. Note that within the limit of 20 users, all multi-
cast viewers count as 1 viewer.
•Anonymous PTZ control login - allows any viewer access to the Pan/Tilt/Zoom
controllers on the Live View page.
IP Address Filtering
Enable IP Address Filtering to allow or deny access to the AXIS 233D. Once enabled, the
IP addresses in the list will be allowed or denied access according to the choice made in the
drop-down list Allow/Deny the following IP addresses.
The administrator can add up to 256 IP address entries to the list (a single entry can
contain multiple IP addresses). The users from these IP addresses need to be specified in the
user list with the appropriate access rights. This is done from Setup > System Options >
Security > Users.
Referrals
To prevent unauthorized clients from including the video stream from the cameras into
external Web pages, check the Referrals checkbox and enter the IP address or Host name
of the computer that hosts the Web pages with the included video stream. Several IP
addresses/host names can be defined and are separated by semicolons (;). This option is
only applicable to Motion JPEG video streams.

40 AXIS 233D - System Options
Notes: If the referrals feature is enabled and you wish to also allow normal access to the Live View page, the
product's own IP address or host name must be added to the list of allowed referrers.
Restricting referrers has no effect on an MPEG-4 video stream. To restrict an MPEG-4 stream, IP address
filtering must be enabled.
Restricting referrers is of greatest value when not using IP address filtering. If IP address filtering is used,
then the allowed referrers are automatically restricted to those allowed IP addresses.
HTTPS
For greater security, the AXIS 233D can be configured to use HTTPS (Hypertext Transfer
Protocol over SSL (Secure Socket Layer)). That is, all communication that would otherwise
go via HTTP will instead go via an encrypted HTTPS connection.
Certificate - to use HTTPS for communication with the AXIS 233D, a Certificate must be
created using one of the following methods:
• A self-signed certificate can be created in the network camera, but this does not guar-
antee the same level of security as an official certificate.
• An official certificate issued by a CA (Certificate Authority). A CA issues and manages
security credentials and public keys for message encryption.
1. Click either Create self-signed certificate or Create Certificate Request and enter
the required information in the provided fields.
2. Click OK.
3. Create self-signed certificate generates and installs a certificate which will be
displayed under Installed Certificate.
Create Certificate Request generates a PEM formatted request which you copy and
send to a CA for signing. When the signed certificate is returned, click Install signed
certificate... to install the certificate in the AXIS 233D.
4. Set the HTTPS Connection Policy for the administrator, Operator and Viewer to
enable HTTPS connection (set to HTTP by default)
Please refer to the home page of your preferred CA for information on where to send the
request etc. For more information, please refer to the online help files
802.1X - Network Admission Control
IEEE 802.1X is an IEEE standard for port-based Network Admission Control. It provides
authentication to devices attached to a network port (wired or wireless), establishing a
point-to-point connection, or, if authentication fails, preventing access on that port.
802.1X is based on EAP (Extensible Authentication Protocol).
In a 802.1X enabled network switch, clients equipped with the correct software can be
authenticated and allowed or denied network access at the Ethernet level.

41
AXIS 233D - System Options
Clients and servers in an 802.1X network may need to authenticate each other by some
means. In the Axis implementation this is done with the help of digital certificates
provided by a Certification Authority. These are then validated by a third-party entity,
such as a RADIUS server, examples of which are Free Radius and Microsoft Internet
Authentication Service.
To perform the authentication, the RADIUS server uses various EAP methods/protocols, of
which there are many. The one used in the Axis implementation is EAP-TLS
(EAP-Transport Layer Security).
The AXIS network video device presents its certificate to the network switch, which in turn
forwards this to the RADIUS server. The RADIUS server validates or rejects the certificate
and responds to the switch, and sends its own certificate to the client for validation. The
switch then allows or denies network access accordingly, on a pre-configured port.
The authentication process
1. A CA server provides the required signed certificates.
2. The Axis video device requests access to the protected network at the network
switch. The switch forwards the video device’s CA certificate to the RADIUS
server, which then replies to the switch.
3. The switch forwards the RADIUS server’s CA certificate to the video device, which
also replies to the switch.
4. The switch keeps track of all responses to the validation requests. If all certificates
are validated, the Axis video device is allowed access to the protected network via
a pre-configured port.
RADIUS (Remote Authentication Dial In User Service) - AAA (Authentication,
Authorization and Accounting) protocol for applications such as network access or IP
mobility. It is intended to work in both local and roaming situations.
CA servers - In cryptography, a Certification Authority (CA) is an entity that provides
signed digital certificates for use by other parties, thus acting a trusted third party. There
are many commercial CA’s that charge for their services. Institutions and governments
may have their own CA, and there are free CA’s available.
Date & Time
Current Server Time - displays the current date and time (24h clock). The time can be
displayed in 12h clock format in the Overlay Images (see below).
New Server Time - Select your time zone from the drop-down list and check the daylight
saving time changes, if desired.

42 AXIS 233D - System Options
From the Time Mode section, select the preferred method to use for setting the time:
•Synchronize with computer time - sets the time from the clock on your com-
puter.
•Synchronize with NTP Server - the network camera will obtain the time from an
NTP server every 60 minutes. Specify the NTP server's IP address or host name.
Note: Note that if using a host name for the NTP server, a DNS server must be configured under TCP/IP settings.
See Network > Advanced TCP/IP Settings below.
•Set manually - this option allows you to manually set the time and date.
Date & Time Format Used in Images - specify the formats for the date and time (12h or
24h) displayed in the Live View video streams.
Use the predefined formats or use your own custom date and time formats. See Advanced
File Naming & Date/Time Formats in the help files for information on how to create
your own file formats.

43
AXIS 233D - System Options
Network - Basic TCP/IP Settings
IP Address Configuration
The AXIS 233D supports both IP version 4 and IP version 6. Both versions may be enabled
simultaneously, and at least one version must always be enabled.
When using IPv4, the IP address for the AXIS 233D can be set automatically via DHCP, or
a static IP address can be set manually.
If IPv6 is enabled, the AXIS 233D will receive an IP address according to the configuration
in the network router.
There are also options for setting up notification of changes in the IP address, and for
using the AXIS Internet Dynamic DNS Service. For more information on setting the IP
address, please see the online help.
Notes: • DHCP is a protocol for automatic IP address assignment on a network. IP address assignment via DHCP
may lead to the situation where the IP address changes and you lose contact. Configure the options for
notification of IP address change (under Services) to receive notification from the network camera when
the IP address changes.
• Alternatively, if your DHCP server can update a DNS server, you can access the AXIS 233D by host name
which is always the same, regardless of the IP address.
For more information, please refer to the online help files
Services
Enable ARP/Ping setting of IP address - The IP address can be set using the ARP/Ping
method, which associates the unit's MAC address with an IP address. Check this box to
enable the service. Leave disabled to prevent unintentional resetting of the IP address.
Notes: • The ARP/Ping service is automatically disabled 2 minutes after the unit is started, or as soon as an IP address
is set.
• Pinging the unit will still be possible when this service is disabled.
Options for notification of IP address change - If the IP address for the camera changes,
e.g. automatically by DHCP, you can choose to be notified of the change. Click Settings...
and enter the required information.
AXIS Internet Dynamic DNS Service - Use the AXIS Internet Dynamic DNS service to
assign a host name for easy access to your AXIS 233D (requires Internet access).
Click Settings... to register the camera with the Axis Internet Dynamic DNS service, or to
modify the existing settings (requires access to the Internet). The domain name currently
registered at the Axis Internet Dynamic DNS service for your product can at any time be
removed.

44 AXIS 233D - System Options
Network - Advanced TCP/IP Settings
DNS Configuration
DNS (Domain Name Service) provides the translation of host names to IP addresses on
your network.
Obtain DNS server address via DHCP - automatically use the DNS server settings provided
by the DHCP server. Click the View button to see the current settings.
Use the following DNS server address - enter the desired DNS server by specifying the
following:
Domain name - enter the domain(s) to search for the host name used by the AXIS 233D.
Multiple domains can be separated by semicolons (;). The host name is always the first part
of a Fully Qualified Domain Name, e.g. myserver is the host name in the Fully Qualified
Domain Name myserver.mycompany.com where mycompany.com is the Domain name.
DNS servers - enter the IP addresses of the primary and secondary DNS servers.
NTP Configuration
Obtain NTP server address via DHCP - check this radio button to automatically look up
and use the NTP server settings as provided by DHCP. Click the View button to see the
current settings.
Use the following NTP server address - to make manual settings, check this radio button
and enter the host name or IP address of the NTP server.
Host Name Configuration
The AXIS 233D can be accessed using a host name, instead of an IP address. The host
name is usually the same as the assigned DNS Name. It is always the first part of a Fully
Qualified Domain Name and is always one word, with no period. For example, myserver is
the host name in the Fully Qualified Domain Name myserver.mycompany.com.
The enable dynamic DNS updates allows you to alias a dynamic IP address to a static host
name, allowing your computer to be more easily accessed from various locations on the
Internet. Outside users can always access your server using the associated DNS name
regardless of the WAN IP. The DNS server used by the user and/or the DNS server
responsible for the domain in use must support RFC2136 and allow updates from the AXIS
233D.
The TTL (Time To Live) value determines how long (in seconds) the reply from the DNS
server should be remembered when checking that the domain name for the registered IP
address is still valid. For more information, please see the online help

45
AXIS 233D - System Options
Link-Local IPv4 Address
This is enabled by default and assigns the AXIS 233D an additional IP address for use with
UPnP™. The AXIS 233D can have both a Link-Local IP and a static/DHCP-supplied IP
address at the same time - these will not affect each other.
HTTP
The default HTTP port number (80) can be changed to any port within the range 1 - 65535.
This is useful for e.g. simple port mapping.
HTTPS
If applicable, enter the HTTPS port the AXIS 233D will use. The default setting (443) can be
changed to any port within the range 1024-65535. HTTPS is used to provide encrypted
web browsing.
NAT traversal (port mapping)
A broadband router allows devices on a private network (LAN) to share a single connection
to the Internet. This is done by forwarding network traffic from the private network to the
“outside” i.e. the Internet. Security on the private network (LAN) is increased since most
broadband routers are pre-configured to stop any attempts to access the private network
(LAN) from the public network/Internet.
Use NAT traversal when your AXIS 233D is located on an intranet (LAN) and you wish to
make it available from the other (WAN) side of a NAT router. With NAT traversal properly
configured, all HTTP traffic to an external HTTP port in the NAT router will be forwarded
to the camera.
LAN (intranet) WAN (Internet)
Broadband
(NAT)
router ISP
Notes: • For NAT traversal to work, this must also be supported by the broadband router.
• The broadband router has many different names: “NAT router”, “Network router“, Internet
Gateway”, “Broadband sharing device” or “Home firewall” but the essential purpose of the
device is the same.

46 AXIS 233D - System Options
Enable/Disable - When enabled, the AXIS 233D will attempt to configure port mapping in
a NAT router on your network, using UPnP™. Note that UPnP™ must be enabled in the
camera (see System Options > Network > UPnP).
AXIS Internet Dynamic DNS Service - Use this free service to assign a host name
(user-friendly name) for easy access to your camera. If the IP address of the camera or NAT
router changes, the AXIS Internet Dynamic DNS Service will automatically be updated
with the new IP address.
Use manually selected NAT router - Select this option to manually select a NAT router
and enter the IP address for the router in the field provided.
If a router is not manually specified, the AXIS 233D will automatically search for NAT
routers on your network. If more than one router is found, the default router will be
selected.
Alternative HTTP port - Select this option to manually define an external HTTP port. Enter
the port number in the field provided. If no port is entered here a port number will
automatically be selected when NAT traversal is enabled.
Notes: •An alternative HTTP port can be used/be active even if NAT traversal is disabled. This is useful if
e.g. your NAT router does not support UPnP and you need to manually configure port forward-
ing in the NAT router.
•If a manually selected port is already in use, another will automatically be selected.
•When the port is selected automatically it will be displayed in this field. This can be changed by
entering a new port number and clicking Save.
FTP
The FTP server running in the AXIS 233D enables the upload of e.g. new firmware, user
applications, etc. Check the box to enable the service.
RTSP
The RTSP protocol allows a connecting client to start an MPEG-4 stream. Check the box to
enable the service and enter the RTSP port number to use. The default setting (554) can be
changed to any port within the range 1024-65535.
Network Traffic
Connection Type - The default setting is Auto-negotiate, which means that the correct
speed is automatically selected. If necessary, you can set the connection speed by selecting
it from the drop-down list.

47
AXIS 233D - System Options
SOCKS
SOCKS is a networking proxy protocol. The AXIS 233D can be configured to use a SOCKS
server to reach networks on the other side of a firewall/proxy server. This functionality is
useful if the AXIS 233D is located on a local network behind a firewall, but notifications,
uploads, alarms, etc., need to be sent to a destination outside the local network (e.g. to the
Internet).
QoS (Quality of service)
Quality of Service (QoS) provides the means to guarantee a certain level of a specified
resource to selected traffic on a network. Quality can be defined as e.g. a maintained level
of bandwidth, low latency, no packet losses, etc. The main benefits of a QoS-aware
network can be summarized as:
•The ability to prioritize traffic and thus allow critical flows to be served before flows with
lesser priority.
•Greater reliability in the network, thanks to the control of the amount of bandwidth an
application may use, and thus control over bandwidth races between applications.
The QoS in Axis network video products marks the data packets for various types of
network traffic originating from the product. This makes it possible for network routers
and switches to e.g. reserve a fixed amount of bandwidth for these types of traffic. The
types of traffic marked by the camera are video, audio, event/alarm and management
network traffic.
QoS Settings
For each type of network traffic supported by your Axis network video product, enter a
DSCP (Differentiated Services Codepoint) value. This value is used to mark the traffic’s IP
header. When the marked traffic reaches a network router or switch, the DSCP value in the
IP header tells the router or switch which type of treatment to apply to this type of traffic,
for example, how much bandwidth to reserve for it.
Note that DSCP values can be entered in decimal or hex form, but saved values are always
shown in decimal. For more information on Quality of Service, please see the Axis support
web at www.axis.com/techsup
SMTP (email)
Enter the host names or addresses for your primary and secondary mail servers in the fields
provided, to enable the sending of notifications and image/video email messages from the
camera to predefined addresses via SMTP.
If your mail server requires authentication, check the box for Use authentication to log in
to this server and enter the necessary information.

48 AXIS 233D - System Options
SNMP
The Simple Network Management Protocol (SNMP) allows remote management of network
devices. Depending on the level of security required, select the version of SNMP to use. The
three levels of security are:
• SNMP V1 - includes no security.
• SNMP V2c - uses very simple security. The community name can be specified as a pass-
word for read or read/write access to all supported SNMP objects. The community is the
group of network devices using SNMP.
• SNMP V3 - provides encryption and secure passwords. HTTPS must be enabled.
UPnP™
The camera includes support for UPnP™, which is enabled by default. If also enabled on
your computer, the camera will automatically be detected and a new icon will be added to
“My Network Places.”
Note: UPnP must also be enabled on your Windows XP or ME computer. To do this, open the Control Panel from
the Start Menu and select Add/Remove Programs. Select Add/Remove Windows Components and open
the Networking Services section. Click Details and then select UPnP as the service to add.
RTP / MPEG-4
These settings are the port range, IP address, port number (video and audio), and
Time-To-Live value to use for video and audio in multicast MPEG-4 format. Only certain
IP addresses and port numbers should be used for multicast streams. For more information,
please see the online help.
Bonjour
The AXIS 233D includes support for Bonjour. When enabled, the camera is automatically
detected by operating systems and clients that support this.
Ports & devices
I/O Ports - The pinout, interface support and the control and monitoring functions are
described in the section on the I/O terminal connector blocks, on page 54.
Maintenance
• Restart - The unit is restarted without changing any of the settings. Use this method if
the unit is not behaving as expected.
• Restore - The unit is restarted and most current settings are reset to factory default val-
ues. The settings that will not be reset are as follows:
• the boot protocol (DHCP or static)
• the static IP address

49
AXIS 233D - System Options
• the default router
•the subnet mask
• the system time
•Default - The default button should be used with caution. Pressing this will return all of
the network camera's settings to the factory default values (including the IP address).
Dome Status - Click the Test button to check the camera and dome mechanics for errors.
Contact Axis Customer Services if you receive an error message as the result of this test.
Upgrade Server - See Support, on page 50.
Backup - To take a backup of all of the parameters, and any user-defined scripts, click this
button. If necessary, it is then possible to return to a previous configuration if settings are
changed and there is unexpected behavior.
Restore - click the Browse button to locate the saved backup file (see above) and then click
the Restore button. The settings will be restored to the previous configuration.
Note: Backup and Restore can only be used on the same unit running the same firmware. This feature is not
intended for multi-configurations or for firmware upgrades.

50 AXIS 233D - System Options
Support
The support overview page provides valuable information on troubleshooting and contact
information, should you require technical assistance.
System Overview - is a quick look over the camera’s status and settings. Information that
can be found here includes the camera’s Firmware version, IP address, Security, Optional
Network Services, Event Settings, Image settings and Recent log items. Many of the
captions are also links to the proper Setup page to conveniently make adjustments in the
camera’s settings.
Logs & Reports
When contacting Axis support, please be sure to provide a valid Server Report with your
query.
View Information - The Log report and the Parameter List also provide valuable
information for troubleshooting and when contacting Axis’ support service.
Configuration:
Log Level for Log Files - from the drop-down list, select the level of information to be
added to the Log file
Log Level for Email - from the drop-down list, select the level of information to send as
email and enter the destination email address.
Advanced
Scripting is an advanced function that provides the possibility to customize and use
scripts. This function is a very powerful tool.
Caution!
Improper use may cause unexpected behavior or even cause loss of contact with the
unit. If a script does cause problems, reset the unit to its factory default settings. A
backup file may be of use to return the unit to its latest configuration).
Axis strongly recommends that you do not use this function unless you fully
understand the consequences. Note that Axis support does not provide assistance for
problems with customized scripts.
For more information, please visit the Developer pages at www.axis.com/developer
Plain Config - this function is for the advanced user with experience of Axis network
camera configuration. All parameters can be set and modified from this page. Help is
available from the standard help pages.

51
AXIS 233D - System Options
About
Third Party Software Licenses - click View licenses for a list of the licensed software used
in the AXIS 233D Network Dome Camera.
Resetting to Factory Default Settings
To reset the AXIS 233D to the original default settings, go to the System Options >
Maintenance web page (described in Maintenance, on page 48) or use the control button
on the AXIS 233D as described below
Red Restart Button
Status LED Indicator
Black Control Button
:
Resetting to the Factory Default Settings
This will reset all parameters, including the IP address, to the Factory Default settings:
1. Remove dome of camera. See Installation Guide for instructions.
2. Press and hold the red and black button at the same time. Release the red restart button, but continue
to hold down the black control button.
3. Keep the black control button pressed until the status indicator flashes amber (this may take up to 15
seconds).
4. Release the black control button.
5. When the status indicator displays green (which can take up to 1 minute) the process is complete and
the camera has been reset to factory default.
6. Re-assign the IP address in the AXIS 233D using one of the methods described in this document.

52 AXIS 233D - I/O terminal Connectors
I/O terminal Connectors
The AXIS 233D Network Dome Camera has 3 (8 pin) connectors. The inputs/outputs are
used in applications for, e.g. event triggering, time lapse recording, alarm notification via
email, picture storage to FTP locations
Network
connector
Inputs
Power/Audio
Outputs
.
• Power, auxiliary power, GND and audio.
• 4 solid state relay outputs - These can drive a maximum load of 50V DC at
500mA directly or heavier loads by connecting additional relay circuitry. If the
output is used with an external relay, a diode must be connected in parallel with
the load for protection against voltage transients.
• 4 alarm inputs - Used for connecting external alarm devices and triggering
images for specific alarm-based events. The input is typically connected to a
motion detector or any other external security device, and images can be
uploaded whenever the detector is activated. A maximum 40V DC is allowed on
the inputs.

53
AXIS 233D - I/O terminal Connectors
Power connections
Power can be supplied to the camera by the following methods:
• Connect the supplied indoor power adapter to the power connector block and attach it to the camera
casing. Note that this indoor power adapter provides power for the camera only.
• Connect an outdoor power supply to the power connector block and attach it to the camera casing.
For information on available outdoor power supplies, please visit the Support pages at
http://www.axis.com/techsup/
The power connector block supports both AC and DC input power.
Power connector block pin assignment table
Pin Function
1AC AXIS PS-R (or 22-40 VDC)
max 20W power consumption.
-or-
AXIS PS-24 (or 18-30 VAC)
max 25VA power consump-
tion
2AC or DC+
3GND/DC-
4Ext.Vout =
12V/200mA
5-8 Audio
AC
GND/DC-
Power/Audio
12 3
1
2
3
AC/DC+
Note:
For information about
connecting auxiliary
power and audio see
“I/O terminal connector
blocks” (page -54).

54 AXIS 233D - I/O terminal Connectors
I/O terminal connector blocks
Power/Audio
1Power AXIS PS-R (or22 - 40 VDC)
max 20W power consumption.
-or-
AXIS PS-24(or 18 - 30 VAC)
max 25VA power consumption.
2Power
3GND Ground
4 Vout 12V/200mA
Vout can be used to power auxiliary equipment, max
200mA.
5GND Ground
6Line OUT Mono audio output (line level), which can be connected
to an active speaker with built-in amplifier.
7GND Ground
8Mic/Line IN Input for a mono microphone or line level mono signal.
Output
1Out1_1_relay On the external device output terminals (e.g. Out1_1 and
Out1_2) there is no distinction between positive and neg-
ative. The terminals use a photocoupler and are electri-
cally isolated from the other internal circuitry.
The maximum load should not exceed 500mA and the
maximum voltage should be not more than 50V DC.
Note: Connecting AC to the Output will damage the unit.
2Out1_2_relay
3Out2_1_relay
4Out2_2_relay
5Out3_1_relay
6Out3_2_relay
7Out4_1_relay
8Out4_2_relay
Input
1In1_anode(+) Electrically isolated from the chassis and connectors,
these inputs can be supplied from an external DC voltage
or pin 4 (Vout) of the Power/Audio Connector and GND.
(3.3 - 40VDC allowed on the inputs)
The terminals use a photocoupler and are electrically iso-
lated from the other internal circuitry.
Note: There is a distinction between anode and cathode
when making connections!
2In1_cathode(-)
3In2_anode(+)
4In2_cathode(-)
5In3_anode(+)
6In3_cathode(-)
7In4_anode(+)
8In4_cathode(-)
Pin Function Description

55
AXIS 233D - I/O terminal Connectors
Schematic Diagram - AXIS 233D I/O connectors and power

56 AXIS 233D - Troubleshooting
Troubleshooting
Checking the Firmware
One of your first actions when troubleshooting a problem should be to check the currently
installed firmware version. The latest version may contain a correction that fixes your
particular problem. See the support section at http://www.axis.com/techsup for
information on the latest available firmware version. The current software version in your
AXIS 233D is available from the product Web pages under Setup > Basic Configuration.
Updating the Firmware
The firmware is software that determines the functionality of the AXIS 233D. When you
upgrade to the latest available firmware from the Axis Web site, your Axis product will
receive the latest available functionality. Always read the upgrade instructions and release
notes available with each new release, before upgrading the firmware.
New firmware can be uploaded to the AXIS 233D over the network.
Note: Preconfigured and customized settings will be retained for use when the new firmware is running (provid-
ing that the features are available in the new firmware) although this is not guaranteed by Axis Communi-
cations.
1. Save the firmware file to your computer. The latest version of the AXIS 233D
firmware is available free of charge from the Axis Web site at
http://www.axis.com/techsup or from your local distributor.
2. Go to Setup > System Options > Maintenance in the AXIS 233D Web pages.
3. In the Upgrade Server section and browse to the desired firmware file on your
computer. Click Upgrade.
Notes: After starting the process, you should always wait at least 20 minutes before restarting the AXIS 233D,
even if you suspect the procedure has failed.

57
AXIS 233D - Troubleshooting
Emergency Recovery Procedure
If power or the network connection to the AXIS 233D is lost during the upgrade, the
process will fail and the unit will become unresponsive. When the status indicator flashes
red it indicates a failed upgrade. To recover the unit, follow the steps below. The serial
number is found on the label on the product casing and was included on an extra label
included in the package.
1. Unix/Linux - From the command line, type the following:
arp -s <IP address of AXIS 233D> <Serial number> temp
ping -s 408 <IP address of AXIS 233D>
Windows - From a command/DOS prompt, type the following:
arp -s <IP address of AXIS 233D> <Serial number>
ping -l 408 -t <IP address of AXIS 233D>
Note: the ping -l command is the lower-case letter (L)
2. If the unit does not reply within a few seconds, restart it and wait for a reply. Press
CTRL+C to stop Ping.
3. Open a browser and type in the AXIS 233D’s IP address. In the page that appears, use
the Browse button to select the upgrade file to use, e.g. axis233d.bin. Then click the
Load button to restart the upgrade process.
4. After the upgrade has completed (1-10 minutes), the unit will automatically restart and
show a steady green (for about 10 seconds) on the status indicator before returning to
it’s normal unlit status.
5. Reinstall the AXIS 233D.
If the emergency recovery procedure does not get the AXIS 233D up and running again,
please contact Axis support at www.axis.com/techsup/

58 AXIS 233D - Troubleshooting
LED Indicator flash routine
Normal boot
sequence
Unlit Power on
RFL check
Amber Kernel booting
System initiating
Green Shows steady green for 10 sec. for normal
operation after restart.
Unlit Steady connection/normal operation
Hard Factory
Default
Unlit Power on
RFL check
Amber Steady - Kernel booting
Flashes - Firmware restore
Steady - System initiating
Green Shows steady green for 10 sec. for normal
operation after restart.
Unlit Steady connection/normal operation
Flash Upgrade Unlit Steady connection/normal operation
Amber Flashes - Firmware upgrade
Unlit Reset
RFL check
Amber Steady - Kernel booting
Flashes - Firmware restore
Steady - System initiating
Green Shows steady green for 10 sec. for normal
operation after restart.
Unlit Steady connection/normal operation
No Network Unlit Power on
RFL check
Amber Kernel booting
System initiating
Amber/red Flashes - No network
Green Network connected/normal operation
(10 sec.)
Unlit Steady connection/normal operation
AXIS DynDNS Unlit Steady connection/normal operation
Green Flashes- Dyn DNS connecting
Steady - DynDNS successful (10 sec.)
Red Steady - DynDNS failed (10 sec)
Unlit Steady connection/normal operation
Bad Checksum Red Flashes - RFL check failed
Case Color Description

59
AXIS 233D - Troubleshooting
Support
If you contact Axis Customer Services, please help us help you resolve your problems
expediently by providing a server report, log file and a brief description of the problem.
Server Report - go to Setup > System Options > Support Overview. The server report
contains important information about the server and its software, as well as a list of the
current parameters.
Log file - go to Setup > System Options > Logs & Reports. The Log file records events
within the unit since the last restart of the system and can prove a useful diagnostic tool
for troubleshooting.

60 AXIS 233D - Troubleshooting
Symptoms, Possible Causes and Remedial Actions
Problems setting the IP address
Using ARP Ping The IP address must be set within two minutes after the power has been applied to the AXIS
233D, restart the server and try again. Also, make sure the ping length is set to 408. See the
ARP ping description in the installation section.
The AXIS 233D is located on a
different subnet.
If the IP address intended for the AXIS 233D and the IP address of your computer are located
on different subnets, you will not be able to set the IP address. Contact your network adminis-
trator for an IP address on the same subnet as the computer you are performing the installation
from.
The IP address is being used by
another device
Disconnect the power from the AXIS 233D.
Run the Ping command (in a Command/DOS window, type ping and the IP address of the unit).
If you receive: Reply from <IP address>: bytes = 32; time = 10 ms..... - this means that the IP
address may already be in use by another device on your network. You must obtain a new IP
address and reinstall the unit.
If you receive: Request timed out - this means that the IP address is available for use with your
AXIS 233D. In this case, check all cabling and reinstall the unit.
The AXIS 233D cannot be accessed from a Web browser
Cannot log in. If the AXIS 233D has been configured to use HTTPS, check that the protocol in the URL used to
access the unit is correct. You may need to type this in manually (i.e. http or https) in the
browser’s address field.
The IP address has been changed
by DHCP
1) Move the AXIS 233D to an isolated network or to one with no DHCP or BOOTP server. Set the
IP address again, using AXIS IP Utility or the ARP Ping command.
2) Access the unit and disable BOOTP and DHCP in the TCP/IP settings. Return the unit to the
main network. The unit now has a fixed IP address that will not change.
3) As an alternative to 2), if dynamic IP address via DHCP or BOOTP is required, select the
required service and then configure IP address change notification from the network settings.
Return the unit to the main network. The unit will now have a dynamic IP address, but will
notify you if the address changes.
Other networking problems Test the network cable by connecting it to another network device, then Ping that device from
your workstation. See instructions above.
Cannot send notifications, uploads, alarms, etc, to a destination outside the local network
Firewall protection The AXIS 233D can be configured to use a SOCKS server to reach networks on the other side of
a firewall/proxy server. See SOCKS, on page 47 for more information.
Your AXIS 233D is accessible locally, but not externally
Firewall protection Check the Internet firewall with your system administrator.
Default routers required Check if you need to configure the default router settings.
The Internet site is too heavily
loaded
Use a script running on your web server to relay images from the AXIS 233D to the Internet.
The status indicator flashes red
A firmware upgrade has been
interrupted or the firmware has
in some other way been dam-
aged.
A rescue firmware is running in the product. First, set the IP address using AXIS IP utility or ARP
and Ping,
Then, from a Web browser, access the unit and upgrade the latest firmware to the product, see
Updating the Firmware, on page 56.
No images are displayed in the Web interface
Problem with AMC
(Internet Explorer only)
To enable the updating of images in Microsoft Internet Explorer, set your Web browser to allow
ActiveX controls. Also, make sure that AXIS Media Control (AMC) component is installed on
your workstation.
Installation of additional ActiveX
component restricted or prohib-
ited
Configure yourAXIS 233D to use a Java applet for updating the images under
Live View Config > Layout > Default Viewer for Internet Explorer. See help files for more infor-
mation.
Video Image Problems

61
AXIS 233D - Troubleshooting
For additional assistance, please contact your reseller or check the product’s support pages
on the Axis Website at http://www.axis.com/techsup
Image too dark or too light. See the help files on Video & Image Settings
Problems uploading own files There is only limited space available for the upload of your own files. Try deleting one or more
existing files, to free up space.
Missing images in uploads This can occur when trying to use a larger image buffer than is actually available. Try lowering
the frame rate or the upload period.
Slow image update Configuring, e.g. pre-buffers, hi-res images, high frame rate etc will reduce the performance of
the AXIS 233D.
Slow performance Slow performance may be caused by e.g. heavy network traffic, many users with access to unit,
low performing client, use of features such as Event handling., Image rotation.
Bad snapshot images
Display incorrectly configured on
your workstation
In Display Properties, configure your display to show at least 65000 colors, i.e. at least 16-bit.
Using only 16 or 256 colors on your display will produce dithering artifacts in the image.
Problems with the MPEG-4 format
Lower frame rate than expected. Check with the administrator that there is enough bandwidth available. Check also the settings
for bit rate control, in the Video & Image > Advanced > MPEG-4 settings. Using an inappro-
priate video object type can also affect the frame rate. See the online help for more informa-
tion.
Check in the AMC control panel applet (MPEG-4 tab) that video processing is not set to Decode
only I frames.
Lower the image resolution.
Reduce the number of applications running on the client computer.
No MPEG-4 displayed in the
client.
Check that the correct network interface is selected in the AMC control panel applet (network
tab).
Check that the relevant MPEG-4 connection methods are enabled in the AMC control panel
applet (network tab).
In the AMC control applet, select the MPEG-4 tab and click the button Set to default MPEG-4
decoder.
No multicast MPEG-4 displayed
in the client.
Check with your network administrator that the multicast addresses used by the
AXIS 233D are valid for your network.
Check with your network administrator to see if there is a firewall preventing viewing.
Multicast MPEG-4 only accessi-
ble by local clients.
Check if your router supports multicasting, or if the router settings between the client and the
server need to be configured. The TTL (Time To Live) value may need to be increased.
Poor rendering of MPEG-4
images.
Color depth set incorrectly on clients. Set to 16-bit or 32-bit color.
Unexpected PTZ behavior
Problem with hardware Go to System Options > Maintenance > Dome Status and click Test to test the camera and
dome mechanics for errors. Contact Axis Customer Services if you receive an error message as
the result of this test.

62 AXIS 233D - Technical Specifications
Technical Specifications
Item Specification
Models • AXIS 233D Network Dome Camera 60 Hz
• AXIS 233D Network Dome Camera 50 Hz
Image sensor • 1/4” ExView HAD Progressive Scan CCD
Lens • F1.4 - 4.2
• F=3.4 - 119mm
• Automatic day/night IR filter
• Autofocus with 35x optiocal zoom
• Focus range: 100mm (wide) or 1000 mm (tele) to infinity
Angle of view • Horizontal: 1.73 - 55.8o
Zoom • 35x optical and 12x digital, Total 420x
Minimum illumination • Color: 0.5 lux at 30 IRE
• Black/white: 0.008 at 30 IRE
Range • Pan: 360o continuous
• Tilt: 180o
Speed Range • Pan: 0.05 - 450o/sec
• Tilt: 0.05 - 450o/sec
Video compression • Motion-JPEG
• MPEG-4 Part2 (ISO/IEC 14496-2) with motion estimation
• Profiles: ASP level 0-5 and SP level 0-3
Resolutions • 4CIF, 2CIFExp, 2CIF, CIF, QCIF
• Maximum 768x575 (PAL) 704x480 (NTSC)
• Minimum 176x144 (PAL) 160x120 (NTSC)
• Horizontal resolution: 540 TVL
Frame rates (NTSC/PAL) • Up to 30/25 fps progressive scan video in all resolutions (Motion JPEG or MPEG-4)
Video streaming • Simultaneous Motion JPEG and MPEG-4
• Controllable frame rate and bandwidth
• Constant and variable bit rate (MPEG-4)
Image settings • Wide Dynamic Range (WDR)
• Electronic image stabilization
• Automatic IR filter removal
• Compression levels: 100
• Manual shutter time settings
• Rotation: 0o, 180o
• Aspect ratio correction
• Color and black/white
• Configurable Brightness and Sharpness
• Overlay capabilities: OSDI, preset ID, time, date, PTZ coordinates, text or image,
Privacy mask in 8 zones
Pan/Tilt/Zoom • E-flip
• 100 preset positions
• Guard tour
• Control queue

63
AXIS 233D - Technical Specifications
Shutter time • 1.5s PAL(1/2s NTSC) - 1/30000s
Audio • Two-way (full or half duplex) or one-way
• Audio compression: G.711 PCM 64kbit/s, G726 ADPCM 32 or 24 kbits
• Requires external microphone or line in.
• Mono audio output (line level) connects to PA system or active speaker with
built-in amplifier.
Security • Multiple user access levels with password protection
• IP address filtering
• HTTPS encryption
Users • 20 simultaneous viewers
• Unlimited number of users using MPEG-4 multicast
Alarm and event
management
• Events triggered by built-in motion detection, PTZ position, audio detection,
external inputs, temperature levels or according to schedule
• Image upload via FTP, e-mail and HTTP
• Event notification via TCP, e-mail, HTTP and external outputs
• Pre- and post-alarm buffer of 36 MB
Connectors • Ethernet 10BaseT/100BaseTX, RJ-45
• Three 8 pin connectors
4 alarm inputs 3.3 - 40VDC
4 relay outputs 50V 500 mA
Power in
Auxiliary power out 12VDC max 200mA
Audio line/Mic in
Audio line out
Casing • Metal/plastic casing
• Polycarbonate dome cover
Processors, memory and
clock
• CPU: AXIS ETRAX FS 32-bit RISC CPU
• Compression: AXIS ARTPEC-2 video compression chip + 8MB RAM
• RAM: 64MB
• Flash memory: 8 MB
• Battery backed up real-time clock
Power Power supply (indoor) included:
• 18-30 VAC, Max 25VA
• 22-40 VDC, Max 20W
Operating conditions • Temperature: -5 - 45o C (23 - 113o F)
• Humidity: 20 - 80% RH (non-condensing)
Alarm when out of operating range.
Installation, management
and maintenance
• Configuration backup and restore
• AXIS Camera Station One for recording
• AXIS Camera Management on CD and web-based configuration
• Firmware upgrades over HTTP or FTP. Firmware available at www.axis.com
Video access from Web
browser
• Camera live view for up to 20 clients
• Video recording to file (ASF)
• Sequence tour for up to 20 Axis video sources
• Customizable HTML pages.
Item Specification

64 AXIS 233D - Technical Specifications
Minimum web browsing
requirements
• Pentium III CPU 500 MHz or higher or equivalent AMD
• 128 MB RAM
• AGP graphics card 32MB RAM, DirectDraw
• Windows: 2003 Server, XP, 2000
• DirectX 9.0 or later
• Internet Explorer 6.x or later
• For other operating systems and browsers, see www.axis.com/techsup
System integration
support
• Open API for application integration, including AXIS VAPIX API*, AXIS Media
Control SDK*, event trigger data in video stream
• Quality of Service (QoS) Layer 3, DiffServ Model
• Watchdog ensures continuous operation, event notifications which can be
monitored by other systems
• Embedded operating system: Linux 2.6
*Available at www.axis.com
Supported protocols IPv4/v6, HTTP, HTTPS, SSL/TLS*, TCP, QoS,SNMPv1/v2c/v3 (MIB-II),RTSP, RTP, UDP,
IGMP, RTCP, UDP, SMTP, FTP, ICMP DHCP, UPnP, Bonjour, ARP, DNS, DynDNS, SOCKS,
IEEE802.1X.
More information on protocol usage available at www.axis.com
*This product includes software developed by the Open SSL Project for use in the
Open SSL Tool kit (www.openssl.org)
Accessories (included) • Indoor power supply AXIS PS-R 24VDC
• Drop ceiling and hard ceiling mount
• Clear and smoked dome covers
• Installation Guide
• CD with installation tool, software, User’s Manual and AXIS Camera Management
Video management
software (not included)
• AXIS Camera Station - Surveillance application for viewing, recording and
archiving up to 25 cameras
See www.axis.com/partner/adp_partners.htm for further software applications via
partners
Accessories (not included) • Outdoor housing solutions
• Indoor ceiling drop pole mount
• Outdoor power supply
• IR illuminators
• AXIS 295 Video Surveillance Joystick
• MPEG-4 Decoder multi-user license pack
Approvals - EMC EMC
• EN55022:Class B
• EN55024:1998
• EN61000-3-2:2000
• EN61000-3-3:2000
• EN61000-6-1
• EN61000-6-2
Safety
• EN60950-1 (IEC 60950-1)
• PSE, TUV/GS, cUL, CE, CB, SAC (PS-R
Power supply)
• VCCI Class B
• C-Tick AS/NZS 3548
• FCC Part 15 Subpart B, Class B
• ICES-003 Class B
Dimensions (HxWxD) and
weight
• 209 x 170 x 170 mm (8.23” x 6.69” x 6.69”)
• Weight: 2.5 kg (5.5 lbs) including hard ceiling mount, excluding power supply
Item Specification

65
AXIS 233D - Technical Specifications
General performance considerations
When setting up your system, it is important to consider how various settings and
situations will affect performance. Some factors affect the amount of bandwidth (the bit
rate) required, others can affect the frame rate, and some will affect both. If the load on the
CPU reaches its maximum, this will also affect the frame rate.
The following factors are among the most important to consider:
• High image resolutions and/or lower compression levels result in larger images.
Bandwidth affected.
• Access by large numbers of Motion JPEG and/or unicast MPEG-4 clients. Band-
width affected.
• Simultaneous viewing of different streams (resolution, compression, etc.) by dif-
ferent clients. Frame rate and bandwidth affected.
• Accessing both Motion JPEG and MPEG-4 video streams simultaneously. Frame
rate and bandwidth affected.
• Heavy usage of event settings affects the CPU load. Frame rate affected.
• Heavy network utilization due to poor infrastructure. Bandwidth affected.
• Viewing on poorly performing client PC’s lowers perceived performance. Frame
rate affected.
Optimizing your system
To see the bandwidth and frame rate currently required by the video stream, the AXIS
233D provides a tool that can be used to display these values directly in the video image.
To do this, special format strings are added as part
of a text overlay. Simply add #r (average frame
rate in fps) and/or #b (average bandwidth in Kbps)
bandwidth in Kbps) to the overlay.
For detailed instructions, please see the online help
for Video & Image > Overlay Settings, and the
help for File Naming & Date/Time Formats.
Important!
• The figures displayed here are the values as delivered by the server. If other restrictions are
currently in force, (e.g. bandwidth limitation) these values might not correspond to those
actually received by the client.
• For Motion JPEG, these values will only be accurate as long as no frame rate limit has been specified.

66 AXIS 233D - Technical Specifications
Frame rates
Motion JPEG
Test results show the frame rates in frames/second (fps) for Motion JPEG streams from the
AXIS 233D, using a compression level of 50% is 25 fps for PAL and 30 fps for NTSC. Note
that these values are guidelines only - actual values may vary.
MPEG-4
Test results show the frame rates in frames/second (fps) for MPEG-4 streams from the AXIS
233D is 25 fps for PAL and 30 fps for NTSC. Note that these values are guidelines only -
actual values may vary.
The MPEG-4 test conditions:
• Compression level = 50%
• Video Object Type = Advanced Simple
• GOV structure = IP
Bandwidth
As there are many factors affecting bandwidth, it is very difficult to predict the required
amounts. The settings that affect bandwidth are:
• the image resolution
• the image compression
•the frame rate
• the MPEG-4 object type
• the MPEG-4 GOV structure
There are also factors in the monitored scene that will affect the bandwidth. These are:
• the amount of motion
• the image’s complexity
• the lighting conditions.
For MPEG-4, if there is only limited bandwidth available, and if this is more important
than the image quality, using a constant bit rate (CBR) is recommended. Use a variable bit
rate (VBR) if the image quality needs to be maintained at a higher level. If supported on the
network, consider also using MPEG-4 multicasting, as the bandwidth consumption will be
much lower.

67
AXIS 233D - Technical Specifications

68 AXIS 233D
Index
802.1x 40
A
Accessing the video stream 16
Action Buttons 10
Action buttons 28
Active/Inactive 10, 28
ActiveX Controls 9
Advanced TCP/IP settings 44
Alarm 33, 37, 52
Alarm inputs 52
AMC 11, 12
AMC (AXIS Media Control) 11, 12, 16, 23
ARP/Ping 43
Audio 54
Audio Channels 23
Audio input 24
Audio output 24
Auxiliary power 52
B
Backlight Compensation 21
Backup 49
Bandwidth 13, 66
Bonjour 48
Brightness 20
Buffer Size 35
Buffers 35
C
CA servers 41
CGI links 27
Color level 20
Constant bit rate 13
Control queue 32
Customize 26
D
Date & Time 41
Default Viewer 29
DNS configuration 44
DSCP 47
E
E-flip 32
Emergency recovery 57
Event 33
Event Servers 33
Event Types 34
Exposure area 20
Exposure control 20
F
Factory Default 51
Frame rates 19, 66
FTP Server 33
Full duplex 23, 63
G
G711 24
G726 24
Guard Tour 31
H
Half duplex 23, 63
Host name 44
HTML examples 29
HTTP API 27, 28
HTTP port number 45
HTTP Server 33
HTTPS 40
I
I/O Ports 48
Include Windows 37
Input 52, 54
Input gain 24
Input sensitivity 24
IP Address Filtering 39
IR Cut Filter 20
IR light 10
L
LED Indicator 8

69
AXIS 233D
Live View 17
Logs & Reports 50
Low light behavior 21
M
Motion JPEG 13
Mozilla Firefox 12
MPEG-4 13
MPEG-4 clients 16
MPEG-4 Decoder 64
MPEG-4 protocols 14
Multicasting 14
N
NAT traversal 45
Network 43
New Server Time 41
Noise canceller attenuation 25
Notification of IP address change 43
O
Output 52, 54
Output Buttons 10, 28
Overlay Image 19
Overlay Settings 19
Own home page 27
Own web files 27
P
Pan/Tilt/Zoom Control Queue 11
Pan/Tilt/Zoom Controls 11
Pinout 48
Plain Config 50
Port Status 37, 38
Ports & Devices 48
Post-trigger Buffer 35
Power 54
Preset Positions 31
Pre-trigger Buffer 35
PTZ commands 27
Pulse 10, 28
Push to talk 23
Q
QoS 47
QuickTime 29
R
RADIUS 41
Recovery 57
Referrals 39
Relay outputs 52
Restart 48
Restore 48
RTP 14
RTSP 14, 46
S
Scheduled Event 33, 36
Security 39
Sequence Mode 10
Sequence mode 31
Services 43
Setup Tools 17
Sharpness 20
Simplex - Network Camera speaker only 23
SMTP 47
Snapshot 10
SNMP 48
Specifications 62
Streaming MPEG-4 15
Support 50
System Options 39
T
TCP Server 33
Time Mode 42
Triggered Event 33, 34
Troubleshooting 56
U
UDP 14
Unicasting 14
Upgrade Server 49
UPnP 45, 48
User defined links 27
