BAOLONG AUTOMOTIVE TPMS201-JS18G1 Tyre Pressure Monitoring System User Manual
SHANGHAI BAOLONG AUTOMOTIVE CORPORATION Tyre Pressure Monitoring System
Users Manual

User manual
JS18G1 is the receiver module of TPMS.
1. Outside view and installation method: Outside view is as below; install the receiver module
by the installation hole in the picture.
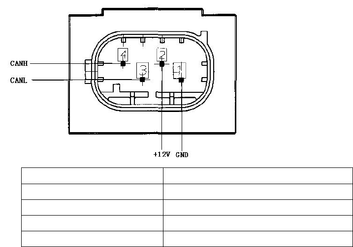
2. wiring diagram
The communication mode between the receiver module and display module is CAN mode.
The power supply is +12V, the wiring method is as below:
Installation
hole
The touching side of
the module to the
chassis

pin defination
1 GND
2 +12V
3 CANL
4 CANH
3. auto positioning
The receiver module performs the auto positioning by the field strength and acceleration of
the sensor, and transmits the data to the display by CAN mode.

Note: This equipment has been tested and found to comply with the limits for a Class
B digital device, pursuant to part 15 of the FCC Rules. These limits are designed to
provide reasonable protection against harmful interference in a residential installation.
This equipment generates, uses and can radiate radio frequency energy and, if not
installed and used in accordance with the instructions, may cause harmful interference
to radio communications. However, there is no guarantee that interference will not
occur in a particular installation. If this equipment does cause harmful interference to
radio or television reception, which can be determined by turning the equipment off
and on, the user is encouraged to try to correct the interference by one or more of the
following measures:
—Reorient or relocate the receiving antenna.
—Increase the separation between the equipment and receiver.
—Connect the equipment into an outlet on a circuit different from that to which the
receiver is connected.
—Consult the dealer or an experienced radio/TV technician for help.