BEI Electronics 7EPTX-AM5E AM-5E, 5kW AM Stereo transmitter User Manual WARNINGS
BEI Electronics, LLC AM-5E, 5kW AM Stereo transmitter WARNINGS
Instruction Book

WARNING
OPERATING HAZARDS
READ THIS SHEET AND OBSERVE ALL SAFETY PRECAUTIONS
ALL PERSONS WHO WORK WITH OR ARE EXPOSED TO POWER TRANSISTORS MUST TAKE PRECAUTIONS
TO PROTECT THEMSELVES AGAINST POSSIBLE SERIOUS BODILY INJURY. EXERCISE EXTREME CARE
AROUND SUCH PRODUCTS. UNINFORMED OR CARELESS OPERATION OF THESE DEVICES CAN RESULT
IN POOR PERFORMANCE, DAMAGE TO THE DEVICE OR PROPERTY, SERIOUS BODILY INJURY, AND POSSI-
BLY DEATH.
DANGEROUS HAZARDS EXIST IN THE OPERATION OF POWER TRANSISTORS
The operation of power tubes and power transistors involves one or more of the following hazards, any one of which,
in the absence of safe operating practices and precautions, could result in serious harm to personnel.
A. HIGH VOLTAGE – Normal operating voltages can be deadly. Additional information follows.
B. RF RADIATION – Exposure to RF radiation may cause serious bodily injury possibly resulting in
blindness or death. Cardiac pacemakers may be affected. Additional information follows.
C. BERYLLIUM – OXIDE POISONING – Dust or fumes from BeO ceramics used as thermal links with
power transistors are highly toxic and can cause serious injury or death. Additional information follows.
D. HOT SURFACES – Surfaces of air–cooled heat sinks radiators can reach temperatures of 100 degrees
centigrade and cause burns if touched. Additional information follows.
E. RF BURNS – Circuit boards with RF power transistors contain high RF potentials. Do not operate an RF
power module with the cover removed.
HIGH VOLTAGE
The transmitter operates at voltages high enough to kill through electrocution. Personnel should always break the
primary circuits when access to the transmitter is required.
RADIO FREQUENCY RADIATION
Exposure of personnel to RF radiation should be minimized, personnel should not be permitted in the vicinity of open
energized RF generating circuits, or RF transmission systems (waveguides, cables, connectors, etc.), or energized
antennas. It is generally accepted that exposure to “high levels” of radiation can result in severe bodily injury includ-
ing blindness. Cardiac pacemakers may be affected.
The effect of prolonged exposure to “low level” RF radiation continues to be a subject of investigation and controver-
sy. It is generally agreed that prolonged exposure of personnel to RF radiation should be limited to an absolute mini-
mum. It is also generally agreed that exposure should be reduced in working areas where personnel heat load is
above normal. A 10 mW/cm2 per one tenth hour average level has been adopted by several U.S. Government agen-
cies including the Occupational Safety and Health Administration (OSHA) as the standard protection guide for em-
ployee work environments. An even stricter standard is recommended by the American National Standards Institute
which recommends a 1.0 mW/cm2 per one tenth hour average level exposure between 30 Hz and 300 MHz as the
standard employee protection guide (ANSI C95.1–1982).
RF energy must be contained properly by shielding and transmission lines. All input and output RF connections, such
as cables, flanges and gaskets must be RF leakproof. Never operate a power tube without a properly matched RF
energy absorbing load attached. Never look into or expose any part of the body to an antenna, open RF generating
circuit, or RF transmission system while energized. Monitor the tube and RF system for RF radiation leakage at regu-
lar intervals and after servicing.
DANGER –– BERYLLIUM OXIDE CERAMICS (BeO) – AVOID BREATHING DUST OR FUMES
BeO ceramic material is used as a thermal link to carry heat from a transistor to the heat sink. Do not perform any
operation on any BeO ceramic which might produce dust or fumes, such as grinding, grit blasting, or acid cleaning.
Beryllium oxide dust or fumes are highly toxic and breathing them can result in serious personal injury or death. BeO
ceramics must be disposed of only in a manner prescribed by the device manufacturer.
HOT SURFACES
Heat sinks and reject loads are air–cooled or conduction–cooled. The air–cooled external surface can operate at a
high temperature (up to 100°C). All hot surfaces may remain hot for an extended time after the transmitter is oper-
ated to off. To prevent serious burns, take care to prevent and avoid any bodily contact with these surfaces both dur-
ing and for a reasonable cooling down period after operation.

TRANSMITTER WARRANTY VOID NOTICE
THE PRODUCT WARRANTY WILL BE VOID IF THE
TRANSMITTER IS INSTALLED AT A SITE WITH
INADEQUATE LIGHTNING PROTECTION AND A
DEFECTIVE TRANSMISSION LINE SYSTEM.
The transmitter is covered by a two year limited product warranty from Broadcast ElecĆ
tronics. However, the transmitter must be properly installed at a site with adequate
lightning protection and transmission line systems. TO ENSURE THE TRANSMITĆ
TER WARRANTY IS VALID, the transmitter must be installed: 1) as described by the
INSTALLATION procedures presented in SECTION II of this manual, 2) at a transmitter
site with a lightning protection system described in TRANSMITTER SITE LIGHTNING
PROTECTION SYSTEM CHECKOUT (refer to SECTION II of this manual), and 3) at a
transmitter site with a transmission line system described in TRANSMISSION LINE
AND ANTENNA CHECKOUT (refer to SECTION II of this manual). FAILURE TO
PROPERLY INSTALL THE TRANSMITTER, PROVIDE AN ADEQUATE LIGHTĆ
NING PROTECTION SYSTEM, OR PROVIDE AN ADEQUATE TRANSMISSION
LINE SYSTEM WILL VOID THE WARRANTY ON THE TRANSMITTER. If any
questions develop concerning the transmitter warranty and installation site systems, conĆ
tact the Broadcast Electronics Customer Service Department.
BROADCAST ELECTRONICS, INC.

NOTICE TO THE EQUIPMENT USER
FCC Rule 73.1590 mandates the licensee of each AM station to make measurements for
spurious and harmonic emissions to show compliance with the transmission system reĆ
quirements of Section 73.44 of the Commission's Rules. It is the broadcast station's responĆ
sibility to ensure that the audio signal applied to a Broadcast Electronics E-Series AM
transmitter conforms to the audio standard NRSC-1 (published as ANSI/EIA-549-1988).
This is a mandatory requirement to ensure that the equipment complies to Section 73.44
and Section 73.128(C) of the Commission's Rules.
BROADCAST ELECTRONICS, INC.

WARNING WARNING
OPERATING HAZARDS
WARNING
WARNING
THE TRANSMITTER CONTAINS MULTIPLE CIRCUIT
GROUNDS WITH HIGH AC AND DC POTENTIALS WITH
RESPECT TO THE CABINET WHICH IS AT EARTH POĆ
TENTIAL. DO NOT ENERGIZE THE TRANSMITTER
WITH TEST EQUIPMENT CONNECTED TO THE
TRANSMITTER OUTPUT NETWORK, RF POWER MODĆ
ULE, RF COMBINER, OR POWER SUPPLY COMPOĆ
NENTS.
The Broadcast Electronics AM transmitters contain high voltages and currents. If safety precautions are
not practiced, contact with the high voltages and currents could cause serious injury or death. The transĆ
mitter is equipped with many built-in safety features, however good judgement, care, and common sense
must be practiced to prevent accidents.
In addition to high voltages and currents, the AM transmitters contain multiple circuit grounds with
high ac and dc potentials with respect to the cabinet which is at earth potential. The potentials could
cause serious injury or death if maintenance personnel simultaneously touch a circuit ground and the
cabinet. As a result, operation of the transmitter with test equipment connected to transmitter output
network, RF power module, RF combiner, or power supply components is extremely dangerous and must
not be attempted. Therefore, never energize the transmitter with test equipment connected to the transĆ
mitter output network, RF power module, RF combiner, or power supply components. Test equipment
may be connected to the ECU circuit boards from the front of the transmitter using the supplied extender
circuit board with power energized if required.

Broadcast Electronics 1999
ALL RIGHTS RESERVED
Printed in the U.S.A.
-i -
SCOPE OF MANUAL
This manual consists of two sections which provides the following information for the Broadcast
Electronics AM-2.5E and AM-5E AM Broadcast Transmitters.
A. PART I - Contains information relative to installation, operation, and
maintenance applicable to the overall transmitter.
B. PART II - Contains detailed information for the following transmitter
modular units.
1. POWER SUPPLY ASSEMBLY
2. RF POWER MODULE
3. OUTPUT NETWORK
4. EXCITER/CONTROLLER UNIT (ECU)
PART I - TABLE OF CONTENTS
PARAGRAPH PAGE NO.
SECTION I GENERAL INFORMATION
1-1 INTRODUCTION 1-1
1-3 EQUIPMENT DESCRIPTION 1-1
1-4 GENERAL 1-1
1-6 EXCITER/CONTROL UNIT 1-1
1-12 OUTPUT NETWORK ASSEMBLY 1-4
1-13 RF POWER MODULE 1-4
1-15 POWER SUPPLY 1-4
1-16 COMBINER ASSEMBLY 1-4
1-17 TRANSMITTER CONFIGURATIONS 1-5
1-19 ACCESSORIES AND SPARE PARTS KITS 1-5
1-21 EQUIPMENT SPECIFICATIONS 1-5
SECTION II INSTALLATION
2-1 INTRODUCTION 2-1
2-3 UNPACKING 2-1
2-6 ENVIRONMENTAL REQUIREMENTS 2-1
2-8 COOLING AIR REQUIREMENTS 2-1
2-12 PRIMARY POWER 2-1
2-14 INSTALLATION 2-1
2-16 EQUIPMENT PLACEMENT 2-2
2-19 COMPONENT INSTALLATION 2-2
2-22 ECU CIRCUIT BOARDS 2-2
2-23 RF POWER MODULES 2-2
2-24 POWER SUPPLY 2-7
2-25 BATTERY INSTALLATION 2-8
2-26 CIRCUIT BOARD PROGRAMMING 2-8
2-28 EXCITER CIRCUIT BOARD 2-8
2-37 STEREO CIRCUIT BOARD 2-12
2-42 CONTROLLER CIRCUIT BOARD 2-12

-ii -
PARAGRAPH PAGE NO.
2-55 POWER SUPPLY CIRCUIT BOARD 2-15
2-58 REMOTE CONTROL 2-16
2-59 GENERAL 2-16
2-84 WIRING 2-20
2-86 AUDIO INPUT CONNECTION 2-20
2-88 EXTERNAL STEREO RF INPUT 2-20
2-89 AM-2.5E/AM-5E RF TRANSMISSION 2-20
LINE CONNECTION
2-90 EXTERNAL INTERLOCK 2-20
2-91 MODULATION MONITOR 2-20
2-92 AC POWER CONNECTIONS 2-22
2-95 GROUND 2-22
2-96 TRANSMITTER SITE LIGHTNING PROTECTION 2-22
SYSTEM CHECKOUT
2-98 ANTENNA BALL-GAP LIGHTNING ARRESTOR 2-25
2-102 ANTENNA-TUNING-UNIT SPARK-GAP 2-25
LIGHTNING ARRESTOR
2-103 TRANSMITTER SITE GROUNDING SYSTEM 2-25
2-104 CABLE PROTECTION 2-26
2-110 ANTENNA RF FEED LINE 2-26
2-111 TRANSMISSION LINE AND ANTENNA CHECKOUT 2-26
2-113 ANTENNA VSWR 2-26
2-114 COAXIAL SWITCH CONTROLLER 2-26
2-115 ATU AND PHASOR CHECKOUT 2-28
2-116 INITIAL CHECKOUT 2-28
2-118 PRELIMINARY OPERATION AND ADJUSTMENT 2-28
2-120 TUNING 2-28
2-126 POWER LEVEL AND MODULATION MONITOR 2-29
CALIBRATION ADJUSTMENTS
2-138 STEREO ADJUSTMENT 2-30
2-149 SINGLE CHANNEL LEVEL 2-32
SECTION III OPERATION
3-1 INTRODUCTION 3-1
3-3 CONTROLS AND INDICATORS 3-1
3-5 OPERATION 3-12
3-6 TURN-ON 3-12
3-14 TURN OFF 3-13
3-16 METERING 3-13
3-17 FORWARD POWER 3-13
3-18 REFLECTED POWER 3-13
3-19 POWER ADJUST 3-13
3-21 MONO/STEREO OPERATION 3-14
3-23 STEREO OPERATION 3-14
3-24 MONO OPERATION 3-14
3-27 PILOT CONTROL 3-14
3-29 EXCITER MONITOR OPERATION 3-14
3-31 MONO/STEREO INDICATIONS 3-14
3-32 INPUT SELECTION 3-14
3-33 POLARITY SELECTION 3-15
3-34 X10 AUTORANGE INDICATIONS 3-15

-iii-
PARAGRAPH PAGE NO.
3-35 FAULT RESET 3-15
3-37 POWER SUPPLY FAULT RESET 3-15
3-39 OVER-CYCLE OFF 3-15
3-41 OVER-MODULATION PWM MUTE 3-15
3-43 TRANSMITTER MONITOR 3-15
3-45 BATTERY TEST 3-15
3-47 CONTROLLER PWM MUTE INDICATOR 3-16
3-49 CONTROLLER REMOTE FAIL-SAFE INDICATOR 3-16
3-51 EXCITER LOCK INDICATOR 3-16
3-53 EXCITER +5V/+15V/-15V INDICATORS 3-16
3-55 STEREO EQUALIZATION INDICATORS 3-16
3-57 RF POWER MODULE INDICATORS 3-16
3-59 POWER SUPPLY INDICATORS 3-16
3-61 EXCITER NEGATIVE LIMITER INDICATOR 3-16
3-63 HIGH/LOW AC LINE CONDITIONS 3-16
SECTION IV THEORY OF OPERATION
4-1 INTRODUCTION 4-1
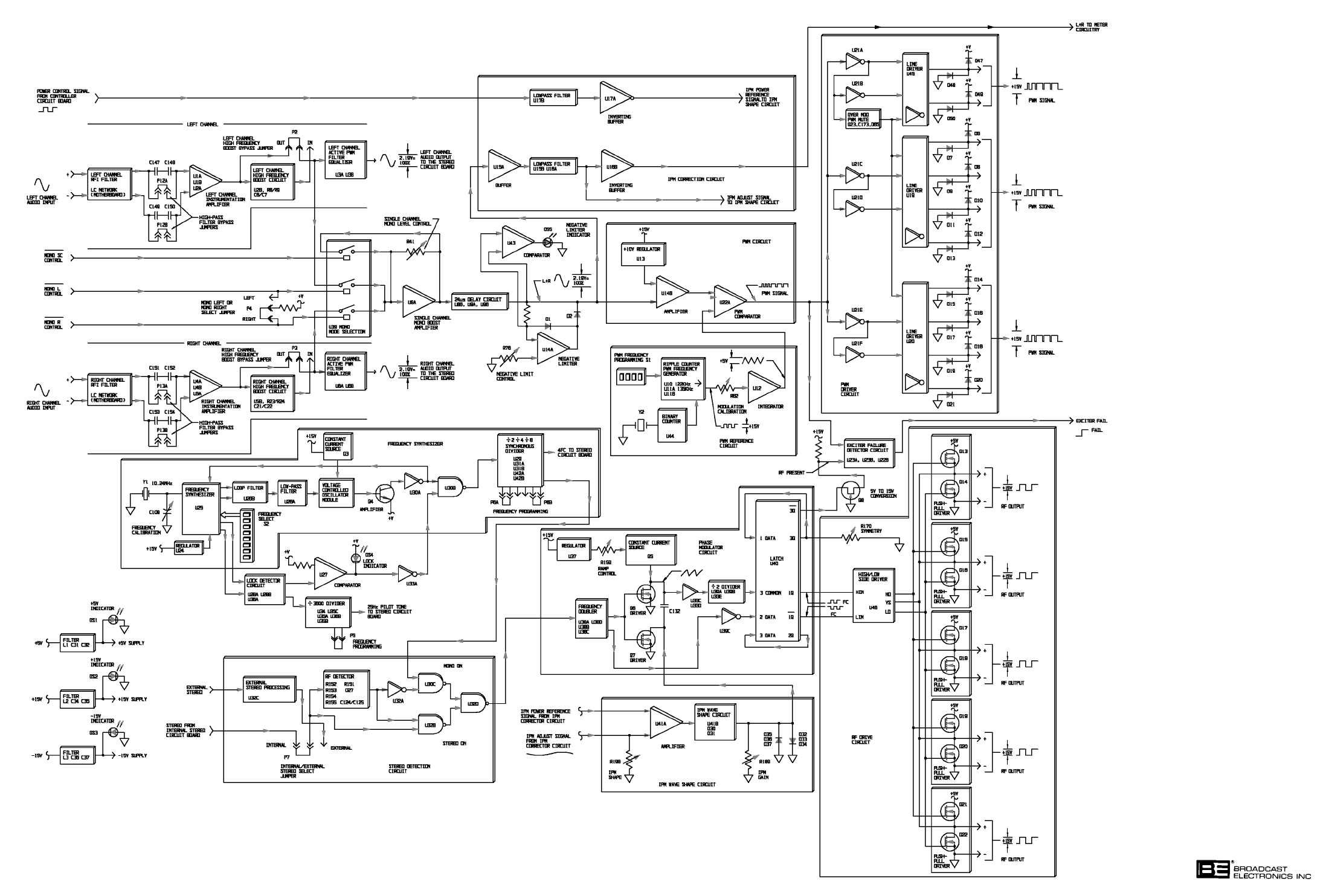
4-5 FUNCTIONAL DESCRIPTION 4-1
4-6 ECU 4-1
4-7 GENERAL 4-1
4-8 STEREO CIRCUIT BOARD 4-1
4-11 EXCITER CIRCUIT BOARD 4-1
4-13 CONTROLLER CIRCUIT BOARD 4-2
4-18 POWER SUPPLY 4-2
4-19 RF POWER MODULE 4-2
4-24 RF COMBINER 4-7
4-27 OUTPUT NETWORK 4-7
4-31 POWER SUPPLY 4-8
4-34 POWER SUPPLY CIRCUIT BOARD 4-8
4-39 METERING 4-9
4-42 COOLING FANS 4-9
4-44 INTERFACE CIRCUIT BOARD (AM-5E ONLY) 4-9
4-46 DETAILED DESCRIPTION 4-9
4-47 POWER SUPPLIES 4-9
4-49 AC INPUT CIRCUITRY 4-9
4-53 ECU POWER SUPPLY ASSEMBLY 4-10
4-57 TRANSMITTER FLUSHING FANS 4-10
4-60 LOW-VOLTAGE POWER SUPPLY TRANSFORMER 4-10
4-62 POWER SUPPLY CIRCUIT BOARD 4-10
4-65 CONVENTIONAL RECTIFIER CIRCUITRY 4-13
4-68 SWITCHING POWER SUPPLY CIRCUIT 4-13
4-76 MODULATOR CIRCUIT BOARD 4-14
4-81 POWER AMPLIFIER CIRCUIT BOARDS 4-15
4-86 SEQUENCE OF OPERATION 4-15
4-91 RF CIRCUITRY 4-16
4-92 EXCITER CIRCUIT BOARD 4-16
4-98 STEREO CIRCUIT BOARD 4-17
4-102 RF POWER MODULE 4-17
4-109 RF COMBINER 4-21
4-110 HARMONIC BAND-PASS FILTER 4-22

-iv-
PARAGRAPH PAGE NO.
4-111 DIRECTIONAL COUPLER CIRCUIT BOARD 4-22
4-115 T-MATCHING NETWORK 4-22
4-116 LIGHTNING PROTECTION CIRCUIT BOARD 4-22
4-117 LIGHTNING DETECTION CIRCUIT BOARD 4-23
4-119 RF OUTPUT POWER CONTROL CIRCUITRY 4-23
SECTION V MAINTENANCE
5-1 INTRODUCTION 5-1
5-3 SAFETY CONSIDERATIONS 5-1
5-6 FIRST LEVEL MAINTENANCE 5-1
5-8 ROUTINE MAINTENANCE 5-1
5-9 INSPECTION AND CLEANING 5-2
5-10 CONTROLLER BATTERY 5-2
5-11 AIR FILTERS 5-2
5-12 FLUSHING FANS 5-2
5-14 SPARK GAP 5-2
5-15 SECOND LEVEL MAINTENANCE 5-2
5-18 ELECTRICAL ADJUSTMENTS 5-4
5-20 TRANSMITTER FREQUENCY RE-PROGRAMMING 5-4
5-22 TROUBLESHOOTING 5-4
5-24 TRANSMITTER INDICATORS 5-5
5-25 RF POWER MODULE REMOVAL 5-8
5-26 TRANSMITTER TROUBLESHOOTING 5-8
PROCEDURES
5-27 TRANSMITTER COMPONENT LOCATIONS 5-8
5-28 COMPONENT REPLACEMENT PROCEDURE 5-13
5-34 INTEGRATED CIRCUITS 5-14
SECTION VI PARTS LIST
6-1 INTRODUCTION 6-1
SECTION VII DRAWINGS
7-1 INTRODUCTION 7-1
LIST OF TABLES
TABLE DESCRIPTION PAGE NO.
1-1 ELECTRICAL CHARACTERISTICS 1-5
1-2 PHYSICAL AND ENVIRONMENTAL 1-9
CHARACTERISTICS
3-1 AM-2.5E/AM-5E CONTROLS AND INDICATORS 3-1
3-2 ECU CONTROLS AND INDICATORS 3-3
3-3 POWER MODULE CONTROLS AND INDICATORS 3-11
5-1 AM-2.5E/AM-5E INDICATORS 5-5
5-2 AM-2.5E/AM-5E TROUBLESHOOTING 5-9
6-1 AM-2.5E/AM-5E REPLACEABLE PARTS LIST INDEX 6-1

-v -
LIST OF ILLUSTRATIONS
FIGURE DESCRIPTION PAGE NO.
1-1 AM-2.5E TRANSMITTER 1-2
1-2 AM-5E TRANSMITTER 1-3
2-1 AM-2.5E TRANSMITTER INSTALLATION 2-3
2-2 AM-5E TRANSMITTER INSTALLATION 2-5
2-3 TRANSMITTER MOVING 2-7
2-4 COMPONENT INSTALLATION 2-9
2-5 EXCITER CIRCUIT BOARD PROGRAMMING 2-11
2-6 STEREO CIRCUIT BOARD PROGRAMMING 2-13
2-7 CONTROLLER CIRCUIT BOARD PROGRAMMING 2-14
2-8 REMOTE CONTROL AND AUDIO CONNECTIONS 2-17
2-9 AM-2.5E/AM-5E RF OUTPUT CONNECTIONS 2-21
2-10 AM-2.5E PRIMARY AC WIRING 2-23
2-11 AM-5E PRIMARY AC WIRING 2-24
2-12 ANTENNA LIGHTNING PROTECTION SYSTEM 2-27
2-13 TEST EQUIPMENT CONNECTIONS, POWER LEVEL 2-30
CALIBRATION
2-14 TEST EQUIPMENT CONNECTIONS, SEPARATION 2-31
2-15 EQUALIZATION LISSAJOUS PATTERNS 2-33
3-1 AM-2.5E/AM-5E CONTROLS AND INDICATORS 3-2
3-2 ECU CONTROLS AND INDICATORS 3-7
3-3 POWER MODULE CONTROLS AND INDICATORS 3-11
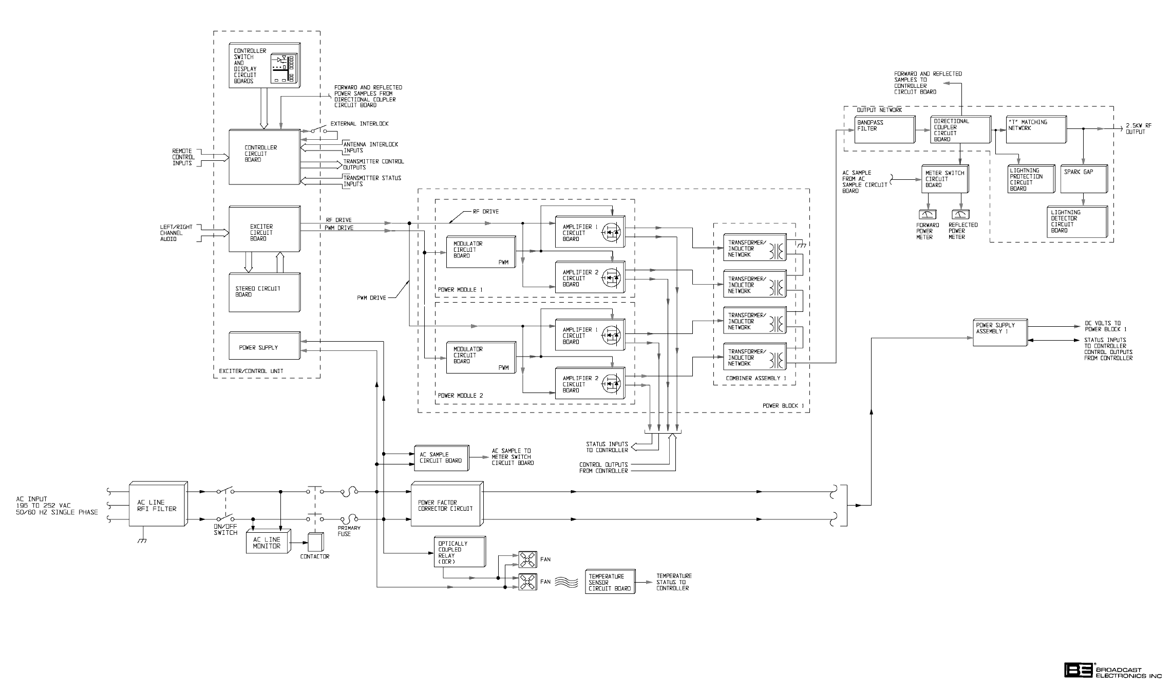
4-1 AM-2.5E BLOCK DIAGRAM 4-3
4-2 AM-5E BLOCK DIAGRAM 4-5
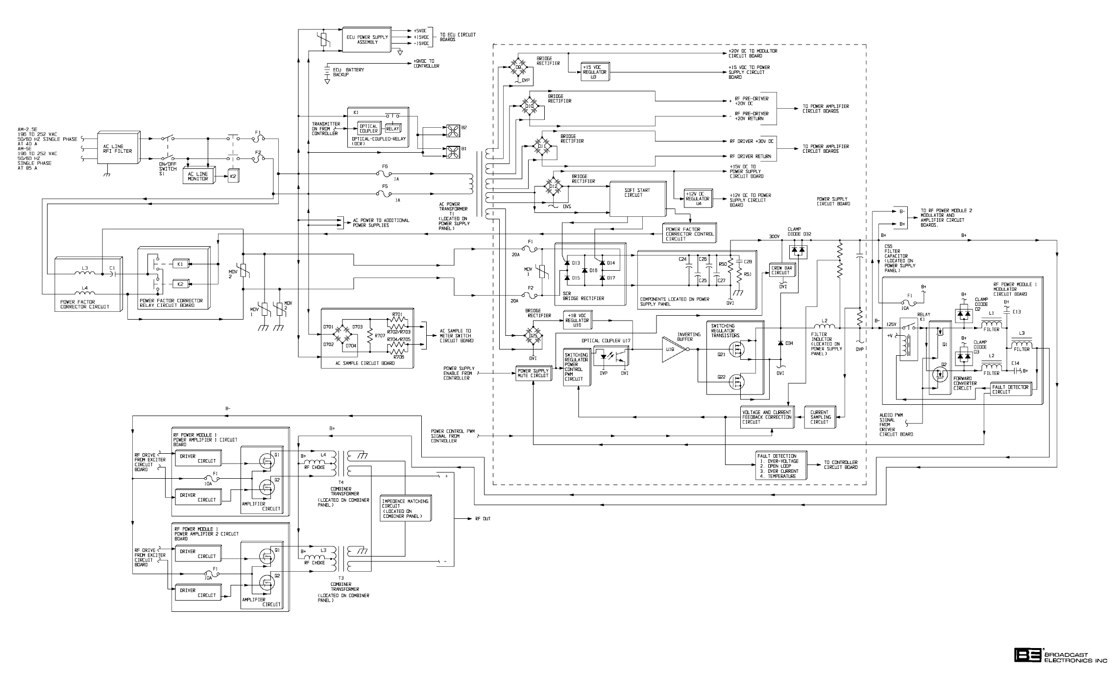
4-3 AM-2.5E/AM-5E POWER SUPPLY SIMPLIFIED 4-11
SCHEMATIC
4-4 AM-2.5E/AM-5E RF CIRCUITRY SIMPLIFIED 4-18
SCHEMATIC
5-1 REMOVING THE AIR FILTER 5-3
5-2 AM-2.5E COMPONENT LOCATOR 5-15
5-3 AM-5E COMPONENT LOCATOR 5-18
5-4 AM-2.5E/AM-5E ECU/POWER BLOCK/OUTPUT 5-21
NETWORK ASSEMBLY COMPONENT LOCATOR
PART II - TABLE OF CONTENTS
I - POWER SUPPLY ASSEMBLY
II - RF POWER MODULE
III - OUTPUT NETWORK
IV - EXCITER/CONTROLLER UNIT (ECU)

1-1
SECTION I
GENERAL INFORMATION
1-1. INTRODUCTION.
1-2. Information presented by this section provides a general description of the Broadcast
Electronics AM-2.5E and AM-5E transmitters and lists equipment specifications.
1-3. EQUIPMENT DESCRIPTION.
1-4. GENERAL.
1-5. The Broadcast Electronics AM-2.5E transmitter is a CE compliant 2.5 kW solid-state
C-QUAM stereo AM transmitter designed for continuous operation in the 522 kHz to
1705 kHz broadcast band (refer to Figure 1-1). The Broadcast Electronics AM-5E transĆ
mitter is a CE compliant 5 kW solid-state C-QUAM stereo AM transmitter designed for
continuous operation in the 522 kHz to 1705 kHz broadcast band (refer to Figure 1-2). The
AM-2.5E and AM-5E transmitters consists of modular components assembled in a single
cabinet. The modular components include: 1) an exciter/control unit, 2) an output network
assembly, 3) power block assemblies containing two RF power modules and a star combiner
assembly, 4) power supply panel assemblies, and 5) an AC distribution panel assembly.
Specific AM-2.5E/AM-5E features include:
1. Built-in C-QUAM AM stereo circuitry.
2. High efficiency Class E solid-state RF power amplifier modules.
3. A high efficiency switching power supply.
4. Star combiner assembly. Each star combiner allows the removal of RF power mod-
ules without the use of dummy modules or bypass switches.
5. A built-in output matching network.
6. A CMOS digital controller with extensive VSWR detection and foldback circuitry
which reduces carrier interruptions by weather conditions.
7. CE compliant design.
1-6. EXCITER/CONTROL UNIT. The transmitter exciter/control unit (ECU) is a modular asĆ
sembly containing plug-in stereo, exciter, and controller circuit boards. In addition to the
circuit boards, the ECU is equipped with forward and reflected power meters to provide
transmitter output power status indications.
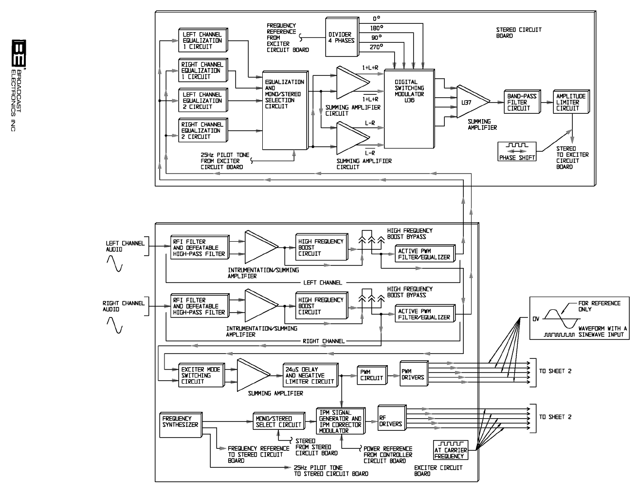
1-7. Stereo Circuit Board. The ECU stereo circuit board is a modular plug-in assembly conĆ
taining C-QUAM AM stereo circuitry. The C-QUAM stereo system is a mode of AM
stereo transmission utilizing amplitude modulated monaural (L+R) information and indeĆ
pendently quadrature modulated stereo (L-R) information. The results produce a stereo
transmission system compatible with mono receivers.
1-8. The stereo circuit board is designed with remote/local controlled mono left, mono right,
mono L+R, and stereo modes of operation. Two equalization circuits are provided to allow
the transmitter to be configured for operation into two different antennas.
C-QUAMis a registered trademark of Motorola Inc.

1-2
FIGURE 1-1. AM-2.5E TRANSMITTER
597-1114-1
COPYRIGHT 1999 BROADCAST ELECTRONICS, INC

1-3
COPYRIGHT 1999 BROADCAST ELECTRONICS, INC
597-1114-2
FIGURE 1-2. AM-5E TRANSMITTER

1-4
1-9. Exciter Circuit Board. The ECU exciter circuit board is a modular plug-in exciter assemĆ
bly. Instrumentation amplifiers provide balanced left and right channel transformerless
audio inputs. The exciter carrier frequency is established by a digital frequency synthesizĆ
er. The synthesizer is a phase-locked-loop circuit which provides extremely accurate and
reliable carrier frequency operation. A PWM (pulse-width-modulation) circuit is used to
generate an RF drive signal for application to a modulator circuit board in an RF power
module. If a stereo circuit board failure is encountered or when the stereo circuit board is
removed from the ECU chassis, the exciter circuitry is designed to automatically configure
to monophonic operation.
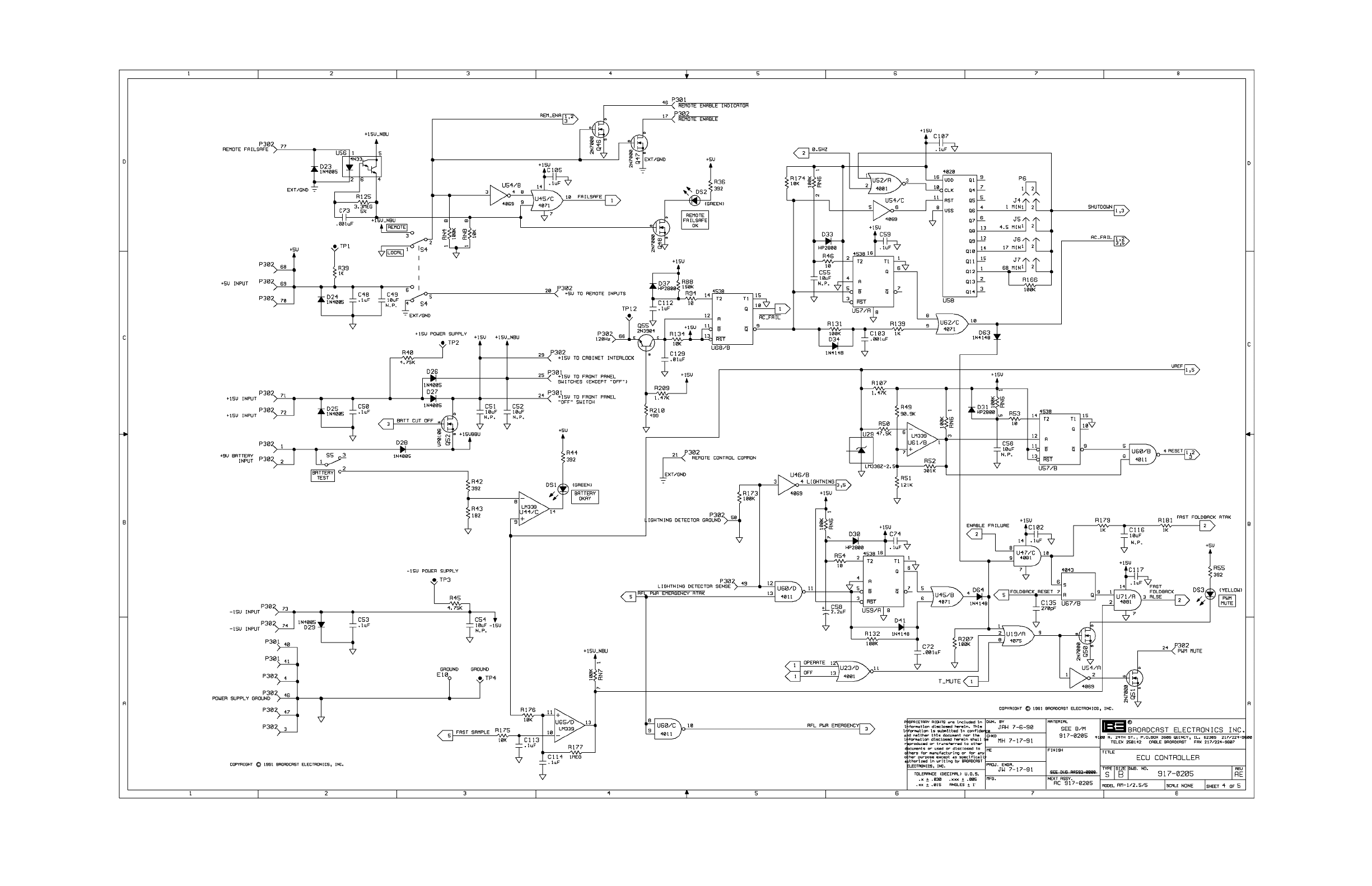
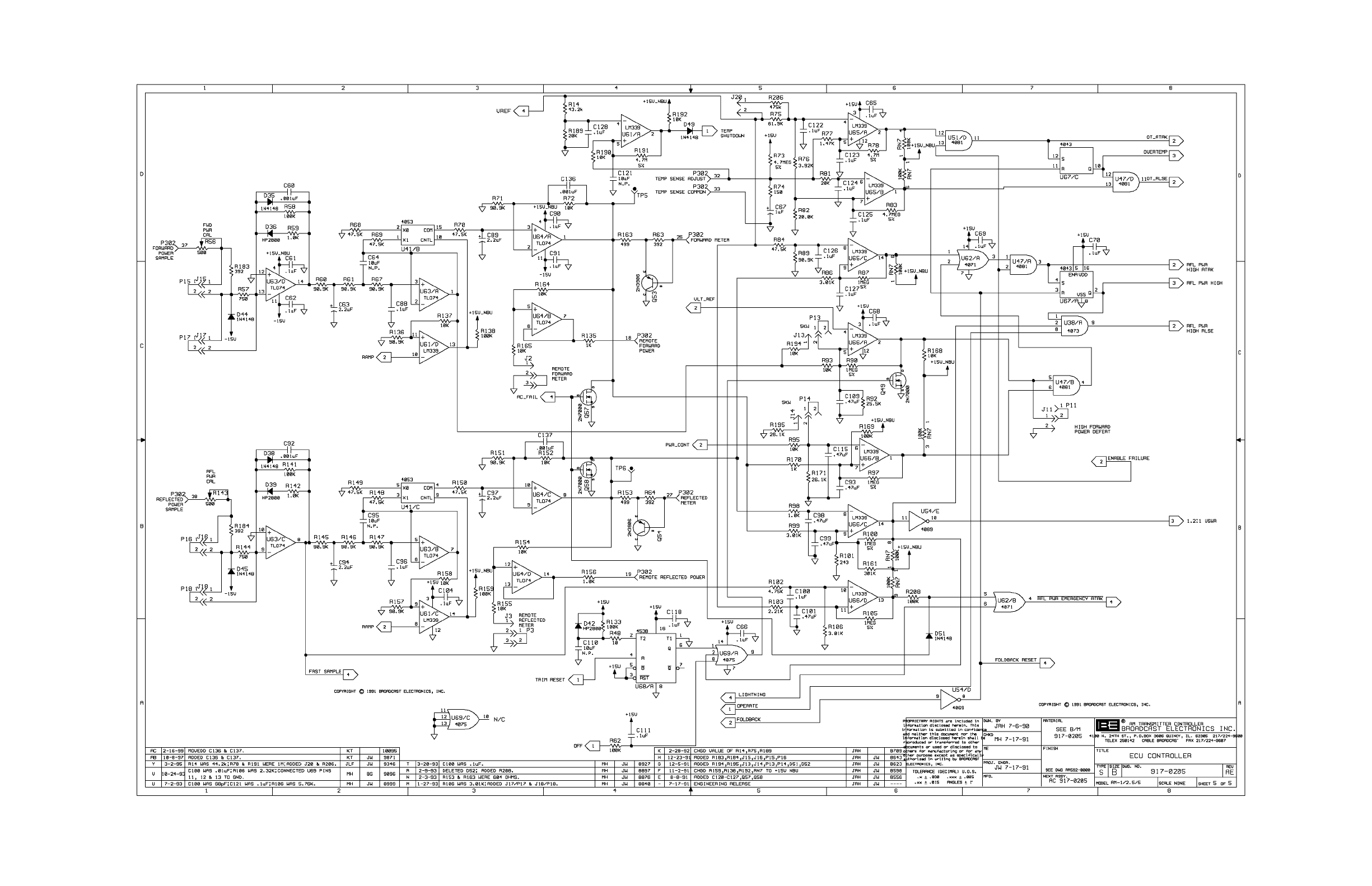
1-10. Controller Circuit Board. All transmitter control operations are directed by the ECU conĆ
troller circuit board. The controller circuit board consists of CMOS logic control and moniĆ
toring circuitry. The circuitry is designed to interface to all popular remote control systems
such as the Broadcast Electronics VMC-16 remote control system.
1-11. The transmitter power is controlled by a power control circuit. The circuit allows the
transmitter to be operated at five power levels. A power trim circuit allows the transmitter
output power to be adjusted to a precise level. An antenna interlock circuit is provided to
prevent the transmitter from operating into an incorrect antenna. A reflected power detecĆ
tion circuit operates in association with the power control circuit to foldback the transmitĆ
ter power during high VSWR conditions. In addition to the reflected power detector, a
lightning detector circuit is provided to mute the transmitter when high voltage is present
at the transmitter output during a lightning storm.
1-12. OUTPUT NETWORK ASSEMBLY. Matching of the transmitter impedance to the antenna is
accomplished by the output network assembly. The assembly is equipped with an
LC T network to match the transmitter output to the antenna. A bandpass filter is proĆ
vided to attenuate all harmonic frequencies to FCC, DOC, and CCIR levels. The assembly
also contains the lightning detection circuit board, a lightning protection circuit board, and
a directional coupler assembly.
1-13. RF POWER MODULE. The AM-2.5E and AM-5E transmitters are equipped with RF powĆ
er modules. A power module is a modular plug-in assembly containing two RF power amĆ
plifier circuit boards and one modulator circuit board. Each power module is equipped
with MOSFET transistors to produce approximately 1375 watts of RF power.
1-14. The RF power modules are designed using Class E amplifier technology. A Class E ampliĆ
fier exhibits high efficiency and provides superior audio performance. In addition to the
superior efficiency and audio performance, the power modules are designed to be removed
from the chassis for maintenance. The remaining power modules will provide full power to
maintain on-air operation.
1-15. POWER SUPPLY. A modular switching power supply provides operating potentials for two
RF power modules. The power supply design uses an SCR controlled bridge to rectify the
ac line voltage into a dc potential. The supply is filtered and routed to the RF power modĆ
ules for control and regulation. A fault detection circuit monitors power supply activity for
failure conditions. A separate modular switching power supply provides operating potenĆ
tials for the ECU circuitry.
1-16. COMBINER ASSEMBLY. The AM-2.5E and AM-5E are equipped with a star combining
system. The system combines the outputs of the RF power modules to provide: 1) a 2.5
kW output in AM-2.5E models and 2) a 5 kW output in AM-5E models. If a power module
is removed from the chassis, the remaining power modules will continue operation to mainĆ
tain on-air operation.

1-5
1-17. TRANSMITTER CONFIGURATIONS.
1-18. The AM-2.5E and AM-5E transmitters can be ordered in the following configurations:
P/N DESCRIPTION
907-2500-100 AM-2.5E 2.5 kW AM Transmitter for operation in
the 522 kHz to 1705 kHz broadcast band, 10 kHz
spacing, 196V - 256V ac single phase supply.
907-5000-100 AM-5E 5 kW AM Transmitter for operation in
the 522 kHz to 1705 kHz broadcast band, 10 kHz
spacing, 196V - 256V ac single phase supply.
1-19. ACCESSORIES AND SPARE PARTS KITS.
1-20. The following text presents accessories and spare parts kits available for use with the
AM-2.5E and AM-5E transmitters.
P/N DESCRIPTION
977-0038 AM-2.5E/AM-5E recommended semi-conductor
kit.
977-0039 AM-2.5E 100% semi-conductor kit.
977-0040 AM-2.5E/AM-5E recommended spare parts kit.
Includes selected meters, switches, fuses, filters,
etc. Does not include semi-conductors.
977-0041 AM-5E 100% semi-conductor kit.
907-0016-110 VMC-16 Voice Remote Control Unit, AM-10A/
AM-6A/AM-2.5E/AM-5E.
977-0037 Basic semi-conductor kit, AM-10A/AM-6A/
AM-1A/AM-2.5E/AM-5E.
1-21. EQUIPMENT SPECIFICATIONS.
1-22. Refer to Table 1-1 for electrical specifications or Table 1-2 for physical specifications of the
AM-2.5E and AM-5E transmitters.
TABLE 1-1. ELECTRICAL CHARACTERISTICS
(Sheet 1 of 5)
PARAMETER SPECIFICATION
RF POWER OUTPUT
AM-2.5E 12.5 W to 2.8 kW. Five preset power levels
available by local or remote control. Will operate
at a reduced power output (30-50% typical) with
one-half of the power modules.
AM-5E 25 W to 5.6 kW. Five preset power levels
available by local or remote control. Will operate
at a reduced power output (30-50% typical) with
one-half of the power modules.

1-6
TABLE 1-1. ELECTRICAL CHARACTERISTICS
(Sheet 2 of 5)
PARAMETER SPECIFICATION
OUTPUT POWER REGULATION Less than 1% change in output power with vari-
ation of ac line input voltage from 196V to 252V
ac.
RF CARRIER FREQUENCY 522 kHz to 1705 kHz (as ordered).
RANGE Accommodates 9 kHz or 10 kHz channel spacing
(9 kHz spacing requires an optional crystal).
RF OUTPUT IMPEDANCE 50 Ohms, unbalanced. Matching network to
optimize VSWR of 1.5 : 1 at any phase angle and
carrier frequency.
OUTPUT CONNECTOR Female 7/16 DIN connector.
AM-5E Requires 7/8 inch RF transmission line with 7/16
male DIN connector.
AM-2.5E Requires 1/2 inch RF transmission line with 7/16
male DIN connector.
LOAD VSWR 1.5 : 1 at full carrier power. Will operate into a
higher VSWR with automatic power reduction.
Open and short circuit protected.
HARMONIC AND SPURIOUS Meets or exceeds FCC, DOC, and CCIR require-
SUPPRESSION ments when preceded by external NRSC-1 com-
patible audio low-pass filters.
CARRIER FREQUENCY ±3ppm, 0° to 50° C (+32° to +122° F).
STABILITY
CARRIER SHIFT Less than 1% at 95% negative modulation at
1 kHz.
TYPE OF MODULATION Pulse Width Modulation of L+R envelope with
integrated C-QUAM AM stereo. An RF input
connector is also provided for an external stereo
exciter.
OPERATING MODES Stereo, mono L+R, mono L, mono R, by local or
remote control.
MODULATION CAPABILITY
AM-2.5E Greater than 145% peak positive capability at
2.5 kW.
AM-5E Greater than 145% peak positive capability at
5 kW.
MODULATION INPUT INDICATION Peak reading, color coded, LED bar graph display
with an autorange feature for monitoring positive
or negative input levels of four different audio
channels (L/R or L+R/L-R).
AUDIO INPUT LEVEL +10 dBm, ±1 dB, L=R (or mono) to produce 100%
L+R envelope modulation. Other input levels can
be accommodated.

1-7
TABLE 1-1. ELECTRICAL CHARACTERISTICS
(Sheet 3 of 5)
PARAMETER SPECIFICATION
AUDIO INPUT IMPEDANCE 600 Ohms. Inputs are balanced, transformerless,
and resistive with passive RFI filtering. Other
impedances can be accommodated.
AUDIO FREQUENCY ±0.5 dB, 20 Hz to 10 kHz at 90% negative
RESPONSE (MONOPHONIC) modulation (linear phase mode). +0.1 dB
-3 dB, 20 Hz to 10 kHz at 90% negative
modulation, standard configuration.
AUDIO HARMONIC DISTORTION
Mono Less than 0.8%, 20 Hz to 10 kHz at rated power.
Less than 1.5%, 20 Hz to 10 kHz at 50% power.
Less than 2.0%, 20 Hz to 10 kHz at 25% power.
Less than 3.0%, 20 Hz to 10 kHz at 10% power.
All mono audio harmonic distortion specifications
are referenced to an audio input level which
generates 90% modulation at 1 kHz (9 dBm).
Stereo Less than 1.5% at 50% single channel
modulation, 50 Hz to 10 kHz at rated power.
INTERMODULATION DISTORTION 1.2% or less at 1:1 ratio. 1.7% or less at 4:1 ratio.
(MONO) 60/7000 Hz SMPTE standards with 85%
modulation at rated power.
CCIF INTERMODULATION 1.0% or less at 1:1 ratio. 4 kHz/5 kHz with 85%
DISTORTION (MONO) modulation at rated power.
TRANSIENT INTERMODULATION 1.0% or less at 4:1 ratio. 2.96 kHz square wave
DISTORTION (MONO) 8 kHz sinewave with 85% modulation at rated
power.
INCIDENTAL PHASE Less than 2.0 degrees (0.035 radians) average or 30
MODULATION dB (40 dB typical) below equivalent 100% L-R
(STEREOPHONIC) C-QUAM modulation, 50 Hz to 10 kHz at rated
power. Measured with an audio input level which
generates 95% negative L+R envelope modulation
at 1 kHz (9.5 dBm).
STEREO SEPARATION -30 dB or greater, 50 Hz to 10 kHz. Measured
with 50% single channel modulation into a 50 ohm
resistive load at rated power.
SQUAREWAVE OVERSHOOT
Mono 0.1% or less at 400 Hz, 90% modulation with high
frequency boost disabled.
Stereo 1.0% or less at 400 Hz, 50% single channel modu-
lation with high frequency boost disabled.

1-8
TABLE 1-1. ELECTRICAL CHARACTERISTICS
(Sheet 4 of 5)
PARAMETER SPECIFICATION
SQUAREWAVE TILT 1.0% or less at 40 Hz. 1.5% or less at 20 Hz.
Measured with 90% negative modulation.
NOISE
Mono Greater than 65 dB below a reference level
equivalent to 100% negative modulation in a 22
Hz to 30 kHz bandwidth, unweighted.
Stereo Greater than 55 dB below a reference level
equivalent to 100% negative modulation of
either left or right channel in a 22 Hz to
30 kHz bandwidth, unweighted.
AC INPUT VOLTAGE 196V to 252V ac 50/60 Hz, single phase.
Includes built-in MOVs for surge suppression.
AC POWER CONSUMPTION
AM-2.5E 3.3 kW, no modulation of 2.5 kW carrier.
2.05 kW, 100% modulation of 2.5 kW carrier.
Measured at 2.5 kW into a 50 ohm resistive
load at 220V ac. 0.9 power factor.
AM-5E 6.7 kW, no modulation of 5 kW carrier.
10 kW, 100% modulation of 5 kW carrier.
Measured at 5 kW into a 50 ohm resistive
load at 220V ac. 0.9 power factor.
OVERALL EFFICIENCY
AM-2.5E 75% or greater, 100% sinusoidal modulation
of carrier, ac line to RF output. Measured
at into 2.5 kW a 50 ohm resistive load at
220V ac.
AM-5E 75% or greater, 100% sinusoidal modulation of
carrier, ac line to RF output. Measured at 5 kW
into a 50 ohm resistive load at 220V ac.
SAFETY Meets IEC 215 specifications.
REGULATORY Meets CE specifications.
METERING
AM-2.5E Output Forward Power: 1) High scale - 0 to
3000 watts and 2) Low scale - 0 to 750 watts.
Output Reflected Power: 1) High scale - 0 to 300
watts and 2) Low scale - 0 to 60 watts. Ac Line
Voltage: Scale - 150 to 300 volts. AM-2.5
Forward Power Meter complies with FCC rule
78.1215 (a) within the 150 watt to 2800 watt range.

1-9
TABLE 1-1. ELECTRICAL CHARACTERISTICS
(Sheet 5 of 5)
PARAMETER SPECIFICATION
METERING (CONT'D)
AM-5E Output Forward Power: 1) High scale - 0 to 6000
watts and 2) Low scale - 0 to 1500 watts.
Output Reflected Power: 1) High scale - 0 to
600 watts and 2) Low scale - 0 to 150 watts. Ac
Line Voltage: Scale - 150 to 300 volts. AM-5
Forward Power Meter complies with FCC rule
73.1215 (a) within the 300 watt to 5600 watt
range.
RF MONITORING PROVISIONS 2 volts RMS nominal RF output sample into a 50
Ohm input. Adjustable from the transmitter
front panel for each of the five power levels.
REMOTE INTERFACE Built-in interface for most control and monitoring
systems.
TABLE 1-2. PHYSICAL AND ENVIRONMENTAL CHARACTERISTICS
(Sheet 1 of 2)
PARAMETER SPECIFICATION
PHYSICAL
DIMENSIONS Width: 24.82 Inches (63.0 cm).
Height: 71.32 Inches (181.2 cm)
Depth: 31.55 Inches (80.1 cm)
WEIGHT
AM-2.5E 410 Pounds (186 kg), unpacked.
AM-5E 525 Pounds (238 kg), unpacked.
CUBAGE 42.8Ft3 (1.2 m3).
ENVIRONMENTAL
COOLING
Type Low velocity air with disposable filters.
Requirements - AM2.5E/AM-5E 500 Cubic Feet Per Minute (14.15 m3/min).
OPERATING TEMPERATURE 0° to 50° C (+32°to +122° F)
OPERATING HUMIDITY 0 TO 95% (non-condensing)

1-10
TABLE 1-2. PHYSICAL AND ENVIRONMENTAL CHARACTERISTICS
(Sheet 2 of 2)
PARAMETER SPECIFICATION
MAXIMUM ALTITUDE
60 Hz Models 0 to 10,000 feet above sea level (0 to 3048 Meters).
50 Hz Models 0 to 7,500 feet above sea level (0 to 2286 Meters).
NOTE -
For AM-2.5E, All specifications measured at 2.5 kW into a 50 ohm resistive load using
Broadcast Electronics AS-10 modulation monitor.
For AM-5E, All specifications measured at 5 kW into a 50 ohm resistive load using
Broadcast Electronics AS-10 modulation monitor.

2-1
SECTION II
INSTALLATION
2-1. INTRODUCTION.
2-2. This section contains information required for the installation and preliminary checkout of
the Broadcast Electronics AM-2.5E and AM-5E transmitters.
2-3. UNPACKING.
2-4. The equipment becomes the property of the customer when the equipment is delivered to
the carrier. Carefully unpack the transmitter. Perform a visual inspection to determine
that no apparent damage has been incurred during shipment. All shipping materials
should be retained until it is determined that the unit has not been damaged. Claims for
damaged equipment must be promptly filed with the carrier or the carrier may not accept
the claim.
2-5. The contents of the shipment should be as indicated on the packing list. If the contents are
incomplete, or if the unit is damaged electrically or mechanically, notify both the carrier
and Broadcast Electronics.
2-6. ENVIRONMENTAL REQUIREMENTS.
2-7. Table 1-2 provides environmental conditions which must be considered prior to transmitĆ
ter installation. Refer to Table 1-2 in SECTION I, INTRODUCTION and ensure the
transmitter is to be installed in an acceptable environment.
2-8. COOLING AIR REQUIREMENTS.
2-9. If outside air is to be used to cool the transmitter, the air inlet duct must be sized to allow
adequate air flow. The air must be dry and well filtered. If intake louvers are used, operaĆ
tion of the louvers must be electrically interlocked with the transmitter operation.
2-10. If the heated transmitter air is to be ducted from the room, the duct system must not
introduce any back-pressure on the equipment. Proper allowances for air flow will ensure
that only a limited amount of heat is dissipated into the equipment interior. The duct sysĆ
tem must allow for a minimum air flow of: 1) 500 cubic feet of air per minute for AM-2.5E
models and 2) 700 cubic feet of air per minute for AM-5E models.
2-11. As a minimum requirement, any duct work must have a cross-sectional area equal to the
exhaust area of the cabinet (refer to Figure 2-1 and 2-2). Sharp bends in the duct system
will introduce back pressure and are not permissible. A radius bend must be used if a
right angle turn is required. An exhaust fan may be used to overcome duct losses or overĆ
come wind pressures if the duct is vented to the outside.
2-12. PRIMARY POWER.
2-13. The AM-2.5E and AM-5E transmitters are designed for operation from a 196V to 252V ac
50/60 Hz single phase power source. Consult the local electric utility company to ensure
that the correct service is provided before connection of the transmitter to the primary
power source.
2-14. INSTALLATION.
2-15. Each transmitter is wired, operated, tested, and inspected at the factory prior to shipment
and is ready for installation when received. Prior to installation, this publication should be
studied to obtain an understanding of the operation, circuitry, nomenclature, and installaĆ
tion requirements. Installation is accomplished as follows: 1) placement, 2) component
installation, 3) circuit board programming, 4) remote control connections, 5) wiring,
6) initial checkout, and 7) preliminary operation and tuning.

2-2
2-16. EQUIPMENT PLACEMENT.
2-17. The transmitter is designed with access holes in the top of the cabinet to allow for the
over-head ducting of ac power, RF transmission line, and ground strap wiring (refer to
Figure 2-1/2-2). The floor must be capable of supporting the total transmitter weight of
approximately 90 pounds per square foot. The floor support should be more than marginal
to maintain proper cabinet alignment and reduce vibration.
2-18. Evaluate the installation site and determine the location of the transmitter. Once the
location is determined, refer to Figure 2-3 and use a forklift to move the transmitter to the
desired location. After the transmitter is placed in the desired location, remove the shipĆ
ping skid as follows:
1. Refer to Figure 2-3 and remove the 5/16 inch shipping bolts securing the
transmitter to the skid.
2. Once the bolts are removed, slide the transmitter off the skid.
3. Slide the transmitter to the exact location.
2-19. COMPONENT INSTALLATION.
WARNING
WARNING
ENSURE NO PRIMARY POWER IS CONNECTED TO
THE TRANSMITTER BEFORE PROCEEDING.
2-20. Selected components of the AM-2.5E and AM-5E transmitters have been removed to preĆ
vent damage during shipment. The components removed from the transmitter are shipped
in separate containers.
2-21. Remove all tape, wire ties, string, and packing material used for shipment. In addition,
locate the component containers. To install the components, perform the following proceĆ
dures.
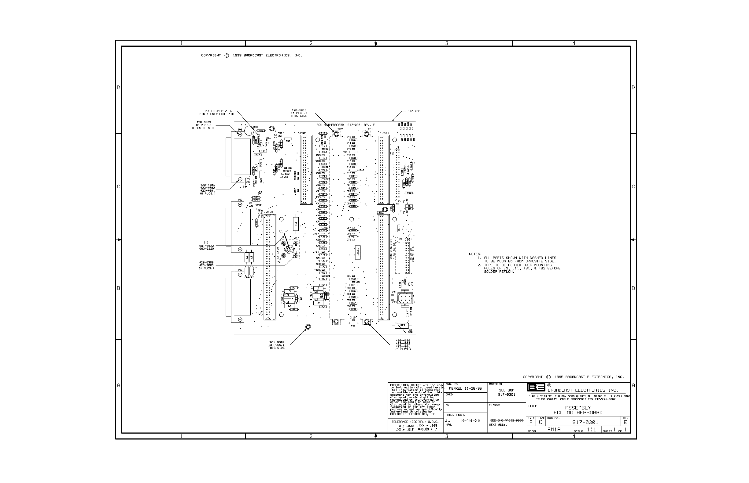
2-22. ECU CIRCUIT BOARDS. The ECU circuit boards are removed for shipment. Locate the
circuit board shipping container. To re-install the circuit boards, proceed as follows:
CAUTION
CAUTION
THE TRANSMITTER MAY BE DAMAGED
IF THE ECU CIRCUIT BOARDS ARE NOT
SECURELY SEATED INTO THE CONNECTORS.
1. Refer to Figure 2-4 to determine the circuit board location.
2. Insert the circuit board in the appropriate location.
3. Firmly press the circuit board into the connector.
4. Firmly press the circuit board into the connector again to ensure the circuit board
is seated.
5. Repeat the procedure for each ECU circuit board.
CAUTION
CAUTION
REMOVING OR INSTALLING AN RF POWER MODULE
WITH THE TRANSMITTER ENERGIZED MAY RESULT
IN DAMAGE TO THE MODULE.
2-23. RF POWER MODULES. Each RF power module is removed for shipment. Locate the RF
power module shipping containers. Refer to Figure 2-4 and re-install the modules.

597-1114-7
FIGURE 2-1. AM-2.5E TRANSMITTER INSTALLATION
(2-3/2-4)
COPYRIGHT 1999 BROADCAST ELECTRONICS, INC

597-1114-8
FIGURE 2-2. AM-5E TRANSMITTER INSTALLATION
(2-5/2-6)
COPYRIGHT 1999 BROADCAST ELECTRONICS, INC

2-7
597-1114-27
FIGURE 2-3. TRANSMITTER MOVING
COPYRIGHT 1999 BROADCAST ELECTRONICS, INC
2-24. POWER SUPPLY. The transmitter power supply circuit boards may be removed for shipĆ
ment. If the power supply circuit boards have been removed, locate the shipping container.
Install each circuit board as follows:
CAUTION
CAUTION
THE TRANSMITTER MAY BE DAMAGED IF THE
POWER SUPPLY CONNECTORS ARE NOT SEĆ
CURELY SEATED INTO THE POWER SUPPLY
CIRCUIT BOARD RECEPTACLES.
CAUTION
CAUTION
TO PREVENT DAMAGE TO THE POWER SUPĆ
PLY CIRCUIT BOARD, ENSURE THE CIRCUIT
BOARD IS INSERTED INTO THE MOUNTING
PINS AND THE CAPACITORS ON THE CIRCUIT
SIDE OF THE BOARD ARE PLACED INTO THE
PANEL CUTOUT PRIOR TO SLIDING THE CIRĆ
CUIT BOARD TO SEAT THE MOUNTING SLOTS
INTO THE PINS.
CAUTION
CAUTION
1. Locate the mounting slots in the power supply circuit board and insert the board
into the power supply mounting pins on the power supply panel. Ensure the circuit
board is inserted with the capacitors on the circuit side of the board placed into the
panel cutout prior to seating the circuit board in the mounting pins.
2. Slide the circuit board in a position to seat the circuit board slots in the mounting
pins.

2-8
3. Secure the power supply circuit board mounting hardware.
4. Connect the power supply circuit board cables as follows:
A. Securely connect 16-pin connector P1 to J1 on the power supply circuit board.
B. Securely connect 12-pin connector P2 to J2 on the power supply circuit board.
C. Securely connect 24-pin connector P3 to J3 on the power supply circuit board.
5. Repeat the procedure for each power supply circuit board.
2-25. BATTERY INSTALLATION. The ECU is equipped with a battery system. Refer to Figure
2-4 and install the battery in the battery receptacle.
2-26. CIRCUIT BOARD PROGRAMMING.
2-27. The AM-2.5E and AM-5E transmitters are designed with programmable transmitter operĆ
ating characteristics. The operating characteristics are determined by the programmable
circuitry on the ECU circuit boards (refer to Figure 2-4). Refer to the following text and
program the circuitry for the desired operating characteristics.
2-28. EXCITER CIRCUIT BOARD. Exciter circuit board programming is presented in Figure
2-5. Refer to Figure 2-5 and program the circuit board as required.
2-29. External Stereo Generator Select. Programmable header J7 programs the circuitry if:
1) an external stereo generator is to be used with the transmitter or 2) the internal stereo
circuit board is to be used with the transmitter. The transmitter is shipped with the circuit
programmed for the internal stereo circuit board operation.
2-30. Carrier Frequency Programming. Eight position switch S2 programs the exciter carrier
frequency. The switch is programmed for the station frequency at the factory. Refer to the
factory test data sheets to check the programming of the switch. If the switch programĆ
ming is not identical to programming recorded in the factory test data sheets, contact the
Broadcast Electronics Customer Service Department.
2-31. PWM Frequency Programming. Four position switch S1 programs the PWM frequency.
Refer to the factory test data sheets to check the programming of the switch.
2-32. Frequency Synthesizer Programming. Programmable header J6 determines the frequency
synthesizer band of operation. Refer to the factory test data sheets to check the programĆ
ming of the header.
2-33. Pilot Tone Programming. Programmable header J5 establishes the pilot tone frequency for
10 kHz carrier frequency operation and 9 kHz carrier frequency operation. Refer to the
factory test data sheets to check the programming of the header.
2-34. High-Pass Filter Defeat. Left channel programmable header J12 and right channel proĆ
grammable header J13 control an exciter second order 10 Hz high-pass filter. The high-
pass filter is provided to remove low frequency residual products from specific audio proĆ
cessing units. The filter is shipped from the factory in the enabled position. Evaluate the
audio processor and determine if low frequency residual products are present at the output
of the audio processing unit. If no low frequency residual products are present, refer to
Figure 2-5 and disable the high pass filter.
2-35. High Frequency Boost Defeat. Left channel programmable header J2 and right channel
programmable header J3 control an exciter high frequency boost circuit. The high frequenĆ
cy boost circuit provides increased high frequency response to compensate for a Bessel filĆ
ter in the PWM modulator. If the high frequency boost circuit is enabled to compensate for
the filter, the circuit will result in a compromise between the frequency and transient reĆ
sponse performance. If the high frequency boost circuit is enabled, the transmitter freĆ
quency response will increase approximately 2 dB at 10 kHz and the transient response
will degrade. If the high frequency boost circuit is disabled, the transmitter frequency reĆ
sponse will decrease approximately 2 dB at 10 kHz and the transient response will imĆ
prove. The high frequency boost circuit is shipped from the factory in the disabled posiĆ
tion.

597-1114-14
FIGURE 2-5. COMPONENT INSTALLATION
(2-9/2-10)
COPYRIGHT 1999 BROADCAST ELECTRONICS, INC

2-11
597-1111-11
FIGURE 2-5. EXCITER CIRCUIT BOARD PROGRAMMING
COPYRIGHT 1999 BROADCAST ELECTRONICS, INC

2-12
2-36. Monophonic Transmitter Operation Channel Select. Programmable header J4 selects
either the left or right audio channel when the transmitter is operating in the monophonic
mode with the stereo circuit board removed. The transmitter is shipped with the left chanĆ
nel audio selected for monophonic operations.
2-37. STEREO CIRCUIT BOARD. Stereo circuit board programming is presented in Figure 2-6.
Refer to Figure 2-6 and program the circuit board as required.
2-38. Antenna C Equalization Select. Programmable header J6 selects equalization circuit 1 or
equalization circuit 2 for operation with antenna C. The transmitter is shipped with equalĆ
ization circuit 2 configured for operation with antenna C.
2-39. Bandpass Filter Alignment. Programmable header J5 configures the bandpass filter for
alignment. The jumper must be installed in position 1-2.
2-40. Bandpass Filter Programming. Four position switches S2 through S4 program the bandĆ
pass filter. Refer to the factory test data sheets to check the programming of the switches.
2-41. Equalization Control Select. Programmable header J7 configures the equalization circuitĆ
ry for either a momentary or constant antenna status signal. The transmitter is shipped
with equalization control circuitry configured for a constant status signal.
2-42. CONTROLLER CIRCUIT BOARD. Controller circuit board programming is presented in
Figure 2-7. Refer to Figure 2-7 and program the circuit board as required.
2-43. Power Level Trim Reset Select. Programmable header J12 determines if the power level
control circuit is to reset when a power level switch/indicator is depressed. If the circuit is
programmed to reset, the previous raise/lower information will be deleted and the transĆ
mitter will operate at the selected power level. If the circuit is programmed to retain the
previous raise/lower information, the transmitter will operate above or below the selected
power level as determined by previous raise/lower operations. For example, the transmitĆ
ter is operating at power level 4 with the power level raised 5% by the power level raise/
lower circuit. When power level 5 switch/indicator is depressed, the transmitter will operĆ
ate at 5% above the power level 5 output due to the previously retained raise/lower inĆ
formation. The transmitter is shipped with power level trim reset circuit configured to reĆ
set.
2-44. Antenna Power Level Programming. Switches S1, S2, and S3 assign power levels to a speĆ
cific antenna. This programs the antenna interlock circuit to the station antenna system
to prevent the transmitter from operating into an antenna at an incorrect power level.
Switch S1 programs the power levels for antenna A. Switch S2 programs the power levels
for antenna B. Switch S3 programs the power levels for antenna C. Power level 2 is asĆ
signed to an antenna by switch 1 on S1, S2, and S3. Power level 3 is assigned to an antenĆ
na by switch 2 on S1, S2, and S3. Power level 4 is assigned to an antenna by switch 3 on
S1, S2, and S3. Power level 5 is assigned to an antenna by switch 4 on S1, S2, and S3.
Power level 1 is assigned to each antenna. Evaluate the antenna system and program the
circuit as required.
2-45. AC Power Failure Automatic Transmitter Shutdown Time. Programmable headers J4, J5,
J6, and J7 program the transmitter ac power failure automatic transmitter shutdown
timer circuit. The circuit is designed to automatically operate the transmitter to off during
a power failure after a specific time delay programmed by headers J4, J5, J6, and J7. J4
programs the circuit for a 1 minute shutdown time. J5 programs the circuit for a 4.5 minĆ
ute shutdown time. J6 programs the circuit for a 17 minute shutdown time. J7 programs
the circuit for a 68 minute shutdown time. The transmitter is shipped from the factory for
a 1 minute shutdown time.
2-46. Antenna Interlock Control Select. Programmable header J1 controls the antenna interĆ
lock circuit. The circuit can be disabled if the transmitter is to operate into only one antenĆ
na. The transmitter is shipped from the factory with the antenna interlock circuit disĆ
abled.

2-13
597-1111-6
FIGURE 2-6. STEREO CIRCUIT BOARD PROGRAMMING
COPYRIGHT 1999 BROADCAST ELECTRONICS, INC

2-14
597-1112-5
FIGURE 2-7. CONTROLLER CIRCUIT BOARD PROGRAMMING
COPYRIGHT 1999 BROADCAST ELECTRONICS, INC

2-15
2-47. Power Level Reference. Programmable headers J10 and J19 provide a reference for the
power level circuit. For AM-2.5E/AM-5E transmitters, ensure jumpers P10 and P19 are
removed.
2-48. Power Level 3 Assignment. Programmable header J8 and J9 control the assignment for
the power level 3 switch/indicator. For the AM-2.5E, the power level 3 switch/indicator
can be programmed to control power from: 1) 250 watts to 1250 watts or 2) 750 watts to
2800 watts. For the AM-5E, the power level 3 switch/indicator can be programmed to conĆ
trol power from: 1) 500 watts to 2500 watts or 2) 1500 watts to 5600 watts. The power
level 3 switch/indicator is shipped from the factory to control power from: 1) 250 watts to
1250 watts on AM-2.5E models and 2) 500 watts to 2500 watts on AM-5E models. ProĆ
gram jumpers P8 and P9 as required.
2-49. Remote Reflected Power Sample Voltage Programming. Programmable header J3 conĆ
trols the remote reflected power meter sample voltage. The remote reflected power sample
can be programmed for a +5.0 volt dc or +2.5 volt dc full-scale meter indications. The
transmitter is shipped from the factory programmed for +5.0 volt dc full-scale remote reĆ
flected power meter indications.
2-50. Remote Forward Power Sample Voltage Programming. Programmable header J2 conĆ
trols the remote forward power meter sample voltage. The remote forward power sample
can be programmed for a +5.0 volt dc or +2.5 volt dc full-scale meter indications. The
transmitter is shipped from the factory programmed for +5.0 volt dc full-scale remote forĆ
ward power meter indications.
2-51. High Forward Power Defeat. Programmable header J11 controls the high forward power
detector circuit. Ensure jumper P11 is removed.
2-52. Reflected/Forward Power Sample Programming. Programmable headers J15, J16, J17,
and J18 control the reflected and forward power sample levels. Headers J15 and J17 conĆ
trol the forward power sample. Headers J16 and J18 control the reflected power sample.
For AM-2.5E models: 1) remove jumpers P15 and P16 and 2) install jumpers P17 and P18.
For AM-5E models: 1) install jumpers P15 and P16 and 2) remove jumpers P17 and P18.
2-53. Forward Power Reference Voltage Programming. Programmable headers J13 and J14
establish the forward power reference level for a comparator circuit. For AM-2.5E/AM-5E
models, ensure jumpers P13 and P14 are installed.
2-54. Temperature Sense. Header J20 controls the temperature sense sample voltage. Ensure
P20 is removed for all models.
2-55. POWER SUPPLY CIRCUIT BOARD. The power supply circuit board programming is preĆ
sented in the following text. Refer to the following text to check the power supply circuit
board programming.
2-56. Future Corrector Circuit. Programmable headers J9 and J10 establish parameters for a
future corrector circuit. Ensure jumper P9 is removed and P10 is installed.
2-57. Model Programming. Programmable headers J5 through J8 establish parameters for difĆ
ferent AM E-Series transmitters. Refer to the following text for the programming
information.
TRANSMITTER J5 J6 J7 J8
AM-2.5E Not Used Not Used Not Used Not Used
AM-5E Not Used Not Used Not Used Not Used

2-16
2-58. REMOTE CONTROL.
WARNING
WARNING
ENSURE PRIMARY POWER IS DISCONNECTED BEĆ
FORE PROCEEDING.
2-59. GENERAL. The AM-2.5E and AM-5E transmitters are designed for complete remote conĆ
trol operations (refer to Figure 2-8 ). The transmitters will interface with almost any reĆ
mote control unit such as the Broadcast Electronics model VMC-16 voice remote control
system. The following text presents a description of the transmitter remote control funcĆ
tions and indications. The remote control connections are located at 25-pin D-type conĆ
nectors J1 and J2. J1/J2 are located on the transmitter top-panel. The remote control
functions are activated using a +5 to +15 volt dc signal. The remote indication functions:
1) require current limiting resistors and 2) provide up to 100 mA for indicators. A +5 volt
supply is provided at J1 for remote control operations.
2-60. Power Level Controls/Indicators. The transmitter is designed with five customer adjustĆ
able operating power controls. The controls are located at J1-1 through J1-5. A +5 to +15
volt dc signal is required to activate the desired function.
2-61. Indications of power level control operations are located at J1-7 through J1-11. The power
level status indicators will go LOW (0 volts dc) when activated.
2-62. Transmitter Off Control/Indicator. The transmitter off control is located at J1-6. A +5 to
+15 volt dc signal is required to operate the transmitter to off. The indicator for the transĆ
mitter off control is located at J1-14. The off indicator will go LOW (0 volts dc) when actiĆ
vated.
2-63. Power Level Raise/Lower Controls. The transmitter is designed with raise and lower conĆ
trols to adjust the transmitter output power level. The controls are equipped with ability
to raise/lower power from 10% to 15% of the selected output power level. The controls are
located at J1-15 and J1-16. A +5 to +15 volt dc signal is required to activate the desired
function.
2-64. Antenna Interlock Input. The antenna interlock inputs are designed for the connection of
the status signals from antenna A, B, and C. The inputs are located at J1-19 through
J1-21. The inputs require a +5 to +15 volt dc signal to indicate an antenna ready status.
2-65. Transmitter Mute Input. The transmitter mute input is designed to mute the transmitter
when activated. The input is located at J1-22. The input requires a +5 to +15 volt dc sigĆ
nal to mute the transmitter.
2-66. Remote Failsafe Input. The remote failsafe input is designed for the remote control unit
failsafe control line. The input is located at J1-23. The input requires a +5 to +15 volt dc
signal to indicate an enabled remote control unit.
2-67. External Interlock Input. The external interlock input is for the connection of an interlock
external to the transmitter. The input is located at J1-24. The input requires a +5 to +15
volt dc signal to indicate a closed interlock.
2-68. Interlock +5V. The interlock +5 volt supply is provided for the external interlock. The +5
volt supply is located at J1-25.
2-69. Exciter Mode Controls/Indicators. The transmitter exciter is designed to be operated in
the mono left, mono right, mono L+R, or stereo modes of operation. The controls are loĆ
cated at J2-1 through J2-4. A +5 to +15 volt dc signal is required to activate the desired
function.
2-70. Indications of exciter modes of operations are located at J2-5 though J2-8. The exciter
mode indicators will go LOW when activated.
2-71. Remote Forward/Reflected Power Meter Indications. Remote reflected power meter indiĆ
cations are located at J2-9 and J2-10. The indications are designed to be programmed for
+5 volt dc full-scale meter indications or +2.5 volt dc full-scale meter indications.

2-17
COPYRIGHT 1999 BROADCAST ELECTRONICS, INC
597-1114-3
FIGURE 2-8. REMOTE CONTROL AND AUDIO CONNECTIONS (SHEET 1 OF 2)

2-18
COPYRIGHT 1999 BROADCAST ELECTRONICS, INC
597-1114-3A
FIGURE 2-8. REMOTE CONTROL AND AUDIO CONNECTIONS (SHEET 2 OF 2)

2-19
2-72. Remote Enabled Indications. The remote enabled indicator provides a signal to indicate
the status of transmitter remote control operations. The remote enabled indicator is loĆ
cated at J2-11. The indicator will go LOW to indicate when remote control operations are
enabled.
2-73. Maintenance Indications. The maintenance indicator provides a signal to indicate when
a transmitter power supply or an RF power module is removed from the transmitter for
maintenance. The maintenance indicator is located at J2-12. The indicator will go LOW
(0 volts dc) to indicate when a power supply is removed for maintenance.
2-74. Lightning Indications. The lightning indicator provides a signal to indicate when a greater
than: 1) 1500 volt potential is present at the output for AM-2.5E models or 2) 2100 volt
potential is present at the output for AM-5E models. The lightning indicator is located at
J2-13. The indicator will go LOW (0 volts dc) to indicate when a lightning potential is preĆ
sent at the transmitter output.
2-75. 1.2 : 1 VSWR Indications. The 1.2 : 1 VSWR indicator provides a signal to indicate when a
greater than 1.2 : 1 VSWR condition is present at the transmitter output. The 1.2 : 1 indiĆ
cator is located at J2-14. The indicator will go LOW (0 volts dc) to indicate when a 1.2 : 1
VSWR condition is present at the transmitter output.
2-76. Exciter/PWR Supply/PWR Module Fault Indications. The exciter, power supply, and power
module fault indicators provide signals to indicate when an exciter, power supply, or a
power module fault has occurred. The exciter, power supply, and power module fault indiĆ
cators are located at J2-15 through J2-17. The indicators will go LOW (0 volts dc) to
indicate when an exciter, power supply, or a power module fault has occurred.
2-77. RFL PWR High Indications. The reflected power high indicator provides a signal to indicate
when: 1) 100 watts of reflected power is present at the transmitter output for AM-2.5E
models or 2) 200 watts of reflected power is present at the transmitter output for AM-5E
models. The high reflected power indicator is located at J2-18. The indicator will go LOW
(0 volts dc) to indicate when a reflected power high condition is present at the transmitter
output.
2-78. RFL PWR Emergency Indications. The reflected power emergency indicator provides a sigĆ
nal to indicate when greater than: 1) 500 watts of reflected power is present at the output
of the AM-2.5E transmitter or 2) 1000 watts of reflected power is present at the output of
the AM-5E transmitter. The reflected power emergency indicator is located at J2-19. The
indicator will go LOW (0 volts dc) to indicate when a reflected power emergency condition
is present at the transmitter output.
2-79. Overtemp Indications. The overtemp indicator provides a signal to indicate when the
transmitter temperature is greater than 70°C. The overtemp indicator is located at J2-20.
The indicator will go LOW (0 volts dc) to indicate when the transmitter temperature is
greater than 70°C.
2-80. Foldback Indications. The transmitter is designed to automatically reduce power when
one of the following fault condition occurs: 1) high reflected power, 2) high forward power,
3) high temperature, or 4) detection of a high voltage by the lightning circuit. The foldback
indicator is located at J2-21. The indicator will go LOW (0 volts dc) to indicate when the
transmitter is in a foldback condition.
2-81. Alarm Status Indications. The alarm status provides a signal to indicate when a fault or
foldback condition occurs. The alarm status indicator is located at J2-22. The indicator
will go LOW (0 volts dc) to indicate when the transmitter is in a fault or foldback condition.
2-82. Alarm Reset Control. The alarm reset control is designed to reset the fault detection cirĆ
cuitry. The alarm reset control is located at J2-23. A +5 to +15 volt dc signal is required to
activate the function.

2-20
2-83. Emergency Off Indications. The emergency off indicator provides a signal to indicate
when the transmitter is operated to off by any condition or event other than the use of the
off switch. These conditions/events include: 1) an overcycle off condition, 2) a power supĆ
ply emergency condition, or 3) an open interlock condition. A power supply emergency conĆ
dition is when all the power supplies in the transmitter encounter faults. The emergency
off indicator is located at J2-24. The indicator will go LOW (0 volts dc) to indicate when an
emergency off condition is encountered.
2-84. WIRING.
2-85. Wiring consists of connecting audio, the RF transmission line, and ac power to the transĆ
mitter. Refer to the following text and connect the wiring to the transmitter.
2-86. AUDIO INPUT CONNECTION. The AM-2.5E and AM-5E transmitters are equipped
with electronically balanced 600 Ohm left and right channel audio inputs. The audio inĆ
puts are located on the transmitter top-panel at J3 (refer to Figure 2-8). The inputs are
designed to accept a +10 dBm signal at 600 Ohms.
WARNING
WARNING
ENSURE PRIMARY POWER IS DISCONNECTED BEĆ
FORE PROCEEDING.
2-87. Audio is interfaced to the transmitter by: 1) selecting the appropriate cable and 2) connectĆ
ing the cable to the terminals of 9-pin D-type connector J3. J3 is located on the transmitĆ
ter top-panel. To interface audio to the transmitter: 1) use Belden 8760 cable or equivaĆ
lent and 2) refer to Figure 2-8 and connect the audio to the transmitter as follows:
1. Connect the plus signal line to the + terminal.
2. Connect the minus signal line to the - terminal.
3. Connect the shield to ground at the audio source end.
2-88. EXTERNAL STEREO RF INPUT. The transmitter is equipped with an external stereo RF
input on the transmitter top-panel (refer to Figure 2-9). The input is designed for the conĆ
nection of an external stereo generator or reference oscillator with a signal level from 5 to
15 volts peak-to-peak. If an external stereo signal/reference is to be applied to the transĆ
mitter, connect the signal to the EXTERNAL RF INPUT connector on the transmitter
top-panel and program jumper P7 on the exciter circuit board in position 1-2.
2-89. AM-2.5E/AM-5E RF TRANSMISSION LINE CONNECTION. The AM-2.5E/AM-5E
transmitter RF output connection is located on the transmitter top-panel (refer to Figure
2-9). The AM-5E requires 7/8 inch transmission line with a 7/16 male DIN connector.
The AM-2.5E requires 1/2 inch transmission line with a 7/16 male DIN connector. To conĆ
nect the RF transmission line to the transmitter, refer to Figure 2-9 and connect the 7/16
male DIN type connector to the RF OUT connector on the transmitter top-panel.
2-90. EXTERNAL INTERLOCK. The AM-2.5E/AM-5E is equipped with an external interlock
such as for a test load. The interlock will turn off the transmitter RF output when opened.
The interlock is located at J1-24 and J1-25 on the transmitter top-panel. Refer to
External Interlock Input and Interlock +5v in the REMOTE CONTROL section of the
preceding text and perform the procedures to connect equipment to the transmitter exterĆ
nal interlock.
2-91. MODULATION MONITOR. The modulation monitor connection is located on the transĆ
mitter top-panel. Refer to Figure 2-9 and connect the modulation monitor to the MOD
MONITOR SAMPLE OUTPUT receptacle.

2-21
FIGURE 2-9. AM-2.5E/AM-5E RF OUTPUT CONNECTIONS
597-1114-22
COPYRIGHT 1999 BROADCAST ELECTRONICS, INC

2-22
WARNING
WARNING
ENSURE PRIMARY POWER IS DISCONNECTED BEĆ
FORE PROCEEDING.
WARNING
WARNING
ENSURE AN EARTH GROUND CONDUCTOR IS SEĆ
CURELY CONNECTED TO THE TRANSMITTER AC
GROUND LUG.
2-92. AC POWER CONNECTIONS. The AM-2.5E transmitter requires a single-phase source
of 196V to 252V ac, 50 Hz or 60 Hz at 75 Amperes. The AM-5E transmitter requires a
single-phase source of 196V to 252V ac, 50 Hz or 60 Hz at 125 amperes. For operating
safety, the power source must be routed to the transmitter through a fused power disconĆ
nect (refer to Figures 2-10 and 2-11).
WARNING
WARNING
ENSURE PRIMARY POWER IS DISCONNECTED BEĆ
FORE PROCEEDING.
2-93. Main ac Input -AM-2.5E. Refer to Figure 2-10 and connect the 75 Ampere service to ac
input/control device S1 through a fused service disconnect as shown. Ensure a utility comĆ
pany ground conductor is securely connected to the transmitter common ground system
and the ac service ground wire is securely connected to the ac ground lug as shown.
2-94. Main ac Input - AM-5E. Refer to Figure 2-11 and connect the 125 ampere service to ac
input/control device S1 through a fused service disconnect as shown. Ensure a utility comĆ
pany ground conductor is securely connected to the transmitter common ground system
and the ac service ground wire is securely connected to the ac ground lug as shown.
WARNING
WARNING
ENSURE PRIMARY POWER IS DISCONNECTED BEĆ
FORE PROCEEDING.
WARNING
WARNING
ENSURE AN EARTH GROUND CONDUCTOR IS SEĆ
CURELY CONNECTED TO THE TRANSMITTER
GROUND LUG.
2-95. GROUND. The transmitter is equipped with a cabinet ground system for operating safety.
The ground system requires the connection of an earth ground. Refer to Figures 2-10 and
2-11 and connect an earth ground to the cabinet ground lug as shown using a 2 inch (5.08
cm) wide copper strap.
2-96. TRANSMITTER SITE LIGHTNING PROTECTION SYSTEM CHECKOUT.
CAUTION
CAUTION
THE TRANSMITTER SITE LIGHTNING PROTECTION
SYSTEM MUST BE INSPECTED AND IN PROPER
WORKING CONDITION FOR RELIABLE TRANSMITĆ
TER OPERATION.
2-97. For reliable transmitter operation, the transmitter site lightning protection system must
be inspected and in proper working condition. Due to the solid-state design of the transĆ
mitter, high voltage potentials from lightning activity can cause severe damage to the
transmitter circuitry. Therefore, perform the following procedures to inspect and improve
the lightning protection system at the transmitter site. Refer to the NAB Radio Handbook
for additional transmitter site lightning protection system information.

2-23
FIGURE 2-10. AM-2.5E PRIMARY AC WIRING
597-1114-10
COPYRIGHT 1999 BROADCAST ELECTRONICS, INC

2-24
FIGURE 2-11. AM-5E PRIMARY AC WIRING
COPYRIGHT 1999 BROADCAST ELECTRONICS, INC
597-1114-9

2-25
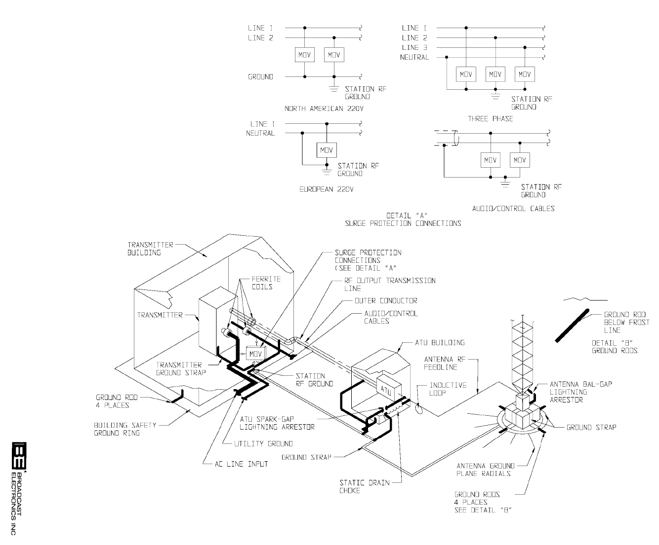
2-98. ANTENNA BALL-GAP LIGHTNING ARRESTOR. Each tower in the antenna system must
be equipped with a ball-gap lightning arrestor (refer to Figure 2-12). The ball-gap
arrestor is designed to safely conduct lightning potentials to ground. Inspect the ball-gap
arrestors by performing the following procedures.
2-99. Ball-Gap Position. The antenna ball-gap lightning arrestor must be aligned horizontally.
Do not align the ball-gaps vertically. Vertical alignment allows rain water to collect on the
balls. This reduces the gap separation and results in arcing during rain activity.
2-100. Ball-Gap Separation. The antenna ball-gap lightning arrestor must be adjusted for the
proper separation. If the ball-gap separation is too wide, the arrestor will not function. If
the ball-gap separation is too narrow, the arrestor will arc during normal transmitter opĆ
eration. As a general rule: 1) a separation of approximately 0.020 in. for each peak kiloĆ
volt at the transmitter tower is required or 2) 0.125 inch for each 9.4 peak kilovolt at the
transmitter tower is required.
2-101. The recommended method for ball-gap separation adjustment is to adjust the gap to preĆ
vent arcing during peak modulation activity. To adjust the separation, proceed as follows:
1. Adjust the ball-gap separation using the general rule presented in the preceding
text.
2. Operate the transmitter at peak modulation and check the ball-gap for arcing
activity.
WARNING
WARNING
DISCONNECT ALL TRANSMITTER PRIMARY POWER
BEFORE PROCEEDING.
3. Operate the transmitter to off.
4. Adjust the ball-gap separation as follows:
A. If no arcing activity is detected, reduce the ball-gap separation.
B. If arcing activity is detected, increase the ball-gap separation.
5. Repeat the procedure until the ball-gap separation is adjusted for the smallest gap
possible without arcing during peak modulation activity.
2-102. ANTENNA-TUNING-UNIT SPARK-GAP LIGHTNING ARRESTOR. The
antenna-tuning-unit (ATU) must be equipped with a spark-gap lightning arrestor (refer
to Figure 2-12). The spark-gap arrestor can be: 1) a ball-gap type or 2) a horn type. AdĆ
just the spark-gap for the smallest possible gap without arcing during peak modulation
activity.
2-103. TRANSMITTER SITE GROUNDING SYSTEM. The transmitter site grounding system must
be properly connected for reliable transmitter operation. A typical transmitter site groundĆ
ing system is shown in Figure 2-12. Perform the following procedures to ensure the
grounding system connections are secure.
1. Ensure the antenna base ground strap is securely connected to the antenna ground
plane radials.
2. Ensure the antenna ball-gap lightning arrestor is securely connected to the
lightning ground rod system and to the antenna ground plane radials.
3. Ensure the ATU ground and the station RF ground is securely connected to the
antenna ground plane radials.

2-26
2-104. CABLE PROTECTION. The ac line cable, audio/control cables, and the RF output transĆ
mission line require a combination of MOV and ferrite core protection to prevent the entry
of lightning potentials (refer to Figure 2-12). Refer to the following text to install MOV
and ferrite cores on the cables to prevent the conductance of lightning potentials. Ensure
MOVs are connected from the ac line and audio/control cable conductors to the station RF
ground as shown. The MOVs should be rated for 20,000 Ampere surges
(BE P/N 140-0032).
2-105. Ferrite Core. The ac line cable, the audio/control cables, and the RF output transmission
line also require the placement of ferrite cores. The cores are designed to create a high
impedance for undesired current paths such as lightning. Ferrite cores for placement on ac
line audio/control and RF output transmission line cables are located in the accessory parts
kit. Locate the ferrite cores and install the cores by performing the following procedures.
2-106. Modulation Monitor Core. One 375-0009-001 ferrite core is designed to be installed on
the modulation monitor cable. Install the core on the modulation monitor cable by:
1) routing the cable through the core and 2) wrapping the cable to create one cable loop
around the core. The core can be installed at any location on the cable.
2-107. Audio/Remote Control/Status Core. A second 375-0009-001 ferrite core is designed to be
installed on the audio and remote control/status cables. Install the core on the audio and
remote control/status cables by: 1) routing the cables through the core and 2) if possible,
wrapping the cables to create one cable loop cable around the core. The core can be
installed at any location on the cables.
2-108. Ac Input Core. A 375-0007-001 ferrite core is shipped with the unit for installation on
the transmitter ac input cable. Install the core by routing: 1) all ac line phase cables
through the core or 2) all ac line phase cables and ground cable through the core. Place the
core at any location between the wall mounted fused disconnect and the transmitter ac inĆ
put switch.
2-109. RF Output Core. A second 375-0007-001 ferrite core is designed to be installed on the
transmitter RF output transmission line cable. Install the core by routing the RF output
cable through the core. Place the core at any location between the transmitter RF output
connector and the next equipment connection in the RF output system such as the antenna
phasing system. It is recommended the core be placed outside the transmitter cabinet.
2-110. ANTENNA RF FEED LINE. Check the antenna RF feed line between the ATU and the
tower. Ensure the line contains one or more one foot diameter loops. The loops function as
a series inductance and increase the impedance of the line.
2-111. TRANSMISSION LINE AND ANTENNA CHECKOUT.
CAUTION
CAUTION
THE TRANSMISSION LINE AND ANTENNA MUST BE
INSPECTED AND IN PROPER WORKING CONDITION
FOR RELIABLE TRANSMITTER OPERATION.
2-112. The transmission line and antenna must be inspected and in proper working condition for
reliable transmitter operation. Perform the following procedures to inspect the transmisĆ
sion line and antenna.
2-113. ANTENNA VSWR. The AM-2.5E/AM-5E are designed to operate into an antenna with a
maximum VSWR of 1.5 : 1. Check the antenna VSWR. If the VSWR is greater than
1.5 : 1, contact the Broadcast Electronics Customer Service Department. Typically, the anĆ
tenna will require the installation of an additional tuning unit to reduce the antenna
VSWR.
2-114. COAXIAL SWITCH CONTROLLER. To prevent damage to the transmitter, the transmitĆ
ter must be muted during any antenna change sequence. Inspect the motorized coaxial
switch controller and ensure the unit outputs a +5 volt to +15 volt mute signal. Ensure the
mute signal is applied to the transmitter.

2-27
FIGURE 2-12. ANTENNA LIGHTNING PROTECTION SYSTEM
597-1111-36
COPYRIGHT 1999 BROADCAST ELECTRONICS, INC

2-28
2-115. ATU AND PHASOR CHECKOUT. Inspect the ATU and the antenna phasor unit (if
installed in the system) for arcing activity during peak modulation periods. Repair or reĆ
place any devices to prevent arcing during peak modulation periods.
2-116. INITIAL CHECKOUT.
WARNING
WARNING
ENSURE PRIMARY POWER IS DISCONNECTED BEĆ
FORE PROCEEDING.
2-117. Prior to performing the preliminary operating procedures, the transmitter should be
checked to ensure all installation and connection procedures have been performed. To
check the transmitter, proceed as follows:
A. Ensure all ECU circuit boards, RF power modules, and power supply circuit boards
are installed.
B. Ensure the RF output transmission line is connected to the transmitter output
network.
C. Ensure the station earth ground is connected to the transmitter ground terminal.
D. Ensure all audio and control cables are connected to the transmitter.
E. Ensure the modulation monitor is connected to the transmitter.
F. Ensure all ac power connections are secure.
G. Ensure the station RF output transmission line system and antenna are in proper
working condition.
H. Ensure the antenna lightning protection system is in proper working condition.
2-118. PRELIMINARY OPERATION AND ADJUSTMENT.
2-119. Adjust the transmitter for operation with the equipment at the installation site as follows:
WARNING
WARNING
THE TRANSMITTER POWER SUPPLY OPERATES
FROM A HIGH FLOATING GROUND POTENTIAL.
NEVER OPERATE THE TRANSMITTER WITH THE
REARĆDOOR OPEN.
2-120. TUNING. The transmitter must be adjusted to operate into the station antenna. To tune
the transmitter, proceed as follows:
2-121. Operate the rear-door ac on/off switch to ON. The ECU and power module front-panel
indicators will illuminate.
2-122. Depress the power level 1 switch/indicator to illuminate the switch/indicator.
2-123. Operate the FORWARD POWER meter switch to LOW and observe the forward power
indication.
2-124. Operate the REFLECTED POWER meter switch to LOW and observe the reflected power
indication.
2-125. Tune the transmitter by adjusting the TUNING and LOADING controls as required for a
minimum reflected power indication on the REFLECTED POWER meter.

2-29
2-126. POWER LEVEL AND MODULATION MONITOR CALIBRATION ADJUSTMENTS. The
transmitter power levels are adjusted to the levels specified in the sales order at the
factory. If no power levels are specified, the levels are adjusted as follows:
AM-2.5E AM-5E
Power level 1 = 500 watts Power level 1 = 1000 watts
Power level 2 = 1000 watts Power level 2 = 2000 watts
Power level 3 = 1500 watts Power level 3 = 3000 watts
Power level 4 = 2000 watts Power level 4 = 4000 watts
Power level 5 = 2500 watts Power level 5 = 5000 watts
2-127. If desired, the transmitter power levels can be changed at any time. If the transmitter
power levels are adjusted, the modulation monitor output must also be re-calibrated. To
change the power level and re-calibrate the modulation monitor output, proceed as follows:
WARNING
WARNING
DISCONNECT ALL TRANSMITTER PRIMARY POWER
BEFORE PROCEEDING.
2-128. Operate the transmitter rear-door ac on/off control switch to OFF and open the rear-door.
2-129. Refer to Figure 2-13 and connect the test equipment to the transmitter modulation connecĆ
tor as shown.
2-130. Operate the transmitter rear-door ac on/off control switch to ON.
2-131. Depress power level control 1 switch/indicator to illuminate the switch/indicator.
2-132. Operate the FORWARD POWER meter switch to LOW or HIGH as required and observe
the forward power indication.
2-133. Refer to Figure 2-7 and adjust the power level 1 control to obtain the desired indication on
the FORWARD POWER meter. The control range is from: 1) 250 watts to 1250 watts on
AM-2.5E models and 2) 500 watts to 2500 watts on AM-5E models.
2-134. Refer to Figure 3-1 in SECTION III, OPERATION and adjust the power level 1 modulaĆ
tion monitor calibration control for a 5.7 volt peak-to-peak signal on the oscilloscope.
2-135. Repeat the procedure for power levels 2 through 5. The power level control ranges are as
follows:
AM-2.5E
1. Power level 2 - 250 watts to 1250 watts.
2. Power level 3 - 250 watts to 1250 watts or 750 watts to 2800 watts as
programmed by a jumper on the controller circuit board.
3. Power level 4 - 750 watts to 2800 watts.
4. Power level 5 - 750 watts to 2800 watts.
AM-5E
1. Power level 2 - 500 watts to 2500 watts.
2. Power level 3 - 500 watts to 2500 watts or 1500 watts to 5600 watts as
programmed by a jumper on the controller circuit board.
3. Power level 4 - 1500 watts to 5600 watts.
4. Power level 5 - 1500 watts to 5600 watts.

2-30
FIGURE 2-13. TEST EQUIPMENT CONNECTIONS, POWER LEVEL CALIBRATION
597-1114-11
COPYRIGHT 1999 BROADCAST ELECTRONICS, INC
WARNING
WARNING
DISCONNECT ALL TRANSMITTER PRIMARY POWER
BEFORE PROCEEDING.
2-136. Operate the transmitter rear-door ac on/off control switch to OFF.
2-137. Disconnect the cable from the transmitter modulation monitor connector.
2-138. STEREO ADJUSTMENT. If the transmitter is operated in the stereo mode, the transmitter
stereo circuitry must be adjusted to compensate for antenna system variances. The priĆ
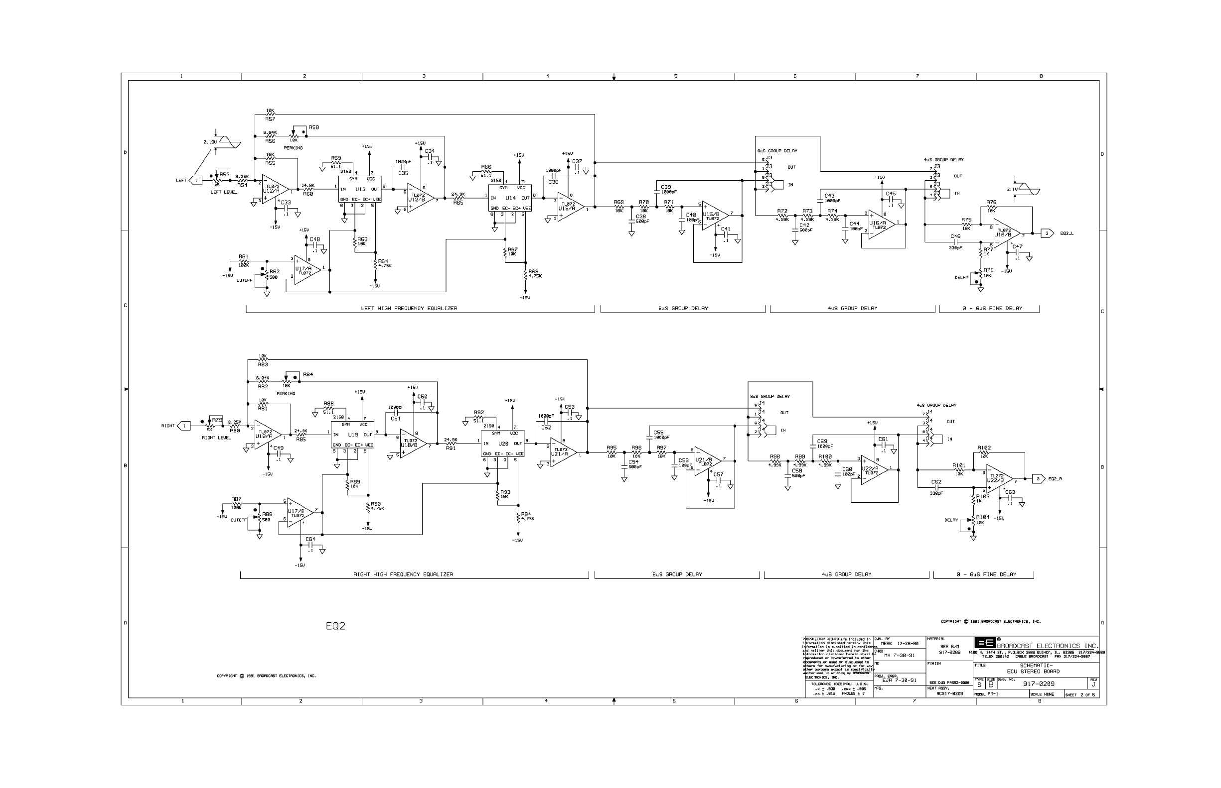
mary objective in the adjustment of the transmitter is to configure the stereo circuitry to
minimize distortion and maximize separation across the entire audio band. A proof of perĆ
formance sheet is provided at the end of this section to record performance measurements.
To adjust the stereo circuitry, perform the following procedures and record the measureĆ
ments on the proof of performance sheet at the end of this section.
WARNING
WARNING
DISCONNECT ALL TRANSMITTER PRIMARY POWER
BEFORE PROCEEDING.
2-139. Operate the transmitter rear-door ac on/off control switch to OFF.
2-140. Refer to Figure 2-14 and connect the test equipment as shown.

2-31
597-1114-12
FIGURE 2-14. TEST EQUIPMENT CONNECTIONS, SEPARATION
COPYRIGHT 1999 BROADCAST ELECTRONICS, INC
2-141. Operate the oscilloscope for: 1) 200 mV/div sensitivity and 2) dc coupled.
2-142. Refer to Figure 2-8 and connect an audio generator to the audio input terminals.
2-143. Operate the transmitter rear-door ac on/off control switch to ON.
2-144. Select the antenna which is configured for equalization circuit 1 operation (refer to STEĆ
REO CIRCUIT BOARD PROGRAMMING in the preceding text if required) and determine
a power level.
2-145. Depress the desired power level switch/indicator to illuminate the switch/indicator.
2-146. Refer to SECTION III, OPERATION and perform the following:
1. Operate the stereo circuit board mode control switch to illuminate the stereo
indicator. When power is applied to the transmitter, the stereo circuit board will
automatically be configured to the stereo mode.
2. Operate the stereo circuit board pilot switch to off.
3. Ensure the equalization circuit 1 indicator on the stereo circuit board is
illuminated.
2-147. Adjust equalization circuit 1 as follows:
1. Adjust the audio generator for a 1 KHz left channel output at +10 dBm and
observe the lissajous pattern displayed on the oscilloscope.

2-32
2. Refer to Figure 2-6 and adjust the left channel level control to obtain a horizontal
lissajous pattern (refer to Figure 2-15).
3. Adjust the group delay as follows:
A. Configure the group delay circuitry for adjustment as follows:
1. Refer to Figure 2-6 and configure the left channel 4 microsecond and
8 microsecond sections to in.
2. Refer to Figure 2-6 and operate the left channel delay control fully counter-
clockwise.
B. Refer to Figure 2-6 and adjust the left channel delay control to close the oscillo-
scope display and obtain a straight-line lissajous display as shown in the maxi-
mum left channel separation lissajous pattern (refer to Figure 2-15). If the
display will not close, proceed as follows:
1. Refer to Figure 2-6 and: 1) configure only the 8 microsecond delay section
to in and 2) adjust the left channel delay control to close the oscilloscope
display.
2. If the display will not close refer to Figure 2-6 and: 1) configure only the 4
microsecond delay section to in and 2) adjust the left channel delay control to
close the oscilloscope display.
4. Adjust the separation at 7 kHz as follows:
A. Adjust the audio generator for a 7 kHz left channel output at +10 dBm.
B. Refer to Figure 2-6 and adjust the left channel cutoff and peak controls to
obtain a maximum left channel separation lissajous pattern as shown in
Figure 2-15.
C. If a maximum left channel lissajous pattern can not be obtained, refer to Figure
2-6 and adjust the left channel delay control to close the oscilloscope display
and obtain a straight-line lissajous pattern (refer to Figure 2-15).
5. Repeat the entire procedure for the right channel. Adjust the right channel level,
cutoff, peak, and delay controls as required to obtain optimum separation and
distortion from the right channel.
6. Repeat the entire procedure for equalization circuit 2. Adjust the equalization
circuit 2 using the equalization 2 left/right channel level, cutoff, peak, delay,
controls and the equalization 2 group delay sections to obtain optimum separation
and distortion.
2-148. Once the stereo adjustment is complete: 1) refer to SECTION III, OPERATION and operĆ
ate the pilot switch on the stereo circuit board to ON and 2) remove the test equipment.
2-149. SINGLE CHANNEL LEVEL. The transmitter is equipped with a single channel level conĆ
trol. When the transmitter is operating in the stereo mode, the level control is designed to
boost a remaining audio channel level in the event of a failure in one channel. For transĆ
mitters operating in the stereo mode, adjust the single channel level control as follows:

597-0095-19
FIGURE 2-15. EQUALIZATION LISSAJOUS PATTERNS
(2-33/2-34)
COPYRIGHT 1999 BROADCAST ELECTRONICS, INC

2-35
WARNING
WARNING
DISCONNECT ALL TRANSMITTER PRIMARY POWER
BEFORE PROCEEDING.
2-150. Operate the transmitter rear-door ac on/off control switch to OFF.
2-151. If an audio processor is used with the transmitter, ensure the processor is connected as folĆ
lows:
1. Ensure normal program audio is connected to the processor input.
2. Ensure the audio processor output is connected to the transmitter audio input.
2-152. Operate the transmitter rear-door ac on/off control switch to ON.
2-153. Depress a desired power level switch/indicator to illuminate the switch/indicator.
2-154. Refer to SECTION III, OPERATION and operate the stereo circuit board mode control
switch to illuminate the stereo indicator.
2-155. Disable one channel applied to the transmitter.
2-156. If an audio processor is used with the transmitter, refer to the audio processor manual and
adjust the processor single channel limiter as described in the procedure.
2-157. Refer to SECTION III, OPERATION and operate the stereo circuit board mode control
switch to illuminate the mono left or mono right indicator as determined by the remaining
operating audio channel applied to the transmitter.
2-158. Refer to Figure 2-5 and adjust the single channel level control on the exciter circuit board
as required to obtain an approximate 100% modulation indication on the modulation moniĆ
tor.

3-1
SECTION III
OPERATION
3-1. INTRODUCTION.
3-2. This section identifies all controls and indicators associated with the AM-2.5E/AM-5E
transmitters and provides standard operating procedures.
3-3. CONTROLS AND INDICATORS.
3-4. Figures 3-1, 3-2, and 3-3 present the location of all controls and indicators associated with
normal operation of the AM-2.5E and AM-5E transmitters. Tables 3-1, 3-2, and 3-3
present the functions of each control or indicator. Refer to Figures 3-1 through 3-3 and
Tables 3-1 through 3-3 for a description of the controls and indicators associated with the
AM-2.5E/AM-5E transmitters.
TABLE 3-1. AM-2.5E/AM-5E CONTROLS AND INDICATORS
(Sheet 1 of 2)
INDEX
NO. NOMENCLATURE FUNCTION
1 FORWARD POWER Displays the transmitter forward power output in
Meter watts as selected by the FORWARD POWER Meter
LOW/HIGH/OFF switch.
2 FORWARD POWER Configures the FORWARD POWER meter: 1) to
Meter HIGH/LOW/OFF display forward power information on the HIGH
Switch scale, 2) to display forward power information on the
LOW scale, or 3) to off. In the AM-2.5E: 1) the HIGH
scale is from 0 to 3000 watts and 2) the LOW scale is
from 0 to 750 watts. In the AM-5E: 1) the HIGH
scale is from 0 to 6000 watts and 2) the LOW scale is
from 0 to 1500 watts.
3 REFLECTED POWER Displays the transmitter reflected power output in
Meter watts or the ac input voltage in volts as selected by
the REFLECTED POWER HIGH/LOW/VAC
Switch.
4 REFLECTED POWER Configures the REFLECTED POWER meter to
Meter HIGH/LOW/VAC display: 1) reflected power information on the HIGH
Switch scale, 2) reflected power information on the LOW
scale, or 3) the ac input voltage. In the AM-2.5E:
1) the HIGH scale is from 0 to 300 watts and 2) the
LOW scale is from 0 to 60 watts. In the AM-5E:
1) the HIGH scale is from 0 to 600 watts and 2) the
LOW scale is from 0 to 150 watts. The ac volts scale is
from 150 to 300 volts.

3-2
597-1114-13
FIGURE 3-1. AM-2.5E/AM-5E CONTROLS AND INDICATORS
COPYRIGHT 1999 BROADCAST ELECTRONICS, INC

3-3
TABLE 3-1. AM-2.5E/AM-5E CONTROLS AND INDICATORS
(Sheet 2 of 2)
INDEX
NO. NOMENCLATURE FUNCTION
5 RF POWER MODULE A modular plug-in assembly containing two RF
power amplifier circuit boards and one modulator
circuit board. The AM-2.5E is equipped with 2 power
modules. The AM-5E is equipped with 4 power
modules. Each power module is designed to output
1375 watts of RF power.
6 POWER BLOCK An RF power amplifier assembly containing two RF
power modules and a combiner unit.
7 LOAD Control Operates in association with the TUNE control to
match the transmitter output impedance to the
antenna.
8 TUNE Control Operates in association with the LOAD control to
match the transmitter output impedance to the
antenna.
9 AC ON/OFF Controls the application of ac power to the transmit-
Switch ter.
10 Modulation Monitor Calibrates the modulation monitor sample to power
Calibration Controls levels 1 through 5.
11 POWER SUPPLY 1-2 Illuminates to indicate a failure in the 1-2 power
Fault Indicator supply. The supply provides power for RF power
(AM-5E Only) modules 1-2.
12 POWER SUPPLY 3-4 Illuminates to indicate a failure in the 3-4 power sup-
Fault Indicator ply. The supply provides power for RF power modules
(AM-5E Only) 3-4.
TABLE 3-2. ECU CONTROLS AND INDICATORS
(Sheet 1 of 6)
INDEX
NO. NOMENCLATURE FUNCTION
1 EXCITER Indicator Displays the operating status of the exciter.
GREEN Display - Indicates normal exciter
operation.
RED Display - Indicates an exciter fault.

3-4
TABLE 3-2. ECU CONTROLS AND INDICATORS
(Sheet 2 of 6)
INDEX
NO. NOMENCLATURE FUNCTION
2 POWER MODULES Displays the operating status of the transmitter
Indicator power modules.
GREEN Display - Indicates all power modules are
operating normally.
YELLOW Display - Indicates an RF power module is
removed from the transmitter.
RED Display - Indicates a fault in an RF power
module.
3 POWER SUPPLY Displays the operating status of the transmitter
Indicator power supply system.
GREEN Display - Indicates normal power supply
system operation.
YELLOW DISPLAY - Indicates one or more power
supplies are removed from the transmitter.
RED Display - Indicates a power supply system
fault.
4 ANTENNA VSWR Displays the condition of the antenna system.
Indicator
GREEN Display - Indicates a normal antenna load.
YELLOW Display - Indicates a VSWR condition
of 1.2 : 1.
RED Display - Indicates a high reflected/forward
power indication. In the AM-2.5E, indicates a 100
watt reflected power condition or a condition which
results in a high forward power indication of greater
than 20%. In the AM-5E, indicates a 200 watt
reflected power condition or a condition which results
in a high forward power indication of greater than
20%.
FLASHING RED Display - Indicates a reflected
power emergency condition. In the AM-2.5E,
indicates a 500 watt reflected power condition. In
the AM-5E, indicates a 1000 watt reflected power
condition.

3-5
TABLE 3-2. ECU CONTROLS AND INDICATORS
(Sheet 3 of 6)
INDEX
NO. NOMENCLATURE FUNCTION
5 POWER CONTROL SWITCHES - A group of five switches designed to
Switch/Indicators select five customer adjustable transmitter operating
output power levels.
In the AM-2.5E, switches 1 and 2 can be adjusted to
obtain output power levels from 250 to 1250 watts.
Switches 4 and 5 can be adjusted to obtain output
power levels from 750 to 2800 watts. Switch 3 is
designed to be customer assigned to control power in
the 250 to 1250 watt range or the 750 to 2800 watt
range.
In the AM-5E, switches 1 and 2 can be adjusted to
obtain output power levels from 500 to 2500 watts.
Switches 4 and 5 can be adjusted to obtain output
power levels from 1500 to 5600 watts. Switch 3 is
designed to be customer assigned to control power in
the 500 to 2500 watt range or the 1500 to 5600 watt
range.
INDICATORS - Illuminates to indicate an associated
power control switch has been selected.
6 OFF Switch/Indicator SWITCH - Deenergizes the transmitter RF output
power and configures the unit to off.
INDICATOR - Illuminates to indicate the OFF
switch has been selected.
7 POWER Switch/ SWITCH - Instructs the system controller to raise
Indicator the transmitter output power. The switch is designed
with the ability to raise power from 10% to 15% of the
selected output power level.
INDICATOR - During manual operating conditions,
illuminates to indicate the POWER switch is
selected. During automatic raise conditions, the indi-
cator will illuminate to indicate the rate of automatic
power increase.
8 POWER Switch/ SWITCH - Instructs the system controller to lower
Indicator the transmitter output power. The switch is designed
with the ability to lower power from 10% to 15% of the
selected output power level.
INDICATOR - During manual operating conditions,
illuminates to indicate the POWER switch is
selected. During automatic lower conditions, the
indicator will illuminate to indicate the rate of auto-
matic power decrease.

3-6
TABLE 3-2. ECU CONTROLS AND INDICATORS
(Sheet 4 of 6)
INDEX
NO. NOMENCLATURE FUNCTION
9 RESET Switch/ SWITCH - Clears the transmitter fault circuitry
Indicator when: 1) the switch is depressed and 2) if the fault
condition is removed.
INDICATOR - Illuminates to indicate a fault has
been encountered.
10 EXCITER MONITOR Illuminates to indicate the exciter is configured
STEREO Indicator to the stereo mode.
11 EXCITER MONITOR SWITCH - Selects either left/right channel or
MODE Switch/ L-R/L+R information for presentation on the
Indicator EXCITER MONITOR LED bar-graph display.
INDICATOR - Indicates the type of information
selected for display on the exciter monitor. The L/R
indicator will illuminate to indicate the display of
left/right channel information. The L+R/L-R indi-
cator will illuminate to indicate the display of L+R/
L-R information.
12 EXCITER MONITOR SWITCH - Selects either positive or negative peak
+/- POLARITY audio for application to the EXCITER MONITOR
Switch/Indicator LED bar-graph display.
INDICATOR - Indicates the signal polarity selected
for display on the exciter monitor. The + indicator will
illuminate to indicate the display of positive informa-
tion. The - indicator will illuminate to indicate the
display of negative information.
13 EXCITER MONITOR Displays left, right, L+R, or L-R audio channel
LED Bar-Graph Display peak levels as selected by the EXCITER MONITOR
MODE and POLARITY switches. Each indicator
will illuminate at the level indicated on the display.
In addition, the display is equipped with an autorange
feature to allow the monitoring of signals in the 0.5%
to 14.5% range. Indications of autorange operation are
provided by the R/L-R and L/L+R X10 indicators.
14 EXCITER MONITOR Illuminates to indicate the exciter is configured to the
MONO Indicator mono L, mono R, or mono L+R mode of operation.
15 R/L-R Display Illuminates to indicate the autorange feature is
X10 Indicator enabled to expand the R/L-R display by 10 to provide
the resolution required for low level audio monitoring.

597-1114-23
FIGURE 3-2. ECU CONTROLS AND INDICATORS
(3-7/3-8)
COPYRIGHT 1999 BROADCAST ELECTRONICS, INC

3-9
TABLE 3-2. ECU CONTROLS AND INDICATORS
(Sheet 5 of 6)
INDEX
NO. NOMENCLATURE FUNCTION
16 L/L+R Display Illuminates to indicate the autorange feature is
X10 Indicator enabled to expand the L/L+R display by 10 to provide
the resolution required for low level audio monitoring.
17 OVERTEMP Indicator Illuminates to indicate when the transmitter
operating temperature exceeds 70° C (158° F).
18 FOLDBACK Indicator Illuminates to indicate when the transmitter is in a
foldback condition. Foldback is when the transmitter
output power is automatically reduced in response to
one of the following fault conditions: 1) high reflected
power, 2) high forward power, 3) high temperature, or
4) detection of a lightning potential.
19 INTERLOCK Illuminates to indicate the internal interlock, external
Indicator interlock, and the remote fail-safe are closed. The
remote control fail-safe must be closed only when the
transmitter is configured for remote control operation.
20 REMOTE Indicator Illuminates to indicate transmitter remote control
operations are enabled.
21 CONFLICT Indicator Illuminates to indicate an incorrect power level is
selected for operation into the antenna connected to
the transmitter.
22 LIGHTNING Indicator In the AM-2.5E, illuminates to indicate a 1500 volt or
greater potential is present at the transmitter output.
In the AM-5E, illuminates to indicate a 2100 volt or
greater potential is present at the transmitter output.
23 PWM Mute Indicator Illuminates to indicate the power control PWM signal
is muted in response to a fault such as lightning, an
exciter fault, a reflected power emergency, an open
remote control fail-safe, or an external transmitter
mute.
24 Remote Fail-safe Illuminates to indicate the remote control unit is
Indicator enabled.
25 Remote/Local Controls the transmitter remote control operations.
Switch When the switch is operated to remote, remote control
operations are enabled. When the switch is operated
to local, remote control operations are disabled.

3-10
TABLE 3-2. ECU CONTROLS AND INDICATORS
(Sheet 6 of 6)
INDEX
NO. NOMENCLATURE FUNCTION
26 Battery OK Indicator When the battery test switch is depressed, the indi-
cator will: 1) illuminate to indicate the battery is
operational or 2) not illuminate to indicate the battery
is to be replaced.
27 Battery Test Switch When depressed, evaluates the controller battery
status. The status is displayed by the battery OK
indicator.
28 Pilot On/Off Switch Enables and disables the stereo pilot signal.
29 Stereo Indicator Illuminates to indicate the exciter is configured to the
stereo mode.
30 Mono L+R Indicator Illuminates to indicate the exciter is configured to the
mono L+R mode.
31 Mono Right Indicator Illuminates to indicate the exciter is configured to the
mono right mode.
32 Mono Left Indicator Illuminates to indicate the exciter is configured to the
mono left mode.
33 Exciter Mode Configures the exciter for stereo, mono L+R, mono
Control Switch left, or mono right operation. The switch is designed
to configure the exciter to a different mode of opera-
tion each time the switch is depressed. The switch
will advance to a mode of operation in the following
order: 1) mono left, 2) mono right, 3) mono L+R, and
4) stereo.
34 Stereo Equalization 1 Illuminates to indicate the exciter stereo equalization
Indicator 1 circuit is active.
35 Stereo Equalization 2 Illuminates to indicate the exciter stereo equalization
Indicator 2 circuit is active.
36 Lock Indicator Illuminates to indicate the exciter is locked to the
programmed carrier frequency.
37 Exciter +5V Indicator Illuminates to indicate the ECU +5V supply is
operational.
38 Exciter +15V Indicator Illuminates to indicate the ECU +15V supply is
operational.
39 Exciter -15V Indicator Illuminates to indicate the ECU -15V supply is
operational.
40 Negative Limiter Illuminates to indicate the negative limiter circuit is
Indicator enabled. Factory adjusted to illuminate at
approximately 94% negative modulation.

3-11
TABLE 3-3. POWER MODULE CONTROLS AND INDICATORS
(Sheet 1 of 2)
INDEX
NO. NOMENCLATURE FUNCTION
1 PA 1 RF DRIVE Illuminates to indicate RF drive is present at
Indicator power amplifier 1.
2 PA 1 FAULT Illuminates to indicate a fault has occurred
Indicator in power amplifier 1.
3 PA 2 RF DRIVE Illuminates to indicate RF drive is present at
Indicator power amplifier 2.
4 PA 2 FAULT Illuminates to indicate a fault has occurred in
Indicator power amplifier 2.
5 MOD PWM DRIVE Illuminates to indicate the exciter PWM drive
Indicator is present at the modulator circuit board.
6 MOD POWER Illuminates to indicate dc power is present at the
Indicator modulator circuit board.
597-1112-31
FIGURE 3-3. POWER MODULE CONTROLS AND INDICATORS
COPYRIGHT 1999 BROADCAST ELECTRONICS, INC

3-12
TABLE 3-3. POWER MODULE CONTROLS AND INDICATORS
(Sheet 2 of 2)
INDEX
NO. NOMENCLATURE FUNCTION
7 MOD FAULT Illuminates to indicate a fault has occurred in the
Indicator modulator circuit board.
8 MOD FUSE Illuminates to indicate the modulator circuit
Indicator board fuse has blown.
9 MOD SAMPLE Provides a dc voltage sample of the modulator circuit
board output. In the AM-2.5E, the sample will be
equal to approximately 5.6 volts dc at 2.5 kW (refer to
factory test data sheets). In the AM-5E, the sample
will be equal to approximately 5.6 volts dc at 5 kW
(refer to factory test data sheets).
3-5. OPERATION.
CAUTION
CAUTION
WHEN AC POWER IS APPLIED TO THE TRANSMITĆ
TER AND THE RF DRIVE AND PWM DRIVE INDICAĆ
TORS ON RF POWER MODULES IN A POWER BLOCK
ARE EXTINGUISHED, THE RF POWER MODULES
MUST BE REMOVED FROM THE TRANSMITTER
CHASSIS TO PREVENT DAMAGE TO THE MODULES.
NOTE
NOTE
ENSURE THE TRANSMITTER IS COMPLETELY
INSTALLED PRIOR TO PERFORMING THE FOLLOWĆ
ING PROCEDURES.
3-6. TURN-ON.
3-7. Operate the transmitter to ON by performing the following procedure.
3-8. Ensure the transmitter rear-panel ac on/off switch is operated to ON. The ECU and RF
power module front-panel indicators will illuminate.
3-9. Observe the ECU and RF power module indicators. Ensure normal operating conditions
are displayed by all indicators. If an indicator displays a fault condition, operate the ac
power switch to off and refer to SECTION V, MAINTENANCE to locate the problem.
3-10. Select an output power level by depressing the desired power level switch/indicator. The
following events will occur:
1. The power level switch indicator will illuminate.
2. The transmitter flushing fans will begin operation.
3. The transmitter output power will be displayed on the FORWARD and
REFLECTED power meters.

3-13
3-11. Operate the FORWARD and REFLECTED power meters to observe the transmitter forĆ
ward and reflected power indications.
3-12. Adjust the transmitter output power if required by performing the POWER ADJUST
procedure presented in the following text.
3-13. If remote control operation is desired, operate the local/remote switch on the controller cirĆ
cuit board to remote. This will enable both local and remote operation.
3-14. TURN OFF.
3-15. Operate the transmitter to OFF by depressing the OFF switch/indicator to illuminate the
switch/indicator. The transmitter will operate to off.
3-16. METERING.
3-17. FORWARD POWER. The forward power meter presents forward power indications. To
operate the meter, proceed as follows:
1. To monitor low forward power levels, operate the FORWARD POWER meter
switch to LOW. In the AM-2.5E, the LOW scale is from 0 to 300 watts. In the
AM-5E, the LOW scale is from 0 to 1500 watts.
2. To monitor high forward power levels, operate the FORWARD POWER meter
switch to HIGH. In the AM-2.5E, the HIGH scale is from 0 to 3000 watts. In the
AM-5E, the HIGH scale is from 0 to 6000 watts.
3. To configure the FORWARD POWER meter to off, operate FORWARD POWER
meter switch to OFF.
3-18. REFLECTED POWER. The reflected power meter presents reflected power and ac input
indications. To operate the meter, proceed as follows:
1. To monitor low reflected power levels, operate the REFLECTED POWER meter
switch to LOW. In the AM-2.5E, the LOW scale is from 0 to 60 watts. In the
AM-5E, the LOW scale is from 0 to 150 watts.
2. To monitor high reflected power levels, operate the REFLECTED POWER meter
switch to HIGH. In the AM-2.5E, the HIGH scale is from 0 to 300 watts. In the
AM-5E, the HIGH scale is from 0 to 600 watts.
3. To monitor the ac input voltage, operate the REFLECTED POWER meter
switch to VAC.
3-19. POWER ADJUST.
3-20. The POWER and switches adjust the transmitter output power. To adjust the transĆ
mitter power, proceed as follows:
1. Depress the POWER switch to increase the transmitter output power. Observe
the transmitter output power indications on the FORWARD and REFLECTED
power meters.
The switch will increase power from 10% to 15% of the selected power level.
OR
2. Depress the POWER switch to decrease the transmitter output power. Observe
the transmitter output power indications on the FORWARD and REFLECTED
power meters.
The switch will decrease power from 10% to 15% of the selected power level.

3-14
3-21. MONO/STEREO OPERATION.
3-22. To configure the transmitter for monophonic or stereophonic operation, perform the followĆ
ing procedures.
3-23. STEREO OPERATION. To configure the transmitter for stereo operations, depress the exĆ
citer mode control switch to illuminate the stereo indicator on the stereo circuit board. In
addition, the ECU front-panel stereo indicator will illuminate.
3-24. MONO OPERATION. The transmitter can be configured to the monophonic mode by:
1) manually selecting the desired mono mode using the stereo circuit board or 2) automatiĆ
cally configuring the transmitter by removing the stereo circuit board. To configure the
transmitter for mono operations, proceed as follows:
3-25. Mono Operation - Stereo Circuit Board. To configure the transmitter for mono operation
using the stereo circuit board, depress the exciter mode control switch to illuminate the
mono L+R, mono left, or mono right indicators on the stereo circuit board. In addition, the
ECU front-panel MONO indicator will illuminate.
3-26. Mono Operation - No Stereo Circuit Board. In the event of a stereo circuit board failure,
the transmitter will automatically configure to the monophonic mode when the stereo cirĆ
cuit board is removed from the ECU. To remove the stereo circuit board and configure the
transmitter for monophonic operation, proceed as follows:
CAUTION
CAUTION
TO PREVENT DAMAGE TO THE TRANSMITTER, ENĆ
SURE THE TRANSMITTER PRIMARY POWER IS OPERĆ
ATED TO OFF BEFORE REMOVING THE STEREO CIRĆ
CUIT BOARD.
1. Operate the transmitter primary power to off.
2. Completely remove the stereo circuit board from the ECU. Do not leave the circuit
board in the ECU chassis.
3. Refer to Figure 2-5 in SECTION II, INSTALLATION and ensure the monophonic
audio channel select jumper is configured for the desired audio channel.
4. If required, adjust the single channel level by referring to SECTION II,
INSTALLATION and performing the SINGLE CHANNEL LEVEL procedure.
3-27. PILOT CONTROL.
3-28. The pilot switch on the stereo circuit board controls the pilot tone. Operate the pilot switch
to on to enable the pilot tone. Operate the pilot switch to off to disable the pilot tone.
3-29. EXCITER MONITOR OPERATION.
3-30. The following text presents procedures for specific exciter monitoring functions. Perform
the appropriate procedure for the type of monitor function desired.
3-31. MONO/STEREO INDICATIONS. The MONO and STEREO indicators display the operĆ
ating mode of the exciter. The MONO indicator will illuminate to indicate when the excitĆ
er is configured for mono L+R, mono left, or mono right operation. The STEREO indicator
will illuminate to indicate when the exciter is configured for stereo operation.
3-32. INPUT SELECTION. Depress the L/R/L+R/L-R MODE switch/indicator to: 1) illuminate
the L/R indicator to select left and right channel information or 2) illuminate the L+R/L-R
indicator to select L+R and L-R information. The selected parameter will appear on the
EXCITER MONITOR display.

3-15
3-33. POLARITY SELECTION. Depress the POLARITY switch/indicator to: 1) illuminate the +
indicator to select positive peak audio or 2) illuminate the - indicator to select negative
peak audio. The selected parameter will appear on the EXCITER MONITOR display.
3-34. X10 AUTORANGE INDICATIONS. The EXCITER MONITOR display is designed with
an autorange function to provide the appropriate resolution for the applied signal level.
The L/L+R display X10 indicator will illuminate to indicate the display is expanded by 10.
The R/L-R display X10 indicator will illuminate to indicate the display is expanded by 10.
3-35. FAULT RESET.
3-36. The transmitter monitors several parameters for fault conditions. The RESET indicator
will illuminate to indicate a fault when one of the following conditions occur:
1) over-temperature, 2) exciter fault, 3) power supply fault, 4) RF power module fault,
5) high reflected/forward power, 6) reflected power emergency, or 7) lightning. Once the
fault condition is removed, the fault circuitry must be reset. If a power supply fault is enĆ
countered, the transmitter AC power must be disconnected to remove the fault condition
(refer to POWER SUPPLY FAULT RESET in the following text). To reset the fault cirĆ
cuitry, depress the RESET switch. The fault circuitry will be reset.
3-37. POWER SUPPLY FAULT RESET.
3-38. If a power supply fault is encountered, ac power must be disconnected from the transmitter
to clear the fault. To reset a power supply fault, proceed as follows:
1. Operate the rear-door ac ON/OFF switch to off.
2. Operate the rear-door ac on/off switch to on.
3. Depress the RESET switch.
3-39. OVER-CYCLE OFF.
3-40. The transmitter controller is equipped with an on/off cycle counter circuit. The circuit is
designed to monitor transmitter on/off cycles. If the transmitter is operated on/off seven
times within 15 seconds, the transmitter will automatically operate to OFF. The power
level or OFF switch/indicators will not respond. To operate the transmitter to ON, proceed
as follows:
1. Do not depress any power level switch/indicators or the OFF switch/indicator for
approximately 30 seconds. This allows the circuit to reset.
2. Depress the desired power level switch/indicator.
3-41. OVER-MODULATION PWM MUTE.
3-42. The transmitter is protected from modulation levels above 150% by an over-modulation
circuit. If the transmitter modulation increases to a level above 150%, the PWM signal
will be muted. This will mute the output power and prevent damage to the transmitter
power supply modules.
3-43. TRANSMITTER MONITOR.
3-44. The TRANSMITTER MONITOR is designed to present the operating status of: 1) the
exciter, 2) the RF power modules, 3) the power supply, 4) the antenna, 5) the remote conĆ
trol, 6) antenna conflict conditions, 7) lightning conditions, 8) interlocks, 9) foldback condiĆ
tions, and 10) over-temperature conditions. Use the information presented in Table 3-2 to
determine the status of the transmitter components and operating conditions.
3-45. BATTERY TEST.
3-46. The battery test and battery OK indicator check the ECU battery backup system. To check
the ECU battery, depress the battery test switch. The battery OK indicator will illuminate
to indicate an acceptable battery voltage. If the battery OK indicator does not illuminate,
replace the battery.

3-16
3-47. CONTROLLER PWM MUTE INDICATOR.
3-48. The PWM mute indicator illuminates to indicate when the power control PWM signal is
muted. The power control PWM signal is muted during: 1) lightning conditions, 2) an exĆ
citer fault, 3) reflected power emergency conditions, 4) an open remote control fail-safe, or
5) a transmitter mute control signal.
3-49. CONTROLLER REMOTE FAIL-SAFE INDICATOR.
3-50. The controller remote fail-safe indicator illuminates to indicate the remote control unit is
enabled. The indicator will extinguish when the remote control unit is disabled.
3-51. EXCITER LOCK INDICATOR.
3-52. The exciter circuit board lock indicator illuminates to indicate when the exciter is locked to
the programmed carrier frequency. The indicator will extinguish when the exciter is unĆ
locked from the programmed carrier frequency.
3-53. EXCITER +5V/+15V/-15V INDICATORS.
3-54. The exciter circuit board +5V, +15V, and -15V indicators display the status of the operating
potentials from the ECU power supply. The +5V, +15V, and -15V indicators will illuminate
to indicate the +5 volt, +15 volt, and -15 supplies are operational.
3-55. STEREO EQUALIZATION INDICATORS.
3-56. The stereo circuit board equalization 1 indicator illuminates to indicate when equalization
circuit 1 is selected. The stereo circuit board equalization 2 indicator illuminates to indiĆ
cate when equalization circuit 2 is selected.
3-57. RF POWER MODULE INDICATORS.
3-58. The RF power module indicators are designed to present the operating status of the power
amplifier circuit boards and the modulator circuit board. Use the information presented in
Table 3-3 to determine the status of the power amplifier circuit boards and the modulator
circuit board.
3-59. POWER SUPPLY INDICATORS.
3-60. On AM-5E models, the power supply indicators on the transmitter lower front-panel are
designed to present the operating status of the power supply circuit boards. The AM-5E
transmitter is equipped with power supply 1-2 and 3-4. The indicators illuminate to indiĆ
cate a failure in a power supply.
3-61. EXCITER NEGATIVE LIMITER INDICATOR.
3-62. The exciter circuit board negative limiter indicator displays the status of the exciter negaĆ
tive limiter circuit. The indicator will illuminate to indicate the negative limiter circuit is
enabled. The indicator is factory adjusted to illuminate at approximately 94% negative
modulation.
3-63. HIGH/LOW AC LINE CONDITIONS.
3-64. The transmitter is equipped with an ac line monitor. The monitor will deenergize the
transmitter in the event the ac power line is below 190 Volts or above 260 Volts. If this
condition occurs: 1) the transmitter output power will be disabled and 2) a no fault or
emergency condition will be generated. The transmitter will re-energize when the high/
low ac line condition is removed.

4-1
SECTION IV
THEORY OF OPERATION
4-1. INTRODUCTION.
4-2. This section presents the theory of operation for the Broadcast Electronics
AM-2.5E/AM-5E transmitters.
4-3. The following text presents the AM-2.5E/AM-5E transmitter overall theory of operation.
The transmitter is divided into modular components for the discussion. The modular
components consist of the: 1) exciter/control unit (ECU), 2) output network, 3) RF power
module, 4) RF combiner, and 5) power supply. The ECU, RF power module, and power
supply are presented in further detail by the publication sections at the end of this
manual.
4-4. Figures 4-1 and 4-2 present the AM-2.5E and AM-5E block diagrams. Figure 4-1
presents the AM-2.5E block diagram. Refer to Figure 4-1 and the AM-2.5E overall
schematic diagram in SECTION VII as required for the following discussion. Figure 4-2
presents the AM-5E block diagram. Refer to Figure 4-2 and the AM-5E overall
schematic diagram in SECTION VII as required for the following discussion.
4-5. FUNCTIONAL DESCRIPTION.
4-6. ECU.
4-7. GENERAL. The transmitter ECU (exciter/control unit) is a modular assembly containing
plug-in stereo, exciter, controller, and extender circuit board assemblies. A forward
power meter is provided to monitor the transmitter forward output power. A reflected
power/primary ac power meter provides reflected power and primary ac voltage
indications. The ECU switch and display circuitry is contained on switch and display
circuit boards. Power for the ECU is provided by a modular switching power supply unit.
4-8. STEREO CIRCUIT BOARD. The ECU stereo circuit board consists of C-QUAM AM stereo
circuitry. C-QUAM AM stereo is a mode of AM stereo transmission utilizing amplitude
modulated (L+R) information and independently quadrature modulated stereo (L-R)
information. The results produce a stereo transmission system compatible with mono
receivers.
4-9. The stereo circuit board is equipped with four modes of operation: 1) mono left, 2) mono
right, 3) mono L+R, and 4) stereo. Configuring the circuit board to monophonic operation
is accomplished by: 1) operating the circuit board to the mono left, mono right, or mono
L+R mode or 2) removing the stereo circuit board. The circuit board is equipped with two
equalization circuits. The circuits allow the transmitter to be configured for two different
antenna patterns such as for a day pattern and a night pattern.
4-10. The stereo circuit board operates in association with the ECU exciter circuit board to
provide RF drive to the RF power modules. The stereo circuit board receives left and
right channel audio and an unmodulated TTL level RF signal at 4 times the carrier
frequency from the exciter circuit board. The stereo circuit board outputs a TTL level RF
signal to the exciter circuit board.
4-11. EXCITER CIRCUIT BOARD. The ECU exciter circuit board is a modular plug-in exciter
assembly. The circuit board operates in association with the stereo circuit board to
produce a C-QUAM AM stereo RF output. Instrumentation amplifiers provide balanced
left and right channel transformerless audio inputs.

4-2
4-12. The exciter circuit board generates: 1) a PWM (pulse-width-modulation) signal and 2) an
RF carrier frequency signal. The 122 kHz to 135 kHz PWM signal is routed for
application to the modulator circuit boards in the RF power modules. The RF carrier
frequency signal is applied to the power amplifier circuit boards in the RF power modules.
The exciter carrier frequency is established by a digital frequency synthesizer. The
synthesizer is a phase-locked-loop circuit which provides extremely accurate and reliable
carrier frequency operation.
4-13. CONTROLLER CIRCUIT BOARD. All transmitter control operations are directed by the
ECU controller circuit board. The controller circuit board is designed with CMOS control
and monitoring circuitry.
4-14. The controller circuit board is designed with two interlock circuits. A transmitter
external interlock is provided such as for a test load. An antenna interlock circuit is
provided to prevent the transmitter from operating into an incorrect antenna.
4-15. The transmitter power is controlled by a power control circuit. The circuit allows the
transmitter to be operated at five power levels. A power trim circuit allows the
transmitter power to be increased or decreased as required. A high reflected power
detection circuit, a high forward power detection circuit, and a high temperature
detection circuit operate in association with the power control circuit to foldback the
transmitter power during high reflected power, high forward power, and high
temperature conditions. In addition, a lightning detector circuit is provided to mute the
transmitter when lightning is present at the antenna.
4-16. Several monitoring and display circuits provide information on transmitter operating
conditions. An RF power module status circuit displays: 1) if a module is removed for
maintenance or 2) if a power module fault has occurred. A power supply status circuit
displays: 1) if a power supply circuit board is removed for maintenance or 2) if a power
supply fault has occurred. An exciter status circuit indicates if a fault has occurred in the
exciter. An antenna status circuit displays: 1) 1.2 : 1 VSWR conditions, 2) high reflected
power conditions, and 3) emergency reflected power conditions.
4-17. Additional display circuits include: 1) remote, 2) conflict, 3) lightning, 4) interlock,
5) over-temperature, and 6) reset. A remote indicator displays the status of the remote
control system. A conflict indicator illuminates to indicate an incorrect power level is
selected for operation into an antenna. A lightning indicator illuminates to indicate the
presence of lightning at the transmitter output. An interlock indicator displays the status
of the internal and external interlock. An over-temperature indicator illuminates to
indicate a transmitter temperature greater than 70 degrees C. A reset indicator
illuminates to indicate a transmitter fault has occurred. Transmitter faults include:
1) exciter failure, 2) power supply failure, 3) RF power module failure, 4) high reflected
power conditions, 5) reflected power emergency conditions, 6) over-temperature
conditions, 7) lightning conditions, and 8) 1.2:1 VSWR conditions.
4-18. POWER SUPPLY. DC operating potentials for the ECU assembly is provided by a modular
switching power supply unit. The unit provides +5V, +15V, and -15V dc operating
potentials for the ECU circuit boards. +5V, +15V, and -15V indicators are provided on the
exciter circuit board.
4-19. RF POWER MODULE.
4-20. An RF power module is a plug-in assembly containing two RF amplifier circuit boards
and a modulator circuit board. Each RF power module is designed to produce 1375 watts
of RF power. Two RF power modules are contained in a power block. The AM-2.5E
transmitter is equipped with 1 power block. The AM-5E transmitter is equipped with 2
power blocks.

597-1114-5
FIGURE 4-1. AM-2.5E BLOCK DIAGRAM
(4-3/4-4)
COPYRIGHT 1999 BROADCAST ELECTRONICS, INC

597-1114-4
FIGURE 4-2. AM-5E BLOCK DIAGRAM
(4-5/4-6)
COPYRIGHT 1999 BROADCAST ELECTRONICS, INC

4-7
4-21. The modular design of the RF power modules allow the modules to be removed from the
transmitter for maintenance. The remaining power modules will provide power to
maintain on-air operation.
4-22. The PWM signal from the exciter circuit board is applied to the modulator circuit board.
The modulator circuit board is designed to amplify and convert the PWM signal to a dc
voltage which varies at an audio rate. The output of the modulator circuit board is
applied to the RF amplifier circuit boards. Four indicator circuits monitor and display the
status of the: 1) PWM drive signal, 2) B+ dc supply, 3) modulator fault conditions, and
4) blown fuse conditions.
4-23. The RF amplifier circuit boards are designed with Class E amplifier technology and
MOSFET power transistors. The circuit board operates from: 1) the varying dc voltage
from the modulator circuit board and 2) the RF drive signal from the exciter circuit board.
The RF drive signal from the exciter circuit board and the varying dc voltage from the
modulator are applied to a push-pull power MOSFET transistor amplifier circuit. The
amplifier circuit is designed to output approximately 687.5 watts of RF power. A fault
detection circuit monitors amplifier operation for fault conditions.
4-24. RF COMBINER.
4-25. Power from each RF amplifier circuit board is applied to a star combiner network. The
combiner components are located on the rear panel of each power block. The star
combiner network consists of individual transformer and inductor networks for each
amplifier circuit board. The combiner accepts RF power from each RF power module to
produce the rated RF output power.
4-26. In addition to combining the RF power from the RF power modules, the combiner design
allows one or more RF power modules to be removed from the transmitter for
maintenance. The remaining RF power modules will continue to operate to maintain
on-air operation. This is accomplished without the use of dummy modules or bypass
switches.
4-27. OUTPUT NETWORK.
4-28. The output network is a modular assembly designed to match the transmitter impedance
to the antenna. The assembly consists of a: 1) bandpass filter, 2) directional coupler
circuit board, 3) T-matching network, 4) lightning protection circuit board, and 5) a
lightning detection circuit board.
4-29. The bandpass filter is an eight element LC filter designed to attenuate all harmonic
frequencies to FCC, DOC, and CCIR levels. The directional coupler circuit board consists
of a circuit designed to sample the transmitter RF output. The circuit board generates
both forward and reflected power samples for application to the controller circuit board.
The T" matching network consists of an LC network. The network is designed to match
the transmitter impedance to the antenna.
4-30. A lightning protection circuit board is provided to protect the transmitter circuitry from
direct lightning potentials. The circuit protects the transmitter by shunting lightning
potentials to ground. The lightning detector circuit board is designed to mute the
transmitter RF output during the presence of a lightning potential. The lightning
detector circuit board is controlled by a spark gap. The circuit will respond to potentials
of 1500 volts in AM-2.5E models and 2100 volts in AM-5E models. This prevents the
transmitter from muting during near-by lightning activity.

4-8
4-31. POWER SUPPLY.
4-32. A single phase source of 196 to 252 volts ac 50/60 Hz is required to operate the
transmitter. The power source is routed through an RFI filter to prevent the coupling of
RFI components into or out-of the transmitter. A rear-door ac on/off switch provides ac
power control and disconnects all ac power to the transmitter when the door is opened.
The ac line is monitored for high/low conditions by an ac line voltage monitor. The
transmitter primary ac power will be interrupted if the ac line is above 260 volts or below
195 volts. Primary fuses protect the transmitter from over-current conditions. A power
factor corrector circuit modifies the ac line impedance to provide a power factor of
approximately 0.9.
4-33. The ac line voltage is sampled at the ac sample circuit board. The sample circuit board
provides an ac line voltage sample for application to the meter switch circuit board.
4-34. POWER SUPPLY CIRCUIT BOARD. DC operating potentials for the RF power modules
are provided by power supply circuit boards. One power supply circuit board provides dc
operating potentials for one power block. The AM-2.5E transmitter is equipped with 1
power supply circuit board. The AM-5E transmitter is equipped with 2 power supply
circuit boards.
4-35. The power supply circuit board consists of a: 1) switching power supply circuit,
2) conventional bridge rectifier circuit, 3) fault detection circuit. The switching power
supply circuit operates directly from the ac power source. No primary ac power
transformer is included in the circuit. An SCR controlled bridge rectifier circuit and a
switching regulator circuit converts ac potentials to dc potentials at a desired voltage.
Control of the dc output voltage is provided by a power control PWM signal from the
controller.
4-36. A transformer with five secondary windings provide low-voltage ac potentials to five
full-wave bridge rectifiers circuits. The circuits provide dc operating potentials for the
power supply circuit board and RF power module circuitry.
4-37. The power supply design provides the RF power modules with a constant and stable dc
operating supply by not responding to fluctuations or surges in the ac line voltage. The
supply will produce a constant dc voltage during high/low ac line voltage or surge
conditions.
4-38. The switching power supply output voltage is controlled by a power control PWM signal
from the controller circuit board. Current reduction at turn-on is controlled by a
soft-start circuit. The circuit is designed to generate start pulses synchronized to the ac
line phase to slowly bias the SCR bridge rectifier circuit on during initial turn-on
operations. The switching regulator circuitry is monitored for proper operation by an
overvoltage and loss-of-PWM signal circuitry. The switching regulator operation is
performed by IGBT (insulated-gate-bi-polar-transistors) transistors. The IGBTs are
designed to provide extremely reliable and efficient operation.

4-9
4-39. METERING.
4-40. The transmitter metering consists of the forward power meter, reflected power/primary ac
input voltage meter, and the exciter modulation meter. Forward power information is
presented on the forward power meter. Reflected power/primary ac input voltage
information is presented on the reflected power/primary ac input voltage meter. The
meters are controlled by three-position switches. Forward and reflected power samples
for the metering circuitry are provided by the directional coupler circuit board. An ac
sample for the reflected power/primary ac input voltage meter is provided by an ac sample
circuit board.
4-41. Monitoring of exciter operations is provided by the exciter modulation monitor. Two 30
segment multi-color bar graph displays present L/L+R and R/L-R information. A X10
mode allows the monitoring of low level signals such as the pilot tone.
4-42. COOLING FANS.
4-43. The AM-2.5E/AM-5E transmitters are equipped with 2 cooling fans. The fans are
controlled by an optically-coupled-relay. In the fans provide 500 CFM of cooling air for
the transmitter. A temperature sensor circuit board monitors the transmitter air
temperature and provides status information to the controller.
4-44. INTERFACE CIRCUIT BOARD (AM-5E ONLY).
4-45. On AM-5E models, communication between the controller, RF power modules, and the
power supply circuit boards is provided by an interface circuit board. The circuit board:
1) routes status information from the RF power modules and power supply circuit boards
to the controller and 2) routes control signals from the controller to the RF power modules
and the power supply circuit boards.
4-46. DETAILED DESCRIPTION.
4-47. POWER SUPPLIES.
4-48. The AM-2.5E/AM-5E transmitters require a 196V to 252V ac single phase power source
(refer to Figure 4-3). The following text presents ac power source required for each
transmitter.
TRANSMITTER AC POWER SOURCE
AM-2.5E 196V to 252V ac 50/60 Hz single phase at 75 Amperes.
AM-5E 196V to 252V ac 50/60 Hz single phase at 125 Amperes.
4-49. AC INPUT CIRCUITRY.
4-50. When the transmitter fused disconnect is closed, single phase ac power is routed through
an RFI filter to rear-door ac input switch S1. The filter prevents the coupling of RFI
components into or out-of the transmitter. S1 is the transmitter primary ac power safety
device. S1 disconnects primary ac power when the transmitter rear door is opened.
4-51. The ac line is monitored for high/low conditions by an ac line voltage monitor. The
monitor controls ac power contactor K2. The transmitter primary ac power will be
interrupted if the ac line is above 260 volts or below 190 volts. Overload protection for the
transmitter is provided by fuses F1 and F2.

4-10
4-52. A power factor corrector circuit consisting of inductors L3/L4 and capacitor C1 modifies
the ac line impedance to provide a power factor of approximately 0.9. C1 is switched into
the circuit during soft-start by the power factor corrector relay circuit board. The relay
circuit board is controlled by a circuit on the power supply circuit board.
Metal-Oxide-Varistors MOV1, MOV2, and MOV3 protect the transmitter power supply
circuitry from ac line voltage surge potentials. AC power from the MOVs is applied to
the following circuits: 1) the ECU power supply assembly, 2) the transmitter flushing
fans, 3) low voltage power supply transformer T1, 4) the power supply circuit board, and
5) the ac sample circuit board.
4-53. ECU POWER SUPPLY ASSEMBLY.
4-54. The ECU power supply is a 40W modular switching power supply unit. The power supply
assembly provides regulated +5V, +15V, and -15V operating potentials for the ECU circuit
boards.
4-55. The power supply for the ECU controller circuit board is backed-up by a 9V battery.
During an ac power failure, the battery will maintain the transmitter operating
configuration stored in the controller logic circuitry. Once power is returned to the
transmitter, the transmitter will automatically resume operation in the configuration
appearing prior to the ac failure. If an extended ac power failure occurs, the transmitter
will be operated to off by an ac loss/auto shutdown circuit.
4-56. The battery back-up system requires a standard 9V battery. The battery will maintain
the controller logic for several months. Replace the battery approximately once a year to
ensure proper transmitter operation during ac power failure conditions.
4-57. TRANSMITTER FLUSHING FANS.
4-58. Cooling air for the transmitter circuitry is provided by flushing fans B1 and B2. Control
of the fans is provided by optically-coupled-relay (OCR) K1.
4-59. The flushing fans are controlled by a signal from the ECU controller circuit board. When
a power level switch/indicator is depressed, the controller circuit board will enable
optically-coupled relay (OCR) K1 to energize the fans. The fans will operate during
transmitter operation.
4-60. LOW-VOLTAGE POWER SUPPLY TRANSFORMER.
4-61. Low-voltage operating potentials for the transmitter power supply circuit board and RF
power modules are provided by ac power transformer T1. Transformer T1 consists of:
1) one primary winding and 2) five secondary windings. The secondary windings provide
low-voltage ac potentials for application to five rectifier circuits on the power supply
circuit board. The circuitry provides dc operating potentials for the power supply and the
RF power modules.
4-62. POWER SUPPLY CIRCUIT BOARD.
4-63. Low and high voltage dc operating potentials for the RF power modules are provided by
the power supply circuit board. The AM-2.5E is equipped with 1 power supply circuit
board. The AM-5E is equipped with 2 power supply circuit boards. Each power supply
circuit board provides dc operating potentials for two RF power modules.
4-64. The power supply circuit board is equipped with: 1) a switching power supply circuit
designed to produce high-voltage operating potentials and 2) conventional rectifier
circuitry designed to produce low-voltage operating potentials. The following text
describes the circuitry.

597-1114-6
FIGURE 4-3.
AM-2.5E/AM-5E POWER SUPPLY
SIMPLIFIED SCHEMATIC
(4-11/4-12)
COPYRIGHT 1999 BROADCAST ELECTRONICS, INC

4-13
4-65. CONVENTIONAL RECTIFIER CIRCUITRY. +30V and +20V dc operating potentials for the
RF power modules are provided by four conventional rectifier circuits. AC power from a
winding of ac power transformer T1 is applied to bridge rectifier D9. D9 rectifies the ac
potential into an unregulated +20 volt ac supply for application to: 1) the modulator
circuit board and 2) to regulator U3. U3 is a +15 volt dc regulator. The output of U3
routed for application to the components on the power supply circuit board.
4-66. AC power from a second winding of transformer T1 is applied to bridge rectifier D10. D10
rectifies the ac potential into an unregulated +20V dc supply for application to the RF
power module power amplifier circuit boards. AC power from a third winding of power
transformer T1 is applied to bridge rectifier D11. D11 rectifies the ac potential into an
unregulated +30V dc supply for application to the RF power module power amplifier
circuit boards. AC power from a fourth winding of power transformer T1 is applied to
bridge rectifier D12. D12 rectifies the ac potential into an unregulated +15V dc supply for
application to: 1) the power supply circuit board and 2) regulator U4. U4 is a +12 volt dc
regulator. The output of U4 routed for application to the components on the power supply
circuit board.
4-67. An ac sample from a winding of T1 is also routed to a soft-start circuit. The soft-start
circuit is designed to generate control pulses synchronized with the ac line phase. A
complete description of the soft-start circuit is presented in Rectifier/Soft-Start Circuit
(refer to the following text).
4-68. SWITCHING POWER SUPPLY CIRCUIT. AC power from the power factor corrector
circuitry is applied to fuses F1 and F2 on the power supply circuit board. The fuses
protects the power supply circuitry from overload conditions. Metal-Oxide-Varistor
MOV1 prevents damage to the switching power supply circuit from ac line voltage surge
potentials.
4-69. Rectifier/Soft-Start Circuit. The ac line is full-wave rectified by an isolated SCR
controlled bridge rectifier circuit. The SCR bridge rectifier consists of diodes D15 through
D17 and SCRs D13 and D14. The rectifier is controlled by a soft-start circuit. The
soft-start circuit is designed to: 1) determine when the ac line waveform crosses the 0
volt axis and 2) generate short duration pulses in synchronization with the ac line 0 volt
crossings. The pulses are amplified and applied to the gates of the rectifier circuit SCR
components to slowly bias the components on during initial start operations. This
operation eliminates the component stress at power-on by limiting the supply in-rush
current. The rectifier will output an unregulated and unfiltered dc supply at
approximately 300V to an inductor and capacitor filter network.
4-70. The output of the rectifier circuit is applied to afilter consisting of capacitors C24 through
C27. The output of the LC filter generates a 300V main operating supply for the RF
power modules. The positive leg of the dc supply is the common for the dc voltages
contained in the switching regulator circuitry and the RF power modules. The negative
leg of the supply is regulated and controlled to generate the required operating potentials
for the RF power modules.
4-71. Switching Regulator Circuit. The main operating supply is regulated by a buck-type
switching regulator circuit. The switching regulator circuit generates the negative leg of
the B supply. The regulator circuit consists of: 1) a power supply mute circuit, 2) a
switching regulator power control PWM circuit, 3) optical coupler U17 4) inverting buffer
U19, and 5) switching regulator transistors Q21 and Q22.

4-14
4-72. A dc operating supply for optical coupler U17 and buffer U19 is generated by bridge
rectifier D25. D25 full-wave rectifies an ac potential from ac transformer T1 into an
unregulated +20V supply. The supply is applied to +18V regulator U16. U16 outputs a
+18V supply which is further regulated to a 5V operating potential by a resistive divider
and a zener diode. The 5V supply is applied to optical couplers U17 and buffer U19.
4-73. Control of the regulator circuit is provided by the switching regulator power control PWM
circuit, a current sampling circuit, and a voltage and current feedback correction circuit.
Together, the circuits function in a closed-loop to control regulator operation. The
switching regulator power control PWM circuit is designed to produce two out-of-phase
square wave signals with varying duty cycles. The duty cycle is varied in response to the
signal from the correction circuit. The output of the control circuit is applied to optical
coupler U17. U17 provides isolation between two different ground circuits. The output of
the coupler is applied to gate drive inverting buffer U19. The output of U19 is applied to
the gates of IGBT switching regulator transistors Q21 and Q22. Q21 and Q22 are
operated to on for a specific time duration to regulate the output voltage for varying load
conditions.
4-74. The regulator circuit output voltage is directed by a 1 kHz power control PWM signal
from the controller. The signal is applied to the correction circuit on the power supply
circuit board. In addition to the 1 kHz PWM signal, a voltage and current sample from
the regulator output is routed to the voltage and current feedback correction circuit. The
correction circuit responds by evaluating the output samples and the power control signal
and generating a correction voltage. The voltage is applied to the switching regulator
power control PWM circuit to adjust the output of the regulator.
4-75. The output of the transistor switching regulator circuit is applied to filter inductor L2.
Protection of the transistors from switching transients during turn on/off operation is
provided by clamp diode D32. Clamp diode D32 protects the transistors by limiting
positive peak voltages. The output of the regulator circuit is applied to circuitry on RF
power module modulator circuit boards.
4-76. MODULATOR CIRCUIT BOARD.
4-77. The B- leg from the power supply circuit board is routed to circuitry on the RF power
module modulator circuit board. The B- leg is applied to relay K1 on the modulator
circuit board. K1 is controlled by a fault detector circuit. The relay is designed to
immediately remove the supply from the forward converter circuit during a fault
condition. The output of the relay is applied to the converter circuit.
4-78. Transistors Q1 and Q2 are the switching devices in the forward converter circuit. The
circuit is controlled by the audio PWM signal from the driver circuit board. The circuit
operates by switching the applied B- leg at a 122 kHz to 135 kHz rate. The duty cycle of
the PWM signal is 40% with no modulation. The output of the forward converter circuit
is applied to an LC PWM low-pass filter network. Protection of the transistors from
switching transients is provided by clamp diodes D2 and D3. D2 and D3 limit the positive
peak transients appearing on the output.
4-79. A sample of the modulator circuit output is routed to a fault detector circuit. The circuit
will respond to a fault by: 1) routing a control signal to relay K1 to disconnect the
amplifier circuit from the B- supply and 2) route a control signal to the power supply
circuit board to momentarily mute the power supply. After a short delay, a control signal
is routed to the power supply to enable the supply to provide power to RF module 2.
4-80. The B+ leg of the supply is also routed to the modulator circuit board. The B+ leg is
applied to fuse F1 and is the common for the dc voltages contained in the power supply
circuit board switching regulator circuit and the RF power modules. F1 is provided to
protect clamp diodes D2 and D3 from overcurrent conditions.

4-15
4-81. POWER AMPLIFIER CIRCUIT BOARDS.
4-82. The power amplifier circuit board circuitry is configured in a Class E switching amplifier
design. A Class E design is recognized by: 1) the application of the B+ power supply
through an RF choke to combining transformers and 2) the use of only two MOSFET
power transistors in a push-pull configuration per amplifier. The circuitry on each
amplifier circuit board is identical, therefore only amplifier circuit board 1 will be
discussed.
4-83. The dc voltage output of the modulator circuit board is routed to the power amplifier 1
circuitry through fuse F1. F1 protects the amplifier circuitry from over-current
conditions. The supply is applied to a switching amplifier circuit consisting of transistors
Q1 and Q2. The B+ leg of the main dc supply from the power supply circuit board is
applied to Q1 and Q2 through choke L4 to a primary center tap of combiner transformer
T4. RF choke L4: 1) prevents RF signals from entering the dc supply and 2) functions as
the last series inductor for the PWM low-pass filter on the modulator circuit board.
4-84. The amplifier circuit is driven by the RF drive signal from the exciter circuit board. The
RF drive signal consists of a square-wave signal at the carrier frequency. The signal is
amplified prior to application to Q1 and Q2 by a driver circuit.
4-85. The amplifier circuit functions by switching the dc voltage from the modulator circuit
board at an RF rate to produce a monophonic or a C-QUAM AM stereo signal at the
programmed carrier frequency. The signal appears at the primary of combiner
transformer T4. The RF signal is transferred to the secondary of T4 and routed to power
amplifier 2 circuit board combiner transformer T3. The RF output signal from T4 is
combined with the RF output signal from transformer T3 to generate a C-QUAM signal
at approximately 1375 watts of carrier.
4-86. SEQUENCE OF OPERATION.
4-87. When transmitter switch S1 is closed, ac power is routed to contactor K2 and the ac line
monitor. If the ac power line is between 190 and 260 volts, power from K2 is applied to: 1)
the power factor corrector circuitry, 2) the ECU power supply, 3) fan control relay K1, 4)
low-voltage ac power transformer T1, and 5) the ac sample circuit board. If the ac line
voltage is not between 190 and 260 volts, the ac line monitor will open K2 and deenergize
the transmitter. When ac power is applied to T1, a soft start circuit will detect the ac
waveform. When this occurs, the power factor corrector control circuit will energize the
relays on the power factor corrector circuit board to switch capacitor C1 in the circuit.
This enables the power factor corrector circuitry to change the power factor to
approximately 0.9. In response to the application of ac power with no error conditions,
the following controller and RF power module indicators will illuminate green:
CONTROLLER INDICATORS RF POWER MODULE INDICATORS
1. Exciter 1. PA 1 RF Drive
2. Power Modules 2. PA 2 RF Drive
3. Power Supply 3. PWM Drive
4. Antenna
5. Mono or Stereo (depending on
exciter mode of operation)
6. Exciter Circuit Board: 1) +15V, 2) -15V
3) Lock, and 4) +5V

4-16
7. Stereo Circuit Board: 1) Mono L+R/Stereo/
Mono L/Mono R (depending on exciter mode
of operation), 2) Equalization 1 or Equalization 2
(depending on antenna configuration)
4-88. A start sequence is initiated when a power level switch/indicator is depressed. Logic from
the controller will enable optically-coupled-relay K1 to enable the flushing fans.
4-89. Logic from the controller will also enable the SCR controlled bridge rectifier circuit on the
power supply circuit board. The B+ dc potential from the rectifier is applied to the
inductor and capacitor filter networks on the power supply panel. Generation of the B-
leg is provided by the IGBT switching regulator circuit.
4-90. Power output of the regulator is controlled by the PWM signal from the controller. The
regulator will increase or decrease power as determined by the PWM signal. The output
of the regulator is routed to the modulator circuit board. The modulator POWER
indicator will illuminate if the B+ supply from the power supply circuit board is present.
The modulated output from the modulator circuit board is routed to the power amplifier 1
and power amplifier 2 circuit board for amplification.
4-91. RF CIRCUITRY.
4-92. EXCITER CIRCUIT BOARD. Audio for application to the AM-2.5E/AM-5E transmitter is
applied to the exciter circuit board (refer to Figure 4-4). The exciter circuit board is
designed to: 1) process left/right channel or monaural audio to generate a
Pulse-Width-Modulated (PWM) signal at 122 kHz to 135 kHz and 2) generate an RF
signal using a frequency synthesizer, a phase modulator for IPM correction, and an RF
driver network.
4-93. Left channel audio is applied to an RFI filter and a defeatable 10 Hz high-pass filter. The
10 Hz high-pass filter is provided to remove low frequency residual products from specific
audio processing units. Balanced-to-unbalanced signal conversion is provided by an
instrumentation amplifier. The output of the instrumentation amplifier is applied to a
defeatable high frequency boost circuit. The high frequency boost circuit is provided to
increase high frequency response to compensate for a Bessel filter in the PWM modulator.
The output of the high frequency boost circuit is applied to an active PWM filter/equalizer
and a mode switching circuit. The output of the PWM filter is routed for application to
the stereo circuit board.
4-94. The mode switching circuit is designed to select the left or right channel for mono left or
mono right operation. A summing amplifier is provided as a mono support circuit to
increase the gain of the circuit 6 dB during mono operations. The output of the summing
amplifier is applied to a 24 uS delay and limiter circuit. The delay circuit is provided for
stereo equalization. The negative limiter is provided to limit negative modulation from
90% to 100%.
4-95. The output of the 24 uS delay and negative limiter is applied to: 1) a PWM circuit and
2) an IPM comparator and corrector circuit. The PWM circuit is designed to output a
square wave signal in which the duty cycle changes in response to the applied audio level.
The output of the PWM circuit is applied to a PWM driver circuit. The PWM driver
circuit consists of parallel transistor drivers to lower the impedance and improve
reliability.

4-17
4-96. The transmitter carrier frequency is generated by digitally programmed frequency
synthesizer circuit. The frequency synthesizer is designed to output: 1) the carrier
frequency to a mono/stereo select circuit, 2) a FcX4 (carrier frequency times four) signal
for application to the stereo circuit board, and 3) a 25 Hz pilot signal for application to the
stereo circuit board. A mono/stereo select circuit functions as an automatic mono/stereo
select switch. If a stereo signal from the internal stereo circuit board or an external
stereo generator is present, the exciter will be configured for stereo operation. If the
stereo signal is not present, the circuit will configure the exciter for mono operation. The
output of the mono/stereo select circuit is applied to the IPM (Incidental Phase
Modulation) signal generator and modulator. The IPM signal generator is designed to
produce a waveform similar to the signal produced by the RF amplifier circuitry. The
IPM generator signal is out-of-phase with the signal generated by the RF power
modules. The signal is applied to a modulator circuit which will generate a phase
compensated RF signal at the carrier frequency. The phase compensation will effectively
cancel the IPM generated in the RF circuitry.
4-97. The output of the IPM circuitry is applied to an RF driver network. The network consists
of a high/low side driver and output drive transistors.
4-98. STEREO CIRCUIT BOARD. Left/right channel audio and an RF signal at FcX4 (carrier
frequency times four) from the exciter circuit board is applied to the stereo circuit board.
The stereo circuit board is designed to generate a TTL level RF signal. The circuit board
contains identical left/right channel and equalization 1/2 circuitry. Therefore, only the
left channel equalization 1 circuit will be discussed.
4-99. Left channel audio from the exciter circuit board is applied to the left channel
equalization 1 circuit. The equalization circuit consists of 1) a state variable low-pass
filter, 2) an 8 uS group delay section, and 3) a 4 uS group delay section. The circuit is
designed to equalize frequencies to produce maximum separation.
4-100. The output of each equalization circuit is routed to an equalization and mono/stereo select
circuit. The equalization circuit selects equalization 1 or equalization 2 as determined by
the selected antenna pattern. The mono/stereo circuit selects the required signals for
stereo, mono left, mono right, or mono L+R operation.
4-101. The output of the equalization and mono/stereo select circuits is applied to a summing
amplifier network. The network functions as a matrix to generate the L+R and L-R
stereo signals. The output of the summing amplifier network is applied to a digital
switching modulator. The modulator accepts: 1) the L+R and L-R signals and 2) four RF
out-of-phase signals at the carrier frequency. The modulator outputs two signals: 1) an
AM modulated signal containing the L+R information and 2) a double-sideband-
suppressed-carrier signal referenced to a 90 degree carrier. The signals are summed and
amplified at U37 to produce a quadrature signal. The output of U37 is applied to a fourth
order linear phase bandpass filter. The output of the filter is applied to an amplitude
limiter circuit. The limiting operation produces the phase modulation (L-R information)
component of the C-QUAM signal. The output of the limiter circuit is routed to the
exciter circuit board.
4-102. RF POWER MODULE. The PWM and RF drive signals from the exciter circuit board are
routed to the RF power modules. The RF power modules consist of a modulator circuit
board and two RF amplifier circuit boards.

4-18
FIGURE 4-4. AM-2.5E/AM-5E RF CIRCUITRY SIMPLIFIED SCHEMATIC (SHEET 1 OF 2) 597-1113-18
COPYRIGHT 1999 BROADCAST ELECTRONICS, INC

597-1113-18A
FIGURE 4-4. AM-2.5E/AM-5E RF CIRCUITRY
SIMPLIFIED SCHEMATIC (SHEET 2 OF 2)
(4-19/4-20)
COPYRIGHT 1999 BROADCAST ELECTRONICS, INC

4-21
4-103. Modulator Circuit Board. The modulator circuit board consists of a MOSFET forward
converter circuit and a filter network. The forward converter circuit consists of MOSFET
transistors Q1 and Q2. The filter network consists of inductors L1 through L3 and
capacitors C13 through C16. A dc operating voltage for transistors Q1 and Q2 is provided
by the power supply circuit board. The B- leg of the supply is routed through relay K1 to
the transistors. K1 is provided to immediately terminate the supply during a modulator
fault condition.
4-104. The PWM signal at a 15 volt level from the exciter circuit board is applied to the gates of
MOSFET transistors Q1 and Q2. Q1/Q2 function to switch the B- leg at a 122 kHz to 135
kHz rate. The output from Q1/Q2 is applied to the LC low-pass filter network to convert
the square-wave PWM signal to a dc voltage. The output from the filter will produce a 50
volt dc signal with: 1) a nominal PWM duty cycle of 40% and 2) no audio modulation.
The dc voltage will vary from 0 to 125 volts with -100% to +150% modulation. The output
of the filter network is applied to the drains of MOSFET amplifier transistors on the
power amplifier circuit boards.
4-105. Power Amplifier Circuit Boards. The RF circuitry on the power amplifier circuit boards
consists of a Class E MOSFET power amplifier circuit. Each power amplifier circuit
board is designed to output approximately 350 watts. The power amplifier circuit boards
are identical. Therefore, only power amplifier 1 will be discussed.
4-106. The MOSFET amplifier circuit is designed in a push-pull design Class E configuration.
Class E power amplifier characteristics consist of: 1) the transistor drain-to-source
voltage must be nominally zero immediately prior to the turn-on of the transistor and
2) the time slope of the drain-to-source voltage waveform must be nominally zero prior to
the turn-on of the transistor. The Class E circuit results in: 1) lower device dissipation
resulting in reduced transistor operating temperature which greatly increases component
life, 2) an operating efficiency of 95% or greater, and 3) increased reliability when
operated into VSWR conditions.
4-107. Additional characteristics of a Class E amplifier design is the application of dc power to
the amplifier transistors. The B+ leg of the B supply is applied to RF choke L1. The
choke is connected to the primary center tap winding of combiner transformer T1. The
transistors are connected to the primary winding of the transformers.
4-108. Two signals are applied to the power amplifier 1 circuit board: 1) an RF square-wave
signal from the driver circuit board and 2) a dc voltage from the modulator circuit board
which varies at an audio rate. The RF square-wave signal at the carrier frequency is
applied to the gates of MOSFETs Q1 and Q2. The varying dc voltage from the modulator
circuit board is applied to the source of MOSFETs Q1 and Q2. Q1/Q2 operate in a
push-pull configuration to develop approximately 350 watts of RF power at combiner
transformer T1. The power at transformer T1 is combined with the 687.5 watts of RF
power from power amplifier circuit board 2 to generate 1375 watts of RF power from the
RF power module.
4-109. RF COMBINER. The RF combiner components are located on the rear-panel of each
power block assembly. The combiner consists of a star combiner design. The star
combiner contains an individual transformer, an RF choke, and an impedance matching
circuit for each power amplifier circuit board. The impedance matching circuit consists of
star inductors. The circuit presents the correct impedance when a module is removed
from the chassis. This allows the transmitter to operate at an output power which is
proportional to the modules removed from the power block chassis.

4-22
4-110. HARMONIC BAND-PASS FILTER. The output signal harmonic and spur frequencies are
reduced to FCC, DOC, and CCIR levels by a band-pass filter. The filter consists of a
fourth order LC network consisting of inductors L1 through L3 and capacitors C1 through
C4. The components are located in the output network assembly and are frequency
dependent. The output of the filter is routed to the directional coupler circuit board.
4-111. DIRECTIONAL COUPLER CIRCUIT BOARD. Transmitter forward and reflected power
are sampled by a directional coupler circuit board. The directional coupler circuit board is
designed to: 1) process the forward and reflected power samples for application to the
controller circuit board and 2) calibrate the RF modulation monitor sample.
4-112. Forward And Reflected Power Sample Circuit. A voltage sample from the RF output is
obtained by transformer T203. A current sample of the RF output is obtained by
transformers T201 and T202. The current sample is converted to a voltage by a resistor
network and applied to transformer T203. A voltage proportional to the square root of the
forward power is obtained by summing the voltage from the secondary of T203 with the
voltage sample from T201. A voltage proportional to the square root of the reflected
power is obtained by summing the voltage from the secondary of T203 and with the
voltage sample from T202. The forward power sample voltage is half-wave rectified by
diode D202. The reflected power sample voltage is half-wave rectified by diode D201.
Diodes D205 through D208 and zener diodes D209 and D210 protect the rectifier diodes
from overvoltage conditions. The rectified forward and reflected power samples are
routed for application to the controller circuit board. Programmable header J206 is
provided to increase the adjustment range of the directional coupler circuitry. The header
is programmed at the factory for the adjustment range required by the transmitter.
4-113. Modulation Monitor Calibration Circuit. A voltage sample for application to the
modulation monitor calibration circuit is provided by the lightning detection circuit board.
A sample from the RF output is obtained by a capacitor circuit and applied to a relay
circuit on the directional coupler circuit board. The relay circuit is designed to select a
voltage sample from a calibration potentiometer for application to the modulation monitor
receptacle. The relays are controlled by power level 1 through 5 commands from the
controller circuit board. Each relay circuit operates in an identical manner, therefore only
the circuit for power level 5 will be explained.
4-114. A voltage is applied to the modulation monitor receptacle when the power level 5
command energizes relay K201. K201 applies a sample voltage to power level 5
modulation monitor calibration control R201. R201 is provided to obtain a 2 volt RMS
sample to the modulation monitor receptacle. Frequency programming switch S201 is
provided to compensate the RF sample for frequencies within the AM band for power
levels 1 through 3. Power level programming switch P203 is provided to program the
power level 3 circuit for low power range or high power range operation. The calibrated
sample from potentiometer R201 is applied to the modulation monitor receptacle.
4-115. T-MATCHING NETWORK. Output matching to antenna loads for up to a VSWR
condition of 1.4:1 at any phase angle relative to the 50 Ohm load is provided by a
T-matching network. The T-matching network consists of tune control L4, load control
L6, inductor L5 and capacitor C5/C5A. Inductor L5 and capacitor C5/C5A are frequency
dependent components. The tune and load controls are designed to be adjusted to present
the optimum impedance for the power amplifier modules.
4-116. LIGHTNING PROTECTION CIRCUIT BOARD. The transmitter is protected from
lightning potentials present at the output network by the lightning protection circuit
board. The circuit board consists of series connected transzorbs. The AM-2.5E
transmitter is equipped with transzorbs D1 through D6. The AM-5E transmitter is
equipped with transzorbs D1 through D7. The transzorbs are designed to conduct the
lightning potentials to ground prior to the operation of the lightning detection circuit
spark-gap.

4-23
4-117. LIGHTNING DETECTION CIRCUIT BOARD. Lightning potentials present at the
transmitter output are detected by the lightning detection circuit board. The circuit
board is equipped with an RF sampling circuit and an optically operated transistor
circuit.
4-118. The RF sampling circuit consists of a parallel capacitor circuit. The circuit is designed to
provide a constant RF voltage sample for application to the directional coupler circuit
board. The optically operated transistor circuit is designed to detect lightning potentials
present at the transmitter output. The circuit operates in association with the lightning
detector spark-gap. When lightning is present at the transmitter RF output, the
spark-gap will: 1) be biased on to conduct the potential to ground and 2) emit a light
pulse to optically operated transistor Q401. Q401 will be biased on to output a lightning
detect signal to the controller circuit board.
4-119. RF OUTPUT POWER CONTROL CIRCUITRY. The transmitter output power is controlled
by circuitry on the controller and power supply circuit boards. The transmitter power
level is controlled by a Pulse-Width-Modulated (PWM) signal generated by the controller
circuit board. The power control PWM signal is routed for application to the power
supply circuit board(s). The power supply circuit board(s) respond by routing the
required dc voltage to the modulator circuit boards and the RF amplifier circuit boards.
The following text presents a description of the RF power control circuitry.
4-120. RF Output Power Control - Controller Circuit Board. A transmitter RF output power level
is selected by the power control 1 through power control 5 switch/indicators. The power
control switch/indicators route a LOW control signal to a priority encoder circuit. The
priority encoder circuit determines which control pulse is routed to the power control
circuitry. The circuit allows transmitter off commands to be assigned a high priority.
With no transmitter off commands present, the power control signal is applied to
multiplexer U39. U39 selects a reference voltage from the power control potentiometers
on the controller circuit board. The potentiometers are designed to establish a preset
transmitter power level such as 1 kW. The voltage is used as the reference for
digital-to-analog converter U42. With no fault conditions present, the voltage is applied
without change to power trim digital-to-analog converter U43. With no power trim
commands present, the reference voltage is applied to a driver circuit which converts the
dc control voltage to a power control PWM signal. The power control PWM duty cycle
responds to the changes in the voltage reference level. When the voltage reference
increases, the power control PWM signal duty-cycle increases. When the voltage
reference decreases, the power control PWM signal duty-cycle decreases. The power
control PWM signal is routed for application to the power supply circuit board(s).
4-121. The transmitter output power level is trimmed to a precise level by the power up and
down switches. The switches output a LOW control signal to a control logic circuit. The
control logic circuit generates the required control signals to drive an up/down counter
circuit. The circuit is designed to: 1) count up if power is required to be increased or
2) count down if power is required to be decreased. The up/down counter circuit output is
converted to a dc potential by digital-to-analog converter U43. The output of U43 is
summed with the dc potential from power control switch digital-to-analog converter U42
to generate a dc power control signal. The power control signal is applied to the driver
circuit which converts the signal to a power control PWM signal.
4-122. Automatic Power Control Circuitry. The transmitter power control circuitry is equipped
with several monitor circuits designed to determine if power control correction is required
during adverse operating conditions. Circuitry on the controller circuit board monitors
the transmitter components and the RF output for: 1) lightning, 2) high forward power,
3) high reflected power, and 4) over-temperature. If a lightning, high forward power,
high reflected power, or over-temperature, condition occurs, a signal is routed to the
fault detection circuit.

4-24
4-123. The fault detection circuit: 1) processes lightning and over-temperature signals and
2) analyzes forward and reflected power signals. As determined by the the fault
condition, the fault detection circuit will generate a fast or slow control signal to the
up/down counter circuit. The counter circuit will respond by decreasing the power control
voltage at digital-to-analog converter U42. U42 will respond by decreasing the output
power to an acceptable level. Once the condition which caused the fault to occur is
removed, the fault detection circuitry will automatically output a control signal to
increase power to a normal level.
4-124. Forward/Reflected Power Circuitry. Samples of the transmitter forward and reflected
power are processed by forward and reflected power circuits on the controller circuit
board. Forward power samples from the directional coupler circuit board are applied to
the forward power circuit. The forward power circuit converts the sample into a dc signal
for application to the fault detection circuitry and to the meter switch circuit board.
Reflected power samples from the directional coupler circuit board are applied to the
reflected power circuit. The reflected power circuit converts the sample into a dc signal
for application to the fault detection circuit and the meter switch circuit board.
4-125. Meter Switch Circuit Board. Forward and Reflected power samples from the controller
circuit board are applied to the meter switch circuit board. The circuit board allows the
selection of forward power, reflected power, and ac input samples for display on forward
power meter M1 and reflected power meter M2.
4-126. RF Output Power Control - Power Supply Circuit Board/RF Power Modules. The power
control PWM signal from the controller circuit board is applied to a correction circuit on
the power supply circuit board. The PWM signal is converted to a dc signal and combined
with a dc feedback signal to generate a power control signal for application to the switch
regulator power control PWM circuit. The circuit converts the dc signal into two PWM
180 degree out-of-phase square-wave drive signals. The square-wave drive signals are
applied to a driver circuit. The driver circuit outputs the out-of-phase square-wave
signals to an IGBT transistor regulator circuit. The regulator circuit transistors are
operated to on for a specific time duration to generate a specific B- supply voltage. The
B- supply voltage is filtered by capacitor C55 and applied to the forward power converter
on the modulator circuit boards.
4-127. The main operating supply B+ leg is created by a SCR controlled bridge rectifier circuit.
AC power from an ac input filter is applied to the SCR controlled bridge rectifier. The
rectifier is controlled by a soft-start circuit. The full-wave rectified dc potential is filtered
by capacitors C24 through C27. The output of the filter generates the positive leg of a B
supply. The B+ line of the power supply is applied to the forward power converter circuit
on modulator circuit boards and the RF amplifier transistors on RF amplifier circuit
boards.
4-128. To provide an example of output power control operation, a 10 kW output level is required
from the transmitter. The controller power control PWM duty-cycle will be
approximately 85%. The power supply will respond by generating a 120 volt B- supply
for application to the forward power converter on the modulator circuit boards. The
modulator circuit boards will output a dc voltage which varies at an audio rate to the
amplifier circuit boards. The amplifier circuit boards will respond by using the modulator
circuit board dc voltage and the B+ leg of the main supply to amplify the RF drive signal
from the exciter circuit board.

5-1
WARNING: DISCONNECT POWER PRIOR TO SERVICING
SECTION V
MAINTENANCE
5-1. INTRODUCTION.
5-2. This section provides maintenance information, electrical adjustment procedures, and
troubleshooting information for the Broadcast Electronics AM-2.5E and AM-5E
transmitters.
5-3. SAFETY CONSIDERATIONS.
WARNING
WARNING
WARNING
WARNING
THE TRANSMITTER CONTAINS MULTIPLE CIRCUIT
GROUNDS WITH HIGH AC AND DC POTENTIALS
WITH RESPECT TO THE CABINET WHICH IS AT
EARTH POTENTIAL. DO NOT ENERGIZE THE
TRANSMITTER WITH TEST EQUIPMENT CONĆ
NECTED TO THE TRANSMITTER OUTPUT
NETWORK, RF POWER MODULE, RF COMBINER, OR
POWER SUPPLY COMPONENTS.
5-4. The AM-2.5E/AM-5E transmitters contain high voltages and currents. If safety
precautions are not practiced, contact with the high voltages and currents could cause
serious injury or death. The transmitter is equipped with many built-in safety features,
however good judgement, care, and common sense must be practiced to prevent accidents.
5-5. In addition to high voltages and currents, the transmitter contains multiple circuit
grounds with high ac and dc potentials with respect to the cabinet which is at earth
potential. The potentials could cause serious injury or death if maintenance personnel
simultaneously touch a circuit ground and the cabinet. As a result, operation of the
transmitter with test equipment connected to transmitter output network, RF power
module, RF combiner, or power supply components is extremely dangerous and must not
be attempted. Therefore, never energize the transmitter with test equipment connected
to the transmitter output network, RF power module, RF combiner, or power supply
components. Test equipment may be connected to the ECU circuit boards from the front
of the transmitter using the supplied extender circuit board with power energized. The
maintenance procedures presented in this section should be performed only by trained
and experienced maintenance personnel.
5-6. FIRST LEVEL MAINTENANCE.
5-7. First level maintenance consists of procedures applied to the equipment to prevent future
failures. The procedures are performed on a regular basis and the results recorded in a
maintenance log. Preventive maintenance of the transmitter consists of good
housekeeping and checking performance levels using the meters and various indicators
built into the equipment.
5-8. ROUTINE MAINTENANCE.

5-2
WARNING: DISCONNECT POWER PRIOR TO SERVICING
WARNING
WARNING
NEVER OPEN THE EQUIPMENT UNLESS ALL TRANSĆ
MITTER PRIMARY POWER IS DISCONNECTED. ENĆ
SURE ALL TRANSMITTER PRIMARY POWER IS DISĆ
CONNECTED BEFORE ATTEMPTING MAINTENANCE
ON ANY AREA WITHIN THE TRANSMITTER.
5-9. INSPECTION AND CLEANING. On a regular basis, clean the equipment of accumulated
dust using a brush and vacuum cleaner. Inspect the modulator circuit boards, RF
amplifier circuit boards, and the power supply circuit boards for damage caused by
components overheating. Overheated components are identified by circuit board
discoloration near the component leads. Inspect the circuit boards for loose hardware as
required.
5-10. CONTROLLER BATTERY. Periodically, the controller battery in the ECU assembly should
be checked by depressing the battery test switch on the controller circuit board. The
battery test indicator will illuminate to indicate the battery is operational. If the battery
test indicator fails to illuminate, the battery must be replaced. A good-quality Alkaline
battery is recommended for replacement. Typically, it is recommended the controller
battery be replaced annually.
5-11. AIR FILTERS. The AM-2.5E/AM-5E transmitters are equipped with a single screen-type
air filter. The screen filter is designed to be removed and cleaned using a brush and
vacuum. A dirty filter results in restricted air flow and increased operating temperatures
for the transmitter solid-state components. Check the filter approximately once a week.
The filter is designed to be removed during transmitter operation. To remove the filter,
proceed as follows:
1. Refer to Figure 5-1 and remove the six filter housing screws.
2. Using the handles, lift the filter housing off of the rear door.
3. Remove the filter.
5-12. FLUSHING FANS. Inspect the transmitter flushing fans for dust accumulation and
periodically clean the fans using a brush and vacuum cleaner. Do not use compressed air
and an air gun. The fans are cooled by air passing around each motor. If dust is allowed
to accumulate on the motors, the ambient air temperature will increase due to restricted
air flow. When the ambient air temperature increases, the fan motor bearing lubricant
will gradually vaporize and bearing failure will occur.
5-13. It is recommended the flushing fan mounting hardware be periodically checked. The
flushing fans are equipped with sealed bearings which do not permit lubrication. If a
bearing fails, the motor must be replaced.
5-14. SPARK GAP. The output network is equipped with a spark gap. The spark gap is
provided to safely conduct lightning potentials appearing at the transmitter output to
ground. Inspect the spark gap annually to ensure the gap is operational.
5-15. SECOND LEVEL MAINTENANCE.
5-16. Second level maintenance consists of procedures required to adjust the transmitter
circuitry or restore the transmitter to operation after a fault has occurred. The
procedures consist of electrical adjustments, troubleshooting, and component replacement
procedures.

5-3
WARNING: DISCONNECT POWER PRIOR TO SERVICING
597-1114-15
FIGURE 5-1. REMOVING THE AIR FILTER
COPYRIGHT 1999 BROADCAST ELECTRONICS, INC

5-4
WARNING: DISCONNECT POWER PRIOR TO SERVICING
WARNING
WARNING
NEVER OPEN THE EQUIPMENT UNLESS ALL TRANSĆ
MITTER PRIMARY POWER IS DISCONNECTED. ENĆ
SURE ALL TRANSMITTER PRIMARY POWER IS DISĆ
CONNECTED BEFORE ATTEMPTING MAINTENANCE
ON ANY AREA WITHIN THE TRANSMITTER.
5-17. The maintenance philosophy for the AM-2.5E/AM-5E transmitters consists of isolating a
problem to a specific area. Once the specific area is located, subsequent troubleshooting
using the information in the following text and the modular sections in PART II of this
manual will assist in problem isolation to a replaceable assembly or component. If
required, the assembly may be: 1) returned to the factory for repair or exchange or
2) repaired locally.
5-18. ELECTRICAL ADJUSTMENTS.
WARNING
WARNING
NEVER OPEN THE EQUIPMENT UNLESS ALL TRANSĆ
MITTER PRIMARY POWER IS DISCONNECTED. ENĆ
SURE ALL TRANSMITTER PRIMARY POWER IS DISĆ
CONNECTED BEFORE ATTEMPTING MAINTENANCE
ON ANY AREA WITHIN THE TRANSMITTER.
5-19. Adjustment procedures for controls associated with the transmitter circuitry is presented
in the ECU, output network, RF power module, and power supply module sections of this
manual. Determine the transmitter modular component requiring adjustment and refer
to the appropriate section of this manual for the adjustment procedures.
5-20. TRANSMITTER FREQUENCY RE-PROGRAMMING.
5-21. The AM-2.5E/AM-5E transmitters are configured for a specific frequency when shipped
from the factory. The transmitters are equipped with several frequency dependent parts
and circuits. Due to the frequency dependent parts, frequency dependent circuits, and
specialized procedures, the transmitters can not be reprogrammed for a different
frequency in the field. If a transmitter is required to be programmed for a different
frequency, contact the Broadcast Electronics Customer Service department.
5-22. TROUBLESHOOTING.

5-5
WARNING: DISCONNECT POWER PRIOR TO SERVICING
WARNING
WARNING
WARNING
WARNING
THE TRANSMITTER CONTAINS MULTIPLE CIRCUIT
GROUNDS WITH HIGH AC AND DC POTENTIALS
WITH RESPECT TO THE CABINET WHICH IS AT
EARTH POTENTIAL. DO NOT ENERGIZE THE
TRANSMITTER WITH TEST EQUIPMENT CONĆ
NECTED TO THE TRANSMITTER OUTPUT
NETWORK, RF POWER MODULE, RF COMBINER, OR
POWER SUPPLY COMPONENTS.
5-23. The AM-2.5E/AM-5E transmitters are equipped with extensive indicator and meter
circuitry to allow the operator to isolate problems to a specific area within the transmitter.
Due to the hazardous voltages and currents contained in the equipment, operation of the
transmitter with test equipment connected to transmitter output network, RF power
module, RF combiner, or power supply components is extremely dangerous and must not
be attempted. Test equipment may be connected to the ECU circuit boards from the front
of the transmitter using the supplied extender circuit board with power energized.
Therefore, the transmitter indicators and meters must be used to isolate a problem to a
specific area.
5-24. TRANSMITTER INDICATORS. The following text presents a description of the transmitter
indicators and typical meter indications. Refer to the following text as required to
determine the function of a specific indicator.
TABLE 5-1. AM-2.5E/AM-5E INDICATORS
(Sheet 1 of 4)
ASSEMBLY INDICATOR FUNCTION
ECU ASSEMBLY
TRANSMITTER MONITOR
EXCITER GREEN DISPLAY - Indicates normal exciter
operation.
RED DISPLAY - Indicates no exciter RF drive or
PWM output.
POWER MODULES GREEN DISPLAY - Indicates all RF power modules
are operating normally.
YELLOW DISPLAY - Indicates one or more RF power
modules are removed from the transmitter for
maintenance.
RED DISPLAY - Indicates a modulator or power
amplifier circuit board fault in one or more RF power
modules.
POWER SUPPLY GREEN DISPLAY - Indicates normal power supply
operation.
RED DISPLAY - Indicates an open loop or over-
voltage fault in one or more power supply modules.
YELLOW Display - Indicates one or more power
supplies are removed from the transmitter.

5-6
WARNING: DISCONNECT POWER PRIOR TO SERVICING
TABLE 5-1. AM-2.5E/AM-5E INDICATORS
(Sheet 2 of 4)
ASSEMBLY INDICATOR FUNCTION
ANTENNA VSWR GREEN DISPLAY - Indicates a normal antenna load.
YELLOW DISPLAY - Indicates a VSWR condition of
1.2:1.
RED Display - Indicates a high reflected/forward
power condition. In the AM-2.5E, indicates a 100 watt
reflected power condition or a condition which results
in a high forward power indication of greater than 20%.
In the AM-5E, indicates a 200 watt reflected power
condition or a condition which results in a high forward
power indication of greater than 20%.
FLASHING RED Display - Indicates a reflected power
emergency condition. In the AM-2.5E, indicates a 500
watt reflected power condition. In the AM-5E,
indicates a 1000 watt reflected power condition.
REMOTE Illuminates to indicate transmitter remote control
operations are enabled. Extinguishes to indicate
transmitter remote control operations are disabled:
1) using the remote/local switch on the controller
circuit board or 2) due to a fault in the remote control
unit.
CONFLICT Illuminates to indicate an incorrect power level is
selected for operation into the antenna connected to the
transmitter.
LIGHTNING In the AM-2.5E, Illuminates to indicate a 1500 volt
or greater potential is present at the transmitter
output. In the AM-5E, illuminates to indicate a 2100
volt or greater potential is present at the transmitter
output.
INTERLOCK Illuminates to indicate all internal and external
interlocks are closed.
FOLDBACK Illuminates to indicate when the transmitter is in a
foldback condition. Foldback is when the transmitter
output power is automatically reduced in response to
one of the following fault conditions: 1) high reflected
power, 2) high forward power, 3) high temperature, or
4) detection of a lightning potential.
OVERTEMP Illuminates to indicate when the transmitter operating
temperature exceeds 70 °C (158 °F).
RESET Illuminates to indicate one or more of the following
transmitter faults have occurred: 1) over-temperature,
2) exciter fault, 3) power supply fault, 4) RF power
module fault, 5) high reflected power, 6) reflected power
emergency, or 7) lightning. Once the fault condition is
removed, the fault circuitry must be reset.

5-7
WARNING: DISCONNECT POWER PRIOR TO SERVICING
TABLE 5-1. AM2.5E/AM-5E INDICATORS
(Sheet 3 of 4)
ASSEMBLY INDICATOR FUNCTION
CONTROLLER CIRCUIT BOARD
PWM Mute Illuminates to indicate the power control PWM signal is
muted in response to a fault such as lightning, an exciter
fault, a reflected power emergency, an open remote
control failĆsafe, an external transmitter mute, lightning,
or high reflected or forward power.
Remote FailĆsafe Illuminates to indicate the remote control unit is
enabled.
Battery OK When the battery test switch is depressed, the indicator
will: 1) illuminate to indicate the battery is operational
or 2) not illuminate to indicate the battery is to be
replaced.
STEREO CIRCUIT BOARD
Stereo Equalization 1 Illuminates to indicate stereo equalization circuit 1 is
active.
Stereo Equalization 2 Illuminates to indicate stereo equalization circuit 2 is
active.
EXCITER CIRCUIT BOARD
Exciter Lock Illuminates to indicate the exciter is locked to the
programmed carrier frequency.
Exciter +5V Illuminates to indicate the ECU +5V supply is
operational.
Exciter +15V Illuminates to indicate the ECU +15V supply is
operational.
Exciter -15V Illuminates to indicate the ECU -15V supply is
operational.
RF POWER MODULE
PA 1 RF DRIVE Illuminates to indicate RF drive from the exciter circuit
board is present at power amplifier 1.
PA 1 FAULT Illuminates to indicate a fault has occurred in power
amplifier 1.
PA 2 RF DRIVE Illuminates to indicate RF drive from the exciter circuit
board is present at power amplifier 2.
PA 2 FAULT Illuminates to indicate a fault has occurred in power
amplifier 2.

5-8
WARNING: DISCONNECT POWER PRIOR TO SERVICING
TABLE 5-1. AM-2.5E/AM-5E INDICATORS
(Sheet 4 of 4)
ASSEMBLY INDICATOR FUNCTION
MOD PWM DRIVE Illuminates to indicate the PWM drive signal from the
exciter is present at the modulator circuit board.
MOD POWER Illuminates to indicate dc power from the power supply
circuit board is present at the modulator circuit board.
MOD FAULT Illuminates to indicate a modulator, fuse, or power
supply fault has occurred in the modulator circuit board.
MOD FUSE Illuminates to indicate the modulator circuit board fuse
has blown.
POWER SUPPLY 1-2 Illuminates to indicate an open loop, over-current,
or over-voltage fault in the 1-2 power supply. The
supply provides power for modules 1-2.
POWER SUPPLY 3-4 Illuminates to indicate an open loop, over-current,
(AM-5E Only) or over-voltage fault in the 3-4 power supply. The
supply provides power for modules 3-4.
Exciter -15V Illuminates to indicate the ECU -15V supply is
operational.
CAUTION
CAUTION
WHEN AC POWER IS APPLIED TO THE TRANSMITĆ
TER AND THE RF DRIVE AND PWM DRIVE INDICAĆ
TORS ON RF POWER MODULES IN A POWER BLOCK
ARE EXTINGUISHED, THE RF POWER MODULES
MUST BE REMOVED FROM THE TRANSMITTER
CHASSIS TO PREVENT DAMAGE TO THE MODULES.
5-25. RF POWER MODULE REMOVAL. When ac power is applied to the transmitter, check the
RF DRIVE and PWM DRIVE indicators on the RF power modules. If the RF DRIVE
and PWM DRIVE indicators on RF power modules in a power block are extinguished, the
RF power modules must be removed from the transmitter to prevent damage to the
modules.
5-26. TRANSMITTER TROUBLESHOOTING PROCEDURES. Table 5-2 presents troubleshooting
information for the AM-2.5E/AM-5E transmitters. Refer to Table 5-2 to isolate the
problem to a specific assembly. Once the trouble is isolated, refer to the applicable
modular section of this manual for the theory of operation and schematic diagrams to
assist in problem resolution.
5-27. TRANSMITTER COMPONENT LOCATIONS. Figures 5-2 through 5-4 present
transmitter component locations. Refer to Figures 5-2 to 5-4 as required during the
troubleshooting procedures to locate components within the transmitter.

5-9
WARNING: DISCONNECT POWER PRIOR TO SERVICING
TABLE 5-2. AM-2.5E/AM-5E TROUBLESHOOTING
(Sheet 1 of 5)
SYMPTOM CIRCUITRY TO CHECK
NO OUTPUT POWER 1. Check the ac line voltage using the reflected power/
NO NORMAL/FAULT ac voltage meter. If no line voltage is present, check
INDICATIONS fuses F1 and F2.
2. Check the ±15 volt and +5 volt indicators on the
exciter circuit board. If no indicators are
illuminated, check the ECU power supply.
NO OUTPUT POWER 1. Transmitter operated to off due to 7 on/off cycles
NORMAL INDICATIONS within 15 seconds. Operate the transmitter to on
NO CONTROL OPERATIONS as follows: 1) do not depress any controller
switch/indicators for approximately 30 seconds and
2) depress the desired power level switch/indicator.
2. Refer to the POWER SUPPLY section and
troubleshoot the power supply circuit board for no
120 Hz signal output.
RED EXCITER INDICATION 1. Check the lock indicator on the exciter circuit
board. If the lock indicator is not illuminated, refer
to the ECU section and troubleshoot the exciter
circuit board for lock indicator extinguished.
2. Remove the stereo circuit board and perform the
following: 1) depress the RESET switch and
2) initiate transmitter operation. If the transmitter
will not operate, refer to the ECU section and
troubleshoot the exciter circuit board. If the
transmitter operates, refer to the ECU section and
troubleshoot the stereo circuit board.
YELLOW POWER MODULE 1. Indicates one or more RF power modules are
INDICATION removed from the transmitter.
RED POWER MODULE 1. Refer to the RF POWER MODULE section and
INDICATION RED FAULT troubleshoot the RF power module.
INDICATION ON A MODULE 2. Visually inspect the RF power module combiner
panel for discolored components.
YELLOW POWER SUPPLY 1. Indicates one or more power supply modules are
INDICATION removed from the transmitter.
RED POWER SUPPLY 1. Check for an over-temperature condition by
INDICATION inspecting the fans and filter.
2. If the fans and filter are normal, use the power supply
fault display circuit boards in each cabinet to
determine the defective power supply module. When
the defective power supply is located, refer to the
POWER SUPPLY MODULE section and troubleshoot
the power supply module.

5-10
WARNING: DISCONNECT POWER PRIOR TO SERVICING
TABLE 5-2. AM-2.5E/AM-5E TROUBLESHOOTING
(Sheet 2 of 5)
SYMPTOM CIRCUITRY TO CHECK
YELLOW ANTENNA INDICATION 1. Check the antenna and phasor equipment.
2. Visually inspect the T-matching network for
discolored components.
3. Refer to the OUTPUT NETWORK section and
troubleshoot the directional coupler circuit board.
RED ANTENNA INDICATION 1. Check the antenna and phasor equipment.
2. Visually inspect the T-matching network for
discolored components.
3. Refer to the OUTPUT NETWORK section of this
manual and troubleshoot the directional coupler
circuit board.
FLASHING RED ANTENNA 1. Check the antenna and phasor equipment.
INDICATION 2. Visually inspect the spark gap in the output network
assembly for a short circuit condition.
3. Check the antenna shorting switch on the output
network assembly.
4. Visually inspect the T-matching network capacitors
in the output network assembly for a short circuit
condition.
5. Check the lightning protection circuit board in the
output network assembly for a short circuit
condition.
INTERLOCK INDICATOR 1. Operate remote/local switch to local.
EXTINGUISHED WHEN IN THE A. If the interlock indicator illuminates, ensure
REMOTE CONTROL MODE a +5 volt signal is applied to remote failĆsafe
input J1-23 on the ECU rear-panel when the
remote control unit is enabled.
1. If the +5 volt signal is not present, troubleshoot
the remote control unit.
2. If the +5 volt signal is present, check Q48 and
U56 on the controller circuit board.
B. If the interlock indicator is extinguished,
check the cabinet and the external interlocks.
CONFLICT INDICATION 1. Ensure a +5 volt status signal from the selected
antenna is applied to the antenna A, B, or C input
on the ECU rear-panel.
2. Ensure the correct transmitter power level is
selected for operation into the antenna.
3. Check the antenna interlock circuit programming on
the controller circuit board.
4. Refer to the ECU section and troubleshoot the
controller circuit board for a conflict indication.

5-11
WARNING: DISCONNECT POWER PRIOR TO SERVICING
TABLE 5-2. AM-2.5E/AM-5E TROUBLESHOOTING
(Sheet 3 of 5)
SYMPTOM CIRCUITRY TO CHECK
NO OUTPUT POWER 1. Transmitter operated to off due to 7 on/off cycles
LIGHTNING INDICATOR within 15 seconds. Operate the transmitter to
ILLUMINATED on as follows: 1) do not depress any controller
switch/indicators for approximately 30 seconds
and 2) depress the desired power level
switch/indicator.
2. Ensure J1 on output network is connected.
3. Check Q401 on the lightning detection circuit board.
NORMAL OUTPUT POWER 1. Indicates the presence of lightning at the output of
LIGHTNING INDICATOR transmitter. Depress the RESET switch to reset the
ILLUMINATED indicator.
INTERLOCK INDICATOR 1. Ensure a +5 volt signal is applied to external
EXTINGUISHED interlock input J1-23 on the ECU rear panel.
OVERTEMP INDICATOR 1. Ensure the transmitter air filter is clean.
ILLUMINATED 2. Check the transmitter fans in each cabinet. If the
fans are not operating, check optical-coupled-relay
(OCR) K1.
3. Ensure the transmitter exhaust area is clear of
obstructions.
MISSING NORMAL/FAULT 1. Check the fuses for the power supply: 1) power
INDICATIONS FOR A POWER supply 1-2 = F6 and F7, 2) power supply 3-4 =
BLOCK F8 and F9 (AM-5E only).
2. Check power transformer T1 on the power supply
panel.
NO L+R MODULATION ACTIVITY 1. Ensure audio is present at J3-1/J3-2/J3-4/J3-5
DURING MONO OPERATION on the ECU rear panel.
2. Check for audio at J101-29 through J101-31 and
J101-36/J101-37 on the ECU motherboard. If no
audio is present, check the filter components on the
ECU motherboard.
3. Refer to the ECU section and troubleshoot the
exciter circuit board.
NO L+R MODULATION ACTIVITY 1. Ensure audio is present at J3-1/J3-2/J3-4/J3-5 on
DURING STEREO OPERATION the ECU rear panel.
2. Check for audio at J101-29 through J101-31 and
J101-36/J101-37 on the ECU motherboard. If no
audio is present, check the filter components on the
ECU motherboard.
3. Refer to the ECU section and troubleshoot the
exciter circuit board.

5-12
WARNING: DISCONNECT POWER PRIOR TO SERVICING
TABLE 5-2. AM-2.5E/AM-5E TROUBLESHOOTING
(Sheet 4 of 5)
SYMPTOM CIRCUITRY TO CHECK
RF DRIVE INDICATORS 1. Check the RF drive output on the ECU motherboard
EXTINGUISHED FOR A as follows: 1) output 1 -P101-7 and 2) output 2 -
POWER BLOCK P101-47 (AM-5E only).
1. If no RF drive is present, refer to the ECU
section and troubleshoot the exciter circuit board.
2. If RF drive is present at the exciter circuit board,
check bridge rectifiers D10 and D11 on the power
supply module for the power block.
2. Refer to the RF POWER MODULE section and
troubleshoot each RF power module.
LOW DEMODULATOR LEFT 1. Refer to the ECU section and troubleshoot the
CHANNEL MODULATION LEVEL exciter circuit board.
WITH LOW EXCITER
MONITOR LEFT CHANNEL
MODULATION LEVEL
LOW DEMODULATOR RIGHT 1. Refer to the ECU section and troubleshoot the
CHANNEL MODULATION LEVEL exciter circuit board.
WITH LOW EXCITER
MONITOR RIGHT CHANNEL
MODULATION LEVEL
LOW DEMODULATOR LEFT 1. Refer to the ECU section and troubleshoot the
CHANNEL MODULATION LEVEL stereo circuit board.
WITH NORMAL EXCITER
MONITOR LEFT CHANNEL
MODULATION LEVEL
LOW DEMODULATOR RIGHT 1. Refer to the ECU section and troubleshoot the
CHANNEL MODULATION LEVEL stereo circuit board.
WITH NORMAL EXCITER
MONITOR RIGHT CHANNEL
MODULATION LEVEL
PWM DRIVE INDICATOR 1. Refer to the ECU section and troubleshoot the
EXTINGUISHED ON A POWER exciter circuit board.
BLOCK
PWM DRIVE AND RF DRIVE 1. Refer to the ECU section and troubleshoot the exciter
INDICATORS EXTINGUISHED circuit board.
ON ALL POWER BLOCKS

5-13
WARNING: DISCONNECT POWER PRIOR TO SERVICING
TABLE 5-2. AM-2.5E/AM-5E TROUBLESHOOTING
(Sheet 5 of 5)
SYMPTOM CIRCUITRY TO CHECK
MOD PWR INDICATORS 1. Check for a power control PWM signal at the
EXTINGUISHED ON A POWER drain of Q22 on the controller circuit board.
BLOCK A. If the PWM signal is not present, refer to the
ECU section and troubleshoot the controller
circuit board for no power control PWM signal.
B. If the PWM output is present, check for a LOW at
Q13 on the controller circuit board.
1. If the LOW at Q13 is not present, refer to the
ECU section and troubleshoot the controller
circuit board for no transmitter on signal.
2. If the LOW at Q13 is present, refer to the
POWER SUPPLY section and troubleshoot the
power supply for no MOD POWER indicator on
a power block.
REFLECTED POWER METER 1. Narrow-band antenna. Contact the Broadcast
FLUCTUATES WITH MODULATION Electronics Customer Service Department.
FORWARD POWER METER 1. Enable the high-pass filter on the exciter circuit
FLUCTUATES WITH MODULATION board.
5-28. COMPONENT REPLACEMENT PROCEDURE. Component replacement on printed
circuit boards requires extreme care to avoid damage to the circuit board traces. The
following text describes the procedure to replace components on the circuit boards.
5-29. On all circuit boards, the adhesive securing the copper trace to the board melts at almost
the same temperature at which solder melts. A circuit board trace can be destroyed by
excessive heat or lateral movement during soldering. Use of a small iron with steady
pressure is required for circuit board repairs.
5-30. To remove a component from a circuit board, cut the leads from the body of the defective
component while the device is still soldered to the board.
5-31. Grip each component lead, one at a time, with long-nose pliers. Rotate the circuit board
and touch a soldering iron to the lead at the solder connection. When the solder begins to
melt, push the lead through the back side of the board. Each lead may now be heated
independently and pulled out of each hole. The holes may be cleared of solder by carefully
re-heating each hole with a low wattage iron and removing the residual solder with a
soldering vacuum tool.

5-14
WARNING: DISCONNECT POWER PRIOR TO SERVICING
WARNING
WARNING
WARNING
WARNING
MOST SOLVENTS WHICH WILL REMOVE ROSIN FLUX
ARE VOLATILE AND TOXIC BY THEIR NATURE AND
SHOULD BE USED ONLY IN SMALL AMOUNTS IN A
WELL VENTILATED AREA, AWAY FROM FLAME SUCH
AS FROM A SOLDERING IRON OR SMOKING MATERIĆ
ALS. OBSERVE THE MANUFACTURER'S CAUĆ
TIONARY INSTRUCTIONS.
5-32. Install the new component and apply solder from the bottom side of the circuit board.
After soldering, remove flux with a cotton swab moistened with a suitable solvent.
Rubbing alcohol is highly diluted and is not effective.
5-33. The board should be checked to ensure the flux has been removed and not just smeared.
Rosin flux is not normally corrosive, but rosin will absorb enough moisture in time to
become conductive and cause problems.
5-34. INTEGRATED CIRCUITS. Special care should be exercised with integrated circuits. Each
integrated circuit must be installed by matching the integrated circuit notch with the
notch on the socket. Do not attempt to remove an integrated circuit from a socket with
your fingers. Use an integrated circuit puller to lightly pry the component from the
socket.

5-15
WARNING: DISCONNECT POWER PRIOR TO SERVICING
597-1114-18
FIGURE 5-2. AM-2.5E COMPONENT LOCATOR (SHEET 1 OF 3)
COPYRIGHT 1999 BROADCAST ELECTRONICS, INC

5-16
WARNING: DISCONNECT POWER PRIOR TO SERVICING
597-1114-16
FIGURE 5-2. AM-2.5E COMPONENT LOCATOR (SHEET 2 OF 3)
COPYRIGHT 1999 BROADCAST ELECTRONICS, INC

5-17
WARNING: DISCONNECT POWER PRIOR TO SERVICING
COPYRIGHT 1999 BROADCAST ELECTRONICS, INC
597-1114-16A
FIGURE 5-2. AM-2.5E COMPONENT LOCATOR (SHEET 3 OF 3)

5-18
WARNING: DISCONNECT POWER PRIOR TO SERVICING
597-1114-19
FIGURE 5-3. AM-5E COMPONENT LOCATOR (SHEET 1 OF 3)
COPYRIGHT 1999 BROADCAST ELECTRONICS, INC

5-19
WARNING: DISCONNECT POWER PRIOR TO SERVICING
597-1114-24
FIGURE 5-3. AM-5E COMPONENT LOCATOR (SHEET 2 OF 3)
COPYRIGHT 1999 BROADCAST ELECTRONICS, INC

5-20
WARNING: DISCONNECT POWER PRIOR TO SERVICING
COPYRIGHT 1999 BROADCAST ELECTRONICS, INC
597-1114-17
FIGURE 5-3. AM-5E COMPONENT LOCATOR (SHEET 3 OF 3)

5-21
WARNING: DISCONNECT POWER PRIOR TO SERVICING
ECU COMPONENT LOCATOR
POWER BLOCK COMPONENT LOCATOR
597-1114-20
FIGURE 5-4. AM-2.5E/AM-5E ECU/POWER BLOCK/OUTPUT NETWORK
ASSEMBLY COMPONENT LOCATOR (SHT 1 OF 2)
COPYRIGHT 1999 BROADCAST ELECTRONICS, INC

5-22
WARNING: DISCONNECT POWER PRIOR TO SERVICING
597-1114-21
COPYRIGHT 1999 BROADCAST ELECTRONICS, INC
FIGURE 5-4. AM-2.5E/AM-5E ECU/POWER BLOCK/OUTPUT NETWORK
ASSEMBLY COMPONENT LOCATOR (SHT 2 OF 2)
AM-2.5E/AM-5E OUTPUT NETWORK ASSEMBLY COMPONENT LOCATOR

6-1
SECTION VI
PARTS LIST
6-1. INTRODUCTION.
6-2. This section provides parts lists for the AM-2.5E/AM-5E transmitter. The parts lists proĆ
vide descriptions and part numbers of electrical components, assemblies, and selected meĆ
chanical parts required for maintenance. Each parts list entry in this section is indexed
by reference designators appearing on the applicable schematic diagrams.
TABLE 6-1. AM-2.5E/AM-5E REPLACEABLE PARTS LIST INDEX (Sheet 1 of 2)
TABLE DESCRIPTION PART NO. PAGE
6-2 AM-2.5E Transmitter 907-2500-100 6-3
6-3 AM-5E Transmitter 907-5000-100 6-3
6-4 AC Sample Circuit Board Assembly 917-0306-007 6-4
6-5 Temperature Sensor Circuit Board Assembly 917-0306-009 6-5
6-6 PFC Relay Board Circuit Board Assembly 917-0330 6-5
6-7 Optically Coupled Relay Circuit Board Assembly 919-0096-001 6-5
6-8 Optically Coupled Relay Circuit Board Assembly 919-0096 6-5
6-9 Harness Assembly 947-0210 6-6
6-10 Power Block Assembly, AM-2.5E 957-0022-021 6-7
6-11 Power Block Assembly, AM-5E 957-0022-051 6-7
6-12 Power Block Motherboard Circuit Board Assembly 917-0303 6-7
6-13 Combiner Circuit Board Assembly, AM-2.5E 917-0321-002 6-7
6-14 Combiner Circuit Board Assembly, AM-5E 917-0321-005 6-7
6-15 Accessory Parts Kit, AM-2.5E 957-0069 6-8
6-16 Accessory Parts Kit, AM-5E 957-0071 6-8
6-17 Frequency Dependant Kit, AM-2.5E, 522 - 650 KHZ 957-0015-121 6-9
6-18 Frequency Dependant Kit, AM-2.5E, 651 - 770 KHZ 957-0015-122 6-9
6-19 Frequency Dependant Kit, AM-2.5E, 771 - 920 KHZ 957-0015-123 6-9
6-20 Frequency Dependant Kit, AM-2.5E, 921 - 1080 KHZ 957-0015-124 6-9
6-21 Frequency Dependant Kit, AM-2.5E, 1081 - 1300 KHZ 957-0015-125 6-9
6-22 Frequency Dependant Kit, AM-2.5E, 1301 - 1580 KHZ 957-0015-126 6-10
6-23 Frequency Dependant Kit, AM-2.5E, 1581 - 1700 KHZ 957-0015-127 6-10
6-24 Frequency Dependant Kit, AM-5E, 522 - 650 KHZ 957-0015-151 6-10
6-25 Frequency Dependant Kit, AM-5E, 651 - 770 KHZ 957-0015-152 6-10
6-26 Frequency Dependant Kit, AM-5E, 771 - 920 KHZ 957-0015-153 6-10
6-27 Frequency Dependant Kit, AM-5E, 921 - 1080 KHZ 957-0015-154 6-11
6-28 Frequency Dependant Kit, AM-5E, 1081 - 1300 KHZ 957-0015-155 6-11
6-29 Frequency Dependant Kit, AM-5E, 1301 - 1580 KHZ 957-0015-156 6-11
6-30 Frequency Dependant Kit, AM-5E, 1581 - 1700 KHZ 957-0015-157 6-11
6-31 Power Block Frequency Dependant Kit, 522 - 650 KHZ 957-1025-061 6-11
6-32 Power Block Frequency Dependant Kit, 651 - 770 KHZ 957-1025-062 6-12
6-33 Power Block Frequency Dependant Kit, 771 - 920 KHZ 957-1025-063 6-12

6-2
TABLE 6-1. AM-2.5E/AM-5E REPLACEABLE PARTS LIST INDEX (Sheet 2 of 2)
TABLE DESCRIPTION PART NO. PAGE
6-34 Power Block Frequency Dependant Kit, 921 - 1080 KHZ 957-1025-064 6-12
6-35 Power Block Frequency Dependant Kit, 1081 - 1300 KHZ 957-1025-065 6-12
6-36 Power Block Frequency Dependant Kit, 1301 - 1580 KHZ 957-1025-066 6-12
6-37 Power Block Frequency Dependant Kit, 1581 - 1700 KHZ 957-1025-067 6-12

6-3
TABLE 6-2. AM-2.5E TRANSMITTER - 907-2500-100
REF. DES. DESCRIPTION PART NO. QTY.
B1, B2 Fan, Patriot, 230 Vac 380-9001 2
C1 Capacitor, 50 uF, 370 Vac, Motor Run 047-5063-370 1
F1, F2 Fuse, 50 Amperes, Dual Element, Time Delay 334-2501 2
F7, F8 Fuse, 3AG, 250V, 2 Amperes 330-0200 2
K2 Contactor, 40 Amperes, 220/240 Vac, 50/60 Hz 341-0076 1
L3, L4 Inductor, 5.8 mH, 30 Amperes 370-2366 2
MOV1 Metal-Oxide Varistor, B40K275, 275V, 1680 Joules 140-0021 1
MOV2 Metal-Oxide Varistor, B40K275, 275V, 1680 Joules 140-0021 1
MOV3 Metal-Oxide Varistor, B40K275, 275V, 1680 Joules 140-0021 1
S1 Switch, Disconnect, Safety Interlock, 60 Amperes 341-0061 1
TB1 Barrier Strip, 9 Terminal 412-0090 1
TB2 Terminal Block, GOULD 63133 412-0050 1
---- Meter, 3.5 Inch (8.89 cm), Taut Band Type, FS = 1 mA dc 310-0068 1
±1%, 35 Ohm Resistance (REFLECTED POWER Meter)
---- Meter, 3.5 Inch (8.89 cm), Taut Band Type, FS = 1 mA dc 310-0069 1
±1%, 35 Ohm Resistance (FORWARD POWER Meter)
---- Filter, RFI, 30 Amperes 339-0030 1
---- Fuseholder, 60 Amperes, 250V, Reject Type 415-0019 1
---- Fuse Holder, AGC 415-2012 2
---- Connector, 7/16 DIN,Panel Jack, Solder 417-0716 1
---- Cable, L5PDF-BH, L5PDR ,17.5", LDF5 610-0009 1
---- Cable, L5PDM, L5PDR, 11.8", LDF5 610-0010 1
---- AC Sample Circuit Board Assembly 917-0306-007 1
---- Temperature Sensor Circuit Board Assembly 917-0306-009 1
---- PFC Relay Board Circuit Board Assembly 917-0330 1
---- Optically Coupled Relay Circuit Board Assembly 919-0096-001 1
---- Harness, AM-2.5E 947-0210 1
---- Exciter/Controller Assembly 957-0009-100 1
---- Power Module Assembly 957-0010-001 2
---- Power Block Assembly 957-0022-021 1
---- Output Network Assembly 957-0068 1
---- Accessory Parts Kit 957-0069 1
---- Power Supply Panel Assembly 957-0315-100 1
TABLE 6-3. AM-5E TRANSMITTER - 907-5000-100
(Sheet 1 of 2)
REF. DES. DESCRIPTION PART NO. QTY.
B1, B2 Fan, Patriot, 230 Vac 380-9001 2
C1, C2 Capacitor, 50 uF, 370 Vac, Motor Run 047-5063-370 2
F1, F2 Fuse, 100 Amperes, Dual Element, Time Delay 334-0002 2
F7 thru F10 Fuse, 3AG, 250V, 2 Amperes 330-0200 4
K2 Contactor, 80 Amperes, 220/240Vac, 50/60 Hz 341-0074 1

6-4
TABLE 6-3. AM-5E TRANSMITTER - 907-5000-100
(Sheet 2 of 2)
REF. DES. DESCRIPTION PART NO. QTY.
L3 thru L6 Inductor, 5.8 mH, 30 Amperes 370-2366 4
MOV1 thru Metal-Oxide Varistor, B40K275, 275V, 1680 Joules 140-0021 3
MOV3
S1 Switch, Disconnect, Safety Interlock, 60 Amperes 341-0061 1
TB1 Barrier Strip, 9 Terminal 412-0090 1
TB2 Terminal Block, GOULD 63133 412-0050 1
---- Meter, 3.5 Inch (8.89 cm), Taut Band Type, FS = 1 mA dc 310-0064 1
±1%, 35 Ohm Resistance (REFLECTED POWER Meter)
---- Meter, 3.5 Inch (8.89 cm), Taut Band Type, FS = 1 mA dc 310-0065 1
±1%, 35 Ohm Resistance (FORWARD POWER Meter)
---- Filter., RFI, 55 Amperes 339-0055 1
---- Fuseholder, 100 Amperes, 250V, Reject Type 415-0020 1
---- Fuse Holder, AGC 415-2012 4
---- Connector, 7/16 DIN,Panel Jack, Solder 417-0716 1
---- Cable, L5PDF-BH, L5PDR ,17.5", LDF5 610-0009 1
---- Cable, L5PDM, L5PDR, 11.8", LDF5 610-0010 1
---- AC Sample Circuit Board Assembly 917-0306-007 1
---- Temperature Sensor Circuit Board Assembly 917-0306-009 1
---- PFC Relay Board Circuit Board Assembly 917-0330 2
---- Optically Coupled Relay Circuit Board Assembly 919-0096-001 1
---- Exciter/Controller Assembly 957-0009-100 1
---- Power Module Assembly 957-0010-001 4
---- Power Block Assembly 957-0022-051 2
---- Output Network Assembly 957-0070 1
---- Accessory Parts Kit 957-0071 1
---- Power Supply Panel Assembly 957-0315-100 2
---- Harness, AM-5E 947-0212 1
TABLE 6-4. AC SAMPLE CIRCUIT BOARD ASSEMBLY - 917-0306-007
REF. DES. DESCRIPTION PART NO. QTY.
C701 Capacitor, Polypropylene Film, .47 uF ±10%, 600V 033-4763 1
D701 thru Diode, 1N4005, Silicon, 600V @ 1 Ampere 203-4005 4
D704
E701, E702 Terminal, Male Disconnect 410-0025 2
J701 Connector, 2-Pin 417-0700 1
R701 thru Resistor, 150 k Ohm±1%, 1/4W 103-1561 6
R706
R707 Resistor, 3.3 Meg Ohm ±5%, 1/4W 100-3373 1
---- Blank, AC Sample Circuit Board 517-0306-007 1

6-5
TABLE 6-5. TEMPERATURE SENSOR CIRCUIT BOARD ASSEMBLY - 917-0306-009
REF. DES. DESCRIPTION PART NO. QTY.
C902 Capacitor, Monolythic Ceramic, 0.1 uF ±10%, 50V 003-1066 1
C906 Capacitor, Monolythic Ceramic, 0.1 uF ±10%, 50V 003-1066 1
C907 Capacitor, Ceramic, 0.001 uF, 1 kV 002-1034 1
J901 Socket, 4-Pin 418-0255 1
R901 Resistor, 10 k Ohm ±1%, 1/4W 100-1051 1
R902 Resistor, 2.21 k Ohm ±1%, 1/4W 103-2241 1
R903 Resistor, 10 k Ohm ±1%, 1/4W 100-1051 1
TP901, Terminal, Turret, Double Shoulder 413-1597 2
TP902
U901 Integrated Circuit, LM35DZ, Celsius Temperature Sensor, 220-0035 1
TO-92 Case
---- Blank, Temperature Sensor, Circuit Board 517-0306-009 1
TABLE 6-6. PFC RELAY BOARD CIRCUIT BOARD ASSEMBLY - 917-0330
REF. DES. DESCRIPTION PART NO. QTY.
J1 Socket, 4-Pin 418-0255 1
J2, J3 Stud, PEM, KFH-832-5ET, PCB Mount 426-8008 2
K1, K2 Relay, SPST, 30 Amperes 270-1213 2
R1 Resistor, 100k Ohm, 2W, ±5% 130-1062 1
---- Blank, PFC Relay Board Circuit Board 517-0330 1
TABLE 6-7. OPTICALLY COUPLED RELAY CIRCUIT BOARD ASSEMBLY - 919-0096-001
REF. DES. DESCRIPTION PART NO. QTY.
---- Optically Coupled Relay Circuit Board Assembly 919-0096 1
DELETE PARTS
C3 Capacitor, Ceramic Disc, 0.1 uF, 600V 000-1051 1
R2 Resistor, 560 Ohm ±5%, 1/2W 110-5633 1
TABLE 6-8. OPTICALLY COUPLED RELAY CIRCUIT BOARD ASSEMBLY - 919-0096
(Sheet 1 of 2)
REF. DES. DESCRIPTION PART NO. QTY.
C1 Capacitor, Ceramic, 0.001 uF, 1 kV 002-1034 1
C2 Capacitor, Electrolytic, 47 uF, 35V 020-4773 1
C3 Capacitor, Ceramic Disc, 0.1 uF, 600V 000-1051 1
C4 Capacitor, Ceramic, 0.001 uF, 1 kV 002-1034 1
D1 Diode, 1N4005, Silicon, 600V @ 1 Ampere 203-4005 1

6-6
TABLE 6-8. OPTICALLY COUPLED RELAY CIRCUIT BOARD ASSEMBLY - 919-0096
(Sheet 2 of 2)
REF. DES. DESCRIPTION PART NO. QTY.
D2 Diode, Zener, 1N5359, 24V ±10%, 5W 200-5359 1
D4 Diode, 1N4005, Silicon, 600V @ 1 Ampere 203-4005 1
D5 Bridge Rectifier, MDA970A3, 4 Amperes, 50-200V 239-0003 1
E1 thru E5 Terminal, Male Disconnect 410-0025 5
F1, F2 Fuse, 3 Amperes, 250V, Printed Circuit Board Mount 330-0055 2
K1 Relay, Printed Circuit Board Mount 270-0054 1
Coil: 24V dc, 660 Ohm ±10%
Contacts: SPST-NO, 0.5 to 15A @ 12 to 240V ac Resistance
MOV1 Varistor, 27V, V27ZA60 140-0023 1
R1 Resistor, 2 k Ohm ±3%, 10W, W/W 130-2032 1
R2 Resistor, 560 Ohm ±5%, 1/2W 110-5633 1
R3 Resistor, 820 Ohm ±5%, 1/2W 110-8233 1
R4 Resistor, 51.1 Ohm ±1%, 1/4W 103-5112 1
R5 Resistor, 2 k Ohm ±3%, 10W, W/W 130-2032 1
U1 Integrated Circuit, 4N33, Optical Isolator, NPN Photo 229-0033 1
Transistor/Infared Emitting Diode Type, 1500V Isolation,
Response: 30 kHz Maximum, Current: 50 mA Maximum,
6-Pin DIP
XU1 Socket, 6-Pin DIP 417-0600 1
---- Blank, Optically Coupled Relay Circuit Board 519-0096 1
TABLE 6-9. HARNESS ASSEMBLY - 947-0210
REF. DES. DESCRIPTION PART NO. QTY.
---- Pins, Connector 417-0036 4
---- Pins, Connector 417-0053 51
---- Pins, Connector 417-0142 42
---- Pins, Socket 417-0143 13
---- Connector Plug, 25-Pin 417-0251 2
---- Receptacle, 15-Pin, D-Type 417-1504 1
---- Kit, Housing, 15-Pin, D-Type 417-1510 1
---- Housing, Wire, MR, Female, 24-Pin, Amp 417-2402 2
---- Kit, Housing, 25-Pin 417-2510 2
---- Plug and Cord ET, AM-500 FAN 417-8500 2
---- 3 Circuit-Commoning Bar, AMP MR 418-0054 2
---- Housing, Connector, 4-Pin 418-0233 1
---- Plug, Housing, 4-Pin 418-0240 3
---- Connector Housing, 6-Pin 418-0670 1
---- Connector Housing, 2-Pin, Female 418-0701 2
---- AC Line Cord, N.E.M.A. 3-Wire North American Plug 682-0001 1

6-7
TABLE 6-10. POWER BLOCK ASSEMBLY, AM-2.5E- 957-0022-021
REF. DES. DESCRIPTION PART NO. QTY.
---- Power Block Motherboard Circuit Board Assembly 917-0303 1
---- Combiner Circuit Board Assembly 917-0321-002 1
TABLE 6-11. POWER BLOCK ASSEMBLY, AM-5E - 957-0022-051
REF. DES. DESCRIPTION PART NO. QTY.
---- Power Block Motherboard Circuit Board Assembly 917-0303 1
---- Combiner Circuit Board Assembly 917-0321-005 1
TABLE 6-12. POWER BLOCK MOTHERBOARD CIRCUIT BOARD ASSEMBLY - 917-0303
REF. DES. DESCRIPTION PART NO. QTY.
C1, C2 Capacitor, Ceramic, Monolythic, .1 uF ±10%, 50V 003-1066 2
C3, C4 Capacitor, Polypropylene Film, 2.2 uF, 400V 030-2256 2
E1, E2, Stud, PEM, KFH-832-8ET, PCB Mount 426-8007 14
E5 thru E8
E11 thru E16
E22, E23
J3 Connector, Male, 24-Pin 417-2401 1
J1A thru J1F Socket, Card Edge, AMP 531353-6 417-0300 6
J2A thru J2F Connector, 15-Pin SUB-D, Female 417-0375 6
T1, T2 Transformer, P.A. Drive, AM-1/5 370-0037 2
---- Blank, Power Block Motherboard Circuit Board 517-0303 1
TABLE 6-13. COMBINER CIRCUIT BOARD ASSEMBLY, AM-2.5E - 917-0321-002
REF. DES. DESCRIPTION PART NO. QTY.
E1 thru E9 Stud, PEM, KFH-832-8ET, Printed Circuit Board Mount 426-8007 9
L1 thru L4 RF Choke Assembly 360-0107 4
T1 thru T4 Combiner Transformer Assembly 370-0060 4
TP1 thru TP10 Terminal Test Point, Oval Red 413-0106 10
---- Blank, Combiner Circuit Board Assembly 517-0321 1
TABLE 6-14. COMBINER CIRCUIT BOARD ASSEMBLY, AM-5E - 917-0321-005
(Sheet 1 of 2)
REF. DES. DESCRIPTION PART NO. QTY.
E1 thru E9 Stud, PEM, KFH-832-8ET, Printed Circuit Board Mount 426-8007 9
L1 thru L4 RF Choke Assembly 360-0107 4

6-8
TABLE 6-14. COMBINER CIRCUIT BOARD ASSEMBLY, AM-5E - 917-0321-005
(Sheet 2 of 2)
REF. DES. DESCRIPTION PART NO. QTY.
T1 thru T4 Combiner Transformer Assembly 370-0061 4
TP1 thru TP10 Terminal, Test Point, Oval, Red 413-0106 10
---- Blank, Combiner Circuit Board 517-0321 1
TABLE 6-15. ACCESSORY PARTS KIT, AM-2.5E - 957-0069
REF. DES. DESCRIPTION PART NO. QTY.
---- Fuse, 3AG, 250V, 2 Amperes 330-0200 2
---- Fuse, 3AB, 15 Amperes, 65V, Very Fast 330-1502 1
---- Fuse, 3AB, 250V, 20 Amperes 330-2000 1
---- Fuse, 30 Amperes, 125V, 1/4x1-1/5850P Lead 334-0030-001 2
---- Fuse, AGC, 1A, 250V, Slow-Blow (for 115 Volt operation) 334-0100 1
---- Fuse, 5 X 20MM, 1.5 Amperes, Slow-Blow 334-1150 2
---- Battery, 9 Volt, Alkaline 350-0002 1
---- Ferrite Core Large AM Transmitter 375-0007-001 2
---- Core, 1.102 OD X .63 ID X .512 THK 375-0009 2
---- Adjustment Tool, Extended and Recessed Flat Blades 407-0186 1
---- Kit, Instruction Manual AM-2.5E/5E 977-1114 1
TABLE 6-16. ACCESSORY PARTS KIT, AM-5E - 957-0071
REF. DES. DESCRIPTION PART NO. QTY.
---- Fuse, 3AG, 250V, 2 Amperes 330-0200 4
---- Fuse, 3AB, 15 Amperes, 65V, Very Fast 330-1502 2
---- Fuse, 3AB, 250V, 20 Amperes 330-2000 2
---- Fuse, 30 Amperes, 125V, 1/4x1-1/5850P Lead 334-0030-001 4
---- Fuse, AGC, 1 Ampere, 250V, Slow-Blow (For 115 Volt Operation) 334-0100 2
---- Fuse, 5 X 20MM, 1.5 Ampere, Slow-Blow 334-1150 4
---- Battery, 9 Volt, Alkaline 350-0002 1
---- Ferrite Core Large AM Transmitter 375-0007-001 2
---- Core, 1.102 OD X .63 ID X .512 THK 375-0009 2
---- Adjustment Tool, extended and recessed flat blades 407-0186 1
---- Kit, Instruction Manual, AM-2.5E/5E 977-1114 1

6-9
TABLE 6-17. FREQUENCY DEPENDANT KIT, AM-2.5E, 522 - 650 KHZ - 957-0015-121
REF. DES. DESCRIPTION PART NO. QTY.
---- Kit, Frequency Dependent Parts, Power Amplifier Modulator Circuit, 957-1015-001 1
Board, 522 - 650 KHZ
---- Kit, Frequency Dependent Parts, Power Block, 522 - 650 KHZ 957-1025-061 1
---- Kit, Frequency Dependent Parts, Output Network, 522 - 650 KHZ 957-1035-121 1
TABLE 6-18. FREQUENCY DEPENDANT KIT, AM-2.5E, 651 - 770 KHZ - 957-0015-122
REF. DES. DESCRIPTION PART NO. QTY.
---- Kit, Frequency Dependent Parts, Power Amplifier Modulator Circuit, 957-1015-002 1
Board, 651 - 770 KHZ
---- Kit, Frequency Dependent Parts, Power Block, 651 - 770 KHZ 957-1025-062 1
---- Kit, Frequency Dependent Parts, Output Network, 651 - 770 KHZ 957-1035-122 1
TABLE 6-19. FREQUENCY DEPENDANT KIT, AM-2.5E, 771 - 920 KHZ - 957-0015-123
REF. DES. DESCRIPTION PART NO. QTY.
---- Kit, Frequency Dependent Parts, Power Amplifier Modulator Circuit, 957-1015-003 1
Board, 771 - 920 KHZ
---- Kit, Frequency Dependent Parts, Power Block, 771 - 920 KHZ 957-1025-063 1
---- Kit, Frequency Dependent Parts, Output Network, 771 - 920 KHZ 957-1035-123 1
TABLE 6-20. FREQUENCY DEPENDANT KIT, AM-2.5E, 921 - 1080 KHZ - 957-0015-124
REF. DES. DESCRIPTION PART NO. QTY.
---- Kit, Frequency Dependent Parts, Power Amplifier Modulator Circuit, 957-1015-004 1
Board, 921 - 1080 KHZ
---- Kit, Frequency Dependent Parts, Power Block, 921 - 1080 KHZ 957-1025-064 1
---- Kit, Frequency Dependent Parts, Output Network, 921 - 1080 KHZ 957-1035-124 1
TABLE 6-21. FREQUENCY DEPENDANT KIT, AM-2.5E, 1081 - 1300 KHZ - 957-0015-125
REF. DES. DESCRIPTION PART NO. QTY.
---- Kit, Frequency Dependent Parts, Power Amplifier Modulator Circuit, 957-1015-005 1
Board, 1081 - 1300 KHZ
---- Kit, Frequency Dependent Parts, Power Block, 1081 - 1300 KHZ 957-1025-065 1
---- Kit, Frequency Dependent Parts, Output Network, 1081 - 1300 KHZ 957-1035-125 1

6-10
TABLE 6-22. FREQUENCY DEPENDANT KIT, AM-2.5E, 1301 - 1580 KHZ - 957-0015-126
REF. DES. DESCRIPTION PART NO. QTY.
---- Kit, Frequency Dependent Parts, Power Amplifier Modulator Circuit, 957-1015-006 1
Board, 1301 - 1580 KHZ
---- Kit, Frequency Dependent Parts, Power Block, 1301 - 1580 KHZ 957-1025-066 1
---- Kit, Frequency Dependent Parts, Output Network, 1301 - 1580 KHZ 957-1035-126 1
TABLE 6-23. FREQUENCY DEPENDANT KIT, AM-2.5E, 1581 - 1700 KHZ - 957-0015-127
REF. DES. DESCRIPTION PART NO. QTY.
---- Kit, Frequency Dependent Parts, Power Amplifier Modulator Circuit, 957-1015-007 1
Board, 1581 - 1700 KHZ
---- Kit, Frequency Dependent Parts, Power Block, 1581 - 1700 KHZ 957-1025-067 1
---- Kit, Frequency Dependent Parts, Output Network, 1581 - 1700 KHZ 957-1035-127 1
TABLE 6-24. FREQUENCY DEPENDANT KIT, AM-5E, 522 - 650 KHZ - 957-0015-151
REF. DES. DESCRIPTION PART NO. QTY.
---- Kit, Frequency Dependent Parts, Power Amplifier Modulator Circuit, 957-1015-001 1
Board, 522 - 650 KHZ
---- Kit, Frequency Dependent Parts, Power Block, 522 - 650 KHZ 957-1025-061 1
---- Kit, Frequency Dependent Parts, Output Network, 522 - 650 KHZ 957-1035-151 1
TABLE 6-25. FREQUENCY DEPENDANT KIT, AM-5E, 651 - 770 KHZ - 957-0015-152
REF. DES. DESCRIPTION PART NO. QTY.
---- Kit, Frequency Dependent Parts, Power Amplifier Modulator Circuit, 957-1015-002 1
Board, 651 - 770 KHZ
---- Kit, Frequency Dependent Parts, Power Block, 651 - 770 KHZ 957-1025-062 1
---- Kit, Frequency Dependent Parts, Output Network, 651 - 770 KHZ 957-1035-152 1
TABLE 6-26. FREQUENCY DEPENDANT KIT, AM-5E, 771 - 920 KHZ - 957-0015-153
REF. DES. DESCRIPTION PART NO. QTY.
---- Kit, Frequency Dependent Parts, Power Amplifier Modulator Circuit, 957-1015-003 1
Board, 771 - 920 KHZ
---- Kit, Frequency Dependent Parts, Power Block, 771 - 920 KHZ 957-1025-063 1
---- Kit, Frequency Dependent Parts, Output Network, 771 - 920 KHZ 957-1035-153 1

6-11
TABLE 6-27. FREQUENCY DEPENDANT KIT, AM-5E, 921 - 1080 KHZ - 957-0015-154
REF. DES. DESCRIPTION PART NO. QTY.
---- Kit, Frequency Dependent Parts, Power Amplifier Modulator Circuit, 957-1015-004 1
Board, 921 - 1080 KHZ
---- Kit, Frequency Dependent Parts, Power Block, 921 - 1080 KHZ 957-1025-064 1
---- Kit, Frequency Dependent Parts, Output Network, 921 - 1080 KHZ 957-1035-154 1
TABLE 6-28. FREQUENCY DEPENDANT KIT, AM-5E, 1081 - 1300 KHZ - 957-0015-155
REF. DES. DESCRIPTION PART NO. QTY.
---- Kit, Frequency Dependent Parts, Power Amplifier Modulator Circuit, 957-1015-005 1
Board, 1081 - 1300 KHZ
---- Kit, Frequency Dependent Parts, Power Block, 1081 - 1300 KHZ 957-1025-065 1
---- Kit, Frequency Dependent Parts, Output Network, 1081 - 1300 KHZ 957-1035-155 1
TABLE 6-29. FREQUENCY DEPENDANT KIT, AM-5E, 1301 - 1580 KHZ - 957-0015-156
REF. DES. DESCRIPTION PART NO. QTY.
---- Kit, Frequency Dependent Parts, Power Amplifier Modulator Circuit, 957-1015-006 1
Board, 1301 - 1580 KHZ
---- Kit, Frequency Dependent Parts, Power Block, 1301 - 1580 KHZ 957-1025-066 1
---- Kit, Frequency Dependent Parts, Output Network, 1301 - 1580 KHZ 957-1035-156 1
TABLE 6-30. FREQUENCY DEPENDANT KIT, AM-5E, 1581 - 1700 KHZ - 957-0015-157
REF. DES. DESCRIPTION PART NO. QTY.
---- Kit, Frequency Dependent Parts, Power Amplifier Modulator Circuit, 957-1015-007 1
Board, 1581 - 1700 KHZ
---- Kit, Frequency Dependent Parts, Power Block, 1581 - 1700 KHZ 957-1025-067 1
---- Kit, Frequency Dependent Parts, Output Network, 1581 - 1700 KHZ 957-1035-157 1
TABLE 6-31. POWER BLOCK FREQUENCY DEPENDANT KIT, 522 - 650 KHZ -
957-1025-061
REF. DES. DESCRIPTION PART NO. QTY.
L5 thru Coil, 522 - 650 kHz 360-0114-XXX 4
L8

6-12
TABLE 6-32. POWER BLOCK FREQUENCY DEPENDANT KIT, 651 - 770 KHZ -
957-1025-062
REF. DES. DESCRIPTION PART NO. QTY.
L5 thru Coil, 651 - 770 kHz 360-0114-XXX 4
L8
TABLE 6-33. POWER BLOCK FREQUENCY DEPENDANT KIT, 771 - 920 KHZ -
957-1025-063
REF. DES. DESCRIPTION PART NO. QTY.
L5 thru Coil, 771 - 920 kHz 360-0114-XXX 4
L8
TABLE 6-34. POWER BLOCK FREQUENCY DEPENDANT KIT, 921 - 1080 KHZ -
957-1025-064
REF. DES. DESCRIPTION PART NO. QTY.
L5 thru Coil, 921 - 1080 kHz 360-0114-XXX 4
L8
TABLE 6-35. POWER BLOCK FREQUENCY DEPENDANT KIT, 1081 - 1300 KHZ -
957-1025-065
REF. DES. DESCRIPTION PART NO. QTY.
L5 thru Coil, 1081 - 1300 kHz 360-0114-XXX 4
L8
TABLE 6-36. POWER BLOCK FREQUENCY DEPENDANT KIT, 1301 - 1580 KHZ -
957-1025-066
REF. DES. DESCRIPTION PART NO. QTY.
L5 thru Coil, 1301 - 1580 kHz 360-0114-XXX 4
L8
L9 Inductor, 120 uH, 1.5 Amperes ±10% 360-1824 1
TABLE 6-37. POWER BLOCK FREQUENCY DEPENDANT KIT, 1581 - 1700 KHZ -
957-1025-067
REF. DES. DESCRIPTION PART NO. QTY.
L5 thru Coil, 1581 - 1700 kHz 360-0114-XXX 4
L8
L9 Inductor, 100 uH, 1.5 Amperes ±10% 360-1823 1

7-1
SECTION VII
DRAWINGS
7-1. INTRODUCTION.
7-2. This section provides schematic diagrams and assembly diagrams as indexed below for the
Broadcast Electronics AM-2.5E/AM-5E transmitters.
FIGURE TITLE NUMBER
7-1 OVERALL SCHEMATIC DIAGRAM, AM-2.5E SB907-2500-100
7-2 SCHEMATIC DIAGRAM, TEMPERATURE SENSOR SA917-0306-009
CIRCUIT BOARD
7-3 SCHEMATIC DIAGRAM, AC SAMPLE CIRCUIT BOARD SA917-0306-007
7-4 ASSEMBLY DIAGRAM, ECU DISPLAY CIRCUIT AD917-0306-001/
BOARD -002/-003/-004/
-005/-006/-007/
-009/-014
7-5 SCHEMATIC DIAGRAM, POWER BLOCK MOTHERBOARD SB917-0303
7-6 ASSEMBLY DIAGRAM, POWER BLOCK MOTHERBOARD AC917-0303
7-7 ASSEMBLY DIAGRAM, COMBINER AC917-0321/-001
-006
7-8 SCHEMATIC DIAGRAM, OPTICALLY COUPLED RELAY SB919-0096/-001
7-9 ASSEMBLY DIAGRAM, OPTICALLY COUPLED AB919-0096/-001
RELAY (OCR)
7-10 SCHEMATIC DIAGRAM, CUSTOMER INTERFACE PRINTED SD917-0410
CIRCUIT BOARD
7-11 ASSEMBLY DIAGRAM, CUSTOMER INTERFACE PRINTED AB917-0410
CIRCUIT BOARD
7-12 SCHEMATIC DIAGRAM, POWER FACTOR CORRECTOR BOARD SB917-0330
7-13 ASSEMBLY DIAGRAM, POWER FACTOR CORRECTOR BOARD AB917-0330
7-14 SCHEMATIC DIAGRAM, INTERFACE CIRCUIT BOARD, AM-5E SB917-0306-003
7-15 SCHEMATIC DIAGRAM, POWER SUPPLY STATUS SA917-0306-006
CIRCUIT BOARD, AM-5E

















TABLE OF CONTENTS
PARAGRAPH PAGE NO.
SECTION I POWER SUPPLY THEORY OF OPERATION
1-1 Introduction 1-1
1-3 General Description 1-1
1-6 AC Input 1-1
1-8 Conventional Rectifier Circuitry 1-1
1-10 Soft-Start Circuit 1-1
1-12 AC Line Detection/Synchronization 1-2
1-16 Soft-Start Control Circuit 1-2
1-18 Power Factor Corrector Circuit Board Control Circuit 1-2
1-20 SCR Controlled Rectifier Circuit 1-5
1-23 Filter Circuit 1-5
1-25 Power Supply Enable Circuit 1-5
1-28 Switching Regulator Circuit 1-5
1-30 Low Voltage Power Supply 1-6
1-31 Switching Regulator Control Circuit 1-6
1-33 Switching Regulator Circuit Operation 1-6
1-34 Power Control/Correction Circuit 1-6
1-38 Fault Detection 1-7
1-43 Crowbar Circuit 1-7
1-47 Power Supply Circuit Grounds 1-8
SECTION II POWER SUPPLY CIRCUIT BOARD MAINTENANCE
2-1 Introduction 2-1
2-3 Safety Considerations 2-1
2-6 First Level Maintenance 2-1
2-8 Cleaning and Inspection 2-1
2-10 Second Level Maintenance 2-2
2-12 Troubleshooting 2-2
2-13 Safety Considerations 2-2
2-14 Removing/Installing a Power Supply Circuit Board 2-2
2-17 Troubleshooting Procedures 2-3
2-18 Component Replacement Procedure 2-4
SECTION III POWER SUPPLY CIRCUIT BOARD PARTS LIST
3-1 Introduction 3-1
SECTION IV POWER SUPPLY CIRCUIT BOARD DRAWINGS
4-1 Introduction 4-1
LIST OF ILLUSTRATIONS
FIGURE TITLE PAGE NO.
1-1 POWER SUPPLY CIRCUIT BOARD 1-3
SIMPLIFIED SCHEMATIC
LIST OF TABLES
TABLE TITLE PAGE NO.
2-1 POWER SUPPLY MODULE TROUBLESHOOTING 2-3
3-1 REPLACEABLE PARTS LIST INDEX 3-1

1-1
SECTION I
POWER SUPPLY THEORY OF OPERATION
1-1. INTRODUCTION.
1-2. This section presents a general description of the Broadcast Electronics AM-2.5E/AM-5E
transmitter power supply assembly.
1-3. GENERAL DESCRIPTION.
1-4. DC operating potentials for the RF power modules are provided by power supply assemĆ
blies (refer to Figure 1-1). The power supply assembly consists of: 1) a power supply cirĆ
cuit board and 2) filter and transformer components located on a power supply panel.
One power supply assembly provides dc operating potentials for one power block. The
AM-2.5E transmitter is equipped with 1 power supply assembly. The AM-5E transmitter
is equipped with 2 power supply assemblies.
1-5. The modular design of the power supply assembly allows the power supply circuit board
to be removed from the transmitter for maintenance. The following text presents a deĆ
scription of the power supply circuit board and the components located on the power sup-
ply panel assembly.
1-6. AC INPUT.
1-7. AC power from the ac input switch is applied through fuses F6 and F7 to power trans-
former T1. Fuses F6 and F7 protect the circuitry from over-current conditions. TransĆ
former T1 consists of: 1) a single primary winding and 2) five secondary windings. The
transformer is designed to provide low-voltage ac samples for application to five convenĆ
tional bridge rectifier circuits.
1-8. CONVENTIONAL RECTIFIER CIRCUITRY.
1-9. AC power from a winding of power transformer T1 is applied to bridge rectifier D11. D11
rectifies the ac potential into an unregulated 30V dc supply for application to the RF pow-
er module power amplifier circuit boards. Capacitor C21 provides filtering for the supply.
AC power from a second winding of transformer T1 is applied to bridge rectifier D10. D10
rectifies the ac potential into an unregulated +20V dc supply for the power supply circuit
board circuitry. Capacitor C20 provides filtering for the supply. AC power from a third
winding of ac power transformer T1 is applied to bridge rectifier D9. D9 rectifies the ac
potential into an unregulated +20 volt dc supply for application to: 1) the modulator cir-
cuit board and 2) to regulator U3. U3 is a +15 volt dc regulator. The output of U3 routed
for application to the components on the power supply circuit board. AC power from a
fourth winding of power transformer T1 is applied to bridge rectifier D12. D12 rectifies
the ac potential into an unregulated +15V dc supply for application to: 1) the power sup-
ply circuit board and 2) regulator U4. U4 is a +12 volt dc regulator. The output of U4
routed for application to the components on the power supply circuit board. An ac sample
from the winding is routed for application to a soft-start circuit. Capacitor C15 provides
filtering for the supply.
1-10. SOFT-START CIRCUIT.
1-11. An ac sample from the winding of T1 is also routed to a soft-start circuit. The soft-start
circuit is designed to eliminate component stress during turn-on by limiting the current
in-rush. The circuit consists of an ac line detection/synchronization and soft-start control
circuits.

1-2
1-12. AC LINE DETECTION/SYNCHRONIZATION. An ac sample from a winding of transformĆ
er T1 is rectified by diodes D7 and D8 and applied to integrated circuit U6B. U6B funcĆ
tions as a zero phase detector. As the ac line phase approaches zero degrees, U6B will
output a HIGH pulse. The HIGH pulse is applied to: 1) transistor Q2, 2) transistor Q7 of
the soft-start circuit, and 3) ac line detector U5A/U5B. The pulse biases transistor Q2
and optical coupler U2 on. Q2 and U2 will output a pulse each time the ac line phase is
zero. As a result, U2 will output a 120 Hz signal to the controller circuit board.
1-13. U5A and U5B function as an ac line voltage detector. When ac line voltage is present,
U5A will output a LOW. The LOW allows transistor Q3 to be biased on. With Q3 on, a
+12 volt dc signal is applied to optical coupler U1. When a power supply enable and a
PWM OK signal is applied to U1, U1 will output a reference voltage to a soft-start control
circuit for power supply operation. When ac line voltage is not present, U5A will output a
HIGH, the HIGH biases transistor Q3 off to terminate power supply operation. When ac
power is re-applied, U5B will maintain a HIGH for 100 milliseconds to allow the circuit to
stabilize during turn-on operations.
1-14. In addition to the ac line voltage detection circuit, integrated circuit U6A functions as a
low line voltage detector. When the dc supply is above the threshold at U6A, U6A will
output a LOW to bias transistor Q1 off. As a result, a HIGH ac OK signal indicating acĆ
ceptable ac line voltage is applied to optical coupler U9. When the dc supply is below 185
volts, U6A will output a HIGH to bias transistor Q1 on. As a result, a LOW ac OK signal
indicating low ac line voltage is applied to optical coupler U9. When the voltage increases
to approximately 190 volts, the output of U6A will go LOW to enable the power supply.
1-15. This circuit is also used to detect high ac line voltage potentials. If the ac line voltage is
above approximately 270 volts, transistor Q28 will be biased on. With Q28 on, the input
to U6A will be muted. When the input is muted: 1) the transmitter output power will be
muted and 2) no transmitter fault or emergency condition will be generated.
1-16. SOFT-START CONTROL CIRCUIT. The soft-start control circuit consists of: 1) transistors
Q4 through Q9 and 2) integrated circuit U7. The circuit is designed to generate short
duration pulses in each time the ac line waveform crosses the 0 volt axis. The pulses are
applied to an SCR controlled rectifier to slowly bias the components on during initial start
operations. This operation eliminates the component stress at power-on by limiting the
supply in-rush current.
1-17. The circuit generates the soft-start pulses from two signals: 1) a ramp signal and 2) a
triangle signal. The ramp signal is generated by transistors Q4 and Q5. When ac line
voltage is detected, a +12 volt signal from U1 is applied to transistor Q4. Q4 operates in
association with capacitor C16 and transistor Q5 to generate a ramp voltage. The
triangle signal is generated by transistors Q6 and Q7. Pulses from U6B are applied to
transistor Q7. Q7 operates in association with capacitor C17 and transistor Q6 to gener-
ate a triangle signal. The triangle signal and the ramp signal are applied to comparator
U7. U7 responds by generating a square-wave signal with a short duty cycle when the ac
line phase is zero. The square-wave signal from U7 is applied to soft-start driver transisĆ
tors Q8 and Q9. Q8 and Q9 will slowly bias the rectifier circuit on to limit the current
in-rush.
1-18. POWER FACTOR CORRECTOR CIRCUIT BOARD CONTROL CIRCUIT.
1-19. Transistors Q26 and Q27 control a power factor corrector circuit board. During soft-start
operation, ramp voltage will drop below approximately 3V. When this occurs, the output
of transistor Q26 will go LOW. This LOW biases transistor Q27 on. With Q27 on, a LOW
energizes two relays on the power factor corrector circuit board. With the relays ener-
gized, a capacitor is inserted into the circuit to enable power factor correction.

597-1112-28A
FIGURE 1-1. POWER SUPPLY CIRCUIT BOARD
SIMPLIFIED SCHEMATIC
(1-3/1-4)
COPYRIGHT 1999 BROADCAST ELECTRONICS, INC

1-5
1-20. SCR CONTROLLED RECTIFIER CIRCUIT.
1-21. The ac line voltage is rectified into a main dc supply for the modulator and amplifier cirĆ
cuitry by an SCR controlled bridge rectifier circuit. Primary ac power for the main dc
supply is applied to fuses F1 and F2. The fuses protect the power supply circuitry from
over-current conditions. Metal-Oxide-Varistor MOV1 prevents damage to the rectifier
circuitry from ac line voltage surge potentials.
1-22. The SCR controlled rectifier circuit consists of diodes D15 through D17 and SCRs D13
and D14. The rectifier circuit is controlled by the soft-start control circuit. When power
is required from the circuit, the soft-start circuit will output synchronized ac line pulses
to SCRs D13 and D14. The SCRs will respond by slowly biasing the rectifier circuit on.
The rectifier will output an unregulated and unfiltered dc supply at a maximum of 300V
to an inductor and capacitor filter network located on the power supply panel.
1-23. FILTER CIRCUIT.
1-24. The output of the rectifier circuit is applied to a filter network consisting of capacitors C24
through C27. The filter is designed to remove the ripple in the supply. The output of the
capacitor network generates the positive leg of the B supply. The B supply is the main
operating supply for the RF power modules. The negative leg of the B supply is generated
by a switching regulator circuit (refer to the following text).
1-25. POWER SUPPLY ENABLE CIRCUIT.
1-26. The power supply is controlled by a: 1) power supply enable signal from the controller
and 2) power supply mute signal from the modulator circuit boards. When power supply
operation is required, the controller will output a LOW power supply enable signal to optiĆ
cal coupler U8. With no mute signals present, U8 will output a HIGH to AND gate U12A.
With a HIGH ac OK signal from U9 indicating the presence of ac power and no power
supply faults, U12A will output a HIGH to U12B. With a HIGH from U21A/U21B, U12B
will output a HIGH to U12C and to Q12. With a HIGH from U14 indicating the crowbar
circuit is off, U12C will output a HIGH after a one second delay to: 1) transistor Q10,
2) AND gate U12D, and 3) NAND gate U21C. The HIGH biases Q12 and U15 on to dis-
able the crowbar circuit. Q10 will respond by routing a HIGH power supply enable signal
to optical coupler U1. U1 will output a dc voltage to enable the power supply soft-start
circuit. AND gate U12D will output a HIGH to transistor Q11. The HIGH biases Q11 on
to enable regulator controller U13 and bias Q13 off.
1-27. When a power supply mute operation is required, an RF power module modulator circuit
board will output a mute signal to optical coupler U8. U8 will output a LOW to AND gate
U12A. With a HIGH ac OK signal from U9, U12A will output a LOW to U12B. U12B will
output a LOW to U12C and to Q12. The LOW biases Q12 and U15 off to enable the crowĆ
bar circuit. U12C will output a LOW to: 1) transistor Q10, 2) AND gate U12D. Q10 will
be biased off to terminate power supply operation by disabling the drive to the SCR recti-
fier circuit. U12D will disable Q11 which allows a HIGH to disable regulator controller
U13 and bias Q13 on. Q13 will output a LOW to disable the fault detection circuit to preĆ
vent erroneous fault indications during mute conditions.
1-28. SWITCHING REGULATOR CIRCUIT.
1-29. The B supply is regulated and controlled by a switching regulator circuit. The switching
regulator circuit generates the - leg of the B supply and consists of: 1) a low voltage pow-
er supply circuit, 2) a power control network, 3) optical coupler U17, 4) inverting buffer
U19, and 5) switching regulator transistors Q21 and Q22.

1-6
1-30. LOW VOLTAGE POWER SUPPLY. A dc operating supply for the optical couplers and the
inverting buffers is generated by bridge rectifier D25. D25 full-wave rectifies an ac po-
tential from ac transformer T1 into an unregulated +20V supply. The supply is applied to
+18V regulator U16. The output of U16 is further regulated to a 5V operating potential
by a resistive divider and a zener diode. The 5V supply is applied to optical coupler U17
and buffer U19.
1-31. SWITCHING REGULATOR CONTROL CIRCUIT. The switching regulator circuit is conĆ
trolled by: 1) regulator controller U13 and 2) a power control/correction circuit. The cirĆ
cuits function in a closed-loop to control the operation of the switching regulator. As a
result, the regulator outputs a precision dc operating voltage at the appropriate level for
application to the RF power modules.
1-32. Integrated circuit U13 functions as the switching regulator controller. U13 is a PWM outĆ
put device designed to produce two out-of-phase square wave signals with varying duty
cycles. The duty cycle is varied in response to the signal from the voltage correction cirĆ
cuit. With a correction voltage present at U13, U13 will output a PWM square wave sig-
nal to optical coupler U17. U17 provides isolation for the transition of the signal from two
different circuit ground potentials. The output of coupler U17 is inverted by inverting
buffer U19.
1-33. SWITCHING REGULATOR CIRCUIT OPERATION. The PWM output of U19 is applied to
the gates of IGBT (insulated-gate-bipolar-transistor) switching regulator transistors Q21
and Q22. The transistors function to regulate the negative leg of the B supply. The out-
put of the transistor switching regulator circuit is applied to filter inductor L2. Protection
of the transistors from switching transients during turn on/off operation is provided by
clamp diode D32. Capacitor C55 provides filtering for the negative leg of the B supply.
The output of the regulator circuit (B- leg) is applied to circuitry on the modulator circuit
board.
1-34. POWER CONTROL/CORRECTION CIRCUIT.
1-35. The switching regulator output voltage is controlled by a PWM (pulse-width-modulated)
signal from the controller. The PWM signal is a 1 kHz square-wave signal with a duty
cycle which varies in response to different power levels. The PWM signal from the con-
troller is applied to optical coupler U22. With a +5 volt signal from the motherboard, U22
will output the PWM signal to transistors Q17 and Q18. Q17 will discharge capacitor C63
when a 1 kHz control signal is present. C63 will output a LOW PWM OK signal to optical
coupler U1. Q18 inverts the power control PWM signal. The output of Q18 is applied
through buffer U24C to a low-pass filter consisting of: 1) resistors R115, R116, and R117
and 2) capacitors C75, C76, and C77. The filter converts the power control PWM square-
wave signal into a dc control voltage. The voltage is routed through buffer U24A to U24B.
1-36. U24B functions as a current feedback loop filter. U24B differentially amplifies the dc conĆ
trol voltage and a current sample from the switching regulator output filter capacitor. As
a result, U24B produces a dc control voltage for application to U24D.
1-37. U24D functions as a voltage feedback loop filter. U24D differentially amplifies the control
voltage from U24B and a voltage sample from the B+ leg of the supply. As a result,
U24D produces a dc control voltage for application to: 1) switching regulator controller
U13 and 2) a fault detection circuit. U13 will respond to the correction voltage by chang-
ing the duty cycle of the PWM drive signal to optical coupler U17. The switching regula-
tor circuit will respond by changing the output voltage to a level required by the power
control PWM signal.

1-7
1-38. FAULT DETECTION.
1-39. A fault detection circuit monitors the regulator for four conditions: 1) over-voltage,
2) open-loop, 3) over-current, and 4) over temperature. Over-voltage conditions are
monitored by U23A. U23A compares a sample of the B+ leg to a reference voltage. When
the B+ sample exceeds the reference voltage, the output of U23A will go LOW. The LOW
is routed to fault detector latch U21A/U21B. Open-loop conditions are monitored by
U23B. U23B compares a correction voltage sample to a reference voltage. When the
correction voltage sample exceeds the reference, the output of U23B will go LOW. The
LOW is inverted at U21D and applied to NAND gate U21C. With a HIGH power supply
enable signal from U12C, U21C will output a LOW to fault detector latch U21A/U21B.
1-40. Over-current conditions are monitored by transistors Q19 and Q20. When an over-curĆ
rent condition occurs, Q19 and Q20 will output a LOW. The LOW is routed to fault detecĆ
tor latch U21A/U21B. Over-temperature conditions are monitored by temperature sensor
U25. When the power supply temperature exceeds 72 degrees C, U25 will output a LOW
through transistor Q25 to U21D. The LOW is inverted at U21D and applied to NAND
gate U21C.
1-41. With a LOW from U21C or U23A, latch U21A/U21B will: 1) output a HIGH to transistor
Q16 and 2) output a LOW to transistor Q15 and to U12B. Transistor Q16 will be biased
on and will output a LOW to enable optical coupler U11. U11 will respond by generating
a power supply fault signal. AND gate U12B will output a LOW to: 1) disable regulator
controller U13, 2) disable the SCR controlled rectifier circuit, and 3) initiate a logic seĆ
quence to enable the crowbar circuit (refer to the following text). Transistor Q15 will be
biased off and will disable optical coupler U10. The output of U10 will open.
1-42. The output of U10 is connected in parallel with U10 on each power supply circuit board.
When the output of U10 on each power supply circuit board is open, a HIGH power sup-
ply emergency signal to be applied to the controller. The power supply emergency signal
indicates all power supply modules contain fault conditions.
1-43. CROWBAR CIRCUIT.
1-44. The power supply circuit board is equipped with a crowbar circuit to discharge the B supĆ
ply during power supply off, ac off, and power supply mute conditions. The crowbar cir-
cuit consists of: 1) crowbar MOSFET Q23 and 2) resistor R72. Control of the circuit is
provided by logic gates which monitor power supply off, ac off, and power supply mute
conditions.
1-45. During a power supply off, ac off, or power supply mute condition, AND gate U12A will
output a LOW to U12B. With a HIGH from U21A/U21B, U12B will output a LOW to
transistor Q12. The LOW biases Q12 and optical coupler U15 off. As a result, a HIGH is
applied to the gate of crowbar MOSFET Q23. The HIGH biases Q23 on to short the B
supply and discharge capacitors C24, C25, C26, C27 and C55. Resistor R72 limits the curĆ
rent during shorting operations.
1-46. When U15 is biased off, optical coupler U14 will also be disabled. With U14 disabled, a
LOW is applied to U12C. U12C will output a LOW to disable the PWM drive to the
switching regulator circuit.

1-8
1-47. POWER SUPPLY CIRCUIT GROUNDS.
1-48. The power supply circuit board is equipped with three isolated circuit grounds: 1) 0VS,
2) 0VP, and 3) 0VI. The circuit grounds are at different potentials and are not referenced
to earth ground. The 0VS ground is the circuit ground for the: 1) SCR controlled bridge
rectifier circuit, 2) soft-start control circuit, 3) ac line voltage detector circuit, and 4) low-
voltage detection circuit. The 0VP circuit ground is used to create the negative leg of the
B supply. The 0VI ground is the circuit ground for the: 1) crowbar circuit, 2) switching
regulator circuit, 3) inverting drive buffers, and 4) switching regulator transistors. The
circuit grounds are used in association with the circuitry to generate the operating volt-
ages for the RF power modules.

2-1
WARNING: DISCONNECT POWER PRIOR TO SERVICING
SECTION II
POWER SUPPLY CIRCUIT BOARD MAINTENANCE
2-1. INTRODUCTION.
2-2. This section provides maintenance information for the AM-2.5E/AM-5E transmitter
power supply circuit board assembly.
2-3. SAFETY CONSIDERATIONS.
WARNING
WARNING
WARNING
WARNING
THE TRANSMITTER CONTAINS MULTIPLE CIRCUIT
GROUNDS WITH HIGH AC AND DC POTENTIALS
WITH RESPECT TO THE CABINET WHICH IS AT
EARTH POTENTIAL. DO NOT ENERGIZE THE
TRANSMITTER WITH TEST EQUIPMENT CONĆ
NECTED TO THE TRANSMITTER OUTPUT
NETWORK, RF POWER MODULE, RF COMBINER, OR
POWER SUPPLY COMPONENTS.
2-4. The AM-2.5E/AM-5E transmitters contain high voltages and currents. If safety
precautions are not practiced, contact with the high voltages and currents could cause
serious injury or death. The transmitter is equipped with many built-in safety features,
however good judgement, care, and common sense must be practiced to prevent accidents.
2-5. In addition to high voltages and currents, the transmitters contain multiple circuit
grounds with high ac and dc potentials with respect to the cabinet which is at earth
potential. The potentials could cause serious injury or death if maintenance personnel
simultaneously touch a circuit ground and the cabinet. As a result, operation of the
transmitter with test equipment connected to transmitter output network, RF power
module, RF combiner, or power supply components is extremely dangerous and must not
be attempted. Therefore, never energize the transmitter with test equipment connected
to the transmitter output network, RF power module, RF combiner, or power supply
components. Test equipment may be connected to the ECU circuit boards from the front
of the transmitter using the supplied extender circuit board with power energized. The
maintenance procedures presented in this section should be performed only by trained
and experienced maintenance personnel.
2-6. FIRST LEVEL MAINTENANCE.
2-7. First level maintenance consists of precautionary procedures applied to the equipment to
prevent future failures. The procedures are performed on a regular basis and the results
recorded in a performance log.
2-8. CLEANING AND INSPECTION.

2-2
WARNING: DISCONNECT POWER PRIOR TO SERVICING
WARNING
WARNING
DISCONNECT ALL TRANSMITTER PRIMARY POWER
BEFORE PROCEEDING.
2-9. Ensure all transmitter primary power is disconnected and clean a circuit board of
accumulated dust as required using a nylon bristle brush and vacuum cleaner. Inspect
the circuit board for improperly seated semiconductors and components damage by
overheating. In addition, inspect the circuit board for loose hardware. Repeat the
procedure for each power supply circuit board in the transmitter.
2-10. SECOND LEVEL MAINTENANCE.
2-11. Second level maintenance is the performance of procedures required to restore a power
supply circuit board to operation after a fault has occurred. The power supply circuit
board contains no adjustments. Therefore, the following text presents only
troubleshooting procedures.
2-12. TROUBLESHOOTING.
WARNING
WARNING
WARNING
WARNING
THE TRANSMITTER CONTAINS MULTIPLE CIRCUIT
GROUNDS WITH HIGH AC AND DC POTENTIALS
WITH RESPECT TO THE CABINET WHICH IS AT
EARTH POTENTIAL. DO NOT ENERGIZE THE
TRANSMITTER WITH TEST EQUIPMENT CONĆ
NECTED TO THE TRANSMITTER OUTPUT
NETWORK, RF POWER MODULE, RF COMBINER, OR
POWER SUPPLY COMPONENTS.
2-13. SAFETY CONSIDERATIONS. The AM-2.5E/AM-5E transmitters are equipped with
extensive indicator and meter circuitry to allow the operator to isolate problems to a
specific area within the transmitter. Due to the hazardous voltages and currents
contained in the equipment, operation of the transmitter with test equipment connected
to transmitter output network, RF power module, RF combiner, or power supply
components is extremely dangerous and must not be attempted. Test equipment may be
connected to the ECU circuit boards from the front of the transmitter using the supplied
extender circuit board with power energized. The maintenance procedures presented in
this section should be performed only by trained and experienced maintenance personnel.
2-14. REMOVING/INSTALLING A POWER SUPPLY CIRCUIT BOARD. A power supply circuit
board is removed by disconnecting three connectors, loosening the mounting hardware,
and sliding the circuit board from the mounting pins. To remove or install a power supply
circuit board, proceed as follows:
WARNING
WARNING
DISCONNECT ALL TRANSMITTER PRIMARY POWER
BEFORE PROCEEDING.
2-15. Disconnect all transmitter primary power.
2-16. To remove a power supply circuit board, proceed as follows:
1. Refer to Figure 5-2/5-3 in SECTION V, MAINTENANCE and locate the desired
power supply circuit board to be removed.

2-3
WARNING: DISCONNECT POWER PRIOR TO SERVICING
2. Disconnect connectors P1, P2, and P3 on the circuit board assembly.
3. Loosen the power supply circuit board mounting hardware.
4. Lift the circuit board from the mounting pins and remove the circuit board from
the cabinet.
2-17. TROUBLESHOOTING PROCEDURES. The power supply module troubleshooting
procedures are presented in Table 2-1. During the execution of the troubleshooting
information, perform all the procedures for a symptom. The symptom may contain
multiple component failures. Once the trouble is isolated, refer to the circuit board
theory of operation and schematic diagrams to assist in problem resolution.
TABLE 2-1. POWER SUPPLY MODULE TROUBLESHOOTING
(Sheet 1 of 2)
SYMPTOM CIRCUITRY TO CHECK
1. RED POWER SUPPLY 1. Check for an over-temperature condition by
INDICATION inspecting the fans and filter.
2.. Check transistors Q21 and Q22 as follows:
A. Using a digital voltmeter, operate the voltmeter
to diode check. On Q21, place the negative lead on
the drain (center pin) and the positive lead on the
source.
1. If the voltmeter indicates a non-shorted
condition, check transistor Q23.
2. If the voltmeter indicates a shorted condition,
proceed as follows:
a. On Q21, place the negative lead on the drain
(center pin) and the positive lead on the gate
and record the voltmeter indication.
b. On Q22, place the negative lead on the drain
and the positive lead on the gate and
record the voltmeter indication.
c. The transistor with the lowest voltage is
defective.
2. Place the negative lead on the drain of Q21
and the positive lead on the source and
determine if a short circuit condition is
present.
3. If a short circuit condition is present,
defective Q21.
B. Repeat the procedure for transistor Q22.
3. Check transistor Q23 as follows:
A. Using a digital voltmeter, operate the
voltmeter to diode check and troubleshoot
transistor Q23 as follows:
1. Place the negative lead on the drain
and the positive lead on the gate and
determine if a short circuit condition is
present.

2-4
WARNING: DISCONNECT POWER PRIOR TO SERVICING
TABLE 2-1. POWER SUPPLY MODULE TROUBLESHOOTING
(Sheet 2 of 2)
SYMPTOM CIRCUITRY TO CHECK
RED POWER SUPPLY 2. Place the negative lead on the drain
INDICATION (CONT'D) and the positive lead on the source and
determine if a short circuit condition is
present.
3. If a short circuit condition is present,
defective Q23.
3. Visually inspect crowbar resistor R72.
4. Check SCRs D13/D14 and diodes D15, D16, and D17
for a short circuit condition.
5. Replace all blown fuses on the circuit board.
NO 120 Hz SIGNAL OUTPUT 1. Check for a 120 Hz square-wave pulse at the
source of transistor Q55 on the controller circuit
board.
A. If a 120 Hz signal is present, defective Q55 on
the controller circuit board.
B. If a 120 Hz signal is not present, defective U3
on the power supply circuit board.
2. Re-install the power supply circuit board and
operate the transmitter. If the circuit board
remains defective, contact the Broadcast
Electronics Customer Service Department.
MOD PWR INDICATORS 1. Check U7, U9A, U9B, U9C, U9D, Q9 and Q21.
EXTINGUISHED ON A
POWER BLOCK
2-18. COMPONENT REPLACEMENT PROCEDURE. Component replacement procedures for
the power supply circuit board are presented in PART I SECTION V. Refer to
COMPONENT REPLACEMENT in SECTION V as required for the replacement
procedures.

3-1
SECTION III
POWER SUPPLY CIRCUIT BOARD
PARTS LIST
3-1. INTRODUCTION.
3-2. This section provides descriptions and part numbers of electrical components, assemblies,
and selected mechanical parts required for maintenance of the power supply circuit board.
Each table entry in this section is indexed by reference designators appearing on the ap-
plicable schematic.
TABLE 3-1. REPLACEABLE PARTS LIST INDEX
TABLE DESCRIPTION PART NO. PAGE
3-2 Power Supply Panel Assembly 957-0315-100 3-2
3-3 Power Supply Circuit Board Assembly 917-0315-001 3-2
3-4 Power Supply Bulk Capacitor Circuit Board Assembly 917-0315-002 3-9
3-5 Power Supply Capacitor Circuit Board Assembly 917-0315-004 3-9
3-6 Power Supply Panel Harness 947-0208 3-9

3-2
TABLE 3-2. POWER SUPPLY PANEL ASSEMBLY - 957-0315-100
REF. DES. DESCRIPTION PART NO. QTY.
L2 Choke, 1.04 mH, AM Transmitter 370-2364 1
T1 Transformer, AM Transmitter Power Supply 376-0047 1
---- Pin Connector 417-0036 2
---- Pins, Connector 417-0053 10
---- Connector Housing, 2-Pin, Male 418-0702 1
---- Plug, Connector Housing, 12-Pin 418-1271 1
---- Power Supply Circuit Board Assembly 917-0315-001 1
---- Power Supply Bulk Capacitor Circuit Board Assembly 917-0315-002 1
---- Power Supply Capacitor Circuit Board Assembly 917-0315-004 1
---- Power Supply Harness Assembly 947-0208 1
---- Blank, Power Supply AC Input Circuit Board 517-0315-006 1
TABLE 3-3. POWER SUPPLY CIRCUIT BOARD ASSEMBLY - 917-0315-001
(Sheet 1 of 8)
REF. DES. DESCRIPTION PART NO. QTY.
C1 Capacitor, Monolythic Ceramic, 0.1 uF ±10%, 50V 003-1066 1
C2 Capacitor, Monolythic Ceramic, 0.01 uF ±5%, 100V 003-1013 1
C3 Capacitor, Ceramic, 0.001 uF ±10%, 200V 030-1033 1
C4 Capacitor, Electrolytic, 2200 uF, 35V 014-2293 1
C5, C6 Capacitor, Monolythic Ceramic, 0.1 uF ±10%, 50V 003-1066 2
C7, C8 Capacitor, Monolythic Ceramic, 0.1 uF, ±10%, 50V 003-1066 2
C9 Capacitor, Electrolytic, 10 uF, 50V 023-1076 1
C10 Capacitor, Monolythic Ceramic, 0.01 uF ±5%, 100V 003-1013 1
C11 Capacitor, Ceramic, 0.001 uF ±10%, 200V 030-1033 1
C12 Capacitor, Monolythic Ceramic, 0.1 uF ±10%, 50V 003-1066 1
C13, C14 Capacitor, Electrolytic, 10 uF, 50V 023-1076 2
C15 Capacitor, Electrolytic, 470 uF, 50V 024-4783 1
C16 Capacitor, Electrolytic, 100 uF, 35V 023-1084 1
C17 Capacitor, Monolythic Ceramic, .47 uF ±10%, 50V 003-4743 1
C18, C19 Capacitor, Monolythic Ceramic, 0.1 uF ±10%, 50V 003-1066 2
C20 Capacitor, Electrolytic, 2200 uF, 35V 014-2293 1
C21 Capacitor, Electrolytic, 27000 uF ±20%, 50V 020-2795-500 1
C22 Capacitor, Polyester, .15 uF ±10%, 600WV dc 030-1523 1
C23 Capacitor, Polypropylene Film, .47 uF ±10%, 600V 033-4763 1
C29 Capacitor, Monolythic Ceramic, 0.1 uF ±10%, 50V 003-1066 1
C30, C31 Capacitor, Ceramic, 0.001 uF ±10%, 200V 030-1033 2
C32 Capacitor, Monolythic Ceramic, 0.1 uF ±10%, 50V 003-1066 1
C33 Capacitor, Electrolytic, 10 uF, 50V 023-1076 1
C34 Capacitor, Monolythic Ceramic, 0.1 uF ±10%, 50V 003-1066 1
C35 Capacitor, Monolythic Ceramic, .47 uF ±10%, 50V 003-4743 1
C36 Capacitor, Monolythic Ceramic, 0.1 uF ±10%, 50V 003-1066 1
C37 Capacitor, Monolythic Ceramic, .0027 uF ±5%, 100V 003-2723 1

3-3
TABLE 3-3. POWER SUPPLY CIRCUIT BOARD ASSEMBLY - 917-0315-001
(Sheet 2 of 8)
REF. DES. DESCRIPTION PART NO. QTY.
C38 Capacitor, Silvered Mica, 100 pF ±5%, 500V 040-1022 1
C39 Capacitor, Electrolytic, 10 uF, 50V 023-1076 1
C40 Capacitor, Silvered Mica, 100 pF ±5%, 500V 040-1022 1
C41 Capacitor, Monolythic Ceramic, .47 uF ±10%, 50V 003-4743 1
C42 Capacitor, Monolythic Ceramic, 0.01 uF ±5%, 100V 003-1013 1
C43 Capacitor, Electrolytic, 10 uF, 50V 023-1076 1
C44 Capacitor, Electrolytic, 100 uF, 35V 023-1084 1
C45 Capacitor, Monolythic Ceramic, 0.1 uF ±10%, 50V 003-1066 1
C46 Capacitor, Electrolytic, 10 uF, 50V 023-1076 1
C47 Capacitor, Monolythic Ceramic, 0.1 uF ±10%, 50V 003-1066 1
C49 Capacitor, Electrolytic, 10 uF, 50V 023-1076 1
C50 Capacitor, Monolythic Ceramic, 0.1 uF ±10%, 50V 003-1066 1
C52 Capacitor, Polyester, 2.2 uF, 400V 030-2256 1
C56, C57 Capacitor, Ceramic, 0.001 uF ±10%, 200V 030-1033 2
C58 Capacitor, Monolythic Ceramic, 0.1 uF, ±10%, 50V 003-1066 1
C59, C60 Capacitor, Monolythic Ceramic, 0.01 uF ±5%, 100V 003-1013 2
C61 Capacitor, Monolythic Ceramic, 0.1 uF ±10%, 50V 003-1066 1
C62 Capacitor, Electrolytic, 10 uF, 35V 023-1075 1
C63 Capacitor, Electrolytic, 10 uF, 50V 023-1076 1
C64 Capacitor, Monolythic Ceramic, 0.01 uF ±5%, 100V 003-1013 1
C65, C66 Capacitor, Monolythic Ceramic, 0.1 uF ±10%, 50V 003-1066 2
C67 Capacitor, Monolythic Ceramic, 0.1 uF ±10%, 50V 003-1066 1
C68 Capacitor, Monolythic Ceramic, .47 uF ±10%, 50V 003-4743 1
C69 Capacitor, Silvered Mica, 100 pF ±5%, 500V 040-1022 1
C70 Capacitor, Monolythic Ceramic, 0.1 uF ±10%, 50V 003-1066 1
C71 Capacitor, Ceramic, 0.001 uF ±10%, 200V 030-1033 1
C72 Capacitor, Silvered Mica, 100 pF ±5%, 500V 040-1022 1
C73 Capacitor, Monolythic Ceramic, 0.0047 uF ±5%, 100V 003-4723 1
C74 Capacitor, Monolythic Ceramic, 0.01 uF ±5%, 100V 003-1013 1
C75 thru C77 Capacitor, Monolythic Ceramic, .47 uF ±10%, 50V 003-4743 3
C78 Capacitor, Monolythic Ceramic, 0.1 uF ±10%, 50V 003-1066 1
C79 Capacitor, Monolythic Ceramic, .47 uF ±10%, 50V 003-4743 1
C80 Capacitor, Electrolytic, 10 uF, 50V 023-1076 1
C81 Capacitor, Monolythic Ceramic, 0.1 uF ±10%, 50V 003-1066 1
C82 Capacitor, Electrolytic, 100 uF, 35V 023-1084 1
C83 Capacitor, Monolythic Ceramic, .47 uF ±10% 50V 003-4743 1
C84 Capacitor, Ceramic, 0.001 uF ±10%, 200V 030-1033 1
C85 Capacitor, Electrolytic, 10 uF, 50V 023-1076 1
C86 Capacitor, Monolythic Ceramic, 0.1 uF ±10%, 50V 003-1066 1
C91 thru C94 Capacitor, Monolythic Ceramic, 0.1 uF ±10%, 50V 003-1066 4
C95 Capacitor, Electrolytic, 10 uF, 50V 023-1076 1
C96 Capacitor, Monolythic Ceramic, 0.0047 uF ±5%, 100V 003-4723 1
C98 Capacitor, Monolythic Ceramic, 0.1 uF ±10%, 50V 003-1066 1
C99 Capacitor, Electrolytic, 10 uF, 50V 023-1076 1

3-4
TABLE 3-3. POWER SUPPLY CIRCUIT BOARD ASSEMBLY - 917-0315-001
(Sheet 3 of 8)
REF. DES. DESCRIPTION PART NO. QTY.
D1 Diode, HP5082-2800, High Voltage, Schottky Barrier Type, 201-2800 1
70V, 15 mA
D2, D3 Diode, 1N4148, Silicon, 75V @ 0.3 Amperes 203-4148 2
D4 Diode, HP5082-2800, High Voltage, Schottky Barrier Type, 201-2800 1
70V, 15 mA
D5 ,D6 Diode, Zener, 1N4733A, 5.1V ±5%, 1W 200-4733 2
D7, D8 Diode, 1N4005, Silicon, 600V @ 1 Ampere 203-4005 2
D9 Bridge Rectifier, NAE 3060A, 1 Ampere, 200V 239-0001 1
D10 Bridge Rectifier, MDA970A3, 4 Amperes, 50-200V 239-0003 1
D11 Bridge Rectifier, MDA970A3, 4 Amperes, 50-200V 239-0003 1
D12 Bridge Rectifier, NAE 3060A, 1 Ampere, 200V 239-0001 1
D13, D14 Silicon Controlled Rectifiers, 2N6508, 25 Amperes, 600V 237-6508 2
D15 Rectifier, MR2406, 24 Amperes, 600V 230-0015 1
D16 Power Rectifier, Switchmode, MUR4100E, 4 Amperes, 1000V 230-0017 1
D17 Rectifier, MR2406, 24 Amperes, 600V 230-0015 1
D18 Diode, Zener, 1N4733A, 5.1V ±5%, 1W 200-4733 1
D19 Diode, 1N4005, Silicon, 600V @ 1 Ampere 203-4005 1
D21, D22 Diode, 1N4148, Silicon, 75V @ 0.3 Amperes 203-4148 2
D23 Diode, 1N4005, Silicon, 600V @ 1 Ampere 203-4005 1
D24 Diode, 1N4148, Silicon, 75V @ 0.3 Amperes 203-4148 1
D25 Bridge Rectifier, NAE 3060A, 1 Ampere, 200V 239-0001 1
D26 Diode, Zener, 1N4733A, 5.1V ±5%, 1W 200-4733 1
D27 Diode, Zener, 1N4746, 18V ±10%, 1W 200-4746 1
D28 Diode, 1N4005, Silicon, 600V @ 1 Ampere 203-4005 1
D29 Diode, 1N4148, Silicon, 75V @ 0.3 Amperes 203-4148 1
D30, D31 Diode, 1N4005, Silicon, 600V @ 1 Ampere 203-4005 2
D32 Rectifier, Fast Recovery, FEN30JP, 30 Amperes, 600V 230-0013 1
D34 Power Rectifier, Switchmode, MUR4100E, 4 Amperes, 1000V 230-0017 1
D37 Diode, 1N4148, Silicon, 75V @ 0.3 Amperes 203-4148 1
D39 Diode, 1N4148, Silicon, 75V @ 0.3 Amperes 203-4148 1
D40 Diode, 1N4005, Silicon, 600V @ 1 Ampere 203-4005 1
D41, D42 Diode, 1N4148, Silicon, 75V @ 0.3 Amperes 203-4148 2
D43, D44 Diode, 1N4005, Silicon, 600V @ 1 Ampere 203-4005 2
D45 Diode, 1N4148, Silicon, 75V @ 0.3 Amperes 203-4148 1
F1, F2 Fuse, 30 Amperes, 125V, 1/4x1-1/4, Lead Type 334-0030-001 2
J1 Connector, Male, Printed Circuit Board Mount, PLB16M3N0A1 417-0376 1
J2 Receptacle, 12-Pin 417-1276 1
J3 Connector, AMP 6405051-1, MR Printed Circuit Board, Male 417-2401 1
24-Pin
J4 Receptacle, Male, 8-Pin In-Line, Right Angle 417-0080-001 1
J5 thru J7 Connector, Header, 2-Pin 417-4004 3
J9, J10 Receptacle, Male, 2-Pin In-line 417-4004 2
MOV1 Varistor, V320LA40B 140-0039 1
MOV2 Varistor, V320LA20AGE 140-0038 1
P4 thru P7, P9 Jumper, Programmable, 2-Pin 340-0004 5

3-5
TABLE 3-3. POWER SUPPLY CIRCUIT BOARD ASSEMBLY - 917-0315-001
(Sheet 4 of 8)
REF. DES. DESCRIPTION PART NO. QTY.
Q1 Transistor, 2N3904, NPN, Silicon, TO-92 Case 211-3904 1
Q2 Transistor, 2N27000, FET, N-Channel, TO-92 Case 210-7000 1
Q3, Q4 Transistor, 2N3906, PNP, Silicon, TO-92 Case 210-3906 2
Q5 Transistor, 2N3904, NPN, Silicon, TO-92 Case 211-3904 1
Q6 Transistor, 2N3906, PNP, Silicon, TO-92 Case 210-3906 1
Q7 Transistor, 2N27000, FET, N-Channel, TO-92 Case 210-7000 1
Q8, Q9 Transistor, 2N2222A, TO-18 Case 210-2222 2
Q10 thru Transistor, 2N7000, FET, N-Channel, TO-92 Case 210-7000 4
Q13
Q14 Transistor, 2N7000, FET, N-Channel, TO-92 Case 210-7000 1
Q15 thru Transistor, 2N7000, FET, N-Channel, TO-92 Case 210-7000 4
Q18
Q19, Q20 Transistor, 2N3904, NPN, Silicon, TO-92 Case 211-3904 2
Q21, Q22 Transistor, Insulated Gate Bipolar, IRGPC50U, TO-247 Case 210-4060 2
Q23 RF FET APT6018, 600V 210-6018 1
Q24 Transistor, 2N27000, FET, N-Channel, TO-92 Case 210-7000 1
Q25 Field Effect Transistor, J3100, RF, N-Channel, TO-92 Case 212-0310 1
Q26, Q27 Transistor, 2N27000, FET, N-Channel, TO-92 Case 210-7000 2
Q28 Transistor, 2N3904, NPN, Silicon, TO-92 Case 211-3904 1
R1 Resistor, 1.33 k Ohm ±1%, 1/4W 103-1331 1
R2 Resistor, 100 k Ohm ±1%, 1/4W 103-1062 1
R3, R4 Resistor, 10 k Ohm ±1%, 1/4W 100-1051 2
R5 Resistor, 150 k Ohm ±1%, 1/4W 103-1561 1
R6 Resistor, 21 k Ohm ±1%, 1/4W 103-2105 1
R7 Resistor, 6.34 k Ohm ±1%, 1/4W 103-6344 1
R8 Resistor, 499 k Ohm ±1%, 1/4W 103-4996 1
R9 Resistor, 2.21 k Ohm ±1%, 1/4W 103-2241 1
R10 thru Resistor, 10 k Ohm ±1%, 1/4W 100-1051 3
R12
R13 Resistor, 1 k Ohm ±1%, 1/4W 100-1041 1
R14 Resistor, 20.0 k Ohm ±1%, 1/4W 103-2051 1
R15 Resistor, 100 k Ohm ±1%, 1/4W 103-1062 1
R16 Resistor, 10 k Ohm ±1%, 1/4W 100-1051 1
R17 Resistor, 100 k Ohm ±1%, 1/4W 103-1062 1
R18 Resistor, 10 k Ohm ±1%, 1/4W 100-1051 1
R19 Resistor, 3.3 Meg Ohm ±5%, 1/4W 100-3373 1
R20 Resistor, 100 Ohm ±1%, 1/4W 100-1031 1
R22, R23 Resistor, 1.10 k Ohm ±1%, 1/4W 103-1104 2
R24 Resistor, 51.1 Ohm ±1%, 1/4W 103-5112 1
R25 Resistor, 10 k Ohm ±1%, 1/4W 100-1051 1
R26 Resistor, 5.11 k Ohm ±1%, 1/4W 103-5141 1
R27 Resistor, 1 k Ohm ±1%, 1/4W 100-1041 1
R28 Resistor, 1.33 k Ohm ±1%, 1/4W 103-1331 1
R29, R30 Resistor, 3.32 k Ohm ±1%, 1/4W 103-3324 2
R31 Resistor, 10 k Ohm ±1%, 1/4W 100-1051 1

3-6
TABLE 3-3. POWER SUPPLY CIRCUIT BOARD ASSEMBLY - 917-0315-001
(Sheet 5 of 8)
REF. DES. DESCRIPTION PART NO. QTY.
R32 Resistor, 51.1 Ohm ±1%, 1/4W 103-5112 1
R33 Resistor, 665 Ohm ±1%, 1/4W 103-6653 1
R34 Resistor, 499 k Ohm ±1%, 1/4W 103-4996 1
R35 Resistor, 10 k Ohm ±1%, 1/4W 100-1051 1
R36 Resistor, 10 k Ohm ±1%, 1/4W 100-1051 1
R37, R38 Resistor, 82 Ohm ±5%, 2W 130-8223 2
R39, R40 Resistor, 270 Ohm ±5%, 1/2W 110-2733 2
R41, R42 Resistor, 47 Ohm ±5%, 2W 130-4723 2
R43 Resistor, 1.33 k Ohm ±1%, 1/4W 103-1331 1
R44 Resistor, 2.21 k Ohm ±1%, 1/4W 103-2241 1
R45 Resistor, 3.3 Meg Ohm ±5%, 1/4W 100-3373 1
R46 Resistor, 100 Ohm ±1%, 1/4W 100-1031 1
R47 Resistor, 1.10 k Ohm ±1%, 1/4W 103-1104 1
R48, R49 Resistor, 47 Ohm ±5%, 2W 130-4723 2
R52 Resistor, 2.21 k Ohm ±1%, 1/4W 103-2241 1
R53 Resistor, 3.3 Meg Ohm ±5%, 1/4W 100-3373 1
R54 Resistor, 10 k Ohm ±1%, 1/4W 100-1051 1
R55 Resistor, 3.3 Meg Ohm ±5%, 1/4W 100-3373 1
R56 Resistor, 10 k Ohm ±1%, 1/4W 100-1051 1
R57 Resistor, 1.33 k Ohm ±1%, 1/4W 103-1331 1
R58 Resistor, 100 k Ohm ±1%, 1/4W 103-1062 1
R59 Resistor, 1.33 k Ohm ±1%, 1/4W 103-1331 1
R60, R61 Resistor, 100 k Ohm ±1%, 1/4W 103-1062 2
R62 Resistor, 10 k Ohm ±1%, 1/4W 100-1051 1
R63 Resistor, 1.33 k Ohm ±1%, 1/4W 103-1331 1
R64 Resistor, 3.3 Meg Ohm ±5%, 1/4W 100-3373 1
R65 Resistor, 1.33 k Ohm ±1%, 1/4W 103-1331 1
R66 Resistor, 3.3 Meg Ohm ±5%, 1/4W 100-3373 1
R67, R68 Resistor, 1 k Ohm ±1%, 1/4W 100-1041 2
R69 Resistor, 100 Ohm ±1%, 1/4W 100-1031 1
R70 Resistor, 866 Ohm ±1%, 1/4W 103-8663 1
R71 Resistor, 100k Ohm ±5%, 2W 130-1062 1
R72 Resistor, 12 Ohm ±20%, 30W 130-1225 1
R73 Resistor, 34.8 k Ohm ±1%, 1/4W 103-3485 1
R74 Resistor, 39.2 k Ohm ±1%, 1/4W 100-3951 1
R75 Resistor, 39.2 k Ohm ±1%, 1/4W 100-3951 1
R76 Resistor, 1.10 k Ohm ±1%, 1/4W 103-1104 1
R77 thru R79 Resistor, 1.33 k Ohm ±1%, 1/4W 103-1331 3
R80 Resistor, 10 k Ohm ±1%, 1/4W 100-1051 1
R81 Resistor, 393 Ohm ±5%, 1/2W 110-3933 1
R82, R83 Resistor, 100 Ohm ±1%, 1/4W 100-1031 2
R84 Resistor, 1.33 k Ohm ±1%, 1/4W 103-1331 1
R85 Resistor, 3.3 Meg Ohm ±5%, 1/4W 100-3373 1
R86 Resistor, 1.33 k Ohm ±1%, 1/4W 103-1331 1
R87 Resistor, 3.3 Meg Ohm ±5%, 1/4W 100-3373 1

3-7
TABLE 3-3. POWER SUPPLY CIRCUIT BOARD ASSEMBLY - 917-0315-001
(Sheet 6 of 8)
REF. DES. DESCRIPTION PART NO. QTY.
R88 Resistor, 1.33 k Ohm ±1%, 1/4W 103-1331 1
R89 Resistor, 100 k Ohm ±1%, 1/4W 103-1062 1
R90 Resistor, 1.33 k Ohm ±1%, 1/4W 103-1331 1
R91 Resistor, 10 k Ohm ±1%, 1/4W 100-1051 1
R92 Resistor, 88.7 Ohm ±1%, 1/4W 103-8872 1
R93, R94 Resistor, 100 k Ohm ±1%, 1/4W 103-1062 2
R95 Resistor, 13 k Ohm ±1%, 1/4W 103-1305 1
R96 Resistor, 3.32 k Ohm ±1%, 1/4W 103-3324 1
R97 Resistor, 100 k Ohm ±1%, 1/4W 103-1062 1
R98 Resistor, 10 k Ohm ±1%, 1/4W 100-1051 1
R99 Resistor, 33.2 k Ohm ±1%, 1/4W 103-3325 1
R100, R101 Resistor, 5.11 k Ohm ±1%, 1/4W 103-5141 2
R102, R103 Resistor, 100 k Ohm ±1%, 1/4W 103-1062 2
R104 Resistor, 3.32 k Ohm ±1%, 1/4W 103-3324 1
R105 thru Resistor, 0.1 Ohm ±1%, 10W, WW 130-1010 3
R107
R108 Resistor, 475 Ohm ±1%, 1/4W 103-4753 1
R109 Resistor, 162 Ohm ±1%, 1/4W 100-1631 1
R110 Resistor, 51.1 Ohm ±1%, 1/4W 103-5112 1
R111 thru Resistor, 10 k Ohm ±1%, 1/4W 100-1051 7
R117
R118 Resistor, 39.2 k Ohm ±1%, 1/4W 100-3951 1
R119 Resistor, 10 k Ohm ±1%, 1/4W 100-1051 1
R120, R121 Resistor, 1 k Ohm ±1%, 1/4W 100-1041 2
R122 Resistor, 150 Ohm ±1%, 1/4W 100-1531 1
R123 Resistor, 82.5 Ohm ±1%, 1/4W 103-8251 1
R124 Resistor, 10 k Ohm ±1%, 1/4W 100-1051 1
R125 Resistor, 249 k Ohm ±1%, 1/4W 103-2496 1
R126 Resistor, 1 Meg Ohm ±1%, 1/4W 103-1007 1
R127 Resistor, 1.33 k Ohm ±1%, 1/4W 103-1331 1
R130 Resistor, 6.8 k Ohm ±5%, 1/2W, 110-6843 1
R134, R135 Resistor, 0.1 Ohm ±1%, 10W, WW 130-1010 2
R137, R138 Resistor, 82 Ohm ±5%, 2W 130-8223 2
R140 Resistor, 3.3 Meg Ohm ±5%, 1/4W 100-3373 1
R141 Resistor, 48.7 k Ohm ±1%, 1/4W 103-4875 1
R143 Resistor, 100 k Ohm ±1%, 1/4W 103-1062 1
R144 Resistor, 5.11 k Ohm ±1%, 1/4W 103-5141 1
R146 Resistor, 39.2 k Ohm ±1%, 1/4W 100-3951 1
R147 Resistor, 150 k Ohm ±1%, 1/4W 100-1531 1
R148 Resistor, 1 Meg Ohm ±1%, 1/4W 103-1007 1
R149, R150 Resistor, 1 k Ohm ±1%, 1/4W, 100-1041 2
R151 Resistor, 10 k Ohm ±1%, 1/4W 100-1051 1
R152 Resistor, 100 k Ohm ±1%, 1/4W 103-1062 1
R153 Resistor, 10 k Ohm ±1%, 1/4W 100-1051 1
R154 Resistor, 249 Ohm ±1%, 1/4W 103-2493 1

3-8
TABLE 3-3. POWER SUPPLY CIRCUIT BOARD ASSEMBLY - 917-0315-001
(Sheet 7 of 8)
REF. DES. DESCRIPTION PART NO. QTY.
RT1 Thermistor, 100 Ohms ±20% 140-0030 1
TP1 thru Terminal, Test Point, Oval, Red 413-0106 13
TP12, TP14
U1, U2 Integrated Circuit, 4N33, Optical Isolator, NPN Photo 229-0033 2
Transistor/Infared Emitting Diode Type, 1500V Isolation,
Response: 30 kHz Maximum, Current: 50 mA Maximum, 6-Pin DIP
U3, U4 Integrated Circuit, LM317T, Adjustable Positive Voltage 227-0317 2
Regulator, 1.2V to 37V, 1.5 Ampere, TO-220 Case
U5 Integrated Circuit, MC14538B, Dual Retriggerable, Resettable 228-4538 1
Monostable Multivibrator, CMOS, 16-Pin DIP
U6 Voltage Comparator, LM393N, 8-Pin DIP 221-0393 1
U7 Integrated Circuit, TL311P, JFET-Input Differential Comparator, 220-0311 1
8-Pin DIP
U8 thru U11 Integrated Circuit, 4N33, Optical Isolator, NPN Photo 229-0033 4
Transistor/Infared Emitting Diode Type, 1500V Isolation,
Response: 30 kHz Maximum, Current: 50 mA Maximum, 6-Pin DIP
U12 Integrated Circuit, CD4081B, Quad 2-Input AND Gate, CMOS, 225-0008 1
14-Pin DIP
U13 Integrated Circuit, SG3525AN, PWM Control 228-3525 1
U14, U15 Integrated Circuit, 4N33, Optical Isolator, NPN Photo 229-0033 2
Transistor/Infared Emitting Diode Type, 1500V Isolation,
Response: 30 kHz Maximum, Current: 50 mA Maximum, 6-Pin DIP
U16 Integrated Circuit, LM317T, Adjustable Positive Voltage 227-0317 1
Regulator, 1.2V to 37V, 1.5 Ampere, TO-220 Case
U17 Integrated Circuit, Opto-Isolator, 6N137, 8-Pin DIP 220-6137 1
U19 Integrated Circuit, Driver, Mosfet, TSC4429CAT, 5-Pin, TO-220 220-4429 1
Case, Inverting
U21 Integrated Circuit, MC14093B, Quad 2-Input NAND Schmitt Trigger, 220-4093 1
CMOS, 14-Pin DIP
U22 Integrated Circuit, Opto-Isolator, 6N137, 8-Pin DIP 220-6137 1
U23 Voltage Comparator, LM393N, 8-Pin DIP 221-0393 1
U24 Integrated Circuit, TLO74CN, Quad JFET-Input Operational 221-0074 1
Amplifier, 14-Pin DIP
U25 Temperature Sensor Chip, TMP01FP, 8-Pin DIP 229-1750 1
XU1, XU2 Socket, 6-Pin DIP 417-0600 2
XU5 Socket, 16-Pin DIP 417-1604 1
XU6, XU7 Socket, 8-Pin DIP 417-0804 2
XU8 thru Socket, 6-Pin DIP 417-0600 4
XU11
XU12 Socket, 14-Pin DIP 417-1404 1
XU13 Socket, 16-Pin DIP 417-1604 1
XU14, XU15 Socket, 6-Pin DIP 417-0600 2
XU17 Socket, 8-Pin DIP 417-0804 1
XU21 Socket, 14-Pin DIP 417-1404 1
XU22, XU23 Socket, 8-Pin DIP 417-0804 2
XU24 Socket, 14-Pin DIP 417-1404 1

3-9
TABLE 3-3. POWER SUPPLY CIRCUIT BOARD ASSEMBLY - 917-0315-001
(Sheet 8 of 8)
REF. DES. DESCRIPTION PART NO. QTY.
XU25 Socket, 8-Pin DIP 417-0804 1
---- Blank, Power Supply Circuit Board 517-0315-001 1
TABLE 3-4. POWER SUPPLY BULK CAPACITOR CIRCUIT BOARD ASSEMBLY -
917-0315-002
REF. DES. DESCRIPTION PART NO. QTY.
C24 thru C27 Capacitor, Electrolytic, 1500 uF, 450Vdc 013-1500 4
C28 Capacitor, Polypropylene Film, .47 uF, 600V 033-4763 1
R50 Resistor, 100k Ohm ±5%, 2W 130-1062 1
R51 Resistor, 36 Ohm ±5%, 2W 130-3623 1
R129 Resistor, 470k Ohm ±5%, 1/2W 110-4763 1
---- Blank, Power Supply Bulk Capacitor Circuit Board 517-0315-002 1
TABLE 3-5. POWER SUPPLY CAPACITOR CIRCUIT BOARD ASSEMBLY - 917-0315-004
REF. DES. DESCRIPTION PART NO. QTY.
C87 thru C90 Capacitor, Electrolytic, 7200 uF, 200 WVDC 014-7200 4
MOV3 Metal Oxide Varistor, V130LA10A, 130V ac RMS, 10 Joules 140-0006 1
---- Blank, Power Supply Capacitor Circuit Board 517-0315-004 1
TABLE 3-6. POWER SUPPLY HARNESS ASSEMBLY - 947-0208
REF. DES. DESCRIPTION PART NO. QTY.
---- Connector, FC112N2, Crimp Contact 417-0372 16
---- Connector, Female, PLB16F0000, Positronic 417-0377 1

4–1
SECTION IV
POWER SUPPLY CIRCUIT BOARD DRAWINGS
4-1. INTRODUCTION.
4-2. This section provides assembly drawings, wiring diagrams, and schematic diagrams as
listed below for the Broadcast Electronics AM-2.5E/AM-5E power supply circuit board.
FIGURE TITLE NUMBER
4-1 SCHEMATIC DIAGRAM, POWER SUPPLY CIRCUIT BOARD SB917-0315-001/
-002/
-003/
-004/
-005
4-2 ASSEMBLY DIAGRAM, POWER SUPPLY CIRCUIT BOARD AC917-0315-001/
-002/
-003/
-004/
-005
4-3 SCHEMATIC DIAGRAM, OVERALL POWER SUPPLY SC957-0315-100





TABLE OF CONTENTS
PARAGRAPH PAGE NO.
SECTION I RF POWER MODULE THEORY OF OPERATION
1-1 Introduction 1-1
1-3 General Description 1-1
1-5 Modulator Circuit Board 1-1
1-6 Modulator Circuit 1-1
1-9 Fault Detection Circuits 1-1
1-16 Power Supply 1-2
1-18 RF Amplifier Circuit Board 1-5
1-20 Pre-Driver Circuit 1-5
1-22 Driver Circuit 1-5
1-23 RF Amplifier Circuit 1-5
1-26 RF Drive Status Circuit 1-6
1-27 Fault Detector Circuit 1-6
1-29 Power Supply Circuit 1-6
SECTION II RF POWER MODULE MAINTENANCE
2-1 Introduction 2-1
2-3 Safety Considerations 2-1
2-6 First Level Maintenance 2-1
2-8 Cleaning and Inspection 2-1
2-10 Second Level Maintenance 2-2
2-12 Troubleshooting 2-2
2-13 Safety Considerations 2-2
2-15 RF Power Module Assembly Procedure 2-3
2-16 RF Power Module Exchange Program 2-3
2-17 Troubleshooting Procedures 2-3
2-18 Component Replacement Procedure 2-3
SECTION III RF POWER MODULE PARTS LIST
3-1 Introduction 3-1
SECTION IV RF POWER MODULE DRAWINGS
4-1 Introduction 4-1
LIST OF ILLUSTRATIONS
FIGURE TITLE PAGE NO.
1-1 MODULATOR CIRCUIT BOARD 1-3
SIMPLIFIED SCHEMATIC
1-2 POWER AMPLIFIER CIRCUIT BOARD 1-7
SIMPLIFIED SCHEMATIC
LIST OF TABLES
TABLE TITLE PAGE NO.
2-1 RF POWER MODULE TROUBLESHOOTING 2-4
3-1 REPLACEABLE PARTS LIST INDEX 3-1

1-1
SECTION I
RF POWER MODULE THEORY OF OPERATION
1-1. INTRODUCTION.
1-2. This section presents a general description of the Broadcast Electronics AM-2.5E/AM-5E
transmitter RF power module.
1-3. GENERAL DESCRIPTION.
1-4. An RF power module is a plug-in assembly containing two RF amplifier circuit boards
and a modulator circuit board. Each RF power module is designed to produce 1375 watts
of RF power. The modular design of the RF power assemblies allow the modules to be reĆ
moved from the transmitter for maintenance. The remaining power modules will provide
power to maintain on-air operation. The following text presents a description of the RF
power modules.
1-5. MODULATOR CIRCUIT BOARD.
1-6. MODULATOR CIRCUIT. The modulator circuit board is designed to convert the CMOS
level PWM signal from the exciter circuit board into a dc voltage which varies at the au-
dio modulation rate (refer to Figure 1-1). The duty cycle of the 122 kHz to 135 kHz PWM
signal is 40% with no audio modulation. The duty cycle varies to allow modulation of the
transmitter from -100% to +150%. The PWM signal from the exciter circuit board is apĆ
plied to integrated circuit U1. U1 is a high-speed optical coupler designed to provide
isolation for the transition of the signal from the exciter circuit board ground system to
the modulator circuit board ground system. The output of U1 is applied to level converter
U11A. U11A converts the 5 volt signal to a 15 volt peak-to-peak signal. The output of
U11A is applied to two MOSFET driver stages. A 9.7 volt dc bias signal is incorporated
into the PWM signal by resistor R10, and zener diodes D17/D18.
1-7. Integrated circuits U2 and U13 are MOSFET driver stages. The outputs switch to: 1) a
logic 1 at 2 volts and 2) a logic 0 at 0.8 volts. The output of U2 is applied to the gate of
forward converter transistor Q1. The output of U13 is applied to the gate of forward conĆ
verter transistor Q2. Q1 and Q2 are switched on/off by the PWM signal. The transistors
convert the 125 volt B- supply to approximately 50 volts with a nominal PWM duty cycle
of 40%. Catch diodes D2 and D3 clamps inductors L1 and L2 to prevent transistor dam-
age from high switching voltages during transistor turn-off operations. A dc operating
potential for Q1 and Q2 is provided by the B- supply from the power supply circuit board.
Control of the B- leg is provided by relay K1. K1 immediately terminates the power supĆ
ply during a power supply or modulator failure.
1-8. The output of transistors Q1 and Q2 are applied to an LC low-pass filter network consistĆ
ing of: 1) inductor L1/L3 and capacitor C13 and 2) inductor L2/L3 and capacitor C14. The
LC networks function with inductor L4 and capacitors C15/C16/C49 as a fifth-order
Bessel low-pass filter designed to remove the 125 kHz frequency from the output signal.
The output from L4/C15/C16/C49 is routed: 1) to a monitor circuit and 2) for application
to the power amplifier circuit boards.
1-9. FAULT DETECTION CIRCUITS. The modulator circuitry is monitored for proper operation
by four fault detection circuits. The fault detection circuits consist of: 1) a PWM drive
detector, 2) a modulator fault detector, 3) a B+ supply fuse fault detector, and 4) a +20 volt
power supply fault detector.

1-2
1-10. PWM Drive Fault Detector. A sample of the PWM drive signal from integrated circuit U2
is applied to comparator U3A. U3A compares the signal to a reference. When the PWM
drive signal is present, the output of U3A will go HIGH. The HIGH is inverted at U5F.
U5F will output a LOW to illuminate PWM drive indicator DS1. When the PWM drive
signal is not present, the output of U3A will go LOW. The LOW is inverted at U5F. U5F
will output a HIGH to extinguish PWM drive indicator DS1.
1-11. Modulator Fault Detector. A sample of the modulator circuit output is applied to
comparator U3D. U3D compares the signal to a reference generated by a divider consistĆ
ing of resistors R43 and R44. When the output signal from the modulator circuit is not
present, the output of U3D will go LOW. The LOW is applied to a modulator status cir-
cuit (refer to the following text).
1-12. B+ Supply Fuse Fault Detector. The B+ supply is protected from over-current conditions
on the modulator circuit board by fuse F1. The status of F1 is monitored by a B+ supply
fuse fault detector circuit. The circuit consists of optical couplers U4/U12 and comparator
U3B. When the fuse has blown, the output of couplers U4/U12 will go HIGH. The HIGH
is applied to comparator U3B. U3B compares the signal to a reference. The output of
U3B will go HIGH. The HIGH is inverted at U5C. U5C will output a LOW: 1) to illumiĆ
nate fuse indicator DS2 and 2) to a modulator status circuit.
1-13. B+ Power Supply Fault Detector. The status of the B+ supply is monitored by a B+ power
supply fault detector circuit. The circuit consists of B+ power supply fault detector
comparator U3C. U3C compares the power supply sample to a reference. When the B+
power supply sample is present, the output of U3C will be HIGH. The HIGH is applied to
inverter U5E and NAND gate U6B of the modulator status circuit. U5E will output a
LOW to enable power supply indicator DS3. When the B+ power supply sample is not
present, the output of U3C will be LOW. The LOW is applied to inverter U5E and NAND
gate U6B of the modulator status circuit. U5E will output a HIGH to disable power sup-
ply indicator DS3.
1-14. Modulator Status Circuit. The modulator status circuit consists of: 1) NAND gates U6A,
U6B, U6C, and U6D, 2) latches U7A, U7B, and U7C, 3) inverters U5B, U5D and U5G,
and 4) optical couplers U8 and U9. When a LOW from the modulator fault detector or the
B+ supply fuse fault detector is applied to NAND gate U6A, U6A will output a HIGH to
U6B. With a HIGH from power supply fault detector U3C, U6B will output a LOW to
latches U7B, U7C, and U7A. Latch U7C will output a HIGH to inverter U5G. U5G will
output a LOW to enable power supply mute optical coupler U9. U9 will output a LOW
power supply mute command to the power supply circuit board. When the supply is
muted, comparator U3C will respond by routing a LOW to U5E. U5E will output a HIGH
to: 1) disable power supply indicator DS3 and 2) NAND gate U6C.
1-15. Latch U7B will output a HIGH to inverter U5D. U5D will output a LOW to: 1) illumi-
nate modulator fault indicator DS4, 2) enable modulator fault detector optical coupler U8,
and 3) NAND gate U6D. U6D will output a HIGH to latch U7D. Latch U7A will output a
HIGH to NAND gate U6C. With a HIGH from U5E, U6C will output a LOW to latch
U7D. U7D will output a LOW to U5B. U5B will respond by routing a HIGH to bias relay
K1 on. Relay K1 is provided to immediately disconnect the forward converter transistors
from the power supply during a modulator fault or high B+ supply conditions.
1-16. POWER SUPPLY. A +20 volt operating potential for the modulator circuit board is pro-
vided by the applicable power supply circuit board. The +20 volt supply is applied
through fuse F2 to +15 volt regulator U10. Fuse F2 protects the +20 volt supply from
over-current conditions.
1-17. U10 is a three-terminal adjustable positive regulator containing internal thermal over-
load protection and short-circuit current limiting features. Further protection for U10 is
provided by diodes D8 and D9. D8 protects the regulator from a short circuit on the reguĆ
lator input. D9 protects the regulator from a reverse polarity potential applied to the outĆ
put. Capacitor C25 provides filtering for the +15 volt supply. A sample of the +15 supply
is regulated into a +5 volt supply by zener diode D1.

597-1112-26
FIGURE 1-1. MODULATION CIRCUIT BOARD
SIMPLIFIED SCHEMATIC
(1-3/1-4)
COPYRIGHT 1999 BROADCAST ELECTRONICS, INC

1-5
1-18. RF AMPLIFIER CIRCUIT BOARD.
1-19. Each RF power module is equipped with two RF amplifier circuit boards: 1) power amplifiĆ
er 1 and 2) power amplifier 2. The circuit boards are designed with Class E power am-
plifier circuitry. Each circuit board is designed to produce approximately 687.5 watts of
RF power. Figure 1-2 presents the RF amplifier circuit board circuitry. The RF amplifier
circuit boards are identical, therefore only power amplifier 1 will be explained.
1-20. PRE-DRIVER CIRCUIT. A +15 volt peak-to-peak square-wave signal at the carrier freĆ
quency is applied to a transformer on the power block motherboard assembly. The transĆ
former outputs two signals to inverter U5A.
1-21. The output from U5A is applied through inverters U5B/U5C to high/low side driver U7
and U8. U7/U8 output high and low drive signals to driver circuit transistors Q3/Q5 and
Q4/Q6.
1-22. DRIVER CIRCUIT. The driver circuit consists of: 1) transistors Q3 and Q5 and 2) Q4 and
Q6. Q3/Q5 and Q4/Q6 are MOSFET transistors configured as a push-pull driver circuit.
The outputs of Q3/Q5 and Q4/Q6 are applied to MOSFET power transistors Q1 and Q2.
Operating potentials for the driver circuitry is provided by the RF driver +30 volt supply.
The supply is protected from over-voltage conditions by a regulator Q7. The regulator
limits the voltage to approximately 47 volts dc. Fuse F2 protects the +30 volt supply from
over-current conditions. Fuse F3 protects the driver circuit components from
over-current conditions.
1-23. RF AMPLIFIER CIRCUIT. The RF amplifier circuit consists of switching MOSFET transisĆ
tors Q1 and Q2. Q1 and Q2 are configured as a Class E switching amplifier network.
Class E power amplifier characteristics consist of: 1) the transistor drain-to-source voltĆ
age must be nominally zero immediately prior to the turn-on of the transistor and 2) the
time slope of the drain-to-source voltage waveform must be nominally zero prior to the
turn-on of the transistor. The Class E circuit results in: 1) reduced device dissipation
and lowers the transistor operating temperature which greatly increases the life of the
components, 2) an operating efficiency of 95% or greater, and 3) increased reliability when
operated into VSWR conditions.
1-24. Additional characteristics of a Class E amplifier design is the application of dc power to
the amplifier transistors. The B+ and B- supplies are applied to RF choke L1 on the comĆ
biner assembly. The choke is connected to the primary center tap winding of combiner
transformer T1. The transistors are connected to the primary winding of the transform-
ers. The B- supply for the power amplifier is provided by the modulator circuit board.
The modulator outputs a dc voltage which varies with audio modulation and functions as
the RF ground for transistors Q1 and Q2. The RF ground potential will change in re-
sponse to the applied audio. Fuse F1 protects the power amplifiers from over-current
conditions.
1-25. Transistors Q1 and Q2 operate together to generate approximately 687.5 watts of RF powĆ
er. Q1 operates 180 degrees out-of phase with transistor Q2. Inductors L1 through L7
improve the efficiency of the drive circuit by storing the energy required to charge the
input capacitance of the transistors. Transzorbs D9/D10 prevent the gates of Q1/Q2 from
damage by transients during power on and off. Capacitors C 44 through C50 and C51
through C57 provide shaping for the Class E waveform. The RF power from power ampli-
fier 1 is combined with the 687.5 watts of RF power from power amplifier circuit board 2
at a combiner transformer on the power block motherboard assembly to generate 1375
watts of RF power.

1-6
1-26. RF DRIVE STATUS CIRCUIT. The RF drive signal is monitored by an RF drive status cirĆ
cuit. When an RF drive signal is present, a sample of the RF drive signal is rectified by
diodes D5/D6. The voltage from D5/D6 is applied to optical coupler U2. The output of U2
will go HIGH and bias transistor Q12 on. The output of Q12 will go LOW to illuminate
RF drive status indicator DS1.
1-27. FAULT DETECTOR CIRCUIT. The power amplifier circuit board circuitry is monitored for
fault conditions by a fault detector circuit. The circuit is designed to monitor two operaĆ
tions: 1) the +30 volt supply and 2) the modulator output voltage (RF ground). The mod-
ulator output is monitored by optical coupler U3. The +20 volt supply is monitored by
transistor Q11. The power amplifier is protected from over-current conditions by fuse F1.
The +30 volt supply is protected from over-current conditions by fuse F2.
1-28. The fault detector functions by monitoring fuses F1 and F2. When fuse F2 is blown, tranĆ
sistor Q11 will output +20 volts to silicon-controlled-rectifier (SCR) Q13. When fuse F1 is
blown, optical coupler U3 will output +20 volts to SCR Q13. When either voltage is presĆ
ent, the voltage will bias Q13 on to illuminate PA fault indicator DS2 and bias optical couĆ
pler U4 on. U4 will respond by routing a PA fault signal to the controller circuit board.
1-29. POWER SUPPLY CIRCUIT. An operating potential for the amplifier circuit board circuitry
is provided by the +30 volt supply from the power supply circuit board. The supply is proĆ
tected from over-current conditions by fuse F2. The +30 supply is regulated into a:
1) +15 volt supply by U1 and 2) +20 volt supply by R29. U1 is a three-terminal adjustable
regulator containing internal thermal and short-circuit current limiting features. Fuse
F2 protects the +30 volt supply from over-current conditions. Fuse F1 protects the power
amplifier components from over-current conditions. Fuse F3 protects the driver circuit
components from over-current conditions.

597-1112-27
FIGURE 1-2. POWER AMPLIFIER
CIRCUIT BOARD
SIMPLIFIED SCHEMATIC
(1-7/1-8)
COPYRIGHT 1999 BROADCAST ELECTRONICS, INC

2-1
WARNING: DISCONNECT POWER PRIOR TO SERVICING
SECTION II
RF POWER MODULE MAINTENANCE
2-1. INTRODUCTION.
2-2. This section provides maintenance information for the AM-2.5E/AM-5E transmitter RF
power modules.
2-3. SAFETY CONSIDERATIONS.
WARNING
WARNING
WARNING
WARNING
THE TRANSMITTER CONTAINS MULTIPLE CIRCUIT
GROUNDS WITH HIGH AC AND DC POTENTIALS
WITH RESPECT TO THE CABINET WHICH IS AT
EARTH POTENTIAL. DO NOT ENERGIZE THE
TRANSMITTER WITH TEST EQUIPMENT CONĆ
NECTED TO THE TRANSMITTER OUTPUT
NETWORK, RF POWER MODULE, RF COMBINER, OR
POWER SUPPLY COMPONENTS.
2-4. The AM-2.5E/AM-5E transmitters contain high voltages and currents. If safety
precautions are not practiced, contact with the high voltages and currents could cause
serious injury or death. The transmitter is equipped with many built-in safety features,
however good judgement, care, and common sense must be practiced to prevent accidents.
2-5. In addition to high voltages and currents, the transmitters contain multiple circuit
grounds with high ac and dc potentials with respect to the cabinet which is at earth
potential. The potentials could cause serious injury or death if maintenance personnel
simultaneously touch a circuit ground and the cabinet. As a result, operation of the
transmitter with test equipment connected to transmitter output network, RF power
module, RF combiner, or power supply components is extremely dangerous and must not
be attempted. Therefore, never energize the transmitter with test equipment connected to
the transmitter output network, RF power module, RF combiner, or power supply
components. Test equipment may be connected to the ECU circuit boards from the front of
the transmitter using the supplied extender circuit board with power energized. The
maintenance procedures presented in this section should be performed only by trained and
experienced maintenance personnel.
2-6. FIRST LEVEL MAINTENANCE.
2-7. First level maintenance consists of precautionary procedures applied to the equipment to
prevent future failures. The procedures are performed on a regular basis and the results
recorded in a performance log.
2-8. CLEANING AND INSPECTION.

2-2
WARNING: DISCONNECT POWER PRIOR TO SERVICING
WARNING
WARNING
DISCONNECT ALL TRANSMITTER PRIMARY POWER
BEFORE ATTEMPTING ANY EQUIPMENT MAINTEĆ
NANCE.
CAUTION
CAUTION
REMOVING OR INSTALLING AN RF POWER MODULE
WITH THE TRANSMITTER ENERGIZED MAY RESULT
IN DAMAGE TO THE MODULE. DO NOT REMOVE THE
RF POWER MODULES WITH THE TRANSMITTER ENĆ
ERGIZED.
2-9. Ensure all transmitter primary power is disconnected and remove an RF power module.
Clean the module of accumulated dust as required using a nylon bristle brush and vacuum
cleaner. Inspect the circuit boards for improperly seated semiconductors and components
damage by overheating. In addition, inspect the module for loose hardware. Repeat the
procedure for each module in the transmitter.
2-10. SECOND LEVEL MAINTENANCE.
2-11. Second level maintenance is the performance of procedures required to restore an RF
power module to operation after a fault has occurred. The RF power modules contain no
electrical adjustments. Therefore, the following text presents only troubleshooting
procedures.
2-12. TROUBLESHOOTING.
WARNING
WARNING
WARNING
WARNING
THE TRANSMITTER CONTAINS MULTIPLE CIRCUIT
GROUNDS WITH HIGH AC AND DC POTENTIALS
WITH RESPECT TO THE CABINET WHICH IS AT
EARTH POTENTIAL. DO NOT ENERGIZE THE
TRANSMITTER WITH TEST EQUIPMENT CONĆ
NECTED TO THE TRANSMITTER OUTPUT
NETWORK, RF POWER MODULE, RF COMBINER, OR
POWER SUPPLY COMPONENTS.
CAUTION
CAUTION
REMOVING OR INSTALLING AN RF POWER MODULE
WITH THE TRANSMITTER ENERGIZED MAY RESULT
IN DAMAGE TO THE MODULE. DO NOT REMOVE THE
RF POWER MODULES WITH THE TRANSMITTER ENĆ
ERGIZED.
2-13. SAFETY CONSIDERATIONS. The AM-2.5E/AM-5E transmitters are equipped with
extensive indicator and meter circuitry to allow the operator to isolate problems to a
specific area within the transmitter. Due to the hazardous voltages and currents contained
in the equipment, operation of the transmitter with test equipment connected to
transmitter output network, RF power module, RF combiner, or power supply components
is extremely dangerous and must not be attempted. Test equipment may be connected to
the ECU circuit boards from the front of the transmitter using the supplied extender
circuit board with power energized. The maintenance procedures presented in this section
should be performed only by trained and experienced maintenance personnel.
2-14. The RF power modules are not designed to be removed from the cabinet with the power
energized. Therefore, operate the transmitter to off before removing an RF power module
from the cabinet for maintenance procedures.

2-3
WARNING: DISCONNECT POWER PRIOR TO SERVICING
2-15. RF POWER MODULE ASSEMBLY PROCEDURE. In the event of a failure in an RF power
module, the module will be required to be disassembled. The module must be properly
re-assembled to prevent circuit board and connector mis-alignment. To re-assemble an
RF power module, proceed as follows:
1. Locate the PA 2 circuit board and install the hex standoffs in the four locations at
the rear of the circuit board.
2. Locate the PA 1 circuit board and install the front panel mounting bracket using
the four Phillips-head screws. Do not secure the screws at this time. Repeat the
procedure for the PA2 circuit board and the modulator circuit board.
3. Install the PA 1 circuit board in the PA 1 location on the RF power module front
panel. Secure the circuit board bracket to the front panel using the hex nuts.
Repeat the procedure for the PA 2 and modulator circuit boards.
4. Place the RF power module on a square and flat surface such as a table with the
top of the module facing up.
5. Place the module front panel flush with the edge of the table and align the circuit
boards as follows:
A. Move the PA 1 circuit board until the front of the circuit board is flush with the
RF module front panel and the top edge of the circuit board is straight.
B. Secure the two Phillips-head screws which mount the circuit board to the
bracket.
C. Repeat the procedure for the PA 2 and modulator circuit boards.
6. Rotate the module and repeat the alignment procedure for the bottom circuit board
bracket screws. Secure the two Phillips-head screws mounting the circuit board
to the bracket when each circuit board is properly aligned.
7. Install the hardware securing the PA 1 circuit board and the modulator circuit
board to the standoffs.
2-16. RF POWER MODULE EXCHANGE PROGRAM. If an RF power module is determined to
be defective, Broadcast Electronics has established an RF power module exchange
program. The program allows the customer to exchange a defective module for a
re-conditioned module. Terms of the program are available from the Broadcast Electronics
Customer Service Department. If an RF power module is determined to be defective,
troubleshoot the module or contact the Broadcast Electronics Customer Service
department for terms of the module exchange program.
2-17. TROUBLESHOOTING PROCEDURES. The RF power module troubleshooting procedures
are presented in Table 2-1. During the execution of the procedures, perform all
troubleshooting procedures for a symptom. The symptom may contain multiple component
failures. Once the trouble is isolated, refer to the circuit board theory of operation and
schematic diagrams to assist in problem resolution.
2-18. COMPONENT REPLACEMENT PROCEDURE. Component replacement procedures for
the RF power modules are presented in PART I SECTION V. Refer to COMPONENT
REPLACEMENT in SECTION V as required for the replacement procedures.

2-4
WARNING: DISCONNECT POWER PRIOR TO SERVICING
TABLE 2-1. RF POWER MODULE TROUBLESHOOTING
(Sheet 1 of 3)
SYMPTOM CIRCUITRY TO CHECK
RF DRIVE INDICATOR 1. Determine transistor reference voltages of a
EXTINGUISHED OR FLICKERING power amplifier with no faults as follows:
OR FAULT INDICATOR A. Remove an operational power amplifier with no
ILLUMINATED faults from an RF power module.
B. Using a digital voltmeter, operate the
voltmeter to diode check and determine a
reference voltage for the transistors on the
circuit board as follows:
1. Place the negative lead on the drain of Q1
(center pin) and the positive lead on the gate
and determine the voltage. The voltage using a
Fluke 77 meter = .45.
2. Place the negative lead on the drain of Q1
and the positive lead on the source and
determine the voltage. The voltage using a
Fluke 77 meter = .45.
2. Using the voltmeter as described in the preceding
step, measure the drain-to-gate and
drain-to-source voltage of transistor Q1 on the
defective power amplifier circuit board.
A. If the voltage is greater than ±0.1 volt of
the reference, defective Q1, Q3, and Q5.
B. If the voltage is equal to the reference, repeat
the preceding step for transistor Q2 on
the defective power amplifier circuit board.
3. Using a digital voltmeter, operate the voltmeter
to diode check and troubleshoot transistor Q3 as
follows:
A. Place the negative lead on the drain of Q3
(center pin) and the positive lead on the gate
and determine if a short circuit condition is
present.
B. Place the negative lead on the drain of Q3
and the positive lead on the source and
determine if a short circuit condition is
present.
C. If a short circuit condition is present, defective
Q3.
4. Repeat the procedure for transistors Q4, Q5, and
Q6.
5. Visually inspect regulator U1 for broken leads.
6. Check and replace all blown fuses on the circuit
board.

2-5
WARNING: DISCONNECT POWER PRIOR TO SERVICING
TABLE 2-1. RF POWER MODULE TROUBLESHOOTING
(Sheet 2 of 3)
SYMPTOM CIRCUITRY TO CHECK
MOD PWM DRIVE INDICATOR 1. Refer to RF DRIVE INDICATOR
EXTINGUISHED AND FAULT EXTINGUISHED OR FLICKERING OR FAULT
OR FUSE INDICATOR INDICATOR ILLUMINATED in the preceding
ILLUMINATED text and troubleshoot the power amplifier circuit
board.
2. If no defective circuitry is located on the power
amplifier circuit board, refer to FAULT OR FUSE
INDICATOR ILLUMINATED in the following
text and troubleshoot the modulator circuit
board.
MOD PWM DRIVE INDICATOR 1. Defective U2 or U13 on the modulator circuit board.
EXTINGUISHED
FAULT OR FUSE INDICATOR 1. Visually inspect regulator U10 for broken leads.
ILLUMINATED 2. Determine transistor reference voltages of a
modulator circuit board with no faults as
follows:
A. Remove a modulator with no faults from
an RF power module.
B. Using a digital voltmeter, operate the
voltmeter to diode check and determine a
reference voltage for the transistors on the
circuit board as follows:
1. Place the negative lead on the drain of Q1
(center pin) and the positive lead on the gate
and determine the voltage. The voltage using a
Fluke 77 meter = 1.2V.
2. Place the negative lead on the drain of Q1
and the positive lead on the source and
determine the voltage. The voltage using a
Fluke 77 meter = .46V.
3. Using the voltmeter as described in the preceding
step, measure the drain-to-gate and
drain-to-source voltage of transistor Q1 on the
defective modulator circuit board.
A. If the voltage is greater than ±0.1 volt of
the reference, proceed as follows:
1. Remove the wire from terminal E1.
2. Using the voltmeter as described in the
preceding text, measure the drain-to-gate and
drain-to-source voltage of transistor Q1 on
the defective modulator circuit board.
B. If the voltage at Q1 is greater than ±0.1V of
the reference, defective Q1.
C. If the voltage at Q1 is equal to the reference,
defective Q2.

2-6
WARNING: DISCONNECT POWER PRIOR TO SERVICING
TABLE 2-1. RF POWER MODULE TROUBLESHOOTING
(Sheet 3 of 3)
SYMPTOM CIRCUITRY TO CHECK
FAULT OR FUSE INDICATOR 4. Replace all blown fuses on the circuit board.
ILLUMINATED (CONT'D) 5. Re-install the modulator circuit board and install
the RF module in the transmitter. If the
modulator remains defective, replace U2 and U13.
6. If the modulator remains defective, contact the
Broadcast Electronics Customer Service
Department.

3-1
SECTION III
RF POWER MODULE
PARTS LIST
3-1. INTRODUCTION.
3-2. This section provides descriptions and part numbers of electrical components, assemblies,
and selected mechanical parts required for maintenance of the RF Power Module. Each
table entry in this section is indexed by reference designators appearing on the applicable
schematic.
TABLE 3-1. REPLACEABLE PARTS LIST INDEX
TABLE DESCRIPTION PART NO. PAGE
3-2 Power Module Assembly 957-0010-001 3-2
3-3 Modulator Circuit Board Assembly 917-0302 3-2
3-4 Power Amplifier Circuit Board Assembly 917-0304 3-5
3-5 Power Module Frequency Dependant Kit, 522 - 650 kHz 957-1015-001 3-8
3-6 Power Module Frequency Dependant Kit, 651 - 770 kHz 957-1015-002 3-8
3-7 Power Module Frequency Dependant Kit, 771 - 920 kHz 957-1015-003 3-8
3-8 Power Module Frequency Dependant Kit, 921 - 1080 kHz 957-1015-004 3-8
3-9 Power Module Frequency Dependant Kit 1081 - 1300 kHz 957-1015-005 3-9
3-10 Power Module Frequency Dependant Kit 1301 - 1580 kHz 957-1015-006 3-9
3-11 Power Module Frequency Dependant Kit, 1581 - 1700 kHz 957-1015-007 3-9

3-2
TABLE 3-2. POWER MODULE ASSEMBLY - 957-0010-001
REF. DES. DESCRIPTION PART NO. QTY.
---- Modulator Circuit Board Assembly 917-0302 1
---- Power Amplifier Circuit Board Assembly 917-0304 2
TABLE 3-3. MODULATOR CIRCUIT BOARD ASSEMBLY- 917-0302
(Sheet 1 of 4)
REF. DES. DESCRIPTION PART NO. QTY.
C1 Capacitor, Electrolytic, 10 uF, 50V 023-1076 1
C2 Capacitor, Monolythic Ceramic, .1 uF ±10%, 100V 003-1041 1
C3 Capacitor, Electrolytic, 22 uF, 50V 024-2274 1
C4 Capacitor, Monolythic Ceramic 1 uF ±10%, 100V 003-1041 1
C5 Capacitor, Electrolytic, 330 uF, 200V dc 013-3385-201 1
C6 Capacitor, Polypropylene Film, .47 uF, 250V, Oval 033-4743 1
C7 Capacitor, Mica, 1000 pF ±10%, 350V 046-0002 1
C8 Capacitor, Electrolytic, 330 uF, 200V dc 013-3385-201 1
C9 Capacitor, Polypropylene Film, .47 uF, 250V, Oval 033-4743 1
C10 Capacitor, Mica, 1000 pF ±10%, 350V 046-0002 1
C11, C12 Capacitor, Monolythic Ceramic, .1 uF ±10%, 100V 003-1041 2
C13, C14 Capacitor, Polypropylene Film, 2.2 uF, 400V 030-2256 2
C15, C16 Capacitor, Metallized Polypropylene Film, .068 uF ±10%, 250V 030-6843 2
C17 Capacitor, Monolythic Ceramic, .1 uF ±10%, 100V 003-1041 1
C18, C19 Capacitor, Electrolytic, 10 uF, 50V 023-1076 2
C20 Capacitor, Monolythic Ceramic, .1 uF ±10%, 100V 003-1041 1
C21 Capacitor, Ceramic, 0.001 uF ±10%, 200V 030-1033 1
C22 Capacitor, Electrolytic, 10 uF, 50V 023-1076 1
C23 Capacitor, Electrolytic, 22 uF, 50V 024-2274 1
C24 Capacitor, Electrolytic, 10 uF, 50V 023-1076 1
C25 Capacitor, Electrolytic, 22 uF, 50V 024-2274 1
C26, C27 Capacitor, Monolythic Ceramic, .1 uF ±10%, 100V 003-1041 2
C28 thru C32 Capacitor, Electrolytic, 10 uF, 50V 023-1076 5
C33 Capacitor, Monolythic Ceramic, .1 uF ±10%, 100V 003-1041 1
C34 Capacitor, Electrolytic, 47 uF, 35V 020-4773 1
C35 Capacitor, Electrolytic, 10 uF, 50V 023-1076 1
C36, C37 Capacitor, Ceramic, 0.001 uF ±10%, 200V 030-1033 2
C38, C39 Capacitor, Monolythic Ceramic, .1 uF ±10%, 100V 003-1041 2
C40 Capacitor, Electrolytic, 10 uF, 50V 023-1076 1
C41 Capacitor, Electrolytic, 33 uF, 25V 020-3374 1
C42 Capacitor, Polypropylene Film, 2.2 uF, 400V 030-2256 1
C43 Capacitor, Polypropylene Film, .47 uF, 250V, Oval 033-4743 1
C44 Capacitor, Polypropylene Film, .033 uF, ±10%, 200V 030-3353 1
C45 Capacitor, Mica, 820 pF ±5%, 300V 042-8222 1
C46, C47 Capacitor, Monolythic Ceramic, .1 uF ±10%, 100V 003-1041 2
C48 Capacitor, Metallized Polypropylene Film, .068 uF ±10%, 250V 030-6843 1

3-3
TABLE 3-3. MODULATOR CIRCUIT BOARD ASSEMBLY - 917-0302
(Sheet 2 of 4)
REF. DES. DESCRIPTION PART NO. QTY.
C49 Capacitor, Polypropylene Film, .033 uF ±10%, 200V 030-3353 1
C50 Capacitor, Mylar, 0.01 uF ±10%, 100V 031-1043 1
D1 Diode, Zener, 1N4733A, 5.1V ±5%, 1W 200-4733 1
D2, D3 Diode, Fast Recovery, 16JPF20 200-1620 2
D4 Diode, 1N4005, Silicon, 600V @ 1 Ampere 203-4005 1
D5 Diode, 1N4148, Silicon, 75V @ 0.3 Amperes 203-4148 1
D6 Diode, 1N4005, Silicon, 600V @ 1 Ampere 203-4005 1
D7 Diode, Zener, 1N4739A, 9.1V ±5%, 1W 200-0009 1
D8, D9 Diode, 1N4005, Silicon, 600V @ 1 Ampere 203-4005 2
D10 Diode, 1N6276A, Silicon, Transient Voltage Suppressor, 206-6276 1
16V ±0.05% Breakdown
D11 Switchmode Power Rectifier, MUR460 230-0014 1
D12, D13 Diode, 1N4148, Silicon, 75V @ 0.3 Amperes 203-4148 2
D14, D15 Diode, 1N4005, Silicon, 600V @ 1 Ampere 203-4005 2
D16 Diode, 1N4148, Silicon, 75V @ 0.3 Amperes 203-4148 1
D17 Diode, Zener, 1N4739A, 9.1V ±5%, 1W 200-0009 1
D18 Diode, Zener, 1N4728, 3.3V ±5%, 1W 201-4728 1
D19 Diode, 1N4005, Silicon, 600V @ 1 Ampere 203-4005 1
D20 thru D23 Diode, 1N4148, Silicon, 75V @ 0.3 Amperes 203-4148 4
D24, D25 Diode, Schottky, 20V, 1 Amp, 1N5817 200-0019 2
DS1 Indicator, LED, Green, 521-9175, 3V @ 40 mA Maximum 323-9224 1
DS2 Indicator, LED, Red, 521-9212, 1.7V @ 50 mA Maximum 323-9217 1
DS3 Indicator, LED, Green, 521-9175, 3V @ 40 mA Maximum 323-9224 1
DS4 Indicator, LED, Red, 521-9212, 1.7V @ 50 mA Maximum 323-9217 1
F1 Fuse, 3AG, 20 Amperes, 250V 330-2000 1
F2 Fuse, MDL, 1 Ampere, 250V, Slow-Blow 334-0100 1
J3, J4 Jumper, Programmable, 2-Pin 340-0004 2
K1 Relay, SPST, 30 Amperes 270-1213 1
P2 Connector, 15-Pin, SUB-D, Male, Right Angle 417-0374 1
P3 Receptacle, Male, 3-Pin In-line 417-0003 1
P4 Receptacle, Male, 2-Pin In-line 417-4004 1
Q1, Q2 Modulator, FET MTY55N20E, 200V, 55 Amperes 210-0550 2
R1 Resistor, 1.33 k Ohm ±1%, 1/4W 103-1331 1
R2 Resistor, 470 Ohm ±5%, 1/2W 110-4733 1
R3 Resistor, 332 Ohm ±1%, 1/4W 103-3323 1
R4 Resistor, 1 Ohm ±5%, 1/4W 100-1013 1
R5 Resistor, 10 k Ohm ±1%, 1/4W 100-1051 1
R7 Resistor, 12k Ohm, 2W, ±5% 130-1253 1
R8 Resistor, 3.3 Meg Ohm ±5%, 1/4W 100-3373 1
R9 Resistor, 1 Ohm ±5%, 1/4W 103-1021 1
R10 Resistor, 3.65 k Ohm ±1%, 1/4W 103-3641 1
R11 Resistor, 1 Ohm ±5%, 1/4W 100-1021 1
R12 Resistor, 453 k Ohm ±1%, 1/4W 100-4561 1
R13 Resistor, 130 k Ohm ±1%, 1/4W 103-1306 1
R14 Resistor, 1 k Ohm ±1%, 1/4W 100-1041 1

3-4
TABLE 3-3. MODULATOR CIRCUIT BOARD ASSEMBLY - 917-0302
(Sheet 3 of 4)
REF. DES. DESCRIPTION PART NO. QTY.
R15 Resistor, 332 k Ohm ±1%, 1/4W 103-3326 1
R16 Resistor, 69.8 k Ohm ±1%, 1/4W 103-6985 1
R17 Resistor, 2.21 k Ohm ±1%, 1/4W 103-2241 1
R18 Resistor, 10 k Ohm ±1%, 1/4W 100-1051 1
R19 Resistor, 3.65 k Ohm ±1%, 1/4W 103-3641 1
R20 Resistor, 1 k Ohm ±1%, 1/4W 100-1041 1
R21 Resistor, 27 k Ohm ±5%, 1W 120-2753 1
R22 Resistor, 22.1 k Ohm ±1%, 1/4W 103-2211 1
R23 Resistor, 10 k Ohm ±1%, 1/4W 100-1051 1
R24 Resistor, 332 k Ohm ±1%, 1/4W 103-3326 1
R25 Resistor, 2.21 k Ohm ±1%, 1/4W 103-2241 1
R26 Resistor, 1 k Ohm ±1%, 1/4W 100-1041 1
R27 Resistor, 100 k Ohm ±1%, 1/4W 103-1062 1
R28 Resistor, 69.8 k Ohm ±1%, 1/4W 103-6985 1
R29 Resistor, 3.65 k Ohm ±1%, 1/4W 103-3641 1
R30 Resistor, 10 k Ohm ±1%, 1/4W 100-1051 1
R31 Resistor, 332 k Ohm ±1%, 1/4W 103-3326 1
R32 Resistor, 2.21 k Ohm ±1%, 1/4W 103-2241 1
R33 Resistor, 1 k Ohm ±1%, 1/4W 100-1041 1
R34 Resistor, 121 Ohm ±1%, 1/4W 100-1231 1
R35 Resistor, 1.33 k Ohm ±1%, 1/4W 103-1331 1
R38 Resistor, 47.5 k Ohm ±1%, 1/4W 103-4755 1
R39 Resistor, 1 k Ohm ±1%, 1/4W 100-1041 1
R40 Resistor, 1 k Ohm ±1%, 1/4W 100-1041 1
R41 Resistor, 100 k Ohm ±1%, 1/4W 103-1062 1
R42 Resistor, 8.66 k Ohm ±1%, 1/4W 100-8641 1
R43 Resistor, 499 k Ohm ±1%, 1/4W 103-4996 1
R44 Resistor, 8.25 k Ohm ±1%, 1/4W 103-8254 1
R45 Resistor, 1 k Ohm ±1%, 1/4W 100-1041 1
R46 Resistor, 1 Meg Ohm ±1%, 1/4W 103-1007 1
R47 thru R49 Resistor, 10 k Ohm ±1%, 1/4W 100-1051 3
R51 Resistor, 15.4 k Ohm ±1%, 1/4W 103-1551 1
R52 Resistor, 39 Ohm ±5%, 1/2W 110-3923 1
R53 Resistor, 3.3 Meg Ohm ±5%, 1/4W 100-3373 1
R54, R55 Resistor, 100 Ohm ±1%, 1/4W 100-1031 2
R56, R57 Resistor, 3.3 Meg Ohm ±5%, 1/4W 100-3373 2
R58 Resistor, 453 k Ohm ±1%, 1/4W 100-4561 1
TP1 thru TP4 Terminal, Test Point, Oval, Red 413-0106 4
TP5, TP6 Jack, Test, Right Angle Printed Circuit Board Mount 417-0004 2
U1 Integrated Circuit, Opto-Isolator, 6N137 220-6137 1
U2 Driver, TC4421CAT, 2 Ampere, 5-Pin, TO-220 Case 220-4421 1
U3 Integrated Circuit, LM339AN, Quad Comparator, 14-Pin DIP 221-0339 1
U4 Integrated Circuit, 4N33, Optical Isolator, NPN Photo 229-0033 1
Transistor/Infared Emitting Diode Type, 1500V Isolation,
Response: 30 kHz Maximum, Current: 50 mA Maximum, 6-Pin DIP

3-5
TABLE 3-3. MODULATOR CIRCUIT BOARD ASSEMBLY - 917-0302
(Sheet 4 of 4)
REF. DES. DESCRIPTION PART NO. QTY.
U5 Integrated Circuit, ULN2004, 7 NPN Darlington Driver Pack, 226-2004 1
16-Pin DIP
U6 Integrated Circuit, MC14093B, Quad 2-Input NAND Schmitt Trigger, 220-4093 1
CMOS, 14-Pin DIP
U7 Integrated Circuit, MC14044BP, Quad NAND R-S Latch, CMOS, 228-4044 1
16-Pin DIP
U8, U9 Integrated Circuit, 4N33, Optical Isolator, NPN Photo 229-0033 2
Transistor/Infared Emitting Diode Type, 1500V Isolation,
Response: 30 kHz Maximum, Current: 50 mA Maximum, 6-Pin DIP
U10 Integrated Circuit, LM317T, Adjustable Positive Voltage 227-0317 1
Regulator, 1.2V to 37V, 1.5 Ampere, TO-220 Case
U11 Integrated Circuit, 14505, Hex Level Shifter, TTL to CMOS, 228-4504 1
16-Pin DIP
U12 Integrated Circuit, 4N33, Optical Isolator, NPN Photo 229-0033 1
Transistor/Infared Emitting Diode Type, 1500V Isolation,
Response: 30 kHz Maximum, Current: 50 mA Maximum, 6-Pin DIP
U13 Driver, TC4421CAT, 2 Ampere, 5-Pin, TO-220 Case 220-4421 1
XF1, XF2 Fuse Clips, AGC 415-2068 2
XU1 Socket, 8-Pin DIP 417-0804 1
XU3 Socket, 14-Pin DIP 417-1404 1
XU4 Socket, 6-Pin DIP 417-0600 1
XU5 Socket, 16-Pin DIP 417-1604 1
XU6 Socket, 14-Pin DIP 417-1404 1
XU7 Socket, 16-Pin DIP 417-1604 1
XU8, XU9 Socket, 6-Pin DIP 417-0600 2
XU11 Socket, 16-Pin DIP 417-1604 1
XU13 Socket, 6-Pin DIP 417-0600 1
---- Coil, 36 uH, MOD PWM 360-0108 2
---- Coil, 9.2 uH, MOD PWM 360-0109 1
---- Coil, 14 uH, MOD PWM 360-0110 1
---- Blank, Modulator Circuit Board 517-0302 1
TABLE 3-4. POWER AMPLIFIER CIRCUIT BOARD ASSEMBLY - 917-0304
(Sheet 1 of 3)
REF. DES. DESCRIPTION PART NO. QTY.
C2 Capacitor, Monolythic Ceramic, 0.1 uF ±10%, 50V 003-1066 1
C3 thru C6 Capacitor, Monolythic Ceramic, 0.1 uF ±10%, 100V 003-1041 4
C8 Capacitor, Monolythic Ceramic, 0.1 uF ±10%, 50V 003-1066 1
C10 Capacitor, Electrolytic, 100 uF, 35V 023-1084 1
C11 Capacitor, Monolythic Ceramic, 0.1 uF ±10%, 50V 003-1066 1
C12 Capacitor, Monolythic Ceramic, 0.1 uF ±10%, 100V 003-1041 1

3-6
TABLE 3-4. POWER AMPLIFIER CIRCUIT BOARD ASSEMBLY - 917-0304
(Sheet 2 of 3)
REF. DES. DESCRIPTION PART NO. QTY.
C13 Capacitor, Electrolytic, 100 uF, 63V 015-1084 1
C15 Capacitor, Monolythic Ceramic, 0.1 uF ±10%, 50V 003-1066 1
C16 thru C18 Capacitor, Ceramic, 0.001 uF ±10%, 200V 030-1033 3
C19 thru C21 Capacitor, Monolytic Ceramic, 0.1 uF ±10%, 50V 003-1066 3
C23 Capacitor, Mylar Film, 0.01 uF ±10%, 200V 030-1043 1
C24 Capacitor, Electrolytic, 10 uF, 50V 023-1076 1
C25 Capacitor, Electrolytic, 10 uF, 50V 023-1076 1
C26 Capacitor, Ceramic, 0.001 uF, 1 kV 002-1034 1
C27, C28 Capacitor, Monolythic Ceramic, 0.1 uF ±10%, 200V 003-1065 2
C29 thru Capacitor, Monolythic Ceramic, 0.1 uF ±10%, 100V 003-1041 4
C32
C33 Capacitor, Electrolytic, 10 uF, 50V 023-1076 1
C34 Capacitor, Monolythic Ceramic, 0.1 uF ±10%, 100V 003-1041 1
C36 ,C37 Capacitor, Mica, 39 pF ±5%, 500V 042-3912 2
C38, C39 Capacitor, Monolythic Ceramic, .47 uF ±10%, 50V 003-4743 2
C40 thru C43 Capacitor, Electrolytic, 1 uF, 50V 024-1064 4
C45 thru C55 Refer to Frequency Dependant Parts - Power Amplifier Table at the end of this section.
C58 Capacitor, Monolythic Ceramic, .47 uF ±10%, 50V 003-4743 1
C59 Capacitor, Electrolytic, 10 uF, 50V 023-1076 1
D1 thru D6 Diode, 1N4148, Silicon, 75V @ 0.3 Amperes 203-4148 6
D9, D10 Transzorb Diode, 27 Volt, 1.5KE27CA 206-0027 2
D11 Diode, Zener 1N5229, 4.3V, 0.5W 201-0035 1
D16 Diode, Transzorb, Diode, 300BV, 1.5FE300CA 206-0300 1
D17 Transzorb Diode, 250BV, 1.5KE250CA 206-0250 1
D18 Diode, Transzorb, Diode, 300BV, 1.5FE300CA 206-0300 1
D19 Transzorb Diode, 250BV, 1.5KE250CA 206-0250 1
D20, D21 Diode, Zener, 1N4749, 24V, 10.5 Amperes 200-0024 2
D22, D23 Diode, 1N4005, Silicon, 600V @ 1 Ampere 203-4005 2
D25 thru D28 Diode, 1N4148, Silicon, 75V @ 0.3 Amperes 203-4148 4
D29, D30 Diode, Zener, 1N4742A, 12V ±5%, 1W 200-4742 2
D31 Diode, Zener, 1N4737A, 7.5V, 1W, 34 mA 200-4737 1
D32 thru D35 Diode, 1N4148, Silicon, 75V @ 0.3 Amperes 203-4148 4
DS1 Indicator, LED, Green, 521-9175, 3V @ 40 mA Maximum 323-9224 1
DS2 Indicator, LED, Red, 521-9212, 1.7V @ 50 mA Maximum 323-9217 1
F1 Fuse, 3AB, 15 Amperes, 65V, Very Fast 330-1502 1
F2, F3 Fuse, 5 X 20MM, 1.5 Ampere, Slow-Blow 334-1150 2
FC1, FC2 Fuse Clips, AGC 415-2068 2
FC3 thru FC6 Fuse Clips, Littlefuse, 111501 415-2069 4
L1, L2 Coil, 4uH 360-0112 2
L3 thru L7 Refer to Frequency Dependant Parts - Power Amplifier Table at the end of this section.
P2 Connector, 15-Pin Sub-D, Male, Right Angle 417-0374 1
Q1, Q2 RF FET, APT6018, 600V 210-6018 2
Q3 thru Q6 Hexfet Power Mosfet, IRFI520G, TO-220 Fullpak 210-0520 4
Q7 Transistor, TIP120, NPN Darlington-Connected Silicon 210-0120 1
Power, 65W @ 25#C Case

3-7
TABLE 3-4. POWER AMPLIFIER CIRCUIT BOARD ASSEMBLY - 917-0304
(Sheet 3 of 3)
REF. DES. DESCRIPTION PART NO. QTY.
Q11 Transistor, 2N3906, PNP, Silicon, TO-92 Case 210-3906 1
Q12 Transistor, 2N3904, NPN, Silicon, TO-92 Case 211-3904 1
Q13 Silicon Controlled Rectifier, GE6CA, 100V @ 1.6 Ampere 237-0006 1
R1 Resistor, 1 k Ohm ±5%,1W 120-1043 1
R2, R3 Resistor, 10 k Ohm ±1%, 1/4W 100-1051 2
R4 Resistor, 100 Ohm ±1%, 1/4W 100-1031 1
R5 Resistor, 1.10 k Ohm ±1%, 1/4W 103-1104 1
R6, R7 Resistor, 10 k Ohm ±1%, 1/4W 100-1051 2
R8 thru R11 Resistor, 27 Ohm ±5%, 1/4W 100-2723 4
R12 Resistor, 15k Ohm ±5%, 2W 130-1553 1
R13 Resistor, 3.3 Meg Ohm ±5%, 1/4W 100-3373 1
R14 Resistor, 1.10 k Ohm ±1%, 1/4W 103-1104 1
R15 Resistor, 1 k Ohm ±5%, 1W 120-1043 1
R16 Resistor, 3.3 Meg Ohm ±5%, 1/4W 100-3373 1
R18 Resistor, 1.10 k Ohm ±1%, 1/4W 103-1104 1
R20 Resistor, 1.96 k Ohm ±1%, 1/4W 103-1964 1
R21, R22 Resistor, 10 k Ohm ±1%, 1/4W 100-1051 2
R23 Resistor, 10 Meg Ohm ±5%, 1/4W 100-1083 1
R24 Resistor, 1.96 k Ohm ±1%, 1/4W 103-1964 1
R25 Resistor, 680 Ohm ±5%, 1/2W 110-6833 1
R26 Resistor, 10 k Ohm ±1%, 1/4W 100-1051 1
R27, R28 Resistor, 332 Ohm ±1%, 1/4W 103-3323 1
R29 Resistor, 300 Ohm ±5%, 2W, W/W 130-3004 1
R30, R31 Resistor, 2.67 k Ohm ±1%, 1/4W 103-2674 2
R32, R33 Resistor, 100 Ohm ±1%, 1/4W 100-1031 2
R34, R35 Resistor, 10 k Ohm ±1%, 1/4W 100-1051 2
R36, R37 Resistor, 300 Ohm ±5%, 2W, W/W 130-3004 2
R38 Resistor, 562 Ohm ±1%, 1/4W 103-5623 1
R39, R40 Resistor, 10 k Ohm ±1%, 1/4W 100-1051 2
U1 Integrated Circuit, LM317T, Adjustable Positive Voltage 227-0317 1
Regulator, 1.2V to 37V, 1.5 Ampere, TO-220 Case
U2 thru U4 Integrated Circuit, 4N33, Optical Isolator, NPN Photo 229-0033 3
Transistor/Infared Emitting Diode Type, 1500V Isolation,
Response: 30 kHz Maximum, Current: 50 mA Maximum, 6-Pin DIP
U5 Integrated Circuit, MC14584, 14-Pin Schmitt 228-4584 1
U7, U8 Driver High and Low Side, IR2110 227-2110 2
XU2 thru XU4 Socket, 6-Pin DIP 417-0600 3
XU5, XU7, Socket, 14-Pin DIP 417-1404 3
XU8
---- Blank, Power Amplifier Circuit Board Assembly 517-0304 1

3-8
TABLE 3-5. POWER MODULE FREQUENCY DEPENDANT KIT, 522 - 650 KHZ -
957-1015-001
REF. DES. DESCRIPTION PART NO. QTY.
C45, C56 Capacitor, Mica, 1600 pF, 1 kV 042-1622 4
C46 thru C55 Capacitor, Mica, 1800 pF, 1 kV 042-1832 20
L3, L4 Inductor, PA Drive 360-0113-XXX 4
---- Blank, PA Capacitor Board Circuit Board 517-0318-001 2
---- Blank, PA Inductor Board Circuit Board 517-0319-001 2
TABLE 3-6. POWER MODULE FREQUENCY DEPENDANT KIT, 651 - 770 KHZ -
957-1015-002
REF. DES. DESCRIPTION PART NO. QTY.
C46, C55 Capacitor, Mica, 1600 pF, 1 kV 042-1622 4
C47 thru C54 Capacitor, Mica, 1800 pF, 1 kV 042-1832 16
L3, L4 Inductor, PA Drive 360-0113-XXX 4
---- Blank, PA Capacitor Board Circuit Board 517-0318-001 2
---- Blank, PA Inductor Board Circuit Board 517-0319-001 2
TABLE 3-7. POWER MODULE FREQUENCY DEPENDANT KIT, 771 - 920 KHZ -
957-1015-003
REF. DES. DESCRIPTION PART NO. QTY.
C47 thru C54 Capacitor, Mica, 1800 pF, 1 kV 042-1832 16
L3, L4 Inductor, PA Drive 360-0113-XXX 4
---- Blank, PA Capacitor Board Circuit Board 517-0318-001 2
---- Blank, PA Inductor Board Circuit Board 517-0319-001 2
TABLE 3-8. POWER MODULE FREQUENCY DEPENDANT KIT, 921 - 1080 KHZ -
957-1015-004
REF. DES. DESCRIPTION PART NO. QTY.
C48, C53 Capacitor, Mica, 1600 pF, 1 kV 042-1622 4
C49 thru C52 Capacitor, Mica, 1800 pF, 1 kV 042-1832 8
C47, C54 Capacitor, Mica, 910 pF, 1 kV 042-9122 4
L5, L7 Inductor, PA Drive 360-0113-XXX 4
---- Blank, PA Capacitor Board Circuit Board 517-0318-001 2
---- Blank, PA Inductor Board Circuit Board 517-0319-001 2

3-9
TABLE 3-9. POWER MODULE FREQUENCY DEPENDANT KIT, 1081 - 1300 KHZ -
957-1015-005
REF. DES. DESCRIPTION PART NO. QTY.
C48, C53 Capacitor, Mica, 1600 pF, 1 kV 042-1622 4
C49 thru C52 Capacitor, Mica, 1800 pF, 1 kV 042-1832 8
L5, L7 Inductor, PA Drive 360-0113-XXX 4
---- Blank, PA Capacitor Board Circuit Board 517-0318-001 2
---- Blank, PA Inductor Board Circuit Board 517-0319-001 2
TABLE 3-10. POWER MODULE FREQUENCY DEPENDANT KIT, 1301 - 1580 KHZ -
957-1015-006
REF. DES. DESCRIPTION PART NO. QTY.
C48, C53 Capacitor, Mica, 910 pF, 1 kV 042-9122 4
C49 thru C52 Capacitor, Mica, 1600 pF, 1 kV 042-1622 8
L5, L6, L7 Inductor, PA Drive 360-0113-XXX 6
---- Blank, PA Capacitor Board Circuit Board 517-0318-001 2
---- Blank, PA Inductor Board Circuit Board 517-0319-001 2
TABLE 6-11. POWER MODULE FREQUENCY DEPENDANT KIT, 1581 - 1700 KHZ -
957-1015-007
REF. DES. DESCRIPTION PART NO. QTY.
C49, C52 Capacitor, Mica, 1600 pF, 1 kV 042-1622 4
C50, C51 Capacitor, Mica, 1800 pF, 1 kV 042-1832 4
L5, L6, L7 Inductor, PA Drive 360-0113-XXX 6
---- Blank, PA Capacitor Board Circuit Board 517-0318-001 2
---- Blank, PA Inductor Board Circuit Board 517-0319-001 2

4–1
SECTION IV
RF POWER MODULE DRAWINGS
4-1. INTRODUCTION.
4-2. This section provides assembly drawings, wiring diagrams, and schematic diagrams as
listed below for the Broadcast Electronics AM-2.5E/AM-5E transmitter RF power module.
FIGURE TITLE NUMBER
4-1 SCHEMATIC DIAGRAM, MODULATOR CIRCUIT BOARD SB917-0302/-001
4-2 ASSEMBLY DIAGRAM, MODULATOR CIRCUIT BOARD AD917-0302/-001
4-3 SCHEMATIC DIAGRAM, POWER AMPLIFIER CIRCUIT SB917-0304
BOARD
4-4 ASSEMBLY DIAGRAM, POWER AMPLIFIER CIRCUIT AD917-0304
BOARD




TABLE OF CONTENTS
PARAGRAPH PAGE NO.
SECTION I OUTPUT NETWORK THEORY OF OPERATION
1-1 Introduction 1-1
1-3 Functional Description 1-1
SECTION II OUTPUT NETWORK MAINTENANCE
2-1 Introduction 2-1
2-3 Safety Considerations 2-1
2-6 First Level Maintenance 2-1
2-8 Cleaning and Inspection 2-1
2-10 Second Level Maintenance 2-2
2-12 Electrical Adjustments 2-2
2-13 Modulation Calibration Controls 2-2
2-14 Directional Coupler Null Controls 2-2
2-15 Troubleshooting 2-2
2-16 Safety Considerations 2-2
2-17 Output Network Assembly Component Locations 2-2
2-18 Troubleshooting Procedures 2-3
2-19 Component Replacement Procedure 2-3
SECTION III OUTPUT NETWORK ASSSEMBLY PARTS LIST
3-1 Introduction 3-1
SECTION IV OUTPUT NETWORK ASSEMBLY DRAWINGS
4-1 Introduction 4-1
LIST OF TABLES
TABLE TITLE PAGE NO.
2-1 DIRECTIONAL COUPLER CIRCUIT BOARD 2-3
TROUBLESHOOTING
2-2 LIGHTNING DETECTION CIRCUIT BOARD/ 2-3
SPARK GAP TROUBLESHOOTING
2-3 LIGHTNING PROTECTION CIRCUIT BOARD 2-3
TROUBLESHOOTING
3-1 REPLACEABLE PARTS LIST INDEX 3-1

1-1
SECTION I
OUTPUT NETWORK THEORY OF OPERATION
1-1. INTRODUCTION.
1-2. This section presents the theory of operation for the AM-2.5E/AM-5E output network
assembly.
1-3. FUNCTIONAL DESCRIPTION.
1-4. The output network assembly contains the: 1) harmonic band-pass filter, 2) directional
coupler circuit board, 3) lightning protection circuit board, 4) T-matching network,
5) lightning detection circuit board, and 6) spark gap. The theory of operation for the outĆ
put network assembly components is presented in PART I SECTION IV, THEORY OF OPĆ
ERATION. Refer to SECTION IV as required for a description of the output network asĆ
sembly components.

2-1
WARNING: DISCONNECT POWER PRIOR TO SERVICING
SECTION II
OUTPUT NETWORK MAINTENANCE
2-1. INTRODUCTION.
2-2. This section provides maintenance information for the AM-2.5E/AM-5E transmitter
output network assembly.
2-3. SAFETY CONSIDERATIONS.
WARNING
WARNING
WARNING
WARNING
THE TRANSMITTER CONTAINS MULTIPLE CIRCUIT
GROUNDS WITH HIGH AC AND DC POTENTIALS
WITH RESPECT TO THE CABINET WHICH IS AT
EARTH POTENTIAL. DO NOT ENERGIZE THE
TRANSMITTER WITH TEST EQUIPMENT CONĆ
NECTED TO THE TRANSMITTER OUTPUT
NETWORK, RF POWER MODULE, RF COMBINER, OR
POWER SUPPLY COMPONENTS.
2-4. The AM-2.5E/AM-5E transmitters contain high voltages and currents. If safety
precautions are not practiced, contact with the high voltages and currents could cause
serious injury or death. The transmitter is equipped with many built-in safety features,
however good judgement, care, and common sense must be practiced to prevent accidents.
2-5. In addition to high voltages and currents, the transmitters contain multiple circuit
grounds with high ac and dc potentials with respect to the cabinet which is at earth
potential. The potentials could cause serious injury or death if maintenance personnel
simultaneously touch a circuit ground and the cabinet. As a result, operation of the
transmitter with test equipment connected to transmitter output network, RF power
module, RF combiner, or power supply components is extremely dangerous and must not
be attempted. Therefore, never energize the transmitter with test equipment connected
to the transmitter output network, RF power module, RF combiner, or power supply
components. Test equipment may be connected to the ECU circuit boards from the front
of the transmitter using the supplied extender circuit board with power energized. The
maintenance procedures presented in this section should be performed only by trained
and experienced maintenance personnel.
2-6. FIRST LEVEL MAINTENANCE.
2-7. First level maintenance consists of precautionary procedures applied to the equipment to
prevent future failures. The procedures are performed on a regular basis and the results
recorded in a performance log.
2-8. CLEANING AND INSPECTION.

2-2
WARNING: DISCONNECT POWER PRIOR TO SERVICING
WARNING
WARNING
DISCONNECT ALL TRANSMITTER PRIMARY POWER
BEFORE ATTEMPTING ANY EQUIPMENT MAINTEĆ
NANCE.
2-9. Ensure all transmitter primary power is disconnected and clean the output network
assembly of accumulated dust using a nylon bristle brush and vacuum cleaner. Inspect
the components for damage by overheating and arcing. In addition, check the
components for loose hardware.
2-10. SECOND LEVEL MAINTENANCE.
2-11. Second level maintenance is the performance of procedures required to restore the ECU to
operation after a fault has occurred. The procedures are divided into electrical
adjustments procedures and troubleshooting.
2-12. ELECTRICAL ADJUSTMENTS.
2-13. MODULATION CALIBRATION CONTROLS. Modulation calibration controls R201
through R205 calibrate the modulation sample for each power level. A complete
description of the procedure to adjust the power level controls is presented in SECTION
II, INSTALLATION. Refer to POWER LEVEL AND MODULATION CALIBRATION
ADJUSTMENT in SECTION II for the adjustment procedure.
2-14. DIRECTIONAL COUPLER NULL CONTROLS. Directional coupler null controls R223,
R224, R234, and R235 null the directional coupler sampling circuit. Due to the critical
nature of the directional coupler null controls, the controls are not considered field
adjustable. If the controls are required to be adjusted, contact the Broadcast Electronics
Customer Service Department for information and instructions to adjust the directional
coupler null controls.
2-15. TROUBLESHOOTING.
WARNING
WARNING
WARNING
WARNING
THE TRANSMITTER CONTAINS MULTIPLE CIRCUIT
GROUNDS WITH HIGH AC AND DC POTENTIALS
WITH RESPECT TO THE CABINET WHICH IS AT
EARTH POTENTIAL. DO NOT ENERGIZE THE
TRANSMITTER WITH TEST EQUIPMENT CONĆ
NECTED TO THE TRANSMITTER OUTPUT
NETWORK, RF POWER MODULE, RF COMBINER, OR
POWER SUPPLY COMPONENTS.
2-16. SAFETY CONSIDERATIONS. The AM-2.5E/AM-5E transmitters are equipped with
extensive indicator and meter circuitry to allow the operator to isolate problems to a
specific area within the transmitter. Due to the hazardous voltages and currents
contained in the equipment, operation of the transmitter with test equipment connected
to transmitter output network, RF power module, RF combiner, or power supply
components is extremely dangerous and must not be attempted. Test equipment may be
connected to the ECU circuit boards from the front of the transmitter using the supplied
extender circuit board with power energized. The maintenance procedures presented in
this section should be performed only by trained and experienced maintenance personnel.
2-17. OUTPUT NETWORK ASSEMBLY COMPONENT LOCATIONS. Component locations for
the output network assembly are presented in PART I SECTION V, MAINTENANCE.
Refer to TRANSMITTER COMPONENT LOCATIONS in SECTION V to locate
components within the output network assembly.

2-3
WARNING: DISCONNECT POWER PRIOR TO SERVICING
2-18. TROUBLESHOOTING PROCEDURES. The output network assembly troubleshooting
procedures are presented in Tables 2-1 through 2-3. Table 2-1 presents the directional
coupler circuit board troubleshooting. Table 2-2 presents the lightning detection circuit
board and spark gap troubleshooting. Table 2-3 presents the lightning protection circuit
board troubleshooting. Refer to Tables 2-1 through 2-3 to isolate the problem to a specific
circuit. Once the trouble is isolated, refer to the circuit board theory of operation
presented in PART I SECTION IV and the schematic diagrams presented in this section
to assist in problem resolution.
TABLE 2-1. DIRECTIONAL COUPLER CIRCUIT BOARD TROUBLESHOOTING
SYMPTOM CIRCUITRY TO CHECK
HIGH REFLECTED POWER 1. Check diode D201 through D210.
METER INDICATION WHEN
ACTUAL REFLECTED POWER
IS LOW
TABLE 2-2. LIGHTNING DETECTION CIRCUIT BOARD/SPARK GAP TROUBLESHOOTĆ
ING
SYMPTOM CIRCUITRY TO CHECK
HIGH REFLECTED POWER 1. Check the lightning detection circuit board for a
CONDITION short circuit condition.
NO LIGHTNING DETECTION 1. Check the spark gap.
OPERATION 2. Check optically operated transistor Q401 on the
lightning detection circuit board.
TABLE 2-3. LIGHTNING PROTECTION CIRCUIT BOARD TROUBLESHOOTING
SYMPTOM CIRCUITRY TO CHECK
HIGH REFLECTED POWER 1. Check the circuit board for a short circuit condition.
OR SHORTED OUTPUT
CONDITION
2-19. COMPONENT REPLACEMENT PROCEDURE. Component replacement procedures for
the output network assembly are presented in PART I SECTION V. Refer to
COMPONENT REPLACEMENT in SECTION V as required for the replacement
procedures.

3-1
SECTION III
OUTPUT NETWORK ASSEMBLY
PARTS LIST
3-1. INTRODUCTION.
3-2. This section provides descriptions and part numbers of electrical components, assemblies,
and selected mechanical parts required for maintenance of the output network assembly.
Each table entry in this section is indexed by reference designators appearing on the ap-
plicable schematic.
TABLE 3-1. REPLACEABLE PARTS LIST INDEX (Sheet 1 of 2)
TABLE DESCRIPTION PART NO. PAGE
3-2 Output Network Assembly, AM-2.5E 957-0068 3-3
3-3 Output Network Assembly, AM-5E 957-0070 3-3
3-4 Lightning Protection Circuit Board, AM-2.5E 917-0216-003 3-3
3-5 Lightning Protection Circuit Board, AM-5E 917-0216-001 3-3
3-6 Directional Coupler Circuit Board 917-0306-002 3-4
Assembly
3-7 Lightning Detection Circuit Board Assembly 917-0306-004 3-5
3-8 Harness Output Network Assembly 947-0211 3-5
3-9 Output Network Frequency Dependant Parts, AM-2.5E 957-1035-121 3-6
522 - 650 KHZ
3-10 Output Network Frequency Dependant Parts, AM-2.5E 957-1035-122 3-6
651 - 770 KHZ
3-11 Output Network Frequency Dependant Parts, AM-2.5E 957-1035-123 3-6
771 - 920 KHZ
3-12 Output Network Frequency Dependant Parts, AM-2.5E 957-1035-124 3-7
921 - 1080 KHZ
3-13 Output Network Frequency Dependant Parts, AM-2.5E 957-1035-125 3-7
1081 - 1300 KHZ
3-14 Output Network Frequency Dependant Parts, AM-2.5E 957-1035-126 3-7
1301 - 1580 KHZ
3-15 Output Network Frequency Dependant Parts, AM-2.5E 957-1035-127 3-8
1581 - 1700KHZ
3-16 Output Network Frequency Dependant Parts, AM-5E 957-1035-151 3-8
522 - 650 KHZ
3-17 Output Network Frequency Dependant Parts, AM-5E 957-1035-152 3-8
651 - 770 KHZ
3-18 Output Network Frequency Dependant Parts, AM-5E 957-1035-153 3-9
771 - 920 KHZ
3-19 Output Network Frequency Dependant Parts, AM-5E 957-1035-154 3-9
921 - 1080 KHZ
3-20 Output Network Frequency Dependant Parts, AM-5E 957-1035-155 3-9
1081 - 1300 KHZ

3-2
TABLE 3-1. REPLACEABLE PARTS LIST INDEX (Sheet 2 of 2)
TABLE DESCRIPTION PART NO. PAGE
3-21 Output Network Frequency Dependant Parts, AM-5E 957-1035-156 3-10
1301 - 1580 KHZ
3-22 Output Network Frequency Dependant Parts, AM-5E 957-1035-157 3-10
1581 - 1700KHZ

3-3
TABLE 3-2. OUTPUT NETWORK ASSEMBLY, AM-2.5E- 957-0068
REF. DES. DESCRIPTION PART NO. QTY.
C1 thru Refer to Frequency Dependant Parts, Output Network Table ---- -
C5 in the following text.
L1 thru L3, Refer to Frequency Dependant Parts, Output Network, AM-1 Table ---- -
L5 in the following text.
---- Spark Gap, 1.5KV 140-0031 1
---- Coil, Variable, 16 uH, 20 Amps, AM Transmitter 360-0088 2
---- BNC Receptacle, Bulkhead, UG492A/U 417-0017 1
---- Lightning Protection Circuit Board Assembly 917-0216-003 1
---- Directional Coupler Circuit Board Assembly 917-0306-002 1
---- Lightning Detector Circuit Board Assembly 917-0306-004 1
---- Output Network Harness 947-0211 1
TABLE 3-3. OUTPUT NETWORK ASSEMBLY, AM-5E - 957-0070
REF. DES. DESCRIPTION PART NO. QTY.
---- Spark Gap, 2.1 kV 140-0024 1
---- Coil, Variable, 16 uH, 20 Amperes, AM Transmitter 360-0088 2
---- BNC Receptacle, Bulkhead, UG492A/U 417-0017 1
---- Connector, 7/16 DIN, Panel Jack, Solder 417-0716 2
---- Lightning Protection Circuit Board Assembly 917-0216-001 1
---- Directional Coupler Circuit Board Assembly 917-0306-002 1
---- Lightning Detector Circuit Board Assembly 917-0306-004 1
---- Output Network Harness 947-0211 1
TABLE 3-4. LIGHTNING PROTECTION CIRCUIT BOARD ASSEMBLY, AM-2.5E -
917-0216-003
REF. DES. DESCRIPTION PART NO. QTY.
D1, D2 Transzorb, 1.5KE300CA, 300BV 206-0300 2
D3 thru Transzorb, 1.5KE250CA, 250BV 206-0250 3
D5
D6 Transzorb, 1.5KE250CA, 300BV 206-0300 1
---- Blank, Lightning Protection Circuit Board 517-0216 1
TABLE 3-5. LIGHTNING PROTECTION CIRCUIT BOARD ASSEMBLY, AM-5E -
917-0216-001 (Sheet 1 of 2)
REF. DES. DESCRIPTION PART NO. QTY.
D1 Transzorb, 1.5KE400CA, 400BV 206-0400 1
---- Blank, Lightning Protection Circuit Board 517-0216 1

3-4
TABLE 3-5. LIGHTNING PROTECTION CIRCUIT BOARD ASSEMBLY, AM-5E -
917-0216-001 (Sheet 2 of 2)
REF. DES. DESCRIPTION PART NO. QTY.
D2, D3 thru Transzorb, 1.5KE300CA, 300BV 206-0300 5
D6
D7 Transzorb, 1.5KE400CA, 400BV, 206-0400 1
TABLE 3-6. DIRECTIONAL COUPLER CIRCUIT BOARD ASSEMBLY - 917-0306-002
(Sheet 1 of 2)
REF. DES. DESCRIPTION PART NO. QTY.
C201 Capacitor, Mylar Film, 0.01 uF ±10%, 200V 030-1043 1
C202 thru Capacitor, Ceramic, Monolythic, .1 uF ±10%, 50V 003-1066 16
C217
C218 Capacitor, Mica, 500 pF ±1%, 500V 042-5021 1
C219, C220 Capacitor, Polyester, 0.0022 uF ±10%, 100V 031-2033 2
D201 thru Diode, HP5082-2800, High Voltage, Schottky Barrier Type, 201-2800 4
D204 70V, 15 mA
D205 thru Diode, 1N4148, Silicon, 75V @ 0.3 Amperes 203-4148 4
D208
D209, D210 Diode, Zener, 1N4749, 24V, 10.5 Amperes 200-0024 2
D211, D212 Diode, 1N4148, Silicon, 75V @ 0.3 Amperes 203-4148 2
D213, D214 Diode, Zener, 1N4749, 24V, 10.5 Amperes 200-0024 2
D215, D216 Diode, 1N4148, Silicon, 75V @ 0.3 Amperes 203-4148 2
E202 thru Turret, Double Shoulder 413-0025 7
E208
E209 thru Terminal, Male Disconnect 410-0025 3
E211
E212 thru Turret, Double Shoulder 413-0025 6
E217
E219 thru Turret, Double Shoulder 413-0025 3
E221
J201 Receptacle, Male, 20-Pin In-Line 417-0200 1
J202, J203 Receptacle, Male, 8-Pin In-Line, Right Angle 417-0080-001 2
J204 thru Receptacle, Male, 20-Pin In-Line 417-0200 3
J206
K201 thru Relay, SPST, 5V dc, 500 Ohm, Reed 270-0062 5
K205
L201 Coil, Molded, Shielded, 5.6 uH 364-0056 1
L202 Coil, Molded, Shielded, 56 uH 360-0093 1
L203, L204 RF Choke, 10 mH ±10%, 6.3 Ohms DC Resistance, 220 mA Maximum 364-0670 2
P203, P204A Jumper, Programmable, 2-Pin 340-0004 2
P204B, P205A Jumper, Programmable, 2-Pin 340-0004 2
P205B, P206 Jumper, Programmable, 2-Pin 340-0004 2
R201 thru Potentiometer, 250 Ohm, 2W, Double, 1-Turn 192-2533 5
R205
R206 Resistor, 30.1 Ohm ±1%, 1/4W 103-3011 1
R207 thru Resistor, 18 Ohm ±1%, 3W 130-1821 3
R209
R210 thru Resistor, 30.1 Ohm ±1%, 1/4W 103-3011 5
R214

3-5
TABLE 3-6. DIRECTIONAL COUPLER CIRCUIT BOARD ASSEMBLY - 917-0306-002
(Sheet 2 of 2)
REF. DES. DESCRIPTION PART NO. QTY.
R215 thru Resistor, 200 Ohm ±1%, 1W 120-2031 8
R222
R223, R224 Potentiometer, 20 k ±10%, 1W, Horizontal, 22 Turn 178-2056 2
R226 thru Resistor, 10 Ohm ±1%, 1/4W 103-1021 4
R229
R230 thru Resistor, 150 Ohm ±1%, 1W 120-1531 4
R233
R234, R235 Potentiometer, 20 k ±10%, 1W, Horizontal, 22 Turn 178-2056 2
R236 thru Resistor, 200 Ohm ±1%, 1W 120-2031 4
R239
S201 Switch, SPST, 4- Position, 8-Pin DIP Dual In-line 340-0002 1
T201, T202 Transformer, Current, AM-1/5 370-0040 2
T203 Transformer, Voltage, AM-1/5 370-0041 1
---- Blank, Directional Coupler Circuit Board 517-0306-002 1
TABLE 3-7. LIGHTNING DETECTOR CIRCUIT BOARD ASSEMBLY - 917-0306-004
REF. DES. DESCRIPTION PART NO. QTY.
C401 thru Capacitor, Mica, 1000 pF ±5%, 500V 042-3913 20
C420
E201, E202 Terminal, Male Disconnect 410-0025 2
E403 Terminal, Male Disconnect 410-0025 1
J401, J402 Receptacle, Male, 20-Pin In-Line 417-0200 2
J403 thru Receptacle, Male, 2-Pin In-line 417-4004 3
J405
P403 thru Jumper, Programmable, 2-Pin 340-0004 3
P405
Q401 Phototransistor, 1.8 mA, IC AT 5V 215-0001 1
S401 Finger Contact Strip 469-0369 1
---- Blank, Lightning Detector Circuit Board 517-0306-004 1
TABLE 3-8. HARNESS OUTPUT NETWORK ASSEMBLY - 947-0211
REF. DES. DESCRIPTION PART NO. QTY.
---- Contact Housing, 4-Pin In-line 417-0138 2
---- Pins, Connector 417-0142 13
---- Plug, Housing, 2-Pin 417-0499 1
---- Plug, Housing, 14-Pin 417-1401 1
---- Connector, 15-Pin, D-Type 417-1500 1
---- Pins, Crimp Type 417-8766 21
---- Plug, BNC, Dual Crimp 418-0034 1

3-6
TABLE 3-9. OUTPUT NETWORK FREQUENCY DEPENDANT PARTS, 522-650 KHZ,
AM-2.5E - 957-1035-121
REF. DES. DESCRIPTION PART NO. QTY.
C1 Capacitor, Mica, 5100 pF, 6kV, 20 Amperes, ±5% 044-5123-292 1
C2 Capacitor, Mica, 3300 pF, 8kV, 16 Amperes, ±5% 044-3323-292 1
C3 Capacitor, Mica, 5100 pF, 6kV, 20 Amperes, ±5% 044-5123-292 1
C4 Capacitor, Mica, 8200 pF, 4kV, 20 Amperes, ±5% 044-8223-291 1
C5 Capacitor, Mica, 3900 pF, 8kV, 18 Amperes, ±5% 044-3923-292 1
L1 Coil, All Frequency 360-1251-XXX 1
L2 Coil, All Frequency 360-1252-XXX 1
L3 Coil, All Frequency 360-1253-XXX 1
L5 Coil, All Frequency 360-1255-XXX 1
TABLE 3-10. OUTPUT NETWORK FREQUENCY DEPENDANT PARTS, 651-770 KHZ,
AM-2.5E - 957-1035-122
REF. DES. DESCRIPTION PART NO. QTY.
C1 Capacitor, Mica, 4300 pF, 8kV, 18 Amperes, ±5% 044-4323-292 1
C2 Capacitor, Mica, 2700 pF, 8kV, 15 Amperes, ±5% 044-2723-292 1
C3 Capacitor, Mica, 4300 pF, 8kV, 18 Amperes, ±5% 044-4323-292 1
C4 Capacitor, Mica, 6800 pF, 4kV, 18 Amperes, ±5% 044-6823-291 1
C5 Capacitor, Mica, 3300 pF, 8kV, 16 Amperes, ±5% 044-3323-292 1
L1 Coil, All Frequency 360-1251-XXX 1
L2 Coil, All Frequency 360-1252-XXX 1
L3 Coil, All Frequency 360-1253-XXX 1
L5 Coil, All Frequency 360-1255-XXX 1
TABLE 3-11. OUTPUT NETWORK FREQUENCY DEPENDANT PARTS, 771-920 KHZ,
AM-2.5E - 957-1035-123
REF. DES. DESCRIPTION PART NO. QTY.
C1 Capacitor, Mica, 3600 pF, 8kV, 18 Amperes, ±5% 044-3623-292 1
C2 Capacitor, Mica, 2200 pF, 8kV, 13 Amperes, ±5% 044-2223-292 1
C3 Capacitor, Mica, 3600 pF, 8kV, 18 Amperes, ±5% 044-3623-292 1
C4 Capacitor, Mica, 5600 pF, 4kV, 18 Amperes, ±5% 044-5623-291 1
C5 Capacitor, Mica, 2700 pF, 8kV, 15 Amperes, ±5% 044-2723-292 1
L1 Coil, All Frequency 360-1251-XXX 1
L2 Coil, All Frequency 360-1252-XXX 1
L3 Coil, All Frequency 360-1253-XXX 1
L5 Coil, All Frequency 360-1255-XXX 1

3-7
TABLE 3-12. OUTPUT NETWORK FREQUENCY DEPENDANT PARTS, 921-1080 KHZ,
AM-2.5E - 957-1035-124
REF. DES. DESCRIPTION PART NO. QTY.
C1 Capacitor, Mica, 3300 pF, 8kV, 16 Amperes, ±5% 044-3323-292 1
C2 Capacitor, Mica, 2000 pF, 10kV, 12 Amperes, ±5% 044-2023-292 1
C3 Capacitor, Mica, 3300 pF, 8kV, 16 Amperes, ±5% 044-3323-292 1
C4 Capacitor, Mica, 4700 pF, 6kV, 16 Amperes, ±5% 044-4723-291 1
C5 Capacitor, Mica, 2200 pF, 8kV, 13 Amperes, ±5% 044-2223-292 1
L1 Coil, All Frequency 360-1251-XXX 1
L2 Coil, All Frequency 360-1252-XXX 1
L3 Coil, All Frequency 360-1253-XXX 1
L5 Coil, All Frequency 360-1255-XXX 1
TABLE 3-13. OUTPUT NETWORK FREQUENCY DEPENDANT PARTS, 1081-1300 KHZ,
AM-2.5E - 957-1035-125
REF. DES. DESCRIPTION PART NO. QTY.
C1 Capacitor, Mica, 2700 pF, 8kV, 15 Amperes, ±5% 044-2723-292 1
C2 Capacitor, Mica, 1600 pF, 10kV, 12 Amperes, ±5% 044-1623-292 1
C3 Capacitor, Mica, 2700 pF, 8kV, 15 Amperes, ±5% 044-2723-292 1
C4 Capacitor, Mica, 3900 pF, 6kV, 15 Amperes, ±5% 044-3923-291 1
C5 Capacitor, Mica, 1800 pF, 10kV, 13 Amperes, ±5% 044-1823-292 1
L1 Coil, All Frequency 360-1251-XXX 1
L2 Coil, All Frequency 360-1252-XXX 1
L3 Coil, All Frequency 360-1253-XXX 1
L5 Coil, All Frequency 360-1255-XXX 1
TABLE 3-14. OUTPUT NETWORK FREQUENCY DEPENDANT PARTS, 1301-1580 KHZ,
AM-2.5E - 957-1035-126
REF. DES. DESCRIPTION PART NO. QTY.
C1 Capacitor, Mica, 2200 pF, 8kV, 13 Amperes, ±5% 044-2223-292 1
C2 Capacitor, Mica, 1300 pF, 10kV, 11.0 Amperes, ±5% 044-1323-292 1
C3 Capacitor, Mica, 2200 pF, 8kV, 13 Amperes, ±5% 044-2223-292 1
C4 Capacitor, Mica, 3300 pF, 6kV, 15 Amperes, ±5% 044-3323-291 1
C5 Capacitor, Mica, 1600 pF, 10kV, 12 Amperes, ±5% 044-1623-292 1
L1 Coil, All Frequency 360-1251-XXX 1
L2 Coil, All Frequency 360-1252-XXX 1
L3 Coil, All Frequency 360-1253-XXX 1
L5 Coil, All Frequency 360-1255-XXX 1

3-8
TABLE 3-15. OUTPUT NETWORK FREQUENCY DEPENDANT PARTS, 1581-1700 KHZ,
AM-2.5E - 957-1035-127
REF. DES. DESCRIPTION PART NO. QTY.
C1 Capacitor, Mica, 1800 pF, 10kV, 13 Amperes, ±5% 044-1823-292 1
C2 Capacitor, Mica, 1100 pF, 10kV, 10 Amperes, ±5% 044-1123-292 1
C3 Capacitor, Mica, 1800 pF, 10kV, 13 Amperes, ±5% 044-1823-292 1
C4 Capacitor, Mica, 2700 pF, 6kV, 13 Amperes, ±5% 044-2723-291 1
C5 Capacitor, Mica, 1300 pF, 10kV, 11 Amperes, ±5% 044-1323-292 1
L1 Coil, All Frequency 360-1251-XXX 1
L2 Coil, All Frequency 360-1252-XXX 1
L3 Coil, All Frequency 360-1253-XXX 1
L5 Coil, All Frequency 360-1255-XXX 1
TABLE 3-16. OUTPUT NETWORK FREQUENCY DEPENDANT PARTS, 522-650 KHZ,
AM-5E - 957-1035-151
REF. DES. DESCRIPTION PART NO. QTY.
C1A, C1B Capacitor, Mica, 2700 pF, 8kV, 15 Amperes, ±5% 044-2723-292 2
C2 Capacitor, Mica, 3300 pF, 12kV, 24 Amperes, ±5% 044-3323-293 1
C3A, C3B Capacitor, Mica, 2700 pF, 8kV, 15 Amperes, ±5% 044-2723-292 2
C4 Capacitor, Mica, 8200 pF, 4kV, 20 Amperes, ±5% 044-8223-291 1
C5A Capacitor, Mica, 2400 pF, 6kV, 13 Amperes, ±5% 044-2423-291 1
C5B Capacitor, Mica, 1500 pF, 6kV, 9.1 Amperes, ±5% 044-1523-291 1
L1 Coil, All Frequency 360-1501-XXX 1
L2 Coil, All Frequency 360-1502-XXX 1
L3 Coil, All Frequency 360-1503-XXX 1
L5 Coil, All Frequency 360-1505-XXX 1
TABLE 3-17. OUTPUT NETWORK FREQUENCY DEPENDANT PARTS, 651-770 KHZ,
AM-5E - 957-1035-152
REF. DES. DESCRIPTION PART NO. QTY.
C1A, C1B Capacitor, Mica, 2200 pF, 8kV, 13 Amperes, ±5% 044-2223-292 2
C2 Capacitor, Mica, 2700 pF, 12kV, 22 Amperes, ±5% 044-2723-293 1
C3A, C3B Capacitor, Mica, 2200 pF, 8kV, 13 Amperes, ±5% 044-2223-292 2
C4 Capacitor, Mica, 6800 pF, 4kV, 18 Amperes, ±5% 044-6823-291 1
C5A Capacitor, Mica, 1500 pF, 6kV, 9.1 Amperes, ±5% 044-1523-291 1
C5B Capacitor, Mica, 1800 pF, 6kV, 11 Amperes, ±5% 044-1823-291 1
L1 Coil, All Frequency 360-1501-XXX 1
L2 Coil, All Frequency 360-1502-XXX 1
L3 Coil, All Frequency 360-1503-XXX 1
L5 Coil, All Frequency 360-1505-XXX 1

3-9
TABLE 3-18. OUTPUT NETWORK FREQUENCY DEPENDANT PARTS, 771-920 KHZ,
AM-5E - 957-1035-153
REF. DES. DESCRIPTION PART NO. QTY.
C1A, C1B Capacitor, Mica, 1800 pF, 10kV, 13 Amperes, ±5% 044-1823-292 2
C2 Capacitor, Mica, 2200 pF, 12kV, 20 Amperes, ±5% 044-2223-293 1
C3A, C3B Capacitor, Mica, 1800 pF, 10kV, 13 Amperes, ±5% 044-1823-292 2
C4 Capacitor, Mica, 5600 pF, 4kV, 18 Amperes, ±5% 044-5623-291 1
C5A Capacitor, Mica, 1500 pF, 6kV, 9.1 Amperes, ±5% 044-1523-291 1
C5B Capacitor, Mica, 1200 pF, 6kV, 8.2 Amperes, ±5% 044-1223-291 1
L1 Coil, All Frequency 360-1501-XXX 1
L2 Coil, All Frequency 360-1502-XXX 1
L3 Coil, All Frequency 360-1503-XXX 1
L5 Coil, All Frequency 360-1505-XXX 1
TABLE 3-19. OUTPUT NETWORK FREQUENCY DEPENDANT PARTS, 921-1080 KHZ,
AM-5E - 957-1035-154
REF. DES. DESCRIPTION PART NO. QTY.
C1A, C1B Capacitor, Mica, 1600 pF, 10kV, 12 Amperes, ±5% 044-1623-292 2
C2 Capacitor, Mica, 2000 pF, 15kV, 20 Amperes, ±5% 044-2023-293 1
C3A, C3B Capacitor, Mica, 1600 pF, 10kV, 12 Amperes, ±5% 044-1623-292 2
C4 Capacitor, Mica, 4700 pF, 6kV, 16 Amperes, ±5% 044-4723-291 1
C5A, C5B Capacitor, Mica, 1100 pF, 6kV, 8.2 Amperes, ±5% 044-1123-291 2
L1 Coil, All Frequency 360-1501-XXX 1
L2 Coil, All Frequency 360-1502-XXX 1
L3 Coil, All Frequency 360-1503-XXX 1
L5 Coil, All Frequency 360-1505-XXX 1
TABLE 3-20. OUTPUT NETWORK FREQUENCY DEPENDANT PARTS, 1081-1300 KHZ,
AM-5E - 957-1035-155
REF. DES. DESCRIPTION PART NO. QTY.
C1A, C1B Capacitor, Mica, 1300 pF, 10kV, 11 Amperes, ±5% 044-1323-292 2
C2 Capacitor, Mica, 1600 pF, 15kV, 18 Amperes, ±5% 044-1623-293 1
C3A, C3B Capacitor, Mica, 1300 pF, 10kV, 11 Amperes, ±5% 044-1323-292 2
C4 Capacitor, Mica, 3900 pF, 6kV, 15 Amperes, ±5% 044-3923-291 1
C5A, C5B Capacitor, Mica, 910 pF, 6kV, 7.5 Amperes, ±5% 044-9113-291 2
L1 Coil, All Frequency 360-1501-XXX 1
L2 Coil, All Frequency 360-1502-XXX 1
L3 Coil, All Frequency 360-1503-XXX 1
L5 Coil, All Frequency 360-1505-XXX 1

3-10
TABLE 3-21. OUTPUT NETWORK FREQUENCY DEPENDANT PARTS, 1301-1580 KHZ,
AM-5E - 957-1035-156
REF. DES. DESCRIPTION PART NO. QTY.
C1A, C1B Capacitor, Mica, 1100 pF, 10kV, 10 Amperes, ±5% 044-1123-292 2
C2 Capacitor, Mica, 1200 pF, 15kV, 15 Amperes, ±5% 044-1223-293 1
C3A, C3B Capacitor, Mica, 1100 pF, 10kV, 10 Amperes, ±5% 044-1123-292 2
C4 Capacitor, Mica, 3300 pF, 6kV, 15 Amperes, ±5% 044-3323-291 1
C5A, C5B Capacitor, Mica, 820 pF, 6kV, 6.8 Amperes, ±5% 044-8213-291 2
L1 Coil, All Frequency 360-1501-XXX 1
L2 Coil, All Frequency 360-1502-XXX 1
L3 Coil, All Frequency 360-1503-XXX 1
L5 Coil, All Frequency 360-1505-XXX 1
TABLE 3-22. OUTPUT NETWORK FREQUENCY DEPENDANT PARTS, 1581-1700 KHZ,
AM-5E - 957-1035-157
REF. DES. DESCRIPTION PART NO. QTY.
C1A, C1B Capacitor, Mica, 910 pF, 10kV, 9.1 Amperes, ±5% 044-9113-292 2
C2 Capacitor, Mica, 1100 pF, 20kV, 15 Amperes, ±5% 044-1123-293 1
C3A, C3B Capacitor, Mica, 910 pF, 10kV, 9.1 Amperes, ±5% 044-9113-292 2
C4 Capacitor, Mica, 2700 pF, 6kV, 13 Amperes, ±5% 044-2723-291 1
C5A, C5B Capacitor, Mica, 620 pF, 6kV, 6.2 Amperes, ±5% 044-6213-291 2
L1 Coil, All Frequency 360-1501-XXX 1
L2 Coil, All Frequency 360-1502-XXX 1
L3 Coil, All Frequency 360-1503-XXX 1
L5 Coil, All Frequency 360-1505-XXX 1

4–1
SECTION IV
OUTPUT NETWORK ASSEMBLY DRAWINGS
4-1. INTRODUCTION.
4-2. This section provides assembly drawings, wiring diagrams, and schematic diagrams as
listed below for the Broadcast Electronics AM-2.5E/AM-5E transmitter output network
assembly.
FIGURE TITLE NUMBER
4-1 SCHEMATIC DIAGRAM, OUTPUT NETWORK AM-2.5E SB957-0068
ASSEMBLY
4-2 SCHEMATIC DIAGRAM, DIRECTIONAL COUPLER SB917-0306-002
CIRCUIT BOARD
4-3 SCHEMATIC DIAGRAM, LIGHTNING DETECTOR SB917-0306-004
CIRCUIT BOARD
---- REFER TO PART I, SECTION VII FOR THE ECU AD917-0306-001/
DISPLAY CIRCUIT BOARD ASSEMBLY -002/-003/-004/-005
/-006/-007/-009/-014
4-4 ASSEMBLY DIAGRAM, LIGHTNING PROTECTION BOARD AB917-0216-003




TABLE OF CONTENTS
PARAGRAPH PAGE NO.
SECTION I ECU THEORY OF OPERATION
1-1 Introduction 1-1
1-3 General Description 1-1
1-5 Functional Description 1-1
1-6 ECU Display Circuit Board 1-1
1-9 Exciter Monitor Mode Control Circuit 1-1
1-10 Autorange Circuit 1-2
1-11 Polarity Control Circuit 1-2
1-12 Half-Wave Rectifier Circuit 1-2
1-13 Meter Circuitry 1-2
1-14 Indicator Circuitry 1-2
1-16 Reset Switch 1-2
1-17 ECU Switch Circuit Board 1-2
1-19 ECU Meter Switch Circuit Board 1-3
1-21 Motherboard 1-3
1-24 Controller Circuit Board 1-3
1-26 Cabinet/External Interlock and Remote Control 1-3
Fail-Safe
1-31 External Mute 1-4
1-33 Antenna Interlock 1-4
1-36 Remote Control 1-9
1-38 Power On 1-9
1-43 Power Control Circuit 1-10
1-46 Power Control Trim Circuit 1-11
1-50 Transmitter Off 1-11
1-51 AC Power Interruptions 1-12
1-55 Forward and Reflected Power Circuitry 1-12
1-57 Foldback Protection 1-13
1-71 Attack Signal Operation 1-16
1-73 1.2: 1 VSWR Conditions 1-16
1-74 Foldback Recovery 1-16
1-82 Exciter Monitoring 1-17
1-84 Power Supply Monitoring 1-18
1-88 RF Power Module Monitoring 1-18
1-91 Fault Circuit 1-19
1-93 Oscillator Circuit 1-19
1-95 Over-Cycle Off Circuit 1-19
1-97 Power Supply Circuit 1-19
1-99 Exciter Circuit Board 1-20
1-100 Left/Right Channel Input Circuit 1-20
1-104 Mono Mode Switching 1-23
1-105 24 uS Delay Circuit 1-23
1-106 Negative Limiter 1-23
1-107 IPM Correction Circuit 1-23
1-109 PWM Circuit 1-23
1-110 PWM Driver Circuit 1-24
1-111 Frequency Synthesizer 1-24
1-117 PWM Reference Circuit 1-24
1-118 Lock Detector Circuit 1-25
PARAGRAPH PAGE NO.
1-120 Stereo Detection Circuit 1-25
1-124 IPM Wave Shape Circuit 1-25
1-125 Phase Modulator Circuit 1-25
1-128 RF Drive Circuit 1-26
1-129 Exciter Failure Detector Circuit 1-26
1-130 Power Supply Circuits 1-26
1-131 Stereo Circuit Board 1-26
1-132 Equalization Circuitry 1-26
1-134 8 Microsecond Delay Circuit 1-29
1-135 4 Microsecond Delay Circuit 1-29
1-136 All-Pass Filter 1-29
1-137 Equalization Selection Circuit 1-29
1-138 L+R and L-R Matrix Circuit 1-29
1-142 Phase Modulator Circuit 1-30
1-146 Band-Pass Filter 1-31
1-147 Transistor Amplifier Circuit 1-31
1-148 Amplitude Limiter Circuit 1-31
1-149 Output Network 1-31
1-150 Operating Mode Selection and Indication Circuit 1-31
1-155 Equalization Selection 1-32
1-158 Pilot Signal 1-32
1-160 Power Supply Filter Network 1-32
1-161 ECU Power Supply Assembly 1-32
SECTION II TRANSMITTER ECU MAINTENANCE
2-1 Introduction 2-1
2-3 Safety Considerations 2-1
2-6 ECU Circuit Board Installation/Removal 2-1
2-9 First Level Maintenance 2-2
2-11 Cleaning and Inspection 2-2
2-13 Second Level Maintenance 2-2
2-15 Electrical Adjustments 2-2
2-17 ECU Extender Circuit Board Operation 2-3
2-19 Controller Circuit Board Adjustments 2-3
2-20 P1 Set - P5 Set Controls 2-3
2-21 FWD and RFL Calibrations 2-3
2-22 ECU Meter Switch Circuit Board Adjustments 2-3
2-23 Forward Power Meter Low and High Scale 2-3
Calibrations
2-24 Reflected Power Meter Low and High Scale 2-3
Calibrations
2-25 FWD and RFL Calibrations 2-4
2-26 Stereo Circuit Board Adjustments 2-4
2-27 Stereo Adjustment 2-4
2-28 Exciter Circuit Board Adjustments 2-4
2-29 Modulation Calibration 2-4
2-30 Phase Modulator Calibration 2-4
2-31 Symmetry Control 2-4
2-32 IPM Correction Circuit Controls 2-4
2-33 Single Chan Mono Level Control 2-4
2-34 Average Modulation Limit Control 2-4
2-35 Neg Limit Control 2-4
2-48 Frequency Calibration Control 2-5
PARAGRAPH PAGE NO.
2-58 Display Circuit Board Adjustments 2-6
2-59 L/L+R and R/L-R Display Calibration Control 2-6
2-66 Troubleshooting 2-6
2-67 Safety Considerations 2-6
2-68 Troubleshooting Procedures 2-7
2-69 Component Replacement Procedure 2-11
SECTION III ECU ASSEMBLY PARTS LIST
3-1 Introduction 3-1
SECTION IV ECU ASSEMBLY DRAWINGS
4-1 Introduction 4-1
LIST OF ILLUSTRATIONS
FIGURE TITLE PAGE NO.
1-1 CONTROLLER CIRCUIT BOARD 1-5
SIMPLIFIED SCHEMATIC
1-2 EXCITER CIRCUIT BOARD 1-21
SIMPLIFIED SCHEMATIC
1-3 STEREO CIRCUIT BOARD 1-27
SIMPLIFIED SCHEMATIC
LIST OF TABLES
TABLE TITLE PAGE NO.
2-1 EXCITER CIRCUIT BOARD TROUBLESHOOTING 2-7
2-2 STEREO CIRCUIT BOARD TROUBLESHOOTING 2-9
2-3 CONTROLLER CIRCUIT BOARD 2-10
TROUBLESHOOTING
2-4 ECU POWER SUPPLY TROUBLESHOOTING 2-11
3-1 REPLACEABLE PARTS LIST INDEX 3-1

1-1
SECTION I
ECU THEORY OF OPERATION
1-1. INTRODUCTION.
1-2. This section presents a general description of the Broadcast Electronics AM-2.5E/AM-5E
transmitter ECU (Exciter/Controller unit).
1-3. GENERAL DESCRIPTION.
1-4. The AM-2.5E/AM-5E transmitter control, status/monitoring circuitry, audio/power PWM
generation, stereo generation circuitry, and meter display circuitry is contained in the
ECU (Exciter/Controller unit) assembly. The ECU is a modular control center designed
for the installation of the: 1) controller circuit board assembly, 2) ECU display and switch
circuit boards, 3) transmitter forward/reflected power meter displays, 4) exciter circuit
board assembly, 5) stereo generator circuit board assembly, and 6) ECU power supply
assembly.
1-5. FUNCTIONAL DESCRIPTION.
1-6. ECU DISPLAY CIRCUIT BOARD.
1-7. The ECU display circuit board contains the controller status display indicators, the power
control switch/indicators, and meter display circuitry (refer to schematic diagram
SD917-0206-001/-008). The circuit board is equipped with the following display
indicators: 1) exciter, 2) power supply, 3) power module, 4) antenna, 5) interlock,
6) remote control, 7) lightning, 8) antenna interlock, 9) foldback, and
10) over-temperature. Control switches include power level 1, power level 2, power level
3, power level 4, power level 5, raise power, and lower power switch/indicators. The meter
display circuitry consists of a driver circuit and a stereo 30-segment LED bar-graph
display.
1-8. The ECU display circuit board also contains left/L+R and right/L-R audio metering
circuits. The left/L+R and right/L-R metering circuits are identical. Therefore, only the
left/L+R metering circuit will be discussed in the following text.
1-9. EXCITER MONITOR MODE CONTROL CIRCUIT. Left, right, and L+R metering samples
from the exciter circuit board and an L-R meter sample from the stereo circuit board are
applied to integrated circuit U1. U1 is controlled by latch U5A and mode switch S1.
When S1 is depressed, a LOW is applied to inverter U4B. U4B outputs a HIGH to clock
latch U5A. The Q output of U5A will respond by routing a HIGH to: 1) U1 and 2) bias Q3
on to illuminate the L+R/L-R switch LED. U1 will select L+R/L-R information for
application to the autorange circuitry. When S1 is depressed again, a HIGH from U4B
will clock latch U5A. The Qoutput of U5A will respond by routing a HIGH to: 1) U1 and
2) bias Q4 on to illuminate the left/right switch LED. U1 will select left/right channel
audio for application to the autorange circuit.

1-2
1-10. AUTORANGE CIRCUIT. The autorange circuit consists of integrated circuits U2A, U3A,
and U3B. An output of U1 is routed to integrated circuit U2A and U3A. U3A is
configured as an amplifier stage. U2A is configured as an amplifier/buffer stage. When
audio is applied to the circuit, U3A amplifies the audio. The output of U3A is half-wave
rectified by diode D1. The output of D1 is applied to integrated circuit U3B. U3B is
configured as a comparator. When the audio level is above the threshold at U3B, U3B
will output a HIGH to transistor Q1. The HIGH biases Q1 off to configure U2A as a
buffer. When the audio level is below the threshold at U3B, U3B will output a LOW to:
1) bias Q1 on to configure U2A as an amplifier with a gain of 10 and 2) illuminate X10
indicator DS1. The output of U2A is routed for application to the polarity control circuit.
1-11. POLARITY CONTROL CIRCUIT. Positive or negative signal monitoring is controlled by
polarity switch S2. Audio from the mode control circuit is applied to integrated circuit
U6A and U7. U6A is configured as an inverting buffer. When S1 is depressed, a LOW is
applied to inverter U4C. U4C outputs a HIGH to clock latch U5B. The Q output of U5B
will respond by routing a HIGH to: 1) U7 and 2) bias Q6 on to illuminate the negative
switch LED. U7 will select inverted audio from U6A for application to a rectifier circuit.
When S1 is depressed again, a HIGH from U4C will clock latch U5B. U5B will respond
by routing a HIGH to: 1) U7 and 2) bias Q5 on to illuminate the positive switch LED. U7
will select non-inverted audio for application to a rectifier circuit.
1-12. HALF-WAVE RECTIFIER CIRCUIT. Integrated circuit U8A and U8B function as a
half-wave rectifier circuit. Audio from integrated circuit U7 is applied to U8A/U8B.
U8A/U8B half-wave rectify the audio for application to the meter display circuitry.
Resistor R38 and capacitor C21 establish the meter ballistics.
1-13. METER CIRCUITRY. The output of the half-wave rectifier circuit is applied to a meter
circuit consisting of: 1) integrated circuits U9, U10, and U11, and 2) 10-segment LEDs
DS7, DS8, and DS9. The output from U8B is applied to meter drivers U9, U10, and U11.
U9/U10/U11 control 10-segment LED sections DS7, DS8 and DS9. Drivers U9/U10/U11
function to illuminate the required segments of DS7/DS8/DS9 to display the left/L+R
levels. One-shot U12 is provided to identify short modulation peaks.
1-14. INDICATOR CIRCUITRY. The display circuit board is equipped with several indicators.
DS22, DS23, DS24, and DS25 are bi-color LEDs providing status indications for the
exciter, power supply, RF power modules, and antenna. The indicators are controlled by
drivers on the controller circuit board. When activated, the drivers will output a HIGH to
illuminate the indicators. A yellow display is generated when the red and green LEDs
are illuminated simultaneously.
1-15. Indicators DS15 through DS20 provide status indications for over-temperature, foldback,
antenna conflict, lightning, remote control, and interlock conditions. The indicators are
controlled by drivers on the controller circuit board. When activated, the drivers will
output a LOW to illuminate the indicators.
1-16. RESET SWITCH. The reset of fault conditions is provided by switch S3. When S3 is
depressed, a HIGH is routed to the controller circuit board to reset the fault conditions.
The switch LED will illuminate when one of the following fault condition occurs:
1) over-temperature, 2) exciter, 3) power supply, 4) RF power module, 5) reflected power
high, 6) reflected power emergency, 7) lightning conditions, or 8) 1.2 : 1 VSWR.
1-17. ECU SWITCH CIRCUIT BOARD.
1-18. ECU power level switches S803 through S807, raise switch S801, lower switch S802, and
off switch S808 are located on the controller switch circuit board (refer to schematic
diagram SD917-0206-001/-008). The switches output +15 volts to activate a function.

1-3
1-19. ECU METER SWITCH CIRCUIT BOARD.
1-20. ECU meter switches S501 and S502 are located on the ECU meter switch circuit board
(refer to schematic diagram SD917-0206-005). The switches control the signals applied
to the forward and reflected power meters. Low scale control R501 and high scale control
R503 calibrate the forward power meter. Low scale control R505, high scale control 506,
and ac sample control R511 calibrate the reflected power meter.
1-21. MOTHERBOARD.
1-22. The interfacing of transmitter status signals, audio, PWM/RF drive signals, and operating
commands to/from the ECU circuit boards is provided by the ECU motherboard assembly
(refer to schematic diagram SB917-0201). Connectors J4, J5, and J6 route status inputs
and control commands to/from the ECU assembly. 80-pin connector J101 is provided for
the exciter circuit board. 50-pin connector J201 is provided for the stereo exciter circuit
board. 80-pin connector J302 and 50-pin connector J301 are provided for the controller
circuit board. Connector J8 routes status signals to/from the display circuit board.
Connector J10 routes control and status signals to/from the switch circuit board.
1-23. The motherboard also contains RFI filters for the ECU remote inputs and outputs. The
filter circuitry consists of single PI-section low-pass RC and LC networks. The networks
prevent RFI from entering the exciter and controller circuitry.
1-24. CONTROLLER CIRCUIT BOARD.
1-25. All transmitter operations are directed by the controller circuit board (refer to Figure
1-1). The controller circuit board is a digital CMOS logic assembly containing control and
parameter monitoring/display circuitry. The control circuitry includes an antenna
interlock circuit, a power control network, and a foldback control circuit. The
monitor/display circuitry includes exciter, power supply, power module, antenna,
interlock, remote control, lightning, antenna interlock, foldback, and over-temperature
networks. The circuitry determines the transmitter output power control operating
characteristics and responses to fault conditions such as an ac power failure, load failure,
power supply failure, or remote control unit failure.
1-26. CABINET/EXTERNAL INTERLOCK AND REMOTE CONTROL FAIL-SAFE. The controller
circuit board monitors: 1) an external interlock and 2) a remote control failĆsafe interlock.
The external interlock is any interlock external to the transmitter such as a test load
interlock. The remote control failĆsafe is an input requiring a +5 to +15 volt signal to
indicate the remote control unit is operational. If the external interlock and the remote
control failĆsafe are closed, the ECU interlock indicator will illuminate and the
transmitter may be energized. If the external interlock opens or the remote control
failĆsafe signal is removed, the transmitter will immediately de-energize and the interlock
indicator will extinguish.
1-27. External Interlock. The transmitter external interlock is an optically coupled input
designed to accept the output of a series interlock switch circuit external to the
transmitter. The circuit accepts a +5 volt to +15 volt output of an interlock circuit
external to the transmitter such as from a test load. Optical coupling of the external
interlock input to the controller circuitry is provided by U11. Diode D17 protects the
circuit from a reverse polarity potential applied to the input.

1-4
1-28. A HIGH is required at the input of coupler U11 when the external interlock is closed.
U11 will output a HIGH to OR gate U69B in the transmitter enable circuit. The HIGH
will configure U69B to output a HIGH to AND gate U71B. U71B will output a HIGH
cabinet command to allow the transmitter to be energized. U71B also outputs a HIGH to
NAND gate U71D. With a HIGH failĆsafe command, U71D will output a HIGH to
illuminate the interlock indicator. When the external interlock is opened, a LOW is
applied to U11. The output of U11 will go LOW. OR gate U69B will respond by
outputting a LOW to AND gate U71B. U71B will output a LOW cabinet command. A
LOW cabinet command configures a power control circuit to operate the transmitter to
off. U71D will output a LOW to: 1) extinguish the interlock indicator and 2) generate a
LOW operate command. A LOW operate command mutes: 1) the exciter PWM signal and
2) the power supply circuit board(s).
1-29. Remote Control Fail-safe. The remote control failĆsafe input is designed to accept a +5 to
+15 volt output from the remote control unit failĆsafe connection. The signal is optically
coupled to the controller circuitry by integrated circuit U56. Diode D23 protects the
circuit from a reverse polarity potential applied to the input.
1-30. A HIGH is required at the input of U56 to indicate when the remote control unit is
operational. The output of coupler U56 will go HIGH. The HIGH will configure OR gate
U45C to output a HIGH failĆsafe signal. The failĆsafe signal is applied to AND gate
U71D. With a HIGH cabinet signal, U71D will output a HIGH to illuminate the interlock
indicator. The HIGH will also bias driver transistor Q48 on to illuminate remote failĆsafe
indicator DS2. When the remote control failĆsafe signal is removed, a LOW is applied to
U56. The output of U56 will go LOW. The LOW generates a LOW transmitter operate
command to mute: 1) the exciter PWM signal, 2) the power supply circuit board(s), and
3) extinguish remote failĆsafe indicator DS2. The LOW from U56 will generate a LOW
failĆsafe command. The LOW is applied to U71D. U71D will output a LOW to extinguish
the interlock indicator.
1-31. EXTERNAL MUTE. The controller circuit board monitors the transmitter mute signal.
The external mute input is designed to accept a +5 to +15 volt output from an antenna
switch controller RF mute circuit. The signal is optically coupled to the controller
circuitry by U10. Diode D16 protects the circuit from a reverse polarity potential applied
to the input.
1-32. A HIGH is required at the input of coupler U10 when the external mute circuit is
required to mute the transmitter RF power output. U10 will output a HIGH to OR gate
U13C and NOR gate U24A. U13C will output a HIGH to inverter U25A. U25A will
output a LOW to U22B. The LOW will configure U22B to output a LOW operate
command to mute: 1) the exciter PWM signal and 2) the power supply circuit board(s).
U24A will output a LOW to disable the antenna conflict indicator operations.
1-33. ANTENNA INTERLOCK. The controller circuit board is equipped with an antenna
interlock circuit. The circuit accepts: 1) control signals from power levels 2 through 5,
and 2) status inputs from three antenna systems. The antenna interlock circuit consists
of: 1) programming switches S1 through S3, 2) OR gates U12A/B and U21A/B, and
3) NAND gates U20A through U20D. The circuit analyzes the information and
determines if a correct antenna system and power level is selected for operation.

597-1112-29
FIGURE 1-1. CONTROLLER CIRCUIT BOARD
SIMPLIFIED SCHEMATIC
(SHEET 1 OF 2)
(1-5/1-6)
COPYRIGHT 1999 BROADCAST ELECTRONICS, INC

597-1112-29B
FIGURE 1-1. CONTROLLER CIRCUIT BOARD
SIMPLIFIED SCHEMATIC
(SHEET 2 OF 2)
(1-7/1-8)
COPYRIGHT 1999 BROADCAST ELECTRONICS, INC

1-9
1-34. To provide an operational example, antenna 1 is designed to operate with power level 2.
When antenna 1 is connected to the transmitter, a HIGH status signal is applied to
optical coupler U7. U7 outputs a HIGH to switch S1. S1 is a four-section SPST switch.
The S1 switch sections are assigned the following power levels: 1) power level 2, 2) power
level 3, 3) power level 4, and 4) power level 5. The switch is programmed by closing the
switch sections for the power levels which are acceptable for the antenna 1 system. The
outputs of programming switch S1 are applied to a control network consisting of: 1) a
power level 2 circuit, 2) a power level 3 circuit, 3) a power level 4 circuit, and 4) a power
level 5 circuit. Each power level control circuit contains an OR gate to monitor the status
of the antenna systems and an AND gate to monitor the status of the selected power level.
1-35. With S1 programmed to operate with power level 2, the HIGH from U7 is applied to OR
gate U12A. U12A will output a HIGH to NAND gate U20A. With power level 2 selected,
a HIGH from BCD-to-decimal decoder U18 will be applied to U20A. U20A will respond
by routing a HIGH to OR gate U21C. U21C will output a HIGH to OR gate U13B.
Programmable jumper J1 is provided to disable the antenna interlock circuit. With the
antenna interlock circuit enabled, U13B will output a HIGH to NOR gate U24A and AND
gate U22B. With no mute or off commands present, U24A will output a LOW to disable
antenna conflict indicator driver Q16. With a closed interlock system and no ac failures
or failĆsafe conditions present, U22B will output a HIGH operate command to enable the
transmitter.
1-36. REMOTE CONTROL. The transmitter control functions, status indications, and metering
signals are designed for remote operation. Control functions require a +5 volt to +15 volt
dc signal to activate the function. Status indications will output a LOW (0 volts) when
active. The remote meter indications can be programmed for +5 volt or +2.5 volt
full-scale meter operations. The circuitry may be interfaced to any type of remote control
unit.
1-37. Remote control of the transmitter is enabled or disabled by remote/local switch S4. S4
enables remote control operation by applying a positive voltage to optical couplers U1
through U6, U32/U33, and U53. S4 disables remote control operation by applying a
ground to the couplers. The remote position allows both local and remote transmitter
control. The local position allows only local control of the transmitter. The remote control
inputs and outputs are RFI filtered on the motherboard for maximum reliability.
1-38. POWER ON. A transmitter power on operation initiates a sequence to determine if all
the interlocks are closed and the remote control unit is operational. RF output power
from the transmitter is enabled by commands from the power level 1 through power level
5 switch/indicators. Each power level switch/indicator provides a one-button power on
start command and configures the transmitter for a specific power output level. Each
switch/indicator will illuminate as selected to indicate the command has been received
and stored by the controller power control circuit.
1-39. Transmitter power is enabled when a power level switch/indicator is activated. For
example, when the ECU power level 2 switch/indicator is depressed, a HIGH is applied to
priority encoder U14. When a remote power level 2 command activated, a HIGH is
applied to optical coupler U4. U4 will output a HIGH to U14. U14 analyzes power level
and off commands to determine priorities when two switches are operated simultaneously.
The off command is assigned the highest priority. When the power level 2 command is
received, U14 will output a binary number to latch U15. U15 outputs the binary number
to latch U17. U15 and U17 operate in association to provide the appropriate output
timing of the binary number to the antenna interlock circuit and to the power control
circuit.

1-10
1-40. The binary power level 2 command from latch U17 is routed to: 1) BCD-to-decimal
decoder U18 and 2) multiplexer U39. U18 is designed to decode the binary number from
U17 and output a HIGH on the appropriate control line to indicate the selected power
level. With the power level 2 selected, a HIGH from BCD-to-decimal decoder U18 is
applied to AND gate U20A. With antenna 1 switch S1 programmed to operate with power
level 2, a HIGH from OR gate U12A is also applied to U20A. U20A will respond by
routing a HIGH to OR gate U21C. U21C will output a HIGH to OR gate U13B. U13B
will output a HIGH to U22B.
1-41. AND gates U69B, U71B, and U71D monitor the status of the external interlock, the
remote control failĆsafe input, and the external/exciter mute commands. The circuit
functions to determine if all the interlocks are closed, the remote control unit is
operational, and the exciter is operational. If the external interlock is closed and the
remote control unit is operational, U71D will output a HIGH to U22B. If no external or
exciter mute commands are present, U13C will output a LOW to inverter U25A. U25A
will output a HIGH to U22B. With a HIGH antenna interlock signal from U13B
indicating a proper antenna/power level selection, U22B will output a HIGH operate
command to the power control circuit, an exciter/power supply mute circuit, and a high
reflected power circuit.
1-42. The HIGH operate signal is routed to the power control circuit to allow the transmitter to
be energized. If the remote control unit fails, or the external or exciter mute signal is
activated, U22B will output a LOW operate command. The LOW operate command
mutes: 1) the exciter PWM signal and 2) the power supply circuit board(s). If the cabinet
or external interlock is opened, AND gate U71B will output a LOW cabinet command. A
LOW cabinet command configures the power control circuit to operate the transmitter to
off. U71D will output a LOW to: 1) extinguish the interlock indicator and 2) generate a
LOW operate command. A LOW operate command mutes: 1) the exciter PWM signal and
2) the power supply circuit board(s).
1-43. POWER CONTROL CIRCUIT. Binary power level information from latch U17 is applied
to multiplexer U39. U39 decodes the power level number and selects a reference voltage
from a potentiometer network. Potentiometers R2 through R6 provide a voltage reference
proportional to output power for power levels 1 through 5. For example, power level 2
selected for operation. With power level 2 selected, U39 will select a reference voltage
from potentiometer R5. The voltage is routed through buffer U40B to digital-to-analog
converter U42.
1-44. U42 is designed to output a reference voltage to a power control driver circuit. U42 is
controlled by up/down counters U30 and U31, multiplexer U27, priority encoder U28, and
divider U26. The up/down counters, multiplexer, and priority encoder function to output
clock signals to U42 in response to fault conditions. U42 will respond by
increasing/decreasing the power reference voltage in response to foldback and release
commands from U27. With no foldback or release signals, U42 will output the power
level 2 reference voltage without change to a power control driver circuit.

1-11
1-45. Power Control Driver Circuit. The power control driver circuit consists of: 1) operational
amplifiers U40B and U44A, 2) switch U41A, and 3) AND gate U36C. The power level
reference voltage from U42 is applied to integrated circuit U40B. U40B is configured as
an inverting amplifier. The output of U40B is applied to comparator U44A and switch
U41A. U41A is controlled by the sample from the output of U44A. U41A is a feedback
control network designed to convert the reference voltage from U40B to a voltage
proportional to power. U44A compares the power level reference to a ramp signal
generated by integrated circuit U40C. U44A produces a square-wave PWM
(pulse-width-modulated) signal which varies in response to the power level. The signal
is ANDed at U36C with the operate signal from U22B. With a HIGH operate signal from
U22B, the PWM signal is routed through carrier control driver Q22 to the power supply
circuit board.
1-46. POWER CONTROL TRIM CIRCUIT. The transmitter RF output power level can be
trimmed to a desired level by the raise/lower switch/indicators. When a raise or lower
switch/indicator is depressed, a HIGH is applied to the raise/lower power adjust circuit.
The circuit consists of: 1) logic gates U24B, U31D, U16B, U23C, and U19C, 2) up/down
counters U34 and U35, and 3) digital-to-analog converter U43. The circuit is designed to
increase or decrease RF output power by increasing/decreasing the reference voltage.
1-47. Logic gates U24B, U31D, U16B, U23C, and U19C control up/down counters U34 and U35.
NOR gate U24B and OR gate U31D monitor raise, lower, and foldback signals. NOR gate
U24B is designed to configure counters U34/U35 to count up or down. U24B will output a
HIGH to configure U34/U35 to count up. U24B will output a LOW to configure U34/U35
to count down. For example, when the raise switch/indicator is depressed, a HIGH is
applied to U34/U35. The HIGH configures U34/U35 to count up. U34/U35 will output
binary numbers to digital-to-analog converter U43. U43 decodes the numbers from
U34/U35 and increases the power control reference voltage generated from power control
D-to-A converter U42. U42 outputs the increased reference voltage to the power control
driver circuit to increase the RF output power.
1-48. Logic gates U16B, U23C, and U19C control the loading of counters U34/U35. The logic
gates monitor: 1) high reflected power conditions, 2) reset conditions, and 3) trim reset
operations. Trim reset is when the power control trim is reset to mid-range when a
power level switch/indicator is depressed. If a trim reset condition, a reset condition, or a
high reflected power condition occurs, U19C will output a HIGH to counters U34/U35.
The HIGH resets counters U34/U35 to mid-range.
1-49. Trim Reset. Trim reset is a function which resets the power control trim function to
mid-range when a power level switch/indicator is depressed. When a power level switch
is depressed, a HIGH trim reset command from U14 is applied through jumper P12 to OR
gate U19C. U19C will output a HIGH to up/down counters U34/U35. The HIGH
configures U34/U35 to mid-range. With U34/U35 at mid-range, the power trim circuit
can be raised or lowered an equal amount. Jumper P12 allows the trim reset function to
be disabled if required.
1-50. TRANSMITTER OFF. RF output power is immediately terminated when the ECU off
switch is depressed. When the off switch/indicator is depressed, a HIGH is applied to OR
gate U13A. U13A will output a HIGH to priority encoder U14. U14 will output a binary
number through latches U15/U17 to BCD-to-decimal decoder U18 and to multiplexer
U39. U18 will output a HIGH to NOR gate U23A. U23A will output a HIGH to bias
power contactor driver Q13 off to disable the fans and the power supplies. U39 will
respond by terminating the power control reference voltage to terminate the power
control PWM signal

1-12
1-51. AC POWER INTERRUPTIONS. The AM-2.5E/AM-5E transmitters are designed to
respond to two different types of ac power interruptions: 1) momentary and 2) extended.
The transmitter will respond to a momentary power interruption by automatically
returning to on-air operation immediately after power is returned to the transmitter.
Automatic return of the transmitter to on-air operation is provided by the controller
circuit board battery backup circuit which maintains the transmitter configuration
information. In the event of an extended ac power interruption, the controller circuit
board is equipped with a programmable ac loss/auto-off circuit. The circuit is designed to
output an off command once power is returned to the transmitter. The ac loss circuit may
be programmed to output an off command after a 1 minute, 4.5 minute, 17 minute, or 68
minute ac power interruption. The circuit primarily designed to be used to prevent the
transmitter from automatically returning to an incorrect antenna or power level after a
power failure.
1-52. The ac loss detection/auto-off circuit consists of: 1) one-shots U57A/U68B, 2) divider U58,
3) OR gate U62C, 4) NOR gate U52A, and inverter U54C. When ac power is applied to
the unit, 120 Hz pulses from an ac detection circuit on the power supply circuit board are
applied to integrated circuit U68B. U68B will respond by routing a LOW pulse to:
1) one-shot U57A, 2) OR gate U62C, and 3) inverter U54C. One-shot U57A responds by
providing a one second delay to allow the circuitry to stabilize. U54C responds by
inverting the LOW to provide a HIGH reset pulse to counter U58. The HIGH disables
counter U58 and prevents the counter from generating an ac fail command.
1-53. When ac power interruption is detected, U68B: 1) routes a HIGH pulse to one-shot
U57A, OR gate U62C, and inverter U54C and 2) outputs a LOW ac fail command. U57A
will output a HIGH to U62C. U62C will output a a HIGH ac fail command. U54C inverts
HIGH to output a LOW to counter U58. U58 will begin a count operation. 0.5 Hz clock
pulses for U58 are provided by U52A and an battery backed-up oscillator. Programmable
jumper P6 programs the counter to provide a 1, 4.5, 17, or 68 minute shutdown command.
When the programmed time has elapsed, U58 will output a HIGH shutdown command to
OR gate U37A. The HIGH is routed through U37A and U31A to priority encoder U14 to
automatically operate the transmitter to off.
1-54. The shutdown signal is also applied to AND gate U71C. If fault conditions have occurred,
U71C will AND a LOW from NOR gate U55 to output a LOW to latch U49D. U49D will
output a LOW to bias transistor Q52 on to maintain the battery supply and the fault
indication circuitry. If no fault conditions exist, U71C will AND a HIGH from NOR gate
U55. U71C will output a HIGH to latch U49D. U49D will output a HIGH to bias
transistor Q52 off to terminate battery operation.
1-55. FORWARD AND REFLECTED POWER CIRCUITRY. Transmitter forward and reflected
power voltage samples are processed by forward and reflected power monitoring circuits.
The circuits are identical therefore, only the forward power circuit will be described.

1-13
1-56. A voltage sample of the forward power is applied through potentiometer R56 and resistor
R183 to integrated circuit U63D. Potentiometer R56 allows the forward power circuit to
be calibrated. U63D operates in association with diodes D35/D36 as a full-wave rectifier.
The full-wave rectified output from U63D is applied to a third order high-pass filter
consisting of U63A, R60, R61, R67, C63, C64, and C88. The dc output of the filter is
applied to comparator U61D. U61D compares the forward power sample to a ramp
voltage generated by integrated circuit U40C. U61D will output a square-wave signal
equal to the forward power voltage sample. The output of U63D is applied to switch
U41B. U41B functions as a feedback control device designed to convert the forward
power voltage sample into a signal proportional to power. The square-wave output from
U41B is applied to a low-pass filter consisting of resistor R70 and capacitor C89. The
output of the low-pass filter generates a dc voltage which is proportional to the forward
power. The voltage is amplified by operational amplifier U64A. The output of U64A is
applied to: 1) the fault detection circuitry, 2) a +5 volt full-scale meter output, and 3)
buffer U64B. Buffer U64B operates in association with programmable jumper P2 to
provide a +2.5 volt full-scale meter output. Jumper P2 enables or disables the +2.5 volt
full-scale meter output.
1-57. FOLDBACK PROTECTION. The controller circuit board is designed to monitor several
operating parameters for problem conditions. Several of the monitored conditions are
routed to a foldback circuit. The foldback circuit will automatically reduce the
transmitter RF output power to an acceptable operating level to prevent damage to the
transmitter. The controller monitors: 1) the cabinet temperature for over-temperature
conditions, 2) reflected power for a high reflected power condition, 3) forward power for
high forward power conditions, and 4) lightning detector for lightning conditions. When
an over-temperature, high reflected power, or a high VSWR condition occurs, the foldback
indicator will illuminate to indicate the transmitter is in a foldback condition.
1-58. If the controller detects a high reflected/forward power, a high VSWR, lightning, or an
over-temperature condition, the foldback circuit will automatically reduce the transmitter
RF output power to an acceptable operating level to prevent damage to the transmitter. If
the controller detects a high reflected power or VSWR condition, the antenna status
indicator will illuminate as described below to indicate the problem.
ANTENNA STATUS INDICATOR CONDITION
YELLOW 1.2 : 1 VSWR or greater.
RED High reflected power condition. A reflected
power condition equal to 100 watts for AM-2.5E
models or 200 watts for AM-5E models.
FLASHING RED Reflected power emergency condition. A
reflected power condition equal to 500 watts for
AM-2.5E models or 1000 watts for AM-5E
models.
1-59. High Forward Power Circuitry. High forward power conditions are monitored by a high
forward power fault detection circuit. Integrated circuits U66A and U66B are configured
as comparators designed to monitor forward power conditions. U66B functions as an
output power monitor. Integrated circuit U66B compares a forward power sample from
U64A to a power control sample. U66A compares a forward power sample from U41B to a
voltage reference.

1-14
1-60. Comparators U66A/U66B operate in association to monitor high forward power
conditions. U66A/U66B use the high reflected power attack circuitry to reduce the
transmitter power when a high forward power condition occurs. When the transmitter
power is greater than 90%, U66B will output a HIGH. When a high forward power
conditions results in the forward power sample to increase above the voltage reference by
approximately 20%, the output of U66A will go HIGH. The HIGH is applied to AND gate
U47B. With a HIGH from U66B, U47B will output a HIGH to OR gate U62A. U62A will
output a HIGH to AND gate U47A. With a HIGH enable failure signal, U47A will output:
1) a HIGH reflected power high attack signal to priority encoder U28 and 2) a HIGH to
latch U67A. The HIGH reflected power attack signal is used by U28 to initiate an attack
sequence to reduce the transmitter output power. The HIGH to U67A will configure
U67A to output a HIGH reflected power signal to enable latch U48D. U48D will output a
HIGH to bias: 1) alarm status indicator driver transistors Q34 and Q35 on and
2) antenna indicator driver Q28 on. When the transmitter power is reduced to
approximately 90%, the output of U66B will go LOW. The LOW is applied to U47B.
U47B will output a LOW through U62A to U47A. U47A will respond by routing a LOW to
terminate the high reflected power attack signal. The indicators will remain illuminated
until the alarm reset switch is depressed.
1-61. High Reflected Power Circuitry. Integrated circuit U65C monitors reflected power
conditions. U65C compares a reflected power sample from U64C to a voltage reference.
When the reflected power sample increases above the voltage reference, the output of
U65C will go HIGH. The HIGH is applied through OR gate U62A to AND gate U47A.
With a HIGH enable failure signal, U47A will output: 1) a HIGH reflected power high
attack signal to priority encoder U28 and 2) a HIGH to latch U67A. The HIGH reflected
power attack signal is used by U28 to initiate an attack sequence to reduce the
transmitter output power. The HIGH to U67A will configure U67A to output a HIGH
reflected power signal to enable latch U48D. U48D will output a to HIGH to bias:
1) alarm status indicator driver transistors Q34 and Q35 on and 2) antenna mismatch
indicator driver Q28 on.
1-62. Over-temperature Circuitry. Over-temperature conditions are monitored by an
over-temperature fault detection circuit. A dc voltage representing the transmitter
temperature is applied to: 1) integrated circuits U65A/U65B and 2) integrated circuit
U61A. When the temperature voltage increase above a reference voltage, the output of
U65A will go HIGH. The HIGH is routed to AND gate U51D. With a HIGH enable
failure signal, U51D will output: 1) a HIGH over-temperature attack signal to priority
encoder U28 and 2) a HIGH to latch U67C. The HIGH over temperature attack signal is
used by U28 to initiate an attack sequence to reduce the transmitter output power. The
HIGH to U67C will configure U67C to output a HIGH: 1) over-temperature signal to
latch U49B and 2) to AND gate U47D. The output of U49B will go HIGH to bias:
1) alarm status indicator driver transistors Q34 and Q35 on and 2) over-temperature
indicator drivers Q32 and Q36 on. When the transmitter temperature is reduced to 70
degrees C, the output of U65A will go LOW and the output of U65B will go HIGH. The
LOW is applied to U51D. U51D will output a LOW to terminate the over-temperature
attack signal. The indicators will remain illuminated until the alarm reset switch is
depressed. The from HIGH from U65B is also applied to U47D. With the HIGH from
U67C, U47D will output a over temperature release signal to encoder U28.
1-63. U61A is configured as a comparator designed to monitor extreme temperature conditions.
When the temperature voltage increases above the reference voltage, the output of U61A
will go HIGH. U61A will output a HIGH temperature shutdown command to U13A of the
transmitter off control circuit.

1-15
1-64. Reflected Power Emergency. Reflected power emergency conditions are monitored by
comparator U66D. U66D compares a reflected power sample to a fast voltage reference
from U63C. When a reflected power emergency causes the sample to increase above the
reference, the output of U66D will go LOW. The LOW is applied to OR gate U62B. U62B
will output a LOW reflected power emergency attack signal to NAND gate U60D. With a
HIGH lightning detector signal indicating no lightning activity, U60D will output a HIGH
to latch U59A and OR gate U45B. U45B will output a HIGH: 1) to AND gate U47C, 2) to
OR gate U19A, and 3) emergency mute command. With a HIGH enable failure signal,
U47C will output a HIGH fast foldback attack signal to priority encoder U28. U19A will
output a HIGH to: 1) bias driver transistor Q50 on to illuminate PWM mute indicator
DS3 and 2) inverter U54A. U54A will output a LOW to bias driver transistor Q51 off to
mute the PWM signal.
1-65. A LOW reflected power emergency attack signal is also applied to inverter U60C. U60C
will output a HIGH to OR gate U69C. U69C is designed as a latching gate. When a
reflected power emergency attack signal is present, a LOW foldback reset command will
bias transistor Q56 off. This allows the output of U69C to be latched HIGH to maintain
the indicator circuitry when the condition is removed.
1-66. The HIGH from U69C is applied to reflected power emergency latch U49A. The output of
U49A will go HIGH. The HIGH is applied to: 1) OR gate U50B, 2) NOR gate U55,
3) AND gate U51A, and 4) transistor Q29. OR gate U50B will output a HIGH to bias Q39
off to disable the green antenna status indicator. NOR gate U55 will output a LOW which
is inverted at U54F. U54F will output a HIGH to bias Q34 and Q35 on to enable the
alarm indicator. U51A ANDs a 2 Hz signal with the HIGH from U49A to generate a
flashing signal to OR gate U50C. U50C will output the signal through U51 and U50 to
transistor Q38. The output of Q38 will flash to generate a flashing red antenna status
indicator. Transistor Q29 will be biased on to provide a LOW remote reflected power
emergency signal.
1-67. Lightning Conditions. Lightning conditions are monitored by NAND gate U60D. When
lightning is detected at the transmitter output, the lightning detector status input will go
LOW. The LOW is applied to NAND gate U60D and inverter U46B. U60D will output a
HIGH to latch U59A and to OR gate U45B. With a HIGH from U60D, U45B will output a
HIGH: 1) to AND gate U47C, 2) to OR gate U19A, and 3) emergency mute command.
With a HIGH enable failure signal, U47C will output a HIGH fast foldback attack signal
to priority encoder U28. U19A will output a HIGH to: 1) bias driver transistor Q50 on to
illuminate PWM mute indicator DS3 and 2) inverter U54A. U54A will output a LOW to
bias driver transistor Q51 off to mute the PWM signal.
1-68. Inverter U46B will respond by routing a HIGH to latch U49C. The output of U49C will
go HIGH. The HIGH is applied to NOR gate U55 and to transistors Q33 and Q37. The
HIGH will bias Q33 and Q37 on to illuminate the lightning status indicators. NOR gate
U55 will output a LOW which is inverted at U54F. U54F will output a HIGH to bias Q34
and Q35 on to enable the alarm indicator.
1-69. Foldback Indication. Two circuit functions are monitored to indicate when the
transmitter is in a foldback condition: 1) when the Q2 output of U28 is HIGH and
2) when the carryout signal of U31 is HIGH. When priority encoder U28 outputs a binary
number in response to an attack signal, the Q2 output of U28 will be HIGH. The HIGH is
applied to latch U67D. The Q output of U67D will go HIGH. The HIGH is inverted at
U25C and applied to NAND gate U16C.

1-16
1-70. When a foldback condition, counter U31 will not be clocked to a maximum number
resulting in a HIGH carryout signal. The HIGH is inverted at U25B. U25B will output a
LOW to U16C. With a LOW from U25B or U25C, U16C will output a HIGH to foldback
indicator driver transistors Q20 and Q21. The transistors will be biased on to indicate the
transmitter is in a foldback condition.
1-71. ATTACK SIGNAL OPERATION. During high reflected/forward power, reflected power
emergency, over-temperature, or lightning conditions, an attack signal is applied to
priority encoder U28. U28 is designed to determine priorities if two attack signals occur
simultaneously. U28 will respond by routing a binary number to multiplexer U27. U27
will respond by selecting a clock signal from integrated circuit U26. U26 is a divider
designed to generate several clock signals. The clock signals are used to drive the power
control circuit up/down counters up or down as determined by the type of attack or
release signal applied to U28. For example, a high reflected power condition selects a 4
Hz clock signal. An over-temperature signal will select a 1/16th Hz clock signal.
1-72. The signal from U27 is applied to up/down counters U30/U31. U30/U31 will respond by
counting down and routing binary numbers to digital-to-analog converter U42. U42 will
respond by routing a reduced voltage reference to U43. U43 will output a reduced
reference voltage to reduce the transmitter output power.
1-73. 1.2 : 1 VSWR CONDITIONS. 1.2 : 1 VSWR conditions are monitored by a VSWR
detection circuit. The detection circuit consists of comparator U66C. U66C compares a
forward power sample to a reflected power sample. When the reflected power sample
increases above a forward power sample at approximately 1.2: 1, the output of U66C will
go LOW. The LOW is inverted at U54E. U54E will output a HIGH 1.2 : 1 VSWR signal to
OR gate U50C. U50C will output a HIGH to AND gate U51B and NAND gate U52C.
With a LOW reflected power emergency signal from U51A, U51B will output a LOW to
AND gate U50D. With a HIGH from U50C and a LOW from U51A, AND gate U52C will
output a LOW to U50D. U50D will respond by routing a LOW to antenna status red
indicator driver Q38. The output of Q38 will go LOW to bias the red antenna indicator
on. With no reflected power conditions, the output of OR gate U50B will be LOW. The
LOW biases the green antenna indicator on. This will result in a yellow antenna LED
indication.
1-74. FOLDBACK RECOVERY. When the foldback circuit is activated in response to a problem,
the controller will initiate a recovery sequence. The following text describes the reflected
power recovery, over temperature recovery, and reflected power emergency/lightning
recovery.
1-75. High Reflected Power Recovery. When the reflected power is reduced to a level below
the reference at U65C, U65C will output a LOW to U62A. With a LOW from U47B, U62A
will output a LOW to U47A. U47A will output a LOW reflected power high attack signal
to terminate foldback operation. Once the problem which caused the high reflected power
condition is removed, the transmitter will output a high reflected power release signal
(refer to the following text).
1-76. High Forward Power Recovery. High forward power conditions use the high reflected
power circuitry to reduce/recover the transmitter output power. When the transmitter
power is reduced to approximately 90%, the output of comparator U66B will go LOW. The
LOW is applied to AND gate U47B. U47B will output a LOW through U62A to AND gate
U47A. U47A will respond by routing a LOW to terminate the high reflected power attack
signal. Once the problem which caused the high forward power condition is removed, the
transmitter will output a high reflected power release signal (refer to the following text).

1-17
1-77. High Reflected Power Release Signal. A reflected power release signal is controlled by
AND gate U38A. When condition causing the high forward/reflected power condition is
removed, a HIGH operate signal, a HIGH 1.2 : 1 VSWR signal from comparator U66C,
and a HIGH from latch U67A will be ANDed at U38A. U38A will respond by routing a
HIGH reflected power release signal to priority encoder U28. U28 will respond by
routing a binary number to multiplexer U27. U27 will respond by selecting a clock signal
from integrated circuit U26. U26 is a divider designed to generate several clock signals.
The clock signals are used to drive the power control circuit up/down counters up as
determined by the type of release signal applied to U28. For example, a high reflected
power release condition selects a 2 Hz clock signal. The 2 Hz clock signal from U27 is
applied to up/down counters U30/U31. U30/U31 will respond by counting up and routing
binary numbers to digital-to-analog converter U42. U42 will respond by routing an
increased voltage reference to U43. U43 will output an increased reference voltage to
increase the transmitter output power.
1-78. Over-Temperature Recovery. When the condition which caused the over-temperature
problem is removed, the transmitter will initiate a recovery sequence. The output of
comparator U65A will go LOW. The LOW is applied to AND gate U51D. With a HIGH
enable failure signal, U51D will output a LOW to terminate the over-temperature attack
signal.
1-79. When the temperature is reduced to approximately 55 degrees C, the output of
comparator U65B will go HIGH. The HIGH is applied to AND gate U47D. With the
HIGH from latch U67C, U47D will output a HIGH over-temperature release signal to
priority encoder U28. U28 will respond by routing a binary number to multiplexer U27.
U27 will respond by selecting a 1/16 Hz clock signal from integrated circuit U26. The
1/16 Hz clock signal from U27 is applied to up/down counters U30/U31. U30/U31 will
respond by counting up and routing binary numbers to digital-to-analog converter U42.
U42 will respond by routing an increased voltage reference to U43. U43 will output an
increased reference voltage to increase the transmitter output power.
1-80. Reflected Power Emergency/Lightning Recovery. When the condition which caused the
reflected power emergency/lightning problem is removed, the transmitter will initiate a
recovery sequence. The sequence is initiated by comparator U65D. U65D compares a fast
reflected power voltage sample to a reference voltage. When the sample voltage is below
the reference, the output of U65D will go HIGH. The HIGH is applied to AND gate
U71A. With a HIGH from latch U67B, U71A will output a fast foldback release signal to
priority encoder U28. U28 will respond by routing a binary number to multiplexer U27.
U27 will respond by selecting a 512 Hz clock signal from integrated circuit U26. The 512
Hz clock signal from U27 is applied to up/down counters U30/U31. U30/U31 will respond
by counting up and routing binary numbers to digital-to-analog converter U42. U42 will
respond by routing an increased voltage reference to U43. U43 will output an increased
reference voltage to increase the transmitter output power.
1-81. In addition to the sequence initiated by U65D, a HIGH foldback reset command is applied
to transistor Q56. The HIGH biases Q56 on to unlatch OR gate U69C. U69C will output
a LOW to latch U49A to allow the latch to be reset.
1-82. EXCITER MONITORING. The operating condition of the exciter is monitored by a exciter
status circuit. During an exciter fault condition, the exciter fault status input will go
HIGH. The HIGH is applied to AND gate U36D. With a HIGH enable failure signal,
U36D will output a HIGH to latch U48A. U48A will output a HIGH to: 1) bias driver
transistor Q45 off to extinguish the exciter indicator green LED and 2) inverter U46A.
U46A will output a LOW to bias driver transistor Q44 on. This will illuminate the
exciter indicator red LED.

1-18
1-83. A HIGH exciter fault signal is also applied to OR gate U13C. U13C will output a HIGH to
inverter U25A. U25A will output a LOW to AND gate U22B. U22B will output a LOW
transmitter operate command to mute: 1) the exciter PWM signal and 2) the power
supply circuit board(s).
1-84. POWER SUPPLY MONITORING. The power supply(s) operating condition is monitored
by a power supply status circuit. The following text presents the power supply
monitoring operations.
1-85. Power Supply Fault. During a power supply fault condition, the power supply fault status
input will go LOW. The LOW is applied to OR gate U45A. With a LOW ac fail signal
present, U45A will output a LOW to NAND gate U60A. With a HIGH power supply
emergency signal present from U46D, U60A will output a HIGH to latch U48B. U48B
will output a HIGH to: 1) bias driver transistor Q43 off to extinguish the power supply
indicator green LED and 2) NOR gate U52D. U52D will output a LOW to bias driver
transistor Q42 on. This will illuminate the power supply indicator red LED.
1-86. Power Supply Emergency Condition. During a power supply emergency condition, the
power supply emergency fault status input will go HIGH. The HIGH is applied to AND
gate U36B. With a HIGH enable failure signal present, U36B will output a HIGH to:
1) inverter U46D and 2) OR gate U37B. U46D will output a LOW to NAND gate U60A.
U60A will output a HIGH to latch U48B. U48B will output a HIGH to: 1) bias driver
transistor Q43 off to extinguish the power supply indicator green LED and 2) NOR gate
U52D. U52D will output a LOW to bias driver transistor Q42 on to illuminate the power
supply indicator red LED. With a HIGH from U36B applied to U37B, U37B will output a
HIGH emergency off signal to OR gate U37A. This configures U37A and OR gate U13A
to generate a transmitter off signal.
1-87. Power Supply Maintenance Condition. During a power supply maintenance condition,
the power supply maintenance fault status input will go HIGH. The HIGH is applied to
NOR gate U52D. U52D will output a LOW to bias transistor Q42 on. This will illuminate
the power supply indicator red LED. With no power supply fault indications, the output
of U48B will be LOW. The LOW bias driver transistor Q43 on to illuminate the power
supply indicator green LED. The simultaneous illumination of the indicator green and
red LEDs will produce a yellow maintenance indication.
1-88. RF POWER MODULE MONITORING. The RF power module operating condition is
monitored by an RF power module status circuit. The following text presents the RF
power module monitoring operations.
1-89. RF Power Module Fault. During an RF power module fault, the power supply fault status
input will go LOW. The LOW is applied to inverter U46F. U46F will output a HIGH to
latch U48C. U48C will output a HIGH to: 1) bias driver transistor Q41 off to extinguish
the RF power module indicator green LED and 2) NOR gate U52B. U52B will output a
LOW to bias driver transistor Q40 on. This will illuminate the RF power module
indicator red LED.
1-90. RF Power Module Maintenance Condition. During an RF power module maintenance
condition, the RF power module maintenance fault status input will go HIGH. The HIGH
is applied to NOR gate U52B. U52B will output a LOW to bias transistor Q40 on. This
will illuminate the RF power module indicator red LED. With no RF power module fault
indications, the output of U48C will be LOW. The LOW will bias driver transistor Q41 on
to illuminate the RF power module indicator green LED. This simultaneous illumination
the indicator green and red LEDs will produce a yellow maintenance indication.

1-19
1-91. FAULT CIRCUIT. Exciter, power supply, RF power module, reflected power high, reflected
power emergency, over-temperature, lightning, or a 1.2 : 1 VSWR conditions are
monitored for faults by individual status circuits. In the event of a fault, the appropriate
circuit will latch the fault for display by the controller circuit board indicators. If a circuit
detects a fault condition, a HIGH signal will be applied to NOR gate U55. U55 will output
a LOW to inverter U54F. U54F will output a HIGH to bias alarm driver transistors Q34
and Q35 on to illuminate the alarm indicator.
1-92. When a fault condition is removed, the fault circuit latch must be manually reset using
the reset switch. When the reset switch is depressed, a HIGH reset command is applied
to OR gate U12C. U12C will output a HIGH reset command to latches U48A, U48B,
U48C, U48D, U49A, U49B, and U49C. The Q output of each latch will go LOW. The
LOWs are applied to NOR gate U55. U55 will output a HIGH to inverter U54F. U54F
will output a LOW to bias driver transistors Q34 and Q35 off to extinguish the alarm
indicator.
1-93. OSCILLATOR CIRCUIT. Reference frequencies for controller circuit operation are
provided by an oscillator circuit. The oscillator circuit consists of: 1) comparators U40C
and U44B, 2) resistors R24, R28, R27, R29, R30 and R31, 3) capacitor C38, and 4) inverter
U46A. The oscillator is designed to output a 1 kHz square wave signal. Oscillator
symmetry control is provided by resistors R24 and R27. The oscillator frequency is
controlled by resistor R29 and capacitor C38.
1-94. Integrated circuit U40C compares a 1 kHz signal to a reference voltage. As a result,
U40C will output a ramp signal to comparator U44A. U44A uses the signal to generate
the power control PWM signal. The ramp symmetry is controlled by R30 and R31.
1-95. OVER-CYCLE OFF CIRCUIT. The controller circuit board is equipped with an over-cycle
circuit. The circuit is designed to prevent damage to the crowbar resistors on the power
supply circuit board during 7 transmitter on/off cycles within 15 seconds. Conditions
causing the transmitter to over-cycle off include ac failure and manual on/off control
operation. The circuit consists of AND gate U22A, inverter U25F, pulse generator U59B,
capacitor C132, and comparator U44D.
1-96. The circuit monitors the transmitter off, power supply mute, and ac fail conditions. AND
gate U22B provides off signals during manual off operations. NOR gate U23A provides
an off signal during power supply mute conditions. AC fail provides an off signal during
ac fail conditions. During a transmitter off operation, a LOW from AND gate U22B, NOR
gate U23A, or AC fail is applied to AND gate U22A. U22A will output a LOW to inverter
U25F. U25F will output a HIGH: 1) to pulse generator U59B and 2) power inhibit signal.
U59B will output a HIGH to capacitor C132. If the transmitter is operated to off 7 times
within 15 seconds, capacitor C132 will charge and provide a HIGH to comparator U44D.
When the voltage increases above the reference, U44D will output a HIGH over-cycle off
command to OR gate U37B. U37B will output a HIGH emergency off command to operate
the transmitter to off if one of the following conditions occur: 1) open cabinet or external
interlock, 2) power supply emergency, 3) over-cycle off, or 4) the ac line is above 260 Volts.
The emergency off signal is routed to the remote panel by transistor Q56.
1-97. POWER SUPPLY CIRCUIT. The controller circuit board operates from ±15 volt dc
supplies. The +15 volt supply is equipped with a battery backup system. A nine volt
battery provides a dc supply to maintain the controller logic during an ac power failure.
Switch S5 allows the battery to be tested. When switch S5 is depressed, the battery
voltage is applied to comparator U44C. If the battery voltage is above the reference, the
output of U44C will go LOW to illuminate battery ok indicator DS1.

1-20
1-98. The battery backup system is equipped with a battery save function. If no fault
conditions have occurred during a power failure, NOR gate U55 will output a HIGH to
AND gate U71C. With a HIGH shutdown signal, U71C will output a HIGH to latch
U49D. U49D will output a HIGH to bias transistor Q52 off to terminate battery
operation.
1-99. EXCITER CIRCUIT BOARD.
1-100. LEFT/RIGHT CHANNEL INPUT CIRCUIT. Left/right channel audio from the studio or
audio processing equipment is applied to the exciter circuit board left and right channel
input circuits (refer to Figure 1-2). The input circuits consist of: 1) RFI filters,
2) high-pass filter networks, 3) instrumentation amplifiers, 4) high frequency boost
circuitry, and 5) active PWM filter equalizers. The left and right channel input circuits
are identical. Therefore, only the left channel input circuit is discussed.
1-101. Left channel audio is applied to a balanced 600 Ohm resistive impedance network and an
80 kHz RFI filter network. The impedance and RFI filter networks are located on the
motherboard assembly. The output of the circuitry on the motherboard is applied to a
defeatable 10 Hz high-pass filter network consisting of capacitors C147 through C150 and
jumpers P12A and P12B. The 10 Hz high-pass filter is provided to remove low frequency
residual products from specific audio processing units. Jumpers P12A and P12B are
provided to bypass the high-pass filter networks. The output from the high-pass filter
network is applied to an instrumentation amplifier.
1-102. Integrated circuits U1A, U1B, and U2A are configured as an instrumentation amplifier
circuit. The circuit is designed to provide balanced-to-unbalanced signal conversion.
The output of the instrumentation amplifier is applied to a defeatable high frequency
boost circuit. The high frequency boost circuit is designed to increase high frequency
response to compensate for a Bessel filter in the pulse-width-modulation (PWM)
modulator circuit. If the high frequency boost circuit is enabled, the circuit will result in
a compromise between the frequency and transient response performance. If the high
frequency boost circuit is enabled, the transmitter frequency response will increase
approximately 2 dB at 10 kHz and the transient response will degrade. If the high
frequency boost circuit is disabled, the transmitter frequency response will decrease 2 dB
at 10 kHz and the transient response will improve. Programmable jumper P2 is provided
to bypass the left channel high frequency boost circuit if required. The output of the high
frequency boost circuit is routed to an active PWM filter/equalizer and a mono mode
switching circuit.
1-103. Integrated circuits U3A and U3B are configured as an active PWM filter/equalizer. The
PWM filter/equalizer is a fifth order low-pass filter. The filter is incorporated into the
circuit to match the characteristics of a filter contained in the pulse-width-modulation
(PWM) circuitry. The filter is required to provide: 1) accurate left and right channel
metering and 2) superior stereo equalization. The output from the PWM filter/equalizer
is routed for application to the stereo circuit board.

597-1112-24A
FIGURE 1-2. EXCITER CIRCUIT BOARD
SIMPLIFIED SCHEMATIC
(1-21/1-22)
COPYRIGHT 1999 BROADCAST ELECTRONICS, INC

1-23
1-104. MONO MODE SWITCHING. Left and right channel audio from the input circuit is
applied to monophonic mode selection integrated circuit U39. U39 is controlled by:
1) mono L, mono R, and mono SC signals from the stereo circuit board and 2) mono left or
mono right channel select jumper P4. If the transmitter is equipped with the stereo
circuit board and monophonic operation is required, LOW control signals from the
following control lines are applied to configure U39 to select the desired monophonic
audio: 1) mono SC control line and 2) mono L or mono R control lines. If the transmitter
is not equipped with the stereo circuit board, jumper P4 is installed in the left or right
channel position to configure U39 to select left or right channel audio for monophonic
operation. The output of U39 is applied to single channel monophonic boost amplifier
U8A. The monophonic boost circuit is designed to provide up to 6 dB of additional gain
for monophonic operations. This level allows the transmitter to operate at 100%
modulation. Potentiometer R41 allows the adjustment of the monophonic boost level. A
monophonic boost control in most audio processing equipment also provides additional
gain for monophonic conditions. If the transmitter is configured for stereo operation, U39
sums the left and right channels to produce the stereo L+R information. The L+R
information is applied through monophonic boost circuit U8A to the 24 uS delay circuit.
1-105. 24 uS DELAY CIRCUIT. Integrated circuits U8B, U9A, and U9B are configured as a 24
uS delay circuit. The delay circuit is incorporated into the L+R audio path to ensure all
required stereo equalization will be performed in the L-R audio path. This eliminates the
requirement for complex adjustable delay circuitry in the L+R path.
1-106. NEGATIVE LIMITER. The output from the delay circuit is applied to a negative limiter
circuit. The circuit consists of integrated circuit U14A, diodes D1 and D2, and negative
limit control R76. The circuit is designed to prevent the loss of carrier during negative
modulation. Potentiometer R76 allows the circuit to be adjusted from 90% to 100%. The
output of the limiter is applied a incidental-phase-modulation (IPM) correction circuit
and a PWM circuit. A sample from the negative limiter circuit is applied to comparator
U43. When the negative limiter circuit is enabled, the output of U43 will go high to
illuminate negative limiter indicator DS5.
1-107. IPM CORRECTION CIRCUIT. L+R audio from negative limiter U14A is applied through
buffer U15A to a low-pass filter. The filter is a fifth order low-pass filter consisting of
integrated circuits U15B and U16A. The filter is designed to provide: 1) the correct time
delay for IPM correction and 2) the correct frequency response for L+R metering. The
output from the filter: 1) is applied to inverting buffer U16B and 2) provides an IPM
adjust signal to the IPM corrector circuit. Buffer U16B inverts the L+R signal and
removes a dc sample introduced by the negative limiter. The output of U16B is applied to
the L+R metering circuitry.
1-108. A power control PWM signal from the controller circuit board is applied to low-pass filter
U17B. U17B is designed to convert the power control PWM signal to a dc control voltage.
The output of U17B is applied to inverting amplifier U17A. The output of U17A provides
an IPM power reference signal to the IPM wave shape circuit.
1-109. PWM CIRCUIT. L+R audio from the negative limiter circuit is applied to amplifier U14B.
U14B amplifies the L+R signal to a 4 volt peak-to-peak level with a -0.5 volt dc potential.
This provides a 40% nominal duty cycle at the output of a PWM comparator to allow the
circuitry to modulate the transmitter from -100% to +150%. The output of U14B is
applied to high-speed PWM comparator U22A. U22A compares the L+R signal with a
reference signal from integrator U12 to generate a square-wave PWM control signal. The
square wave duty cycle varies in response to the L+R audio level. The output of U22A is
applied to the PWM driver circuit and an exciter failure detector circuit.

1-24
1-110. PWM DRIVER CIRCUIT. The PWM control signal from PWM comparator U22A is applied
a PWM driver circuit. The circuit consists of: 1) inverters U21A through U21F, 2) line
drivers U19, U20, and U45, and 3) diodes D6 through D21 and D47 through D50. The
PWM control signal is applied to inverters U21A through U21F. The inverted PWM
signals from U21A through U21F are applied to inverting line drivers U19, U20, and U45.
U19, U20, and U45 operate in parallel to lower the output impedance. The outputs from
U19, U20, and U45 are applied to each RF amplifier module modulator circuit board.
Diodes D6 through D21 and D47 through D50 protect U19/U20/U45 from latch-up
conditions. The PWM circuit is protected from over-modulation conditions by an
over-modulation PWM mute circuit consisting of transistor Q23, capacitor C173, and
diode D65. If the modulation level increases above 150%, the circuit will output a HIGH
to mute line drivers U19, U20, and U45.
1-111. FREQUENCY SYNTHESIZER. The exciter circuit board frequency synthesizer is a
phase-locked-loop circuit which generates and maintains the phase and frequency of a
voltage-controlled-oscillator (VCO) to a high level of precision. The circuit is designed
with the ability to synthesize: 1) 119 frequencies within the 522 kHz to 1705 kHz AM
broadcast band in 10 kHz increments or 2) 123 frequencies within the 522 kHz to 1705
kHz AM broadcast band in 9 kHz increments.
1-112. The synthesizer operates from binary coded carrier frequency information entered into
frequency programming switch S2. The binary formatted frequency is applied to
frequency synthesizer integrated circuit U25. U25 operates from 10.24 MHz reference
oscillator Y1. Capacitor C108 allows the reference to be calibrated. Regulator U24
provides a stable voltage supply for frequency synthesizer U25.
1-113. Once programmed, U25 will output a series of rectangular-wave pulses to loop filter
U26B and low-pass filter U26A. U26A and U26B function together to generate a stable
dc control voltage for application to a voltage-controlled-oscillator (VCO) module. The
control voltage is used by the VCO module to generate a precision frequency reference. A
constant current source for the VCO module is provided by transistor Q3.
1-114. Precision alignment of the VCO output is maintained by the phase-locked-loop design.
Feedback samples are monitored by a lock detector circuit. If the VCO frequency shifts
from the programmed operating state, the output of U25 will change to adjust the control
voltage and maintain a stable VCO output.
1-115. The output of the VCO module is applied through transistor amplifier Q4 to inverter
U30A. The output of U30A is applied to NAND gate U30B. A sample of U30A is applied
to U25 for feedback.
1-116. The output of U30B is applied to a synchronous divider consisting of integrated circuits
U29, U31A, U31B, U42A, and U42B. Depending on the carrier frequency: 1) the original
synthesizer frequency or a divide-by-2 frequency is used to generate a 4XFc (four times
carrier frequency) signal for application to the stereo circuit board and 2) a divide-by-4 or
a divide-by-8 signal is used to generate the carrier frequency. The carrier frequency is
applied to NAND gate U30C. Jumpers P6A and P6B program the divider as determined
by the carrier frequency.
1-117. PWM REFERENCE CIRCUIT. The PWM frequency is generated by oscillator Y2, binary
counter U44, and switch S1. The PWM frequency generator outputs a 115.4 kHz to 138.5
kHz signal to an integrator circuit. The PWM frequency is: 1) generated by one of four
different crystals and 2) determined by several operating parameters. The output of U44
is applied to Integrator U12. U12 is designed to generate a precision triangle-wave signal
for application to PWM comparator U22A. Programming switch S1 is used to program
the PWM frequency generator circuit. The PWM frequency, crystal, and switch
programming are recorded in the final test data sheets.

1-25
1-118. LOCK DETECTOR CIRCUIT. The frequency synthesizer circuit is monitored for proper
operation by a lock detector circuit. Integrated circuits U28A, U28B, and U36A function
as a lock detector circuit. The circuit monitors an output sample signal and a divided
VCO sample signal from U25. If the VCO and the reference phases are within ±180
degrees, the VCO is locked to the correct frequency. If the phases are out of tolerance, the
output of U36A will go LOW. The LOW is applied to comparator U27. The output of U27
will go HIGH to extinguish lock indicator DS4 and is inverted at U33A. U33A will output
a LOW to U30B which mutes the output of the frequency synthesizer.
1-119. A sample from the lock detector circuit is applied to divide-by-3600 circuit. The circuit
consists of integrated circuits U34, U35A, U35B, U35C, and U36B. The divider circuit is
designed to generate a 25 Hz pilot signal for application to the stereo circuit board.
1-120. STEREO DETECTION CIRCUIT. The presence of a stereo signal is detected by a stereo
detection circuit. This circuit allows the transmitter to be: 1) converted to monophonic
operation by removing the stereo circuit board or 2) converted to stereophonic operation
by inserting the stereo circuit board. The circuit will also detect the presence of an
external stereo signal.
1-121. Stereo signals from the stereo circuit board are applied to programmable jumper P7. P7
selects a stereo signal from the internal stereo circuit board or from an external source.
The external source is applied to a processing circuit consisting of integrated circuit U32C
and the associated circuitry. The processing circuit provides ac coupling, over-voltage
limiting, and square-wave generation.
1-122. Either an external or internal stereo signal from P7 is applied to an RF detector circuit.
The RF detector consists of: 1) resistors R151 through R155, 2) capacitors C124 and C125,
and 3) diode D27. The detector rectifies the signal for application to an automatic
mono/stereo select circuit consisting of integrated circuits U32A, U30B, U32C, and U32D.
1-123. The mono/stereo select circuit will route a stereo or mono signal to an RF drive circuit in
response to the presence of stereo. If a stereo signal is present, the output of U32A will be
LOW. The LOW will disable mono on gate U30C and enable stereo on gate U32B. The
stereo signal from U32B will be applied through NAND gate U32D to a phase modulator
circuit. If a stereo signal is not present, the output of U32A will be HIGH. The HIGH
will enable U30C and disable U32B to allow the monophonic RF signal to be applied to the
phase modulator circuit.
1-124. IPM WAVE SHAPE CIRCUIT. The IPM adjust and IPM power reference signals from the
IPM correction circuit are applied to an IPM wave shape circuit. The signals are
amplified at U41A. The output of U41A is applied to an IPM wave shape circuit
consisting of integrated circuit U41B and diodes D30 and D31. The circuit is designed to
output a phase modulated signal which is equal in amplitude and out-of-phase with the
phase modulation component in the RF amplifier section. Potentiometer R198 controls
the shape of the IPM correction signal. Potentiometer R189 controls the amplitude of the
IPM correction signal. Diodes D32 through D37 provide over-voltage protection. The
output of the IPM wave shape circuit is applied to the phase modulator circuit.
1-125. PHASE MODULATOR CIRCUIT. A phase modulator circuit is incorporated into the
exciter circuitry to cancel incidental-phase-modulation (IPM) in the RF amplifier section
of the transmitter. The circuit is designed to insert a phase modulation component which
is equal in amplitude and out of phase with the phase modulation in the RF amplifier
section. This feedforward approach is designed to effectively cancel (IPM) in the
transmitter.

1-26
1-126. The phase modulator circuit accepts a mono or stereo signal from NAND gate U32D. The
signal is applied to a frequency doubler circuit consisting of integrated circuits U38A,
U38B, U38C, and U38D. The output of the frequency doubler is applied to the gates of
transistors Q6 and Q7. An IPM correction signal from the IPM wave shape circuit is
applied to the drains of Q6 and Q7.
1-127. Transistors Q6 and Q7 function to produce a triangle-shaped waveform which is equal in
amplitude and out-of-phase with the IPM in the RF amplifier section. The output from
Q6 and Q7 is converted to a square-wave at U33C and U33D. The signal from
U33C/U33D is applied to a divider circuit consisting of integrated circuits U39A, U39B,
and U33E. The output of the divider is used to clock the RF carrier signal from the
frequency doubler circuit at latch U40. U40 outputs a phase compensated carrier
frequency to the RF drive circuit. Potentiometer R170 is provided to adjust the symmetry
of the RF carrier signal.
1-128. RF DRIVE CIRCUIT. The RF drive circuit consists of high/low side driver U46 and
transistors Q13 through Q22. Complementary phase compensated square-wave signals
at the carrier frequency are applied to U46. U46 outputs high and low driver signals for
application to a transistor array consisting of transistors Q13 through Q20. The
transistors output a +15 volt peak-to-peak square-wave signal at the carrier frequency
for application to the power block motherboard.
1-129. EXCITER FAILURE DETECTOR CIRCUIT. The exciter circuitry is equipped with an exciter
failure detector circuit. The circuit consists of integrated circuits U22B, U23A, and U23B.
Two signals are routed to the detector circuit: 1) the PWM control signal and 2) an RF
present signal from transistor Q8 and latch U40. The circuit is designed to output a
HIGH during the following conditions: 1) the loss of the PWM signal or 2) the loss of the
RF signal. The HIGH is routed to the circuitry on the controller circuit board.
1-130. POWER SUPPLY CIRCUITS. The exciter circuit board operates from three power supplies:
1) a +5 volt supply, 2) a +15 volt supply, and 3) a -15 volt supply. Each supply is equipped
with a filter network. The +5 volt supply filter consists of inductor L1 and capacitors
C31/C32. The output of the filter is applied to: 1) +5 volt indicator DS1 and 2) the exciter
circuit board components. The +15 volt supply filter consists of inductor L2 and
capacitors C34/C35. The output of the filter is applied to: 1) +15 volt indicator DS2 and 2)
the exciter circuit board components. The -15 volt supply filter consists of inductor L3
and capacitors C36/C37. The output of the filter is applied to: 1) -15 volt indicator DS3
and 2) the exciter circuit board components.
1-131. STEREO CIRCUIT BOARD.
1-132. EQUALIZATION CIRCUITRY. The stereo circuit board is equipped with two equalization
circuits: 1) equalization circuit 1 and 2) equalization circuit 2 (refer to Figure 1-3). The
circuits are designed to provide equalization for two antenna patterns such as: 1) a day
pattern and 2) a night pattern. The equalization circuits are identical and contain
identical left and right channel circuitry. Therefore, only the left channel of equalization
circuit 1 will be discussed.

597-1111-25
FIGURE 1-3. STEREO CIRCUIT BOARD
SIMPLIFIED SCHEMATIC
(1-27/1-28)
COPYRIGHT 1999 BROADCAST ELECTRONICS, INC

1-29
1-133. Left channel audio from the exciter circuit board is applied to a left channel high
frequency equalizer network in the equalization 1 circuit. The high frequency equalizer
consists integrated circuits U1A, U2, U1B, U3, U4A, and U6A. The equalizer circuit is a
second order state variable low-pass filter designed to compensate for high frequency and
phase problems caused by antenna/phasor units. The filter is equipped with an
adjustable corner frequency. The corner frequency is established by a voltage generated
by potentiometer R20 and buffer U6A. The voltage is applied to
voltage-controlled-amplifiers U2 and U3 which control the corner frequency of the
equalizer circuit. In addition to the variable corner frequency, the filter is equipped with a
variable peak level. Potentiometer R6 controls the signal peak near the corner frequency.
Potentiometer R1 controls the left channel level. The output of the circuit is applied to an
8 microsecond delay circuit.
1-134. 8 MICROSECOND DELAY CIRCUIT. Integrated circuit U4B is configured as an 8
microsecond delay circuit. The delay circuit is a third order low-pass filter designed to
provide 8 microseconds of delay to match low and mid frequency delay equalization
requirements. The output of the circuit is routed to 8 microsecond delay select jumper
P1A. P1A allows the delay circuit to be bypassed if 8 microseconds of delay is not
required for equalization operation.
1-135. 4 MICROSECOND DELAY CIRCUIT. Integrated circuit U5A is configured as a 4
microsecond delay circuit. The delay circuit is a third order low-pass filter designed to
provide 4 microseconds of delay to match low and mid frequency delay equalization
requirements. The output of the circuit is routed to 4 microsecond delay select jumper
J1B. J1B allows the delay circuit to be bypassed if 4 microseconds of delay is not required
for equalization operation.
1-136. ALL-PASS FILTER. Integrated circuit U5B is configured as an all-pass filter circuit. The
circuit is designed to provide a continuously adjustable 0-6 microsecond delay for
equalization operation. Potentiometer R26 controls the amount of delay.
1-137. EQUALIZATION SELECTION CIRCUIT. The outputs of equalization circuits 1 and 2 are
applied to an equalization selection circuit consisting of integrated circuits U23 and U28.
U23 and U28 are single-pole switch arrays designed to select audio from the equalization
1 or equalization 2 circuit. U23 and U28 are controlled by: 1) HIGH equalization 1 and
equalization 2 control signals from latch U44A and 2) a HIGH stereo signal from the
mono/stereo mode decoder circuit. The circuit is designed to select audio in response to
the antenna pattern and mode of operation. For example, stereo audio from equalization
circuit 1 is required. A HIGH from latch U44A will enable the equalization 1 switches in
U23 and U28. U23 and U28 respond by routing audio to an L+R and L-R matrix circuit.
1-138. L+R AND L-R MATRIX CIRCUIT. Left and right channel audio from the equalization
selection circuit is applied to an L-R and L+R matrix circuit. The circuit consists of
integrated circuits U24A, U24B, U25A, U26A, U26B, U27A, U29A, U29B, U25B, U31B,
U27B, U27A, and U32. The circuit is designed to generate L+R and L-R audio for
application to a phase modulator circuit.

1-30
1-139. To provide an example of circuit operation, stereo audio is required from equalization
circuit 1. Left channel audio from the equalization circuit 1 input of U23 is applied to
buffer U24A. Right channel audio from the equalization circuit 1 input of U28 is applied
to buffer U29A. U24A and U29A will output audio which is summed with a pilot signal
from pilot on/off switch S1. The audio/pilot signal is applied to the inputs of U23/U28.
With a HIGH from the stereo control line of mono/stereo mode decoder circuit: 1) U23 will
route the left channel audio/pilot signal to amplifier U24B and 2) U28 will route the right
channel audio/pilot signal to amplifier U29B. U24B/U29B amplify the signal to
approximately 2.1 volts peak-to-peak. The outputs of U24B/U29B are applied to L+R
summing amplifier U25A and L-R summing amplifier U25B.
1-140. A dc voltage for application to L+R summing amplifier U25A is provided by regulator
U32. U32 provides a bias voltage for the L+R audio to generate a 1+L+R audio signal.
The output of summing amplifier U25A is applied to a negative limiter circuit consisting
of integrated circuit U26A and diodes D1 and D2. The circuit is designed to limit negative
modulation to -95%. This prevents the loss of carrier during negative modulation. The
output of negative limiter U26A is routed through buffer U26B to a phase modulator
circuit as a 1+L+R signal and inverter U27B. U27B generates a 1+L+R signal for
application to a phase modulator circuit.
1-141. Left and right channel are summed at U25B to produce an L-R signal. The L-R signal is
applied to: 1) a phase modulator circuit as an L-R signal, 2) to inverter U27B, and
3) buffer U31B. U27B generates a L-R signal for application to a phase modulator
circuit. U31B is designed to buffer the L-R signal for application to an L-R metering
circuit on the ECU display circuit board.
1-142. PHASE MODULATOR CIRCUIT. 1+L+R, 1+L+R , L-R, and L-R signals are applied to a
phase modulator circuit. The phase modulator circuit consists of: 1) phase modulator
U36, 2) a synchronous divider consisting of integrated circuits U33, U34A, and U34B, and
3) latches U35A and U35B.
1-143. The phase modulator circuit operates from four phase references generated by a
synchronous divider and latches U35A/U35B. A reference at four times the carrier
frequency from the exciter circuit board is applied to a synchronous divider circuit. The
circuit divides the signal by four and generates two outputs which are 90 degrees
out-of-phase. The outputs are applied to latches U35A/U35B. U35A/U35B generate four
reference signals: 1) 0 degrees, 2) 90 degrees, 3) 180 degrees, and 4) 270 degrees. The
reference signals are used to drive phase modulator U36.
1-144. Integrated circuit U36 is a switch array configured as a phase modulator. The four
reference signals from latches U35A/U35B are used to drive the 1+L+R, 1+L+R , L-R,
and L-R signals at U36. The output of U36 produces two signals: 1) a normal AM
modulated signal reference to a 0 degree carrier containing the L+R information (I
modulator) and 2) a double side-band suppressed carrier signal referenced to a 90 degree
carrier containing the L-R information (Q modulator). The signals are summed to
produce a quadrature AM signal.
1-145. The quadrature AM signal is applied to integrated circuit U37. U37 is a high-speed
operational amplifier designed to amplify the quadrature signal to a 1 volt peak-to-peak
level with no modulation. The output of the amplifier is applied to a band-pass filter.

1-31
1-146. BAND-PASS FILTER. The output of amplifier U37 is applied to a forth order linear phase
band-pass filter. The band-pass filter consists of: 1) inductors L4, L5, L6, and L7,
2) capacitors C110 and C115, and 3) programming switches S2, S3, and S4. The filter
provides proper amplitude limiting during high single channel conditions. Programming
switches S2, S3, and S4 select resistor and capacitor combinations to program the filter
for specific groups of frequencies within the AM broadcast band. Inductors L4, L5, L6,
and L7 tune the filter for proper operation. The output of the filter is applied to a
transistor amplifier array.
1-147. TRANSISTOR AMPLIFIER CIRCUIT. The output of the band-pass filter is applied to a
transistor array consisting of transistors Q1, Q2, U38B, U38C, U38D, and U38E. The
signal is amplified to a 2 volt peak-to-peak level by transistors U38B, U38C, U38D, and
U38E. The transistors also perform unbalanced-to-balanced signal conversion. The
balanced signal from transistors U38B, U38C, U38D, and U38E are buffered by
transistors Q1 and Q2 for application to the amplitude limiter circuit.
1-148. AMPLITUDE LIMITER CIRCUIT. The balanced quadrature signal from the transistor
amplifier circuit is applied to an amplitude limiter circuit. The amplitude limiter circuit
consists of integrated circuits U39A, U39B, and U39C. The circuit produces phase
modulation containing the L-R information. The output of the limiter is applied to an
output network.
1-149. OUTPUT NETWORK. The 1 volt peak-to-peak phase modulated signal from the
amplitude limiter circuit is applied to transformer T1. T1 is provided to increase the
voltage to a 5 volt peak-to-peak level. The output of T1 is buffered by inverters U40A
and U40B. Potentiometer R193 adjusts the symmetry of the signal to null the second
harmonic frequency. The output of U40B is routed for application to the exciter circuit
board.
1-150. OPERATING MODE SELECTION AND INDICATION CIRCUIT. The stereo circuit board
can be configured for stereo, mono left, mono right, or mono L+R operation. The circuit
board is configured for the desired mode of operation by a mode selection and indication
circuit. HIGH remote mono left, mono right, mono L+R, and stereo commands are
applied to optical couplers U45 through U48. The outputs of U45 through U48 are
applied to OR gates U49A through U49D.
1-151. Local control operations are directed by mode select switch S5. S5 controls a mode
counter circuit consisting of integrated circuits U53, U54A, U54B, U54C, and U54D. The
switch operates by advancing the counter each time the switch is depressed. This results
in the circuit advancing through the modes of operation in the following order: 1) stereo,
2) mono left, 3) mono right, or 4) mono L+R. The mode counter circuit selects a mode by
routing a HIGH control command to the OR gates U49A through U49D.
1-152. OR gates U49A through U49D select a command from the remote control optical couplers
or the local mode counter circuit. For example, the circuit board is desired to be
configured for stereo operation. A HIGH from remote stereo optical coupler U48 or the
local mode control circuit is applied to OR gate U49D. U49D outputs a HIGH through OR
gate U52A to priority encoder U50. U50 monitors the OR gates for additional commands
and determines the highest priority mode of operation. Once the mode of operation is
determined, U50 will output a two bit binary code to a mono/stereo decoder circuit.

1-32
1-153. The mono/stereo mode decoder circuit consists of: 1) latches U44B, U51A, and U51B and
2) mono/stereo decoder logic U41D, U43B, U43C, U52C, and U52D. Latches U51A and
U51B latch the two bit binary code and produce complementary outputs for application to
the mono/stereo decoder logic. Latch U44B operates as a clock for U51A/U51B. The
mono/stereo decoder logic decodes the binary code and outputs a HIGH to: 1) transistors
Q5, Q9, and Q14 and 2) equalization select integrated circuits U23 and U28. Transistor
Q14 will respond by generating a LOW internal stereo status signal. Transistor Q5 will
output a LOW to bias stereo indicator DS3 to on. Transistor Q9 will respond by
generating a LOW remote stereo status signal.
1-154. Selection and indication of the mono left, mono right, and mono L+R modes of operation
are performed in an identical manner. When the mono left or mono right mode is
selected, a HIGH will be routed to NAND gate U43D. The output of U43D will go HIGH.
The HIGH is inverted at U55D to produce a LOW mono single channel signal for
application to the exciter circuit board. When the mono left, mono right, or mono L+R
mode is selected a HIGH is applied to transistor Q13. Q13 will respond by generating a
LOW remote mono status signal.
1-155. EQUALIZATION SELECTION. Equalization circuit selection is determined by the antenna
connected to the transmitter. Antenna A selects equalization circuit 1. Antenna B selects
equalization circuit 2. Antenna C can be programmed to select equalization circuit 1 or
equalization circuit 2.
1-156. Antenna A, B, and C status signals are applied to AND gates U41A and U41B.
Programmable jumper P6 selects equalization circuit 1 or equalization circuit 2 for
antenna C operations.
1-157. The circuit selects equalization circuit 1 or 2 when a status signal is applied to
U41A/U41B. For example, a LOW is applied to U41B when antenna A is selected. U41B
will output a LOW to NAND gate U43A. Programmable jumper P7 programs the
equalization selection circuit for momentary or continuous signals. With P7 programmed
for momentary signals, U43A will output a HIGH to AND gate U41C. With a HIGH from
U41A, U41C will output a HIGH to latch U44A. U44A will output a HIGH to:
1) integrated circuits U23 and U28 to select equalization circuit 1 and 2) transistor Q4.
Q4 will go LOW to bias equalization 1 indicator DS1 on.
1-158. PILOT SIGNAL. A 25 Hz square-wave signal from the exciter circuit board is applied
through potentiometer R132 to a band-pass filter consisting of integrated circuits U30A
and U30B. Potentiometer R132 is designed to provide pilot level control. The band-pass
filter converts the square-wave signal to a sine-wave signal.
1-159. The output of the band-pass filter is applied through switch S1 to: 1) integrated circuit
U23 and 2) inverter U31A. U31A inverts the signal for application to integrated circuit
U28. Switch S1 is provided to disable the pilot signal.
1-160. POWER SUPPLY FILTER NETWORK. The stereo circuit board operates from ±15 volt
power supplies. Each supply is equipped with a filter network. The +15 volt supply filter
consists of inductor L1 and capacitor C92. The output of the filter is applied to the stereo
circuit board components. The -15 volt supply filter consists of inductor L2 and capacitor
C94. The output of the filter is applied to the stereo circuit board components.
1-161. ECU POWER SUPPLY ASSEMBLY.
1-162. The ECU assembly is equipped with a modular 40W switching power supply assembly.
The supply provides regulated +5V, +15V, and -15V operating potentials for the ECU
circuit boards.

1-33
1-163. The power supply for the ECU controller circuit board is back-up by a 9V battery. During
an ac power failure, the battery will maintain the transmitter operating configuration
stored in the controller logic circuitry. Once power is returned to the transmitter, the
transmitter will automatically resume operation in the configuration appearing prior to
the ac failure. If an extended ac power failure occurs, the transmitter will be operated to
off by an ac loss/auto shutdown circuit on the controller circuit board.

WARNING: DISCONNECT POWER PRIOR TO SERVICING
2-1
SECTION II
TRANSMITTER ECU MAINTENANCE
2-1. INTRODUCTION.
2-2. This section provides maintenance information for the AM-2.5E/AM-5E transmitter ECU
(exciter/control unit).
2-3. SAFETY CONSIDERATIONS.
WARNING
WARNING
WARNING
WARNING
THE TRANSMITTER CONTAINS MULTIPLE CIRCUIT
GROUNDS WITH HIGH AC AND DC POTENTIALS
WITH RESPECT TO THE CABINET WHICH IS AT
EARTH POTENTIAL. DO NOT ENERGIZE THE
TRANSMITTER WITH TEST EQUIPMENT CONĆ
NECTED TO THE TRANSMITTER OUTPUT
NETWORK, RF POWER MODULE, RF COMBINER, OR
POWER SUPPLY COMPONENTS.
2-4. The AM-2.5E/AM-5E transmitters contain high voltages and currents. If safety
precautions are not practiced, contact with the high voltages and currents could cause
serious injury or death. The transmitter is equipped with many built-in safety features,
however good judgement, care, and common sense must be practiced to prevent accidents.
2-5. In addition to high voltages and currents, the transmitters contain multiple circuit
grounds with high ac and dc potentials with respect to the cabinet which is at earth
potential. The potentials could cause serious injury or death if maintenance personnel
simultaneously touch a circuit ground and the cabinet. As a result, operation of the
transmitter with test equipment connected to transmitter output network, RF power
module, RF combiner, or power supply components is extremely dangerous and must not
be attempted. Therefore, never energize the transmitter with test equipment connected
to the transmitter output network, RF power module, RF combiner, or power supply
components. Test equipment may be connected to the ECU circuit boards from the front
of the transmitter using the supplied extender circuit board with power energized. The
maintenance procedures presented in this section should be performed only by trained
and experienced maintenance personnel.
2-6. ECU CIRCUIT BOARD INSTALLATION/REMOVAL.
2-7. The transmitter ECU is equipped with three circuit boards: 1) exciter, 2) stereo, and
3) controller. Each circuit board is equipped with finger holes for the ease of removal and
installation. To remove a circuit board, grasp the board using the finger holes and firmly
pull the circuit board out of the ECU.

WARNING: DISCONNECT POWER PRIOR TO SERVICING
2-2
CAUTION
CAUTION
THE TRANSMITTER MAY BE DAMAGED IF THE ECU
CIRCUIT BOARDS ARE NOT SECURELY SEATED INTO
THE CONNECTORS.
2-8. To install the circuit boards: 1) the boards must be inserted into the proper location in the
ECU and 2) the boards must be firmly seated into the ECU motherboard. To install a
circuit board, proceed as follows:
1. Refer to Figure 5-4 in PART I, SECTION V MAINTENANCE to determine the
circuit board location.
2. Insert the circuit board in the appropriate location.
3. Firmly press the circuit board into the connector to engage the connector
housing.
4. Firmly press the circuit board into the connector again to engage the
connector pins.
5. Repeat the procedure for each ECU circuit board.
2-9. FIRST LEVEL MAINTENANCE.
2-10. First level maintenance consists of precautionary procedures applied to the equipment to
prevent future failures. The procedures are performed on a regular basis and the results
recorded in a performance log.
2-11. CLEANING AND INSPECTION.
WARNING
WARNING
NEVER OPEN THE EQUIPMENT UNLESS ALL TRANSĆ
MITTER PRIMARY POWER IS DISCONNECTED. ENĆ
SURE ALL TRANSMITTER PRIMARY POWER IS DISĆ
CONNECTED BEFORE ATTEMPTING MAINTENANCE
ON ANY AREA WITHIN THE TRANSMITTER.
2-12. Clean the ECU circuit boards of accumulated dust as required using a nylon bristle brush
and vacuum cleaner. Inspect the circuit boards for improperly seated semiconductors and
components damage by overheating. In addition, inspect the ECU for loose hardware.
Ensure all ECU interconnecting cables are secure.
2-13. SECOND LEVEL MAINTENANCE.
2-14. Second level maintenance is the performance of procedures required to restore the ECU to
operation after a fault has occurred. The procedures are divided into electrical
adjustments procedures and troubleshooting.
2-15. ELECTRICAL ADJUSTMENTS.
2-16. The following text provides electrical adjustment procedures for the transmitter ECU.
The procedures are presented in the following order.
1. ECU Extender Circuit Board Operation.
2. Controller Circuit Board Adjustments.
3. ECU Meter Switch Circuit Board Adjustments.

WARNING: DISCONNECT POWER PRIOR TO SERVICING
2-3
4. Stereo Circuit Board Adjustments.
5. Exciter Circuit Board Adjustments.
6. Display Circuit Board Adjustments.
2-17. ECU EXTENDER CIRCUIT BOARD OPERATION.
2-18. The ECU is equipped with an extender circuit board. The circuit board is designed to
allow access to the ECU circuit board components for maintenance procedures. To use the
circuit board for maintenance procedures, proceed as follows:
1. Refer to Figure 5-4 in PART I, SECTION V MAINTENANCE and locate the
extender circuit board assembly in the ECU.
2. Remove the extender circuit board from the ECU.
3. Loosen the extender circuit board locking nut.
4. Completely extend the circuit board.
5. Tighten the extender circuit board locking nut.
6. Remove the circuit board required for maintenance and place the extender
circuit board in the location in the ECU.
7. Place the desired circuit board onto the extender circuit board.
8. Firmly press the circuit board into the extender circuit board connectors.
2-19. CONTROLLER CIRCUIT BOARD ADJUSTMENTS.
2-20. P1 SET - P5 SET CONTROLS. The P1 SET through P5 SET controls adjust the ECU
POWER CONTROL 1 through 5 controls to desired levels. A complete description of the
procedure to adjust the power level controls is presented in SECTION II,
INSTALLATION. Refer to POWER LEVEL AND MODULATION CALIBRATION
ADJUSTMENT in SECTION II for the adjustment procedure.
2-21. FWD AND RFL CALIBRATIONS. FWD CAL control R56 and RFL CAL control R143
calibrate the transmitter forward and reflected power samples. Due to the critical nature
of the FWD CAL and RFL CAL controls, the controls are not considered field adjustable.
If the controls are required to be adjusted, contact the Broadcast Electronics Customer
Service Department for information and instructions to adjust the FWD and RFL CAL
controls.
2-22. ECU METER SWITCH CIRCUIT BOARD ADJUSTMENTS.
2-23. FORWARD POWER METER LOW AND HIGH SCALE CALIBRATIONS. Low scale control
R501 and high scale control R504 calibrate the forward power meter. Due to the critical
nature of the low scale and high scale meter calibrate controls, the controls are not
considered field adjustable. If the controls are required to be adjusted, contact the
Broadcast Electronics Customer Service Department for information and instructions to
adjust the low and high scale forward power meter controls.
2-24. REFLECTED POWER METER LOW AND HIGH SCALE CALIBRATIONS. Low scale control
R505, high scale control R506, and ac sample control R511 calibrate the reflected power
meter. Due to the critical nature of the low scale, high scale, and ac sample meter
calibrate controls, the controls are not considered field adjustable. If the controls are
required to be adjusted, contact the Broadcast Electronics Customer Service Department
for information and instructions to adjust the low scale, high scale, and ac sample
reflected power meter controls.

WARNING: DISCONNECT POWER PRIOR TO SERVICING
2-4
2-25. FWD AND RFL CALIBRATIONS. FWD CAL control R56 and RFL CAL control R143
calibrate the transmitter forward and reflected power samples. Due to the critical nature
of the FWD CAL and RFL CAL controls, the controls are not considered field adjustable.
If the controls are required to be adjusted, contact the Broadcast Electronics Customer
Service Department for information and instructions to adjust the FWD and RFL CAL
controls.
2-26. STEREO CIRCUIT BOARD ADJUSTMENTS.
2-27. STEREO ADJUSTMENT. The stereo adjustment consists of configuring the equalization
circuitry on the stereo circuit board to obtain the optimum stereo performance. The
equalization circuitry consists of the equalization circuit 1 and equalization circuit 2
controls. A complete description of the procedure to adjust the equalization controls is
presented in SECTION II, INSTALLATION. Refer to STEREO ADJUSTMENT in
SECTION II for the adjustment procedure.
2-28. EXCITER CIRCUIT BOARD ADJUSTMENTS.
2-29. MODULATION CALIBRATION. Modulation calibration control R62 calibrates the exciter
modulation circuit. Due to the critical nature of the modulation calibration control, the
control is not considered field adjustable. If the control is to be adjusted, contact the
Broadcast Electronics Customer Service Department for information and instructions to
adjust the modulation calibration control.
2-30. PHASE MODULATOR CALIBRATION. Phase modulator calibration control R159
calibrates the exciter phase modulator circuit. Due to the critical nature of the phase
modulator calibration control, the control is not considered field adjustable. If the control
is to be adjusted, contact the Broadcast Electronics Customer Service Department for
information and instructions to adjust the phase modulator calibration control.
2-31. SYMMETRY CONTROL. Symmetry calibration control R170 adjusts the exciter RF
output square-wave signal. Due to the critical nature of the symmetry control, the
control is not considered field adjustable. If the control is to be adjusted, contact the
Broadcast Electronics Customer Service Department for information and instructions to
adjust the symmetry control.
2-32. IPM CORRECTION CIRCUIT CONTROLS. IPM GAIN control R189, IPM TRACK control
R104, IPM SHAPE CONTROL R198, and IPM ZERO SET control R191 calibrate the IPM
correction circuit. Due to the critical nature of the IPM correction circuit controls, the
controls are not considered field adjustable. If the controls are to be adjusted, contact the
Broadcast Electronics Customer Service Department for information and instructions to
adjust the IPM correction circuit controls.
2-33. SINGLE CHAN MONO LEVEL CONTROL. SINGLE CHAN MONO LEVEL control R41
is designed to boost a remaining audio channel level in the event of a failure in one
channel. A complete description of the procedure to adjust the SINGLE CHAN MONO
LEVEL control is presented in SECTION II, INSTALLATION. Refer to SINGLE
CHANNEL LEVEL in SECTION II for the adjustment procedure.
2-34. AVERAGE MODULATION LIMIT CONTROL. Average modulation limit control R217
limits the average tone modulation. The control is adjusted to limit at 110% tone
modulation. Due to the critical nature of the modulation calibration control, the control is
not considered field adjustable. If the control is to be adjusted, contact the Broadcast
Electronics Customer Service Department for information and instructions to adjust the
average modulation limit control.
2-35. NEG LIMIT CONTROL. NEG LIMIT control R76 limits the negative L+R information to
prevent excessive modulation when the L+R signal is summed with the pilot tone. The
NEG LIMIT control is adjusted in the following procedure.

WARNING: DISCONNECT POWER PRIOR TO SERVICING
2-5
2-36. Procedure. To adjust NEG LIMIT control R76, proceed as follows:
WARNING
WARNING
DISCONNECT ALL TRANSMITTER PRIMARY POWER
BEFORE PROCEEDING.
2-37. Disconnect all transmitter primary power.
2-38. Connect the audio generator to the TB2 LEFT INPUT and RIGHT INPUT audio
terminals on the ECU rear-panel.
2-39. Adjust NEG LIMIT control R76 on the exciter circuit board fully counterclockwise.
2-40. Adjust the audio generator for a L=R 1 kHz output at +10 dBm.
2-41. Adjust the AM stereo modulation monitor to indicate positive L+R modulation.
2-42. Energize the transmitter primary power and operate the transmitter.
2-43. Observe the modulation monitor and ensure the monitor indicates 100% positive L+R
modulation. If the monitor does not indicate 100% L+R modulation, adjust the audio
generator level slightly for a +100% L+R modulation indication on the monitor.
2-44. Adjust the AM stereo modulation monitor to indicate negative L+R modulation.
2-45. Adjust NEG LIMIT control R76 on the exciter circuit board until the AM stereo
Modulation monitor indicates -95% L+R modulation.
WARNING
WARNING
DISCONNECT ALL TRANSMITTER PRIMARY POWER
BEFORE PROCEEDING.
2-46. Disconnect all transmitter primary power.
2-47. Remove all test equipment.
2-48. FREQUENCY CALIBRATION CONTROL. Frequency calibration control C108 calibrates
the exciter frequency synthesizer. The frequency calibration control is adjusted in the
following procedure.
2-49. Procedure. To adjust frequency calibration control C108, proceed as follows:
WARNING
WARNING
DISCONNECT ALL TRANSMITTER PRIMARY POWER
BEFORE PROCEEDING.
2-50. Disconnect all transmitter primary power.
2-51. Remove the exciter circuit board and install the ECU extender circuit board in the exciter
circuit board location.
2-52. Install the exciter circuit board on the extender circuit board.
2-53. Connect a frequency counter to test point TP15 on the exciter circuit board.
2-54. Energize the transmitter primary power and operate the transmitter.
2-55. Adjust frequency calibration control C108 on the exciter circuit board for the carrier
frequency.

WARNING: DISCONNECT POWER PRIOR TO SERVICING
2-6
WARNING
WARNING
DISCONNECT ALL TRANSMITTER PRIMARY POWER
BEFORE PROCEEDING.
2-56. Disconnect all transmitter primary power.
2-57. Remove all test equipment and replace the exciter circuit board.
2-58. DISPLAY CIRCUIT BOARD ADJUSTMENTS.
2-59. L/L+R AND R/L-R DISPLAY CALIBRATION CONTROL. L/L+R calibration control R42
and R/L-R calibration control R48 calibrate the L/L+R and R/L-R displays. The L/L+R
and R/L-R calibration controls are adjusted in the following procedure.
2-60. Procedure. To adjust L/L+R calibration control R42 and R/L-R calibration control R48,
proceed as follows:
WARNING
WARNING
DISCONNECT ALL TRANSMITTER PRIMARY POWER
BEFORE PROCEEDING.
2-61. Disconnect all transmitter primary power.
2-62. Connect the audio generator to the TB2 LEFT INPUT and RIGHT INPUT audio
terminals on the ECU rear-panel. Operate the transmitter at a normal output power and
the EXCITER MONITOR for L+R/L-R indications.
2-63. Adjust the audio generator for an in-phase L=R 1 kHz output at a level to generate 100%
modulation as indicated by the modulation monitor. Adjust L/L+R calibration control R42
until the EXCITER MONITOR just indicates 100% L+R modulation.
2-64. Adjust the audio generator for an out-of-phase L=R 1 kHz output at a level to generate
100% L-R modulation as indicated by the modulation monitor. Adjust R/L-R calibration
control R48 until the EXCITER MONITOR just indicates 100% L-R modulation.
WARNING
WARNING
DISCONNECT ALL TRANSMITTER PRIMARY POWER
BEFORE PROCEEDING.
2-65. Disconnect all transmitter primary power and remove all test equipment.
2-66. TROUBLESHOOTING.
WARNING
WARNING
WARNING
WARNING
THE TRANSMITTER CONTAINS MULTIPLE CIRCUIT
GROUNDS WITH HIGH AC AND DC POTENTIALS
WITH RESPECT TO THE CABINET WHICH IS AT
EARTH POTENTIAL. DO NOT ENERGIZE THE
TRANSMITTER WITH TEST EQUIPMENT CONĆ
NECTED TO THE TRANSMITTER OUTPUT
NETWORK, RF POWER MODULE, RF COMBINER, OR
POWER SUPPLY COMPONENTS.
2-67. SAFETY CONSIDERATIONS. The AM-2.5E/AM-5E transmitters are equipped with
extensive indicator and meter circuitry to allow the operator to isolate problems to a
specific area within the transmitter. Due to the hazardous voltages and currents
contained in the equipment, operation of the transmitter with test equipment connected
to transmitter output network, RF power module, RF combiner, or power supply
components is extremely dangerous and must not be attempted. Test equipment may be
connected to the ECU circuit boards from the front of the transmitter using the supplied
extender circuit board with power energized. Therefore, the transmitter indicators and
meters must be used to isolate a problem to a specific area. The maintenance procedures
presented in this section should be performed only by trained and experienced
maintenance personnel.

WARNING: DISCONNECT POWER PRIOR TO SERVICING
2-7
2-68. TROUBLESHOOTING PROCEDURES. The ECU assembly troubleshooting procedures are
presented in Tables 2-1 through 2-4. Table 2-1 presents the exciter circuit board
troubleshooting. Table 2-2 presents the stereo circuit board troubleshooting. Table 2-3
presents the controller circuit board troubleshooting. Table 2-4 presents the ECU power
supply troubleshooting. Refer to Tables 2-1 through 2-4 to isolate the problem to a
specific circuit. Once the trouble is isolated, refer to the circuit board theory of operation
and schematic diagrams to assist in problem resolution.
TABLE 2-1. EXCITER CIRCUIT BOARD TROUBLESHOOTING
(Sheet 1 of 3)
SYMPTOM CIRCUITRY TO CHECK
LOCK INDICATOR 1. Refer to the factory test data sheets and ensure
EXTINGUISHED the exciter circuit board frequency synthesizer
(S1, S2, and J6) is programmed for the correct
operating frequency.
2. Check U25 pin 1 for a 0V to 5V square-wave
signal at FcX4 (carrier frequency times four) or
FcX8 (carrier frequency times eight).
A. If the square-wave signal at U25 is not present,
check for a greater than 13 volt dc signal at the
anode of D23.
1. If the dc voltage is present, defective VCO, Q4,
or U30A.
2. If the dc voltage is not present, defective Q3
or C106.
B. If the square wave signal at U25 is below
FcX4 or FcX8, measure the dc voltage at J8
of the VCO assembly.
1. If the dc voltage at TP7 is greater than 13 volts,
defective VCO.
2. If the dc voltage at TP7 is less than 2 volts,
defective U25, U26A, U26B, Y1, or U24.
C. If the square wave signal at U25 is above FcX4 or
FcX8, measure the dc voltage at TP7 of the VCO
assembly.
1. If the dc voltage at TP7 is greater than 13 volts,
defective U25, U26B, U26A, Y1, or U24.
2. If the dc voltage at J8 is less than 2 volts,
defective VCO.
NO L+R MODULATION 1. Remove the stereo circuit board if present and
OF CARRIER DURING MONO- place J4 in the left or right channel position
PHONIC OPERATION as determined by the channel with applied audio.
2. Insert a +10 dBm 1 kHz signal in the appropriate
audio channel and check for audio at U39 pins 3
and 6.
A. If the audio is not present, defective: 1) left
channel - U39, U2A, U2B, U1A, or U1B 2)
right channel - U39, U4A, U4B, U5A, or U5B.
B. If the audio is present, defective U8A, U8B, U9A,
U9B, U14B, or U13.

WARNING: DISCONNECT POWER PRIOR TO SERVICING
2-8
TABLE 2-1. EXCITER CIRCUIT BOARD TROUBLESHOOTING
(Sheet 2 of 3)
SYMPTOM CIRCUITRY TO CHECK
NO L+R MODULATION DURING 1. Defective U39, U8A, U8B, U9A, U9B, U14B, or U13.
STEREO OPERATION
RF DRIVE INDICATORS 1. Check for a square-wave carrier frequency signal
EXTINGUISHED ON A POWER at U46 pins 1 and 7.
BLOCK A. If the carrier frequency signal is present,
defective Q13 through Q22, L4, D38 through D45,
or D51, D52.
B. If the carrier frequency signal is not present,
check for a 0V-5V p-p square-wave carrier
frequency signal present at U40 pins 1 and 16.
1. If the carrier frequency signal is present,
defective U46.
2. If the carrier frequency signal is not present,
defective U40.
PWM DRIVE INDICATOR 1. Defective U21A through U21F, U19, U20, U45, D6
EXTINGUISHED ON A POWER through D21, or D47 through D50.
MODULE
RED EXCITER INDICATOR 1. Check the frequency synthesizer programming at S1,
ILLUMINATED ON TRANSMITTER S2, and J6
MONITOR 2. Check for a square-wave carrier frequency signal at
U23 pin 12.
A. If the carrier frequency signal is present, check
for a 4V p-p 125 kHz to 133 kHz PWM triangle-
wave at TP-5.
1. If the PWM signal is present, defective
U22A or U23A.
2. If the PWM signal is not present,
defective U10, Q1, U42A, U31A.
B. If the carrier frequency signal at U23 pin 12 is
not present, check for a 2XFC (two times carrier
frequency) at TP-9.
1. If the carrier frequency signal is present,
defective U33C or U33D, U39A, U39B, U39C
U40 or Q8.
2. If the carrier frequency signal is not present,
check for a carrier frequency signal at TP-15.
a. If the signal is present, defective Q5,
Q6, Q7, U37, U38A, U38B, U38C, or U38D.
b. If the signal is not present, check for a
0V-5V p-p carrier frequency signal at U29
pin 12.
1. If the carrier frequency signal is
present, defective U31B, U42B, U32A,
U32B, U32C, U32D, U30C or P7.
2. If the carrier frequency signal is not
present, defective U33A, U30B, or U29.

WARNING: DISCONNECT POWER PRIOR TO SERVICING
2-9
TABLE 2-1. EXCITER CIRCUIT BOARD TROUBLESHOOTING
(Sheet 3 of 3)
SYMPTOM CIRCUITRY TO CHECK
LOW DEMODULATOR LEFT 1. Defective U2A, U2B, U1A, U1B, U3A, U3B or
CHANNEL MODULATION LEVEL P2 programming.
WITH LOW EXCITER
MONITOR LEFT CHANNEL
MODULATION LEVEL
LOW DEMODULATOR RIGHT 1. Defective U5A, U5B, U4A, U4B, U6A, U6B or
CHANNEL MODULATION LEVEL P3 programming.
WITH LOW EXCITER
MONITOR RIGHT CHANNEL
MODULATION LEVEL
TABLE 2-2. STEREO CIRCUIT BOARD TROUBLESHOOTING
(Sheet 1 of 2)
SYMPTOM CIRCUITRY TO CHECK
RED EXCITER INDICATOR 1. Insert a 1 kHz audio signal at +10 dBm into the left
ILLUMINATED ON channel and operate the stereo circuit board to stereo.
TRANSMITTER MONITOR Check for a 3.0V p-p quadrature AM signal at TP-7.
A. If the signal is present, defective U40A, U40B,
T1, U39A, U39B, or U39C.
B. If the signal is not present, check for a
quadrature AM signal at U38 pin 3.
1. If the signal is present, defective U38A, U38B,
U38C, U38D, U38E, Q1, or Q2.
2. If the signal is not present, check for a
quadrature AM signal at U37 pin 1.
a. If the signal is present, defective U37, L4,
L5, L6, L7, D3, D4, or the S2, S3, or S4
programming.
b. If the signal is not present, defective U36,
U35A, U35B, U34A, U34B, U33, U32, or
U26.
NO L-R MODULATION PRESENT 1. Defective U25B, U27B or U31B.
AT THE EXCITER MONITOR
METER

WARNING: DISCONNECT POWER PRIOR TO SERVICING
2-10
TABLE 2-2. STEREO CIRCUIT BOARD TROUBLESHOOTING
(Sheet 2 of 2)
SYMPTOM CIRCUITRY TO CHECK
LOW DEMODULATOR LEFT 1. Insert a +10 dBm 1 kHz signal into the left channel.
CHANNEL MODULATION LEVEL Check for a 2V p-p 1 kHz signal at U4 pin 1.
WITH NORMAL EXCITER A. If the signal is present, defective U4B, U5A, U5B,
MONITOR LEFT CHANNEL or J1.
MODULATION LEVEL B. If the signal is not present, defective U1A, U2,
U1B, U3, or U4A .
LOW DEMODULATOR RIGHT 1. Insert a +10 dBm 1 kHz signal into the right
CHANNEL MODULATION LEVEL channel. Check for a 2V p-p 1 kHz signal at U10
WITH NORMAL EXCITER pin 1.
MONITOR RIGHT CHANNEL A. If the signal is present, defective U10B, U11A,
MODULATION LEVEL U11B, or J2.
B. If the signal is not present, defective U7A, U8,
U7B, U9, or U10A.
TABLE 2-3. CONTROLLER CIRCUIT BOARD TROUBLESHOOTING
(Sheet 1 of 2)
SYMPTOM CIRCUITRY TO CHECK
NO POWER CONTROL PWM 1. Check for a 1 kHz 15V p-p square-wave
SIGNAL signal at TP-7.
A. If the square-wave signal is present,
defective Q22.
B. If the square-wave signal is not present,
check for a 1 kHz 50% duty-cycle
square-wave signal at TP8.
1. If the square-wave signal is not present,
defective U44B, U40C, or U46E.
C. If the square-wave signal is not present,
check for a dc voltage proportional to power at
TP11.
1. If the dc voltage is present, defective U44A,
U40B, U41A, U42, or U43.
2. If the dc voltage is not present, contact the
Broadcast Electronics Customer Service
Department.
2. Check for a HIGH at U36C pin 8.
A. If the HIGH is present, defective U36C.
B. If the HIGH is not present, contact the
Broadcast Electronics Customer Service
Department.

WARNING: DISCONNECT POWER PRIOR TO SERVICING
2-11
TABLE 2-3. CONTROLLER CIRCUIT BOARD TROUBLESHOOTING
(Sheet 2 of 2)
SYMPTOM CIRCUITRY TO CHECK
NO TRANSMITTER ON SIGNAL 1. Check for a HIGH at U23A pin 3.
OUTPUT A. If the HIGH is present, defective Q13.
B. If the HIGH is not present, check for a LOW
at U23A pin 2.
1. If the LOW is present, defective U23A.
2. If a HIGH is present, contact the
Broadcast Electronics Customer Service
Department.
CONFLICT INDICATOR 1. Check U7, U8, U9, S1, S2, S3, U12A, U12B,
ILLUMINATED U21A, U21B, U21C, U20A, U20B, U20C, U20D,
U19, and U13.
TABLE 2-4. ECU POWER SUPPLY TROUBLESHOOTING
SYMPTOM CIRCUITRY TO CHECK
NO OUTPUT POWER 1. Check the ECU power supply fuse.
NO NORMAL/FAULT 2. Check the ECU power supply assembly.
ECU INDICATIONS
2-69. COMPONENT REPLACEMENT PROCEDURE. Component replacement procedures for
the ECU assembly circuit boards are presented in PART I SECTION V. Refer to
COMPONENT REPLACEMENT in SECTION V as required for the replacement
procedures.

3-1
SECTION III
ECU ASSEMBLY
PARTS LIST
3-1. INTRODUCTION.
3-2. This section provides descriptions and part numbers of electrical components, assemblies,
and selected mechanical parts required for maintenance of the ECU assembly. Each table
entry in this section is indexed by reference designators appearing on the applicable scheĆ
matic.
TABLE 3-1. REPLACEABLE PARTS LIST INDEX
TABLE DESCRIPTION PART NO. PAGE
3-2 Exciter/Controller Assembly 957-0009-100 3-2
3-3 ECU Controller Circuit Board Assembly 917-0205 3-2
3-4 ECU Extender Circuit Board Assembly 917-0208 3-11
3-5 Stereo Circuit Board Assembly 917-0209 3-11
3-5 ECU Exciter Circuit Board Assembly 917-0300 3-20
3-6 ECU Motherboard Circuit Board Assembly 917-0301 3-29
3-7 ECU Display/Control Switch Circuit Board 917-0306-001 3-31
3-8 Meter Switch Circuit Board Assembly 917-0306-005 3-34
3-9 ECU Wire Harness 947-0153 3-34

3-2
TABLE 3-2. EXCITER/CONTROLLER ASSEMBLY - 957-0009-100
REF. DES. DESCRIPTION PART NO. QTY.
---- Varistor, V275LA20A GE 140-0036 1
---- Power Input Connector/RFI Filter, 3 Amperes, 250V ac, 50/60 Hz 339-0008 1
---- Filter, Window, Grey 467-1001-1 1
---- Power Supply, SMPS, 3 Output, 40W 540-0006 1
---- ECU Controller Circuit Board Assembly 917-0205 1
---- ECU Extender Circuit Board Assembly 917-0208 1
---- Stereo Circuit Board Assembly 917-0209 1
---- ECU Exciter Circuit Board Assembly 917-0300 1
---- ECU Motherboard Circuit Board Assembly 917-0301 1
---- ECU Display/Controller Switch Circuit Board Assembly 917-0306-001 1
---- Meter Switch Circuit Board Assembly 917-0306-005 1
---- ECU Harness Assembly 947-0153 1
TABLE 3-3. ECU CONTROLLER CIRCUIT BOARD ASSEMBLY - 917-0205
(Sheet 1 of 10)
REF. DES. DESCRIPTION PART NO. QTY.
C1 thru Capacitor, Monolythic Ceramic, 0.1 uF ±10%, 50V 003-1066 33
C33
C34, C35 Capacitor, Electrolytic, 10 uF, 35V, Non-Polarized 023-1075 2
C36, C37 Capacitor, Monolythic Ceramic, 0.1 uF ±10%, 50V 003-1066 2
C38 Capacitor, Mylar, 0.033 uF, 50V 038-1049 1
C39 thru Capacitor, Monolythic Ceramic, 0.1 uF ±10%, 50V 003-1066 10
C48
C49 Capacitor, Electrolytic, 10 uF, 35V, Non-Polarized 023-1075 1
C50 Capacitor, Monolythic Ceramic, 0.1 uF ±10%, 50V 003-1066 1
C51, C52 Capacitor, Electrolytic, 10 uF, 25V, Non-Polarized 023-1075 2
C53 Capacitor, Monolythic Ceramic, 0.1 uF ±10%, 50V 003-1066 1
C54 thru Capacitor, Electrolytic, 10 uF, 35V, Non-Polarized 023-1075 3
C56
C57 Capacitor, Monolythic Ceramic, 0.1 uF ±10%, 50V 003-1066 1
C58 Capacitor, Electrolytic, 2.2 uF, 25V dc 013-2064 1
C59 Capacitor, Monolythic Ceramic, 0.1 uF ±10%, 50V 003-1066 1
C60 Capacitor, Ceramic, 0.001 uF ±10%, 200V 030-1033 1
C61, C62 Capacitor, Monolythic Ceramic, 0.1 uF ±10%, 50V 003-1066 2
C63 Capacitor, Electrolytic, 2.2 uF, 25V dc 013-2064 1
C64 Capacitor, Electrolytic, 10 uF, 35V, Non-Polarized 023-1075 1
C65, C66 Capacitor, Monolythic Ceramic, 0.1 uF ±10%, 50V 003-1066 2
C67 Capacitor, Electrolytic, 1 uF, 50V 024-1064 1
C68 thru Capacitor, Monolythic Ceramic, 0.1 uF ±10%, 50V 003-1066 4
C71
C72, C73 Capacitor, Ceramic, 0.001 uF ±10%, 200V 030-1033 2
C74 Capacitor, Monolythic Ceramic, 0.1 uF ±10%, 50V 003-1066 1
C75 thru Capacitor, Ceramic, 0.001 uF ±10%, 200V 030-1033 13
C87
C88 Capacitor, Monolythic Ceramic, 0.1 uF ±10%, 50V 003-1066 1

3-3
TABLE 3-3. ECU CONTROLLER CIRCUIT BOARD ASSEMBLY - 917-0205
(Sheet 2 of 10)
REF. DES. DESCRIPTION PART NO. QTY.
C89 Capacitor, Electrolytic, 2.2 uF, 25V dc 013-2064 1
C90, C91 Capacitor, Monolythic Ceramic, 0.1 uF ±10%, 50V 003-1066 2
C92 Capacitor, Ceramic, 0.001 uF ±10%, 200V 030-1033 1
C93 Capacitor, Monolythic Ceramic, .47 uF ±10%, 50V 003-4743 1
C94 Capacitor, Electrolytic, 2.2 uF, 25V dc 013-2064 1
C95 Capacitor, Electrolytic, 10 uF, 35V, Non-Polarized 023-1075 1
C96 Capacitor, Monolythic Ceramic, 0.1 uF ±10%, 50V 003-1066 1
C97 Capacitor, Electrolytic, 2.2 uF, 25V dc 013-2064 1
C98, C99 Capacitor, Monolythic Ceramic, .47 uF ±10%, 50V 003-4743 2
C100 Capacitor, Mylar Film, 0.1 uF ±10%, 50V 003-1066 1
C101 Capacitor, Monolythic Ceramic, .47 uF ±20%, 50V 003-4743 1
C102 Capacitor, Monolythic Ceramic, 0.1 uF ±10%, 50V 003-1066 1
C103 Capacitor, Ceramic, 0.001 uF ±10%, 200V 030-1033 1
C104, C105 Capacitor, Monolythic Ceramic, 0.1 uF ±10%, 50V 003-1066 2
C106 Capacitor, Ceramic, 0.001 uF ±10%, 200V 030-1033 1
C107 Capacitor, Monolythic Ceramic, 0.1 uF ±10%, 50V 003-1066 1
C108 Capacitor, Electrolytic, 1 uF, 50V 024-1064 1
C109 Capacitor, Monolythic Ceramic, .47 uF ±10%, 50V 003-4743 1
C110 Capacitor, Electrolytic, 10 uF, 35V, Non-Polarized 023-1075 1
C111 thru Capacitor, Monolythic Ceramic, 0.1 uF ±10%, 50V 003-1066 4
C114
C115 Capacitor, Monolythic Ceramic, .47 uF ±10%, 50V 003-4743 1
C116 Capacitor, Electrolytic, 10 uF, 35V, Non-Polarized 023-1075 1
C117, C118 Capacitor, Monolythic Ceramic, 0.1 uF ±10%, 50V 003-1066 2
C121 Capacitor, Electrolytic, 10 uF, 35V, Non-Polarized 023-1075 1
C122 thru Capacitor, Monolythic Ceramic, 0.1 uF ±10%, 50V 003-1066 4
C125
C126 thru Capacitor, Monolythic Ceramic, 0.1 uF ±10%, 50V 003-1066 3
C128
C129 Capacitor, Mylar Film, 0.01 uF ±10%, 200V 030-1043 1
C130 Capacitor, Electrolytic, 10 uF, 35V, Non-Polarized 023-1075 1
C131 Capacitor, Electrolytic, 1 uF, 50V 024-1064 1
C132 Capacitor, Electrolytic, 33 uF, 35V 024-3374 1
C133, C134 Capacitor, Monolythic Ceramic, 0.1 uF ±10%, 50V 003-1066 2
C135 Capacitor, Mica, 270 pF ±5%, 300V 041-2722 1
C136, C137 Capacitor, Ceramic, 0.001 uF ±10%, 200V 030-1033 2
D1 Diode, 1N4005, Silicon, 600V @ 1 Ampere 203-4005 1
D2 Diode, 1N4148, Silicon, 75V @ 0.3 Amperes 203-4148 1
D3 Diode, 1N4005, Silicon, 600V @ 1 Ampere 203-4005 1
D4 Diode, 1N4148, Silicon, 75V @ 0.3 Amperes 203-4148 1
D5 Diode, 1N4005, Silicon, 600V @ 1 Ampere 203-4005 1
D6 Diode, 1N4148, Silicon, 75V @ 0.3 Amperes 203-4148 1
D7 Diode, 1N4005, Silicon, 600V @ 1 Ampere 203-4005 1
D8 Diode, 1N4148, Silicon, 75V @ 0.3 Amperes 203-4148 1
D9 Diode, 1N4005, Silicon, 600V @ 1 Ampere 203-4005 1
D10 Diode, 1N4148, Silicon, 75V @ 0.3 Amperes 203-4148 1
D11 Diode, 1N4005, Silicon, 600V @ 1 Ampere 203-4005 1
D12 Diode, 1N4148, Silicon, 75V @ 0.3 Amperes 203-4148 1

3-4
TABLE 3-3. ECU CONTROLLER CIRCUIT BOARD ASSEMBLY - 917-0205
(Sheet 3 of 10)
REF. DES. DESCRIPTION PART NO. QTY.
D13 thru Diode, 1N4005, Silicon, 600V @ 1 Ampere 203-4005 6
D18
D19 Diode, 1N4148, Silicon, 75V @ 0.3 Amperes 203-4148 1
D20 Diode, 1N4005, Silicon, 600V @ 1 Ampere 203-4005 1
D21 Diode, 1N4148, Silicon, 75V @ 0.3 Amperes 203-4148 1
D22 thru Diode, 1N4005, Silicon, 600V @ 1 Ampere 203-4005 8
D29
D30, D31 Diode, HP5082-2800, High Voltage, Schottky Barrier Type, 201-2800 2
70V, 15 mA
D32 Diode, 1N4148, Silicon, 75V @ 0.3 Amperes 203-4148 1
D33 Diode, HP5082-2800, High Voltage, Schottky Barrier Type, 201-2800 1
70V, 15 mA
D34, D35 Diode, 1N4148, Silicon, 75V @ 0.3 Amperes 203-4148 1
D36, D37 Diode, HP5082-2800, High Voltage, Schottky Barrier Type, 201-2800 2
70V, 15 mA
D38 Diode, 1N4148, Silicon, 75V @ 0.3 Amperes 203-4148 1
D39, D40 Diode, HP5082-2800, High Voltage, Schottky Barrier Type, 201-2800 2
70V, 15 mA
D41 Diode, 1N4148, Silicon, 75V @ 0.3 Amperes 203-4148 1
D42 Diode, HP5082-2800, High Voltage, Schottky Barrier Type, 201-2800 1
70V, 15 mA
D44 thru Diode, 1N4148, Silicon, 75V @ 0.3 Amperes 203-4148 2
D45
D49 thru Diode, 1N4148, Silicon, 75V @ 0.3 Amperes 203-4148 3
D51
D53 thru Diode, 1N4148, Silicon, 75V @ 0.3 Amperes 203-4148 12
D64
DS1, DS2 Indicator, LED, Green, 521-9175, 3V @ 40 mA Maximum 323-9224 2
DS3 Indicator, LED, Yellow, 521-9176, 3V @ 40 mA Maximum 323-9225 1
E10 Terminal, Turret, Double Shoulder 413-1597 1
J1 thru Receptacle, Male, 3-Pin In-line 417-0003 3
J3
J4 thru Receptacle, Male, 2-Pin In-line 417-4004 17
J20
P1 thru Jumper, Programmable, 2-Pin 340-0004 3
P3
P6 Jumper, Programmable, 2-Pin 340-0004 1
P8 thru Jumper, Programmable, 2-Pin 340-0004 12
P19
P301 Receptacle, 50-Pin Dual In-line 417-0147 1
P302 Connector, Female, 80-Pin, Dual In-Line Printed Circuit Board 417-0188 1
Mount
Q1 thru Transistor, 2N7000, FET, N-Channel, TO-92 Case 210-7000 37
Q37
Q38 thru Transistor, VP0106N3, FET, P-Channel, TO-92 Case 210-0106 8
Q45
Q46 thru Transistor, 2N7000, FET, N-Channel, TO-92 Case 210-7000 6
Q51
Q52 Transistor, VP0106N3, FET, P-Channel, TO-92 Case 210-0106 1
Q53, Q54 Transistor, 2N3906, PNP, Silicon, TO-92 Case 210-3906 2

3-5
TABLE 3-3. ECU CONTROLLER CIRCUIT BOARD ASSEMBLY - 917-0205
(Sheet 4 of 10)
REF. DES. DESCRIPTION PART NO. QTY.
Q55 Transistor, 2N3904, NPN, Silicon, TO-92 Case 211-3904 1
Q57 thru Transistor, 2N7000, FET, N-Channel, TO-92 Case 210-7000 3
Q59
R1 Resistor, 100 k Ohm ±1%, 1/4W 103-1062 1
R2 thru Potentiometer, 10 k Ohm ±10%, 1 1/4W 179-1053 5
R6
R7 Resistor, 301 k Ohm ±1%, 1/4W 103-3061 1
R8 Resistor, 10 k Ohm ±1%, 1/4W 100-1051 1
R9 Resistor, 2.21 k Ohm ±1%, 1/4W 103-2241 1
R10 Resistor, 4.42 k Ohm ±1%, 1/4W 103-4441 1
R11, R12 Resistor, 2.21 k Ohm ±1%, 1/4W 103-2241 2
R13 Resistor, 100 k Ohm ±1%, 1/4W 103-1062 1
R14 Resistor, 43.2 k Ohm ±1%, 1/4W 103-4325 1
R15 Resistor, 1 k Ohm ±1%, 1/4W 100-1041 1
R16 Resistor, 20.0 k Ohm ±1%, 1/4W 103-2051 1
R17 Resistor, 2.32 k Ohm ±1%, 1/4W 103-2341 1
R18 Resistor, 1.74 k Ohm ±1%, 1/4W 103-1744 1
R19, R20 Resistor, 1 k Ohm ±1%, 1/4W 100-1041 2
R21 Resistor, 2.21 k Ohm ±1%, 1/4W 103-2241 1
R22 Resistor, 1.47 k Ohm, ±1%, 1/4W 103-1474 1
R23 Resistor, 1 k Ohm ±1%, 1/4W 100-1041 1
R24 Resistor, 100 k Ohm ±1%, 1/4W 103-1062 1
R25 Resistor, 301 k Ohm ±1%, 1/4W 103-3061 1
R26 thru Resistor, 100 k Ohm ±1%, 1/4W 103-1062 3
R28
R29 Resistor, 20.0 k Ohm ±1%, 1/4W 103-2051 1
R30 Resistor, 100 k Ohm ±1%, 1/4W 103-1062 1
R31 Resistor, 301 k Ohm ±1%, 1/4W 103-3061 1
R32 Resistor, 10 k Ohm ±1%, 1/4W 100-1051 1
R33 thru Resistor, 2.21 k Ohm ±1%, 1/4W 103-2241 3
R35
R36 Resistor, 392 Ohm ±1%, 1/4W 103-3923 1
R37, R38 Resistor, 240 Ohm ±1%, 1/4W 103-2431 2
R39 Resistor, 1 k Ohm ±1%, 1/4W 100-1041 1
R40 Resistor, 4.75 k Ohm ±1%, 1/4W 103-4741 1
R41 Resistor, 240 Ohm ±1%, 1/4W 103-2431 1
R42 Resistor, 392 Ohm ±1%, 1/4W 103-3923 1
R43 Resistor, 182 Ohm, ±1%, 1/4W 103-1823 1
R44 Resistor, 392 Ohm ±1%, 1/4W 103-3923 1
R45 Resistor, 4.75 k Ohm ±1%, 1/4W 103-4741 1
R46 Resistor, 10 Ohm ±1%, 1/4W 103-1021 1
R47 Resistor, 1 Meg Ohm ±1%, 1/4W 103-1007 1
R48 Resistor, 10 Ohm ±1%, 1/4W 103-1021 1
R49 Resistor, 90.9 k Ohm ±1%, 1/4W 103-9095 1
R50 Resistor, 47.5 k Ohm ±1%, 1/4W 103-4755 1
R51 Resistor, 121 k Ohm ±1%, 1/4W 103-1261 1
R52 Resistor, 301 k Ohm ±1%, 1/4W 103-3061 1
R53, R54 Resistor, 10 Ohm, ±1%, 1/4W 103-1021 2

3-6
TABLE 3-3. ECU CONTROLLER CIRCUIT BOARD ASSEMBLY - 917-0205
(Sheet 5 of 10)
REF. DES. DESCRIPTION PART NO. QTY.
R55 Resistor, 392 Ohm ±1%, 1/4W 103-3923 1
R56 Potentiometer, 500 Ohm ±10%, 1 1/4W 178-5001 1
R57 Resistor, 750 Ohm ±1%, 1/4W 103-7503 1
R58 Resistor, 100 k Ohm ±1%, 1/4W 103-1062 1
R59 Resistor, 1 k Ohm ±1%, 1/4W 100-1041 1
R60, R61 Resistor, 90.9 k Ohm ±1%, 1/4W 103-9095 2
R62 Resistor, 100 k Ohm ±1%, 1/4W 103-1062 1
R63, R64 Resistor, 392 Ohm ±1%, 1/4W 103-3923 2
R65, R66 Resistor, 10 k Ohm ±1%, 1/4W 100-1051 2
R67 Resistor, 90.9 k Ohm ±1%, 1/4W 103-9095 1
R68 thru Resistor, 47.5 k Ohm, ±1%, 1/4W 103-4755 3
R70
R71 Resistor, 90.9 k Ohm ±1%, 1/4W 103-9095 1
R72 Resistor, 10 k Ohm ±1%, 1/4W 100-1051 1
R73 Resistor, 4.7 Meg Ohm ±5%, 1/4W 100-4773 1
R74 Resistor, 150 Ohm ±1%, 1/4W 100-1531 1
R75 Resistor, 61.9 k Ohm ±1%, 1/4W 103-6195 1
R76 Resistor, 3.92 k Ohm ±1%, 1/4W 103-3924 1
R77 Resistor, 1.47 k Ohm, ±1%, 1/4W 103-1474 1
R78 Resistor, 4.7 Meg Ohm ±5%, 1/4W 100-4773 1
R79, R80 Resistor, 100 k Ohm ±1%, 1/4W 103-1062 2
R81, R82 Resistor, 20.0 k Ohm ±1%, 1/4W 103-2051 2
R83 Resistor, 4.7 Meg Ohm ±5%, 1/4W 100-4773 1
R84 Resistor, 47.5 k Ohm ±1%, 1/4W 103-4755 1
R85 Resistor, 10 k Ohm ±1%, 1/4W 100-1051 1
R86 Resistor, 3.01 k Ohm ±1%, 1/4W 103-3014 1
R87 Resistor, 1 Meg Ohm ±1%, 1/4W 103-1007 1
R88 Resistor, 150 k Ohm ±1%, 1/4W 103-1561 1
R89 Resistor, 90.9 k Ohm ±1%, 1/4W 103-9095 1
R90 Resistor, 1 Meg Ohm ±1%, 1/4W 103-1007 1
R91 Resistor, 10 k Ohm ±1%, 1/4W 100-1051 1
R92 Resistor, 25.5 k Ohm ±1%, 1/4W 103-2551 1
R93 Resistor, 10 k Ohm ±1%, 1/4W 100-1051 1
R94 Resistor, 10 Ohm, ±1%, 1/4W 103-1021 1
R95 Resistor, 10 k Ohm ±1%, 1/4W 100-1051 1
R96 Resistor, 100 k Ohm ±1%, 1/4W 103-1062 1
R97 Resistor, 1 Meg Ohm ±1%, 1/4W 103-1007 1
R98 Resistor, 1 k Ohm ±1%, 1/4W 100-1041 1
R99 Resistor, 3.01 k Ohm ±1%, 1/4W 103-3014 1
R100 Resistor, 1 Meg Ohm ±1%, 1/4W 103-1007 1
R101 Resistor, 240 Ohm ±1%, 1/4W 103-2431 1
R102 Resistor, 4.75 k Ohm ±1%, 1/4W 103-4741 1
R103 Resistor, 2.21 k Ohm ±1%, 1/4W 103-2241 1
R104 Resistor, 16.9 k Ohm ±1%, 1/4W 103-1695 1
R105 Resistor, 1 Meg Ohm ±1%, 1/4W 103-1007 1
R106 Resistor, 3.01 k Ohm ±1%, 1/4W 103-3014 1
R107 Resistor, 1.47 k Ohm, ±1%, 1/4W 103-1474 1
R108 Resistor, 1 k Ohm ±1%, 1/4W 100-1041 1

3-7
TABLE 3-3. ECU CONTROLLER CIRCUIT BOARD ASSEMBLY - 917-0205
(Sheet 6 of 10)
REF. DES. DESCRIPTION PART NO. QTY.
R109 Resistor, 10 k Ohm ±1%, 1/4W 100-1051 1
R110 thru Resistor, 3.3 Meg Ohm ±5%, 1/4W 100-3373 13
R122
R123 Resistor, 100 k Ohm ±1%, 1/4W 103-1062 1
R124 Resistor, 5.76 k Ohm ±1%, 1/4W 103-5764 1
R125 Resistor, 3.3 Meg Ohm ±5%, 1/4W 100-3373 1
R126 thru Resistor, 240 Ohm ±1%, 1/4W 103-2431 5
R130
R131 thru Resistor, 100 k Ohm ±1%, 1/4W 103-1062 3
R133
R134 Resistor, 10 k Ohm ±1%, 1/4W 100-1051 1
R135 Resistor, 1 k Ohm ±1%, 1/4W 100-1041 1
R136 Resistor, 90.9 k Ohm ±1%, 1/4W 103-9095 1
R137 Resistor, 10 k Ohm ±1%, 1/4W 100-1051 1
R138 Resistor, 100 k Ohm ±1%, 1/4W 103-1062 1
R139, R140 Resistor, 1 k Ohm ±1%, 1/4W 100-1041 2
R141 Resistor, 100 k Ohm ±1%, 1/4W 103-1062 1
R142 Resistor, 1 k Ohm ±1%, 1/4W 100-1041 1
R143 Potentiometer, 500 Ohm ±10%, 1 1/4W 178-5001 1
R144 Resistor, 750 Ohm ±1%, 1/4W 103-7503 1
R145 thru Resistor, 90.9 k Ohm ±1%, 1/4W 103-9095 3
R147
R148 thru Resistor, 47.5 k Ohm, ±1%, 1/4W 103-4755 3
R150
R151 Resistor, 90.9 k Ohm ±1%, 1/4W 103-9095 1
R152 Resistor, 10 k Ohm ±1%, 1/4W 100-1051 1
R153 Resistor, 499 Ohm ±1%, 1/4W 103-4993 1
R154, R155 Resistor, 10 k Ohm ±1%, 1/4W 100-1051 2
R156 Resistor, 1 k Ohm ±1%, 1/4W 100-1041 1
R157 Resistor, 90.9 k Ohm ±1%, 1/4W 103-9095 1
R158 Resistor, 10 k Ohm ±1%, 1/4W 100-1051 1
R159 Resistor, 100 k Ohm ±1%, 1/4W 103-1062 1
R160 Resistor, 1 k Ohm ±1%, 1/4W 100-1041 1
R161 Resistor, 301 k Ohm ±1%, 1/4W 103-3061 1
R162 Resistor, 100 k Ohm ±1%, 1/4W 103-1062 1
R163 Resistor, 499 Ohm ±1%, 1/4W 103-4993 1
R164, R165 Resistor, 10 k Ohm ±1%, 1/4W 100-1051 2
R166 Resistor, 100 k Ohm ±1%, 1/4W 103-1062 1
R167 Resistor, 3.3 Meg Ohm ±5%, 1/4W 100-3373 1
R168 Resistor, 10 k Ohm ±1%, 1/4W 100-1051 1
R169 Resistor, 100 k Ohm ±1%, 1/4W 103-1062 1
R170 Resistor, 1 k Ohm ±1%, 1/4W 100-1041 1
R171 Resistor, 26.1 k Ohm, ±1%, 1/4W 103-2615 1
R172, R173 Resistor, 100 k Ohm ±1%, 1/4W 103-1062 2
R174 thru Resistor, 10 k Ohm ±1%, 1/4W 100-1051 3
R176
R177 Resistor, 1 Meg Ohm ±1%, 1/4W 103-1007 1
R179, R181 Resistor, 1 k Ohm ±1%, 1/4W 100-1041 2

3-8
TABLE 3-3. ECU CONTROLLER CIRCUIT BOARD ASSEMBLY - 917-0205
(Sheet 7 of 10)
REF. DES. DESCRIPTION PART NO. QTY.
R183, R184 Resistor, 392 Ohm ±1%, 1/4W 103-3923 2
R187, R188 Resistor, 100 k Ohm ±1%, 1/4W 103-1062 2
R189 Resistor, 20.0 k Ohm ±1%, 1/4W 103-2051 1
R190 Resistor, 10 k Ohm ±1%, 1/4W 100-1051 1
R191 Resistor, 4.7 Meg Ohm ±5%, 1/4W 100-4773 1
R192 thru Resistor, 10 k Ohm ±1%, 1/4W 100-1051 1
R194
R195 Resistor, 26.1 k Oh ±1%, 1/4W 103-2615 1
R196 Resistor, 121 k Ohm ±1%, 1/4W 103-1261 1
R197 Resistor, 10 Ohm ±1%, 1/4W 103-1021 1
R198 Resistor, 100 k Ohm ±1%, 1/4W 103-1062 1
R199 Resistor, 4.75 k Ohm ±1%, 1/4W 103-4741 1
R200 Resistor, 2.2 Meg Ohm ±5%, 1/4W 100-2273 1
R201 thru Resistor, 100 k Ohm ±1%, 1/4W 103-1062 5
R205
R206 Resistor, 475 k Ohm ±1%, 1/4W 103-4731 1
R207, R208 Resistor, 100 k Ohm ±1%, 1/4W 103-1062 2
R209 Resistor, 1.47 k Ohm, ±1%, 1/4W 103-1474 1
R210 Resistor, 499 Ohm ±1%, 1/4W 103-4993 1
RN1, RN2 Resistor Network, 10 k Ohm ±2%, 1W Resistors, 8-Pin Single 226-1051 2
In-Line Package
RN3, RN4 Resistor Network, 9-100 k Ohm, ±2%, .17W Resistors, 10-Pin Single 226-1060 2
In-Line Package
RN5 Resistor Network, 10 k Ohm ±2%, 1W Resistors, 8-Pin Single 226-1051 1
In-Line Package
RN6, RN7 Resistor Network, 9-100 k Ohm, ±2%, 2.7W Resistors, 10-Pin Single 226-1060 2
In-Line Package
RN8 Resistor Network, 10 k Ohm ±2%, 1W Resistors, 8-Pin Single 226-1051 1
In-Line Package
S1 thru Switch, SPST, 4-Position, 8-Pin DIP Dual In-Line 340-0002 3
S3
S4 Switch, Miniature Toggle, DPDT, 0.4 vA Maximum at 20V ac or dc 340-0060 1
S5 Switch, Push, N.O. Momentary Contact, Miniature, 1A @ 120V 343-6330 1
Maximum
TP1 thru Test, Jack, Right Angle PC Mounting 417-0004 6
TP6
TP7 thru Terminal, Turret, Double Shoulder 413-1597 6
TP12
U1 thru Integrated Circuit, 4N33, Optical Isolator, NPN Photo 229-0033 11
U11 Transistor/Infared Emitting Diode Type, 1500V Isolation,
Response: 30 kHz Maximum, Current: 50 mA Maximum, 6-Pin DIP
U12 Integrated Circuit, CD4075BE, RCA 225-0006 1
U13 Integrated Circuit, CD4071B, OR Gate, CMOS, 14-Pin DIP 225-0005 1
U14 Integrated Circuit, MC14532B, 8-Bit Priority Encoder, CMOS, 228-4532 1
16-Pin DIP
U15 Integrated Circuit, MC14076, Quad D Register, CMOS, 16-Pin DIP 228-4076 1
U16 Integrated Circuit, MC14011BCP, Quad 2-Input NAND Gate, CMOS, 228-4011 1
14-Pin DIP
U17 Integrated Circuit, MC14076, Quad D Register, CMOS, 16-Pin DIP 228-4076 1
U18 Integrated Circuit, MC14028BCP, BCD-to-Decimal Decoder, CMOS 228-4028 1

3-9
TABLE 3-3. ECU CONTROLLER CIRCUIT BOARD ASSEMBLY - 917-0205
(Sheet 8 of 10)
REF. DES. DESCRIPTION PART NO. QTY.
U19 Integrated Circuit, CD4075BE, RCA 225-0006 1
U20 Integrated Circuit, CD4081B, Quad 2-Input AND Gate, CMOS, 225-0008 1
14-Pin DIP
U21 Integrated Circuit, CD4075BE, RCA 225-0006 1
U22 Integrated Circuit, MC14073B, Tripple 3-Input AND Gate, 228-4073 1
CMOS, 14-Pin DIP
U23 Integrated Circuit, MC14001, CMOS, Quad 2-Input NOR Gate, 228-4001 1
14-Pin DIP
U24 Integrated Circuit, Triple 3 Input NOR Gates, CMOS, 14-Pin DIP 220-4025 1
U25 Integrated Circuit, CD4069CN, Hex Inverter, CMOS, 14-Pin DIP 228-4069 1
U26 Integrated Circuit, 14 Stage Counter, CMOS, 16-Pin DIP 228-4020 1
U27 Integrated Circuit, MC14512B, 8 Channel Data Selector, CMOS 228-4512 1
U28 Integrated Circuit, MC14532B, 8-Bit Priority Encoder, CMOS, 228-4532 1
16-Pin DIP
U29 Integrated Circuit, LM3362Z-2.5, Precision Voltage Reference, 229-0336 1
2.5V ±4%, -0 to ±70°C, TO-92 Case
U30, U31 Integrated Circuit, MC14516B, Binary Up/Down Counter, CMOS, 228-4516 2
16-Pin DIP
U32, U33 Integrated Circuit, 4N33, Optical Isolator, NPN Photo 229-0033 2
Transistor/Infared Emitting Diode Type, 1500V Isolation,
Response: 30 kHz Maximum, Current: 50 mA Maximum, 6-Pin DIP
U34, U35 Integrated Circuit, MC14516B, Binary Up/Down Counter, CMOS, 228-4516 2
16-Pin DIP
U36 Integrated Circuit, CD4081B, Quad 2-Input AND Gate, CMOS, 225-0008 1
14-Pin DIP
U37 Integrated Circuit, CD4075BE, RCA 225-0006 1
U38 Integrated Circuit, MC14073B, Tripple 3-Input AND Gate, 228-4073 1
CMOS, 14-Pin DIP
U39 Integrated Circuit, MC14051, 8-Bit Analog Multiplexer, CMOS, 220-4051 1
16-Pin DIP
U40 Integrated Circuit, TLO74CN, Quad JFET-Input Operational 221-0074 1
Amplifier, 14-Pin DIP
U41 Integrated Circuit, MC14053B, Analog Multiplexers/Demultiplexers, 220-4053 1
CMOS MSI, 16-Pin DIP
U42, U43 Integrated Circuit, DAC-08CP, D-A Converter, 8-Bit, 16-Pin DIP 220-0801 2
U44 Integrated Circuit, LM339AN, Quad Comparator, 14-Pin DIP 221-0339 1
U45 Integrated Circuit, CD4071B, OR Gate, CMOS, 14-Pin DIP 225-0005 1
U46 Integrated Circuit, CD4069CN, Hex Inverter, CMOS, 14-Pin DIP 228-4069 1
U47 Integrated Circuit, CD4081B, Quad 2-Input AND Gate, CMOS, 225-0008 1
14-Pin DIP
U48, U49 Integrated Circuit, MC14043BP, CMOS, Quad NOR Gate, 16-Pin DIP 220-4043 2
U50 Integrated Circuit, CD4071B, OR Gate, CMOS, 14-Pin DIP 225-0005 1
U51 Integrated Circuit, CD4081B, Quad 2-Input AND Gate, CMOS, 225-0008 1
14-Pin DIP
U52 Integrated Circuit, MC14001, CMOS, Quad 2-Input NOR Gate, 228-4001 1
14-Pin DIP
U53 Integrated Circuit, 4N33, Optical Isolator, NPN Photo 229-0033 1
Transistor/Infared Emitting Diode Type, 1500V Isolation,
Response: 30 kHz Maximum, Current: 50 mA Maximum, 6-Pin DIP
U54 Integrated Circuit, CD4069CN, Hex Inverter, CMOS, 14-Pin DIP 228-4069 1

3-10
TABLE 3-3. ECU CONTROLLER CIRCUIT BOARD ASSEMBLY - 917-0205
(Sheet 9 of 10)
REF. DES. DESCRIPTION PART NO. QTY.
U55 Integrated Circuit, CD4078BE, RCA 225-0007 1
U56 Integrated Circuit, 4N33, Optical Isolator, NPN Photo 229-0033 1
Transistor/Infared Emitting Diode Type, 1500V Isolation,
Response: 30 kHz Maximum, Current: 50 mA Maximum, 6-Pin DIP
U57 Integrated Circuit, MC14538B, Dual Retriggerable, Resettable 228-4538 1
Monostable Multivibrator, CMOS, 16-Pin DIP
U58 Integrated Circuit, 14 Stage Counter, CMOS, 16-Pin DIP 228-4020 1
U59 Integrated Circuit, MC14538B, Dual Retriggerable, Resettable 228-4538 1
Monostable Multivibrator, CMOS, 16-Pin DIP
U60 Integrated Circuit, MC14011BCP, Quad 2-Input NAND Gate, CMOS, 228-
4011 1
14-Pin DIP
U61 Integrated Circuit, LM339AN, Quad Comparator, 14-Pin DIP 221-0339 1
U62 Integrated Circuit, CD4071B, OR Gate, CMOS, 14-Pin DIP 225-0005 1
U63, U64 Integrated Circuit, TLO74CN, Quad JFET-Input Operational 221-0074 2
Amplifier, 14-Pin DIP
U65, U66 Integrated Circuit, LM339AN, Quad Comparator, 14-Pin DIP 221-0339 2
U67 Integrated Circuit, MC14043BP, CMOS, Quad NOR Gate, 16-Pin DIP 220-4043 1
U68 Integrated Circuit, MC14538B, Dual Retriggerable, Resettable 228-4538 1
Monostable Multivibrator, CMOS, 16-Pin DIP
U69 Integrated Circuit, CD4075BE, RCA 225-0006 1
U70 Integrated Circuit, LM317LZ, Adjustable Positive Voltage 220-0317 1
Regulator, 1.2 to 37V @ 0.1 Ampere, TO-92 Case
U71 Integrated Circuit, CD4081B, Quad 2-Input AND Gate, CMOS, 225-0008 1
14-Pin DIP
XS5 Switch Cap, Red 343-6331 1
XU1 thru Socket, 6-Pin DIP 417-0600 11
XU11
XU12, XU13 Socket, 14-Pin DIP 417-1404 2
XU14, XU15 Socket, 16-Pin DIP 417-1604 2
XU16 Socket, 14-Pin DIP 417-1404 1
XU17, XU18 Socket, 16-Pin DIP 417-1604 2
XU19 thru Socket, 14-Pin DIP 417-1404 7
XU25
XU26 thru Socket, 16-Pin DIP 417-1604 3
XU28
XU30, XU31 Socket, 16-Pin DIP 417-1604 3
XU32, XU33 Socket, 6-Pin DIP 417-0600 2
XU34, XU35 Socket, 16-Pin DIP 417-1604 2
XU36 thru Socket, 14-Pin DIP 417-1404 3
XU38
XU39 Socket, 16-Pin DIP 417-1604 1
XU40 Socket, 14-Pin DIP 417-1404 1
XU41 thru Socket, 16-Pin DIP 417-1604 3
XU43
XU44 thru Socket, 14-Pin DIP 417-1404 4
XU47
XU48, XU49 Socket, 16-Pin DIP 417-1604 2
XU50 thru Socket, 14-Pin DIP 417-1404 3
XU52
XU53 Socket, 6-Pin DIP 417-0600 1

3-11
TABLE 3-3. ECU CONTROLLER CIRCUIT BOARD ASSEMBLY - 917-0205
(Sheet 10 of 10)
REF. DES. DESCRIPTION PART NO. QTY.
XU54, XU55 Socket, 14-Pin DIP 417-1404 2
XU56 Socket, 6-Pin DIP 417-0600 1
XU57 thru Socket, 16-Pin DIP 417-1604 3
XU59
XU60 thru Socket, 14-Pin DIP 417-1404 7
XU66
XU67, XU68 Socket, 16-Pin DIP 417-1604 2
XU69 Socket, 14-Pin DIP 417-1404 1
XU71 Socket, 14-Pin DIP 417-1404 1
XU71 Socket, 16-Pin DIP 417-1604 1
---- Blank, ECU Controller Circuit Board, AM-1 517-0205 1
TABLE 3-4. ECU EXTENDER CIRCUIT BOARD ASSEMBLY - 917-0208
REF. DES. DESCRIPTION PART NO. QTY.
---- Connector, Female, 80-Pin, Dual In-Line, Printed Circuit Board 417-0188 1
Mount
---- Header, Right Angle, 50-Pin 417-0152 1
---- ECU Extender Card Support, AM Transmitter 471-0849 1
---- Header, Right Angle, 80-Pin 417-8001 1
---- Receptacle, 50-Pin Dual In-line 417-0147 1
---- Blank, ECU Extender Circuit Board, AM-1 517-0208 1
TABLE 3-5. STEREO CIRCUIT BOARD ASSEMBLY - 917-0209
(Sheet 1 of 10)
REF. DES. DESCRIPTION PART NO. QTY.
C1, C2 Capacitor, Monolythic Ceramic, 0.1 uF ±10%, 50V 003-1066 2
C3, C4 Capacitor, Mica, 1000 pF ±1%, 100V 041-1031 2
C5 Capacitor, Monolythic Ceramic, 0.1 uF ±10%, 50V 003-1066 1
C6 Capacitor, Mica, 500 pF ±1%, 500V 042-5021 1
C7 Capacitor, Mica, 1000 pF ±1%, 100V 041-1031 1
C8 Capacitor, Silvered Mica, 100 pF ±5%, 500V 040-1022 1
C9 Capacitor, Monolythic Ceramic, 0.1 uF ±10%, 50V 003-1066 1
C10 Capacitor, Mica, 500 pF ±1%, 500V 042-5021 1
C11 Capacitor, Mica, 1000 pF ±1%, 100V 041-1031 1
C12 Capacitor, Silvered Mica, 100 pF ±5%, 500V 040-1022 1
C13 Capacitor, Monolythic Ceramic, 0.1 uF ±10%, 50V 003-1066 1
C14 Capacitor, Mica, 330 pF ±5%, 500V 042-3322 1
C15 thru Capacitor, Monolythic Ceramic, 0.1 uF ±10%, 50V 003-1066 4
C18
C19, C20 Capacitor, Mica, 1000 pF ±1%, 100V 041-1031 2
C21 Capacitor, Monolythic Ceramic, 0.1 uF ±10%, 50V 003-1066 1

3-12
TABLE 3-5. STEREO CIRCUIT BOARD ASSEMBLY - 917-0209
(Sheet 2 of 10)
REF. DES. DESCRIPTION PART NO. QTY.
C22 Capacitor, Mica, 500 pF ±1%, 500V 042-5021 1
C23 Capacitor, Mica, 1000 pF ±1%, 100V 041-1031 1
C24 Capacitor, Silvered Mica, 100 pF ±5%, 500V 040-1022 1
C25 Capacitor, Monolythic Ceramic, 0.1 uF ±10%, 50V 003-1066 1
C26 Capacitor, Mica, 500 pF ±1%, 500V 042-5021 1
C27 Capacitor, Mica, 1000 pF ±1%, 100V 041-1031 1
C28 Capacitor, Silvered Mica, 100 pF ±5%, 500V 040-1022 1
C29 Capacitor, Monolythic Ceramic, 0.1 uF ±10%, 50V 003-1066 1
C30 Capacitor, Mica, 330 pF ±5%, 500V 042-3322 1
C31 thru Capacitor, Monolythic Ceramic, 0.1 uF ±10%, 50V 003-1066 4
C34
C35, C36 Capacitor, Mica, 1000 pF ±1%, 100V 041-1031 2
C37 Capacitor, Monolythic Ceramic, 0.1 uF ±10%, 50V 003-1066 1
C38 Capacitor, Mica, 500 pF ±1%, 500V 042-5021 1
C39 Capacitor, Mica, 1000 pF ±1%, 100V 041-1031 1
C40 Capacitor, Silvered Mica, 100 pF ±5%, 500V 040-1022 1
C41 Capacitor, Monolythic Ceramic, 0.1 uF ±10%, 50V 003-1066 1
C42 Capacitor, Mica, 500 pF ±1%, 500V 042-5021 1
C43 Capacitor, Mica, 1000 pF ±1%, 100V 041-1031 1
C44 Capacitor, Silvered Mica, 100 pF ±5%, 500V 040-1022 1
C45 Capacitor, Monolythic Ceramic, 0.1 uF ±10%, 50V 003-1066 1
C46 Capacitor, Mica, 330 pF ±5%, 500V 042-3322 1
C47 thru Capacitor, Monolythic Ceramic, 0.1 uF ±10%, 50V 003-1066 4
C50
C51, C52 Capacitor, Mica, 1000 pF ±1%, 100V 041-1031 2
C53 Capacitor, Monolythic Ceramic, 0.1 uF ±10%, 50V 003-1066 1
C54 Capacitor, Mica, 500 pF ±1%, 500V 042-5021 1
C55 Capacitor, Mica, 1000 pF ±1%, 100V 041-1031 1
C56 Capacitor, Silvered Mica, 100 pF ±5%, 500V 040-1022 1
C57 Capacitor, Monolythic Ceramic, 0.1 uF ±10%, 50V 003-1066 1
C58 Capacitor, Mica, 500 pF ±1%, 500V 042-5021 1
C59 Capacitor, Mica, 1000 pF ±1%, 100V 041-1031 1
C60 Capacitor, Silvered Mica, 100 pF ±5%, 500V 040-1022 1
C61 Capacitor, Monolythic Ceramic, 0.1 uF ±10%, 50V 003-1066 1
C62 Capacitor, Mica, 330 pF ±5%, 500V 042-3322 1
C63 thru Capacitor, Monolythic Ceramic, 0.1 uF ±10%, 50V 003-1066 18
C80
C81, C82 Capacitor, Electrolytic, 100 uF, 50V 020-1085 2
C83, C84 Capacitor, Mylar Film, 0.47 uF ±2%, 100V 030-4753 2
C85 Capacitor, Monolythic Ceramic, 0.1 uF ±10%, 50V 003-1066 1
C86, C87 Capacitor, Mylar Film, 0.47 uF ±2%, 100V 030-4753 2
C88 thru Capacitor, Monolythic Ceramic, 0.1 uF ±10%, 50V 003-1066 3
C90
C91 Capacitor, Electrolytic, 10 uF, 25V, Non-Polarized 023-1075 1
C92 Capacitor, Electrolytic, 22 uF, 50V 024-2274 1
C93 Capacitor, Monolythic Ceramic, 0.1 uF ±10%, 50V 003-1066 1
C94 Capacitor, Electrolytic, 22 uF, 50V 024-2274 1
C95 thru Capacitor, Monolythic Ceramic, 0.1 uF ±10%, 50V 003-1066 4
C98

3-13
TABLE 3-5. STEREO CIRCUIT BOARD ASSEMBLY - 917-0209
(Sheet 3 of 10)
REF. DES. DESCRIPTION PART NO. QTY.
C99 thru Capacitor, Monolythic Ceramic, 0.0047 uF ±5%, 100V 003-4723 4
C102
C103, C104 Capacitor, Electrolytic, 10 uF, 25V, Non-Polarized 023-1075 2
C105 Capacitor, Ceramic Disc, 3.3 pF, 1000V 000-3302 1
C106, C107 Capacitor, Monolythic Ceramic, 0.1 uF ±10%, 50V 003-1066 2
C108 Capacitor, Mica, 620 pF ±5%, 300V 040-6223 1
C109 Capacitor, Mica, 33 pF ±5%, 500V 042-3312 1
C110 Capacitor, Mica, 180 pF ±5%, 500V 042-1822 1
C111 Capacitor, Mica, 620 pF ±5%, 300V 040-6223 1
C112 Capacitor, Mica, 220 pF ±5%, 500V 040-2223 1
C113 Capacitor, Monolythic Ceramic, 0.0015 uF ±5%, 100V 003-1523 1
C114 Capacitor, Monolythic Ceramic, .0027 uF ±5%, 100V 003-2723 1
C115 Capacitor, Mica, 750 pF ±5%, 500V 042-7522 1
C116 Capacitor, Mica, 560 pF ±5%, 500V 040-5623 1
C117 Capacitor, Monolythic Ceramic, 0.0015 uF ±5%, 100V 003-1523 1
C118 Capacitor, Mica, 820 pF ±5%, 300V 042-8222 1
C119 Capacitor, Mica, 270 pF ±5%, 300V 041-2722 1
C120 Capacitor, Mica, 180 pF ±5%, 500V 042-1822 1
C121 Capacitor, Mica, 620 pF ±5%, 300V 040-6223 1
C122 thru Capacitor, Monolythic Ceramic, 0.1 uF ±10%, 50V 003-1066 7
C128
C129, C130 Capacitor, Electrolytic, 10 uF, 35V, Non-Polarized 023-1075 2
C131 thru Capacitor, Monolythic Ceramic, 0.1 uF ±10%, 50V 003-1066 3
C133
C134 Capacitor, Mica, 33 pF ±5%, 500V 042-3312 1
C135, C136 Capacitor, Monolythic Ceramic, 0.1 uF ±10%, 50V 003-1066 2
C137 Capacitor, Electrolytic, 10 uF, 35V, Non-Polarized 023-1075 1
C138 thru Capacitor, Monolythic Ceramic, 0.1 uF ±10%, 50V 003-1066 1
C144
C145 Capacitor, Electrolytic, 10 uF, 35V, Non-Polarized 023-1075 1
C146, C147 Capacitor, Monolythic Ceramic, 0.1 uF ±10%, 50V 003-1066 2
C148 thru Capacitor, Monolythic Ceramic, 470 pF ±5%, 200V 003-4713 4
C151
C152 thru Capacitor, Monolythic Ceramic, 0.1 uF ±10%, 50V 003-1066 13
C164
C165 thru Capacitor, Mylar Film, 0.01 uF ±10%, 200V 030-1043 4
C168
C169, C170 Capacitor, Mica, 180 pF ±5%, 500V 042-1822 2
C171, C172 Capacitor, Electrolytic, 10 uF, 25V, Non-Polarized 023-1075 2
C173, C174 Capacitor, Mica, 33 pF ±5%, 500V 042-3312 2
C175 Capacitor, Monolythic Ceramic, 0.1 uF ±10%, 50V 003-1066 1
D1, D2 Diode, 1N4148, Silicon, 75V @ 0.3 Amperes 203-4148 2
D3, D4 Diode, 1N4737, Zener, 7.5V ±10%, 1W 200-4737 2
D5 thru Diode, 1N4005, Silicon, 600V @ 1 Ampere 203-4005 5
D9
DS1 thru Indicator, LED, Green, 521-9175, 3V @ 40 mA Maximum 323-9224 3
DS3
DS4 thru Indicator, LED, Yellow, 521-9176, 3V @ 30 mA Maximum 323-9225 3
DS6

3-14
TABLE 3-5. STEREO CIRCUIT BOARD ASSEMBLY - 917-0209
(Sheet 4 of 10)
REF. DES. DESCRIPTION PART NO. QTY.
E1 thru Terminal, Turret, Double Shoulder 413-1597 4
E4
J1 thru Connector, Header, Right Angle, 8-Pin 417-0807 4
J4
J5 thru Receptacle, Male, 3-Pin In-line 417-0003 3
J7
L1 thru Coil, Toroid, 22 uH ±10%, 34 Turns of No. 30 Enameled Copper 360-0049 3
L3 Wire on B.E. No. 360-0023 Form
L4 Shielded Adjustable Coil, 64-163 uH, 155 mA Maximum, 360-0077 1
9.98 Ohms DC Resistance
L5, L6 Shielded Adjustable Coil, 26-71 uH, 185 mA Maximum, 360-0062 2
6.97 Ohms DC Resistance
L7 Shielded Adjustable Coil, 12-29 uH, 225 mA Maximum, 360-0078 1
4.72 Ohms DC Resistance
P1A Jumper, Programmable, 2-Pin 340-0004 1
P2A Jumper, Programmable, 2-Pin 340-0004 1
P1B Jumper, Programmable, 2-Pin 340-0004 1
P2B Jumper, Programmable, 2-Pin 340-0004 1
P3B Jumper, Programmable, 2-Pin 340-0004 1
P4A Jumper, Programmable, 2-Pin 340-0004 1
P5 thru Jumper, Programmable, 2-Pin 340-0004 3
P7
P31 Jumper, Programmable, 2-Pin 340-0004 1
P201 Receptacle, 50-Pin Dual In-line 417-0147 1
Q1, Q2 Transistor, 2N3904, NPN, Silicon, TO-92 Case 211-3904 2
Q3 thru Transistor, 2N7000, FET, N-Channel, TO-92 Case 210-7000 12
Q14
R1 Potentiometer, 5 k Ohm ±10%, 1W 179-5043 1
R2 Resistor, 8.25 k Ohm ±1%, 1/4W 103-8254 1
R3 Resistor, 10 k Ohm ±1%, 1/4W 100-1051 1
R4 Resistor, 6.04 k Ohm, ±1%, 1/4W 103-6044 1
R5 Resistor, 10 k Ohm ±1%, 1/4W 100-1051 1
R6 Potentiometer, 10 k Ohm ±10%, 1 1/4W 179-1053 1
R7 Resistor, 24.9 k Ohm ±1%, 1/4W 103-2495 1
R8 Resistor, 51.1 Ohm ±1%, 1/4W 103-5112 1
R9 Resistor, 100 k Ohm ±1%, 1/4W 103-1062 1
R10 Potentiometer, 500 Ohm ±10%, 1 1/4W 178-5001 1
R11 Resistor, 10 k Ohm ±1%, 1/4W 100-1051 1
R12 Resistor, 4.75 k Ohm ±1%, 1/4W 103-4741 1
R13 Resistor, 24.9 k Ohm ±1%, 1/4W 103-2495 1
R14 Resistor, 51.1 Ohm ±1%, 1/4W 103-5112 1
R15 Resistor, 10 k Ohm ±1%, 1/4W 100-1051 1
R16 Resistor, 4.75 k Ohm ±1%, 1/4W 103-4741 1
R17 thru Resistor, 10 k Ohm ±1%, 1/4W 100-1051 3
R19
R20 thru Resistor, 4.99 k Ohm ±1%, 1/4W 100-5041 3
R22
R23, R24 Resistor, 10 k Ohm ±1%, 1/4W 100-1051 2
R25 Resistor, 1 k Ohm ±1%, 1/4W 100-1041 1

3-15
TABLE 3-5. STEREO CIRCUIT BOARD ASSEMBLY - 917-0209
(Sheet 5 of 10)
REF. DES. DESCRIPTION PART NO. QTY.
R26 Potentiometer, 10 k Ohm ±10%, 1 1/4W 179-1053 1
R27 Potentiometer, 5 k Ohm ±10%, 1W 179-5043 1
R28 Resistor, 8.25 k Ohm ±1%, 1/4W 103-8254 1
R29 Resistor, 10 k Ohm ±1%, 1/4W 100-1051 1
R30 Resistor, 6.04K Ohm, ±1%, 1/4W 103-6044 1
R31 Resistor, 10 k Ohm ±1%, 1/4W 100-1051 1
R32 Potentiometer, 10 k Ohm ±10%, 1 1/4W 179-1053 1
R33 Resistor, 24.9 k Ohm ±1%, 1/4W 103-2495 1
R34 Resistor, 51.1 Ohm ±1%, 1/4W 103-5112 1
R35 Resistor, 100 k Ohm ±1%, 1/4W 103-1062 1
R36 Potentiometer, 500 Ohm ±10%, 1 1/4W 178-5001 1
R37 Resistor, 10 k Ohm ±1%, 1/4W 100-1051 1
R38 Resistor, 4.75 k Ohm ±1%, 1/4W 103-4741 1
R39 Resistor, 24.9 k Ohm ±1%, 1/4W 103-2495 1
R40 Resistor, 51.1 Ohm ±1%, 1/4W 103-5112 1
R41 Resistor, 10 k Ohm ±1%, 1/4W 100-1051 1
R42 Resistor, 4.75 k Ohm ±1%, 1/4W 103-4741 1
R43 thru Resistor, 10 k Ohm ±1%, 1/4W 100-1051 3
R45
R46 thru Resistor, 4.99 k Ohm ±1%, 1/4W 100-5041 3
R48
R49, R50 Resistor, 10 k Ohm ±1%, 1/4W 100-1051 2
R51 Resistor, 1 k Ohm ±1%, 1/4W 100-1041 1
R52 Potentiometer, 10 k Ohm ±10%, 1 1/4W 179-1053 1
R53 Potentiometer, 5 k Ohm ±10%, 1W 179-5043 1
R54 Resistor, 8.25 k Ohm ±1%, 1/4W 103-8254 1
R55 Resistor, 10 k Ohm ±1%, 1/4W 100-1051 1
R56 Resistor, 6.04K Ohm ±1%, 1/4W 103-6044 1
R57 Resistor, 10 k Ohm ±1%, 1/4W 100-1051 1
R58 Potentiometer, 10 k Ohm ±10%, 1 1/4W 179-1053 1
R59 Resistor, 51.1 Ohm ±1%, 1/4W 103-5112 1
R60 Resistor, 24.9 k Ohm ±1%, 1/4W 103-2495 1
R61 Resistor, 100 k Ohm ±1%, 1/4W 103-1062 1
R62 Potentiometer, 500 Ohm ±10%, 1 1/4W 178-5001 1
R63 Resistor, 10 k Ohm ±1%, 1/4W 100-1051 1
R64 Resistor, 4.75 k Ohm ±1%, 1/4W 103-4741 1
R65 Resistor, 24.9 k Ohm ±1%, 1/4W 103-2495 1
R67 Resistor, 10 k Ohm ±1%, 1/4W 100-1051 1
R68 Resistor, 4.75 k Ohm ±1%, 1/4W 103-4741 1
R69 thru Resistor, 10 k Ohm ±1%, 1/4W 100-1051 3
R71
R72 thru Resistor, 4.99 k Ohm ±1%, 1/4W 100-5041 3
R74
R75, R76 Resistor, 10 k Ohm ±1%, 1/4W 100-1051 2
R77 Resistor, 1 k Ohm ±1%, 1/4W 100-1041 1
R78 Potentiometer, 10 k Ohm ±10%, 1 1/4W 179-1053 1
R79 Potentiometer, 5 k Ohm ±10%, 1W 179-5043 1
R80 Resistor, 8.25 k Ohm ±1%, 1/4W 103-8254 1

3-16
TABLE 3-5. STEREO CIRCUIT BOARD ASSEMBLY - 917-0209
(Sheet 6 of 10)
REF. DES. DESCRIPTION PART NO. QTY.
R81 Resistor, 10 k Ohm ±1%, 1/4W 100-1051 1
R82 Resistor, 6.04 k Ohm ±1%, 1/4W 103-6044 1
R83 Resistor, 10 k Ohm ±1%, 1/4W 100-1051 1
R84 Potentiometer, 10 k Ohm ±10%, 1 1/4W 179-1053 1
R85 Resistor, 24.9 k Ohm ±1%, 1/4W 103-2495 1
R86 Resistor, 51.1 Ohm ±1%, 1/4W 103-5112 1
R87 Resistor, 100 k Ohm ±1%, 1/4W 103-1062 1
R88 Potentiometer, 500 Ohm ±10%, 1 1/4W 178-5001 1
R89 Resistor, 10 k Ohm ±1%, 1/4W 100-1051 1
R90 Resistor, 4.75 k Ohm ±1%, 1/4W 103-4741 1
R91 Resistor, 24.9 k Ohm ±1%, 1/4W 103-2495 1
R92 Resistor, 51.1 Ohm ±1%, 1/4W 103-5112 1
R93 Resistor, 10 k Ohm ±1%, 1/4W 100-1051 1
R94 Resistor, 4.75 k Ohm ±1%, 1/4W 103-4741 1
R95 thru Resistor, 10 k Ohm ±1%, 1/4W 100-1051 3
R97
R98 thru Resistor, 4.99 k Ohm ±1%, 1/4W 100-5041 3
R100
R101, R102 Resistor, 10 k Ohm ±1%, 1/4W 100-1051 2
R103 Resistor, 1 k Ohm ±1%, 1/4W 100-1041 1
R104 Potentiometer, 10 k Ohm ±10%, 1 1/4W 179-1053 1
R105 thru Resistor, 10 k Ohm ±1%, 1/4W 100-1051 5
R109
R110 Resistor, 178 k Ohm ±1%, 1/4W 103-1761 1
R111 Resistor Network, 10-10 k Ohm 0.5% Resistors, 0.7W Total 226-0392 1
Dissipation, 16-Pin DIP
R112 Resistor, 1.15 k Ohm ±1%, 1/4W 103-1156 1
R113 Resistor, 6.04 k Ohm ±1%, 1/4W 103-6044 1
R114 Resistor, 100 Ohm ±1%, 1/4W 100-1031 1
R115 Resistor, 442 Ohm ±1%, 1/4W 103-4423 1
R116 Resistor, 100 Ohm ±1%, 1/4W 100-1031 1
R117 Resistor, 1 k Ohm ±1%, 1/4W 100-1041 1
R118 Resistor, 49.9 k Ohm ±1%, 1/4W 103-4951 1
R119 Resistor, 499 k Ohm ±1%, 1/4W 103-4996 1
R120 thru Resistor, 10 k Ohm ±1%, 1/4W 100-1051 7
R126
R127 Resistor, 178 k Ohm ±1%, 1/4W 103-1761 1
R128 Resistor, 24.9 k Ohm ±1%, 1/4W 103-2495 1
R129, R130 Resistor, 10 k Ohm ±1%, 1/4W 100-1051 2
R131 Resistor, 24.9 k Ohm ±1%, 1/4W 103-2495 1
R132 Potentiometer, 10 k Ohm ±10%, 1 1/4W 179-1053 1
R133 Resistor, 1 k Ohm ±1%, 1/4W 100-1041 1
R134 Resistor, 82.5 k Ohm ±1%, 1/4W 103-8255 1
R135 Resistor, 1 k Ohm ±1%, 1/4W 100-1041 1
R136 Resistor, 205 k Ohm, ±1%, 1/4W 103-2056 1
R137 Resistor, 71.5 k Ohm ±1%, 1/4W 103-7155 1
R138 Resistor, 909 Ohm ±1%, 1/4W 103-9031 1
R139 Resistor, 178 k Ohm ±1%, 1/4W 103-1761 1

3-17
TABLE 3-5. STEREO CIRCUIT BOARD ASSEMBLY - 917-0209
(Sheet 7 of 10)
REF. DES. DESCRIPTION PART NO. QTY.
R140, R141 Resistor, 10 k Ohm ±1%, 1/4W 100-1051 2
R142 Resistor, 5.23 k Ohm, ±1%, 1/4W 103-5251 1
R143 Resistor, 5.49 k Ohm, ±1%, 1/4W 103-5494 1
R144 Resistor, 100 Ohm ±1%, 1/4W 100-1031 1
R145 Resistor, 49.9 k Ohm ±1%, 1/4W 103-4951 1
R146, R147 Resistor, 1 k Ohm ±1%, 1/4W 100-1041 2
R148 thru Resistor, 100 Ohm ±1%, 1/4W 100-1031 4
R151
R152, R153 Resistor, 22.1 Ohm ±1%, 1/4W 103-2212 2
R154, R155 Resistor, 2 k Ohm ±1%, 1/4W 100-2041 2
R156 Resistor, 88.7 Ohm, ±1%, 1/4W 103-8872 1
R157, R158 Resistor, 182 Ohm ±1%, 1/4W 103-1823 2
R159 Resistor, 442 Ohm ±1%, 1/4W 103-4423 1
R160 Resistor, 1 k Ohm ±1%, 1/4W 100-1041 1
R161 Resistor, 182 Ohm ±1%, 1/4W 103-1823 1
R162, R163 Resistor, 221 Ohm ±1%, 1/4W 103-2213 2
R164 Resistor, 182 Ohm, ±1%, 1/4W 103-1823 1
R165, R166 Resistor, 1 k Ohm ±1%, 1/4W 100-1041 2
R167 Resistor, 182 Ohm, ±1%, 1/4W 103-1823 1
R168 Resistor, 240 Ohm ±1%, 1/4W 103-2431 1
R169 Resistor, 5.23 k Ohm, ±1%, 1/4W 103-5251 1
R170 thru Resistor, 442 Ohm, ±1%, 1/4W 103-4423 3
R172
R173 Resistor, 240 Ohm ±1%, 1/4W 103-2431 1
R174 Resistor, 3.01 k Ohm ±1%, 1/4W 103-3014 1
R175 Resistor, 240 Ohm ±1%, 1/4W 103-2431 1
R176 Resistor, 3.01 k Ohm ±1%, 1/4W 103-3014 1
R177 Resistor, 22.1 Ohm ±1%, 1/4W 103-2212 1
R178 Resistor, 3.01 k Ohm ±1%, 1/4W 103-3014 1
R179 Resistor, 22.1 Ohm ±1%, 1/4W 103-2212 1
R180 Resistor, 3.01 k Ohm ±1%, 1/4W 103-3014 1
R181, R182 Resistor, 1.5 k Ohm ±1%, 1/4W 103-1504 2
R183 thru Resistor, 1 k Ohm ±1%, 1/4W 100-1041 6
R188
R189 Resistor, 4.75 k Ohm ±1%, 1/4W 103-4741 1
R190 Resistor, 3.01 k Ohm ±1%, 1/4W 103-3014 1
R191 Resistor, 2 k Ohm ±1%, 1/4W 100-2041 1
R192 Resistor, 24.9 k Ohm ±1%, 1/4W 103-2495 1
R193 Potentiometer, 10 k Ohm ±10%, 1 1/4W 179-1053 1
R194 Resistor, 24.9 k Ohm ±1%, 1/4W 103-2495 1
R195 Resistor, 49.9 k Ohm ±1%, 1/4W 103-4951 1
R196 Resistor, 1 k Ohm ±1%, 1/4W 100-1041 1
R197 thru Resistor, 49.9 k Ohm ±1%, 1/4W 103-4951 4
R200
R201, R202 Resistor, 240 Ohm ±1%, 1/4W 103-2431 2
R203 Resistor, 82.5 k Ohm ±1%, 1/4W 103-8255 1
R204 Resistor, 1 k Ohm ±1%, 1/4W 100-1041 1
R205 Resistor, 49.9 k Ohm ±1%, 1/4W 103-4951 1

3-18
TABLE 3-5. STEREO CIRCUIT BOARD ASSEMBLY - 917-0209
(Sheet 8 of 10)
REF. DES. DESCRIPTION PART NO. QTY.
R206 Resistor, 3.3 Meg Ohm ±5%, 1/4W 100-3373 1
R207 Resistor, 49.9 k Ohm ±1%, 1/4W 103-4951 1
R208 Resistor, 3.3 Meg Ohm ±5%, 1/4W 100-3373 1
R209 Resistor, 49.9 k Ohm ±1%, 1/4W 103-4951 1
R210 Resistor, 3.3 Meg Ohm ±5%, 1/4W 100-3373 1
R211 Resistor, 49.9 k Ohm ±1%, 1/4W 103-4951 1
R212 Resistor, 3.3 Meg Ohm ±5%, 1/4W 100-3373 1
R213 Resistor, 49.9 k Ohm ±1%, 1/4W 103-4951 1
R214 Resistor, 1 k Ohm ±1%, 1/4W 100-1041 1
R215 Resistor, 2 k Ohm ±1%, 1/4W 100-2041 1
R216 Resistor, 1 k Ohm ±1%, 1/4W 100-1041 1
R217 Resistor, 10 k Ohm ±1%, 1/4W 100-1051 1
R218 thru Resistor, 240 Ohm ±1%, 1/4W 103-2431 4
R221
R222 thru Resistor, 1 k Ohm ±1%, 1/4W 100-1041 4
R225
R226 Resistor, 5.23 k Ohm, ±1%, 1/4W 103-5251 1
R227 Resistor, 51.1 Ohm ±1%, 1/4W 103-5112 1
R228 Resistor, 22.1 Ohm ±1%, 1/4W 103-2212 1
S1 Switch, Toggle, SPDT, 5A @ 125V ac & 28V dc 348-0123 1
S2 thru Switch, SPST, 4-Position, 8-Pin DIP Dual In-Line 340-0002 3
S4
S5 Switch, Push, N.O. Momentary Contact, Miniature, 1A @ 120V 343-6330 1
Maximum
T1 Transformer, RF DRIVE 370-0046 1
TP1 thru Terminal, Turret, Double Shoulder 413-1597 10
TP10
U1 Integrated Circuit, TL072CP, Dual JFET-Input Operational 221-0072 1
Amplifier, 8-Pin DIP
U2, U3 Integrated Circuit, 2150A, Voltage Controlled Amplifier, 8-Pin DIP 220-2150 2
U4 thru Integrated Circuit, TL072CP, Dual JFET-Input Operational 221-0072 4
U7 Amplifier, 8-Pin DIP
U8, U9 Integrated Circuit, 2150A, Voltage Controlled Amplifier, 8-Pin DIP 220-2150 2
U10 thru Integrated Circuit, TL072CP, Dual JFET-Input Operational 221-0072 3
U12 Amplifier, 8-Pin DIP
U13, U14 Integrated Circuit, 2150A, Voltage Controlled Amplifier, 8-Pin DIP 220-2150 2
U15 thru Integrated Circuit, TL072CP, Dual JFET-Input Operational 221-0072 4
U18 Amplifier, 8-Pin DIP
U19, U20 Integrated Circuit, 2150A, Voltage Controlled Amplifier, 8-Pin DIP 220-2150 2
U21, U22 Integrated Circuit, TL072CP, Dual JFET-Input Operational 221-0072 2
Amplifier, 8-Pin DIP
U23 Integrated Circuit, DG212CJ, QUAD SPST Switch, CMOS, 220-0212 1
16-Pin DIP
U24 thru Integrated Circuit, TL072CP, Dual JFET-Input Operational 221-0072 4
U27 Amplifier, 8-Pin DIP
U28 Integrated Circuit, DG212CJ, QUAD SPST Switch, CMOS, 220-0212 1
16-Pin DIP
U29 thru Integrated Circuit, TL072CP, Dual JFET-Input Operational 221-0072 3
U31 Amplifier, 8-Pin DIP

3-19
TABLE 3-5. STEREO CIRCUIT BOARD ASSEMBLY - 917-0209
(Sheet 9 of 10)
REF. DES. DESCRIPTION PART NO. QTY.
U32 Integrated Circuit, LM317LZ, Adjustable Positive Voltage 220-0317 1
Regulator, 1.2 to 37V @ 0.1 Ampere, TO-92 Case
U33 Integrated Circuit, 74HC4022, Octal Counter/Divider, CMOS, 221-4022 1
16-Pin DIP
U34 Integrated Circuit, 74HC4002N, Dual 4 Input NOR Gate 221-4002 1
14-Pin DIP
U35 Integrated Circuit, 74HC74N, Dual D-Type Flip Flop, 14-Pin DIP 221-7474 1
U36 Integrated Circuit, DG-271, 201HS, CMOS SPST Analog Switch 220-0017 1
16-Pin DIP
U37 Integrated Circuit, NE5539N, UHF Operational Amplifier, 220-5539 1
14-Pin DIP
U38 Integrated Circuit, CA3183E, Five Transistor Array, NPN, 220-3183 1
16-Pin DIP
U39 Integrated Circuit, MC10116P, Triple Differential Amplifier, 220-0116 1
16-Pin DIP
U40 Integrated Circuit, 74HC132N, Quad NAND Gate, Schmitt Trigger, 221-
4132 1
14-Pin DIP
U41 Integrated Circuit, CD4081B, Quad 2-Input AND Gate, CMOS, 225-0008 1
14-Pin DIP
U42 Integrated Circuit, MC14584, Hex Schmitt Trigger, CMOS, 228-4584 1
14-Pin DIP
U43 Integrated Circuit, MC14093B, Quad 2-Input NAND Schmitt Trigger 220-4093 1
CMOS, 14-Pin DIP
U44 Integrated Circuit, MC14013BCP, Dual D-Type Flip-Flop, CMOS, 228-4013 1
14-Pin DIP
U45 thru Integrated Circuit, 4N33, Optical Isolator, NPN Photo 229-0033 4
U48 Transistor/Infared Emitting Diode Type, 1500V Isolation,
Response: 30 kHz Maximum, Current: 50 mA Maximum, 6-Pin DIP
U49 Integrated Circuit, CD4071B, OR Gate, CMOS, 14-Pin DIP 225-0005 1
U50 Integrated Circuit, MC14532B, CMOS, 8-Bit Priority Encoder 228-4532 1
U51 Integrated Circuit, MC14013BCP, Dual D-Type Flip-Flop, CMOS, 228-4013 1
14-Pin DIP
U52 Integrated Circuit, CD4071B, OR Gate, CMOS, 14-Pin DIP 225-0005 1
U53 Integrated Circuit, CD4017B, 10-Output Counter/Divider, CMOS, 220-4017 1
16-Pin DIP
U54 Integrated Circuit, CD4081B, Quad 2-Input AND Gate, CMOS, 225-0008 1
14-Pin DIP
U55 Integrated Circuit, MC14584, Hex Schmitt Trigger, CMOS, 228-4584 1
14-Pin DIP
XU1 Socket, 8-Pin DIP 417-0804 1
XU4 thru Socket, 8-Pin DIP 417-0804 4
XU7
XU10 thru Socket, 8-Pin DIP 417-0804 3
XU12
XU15 thru Socket, 8-Pin DIP 417-0804 4
XU18
XU21, XU22 Socket, 8-Pin DIP 417-0804 2
XU23 Socket, 16-Pin DIP 417-1604 1
XU24 thru Socket, 8-Pin DIP 417-0804 4
XU27

3-20
TABLE 3-5. STEREO CIRCUIT BOARD ASSEMBLY - 917-0209
(Sheet 10 of 10)
REF. DES. DESCRIPTION PART NO. QTY.
XU28 Socket, 16-Pin DIP 417-1604 1
XU29 thru Socket, 8-Pin DIP 417-0804 3
XU31
XU33 Socket, 16-Pin DIP 417-1604 1
XU34, XU35 Socket, 14-Pin DIP 417-1404 2
XU36 Socket, 16-Pin DIP 417-1604 1
XU37 Socket, 14-Pin DIP 417-1404 1
XU38, XU39 Socket, 16-Pin DIP 417-1604 2
XU40 thru Socket, 14-Pin DIP 417-1404 5
XU44
XU45 thru Socket, 6-Pin DIP 417-0600 4
XU48
XU49 Socket, 14-Pin DIP 417-1404 1
XU50 Socket, 16-Pin DIP 417-1604 1
XU51, XU52 Socket, 14-Pin DIP 417-1404 2
XU53 Socket, 16-Pin DIP 417-1604 1
XU54, XU55 Socket, 14-Pin DIP 417-1404 2
---- Socket/Spacer, LED 407-0074 2
---- Switch Cap, Red 343-6331 1
---- Blank, Stereo Circuit Board, AM1, AM5 517-0209 1
TABLE 3-6. ECU EXCITER CIRCUIT BOARD ASSEMBLY - 917-0300
(Sheet 1 of 10)
REF. DES. DESCRIPTION PART NO. QTY.
C1, C2 Capacitor, Electrolytic, 10 uF, 35V 023-1075 2
C3 thru Capacitor, Monolythic Ceramic, 0.1 uF ±10%, 50V 003-1066 3
C5
C6 Capacitor, Mica, 1000 pF ±1%, 100V 041-1031 1
C7 Capacitor, Mica, 150 pF ±5%, 500V 040-1522 1
C8 Capacitor, Monolythic Ceramic, 0.1 uF ±10%, 50V 003-1066 1
C9 Capacitor, Mica, 500 pF ±1%, 500V 042-5021 1
C10 Capacitor, Mica, 1000 pF ±1%, 100V 041-1031 1
C11 Capacitor, Mica, 150 pF ±5%, 500V 040-1522 1
C12 Capacitor, Monolythic Ceramic, 0.1 uF ±10%, 50V 003-1066 1
C14 Capacitor, Mica, 1000 pF ±1%, 100V 041-1031 1
C15 Capacitor, Monolythic Ceramic, 0.1 uF ±10%, 50V 003-1066 1
C16, C17 Capacitor, Electrolytic, 10 uF, 35V 023-1075 2
C18 thru Capacitor, Monolythic Ceramic, 0.1 uF ±10%, 50V 003-1066 3
C20
C21 Capacitor, Mica, 1000 pF ±1%, 100V 041-1031 1
C22 Capacitor, Mica, 150 pF ±5%, 500V 040-1522 1
C23 Capacitor, Monolythic Ceramic, 0.1 uF ±10%, 50V 003-1066 1
C24 Capacitor, Mica, 500 pF ±1%, 500V 042-5021 1
C25 Capacitor, Mica, 1000 pF ±1%, 100V 041-1031 1
C26 Capacitor, Mica, 150 pF ±5%, 500V 040-1522 1

3-21
TABLE 3-6. ECU EXCITER CIRCUIT BOARD ASSEMBLY - 917-0300
(Sheet 2 of 10)
REF. DES. DESCRIPTION PART NO. QTY.
C27 Capacitor, Monolythic Ceramic, 0.1 uF ±10%, 50V 003-1066 1
C29 Capacitor, Mica, 1000 pF ±1%, 100V 041-1031 1
C30, C31 Capacitor, Monolythic Ceramic, 0.1 uF ±10%, 50V 003-1066 2
C32 Capacitor, Electrolytic, 10 uF, 50V 023-1076 1
C33 Capacitor, Monolythic Ceramic, 0.1 uF ±10%, 50V 003-1066 1
C34 Capacitor, Electrolytic, 22 uF, 50V 024-2274 1
C35 Capacitor, Monolythic Ceramic, 0.1 uF ±10%, 50V 003-1066 1
C36 Capacitor, Electrolytic, 22 uF, 50V 024-2274 1
C37 thru C39 Capacitor, Monolythic Ceramic, 0.1 uF ±10%, 50V 003-1066 3
C40 Capacitor, Mica, 33 pF ±5%, 500V 042-3312 1
C41 Capacitor, Monolythic Ceramic, 0.1 uF ±10%, 50V 003-1066 1
C42 Capacitor, Mica, 500 pF ±1%, 500V 042-5021 1
C43 Capacitor, Mica, 1000 pF ±1%, 100V 041-1031 1
C44 Capacitor, Silvered Mica, 100 pF ±5%, 500V 040-1022 1
C45 Capacitor, Monolythic Ceramic, 0.1 uF ±10%, 50V 003-1066 1
C46 Capacitor, Mica, 500 pF ±1%, 500V 042-5021 1
C47 Capacitor, Mica, 1000 pF ±1%, 100V 041-1031 1
C48 Capacitor, Silvered Mica, 100 pF ±5%, 500V 040-1022 1
C49 Capacitor, Monolythic Ceramic, 0.1 uF ±10%, 50V 003-1066 1
C50 Capacitor, Mica, 500 pF ±1%, 500V 042-5021 1
C51 Capacitor, Mica, 1000 pF ±1%, 100V 041-1031 1
C52 Capacitor, Silvered Mica, 100 pF ±5%, 500V 040-1022 1
C53 Capacitor, Monolythic Ceramic, 0.1 uF ±10%, 50V 003-1066 1
C54 Capacitor, Electrolytic, 10 uF, 50V 023-1076 1
C55, C56 Capacitor, Monolythic Ceramic, 0.1 uF ±10%, 50V 003-1066 2
C57, C58 Capacitor, Polyester, 0.0022 uF ±10%, 100V 031-2033 2
C59 Capacitor, Mica, 150 pF ±5%, 500V 040-1522 1
C60 Capacitor, Polyester, 0.0022 uF ±10%, 100V 031-2033 1
C61, C62 Capacitor, Electrolytic, 10 uF, 50V 023-1076 2
C63 thru C67 Capacitor, Monolythic Ceramic, 0.1 uF ±10%, 50V 003-1066 5
C68 Capacitor, Mica, 1000 pF ±1%, 100V 041-1031 1
C69, C70 Capacitor, Electrolytic, 10 uF, 50V 023-1076 2
C71, C72 Capacitor, Electrolytic, 100 uF, 35V 023-1084 2
C73, C74 Capacitor, Mica, 1000 pF ±1%, 100V 041-1031 2
C75 Capacitor, Mica, 390 pF ±5%, 100V 042-3922 1
C76 Capacitor, Monolythic Ceramic, 0.1 uF ±10%, 50V 003-1066 1
C77 Capacitor, Mica, 1000 pF ±1%, 100V 041-1031 1
C78 Capacitor, Mica, 250 pF ±1%, 500V 042-2521 1
C79 thru C81 Capacitor, Monolythic Ceramic, 0.1 uF ±10%, 50V 003-1066 3
C82 Capacitor, Monolythic Ceramic, .47 uF ±10%, 50V 003-4743 1
C83 Capacitor, Electrolytic, 1 uF, 50V, Non-Polarized 020-1064 1
C84 Capacitor, Mylar Film, 0.047 uF ±10%, 100V 030-4743 1
C85, C88 Capacitor, Monolythic Ceramic, 0.1 uF ±10%, 50V 003-1066 2
C89 Capacitor, Electrolytic, 1 uF, 50V, Non-Polarized 020-1064 1
C90 Capacitor, Mica, 390 pF ±5%, 100V 042-3922 1
C91 thru C93 Capacitor, Monolythic Ceramic, 0.1 uF ±10%, 50V 003-1066 3
C93 Capacitor, Electrolytic, 10 uF, 50V 023-1076 1
C94 Capacitor, Electrolytic, 22 uF, 50V 024-2274 1

3-22
TABLE 3-6. ECU EXCITER CIRCUIT BOARD ASSEMBLY - 917-0300
(Sheet 3 of 10)
REF. DES. DESCRIPTION PART NO. QTY.
C96, C97 Capacitor, Polycarbonate, 0.10 uF ±1%, 100V 030-1051 2
C98 Capacitor, Monolythic Ceramic, 0.0047 uF ±5%, 100V 003-4723 1
C99 Capacitor, Mylar, 0.01 uF ±10%, 100V 031-1043 1
C100 Capacitor, Mica, 500 pF ±1%, 500V 042-5021 1
C101, C102 Capacitor, Monolythic Ceramic, 0.1 uF ±10%, 50V 003-1066 2
C103 Capacitor, Monolythic Ceramic, 0.0047 uF ±5%, 100V 003-4723 1
C104 Capacitor, Monolythic Ceramic, 0.1 uF ±10%, 50V 003-1066 1
C105, C106 Capacitor, Electrolytic, 22 uF, 50V 024-2274 2
C107 Capacitor, Monolythic Ceramic, 56 pF ±10%, 200V 001-5613 1
C108 Capacitor, Variable, Polycarbonate, 2-27 pF 096-0009 1
C109 Capacitor, Mica, 150 pF ±5%, 500V 040-1522 1
C110 Capacitor, Ceramic Disc, 68 pF ±5%, N1500, 63V dc 000-6814 1
C111 Capacitor, Monolythic Ceramic, 0.1 uF ±10%, 50V 003-1066 1
C112, C113 Capacitor, Monolythic Ceramic, 0.0015 uF ±5%, 100V 003-1523 2
C114 Capacitor, Mylar, 0.01 uF ±10%, 100V 031-1043 1
C115 thru Capacitor, Monolythic Ceramic, 0.1 uF ±10%, 50V 003-1066 3
C117
C118 Capacitor, Electrolytic, 10 uF, 50V 023-1076 1
C119, C120 Capacitor, Monolythic Ceramic, 0.1 uF ±10%, 50V 003-1066 2
C121 Capacitor, Electrolytic, 10 uF, 50V 023-1076 1
C122 thru Capacitor, Monolythic Ceramic, 0.1 uF ±10%, 50V 003-1066 3
C124
C125 Capacitor, Electrolytic, 1 uF, 50V, Non-Polarized 020-1064 1
C126 thru Capacitor, Monolythic Ceramic, 0.1 uF ±10%, 50V 003-1066 4
C129
C130 Capacitor, Mica, 68 pF ±5%, 500V 040-6813 1
C131 Capacitor, Monolythic Ceramic, 0.1 uF ±10%, 50V 003-1066 1
C132 Capacitor, Silvered Mica, 100 pF ±5%, 500V 040-1022 1
C133, C134 Capacitor, Mica, 33 pF ±5%, 500V 042-3312 2
C135, C136 Capacitor, Monolythic Ceramic, 0.1 uF ±10%, 50V 003-1066 2
C137 Capacitor, Mica, 33 pF ±5%, 500V 042-3312 1
C138 Capacitor, Monolythic Ceramic, 0.1 uF ±10%, 50V 003-1066 1
C140 Capacitor, Electrolytic, 10 uF, 50V 023-1076 1
C141 Capacitor, Monolythic Ceramic, 0.1 uF ±10%, 50V 003-1066 1
C143, C144 Capacitor, Monolythic Ceramic, 0.1 uF ±10%, 50V 003-1066 2
C145 Capacitor, Mica, 33 pF ±5%, 500V 042-3312 1
C146 Capacitor, Electrolytic, 33 uF, 25V 020-3374 1
C147 thru Capacitor, Polycarbonate, 0.10 uF ±1%, 100V 030-1051 8
C154
C155 Capacitor, Monolythic Ceramic, 0.1 uF ±10%, 50V 003-1066 1
C156 Capacitor, Monolythic Ceramic, 0.0047 uF ±5%, 100V 003-4723 1
C157 Capacitor, Monolythic Ceramic, 0.1 uF ±10%, 50V 003-1066 1
C158, C159 Capacitor, Monolythic Ceramic, .47 uF ±10%, 50V 003-4743 2
C160 Capacitor, Mica, 22 pF ±5%, 500V 040-2213 1
C162 Capacitor, Mica, 22 pF ±5%, 500V 040-2213 1
C163 thru Capacitor, Monolythic Ceramic, 0.1 uF ±10%, 50V 003-1066 3
C165
C166 Capacitor, Monolythic Ceramic, .47 uF ±10%, 50V 003-4743 1

3-23
TABLE 3-6. ECU EXCITER CIRCUIT BOARD ASSEMBLY - 917-0300
(Sheet 4 of 10)
REF. DES. DESCRIPTION PART NO. QTY.
C167 Capacitor, Electrolytic, 1 uF, 50V, Non-Polarized 020-1064 1
C168 thru Capacitor, Monolythic Ceramic, 0.1 uF ±10%, 50V 003-1066 3
C170
C171, C172 Capacitor, Electrolytic, 1 uF, 50V, Non-Polarized 020-1064 2
C173 Capacitor, Monolythic Ceramic, 0.0015 uF ±5%, 100V 003-1523 1
C174 Capacitor, Electrolytic, 2.2 uF ±30%, 50V, Non-Polarized 020-2264 1
C175, C176 Capacitor, Monolythic Ceramic, 0.1 uF ±10%, 50V 003-1066 2
D1, D2 Diode, 1N4148, Silicon, 75V @ 0.3 Amperes 203-4148 2
D4 thru Diode, HP5082-2800, High Voltage, Schottky Barrier Type, 201-2800 18
D21 70V, 15 mA
D22 Diode, 1N4148, Silicon, 75V @ 0.3 Amperes 203-4148 1
D23 Diode, 1N4005, Silicon, 600V @ 1 Ampere 203-4005 1
D24 thru Diode, 1N4148, Silicon, 75V @ 0.3 Amperes 203-4148 4
D27
D29 thru Diode, 1N4148, Silicon, 75V @ 0.3 Amperes 203-4148 18
D46
D47 thru Diode, HP5082-2800, High Voltage, Schottky Barrier Type, 201-2800 4
D50 70V, 15 mA
D51 thru Diode, 1N4148, Silicon, 75V @ 0.3 Amperes 203-4148 17
D67
D68 Diode, Zener, 1N4739A, 9.1V ±5%, 1W 200-0009 1
D69 Diode, Zener, 1N4732A, 4.7V ±5%, 1W 200-4732 1
DS1 thru Indicator, LED, Green, 521-9175, 3V @ 40 mA Maximum 323-9224 5
DS5
E1 thru Terminal Test Point, Oval Red 413-0106 4
E4
J2 thru J5 Receptacle, Male, 3-Pin In-line 417-0003 4
J6 Receptacle, Male, 20-Pin In-Line 417-0200 1
J7 Receptacle, Male, 3-Pin In-line 417-0003 1
J8 thru Receptacle, Single Pin 417-0071-001 4
J11
J12, J13 Receptacle, Male, 20-Pin In-Line 417-0200 2
L1 thru L4 Coil, Toroid, 22 uH ±10%, 34 Turns of No. 30 Enameled Copper 360-0049 4
Wire on B.E. No. 360-0023 Form
L5 Coil, Molded, Shielded, 56 uH 360-0093 1
L6 Coil, Molded, 2.2 uH 364-2200 1
P2 thru P5 Jumper, Programmable, 2-Pin 340-0004 4
P6A, P6B Jumper, Programmable, 2-Pin 340-0004 2
P7 Jumper, Programmable, 2-Pin 340-0004 1
P12A Jumper, Programmable, 2-Pin 340-0004 1
P12B Jumper, Programmable, 2-Pin 340-0004 1
P13A Jumper, Programmable, 2-Pin 340-0004 1
P13B Jumper, Programmable, 2-Pin 340-0004 1
P101 Connector, Female, 80-Pin, Dual In-Line, PCB Mount 417-0188 1
Q3, Q4 Transistor, 2N3904, NPN, Silicon, TO-92 Case 211-3904 2
Q5 Transistor, 2N3906, PNP, Silicon, TO-92 Case 210-3906 1
Q6, Q7 Transistor, 2N7000, FET, N-Channel, TO-92 Case 210-7000 2

3-24
TABLE 3-6. ECU EXCITER CIRCUIT BOARD ASSEMBLY - 917-0300
(Sheet 5 of 10)
REF. DES. DESCRIPTION PART NO. QTY.
Q8 Field Effect Transistor, J3100, RF, N-Channel, TO-92 Case 212-0310 1
Q13 thru Field Effect Transistor, VN88AD, Metal-Oxide/Silicon, 210-0088 10
Q22 N-Channel Enhancement Type, TO-220-AB Case
Q23 Transistor, 2N7000, N-Channel, TO-92 Case 210-7000 1
R1 Resistor, 100 k Ohm ±1%, 1/4W 103-1062 1
R2 Resistor, 221 k Ohm ±1%, 1/4W 103-2216 1
R3 Resistor, 100 k Ohm ±1%, 1/4W 103-1062 1
R4 Resistor, 221 k Ohm ±1%, 1/4W 103-2216 1
R5 Resistor Network, 10-10 k Ohm 0.5% Resistors, 0.7W Total 226-0392 1
Dissipation, 16-Pin DIP
R8, R9 Resistor, 26.7 k Ohm ±1%, 1/4W 103-2675 2
R10 thru Resistor, 10 k Ohm ±1%, 1/4W 100-1051 3
R12
R14 Resistor, 15 k Ohm ±5%, 1/4W 100-1551 1
R15 Resistor, 100 Ohm ±1%, 1/4W 100-1031 1
R16 Resistor, 100 k Ohm ±1%, 1/4W 103-1062 1
R17 Resistor, 221 k Ohm ±1%, 1/4W 103-2216 1
R18 Resistor, 1 k Ohm ±1%, 1/4W 100-1041 1
R18 Resistor, 100 k Ohm ±1%, 1/4W 103-1062 1
R19 Resistor, 221 k Ohm ±1%, 1/4W 103-2216 1
R20 Resistor Network, 10-10 k Ohm 0.5% Resistors, 0.7W Total 226-0392 1
Dissipation, 16-Pin DIP
R23, R24 Resistor, 26.7 k Ohm ±1%, 1/4W 103-2675 2
R25 thru Resistor, 10 k Ohm ±1%, 1/4W 100-1051 3
R27
R29 Resistor, 15 k Ohm ±5%, 1/4W 100-1551 1
R30 Resistor, 100 Ohm ±1%, 1/4W 100-1031 1
R31 Resistor, 221 Ohm ±1%, 1/4W 103-2213 1
R32, R33 Resistor, 1.24 k Ohm ±1%, 1/4W 103-1244 2
R34 Resistor, 100 k Ohm ±1%, 1/4W 103-1062 1
R35 Resistor, 10 k Ohm ±1%, 1/4W 100-1051 1
R36, R37 Resistor, 100 k Ohm ±1%, 1/4W 103-1062 2
R38, R39 Resistor, 39.2 k Ohm ±1%, 1/4W 100-3951 2
R40 Resistor, 221 Ohm ±1%, 1/4W 103-2213 1
R41 Resistor, 3.83 k Ohm ±1%, 1/4W 103-3841 1
R41 Potentiometer, 20 k Ohm ±10%, 1/2W 178-2054 1
R42 Resistor, 20.0 k Ohm ±1%, 1/4W 103-2051 1
R43 thru Resistor, 10 k Ohm ±1%, 1/4W 100-1051 12
R54
R55 Resistor, 51.1 Ohm ±1%, 1/4W 103-5112 1
R58 thru Resistor, 100 k Ohm ±1%, 1/4W 103-1062 4
R61
R62 Potentiometer, 10 k Ohm ±10%, 1/2W 177-1054 1
R63 Resistor, 34 k Ohm ±1%, 1/4W 103-3405 1
R64 Resistor, 2.2 Meg Ohm ±5%, 1/4W 100-2273 1
R65 Resistor, 10 Ohm ±1%, 1/4W 103-1021 1
R66 Resistor, 2.2 Meg Ohm ±5%, 1/4W 100-2273 1
R67 Resistor, 10 Ohm ±1%, 1/4W 103-1021 1

3-25
TABLE 3-6. ECU EXCITER CIRCUIT BOARD ASSEMBLY - 917-0300
(Sheet 6 of 10)
REF. DES. DESCRIPTION PART NO. QTY.
R68 Resistor, 10 k Ohm ±1%, 1/4W 100-1051 1
R69 Resistor, 10 Ohm ±1%, 1/4W 103-1021 1
R70 Resistor, 121 Ohm ±1%, 1/4W 100-1231 1
R71 Resistor, 845 Ohm ±1%, 1/4W 103-8453 1
R72 Resistor, 1 k Ohm ±1%, 1/4W 100-1041 1
R73 Resistor, 47.5 k Ohm ±1%, 1/4W 103-4755 1
R74 Resistor, 453 k Ohm ±1%, 1/4W 100-4561 1
R75 Resistor, 2.21 k Ohm ±1%, 1/4W 103-2241 1
R76 Potentiometer, 1 k Ohm ±10%, 1/2W 178-1044 1
R77 Resistor, 34 k Ohm ±1%, 1/4W 103-3405 1
R78 Resistor, 22.1 k Ohm ±1%, 1/4W 103-2211 1
R79 Resistor, 1.33 k Ohm ±1%, 1/4W 103-1331 1
R80, R81 Resistor, 1 k Ohm ±1%, 1/4W 100-1041 2
R82, R83 Resistor, 10 Ohm ±1%, 1/4W 103-1021 2
R84 Resistor, 845 Ohm ±1%, 1/4W 103-8453 1
R85 Resistor, 10 k Ohm ±1%, 1/4W 100-1051 1
R86 thru Resistor, 9.09 k Ohm ±1%, 1/4W 103-9041 3
R88
R89, R90 Resistor, 8.45 k Ohm ±1%, 1/4W 103-8454 2
R91 Resistor, 5.6 Meg Ohm ±5%, 1/4W 100-5673 1
R92, R93 Resistor, 10 k Ohm ±1%, 1/4W 100-1051 2
R94 Resistor, 100 Ohm ±1%, 1/4W 100-1031 1
R99 Resistor, 34 k Ohm ±1%, 1/4W 103-3405 1
R100 Resistor, 66.5 k Ohm ±1%, 1/4W 103-6655 1
R101, R102 Resistor, 26.7 k Ohm ±1%, 1/4W 103-2675 2
R112 Resistor, 100 k Ohm ±1%, 1/4W 103-1062 1
R113, R114 Resistor, 10 Ohm ±1%, 1/4W 103-1021 2
R115 Resistor, 34 k Ohm ±1%, 1/4W 103-3405 1
R116, R117 Resistor, 10 k Ohm ±1%, 1/4W 100-1051 2
R118 Resistor, 100 k Ohm ±1%, 1/4W 103-1062 1
R119 Resistor, 121 Ohm ±1%, 1/4W 100-1231 1
R120 Resistor, 365 Ohm ±1%, 1/4W 103-3631 1
R121 Resistor, 51.1 Ohm ±1%, 1/4W 103-5112 1
R122 thru Resistor, 9.53 k Ohm ±1%, 1/4W 103-9534 4
R125
R126 thru Resistor, 7.50 k Ohm ±1%, 1/4W 103-7541 3
R128
R129 Resistor, 1 k Ohm ±1%, 1/4W 100-1041 1
R130 Resistor, 10 Ohm ±1%, 1/4W 103-1021 1
R131 Resistor, 4.75 k Ohm ±1%, 1/4W 103-4741 1
R132 Resistor, 221 Ohm ±1%, 1/4W 103-2213 1
R133 Resistor, 26.7 k Ohm ±1%, 1/4W 103-2675 1
R134 Resistor, 100 k Ohm ±1%, 1/4W 103-1062 1
R135 Resistor, 10 k Ohm ±1%, 1/4W 100-1051 1
R136 Resistor, 2.2 Meg Ohm ±5%, 1/4W 100-2273 1
R137 Resistor, 100 Ohm ±1%, 1/4W 100-1031 1
R138 thru Resistor, 10 k Ohm ±1%, 1/4W 100-1051 3
R140

3-26
TABLE 3-6. ECU EXCITER CIRCUIT BOARD ASSEMBLY - 917-0300
(Sheet 7 of 10)
REF. DES. DESCRIPTION PART NO. QTY.
R142 Resistor, 2.2 Meg Ohm ±5%, 1/4W 100-2273 1
R143 Resistor, 221 Ohm ±1%, 1/4W 103-2213 1
R144 Resistor, 3.83 k Ohm ±1%, 1/4W 103-3841 1
R145 Resistor, 1 k Ohm ±1%, 1/4W 100-1041 1
R146 Resistor, 221 Ohm ±1%, 1/4W 103-2213 1
R147 Resistor, 24.9 Ohm ±1%, 1/4W 103-2490 1
R148 Resistor, 1 k Ohm ±1%, 1/4W 100-1041 1
R149, R150 Resistor, 4.75 k Ohm ±1%, 1/4W 103-4741 2
R151 Resistor, 100 Ohm ±1%, 1/4W 100-1031 1
R152 Resistor, 10 k Ohm ±1%, 1/4W 100-1051 1
R153 Resistor, 3.83 k Ohm ±1%, 1/4W 103-3841 1
R154 Resistor, 453 k Ohm ±1%, 1/4W 100-4561 1
R155 Resistor, 1 k Ohm ±1%, 1/4W 100-1041 1
R156 Resistor, 121 Ohm ±1%, 1/4W 100-1231 1
R157 Resistor, 845 Ohm ±1%, 1/4W 103-8453 1
R158 Resistor, 221 Ohm ±1%, 1/4W 103-2213 1
R159 Potentiometer, 2 k Ohm ±10%, 1/2W 177-2044 1
R160 Resistor, 1.24 k Ohm ±1%, 1/4W 103-1244 1
R161 Resistor, 3.83 k Ohm ±1%, 1/4W 103-3841 1
R162 Resistor, 1 k Ohm ±1%, 1/4W 100-1041 1
R163 Resistor, 100 Ohm ±1%, 1/4W 100-1031 1
R164 Resistor, 1 k Ohm ±1%, 1/4W 100-1041 1
R165 Resistor, 2.21 k Ohm ±1%, 1/4W 103-2241 1
R166 Resistor, 1 k Ohm ±1%, 1/4W 100-1041 1
R167 Resistor, 2.21 k Ohm ±1%, 1/4W 103-2241 1
R168 Resistor, 100 k Ohm ±1%, 1/4W 103-1062 1
R169 Resistor, 15 k Ohm ±5%, 1/4W 100-1551 1
R170 Potentiometer, 20 k Ohm ±10%, 1/2W 178-2054 1
R171 Resistor, 15 k Ohm ±5%, 1/4W 100-1551 1
R172 thru Resistor, 22.1 Ohm ±1%, 1/4W 103-2212 8
R179
R180 Resistor, 1 k Ohm ±1%, 1/4W 100-1041 1
R181 Resistor, 10 k Ohm ±1%, 1/4W 100-1051 1
R182 Resistor, 68.1 k Ohm ±1%, 1/4W 103-6815 1
R183 Resistor, 7.50 k Ohm ±1%, 1/4W 103-7541 1
R184 Resistor, 46.4 k Ohm ±1%, 1/4W 103-4645 1
R185 Resistor, 113 k Ohm ±5%, 1/4W 103-1136 1
R186 Resistor, 4.75 k Ohm ±1%, 1/4W 103-4741 1
R187 Resistor, 18.2 k Ohm ±1%, 1/4W 103-1825 1
R188 Resistor, 10 k Ohm ±1%, 1/4W 100-1051 1
R189 Potentiometer, 1 k Ohm ±10%, 1/2W 178-1044 1
R190 Resistor, 2.10 k Ohm ±1%, 1/4W 103-2104 1
R191 Resistor, 10 k Ohm ±1%, 1/4W 100-1051 1
R192 thru Resistor, 113 k Ohm ±5%, 1/4W 103-1136 3
R194
R195 Resistor, 100 Ohm ±1%, 1/4W 100-1031 1
R196 Resistor, 121 Ohm ±1%, 1/4W 100-1231 1
R197 Resistor, 2.94 k Ohm ±1%, 1/4W 103-2941 1

3-27
TABLE 3-6. ECU EXCITER CIRCUIT BOARD ASSEMBLY - 917-0300
(Sheet 8 of 10)
REF. DES. DESCRIPTION PART NO. QTY.
R198 Potentiometer, 1 k Ohm ±10%, 1/2W 178-1044 1
R199 Resistor, 10 k Ohm ±1%, 1/4W 100-1051 1
R200 Resistor, 2.21 k Ohm ±1%, 1/4W 103-2241 1
R201 Resistor, 10 Meg Ohm ±5%, 1/4W 100-1083 1
R202 Resistor, 1 k Ohm ±1%, 1/4W 100-1041 1
R203 thru Resistor, 22.1 Ohm ±1%, 1/4W 103-2212 7
R209
R210, R211 Resistor, 10 k Ohm ±1%, 1/4W 100-1051 2
R212 Resistor, 100 k Ohm ±1%, 1/4W 103-1062 1
R213, R214 Resistor, 10 k Ohm ±1%, 1/4W 100-1051 2
R215 Resistor, 1 Meg Ohm ±1%, 1/4W 103-1007 1
R216 Resistor, 10 k Ohm ±1%, 1/4W 100-1051 1
R217 Potentiometer, 2 k Ohm ±10%, 1/2W 178-1044 1
R218 Resistor, 10 k Ohm ±1%, 1/4W 100-1051 1
S1 Switch, SPST, 4-Position, 8-Pin DIP Dual In-line 340-0002 1
S2 Switch, SPST, 8-Segment, 16-Pin DIP 340-0003 1
TP1 thru Terminal Test Point, Oval Red 413-0106 19
TP19
U1, U2 Integrated Circuit, TL072CP, Dual JFET-Input Operational 221-0072 2
Amplifier, 8-Pin DIP
U3 Amplifier, Dual Operational, RC4227GNB, Raytheon, 8-Pin DIP 221-4227 1
U4, U5 Integrated Circuit, TL072CP, Dual JFET-Input Operational 221-0072 2
Amplifier, 8-Pin DIP
U6 Amplifier, Dual Operational, RC4227GNB Raytheon, 8-Pin DIP 221-4227 1
U7 Integrated Circuit, DG212CJ, Quad, SPST Switch, 16-Pin DIP 220-0212 1
U8, U9 Amplifier, Dual Operational, RC4227GNB Raytheon, 8-Pin DIP 221-4227 2
U10 Integrated Circuit, MC14526BCP, Programmable Divide-by-N 4-Bit 220-4526 1
Counter, CMOS, 16-Pin DIP
U11 Integrated Circuit, MC14013BCP, Dual D-Type Flip-Flop, CMOS, 228-4013 1
14-Pin DIP
U12 Integrated Circuit, NE5534AN, Low Noise Operational Amplifier, 221-5534 1
8-Pin DIP
U13 Integrated Circuit, LM317LZ, Adjustable Positive Voltage 220-0317 1
Regulator, 1.2 to 37V @ 0.1 Ampere, TO-92 Case
U14 thru U17 Amplifier, Dual Operational, RC4227GNB, Raytheon, 8-Pin DIP 221-4227 4
U19, U20 Integrated Circuit, 74C24ON, Inverting Tri State, 20-Pin DIP 220-4240 2
U21 Integrated Circuit, CD4069CN, Hex Inverter, CMOS, 14-Pin DIP 228-4069 1
U22 Integrated Circuit, LM319N, Dual Comparator, 14-Pin DIP 221-0319 1
U23 Integrated Circuit, MC14538B, Dual Retriggerable, Resettable 228-4538 1
Monostable Multivibrator, CMOS, 16-Pin DIP
U24 Integrated Circuit, LM317LZ, Adjustable Positive Voltage 220-0317 1
Regulator, 1.2 to 37V @ 0.1 Ampere, TO-92 Case
U26 Amplifier, Dual Operational, RC4227GNB, Raytheon, 8-Pin DIP 221-4227 1
U27 Integrated Circuit, TL311P, JFET-Input Differential Comparator, 220-0311 1
8-Pin DIP
U28 Integrated Circuit, 74LS123, Schottky Dual Monostable 220-2123 1
Multivibrator, 16-Pin DIP

3-28
TABLE 3-6. ECU EXCITER CIRCUIT BOARD ASSEMBLY - 917-0300
(Sheet 9 of 10)
REF. DES. DESCRIPTION PART NO. QTY.
U29 Integrated Circuit, 74HC4022, Octal Counter/Divider, 16-Pin DIP 221-4022 1
U30 Integrated Circuit, 74HC132N, Quad Schmitt Nand Gates 221-4132 1
U31 Integrated Circuit, 74HC4002N, Dual 4 Input NOR Gate 221-4002 1
14-Pin DIP
U32 Integrated Circuit, 74HC132N, Quad Schmitt Nand Gates 221-4132 1
U33 Integrated Circuit, MC74HC14, Hex Schmitt Trigger Inverter, 220-4106 1
U34 Integrated Circuit, MC14040B, CMOS MSI, 12-Bit Binary Counter, 220-4040 1
16-Pin DIP
U35 Integrated Circuit, MC14073B, Tripple 3-Input AND Gate, 228-4073 1
CMOS, 14-Pin DIP
U36 Integrated Circuit, MC14013BCP, Dual D-Type Flip-Flop, CMOS, 228-4013 1
14-Pin DIP
U37 Integrated Circuit, LM317LZ, Adjustable Positive Voltage 220-0317 1
Regulator, 1.2 to 37V @ 0.1 Ampere, TO-92 Case
U38, U39 Integrated Circuit, 74HC132N QUAD Schmitt Nand Gates 221-4132 2
U40 Integrated Circuit, 74HC75N, Quad D Latch 221-7475 1
U41 Amplifier, Dual Operational, RC4227GNB, Raytheon, 8-Pin DIP 221-4227 1
U42 Integrated Circuit, 74HC74N Dual D Flip Flop 221-7474 1
U43 Integrated Circuit, TL311P, JFET-Input Differential Comparator, 220-0311 1
8-Pin DIP
U44 Integrated Circuit, MC14060B, 14-Bit Binary Counter and 220-4060 1
Oscillator, CMOS MSI, 16-Pin DIP
U45 Integrated Circuit, 74C24ON, Inverting Tri State, 20-Pin DIP 220-4240 1
U46 Driver, High and Low Side, IR2112, 14-Pin DIP 227-2112 1
U47 Integrated Circuit, LM319N, Dual Comparator, 14-Pin DIP 221-0319 1
XU1 thru Socket, 8-Pin DIP 417-0804 6
XU6
XU4 Socket, 14-Pin DIP 417-1404 1
XU7 Socket, 16-Pin DIP 417-1604 1
XU8, XU9 Socket, 8-Pin DIP 417-0804 2
XU10 Socket, 16-Pin DIP 417-1604 1
XU11 Socket, 14-Pin DIP 417-1404 1
XU12 Socket, 8-Pin DIP 417-0804 1
XU14 thru Socket, 8-Pin DIP 417-0804 4
XU17
XU19, XU20 Socket, 20-Pin DIP 417-2004 2
XU21, XU22 Socket, 14-Pin DIP 417-1404 2
XU23 Socket, 16-Pin DIP 417-1604 1
XU25 Receptacle, 28-Pin DIP 417-2804 1
XU26, XU27 Socket, 8-Pin DIP 417-0804 2
XU28 Socket, 16-Pin DIP 417-1604 1
XU29 Socket, 16-Pin DIP 417-1604 1
XU30 thru Socket, 14-Pin DIP 417-1404 4
XU33
XU34 Socket, 16-Pin DIP 417-1604 1
XU35, XU36 Socket, 14-Pin DIP 417-1404 2
XU38, XU39 Socket, 14-Pin DIP 417-1404 2

3-29
TABLE 3-6. ECU EXCITER CIRCUIT BOARD ASSEMBLY - 917-0300
(Sheet 10 of 10)
REF. DES. DESCRIPTION PART NO. QTY.
XU40 Socket, 16-Pin DIP 417-1604 1
XU41 Socket, 8-Pin DIP 417-0804 1
XU42 Socket, 14-Pin DIP 417-1404 1
XU43 Socket, 8-Pin DIP 417-0804 1
XU44 Socket, 16-Pin DIP 417-1604 1
XU45 Socket, 20-Pin DIP 417-2004 1
XU46, XU47 Socket, 14-Pin DIP 417-1404 2
10 kHz SPACING
Y1 Crystal, 48PD1002, 10.24 MHz, HC-18 Cinox 390-0013 1
9 kHz SPACING
Y1 Crystal, 9.216 MHz, HC-18 Cinox 390-0017 1
---- Potentiometer, 2k Ohm ±10%, .5W 178-2044 1
---- Integrated Circuit, MC145151P, Parallel Input, PLL 220-5151 1
Frequency Synthesizer, CMOS, 28-Pin DIP
---- Blank, ECU Exciter Circuit Board 517-0300 1
---- VCO Module Circuit Board Assembly 917-0069 1
TABLE 3-7. ECU MOTHERBOARD CIRCUIT BOARD ASSEMBLY - 917-0301
(Sheet 1 of 2)
REF. DES. DESCRIPTION PART NO. QTY.
C1, C2 Capacitor, Polyester, 0.0022 uF ±10%, 100V 031-2033 2
C3, C4 Capacitor, Polyester, 0.015 uF ±10%, 100V 030-1532 2
C5, C6 Capacitor, Polyester, 0.0022 uF ±10%, 100V 031-2033 2
C7, C8 Capacitor, Polyester, 0.015 uF ±10%, 100V 030-1532 2
C9 thru Capacitor, Monolythic Ceramic, 0.1 uF ±10%, 50V 003-1066 51
C59
C61 thru Capacitor, Monolythic Ceramic, 0.1 uF ±10%, 50V 003-1066 5
C65
C66 Capacitor, Electrolytic, 100 uF, 35V 023-1084 1
C67 thru Capacitor, Monolythic Ceramic, 0.1 uF ±10%, 50V 003-1066 18
C84
C85 Capacitor, Monolythic Ceramic, 0.1 uF ±10%, 50V 003-1066 1
C86, C87 Capacitor, Mica, 680 pF ±5%, 300V 040-6824 2
C88 thru Capacitor, Polyester, 0.015 uF ±10%, 100V 030-1532 3
C90
C91 thru Capacitor, Monolythic Ceramic, 0.1 uF ±10%, 50V 003-1066 19
C109
D1 Diode, 1N4005, Silicon, 600V @ 1 Ampere 203-4005 1
J7 Receptacle, 6-Pin 417-0677 1
J8 Connector, AMP 1-87502-8, Header Straight Post Double Row, 417-4040 1
40-Pin
J9, J10 Receptacle, Male, 13-Pin Dual In-Line 417-2600 2

3-30
TABLE 3-7. ECU MOTHERBOARD CIRCUIT BOARD ASSEMBLY - 917-0301
(Sheet 2 of 2)
REF. DES. DESCRIPTION PART NO. QTY.
J11 Receptacle, BNC 417-0203 1
J12 Connector, Male, 2-Pin In-Line 417-4004 1
J101 Connector Header, 80-Pin, Dual In-Line 417-0254 1
J201 Connector, AMP 102567-6, Header Straight Post Double Row, 417-0255 1
50-Pin
J301 Connector, AMP 102567-6, Header Straight Post Double Row, 417-0255 1
50-Pin
J302 Connector Header, 80-Pin, Dual In-Line 417-0254 1
L1 thru L4 Coil, Shielded, 560 uH ±10%, Molded 360-0072 4
L5, L6 RF Choke, 910 uH ±5%, 79 mA Maximum, 15.8 Ohms DC Resistance 360-0047 2
P4 thru P6 Connector, 25-Pin D-Type 418-2500 3
P12 Switch, Jumper Programmable 340-0004 1
R1 Resistor, 1.15 k Ohm ±1%, 1/4W 103-1156 1
R2, R3 Resistor, 442 Ohm ±1%, 1/4W 103-4423 2
R4 Resistor, 1.15 k Ohm ±1%, 1/4W 103-1156 1
R5 Resistor, 604 Ohm ±1%, 1/4W 100-6031 1
R6 Resistor, 1.15 k Ohm ±1%, 1/4W 103-1156 1
R7, R8 Resistor, 442 Ohm ±1%, 1/4W 103-4423 2
R9 Resistor, 1.15 k Ohm ±1%, 1/4W 103-1156 1
R10 Resistor, 604 Ohm ±1%, 1/4W 100-6031 1
R11 Resistor, 47 Ohm ±5%, 1W 120-4723 1
R15 thru R18 Resistor, 1.15 k Ohm ±1%, 1/4W 103-1156 4
R19 thru R22 Resistor, 51.1 Ohm ±1%, 1/4W 103-5112 4
R23 thru R28 Resistor, 1.15 k Ohm ±1%, 1/4W 103-1156 6
R29 thru R34 Resistor, 51.1 Ohm ±1%, 1/4W 103-5112 6
R35 thru R40 Resistor, 1.15 k Ohm ±1%, 1/4W 103-1156 6
R41 thru R45 Resistor, 51.1 Ohm ±1%, 1/4W 103-5112 5
R47 thru R51 Resistor, 1.15 k Ohm ±1%, 1/4W 103-1156 5
R53, R54 Resistor, 442 Ohm ±1%, 1/4W 103-4423 2
R55 Resistor, 10 k Ohm ±1%, 1/4W 100-1051 1
R56, R57 Resistor, 1.15 k Ohm ±1%, 1/4W 103-1156 2
R56 Resistor, 51.1 Ohm ±1%, 1/4W 103-5112 1
R58 Resistor, 200 Ohm ±1%, 1/4W 103-2003 1
R59 Resistor, 442 Ohm ±1%, 1/4W 103-4423 1
R60 thru R62 Resistor, 1.15 k Ohm ±1%, 1/4W 103-1156 3
R63, R64 Resistor, 3.92 k Ohm ±1%, 1/4W 103-3924 2
R65 Resistor, 47 Ohm ±5%, 1W 120-4723 1
R66 thru R72 Resistor, 51.1 Ohm ±1%, 1/4W 103-5112 7
R73 Resistor, 47 Ohm ±5%, 1W 120-4723 1
R74 Resistor, 10 Ohm ±1%, 1/4W 103-1021 1
R75 Resistor, 442 Ohm ±1%, 1/4W 103-4423 1
R76 Resistor, 10 Ohm ±1%, 1/4W 103-1021 1
R77 Resistor, 51.1 Ohm ±1%, 1/4W 103-5112 1
R78 thru R84 Resistor, 1.15 k Ohm ±1%, 1/4W 103-1156 7
R84 Resistor, 10 Ohm ±1%, 1/4W 103-1021 1
R86 thru R95 Resistor, 10 Ohm ±1%, 1/4W 103-1021 10
TB1, TB2 Barrier Strip, 30-Position 412-3000 2
---- Blank, ECU Motherboard Circuit Board 517-0301 1

3-31
TABLE 3-8. ECU DISPLAY/CONTROL SWITCH CIRCUIT BOARD - 917-0306-001
(Sheet 1 of 4)
REF. DES. DESCRIPTION PART NO. QTY.
C1 thru Capacitor, Monolythic Ceramic, 0.1 uF ±10%, 50V 003-1066 11
C11
C12 Capacitor, Electrolytic, 1 uF, 50V 024-1064 1
C13 thru Capacitor, Monolythic Ceramic, 0.1 uF ±10%, 50V 003-1066 11
C23
C24, C25 Capacitor, Electrolytic, 10 uF, 50V 023-1076 2
C26, C27 Capacitor, Electrolytic, 33 uF, 35V 024-3335 2
C28 Capacitor, Ceramic, 0.001 uF ±10%, 200V 030-1033 1
C29 Capacitor, Monolythic Ceramic, 0.1 uF ±10%, 50V 003-1066 1
C30 thru C32 Capacitor, Electrolytic, 100 uF, 35V 023-1084 3
C33 Capacitor, Electrolytic, 10 uF, 50V 023-1076 1
C34 Capacitor, Electrolytic, 33 uF, 35V 024-3335 1
C35 Capacitor, Ceramic, 0.001 uF ±10%, 200V 030-1033 1
C36 Capacitor, Electrolytic, 33 uF, 35V 024-3335 1
C37 Capacitor, Electrolytic, 10 uF, 50V 023-1076 1
C38, C39 Capacitor, Monolythic Ceramic, 0.1 uF ±10%, 50V 003-1066 2
C40 thru C43 Capacitor, Ceramic, 0.001 uF ±10%, 200V 030-1033 4
D1 thru D9 Diode, 1N4148, Silicon, 75V @ 0.3 Amperes 203-4148 9
D10, D11 Diode, 1N4005, Silicon, 600V @ 1 Ampere 203-4005 2
D12 thru D14 Diode, Zener, 1N4733A, 5.1V ±5%, 1W 200-4733 3
D15, D16 Diode, 1N4005, Silicon, 600V @ 1 Ampere 203-4005 2
D17 thru D19 Diode, Zener, 1N4733A, 5.1V ±5%, 1W 200-4733 3
D20, D21 Diode, 1N4148, Silicon, 75V @ 0.3 Amperes 203-4148 2
DS1, DS2 Indicator, LED, Yellow, 521-9176, 3V @ 30 mA Maximum 323-9225 2
DS7 LED, MV57164, Red, High Efficiency 10-Segment Bar Graph Array 320-7164 1
DS8, DS9 LED, MV54164, Green, High Efficiency 10-Segment Bar Graph Array 320-4164 2
DS10 LED, MV57164, Red, High Efficiency 10-Segment Bar Graph Array 320-7164 1
DS11, DS12 LED, MV54164, Green, High Efficiency 10-Segment Bar Graph Array 320-4164 2
DS13, DS14 Indicator, LED, Green, 521-9175, 3V @ 40 mA Maximum 323-9224 2
DS15, DS16 Indicator, LED, Red, 521-9212, 1.7V @ 50 mA Maximum 323-9217 2
DS17, DS18 Indicator, LED, Yellow, 521-9176, 3V @ 30 mA Maximum 323-9225 2
DS19, DS20 Indicator, LED, Green, 521-9175, 3V @ 40 mA Maximum 323-9224 2
DS22 thru LED, Tri-Color Common Cathode 320-0031 4
DS25
J1 Receptacle, Male, 13-Pin Dual In-Line 417-2600 1
J2 Connector, AMP 1-87502-8, Header Straight Post Double Row, 417-4040 1
40-Pin
Q1, Q2 Field Effect Transistor, J271, P-Channel JFET, TO-92 Case 210-0271 2
Q3 thru Q6 Transistor, 2N27000, FET, N-Channel, TO-92 Case 210-7000 4
Q7 Transistor, 2N3904, NPN, Silicon, TO-92 Case 211-3904 1
R1 thru Resistor, 100 k Ohm ±1%, 1/4W 103-1062 2
R3
R4 Resistor, 11.0 k Ohm ±1%, 1/4W 103-1105 1
R5, R6 Resistor, 100 k Ohm ±1%, 1/4W 103-1062 2
R7 Resistor, 11.0 k Ohm ±1%, 1/4W 103-1105 1
R8 Resistor, 100 k Ohm ±1%, 1/4W 103-1062 1
R9 Resistor, 24.3 k Ohm ±1%, 1/4W 103-2435 1
R10 Resistor, 825 Ohm ±1%, 1/4W 103-8253 1
R11 Resistor, 1 k Ohm ±1%, 1/4W 100-1041 1
R12 Resistor, 22 Meg Ohm ±5%,1/4W 100-2283 1

3-32
TABLE 3-8. ECU DISPLAY/CONTROL SWITCH CIRCUIT BOARD - 917-0306-001
(Sheet 2 of 4)
REF. DES. DESCRIPTION PART NO. QTY.
R13 Resistor, 22.1 k Ohm ±1%, 1/4W 103-2211 1
R14 Resistor, 221 k Ohm ±1%, 1/4W 103-2216 1
R15 Resistor, 10 k Ohm ±1%, 1/4W 100-1051 1
R16 Resistor, 10 k Ohm ±1%, 1/4W 100-1051 1
R17 Resistor, 2.21 k Ohm ±1%, 1/4W 103-2241 1
R18 Resistor, 24.3 k Ohm ±1%, 1/4W 103-2435 1
R19 Resistor, 825 Ohm ±1%, 1/4W 103-8253 1
R20 Resistor, 1 k Ohm ±1%, 1/4W 100-1041 1
R21 Resistor, 22 Meg Ohm ±5%,1/4W 100-2283 1
R22 Resistor, 22.1 k Ohm ±1%, 1/4W 103-2211 1
R23 Resistor, 221 k Ohm ±1%, 1/4W 103-2216 1
R24 Resistor, 10 k Ohm ±1%, 1/4W 100-1051 1
R25 Resistor, 2.21 k Ohm ±1%, 1/4W 103-2241 1
R26 Resistor, 10 k Ohm ±1%, 1/4W 100-1051 1
R27 Resistor, 100 k Ohm ±1%, 1/4W 103-1062 1
R28 Resistor, 10 k Ohm ±1%, 1/4W 100-1051 1
R29 Resistor, 100 k Ohm ±1%, 1/4W 103-1062 1
R30 Resistor, 1 k Ohm ±1%, 1/4W 100-1041 1
R31 Resistor, 100 k Ohm ±1%, 1/4W 103-1062 1
R32 Resistor, 1 k Ohm ±1%, 1/4W 100-1041 1
R33 thru R36 Resistor, 240 Ohm ±1%, 1/4W 103-2431 4
R37 Resistor, 100 k Ohm ±1%, 1/4W 103-1062 1
R38 Resistor, 10 k Ohm ±1%, 1/4W 100-1051 1
R39 Resistor, 10 Meg Ohm ±5%, 1/4W 100-1083 1
R40 Resistor, 10 k Ohm ±1%, 1/4W 100-1051 1
R41 Resistor, 2.21 k Ohm ±1%, 1/4W 103-2241 1
R42 Potentiometer, 1 k Ohm ±10%, 1/2W 175-1034 1
R43 Resistor, 100 k Ohm ±1%, 1/4W 103-1062 1
R44 Resistor, 10 k Ohm ±1%, 1/4W 100-1051 1
R45 Resistor, 10 Meg Ohm ±5%, 1/4W 100-1083 1
R46 Resistor, 10 k Ohm ±1%, 1/4W 100-1051 1
R47 Resistor, 2.21 k Ohm ±1%, 1/4W 103-2241 1
R48 Potentiometer, 1 k Ohm ±10%, 1/2W 175-1034 1
R49 Resistor, 1 k Ohm ±1%, 1/4W 100-1041 1
R50, R51 Resistor, 10 k Ohm ±1%, 1/4W 100-1051 2
R52, R53 Resistor, 1 k Ohm ±1%, 1/4W 100-1041 2
R54, R55 Resistor, 10 k Ohm ±1%, 1/4W 100-1051 2
R56 Resistor, 1 k Ohm ±1%, 1/4W 100-1041 1
R57 Resistor, 499 Ohm ±1%, 1/4W 103-4993 1
R58 Resistor, 1.21 k Ohm ±1%, 1/4W 103-1214 1
R59 thru R61 Resistor, 1 k Ohm ±1%, 1/4W 100-1041 3
R62 Resistor, 499 Ohm ±1%, 1/4W 103-4993 1
R63 Resistor, 1.21 k Ohm ±1%, 1/4W 103-1214 1
R64 Resistor, 1 k Ohm ±1%, 1/4W 100-1041 1
R65 Resistor, 1 k Ohm ±1%, 1/4W 100-1041 1
R66 Resistor, 1 k Ohm ±1%, 1/4W 100-1041 1
R67 Resistor, 499 Ohm ±1%, 1/4W 103-4993 1
R68 Resistor, 1.21 k Ohm ±1%, 1/4W 103-1214 1
R69 thru R71 Resistor, 1 k Ohm ±1%, 1/4W 100-1041 3

3-33
TABLE 3-8. ECU DISPLAY/CONTROL SWITCH CIRCUIT BOARD - 917-0306-001
(Sheet 3 of 4)
REF. DES. DESCRIPTION PART NO. QTY.
R72 Resistor, 82.5 k Ohm ±1%, 1/4W 103-8255 1
R73 Resistor, 15 k Ohm ±5%, 1/4W 100-1551 1
R74 Resistor, 121 Ohm ±1%, 1/4W 100-1231 1
R75 Resistor, 604 Ohm ±1%, 1/4W 100-6031 1
R76, R77 Resistor, 240 Ohm ±1%, 1/4W 103-2431 2
R78 Resistor, 10 k Ohm ±1%, 1/4W 100-1051 1
R79 Resistor, 82.5 k Ohm ±1%, 1/4W 103-8255 1
R80 Resistor, 15 k Ohm ±5%, 1/4W 100-1551 1
R81 Resistor, 499 Ohm ±1%, 1/4W 103-4993 1
R82 Resistor, 1.21 k Ohm ±1%, 1/4W 103-1214 1
R83 thru R85 Resistor, 1 k Ohm ±1%, 1/4W 100-1041 3
R86 Resistor, 499 Ohm ±1%, 1/4W 103-4993 1
R87 Resistor, 1.21 k Ohm ±1%, 1/4W 103-1214 1
R88 thru R90 Resistor, 1 k Ohm ±1%, 1/4W 100-1041 3
R91 Resistor, 499 Ohm ±1%, 1/4W 103-4993 1
R92 Resistor, 1.21 k Ohm ±1%, 1/4W 103-1214 1
R93 thru R95 Resistor, 1 k Ohm ±1%, 1/4W 100-1041 3
R96 thru R102 Resistor, 240 Ohm ±1%, 1/4W 103-2431 7
R103 Resistor, 1 k Ohm ±1%, 1/4W 100-1041 1
R104, R105 Resistor, 100 k Ohm ±1%, 1/4W 103-1062 2
R106 thru Resistor, 240 Ohm ±1%, 1/4W 103-2431 7
R112
R113 Resistor, 174 Ohm ±1%, 1/4W 100-1731 1
R114 Resistor, 825 Ohm ±1%, 1/4W 103-8253 1
S1, S2 Switch, SPDT, Momentary MP Series, 2 Green, C&K 340-0130 2
MP01R2266 CBE
S3 Switch, SPDT, Momentary MP Series, 1 Red, C&K 340-0030 1
MP01R123 CBE
S4, S5 Switch, SPDT, Momentary MP Series, 1 Yellow, C&K 340-0162 2
MP01R125 CBE
S6 thru S10 Switch, SPDT, Momentary MP Series, 1 Green, C&K 340-0161 5
MP01R126 CBE
S11 Switch, SPDT, Momentary MP Series, 1 Red, C&K 340-0030 1
MP01R123 CBE
U1 Integrated Circuit, DG212CJ, QUAD SPST Switch, CMOS, 220-0212 1
16-Pin DIP
U2 Amplifier, Dual OP, RC4227GNB Raytheon, 8-Pin DIP 221-4227 1
U3 Integrated Circuit, TLO74CN, Quad JFET-Input Operational 221-0074 1
Amplifier, 14-Pin DIP
U4 Integrated Circuit, MC14584, Hex Schmitt Trigger, CMOS, 228-4584 1
14-Pin DIP
U5 Integrated Circuit, MC14013BCP, Dual D-Type Flip-Flop, CMOS, 228-4013 1
14-Pin DIP
U6 Integrated Circuit, TL072CP, Dual JFET-Input Operational 221-0072 1
Amplifier, 8-Pin DIP
U7 Integrated Circuit, DG212CJ, QUAD SPST Switch, CMOS, 220-0212 1
16-Pin DIP
U8 Integrated Circuit, TLO74CN, Quad JFET-Input Operational 221-0074 1
Amplifier, 14-Pin DIP
U9 thru U11 Integrated Circuit, LM3914N, Dot/Bar Display Driver, 18-Pin DIP 229-3914 3

3-34
TABLE 3-8. ECU DISPLAY/CONTROL SWITCH CIRCUIT BOARD - 917-0306-001
(Sheet 4 of 4)
REF. DES. DESCRIPTION PART NO. QTY.
U12, U13 Integrated Circuit, NE555N, Timer, 8-Pin DIP 229-0555 2
U14 Integrated Circuit, LM317T, Adjustable Positive Voltage 227-0317 1
Regulator, 1.2V to 37V, 1.5 Ampere, TO-220 Case
U15 thru U17 Integrated Circuit, LM3914N, Dot/Bar Display Driver, 18-Pin DIP 229-3914 3
XU1 Socket, 16-Pin DIP 417-1604 1
XU2 Socket, 8-Pin DIP 417-0804 1
XU3 thru XU5 Socket, 14-Pin DIP 417-1404 3
XU6 Socket, 8-Pin DIP 417-0804 1
XU7 Socket, 16-Pin DIP 417-1604 1
XU8 Socket, 14-Pin DIP 417-1404 1
XU9 thru Socket, 18-Pin DIP 417-1804 3
XU11
XU12, XU13 Socket, 8-Pin DIP 417-0804 2
XU15 thru Socket, 18-Pin DIP 417-1804 3
XU17
---- Blank, ECU Display/Control Switch Circuit Board 517-0306-001 1
TABLE 3-9. METER SWITCH CIRCUIT BOARD ASSEMBLY - 917-0306-005
REF. DES. DESCRIPTION PART NO. QTY.
C501 Capacitor, Monolythic Ceramic, 0.1 Ohm ±10%, 50V 003-1066 1
D501 Diode, Zener, 1N4733A, 5.1V ±5%, 1W 200-4733 1
J501 Receptacle, 6-Pin 417-0677 1
J502 Socket, 4-Pin 418-0255 1
R501 Potentiometer, 500 Ohm, 1/2W 178-5030 1
R503 Potentiometer, 2 k Ohm ±10%, 1/2W 178-2044 1
R504 Resistor, 3.01 k Ohm ±1%, 1/4W 103-3014 1
R505 Potentiometer, 500 Ohm, 1/2W 178-5030 1
R506 Potentiometer, 2 k Ohm ±10%, 1/2W 178-2044 1
R507 Resistor, 3.01 k Ohm ±1%, 1/4W 103-3014 1
R508 Resistor, 2.74 k Ohm ±1%, 1/4W 103-2744 1
R509, R510 Resistor, 1.62 k Ohm ±1%, 1/4W 103-1624 2
R511 Potentiometer, 50 k Ohm ±10%, 1/2W 178-5054 1
S501, S502 Switch, Rotary, 3 Position 2 Pole 340-0134 2
---- Blank, Meter Switch Circuit Board 517-0306-005 1
TABLE 3-10. ECU WIRE HARNESS - 947-0153
(Sheet 1 of 2)
REF. DES. DESCRIPTION PART NO. QTY.
P1 Housing, SL-156, 3 Position 417-0306 1
P1 Plug, Ribbon Cable, 26-Pin Dual In-line 418-2600 1

3-35
TABLE 3-10. ECU WIRE HARNESS - 947-0153
(Sheet 2 of 2)
REF. DES. DESCRIPTION PART NO. QTY.
P2 Connector, Ribbon Cable, 40 Conductor 418-4001 1
P2 Housing, SL-156, 6 Position 417-0606 1
P3 Plug, Ribbon Cable, 26-Pin Dual In-Line 418-2600 1
P7 Connector Housing, 6-Pin 418-0670 1
P8 Connector, Ribbon Cable, 40 Conductor 418-4001 1
P10 Plug, Ribbon Cable, 26-Pin Dual In-line 418-2600 1
P502 Plug, Housing, 4-Pin 418-0240 1
P801 Plug, Ribbon Cable, 26-Pin Dual In-Line 418-2600 1
---- Pins, Connector 417-0053 10

4-1
SECTION IV
ECU ASSEMBLY DRAWINGS
4-1. INTRODUCTION.
4-2. This section provides assembly drawings, wiring diagrams, and schematic diagrams as
listed below for the Broadcast Electronics ECU assembly.
FIGURE TITLE NUMBER
4-1 SCHEMATIC DIAGRAM, ECU CONTROLLER CIRCUIT SB917-0205
BOARD
4-2 ASSEMBLY DIAGRAM, ECU CONTROLLER CIRCUIT AC917-0205
BOARD
4-3 COMPONENT LOCATOR, ECU CONTROLLER BOARD ----------
4-4 SCHEMATIC DIAGRAM, ECU MOTHERBOARD SB917-0301
4-5 ASSEMBLY DIAGRAM, ECU MOTHERBOARD AC917-0301
4-6 SCHEMATIC DIAGRAM, EXCITER CIRCUIT BOARD SB917-0300
4-7 ASSEMBLY DIAGRAM, EXCITER CIRCUIT BOARD AC917-0300
4-8 COMPONENT LOCATOR, ECU EXCITER BOARD ----------
4-9 SCHEMATIC DIAGRAM, STEREO CIRCUIT BOARD SD917-0209
4-10 ASSEMBLY DIAGRAM, STEREO CIRCUIT BOARD AC917-0209
4-11 COMPONENT LOCATOR, ECU STEREO BOARD ----------
4-12 SCHEMATIC DIAGRAM, ECU DISPLAY/CONTROL SB917-0306-001
SWITCH CIRCUIT BOARDS
4-13 SCHEMATIC DIAGRAM, ECU METER SWITCH SB917-0306-005
CIRCUIT BOARD
4-14 REFER TO PART I, SECTION VII FOR THE ECU DISPLAY AD917-0306-001/
CIRCUIT BOARD ASSEMBLY-002/-003/-004/-005
/-006/-007/-009/-014







REF ZONE REF ZONE REF ZONE REF ZONE REF ZONE
C1 C1
C2 C1
C3 C2
C4 C2
C5 C2
C6 C2
C7 C2
C8 C2
C9 C2
C10 C2
C11 C2
C12 C2
C13 C2
C14 C2
C15 C3
C16 C2
C17 C2
C18 C3
C19 C3
C20 C3
C21 C3
C22 C2
C23 C3
C24 C2
C25 C3
C26 C3
C27 C3
C28 C3
C29 C3
C30 C3
C31 C3
C32 C3
C33 C3
C34 B3
C35 C3
C36 C3
C37 B3
C38 B3
C39 B3
C40 B2
C41 C2
C42 B2
C43 B2
C44 B2
C45 B2
C46 B2
C47 B1
C48 B3
C49 B3
C50 B1
C51 C1
C52 C1
C53 B3
C54 B3
C55 B2
C56 B2
C57 C2
C58 B2
C59 B2
C60 B3
C61 B3
C62 B3
C63 B3
C64 B2
C65 B2
C66 B2
C67 B2
C68 B2
C69 B2
C70 B2
C71 C2
C72 B2
C73 B2
C74 B2
C75 C1
C76 C1
C77 C2
C78 C2
C79 C2
C80 C2
C81 B1-C1
C82 B1-C1
C83 B2-C2
C84 B2-C2
C85 B2-C2
C86 B1
C87 B1
C88 B3
C89 B3
C90 B3
C91 B3
C92 B3
C93 A2
C94 B3
C95 B3
C96 B3
C97 B3
C98 B2
C99 B2-B3
C100 B2
C101 B2-B3
C102 B2
C103 A2-B2
C104 B3
C105 B2
C106 B1
C107 B1
C108 B2
C109 B2
C110 B2
C111 B2
C112 B2
C113 B2
C114 B2
C115 A2
C116 B2
C117 B3
C118 B2
C119 B2
C120 C3
C121 B2
C122 B2
C123 B2
C124 B2
C125 B2
C126 B2
C127 B2
C128 B3
C129 B2
D1 C1
D2 C1
D3 C1
D4 C1
D5 C1
D6 C1
D7 C2
D8 C2
D9 C2
D10 C2
D11 C2
D12 C2
D13 C1
D14 C1
D15 C2
D16 C2
D17 C2
D18 B1
D19 A1
D20 B1
D21 A1
D22 B1
D23 B1-B2
D24 B3
D25 B1
D26 B1
D27 B1
D28 B2
D29 B3
D30 B2
D31 B2
D32 C2
D33 B2
D34 B2
D35 B3
D36 B3
D37 A2
D38 B3
D39 B3
D40 B3
D41 B2
D42 B2
D43 B2
D44 B3
D45 B3
D46 B2
D47 C3
D48 B3
D49 B3
D50 C1
DS1 B3
DS2 C3
DS3 C3
E10 B3
J1 C2
J2 B3
J3 B3
J4 B1
J5 B1-B2
J6 B1-B2
J7 B1
J8 C3
J9 C3
J10 C3
J11 B2
J12 C2
P1 C2
P2 B3
P3 B3
P6 B1
P8 C3
P9 C3
P10 C3
P11 B2
P12 C2
P301 C1
P302 B1-C1
Q1 C1
Q2 C1
Q3 C1-C2
Q4 C1-C2
Q5 C2
Q6 C2
Q7 C2
Q8 C1
Q9 C1
Q10 C1
Q11 C1
Q12 C1
Q13 B1
Q14 C2
Q15 B1
Q16 C1
Q17 C2
Q18 C2
Q19 C1
Q20 C1-C2
Q21 B1
Q22 B1
Q23 C1
Q24 C2
Q25 B1
Q26 B1
Q27 B1
Q28 B1
Q29 B1
Q30 B1
Q31 B1
Q32 B1
Q33 B1
Q34 B1
Q35 C2
Q36 C1
Q37 C1
Q38 C2
Q39 C2
Q40 C1
Q41 C1
Q42 C2
Q43 C2
Q44 C2
Q45 C1-C2
Q46 C1
Q47 B1
Q48 C3
Q49 B2
Q50 C3
Q51 B1
Q52 B2
Q53 B3
Q54 B3
Q55 B2
Q56 B2
Q57 B3
Q58 B3
R1 C2
R2 C3
R3 C3
R4 C3
R5 C3
R6 C3
R7 C3
R8 C3
R9 B3
R10 C3
R11 B3
R12 B3
R13 B3
R14 B2
R15 C3
R16 C3
R17 C3
R18 C3
R19 C3
R20 C3
R21 C3
R22 C3
R23 B3
R24 B3
R25 B3
R26 B3-C3
R27 B3
R28 B3
R29 B3
R30 B3-C3
R31 B3-C3
FIGURE 4-3. COMPONENT LOCATOR, ECU CONTROLLER BOARD
(Sheet 1 of 2)

REF ZONE REF ZONE REF ZONE REF ZONE REF ZONE
R32 C3
R33 C3
R34 C3
R35 C3
R36 C3
R37 C1
R38 C1
R39 B3
R40 B3
R41 C1
R42 B3
R43 B3
R44 B3
R45 B3
R46 B2
R47 B3
R48 B2
R49 B3
R50 B2
R51 B3
R52 B2-B3
R53 B2
R54 B2
R55 C3
R56 B3
R57 B3
R58 B3
R59 B3
R60 B3
R61 B3
R62 B2
R63 B3
R64 B3
R65 C3
R66 C3
R67 B3
R68 B2
R69 B2
R70 B3
R71 B3
R72 B3
R73 B2
R74 B2
R75 B2
R76 B2
R77 B2
R78 B2
R79 C3
R80 C3
R81 B2
R82 B2
R83 B2
R84 B2
R85 C3
R86 B2
R87 B2
R88 B2
R89 B2
R90 B2
R91 B2
R92 B2
R93 B2
R94 B2
R95 B2
R96 C2
R97 B2
R98 B2
R99 B2-B3
R100 B2
R101 B3
R102 B3
R103 B2-B3
R104 C3
R105 B2-B3
R106 B3
R107 B2
R108 C3
R109 B3
R110 C1
R111 C1
R112 C2
R113 C2
R114 C2
R115 C2
R116 C1
R117 C1
R118 C2
R119 C2
R120 C2
R121 B1
R122 B1
R123 C3
R124 C3
R125 B2
R126 C1
R127 C1
R128 C1
R129 C1
R130 C1
R131 B2
R132 B2
R133 B2
R134 B2
R135 B3
R136 B3
R137 B3
R138 B3
R139 B2
R140 C2
R141 B3
R142 B3
R143 B3
R144 B3
R145 B3
R146 B3
R147 B3
R148 B2
R149 B2-B3
TP3 B3
TP4 B3
TP5 B3
TP6 B3
TP7 B1
TP8 C2
TP9 C3
TP10 C3
TP11 C3
U1 C1
U2 C1
U3 C1-C2
U4 C2
U5 C2
U6 C2
U7 B1-C1
U8 B1-C1
U9 B2-C2
U10 B2-C2
U11 B2-C2
U12 C2
U13 C2
U14 C1
U15 C1
U16 C2
U17 C2
U18 C2
U19 C2
U20 C2
U21 C2
U22 C3
U23 C2
U24 C2
U25 C2
U26 C2
U27 C2
U28 C2
U29 B2
U30 C3
U31 C3
U32 B1
U33 B1
U34 C3
U35 C3
U36 B2-C2
U37 B2-C2
U38 B3-C3
U39 B3
U40 B3-C3
U41 B3
U42 C3
U43 C3
U44 B3
U45 B2
U46 B2-C2
U47 B2
U48 B2-C2
U49 B2
U50 B2
R150 B3
R151 B3
R152 A3-B3
R153 B3
R154 B3
R155 B3
R156 B3
R157 B3
R158 B3
R159 B2-B3
R160 C2
R161 B2
R162 C2
R163 B3
R164 B3
R165 B3
R166 B1
R167 B1
R168 B2
R169 B2
R170 B2
R171 B2
R172 B3
R173 B2
R174 B2
R175 B2
R176 B2
R177 B2
R178 A2
R179 B2
R180 B2
R181 C2
R182 B2
R183 B3
R184 C3
R185 C3
R186 C3
R187 B3
R188 C1
R189 B2-B3
R190 B2
R191 B2
R192 B2
R193 B1
RN1 C1
RN2 C2
RN3 C2
RN4 C2
RN5 B1
RN6 A2
RN7 B2
RN8 B1
S1 C2
S2 C2
S3 C2
S4 C3
S5 B3
TP1 B3
TP2 B3
U51 B2
U52 B2
U53 B1
U54 B1
U55 B2
U56 B1-B2
U57 B2
U58 B1
U59 B2
U60 B2
U61 B3
U62 B2
U63 B3
U64 B3
U65 B2
U66 B2
U67 B2
U68 B2
U69 B2
U70 C3
U71 B3
FIGURE 4-3. COMPONENT LOCATOR, ECU CONTROLLER BOARD
(Sheet 2 of 2)









REF ZONE REF ZONE REF ZONE REF ZONE REF ZONE
C1 B3
C2 B3
C3 B3
C4 B3
C5 B3
C6 B3
C7 B3
C8 B3
C9 B3
C10 B3
C11 B3
C12 B3
C14 B3
C15 B3
C16 B3
C17 B3
C18 B3
C19 B3
C20 A3
C21 B3
C22 B3
C23 B3
C24 B3
C25 B3
C26 B3
C27 B3
C29 B3
C30 B3
C31 C2
C32 C2
C33 C2
C34 B2
C35 B2
C36 B2
C37 B2
C38 B3
C39 B3
C40 B3
C41 A3
C42 B3
C43 B3
C44 B3-A3
C45 B3
C46 A3
C47 B3
C48 B3
C49 A3
C50 B3
C51 B3-B4
C52 A3
C53 B3
C54 B2
C55 B2
C56 B2
C57 B2
C58 B2
C59 B2
C60 B2
C61 B2
C62 B2
C63 B4
C64 B3-B4
C65 B3
C66 B3
C67 B3
C68 B2
C69 A2-B2
C70 B2
C71 B2
C72 B2
C73 B3-B4
C74 B3-B4
C75 B3
C76 B3
C77 B3
C78 B3
C79 B3
C80 B3
C81 C3
C82 B3
C83 B3
C84 B3-C3
C85 B3
C86 B3
C87 B3
C88 B2
C89 B2
C90 B3
C91 B2
C92 C2
C93 C2
C94 C2-C3
C95 C3
C96 C2
C97 C2
C98 C2
C99 C2
C100 C2
C101 C2
C102 C2
C103 C2
C104 C2
C105 C2
C106 C2
C107 C3
C108 C3
C109 C3
C110 C3
C111 C3
C112 C3
C113 C3
C114 C3
C115 C3
C116 C3
C117 C3
C118 C2
C119 C3
C120 C2
C121 C2
C122 C2
C123 C2
C124 C2
C125 C2
C126 C2
C127 C3
C128 C3
C129 C3
C130 B3
C131 C3
C132 C3
C133 C3
C134 C3
C135 C3
C136 C3
C137 B3
C138 B3
C139 B3
C140 C2
C141 C2
C142 C2
C143 C3
C144 C3
C145 C3
C146 C3
C147 B2
C148 B2
C149 B2
C150 B2
C151 B2
C152 B2
C153 B2
C154 B2
C155 C2
C156 C3
C157 C3
D1 B3
D2 B3
D3 C3
D4 B2
D5 B2
D6 B2
D7 B2
D8 B2
D9 B2
D10 B2
D11 B2
D12 B2
D13 B2
D14 B2
D15 B2
D16 B2
D17 B2
D18 B2
D19 B2
D20 B2
D21 B2
D22 C2
D23 C2
D24 C3
D25 C2
D26 C2
D27 C2
D30 C3
D31 C3
D32 C3
D33 C3
D34 C3
D35 C3
D36 C3
D37 C3
D38 C2
D39 B2
D40 C2
D41 B2
D42 C2
D43 B2
D44 C2
D45 B2
DS1 C4
DS2 C4
DS3 C4
DS4 C4
E1 B3
E2 B3
E3 B3
E4 B3
E5 B2
E6 B2
E7 C2
E8 B2
E9 B2
E10 B2
J2 B3
J3 B3
J4 B3
J5 C3
J6 C2
J7 C2
J8 C2
J9 C2
J10 C2
J11 C2
J12 B3
J13 B3
L1 C2
L2 B2
L3 B2
L4 C2
P2 B3
P3 B3
P4 B3
P5 C3
P6A C2
P6B C2
P7 C2
P12A B3
P12B B3
P13A B3
P13B B3
P101 B2-C2
Q1 B2
Q2 C4
Q3 C2
Q4 C2
Q5 C3
Q6 C3
Q7 B3-C3
Q8 B3
Q9 B3-C3
Q10 C3
Q11 B3
Q12 B3
Q13 B2-C2
Q14 B2
Q15 B2-C2
Q16 B2
Q17 B2-C2
Q18 B2
Q19 B2-C2
Q20 B2
R1 B3
R2 B3
R3 B3
R4 B3
R5 B3
R8 B3
R9 B3
R10 B3
R11 B3
R12 B3
R14 B3
R15 B2
R16 B3
R17 B3
R18 B3
R19 B3
R20 B3
R23 B3
R24 B3
R25 B3
R26 B3
R27 B3
R29 B3
R30 B2
R31 C3-C4
R32 C3-C4
R33 C3-C4
R34 B3
R35 B3
R36 B3
R37 B3
R38 B3
R39 B3
R40 B3
R41 B4
FIGURE 4-8. COMPONENT LOCATOR, ECU EXCITER BOARD
(Sheet 1 of 2)

REF ZONE REF ZONE REF ZONE REF ZONE REF ZONE
R42 B3
R43 B3
R44 B3
R45 B3
R46 A3
R47 A3
R48 B3
R49 B3
R50 B3
R51 B3
R52 C3
R53 C3
R54 C3
R55 B2
R56 B2
R57 B2
R58 B2
R59 B2
R60 B2
R61 B2
R62 B2
R63 B2
R64 B2
R65 B2
R66 B2
R67 A2-B2
R68 B2
R69 B2
R70 B4
R71 B4
R72 B3
R73 B3
R74 B3
R75 B4
R76 B4-A4
R77 A3-A4
R78 B3
R79 B3
R80 B3
R81 B2
R82 A2
R83 B2
R84 B2
R85 B2
R86 B3
R87 B3
R88 B3
R89 B3
R90 B3
R91 B3
R92 B3
R93 B3
R94 B2
R95 C3
R96 C3
R97 C3
R98 B3
R99 B3
R100 B3
R101 B3
R102 B3-B4
R103 B3
R104 B4
R105 C3-C4
R106 C3-C4
R107 C3
R108 C3-B3
R109 C3-B3
R110 C3-B3
R111 C3-B3
R112 B2
R113 B2
R114 B2
R115 B2
R116 B2
R117 B2
R118 B2
R119 C2
R120 C2
R121 C2-C3
R122 C2
R123 C2
R124 C2
R125 C2
R126 C2
R127 C2
R128 C2
R129 C2
R130 C2
R131 C2
R132 C2
R133 C3
R134 C3
R135 C3
R136 C3
R137 C3
R138 C3
R139 C3
R140 C3
R141 C3
R142 C3
R143 C3-C4
R144 C2
R145 C2
R146 C2
R147 C2
R148 C2
R149 C2
R150 C2
R151 C2
R152 C2
R153 C2
R154 C2
R155 C2
R156 C3
R157 C3
R158 C3
R159 C3
R160 C3
R161 C3
R162 B3
R163 C3
R164 C3
R165 C3
R166 B3
R167 B3
R168 B3
R169 C4
R170 C4
R171 C3-C4
R172 B2-C2
R173 B2
R174 B2-C2
R175 B2
R176 B2-C2
R177 B2
R178 B2-C2
R179 B2
R180 C3
R181 B4
R182 C3
R183 C3
R184 C3
R185 B2
R186 C3
R187 C3
R188 C3
R189 B4
R190 B3
R191 B4
R192 B3
R193 B2
R194 B3
S1 B2
S2 C3
T1 B2
TP1 C3
TP2 C3
TP3 C3
TP4 C3
TP5 B2
TP6 B2
TP7 C2
TP8 C2
TP9 C3
TP10 C3
TP11 B2
TP12 B3
TP13 B4
TP14 C3
TP15 C3
U1 B3
U2 B3
U3 B3
U4 B3
U5 B3
U6 B3
U7 B3
U8 B3
U9 B3
U10 B2
U11 B2
U12 B2
U13 B4
U14 B3
U15 B3
U16 B3
U17 B3-C3
U18 B3-C3
U19 B2
U20 B2
U21 B2
U22 B2
U23 B2
U24 C2
U25 C3
U26 C2
U27 C3
U28 C3
U29 C2
U30 C2
U31 C2
U32 C2
U33 C3
U34 C3
U35 C3
U36 C3
U37 C3
U38 B3-C3
U39 C3
U40 B3-C3
U41 C3
U42 C2
Y1 C3
FIGURE 4-8. COMPONENT LOCATOR, ECU EXCITER BOARD
(Sheet 2 of 2)







REF ZONE REF ZONE REF ZONE REF ZONE REF ZONE
C1 C2
C2 C2
C3 C2
C4 C3
C5 C3
C6 C3
C7 C3
C8 C3
C9 C3
C10 C3
C11 C3
C12 C3
C13 C3
C14 C3
C15 C3
C16 C3
C17 C2
C18 B2
C19 B2
C20 C3
C21 B3
C22 B3
C23 B3
C24 B2
C25 C3
C26 C3
C27 C3
C28 C3
C29 B3
C30 B3
C31 C3
C32 C2
C33 B2
C34 B2
C35 B2
C36 B3
C37 B3
C38 B3
C39 B3
C40 B3
C41 B3
C42 B3
C43 B3
C44 B3
C45 B3
C46 B3
C47 B3
C48 B3
C49 B2
C50 B2
C51 B2
C52 B3
C53 B3
C54 B3
C55 B3
C56 B2
C57 B3
C58 B3
C59 B3
C60 B3
C61 B3
C62 B3
C63 B3
C64 B2
C65 B2
C66 C2
C67 C2
C68 C2
C69 C2
C70 C2
C71 B2
C72 B2
C73 B2
C74 B2
C75 B2
C76 B2
C77 B2
C78 B2
C79 C2
C80 B2
C81 B2
C82 B2
C83 C2-D2
C84 C2-D2
C85 C3
C86 C3-D3
C87 C3-D3
C88 D3
C89 C2
C90 C2
C91 C2
C92 C1
C93 C1
C94 C1
C95 C1
C96 B2
C97 B2
C98 B2
C99 B2
C100 B2
C101 B2
C102 B2
C103 B2
C104 B2
C105 B2
C106 B2
C107 B2
C108 B1
C109 B1
C110 B1
C111 B1
C112 B1
C113 B1
C114 B1
C115 B1
C116 B1
C117 B1
C118 B1
C119 B1
C120 B1
C121 B1
C122 B1
C123 B1
C124 B2
C125 B1
C126 B2
C127 B2
C128 C2
C129 C1-C2
C130 C2
C131 C2
C132 B1
C133 C1
C134 C1
C135 C1
C136 B1-C1
C137 C1
C138 C1
C139 C2
C140 C2
C141 C2
C142 C2
C143 C2
C144 C2
C145 C2
C146 C2
C147 C2
C148 C2
C149 C2
C150 C2
C151 C2
C152 C2
C153 C2
C154 C2
C155 C2
C156 C3
C157 C2
C158 C2
C159 C2
C160 C2-C3
C161 D1
C162 D1
C163 D1-D2
C164 D2
C165 C2
C166 C2
C167 C2
C168 C2
C169 B2
C170 B2
C171 B1
C172 B1
C173 B1
C174 B2
C175 B1
D1 B2
D2 B2
D3 B2
D4 B2
D5 C2
D6 C1
D7 C1
D8 C1
D9 C1
DS1 C3
DS2 B3
DS3 C3
DS4 C3
DS5 C3
DS6 C3
E1 C1
E2 C1
E3 C1
E4 C1
J1 C3
J2 B3
J3 B3
J4 B3
J5 B2
J6 C2
J7 C2
L1 C1
L2 C1
L3 C1
L4 B2
L5 B2
L6 B2
L7 B2
P1A C3
P1B C3
P2A B3
P2B B3
P3A B3
P3B B3
P4A B3
P4B B3
P5 B2
P6 C2
P7 C2
P201 C1-D1
Q1 B1
Q2 B2
Q3 B3
Q4 C3
Q5 C3
Q6 C3
Q7 C3
Q8 C3
Q9 D1
Q10 D1
Q11 D1-D2
Q12 D2
Q13 D1
Q14 D1
R1 C3
R2 C2
R3 C2
R4 C2
R5 C2
R6 C3
R7 C2
R8 C2
R9 C2
R10 C3
R11 C3
R12 C2
R13 C2
R14 C3
R15 C3
R16 C3
R17 C3
R18 C3
R19 C3
R20 C3
R21 C3
R22 C3
R23 C3
R24 C3
R25 C3
R26 C3
R27 C3
R28 C2
R29 C2
R30 C2
R31 C2
R32 C3-B3
R33 C2
R34 C2
R35 C2
R36 C3
R37 C3
R38 C2
R39 C2
R40 C3
R41 C3
R42 C3
R43 B3-C3
R44 B3
R45 B3
R46 C3
R47 C3
R48 C3
R49 B3
R50 B3
R51 B3
R52 B3
R53 B3
R54 B2
R55 B2
R56 B2
R57 B2
R58 B3
R59 B2
R60 B2
R61 B2
FIGURE 4-11. COMPONENT LOCATOR, ECU STEREO BOARD
(Sheet 1 of 2)

REF ZONE REF ZONE REF ZONE REF ZONE REF ZONE
R62 B3
R63 B3
R64 B2
R65 B2
R66 B3
R67 B3
R68 B3
R69 B3
R70 B3
R71 B3
R72 B3
R73 B3
R74 B3
R75 B3
R76 B3
R77 B3
R78 B3
R79 B3
R80 B2
R81 B2
R82 B2
R83 B2
R84 B3
R85 B2
R86 B2
R87 B2
R88 B3
R89 B2-B3
R90 B2
R91 B2
R92 B3
R93 B3
R94 B3
R95 B3
R96 B3
R97 B3
R98 B3
R99 B3
R100 B3
R101 B3
R102 B3
R103 B3
R104 B3
R105 C2
R106 B2
R107 C2
R108 C2
R109 B2
R110 C2
R111 B2
R112 C2
R113 B2
R114 B2
R115 B2
R116 B2
R117 C2-B2
R118 B2
R119 B2
R120 B2
R121 B2
R122 B2
R123 B2
R124 B2
R125 B2
R126 B2
R127 B2
R128 B2
R129 B2
R130 B2
R131 B2
R132 D3
R133 C3-D3
R134 D3
R135 D2
R136 C2
R137 D3
R138 D3
R139 C3
R140 C2
R141 C2
R142 B2
R143 C2-B2
R144 B2
R145 C2
R146 C1
R147 C1
R148 B2
R149 B2
R150 B2
R151 B2
R152 B2
R153 B2
R154 B2
R155 B2
R156 B2
R157 B2
R158 B2
R159 B2
R160 B2
R161 B2
R162 B2
R163 B1
R164 B1
R165 B1
R166 B1
R167 B1
R168 B1
R169 B1
R170 B1
R171 B1
R172 B1
R173 B1
R174 B1-C1
R175 B2
R176 B2-C2
R177 B1-C1
R178 B2-C2
R179 B2-C2
R180 B2-C2
R181 B2-C2
R182 B2-C2
R183 C2
R184 C2
R185 C2
R186 C1
R187 C2
R188 C1
R189 C1
R190 B1
R191 C1
R192 C3
R193 C3
R194 C3
R195 C1
R196 C1
R197 C2
R198 C2
R199 C2
R200 C2
R201 B3
R202 C3
R203 C2
R204 C2
R205 C2
R206 C2
R207 C2
R208 C2
R209 C2
R210 C2
R211 C2
R212 C2
R213 C2
R214 C2
R215 C2
R216 C3
R217 C3
R218 C3
R219 C3
R220 C3
R221 C3
R222 D1
R223 D1
R224 D2
R225 D2
R226 B1
R227 B1
R228 C2
S1 C3-D3
S2 B1
S3 B1
S4 B1
S5 C3
T1 C1
TP1 C1
TP2 C1
TP3 B2
TP4 B2
TP5 B2
TP6 C1
TP7 B2
TP8 B2
TP9 B2
TP10 B2
U1 C2
U2 C2-C3
U3 C2-C3
U4 C3
U5 C3
U6 C2-C3
U7 B2-C2
U8 B2-B3
U9 C2-C3
U10 B3-C3
U11 B3-C3
U12 B2
U13 B2-B3
U14 B2-B3
U15 B3
U16 B3
U17 B2-B3
U18 B2
U19 B2-B3
U20 B2-B3
U21 B3
U22 B3
U23 C2
U24 C2
U25 C2
U26 B2
U27 B2
U28 B2
U29 B2
U30 C3-D3
U31 C2
U32 B2
U33 B2
U34 B2
U35 B2
U36 B2
U37 B2
U38 B1
U39 C1-C2
U40 C1
U41 C2
U42 C2
U43 C2
U44 C2
U45 C1-C2
U46 C1-C2
U47 C1-C2
U48 C1-C2
U49 C2
U50 C2
U51 C2
U52 C2
U53 C2
U54 C2
U55 C2
FIGURE 4-11. COMPONENT LOCATOR, ECU STEREO BOARD
(Sheet 2 of 2)



