BEI Electronics RPU-50W-450S RPU Transmitter User Manual SRPT 40A
BEI Electronics, LLC RPU Transmitter SRPT 40A
Contents
- 1. users manual
- 2. RF exposure statement for users manual
users manual
MARTI
ELECTRONICS
RPU TRANSMITTER
MODEL SRPT-40A

i
WARNING
THIS EQUIPMENT
MUST
BE OPERATED WITH A 3-PRONG
GROUNDED OUTLET RECEPTACLE. FAILURE TO USE A
PROPERLY GROUNDED OUTLET MAY RESULT IN IMPROPER
OPERATION OR SAFETY HAZARD!
LIMITED WARRANTY
The Seller warrants that, at the time of shipment, the products manufactured by the Seller are free from defects in
material and workmanship. The Seller’s obligation under this warranty is limited to replacement or repair of such
products which are returned to Marti at its factory, transportation prepaid and properly insured, provided:
a. Notice of the claimed defect is given to Marti within one (1) year [two (2) years for STL systems] from date of
original shipment and goods are returned in accordance with Marti instructions.
b. Equipment, accessories, tubes and batteries not manufactured by Marti are subject to only such adjustments as
Marti may obtain from the supplier thereof.
c. This warranty does not apply to equipment which has been altered, improperly handled, or damaged in any way.
The Seller is in no event liable for consequential damages, installation cost or other costs of any nature as a result of the
use of the products manufactured or supplied by the Seller, whether used in accordance with instructions or not.
This warranty is in lieu of all others, either expressed or implied. No representative is authorized to assume for the Seller
any other liability in connection with Seller’s products.
MAILING & SHIPPING ADDRESS:
Broadcast Electronics
MARTI
Electronics Division
4100 North 24th Street
Quincy, IL 62301
The United States of America
COPYRIGHT NOTICE
©2001 All Rights Reserved
Marti Electronics
1st printing, June 2001
No part of this manual may be reproduced, transmitted, transcribed, stored in a retrieval system , or translated into any
language, natural or computer, in any form or by any means, without the prior written permission of Marti Electronics.
ii
Artwork depicting circuitry in this manual is protected by copyright laws.
Information in this manual is subject to change without notice and does not represent a commitment on the part of Marti
Electronics.
Marti Electronics may make improvements and/or changes in this manual or in the product described herein at any time.
This product could include technical inaccuracies or typographical errors.
PHONE NUMBERS:
Sales (817) 645-9163
Service (217) 224-9600
FAX (817) 641-3869

iii
TABLE OF CONTENTS
Introduction ..........………................................................................................................. 1
Specifications & Ordering................................................................................................. 2
Unpacking and Inspection ................................................................................................. 4
Installation ........................................................................................................................ 5
Antennas ........................................................................................................................... 11
Control & Connector Functions ………………………………………………………… 13
Operation .......................................................................................................................... 18
Theory of Operation .......................................................................................................... 25
Drawing 702-115 “SRPT-40A Functional Block Diagram”........................................ 28
Drawing 702-117 “SRPT-40A RF Systems & Control”............................................... 29
Recommended Test Equipment ………………………………………………………… 30
Tools For Alignment ……………………………………………………………………. 30
SRPT-40A Transmitter Factory Test Report …………………………………………… 31
Tune-up and Adjustments ……………………................................................................. 32
Drawing 702-116 “SRPT-40A Adjustment Locations”……………………………… 43
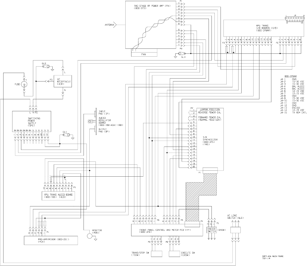
Drawing 702-114 “SRPT-40A Main Frame” .............................................................. 44
SRPT-40A Bill of Material ……………........................................................................... 45
SRPT-40A Schematics ………………........................................................................... 72

1
INTRODUCTION
See the SPECIFICATIONS & ORDERING section for a listing of available frequency
ranges and power models.
The Marti Model SRPT-40A is a wide-band – high power RPU Transmitter designed to operate in the Remote Pick-
Up Broadcast Service as defined in Part 74, Subpart D, of the FCC Rules and Regulations. The SRPT-40A is frequency
synthesized up to 40 MHz wide and has an adjustable output power up to 50 watts maximum. Refer to the
SPECIFICATIONS & ORDERING section for a listing of availaible frequency ranges and power models. This
transmitter, when used with the recommended companion receiver, provides a remote broadcast link having audio
quality not approached by conventional voice communication radio equipment. The SRPT-40A transmitter operates
from both 90 to 264 volt, 50 - 60 Hz. AC commercial power, or 12-15VDC or 15-30VDC battery (or external supply) in
fixed, portable, or mobile, service. Four audio input channels are provided with individual mixing gain controls. A meter
and selector switch are provided for monitoring forward and reverse power, power supply voltage, PA current and audio
compression.
SRPT-40A Features:
•Continuous-duty output - 50 watts maximum – 40 MHz minimum operating band.
•Four balanced microphone mixing inputs, one switchable to balanced line level.
•Frequency agile pushwheel switches can select any frequency in operating band.
•“Dial up” frequency direct or indirect via 10 programmable channels.
•No tuning or frequency look-up table required.
•Frequency resolution: 12.5 or 10.0 KHz steps – user selectable.
•Switching Power Supply operates on any AC voltage from 90 - 264 VAC, 50 - 60 Hz.
•LEDs indicate High VSWR, Over-Temperature, AFC Lock, and Transmit.
•Illuminated VU Meter for displaying Forward/Reverse Power, PA current, Power Supply
voltage, and Audio Compression.
•External 12-15 VDC or 15-30 VDC supply capability and external transmit control.
•High speed µ-controller for features such as auto re-lock due to power outage, last
frequency lock-on during power up, auto fold-back and recover due to high VSWR, auto
shutdown due to very high temperature.

2
Model SRPT-40A
Remote Pick-Up Broadcast Transmitter
SPECIFICATIONS & ORDERING
Frequency Bands and
Maximum Output Power: See ORDERING INFORMATION below.
Frequency Resolution: 12.5 or 10.0 KHz steps (user selectable)
RF Connector: Type N-Female
Operating Temp. Range: -10 Cº to +45 Cº
Modulation (Specify): 10KOF3E
25KOF3E
50KOF3E
FCC Frequency Group P
FCC Frequency Group K, L, N2
FCC Frequency Group N1, R
Or special order
Preselect Storage
Channels: Can store and recall up to 10 frequency channels.
Frequency Stability: Mobile: .00025%
Base: .00025%
Spurious Emissions: Less than 60 dB
Audio inputs: Four balanced microphone (150 ohms) inputs (XLR-3) with
mixing controls. One input switchable to balanced line level
at microphone #4 input and D connector on rear panel.
Modulation Control: Broadcast-quality compressor/limiter built in.
Encoding: Subaudible 27 Hz. tone encoder built in.
Metering/Indicators: Illuminated meter indicates forward and reverse power, PA
current, B+, and audio compression. LEDs indicate
transmit, AFC lock, high VSWR, and temperature.
Controls: (4) INPUT LEVEL, METER control knob, ENCODE
switch, FREQUENCY SELECT switches, EXECUTE
switch, POWER ADJUST pot, TRANSMIT switch, and
MONITOR jack.
Power Requirements: 90 to 264 VAC, 50/60 Hz
DC operation on 12 - 15 volts or 15 – 30 volts.
Accessory Connector: 15-pin D connector for DC power, remote control, encode,
line level input.

3
Weight: Net 8 pounds. Domestic packed 11 pounds.
Net 3.63 kilograms. Export packed 5.27 kilograms.
Dimensions: 11.5 in. wide x 3.5 in. high x 13.3 in. deep.
(29.21 cm. wide x 8.89 cm. high x 33.78 cm. deep.)
Options available: For a complete listing see below.
ORDERING INFORMATION
MARTI PART # Frequency Range
(MHz) Maximum RF
Output Power
(W)
Certifications
SRPT-40A/450 435 - 475 50 FCC ID: DDE-RPU-50W-450S
(FCC Part 74 Subpart D)
NOTE: Other models will be available by 11/1/2001.
Available OPTIONS for the SRPT-40A Transmitter
Marti No. Description
700-251 Mobile Mounting kit.
585-141 12-15 VDC External Supply Cable
585-142 15-30 VDC External Supply Cable
585-139 12-15 VDC Mobile Repeat Cable, CR/AR-10 to SRPT-40A
585-140 15-30 VDC Mobile Repeat Cable, CR/AR-10 to SRPT-40A
585-143 Fixed Repeat Cable, CR/AR-10 to SRPT-40A
700-253 Rack mounting kit.

4
UNPACKING & INSPECTING
This equipment was factory tested, inspected, packed, and delivered to the carrier with utmost
care. Do not accept shipment from carrier which shows damage or shortage until the carrier’s agent
endorses a statement of the irregularity on the face of the carrier’s receipt. Without documentary
evidence, a claim cannot be filed.
Unpack equipment immediately upon receipt and thoroughly inspect for concealed damage. If
damage is discovered, stop further unpacking and request immediate inspection by local agent of
carrier. A written report of the agent’s findings, with his signature is necessary to support claim.
Check your shipment against the shipping papers for possible shortage. Do not discard any packing
material until all items are accounted for. Small items are often thrown away with packing material.
Packing material should be retained until equipment testing is completed. Any equipment returned to
the factory should be packed in original cartons, insured, and pre-paid.

5
INSTALLATION
Install rack-mounted equipment in a well-ventilated, well-grounded, and shielded rack cabinet.
Do not locate solid-state equipment in a rack above tube-type equipment which produces high
temperatures. It is highly recommended that if the equipment is mounted in a rack cabinet, a blower
should be installed in the cabinet as well.
Problems can also be avoided by locating this unit away from other equipment which has
transformers that produce strong magnetic fields. These fields can induce hum and noise into the
Marti equipment thus reducing performance. Strong radio-frequency (RF) fields should be avoided
where possible. Extensive shielding and filtering have been incorporated into this equipment to permit
operation in moderate RF environments. All equipment racks, cabinets, etc., should be bonded
together by wide copper grounding strap to ensure that all system elements are at RF ground poten-
tial.
Stationary Remote Broadcast Installation
The basic stationary remote installation consists of the SRPT-40A transmitter, a 90-264 VAC power source, micro-
phones and other audio program sources, and a portable antenna. Remotes using portable antennas inside buildings have
very limited range (typically less than one mile). If greater range is needed, consider locating the transmitting antenna
outside the building at a height necessary to provide a line-of-sight path to the receiving antenna. This may not be
practical if a great length of coaxial cable is required. Many broadcasters are using the Marti mobile relay system to do
remotes from inside buildings. This system consists of the originating transmitter with its antenna inside the building
which transmits to a “mobile relay” parked outside the building. The mobile relay consists of a Marti Model AR-10 re-
ceiver and Marti RPT series transmitter with mobile antennas installed in a vehicle. The AR-10 receiver picks up the
encoded signal originating from the RPT series transmitter located inside the building, automatically turns on the relay
transmitter (on a different frequency), which re-transmits the program to the distant receiving antenna at the radio station
studio or transmitter site. (Mobile relay equipment packages are available from Marti.)
Stationary Remote Installation Procedure
1. The transmitter is normally located near the announcer or engineer to permit access to gain controls, microphone
inputs, the monitor jack, and metering.
Personnel must not be near the antenna when radiating. Locate antenna as far as possible from
people and equipment susceptible to RF radiation. Do not mount antenna directly on transmitter.
Refer to ANSI C95.1 “Limits on Non-Ionizing Radiation.”
2. With the SRPT-40A TRANSMIT/STANDBY switch in “STANDBY” position, plug the transmitter into a
grounded, three-prong, 90-264 volt, AC outlet.

6
WARNING
THIS EQUIPMENT MUST BE OPERATED WITH A 3-PRONG, GROUNDED, 90-264 VOLT, AC
OUTLET RECEPTACLE!
FAILURE TO USE A PROPERLY GROUNDED OUTLET COULD RESULT IN A SAFETY HAZARD
OR FAULTY EQUIPMENT PERFORMANCE.
IF AN EXTENSION CORD IS USED, IT MUST BE THE THREE-WIRE GROUNDING TYPE TO
INSURE SAFETY.
WARNING
DO NOT CUT OFF THE GROUND PIN OF A 3-PRONG PLUG!
EXCESSIVELY LONG EXTENSION CORDS SHOULD BE AVOIDED SINCE THE VOLTAGE DROP
CAN DEGRADE EQUIPMENT PERFORMANCE.
DO NOT ALLOW THE SRPT-40A TO GET WET.
DO NOT OPERATE WHERE PERSONNEL TOUCHING THE TRANSMITTER (OR ITS
MICROPHONE, ANTENNA, OR OTHER CONNECTED EQUIPMENT) ARE STANDING ON WET
GROUND OR CONCRETE.
3. For locations where AC power is not available, the SRPT-40A can be powered from a fully charged automobile
battery. The SRPT-40A draws eight (8) amps at 12.6 volts DC and at 50 Watts.
4. Connect a portable antenna such as the Marti PAV/150, PAV-450, or YC-450 to the ANTENNA connector on the
back of the transmitter.
Mobile Installation
The SRPT-40A transmitter can be installed in the vehicle where the TRANSMIT/STANDBY function can be
operated directly, or the transmitter can be located elsewhere (in the trunk of a car or rear of a van) and controlled
remotely. The choice depends upon the type of vehicle and the type of operation anticipated. The antenna(s) are usually
mounted on top of the vehicle to provide maximum height.
Transmitter Mounting
1. Locate transmitter where vent holes on top and rear of unit are not obstructed. Leave enough space for the mic. plug
on the front panel and the accessory plug on rear of unit.
2. Hook the four mounting fasteners (in retracted position in the four slots on the sides of the transmitter. See Fig. 1.
(Fasteners are in Mobile Mounting Kit, 700-251).
3. Mark the location of the two mounting holes in each fastener bracket. Drill 7/64” diameter holes into the mounting
surface at the marked places for #6 x 1/2” sheet metal screws.
4. Attach the mounting fasteners with the sheet metal screws provided. Secure the transmitter with the fasteners.

7
Receiver Mounting
For mobile repeat using the Marti AR-10 Mobile Repeat Receiver, mount the receiver near the transmitter using the
three fasteners supplied in Mobile Mounting Kit, 700-251.
SRPT-40A and RPT-30
Mobile Remote Control
Remote control of the SRPT-40A transmitter requires a switch to control primary 12-15 VDC power (or 15-30
VDC) and a second switch to control the transmit function. The primary 12-15 VDC (or 15-30 VDC) control
requirement can be met by tapping the ignition switch circuitry of the vehicle. The “transmit” function can be performed
by installing a switch on the vehicle.
FIG. 2A and 2B show the electrical circuit of a mobile installation for 12-15 VDC (585-141) and 15-30 VDC (585-
142), respectively.
Mobile Repeat
Mobile repeat operation is covered under Stationary Remote Broadcast Installation. Electrical connection for a
12-15 Volt supply is made through Mobile Repeat Cable No. 585-139. This cable is connected between the SRPT-40A
transmitter and AR/CR-10 receiver. Power is obtained by connecting the fused RED wire to the 15-30 VDC battery or
supply. The supply must be capable of delivering 10 Amps minimum. The electrical diagram of this cable is shown in
FIG. 3A.
Electrical connection for a 15-30 Volt supply is made through Mobile Repeat Cable No. 585-140. This cable is
connected between the SRPT-40A transmitter and AR/CR-10 receiver. Power is obtained by connecting the fused BLUE
wire to the vehicle 15-30 VDC battery or supply. The supply must be capable of delivering 10 Amps minimum. The
electrical diagram of this cable is shown in FIG. 3B.
Mobile Antenna Installation
One or more mobile antennas are required depending upon the various receive and transmit frequencies and whether
antenna duplexing is used. Antennas are specified in the various system packages listed in the Marti literature. The
installer should follow the instructions supplied with the mobile antennas.

8

9

10
Fixed Base Station and Repeater Installation
1. Install transmitter in standard rack by using Rack Mounting Kit No. 700-253 available from Marti.
CAUTION
ALLOW ONE PANEL SPACE ABOVE AND BELOW TRANSMITTER FOR INLET AIR-FLOW TO
INTERNAL FAN.
2. Connect transmitting antenna to ANTENNA connector on SRPT-40A rear panel.
3. Plug transmitter into a 3-prong, grounded 90-264 volt, AC outlet.
WARNING
FAILURE TO USE A PROPERLY GROUNDED OUTLET COULD RESULT IN A SAFETY HAZARD
OR FAULTY EQUIPMENT PERFORMANCE.
4. For fixed automatic repeater operation, connect Cable No. 585-143 (FIG. 4.) between accessory connectors of the
receiver and SRPT-40A transmitter. Connect receiving antenna to receiver J6 and transmit antenna to SRPT-40A
ANTENNA connector.

11
ANTENNAS
BASE STATION ANTENNA INSTALLATION CHECKLIST
The following suggestions are offered to help those responsible for antenna installations avoid
costly errors in assembly and adjustment. Marti Electronics assumes no responsibility for the
installation and performance of antenna systems associated with its equipment. The following
suggestions are not intended to be a complete step-by-step procedure, simply a listing of some of the
most frequently reported errors in antenna system installation.
Antenna Assembly
Follow the manufacturer’s instructions carefully. If no instructions were included with the antenna, call or write the
antenna manufacturer for instructions. Antennas which have phasing or stacking cables must be assembled carefully to
avoid phase reversal or signal cancellation.
Transmission Line Connector Assembly
Do not use RG-58 U or RG-8 U cable for STL station antennas! They have too much loss at VHF and UHF
frequencies. Follow the instructions furnished by the manufacturer when cutting coaxial cable. Inspect the cable ends
for small metal fragments which can short-circuit the line inside the connector assembly. Check the line for a short-
circuit condition after each connector is installed by using an ohmmeter. Pressurized line should be checked for several
days under pressure before installation on a tower to ensure that there are no leaks in the line or fittings.
Moisture Proofing Coax Connectors and Fittings
Extreme care must be exercised with coaxial cable before and after connectors have been installed to ensure that
moisture does not enter the line. Foam dielectric line can take on moisture absorption which is difficult to detect and
remedy. Therefore, keep the line dry while in storage with ends tightly capped. Coaxial splices, connectors, and fittings,
to be located outside should be made mechanically tight, then coated with a weather-proofing material over at least two
layers of vinyl plastic electrical tape. Moisture problems in antenna systems are usually traced back to connectors which
have NOT been properly taped. The Marti K-1 Grounding and Weatherproofing Kit is recommended for use in each
new antenna installation.
Location and Grounding of Coaxial Cable
Keep the RPU receiver coaxial cable as far from the broadcast transmitter and its coaxial cable as possible.
WARNING
DO NOT STRAP RECEIVER CABLE TO THE MAIN ANTENNA CABLE AT ANY POINT.
PLACE THE RECEIVER ANTENNA COAXIAL CABLE ON THE OPPOSITE SIDE OF THE TOWER
FROM THE MAIN ANTENNA CABLE.
Maintain maximum separation between these cables at all points, including the distance from tower base to transmitter
building as well as inside the building.

12
System Grounding
It is essential that the RPU antenna system be properly grounded for safety and proper operation.
Antenna Installation and Adjustment
The polarization of the transmit and receive antennas of the RPU system must be the same! This means that if the
transmitting antenna is vertical, the receiving antenna must also be vertical. Each antenna should be attached to the
tower using the proper side mount or top mount hardware. If an RF wattmeter is available, each antenna and
transmission line can be checked for VSWR when the transmitter is supplying power to it. The VSWR should be less
than 1.5 to 1 (1.5:1).
If the antenna system fails to give the predicted signal strength level, the following
items should be checked:
1. Check for correct assembly of antenna.
2. Check that antennas have same polarity.
3. Check VSWR of both transmit and receive antennas. VSWR should be less that 1.5:1.
4. Check for obstructions in the path such as trees and man-made structures. The base antenna must be high enough to
provide a line-of-sight path to the remote transmitting antenna.
CAUTION & WARNING
YOU CAN BE KILLED IF AN ANTENNA COMES IN CONTACT WITH ELECTRIC POWER LINES
OR EXPOSED ELECTRICAL WIRING.
FOR YOUR SAFETY, USE EXTREME CAUTION WHEN IN-STALLING ANTENNAS.
KEEP AWAY FROM POWER LINES.

13
CONTROL & CONNECTOR
FUNCTIONS
ACCESSORY Input Connector
Audio Input:
When Input 4 is switched to “HI” level, audio can be fed into pins 4 and 5 of the ACCESSORY connector on the
rear of the transmitter. Input level should be between 0.2 volts to 2.0 volts rms. The output impedance of the device
connected to Input 4 should be 8 - 600 ohms. For unbalanced operation ground pin 5 to pin 1, 8, 11, or 12 and connect
audio to pin 4. Use standard 15-pin “subminiature D” female connector with cover.
Transmit Control:
“TRANSMIT” control can be accomplished remotely by a switch circuit connected between pin 15 and one of the
available ground pins (pin 1, 8, 11, or 12).
External DC supply:
The SRPT-40A can be powered externally by either a 12-15 Volt DC supply or a 15-30 Volt supply. If powered off
a 12-15 Volt supply, connect three positive leads of the supply to pins 6, 7, and 14. Connect three negative leads of the
supply to three of the four ground pins (pins 1, 8, 11, and 12). Each of the three positive leads and each of the three
negative leads should be an 18 gauge wire.
ATTENTION
FOR 12-15 VOLT EXTERNAL SUPPLY, THE OPTIMUM VOLTAGE IS FROM 13.5 TO 14.5 VOLTS.
APPLYING A VOLTAGE LOWER THAN 13.5, COULD LIMIT THE MAXIMUM RF OUTPUT POWER
AND/OR LIMIT THE OVERALL FREQUENCY RANGE.
If powered off a 15-30 Volt supply, connect four positive leads of the supply to the four 15-30VDC pins (pins 2, 3,
9, and 10). Connect four negative leads of the supply to the four ground pins (pins 1, 8, 11, and 12). Each of the four
positive leads and each of the four negative leads should be an 18 gauge wire.
ATTENTION
FOR 15-30 VOLT EXTERNAL SUPPLY, IF APPLYING A VOLTAGE LESS THAN 16 VDC, THE
SRPT-40A INTERNAL B+ SHOULD BE ADJUSTED NO MORE THAN 12 VDC.
IF THIS IS THE CASE, THE MAXIMUM RF OUTPUT POWER AND/OR THE OVERALL
FREQUENCY RANGE COULD BE LIMITED.

14
CAUTION & WARNING
NEVER INSTALL AND CONNECT THE 12-15 VOLT AND THE 15-30 VOLT SUPPLIES AT THE
SAME TIME.
ALSO, NEVER CONNECT THE 15-30 VOLT SUPPLY TO THE 12-15 VOLT PINS AND NEVER
CONNECT THE 12-15 VOLT SUPPLY TO THE 15-30 VOLT PINS.
DOING SO MAY DAMAGE THE INTERNAL SWITCHING SUPPLY OR EITHER OF THE
EXTERNAL DC SUPPLIES.
CAUTION & WARNING
NEVER CONNECT THE SRPT-40A TO THE AC LINE AND EITHER OF THE EXTERNAL DC
SUPPLIES AT THE SAME TIME.
DOING SO MAY DAMAGE THE INTERNAL SWITCHING SUPPLY OR THE EXTERNAL DC
SUPPLY.
AC LINE Switch, AC Receptacle & Fuse
When the transmitter is not in use or if the SRPT-40A is to run off of an external supply, the AC LINE switch
should be in the “OFF” position.
When ready to use the SRPT-40A off of the AC line voltage, plug power cord into the AC Receptacle and switch
the AC LINE switch to the “ON” position.
The AC line fuse is rated at 2.5 amps.
AFC LOCK LED
The AFC LOCK LED will either be flashing or solid green at all times, except during initial power up – and in that
case it will only be off for a few seconds.
When the SYNTHESIZER is searching for a frequency to lock on to and is therefore not locked, the AFC LOCK
LED will flash green. When the SYNTHESIZER finds and locks onto the frequency it was searching for, the AFC
LOCK LED will stay on, solid green. Three seconds after the SYNTHESIZER becomes locked, it will then be ready and
will enable the transmitter to output power.
In normal conditions, the SYNTHESIZER will not come “unlocked” unless sent a command to change to change to
a new frequency. However, other conditions can cause the SYNTHESIZER to come unlocked such as an AC line surge
or a sudden and very large change in VSWR. In those cases, the SYNTHESIZER will re-lock back on the assigned
frequency. The AFC LOCK LED will flash green until the SYNTHESIZER is locked. Once the SYNTHESIZER is
locked it will stay on, solid green.

15
ANTENNA Connector
Connection of various antenna systems is covered under INSTALLATION and ANTENNAS. It is only necessary
for the operator or announcer to see that the ANTENNA connector is tight and that the antenna is clear of objects which
may affect its radiation efficiency.
CAUTION & WARNING
NEVER INSTALL AND CONNECT THE 12-15 VOLT AND THE 15-30 VOLT SUPPLIES AT THE
SAME TIME.
ALSO, NEVER CONNECT THE 15-30 VOLT SUPPLY TO THE 12-15 VOLT PINS AND NEVER
CONNECT THE 12-15 VOLT SUPPLY TO THE 15-30 VOLT PINS.
DOING SO MAY DAMAGE THE INTERNAL SWITCHING SUPPLY OR EITHER OF THE
EXTERNAL DC SUPPLIES.
ENCODE Switch
The internal subaudible encoder can be switched “ON” or “OFF” by the front panel switch. Encoding is used to
activate a repeater station, tape recorder, etc.
FREQUENCY SELECT Pushwheel Switches and EXECUTE Switch
Dial in the numbers that represent a frequency, channel number, or other command using the FREQUENCY
SELECT Pushwheel switches. Then press and release the EXECUTE switch to “send” the command numbers on the
FREQUENCY SELECT pushwheel switches to the internal controller to be decoded and executed. See the
OPERATION section for a listing and understanding of all commands.
AUDIO GAIN Controls
The GAIN potentiometer located above each input connector provides an independent level adjustment for that
input. Each GAIN potentiometer is adjusted as follows:
1. Connect input source at normal audio level.
2. Turn GAIN potentiometer to maximum counter-clockwise (“OFF”) position.
3. Place TRANSMIT/STANDBY switch in “STANDBY” position and allow METER pointer to reach 0 VU. Slowly
increase gain (clockwise) until METER begins deflecting to the left on audio peaks. Maximum deflection should be
-3 to -5 VU on the METER scale. This indicates 100% modulation of the transmitter. Excessive gain settings cause
high compression values which result in annoying increase in background noise. A 600 ohm headset may be
plugged into the MONITOR jack to aid in arriving at the proper gain adjustment. In high noise environments, close-
talk the microphone and reduce MIC gain until a maximum of -2 VU gain-reduction is indicated.
4. Once the proper gain level is determined, it will not be necessary to change it for that particular microphone or tape
player. The broadcast quality compressor/limited built into the unit will maintain modulation at the maximum level
while preventing overmodulation.
HIGH TEMP LED
When the internal controller detects a PA temperature between 65 and 90 degrees C, the HIGH TEMP LED will
flash red at a rate of once per second.
16
When the internal controller detects a PA temperature of greater than 90 degrees C, the RF output power will
completely shutdown, and the HIGH TEMP LED will flash red at a rate of twice a second. The RF output power will
stay shutdown until the PA temperature has dropped below 65 degrees C. When the internal controller detects that the
PA temperature is below 65 degrees C, it will turn off the HIGH TEMP LED and then enable the PA to transmit power.
A HIGH TEMP alarm could be due to the fan malfunctioning, the SRPT-40A placed in a closed-in area with limited
air circulation, or an experience of high VSWR.
HIGH VSWR LED
When the internal controller detects a VSWR of greater than 2 but less than 4, the HIGH VSWR LED will flash red
at a rate of once per second.
When the internal controller detects a VSWR of greater than 4, the output power will limit to a maximum of 25
Watts and the HIGH VSWR LED will flash red at a rate of twice per second. When the detected VSWR falls less than 4,
the output will resume to it’s previous power setting (if the setting was greater than 25 Watts before going into power
fold-back), the HIGH VSWR LED will flash at a rate of once per second if VSWR greater than 2, and will turn off if
VSWR is less than 2.
METER and METER SELECT Knob
When the METER SELECT Knob is either in the FORWARD POWER or REVERSE POWER position, the
corresponding measurement can be read off of the top "WATTS" scale of the METER.
When the METER SELECT knob is either in the PA CURRENT or the B+ position, the corresponding
measurement can be read off of the middle “VOLTS/AMPS” scale of the METER.
When the METER SELECT knob is in the AUDIO COMPRESSION position, the corresponding measurement can
be read off of the bottom “VU” scale of the METER.
MIC Input Connectors
These balanced inputs are for a 150 ohm dynamic microphone such as the Shure BG 1.0 with standard XLR-3 or
A3M connector. Microphone connections are given in INSTALLATION.
Input 4 can operate at MIC LEVEL or HIGH LEVEL by means of a SELECTOR switch inside the transmitter just
behind the Input 4 pot. The unit is factory selected for “HI” (HIGH) LEVEL balanced input for use with tape machines,
etc. To convert Input 4 to MIC (microphone) LEVEL, remove top cover and move switch to “MIC”.
MONITOR Jack
The MONITOR jack is active in “STANDBY” and “TRANSMIT” positions of the TRANSMIT/STANDBY
switch. A high-quality headset having 300 ohms or higher impedance can be plugged into the MONITOR jack to make
adjustments or to monitor the quality of the audio being transmitted. A miniature, single circuit, 1/8 inch, phone plug
should be used with the MONITOR jack.
POWER ADJUST Pot
When the SRPT-40A is transmitting, this pot can be adjusted to increase or decrease the output power from the
MAXIMUM power setting to almost zero Watts.
17
TRANSMIT LED
When the TRANSMIT/STANDBY switch is in the STANDBY position, the SRPT-40A will not transmit and the
TRANSMIT LED will be off.
When the TRANSMIT/STANDBY switch is in the TRANSMIT position but the SYNTHESIZER is not ready, the
SRPT-40A will not transmit and the TRANSMIT LED will flash red.
When the TRANSMIT/STANDBY switch is in the TRANSMIT position and the SYNTHESIZER is ready (which
is always three seconds after the SYNTHESIZER becomes locked), the SRPT-40A will transmit and the TRANSMIT
LED will be on, solid red.
TRANSMIT/STANDBY Switch
This switch should be placed in the “STANDBY” position at least 1 minutes before transmission is anticipated. This
activates all audio circuits, MONITOR jack and METER. Current drain is minimal in “STANDBY” position. The
TRANSMIT/STANDBY switch is placed in the “TRANSMIT” position when transmission is desired. The
TRANSMIT/STANDBY switch should be returned to the “STANDBY” position as soon as a transmission is completed.

18
OPERATION
Connect up SRPT-40A to the AC Line Receptacle or External
DC Supply
CAUTION & WARNING
NEVER CONNECT THE SRPT-40A TO THE AC LINE AND EITHER OF THE EXTERNAL DC
SUPPLIES AT THE SAME TIME.
DOING SO MAY DAMAGE THE INTERNAL SWITCHING SUPPLY OR THE EXTERNAL DC
SUPPLY.
AC Line Operation
Position AC LINE switch to “OFF”, then plug SRPT-40A into a 90 - 264 volt, AC, grounded, 3-prong receptacle.
WARNING
THIS EQUIPMENT MUST BE OPERATED WITH A 3-PRONG, GROUNDED, 90-264 VOLT, AC
OUTLET RECEPTACLE!
FAILURE TO USE A PROPERLY GROUNDED OUTLET COULD RESULT IN A SAFETY HAZARD
OR FAULTY EQUIPMENT PERFORMANCE.
IF AN EXTENSION CORD IS USED, IT MUST BE THE THREE-WIRE GROUNDING TYPE TO
INSURE SAFETY.
DO NOT CUT OFF THE GROUND PIN OF A 3-PRONG PLUG!!
External DC Supply (12-15 Volt) Operation
The front panel AC LINE switch does not control the External DC Supply (12-15 Volt) operation.
The external supply must be capable of delivering 10 Amps if running the SRPT-40A at 50 Watts. Connect three
positive leads of the supply to pins 6, 7, and 14 of the ACCESSORY connector. Connect three negative leads of the
supply to three of the four ground pins (pins 1, 8, 11, and 12) of the ACCESSORY connector. Each of the three positive
leads and each of the three negative leads should be an 18 gauge wire.
External DC Supply (15-30 Volt) Operation
The front panel AC LINE switch does not control the External DC Supply (15-30 Volt) operation.
The external supply must be capable of delivering 12 Amps if running the SRPT-40A at 50 Watts. Connect four
positive leads of the supply to the four 15-30VDC pins (pins 2, 3, 9, and 10). Connect four negative leads of the supply
to the four ground pins (pins 1, 8, 11, and 12). Each of the four positive leads and each of the four negative leads should
be an 18 gauge wire.

19
CAUTION & WARNING
NEVER INSTALL AND CONNECT THE 12-15 VOLT AND THE 15-30 VOLT SUPPLIES AT THE SAME TIME.
ALSO, NEVER CONNECT THE 15-30 VOLT SUPPLY TO THE 12-15 VOLT PINS AND NEVER CONNECT THE
12-15 VOLT SUPPLY TO THE 15-30 VOLT PINS.
DOING SO MAY DAMAGE THE INTERNAL SWITCHING SUPPLY OR EITHER OF THE EXTERNAL DC
SUPPLIES.
Connect up Antenna
Connect antenna to the ANTENNA connector on the SRPT-40A rear panel. Connection of various antenna systems
is covered under INSTALLATION and ANTENNAS.
CAUTION
DO NOT TURN ON AC LINE OR EXTERNAL DC POWER UNTIL ANTENNA HAS BEEN
PROPERLY CONNECTED TO ANTENNA CONNECTOR!
Power-Up SRPT-40A
If using AC line, turn on SRPT-40A by turning on front panel AC LINE switch.
If using 12-15 Volt or 15-30 Volt external DC supply, turn on SRPT-40A by turning on external DC supply. The
front panel AC LINE switch has no control of external DC supply.
The SRPT-40A will begin a power-up routine. The front panel meter will illuminate immediately. After about three
seconds the AFC LOCK LED will begin flashing green indicating that the synthesizer is searching for the last frequency
it was last locked on to.
If the TRANSMIT/STANDBY switch is in the TRANSMIT position, the TRANSMIT LED will flash red in unison
with the green flashing AFC LOCK LED. Once the synthesizer has found and locked onto the frequency, the AFC
LOCK LED will immediately stay on solid green and the TRANSMIT LED will continue to flash red for three
additional seconds. After the three seconds, the SYNTHESIZER will be ready, will enable the power amplifier to
transmit RF power, and the TRANSMIT LED will stay on solid red.
If the TRANSMIT/STANDBY switch is in the STANDBY position, the TRANSMIT LED and hence, the
transmitter RF power, will be off and will stay off even after the SYNTHESIZER has locked and the AFC LOCK LED
has illuminated solid green. When the TRANSMIT/STANDBY switch is placed in the TRANSMIT position (and three
seconds have elapsed since the SYNTHESIZER became locked) the PA will begin transmitting and the TRANSMIT
LED will illuminate solid red.
Adjusting Output Power
Turn the METER CONTROL knob to the FORWARD POWER position and observe the forward power reading on
the top scale of the METER. Using a small flat-head screwdriver, adjust the POWER ADJUST pot (located about ¾ of

20
an inch behind the POWER ADJUST bezel ring) to adjust the forward power to a desired output power as indicated on
the METER.
What Frequency Will the SRPT-40A Power-Up on?
If you’re not sure what frequency the SRPT-40A will power up on, first make sure that the POWER ADJUST pot is
at a minimum (turned fully counter-clockwise) before powering up the SRPT-40A. After the SYNTHESIZER is locked
and the TRANSMIT/STANDBY switch is set in the TRANSMIT position, monitor the RF output with a frequency
counter. If necessary, increase the POWER ADJUST pot (turn clockwise) slowly until the frequency counter registers a
frequency reading.
WARNING
NEVER CONNECT THE FREQUENCY COUNTER DIRECTLY TO THE RF OUTPUT CONNECTOR
OF THE SRPT-40A.
THE FREQUENCY COUNTER SHOULD BE COUPLED OFF OF AN RF COUPLER OR A WATT
METER.
EXCEEDING THE INPUT POWER RATING OF THE FREQUENCY COUNTER COULD DO
INTERNAL DAMAGE TO IT.
Inputting Audio
Plug in microphones (Inputs 1 - 3) or tape player (Input 4 internally switched to “HI” position; See MIC Input
Connections, above) and check operation by setting the METER CONTROL knob to the AUDIO COMPRESSION
position and observing the compression on METER and by a headset plugged into MONITOR jack. Set AUDIO GAIN
controls paragraph in the CONTROL & CONNECTOR FUNCTIONS section for how to adjust for no more than -3 VU
audio compression on the METER.
Changing Output Frequency Direct
To change the frequency of the SRPT-40A, the S1 dip-switches on the Front Panel Control & Meter board (800-
378) behind the front panel (see the SRPT-40A Adjustment Locations) need to be set with switches 1 and 2 in the “ON”
position and switches 3 and 4 in the “OFF” position. These positions are the normal position and are set at the factory,
so there should be no need to remove the top cover.
When the S1 switches are set as described in the last paragraph, then all that is required is to enter the desired
frequency from left to right into the FREQUENCY SELECT pushwheel switches and then press and release the
EXECUTE pushbutton switch.
If a valid frequency is entered and the EXECUTE pushbutton is pressed and released, then the RF output power will
immediately turn off (if it was on to begin with) and the SYNTHESIZER will go through it’s normal routine in searching
and locking onto the requested frequency. When the frequency is found, the AFC LOCK LED will stop flashing and
illuminate solid green. After three seconds the TRANSMIT LED will stop flashing and illuminate solid red (assuming
the TRANSMIT/STANDBY switch is in the TRANSMIT position) and the SRPT-40A will resume transmitting at the
new frequency and at the same output power it was before leaving the previous frequency.

21
What is A Valid Output Frequency?
A valid output frequency is defined as an output frequency that is divisible by the set reference frequency (12.5 KHz
or 10.0 KHz) and one which is within the valid operating bands. All seven digits on the front panel FREQUENCY
SELECT pushwheel switches must be entered. The frequency is entered in MHz where the first three digits represent the
left side of the decimal place, and the last four digits represent the right side of the decimal place. For example, the
frequency 450.0125 MHz will simply be entered as 4500125.
If an invalid frequency is entered in, or if the same frequency that the SRPT-40A is currently locked on to is entered
in, then the SRPT-40A will remain at its current frequency and current RF output power, i.e., nothing will happen.
Changing Output Frequency via Channel Select
The frequency can also be changed by entering a channel number that was previously stored with a frequency. See
Storing Output Frequencies into Channels for instructions on how to store frequencies. There are ten channels
available for storing and recalling frequencies. These ten channels are preset with default or customer requested
frequencies at the factory.
To change frequency via channel select, the S1 dip-switches behind the front panel must be set with switches 1 and
2 in the “ON” position and 3 and 4 in the “OFF” position. These switches are in the same position as when changing the
frequency direct. Again, these are the normal dip-switch positions, and there probably is no need to remove the top
cover.
Now you’re ready to enter the channel. This is done by setting the six left-most digits (digits 2-7) of the
FREQUENCY SELECT pushwheel switches equal to zero. Then the far right digit (digit 1) is set to the channel of
choice (channel 0 – channel 9). After entering the channel, press the EXECUTE pushbutton down and then release. The
SYNTHESIZER will change to the frequency that was stored in the channel.
WARNING
THE REMAINING OPERATIONS ARE FEATURES THAT REQUIRE SETTING INTERNAL DIP-
SWITCHES.
IN ALL CASES, WHEN PERFORMING THESE OPERATIONS, THE SRPT-40A MUST BE ON AND
THE TOP COVER MUST BE REMOVED.
WHEN THE OPERATION IS COMPLETE, ALWAYS SET THE INTERNAL S1 DIP-SWITCHES WITH
SWITCHES 1 AND 2 “ON” AND SWITCHES 3 AND 4 “OFF”. THEN RE-INSTALL THE TOP COVER.
Storing Output Frequencies into Channels
The SRPT-40A must be locked on a frequency before storing that frequency into one of the ten available channels.
It is not necessary, however, that the SRPT-40A be transmitting, hence the TRANSMIT/STANDBY switch can be in
STANDBY.
First, lock on to the desired frequency either directly or via channel select. Remove the top cover of the SRPT-40A.
Set the S1 dip-switches (located behind the front panel) as follows: Switches 1, 3, and 4 set to the “OFF” position and
switch 2 set to the “ON” position.
22
Next, set the six left-most digits (digits 2-7) of the FREQUENCY SELECT pushwheel switches equal to zero. Then
the far right digit (digit 1) is set to the channel of choice (channel 0 – channel 9) to be stored. After entering the channel,
press the EXECUTE pushbutton down and then release. The current frequency-in-lock will be stored in the selected
channel and the SRPT-40A will remain at its current frequency. If you need to store more channels, repeat the steps in
this paragraph.
Finally, put the S1 dip-switches back to where they were, i.e., switches 1 and 2 in the “ON” position and switches 3
and 4 in the “OFF” position. Re-install the top cover.
It would be a good idea to test the stored channel(s) by changing the frequency to some other frequency and then
recalling the stored channel(s).
Changing the Reference Frequency
The reference frequency setting is usually set such that it is divisible into any operating frequency within your
country’s RPU frequency assignment. The reference frequency of the SRPT-40A can be set to either 10.0 KHz or 12.5
KHz. The default reference frequency will be set at the factory according to where the SRPT-40A will be used or
whatever the customer requests.
If you try to change to an output frequency that is not divisible by the set reference frequency, the frequency will not
change. If the output frequency (or frequencies) that you are required to operate at are not all divisible by 10.0 KHz or
12.5 KHz, you may be able to special order a software change to accommodate your required reference frequency.
To change the reference frequency, remove the top cover of the SRPT-40A. The SRPT-40A should be powered on
and locked on a frequency. Set the S1 dip-switches so that switches 1, 3, and 4 are “OFF”, and switch 2 is “ON”. From
the front panel, adjust the FREQUENCY SELECT pushwheel switches so that digit seven (the left-most digit) is zero;
and digits six, five, and four are 1, 2, and 5 respectively for 12.5 KHz reference frequency or 1, 0, and 0 respectively for
10.0 KHz. It does not matter what pushwheel switches three, two, and one are set to. Now press the EXECUTE
pushbutton down and then release. At this point the output frequency will remain as is and no noticable change will take
place. Re-position the S1 dip-switches such that switches 1 and 2 are “ON” and switches 3 and 4 are “OFF”. Re-install
the top cover.
At this point, the reference frequency is only temporarily stored. Therefore, if the power to the SRPT-40A was
turned off and then on, it would revert back to its original reference frequency. The user must therefore change the
output frequency to permanently change the reference frequency.
Control Switch Settings
Control Switch Settings enable or disable important controls used in the SRPT-40A. These control settings include
the following:
Rotary Power Adjust Enable
VSWR Foldback Disable
Reverse Power Calibration Enable
Forward Power Calibration Enable
Hi Temperature Shutdown Disable
Direct Frequency Change Enable
Channel Frequency Change Enable
For changing the setting on any of these controls, it’s important to remember that you cannot just change one setting
without updating (or setting) all the other settings at the same time. This is because one command does all. Therefore
you must consider and set all controls at the same time.
23
Refer to the Control Switch Settings Command (Figure 5) for disabling or enabling the desired controls. Remove
the top cover. Set the internal dip-switch S1 switches and the FREQUENCY SELECT pushwheel decimals as outlined
in Figure (5). The entries in bold italics are default settings from the factory. Notice that in some cases, some settings
can be achieved by more than just one unique decimal entry. For example, if it was required to disable the Rotary Pot
Power Adjust, enable VSWR Foldback, and enable Reverse Power Calibration, DECIMAL 4 could be set to a “1” or a
“9” and achieve the same settings. Or if it was required to disable Forward Power Calibration and enable Hi
Temperature Shutdown, DECIMAL 3 could be set to a “0”, “1”, “8” or “9”.
When all FREQUENCY SELECT pushwheel decimals have been set to their required values that correspond to the
desired control switch settings, you must send the command by pressing the EXECUTE pushbutton down and then
releasing. The internal controller will set the controls. Set the internal dip-switch S1 back to it’s normal position with
switch 1 and 2 “ON” and switch 3 and 4 “OFF”. Re-install top cover.
Following is a description of the control settings:
Rotary Pot Power Adjust Enable – The default for this setting is “yes” which allows the user to change the power
from almost 0 Watts to the maximum RF output power setting via the front panel POWER ADJUST pot. Refer to the
Maximum Power Setting paragraph in the CALIBRATION AND ADJUSTMENT section of this manual for
information on how to set the maximum power. If this user selects “no” for this setting, then the RF output power will
maintain where last set and tuning of the POWER ADJUST pot will have no effect.
VSWR Foldback Disable – The default for this setting is “no”, therefore the VSWR Foldback is enabled. This
means when a VSWR is detected greater than 4, the power will limit to 25 Watts maximum. If “yes” is chosen, to
disable VSWR foldback, then the forward RF power will not try to foldback, even when the controller detects a VSWR
of greater than 4. The HIGH VSWR LED will still flash however. For maintaining long life from the power amplifier, it
is not recommended to disable VSWR Foldback.
Reverse Power Calibration Enable – The default setting for this setting is “no”. This setting should only be selected
“yes” during calibration (see the Reverse Power Calibration paragraph in the CALIBRATION AND ADJUSTMENT
section).
Forward Power Calibration Enable – The default setting for this setting is “no”. This setting should only be
selected “yes” during calibration (see the Forward Power Calibration paragraph in the CALIBRATION AND
ADJUSTMENT section).
High Temperature Shutdown Disable – The default for this setting is “no”, therefore High Temp Shutdown is
enabled (see High Temp LED paragraph in the CONTROL & CONNECTOR FUNCTIONS section for complete
description). If “yes” is chosen, then the power amplifier will not shutdown due to high temperature but the HIGH
TEMP LED will still flash. Again, for maintaining long life from the power amplifier, it is not recommended to disable
High Temperature Shutdown.
Direct Frequency Change Enable – The default for this setting is “yes” to be able to change the output frequency
direct. If “no” is chosen, then attempting to change the output frequency will be ignored by the internal controller. This
setting is useful for allowing only certain frequencies to be transmitted by selecting from pre-stored channels.
Channel Frequency Change Enable – The default for this setting is “yes” to be able to change the output frequency
by channel select. If “no” is chosen, then attempting to change the output frequency by selecting channels will be
ignored by the internal controller. This setting is mainly useful if the Direct Frequency Change setting is also disabled.
Therefore, only one frequency can ever be transmitted.

24
Figure (5) CONTROL SWITCH SETTINGS COMMAND
Internal Dip-Switch (S1): Switch 1, 3, and 4 are “OFF”; Switch 2 is “ON”
DECIMAL 7 (far left digit): “1”
DECIMAL 6, DECIMAL 5, DECIMAL 1 (far right digit): Does Not Matter
DECIMAL 4
INPUT NUMBER ROTARY POT
POWER ADJUST
ENABLED
VSWR FOLDBACK
DISABLED REVERSE POWER
CALIBRATION
ENABLED
0No
No No
1No
No Yes
2NoYes
No
3NoYesYes
4 Yes No No
5Yes No Yes
6Yes Yes No
7Yes Yes Yes
8No
No No
9No
No Yes
Note: Entries in bold italics are standard default from factory. A “4” input will set all three controls to default.
DECIMAL 3
INPUT NUMBER FORWARD POWER
CALIBRATION
ENABLED
HI TEMPERATURE
SHUTDOWN
DISABLED
0NoNo
1NoNo
2No Yes
3No Yes
4Yes
No
5Yes
No
6YesYes
7YesYes
8NoNo
9NoNo
Note: Entries in bold italics are standard default from factory. A “0, 1, 8, or 9” input will set both controls to
default.
DECIMAL 2
INPUT NUMBER DIRECT
FREQUENCY
CHANGE ENABLED
CHANNEL
FREQUENCY
CHANGE ENABLED
0NoNo
1No
Yes
2Yes No
3YesYes
4NoNo
5No
Yes
6Yes No
7YesYes
8NoNo
9No
Yes
Note: Entries in bold italics are standard default from factory. A “3 or 7” input will set both controls to default.

30
RECOMMENDED TEST
EQUIPMENT
Distortion Analyzer Krohn-Hite Model 6801
Oscillator Krohn-Hite Model 4500
Attenuator Set Hewlett-Packard Model 3500
Frequency Counter Hewlett-Packard Model 5383A
(option 001)
Digital Multimeter Beckman Model 3030
Analog Multimeter Triplett Model 630
RF Attenuator adjustable 0-110 dB
RF Signal Generator Marconi Model 2022C
Spectrum Analyzer Hewlett-Packard Model 8558B
Wattmeter (50 ohms impedance) Bird Model 43
5 or 50 watt element 100-250 MHz or 400-1000 MHz, Bird
Automatic Modulation Meter Wavetek Model 4101
50 watt RF Load Microwave Associates Model 44003
Stereo Monitor Belar Model FMS-2
Stereo Generator Aphex Model AX400
Oscilloscope Tektronix Model 2215
TOOLS FOR ALIGNMENT
Tuning Tool GC 9300
Tuning Tool GC 9440
Tuning Tool Spectrol 8T000
Tuning Tool Sprague-Goodman
Screwdriver Xcelite R184, 1/8” x 4”

31
SRPT-40A TRANSMITTER
FACTORY TEST REPORT
Customer: _______________________________________________________________________
Address: ________________________________________________________________________
Serial No.:__________
Test Frequency:_________ Test Frequency:_________ Test Frequency:_________
Forward Power Calibration
Reverse Power Calibration
Audio Compressor Meter set at 0 VU
Limiter Set
Encode frequency set at 27 Hz.
Encode frequency set at 1 KHz. deviation
Set power on 120 volt AC operation at __________watts
External Supply (12-15 Volts DC)
External Supply (15-30 Volts DC)
On-board regulator set for B+ = 14.0 Volts
Frequency response within specifications
Distortion within specifications
Signal to noise within specifications
Metering satisfactory
Test Equipment ______________________________________
Frequency Counter, HP Model 5383A DATE
Deviation Monitor, Wavetek Model 4101 ______________________________________
SIGNATURE

44