BT 3100 600344321 VacuFlush 3000 34000 Owner's Manual User To The 479c6ea2 2760 4c19 B0cd Ebf99d3b50ae
User Manual: BT 3100 to the manual
Open the PDF directly: View PDF
.
Page Count: 24
- Table of Contents
- Toilet Model Identification
- Important Information Before Operation
- Operating Instructions
- Flush Operation Timing Chart
- Proper Cleaning - Toilet Bowl and Seal
- Winterizing
- Clearing Discharge Lines
- Maintenance Schedule
- Spare Parts
- Ordering Parts
- Sanitation System Components
- Deodorants and Special Tissue
- Marine Sanitation Regulations
- Flush Mechanism Components
- Manual Flush Operation
- Toilet System Electrical Specifications
- Troubleshooting
- RV Wiring Diagrams
- Marine Wiring Diagrams
- Dimensions
- Customer Service
- One-Year and Ten-Year Limited Warranties - Boats
- Three-Year and Ten-Year Limited Warranties - Recreation Vehicles

1
3000, 3100, 3300, 3400 Series VacuFlush® Toilets
VACUFLUSH®
ALL-CHINA VACUUM TOILET
OWNER’S MANUAL
Dometic Corporation • Sanitation Systems
13128 State Rt 226, PO Box 38
Big Prairie, OH 44611
SeaLand Product Customer Service: 1-800-321-9886
(8:00 a.m. - 5:00 p.m. ET)
WARNING
3000 Series
3100 Series
3300 Series
3400 Series
IMPORTANT NOTICE
VacuFlush sanitation systems must be installed according to Dometic’s recommended
procedures. Do not attempt installation without first contacting a VacuFlush Certified
Dealer, your nearest VacuFlush Parts Distributor, or Dometic.
This manual must be read and understood
before adjustment, maintenance, or service
is performed. Modification of this product
can result in property damage.
WARNING
!

2
TABLE OF CONTENTS
The model identification label is located on the inside wall of the toilet under
the tank access cover. It will show the model number and serial number.
TOILET MODEL IDENTIFICATION
WARNING – ELECTRICAL SYSTEM.
Turn off electrical power before servicing.
WARNING – MOTOR STARTS AUTOMATICALLY.
Turn off electrical power before servicing.
Read and understand the complete contents of this manual before operating or servicing the sanitation
system. Failure to follow any precautions may result in damage to the sanitation system.
CAUTION – System may contain vacuum after shut-down.
Toilet Model Identification . . . . . . . . . . . . . . . . . 2
Important Information Before Operation . . . . . . 2
Operating Instructions . . . . . . . . . . . . . . . . . . . . 3
Flush Operation Timing Chart . . . . . . . . . . . . . . 4
Cleaning – Toilet Bowl and Seal . . . . . . . . . . . . 4
Winterizing . . . . . . . . . . . . . . . . . . . . . . . . . . . . 4
Clearing Discharge Lines . . . . . . . . . . . . . . . . . 5
Maintenance Schedule . . . . . . . . . . . . . . . . . . . 5
Spare Parts . . . . . . . . . . . . . . . . . . . . . . . . . . . . 5
Ordering Parts . . . . . . . . . . . . . . . . . . . . . . . . . . 5
Sanitation System Components . . . . . . . . . 6 – 7
Deodorants and Special Tissue . . . . . . . . . . . . 8
Marine Sanitation Regulations . . . . . . . . . . . . . 8
Flush Mechanism Components . . . . . . . . . . . . . 9
Manual Flush Operations . . . . . . . . . . . . . . . . 10
Electrical Specifications . . . . . . . . . . . . . . . . . . 10
Troubleshooting . . . . . . . . . . . . . . . . . . . . .11 – 14
RV Wiring Diagrams . . . . . . . . . . . . . . . . 15 – 16
Marine Wiring Diagrams . . . . . . . . . . . . . 17 – 21
Dimensions . . . . . . . . . . . . . . . . . . . . . . . . . . . 21
Customer Service . . . . . . . . . . . . . . . . . . . . . . 22
Limited Warranties . . . . . . . . . . . . . . . . . 23 – 24
IMPORTANT INFORMATION BEFORE OPERATION
1. Fill freshwater tank and add deodorant to holding tank through toilet bowl.
2. Make sure all guests understand toilet operation and that the flushing instruction label is easy for guests to read.
This label (see below) is located under the seat, and is easily seen when the seat is raised.
3. Remember, the vacuum pump starts automatically. Shut off the toilet system before servicing and do not leave the
boat with toilet system breaker on.
4. Never use drain openers, alcohol, solvents, etc. in the system.
5. If the system does not function properly, refer to the Troubleshooting section of this manual and repair as
necessary. If problem persists, contact your local SeaLand dealer or see the Customer Service section of this
manual.
1. To add water to bowl before
using (if necessary), raise flush
handle until desired water
level is reached. (Water
flow will stop automatically
after a period of time).
2. To flush, press flush handle down. Water
will flow into bowl for two seconds, then
flush ball will open. Toilet will not flush
again until “OK to Flush” light is on.
3. Do not dispose of sanitary
napkins or other non-dissolving
items in toilet, such as facial
tissue or paper towels.
These items can cause
plugging of the sanitation
system.
DOMETIC CORPORATION
P.O. BOX 38, 13128 STATE RT 226 (800) 321-9886
BIG PRAIRIE, OH 44611 USA
MODEL NO. 000
SERIAL NUMBER
000000

3
ACCESS COVER
CONTROL SWITCHES
OPERATING INSTRUCTIONS
1. Adding More Water To Toilet Bowl
Raise flush handle or press “Add Water” switch until desired
water level is attained. To prevent toilet overflow, the control
module limits the amount of water that can be added.
2. Flushing The Toilet
When the vacuum status panel’s green “OK to Flush” light is
on, and the red “Do Not Flush” light is off, press the handle
or “Flush” switch down for a moment, then release it. Holding
the handle down will not prolong the flush cycle nor start a
new flush cycle. The handle must be allowed to return to the
“off” position and the vacuum must be allowed to recharge
before another flush cycle can be initiated. A full holding tank will also prevent the toilet from flushing.
3. Selecting Automatic Water Refill Levels:
The Water Level switch is located under the access cover. Carefully lift up on the front of the cover to access the
Water Level switch. There are three water refill levels available. The microprocessor-controlled water valve will
refill the toilet bowl according to your water level selection.
To reinstall the access cover, set the cover on top of the
toilet and press down. This will lock the cover in place
and prevent it from coming loose during travel.
LOW Level
Use this setting to conserve water. This position
reduces the chance of water splashing out of the bowl
during rough travel. If more water is needed for flushing,
lift up on the flush handle. Water flow will stop after
nine seconds to prevent overflow.
MID Level
Use this position to keep the toilet bowl clean, especially when family and friends may be using the toilet.
If more water is needed for flushing, raising the flush handle will provide up to six seconds of refill time.
HIGH Level
Use this position if the MID level does not provide a clean toilet bowl. This position is not recommended while
underway. If more water is still desirable for flushing, raising the flush handle will provide up to three seconds
of additional water refill time.
4. Mode Switch
The Mode switch is located on the right side of the control module. It switches between three function settings:
NORMAL
Use this setting for flushing the toilet.
SERVICE
Use this position for cleaning the toilet bowl and flush ball seal. The flush ball will open automatically and remain
open in this position. Lifting up the flush handle provides water.
MANUAL OVERRIDE
Use this position to flush the toilet manually in the event of power or battery failure. This switch disconnects the
electronic brake in the flush valve motor, and allows manual flushing via the override access hole in the side
of the vitreous china base.
Note: The control module allows 15 seconds of water for cleaning. If more water is required, return
the switch to the NORMAL position then back to the SERVICE position.
A safety circuit in the control module monitors flush ball operation. If foreign objects or low voltage prevent
the flush ball from closing, this circuit prevents personal injury or damage to the flush valve motor. If this
condition occurs, reset the control module by placing the Mode switch into the SERVICE position temporarily,
then returning it to the NORMAL position.
OFF
FLUSH
ADD WATER
TO BOWL
OFF
FLUSH HANDLE REMOTE
SWITCH
STATUS
PANEL
See page 6 for all VacuFlush wall switches.

4
FLUSH OPERATION TIMING CHART
WINTERIZING
At the end of each season, the VacuFlush toilet system must be winterized for storage. The following procedure should be
used:
1. Pump out holding tank.
2. Thoroughly flush system with fresh water.
3. Drain freshwater tank.
4. Add freshwater antifreeze to freshwater tank.
5. Flush freshwater antifreeze and water mixture through toilet
and into the waste holding tank. Each installation is different
so amounts may vary. User discretion is required to assure
adequate protection.
6. Turn off electrical power.
CAUTION: The use of freshwater antifreeze that contains alcohol will result in damage to your
sanitation system. Only use propylene glycol freshwater antifreeze that does not contain alcohol.
PROPER CLEANING – TOILET BOWL AND SEAL
Fig. B
The VacuFlush toilet should be cleaned regularly for maximum sanitation and
operational efficiency. You can clean it just as you would a household toilet.
Do not use caustic chemicals, such as drain-opening types, as they will damage
the seals.
BOWL CLEANING: For stubborn stains, use SeaLand Bowl and Seal Cleaner (Fig. A).
It’s manufactured especially for use with our VacuFlush toilets. In certain locations where
water is hard, a build-up of lime may dull the toilet bowl finish. Restore the shine with this
cleaner. If you cannot find our brand in your area, contact SeaLand Product Customer
Service for your nearest dealer. If it is not available, you can also use Bar Keepers Friend®
cleanser. It is not necessary to vigorously scrub with either product. Please follow label
instructions.
SEAL CLEANING: After an extended time, mineral deposits from hard water can build
up under the edge of the rubber bowl seal, resulting in a slow leakdown of water from the
bowl. To prevent this mineral build-up, periodically clean under the bowl seal with SeaLand
Bowl and Seal Cleaner (Fig. B).
1. Put Mode switch in SERVICE position. Flush ball will open automatically.
2. Apply cleanser onto the seal cleaning tool (supplied with new toilet), and scrub
under the seal. Make sure to push bristles between bottom of seal and top of flush
ball surface to scrub all parts of seal that come into contact with flush ball.
3. Wait 2-3 minutes.
4. Pull up on flush handle to let water flow into bowl. Use cleaning tool and water to rinse
Flush and Forget® Cycle Time
Flush Cycle In Seconds
16
5 1284
1711
6 13 159 143 102
0 2.5
Water Valve
Flush Valve
Low Refill
Normal Refill
High Refill
Begin Opening for 0.1 sec.
Wait for 0.1 sec.
Continue Opening
Held Open
Closing Time
Additional “Add Water” Time Allowance
“Add Water” Time Limits
“Add Water” Time In Seconds
5 1284
1711
6 13 159 143 102 16
0 2.5
Water Valve
Low Position
High Position
Service Position
Normal Position
Fig. A
away cleanser and loosened deposits. You can add water for up to 15 seconds in the SERVICE position.
5. Put Mode switch in NORMAL position. Water will flow for a few seconds, then flush ball will close automatically. Water will
continue flowing into bowl, making it ready for the next flush.

5
MAINTENANCE SCHEDULE
Maintenance intervals and normal parts replacement vary widely depending on numerous factors such as frequency
of system use, quality of flushing water, etc. The following chart is intended strictly as a general guide in keeping
the sanitation system 100% ready for any conditions of use.
Maintenance Procedure Recommended
Date of Service Parts Required
Toilet flush ball seal cleaning
Tighten toilet seat mounting
hardware
Monthly
Monthly (or as needed)
SeaLand Bowl and Seal Cleaner
N/A
ROUTINE MAINTENANCE
Replace duckbill valves in Vacuum
Pump or Vacuum Generator
Replace flush ball seal and flush
ball (if needed)
Every three years
Every three years
Duckbill Valve Kit
Flush Ball Seal
Flush Ball
MAJOR SYSTEM MAINTENANCE
SPARE PARTS
The following parts should be kept available at all times:
Description Part Number Quantity Where Used
Flush Ball Seal
Flush Ball
Water Valve
Vacuum Breaker Kit
Vacuum Switch Kit
1.5-inch Duckbill Valve Kit
(2 ea. per kit)
see parts list
see parts list
see parts list
see parts list
see parts list
see parts list
1
1
1
1
1
1
All-ceramic toilet
Vacuum generating system
ORDERING PARTS
Dometic is ready to assist you in the event service is required. Before calling, please have the following information
available. Your cooperation in having this information ready is appreciated and allows us to better meet your needs.
Please refer to the Parts Distributor list in the Customer Service section (page 22).
1. Toilet Model Number
2. Serial Number
3. Part Number, Description and Quantity (see parts list insert)
CLEARING DISCHARGE LINES
Sanitation hoses should be cleared if toilet will not be needed for an extended period of time (more than two weeks).
1. Fill toilet bowl with water and add 4 oz. (120 ml) of biodegradable laundry detergent (should NOT contain bleach).
2. Flush toilet, holding pedal down for about two minutes. Close flush ball.
3. Turn off water supply to toilet.
4. Flush the toilet without water, allowing the vacuum pump to shut off after the flush. Repeat three times. (This proce-
dure will minimize any remaining water in the sanitation hoses.)
5. Turn off power to the vacuum pump.
6. Completely pump out holding tank.
If system will be subjected to freezing temperatures, please follow above procedure, then winterize system as described
in this manual.

6
SANITATION SYSTEM COMPONENTS
Vacuum Toilet: VacuFlush all-ceramic vacuum toilets with
Flush and Forget® technology operate differently compared
to other toilets. The vacuum system uses a small amount of
water (a little more than a pint or .5 liter) per flush in addition
to a simple vacuum. The toilet is connected to a pressurized
freshwater system. Fresh water is the key to an odor-free
bathroom compartment. Most VacuFlush toilets are
equipped with an integral vacuum breaker which prevents
the possible contamination of the freshwater supply.
Flush/Add Water Switches (3100, 3400 models only):
Wall-mounted push-button switches provide electronic
operation of flushing and adding water to the toilet bowl.
Models include two-light vacuum status panel indicating the
toilet is “OK to Flush” or “Do Not Flush”. Models vary.
Vacuum Generator: The vacuum generator combines
the vacuum tank and vacuum pump in one unit. It greatly
reduces installation time and eliminates the hose run
between the tank and pump. Their compact size makes them
especially well-suited to smaller installation spaces.
Vacuum Tank: The vacuum tank stores vacuum energy.
System vacuum level is monitored by a vacuum switch
located on the vacuum tank. When this switch senses
a drop in vacuum in the system, it automatically signals
the pump to energize and bring the vacuum to operating
level. This process is normally completed in less than one
minute.
Vacuum Pump: The vacuum pump is an electric,
straight-through bellows type. It is manufactured of long-
lasting polypropylene and draws only 4 to 6 amps of current
at 12 VDC. This unique pump design is both an efficient air
and liquid pump that handles solids without a problem. It
has two duckbill valves on each side of the pump chamber
to maintain vacuum and prevent backflow of waste.
“Tank Full” Shut-Down Switches (RV option only):
These “Tank Full” micro-float switches shut down the
vacuum generator when the waste holding tank is full.
We offer three styles to accommodate various installation
requirements.
Sealing grommet style – Item number 900101
MPT style – Item number 900100
Vent style – Item number 900102
(NOTE: Requires relay mounted on vacuum generator.)
Vacuum Toilets
Vacuum Tank and
Vacuum Pump
RV “Tank Full” Shut-Down Switches
Sealing
grommet
style
MPT
style
Vent style
Marine Flush/Add Water Switches
Vimar Gewiss
Vacuum
Generators
RV Flush/Add Water
Switch

7
SANITATION SYSTEM COMPONENTS (cont’d)
TankWatch® Level Indicator (marine option only):
The TankWatch unit utilizes micro-float switches which
activate an indicator panel. The micro-float switches are
installed in the top of the holding tank. The adjustable
probe assemblies are flexible polybutylene tubing and are
designed to flex when tank contents move.
VacuStat™ Indicator Panel: Continuously moni-
tors vacuum status for proper toilet operation.
Brushed metallic finish complements bathroom
decor. Item number 700112 (12VDC).
Vacuum Status Panel (optional): A two-light status panel
indicates the system is “OK to Flush” or “Do Not Flush”.
The green “OK to Flush” light is illuminated when there is
adequate vacuum pressure available and when the holding
tank is less than full. Item number 710012.
VacuFlush Status Panel (optional): Includes two-light
status panel indicating the system is “OK to Flush” or “Do
Not Flush”, and circuit breaker to shut down system at night.
Item number 500012 (12 VDC) or 500024 (24 VDC).
Vacuum Generator Shut-down Relay (standard on RVs;
marine option): This relay can automatically shut down
power to the VacuFlush toilet system to prevent overfil-
ling of the holding tank. Item number 310289 (12 VDC) or
310290 (24 VDC).
Vacuum Tester (optional): This tool assists in identifying
the location of vacuum leaks. The vacuum tester consists
of a vacuum gauge and a cone-shaped plug. Inserting the
plug in the inlet of the vacuum tank or vacuum generator
isolates the toilet from the system. In this way, a vacuum
leak can easily be located in either system. Item number
530002.
In-Line Vent Filter (marine option only): The SaniGardTM
vent filter has special odor-removing filter materials to help
keep your vehicle smelling clean and pleasant. Heavier-
than-air malodors accumulate in the holding tank. This vent
filter has a special type of activated filter media to remove
these odors before they offend. Each cartridge is good for
an entire season, and is easily replaced for a fresh start.
Replacement cartridges are available.
Holding Tanks (marine option only – not shown):
SeaLand holding tanks are made of super-strong, 3/8”
(10mm) thick polyethylene — 50% thicker than most other
holding tanks. Each features solid, one-piece construction
with no seams for unmatched durability. A deodorant ad-
ditive is recommended to keep the holding tank odor-free.
See Deodorants and Special Tissue section for further
information (page 8).
Vacuum
Status Panel
Vacuum Tester
VacuStat Indicator Panel
Vent Filter
TankWatch
Panel and
Probes
VacuFlush
Status Panel

8
MARINE SANITATION REGULATIONS
All boats with fixed toilets in U.S. waters and in the waters of some other countries are required to be equipped with an operable
marine sanitation device (MSD). The VacuFlush vacuum sanitation system, when installed in a boat, is a holding tank or Type
III system as defined by the U.S. Coast Guard. Type III systems are designed to permit operation of the toilet without the direct
discharge of untreated waste after every flush. This means onboard toilet facilities can be used when the boat is near swimmers,
beaches or shellfish beds.
Type III systems can be discharged at marina dockside pump-out stations or, if in coastal waters, a minimum of three miles
offshore. Overboard discharge capability must remain secured while within the three-mile limit. The overboard discharge
pump is activated by a keyed switch located in the toilet compartment. This key should be removed at all times except when
discharge pump is operating.
Sewage from any source should not be discharged directly into our waters. If you are interested in learning more about this issue,
please contact Dometic at the phone number or address listed on the back page of this manual.
DEODORANTS AND SPECIAL TISSUE
Your VacuFlush toilet and sanitation system require the regular addition of a deodorant product to reduce malodors and
to help break down holding tank contents. Several factors should be considered in selecting a deodorant product.
Liquid or Dry: Liquid products obviously work more quickly by readily going into solution. Granulated powder
formulations, on the other hand, have the advantage of requiring less storage space and are less likely to leak if the
package is inadvertently damaged.
Formaldehyde versus Non-Formaldehyde: Dometic manufactures both types of deodorants. Generally,
formaldehyde formulas control odor very effectively at all temperatures and with all degrees of water hardness.
SeaLand® Environment-Friendly brand, which is formaldehyde free, is similarly effective.
How Much Deodorant and How to Add It: The deodorant is added directly into the toilet bowl, then flushed into
the holding tank. Follow bottle or package instructions. Conditions of extremely warm weather, longer waste hold-
ing time and larger tank capacities may require more deodorant treatment. Also, to maintain optimum efficiency in
odor control, the waste holding tank should be cleaned thoroughly at least once or more each season, depending
on use.
Why Not Use Household Toilet Paper in Your VacuFlush Toilet? Household tissues often contain adhesives
which bond together the paper fibers from which the tissue is made. The adhesives prevent the tissue from breaking
apart, and their use in “ultra-low flow” systems can cause system clogging. SeaLand tissue is especially designed
for use in low water toilet systems. Its rapid dissolving properties minimize the amount of residual paper in the hold-
ing tank and allow deodorizers to work more efficiently.
SeaLand versus Other Brands: SeaLand constantly strives to provide our system owners with effective products
that have minimal environmental impact and good value. Many deodorant products do not measure up to our
standards of performance and value.
SeaLand® Granulated
Deodorant
Six 2-oz. pouches
Part No.
379626002
SeaLand® Liquid
Deodorant
Two 8-oz. bottles
Part No.
379224008
SeaLand®
Cleaner
16-oz. bottle
Part No.
379314016
SeaLand® Liquid
Deodorant -
Environment Friendly
32-oz. bottle
Part No.
379114032
SeaLand®
Rapid-Dissolving
Toilet Tissue
Four 400-sheet rolls
Part No. 379441204

9
FLUSH MECHANISM COMPONENTS
1. To access
base assembly
components,
remove decora-
tive screw caps
and unscrew the
bolts that hold
china toilet to
floor.
2. Remove access cover.
Lift up control module. Dis-
connect power cable and
vacuum control cable from
control module. Do not
disconnect flush handle
cable or base assembly
cable.
3. Lift china toilet
straight up and set it
down close to front of
floor flange/adapter
assembly. Turn off
water to toilet and
disconnect flexible
water line at rear of
base assembly. The
toilet is completely
disconnected.
Mode
Switch
Water
Level Switch
Power
Cable
CONTROL MODULE
Input for
Base Assembly
Cable
Input
for
Flush
Switch
Cable
Input
for
Vacuum
Control
Cable
Flush
Switch
Flush
Handle
Cable
Flush
Handle
Base Assembly
Cable
BASE ASSEMBLY COMPONENTS
(under china toilet)
Water Valve Flush Ball
Closed Limit
Switch
Motor
Drive Arm
Rotor Arm
Flush Valve
Motor
Flexible Water Supply Hose
Open Limit
Switch
Discharge Adapter
(3048, 3148, 3348,
3448)
FLUSH HANDLE (3000, 3300 toilets)
(under Access Cover)
REMOTE FLUSH SWITCHES (3100, 3400 toilets)
Vimar switch - marine Gewiss switch - marine RV flush switch
Discharge Adapter
(3006, 3009, 3106, 3109,
3309, 3409)

10
MANUAL FLUSH OPERATION
In the event of an electrical failure, the flush ball can be manually operated to clear the bowl. We recommend using
a long-neck screwdriver or 7/16-in. socket for the operation shown below. NEVER PRY OPEN THE FLUSH BALL
FROM INSIDE THE TOILET BOWL. Damage to the flush ball and bowl seals may result.
2. Locate hole on left side
of china toilet. This al-
lows access to the flush
valve motor drive arm.
3. Insert screwdriver or
7/16-in. socket through
access hole and onto hex
head.
4. Turn screwdriver or
socket wrench counter-
clockwise. This will open
flush ball and allow bowl
contents to clear. After
bowl is clear, turn screwdriver or socket wrench clockwise
to return flush ball to original position.
1. Remove PC board
access cover. Place
Mode Switch in the
“Manual Override” posi-
tion. This disconnects
flush valve motor brake
from electrical circuit.
NOTES:
Water will not enter the toilet bowl during manual flush
operation.
Place Mode Switch in the “Normal” position before
returning to automatic operation.
Manual Override
position
TOILET SYSTEM ELECTRICAL SPECIFICATIONS
12VDC 24VDC
Maximum standby current (amps): .080 .080
Maximum operating current (amps): 6.5 2.5
Flush motor locked rotor current (amps): 14.5 7.25
Maximum voltage 15 30
Minimum voltage: 10 20
Input power wire size 14 ga. 14 ga.
All other wires size: 18 ga. 18 ga.
Fuse size (amps) 8 4
NOTES: Standby current includes flush panel status light.
Operating current does not include vacuum pump or other sanitation system components.

11
TROUBLESHOOTING
A volt/ohmmeter (VOM) and the appropriate Toilet Wiring Diagram may be required for this section.
Caution: Portions of this section will require that power be applied to the toilet. Keep hands away from
the flush ball, motor drive arm and rotor shaft to prevent personal injury during testing and troubleshooting.
The control module uses a microprocessor to provide all the automatic and timing functions. The control module
is on the right side under the access cover on the top of the toilet. The control module has input and output status
lights that can be used in troubleshooting the toilet.
The program in the microprocessor monitors the input and output signals during a normal flush cycle. If the inputs
or outputs do not follow the commands of the program, then the microprocessor may go into a “standby” mode and
flash an “error code.” The microprocessor is reset by placing the Mode switch in the SERVICE position temporarily,
then returning the switch to the NORMAL position.
A safety circuit in the control module monitors flush ball operation. If foreign objects or low voltage prevent the flush
ball from closing, this circuit prevents personal injury or damage to the flush valve motor. If this condition occurs,
reset the control module by placing the Mode switch into the SERVICE position temporarily, then returning it to the
NORMAL position.
CONTROL MODULE STATUS LIGHTS
Status Light
10 OK to Flush
11 Do Not Flush
11 Do Not Flush
11 Do Not Flush
11 Do Not Flush
ERROR CODES
Condition
Mode Switch in SERVICE position
VALVE OPEN Limit Switch problem
VALVE CLOSED Limit Switch problem
Insufficient vacuum in system
Flush valve motor relay failure
No. of Flashes
1
1
2
3
4
Pause
.5 sec.
2 sec.
2 sec.
2 sec.
2 sec.
Status Light
1 Low Level
2 High Level
3 Valve Closed
4 Valve Open
5 Service Mode
6 Flush
7 Add Water
8 High Vac Switch
9 Holding Tank Full
10 OK to Flush
11 Do Not Flush
12 Water Valve
13 +5V
Function
Water Level Switch in “Low” position.
Water Level Switch in “High” position.
Flush valve Closed Limit Switch engaged.
Flush valve Open Limit Switch engaged.
Mode Switch in “Service” position.
Flush Switch on control panel engaged.
Add Water Switch on control panel engaged.
High vacuum in system (allows toilet to flush).
Full holding tank (prevents toilet from flushing).
Signal to “OK TO FLUSH” light on control panel.
Signal to “DO NOT FLUSH” light on control panel.
Electric water valve energized.
Input power present.
VALVE CLOSED
VALVE OPEN
SERVICE MODE
FLUSH
ADD WATER
HI VAC SWITCH
HOLD TANK FULL
OK TO FLUSH
DO NOT FLUSH
HI LEVEL
LO LEVEL
WATER VALVE
+5V
LED 13
LED 12
LED 11
LED 10
LED 9
LED 8
LED 7
LED 6
LED 5
LED 4
LED 3
LED 2
LED 1

12
TROUBLESHOOTING (cont’d)
SYMPTOM 1. Toilet will not flush and water will not enter toilet bowl.
Condition
Mode Switch in SERVICE position.
Valve Open Limit Switch problem.
Valve Closed Limit Switch problem.
Insufficient vacuum in system.
Flush valve motor relay failure.
Corrective Action
Return Mode Switch to NORMAL position.
With the flush valve fully open, check the “VALVE OPEN” status light. If
the light is off, then the Valve Open Limit Switch is out of alignment or
defective, or related wiring is defective.
With flush valve in the fully closed position check the “VALVE CLOSED”
status light. If the light is off, then the Valve Closed Limit Switch is out
of alignment or defective, or related wiring is defective.
Check the “HI VAC” status light. If the light is off, the signal from the vac-
uum switch located on the vacuum generator or vacuum tank is absent
and preventing the toilet from flushing in the NORMAL mode. Check
for loss of power to the vacuum generator or vacuum pump. Check for
loose or defective wiring between the vacuum switch and the toilet.
Replace control module.
ERROR CODE CORRECTIVE PROCEDURES
TOILET OPERATION
Condition
+5V status light is off (on far
right of control module):
+5V status light is on:
Corrective Action
• Check toilet fuse or circuit breaker at DC distribution panel.
• Check for loose or defective wiring between control module and DC
distribution panel.
• Check for reverse polarity of input power to control module.
• If all of above check OK, replace control module.
• Input power must be 10 volts or higher.
• Check control module for error codes.
• Check “HI VAC” status light. If light is off, vacuum is low, preventing
the toilet from flushing.
• Check “HOLD TANK FULL” status light. If light is on, black water
holding tank is full, preventing toilet from flushing.
• Put Mode Switch in SERVICE position. If flush valve opens, go to
next step. If the flush valve does not open, go to Symptom 2.
• Put the Mode Switch in NORMAL position and push flush handle
down while observing “FLUSH” status light. The “FLUSH” status
light must come on when the handle is pressed and go off when the
handle is released. If the “FLUSH” status light did not follow com-
mands of handle, then flush switch or related wiring is defective.
SYMPTOM 2. Flush valve will not open when the Mode Switch is in the SERVICE position or when
the flush handle is pushed while in the NORMAL position.
Procedure
Check the voltage output
to the flush valve motor at
jack 6, pins 9 and 10 on the
control module as follows:
Corrective Action
• Pull the control module out as far as the control cables will allow.
Locate jack 6 at the bottom of the control module.
• Remove the purple wire from pin 6.
• With DC voltmeter test leads across pins 9 and 10, flip the Mode
Switch between the NORMAL and SERVICE positions. If voltage is
present for about two seconds in the SERVICE position, the flush
valve motor or related wiring is defective. If voltage is not present,
replace the control module.

13
TROUBLESHOOTING (cont’d)
SYMPTOM 3. Flush valve will not close.
Condition/Procedure
Mode Switch is in SERVICE
position:
Foreign object prevents the flush
valve from closing and the safety
circuit locked flush valve in open
position:
Check for error code at “DO NOT
FLUSH” status light.
Check the voltage output to
the flush valve motor at jack 6,
pins 9 and 10 on the control
module as follows:
Corrective Action
• Return switch to the “Normal” position.
• Reset the control circuit by putting the Mode Switch in the SERVICE
position temporarily, then returning to the NORMAL position. If the
flush valve did not close, go to next step.
• If showing error, follow the instructions in the Error Code Corrective
Procedures section.
• Pull the control module out as far as the control cables will allow.
Locate jack 6 at the bottom of the control module.
• Remove the green wire from pin 5.
• With DC voltmeter test leads across pins 9 and 10, flip the Mode
Switch between the SERVICE and NORMAL positions. If voltage is
present for about two seconds in the NORMAL position, the flush
valve motor or related wiring is defective.
• If voltage is not present, replace the control module.
SYMPTOM 4. Water will not enter toilet bowl during a flush and when the flush handle is raised
in the “Add Water” position.
Procedure
Place the Water Level switch
in the LOW position. Check
the “WATER VALVE” status
light while pressing the flush
handle down:
Corrective Action
• If the “WATER VALVE” status light comes on, the water valve filter
screen may be plugged with debris, or the water valve or its related
wiring is defective.
• If the “WATER VALVE” status light remains off, replace the control
module.
• If voltage is not present, replace the control module.
SYMPTOM 5. Water will not enter toilet bowl when the flush handle is raised in the “Add Water”
position.
Procedure
Flush the toilet, then place
the Water Level switch in the
LOW position. Then check
the “LO LEVEL” status light
while raising the flush handle:
Corrective Action
• If the “LO LEVEL” status light comes on, replace the control module.
• If the “LO LEVEL” status light does not come on, the flush switch or
its related wiring is defective.
SYMPTOM 6. Water Level switch has no effect on water level in the “Low” or High” position.
Corrective Action
• Replace control module.
SYMPTOM 7. Flush valve will not open when Mode Switch is in the “Service” position but opens
during a normal flush cycle.
Corrective Action
• Replace control module.

14
TROUBLESHOOTING (cont’d)
SYMPTOM 8. Water will not stay in bowl and system loses vacuum.
Condition/Procedure
Put Mode Switch in “Service”
position:
Worn or damaged flush valve ball
and seal:
Corrective Action
• Clean underside of flush valve ball seal of dirt and debris.
• Remove toilet from floor and remove base assembly from toilet and
replace flush valve ball and seals.
SYMPTOM 9. Water will not shut off and overflows the toilet.
Procedure
Check the “WATER VALVE” status
light:
Corrective Action
• If the light is on when not flushing the toilet or adding water, replace
the control module. If the light responds correctly, go to next step.
• Dirt or debris lodged in the water valve seal. Remove the toilet from
the floor, disassamble and clean water valve.
• Replace water valve.
SYMPTOM 10. Water is leaking from under the toilet.
Procedure
Remove the toilet from the
floor and inspect the following
with both water and electrical
power applied:
(place a container under the base
assembly to catch any water during
the inspection procedure)
• Water hoses and fittings, water valve assembly
• China toilet bowl
• Upper base seal
• Flush valve ball rotor shaft shaft
• Base assembly
SYMPTOM 11. System leaks vacuum, but water remains in toilet bowl.
Procedure
Remove the toilet from the floor
and insert a plug or vacuum tester
into the discharge port of the floor
flange or discharge adapter:
Corrective Action
• If the vacuum leaks stops, go to the next step. If the vacuum leak
continues, the leak is in the discharge plumbing and not the toilet.
• Inspect the O-ring around the bottom of the base. Replace if defec-
tive.
• Inspect the inside surface of the discharge adapter or floor flange for
grooves or scratches that may interfere with the O-ring seal. Replace
if defective.
• If all of above appear normal, then the leak is most likely the rotor
shaft O-rings. Replace the rotor shaft.

15
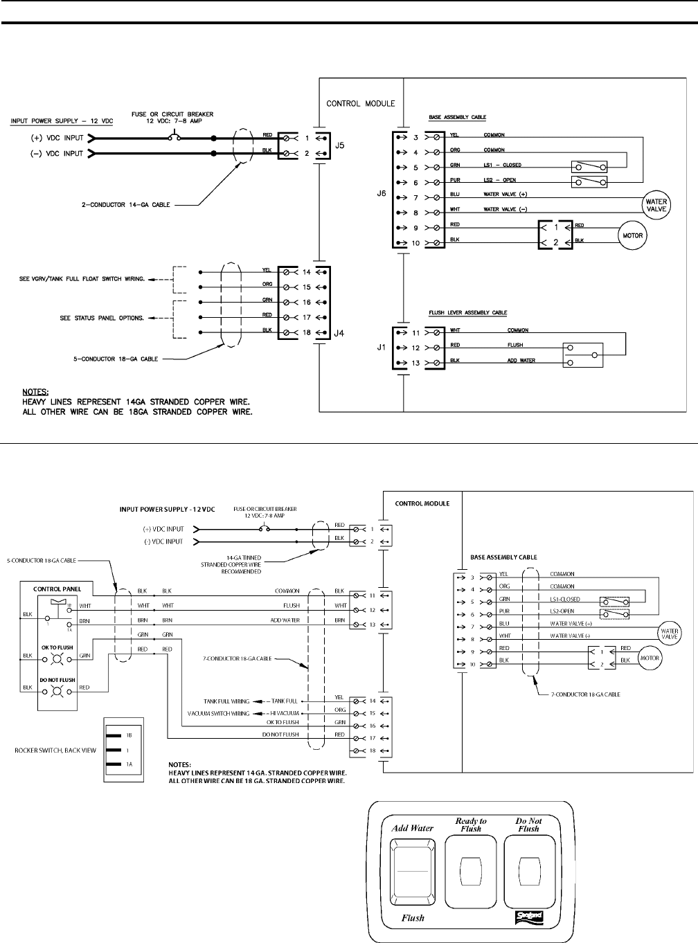
RV WIRING DIAGRAMS
RV VACUFLUSH TOILET – FLUSH HANDLE (3000, 3300 SERIES)
RV VACUFLUSH TOILET – REMOTE FLUSH SWITCH (3100, 3400 SERIES)
REMOTE FLUSH SWITCH
(3100, 3400 series RV toilets)

16
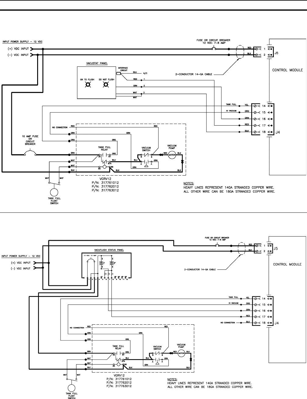
RV WIRING DIAGRAMS (cont’d)
RV VACUFLUSH STATUS PANEL OPTION
RV VACUSTAT PANEL OPTION

17
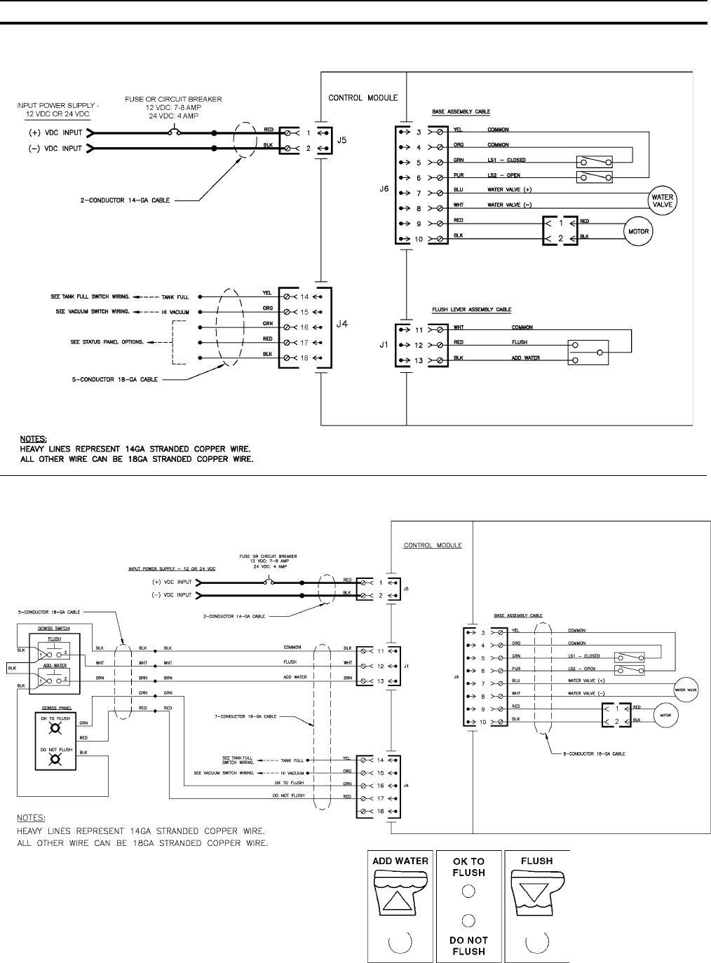
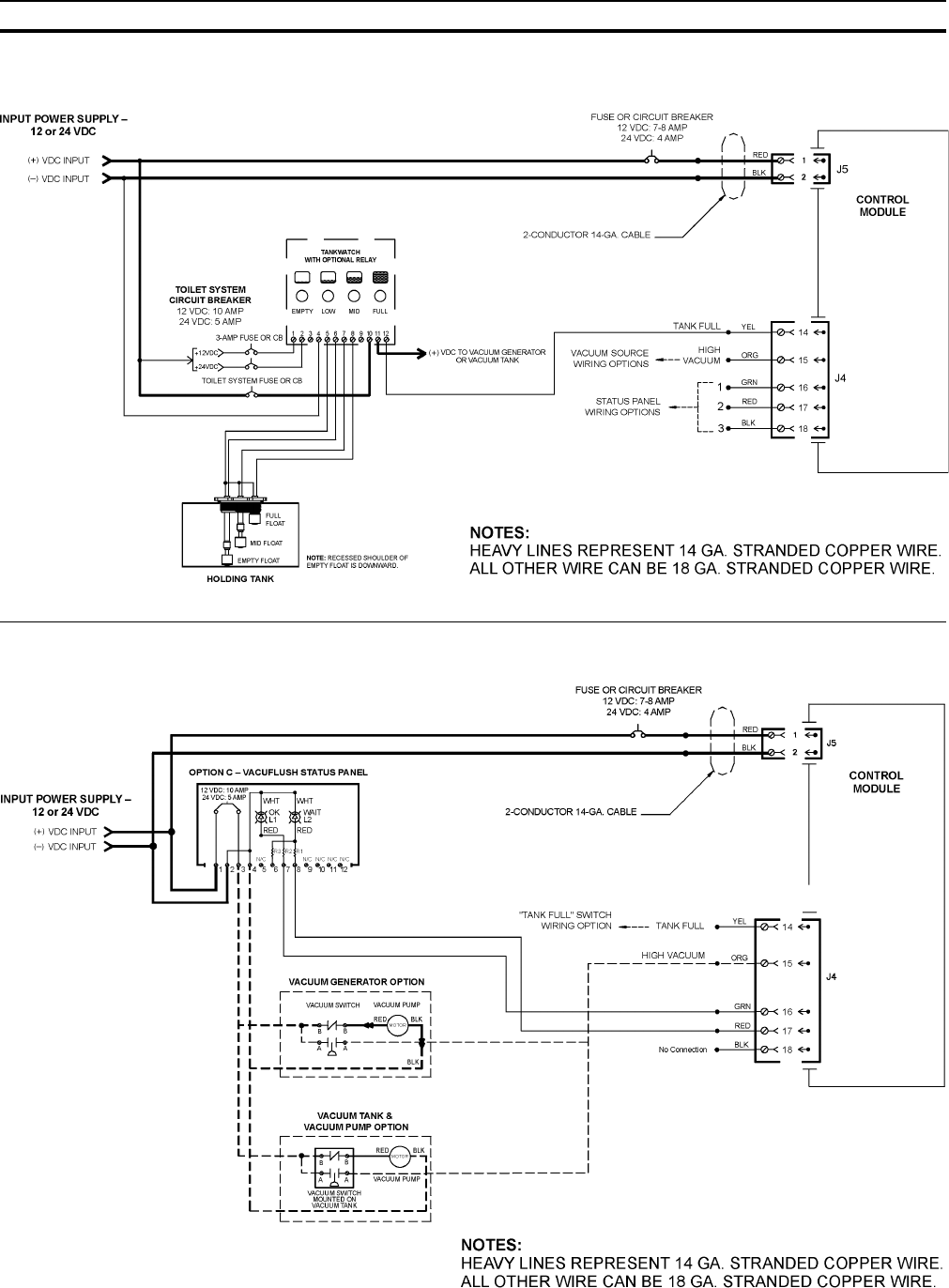
MARINE WIRING DIAGRAMS
MARINE VACUFLUSH TOILET – FLUSH HANDLE (3000, 3300 SERIES)
MARINE VACUFLUSH TOILET – GEWISS FLUSH SWITCH (3100, 3400 SERIES)
GEWISS FLUSH SWITCH OPTION
(3100, 3400 series marine toilets)

18
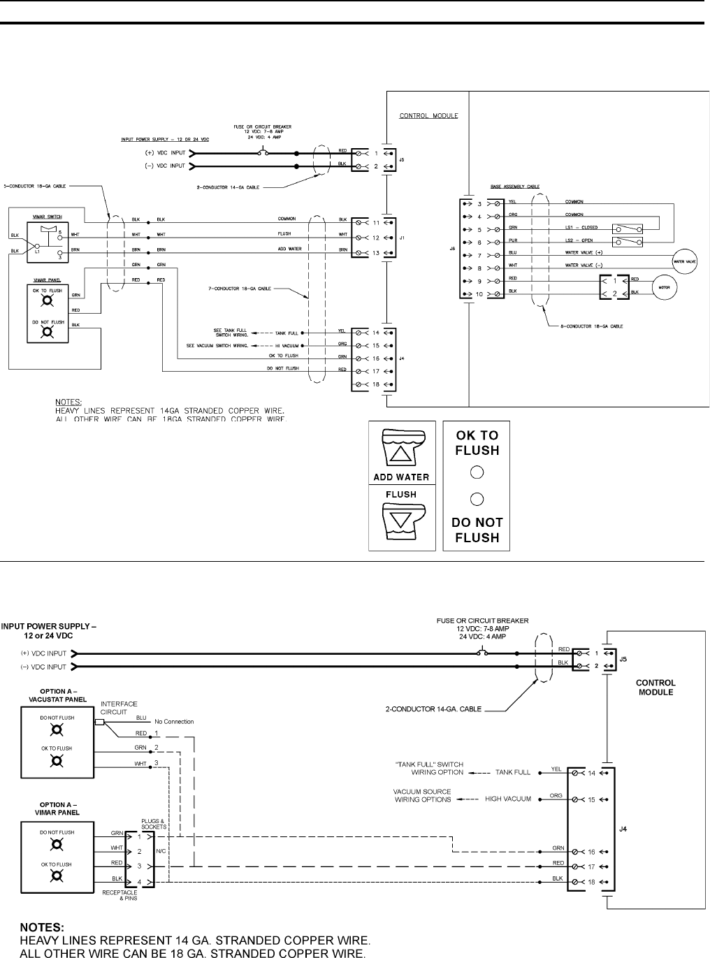
MARINE WIRING DIAGRAMS (cont’d)
MARINE VACUSTAT PANEL OPTION
VIMAR FLUSH SWITCH OPTION
VIMAR FLUSH SWITCH OPTION
(3100, 3400 marine toilets)

19
VACUFLUSH STATUS PANEL OPTION
MARINE WIRING DIAGRAMS (cont’d)
IMPORTANT: ORANGE WIRE ON PIN 15 OF CONTROL
MODULE MUST BE CONNECTED TO THE “A” TERMINAL OF
THE VACUUM SWITCH REGARDLESS OF WHICH VACUUM
SOURCE IS USED.
MARINE VACUFLUSH STATUS PANEL / TANKWATCH OPTION

20
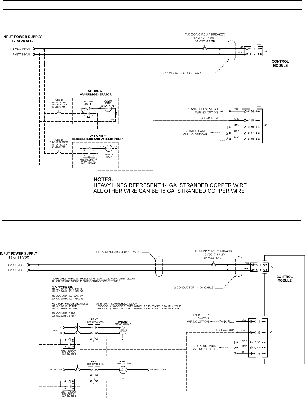
M-SERIES VACUUM PUMP AC CIRCUIT OPTION
MARINE WIRING DIAGRAMS (cont’d)
VACUUM GENERATOR/VACUUM TANK AND PUMP OPTION

21
DIMENSIONS
Models 3006, 3106*
Models 3009, 3048,
3109*, 3148* China toilet dimensions may vary
±3/8-inch (10mm).
M-SERIES VACUUM PUMP DC CIRCUIT OPTION
Models 3309, 3348,
3409*, 3448*
MARINE WIRING DIAGRAMS (cont’d)
*3100 and 3400 series toilets operate
with wall-mounted flush switch, and
do not include flush handle on toilet.

22
CUSTOMER SERVICE
There is a strong, worldwide network to assist in servicing and
maintaining your sanitation system. For the Authorized Service
Center near you, please call from 8:00 a.m. to 5:00 p.m. (ET)
Monday through Friday. You may also write us at Dometic
Corp., P.O. Box 38, Big Prairie Ohio 44611.
Telephone: 1 800-321-9886 U.S.A. and Canada
330-496-3211 International
You may also contact or have your local dealer contact the Parts
Distributor nearest you for quick response to your replacement
parts needs. They carry a complete inventory for the SeaLand
product line.
Fax: 330-496-3097 U.S.A. and Canada
330-496-3220 International
U.S.A.
MASTER SANITATION
DISTRIBUTORS
U.S.A. – North Central
(IL, IN, KY, MI, OH)
Midwest Marine Supply
24300 Jefferson Ave.
St. Clair Shores, MI 48080
Tel: 586-778-8950
800-860-1540
Fax: 586-778-6108
E-mail: midwestmarine@yahoo.com
Contact: Bob Kennedy
U.S.A. - Northeast
(CT, DE, DC, MA, MD, ME, NH, NJ, NY,
PA, RI, VA, VT, WV)
Northeast Marine Sanitation
69 Florida Street
Farmingdale, NY 11735
Tel: 631-752-7606
800-352-4323
Fax: 631-752-7615
888-283-7606
E-mail: northeast@
northeastsanitation.com
Contact: Mike Starito
U.S.A. - Northwest
(AK, ID, MT, OR, WA, WY)
Marine Sanitation, Inc.
1900 N. Northlake Way, Suite 121
Seattle, WA 98103
Tel: 206-633-1110
800-624-9111
Fax: 206-633-0317
E-mail: marinesan@mindspring.com
Contact: Ric Kolb
U.S.A. - South Central
(AR, KS, LA, MO, MS, NM, OK, TX)
AER Supply
P.O. Box 349
2301 Nasa Road #1
Seabrook, TX 77586
Tel: 281-474-3276
800-767-7606
Fax: 281-474-2714
E-mail: sales@aersupply.com
Contact: Richard Miller
U.S.A. - Southeast
(AL, FL, GA, NC, PR, SC, TN, VI)
Environmental Marine
111 S.W. 23rd Street, Suite A
Fort Lauderdale, FL 33315
Tel: 954-522-2626
800-522-2656
Fax: 954-522-5152
E-mail: info@environmentalmarine.com
Contact: John or Jill Hopkins
U.S.A. - Southwest
(AZ, CO, NV, UT, CA-south)
Ardemco Marine Specialties
778 West 17th Street
Costa Mesa, CA 92627
Tel: 949-722-7672
800-253-0115
Fax: 949-642-9582
E-mail: info@ardemco.com
Contact: Rick Glasser
U.S.A. – Upper Midwest
(IA, MN, NE, ND, SD, WI)
PowerHouse Marine
518 Logan
La Crosse, WI 54603
Tel: 608-784-9580
888-752-4539
Fax: 608-784-8422
E-mail: dave@powerhousemarine.com
Contact: Dave Tucker
U.S.A. – Northern California
Fox Marine
2250 Zanker Road, Unit D
San Jose, CA 95131
Tel: 408-451-9055
800-826-2873
E-mail: foxmarco@pacbell.net
Contact: Charlie Barker
CANADA
MASTER SANITATION
DISTRIBUTORS
Canada - East
Eastern Marine Systems, Inc.
12-A Leslie Street
Toronto, Ontario M4M 3H7
Tel: 416-465-1668
888-764-1111
Fax: 416-465-2098
E-mail: info@eastmar.com
Contact: Paul Gales
Canada - West
Western Marine Company
1494 Powell Street
Vancouver, BC V5L 5B5
Tel: 604-253-7721
800-663-0600
Fax: 604-253-2656
800-663-6790
E-mail: sales@westernmarine.com
Contact: Bill Falk
INTERNATIONAL
SEALAND SANITATION SYSTEM
DISTRIBUTORS
Call 1-800-321-9886, email us at
sealand@dometicusa.com, or visit
www.dometic.com for the distributor
nearest you.

23
ONE-YEAR AND TEN-YEAR LIMITED WARRANTIES – BOATS
Dometic Corporation warrants, to the original purchaser only, that this VacuFlush® vacuum discharge toilet, if used
for personal, family or household-like purposes in a boat, and if installed according to Dometic’s recommended pro-
cedures, is free from defects in material and workmanship for a period of one (1) year from the date of purchase.
Dometic also warrants, to the original purchaser only, that the ceramic portion of the toilet bowl will not discolor,
stain, scratch or craze for a period of ten (10) years if used for personal, family or household-like purposes, and is
regularly cleaned as described in the product’s owner’s manual.
If this Dometic product is placed in commercial or business use, it will be warranted, to the original purchaser only,
to be free of defects in material and workmanship for a period of ninety (90) days from the date of purchase.
Dometic reserves the right to replace or repair any part of this product that proves, upon inspection by Dometic, to
be defective in material or workmanship. All labor and transportation costs or charges incidental to warranty service
are to be borne by the purchaser-user.
EXCLUSIONS
IN NO EVENT SHALL DOMETIC BE LIABLE FOR INCIDENTAL OR CONSEQUENTIAL DAMAGES, FOR DAMAGES
RESULTING FROM IMPROPER INSTALLATION, OR FOR DAMAGES CAUSED BY NEGLECT, ABUSE, ALTERA-
TION, OR USE OF UNAUTHORIZED COMPONENTS. THIS INCLUDES FAILURES WHICH MAY RESULT FROM
NOT FOLLOWING THE WINTERIZATION OR CLEANING PROCEDURES AS DESCRIBED IN THIS MANUAL. ALL
IMPLIED WARRANTIES, INCLUDING ANY IMPLIED WARRANTY OF MERCHANTABILITY OR FITNESS FOR ANY
PARTICULAR PURPOSE, ARE LIMITED TO A PERIOD OF ONE (1) YEAR FROM DATE OF PURCHASE.
IMPLIED WARRANTIES
No person is authorized to change, add to, or create any warranty or obligation other than that set forth herein.
Implied warranties, including those of merchantability and fitness for a particular purpose, are limited to one (1) year
from the date of purchase for products used for personal, family or household-like purposes, and ninety (90) days
from the date of purchase for products placed in commercial or business use.
OTHER RIGHTS
Some states do not allow limitations on the duration of an implied warranty, and some states do not allow exclusions
or limitations regarding incidental or consequential damages; so, the above limitations may not apply to you. This
warranty gives you specific legal rights, and you may have other rights which vary from state to state.
To obtain warranty service, first contact your local dealer from whom you purchased this product.

24
® Registered; ™ Trademark of Dometic Corporation
® Bar Keepers Friend is a registered trademark of SerVaas Laboratories.
© Dometic Corporation
600344321 4/05
THREE-YEAR AND TEN-YEAR LIMITED WARRANTIES – RECREATION VEHICLES
Dometic Corporation warrants, to the original purchaser only, that this VacuFlush® vacuum discharge toilet, if used
for personal, family or household-like purposes in a recreation vehicle, and if installed according to Dometic’s rec-
ommended procedures, is free from defects in material and workmanship for a period of three (3) years from the
date of purchase.
Dometic also warrants, to the original purchaser only, that the ceramic portion of the toilet bowl will not discolor,
stain, scratch or craze for a period of ten (10) years if used for personal, family or household-like purposes, and is
regularly cleaned as described in the product’s owner’s manual.
If this Dometic product is placed in commercial or business use, it will be warranted, to the original purchaser only,
to be free of defects in material and workmanship for a period of ninety (90) days from the date of purchase.
Dometic reserves the right to replace or repair any part of this product that proves, upon inspection by Dometic, to
be defective in material or workmanship. All labor and transportation costs or charges incidental to warranty service
are to be borne by the purchaser-user.
EXCLUSIONS
IN NO EVENT SHALL DOMETIC BE LIABLE FOR INCIDENTAL OR CONSEQUENTIAL DAMAGES, FOR DAMAGES
RESULTING FROM IMPROPER INSTALLATION, OR FOR DAMAGES CAUSED BY NEGLECT, ABUSE, ALTERA-
TION, OR USE OF UNAUTHORIZED COMPONENTS. THIS INCLUDES FAILURES WHICH MAY RESULT FROM
NOT FOLLOWING THE WINTERIZATION OR CLEANING PROCEDURES AS DESCRIBED IN THIS MANUAL. ALL
IMPLIED WARRANTIES, INCLUDING ANY IMPLIED WARRANTY OF MERCHANTABILITY OR FITNESS FOR ANY
PARTICULAR PURPOSE, ARE LIMITED TO A PERIOD OF ONE (1) YEAR FROM DATE OF PURCHASE.
IMPLIED WARRANTIES
No person is authorized to change, add to, or create any warranty or obligation other than that set forth herein.
Implied warranties, including those of merchantability and fitness for a particular purpose, are limited to one (1) year
from the date of purchase for products used for personal, family or household-like purposes, and ninety (90) days
from the date of purchase for products placed in commercial or business use.
OTHER RIGHTS
Some states do not allow limitations on the duration of an implied warranty, and some states do not allow exclusions
or limitations regarding incidental or consequential damages; so, the above limitations may not apply to you. This
warranty gives you specific legal rights, and you may have other rights which vary from state to state.
To obtain warranty service, first contact your local dealer from whom you purchased this product.
Dometic Corporation • Sanitation Systems
13128 State Rt 226, PO Box 38
Big Prairie, OH 44611
SeaLand Product Customer Service: 1-800-321-9886
(8:00 a.m. - 5:00 p.m. ET)
Dometic is a customer driven, world-leading provider of innovative
leisure products for the caravan, motorhome and marine markets.
Dometic offers a complete range of air conditioners, refrigerators,
awnings, cookers, sanitation systems, lighting, windows, doors and
other equipment that makes leisure life more comfortable away
from home.
Dometic also provides refrigerators for specific use in hotel rooms,
offices and for storage of medical products and wine. Dometic’s
products are sold in almost 100 countries and are produced mainly
in Dometic’s own production facilities around the world. Dometic
has more than 4,400 employees.
SeaLand, VacuFlush, and Flush and Forget are registered trademarks of Dometic Corporation.