Baldor TS35 MN2417 Tier 2/3 Towable Generators User Manual To The 269cee50 4d34 4586 B021 D3aaa704d829
User Manual: Baldor TS35 to the manual
Open the PDF directly: View PDF
.
Page Count: 88

Tier 2/3 Towable Generators
(Trailer and Skid Mounted)
(Diesel Liquid Cooled)
TS25, 35, 45, 60, 80, 130, 175, 250 and 400
Installation & Operating Manual
10/06 MN2417

WARNING:
CALIFORNIA PROPOSITION 65 WARNING:
Engine exhaust from this product contains chemicals known
to the state of California to cause cancer, birth defects and
other reproductive harm.
WARNING:
CALIFORNIA PROPOSITION 65 WARNING:
Battery posts, terminals and related accessories are known to
the state of California to cause cancer, birth defects and other
reproductive harm.

Table of Contents
Table of Contents iMN2417
Section 1
Product Safety Information 1-1. . . . . . . . . . . . . . . . . . . . . . . . . . . . . . . . . . . . . . . . . . . . . . . . . . . . . . . . . . . . . . . . . . . . . . . .
Safety Notice 1-1. . . . . . . . . . . . . . . . . . . . . . . . . . . . . . . . . . . . . . . . . . . . . . . . . . . . . . . . . . . . . . . . . . . . . . . . . . . . . . . . . .
Responsibility 1-1. . . . . . . . . . . . . . . . . . . . . . . . . . . . . . . . . . . . . . . . . . . . . . . . . . . . . . . . . . . . . . . . . . . . . . . . . . . . . . . . .
IMPORTANT SAFETY INSTRUCTIONS 1-2. . . . . . . . . . . . . . . . . . . . . . . . . . . . . . . . . . . . . . . . . . . . . . . . . . . . . . . . . .
Caution Statements 1-6. . . . . . . . . . . . . . . . . . . . . . . . . . . . . . . . . . . . . . . . . . . . . . . . . . . . . . . . . . . . . . . . . . . . . . . . . . . .
Section 2
General Information 2-1. . . . . . . . . . . . . . . . . . . . . . . . . . . . . . . . . . . . . . . . . . . . . . . . . . . . . . . . . . . . . . . . . . . . . . . . . . . . . . .
Section 3
Receiving & Installation 3-1. . . . . . . . . . . . . . . . . . . . . . . . . . . . . . . . . . . . . . . . . . . . . . . . . . . . . . . . . . . . . . . . . . . . . . . . . . .
Receiving & Inspection 3-1. . . . . . . . . . . . . . . . . . . . . . . . . . . . . . . . . . . . . . . . . . . . . . . . . . . . . . . . . . . . . . . . . . . . . . . . .
Lifting the Generator 3-1. . . . . . . . . . . . . . . . . . . . . . . . . . . . . . . . . . . . . . . . . . . . . . . . . . . . . . . . . . . . . . . . . . . . . . . . . . .
Physical Location 3-1. . . . . . . . . . . . . . . . . . . . . . . . . . . . . . . . . . . . . . . . . . . . . . . . . . . . . . . . . . . . . . . . . . . . . . . . . . . . . .
Secure the Generator 3-2. . . . . . . . . . . . . . . . . . . . . . . . . . . . . . . . . . . . . . . . . . . . . . . . . . . . . . . . . . . . . . . . . . . . . .
Hot Exhaust Gasses 3-3. . . . . . . . . . . . . . . . . . . . . . . . . . . . . . . . . . . . . . . . . . . . . . . . . . . . . . . . . . . . . . . . . . . . . . .
Installation 3-3. . . . . . . . . . . . . . . . . . . . . . . . . . . . . . . . . . . . . . . . . . . . . . . . . . . . . . . . . . . . . . . . . . . . . . . . . . . . . . . . . . . .
Fuel Connections 3-3. . . . . . . . . . . . . . . . . . . . . . . . . . . . . . . . . . . . . . . . . . . . . . . . . . . . . . . . . . . . . . . . . . . . . . . . . .
Electrical Connections 3-4. . . . . . . . . . . . . . . . . . . . . . . . . . . . . . . . . . . . . . . . . . . . . . . . . . . . . . . . . . . . . . . . . . . . . .
Battery Connections 3-7. . . . . . . . . . . . . . . . . . . . . . . . . . . . . . . . . . . . . . . . . . . . . . . . . . . . . . . . . . . . . . . . . . . . . . . . . . . .
Recommended Engine Oil and Battery Type 3-9. . . . . . . . . . . . . . . . . . . . . . . . . . . . . . . . . . . . . . . . . . . . . . . . . . . . . . .
Post Installation Checks 3-9. . . . . . . . . . . . . . . . . . . . . . . . . . . . . . . . . . . . . . . . . . . . . . . . . . . . . . . . . . . . . . . . . . . . . . . .
Section 4
Operation 4-1. . . . . . . . . . . . . . . . . . . . . . . . . . . . . . . . . . . . . . . . . . . . . . . . . . . . . . . . . . . . . . . . . . . . . . . . . . . . . . . . . . . . . . . . .
Towing the Generator 4-1. . . . . . . . . . . . . . . . . . . . . . . . . . . . . . . . . . . . . . . . . . . . . . . . . . . . . . . . . . . . . . . . . . . . . . . . . . .
Selecting the Proper Towing Equipment 4-1. . . . . . . . . . . . . . . . . . . . . . . . . . . . . . . . . . . . . . . . . . . . . . . . . . . . . .
Safe Driving Tips 4-2. . . . . . . . . . . . . . . . . . . . . . . . . . . . . . . . . . . . . . . . . . . . . . . . . . . . . . . . . . . . . . . . . . . . . . . . . .
Safety Checks 4-3. . . . . . . . . . . . . . . . . . . . . . . . . . . . . . . . . . . . . . . . . . . . . . . . . . . . . . . . . . . . . . . . . . . . . . . . . . . .
Towing Instructions 4-4. . . . . . . . . . . . . . . . . . . . . . . . . . . . . . . . . . . . . . . . . . . . . . . . . . . . . . . . . . . . . . . . . . . . . . . . . . . . .
Lug Nut Tightness 4-4. . . . . . . . . . . . . . . . . . . . . . . . . . . . . . . . . . . . . . . . . . . . . . . . . . . . . . . . . . . . . . . . . . . . . . . . . . . . .
Trailer Setup 4-5. . . . . . . . . . . . . . . . . . . . . . . . . . . . . . . . . . . . . . . . . . . . . . . . . . . . . . . . . . . . . . . . . . . . . . . . . . . . . . . . . .
Voltage Selection 4-5. . . . . . . . . . . . . . . . . . . . . . . . . . . . . . . . . . . . . . . . . . . . . . . . . . . . . . . . . . . . . . . . . . . . . . . . . . . . . .
Pre−Start Procedure 4-8. . . . . . . . . . . . . . . . . . . . . . . . . . . . . . . . . . . . . . . . . . . . . . . . . . . . . . . . . . . . . . . . . . . . . . . . . . .
Operating Procedures 4-8. . . . . . . . . . . . . . . . . . . . . . . . . . . . . . . . . . . . . . . . . . . . . . . . . . . . . . . . . . . . . . . . . . . . . . . . . .
Digital Engine Controller Description 4-9. . . . . . . . . . . . . . . . . . . . . . . . . . . . . . . . . . . . . . . . . . . . . . . . . . . . . . . . . . . . . .
Alarms 4-12. . . . . . . . . . . . . . . . . . . . . . . . . . . . . . . . . . . . . . . . . . . . . . . . . . . . . . . . . . . . . . . . . . . . . . . . . . . . . . . . . . . . . . .
Inputs and Outputs 4-13. . . . . . . . . . . . . . . . . . . . . . . . . . . . . . . . . . . . . . . . . . . . . . . . . . . . . . . . . . . . . . . . . . . . . . . . . . . . .
Analog Inputs 4-16. . . . . . . . . . . . . . . . . . . . . . . . . . . . . . . . . . . . . . . . . . . . . . . . . . . . . . . . . . . . . . . . . . . . . . . . . . . . . . . . .
Setpoints 4-16. . . . . . . . . . . . . . . . . . . . . . . . . . . . . . . . . . . . . . . . . . . . . . . . . . . . . . . . . . . . . . . . . . . . . . . . . . . . . . . . . . . . .
Section 5
Troubleshooting and Maintenance 5-1. . . . . . . . . . . . . . . . . . . . . . . . . . . . . . . . . . . . . . . . . . . . . . . . . . . . . . . . . . . . . . . . .
Maintenance 5-1. . . . . . . . . . . . . . . . . . . . . . . . . . . . . . . . . . . . . . . . . . . . . . . . . . . . . . . . . . . . . . . . . . . . . . . . . . . . . . . . . .
Problems and Solutions 5-2. . . . . . . . . . . . . . . . . . . . . . . . . . . . . . . . . . . . . . . . . . . . . . . . . . . . . . . . . . . . . . . . . . . . . . . . .
Appendix A
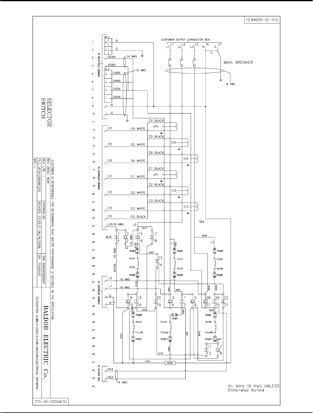
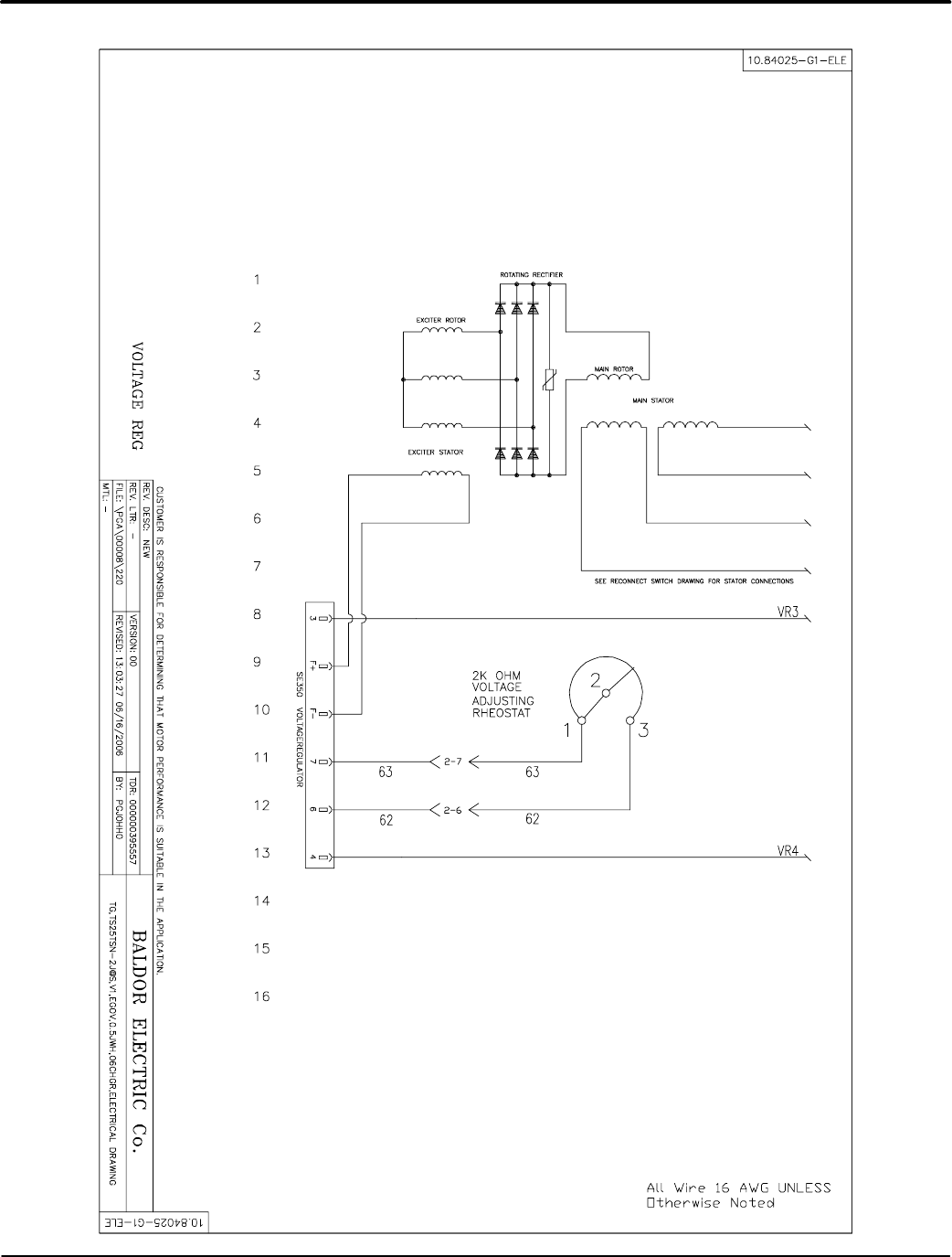
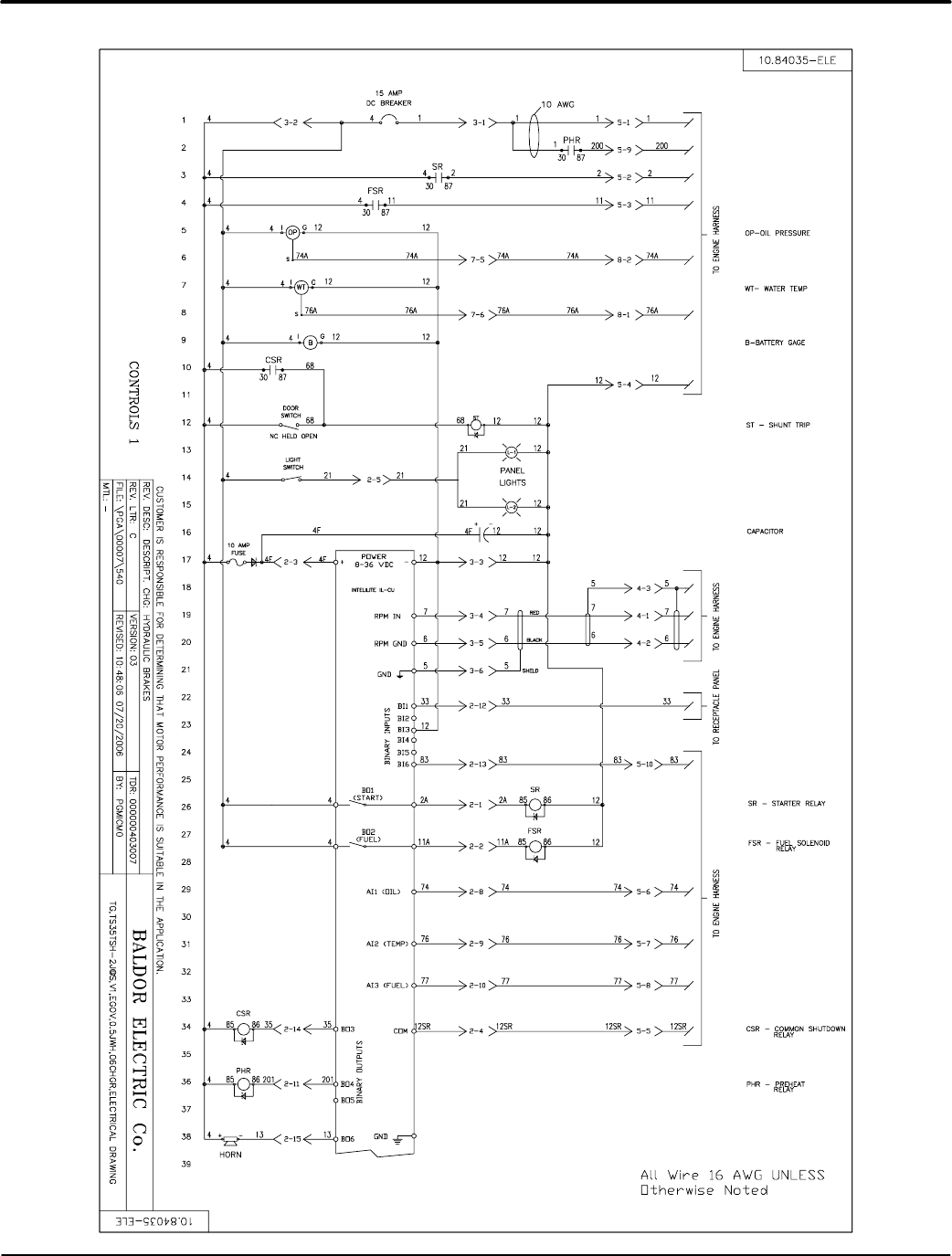
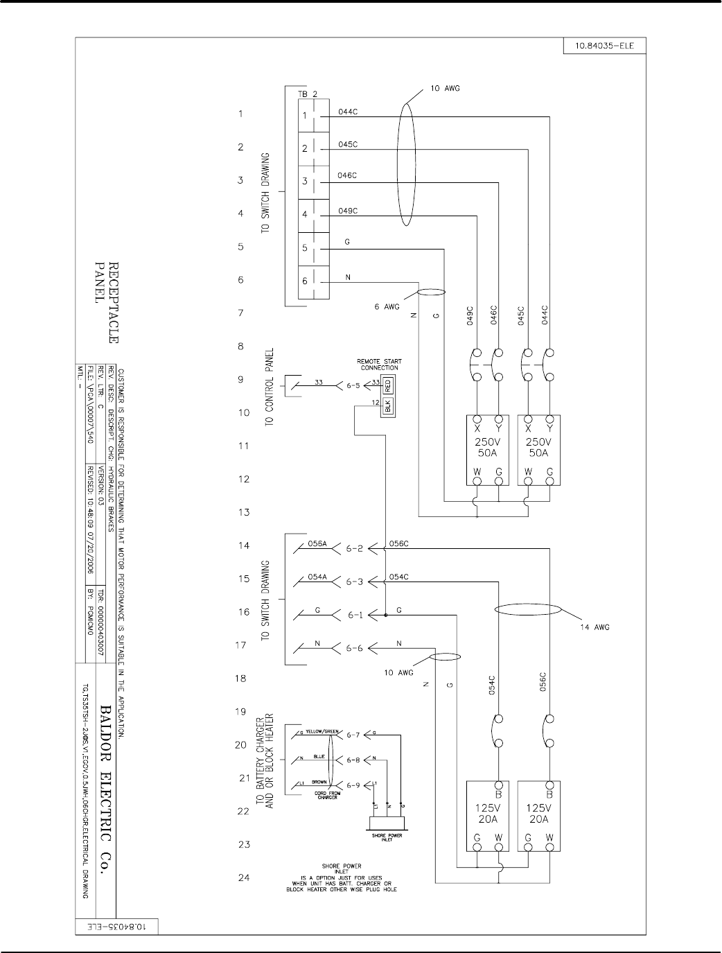
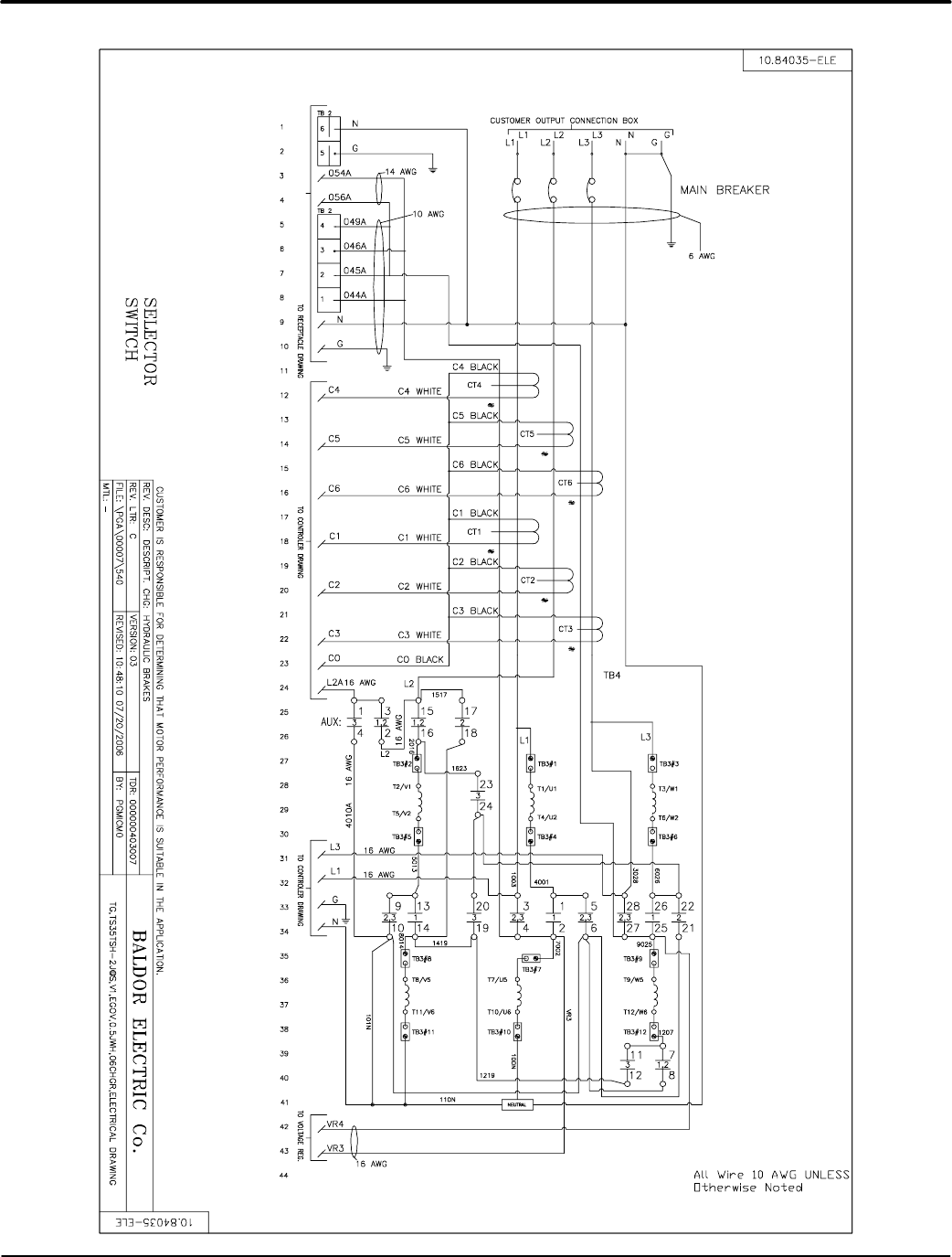
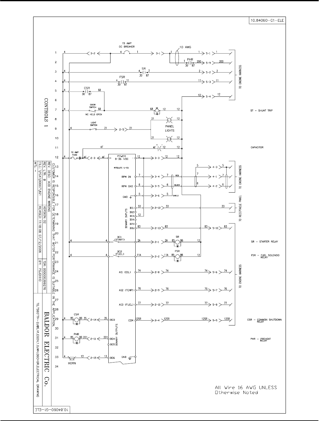
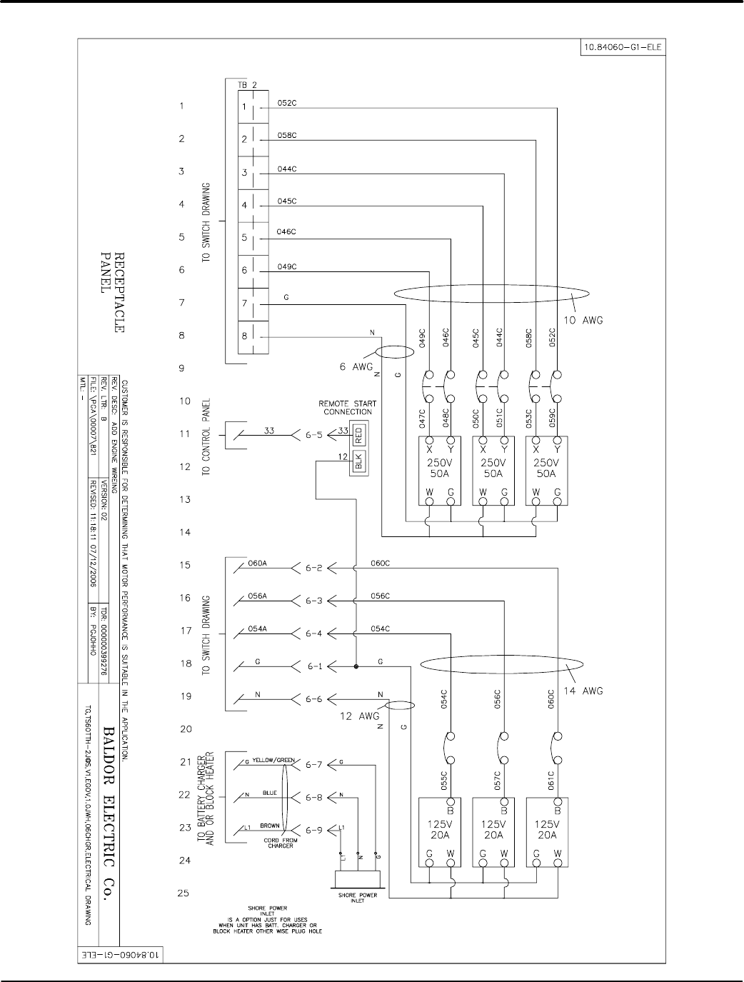
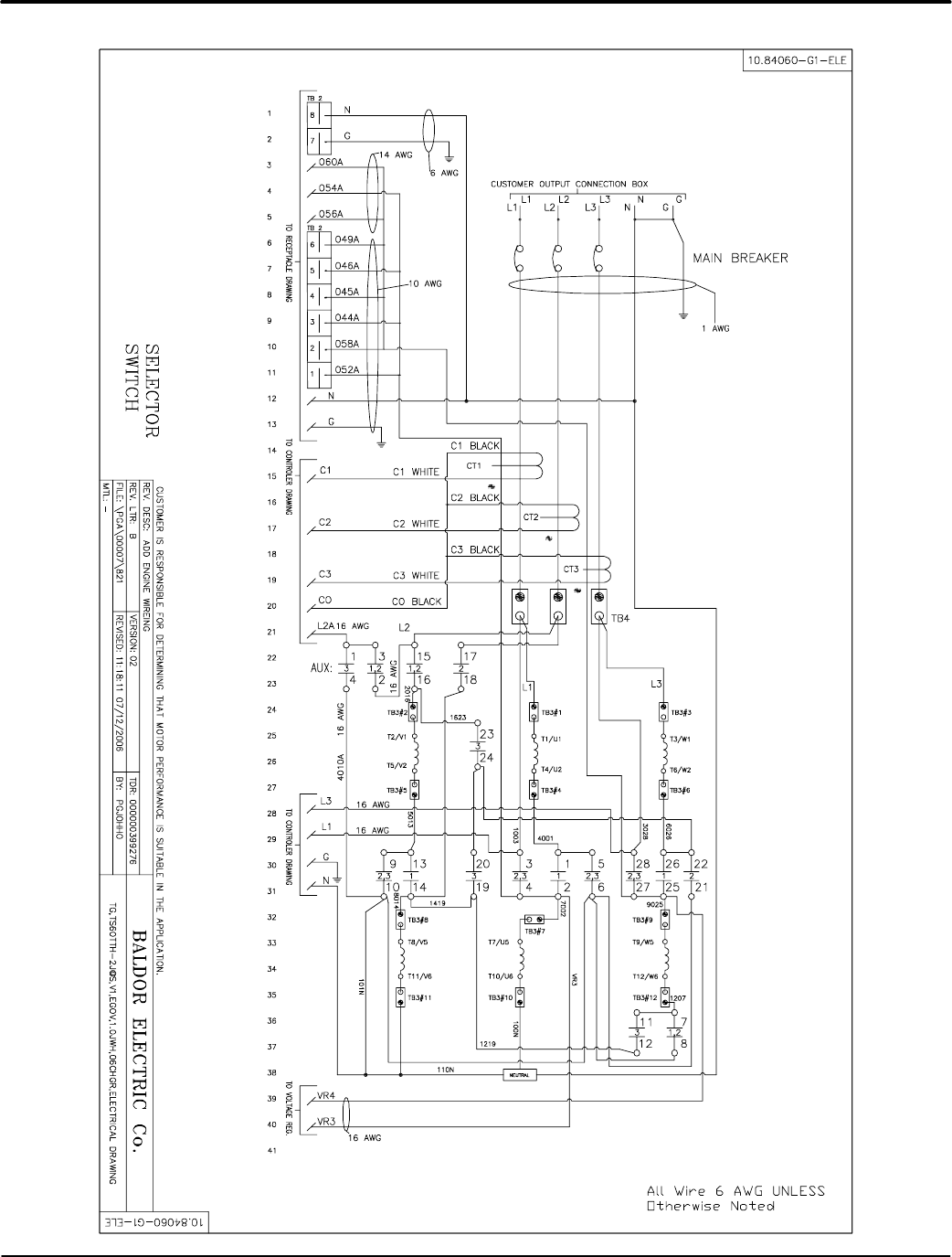
Wiring Diagrams A-1. . . . . . . . . . . . . . . . . . . . . . . . . . . . . . . . . . . . . . . . . . . . . . . . . . . . . . . . . . . . . . . . . . . . . . . . . . . . . . . . . .
Wiring Diagrams A-1. . . . . . . . . . . . . . . . . . . . . . . . . . . . . . . . . . . . . . . . . . . . . . . . . . . . . . . . . . . . . . . . . . . . . . . . . . . . . . .

ii Table of Contents MN2417

Section 1
Product Safety Information
Product Safety Information 1-1MN2417
Safety Notice Be sure that you are completely familiar with the safe operation of this equipment. This
equipment may be connected to other machines that have rotating parts or parts that are
controlled by this equipment. Improper use can cause serious or fatal injury. Always
disconnect all electrical loads before starting the generator.
Installation and repair procedures require specialized skills with electrical generating equipment
and liquid cooled engine systems. Any person that installs or repairs this generator must have
these specialized skills to ensure that this generating unit is safe to operate. Seek expert advise
for repairs or any questions you may have about the safe installation and operation.
The precaution statements are general guidelines for the safe use and operation of this
generator. It is not practical to list all unsafe conditions. Therefore, if you use a procedure that is
not recommended in this manual you must determine if it is safe for the operator and all
personnel in the proximity to the generator and connected loads. If there is any question of the
safety of a procedure please seek expert advise before starting or stopping the generator.
This equipment contains high voltages. Electrical shock can cause serious or fatal injury. Only
qualified personnel should attempt the start−up procedure or troubleshoot this equipment.
This equipment may be connected to other machines that have rotating parts or parts that are
driven by this equipment. Improper use can cause serious or fatal injury. Only qualified
personnel should attempt the start−up procedure or troubleshoot this equipment.
−System documentation must be available to anyone that operates this equipment at all
times.
−Keep non-qualified personnel at a safe distance from this equipment.
−Only qualified personnel familiar with the safe installation, operation and maintenance
of this device should attempt start-up or operating procedures.
−Always stop engine before making or removing any connections.
−Always stop engine and allow it to cool before refueling.
Responsibility When your generator is delivered, it becomes the responsibility of the owner/operator of the
generator set to prevent unsafe conditions and operation of the equipment. Some
responsibilities include (but are not limited to) the following:
1. It is the responsibility of the owner/operator of this generator to ensure that this
equipment is correctly and safely installed.
2. It is the responsibility of the owner/operator of this generator to ensure that this
equipment, when installed fully complies with all federal, state and local codes.
3. It is the responsibility of the owner/operator of this generator to ensure that any person
operating this equipment has been properly trained.
4. It is the responsibility of the owner/operator of this generator to ensure that any person
operating this equipment has access to all manuals and information required for the
safe use and operation of this equipment.
5. It is the responsibility of the owner/operator of this generator to ensure that it is properly
maintained and safety inspected at regular scheduled intervals.
6. It is the responsibility of the owner/operator of this generator to ensure that any person
who has not been trained on the safe use of this equipment does not have access to
this equipment.
Read This Manual Thoroughly
If you do not understand any concept, any procedure, any safety warning statement, any safety
caution statement or any portion of this manual, seek expert advise. Make sure you understand
the information in this manual so that you can safely enjoy the full use of this generator.
This symbol is shown throughout the manual to indicate a connection to ground reference point.
Symbols
Indicates a potentially hazardous situation which, if not avoided, could result in injury or death.
Indicates a potentially hazardous situation which, if not avoided, could result in injury or death.

1-2 Product Safety Information MN2417
Precaution Statements Used In This Manual
There are three classifications of precautionary statements used in this manual. The most critical
is a WARNING statement, then the Caution statement and the least critical is the Note
statement. The usage of each statement is as follows:
WARNING: Indicates a potentially hazardous situation which, if not avoided, could result in injury or
death.
Caution: Indicates a potentially hazardous situation which, if not avoided, could result in damage to
property.
Note: Additional information that is not critical to the installation or operation.
IMPORTANT SAFETY INSTRUCTIONS
SAVE THESE INSTRUCTIONS − This manual contains important instructions for the generator that
should be followed during installation, operation and maintenance of the generator.
For ease of reading, the Warning statements are divided into four categories: Operation, Burn, Installation,
and Maintenance.
Operation Statements
WARNING: If the trailer is not properly secured to the tow vehicles tow hitch, the trailer may separate
from the tow vehicle and cause severe injury or property damage. Always ensure that the tow
hitch and trailer tongue are properly connected, in good working condition and that safety
chains are properly connected from the trailer to the tow vehicle.
WARNING: Maximum safe highway speed for towing the light tower is 55 miles per hour. Excessive
speed or improper towing may result in an accident or damage.
WARNING: Never allow a person to ride in or on a trailer that is being towed. All states prohibit
passengers in towed vehicles. A person can fall off and be struck be another vehicle or run
over by the towed trailer. Failure to observe this warning can result in death.
WARNING: Before using a tow vehicle, verify that the vehicle is designed for the load. Using a vehicle
that is too small is very dangerous. Be certain that it can handle the M.G.V.W. (Maximum
Gross Vehicle Weight) and the tongue weight for safe towing and braking.
WARNING: For a new trailer, the wheel lug nuts should be tightened to the proper torque specification
before use, after 50 miles of operation and every 100 miles of operation thereafter. Failure to
check the lug nuts for proper tightness can result in an accident due to a wheel falling from
the trailer.
WARNING: Never operate a trailer or tow vehicle that has a loose, missing or broken lug nut. The trailer
is designed for safe operation with all lug nuts installed and all at the proper torque rating.
Operating the trailer with one or more broken or missing lug nuts greatly increases the load
on the remaining nuts and can cause failure of the remaining nuts that can result in an
accident due to a wheel falling from the trailer.
WARNING: Never operate this generator in a manner other than as described in this manual. Operation
in any manner not described in this manual should be considered unsafe and should not be
attempted. Never start the engine unless you have first verified that the installation and
operation of the generator are as described in this manual.
WARNING: Be sure that you are completely familiar with the safe operation of this equipment. This
equipment may be connected to other machines that have rotating parts or parts that are
controlled by this equipment. Improper use can cause serious or fatal injury.
WARNING: Exhaust fumes/gases are extremely dangerous and can cause severe illness or death. Never
breath exhaust fumes produced by a running engine. Only run the engine outdoors where
ventilation is plentiful. Exhaust gases contain carbon monoxide, a colorless, odorless and
extremely dangerous gas that can cause unconsciousness or death. Symptoms of carbon
monoxide poisoning include: dizziness, nausea, headaches, sleepiness, vomiting or
incoherence. If you or anyone else experiences these symptoms, get out into fresh air
immediately. Stop the engine and do not restart the engine until it has been inspected and if
necessary repaired or reinstalled in a well ventilated area.
WARNING: When operating this generator remain alert at all times. Never operate machinery when
physically or mentally fatigued, or while under the influence of alcohol, drugs or medication.
Continued on next page.

Product Safety Information 1-3MN2417
Operation Statements Continued
WARNING: Gasoline and diesel fuel are flammable and can cause fire, explosions, injury or death. For
storage or refueling handle fuel with care and only in clean, approved, properly marked safety
fuel containers.
WARNING: Do not overfill the fuel tank. Only fill the tank to within 1/2
, of the top of the tank to allow
space for fuel expansion. Overfilling of tank may cause fuel to spill out onto engine and
cause fire or explosion.
WARNING: Clean up fuel spills by wiping completely dry before starting engine. Gasoline and diesel fuel
are flammable and can cause fire, explosions, injury or death.
WARNING: Make sure the fuel cap is completely and securely closed after refueling to prevent spillage.
Gasoline and diesel fuel are flammable and can cause fire, explosions, injury or death.
WARNING: Over crank indication can mean a loss of crank disconnect signal during the previous run
period. Attempting to restart the engine with no crank disconnect signal can destroy the
starter motor, which can cause serious personal injury.
WARNING: Hot exhaust gasses must never be directed toward anything that may catch fire or explode.
WARNING: This generator must not be used on or near any forest covered, brush covered, or grass
covered land unless the engine’s exhaust system is equipped with a spark arrestor. The
spark arrestor must be maintained in effective working order by the operator.
WARNING: Never operate the generator set indoors or in a poorly ventilated area such as a tunnel or cave.
Exhaust fumes are extremely dangerous to all personnel that are in or in contact with that area.
WARNING: Keep generator at least three feet away from buildings and other structures.
WARNING: Keep generator away from flammable or hazardous materials (trash, rags, lubricants,
explosives, paints etc.) and grass or leaf build up.
WARNING: Some parts of this generator rotate during operation. Rotating parts can present extreme
danger if clothing or body extremities are caught by the rotating part and can cause serious
or fatal injury. Never touch a part of the generator until the engine has been stopped and all
rotating parts are completely stopped. Also, disconnect the battery terminals to prevent
accidental engine rotation during servicing.
WARNING: Never move a generator set that is running. Loads should be connected and position secure
before starting the engine. Hazards are caused by moving a generator set that is running.
WARNING: Never connect or disconnect loads during operation. Always connect load circuits before
starting the engine and use external branch disconnects etc. to switch loads On/Off.
WARNING: High voltage is present whenever engine is running. Electrical shock can cause serious or
fatal injury. Never operate electrical equipment while standing in water, on wet ground or with
wet hands, feet or shoes or while barefoot.
WARNING: High voltage is present whenever the engine is running. Electrical shock can cause serious
or fatal injury. Always stop engine before connecting or disconnecting power cords or
external devices.
WARNING: Be sure that you understand how to stop the engine quickly in case of an emergency situation.
Become familiar with the controls and safety systems provided with this generator set.
WARNING: Always wear safety glasses with side shields and hearing protection when working near the
generator.
WARNING: Improper operation may cause violent motion of connected equipment. Be certain that
unexpected movement will not cause injury to personnel or damage to equipment.
WARNING: Never permit anyone to operate the generator without proper instructions. Be sure to keep a
copy of this manual with the generator so that all users can be properly informed of its safe
operation.
WARNING: Never allow children or pets to be in the area where the generator is running. The generator
and the equipment being powered by the generator may cause injury or death.
WARNING: Never operate the generator unless all guards, covers, shields and other safety items are
properly installed.
WARNING: Do not put hands, feet, tools clothing or other objects near rotating parts such as drive shaft,
pulley, belt etc. Rotating parts cause extremely dangerous situations because they can catch
loose clothing or extremities and cause serious or fatal injury.
WARNING: Never operate the engine when the air cleaner is removed. An engine backfire can cause
serious burns.
Continued on next page.

1-4 Product Safety Information MN2417
Operation Statements Continued
WARNING: Never “jump start” a generator to start the engine. If the battery charge is insufficient to start
the engine, charge or replace the battery and try to restart. Jump starting a battery can cause
the battery to explode and cause severe injury or death to anyone in the area.
WARNING: Do not smoke near generator during operation or when close to fuel source. LPG and natural
gas fuels are flammable and can cause fire, explosions, injury or death.
WARNING: Keep a fire extinguisher near the generator while generator is in use. An extinguisher rated
“ABC” by the National Fire Protection Association is appropriate.
Burn Statements
WARNING: Parts of this generator are extremely hot during and after operation. To prevent severe burns,
do not touch any part of the generator until you have first determined if the part is hot. Wear
protective clothing and after use allow sufficient time for parts to cool before touching any
part of the generator.
WARNING: Do not touch the hot exhaust parts. In addition to a sever burn, the sudden involuntary jerk of
the hand or body part caused by contact with high voltage or a hot surface can result in injury
to yourself or others.
WARNING: Engine coolant is under pressure and is near the boiling point of water when engine is hot.
Do not open the coolant system until the engine has completely cooled. Hot coolant can
cause severe burns and other injuries. When engine is cool, coolant level can be checked.
Installation Statements
WARNING: Disconnect the battery’s ground terminal before working in the vicinity of the battery or
battery wires. Contact with the battery can result in electrical shock when a tool accidently
touches the positive battery terminal or wire. The risk of such shock is reduced when the
ground lead is removed during installation and maintenance.
WARNING: Installation and repair procedures requires specialized skills with electrical generating
equipment and small engine systems. Any person that installs or performs repairs must have
these specialized skills to ensure that the generator set is safe to operate. Seek expert advise
for installation or repairs.
WARNING: Be sure all wiring complies with the National Electrical Code (NEC) and all regional and local
codes or CE Compliance. Improper wiring may cause a hazardous condition and exposure to
electrical hazards can cause serious injury or death.
WARNING: Be sure the system is properly grounded before applying power. Do not apply AC power
before you ensure that grounds are connected. Electrical shock can cause serious or fatal
injury. NEC requires that the frame and exposed conductive surfaces (metal parts) be
connected to an approved earth ground. Local codes may also require proper grounding of
generator systems.
Warning: Do not connect the generator output neutral to the frame or local ground. The generator
output is isolated from ground. NEC and local codes require that the generator output remain
isolated from local ground reference.
WARNING: Place protective covers over all rotating parts such as drive shaft, pulley, belt etc. Rotating
parts cause extremely dangerous situations because they can catch loose clothing or
extremities and cause serious or fatal injury.
WARNING: Unauthorized modification of a generator set may make the unit unsafe for operation or may
impair the operation of the unit. Never start a generator set that has been modified or tampered
with. Be sure that all covers and guards are properly installed and that the unit is safe before
starting the engine. If you are unsure, seek expert advise before starting the engine.
WARNING: When moving the generator, use reasonable caution. Be careful where you place fingers and
toes to prevent injury “Pinch Points”. Never try to lift a generator without a hoist or lift means
because they are heavy and bodily injury may result.
Warning: Never connect this generator to the electrical system of any building unless a licensed
electrician has installed an approved transfer switch. The national electrical code (NEC)
requires that connection of a generator to any electrical circuit normally powered by means of
an electric utility must be connected by means of approved transfer switch equipment to
isolate the electrical circuit from the utility distribution system when the generator is
operating. Failure to isolate the electrical circuits by such means may result in injury or death
to utility power workers due to backfeed of electrical energy onto the utility lines.
Continued on next page.

Product Safety Information 1-5MN2417
Installation Statements Continued
WARNING: Circuit overload protection must be provided in accordance with the National Electrical Code
and local regulations.
WARNING: Check Ground Fault Circuit Interrupt (GFCI) receptacles monthly by using the “Test” and
“Reset” buttons.
WARNING: Have electrical circuits and wiring installed and checked by licensed electrician or qualified
technician. Electrical shock can cause serious or fatal injury.
WARNING: Never stand under or close to an object that is being hoisted or lift into position. Accidents
happen and if the object falls or tips over you or someone else could be crushed by the
weight of the object causing severe injury or death to to yourself or others. Always remain a
safe distance from the object and always wear protective head gear (hard hat).
Maintenance Statements
WARNING: Installation and servicing of batteries is to be performed or supervised by personnel
knowledgeable of batteries and the required precautions. Keep unauthorized personnel away
from batteries.
WARNING: Before servicing the generator set, be sure to disconnect the battery terminals to prevent
accidental engine rotation or starting.
WARNING: Before cleaning, inspecting, repairing or performing any maintenance to the generator set,
always be sure the engine has stopped and that all rotating parts have also stopped. After
stopping, certain components are still extremely hot so be careful not to get burned.
WARNING: Before servicing the generator set, be sure to disconnect the glow plugs or spark plug wires
and the battery terminals to prevent accidental engine rotation or starting.
WARNING: Engine coolant is under pressure and is near the boiling point of water when engine is hot.
Do not open the coolant system until the engine has completely cooled. Hot coolant can
cause severe burns and other injuries. When engine is cool, coolant level can be checked.
WARNING: Inspect all wiring frequently and replace any damaged, broken or frayed wiring or wires with
damaged insulation immediately. Electrical shock can cause serious or fatal injury.
WARNING: Disconnect all electrical wires and load devices from generator power outlets before servicing
the generator. Electrical shock can cause serious or fatal injury. Always treat electrical
circuits as if they are energized.
WARNING: A battery presents a risk of fire and explosion because they generate hydrogen gas.
Hydrogen gas is extremely explosive. Never jump start a battery, smoke in the area around
the battery or cause any spark to occur in the area around the battery.
WARNING: Do not mutilate the battery or dispose of a battery in a fire. The battery is capable of
exploding. If the battery explodes, electrolyte solution will be released in all directions.
Battery electrolyte solution is caustic and can cause severe burns and blindness. If
electrolyte contacts skin or eyes, immediately flush the area with water and seek medical
attention quickly.
WARNING: The battery electrolyte is a dilute sulfuric acid that is harmful to the skin and eyes. It is
electrically conductive and corrosive. If electrolyte contacts the skin, flush the area
immediately with water and wash it off using soap and water. If electrolyte contacts the eyes,
immediately flush the eye thoroughly with water and seek medical attention quickly.
WARNING: A battery presents a risk of electrical shock hazard and high short circuit current. Electrical
shock can cause serious or fatal injury. Never wear jewelry, watch or any metal objects when
in the area around the battery.
WARNING: Check fuel tank, fuel line, and connections monthly for fuel leaks. Diesel is flammable and
can cause fire, explosions, injury or death. If a leak is found, replace only with approved pipe
or components.
Continued on next page.

1-6 Product Safety Information MN2417
Caution Statements
Caution: Avoid installing the generator set beside heat generating equipment, or directly below water
or steam pipes or in the vicinity of corrosive substances or vapors, metal particles and dust.
Heat can cause engine problems to develop and unwanted substances can cause rust or
generator failure over time.
Caution: Do not apply high voltage to windings (do not start the generator) in a moisture−saturated
condition. Moisture can cause insulation breakdown, making it necessary to repair the
generator and consequent expense and loss of time.
Caution: Use only original equipment or authorized replacement parts. Using the correct parts will
assure continued safe operation as designed.
Caution: Do not support the generator from the top of the frame or enclosure.
Caution: Do not tamper with or change the engine speed. Engine speed is factory set to produce the
correct voltage and output frequency.
Caution: Never operate the engine without a muffler. The engine is designed to have the correct
exhaust components installed and operating without these components can present a fire
hazard, cause excessive exhaust gases and cause damage to engine. Inspect muffler
periodically and replace if necessary.
Caution: The Programmable Output Contacts selection must agree with the external control wiring
prior to energizing the controller. Failure to do so may cause severe equipment damage.
Caution: If a dead battery is suspected, remove the controller fuse, charge battery (or replace), and
then attempting starting. Damage to engine control may result from jump starting.
Caution: This generator must have a battery installed for operation. The battery is used during starting
and during operation. If engine operation is attempted while the battery is removed, damage
to the engine’s electrical components may result.
Caution: Large “Engine Compartment Doors” on each side of enclosure must remain closed during
operation. If doors remain open, engine will overheat due to insufficient air flow around
engine.

Section 2
General Information
General Information 2-1MN2417
Thank you for purchasing your Baldor Generator Set. This manual contains information you need to safely and efficiently
install and operate your generator set. During the preparation of this manual every effort was made to ensure the
accuracy of its contents. This manual describes only very basic engine information. A separate owner’s manual for the
engine is supplied with this unit for your use. Please refer to the engine manual for information relative to engine
operation, maintenance, recommendations and additional safety warnings.
Copyright Baldor 2006. All rights reserved.
This manual is copyrighted and all rights are reserved. This document may not, in whole or in part, be copied or
reproduced in any form without the prior written consent of Baldor Electric Company, Inc.
Baldor Generators have earned the reputation of being high quality and dependable. We take pride in this fact and
continue to keep our quality standards high on our list of priorities. We are also constantly researching new technological
ideas to determine if they could be used to make our generator sets even better.
Baldor makes no representations or warranties with respect to the contents hereof and specifically disclaims any implied
warranties of fitness for any particular purpose. The information in this document is subject to change without notice.
Baldor assumes no responsibility for any errors that may appear in this document.
Limited Warranty
Baldor will replace or repair free of charge any part or parts of the generator of their manufacture that are defective in
workmanship and materials for a period of time as set forth in the Warranty Period chart below. All Baldor products
requiring warranty service shall be transported or shipped freight pre−paid to a Baldor Generator repair facility.
Notification of the defect or problem, a description of the manner in which the Baldor generator is used, and the name,
address and telephone number of the customer requiring warranty service must be included. Baldor is not responsible for
removal and shipment of the Baldor product to the service center or for the reinstallation of the Baldor product upon its
return to the customer, or any incidental or consequential damages resulting from the defect, removal, reinstallation,
shipment or otherwise. Problems with Baldor products can be due to improper maintenance, faulty installation,
non−Baldor additions or modifications, or other problems not due to defects in Baldor workmanship or materials. If a
Baldor Generator repair facility determines that the problem with a Baldor product is not due to defects in Baldor
workmanship or materials, then the customer will be responsible for the cost of any necessary repairs. Genset engines
are covered under the engine manufacturers warranty. Proper engine maintenance is required. Any request for engine
warranty or repair should be made directly with the engine manufacturers warranty center. See engine manufacturers
data for applicable engine warranty periods and location of repair centers. This Limited Warranty and Service Policy
represents Baldor’s sole and exclusive warranty obligation with respect to Baldor products. Baldor’s liability to a customer
or any other person shall not exceed Baldor’s sales price of the applicable Baldor product. BALDOR DISCLAIMS ALL
OTHER EXPRESSED AND IMPLIED WARRANTIES INCLUDING THE IMPLIED WARRANTIES OF FITNESS FOR A
PARTICULAR PURPOSE AND MERCHANTABILITY.
Warranty Period
Generator Series Labor* Parts
Portable Products (Premier, Powerchief,
DG Series)
1 Year 3 Years
Towable Products (TS) 1 Year or 3,000 Hours 3 Years or 3,000 Hours
POW’R LITE Light Towers 1 Year or 3,000 Hours 3 Years or 3,000 Hours
Light Fixture, Lamps and Ballasts are excluded
from any warranty coverage
3600 RPM Standby Systems
(Some AE Models)
1 Year or 1,000 Hours 3 Years or 1,000 Hours
1800 RPM Standby Systems
(Some AE Models, DLC, GLC)
1 Year or 3,000 Hours 3 Years or 3,000 Hours
Industrial Standby Systems 1 Year or 1,000 Hours 2 Years or 1,000 Hours
Industrial Prime Power Systems 1 Year or 1,000 Hours 1 Year or 1,000 Hours
International 1 Year or 1,000 Hours 1 Year or 1,000 Hours
*For products covered under labor coverage, travel expenses will be allowed up to 7 hours straight labor or 300 miles,
whichever occurs first, and only applies to permanently wired and mounted products (AE, DLC, GLC, IDLC).
You must save the purchase receipt. Proof of purchase, date, serial number and model number will be required for all
portable and Towable products to qualify for any warranty consideration.
A start−up inspection form/warranty registration must be completed in its entirety and submitted to Baldor Generators
within 30 days of start−up to qualify for any warranty consideration, excluding: Portables, Towables and Light Towers.

2-2 General Information MN2417

Section 3
Receiving & Installation
Receiving & Installation 3-1MN2417
Receiving & Inspection When you receive your generator, there are several things you should do immediately.
1. Observe the condition of the shipping container and report any damage immediately to
the commercial carrier that delivered your system.
2. Verify that the part number of the system you received is the same as the part number
listed on your purchase order.
3. If the system is to be stored for several weeks before use, be sure that it is stored in a
location that conforms to published storage temperature and humidity specifications.
WARNING: Never stand under or close to an object that is being hoisted or lift into position. Accidents
happen and if the object falls or tips over you or someone else could be crushed by the
weight of the object causing severe injury or death to to yourself or others. Always remain a
safe distance from the object and always wear protective head gear (hard hat).
Lifting the Generator When lift or hoist equipment is used to lift the generator and move it to position, be careful not
to contact overhead wires or other obstacles. Be sure the lift or hoist equipment has appropriate
capacity and tires for the terrain to avoid becoming stuck or tipping over. If the shipping pallet is intact,
use a fork lift to move the generator. If the shipping pallet has been removed, use the “Lift Point”
hole at the top of the generator, Figure 3-1.
The lift point is designed only for the weight of the generator and factory trailer. Do not lift by these
points if the generator is mounted to a trailer that has been modified from the factory specifications
for stock units. Please consult Baldor for custom designs.
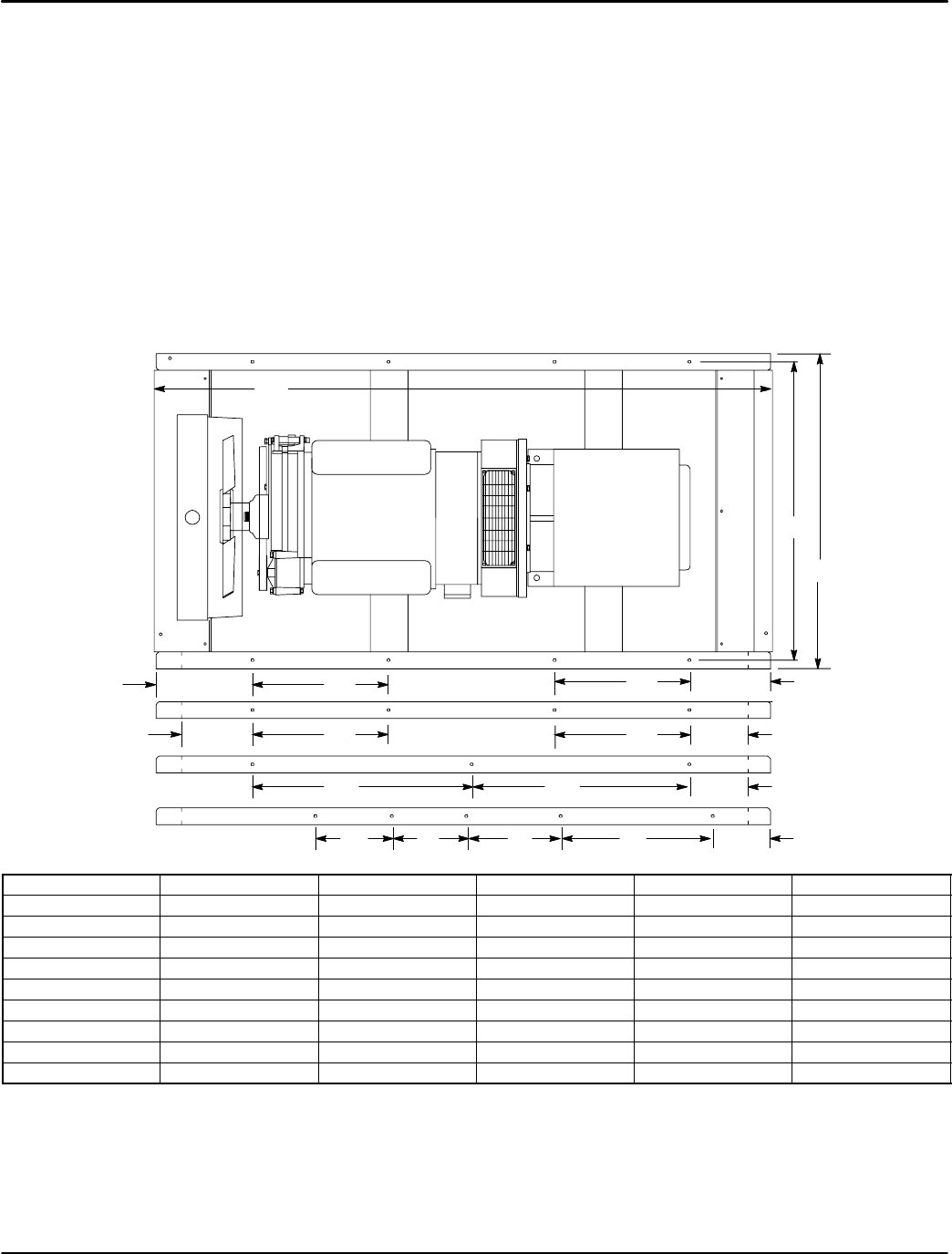
Figure 3-1 Generator Lifting
A
A1
A2
B1
BC
C1
Lift Point
Table 3-1 Mounting Dimensions
Generator No. of Axles AA1 A2 BB1 CC1
TS25 167 47.5 5.5 130 74 62 38
TS35 165 48.5 5.5 136.5 74 62 38
TS45 282 60 5.5 146 84 62 38
TS60 283.5 62.5 5.5 150 84 62 38
TS80 283.5 62.5 5.5 150 84 62 38
TS130 292.5 75 5.5 178 118 75 42
TS175 292.5 76 5.5 180 130 75 48
TS250 2102 76 7218 159 82 54
TS400 2126 93 5.22 251 195 98 66
Physical Location The mounting location of the system is important. It should be installed in an area that is
protected from direct harmful gases or liquids, dust, metallic particles, shock and vibration.
It should be installed in an outdoor location so the exhaust fumes are vented to the atmosphere.
When the Generator is installed outdoors
The factory installed enclosure is designed to keep out undesirable weather elements while
providing cooling and ventilation.

3-2 Receiving & Installation MN2417
Several other factors should be carefully evaluated when selecting a location for installation:
1. For effective cooling and maintenance, the system should be mounted on a flat,
smooth, noncombustible level surface. A concrete pad is ideal and provides a secure
installation.
2. Installation should prevent water levels from reaching the generator. Drainage must be
adequate to keep concrete pad free from standing water.
3. Installation should prevent obstructions by buildup of leaves, grass, sand, snow, etc. If
these items pose a problem, consider building a small fence or other break to protect
the unit from accumulation of debris.
4. Installation should place the generator as close as possible to the transfer switch.
5. At least forty--eight (48) inches clearance must be provided on all sides for air flow.
6. Access must be provided to allow the enclosure covers to be opened or removed for
service and maintenance.
7. Maximum Ambient temperature is 122°F(50°C).
Figure 3-2 Generator Mounting (Skid)
B1
B
A
A2 A1
TS130/175 only
(4 Holes) A2A1
TS25/45/80 only
(3 Holes) A1A2 A2
TS250 only
(4 Holes) A2 A1
A2A1
TA0000C10
BA0236A00
BA0236A02
TS400 only
(6 Holes) A148
Holes each side
212427
10.85401--G10
Table 3-2 Mounting Dimensions
Generator AA1 A2 BB1
TS25 74 8.12 23.81 38 36
TS35 74 8.38 28.56 38 36
TS45 84 8.38 28.56 38 36
TS60 84 8.38 28.56 38 36
TS80 84 8.38 28.56 38 36
TS130 118 16.57 26.57 42 40
TS175 130 16.57 26.57 48 46
TS250 159 18.00 40.00 54 52
TS400 195 12.00 SeeFigure3-2 66 63
Secure the Generator (Skid Mount only)
Six mounting bolts (eight for TS130/175/250) in the base frame secure the generator to the
shipping pallet. Remove these bolts, lift the generator and remove the shipping pallet. Secure
the generator to the concrete pad using anchor hardware (not provided) in the base frame
mounting holes (holes are 0.66” diameter). See Figure 3-2 and Table 3-2. Anchor bolts must be
long enough to extend through the generator mounting frame.

Receiving & Installation 3-3MN2417
Hot Exhaust Gasses
WARNING: Exhaust fumes/gases are extremely dangerous and can cause severe illness or death. Never
breath exhaust fumes produced by a running engine. Only run the engine outdoors where
ventilation is plentiful. Exhaust gases contain carbon monoxide, a colorless, odorless and
extremely dangerous gas that can cause unconsciousness or death. Symptoms of carbon
monoxide poisoning include: dizziness, nausea, headaches, sleepiness, vomiting or
incoherence. If you or anyone else experiences these symptoms, get out into fresh air
immediately. Stop the engine and do not restart the engine until it has been inspected and if
necessary repaired or reinstalled in a well ventilated area.
WARNING: Hot exhaust gasses must never be directed toward anything that may catch fire or explode.
Exhaust must always be directed away from living areas or buildings that are occupied by people
or animals. Never allow exhaust gases to be directed towards any openings or air entry routes
(doors, windows, vents, etc...) of an occupied building.
The direction of the discharged hot air and hot exhaust gases is important as they have the
potential to create brown spots on the lawn or shrubs. In extreme cases this extremely hot air
could cause dried grass, shrubs, trees or other debris to ignite.
It is also recommended that an exhaust rain cap be used whenever it is possible that rain could
get into the system. This will help to prevent corrosion and damage to the exhaust system and
engine.
Installation The generator is completely assembled, tested and adjusted at the factory before it is shipped.
The procedures presented in this manual are suggestions and it is the responsibility of the
Owner/Operator to arrange for these procedures to be performed by licensed contractors
according to all applicable codes including local codes for your Municipality/City/County and
State. External connections required at the time of installation are:
1. Electrical Connections − power wiring (optional transfer switch) and control wiring.
2. Ground Connection.
After installation, the post installation checks must be performed prior to starting the engine.
After these checks have been performed and the system operation is verified to be good, refer to
Section 5 Maintenance for periodic checks that must be performed at scheduled intervals to
ensure continued operation with minimal problems.
WARNING: Disconnect the battery’s ground terminal before working in the vicinity of the battery or
battery wires. Contact with the battery can result in electrical shock when a tool accidently
touches the positive battery terminal or wire. The risk of such shock is reduced when the
ground lead is removed during installation and maintenance.
Fuel Connections
External fuel connections are not required. A self contained fuel tank is located within the base
of the generator set.

3-4 Receiving & Installation MN2417
Electrical Connections Class 1 wiring methods must be used for field wiring connections to terminals of a class 2
circuit. It is the responsibility of the owner/operator to arrange for these procedures to be
performed by a licensed electrical contractor and ensure conformance to all applicable codes
including local codes peculiar to your municipality/city/county and state. Wire size and insulation
type should be as required by NEC (National Electrical Code) and local codes.
Warning: Never connect this generator to the electrical system of any building unless a licensed
electrician has installed an approved transfer switch. The national electrical code (NEC)
requires that connection of a generator to any electrical circuit normally powered by means of
an electric utility must be connected by means of approved transfer switch equipment to
isolate the electrical circuit from the utility distribution system when the generator is
operating. Failure to isolate the electrical circuits by such means may result in injury or death
to utility power workers due to backfeed of electrical energy onto the utility lines.
Warning: Incorrect installation of this generator set could result in property damage, injury or death.
Connection of the generator to its fuel source must be done by a qualified professional
technician or contractor.
WARNING: Be sure the system is properly grounded before applying power. Do not apply AC power before
you ensure that grounds are connected. Electrical shock can cause serious or fatal injury. NEC
requires that the frame and exposed conductive surfaces (metal parts) be connected to an
approved earth ground. Local codes may also require proper grounding of generator systems.
Intended Use The intended purpose of this generator set is to provide electrical power when the main utility power
supply is interrupted. Therefore, it is important that all the wiring that connects the generator set with
your house, transfer switch, distribution box, battery charger, etc. be properly installed.
Protection Single Phase circuit protection is provided within the generator. The power output connections
are rated and sized according to the KW of the generator. Proper lead wire from these points to
the automatic transfer switch (or load switching device) is mandatory. See transfer switch
information for corresponding generator input terminals.
Three phase circuit protection is provided by the generator. When connecting the generator
output to an electrical load, a UL listed circuit breaker with the appropriate ratings shall be
provided within 25 feet of the Genset. Use only copper wires.
Table 3-3 Standby Power Ratings
Generator Electrical Load Capacity Standby Power Ratings
Generator
Catalog 1 Phase 3 Phase
Catalog
No. kVA kW Volts Amps * kVA kW Volts Amps
TS25 18 18 240/120 75/2x75 25/25/25 20/20/20 208/240/480 69/60/30
TS35 25 25 240/120 104/2x104 37/37/37 30/30/30 208/240/480 104/90/45
TS45 27 27 240/120 112/x2112 46/46/48 37/37/38 208/240/480 128/111/57
TS60 43 43 240/120 179/2x179 60/60/61 48/48/49 208/240/480 166/144/73
TS80 45 45 240/120 187/2x187 72/72/81 58/58/65 208/240/480 201/174/97
TS130 70 70 240/120 291/2x291 131/131/134 105/105/107 208/240/480 364/315/160
TS175 100 100 240/120 416/2x416 169/169/175 135/135/140 208/240/480 468/405/210
TS250 175 175 240/120 729/2x729 250/250/250 200/200/200 208/240/480 693/601/300
TS400 250 250 240/120 1041/2x1041 400/400/400 320/320/320 208/240/480 1110/962/481
* Example 2x75 means 2 lines (Line to Neutral) of 120V @ 75 amps each.
Table 3-4 Prime Power Ratings
Generator Electrical Load Capacity Prime Power Ratings
Generator
Catalog 1 Phase 3 Phase
Catalog
No. kVA kW Volts Amps * kVA kW Volts Amps
TS25 18 18 240/120 75/2x75 23/23/23 18/18/18 208/240/480 62/54/27
TS35 22 22 240/120 91/2x91 33/33/33 27/27/27 208/240/480 93/81/40
TS45 25 25 240/120 104/2x104 44/44/44 35/35/35 208/240/480 121/105/52
TS60 40 40 240/120 166/2x166 56/56/56 45/45/45 208/240/480 156/135/67
TS80 43 43 240/120 179/2x179 69/69/75 55/55/60 208/240/480 190/165/90
TS130 66 66 240/120 275/2x275 119/119/121 95/95/97 208/240/480 329/285/145
TS175 95 95 240/120 395/2x395 156/156/159 125/125/127 208/240/480 433/375/190
TS250 160 160 240/120 666/2x666 227/227/227 180/180/180 208/240/480 624/541/270
TS400 240 240 240/120 1000/2x1000 365/365/365 292/292/292 208/240/480 1013/878/439
* Example 2x75 means 2 lines (Line to Neutral) of 75 amps each.

Receiving & Installation 3-5MN2417
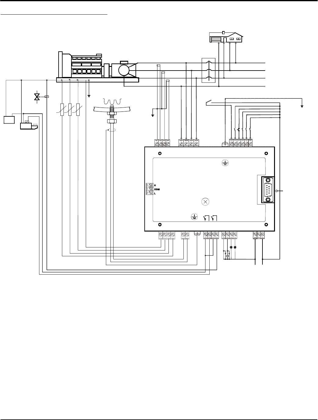
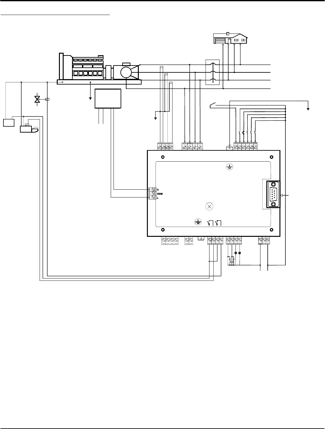
Single Phase Connections
Single phase connections are made at load receptacles located by the operator panel, see
Figure 3-3. Simply open the rear panel access door and make the connections. When the panel
door is closed, the connections are weather tight.
Figure 3-3 Receptacle Panel (Single Phase)
Single phase power is
always available.
(GOLD)
X
(GOLD)
Y
G
(SILVER)
W
CS6369
125/250V
50A
X
YW
Test
Reset
CS6365N
GFI Outlet
120V, 20A
240V, 50A
Circuit Breakers (Single or Double pole)
Circuit Breakers provides protection on some
units. To reset a breaker, place it in the OFF
then the ON position.
Single pole breaker
for 120VAC outlets
Double pole breaker
for 240VAC outlets
Figure 3-4 Remote Start Connections
RR1 RR2
Remote Start Connections
Tier 1 Systems Tier 2/3 Systems
Remote Start Connections on front panel

3-6 Receiving & Installation MN2417
Three Phase Connections
Three phase connections are made at L1, L2, L3 and N connections shown in Figure 3-5.
Figure 3-5 Three Phase Connections
For power to be applied to these
terminals, the Output Voltage
Selector Switch must be in the
120/208V, 120/240V or
277/480V positions.
Customer Connections
L1, L2, L3 and N
Earth Ground Connection
(to Driven Earth Ground Rod)
TS250/TS400 Connections
Transfer Switch Considerations
The following are general considerations for the safe use of a transfer switch:
1. The transfer switch should be located inside the building near the main breaker box or
the disconnect box.
2. The transfer switch must be kept away from any location that might allow water to get
on it.
3. If the transfer switch is mounted outside, it must be protected from the environment and
it’s elements.
4. Do not mount the transfer switch on the generator set.
5. Do not mount the transfer switch where flammable liquids or vapors are present.
Remote Start Contacts
This two−wire connection will start and stop the generator, when properly connected to a remote
start contact, shown in Figure 3-4. These contacts are connected to the “Engine Start Contacts”
of the automatic transfer switch. A two pole normally open, closed to operate switch may also be
used to start the generator.
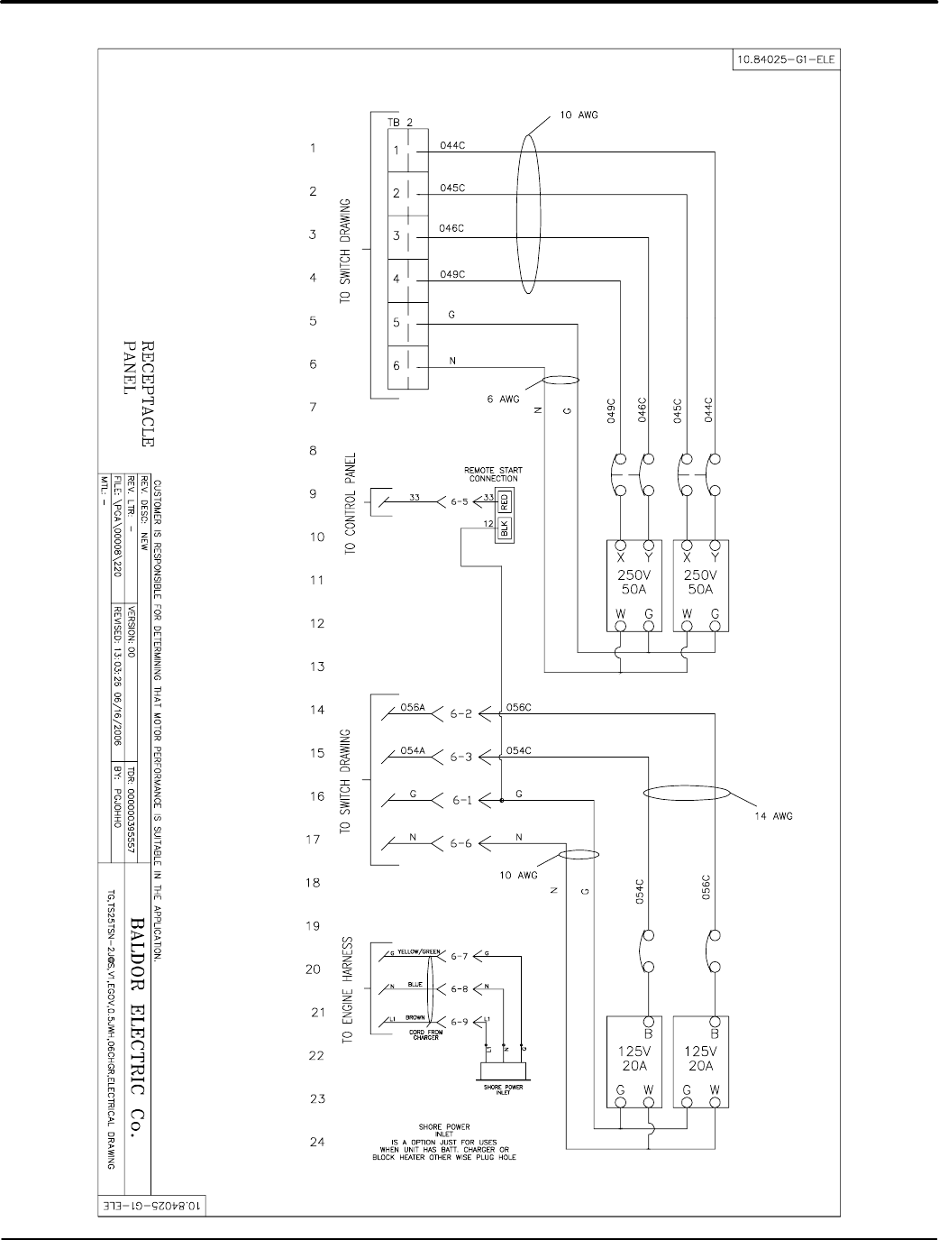
Shore Power Use extension cord with appropriately sized conductors to connect the optional “Shore Power”
receptacle to 120VAC (240VAC for TS400) single phase utility power. This powers battery
chargers, block heaters etc. when the generator is not in operation. A single phase 20 amp
breaker is provided for circuit protection.
AC Input These connections are for units with float type battery charger or engine block heater. A
constant supply of 120 volts AC (or as specified) is needed at these terminals to power these
devices when generator is not operating.
Note: Power is not required when the unit is in operation. Internal battery charging and radiant
heat during operation eliminate the need for these devices.
Battery Charger Considerations
1. Mount the battery charger inside the generator enclosure as close to the battery as is
reasonably possible.
2. Do not mount the battery charger where flammable liquids or vapors are present.
When the battery is charging it produces explosive gasses.
General Wiring Considerations
1. When routing the interface wiring, do not route it up against anything that could cut or
chafe the wiring. do not route the wire up against any hot or potentially hot object.
2. Make sure that all the electrical components (generator set, transfer switch, battery
charger, etc.) share a common ground.
3. Check with your local building inspector to determine what you must do to comply with
the local regulations for grounding of this type of permanent installation.

Receiving & Installation 3-7MN2417
Frame Ground Connection
WARNING: Be sure the system is properly grounded before applying power. Do not apply AC power
before you ensure that grounds are connected. Electrical shock can cause serious or fatal
injury. NEC requires that the frame and exposed conductive surfaces (metal parts) be
connected to an approved earth ground. Local codes may also require proper grounding of
generator systems.
It is important for safety reasons that the Generator set, transfer switch and battery charger share
a common Ground and neutral.
The NEC requires that the frame and exposed metal surfaces be at local ground reference
potential to avoid electrical shock hazard. A local ground reference may require a driven earth
ground conductor at the generator installation site. Make the ground connection as shown in
Figure 3-5. Use the appropriate size wire as required by NEC and local codes.
1. Open the enclosure electrical access panel door.
2. Connect the ground wire to the “earth ground connection” terminal shown in Figure 3-5.
This is the local ground reference to ground the generator enclosure and frame.
Battery Connections The generator is shipped with no battery installed.
Caution: This generator must have a battery installed for operation. The battery is used during starting
and during operation. If engine operation is attempted while the battery is removed, damage
to the engine’s electrical components may result.
WARNING: Installation and servicing of batteries is to be performed or supervised by personnel
knowledgeable of batteries and the required precautions. Keep unauthorized personnel away
from batteries.
WARNING: Do not dispose of battery or batteries in a fire. The battery is capable of exploding. If the
battery explodes, electrolyte solution will be released in all directions. Battery electrolyte
solution is caustic and can cause severe burns and blindness. If electrolyte contacts skin or
eyes, immediately flush the area with water and seek medical attention quickly.
WARNING: Do not mutilate the battery . The battery contains electrolyte solution which is caustic and
can cause severe burns and blindness. If electrolyte contacts skin or eyes, immediately flush
the area with water and seek medical attention quickly.
WARNING: A battery presents a risk of electrical shock hazard and high short circuit current. The
following precautions are to be followed when working on batteries:
1. Remove watches, rings, necklaces and all other metal objects.
2. Use tools with insulated handles.
3. Wear safety goggles, rubber gloves and boots.
WARNING: The battery electrolyte is a dilute sulfuric acid that is harmful to the skin and eyes. It is
electrically conductive and corrosive. The following precautions are to be followed when
working on batteries:
1. Wear full eye protection (safety glasses or goggles) and protective clothing.
2. Where electrolyte contacts the skin, flush the area immediately with water and wash it
off using soap and water.
3. Where electrolyte contacts the eyes, immediately flush the eye thoroughly with water
and seek medical attention quickly.
4. Spilled electrolyte is to be washed down with an acid neutralizing agent. A common
practice is to use a solution of one pound (500 grams) bicarbonate of soda to one
gallon (four liters) of water. the bicarbonate solution is to be added until evidence of
reaction (foaming) has ceased. The resulting liquid is to be flushed with water and the
area dried.

3-8 Receiving & Installation MN2417
WARNING: A battery presents a risk of fire because they generate hydrogen gas. Hydrogen gas is
extremely explosive. Never jump start a battery, smoke in the area around the battery or
cause any spark to occur in the area around the battery. The following precautions are to be
followed when working on batteries:
1. Do not smoke when near batteries.
2. Do not cause flame or spark in battery area.
3. Discharge static electricity from body before touching batteries by first touching a
grounded metal surface.
WARNING: Disconnect the battery’s ground terminal before working in the vicinity of the battery or
battery wires. Contact with the battery can result in electrical shock when a tool accidently
touches the positive battery terminal or wire. The risk of such shock is reduced when the
ground lead is removed during installation and maintenance.
Procedure: The correct type battery must be installed in the battery compartment provided, see Table 3-5.
Installation and servicing of batteries is to be performed or supervised by personnel
knowledgeable of batteries and the required precautions.
Keep unauthorized personnel away from batteries.
1. Open access doors and locate battery tray.
2. Remove battery cables from the battery, the (−) negative first then the (+) positive.
3. Remove the Battery Hold Down Bar and Rods.
4. Remove the old battery and place the correct new battery (see Table 3-5) on the tray.
5. Install the Battery Hold Down Bar and Rods as shown in Figure 3-6.
a. Place the bent end of the Battery Hold Down Rod through the hole in the Battery Tray.
b. Place the threaded end of the Battery Hold Down Rod through the hole in the
Battery Hold Down Bar and secure with flat washer, lock washer and nut.
c. Repeat steps a and b for the other Battery Hold Down Rod.
Figure 3-6 Battery Installation
Washers & Nut
Battery
Battery Hold Down Rod
Washers & Nut
Battery Tray
Battery Hold Down Bar
(Install away from terminals)
The + and − terminals of your battery may
be different than shown. Be sure that the
Positive lead is connected to the positive
(+) terminal of your battery.
6. Connect the positive lead to the positive (+) battery terminal.
7. Connect the negative lead to the negative (−) battery terminal.
8. Do not lay tools or metal parts on top of batteries.
9. Connect charging source to the battery terminals.
10. Disconnect the battery’s ground terminal before working in the vicinity of the battery or
battery wires. Contact with the battery can result in electrical shock when a tool
accidently touches the positive battery terminal or wire. The risk of such shock is
reduced when the ground lead is removed during installation and maintenance.

Receiving & Installation 3-9MN2417
Recommended Engine Oil and Battery Type
When replacing batteries, use only the recommended battery for your generator, see Table 3-5.
Table 3-5 Oil & Battery Recommendations
MODEL
SUMMER WINTER OIL RECOMMENDED (AMPS) COLD
MODEL
SUMMER
OIL
WINTER
OIL
OIL
CAPACITY
RECOMMENDED
BATTERY
(AMPS)
COLD
CRANKING
TS25 SAE. 20W/50 5W/30 8.6 QTS BCI Group 24 925
TS35 SAE. 20W/50 5W/30 8.5 QTS BCI Group 925
TS45 SAE. 20W/50 5W/30 11.8 QTS BCI Group 925
TS60 SAE. 20W/50 5W/30 11.8 QTS BCI Group 925
TS80 SAE. 20W/50 5W/30 14.0 QTS BCI Group 925
TS130 SAE. 20W/50 5W/30 18.0 QTS BCI Group (2) 750
TS175 SAE. 20W/50 5W/30 34.0 QTS BCI Group (2) 750
TS250 SAE. 20W/50 5W/30 34.0 QTS BCI Group (2) 750
TS400 SAE. 20W/50 5W/30 45.0 QTS BCI Group (2) 750
Post Installation Checks
When the initial installation is complete, these checks must be performed before starting the
engine. These checks are not required before each start, only after the initial installation.
1. Generators that have been in transit or storage for long periods may be subjected to
extreme temperature and moisture changes. This can cause excessive condensation,
and the generator windings should be thoroughly dried before bringing the generator
up to full nameplate voltage. If this precaution is not taken, serious damage to the
generator can result.
Caution: Do not apply high voltage to windings (do not start the generator) in a moisture−saturated
condition. Moisture can cause insulation breakdown, making it necessary to return the
generator to the factory for repair, and consequent expense and loss of time.
Note: These precautions are especially necessary in locations such as seaboard installations and
other high humidity areas. Some installations will be in atmospheres that are much more
corrosive than others. Prevention of a failure is better than being forced to make a repair.
2. Verify that the transfer switch is in Utility Power mode. No power must be present at
the generator or transfer switch connections. Verify with a voltmeter.
3. Verify that the engine starting battery is disconnected so accidental starting is not possible.
4. Verify generator is securely mounted and anchored to cement pad (skid mount only).
5. Verify that proper clearance exists on all sides and top of enclosure.
6. Verify no debris (buildup of leaves, grass, sand, snow, etc.) is present.
7. Assure generator is a safe distance from any flammable or combustible material.
8. Verify that the three phase generator power (L1, L2, L3 and N) are properly connected
to the transfer switch.
9. Verify that the generator and transfer switch load are voltage compatible.
10. Verify that no load is connected to the circuit breaker and/or transfer switch.
11. Inspect the engine and generator and verify that there are no loose wires or
components. Tighten if necessary.
12. Verify that the ground conductor is of correct wire size and properly connected.
13. Verify engine oil level is full. Refer to engine manual if necessary.
14. Verify engine coolant level is full. Refer to engine manual if necessary.
15. Verify exhaust system to assure it is in properly connected and pointing away from
occupied living space, air entry routes (doors, windows, vents etc.) and combustible
materials.

3-10 Receiving & Installation MN2417
Post Installation Checks Continued
16. Place the voltage output selector switch in the appropriate position.
17. Verify all loads are disconnected.
18. Verify the Master Control is in the “Stop” position.
Connect the engine starting battery to the starter. Verify it is installed correctly.
19. Verify the fuel source is available.
20. Remove all tools, rags, etc. from inside the generator enclosure. Close all enclosure
doors and be sure no hands are inside the generator enclosure when it starts.
21. Start the generator.
22. The engine should begin to crank and start when the fuel moves to the engine. If the
engine fails to start, refer to Section 5 Troubleshooting.
23. With the engine running, several checks must be made:
a. Verify there are no fuel leaks. If a fuel leak is detected, stop the engine (set the
Master Control in the “Stop” position) immediately and repair the leak before
proceeding.
b. Verify there are no coolant or oil leaks. If a leak is detected, stop the engine (set
the Master Control in the “Stop” position) immediately and repair the leak before
proceeding.
c. Verify that operation is smooth. If squeals, vibrations or other abnormal sources of
noise exist, stop the engine (set the Master Control in the “Stop” position)
immediately and repair before proceeding.
d. Verify the correct voltage exists at the receptacles.
WARNING: Engine coolant is under pressure and is near the boiling point of water when engine is hot.
Do not open the coolant system until the engine has completely cooled. Hot coolant can
cause severe burns and other injuries. When engine is cool, coolant level can be checked.
24. After the operation checks are made, stop the engine (set the Master Control in the
“Stop” position) and wait 2 hours for the engine to cool. When the engine is cool,
check engine oil and coolant levels as instructed in the engine operation manual.
25. Close all enclosure covers. The post installation checks are now complete.

Section 4
Operation
Operation 4-1MN2417
Towing the Generator
WARNING: Never allow a person to ride in or on a trailer that is being towed. All states prohibit
passengers in towed vehicles. A person can fall off and be struck be another vehicle or run
over by the towed trailer. Failure to observe this warning can result in death.
WARNING: Before using a tow vehicle, verify that the vehicle is designed for the load. Using a vehicle
that is too small is very dangerous. Be certain that it can handle the M.G.V.W. (Maximum
Gross Vehicle Weight) and the tongue weight for safe towing and braking.
WARNING: For a new trailer, the wheel lug nuts should be tightened to the proper torque specification
before use, after 50 miles of operation, after 100 miles of operation and periodically thereafter.
Failure to check the lug nuts for proper tightness can result in an accident due to a wheel
falling from the trailer.
WARNING: Never operate a trailer or tow vehicle that has a loose, missing or broken lug nut. The trailer
is designed for safe operation with all lug nuts installed and all at the proper torque rating.
Operating the trailer with one or more broken or missing lug nuts greatly increases the load
on the remaining nuts and can cause failure of the remaining nuts that can result in an
accident due to a wheel falling from the trailer.
SMake sure the tow vehicle is able to tow the load. Vehicle brake capacity is extremely
critical and the tow vehicle must be able to handle the additional weight of the trailer
mounted generator. Radiator and transmission cooling must also be considered.
SBe sure hitch capacity is equal to or greater than the load when mounted on the vehicle.
SBe sure the size and rating of the hitch ball is equal to or greater than the load.
SMake sure the safety chain(s) rating is equal to or greater than twice the maximum
gross vehicle weight rating of your trailer.
SIt is illegal to transport passengers in any trailer.
SReduce weight in car trunk and rear seat areas by the amount of tongue weight of your
trailer.
SAny alterations or changes made to the trailer void any express or implied warranties
on the trailer or towing equipment.
Selecting the Proper Towing Equipment
When selecting the proper towing equipment, the two most important factors that must be
considered are the M.G.V.W. (Maximum Gross Vehicle Weight) and the Tongue Weight (trailer
tongue weight at the hitch). The M.G.V.W. is the total weight of the trailer plus the payload in the
trailer. The tongue weight is the downward pressure exerted at the coupler. The easiest way to
measure the gross vehicle weight is to place the loaded trailer on a vehicle scale making sure
that the scales are supporting the entire weight of the loaded trailer.
The easiest method to measure tongue weight is to place the jack stand (trailer tongue) on a
scale making sure the trailer is level. The trailer tongue should be level and in its normal towing
position. Tongue weight should be 10% of trailer weight and not more than10% of M.G.V.W.
Tow Vehicle
Make sure the vehicle you are using to tow the trailer is capable of towing the weight. Check the
vehicle Owner’s Manual for towing capability of the towing vehicle or contact the vehicle
manufacturer for this information. Make sure the tow vehicle is able to tow the load. Vehicle
brake capacity is extremely critical and the tow vehicle must be able to handle the additional
weight of the trailer mounted generator. Radiator and transmission cooling must also be
considered. Seek expert advise to select the proper tow vehicle. Trailers with a gross vehicle
weight rating that exceeds 10,000 lbs require special consideration.
Table 4-1 Tow Hitch Capacity
Tow Vehicle Hitch Class Maximum Tow Capacity Maximum Tongue Weight
Compact Vehicle Sub Class I 1000 Lbs. 100 Lbs.
Compact Vehicle Class I 2000 Lbs. 200 Lbs.
Mid & Full Size Vehicle Class II 3500 Lbs. 300 Lbs.
3/4 Ton or larger Truck Class III 5000 Lbs. 500 Lbs.
1 Ton or larger Truck Class IV 10000 Lbs. 1000 Lbs.
Class 3−8 Vehicle Custom Engineered Custom Engineered Custom Engineered

4-2 Operation MN2417
Selecting the Proper Towing Equipment Continued
Electrical Trailer Wiring
All trailers must have taillights, brake lights and turn signals connected to the towing vehicle’s
electrical system. It is also recommended that a heavy duty turn signal flasher and emergency
flasher (if separate) be installed since the trailer lights place an extra load on car flasher units.
Towing Heavy Trailer Loads
1. Trailer brakes. In all cases refer to your vehicle’s owner manual and the trailer
operating manual to be certain you have an adequate braking system to handle the
vehicle/trailer combination. Also, State and local requirements, road and weather
conditions and grade of road, etc. should be considered for trailer braking.
2. Additional equipment. The following items may be helpful for towing heavy loads. Consult
your vehicle’s owner manual or dealership for recommended towing accessories.
a. Overload Springs
b. Overload or air shocks
c. Transmission Oil Cooler
d. Engine Oil Cooler
e. Coolant recovery System
f. Heavy Duty Fan
g. Side View Mirrors
h. Sway Control
Safe Driving Tips 1. Loading Trailer. The trailer should be loaded so that the downward tongue weight is
approximately 10% of the gross vehicle weight. The trailer tongue should be level with
the tow vehicle coupling during towing. Adjust load, hitch and coupling as necessary to
ensure trailer tongue remains level during towing.
2. Following and stopping distance. The stopping distance is increased when towing a
trailer. A rule of thumb for the minimum distance that should be maintained between
you and the preceding car on dry pavement is one car and trailer length (2 car lengths)
for every 10 MPH you are traveling. The distance should be increased accordingly
depending on road and weather conditions. Avoid sudden stops if possible.
3. Passing. Accelerating and passing should be done slowly to allow extra distance for
passing. Signal well in advance when passing and returning to the proper lane. Allow for
the extra length of the trailer before changing lanes. Never change lanes abruptly as this
may cause the trailer to sway and push the tow vehicle into a “jack knife” condition.
4. Turning. Allow for the extra length of the trailer. Drive slightly beyond normal turning point
to avoid running over curbs and soft shoulders. Turning radius increases when towing.
5. Uphill and Downhill Grades. Reduce speed and use a lower transmission gear for
steep or long up or down hill grades. Maintain safe distance from other vehicles.
6. Parking.
SAvoid parking on uphill or downhill grades
SPlace transmission in “PARK”
SApply parking brake.
SUse wheel chocks.
SIn a parking lot, avoid parking close to other vehicles. Turning radius is greater
and it may be impossible to get out of a parking space after a few other vehicles
have parked around your vehicle.
7. Trailer Sway. If trailer sway occurs, reduce speed. Apply trailer brakes rather than car
brakes to control sway. See step 1 and ensure trailer tongue remains level during
towing. If sway persists, seek expert advise.
8. Trailer Backing. Backing a trailer can be frustrating. The most important item to remember
is that the trailer will go in the opposite direction of the tow vehicle. It is helpful to have
another person help you back the trailer and watch for objects.
Turn the vehicle’s wheels to the right to make the trailer go left, and vice versa.
Put your hand at the bottom of the steering wheel. The trailer will go in the same direction
your hand moves (moving your hand to the right will cause the trailer to go right, and vice
versa). Sharp steering wheel corrections will cause the trailer to jackknife and may cause
damage to the rear of the tow vehicle or the front of the trailer.

Operation 4-3MN2417
Figure 4-1 Trailer Component Identification
Jack
Single or
Double Axle
Trailer Brake
Safety
Chains Trailer
Pintle
Engine
Compartment
Lift Hook
Battery
Compartment
Jack
Coupler
Coupler Handle
Safety
Chains
Ball Coupler
Tow Vehicle Mounted
Pintle Hook
Caution: Large “Engine Compartment Doors” on each side of enclosure must remain closed during
operation. If doors remain open, engine will overheat due to insufficient air flow around engine.
WARNING: If the trailer is not properly secured to the tow vehicles tow hitch, the trailer may separate
from the tow vehicle and cause severe injury or property damage. Always ensure that the tow
hitch and trailer tongue are properly connected, in good working condition and that safety
chains are properly connected from the trailer to the tow vehicle.
Safety Checks The following items should be checked before each use and once every 100 miles of towing:
1. Verify the tow vehicle is designed to tow the trailer before trailer is connected to the
vehicles hitch. Using a tow vehicle that is too small is very dangerous.
2. Verify the stop, tail and turn signals are working properly.
Replace damaged lenses, reflectors or bulbs.
3. Check wires for good connections and possible fraying or wearing of insulation.
4. Check and properly maintain the trailer, hitch, jack, ball and coupler.
5. Inspect hitch and ball for damage. Ball or hitch can be damaged in parking, hitting
curbs, dragging when crossing ditches or railroad tracks.
6. Check and properly tighten all bolts on trailer, hitch, ball and coupler (including trailer
wheels).
7. Check safety chains for wear and do not allow them to drag on ground or roadway.
8. Test breakaway system.
Hydraulic surge brake system, normally have a cable or chain connected to the tow
vehicle. In a break away condition, this cable or chain activates the master cylinder and
operates the brakes as the trailer stops.
An electric brake system, the emergency breakaway system has a battery, charger,
breakaway switch with a pull pin and cable connected to the tow vehicle. In a break
away condition, this cable operates the electric brakes (power provided by the brake
battery) as the trailer stops.
9. Check all generator mounting hardware for tightness.
10. Check tow vehicle tires for wear and proper inflation. (Check vehicle’s owner manual
for proper level of inflation of tires for towing a trailer).
11. Check trailer tires for wear and proper inflation. Replace only with a tire of the same
size and capacity ratings.
12. Carry emergency flares, reflectors and fire extinguisher.
13. Carry spare light bulbs and fuses.
14. Wheel bearings should be checked and regreased after the first 100 miles, and every
4000 miles thereafter or at least once a year. Wheel bearing grease or a good grade of
multi−purpose grease should be used for packing wheel bearings. If you don’t know
how to repack your wheel bearing, take your trailer to a service shop. Be sure to
properly tighten the axle nut and wheel nuts during assembly.
15. For proper tow vehicle maintenance while towing a trailer, check vehicle’s owner
manual and manufacturer’s specifications.

4-4 Operation MN2417
Towing Instructions See Figure 4-1 for component identification.
1. Be sure the generator is off.
2. Shut all enclosure doors and latch the locks.
3. Back the tow vehicle to within a few inches of the trailer coupler (Pintle or Ball).
4. Be sure the Coupler Handle is in the “UP” (open) position or the Pintle Hook is Open.
5. Adjust the trailer jack for the height of the hitch on the tow vehicle.
6. Back the tow vehicle so the trailer coupler is directly over the tow vehicle ball hitch or
the Pintle hook.
7. Lower the trailer so the trailer coupler rests securely on the ball hitch of the tow vehicle.
Move the Coupler Handle to the horizontal position and lock it in place to securely hold
the ball hitch of the tow vehicle.
OR
Latch the Pintle and lock the Pintle device securely.
Note: If this is not done properly, the trailer may become unhitched when it is towed.
8. Retract the front jack, pull the jack pin and rotate the jack 90 degrees from vertical to
the horizontal position, making sure the self−locking pin reseats and the jack is secured
to the tow bar (stowed position).
9. Connect safety chains, making sure to cross them. If a safety chain is too long, simply
twist it a few turns to shorten the chain before attaching to the tow vehicle.
10. Connect the trailer light connector to the tow vehicle.
11. Test the trailer lights to ensure they are operational.
12. Check tires for proper inflation.
13. Check wheel lug nuts for correct tightness (see Lug Nut Tightness).
Wheel nuts/bolts should be torqued before the first road use and after each wheel
removal. Check and re−torque after the first 50 miles and again at 100 miles.
Check periodically thereafter.
14. Verify that all jacks, pins, cables, and doors are secured and trailer tongue is level.
15. Remove tire chocks (if used). These prevent the trailer from moving when parked.
Lug Nut Tightness Be sure to use only the fasteners matched to the cone angle of your wheel (usually 60 or 90
degrees.) The proper procedure for attaching your wheel is as follows, see Figure 4-2:
1. If a wheel is removed and installed, start each nut by hand to prevent cross threading.
2. Tighten lug nuts in the following sequence.
a. Tighten each bolt in the sequence shown in Figure 4-2 and tighten to one half the
torque specified until all lug nuts are tightened to one half the torque.
b. Tighten each bolt in the sequence shown in Figure 4-2 and tighten to three fourths
the torque specified until all lug nuts are tightened to three fourths the torque.
c. Tighten each bolt in the sequence shown in Figure 4-2 and tighten each to the
specified torque until all lug nuts are tightened to the correct torque.
Figure 4-2 Lug Nut Tightening Specifications
Description
1/2” Cone nut
5/8” Cone nut
5/8” Cone nut
3/4” Hex nut
4 Bolt 5 Bolt 6 Bolt 8 Bolt 10 Bolt
Tightening
Sequence
Application
12” − 13” Wheel
14” − 16” Wheel
Flat Disc Wheel
Clamp Ring
Demountable Ring Clamp
Minimum Torque (ft−lbs.)
50
90
175
190
210
Maximum Torque (ft−lbs.)
65
120
225
210
260
Torque
Specification
1
2
34
1
2
34
57
68
1
2
34
5
1
63
2
45
1
2
63
8
10
5
79
4

Operation 4-5MN2417
Trailer Setup See Figure 4-1 for component identification. Carefully read all instructions before starting.
1. Locate a suitable, level location. Also be sure there are no overhead wires or
obstructions.
The trailer is balanced so the majority of the weight rests on the tow bar (Jack).
If on a minor incline, the safest way to position the tailer is to have the tow bar facing
down the incline (front of the trailer lower than the rear of the trailer).
2. Install tire chocks if used. These prevent the trailer from moving when parked.
3. Disconnect the safety chains and the trailer light connector from the tow vehicle.
4. Pull the pin on the front jack and rotate the jack 90 degrees to the vertical position.
Lock the jack in the vertical position using the pin to secure it.
5. Move the Coupler Handle to the vertical position to release the ball hitch.
OR
Release the Pintle hook.
6. Use the jack to raise the trailer coupler from the ball hitch of the tow vehicle.
7. The tow vehicle can now be moved away from the trailer.
8. Use the jack to level the trailer for operation.
Voltage Selection
WARNING: High voltage is present whenever the engine is running. Electrical shock can cause serious
or fatal injury. Always stop engine before connecting or disconnecting power cords or
external devices.
WARNING: High voltage is present whenever engine is running. Electrical shock can cause serious or
fatal injury. Never operate electrical equipment while standing in water, on wet ground or with
wet hands, feet or shoes or while barefoot.
Hard Wire Load Terminal Block, shown in Figure 3-5.
1. Ensure the generator is off.
2. Place voltage select switch in the correct position 208/120, 240/120 or 480/277VAC.
Refer to Table 4-2 for voltages available in each position. To ensure the switch position
is not accidently changed, it should be padlocked as shown in Figure 4-3.
Figure 4-3
Insert padlock through the hole in the handle.
This activates an internal mechanism that
prevents handle rotation.
3. Carefully inspect all Individual load cables for broken insulation or other signs of
damage. Never use a damaged cable. Replace it before usage.
4. L1, L2, L3, Neutral and Ground cables must be brought into load block compartment
through access hole in base of enclosure.
5. Ensure that wires are properly connected and connections are secure.
6. Use disconnect at the load to turn off the load. Do not start engine with load switched
“on”. Allow engine to come up to speed and warm up before load is switched on.
Note: When the generator is running, opening load block door will cause load disconnect to trip.
7. Observe the output voltage indicator and set the Voltage Adjust (Figure 4-5) for proper
voltage.
8. If left unattended, lock all doors to prevent tampering or injury.

4-6 Operation MN2417
Table 4-2 Three/Single Phase Operation
Alternator
Voltage
Voltage at Terminal Lugs Voltage at Plug Receptacles
Switch
Position
Alternator
Winding
Connection
Voltage
Adjust
Position
Line To Line Voltage Line To Neutral Voltage 120VAC
Receptacles
240VAC Receptacles
(Twist Lock)
Position
C
onnec
ti
on
P
os
iti
on L1−L2 L2−L3 L1−L3 L1−N L2−N L3−N L−N L−L L−N
Series High
Minimum 416 416 416 240 240 240 120 208 120
480/277 Series High
Wye
Middle 460 460 460 266 266 266 133 230 133
480/277
W
ye Maximum 480 480 480 277 277 277 139 240 139
Parallel Low
Minimum 208 208 208 120 120 120 120 208 120
208/120 Parallel Low
Wye
Middle 230 230 230 133 133 133 133 230 133
208/120
W
ye Maximum 240 240 240 139 139 139 139 240 139
Parallel Low
Minimum 200 100 100 100 200 100
240/120 Parallel Low
ZigZag
Middle 220 110 110 110 220 110
240/120
Zi
g
Z
ag Maximum 240 120 120 120 240 120
No connection at Terminal Lug #2.
Receptacle Panel Load Connections, see Figure 4-4.
1. 240/120VAC voltage is present at the receptacle panel at all times when generator is
running.
2. Carefully inspect all Individual load cables for broken insulation or other signs of
damage. Never use a damaged cable. Replace it before usage.
3. Individual load cables may be routed into the receptacle compartment through the
Enclosure Electrical Access Panel.
4. Individual load cables may be connected or disconnected while generator is running.
Use extreme care not to touch any electrical wire or terminal to avoid shock hazard.
5. Keep Enclosure Electrical Access Panel closed at all times. This prevents rain or other
harmful elements from entering the compartment. Output metering and gauges can be
observed through the window in the Enclosure Electrical Access Panel.
Figure 4-4 Receptacle Panel (Single Phase)
Note:
Single phase power is
always available.
(GOLD)
X
(GOLD)
Y
G
W
(SILVER)
CS6369
125/250V
50A
X
YW
Test
Reset
CS6365N
GFI Outlet
120V, 20A
240V, 50A
Circuit Breakers (Single or Double pole)
Circuit Breakers provides protection on some
units. To reset a breaker, place it in the OFF
then the ON position.
Meters, switches, lights and other operator control components are located in various places on
each panel. Figure 4-5 can be used to identify the function and features of each operator control
regardless of where it is located on your panel.

Operation 4-7MN2417
Figure 4-5 Operator Control Panel Components
PANEL LIGHTS
ON OFF
Panel Lights switch (On−Off )
Turns on the panel lights.
FUSE
Fuse Fuses provides protection on some units.
(Do not remove while generator is running).
BREAKER Breaker Circuit Breakers provides protection on
some units. To reset a breaker, simply press
the center button when tripped or move
handle to Off" then back to On".
Shore Power Inlet Connect an extension cord that
has an appropriate rating from utility power to this
outlet. To power onboard battery charger, block
heater, etc.
Horn A Horn (annunciator or buzzer) sounds an
alarm when operator attention is needed.
Voltage Select Switch switch
Selects 208/120, 240/120 or 480/277VAC.
OFF
1
2
Auto Start Connection for external two wire starting from
transfer switch or other controller. Strip the
insulation from the remote start wires. Simply
press while inserting the wire then release to
secure the connection.
Panel Lights)
Lamps to illuminate the operator panel.
Amps Switch switch (On−Off )
Selects what is displayed on AC
Amperes meter.
Off − No AC Ampere display.
1 − Phase 1 current display.
2 − Phase 2 current display.
3 − Phase 3 current display.
Volts
Analog display of generator output voltage
in RMS volts.
AMPS
Analog display of generator output current
in RMS amps.
HERTZ
Analog display of generator RPM which
relates to the output frequency in Hertz.
Battery
Displays the voltage of the engine starting battery.
Water Temp
Displays the temperature of the engine coolant.
Oil Press
Displays engine oil pressure.
Voltage Adjust
Increase or Decrease the Generator output
voltage.
−+
or
or
15
1 Pole
2 Pole
Note: Some features are optional and
may not be installed on your system.
Voltage Reconnect and Adjustment
The digital engine controller runs software called voltage auto−detect. Every time the engine is
started and after the timer in the Engine Params: Stabil Time has elapsed, the nominal voltage
will be detected and locked in. Various set points in the engine controller are then calculated as
a percentage of this nominal voltage. For example: The over−voltage set point is set to 110%.
This means that when the unit is providing 208V, the over−voltage set point will lock in at 229V.
When the unit is operating in 480V the over−voltage set point will lock in at 528V.
Example: To change the voltage from 208V nominal to 240V nominal, the voltage adjustment
must be made before the controller locks in the nominal voltage.
1. Set the Voltage Select Switch to 240/120V position.
2. Start the engine.
3. Immediately adjust the Voltage Adjust for 240VAC nominal before the 20 second timer
expires.
4. The new 240V nominal voltage is now locked in.
This procedure must be performed whenever the nominal voltage is changed.

4-8 Operation MN2417
Pre−Start Procedure Before attempting to start the generator set, several things must first be verified or
performed. These are:
1. Fill system fuel tank with clean, fresh diesel fuel.
2. Fill engine crankcase to full mark with clean, fresh lubricating oil per engine
manufacturer operating guide.
3. Radiator coolant should be checked at the beginning of each day and filled in
compliance with the engine manufacturer’s guidelines.
4. Secure the generator for operation.
a. Skid mounted − the power generating system should be mounted to a smooth,
hard surface suitable for supporting the system under all stress conditions.
b. Trailer mounted − block wheels to prevent accidental movement.
Use jack (Figure 4-1) to level the generator.
c. Adequate clearance must be provided for access doors to fully open.
Note: The exhaust also exits radiator end. When positioning a generator system ensure position
does not cause a concentration of toxic emissions.
5. Place voltage select switch in the correct position 208/120, 240/120 or 480/277VAC
and pad lock it in position if required (Figure 4-3).
6. Carefully inspect all Individual load cables for broken insulation or other signs of
damage. Never use a damaged cable. Replace it before usage.
7. L1, L2, L3, Neutral and Ground cables must be brought into load block compartment
through access hole in base of enclosure.
8. Ensure that wires are properly connected and connections are secure.
9. Ensure that an external ground connection is made when required for safety.
10. Ensure that the Remote Start wires are properly connected, if used.
11. Use disconnect at the load to turn off the load. Do not start engine with load switched
“On”. and warm up before load is switched on.
12. Manually start the engine, allow engine to come up to speed and perform the Voltage
Reconnect and Adjustment within the allotted time.
13. Stop the engine.
Caution: Large “Engine Compartment Doors” on each side of enclosure must remain closed during
operation. If doors remain open, engine will overheat due to insufficient air flow around
engine.
14. Ensure that Engine Compartment doors are closed for proper ventilation.
Note: Receptacle Panel Load cables may be routed into the receptacle compartment through the
Enclosure Electrical Access Panel after generator is started and has warmed up.
Operating Procedures The engine−generator controller is designed to start and stop an engine from either AUTO
“Automatic” mode or Manual “NOT IN AUTO”. Refer to Figure 4-6.
Manual Start Procedure
1. Press PAGE until the “OFF AUTO MAN” display is shown.
2. Press Mode until control is in MAN mode.
3. Press “Start”.
4. The controller will start the engine.
Manual Stop Procedure
1. Use disconnect at the load to turn OFF the load. Allow generator cool down if needed.
2. Press “Stop”. Press Mode until control is in OFF mode.
AUTO Start Procedure
1. Press Mode until control is in AUT mode.
In Auto mode, the generator will start when the remote start input closes.
2. In Auto mode, the generator will stop when the remote start input opens.

Operation 4-9MN2417
Digital Engine Controller Description EM0046A21 (MRS17)
Figure 4-6 Operator Control Panel
Stop
Manual
Run
Display
Menu
Group
LED Indicators
Operating Modes and
Horn & Fault Reset
Note: The operator control panel is equyipped with a heater element that allows the LCD display
to operate to −40°C (not the entire generator set, see generator specifications). This
heater operates from the main battery power.
LED Indicators Alarm (red) − Alarm (shutdown) condition occurred. Annunciates & shuts down generator.
Not In Auto (red) − Control is not in auto mode and cannot provide standby power.
Running (green) − Generator is running, no alarms or warnings.
Warning (yellow) − A warning condition has occurred. Annunciates only.
Ready/Auto (green) − Control is in Auto mode and ready to provide standby power.
Supplying Load (green) − Generator is providing output voltage to load.
Table 4-3 Alarm & Warning Conditions
Alarm Warning
X X High Coolant temperature
X X Low Oil pressure
X X Low Fuel level
X X Generator Under/Over Voltage
X X Generator Under/Over Frequency
X X Generator Over Current
XGenerator Overspeed
XCoolant temperature Low
XStarting battery Under/Over Voltage
Manual Run Immediately begins the crank cycle to start engine and produce power (MAN mode only).
Start Start generator set operation (MAN mode only).
Stop Stops the Engine and generator set (MAN mode only).
Display Displays setpoints, adjustments, Alarms and Warning conditions and Operating Mode selections.
Page Changes menu displayed − Measurement, Adjustment or History.
Mode A and " Allows selection of OFF − MAN − AUTO mode choices.
Horn Reset Deactivates the Horn output.
Fault Reset Reset Alarms and Warnings.
Y and B Selects the menu choice, select the setpoint or select the menu or increase/decrease the
setpoint value.
Enter Confirm and accept changed setpoint value.
Enter + Y and BAdjusts display contrast.
Enter+ Fault Reset Clears engine ECU faults.

4-10 Operation MN2417
Digital Engine Controller Description EM0046A21 (MRS17) Continued
Operating Mode Press Mode or to scroll though the list of operating modes: Off, Manual and Automatic.
The control mode is shown in the highlighted area at the top of the display, Figure 4-7.
When the desired Control Mode is highlighted, press Start to begin operation.
Press Stop to terminate operation.
OFF − Generator set operation is not allowed.
MAN − Press Start to manually start the generator set immediately.
Press Stop to stop the generator set immediately.
AUT −Start and Stop buttons are ignored.
The binary input terminal conditions start and stop the generator set.
Display Menus Three display menus are available: Measurement, Adjustment and history.
Press the Page button repeatedly to display each menu. Use and Enter keys to change
and accept setpoint values or press the Page button to cancel changes.
Measurement Menu
The measurement menu, shown in Figure 4-7 displays the operating mode, and operating
parameters such as kW, engine RPM etc.
Figure 4-7 Measurement Menu
OFF MAN AUT
Ready
PF
RPM
Timer
0.00
0
0
0kW
Control Mode
Operating Modes and
Horn & Fault Reset
Ready = Status
kW = Active power produced by generator
PF = Power Factor
RPM = Engine speed in revolutions per minute
Timer = Event counting time (e.g. prestart, cooling etc.)
!
OFF MAN AUT = Control operating mode (highlighted)
! = Alarm indication is active
OFF Mode
Starting of the generator set is not possible. Outputs STARTER (BO1) and FUEL SOLENOID
(BO2) are not energized. No action if buttons START and STOP are pressed.
MAN Mode
START button starts the generator set.
STOP stops the generator set.
This operation is further defined in Table 4-4.
AUT Mode
No action if buttons START and STOP are pressed.
Engine Start/Stop request is given by binary input REM Start/Stop (BI1).

Operation 4-11MN2417
Digital Engine Controller Description EM0046A21 (MRS17) Continued
Table 4-4 Manual Mode Sequence Description
Menu Status Condition of Transition Action Next State
Start request PRESTART on,
Prestart time counter started
PRESTART
Ready RPM > 2 or Oil pressure detected or
Gen voltage > 10V
Stop (Stop fail)
OFF mode selected or Shut down alarm active Not Ready
Not Ready RPM < 2, Oil pressure not detected, Vgen < 10V,
no shutdown alarm active, other than OFF mode
selected
Ready
Prestart Prestart time elapsed STARTER on, FUEL SOLENOID on,
MaxCrank time counter started
Cranking
RPM> Start RPM STARTER off, PRESTART off Starting
D+ input activated or oil pressure detected or
Gen voltage > 25% Vgnom
STARTER off, PRESTART off Cranking
Cranking MaxCrank time elapsed, 1st attempt STARTER off, FUEL SOLENOID off,
STOP SOLENOID on,
CrankFail pause timer started
Crank pause
Main
MaxCrank time elapsed, last attempt STARTER off, PRESTART off Shutdown (Start fail)
Main
Measurement Crank Pause CrankFail pause elapsed STARTER on, FUEL SOLENOID on,
STOP SOLENOID off,
MaxCrank time counter started
Cranking
Starting 30% Nominal speed reached READY TO LOAD on,
MaxStabTime counter started
Running
Running
Stop request READY TO LOAD off,
Cooling time timer started
Cooling
R
unn
i
ng RPM = 0 or any other shutdown condition READY TO LOAD off,
FUEL SOLENOID off
Shutdown
Loaded RPM = 0 or any other shutdown condition FUEL SOLENOID off, STOP SOLENOID
on, READY TO LOAD off
Shutdown
Cooling time elapsed FUEL SOLENOID off,
STOP SOLENOID on
Stop
Cooling RPM = 0 or any other shutdown condition FUEL SOLENOID off,
STOP SOLENOID on
Shutdown
Start request READY TO LOAD on Running
Stop
RPM = 0, Oil pressure not detected, Vgen < 10V Ready
S
top 60 sec. Elapsed Stop (Stop fail)
Some output conditions are optional and may require additional programming of field connection.
See appropriate wiring diagram.
Adjustment Menu
The adjustment menu, Figure 4-8 allows setting engine and generator values such as
Passwords, Pre−Start Time, Crank Time, Cool Down Time, Alarm Conditions and values,
Shutdown Conditions and values, power transfer settings, etc.
Figure 4-8 Adjustment Menu
> ENGINE BASIC
ENGINE PROT
GEN BASIC
GEN PROTECT
Use and to move the cursor to the desired parameter.
Press ENTER to select the parameter group.
Press PAGE to move to the next page of menu items.
Alarm List
Shows the active alarms and warnings. Press fault reset to clear the list.
ECU Alarm List
Shows the active ECU (engine control unit) fault codes. Press ENTER + fault reset to clear the
list.

4-12 Operation MN2417
Alarms Following alarms are available:
Sensor fail (FLS) see Table 4-5
Sensor fail is detected when measured value is 6% out of selected sensor characteristic.
Sensor fail is indicated by ##### symbol instead measured value.
Warning (WRN) see Table 4-5
When warning comes up, only alarm outputs and common warning output are closed.
Shut down (SD) see Table 4-5
When the shut−down alarm comes up, InteliLite opens outputs GCB CLOSE/OPEN, FUEL
SOLENOID, STARTER and PRESTART to stop the engine immediately. Alarm outputs and
common shutdown output are closed. Active or not reset protection disables start.
Table 4-5 Possible Warnings
Events specification Protection type
Wrn Oil press WRN
Sd Oil press SD
Wrn Water temp WRN
Sd Water temp SD
Wrn Wtemp Low WRN
Wrn Fuel Level WRN
Sd Fuel Level SD
Battery voltage <, > WRN
Battery flat SD
Start fail SD
Vgen <, > SD
Vgen unbl SD
Fgen <, > SD
Igen unbl SD
Overload SD
RPM over SD
RPM under SD
PickupFault SD
Stop fail SD
WrnServiceTime WRN
Emergency Stop SD
ECU Common Warning WRN
ECU Shutdown SD

Operation 4-13MN2417
Inputs and Outputs
Any Binary input or output can be configured to any controller terminal Inputs are BI1 − BI6,
Outputs are BO1 − BO6) or changed to different function by LiteEdit software.
There is fixed 1 sec delay when any binary input is configured as protection.
Table 4-6 Binary Inputs
Alarm Alarm type Warning or Shut down
Alarm active All the time, or Engine running only
Rem start/stop External request for engine run. AUT mode only.
Emergency stop If the input is opened, shut down is immediately activated. Input is
inverted (normally closed).
Rem start/stop External request for engine run. AUT mode only.
Table 4-7 Binary outputs
Starter (relay output) The closed relay energizes the starter motor.
The relay opens if:
The firing speed is reached or
Maximum time of cranking is exceeded or
Request to stop occurs
Fuel solenoid (relay output) Closed output opens the fuel solenoid and enables the engine start.
The output opens if:
Emergency stop occurs or
Cooled gen−set is stopped or
In pause between repeated starts
Prestart Output is closed prior to the engine start (Prestart) and opens when
START RPM speed is reached.
During repeated crank attempts the output is closed too.
The output could be used for pre−glow, pre−heat or prelubrication.
Common Sd Output closes when any shut−down alarm appears.
The output opens, if alarm is not active and FAULT RESET is pressed.
Used for shunt trip.

4-14 Operation MN2417
Analog Inputs Three analog inputs for resistive sensor 0 to 2400 ohms measuring are available on IL controller.
Use LiteEdit software to modify configuration.
The Analog inputs values assignment (AI1 = Oil press, AI2 = Water temp, AI3 = Fuel level) is fix.
It is possible to configure on each Analog input:
Reading from IL Analog inputs or from Engine Control Unit via CAN bus (J1939)
Sensor characteristics − from the list,
Value dimension (e.g. psi − bars, °F − °C, % − l)
Number of decimal points (0, 1, 2, ...).
Note: Corresponding Analog input terminal is dead when reading is switched to ECU.
All values from ECU shall show ####, but no alarm is displayed when CAN communication
is interrupted.
Warning and shut−down limits are adjusted in Engine protection group.
Table 4-8 Analog Inputs
AI1 Oil press Oil pressure analog input. Default VDO sensor in range 0 to 145 psi.
AI2 Water temp Water temperature analog input. Default VDO sensor in range 32 to 212°F
AI3 Fuel level Fuel level analog input. Default VDO sensor 0−180R = 0−100%.
Set points
Table 4-9 Basic Setpoints
EnterPassword Password is a four−digit number. Password enables change of relevant
protected set points Use ⇑ or ⇓ keys to set and ENTER key to enter the
password.
ChangePassword Use ⇑ or ⇓ keys to set and ENTER key to change the password.
Gen−set name User defined name, used for InteliLite identification at remote phone or
mobile connection. Gen−set name is max 14 characters long and have to
be entered using LiteEdit software.
Nomin power(3ph) Nominal power of the generator in three phases connection.
Step: 1 kW; Range: 1 − 3000 kW
Nomin power(1ph) Nominal power of the generator in single−phase connection.
Step: 1 kW; Range: 1 − 3000 kW
CT Ratio Gen−set phases current transformers ratio.
Step: 1 A; Range: 1 − 5000 A / 5A
PT ratio Gen−set potential transformers ratio.
Step: 0,1 V / V; Range: 0,1 − 500,0 V / V
Nominal freq Nominal generator frequency (usually 50 or 60 Hz )
Step: 1Hz; Range: 45 − 65 Hz
Gear teeth Number of teeth on the engine gear for the pick−up. Set to zero, if no
pick−up is used. Engine speed is counted from the generator frequency.
Step: 1; Range: 0 − 500
Note: Generator frequency can be used only when generator voltage
(min 5V) is present before reaching of the firing speed
(Starting RPM) after start.
Nominal RPM Nominal engine speed. Step: 1RPM; Range: 100 − 4000 RPM.
FLTRESGOTOMAN DISABLED: Controller stays in AUT mode after Fault reset .
ENABLED: Automatic switch from AUT (or TEST) to MAN mode after
Fault reset to avoid automatic engine start. This function is active for Shut
down protection only.
DispBackLightTO Timeout after which the display backlight is switched off.
Step: 1 min Range: 0 − 60 min
Default value: 0 = the display lights all the time
Mode IL [ OFF, MAN, AUT ] Equivalent to Controller mode changes by MODE or MODE buttons.
Note: Controller Mode change can be separately password protected.
RS232 mode
[Standard/Modbus ]
Communication protocol switch.
Standard: LiteEdit communication protocol. Modbus: Modbus protocol.
Note: For detail description see chapter Modbus protocol.
Num rings AA Number of rings prior to open modem connection. Step: 1; Range: 1 − 30
Note: NumberRings AA change is not activated immediately. It is activated
after controller is switched on or when modem is connected to controller.

Operation 4-15MN2417
Table 4-10 Engine Setpoints
Start RPM “Firing” speed when iL controller stops cranking (starter goes OFF).
Step: 1% of nominal RPM; Range: 5 − 50 %
Starting POil When reached controller stops cranking (starter goes OFF).
Step: 0,1 psi; Range: −100 − 10000
Note: There are three conditions for stop cranking: Starting RPM,
StartingPOil and D+ (when enabled). Starter goes off when any
of these conditions is valid.
Prestart time Time of closing of the PRE−START output prior to the engine start.
Set to zero if you want to leave the output PRE−START open.
Step: 1s; Range: 0 − 600 s
MaxCrank time Maximum time limit of cranking. Step: 1s; Range: 1 − 60 s
CrnkFail pause Pause between crank attempts. Step: 1s; Range: 5 − 60 s
Crank attemps Max number of crank attempts. Step: 1; Range: 1 − 10
Idle time Idle time delay starts when RPM exceeds Start RPM . Start fail is detected
when during Idle state RPM decreases below 2.
During the Idle time timer running the binary output IDLE/NOMINAL is
opened, when it elapses the IDLE/NOMINAL output closes.
Binary output IDLE/NOMINAL opens during Cooling period again.
Step: 1 s; Range: 0 − 600 s
Note: If the IDLE function not supported on the governor, set the Idle time
nevertheless to minimum 5s to avoid Underspeed possibly
caused by instability of the engine short after start.
GCB CloseDelay GCB can be closed earliest GCB CloseDelay after Stabil time when all
electric values are in overunder voltage and over−under frequency limits.
Step: 1 s; Range: 0 − 300 s
Stabil time Generator Nominal voltage is detected during genset start after starter is
switched off and Idle time elapses. Electric generator protections are
active since detection. Step: 1 s; Range: 0 − 300 s
MinStpValvTime Binary output Stop solenoid closes when stop sequence begins and
closes at least for MinStpValvTime. Example MinStpValvTime = 20 sec.
a) When engine stops (RPM=0) in 10 seconds, Binary output Stop
solenoid still stays closed for 10 sec.
b) When engine stops in 30 seconds, Binary output Stop solenoid opens
10 seconds after RPM=0 and Vg =0 and Oil pressure = 0. Those 10 sec is
fix time for safe stop. Step: 1s; Range: 0 − 180 s
Note: Stop of engine is detected when all following conditions are met:
RPM =0, Oil pressure < StartingPOil and Generator voltage < 10 VAC.
Stop fail is detected when is difference between those conditions, e.g
RPM=O and Generator voltage > 10V.
Start RPM
RPM
BO Starter
BO IDLE/RATED
RPM = 2
RPM
Start Fail
Idle tim e M in stab tim e Electric protections
activ e
Idle Function
Stabil Time

4-16 Operation MN2417
Table 4-10 Engine Setpoints Continued
Cooling time Runtime of the unloaded gen−set to cool the engine before stop.
Step: 1s; Range: 0 − 3600 s
AfterCoolTime Runtime of engine after cooling pump. Binary output Cooling pump is
closed when the engine starts and opens AfterCool time delayed after
gen−set stops. Step: 1s Range: 0 − 3600s
CoolingSpeed Selects the function of the Binary output IDLE/NOMINAL during engine
Cooling state.
NOMINAL : Cooling is executed at Nominal speed and generator
protections are active.
IDLE: Cooling is executed at Idle speed and generator protections are
switched off.
Hint: Binary output IDLE/NOMINAL must be configured and connected to
speed governor. Engine Idle speed must be adjusted on speed governor.
D+ function ENABLED: The D+ terminal is used for both functions “running engine”
detection and charge fail detection.
CHRGFAIL: The D+ terminal is used for charge fail detection only
DISABLED: The D+ terminal is not used.
Note: Magnetization current is independent of this setpoint value.
Table 4-11 Engine Protect Setpoints
ECUFreqSelect This setpoint should be used only for Volvo and Scania engines.
ECU Speed Adjust This setpoint should be used only for Volvo and Scania engines.
WTBF Accept RPM The WtBfAcceptRPM delay setpoint will start to count down since
cranking. Controller waits before communicating with the ECU for this
time. This is because the JD engine passes some erroneous RPM signals
during the first 500ms. Step: 0,1s Range: 0 − 3s
Eng prot del During the start of the gen−set, some engine protections have to be
blocked (e.g. Oil pressure). The protections are unblocked after the
Protection del time. The time starts after reaching Start RPM.
Step: 1s; Range: 0 − 300 s
Horn timeout Max time limit of horn sounding. Set to zero if you want to leave the output
HORN open. Step: 1s; Range: 0 − 600 s
Overspeed Threshold for over speed protection.
Step: 1% of nominal RPM; Range: 100 − 150%
Wrn Oil press Warning threshold level for ANALOG INPUT 1.
Step: 1 psi; Range: Sd Oil press − 10000
Sd Oil press Shutdown threshold level for ANALOG INPUT 1.
Step: 1 psi; Range: −100 − Wrn Oil press
Oil press del Delay for ANALOG INPUT 1. Step: 1 s; Range: 0 − 180
Sd Water temp Warning threshold level for ANALOG INPUT 2.
Step: 1 °C; Range: Wrn Wtemp − 10000
Wrn Water temp Warning threshold level for ANALOG INPUT 2.
Step: 1 °F; Range: Wrn Wtemp low − Sd Water temp
Wrn Wtemp low Warning threshold level for low value on ANALOG INPUT 2.
Step: 1 °F; Range: −100 − Wrn Water temp
Water temp Low del Delay for ANALOG INPUT 2 Wrn Wtemp low. Step: 1 s; Range:1−180 s
Water temp del Delay for ANALOG INPUT 2 alarm. Step: 1 s; Range: 0 − 180 s
Wrn Fuel Level Warning threshold level for ANALOG INPUT 3.
Step: 1 %; Range: Sd Fuel Level − 10000
Sd Fuel Level Shutdown threshold level for ANALOG INPUT 3.
Step: 1 %; Range: −100 − Wrn Fuel Level
Fuel Level del Delay for ANALOG INPUT 3. Step: 1 s; Range: 0 − 180 s
Batt overvolt Warning threshold for high battery voltage.
Step: 0,1 V; Range: Batt undervolt − 40V
Batt undervolt Warning threshold for low battery voltage.
Step: 0,1 V; Range: 8V − Batt overvolt
Batt volt del Delay for low battery voltage alarm. Step: 1s; Range: 0 − 600 s
NextServTime Counts down when engine running. If reaches zero, an alarm appears.
Step: 1h; Range: 0 −65535h

Operation 4-17MN2417
Table 4-12 Generator Protect Setpoints
Overload Threshold for generator overload (in % of Nominal power)
Step: 1% of Nominal power; Range: 0 − 200%
Overload Wrn Threshold for generator overload warning (in % of Nominal power)
Step: 1% of Nominal power; Range: 0 − 200%
Overload del Delay for generator overload alarm. Step: 0.1s; Range: 0 − 60.0 s
Ishort Shutdown occurs when short circuit limit Ishort limit is reached.
Step: 1 % of Nominal current; Range: 100 − 500 %
2Inom del IDMT curve shape selection. 2Inom del is Reaction time of IDMT
protection for 200% overcurrent Igen = 2* Nominal current.
Step: 0,1 s; Range: 0,1 − 20 s
IDMT is “very inverse” generator over current protection. Reaction time is
not constant but depends on generator over current level according
following formula. Reaction time is limited up to 900 sec = 15 minutes.
IDMT protection is not active for Reaction time values longer than 15
minutes.
Reaction Time +2lnom del * Nomin current
lgen *Nomin current
Curr unbal Threshold for generator current asymmetry (unbalance).
Step: 1% of Nominal current; Range: 1 − 100% of Nominal current
Curr unbal del Delay for generator current assymetry. Step: 0.1 s; Range: 0 − 60.0 s
Gen >V Shutdown level for generator overvoltage. All three phases are checked.
Maximum out of three is used.
Step: 1% of Nominal voltage; Range: Gen >V Wrn −200%
Gen >V Wrn Warning level for generator overvoltage. All three phases are checked.
Maximum out of three is used.
Step: 1% of Nominal voltage; Range: Gen <V Wrn − Gen >V
Gen <V Wrn Warning level for generator under voltage. All three phases are checked.
Minimum out of three is used.
Step: 1% of Nominal voltage; Range: Gen <V − Gen >V Wrn
Gen <V Shutdown level for generator under voltage. All three phases are checked.
Minimum out of three is used.
Step: 1% of Nominal voltage; Range: 0% − Gen <V Wrn
Gen V del Delay for generator under voltage and over voltage alarm
Step: 0.1s; Range: 0 − 60 s
Volt unbal Threshold for generator voltage unbalance alarm.
Step: 1% of Nominal voltage; Range: 0 − 100% of Nominal voltage
Volt unbal del Delay for generator voltage unbalance alarm.
Step: 0.1s; Range: 0 − 60.0 s
Gen >f Shutdown level for generator over frequency.
Step: 0.1% of Nominal frequency; Range: Gen > Wrn − 200.0%
Gen >f Wrn Warning level for generator over frequency.
Step: 0.1% of Nominal frequency; Range: Gen <f Wrn − Gen >V
Gen <f Shutdown level for generator under frequency.
Step: 0.1% of Nominal frequency; Range: 0.0 − Gen <f Wrn
Gen <f Wrn Warning level for generator under frequency.
Step: 0.1% of Nominal frequency; Range: Gen <f − Gen >f Wrn
Gen f del Delay for generator under frequency and over frequency alarm.
Step: 0.1s; Range: 0 − 60.0 s

4-18 Operation MN2417
Table 4-13 Sensor Spec Setpoints
Calibr AI1,AI2, AI3 Calibrating constant to adjust the measured value of IL analog inputs.
Physical dimension of calibrating constant is corresponding to Analog
input. Step: 1; Range: −1000 to +1000
AnOut−kW/20mA Conversion coefficient from gen−set power to iG−IOM or PTM analog
output. Step: 1; Range: 1 to 32000
Table 4-14 IOM/PTM Module Setpoints
AnlInIOM1 lev1 The level for IOM ANALOG INPUT 1 alarm detection.
Step: 1; Range: −100 to +10000
AnlInIOM1 lev2 The level for IOM ANALOG INPUT 1 alarm detection.
Step: 1; Range: −100 to+10000
AnlInIOM1 del Delay for IOM ANALOG INPUT 1 alarm. Step: 1 s; Range: 0 − 180 s
AnlInIOM2 lev1 The level for IOM ANALOG INPUT 2 alarm detection.
Step: 1; Range: −100 to +10000
AnlInIOM2 lev2 The level for IOM ANALOG INPUT 2 alarm detection.
Step: 1; Range: −100 to +10000
AnlInIOM2 del Delay for IOM ANALOG INPUT 2 alarm. Step: 1 s; Range: 0 − 180 s
AnlInIOM3 lev1 The level for IOM ANALOG INPUT 3 alarm detection.
Step: 1; Range: −100 to +10000
AnlInIOM3 lev2 The level for IOM ANALOG INPUT 3 alarm detection.
Step: 1; Range: −100 to +10000
AnlInIOM3 del Delay for IOM ANALOG INPUT 3 alarm.
Step: 1 s; Range: 0 − 180 s
AnlInIOM4 lev1 The level for IOM ANALOG INPUT 4 alarm detection.
Step: 1; Range: −100 to +10000
AnlInIOM4 lev2 The level for IOM ANALOG INPUT 4 alarm detection.
Step: 1; Range: −100 to +10000
AnlInIOM4 del Delay for IOM ANALOG INPUT 4 alarm. Step: 1 s; Range: 0 − 180 s
The protection of IOM/PTM inputs is activated by over crossing the limits.
Calibr AInIOM 1..4 Calibrating constant to adjust the measured value of IOM/PTM analog
inputs. Physical dimension of calibrating constant is corresponding to
Analog input. Step: 1; Range: −1000 to +1000

Operation 4-19MN2417
Digital Engine Controller Description EM0046A21 (MRS17) Continued
Figure 4-9 Controller Connection Diagram
OIL PRESSURE
WATER TEMP
FUELLEVEL
RPM
LOAD
EMERGENCY STOP
REMOTE SSTART/STOP
DI ESE L /GASENGIN E
START ER
BATTERY
−+
FUEL SOLENOID
GENERATOR
BINARY OUTPUTS
STARTER
L1
L2
L3
N
PRESTART
PE
ALARM
BINARY INP UTS
RPM
RPM IN
COM
BO3
BO4
BO5
BO6
BO1
(START)
BO2
(FUEL)
AI1 (OIL)
AI2 (TEMP)
RPM GND
PO W ER
8−36VDC
+−
RS232
GENER ATOR
V O LTA G E
3 x 230 / 400 V
N
L1
L2
L3
BI1
BI2
BI3
BI4
BI5
BI6
L3l
L2l
L1l
LB 1
BI NA RY
OUTPUTS
D+
BOOT JUMPER
CO M
AI3 (FUEL)
FUELSOLENOID
GENERATOR
CURRENT
0−5A
ANALOG INPUTS
CAN
Remote
Start
TO BATTERY
G

4-20 Operation MN2417
Digital Engine Controller Description EM0046A21 (MRS17) Continued
Figure 4-10 Controller Connection Diagram
LOAD
EMERGENCY STOP
REMOTE SSTART/STOP
DI ESE L /GASENGIN E
START ER
BATTERY
−+
FUEL SOLENOID
GENERATOR
G
BINARY OUTPUTS
STARTER
L1
L2
L3
N
PRESTART
PE
ALARM
BINARY INP UTS
RPM
RPM IN
COM
BO3
BO4
BO5
BO6
BO1
(START)
BO2
(FUEL)
AI1 (OIL)
AI2 (TEMP)
RPM GND
PO W ER
8−36VDC
+−
RS232
GENER ATOR
V O LTA G E
3 x 230 / 400 V
N
L1
L2
L3
BI1
BI2
BI3
BI4
BI5
BI6
L3l
L2l
L1l
LB 1
BI NA RY
OUTPUTS
D+
BOOT JUMPER
CO M
AI3 (FUEL)
JDIC
FUELSOLENOID
GENERATOR
CURRENT
0−5A
ANALOG INPUTS
TO BATTERY
CAN
Remote
Start
Ground
G
TO BATTERY
+−

Section 5
Troubleshooting and Maintenance
Troubleshooting and Maintenance 5-1MN2417
WARNING: Never “jump start” a generator to start the engine. If the battery charge is insufficient to start
the engine, charge or replace the battery and try to restart. Jump starting a battery can cause
the battery to explode and cause severe injury or death to anyone in the area.
Caution: If a dead battery is suspected charge battery (or replace), and then attempting starting.
Damage to engine control may result from jump starting.
Maintenance This manual contains only very minimal engine maintenance instructions. Refer to the engine
manufacturer’s owner’s manual for specific engine maintenance instructions for your generator
set. Any maintenance instructions or recommendations in the engine owner’s manual take
precedence over any of the following general recommendations.
General:
1. Inspect the fuel system for leaks. Replace all defective components immediately.
2. Inspect and replace any fuel line that shows signs of deterioration.
3. Inspect all the fuel clamps to ensure they are tight.
4. Make sure the fuel cap fits snugly on the fuel tank and that the fuel tank contains no
leaks.
5. Inspect and clean the battery posts and the associated battery cable terminals.
6. Inspect the external wire cables and connectors used with the generator set for cuts,
fraying, or loose connections. Repair or replace any problems prior to using the unit.
Engine:
1. Clean and/or replace any fuel, oil, and/or air filters per the engine manufacturers’
guidelines.
2. Check oil level regularly; at least every 5 to 8 operating hours. Maintain the proper oil
level.
3. Change the oil as is recommended in the engine manufacturer’s owner’s manual.
4. Clean the cooling fins on the engine to keep the engine’s heat dissipation potential at
it’s maximum.
5. Inspect and clean all governor and fuel supply linkages so they operate properly.
Alternator: ( also called Generator End)
This generator set must be run at its proper speed to obtain the correct electrical power at its
output. All engines have a tendency to slow down when a load is applied to it. The engine
governor is designed to hold the operating speed as nearly constant as possible. When the
electrical load is increased, the engine is more heavily loaded and engine speed drops slightly.
This slight decrease in engine speed results in a slight decrease in generator voltage and
frequency output. This voltage and frequency variation has no appreciable effect in the operation
of motors, lights, and most appliances and tools. However, timing devices and clocks may not
keep perfect time.
1. Clean the generator set and remove any and all dust, dirt, or other foreign material.
2. Inspect and clean the cooling air intake and exhaust louvers of the generator end.
Make sure they are clean. Remove dirt or any buildup that may restrict the cooling air
flow.
3. Clean the generator set and its components with a damp cloth or sponge.
Never use a water hose or pressure washer as this may damage electrical
components.
4. Inspect and replace any control panel components that are broken or not working
properly (receptacles, circuit breakers, switches, etc.)

5-2 Troubleshooting and Maintenance MN2417
Problems and Solutions
Some of the more common problems are listed in Table 5-1. This information is intended to be a
check or verification that simple causes can be located and fixed. It is not an exhaustive “how to”
for all types of problems. Procedures that require in depth knowledge or skills (like flashing the
field) should be referred to an authorized service department.
Table 5-1 Troubleshooting Guide
Problem Possible Cause Remedy
Engine will not start No fuel.
Restricted air flow.
Damaged glow plug
Check that fuel valves are ON. Check fuel level in fuel tank.
Check/replace air filter.
Check/replace glow plug(s). Check that engine switch is in Start
position.
Engine will not crank Dead battery. Remove battery and trickle charge or replace with new battery.
Never Jump Start.
Engine starts but will not run smoothly Fuel or ignition problem Refer to engine manual.
Engine overheats Excessive load
Debris or dirt buildup on engine
Low Coolant Level
Remove one or more electrical loads.
Remove debris. Clean engine surfaces to allow cooling.
Replenish coolant
Output voltage varies Irregular speed
Fluctuating speed
Loose terminal or load connections
Defective alternator bearing (uneven air
gap)
Check engine for malfunction or load for fluctuation
Stabilize load. The addition of a lamp load (resistance load) may
compensate partially for load changes caused by intermittent motor
operation. Do not overload.
Verify all connections are proper and check tighness torque of
terminals.
Replace worn bearing
Low Voltage (0−15 VAC output) Bad Voltmeter
Bad/Open Circuit Breaker/Fuse
Bad Connection
Loss of Residual Magnetism
Bad Voltage Selector Switch
Bad Stator Windings
Measure the voltage across the voltage meter with an accurate
voltmeter to verify.
Check continuity across Breaker/Fuse. Replace if defective.
Check wiring including grounds, crimps and connection points.
Repair defects.
The generator needs to be flashed. Contact service center to
perform this procedure.
Replace switch, contact service center to perform this procedure.
Contact service center to perform this procedure.
Low Voltage (15−20 VAC output) Bad Voltmeter
Incorrect Engine Speed
Bad/Open Circuit Breaker/Fuse
Bad Connection
Bad Voltage Selector Switch
Bad Stator Windings
Bad Voltage Adj. Rheostat
Bad Voltage Regulator
Bad Rotor Diodes
Bad Rotor Windings
Measure the voltage across the voltage meter with an accurate
voltmeter to verify.
Remove electrical load, output should be 61−62 Hertz adjust engine
speed if necessary.
Check continuity across Breaker/Fuse. Replace if defective.
Check wiring including grounds, crimps and connection points.
Repair defects.
Replace switch, contact service center to perform this procedure.
Contact service center to perform this procedure.
Replace rheostat, contact service center to perform this procedure.
Replace regulator, contact service center to perform this procedure.
Contact service center to perform this procedure.
Contact service center to perform this procedure.
Incorrect voltage output Bad Voltmeter
Incorrect Engine Speed
Bad Voltage Adj. Rheostat
Bad Voltage Regulator
Bad Connection
Bad Voltage Selector Switch
Measure the voltage across the voltage meter with an accurate
voltmeter to verify.
Remove electrical load, output should be 61−62 Hertz adjust engine
speed if necessary.
Replace rheostat, contact service center to perform this procedure.
Replace regulator, contact service center to perform this procedure.
Check wiring including grounds, crimps and connection points.
Repair defects.
Replace switch, contact service center to perform this procedure.
High output voltage Excessive speed Check engine for malfunction

Troubleshooting and Maintenance 5-3MN2417
Table 5-1 Troubleshooting Guide Continued
Problem Possible Cause Remedy
Genset will not pull load Incorrect Engine Speed
Load not connected properly
Load too large for unit
Remove electrical load, output should be 61−62 Hertz adjust engine
speed if necessary.
Verify voltage at the load and the connections to the proper
receptacle or load terminal block.
Verify load amperage is less than the generator set rated.
Note: For inductive loads, use the starting amperage rating of the
load (not the running amperage rating). Starting amps may be as
much as 5 times the running amps.
Electrical shock when frame is
touched
Static charge.
Grounded armature or field coil.
Ground generator frame at local reference ground (see Section 3).
Contact service center.
Mechanical noise (alternator) Defective bearing
Rotor rubbing on stator
Loose or misaligned coupling
Replace bearing.
Bad bearing − replace.
Bent shaft − contact service center.
Loose end bell − tighten;
Loose drive Discs − tighten
Tighten; align coupling and alternator shaft to engine shaft.
Trailer lights inoperable Trailer to tow vehicle connection
Trailer electrical connection not compatible
Insufficient Ground connection
Faulty light bulb
Connect trailer lighting connector to tow vehicle trailering connector
Use adapter plug to convert from connector style found on trailer to
connector style found on tow vehicle or replace connector with com-
patible mate
Verify there is a ground wire connection from the tow vehicle to the
trailer. Do not rely on the trailer tow coupling for the battery ground
connection. Repair as necessary.
Replace as necessary
Trailer sways during towing Tow vehicle trailering ratings too small
Trailer tongue not level on tow vehicle
Towing at excessive speed
Check tow vehicle ratings meet or exceed the Gross Vehicle Weight
Rating (GVWR) of the trailer. Use larger tow vehicle as necessary.
Seek expert advise.
Adjust trailer or tow vehicle as necessary for trailer tong to be level
or slightly higher than rear of tow vehicle when additional supports
have been removed. View and make adjustments while vehicle and
trailer are on level surface. Seek expert advise.
Reduce tow vehicle speed and use caution while braking. Obey all
local laws and regulations, never exceed the posted speed limit,
and use reasonable care when towing any type of trailer.
Contact local authority having jurisdiction.
Note: After the engine is stopped, there is a 15 second restart delay before engine cranking.
Fault Shutdowns Under certain operating conditions, onboard sensors determine that a condition may cause
damage if operation continues. The onboard controller is programmed to sound an alarm or
immediately stop (shutdown) the generator. These conditions are as follows:
1. An alarm fault is indicated by an alarm light located on the operator panel:
a. Overspeed − indicates the engine governor allowed speed to exceed safe limits.
b. Overcrank − indicates engine failed to start within programmed time period.
c. Low Oil Pressure − Safe engine operating oil pressure was not maintained.
d. Overtemperature − indicates safe operating coolant temperature was exceeded.
2. Engine cannot be restarted until the alarm condition is corrected.
3. Reset the alarm condition (after alarm condition is corrected) by pressing “Reset”.
Operation can be attempted, observe the operator panel when operation is resumed to
ensure alarm condition is removed.
Overload When maximum current output exceeds the output breaker limit, the main breaker will trip. When
this occurs, the load must be reduced and the breaker reset before operation can be resumed.
Note: The Main Breaker cannot be reset if load connection box door is open. This door must be
closed before the breaker can be reset to connect the electrical load.
Service & Parts Service and parts for your generator can be obtained from an authorized service center.
Please have the following information available prior to contacting the service center:
The model number and serial number of the generator set.
A complete and accurate description of the part (part number if known).
Note: Engine parts can usually be obtained from a local distributor by using the information in
the engine manufacturer’s owner’s manual.

5-4 Troubleshooting and Maintenance MN2417

Appendix A
Wiring Diagrams
Wiring Diagrams A-1MN2417
Replacement Parts Replacement parts information is provided in Replacement Parts Catalog CA2401.
Engine parts are identified in the engine manual that was provided with your generator set.
IMPORTANT: Fuses are installed in the control box to protect the engine controller and associated
control circuits. When replacing fuses, use the exact replacement fuse (manufacturer and
part number).
Wiring Diagrams Wiring diagrams for these generators are contained on the following pages of this appendix.

A-2 Wiring Diagrams MN2417
Figure A-1 TS25 Connection Diagram

Wiring Diagrams A-3MN2417
Figure A-2 TS25 Connection Diagram

A-4 Wiring Diagrams MN2417
Figure A-3 TS25 Connection Diagram

Wiring Diagrams A-5MN2417
Figure A-4 TS25 Connection Diagram

A-6 Wiring Diagrams MN2417
Figure A-5 TS25 Connection Diagram

Wiring Diagrams A-7MN2417
Figure A-6 TS25 Connection Diagram

A-8 Wiring Diagrams MN2417
Figure A-7 TS35 Connection Diagram

Wiring Diagrams A-9MN2417
Figure A-8 TS35 Connection Diagram

A-10 Wiring Diagrams MN2417
Figure A-9 TS35 Connection Diagram

Wiring Diagrams A-11MN2417
Figure A-10 TS35 Connection Diagram

A-12 Wiring Diagrams MN2417
Figure A-11 TS35 Connection Diagram

Wiring Diagrams A-13MN2417
Figure A-12 TS35 Connection Diagram

A-14 Wiring Diagrams MN2417
Figure A-13 TS35 Power Connection Diagram

Wiring Diagrams A-15MN2417
Figure A-14 TS60 Connection Diagram

A-16 Wiring Diagrams MN2417
Figure A-15 TS60 Connection Diagram

Wiring Diagrams A-17MN2417
Figure A-16 TS60 Connection Diagram

A-18 Wiring Diagrams MN2417
Figure A-17 TS60 Connection Diagram

Wiring Diagrams A-19MN2417
Figure A-18 TS60 Connection Diagram

A-20 Wiring Diagrams MN2417
Figure A-19 TS60 Connection Diagram

Wiring Diagrams A-21MN2417
Figure A-20 TS60 Connection Diagram

A-22 Wiring Diagrams MN2417
Figure A-21 TS80 Connection Diagram

Wiring Diagrams A-23MN2417
Figure A-22 TS80 Connection Diagram

A-24 Wiring Diagrams MN2417
Figure A-23 TS80 Connection Diagram

Wiring Diagrams A-25MN2417
Figure A-24 TS80 Connection Diagram

A-26 Wiring Diagrams MN2417
Figure A-25 TS80 Connection Diagram

Wiring Diagrams A-27MN2417
Figure A-26 TS80 Connection Diagram

A-28 Wiring Diagrams MN2417
Figure A-27 TS80 Connection Diagram

Wiring Diagrams A-29MN2417
Figure A-28 TS80 Connection Diagram

A-30 Wiring Diagrams MN2417
Figure A-29 TS80 Connection Diagram

Wiring Diagrams A-31MN2417
Figure A-30 TS80 Connection Diagram

A-32 Wiring Diagrams MN2417
Figure A-31 TS400 Connection Diagram

Wiring Diagrams A-33MN2417
Figure A-32 TS400 Connection Diagram

A-34 Wiring Diagrams MN2417
Figure A-33 TS400 Connection Diagram

Wiring Diagrams A-35MN2417
Figure A-34 TS400 Connection Diagram

A-36 Wiring Diagrams MN2417
Figure A-35 TS400 Connection Diagram

Wiring Diagrams A-37MN2417
Figure A-36 TS400 Connection Diagram

A-38 Wiring Diagrams MN2417
Figure A-37 TS400 Connection Diagram

Wiring Diagrams A-39MN2417
Figure A-38 TS400 Connection Diagram

A-40 Wiring Diagrams MN2417
Figure A-39 TS400 Connection Diagram

Baldor District Offices

© Baldor Electric Company
MN2417
Printed in USA
10/06
WARNING:
CALIFORNIA PROPOSITION 65 WARNING:
Engine exhaust from this product contains chemicals known
to the state of California to cause cancer, birth defects and
other reproductive harm.
WARNING:
CALIFORNIA PROPOSITION 65 WARNING:
Battery posts, terminals and related accessories are known to
the state of California to cause cancer, birth defects and other
reproductive harm.
BALDOR ELECTRIC COMPANY
P.O. Box 2400
Ft. Smith, AR 72902−2400
(479) 646−4711
Fax (479) 648−5792
www.baldor.com