Behringer Dx100 Users Manual PRO MIXER
DX100 to the manual 694499c8-7285-4e25-845c-2b4363e59f2a
2015-02-04
: Behringer Behringer-Dx100-Users-Manual-362851 behringer-dx100-users-manual-362851 behringer pdf
Open the PDF directly: View PDF
.
Page Count: 19
- TABLE OF CONTENT
- 1. THE MANUAL
- 1.1 Nomenclature
- 2. DX100 OVERVIEW
- 2.1 Highly accurate Main / PFL Peak - reading bargraph meters
- 2.2 How will YOU use YOUR DX100?
- 2.3 PSU (Power Supply Unit)
- 2.4 Warranty
- 2.5 Packing
- 3. INPUT CHANNEL 1 AND 2
- 3.1 Input selection
- 3.2 Input gain
- 3.3 Output level
- 4. DJ MIC CHANNEL
- 5. OUTPUT SECTION
- 5.1 Cross fader
- 5.2 Transforming with punch
- 5.3 Equalizer
- 5.4 Outputs
- 6. HEADPHONES, MONITORS & PFL
- 6.1 PFL : Pre-Fader listening
- 6.2 Headphones - read carefully!
- 7. CONNECTIONS
- 7.1 PRO MIXER DX100 connections
- 7.2 Plug soldering guide
- 8. GLOSSARY
- 9. SPECIFICATIONS
- 10. WARRANTY

1
E
PRO MIXER
DX100
User´s Manual
Bedienungsanleitung D
E
Version 1.0 July 1998
www.behringer.de

2
acc. to the Directives
89/336/EWG and 73/23/EWG
We, BEHRINGER INTERNATIONAL GmbH
Hanns-Martin-Schleyer-Straße 4
D - 47877 Willich
Name and address of the manufacturer or the introducer of the product on the market who is established in the EC
herewith take the sole responsibility to confirm that the product:
PRO MIXER DX100
Type designation and, if applicable, Article-No
which refers to this declaration, is in accordance with the following standards or
standardized documents:
xEN 60065 xEN 61000-3-2
xEN 55020 xEN 61000-3-3
xEN 55013
The following operation conditions and installation arrangements have to be presumed:
acc. to Operating Manual
B. Nier, President Willich, 01.07.1998
Name, address, date and legally binding signature of the person responsible
EG-Declaration of Conformity
Spezielle Studiotechnik GmbH

3
E
This symbol, wherever it appears, alerts
you to the presence of uninsulated
dangerous voltage inside the enclosure
- voltage that may be sufficient to con-
stitute a risk of shock.
This symbol, wherever it appears, alerts
you to important operating and mainte-
nance instructions in the accompanying
literature. Read the manual.
SAFETY INSTRUCTIONS
CAUTION: To reduce the risk of electrical shock, do not remove
the cover (or back). No user serviceable parts inside;
refer servicing to qualified personnel.
WARNING: To reduce the risk of fire or electrical shock, do not
expose this appliance to rain or moisture.
DETAILED SAFETY INSTRUCTIONS:
All the safety and operation instructions should be read before the appliance is operated.
Retain Instructions:
The safety and operating instructions should be retained for future reference.
Heed Warnings:
All warnings on the appliance and in the operating instructions should be adhered to.
Follow instructions:
All operation and user instructions should be followed.
Water and Moisture:
The appliance should not be used near water (e.g. near a bathtub, washbowl, kitchen sink, laundry tub, in a wet
basement, or near a swimming pool etc.).
Ventilation:
The appliance should be situated so that its location or position does not interfere with its proper ventilaton. For
example, the appliance should not be situated on a bed, sofa rug, or similar surface that may block the
ventilation openings: or placed in a built-in installation, such as a bookcase or cabinet that may impede the
flow of air through the ventilation openings.
Heat:
The appliance should be situated away from heat sources such as radiators, heat registers, stoves, or other
appliance (including amplifiers) that produce heat.
Power Source:
The appliance should be connected to a power supply only of the type described in the operating instructions
or as marked on the appliance.
Grounding or Polarization:
Precautions should be taken so that the grounding or polarization means of an appliance is not defeated.
Power-Cord Protection:
Power supply cords should be routed so that they are not likely to be walked on or pinched by items placed
upon or against them, paying particular attention to cords and plugs, convenience receptacles and the point
where they exit from the appliance.
Cleaning:
The appliance should be cleaned only as recommended by the manufacturer.
Non-use Periods:
The power cord of the appliance should be unplugged from the outlet when left unused for a long period of time.
Object and Liquid Entry:
Care should be taken so that objects do not fall and liquids are not spilled into the enclosure through openings.
Damage Requiring Service:
The appliance should be serviced by qualified service personnel when:
- The power supply cord or the plug has been damaged; or
- Objects have fallen, or liquid has been spilled into the appliance; or
- The appliance has been exposed to rain; or
- The appliance does not appear to operate normally or exhibits a marked change in performance; or
- The appliance has been dropped, or the enclosure damaged.
Servicing:
The user should not attempt to service the appliance beyond that is described in the Operating Instructions. All
other servicing should be referred to qualifield service personnel.

4
PRO MIXER
DX100
Professional DJ mixer with a total of 4 stereo sources on 2 dual-input channels
sHigh-class microphone input with peak indicator
sHigh precision phono pre-amps for bass power and crystal clear sound
sUltra-musical 3-band EQ for maximum creative power
sUltra-low noise design comparable to studio grade consoles
sReplaceable and ultra-high quality Panasonic cross fader guarantees 200.000 lifecycles
sLarge Punch buttons at the cross fader - your big plus for creative mixing!
sPFL switches with status LEDs on both channels
sA Balance control allows you to blend between Main and PFL on the phones section
sMaster level control on the Main Out
sTape outputs for parallel recording on gold-plated RCA connectors
sHigh precision 12-digit LED VU meters
sHigh-quality 60 mm Panasonic channel faders as found in professional recording consoles
sRobust external power supply ensures maximum signal integrity
sTop quality components ensure superb audio performance and maximum endurance
sSuper-rugged construction ensures long life, even under the most demanding conditions
sManufactured under the stringent ISO9000 management system

5
E
FOREWORD
Dear Customer,
Welcome to the team of PRO MIXER users and thank you very much for expressing your confidence in
BEHRINGER products by purchasing this unit.
It is one of my most pleasant tasks to write this letter to you, because it is the culmination of many months of
hard work delivered by our engineering team to reach a very ambitious goal: presenting an outstanding mixer
for flexible use in studios, clubs or at home. The task to develop our new PRO MIXER series certainly meant
a great deal of responsibility, which we assumed by focusing on you, the discerning user and musician. It also
meant a lot of work and night shifts to accomplish this goal. But it was fun, too. Developing a product usually
brings a lot of people together, and what a great feeling it is when everybody who participated in such a project
can be proud of what weve achieved.
It is our philosophy to share our joy with you, because you are the most important member of the BEHRINGER
family. With your highly competent suggestions for new products youve greatly contributed to shaping our
company and making it successful. In return, we guarantee you uncompromising quality (manufactured under
ISO9000 certified management system) as well as excellent technical and audio properties at an extremely
favorable price. All of this will enable you to fully unfold your creativity without being hampered by budget
constraints.
We are often asked how we can make it to produce such high-grade devices at such unbelievably low prices.
The answer is quite simple: its you, our customers! Many satisfied customers means large sales volumes
enabling us to get better conditions of purchase for components, etc. Isnt it only fair to pass this benefit back
to you? Because we know that your success is our success, too!
I would like to thank all people whose help on Project DX100 has made it all possible. Everybody has made
very personal contributions, starting from the designers of the unit via the many staff members in our company
to you, the user of BEHRINGER products.
My friends, its been worth the trouble!
Thank you very much,
Uli Behringer

6
TABLE OF CONTENT
1. THE MANUAL ......................................................................................................................... 7
1.1 Nomenclature .................................................................................................................................. 7
2. DX100 OVERVIEW ................................................................................................................. 7
2.1 Highly accurate Main / PFL Peak - reading bargraph meters.......................................................... 8
2.2 How will YOU use YOUR DX100? ................................................................................................... 8
2.3 PSU (Power Supply Unit)................................................................................................................ 8
2.4 Warranty ........................................................................................................................................ 8
2.5 Packing .......................................................................................................................................... 8
3. INPUT CHANNEL 1 AND 2 ..................................................................................................... 8
3.1 Input selection ................................................................................................................................ 8
3.2 Input gain........................................................................................................................................ 9
3.3 Output level ..................................................................................................................................... 9
4. DJ MIC CHANNEL .................................................................................................................. 9
5. OUTPUT SECTION ................................................................................................................. 9
5.1 Cross fader..................................................................................................................................... 9
5.2 Transforming with punch ................................................................................................................. 9
5.3 Equalizer ...................................................................................................................................... 10
5.4 Outputs ......................................................................................................................................... 10
6. HEADPHONES, MONITORS & PFL ..................................................................................... 11
6.1 PFL : Pre-Fader listening ...............................................................................................................11
6.2 Headphones - read carefully!.........................................................................................................11
7. CONNECTIONS .................................................................................................................... 11
7.1 PRO MIXER DX100 connections ...................................................................................................11
7.2 Plug soldering guide ..................................................................................................................... 12
8. GLOSSARY .......................................................................................................................... 13
9. SPECIFICATIONS ................................................................................................................. 16
10. WARRANTY ......................................................................................................................... 17

7
E
1. THE MANUAL
We know that reading manuals can be a bore, and that you are probably impatient to get started with your new
DX100 mixer, if you havent already! It is true that with a modicum of knowledge about audio equipment you
could get up and running successfully, but chances are you will not be able to exploit the full potential of your
DX100 (or yourself) until you have some of its more advanced features explained. Please, please at least read
through all the text in this section, which contains important safety tips to help preserve you and your valuable
equipment.
+Youll get nowhere with your DX100 unless it is properly connected to your music sources,
power amplifiers, tape recorder etc. We strongly advise that you never use cheap connecting
plugs for audio - use only gold-plated ones, as these are best at resisting corrosion. Run any
mics on balanced lines to minimize unwanted interference, and check those mains plugs for
loose cable clamps or electrical contacts frequently.
Good quality plugs are extremely important, all the more so where connections are left untouched for long
periods. (Unplugging leads frequently can help to keep contacts clean by mechanical abrasion). Also moisture
in a humid nightclub greatly accelerates the build-up of oxide (e.g. rust) on metal contacts. For the complete
wiring scheme for all inputs and outputs please refer to chapter 7 CONNECTIONS.
+Never patch line level devices into your highly sensitive phono inputs. Phono cartridge output
is measured in millivolts. CD and tape players are of the order of magnitude of a volt. With line
levels you are looking at signals 100 times more powerful than a phono pre-amplifier is de-
signed to handle!
+Please always ensure that the mixer power supply is securely connected to the mixer before
you turn on the mains supply. Power amps should always be turned on last of all in order to
minimize switch-on thumps, which can easily damage loudspeakers. Check that there is no
signal going through the DX100 when the amps are switched on in order to avoid any sudden
volume surges. It is best to turn down all output faders and rotary controls first.
1.1 Nomenclature
This manual is a combination of figures and text. Together these precisely define and describe all the functions
of your DX100. For reasons of clarity you might find certain text or subject matter appears more than once in
the manual. This means we pay a little more in printing and publishing costs, but it does mean that each
section is self-contained and therefore easier for you to read.
Sometimes technical information is provided in brackets. Dont worry - you dont need to know what the figures
mean in order to have success with your DX100. This info is included for the benefit of sound engineers, not
DJs! The manual is also crammed full of creative ideas on how to play your DX100 to full advantage. Try to read
it from cover to cover at least once. Otherwise youll never know what possibilities you might be missing out on!
+The following operational manual will introduce you to the BEHRINGER PRO MIXER DX100
and its various functions. After reading the manual carefully, make sure it is always on hand
for future reference.
2. DX100 OVERVIEW
The DX100 is a professional-quality stereo mixer designed for all applications where pre-recorded music is
mixed and played. It is equally at home, in dance clubs and personal DJ setups. It has two stereo music
channels which are routed to opposite ends of a super-smooth cross fader. A DJ mic signal is then added to
the music output from the cross fader to give the final mix output.
1. THE MANUAL

8
2.1 Highly accurate Main / PFL Peak - reading bargraph meters
Both music channels have highly-accurate PFL (Pre-Fader-Listen) . This means that you can see (on the
bargraph meters ) and hear (on headphones) the music you are about to play without disturbing the main
mix - essential if you want to come in at the same level and in time with the music currently playing. (All
professional DJs strive to do this, often overlapping two tracks, or slowly cross fading between them. These
and other DJ mixing tricks will be explained elsewhere in this manual.)
2.2 How will YOU use YOUR DX100?
Your DX100 is a musical instrument offering you many creative mixing possibilities with its clean, ultra DJ-
friendly control surface. Learn to play it well. If possible, experiment with it off-line - before you use it in a
performance.
2.3 PSU (Power Supply Unit)
Any amplifier circuit is limited in its transient response by the available current. Every mixer has numerous line
level operational amplifiers (op-amps) inside. When being driven hard, many desks begin to show signs of
stress due to power supply limitations. Not so with the PRO MIXER DX100. The sound will always stay clean
and crisp right up to the operating limits of the op-amps themselves, thanks to our generous 20 W external
power supply unit.
Please connect the PSU with the PRO MIXER DX100 PSU connector on the rear panel of your mixer and
switch on your DX100 with the power switch .
+Do not connect the PSU to the PRO MIXER while the PSU is connected to the mains supply.
Connect switched-off desk and PSU first before you connect the PSU to the mains supply.
2.4 Warranty
Please take time to have the warranty card filled out completely by your specialized dealer and return it within
14 days after the date of purchase, so as to be entitled to benefit from our extended warranty. You will find the
serial number of your DX100 on the rear panel.
2.5 Packing
Your BEHRINGER PRO MIXER DX100 was carefully packed in the factory and the packaging was designed to
protect the unit from rough handling. Nevertheless, we recommend that you carefully examine the packaging
and its contents for any signs of physical damage, which may have occurred in transit.
+If the unit is damaged, please do not return it to us, but notify your dealer and the shipping
company immediately, otherwise claims for damage or replacement may not be granted.
Shipping claims must be made by the consignee.
3. INPUT CHANNEL 1 AND 2
Plug a phono (turntable) or line source (CD player etc.) into the appropriate PHONO or LINE input.
Play music at a typical volume to check out and set up the channel.
3.1 Input selection
Stereo inputs and are on the back panel. Your source is selectable between PHONO and LINE by the
toggle switch immediately above the channel fader.
3. INPUT CHANNEL 1 AND 2

9
E
+Never patch line level devices into your highly sensitive phono inputs. Phono cartridge output
is measured in millivolts. Line level signals are of the order of magnitude of a volt. With line
levels you are looking at a signal up to 100 times more powerful than the phono pre-amplifier
is designed to handle!
,If for some reason your turntable has a built-in RIAA pre-amp, you should patch it into a line
level input.
3.2 Input gain
When you select PHONO or LINE your DX100 input channels gain structure is automatically switched to
exactly match the output from a typical phono cartridge (turntable) or line level device (CD/cassette/DAT player
etc.). If your music source has an output level or volume control you can set this level exactly, using the
channel PFL button to send the input signal to the main meters. Pre-Fader Listen is the professional way
to check input levels. A control LED lights when the PFL function is enabled.
+Normally you will want to PFL only one channel at a time.
3.3 Output level
Channel output level is controlled by a precision stereo 60 mm fader .
,The faders used are ultra-high quality true-log faders made by Panasonic. These give ultra-
smooth operation even at low levels, on a par with those used in the most expensive studio
consoles.
4. DJ MIC CHANNEL
Plug a dynamic microphone into the jack DJ MIC input on the front panel left.
,The mic pre-amp is of the same quality as our award-winning EURODESK range. This gives an
incredibly warm, clear and noiseless performance. Mic input is via a balanced jack connector.
(Balanced operation gives best noise performance.)
There is no PFL switch for the DJ MIC - simply stop the music and set DJ MIC level (top left, top panel)
while observing the high-precision bargraph meters. A latching switch MIC ON activates the mic channel,
while the PEAK LED immediately to the right lets you know if DJ MIC level is set too high.
5. OUTPUT SECTION
5.1 Cross fader
Channels 1 and 2 go to opposing ends of the modestly-legended ULTRA-HIGH QUALITY FADER . When
set fully to the left, only channel 1 is heard in the mix, and vice versa. We know how much you will rely on this
cross fader for mixing. For this reason we have ensured that it is incredibly durable and smooth-acting.
,The cross fader is of a extremely high quality. Its Panasonic monorail design means that you
can expect a massive 200,000 smooth operations before wear & tear even becomes a factor.
5.2 Transforming with punch
Transforming is a DJ term used to describe the inserting of a piece of music rhythmically into another piece.
When the cross fader is to one side of the middle pushing the punch button on the opposite side will bring up
4. DJ MIC CHANNEL

10
the level of that side of the cross fader. This way it is possible to punch in a piece of music, typically a certain
drum track or lyric, into the playing piece of music. Traditionally this is done by rapidly pushing the fader up
from minus infinity to 0 or +6 dB or moving a cross fader from one side to the middle to give a stuttering or
gated effect. These methods are still valid, but if you are looking for instantaneous transforming check out our
ergonomic alternative - a pair of big PUNCH buttons , operating on channels 2 and 3. We are sure you will
grow to love their speed and ease of operation.
+The big PUNCH buttons on the DX100 are designed to get a quick control. At this point its
worth pointing out that all the smaller switches on your DX100 are latching. This means they
stay down until you hit them again. PUNCH buttons are non-latching, or momentary in opera-
tion. This means that they are only active when your finger (or other appendage) is actually
holding them down, like the keys on a MIDI keyboard. These are ideal for executing transfor-
mations, as you will very quickly find as you get into using your DX100.
JTry running a rhythm track through channel 1 (cross fader fully to the left). Now use the chan-
nel 2 PUNCH button to manually chop in a sustained signal like orchestral music, ambient
sounds, noise, whatever.
5.3 Equalizer
Master EQ comprises three control knobs which enable cut and boost of TREBLE , MID and
BASS frequencies respectively (see below for specs.) EQ can sweeten or effect the mix, with the fading
out and in of frequency bands being very popular.
Control EQ Frequency Gain OFF position
Treble Shelving 10 kHz +/- 12 dB Centre
Mid Peaking 700 Hz +/- 8 dB Centre
Bass Shelving 50 Hz +/- 12 dB Centre
Tab. 5.1: EQ section of your DX100
JThe EQ can have a great influence. It can enhance or ruin your sound. The EQ is particularly
useful if you use both sides of the centre position.
5.4 Outputs
Stereo outputs include MAIN and TAPE (see chapter 7 CONNECTIONS). Level to these outputs is
controlled by the rotary control MAIN OUT , top right on the top panel. MAIN OUT level is displayed on the
bargraph meters unless PFL is engaged.
+Watch the output meters! Remember - distortion is not volume, and any distortion introduced
before the power amplifiers and speakers will worsen your sound and cause amps and speak-
ers to clip sooner.
MAIN would normally feed the main PA system (or Hi-Fi amp if you are mixing at home). The TAPE stereo
output is primarily for recording, but it could also be used for feeding the mix into a separate sound system,
such as DJ foldback or another room or area in a dance club.
5. OUTPUT SECTION

11
E
6. HEADPHONES, MONITORS & PFL
6.1 PFL : Pre-Fader listening
When any PFL button is depressed the main meters will change to displaying PFL level. PFL is the way
to hear, cue and set up a piece of music before you play it out in the mix.
JIn the club environment, things get messy. You cant hear any sound in isolation, either on a
foldback system or headphones, because both are to some extent drowned out by the main
PA system. You should, however, be able to hear the PFL signal loud enough to detect the
beat, cue starts etc. What you cant do is to judge by ear exactly what level the next track will
come in at. For that you must use your eyes, and the highly-accurate bargraph VU meters.
PFL is also used to accurately check input GAIN. With a channels PFL button engaged (DOWN) you can
accurately measure the input GAIN by making a typical noise or playing a typical piece of music and observing
the main VU meters.
JIf you are in the habit of slamming the channel faders all the way up (+6 dB), try to keep your
MAIN OUT control at a compensatory -6 dB to make sure you dont risk distortion. To do this
first set up output section EQ to suit the room or yourself. Now successively engage and disen-
gage PFL on the channel currently playing, all other channels silent. Adjust MAIN OUT until
the PFL and MAIN meter readings are identical. With channel faders at +6 dB and main output
level at -6 dB your DX100 has unity gain from input to output. Now PFL and MAIN metering
should show the same level, allowing direct visual comparison between outgoing (playing)
and incoming (cue) tracks.
+If you re-adjust output EQ the above will no longer be true : re-set MAIN OUT level as described
in the paragraph above !
6.2 Headphones - read carefully!
The PHONES section lies to the far left hand side of the DX100, below the DJ MIC level control. (The PHONES
TRS socket is on the front panel right.) PHONES controls headphones output level. Right, thats the
easy bit explained. Now pay attention. BALANCE controls the blend of the PFL and MAIN mix signals.
This gives you the interesting possibility of hearing both the outgoing (MAIN) and incoming (PFL) tracks
simultaneously through a single output, via your headphones.
7. CONNECTIONS
7.1 PRO MIXER DX100 connections
Follow us on a walk along the case of your PRO MIXER:
Mic input. 1/4 jack socket, tip = hot (+ve), ring = cold (-ve) and sleeve = ground/screen.
Phones. 1/4 jack socket, tip = left signal, ring = right signal and sleeve = ground/screen.
Phono inputs. RCA sockets.
Line inputs. RCA sockets.
Main outputs. RCA sockets.
Tape outputs. RCA sockets.
+Please ensure that only qualified persons install and operate the PRO MIXER DX100. During
installation and operation the user must have sufficient electrical contact to earth. Electro-
static charges might affect the operation of the PRO MIXER DX100!
6. HEADPHONES, MONITORS & PFL

12
7.2 Plug soldering guide
You will need a lot of cables for different purposes - see the following figures to make sure you have got the right
ones.
Use custom-made RCA cables for all connections which use RCA sockets (centre post = signal (+ve) and
sleeve = ground/screen).
Unbalanced use of
mono 1/4" jack plugs
Ring
Balanced use of
stereo 1/4" jack plugs
Balanced use with XLR connectors
1 2
3
2 1
3
Input Output
Tip =
Signal Tip =
hot (+ve)
Sleeve =
Ground / Shield Sleeve =
Ground / Shield
Tip Tip
Sleeve Sleeve
Strain relief clamp Strain relief clamp
Ring =
cold (-ve)
For connection of balanced and
unbalanced plugs, ring and sleeve have
to be bridged at the stereo plug.
1 = Ground / Shield
2 = hot (+ve)
3 = cold (-ve)
For unbalanced use pin 1 and pin 3 have to be bridged
Fig. 7.1: Un-/balanced jack plugs and balanced XLR connectors
7. CONNECTIONS

13
E
Fig. 7.2: Headphones connector
8. GLOSSARY
Ambient Music
atmospheric/lacking in a strong beat (e.g. can be played with a drum track, can be rhythmically gated etc.)
Balance
relative levels of left/right in a stereo pair, usually controlled by a panoramic potentiometer (panpot)
BPM
Beats Per Minute
Channel
input strip on a mixing desk
Clip, Clipping
overload, severe distortion
Compressor
device or program for limiting dynamic range (increasing energy)
Cross fader
fades in one music track while simultaneously fading out another
Cue
headphone feed
Cueing
getting music ready to come in at pre-arranged point
Cut Switch
silences audio
dB (decibel)
a unit of measurement, ratio of two voltages (dB = 20 log (V1/V2)), (dBu = voltage ratio relative to 0.775 V RMS)
DI (Direct Injection)
connecting an electric instrument directly to the console via a DI-Box, converting the high level unbalanced
signal (from the instrument) into a low level balanced signal (for the console)
DJing
sequencing music tracks e.g. for dancing audience
Drum machine
electronic drum instrument
Echo
device or program for adding repeats
Effects (abbr. FX or EFX)
devices that alter the original (dry) sound or add something to it, e.g. delay
8. GLOSSARY

14
Equalizing
the use of filters for cutting or boosting selected frequencies
Exciter/Enhancer
device or program for improving treble and bass intelligibility
Expander
(see Noise Gate)
Fader
linear potentiometer with logarithmic response
Feedback (howlround)
unstable circuit (e.g. mic/speaker, input/output) where a signal is able to return to an input from an output,
causing successive cycles of progressively higher gain (avoid it by e.g. not using a mic close to a speaker
driven from the mics own signal)
Filter
device or program for adding or removing removing part of frequency bandwidth e.g. for dramatic effect
Flanger/Chorus
device or program for adding short modulated echoes
Gain
degree of amplification
Headroom
signal range between nominal level and clipping
Incoming (cue) track
music being auditioned prior to being played
Kill Switches
switches for removing frequency bands
Limiter
(see Compressor)
Line level signals
signals from low impedance sources (-10 to +6 dBu)
Lo(w) Cut (= High Pass) Filter
cuts off low frequencies
MCing
adding dialog to a sequence of music
MIDI
Musical Instrument Digital Interface - the language used by 99% of all electronic musical devices and programs
Mixdown
process by which a multitrack recording is combined into e.g. one or two channels
Mixing
seguing music to form continuous flow
Mute
(to engage) button for signal muting
Mute Switch
(see Cut Switch)
Noise Gate
device or program for auto-muting
Normal
connect an output to an input via breakable link
Outgoing (mix) track
music currently playing
Parametric EQ
EQ whose frequency can be swept e.g. for dramatic effect
PFL
Pre-Fader-Listen
Phantom Power
+48 V DC voltage for powering condenser mics
Phase coherence
degree to which L & R signal are synchronized
Phase correlation
degree of mono compatibility of L & R signal
Pot or potentiometer
a variable, usually rotary voltage driver used e.g. for gain, frequency, quality or bandwidth control
8. GLOSSARY

15
E
Rapping
adding dialog to a rhythmic track
Recorder
device or program for recording and playing back sounds (e.g. tape, hard disk)
Regeneration
(see Feedback)
Resonance
fast feedback
Reverb
device or program for adding reverb
Route
signal path
RPM
Revolutions Per Minute
Sampler
device for digitally storing and playing back sound
Scratching
manually spinning vinyl discs e.g. backwards and forwards
Sequencer
device or program for recording and playing back compositions (see MIDI)
Slipmat
Fabric turntable mat which enables turntable to spin while DJ holds record stationary. Let go record for a fast
start. Gets over problems of slow turntable start.
Solo
solo in place, stereo image retained
Source
signal source
Spatial Enhancer
psychoacoustic device or program for making stereo seem to come from beyond the area between the loud-
speakers
Synthesizer
electronic musical instrument
Tempo
(see BPM)
Transforming
chopping up a music signal by using mutes or gates etc.
Transient
a transitory (extreme) rise in signal level
Trimpot
variable gain potentiometer
Varispeed
control for varying playback speed
Wet signal
mix signal with effects added
8. GLOSSARY

16
9. SPECIFICATIONS
INPUT CHANNELS
Mic input Electronically balanced, discrete input configuration
Gain +20 to +40 dB
Frequency response 10 Hz to 40 kHz, +/- 3 dB
THD 0.004 % typ. @ -30 dBu, 1 kHz
S/N ratio 115 dB
Phono/line unbalanced input
Frequency response
Line 10 Hz to 80 kHz, +/- 3 dB
Phono 20 Hz to 20 kHz, RIAA
THD
Line 0.006 % typ. @ +4 dBu, 1 kHz, Gain 1
Phono 0.023 % typ. @ -30 dBu, 1 kHz
S/N ratio
Line 105 dB
Phono 87 dB
Crosstalk
Line -78 dB
Phono -77 dB
EQ
Low 50 Hz, +/- 12 dB
Mid 700 Hz, +/- 8 dB
High 10 kHz, +/- 12 dB
CONNECTORS
Main out 0 dB
Tape out 0 dB
POWER SUPPLY
Mains Voltages USA/Canada ~ 120 V AC, 60 Hz, PSU MXUL 2
U.K./Australia ~ 240 V AC, 50 Hz, PSU MXEU 2
Europe ~ 230 V AC, 50 Hz, PSU MXEU 2
General Export Model ~ 100-120 V AC, ~ 200-240 V AC, 50-60 Hz
Power supply unit
Model MXEU2 In: 230 VAC / 50 Hz (100 mA)
Out: 2 * 18.5 VAC (500 mA)
Model MXUL2 In: 115 VAC / 60 Hz (200 mA)
Out: 2 * 18.5 VAC (500 mA)
PHYSICAL
Dimension (approx.) 8" (203 mm) * 10" (254 mm) * 2.75" (70 mm)
Net weight (without PSU) 1.7 kg
BEHRINGER is constantly striving to maintain the highest professional standards. As a result of these efforts, modifications may be made
from time to time to existing products without prior notice. Specifications and appearance may differ from those listed or shown.
9. SPECIFICATIONS

17
E
The information contained in this manual is subject to change without notice. No part of this manual may be reproduced or transmitted
in any form or by any means, electronic or mechanical, including photocopying and recording of any kind, for any purpose, without the
express written permission of BEHRINGER GmbH.
BEHRINGER is a registered trademark. ALL RIGHTS RESERVED © 1998 BEHRINGER.
BEHRINGER INTERNATIONAL GmbH, Hanns-Martin-Schleyer-Str. 36-38, D-47877 Willich-Münchheide II
Tel. +49 (0) 21 54 / 92 06-0, Fax +49 (0) 21 54 / 92 06-30
ship. The warranty does not cover any such modification/adapta-
tion, irrespective of whether it was carried out properly or not. Un-
der the terms of this warranty, BEHRINGER INTERNATIONAL shall
not be held responsible for any cost resulting from such a modifica-
tion/adaptation.
3. Free inspections, maintenance/repair work and replacement of
parts are expressly excluded from this warranty, in particular if
caused by inappropriate use. Likewise, the warranty does not cover
defects of expendable parts caused by normal wear of the product.
Expendable parts are typically faders, potentiometers, switches
and similar components.
4. Damages/defects caused by the following conditions are not
covered by this warranty:
smisuse, neglect or failure to operate the unit in compliance
with the instructions given in the user or service manuals.
sconnection or operation of the unit in any way that does not
comply with the technical or safety regulations applicable in
the country where the product is used.
sdamages/defects that are caused by force majeure or by any
other condition beyond the control of BEHRINGER INTERNA-
TIONAL.
5. Any repair carried out by unauthorized personnel will void the
warranty.
6. Products which do not meet the terms of this warranty will be
repaired exclusively at the buyers expense. BEHRINGER INTER-
NATIONAL will inform the buyer of any such circumstance. If the
buyer fails to submit a written repair order within 4 weeks after
notification, BEHRINGER INTERNATIONAL will return the unit
C.O.D. with a separate invoice for freight and packing. Such cost
will also be invoiced separately when the buyer has sent in a writ-
ten repair order.
§ 5 WARRANTY TRANSFERABILITY
This warranty is extended exclusively to the original buyer (cus-
tomer of retail dealer) and is not transferable to anyone who may
subsequently purchase this product. No other person (retail dealer,
etc.) shall be entitled to give any warranty promise on behalf of
BEHRINGER INTERNATIONAL.
§ 6 CLAIM FOR DAMAGES
Failure of BEHRINGER INTERNATIONAL to provide proper war-
ranty service shall not entitle the buyer to claim (consequential)
damages. In no event shall the liability of BEHRINGER INTERNA-
TIONAL exceed the invoiced value of the product.
§ 7 OTHER WARRANTY RIGHTS
This warranty does not exclude or limit the buyers statutory rights
provided by national law, in particular, any such rights against the
seller that arise from a legally effective purchase contract.
§ 1 WARRANTY CARD
To be protected by this warranty, the buyer must complete and
return the enclosed warranty card (signed/stamped by retail dealer)
within 14 days of the date of purchase to BEHRINGER INTERNA-
TIONAL (address see § 3). Failure to return the card in due time
(date as per postmark) will void any extended warranty claims.
§ 2 WARRANTY
1. BEHRINGER INTERNATIONAL warrants the mechanical and
electronic components of this product to be free of defects in mate-
rial and workmanship for a period of one (1) year from the original
date of purchase, in accordance with the warranty regulations de-
scribed below. If any defects occur within the specified warranty
period that are not caused by normal wear or inappropriate use,
BEHRINGER INTERNATIONAL shall, at its sole discretion, either
repair or replace the product.
2. If the warranty claim proves to be justified, the product will be
returned freight prepaid by BEHRINGER INTERNATIONAL within
Germany. Outside of Germany, the product will be returned at the
buyers expense.
3. Warranty claims other than those indicated above are expressly
excluded.
§ 3 RETURN AUTHORIZATION NUMBER
1. To obtain warranty service, the buyer must call BEHRINGER
INTERNATIONAL during normal business hours BEFORE return-
ing the product (Tel.: +49 (0) 21 54 / 92 06 66). All inquiries must be
accompanied by a description of the problem. BEHRINGER IN-
TERNATIONAL will then issue a return authorization number.
2. The product must be returned in its original shipping carton,
together with the return authorization number, to the following ad-
dress:
BEHRINGER INTERNATIONAL GmbH
Service Department
Hanns-Martin-Schleyer-Str. 36-38
D - 47877 Willich-Münchheide
3. Shipments without freight prepaid will not be accepted.
§ 4 WARRANTY REGULATIONS
1. Warranty services will be furnished only if the product is accom-
panied by an original retail dealers invoice. Any product deemed
eligible for repair or replacement by BEHRINGER INTERNATIONAL
under the terms of this warranty will be repaired or replaced within
30 days of receipt of the product at BEHRINGER
INTERNATIONAL.
2. If the product needs to be modified or adapted in order to comply
with applicable technical or safety standards on a national or local
level, in any country which is not the country for which the product
was originally developed and manufactured, this modification/ad-
aptation shall not be considered a defect in materials or workman-
10. WARRANTY
10. WARRANTY

Front Panel
Rear Panel

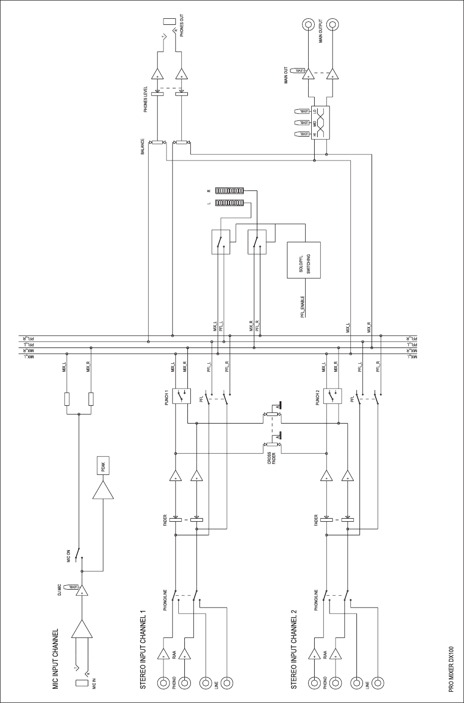
BLOCK DIAGRAM