Behringer Xenyx 2222Fx Users Manual 2222FX_TECH_INFO_Rev_A.pmd
2222FX to the manual 88408e51-c4d6-49d6-9a52-bdcdf5073ff0
2015-02-04
: Behringer Behringer-Xenyx-2222Fx-Users-Manual-362769 behringer-xenyx-2222fx-users-manual-362769 behringer pdf
Open the PDF directly: View PDF
.
Page Count: 5

Version 1.0 January 2006
Technical Specifications
XENYX 2222FX

2
XENYX 2222FX
2222FX
XENYX
Premium 22-Input 2/2-Bus Mixer with XENYX Mic Preamps, British EQs, 24-Bit Multi-
FX Processor and USB/Audio Interface
sPremium ultra low-noise, high headroom analog mixer
s8 state-of-the-art XENYX Mic Preamps comparable to stand-alone boutique preamps
sNeo-classic ´British´ 3-band EQs with semi-parametric mid band for warm and musical sound
sStudio-grade 24-bit stereo FX processor with 100 awesome presets including reverb, chorus, flanger, delay,
pitch shifter and various multi-effects
sUSB/Audio Interface included to connect directly to your computer. Free audio recording and editing software
downloadable at www.behringer.com
sChannel inserts on each mono channel for flexible connection of outboard equipment
s3 aux sends per channel: 1 pre fader for monitoring, 1 pre/post fader switchable for monitoring/FX applications,
1 post fader (for internal FX or as external send)
sPeak LEDs, mute, main mix and subgroup routing switches, solo and PFL functions on all channels
s2 subgroups with separate outputs for added routing flexibility; 3 multi-functional stereo aux returns with
flexible routing
sBalanced main mix outputs with ¼" jack and gold-plated XLR connectors, separate control room, headphones
and stereo tape outputs
sControl room/phones outputs with multi-input source matrix; Tape inputs assignable to main mix or control
room/phones outputs
sLong-wearing 60-mm logarithmic-taper faders and sealed rotary controls
sInternal autorange power supply for maximum flexibility (100 - 240 V~), noise-free audio, superior transient
response plus low power consumption for energy saving
sRack mount brackets included for ultimate flexibility
s High-quality components and exceptionally rugged construction ensure long life
sConceived and designed by BEHRINGER Germany

3
XENYX 2222FX
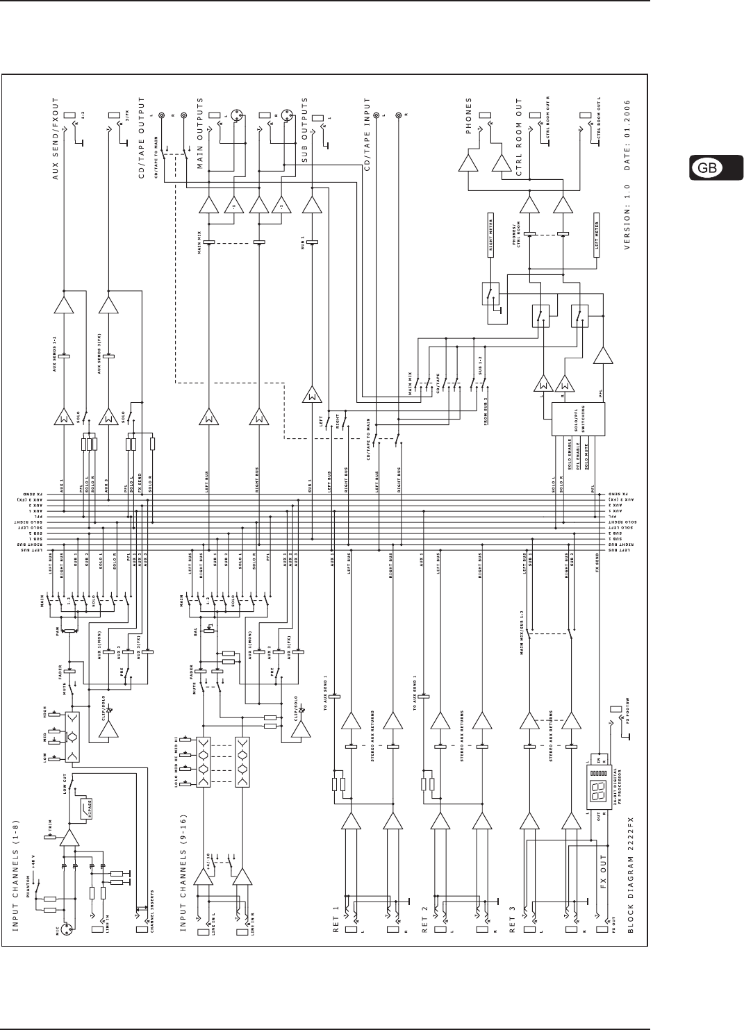
BLOCK DIAGRAM

4
XENYX 2222FX
SPECIFICATIONS
Microphone inputs (XENYX Mic Preamp)
Type XLR, electronically balanced,
discrete input circuit
Mic E.I.N. (20 Hz - 20 kHz)
@ 0 W source resistance -134 dB / 135.7 dB A-weighted
@ 50 W source resistance -131 dB / 133.3 dB A-weighted
@ 150 W source resistance -129 dB / 130.5 dB A-weighted
Frequency response <10 Hz - 150 kHz (-1 dB),
<10 Hz - 200 kHz (-3 dB)
Gain range +10 to +60 dB
Max. input level +12 dBu @ +10 dB Gain
Impedance approx. 2.6 kW balanced
Signal-to-noise ratio 110 dB / 112 dB A-weighted
(0 dBu In @ +22 dB gain)
Distortion (THD+N) 0.005% / 0.004% A-weighted
Line input
Type 1/4" TRS connector
electronically balanced
Impedance approx. 20 kW balanced
10 kW unbalanced
Gain range -10 to +40 dB
Max. input level +22 dBu @ 0 dB Gain
Fade-out attenuation1
(Crosstalk attenuation)
Main fader closed 90 dB
Channel muted 89 dB
Channel fader closed 89 dB
Frequency response
Microphone input to main out
<10 Hz - 90 kHz +0 dB / -1 dB
<10 Hz - 160 kHz +0 dB / -3 dB
Stereo inputs
Type 1/4" TRS connector,
electronically balanced
Impedance approx. 20 kW
Max. input level +22 dBu
EQ mono channels
L o w 80 Hz / ±15 dB
Mid 100 Hz - 8 kHz / ±15 dB
High 12 kHz / ±15 dB
EQ stereo channels
L o w 80 Hz / ±15 dB
Low Mid 500 Hz / ±15 dB
High Mid 3 kHz / ±15 dB
High 12 kHz / ±15 dB
Aux sends
Type 1/4" TS connector, unbalanced
Impedance approx. 120 W
Max. output level +22 dBu
Stereo aux returns
Type 1/4" TRS connector,
electronically balanced
Impedance approx. 20 kW bal. / 10 kW unbal.
Max. input level +22 dBu
Main outputs
Type XLR, electronically balanced
and 1/4" TRS balanced
Impedance approx. 240 W balanced /
120 W unbalanced
Max. output level +28 dBu
Control room outputs
Type 1/4" TS connector unbalanced
Impedance approx. 120 W
Max. output level +22 dBu
Headphones outputs
Type 1/4" TRS connector, unbalanced
Max. output level +19 dBu / 150 W (+25 dBm)
DSP 24-bit
Converter 24-bit Sigma-Delta,
64/128-times oversampling
Sampling rate 40 kHz
Main mix system data2
Noise
Main mix @ -oo,
Channel fader @ -oo -101 dB
Main mix @ 0 dB,
Channel fader @ -oo -93 dB
Main mix @ 0 dB,
Channel fader @ 0 dB -81 dB
Power supply
Mains voltage 100 to 240 V~, 50/60 Hz
Power consumption 46 W
Fuse 100 - 240 V~: T 1.6 A H 250 V
Mains connection Standard IEC receptacle
Physical/weight
Dimensions (H x W x D) approx. 3 7/8" x 16 1/16" x 14 1/16"
(97 mm x 408 mm x 367 mm)
Weight (net) approx. 4.8 kg
Measuring conditions:
1: 1 kHz rel. to 0 dBu; 20 Hz - 20 kHz; line input; main output; unity gain.
2: 20 Hz - 20kHz; measured at main output. Channels 1 - 4 unity gain; EQ flat; all
channels on main mix; channels 1/3 as far left as possible, channels 2/4 as far
right as possible. Reference = +6 dBu.
BEHRINGER is constantly striving to manintain the highest professional standards. As a
result of these efforts, modifications may be made from time to time to existing products without
prior notice. Specifications and appearance may differ from those listed or illustrated.

5
XENYX 2222FX
Technical specifications and appearance subject to change without notice. The information contained herein is correct at the time of printing. The names
of companies, institutions or publications pictured or mentioned and their respective logos are registered trademarks of their respective owners. Their use
neither constitutes a claim of the trademarks by BEHRINGER® nor affiliation of the trademark owners with BEHRINGER®. BEHRINGER® accepts no
liability for any loss which may be suffered by any person who relies either wholly or in part upon any description, photograph or statement contained
herein. Colours and specification may vary slightly from product. Products are sold through our authorised dealers only. Distributors and dealers are not
agents of BEHRINGER® and have absolutely no authority to bind BEHRINGER® by any express or implied undertaking or representation. No part of this
manual may be reproduced or transmitted in any form or by any means, electronic or mechanical, including photocopying and recording of any kind, for
any purpose, without the express written permission of BEHRINGER Spezielle Studiotechnik GmbH. BEHRINGER® is a registered trademark.
ALL RIGHTS RESERVED. © 2006 BEHRINGER Spezielle Studiotechnik GmbH,
Hanns-Martin-Schleyer-Str. 36-38, 47877 Willich-Münchheide II, Germany.
Tel. +49 2154 9206 0, Fax +49 2154 9206 4903