Bendix Bw2261 Users Manual 13 4746_1_to_13c
2015-03-12
: Bendix Bendix-Bw2261-Users-Manual-651018 bendix-bw2261-users-manual-651018 bendix pdf
Open the PDF directly: View PDF
.
Page Count: 48

1
®
SD-13-4746
GEN 4™ AND GEN 5™ ABS INTRODUCTION
This manual describes both the cab mount and the frame
mount versions of the Bendix® Gen 4™ and Gen 5™ Antilock
Brake System/Automatic Traction Control (ABS/ATC)
systems.
Both cab and frame mount versions are designed for:
• Tractors
• Trucks
• Buses and
• Motor Coaches and
• RVs.
This manual covers:
• ABS/ATC Operation
• System Components
• Service Procedures
• Diagnosis and
• Troubleshooting Procedures.
For information on disassembly, installation, and service of
related axle and brake components, refer to their individual
Bendix Service Manuals.
For assistance in your area call Bendix at 1-800-247-2725
or RoadRanger® at 1-800-826-4357.
These ABS controllers and systems were originally
marketed by Eaton Corporation under the Eaton® brand
name. For more information contact Bendix, your local
authorized Bendix dealer, or RoadRanger®.
Document Revision Level
This document is subject to revision.
For updates, please visit www.bendix.com.
Bendix® Gen 4™ and Gen 5™ ABS for Trucks, Tractors, and Buses
FIGURE 1 - Bendix® ABS Controller Assemblies
Cab-Mounted Models Frame-Mounted Model
Table of Contents
ABS Operation . . . . . . . . . . . . . . . . . . . . . . . . . . . . . . . 2
ABS Component Function . . . . . . . . . . . . . . . . . . . . . . 3
ABS Indicator Lamp . . . . . . . . . . . . . . . . . . . . . . . . . . . 3
ABS Trailer Indicator Lamp . . . . . . . . . . . . . . . . . . . . . 3
Automatic Traction Control (ATC) System . . . . . . . . . . 4
Component Overview . . . . . . . . . . . . . . . . . . . . . . . . . 5
Electronic Control Units (ECUs) . . . . . . . . . . . . . . . . . 7
ABS Valves . . . . . . . . . . . . . . . . . . . . . . . . . . . . . . . . . 9
Modulator Valve Operation Modes . . . . . . . . . . . . . . . 10
Optional Front Axle Modules . . . . . . . . . . . . . . . . . . . 11
Diagnostics . . . . . . . . . . . . . . . . . . . . . . . . . . . . . . . . 13
Troubleshooting Procedures . . . . . . . . . . . . . . . . . . . 13
System Configurations . . . . . . . . . . . . . . . . . . . . . . . 15
ServiceRanger PC Software . . . . . . . . . . . . . . . . . . . 16
Test Equipment . . . . . . . . . . . . . . . . . . . . . . . . . . . . . 16
Reading Configuration Codes . . . . . . . . . . . . . . . . . . 18
Retrieving Diagnostic Trouble Codes . . . . . . . . . . . . . 18
Clearing Diagnostic Trouble Codes and/or System
Configuration . . . . . . . . . . . . . . . . . . . . . . . . . . . . . 20
Disabling ATC for Dyno Testing . . . . . . . . . . . . . . . . . 20
Speed Sensor Troubleshooting . . . . . . . . . . . . . . . . . 25
The 17•12 Sensor Memory Diagnostic Trouble Code 26
Wheel End Speed Sensor Repair . . . . . . . . . . . . . . . 28
Pressure Modulator Valve (PMV) Troubleshooting . . 30
ABS Modulator Valve . . . . . . . . . . . . . . . . . . . . . . . . . 33
Automatic Traction Control (ATC) Valve
Troubleshooting . . . . . . . . . . . . . . . . . . . . . . . . . . . 34
Performance Test of the Relay Valve . . . . . . . . . . . . . 34
ATC Valve Removal . . . . . . . . . . . . . . . . . . . . . . . . . . 36
Cab Mount ECU Pin Identification . . . . . . . . . . . . . . . 39
Frame Mount ECU Pin Identification . . . . . . . . . . . . . 43
Eaton®, RoadRanger®, and ServiceRanger® are registered
trademarks of Eaton Corporation.

2
FIGURE 2 - Overview of ABS Operation
ANTILOCK BRAKING SYSTEM (ABS)
ABS-controlled braking ensures optimum vehicle stability
while minimizing the stopping distance. During vehicle
operation, the ABS Electronic Control Unit (ECU)
continuously monitors all wheel speed sensors. Data input
from the wheel speed sensors allows the ECU to:
• Detect impending wheel lock.
• Maintain optimum wheel slip during braking.
• Maximize vehicle stability while maintaining braking
effectiveness.
ABS Operation
The ABS controls braking by operating the Pressure
Modulator Valves. The ECU makes a new assessment of
conditions and updates the control signal to the pressure
modulator valves at the rate of 100 times per second.
Speed sensors
monitor wheel
rotation
1
Speed signal
to ECU
Electronic Control Unit (ECU)
interprets speed signals
and activates valves
Hold and release
solenoids control
air pressure in the
brake chambers
Sensors on
all configured wheels
signal status to ECU
Braking force
remains at
optimum level
2
3
4
5
When inactive, the pressure modulator valves provide
straight-through-passages for supply air to the brake
chambers. During ABS operation (an ABS “event”), the
control unit operates the valves to override the supply of
air to the chambers. During an ABS release, supply air is
held off while the chambers are vented to the atmosphere.
In hold mode, supply air is held off and chamber air is held
constant. When required, air is applied to the chamber at
a controlled rate by modulating the hold side of the
modulator valve.
The ABS system itself does not apply additional braking
power. Rather, the purpose of ABS is to limit brake torque
to prevent locking that results in loss of lateral stability and
increased stopping distances. Cautious driving practices
such as maintaining adequate distances from the vehicle
ahead are still essential to safe vehicle operation.

3
FIGURE 3 - ABS Indicator Lamps
ABS Component Function
The ABS system operates as follows (see Figure 2).
1. Speed sensors on each wheel monitor wheel rotation.
2. Each speed sensor communicates wheel rotation pulses
to the central Electronic Control Unit (ECU).
3. The ECU receives speed sensor input, interprets the
signal pulses, and calculates speed and acceleration
rates for the wheels and the vehicle.
4. Based on speed sensor input with the brakes applied,
the ECU detects impending wheel lock and operates
the ABS modulator valves as required for proper control.
The modulator valves can be operated in either a release
or a hold mode to regulate air pressure in the brake
chambers.
5. Braking force is applied at a level which minimizes
stopping distance while maintaining as much lateral
stability as possible.
ABS Indicator Lamp
This lamp is the primary indicator of the ABS status.
• The ABS lamp illuminates steadily for a two second
bulb-check whenever the switched ignition is ON. The
ABS lamp turns OFF after the bulb-check if there are
no ABS malfunctions present.
• The ABS lamp flashes on and off continuously when
the off-highway mode is selected. (Special option for
military and off-highway vehicles.)
• If the Indicator Lamp remains ON, after the bulb-check,
there is an ABS diagnostic trouble code that requires
service.
NOTE: In the case of a speed sensor failure which has
been corrected, the indicator lamp will remain on until
sensor output has been verified by the control unit. In this
case it is necessary to move the vehicle above 5 mph before
the indicator lamp will turn off.
ABS Trailer Indicator Lamp
Tractor/Towing vehicles manufactured on or after March 1,
2001 are equipped with a cab mounted “ABS Trailer”
indicator lamp.
When an ABS equipped trailer with Power Line Carrier
(PLC) communications capability is connected to the tractor,
the ABS Trailer indicator lamp will illuminate for a two second
bulb check after the ignition is switched on. The ABS lamp
turns OFF after the bulb-check if there are no ABS
malfunctions present on the trailer ABS.
If the trailer is NOT equipped with ABS or ABS with PLC
capability, the ABS trailer indicator lamp in the cab will not
illuminate.

4
FIGURE 4 - ATC Indicator Lamp
Automatic Traction Control (ATC) System
The ATC system is available on all Standard ABS ECU’s.
ATC is not available on Basic ECU’s. It helps improve
traction on slippery or unstable driving surfaces by
preventing excessive wheel spin. ATC also enhances
vehicle stability by prevention of power spin-out.
ATC requires:
1. ATC valve - Either a stand alone valve or a Rear Axle
Valve Assembly with integral ATC solenoid may be used.
2. SAE J1922 or J1939 engine interface (the ABS ECU
serial data interface must match the engine controller
interface).
3. Brake Light Switch input.
4. ATC Indicator Lamp.
The Electronic Control Unit (ECU) must be configured for
ATC operation either by using the diagnostic switch, an
MPSI ProLink® hand-held tester or Eaton’s ServiceRanger
PC software.
ATC Operation
During periods of wheel slip, the Electronic Control Unit
enters an Automatic Traction Control mode. There are
various modes of Automatic Traction Control.
System operation:
• At speeds above 25 mph, the engine is throttled back
via the SAE J1922 or SAE J1939 data link to control
spin out.
• At speeds below 25 mph, both engine control and
differential brake control are activated as required to
control wheel slip. Once triggered, differential braking
mode remains active regardless of vehicle speed.
• An optional mud and snow switch allows greater wheel
spin (more torque) when activated. It is intended for
adverse conditions, usually off-highway. Except for
special cases, the switch is programmed for momentary
operation. ATC reverts to normal operation when the
switch is cycled a second time and whenever the system
goes through a power-up cycle.
Component Function
When brake control is utilized, the ATC valve is activated,
diverting supply tank air to the Modulator Valves on the
drive axle(s). The Electronic Control Unit then activates
the appropriate solenoids in order to apply a brake force to
the spinning wheel. The Automatic Traction Control System
cannot increase traction to a particular wheel; it can only
utilize the available traction.
Thermal (Brake Heat) Protection
To prevent excessive brake and drum temperature resulting
from brake activity, ATC incorporates a brake temperature
estimation algorithm to determine when differential braking
mode should be suspended. The differential braking
function is re-enabled after a cool-down period.
ATC Indicator Lamp
The ATC indicator lamp operates when a vehicle is
equipped with the optional Automatic Traction System.
• Gen 4™ ABS – Lights at key-ON and remains lit with
ATC inactive until the driver presses the brake pedal.
• Gen 5™ ABS – Lights at key-ON and turns off after a 2
second lamp check. ATC is active after the lamp check.
• Flashes rapidly to indicate that ATC is active.
• Flashes slowly when the “mud-and-snow” mode is
selected and then flashes more rapidly when the
automatic traction control system operates.
• Remains ON if an engine data link failure occurs.
NOTE: Some non-ATC equipped vehicles have an ATC
lamp that is labeled as a spin light. It indicates when a low
traction condition has been encountered. No control action
is taken.
5
Component Overview
Bendix ABS components include:
•Electronic Control Unit (ECU): The ECU monitors
and controls the ABS. It also diagnoses ABS
malfunctions and stores specific diagnostic trouble
codes.
•Pressure Modulator Valve (PMV): This
component regulates brake chamber air pressure. It
houses the hold and release solenoids. A modulator
valve is located near each brake chamber or pair of
brake chambers that make up an ABS controlled wheel
site.
•Rear Axle Valve Assembly: An assembly made up of
two pressure modulator valves and a relay valve.
•Wheel End Speed Sensor: Single point variable
reluctance (magnetic) sensor that generates an
alternating voltage signal in response to the movement
of teeth on a tone wheel.
•ABS Lamp (Yellow): This indicator lamp, located on
the driver instrument panel, warns the driver of ABS
malfunctions. It is also capable of blinking diagnostic
fault codes when the ECU is in the self-diagnostic mode.
•In-Cab ABS Trailer Lamp: This indicator lamp, located
on the driver instrument panel, warns the driver of trailer
ABS malfunctions. It is not capable of blinking
diagnostic trouble codes.
•ATC Valve: The traction control valve applies full system
pressure to the relay valve during traction control
operation to provide differential (side to side) braking
at controlled drive axles.
•ATC Lamp: This indicator lamp, located on the driver
instrument panel, lights to indicate loss of traction which
is being managed by the Automatic Traction Control
System.
•Relay/Breaker Panel: The OEM provides two circuit
breakers and either one or two relays as part of the
ABS. One relay is used for indicator lamp control. A
second (optional) relay may be used to control a retarder
and/or lockup torque converter.
•Diagnostic Port Connector: The diagnostic port
connector is an industry standard connector that is used
to connect to the J1587 diagnostic link. This connector
also provides power and ground for diagnostic test
equipment.

6
FIGURE 5 - ABS Components

7
Electronic Control Units (ECUs)
Identification
Frame mount ECUs are environmentally packaged versions
of the related Gen 4™ & Gen 5™ ABS cab-mounted units
(Standard, Basic). The circuitry and software is the same.
Gen 5™ ABS units incorporate power line carrier (PLC)
hardware. ECUs are available in 4 and 6-channel versions
with either J1922 or J1939 data links. There is also a 24-
volt version. Further service information is available on
www.bendix.com.
FIGURE 6 - Electronic Control Unit Identification Tags
Frame Mount
Cab Mount
Bendix Part Number
Serial Number Date Code
Bendix Part Number
Serial Number
Date Code

8
ECU Cover
ECU Connector
(1 of 4)
Sliding Lock
300XXX
Designed and Manufactured by
BOSCH
MFOEO798O313 862
0 486 104 036 MadeinGermany
Gen 5 ABS – Standard Cab Mount
™Gen 4 ABS – Standard Cab Mount
™
Gen 4 & Gen 5 ABS – Standard Frame Mount
™™
Gen 4 & Gen 5 ABS - Basic Cab Mount
™™
300XXX
Designed and Manufactured by
BOSCH
MFOEO798O313 862
0 486 104 036 Made in Germany
Gen 5 ABS (PLC - Basic Frame Mount)
™
Blank
Connector
FIGURE 7 - Available Bendix ABS Electronic Control Units

9
FIGURE 8 - Modulator Valve
FIGURE 9 - Rear Axle Valve Assemblies, 4-Port ABS and ABS/ATC Versions Shown
ABS Valves
The ABS modulator valve controls air pressure to individual
brake assemblies. Depending on the particular ABS
configuration, a system may utilize three, four or six
modulator valves. See Figure 8.
Each modulator valve contains two air control solenoids,
which act as pilots to the hold and release diaphragms.
The hold solenoid blocks inlet air to brake chambers; the
release solenoid removes pressure from the brake. The
3-pin threaded connector has pins for the hold and release
solenoid and a third, common terminal.
Rear Axle Valve Assemblies
Rear Axle Valve Assemblies are available for some
applications depending on OEM preferences. They are
combinations of two modulator valves and a relay valve.
The assemblies are available in 4.0 and 5.5 PSIG versions,
with or without an integral ATC solenoid.
ATC Version
Standard Version
Twist-Lock
Connector
Threaded
Connector
1/2 NPT
Inlet Port
1/2 NPT
Inlet Port
Exhaust Port
Exhaust Port
1/2 NPT
Delivery Port
1/2 NPT
Delivery Port

10
FIGURE 12 - ABS/ATC Hold
FIGURE 10 - Normal Apply and ABS/ATC Apply
FIGURE 13 - ABS/ATC Release
FIGURE 11 - Normal Release
Modulator Valve Operation Modes
1. Apply–Air flows straight through valve. Hold diaphragm
is vented to allow air flow. Inlet pressure feeds behind
release diaphragm to block the exhaust port. No
solenoids are activated.
2. Normal Release–With quick release function, hold
diaphragm is vented and there is no pressure at the
inlet port. Air is allowed to flow from outlet to inlet. Since
release diaphragm is not pressurized, air also flows out
the exhaust port. No solenoids are activated.
Outlet
Solenoid
Exhaust
Inlet
Vents
Release
Diaphragm
Hold
Diaphragm
Outlet
Exhaust
Inlet
Zero
Pressure
Outlet
Exhaust
Inlet
Outlet
Exhaust
Inlet
3. ABS/ATC Hold–The hold solenoid is activated. Both
diaphragms are pressurized. No air flows through the
valve.
4. ABS/ATC Release–Both solenoids are activated. The
hold diaphragm is pressurized, blocking the inlet air.
The release diaphragm is vented, allowing air to flow
from the outlet port back through the exhaust port.

11
FIGURE 14 - Front Axle Module
Optional Front Axle Modules
An optional front axle module is available. It is an assembly
of two modulator valves and a quick release valve. Three
crack pressure settings are available:
• 0-1 PSIG
• 3-4 PSIG
• 6-8 PSIG.
FIGURE 15 - Sensor Assembly
Tone
Ring
Wheel End
Sensor
Standard
Wheel End Speed Sensor
Drive and Steer Axles
Right angle version shown
Straight version also available
Speed Sensors
Each wheel of an axle under direct ABS control is monitored
by a speed sensor. Speed sensors for drive axles and steer
axles may be different styles and installed in different
locations.
Wheel End Sensors
For most applications, Bendix ABS uses standard wheel
end sensors (see figure 15). The front sensor is accessible
on the inboard side of the steering knuckle. The rear drive
axle sensor is accessible by removing the wheel and drum
assembly.
Wheel-end sensors are conventional, single point, variable
reluctance sensors. These are often referred to as
"magnetic sensors" or "magnetic pickups." These sensors
consist of a rod or pole piece surrounded by a coil of wire.
A magnet is closely coupled to the pole piece and circulates
a magnetic field through the coil. As the teeth of the tone
ring rotate past the pole piece, the resistance (reluctance)
to the magnetic field varies. The variable reluctance causes
variations in the magnetic field which in turn induce a varying
voltage in the coils which are wound around the pole piece.
Some general characteristics of variable reluctance,
magnetic sensors are:
• The output voltage decreases as the air
gap increases.
• The output voltage increases with the speed of the teeth
past the pole piece.
• The output voltage waveform is independent of the
direction of wheel rotation.
Wheel-End Sensors are protected with stainless steel metal
sheaths. They are designed to fit within beryllium-copper
friction sleeves which give them a self-adjustment feature.

12
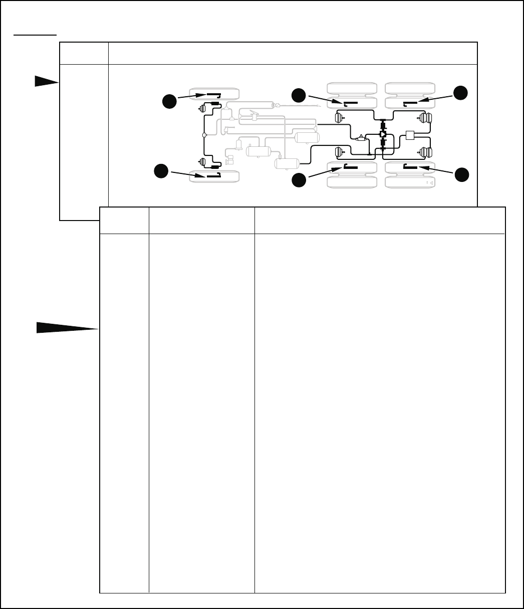
FIGURE 16 - Typical Electrical and Pneumatic Layouts
Brake
Chamber
Quick
Release
Valve
SteerAxle
Modulator Valve
Brake
Chambers
Anti-Compounding
Relay / Quick
Release Valve
ATC Valve
Treadle Pressure Modulator Valve
Control
Supply
Relay Valve
Diagnostic
Connector
Speed Sensor Indicator Lamps
ABS Tractor Indicator Lamp (IL)
ABS Trailer IL (after 3/1/01)
ATC Lamp (whenATC equipped)
FrontAxle
Pressure
Modulator Valve
Traction Control Valve
StandAlone or Integral with
RearAxle ValveAssembly
Diagnostic Switch
ABS Off Road Switch (optional)
ATC Mud & Snow Switch (optional)
Electronic Control
Unit (ECU)
Cab Mount or
Frame Mount
RearAxle
ValveAssembly
Electrical Layout
Pneumatic Layout

13
Fault Codes
DIAGNOSTICS
An important feature of Bendix ABS is the system diagnostic
capability. This section describes how to retrieve
configuration information and error codes to troubleshoot
ABS system diagnostic trouble codes. There are three ways
to retrieve and display ABS configuration information and
trouble codes:
•ServiceRanger PC software: Displays configuration
information and diagnostic trouble codes on the PC
monitor. Refer to the ServiceRanger PC software
information later in this section.
•ProLink hand-held tester: Displays configuration
information and diagnostic trouble codes on the hand-
held tester display. Refer to the hand-held tester
information later in this section.
•Diagnostic switch: Flashes configuration code and
diagnostic trouble codes on the ABS indicator lamp.
Refer to page 18 for operation of the diagnostic switch.
WARNING! PLEASE READ AND FOLLOW
THESE INSTRUCTIONS TO AVOID
PERSONAL INJURY OR DEATH:
When working on or around a vehicle, the following
general precautions should be observed at all times.
1. Park the vehicle on a level surface, apply the
parking brakes, and always block the wheels.
Always wear safety glasses.
2. Stop the engine and remove ignition key when
working under or around the vehicle. When
working in the engine compartment, the engine
should be shut off and the ignition key should be
removed. Where circumstances require that the
engine be in operation, EXTREME CAUTION should
be used to prevent personal injury resulting from
contact with moving, rotating, leaking, heated or
electrically charged components.
3. Do not attempt to install, remove, disassemble or
assemble a component until you have read and
thoroughly understand the recommended
procedures. Use only the proper tools and observe
all precautions pertaining to use of those tools.
4. If the work is being performed on the vehicle’s air
brake system, or any auxiliary pressurized air
systems, make certain to drain the air pressure
from all reservoirs before beginning ANY work on
the vehicle. If the vehicle is equipped with an
AD-IS™ air dryer system or a dryer reservoir module,
be sure to drain the purge reservoir.
5. Following the vehicle manufacturer’s
recommended procedures, deactivate the electrical
system in a manner that safely removes all
electrical power from the vehicle.
6. Never exceed manufacturer’s recommended
pressures.
7. Never connect or disconnect a hose or line
containing pressure; it may whip. Never remove a
component or plug unless you are certain all
system pressure has been depleted.
8. Use only genuine Bendix® replacement parts,
components and kits. Replacement hardware,
tubing, hose, fittings, etc. must be of equivalent
size, type and strength as original equipment and
be designed specifically for such applications and
systems.
9. Components with stripped threads or damaged
parts should be replaced rather than repaired. Do
not attempt repairs requiring machining or welding
unless specifically stated and approved by the
vehicle and component manufacturer.
10. Prior to returning the vehicle to service, make
certain all components and systems are restored
to their proper operating condition.
11. For vehicles with Antilock Traction Control (ATC),
the ATC function must be disabled (ATC indicator
lamp should be ON) prior to performing any vehicle
maintenance where one or more wheels on a drive
axle are lifted off the ground and moving.
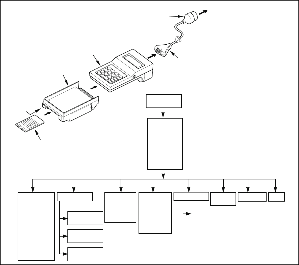
Troubleshooting Procedures
Figure 17 shows an organized approach to troubleshooting
ABS trouble codes. Follow the steps listed below to locate
and correct ABS component and wiring problems.
1. Check that the ABS ECU configuration corresponds to
the ABS components installed on the vehicle.
Reconfigure the ECU if the configuration does not match
the installed ABS components.
2. Access active diagnostic trouble code(s). Inactive
(historical) diagnostic trouble codes are also reported
and may provide additional information to aid in
troubleshooting.
3. Look up the code description, the possible causes and
the repair procedures provided in this section.
4. Perform the recommended repair procedures.
5. After the repairs are completed, clear all codes and
check for any additional codes.

14
FIGURE 17 - Antilock Brake System Troubleshooting Chart
ObserveABS
indicator lamp operation
Lamp stays ON
Lamp turns OFF after
2 second lamp check Lamp never ON
ABS system not reporting
Codes–perform traditional
foundation brake
troubleshooting and repair
Select EatonABS diagnostic tool Check for power toABS ECU.
Check indicator lamp and wiring
Use MPSI
ProLink tool
Check ECU configuration
Read trouble codes and descriptions
Take corrective action
Clear active and inactive trouble codes
Check J1587 data link wiring
Reconfigure ECU
Recheck trouble codes after clearing.
If indicator lamp remains lit
and no trouble codes are set,
drive vehicle to turn off
indicator lamp.
Recheck trouble codes after clearing.
If indicator lamp remains lit
and 17-12 trouble code is set,
drive vehicle to clear and turn off
indicator lamp.
Use Service Ranger
diagnostic software
Cycle ignition key
OFF to ON
Activate blink codes
with diagnostic button
Check power circuit
for ECU
Reconfigure ECU
YES
NO
Indicator lamp
blinking when activated
with diagnostic
button? NO
YES
Does configuration
information agree
with available
hardware?
YES
NO
Is this a trailer
ECU?
YES
NO
Does tester
communicate with
ECU?
Check ECU configuration

15
Fault Codes
SYSTEM CONFIGURATIONS
Available Configurations
A wide variety of system configurations are available (refer
to Figure 17). It is important to be able to read system
configurations and to be able to properly reconfigure a
system when necessary.
When to Configure
ECUs are factory configured for the most common
requirements. Basic systems are setup for 4s-4m operation
with retarder control via retarder relay. Standard systems
are setup for 6s-4m operation with retarder control via
engine data link. For applications other than these factory
configurations (for example use of a retarder control relay,
4s-3m operation, 6s-6m operation or traction control), it is
necessary to perform a configuration or “setup” process.
This process sets up the ECU for the components that are
installed so that proper control and fault tolerance will be
implemented. The diagnostic switch, MPSI Pro-Link® tool
or ServiceRanger PC software may be used to configure
to a higher level (add components or functionality). If it is
desired to move the configuration downward (fewer
components than standard), the ProLink tool or
ServiceRanger PC software must be used.
How to Configure
Use the “SYSTEM SETUP” menu with the MPSI ProLink®
tool, the diagnostic switch (refer to page 25 for procedure)
or ServiceRanger PC software. Use of the “SETUP”
function will also clear inactive trouble codes from the
system. However it is recommended that the “CLEAR
TROUBLE CODES” function be used for clearing inactive
codes.
Verification
It is important to verify that the intended configuration has
been obtained. Refer to Figure 20 (page 17) for proper
interpretation of configuration blink codes.
FIGURE 18 - Typical ABS Configurations
Tone Ring
Wheel Speed Sensor
(WSS) RearAxle
ValveAssembly
Pressure
Modulator
Valve
(PMV) ATC
Valve
4S - 4M
6S - 6M w/ATC
6S - 4M w/ATC

16
Test Equipment
Bendix recommends the use of the following products to
troubleshoot the ABS system:
• A multimeter or digital volt-ohmmeter (DVOM).
• Eaton ServiceRanger PC software or an MPSI ProLink®
hand-held tester.
Multimeter
A multimeter can be used to check:
• Speed sensor circuit resistance.
• PMV and ATC valve solenoid resistances.
• ABS power circuit voltages.
• Engine data link voltages.
• Retarder control relay.
• Wiring harness diagnostic trouble codes.
ServiceRanger PC Software
ServiceRanger PC software can be used to read and clear
error codes and obtain a short description of failures. The
software can initiate test sequences for controller outputs
and can also read system data such as voltage at the
ECU, wheel speeds and cutout speeds.
CAUTION: Eaton ServiceRanger PC software can activate
output tests for all output devices. Since these tests can
affect operation of the vehicle braking system, the ECU
incorporates special safety protection. One axle must
show zero speed or the test will be halted.
FIGURE 19 - ServiceRanger Menus & Hardware Setup
1. Monitor Data
Wheel Speeds
Cut-Out Speeds
Input Voltages
Switch States
2. Retrieve Trouble Codes
Retrieve Trouble Codes
Clear Trouble Codes
3. Adv. Prod. Functions
Test Valves
Test Lights
Test Retarder Control
4. Product Downloads
Read ECU Configuration
Configure ECU
DisableATC
ServiceRanger Main Menu Options
1. Monitor Data
2. Retrieve Diagnostic Trouble Codes
3.Advanced Product Functions
4. Product Downloads
PC INTERFACE
To Diagnostic
Connector
Deutsch HD-10
Connector
Serial Communicator
Interface
Laptop PC
ServiceRanger
Software CD

17
Fault Codes
FIGURE 20 - Hand-Held Tester Menus and Set-Up
EatonApplications
1. System INFO
Part No.
Date
Serial No.
Software No.
System Configuration
–ABS
– ATC
Steer Wheel Size
Rear Wheel Size
Rear-Rear Wheel Size
MIC Parameter
2. Trouble Codes
Actual Trouble Codes
Extended Trouble
Codes
Clear Memory
5. System Setup
Eaton ABS
Press Enter
6. ATC Disable
For Dyno Test 8. Exit
System Config
3. Monitor Data
Wheel Speeds
Cut out Speeds
System Volts
Input Switches
4. Component Test
Valve Routines
TCV
WL
TCL
RET
Interface
7. English/Metric
1. System INFO
2. Trouble codes
3. Monitor Data
4. Component Test
5. System Set-up
6. ATC Disable
7. English/Metric
8. Exit
Release
Button
Bendix
Applications Card
MPC™ Cartridge
MPSI Pro-Link
®
Diagnostic and
Power Cable
To
Diagnostic
Connector
Deutsch HD-10
Connector
Hand-Held Tester
An MPSI ProLink® hand-held tester with Bendix proprietary
cartridge can be used to read and clear error codes and
obtain a short description of failures. The tester can initiate
test sequences for controller outputs and can also read
system data such as voltage at the ECU, wheels speeds
and cutout speeds. A standard heavy duty truck cartridge
may also be used, but cannot initiate test sequences.
CAUTION: The ProLink hand-held tester can activate
output tests for all output devices. Since these tests can
affect operation of the vehicle braking system, the ECU
incorporates special safety protection. One axle must show
zero speed or the test will be halted.

18
.
Diagnostic Switch
Blink Codes – System Configuration and System Faults.
By properly actuating the ABS diagnostic button,
configuration codes and diagnostic trouble codes can be
retrieved as blinked sequences on the ABS indicator lamp.
Configuration codes are sequences of four blinked digits
while diagnostic trouble codes appear as two blinked
numbers. Refer to the charts beginning on page 19 for a
description of these codes. To perform any of the activities
listed below, simply follow the steps as given. If you make
a mistake during one of the steps, stop and start over at the
beginning of the procedure.
All blink codes are displayed by the ABS indicator lamp
only. The ATC lamp does not display blink codes.
Note: Before attempting any repairs:
1. Retrieve the configuration codes and diagnostic trouble
codes (write them down).
2. Reconfigure the ECU if the configuration does not agree
with the installed hardware. The ECU cannot be
configured downward (components removed) with the
diagnostic button. For example, a 6S-4M cannot be
configured to 4S-4M. Downward configurations require
the use of a ProLink tool or ServiceRanger software.
3. If the configuration is correct, clear the diagnostic trouble
codes. The process for clearing the trouble codes and
reconfiguring the ECU is the same when using the
diagnostic button.
4. Once again retrieve the diagnostic trouble codes. Only
active codes will now be displayed.
Reading Configuration Codes
• Turn the ignition key to “ON.”
• Press and hold the diagnostic button for two seconds
and release.
• Without pause, press the diagnostic button a 2nd time
for two seconds and release.
• Four-digit configuration code is retrieved and displayed.
2 Sec
Retrieving Diagnostic Trouble Codes
• Turn the ignition key to “ON.”
• If vehicle is equipped with ATC, apply and release brakes
once before proceeding.
• Press and hold the diagnostic button for two seconds
and release.
• Two-number blink codes are retrieved and displayed.
2 Sec 2 Sec<1S

19
Fault Codes
FIGURE 21 - Reading ABS Configuration Codes
VOLTAGE CONFIGURATIONS
Flashes Description
1 12 Volt System
2 24 Volt System
ABS CONFIGURATIONS
Flashes Description
2 4 Sensors/4 Modulator Valves
3 4 Sensors/3 Modulator Valves
6 6 Sensors/4 Modulator Valves
8 6 Sensors/6 Modulator Valves
9 6 Sensors/5 Modulator Valves
– Select Low Steer
RETARDER CONFIGURATIONS/INTERAXLE
Flashes Engine Interface Retarder Relay Control Interaxle Lock Control
1 (5) NO NO NO (YES)
2 (6) YES NO NO (YES)
3 (7) YESNO NO (YES)
4 (8) YES YES NO (YES)
1st
2nd
3rd
4th
Blink Code
Sequence
1.5 Sec.
Pause
4.5 Sec.
Pause
1.5 Sec.
Pause
Flashes Engine Control Brake Control
2 NO NO
3 N/A N/A
4 N/A N/A
5 YES YES
ATC CONFIGURATIONS

20
4.5
second
pause
first half of code
1.5 second pause
second half of code
4.5 second
pause
First Trouble Code
first half of code
1.5 second pause
second half of code Sequence continues
until all trouble codes
are reported.
Additional Trouble Codes
FIGURE 22 - Typical Blink Code Report
Clearing Diagnostic Trouble Codes and/or
System Configuration
• With the ignition “OFF” press and hold the diagnostic
button.
• Turn the ignition key to “ON” while pressing the
diagnostic button.
• Wait two seconds and release the diagnostic button.
• Press and release the brake pedal.
• ECU is reconfigured to match connected components
and diagnostic trouble codes are cleared.
• Repeat the “Retrieving Diagnostic Trouble Codes”
procedure to verify that the trouble codes are cleared.
Disabling ATC for Dyno Testing
• Turn the ignition key to “ON.”
• Press and hold the diagnostic button for at least 3
seconds and release.
• ATC light turns “ON” and ABS light blinks 17 • 8 indicating
ATC is disabled.
• At the next ignition cycle ATC will be reactivated.
2 + Sec
3+ Sec

21
Fault Codes
11 –/– No Trouble Found
21 001/000 Sensor air gap too large. Left Steer Sensor
22 001/008 Air gap too large or sensor shorted.
23 001/010 Speed Sensor signal is noisy.
24 001/008 Wheel locked too long during an ABS cycle.
25 001/008 High deceleration rate at wheel site or sensor shorted.
26 001/012 Sensor shorted low or high or sensor open.
27 001/012 Internal error at the sensor port of the ECU.
28 001/002 Sensor in the wrong location for the system configuration.
31 002/000 Sensor air gap too large. Right Steer Sensor
32 002/008 Air gap too large or sensor shorted.
33 002/010 Speed Sensor signal is noisy.
34 002/008 Wheel locked too long during an ABS cycle.
35 002/008 High deceleration rate at wheel site or sensor shorted.
36 002/012 Sensor shorted low or high or sensor open.
37 002/012 Internal error at the sensor port of the ECU.
38 002/002 Sensor in the wrong location for the system configuration.
41 003/000 Sensor air gap too large. Left Rear Sensor.
42 003/008 Air gap too large or sensor shorted.
43 003/010 Speed Sensor signal is noisy.
44 003/008 Wheel locked too long during an ABS cycle.
45 003/008 High deceleration rate at wheel site or sensor shorted.
46 003/012 Sensor shorted low or high or sensor open.
47 003/012 Internal error at the sensor port of the ECU.
48 003/002 Sensor in the wrong location for the system configuration.
51 004/000 Sensor air gap too large. Right Rear Sensor.
52 004/008 Air gap too large or sensor shorted.
53 004/010 Speed Sensor signal is noisy.
54 004/008 Wheel locked for too long during an ABS cycle.
55 004/008 High deceleration rate at a wheel site or sensor shorted.
56 004/012 Sensor shorted low or high or sensor open.
57 004/012 Internal error at the sensor port of the ECU.
58 004/002 Sensor in the wrong location for the system configuration.
Blink Codes
1st. 2nd. Description Location
MID 136
SID/FMI

22
61 005/000 Sensor air gap too large. Left Rear Sensor.
62 005/008 Air gap too large or sensor shorted.
63 005/010 Speed Sensor signal is noisy.
64 005/008 Wheel locked for too long during an ABS cycle.
65 005/008 High deceleration rate at wheel site or sensor shorted. Left Rear Sensor.
66 005/012 Sensor shorted low or high or sensor open. (continued).
67 005/012 Internal error at the sensor port of the ECU.
68 005/002 Sensor in the wrong location for the system configuration.
71 006/000 Sensor air gap too large. Right Rear Sensor.
72 006/008 Air gap too large or sensor shorted.
73 006/010 Speed Sensor signal is noisy.
74 006/008 Wheel locked too long during an ABS cycle.
75 006/008 High deceleration rate at wheel site or sensor shorted.
76 006/012 Sensor shorted low or high or sensor open.
77 006/012 Internal error at the sensor port of the ECU.
78 006/002 Sensor in the wrong location for the system configuration.
81 007/003 Short circuit from the release solenoid to voltage. Left Steer Axle PMV.
82 007/004 Short circuit from the release solenoid to ground.
83 007/005 Open circuit at the release solenoid.
84 007/005 Open circuit on the common line to the valve.
85 007/003 Short circuit from the hold solenoid to voltage.
86 007/004 Short circuit from the hold solenoid to ground.
87 007/005 Open circuit at the hold solenoid.
88 007/002 System configuration is incorrect.
8 10 151/014 Inter-axle differential control circuit shorted high. IAD Circuit.
8 10 151/014 Inter-axle differential control circuit shorted low or open.
91 008/003 Short circuit from the release solenoid to voltage. Right Steer Axle PMV.
92 008/004 Short circuit from the release solenoid to ground.
93 008/005 Open circuit at the release solenoid.
94 008/005 Open circuit on the common line to the valve.
95 008/003 Short circuit from the hold solenoid to voltage.
96 008/004 Short circuit from the hold solenoid to ground.
97 008/005 Open circuit at the hold solenoid.
98 008/002 System configuration is incorrect.
Blink Codes
1st. 2nd. Description Location
MID 136
SID/FMI

23
Fault Codes
10 1 009/003 Short circuit from the release solenoid to voltage. Left Rear Axle PMV.
10 2 009/004 Short circuit from the release solenoid to ground.
10 3 009/005 Open circuit at the release solenoid.
10 4 009/005 Open circuit on the common line to the valve.
10 5 009/003 Short circuit from the hold solenoid to voltage.
10 6 009/004 Short circuit from the hold solenoid to ground.
10 7 009/005 Open circuit at the hold solenoid. Left Rear Axle PMV (cont.).
10 8 009/002 System configuration is incorrect.
10 or 11 9 014/003 Common side of valves – stray voltage detected. PMV Commons.
10 or 11 10 014/003 Common side of valves shorted high.
10 or 11 11 014/004 Common side of the valves shorted to ground.
11 1 010/003 Short circuit from the release solenoid to voltage. Right Rear Axle PMV.
11 2 010/004 Short circuit from the release solenoid to ground.
11 3 010/005 Open circuit at the release solenoid.
11 4 010/005 Open circuit on the common line to the valve.
11 5 010/003 Short circuit from the hold solenoid to voltage.
11 6 010/004 Short circuit from the hold solenoid to ground.
11 7 010/005 Open circuit at the hold solenoid.
11 8 010/002 System configuration is incorrect.
12 1 011/003 Short circuit from the release solenoid to voltage Left Rear Axle PMV.
12 2 011/004 Short circuit from the release solenoid to ground.
12 3 011/005 Open circuit at the release solenoid.
12 4 011/005 Open circuit on the common line to the valve.
12 5 011/003 Short circuit from the hold solenoid to voltage.
12 6 011/004 Short circuit from the hold solenoid to ground.
12 7 011/005 Open circuit at the hold solenoid.
12 8 011/002 System configuration is incorrect.
13 1 012/003 Short circuit from the release solenoid to voltage. Right Rear Axle PMV.
13 2 012/004 Short circuit from the release solenoid to ground.
13 3 012/005 Open circuit at the release solenoid.
13 4 012/005 Open circuit on the common line to the valve.
13 5 012/003 Short circuit from the hold solenoid to voltage.
13 6 012/004 Short circuit from the hold solenoid to ground.
13 7 012/005 Open circuit at the hold solenoid.
13 8 012/002 System configuration is incorrect.
Blink Codes
1st. 2nd. Description Location
MID 136
SID/FMI

24
14 5 018/003 Solenoid in ATC valve shorted high. ATC Valve.
14 6 018/004 Solenoid in ATC valve shorted to ground.
14 7 018/005 ATC valve open circuit.
14 8 018/002 ATC valve found when it should not be present.
14 12 249/002 or 231/002 Time-out or no connection to engine link (J1922/1939). Data Link.
15 1 254/012 ECU internal trouble code. ECU.
15 2 253/012 ECU internal trouble code.
15 3 253/013 ECU internal trouble code.
15 4 253/012 ECU internal trouble code. ECU (cont.).
15 5 254/002 ECU internal trouble code.
15 6 254/002 ECU internal trouble code.
15 7 254/002 ECU internal trouble code.
15 8 253/013 ECU internal trouble code.
15 9 231/012 ECU internal trouble code.
15 10 254/012 ECU internal trouble code.
15 11 254/012 ECU internal trouble code.
16 1 or 5 251/004 Excessive voltage on PMV Power. Power Circuits.
16 2 or 6 251/003 Low voltage found on PMV Power.
16 3 or 7 251/005 No voltage found on PMV Power.
16 4 or 8 251/005 Open circuit found on PMV Ground.
16 9 251/004 Excessive voltage found on ECU Power.
16 10 251/003 Low voltage found on ECU Power.
16 11 251/002 Voltage difference between PMV Power inputs is too high.
17 1 013/003 Retarder control relay shorted high or open circuit.
17 2 013/004 Retarder control relay shorted to ground.
17 3 249/002 or 231/002 J1922/1939 date link not functioning.
17 4 249/002 or 231/002 J1922/1939 date link time out.
17 5 253/013 Tire size, front to rear out of range.
17 6 253/013 Tire size out of range or parameter fault.
17 7 — Brake light switch not pushed at this power cycle.
17 8 — ATC system is disabled for dynamometer test.
17 10 023/014 Indicator lamp circuit is faulty.
17 12 151/014 Sensor memory bit set, (A sensor trouble code has
occurred, the ECU must read wheel speeds on all wheels
to clear this trouble code.)
Blink Codes
1st. 2nd. Description Location
MID 136
SID/FMI

25
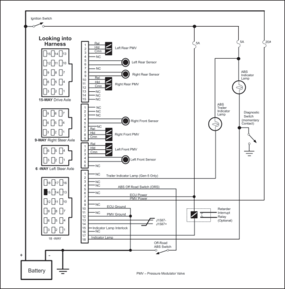
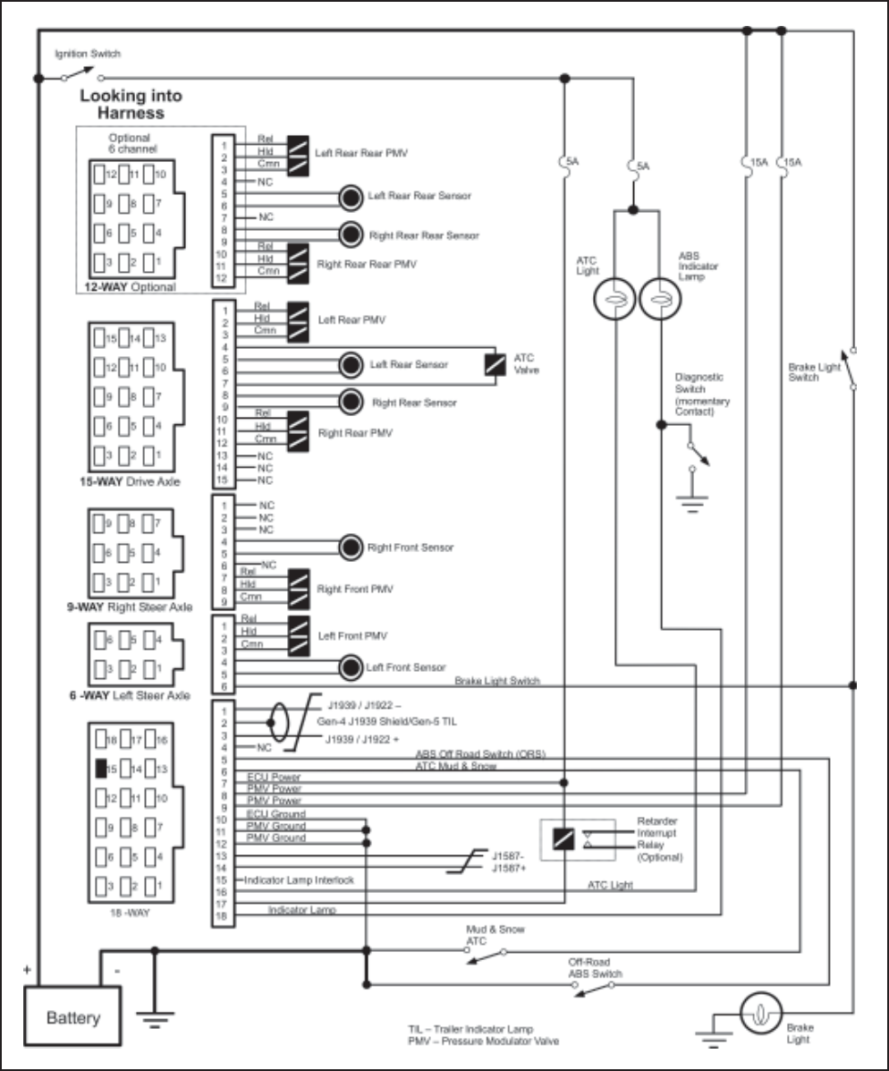
Fault Codes
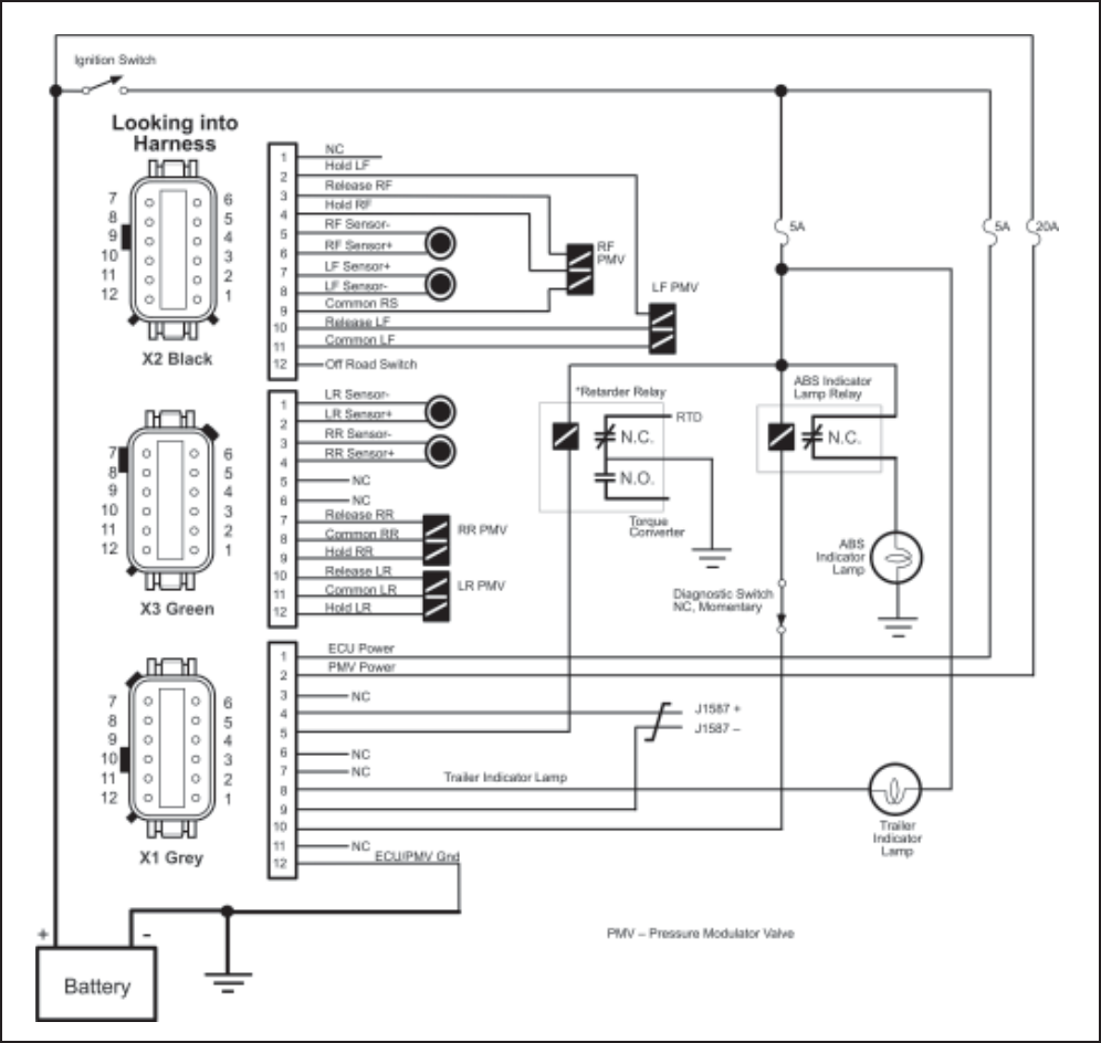
X2 (Black) 5 Speed Sensor (-) Right Steer
6 Speed Sensor (+) Right Steer
7 Speed Sensor (-) Left Steer
8 Speed Sensor (+) Left Steer
X3 (Green) 1 Speed Sensor (-) Left Rear
2 Speed Sensor (+) Left Rear
3 Speed Sensor (-) Right Rear
4 Speed Sensor (+) Right Rear
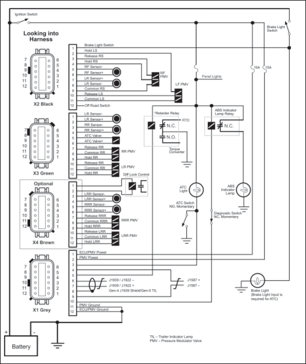
X4 (Brown) 3 Speed Sensor (-) Left Rear Rear
*
6-channel 4 Speed Sensor (+) Left Rear Rear
*
Only 5 Speed Sensor (-) Right Rear Rear
*
6 Speed Sensor (+) Right Rear Rear
*
Harness Connector PIN Circuit Description
Harness Connector PIN Circuit Description
B (6-Way) 4 Speed Sensor (+) Left Steer
5 Speed Sensor (-) Left Steer
C (9-Way) 4 Speed Sensor (+) Right Steer
5 Speed Sensor (-) Right Steer
D (15-Way) 5 Speed Sensor (+) Left Rear
6 Speed Sensor (-) Left Rear
8 Speed Sensor (+) Right Rear
9 Speed Sensor (-) Right Rear
E (12-Way) 5 Speed Sensor (+) Left Rear Rear
*
6-channel 6 Speed Sensor (-) Left Rear Rear
*
Only 8 Speed Sensor (+) Right Rear Rear
*
9 Speed Sensor (-) Right Rear Rear
*
*
Not Used On Basic System
*
Not Used On Basic System
X2 Black
X3 Green X4 Brown
X1 Grey
7
8
9
10
11
12
6
5
4
3
2
1
7
8
9
10
11
12
6
5
4
3
2
1
7
8
9
10
11
12
6
5
4
3
2
1
7
8
9
10
11
12
6
5
4
3
2
1
10
11
12
7
8
9
4
5
6
1
2
3
10
11
12
13
14
15
13
14
15
16
17
18
7
8
9
4
5
6
1
2
3
10
11
12
7
8
9
4
5
6
1
2
3
7
8
9
4
5
6
1
2
3
4
5
6
1
2
3
ABCDE
TOP - Looking into harness connector
Speed Sensor Resistance Test
The correct resistance for the speed sensor circuit is between 950 ohms and 1900 ohms.
Measure resistance at the wheel location to check the speed sensor.
Measure resistance at the appropriate ECU harness connector pins to check the cable and speed sensor.
Note: Refer to the chart for pin identification.
FIGURE 24 - Wheel Speed Sensor Harness Circuit Descriptions and Resistance Test
FIGURE 23 - Typical Wheel Speed Sensor Circuit
Speed Sensor Troubleshooting
Follow the steps listed below to locate and correct sensor
related ABS trouble codes.
1. Access active trouble code(s) using either the Blink
Code procedure, with ServiceRanger or the Hand-held
Tester procedure.
2. Lookup the code description, the possible causes and
the repair procedures provided in this section.
3. Perform the recommended repair procedures.
4. After the repairs are completed, clear all codes and
check for any additional codes.
5. If a sensor related trouble code has occurred, a code
17•12 will remain in the system until the vehicle has
been driven.
26
The 17•12 Sensor Memory Diagnostic Trouble
Code
The ABS indicator lamp indication and 17•12 diagnostic
trouble code are provided to remind the service technician
of the need to verify the performance of the ABS wheel
speed sensors by driving the vehicle after servicing the
sensors. ABS wheel speed sensors do not generate signals
unless the wheels are turning. Because of this, certain
sensor codes can only be detected when the vehicle is in
motion.
The trouble code 17•12 is generated after the initial sensor
codes are cleared. The ABS indicator lamp remains lit.
The trouble codes must be rechecked after clearing the
sensor codes in order to see 17•12 reported.
A 17•12 trouble code and ABS indicator lamp signal for
sensor code cannot be cleared using a ProLink,
ServiceRanger software or the diagnostic button. They can
only be cleared by driving the vehicle. The ABS ECU will
clear the 17•12 blink code and turn off the ABS indicator
lamp when all active sensor code issues are resolved and
the vehicle is driven above 5 mph. The ABS ECU must
detect speeds at all monitored wheels for the condition to
clear.
Procedure:
1. Check trouble codes.
2. Troubleshoot and eliminate causes for all trouble codes.
3. Clear trouble codes.
4. Check trouble codes again (17•12 will be reported if
sensor codes are cleared).
5. If 17•12 error code is reported, drive vehicle above 5
mph (ABS indicator lamp will go out and 17•12 trouble
code will be cleared after a short period if all sensor
signals are acceptable).
Note: If sensor codes still exist, the ABS indicator lamp
will remain lit. The trouble codes will be logged once again
after driving the vehicle. If more than one sensor site is
affected, the codes may not be re-logged by the ECU until
the vehicle has been driven and held above 20 mph for 3-
5 minutes.
For more detailed troubleshooting, monitor the wheel
speeds and cut-out speeds with ServiceRanger or a ProLink
hand-held diagnostic tool. Troubleshoot and repair any
speed sensor not reporting a wheel speed or showing a
high cut-out speed.
Cut-out speeds are an indication of the strength of the
sensor signal to the ECU and are proportional to air gap.
Cut-out speeds should be in the range of 3-8 mph. Lower
numbers indicate a stronger and better signal than higher
numbers. High values indicate a sensor with an unreliable
or non-existent signal.

27
Fault Codes
1st
2nd
Blink Code
Sequence
1.5 Sec.
Pause
Flashes Location
2 Left Steer
3 Right Steer
4 Left Rear
5 Right Rear
6 Left Rear Rear
7 Right Rear Rear
Action
If necessary, clean and lubricate sensor. Press into mounting hole until it bottoms against
tone wheel. Clear trouble code and verify that code is corrected by test driving the vehicle.
The indicator lamp will remain on until proper sensor output is detected even though the code
has been cleared.
Check sensor resistance. If sensor resistance is out of range, replace sensor. Clean and
lubricate sensor. Press into mounting hole until it bottoms against tone wheel. Clear trouble
code and verify that code is corrected by test driving the vehicle.The indicator lamp will remain
on until proper sensor output is detected even though the code has been cleared. Use
approved lubricant.
Examine tone ring for damage. Replace tone ring and/or hub if necessary. Check wheel
bearing adjustment.Adjust wheel bearings if necessary. Clear trouble code and verify that code
is corrected by test driving the vehicle. The indicator lamp will remain on until proper sensor
output is detected even though the code has been cleared.
Check mechanical function of brake. Check for kinked or restricted hoses. Clear trouble code
and verify that code is corrected by test driving the vehicle.The indicator lamp will remain on
until proper sensor output is detected even though the code has been cleared.
Check for damaged tone ring or excessive run out. Repair tone ring and/or adjust wheel
bearings. Clear trouble code and test drive the vehicle. The indicator lamp will remain on until
proper sensor output is detected even though the trouble code has been cleared.
Use an ohm meter to verify proper sensor resistance (Fig 24). Check harness for shorts or
opens. Repair harness and/or replace sensor as necessary. Clear trouble code and verify that
code is corrected by test driving the vehicle. The indicator lamp will remain on until proper
sensor output is detected even though the trouble code has been cleared.
Clear trouble code and test drive the vehicle. The indicator lamp will remain on until proper
sensor output is detected even though the code has been cleared. If trouble code recurs, or
cannot be cleared, replace ECU.
Check the control unit configuration and verify that sensors are wired in the proper location
for the configuration (Refer to Schematic).
Flashes Condition
1 Sensor air gap too large.
2 Air gap too large or sensor
shorted.
3 Speed sensor signal is noisy.
4 Wheel locked for excessive
period of time during anABS cycle.
5 Excessive rate of deceleration
found at a wheel site.
6 Sensor connection shorted low or
high or sensor is open.
7 There is an internal error at the
sensor port of the ECU.
8 Asensor has been found in the
wrong location.
3
2
7
6
3
2
5
4
FIGURE 25 - Speed Sensor Diagnostic Trouble Code Troubleshooting Guide

28
FIGURE 26 - Front Speed Sensor Components
Wheel End Speed Sensor Repair
Front Axle Speed Sensor
The front axle speed sensor is located on the inboard side
of the steering knuckle.
CAUTION: Block wheels before beginning this procedure.
Follow all standard safety procedures, outlined by, but not
limited to, the General Precautions listed on page 13 of
this document.
CAUTION: Do not work under a vehicle supported by a
jack.
Removal
1. Disconnect sensor cable from harness.
2. Remove the sensor from the sensor bushing. (Do not
pull on cable.)
3. Remove the speed sensor friction sleeve from the steer
knuckle.
Installation
1. Install the sensor bushing with the flange stops towards
the inboard side of the vehicle.
2. Apply high-temperature silicon-based grease to the
body of the speed sensor.
3. Push the speed sensor completely into sensor bushing
by hand until it stops against the tone ring. The speed
sensor is properly installed and adjusted when it is
touching the tone ring.
NOTE: The speed sensor must slide freely in and out of
the mounting sleeve bore. Operating the vehicle with
seized components will damage the speed sensor and
the tone ring.
4. Test the installation.
5. Check the cable routing and connections.
6. Clear the trouble codes. A 17•12 trouble code will
remain in the system until the vehicle has been driven.
7. Test drive the vehicle and verify that the ABS warning
lamp operates properly.
Friction Sleeve
Sensor
ABS
Sensor
Bushing
FIGURE 27 - Wheel Speed Sensor Installation
Sensor
Push

29
Fault Codes
FIGURE 28 - Rear Speed Sensor Components
Rear Axle Speed Sensor
The rear axle speed sensor located inside the brake drum
and is only accessible by removing the wheel and drum
assembly.
NOTE: For diagnostic and service information on in-axle
speed sensors, please contact Dana Corporation.
CAUTION: Block wheels before beginning this procedure.
Follow all standard safety procedures, outlined by, but not
limited to, the General Precautions listed on page 13 of
this document.
CAUTION: Do not work under a vehicle supported by a
jack.
Removal
1. Back off the slack adjuster to release the brake shoes.
2. Remove the wheel and tire assembly from the axle.
3. Remove the brake drum.
4. Remove the speed sensor with bushing from the
mounting block on the axle housing. Use twisting motion
and avoid pulling on the cable.
5. Disconnect any fasteners that hold sensor cable to other
components and disconnect the speed sensor from the
harness.
Installation
1. Install the sensor bushing with the flange stops toward
the inboard side of the vehicle.
2. Apply a non-conductive grease lubricant to the body of
the speed sensor.
3. Push the speed sensor completely into sensor bushing
by hand until it stops against the tone ring. The speed
sensor is properly installed and adjusted when it is
touching the tone ring.
NOTE: The speed sensor must slide freely in and out of
the mounting sleeve bore. Operating the vehicle with seized
components will damage the speed sensor and the tone
ring.
4. Route the cable to the frame.
5. Connect sensor cable to harness and install fasteners
to hold the sensor cable in position.
6. Install the brake drum on the wheel hub.
7. Adjust the rear axle brakes.
8. Install the wheel and tire assembly and tighten the wheel
nuts.
9. Test the installation.
10. Check the cable connections.
11. Clear the trouble codes. A 17•12 trouble code will remain
in the system until the vehicle has been driven.
12. Test drive the vehicle and verify that the ABS indicator
lamp operates properly.
Friction Sleeve Sensor Block
Sensor

30
Measure Measure Resistance
From: To: Range:
Common Hold 3-8 Ohms
Common Release 3-8 Ohms
HoldRelease 6-16 Ohms
PMV Resistance Test
Measure resistance at the PMV location
to check the valve.
Measure resistance at the appropriate
ECU harness connector pins to check
the cable and valve.
Note: Refer to the chart for pin
identification.
FIGURE 30 - PMV Harness Circuit Descriptions and Resistance Test
Looking Into Valve
No
Connection
Common Hold
Release
1
32
Common
Hold Release
1
32
Twist-Lock Connector
Threaded Connector
Twist-Lock
Connector
Threaded
Connector
FIGURE 29 - Typical PMV Circuit
Pressure Modulator Valve (PMV)
Troubleshooting
Follow the steps listed below to locate and correct ABS
modulator valve problems.
1. Access active trouble code(s) using either the Blink
Code procedure or the hand-held tester procedure.
2. Lookup the code description, the possible causes and
the repair procedures provided in this section.
3. Perform the recommended repair procedures.
4. After the repairs are completed, clear all codes and
check for any additional codes.
Relay
Valve
ECU

31
Fault Codes
FIGURE 31 - PMV Harness Circuit Descriptions and Resistance Test
X2 Black X3 Green
7
8
9
10
11
12
6
5
4
3
2
1
7
8
9
10
11
12
6
5
4
3
2
1
X4 Brown
7
8
9
10
11
12
6
5
4
3
2
1
X1 Grey
7
8
9
10
11
12
6
5
4
3
2
1
Harness Connector PIN Circuit Description
X2 (Black) 2 PMV 1 (Hold) Left Steer
10 PMV 1 (Release) Left Steer
11 PMV 1 Common Left Steer
X2 (Black) 3 PMV 2 (Release) Right Steer
4 PMV 2 (Hold) Right Steer
9 PMV 2 Common Right Steer
X3 (Green) 10 PMV 3 (Release) Left Rear
12 PMV 3 (Hold) Left Rear
11 PMV 3 Common Left Rear
X3 (Green) 7 PMV 4 (Release) Right Rear
9 PMV 4 (Hold) Right Rear
8 PMV 4 Common Right Rear
X4 (Brown) 10 PMV 5 (Release) Left Rear Rear
*
6-channel 12 PMV 5 (Hold) Left Rear Rear
*
Only 11 PMV 5 Common Left Rear Rear
*
X4 (Brown) 7 PMV 6 (Release) Right Rear Rear
*
6-channel 9 PMV 6 (Hold) Right Rear Rear
*
Only 8 PMV 6 Common Right Rear Rear
*
Harness Connector PIN Circuit Description
B (6-Way) 1 PMV 1 (Release) Left Steer
2 PMV 1 (Hold) Left Steer
3 PMV 1 Common Left Steer
C (9-Way) 7 PMV 2 (Release) Right Steer
8 PMV 2 (Hold) Right Steer
9 PMV 2 Common Right Steer
D (15-Way) 1 PMV 3 (Release) Left Rear
2 PMV 3 (Hold) Left Rear
3 PMV 3 Common Left Rear
D (15-Way) 10 PMV 4 (Release) Right Rear
11 PMV 4 (Hold) Right Rear
12 PMV 4 Common Right Rear
E (12-Way) 1 PMV 5 (Release) Left Rear Rear
*
6-channel 2 PMV 5 (Hold) Left Rear Rear*
Only 3 PMV 5 Common Left Rear Rear*
E (12-Way) 10 PMV 6 (Release) Right Rear Rear*
6-channel 11 PMV 6 (Hold) Right Rear Rear*
Only 12 PMV 6 Common Right Rear Rear*
ABCDE
10
11
12
7
8
9
4
5
6
1
2
3
10
11
12
13
14
15
13
14
15
16
17
18
7
8
9
4
5
6
1
2
3
10
11
12
7
8
9
4
5
6
1
2
3
7
8
9
4
5
6
1
2
3
4
5
6
1
2
3
TOP– Looking into harness connector
Cab Mount Frame Mount
*Not Used On Basic System*Not Used On Basic System

32
FIGURE 32 - PMV Diagnostic Trouble Code Troubleshooting Guide
1st
2nd
1.5 Sec.
Pause
Flashes Location
8 PMV 1 Left Steer
9 PMV 2 Right Steer
10 PMV 3 Left Rear
Blink Code
Sequence
11 PMV4 Right Rear
12 PMV5 Left Rear Rear
13 PMV6 Right Rear Rear
Action
Use multimeter to check that valve resistances are correct.
If valve is OK check harness for short in wiring.
Use multimeter to check that valve resistances are correct.
If valve is OK check harness for short in wiring.
Use multimeter to check that valve resistances are correct.
If valve is OK check harness for open in wiring.
Use multimeter to check that valve resistances are correct.
If valve is OK check harness for open in wiring.
Use multimeter to check that valve resistances are correct.
If valve is OK check harness for short in wiring.
Use multimeter to check that valve resistances are correct.
If valve is OK check harness for short in wiring.
Use multimeter to check that valve resistances are correct.
If valve is OK check harness for open in wiring.
Check the control unit configuration and verify that valves are wired in the proper
location for the configuration (Refer to Schematic).
Flashes Condition
1 There is a short between the
release solenoid and supply voltage.
2 The is a short between the release
solenoid and ground.
3 There is an open circuit at the
release solenoid.
4 There is an open circuit in the
common line to the valve.
5 There is a short between the hold
solenoid and supply voltage.
6 The is a short between the hold
solenoid and ground.
7 There is an open circuit at the hold
solenoid.
8 Avalve has been found wired in the
wrong location.
Flashes Location
1st
2nd
1.5 Sec.
Pause
Location
PMV Commons
Action
Unplug ECU and check for voltage on the PMV common pins. If voltage is found,
repair harness. If no problem is found in harness, replace ECU. Note: Before
replacing ECU clear trouble codes and verify that trouble code is still present
(Refer to Schematic).
Unplug ECU and check for short to 12 volts on PMV common pins. If any are
shorted to supply, repair harness. If no short is found in harness, replace ECU.
Note: Before replacing ECU, clear trouble codes and verify that trouble code is
still present (Refer to Schematic).
Unplug ECU and check for short to ground on PMV common pins. If any are
shorted to ground, repair harness. If no short is found in harness, replace ECU.
Note: Before replacing ECU, clear trouble codes and verify that trouble code is
still present (Refer to Schematic).
Condition
Stray voltage has been found on the
common line of one or more
of the valves
Ashort to supply voltage has been
found on the common line of one or
more of the valves
Ashort to ground has been found on
the common line of one or more of
the valves
Flashes
9
10
11
Flashes
10 or 11

33
Fault Codes
FIGURE 33 - Rear Axle Valve Assemblies – Standard and ATC Version Shown
ABS Modulator Valve
Removal
1. Turn ignition switch to the OFF position, and apply
parking brake.
CAUTION: Block wheels before beginning this procedure.
Follow all standard safety procedures, outlined by, but not
limited to, the General Precautions listed on page 13 of
this document.
2. Disconnect the wiring connector from the ABS valve.
3. Disconnect the air lines from the supply and delivery
ports of the ABS valve.
4. Disconnect the valve mounting fasteners.
5. Remove the ABS valve.
NOTE: To service either modular valve or the relay valve,
remove the entire assembly and then replace the individual
components (valve).
Installation
1. Install the valve. Torque fasteners to manufacturers
specification.
2. Connect air lines.
• Supply to port 1 on valve.
• Service brake chamber to delivery port 2.
3. Connect the wiring connector to the ABS valve.
4. Test the installation:
• Modulator Valve Leak Test—Make and hold brake
application. No audible air leaks are permitted.
• Modulator Valve Component Test with Hand-Held
Diagnostic Tool—Select valve routines. Verify
proper valve location and operation with tool. Drive
the vehicle and verify ABS indicator lamp operates
properly.
5. Make several brake applications and check for prompt
brake chamber applications and release at all wheels.
Check the cable connections.
6. Clear codes.
7. Drive the vehicle and verify that the ABS indicator lamp
operates properly.
Standard RearAxle
ValveAssembly
ATC Rear Axle
ValveAssembly

34
FIGURE 34 - ATC Valve
Performance Test of the Relay Valve
CAUTION: Block wheels before beginning this procedure.
Follow all standard safety procedures, outlined by, but not
limited to, the General Precautions listed on page 13 of
this document.
1. Park vehicle on level surface and block wheels.
2. Release parking brake and fully charge the air system
(governor cut out point).
3. Turn the engine OFF. Apply the service brake several
times, then hold and check for prompt brake air chamber
application and release at all wheels.
4. Apply brake, then hold. Coat outside of relay valve
(where cover joins body) and connection between
modulator valve and relay valve with a soap solution.
No leakage is permitted.
5. If a sluggish response is noted at all wheels, inspect for
kinked or obstructed air line leading to or from valve.
6. Increase system air pressure to governor cutoff. With
the brakes released, coat exhaust port of relay valve
with a soap solution. Leakage of a 1" bubble in 5
seconds is permissible.
7. Depress foot valve and keep depressed. Coat exhaust
port with a soap solution. Leakage of a 1" bubble in 3
seconds is permissible.
Automatic Traction Control (ATC) Valve
Troubleshooting
The following ATC troubleshooting pages provide the basic
information necessary to: identify the diagnostic trouble
code; locate the problem; review the possible cause(s);
select the correct solution and utilize proper repair
procedures.
Follow the steps listed below to locate and correct ATC
problems.
1. Access active diagnostic trouble code(s) using either
the Blink Code procedure or the hand-held tester
procedure.
2. Lookup the code description, the possible causes and
the repair procedures provided in this section.
3. Perform the recommended repair procedures.
4. After the repairs are completed, clear all codes and
check for any additional codes.
Whether the ATC Valve is used as a stand-alone valve as
shown in Figure 34 or is integrated into the cover of a relay
valve as shown in Figure 33, the troubleshooting procedure
is the same.
(3) Treadle
(1) Tank Air (2) Relay valve
control line

35
Fault Codes
FIGURE 36 - ATC Diagnostic Trouble Code Troubleshooting Guide
1st
2nd
Blink Code
Sequence
1.5 Second
Pause
Location
ATC Valve
Response
Use multimeter to check that valve resistances are correct (fig 34).
If valve is OK check harness for open in wiring.
Use multimeter to check that valve resistances are correct (fig 34).
If valve is OK check harness for open in wiring.
Use multimeter to check that valve resistances are correct (fig 34).
If valve is OK check harness for open in wiring.
Verify proper system configuration and components. Clear faults.
If error cannot be cleared or recurs, replace ECU.
Condition
Solenoid inATC valve shorted high.
Solenoid inATC valve shorted to
ground.
ATC valve open circuit.
ATC valve found when it should not
be present.
Flashes
5
6
7
8
Flashes
14
FIGURE 35 - ATC Harness Circuit Descriptions and Resistance Test
Harness Connector PIN Circuit Description
X1 (Grey) 3 ATCL(ATC Light/ATC Switch)
X3 (Green) 5 ATC Valve –
6 ATC valve +
Harness Connector PIN Circuit Description
A(18-Way) 6 ATC Mud and Snow Switch
16 ATCL(ATC Light)
D (15-Way) 4 ATC Valve +
7 ATC Valve –
ATC Valve Resistance Test
The correct resistance for theATC Valve circuit is between 9 ohms and 15 ohms.
Measure resistance at the ATC Valve to check the valve.
Measure resistance at the appropriate ECU harness connector pins to check the cable and valve.
Note: Refer to the chart for pin identification.
X2 Black
X3 Green
7
8
9
10
11
12
6
5
4
3
2
1
7
8
9
10
11
12
6
5
4
3
2
1
X4 Brown
7
8
9
10
11
12
6
5
4
3
2
1
X1 Grey
7
8
9
10
11
12
6
5
4
3
2
1
ABCDE
10
11
12
7
8
9
4
5
6
1
2
3
10
11
12
13
14
15
13
14
15
16
17
18
7
8
9
4
5
6
1
2
3
10
11
12
7
8
9
4
5
6
1
2
3
7
8
9
4
5
6
1
2
3
4
5
6
1
2
3
TOP– Looking into harness connector
Cab Mount Frame Mount

36
ATC Valve Removal
CAUTION: Block wheels before beginning this procedure.
Follow all standard safety procedures, outlined by, but not
limited to, the General Precautions listed on page 13 of
this document.
1. Disconnect the wiring connector from the ATC valve.
2. Disconnect the air lines from the supply (port 1) and
delivery port (port 2) and treadle (port 3) of the ATC
valve.
3. Disconnect the valve mounting fasteners, and remove
the valve.
Installation
1. Install the ATC valve. Torque fasteners to manufacturers
specification.
2. Connect Air lines supply (port 1) delivery port (port 2)
and treadle (port 3) of the ATC valve.
FIGURE 37 - System and ECU Diagnostic Trouble Codes Troubleshooting Guide
1st
1st
2nd
1.5 Sec.
Pause
Location
ECU, Engine Interface
Action
Refer to electrical schematic. Check for proper connection of data link to ECU.
Verify that polarity is correct.
Unplug connector at ECU. There should be a voltage between 0 and 2.5 volts on
J1922/J1939 (–) and a voltage between 2.5 and 5 volts on J1922/J1939 (+).
If vehicle is not equipped with J1922/J1939 engine link, use diagnostic tool to
reconfigure ECU.
Condition
No connection found to engine data
link (J1922/J1939).
Flashes
14
Blink Code
Sequence
2nd
1.5 Sec.
Pause
Location
ECU
Action
If fault cannot be cleared, replace ECU.
Condition
ECU Internal Fault
Flashes
15
Flashes
1–11
Flashes
12
3. Install the wiring connector to the ATC valve.
4. Test the installation.
• Traction Control Valve – Leak Test:
Make and hold brake application. No audible air leaks are
permitted.
• Traction Control Valve Component Test with Hand-
Held Diagnostic Tool:
Select Traction Control Valve
Verify Traction control light operation
Drive the vehicle and verify ABS indicator lamp operates
properly.
CAUTION: Do not start and engage the transmission with
one wheel raised from the floor. With ATC, power will go to
the wheel on the floor and cause the vehicle to move. See
page 20 to disable ATC for dyno testing.

37
Fault Codes
FIGURE 38 - Power Circuit Diagnostic Trouble Codes Troubleshooting Guide
1st
2nd
Blink Code
Sequence
1.5 Sec.
Pause
Location
Power Circuits
Verify that vehicle system voltage is OK (i.e. 9 to 16 volts). If voltage is out of
range, correct system problem. Unplug connector at ECU and turn on ignition
switch. If the voltage on PMV Power is different than system voltage, repair
wiring. Clear trouble codes and verify that the indicator lamp turns out after bulb
check.
Verify that vehicle system voltage is OK (i.e. 9 to 16 volts). If voltage is out of
range, correct system problem. Unplug connector at ECU and turn on ignition
switch. If the voltage on PMV Power is different than system voltage, repair
wiring. Clear trouble codes and verify that the indicator lamp turns out after bulb
check.
Verify that vehicle system voltage is OK (i.e. 9 to 16 volts). If voltage is out of
range, correct system problem. Unplug connector at ECU and turn on ignition
switch. If the voltage on PMV Power is different than system voltage, repair
wiring. Clear trouble codes and verify that the indicator lamp turns out after bulb
check.
Unplug connector at ECU and check for continuity to ground on PMV Ground. If
continuity to ground is not present, repair harness.
Verify that vehicle system voltage is OK (i.e. 9 to 16 volts). If voltage is out of
range, correct system problem. Unplug connector at ECU and turn on ignition
switch. If the voltage on pinA-8 is different than system voltage, repair wiring.
Clear trouble codes and verify that the indicator lamp turns out after bulb check.
Verify that vehicle system voltage is OK (i.e. 9 to 16 volts). If voltage is out of
range, correct system problem. Unplug connector at ECU and turn on ignition
switch. If the voltage on PMV Power is different than system voltage, repair
wiring. Clear trouble codes and verify that the indicator lamp turns out after bulb
check.
Verify that vehicle system voltage is OK (i.e. 9 to 18 volts). If voltage is out of
range, correct system problem. Unplug connector at ECU and turn on ignition
switch. If the voltage on one PMV Power pin differs from the other by greater than
0.5 volts, repair wiring. (Check circuit breakers and/or fuses on diagonal supply
line.) Clear trouble codes and verify that the indicator lamp turns out after bulb
check.
Condition
Excessive voltage on PMV Power
Low voltage on PMV Power
No voltage found on PMV Power
Open circuit on PMV Ground
Excessive voltage found on
ECU Power
Low voltage found on ECU Power
Voltage difference between PMV
Power inputs is too high
Flashes
1or5
2or6
3or7
4or8
9
10
11
Flashes
16
Action

38
FIGURE 39 - Miscellaneous Diagnostic Trouble Codes Troubleshooting Guide
1st
2nd
Blink Code
Sequence
1.5 Sec.
Pause
Location
Miscellaneous
Use multimeter to verify proper voltage at the retarder control relay.
Use multimeter to verify proper voltage at the retarder control relay.
Unplug connector at ECU. There should be a voltage between 0 and 2.5 volts on
J1939/J1922 (–) and a voltage between 2.5 and 5.0 volts on J1939/J1922 (+).
Refer to schematic and correct wiring harness as required.
Unplug connector at ECU. There should be a voltage between 0 and 2.5 volts on
J1939/J1922 (–) and a voltage between 2.5 and 5.0 volts on J1939/J1922 (+).
Refer to schematic and correct wiring harness as required.
There is too great a difference in the rolling radius of the front and rear tires.
Steer axle tire radius cannot be more than 20% above rears or 10% below. If the
static loaded radius of the rear tires is outside the range 15.9 to 21.5 inches the
ECU must be recalibrated using a diagnostic tool.
There is too great a difference in the rolling radius of the front and rear tires.
Steer axle tire radius cannot be more than 20% above rears or 10% below. If the
static loaded radius of the rear tires is outside the range 15.9 to 21.5 inches the
ECU must be recalibrated using a diagnostic tool.
Press brake pedal. If error does not clear, check for missing connection at brake
light switch. If the brake is not applied you should measure the resistance of the
brake light bulb (bulb broken?). If the brake is applied, you should measure
vehicle system voltage. (i.e. 9…16v)
Cycle ignition switch andATC will be re-enabled.
Diagnostic switch may have been pressed for an excessive period of time (>30
seconds). If not check wiring associated with indicator lamp.
This trouble code should clear when the vehicle is driven and the ECU is able
to read sensor output voltage. If this does not happen, verify that the sensors are
properly adjusted (pressed full in to tone wheels.)
Retarder control relay shorted high or
open circuit.
Retarder control relay shorted low.
or open circuit
J1922/1939 data link not functioning.
(Retarder)
J1922/1939 data link time out.
Tire size, front to rear out of range.
Tire size out of range or parameter
fault.
Brake light switch not pushed at this
power cycle.
ATC system is disabled for
dynamometer test.
Warning light short, low or open
Sensor memory bit is set
Flashes
1
2
3
4
5
6
7
8
10
12
Flashes
17
Action
Condition
Note: For codes 17•3 and 17•4 the problem may be
within the engine controller, another controller on the
data link or within the wiring or connectors.

39
Fault Codes
FIGURE 40 - Cab Mount ECU – Connector Layout
Cab Mount ECU Pin Identification
This section shows how to identify Cab Mount ECU harness
connectors and pin locations. The charts provide a brief
description of the signal carried by each pin.
ConnectorA
18 -Way
Connector B
6 -Way
Connector C
9 -Way
Connector D
15 -Way
Connector E
12 -Way
18
17
16
15
14
13
12
11
10
96
1
852
74
3
A
B
CDE
Top
A
B
CDE
Top
A
B
CDE
Top
A
B
CDE
Top
A
B
CDE
Top
Looking Into Harness Connector
63
52
41
963
852
741
15
14
13
12
11
10
963
852
741
12
11
10
963
852
741

40
A (18-Way) 1 J1922/J1939 -
2 Gen 4™ ABS J1939 Shld/Gen 5™ ABS TIL
3 J1922/J1939 +
4 NC
5 Off Road ABS Switch (ORS)
6 ATC Mud & Snow Switch
7 Ignition, Switched
8 V Bat 2
9 V Bat 1
10 Ground - ECU
11 Ground - Diagonal 2
12 Ground - Diagonal 1
13 SAE J1587-
14 SAE J1587+
15 NC, Interlock
16 ATC Light
17 Retarder Relay
18 Indicator Lamp/Diagnostic Switch
B (6-Way) 1 PMV1 (Left Steer), Rel Solenoid
2 PMV1 (Left Steer), Hold Solenoid
3 PMV1 (Left Steer), Common
4 Speed Sensor 2 (Left Steer) +
5 Speed Sensor 2 (Left Steer) -
6 Brake Light Switch
C (9-Way) 1 NC
2 NC
3 NC
4 Speed Sensor 3 (Right Steer) +
5 Speed Sensor 3 (Right Steer) -
6 NC
7 PMV2 (Right Steer), Rel Solenoid
8 PMV2 (Right Steer), Hold Solenoid
9 PMV2 (Right Steer), Common
ECU
CONNECTOR PIN DESCRIPTION ECU
CONNECTOR PIN DESCRIPTION
D (15-Way) 1 PMV3 (Left Rear), Rel Solenoid
2 PMV3 (Left Rear), Hold Solenoid
3 PMV3 (Left Rear), Common
4 ATC Valve -
5 Speed Sensor 4 (Left Rear) +
6 Speed Sensor 4 (Left Rear) -
7 ATC Valve +
8 Speed Sensor 5 (Right Rear) +
9 Speed Sensor 5 (Right Rear) -
10 PMV4 (Right Rear), Rel Solenoid
11 PMV4 (Right Rear), Hold Solenoid
12 PMV4 (Right Rear), Common
13 NC
14 NC
15 NC
E (12-Way) 1 PMV5 (Left Rear Rear), Rel Solenoid
2 PMV5 (Left Rear Rear), Hold Solenoid
3 PMV5 (Left Rear Rear), Common
4 NC
5 Speed Sensor 6 (Left Rear Rear) +
6 Speed Sensor 6 (Left Rear Rear) -
7 NC
8 Speed Sensor 7 (Right Rear Rear) +
9 Speed Sensor 7 (Right Rear Rear) -
10 PMV6 (Right Rear Rear), Rel Solenoid
11 PMV6 (Right Rear Rear), Hold Solenoid
12 PMV6 (Right Rear Rear), Common
FIGURE 41 - Cab Mount ECU – Pin Identification Chart

41
Fault Codes
FIGURE 42 - Gen 4™ and Gen 5™ Basic Cab Mount ABS Electrical Schematic

42
FIGURE 43 - Gen 4™ and Gen 5™ Standard Cab Mount ABS Electrical Schematic

43
Fault Codes
FIGURE 44 - Cab Mount ECU – Pin Identification Chart
Frame Mount ECU Pin Identification
This section shows how to identify Frame Mount ECU
harness connectors and pin locations. The charts provide
a brief description of the signal carried by each pin.
7
8
9
10
11
12
6
5
4
3
2
1
7
8
9
10
11
12
6
5
4
3
2
1
7
8
9
10
11
12
6
5
4
3
2
1
7
8
9
10
11
12
6
5
4
3
2
1
X3 GreenX3 Green
X2 Black
X4 Brown X1 Grey

44
Pin Signal Description
X1-1 IGN1Ignition-1
X1-2 IGN2Ignition-2
X1-3 ATCL ATC Light/ATC Switch
X1-4 1587+J1587+
X1-5 RET Retarder Control
X1-6 ENG–J1922/1939 Engine Control Link-
X1-7 ENG+J1922/1939 Engine Control link+
X1-8 SHLD/TIL Gen 4™ ABS J1939 Shield/Gen 5™ ABS TIL
X1-9 1587–J1587-
X1-10 WL ABS WL/Diagnostic Switch
X1-11 GND2Ground
X1-12 GND1Ground
Pin Signal Description
X2-1 BLS Brake Light Switch
X2-2 HLDLS Hold Sol, Left Steer
X2-3 RELRS Release Sol, Right Steer
X2-4 HLDRS Hold Sol, Right Steer
X2-5 SSRS Speed Sensor, Right Steer-
X2-6 SSBS Speed Sensor, Right Steer+
X2-7 SSLS Speed Sensor, Left Steer-
X2-8 SSLS Speed Sensor, Left Steer+
X2-9 CMNRS Common, Right Steer Valve
X2-10 RELLS Release, Left Steer Valve
X2-11 CMNLS Common, Left Steer Valve
X2-12 ORS Off Road Switch
Pin Signal Description
X3-1 SSLR Speed Sensor, Left Rear-
X3-2 SSLR Speed Sensor, Left Rear+
X3-3 SSRR Speed Sensor, Right Rear-
X3-4 SSRR Speed Sensor, Right Rear+
X3-5 ATCV-Traction Control Valve-
X3-6 ATCV+Traction Control Valve+
X3-7 RELRR Release Sol, Right Rear
X3-8 CMNRR Common, Right Rear
X3-9 HLDRR Hold Sol, Right Rear
X3-10 RELLR Release Sol, Left Rear
X3-11 CMNLR Common, Left Rear
X3-12 HLDLR Hold Sol, Left Rear
Pin Signal Description
X4-1 DLC-Diff Lock Control-
X4-2 DLC+Diff Lock Control+
X4-3 SSLRR Speed Sensor Left Rear Rear-
X4-4 SSLRR Speed Sensor Left Rear Rear+
X4-5 SSRRR Speed Sensor Right Rear Rear-
X4-6 SSRRR Speed Sensor Right Rear Rear+
X4-7 RELRRR Release Sol, Right Rear Rear
X4-8 CMNC+ Common, Right Rear Rear
X4-9 HLDRRR Hold Sol, Right Rear Rear
X4-10 RELLRR Release Sol, Left Rear Rear
X4-11 CMNLRR Common, Left Rear Rear
X4-12 HLDLRR Hold Sol, Left Rear Rear
X1 Grey X3 Green
X2 Black X4 Brown
FIGURE 45 - Frame Mount ECU – Pin Identification Chart

45
Fault Codes
FIGURE 46 - Gen 5™ Basic Frame Mount ABS Electrical Schematic

46
FIGURE 47 - Gen 4™ and Gen 5™ Standard Frame Mount ABS Electrical Schematic
Frame Mount
47
Fault Codes
ABS — Antilock Brake System.
ABS Event — Impending wheel lock situation that causes the
ABS controller to activate the modulator valve(s).
Air Gap — Distance between the Sensor and tone ring.
Anti-Compounding Valve — Prevents the application of the
service and spring brakes at the same time. Depending on
vehicle design, the anti-compounding valve may be installed in
combination with a relay valve or quick release valve.
Apply Timing — The time from the movement of the service
brake control for each brake chamber to reach 60 psi, with an
initial service reservoir pressure of 100 PSI.
ASR — Automatic Slip Regulation. Another name for traction
control.
ATC — Automatic Traction Control. An additional ABS function
in which engine torque is controlled and brakes are applied
differentially to enhance vehicle traction.
ATC Light — A light that indicates when traction control is
operating.
Channel — A controlled wheel site.
CAN — Controller Area Network. J1939 is an SAE version of
the CAN link.
Clear Codes — System to erase historical faults from the ECU,
from either the Diagnostic Button or from a hand-held diagnostic
tool (only repaired faults may be cleared).
Coefficient of Friction — The horizontal force required to move
a body (on a relatively smooth level surface) divided by the weight
of the body.
Configuration — The primary objective is to identify a “normal”
set of sensors and modulators for the Electronic Control Unit, so
that it will identify future missing sensors and modulators.
Crack Pressure — The ascending input pressure or input force
to an air valve required to initiate output pressure of flow.
Diagonal Control — ABS is configured with two diagonal circuits.
Diagonal control allows each control circuit to provide electrical
control of modulator valves on opposite sides of the vehicle.
Diagnostic Connector — Diagnostic receptacle in vehicle cab
for connection of J1587 hand-held or PC based test equipment.
The tester can initiate test sequences, and can also read system
parameters.
Diagnostic Switch — A switch used to activate blinks codes.
Diagnostic Trouble Code — A condition that interferes with the
generation or transmission of response or control signals in the
vehicle's ABS system that could lead to the functionality of the
ABS system becoming inoperable in whole or in part.
Differential Braking — Application of brake force to a spinning
wheel so that torque can be applied to wheels which are not
slipping.
ECU — Electronic Control Unit.
FMVSS-121 — Federal Motor Vehicle Safety Standard which
regulates air brake systems.
Friction Sleeve — A beryllium copper sleeve which has fingers
cut into it. It is pressed between an ABS sensor and mounting
hole to hold the sensor in place.
Indicator Lamp — An amber light which indicates the operating
status of an antilock system. When the indicator lamp is on,
ABS is disabled and the vehicle reverts to normal brake operation.
IR — Independent Regulation. A control method in which a wheel
is controlled at optimum slip, a point where retardation and
stability are maximized. The brake pressure that is best for the
wheel in question is directed individually into each brake chamber.
J1587 — The SAE heavy duty standard diagnostic data link.
J1708 — An SAE standard which defines the hardware and
software protocol for implementing 9600 baud heavy vehicle data
links. Both J1587 and J1922 are versions of J1708 data links.
J1922 — The SAE heavy vehicle data link which operates
according to J1708 protocol. It is generally used for ATC or
automatic transmission interface to an engine.
J1939 — A high speed 250,000 baud data link which is expected
to replace J1922.
MIR — Modified Independent Regulation. A method of controlling
the opposite sides of a steer axle during ABS operation so that
torque steer and stopping distance are minimized. Usually control
begins at pure select low and moves towards independent control
as the cycle progresses.
PLC — Power Line Carrier. The serial communication protocol
used to communicate with the trailer over the blue full time power
wire.
PMV — Pressure Modulator Valve. An air valve which is used to
vent or block air to the brake chambers to limit or reduce brake
torque.
QR — Quick Release. Quick release Valves allow faster release
of air from the brake chamber after a brake application. To balance
the system, quick release valves have hold off springs that
produce higher crack pressures (when the valves open).
Relay Valve — Increases the application speed of the service
brake. Installed near brakes with larger air chambers (type 24 or
30). The treadle valve activates the relay valve with an air signal.
The relay valve then connect its supply port to its delivery ports.
Equal length air hose must connect the delivery ports of the relay
valve to the brake chambers.
Release Timing — The measurement in time from initial brake
movement to reach 5 psi with 95 psi initial pressure at the brake
chambers.
Retarder Relay — A relay which is used to disable a retarder
when ABS is triggered.
Select High — A method of ABS control in which the brake torque
is released at several wheels when the last wheel begins to lock.
Select Low — The brake pressures level is the same on both
wheels of a given axle. The pressure level is based on the wheel
which is running at the lower friction coefficient.
Select Smart — The difference in pressure between the left and
right brake chamber does not exceed a certain amount. This
leads to the wheel which is running at the high friction coefficient
being braked less strongly.
Sensor Bushing — A bushing which is pressed into steer axles
to hold a wheel speed sensor and friction sleeve.
Stored Faults — A Fault that occurred.
TCS — Traction Control System, another name for ATC or ASR.
Tone Ring — A ring that is usually pressed into a wheel hub that
has a series of teeth (usually 100) and provides actuation for the
speed sensor. Note maximum run out is .008.
Glossary

48 BW2261 © 2006 Bendix Commercial Vehicle Systems LLC. All rights reserved. 5/2006 Printed in U.S.A.