Bendix Tu Flo 550 Compressor Users Manual ManualsLib Makes It Easy To Find Manuals Online!
2014-12-12
: Bendix Bendix-Tu-Flo-550-Compressor-Users-Manual-119036 bendix-tu-flo-550-compressor-users-manual-119036 bendix pdf
Open the PDF directly: View PDF
.
Page Count: 40

SD-01-333
Bendix® Tu-Flo® 550 Air Compressor
BENDIX® TU-FLO® 550 AIR COMPRESSOR
(CROSS SECTION)
BENDIX® TU-FLO® 550 AIR COMPRESSOR
(EXTERIOR)
AIR DISCHARGE WATER OUTLET
PIECE NO.
TAG
GOVERNOR
MOUNTING
PAD
CRANKCASE
PISTON RINGS
PISTON
CRANKSHAFT
CONNECTING
ROD
INLET VALVE
SEAT
UNLOADER
INLET VALVE
CYLINDER
HEAD
END VIEW OF CYLINDER HEAD
DISCHARGE
VALVE SPRING
DISCHARGE
VALVE
DISCHARGE
VALVE STOP
AIR INLET
CRANKCASE
INLET
INLET VALVE
SPRING
DESCRIPTION
The function of the air compressor is to provide and
maintain air under pressure to operate devices in the air
brake and/or auxiliary air systems. The Bendix® Tu-Flo® 550
compressor is a two cylinder single stage, reciprocating
compressor with a rated displacement of 13.2 cubic feet
per minute at 1250 RPM.
The compressor assembly consists of two major
subassemblies, the cylinder head and the crankcase. The
cylinder head is an iron casting which houses the inlet,
discharge, and unloader valving. (See Figure 1.) The
cylinder head contains the air inlet port and is designed
with both top and side air discharge ports. Three water
coolant ports provide a choice of coolant line connections.
Governor mounting surfaces are provided at both the front
and the rear of the cylinder head. The head is mounted
on the crankcase and is secured by six cap screws. The
Tu-Flo® 550 compressor is designed such that the cylinder
head can be installed in one of two positions which are 180
degrees apart. The crankcase houses the cylinder bores,
pistons, crankshaft and main bearings, and provides the
fl ange or base mounting surface.
DISCHARGE
VALVE SEAT
UNLOADER
COVER
WATER
INLET

OPERATION
The compressor is driven by the vehicle engine and
is operating continuously while the engine is running.
Actual compression of air is controlled by the compressor
unloading mechanism and the governor. The governor
which is generally mounted on the compressor maintains
the brake system air pressure to a preset maximum and
minimum pressure level.
INTAKE AND COMPRESSION OF AIR (LOADED)
During the down stroke of the piston, a slight vacuum is
created between the top of the piston and the cylinder head,
causing the inlet valve to move off its seat and open. (Note:
The discharge valve remains on its seat.) Atmospheric air
is drawn through the air strainer and the open inlet valve
into the cylinder (see Figure 4). As the piston begins its
upward stroke, the air that was drawn into the cylinder on
the down stroke is being compressed. Air pressure on the
inlet valve plus the force of the inlet spring, returns the
inlet valve to its seat and closes. The piston continues the
upward stroke and compressed air pushes the discharge
valve off its seat and air fl ows by the open discharge valve,
into the discharge line and to the reservoirs (see Figure 5).
As the piston reaches the top of its stroke and starts down,
the discharge valve spring and air pressure in the discharge
line returns the discharge valve to its seat. This prevents
the compressed air in the discharge line from returning to
the cylinder bore as the intake and compression cycle is
repeated.
CAT MACK
(MACK STYLE)
DETROIT
DIESEL
AIR INLET
WATER
UNLOADER COVER
PLATE
AIR DISCHARGE
WATER
AIR
DISCHARGE
GOVERNOR
WATER
MANUFACTURED BY BENDIX
TU-FLO® 550 COMPRESSOR
BENDIX NO.
SERIAL NO.
MACK
"FOXHEAD"
CUMMINS
MACK
EXTENDED
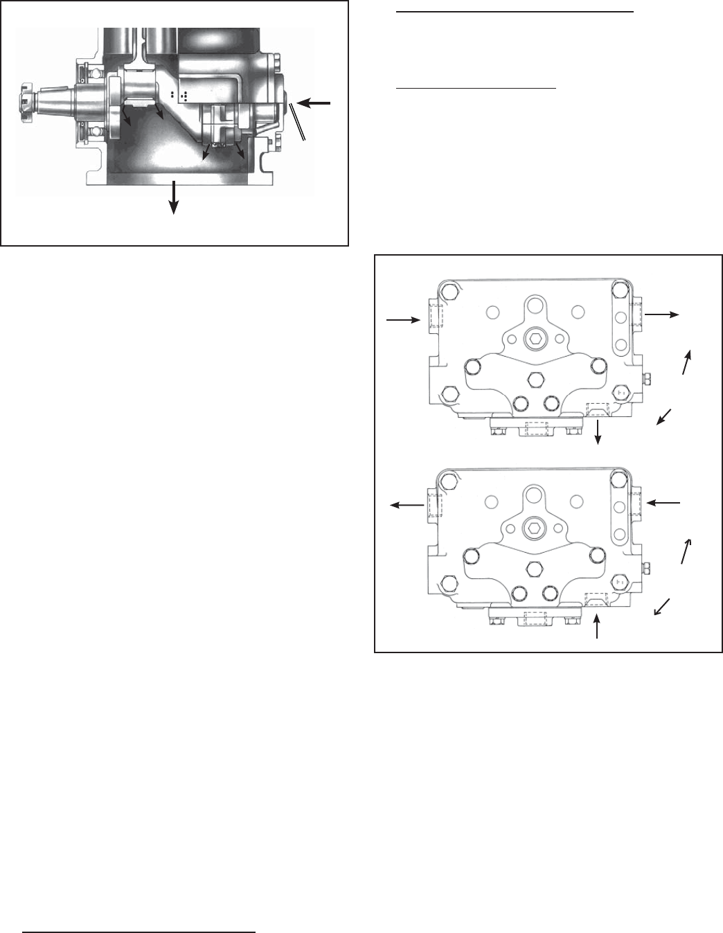
FIGURE 2 - FLANGE CONFIGURATIONS
Various mounting and drive confi gurations, as shown in
Figure 2, are supplied as required by the vehicle engine
designs. A nameplate identifying the compressor piece
number and serial number is attached to the side of the
crankcase. (Reference Figure 3.)
FIGURE 3 - NAMEPLATE
FIGURE 1 - CYLINDER HEAD
CAT BASE
MOUNT

force the pistons upward and the inlet valves return to their
seats. Compression is then resumed.
COMPRESSOR & THE AIR BRAKE SYSTEM
GENERAL
The compressor is part of the total air brake system, more
specifi cally, the charging portion of the air brake system.
As a component in the overall system its condition, duty
cycle, proper installation and operation will directly affect
other components in the system.
Powered by the vehicle engine, the air compressor builds
the air pressure for the air brake system. The air compressor
is typically cooled by the engine coolant system, lubricated
by the engine oil supply and has its inlet connected to the
engine induction system.
As the atmospheric air is compressed, all the water vapor
originally in the air is carried along into the air system, as
well as a small amount of the lubricating oil as vapor. If an
air dryer is not used to remove these contaminants prior
to entering the air system, the majority, but not all, will
condense in the reservoirs. The quantity of contaminants
that reach the air system depends on several factors
including installation, maintenance and contaminant
handling devices in the system. These contaminants must
either be eliminated prior to entering the air system or after
they enter.
DUTY CYCLE
The duty cycle is the ratio of time the compressor spends
building air to the total engine running time. Air compressors
are designed to build air (run "loaded") up to 25% of the
time. Higher duty cycles cause conditions that affect air
GOVERNOR
PORT
AIR
INLET
PORT
INLET
VALVE
OPEN
PISTON
MOVING
DOWN
DISCHARGE
VALVE
CLOSED
GOVERNOR
PORT
INLET
VALVE
CLOSED
PISTON
MOVING
UP
FIGURE 4 - OPERATIONAL-LOADED (INTAKE)
FIGURE 5 - OPERATIONAL-LOADED (COMPRESSION)
GOVERNOR
PORT
DISCHARGE
PORT
AIR
INLET
PORT
FIGURE 6 - OPERATIONAL-UNLOADED
DISCHARGE
VALVE
CLOSED
DISCHARGE
VALVE
OPEN
AIR
INLET
PORT
NON-COMPRESSION OF AIR (UNLOADED)
When air pressure in the reservoir reaches the cut-out
setting of the governor, the governor allows air to pass
from the reservoir, through the governor and into the cavity
above the unloader pistons. The unloader pistons move
down holding the inlet valves off their seats (see Figure
6.)
With the inlet valves held off their seats by the unloader
pistons, air is pumped back and forth between the two
cylinders, and the discharge valves remain closed. When
air pressure from the reservoir drops to the cut-in setting
of the governor, the governor closes and exhausts the air
from above the unloader pistons. The unloader springs
INLET VALVE
HELD OPEN
BY UNLOADER
PISTON
AIR
DISCHARGE
PORT
AIR
DISCHARGE
PORT
UNLOADER
PISTON

brake charging system performance which may require
additional maintenance. Factors that add to the duty cycle
are: air suspension, additional air accessories, use of an
undersized compressor, frequent stops, excessive leakage
from fi ttings, connections, lines, chambers or valves, etc.
Refer to Table A in the Troubleshooting section for a guide
to various duty cycles and the consideration that must be
given to maintenance of other components.
COMPRESSOR INSTALLATION
While the original compressor installation is usually
completed by the vehicle manufacturer, conditions of
operation and maintenance may require additional
consideration. The following presents base guidelines.
DISCHARGE LINE
The discharge line allows the air, water-vapor and oil-vapor
mixture to cool between the compressor and air dryer or
reservoir. The typical size of a vehicle's discharge line,
(see column 2 of Table A in the Troubleshooting section)
assumes a compressor with a normal (less than 25%) duty
cycle, operating in a temperate climate. See Bendix and/or
other air dryer manufacturer guidelines as needed.
The discharge line must maintain a constant slope down
from the compressor to the air dryer inlet fi tting or reservoir
to avoid low points where ice may form and block the fl ow.
If, instead, ice blockages occur at the air dryer or reservoir
inlet, insulation may be added here, or if the inlet fi tting is
a typical 90 degree fi tting, it may be changed to a straight
or 45 degree fi tting. Shorter discharge line lengths or
insulation may be required in cold climates.
While not all compressors and charging systems are
equipped with a discharge line safety valve this component
is recommended. The discharge line safety valve is
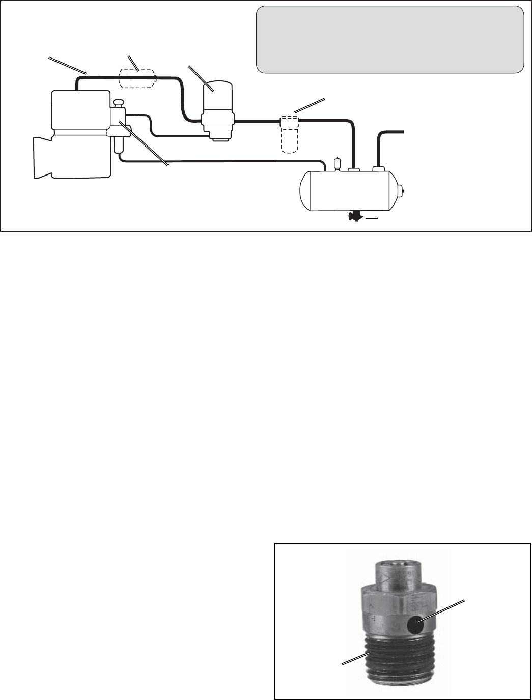
FIGURE 6A - SYSTEM DRAWING
FIGURE 6B - DISCHARGE LINE SAFETY VALVE
HOLE
THREAD
installed in the cylinder head (Tu-Flo® 550/750) or close to
the compressor discharge port and protects against over
pressurizing the compressor in the event of a discharge
line freezeup.
DISCHARGE LINE TEMPERATURE
When the temperature of the compressed air that enters
the air dryer is within the normal range, the air dryer can
remove most of the charging system oil. If the temperature
of the compressed air is above the normal range, oil as
oil-vapor is able to pass through the air dryer and into the
air system. Larger diameter discharge lines and/or longer
discharge line lengths can help reduce the temperature.
The air dryer contains a fi lter that collects oil droplets, and
a desiccant bed that removes almost all of the remaining
water vapor. The compressed air is then passed to the air
brake service (supply) reservoir. The oil droplets and the
water collected are automatically purged when the governor
reaches its "cut-out" setting.
Air Dryer
Reservoir Drain
Service Reservoir
(Supply Reservoir)
Compressor
Governor
(Governor plus Synchro valve
for the Bendix® DuraFlo™ 596
Compressor)
Discharge
Line Optional “Ping” Tank
Optional Bendix® PuraGuard QC™
Oil Coalescing Filter
The Air Brake Charging System supplies the
compressed air for the braking system as well as other air
accessories for the vehicle. The system usually consists
of an air compressor, governor, discharge line, air dryer,
and service reservoir.

FIGURE 7 - LUBRICATION
OIL
INLET
2. Naturally aspirated Engine Air Cleaner - Compressor
inlet is connected to the engine air cleaner or the
vacuum side (engine air cleaner) of the supercharger
or turbocharger.
3. Pressurized induction - Compressor inlet is
connected to the pressure side of the supercharger or
turbocharger.
See the tabulated technical data on page 14 of this manual
for specifi c requirements for numbers 2 and 3 above.
If a previously unturbocharged compressor is being
turbocharged, it is recommended that the inlet cavity screen
(238948) be installed with an inlet gasket (291909) on both
sides of the screen.
WATER
IN
OR
(1 PORT
ONLY)
WATER
OUT
OR
(1 PORT
ONLY)
WATER OUT
WATER
OUT
WATER
IN
WATER
IN
FIGURE 8 - COOLING
For vehicles with accessories that are sensitive to small
amounts of oil, we recommend installation of a Bendix®
PuraGuard® QC™ oil coalescing fi lter, designed to minimize
the amount of oil present.
LUBRICATION
The vehicle's engine provides a continuous supply of oil
to the compressor. Oil is routed from the engine to the
compressor oil inlet. An oil passage in the compressor
crankshaft allows oil to lubricate the connecting rod
crankshaft bearings. Connecting rod wrist pin bushings
and crankshaft ball bearings are spray lubricated. An oil
return line connected from the compressor drain outlet
to the vehicle engine crankcase allows for oil return. On
fl ange mounted models the oil drains back directly to the
engine through the mounting fl ange.
COOLING
Air fl owing through the engine compartment from the
action of the engine’s fan and the movement of the vehicle
assists in cooling the compressor. Coolant fl owing from
the engine’s cooling system through connecting lines
enters the head and passes through internal passages
in the cylinder head and is returned to the engine.
Proper cooling is important in maintaining discharge air
temperatures below the maximum recommended 400
degrees Fahrenheit.
Figure 8 illustrates the various approved coolant fl ow
connections. See the tabulated technical data in the back
of this manual for specifi c requirements.
AIR INDUCTION
There are three methods of providing clean air to the Tu-
Flo® 550 compressor:
1. Naturally aspirated Local Air Strainer - Compressor
utilizes its own attached air strainer (polyurethane
sponge or pleated paper dry element).

COMPRESSOR TURBOCHARGING
PARAMETERS
Air entering the compressor inlet during the loaded cycle
must not exceed 250 degrees Fahrenheit (121 degrees
Celsius). A metal inlet line is suggested to help meet this
parameter.
The following compressor crankshaft rotative speed and
inlet pressure relationships may not be exceeded.
Crankshaft Maximum Compressor
R.P.M. Inlet Pressure
2200 RPM 30.0 psi (207 kPa)
2600 RPM 25.0 psi (172.5 kPa)
POLYURETHANE SPONGE STRAINER
Every month, 150 operating hours or 5,000 miles,
whichever occurs fi rst, remove and wash all of the parts.
The strainer element should be cleaned or replaced. If the
element is cleaned, it should be washed in a commercial
solvent or a detergent and water solution. The element
should be saturated in clean engine oil, then squeezed
dry before replacing it in the strainer. Be sure to replace
the air strainer gasket if the entire strainer is removed from
the compressor intake.
PAPER AIR STRAINER DRY ELEMENT-PLEATED
POLYURETHANE SPONGE STRAINER
FIGURE 10 - STRAINERS
PREVENTIVE MAINTENANCE
Regularly scheduled maintenance is the single most
important factor in maintaining the air brake charging
system. Refer to Table A in the Troubleshooting section
for a guide to various considerations that must be given
to the maintenance of the compressor and other related
charging system components.
Important Note: Review the warranty policy before
performing any intrusive maintenance procedures. An
extended warranty may be voided if intrusive maintenance
is performed during this period.
AIR INDUCTION
One of the single most important aspects of compressor
preventive maintenance is the induction of clean air.
The type and interval of maintenance required will vary
depending upon the air induction system used.
The intervals listed under the headings below pertain
to typical highway and street operation. More frequent
maintenance will be required for operation in dusty or
dirty environments.
DRY ELEMENT - PLEATED PAPER STRAINER
Every two months, 800 operating hours or 20,000 miles
whichever occurs fi rst, loosen the spring clip from the
unhinged side of the mounting baffl e and open the cover.
Replace the pleated paper fi lter and secure the cleaned
cover, making sure the fi lter is in position. Be sure to replace
the air strainer gasket if the entire air strainer is removed
from the compressor intake.
0
20
25
15
35
5
30
270024002100180015001200900600
10
Compressor Speed (RPM)
Turbo Limits
40
FIGURE 9 - TURBO LIMITS CURVE
Inlet Pressure (PSIG)
INTAKE ADAPTER
When the engine air cleaner is replaced: Some
compressors are fi tted with compressor intake adapters,
which allow the compressor intake to be connected to the
engine air induction system. In this case, the compressor
receives a supply of clean air from the engine air cleaner.
When the engine air fi lter is changed, the compressor
intake adapter should be checked. If it is loose, remove the
intake adapter, clean the strainer plate, if applicable, and
replace the intake adapter gasket, and reinstall the adapter
securely. Check line connections both at the compressor
intake adapter and at the engine. Inspect the connecting
line for ruptures and replace it if necessary.
COMPRESSOR COOLING
Every 6 months, 1800 operating hours or after each
50,000 miles whichever occurs first, inspect the
compressor discharge port, inlet cavity and discharge line
for evidence of restrictions and carboning. If excessive
buildup is noted, thoroughly clean or replace the affected
parts and closely inspect the compressor cooling system.
Check all compressor coolant lines for kinks and restrictions
to fl ow. Minimum coolant line size is 3/8" I.D. Check coolant
lines for internal clogging from rust scale. If coolant lines
appear suspicious, check the coolant fl ow and compare
to the tabulated technical data present in the back of this
manual. Carefully inspect the air induction system for
restrictions.
LUBRICATION
Every six months, 1800 operating hours or 50,000 miles
whichever occurs fi rst, check external oil supply and
return lines, if applicable, for kinks, bends, or restrictions
to fl ow. Supply lines must be a minimum of 3/16" I.D. and
return lines must be a minimum of 1/2" I.D. Oil return lines
should slope as sharply as possible back to the engine
crankcase and should have as few fi ttings and bends as
possible. Refer to the tabulated technical data in the back
of this manual for oil pressure minimum values.
Check the exterior of the compressor for the presence of
oil seepage and refer to the TROUBLESHOOTING section
for appropriate tests and corrective action.
OIL PASSING
All reciprocating compressors currently manufactured will
pass a minimal amount of oil. Air dryers will remove the
majority of oil prior to entrance into the air brake system. For
particularly oil sensitive systems the Bendix® PuraGuard®
QC™ oil coalescing fi lter can be used in conjunction with
a Bendix air dryer.
If compressor oil passing is suspected, refer to the
TROUBLESHOOTING section and TABLE A for the
symptoms and corrective action to be taken. In addition,
Bendix has developed the "Bendix Air System Inspection
Cup" or BASIC test to help substantiate suspected
excessive oil passing. The steps to be followed when using
the BASIC test are presented in APPENDIX A at the end
of the TROUBLESHOOTING section.
COMPRESSOR DRIVE
Every six months, 1800 operating hours or 50,000
miles, whichever occurs fi rst, check for noisy compressor
operation, which could indicate a worn drive gear coupling,
a loose pulley or excessive internal wear. Adjust and/or
replace as necessary.
If the compressor is belt driven, check for proper belt and
pulley alignment and belt tension. Check all compressor
mounting bolts and retighten evenly if necessary. Check
for leakage and proper unloader mechanism operation.
Repair or replace parts as necessary.
Every 24 months, 7200 operating hours, or after
each 200,000 miles, perform a thorough inspection, and
depending upon the results of this inspection or experience,
disassemble the compressor, clean and inspect all parts
thoroughly, replace all worn or damaged parts using only
genuine Bendix replacements or replace the compressor
with a genuine Bendix remanufactured unit.
GENERAL SERVICE CHECKS
OPERATING TESTS
IN SERVICE OPERATING TESTS
Compressor Performance: Build-up Test
This test is performed with the vehicle parked and the
engine operating at maximum recommended governed
speed. Fully charge the air system to governor cut out (air
dryer purges). Pump the service brake pedal to lower the
system air pressure below 80 psi using the dash gauges.
As the air pressure builds back up, measure the time
from when the dash gauge passes 85 psi to the time it
passes 100 psi. The time should not exceed 40 seconds.
If the vehicle exceeds 40 seconds, test for (and fi x) any
air leaks, and then re- test the compressor performance.
If the vehicle does not pass the test the second time,
use the Advanced Troubleshooting Guide for Air Brake
Compressors, starting on page A-1 of this document to
assist your investigation of the cause(s).
Note: All new vehicles are certifi ed using the FMVSS
121 test (paragraph S5.1.1) by the vehicle manufacturer,
however the above test is a useful guide for in-service
vehicles.
Optional Comparative Performance Check
It may be useful to also conduct the above test with the
engine running at high idle (instead of maximum governed
speed), and record the time taken to raise the system
pressure a selected range (for example, from 90 to 120
psi, or from 100 to 120 psi, etc.) and record it in the
vehicle’s maintenance fi les. Subsequent build-up times
throughout the vehicle’s service life can then be compared
to the fi rst one recorded. (Note: the 40 second guide in
the test above does not apply to this build-up time.) If the
performance degrades signifi cantly over time, you may
use the Advanced Troubleshooting Guide for Air Brake
Compressors, starting on page A-1 of this document, to
assist investigation of the cause(s).
Note: When comparing build-up times, be sure to make
an allowance for any air system modifi cations which would
cause longer times, such as adding air components or
reservoirs. Always check for air system leakage.
AIR LEAKAGE TESTS
Compressor leakage tests need not be performed on a
regular basis. These tests should be performed when; it
is suspected that discharge valve leakage is substantially
affecting compressor build-up performance, or when it is
suspected that the compressor is “cycling” between the load
and unloaded modes due to unloader piston leakage.
These tests must be performed with the vehicle parked
on a level surface, the engine not running, the entire air
system completely drained to 0 P.S.I., and the inlet check
valve detail parts removed, if applicable.
UNLOADER PISTON LEAKAGE
The unloader pistons can be checked for leakage as follows:
with the cylinder head removed from the compressor and
the inlet fl ange securely covered, apply 120 psi of air
pressure to the governor port. Listen for an escape of air
at the inlet valve area. An audible escape of air should not
be detected.
DISCHARGE VALVE LEAKAGE
Unloader piston leakage must be repaired before this test
is performed. Leakage past the discharge valves can be
detected as follows: Remove the discharge line and apply
shop air back through the discharge port. Listen for an
escape of air at the compressor inlet cavity. A barely audible
escape of air is generally acceptable.
If the compressor does not function as described above
or if the leakage is excessive, it is recommended that it be
returned to the nearest authorized Bendix distributor for a
factory remanufactured compressor. If it is not possible,
the compressor can be repaired using a genuine Bendix
cylinder head maintenance kit. Retest the cylinder head
after installation of the kit.
REMOVAL AND DISASSEMBLY
GENERAL
The following disassembly and assembly procedure is
presented for reference purposes and presupposes that
a major rebuild of the compressor is being undertaken.
Several maintenance kits are available which do not require
full disassembly. The instructions provided with these
parts and kits should be followed in lieu of the instructions
presented here.
REMOVAL
These instructions are general and are intended to be
a guide, in some cases additional preparations and
precautions are necessary.
1. Block the wheels of the vehicle and drain the air
pressure from all the reservoirs in the system.
2. Drain the engine cooling system and the cylinder head
of the compressor. Identify and disconnect all air, water
and oil lines leading to the compressor.
3. Remove the governor and any supporting bracketry
attached to the compressor and note their positions
on the compressor to aid in reassembly.
4. Remove the discharge and inlet fi ttings, if applicable,
and note their position on the compressor to aid in
reassembly.
5. Remove the fl ange or base mounting bolts and remove
the compressor from the vehicle.
6. Remove the drive gear(s) or pulley from the compressor
crankshaft using a gear puller. Inspect the pulley or gear
and associated parts for visible wear or damage. Since
these parts are precision fi tted, they must be replaced
if they are worn or damaged.
PREPARATION FOR DISASSEMBLY
Remove road dirt and grease from the exterior of the
compressor with a cleaning solvent. Before the compressor
is disassembled, the following items should be marked to
show their relationship when the compressor is assembled.
Mark the rear end cover in relation to the crankcase.
Mark the base plate or base adapter in relation to the
crankcase.
A convenient method to indicate the above relationships
is to use a metal scribe to mark the parts with numbers or
lines. Do not use marking methods such as chalk that can
be wiped off or obliterated during rebuilding.
CYLINDER HEAD
Remove the six cylinder head cap screws (1) and tap the
head with a soft mallet to break the gasket seal. Remove
the unloader cover plate cap screws (2), lockwashers (3)
and the unloader cover plate (4). Scrape off any gasket
41

material (5) from the cover plate, cylinder head and
crankcase.
1. Remove the unloader pistons (7), o-rings (6) and
springs (8).
2. Inspect the unloader piston bushings (9) for nicks,
wear, corrosion and scoring. It is recommended that
the compressor be replaced if it is determined that the
unloader bushing is damaged or worn excessively.
Before disassembling the discharge valve mechanism,
measure and record the discharge valve travel (from closed
to completely open).
3. If the measured discharge valve travel exceeds .046
inches, the compressor should be replaced. If the
discharge valve travel does not exceed .046, using a
9/16" Allen wrench, remove the discharge valve seats
(18), valves (17) and valve springs (16).
4. Remove the inlet valve stops (14), valves (17), valve
seats (11), valve springs (12) and gaskets (10). It is
recommended that a tool such as a J-25447-B, produced
by Kent Moore Tool Division Roseville, Michigan phone
1-800-328-6657, be used to remove the inlet valve
stop.
CRANKCASE BOTTOM COVER OR ADAPTER
DISASSEMBLY
1. Remove the cap screws (22) securing the bottom cover
or adapter (21). Tap with a soft mallet to break the
gasket seal. Scrape off any gasket material (20) from
the crankcase and bottom cover or adapter.
CONNECTING ROD DISASSEMBLY
Before removing the connecting rod, mark the connecting
rods (37) and their caps (39) to ensure correct reassembly.
The connecting rod and cap are a matched set therefore
the caps must not be switched or rotated end for end.
1. Remove the connecting rod bolts (40) and bearing caps
(39).
2. Push the pistons (26) with the connecting rods
(37) attached out the top of the cylinder bore of the
crankcase. Replace the bearing caps on the connecting
rods.
3. Remove the piston rings (23-25) from the piston. If
the piston is to be removed from the connecting rod,
remove the wrist pin Tefl on plugs (28) and press the
wrist pin (27) from the piston and connecting rod.
4. If the piston is removed from the rod, inspect the wrist
pin bore in the piston and bronze wrist pin bushing
(36) in the connecting rod. If excessive wear is noted
or suspected, replace the connecting rod and piston.
COMPRESSOR CRANKCASE DISASSEMBLY
1. Remove the key or keys (30) from the crankshaft (29)
and any burrs from the crankshaft where the key or keys
were removed. (Note: Through drive compressors may
have a crankshaft key at both ends.)
2. Remove the four cap screws (35) and lockwashers or
nuts and lockwashers that secure the rear end cover
(34) to the crankcase.
3. Remove the rear end cover (34), thrust washer (31) and
end cover oil seal ring (33), taking care not to damage
the bearing if present in the end cover.
4. If the compressor has ball type main bearings, press the
crankshaft (29) and ball bearings from the crankcase,
then press the ball bearings from the crankshaft.
5. Press the oil seal out of the compressor crankcase, if
so equipped.
CLEANING OF PARTS
GENERAL
All parts should be cleaned in a good commercial grade of
solvent and dried prior to inspection.
CYLINDER HEAD
Remove carbon deposits from the discharge cavity and
rust and scale from the cooling cavities of the cylinder head
body. Scrape all foreign matter from the body surfaces and
use shop air pressure to blow the dirt particles from the
cavities. Clean carbon and dirt from the inlet and unloader
passages. Use shop air to blow the carbon and dirt deposits
from the unloader passages.
OIL PASSAGES
Thoroughly clean all oil passages through the crankshaft,
crankcase, end covers, base plate or base adapter. Inspect
the passages with a wire to be sure. Blow the loosened
foreign matter out with air pressure.
INSPECTION OF PARTS
CYLINDER HEAD BODY
Inspect the cylinder head for cracks or damage. With the
cylinder head and head gasket secured to a fl at surface or
crankcase, apply shop air pressure to one of the coolant
ports with all others plugged, and check for leakage by
applying a soap solution to the exterior of the body. If
leakage is detected, replace the compressor.

ITEM QTY DESCRIPTION ITEM QTY DESCRIPTION ITEM QTY DESCRIPTION
1 6 Cylinder Head Cap Screws 16 2 Discharge Valve Spring 31 2 Thrust Washer
2 4 Unloader Plate Cap Screws 17 2 Discharge Valve 32 2 Sleeve (or Ball) Bearing
3 4 Unloader Plate Lock Washers 18 2 Discharge Valve Stop 33 1 End Cover Seal
4 1 Unloader Plate 19 1 Cylinder Head Gasket 34 1 End Cover
5 1 Unloader Plate Gasket 20 1 Base Gasket 35 4 End Cover Cap Screws
6 2 O-ring 21 1 Base Plate 36 2 Wrist Pin Bushing
7 2 Unloader 22 6 Base Plate Cap Screws 37 2 Connecting Rod
8 2 Spring 23 6 Standard Piston Rings 38 2 Conn. Rod Inserts (Sets)
9 2 Unloader Bushing 24 8 Oil Ring 39 2 Connecting Rod Caps
10 2 Gasket 25 4 Expander Ring 40 4 Connecting Rod Bolts
11 2 Inlet Valve Seat 26 2 Piston 41 1 Ball Bearing
12 2 Inlet Valve 27 2 Wrist Pin 42 1 Retaining Ring
13 2 Inlet Valve Spring 28 4 Wrist Pin Button 43 1 Seal
14 2 Inlet Valve Stop 29 1 Crankshaft 44 1 Cotter Pin
15 2 Discharge Valve Stop 30 1 Crankshaft Key 45 1 Locknut
2
4
5
6
7
8
9
BALL BEARING
(MACK EXTENDED
FLANGE)
NAMEPLATE
3
26
23
23
24
25
24 28
27
35
37
33
32
36
11
12
13
14
10
29
3839
40
1
CYLINDER
HEAD
15
16
17
18
19
32
22
21
20
31
CRANKCASE
19
42
44
FLANGE
MOUNT
BASE
MOUNT
32
32
20
CRANKCASE
30 34
24
24
23
25

END COVERS
Check for cracks and external damage. If the crankshaft
main bearing (32) is installed in the end cover (34),
check for excessive wear and fl at spots and replace if
necessary.
CRANKCASE
Check all crankcase surfaces for cracks and damage. On
compressors where ball bearing main bearings are used
the difference between the O.D. of the outer race and the
I.D. of the crankcase hole should be .0003 in. tight to .0023
in. loose. This is to maintain the correct fi t. The compressor
must be replaced if the fi t is too loose.
On compressors fi tted with precision, sleeve main bearings,
the difference between the O.D. of the crankshaft journal
and the main bearing l.D. must not exceed .005 in. If the
clearance is greater than .005 in. the bearing must be
replaced.
The cylinder bores should be checked with inside
micrometers or calipers. Cylinder bores which are scored
or out of round by more than .0005 in. or tapered more than
.0005 in. should be re-bored or honed oversize. Oversized
pistons and piston rings are available in .010 in., .020 in.
and .030 in. oversizes. Cylinder bores must be smooth,
straight and round. Clearance between the cast iron pistons
and cylinder bores should be between .002 in. minimum
and .004 in. maximum.
PISTON RINGS
Check the pistons for scores, cracks or enlarged ring
grooves; replace the pistons if any of these conditions are
found. Measure each piston with a micrometer in relation
to the cylinder bore diameter to be sure the diametrical
clearance is between .002 in. minimum and .004 in.
maximum.
Check the fi t of the wrist pins to the pistons and connecting
rod bushings. The wrist pin should be a light press fi t in
the piston. If the wrist pin is a loose fi t, the piston and pin
assembly should be replaced. Check the fi t of the wrist
pin in the connecting rod bushing by rocking the piston.
This clearance should not exceed .0007 in. Replace the
connecting rod and cap assembly which includes the wrist
pin bushings if excessive clearance is found. Check the fi t
of the rings in the piston ring grooves. Check the ring gap
with the rings installed in the cylinder bores. Refer to Figure
12 for correct gap and groove clearances.
CRANKSHAFT
Check the crankshaft threads, keyways, tapered ends
and all machined and ground surfaces for wear, scores,
or damage. Standard crankshaft journals are 1.1242 in.
- 1.1250 in. in diameter. If the crankshaft journals are
excessively scored or worn or out of round and cannot be
reground, the compressor must be replaced. Connecting
rod bearing inserts are available in .010 in., .020 in.
and .030 in. undersizes for compressors with reground
crankshafts. Main bearing journals must be maintained
so the ball bearings are a snug fi t or so that no more than
.005 in. clearance exists between the precision sleeve main
bearing and the main bearing journals on the crankshaft.
Check to be sure the oil passages are open through the
crankshaft.
CONNECTING ROD BEARINGS
Used bearing inserts must be replaced. The connecting rod
and cap are a matched set and therefore the caps must not
be switched or rotated end for end. The solid inserts must
be installed in the rod and the slotted inserts into the cap.
Make sure the locating tangs on the inserts engage with
the locating notches in the rod and cap. Clearance between
the connecting rod journal and the connecting rod bearing
must not be less than .0003 in. or more than .0021 in. after
rebuilding.
REPAIRS
UNLOADER
A new cylinder head maintenance kit should be used when
rebuilding. Note: The entire contents of this kit must
be used. Failure to do so may result in compressor
failure. The unloader pistons in the kit are prelubricated
SIDE CLEARANCE
.000
.006
STANDARD PISTON
RING
.002
.004 OIL RING
EXPANDER
RING
END GAP
.002
.013
.010
.040
Segment
Ring End
Gap
FIGURE 12 - RING CONFIGURATION
Compression

the slot toward the fl ange. Insert the crankshaft and the
rear thrust washer with the tang toward the rear of the
compressor.
Place the oil seal ring on the boss of the rear end cover and
install the end cover making sure not to pinch the seal ring.
Ensure the tang of the thrust washer is inserted in the slot
of the end cover. Fasten the end cover to the crankcase
with the four cover cap screws. Torque the cap screws to
175-225 inch pounds in a cross pattern.
with a special lubricant piece number 239379 and need
no additional lubrication. Install the springs and unloader
pistons in their bores being careful not to cut the o-rings.
Install the unloader cover gasket and unloader cover and
secure the cover cap screws. Tighten the cap screws to
175-225 in. lbs. in a crossing pattern after fi rst snugging
all screws.
DISCHARGE VALVES, VALVE STOPS AND
SEATS
If the discharge valve seats merely show signs of slight
wear, they can be dressed by using a lapping stone,
grinding compound and grinding tool, however, it is
recommended that a cylinder head maintenance kit be
used. Install new discharge valve springs and valves.
Screw in the discharge valve seats, and tighten to 70-90
ft.-lbs. Discharge valve travel should be between .030 in. to
.046 in. To test for leakage by the discharge valves, apply
100 psi to the cylinder head discharge port and apply a
soap solution to the discharge valve and seats. Leakage
in the form of soap bubbles is permissible. If excessive
leakage is found, leave the air pressure applied and with
the use of a fi ber or hardwood dowel and a hammer, tap
the discharge valves off their seats several times. This will
help the valves to seat and should reduce the leakage.
With the air pressure still applied at the discharge port of
the cylinder head, check for leakage around the discharge
valve stop on the top of the cylinder head casting. No
leakage is permitted.
INLET VALVES AND SEATS
Inlet valves and springs should be replaced. However, if
the inlet valve seats show signs of slight nicks or scratches,
they can be redressed with a fi ne piece of emery cloth or
by lapping with a lapping stone, grinding compound and
grinding tool. If the seats are damaged to the extent that
they cannot be reclaimed, they must be replaced.
ASSEMBLY
General Note: All torques specifi ed in this manual are
assembly torques and typically can be expected to fall off
after assembly is accomplished. Do not retorque after
initial assembly torques fall unless instructed otherwise.
A compiled listing of torque specifi cations is presented on
page 13 of this manual.
To convert inch pounds of torque to foot pounds of torque,
divide inch pounds by 12.
inch pounds ÷ 12 = foot pounds
To convert foot pounds of torque to inch pounds of torque,
multiply foot pounds by 12.
foot pounds x 12 = inch pounds
INSTALLING CRANKSHAFT
Press new sleeve bearings in the end cover and crankcase.
Ensure that the slot in the bearings line up with the oil
passages in the end cover or crankcase. If you have a
model with no oil passage present in the crankcase, press
the sleeve bearing into the crankcase with the slot located
90 degrees from vertical.
Install the front thrust washer with the tang inserted in
FIGURE 13 - PISTON COMPARISON
2.78
2.17
1.06
1.25
OTHER BENDIX®
TU-FLO® AIR COMPRESSORS
TU-FLO® 550
AIR COMPRESSOR
PISTON COMPARISON
FIGURE 14 - PISTON & RINGS
COMPRESSION RING (23)
SEGMENT RING (24)
SPACER RING (25)
SEGMENT RING
(24)

journal bearing segments (38) on the connecting rod (37)
and connecting rod cap (39). Tighten the connecting rod
bolts (40) evenly and torque to 150 - 170 inch pounds.
Install the other connecting rod and piston in the same
manner. It is recommended that new connecting rod cap
screws be used.
Before replacing the cylinder head on the crankcase
ensure the correct pistons have been used by turning the
crankshaft one complete revolution such that each piston
moves to its maximum upward stroke. At the maximum
upward stroke position each piston should move to the top
of the crankcase. If the piston does not approach the top
of the crankcase the piston is incorrect and if not replaced
could result in compressor damage.
BASE PLATE OR BASE ADAPTER
Position the base plate or base adapter gasket (20) on the
crankcase and install the base plate or base adapter (21)
as marked before disassembly. Tighten the six cap screws
(22), securing the cast iron base adapter evenly to a torque
of 175-225 inch pounds for base plate or cover in a crossing
pattern after fi rst snugging all 6 screws.
CYLINDER HEAD
Place the cylinder head gasket (19) and cylinder head
on the compressor crankcase and install the six cylinder
head cap screws. Snug the cylinder head cap screws prior
to torquing the cap screws to 300-360 in. lbs. in a cross
pattern. Retorque the unloader cover cap screws to 170-
225 in. Ibs.
FINAL COMPRESSOR ASSEMBLY
Install all crankshaft keys making certain to support the
crankshaft to avoid bearing damage. Install the crankshaft
nut where applicable. When installing drive couplings or
gears, do not exceed 120 foot pounds torque on the
crankshaft nut.
Use covers, plugs, or masking tape to protect all ports if
compressor is not to be installed immediately. Protect the
ends of the crankshaft against damage by wrapping with
masking tape or friction tape.
TESTING REBUILT COMPRESSOR
In order to properly test a compressor under operating
conditions, a test rack for correct mounting, cooling,
lubricating, and driving the compressor is necessary. Such
tests are not compulsory if the unit has been carefully
rebuilt by an experienced person. A compressor effi ciency
or build up test can be run which is not too diffi cult. An
engine lubricated compressor must be connected to an oil
supply line of at least 15 P.S.I. pressure during the test and
an oil return line must be installed to keep the crankcase
drained.
PISTONS AND CONNECTING RODS
If the pistons are to be replaced ensure that the correct
pistons are being installed. Note that the pistons for the
Tu-Flo® 550 compressor are similar to those of other Bendix
compressor models but may be identifi ed by the piston
diameter and the distance to the center of the wrist pin from
the top of the piston as shown in Figure 13.
PISTON RINGS
Check each ring end gap in a cylinder bore before
installation. Place the ring in the top of the cylinder bore
and using the piston, push the ring to the midpoint of the
cylinder bore and check the ring gap. If the end gaps are
incorrect either the wrong repair size has been purchased
or the compressor is worn beyond specifi cation and should
be replaced.
Install the rings on the pistons per the following instructions
starting at the center of the piston and moving outward.
1. Install the spacer and segment rings as follows. Place
the spacer ring (25) in the piston groove, the ends of
the spacer must butt and not overlap. Install the top
segment (24) by inserting one end above the spacer
in the ring groove, 120 degrees from the spacer ends
and wind the segment into position. Install the bottom
segment in the same manner beneath the spacer
making sure the gap is staggered 120 degrees from
both the top ring segment and the spacer end gaps.
Before using be sure both painted ends of the spacer
are visible and butted.
2. Install the compression rings (23) in the proper grooves
with the bevel or “pip” mark (if any) toward the top of
the piston. (Refer to Figure 14.)
Check the ring side clearance of each ring in the piston ring
groove. (Refer to Figure 14.) If the side clearance is too
large, the piston ring groove is worn beyond specifi cations
and the piston must be replaced.
Rotate the piston rings in their respective groove so that
each end gap is at least 90 degrees from the previous
ring’s end gap.
Lubricate the wrist pin (22) and wrist pin bushing in the
connecting rod with engine oil. Assemble the upper portion
of the connecting rods and the pistons with the wrist pins.
Insert the wrist pin buttons (28) in the ends of the wrist pin.
Lubricate the pistons and rings with engine oil. Using a ring
compression tool return the piston to the cylinder bore.
Turn the crankshaft so that one of its connecting rod journals
is in the downward, center position. Install the crankshaft
Connect to the compressor discharge port, a reservoir with
a volume of 1500 cubic inches, including the volume of the
connecting line. With the compressor operating at 2100
R.P.M., the time required to raise the reservoir(s) pressure
from 85 psi to 100 psi should not exceed 7 seconds. During
this test, the compressor should be checked for gasket
leakage and noisy operation, as well as unloader operation
and leakage.
If the compressor functions as indicated reinstall on the
vehicle connecting all lines as marked in the disassembly
procedure.
TU-FLO® 550 AIR COMPRESSOR
SPECIFICATIONS
Average weight ........................................................... 53
Number of cylinders ...................................................... 2
Bore size ............................................................. 2.78 In.
Stroke ................................................................. 1.50 In.
Displacement at 1250 RPM ............................ 13.2 CFM
Maximum recommended RPM ...................... 3000 RPM
Minimum coolant fl ow (water cooled) at
Maximum RPM .............................................. 2.5 GPM
Minimum RPM ................................................. .5 GPM
Approximate horsepower required at
1250 RPM at 120 PSIG (naturally aspirated) ............ 2.5
Turbocharge limits
See Compressor Turbocharging Parameters
Maximum inlet air temperature .............................. 250°F
Maximum discharge air temperature ..................... 400°F
Minimum pressure required to unload
(naturally aspirated) ........................................... 60 PSIG
Minimum oil pressure required at
engine idling speed ............................................ 15 PSIG
Minimum oil pressure required at
maximum governed engine speed .................... 15 PSIG
Minimum discharge-line size ............................. 1/2" I.D.
Minimum coolant-line size ................................. 3/8" I.D.
Minimum oil-supply line size ............................ 3/16" I.D.
Minimum oil-return line size ............................... 1/2" I.D.
Minimum air-inlet line size .................................. 5/8” I.D.
Minimum unloader-line size ............................. 3/16" I.D.
TORQUE SPECIFICATIONS
Bolt, Nut or Screw ........................... Assembly Torque
(in. lbs.)
Cylinder Head ..................................................440 - 500
Unloader Cover Plate ...................................... 175 - 225
Discharge Valve Seat ............. 840 - 1080 (70-90 ft. lbs.)
Inlet Valve Stop ....................... 840 - 1080 (70-90 ft. lbs.)
End Cover ........................................................ 175 - 225
Connecting Rod ............................................... 150 - 170
Bottom Cover ................................................... 175 - 225
Air Strainer ....................................................... 125 - 150
Inlet Fitting ....................................................... 175 - 225
Discharge Fitting .............................................. 175 - 225
Governor or Governor Adapter ........................ 175 - 225
Pipe Plugs
1/16 .................................................................. 35 - 50
1/8 .................................................................. 85 - 105
1/4 ................................................................ 130 - 170
3/8 ................................................................ 160 - 200
1/2 ................................................................ 200 - 270
Pipe Bushing
1/2 ................................................................ 175 - 225
Crankshaft Nut:
Marsden or Castle ........... 1200-1440 (100-120 ft. lbs.)
P/N 298125 (Metric Thread) ......2640-3048 (220-254 ft.
lbs.)
DIMENSIONAL DATA
Port Sizes
Water inlet ............................................... 1/2 - 14 NPT
Water outlet ............................................. 1/2 - 14 NPT
Air discharge ........................................... 1/2 - 14 NPT
Governor ................................................. 1/8 - 27 NPT
Oil inlet (end cover) ................................. 1/8 - 27 NPT
Oil return: Base mount ........................... 1/2 - 14 NPT
Piston
(standard) .................................................. 2.77825 in.
(.010 oversize) .......................................... 2.78825 in.
(.020 oversize) .......................................... 2.79825 in.
(.030 oversize) .......................................... 2.80825 in.
Cylinder bore
(standard) .................................................... 2.7810 in.
(.010 oversize) ............................................ 2.7910 in.
(.020 oversize) ............................................ 2.8010 in.
(.030 oversize) ............................................. 2.8110 in.
MAINTENANCE KITS AND AVAILABLE SERVICE
PARTS
Cylinder Maintenance Kit
Piston Ring Kit (standard and oversizes)
Piston and Rod Kit (standard and oversizes)
Crankshaft Bearing Kit
Gasket & Seal Kit

COMPRESSOR TROUBLESHOOTING
IMPORTANT: The troubleshooting contained in this section
considers the compressor as an integrated component of
the overall air brake charging system and assumes that
an air dryer is in use. The troubleshooting presented will
cover not only the compressor itself, but also other charging
system devices as they relate to the compressor.
WARNING! PLEASE READ AND FOLLOW
THESE INSTRUCTIONS TO AVOID PERSONAL
INJURY OR DEATH:
When working on or around a vehicle, the following
general precautions should be observed at all times.
1. Park the vehicle on a level surface, apply the parking
brakes, and always block the wheels. Always wear
safety glasses.
2. Stop the engine and remove ignition key when
working under or around the vehicle. When working
in the engine compartment, the engine should be
shut off and the ignition key should be removed.
Where circumstances require that the engine be
in operation, EXTREME CAUTION should be used
to prevent personal injury resulting from contact
with moving, rotating, leaking, heated or electrically
charged components.
3. Do not attempt to install, remove, disassemble
or assemble a component until you have read
and thoroughly understand the recommended
procedures. Use only the proper tools and observe
all precautions pertaining to use of those tools.
4. If the work is being performed on the vehicle’s
air brake system, or any auxiliary pressurized air
systems, make certain to drain the air pressure
from all reservoirs before beginning ANY work
on the vehicle. If the vehicle is equipped with an
AD-IS® air dryer system or a dryer reservoir module,
be sure to drain the purge reservoir.
5. Following the vehicle manufacturer’s recommended
procedures, deactivate the electrical system in a
manner that safely removes all electrical power
from the vehicle.
6. Never exceed manufacturer’s recommended
pressures.
7. Never connect or disconnect a hose or line
containing pressure; it may whip. Never remove
a component or plug unless you are certain all
system pressure has been depleted.
8. Use only genuine Bendix® replacement parts,
components and kits. Replacement hardware,
tubing, hose, fi ttings, etc. must be of equivalent
size, type and strength as original equipment and
be designed specifi cally for such applications and
systems.
9. Components with stripped threads or damaged
parts should be replaced rather than repaired. Do
not attempt repairs requiring machining or welding
unless specifi cally stated and approved by the
vehicle and component manufacturer.
10. Prior to returning the vehicle to service, make
certain all components and systems are restored
to their proper operating condition.
11. For vehicles with Antilock Traction Control (ATC),
the ATC function must be disabled (ATC indicator
lamp should be ON) prior to performing any vehicle
maintenance where one or more wheels on a drive
axle are lifted off the ground and moving.
16

A-1
Appendix A
Advanced Troubleshooting Guide for Air Brake Compressors
Air brake charging system:
Slow build (9.0) .....................................A-9-10
Doesn’t build air (10.0) ............................. A-11
Air dryer:
Doesn’t purge (14.0) ................................ A-12
Safety valve releases air (12.0) ............... A-12
Compressor:
Constantly cycles (15.0) .......................... A-12
Leaks air (16.0) ........................................ A-13
Safety valve releases air (11.0) ............... A-11
Noisy (18.0) ............................................A-13
Reservoir:
Safety valve releases air (13.0) ............... A-12
INDEX
Air Coolant
Engine
Oil
Compressor leaks coolant (17.0)....................A-13
Oil consumption (6.0) ......................................A-9
Oil Test Card results (1.0) .................................A-4
Oil is present:
On the outside of the compressor (2.0) ......A-5
At the air dryer purge/exhaust
or surrounding area (3.0) ........................A-5
In the supply reservoir (4.0) .................... A-6-8
At the valves (5.0) .......................................A-8
At air dryer cartridge (7.0) ...........................A-9
In the ping tank or compressor
discharge aftercooler (8.0) ......................A-9
Symptom Page Number
(1) Oil Leakage at Head Gasket .....A-14
(2) System Leakage .......................A-14
(3) Compressor Discharge and
Air Dryer Inlet Temperature ...........A-15
(4) Governor Malfunction ................A-14
(5) Governor Control Line ...............A-15
(6) Compressor Unloader ...............A-15
BASIC™ Test Information ........ A-16-18
Test Procedures
Maintenance Schedule and
Usage Guidelines (Table A) ..... A-3
Symptom Page Number
Maintenance & Usage Guidelines
The guide consists of an introduction to air brake charging system components, a table
showing recommended vehicle maintenance schedules, and a troubleshooting symptom
and remedy section with tests to diagnose most charging system problems.

A-2
Introduction to the Air Brake Charging System
Powered by the vehicle engine, the air compressor
builds the air pressure for the air brake system. The air
compressor is typically cooled by the engine coolant system
and lubricated by the engine oil supply.
The compressor's unloader mechanism and governor
(along with a synchro valve for the Bendix® DuraFlo™ 596
air compressor) control the brake system air pressure
between a preset maximum and minimum pressure level
by monitoring the pressure in the service (or “supply”)
reservoir. When the air pressure becomes greater than that
of the preset “cut-out”, the governor controls the unloader
mechanism of the compressor to stop the compressor from
building air and also causes the air dryer to purge. As the
service reservoir air pressure drops to the “cut-in” setting
of the governor, the governor returns the compressor back
to building air and the air dryer to air drying mode.
As the atmospheric air is compressed, all the water vapor
originally in the air is carried along into the air system, as
well as a small amount of the lubricating oil as vapor.
The duty cycle is the ratio of time the compressor spends
building air to the total engine running time. Air compressors
are designed to build air (run “loaded”) up to 25% of the
time. Higher duty cycles cause conditions that affect air
brake charging system performance which may require
additional maintenance. Factors that add to the duty cycle
are: air suspension, additional air accessories, use of an
undersized compressor, frequent stops, excessive leakage
from fi ttings, connections, lines, chambers or valves, etc.
The discharge line allows the air, water-vapor and
oil-vapor mixture to cool between the compressor and air
dryer. The typical size of a vehicle's discharge line, (see
column 2 of Table A on page A-3) assumes a compressor
with a normal (less than 25%) duty cycle, operating in
a temperate climate. See Bendix and/or other air dryer
manufacturer guidelines as needed.
When the temperature of the compressed air that enters
the air dryer is within the normal range, the air dryer can
remove most of the charging system oil. If the temperature
of the compressed air is above the normal range, oil as
oil-vapor is able to pass through the air dryer and into the
air system. Larger diameter discharge lines and/or longer
discharge line lengths can help reduce the temperature.
The discharge line must maintain a constant slope down
from the compressor to the air dryer inlet fi tting to avoid low
points where ice may form and block the fl ow. If, instead,
ice blockages occur at the air dryer inlet, insulation may
be added here, or if the inlet fi tting is a typical 90 degree
fi tting, it may be changed to a straight or 45 degree fi tting.
For more information on how to help prevent discharge
line freeze-ups, see Bendix Bulletins TCH-08-21 and
TCH-08-22 (see pages A-19-21). Shorter discharge line
lengths or insulation may be required in cold climates.
The air dryer contains a fi lter that collects oil droplets, and
a desiccant bed that removes almost all of the remaining
water vapor. The compressed air is then passed to the air
brake service (supply) reservoir. The oil droplets and the
water collected are automatically purged when the governor
reaches its “cut-out” setting.
For vehicles with accessories that are sensitive to small
amounts of oil, we recommended installation of a Bendix®
PuraGuard® system fi lter, designed to minimize the amount
of oil present.
Air Dryer
Reservoir Drain
Service Reservoir
(Supply Reservoir)
Compressor
Governor
(Governor plus Synchro valve
for the Bendix® DuraFlo™ 596
Compressor)
Discharge
Line Optional “Ping” Tank
Optional Bendix® PuraGuard®
System Filter or PuraGuard QC™
Oil Coalescing Filter
The Air Brake Charging System supplies the
compressed air for the braking system as well as other air
accessories for the vehicle. The system usually consists
of an air compressor, governor, discharge line, air dryer,
and service reservoir.

A-3
Compressor with up to 25% duty cycle
Footnotes:
1. With increased air demand the air dryer cartridge needs to be
replaced more often.
2. Use the drain valves to slowly drain all reservoirs to zero psi.
3. Allow the oil/water mixture to fully settle before measuring oil
quantity.
4. To counter above normal temperatures at the air dryer inlet, (and
resultant oil-vapor passing upstream in the air system) replace the
discharge line with one of a larger diameter and/or longer length.
This helps reduce the air's temperature. If suffi cient cooling occurs,
the oil-vapor condenses and can be removed by the air dryer.
Discharge line upgrades are not covered under warranty. Note:
To help prevent discharge line freeze-ups, shorter discharge line
lengths or insulation may be required in cold climates. (See Bendix
Recom- Recom- Acceptable
Typical Discharge mended mended Reservoir
Compressors Line Air Dryer Reservoir Oil Contents3
No. of Spec'd Cartridge Drain at Regular
Axles Replacement1 Schedule2 Drain Interval
High Air Use
Low Air Use
e.g. Double/triple trailer, open
highway coach/RV, (most)
pick-up & delivery, yard or
terminal jockey, off-highway,
construction, loggers, concrete
mixer, dump truck, fi re truck.
e.g. Line haul single trailer
w/o air suspension, air over
hydraulic brakes.
e.g. Line haul single trailer
with air suspension,
school bus.
5
or
less
5
or
less
8
or
less
12
or
less
Table A: Maintenance Schedule and Usage Guidelines
Recom-
mended
Every
Month -
Max of ev-
ery 90 days
Every
Month
Every 3
Years
Every 2
Years
Every
Year
I.D.
Vehicle Used for:
Column 1 Column 2 Column 3 Column 4 Column 5
Regularly scheduled maintenance is the single most important factor in maintaining the air brake charging
Length
6 ft.
1/2 in.
9 ft.1/2 in.
12 ft.
1/2 in.
3/4 in. 12 ft.
BASIC™ test
acceptable
range:
5 oil units
per month.
See
appendix
A.
For oil carry-over
control4 suggested
upgrades:
5/8 in. 15 ft.
For oil carry-over
control4 suggested
upgrades:
5/8 in. 9 ft.
For oil carry-over
control4 suggested
upgrades:
5/8 in. 12 ft.
Compressor with less than 15% duty
cycle
Compressor with up to 25% duty cycle
Compressor with up to 25% duty cycle
Bendix® BA-921® air compressor
Bendix® Tu-Flo® 550 air compressor
Bendix® Tu-Flo® 750 air compressor
Bendix® BA-922®, or DuraFlo™ 596 air compressor
BASIC™ test
acceptable
range:
3 oil units
per month.
See
appendix
A.
For the
BASIC™
Test Kit:
Order
Bendix
P/N
5013711
e.g. City transit bus, refuse,
bulk unloaders, low boys,
urban region coach, central
tire infl ation.
(See footnote 7)
Bulletins TCH-08-21 and TCH-08-22, included in Appendix B, for
more information.)
5. For certain vehicles/applications, where turbo-charged inlet air is
used, a smaller size compressor may be permissible.
6. Note: Compressor and/or air dryer upgrades are recommended
in cases where duty cycle is greater than the normal range (for
the examples above).
7. For correct compressor upgrades consult Bendix - Please note
that because a compressor is listed in the same area of the chart
does not necessarily mean that it would be a suitable candidate
for upgrade purposes.
For Bendix® Tu-Flo® 550 and 750 compressors, unloader service is
recommended every 250,000 miles.

A-4
Air Brake Charging System Troubleshooting
1.0 Oil Test Card
Results Not a valid test. Discontinue using this test.
Do not use this card test to diagnose compressor
"oil passing" issues. They are subjective
and error prone. Use only the Bendix® Air
System Inspection Cup (BASIC™) test and the
methods described in this guide for advanced
troubleshooting.
The Bendix® BASIC™ test should be the
defi nitive method for judging excessive
oil fouling/oil passing. (See Appendix A,
on page A-16 for a fl owchart and expanded
explanation of the checklist used when
conducting the BASIC™ test.)
Symptom: What it may indicate: What you should do:
How to use this guide:
Find the symptom(s) that you see, then move to the right
to fi nd the possible causes (“What it may indicate”) and
remedies (“What you should do”).
Review the warranty policy before performing any intrusive
compressor maintenance. Unloader or cylinder head gasket
replacement and resealing of the bottom cover plate are
usually permitted under warranty. Follow all standard safety
procedures when performing any maintenance.
Look for:
Normal - Charging system is working within
normal range.
Check - Charging system needs further
investigation.
Bendix®
BASIC™ Test
WARNING! Please READ and follow these instructions to
avoid personal injury or death:
When working on or around a vehicle, the following general
precautions should be observed at all times.
1. Park the vehicle on a level surface, apply the parking
brakes, and always block the wheels. Always wear safety
glasses.
2. Stop the engine and remove ignition key when working
under or around the vehicle. When working in the engine
compartment, the engine should be shut off and the ignition
key should be removed. Where circumstances require that
the engine be in operation, EXTREME CAUTION should be
used to prevent personal injury resulting from contact with
moving, rotating, leaking, heated or electrically charged
components.
3. Do not attempt to install, remove, disassemble or
assemble a component until you have read and thoroughly
understand the recommended procedures. Use only the
proper tools and observe all precautions pertaining to use
of those tools.
4. If the work is being performed on the vehicle’s air brake
system, or any auxiliary pressurized air systems, make
certain to drain the air pressure from all reservoirs before
beginning ANY work on the vehicle. If the vehicle is
equipped with an AD-IS® air dryer system or a dryer
reservoir module, be sure to drain the purge reservoir.
5. Following the vehicle manufacturer’s recommended
procedures, deactivate the electrical system in a manner
that safely removes all electrical power from the vehicle.
6. Never exceed manufacturer’s recommended pressures.
7. Never connect or disconnect a hose or line containing
pressure; it may whip. Never remove a component or
plug unless you are certain all system pressure has been
depleted.
8. Use only genuine Bendix® replacement parts, components
and kits. Replacement hardware, tubing, hose, fi ttings,
etc. must be of equivalent size, type and strength as
original equipment and be designed specifi cally for such
applications and systems.
9. Components with stripped threads or damaged parts
should be replaced rather than repaired. Do not attempt
repairs requiring machining or welding unless specifi cally
stated and approved by the vehicle and component
manufacturer.
10. Prior to returning the vehicle to service, make certain all
components and systems are restored to their proper
operating condition.
11. For vehicles with Antilock Traction Control (ATC), the ATC
function must be disabled (ATC indicator lamp should be
ON) prior to performing any vehicle maintenance where
one or more wheels on a drive axle are lifted off the ground
and moving.

A-5
(a)
Symptom: What it may indicate: What you should do:
2.2 Oil leaking
from compressor: (a) Excessive leak at head gasket.
(b) Leak at bottom cover plate.
(c) Leak at internal rear flange
gasket.
(d) Leak through crankcase.
(e) (If unable to tell source of leak.)
Go to Test 1 on page A-14.
Reseal bottom cover plate using RTV
silicone sealant.
Replace compressor.
Replace compressor.
Clean compressor and check periodically.
Air brake charging system functioning
normally.
Air dryers remove water and oil from the air
brake charging system.
Check that regular maintenance is being
performed. Return the vehicle to service.
An optional kit (Bendix piece number
5011327 for the Bendix® AD-IS® or AD-IP™
air dryers, or 5003838 for the Bendix® AD-9™
air dryer) is available to redirect the air dryer
exhaust.
3.0 Oil at air dryer
purge/exhaust or
surrounding area
(c)
2.0 Oil on the
Outside of the
Compressor
Find the source and repair. Return the vehicle
to service.
Repair or replace as necessary. If the
mounting bolt torques are low, replace the
gasket.
Replace the fi tting gasket. Inspect inlet
hose and replace as necessary.
Replace gasket or fi tting as necessary to
ensure good seal.
Inspect and repair as necessary.
Engine and/or other accessories
leaking onto compressor.
(a) Leak at the front or rear (fuel
pump, etc.) mounting fl ange.
(b) Leak at air inlet fi tting.
(c) Leak at air discharge fi tting.
(d) Loose/broken oil line fi ttings.
2.1 Oil leaking at
compressor / engine
connections:
Head
gaskets
and rear
fl ange
gasket
locations.
(c)

A-6
Symptom: What it may indicate: What you should do:
4.0 Oil in Supply or
Service Reservoir
(air dryer installed)
(If a maintained Bendix®
PuraGuard® system
fi lter or Bendix®
PuraGuard QC™ oil
coalescing
fi lter is installed, call
1-800-AIR-BRAKE
(1-800-247-2725) and
speak to a Tech Team
member.)
(a) If air brake charging system mainte-
nance has not been performed.
That is, reservoir(s) have not been
drained per the schedule in Table
A on page A-3, Column 4 and/or
the air dryer maintenance has not
been performed as in Column 3.
(b) If the vehicle maintenance has
been performed as recommended
in Table A on page A-3, some oil in
the reservoirs is normal.
Drain all air tanks and check vehicle at next
service interval using the Bendix® BASIC™
test. See Table A on page A-3, column 3
and 4, for recommended service sched-
ule.
Drain all air tanks into Bendix® BASIC™ test
cup (Bendix Air System Inspection Cup). If
less than one unit of reservoir contents is
found, the vehicle can be returned to ser-
vice. Note: If more than one oil unit of
water (or a cloudy emulsion mixture) is
present, change the vehicle's air dryer,
check for air system leakage (Test 2, on
page A-14), stop inspection and check
again at the next service interval.
See the BASIC™ test kit for full details.
If less than one "oil unit" of water (or water/
cloudy emulsion mixture) is present, use the
BASIC™cup chart on the label of the cup to
determine if the amount of oil found is within
the acceptable level.
If within the normal range, return the
vehicle to service. For vehicles with acces-
sories that are sensitive to small amounts
of oil, consider a Bendix® PuraGuard QC™
oil coalescing fi lter.
If outside the normal range go to Symp-
tom 4.0(c).
Also see the Table A on page A-3, column
3 for recommended air dryer cartridge
replacement schedule.
Maintenance
Go to
Test 2 on page A-14.
See Table A, column 1, on page A-3 for
recommended compressor sizes.
If the compressor is "too small" for
the vehicle's role (for example, where a
vehicle's use has changed or service condi-
tions exceed the original vehicle or engine
OE spec's) then upgrade the compressor.
Note: The costs incurred (e.g. installing
a larger capacity compressor, etc.) are
not covered under original compressor
warranty.
If the compressor is correct for the
vehicle, go to Symptom 4.0 (e).
Duty cycle too high
See Table A, on page
A-3, for maintenance
schedule information.
Drain all air tanks (reservoirs)
into the Bendix® BASIC™ test
cup. (Bendix kit P/N 5013711).
The duty cycle is the ratio of time the compressor spends
building air to total engine running time. Air compressors
are designed to build air (to "run loaded") up to 25% of the
time. Higher duty cycles cause conditions that affect air
brake charging system performance which may require
additional maintenance. Factors that add to the duty cycle
are: air suspension, additional air accessories, use of an
undersized compressor, frequent stops, excessive leakage
from fi ttings, connections, lines, chambers or valves, etc.
(c) Air brake system leakage.
(d) Compressor may be undersized for
the application.
(a)

A-7
Symptom: What it may indicate: What you should do:
(e) Air compressor discharge and/or
air dryer inlet temperature too
high.
(f) Insuffi cient coolant fl ow.
(g) Restricted discharge line.
Check temperature as outlined in Test 3 on
page A-14. If temperatures are normal go
to 4.0(h).
Inspect coolant line. Replace as necessary
(I.D. is 1/2").
Inspect the coolant lines for kinks and
restrictions and fi ttings for restrictions.
Replace as necessary.
Verify coolant lines go from engine block to
compressor and back to the water pump.
Repair as necessary.
If discharge line is restricted or more than
1/16" carbon build-up is found, replace the
discharge line. See Table A, column 2, on
page A-3 for recommended size. Replace
as necessary.
The discharge line must maintain a
constant slope down from the compressor
to the air dryer inlet fi tting to avoid low points
where ice may form and block the fl ow.
If, instead, ice blockages occur at the air
dryer inlet, insulation may be added here,
or if the inlet fi tting is a typical 90 degree
fi tting, it may be changed to a straight or
45 degree fi tting. For more information on
how to help prevent discharge line freeze-
ups, see Bendix Bulletins TCH-08-21
and TCH-08-22 (Appendix B). Shorter
discharge line lengths or insulation may be
required in cold climates.
Temperature
Other
Check compressor air inlet line for restric-
tions, brittleness, soft or sagging hose
conditions etc. Repair as necessary. Inlet
line size is 3/4 ID. Maximum restriction
requirement for compressors is 25 inches
of water.
Check the engine air fi lter and service if
necessary (if possible, check the air fi lter
usage indicator).
(h) Restricted air inlet (not enough air
to compressor).
(g)
4.0 Oil in Supply
or Service
Reservoir*
(air dryer installed)
(continued)
Kinked discharge line shown.
Partly
collapsed
inlet line
shown.
Testing the temperature
at the discharge fi tting. Inspecting the coolant hoses.
*If a maintained Bendix® PuraGuard® system fi lter or Bendix® PuraGuard QC™ oil coalescing
fi lter is installed, call 1-800-AIR-BRAKE (1-800-247-2725) and speak to a Tech Team member.
(g)
(e) (f)
(h)

A-8
Symptom: What it may indicate: What you should do:
(i) Poorly filtered inlet air (poor air
quality to compressor).
(j) Governor malfunction or setting.
(k) Compressor malfunction.
4.0 Oil in Supply
or Service
Reservoir*
(air dryer installed)
(continued)
Check for leaking, damaged or defective
compressor air inlet components (e.g.
induction line, fi ttings, gaskets, fi lter bodies,
etc.). Repair inlet components as needed.
Note: Dirt ingestion will damage compressor
and is not covered under warranty.
Go to Test 4 on page A-15.
If you found excessive oil present in the
service reservoir in step 4.0 (b) above and
you did not fi nd any issues in steps 4.0 (c)
through 4.0 (j) above, the compressor may
be passing oil.
Replace compressor. If still under warranty,
follow normal warranty process. Note: After
replacing a compressor, residual oil may
take a considerable period of time to be
fl ushed from the air brake system.
Other (cont.)
Inspect the
engine air
cleaner.
** SAE J2024 outlines tests all air brake system pneumatic
components need to be able to pass, including minimum
levels of tolerance to contamination.
5.0 Oil present
at valves (e.g. at
exhaust, or seen
during servicing).
Air brake system valves are required
to tolerate a light coating of oil.
A small amount of oil does not affect SAE
J2024** compliant valves.
Check that regular maintenance is being
performed and that the amount of oil in the
air tanks (reservoirs) is within the accept-
able range shown on the Bendix® BASIC™
test cup (see also column 5 of Table A on
page A-3). Return the vehicle to service.
For oil-sensitive systems, see page 16.
Genuine
Bendix
valves are
all SAE
J2024
compliant.
*If a maintained Bendix® PuraGuard® system fi lter or Bendix® PuraGuard QC™ oil coalescing
fi lter is installed, call 1-800-AIR-BRAKE (1-800-247-2725) and speak to a Tech Team member.
Crankcase Flooding
Consider installing a compressor bottom drain kit
(where available) in cases of chronic oil passing where
all other operating conditions have been investigated.
Bendix compressors are designed to have a 'dry'
sump and the presence of excess oil in the crankcase
can lead to oil carryover.

A-9
Symptom: What it may indicate: What you should do:
8.0 Oil in ping tank
or compressor dis-
charge aftercooler.
Air brake charging system is functioning
normally.
Air dryers remove water and oil from
the air brake charging system. A small
amount of oil is normal. Check that regular
maintenance is being performed and that
the amount of oil in the air tanks (reservoirs)
is within the acceptable range shown by the
BASIC™ test (see also column 5 of Table
A on page A-3). Replace the air dryer
cartridge as needed and return the vehicle
to service.
7.0 Oil present
at air dryer
cartridge during
maintenance.
A problem with engine or other engine
accessory.
See engine service manual.
6.0 Excessive oil
consumption in
engine.
Air brake charging system is functioning
normally.
Follow vehicle O.E. maintenance
recommendation for these components.
(a) Air brake charging system
functioning normally.
(b) Air brake system leakage.
(c) Compressor may be undersized for
the application.
(d) Compressor unloader mechanism
malfunction.
(e) Damaged compressor head
gasket.
Using dash gauges, verify that the
compressor builds air system pressure
from 85-100 psi in 40 seconds or less with
engine at full governed rpm. Return the
vehicle to service.
Go to Test 2 on page A-14.
See Table A, column 1, on page A-3 for
some typical compressor applications. If the
compressor is "too small" for the vehicle's
role, for example, where a vehicle's use has
changed, then upgrade the compressor.
Note: The costs incurred (e.g. installing
a larger capacity compressor, etc.) are
not covered under original compressor
warranty.
Go to Test 6 on page A-15.
An air leak at the head gasket may indi-
cate a downstream restriction such as a
freeze-up or carbon blockage and/or could
indicate a defective or missing safety valve.
Find blockage (go to 9.0(f) for details) and
then replace the compressor. Do not re-
use the safety valve without testing. See
Symptom 12.0(a).
9.0 Air brake
charging system
seems slow to
build pressure.
The engine
service
manual
has more
information.
Oil shown
leaking
from an
air dryer
cartridge.

A-10
Symptom: What it may indicate: What you should do:
(g) Restricted air inlet (not enough air
to compressor).
Check compressor air inlet line for restric-
tions, brittleness, soft or sagging hose con-
ditions etc. Repair as necessary. Refer to
vehicle manufacturer’s guidelines for inlet
line size.
Check the engine air fi lter and service if
necessary (if possible, check the air fi lter
usage indicator).
(i) Compressor malfunction. Replace the compressor only after making
certain that none of the preceding conditions,
9.0 (a) through 9.0 (h), exist.
(h) Poorly filtered inlet air (poor air
quality to compressor).
Check for leaking, damaged or defective
compressor air inlet components (e.g.
induction line, fi ttings, gaskets, fi lter bodies,
etc.). Repair inlet components as needed.
Note: Dirt ingestion will damage compressor
and is not covered under warranty.
9.0 Air brake
charging system
seems slow to
build pressure.
(continued)
(f) Restricted discharge line. If discharge line is restricted:
By more than 1/16" carbon build-up,
replace the discharge line (see Table A,
column 2, on page A-3 for recommended
size) and go to Test 3 on page A-14.
By other restrictions (e.g. kinks).
Replace the discharge line. See Table A,
column 2, on page A-3 for recommended
size. Re test for air build. Return vehicle
to service or, if problem persists, go to
9.0(a).
The discharge line must maintain a
constant slope down from the compressor
to the air dryer inlet fi tting to avoid low points
where ice may form and block the fl ow. If,
instead, ice blockages occur at the air dryer
inlet, insulation may be added here, or if the
inlet fi tting is a typical 90 degree fi tting, it
may be changed to a straight or 45 degree
fi tting. For more information on how to
help prevent discharge line freeze-ups, see
Bendix Bulletins TCH-08-21 and TCH-08-22
(Appendix B). Shorter discharge line
lengths or insulation may be required in cold
climates.
Kinked discharge line shown.
Dash gauges.
Partly collapsed
inlet line shown.
(f)
(g)
Engine Oil Quality
Inadequate oil change intervals, the formulation of the
oil and/or the quality of oil fi lter used can all lead to poor
oil quality. These can increase the rate at which carbon
builds up in the discharge line. Bendix recommends oil
soot (solids) be maintained at less than 3%.

A-11
Symptom: What it may indicate: What you should do:
10.0 Air charging
system doesn’t
build air.
(a) Governor malfunction*.
(b) Restricted discharge line.
(c) Air dryer heater malfunction:
exhaust port frozen open.
(d) Compressor malfunction.
Go to Test 4 on page A-15.
See 9.0(f).
Replace air dryer heater.
Replace the compressor only after making
certain the preceding conditions do not
exist.
11.0 Compressor
safety valve
releases air
(Compressor
builds too much
air).
(a) Restricted discharge line. If discharge line is restricted:
By more than 1/16" carbon build-up,
replace the discharge line (see Table A,
column 2, on page A-3 for recommended
size) and go to Test 3 on page A-14.
By other restrictions (e.g. kinks).
Replace the discharge line. See Table A,
column 2, on page A-3 for recommended
size.
The discharge line must maintain a
constant slope down from the compressor
to the air dryer inlet fi tting to avoid low points
where ice may form and block the fl ow.
If, instead, ice blockages occur at the air
dryer inlet, insulation may be added here,
or if the inlet fi tting is a typical 90 degree
fi tting, it may be changed to a straight or
45 degree fi tting. For more information on
how to help prevent discharge line freeze-
ups, see Bendix Bulletins TCH-08-21
and TCH-08-22 (Appendix B). Shorter
discharge line lengths or insulation may be
required in cold climates.
Inspect air lines and verify check valves are
operating properly.
Ensure discharge line is installed into the
inlet of the air dryer and delivery is routed
to the service reservoir.
Verify relief pressure is 250 psi. Replace if
defective.
Go to Test 6 on page A-15.
Go to Test 4 on page A-15.
Damaged
discharge
line shown.
* Note: For the Bendix® DuraFlo™ 596 air compressor, not only
the governor, but also the SV-1™ synchro valve used would
need to be tested. See Bulletin TCH-001-048.
(b) Downstream air brake system check
valves or lines may be blocked or
damaged.
(c) Air dryer lines incorrectly installed.
(d) Compressor safety valve
malfunction.
(e) Compressor unloader mechanism
malfunction.
(f) Governor malfunction.

A-12
Symptom: What it may indicate: What you should do:
15.0 Compressor
constantly cycles
(compressor
remains unloaded
for a very short
time.)
(a) Air brake charging system
maintenance not performed.
(b) Compressor unloader mechanism
malfunction.
(c) Air dryer purge valve or delivery
check valve malfunction.
(d) Air brake system leakage.
Available reservoir capacity may be
reduced by build-up of water etc. Drain and
perform routine maintenance per Table A,
columns 3 & 4, on page A-3.
Go to Test 6 on page A-15.
Verify operation of air dryer. Follow vehicle
O.E. maintenance recommendations and
component Service Data information.
Go to Test 2 on page A-14.
14.0 Air dryer
doesn’t purge.
(Never hear
exhaust from air
dryer.)
(a) Air dryer malfunction.
(b) Governor malfunction.
(c) Air brake system leakage.
(d) Improper governor control line
installation to the reservoir.
Verify operation of air dryer. Follow vehicle
O.E. maintenance recommendations.
Go to Test 4 on page A-15.
Go to Test 2 on page A-14.
Go to Test 5 on page A-15.
12.0 Air dryer
safety valve
releases air.
(a) Restriction between air dryer and
reservoir.
(b) Air dryer safety valve
malfunction.
(c) Air dryer maintenance not
performed.
(d) Air dryer malfunction.
(e) Improper governor control line
installation to the reservoir.
(f) Governor malfunction.
Inspect delivery lines to reservoir for
restrictions and repair as needed.
Verify relief pressure is at vehicle or
component manufacturer specifi cations.
Replace if defective.
See Maintenance Schedule and Usage
Guidelines (Table A, column 3, on page
A-3).
Verify operation of air dryer. Follow vehicle
O.E. maintenance recommendations and
component Service Data information.
Go to Test 5 on page A-15.
Go to Test 4 on page A-15.
13.0 Reservoir
safety valve
releases air
(a) Reservoir safety valve
malfunction.
(b) Governor malfunction.
(c) Compressor unloader mechanism
malfunction.
Verify relief pressure is at vehicle or
component manufacturer's specifi cations
(typically 150 psi). Replace if defective.
Go to Test 4 on page A-15.
Go to Test 6 on page A-15.
Technician removes
governor.
Air dryer
safety valve

A-13
Symptom: What it may indicate: What you should do:
This guide attempts to cover most com-
pressor system problems. Here are some
rare sources of problems not covered in
this guide:
• Turbocharger leakage. Lubricating
oil from leaking turbocharger seals can
enter the air compressor intake and give
misleading symptoms.
• Where a compressor does not have
a safety valve installed, if a partial or
complete discharge line blockage has
occurred, damage can occur to the con-
necting rod bearings. Damage of this kind
may not be detected and could lead to
compressor problems at a later date.
17.0 Compressor
leaks coolant (a) Improperly installed plugs or coolant
line fi ttings.
(b) Damaged compressor head
gasket.
(c) Porous compressor head casting.
Inspect for loose or over-torqued fi ttings.
Reseal and tighten loose fi ttings and plugs
as necessary. If overtorqued fi ttings and
plugs have cracked ports in the head,
replace the compressor.
An air leak at the head gasket may indicate
a downstream restriction such as a freeze-
up or carbon blockage and/or could indicate
a defective or missing safety valve. Find
blockage (go to 9.0(f) for details) and then
replace the compressor. Do not re-use the
safety valve without testing. See Symptom
12.0(a).
If casting porosity is detected, replace the
compressor.
18.0 Noisy
compressor
(Multi-cylinder
compressors only)
(a) Damaged compressor. Replace the compressor.
Testing for leaks with
soap solution.
16.0 Compressor
leaks air (a) Compressor leaks air at connections
or ports.
(b) Compressor unloader mechanism
malfunction.
(c) Damaged compressor head
gasket(s).
Check for leaking, damaged or defective
compressor fi ttings, gaskets, etc. Repair
or replace as necessary.
Go to Test 6 on page A-15.
An air leak at the head gasket(s) may
indicate a downstream restriction such as a
freeze-up or carbon blockage and/or could
indicate a defective or missing safety valve.
Find blockage (go to 9.0(f) for details) and
then replace the compressor. Do not re-
use the safety valve without testing. See
Symptom 12.0(a).
Other Miscellaneous Areas to Consider
Head gasket
location

A-14
Tests
Exterior leaks at the head gasket are not a sign that oil is being passed into
the air charging system. Oil weepage at the head gasket does not prevent
the compressor from building air.
Observe the amount of weepage from the head gasket.
If the oil is only around the cylinder head area, it is acceptable (return the vehicle
to service), but, if the oil weepage extends down to the nameplate area of the
compressor, the gasket can be replaced.
Test 1: Excessive Oil Leakage at the
Head Gasket
Inspect for air leaks when working on a vehicle and
repair them promptly.
Park the vehicle on level ground and chock wheels.
Build system pressure to governor cut-out and allow
the pressure to stabilize for one minute.
Step 1: Observe the dash gauges for two additional
minutes without the service brakes applied.
Step 2: Apply the service brakes and allow the
pressure to stabilize. Continue holding for two
minutes (you may use a block of wood to hold the
pedal in position.) Observe the dash gauges.
If you see any noticeable decrease of the dash air
gauge readings (i.e. more than 4 psi, plus two psi
for each additional trailer) during either two minute
test, repair the leaks and repeat this test to confi rm
that they have been repaired.
Air leaks can also be found in the charging system,
parking brakes, and/or other components - inspect
and repair as necessary.
Test 2: Air Brake System and Accessory Leakage
Caution: The temperatures used in this test
are not normal vehicle conditions.
Above normal temperatures can cause oil (as
vapor) to pass through the air dryer into the
air brake system.
This test is run with the engine at normal operating
temperature, with engine at max. rpm. If
available, a dyno may be used.
1. Allow the compressor to build the air system
pressure to governor cut-in.
2. Pump the brakes to bring the dash gauge
pressure to 90 psi.
3. Allow the compressor to build pressure from
95 to 105 psi gauge pressure and maintain
this pressure range by cycling the brakes for
fi ve (5) minutes.
4. Then, while maintaining max rpm and
pressure range, measure and record the
surface temperature of the fi ttings:
at the compressor discharge port. (T1).
at the air dryer inlet fi tting. (T2).
Use a touch probe thermocouple for measuring
the temperature.
5. See table below.
6. Re test before returning the vehicle to
service.
Test 3: Air Compressor Discharge
Temperature and Air Dryer Inlet
Temperature*
Compressor Air Dryer
Discharge Inlet
Fitting Fitting
Action
under under Temperatures are within
360°F 200°F normal range for this test, check
other symptoms. Go to 4.0 (h).
under over This could indicate a discharge
360°F 200°F line problem (e.g. restriction).
Call 1-800-AIR-BRAKE
(1-800-247-2725)
and speak with our Tech Team.
over __ Compressor is running hot.
360°F Check coolant 4(f) and/or
discharge line 4(g).
T1 T2
(* Note that only vehicles that have passed Test 2
would be candidates for this test.)
Discharge Line
T1
T2
Look
for
Weepage

A-15
1. Ensure that the governor control line from the
reservoir is located at or near the top of the res-
ervoir. (This line, if located near the bottom of
the reservoir, can become blocked or restricted
by the reservoir contents e.g. water or ice.)
Bendix® Compressors: Park vehicle, chock
wheels, and follow all standard safety procedures.
Remove the governor and install a fi tting to the
unloader port. Add a section of air hose (min
1 ft long for a 1/2" diameter line) and a gauge
to the fi tting followed by a shut-off valve and an
air source (shop air or small air tank). Open the
Test 5: Governor Control Line
Test 6: Compressor Unloader Leakage
1. Inspect control lines to and from the governor
for restrictions (e.g. collapsed or kinked).
Repair as necessary.
2. Using a calibrated external gauge in the
supply reservoir, service reservoir, or reservoir
port of the D-2™ governor, verify cut-in and
cut-out pressures are within vehicle OEM
specifi cation.
3. If the governor is malfunctioning, replace it.
Tests (continued)
Test 4: Governor Malfunction
2. Perform proper reservoir drain intervals and air
dryer cartridge maintenance per Maintenance
Schedule and Usage Guidelines (Table A on
page A-3).
3. Return the vehicle to service.
shut-off and charge the unloader port by allowing
air pressure to enter the hose and unload the
compressor. Shut off the air supply and observe
the gauge. A steady reading indicates no leakage
at the unloader port, but a falling reading shows
that the unloader mechanism is leaking and needs
to be serviced.

A-16
High
START BASIC TEST
Is this a
transit vehicle, bulk
unloader, or has more
than 5 axles?
YES, this is a high
air use
vehicle.
NO, this is a low air
use vehicle.
Park vehicle on ground.LEVEL
Chock wheels, drain air from system.
Drain contents of air
tanks into
ALL
BASIC cup
™
• water, or
• cloudy emulsion
mixture?
Is this vehicle
being re-tested? (after
water, etc. was found
last time?)
NO
YES
Is the
point above
the HIGH Air Use
line on the
cup?
YES
NO
Does
the vehicle have
excessive air
leakage?
Repair leaks and
return vehicle to
service
Is there
less than one
unit of liquid?
END TEST
Vehicle OK.
Return vehicle to
service.
YES
NO
YES
YES
NO, only oil.
Vehicle OK.
Return vehicle to
service.
Find the point on the label
where the number of oil units
meets the number of days*
since the vehicle's air tanks
were last drained.
Is the
point above
the LOW Air Use
line on the
cup?
YES
NO
END TEST
END TEST
Compressor
Change air dryer
cartridge**
Re-test with the
BASIC Test after
™
30 days***
Test for air
leakage
Find the point on the label
where the number of oil units
meets the number of days*
since the vehicle's air tanks
were last drained.
Cloudy emulsion mixture
Go to the
Advanced
Troubleshooting
Guide to find
reason(s) for
presence of water
END TEST
Test for air
leakage
END TEST
END TEST
Is
there more
than one unit of:
High
Low
Low
Low
High
Service writer records info - including
the number of days since all air tanks
were ills out symptom
checklist. Technician inspects items.
drained - and f
days
Use Test 2:
Air Leakage
Use Test 2:
Air Leakage
NO
Re-test with the
BASIC Test after
™
30 days***
NO (did not know
when last
drained)
Was
the number of
days since last
draining
known?
YES, number of days
was known (30 - 90 days)
END TEST
Bendix® Air System Inspection Cup
(BASIC™) Test Information
Appendix B: Information about the BASIC™ Test Kit (Bendix P/N 5013711)
* If the number of days since the air tanks were drained is unknown
- use the 30 day line.
** Note: Typical air dryer cartridge replacement schedule is every
3 yrs/ 300K miles for low air use vehicles and every year/100K
miles for high air use vehicles.
*** To get an accurate reading for the amount of oil collected during
a 30 day period, ask the customer not to drain the air tanks before
returning. (Note that 30-90 days is the recommended air tank
drain schedule for vehicles equipped with a Bendix air dryer that
is properly maintained.) If, in cold weather conditions, the 30 day
air tank drain schedule is longer than the customer's usual draining
interval, the customer must determine, based on their experience
with the vehicle, whether to participate now, or wait for warmer
weather. See the cold weather tips in Bulletins TCH-008-21 and
TCH-008-22 (included on pages A-19-21 of this document).
****Note: After replacing a compressor, residual oil may take
a considerable period of time to be fl ushed from the air brake
system.
Replace the Compressor. If under warranty, follow standard
procedures.
If, after a compressor was already replaced, the vehicle fails the
BASIC™ test again, do not replace the compressor**** - use the
Advanced Troubleshooting Guide to investigate the cause(s).

A-17
Footnote 1: Note: Typical air dryer cartridge replacement schedule is every 3 yrs/ 300K miles for low air use vehicles and every year/100K miles for
high air use vehicles.
Footnote 2: To get an accurate reading for the amount of oil collected during a 30 day period, ask the customer not to drain the air tanks before returning.
(Note that 30-90 days is the recommended air tank drain schedule for vehicles equipped with a Bendix air dryer that are properly maintained.) If, in cold
weather conditions, the 30 day air tank drain schedule is longer than the customer's usual draining interval, the customer must determine, based on its
experience with the vehicle, whether to participate now, or wait for warmer weather. See the cold weather tips in Bulletins TCH-008-21 and TCH-008-22
(included in Appendix B of the advanced troubleshooting guide).
Note for returning vehicles that are being
re tested after a water/cloudy emulsion
mixture was found last time and the air
dryer cartridge replaced: If more than one
oil unit of water or a cloudy emulsion mixture
is found again, stop the BASIC™ test and
consult the air dryer's Service Data sheet
troubleshooting section.
* Note: A confi rmed complaint
above does NOT mean that
the compressor must be
replaced.
The full BASIC™ test below
will investigate the facts.
Customer’s Have you confi rmed
complaint?
(Please check all that apply)
“Relay valve leaks oil / malfunctions” no yes*
“Dash valve leaks oil / malfunctions” no yes*
“Air dryer leaks oil” no yes*
“Governor malfunction” no yes*
“Oil in gladhands” no yes*
how much oil did you fi nd? ________________________________
“Oil on ground or vehicle exterior” no yes*
amount described: ______________________________________
“Short air dryer cartridge life”
replaces every: ______________ miles, kms, or months
“Oil in air tanks” amount described:_______________________
We will measure amount currently found when we get to step B of the test.
“Excessive engine oil loss” amount described: ______________
Is the engine leaking oil? no yes*
Is the compressor leaking oil? no yes*
Other complaint: _____________________________________
No customer complaint.
Checklist for Technician
The Service Writer fi lls out these fi elds with information gained from the customer
The Service Writer
also checks off any
complaints that the
customer makes to
help the Technician
in investigating.
The Technician
checks boxes
for any of the
complaints that
can be confi rmed.
STEP A - Select one:
BASIC™ test starts here:
STEP B - Measure the Charging System Contents
The Technician selects the air use
category for the vehicle. This decides
which of the two acceptance lines
on the cup will be used for the test
below.
For an accurate test, the
contents of all the air tanks on
the vehicle should be used.
Then go to Step B.
Number of Days Since Air Tanks Were Last Drained: ________ Date: ___________Vehicle #: ____________
Engine SN __________________________ Vehicle Used for: _______________Typical Load:________ (lbs.)
No. of Axles: ____ (tractor) ____ (trailer) No. of Lift Axles: ____ Technician’s Name: ____________________
This is a low air use vehicle: Line haul (single trailer) with 5 or less axles, or
This is a high air use vehicle: Garbage truck, transit bus, bulk unloader, or line
haul with more than 5 axles.
1. Park and chock vehicle on level ground. Drain the air system by
pumping the service brakes.
2. Completely drain ALL the air tanks into a single BASIC™cup.
3. If there is less than one unit of contents total, end the test now and
return the vehicle to service. Vehicle passes.
4. If more than one oil unit of water (or a cloudy emulsion mixture)
is found:
Otherwise, go to Step C.
Filling in the Checklist for the Bendix® Air System Inspection Cup (BASIC™) Test
Note: Follow all standard safety precautions. For vehicles using a desiccant air dryer.
Appendix B continued: Information about the BASIC™Test Kit (Bendix P/N 5013711)
(a) Change the vehicle’s air dryer cartridge
- see Footnote 1,
(b) Conduct the 4 minute leakage test (Step D),
(c) STOP the inspection, and check the vehicle
again after 30 days - see Footnote 2. STOP
+ CK.
Oil
Units

A-18
Park the vehicle on level ground and chock wheels. Build system pressure to governor cut-out
and allow the pressure to stabilize for one minute.
1: Observe the dash gauges for two additional minutes without the service brakes applied.
2: Apply service brakes for two minutes (allow pressure to stabilize) and observe the dash
gauges.
If you see any noticeable decrease of the dash air gauge readings, repair leaks. Repeat
this test to confi rm that air leaks have been repaired and return vehicle to service. Please
repeat BASIC™ test at next service interval. Note: Air leaks can also be found in the charging
system, parking brakes, and/or other components - inspect and repair as necessary.
STEP E - If no air leakage was detected in Step D
STEP D - Air Brake System Leakage Test
STEP C - How to Use the BASIC™ Test
Sixty days since last air
tank draining Decision point
The Technician uses the chart (label) on the BASIC™
test cup to help decide the action to take, based on
the amount of oil found. Use the lower acceptance
line for low air use vehicles, and upper line for high
air use vehicles (from Step A).
If no air leakage was detected, and if you are conducting
this test after completing Step C, go to Step E.
BASIC™ Test Example
An oil level of 4 units in a sixty-day period is within the
acceptance area (at or below the line) for both low and
high air use vehicles. Return the vehicle to service.
1. Record days since air
tanks were last drained.
3. Action to
take
2. Record amount
of oil found:
If number of days is:
30-60 days (high air
use) or
30-90 days (low air
use)
if oil level is at or below
acceptance line for number
of days
if oil level is above
acceptance line for number
of days
System OK.
Return to service.
Otherwise . . .
(if the number of days is
unknown, or outside the
limits above)
if oil level is at or below
30-day acceptance line
if oil level is above 30-day
acceptance line
STOP
TEST
Stop inspection.
Test again
after 30 days.
See Footnote 2.
_________ days _________ units
Go to Step D
System OK.
Return to service.STOP
TEST
STOP
+ CK.
The Technician looks for the point where the number
of days since the air tanks were drained meets the oil
level. If it is at or below the (low or high use) acceptance
line, the vehicle has passed the test. If the point is
above the line then go to the leakage test. Air leakage is the number one
cause of compressors having
to pump excessive amounts of
air, in turn run too hot and pass
oil vapor along into the system.
Here the Technician conducts a
four-minute test to see if leakage
is a problem with the vehicle
being tested.
The Technician only reaches
Step E if the amount of oil
found, or the amount of time
since the air tanks were last
drained exceeds the acceptance
level, AND the vehicle passes
the four-minute leakage test
(no noticeable leakage was
detected).
Replace the compressor.
Note: If the compressor is within warranty period,
please follow standard warranty procedures. Attach
the completed checklist to warranty claim.
Filling in the Checklist for the Bendix® Air System Inspection Cup (BASIC™) Test
Note: Follow all standard safety precautions. For vehicles using a desiccant air dryer.
Appendix B continued: Information about the BASIC™Test Kit (Bendix P/N 5013711)
Oil
Level
X
Acceptance
Lines

A-19
Technical Bulletin
Bulletin No.: TCH-008-021 Effective Date: 11/1/92
Page: 1 of 2
Subject: Air Brake System - Cold Weather Operation Tips
As the cold weather approaches, operators and fl eets alike begin to look to their vehicles with an eye
toward “winterization”, and particularly what can be done to guard against air system freeze-up. Here
are some BASIC™“Tips” for operation in the cold weather.
Engine Idling
Avoid idling the engine for long periods of time! In addition to the fact that most engine manufacturers
warn that long idle times are detrimental to engine life, winter idling is a big factor in compressor discharge line
freeze-up. Discharge line freeze-ups account for a signifi cant number of compressor failures each year. The
discharge line recommendations under “Discharge Lines” are important for all vehicles but are especially so
when some periods of extended engine idling can not be avoided.
Discharge Lines
The discharge line should slope downward from the compressor discharge port without forming water traps,
kinks, or restrictions. Cross-overs from one side of the frame rail to the other, if required, should occur as close
as possible to the compressor. Fitting extensions must be avoided. Recommended discharge line lengths and
inside diameters are dependent on the vehicle application and are as follows.
Typical P&D, School Bus and Line Haul
The maximum discharge line length is 16 feet.
Length I.D. Min. Other Requirements
6.0-9.5 ft. ½ in. None
9.5-12 ft. ½ in. Last 3 feet, including fi tting at the end of the
discharge line, must be insulated with ½ inch thick closed
cell polyethylene pipe insulation.
12-16 ft. 5/8 in. Last 3 feet, including fi tting at the end of the
discharge line, must be insulated with ½ inch thick
closed cell polyethylene pipe insulation.
If the discharge line length must be less than 6 feet or greater than 16 feet, contact your local Bendix
representative.
Appendix C

A-20
Bulletin No.: TCH-008-021 Effective Date: 11/1/92
Page: 2 of 2
High Duty Cycle Vehicles (City Transit Coaches, Refuse Haulers, Etc.)
The maximum discharge line length is 16 feet.
Length I.D. min. Other Requirements
10-16 ft. ½ in. None
If the discharge line length must be less than 10 feet or greater than 16 feet, contact your local Bendix
representative.
System Leakage
Check the air brake system for excessive air leakage using the Bendix “Dual System Air Brake Test and Check
List” (BW1279). Excessive system leakage causes the compressor to “pump” more air and also more moisture
into the brake system.
Reservoir Draining (System Without Air Dryer)
Routine reservoir draining is the most BASIC™step (although not completely effective) in reducing the possibility
of freeze-up. All reservoirs in a brake system can accumulate water and other contamination and must be
drained! The best practice is to drain all reservoirs daily. When draining reservoirs; turn the ENGINE OFF and
drain ALL AIR from the reservoir, better still, open the drain cocks on all reservoirs and leave them open over
night to assure all contamination is drained (reference Service Data Sheet SD-04-400 for Bendix Reservoirs).
If automatic drain valves are installed, check their operation before the weather turns cold (reference Service
Data Sheet SD-03-2501 for Bendix® DV-2™ Automatic Drain Valves). It should be noted that, while the need
for daily reservoir draining is eliminated through the use of an automatic drain valve, periodic manual draining
is still required.
Alcohol Evaporator or Injector Systems
Check for proper operation of these systems by monitoring alcohol consumption for a few days (Reference
Service Data Sheet SD-08-2301 for the Bendix Alcohol Evaporator). Too little means the system is not receiving
adequate protection and too much simply wastes alcohol. As a general guide, these systems should consume
approximately 1 to 2 ounces of alcohol per hour of compressor loaded time (compressing air). City pick-up
and delivery vehicles will operate with the compressors loaded (compressing air) more while compressors on
highway vehicles will be loaded less. These fi gures are approximate and assume that air system leakage is
within the limits of the Bendix “Dual System Air Brake Test and Check List” (BW1279). Last but not least, begin
using alcohol several weeks prior to freezing weather to ensure that the system is completely protected. Use
only methanol alcohol, such as Bendix “Air Guard”, in evaporators or injectors.
Air Dryers
Make certain air brake system leakage is within the limits stated in BW1279. Check the operation and function
of the air dryer using the appropriate Service Data Sheet for the air dryer.
AD-9™ Air Dryer . . . . . . . . . . . . . . . . . . . . . . . . . . . . . . . . . . Service Data Sheet SD-08-2412
AD-4™ Air Dryer . . . . . . . . . . . . . . . . . . . . . . . . . . . . . . . . . . Service Data Sheet SD-08-2407
AD-2™ Air Dryer . . . . . . . . . . . . . . . . . . . . . . . . . . . . . . . . . . Service Data Sheet SD-08-2403
AD-IP™ Air Dryer. . . . . . . . . . . . . . . . . . . . . . . . . . . . . . . . . . Service Data Sheet SD-08-2414
AD-SP™ Air Dryer . . . . . . . . . . . . . . . . . . . . . . . . . . . . . . . . . Service Data Sheet SD-08-2415
Trailer System-Guard® Air Dryer. . . . . . . . . . . . . . . . . . . . . . Service Data Sheet SD-08-2416
Bendix® PuraGuard QC™ Oil Coalescing Filter. . . . . . . . . . . Service Data Sheet SD-08-187B
Appendix C: Continued

A-21
Technical Bulletin
Bulletin No.: TCH-008-022 Effective Date: 1/1/1994
Page: 1 of 1
Subject: Additional Cold Weather Operation Tips for the Air Brake System
Last year we published Bulletin PRO-08-21 which provided some guidelines for “winterizing” a
vehicle air brake system. Here are some additional suggestions for making cold weather vehicle
operation just a little more bearable.
Thawing Frozen Air Lines
The old saying; “Prevention is the best medicine” truly applies here! Each year this activity accounts
for an untold amount of unnecessary labor and component replacement. Here are some Do’s and
Don’ts for prevention and thawing.
Do’s
1. Do maintain freeze prevention devices to prevent road calls. Don’t let evaporators or injectors run
out of methanol alcohol or protection will be degraded. Check the air dryer for proper operation
and change the desiccant when needed.
2. Do thaw out frozen air lines and valves by placing the vehicle in a warmed building. This is the
only method for thawing that will not cause damage to the air system or its components.
3. Do use dummy hose couplings on the tractor and trailer.
4. Do check for sections of air line that could form water traps. Look for “drooping” lines.
Don’ts
1. Do not apply an open fl ame to air lines and valves. Beyond causing damage to the internal
nonmetallic parts of valves and melting or burning non-metallic air lines. WARNING: THIS
PRACTICE IS UNSAFE AND CAN RESULT IN VEHICLE FIRE!
2. Do not introduce (pour) fl uids into air brake lines or hose couplings (“glad hands”). Some fl uids
used can cause immediate and severe damage to rubber components. Even methanol alcohol,
which is used in Alcohol Evaporators and Injectors, should not be poured into air lines. Fluids
poured into the system wash lubricants out of valves, collect in brake chambers and valves and
can cause malfunction. Loss of lubricant can affect valve operating characteristics, accelerate
wear and cause premature replacement.
3. Do not park a vehicle outside after thawing its air system indoors. Condensation will form in the
system and freeze again. Place the vehicle in operation when it is removed to the outdoors.
Supporting Air and Electrical Lines
Make certain tie wraps are replaced and support brackets are re-assembled if removed during routine
maintenance. These items prevent the weight of ice and snow accumulations from breaking or
disconnecting air lines and wires.
Automatic Drain Valves (System without Air Dryer)
As we stated last year, routine reservoir draining is the most BASIC™step (although not completely
effective) in reducing the possibility of freeze-up. While automatic drain valves relieve the operator
of draining reservoirs on a daily basis, these valves MUST be routinely checked for proper operation.
Don’t overlook them until they fail and a road call is required.
Appendix D
38
39

BW1639 © 2007 Bendix Commercial Vehicle Systems LLC. All rights reserved. 3/07 Printed in U.S.A.
40