Bil Jax Personal Lift Cougar Electric Hydraulic Platform Users Manual Introduction
2015-02-02
: Bil-Jax Bil-Jax-Bil-Jax-Personal-Lift-Cougar-Lift-Electric-Hydraulic-Lift-Platform-Users-Manual-481367 bil-jax-bil-jax-personal-lift-cougar-lift-electric-hydraulic-lift-platform-users-manual-481367 bil-jax pdf
Open the PDF directly: View PDF
.
Page Count: 78
- Safety
- Introduction
- Operation
- Maintenance
- Replacement Decals
- Parts List
- TOP MAST PARTS LIST
- CENTER MAST PARTS LIST
- LOWER MAST PARTS LIST
- REAR COMPARTMENT PARTS LIST
- HYDRAULIC PUMP COMPARTMENT PARTS LIST
- UPPER BASE PARTS LIST
- BASE MAST PARTS LIST
- LOWER BASE PARTS LIST
- PLATFORM PARTS LIST
- HYDRAULIC UNIT PARTS LIST
- HYDRAULIC FITTINGS AND HOSES DIAGRAM
- HYDRAULIC FITTINGS AND HOSES SCHEMATIC
- ELECTRICAL DIAGRAM
- ANSI Reprint

Model XLT-1571AC
Operation and
Maintenance Manual
`
AERIAL WORK PLATFORMS
R
Electric Hydraulic Lift Platform
WAR NING
XLT
1
5
7
1
WARNING
DANGER
WARNING
WARNING
B33-01-0062

TELESCOPIC PERSONNEL LIFT
This equipment is designed and manufactured in compliance with the duties, re-
sponsibilities, and standards set forth for manufacturers in the ANSI 92.3 standard
in effect at the time of manufacture.
This equipment will meet or exceed applicable OSHA codes and ANSI A92.3 stan-
dards when used in accordance with sections 5, 6, 7, 8, 9 & 10 of ANSI A92.3 and all
other manufacturer’s recommendations.
It is the responsibility of the user of this equipment to follow all applicable ANSI,
OSHA, Federal, State, and local codes and regulations that govern the safe opera-
tion of this equipment.

i
Table of Contents
1 Safety................................................................................................................1-1
1-1 Introduction.........................................................................................1-1
1-2 Before Operation ...............................................................................1-3
1-3 During Operation................................................................................1-4
1-4 Maintenance Safety............................................................................1-6
1-5 Damaged Equipment Policy .............................................................1-6
2 Introduction.....................................................................................................2-1
2-1 General Description...........................................................................2-1
2-2 Specifications......................................................................................2-2
2-3 Warranty .............................................................................................2-2
3 Operation.........................................................................................................3-1
3-1 Operator Controls ..............................................................................3-1
3-2 Normal Operating Procedure............................................................3-2
3-3 Emergency Lowering Procedure ......................................................3-3
4 Maintenance ....................................................................................................4-1
4-1 Scheduled Service Checks................................................................4-1
4-2 Lubrication..........................................................................................4-3
4-3 Hydraulic System...............................................................................4-5
4-4 Electrical System .............................................................................4-11
4-5 Lift Chains And Slide Blocks .......................................................4-12
4-6 Troubleshooting................................................................................4-15
5 Replacement Decals ........................................................................................5-1
6 Parts List..........................................................................................................6-1
6-1 Top Mast Parts List..........................................................................6-2
6-2 Center Mast Parts List......................................................................6-4
6-3 Lower Mast Parts List......................................................................6-6
6-4 Rear Compartment Parts List............................................................6-8
6-5 Hydraulic Pump Compartment Parts List .....................................6-10
6-6 Upper Base Parts List ....................................................................6-12
6-7 Base Mast Parts List ......................................................................6-14
6-8 Lower Base Parts List....................................................................6-16
6-9 Platform Parts List ..........................................................................6-18
6-10 Hydraulic Unit Parts List ...............................................................6-20
6-11 Hydraulic Fittings And Hoses Diagram............................................6-22
6-12 Hydraulic Fittings And Hoses Schematic.....................................6-24
6-13 Electrical Diagram...........................................................................6-25
7 ANSI Reprint..................................................................................................7-1

ii
List of Illustrations
Figure 3-1. Lower Control Box................................................................................. 3-1
Figure 3-2. Upper Control Box................................................................................. 3-2
Figure 3-3. Emergency Lowering Valve................................................................... 3-3
Figure 4-1. Lift Chain Lubrication............................................................................ 4-3
Figure 4-2. Caster Lubrication.................................................................................. 4-4
Figure 4-3. Pressure Relief Valve Adjustment.......................................................... 4-6
Figure 4-4. Flow Restrictor Valve ............................................................................ 4-7
Figure 4-5. Raise Valve Operation Check ................................................................ 4-8
Figure 4-6. Hydraulic Cylinder Exploded View..................................................... 4-10
Figure 4-7. Chain Elongation Inspection ................................................................ 4-12
Figure 4-8. Lift Chain Adjustment.......................................................................... 4-13
Figure 4-9. Slide Block Adjustment........................................................................ 4-14
Figure 5-1. Replacement Decals ............................................................................... 5-2
Figure 5-2. Decal Locations, Side View ................................................................... 5-3
Figure 5-3. Decal Locations, Front View.................................................................. 5-4
Figure 6-1. Top Mast Exploded View....................................................................... 6-2
Figure 6-2. Center Mast Exploded View .................................................................. 6-4
Figure 6-3. Lower Mast Exploded View................................................................... 6-6
Figure 6-4. Rear Compartment Exploded View........................................................ 6-8
Figure 6-5. Hydraulic Pump Compartment Exploded View................................... 6-10
Figure 6-6. Upper Base Exploded View ................................................................. 6-12
Figure 6-7. Base Mast Exploded View ................................................................... 6-14
Figure 6-8. Lower Base Exploded View................................................................. 6-16
Figure 6-9. Platform Exploded View...................................................................... 6-18
Figure 6-10. Hydraulic Unit Assembly..................................................................... 6-20
Figure 6-11. Hydraulic Fittings and Hoses Diagram ................................................ 6-22
Figure 6-12. Hydraulic Fittings and Hoses Schematic.............................................. 6-24
Figure 6-13. Electrical Diagram................................................................................ 6-25
Figure 6-14. Electrical Layout Diagram ................................................................... 6-26

iii
List of Tables
Table 1-1. Minimum Safe Approach Distances .......................................................1-4
Table 2-1. Specifications..........................................................................................2-2
Table 4-1. Daily/Weekly Service Checks.................................................................4-1
Table 4-2. Monthly Service Checks .........................................................................4-2
Table 4-3. Troubleshooting Chart ..........................................................................4-15
Table 5-1. Replacement Decals................................................................................5-1
Table 6-1. Top Mast Parts List.................................................................................6-3
Table 6-2. Center Mast Parts List.............................................................................6-5
Table 6-3. Lower Mast Parts List.............................................................................6-7
Table 6-4. Battery Compartment Parts List..............................................................6-9
Table 6-5. Hydraulic Pump Compartment Parts List .............................................6-11
Table 6-6. Upper Base Parts List............................................................................6-13
Table 6-7. Base Mast Parts List..............................................................................6-15
Table 6-8. Lower Base Parts List ...........................................................................6-17
Table 6-9. Platform Parts List.................................................................................6-19
Table 6-10. Hydraulic Unit Parts List ......................................................................6-21
Table 6-11. Hydraulic Fittings and Hoses Parts List................................................6-23
Table 7-1. Minimum Safe Approach Distance (M.S.A.D.) to energized
(exposed or insulated) power lines and parts....................................7-11

iv

1-1
1
Safety
1-1
ip-
me-
sense in the operation of mechanical equipment is the best s
e implemented at all
considered as legal advice and is intended
to
For any questions concerning the safe use of this equipment, call 800-537-0540 before
operating.
INTRODUCTION
Familiarity and proper training are required for the safe operation of mechanical equ
ment. Equipment operated improperly or by untrained personnel can be dangerous. Read
the operating instructions in this manual and become familiar with the location and
proper use of all controls. Inexperienced operators should receive instruction from so
one familiar with the equipment before being allowed to operate the machine. The use of
intelligence and common
practice in any safety policy. Be professional and always observe the safety procedure
set forth in this manual.
All OSHA, ANSI, state and local codes and regulations pertaining to this equipment
should be obtained, read, and thoroughly understood before attempting to operate this
equipment. Persons under the influence of drugs, alcohol, or prescription medication
should not be on or near this equipment. Common sense should b
times during the use of this equipment. Do not operate this equipment in areas where
equipment or user may come in contact with live power source.
The information contained herein is not to be
for informational purposes only. This information is offered to alert Bil-Jax customers
procedures that may be of concern to them.
This information is not intended to be all inclusive and is to be followed in the use of
Bil-Jax equipment only.

XLT-1571AC
1-2
Safety Notes
This manual contains DANGERS, WARNINGS, CAUTIONS, and NOTES that must be
followed to prevent the possibility of improper service, damage to the equipment, or per-
sonal injury.
DANGER
Dangers warn of equipment operation near electrical power lines that could lead
to personal injury or death.
WARNING
Warnings describe conditions or practices that could lead to personal injury or
death.
CAUTION
Cautions provide information important to prevent errors that could damage ma-
chine or components.
NOTE: Notes contain additional information important to a procedure.

1 — SAFETY
1-3
1-2 BEFORE OPERATION
Ensure the following general safety precautions are followed before operating the Cougar
Lift.
• ALWAYS survey the usage area for potential hazards such as untampered earth
fills, unlevel surfaces, overhead obstructions, and electrically charged conduc-
tors or wires. Be aware of any potential hazards and always consider what could
happen. Watch for moving vehicles in the operating area.
• ALWAYS read, understand, and follow the procedures in this manual before at-
tempting to operate equipment.
• ALWAYS inspect the equipment for damaged or worn parts. Check for cracked
welds, hydraulic leaks, damaged wiring, loose wire connectors, damaged cast-
ers, and damaged floor pads. Also check for any improper operation. NEVER
operate equipment if damaged in any way. Improperly operating equipment
must be repaired before using.
• ALWAYS wear proper clothing for the job. Wear protective equipment as re-
quired by federal, state, or local regulations.
• ALWAYS locate, read, and follow all directions and warnings displayed on the
equipment.
• ALWAYS inspect the equipment for any “DO NOT USE” tags placed on the
equipment by maintenance personnel. NEVER use any equipment tagged in this
way until repairs are made and all tags are removed by authorized maintenance
personnel.
• ALWAYS make sure the platform and shoes are free of mud, grease, or other
foreign material. This will reduce the possibility of slipping.
• NEVER allow improperly trained personnel to operate this equipment. Only
trained and authorized personnel shall be allowed to operate this equipment.
• NEVER operate this equipment if you are under the influence of alcohol or
drugs or if you feel ill, dizzy, or unsteady in any way. Operators must be physi-
cally fit, thoroughly trained, and not easily excitable.
• NEVER modify, alter, or change the equipment in any way that would affect its
original design or operation in any way.
• NEVER operate this equipment in ways for which it is not intended.

XLT-1571AC
1-4
1-3 DURING OPERATION
Ensure the following general safety precautions are followed during the operation of the
Cougar Lift.
DANGER
This machine is not insulated for use near electrical power lines and DOES NOT
provide protection from contact with or close proximity to any electrically
charged conductor. Operator must maintain safe clearances at all times (10 feet
minimum) and always allow for platform movement such as wind induced sway.
Always contact the power company before performing work near power lines. As-
sume every line is hot. Remember, power lines can be blown by the wind.
Refer to Table 1-1 for minimum safe approach distances between machine and electrical
power lines.
Table 1-1. Minimum Safe Approach Distances
Minimum Safe Approach Distance
Voltage Range
(Phase to Phase) (Feet) (Meters)
0 to 300V Avoid Contact
Over 300V to 50KV 10 3.05
Over 50KV to 200KV 15 4.60
Over 200KV to 350KV 20 6.10
Over 350KV to 500KV 25 7.62
Over 500KV to 750KV 35 10.67
Over 750KV to 1000KV 45 13.72
• ALWAYS position lift far enough away from power sources to ensure that no
part of the lift can accidentally reach into an unsafe area.
• ALWAYS operate only on a firm and level surface. NEVER use on surfaces
that do not support the weight of the equipment and its rated load capacity.
• ALWAYS keep yourself and all personnel away from potential pinch or shear
points.
• ALWAYS report any misuse of equipment to the proper authorities. Horseplay
is prohibited.
• ALWAYS maintain good footing on the platform. NEVER wear slippery soled
shoes.
• ALWAYS make certain all personnel are clear and there are no obstructions be-
fore repositioning platform.
• ALWAYS cordon off area around the base to keep personnel and other equip-
ment away from it while in use.
• ALWAYS stay clear of wires, cables, and other overhead obstructions.
• ALWAYS disconnect power at the batteries when not in use to guard against
unauthorized use.

1 — SAFETY
1-5
• NEVER allow electrode contact with any part of the platform if welding is be-
ing performed by a worker from the platform.
• NEVER use without the floor pads fully based on the floor.
• NEVER override or by-pass manufacturer's safety devices.
• NEVER release floor locks or move unit with a person or materials on board.
• NEVER stand or sit on guardrails. Work only within the platform guardrail area
and do not lean out over guardrails to perform work.
• NEVER attempt to increase working height with boxes, ladders, or other means.
• NEVER operate this equipment when exposed to high winds, thunderstorms,
ice, or any other weather conditions that would compromise the safety of the
operator.
• NEVER climb up or down masts.
• NEVER allow ropes, electric cords, hoses, etc. to become entangled in the
equipment when the platform is being raised or lowered.
• NEVER exceed manufacturer's platform load limits and make sure all materials
are evenly distributed over the entire platform.
• NEVER exceed platform load ratings by transferring loads to platform at ele-
vated heights.
• NEVER use guardrails to carry materials and never allow overhang of materials
when raising or lowering platform.

XLT-1571AC
1-6
1-4 MAINTENANCE SAFETY
Ensure the following general safety precautions are observed when maintenance is per-
formed on the Cougar Lift.
• ALWAYS perform maintenance procedures according to manufacturer's re-
quirements. NEVER short change maintenance procedures.
• ALWAYS check hydraulic system. Make sure all lines, connectors, and fittings
are tight and in good condition.
• ALWAYS keep all mechanisms properly adjusted and lubricated according to
maintenance schedule and manufacturers specifications.
• ALWAYS perform a function check of operating controls before each use and
after repairs have been made.
• ALWAYS locate and protect against possible pinch points prior to performing
maintenance and repairs.
• ALWAYS use only factory approved parts to repair or maintain this equipment.
If this equipment is rebuilt, retesting is required in accordance with factory in-
structions.
• NEVER add unauthorized fluids to the hydraulic system or battery. Check
manufacturers specifications.
• NEVER exceed the manufacturer's recommended relief valve settings.
• NEVER attempt repairs you do not understand. Consult manufacturer if you
have any questions regarding proper maintenance, specifications, or repair.
1-5 DAMAGED EQUIPMENT POLICY
Safety Statement
At Bil-Jax, we are dedicated to the safety of all users of our products. Therefore, all
Bil-Jax lifts are designed, manufactured and tested to comply with current applicable
Federal OSHA and ANSI codes and regulations.
Damage Policy
There may be occasions when a Bil-Jax lift is involved in an incident that results in struc-
tural damage to the lift. This can seriously compromise the ability of the lift to perform in
a safe manner. Therefore, whenever a Bil-Jax lift is damaged structurally or when there is
the possibility of structural damage (this damage may be internal and is not always visi-
ble to the naked eye), Bil-Jax requires that the lift be returned to our facility at 125 Tay-
lor Parkway, Archbold, Ohio, for reconditioning. If you have any questions concerning
what constitutes structural damage, please call the Bil-Jax Service Department at
800-537-0540.
Damage Repair Notice
There may be occasions when a Bil-Jax lift is involved in an incident resulting in non-
structural damage. When this occurs and repairs are made by the owner or area distribu-
tor, please notify Bil-Jax of these non-maintenance repairs and request a repair form to
be filled out and returned to Bil-Jax.

2-1
2
Introduction
2-1
mits the operator to
ic
e
is raised three inches for each one inch of
oaded to approximately 0.6 feet per
orrode dur-
Carefully read all the safety instructions contained in Section 1 of this manual before op-
erating the Cougar Lift.
GENERAL DESCRIPTION
The model XLT-1571 Cougar Lift is designed and manufactured for use as a warehouse
stocking and order picking machine. Its unique guard rail design per
ride on the platform with the load, while transferring it from group level to its overhead
storage location. The maximum platform load is limited to 500 lbs.
Platform elevation is accomplished by means of a 1-1/2 inch displacement type hydraul
cylinder. The lower telescoping section is pushed vertically upward by the cylinder whil
the upper sections are raised by a mechanical motion advantage accomplished through
two sets of chains and sheaves. The platform
cylinder extension. Platform elevation and descent is controlled by pushbuttons on the
upper control box located on the platform.
Safety of operation is assured by proper inspection and maintenance procedures as set
forth in this manual. The possibility of platform free-fall is eliminated by proper mainte-
nance and replacement of the chains, sheaves and sheave pins, a properly installed flow
restrictor valve, and a clean mast. The non-adjustable restrictor valve controls and fixes
the rate of platform descent whether empty or fully l
second. A hydraulic hose failure will result in the same rate of descent, eliminating free-
fall, when the restrictor valve is installed properly.
Emergency lowering of the platform is accomplished by means of a manual control valve
located on the hydraulic manifold block assembly, next to the pump/motor unit.
The Cougar Lift features a displacement type of cylinder that will not rust or c
ing storage since the cylinder rod is immersed in oil. It is important that the cylinder rod
be kept clean and undamaged for the protection of the cylinder head packing.
The floor lock safety switch prevents the unit from raising until the two floor pads have
been properly engaged and helps to make the Cougar Lift a safe, dependable machine.

XLT-1571AC
2-2
2-2 SPECIFICATIONS
Cougar Lift Electric Hydraulic Lift Platform
Model Number XLT-1571AC Serial Number ________________
Manufactured by: Bil-Jax, Inc.
125 Taylor Parkway
Archbold, Ohio 43502
800-537-0540
Table 2-1. Specifications
Rated Platform Load 500 lbs (227 kg) total including operator [1 person +
materials not to exceed 500 lbs (227 kg)]
Extended Platform Height 14 ft-10 in. (4.5 m)
Retracted Platform Height 18-1/2 in. (0.47 m)
Platform Dimensions 29 in. w x 50 in. l x 42 in. h
(0.74 m x 1.27 m x 1.07 m)
Base Dimensions 30-1/2 in. w x 71 in. l x 77 in. h
(0.77 m x 1.8 m x 1.95 m)
Retracted Dimensions 30-1/2 in. w x 73-1/2 in. l x 77 in. h
(0.77 m x 1.87 m x 1.95 m)
Gross Shipping Weight 1025 lbs (465 kg)
Full Extension Time 20 seconds empty, 32 seconds loaded
Complete Retraction Time 22 seconds empty, 22 seconds loaded
Platform Extension Rate 0.66 ft (0.3 m)/sec. empty
0.42 ft (0.19 m)/sec. loaded
Hydraulic System Pressure 1200 psi empty, 2100 psi loaded
Power Source 110VAC, 60 Hz
2-3 WARRANTY
Bil-Jax warrants its telescopic lifts for three years from the date of delivery against all
defects of material and workmanship, provided the unit is operated and maintained in
compliance with Bil-Jax’s operating and maintenance instructions. Bil-Jax will, at its
option, repair or replace any unit or component part which fails to function properly in
normal use.
This warranty does not apply if the lift and/or its component parts have been altered,
changed, or repaired without the consent of Bil-Jax or by anyone other than Bil-Jax or its
factory trained personnel, nor if the lift and/or its components have been subjected to
misuse, negligence, accident or any conditions deemed other than those considered as
occurring during normal use.
Components not manufactured by Bil-Jax, are covered by their respective manufacturers
warranties. A list of those components and their warranties is available upon written
request to Bil-Jax.
Bil-Jax shall not in any event be liable for the cost of any special, indirect or
consequential damages to anyone, product, or thing. This warranty is in lieu of all other
warranties expressed or implied. We neither assume nor authorize any representative or
other person to assume for us any other liability in connection with the sale, rental, or use
of this product.

3-1
3
Operation
3-1
The operator controls for the Cougar Lift are contained on the upper and lower control
/BASE ROLLS, and WHEEL UP/BASE
SET. The controls on the lower control box are used to set the unit in proper position be-
OPERATOR CONTROLS
boxes.
Lower Control Box
The lower control box is located on the front of the base platform and contains 3
pushbutton controls, EMERGENCY STOP, WHEEL DOWN
fore the platform can be raised. Refer to Figure 3-1.
EMERGENCY
STOP
BUTTON
WHEEL DOWN
BASE ROLLS
BUTTON
WHEEL UP
BASE SET
BUTTON
Figure 3-1. Lower Control Box

XLT-1571AC
3-2
Upper Control Box
The upper control box is located on the back of the top mast and is accessible from the
platform. The upper control box contains 3 controls, UP/DOWN selector switch,
EMERGENCY STOP pushbutton, and ON pushbutton. The controls on the upper control box
are used to raise and lower the unit. Refer to Figure 3-2.
UP/DOWN
SELECTOR
SWITCH
EMERGENCY
STOP
PUSHBUTTON
ON
PUSHBUTTON
Figure 3-2. Upper Control Box
3-2 NORMAL OPERATING PROCEDURE
Perform the following procedures to operate the Cougar Lift.
1. Read and follow all safety precautions contained in Section 1 and all responsi-
bilities outlined in the ANSI A92.3 reprint contained in Section 7 of this man-
ual.
2. Position the lift at the work area. Make sure the lift is on a firm and level surface
and that there are no potential hazards such as overhead obstructions or electri-
cally charged conductors. Do not operate the lift if such hazards exist.
3. Check the lift for damaged or worn parts and repair or replace as necessary.
4. Check to be sure that the platform is properly attached to the lift.
5. Raise the casters located under the platform by depressing the WHEEL UP/BASE
SET pushbutton located on the lower control box. Raising the casters allows the
base to set firmly on the two foot pads.
6. The lift should be level and positioned on the two foot pads with the WHEEL
UP/BASE SET pushbutton lit green. Ensure that the platform's upward path of
travel is free from obstructions. Reposition the lift if necessary.
NOTE: The lift is equipped with a level sensor that will prevent the lift from rais-
ing if the lift is at a slope greater than 1 degree. The green WHEEL
UP/BASE SET pushbutton will no longer illuminate until the lift is re-
leveled.
7. Enter the platform. Ensure that both side midrails are positioned properly.

3 — OPERATION
3-3
8. The lift is now ready for operation. While depressing the ON pushbutton, select
the desired function, UP or DOWN on the position selector switch. The platform
will raise or lower respectively. The EMERGENCY STOP pushbutton deactivates
the control circuit.
NOTE: Should the platform continue to rise after the UP switch is released, press
the ON pushbutton and select the DOWN position at the same time and the
platform should stop or lower.
3-3 EMERGENCY LOWERING PROCEDURE
The Cougar Lift is equipped with a manual lowering valve in case of emergency situa-
tions to lower the platform. The emergency lowering valve is located on the hydraulic
block manifold in the hydraulic pump compartment. The valve may be accessed through
the opening on the base door. To lower the platform, turn the red knob on the valve
counterclockwise. Refer to Figure 3-3.
EMERGENCY
LOWERING
VALVE
RED KNOB
Figure 3-3. Emergency Lowering Valve

XLT-1571AC
3-4

4-1
4
Maintenance
4-1 HECKS
Perform the following -1.
/Weekly Service Chec
D
before use Weekly
SCHEDULED SERVICE C
Daily/Weekly Service Checks
daily/weekly service checks as listed in Table 4
Table 4-1. Daily ks
Service Check aily
Ensure Operation Manual is located in manual tube.
Check chain assemblies for split leaves,
excessive wear, or elongation. loose pins,
Check and retighten all nuts and bolts.
Check cage attachment to the platform is secure and that th
cage side midrails slide freely. e
Check to be sure slide blocks and their path are clean and
t.
lightly lubricated with a silicone lubrican
Check level sensor.
Check to see that all decals are present.
Check that all functions at lower and upper control bo
are operating properly. xes
Check for wear on chain sheaves, sheave axles, and
bearings.
Lubricate chains with 40W oil.
Check casters for wear on axles and swivel raceways.
Check surface of casters for cracks or excessive wear.

XLT-1571AC
4-2
Monthly Service Checks
Perform the following monthly service checks as listed in Table 4-2.
Table 4-2. Monthly Service Checks
Service Check Every
month Every
6 months Every
12 months Every
48 months
Check hydraulic raise valve
operation.
Check operation of manual
emergency lowering valve.
Lubricate caster swivels and
axles.
Replace hydraulic oil.
Check slide blocks for wear.
Check for mast sway.
Load test with 500 pounds.
Replace lift chains.

4 — MAINTENANCE
4-3
4-2 LUBRICATION
Lubrication makes operation of the Cougar Lift more efficient and extends the life of the
unit. Perform the following lubrication procedures.
1. Oil lift chains with clean 40W oil weekly or as needed. Refer to Figure 4-1.
LIFT
CHAINS
LIFT
CHAINS
Figure 4-1. Lift Chain Lubrication

XLT-1571AC
4-4
2. Grease all caster axles and swivel raceways at the 2 grease fittings on each
caster semiannually with wheel bearing grease. Refer to Figure 4-2.
Figure 4-2. Caster Lubrication
NOTE: The plastic slide blocks in the mast are made of a bearing material which
has a high degree of lubricity and need only be kept clean. However,
precautions should be taken to ensure that the paths along which the
blocks move are kept clean and lightly lubricated with a dry type silicon
lubricant.

4 — MAINTENANCE
4-5
4-3 HYDRAULIC SYSTEM
Hydraulic system maintenance varies by the amount of use and the environment in which
the lift is used. Constant attention to keep the oil clean and the reservoir properly filled
will help prevent possible damage to the system.
Hydraulic System Inspection
Check all hydraulic hoses and fittings for leaks and damage daily. Tighten or replace as
necessary to prevent hydraulic oil loss. Refer to the hydraulic schematic diagram in Sec-
tion 6 for general reference.
Fluid Check and Replacement
The reservoir should be filled to within 1/2 inch of the top with the platform in its lowest
position. The lift is shipped from the factory with Energol HLP-HD46 (BP Oil), a high
grade, non-foaming hydraulic oil designed for temperatures as low as -20°F/-29°C. Use
Dextron Automatic Transmission Fluid Type A for temperatures as low as -40°F/-40°C.
If either oil is not available, a good grade SAE 10W hydraulic oil may be used where the
minimum climatic temperature is above 32°F/0°C. SAE 5W hydraulic oil may be used
where temperatures are as low as 0°F/-18°C. Do not mix different hydraulic oils. Clean
the reservoir sump strainer and replace the hydraulic oil at least once a year or whenever
it becomes contaminated.
Hydraulic System Air Bleeding Procedure
Delayed response or sporadic action in the unit may indicate a presence of air in the cyl-
inder. Perform the following procedure to bleed air from the system.
1. Fill the reservoir with the proper hydraulic fluid.
2. Fully extend the lift.
3. Lower the unit to allow the oil with entrapped air to return to the reservoir, be-
ing careful not to overflow it.
4. Let the unit set while the air escapes the fluid and then repeat if necessary. Each
time the platform is lowered, refill the reservoir to prevent pumping more air
into the cylinder.

XLT-1571AC
4-6
Pressure Relief Valve Reset
Perform the following procedure to reset the pressure relief valve. Refer to Figure 4-3.
1. Disconnect the hydraulic hose from the main pressure port.
2. Install a 4000 psi gauge into the main pressure port in the pump unit.
CAUTION
Do not adjust the pressure relief valve higher than 2100 psi. Overloading may
occur at pressures greater than 2100 psi.
3. Remove the hex cover from the pressure relief valve.
4. While depressing the WHEEL DOWN/BASE ROLLS pushbutton on the lower control
box, adjust the screw until maximum pressure of 2100 psi is obtained.
5. After adjusting the pressure relief valve, replace the hex cover, remove the 4000
psi gauge, and reconnect the hydraulic hose to the main pressure port.
6. If a gauge is unavailable, place 500 pounds on the platform and adjust the pres-
sure relief valve screw so that the load can just be lifted without bypassing oil
through the pressure relief valve.
HEX COVER FOR
PRESSURE
RELIEF VALVE
MAIN
PRESSURE
PORT
Figure 4-3. Pressure Relief Valve Adjustment

4 — MAINTENANCE
4-7
Flow Restrictor Valve Replacement
If the flow restrictor valve Figure 4-4 needs to be removed or replaced, it is important
that it be properly reinstalled. The valve will be marked either with an arrow or with the
word “IN”. If marked with an arrow, the arrow must point away from the hydraulic cyl-
inder port. If marked with the word “IN”, the end of the valve marked “IN” must be to-
ward the hydraulic cylinder port. Only a 1/4 inch NPT hydraulic elbow should be con-
nected between the hydraulic cylinder port and the end of the flow restrictor valve.
Improper installation of the flow restrictor valve or the use of the wrong size elbow will
permit widely varying rates of descent and may result in near free-fall in case of hose
failure.
HYDRAULIC
CYLINDER
PORT
¼ INCH NPT
HYDRAULIC
ELBOW
FLOW
RESTRICTOR
VALVE
HYDRAULIC
CYLINDER
Figure 4-4. Flow Restrictor Valve

XLT-1571AC
4-8
Raise Valve Operation Check
The raise valve is a normally open (N.O.) valve in the hydraulic system. Perform the fol-
lowing procedures to check the operation of the raise valve.
1. Disconnect the black and yellow wires from the solenoid, to the valve at the
wire connector, Figure 4-5.
2. On the upper control box, select UP on the direction selector switch while de-
pressing the ON pushbutton. This should cause the motor to run without the plat-
form raising.
3. If the platform raises, the raise valve must be cleaned or replaced.
4. Reconnect the wires at the connector between the solenoid and the raise valve
upon determining that the valve is functioning properly.
RAISE
VALVE
WIRE
CONNECTOR
Figure 4-5. Raise Valve Operation Check

4 — MAINTENANCE
4-9
Hydraulic Cylinder Repair
CAUTION
Removing the hydraulic cylinder from the Cougar Lift requires major disassem-
bly of the unit. Contact Bil-Jax before removing the hydraulic cylinder from the
unit for assistance.
Hydraulic Cylinder Removal
It is recommended that Bil-Jax be contacted for assistance before removing the hydraulic
cylinder.
1. Be sure cylinder is completely retracted and pressure is released from the sys-
tem. Place a pan underneath the hydraulic cylinder to catch the hydraulic oil.
2. Disconnect the hydraulic hose from the bottom of the cylinder and drain the hy-
draulic oil. Remove the two bolts, washers, and nuts securing the bottom of the
cylinder to the base.
3. Remove the plexiglass cover from the base.
4. Remove the mounting bolt, washer, and nut securing the top of the hydraulic
cylinder to the lower mast.
5. Disconnect the two lift chains from the base mast.
6. Using a crane with at least one ton of lifting capacity, lift the lower mast section
high enough to remove the clamp securing the cylinder to the base, and remove
the cylinder from the unit.
7. After maintenance has been performed on the hydraulic cylinder, follow the re-
moval procedure in reverse to reinstall the cylinder in the unit.
Hydraulic Cylinder Repair Procedure
Perform the following procedure to repair and maintain the hydraulic lift cylinder. Refer
to Figure 4-6. It is recommended that whenever the hydraulic cylinder is disassembled,
all seals be replaced; order seal repair kit B02-13-0097.
1. Remove gland nut (3, Figure 4-6) with gland nut seal (4), rod wiper (2), and
o-ring (5) from the cylinder jacket (1).
2. Remove piston rod (6) and wear ring (7). Inspect piston rod (6) for any
scratches or pits. Pits that go into the base metal are unacceptable. Scratches that
catch the fingernail, but are not through the base metal or less than 1/2 inch long
and are around the rod are acceptable providing they are not sharp enough to cut
the seal. The rod surface should not have any of the chrome worn through. Re-
place the cylinder if any of these conditions are not met.
3. Clean inside the cylinder jacket (1) and inspect for any scratches or pits. Pits
that are deep enough to catch the fingernail are unacceptable. Scratches that
catch the fingernail, but are less than 1/2 inch long and are around the tube are
acceptable providing they are not sharp enough to cut the seal. Replace the cyl-
inder if any of these conditions are not met.
4. Install wear ring (7) into the grooves at the bottom of the piston rod (6). Lubri-
cate assembly with hydraulic fluid and place back into cylinder jacket (1).
5. Lubricate rod wiper (2), gland nut seal (4), and o-ring (5) with hydraulic fluid.
6. Twist gland nut seal (4) into a “C” shape and insert it with lip side down into the
groove inside the gland nut (3). Place o-ring (5) over the threads of the gland

XLT-1571AC
4-10
nut (3) and install in groove. Install rod wiper (2) into the top of the gland nut
(3).
7. Place gland nut (3) complete with a new gland nut seal (4), rod wiper (2), and o-
ring (5) onto the cylinder and tighten down.
8. Reinstall the hydraulic cylinder into the unit and reconnect the hydraulic hose.
Refill hydraulic fluid reservoir.
9. Pressurize the cylinder and extend one full stroke to fill it with hydraulic fluid
and remove any trapped air.
1
5
4
3
2
7
6
Figure 4-6. Hydraulic Cylinder Exploded View
1. Cylinder Jacket
2. Rod Wiper
3. Gland Nut (B02-13-0096)
4. Seal, Gland Nut
5. O-Ring
6. Piston Rod
7. Wear Ring
B02-13-0097 Seal Repair Kit
(Includes items 2, 4, 5, & 7)
B02-03-0018 Complete
Hydraulic Cylinder Assembly
(Includes all items)

4 — MAINTENANCE
4-11
4-4 ELECTRICAL SYSTEM
Regular maintenance is necessary to keep the electrical system in proper working order.
Check daily all electrical wires for cuts, broken wires, potential short circuits, and any
other damage.

XLT-1571AC
4-12
4-5 LIFT CHAINS AND SLIDE BLOCKS
WARNING
Do not operate a unit on which any chain assembly is damaged or in need of re-
placement. Operating a unit with a damaged chain can cause severe injury or
death to personnel and damage to equipment.
Inspect all lift chains daily. Inspect for signs of wear, split leaves, loose pins, clevis dam-
age, and elongation. Replace any chain which is damaged in any way. Chain assemblies
may be ordered from your dealer or direct from the factory. Do not operate a unit on
which any chain assembly is damaged and in need of replacement.
Chain Elongation Inspection
One pitch of chain should measure 5/8 in. (1,5875 cm). Measure 20 pitches of chain. The
ideal measurement for 20 pitches of chain should be 12.5 in. (31,75 cm). Replace the
chain if 20 pitches measure over 12.75 in. (32,385 cm). Refer to Figure 4-7.
5/8 IN. (1,5875 CM) PITCH
20 PITCHES = 12.5 IN. (31,75 CM)
REPLACE CHAIN IF 20 PITCHES MEASURES
OVER 12.75 IN (32,385 CM)
Figure 4-7. Chain Elongation Inspection
NOTE: It is recommended that chains be replaced every four years unless dam-
age or wear requires replacement at a lesser interval.

4 — MAINTENANCE
4-13
Lift Chain Adjustment
1. Raise the platform to the maximum extended height and then lower it while
someone checks to see that all sheaves are turning and checks for chain damage
or wear.
2. After the platform is completely lowered, remove the plexiglass cover from the
base.
3. Chains should be tight to the touch with no loose play. Check all four lift chains
for snugness. If a chain is loose, tighten the lock nut below the clevis retainer.
Refer to Figure 4-8. Adjust any loose chain until it just becomes snug. Do not
overtighten any chain so that the platform is raised from its resting position.
4. Make sure the lock nuts are turned onto the threaded clevis ends with at least
1/8 in. of the clevis end extending through the nut. Replace any lock nut which
does not stay in position during use. Replace the plexiglass cover.
LIFT
CHAINS LIFT
CHAINS
LOCK
NUT
LOCK
NUT
CLEVIS CLEVIS
Figure 4-8. Lift Chain Adjustment

XLT-1571AC
4-14
Slide Block Adjustment
Annually check for wear on the slide blocks and replace or retighten as necessary. If the
lift exhibits excessive mast sway, it is probable that the slide blocks need adjustment. The
slide blocks should be adjusted so that there is no air gap between the slide block and the
mast the slide block is moving against. There are 12 slide blocks, 6 upper and 6 lower.
The adjustment procedure is the same for all slide blocks. Three upper slide blocks are
shown in Figure 4-9.
1. Loosen, do not remove, the slotted hex head screw securing the slide block to be
adjusted.
2. Using an allen wrench, turn the set screws in (clockwise). This will push the
block in against the next mast. Do not overtighten. Tighten the slotted hex head
screw to secure the slide block in position.
3. Check all slide blocks and make adjustments as necessary.
4. After all adjustments are made, fully extend the lift. If the platform can be low-
ered without stopping then the blocks are properly adjusted.
SET
SCREWS
SLOTTED
HEX SCREW
SLIDE
BLOCKS
Figure 4-9. Slide Block Adjustment
NOTE: The plastic slide blocks in the mast are made of a bearing material which
has a high degree of lubricity and need only be kept clean. However,
precautions should be taken to ensure that the paths along which the
blocks move are kept clean and lightly lubricated with a dry type silicon
lubricant.

4 — MAINTENANCE
4-15
4-6 TROUBLESHOOTING
Table 4-3. Troubleshooting Chart
Problem Cause Correction
1. Green WHEEL UP/BASE SET
button will not light. a. Base not firmly set on footpads.
b. *Low voltage.
c. Burned out bulb.
d. Lift is out of level.
e. Broken or loose wire.
a. Depress
WHEEL UP/BASE SET button
raising front casters. This allows lift
to firmly set on footpads.
b. Check incoming power line.
c. Replace bulb.
d. Level lift with two adjusting foot pads
or relocate lift to level surface.
e. Repair or replace wire.
2. When UP switch is selected,
motor runs but unit will not
lift a load.
a. More than 500 lbs. on platform.
b. N.O. (Normally Open) valve is not
being energized.
c. Emergency lowering valve is open.
d. Mast sections are dirty.
a. Ensure load is 500 lbs. or less.
b. Check voltage at N.O. valve. If no
voltage, check for loose or broken
wire. If voltage, ensure at least 9 volts
for start solenoid operation. Check
battery and start solenoid. Repair or
replace as needed.
c. Close emergency lowering valve.
d. Clean and lubricate masts with dry
silicone.
3. Masts have excessive sway
when fully extended. a. Plastic slide blocks are out of adjust-
ment. a. Refer to Slide Block Adjustment in
section 4-5.
*NOTE: Smart start solenoid will not engage if voltage is low.

XLT-1571AC
4-16
Table 4-3. Troubleshooting Chart, Continued
Problem Cause Correction
4. Pump/motor will not run
when UP is selected. a. EMERGENCY STOP button is activated
(pushed in).
b. Green
WHEEL UP/BASE SET button is
not lit.
c. Motor start relay is not activating.
d. Motor start relay is activating, but
motor does not run.
e. *Low voltage.
a. Turn
EMERGENCY STOP button coun-
terclockwise to de-activate.
b. Refer to Problem 1.
c. Check voltage at white wire on motor
start relay. If voltage, replace defec-
tive motor start relay. If no voltage,
check for loose or broken wire. Re-
pair or replace wire.
d. Check hydraulic gear pump for sei-
zure. If seized, replace pump. If not,
check motor. Motor may need re-
placement.
e. Check incoming power line.
5. Hydraulic cylinder leaks at
gland nut. a. Loose gland nut.
b. Defective seals.
a. Tighten gland nut.
b. Replace seals in hydraulic cylinder.
Refer to Hydraulic Cylinder Repair,
in section 4-3.
*NOTE: Smart start solenoid will not engage if voltage is low.

5-1
5
Replacement Decals
Refer to Table 5-1, and Figures 5-1, 5-2, and 5-3 for descriptions and locations of decals
on the Cougar Lift.
Table 5-1.
Qty
Replacement Decals
Decal No. Description of Decal
B06-00-0003 Bil-Jax ID Number (Not available as replacement part) 1
B06-00-0009 Warning...Moving telescopic masts will create... 2
B06-00-0034 Danger...During charging, explosive oxyhydrogen gas... 1
B06-00-0106 XLT-1571 (Transfer type decal) 2
B06-00-0138 Warning...(Maintenance decal) 1
B06-00-0146 Danger...(High voltage line warning) 1
B06-00-0167 Striped Safety Tape - On all four sides (per roll only) 4
B06-00-0170 Maximum Capacity...500 lb. Or... 2
B06-00-0173 Safety Belt Lanyard Attachment Point 2
B06-00-0175 Caution...This machine designed and manufactured... 1
B06-00-0192 Operation And Service Manual Inside 1
B06-00-0225 Warning...Stay clear when raising or lowering 2
B06-00-0228 Serial Number Tag (Not available as replacement part) 1
B06-00-0286 Emergency Lowering 1
B06-00-0289 Check level with cage fully down 1
B06-00-0291 Warning...Level machine before use 1
B06-00-0295 Danger...Failure To Comply With The Following... 1
B06-00-0306 Warning...Stand clear when lowering lift onto the foot pads... 2
B06-00-0339 Warning...Full Body Harness and Lanyard... 1
B06-00-0339BLT Warning...Body Belt and Lanyard... 1
B06-00-0349 Operation Instructions for Battery Charger 1
B06-00-0350 Operation Instructions for Stockpickers 1
B06-00-0455 Bil-Jax (Vertical transfer type decal) 2

XLT-1571AC
5-2
B06-00-0350
B06-00-0295
B06-00-0289
B06-00-0175
B06-00-0009
B06-00-0173
B06-00-0286
B06-00-0146
B06-00-0138
B06-00-0228
B06-00-0349
B06-00-0291
B06-00-0455
B06-00-0339
B06-00-0170
B06-00-0034
B06-00-0306
B06-00-0106
B06-00-0192 B06-00-0225
STAY CLEAR
WHILE RAISING
OR LOWERING
B06-00-0225
CCFO
B06-00-0339BLT
Fall protection equipment
must be used at all times
during operation. Failure to
wear fall protection equipment
may allow operator to fall from
platform resulting in serious
UTT/ATT
B06-00-0339BLT
Figure 5-1. Replacement Decals

5 — REPLACEMENT DECALS
5-3
WARNING
XLT
1
5
7
1
WARNING
DANGER
WARNING
WARNING
0106
0173
0455
0173
0192
0170
0339 OR 0339BLT
0146
0009
0291
0170
0225
0306
0167
AROUND COMPLETE
BASE ON ALL SIDES
()
Figure 5-2. Decal Locations, Side View

XLT-1571AC
5-4
WARNING
DANGER
XLT
1
5
7
1
DANGER
CAUTION
WARNING
0034
0286
0106
0138
0350
0455
0228
0175
0295
0009
0167
AROUND COMPLETE
BASE ON ALL SIDES
()
0289
ON RESERVOIR
INSIDE
()
0003
ON CHARGER
INSIDE
()
0349
INSIDE
DOOR
()
Figure 5-3. Decal Locations, Front View

6-1
6
Parts List

XLT-1571AC
6-2
6-1 TOP MAST PARTS LIST
Refer to Table 6-1 for the parts list for the top mast.
15
16
19
18
17
UP0
ON
DOWN
EMERGENCY
STOP
32
4
120
21
22 21
20
24 23
25
28
28
27
27
26
26
6
5
3
8
9
14
13
12
10
11
7
Figure 6-1. Top Mast Exploded View

6 — PARTS LIST
6-3
Table 6-1. Top Mast Parts List
Item No. Part No. Description Qty
1 B16-01-0024 Top Mast Weldment 1
2 0090-0014 Screw, 1/4-20 x 2-1/4 in. 2
3 B01-09-0026 Grommet, Plastic 3
4 B29-00-0076 Bracket, Outreach 1
5 0090-0181 Nut, Lock, 8-32 3
6 0090-0813 Screw, 8-32 x 3/4 in. 3
7 B01-02-0059 Box, Control, Upper 1
8 B40-00-0003 Cable, 3/16 in. 1
9 B40-01-0008 Chain, Lift 2
10 B04-07-0078 Pin, Clevis 2
11 B04-07-0087 Clevis, Lower 2
12 0090-0389 Screw, Adjustment, 1/2-20 x 1/2 in. 4
13 0090-0403 Screw, #10 x 1 in. 2
14 B31-00-0001 Slide Block, Plastic 2
15 0090-0206 Washer, Lock, 1/4 in. 2
16 0090-0159 Nut, Hex, 1/4-20 2
17 B01-09-0029 Bushing, Strain Relief 2
18 B05-01-0034 Cable, SJO, 18-2 80 in.
19 0090-0860 Pin, Cotter 2
20 B19-00-0001 Box Only, 3-Position 1
21 B01-02-0005 Contact, NO 4
22 B01-02-0006 Contact, NC 2
23 B00-00-0015 Plate, ON 1
24 B00-00-0017 Plate, Stop, Emergency 1
25 B00-00-0016 Plate, Up/Down 1
26 B01-02-0003 Button, Push, Flush 1
27 B01-02-0004 Button, Stop, Emergency 1
28 B01-02-0025 Switch, Selector 1
* B03-00-0009 Chain Assy, includes items 9, 10, 11, and 19 1
*NOTE: It is recommended that chain parts be purchased as an assembly.

XLT-1571AC
6-4
6-2 CENTER MAST PARTS LIST
Refer to Table 6-2 for the parts list for the center mast.
45
4
3
2
6
7
1
8
9
10
13 13
7
6
15
16 8
16
15
13 15 16
422 4
19 20
3
21
14
15 16 18
13
11
12
17
Figure 6-2. Center Mast Exploded View

6 — PARTS LIST
6-5
Table 6-2. Center Mast Parts List
Item No. Part No. Description Qty
1 B16-01-0020 Center Mast Weldment 1
2 0090-0770 Pin, Cotter 3/16 x 1-1/2 in. 2
3 B36-01-0002 Sheave Axle 3
4 0090-0425 Washer, 5/8 in. 6
5 B26-00-0009 Chain Sheave Assembly 2
6 0090-0389 Screw, Adjustment, 1/2-20 x 1/2 in. 8
7 0090-0403 Screw, #10 x 1 in. 4
8 B31-00-0001 Slide Block, Plastic 4
9 B40-00-0003 Cable, 3/16 in. 1
10 B40-01-0008 Chain, Lift 2
11 B04-07-0078 Pin, Clevis 2
12 B04-07-0087 Clevis, Lower 2
13 0090-0042 Bolt, 3/8-16 x 1 in. 7
14 B29-00-0033 Mast Stop 1
15 0090-0210 Washer, Lock, 3/8 in. 7
16 0090-0162 Nut, 3/8-16 7
17 0090-0860 Pin, Cotter 1
18 0064-0363 Actuator, Limit Switch 1
19 B29-00-0078 Bracket, Weldment 1
20 0090-0147 Pin, Cotter 1
21 B24-01-0008 Mounting Bracket 1
22 B26-00-0001 Sheave, Cable 1
* B03-00-0009 Chain Assy, includes items 10, 11, 12, and 17 1
*NOTE: It is recommended that chain parts be purchased as an assembly.

XLT-1571AC
6-6
6-3 LOWER MAST PARTS LIST
Refer to Table 6-3 for the parts list for the lower mast.
2
3
4
54
6
7
8
11
16
12
13
14
15
1
17
17
9
10
11
21
18
19
19
18
22
24
3
4
23
4
19
18
17
20
9
10
Figure 6-3. Lower Mast Exploded View

6 — PARTS LIST
6-7
Table 6-3. Lower Mast Parts List
Item No. Part No. Description Qty
1 B16-01-0021 Lower Mast Weldment 1
2 0090-0770 Pin, Cotter 3/16 x 1-1/2 in. 2
3 B36-01-0002 Sheave Axle 3
4 0090-0425 Washer, Flat, 5/8 in. 6
5 B26-00-0009 Chain Sheave Assembly 2
6 0090-0188 Nut, Lock, 3/8-16 1
7 0090-0422 Washer, Flat, 3/8 1
8 B40-00-0003 Cable 1
9 0090-0389 Screw, Adjustment, 1/2-20 x 1/2 in. 8
10 0090-0403 Screw, #10 x 1 4
11 B31-00-0001 Slide Block, Plastic 4
12 B40-01-0008 Chain, Lift 2
13 0090-0860 Pin, Cotter 2
14 B04-07-0078 Pin, Clevis 2
15 B04-07-0088 Clevis, Upper 2
16 0090-0192 Nut, Lock, 1/2-13 2
17 0090-0042 Bolt, 3/8-16 x 1 in. 6
18 0090-0210 Washer, Lock, 3/8 in. 6
19 0090-0162 Nut, 3/8-16 6
20 B24-01-0008 Mounting Bracket 1
21 B29-00-0033 Mast Stop 1
22 B29-00-0078 Bracket, Weldment 1
23 B26-00-0001 Sheave, Cable 1
24 0090-0147 Pin, Cotter 1
* B03-00-0009 Chain Assy, includes items 12, 13, 14, and 15 1
*NOTE: It is recommended that chain parts be purchased as an assembly.

XLT-1571AC
6-8
6-4 REAR COMPARTMENT PARTS LIST
Refer to Table 6-4 for the parts list for the rear compartment.
4
2
3
8
9
1
14
14
7
6
5
10
11
12
13
Figure 6-4. Rear Compartment Exploded View

6 — PARTS LIST
6-9
Table 6-4. Battery Compartment Parts List
Item No. Part No. Description Qty
1 B11-01-0087 Base Weldment 1
2 0090-0344 Screw, Threadcut, 10-24 x 1/2 in. 2
3 B01-10-0003 Receptacle, Flush Mount 1
4 0090-0813 Screw, 8-32 x 3/4 in. 4
5 B19-00-0022 Box, Black, TomCat 1
6 0090-0415 Washer, Flat, #10 4
7 0090-0181 Nut, Lock, 8-32 4
8 B18-00-0026 Cover, (with screws) 1
9 (part of 8) Screw 2
10 0090-0125 Bolt, Carriage, 1/4-20 x 1-1/4 in. 1
11 0090-0206 Washer, Lock, 1/4 in. 1
12 0090-0159 Nut, 1/4-20 1
13 B44-00-0002 Board 1
14 B37-00-0002 Lock Assy., Utility 1

XLT-1571AC
6-10
6-5 HYDRAULIC PUMP COMPARTMENT PARTS LIST
Refer to Table 6-5 for the parts list for the hydraulic pump compartment.
1
2
2
3
65
4
8
5
7
9
3
13
12
11
10
13
Figure 6-5. Hydraulic Pump Compartment Exploded View

6 — PARTS LIST
6-11
Table 6-5. Hydraulic Pump Compartment Parts List
Item No. Part No. Description Qty
1 B11-01-0087 Base Weldment 1
2 B05-00-0006 Tape, Foam Adhesive 2 ft.
3 0090-0183 Nut, Lock, 1/4-20 6
4 0090-0005 Bolt, 1/4-20 x 3/4 2
5 0090-0419 Washer, Flat, 1/4 in. 4
6 B29-00-0116 Bracket, Hydraulic Valve 1
7 0090-0014 Bolt, 1/4-20 x 2-1/2 in. 2
8 B02-04-0047 Valve, Combination 1
9 B02-05-0011 Pump, Hydraulic 1
10 0090-0040 Bolt, 3/8-16 x 3/4 in. 2
11 0090-0210 Washer, Lock 2
12 0090-0422 Washer, Flat 2
13 B18-00-0026 Cover, (with 2 screws) 1

XLT-1571AC
6-12
6-6 UPPER BASE PARTS LIST
Refer to Table 6-6 for the parts list for the upper base.
7
WHEEL DOWN
BASE ROLLS WHEEL UP
BASE SET
EMERGENCY
STOP
12
12
15 16
20
19
18
24
19
21
22
18
13
14
17
17
8
23
DANGER
CAUTION
WARNING
1
2
3
4
5
4
6
6
6
2
9
10
11
Figure 6-6. Upper Base Exploded View

6 — PARTS LIST
6-13
Table 6-6. Upper Base Parts List
Item No. Part No. Description Qty
1 B11-01-0087 Base Weldment 1
2 0090-0344 Screw, Threadcut, 10-24 x 1/2 in. 8
3 B07-01-2003 Edge, Top Cover 1
4 B05-00-0006 Tape, Foam Adhesive 32 in.
5 B18-00-0108 Plexiglass, 1/8 in. 1
6 B24-01-0009 Frame, Aluminum 3
7 B01-02-0058 Box, Control, Lower 1
8 0090-0813 Screw, 8-32 x 3/4 in. 2
9 B34-00-0005 Trim, Rubber 1
10 B01-09-0027 Grommet, Plastic 1
11 0090-0181 Nut, Lock, 8-32 2
12 B19-00-0001 Box Only, 3-Position 1
13 B01-02-0029 Socket, Light, Contact with 1
14 B01-10-0042 Light Bulb, 12v 1
15 B00-00-0091 Plate, Wheel Down 1
16 B00-00-0092 Plate, Wheel Up 1
17 B01-02-0028 Button, Push, Lighted 1
18 B01-02-0003 Button, Push, Flush 1
19 B01-02-0004 Button, Stop, Emergency 1
20 B00-00-0017 Plate, Stop, Emergency 1
21 B01-02-0005 Contact, NO 1
22 B01-02-0006 Contact, NC 1
23 B01-10-0001 Receptacle, Female, 3-Wire 1
24 B04-07-0012 Nut, Elec. Drive, 1/2” 1

XLT-1571AC
6-14
6-7 BASE MAST PARTS LIST
Refer to Table 6-7 for the parts list for the base mast.
1
2
3
4
5
6
19
13
9
10
11
12
14
7
15 16
17
18
22
23
25
24
20
21
21
26
27
8
20
Figure 6-7. Base Mast Exploded View

6 — PARTS LIST
6-15
Table 6-7. Base Mast Parts List
Item No. Part No. Description Qty
1 0090-0188 Nut, Lock, 3/8-16 1
2 0090-0422 Washer, Flat, 3/8 in. 1
3 B40-00-0003 Cable 1
4 0090-0389 Screw, Adjustment, 1/2-20 x 1/2 in. 4
5 0090-0403 Screw, #10 x 1 in. 2
6 B31-00-0001 Slide Block, Plastic 2
7 B01-01-0046 Cord, Retractable 1
8 0090-0684 Rivet, Pop, 3/16 x 1/2 in. 2
9 B40-01-0008 Chain, Lift 2
10 0090-0860 Pin, Cotter, 1.6 mm 2
11 B04-07-0078 Pin, Clevis 2
12 B04-07-0088 Clevis, Upper 2
13 0090-0192 Nut, Lock, 1/2-13 2
14 0090-0071 Bolt, 1/2-13 X 2-1/2 in. 1
15 0090-0212 Washer, Lock, 1/2 in. 1
16 0090-0166 Nut, Hex, 1/2-13 1
17 B02-03-0018 Cylinder, Hydraulic Lift, 1.5 in. Diameter 1
18 0090-0654 Clamp, U-bolt, 5/16-18 x 2-1/2 x 2-5/8 1
19 0090-0185 Nut, Lock, 5/16-18 2
20 0090-0344 Screw, Threadcut, 10-24 x 1/2 2
21 B29-00-0049 Retainer, Tube 2
22 B00-00-0007 Tube, Plastic 1
23 0090-0043 Bolt, 3/8-16 x 1-1/4 2
24 0090-0219 Washer, Lock, 3/8 2
25 0090-0162 Nut, Hex, 3/8-16 2
26 B00-00-0008 Plug, Plastic 1
27 0090-0498 Washer, Flat, 3/16 in. 2
* B03-00-0009 Chain Assy, includes items 9, 10, 11, and 12 1
*NOTE: It is recommended that chain parts be purchased as an assembly.

XLT-1571AC
6-16
6-8 LOWER BASE PARTS LIST
Refer to Table 6-8 for the parts list for the lower base.
30
31
15
24
32
33
25
24
25
20
21
22
23
19
18
12
13
29
10 11 10
3
14
26
27
28
8
7
2
1
4
5
36
9
16
17
Figure 6-8. Lower Base Exploded View

6 — PARTS LIST
6-17
Table 6-8. Lower Base Parts List
Item No. Part No. Description Qty
1 0090-0344 Screw, Threadcut, 10-24 x 1/2 in. 4
2 B18-00-0107 Cover 1
3 0090-0344 Screw, Threadcut, 10-24 x 1/2 in. 6
4 B04-07-0015 Clamp, Cable 2
5 B01-01-0123 Cable Assembly, Mast Switch 1
6 B01-03-0040 Switch, Limit, Mast 1
7 0090-0770 Pin, Cotter 2
8 0090-0195 Washer, Flat, 3/4 in. 2
9 B39-00-0027 Spring 2
10 B04-07-0032 Clamp, Cable, DG-6 3
11 B01-01-0122 Cable Assembly, Foot Switch 1
12 B11-01-0085 Foot, Inner 2
13 B23-02-0034 Foot, Pad 2
14 B01-03-0039 Foot Switch Assembly 1
15 0090-0183 Nut, Lock, 1/4-20 2
16 0090-0049 Bolt, 3/8-16 x 2-1/4 in. 1
17 0090-0188 Nut, Lock, 3/8-16 1
18 B02-03-0010 Cylinder, Hydraulic Wheel 1
19 0090-0054 Bolt, 3/8-16 x 3-1/2 in. 1
20 0090-0188 Nut, Lock, 3/8-16 1
21 B11-01-0073 Arm Weldment, Hydraulic Cylinder 1
22 B08-01-0019 Caster, Rigid, 6 in. 2
23 0090-0042 Bolt, 3/8-16 x 1 in. 8
24 0090-0210 Washer, Lock, 3/8 in. 16
25 0090-0162 Nut, Hex, 3/8-16 16
26 0090-0183 Nut, Lock, 1/4-20 3
27 B04-07-0035 Clamp, Cable, DG-14 3
28 0090-0463 Bolt, 1/2-13 x 4 in. 2
29 0090-0192 Nut, Lock, 1/2-13 2
30 B01-10-0135 Sensor, Level 1
31 0090-0005 Bolt, 1/4-20 x 3/4 2
32 B08-01-0002 Caster, 8 in. 2
33 B01-01-0113 Plug, Level Sensor 1

XLT-1571AC
6-18
6-9 PLATFORM PARTS LIST
Refer to Table 6-9 for the parts list for the platform.
1
2
5
9
7
6
3
4
8
10
11
12
22
14
13
14
15
19, 20
18
21
17
16
Figure 6-9. Platform Exploded View

6 — PARTS LIST
6-19
Table 6-9. Platform Parts List
Item No. Part No. Description Qty
1 B17-00-0087 Platform Weldment 1
2 0090-0051 Bolt, 3/8-16 x 2-3/4 in. 4
3 0090-0210 Washer, Lock, 3/8 in. 8
4 0090-0162 Nut, 3/8-16 8
5 0068-061 Pin, Snap 2
6 B01-03-009 Switch, Limit 1
7 B01-10-0002 Alarm, Audible 1
8 B01-10-0004 Light 1
9 0090-0802 Screw, 10-24 x 7/8 in. 3
10 0090-0182 Nut, Lock, 10-24 3
11 B17-00-0058 Support, Platform 1
12 0090-0048 Bolt, 3/8-16 x 2 in. 2
13 B40-00-0019 Chain 2
14 0090-0552 Ring, Key 4
15 B01-03-0002 Cover 1
16 0090-0042 Bolt, 3/8-16 x 1 in. 2
17 B01-09-0030 TyRap 1
18 B05-00-0001 Tube, Foam, 13-1/2 in. 2
19 B00-00-0086 Tube, Split, 8-1/2 in. 4
20 B01-09-0030 TyRap 12
21 B06-00-0167 Tape, Strip, 43 in. 2
22 B00-00-0014 Cap, Manual Tube 2

XLT-1571AC
6-20
6-10 HYDRAULIC UNIT PARTS LIST
Figure 6-10. Hydraulic Unit Assembly

6 — PARTS LIST
6-21
Table 6-10. Hydraulic Unit Parts List
Item No. Part No. Description Qty
1 B02-15-0088 Bolt, 5/16-24 x 2.75 Torx 2
2 B02-15-0119 Coupler, 9T-20-40 1
3 B02-02-0087 Plug, #6 ORM 1
4 B02-15-0128 Ball, Steel 1
5 B02-15-0091 Seal, Shaft 1
6 B02-15-0006 Washer 1
7 NA
8 B02-15-0061 Magnet, Plumbing 1
9 B02-15-0121 Filter 1
10 B02-15-0125 Cover, Suction 1
11 B02-15-0126 Screw, Taptite, M6 x 1.0, 12 mm Torx 3
12 NA
13 B02-15-0197 Valve, Check, Cartridge 1
14 B02-15-0170 Bolt, 5/16-18 x 1.00 1
15 B02-15-0171 AC Motor 1
16 B02-15-0382 Bolt, M6 x 1.0 4
17 B02-15-0383 Washer, Lock 4
18 B02-15-0199 Bolt, 12-24 x 0.50 Hex 4
19 B02-15-0206 Tank, Horizontal Mount, Plastic with Drain 1
20 B02-15-0201 Breather Cap, with Check Valve 1
21 B02-15-0127 Spring, Relief 1
22 B01-09-0041 Plug Connector Hirschmann 2
23 B02-15-0174 Wiring Assembly 1
24 B02-15-0175 Adaptor 1
25 B02-15-0176 Strain Relief
26 B02-15-0361 Coil, Solenoid, 115VAC 2
27 B02-15-0073 O-Ring 1
28 B02-15-0203 Head, End 1
29 B02-15-0146 Pump Assembly, 1.2 1
30 B02-15-0030 Cap Assembly, Relief 1
31 B01-10-0148 Timer Delay 1
32 B05-01-0034 18-2 Wire 12″
33 B02-15-0204 Plug, 1/16 NPT Flush 2
34 B02-15-0205
Tube, Return, 3/8, 90° 1
35 B02-15-0059 Elbow, Nylon 2
36 B02-15-0357 Valve, Cartridge NC 2
37 B02-15-0351 Valve Body, 2 Way NO 1
38 B02-15-0026 Screw, Valve Adjustment 1

XLT-1571AC
6-22
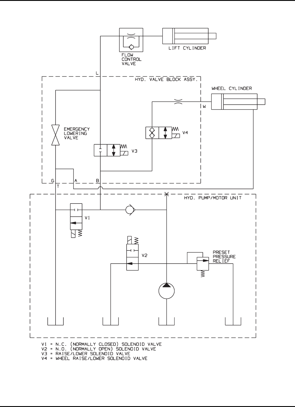
6-11 HYDRAULIC FITTINGS AND HOSES DIAGRAM
L
L
A
A
G
G
W
W
B
B
P
T
1
5
2
3
4
6
7
7
2
2
10
12
8
8
5
9
11
14
13
16
15
17
18
19
20
Figure 6-11. Hydraulic Fittings and Hoses Diagram

6 — PARTS LIST
6-23
Table 6-11. Hydraulic Fittings and Hoses Parts List
Item No. Part No. Description Qty
1 B02-03-0018 Cylinder, Hydraulic Lift, 1.5 in. Diameter 1
2 B02-02-0002
Fitting, 4JIC-4NPT 90°, 2501-4 3
3 B02-04-0002 Valve, Flow Control, 1.25 in. 1
4 B02-02-0041
Fitting, 4NPT-4NPT 90° 1
5 B02-01-0110 Hose, Hydraulic, 22 in., 4M3K W/2 4-4FJX 2
6 B02-05-0011 Pump, Hydraulic, Standard AC 1
7 B02-02-0072
Fitting, 4JIC-6ORM 90°, 6801-4-6 2
8 B02-01-0113 Hose, Hydraulic, 80 in., 4M3K W/2 4-4FJX 2
9 B02-01-0124 Hose, Hydraulic, 15 in., 4M3K W/2 4-4FJX 1
10 B02-03-0010 Cylinder, Hydraulic Wheel 1
11 B02-04-0047 Manifold Block, Hydraulic 1
12 B02-02-0163 Fitting, 4JIC-6ORM Nip 5
13 B02-04-0047 Valve, Combination (for Stockpickers and
Tom Cats) 1
14 B02-14-0036 Valve, Needle, Emergency Down 1
15 B02-14-0038 Valve, Cartridge, NC, Lift Cylinder 1
16 B01-08-0002 Coil, 12v, Lift 1
17 B02-14-0037 Valve, Cartridge, NC, Wheel Cylinder 1
18 B01-08-0011 Coil, 12v, Wheel 1
19 B02-14-0039 Disc, Orifice 1
20 B02-02-0194 Plug, SAE 4 3

XLT-1571AC
6-24
6-12 HYDRAULIC FITTINGS AND HOSES SCHEMATIC
Figure 6-12. Hydraulic Fittings and Hoses Schematic

6 — PARTS LIST
6-25
6-13 ELECTRICAL DIAGRAM
Start
Sol
T10
E-Stop
ON UP
T
13
ONE-Stop Down
T
15
T2
E-Stop Wheel Up
T6
T
13
T
15
DownONE-Stop
UP
Lower Lift
Option
T4
T
17
Wheel
Down Wheel
Set
Upper
Control
Beeper
Light
T1
T
12
R2
R2 T3
T4
T5
Wheel
Valve
T6
Down
ValvePump
T8
T9 Lift
Valve
T7
Foot Switches
RW
B
T17 R2
R3
W
Motor
NO
Valve
T15
R1
T13
1571/1071 Schematic
R 3
T12
Level
Sensor
NC
Lower
Control
Mast
Switch
R2
AC
Switcher
Board
110v
Flush Mt
Recp.
Terminal Connections for Black Box
Terminal No. Wire Color From Terminal No. Wire Color From
1 BLK
BLK
Mast Down Limit Switch
Upper Control Box
11 RED
WHT
Level Sensor
Left Foot Limit Switch
2 BLK
BLK
Lower Control Box
Right Foot Limit Switch
12 WHT
ORG/BLK STR
Mast Down Limit Switch
Lower Control Box
3 WHT Hydraulic Pump Motor 13 WHT
YEL
Upper Control Box
Lower Control Box
4 BRN/BLK STR Lower Control Box 14
5 RED Hydraulic Manifold 15 GRN
RED/BLK STR
Upper Control Box
Lower Control Box
6 YEL/BLK STR Lower Control Box 16
7 17 WHT
RED
Level Sensor
Lower Control Box
8 BLK Hydraulic Pump Motor 18
9 BLK Hydraulic Manifold 19 GRN
WHT
BLK
Hydraulic Manifold
Hydraulic Manifold
Level Sensor
10 RED
BLU
GRN
Upper Control Box
Lower Control Box
Hydraulic Pump Motor
20 BRN
BLK
Lower Control Box
Base Ground
Figure 6-13. Electrical Diagram

XLT-1571AC
6-26
Figure 6-14. Electrical Layout Diagram

7-1
7
ANSI Reprint
The following sections are reprinted from the ANSI A92.3-1990 code in effect at the
on to reprint has been granted by the Scaffold
in the training of operators, in
ration of
ion required by 4.18. These manual(s) are considered an integral part
users
es,
e
eved from all
l
ction
of a
man operating instruction and required
or
ume the responsibilities of users as specified in
ce, repair, inspection,
or operation of the aerial platform, the dealer shall obtain the proper information from the
manufacturer and provide that information to the owner or user.
time of manufacture. Permissi
Industry Association.
5. Responsibilities of Dealers
5.1 Basic Principles. Sound principles of safety, training, inspection, maintenance,
applications, and operation consistent with all data available regarding the parameters
intended use and expected environment shall be applied
maintenance, application, and operation of the aerial platform with due conside
the knowledge that the unit will be carrying personnel.
5.2 Manuals. Dealers shall keep and maintain copy(ies) of the operating and
maintenance manual(s) required in 4.17. Copy(ies) of operating manual(s) shall be
provided upon each rental or lease delivery. Copy(ies) of operating and maintenance
manual(s) shall be provided upon each sale delivery. The operating manual(s) shall be
stored in the locat
of the aerial platform and are vital to communicate necessary safety information to
and operators.
5.3 Predelivery Preparation. Aerial platforms shall be inspected, serviced, and
adjusted to manufacturer's requirements prior to each delivery by sale, lease, or rental.
5.4 Maintenance Safety Precautions. Before adjustments and repairs are started on an
aerial platform, the following precautions shall be taken as applicable: (1) All controls in
the "off" position and all operating features secured from inadvertent motion by brak
blocks, or other means. (2) Powerplant stopped and starting means rendered inoperativ
(3) Platform lowered to the full down position, if possible, or otherwise secured by
blocking or cribbing to prevent dropping (4) Hydraulic oil pressure reli
hydraulic circuits before loosening or removing hydraulic components (5) Safety props
or latches installed where applicable as described by the manufacturer.
5.5 Replacement Parts. When parts or components are replaced, they shall be identical
or equivalent to original aerial platform parts or components
5.6 Training. Whenever a dealer directs or authorizes an individual to operate an aeria
platform, the dealer shall ensure that the individual has been trained under the dire
qualified person in accordance with the manufacturer's operating and maintenance
ual and requirements listed in Section 8 before operating the aerial platform.
5.6.1 Training on Delivery. Manufacturer's
training on the proper use and operation of the aerial platform shall be provided
upon each delivery, by sale, lease, or rental.
5.7 Operation. When a dealer operates an aerial platform in sales demonstrations or f
other beneficial use, the dealer shall ass
Section 7 and the operating personnel shall assume the responsibilities of operators as
specified in Section 8 of this standard.
5.8 Assistance to Owners and Users. If a dealer is unable to answer an owner's or
user's question relating to rated capacity, intended use, maintenan

XLT-1571AC
7-2
5.9 Record Retention. Dealer(s) shall retain the following records for at least 3 years:
(1) Name and address of the purchaser of each aerial platform by serial number and the
date of delivery (2) Records of the person(s) trained upon each delivery of an aerial
platform (3) Records of the predelivery preparation performed prior to each delivery.
5.10 Modifications. Modifications or alterations of aerial platforms shall be made only
with prior written permission of the manufacturer.
5.11 Manufacturer's Safety Bulletins. The dealer shall comply with safety-related
bulletins as received from the manufacturer.
6. Responsibilities of Owners
6.1 Basic Principles. Sound principles of safety, training, inspection, maintenance,
application, and operation consistent with all data available regarding the parameters of
intended use and expected environment shall be applied in the performance of the
responsibilities of owners with due consideration of knowledge that the unit will be
carrying personnel.
6.2 Manuals. Owners shall keep and maintain copy(ies) of the operating and
maintenance manual(s) required in 4.17 of this standard. Copy(ies) of operating
manual(s) shall be provided upon each rental or lease delivery. Copy(ies) of operating
and maintenance manuals(s) shall be provided upon each sale delivery. The operating
manual(s) shall be stored in the location required in 4.18 of this standard. These
manual(s) are considered an integral part of the aerial platform and are vital to
communicate necessary safety information to users and operators.
6.3 Maintenance. The owner of an aerial platform shall arrange that the maintenance
specified in this standard is properly performed on a timely basis. The owner shall
establish a preventive maintenance program in accordance with the manufacturer's
recommendations and based on the environment and severity of use of the aerial
platform. The owner shall arrange that frequent and annual inspections are performed.
All malfunctions and problems noted shall be corrected before the aerial platform is
returned to service.
6.4 Frequent Inspection. The owner of an aerial platform shall cause a frequent
inspection to be performed on an aerial platform: (1) That has been in service for 3
months or 150 hours, whichever comes first (2) That has been out of service for a period
longer than 3 months.
The inspection shall be made by a person qualified as a mechanic on the specific make
and model of the aerial platform. The inspection shall include all items specified by the
manufacturer for a frequent inspection and shall include, but not be limited to, the
following: (3) All functions and their controls for speed(s), smoothness, and limits of
motion (4) Emergency lowering means (5) All chain and cable mechanisms for
adjustment and worn or damaged parts (6) All emergency and safety devices (7)
Lubrication of all moving parts, inspection of filter element(s), hydraulic oil, engine oil,
and coolant, as specified by the manufacturer (8) Visual inspection of structural
components and other critical components, such as fasteners, pins, shafts, and locking
devices (9) Placards, warnings, and control markings (10) Items specified by the
manufacturer (11) Correction of all malfunctions and problems identified and further
inspection, if necessary.
6.5 Annual Inspection. The owner of an aerial platform shall cause an annual
inspection to be performed on the aerial platform no later than 13 months from the date
of the prior annual inspection. The inspection shall be made by a person qualified as a
mechanic on the specific make and model of the aerial platform. The inspection shall
include all items specified by the manufacturer for an annual inspection.

7 — ANSI REPRINT
7-3
6.6 Maintenance Safety Precautions. Before adjustments and repairs are started on an
aerial platform, the following precautions shall be taken as applicable: (1) All controls in
the "off" position and all operating features secured from inadvertent motion by brakes,
blocks, or other means (2) Powerplant stopped and starting means rendered inoperative
(3) Platform lowered to the full down position, if possible, or otherwise secured by
blocking or cribbing to prevent dropping (4) Hydraulic oil pressure relieved from all
hydraulic circuits before loosening or removing hydraulic components (5) Safety props
or latches installed where applicable as described by the manufacturer.
6.7 Replacement Parts. When parts or components are replaced, they shall be identical
or equivalent to original aerial platform parts or components.
6.8 Maintenance Training. The owners shall train their maintenance personnel in
inspection and maintenance of the aerial platform in accordance with 6.3, 6.4, 6.5, 6.6,
6.7 and 6.9 of this standard, and with the manufacturer's recommendations.
6.9 Operator Training. An owner who directs or authorizes an individual to operate an
aerial platform shall ensure that the individual has been trained in accordance with the
manufacturer's operating manual, and requirements listed in Section 8 of this standard
before operating the aerial platform.
Manufacturer's operating instruction and required training on the proper use and
operation of the aerial platform shall be provided upon each delivery, by sale, lease, or
rental.
6.10 Operation. When an owner operates an aerial platform, the owner shall have the
responsibilities of users as specified in Section 7 of this standard, and the operating
personnel shall have responsibilities of operators as specified in Section 8 of this
standard.
6.11 Assistance to Users and Operators. If an owner is unable to answer a user's or
operator's questions related to rated capacity, intended use, maintenance, repair,
inspection, or operation of the aerial platform, the owner shall obtain the proper
information from the dealer or manufacturer and provide that information to user or
operator.
6.12 Record Retention. The owner shall retain the following records for at least 3
years: (1) Name and address of the purchaser of each aerial platform by serial number
and date of delivery (2) Records of the person(s) trained upon each delivery of an aerial
platform (3) Written records of the frequent and annual inspections performed by the
owner. The record shall include deficiencies found, corrective action, and identification
of the person(s) performing the inspection and repairs (4) Records of the predelivery
preparation performed prior to each delivery.
6.13 Modifications. The owner shall not modify or concur in modifications or
alteration to the aerial platform without the modifications being approved and certified in
writing by the manufacturer.
6.14 Manufacturer's Safety Bulletins. The owner shall comply with safety-related
bulletins as received from the manufacturer or dealer.
7. Responsibilities of Users.
7.1 Basic Principles. The information in this standard must be supplemented by good
job management, safety control, and the application of sound principles of safety,
training, inspection, maintenance, application, and operation consistent with all data
available regarding the parameters of intended use and expected environment. Since the
user has direct control over the application and operation of aerial platforms,
conformance with good safety practices in this area is the responsibility of the user and
the operating personnel, including the operator. Decisions on the use and operation of
the aerial platform must always be made with due consideration for the fact that the
machine will be carrying personnel whose safety is dependent on those decisions.

XLT-1571AC
7-4
7.2 Manuals. Users shall keep and maintain copy(ies) of the operating and maintenance
manual(s) required in 4.17 of this standard. The operating manual(s) shall be stored in
the location required in 4.18 of this standard. These manuals are considered an integral
part of the aerial platform and are vital to communication of necessary safety information
to users and operators.
7.3 Inspection and Maintenance. Users shall inspect and maintain the aerial platform
as required to ensure proper operation. The frequency of inspection and maintenance
shall be determined by the manufacturer's recommendation and be compatible with
operating conditions and the severity of the operating environment. Aerial platforms that
are not in proper operating condition shall be immediately removed from service until
repaired. Repairs shall be made by a qualified person and the repairs shall be in
conformance with the manufacturer's recommendations.
7.3.1 Frequent Inspection. An inspection as outlined in 6.4 of this standard shall
be conducted.
7.3.2 Annual Inspection. An inspection as outlined in 6.5 of this standard shall be
conducted.
7.3.3 Prestart Inspection. Before use each day or at the beginning of each shift,
the aerial platform shall be given a visual inspection and function test including but
not limited to the following: (1) Operating and emergency controls (2) Safety
devices (3) Personal protective devices, including fall protection (4) Air, hydraulic
and fuel system leaks (5) Cables and wiring harness (6) Loose or missing parts
(7) Tires and wheels (8) Placards, warnings, and control markings (9) Outriggers,
stabilizers, and other structures (10) Guardrail system (11) Items specified by the
manufacturer.
7.3.4 Maintenance Safety Precautions. Before adjustments and repairs are started
on an aerial platform, the following precautions shall be taken as applicable: (1) All
controls in the "off" position and all operating features secured from inadvertent
motion by brakes, blocks, or other means (2) Powerplant stopped and starting
means rendered inoperative (3) Platform lowered to the full down position, if
possible, or otherwise secured by blocking or cribbing to prevent dropping (4)
Hydraulic oil pressure relieved from all hydraulic circuits before loosening or
removing hydraulic components (5) Safety props or latches installed where
applicable as described by the manufacturer (6) Precautions specified by the
manufacturer.
7.4 Replacement Parts. When parts or components are replaced, they shall be identical
or equivalent to original aerial platform parts or components.
7.5 Maintenance Training. The user shall train the maintenance personnel in
inspection and maintenance of the aerial platform in accordance with 7.3, 7.4, and 7.6 of
this standard and with the manufacturer's recommendations.
7.6 Operator Training. Whenever a user directs or authorizes an individual to operate
an aerial platform, the user shall ensure that the individual has been trained in accordance
with the manufacturer's operation and maintenance manual, the user's work instructions,
and the requirements listed in Section 8 of this standard before operating the aerial
platform.
7.6.1 Model Training. The user shall be responsible for the operator being trained
on the model of the aerial platform to be operated. Such training shall be in an area
free of obstructions, under the direction of a qualified person for a time sufficient to
determine that the trainee displays proficiency in knowledge and actual operation of
the aerial platform. Only properly trained and authorized personnel shall be
permitted to operate the aerial platform.
7.6.2 Trainees Training Record. A record of the trainee's aerial platform
instruction shall be maintained by the user for at least 3 years.

7 — ANSI REPRINT
7-5
7.7 Before Operation. Before authorizing an operator to operate an aerial platform, the
user shall ensure that the operator has: (1) Been instructed by a qualified person in the
intended purpose and function of each control (2) Read and understood the
manufacturer's operating instructions and user's safety rules, or been trained by a
qualified person on the contents of the manufacturer's operating instructions and user's
safety rules (3) Understood by reading or by having a qualified person explain all
decals, warnings, and instructions displayed on the aerial platform (4) Determine that
the purpose for which the aerial platform is to be used is within the scope of the intended
applications defined by the manufacturer (5) Been provided with approved fall
protection devices and other safety gear for all personnel on the platform (see 4.9.5).
7.8 Work Place Inspection. Before the aerial platform is used and during use, the user
shall check the area in which the aerial platform is to be used for possible hazards such
as, but not limited to: (1) Drop-offs or holes (2) Bumps and floor obstructions (3)
Debris (4) Overhead obstructions and high voltage conductors (5) Hazardous locations
(6) Inadequate surface and support to withstand all load forces imposed by the aerial
platform in all operating configurations (7) Wind and weather conditions (8) Other
possible unsafe conditions (9) Presence of unauthorized persons.
7.9 During Operation. The aerial platform shall be used in accordance with this
standard. The user shall direct the operator to ensure the following before each elevation
of the platform: (1) That the aerial platform is operated on a surface within the limits
specified by the manufacturer (2) That the outriggers, stabilizers, extendable axles, or
other stabilizing methods are used as required by the manufacturer (3) That guardrails
are installed and access gates or openings are closed per manufacturer's instructions (4)
That the load and its distribution on the platform and any platform extension are in
accordance with the manufacturer's rated capacity for that specific configuration (5)
That there is adequate clearance from overhead obstructions (6) That the minimum safe
approach distances (MSAD) to energized power lines and parts, as listed in Table One
are maintained. See Figure 2 for examples of safe operating procedures (7) That the
precautions defined in 7.3.3, 7.6, 7.7, 7.8, 7.9, 7.10 and 7.11 of this standard are followed
during operation of the aerial platform.
7.10 Determination of Hazardous Locations. It shall be the responsibility of the user
to determine the hazard classification of any particular atmosphere or location according
to ANSI/NFPA 505-1987. Aerial platforms operated in hazardous locations shall be
approved in accordance with, and of the type required, by ANSI/NFPA 505-1987.
7.11 Warnings and Instruction. The user shall direct his operating personnel and
supervise the work to ensure operation in compliance with the requirements in 7.11.1
through 7.11.14.
7.11.1 Personnel Footing. Personnel shall maintain a firm footing on the platform
floor while working thereon. Use of planks, ladders, or any other device on the
aerial platform for achieving additional height or reach shall be prohibited.
7.11.2 Other Moving Equipment. When other moving equipment or vehicles are
present, special precautions shall be taken to comply with local ordinances or safety
standards established for the workplace. Warnings such as, but not limited to, flags,
roped-off areas, flashing lights, and barricades shall be used.
7.11.3 Reporting Problems or Malfunctions. The operator shall immediately
report to the supervisor any problems or malfunctions that become evident during
operation. Any problems or malfunctions that affect the safety or operations shall be
repaired prior to continued use of the aerial platform.
7.11.4 Altering Safety Devices. Altering or disabling of interlocks or other safety
devices shall be prohibited.
7.11.5 Entanglement. Care shall be taken to prevent rope, electric cords, hoses,
etc., from becoming entangled in the aerial platform.
7.11.6 Capacity Limitation. Aerial platform rated capacities shall not be exceeded
when loads are transferred to the platform at any height.
7.11.7 Work Area. The operator shall ensure that the area surrounding the aerial
platform is clear of personnel and equipment before lowering the platform.

XLT-1571AC
7-6
7.11.8 Fueling. The engine shall be shut down while fuel tanks are being filled.
Fueling shall be done in a well-ventilated area free of flame, sparks, or other hazards
that may cause fire or explosion.
7.11.9 Battery Charging. Batteries shall be charged in a well-ventilated area free
of flame, sparks, or other hazards that may cause fire or explosion.
7.11.10 Platform Positioning. The aerial platform shall not be positioned against
another object to steady the platform.
7.11.11 Misuse as a Crane. The aerial platform shall not be used as a crane.
7.11.12 Operating Areas. The aerial platform shall not be operated from a position
on trucks, trailers, railway cars, floating vessels, scaffolds, or similar equipment,
unless the application is approved in writing by the manufacturer.
7.11.13 Travel Conditions. Under all travel conditions, the operator shall limit
travel speed according to conditions of ground surface, congestion, visibility, slope,
locations of personnel, and other factors causing hazards of collision or injury to
personnel.
7.11.14 Unauthorized Use. Means shall be used to protect against use by
unauthorized person(s).
7.12 Operation of the Aerial Platform. If a user is also the operator of an aerial
platform, the user shall have the responsibilities of operators specified in Section 8 of this
standard as well as responsibilities of users as specified in Section 7 of this standard.
7.13 Assistance to Operator. If a user is unable to answer any operator's questions
relating to rated capacity, intended use, maintenance, condition, or safety of operation of
the aerial platform, the user shall obtain the proper information from the dealer, owner,
or manufacturer and provide that information to the operator before use of the aerial
platform in the application of concern.
7.14 Shutdown of Aerial Platform. The user shall authorize and direct the operating
personnel to cease operation of the aerial platform in case of any suspected malfunctions
of the aerial platform, or any hazard or potentially unsafe condition that may be
encountered, and to request further information as to safe operation from the owner,
dealer, or manufacturer before further operation of the aerial platform.
7.15 Record Retention. The user shall retain the following records for at least 3 years:
(1) Records of the operator(s) trained on each model of an aerial platform (2) Written
records of the frequent and annual inspections shall be kept by the user when performing
the inspections. The records shall include the date of inspection, any deficiencies found,
the corrective action recommended and identification of the person(s) performing the
inspection (3) Written records of all repairs accomplished on the aerial platform,
including the date of any such repair, a description of the work accomplished, and the
identification of the person(s) performing the repair.
7.16 Modifications. A user shall not modify or concur in modification of an aerial
platform without the specific written approval of the manufacturer of the aerial platform.
7.17 Manufacturer's Safety Bulletins. The user shall comply with safety-related
bulletins as received from the manufacturer, dealer, or owner.
8. Responsibilities of Operators
8.1 Basic Principles. The information in this standard shall be supplemented by good
judgment, safety control, and caution in evaluating each situation. Since the operator is
in direct control of the aerial platform, conformance with good safety practices in this
area is the responsibility of the operator. The operator shall make decisions on the use
and operation of the aerial platform with due consideration for the fact that his or her
own safety as well as the safety of other personnel on the platform is dependent on those
decisions.
8.2 Manuals. The operator shall be aware that the operating safety manuals, including
the manual that defines the responsibilities of dealers, owners, lessors, lessees, users, and
operators are stored on the aerial platform and the location where they are stored. The

7 — ANSI REPRINT
7-7
operator shall be familiar with the manuals stored on the aerial platform and consult them
when questions arise with respect to the aerial platform.
8.3 Prestart Inspection. Before use each day or at the beginning of each shift, the
aerial platform shall be given a visual inspection and functional test including but not
limited to the following: (1) Operating and emergency controls (2) Safety devices (3)
Personal protective devices, including fall protection (4) Air, hydraulic, and fuel system
leaks (5) Cables and wiring harness (6) Loose or missing parts (7) Tires and wheels
(8) Placards, warnings, and control markings (9) Outriggers, stabilizers, and other
structures (10) Guardrail system (11) Items specified by the manufacturer.
8.4 Problems or Malfunctions. Any problems or malfunctions that affect the safety of
operations shall be repaired prior to the use of the aerial platform.
8.5 Training. The operator shall have been trained either on the same model of aerial
platform or one having operating characteristics and controls consistent with the one to
be used during actual work site operation. The operator trainee shall operate the aerial
platform in an area free of obstructions under the direction of the qualified person for a
time sufficient to determine that the trainee displays proficiency in knowledge and actual
operation of the aerial platform. Only properly trained and authorized personnel shall be
permitted to operate the aerial platform.
8.6 Before Operation. Before being authorized to operate the aerial platform, the
operator shall have: (1) Been instructed by a qualified person in the intended purpose
and function of each of the controls (2) Read and understood the manufacturer's/owner's
operating instructions and safety rules, or been trained by a qualified person on the
contents of the manufacturer's/owner's operating instructions and safety rules (3)
Understood by reading or by having a qualified person explain all decals, warnings, and
instructions displayed on the aerial platform.
8.7 Workplace Inspection. Before the aerial platform is used and during use, the
operator shall check the area in which the aerial platform is to be used for possible
hazards such as, but not limited to: (1) Drop-offs or holes (2) Bumps and floor
obstructions (3) Debris (4) Overhead obstructions and high voltage conductors (5)
Hazardous locations (6) Inadequate surface and support to withstand all load forces
imposed by the aerial platform in all operating configurations (7) Wind and weather
conditions (8) Other possible unsafe conditions.
8.8 During Operation. The aerial platform shall be used in accordance with this
standard. The operator shall ensure the following before each elevation of the platform:
(1) That the aerial platform is operated on a surface within the limits specified by the
manufacturer (2) That the outriggers, stabilizers, extendable axles, or other stability
enhancing means are used as required by the manufacturer (3) That the guardrails are
installed and access gates or openings are closed per manufacturer's instructions (4) That
the load and its distribution on the platform and any platform extensions are in
accordance with the manufacturer's rated capacity for that specific configuration (5) That
there is adequate clearance from overhead obstructions (6) That the minimum safe
approach distances (MSAD) to energized power lines and parts, as listed in Table One,
are maintained. See Figure 2 for examples of safe operating procedures (7) That he or
she and all other personnel on the platform are wearing fall protection devices and other
safety gear as required at all times (see 4.9.5).
8.9 Determination of Hazardous Locations. It shall be the responsibility of the user to
determine the hazard classification of any particular atmosphere or location according to
ANSI/NFPA 505.
8.9.1 Hazardous Location Operating Requirements. Aerial platforms operated
in hazardous locations shall be approved and of the type required by ANSI/NFPA
505.
8.10 Warnings and Instructions. The operator and other personnel on the platform
shall comply with the requirements in 8.10.1 through 8.10.17.

XLT-1571AC
7-8
8.10.1 Personnel Footing. Personnel shall maintain a firm footing on the platform
floor while working thereon. Use of planks, ladders, or any other devices on the
aerial platform for achieving additional height or reach shall be prohibited.
8.10.2 Other Moving Equipment. When other moving equipment or vehicles are
present, special precautions shall be taken to comply with local ordinances or safety
standards established for the workplace. Warnings such as, but not limited to, flags,
roped off areas, flashing lights, and barricades shall be used.
8.10.3 Reporting Problems or Malfunctions. The operator shall immediately
report to a supervisor any problems or malfunctions that become evident during
operation. Any problems or malfunctions that affect the safety of operation shall be
repaired prior to continued use of the aerial platform.
8.10.4 Reporting Potential Hazardous Locations. The operator shall immediately
report to a supervisor any potential hazardous locations (environment) that become
evident during operation.
8.10.5 Altering Safety Devices. Altering or disabling of interlocks or other safety
devices shall be prohibited.
8.10.6 Entanglement. Care shall be taken to prevent rope, electric cords, hoses,
etc., from becoming entangled in the aerial platform.
8.10.7 Capacity Limitation. Aerial-platform rated capacities shall not be exceeded
when loads are transferred to the platform at any heights
8.10.8 Work Area. The operator shall ensure that the area surrounding the aerial
platform is clear of personnel and equipment before lowering the platform.
8.10.9 Fueling. The engine shall be shut down while fuel tanks are being filled.
Fueling shall be done in a well-ventilated area free of flame, sparks, or other hazards
that may cause fire or explosion.
8.10.10 Battery Charging. Batteries shall be charged in a well-ventilated area free
of flame, sparks, or other hazards that may cause fire or explosion.
8.10.11 Platform Positioning. The aerial platform shall not be positioned against
another object to steady the platform.
8.10.12 Misuse as a Crane. The aerial platform shall not be used as a crane.
8.10.13 Operating Areas. The aerial platform shall not be operated from a position
on trucks, trailers, railway cars, floating vessels, scaffolds, or similar equipment,
unless the application is approved in writing by the manufacturer.
8.10.14 Travel Conditions. Under all travel conditions, the operator shall limit
travel speed according to conditions of ground surface, congestion, visibility, slope,
location of personnel, and other factors causing hazards of collision or injury to
personnel.
8.10.15 Unauthorized Use. Means shall be used to protect against use by
unauthorized person(s).
8.10.16 Misuse as a Jack. The platform of the aerial platform shall not be used to
jack the wheels off the ground unless the machine is designed for that purpose by the
manufacturer.
8.10.17 Snagged Platform. If the platform or elevating assembly becomes caught,
snagged, or otherwise prevented from normal motion by adjacent structure or other
obstacles such that control reversal does not free the platform, all personnel shall be
removed from the platform before attempts are made to free the platform using
ground controls.
8.11 Assistance to Operator. If an operator encounters any suspected malfunction of
the aerial platform, or any hazard or potentially unsafe condition relating to capacity, the
operator shall cease operation of the aerial platform and request further information as to
safe operation from management, or from the owner, dealer, or manufacturer, before
further operation of the aerial platform.
8.12 Modifications. An operator shall not modify or concur in modification of an aerial
platform without the specific written approval of the manufacturer of the aerial platform.
9. Responsibilities of Lessors

7 — ANSI REPRINT
7-9
9.1 Basic Principles. Sound principles of safety, training, inspection, maintenance,
application, and operation consistent with all data available regarding the parameters of
intended use and expected environment shall be applied in the performance of
responsibilities of lessors with due consideration of the knowledge that the unit shall be
carrying personnel.
9.2 Lessor. A lessor is a person(s) or entity who leases, rents, loans, or otherwise
provides an aerial platform to another party for the beneficial use of that party (the user).
A lessor may also be a dealer, owner, lessee, user, or operator.
9.2.1 Lessor as a Dealer. When a lessor uses the aerial platform as a dealer, the
lessor shall have the responsibilities of dealers as specified in Section 5 of this
standard.
9.2.2 Lessor as an Owner. When a lessor uses the aerial platform as an owner, the
lessor shall have responsibilities of owners as specified in Section 6 of this standard.
9.2.3 Lessor as a User. When a lessor uses the aerial platform as a user, the lessor
shall have the responsibilities of operators as specified in Section 8 of this standard.
10. Responsibilities of Lessees
10.1 Basic Principles. Sound principles of safety, training, inspection, maintenance,
application, and operation consistent with all data available regarding the parameters of
intended use, and expected environment, shall be applied in the performance of
responsibilities of lessees with due consideration of the knowledge that the aerial
platform carries personnel.
10.2 Lessee. A lessee is a person(s) or entity to whom an aerial platform is provided by
lease, rental, loan, or other arrangement. A lessee may also be a user or operator.
10.2.1 Lessee as a Dealer. When a lessee uses the aerial platform as a dealer, the
lessee shall have the responsibilities of dealers as specified in Section 5 of this
standard.
10.2.2 Lessee as an Owner. When a lessee uses the aerial platform as an owner,
the lessee shall have the responsibilities of owners as specified in Section 6 of this
standard.
10.2.3 Lessee as a User. When a lessee uses the aerial platform as a user, the lessee
shall have the responsibilities of users as specified in Section 7 of this standard.
10.2.4 Lessee as an Operator. When a lessee uses the aerial platform as an
operator, the lessee shall have the responsibilities of operators as specified in Section
8 of this standard.

XLT-1571AC
7-10
M.S.A.D. = Minimum Safe Approach Distance (See Table 7-1).
DENOTES PROHIBITED ZONE
• Do not allow machine, personnel, or conductive materials inside prohibited zone.
• Maintain M.S.A.D. from all energized lines and parts as well as those shown.
• Assume all electrical parts and wires are energized unless known otherwise.
Diagrams shown are only for purposes of illustrating M.S.A.D. work positions, not
all work positions.

7 — ANSI REPRINT
7-11
Table 7-1. Minimum Safe Approach Distance (M.S.A.D.) to energized
(exposed or insulated) power lines and parts.
Minimum Safe Approach Distance
Voltage Range
(Phase to Phase) (Feet) (Meters)
0 to 300V Avoid Contact
Over 300V to 50KV 10 3.05
Over 50KV to 200KV 15 4.60
Over 200KV to 350KV 20 6.10
Over 350KV to 500KV 25 7.62
Over 500KV to 750KV 35 10.67
Over 750KV to 1000KV 45 13.72

XLT-1571AC
7-12


125 Taylor Parkway
Archbold, OH 43502
Phone (419) 445-8915
(800) 537-0540
Fax (419) 445-0367