Bioscrypt ESTVPMW 4G V-Station Extreme User Manual
Bioscrypt, Inc. 4G V-Station Extreme Users Manual
Users Manual

October152009–InstallationGuideDraft–EditPurposesOnlyPage1
Installation Guide – October 2009 – Edit Purposes Only 2009
CHAPTER 1 - INTRODUCTION
CHAPTER OVERVIEW
This chapter provides an introduction to the V-Station 4G and V-Flex 4G devices, their
specifications and features, and safety guidelines that should be observed when using
or handling the devices.
1.1 INTRODUCTION
This manual provides step-by-step procedures for installing a L-1 Identity Solutions V-
Station 4G or V-Flex 4G device.It covers the entire process of physically installing the
device, making the necessary power, ground, and network connections, and registering
the device in SecureAdmin.Instructions for field repairs and cleaning are also provided.
1.1.1 SYMBOLS USED IN THIS GUIDE
The symbols shown below are used throughout this manual.They denote special issues
the user might encounter. Their definitions are given below.
DANGER
This symbol denotes a danger condition that may cause death or
excessive damage to property.
WARNING
This symbol denotes a warning condition that may cause severe
injury or major damage to property.
CAUTION
This symbol denotes a cautionary condition that may cause injury or
minor damage to property.

October152009–InstallationGuideDraft–EditPurposesOnlyPage2
Installation Guide – October 2009 – Edit Purposes Only 2009
NOTICE
This symbol denotes a situation needing additional advice to avoid
incorrect usage.
1.2 PRODUCT OVERVIEW
1.2.1 V-FLEX 4G
Figure 1-1 4G Flex Device

October152009–InstallationGuideDraft–EditPurposesOnlyPage3
Installation Guide – October 2009 – Edit Purposes Only 2009
1.2.2 V-STATION 4G
Figure 1-2 V-Station 4G Device

October152009–InstallationGuideDraft–EditPurposesOnlyPage4
Installation Guide – October 2009 – Edit Purposes Only 2009
1.2.3 V-STATION 4G EXTREME DEVICE
Figure 1-3 V-Station EXTREME Device

October152009–InstallationGuideDraft–EditPurposesOnlyPage5
Installation Guide – October 2009 – Edit Purposes Only 2009
1.2.4 V-STATION 4G PIV/TWIC INDOOR
Figure 1-4 V-Station 4G PIV/TWIC Indoor

October152009–InstallationGuideDraft–EditPurposesOnlyPage6
Installation Guide – October 2009 – Edit Purposes Only 2009
1.2.5 V-STATION 4G EXTREME PIV/TWIC
Figure 1-5 V-Station 4G Extreme PIV/TWIC

October152009–InstallationGuideDraft–EditPurposesOnlyPage7
Installation Guide – October 2009 – Edit Purposes Only 2009
1.2.6 SENSORS
The V-Station 4G and V-Flex 4G devices offer three types of sensor interfaces.
1.2.6.1 UPEK TCS
Figure 1-6 UPEK TCS Sensor
Key Features:
• Active Capacitive Fingerprint
sensing
• 256 x 360 Sensor Array 508 DPI
• +/- 15kV Air ESD Resistance
1.2.6.2 SECUGEN OPTICAL
Figure 1-7 Secugen Optical Sensor
Key Features:
• Optical Fingerprint sensing
• 256 x 336 Sensor Array 500 DPI
• +/- 15kV Air ESD Resistance

October152009–InstallationGuideDraft–EditPurposesOnlyPage8
Installation Guide – October 2009 – Edit Purposes Only 2009
1.2.6.3 LUMIDIGM VENUS OPTICAL SENSOR
Figure 1-8 Lumidigm Venus Optical Sensor
Key Features:
• TBD
• TBD
• TBD

October152009–InstallationGuideDraft–EditPurposesOnlyPage9
Installation Guide – October 2009 – Edit Purposes Only 2009
1.2.7 DEVICE DIMENSIONS
1.2.7.1 V-Flex 4G Device
Figure 1-9 V-Flex 4G Dimensions

October152009–InstallationGuideDraft–EditPurposesOnlyPage10
Installation Guide – October 2009 – Edit Purposes Only 2009
1.2.7.2 V-STATION 4G
Figure 1-10 V-Station 4G Dimensions

October152009–InstallationGuideDraft–EditPurposesOnlyPage11
Installation Guide – October 2009 – Edit Purposes Only 2009
1.2.7.3 V-STATION EXTREME PIV/TWIC DEVICES
1.2.7.3.1 V-STATION 4G EXTREME
Figure 1-11 V-Station 4G Extreme Dimensions

October152009–InstallationGuideDraft–EditPurposesOnlyPage12
Installation Guide – October 2009 – Edit Purposes Only 2009
1.2.7.3.2 V-STATION 4G EXTREME WITH ACCESSORIES
Figure 1-12 V-Station 4G Extreme with Accessories Dimensions

October152009–InstallationGuideDraft–EditPurposesOnlyPage13
Installation Guide – October 2009 – Edit Purposes Only 2009
1.2.7.3.3 V-STATION 4G EXTREME PIV/TWIC
Figure 1-13 V-Station 4G Extreme PIV/TWIC

October152009–InstallationGuideDraft–EditPurposesOnlyPage14
Installation Guide – October 2009 – Edit Purposes Only 2009
1.2.7.3.4 V-STATION EXTREME PIV/TWIC WITH ACCESSORIES
Figure 1-14 V-Station 4G Extreme PIV/TWIC with Accessories Dimensions
1.2.8 SAFETY PRECAUTIONS
Below are safety precautions that should be observed when operating or installing a
device.

October152009–InstallationGuideDraft–EditPurposesOnlyPage15
Installation Guide – October 2009 – Edit Purposes Only 2009
1.2.8.1 ELECTRO-STATIC DISCHARGE
L-1 Identity Solutions recommends that Administrators inform Users of these points
during the enrollment process:
9 Always use the Ridge-Lock to position a finger *before* touching the
sensor.
9 Always stand on the ESD-dissipative floor covering (if installed).
9 Do not touch other people or objects when touching the sensor.
9 Always maintain at least 12 inches of space around yourself when
touching the sensor.
9 Do not allow articles of clothing to touch the sensor.
L-1 Identity Solutions recommends that Installers always follow these points (in addition
to the points listed above):
9 When installing or working on a unit, always use a grounding wrist-
strap that is connected to a quality Earth ground.
9 Check the device's cabling for ground faults.
9 Ensure that the device's ground connection (located on the rear of the
device) is connected to a quality Earth Ground.
1.2.8.2 DEVICE HANDLING GUIDELINES
9 Do not install the device in locations where the device would be
exposed to direct sunlight, high levels of relative humidity, particulate
matter, or flammable vapors.
9 Do not install the device near radiators or other heat sources.
9 Do not allow magnetic objects to come within close proximity to the
device.
9 Strong magnetic fields might damage the device.
9 Do not let liquids Card the device.
9 Do not attempt to alter the device for any reason.Modifications will
void the product guarantee.
9 Do not attempt to disassemble the device in any way beyond what is
necessary for sensor field replacement.
9 Do not use the device for any purpose other than for what it was
designed.

October152009–InstallationGuideDraft–EditPurposesOnlyPage16
Installation Guide – October 2009 – Edit Purposes Only 2009
9 Do not plug any equipment into the USB port other than flash memory
devices.
9 Do not allow users to place or hang objects on the device, such as
coffee cups or purses.
9 Do clean the device regularly to remove dust, grime, and fingerprint
residue.

October152009–InstallationGuideDraft–EditPurposesOnlyPage17
Installation Guide – October 2009 – Edit Purposes Only 2009
CHAPTER 2 - PLANNING THE
INSTALLATION
CHAPTER OVERVIEW
This chapter details how to plan a successful installation, recommended steps, and
explains the hardware and software components of typical setup scenarios.
2.1 PLANNING THE INSTALLATION
Planning the installation is the single most important aspect of a successful installation.
In general, you need to consider the access controller, the door locks, the devices, and
the need for a network. By the time you are ready to install the system, all of the details
presented in the list below should be known. Take a moment to go through them now
before starting your installation.
During the planning phase, you should determine:
9 What type of authentication is required for your application?
9 How many doors need to be secured?
9 What type of device will be on each door? Doors already inside a
secure area might not need the same type or level of security.
9 If multiple V-Series 4G devices require networking for template
distribution/management, then a dedicated PC is recommended to
administer the system, as well as an RS-485 to RS-232 converter, and
cabling for serial communications or cabling for Ethernet.
9 Verify that the chosen access controller supports the Wiegand formats
supported by V-Station 4G devices.
9 Identify all wiring by the signal levels it is to carry. Use separate cables
and conduits for different signal groups to avoid cross talk. Plan to
separate them by these groups:
Power distribution: Wires carry power to devices, door strikes, etc.
Data communication: RS-485, RS-232, USB, Wiegand, Ethernet, etc.
Signal: Door contact, request-to-exit push button, alarm input, etc.
9 When planning device placement, determine the distance limitation of
each signal type and use repeaters if necessary.

October152009–InstallationGuideDraft–EditPurposesOnlyPage18
Installation Guide – October 2009 – Edit Purposes Only 2009
9 V-Series 4G devices are intended for indoor use only.
If you have any unresolved issues with the items on this list, contact L-1 Identity
Solutions Technical Support for additional information before beginning any installation.
WARNING
V-Station 4G and V-Flex 4G devices should be installed
by only a qualified technician. If you are not qualified to
perform an installation task, call L-1 Identity Solutions
Technical Support or contact a qualified installer.
2.1.1 RECOMENDED STEPS FOR A SUCCESSFUL INSTALLATION
Every installation is unique. Sometimes the issues are well defined and can be handled
in a standard fashion; sometimes the issues are very specific and may not be
immediately recognizable.
L-1 Identity Solutions recommends following these steps for a successful installation:
9 Plan the installation Choose the type of hardware required, decide if a
network is required, and decide on the location and number of required
devices.
9 Unpack all items Unpack all items and check against the packing list.
9 Install network hardware components Install the cabling and
components needed to run the system.
9 Install software Install the software needed to set up the devices.
9 Preconfigure device Connect the device to the USB cable, supply
power to the device, and preconfigure the device.
9 Mount devices Mount the devices in their final locations
9 Power distribution and device hook up Connect the device wiring via
the back panel.
9 Power-up procedure Check the power connections and start the
system safely. Enroll users Enroll users into the system (for user
enrollment procedures).
Chapters 3 through 7 in this document present more information on these steps.

October152009–InstallationGuideDraft–EditPurposesOnlyPage19
Installation Guide – October 2009 – Edit Purposes Only 2009
2.1.2 REQUIREMENTS
9 PC workstation with:
9 1 GHz Intel(r) Pentium(r) 4 processor or equivalent
9 1 GB RAM (2 GB recommended)
9 CD-ROM drive
9 One available COM port or USB port
9 Ethernet card
9 Display: 1024 x 768 high color (minimum)
9 Regulated DC Power supply
9 Door controller
9 TCP/IP network environment
9 RS-232 to RS-485 converter with power supply (for advanced
administrative features).
2.1.2.1 HARDWARE REQUIREMENTS
9 Deadbolt/door strike
9 Snubber diode required to protect regulated DC power supply from
inductive kickback(1 N4007 diode or equivalent recommended)
9 Separate power supply for the deadbolt/door strike based on supplier's
recommendations.
9 External relay (if required)
9 Networking cable
2.1.2.2 COMPUTER REQUIREMENTS
2.1.2.2.1 SECURE ADMIN SERVER REQUIREMENTS
9 Hard disk space: 10 MB
2.1.2.2.2 SECUREADMIN CLIENT REQUIREMENTS
9 Hard disk space: 25 MB http://2.2.2.3.microsoft.net/

October152009–InstallationGuideDraft–EditPurposesOnlyPage20
Installation Guide – October 2009 – Edit Purposes Only 2009
2.1.2.2.3 MICROSOFT .NET FRAMEWORK 3.5 SP1 REQUIREMENTS
9 Hard disk space: Up to 600 MB might be required
2.1.2.2.4 SUPPORTED OPERATING SYSTEMS
SecureAdmin Server and SecureAdmin Client support these operating systems:
9 Windows Server 2003 R2
9 Windows Server 2008
9 Windows Vista
9 Windows XP Service Pack 2 or higher
2.1.2.2.5 SQL SERVER 2008 EXPRESS EDITION
9 Hard disk space: 350 MB of available hard-disk space for the
recommended installation. Approximately 425 MB of additional
available hard-disk space for SQL Server Books Online, SQL Server
Mobile Books Online, and sample databases.
9 During installation of SQL Server 2008, Windows Installer creates
temporary files on the system drive. Before running setup to install or
upgrade SQL Server, verify that at least 2.0 GB of disk space is
available on the system drive for these files
9 Actual Hard Disk Space Requirements: 280 MB for the recommended
installation.
2.1.2.2.6 ORACLE 10G EXPRESS
9 Hard disk space:
9 Server component: 1.6 GB Client component: 75 MB
2.1.2.3 NETWORK REQUIREMENTS
9 The V-Station 4G and V-Flex 4G devices function on 100 baseT
networks.
2.1.2.4 SOFTWARE REQUIREMENTS
Both SecureAdmin Server and SecureAdmin Client require these software applications
as prerequisites:
9 .net Framework 3.5
9 Windows Installer 4.5

October152009–InstallationGuideDraft–EditPurposesOnlyPage21
Installation Guide – October 2009 – Edit Purposes Only 2009
If these applications are not already installed, they will get installed during the setup
process.
SecureAdmin Server and SecureAdmin Client also require System Administrator access
to install the application.
SecureAdmin uses a self-signed certificate (x.509 certificate) with a file extension of
.pfx.
You have the option of installing your own certificate, which must be purchased from a
recognized authority in advance. The SecureAdmin self-signed certificate is installed
only with the SecureAdmin server component. No certificate is installed with the
SecureAdmin client component, and during the client installation, you are asked to
specify which type of certificate SecureAdmin server will be using (the self-signed
certificate provided with the SecureAdmin server component installation or a signed
certificate from another authority such as VeriSign.
2.1.3 UNPACK EQUIPMENT
Unpack all items and check against the packing list.
2.1.3.1 PARTS LIST
2.1.3.1.1 V-STATION 4G or V-FLEX 4G DEVICES
Hardware
9 1 V-Station 4G or V-Flex 4G device
9 1 Wall mounting plate/mullion mounting plate
9 6 #6-32 3/4" Philips pan-head screw
9 6 #6 1" Philips pan-head self-tapping screws
9 6 #4-8 1" nylon wall anchors
9 29 Crimp connector, B Wire (RoHS)
9 2 6-32 security screw, pin-in hex, 3/8
9 2 0.013" ID, 3/8" OD, 1/32" thick, fiber washers
9 1 Ethernet ferrite core
9 1 DC & I/O lines ferrite core
9 1 External power cable
9 1 External signal cable

October152009–InstallationGuideDraft–EditPurposesOnlyPage22
Installation Guide – October 2009 – Edit Purposes Only 2009
9 1 Micro-USB device cable
9 1 Micro-USB PC cable
Tools
9 1 1/8" pin-in-hex security key 2.5
2.1.3.1.2 V-STATION 4G EXTREME DEVICES
Hardware
9 1 V-Station Indoor or Outdoor 4G device
9 29 Super B-Wire Connectors, Dolphin DC-100-S
9 2 dielectric grease (maybe 1 is enough, need to try out)
9 1 Cable, User Wiegand, 4G Outdoor
9 8 wall mount anchor, conical, for #8 screws
9 1 8-32x11/32"UNC K-Lot Hex nut RoHS
9 1 8-32-MALE-FEMALE-HEXSTAND-1.25L
9 1 mech, AS101001_ACTUATOR_MAGNET
9 8 #8x1" thread forming screw, pan head, philips,
9 6 6-32 Security Screw 1/8" pin-in-hex 3/8" length
9 1 Stainless Steel, Wall Mount Plate with Magnetic Reader, 4G
Outdoor
9 1 Cable, MicroUSB PC, NGV
9 1 Cable, MicroUSB Device, NGV
9 1 Cable, User Comm and Ctrl, 4G Outdoor
9 1 Cable, User TTL, 4G Outdoor
2.1.3.1.3 DOCUMENTATION
9 1 Installation Guide (on Installation CD)

October152009–InstallationGuideDraft–EditPurposesOnlyPage23
Installation Guide – October 2009 – Edit Purposes Only 2009
9 1 Operator's Manual (on Installation CD)
9 1 Quick Start Guide (on Installation CD and printed copy in package)
Documentation for your new device is installed onto your computer when you install the
SecureAdmin software. The product documentation is also available online at:
http://www.l1id.com/pages/450-product-manuals
The documentation is provided in Adobe Acrobat format (PDF). The Adobe Acrobat
Reader application is available on the Installation CD or at: http://www.adobe.com
2.1.4 CHOOSING THE INSTALL LOCATION
V-Station 4G and V-Flex 4G devices are designed to mount on either a double-gang
electrical box or on any flat surface. Consult with local professionals regarding any
building and safety codes that might affect your installation. The correct mounting height
is shown below.
Factors to consider when determining the position of a device on the wall:
9 Proximity to other switch plates or fixtures (the device should ideally be
mounted in-line with other plates or fixtures)
9 Distance from the floor to the top of the device (L-1 Identity Solutions
recommends using a height between 48 and 54 inches).
9 The device should be mounted on the knob-side of the door
9 Compliance with the Americans with Disabilities Act if in the United
States. Information about http://www.usdoj.gov.
Figure 2-1 Correct Mounting Height

October152009–InstallationGuideDraft–EditPurposesOnlyPage24
Installation Guide – October 2009 – Edit Purposes Only 2009
2.1.5 PLAN DEVICE NETWORK
The 4G devices feature a built-in single-door relay that allows them to control a single
door lock. They can therefore function on their own or as part of a larger access control
system.
System component selection is specific to each installation, but a minimum system
would consist of a finger-scan device mounted on or near an access point, an electric
lock, and cabling.
A more complex system might consist of devices at multiple access points (each with an
electric door lock), a multi-point controller, networking, and a PC to run the access
controller and SecureAdmin Server software.
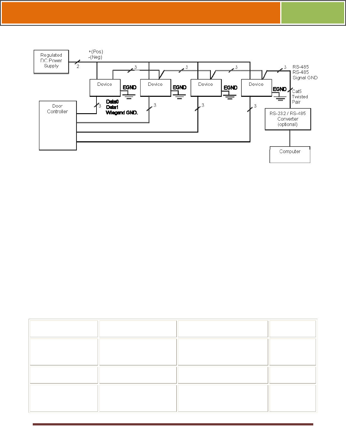
See the diagram below for an example (non-Ethernet) system diagram.

October152009–InstallationGuideDraft–EditPurposesOnlyPage25
Installation Guide – October 2009 – Edit Purposes Only 2009
Figure 2-2 Example RS-485 System Diagram
Installation of locks and access controllers should be completed according to their
respective manufacturers' specifications and in accordance with all local codes. Final
connections to the device are explained in more detail in Chapter 4.
To avoid externally generated transients, do not run any wires near utility AC power
wiring, lightning rod grounding wire, etc. Grounding equipment is required for ESD
protection and safety.
2.1.6 CHOOSE NETWORK TYPE
If your installation requires the use of network communications, then the choice of
cable, the cable run length, the network topology, and the termination of the network are
important aspects that must be considered. The V-Station 4G and V-Flex 4G devices
can be networked using RS-232, RS-485, or Ethernet protocols.
The table below outlines relevant parameters of the RS-485, RS-232, and 100 baseT
Ethernet communication protocols.
Table 2-1 Communications Network Comparison
Spec RS-485 RS-232 100BaseT
Mode of
Operation Differential DC
Coupled Single-ended DC
Coupled Multi
DC Isolation No No No
Maximum
Distance 4000 feet 150 feet 330 feet

October152009–InstallationGuideDraft–EditPurposesOnlyPage26
Installation Guide – October 2009 – Edit Purposes Only 2009
Spec RS-485 RS-232 100BaseT
Number of
Devices on one
line
31 1 Unlimited
Maximum Data
Rate 56 Kbps
(recommended) 56 Kbps*
(recommended) Auto-
negotiated
2.1.6.1 RS-232
If your system has only one device, or a few devices (each only a short distance away
from the SecureAdmin PC) then RS-232 can be used, provided that each device can
have a dedicated RS-232 port.
With RS-232 at 9600 baud, a distance of 150 feet is possible with shielded cable, but at
56 Kbps, a maximum of only 20 feet is recommended.
2.1.6.2 RS-485
RS-485 has two distinct advantages over the more common RS-232. First, it allows you
to connect up to 31 4G devices to a PC with an external RS-232 to RS-485 converter
(available from L-1 Identity Solutions). Second, the RS-485 specification allows for
cable
run lengths up to 4000 feet (1200 meters) at modest baud rates.
An RS-485 network is required instead of RS-232 if:
9 Multiple devices must be connected together so that templates can be
distributed among the devices
9 The installation has only a single device, but it is over 150 feet (45
meters) from the host PC.
2.1.6.2.1 RS-485 CABLE SPECIFICATION
V-Station 4G devices provide a 2-wire, half-duplex RS-485 interface. The main cable
run should be low capacitance, twisted-pair cable, with approximately 120 -ohm
characteristic impedance. Category-5 rated communications cable is used in RS-485
networks and its characteristics are defined below. This is the recommended cabling for
RS-485 communications. The cable connection includes a differential line (+ and -) and
a GND connection.

October152009–InstallationGuideDraft–EditPurposesOnlyPage27
Installation Guide – October 2009 – Edit Purposes Only 2009
Table 2-2 Category 5 Cable Characteristics
Specification Recommendation
Capacitance (conductor to conductor)
<20 pF/ft.
Characteristic Impedance 100 - 120 ohms
Nominal DC resistance <100 ohms/1000 ft.
Wire gauge 24 AWG stranded
Conductors/Shielding >2 pair (shielding is recommended)
2.1.6.2.2 RS-485 CABLE LENGTHS
As outlined in the RS-485 specification, the total length of the communication cable
(adding up all of the segments of the run) should not exceed 1200 meters (4000 feet).
Although the RS-485 specification calls for a maximum cable length of 1200 meters and
provides a maximum baud rate well above that of the 4G device, a more conservative
system should be configured to no more than 1000 meters and run at a baud rate of
9600 bits per second. After the network is configured and is running in a stable manner,
the baud rate can be increased if faster network communications are desired.
Drops (down-leads, stubs, T-connections, etc.) to equipment are not recommended, but
if required, should not exceed one foot) and should use the same cable recommended
above. On a long stub, a signal that travels down the wire reflects to the main line after
hitting the input impedance of the device at the end. This impedance is high compared
with that of the cable and the net
effect is degradation of signal quality on the bus.
2.1.6.2.3 RS-485 NETWORK TOPOLOGY
Communication cables for RS-485 should be laid out in a daisy chain configuration (See
Figure 2-3 below). Long stubs or drop downs and the star configuration should be
avoided because they create discontinuities and degrade signal quality. The star
configuration usually does not provide a clean signaling environment even if the cable
runs are all of equal length. The star configuration also presents a termination problem,
because terminating every endpoint overloads the driver. Terminating only two
endpoints solves the loading problem, but creates transmission line problems at the
unterminated ends. A true daisy chain configuration avoids these problems.

October152009–InstallationGuideDraft–EditPurposesOnlyPage28
Installation Guide – October 2009 – Edit Purposes Only 2009
NOTICE
The device on the end of the network should be
terminated with a 120 ohm resistor.
Figure 2-3 Network Topologies Star and Daisy Chain Configurations
NOTICE
A Daisy configuration is recommended over a Star configuration..
2.1.6.3 ETHERNET
If your system is to be configured for use over Ethernet, the wiring will be slightly
different. Communication cables for Ethernet logically form a straight line bus but the
more devices on that bus, the less efficient the network becomes due to increased
collisions, and the weaker the signal will get over distance. Repeaters can be used to
boost the signal strength; however, a better solution is to place switches at intermediate
positions along the bus. The most common Ethernet topology in use today is the star
configuration with a hub or switch in the center.
2.1.6.4 WIRELESSNETWORK DESIGN CONSIDERATIONS
A wireless network of V-Station 4G offers several advantages over wired networks,
such as convenience, speed of installation, and less wiring. If you
are planning to design a wireless network, consider these points:
Wireless signal interference Metal masses such as HVAC ducts, fire doors, vents,
stairs, etc. disrupt wireless signals. Building and stairwell structures, as well as internal
building walls, also impede wireless signals. Some electrical equipment, such as

October152009–InstallationGuideDraft–EditPurposesOnlyPage29
Installation Guide – October 2009 – Edit Purposes Only 2009
microwaves, large-screen TVs, cordless telephones are also known to affect wireless
signals. Consider the proximity of devices to these objects.
Distance from access points How far a device is from the closest access point plays a
major factor in determining the stability and strength of the wireless signal.
Multiple Access Points "Repeaters" or multiple access points can solve signal strength
problems that may be caused by either distance or loss due to interference.
2.1.7 CHOOSE POWER SOURCE
V-Station 4G and V-Flex 4G devices can be powered by several methods:
9 1 2V DC regulated adapter/bullet jack (4G Indoor only)
9 Power Over Internet (POE) through an inline PoE 802.3af power
injector
9 Power Over Internet (POE) through an inline PoE36U-1AT-R power
injector (4G Extreme with heater only)
9 2-pin mini connector with dedicated power source (4G Indoor only)
9 3-wire cable (4G Extreme).
Power sources should be:
9 Isolated from other equipment
9 Filtered
9 Protected by an Uninterruptible Power Supply (UPS) or battery backup
9 Protected by a voltage suppression device if transient electrical surges
are an issue in the location.
When planning a system, know the power requirement of each device. If multiple
devices are to share a common power supply, exercise care to avoid excessive voltage
loss on the wires. Voltage loss can lead to communication problems when devices are
talking and/or listening on different ground references.
Voltage loss is directly proportional to wire resistance and the current the wire carries.
Always place the device as close as possible to the power supply and always select a
wire size appropriate for the load. V-Station 4G devices run on DC power between 12.5
and 24 VDC.
Power requirements for all V-Station 4G and V-Flex 4G models are listed below.

October152009–InstallationGuideDraft–EditPurposesOnlyPage30
Installation Guide – October 2009 – Edit Purposes Only 2009
Table 2-3 V-Station 4G and V-Flex 4G Power Requirements
Power Requirement: 12 watts
Input Voltage Range: 12-24.0 VDC
Peak Current (12 VDC)
1 A
Peak Current (24 VDC)
500 mA
Table 2-4 V-Station 4G Extreme Power Requirements
Power Requirement 12 watts
Input Voltage Range 12-24.0 VDC @ 3 Amps
Peak Current (12 VDC)
1 A
Peak Current (24 VDC)
500 mA
Cooler Module 12 to 24VDC @ 10Amps
Most power supplies on the market today provide good input and output isolation.
However, power supplies which do not provide isolation (or have high leakage
capacitance), coupled with accidental AC power line interchanges, present serious
ground fault problems for installers. With a ground fault, the signal reference between
subsystems may be 115 VAC apart. If these subsystems are interconnected, the large
potential difference can cause equipment damage or personal injury. L-1 Identity
Solutions recommends using a dedicated regulated DC power supply.
All factory-supplied power supply assemblies are either switching or regulated linear
supplies and are isolated for safety and to minimize ground loop problems.

October152009–InstallationGuideDraft–EditPurposesOnlyPage31
Installation Guide – October 2009 – Edit Purposes Only 2009
CHAPTER 3 - INSTALL SOFTWARE
CHAPTER OVERVIEW
This chapter shows how to install, repair, modify, upgrade, and uninstall the
SecureAdmin Server and Client software packages.
3.1 INSTALL SOFTWARE
To install the SecureAdmin software, the user must have Administrator rights. Any
software required to install SecureAdmin is detected and installed automatically during
the setup process.
3.1.1 SECUREADMIN SERVER
To install the SecureAdmin Server software, follow these steps:
Insert the CD into the optical drive. If Autoplay is enabled, the installation process will
start automatically. A menu is displayed. If Autoplay is not enabled, start the
installation process manually by doubleclicking the Setup.exe file located in the
"Bioscryptsetup" folder on the root of the CD.
Figure 3-1 Install Menu
Click Server Installation. The InstallShield Wizard starts and the target system is
examined for prerequisite software. Any necessary software is listed.

October152009–InstallationGuideDraft–EditPurposesOnlyPage32
Installation Guide – October 2009 – Edit Purposes Only 2009
Figure 3-2 Prerequisites
Click Install . Microsoft .NET Framework 3.5 SP1 is installed. Restart the computer
when asked. The installation process continues automatically after the computer is
restarted. Repeat the same process for Windows Installer 4.5.
Figure 3-3 Restart Message

October152009–InstallationGuideDraft–EditPurposesOnlyPage33
Installation Guide – October 2009 – Edit Purposes Only 2009
Figure 3-4 SecureAdmin Server Installation Wizard
The Secure Admin Server Installation Wizard is displayed. Click Next to continue the
setup process.
Figure 3-5 SecureAdmin Server License Agreement
The L-1 Identity Solutions License Agreement is displayed. Select the appropriate radio
button to agree with the terms and then click the Next button (You must accept the
terms of the licence agreement to continue the installation process).

October152009–InstallationGuideDraft–EditPurposesOnlyPage34
Installation Guide – October 2009 – Edit Purposes Only 2009
Figure 3-6 SecureAdmin Server Choose Destination Location
The Choose Destination Location screen is displayed. Accept the default installation
folder and click the Next button or click Browse to choose your own installation path.
After you specify a destination folder, the Database Selection screen is displayed.
Figure 3-7 Database Selection

October152009–InstallationGuideDraft–EditPurposesOnlyPage35
Installation Guide – October 2009 – Edit Purposes Only 2009
Using the radio buttons, select the type of database application you intend to work with,
or select an existing database. Click the Next button.
If you selected the SQL Server 2008 Express Edition option, it will be installed locally if
it is not already installed.
9 Select SQL Server 2008 Express Edition option to install SQL Server
2008 on the local machine and Click Next.
9 Select Windows authentication or Database server authentication
option and enter a valid login ID and password values.
9 Enter the name of the database catalog or click Browse to select an
existing database catalog.
9 Click Next to continue.
Figure 3-8 Connecting to SQL Server option
If you selected Connect to Existing SQL Server option,
9 Select Connect to Existing SQL Server option and Click on Next.

October152009–InstallationGuideDraft–EditPurposesOnlyPage36
Installation Guide – October 2009 – Edit Purposes Only 2009
9 You can select existing database instance of SQL Server 2005 or SQL
Server 2008 as required from the drop-down of Database server that
you are installing to.
9 Select the Database server authentication option and enter valid
Login ID and password values.
9 Accept the default database catalog or click Browse to select a
different database catalog.
9 Click Next to continue
If you selected the Oracle 1 0G Express Edition option, it will be installed locally if it is
not already installed.
If you selected Connect to Existing Oracle Server option,
9 Select Connect to Existing Oracle Server option and Click Next.
9 Select the Service name, existing Oracle Server IP Address and
Existing Oracle Server Service name.
9 Accept the default database catalog or click Browse to select a
different database catalog.
9 Click Next to continue.
9 Select database server and enter valid Login Id and password. Accept
the default database catalog or click Browse to select a different
database catalog.
9 Click Next to continue.
Figure 3-9 Database Server Configuration

October152009–InstallationGuideDraft–EditPurposesOnlyPage37
Installation Guide – October 2009 – Edit Purposes Only 2009
3.1.1.1 REPAIRING AN INSTALLATION OF SECUREADMIN SERVER
To repair an installation:
1. Login as Administrator and go to the Install.
Double-click the Setup.exe installer file to start the installer.
On the L1 Identity Solutions screen, select the Server Installation option.
On the SecureAdmin Welcome screen, select the Repair option. Click Next to
continue.
On the Maintenance Complete screen, click the Finish button to complete the repair
installation process.
3.1.1.2 UNINSTALLING SECUREADMIN SERVER
Uninstall SecureAdmin Server by using either the Add/Remove Program function in
Windows or by using the Remove option from the installation file as outlined below.
You can also uninstall SecureAdmin Server by using the Remove option within the
installation file. Follow the instructions above for repairing an Installation. Select the
Remove option instead of the Repair option, then follow the prompts.
3.1.1.3 UPGRADING AN INSTALLATION OF SECUREADMIN SERVER
Installer of SecureAdmin supports upgrading SecureAdmin server from existing
(currently installed) version to a newer one.

October152009–InstallationGuideDraft–EditPurposesOnlyPage38
Installation Guide – October 2009 – Edit Purposes Only 2009
1. When you run the setup of SecureAdmin server, it checks to see if previous version
of SecureAdmin server is already installed on the machine. If yes, it prompts to
upgrade SecureAdmin server. Click Yes to continue with upgrade install.
Figure 3-10 Upgrade Confirmation
If you have installed previous version of SecureAdmin server with SQL Server 2005,
installer prompts to upgrade from SQL Server 2005 to SQL Server 2008. Click Yes if
you intend to migrate to SQL Server 2008.
Clicking Yes will install SQL Server 2008 locally if it is not installed. It will upgrade
existing SQL Server 2005 database catalog and migrate it to SQL Server 2008.
Clicking No will upgrade existing SQL Server 2005 database catalog.
Figure 3-11 Upgrade from MS-SQL Server 2005 Express Edition Confirmation
Click Finish. This completes the SecureAdmin server installation and exits the installer
Figure 3-12 SecureAdmin Server Installation Complete

October152009–InstallationGuideDraft–EditPurposesOnlyPage39
Installation Guide – October 2009 – Edit Purposes Only 2009
3.1.2 SECUREADMIN CLIENT
To install the SecureAdmin client software, follow these steps:
1. Insert the CD into the optical drive. If Autoplay is enabled, the installation process
will start automatically. A menu is displayed. If Autoplay is not enabled, start the
installation process manually by doubleclicking the Setup.exe file located in the
SecureAdmin folder on the CD.
Figure 3-13 Menu
Click Client Installation. The InstallShield Wizard is started and the target system is
examined. The Welcome screen is displayed.

October152009–InstallationGuideDraft–EditPurposesOnlyPage40
Installation Guide – October 2009 – Edit Purposes Only 2009
Figure 3-14 InstallShield Wizard
Figure 3-15 Welcome Screen
Click the Next button to continue. The License Agreement screen is displayed.
Figure 3-16 SecureAdmin Client License Agreement

October152009–InstallationGuideDraft–EditPurposesOnlyPage41
Installation Guide – October 2009 – Edit Purposes Only 2009
The L-1 Identity Solutions License Agreement is displayed. Select the appropriate radio
button to agree with the terms and then click the Next button. The Choose
Destination Location screen is displayed.
Figure 3-17 SecureAdmin Client Choose Destination Location
Accept the default installation folder and click the Next button or click Browse to choose
your own installation path. After you specify a destination folder, the Fingerprint
Selection Feedback selection screen is displayed.
Figure 3-18 Fingerprint Placement Feedback Option Selection
Select the appropriate radio button to either display or to not display fingerprint data. If
Display Fingerprint Image is selected, a fingerprint will be displayed while
enrolling templates. If the Display Fingerprint Placement Feedback option is
selected, then SecureAdmin displays crosshair placement feedback instead of
fingerprint images while enrolling templates.

October152009–InstallationGuideDraft–EditPurposesOnlyPage42
Installation Guide – October 2009 – Edit Purposes Only 2009
Click the Next button. The InstallShield Wizard completes the installation and displays a
Finished screen.
Select either or both of the optional Check Create Desktop Icon and Launch Secure
Admin Client check boxes.
Figure 3-19 InstallShield Wizard Finished
Click the Finish button.
3.1.2.1 MODIFYING AN INSTALLATION OF SECUREADMIN CLIENT
To modify an installation:
1. Login as Administrator and go to the Secure Admin installer.
Double-click the Setup.exe installer file to start the installer.
On the L1 Identity Solutions screen, select the Client Installation option.
On the Secure Admin Welcome screen, select the Modify option. Click Next to
continue.
Select the appropriate Fingerprint Placement Feedback option. If Display
Fingerprint Image is selected, fingerprints will be displayed while enrolling
templates. If Display Fingerprint Placement Feedback is selected, SecureAdmin
displays crosshair feedback instead of fingerprint images while enrolling templates.
Click Next to continue.
On the Maintenance Complete screen, click the Finish button to complete the
modified installation.
3.1.2.2 REPAIRING AN INSTALLATION OF SECUREADMIN CLIENT
To repair an installation:
1. Login as Administrator and go to the Secure Admin installer.

October152009–InstallationGuideDraft–EditPurposesOnlyPage43
Installation Guide – October 2009 – Edit Purposes Only 2009
Double-click the Setup.exe installer file to start the installer.
On the L1 Identity Solutions screen, select the Client Installation option.
On the SecureAdmin Welcome screen, select the Repair option. Click Next to continue.
On the Maintenance Complete screen, click the Finish button to complete the repair
installation process.
3.1.2.3 UNINSTALLING SECUREADMIN CLIENT
Uninstall SecureAdmin Client by using either the Add/Remove Program function in
Windows or by using the Remove option from the installation file.
To uninstall SecureAdmin client by using the Remove option within the installation file,
follow the instructions for repairing an installation. Select the Remove option instead of
the Repair option, then follow the prompts.
3.1.2.4 UPGRADING AN INSTALLATION OF SECUREADMIN CLIENT
To upgrade a previous version of SecureAdmin Client, first uninstall the older version
using Windows Add/Remove Programs or the SecureAdmin installer, then re-install the
new version of SecureAdmin Client.

October152009–InstallationGuideDraft–EditPurposesOnlyPage44
Installation Guide – October 2009 – Edit Purposes Only 2009
CHAPTER 4 - INSTALL HARDWARE
CHAPTER OVERVIEW
This chapter explains how to install a V-Station 4G or V-Flex 4G device, how to mount a
wall plate, how to attach a device to a wall plate, and how to make the required
electrical connections to the device.
4.1 INSTALL HARDWARE
4.1.1 WALL-MOUNTING SCHEMES
The V-Station 4G and V-Flex 4G devices are mounted, by use of a mounting plate,
either directly to a wall or to an electrical box recessed in the wall. The V-Station 4G
device can be flush mounted only. The V-Flex 4G device can be either flush or recess-
mounted on a wall.
The V-Station 4G Extreme devices are mounted, by use of a stainless steel mounting
plate, directly to a wall.
4.1.2 INSTALLING A MOUNTING PLATE
The procedure for mounting a wall plate directly to a wall is as follows:
Hold the mounting plate onto the wall in the desired location, trace the square hole that
will be cut out, and mark the mounting screw locations. Note that for the V-Flex 4G,
the large square hole is at the bottom and for the V-Station 4G the hole is to the
right.
Cut out the square hole with a jigsaw or drywall saw. If the V-Flex 4G device is to be
recess-mounted, cut out a hole in the drywall to accommodate the rear extension on
the device housing.
Drill holes for the nylon wall anchors and install them.
Fish wires through the wall to the square hole.
Align the hole in the wall plate with the hole in the wall.
Fasten the mounting plate to the nylon wall anchors in the wall with the provided
screws.
If the V-Flex 4G device is to be recess-mounted on an electrical box, a double gang box
is required to accept the rear extension of the housing.
If mounting the V-Station 4G device to an electrical box, attach the mounting plate to a
single

October152009–InstallationGuideDraft–EditPurposesOnlyPage45
Installation Guide – October 2009 – Edit Purposes Only 2009
gang box and use wall anchors on the remaining four holes for additional security.
To install the mounting plate on to an electrical box, screw the mounting plate to the box
with the provided 6-32 screws.
CAUTION
When installing a recess-mounted V-Flex 4G device, be careful not
to damage the tamper switch, as careless handling can shear it off.
Figure 4-1 V-Flex 4G Flush-mount Mounting Plate
Figure 4-2 V-Flex 4G Recessed-mount Mounting Plate

October152009–InstallationGuideDraft–EditPurposesOnlyPage46
Installation Guide – October 2009 – Edit Purposes Only 2009
Figure 4-3 V-Station 4G Mounting Plate
NOTICE
The V-Station 4G device can only be flush mounted.

October152009–InstallationGuideDraft–EditPurposesOnlyPage47
Installation Guide – October 2009 – Edit Purposes Only 2009
Figure 4-4 V-Station 4G Extreme Mounting Plate

October152009–InstallationGuideDraft–EditPurposesOnlyPage48
Installation Guide – October 2009 – Edit Purposes Only 2009
Figure 4-5 4G Extreme PIV/TWIC Mounting Plate
4.1.3 INSTALLATION HARDWARE
4.1.3.1 4G V-Station and V-Flex Indoor devices
Quantity
9 1 Wall mounting plate/mullion mounting plate
9 6 #6-32 3/4" Philips pan-head screw
9 6 #6 1" Philips pan-head self-tapping screws
9 6 #4-8 1" nylon wall anchors
The hardware shown above is provided to mount the mounting plate to the wall and the
V- Station 4G or V-Flex 4G device to the mounting plate.
4.1.3.2 4G Extreme Devices
9 1 Stainless Steel, Wall Mount Plate
9 8 wall mount anchor, conical, for #8 screws
9 6 6-32 Security Screw 1/8" pin-in-hex 3/8" length

October152009–InstallationGuideDraft–EditPurposesOnlyPage49
Installation Guide – October 2009 – Edit Purposes Only 2009
9 8 #8x1" thread forming screw, pan head, Philips
9 8 wall mount anchor, conical, for #8 screws
4.1.4 ATTACH DEVICE TO MOUNTING PLATE
4.1.4.1 4G V-STATION AND V-FLEX INDOOR DEVICES
Once all the electrical connections have been made to the device, it can be attached to
the mounting plate as follows:
For the V-Flex 4G, insert the four hooked protrusions on the rear of the device into the
corresponding slots on the mounting plate. Hold the device against the plate and gently
press it in a downward direction to engage the hooks. Insert the star-shaped screw at
the bottom center of the mounting plate and tighten with the wrench provided. Do not
over-tighten.
For the V-Station 4G, hold the device with the top slightly tilted toward you, at about a
30-degree angle to the wall. Hold the bottom of the device against the mounting plate
and lower it so that the two hooks on the bottom of the mounting plate engage the
corresponding slots on the device. When the hooks are properly engaged, the top of the
device can be pivoted up against the mounting plate. It will drop down slightly, locking
itself in the closed position, and should be secured in this position with the star-shaped
screws in the holes at the right and left ends on the bottom of the device. Do not over-
tighten.
With the securing screws removed, the V-Station 4G device can be pivoted down 90
degrees from the wall, to allow access for making connections, etc. The device can be
removed from the mounting plate by tilting it at an angle approximately 30 degrees to
the wall and gently lifting it up off the hooks on the mounting plate.
Figure 4-6 Device Open for Installation or Service
4.1.4.2 4G EXTREME DEVICES
TBD

October152009–InstallationGuideDraft–EditPurposesOnlyPage50
Installation Guide – October 2009 – Edit Purposes Only 2009
4.1.5 CONNECT DEVICE TO POWER SOURCE
The V-Station 4G and V-Flex 4G, and 4G Extreme devices can be powered by 12V-24V
DC power sources, or through a Power Over Ethernet (PoE) injector for V-Station 4G
and V-Flex 4G.
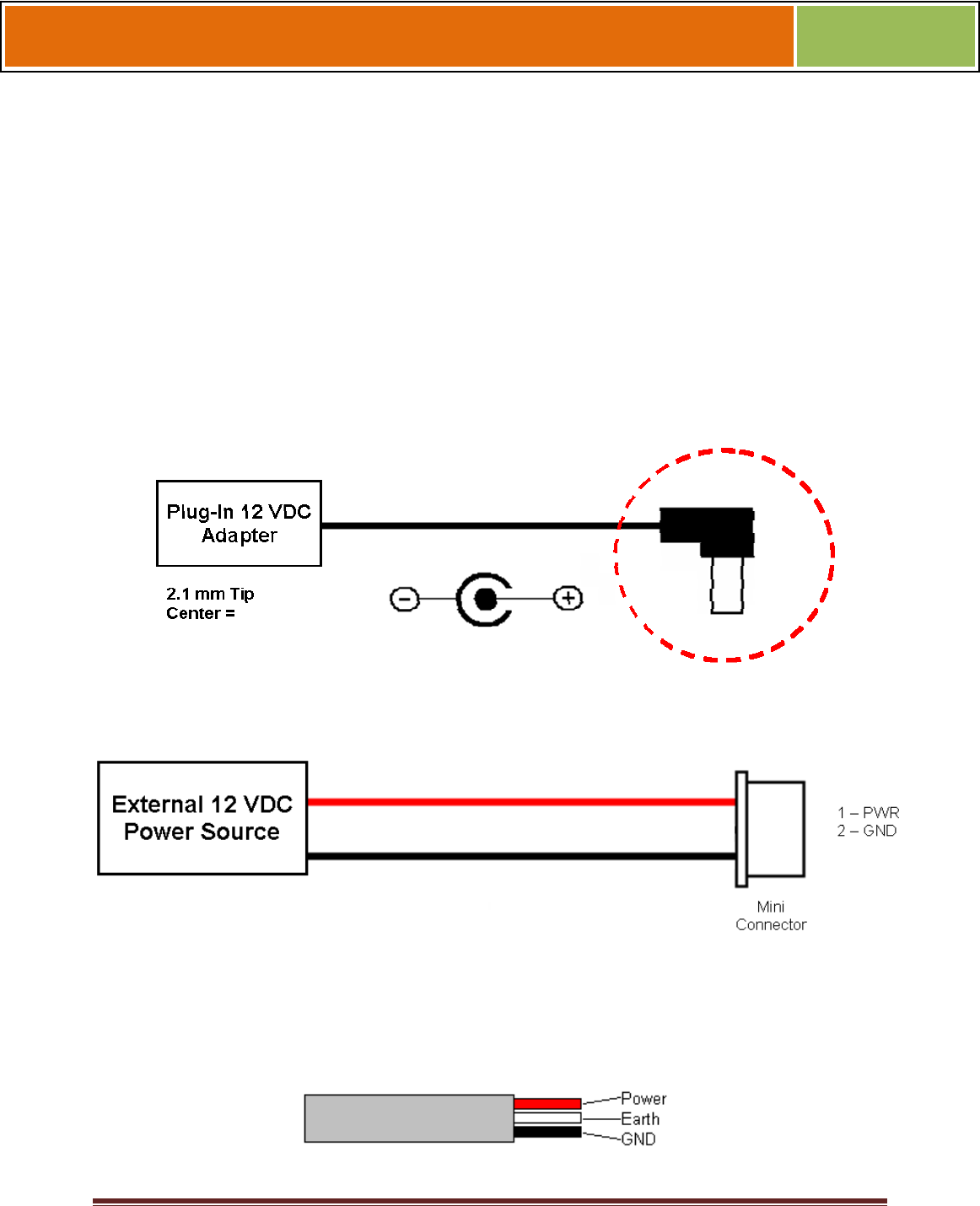
The two options for providing 1 2V power to V-Station 4G and V-Flex 4G devices are by
using an external wall plug-in adapter (Figure 4-7), or through external wiring and a mini
plug (Figure 4-8).
12V power can be provided to 4G Extreme devices only through the 3-Wire back cable
(Figure 4-9).
Figure 4-7 Connections for an External Wall Adapter (4G Indoor)
Figure 4-8 Connections for an External Power Source (4G Indoor)
Figure 4-9 Connections for an External Power Source (4G Extreme)

October152009–InstallationGuideDraft–EditPurposesOnlyPage51
Installation Guide – October 2009 – Edit Purposes Only 2009
The V-Station 4G, V-Flex 4G devices both support Power over Ethernet (PoE), using
their RJ-45 Ethernet interface. When these devices are to be powered over Ethernet, an
IEEE 802.3af compliant Active Midspan Injector must be used. Such an injector is not
supplied with L-1 Identity Solutions products. An example of a suitable PoE injector is
Model No. AT-61 01 G from Allied Telesis Inc. (http://www.alliedtelesis.com).
Any such device should carry at least one of the certifications shown below and should
be FCC listed.
Figure 4-10 Certification Marks
Figure 4-11 Power Over Ethernet Connection
Specifications for suitable PoE Injectors for 4G Indoor devices are as follows:
9 Input voltage: 90-264 VAC, 60 Hz
9 Input current: 0.4A @ 100 VAC
9 Output voltage: -48 VDC
9 Output current: 0.32A
9 Power: 15.36 W
For Power over Ethernet, RJ-45 pin numbers 4, 5 are considered VB1 (+) positive DC
supply, and pin numbers 7, 8 are VB2(-) DC return.

October152009–InstallationGuideDraft–EditPurposesOnlyPage52
Installation Guide – October 2009 – Edit Purposes Only 2009
Detailed RJ-45 pin assignments for PoE are given in Table PoE Pin Assignments, and
the physical location of the pins in the RJ-45 connector.
Figure 4-12 RJ45 Pin Location
4.1.6 CONNECT DEVICE TO NETWORK
The V-Station 4G and V-Flex 4G devices support both RS-232/RS-485 and Ethernet 1
0baseT and 1 00baseTX network protocols.
4.1.6.1 ETHERNET NETWORK CONNECTIONS
Ethernet connections to the device are made through a standard RJ-45 connector on
the back of the device.
4.1.6.2 RS-232/RS-485 NETWORK CONNECTIONS
To connect a device to an RS-232 or RS-485 network, connect the appropriate wires to
the provided pigtail in accordance with the pin-out diagram.
Table 4-1 Pin-out Diagram

October152009–InstallationGuideDraft–EditPurposesOnlyPage53
Installation Guide – October 2009 – Edit Purposes Only 2009
When connecting the device to the network, the following procedures must be followed:
9 Use Category 5 cabling with a characteristic impedance of 120 ohms
for RS-485 networks. Category 5 cables with a characteristic
impedance of 100 ohms can also be used, but with lower performance.
9 Cable manufacturers provide cables with multiple twisted pairs
designed for this type of communication (characteristic impedance is
120 ohm).
9 Unused pairs within the cable must be terminated with characteristic
impedance (100 or 120 ohm) on both ends.
9 AWG 24 should be considered as the minimum gauge.
9 Choose one twisted pair of conductors to use for RS-485 differential
connections, other conductors should be used for Signal Ground (RS-
485 GND on Weidmuller connection).
9 The RS-232 to RS-485 converter must support Sense Data to be able
to switch from Send to Receive mode.
9 Check each device's cabling for ground faults before connecting to an
RS-485 network.
9 Each device should have pin 3 of the mini-connector connected to
earth ground.
After all devices are configured and connected to the RS-485 network, the baud rate
can be increased to the highest supported rate (some experimentation might be
required).
4.1.6.3 WIRELESS NETWORK CONNECTIONS
After the physical installation, the device can be configured for wireless network
connection. The wireless network can be set up either through SecureAdmin (see
Chapter 7 in the Operator's Manual) or through the front panel of the V-Station 4G
device.
To set up wireless operation through the front panel of a V-Station 4G device, perform
the following steps:
2. Power up the device.
Ensure that the wireless network is functioning.
Use one of these supported modes:
9 WEP Open
9 WPA Personal

October152009–InstallationGuideDraft–EditPurposesOnlyPage54
Installation Guide – October 2009 – Edit Purposes Only 2009
9 WPA2 Personal.
NOTICE
L-1 Identity Solutions does not recommend using the "No
encryption" mode.
Enter the Admin menu on the device by pressing the Left arrow and Enter keys
simultaneously.
Key in the Admin password (default is "0000") and press OK.
Select the Communications icon and press OK
Select "Network Interface" and press OK.
Select "WLAN" Configuration and press OK.
Select Managed/Adhoc mode from WLAN Network type.
Select the intended wireless networks.
Enable WLAN mode from WLAN parameters.
Choose Encryption mode and encryption .
Enter the key.
Select "DHCP" or "Static" and press OK. If you selected "DHCP", the device reboots.
Afterwards, it will have a dynamic IP address. If you selected "Static IP", specify an
IP, a Net Mask, a Gateway, and then press OK.
SecureAdmin can scan for and auto-detect wireless devices. If you want to use
SecureAdmin to scan for wireless devices, ensure that the "multicasting" option is
enabled in your router.
NOTICE
The maximum recommended distance from an access point is 25
feet.
4.1.7 SINGLE-DOOR CONTROLLER INSTALLATION
The V-Station 4G and V-Flex 4G devices incorporate an internal relay that enables
them to operate a deadbolt/door strike directly.

October152009–InstallationGuideDraft–EditPurposesOnlyPage55
Installation Guide – October 2009 – Edit Purposes Only 2009
WARNING
The internal relay is limited to a maximum current of 170 mA. If the
deadbolt/ doorstrike to be controlled draws more than 170 mA,
damage to the device may occur. If the deadbolt/door strike load
exceeds 170 mA, an external relay must be used, as described
below. Do not use the same power supply to power a V-Series 4G
device and a door strike.
Assuming the current drawn by the deadbolt/door strike is less than 170 mA, the
connections between the V-Station 4G or V-Flex 4G device, deadbolt/door strike, and
power supply for the deadbolt/door strike should be made. Note that a snubber diode (1
N4007 or equivalent) must be connected across the deadbolt/door strike to protect the
DC power supply from inductive kickback.
CAUTION
The snubber diode and DC power supply for the deadbolt/door strike
are not supplied with the V-Station 4G and V-Flex 4G devices. The
power supply should be specified in accordance with the voltage and
current requirements of the deadbolt/door strike, but it must be
ensured that the current to operate the dead bolt/door strike does
not exceed 170 mA.
If the current required to operate the deadbolt/door strike exceeds 170 mA, an external
relay must be used in conjunction with the V-Station 4G or V-Flex 4G device. The
external relay must be specified so that its contacts are rated to carry the current
required by the deadbolt/door strike, and that the current required to operate its
energizing coil is within the 170 mA capacity of the V-Station 4G or V-Flex 4G device's
internal relay.
Figure 4-13 Connections for Internal Relay Operation

October152009–InstallationGuideDraft–EditPurposesOnlyPage56
Installation Guide – October 2009 – Edit Purposes Only 2009
The power supply for the external relay must be chosen to match the operating voltage
and current of the external relay coil, but its voltage must not exceed the V-Station 4G
or V-Flex 4G device's internal relay maximum voltage rating of 250 volts.
The external relay should be connected. Note that snubber diodes (1 N2007 or
equivalent) should be connected across the external relay coil and the deadbolt/door
strike.
Figure 4-14 Connections for External Relay Operation

October152009–InstallationGuideDraft–EditPurposesOnlyPage57
Installation Guide – October 2009 – Edit Purposes Only 2009
4.1.8 AUX PORT
The Aux port is a USB 2.0 auto-negotiate connector located on the bottom of the
device. To access the Aux port, the Aux port door must first be removed. Use the
provided pin-in-hex security key to remove the #6-32 security screw retaining the plastic
Aux port door. Gently remove the plastic Aux port door to reveal the USB connector.
To attach a USB memory key or other "gadget" serial device by way of the Aux port,
use the USB Type A female to USB Micro A/B male adapter cable provided in the
installation kit.
The Aux port is used to transfer files to and from the device. Audio, images, firmware,
logs, and configuration files can be transferred quickly and easily to a device without the
need for a computer.
CAUTION
Current rating of the Aux port is not to exceed 100 mA Maximum.
Figure 4-15 Location of Aux Port (V-Station 4G)

October152009–InstallationGuideDraft–EditPurposesOnlyPage58
Installation Guide – October 2009 – Edit Purposes Only 2009
Figure 4-16 Location of Aux Port (4G Extreme)
Figure 4-16 USB Memory Key
4.1.9 INSTALL FERRITE CORE
In order for the V-Station 4G and V-Flex 4G devices to comply with FCC Class B &
CISPR 22 Class B regulations, the installer and/or end user is required to use the
supplied Ferrite Material on the Ethernet, DC, and all I/O cables exiting the rear of the
device. This ferrite material is located within the installation kit that is supplied with each
product.

October152009–InstallationGuideDraft–EditPurposesOnlyPage59
Installation Guide – October 2009 – Edit Purposes Only 2009
Ethernet Ferrite P/N: STEWARD 28A2432-0A2 DC & I/O Lines P/N: STEWARD
28A4155-0A2
Install the ferrite cores as close to the device as possible.
Figure 4-18 Installation of Ferrite Cores

October152009–InstallationGuideDraft–EditPurposesOnlyPage60
Installation Guide – October 2009 – Edit Purposes Only 2009
CHAPTER 5 - SYSTEM START-UP
PROCEDURES
CHAPTER OVERVIEW
This chapter explains the various start-up procedures and checks that should be
performed before applying power to a device.
Chapter Index
5.1 SYSTEM START-UP PROCEDURES
To avoid the need for difficult troubleshooting, system start-up must follow this step-by-
step procedure. Never wire up a system and apply power to it all at once.
SYSTEM START-UP OVERVIEW
L-1 Identity Solutions recommends always following these system start-up steps:
Do not apply power to any device.
Check all wiring and device configurations.
Disconnect all devices from the communication line.
Check the supply voltage for correct voltage.
Power up the PC running SecureAdmin.
Power up the RS-232 to RS-485 converter (if installed).
Configure SecureAdmin.
Perform a ground fault check for the converter (if installed).
Connect the PC and converter (if installed) to the communication line.
Verify that the device powers up correctly, but do not connect it to the communication
line. The power LED should be illuminated. Check the power lines with a voltmeter.
Perform a ground fault check for the device (if using RS-485, see below).
Connect the device to the communication line.
Verify that the device communicates with SecureAdmin.
If there are more device, repeat Steps 10 through 13 for each device.
5.1.1 DEVICE CONFIGURATION CHECK
Devices must be configured correctly before they can communicate. Common problems
include incorrect Host Port Protocol settings, mismatched Baud rates, and incorrect

October152009–InstallationGuideDraft–EditPurposesOnlyPage61
Installation Guide – October 2009 – Edit Purposes Only 2009
device Net-work IDs. Each device sharing a communication line must have a unique
device Network ID.
5.1.2 RS-232 TO RS-485 CONVERTER GROUND FAULT CHECK
Before a device can be connected to an RS-485 subsystem, it must be checked for
ground faults. An uncorrected ground fault can damage all devices connected to the
RS-485 communication line.
To check for a ground fault on the RS-232 to RS-485 converter:
3. Apply power to the RS-232 to RS-485 converter.
Connect the signal ground of the RS-485 line through a 10k ohm current-limiting resistor
to the signal ground of the RS-232 to RS-485 converter. There should be no more
than 1 volt across the resistor.
5.1.3 DEVICE GROUND FAULT CHECK
To check for a ground fault on a new V-Station 4G or V-Flex 4G device:
4. Apply power to all devices already successfully connected to the RS-485 line.
Power up the new device but do not connect it to the RS-485 line.
Connect the signal ground of the RS-485 line through a 10k ohm current-limiting resistor
to the signal ground of the V-Station 4G device.
There should be no more than 1 volt across the resistor. If there is, find and clear the
fault.
Repeat Steps 1 through 3 with each of the RS-485 signal lines (+ and -).
Connect the new device to the RS-485 line only if no ground fault is found.

October152009–InstallationGuideDraft–EditPurposesOnlyPage62
Installation Guide – October 2009 – Edit Purposes Only 2009
6.1 CONFIGURE DEVICE
V-Station 4G and V-Flex 4G devices must be configured before use. This includes
setting various communication parameters and calibrating the device's sensor
6.1.1 REGISTER DEVICE
After a device is physically installed, it must registered. This can be done several ways -
- when a device is connected by means of a network (this is the recommended method),
or when the device is connected directly to the host computer upon which SecureAdmin
is running.
6.1.1.1 TO REGISTER A NETWORKED DEVICE
Launch SecureAdmin.
Double-click the Network tab. Three buttons are displayed.
Figure 6-1 Network Sidebar Tab
Click the Register via Server button. A Register via Server dialog box is displayed.

October152009–InstallationGuideDraft–EditPurposesOnlyPage63
Installation Guide – October 2009 – Edit Purposes Only 2009
Figure 6-2 Register via Server Dialog Box
Select the Search Automatically check box (UDP protocol must be enabled on the
net-work.
Click the Scan button. SecureAdmin scans the network for connected devices and lists
the results. Devices with "plus" signs in their icon are available to add.
In the list, click the icon of the device you want to register. The server communication
parameter dialog box is displayed. A Register Device dialog box is displayed.
Select the communication parameter (if connecting via RS-232 or RS-485), enter
the appropriate Port, Baud Rate, Device ID, and select the communication protocol
from the drop-down. If connecting via enter the network IP address of the device
(selectthe DHCP check box if dynnamic IP addressing is used).
Figure 6-3 Register Device Dialog Box

October152009–InstallationGuideDraft–EditPurposesOnlyPage64
Installation Guide – October 2009 – Edit Purposes Only 2009
Enter a Device Name.
Select a Group.
Click Register. A Device Summary is displayed.
Figure 6-4 Device Summary Dialog Box
Click OK.
Click Close. The device is registered.
6.1.1.2 TO REGISTER A DEVICE VIA A CLIENT
5. Launch SecureAdmin.
Double-click the Network tab. Three buttons are displayed.
Click the Register via client button. The Step 1 Find Device dialog box is displayed.
Figure 6-5 Step 1 Find Device Dialog Box

October152009–InstallationGuideDraft–EditPurposesOnlyPage65
Installation Guide – October 2009 – Edit Purposes Only 2009
Select either Serial Port - this machine or Ethernet radio button.
Enter the appropriate connection details.
If you are connecting via USB/RS-232:
Enter the appropriate Port Number (to determine the correct port number, look in the
Win-dows Device Manager for a "Gadget Serial" entry under the "Ports (COM & LPT)"
heading), Baud Rate, and Device ID.
If you are connecting via RS-485:
Enter the appropriate Port Number (to determine the correct port number, look in the
Win-dows Device Manager for your RS-485 entry under the "Ports (COM & LPT)"
heading), Baud Rate, and Device ID.
If you are connecting via Ethernet:
Enter the network IP Address of the device you want to connect to.
NOTICE
The first time a V-Station 4G or V-Flex 4G device is connected to the
computer via the USB/RS-232 interface, the Windows Found New
Hardware Wizard might start. As all required device drivers are
installed when Secu-reAdmin is installed, simply follow the prompts,
accepting the default choices when possible, to install the device.
Click Next. The Step 2 Device Information dialog box is displayed.
Figure 6-6 Step 2 Device Information Dialog Box

October152009–InstallationGuideDraft–EditPurposesOnlyPage66
Installation Guide – October 2009 – Edit Purposes Only 2009
Click Next. The Step 3 Server Communication Parameter dialog box is displayed.
Figure 6-7 Step 3 Server Communication Parameter Dialog Box
Select the radio button that corresponds how the server will connect to the device,
either by Serial Port or by Ethernet.
If connecting via RS-232 or RS-485, enter the appropriate Port, Baud Rate, and
Device ID and select the communication protocol from the dropdown. If connecting
via Ethernet, enter the network IP Address of the device (select the DHCP check
box if dynamic IP addressing is used).
Click Next. The Step 4 Register Device dialog box is displayed.

October152009–InstallationGuideDraft–EditPurposesOnlyPage67
Installation Guide – October 2009 – Edit Purposes Only 2009
Figure 6-8 Step 4 Register Device Dialog Box
Enter a Device Name.
Select the Group the device will belong to from the drop-down menu.
Click Register. The Device Summary dialog box is displayed.
Figure 6-9 Device Summary Dialog Box

October152009–InstallationGuideDraft–EditPurposesOnlyPage68
Installation Guide – October 2009 – Edit Purposes Only 2009
CHAPTER 7 - MAINTENANCE AND
CLEANING
CHAPTER OVERVIEW
This chapter explains how to replace and calibrate the fingerprint sensor module, and
how to clean the device sensor.
7.1 MAINTENANCE AND CLEANING
The V-Station 4G and V-Flex 4G devices require very little in the way of daily
maintenance except for occasional cleaning and disinfecting. The V-Station 4G and V-
Flex 4G devices feature field-replaceable sensors.
7.1.1 FIELD MAINTENANCE
V-Station 4G and V-Flex 4G fingerprint sensors can be replaced quickly and easily in
the field. The following sections explain in detail the steps required to replace a sensor.
7.1.1.1 DISARMING THE TAMPER PROTECTION
The Tamper Switch is a momentary push-button switch on the back of the device within
the I/O cable interface pocket.
The tamper protection feature allows the device to sound an audio alert, flash LEDs,
send a pre-defined Wiegand string to the control panel, or disable biometrics if the
tam-per switch is triggered.
Figure 7-1 Tamper Switch Location For V-Station 4G

October152009–InstallationGuideDraft–EditPurposesOnlyPage69
Installation Guide – October 2009 – Edit Purposes Only 2009
With the wall mounting plate mounted and the device secured to the mounting plate, the
tamper switch is depressed, closing the electrical circuit. When the device is removed
from the wall by removing the security screws or in the event that the device is removed
from the wall by force, the tamper switch opens.
To access the tamper-protection setting on the V-Station 4G device using the keypad:
Enter the Admin menu on the device by pressing the Left arrow and Enter keys
simultaneously.
Key in the Admin password (default is "0000") and press OK.
Select the System icon and press OK.
Select Device Settings and press OK.
Select SDC/Tamper Settings and press OK.
Select Tamper Settings and press OK.
If the alarm has sounded, select Clear and Re-enable. The Tamper protection setting is
set to disabled by default.
7.1.1.2 REPLACING THE SENSOR
WARNING
The sensors can only be replaced with the same type as previously
used. L-1 EAS does not support changing the type of sensor.
Different types of sensors are not interchangeable, and the device
will fail to operate.
NOTICE
• Power to the device MUST BE DISCONNECTED prior to
servicing.
• If the device is secured to the wall please be sure to follow the
Disable instructions.
• Tamper settings prior to the removal of the device from the
wall.
• ESD protective handling procedures must be followed before
any service is applied to the device.

October152009–InstallationGuideDraft–EditPurposesOnlyPage70
Installation Guide – October 2009 – Edit Purposes Only 2009
7.1.1.2.1 V-FLEX 4G
To replace the sensor module in a V-Flex 4G device, follow these steps:
6. Remove the security screw and slide the V-Flex 4G device up until the hooks are
free from the wall-mounting plate.
Remove two Philips screws.
Gently slide the sensor back plate, sensor mask, and sensor out of the V- Flex 4G
device. Be careful not to damage any internal wiring.
Disconnect the sensor module wiring harness from the internal device connector. It
might be necessary to rock the connector back and forth to work it out. Do not pull
with excessive force as you might damage the mating connector.
Figure 7-2 Removal of Sensor Module from V-Flex 4G Device
Disconnect the sensor module wiring harness from the sensor module. Do not damage
the wiring harness as it will be re-used with the new sensor module.
Reassembly is the reverse of disassembly.
CAUTION
The parts are assembled at the factory and are not meant to be
removed by the end user. Removing any of these parts will void the
warranty.

October152009–InstallationGuideDraft–EditPurposesOnlyPage71
Installation Guide – October 2009 – Edit Purposes Only 2009
Figure 7-3 Non-Removable Parts (V-Flex 4G)
7.1.1.2.2 V-STATION 4G
To replace the sensor module in a V-Station 4G device, follow these steps:
7. Remove the security screw.
Tilt the device at an angle approximately 90 degrees to the wall.
Remove the three Philips screws.
Figure 7-4 Removal of Sensor Module from V-Station 4G Device
Gently slide the sensor back plate, sensor mask, and sensor out of the V- Station 4G
device. Be careful not to damage any internal wiring.

October152009–InstallationGuideDraft–EditPurposesOnlyPage72
Installation Guide – October 2009 – Edit Purposes Only 2009
Disconnect the sensor module wiring harness from the internal device connector. It
might be necessary to rock the connector back and forth to work it out. Do not pull
with excessive force as you might damage the mating connector.
Disconnect the sensor module wiring harness from the sensor module. Do not damage
the wiring harness as it will be re-used with the new sensor module.
Reassembly is the reverse of disassembly.
CAUTION
The parts shown are assembled at the factory and are not meant to
be removed by the end user. Removing any of these parts will void
the warranty.
Figure 7-5 Non-Removable Parts (V-Station 4G)
7.1.1.3 CALIBRATING THE SENSOR
After a device sensor is replaced, it must be calibrated before it can be used (Only
available for UPEK sensors).
To calibrate a device:
8. Select Sensor Calibration in the Tools drop-down menu. The Calibration Wizard
appears.

October152009–InstallationGuideDraft–EditPurposesOnlyPage73
Installation Guide – October 2009 – Edit Purposes Only 2009
Figure 7-6 Calibration Wizard Step 1 of 2 Dialog Box
Select the device you want to calibrate in the Current Device menu.
Click Calibrate. Wait as the device sensor is calibrated.
Click Next. The Calibration Wizard Step 2 dialog box is displayed.
Figure 7-7 Calibration Wizard Step 2 of 2 Dialog Box
Click Capture.

October152009–InstallationGuideDraft–EditPurposesOnlyPage74
Installation Guide – October 2009 – Edit Purposes Only 2009
Place a finger on the sensor, hold it, and remove it as directed by the on-screen
prompts. The capture results are displayed.
Figure 7-8 Calibration Wizard Capture Results Dialog Box
Click Close. The device sensor is now fully calibrated and ready to use.
7.1.2 CLEANING
Sensors become soiled with residue, oils, or other contaminants due to contact with
fingers and exposure to the elements. The sensor surface should be cleaned
periodically for performance, aesthetic, and hygienic reasons. Care must be taken when
cleaning the sensor to prevent dam-aging the sensor surface or surrounding
components.
To clean the fingerprint sensor in a V-Station 4G or V-Flex 4G device:
9. Remove the electrical power from the device.
Moisten (do not saturate) a clean cotton swab or a lint-free cloth with rubbing (Isopropyl)
alcohol.
CAUTION
Do not use chlorine-based cleaners, such as bleach, or chlorine-
based bath-room or mildew cleaners. Chlorine-based cleaners will
not adversely affect the fingerprint sensor, but they could damage
the electronic circuitry sur-rounding the fingerprint sensor.
Do not use solvents such as acetone, methyl ethyl ketone, lacquer
thinner, etc. Solvents will not adversely affect the sensor, but they
are likely to damage the reader housing or other peripheral
components.

October152009–InstallationGuideDraft–EditPurposesOnlyPage75
Installation Guide – October 2009 – Edit Purposes Only 2009
WARNING
Never use products such as abrasive cleaning powders, steel wool,
scouring pads, or fine sandpaper to clean the sensor surface. These
types of cleaning products will damage the sensor surface.
Rub the sensor surface with the moistened cotton swab or lint-free cloth. Do not allow
the cleaning product to drip onto any electronic components near the sensor.
Rub the sensor with a clean dry cotton swab or lint-free cloth to remove any traces of
clean-ing product.
Reconnect power to the device.
NOTICE
Disposable ESD-safe wipes, such as ACL Staticide wipes, can be
used to disinfect the sensor and buttons on a daily (or even more
frequent) basis. Be aware that some wipes might not offer the same
cleaning power as the prod-ucts mentioned above and thus should
not be relied upon to thoroughly re-move all residue. Use of wipes
does, however, helps keep sensor and button surfaces hygienic and
makes an excellent complement to periodic cleaning.

October152009–InstallationGuideDraft–EditPurposesOnlyPage76
Installation Guide – October 2009 – Edit Purposes Only 2009
CHAPTER 8 - TROUBLESHOOTING
CHAPTER OVERVIEW
This chapter information about any error messages that might be experienced during
the installation process.
8.1 TROUBLESHOOTING
8.1.1 INSTALLATION ERROR MESSAGES
These error messages might occur during the SecureAdmin installation process.
8.1.1.1 ERROR 1406 - INSUFFICIENT PRIVILEGES
Figure 8-1 Error 1406
This error can occur during SecureAdmin Client installation at the last step (right before
"Finish"). If it occurs, it means that the user does not have sufficient rights to install
software on the computer.

October152009–InstallationGuideDraft–EditPurposesOnlyPage77
Installation Guide – October 2009 – Edit Purposes Only 2009
Log off and log on either as a Administrator or another user that has sufficient privileges
to install software and perform the setup process again.
8.1.1.2 ERROR 27552 - ERROR CREATING DATABASE
Figure 8-2 Error 27552
This error can occur during SecureAdmin Server installation process. If it occurs, it
means that the user does not have sufficient privileges to access a specific SQL
database.
Contact your IT department to ensure that your privileges are correct for the specified
database.
8.1.1.3 INVALID PASSWORD
Figure 8-3 Invalid Password

October152009–InstallationGuideDraft–EditPurposesOnlyPage78
Installation Guide – October 2009 – Edit Purposes Only 2009
This error can occur during SecureAdmin Server installation process on the User
configuration screen (after the database configuration screen).
If it occurs, it means that the password provided is not strong enough. Click OK, and
re-enter a password that is considered more secure. The password should be between
8 and 30 characters long and contain at least one capital letter, one number, and one
non-alphanumeric character.

October152009–InstallationGuideDraft–EditPurposesOnlyPage79
Installation Guide – October 2009 – Edit Purposes Only 2009
8.1.1.4 ERROR 27502 - USER NOT ASSOCIATED WITH TRUSTED SQL SERVER
Figure 8-4 Error 27502 - User Not Associated
This error can occur during the SecureAdmin Server installation process. If it occurs, it
means that the InstallShield Wizard could not access the specified SQL database.
Check your user name and password or contact your IT department to ensure that your
user name is associated with the specified SQL database.

October152009–InstallationGuideDraft–EditPurposesOnlyPage80
Installation Guide – October 2009 – Edit Purposes Only 2009
8.1.1.5 ERROR 27502 - SQL SERVER DOES NOT EXIST
Figure 8-5 Error 27502 - Server Does Not Exist
This error can occur during the SecureAdmin Server installation process (at the time of
database configuration, after the database selection screen). If it occurs, it means that
the InstallShield Wizard could not connect to the specified SQL database because it
does not exist or because the user is not authorized to access that database
Check your user name and password or contact your IT department to ensure that your
user name is authorized to access the specified SQL database.

October152009–InstallationGuideDraft–EditPurposesOnlyPage81
Installation Guide – October 2009 – Edit Purposes Only 2009
8.1.1.6 INSUFFICIENT SYSTEM MEMORY
Figure 8-6 Insufficient System Memory
This error can occur during the SecureAdmin Server installation process at the first
screen after selecting server installation from the options screen.
If it occurs, it means that the computer you are trying to install SecureAdmin Server on
does not have sufficient system memory. Install more memory or install on a different
machine.
8.1.1.7 OUT OF DISK SPACE
Figure 8-7 Out of Disk Space

October152009–InstallationGuideDraft–EditPurposesOnlyPage82
Installation Guide – October 2009 – Edit Purposes Only 2009
This error can occur during the SecureAdmin Client installation process when
Secu-reAdmin starts to configure components, after the fingerprint feedback options
selection.

October152009–InstallationGuideDraft–EditPurposesOnlyPage83
Installation Guide – October 2009 – Edit Purposes Only 2009
9.1 CHAPTER 9 - NOTICES
The 4G lines of products have been tested for compliance with all applicable
international standards. The resulting approvals are listed below, and are additionally
printed on the labelling located on the rear panel of the product.
V- Flex 4G FCC, CE
V- Station 4G FCC, CE
PIV-TWIC Station 4G FCC, CE
9.1.1 FCC Information to Users
This device complies with part 15 of the FCC Rules. Operation is subject to the
following two conditions: (1) This device may not cause harmful interference, and (2)
this device must accept any interference received, including interference that may
cause undesired operation.

October152009–InstallationGuideDraft–EditPurposesOnlyPage84
Installation Guide – October 2009 – Edit Purposes Only 2009
NOTICE
This equipment has been tested and found to comply with
the limits for a Class B digital device, pursuant to part 15 of
the FCC Rules. These limits are designed to provide
reasonable protection against harmful interference in a
residential installation. This equipment generates uses and
can radiate radio frequency energy and, if not installed and
used in accordance with the instructions, may cause
harmful interference to radio communications. However,
there is no guarantee that interference will not occur in a
particular installation. If this equipment does cause harmful
interference to radio or television reception, which can be
determined by turning the equipment off and on, the user
is encouraged to try to correct the interference by one or
more of the following measures:
9 Reorient or relocate the receiving
antenna.
9 Increase the separation between the
equipment and receiver.
9 Connect the equipment into an outlet on a
circuit different from that to which the
receiver is connected.
Consult the dealer or an experienced radio/TV technician for help.
This Class B digital apparatus complies with Canadian ICES-003.
Applicable only to V-Station 4G and PIV-TWIC Station 4G series product: This
product complies with FCC radiation exposure limits set forth for an uncontrolled
environment. To comply with FCC RF exposure requirements, it must be installed and
operated in accordance with provided instructions. The unit requires minimum 20cm
(8inch) spacing between the unit and all person’s body (excluding hands and feet)
during wireless modes of operation.
9.1.2 CE Information to Users
All Veri-Series 4G devices have the CE mark, for compliance with CISPR22/EN55022
requirements. For European Union (EU) countries, V-Flex 4G and V- Station 4G are

October152009–InstallationGuideDraft–EditPurposesOnlyPage85
Installation Guide – October 2009 – Edit Purposes Only 2009
compliant with CE under the R&TTE Directive, related to the radio transceivers that are
part of their design.
9.1.3 Warning to Users
CAUTION
Changes or modifications not expressly approved by L-1 Identity
Solutions Inc. could void the user's authority to operate the
equipment.