1672 & 1673 Triple Output DC Power Supplies BK1673 Manual
2015-04-15
: Bk Bk1673 Manual BK1673_manual fr-fr manuals s
Open the PDF directly: View PDF
.
Page Count: 20

Modèles 1672, 1673
Alimentations Stabilisées Triples
Manuel d’Utilisation
1 RÉSUMÉ DES RÈGLES DE SECURITÉ
Les précautions générales de sécurité suivantes sont valables à la fois pour le
personnel qui utilise l’appareil et pour le personnel qui assure la maintenance. Elles
doivent être respectées pendant toute la durée des opérations de réglage,
maintenance ou réparation de l’instrument. Avant la mise sous tension, respecter les
instructions d’installation et d’utilisation et se familiariser avec les règles de
fonctionnement de l’instrument.
MISE À LA TERRE
Afin d’éviter les risques de choc électrique, le châssis de l’instrument et son
boitier doivent être mis à la terre. Cet appareil est mis à la terre par le
conducteur de terre de la prise secteur 3 pôles. Le câble d’alimentation doit
être absolument connecté à une prise secteur conformes aux normes en
vigueur. Ne pas détériorer cette connexion. En cas d’absence de protection
par mise à la terre, toutes les parties conductrices accessibles (y compris les
boutons et commandes) peuvent provoquer un choc électrique. Le câble
d’alimentation est conforme aux normes européennes.
NE PAS UTIILISER L’INSTRUMENT DANS UNE ATMOSPHÈRE EXPLOSIVE
Ne pas utiliser l’instrument en présence de gaz inflammables ou en
atmosphère explosive. L’utilisation de l’instrument dans de telles conditions
représente un danger pour la sécurité.
ÉLOIGNER L ‘INSTRUMENT DE CIRCUITS SOUS TENSION
Le couvercle ou les panneaux ne doivent pas être démontés par l’utilisateur.
Toute opération de réglage, maintenance ou réparation ne doit être
effectuée que par un personnel qualifié. Déconnecter le câble
d’alimentation avant d’enlever le couvercle et les panneaux et de remplacer
des composants. Des risques peuvent exister même lorsque le câble
d’alimentation a été débranché. Afin d’éviter tout risque de dommages
corporels, débranchez le câble d’alimentation et les circuits de décharge
avant de les toucher.
NE PAS ENTREPRENDRE SEUL DES OPÉRATIONS DE RÉGLAGES OU MAINTENANCE
Ne pas entreprendre de manipulations ou réglages internes sous tension
hors de la présence d’une personne capable de porter les premiers secours
et de pratiquer une réanimation.
NE PAS CHANGER LES COMPOSANTS NI MODIFIER L’INSTRUMENT
Ne pas remplacer de composants et ne pas effectuer de modifications non
autorisées de l’instrument. Pour assurer le respect des normes de sécurité,
retourner celui-ci à B&K Precision pour la maintenance et la réparation.
ATTENTION ET DANGER
Les indications ATTENTION et DANGER, comme celle indiquées ci-dessous
mettent en évidence un risque et apparaissent tout au long de ce manuel.
Veuillez suivre attentivement les instructions indiquées à cet effet.
Ne pas passer outre les indications ATTENTION et DANGER avant d’avoir
bien compris et rempli les conditions indiquées.
L’indication ATTENTION identifie les conditions ou pratiques qui peuvent
occasionner des dommages aux composants ou à l’ensemble du matériel.
L’indication DANGER identifie les conditions ou pratiques qui peuvent
occasionner des blessures ou présenter un risque vital pour le personnel.
ATTENTION :
Cet appareil est mis à la terre par le conducteur de terre du
câble d’alimentation. Ne pas détériorer cette connexion. En
cas d’absence de protection par mise à la terre, toutes les
parties conductrices accessibles (y compris les boutons et
commandes) peuvent provoquer un choc électrique.
Le câble d’alimentation est conforme aux normes
européennes.
ATTENTION :
Afin d’éviter tout risque de choc électrique, déconnecter le
câble d’alimentation avant d’enlever le couvercle. La
maintenance doit être effectuée pas un personnel qualifié.

SYMBOLE ATTENTION
Ce symbole indique qu’il faut se référer au manuel et qu’un risque
existe.
Risque de choc électrique
Symbole de Terre (sur le châssis)
Conformité DEE
Conformément à la DEE, cet appareil ne doit pas être jeté
avec les déchets ménagers. Il doit faire l’objet d’un
recyclage. Merci de contacter votre distributeur.
Table des matières
1 Résumé des règles de sécurité ..................................... Erreur ! Signet non défini.
2 Introduction ................................................................................................................................. 3
3 Installation .................................................................................................................................... 4
3.1 Inspection initiale............................................................................................................ 4
3.2 Alimentation ...................................................................................................................... 5
3.3 Installation.…….. .. ……………………………………………………………………………5
4 Contrôles and Indicateurs ...................................................................................................... 6
4.1 Panneau avant .................................................................................................................. 6
4.2 Panneau arrière ............................................................................................................... 7
5 Instructions .................................................................................................................................. 8
5.1 Sortie du générateur de fonction ................................................................................ 8
5.2 Modes de Tension constante (CV) et de Courant constant (CC) ................ 8
5.3 Configuration du système ............................................................................................ 9
5.3.1 Mode indépendant ............................................................................................... 9
5.3.2 Mode asservi série .............................................................................................. 10
5.3.3 Mode asservi parallèle .................................................................................... 11
5.3.4 Unités multiples en mode série ................................................................... 12
5.3.5 Unités multiples en mode parallèle ........................................................... 12
5.3.6 Sortie fixe 5V/3A ............................................................................................... 13
6 Spécifications ............................................................................................................................ 14
7 Maintenance .............................................................................................................................. 15
7.1 Mesures préventives ..................................................................................................... 15
7.2 Lorsque l’instrument ne fonctionne pas ............................................................ 16
7.3 Remplacement de fusibles ....................................................................................... 16
8 Information........................................................................... Erreur ! Signet non défini.
9 Garantie d’un an ................................................................. Erreur ! Signet non défini.
2 Introduction
Description
Les alimentations stabilisées BK1672 et BK1673 dont des modèles à 3 sorties : 2 sorties de
0 à 30V / 3A et une sortie 5V / 3A. Ces sorties variables peuvent fonctionner en mode
autonome ou en mode série ou encore en mode parallèle. Configurer facilement la tension
et l’intensité grâce aux verniers situés sur le panneau avant et à l’affichage quadruple très
lumineux. Cette alimentation est particulièrement destinée aux tests électroniques, à la
production et aux services où de multiples alimentations DC indépendantes sont
nécessaires et où la place est limitée.
Caractéristiques
3 sorties indépendantes
Réglages séparés de tension et de courant pour les sorties variables
Fonctionnement en mode de tension constante ou de courant constant.
Affichages à 3 chiffres pour des valeurs de sortie (tension et courant)
Affichage LED lumineux et simple de lecture pour les modes de Courant
constant et de Tension constante.
Affichage LED des surcharges pour des valeurs de sorties fixes.
Fonctionnement en mode Série ou Parallèle.
Mise sous tension à partir du panneau avant.
Sélection de la valeur de tension d’alimentation à partir du panneau arrière
(115 Vac/ 230 Vac).
3 Installation
3.1 Inspection Initiale
Cet appareil est testé avant son expédition. Il est donc prêt { l’utilisation dès réception.
L’inspection physique initiale doit être effectuée afin de garantir que l’appareil n’a pas été
endommagé pendant le transport.
.

Contrôler l’emballage et s’assurer qu’il n’a subi aucun dommage. Si un dommage externe
apparait, sortir l’instrument du carton et contrôler visuellement le boitier et les
composants. Si l’instrument présente des détériorations quelconques, ne pas l’utiliser et
contacter votre distributeur.
L’emballage d’origine est indispensable pour pouvoir, le cas échéant, retourner l’appareil {
l’expéditeur.
Après l’inspection mécanique, vérifier le contenu du carton. Les éléments qui doivent être
présents sont :
Cordon d’alimentation
Un manuel d’utilisation sur CD ROM
Un jeu de cordons
Contacter notre service commercial s’il manque des accessoires.
3.2 Alimentation
L’instrument peut être alimenté par une tension de 115 V à 230 V AC, 50 à 60 Hz. La fiche
secteur situé sur le panneau arrière vous permet de sélectionner la tension de ligne. Avant
de connecter la prise { l’alimentation secteur, veuillez vous assurer que la sélection de la
tension est bien compatible avec la tension de ligne de votre habitation. De même pour les
fusibles. Voir tableau ci-dessous.
Sélection
Tension
d’alimentation
Fusible
115V
100 ~ 125V 50/60 Hz
6A (modèle 1672)
10A (modèle 1673)
230V
220 ~ 240V 50/60 Hz
3A (modèle 1672)
6A (modèle 1673)
Tableau 1 – Tableau des fusibles
3.3 Installation
Avant d’alimenter l’instrument, assurez-vous que le réglage de la tension d’entrée est
correct et que les trous de ventilation ne sont pas obstrués. Assurez-vous que le

ventilateur situé { l’arrière du panneau fonctionne bien (il devrait s’allumer lorsque
l’instrument est allumé). Ne pas encombrer la sortie du ventilateur si celui ne fonctionne
pas car cela peut provoquer un risque de surchauffe.
4 Commandes et Indicateurs
4.1 Panneau avant
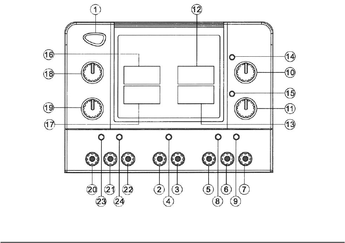
Schéma 2 – Panneau avant
1 Interrupteur Marche / Arrêt
2 Borne de sortie « - » borne de sortie (polarité négative) de l’alimentation 5V
3 Borne de sortie « + » borne de sortie (polarité positive) de l’alimentation 5V
4 Indicateur surcharge allumé lorsque l’alimentation 5V est en limitation de courant
5 Borne de sortie « - » borne de sortie (polarité négative) de l’alimentation maître
6 Borne de terre terre, reliée au châssis de l’alimentation
7 Borne de sortie « + » borne de sortie (polarité positive) de l’alimentation maître
8 Indicateur CC( maître) Allumé en rouge en mode courant constant pour l’alimentation maître
9. Indicateur CV( maître) Allumé en vert en mode tension constante pour l’alimentation maître
10 Réglage tension(maître)réglage de la tension de sortie de l’alimentation maître, et de l’esclave en mode
asservi. Lorsque tiré, permet de passer en mode asservi « série »
11 Réglage courant (maître) réglage du courant de sortie de l’alimentation maître. En mode tiré, le
fonctionnement de l’alimentation est parallèle

12 Afficheur indique la tension de sortie de l’alimentation maître (3 digits verts)
13 Afficheur indique le courant de sortie de l’alimentation maître (3 digits rouges)
14 Indicateur de fonctionnement série (LED)
15 Indicateur de fonctionnement parallèle (LED)
16 Afficheur indique la tension de sortie de l’alimentation esclave (3 digits vert)
17 Afficheur indique le courant de sortie de l’alimentation esclave (3 digits rouge)
18 Réglage tension (esclave) réglage du courant de sortie de l’alimentation esclave
19 Réglage courant (esclave) réglage du courant de sortie de l’alimentation esclave
20 Borne de sortie « - » borne de sortie (polarité négative) de l’alimentation esclave
21 Borne de terre (esclave) terre, reliée au châssis de l’alimentation
22 Borne de sortie « + » borne de sortie (polarité positive) de l’alimentation esclave
23 Indicateur CC( esclave) Allumé en rouge en mode courant constant pour l’alimentation esclave
24. Indicateur CV( esclave) Allumé en vert en mode tension constante pour l’alimentation esclave
4.2 Panneau arrière
Schéma 3 – Panneau arrière
25 Radiateur
26 Ventilateur utilisé pour le refroidissement des étages de puissance
27 Entrée secteur pour brancher le cordon secteur 3 pôles
28 Sélecteur secteur permet de choisir la tension secteur et porte fusible
29 Indication de tension la marque permet de connaître la tension choisie sur le
sélecteur
5 Mise en œuvre
5.1 Réglage de la tension et du courant de sortie
Déterminer la valeur de courant maximale pour la charge connectée { l’alimentation.
Noter que V=IR
Court-circuiter temporairement les bornes + et – de l’alimentation (utiliser un cordon
externe).
Régler la tension { une valeur suffisante pour que l’indicateur CC soit allumé.
Régler la valeur de limitation du courant à la limite désirée. Pour cela lire la valeur sur
l’afficheur de l’ampèremètre.
La limite de courant, en cas de surcharge, est maintenant fixée. Ne pas retoucher aux
potentiomètres de réglage du courant.
Enlever le court-circuit des bornes + et - . Procéder au réglage de tension (mode
source de tension)
Régler maintenant la tension { la valeur désirée et connecter l’alimentation à votre
application.
En fonction de la condition de charge, l’alimentation secteur fonctionnera en mode CV
(tension constante) ou CC (courant constant). Le changement automatique est signalé par
les LEDS CV et CC.
5.2 Mode CV (tension constante) et Mode CC (courant constant)
Les caractéristiques de fonctionnement de cette Alimentation sont du type à point de
recoupement.
Cela permet une transition constante du mode de courant constant au mode de tension
constante en réponse au changement de charge. L’intersection entre les modes de tension
constante et de courant constant est appelée point de recoupement.
Le SchémaSchéma 4 indique la relation entre ce point et la charge et la charge.

Schéma 4 – Caractéristiques CC/CV
Par exemple, si la charge est telle que l’alimentation fonctionne en mode de tension
constante, une tension de sortie régulée est fournie. La tension de sortie reste constante
pendant que la charge grandit jusqu’au point où la limite actuelle prédéfinie est atteinte.
Le courant de sortie devient alors constant et la tension de sortie.
Le point de recoupement est indiqué par les indicateurs LED du panneau avant. Ce point
de recoupement est atteint lorsque l’indicateur de tension constante CV disparait et que
celui de courant constant CC apparait. De la même manière, le recoupement d’un mode CC
{ un mode CV résulte d’une diminution de la charge.
5.3 Configuration du Système
Les Modèles 1672 et 1673 possèdent 2 sorties variables, qui peuvent fonctionner
indépendamment, en mode série ou mode parallèle avec une commutation et des réglages
provenant de l’alimentation maitre (courant et tension) fournit par la tension maitre et les
roues de contrôle de courant. Les utilisateurs peuvent aussi connecter plusieurs
alimentations en mode série ou parallèle afin d’augmenter leur tension et courant.
5.3.1 Mode indépendant
Assurez-vous que le bouton de réglage de tension de l’alimentation maître soit poussé.
Effectuer les réglages de courant et tension comme indiqué précédemment Chacune des
alimentations (maître et esclave) peut fournir la tension demandée au courant maximum
spécifié.

5.3.2 Fonctionnement asservi série
En mode asservi série, la borne + de l’alimentation esclave est connectée à la borne – de
l’alimentation maître. Cette connexion est réalisée en interne. Le contrôle de la tension de
sortie s’effectue { partir de l’alimentation maître, en sachant que la tension de
l’alimentation esclave sera identique et asservie { celle de l’alimentation maître.
Tirer le vernier de réglage de tension maître (la LED verte s’allume pour indiquer le
mode sélectionné).
En mode asservi série, la borne + de l’alimentation esclave est connectée { la borne –
de l’alimentation maître. Cette connexion est réalisée en interne. Le contrôle de la
tension de sortie s’effectue { partir de l’alimentation maître, en sachant que la tension
de l’alimentation esclave sera identique et asservie { celle de l’alimentation maître.
La lecture de la tension totale se fait en additionnant les tensions maître et esclave.
CHARGE
Schéma 5 – Connexion de charge en mode asservi Série

5.3.3 Fonctionnement asservi parallèle
En mode asservi parallèle, les deux alimentations sont connectées en parallèle de
manière interne. Ce mode permet d’obtenir un courant double en sortie. Seules les
sorties de l’alimentation maître sont utilisées pour connecter un dispositif externe.
Dans ce mode, courant et tension de l’alimentation esclave sont asservis sur les
valeurs de l’alimentation maître.
Tirer le vernier de réglage de courant de l’alimentation maître (les LED rouges 15 et
23 doivent s’allumer pour indiquer le mode).
Tirer les 2 verniers de réglage de tension et le vernier de réglage de courant dans le
sens des aiguilles d’une montre.
Régler la tension de sortie { l’aide des verniers de réglages de la tension. Le courant
de sortie sera 2 fois supérieure au courant de la sortie maitre.
En mode parallèle, connecter la charge appropriée entre la borne + de l’alimentation
et la borne – de l’alimentation esclave ou entre la borne + de l’alimentation maître et
la borne – de l’alimentation esclave.
CHARGE
Schéma 6 – Connexion de charge en
mode asservi Parallèle

5.3.4 Utilisation de plusieurs alimentations en mode série
Il est possible de brancher 2 ou plusieurs alimentations en série (tension max. 240 V.)pour
obtenir des tensions plus élevées.
1. Brancher les alimentations en série dans le mode asservi série (comme décrit
précédemment) et ajuster les au même niveau de sortie.
2. Brancher la borne négative de l’alimentation esclave de l’unité 1 { la borne positive de
l’alimentation de l’unité 2.
3. La sortie sera disponible { travers l’alimentation maître de l’unité 1 et la borne – de
l’alimentation esclave de l’unité 2.
5.3.5 Utilisation de plusieurs alimentations en mode parallèle
Il est possible de brancher 2 ou plusieurs alimentations en série (courant max. 24 A
uniquement) pour obtenir des courants plus élevés.
CHARGE
Unité 1
Unité 2
Schéma 7 – Connexion de plusieurs unités en série

1. Brancher les alimentations en parallèle dans le mode asservi parallèle (comme décrit
précédemment) et ajuster au même niveau de tension de sortie.
2. Effectuer la connexion parallèle des bornes positives et négatives des alimentations
maître et esclave pour toutes les unités.
La tension de sortie du système est la même pour toutes les unités. Les courants
s’additionnent pour donner la valeur du courant de sortie.
5.3.6 Alimentation fixe 5V/3A
L’alimentation fixe 5V fournit une tension de 5V, sous un courant max. de 3A. Ce type
d’alimentation convient parfaitement aux circuits logiques TTL. Lorsque la charge excède
3A, la LED surchargée s’allume. La tension de sortie sera inférieure et l’alimentation sera
en mode de courant constant.
CHARGE
Unit 1
Unit 2
Schéma 8 – Connexion de plusieurs unités en parallèle

6 Spécifications
1672
1673
Paramètres de SORTIE
Nombres de sortie
Trois (2 variables et 1 fixe)
Gamme
0 à 32 VDC / 0 à 3 A (variable)
et 5 V / 3 A (fixe)
0 à 32 VDC / 0 à 6 A (variable)
et 5 V / 3 A (fixe)
Mode de tension constante (sorties variables)
Régulation de la ligne
<0.01% + 5 mV
Régulation de la charge
<0.2% + 10 mV
<0.55% + 10 mV
Ondulation & Bruit
<1 mV eff.
<1 mV eff. (maitre)
<4 mV eff. (esclave)
Mode de courant constant (sorties variables)
Régulation de ligne
<0.2% + 5 mA
Régulation de charge
<0.2% + 8 mA
0.4% + 8 mA
Ondulation & Bruit
<1 mA eff.
Asservissement
Erreur de Tracking
< 0.5%+3 digits de l’alimentation maitre
Tension fixe de 5V
Précision de la tension
5 V ± 0.25 V
Ondulation & Bruit
<1 mV eff.
Affichage
Tension
LED verte 0.56 pouces 3 digits
Courant
LED rouge 0.56 pouces 3 digits
Précision
<0.1% + 3 digits

Général
Alimentation
115/230 V ± 10%, 50/60 Hz ± 10%
Température de
fonctionnement
10 °C to 40 °C
Humidité
90% H.R. max.
Coefficient de
Température
<300PPM / C° (tension et courant)
Dimensions (L x l x p)
230 x 170 x 310 mm
Poids
5.7 kg
9.0 kg
Garantie : 1 an
Accessoires inclus
Cordon d’alimentation, manuel d’instruction, 2 paires de cordon
test
Note : Toutes les spécifications s’appliquent { l’instrument après un temps de stabilisation
de température de 15 minutes.
Nous nous réservons le droit de modifier ces spécifications sans préavis.
Pour des informations à jour sur nos produits, veuillez consulter notre service
commercial.
7 Maintenance
7.1 Mesures préventives
Veuillez suivre ces étapes de sécurité avec attention afin de garantir le bon
fonctionnement de l’appareil :
Ne jamais poser d’objets lourds sur l’instrument.
Ne jamais placer de fer à souder chaud sur ou à proximité de l’instrument.
Ne jamais introduire de câbles, de pointes de touche ou autres objets
métalliques dans le ventilateur.
Ne jamais déplacer l’instrument et le câble d’alimentation et les cordons de
sortie SURTOUT lorsque ceux-ci sont branché au secteur.
Ne pas obstruer les conduits du ventilateur situés à l’arrière de l’instrument.
Cela peut provoquer une hausse de la température interne.
Ne pas utiliser l’instrument avec le couvercle et les panneaux démontés. Si
vous n’êtes pas habilité à réaliser la maintenance.
Nettoyer et calibrer régulièrement l’instrument afin de le maintenir en bon
état visuel et de fonctionnel.
Nettoyer les saletés et les poussières apparentes sur la face externe du
boitier à l’aide d’un chiffon doux humidifié avec une solution nettoyante
douce.
7.2 Lorsque l’instrument ne s’allume pas
Vérifier que vous avez bien appuyé sur le bouton ON/OFF. Puis vérifier le câble
d’alimentation. Assurez-vous qu’il est bien branché { l’instrument. Vérifiez de même le
bouton de mise sous tension et assurez-vous que la tension d’alimentation du secteur est
identique à celle indiquée au dos de l’instrument. Vérifiez enfin l’état des fusibles.
7.3 Remplacement du fusible
Si le fusible grille, la LED en face avant ne sera pas allumée et l’instrument ne fonctionnera
pas. Remplacer le fusible par un modèle strictement équivalent.
Enlever le porte fusible comme décrit ci-après :
1 Débrancher le cordon d’alimentation de l’arrière de l’instrument.
2 A l’aide d’un tournevis, ouvrir le compartiment fusible.
Lorsque vous remettez le porte fusible, assurez-vous que la tension secteur choisie est
correcte. Pour cela, lire les informations qui se tiennent en face de la flèche du porte-
fusible.
