BlackBerry R802D-2-O Wireless OEM Modem User Manual Manual
BlackBerry Limited Wireless OEM Modem Manual
Contents
Manual

Integrator’s
Guide
RIM 802D
OEM Radio Modem
DRAFT

RIM 802D OEM Radio Modem Integrator’s Guide
Last Updated: August 24, 1999
Model No. R802D-2-O
© 1999, RESEARCH IN MOTION LIMITED
Research In Motion and RIM are registered trademarks of Research In Motion Ltd.
MS-DOS is a registered trademark, and Windows is a trademark, of Microsoft Corp.
Warning: This document is for the use of licensed users only. Any unauthorised
copying, distribution or disclosure of information is a violation of copyright laws.
While every effort has been made to ensure technical accuracy, information in this
document is subject to change without notice and does not represent a commitment on
the part of Research In Motion Limited.
Research In Motion
295 Phillip Street
Waterloo, Ontario
Canada N2L 3W8
tel. (519) 888-7465
fax (519) 888-7884
Email: rim802d@rim.net
Web site: www.rim.net

DRAFT FCC Compliance Statement (USA)
FCC Class B Part 15
This device complies with Part 15 of FCC Rules. Operation is subject to
the following two conditions:
1. This device may not cause harmful interference, and
2. This device must accept any interference received, including
interference that may cause undesired operation.
Warning
Changes or modifications to this unit not expressly approved by the party
responsible for compliance could void the user’s authority to operate this
equipment.
This equipment has been tested and found to comply with the limits for a
Class B digital device, pursuant to Part 15 of the FCC Rules. These limits
are designed to provide reasonable protection against harmful
interference in a residential installation. This equipment generates, uses
and can radiate radio frequency energy and, if not installed and used in
accordance with the manufacture’s instructions, may cause harmful
interference to radio communications.
There is no guarantee, however, that interference will not occur in a
particular installation. If this equipment does cause harmful interference
to radio or television reception, which can be determined by turning the
equipment off and on, the user is encouraged to try to correct the
interference by one or more of the following measures:
Re-orient or relocate the receiving antenna.
Increase the separation between the equipment and receiver.
Connect the equipment into an outlet on a circuit different from
that to which the receiver is connected.
Consult the dealer or an experienced radio/TV technician for
help.

DRAFT Industry Canada Certification
This device complies with Industry Canada RSS 119, under certification number
xxxxx.
IC Class B compliance
This device complies with the Class B limits for radio noise emissions as set out
in the interference-causing equipment standard entitled “Digital Apparatus,”
ICES-003 of Industry Canada.

Contents
DRAFT FCC Compliance Statement (USA) ...........................i
DRAFT Industry Canada Certification ..................................ii
About this guide....................................................................... v
1. Introduction................................................................. 1
Radio performance..........................................................................1
DataTAC network technology.........................................................4
2. Getting started............................................................. 7
Test board overview........................................................................8
How to connect the test board .........................................................9
The MENU diagnostics tool..........................................................10
3. Mechanical integration ............................................. 17
Environmental properties ..............................................................17
Physical properties ........................................................................18
Mounting methods.........................................................................20
Cables and connectors...................................................................23
4. Power requirements ..................................................27
Load specifications........................................................................27
Calculating overall power consumption ........................................29
Batteries ........................................................................................30
Plug-in supplies.............................................................................31
Automotive supplies......................................................................32
5. Interface specification............................................... 33
NCL and RAP link-layer protocols ...............................................33
Pin descriptions.............................................................................35
How to turn the radio on and off...................................................40
Loading firmware (optional) .........................................................41
6. Antenna selection....................................................... 43
Selecting an antenna......................................................................43
Introduction to antenna terminology .............................................45

Antenna design considerations......................................................47
Shielding .......................................................................................49
FCC radio frequency exposure rules .............................................49
Specifications ......................................................................... 55
Glossary of terms................................................................... 57

About this guide
This guide will assist you in integrating the RIM 802D OEM radio modem into a
variety of devices such as laptop computers, handhelds, vending machines,
point-of-sale terminals, vehicle-based mobile terminals, and alarm system.
Topics covered in this guide include:
mounting requirements
power (battery) characteristics
interfacing to the RIM 802D
antenna selection and placement
Throughout the guide, there are suggestions and precautions that will ease the
implementation of a wireless communication solution. You are encouraged to
contact RIM if you would like to discuss the technical implementation of this
radio modem.


1
1. Introduction
With the introduction of the RIM 802D, Research In Motion (RIM) has set a
new standard for radio modem performance. The RIM 802D is unrivaled in the
key areas of receiver sensitivity, output efficiency, noise immunity, and power
consumption. Its small size and weight make it suitable for virtually any wireless
data application, including handheld devices and mobile terminals.
The RIM 802D is designed for use with DataTAC wide-area wireless data
networks operating in the 800 MHz range, such as the American Mobile ARDIS
network and the Bell Mobility ARDIS network.
RIM radio modems are specifically designed to integrate easily into a computing
device. Potential applications include:
Laptop computers Vehicle tracking and location
Point of sale devices Monitoring and telemetry
Ruggedized terminals Vending machines
Handheld PC’s Utility meters
Parking meters Billboards
Dispatching Security alarm panels
Radio performance
The RIM 802D offers the highest performance of any radio modem for
DataTAC wireless data networks:

2 Introduction – Radio performance
Integrator’s Guide – RIM 802D OEM Radio Modem DRAFT VERSION
Receiver sensitivity
Receiver sensitivity is a measure of how well a radio modem can “hear” a
network base station. This figure is important when a device will be used in areas
where signal strength is weak, such as inside buildings and in locations that are
not close to a base station. A radio modem with good receiver sensitivity can be
used in more places than a radio modem with poor sensitivity.
The RIM 802D has a receiver sensitivity of –118 dBm (MDC) and –111dBm
(RD-Lap) at 0.01 BER. This means that the radio can interpret received data
from a very weak 0.0025 picowatt signal with a 1% bit error rate. Although 1%
may seem like a high error rate, the sophisticated over-the-air DataTAC protocol
corrects these errors before the data is passed to the application, ensuring error-
free communication. This capability is already built into the radio’s firmware,
and does not require any additional software development.
Noise immunity
The RIM 802D is not de-sensitized by the electromagnetic interference (EMI) or
“noise” that is generated by the electronics of the terminal into which it is
integrated. As a result, no special shielding is required between the radio and
your device.
Noise immunity offers several key benefits, including:
easier integration improved RF performance
longer battery life more coverage from each base station
increased reliability no need for special RF shielding
Low power requirements
If you are planning to integrate the RIM 802D into a handheld or portable
device, battery life is a critical issue: your customers will insist on long lasting
devices without heavy battery packs. The RIM 802D sets a new power
consumption standard for DataTAC radio modems. This ensures efficiency and
maximizes battery life.

Introduction – Radio performance 3
RIM 802D OEM Radio Modem – Integrator’s Guide DRAFT VERSION
Transmitting data: 1.7 amps or less (at 4.4 V), depending on output power
The transmitter is ON for a pulse of up to 1.1 seconds, depending on the
amount of data transmitted. The maximum packet size for a DataTAC
device is 2048 bytes.
Receiving data: 66 mA (at 4.4 V)
The radio’s receiver is usually turned off, and turned on periodically for the
purpose of listening to the network for messages. The base station will only
attempt to communicate with the radio during these windows. To minimize
latency during rapid two-way communication, the receiver is also turned on
and kept on for 10 seconds after any communication (transmit or receive)
with the network.
Standby power: 0.2 mA (at 4.4 V)
Standby power consumption is very low and occurs when no radio activity
has taken place for at least 10 seconds and the radio is not in a receiver-on
window. The radio and base station are closely synchronized to ensure that
a communication attempt is not missed when the radio is in standby mode.
Battery life is not a concern for certain applications, such as in-vehicle
applications that draw power from the vehicle battery. For these applications, it
is possible to put the radio in an express operating mode, in which power
consumption is higher than normal but packet transfer latency is reduced to a
minimum.
Small size
Using a single board design, the RIM 802D is very thin, and much smaller than a
business card, at only 42.0 by 67.5 mm. This tiny size allows the RIM 802D to
meet tight space requirements within most applications. Its single-board design is
more reliable than multi-board designs, particularly in high-vibration
environments (such as vehicles) or in devices that can be dropped (such as
handheld PCs).

4 Introduction – DataTAC network technology
Integrator’s Guide – RIM 802D OEM Radio Modem DRAFT VERSION
DataTAC network technology
The DataTAC wireless network technology has become an international data
communication standard. DataTAC is a secure, reliable, wireless packet
switching network specifically designed for wide-area wireless data
communications.
DataTAC networks are deployed around the world. DataTAC provides highly
reliable, two-way digital data transmission. The network provides error detection
and correction to ensure the integrity of the data being sent and received, and
includes transmission acknowledgment.
The DataTAC network has a hierarchical structure that allows messages to be
routed from sender to receiver along the most direct path possible. Each radio
cell is served by an intelligent base station. Because intelligence is distributed
throughout the network, data is only forwarded to the lowest network node
common to the sender and the receiver. For example, one base station is able to
handle all traffic in its coverage area.
The network constantly monitors the location of the mobile users. As a mobile
device moves from one area of coverage to another, base stations track its
signals, sending updated mobile location and status information to the network.
If the network goes down at any point in transmission, the message is held until
network service is restored. If the mobile receiver moves outside the coverage
area, the base station stores the data until coverage is re-established, then
forwards it to the mobile. This prevents data loss, and increases the reliability of
transmission.
DataTAC is optimized for data communication. It uses a packet switching
technique to provide the greatest flexibility in data transmission. Conventional
cellular phone systems, by contrast, use a circuit-switched network, in which a
physical connection is created between the sending and receiving nodes, and
must be maintained throughout the duration of the transmission. With circuit-
switched systems, the set-up time for establishing a connection involves
significant overhead and airtime cost, especially when only a small amount of
data needs to be transferred.
DataTAC packets include information about the origin, destination, size, type,
and sequence of data to be sent. This enables packets to be transmitted
individually, in any order, as traffic permits. Internal to the network, individual
packets may travel along different routes, in any order, without interfering with
other packets sent over the same frequency by different users. At the receiving
end, all packets are accounted for, and reassembled into the original message.

Introduction – DataTAC network technology 5
RIM 802D OEM Radio Modem – Integrator’s Guide DRAFT VERSION
Set up time is eliminated and network connection is instantaneous. As a result,
packet-switching makes far more efficient use of channel capacity, typically
allowing 10 to 50 times more users over a radio channel than a circuit switched
network.


2
2. Getting started
RIM is committed to facilitating the integration of the RIM 802D OEM radio
modem. We provide the necessary resources to evaluate the feasibility of
implementing a wireless communication solution, and work closely with our
partners to develop an application in the shortest time possible.
Years of intense R&D have spawned several tools that have been used internally
to help streamline our own development process. We have included many of
these tools with the RIM 802D OEM Developer’s Kit. The purpose of the Kit is
to accelerate radio integration and to help system designers evaluate the
RIM 802D. Using the Kit, you can quickly begin interfacing the radio modem to
your computing device.
We’re here for you!
RIM has a team of experienced engineers who can support you in the design and
implementation of your project. If you need help getting started, or if you have
any questions about the radio technology or its integration into your platform,
please contact the RIM 802D engineering development team:
e-mail: rim802d@rim.net
phone: +1 (519) 888-7465
fax: +1 (519) 888-7884
web: www.rim.net

8 Getting started – Test board overview
Integrator’s Guide – RIM 802D OEM Radio Modem DRAFT VERSION
Test board overview
The RIM test board provides a standard RS-232 serial interface between a PC
and the radio modem. It is designed to help you quickly interface the RIM 802D
to a standard PC (through a COM port) or a terminal device with an RS-232
serial port. The test board also provides access points to the radio’s
communication port, which allows you to monitor activity with a logic probe,
multimeter, or oscilloscope.
The test board includes the following components and functionality:
RS-232 interface
The serial (COM) port on a PC and most terminal devices operates at RS-232
signal levels, which are typically 12V. This high voltage would damage the
RIM 802D, which is typically integrated into a device that operates an
asynchronous serial port at 3.0V. The RS-232 interface on the test board allows
you to produce an output from the radio that is easily interpreted by a PC.
Test points
The test board is more than just an RS-232 interface. It also features debugging
facilities to help you test your application. It provides direct access to each of the
22 pins on the radio interface cable, which allows connectivity to analytical
equipment (e.g. logic probe, multimeter, or oscilloscope) and real-time
indication of data flow.
On/off switch
With the switch in the ON position, the radio will turn on whenever power is
applied to the test board. When the switch is moved to the OFF position, the
radio will shut down.
Power supply
The RIM 802D must be provided with a clean, high-current power source. In this
case, we use a standard plug-pack to provide the current necessary to operate the

Getting started – How to connect the test board 9
RIM 802D OEM Radio Modem – Integrator’s Guide DRAFT VERSION
radio. The voltage is converted into the necessary levels by the power supply
section on the test board.
LED indicators
The test board includes several LED indicators designed to indicate the flow of
data to and from the host (in real time), the radio power status, power to the test
board, and more.
How to connect the test board
Now that you are familiar with the components and functions of the test board,
you are ready to connect the RIM 802D radio modem to an antenna and to a PC
(or some other computing device with an RS-232 serial interface). To do this,
you will use the test board and cables supplied with your RIM 802D Developer’s
Kit.
1. Flat interface cable (test board to radio)
The flat interface cable carries data between the test board and the RIM 802D.
Control and status signals such as TURNON are also carried on this cable. Use
this cable to connect the RIM 802D to the test board.
This cable also carries clean, regulated power to the RIM 802D.
When inserting the cable, ensure that the side with the bare pins are in direct
contact with the pin side of the connector. To ensure proper contact, do not force
the cable into the connector. Instead, pull the tabs on either side of the connector,
slide the cable in, then push the tabs back in to tighten.
2. DB-9 serial cable (test board to PC)
Connect the male end of the straight-through DB-9 serial cable to the test board.
Connect the female end of the cable to your PC’s COM port.

10 Getting started – The MENU diagnostics tool
Integrator’s Guide – RIM 802D OEM Radio Modem DRAFT VERSION
3. Power adapter (test board to AC outlet)
Plug the 5VDC, 2.4A, center-pin-positive power adapter into the wall outlet.
Connect the other end to the power jack of the test board.
4. Antenna cable (radio to magmount antenna)
Your developer’s kit includes a high-performance, 6dB-gain magmount antenna.
This antenna is terminated with a screw-on SMA plug. The RIM 802D radio
modem includes a snap-on MMCX jack. The antenna cable supplied with your
developer’s kit connects the antenna’s SMA plug to the radio’s MMCX jack.
The magmount antenna provides optimum RF performance when placed on a
broad metal surface, such as the roof of a car. When used inside a building,
performance is improved if the antenna is located near a window, with few
obstacles (wall, furniture, equipment, etc.) between the antenna and the window.
The antenna must be oriented vertically for best performance, and performs
equally well whether positioned rightside up or upside down.
5. Turn the system on
The power switch on the test board is connected to the TURNON line of the
RIM 802D radio modem. To determine whether the radio is on, look at the LED
marked ONI. It is lit when the radio is on.
The MENU diagnostics tool
Now that you have successfully connected your RIM 802D radio modem to your
PC, you are ready to send a test packet through the DataTAC network.
Your radio modem must be activated by the network operator in order to be used
on the DataTAC network and to establish an airtime agreement. If you have not
already arranged for activation of your radio, contact your network operator.
The RIM 802D contains a diagnostic utility called MENU. With this utility, you
can set the current network, “ping” your radio modem, or view radio and
network status values.

Getting started – The MENU diagnostics tool 11
RIM 802D OEM Radio Modem – Integrator’s Guide DRAFT VERSION
Setup
The following instructions assume that your RIM 802D is connected to a PC
running a terminal program, such as Windows HyperTerminal. The MENU
utility is based in the RIM 802D’s firmware, so HyperTerminal is the only
software required to use it.
The MENU utility’s user interface is a full-screen text mode interface, and uses
the ANSI cursor command set. Programs like HyperTerminal support the ANSI
codes by default. If you are using a different terminal program that does not
provide ANSI cursor control, the MENU utility will drop into a line-by-line
interface. The appearance of the line-by-line interface is not documented here,
but the commands it uses are the same as those described below.
Select the COM port which communicates with the RIM 802D and configure for
9600 bps, and either 7E1 (7 bits, Even parity, 1 stop bit) or 8N1 (8 bits, No
parity, 1 stop bit). If you have set this up correctly, you may see occasional
bursts of characters from the radio modem. These character bursts are normal;
they represent an NCL frame, which you can ignore for now.
Type the word menu (all in lower case letters only) then press the ENTER key.
You can expect to see a full screen of information. If nothing happens, simply re-
enter menu until the radio modem responds. The word “menu” itself will
probably not appear on the screen as you type it in.
If you re-enter menu and nothing occurs, ensure that the radio is turned on and
connected to the PC, and that all cables are securely connected. Please contact
RIM for assistance if you are stuck at this point.
Once the utility has been started, the terminal program’s screen will look similar
to the following:

12 Getting started – The MENU diagnostics tool
Integrator’s Guide – RIM 802D OEM Radio Modem DRAFT VERSION
RIM 802D Firmware Version 1.0.0
(c) 1999 Research In Motion Limited
Radio Setup Radio Serial Number = 031/11/066300
Command Key Description Networks Available:
----------- ----------- -------------------
Q Quit and reset the radio. 1. AMSC
2. BELLMOB
N Set the current network.
P Ping: Send a Status SDU to yourself.
Your Choice ?
LLI=88231144 RSSI= 40% 24 dBuV Battery= 97% Network=AMSC
Contact=Yes Mode=PowerSave Tx=Enabled
Status=0080
The screen displays the software version and build date, the radio modem’s
serial number, the list of available DataTAC radio networks, current radio
modem status indicators, the “ping” function, and other relevant information.
RSSI stands for Received Signal Strength Indicator. This is a measure of
network coverage. The higher the number, the better the coverage. The RSSI is
given both as a percentage and in dB V (decibel microvolts). To obtain the
RSSI in dBm (decibel milliwatts), subtract 113 from the dB V value. Note that
RSSI= 0% 0 dB V does not necessarily represent the complete absence of a
signal; in many cases, the radio is capable of communicating with the network at
signal strengths of 0 dB V or even less. Actual contact with the DataTAC
network would be indicated by the Contact field. The RSSI is updated every ten
seconds, or whenever you press D.
The Battery indicator shows the level of supplied voltage. The battery level is
updated once every thirty seconds, or whenever you press D.
Network tells you which network you are currently using. The example shows
AMSC (American Mobile Satellite Corporation, which operates the ARDIS
network in the United States) and BELLMOB (Bell Mobility ARDIS operates a
DataTAC network in Canada).
LLI stands for Logical Link Identifier, which is a unique number that identifies
each DataTAC radio modem. The LLI is used for addressing packets. The screen
will also display a Radio Serial Number, which is unique to each radio modem.

Getting started – The MENU diagnostics tool 13
RIM 802D OEM Radio Modem – Integrator’s Guide DRAFT VERSION
This number is often referred to in other documents as ESN (Electronic Serial
Number).
Mode shows whether the radio is in powersave mode or express mode. The
default operating mode is powersave, which reduces power consumption by the
radio but introduces latency when receiving packets from the network. This
mode may be changed through software.
Tx is an indicator to let you know whether the radio’s transmitter is enabled or
disabled. The transmitter may be enabled or disabled through software, and is
normally enabled.
Status describes the current state of the radio. Other documentation may also
refer to the Status value as the radio’s internal fault bits. The following table
shows the interpretation of the Status bits. If the Status value displayed on your
screen does not correspond to any of the values below, then determine which
values add together in hexadecimal to give the Status value that you see. For
example, status value B403 would simultaneously describe states A000, 1000,
0400, 0001, and 0002, as described below.
Please note: if status bits are set, it does not necessarily indicate that there is a
fault with the radio. These bits are useful only for troubleshooting a known
problem, and should not be read or interpreted by any application. For example,
it is possible for the status bits to read 0040 yet the radio is able to transmit.
0000 The radio modem status is normal. There are no warnings.
0001 The RIM 802D has been out of coverage for a long time. No adequate base
station was found. Possible causes include lack of network coverage, wrong
network selected, or the battery level is too low.
0002 This is a new RIM 802D being used for the first time. No action is necessary.
0008 The radio modem has exhausted its internal memory. This should not happen
under ordinary use. Turning off the radio modem then turning it back on will
resolve this.
0040 The modem’s transmitter has been disabled by your software, using the RAP
“Turn Transmitter Off” command. The transmitter can be turned back on with
the RAP “Turn Transmitter On” command, or by resetting the radio.
0100 Another device may be using the same LLI number as your device on the same
base station. This should not happen under ordinary use. It may cause duplicate,
dropped, or mixed up packets. Contact the network operator to determine
whether two units have the same LLI number.
0800 The RIM 802D may be having a problem remembering its last base station. If
the problem persists, the unit should be returned for repair.

14 Getting started – The MENU diagnostics tool
Integrator’s Guide – RIM 802D OEM Radio Modem DRAFT VERSION
1000 The RIM 802D has received an unknown interrupt and might be having
problems receiving packets. If the problem persists, the unit should be returned
for repair.
2000 The RIM 802D has received an unknown interrupt. No action is necessary.
4000 The RIM 802D has been damaged and cannot be used until this problem is
corrected. The unit should be returned for repair.
How to change to a different network
The RIM 802D radio may be used on different DataTAC networks operating on
different channels in the 800 MHz range. Up to 16 network channel lists may be
programmed by RIM into each radio. If the network shown is not the correct
one, you can choose another from the list of networks available. Press N and the
MENU utility will present an additional prompt for selecting the network, as
shown below.
RIM 802D Firmware Version 1.0.0 release
(c) 1999 Research In Motion Limited
Radio Setup Radio Serial Number = 031/11/066300
Command Key Description Networks Available:
----------- ----------- -------------------
Q Quit and reset the radio. 1. AMSC
2. BELLMOB
N Set the current network.
P Ping: Send a Status SDU to yourself.
Your Choice ? Choose a network from the list (1..2) ?
LLI=88231144 RSSI= 30% 22 dBuV Battery= 97% Network=AMSC
Contact=Yes Mode=PowerSave Tx=Enabled
Status=0080
Change network name
You may now enter a number corresponding to the desired network shown under
Networks Available. When you press ENTER, the radio modem will switch to
the selected network, as shown below. If you do not enter a number, or if you
erase the number you have typed, then no change will occur when you press
ENTER. Pressing ESC will cancel the network set-up command.

Getting started – The MENU diagnostics tool 15
RIM 802D OEM Radio Modem – Integrator’s Guide DRAFT VERSION
The screen below shows what would happen if you press 2 then ENTER. The
values shown beside Network has changed.
RIM 802D Firmware Version 1.0.0
(c) 1999 Research In Motion Limited
Radio Setup Radio Serial Number = 031/11/066300
Command Key Description Networks Available:
----------- ----------- -------------------
Q Quit and reset the radio. 1. AMSC
2. BELLMOB
N Set the current network.
P Ping: Send a Status SDU to yourself.
Your Choice ?
LLI=88231144 RSSI= 30% 22 dBuV Battery= 97% Network=BELLMOB
Contact=Yes Mode=PowerSave Tx=Enabled
Status=0080
Radio update was successful.
“Ping” the network: an end-to-end radio test
You can determine whether your radio modem is working on the network by
pressing P. When you “ping,” you send a message (SDU – Service Data Unit, a
DataTAC data packet) to yourself via the wireless network base station. The
MENU utility will display a message indicating that the SDU was sent. A few
seconds later, it should also indicate that the SDU was received. This confirms
that your radio modem is operational and active on the network.
If you get the message “Status SDU cannot be sent – out of coverage”, then you
are not in an area that is covered by the DataTAC network. You can determine
whether you are in coverage by looking at Contact on the status lines. If you are
certain that you are in a coverage area, but are still not able to communicate with
the network, check the antenna to make sure it is connected properly and is
positioned vertically. Signal quality can vary significantly within a building. Try
moving the antenna to a new location, perhaps near a window, to see if you can
get a signal.

16 Getting started – The MENU diagnostics tool
Integrator’s Guide – RIM 802D OEM Radio Modem DRAFT VERSION
RIM 802D Firmware Version 1.0.0
(c) 1999 Research In Motion Limited
Radio Setup Radio Serial Number = 031/11/066383
Command Key Description Networks Available:
----------- ----------- -------------------
Q Quit and reset the radio. 1. AMSC
2. BELLMOB
N Set the current network.
P Ping: Send a Status SDU to yourself.
Your Choice ?
LLI=88231144 RSSI= 30% 22 dBuV Battery= 97% Network=BELLMOB
Contact=Yes Mode=PowerSave Tx=Enabled
Status=0080
Received SDU from 88231144 (to 88231144)
If you are unable to communicate with the network, first contact the network
operator to make sure that your device is activated on the network. If the radio
has not been activated, then the network will not send the SDU back to the radio.
Second, make sure that you are in network coverage. You can determine whether
you are in coverage by looking at Contact on the status lines. If it shows
Contact=NO, then you are not in an area that is covered by your DataTAC
network. You can also determine whether the antenna is connected properly and
is deployed properly. Signal quality in buildings can vary significantly over short
distances. Try moving the antenna to a new location, perhaps near a window, to
see if you can get a signal. If none of these remedies help, contact RIM for
assistance.
Exiting the utility
When you have finished using the utility, you should press Q to quit. This step is
important because it allows the radio to resume accepting commands from other
software. The screen will clear and you will be informed that the radio has been
reset. You can safely disconnect the radio and close your terminal program once
you have seen this message.

3
3. Mechanical
integration
This chapter provides information about the RIM 802D that will be useful in
determining the physical positioning of the radio modem within an application.
Environmental properties and testing, physical properties, mounting methods,
and connector information are provided.
Environmental properties
During environmental testing, RIM takes samples of its radio modems and
subjects them to a variety of harsh conditions. We measure over a hundred
digital RF calibration parameters, once before and once after each test. The
difference between these measurements precisely reveals any performance
degradation. Each unit in the sample is also inspected visually after testing. This
experience allows us to fine-tune our design and manufacturing process.
Environmental testing ensures that our products are able to withstand both
typical and extreme real-world conditions in which they will be used. RIM does
not sell units that have been subject to environmental testing.

18 Mechanical integration – Physical properties
Integrator’s Guide – RIM 802D OEM Radio Modem DRAFT VERSION
Storage temperature
The RIM 802D OEM radio modem may be stored at a temperature from -40 C
to +85 C (-40 F to +185 F).
Operating temperature
The RIM 802D is designed to operate between -30 C to +70 C (-22 F to
+158 F). The end user should be careful not to exceed the upper temperature
limit, as performance degradation or damage to the power amplifier may occur
past this point, especially while transmitting.
The radio contains a temperature sensor that will automatically shut off the
transmitter if the temperature reaches approximately +75 C (+167 F).
Physical properties
Weight
The RIM 802D weighs 35 g (1.2 oz), including the case.
Dimensions
The RIM 802D has been designed to meet the most stringent space requirements.
In most cases, there will be sufficient room in an existing enclosure to house the
radio modem.
The overall maximum dimensions of the radio modem, not including cables, are:
Width: 42.0 mm (1.65”)
Length: 67.5 mm (2.66”)
Thickness: 8.4 mm (0.33”)

Mechanical integration – Physical properties 19
RIM 802D OEM Radio Modem – Integrator’s Guide DRAFT VERSION

20 Mechanical integration – Mounting methods
Integrator’s Guide – RIM 802D OEM Radio Modem DRAFT VERSION
Mounting methods
The RIM 802D OEM radio modem may be securely fastened using a variety of
methods. The operating environment must be carefully considered when
choosing a mounting option. For example, extreme temperature, heavy vibration,
or high electromagnetic interference areas may require a special mounting
solution. It is important to ensure that the RIM 802D remains securely attached
in the environment where it will be used.
The following information is presented as a guide, but applications can vary
considerably. A mechanical engineer can help ensure that the mounting method
is suitable for the specific application.
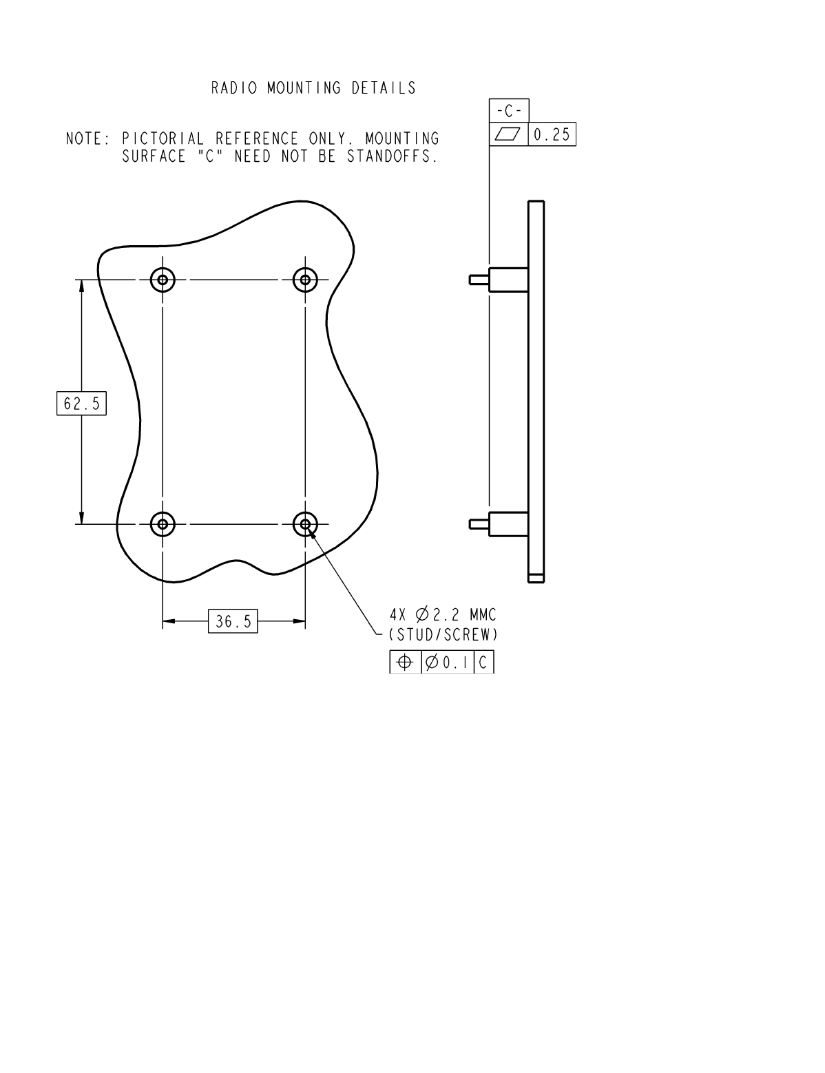
Bolts or standoffs
The RIM 802D radio modem includes a hole in each corner, which may be used
to bolt the device onto a circuit board, device housing, stand-offs, or other
surface. The mounting hole pattern is four holes in a 62.5 by 36.5 mm rectangle,
with each hole 2.5 mm in diameter.
To allow room for components on your board underneath the radio, you may use
standoffs instead of bolts. This is illustrated in the following diagram.

Mechanical integration – Mounting methods 21
RIM 802D OEM Radio Modem – Integrator’s Guide DRAFT VERSION
Tie wraps
Tie wraps can be used as a secure but non-permanent means of attaching the
RIM 802D to a surface. Typically, each tie wrap passes through a hole drilled

22 Mechanical integration – Mounting methods
Integrator’s Guide – RIM 802D OEM Radio Modem DRAFT VERSION
into the surface of your board, on either side of the RIM 802D. This allows the
radio to be attached to a shell, a PCB, or some other mounting surface.
If using tie wraps, ensure that the surface beneath the RIM 802D is flat.
Otherwise, the mounting surface could push up on the bottom surface of the
radio case while tightening the tie wraps pushes down on the edge of the radio
case. This could cause the metal case of the RIM 802D to flex upward and short
across components inside the radio, causing the radio to malfunction. For
example, thick adhesive foam tape and tie wraps should not be used together.
Permanent industrial adhesive
The RIM 802D is small and lightweight enough to be attached to the host device
using an industrial adhesive. For some applications, this method of mounting is
preferable to bolts, because adhesive is easier to use in a manufacturing
environment, and is more resistant than bolts to loosening. In many cases, an
effective solution is to adhere the radio modem to the inside surface of your
product’s casing.
An adhesive should be chosen on the basis of its ability to stick to the material
used in the outer casing of the radio modem and in the surface to which the radio
will be mounted. The bottom casing of the RIM 802D is magnesium.
3M manufactures VHB, a permanent industrial adhesive with excellent long-
term holding power. The peel adhesion and tensile holding power of VHB tapes
are extremely high, making this a suitable solution when the radio will not need
to be removed. Choose foam tape for rough surfaces and adhesive tape for
smooth surfaces.
More information about VHB may be obtained by contacting 3M Industrial Tape
and Specialties Division at 1-800-227-5085 (fax: 1-612-733-1771). The
publication number for the VHB technical data sheet is 70-0702-0266-
1(104.5)R1.

Mechanical integration – Cables and connectors 23
RIM 802D OEM Radio Modem – Integrator’s Guide DRAFT VERSION
Cables and connectors
There are two connectors on the RIM 802D radio modem. One connector is used
to interface the radio modem to a serial computing device and a power supply,
and a second connector is used to connect an antenna to the radio.
Interface cable and connector
Serial communication data, control signals, and power are carried on a flat 22-
conductor 0.30 mm (0.012”) thick flexible printed circuit (FPC) cable with
1.00 mm centerline spacing, which can plug into a matching connector. Since
each application is unique, Molex can create a custom Flat Flex Cable Jumper in
the correct length and the correct connector orientation for your application. The
minimum cable length available is 30 mm (1.181”).
The interface cable supplied with the RIM 802D Developer’s Kit is a Type D
76.2 mm (3.0”) long Flat Flex Cable (FFC) Jumper in 1.00 mm centerline
spacing, Molex part number 8800-8071, as illustrated in the following
mechanical drawing:

24 Mechanical integration – Cables and connectors
Integrator’s Guide – RIM 802D OEM Radio Modem DRAFT VERSION
This cable can plug into a matching 22-position 1.0 [0.039] horizontal FPC
connector. A variety of connectors are manufactured by Molex. More
information about each connector, including mechanical drawings, is available
from the manufacturer’s web site (www.molex.com), or you can contact RIM
(rim802D@rim.net) for help with selecting an appropriate connector for your
application.
Contact:
Molex Headquarters Molex Electronics Ltd.
Lisle, IL, USA Toronto, Ontario, Canada
tel: (630) 969-4550 tel: (416) 292-1444
fax: (630) 969-1352 fax: (416) 292-2922
www.molex.com
Antenna cable and connectors
RIM uses the industry-standard MMCX connector for the RIM 802D because it
is a very small connector that has the mating force to withstand heavy vibration.
Typically, an antenna does not plug directly into a RIM 802D. Instead, a cable is
used between the radio’s antenna connector and a second connector at the outer
casing of the device. This allows the antenna to be removed from the system
without having to open the device, and it eliminates a source of strain on the
radio’s MMCX connector.
The antenna cable should have low loss, an impedance of 50 , and an MMCX
jack that mates with the RIM 802D’s MMCX plug. The other end of the cable
can be any connector you choose, as long as it has an impedance of 50 . An
SMA screw-on connector is suitable and widely available. TNC connectors are
also suitable, but larger than SMA. The antenna cable supplied with the
RIM 802D developer’s kit has an MMCX connector on one end and an SMA
connector on the other. The cable is built with strain reliefs to prevent damage.
Huber & Suhner can provide antenna cables and connectors. The parts described
below have an impedance of 50 and are suitable for use with the RIM 802D.

Mechanical integration – Cables and connectors 25
RIM 802D OEM Radio Modem – Integrator’s Guide DRAFT VERSION
11MMCX-50-2-1C/111 Straight MMCX connector
16MMCX-50-2-1C/111 Right-angle MMCX connector
25SMA-50-2-25/111 SMA connector
EZ Flex 405 Low-loss matching (50 ) cable
133REEZ4-12-S2/1216 8” cable, straight MMCX to SMA
133REEZ4-12-S2/1699 8” cable, right-angle MMCX to SMA
The following cable is included with the RIM 802D Developer’s Kit:
Contact:
Huber & Suhner Huber & Suhner
Essex Junction, VT, USA Kanata, Ontario, Canada
tel: (802) 878-0555 tel: (800) 627-2212
fax: (802) 878-9880 fax: (613) 596-3001
www.hubersuhnerinc.com


4
4. Power requirements
The RIM 802D radio modem must be provided with a clean power source
capable of delivering bursts of high current. This can be provided by a plug-in
power supply unit, a rechargeable battery pack, or single-use batteries. RIM has
conducted extensive research to develop guidelines for integrators who follow
design the power supply system for the RIM 802D.
Load specifications
The RIM 802D draws its power in bursts; the power required changes rapidly
depending on whether the radio is transmitting, receiving, or in standby. The
load profile is given on the following page. These specifications can be given
directly to your power supply designer or battery supplier.
Power supply parameters
The RIM 802D requires a clean, stable 4.1 to 4.75 volt source that is capable of
delivering a one-second burst of up to 1.7 A when required by the transmitter.
Maximum efficiency is obtained at 4.1V. RIM recommends designing a more
robust power supply that can provide adequate power under such non-ideal
conditions as an improperly matched antenna, under which this burst could be as
high as 2.2A. The receiver current consumption is 66 mA. The standby current
consumption is 0.2 mA in low-power standby mode and 4.3 mA in regular
standby mode.

28 Power requirements – Load specifications
Integrator’s Guide – RIM 802D OEM Radio Modem DRAFT VERSION
Radio load profile (at 4.4 V)
Transmitter
transmitting 2.0 W to antenna…
worst-case peak instantaneous (due to extreme
temperature, poorly matched antenna, etc.)…
1.7 A
2.2 A
Receiver 66 mA
Standby 4.3 mA
Low-power Standby 0.2 mA
Transmit duration
– minimum…
maximum…
32 ms
1 s
Off current consumption 20 A
Overall power consumption (assume heavy usage)
based on 0.05% transmit, 5.00% receive, and
94.95% low-power standby…
if low-power standby is not used…
4.3 mA
8.8 mA
Ripple specification
For best performance, ripple of less than 15 mV peak-to-peak (measured at the
radio end of the connector) is recommended across the frequency range 60 Hz
and 1 MHz. The maximum ripple at the connector that can be tolerated is 20 mV
peak-to-peak.
Except in special cases where there are several sources of ripple, this means that
you measure the ripple with an oscilloscope set to 1 MHz bandwidth, and the
peak-to-peak value is not to exceed 15 mV. Note that if there are several ripple
components, or if ripple is measured with a larger (typically 20 MHz)
bandwidth, ripple will seem worse. If it is still below 15 mV under these
conditions, it will meet the ripple specification.
A passive LC (series L, shunt C) power filter can be put between your power
supply and the RIM 802D radio modem to reduce ripple at the radio connector.
Bear in mind that the RIM 802D radio already has about 70 F of on-board
shunt capacitance. The inductor cannot exceed 100 H (otherwise, transients
could reset the radio), it must be rated to pass the maximum DC current of 2.2 A
supply current at all temperatures, and its resistance must be low enough to
guarantee minimum voltage of 4.1 V to the RIM 802D at 2.2 A.

Power requirements – Calculating overall power consumption 29
RIM 802D OEM Radio Modem – Integrator’s Guide DRAFT VERSION
Calculating overall power consumption
The instantaneous power consumption varies between 0.2 mA and 1.7 A, a range
of four orders of magnitude. At any given point in time, the power consumption
depends on what the radio is doing. Calculating the overall power consumption
is important if a battery with appropriate capacity is to be properly selected.
The current figures below are all measured at a supply voltage of 4.4 V. The
actual operating range of the supply voltage is 4.1 to 4.75 V.
Transmitter power usage
The radio transmitter draws 1.7 A to transmit 2.0 W.
When the radio is not transmitting, the transmitter is off and consumes no power.
Receiver power usage
The radio receiver draws 66 mA when it is turned on. However, in Powersave
Mode, the receiver is nearly always turned off, and is turned on only
occasionally. The base station will wait until the radio’s receiver is turned on
before attempting to send data to the radio. If no data is waiting at the base
station, the radio will turn the receiver off and wait another period of time. This
reduces power consumption significantly, but introduces a latency when
receiving data packets from the wireless network.
The receiver also stays on for 10 seconds (the “transaction time”) immediately
after data is sent to or received from the network base station. During the
transaction time, there is no latency introduced by the use of Powersave. This
allows two-way interactive applications to process a transaction without delay.
Sending 3 packets in rapid succession will consume less power than sending 3
packets more than 10 seconds apart.
To decide whether to roam onto a new base station, the radio periodically scans
frequencies of neighboring base stations. The length of time spent scanning is
difficult to predict, as it depends on coverage, user mobility, and number of
network channels. Most applications will spend less than 0.2% of the time
scanning, during which the receiver is turned on. However, a highly mobile
application will consume more power than one in a semi-fixed location.

30 Power requirements – Batteries
Integrator’s Guide – RIM 802D OEM Radio Modem DRAFT VERSION
Batteries
When integrated into a handheld device, the RIM 802D can be powered by
batteries. This is a proven technology that is easily available and eliminates the
need for power supply components such as voltage regulators.
Rechargeable batteries
We recommend using rechargeable nickel cadmium (NiCad) batteries to power
the RIM 802D radio modem for battery-operated applications that require a wide
operating temperature range. Nickel metal hydride (NiMH) and lithium ion (Li+)
cells may also be used with good results, but many such cells do not work very
well at temperatures below freezing. Specifications for batteries should be
obtained from the manufacturer. The RIM engineering development team
(rim802D@rim.net) can help you determine whether a particular battery is
suitable for your application.
The selected cells must be able to meet the load specifications of the RIM 802D.
Specifically, they must be able to provide 1.7 A (at 4.4 V) for transmission.
Rechargeable cells vary considerably, because capacity varies with current draw.
Even if two cells have the same published capacity, one may not be as efficient
as another when the radio transmitter is turned on. This is because some batteries
have a higher equivalent series resistance (ESR) at high current drain. The ESR
should be low enough that the battery can supply the transmit current required
without a large voltage drop.
Rechargeable alkaline batteries are another option. These cells are typically rated
for about 25 discharge cycles, far fewer than NiCads, but they provide longer life
than NiCads. For the first five to ten cycles, you will get about 70 to 80 percent
of the battery life you would expect from a single-use alkaline cell. After 25
discharges, this number may drop to 50 percent. Some precautions must be taken
with this type of battery. These cells are also not intended to be used to their full
capacity, so the actual useful run-time of these cells is closer to 30 to 40 percent
of a single-use alkaline cell, and requires the user to pay closer attention to the
state of the batteries. If you fully discharge a rechargeable alkaline battery, you
may only get five recharges before the capacity decreases to the point where it is
useless.

Power requirements – Plug-in supplies 31
RIM 802D OEM Radio Modem – Integrator’s Guide DRAFT VERSION
Single-use batteries
Among single-use cells, only alkaline and lithium cells provide the high current
necessary for transmission. In particular, AA alkaline cells are inexpensive,
widely available, and provide an excellent power source. Alkaline cells typically
run about four times longer than similar-size NiCad cells, and about three times
longer than similar-size NiMH cells.
The use of general-purpose carbon-based batteries is strongly discouraged, as
this type of battery is unable to supply the power required by the transmitter.
These cells are more suited to flashlights and other products that do not have a
bursty load characteristic. If a carbon-based battery is used, the voltage will drop
below the minimum power required under load almost immediately following a
radio transmit, which would reset the radio each time it tries to transmit.
Since carbon cells are generally sold under names like “super heavy duty,” the
best way to be sure that a single-use battery is alkaline is to look for the word
“alkaline” on the label, or to use well-known brands such as Duracell or
Energizer. This should be communicated to the user of your product.
Plug-in supplies
A plug-in supply converts normal AC power (usually 110 volts or 220 volts) into
a steady DC source that can be used instead of batteries. The plug-in supply must
be designed to ensure that voltage spikes, lightning, and other power fluctuations
cannot damage the radio modem. Transient voltage protection zener diodes, or
other spike arrestor circuits, may be added to keep the inputs within the limits
given in the RIM 802D load specifications. These should have a value of 20
volts and be placed on the supply side of the regulator circuit.
RIM recommends a supply capable of providing 4.1 V and rated for 2.5 A peak
current. LIND Electronics (www.lindelectronics.com) can supply a car lighter
adapter suitable to drive a 5V, 2A device (model number APA-SH0520M) with
a connector of your choice; your hardware should then reduce the power to
4.1V. For sales information, contact Dave Murphy at (612) 927-6303.

32 Power requirements – Automotive supplies
Integrator’s Guide – RIM 802D OEM Radio Modem DRAFT VERSION
Automotive supplies
If you plan to power the RIM 802D from an automotive supply, extra protection
must be included to protect the radio modem from the intense power fluctuations
experienced when the automobile is started. A circuit comprising inductors,
transorbs and voltage regulators should be used to ensure the radio modem is
protected from these power fluctuations.
Commonly, in automotive applications, voltages may be as high as 70 V on the
battery, especially during starting. Commercial automotive adapters are available
that will safely convert the 12 volt automotive supply to a regulated supply
suitable for operating the RIM 802D radio modem.

5
5. Interface
specification
The asynchronous serial interface on the RIM 802D operates at 3.0V, making it
compatible with many existing system designs. The RIM 802D can be controlled
by a wide variety of microcontrollers and microprocessors, such as the Intel
8051 or 80386, or Motorola 68000. In most cases, the RIM 802D can be
connected directly to a micro-controller, or through a Universal Asynchronous
Receiver/Transmitter (UART) to a microprocessor data bus. If the radio modem
is to be connected directly to a PC or other RS-232 device, an interface must be
provided to convert the signal voltage to the higher values required by an
RS-232 device.
NCL and RAP link-layer protocols
The RIM 802D requires a serial link-layer protocol to carry data, radio control
instructions, and radio status information between the RIM 802D radio modem
and the computing device to which it is attached. Two protocols are supported
by the radio: Native Control Language (NCL) and Radio Access Protocol
(RAP).
If you are using an NCL application with another DataTAC radio and are now
migrating to the RIM 802D, you do not need to rewrite the application in RAP –
simply continue using the NCL application. If you are writing a new application

34 Interface specification – NCL and RAP link-layer protocols
Integrator’s Guide – RIM 802D OEM Radio Modem DRAFT VERSION
for the RIM 802D, you will need to choose whether to use NCL or RAP as your
link-layer protocol.
NCL assumes a high-noise environment where bit errors are likely to occur on
the serial link between the radio modem and the computing device. NCL is
designed to be extremely robust and redundant, and should be used when the
serial link is unreliable or when the serial cable to the RIM 802D is very long.
Advances in mobile computing technology have helped to ensure that serial links
are short enough to make bit errors extremely unlikely. This is especially true for
smaller devices such as laptops and PDAs. The complexity of NCL is
unnecessary for these applications, and involves complex and lengthy software
development.
RAP was designed to take advantage of the reliability inherent to a short serial
link. The primary benefit of RAP is that it is easy to describe and implement. As
a result, RAP reduces software development time, complexity, and memory
consumption. It also provides double the throughput of NCL, by using binary
frame data transfers instead of hex-ASCII encoding.
Since every application is different, the choice of protocol should be made
carefully. The following chart is provided as a guide to comparing the relative
advantage of each protocol.
NCL RAP
Interface cable from
RIM 802D to device Designed for long serial
cable prone to bit errors Assumes a short, reliable
serial cable
Operating environment Withstands harsh, hostile
electrical interference Best suited for laptops,
PDAs, other small devices
Software complexity Complex Simple
Implementation time
(typical) Weeks or months,
or use third-party APIs Days
Memory requirements 5 to 20 kilobytes 1 to 3 kilobytes
Cost Free, open specification,
or pay for third-party APIs Free, open specification,
sample source code is free

Interface specification – Pin descriptions 35
RIM 802D OEM Radio Modem – Integrator’s Guide DRAFT VERSION
There is no “best” protocol. The NCL or RAP protocol is used strictly for the
link between the radio modem and the computing device, and does not have any
influence on the speed or reliability of communication between the radio and the
DataTAC network. The RIM engineering development team (rim802D@rim.net)
can help you select the protocol most suited to your needs.
Pin descriptions
All input and output lines are 3.0 volt logic; however, they will also be able to
drive 3.3 volt systems. Input lines 13, 16, 19, and 20 are 5.0 volt input tolerant.
Output lines will be capable of driving 5.0 volt systems provided the VIH of these
pins is less than 2.5 volts.
All outputs will source a short circuit current of 3 mA. Inputs will have a current
leakage of 1 A.
This section describes the purpose of each of the 22 lines that comprise the
interface to the RIM 802D OEM radio modem. The symbol ~ before the label
indicates that line is an active low digital signal.
Note that pins 9 through 22 on the RIM 802D correspond to pins 14 through 1
on the RIM 900. The numbering is reversed because the connector is reversed,
but physically the leftmost pin on the RIM 802D connector is the same as the
leftmost pin on the RIM 900 connector.
Pins 1, 2, 3, 4, 13, and 22 are designed for future use and must be left
disconnected. All other unused inputs to the radio should be tied to ground, and
any unused outputs from the radio should be left disconnected.
Pin 5 ~MSG ~Message Waiting
This is an output from the radio.
The active state of this line is low, and indicates that the radio has received a
data packet (SDU) from the network, which has not been delivered to the device
application yet. This line continues to remain active until the application
acknowledges receiving the packet.

36 Interface specification – Pin descriptions
Integrator’s Guide – RIM 802D OEM Radio Modem DRAFT VERSION
When the radio’s receive buffer is full, this line will be inactive (high).
Pin 6 ~COV ~Coverage
This is an output from the radio.
The active state of this line is low, and indicates that the radio is in network
coverage, as measured by the presence of a signal from the network base station.
When the radio does not have contact with the wireless network, this line is high.
Pins 7,8 POWER Power supply
These pins supply power to the radio. Since the current requirement during
transmit exceeds the current rating of a single line, both lines 7 and 8 should be
connected to the power supply.
Pin 9 GND Ground
This line should be tied to the system ground of the computing device to ensure
proper operation. Pin 18 should also be connected to ground.
Pin 10 TURNON Turn Radio On
This is an input to the radio.
This line turns on the radio unit. It is a digital signal that eliminates the need for
an on/off switch across the power supply to the radio. This is a 3.0V input to the
radio, and is not 5.0V tolerant. Information about the use of this pin is contained
in the next section of this chapter.
Pin 11 ONI On Indicate
This output from the radio that indicates that the radio is on and operational.

Interface specification – Pin descriptions 37
RIM 802D OEM Radio Modem – Integrator’s Guide DRAFT VERSION
This line may be used by a computing device to qualify the handshaking outputs
on the serial interface. If CTS is low, and ONI is high, then the unit is ready to
receive data, but if CTS is low and ONI is low, then the radio is not ready to
receive data because it is off.
When ONI is low, all inputs to the radio should be held low or disconnected.
Otherwise, power will be consumed and wasted.
Pin 12 TRI Transmit Indicate
The active (radio transmitting) state of this line is high.
This output from the radio that is asserted while the RIM 802D is transmitting a
packet to the network base station. TRI has a built-in current limiter that allows
it to drive an LED directly, to provide real-time visual feedback to the user that
the radio is transmitting packets. If this is not necessary, the line can simply be
left disconnected.
This line will supply 3 mA to a standard LED, and is short-circuit protected.
This line is low when the Radio is off.
Pin 14 ~RI ~Ring Indicate
This is an output from the radio.
When ~DTR is not asserted (high), the RIM 802D asserts ~RI (low) to indicate
that it has data waiting for the computing device. The radio will not transfer the
data until ~DTR is asserted (low). This line can be used to wake up a suspended
computing device when the radio needs to communicate with it. If ~DTR is
already asserted (low) when the radio has data to send the computing device, ~RI
will not be asserted.
For NCL implementations, this line indicates that the radio has an NCL frame
waiting to transfer to the computing device. This line should also be
disconnected if your application does not use it.
For RAP implementations, ~RI is not used and should not be connected.

38 Interface specification – Pin descriptions
Integrator’s Guide – RIM 802D OEM Radio Modem DRAFT VERSION
Pin 15 ~CTS ~Clear To Send
This is an output from the RIM 802D to the computing device. The active (clear
to send) state of this line is low.
When asserted low by the RIM 802D, this line indicates that the radio is ready to
receive data from the computing device. When this line is high, any data sent
from the computing device to the RIM 802D may be lost. This is a flow control
mechanism that is normally reacted to by the UART in your serial
communication system. If you do not plan to use it, leave it disconnected.
Pin 16 ~RTS ~Request To Send
This line is an input to the radio. The active (request to send) state of this line is
low.
All NCL implementations require this line, but it is optional for RAP
implementations. This line should be asserted low by the computing device to
indicate that it is ready to receive data from the RIM 802D. This is a flow
control mechanism that is normally handled by the UART in your serial
communication system. If you do not connect this line to your UART, it must be
tied low so that it is permanently asserted and allows communication.
If your device’s buffer overflows, it should set RTS inactive to signal the
RIM 802D to pause in sending data. Note that there may be a 16-byte overrun
after the RTS line is made inactive, so your device should set RTS inactive at
least 16 bytes before any critical buffer overflows.
Pin 17 ~DSR ~Data Set Ready
This line is an output from the radio.
The active (data set ready) state of this line is low. DSR can be used by your
computing device as a confirmation that the radio knows the state of the
terminal. DSR follows DTR, so the two lines will always be at the same voltage.

Interface specification – Pin descriptions 39
RIM 802D OEM Radio Modem – Integrator’s Guide DRAFT VERSION
Pin 18 GND Ground
This line should be tied to the system ground of the host unit to ensure proper
operation. Pin 9 should also be connected to ground.
Pin 19 ~DTR ~Data Terminal Ready
This line is an input to the radio.
The active (data terminal ready) state of this line is low, and indicates that the
computing device is ready to receive data from the RIM 802D. De-asserting this
line high will turn communication off; the RIM 802D would not attempt to
deliver data to the computing device until ~DTR is again asserted low. Asserting
this line low will allow communication to resume.
If you do not intend to use ~DTR, tie it to ground to ensure that it is always
asserted during radio operation.
This line should be driven low when the radio is off. Driving ~DTR high when
the radio is off will consume unnecessary power.
Pin 20 TX Transmit
This line is an input to the radio. Its idle (no serial transmit activity) state is high.
This is an asynchronous serial input to the radio unit, and should be connected to
the computing device’s Transmit Data output. This line carries data at 9600 bits
per second. The parameters are 8 bits, No parity, 1 stop bit.

40 Interface specification – How to turn the radio on and off
Integrator’s Guide – RIM 802D OEM Radio Modem DRAFT VERSION
Pin 21 RX Receive
This is an output from the radio. Its idle (no serial receive activity) state is high.
This line is an asynchronous serial output from the radio unit, and should be
connected to the host terminal’s Receive Data input. This line carries data at
9600 bits per second. The parameters are 8 bits, No parity, 1 stop bit.
How to turn the radio on and off
The TURNON pin is a digital signal that turns the radio on and off. It eliminates
the need for a power switch across the power supply to the radio.
Turning the radio on
To turn the RIM 802D on, the software should first check the ONI pin. If ONI is
high, but TURNON is being held low, then your application has recently
requested the radio to shut down, and the radio is performing shutdown
operations and should not be disturbed. Wait for ONI to go low before
continuing.
If ONI is low, this indicates the radio is turned off. Set the TURNON line high to
turn the radio on. The ONI pin will respond by going high, typically within 2
seconds. Once the ONI pin is high, other handshaking and communication
signals can begin.
If the radio fails to respond to a high TURNON line, the radio may require
service, or the power supplied to the radio may be too low for proper operation.
Turning the radio OFF
A controlled shutdown is necessary to allow the RIM 802D to tell the DataTAC
network that it is off air. To turn the RIM 802D off, your software should de-
assert the TURNON line by setting it low. The radio will then begin shutdown
operations, and the ONI pin will remain active until all shutdown operations are
complete.

Interface specification – Loading firmware (optional) 41
RIM 802D OEM Radio Modem – Integrator’s Guide DRAFT VERSION
Shutdown will normally require several seconds to complete, and the radio
should not be disturbed while it is shutting down. Attempting to communicate
with the radio during shutdown may extend the time taken to perform shutdown
operations. The ONI signal will be de-asserted (low) when the radio has shut
down.
All inputs to the radio should be low when the radio is turned off. This ensures
that power consumption will be reduced to the lowest possible levels. Note that
if any line is left in the high state, as much as 5 mA may flow into the radio
modem.
SDU data that has been received by the RIM 802D from the DataTAC network,
but which has not been transferred to the computing device, will not be saved.
The SDUs will be lost when the unit enters shutdown or is turned off.
Following this shutdown procedure, it is not necessary to remove power from
pins 7 and 8, unless the application cannot tolerate the 0.02 mA current draw that
occurs when the radio is shut down.
Loading firmware (optional)
The RIM 802D firmware controls the operation of the radio. RIM is committed
to the quality of its firmware, and improvements or optimizations may be made
from time to time. The radio is designed so that loading revised firmware is not
necessary; two RIM radios with different firmware revisions will always be able
to communicate with each other through the wireless network.
Because of its size, firmware cannot be updated over the air. If you decide to
implement the ability to update the firmware after the radio is deployed, RIM
can provide a DOS or Windows programming utility that loads firmware into the
radio. If your device is not DOS or Windows based, the programming utility
must reside on a PC or laptop that is connected through its COM port to the
radio’s RX and TX lines. This means that the RX and TX lines would be brought
out to an external connector, and a switch required to select whether the radio is
connected to your processor or to the external programming computer. Other
lines that are required during reprogramming are DTR (must be asserted low),
TURNON (must be high), and GND.


6
6. Antenna selection
The antenna is one of the most important components of a wireless
communication system. The right antenna will maximize the coverage area of the
RIM 802D.
The antenna that you choose should complement the needs of your specific
project. There are many different antenna types and options that will meet your
engineering and user requirements while remaining within budget constraints.
We strongly recommend the use of an experienced antenna provider in order to
realize the highest gain possible. A well-designed antenna solution will
maximize efficiency, coverage area, and battery life.
Selecting an antenna
Antenna manufacturers have designed and manufactured a wide variety of
antennas for use on the DataTAC network, and for other radio-frequency (RF)
systems operating in the 800 MHz range. RIM does not recommend specific
antennas because the choice of antenna is application-dependent.
The performance of an antenna depends on its configuration and environment:
the same antenna will behave differently in one device than in another device,
even if both devices use the same RIM 802D radio modem. For example,
magmount antennas include a magnetic base that allows the antenna to clamp
onto a metal surface. This surface is called a ground plane, and reflects
electromagnetic radiation that would otherwise be lost to the antenna. This
effectively doubles the length of the antenna by creating a virtual “mirror image”
of the antenna beneath the plane.

44 Antenna selection – Selecting an antenna
Integrator’s Guide – RIM 802D OEM Radio Modem DRAFT VERSION
Antenna requirements
The following are the minimum requirements of the antenna system used with
the RIM 802D.
Impedance: 50
Center frequency: 833 MHz, 5 MHz
this is deliberately biased toward transmit because of
the exceptionally sensitive receiver in the radio; it
helps balance the two-way link between the radio
modem and the network base station
Frequencies of operation: 806 to 825 MHz (transmit)
851 to 870 MHz (receive)
Acceptable return loss: VSWR < 1.5 or RL < 14 dB (recommended)
VSWR < 2.0 or RL < 10 dB (minimum acceptable)
required across the frequencies of operation
Supplier contact information
Larsen Antenna Technologies, Inc. Larsen Antenna Technologies-Canada, Ltd.
Vancouver, WA, USA Burnaby, B.C., Canada
tel: (800) ANTENNA / (360) 944-7551 tel: (800) 663-6734 / (604) 299-8517
fax: (800) 525-6749 / (360) 944-7556 fax: (800) 689-2199 / (604) 299-4191
www.larsenantenna.com
Austin Antenna (subsidiary of World Wireless Communications Inc.)
Salt Lake City, UT, USA
tel: (801) 575-6600
fax: (801) 575-6621
www.worldwireless.com
Centurion International, Inc.
Lincoln, NE, USA
tel: (800) 228-4563 / (402) 467-4491
fax: (800) 826-3774 / (402) 467-4528
www.centurion.com

Antenna selection – Introduction to antenna terminology 45
RIM 802D OEM Radio Modem – Integrator’s Guide DRAFT VERSION
Andrew Corporation
Orland Park, IL, USA
tel: (708) 349-3300
fax: (708) 349-5444
www.andrew.com
Introduction to antenna terminology
This section introduces some of the terminology that is used to describe
antennas, and expands on the summary of antenna requirements, above.
Gain and ERP
Antennas produce gain by concentrating radiated energy in certain areas, and
radiating less energy in other directions. The amount of gain depends on the
radiation pattern, antenna match, and antenna efficiency. Antenna gain is given
as a rating of the maximum increase in radiated field energy density relative to a
dipole antenna, expressed in decibels of power gain (dBd).
A dipole is a balanced antenna consisting of two radiators that are each a
quarter-wavelength, making a total of a half-wavelength. The widespread use of
half-wave dipole antennas at VHF and UHF has led to the use of a half-wave
dipole as the reference element.
The power output of the RIM 802D is 2.0 W at the antenna port, and the antenna
gain (or loss) will result in an increase (or decrease) in this value. The actual
output is called the Effective Radiated Power, or ERP. For example, if the
RIM 802D is putting out 2.0 W of power to a 2.3 dBd gain antenna, the ERP is
2.0 10^(2.3 10) = 3.4 W, the actual power radiated by the antenna in the
direction of maximum gain and polarization.
Impedance matching, return loss, and VSWR
The antenna, cables, and connectors in a radio frequency system must all possess
the same impedance. The impedance required by the RIM 802D is 50 , which
is a widely-available industry standard. Any deviation from this value may result
in impedance mismatch.

46 Antenna selection – Introduction to antenna terminology
Integrator’s Guide – RIM 802D OEM Radio Modem DRAFT VERSION
Impedance mismatch can be caused by cable connections, cable lengths, and
imperfections in the cables and connectors. The mismatch causes some of the
radio frequency energy to be reflected back from the location of the mismatch.
This interferes with the signal and reduces its amplitude, resulting in a power
loss.
Antenna mismatch can be expressed as a return loss (RL), which is simply the
ratio of reflected power to the incident power, expressed in decibels.
RL u10 10
log P
P
reflected
output
Equation 1: Return Loss
The Voltage Standing Wave Ratio (VSWR) is another way of expressing the
ratio of incident power (from the RIM 802D) to reflected power (into the
RIM 802D).
VSWR
1P
P
1 - P
P
reflected
output
reflected
output
Equation 2: VSWR
VSWR = 1 or RL = dB is a perfect match. In practice, there will always be
imperfections, which means that VSWR will be greater than 1 and RL will be a
negative number.
VSWR and RL normally vary as a function of frequency. The RIM 802D’s
frequency range includes 806 to 825 MHz (transmit) and 851 to 870 MHz
(receive). The minimum acceptable match across this range must be
VSWR < 2.0 or RL < 10 dB. For best performance, the recommended antenna
match at these frequencies is VSWR < 1.5 or RL < 14 dB.
Antenna size
The optimal antenna radiation efficiency is produced by an antenna measuring
one wavelength, . The value of for the RIM 802D is 36.0 cm, and is

Antenna selection – Antenna design considerations 47
RIM 802D OEM Radio Modem – Integrator’s Guide DRAFT VERSION
calculated by dividing the speed of light c = 3 x 108 m/s by the center frequency
f = 833 MHz. Because the RIM 802D’s receiver is so sensitive, this value
includes a 5 MHz bias toward the transmit frequencies to help balance the uplink
and downlink between the radio modem and the network base station.
Antenna lengths of /2, /4, and /8 also work well, and usually result in a
relatively well matched antenna. /2 or /4 can be electrically “shortened” by
adding load matching elements to control the antenna match. However, this
shortening will reduce the antenna efficiency and therefore the effective radiated
power.
Antenna design considerations
Proper positioning of the antenna will maximize the gain provided by the
antenna. In determining the proper position, the designer must carefully consider
the environment in which the device will be used. Physical devices can vary
significantly, and incorporating the antenna is an integral part of a successful
design.
The DataTAC network is based on vertically polarized radio-frequency
transmission. Therefore, the antenna should ideally be oriented so that it
provides vertical polarization. This is achieved by positioning the antenna
vertically upward when the RIM 802D is in use. In small, hand-held devices, it
may be convenient to design the unit in such a way that the antenna folds out of
the way when not in use.
The antenna should be located as far from the active electronics of the
computing device as possible. In general, metal construction in the case of the
computing device and its internal components may attenuate the signal in certain
directions. This is not desirable, as it would reduce the sensitivity and transmit
performance of the radio modem when the computing device is held or
positioned in certain orientations. However, the judicious use of metal in the
construction of a ground plane for an antenna can significantly improve the
antenna gain and the coverage area of the system.
If the computing device is designed to sit on a surface, then the antenna should
be as far from the bottom of the device as possible. This will reduce radio-
frequency (RF) reflections whenever the device is placed on a metal surface.

48 Antenna selection – Antenna design considerations
Integrator’s Guide – RIM 802D OEM Radio Modem DRAFT VERSION
When the computing device is hand-held or is worn next to the body of the user,
the antenna should be positioned to radiate away from the body. Otherwise, the
body will absorb the radiated energy and the effective coverage area of the radio
will be reduced. This will also help the device meet the FCC’s RF exposure
requirements.
For best results, the antenna should be connected directly to the antenna cable. If
an extension cable is required, it should be low loss, as short as possible, and
have an impedance of 50 . It is important that a proper matching connector be
used, as each connector in the signal path introduces a return loss and reduces
performance.
The following additional notes are provided courtesy of Larsen Antenna
Technologies:
“There are a number of critical issues to consider when integrating antennas
into portable RF systems. It is important to make allowances early in the design
process to optimize performance and provide flexibility in antenna choice.
Generally, it is prudent to position the antenna “up and away” from the radio
and printer motors to maximize noise reduction and receiver desensitivity. Other
“high noise” areas to be avoided include displays and keypads that can
seriously degrade antenna performance. Advances in antenna shielding
techniques may also be incorporated to retain the integrity of the system.
“Mechanical issues for an integrated antenna revolve around proper cable
routing and use of service loops to provide uninhibited antenna rotation if
needed. The ability to position the antenna in a manner which will result in
antenna deformation, impact resistance and aesthetic requirements must also
be considered to design a workable form factor. The option to position the
antenna vertically when in use so that performance is optimized is another
consideration which can be limiting and a true consideration when choosing to
use off-the-shelf solutions.
“Custom antenna solutions may be worthy of consideration for some projects.
In some applications, custom designed antennas have shown performance
increases of up to 2 dB when compared to quality off-the-shelf solutions. The
cost of a custom design and resulting production can be as cost efficient as an
off-the-shelf solution for projects requiring quantities as low as 20,000
antennas. The use of state-of-the-art antenna theory, printed circuit technology,
and application of evolving concepts can produce antennas with reduced sized
without compromising performance.
“Examining the options available, and choosing an antenna early in the
development process, can only benefit the performance and aesthetic appeal of

Antenna selection – Shielding 49
RIM 802D OEM Radio Modem – Integrator’s Guide DRAFT VERSION
a product. The engineering staff at Larsen Antenna Technologies are experts in
this field with over 30 years of experience in helping OEMs reach their antenna
design and production objectives.”
Shielding
The electrical design of the RIM 802D provides high immunity to radio-
frequency (RF) noise, or electromagnetic interference (EMI). The metal casing
also acts as a shield to help minimize the effect of RF interference originating
from the computing device to which it is attached, and to prevent the RIM 802D
from emitting RF energy into the computing device and disrupting the computing
device’s operation.
Consequently, you do not need to provide any additional RF shielding between
the RIM 802D and a computing device, unless the environment contains an
extreme level of RF noise (electromagnetic interference). In fact, it would be
more important for the power supply to the RIM 802D to be free of high-
frequency electrical noise, than to provide additional RF shielding.
The antenna must be positioned in such a way that the radiated energy is directed
away from the computing device. If this is not possible, then RF shielding may
be required between the antenna and the computing device.
Note that circuits with a high impedance, and sensitive analog circuits, are
especially vulnerable to nearby radio frequency emissions, and may need to be
shielded. Typically-affected circuits include CRTs and LCD display drivers.
FCC radio frequency exposure rules
DRAFT subject to change
Based on FCC rules 2.1091 and 2.1093 and FCC Guidelines for Human
Exposure to Radio Frequency Electromagnetic Fields, OET Bulletin 65 and its

50 Antenna selection – FCC radio frequency exposure rules
Integrator’s Guide – RIM 802D OEM Radio Modem DRAFT VERSION
Supplement C, all integrations of the RIM 802D OEM unit are subject to routine
environmental evaluation for radio-frequency (RF) exposure prior to equipment
authorization or use.
For portable devices, defined in accordance with FCC rules as a transmitting
device designed to be used within 20 cm of the user body under normal
operating conditions, RF evaluation must be based on Specific Absorption Rate
(SAR) limits in W/kg. SAR is a measurement of the rate of energy absorption
per unit mass of body tissue.
For mobile devices, defined as a transmitting device designed to be generally
used such that a separation distance of at least 20 cm is maintained between the
body of the user and the transmitting radiated structure, the human exposure to
RF radiation can be evaluated in terms of Maximum Permissible Exposure
(MPE) limits for field strength or power density in mW/cm2.
How to comply with FCC SAR/MPE guidelines
RIM has submitted module-specific information and test reports for a generic
MPE compliance.
The antennas tested are:
Larsen NMO Q 800B (0 dBd gain)
Andrew (formerly The Antenna Company) Eclipse II Mag Mount
(3 dBd gain)
The Larsen ground plane mount antenna with a 6 foot cable length passes the
MPE test when it is 20 cm from the user. Similarly the passing distance for the
EclipseII magmount antenna, with 6 foot cable, is 20 cm.
If the RIM 802D radio modem is integrated in a vehicle, and if one of these two
antennas is used, the MPE limits will not be exceeded provided that the antennas
are installed at least 20 cm from any edge of the vehicle rooftop. This can be
accomplished by making it mandatory for the customer to put a prominent
warning in their user manual to tell the installer to make sure that the antenna is
properly mounted in the centre of the vehicle rooftop. The user should also be
warned to maintain the minimum required distance from the antenna.
Please note that the FCC grant for the RIM 802D does not limit or restrict it to
operate in vehicle-mount configurations. As long as the antenna type, gain, cable

Antenna selection – FCC radio frequency exposure rules 51
RIM 802D OEM Radio Modem – Integrator’s Guide DRAFT VERSION
loss, and minimum separation distance satisfy the MPE limits (through proper
installation), and an appropriate warning statement is included in the user
manuals of the final product, the FCC grant conditions are satisfied. For
example, in a non-vehicle situation you may need to provide semi-fixed
installation procedures for magmount antennas to ensure the MPE separation
distances are met for satisfying grant conditions and to overcome mobility issues
caused by such antennas.
Warning: If you use an antenna with different characteristics, then your end
product is not covered by RIM testing and submission, and you must perform
your own testing, submit for a separate FCC ID, and go through the appropriate
process. It is mandatory for portable end products such as handheld and body-
worn devices to comply with FCC RF radiation requirements with respect to the
SAR limit.
The submission should include end product information, end product SAR/MPE
test report, and a reference to the RIM module FCC ID for all other Part 90
requirements.
RIM strongly recommends the use of APREL Laboratories for SAR/MPE
testing, because of their experience with this type of testing of devices using
RIM radio modems. Contact:
Dr. Paul Cardinal
APREL Laboratories
51 Spectrum Way
Nepean, Ontario, Canada
K2R 1E6
Tel: (613) 820-2730
Fax: (613) 820-4161
Email: p.cardinal@aprel.com
During the SAR/MPE testing, the RIM testing software resides on an external
PC that requires the ability to communicate with the radio directly. This means
that the device you submit for testing must have an external connector that can
be used to connect the radio to a PC. If your device can run DOS programs, RIM
can provide a DOS-based utility that joins two COM ports. This can be useful if
the radio might be connected to a handheld device’s internal COM 4 port. There
may also be an RS232 serial connection COM 1 that is external to the device. It
would be possible to make a virtual link between the two COM ports, so that an
external device connected to COM 1 can communicate with the radio connected
to the internal COM 4, eliminating the need to remove the radio from the
handheld device.

52 Antenna selection – FCC radio frequency exposure rules
Integrator’s Guide – RIM 802D OEM Radio Modem DRAFT VERSION
SAR and MPE limits
SAR limits for General Population/Uncontrolled exposure is 1.6 W/kg for partial
body exposure, averaged over 1 g of tissue and 4 W/kg for hands, wrists and feet
averaged over 10 g of tissue. The limits for Occupational/Controlled exposure
are more relaxed, i.e., 8 W/kg for partial body and 20 W/kg for hands, wrists and
feet. The 1.6 W/kg limit applies for most of RIM OEM integrators.
The limit for MPE is 0.53 mW/cm2 at 800 MHz.
Guidelines
RF exposure distance is based on normal operating proximity to the user’s or
nearby persons’ body. This distance is measured from any part of a radiating
structure, which is generally the antenna, to the closest body part. A set of tests
must be performed to determine the passing distance that meets the exposure
limits with respect to SAR for handheld, body-worn, and portable devices, or
MPE for vehicular and mobile devices, if antennas other than the three tested by
RIM are used.
Operating manual compliance statement
For mobile and vehicular devices, you should include a statement in your
operation, user, and/or installation manual making the user aware of RF
exposure issues and ensuring that the users keep a passing distance from the
antenna while transmitting. You should provide instructions or diagrams in the
manual for proper antenna mounting and position, when applicable, to ensure a
safe exposure distance to the operator and nearby persons.
For handheld, body-worn, and portable devices, separate FCC approval is
required to be in compliance with FCC RF exposure guidelines with respect to
the SAR limits.
Label
If the minimum separation distance of the final device configuration cannot be
met due to occasional non-essential operating conditions or requirements, then
the device needs to have an RF radiation hazard label warning the user or nearby
persons to keep away from the antenna by the specified distance. Compliance

Antenna selection – FCC radio frequency exposure rules 53
RIM 802D OEM Radio Modem – Integrator’s Guide DRAFT VERSION
with respect to SAR limits which satisfy MPE limits would not require warning
labels, but an RF radiation warning label can be used to alert the user or nearby
persons about abnormal usage conditions.
For more information
Sections 2.1091 and 2.1093 of the FCC Rules, which govern RF exposure limits,
are available at:
www.access.gpo.gov/nara/cfr/waisidx/47cfr2.html
Bulletin 65 and its Supplement C, issued by the FCC’s RF Safety Group (Office
of Engineering and Technology), is available at:
www.fcc.gov/oet/info/documents/bulletins/#65
Further information concerning the bulletin can be obtained by contacting the RF
Safety Group:
Telephone: (202) 418-2464
Email: rfsafety@fcc.gov
Web: www.fcc.gov/oet/rfsafety
Inquiries can also be directed to the FCC’s Call Centre. The toll-free number is:
1-888-CALL-FCC (1-888-225-5322)
You may contact Research In Motion’s engineering development team at:
Email: rim802d@rim.net
Telephone: (519) 888-7465


Specifications
The following is a summary of the RIM 802D OEM radio modem specifications.
Power supply & typical current usage
Single power supply; operating range: 4.1 to 4.75V DC
Single 3.0V logic line to turn on/off
Battery save stand-by mode: 0.2 mA (at 4.4 V)
Receive / express stand-by mode: 66 mA (at 4.4 V)
Transmit mode: up to 1.7 A (at 4.4 V, output 2.0W)
Average current draw (heavy usage: 5% receive, 0.05% transmit, 94.95% standby)
4.3 mA (at 4.4 V) if low-power standby mode is used
8.8 mA (at 4.4 V) if low-power standby mode is not used
RF properties
Transmit frequency: 806 to 825 MHz
2.0 W nominal maximum transmit power at antenna port
Receive frequency: 851 to 870 MHz
Receiver sensitivity: -118 dBm(MDC) and –111dBm(RD Lap) at 0.01 bit error rate
(BER)
8000 bps 0.3 BT GMSK
FCC Parts 15 and 90 pending
Industry Canada RSS 119 pending
Serial communications
3.0V asynchronous serial port
8 bits with no parity (NCL and RAP)
Link speed: 9600 bps
Link level protocols:
Radio Access Protocol (RAP)
Native Control Language (NCL)
Other features
“MENU” is a simple-to-use firmware utility displays serial number, LLI, RSSI level,
battery strength, and network parameters. It can also select different DataTAC
networks or "ping" the network to test the radio modem.

56 Specifications – FCC radio frequency exposure rules
Integrator’s Guide – RIM 802D OEM Radio Modem DRAFT VERSION
Software can activate radio
Hardware flow control
Radio parameters stored at power down
Terminal devices may power-down while radio-modem remains operational
Mechanical & environmental properties
Weight: 35 g (1.2 oz), including case
Footprint: 42.0 by 67.5 mm (1.65” x 2.66”)
Thickness: 8.4 mm (.33”)
3.0V interface connector: 22 pin FPC (Flexible Printed Circuit) connector
Antenna cable connector: MMCX
Tested to IEC 68-2-6 Part 2 for vibration
Metal case
Operating temperature tested to: -30°C to +70°C
(at 5-95% relative humidity, non-condensing)
Storage temperature: -40°C to +85°C

Glossary of terms
Term: Meaning:
C The speed of light.
dB decibel. A measure of power, based on a logarithmic scale.
FPC Flexible Printed Circuit. The interface cable on the
RIM 802D is made using this type of flat multi-conductor
wiring. Also known as FFC (Flat Flex Cable).
Gain In this document, refers to increase/decrease in radiated
power.
LLI Logical Link Identifier. Each DataTAC radio modem has
one unique LLI. A LLI is a 32-bit number. The network
operator will assign a LLI to each radio modem when they
authorize its use on their DataTAC network.
NCL Native Control Language. The link layer protocol
exchanged via an asynchronous full-duplex serial channel
between a data terminal or computing device and the
RIM 802D OEM Radio Modem.
MMCX The connector on the RIM 802D to which an antenna cable
is connected.
DataTAC A radio network and its communication protocols.
SDU Service Data Unit. A parcel of data transferred between the
DataTAC network and the radio modem.
Network Operator The corporation or agency which installs, maintains and
authorises use of a DataTAC network in a given area,
usually within one country.
Noise Refers to undesired, random interference combining with
the signal. If the device is not immune to noise, the
interference must be overcome with a stronger signal
strength. Noise can be produced by electronic components.

58 – FCC radio frequency exposure rules
Integrator’s Guide – RIM 802D OEM Radio Modem DRAFT VERSION
Term: Meaning:
OEM Original Equipment Manufacturer. Usually implies that the
“OEM product” is carried another manufacturer’s name.
The RIM 802D is designed to be embedded in OEM
terminals, PCs, and data gathering equipment.
OSI The Open Systems Interconnection model allows different
systems, following the applicable standards, to
communicate openly with each another.
Polarity Direction of current flow. Connecting some cables with the
wrong polarity (i.e. backward) may damage the device.
Radio Modem A device which provides modulation and demodulation for
a radio frequency communications system.
Radiation In this document, “radiation” refers to the emission of
electromagnetic energy in the radio frequency (RF) band.
Do not confuse this with radioactive particle emissions
caused by nuclear reactions.
RAP Radio Access Protocol. An alternative to the NCL
protocol, found on the RIM 802D. Provides simpler
implementation.
Return Loss A measure of antenna matching.
RF Radio Frequency.
RS-232 The standard asynchronous serial communications interface
used by most existing personal computers and mini-
computers. Usually refers to both the communications
protocol and the electrical interface.
SMA An RF connector type.
TTL Transistor-Transistor Logic. Used in digital circuits. Low
(0) is represented by 0 V and High (1) by 5 V. The
RIM 802D uses 3.0V for High.
Type Approvals These approvals are required by most governments before
radio transmitters and equipment containing radio
transmitters can be used. In the USA, a device must be
tested and certified by an independent lab which is
recognized by the FCC.
UART Universal Asynchronous Receiver/Transmitter. Used as an
interface between a microprocessor and a serial port.
VSWR Voltage Standing Wave Ratio. A measure of antenna
matching. See the Antenna Selection chapter.