Bogen V100 Users Manual V35, V60, V100, V150, V250 Power Vector Amplifiers
V60 man V60 man
V250 man V250 man
V150 man V150 man
V35 man V35 man
V100 to the manual 1aefdb53-1ad2-4517-9490-7c1ab7f62b82
2015-02-02
: Bogen Bogen-V100-Users-Manual-484065 bogen-v100-users-manual-484065 bogen pdf
Open the PDF directly: View PDF
.
Page Count: 16

Power Vector Amplifiers
V35, V60, V100, V150, & V250 Models
Installation and Use Manual
© 2004 Bogen Communications, Inc.
All rights reserved.
Specifications subject to change without notice.
54-2072-01B 0401

Notice
Every effort was made to ensure that the information in this
guide was complete and accurate at the time of printing.
However, information is subject to change.
Important Safety Information
WARNING: To Reduce The Risk of Fire Or Electric Shock, Do
Not Expose This Apparatus To Rain Or Moisture.
Always follow these basic safety precautions when installing and
using the unit:
1. Read these instructions.
2. Keep these instructions.
3. Heed all warnings.
4. Follow all instructions.
5. Do not use this apparatus near water.
6. Clean only with dry cloth.
7. DO NOT block any ventilation openings. Install in
accordance with the manufacturer’s instructions.
8. Do not install near any heat sources such as radiators, heat
registers, stoves, or other apparatus (including amplifiers)
that produce heat.
9. Do not defeat the safety purpose of the polarized or
grounding-type plug. A polarized plug has two blades with
one wider than the other. A grounding-type plug has two
blades and a third grounding prong.The wide blade, or the
third prong, are provided for your safety. If the provided plug
does not fit into your outlet, consult an electrician for
replacement of the obsolete outlet.
10. Protect the power cord from being walked on or pinched,
particularly at plugs, convenience receptacles, and the point
where they exit from the apparatus.
11. Only use attachments/accessories specified by the
manufacturer.
12. Unplug this apparatus during lightning storms or when
unused for long periods of time.
13. Refer all servicing to qualified service personnel. Servicing is
required when the apparatus has been damaged in any way,
such as power supply cord or plug is damaged, liquid has
been spilled or objects have fallen into the apparatus, the
apparatus has been exposed to rain or moisture, does not
operate normally, or has been dropped.
IMPORTANT
CAUTION: TO PREVENT THE RISK OF
ELECTRIC SHOCK, DO NOT REMOVE COVER
(OR BACK). NO USER-SERVICEABLE PARTS
INSIDE. REFER SERVICING TO QUALIFIED
PERSONNEL.
The lightning flash with arrowhead
symbol, within an equilateral triangle, is
intended to alert the user to the
presence of uninsulated “dangerous
voltage” within the product’s enclosure
that may be of sufficient magnitude to
constitute a risk of electric shock to
persons.
The exclamation point within an
equilateral triangle is intended to alert
the user to the presence of important
operating and maintenance (servicing)
instructions in the literature
accompanying the appliance.

Contents
Page
PANEL DESCRIPTIONS..................................................................................................2-3
Power Vector Front Panel..................................................................................................................2
Power Vector Rear Panel ..................................................................................................................3
INSTALLATION ..................................................................................................................4
Package Contents ................................................................................................................................4
Ventilation and Mounting ..................................................................................................................4
Models V250 and V150 ................................................................................................................4
Models V100,V60, and V35 ..........................................................................................................4
Rack Mounting ..............................................................................................................................4
Shelf/Table Mounting ....................................................................................................................4
Module Installation ..............................................................................................................................4
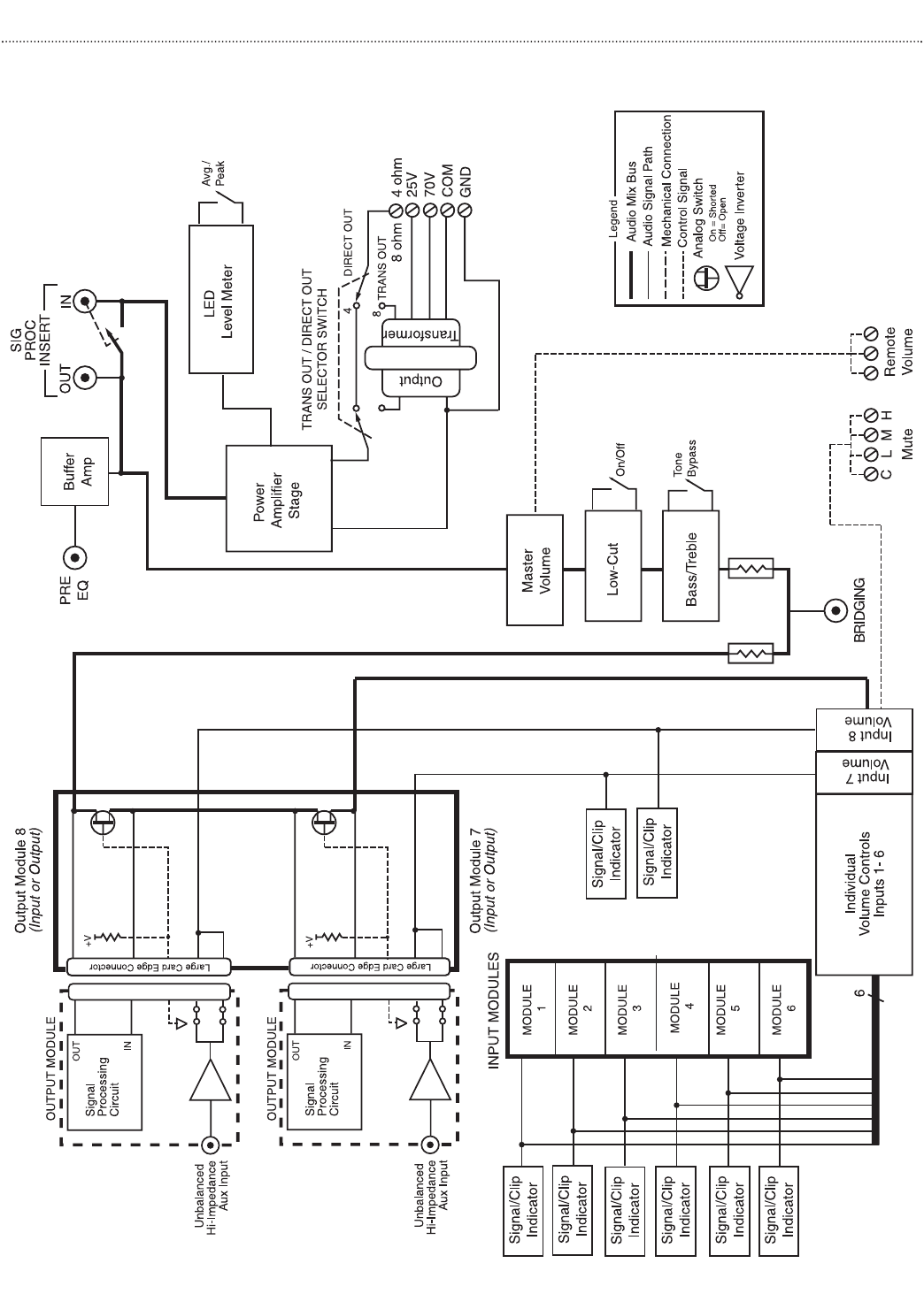
MODULES ............................................................................................................................5
Output Modules ..................................................................................................................................5
Functionality ....................................................................................................................................5
Input Modules ......................................................................................................................................5
Functionality ....................................................................................................................................5
Priorities ..........................................................................................................................................5
CONNECTIONS ..............................................................................................................6-8
Speakers ................................................................................................................................................6
Transformer-Coupled Speaker Connections ................................................................................6
4-Ohm Low-Impedance Speaker Connections............................................................................6
COM and GND Terminals ............................................................................................................7
Remote Volume Control ....................................................................................................................7
Pre-EQ Output ....................................................................................................................................7
Signal-Processing Inserts ....................................................................................................................7
Mute Control........................................................................................................................................8
Bridging ..................................................................................................................................................8
System Expansion of Power Vector Amplifiers ............................................................................8
OPERATION ..................................................................................................................9-10
Front Panel Controls & Indicators ..................................................................................................9
Input Volume Controls....................................................................................................................9
Signal / Clip Indicator ....................................................................................................................9
Base and Treble Controls ..............................................................................................................9
Master Volume Control ..................................................................................................................9
Average / Peak Switch & LED Output Meter ............................................................................9
Power Switch / Power Indicator ....................................................................................................9
Rear Panel Controls ........................................................................................................................10
Load Selector Switch ..................................................................................................................10
Other Controls ................................................................................................................................10
Tone Control Bypass Switch........................................................................................................10
Low-Cut Switch ............................................................................................................................10
BLOCK DIAGRAM ............................................................................................................11
SPECIFICATIONS ............................................................................................................12
TROUBLESHOOTING ....................................................................................................13
WARRANTY ......................................................................................................Back Cover
ACCESSORIES ..................................................................................................Back Cover
1

Panel Descriptions
Power Vector Front Panel
1. Input Volume Control
Each of the 8 inputs is controlled by an independent volume control.
2. Signal / Clip Indicator
A single two-color LED located above each channel’s volume control indicates the audio activity of that
channel’s input. Green indicates signal present at the input; red indicates clipping of the input signal.
3.Treble Control
Controls the amount of cut or boost of treble frequencies above 10 kHz.
4. Bass Control
Controls the amount of cut or boost of bass frequencies below 100 Hz.
5. LED Output Meter
An 11-segment LED output level meter monitors the output level of the power amplifier.
6.Average / Peak Switch
This switch determines whether the LED Output Meter registers the average or peak level of the amplifier’s
output.
7. Master Volume Control
Controls overall level of mixed input signals.
8. Power Indicator
An LED indicates AC power status.
9. Power Switch
Controls AC power to the amplifier.
2

Panel Descriptions
Power Vector Rear Panel
1.AC Receptacle
A grounded, unswitched AC convenience receptacle with a 500W maximum capacity is provided for external
equipment.
2.AC Line Cord and Circuit Breaker
A grounded, 3-wire AC line cord provides power to the amplifier and is protected by a resettable circuit
breaker.
3.Trans Output / Direct Out Selector
Allows selection of either transformer-coupled outputs (70V, 25V, and 8-ohm) or a direct low-impedance
(4-ohm minimum) output.A locking device is included to avoid accidental switching.
4. Speaker Output Barrier Strip
A 5-position barrier strip, with clamping washers, provides connections for speaker loads.
5. Mute Control Terminals
Provides access to mute buses for external control and system expansion.
6. Remote Volume Control Terminals
Three terminals are provided for connection of a remote station to control the amplifier’s motorized Master
Volume Control.
7. Low-Cut Switch
A slide switch (located in module bay 6) that allows roll off of frequencies below 125 Hz.
8.Tone Control Bypass Switch
A slide switch (located in module bay 6) that allows the effects of the bass and treble controls to be bypassed.
9. Module Bays
The amplifier has eight module bays, all of which can accommodate input modules, with two bays (bays 7
and 8) that can accommodate either input or output modules.
10. Bridging Jack
An RCA connector that allows the bridging of Power Vectors together for system expansion.
11. Pre-EQ Output
An unbalanced RCA buffer output whose signal includes all volume controls, tone controls, and output module
signal processing, but before (pre-EQ) any external signal-processing equipment connected to the Signal-
Processing Insert jacks.
12. Insert Jacks
A pair of RCA connectors allow external equipment to be inserted between the pre-amp output and the power
amp input. Inserting a plug into the jack labeled “IN” automatically breaks the internal connection between the
amplifier’s pre-amp section and power amp section.The insert connections are unbalanced.
3

Installation
Package Contents
• Power Vector Amplifier • Module Covers (8)
• Switch Lock • 12 mm Module Cover Screws (16)
• Instruction Manual
Ventilation and Mounting
Models V250 and V150
When rack or table mounting models V250 and V150, allow a minimum clearance of 1-1/4" on the left side of
the unit for proper ventilation of the fan exhaust and a minimum top and bottom clearance of 1/2". The right
side has no specific clearance requirement. These are minimum acceptable clearances, though the more space
provided on the left side, top, and bottom, the better.
Models V100,V60, and V35
When rack or table mounting models V100, V60, and V35, which are passively cooled, allow a minimum
clearance of 1/2" for the bottom (set by the height of the unit’s feet) and a minimum of 1" from the top to other
obstructions. The sides have no specific clearance requirement. These are minimum acceptable clearances,
though the more space provided, both top and bottom, the better.
Rack Mounting
When stacking equipment in a rack, the amplifier should either be on the bottom of the stack or above
equipment that does not produce heat.This will ensure that cool air is available to the unit’s heat sinks.A rack
mount bracket kit (model RPK87)is available for the Power Vector series of amplifiers.
Shelf/Table Mounting
When using a shelf or table mount, the amplifier should stand alone with no equipment on top of it or below
it, especially for the V100,V60, and V35 models. If the amplifier must be stacked with other equipment, care must
be taken to ensure that all the minimum clearance distances are met and that the equipment below the
amplifier produces little significant heat. Rubber feet are installed on the amplifier to allow it to be placed on a
tabletop.
Module Installation
Eight module bays are available to accept Bogen’s new advanced input modules. Module bays 7 & 8 can also
accommodate Bogen’s new advanced output modules, thereby allowing users to customize the amplifier to suit
the needs of the installation. (The bays will not accept Bogen’s older style plug-in modules.)
Before installing a module, read the instructions included with the module and make the desired jumper setting
changes.
The modules are installed by simply sliding them along the card guides inside the module bays until the
faceplate firmly sits against the chassis, then use the two screws supplied with the module to secure it to the
chassis.
• Modules should slide in easily.
• Output modules will not fit in bays 1-6.
• Output modules can only be installed in bays 7 & 8.
• Output modules have 8 contacts on each side.
• Input modules have 6 contacts on each side.
• Older style Bogen input modules (41/2" in length) are
not usable in the Power Vector amps.
- CAUTION -
DO NOT FORCE MODULES
4

Modules
Output Modules
Functionality
The Power Vector series of amplifiers accepts Bogen signal-processing output modules, which offer a cost effec-
tive and convenient way to add specific signal-processing capability into a system.When an output module is
installed, the mix bus signal is automatically rerouted through the output module, whose capabilities further
process the signal before it is presented to the power amplifier section.
Up to 2 output modules can be installed in a Power Vector amplifier using module bays 7 & 8 (these bays accept
either output or input modules). When two output modules are installed, their signal-processing effects are
cascaded.The mix bus signal will first pass through the output module in module bay 7 and then through the
output module in bay 8. In some instances, the order in which the signal processing is applied is important and
can be determined by the module installation order.
Output modules automatically insert themselves into the signal path between the mix bus and power amp
stage, so no further connections are required beyond simply inserting the modules. Most Bogen output
modules include an unbalanced, Hi-Z input.This input feeds directly to the amplifier’s mix bus through the front
level control for the particular module bay and is not processed by the output module directly. The input is
included so that the input function of the module bay is not lost when an output module is installed.
Input Modules
Functionality
The Power Vector series of amplifiers accepts Bogen’s new advanced input modules, which provide a wide range
of input types allowing the amplifier inputs to be custom configured in both type and number for a particular
application. Input modules can be installed into any of the 8 module bays and do not have to be installed in any
particular bay order.The front panel volume control for that number bay will control the mix level of that input
module. In addition to a host of module specific features, each input module has a priority jumper section for
creating a priority hierarchy between different inputs installed in the amplifier.
Priorities
The Power Vector series of amplifiers allows inputs to be prioritized at four different levels. The Bogen input
modules contain circuitry that can cause their outputs to be muted in response to higher priority control
signals from other input modules. Each input module also contains circuitry that sends a mute control signal
out to other modules when it becomes active (all input modules become “active” when they receive an audio
input). Active modules may be prevented from sending their audio onto the mix bus by a higher priority
module that is also active.
Input priorities are set through a simple jumper field on the module. It is also possible not to assign a priority
level to an input module. By doing so, that module will never be muted by another input module in the
amplifier.
5

Connections
Speakers
Transformer-Coupled Speaker Connections
Transformer-coupled, constant voltage speaker loads are connected to
their respective load type (i.e., 70V speakers to the 70V terminal, 25V
speakers to the 25V terminals) and the COM terminal. Make sure the
selector switch is in the TRANS OUT position. A separate 8-ohm
terminal is provided to drive 8-ohm (low-impedance) speakers through an
output transformer tap.
The speaker terminals can accept up to a #10 spade lug and have integral
clamping plates that make wiring easier.
4-Ohm Low-Impedance Speaker Connections
A low-impedance (4Ω) speaker load can be driven directly without
transformer coupling by connecting the load to the 4Ω terminal and the
GND terminal. Make sure the selector switch is in the DIRECT OUT
position.
Bypassing the output transformer and driving the speaker load directly
provides the advantage of better bass response. To maximize the power
delivered to the speakers, their combined load impedance should be 4
ohms. Connecting higher load impedances is electrically acceptable, but
the mismatch in load impedance will cause the speaker load to only
receive a portion of the power that the amplifier is capable of delivering.
It is not acceptable to connect low-impedance speakers to the 70V and
25V outputs.
Note jumper link shorting the
GND to the COM terminal.
Transformer-Coupled Speaker
Typical connections to a low-impedance (non-transformer-coupled) speaker load
Typical connections to a 70V transformer-coupled speaker
Note switch is set to DIRECT OUT
Note switch is set to TRANS OUT
6
Low-Impedance (4-ohm) Speaker Load

Connections
COM and GND Terminals
A shorting jumper typically connects the COM and GND terminals of
the amplifier together. The COM terminal is a common lead from the
output transformer. For the transformer-coupled speaker output to
work, one of the speaker load leads must be connected to this terminal.
The GND terminal is a connection to the system’s electrical ground and
used when driving loads in the Direct Out mode.
Connecting the GND to the COM terminal when using the transformer-
coupled outputs references the transformer output to ground.
Disconnecting the GND terminal from COM allows the transformer
output to float electrically. This is sometimes useful under certain
conditions where a ground connection is undesirable. It is generally a
good idea to short the GND to the COM terminal regardless of output
type (Trans or Direct).
Remote Volume Control
Three terminals are provided for remote control of the Master Volume
control on the front panel. This control is motorized, allowing full con-
trol over the setting of the master volume. Shorting the UP terminal
with the C terminal will rotate the Master Volume control in a clockwise
direction, increasing the volume level. Shorting the DN terminal to the
C terminal will cause the Master Volume control to rotate in a counter-
clockwise direction and decrease the level of the Master Volume control.
The impedance of the shorting connections must be less than 100 ohms
in order to operate the control. The Bogen Remote Volume Control
Panel (Model RVCP) provides a simple and elegant means of remote
control. Alternatively, a SPDT spring-loaded, center off switch or two
SPST push-button switches can provide the necessary contacts for
remote control.
Pre-EQ Output
An unbalanced RCA connector provides a buffered signal level output for
use by external equipment. This output signal includes all internal signal
processing, including master volume control, output modules processing,
tone controls, and low-cut filtering. It does not include any external
signal processing that may be provided through the Signal-Processing
Inserts.
Signal-Processing Inserts
A set of unbalanced RCA connectors provides a means to insert
external signal-processing equipment between the output of the Power
Vector Amplifier’s mixer section and its power amp section. The RCA
connector labeled OUT provides a signal from the amplifier’s mixer
section. This output signal encompasses all internal signal processing,
including master volume control, output modules processing, tone
controls,and low-cut filtering.The connector labeled IN provides an input
to the amplifier’s power amplifier section. The internal connection
between the amplifier’s mixer section and power amp section is
automatically broken whenever an RCA plug is inserted into the IN
connector.
7

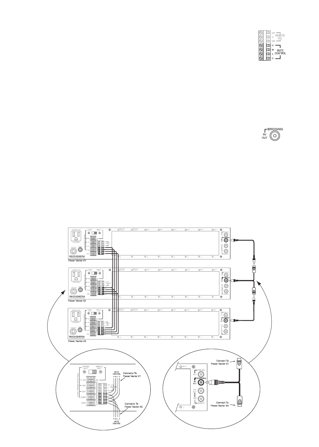
Mute Control
Each priority bus (High, Medium, and Low) can be externally activated.
This allows priority buses of two or more Power Vector units to be
linked together for system expansion purposes. A particular mute
priority can be externally forced by shorting that priority’s bus terminal
to the C terminal of the Mute Control (the C terminal is the system
ground).Forcing the H priority bus this way will mute all modules except
for modules set for priority level 1(highest priority). Forcing the M
priority bus will mute modules set for priority levels 3 or 4, but not
levels 1or 2, and forcing the L priority bus will only mute modules set
at priority level 4. See section on Bridging and illustration on page 8.
Bridging
This connector makes the Power Vector’s mix bus available externally and
allows the connecting of Power Vector units for system expansion and
simple room combining.
This function is bi-directional.Any signal received will be amplified and any
signal sent can be used by another Power Vector amp.The signal levels at
the bridging jack will drop by one-half with two Power Vectors tied
together and by two-thirds with three units tied together. Because of the
attenuation of the bridging signal, due to the signal loading of other Power
Vectors, it is not recommended that more than three units be connected
together. See Mute Control section and the illustration below for additional
information.
System Expansion of Power Vector Amplifiers
Using the bridging RCA connector, it is possible to connect two or more Power Vector amplifiers. It is not
recommended that more than three amplifiers be bridged together due to bridging loss.When connecting mute
control functions, make certain that the wiring is consistent (H to H, M to M, and so forth).
See illustration below.
8

Operation
Front Panel Controls & Indicators
Input Volume Controls
Each input module may be individually controlled by its corresponding
volume control knob.
Signal / Clip Indicator
A single LED located above each channel’s volume control indicates the
audio activity of that channel’s input. Green indicates signal present at the
input. Red indicates that the input signal coming from the input module
into the amp is clipping and distorted. This is caused by either an input
signal that is too high or an input module volume control (gain) that is
set too high.
Bass and Treble Controls
The treble control has a cut/boost range of +/- 10 dB at frequencies
above 10 kHz and provides a roll off after 20 kHz to reduce gain above
the audio range.
The bass control has a cut/boost range of +/- 10 dB at frequencies below
100 Hz. When driving speakers using the direct-coupled output
terminals, the bass filter’s response is flat to 20 Hz. When driving
speakers using the transformer-coupled output terminals, the Power
Vector amplifier automatically changes the bass filter’s response to a
bandpass shape to reduce the level of bass frequencies below 40 Hz.This
filter shape helps to avoid overdriving the output transformer with low
frequency signals that may cause noticeable distortion due to magnetic
saturation of the transformer’s core.
Master Volume Control
The overall volume level of the amplifier is set by a Master Volume
control.The Master Volume control is motorized and can be controlled
by manually adjusting the knob or by a remotely-mounted control
station. Connections and requirements for the remote control station
are described in the Connections section, under Remote Volume Control.
Average / Peak Switch & LED Output Meter
The LED Output Meter is an 11-segment meter that registers either the
average or the peak level of the amplifier’s output signal.A red indicator
is provided at the +3 dB level to indicate amplifier clipping. Amber
indictors at the 0 dB and -3 dB levels indicate high amplifier output
levels. The remaining 8 indicators (green) provide an indication of the
output signal’s dynamics.The meter can be set to read either the average
output signal level or the peak output signal levels by using the Average
/ Peak Switch at the bottom of the meter. In for average; out for peak.
Power Switch / Power Indicator
The AC power to the amplifier is controlled by the Power rocker switch.
A red LED indicator lights to confirm the power on status of the
amplifier.
9

Operation
Rear Panel Controls
Load Selector Switch
A large slide switch above the amplifier’s output barrier strip
determines transformer-coupled or direct output operation. The
setting of this switch controls which amplifier output terminals are
active and what type of filter shape will be used for the bass control.
See the connections section for more information about the load
selector switch.
A removable switch lock is provided with the amplifier to prevent
accidental changes in switch position.To set the lock, loosen the screw
opposite the desired switch position. Slide the lock under the loosened
screw and align it with the switch.Tighten the screw making sure the
lock has not shifted.
Other Controls (Located In Module Bay 6)
Tone Control Bypass Switch
A slide switch that can bypass the effects of the Bass and Treble controls is located on the back plane of
module bay 6. It is sometimes desirable to bypass the tone controls when other forms of system equalization
are used.A screwdriver can be used to set the switch.The switch must be set before a module is installed in
this bay.
Low-Cut Switch
The Power Vector Amplifier provides a low-cut filter that rolls off frequencies below 125 Hz.The slide switch
for this function is located on the back plane of module bay 6. A screwdriver can be used to set the switch.
The switch must be set before a module is installed in this bay.
10

Block Diagram
11

Specifications
12
Power Output (RMS): V35: 35W (45W Typical, @ 1 kHz/0.1%/4Ω)
V60: 60W (85W Typical, @ 1 kHz/0.1%/4Ω)
V100: 100W (140W Typical, @ 1 kHz/0.1%/4Ω)
V150: 150W (200W Typical, @ 1 kHz/0.1%/4Ω)
V250: 250W (340W Typical, @ 1 kHz/0.1%/4Ω)
Frequency Response
Transformer: 45-20 kHz; 0/-2 dB @ FRP
Direct: 20-20 kHz; 0/-1dB @ FRP
Distortion
Transformer: 0.5% THD+N, Maximum, Full-rated bandwidth @ FRP
Direct: 0.1% THD+N, Maximum, Full-rated bandwidth @ FRP
Direct: 0.05% THD+N, FRP @ 1kHz
Signal-to-Noise
Fundamental: -94 dB*
With Aux Module: -70 dB*
With Mic Module: -60 dB*
With Tel Module: -70 dB*
Tone Controls
Bass Frequency: 100 Hz (+/- 10 dB minimum)
Treble Frequency: 10 kHz (+/- 10 dB minimum)
Low Cut Frequency: 125 Hz @ -6 dB/octave
Sensitivity 0.4V (at backplane connector)
Output Regulation: 2 dB or better no load to full load
Output Impedance
Transformer-Coupled: 70V, 25V, 8 ohms; balanced or unbalanced
Direct Coupled: 4 ohms
Inserts
Insert "OUT" Level: 1VRMS (@FRP)
Insert "OUT" Impedance: 50 ohms maximum
Insert "IN" Sensitivity: 1VRMS
Insert "IN" Impedance: 10k ohms minimum
Buffered Output
Output Level: 4VRMS (Max Amp Gain @ rated input sensitivity
Output Impedance: 50 ohms maximum
AC Power Receptacle: 500 watts maximum power, unswitched
AC Line Draw: V35: 0.6A;V60: 1.3A;V100: 2A;V150: 3.5A;V250: 5.5A
Dimensions: 161/2" W x 31/2" H x 12" D (all models)
Product Weight: V35: 24 lb.
V60: 28 lb.
V100: 32 lb.
V150: 35 lb.
V250: 40 lb.
* Referenced to FRP output level, 20-20 kHz bandwidth limited.
All specifications subject to change without notice.

Troubleshooting
13
• Amplifier not plugged in.
• AC outlet dead.
• Power switch off.
• Circuit breaker tripped.
• Speaker connections on amplifier incorrect.
• Trans / Direct Out selector not set correctly.
• Poor / broken speaker wiring.
• Defective speakers.
• Poor electrical connections at input.
• Input cable routed near AC cables, power transformer, or
other EMI radiating devices.
• Electrically noisy devices operating on the same AC
circuit.
• Poor equipment grounding.
- Ensure that all AC safety grounds are connected.
- Make sure that all components in audio chain are tied to
the same ground.
NO SOUND
NOISE/HUM
PROBLEM CONDITION CAUSE
DISTORTED
SOUND
Power Indicator LED is off.
Power Indicator LED is red.
Input Signal / Clip LED is off.
• No signal from source.
• Module not installed correctly.
Power Indicator LED is red.
Input Signal / Clip LED is green.
LED Output Meter is operating.
Power Indicator LED is red.
Input Signal / Clip LED is green.
LED Output Meter is not in red.
• Signal from source is already distorted.
• Poor speaker connections.
• Trans-Out load on wrong tap.
• Bass control boosted too much.
POOR
LOW FREQ.
RESPONSE
(NO BASS)
Power Indicator LED is red.
Input / Signal Clip LED is green.
LED Output Meter not in red.
• Lo-cut switch is set to ON.
• Speakers wired out of phase.
• Check module bass control setting (if available).
• Check bass control setting.
• Note: Transformer-coupled speakers have less bass
response.
Power Indicator LED is red.
Volume controls are in normal
operational position.
Power Indicator LED is red.
Input Signal / Clip LED is green.
LED Output Meter is off.
• Master or input channel volume control turned down.
• Insert loop is “broken.” (RCA Plug in Sig Proc IN
connector)
Power Indicator LED is red.
Input Signal / Clip LED is red.
LED Output Meter is not in red.
• Input signal level to module too high (should cause red
LED).
• Input module gain too high (if available).
• Input module being overdriven by a high input signal.
Power Indicator LED is red.
Input Signal / Clip LED is green.
LED Output Meter in red.
• Input volume controls set too high.
• Input master volume control set too high.
• Partial short on the output.
Power Indicator LED is red.
Input Signal / Clip LED is green.
Volume Controls are turned up and
shows little activity.
Unit is extremely hot.

Warranty
50 Spring Street, Ramsey, NJ 07446, U.S.A.
Tel. 201-934-8500, Fax: 201-934-9832, www.bogen.com
Bogen Power Vector Amplifiers are warranted to be free from defects in material or workmanship for three (3) years from the date
of sale to the original purchaser. Any part of the product covered by this warranty that, with normal installation and use, becomes
defective will be repaired or replaced by Bogen, at our option, provided the product is shipped insured and prepaid to: Bogen
Factory Service Department, 50 Spring Street, Ramsey, NJ 07446, USA. The product will be returned to you freight prepaid. This
warranty does not extend to any of our products that have been subjected to abuse, misuse, improper storage, neglect, accident,
improper installation or have been modified or repaired or altered in any manner whatsoever, or where the serial number or date
code has been removed or defaced.
THE FOREGOING LIMITED WARRANTY IS BOGEN’S SOLE AND EXCLUSIVE WARRANTY AND THE PURCHASER’S
SOLE AND EXCLUSIVE REMEDY. BOGEN MAKES NO OTHER WARRANTIES OF ANY KIND, EITHER EXPRESS OR
IMPLIED, AND ALL IMPLIED WARRANTIES OF MERCHANTABILITY OR FITNESS FOR A PARTICULAR PURPOSE ARE
HEREBY DISCLAIMED AND EXCLUDED TO THE MAXIMUM EXTENT ALLOWABLE BY LAW. Bogen's liability arising out of
the manufacture, sale or supplying of products or their use or disposition, whether based upon warranty, contract, tort or other-
wise, shall be limited to the price of the product. In no event shall Bogen be liable for special, incidental or consequential dam-
ages (including, but not limited to, loss of profits, loss of data or loss of use damages) arising out of the manufacture, sale or sup-
plying of products, even if Bogen has been advised of the possibility of such damages or losses. Some States do not allow the
exclusion or limitation of incidental or consequential damages, so the above limitation or exclusion may not apply to you. This
warranty gives you specific legal rights, and you may also have other rights which vary from State to State.
Products that are out of warranty will also be repaired by the Bogen Factory Service Department -- same address as above or
call 201-934-8500. The parts and labor involved in these repairs are warranted for 90 days when repaired by the Bogen Factory
Service Department. All shipping charges in addition to parts and labor charges will be at the owner's expense. All returns require
a Return Authorization number.
Accessories
RPK87 - Rack Mounting Kit
• Adapts Power Vector for 19" rack mounting
• Heavy gauge steel construction
• Fits Power Vector into 2 rack spaces (31/2")
RVCP - Remote Volume Control Panel
• Push-button operation of motorized master volume control
• Fits in standard single gang electrical box
• Decora style cover plate
PVSC - Power Vector Security Cover
• Prevents tampering with system settings
• Power and meter switches accessible
• Simple installation
A variety of accessories are available.