Bogen SI35A B&W Rule User Manual To The B81bb673 A34b 4a69 A4b0 D6607f4b03e7
User Manual: Bogen SI35A to the manual
Open the PDF directly: View PDF
.
Page Count: 24

Power Intercom Systems
Models PI35A & SI35A
Installation & Operation Guide
Downloaded from: http://www.guardianalarms.net

© 1997 Bogen Communications, Inc.
50 Spring St., Ramsey, NJ 07446
All rights are reserved. No part of this document may
be photocopied, reproduced, or translated to another
language without the prior written consent of Bogen
Communications, Inc.
Notice: The information contained in this document is
subject to change without notice and should not be
construed as a commitment by Bogen Communi-
cations, Inc.
Bogen Communications, Inc. assumes no respon-
sibility for any errors that may appear in this docu-
ment nor does it make expressed or implied war-
ranty of any kind with regard to this material,
including, but not limited to, the implied warranties
of merchantability and fitness for a particular pur-
pose.
Bogen Communications, Inc. shall not be liable for
incidental or consequential damages in connection
with, or arising out of the furnishing, performance, or
use of this document and the equipment which is
describes.
WARNING
The Warning label calls attention to a procedure, prac-
tice, or the like, which, if not correctly performed or
adhered to, could result in damage to the unit or per-
sonal injury. Do not proceed beyond a warning label
until the indicated conditions are fully understood and
met.
Publication No. 54-5034-01r2
0003
Printed in USA
2

Contents
Unpacking . . . . . . . . . . . . . . . . . . . . . . . . . . . . . . . . . . . . . . . . . . . . . . . . . . .4
Wiring & Grounding Precautions . . . . . . . . . . . . . . . . . . . . . . . . . . . . . . . . . .4
Auxiliary Power Receptacle . . . . . . . . . . . . . . . . . . . . . . . . . . . . . . . . . . . . . .4
Maintenance & Service . . . . . . . . . . . . . . . . . . . . . . . . . . . . . . . . . . . . . . . . .4
Introduction . . . . . . . . . . . . . . . . . . . . . . . . . . . . . . . . . . . . . . . . . . . . . . . . . .5
Description . . . . . . . . . . . . . . . . . . . . . . . . . . . . . . . . . . . . . . . . . . . . . . . . .5
Features . . . . . . . . . . . . . . . . . . . . . . . . . . . . . . . . . . . . . . . . . . . . . . . . . . .5
MCP35A Control Panel . . . . . . . . . . . . . . . . . . . . . . . . . . . . . . . . . . . . . . . .6
SBA225 Speaker Selector Panel . . . . . . . . . . . . . . . . . . . . . . . . . . . . . . . . .8
Basic System Operation . . . . . . . . . . . . . . . . . . . . . . . . . . . . . . . . . . . . . . . .9
Communicating With a Selected Speaker(s) . . . . . . . . . . . . . . . . . . . . . . . .9
Distributing Audio to Rooms . . . . . . . . . . . . . . . . . . . . . . . . . . . . . . . . . . . .9
Adjusting Program Level to Rooms . . . . . . . . . . . . . . . . . . . . . . . . . . . . . . .9
To Make an All-Rooms Announcement . . . . . . . . . . . . . . . . . . . . . . . . . . . .9
To Make an Emergency Announcement . . . . . . . . . . . . . . . . . . . . . . . . . . . .9
Basic System Hook-Up . . . . . . . . . . . . . . . . . . . . . . . . . . . . . . . . . . . . . . . .10
4-Wire Speaker Connections to the SBA225 . . . . . . . . . . . . . . . . . . . . . . .10
Call-In Switches . . . . . . . . . . . . . . . . . . . . . . . . . . . . . . . . . . . . . . . . . . . . .11
Voice Call-In Feature . . . . . . . . . . . . . . . . . . . . . . . . . . . . . . . . . . . . . . . . .11
Voice Call-In Wiring . . . . . . . . . . . . . . . . . . . . . . . . . . . . . . . . . . . . . . . . . .11
Speakers and Speaker Wiring . . . . . . . . . . . . . . . . . . . . . . . . . . . . . . . . . .12
Time Tones . . . . . . . . . . . . . . . . . . . . . . . . . . . . . . . . . . . . . . . . . . . . . . . .12
Advanced Hook-Ups . . . . . . . . . . . . . . . . . . . . . . . . . . . . . . . . . . . . . . . . . .13
External Emergency Mic . . . . . . . . . . . . . . . . . . . . . . . . . . . . . . . . . . . . . .13
Emergency Telco Page . . . . . . . . . . . . . . . . . . . . . . . . . . . . . . . . . . . . . . .13
External Booster Amp . . . . . . . . . . . . . . . . . . . . . . . . . . . . . . . . . . . . . . . .15
TWK351 Wire Converter . . . . . . . . . . . . . . . . . . . . . . . . . . . . . . . . . . . . . .16
SCR25A Call-In Module . . . . . . . . . . . . . . . . . . . . . . . . . . . . . . . . . . . . . . .17
CA17 Call-In Switch . . . . . . . . . . . . . . . . . . . . . . . . . . . . . . . . . . . . . . . . .17
SI35A Model Option Enhancements . . . . . . . . . . . . . . . . . . . . . . . . . . . . . .18
Special Adjustments . . . . . . . . . . . . . . . . . . . . . . . . . . . . . . . . . . . . . . . . . .19
Troubleshooting Guide . . . . . . . . . . . . . . . . . . . . . . . . . . . . . . . . . . . . . . . .21
System Specifications . . . . . . . . . . . . . . . . . . . . . . . . . . . . . . . . . . . . . . . . .22
Accessory Equipment . . . . . . . . . . . . . . . . . . . . . . . . . . . . . . . . . . . . . . . . .22
3

Unpacking
Your Bogen equipment was carefully checked before leaving the factory; inspect the shipping container and unit
closely for improper handling. If the unit has been damaged, make an immediate claim to the distributor from
whom it was purchased. If the unit was shipped directly to you, save all shipping materials and notify the carrier
immediately and place a claim.
Wiring and Grounding Precautions
The MCP35A master control panel of the PI and SI products operates from a 120V 60Hz AC source and con-
sumes approximately 100 watts. The AC line cord is terminated in a three-prong plug, and should be plugged
into an appropriate three-wire grounded outlet. It is important that the unit be properly grounded. Three-prong
pigtail adapters may be used only if the ground lug is properly grounded.
Auxiliary Power Receptacle
An 840-watt, three-wire grounded outlet is provided on the rear panel for power auxiliary equipment. Equipment
connected to this outlet will be grounded only if the MCP35A control panel is properly grounded.
Maintenance & Service
Caution
There are no user-serviceable parts within the unit. Have all internal servicing performed by a
qualified technician. The warranty will become void if repairs are made by other than the Bogen
Service Department or an authorized service agency.
Our Applications Engineering Department is available to help you troubleshoot problems with your Bogen equip-
ment. Engineers are available from 8:30AM to 8:00PM Eastern Standard Time. Phone (201) 934-8500, exten-
sion 2242.
Service can be obtained from our factory service department. No merchandise may be returned for repair with-
out prior written authorization. Please contact our factory service department at 1-800-999-2809 for a RA num-
ber. Only merchandise specified in the return authorization form can be returned to obtain warranty or non-war-
ranty repair. When shipping your unit, pack your system well using the original shipping carton or a similar con-
tainer and filler material to prevent damage in transit. Send the unit fully insured and prepaid via UPS or other
responsible carrier.
4

Introduction
Description
Bogen Models PI35A and SI35A are 25-station intercom systems (SI35A is expandable to 75 stations). They
can provide facilities with two-way communication, emergency paging, time tones and background music or
other audio program material to speaker-equipped locations.
Both systems consist of a master control panel (Bogen model MCP35A) and a 25-station room selector panel
(Bogen model SBA225) assembled into an attractive wood grain cabinet. Up to 2 more room selector panels can
be purchased separately and added by the installer into the SI35A product (PI35A is not expandable).
A number of options are available for the SI/PI35A to accommodate various user demands and wiring condi-
tions. These include an AM/FM cassette radio, room call-in switches, call-in adapter modules for existing older
call-in switches, 2-wire call-in adapters and various styles of transformer-coupled speakers.
Features
• Cost-effective communications for 25 rooms
• SI35A is expandable to 75 rooms (in increments of 25)
• Instant Emergency and All-Rooms Announcements
• Remote Emergency Page capability
• 20-watt intercom
• 35-watt program channel
• Provisions for time signalling, telco and voice call-in
5

MCP35A Control Panel
Front Panel
1. CONSOLE MIC - Used as microphone 1 or in conjunction with the emergency page or press-to-talk/release-
to-listen (intercom) push-buttons. This mic is always used for two-way intercom calls, using the green button,
and emergency paging using the red button. No external mic can replace the console mic for these functions.
2. EMERGENCY PAGE — Red push-button — Used to make announcements to all speaker stations.
Announcements made using this button override all program distribution and/or switchbank settings.
3. PROGRAM DISTRIBUTION — Push-buttons — Used to make input source selections. Choose from or mix
input from MIC 1 (console or external microphone), MIC 2 (external microphone), or AUX (tuner/cassette
player), as desired.
4. ALL ROOMS — Push-button — Used to distribute a program to all speaker stations with selector panel
switches set to either the “A” or “O” channel.
5. INTERCOM PRESS-TO-TALK/RELEASE TO LISTEN — Push-button — Used to communicate with the
speaker station selected from switchbank channel “C”. This does not affect program distribution to other sta-
tions.
6. PROGRAM TALK LEVEL - LED indicators — N (normal) lights green to indicate proper signal level; P (peak)
lights amber to indicate occasional higher than normal signal level; O (overload) lights red to indicate possi-
ble signal clip.
7. PROGRAM — Amber knob — Used to adjust volume level to speaker stations.
8. MONITOR/LISTEN — Green knob — Used to adjust the volume level to the front panel speaker.
9. FRONT PANEL SPEAKER — Used to monitor a program or to listen to a station via the intercom (C)
channel.
6
1
23
45678
9
RELEASE

MCP35A Control Panel
Rear View
1. MIC 1 — Connections for an external mic (MIC 1). When the PROGRAM DISTRIBUTION button MIC 1 is
pressed, the microphone connected here becomes active. As shipped from the factory, a link is installed
between the HI and CONS MIC terminals. This makes the CONSOLE MIC act as MIC 1. When the link is
removed, an external microphone can be connected to act as MIC 1 and the CONSOLE MIC will no longer
be active when the MIC 1 button is pressed.
Note: The CONSOLE MIC is always used when the EMERGENCY PAGE button is pressed and when using
the green INTERCOM PUSH-TO-TALK button (the user cannot change this). The external mic must be a
low-impedance balanced mic (phantom power is also available for condenser mics).
2. MIC 2 — Connections for an external mic (MIC 2). When the PROGRAM DISTRIBUTION button MIC 2 is
pressed, the microphone connected here becomes active. The external mic must be a low-impedance bal-
anced mic (phantom power is also available for condenser mics).
3. VOICE CALL-IN — Allows retro fitting to older voice call-in systems with call-in switches connected in paral-
lel. When a call-in switch is activated, an intercom channel is opened to the MCP35A control panel speaker
so that the caller can announce verbally which room is calling. Systems that use this style of call-in will not
see an annunciator light on the SBA225 room selector panel.
4. AUX — A high-impedance unbalanced input for auxiliary music sources. This input only becomes active
when the PROGRAM DISTRIBUTION button AUX button is pressed.
5. TELCO PAGE — Shorting the TELCO PAGE terminal to GND activates a page from either MIC 2 or the
TELCO INPUT (selected by an internal jumper).
6. TIME CLOCK — Shorting the TIME CLOCK terminal to GND produces a tone signal in all speakers.
7. LINE OUT — Provides an input signal that can be connected to the input of an external booster amp. Works
in conjunction with the 25V BAL INPUT to allow replacement of the MCP-35A control panel’s built-in amplifier
with a higher power amplifier.
8. SWITCHBANK CONNECTOR — SBA225 switchbank is connected to the MCP35A panel through this con-
nector.
9. AUX POWER — An AC power outlet for auxiliary equipment.
10.12V Power Terminals — Chassis, ground, +12V DC supply, 750mA for powering up to 3 SCR25A modules.
11. 25V BAL INPUT — The output of an external booster amp is connected at this 1/4” stereo phone jack. Works
in conjunction with the LINE OUT connector see #7 above.
12.INPUT GAIN — Input level adjustments for all input sources.
13.TELCO PAGE — Alternate input for MIC 2 allows connection of Bogen model WMT1A for providing a 600-
ohm balanced telephone input.
7
123456789
10 11 12 13

SBA225 Speaker Selector Panel
Front View
1. Room selector switch — Position of the room switch controls the type of audio program material delivered
to the room speaker.
2. Call annunciators — Lights to indicate a room has placed an intercom request from a call switch
3. Program busses — A room speaker can be turned off or connected to one of two audio busses. The pro-
gram A bus allows continuous audio to play into the room from an audio source selected on the MCP35A
control panel. The Intercom C bus allows two-way intercom communication from any room whose selector
switch is placed in this position.
8
123

Basic System Operation
Communicating With a Selected Speaker
Use the following steps to talk and listen to a room that has its switch set to the “C” (down) position.
1. Place the switch of the room that you wish to talk and listen to in the “C” (down) position.
2. Make sure the PROGRAM DISTRIBUTION button MIC 1 is in the out position; if not, push it to pop it out.
3. Press and hold the green PRESS-TO-TALK switch and speak into the CONSOLE MIC (upper left corner).
4. Release the button to listen to the reply. To adjust the volume, use the green MONITOR/LISTEN knob.
Distributing Audio to Rooms
To send audio to rooms continuously, do the following:
1. Set the switches for all the rooms that are to receive the audio into the “A” (up) position.
2. Select the source of the audio by pushing in one or more of the PROGRAM DISTRIBUTION buttons (MIC1,
MIC 2, or AUX). To turn off the audio source, push the button again so that it pops out. If more than one
audio source is selected, the audio from each source will be mixed together.
Note: Make sure that the MIC 1 button is turned off (popped out) before making an intercom announcement.
Otherwise the intercom announcement will not only be heard in the desired stations set to “C” but also in all
the rooms set to “A”.
3. To disconnect the audio from a room, simply set the room switch to the “O” (center) position.
Adjusting Program Level to Rooms
While the audio is playing observe the 3 PROGRAM TALK LEVEL lights (N, P, O). The green “N” light should be
lit continuously with the yellow “P” light turning on occasionally. This indicates that the audio level to the rooms is
good. If the red “O” light turns on, it indicates that the volume level going to the room speakers is set too high.
Use the orange program knob to turn the volume down to an acceptable level.
To Make an All-Rooms Announcement
To distribute audio to all rooms that have room selector switches in “A” or “O” positions:
1. Select source using MIC 1, MIC 2, or AUX button.
2. Press the ALL ROOMS button.
To Make an Emergency Announcement
To make an emergency page announcement to all rooms, regardless of switch settings or program source selec-
tions, do the following:
1. Press the EMERGENCY PAGE push-button and speak into the CONSOLE MIC.
2. To release the emergency page, push the emergency page button again.
9

Basic System Hook-Up
4-Wire Speaker Connections to the SBA225
4-wire speaker connections (3-conductor + shield) is recommended for all new installations. The figure below
shows the connection to the back of the SBA225 when using a 4-wire system.
Note: You must use Bogen connectors for this connection. There are different connectors available for different
wire gauges. Refer to the list below to determine the correct connector model number.
Note: For speaker-only applications, do not connect the shield to ground at the speaker end (leave it floating).
Connector Kit Numbers:
Use Bogen Connector Kit Model No. 2518 for 18 Ga. Wire
Use Bogen Connector Kit Model No. 2520 for 20 Ga. Wire
Use Bogen Connector Kit Model No. 2522 for 22 Ga. Wire
10
Make sure this pin is left
open when connecting
wiring to switchbank
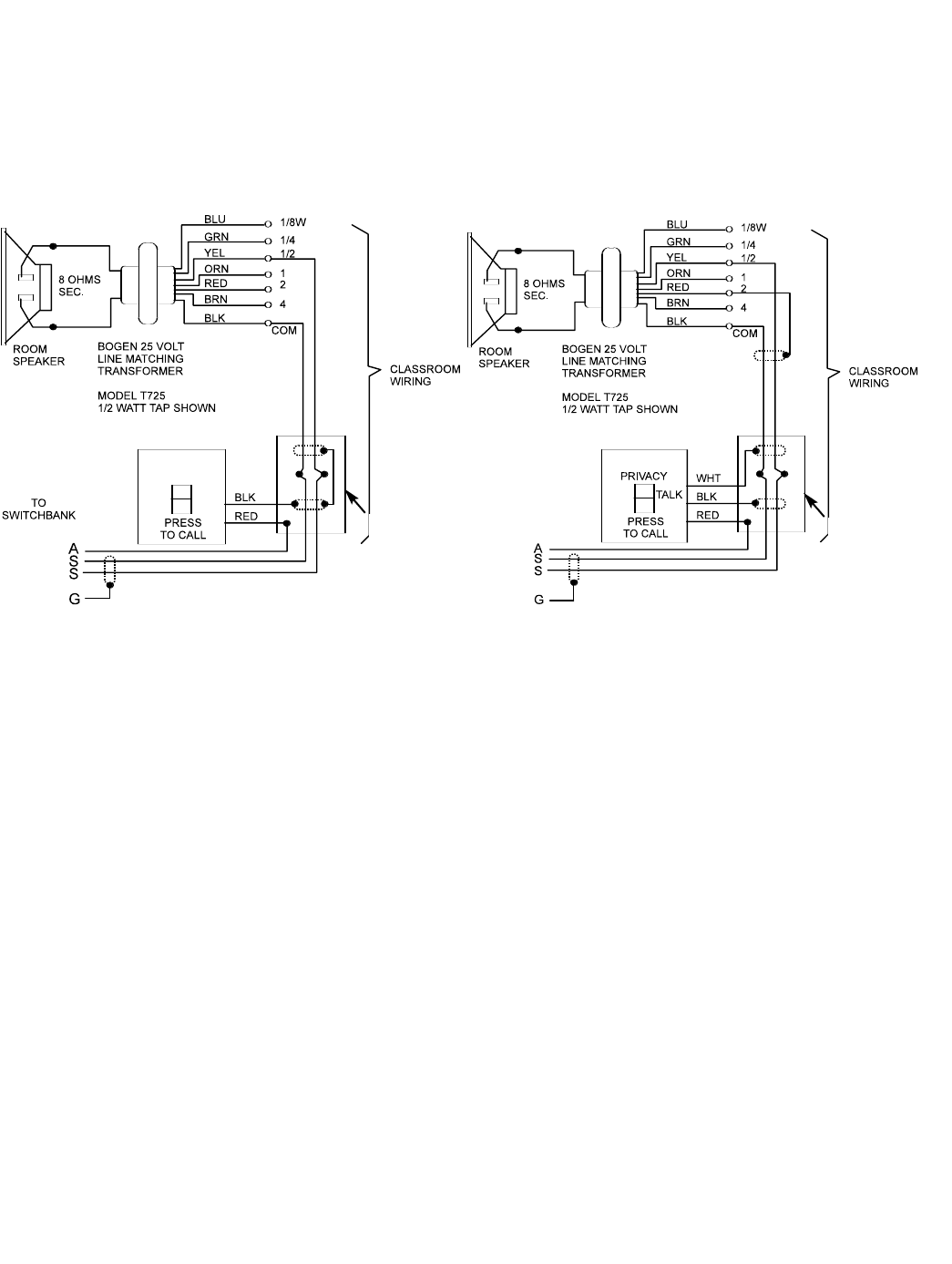
CA10A Call Switch CA11A Call Switch

Call-In Switches
Two call-in switches, CA10A and CA11A, are recommended for use with the SI and PI. The CA10A is a momen-
tary push switch that has circuitry to light the annunciator light on the SBA225 room selector panel. The CA11A
has the same capability as the CA10A and includes a privacy lock-out position that inhibits the MCP35A control
panel from listening through the room speaker (it does not interfere with the ability to call the station from the
MCP35A). The wiring of the call switches is shown below.
CA10A Wiring Schematic CA11A Wiring Schematic (with Privacy)
Voice Call-In Feature
Voice call-in is not recommended for new installations. Pre-existing intercom systems may already have call-in
switches that are wired in parallel with all the other call-in switches. In this instance, the MCP35A voice call-in
feature can be used. With this style of operation a room must press the call-in switch and speak into the room
speaker. The built-in speaker in the MCP35A will monitor this call so that people near the control panel will hear
it. Typically the caller will say what room the call is being made from. The room selector switch for that room can
then be set for a two way intercom conversation.
Voice Call-In Wiring
Contact the Bogen Application Engineering Department for information regarding this type of application.
11
electrical junction box electrical junction box
TO
SWITCH-
BANK

Speakers and Speaker Wiring
The MCP35A control panel of the SI and PI products is designed to use 25-volt distributed speakers. These
speakers have line-matching transformers with various power level taps. 8-ohm speakers or speakers without
line-matching transformers cannot be used with the SI and PI products.
Distributed speakers can be tapped at various power levels and this is determined by which wire from the
speaker’s transformer is used for connection. The user must determine which power tap gives acceptable vol-
ume in a given location. However, it is best to tap the speakers at the lowest acceptable power tap in order to
ensure that enough speakers can be connected to the system without overloading the system amplifier.
The chart below shows the wire colors and power taps for the T725 transformers used in all Bogen distributed
speakers.
Caution
Do not attempt to connect a 25V speaker directly to the MCP35A, using GND as one of the connecting
points. This could seriously damage the MCP35A because the unit uses a balanced output when con-
nected to the speakers lines.
The MCP35A control panel of the PI and SI contains an internal amplifier with 35W power handling capability.
Therefore, the combined power of all the system speakers cannot exceed 35W. To determine the required
power that the system amplifier must handle, add up all the power taps selected for all the speakers in the sys-
tem. This is the total system power requirement. If the total of the speaker power taps is too high for the sys-
tem to handle, it may be necessary to tap the speakers at the next lowest setting in order to keep from overload-
ing the amplifier. In many instances, the required speaker tap setting will be either 1/4 or 1/2 watt (you should
also factor in 20% additional power loss through wires, transformers, etc. as a safety margin). The MCP35A’s
35-watt amplifier should provide sufficient power for most applications.
If the system’s power requirements are greater than 35 watts and cannot be lowered, it may be necessary to
use an external booster amp. The booster amp replaces the internal amplifier of the MCP35A. Booster amp con-
nections are described later in this manual.
Time Tones
A tone signal sounds through all speakers when the clock terminal is grounded through a closure from a master
clock. Reference call out #6 on page 7.
12
T725
Leads 25V 70V
Black COM COM
Brown 4
Red 2
Orange 1
Yellow 1/2 4
Green 1/4 2
Blue 1/8 1
Violet 1/2
Gray 1/4
White 1/8
For SI35A and PI35A applications,
use the 25V column for speaker connections.

Advanced Hook-Ups
External Emergency Mic
It is possible to use a microphone (Model MBS1000) with a contact closure to make an emergency announce-
ment. The TELCO terminal on the back of the MCP35A control panel can be used to remotely trigger an emer-
gency page on the system. Whenever the TELCO terminal is shorted to the GND terminal the MIC 2 input will
become active and send audio to all rooms regardless of switch settings. The figure below shows the required
wiring.
Emergency Telco Page
Emergency pages can be triggered by devices other than a microphone. To use a source other than a mic, it is
necessary to change the setting of a jumper inside the MCP35A control panel. See the Special Adjustments
section for more information on the jumper change. Below are emergency telco page hook ups for various types
of interfaces.
The Bogen model WMT1A can be used to convert the TELCO PAGE input to a transformer-balanced, 600-ohm
input for telephone paging applications.
13
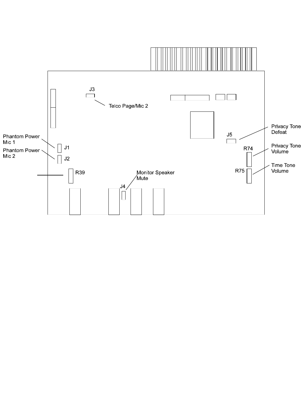
Note: Jumper J3 on the
MCP35A printed circuit board
must be set to the MIC2 posi-
tion (this is the factory default
setting). See the Special
Adjustments section for jumper
information.
Note: Jumper J3 on the
MCP35A printed circuit
board must be set to the
TELCO position. See the
Special Adjustments sec-
tion for jumper information.
MBS1000
audio
leads
Switch
Contact
WMT1A

The Bogen model TAMB telephone interface module can be used to make a remote page through the telephone
system.
A Bogen TP-AP Series Interphone can be used to make a remote page. The figure below shows the connec-
tion.
14
Note: Jumper J3 on the MCP35A printed
circuit board must be set to the TELCO
position. See the Special Adjustments sec-
tion for jumper information.
Note: Jumper J3 on the MCP35A printed cir-
cuit board must be set to the TELCO position.
See the Special Adjustments section for
jumper information.

External Booster Amp
An external booster amplifier (Bogen Model BPA60) can be connected when the application requires more than
35 watts. Using an external amplifier disconnects the internal 35W amp of the MCP35A. To install, connect a
RCA cable from the MCP35A LINE OUT jack to the Hi-Z input jack on the rear panel of the BPA60 amplifier.
Connect another cable from the 25V output terminals of the booster amplifier to a 1/4” stereo phono plug wired
as shown in the figure below. Insert this into the jack labeled 25V BAL INPUT on the MCP35A.
15
BPA60

TWK351 Wire Converter
The model TWK351 is an adapter used in instances where there is existing 3-wire (2-conductor + shield)
room wiring. The TWK351 cannot be used with the SCR25A module. If 3-wire operation using the
TWK351 wire converter is desired, CA10A call switches must be used (CA11A Call-In switches will not
work in this application).
To install the TWK351, simply insert it between the 9-pin connector labeled TO SWITCHBANK on the
rear panel of the MCP35A and the 9-pin control cable on the first SBA225 panel. Only one TWK351 is
required per system.
1/8 watt
1/4 watt
1/2 watt
1 watt
2 watts
4 watts
Common
Various wattage taps
Line-Matching
Transformer
8-ohm sec.
8-ohm spkr.
PRESS
TO CALL
MODEL
CA10A
BLK
RED
SBA225
OR
SBA325 S
S
A
G
ANNUNCIATOR
LINE
SPEAKER LINES
WIRING DIAGRAM SHOWING
2-WIRE CALL-IN USING THE
TWK351
16

SCR25A Call-In Module
The SCR25A module can be added to allow the annunciator indicators to light from a simple SPST call-in switch
(Bogen model CA17). All call-in switches must go back to the SI or PI on separate lines. It will not allow annun-
ciator illumination from parallel connected call-in switches described in the Voice call-in section. The SBA225
module simply pushes onto the connectors on the back of the SBA225.
The figure below illustrates the connections to the rear of the SCR25A module.
Jumper Settings (see screened drawing on the SCR25A board).
1. Ensure that jumpers J1 - J25 are positioned to the left (toggle position) as shown.
2. Ensure jumper J26 is positioned towards the pin side (Multigraphic position) of the SCR25A module
CA17 Call-In Switch
The CA17 call-in switch is a SPST call-in switch. It must be used with the SCR25A module in order to light the
call annunciators on the SBA225 room selector panel.
The wiring of the CA17 is shown in the drawing above.
17

SI35A Model Option Enhancements
The SI35A has provisions to add up to 2 additional SBA225 switchbanks. Simply remove the blank panels and
replace with a switchbank. Make connections as shown in the diagram below.
An auxiliary music source, such as the Bogen CR100A Radio/Cassette Player or TP30D Tuner can also be
added to the SI35A. Install the component in the appropriate rack panel and make audio connections to the
MCP35A AUX input. Use the auxiliary power outlet on the MCP35A to power the auxiliary equipment.
Note: Mounting a radio in the cabinet will limit the number of SBA225 panels that can be installed to two
because of the physical size of the cabinet. Mounting the music source outside the cabinet will still allow for
three SBA225 panels.
All components may be rearranged in the cabinet to suit the preferences of the user.
18
CR100A
TP30D

Special Adjustments
Gain Adjustments
Screwdriver-adjustable INPUT GAIN controls are located on the rear panel for MIC 1, MIC 2, AUX, TEL PAGE,
TALK and LISTEN. Set the controls so that signal clipping cannot occur. Proceed as follows:
1. Apply input(s) to the desired channel(s).
2. Set the corresponding front panel control(s) to maximum.
3. Adjust the appropriate Input Gain control (looking at the rear panel, turn clockwise to increase or counter-
clockwise to decrease gain) so that the red (overload) LED lights; then turn counterclockwise only until the
LED is extinguished.
Warning
High voltages are present within the MCP35A. The unit should not be operated without covers
in place.
Internal controls are provided to set the level of emergency page volume, privacy tone volume, and time tone
volume. These controls are factory set; under normal circumstances, no further adjustment is required. If adjust-
ment is needed, unplug the MCP35A and remove it from the enclosure. Remove the top cover and make an
approximate adjustment. Replace the top cover and plug the unit back in. Test if the new set volume is accept-
able. Repeat procedure if necessary.
19
Emergency Page
Volume

Internal Jumper Selections
Internal jumpers are provided for phantom power (Mic1/Mic2), Telco Page/Mic 2 input selection, monitor speaker
muting, and privacy tone defeat.
Warning
High voltages are present within the MCP35A. The unit should not be operated without covers
in place.
To change jumpers, unplug the MCP35A and remove it from the enclosure. Remove the top cover and place
the jumper in the desired position. Replace the top cover and plug the unit back in.
Phantom Power
To enable phantom power for Mic 1, place J1 in the ON position.
To enable phantom power for Mic 2, place J2 in the ON position
Telco Page/Mic 2
Jumper J3 selects the TELCO PAGE input jack or the MIC 2 input terminals for the telephone page function.
Place the jumper in the MIC 2 position when using the MIC 2 terminals for emergency paging applications using
a microphone. Place the jumper in the TELCO position when using the TELCO PAGE input for paging applica-
tions.
Mic 1/Console Mic
1. Locate and loosen the two screws securing the jumper link on the rear chassis terminal strip connecting MIC
1 HI terminal to the CONS MIC terminal.
2. Move the link away from the CONS MIC terminal.
3. Connect a balanced or unbalanced low-impedance microphone to the MIC 1 terminals. Connect the cable
shield to the GND terminal.
4. Move the shunt on J4 to the OFF position to disable the monitor speaker muting feature when the MIC 1
push-button is selected.
Note
J1 should be in the OFF position when the console mic is connected to the MIC 1 input.
Privacy Tone Defeat
Shunt J5 enables/disables the supervisory tone feature. Move the shunt to the OFF position to disable the
supervisory tone.
Note: When the privacy tone is disabled, a short 1 second audio interruption will be noticed every 15 seconds
when intercom communication is in progress.
20

Troubleshooting Guide
MCP35A Troubleshooting Procedure
If a problem exists on the MCP35A, certain steps should be taken to find the problem. This test relates to the
Program Amplifier (All-Call or Emergency). The first indication of a problem will appear on the three level indi-
cators at the front of the unit. They are green, yellow, and red.
If there is no problem, the green, yellow and/or the red LED should flicker whenever audio is present, depending
on the signal strength. A problem is indicated when the red LED does not flicker no matter what level the pro-
gram control is set to.
To find the problem, follow this simple procedure:
1. Disconnect the switchbank(s), SBA225, from the MCP35A and depress the emergency button. While speak-
ing into the built-in microphone, adjust the Program Level Control and check the level indicators as described
above. If all three indicators can be made to light depending on the output level control setting, then the
MCP35A is okay.
2. Connect only the first switchbank (if more than one is being used). With the speaker load still connected,
check the level indicators again.
3. If the MCP35A LED’s still indicate a problem when connected to the switchbank, each speaker location on
that switchbank being tested should be removed one at a time, until the level indicators show a normal out-
put. The speaker and cable associated with that location should then be checked.
4. Follow the same procedure, connecting each successive switchbank until the troublesome SBA225 panel or
speaker load is found.
5. If the MCP35A is tested without the switchbank, and the three LED’s do not ‘light’ indicating full output, then
the 35-watt program amplifier of the MCP35A may be defective. Contact the Bogen Applications Engineering
Department for assistance.
If it appears that there is no intercom communication between the unit and a speaker station, the 20-watt
intercom amplifier inside the MCP35A may be defective. Contact the Bogen Applications Engineering
Department for assistance.
Caution
Do not attempt to connect a 25V speaker directly to the MCP35A using GND as one of the connecting
points. This could seriously damage the MCP35A because the unit uses a balanced output when con-
nected to the speaker lines.
21

System Specifications
Rated Output:
Program — 35W RMS
Intercom — 20W RMS
Frequency Response:
Program — +1,-3dB from 80Hz to 15kHz
Intercom — Shaped for maximum intelligibility
Distortion: Less than 1% at rated power and bandwidth
Inputs: Two Lo-Z balanced MIC inputs; Hi-Z unbalanced AUX input; Telco Page; 25V Booster input
Output: 25V Balanced line; Line Out to booster
Input Sensitivity (for rated output):
Program —
Mic Input:
300mV balanced Lo-Z;
AUX:
100mV unbalanced Hi-Z;
Telco Page:
100mV unbalanced Hi-Z
Intercom —
Listen Mode:
300mV balanced Lo-Z (
Console Mic:
1mV unbalanced Lo-Z)
Power Requirements (120 volts, 60Hz AC): 100W maximum
Controls and Indicators:
Front Panel — Program Selection: MIC 1, MIC 2, AUX
Level: MONITOR/LISTEN, PROGRAM
Distribution: ALL-ROOMS, EMERGENCY, PRESS-TO-TALK
Indicators: PROGRAM/TALK LEVEL LEDs
Rear Panel — Input Gain: MIC 1, MIC 2, AUX, TELCO PAGE, TALK, LISTEN
Enable/Disable: MIC 1/CONSOLE MIC
Internal — Gain: Emergency Page, Supervisory Tone, Time Tone
Enable/Disable: MIC 2/Telco Page, Supervisory Tone, Phantom Power, MIC 1/Monitor Mute
Oscillator Frequencies:
Time Tone — 750Hz
Supervisory Tone — Repeating, 500Hz
Call-in Tone — Repeating; oscillates between 500Hz and 750Hz (Switching freq., 16Hz)
Dimensions:
PI35A
- 20-1/2” W x 8-1/2” H x 11” D;
SI35A
- 20-1/2” W x 12” H x 11” D
Shipping Weight:
PI35A
- 29 lbs.;
SI35A
- 35 lbs.
Finish: Black panels with instructions and color-coded guidelines printed on the front panel
Accessory Equipment:
Model SBA225 Three-Channel (Program A, Off 0, Intercom C), 25-Station Switchbank
Model CR100A Cassette Player/Radio
Model TP30D Digital Tuner
Model MBS1000 Desktop Paging Microphone
Model WMT1A Matching Transformer
Model TAMB Telephone Access Module
Model TPAP Series Remote Page Phone
Model SCR25A Call-In Module
Models CA10A, CA11A, CA17 Call-In Switches
Model BPA60 Power Amplifier
Model TWK351 Wire Converter
Model S86T725PG8W 25/70V Ceiling Speaker
Model WBS8T725 25/70V Wall Baffle Speaker
Model 2518 Connector Kit for 18 Ga. Wire
Model 2520 Connector Kit for 20 Ga. Wire
Model 2522 Connector Kit for 22 Ga. Wire
22


50 Spring Street, Ramsey, NJ 07446, U.S.A.
Tel: 201-934-8500 Fax: 201-934-9832
web: www.bogen.com