Bolutek Electronical Technology SPK-6145-A Bluetooth Module User Manual
Shenzhen Bolutek Electronical Technology Co.,Ltd Bluetooth Module Users Manual
USERS MANUAL

BOLUTEK SPK-6145-A Bluetooth Module
TEL:0755-26509941 WEB:www.bolutek.cn Page 1 of 11
SPK-6145-A Bluetooth Module
OEM/Integrators
Installation Manual
VER: 1.2
20130926
This module is limited to OEM Installation only.

BOLUTEK SPK-6145-A Bluetooth Module
TEL:0755-26509941 WEB:www.bolutek.cn Page 2 of 11
一.Module Introduction
SPK-6145-A Bluetooth audio module main chip company CSR BC6 British
design. High integration, small size and other characteristics, with only a few
external components will be able to achieve its powerful features.
二.Module Features
.Built-in lithium battery charging circuit, reducing the external circuit
.Powerful built-in noise canceling circuit,clearer voice calls
.Built-in high-quality DAC converter circuit:SNR95dB
.Built-in EEPROM can set up personalized voice prompts, but also plug-in serial
FLASH
.Powerful embedded functions Kalimba DSP data processor, complete a variety of
digital speech processing
.Small module size: 12x19.5mm, compatible with all the product structure
.Higher Bluetooth version: Bluetooth V3.0,high software compatibility
.Very low power consumption: 100mAlithium battery can continuouslycall10
hours
.Very far transmission distance:Class2RFpower levels of up to20 meters
.With a powerful echo cancellation

BOLUTEK SPK-6145-A Bluetooth Module
TEL:0755-26509941 WEB:www.bolutek.cn Page 3 of 11
.With high-quality audio transmission protocol: A2DP V1.2
.Have multiple audio decoding function: SBC, MP3, AAC
.With HFP V1.5 / HSP V1.2:Support to connect two phones simultaneously
三.Module Applications
.All kinds of high-quality Bluetooth stereo headset
.All kinds of high-quality Bluetooth stereo speakers,stereo
.All kinds of high-quality Bluetooth handsfree device
.All kinds of high-quality Bluetooth wireless stereo audio receiving equipment
……
四.Module Functional Block Diagram

BOLUTEK SPK-6145-A Bluetooth Module
TEL:0755-26509941 WEB:www.bolutek.cn Page 4 of 11
五.Module pin definitions and dimensions

BOLUTEK SPK-6145-A Bluetooth Module
TEL:0755-26509941 WEB:www.bolutek.cn Page 5 of 11
六.Module pin functions described
Pin Number Pin Definitions Input/Output Pin Function Description
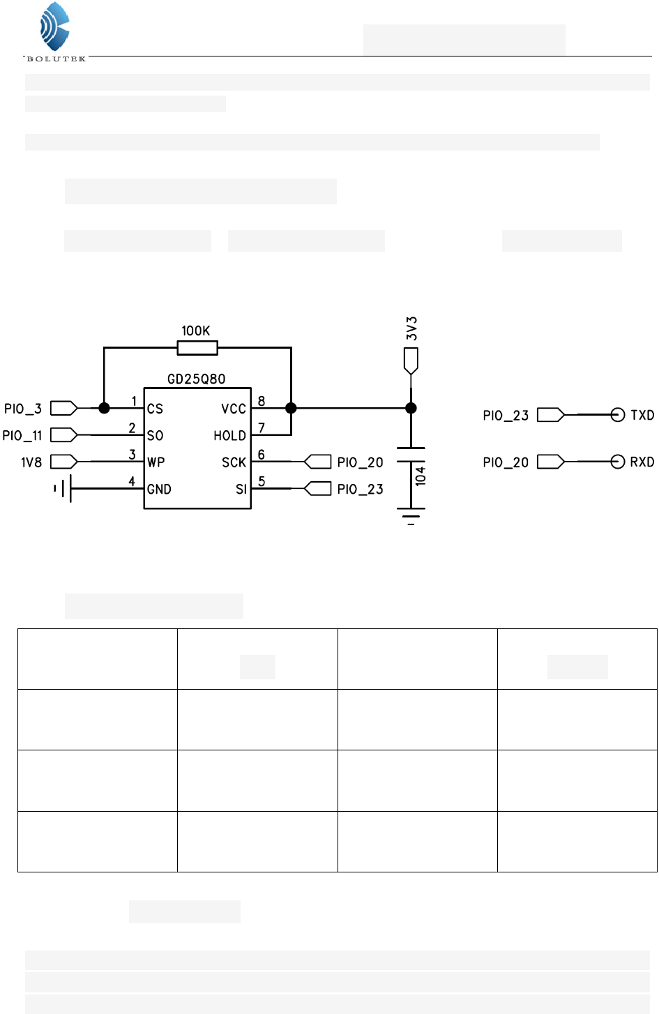
1 TXD Input/Output Serial Transmit /programmable interface PIO_23
2 RXD Input/Output Serial Transmit /programmable interface PIO_20
3 AIO_0 Input/Output Programmable interface AIO_0
4 AIO_1 Input/Output Programmable interface AIO_1
5 PIO_3 Input/Output Programmable interface AIO_3
6 PIO_2 Input Volume down control port
7 PIO_1 Input Volume increased control port
8 PIO_0 Input/Output Programmable interface AIO_0
9 RST Input Reset Interface(active low)
10 PIO_11 Input/Output Programmable interface PIO_11
11 BLED Output LED1 /usually take blue light
12 RLED Output LED0 /usually pick red
13 VREG Input Multifunction button interface
14 GND Input/Output Grounding
15 1V8 Output 1.8Vpower supply output
16 VBAT Input/Output Power input(3.3V-4.2V) /lithium battery charging
output terminal
17 VCHG Input Lithium battery charging input(connected5V)
18 MOSI Output Programming Interface(application NC)
19 CLK Input Programming Interface(application NC)
20 CSB Input Programming Interface(application NC)
21 MISO Input Programming Interface(application NC)
22 SPKP Output Stereo differential output positive terminal
23 SPKN Output Stereo differential output negative terminal
24 MICP Input The positive terminal of the differential
microphone inputs
25 MICN Input Negative differential microphone input terminal
26 VMIC Output Microphone Power

BOLUTEK SPK-6145-A Bluetooth Module
TEL:0755-26509941 WEB:www.bolutek.cn Page 6 of 11
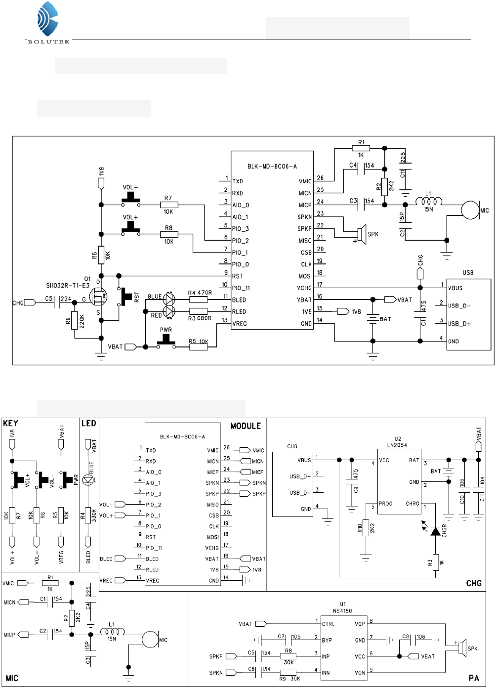
七.Typical Application Circuit
1.Bluetooth Headset
2.Bluetooth Speaker Applications

BOLUTEK SPK-6145-A Bluetooth Module
TEL:0755-26509941 WEB:www.bolutek.cn Page 7 of 11
Note: When the product application must pick up or put a differential input amplifier, or will cause
interference and impact sound.
If you need to turnon the power automatically, set the PWR button can be short-circuited.
八.Extended Application Module
Plug Serial FLASH,You can store voice Serial Interface
九.Module parameters
Project Min Typical values Limits
VBAT 3.2V 3.7V 4.4V
VCHG 4.5V 5V 6.5V
PIO -0.2V 1.8V 3.6V
十.Layout Precautions
1. Place the module is important to note:the antenna below(including the
back of the PCB)and around can not have any traces and devices,the antenna
should be placed in the open without shelter in place to ensure that the

BOLUTEK SPK-6145-A Bluetooth Module
TEL:0755-26509941 WEB:www.bolutek.cn Page 8 of 11
antenna for optimal performance.Recommended antenna PCB milling empty
or below the antenna protruding plate edges.
2.To ensure the integrity of the ground, the proposed large area paved,
multi-punched.Since Bluetooth to work in the high-frequency band,poor
ground will bring the current sound.All ground network please mains earth as
a reference point.
十一.Issue Introduction
V1.0: Creation Date: 20130409
V1.1: Updated: 20130512
New module physical picture
V1.2: Updated: 20130926
Change the name of the module:SPK-6145-A

BOLUTEK SPK-6145-A Bluetooth Module
TEL:0755-26509941 WEB:www.bolutek.cn Page 9 of 11
FCC RF Exposure Requirement
1. At least 20cm separation distance between the antenna and the user’s body must be maintained at all
times. And must not transmit simultaneously with any other antenna or transmitter, except in accordance
with FCC multi transmitter product procedures.
2. To comply with FCC regulations limiting both maximum RF output power and human exposure to RF
radiation, the maximum antenna gain including cable loss in a mobile-only exposure condition must not
exceed 0dBi in the 2.4G band.
3. A user manual with the end product must clearly indicate the operating requirements and conditions that
must be observed to ensure compliance with current FCC RF exposure guidelines.
Please be noticed following information and instructions should be placed in the end-user’s
operating manual
The Module has been granted as single modular approval for mobile applications. This Module must be
installed in the designated host as specified in this manual.
1. Separate approval is required for all other operating configurations, including portable configurations
with respect to 2.1093 and different antenna configurations.
2. The Module and its antenna must not be co-located or operating in conjunction with any other
transmitter or antenna within a host device. This equipment complies with FCC RF radiation exposure
limits set forth for an uncontrolled environment.
3. A label must be affixed to the outside of the end product into which the module is incorporated, with a
statement similar to the following: For SPK-6145-A: This device contains FCC ID: 2AB4GSPK-6145-A.
4. The module shall be in non-detachable construction protection into the finished products, so that the
end-user has to destroy the module while remove or install it.
5. This module is to be installed only in mobile or fixed applications. According to FCC part 2.1091(b)
definition of mobile and fixed devices is:
Mobile device:
A mobile device is defined as a transmitting device designed to be used in other than fixed locations and
to generally be used in such a way that a separation distance of at least 20 centimeters is normally
maintained between the transmitter’s radiating structure(s) and the body of the user or nearby persons. In
this context, the term ‘‘fixed location’’ means that the device is physically secured at one location and is
not able to be easily moved to another location.
Portable device:
For purposes of this section, a portable device is defined as a transmitting device designed to be used so
that the radiating structure(s) of the device is/are within 20 centimeters of the body of the user.
6. Separate approval is required for all other operating configurations, including portable configurations
with respect to FCC Part 2.1093 and different antenna configurations.
7. A certified modular has the option to use a permanently affixed label, or an electronic label. For a
permanently affixed label, the module must be labelled with an FCC ID: 2AB4GSPK-6145-A. The OEM

BOLUTEK SPK-6145-A Bluetooth Module
TEL:0755-26509941 WEB:www.bolutek.cn Page 10 of 11
manual must provide clear instructions explaining to the OEM the labelling requirements, options and
OEM user manual instructions that are required.
For a host using a this FCC certified modular with a standard fixed label, if (1) the module’s FCC ID is
not visible when installed in the host, or (2) if the host is marketed so that end users do not have
straightforward commonly used methods for access to remove the module so that the FCC ID of the
module is visible; then an additional permanent label referring to the enclosed module: “Contains
Transmitter Module FCC ID: 2AB4GSPK-6145-A” or “Contains FCC ID: 2AB4GSPK-6145-A” must be
used. The host OEM user manual must also contain clear instructions on how end users can find and/or
access the module and the FCC ID.
8. Host product is required to comply with all applicable FCC equipment authorizations regulations,
requirements and equipment functions not associated with the transmitter module portion. Compliance
must be demonstrated to regulations for other transmitter components within the host product; to
requirements for unintentional radiators (Part 15B). To ensure compliance with all non-transmitter
functions the host manufacturer is responsible for ensuring compliance with the module(s) installed and
fully operational. If a host was previously authorized as an unintentional radiator under the Declaration of
Conformity procedure without a transmitter certified module and a module is added, the host
manufacturer is responsible for ensuring that the after the module is installed and operational the host
continues to be compliant with the Part 15B unintentional radiator requirements. Since this may depend
on the details of how the module is integrated with the host, we suggest the host device to recertify part
15B to ensure complete compliance with FCC requirement: Part 2 Subpart J Equipment Authorization
Procedures , KDB784748 D01 v07, and KDB 997198 about importation of radio frequency devices into
the United States.
FCC Certification Requirement:
The end product with an embedded Module may also need to pass the FCC Part 15 unintentional emission
testing requirements and be properly authorized per FCC Part 15.
Note: If this module is intended for use in a portable device, you are responsible for separate approval to
satisfy the SAR requirements of FCC Part 2.1093.
This device complies with Part 15 of the FCC Rules. Operation is subject to the following two conditions:
(1) this device may not cause harmful interference, and (2) this device must accept any interference
received, including interference that may cause undesired operation. Changes or modifications made to
this equipment not expressly approved by Shenzhen Minew Technologies Co.,Ltd. may void the FCC
authorization to operate this equipment.
Warning: Changes or modifications made to this device not expressly approved by Shenzhen Bolutek
Electronical Technology Co.,Ltd may void the FCC authorization to operate this device.
Note: The manufacturer is not responsible for any radio or tv interference caused by unauthorized
modifications to this equipment. Such modifications could void the user’s authority to operate the
equipment.

BOLUTEK SPK-6145-A Bluetooth Module
TEL:0755-26509941 WEB:www.bolutek.cn Page 11 of 11
The OEM integrator is responsible for the compliance to all the rules that apply to the product into which
this certified RF module is integrated.
Bolutek will assist by providing guidance to you if you have difficulties with compliance to Part 15B
requirements.”
Manual Information To the End User:
The OEM integrator has to be aware not to provide information to the end user regarding how to install or
remove this RF module in the user's manual of the end product which integrates this module. The end user
manual shall include all required regulatory information/warning as show in this manual.
This device is intended only for OEM integrators under the following conditions:
The antenna must be installed such that 20 cm is maintained between the antenna and users, and The
transmitter module may not be co-located with any other transmitter or antenna. As long as 2 conditions
above are met, further transmitter test will not be required. However, the OEM integrator is still
responsible for testing their end-product for any additional compliance requirements required with this
module installed.
IMPORTANT NOTE:
In the event that these conditions cannot be met (for example certain laptop configurations or co-location
with another transmitter), then the FCC authorization is no longer considered valid and the FCC ID cannot
be used on the final product. In these circumstances, the OEM integrator will be responsible for
re-evaluating the end product (including the transmitter) and obtaining a separate FCC authorization.