Bosch PI 34.85(A1.en) Fireray 50/100RV En Us Product Information Installation Manual 1281235467
User Manual: Bosch en-us Fireray 50/100RV Linear beam detectors
Open the PDF directly: View PDF
.
Page Count: 22

PRODUCT INFORMATION PI-34.85
Page 1601-F.01U.002.705
A1.en / 29.12.2004
ST-FIR/ PRM1 / zab
Page 1
Linear Smoke Detector
Fireray 50/100RV

PI - 34.85
Product Information Linear Smoke Detector Fireray 50/100RV
601-F.01U.002.705
A1.en / 29.12.2004
ST-FIR/ PRM1/ zab
Seite 2 von 22
Table of Contents
1. Product Description 3. . . . . . . . . . . . . . . . . . . . . . . . . . . . . . . . . . . . . . . .
2. Scope of Order 3. . . . . . . . . . . . . . . . . . . . . . . . . . . . . . . . . . . . . . . . . . . .
3. Features 4. . . . . . . . . . . . . . . . . . . . . . . . . . . . . . . . . . . . . . . . . . . . . . . . . .
4. Device Design 5. . . . . . . . . . . . . . . . . . . . . . . . . . . . . . . . . . . . . . . . . . . . .
4.1. Detector 5. . . . . . . . . . . . . . . . . . . . . . . . . . . . . . . . . . . . . . . . . . . . . . . . . . . . . . . . . . . .
4.2. Prism reflector 5. . . . . . . . . . . . . . . . . . . . . . . . . . . . . . . . . . . . . . . . . . . . . . . . . . . . . . .
5. Functional Description 6. . . . . . . . . . . . . . . . . . . . . . . . . . . . . . . . . . . . .
6. Planning Notes 7. . . . . . . . . . . . . . . . . . . . . . . . . . . . . . . . . . . . . . . . . . . .
6.1. Arrangement of the detectors on flat ceilings 8. . . . . . . . . . . . . . . . . . . . . . . . . . . .
6.2. Arrangement of the detectors in a tilted roof 9. . . . . . . . . . . . . . . . . . . . . . . . . . . . .
6.3. Arrangement of the detectors in a saddleback roof 9. . . . . . . . . . . . . . . . . . . . . . .
7. Mounting Tips 10. . . . . . . . . . . . . . . . . . . . . . . . . . . . . . . . . . . . . . . . . . . . .
7.1. Connections and DIP switch settings 10. . . . . . . . . . . . . . . . . . . . . . . . . . . . . . . . . . .
7.2. Mounting the Fireray 50/100 RV 12. . . . . . . . . . . . . . . . . . . . . . . . . . . . . . . . . . . . . . .
7.3. Mounting the prism reflector 12. . . . . . . . . . . . . . . . . . . . . . . . . . . . . . . . . . . . . . . . . .
7.4. Connection 13. . . . . . . . . . . . . . . . . . . . . . . . . . . . . . . . . . . . . . . . . . . . . . . . . . . . . . . . . .
8. Start-Up 15. . . . . . . . . . . . . . . . . . . . . . . . . . . . . . . . . . . . . . . . . . . . . . . . . .
8.1. Setting up the detector 15. . . . . . . . . . . . . . . . . . . . . . . . . . . . . . . . . . . . . . . . . . . . . . .
8.2. Aligning the detector 15. . . . . . . . . . . . . . . . . . . . . . . . . . . . . . . . . . . . . . . . . . . . . . . . . .
8.3. System test 17. . . . . . . . . . . . . . . . . . . . . . . . . . . . . . . . . . . . . . . . . . . . . . . . . . . . . . . . .
9. Notes for maintenance and service 18. . . . . . . . . . . . . . . . . . . . . . . . . .
9.1. Repair 18. . . . . . . . . . . . . . . . . . . . . . . . . . . . . . . . . . . . . . . . . . . . . . . . . . . . . . . . . . . . . .
9.2. Disposal 18. . . . . . . . . . . . . . . . . . . . . . . . . . . . . . . . . . . . . . . . . . . . . . . . . . . . . . . . . . . .
9.3. Additional documentation 18. . . . . . . . . . . . . . . . . . . . . . . . . . . . . . . . . . . . . . . . . . . . .
10. Technical Data 19. . . . . . . . . . . . . . . . . . . . . . . . . . . . . . . . . . . . . . . . . . . . .
11. Appendices 20. . . . . . . . . . . . . . . . . . . . . . . . . . . . . . . . . . . . . . . . . . . . . . .
11.1. Installation protocol 20. . . . . . . . . . . . . . . . . . . . . . . . . . . . . . . . . . . . . . . . . . . . . . . . . . .
11.2. Fault diagnosis 21. . . . . . . . . . . . . . . . . . . . . . . . . . . . . . . . . . . . . . . . . . . . . . . . . . . . . .

PI - 34.85
Product Information Linear Smoke Detector Fireray 50/100RV
601-F.01U.002.705
A1.en / 29.12.2004
ST-FIR/ PRM1/ zab
Seite 3 von 22
1. Product Description
The Fireray 50/100RV is a linear optical black and white smoke detector. The detector
is a retro-operation device, i.e. the transmitter and the receiver are located in one
housing with the control unit. A prism reflector is mounted opposite the detector and
reflects the infrared beam to the transmitter/receiver combination. If smoke penetrates
the section under surveillance, the beam to the receiver, thus the infrared signal
received, is smaller. The volume of smoke is assessed and the detector triggers a fire
alarm after a specified period of time.
The Fireray 50/100RV smoke detector comprises two components:
- Compact housing with infrared sensor, receiver and control unit
- Prism reflector.
There are two Fireray variants:
- Fireray 50RV with a range of between 5 m and 50 m
- Fireray 100RV with a range of between 50 m and 100 m.
If this documentation refers to both variants, they are combined under the designation
Fireray 50/100RV.
It is also possible to connect a key switch, which is mounted within reach, via the
RS-485 interface. Alarm tests can be triggered using the key switch without having
to reach up to the detector. In addition, the set parameters, the detector status and the
current signals can be read and the parameters can be changed. An interface adapter-
and the Data Viewer software (CD) are also required.
2. Scope of Order
Product ID LE*Designation
4.998.142.205 ST Linear smoke detector Fireray 50RV
- Device with integrated transmitter, receiver and control
unit
- 1 prism reflector
- 1 test filter
- 1 connection cable with plug
4.998.142.206 ST Linear smoke detector Fireray 100RV:
- Device with integrated transmitter, receiver and control
unit
- 4 prism reflectors
- 1 test filter
- 1 connection cable with plug
*LE = Delivery unit
The key switch, the interface adapter and the Data Viewer software (CD)
can be ordered as special merchandise.

PI - 34.85
Product Information Linear Smoke Detector Fireray 50/100RV
601-F.01U.002.705
A1.en / 29.12.2004
ST-FIR/ PRM1/ zab
Seite 4 von 22
3. Features
Compact housing with integrated transmitter, receiver, and control unit
Detector ranges:
- Fireray 50RV 5 m to 50 m
- Fireray 100RV 50 m to 100 m
Side detection breadth of 7.5 m on both sides of the beam center line (according
to VdS max. 7 m on both sides of the beam center line)
Easy to mount; cost-effective retro operation using prism reflectors
Areas of application:
Historical buildings, churches, museums, shopping malls, factory halls,
warehouses, power plants, contaminated environments, etc.
The prism reflectors permit angle deviations up to 5 from the center line without
signal deterioration.
With a max. mounting height of 16 m, the monitored room volume can be up to
22,400 m3
Very low current consumption
Operating voltage 10 V DC to 30 V DC
Adjustable alarm thresholds/sensitivity
Alarm storage or automatic reset possible
Alarm output in the form of a potential-free, latching dry relay contact
Electronic help for detector alignment and automatic detector calibration procedure
Automatic compensation for contamination
LED indicators for:
- Alarm (red)
- Malfunction (yellow)
- Operating indicator (flashes yellow once in every 10 s)
- End of readjustment due to contamination/aging (flashes yellow once every 2 seconds)
Can be connected to the local security network via a control coupler (NSB 100)
Cross zoning possible with connection using a NBK 100 LSN and two NSB 100 LSN
Fulfills the following regulations:
- BS 5839 Part 5
- EN 54 Part 12
- VdS approval number: G 203070

PI - 34.85
Product Information Linear Smoke Detector Fireray 50/100RV
601-F.01U.002.705
A1.en / 29.12.2004
ST-FIR/ PRM1/ zab
Seite 5 von 22
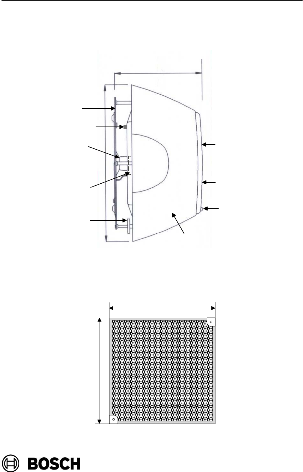
4. Device Design
4.1. Detectors
Fig. 1.: Detector side view
4.2. Prism reflector
100
100
Mounting bore
Ğ3 mm
Fig. 2.: Reflection prism dimensional diagram
Detector baseplate
Knurled screw for
vertical adjustment
Operating indica-
tor LEDs
Detector cover
Transmitter window
210 mm
120 mm
Gimbal bearing
Operating mode switch
Knurled screw for
horizontal adjustment
(on right of detector)
Receiver window

PI - 34.85
Product Information Linear Smoke Detector Fireray 50/100RV
601-F.01U.002.705
A1.en / 29.12.2004
ST-FIR/ PRM1/ zab
Seite 6 von 22
5. Functional Description
The transmitter emits an infrared light beam (880 nm) that is focused through a lens
and invisible. The light beam is reflected by 180 by the prism reflector mounted
opposite and returned to the transmitter/receiver combination.
If the IR beam is obscured by smoke and the signal received drops below the selected
threshold value for 10 s, the Fireray triggers a fire alarm and the alarm relay closes.
The activation threshold can be adjusted to the environmental conditions. Settings
25% (sensitive), 35%, and 50% (non-sensitive) are possible.
The alarm relay has two operating modes:
With Auto Reset, the alarm relay releases again if the volume of smoke drops below
the selected alarm threshold for at least 5 s.
In Alarm memory mode, the relay remains active until it is reset. To reset, power is
dropped to the detector for at least 5s.
Slow changes to the operating states (e.g. aging of the components, contamination
of the lenses, etc.) do not cause false alarms; instead, they are balanced out by the
automatic gain control. The state of the system is compared with a default reference
value every 15 minutes and in case of deviations, compensated automatically up to
0.7 dB/h. If the readjustment limit is reached, any further signal decay will trigger a
«malfunction» (DIP switch 2 = on) or an «alarm» (DIP switch 2 = off).
If the IR beam is obscured for at least 10 seconds by more than 90% with a sharp signal
increase, the fault relay switches. The cause can be a blocking of the beam path,
detector misalignment, blocking of the reflector, etc. After eliminating the cause of the
malfunction, the fault relay is reset and the detector is reset automatically into the
detection-ready state after 5 seconds. The malfunction must be reset at the control
unit.
The detector has an alarm output in the form of a potential free, latching dry contact.

PI - 34.85
Product Information Linear Smoke Detector Fireray 50/100RV
601-F.01U.002.705
A1.en / 29.12.2004
ST-FIR/ PRM1/ zab
Seite 7 von 22
6. Planning Notes
It is very important that the system be carefully planned and precisely adjusted, to
ensure that the detector responds as early as possible.
The response time of the system is dependent on the installation location, the volume
of smoke generated, the ceiling construction and air ventilation.
Note: Since the smoke over a fire source does not just climb vertically upwards, but
rather spreads like a mushroom cloud (depending on existing air currents and air
pockets), the breadth of the monitoring area is much greater than the diameter of the
IR beam.
According to VdS 2095 and DIN VDE 0833-2, the number of light beam smoke
detectors must be selected so that the maximum monitoring range A specified in
the table is not exceeded.
The detectors must be distributed such that no point of the ceiling is further removed
from the beam center (horizontal distance) than is specified in column DH
The distance between two parallel beams may not be greater than the doubled
distance D DH
The center line of the monitoring beam may not be closer than 0.5 m to walls,
equipment or stored goods.
Table 1.: Distances and Monitoring Areas according to VdS
Roof pitchα
Room height RHDHAα < 20α > 20
gH
H
DLDL
up to 6 m 6 m 1200 m20.3 m to 0.5 m 0.3 m to 0.5 m
more than 6 m
to 12 m 6.5 m 1300 m20.4 m to 0.7 m 0.4 m to 0.9 m
more than 12 m
to 16 m *) 7 m 1400 m20.6 m to 0.9 m 0.8 m to 1.2 m
DHGreatest permissible horizontal distance of any point of the ceiling to the next-closest beam
A Maximum monitoring range per detector (= double the product of the greatest horizontal
distance DH and the maximum permissible detector/reflector distance)
DLDistance of the detector to the ceiling
αAngle that the roof/ceiling pitch forms with the horizontal; if a roof has different pitches (e.g.
sheds), use the smallest existing pitch
*) With a room height of more than 12 m, it is recommended that you provide a second moni
toring level on which the detectors are arranged offset to the first monitoring level. -
Depends on the use and environmental conditions (e.g. rapid fire development and smoke
dissemination)
There must be a constant visual line between the detector and reflector, which may
not be interrupted by moving objects (e.g. overhead crane).

PI - 34.85
Product Information Linear Smoke Detector Fireray 50/100RV
601-F.01U.002.705
A1.en / 29.12.2004
ST-FIR/ PRM1/ zab
Seite 8 von 22
Heat accumulation under roof surfaces can hinder the travel of climbing smoke to
the ceiling. The detector must therefore be mounted below an expected heat
accumulation. This can mean that the benchmark values for DL specified in the
table must be exceeded.
Recommended height
below the ceiling
30-90 cm
IR beam
Heat accumulation
Ceiling
Smoke cloud
If you are uncertain about the correct position, use a smoke test to establish it.
6.1. Arrangement of the detectors on flat ceilings
DH
DR
Fireray 50/100 RV
Prism reflectors
DL
DH
2 x DH
DH
DHHorizontal distance to detector and wall 0.5 m to 7.5 m (VdS max. 7.0 m)
2 x DHDistance between two parallel beams max. 15 m (VdS max. 14 m)
DLDistance from the ceiling 0.3 m to 0.9 m
DRRange = distance between detector and reflector:
Fireray 50RV: 5 m to 50 m, Fireray 100RV: 50 m to 100 m
DH und DL are not dependent on the room height RH (see table 1.).

PI - 34.85
Product Information Linear Smoke Detector Fireray 50/100RV
601-F.01U.002.705
A1.en / 29.12.2004
ST-FIR/ PRM1/ zab
Seite 9 von 22
6.2. Arrangement of the detectors in a tilted roof
max. 7m max. 14 m max. 7 m
α
max. 14 m
DL
DL
DL
min. 0.5 m
Depending on the roof pitch α and the room height RH,
the detector and the reflectors must be arranged such that the
light beam in distance DL runs below the ceiling.
min. 0.5 m
6.3. Arrangement of the detectors in a saddleback roof
α
max. 7m max. 14 m max. 7 m
min. 0.5 m
max. 14 m
min. 0.5 m
DL
DL
DL
Depending on the roof pitch α
and the room height RH, the detector
and the reflectors must be arranged
such that light beam in distance DL
runs below the ceiling.
Depending on local rules and regulations, different distances may be
prescribed or permissible if necessary.

PI - 34.85
Product Information Linear Smoke Detector Fireray 50/100RV
601-F.01U.002.705
A1.en / 29.12.2004
ST-FIR/ PRM1/ zab
Seite 10 von 22
7. Mounting Tips
Observe the planning notes in Section 6.
Usually, the detector and the reflector are installed at the same height and oriented
towards each other. The relatively broad angle of the IR beam eases adjustment
and guarantees reliable long-term stability.
The mounting surface for the detector must be firm and vibration-free. Metal
supports that can be influenced by heat or cold are not suitable for installation.
The detector must be installed such that sunlight and artificial light do not beam
directly into the detector’s lenses. Normal environmental light conditions have no
effect on the IR beam and the evaluation.
Mount the reflector on a solid surface at the permissible distance. Ensure that the
light beam meets the reflector on the vertical.
The reflectors must not be mounted on reflective surfaces such as glass or plain
sheet surfaces. Additional reflections lead to malfunctions.
For protection against radio interference, use a shielded cable. When you are
installing the cable, possible sources of disturbance must be circumvented and the
cable must be protected against mechanical damage.
A 6 DA mini distributor (product ID 2.798.400.302) is required for wiring.
7.1. Connections and DIP switch settings
The operating mode switches, DIP switches and terminal strips for the plug
connector (see Fig. 3.) are located on the back of the detector.
Plug connector
DIP switch
Operating
mode switch
2-pin output for
optional key switches
Mounting slots on
off
Fig. 3.: Reverse side of detector with plug connector, operating mode switch and
DIP switch

PI - 34.85
Product Information Linear Smoke Detector Fireray 50/100RV
601-F.01U.002.705
A1.en / 29.12.2004
ST-FIR/ PRM1/ zab
Seite 11 von 22
DIP switches
The DIP switches can be accessed through the round recess in the detector base
plate.
Table 2.: Functions of the DIP switch settings
*
Function
DIP switch settings
*
F
unc
ti
on 1 2 3 4
50% threshold X X OFF OFF
35% threshold X X OFF ON
25% threshold X X ON OFF
12% threshold
(extremely sensitive, only for special applications!) X X ON ON
XAlarm relay saves the alarm OFF X X X
Automatic reset 5 s after the end of the alarm criterion ON X X X
Alarm relay after end of readjustment X OFF X X
XFault relay at end of readjustment, no alarm X ON X X
The factory presets are shaded in gray.
* The recommended settings for connection to a fire panel are marked with X.
Use DIP switches 3 and 4 to set the required alarm threshold. The factory setting
is moderate sensitivity (35%) for normal environmental conditions. Select a
threshold of 50% in very dirty environments.
Use DIP switch 1 to select the «Save alarm » or «Auto Reset» function.
Select the following settings for connection to a fire panel:
- «Alarm relay saves the alarm»
- «Fault relay at end of readjustment, no alarm».
Plug connector
The plug connector can be accessed through the oval recess on the detector base
plate.
Table 3.: Pin assignment of the 8-pin connector (from left to right)
PIN number Wire color Function
1Not assigned
2 blue Alarm relay, center contact (COM)
3 yellow Alarm relay, work contact (NO)
4 red Power supply +10 to +30 V DC
5 black Power supply -
6 green Fault relay, normally closed contact (NC)
7 white Fault relay, center contact (COM)
8Not assigned

PI - 34.85
Product Information Linear Smoke Detector Fireray 50/100RV
601-F.01U.002.705
A1.en / 29.12.2004
ST-FIR/ PRM1/ zab
Seite 12 von 22
7.2. Mounting the Fireray 50/100RV
To make mounting easier, you can remove the detector cover by gently raising the
upper and lower edges.
The mounting slots (see Fig. 3.), which are positioned at a 90angle, enable vertical
or horizontal mounting of the detector.
Locate the four bore holes at the mounting location using the detector base plate.
Observe the planning notes and mounting tips!
Check the plug connector and the DIP switch settings (see Section 7.1.).
Secure the detector using four screws.
Refit the detector cover.
If a key switch is required, a two-wire cable should be routed from the
detector within reach during installation (see Section 7.4. for connection
details).
7.3. Mounting the prism reflector
Select the mounting location in line with the mounting tips (Section 7.).
A prism reflector must be used for the Fireray 50RV, and four prism reflectors
arranged in a square for the Fireray 100RV.
Fireray 50RV Fireray 100RV
Fig. 4.: Prism reflectors
Each reflector is secured using two mounting bores. Arrange the four reflectors for
the Fireray 100RV such that there are no mounting holes in the center (see Fig. 4.).
There must be a free visual line between the detector and
reflector. The IR light beam must not be blocked by moved
objects!

PI - 34.85
Product Information Linear Smoke Detector Fireray 50/100RV
601-F.01U.002.705
A1.en / 29.12.2004
ST-FIR/ PRM1/ zab
Seite 13 von 22
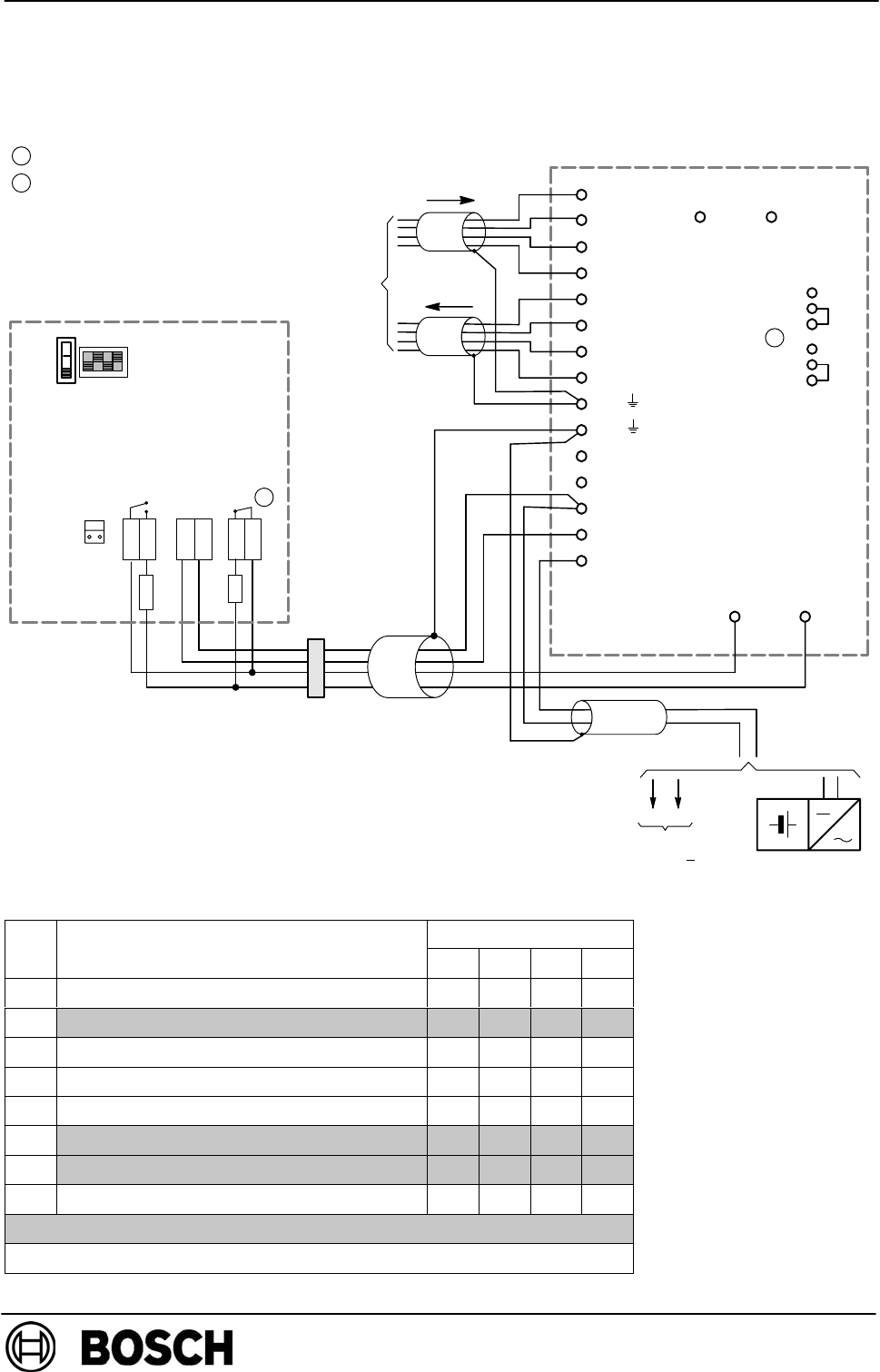
7.4. Connection
(if voltage drop <6V)
(if voltage drop >6V)
UEB UEA
SB SA
1
2
3
1
2
3
1
LSN
-U +U
-U +U
1Bridges Br1, Br2 in position 2-3
MALFUNCTION
ALARM
Power sup-
ply 10 - 30
V
Fireray 50/100 RV
rd
bl
RE
NSB 100 LSN
I3I4
NO
COM
NC
COM
NSB 100
EV 24 V - 24 V
I1 NLT1
I2 ⊥
I3 -U
Br 2
I4 +U
II1 NLT2
II2 ⊥
II3 -U
II4 +U
III1
III2
IV1 RR
IV2 R
V1 KR
V2 KA1
V3 KA2
Br 1
VII1VII2
VI1VI2
ye
bl gn wh
2
2Contacts in open position
Configuration for LSN:
Parameterize the NSB in the control panel to
control output KA1-KA2/KR-R-RR and
“Control with Fireray”.
Operating mode switches:
Prism Targeting
Alignment Mode
Operating Mode
DIP switch:
Functions, see table (below)
Output
for key switch
(optional)
Operating mode
switch
DIP switch
(recommended settings)
3K3
Connection of a Fireray 50/100RV using a NSB100 LSN at the fire panel
6 DA mini
distributor
on
off
-+
680 Ω
*
DIP switch functions
DIP switch setting
*DIP switch functions 1234
50% threshold X X OFF OFF
35% threshold X X OFF ON
25% threshold X X ON OFF
Reserved for later use X X ON ON
XAlarm relay saves the alarm OFF X X X
Automatic reset 5 s after the end of the alarm criterion ON X X X
Alarm relay after end of readjustment X OFF X X
XFault relay at end of readjustment, no alarm X ON X X
The factory presets are shaded in gray.
* The recommended settings for connection to a fire panel are marked with X.

PI - 34.85
Product Information Linear Smoke Detector Fireray 50/100RV
601-F.01U.002.705
A1.en / 29.12.2004
ST-FIR/ PRM1/ zab
Seite 14 von 22
1Bridges Br1, Br2 on the NSB 100 in position 2-3 (see connection of one Fireray 50/100RV)
MALFUNCTION
ALARM
Power sup-
ply 10 - 30
V
Fireray 50/100 RV
rd
bl
NO
COM
NC
COM
ye bl gn wh
2
2Contacts in open position
Configuration for LSN:
Parameterize the NSB in the control panel to control output
KA1-KA2/KR-R-RR and “Control with Fireray”.
Observe assignment to detector groups/detectors (see example).
Output
for key switch
(optional)
Operating mode
switch
+
820
Connection of two Fireray 50/100RV to fire panel with cross zoning via an NBK
100 LSN and two NSB100 LSNs
V1
V2 Line 2
VI1
VI2 Line 1
V1
V2 Line 2
VI1
VI2 Line 1
NBK 100 LSN
NSB 100 LSN
V1 KR
V2 KA1
V3 KA2
NSB 100 LSN
V1 KR
V2 KA1
V3 KA2
3k92 MALFUNCTION
ALARM
Power sup-
ply 10 - 30
V
Fireray 50/100 RV
NO
COM
NC
COM
2
Operating mode
switch
820
3k92
Parameterize, e.g. to 127/1
Parameterize, e.g. to
KA1-KA2-KR-150/2
Parameterize, e.g. to
KA1-KA2-KR-500/2
-
+
-
rd bl
bl ye gn wh
(if voltage drop <6V)
-U +U
-U +U
I3I4
NSB 100
EV 24 V - 24 V
150/1 cross zoning with
500, current trigger
criterion
6 DA mini
distributor
6 DA mini
distributor
Output
for key switch
(optional)
Parameterize, e.g. to 127/2
Parameterize, e.g. to 127/3
500/1 cross zoning
with 150, current
trigger criterion
1
1
DIP switch
(recommended settings)
DIP switch
(recommended settings)

PI - 34.85
Product Information Linear Smoke Detector Fireray 50/100RV
601-F.01U.002.705
A1.en / 29.12.2004
ST-FIR/ PRM1/ zab
Seite 15 von 22
8. Start-Up
8.1. Setting up the detector
Start the «Prism Targeting»mode by moving the operating mode switch (see Fig. 3.)
up (if the detector is mounted vertically) or to the right (if the detector is mounted
horizontally).
Connect the power supply.
The detector runs in initialization mode for approx. 5 s.
As soon as the detector is ready for use, the red LED flashes (once with the Fireray
50RV and twice with the Fireray 100RV).
Now direct the detector at the prism, using the two knurled screws, until optimum
adjustment is confirmed by a steady yellow LED light. The following LED displays
support detector set-up:
Yellow LED display Detector status in «Prism Targeting» operating mode
off No signal at receiver
Flashes
-> Flashing frequency in-
creasing
Signal is received
-> The faster the flashing, the stronger the signal!
Steady light Optimum alignment achieved
The signal must only move from the reflector to the receiver,
under no circumstances must it move to other light sources or
reflective surfaces!
Cover the prism reflector with a non-reflective material to check. The LED must not
be lit. If the yellow LED does not go out, this indicates that a reflector is incorrectly
aligned.
8.2. Calibrating the detector
Once the optimum detector set-up has been achieved, set the operating mode
switch to the center position without displacing the detector. The detector is now in
(«Alignment Mode»).
The detector runs through an automatic configuration procedure to optimize the
transmission power and the receiver sensitivity. The following detector statuses
may be displayed by the LEDs during this procedure:
LED displays Detector statuses in «Alignment Mode»
Flashing red Receiver input signal too strong, the transmission power will be re-
duced. Wait until the LED goes out (max. 20 s).
Steady yellow light No signal is being received. Switch back to «Prism Targeting» mode
and repeat the detector set-up.
Flashing yellow The receiver is receiving a weak signal, the transmission power will
automatically be increased.
off Transmission power and receiver gain are optimum.
Flashing red and yellow Automatic calibration in progress.

PI - 34.85
Product Information Linear Smoke Detector Fireray 50/100RV
601-F.01U.002.705
A1.en / 29.12.2004
ST-FIR/ PRM1/ zab
Seite 16 von 22
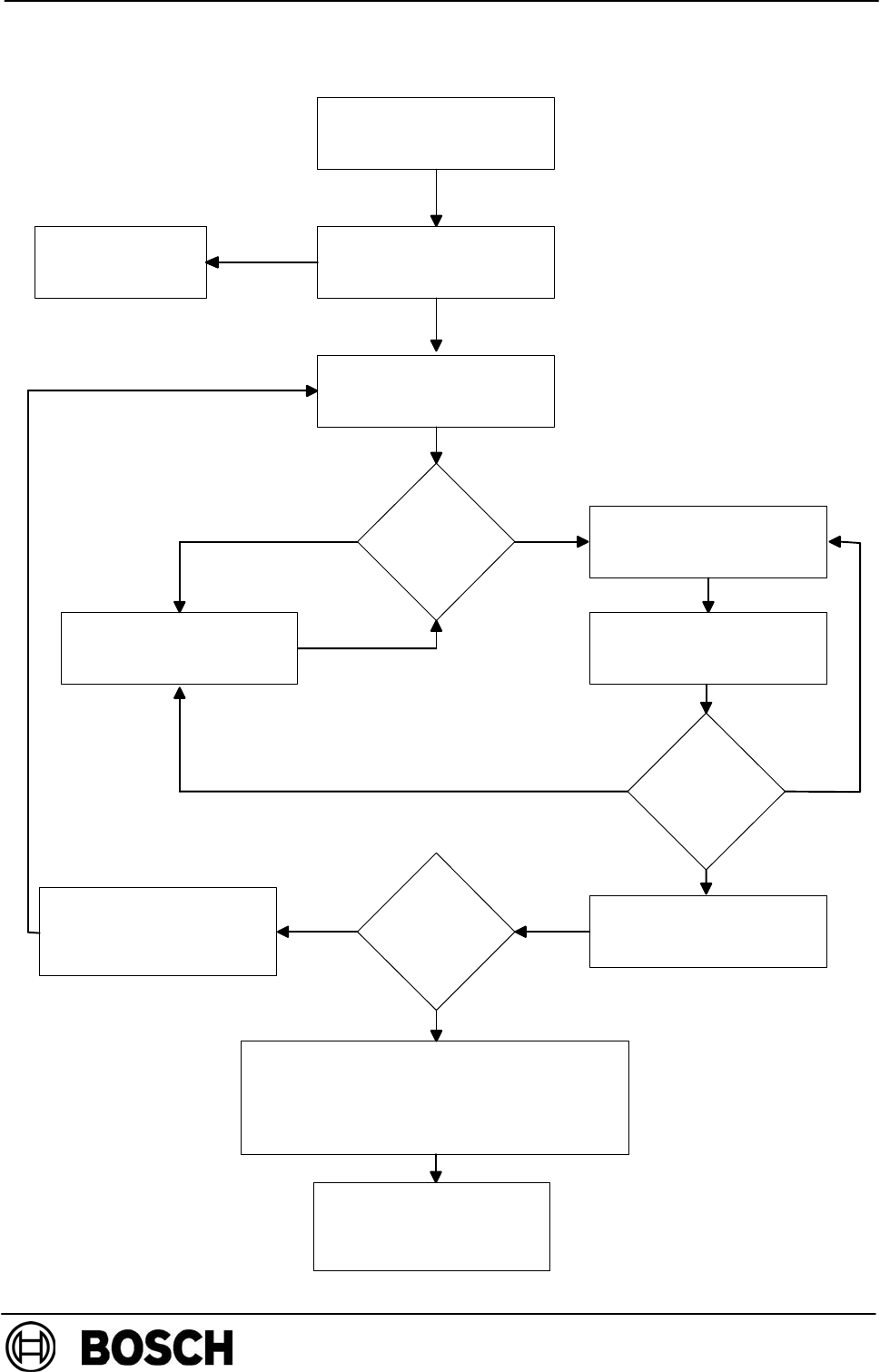
Follow the flow chart to perform the calibration process:
Switch center Alignment
Mode Yellow LED lights up
for approx. 5 s
Wait until both LEDs have
stopped flashing
Turn the knurled screws in
one direction and monitor
the LED status
No signal: back to
detector set-up
(Section 8.1.)
Which LED lights
up?
Stop turning the knurled
screw and wait until the red
LED stops flashing
Turn the knurled screw
slowly in the same direction
Turn the knurled screw in
the other direction
Which LED lights
up?
Do not turn the knurled
screw any further
Repeat the
procedure for the other
detector axis with the
second knurled screw
Both axes ad-
justed?
Check optimum setting:
Yellow LED lights up:
1. With gentle pressure from top/bottom/left/
right on the detector housing.
2. Each time the knurled screws are moved.
Exit the
Alignment Mode
Switch at bottom:
Operating Mode
red
LED
yellow
LED
yellow
LED
red
LED
No LED
y
e
s
no
Steady
yellow LED

PI - 34.85
Product Information Linear Smoke Detector Fireray 50/100RV
601-F.01U.002.705
A1.en / 29.12.2004
ST-FIR/ PRM1/ zab
Seite 17 von 22
When the calibration procedure is complete, move the operating mode switch (see
Fig. 3.) to the bottom (if the detector is mounted vertically) or to the left (if the
detector is mounted horizontally). The detector is now in «Operating Mode».
The detector runs a calibration test for approx. 60 s. If the yellow LED lights up as
a steady light after the test, you must repeat the detector alignment and calibration
procedures (see Sections 8.1. and 8.2.).
If a detector alarm is reset in normal mode by a disruption to the power
supply, the detector automatically runs a calibration test. If the test is
failed, the detector remains in the alarm position. If the test is positive,
the yellow LED goes out, the fault relay is reset and the detector is
returned to normal mode.
In normal mode, the yellow LED flashes every 10 s.
8.3. System test
The «Alarm» and «Malfunction» functions must be checked before final start-up.
Alarm test
Hold the test filter in front of the receiver lens (upper or right-hand part of detector).
Select a volume of smoke slightly greater than the threshold set for the detector (see
Section 7.1.). Make sure that you do not also cover the transmitter -lens.
After approx. 10 s, the red LED must light up and the alarm relay must close.
With the «Save alarm» detector setting (DIP switch 1 «off»), there must be a reset
at the control panel or the power supply must be disrupted for at least 5 s.
With the setting «Auto Reset» setting (DIP switch 1 «on»), the alarm is reset
automatically if the volume of smoke falls below the selected alarm threshold for at
least 5 s.
Fault test
Cover the reflector with a non-reflective material.
After approx. 10 s, the yellow LED must light up and the fault relay must open. As
soon as the obstruction is removed, the detector returns to normal mode
automatically after approx. 2 s.

PI - 34.85
Product Information Linear Smoke Detector Fireray 50/100RV
601-F.01U.002.705
A1.en / 29.12.2004
ST-FIR/ PRM1/ zab
Seite 18 von 22
9. Tips on Maintenance and Service
For maintenance and inspection work on danger detector systems, in Germany
the regulations of DIN VDE 0833 apply, which refer to the maintenance interval
according to the manufacturer’s instructions.
Bosch ST recommends a functional and visual inspection at least once a year.
Maintenance and inspection work should be carried out regularly and by trained
personnel.
9.1. Repair
In the event of a defect, the entire device is exchanged.
9.2. Disposal
Defective devices should be disposed of according to the legal requirements.
9.3. Additional Documentation
For those with access rights, the Bosch ST ExtraNet at
www.boschsecurity.com/emea/fire
contains the most up-to-date product information and the installation
manual supplied with the device can be downloaded in PDF format.

PI - 34.85
Product Information Linear Smoke Detector Fireray 50/100RV
601-F.01U.002.705
A1.en / 29.12.2004
ST-FIR/ PRM1/ zab
Seite 19 von 22
10. Technical Data
Operating voltage 10 V DC . . . 30 V DC
Current consumption:
in standby mode
< 4 mA @ 24 V
-
i
n
s
t
an
db
y
mo
d
e
- in alarm/malfunction <
4
m
A @ 24 V
< 15 mA
Reset control by power disruption > 5 s
Alarm relay Open contact, potential-
free
(2 A @ 30 V DC)
Fault relay Break contact element,
potential-free
(2 A @ 30 V DC)
Permissible distance between the detector and the
prism reflector:
- Fireray 50R
- Fireray 100R
5 m to 50 m
50 m to 100m
Optical wavelength 880nm
Adjustable alarm threshold values 2.50 dB (25%)
3.74 dB (35%)
6.02 dB (55%)
Axial deviation tolerance
(at 35% sensitivity) Detector $0.8
Prism reflector $5.0
Operating temperature -30C . . . +55C
Protection type IP 50
Dimensions (W x H x D) 126 x 210 x 120 mm
Weight 670 g
Housing:
- Color
- Material light gray/black
ABS, non-flammable
VdS ID number G 203 070

PI - 34.85
Product Information Linear Smoke Detector Fireray 50/100RV
601-F.01U.002.705
A1.en / 29.12.2004
ST-FIR/ PRM1/ zab
Seite 20 von 22
11. Appendices
11.1.Installation protocol
Installation company:
Type of object:
Installation location:
Installation date:
Total number of all linear detectors:
Detector version: Fireray 50RV
Fireray 100RV
Detector – reflector distance: _________ m
Distance of the detector axes to one
another _________ m
Mounting height _________ m
Mounting surface (e.g. masonry/rein-
forced concrete/steel beams/wood/etc.)
Serial number(s):
Reflector size: 1 x (10 x 10 cm)
4 x (20 x 20 cm)
Supply voltage: _________ V
Correct mechanical adjustment of
transmitter (when gentle pressure is
applied to the detector housing from
the left/right/top/bottom, the yellow LED
lights up initially):
yes no
Alarm triggered with absorption film
35% - 50% tested:
yes no
Fault triggered by disruption of IR
beam tested:
yes no
DIP switch settings:
on
off
1234
Comments (environmental conditions, e.g. dust, humidity, temperature etc.)
Installation tested on: ____________ by: ___________________________

PI - 34.85
Product Information Linear Smoke Detector Fireray 50/100RV
601-F.01U.002.705
A1.en / 29.12.2004
ST-FIR/ PRM1/ zab
Seite 21 von 22
11.2.Fault diagnosis
Fault indicator Possible cause Action
Beam path blocked by an obstacle Check and/or ensure free visual line
in the area between the detector and
the reflector.
Reflector is contaminated/covered/
has fallen down. Check the status of the reflector and
clean it if necessary.
Fault LED
illuminated
Supply voltage too low. Measure supply voltage directly at de-
tector.
ill
um
i
na
t
e
d
permanently Mode sliding switch in upper position
(«Direct»)Set the switch to «Operation» and
wait until the 60 s activation routine is
complete.
Detector set-up changed on switch-
ing to «Operation».
When operating the sliding switch
following the correct adjustment,
make sure that the setting is not
changed.
The limit of automatic gain control has
been reached Clean detector lens and reflector and
correct mechanical adjustment!
Fault LED flashes «MODE Switch» sliding switch in up-
per position («Direct») and incom-
plete detector set-up
Align detector vertically and horizon-
tally until the fault LED is permanently
illuminated. Then continue using fine
adjustment (switch in center position)!
Alarm LED
illuminated
DIP switch 1 at OFF
(«Save alarm »),
the alarm display remains saved
Reset the detector by disrupting the
supply voltage for at least 5 s or
select «Reset» on the fire panel
ill
um
i
na
t
e
d
permanently Beam path (partially) blocked by an
obstacle Ensure a free visual line in the area
between the detector and the reflec-
tor!
No fault message
when IR beam is
disrupted
Detector receives partial IR signal,
e.g. via reflective surfaces near the
beam axis.
Cover reflector with a dark material to
test! Check detector’s range of vision
for reflective objects!
Alarm triggered
when IR beam is
disrupted
An object placed in the beam path for
testing has acted as the reflector. For testing, use a non-reflective
material, maintain a greater distance
to the detector, cover the reflector as
directly as possible.
Triggering of false
alarms
Sensitivity to existing environmental
conditions set too high Set a less sensitive alarm threshold
(DIP switches 3 and 4):
normal= 35%, less sensitive= 50%

Page 22 of 22
Bosch Security Systems
Robert-Koch-Str. 100
D-85521 Ottobrunn
Info-Service
Telephone: +49 89 6290 - 1039
Fax: +49 89 6290 - 1039
www.boschsecurity.com
info.service@de.bosch.com