Bradfordwhite Canada Commercial Gas Natural Power Direct Vent Coaxial Pdv Prior To New Control Box Integration Discontinued Archive Parts 27665_47177b_parts_parts_list User Manual
Canada Commercial Gas Natural Power Direct Vent Independent Vent Pdv Prior To New Control Box Discontinued Archive Partslist 471 canada_commercial_gas_natural_power_direct_vent_independent_vent_pdv_prior_to_new_control_box_discontinued_archive_partslist_471 canada_commercial_gas_natural_power_direct_vent_independent_vent_pdv_prior_to_new_control_box_discontinued_archive_partslist_47177b uploads wp-content bradfordwhitecorp :
Commercial Gas Natural Power Direct Vent Independent Vent Pdv Prior To New Control Box Discontinued Archive Partslist 47177B commercial_gas_natural_power_direct_vent_independent_vent_pdv_prior_to_new_control_box_discontinued_archive_partslist_47177b commercial_gas_natural_power_direct_vent_independent_vent_pdv_prior_to_new_control_box_discontinued_archive_partslist_47177b uploads wp-content bradfordwhitecorp :
Commercial Gas Natural Power Direct Vent Coaxial Vent Pdv Prior To New Control Box Integration Discontinued Archive Partslist 47 commercial_gas_natural_power_direct_vent_coaxial_vent_pdv_prior_to_new_control_box_integration_discontinued_archive_partslist_47 commercial_gas_natural_power_direct_vent_coaxial_vent_pdv_prior_to_new_control_box_integration_discontinued_archive_partslist_47177b uploads wp-content bradfordwhitecorp :
2017-01-09
User Manual: Bradfordwhite Canada Commercial Gas Natural Power Direct Vent Coaxial Vent Pdv Prior To New Control Box Integration Discontinued Archive Parts canada_commercial_gas_natural_power_direct_vent_coaxial_vent_pdv_prior_to_new_control_box_integration_discontinued_archive_partslist_47177b uploads wp-content bradfordwhitecorp :
Open the PDF directly: View PDF
.
Page Count: 16

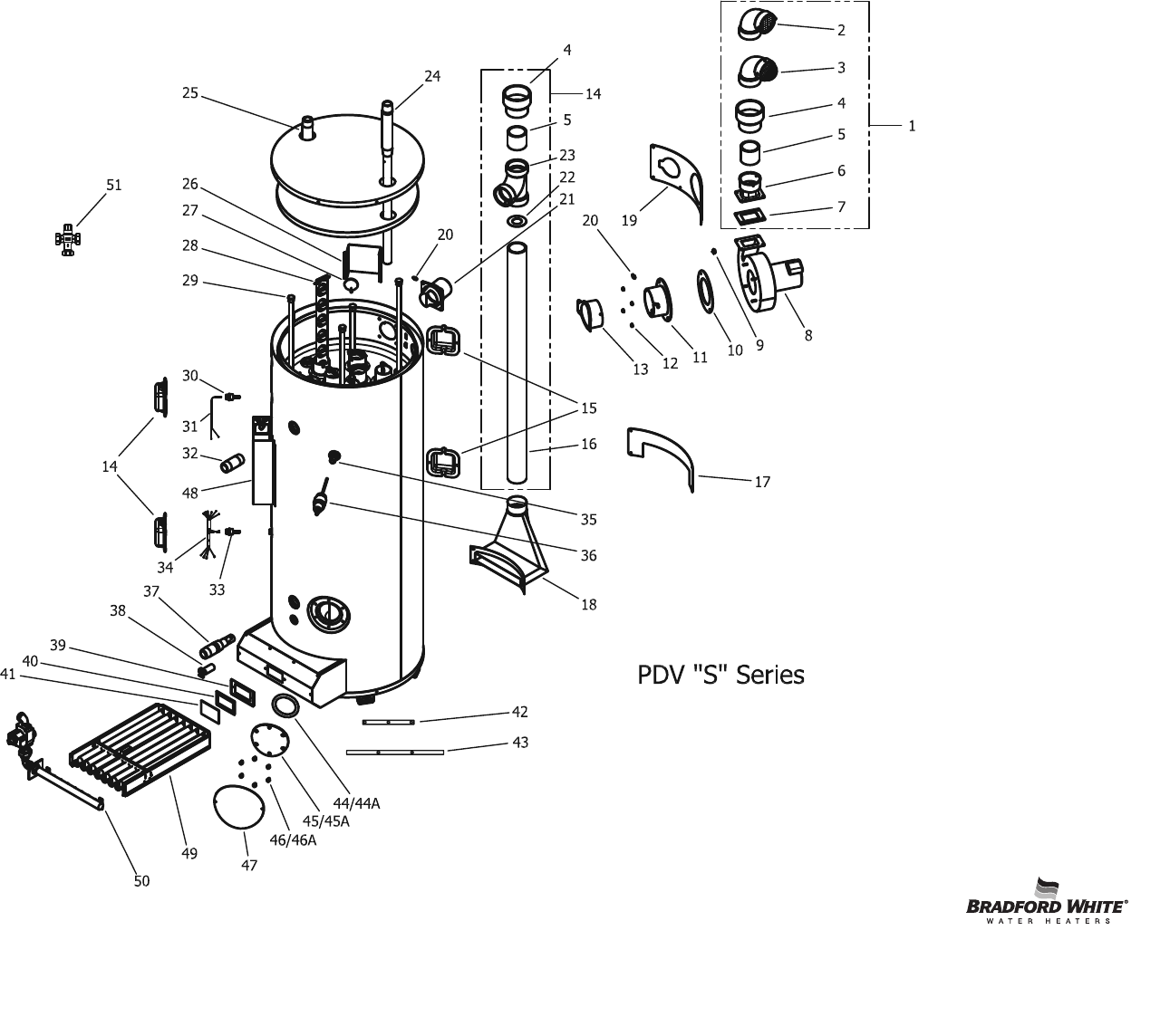
COMMERCIAL REPLACEMENT PARTS LIST
Power Direct Vent PDV(S&T) Models
Includes Hydrojet
®
Total Performance System
Effective: January, 2012
ECO 7731
NOTE: BOTH MODEL AND SERIAL
NUMBERS ARE REQUIRED FOR
ORDERING REPLACEMENT PARTS
Dimensions and specifications
subject to change without notice.
Parts Book #238-47177-00B

Page 2
Page 2

Item part description Model Model Model Model Model Model
PDV80S150(E)*(N,X) PDV80S200(E)*(N,X) PDV80S250(E)*(N,X)(A) PDV100S150(E)*(N,X) PDV100S200(E)*(N,X) PDV100S250(E)*(N,X)(A)
1 Vent Kit 243-42776-01 243-42776-01 243-42776-02 243-42776-01 243-42776-01 243-42776-02
2 Vent Elbow 239-40579-00 239-40579-00 239-40579-00 239-40579-00 239-40579-00 239-42580-00
3 Intake Terminal 239-42642-01 239-42642-01 239-42642-02 239-42642-01 239-42642-01 239-42642-02
4 Vent Reducer --- --- 239-42581-00 --- --- 239-42581-00
5 3" PVC Pipe --- --- 239-40903-00 --- --- 239-40903-00
6 Blower Vent Adaptor 239-42434-00 239-42434-00 239-42434-00 239-42434-00 239-42434-00 239-42434-00
7 Blower Receptacle Gasket 239-42479-00 239-42479-00 239-42479-00 239-42479-00 239-42479-00 239-42479-00
8 Blower 239-42371-00 239-42371-00 239-42371-00 239-42371-00 239-42371-00 239-42371-00
9 Temperature Switch 239-43238-03 239-43238-03 239-43238-03 239-43238-03 239-43238-03 239-43238-03
10 Blower Intake Gasket 239-81161-00 239-81161-00 239-81161-00 239-81161-00 239-81161-00 239-81161-00
11 Blower Mounting Flange 239-41525-00 239-41525-00 239-41525-00 239-41525-00 239-41525-00 239-41525-00
12 Nut 1/4-20 He
x
239-43297-00 239-43297-00 239-43297-00 239-43297-00 239-43297-00 239-43297-00
13 Collector to Blower Transition 239-41505-00 239-41505-00 239-41505-00 239-41505-00 239-41505-00 239-41505-00
14 Air Intake Assembly 243-42777-03 243-42777-03 243-42777-04 243-42777-01 243-42777-01 243-42777-02
15 Utility Cover 239-80281-03 239-80281-03 239-80281-03 239-80281-03 239-80281-03 239-80281-03
16 Air Intake Pipe 239-42429-02 239-42429-02 239-42429-02 239-42429-01 239-42429-01 239-42429-01
17 Cover Rear Boot 243-42403-00 243-42403-00 243-42403-00 243-42403-00 243-42403-00 243-42403-00
18 Combustion Box Boot 239-42260-00 239-42260-00 239-42260-00 239-42260-00 239-42260-00 239-42260-00
19 Blower Escutcheon 243-42408-00 243-42408-00 243-42408-00 243-42408-00 243-42408-00 243-42408-00
20 Blower Hose Barb 239-41553-00 239-41553-00 239-41553-00 239-41553-00 239-41553-00 239-41553-00
21 Air Inlet 239-42262-00 239-42262-00 239-42262-00 239-42262-00 239-42262-00 239-42262-00
22 Vent Orifice 243-42297-00 243-42297-00 243-42297-00 243-42297-00 243-42297-00 243-42297-00
23 Air Intake Tee 239-42402-00 239-42402-00 239-42402-00 239-42402-00 239-42402-00 239-42402-00
24 Cold Water Inlet Dip Tube (top) 229-43192-04 229-43192-04 229-43192-04 229-43192-05 229-43192-05 229-43192-05
25 Hot Water Outlet Nipple (top) 229-41573-01 229-41573-01 229-41573-01 229-41573-01 229-41573-01 229-41573-01
26 Cover Pressure Switch 239-41763-00 239-41763-00 239-41763-00 239-41763-00 239-41763-00 239-41763-00
27 Pressure Switch (0ft to 2000ft) 239-44063-05 239-44063-04 239-44063-05 239-44063-05 239-44063-04 239-44063-05
Pressure Switch (Over 2000ft) 239-44063-05 239-44063-04 239-44063-04 239-44063-05 239-44063-04 239-44063-04
28 Flue Baffle 243-41455-00 243-41455-00 243-41455-00 243-41455-00 243-41455-00 243-41455-00
29 Anode Hex Head Magnesium 224-47782-05 224-47782-05 224-47782-05 224-47782-07 224-47782-07 224-47782-07
Anode Hex Head Aluminum 224-38508-06 224-38508-06 224-38508-06 224-38508-03 224-38508-03 224-38508-03
30 Upper Thermostat Sensor 239-82033-00 239-82033-00 239-82033-00 239-82033-00 239-82033-00 239-82033-00
31 Wire Harness Upper Sensor 239-41569-00 239-41569-00 239-41569-00 239-41569-00 239-41569-00 239-41569-00
32 Hot Water Outlet (side) 229-40913-02 229-40913-02 229-40913-02 229-40913-02 229-40913-02 229-40913-02
33 Lower Thermostat Sensor 239-82034-00 239-82034-00 239-82034-00 239-82034-00 239-82034-00 239-82034-00
34 Wire Harness Lower Sensor 239-45363-00 239-45363-00 239-45363-00 239-45363-00 239-45363-00 239-45363-00
35 T/P nipple 229-32762-02 229-32762-02 239-80982-00 229-32762-02 229-32762-02 229-80982-00
36 T/P valve 230-30246-00 230-30246-00 230-33630-04 230-30246-00 230-30246-00 230-33630-04
37 Cold Water Inlet Nipple (side) 229-44731-00 229-44731-00 229-44731-00 229-44731-00 229-44731-00 229-44731-00
38 Drain Valve 265-42351-02 265-42351-02 265-42351-02 265-42351-02 265-42351-02 265-42351-02
39 Sight Glass Holder 239-42481-00 239-42481-00 239-42481-00 239-42481-00 239-42481-00 239-42481-00
40 Sight Glass Gasket 239-41635-00 239-41635-00 239-41635-00 239-41635-00 239-41635-00 239-41635-00
41 Sight Glass 239-41610-00 239-41610-00 239-41610-00 239-41610-00 239-41610-00 239-41610-00
42 Combustion Box Gasket - Sides 239-42430-00 239-42430-00 239-42430-00 239-42430-00 239-42430-00 239-42430-00
43 Combustion Box Gasket - Top & Bottom 239-41627-00 239-41627-00 239-41627-00 239-41627-00 239-41627-00 239-41627-00
44 Cleanout O-Ring 205-18427-00 205-18427-00 205-18427-00 205-18427-00 205-18427-00 205-18427-00
44A Cleanout Gasket (ASME) --- --- 205-32942-00 --- --- 205-32942-00
45 Cleanout Cover 205-18428-00 205-18428-00 205-18428-00 205-18428-00 205-18428-00 205-18428-00
45A Cleanout Cover (ASME) --- --- 205-32941-00 --- --- 205-32941-00
46 Screw 5/16-18 X 1/2 Hex 239-82166-00 239-82166-00 239-82166-00 239-82166-00 239-82166-00 239-82166-00
46A Screw 5/16-18 X 1/2 Hex (ASME) --- --- 239-32970-00 --- --- 239-32970-00
47 Cleanout Jacket Cover 243-20299-00 243-20299-00 243-20299-00 243-20299-00 243-20299-00 243-20299-00
51 Mixing Valve (Optional) 239-43740-02 239-43740-02 239-43740-02 239-43740-02 239-43740-02 239-43740-02
*Applies to all warranties
Page 3

Page 4
Page 4

Item part description Model Model Model Model Model Model
PDV80S150(E)*(N,X) PDV80S200(E)*(N,X) PDV80S250(E)*(N,X)(A) PDV100S150(E)*(N,X) PDV100S200(E)*(N,X) PDV100S250(E)*(N,X)(A)
48 Control Box Assembly** 243-44580-01 243-44580-01 243-44580-01 243-44580-01 243-44580-01 243-44580-01
48A Potentiometer Knob 239-41710-00 239-41710-00 239-41710-00 239-41710-00 239-41710-00 239-41710-00
48B Potentiometer Gasket 223-82047-00 223-82047-00 223-82047-00 223-82047-00 223-82047-00 223-82047-00
48C Snap-In Bushing 239-80406-00 239-80406-00 239-80406-00 239-80406-00 239-80406-00 239-80406-00
48D Bushing 239-44575-00 239-44575-00 239-44575-00 239-44575-00 239-44575-00 239-44575-00
48E Power Switch 239-41566-00 239-41566-00 239-41566-00 239-41566-00 239-41566-00 239-41566-00
48F Transformer 233-44072-01 233-44072-01 233-44072-01 233-44072-01 233-44072-01 233-44072-01
48G Terminal Block 239-80373-00 239-80373-00 239-80373-00 239-80373-00 239-80373-00 239-80373-00
48HTerminal Strip 239-80112-00 239-80112-00 239-80112-00 239-80112-00 239-80112-00 239-80112-00
48J Power Cord 239-80377-00 239-80377-00 239-80377-00 239-80377-00 239-80377-00 239-80377-00
48K Module 233-43128-00 233-43128-00 233-43128-00 233-43128-00 233-43128-00 233-43128-00
48L Plug Plastic 239-81415-05 239-81415-05 239-81415-05 239-81415-05 239-81415-05 239-81415-05
48M Screw #8-18 X .50 239-43736-00 239-43736-00 239-43736-00 239-43736-00 239-43736-00 239-43736-00
48N Temperature Label 238-44588-00 238-44588-00 238-44588-00 238-44588-00 238-44588-00 238-44588-00
48P Potentiometer 233-82054-00 233-82054-00 233-82054-00 233-82054-00 233-82054-00 233-82054-00
48R Control Box Panel 239-44576-00 239-44576-00 239-44576-00 239-44576-00 239-44576-00 239-44576-00
48S Relay Single Pole 233-41560-00 233-41560-00 233-41560-00 233-41560-00 233-41560-00 233-41560-00
48T Screw #8-18 X .75 239-43863-00 239-43863-00 239-43863-00 239-43863-00 239-43863-00 239-43863-00
48U Thermostat Board 233-41347-00 233-41347-00 233-41347-00 233-41347-00 233-41347-00 233-41347-00
48V Screw #8-18 X .25 239-43573-00 239-43573-00 239-43573-00 239-43573-00 239-43573-00 239-43573-00
48W Power Cord Bushing 239-80372-00 239-80372-00 239-80372-00 239-80372-00 239-80372-00 239-80372-00
48X Control Box Cover 239-44563-00 239-44563-00 239-44563-00 239-44563-00 239-44563-00 239-44563-00
48Y Screw 1/4-20 X .62 Hex Head 239-42637-00 239-42637-00 239-42637-00 239-42637-00 239-42637-00 239-42637-00
*Applies to all warranties
**Ordering a complete Control Box Assembly may increase delivery time. Please order specific components for quickest delivery.
Page 5

Page 6
Page 6

Item part description Model Model Model Model Model Model
PDV80S150(E)*(N,X) PDV80S200(E)*(N,X) PDV80S250(E)*(N,X)(A) PDV100S150(E)*(N,X) PDV100S200(E)*(N,X) PDV100S250(E)*(N,X)(A)
49 Burner Assembly (Natural Gas) ** 243-42437-02 243-42437-02 243-42437-02 243-42437-02 243-42437-02 243-42437-02
Burner Assembly (Natural Gas) (Lo-NOx) ** Ÿ243-42437-01 243-42437-01 243-42437-01 243-42437-01 243-42437-01 243-42437-01
Burner Assembly (LP Gas) ** 243-42437-03 243-42437-03 243-42437-03 243-42437-03 243-42437-03 243-42437-03
49A Burner Rack 239-81969-02 239-81969-02 239-81969-02 239-81969-02 239-81969-02 239-81969-02
49B Burner Tube (STD) 228-39177-00 228-39177-00 228-39177-00 228-39177-00 228-39177-00 228-39177-00
Burner Tube (Lo-NOx)Ÿ228-42490-00 228-42490-00 228-42490-00 228-42490-00 228-42490-00 228-42490-00
Burner Tube (Stainless Steel) 228-81964-00 228-81964-00 228-81964-00 228-81964-00 228-81964-00 228-81964-00
49C Burner Shroud 239-42407-00 239-42407-00 239-42407-00 239-42407-00 239-42407-00 239-42407-00
49D Burner Draft Panel 239-39420-00 239-39420-00 239-39420-00 239-39420-00 239-39420-00 239-39420-00
49E Burner Support 239-45181-00 239-45181-00 239-45181-00 239-45181-00 239-45181-00 239-45181-00
49F Aluminum Tubing 233-80361-09 233-80361-09 233-80361-09 233-80361-09 233-80361-09 233-80361-09
49G Pilot Shield 239-41333-00 239-41333-00 239-41333-00 239-41333-00 239-41333-00 239-41333-00
49HPilot Orifice (Natural Gas) 233-41606-01 233-41606-01 233-41606-01 233-41606-01 233-41606-01 233-41606-01
Pilot Orifice (LP Gas) 233-41606-02 233-41606-02 233-41606-02 233-41606-02 233-41606-02 233-41606-02
49J Pilot Assembly (Natural Gas) 233-42013-01 233-42013-01 233-42013-01 233-42013-01 233-42013-01 233-42013-01
Pilot Assembly (LP Gas) 233-42013-02 233-42013-02 233-42013-02 233-42013-02 233-42013-02 233-42013-02
50 Gas Valve Assembly (Natural Gas) 243-42780-03 243-42780-01 243-42780-05 243-42780-03 243-42780-01 243-42780-05
Gas Valve Assembly (LP Gas) 243-42780-04 243-42780-02 243-42780-06 243-42780-04 243-42780-02 243-42780-06
50A Street Elbow 239-20292-00 239-20292-00 239-20292-00 239-20292-00 239-20292-00 239-20292-00
50B Gas Valve (Natural Gas) 222-80830-02 222-80830-02 222-80830-02 222-80830-02 222-80830-02 222-80830-02
Gas Valve (LP Gas) 222-80831-02 222-80831-02 222-80831-02 222-80831-02 222-80831-02 222-80831-02
50C Aluminum Tubing 233-80361-08 233-80361-08 233-80361-08 233-80361-08 233-80361-08 233-80361-08
50D Nipple Close 239-05972-00 239-05972-00 239-05972-00 239-05972-00 239-05972-00 239-05972-00
50E Union 239-41833-00 239-41833-00 239-41833-00 239-41833-00 239-41833-00 239-41833-00
50F Nipple 239-31811-00 239-31811-00 239-31811-00 239-31811-00 239-31811-00 239-31811-00
50G Flange Combustion Box239-41612-00 239-41612-00 239-41612-00 239-41612-00 239-41612-00 239-41612-00
50HFlange Gasket 239-41613-00 239-41613-00 239-41613-00 239-41613-00 239-41613-00 239-41613-00
50J Manifold 233-41550-00 233-41550-00 233-41550-00 233-41550-00 233-41550-00 233-41550-00
50K Main Burner Orifice (Natural Gas) (0ft to 2000ft) 234-06016-81 234-06016-78 234-06016-41 234-06016-81 234-06016-78 234-06016-41
High Altitude Orifice (Natural Gas) (2001ft to 5000ft) 234-06016-81 234-06016-79 234-06016-77 234-06016-81 234-06016-79 234-06016-77
High Altitude Orifice (Natural Gas) (5001ft to 8000ft) 234-06016-81 234-06016-81 234-06016-78 234-06016-81 234-06016-81 234-06016-78
High Altitude Orifice (Natural Gas) (8001ft & above) 234-06016-81 234-06016-81 234-06016-79 234-06016-81 234-06016-81 234-06016-79
Main Burner Orifice LP Gas) (0ft to 2000ft) 234-06016-55 234-06016-53 234-06016-52 234-06016-55 234-06016-53 234-06016-52
High Altitude Orifice (LP Gas) (2001ft to 5000ft) 234-06016-55 234-06016-53 234-06016-52 234-06016-55 234-06016-53 234-06016-52
High Altitude Orifice (LP Gas) (5001ft to 8000ft) 234-06016-55 234-06016-54 234-06016-52 234-06016-55 234-06016-53 234-06016-52
High Altitude Orifice (LP Gas) (8001ft & above) 234-06016-55 234-06016-54 234-06016-52 234-06016-55 234-06016-54 234-06016-52
- LP to NAT Conversion Kit 265-46035-01 265-46035-02 265-46035-03 265-46035-01 265-46035-02 265-46035-03
*Applies to all warranties
**Ordering a complete Burner Assembly may increase delivery time. Please order specific components for quickest delivery.
ŸApplies when "E" is present in model number (example PDV80S150E3N)
Page 7

Page 8
Page 8

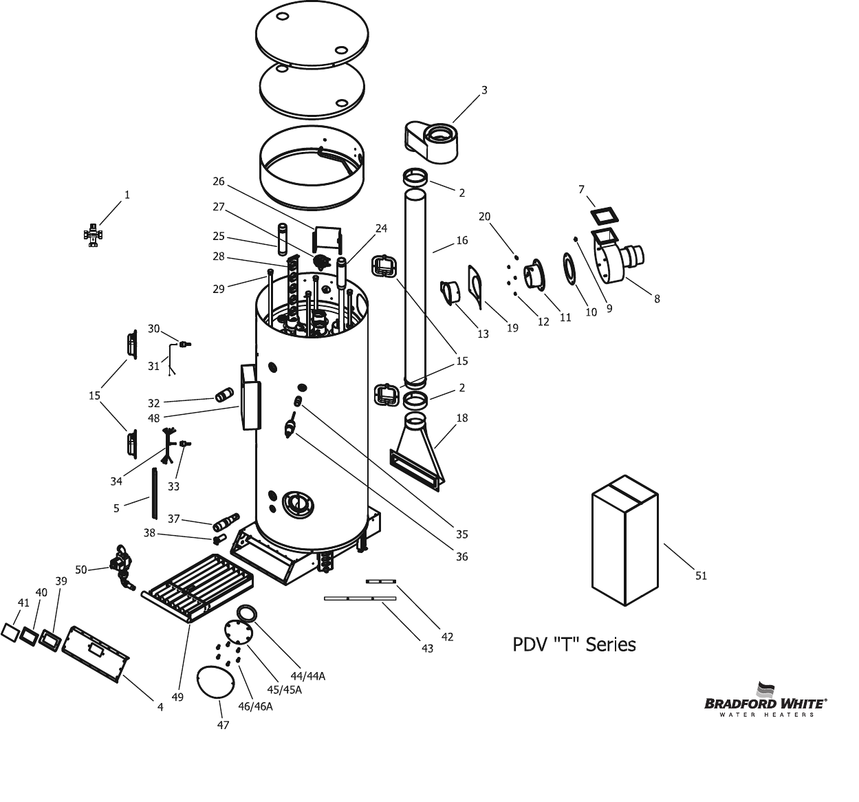
Item part description ModelModel
PDV80T300(E)*(N,X)(A) PDV100T360(E)*(N,X)(A)
1 Mixing Valve (Optional) 239-43740-02 239-43740-02
2 Vent Clamp 239-42065-00 239-42065-00
3Blower Vent Adaptor 239-41523-00 239-41523-00
4 Combustion Box Cover 239-41608-00 239-41608-00
5 Raceway Valve and Pilot Wires 239-41551-01 239-41551-02
7Blower Receptacle Gasket 239-41549-00 239-41549-00
8Blower 239-41503-00 239-41503-00
9 Temperature Switch 239-43238-03 239-43238-03
10 Blower Intake Gasket 239-81161-00 239-81161-00
11 Blower Mounting Flange 239-41525-00 239-41525-00
12 Nut 1/4-20 Hex 239-43297-00 239-43297-00
13 Collector to Blower Transition 239-41505-00 239-41505-00
15 Utility Cover 239-80281-03 239-80281-03
16 Air Intake Pipe 239-41590-01 239-41590-02
18 Combustion Box Boot 243-41576-00 243-41576-00
19 Blower Escutcheon 243-41524-00 243-41524-00
20 Blower Hose Barb 239-41553-00 239-41553-00
24 Cold Water Inlet Dip Tube (top) 229-43192-04 229-43192-05
25 Hot Water Outlet Nipple (top) 229-41573-01 229-41573-01
26 Cover Pressure Switch 239-41763-00 239-41763-00
27 Pressure Switch (0ft to 5000ft) 239-44063-04 239-44063-02
Pressure Switch High Altitude (Over 5000ft) 239-44063-03 239-44063-01
28 Flue Baffle 243-41455-00 243-41455-00
29 Anode Hex Head Magnesium 224-47782-05 224-47782-07
Anode Hex Head Aluminum 224-38508-06 224-38508-03
30 Upper Thermostat Sensor 239-82033-00 239-82033-00
31 Wire Harness Upper Sensor 239-41569-00 239-41569-00
32 Hot Water Outlet Nipple (side) 229-41573-01 229-41573-01
33 Lower Thermostat Sensor 239-82034-00 239-82034-00
34 Wire Harness Lower Sensor 239-45363-00 239-45363-00
35 T/P nipple 239-80982-00 229-80982-00
36 T/P valve 230-33630-04 230-33630-04
37 Cold Water Inlet Dip Tube (side) 229-44731-00 229-44731-00
38 Drain Valve 265-42351-02 265-42351-02
39 Sight Glass Holder 239-42481-00 239-42481-00
40 Sight Glass Gasket 239-41635-00 239-41635-00
41 Sight Glass 239-41610-00 239-41610-00
42 Combustion Box Gasket - Sides 239-41626-00 239-41626-00
43 Combustion Box Gasket - Top & Bottom 239-41627-00 239-41627-00
44 Cleanout O-Ring 205-18427-00 205-18427-00
44A Cleanout Gasket (ASME) 205-32942-00 205-32942-00
45 Cleanout Cover 205-18428-00 205-18428-00
45A Cleanout Cover (ASME) 205-32941-00 205-32941-00
46 Screw 5/16-18 X 1/2 Hex 239-82166-00 239-82166-00
46A Screw 5/16-18 X 1/2 Hex (ASME) 239-32970-00 239-32970-00
47 Cleanout Jacket Cover 243-20299-00 243-20299-00
*Applies to all warranties
Page 9

Page 10
Page 10

Item part description ModelModel
PDV80T300(E)*(N,X)(A) PDV100T360(E)*(N,X)(A)
48 Control Box Assembly** 243-44580-01 243-44580-01
48A Potentiometer Knob 239-41710-00 239-41710-00
48B Potentiometer Gasket 223-82047-00 223-82047-00
48C Snap-In Bushing 239-80406-00 239-80406-00
48D Bushing 239-44575-00 239-44575-00
48E Power Switch 239-49391-00 239-49391-00
48F Transformer 233-44072-01 233-44072-01
48G Terminal Block 239-80373-00 239-80373-00
48H Terminal Strip 239-80112-00 239-80112-00
48J Power Cord 239-80377-00 239-80377-00
48KModule 233-43128-00 233-43128-00
48L Plug Plastic 239-81415-05 239-81415-05
48M Screw #8-18 X .50 239-43736-00 239-43736-00
48N Temperature Label238-44588-00 238-44588-00
48P Potentiometer 233-82054-00 233-82054-00
48R Control Box Panel239-44576-00 239-44576-00
48S Relay Single Pole 233-41560-00 233-41560-00
48T Screw #8-18 X .75 239-43863-00 239-43863-00
48U Thermostat Board 233-41347-00 233-41347-00
48V Screw #8-18 X .25 239-43573-00 239-43573-00
48W Power Cord Bushing 239-80372-00 239-80372-00
48X Control Box Cover 239-44563-00 239-44563-00
48Y Screw 1/4-20 X .62 Hex Head 239-42637-00 239-42637-00
*Applies to all warranties
**Ordering a complete Control Box Assembly may increase delivery time. Please order specific components for quickest delivery.
Page 11

Page 12
Page 12

Item part description ModelModel
PDV80T300(E)*(N,X)(A) PDV100T360(E)*(N,X)(A)
49 Burner Assembly (Natural Gas) ** 243-41468-07 243-41468-09
Burner Assembly (Natural Gas) (Lo-NOx) ** Ÿ243-42955-01 243-42955-02
Burner Assembly (LP Gas) ** 243-41468-08 243-41468-10
49A Burner Rack 239-81969-02 239-81969-02
49B Burner Tube (STD) 228-39177-00 228-39177-00
Burner Tube (Lo-NOx) Ÿ228-42490-00 228-42490-00
Burner Tube (Stainless) 228-81964-00 228-81964-00
49C Burner Draft Panel239-39420-00 239-39420-00
49D Burner Support 239-45181-00 239-45181-00
49E Aluminum Tubing 233-80361-09 233-80361-09
49F Pilot Shield 239-41333-00 239-41333-00
49G Pilot Orifice (Natural Gas) 233-41606-01 233-41606-01
Pilot Orifice (LP Gas) 233-41606-02 233-41606-02
49H Pilot Assembly (Natural Gas) 233-42013-01 233-42013-01
Pilot Assembly (LP Gas) 233-42013-02 233-42013-02
49J Manifold233-41550-00 233-41550-00
49KMain Burner Orifice (Natural Gas) (0ft to 2000ft) 234-06016-33 234-06016-31
High Altitude Orifice (Natural Gas) (2001ft to 5000ft) 234-06016-33 234-06016-31
High Altitude Orifice (Natural Gas) (5001ft to 8000ft) 234-06016-35 234-06016-32
High Altitude Orifice (Natural Gas) (8001ft & above) 234-06016-35 234-06016-32
Main Burner Orifice LP Gas) (0ft to 2000ft) 234-06016-49 234-06016-47
High Altitude Orifice (LP Gas) (2001ft to 5000ft) 234-06016-49 234-06016-47
High Altitude Orifice (LP Gas) (5001ft to 8000ft) 234-06016-50 234-06016-48
High Altitude Orifice (LP Gas) (8001ft & above) 234-06016-50 234-06016-48
50 Gas Valve Assembly (Natural Gas) 243-41552-01 243-41552-01
Gas Valve Assembly (LP Gas) 243-41552-02 243-41552-02
50A Nipple 239-33557-00 239-31811-00
50B Street Elbow 239-20292-00 239-20292-00
50C Union 239-41833-00 239-41833-00
50D Nipple Close 239-05972-00 239-05972-00
50E Aluminum Tubing 233-80361-08 233-80361-08
50F Gas Valve (Natural Gas) 222-80830-02 222-80830-02
Gas Valve (LP Gas) 222-80831-02 222-80831-02
-LP to NAT Conversion Kit 265-46035-04 265-46035-05
*Applies to all warranties
**Ordering a complete Burner Assembly may increase delivery time. Please order specific components for quickest delivery.
ŸApplies when "E" is present in model number (example PDV80T300E3N)
Page 13

Page 14
Page 14

Item part description ModelModel
PDV80T300(E)*(N,X)(A) PDV100T360(E)*(N,X)(A)
51 Vent Kit 243-41769-01 243-41769-01
51A Coaxial Tube 130/200 w/Clamp (2 per kit) 239-41593-00 239-41594-00
51B Coaxial Vent Term. Vertical 130/200 w/Clamp 239-41589-00 239-41589-00
51C Coaxial Vent Elbow 130/200 239-41584-00 239-41584-00
51D Horz./Vert. Condensate Trap 130/200 239-41597-00 239-41597-00
51E Cap Horizontal Vent Term. 130 239-41676-00 239-41676-00
51F Vent Adaptor Clamp 239-41459-00 239-41459-00
51G Vent Pipe Clamp 200 239-41629-00 239-41629-00
51H Coaxial Vent Elbow 45° 130/200 w/Clamp (Optional) 239-41585-00 239-41585-00
51J Silicone Seal 130 (Optional) 239-41595-00 239-41595-00
51KCoax Vent Term. Vertical 130/200 w/Clamp (Optional) 239-41586-00 239-41586-00
51L Roof Flashing Angled 200 (Optional) 239-41859-00 239-41859-00
51M Roof Flashing 200 (Optional) 239-41678-02 239-41678-02
*Applies to all warranties
Page 15

Email
parts@bradfordwhite.com
techserv@bradfordwhite.com
www.bradfordwhite.com