Briggs And Stratton Switch 100 Users Manual
100 to the manual c58f1cd4-de33-47b1-a4c5-966cbbfbf0a6
2015-02-04
: Briggs-And-Stratton Briggs-And-Stratton-Briggs-And-Stratton-Switch-100-Users-Manual-363881 briggs-and-stratton-briggs-and-stratton-switch-100-users-manual-363881 briggs-and-stratton pdf
Open the PDF directly: View PDF
.
Page Count: 76

100/200 Amp Automatic
Transfer Switch
with Service Disconnect and
Symphony™ II Power Management System
Installation & Operator’s Manual
Questions?
Help is just a moment away!
Call: Transfer Switch Helpline
800-743-4115 M-F 8-5 CT
NOT
FOR
REPRODUCTION

2 BRIGGSandSTRATTON.COM
Thank you for your purchase of this Briggs & Stratton Power Products® automatic transfer switch. This product is designed
for use with specific home standby generators and may not function with generators or remote modules produced by other
manufacturers. Seek a qualified electrical professional to determine applicability of this equipment to equipment manufactured
by others. When operated and maintained according to the instructions in this manual, your system will provide many years of
dependable service.
This manual contains safety information to make you aware of the hazards and risks associated with this system and how to
avoid them. We have made every effort to provide for a safe, streamlined and cost-effective installation. As each installation
is unique, it is impossible to know of and advise of all conceivable procedures and methods by which installation might be
achieved. We do not know all possible hazards and/or the results of each possible method or procedure. It is important that
you read and understand these instructions thoroughly before attempting to install or operate this equipment. Save these
original instructions for future reference.
This transfer switch and optional remote modules require professional installation before use. Refer to the Installation section
of this manual and the installation instructions packaged with the remote modules for instructions on installation procedures.
Only licensed electrical contractors should install transfer switches and remote modules. Installations must strictly comply with
all applicable federal, state and local codes, standards and regulations. Your installer should follow the instructions completely.
Where to Find Us
You never have to look far to find Briggs & Stratton support and service for your system. Consult your Yellow Pages. There
are many authorized service dealers who provide quality service. You can also contact Technical Service by phone at
800-743-4115 between 8:00 AM and 5:00 PM CT, or click on Find a Dealer at BRIGGSandSTRATTON.COM, which provides
a list of authorized dealers.
For Future Reference
Please fill out the information below and keep with your receipt to assist in unit identification for future purchase issues.
Transfer Switch Remote Module Remote Module Remote Module Remote Module
Model Number
Revision
Serial Number
Date Purchased
PRIORITY N/A
Remote Module Remote Module Remote Module Remote Module Remote Module Remote Module
Copyright © 2012. Briggs & Stratton Power Products Group, LLC
Milwaukee, WI, USA. All rights reserved.
Briggs & Stratton Power Products is a registered
trademark of Briggs & Stratton Corporation
Milwaukee, WI, USA
NOT
FOR
REPRODUCTION

3
Table of Contents
Important Safety Instructions ...........................4
Installation ...........................................5
Home Owner Responsibilities .....................................5
Owner Orientation ...............................................5
Installing Dealer/Contractor Responsibilities .........................5
Equipment Description ...........................................5
Delivery Inspection ..............................................6
Mounting Guidelines .............................................6
Power Wiring Interconnections ...................................10
Supervisory Control Terminals....................................11
System Setup .................................................13
Remote Module Setup ..........................................13
Testing the Automatic Transfer Switch .............................14
Te sting the Symphony™ II Power Management System ..............14
Controls ............................................16
Operation ...........................................16
Symphony™ II Power Monitor (Optional) ...........................16
Enclosure Door ................................................16
Status LED’s ..................................................17
Remote Module LED Status Indicators .............................18
Maintenance.........................................20
Troubleshooting .....................................21
Transfer Switch Schematic Diagram ...............................22
Transfer Switch Wiring Diagram ..................................23
Warranty............................................24
Product Specifications ................................26
NOT
FOR
REPRODUCTION

4 BRIGGSandSTRATTON.COM
Important Safety Instructions
SAVE THESE INSTRUCTIONS - This manual contains
important instructions that should be followed during
installation and maintenance of the equipment.
Safety Symbols and Meanings
The safety alert symbol indicates a potential personal
injury hazard. A signal word (DANGER, WARNING, or
CAUTION) is used with the alert symbol to designate a
degree or level of hazard seriousness. A safety symbol
may be used to represent the type of hazard. The signal
word NOTICE is used to address practices not related to
personal injury.
DANGER indicates a hazard which, if not avoided, will
result in death or serious injury.
WARNING indicates a hazard which, if not avoided, could
result in death or serious injury.
CAUTION indicates a hazard which, if not avoided, could
result in minor or moderate injury.
NOTICE addresses practices not related to personal injury.
The manufacturer cannot possibly anticipate every possible
circumstance that might involve a hazard. The warnings in
this manual, and the tags and decals affixed to the unit are,
therefore, not all-inclusive. If you use a procedure, work
method or operating technique that the manufacturer does
not specifically recommend, you must satisfy yourself that
it is safe for you and others. You must also make sure that
the procedure, work method or operating technique that you
choose does not render the equipment unsafe.
Electrical Shock Read Manual
Save These Instructions
NOTICE Only qualified electricians should attempt
installation of this equipment, which must strictly comply
with applicable codes, standards and regulations.
WARNING Certain components in this product and
related accessories contain chemicals known to the
State of California to cause cancer, birth defects, or other
reproductive harm. Wash hands after handling.
WARNING Shock Hazard. Installing low and high
voltage wire in same conduit could result in death,
serious injury and/or property damage.
• Do not run low and high voltage wire in the same conduit
unless the insulation rating on ALL wiring is rated for
600V. See NEC for more information.
WARNING Failure to properly ground equipment
could cause electrocution resulting in death or
serious injury.
• Do not touch bare wires.
• Do not use equipment with worn, frayed, bare or
otherwise damaged wiring.
• Do not handle electrical cords while standing in water,
while barefoot, or while hands or feet are wet.
• If you must work around a unit while it is operating, stand
on an insulated dry surface to reduce shock hazard.
• Do not allow unqualified persons or children to operate or
service equipment.
• In case of an accident caused by electrical shock,
immediately shut down all sources of electrical power
and contact local authorities. Avoid direct contact with
the victim.
WARNING Equipment contains high voltage that
could cause electrocution resulting in death or
serious injury.
• Despite the safe design of the system, operating this
equipment imprudently, neglecting its maintenance or
being careless could result in death or serious injury.
NOTICE Improper treatment of equipment could damage
it and shorten its life.
• Use equipment only for intended uses.
• If you have questions about intended use, ask dealer or
contact Briggs & Stratton Power Products.
• Do not expose equipment to excessive moisture, dust,
dirt, or corrosive vapors.
• Remain alert at all times while working on this equipment.
Never work on the equipment when you are physically or
mentally fatigued.
• If connected devices overheat, turn them off and turn off
their circuit breaker/fuse.
NOT
FOR
REPRODUCTION
5
Installation
We sincerely appreciate your patronage and have made
significant effort to provide for a safe, streamlined and cost-
effective installation. Because each installation is unique, it is
impossible to know of and advise the trade of all conceivable
procedures and methods by which installation might be
achieved. Neither could we know of possible hazards and/or
the results of each method or procedure.
For these reasons, only current licensed electrical
professionals should attempt system installations.
Installations must strictly comply with all applicable
codes, industry standards and regulations.
Your equipment is supplied with this combined “Installation
and Operator’s Manual”. This is an important document and
should be retained by the owner after the installation has
been completed.
Every effort has been made to make sure that the information
in this manual is both accurate and current. However, the
manufacturer reserves the right to change, alter or otherwise
improve the system at any time without prior notice.
Home Owner Responsibilities
To help you make informed choices and communicate
effectively with your installation contractor(s), read and
understand Owner Orientation before contracting or
starting your equipment installation.
To arrange for proper installation, contact the store at which
you purchased your equipment, your dealer, or your utility
power provider.
The equipment warranty is VOID unless the system is
installed by licensed electrical professionals.
Owner Orientation
The illustrations provided are for typical circumstances and
are meant to familiarize you with the installation options
available with your system.
Local codes, appearance, and distances are the factors that
must be considered when negotiating with an installation
professional. As the distance from the existing electrical
service increases, compensation in wiring materials must be
allowed for. This is necessary to comply with local codes and
overcome electrical voltage drops.
These factors will have a direct effect on the overall
price of your equipment installation.
Your installer must check local codes AND obtain permits
before installing the system.
• Readandfollowtheinstructionsgiveninthismanual.
• Followaregularscheduleincaringforandusingyour
equipment, as specified in this manual.
Installing Dealer/Contractor Responsibilities
• ReadandobservetheImportant Safety Instructions.
• Readandfollowtheinstructionsgiveninthismanual.
• Theinstallermayneedtoprovideappropriaterated
contactors based on loads to be controlled.
• Discusswithownertheirloadprioritypreferencesto
decide on remote module priority settings.
• Checkfederal,stateandlocalcodesandauthority
having jurisdiction, for questions on installation.
• Ensuregeneratorisnotoverloadedwithselectedloads.
If you need more information about the transfer switch, call
800-743-4115, between 8:00 AM and 5:00 PM CT.
Equipment Description
The transfer switch is designed to transfer selected loads
found in normal residential installations to standby power in
the event of a primary power outage. The load is connected
either to utility power (normal) or home standby power
(generator). The transfer switch monitors utility and generator
voltages and will automatically connect loads to the
appropriate source of power.
The Symphony™ II Power Management System is highly
flexible and utilizes individual high and low voltage modules
that can be mounted anywhere between the home’s main
distribution panel and the managed appliance. Designed
to communicate via your home’s existing power wiring, the
power demand and priority sequence of up to 8 appliance
loads are relayed back to the standby generator, effectively
preventing generator overload while expanding power range
and performance. The system is scalable and additional
relays can be added as a homeowner’s power management
needs change over time.
Only a licensed electrician should complete a home standby
installation. Service conduit and conductors can be wired
directly from the watt-hour meter to the transfer switch. A
separate service entrance disconnect and associated wiring
is not required when installed per applicable federal, state
and local codes, standards and regulations.
Major components of the transfer switch are a 2 pole utility
disconnect circuit breaker, a 2 pole generator disconnect
circuit breaker, a 2 pole double throw transfer switch, transfer
switch control circuit board, Symphony II power management
system control circuit board, fused utility terminals and
interconnecting wiring. All of these components are housed
in a NEMA 3R enclosure that is suitable for both indoor and
outdoor installations.
The transfer switch is solenoid-operated from utility or
generator inputs and contain suitable mechanical and
electrical interlock switches to eliminate the possibility of
connecting the utility service to the generator output. It
has ratings capable of switching full utility power into the
residence. In addition, a manual override lever is provided for
the transfer function.
NOT
FOR
REPRODUCTION
6 BRIGGSandSTRATTON.COM
The transfer switch control board has active circuits sensing
utility and generator voltages. It creates a signal for generator
start-up, switch transfer and retransfer when utility is
restored. The transfer switch control board provides status
LED’s to indicate the power source available.
The Symphony™ II power management system control
board contains a test button, a status LED and eight priority
load LED’s. It creates and sends signals to optional remote
modules, instructing them when to add (turn power on) or
shed (turn power off) the managed load.
The Symphony II system power line carrier technology has
been rigorously tested and has proven to be very robust.
However, certain types of devices and appliances in the
home generate ‘noise’ on the power line. Such devices
may include non-residential fluorescent ballasts, dimmers,
speed controls (lighting and fans), bathroom equipment,
kitchen equipment, power tools, phone chargers, and power
supplies. These types of devices have the greatest impact on
power line communication when located close to a
remote module.
AM broadcast radio, X10, power line carrier (PLC),
uninterrupted power supply (UPS), transient voltage surge
suppression (TVSS) systems, and power filter technology
may also cause the Symphony II system to not operate as
intended. They may cause interference with the Symphony II
system during standby power operation.
If it is determined that power line noise is causing a
communication issue with the Symphony II system, the
following changes may remedy the issue.
• Havecommercial(nonconsumeruse)fluorescent
ballasts replaced with residential use ballasts.
• HaveaEMI/RFIfilterinstalledinseriesandnearthe
problematic device.
• Havetheremotemodulerewiredtotheoppositepower
line (Line 1 or Line 2) from that of the
problematic device.
• RefertoTroubleshooting section.
The optional 50 Amp remote module is designed for control
by the Symphony II system to add or shed appliance loads
connected to it based on a user-defined priority setting.
This remote module manages 120VAC or 240VAC, single
or double pole loads up to 50 amperes. The remote
module’s relay state is normally open. Its components are
housed in a NEMA 4 enclosure suitable for indoor and
outdoor installations.
The optional low voltage remote module is designed for
control by the Symphony II system to add or shed an air
conditioner, heat pump, or low voltage contactor controlled
loads based on a user-defined priority setting. The remote
module is housed in a NEMA 4 enclosure suitable for indoor
and outdoor installations.
Delivery Inspection
After opening the carton, carefully inspect the transfer
switch components for any damage that may have occurred
during shipment.
If loss or damage is noted at time of delivery, have the
person(s) making delivery note all damage on the freight bill
and affix his signature under the consignor’s memo of loss or
damage. If loss or damage is noted after delivery, contact the
carrier for claim procedures. Missing or damaged parts are
not warranted.
Shipment contents:
• Automatictransferswitch
• Installationandoperator’smanual
• Currenttransformers(2)
Optional components:
• 50Ampmodule
• Lowvoltagemodule(singleordualmodels)
• Symphony™IIpowermonitor
To be supplied by installer:
• Connectingwireandconduit
• Variousspecialtytools/equipment
Mounting Guidelines
The transfer switch system circuitry is enclosed in a
NEMA Type 3R enclosure suitable for indoor/outdoor use.
Guidelines for mounting the enclosure include:
• Installenclosureonafirm,sturdysupportingstructure.
• Thetransferswitchenclosuremustbeinstalledwith
minimum NEMA 3R hardware for conduit connections.
• Topreventswitchcontactdistortion,levelandplumb
the enclosure. This can be done by placing washers
between the enclosure and the mounting surface.
• NEVERinstalltheswitchorremotemoduleswhereany
corrosive substance might drip onto the enclosure.
• Protecttheswitchatalltimesagainstexcessive
moisture, dust, dirt, lint, construction grit and
corrosive vapors.
A typical automatic transfer switch installation is depicted on
the next page. Examples of remote module installations are
also shown. It is best if the transfer switch is mounted near
the utility meter, either inside or outside. The remote module
can be located anywhere between the main distribution panel
and its connected load, either inside or outside. The remote
module must be accessible for service. Discuss layout
suggestions/ changes with the owner before beginning the
system installation process.
NOTICE All wiring must be the proper gauge, properly
supported and protected by conduit. All wiring should be
done per applicable federal, state and local codes, standards
and regulations. Obey wire type and torque specifications
printed on the terminal blocks, neutral/ground connectors,
and installation instructions. Approved for copper and
aluminum conductors.
NOT
FOR
REPRODUCTION

7
Main
Distribution
Panel
Transfer Switch
w/ Service
Disconnect
and Symphony
System
Hot Water
Heater
Air
Conditioner
Generator
Watt -
Hourmeter
Service Disconnect
Optional
50A Remote
Module
Optional
LV Remote
Module
Branch
Circuits
A/C
Thermostat
To thermostat and heat pump
or air handler, or air conditioner,
or furnace, or HVAC.
Example of 240VAC air
conditioner load controlled by
thermostat. Thermostat controlled
by low voltage remote module.
NOT
FOR
REPRODUCTION

8 BRIGGSandSTRATTON.COM
G
N
Distribution Panel
L2 L1 IN
L2
L1 IN
G
N
N
L
Dual Low
Voltage Module
#1
#2
Low Voltage
Control Wiring
To thermostat and heat pump
or air handler, or air conditioner,
or furnace, or HVAC.
Example of two 240VAC air
conditioner loads controlled by
thermostat. Thermostats controlled
by dual low voltage remote module.
To thermostat and heat pump
or air handler, or air conditioner,
or furnace, or HVAC.
Example of 240VAC heat pump
load controlled by a dual low
voltage remote module.
NOT
FOR
REPRODUCTION

9
L2 IN
L2 OUT
L1 IN
L1 OUT
Neutral IN
Neutral OUT
L2 IN
L2 OUT
L1 IN
L1 OUT
Neutral IN
Neutral OUT
Example of two 120VAC loads
controlled by 50 Amp remote
module.
Example of one 240VAC load
controlled by 50 Amp remote
module.
NOT
FOR
REPRODUCTION

10 BRIGGSandSTRATTON.COM
Power Wiring Interconnections
NOTICE Improper installation could cause damage to the
circuit boards and shorten their life. Installing circuit boards
in live circuits will damage the board and is not covered by
warranty. ALWAYS disconnect ALL sources of power prior
to servicing.
• Remove all power prior to installing this equipment. Failure
to do so could cause internal damage to the board when
making electrical connections.
• Turn generator to OFF position.
• Turn off utility power to the standby generator and
transfer switch.
NOTICE All wiring must be the proper gauge, properly
supported and protected by conduit. All wiring should be
done per applicable federal, state and local codes, standards
and regulations. Obey wire type and torque specifications
printed on the terminal blocks, neutral/ground connectors,
and installation instructions. Approved for copper and
aluminum conductors.
Use installer supplied 300VAC or greater wire of a gauge that
complies with the latest version of the National Electric Code
to complete the following connections between utility power,
transfer switch, generator, main distribution panel, and
optional remote modules. Apply the necessary correction
factors and wire size calculations.
1. Set generator’s circuit breaker to OFF position.
2. Set generator’s system switch to OFF position.
3. Remove 15 Amp fuse from generator control panel.
4. Turn off utility power to the standby generator and
transfer switch.
5. Connect utility service to transfer switch’s utility
service disconnect circuit breaker terminals marked
“UTILITY CONNECTION”.
6. Connect utility service neutral to transfer switch
neutral terminal.
7. Connect main distribution panel feeder
conductors to transfer switch terminals marked
“LOAD CONNECTION”.
8. NOTICE Connect main distribution panel neutral to
transfer switch neutral terminal.
9. Connect main distribution panel ground to transfer
switch “GND” terminal.
Assure grounding electrode conductor is connected
and bonded per applicable federal, state and local
codes, standards and regulations.
10. Connect feeder conductors from transfer switch
breaker “GENERATOR CONNECTION” terminals to
generator circuit breaker LINE1 and LINE2 terminals.
Each conductor must pass through hole of current
transformer before making connection.
11. Plug current transformer leads into “CT1” and “CT2”
terminals (C) on transfer switch control board.
33
240V
11
22
44
11
22
44
120V
120V
0
Neutral
Ground
To Transfer Switch
Line 1 Neutral
Ground
Line 2
Generator
Circuit
Breaker
CT1 CT2
DPSW2
DPSW1
J6
J5
J4
J3
J2
J1
C
WARNING Shock Hazard. Installing low and high
voltage wire in same conduit could result in death,
serious injury and/or property damage.
• Do not run low and high voltage wire in the same conduit
unless the insulation rating on ALL wiring is rated for
600V. See NEC for more information.
NOT
FOR
REPRODUCTION

11
12. Connect conductor from transfer switch neutral terminal
to generator NEUTRAL terminal. Observe generator
control panel labeling for terminal identification.
13. Connect conductor from transfer switch “GND” terminal
to generator control panel “GROUND” terminal.
Assure generator equipment grounding conductor is
connected per applicable federal, state and local codes,
standards and regulations.
14. Using minimum #14 AWG conductors, connect
the transfer switch “UTILITY 240 VAC” terminals to
generator’s “240 VAC” terminals via two-pole connector
supplied with generator.
NOTICE TxRx and TxRx GND communication wiring
must be connected for the Synphony II System to operate
properly.
15. Using #18 AWG twisted pair conductors, no greater
than 200 ft. in length, 300 volt 75°C-90°C, connect “T/R”
and “GND” terminals on transfer switch control board
(B) to the generator’s control panel (A) “TxRx” and
“TxRx GND” terminals via ten pin connector supplied
with generator. Count down to the proper pin location
on the generator control board since visual alignment
with its decal can be misleading:
16. Install optional remote modules using the installation
instructions provided with each module. Set each
module to the agreed-upon priority setting.
17. Tighten all wire connections/fasteners to proper torque.
See label inside transfer switch enclosure or values
listed in remote module installation instructions for
proper torque values.
Supervisory Control Terminals
To avoid undesirable operation, we recommend loads be
managed only with low voltage or 50 Amp remote modules.
Do not use the transfer switch control board supervisory
control terminals (if present).
The illustration on the following page shows a completed
transfer switch installation. Your actual layout will vary.
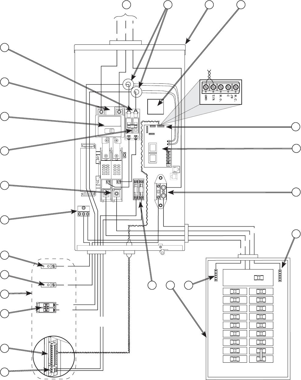
Illustration callouts are:
A - From utility watt-hour meter
B - Current transformers
C - Transfer switch
D - Symphony™ II system control board
E - T/R and GND to Generator
F - Transfer switch control board
G - Neutral terminal
H - Neutral bus
J - Ground bus
K - Main distribution panel
L - UTILITY 240VAC to Generator
M - Two pin connector
N - Ten pin connector
P - Generator circuit breaker
R - Generator
S - Generator Neutral terminal
T - Generator Ground terminal
U - Transfer switch ground terminal
V - Load connection to distribution panel
W - Generator disconnect circuit breaker
X - Utility disconnect circuit breaker
Y - Utility connection
Z - Generator connection
A
B
NOT
FOR
REPRODUCTION

12 BRIGGSandSTRATTON.COM
G
LINE1
LINE2
N
240
VAC
L1
L2
N
G
L1
L2
N
A D
E
F
G
T
S
H
U
M
Y
P
N
Z
K
W
J
V
R
C
B
L
X
Typical Transfer Switch shown
NOT
FOR
REPRODUCTION

13
System Setup
You must perform the following before operating the system:
• Ifgeneratorisinstalledinanarearegularlysubjected
to temperatures below 40°F (4°C), select a 50 second
warm up time by moving jumper JP2 (C) installed
on transfer switch control board from ‘20’ position to
‘50’ position.
• SettheDPSW1(A) and DPSW2 (B) dipswitches
on the transfer switch control board to match the
kW rating of the standby generator, as described in
Setting Dipswitches.
Setting Dipswitches
Dipswitches are used to adjust control board operation
based on generator capacity. DPSW1 and DPSW2 switches
are set to correspond to total system kW rating. Dipswitch
DPSW1 (A) has units of 1,000 watts; Dipswitch DPSW2 (B)
has units of
10,000 watts.
Set dipswitches with utility and generator power removed
from the transfer switch to ensure proper control system
operation. If dipswitches are set when power is present at
transfer switch, a power reset needs to be performed before
the new dipswitch settings will take effect. Power reset is
when all power is removed from the transfer switch and then
reintroduced after 30 seconds.
NOTICE An FC_8 will occur on standby generator control
board if dipswitches are not properly established as noted
above.
The “On” position for the dipswitches is the switch number ON
THE TRANSFER SWITCH CONTROL BOARD, not on the
switch. For example, for an 18,000 watt generator, set DPSW2
dipswitch 10 to “On” position. Set DPSW1 dipswitch 8 to “On”
position. 10,000 plus 8000 equals 18,000 watts.
Set only one
switch to “On” position on DPSW1 and DPSW2.
Refer to following chart for proper switch selection(s).
NOTICE
Air density is less at high altitudes, resulting in
less available engine power. Specifically, engine power will
decrease 3.5% for each 1,000 feet (300 meters) above sea
level and 1% for each 10° F (5.6°C) above 77°F (25°C).
Generators located in these conditions must have the transfer
switch programmed appropriately for this power decrease.
NOTICE Use extreme caution when setting dipswitches or
damage to control board will result.
• Use a pencil or small piece of plastic to set the dipswitch.
• NEVER use a screwdriver or any type of metal object to
set dipswitches.
DPSW
1
DPSW2
JP2
kW Rating
of
Generator
DPSW
#1 “ON”
Position
DPSW
#2 “ON”
Position
7kW 7 0
8kW 8 0
9kW 9 0
10kW* 0 10
11kW* 1 10
12kW 2 10
13kW* 3 10
14kW 4 10
15kW 5 10
16kW 6 10
17kW 7 10
18kW 8 10
19kW 9 10
20kW 0 20
30kW 0 30
45kW 5 40
48kW 8 40
50kW 0 50
60kW 0 60
* For generators with a rating that includes 500 Watts, round down to
next lowest rating
(example: 13.5 kW set to 13kW)
A
B
C
NOT
FOR
REPRODUCTION

14 BRIGGSandSTRATTON.COM
Remote Module Setup
Each remote module features a priority selector (D) that
permits control of load-add or load-shed sequence. Priority
number is identified on clear protective barrier. Diagrams of
each module are shown in Status LED’s, later in this manual.
Priority 1 is the highest priority - devices set to this priority
will be the first load(s) added or last load(s) shed in a load
management situation. Priority 8 is the lowest priority.
Priority 9 and 10 are lockouts. Remote module(s) set to
these priorities will remain unpowered during any utility
power outage. An unlimited amount of remote modules can
be assigned to priority 9 or 10.
In consultation with the homeowner, set each remote
module’s priority selector switch to the desired priority
position. Assign a different priority to each remote module for
optimum operation.
Testing the Automatic Transfer Switch
Turn the utility service disconnect circuit breaker feeding the
transfer switch contactor to the OFF position. The system’s
automatic sequence described below will initiate. To return to
utility power, turn the utility service disconnect circuit breaker
to the ON position.
Utility Fail
The generator senses when utility voltage is below
70 percent of nominal. Engine start sequence is initiated after
6 second time delay.
Engine Warm-Up
Time delay to allow for engine warm-up before transfer. Use
jumper on transfer switch control board to select delay of
20 seconds or 50 seconds.
Transfer
Transfer from utility to generator supply occurs after voltage
is above set levels. The transfer switch control board LED
lights will change from green (utility) to red (generator)
and the Symphony II status light will change blink status
from Blink Blink_Pause_Blink Blink to Blink_Pause_Blink.
Minimum engine run time is 5 minutes after transfer.
Load Management
Five minutes after transfer to generator power, the remote
modules energize connected load(s) if generator power is
available, starting with the highest priority (1) through the
lowest priority (8). There is a 10 second delay between each
sequential activation.
The P1 through P8 LED’s (A) on the Symphony II control
board will illuminate to show loads being added.
Loads connected to remote modules set to priorities 9 and
10 remain off for the duration of a utility power outage.
Utility Pickup
Voltage pickup level is 80 percent of nominal voltage.
Retransfer
Retransfer from generator to utility power is approximately 10
seconds after utility voltage supply is above pickup level and
minimum run time is completed. All remote module(s) will
remain OFF for five minutes after the power transfer.
Engine Cool Down
Engine will run for 60 seconds after retransfer.
WARNING Testing must only be performed by
qualified personnel. Equipment contains high
voltage that could cause personal injury or death.
• Despite the safe design of the system, operating this
equipment imprudently, neglecting its maintenance or
being careless can cause possible injury or death.
D
NOT
FOR
REPRODUCTION

15
Te sting the Symphony™ II Power
Management System
The Symphony II system can be tested under either utility
power or generator power. Only one priority LED and
associated remote module will be powered (ON) at a time
during test mode.
• IfTESTisnotpressedagainwithin4minutesAND
testing is being done under utility power, all managed
loads will resume operation under utility power after a
five minute delay.
• IfTESTisnotpressedagainwithin4minutesAND
testing is being done under generator power, managed
loads will be added in the priority order set for
each load.
The test procedure in generator mode is as follows:
1. Turn the utility service disconnect circuit breaker
feeding the transfer switch contactor to the
“OFF” position.
2. After transfer to generator power, verify communication
LED is green on each remote module.
3. Press the TEST button (B) on the Symphony II system
control board. The Symphony II system control board
priority 1 LED (C) and load connected to remote
module set to priority 1 will turn ON.
4. Verify signal was received by remote module set to
priority one. Follow the test guidelines for each module:
50 Amp Module: Relay contacts will be closed. Relay
and communication LED’s will be green. Appliance/load
will have power.
Low Voltage Module (Single or Dual): Verify
continuity across low voltage control wiring contacts
(A). Communication LED will be green. Appliance/load
will have power.
5. Press the TEST button on the Symphony II system
control board. The priority 1 LED and load connected to
remote module set to priority 1 will turn OFF.
50 Amp Module: If off, relay LED status is off.
Communication LED status is green.
Low Voltage Module (Single or Dual): If off, low
voltage communication LED status is green. Continuity
will not be measured across low voltage contacts.
The priority 2 LED (D) and load connected to remote
module set to priority 2 will turn ON. Repeat step 4 for
each priority number being managed.
6. Each subsequent press of the TEST button cycles to
the next lower priority, through priority 8. After priority
8, press TEST button one time to exit test mode. The
system will reset and be ready to add loads
in 5 minutes.
7. To return to utility power, turn the utility disconnect
circuit breaker to the ON position. All managed loads
will be turned off and turn back on after 5 minutes.
LED
LED
LED
LED
LED
LED
LED
LED
LED
B
D
C
A
WARNING Testing must only be performed by
qualified personnel. Equipment contains high
voltage that could cause personal injury or death.
• Despite the safe design of the system, operating this
equipment imprudently, neglecting its maintenance or
being careless can cause possible injury or death.
Closed Open
A
NOT
FOR
REPRODUCTION

16 BRIGGSandSTRATTON.COM
Controls
Other than a Manual Override lever, there are no operator
controls because this is an automatic transfer switch. The
manual override is to be used only by licensed professionals.
Information on handle use can be obtained by calling
Technical Service at 800-743-4115.
Operation
To select automatic transfer operation, do the following:
1. In transfer switch, set utility disconnect circuit breaker
to ON position.
2. In transfer switch, set generator disconnect circuit
breaker to ON position.
3. Install 15 Amp fuse in generator’s control panel.
4. Set generator’s circuit breaker to ON position.
5. Set generator’s system switch to AUTO position.
The system will now be in automatic operation mode.
When the generator is providing power to the transfer switch,
the transfer switch control board is constantly monitoring
generator power and communicating with the Symphony II
system control board.
The Symphony II system will control up to 8 priorities, with
priority 9 and 10 as lockouts. When total generator load
meets a preset value, the Symphony II system control board
will start shedding loads, starting with the lowest priority
(highest number) load. The Symphony II system will add or
shed managed loads based on the generator output capacity
and priority settings.
The Symphony II system waits 10 seconds between adding
or shedding each load to permit the system to stabilize. If
too much load demand is seen, the Symphony II system will
shed all managed loads quickly to prevent the generator
from overloading. Once the load demand has stabilized,
the Symphony II system will re-load the generator after a
5 minute delay, as described above.
There is a minimum five minute delay between the time
utility power is lost and priority 1 loads are energized by the
Symphony II system.
Be aware that managed heating element energy loads
(such as electric range burners, oven, or space heaters)
that were ON when utility power was lost, will be ON when
the generator begins supplying power. It is advised that the
owner check all such managed devices to ensure they are
turned OFF before generator power appears.
Managed devices like clothes dryers that require pressing a
START button will not resume operation unless the START
button is pressed after generator power begins.
Symphony™ II Power Monitor (Optional)
For your convenience, a Symphony II Power Monitor is
available, which provides a visual “on/off” status of each
managed appliance/load. A series of LED lights are ON
when an appliance has generator power and OFF when the
appliance is in a shed mode or does not have power. When
on generator power, the consumer can see which appliances
are being managed.
A decal is provided that can be labeled with the managed
appliances/loads and placed next to each priority LED.
The monitor is plugged into any convenient standard outlet
within the home and constantly receives system status via
the power line communication technology utilized by the
Symphony II Power Management System during
generator power.
Enclosure Door
To open transfer switch door, press the spring-load door lock
to the right and pull down on the door.
To close and latch door, push door closed against enclosure.
While in this position, push door upwards. This will cause
spring-load door lock to engage and latch door in place.
Enclosure door MUST be closed and latched at all times
except when system is being serviced.
NOT
FOR
REPRODUCTION

17
Status LED’s
Described below are the system’s LED indicators and the
conditions each LED color represents:
Transfer Switch Control Board
STATUS LED
RED (A) means GENERATOR power is present.
GREEN (B) means UTILITY power is present.
Symphony II System Control Board
STATUS LED (C)
Single Blink-Pause means unit is operating on
GENERATOR power.
Double Blink–Pause means unit is operating on
UTILITY power.
PRIORITY LIGHTS/LED’s (D & G)
When green LED is lit, indicates that optional remote module
set to that priority is supplying power to connected load
during generator power.
When not lit, indicates that optional remote module set to
that priority is set to OFF (being managed and Symphony II
System is not allowing power to the unit).
All lights/LED’s are OFF when utility power is present.
Symphony II Power Monitor (Optional)
POWER LIGHT (E)
When lit, indicates that monitor
detects outlet power.
When not lit, indicates that no
power is present at outlet.
COMM (communication
status) LIGHT (F)
When lit, indicates that unit
is receiving signals from the
Symphony II controller.
When not lit, indicates that
utility power is present or a
fault in Symphony II controller.
CT1 CT2
DPSW2
DPSW1
J6
J5
J4
J3
J2
J1
AB
E
F
G
312113
LED
LED
LED
LED
LED
LED
LED
LED
LED
CD
NOT
FOR
REPRODUCTION

18 BRIGGSandSTRATTON.COM
Remote Module LED Status Indicators
Symphony II System does not communicate or manage
appliances/loads when utility power is present.
NOTICE When looking at LED’s, make sure you look
straight on and not at an angle.
Low Voltage (Single and Dual) Models
LED is for signal communication status (C).
Utility power present:
• NormalState
- Orange LED - No communication and appliances/
loads cannot be managed by Symphony II System
• ProblemState(seeTroubleshooting)
- No LED - No power to low voltage control board;
verify correct wiring
- Green LED - Broken LED; replace low
voltage module
- Red LED - Fault in system; verify current
transformer connections, verify terminations on
orange and yellow communication wires
Generator power present:
• NormalState
- Green LED - Signal communication detected and
appliances/loads can be managed after
5 minute delay
• ProblemState(seeTroubleshooting)
- No LED - No power to low voltage control board;
verify correct wiring
- Orange LED - Signal communication not detected;
verify correct wiring
- Red LED - Fault in system; verify current
transformer connections, verify terminations on
orange and yellow communication wires
A
C
DE
B
A - Low Voltage Control Wiring Terminal Contacts
B - Priority Selector
C - Communication LED
D - Neutral Connection
E - Power/Line Connection
NOT
FOR
REPRODUCTION

19
50 Amp Model
LED’s are for signal communication status and relay position
status.
Utility power present:
• NormalState
Relay Position Status LED (C)
- Green LED - Relay is closed; power available to
appliance/load
Signal Communication Status LED (D)
- Orange LED - No communication and appliances/
loads cannot be managed by Symphony II System
• ProblemState(seeTroubleshooting)
Relay Position Status LED (C)
- No LED - Power not available to managed
appliance/load; 5 minute delay has not expired,
verify correct wiring
- Red LED - 50 Amp relay contacts in incorrect state;
replace 50 Amp module
Signal Communication Status LED (D)
- No LED - No power to 50 Amp control board; verify
correct wiring
- Green LED - Broken LED; replace 50 Amp module
- Red LED - Fault in system; verify current
transformer connections, verify terminations on
orange and yellow communication wires
Generator power present:
• NormalState
Relay Position Status LED (C)
- Green LED - Relay is closed; power available to
appliance/load
- No LED - Relay open, no power, Symphony II is
managing load
Signal Communication Status LED (D)
- Green LED - Signal communication detected and
appliances/loads are being managed after
5 minute delay
• ProblemState(seeTroubleshooting)
Relay Position Status LED (C)
- No LED - Power not available to managed
appliance/load; 5 minute delay has not expired,
verify correct wiring
- Red LED - 50 Amp relay contacts in incorrect state;
replace 50 Amp module
Signal Communication Status LED (D)
- No LED - No power to 50 Amp control board; verify
correct wiring
- Orange LED - Signal communication not detected;
verify correct wiring
- Red LED - Fault in system; verify current
transformer connections, verify terminations on
orange and yellow communication wires
A
D
B
C
E
GF
A - Priority Selector
B - 50 Amp Relay
C - Relay Status LED
D - Signal Communication LED
E - Neutral Connection
F - Load Connection
G - Power/Line Connection
NOT
FOR
REPRODUCTION
20 BRIGGSandSTRATTON.COM
Maintenance
The transfer switch is designed to be maintenance free under
normal usage. However, inspection and maintenance checks
should be made on a regular basis. Maintenance will consist
mainly of keeping the transfer switch clean.
Visual inspections should be done at least three times each
year. Access to the transfer switch and optional remote
modules must not be obstructed. Keep 3 feet (92 cm)
clearance around transfer switch. Check for an accumulation
of dirt, moisture and/or corrosion on and around the
enclosure, loose parts/hardware, cracks and/or discoloration
to insulation, and damaged or discolored components.
Exercise the transfer switch and Symphony II system at
least once every three months as described in Testing the
Automatic Transfer Switch and in Testing the Symphony II
Power Management System unless a power outage occurs
and the entire home generator system has gone through
an automatic sequence. Allow generator to run for at least
10 minutes during exercise cycle.
Contact a licensed electrical professional to inspect and
clean the inside of the enclosure and other components of
your home generator system at least once a year.
When Calling for Assistance
You must have the Model Number and Serial Number from
each transfer switch or remote module ID label at hand if it is
necessary to contact a local service center regarding service
or repair. Obtain this information from the unit ID labels
located on or inside device. For convenience, record the
information on the inside front cover of this manual.
To contact Briggs & Stratton call 800-743-4115, between
8:00 AM and 5:00 PM CT.
Installation Inspection
Before placing the system into service, inspect the entire
installation carefully.
Complete the ”Installation Checklist” supplied with the
generator as you make the inspection. Ensure all items have
been filled-in and all signatures have been obtained. Instruct
the owner to mail the white copy to the address shown on
the checklist.
NOT
FOR
REPRODUCTION

21
Troubleshooting
Problem Cause Correction
Au tomatic transfer switch does
not transfer to generator
1. Generator breaker open.
2. Generator voltage not acceptable.
3. Generator disconnect circuit breaker open
in transfer switch.
1. Reset generator circuit breaker.
2. Refer to generator manual.
3. Reset generator disconnect circuit
breaker in transfer switch.
Au tomatic transfer switch does
not transfer to utility
1. Utility disconnect circuit breaker open in
transfer switch.
2. Utility voltage not acceptable.
1. Reset utility disconnect circuit breaker
in transfer switch.
2. Wait for utility voltage to return
to normal.
Ge nerator is still running after
switch transfers to utility
power
Engine cool down period. Engine should stop after 1 minute.
Ge nerator or supervised loads
(air conditioner, etc.) are
operating improperly when
generator is supplying power
1. Remote modules are not
operating correctly.
2. Too much load on generator.
3. Current transformer not connected.
4. Broken current transformer.
5. Communication lost due to power line
noise.
6. Communication lost between transfer
switch and Symphony II control boards.
1. Five minute delay timer has
not expired.
2. Decrease load to generator.
3. Contact local authorized service center.
4. Contact local authorized service center.
5. Verify fluorescent ballasts are rated for
residential use only. If not, replace
with residential ballast.
Install noise filter in series and close
to problematic device.
Rewire remote module to opposite
power line (L1 or L2) from that of
problematic device.
6. Contact local authorized service center.
Ge nerator is still running after
utility power is restored
1. Minimum engine run time has not elapsed.
2. Fuse(s) in transfer switch is defective.
1. Wait five minutes for transfer switch to
retransfer to utility power.
2. Contact local authorized service center.
Re lay modules do not close after
five minutes
1. Too much load on generator.
2. Communication interruption.
3. Priority set to 9 or 10.
1. Decrease load to generator.
2. Reset utility disconnect circuit breaker
in transfer switch and wait five
minutes (turn OFF breaker for ten
seconds then turn it back ON).
3. Appliance will not turn on during
standby power. Contact local
authorized service center to change
priority setting.
Re lay modules do not open during
transfer and retransfer
Communication interruption. Contact local authorized service center.
Sy mphony II system control board
status LED does not change
illumination blinking pattern
for utility or generator power.
1. TxRx and TxRx GND communication
wires are not connected between the
generator and transfer switch.
2. TxRx and TxRx GND communication wires
are connected incorrectly between the
generator and transfer switch.
3. TxRx and TxRx GND communication
wires affected by electrical noise
interference.
1. Contact local authorized service center.
2. Contact local authorized service center.
3. Contact local authorized service center.
NOT
FOR
REPRODUCTION

22 BRIGGSandSTRATTON.COM
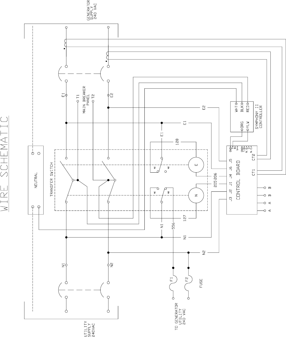
Transfer Switch Schematic Diagram
NOT
FOR
REPRODUCTION

23
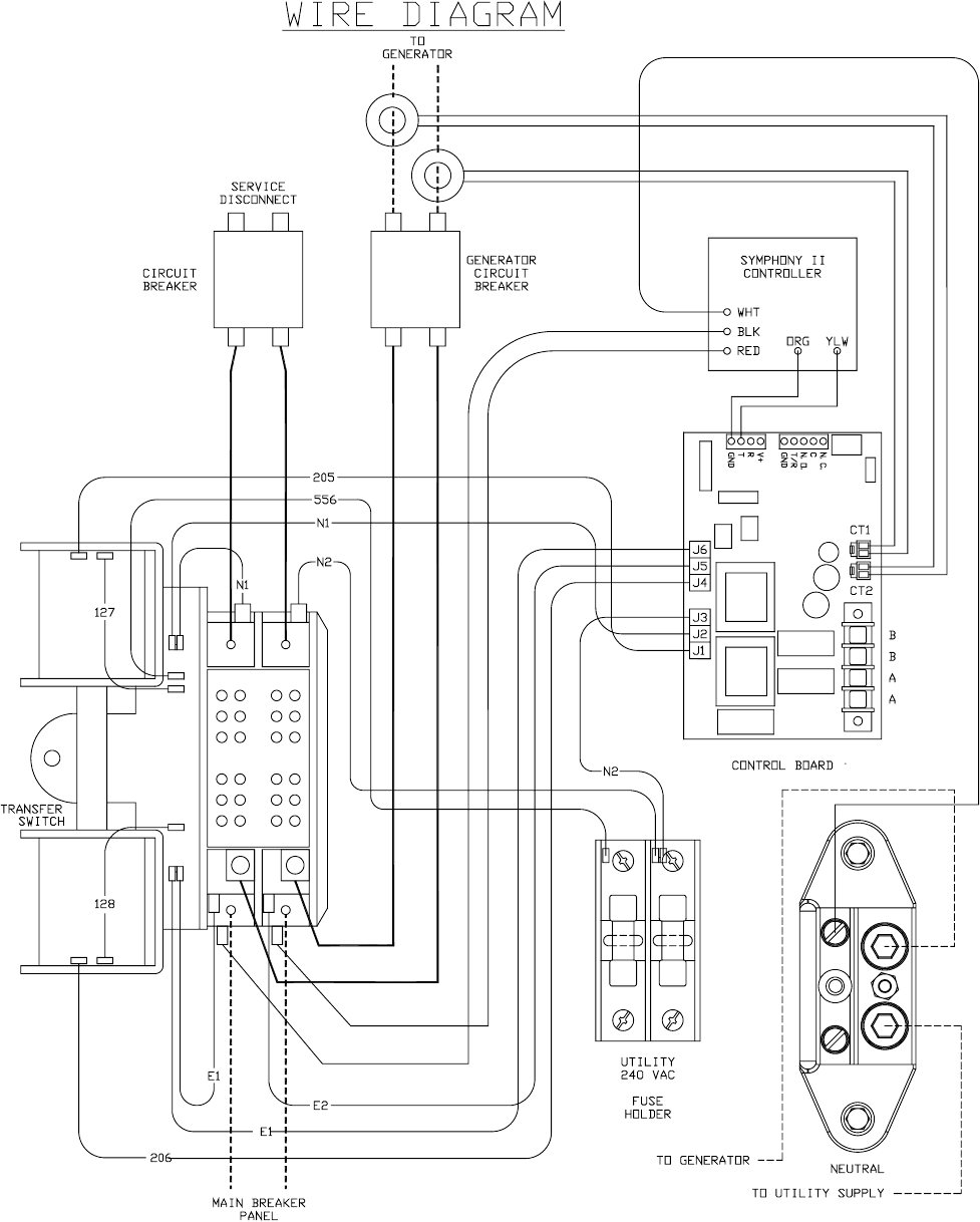
Transfer Switch Wiring Diagram
NOT
FOR
REPRODUCTION

24 BRIGGSandSTRATTON.COM
ABOUT YOUR WARRANTY
We welcome warranty repair and apologize to you for being inconvenienced. Any Authorized Service Dealer may perform warranty repairs. Most warranty
repairs are handled routinely, but sometimes requests for warranty service may not be appropriate. For example, warranty service would not apply if
equipment damage occurred because of misuse, lack of routine maintenance, shipping, handling, warehousing or improper installation. Similarly, the warranty
is void if the manufacturing date or the serial number on the equipment has been removed or the equipment has been altered or modified. During the warranty
period, the Authorized Service Dealer, at its option, will repair or replace any part that, upon examination, is found to be defective under normal use and
service. This warranty will not cover the following repairs and equipment:
• Normal Wear: Outdoor Power Equipment, like all mechanical devices, needs periodic parts and service to perform well. This warranty does not cover
repair when normal use has exhausted the life of a part or the equipment.
• Installation and Maintenance: This warranty does not apply to equipment or parts that have been subjected to improper or unauthorized installation
or alteration and modification, misuse, negligence, accident, overloading, improper maintenance, repair or storage so as, in our judgment, to adversely
affect its performance and reliability. This warranty also does not cover normal maintenance such as adjustments, cleaning and fuse replacement.
• Other Exclusions: This warranty excludes wear items or damage or malfunctions resulting from accidents, abuse, modifications, alterations, or
improper servicing. Accessory parts are excluded from the product warranty. This warranty excludes failures due to acts of God and other force
majeure events beyond the manufacturers control. Also excluded is used, reconditioned, and demonstration equipment. 198180E, Rev. C, 12/31/2006
BRIGGS & STRATTON POWER PRODUCTS GROUP, LLC
MILWAUKEE, WI, USA
BRIGGS & STRATTON POWER PRODUCTS GROUP, LLC TRANSFER SWITCH OWNER WARRANTY POLICY
LIMITED WARRANTY
Briggs & Stratton Power Products Group, LLC will repair or replace, free of charge, any part(s) of the equipment that is defective in material or
workmanship or both. Transportation charges on product submitted for repair or replacement under this warranty must be borne by purchaser. This
warranty is effective for the time periods and subject to the conditions stated below. For warranty service, find the nearest Authorized Service Dealer in
our dealer locator map at BRIGGSandSTRATTON.COM.
THERE IS NO OTHER EXPRESS WARRANTY. IMPLIED WARRANTIES, INCLUDING THOSE OF MERCHANTABILITY AND FITNESS FOR A
PARTICULAR PURPOSE, ARE LIMITED TO ONE YEAR FROM PURCHASE, OR TO THE EXTENT PERMITTED BY LAW. ANY AND ALL IMPLIED
WARRANTIES ARE EXCLUDED. LIABILITY FOR INCIDENTAL OR CONSEQUENTIAL DAMAGES ARE EXCLUDED TO THE EXTENT EXCLUSION IS
PERMITTED BY LAW. Some states or countries do not allow limitations on how long an implied warranty lasts, and some states or countries do not allow
the exclusion or limitation of incidental or consequential damages, so the above limitation and exclusion may not apply to you. This warranty gives you
specific legal rights and you may also have other rights which vary from state to state or country to country.
Effective November 1, 2005 replaces all undated Warranties and all Warranties dated before November 1, 2005
The warranty period begins on the date of purchase by the first retail consumer or commercial end user, and continues for the period of time stated in the
table above. “Consumer use” means personal residential household use by a retail consumer. “Commercial use” means all other uses, including use for
commercial, income producing or rental purposes. Once equipment has experienced commercial use, it shall thereafter be considered as commercial use for
purposes of this warranty. Equipment used for prime power in place of utility are not applicable to this warranty.
NO WARRANTY REGISTRATION IS NECESSARY TO OBTAIN WARRANTY ON BRIGGS & STRATTON PRODUCTS. SAVE YOUR PROOF OF
PURCHASE RECEIPT. IF YOU DO NOT PROVIDE PROOF OF THE INITIAL PURCHASE DATE AT THE TIME WARRANTY SERVICE IS REQUESTED,
THE MANUFACTURING DATE OF THE PRODUCT WILL BE USED TO DETERMINE THE WARRANTY PERIOD.
3 years
None
Consumer Use
Commercial Use
WARRANTY PERIOD
NOT
FOR
REPRODUCTION
25
Reserved
NOT
FOR
REPRODUCTION
26 BRIGGSandSTRATTON.COM
Product Specifications
Model 071048
Rated Maximum Load Current
(at 25°C/77°F) ....................................................... 100 Amps
Rated AC Voltage ................................................... 250 Volts
Poles .................................................................................... 2
Frequency .....................................................................60 Hz
Fault Current Rating ...... 25,000 RMS Symmetrical Amperes
Normal Operating Range .....-20°F (-28.8°C) to 104°F (40°C)
Weight .............................................................59 lbs. (27 kg)
Model 071049
Rated Maximum Load Current
(at 25°C/77°F) ....................................................... 200 Amps
Rated AC Voltage ................................................... 250 Volts
Poles .................................................................................... 2
Frequency .....................................................................60 Hz
Fault Current Rating ...... 25,000 RMS Symmetrical Amperes
Normal Operating Range .....-20°F (-28.8°C) to 104°F (40°C)
Weight .............................................................63 lbs. (28 kg)
This transfer switch is a UL Listed device
Model 071054
Rated Maximum Load Current
(at 25°C/77°F) ....................................................... 200 Amps
Rated AC Voltage ................................................... 250 Volts
Poles .................................................................................... 2
Frequency .....................................................................60 Hz
Fault Current Rating ...... 25,000 RMS Symmetrical Amperes
Normal Operating Range .....-20°F (-28.8°C) to 104°F (40°C)
Weight .............................................................63 lbs (27 kg).
Automatic Transfer Switch
NOT
FOR
REPRODUCTION

Manual de instalación y del operario
100/200 Amperios Interruptor
de transferencia automática
con seccionador de servicio y sistema
de gestión de energía Symphony™ II
Preguntas?
La ayuda es justa un momento lejos!
Llamada: Línea Directa de generador de hogar
800-743-4115 M-F 8-5 CT
NOT
FOR
REPRODUCTION

2 BRIGGSandSTRATTON.COM
Gracias por comprar este conectador automático de Briggs & Stratton® Power Products. Este producto está diseñado para
utilizarse con generadores de reserva domésticos específicos y puede no funcionar con generadores o módulos remotos
producidos por otros fabricantes. Recurra a un electricista profesional cualificado para determinar si este equipo se puede
utilizar con equipo fabricado por terceros. Si se utiliza y mantiene de acuerdo con las instrucciones de este manual, su sistema
le proporcionará muchos años de funcionamiento fiable.
Este manual contiene información de seguridad para que usted conozca los peligros y riesgos propios de este sistema y
cómo evitarlos. Se ha realizado el máximo esfuerzo para que la instalación resulte segura, sencilla y económica. Debido a que
cada instalación es única, es imposible conocer y recomendar todos los procedimientos y métodos posibles para efectuarla.
No conocemos todos los riesgos y/o resultados posibles de cada método o procedimiento existente. Es importante que lea y
comprenda perfectamente estas instrucciones antes de intentar instalar o utilizar este equipo. Guarde estas instrucciones
para futuras consultas.
Este conectador y los módulos remotos opcionales deben ser instalados por un profesional antes de utilizarlos.
Consulte la sección de instalación de este manual y las instrucciones de instalación que vienen con los módulos remotos. Los
conectadores y los módulos remotos sólo deben ser instalados por electricistas con licencia. Las instalaciones deben cumplir
estrictamente la totalidad de los códigos, estándares y regulaciones federales, estatales y locales vigentes. El instalador debe
seguir las instrucciones detalladamente.
Ubicación
Nunca debe ir demasiado lejos para encontrar el soporte y servicio de Briggs & Stratton para su sistema. Consulte las
Páginas Amarillas. Existen múltiples distribuidores de servicio autorizados que ofrecen un servicio de calidad. También puede
comunicarse con el Servicio Técnico por teléfono al 800-743-4115 entre 8:00 a. m. y 5:00 p. m. Hora del Centro; o bien,
busque un distribuidor en BRIGGSandSTRATTON.COM, donde se incluye una lista de distribuidores autorizados.
Para futuras consultas
Llene la siguiente información y conserve su factura para facilitar la identificación de la unidad en caso de que surjan
problemas relacionados con la compra en el futuro.
Copyright © 2012. Briggs & Stratton Power Products Group, LLC
Milwaukee, WI, USA. Reservados todos los derechos.
Briggs & Stratton Power Products es una marca
registradas de Briggs & Stratton Corporation
Milwaukee, WI, USA
Conectador Módulo remoto Módulo remoto Módulo remoto Módulo remoto
Número de modelo
Versión
Número de serie
Fecha de compra
PRIORIDAD N/A
Módulo remoto Módulo remoto Módulo remoto Módulo remoto Módulo remoto Módulo remoto
NOT
FOR
REPRODUCTION

3
Tabla de contenido
Instrucciones importantes de seguridad..................4
Instalación ...........................................5
Responsabilidades del propietario .................................5
Orientación al propietario .........................................5
Re sponsabilidades del distribuidor / técnico instalador.................5
Descripción del equipo ...........................................5
Inspección en el momento de la entrega ............................7
Directrices de montaje ...........................................7
Interconexión de los cables de alimentación ........................11
Terminales de control de supervisión ..............................12
Configuración del sistema .......................................14
Configuración del módulo remoto .................................14
Prueba del conectador automático ................................15
Pr ueba del sistema de gestión de energía Symphony II ...............15
Controles ...........................................16
Funcionamiento......................................17
Monitor de alimentación Symphony™ II (opcional) ...................17
Puerta de la caja ...............................................17
LED de estado.................................................18
Indicadores de estado de los LED del módulo remoto ................19
Mantenimiento.......................................21
Resolución de problemas .............................22
Garantía ............................................23
Especificaciones del producto .........................24
NOT
FOR
REPRODUCTION

4 BRIGGSandSTRATTON.COM
Instrucciones importantes
de seguridad
GUARDE ESTAS INSTRUCCIONES - Este manual contiene
instrucciones importantes que se deben seguir durante la
instalación y el mantenimiento del equipo.
Símbolos sobre la seguridad y significados
El símbolo de alerta de seguridad indica un posible
riesgo para su integridad física. Se utiliza una palabra de
señalización (PELIGRO, ADVERTENCIA o ATENCIÓN)
junto con el símbolo de alerta para designar un grado o nivel
de gravedad de riesgo. Se puede utilizar un símbolo de
seguridad para representar el tipo de riesgo. La palabra de
señalización AVISO se utiliza para hacer referencia a una
práctica no relacionada con una lesión física.
PELIGRO indica un riesgo que, de no evitarse, provocará
la muerte o lesiones de gravedad.
ADVERTENCIA indica un riesgo que, de no evitarse,
podría provocar la muerte o lesiones de gravedad.
ATENCIÓN indica un riesgo que, de no evitarse, podría
provocar lesiones leves o moderadas.
AVISO hace referencia a una práctica no relacionada con
una lesión física.
El fabricante no puede prever toda circunstancia que
conlleve un riesgo potencial. Por tanto, las advertencias
de este manual, así como las etiquetas y calcomanías
adheridas a la unidad, no incluyen todos los riesgos
posibles. Si utiliza un procedimiento, método de trabajo
o técnica de uso no recomendado específicamente por
el fabricante, deberá asegurarse de que es seguro tanto
para usted como para otras personas. También deberá
asegurarse de que el procedimiento, método de trabajo o
técnica de uso que elija no hace que el equipo sea inseguro.
Guarde estas instrucciones
Descarga eléctrica Lea el manual
AVISO La instalación de este equipo debe cumplir
estrictamente la totalidad de los códigos, estándares y
regulaciones vigentes, por lo que sólo debe ser llevada a
cabo por un electricista cualificado.
ADVERTENCIA Determinados componentes en
este producto y los accesorios relacionados contienen
sustancias químicas declaradas cancerígenas, causantes
de malformaciones, y otros defectos congénitos por el
Estado de California. Lávese las manos después de
manipular estos elementos.
ADVERTENCIA Peligro de descarga. La instalación
de un cable de baja y alta tensión en el mismo
conducto podría provocar daños materiales,
lesiones graves o incluso la muerte.
• No tienda un cable de baja y alta tensión en el mismo
conducto a menos que el valor nominal de aislamiento
en TODO el cableado sea de 600 V. Para obtener más
información, consulte el NEC.
ADVERTENCIA Una conexión a tierra defectuosa del
equipo podría provocar electrocución, así como
lesiones graves o incluso la muerte.
• No toque los cables pelados.
• No utilice el equipo con cables desgastados,
deshilachados o deteriorados de cualquier otra forma.
• No manipule los cables eléctricos si se encuentra en
una zona húmeda, está descalzo o tiene las manos o los
pies mojados.
• Si tiene que trabajar junto a una unidad en
funcionamiento, manténgase en una superficie aislada y
seca para reducir el riesgo de descarga eléctrica.
• No permita que personas no cualificadas o niños utilicen
o reparen el equipo.
• En caso de accidente provocado por una descarga
eléctrica, desconecte inmediatamente todos los
suministros de energía eléctrica y póngase en contacto
con las autoridades locales. Evite el contacto directo con
la víctima.
ADVERTENCIA El equipo contiene alta tensión que
podría provocar electrocución, así como lesiones
graves o incluso la muerte.
• A pesar de la seguridad del diseño del sistema, si éste se
utiliza con imprudencia, ignorando su mantenimiento o sin
las debidas precauciones, se podrían provocar lesiones
graves o incluso la muerte.
AVISO Un tratamiento inadecuado del equipo podría
estropearlo y acortar su vida útil.
• Utilice el equipo sólo para los usos previstos.
• En caso de dudas sobre su uso, diríjase al distribuidor o a
Briggs & Stratton Power Products.
• No exponga el equipo a un exceso de humedad, polvo,
suciedad o vapores corrosivos.
• Manténgase alerta en todo momento cuando utilice este
equipo. Nunca lo utilice ni manipule en condiciones de
fatiga física o mental.
• Si se calientan excesivamente los dispositivos
conectados, apáguelos y abra sus interruptores o quite
sus fusibles.
NOT
FOR
REPRODUCTION

5
Instalación
Agradecemos sinceramente que nos haya elegido, por lo
que hemos realizado un esfuerzo importante para que la
instalación resulte segura, sencilla y económica. Debido
a que cada instalación es única, es imposible conocer y
recomendar todos los procedimientos y métodos posibles
para efectuarla. Tampoco conocemos todos los riesgos y/o
resultados posibles de cada método o procedimiento.
Por tanto, la instalación del sistema sólo puede ser
llevada a cabo por electricistas profesionales con
licencia vigente. Las instalaciones deben cumplir
estrictamente la totalidad de los códigos, estándares
de la industria y regulaciones vigentes.
Su equipo se suministra con este “Manual de instalación
y del operario” combinado. Se trata de un documento
importante que el propietario debe conservar después de
haber terminado la instalación.
Se ha realizado el máximo esfuerzo para reunir en este
manual la información más precisa y actualizada. No
obstante, el fabricante se reserva el derecho de modificar,
alterar o mejorar de cualquier otra forma el sistema en
cualquier momento y sin previo aviso.
Responsabilidades del propietario
Para tomar decisiones bien fundadas y comunicarse
eficazmente con el técnico instalador, lea y comprenda la
sección de Orientación al propietario antes de contratar
o iniciar la instalación del equipo.
Para solicitar la instalación, póngase en contacto con la
tienda en la que adquirió el equipo, con su distribuidor o con
la compañía eléctrica.
La garantía del equipo quedará ANULADA a menos que
electricistas profesionales con licencia instalen el sistema.
Orientación al propietario
Las ilustraciones incluidas corresponden a circunstancias
habituales y tienen por objeto familiarizarle con las opciones
de instalación del sistema.
La normativa local, la apariencia y las distancias son los
aspectos que deberán tenerse en cuenta al negociar la
instalación con un profesional. Al aumentar la distancia
desde el servicio eléctrico, se deberá prever una
compensación en cables y otros materiales necesarios
para cumplir la normativa local vigente y evitar caídas de
tensión eléctrica.
Estos factores tendrán un efecto directo en el precio
total de la instalación del equipo.
El instalador deberá comprobar la normativa local Y obtener
los permisos correspondientes antes de instalar el sistema.
• Leaysigalasinstruccionesqueseindicanen
este manual.
• Sigaunplanregulardecuidadoyusodelequipo,como
se indica en este manual.
Re sponsabilidades del distribuidor /
técnico instalador
• Leaysigalasinstruccionesimportantesdeseguridad.
• Leaysigalasinstruccionesqueseindicanen
este manual.
• Esposiblequeelinstaladortengaqueproporcionar
contactores nominales adecuados con base en las
cargas que van a controlarse.
• Analiceconelpropietariolaimportanciadelas
prioridades de carga para decidir qué ajustes se
realizarán en la prioridad de los módulos remotos.
• Sitienedudassobrelainstalación,consultelos
códigos federales, estatales y locales, así como a la
autoridad competente.
• Asegúresedequelascargasseleccionadasno
sobrecarguen el generador.
Si necesita más información sobre el conectador, llame al
800-743-4115 entre 8:00 a. m y 5:00 p. m., Hora del Centro.
Descripción del equipo
El conectador está diseñado para transferir las cargas
seleccionadas de una instalación residencial normal al
suministro de reserva en caso de una interrupción de
alimentación primaria. La carga se conecta al suministro
de alimentación de la red pública (normal) o al suministro
doméstico de reserva (generador). El conectador
monitoriza las tensiones de la red pública y del generador
y conecta automáticamente las cargas a la fuente de
alimentación apropiada.
El sistema de gestión de energía Symphony™ II es muy
flexible y utiliza módulos de tensión alta y baja individuales
que se pueden montar en cualquier lugar entre el panel de
distribución principal doméstico y el aparato gestionado.
Dado que está diseñado para comunicarse a través del
cableado de alimentación doméstico existente, la demanda
de alimentación y la secuencia de prioridades de hasta 8
cargas de aparatos se transmiten de vuelta al generador
de reserva, lo que evita con eficacia que el generador
se sobrecargue y amplía el alcance y la eficiencia de la
alimentación. El sistema puede crecer y se pueden añadir
relés adicionales conforme cambien las necesidades de
gestión de alimentación del propietario doméstico con el
paso del tiempo.
Sólo un electricista con licencia debe realizar la instalación
doméstica de reserva. El conducto y los conductores de
servicio se pueden cablear directamente desde el contador
de vatios/hora hasta el conectador. No es necesario
instalar un seccionador de entrada de servicio distinto, con
su correspondiente cableado, para cumplir los códigos,
los estándares y las regulaciones federales, estatales y
locales correspondientes.
NOT
FOR
REPRODUCTION
6 BRIGGSandSTRATTON.COM
Los principales componentes del conectador son un
disyuntor bipolar de desconexión de la red pública, un
disyuntor bipolar de desconexión del generador, un
conectador bipolar de 2 posiciones de contacto, la tarjeta
de circuito impreso de control del conectador, la tarjeta
de circuito impreso de control del sistema de gestión de
energía Symphony II, los terminales con fusibles de tensión
de la red pública y el cableado de interconexión. Todos
estos componentes se encuentran en una caja tipo 3R
según NEMA, que es adecuada para uso en interiores y a
la intemperie.
El conectador es accionado por un solenoide alimentado
desde entradas de la red pública o del generador y tiene
interruptores de enclavamiento mecánicos y eléctricos,
adecuados para eliminar la posibilidad de conectar la red
pública a la salida del generador. Sus valores nominales
son suficientes para conectar toda la alimentación de la
red pública a la residencia. Asimismo, para la función de
transferencia hay una palanca de cancelación manual.
La tarjeta de control del conectador tiene circuitos activos
que detectan las tensiones de la red pública y del generador.
Genera una señal para el arranque del generador, conectador
y retransferencia cuando se restablece la tensión en la red
pública. La tarjeta de control del conectador cuenta con LED
de estado que indican la fuente de energía disponible.
La tarjeta de control del sistema de gestión de energía
Symphony™ II contiene un botón de prueba, un LED de
estado y ocho LED de carga de prioridad. Este sistema
crea y envía señales a módulos remotos opcionales, para
indicarles cuándo añadir (encender la alimentación) o
eliminar (apagar la alimentación) la carga gestionada.
La tecnología de soporte de la línea de alimentación del
sistema Symphony II ha pasado por pruebas rigurosas y
ha demostrado ser muy resistente. Sin embargo, ciertos
tipos de dispositivos y aparatos en el hogar generan “ruido”
en la línea de alimentación. Tales dispositivos pueden
incluir balastras para tubos fluorescentes para uso no
residencial, reguladores de voltaje, controles de velocidad
(iluminación y ventiladores), equipo de baño, equipo de
cocina, herramientas motorizadas, cargadores de teléfono y
suministro de alimentación. Estos tipos de dispositivos tienen
un impacto extenso sobre la comunicación de la línea de
alimentación cuando se ubican cerca de un módulo remoto.
La señales de transmisión de radio AM, X10, el soporte
de línea de alimentación (PLC), la fuente de alimentación
ininterrumpida (UPS), los sistemas de supresión de voltaje
transitorio (TVSS) y la tecnología de filtro de alimentación
también pueden hacer que el sistema Symphony II
no funcione como es debido. Estos pueden provocar
interferencia con el sistema Symphony II durante la
operación de la alimentación de reserva.
Si se determina que el ruido de la línea de alimentación está
provocando un problema de comunicación con el sistema
Symphony II, los cambios siguientes pueden solucionarlo.
• Sustituirlasbalastrascomerciales(deusoindustrial)para
tubos fluorescentes por balastras de uso residencial.
• InstalarunfiltroEMI/RFIenserieycercadeldispositivo
problemático.
• Cambiarelcabledelmóduloremotoalalíneade
alimentación opuesta (línea 1 o línea 2) de la del
dispositivo problemático.
• ConsultelasecciónResolución de problemas.
El módulo remoto opcional de 50 A está diseñado de
tal forma que el sistema Symphony controle la adición o
eliminación de cargas de aparatos conectados a él con
base en una configuración de prioridades definida por el
usuario. Este módulo remoto gestiona cargas monopolares
o bipolares de 120V CA o 240V CA de hasta 50 A. Por
lo general, el relé del módulo remoto está abierto. Todos
sus componentes se encuentran en una caja tipo 4 según
NEMA, que es adecuada para uso en interiores y a
la intemperie.
El módulo remoto de tensión baja opcional está diseñado
de tal forma que el sistema Symphony II controle la adición
o eliminación de las cargas controladas por el contactor del
aire acondicionado, de la bomba de calor o de tensión baja,
con base en una configuración de prioridades definida por el
usuario. El módulo remoto se encuentra en una caja tipo 4
según NEMA, que es adecuada para uso en interiores y a la
intemperie.
NOT
FOR
REPRODUCTION

7
Inspección en el momento de la entrega
Después de abrir la caja de cartón, con cuidado inspeccione
los componentes del conectador para detectar cualquier
daño que pudiera haber ocurrido durante el envío.
Si detecta faltas o daños en el momento de la entrega,
solicite a la persona que realiza la entrega que anote todos
los daños en Ia nota de entrega y que la firme bajo el área
de pérdidas y daños del remitente. Si se detectan faltas
o daños después de la entrega, póngase en contacto
con el transportista para solicitar información sobre el
procedimiento de reclamación. La garantía no cubre las
partes faltantes o dañadas.
Contenido del envío:
• Conectadorautomático
• Manualdeinstalaciónydeloperario
• Transformadoresdecorriente(2)
Componentes opcionales:
• Módulode50A
• Módulodetensiónbaja(modelossencillosodobles)
• MonitordealimentaciónSymphony™II
Equipo que el instalador debe suministrar:
• Cableyconductodeconexión
• Herramientas/equiposespecialesdiversos
Directrices de montaje
Los circuitos del sistema del conectador se encuentran en
una caja tipo 3R según NEMA, que es adecuada para uso
en interiores y a la intemperie. Directrices de montaje de
la caja:
• Instalelacajaenunaestructuradeapoyofirmeysólida.
• Lacajadelconectadordebeinstalarseconelementos
de fijación tipo 3R según NEMA, como mínimo, para
conexiones de conductos.
• Paraevitarlaalteracióndeloscontactos,nivelelacaja
verticalmente. Para ello, puede usar arandelas entre la
caja y la superficie de montaje.
• NUNCAinstaleloscomponentesdelsistemadondehaya
riesgo de goteo de sustancias corrosivas en la caja.
• Protejaloscomponentesdelsistemaentodomomento
contra el exceso de humedad, polvo, suciedad,
pelusas, arenilla y vapores corrosivos.
En la siguiente página se ilustra la instalación habitual del
conectador automático. También se muestran ejemplos de
instalaciones para módulos remotos. Lo mejor es montar el
conectador cerca del contador de la compañía eléctrica en
el interior o en el exterior. El módulo remoto se puede ubicar
en cualquier lugar entre el panel de distribución principal y la
carga conectada, ya sea dentro o fuera. El módulo remoto
debe estar accesible para que se le dé servicio. Consulte las
sugerencias o los cambios de diseño con el propietario antes
de iniciar el proceso de instalación del sistema.
NOT
FOR
REPRODUCTION

8 BRIGGSandSTRATTON.COM
Panel del
disyuntor
Principal
Transfer Switch
w/ Service
Disconnect
and Symphony
System
Calentador
de agua
Acondicionador
de aire
Generador
Contador de
vatios hora
Seccionador
Módulo remoto
opcional de
50 A
Módulo remoto
opcional de LV
Circuitos
derivados
Termostato
de A/C
To thermostat and heat pump
or air handler, or air conditioner,
or furnace, or HVAC.
Ejemplo de carga de 240V CA
de aire acondicionado controlada
por un termostato. Termostato
controlado por el módulo remoto
de tensión baja.
NOT
FOR
REPRODUCTION

9
G
N
Distribution Panel
L2 L1 IN
L2
L1 IN
G
N
N
L
Dual Low
Voltage Module
#1
#2
Low Voltage
Control Wiring
To thermostat and heat pump
or air handler, or air conditioner,
or furnace, or HVAC.
Ejemplo de dos cargas de 240V CA
de un aire acondicionado controladas
por un termostato. Termostatos
controlados por el módulo remoto de
tensión baja doble.
To thermostat and heat pump
or air handler, or air conditioner,
or furnace, or HVAC.
Ejemplo de una carga de 240V
CA de una bomba de calor
controlada por el módulo remoto
de tensión baja doble.
NOT
FOR
REPRODUCTION

10 BRIGGSandSTRATTON.COM
L2 IN
L2 OUT
L1 IN
L1 OUT
Neutral IN
Neutral OUT
L2 IN
L2 OUT
L1 IN
L1 OUT
Neutral IN
Neutral OUT
Ejemplo de dos cargas de
120V CA controladas por el
módulo remoto de 50 A.
Ejemplo de una carga de 240V
CA controlada por el módulo
remoto de 50 A.
NOT
FOR
REPRODUCTION

11
Interconexión de los cables de alimentación
Todos los cables deben ser del calibre adecuado y estar
bien sujetos y protegidos por el conducto. Todo el cableado
debe realizarse de acuerdo con la totalidad de los códigos,
estándares y regulaciones federales, estatales y locales
vigentes. Siga las especificaciones del tipo de cables y par
impresas en los bloques de terminales, los conectores neutro
y de conexión a tierra y las instrucciones de instalación.
Aprobado para el cableado de cobre y aluminio.
Use cable de 300V CA o más, suministrado por el instalador,
de un calibre que cumpla con la última version del
Código Nacional de Electricidad para hacer las siguientes
conexiones entre la red pública, el conectador, el generador,
el panel de distribución principal y los módulos remotos
opcionales. Aplique los factores de corrección y cálculos del
tamaño del cable necesarios.
1. Coloque el disyuntor del generador en la posición
OFF (abierta).
2. Coloque el interruptor del sistema del generador en la
posición OFF.
3. Quite el fusible de 15 A del panel de control ubicado en
el generador.
4. Apague el suministro de la red pública del generador
de reserva y el conectador.
5. Conecte el servicio de la red pública al conectador y
desconecte los terminales del disyuntor con la marca
“UTILITY CONNECTION” (conexión de la red pública).
6. Conecte el neutro de la red pública al terminal neutro
del conectador.
7. Conecte los conductores del panel de distribución
principal a los terminales del conectador, con la marca
“LOAD CONNECTION” (conexión de la carga).
8. AVISO Conecte el neutro del panel de distribución
principal al terminal neutro del conectador.
9. Conecte la conexión a tierra del panel de distribución
principal al terminal “GND” (conexión a tierra)
del conectador.
Compruebe que el conductor del electrodo de conexión
a tierra esté conectado conforme a los códigos,
estándares y regulaciones federales, estatales y
locales correspondientes.
10. Conecte los conductores de los terminales
“GENERATOR CONNECTION” (conexión del
generador) del disyuntor del conectador a los terminales
LINE1 y LINE2 del disyuntor del generador. Cada
conductor debe pasar por el orificio del transformador
de corriente antes de realizarse la conexión.
11. Conecte los cables del transformador de corriente a
los terminales (C) “CT1” y “CT2” de la tarjeta de control
del conectador.
12. Conecte el conductor del terminal neutro del conectador
al terminal NEUTRAL (neutro) del generador. Observe
las etiquetas del panel de control del generador
para identificar los terminales.
AVISO La instalación inadecuada podría dañar las tarjetas
de circuito impreso y acortar su vida útil. La instalación
de las tarjetas de circuito impreso en los circuitos activos
daña la tarjeta y no se incluye en la cobertura de la
garantía. SIEMPRE desconecte TODAS las fuentes de
alimentación antes de dar mantenimiento.
• Desconecte la corriente antes de instalar este equipo.
Si no se respeta esta indicación, pueden producirse
daños internos en la tarjeta cuando se hagan las
conexiones eléctricas.
• Sitúe el generador en la posición OFF.
• Apague el suministro de la red pública del generador de
reserva y el conectador.
ADVERTENCIA Peligro de descarga. La instalación
de un cable de baja y alta tensión en el mismo
conducto podría provocar daños materiales,
lesiones graves o incluso la muerte.
• No tienda un cable de baja y alta tensión en el mismo
conducto a menos que el valor nominal de aislamiento
en TODO el cableado sea de 600 V. Para obtener más
información, consulte el NEC.
33
240V
11
22
44
11
22
44
120V
120V
0
Neutro
Tierra
Hacia el conectador
Linea1 Neutro
Tierra
Linea2
Disyuntor
CT1 CT2
DPSW2
DPSW1
J6
J5
J4
J3
J2
J1
C
NOT
FOR
REPRODUCTION

12 BRIGGSandSTRATTON.COM
13. Conecte el conductor del terminal “GND” del
conectador al terminal GROUND del panel de control
del generador.
Compruebe que el conductor de conexión a tierra
del equipo generador está conectado conforme a los
códigos, estándares y regulaciones federales, estatales
y locales correspondientes.
14. Conecte los terminales “UTILITY 240 VAC” (SERVICIO
DE RED PÚBLICA DE 240V CA) del conectador a los
terminales “240 VAC” del generador con conductores
de 14 AWG como mínimo mediante el conector bipolar
suministrado con el generador.
AVISO El cableado de comunicación TxRx y TxRx GND
debe estar conectado para que el sistema Symphony II
funcione correctamente.
15. Conecte los terminales “T/R” y “GND” en la tarjeta de
control del conectador (B) a los terminales “TxRx” y
“TxRx GND” del panel de control del generador (A)
con conductores de cobre de par torcido de 18 AWG,
con una longitud máxima de 61 m (200 pies), de
300 V, 75 a 90° C, mediante el conector de diez polos
suministrado con el generador. Cuente hasta llegar a
la posición correcta de pasador en la tarjeta de control
del generador debido a que la alineación visual con su
calcomanía puede ser confusa:
16. Instale los módulos remotos opcionales utilizando
las instrucciones de instalación incluidas con
cada módulo. Configure cada módulo según las
prioridades acordadas.
17. Apriete todas las conexiones de los cables y elementos
de fijación al par adecuado. Consulte los valores de
par correctos en la etiqueta del interior de la caja del
conectador o los valores indicados en las instrucciones
de instalación del módulo remoto.
Terminales de control de supervisión
Para evitar un funcionamiento no deseado, se recomienda
que las cargas sean gestionadas únicamente con módulos
remotos de baja tensión o de 50 A. No utilice las terminales
de control de supervisión de la tarjeta de control del
conectador (si las hay).
La ilustración de la siguiente página muestra una instalación
completa del conectador. El diseño real varía. La información
que aparece en las ilustraciones es la siguiente:
A - Desde el contador de vatios/hora de la red pública
B - Transformadores de corriente
C - Conectador
D - Tarjeta de control del sistema de Symphony™ II
E - T/R y GND al generador
F - Tarjeta de control del conectador
G - Terminal neutro
H - Bus neutro
J - Bus de conexión a tierra
K - Panel de distribución principal
L - UTILITY 240VCA hacia el generador
M - Conector bipolar
N - Conector de diez polos
P - Disyuntor del generador
R - Generador
S - Terminal neutro del generador
T - Terminal de conexión a tierra del generador
U - Terminal de conexión a tierra del conectador
V - Conexión de carga hacia el panel de distribución principal
W - Disyuntor de desconexión del generador
X - Disyuntor de desconexión de la red pública
Y - Conexión de la red pública
Z - Conexión del generador
A
B
NOT
FOR
REPRODUCTION

13
G
LINE1
LINE2
N
240
VAC
L1
L2
N
G
L1
L2
N
A D
E
F
G
T
S
H
U
M
Y
P
N
Z
K
W
J
V
R
C
B
L
X
NOT
FOR
REPRODUCTION

14 BRIGGSandSTRATTON.COM
Configuración del sistema
Lleve a cabo los siguientes pasos antes de poner en
funcionamiento el sistema:
• Sielgeneradorseinstalaenunazonaregularmente
sujeta a temperaturas debajo de los 40 °F (4 °C),
seleccione un tiempo de calentamiento de 50 segundos
moviendo el puente JP2 (C) instalado en la tarjeta
de control del conectador de la posición ‘20’ a la
posición ‘50’.
• ConfigurelosinterruptoresDPSW1(A)yDPSW2(B)
en la tarjeta de control del conectador de manera
que correspondan con la capacidad de kW del
generador de reserva doméstico, según se describe en
Configuración de interruptores.
Configuración de interruptores
Los interruptores se usan para ajustar la operación de la
tarjeta de control con base en la capacidad del generador.
Los interruptores DSPW1 y DPSW2 se configuran según la
capacidad de kW total del sistema. El interruptor DPSW1
(A) tiene unidades de 1.000 vatios; el interruptor DPSW2 (B)
tiene unidades de 10.000 vatios.
Cuando configure los interruptores desconecte la
alimentación del conectador para garantizar la operación
adecuada del sistema de control. Si los interruptores
se configuran mientras se suministra alimentación al
conectador, será necesario restablecer la alimentación para
que tenga efecto la nueva configuración del interruptor.
Para restablecer la alimentación, desconecte toda la
alimentación al conectador y vuelva a conectarla después de
30 segundos.
AVISO Si los interruptores no se establecen adecuadamente
como se indica anteriormente puede ocurrir un FC_8 en la
tarjeta de control del generador de reserva.
La posición “On” de los interruptores es el número
del interruptor EN LA TARJETA DE CONTROL DEL
CONECTADOR, no en el interruptor. Por ejemplo, para un
generador de 18.000 vatios, sitúe el interruptor DPSW2
10 en la posición “On”. Sitúe el interruptor DPSW1 8 en la
posición “On”. 10.000 más 8000 es igual a 18.000 vatios.
Sitúe sólo un conmutador en la posición “On” en el DPSW1
y DPSW2.
Consulte la siguiente tabla para seleccionar los
interruptores adecuadamente.
Capacidad del
generador en kW Interruptor
(DPSW) n.º 1 en
la posición “ON”
Interruptor
(DPSW) n.º 2 en
la posición “ON”
7kW 7 0
8kW 8 0
9kW 9 0
10kW 0 10
11kW 1 10
12kW 2 10
13kW 3 10
14kW 4 10
15kW 5 10
16kW 6 10
17kW 7 10
18kW 8 10
19kW 9 10
20kW 0 20
30kW 0 30
45kW 5 40
48kW 8 40
50kW 0 50
60kW 0 60
* Para los generadores con una capacidad que incluye 500 watts, redondee al valor entero
inferior (ejemplo: 13,5 kW a 13 kW).
AVISO La densidad del aire es menor en alturas elevadas,
dando como resultado una menor energía disponible del
motor. Específicamente, la potencia del motor disminuirá un
3.5% cada 1000 pies (300 metros) por sobre el nivel del mar
y un 1% cada 10° F (5.6°C) por encima de los 77°F (25°C).
Generadores ubicados en estas condiciones debe tener el
control del conectador programada adecuadamente para
esta disminución de energía.
AVISO Extreme las precauciones al configurar
interruptores o la tarjeta de control podría dañarse.
• Utilice un lápiz o una pieza pequeña de plástico para
configurar el interruptor.
• NUNCA utilice un destornillador ni ningún otro tipo de
objeto metálico para configurar los interruptores.
DPSW1
DPSW2
JP2
A
B
C
NOT
FOR
REPRODUCTION

15
Configuración del módulo remoto
Cada módulo remoto posee un selector de prioridad (D) que
permite controlar la secuencia de adición o eliminación de
carga. El número de prioridad se identifica en la barrera de
protección transparente. Más adelante en este manual, se
muestran los diagramas de cada módulo en LED de estado.
La prioridad 1 es la prioridad más alta; los dispositivos
configurados en esta prioridad serán las primeras cargas
añadidas o las últimas cargas eliminadas en una situación de
gestión de cargas. La prioridad 8 es la prioridad más baja.
Las prioridades 9 y 10 son bloqueos. Los módulos remotos
configurados con estas prioridades permanecerán sin
alimentación eléctrica durante las interrupciones del
suministro de alimentación eléctrica de la red pública. La
prioridad 9 ó 10 se puede asignar a una cantidad ilimitada de
módulos remotos.
Consulte al propietario doméstico para configurar el
interruptor de selección de prioridad de cada módulo
remoto en la posición de prioridad deseada. Asigne una
prioridad diferente a cada módulo remoto para obtener un
funcionamiento óptimo.
Prueba del conectador automático
Coloque el disyuntor de desconexión de servicio de la
red pública que alimenta al contactor del conectador en la
posición “OFF”. Iniciará la secuencia automática del sistema
que se describe más abajo. Para volver a utilizar el suministro
de alimentación de la red pública, coloque el disyuntor de
desconexión del servicio de la red pública en la posición “ON”.
Fallo de la red pública
El generador detecta cuándo la tensión de la red pública
está por debajo del 70% de la nominal. Tras un retardo de
6 segundos, se inicia la secuencia de arranque del motor.
Calentamiento del motor
Retardo de tiempo para permitir el calentamiento del motor
antes de la transferencia. Utilice el puente de la tarjeta de
control del conectador para seleccionar el retardo de 20
segundos o 50 segundos.
Transferencia
La transferencia de la alimentación desde la red pública al
generador se produce cuando la tensión está por encima
de los niveles especificados. La luz de LED de la tarjeta de
control del conectador cambiará de verde (red pública) a
rojo (generador) y la luz de estado de Symphony II cambiará
el estado intermitente de parpadeo-parpadeo-pausa-
parpadeo a parpadeo-pausa-parpadeo. El tiempo mínimo de
funcionamiento del motor después de la transferencia es de 5
minutos.
Gestión de cargas
Cinco minutos después de la transferencia al suministro de
alimentación del generador, los módulos remotos activan
las cargas conectadas si la alimentación del generador está
disponible, comenzando con la prioridad más alta (1) hasta
la prioridad más baja (8). Hay una demora de 10 segundos
entre cada activación secuencial.
Los LED P1 a P8 (A, página siguiente) en la tarjeta de
control de Symphony II se iluminarán para mostrar las cargas
que se agregan.
Las cargas conectadas a los módulos remotos configurados
en las prioridades 9 y 10 permanecerán desactivadas
durante la interrupción del suministro de alimentación
eléctrica de la red pública.
D
ADVERTENCIA Probar sólo debe ser realizado por el
personal calificado. El equipo contiene alta tensión
que podría provocar electrocución, así como
lesiones graves o incluso la muerte.
• A pesar de la seguridad del diseño del sistema, si éste se
utiliza con imprudencia, ignorando su mantenimiento o sin
las debidas precauciones, se podrían provocar lesiones
graves o incluso la muerte.
NOT
FOR
REPRODUCTION

16 BRIGGSandSTRATTON.COM
Recuperación de la red pública
El nivel de recuperación de la tensión es el 80% de la
tensión nominal.
Retransferencia
La retransferencia del generador al suministro de
alimentación de la red pública tiene lugar aproximadamente
10 segundos después de que el suministro de tensión de
la red pública está por encima del nivel de recuperación
y después de que se completa el tiempo mínimo de
funcionamiento. Todos los módulos remotos permanecerán
apagados (OFF) durante cinco minutos después de la
transferencia de alimentación.
Enfriamiento del motor
El motor funcionará durante 60 segundos después de
producirse la retransferencia.
Pr ueba del sistema de gestión de
energía Symphony II
El sistema Symphony se puede probar con suministro de
alimentación de la red pública o suministro de alimentación
del generador. Durante este modo de prueba, se encenderá
(ON) sólo un LED de prioridad y módulo remoto asociado a
la vez.
• SinosepulsaTESTdenuevodentrode4minutos
Y la prueba se está realizando con el suministro
de alimentación de la red pública, todas las cargas
gestionadas volverán a funcionar con el suministro de
alimentación de la red pública después de una demora
de cinco minutos.
• SinosepulsaTESTdenuevodentrode4minutos
Y la prueba se está realizando con el suministro de
alimentación del generador, las cargas gestionadas se
añadirán según el orden de prioridad configurado para
cada carga.
El procedimiento de prueba en el modo del generador
es el siguiente:
1. Coloque el disyuntor de desconexión de servicio de la
red pública que alimenta al contactor del conectador en
la posición de apagado (OFF).
2. Después de la transferencia al suministro de
alimentación del generador, verifique que el LED de
comunicación esté en verde en cada módulo remoto.
3. Pulse el botón TEST (B) en la tarjeta de control del
sistema Symphony II. El LED de prioridad 1 (C) de la
tarjeta de control del sistema Symphony II y la carga
conectada al módulo remoto configurado en la prioridad
1 se encenderán (ON).
4. Compruebe que el módulo remoto configurado en la
prioridad 1 haya recibido la señal. Siga las directrices
de prueba para cada módulo:
Módulo de 50 A: Los contactos de relé estarán
cerrados. Los LED de relé y comunicación estarán en
verde. La carga/aparato tendrá alimentación.
Módulo de tensión baja (sencilla y doble):
Compruebe la continuidad en todos los contactos del
cableado de control de tensión baja (E). El LED de
comunicación estará en verde. La carga/aparato tendrá
alimentación.
LED
LED
LED
LED
LED
LED
LED
LED
LED
B
D
C
A
Cerrados Abierto
E
NOT
FOR
REPRODUCTION

17
5. Pulse el botón TEST en la tarjeta de control del
sistema Symphony II. El LED de prioridad 1 y la carga
conectada al módulo remoto configurado en la prioridad
1 se apagarán. Si se apagan, el estado del LED de relé
del módulo de 50 A se apaga. El estado del LED de
comunicación es color verde. No hay continuidad en los
contactos de tensión baja. El LED de prioridad 2 (D) y
la carga conectada al módulo remoto configurado en la
prioridad 2 se encenderán. Repita el paso 4 para cada
número de prioridad que se esté gestionando.
6. Posteriormente, cada vez que se pulse el botón TEST,
se iniciará el ciclo de la siguiente prioridad más baja,
hasta la prioridad 8. Después de la prioridad 8, pulse el
botón TEST una vez para salir del modo de prueba. El
sistema se reiniciará y estará listo para agregar cargas
en 5 minutos.
7. Para volver a utilizar el suministro de alimentación de
la red pública, coloque el disyuntor de desconexión de
la red pública en la posición de encendido (ON). Todas
las cargas gestionadas se apagarán y se encenderán
nuevamente en 5 minutos.
Controles
A excepción de la palanca de cancelación manual, no hay
ningún control del operario porque este es un conectador
automático. Únicamente los profesionales con licencia
deben utilizar la cancelación manual. La información sobre
el uso del asa se puede obtener comunicándose con el
Servicio Técnico al 800-743-4115.
Funcionamiento
Para seleccionar el funcionamiento automático del
conectador, haga lo siguiente:
1. En el conectador, coloque el disyuntor de desconexión
de la red pública en la posición “ON”.
2. En el conectador, coloque el disyuntor de desconexión
del generador en la posición “ON”.
3. Instale el fusible de 15 A en el panel de control
del generador.
4. Coloque el disyuntor del generador en la posición “ON”.
5. Coloque el interruptor del sistema del generador en la
posición “AUTO”.
El sistema estará entonces en el modo de
funcionamiento automático.
Cuando el generador suministra alimentación al
conectador, la tarjeta de control del conectador supervisa
permanentemente el suministro eléctrico del generador y se
comunica con la tarjeta de control del sistema Symphony.
El sistema Symphony controlará hasta 8 prioridades, con
las prioridades 9 y 10 como bloqueos. Cuando la carga total
del generador alcance un valor predeterminado, la tarjeta
de control del sistema Symphony comenzará a eliminar
cargas, iniciando con la carga de la prioridad más baja
(número más alto). El sistema Symphony añadirá o eliminará
cargas gestionadas con base en la capacidad de salida del
generador y las configuraciones de prioridades.
El sistema Symphony espera 10 segundos entre la adición
y eliminación de cada carga para permitir que el sistema se
estabilice. Si se detecta demasiada demanda de carga, el
sistema Symphony eliminará todas las cargas gestionadas
rápidamente para evitar que el generador se sobrecargue. Una
vez que la demanda de carga se ha estabilizado, el sistema
Symphony II recarga el generador después de una demora de
5 minutos, según se describió antes.
Hay un retardo mínimo de cinco minutos entre el tiempo
en que se pierde el suministro de alimentación de la red
pública y el tiempo en que el sistema Symphony activa
las cargas de prioridad 1. Si una carga intermitente con
prioridad baja (como 5 ó 6) requiere un valor de amperios
mayor que una carga con prioridad más alta, su consumo
de corriente puede producir actividad de eliminación de
carga más frecuente o imprevista. Si dichas inconsistencias
son inconvenientes, el instalador debe reajustar las
configuraciones de prioridad en los módulos remotos para
solucionar el problema.
Debe ser consciente de que las cargas de energía
gestionadas de los elementos de calefacción (como
hornillas, hornos o calentadores eléctricos) que estén
encendidos cuando se pierda el suministro de alimentación
de la red pública, se encenderán cuando el generador
comience a suministrar alimentación. Se aconseja que el
propietario compruebe dichos dispositivos gestionados para
asegurarse de que estén apagados antes de que se active el
suministro de alimentación del generador.
Los dispositivos gestionados como las secadoras de ropa que
requieran pulsar un botón de arranque (START) no volverán a
funcionar a menos que se pulse dicho botón después de que
se active el suministro de alimentación del generador.
Podrían producirse fluctuaciones importantes en el consumo
de carga en todos los aparatos que utilicen un elemento
de calefacción. Esto significa que la carga general total
puede variar mucho, produciendo que se perciba una
gestión excesiva de las cargas. Puede ser necesario que
el instalador ajuste las configuraciones de prioridad de los
módulos remotos para minimizar estos efectos.
Monitor de alimentación Symphony™ II
(opcional)
Para su comodidad, se dispone de un monitor de alimentación
Symphony II, que muestra de manera visual el estado de
encendido/apagado de cada carga/aparato gestionado.
Varias luces de LED se encienden cuando un aparato recibe
suministro de alimentación del generador y se apagan cuando
el aparato está en modo de eliminación o no tiene energía.
Cuando se utiliza el suministro de alimentación del generador,
el consumidor puede ver qué aparatos se están gestionando.
Se incluye una calcomanía en la que se pueden anotar las
NOT
FOR
REPRODUCTION

18 BRIGGSandSTRATTON.COM
cargas/aparatos gestionados y que se puede colocar junto a
cada LED de prioridad.
El monitor se conecta a cualquier toma de corriente estándar
y adecuada dentro de la casa, y recibe constantemente el
estado del sistema mediante la tecnología de comunicación
de la línea de alimentación que utiliza el sistema de gestión de
energía Symphony II durante la alimentación del generador.
Puerta de la caja
Para abrir la puerta del conectador, oprima la cerradura de la
puerta accionada con resorte hacia la derecha y jale la puerta.
Para cerrar y bloquear la puerta, empújela y ciérrela hacia
la caja. Mientras se encuentra en esta posición, empuje
la puerta hacia arriba. Esto provocará que la cerradura de
la puerta accionada con resorte se enganche y bloquee la
puerta en su lugar. La puerta de la caja DEBE estar cerrada
y bloqueada en todo momento excepto cuando se está
dando mantenimiento al sistema.
LED de estado
A continuación, se describen los indicadores de LED del
sistema y las condiciones que representa cada color de LED:
Tarjeta de control del conectador
LED STATUS
ROJO (A) significa que se recibe alimentación
del generador.
VERDE (B) significa que se recibe alimentación de la
red pública.
Tarjeta de control del sistema Symphony™
LED STATUS (C)
La pausa de un solo parpadeo significa que la unidad está
funcionando con alimentación del generador.
La pausa de parpadeo doble significa que la unidad está
funcionando con alimentación de la red pública.
LED/LUZ PRIORITY (D & G)
Cuando LED verde está encendido, indica que la
configuración del módulo remoto opcional de esa prioridad
está suministrando alimentación a la carga conectada.
Cuando no está encendido, indica que el módulo remoto
opcional establecido en esa prioridad está apagado (OFF)
(que está siendo gestionado y que Symphony II no permite
suministrar alimentación a la unidad).
Todos los luz/LED están apagados (OFF) cuando se recibe
alimentación de la red pública.
CT1 CT2
DPSW2
DPSW1
J6
J5
J4
J3
J2
J1
AB
LED
LED
LED
LED
LED
LED
LED
LED
LED
CD
NOT
FOR
REPRODUCTION

19
Monitor de alimentación Symphony II (opcional)
LUZ POWER (E)
Cuando está encendido,
indica que la unidad está
funcionando con alimentación
del generador.
Cuando no está encendido,
indica que se recibe
alimentación de la red pública.
LUZ COMM (estado de
comunicación) (F)
Cuando está encendido,
indica que la unidad está
recibiendo señales del
controlador Symphony II.
Cuando no está encendido,
indica que se recibe alimentación de la red pública o bien
que hay un fallo en el controlador Symphony II.
Indicadores de estado de los LED del módulo
remoto
El sistema Symphony II no se comunica o no gestiona
cargas/aparatos cuando se recibe alimentación de la red
pública.
AVISO Cuando vea los LED, asegúrese de verlos
directamente y no desde un ángulo.
Modelos de tensión baja (sencilla y doble)
A – Contactos de los terminales del cableado de control de
tensión baja
B – Selector de prioridad
C – LED de comunicación
D – Conexión neutra
E – Conexión de alimentación/línea
E
F
G
312113
A
C
DE
B
NOT
FOR
REPRODUCTION

20 BRIGGSandSTRATTON.COM
El LED indica el estado de comunicación de la señal.
Alimentación de la red pública presente:
• Estadonormal
- LED anaranjado – No hay comunicación y el
sistema Symphony II no puede gestionar las
cargas/aparatos.
•Estadodeproblema(consulteResolución de
problemas)
- Ningún LED – No hay alimentación en la tarjeta de
control de tensión baja; compruebe que el cableado
esté correcto.
- LED verde – LED de avería; sustituya el módulo de
tensión baja.
- LED rojo – Fallo en el sistema; verifique las
conexiones del transformador de corriente,
compruebe las terminaciones de los cables de
comunicación anaranjado y amarillo.
Alimentación del generador presente:
• Estadonormal
- LED verde – Se detectó comunicación de la señal
y las cargas/aparatos pueden gestionarse después
de 5 tardanza de minuto.
• Estadodeproblema(consulteResolución de
problemas)
- Ningún LED – No hay alimentación en la tarjeta de
control de tensión baja; compruebe que el cableado
esté correcto.
- LED anaranjado – No se detectó comunicación de
la señal; compruebe que el cableado esté correcto.
- LED rojo – Fallo en el sistema; verifique las
conexiones del transformador de corriente,
compruebe las terminaciones de los cables de
comunicación anaranjado y amarillo.
Modelos de 50 A
A – Selector de prioridad
B – Relé de 50 A
C – LED de estado del relé
D – LED de comunicación
E – Conexión neutra
F – Conexión de carga
G – Conexión de alimentación/línea
Los LED indican el estado de comunicación de la señal y el
estado de posición del relé.
Alimentación de la red pública presente:
• Estadonormal
LED de estado de posición del relé
- LED verde – El relé está cerrado; alimentación
disponible para la carga/aparato.
- LED de estado de comunicación de la señal
- LED anaranjado – No hay comunicación y el
sistema Symphony II no puede gestionar las
cargas/aparatos.
• Estadodeproblema(consulteResolución de
problemas)
LED de estado de posición del relé
- Ningún LED – No hay alimentación disponible
para gestionar la carga/aparato; no ha expirado la
demora de 5 minutos, compruebe que el cableado
esté correcto.
- LED rojo – Los contactos del relé de 50 A están en
el estado incorrecto; sustituya el módulo de 50 A.
A
D
B
C
E
GF
NOT
FOR
REPRODUCTION

21
LED de estado de comunicación de la señal
- Ningún LED – No hay alimentación en la tarjeta de
control de 50 A; compruebe que el cableado esté
correcto.
- LED verde – LED de avería; sustituya el módulo de
50 A.
- LED rojo – Fallo en el sistema; verifique las
conexiones del transformador de corriente,
compruebe las terminaciones de los cables de
comunicación anaranjado y amarillo.
Alimentación del generador presente:
• Estadonormal
LED de estado de posición del relé
- LED verde – El relé está cerrado; alimentación
disponible para la carga/aparato.
- Ningún LED – El relé está abierto, no hay
alimentación; Symphony II está gestionando la
carga.
LED de estado de comunicación de la señal
- LED verde – Se detectó comunicación de la señal
y las cargas/aparatos están siendo gestionados
después de 5 tardanza de minuto.
• Estadodeproblema(consulteResolución de
problemas)
LED de estado de posición del relé
- Ningún LED – No hay alimentación disponible
para gestionar la carga/aparato; no ha expirado la
demora de 5 minutos, compruebe que el cableado
esté correcto.
- LED rojo – Los contactos del relé de 50 A no están
en el estado correcto; sustituya el módulo de 50 A.
LED de estado de comunicación de la señal
- Ningún LED – No hay alimentación en la tarjeta de
control de 50 A; compruebe que el cableado esté
correcto.
- LED anaranjado – No se detectó comunicación de
la señal; compruebe que el cableado esté correcto.
- LED rojo – Fallo en el sistema; verifique las
conexiones del transformador de corriente,
compruebe las terminaciones de los cables de
comunicación anaranjado y amarillo.
Mantenimiento
El conectador está diseñado para no requerir mantenimiento
en condiciones de uso normales. Sin embargo, es necesario
realizar inspecciones y revisiones de mantenimiento
periódicamente. El mantenimiento consiste principalmente
en mantener limpio el conectador.
Es necesario hacer inspecciones visuales al menos tres
veces al año. El acceso al conectador y a los módulos
remotos opcionales no debe estar obstruido. Mantenga
un espacio de 92 cm (3 pies) alrededor del conectador.
Compruebe que no haya acumulación de suciedad,
humedad y/o corrosión en la caja y alrededor de ésta,
partes/elementos de fijación flojos, grietas y/o decoloración
del aislamiento y componentes dañados o decolorados.
Utilice el conectador y el sistema Symphony II al menos
una vez cada tres meses según se describe en Prueba
del conectador automático y en Prueba del sistema de
gestión de energía Symphony II a menos que se produzca
una interrupción del suministro de alimentación eléctrica y
que todo el sistema del generador doméstico se someta a
una secuencia automática. Deje funcionar el generador al
menos 10 minutos durante el ciclo de prueba.
Póngase en contacto con un electricista cualificado para
examinar y limpiar el interior de la caja y otros componentes
del sistema de generador doméstico al menos una vez al año.
Si llama para solicitar ayuda
Debe tener a la mano el número de modelo y número
de serie de cada conectador o de la etiqueta de ID del
módulo remoto si es necesario comunicarse con un centro
de servicio local en relación con el mantenimiento o la
reparación. Obtenga esta información de las etiquetas de
ID de la unidad ubicadas en el dispositivo o dentro de éste.
Para su comodidad, registre la información en el interior de
la portada de este manual.
Para comunicarse con Briggs & Stratton, llame al
800-743-4115, de 8:00 a. m. a 5:00 p. m. Hora del Centro.
Inspección de la instalación
Antes de hacer funcionar el sistema, inspeccione toda la
instalación cuidadosamente.
Complete la “lista de control de la instalación” que se
suministra con el generador cuando realice la inspección.
Asegúrese de que se hayan anotado todos los elementos
y que se hayan obtenido todas las firmas. Indíquele al
propietario que envíe por correo postal la copia blanca a la
dirección que se muestra en la lista de control.
NOT
FOR
REPRODUCTION

22 BRIGGSandSTRATTON.COM
Resolución de problemas
Problema Motivo Solución
El conectador automático no
transfiere la conexión al
generador
1. El disyuntor del generador está abierto.
2. La tensión del generador no es aceptable.
3. El disyuntor de desconexión del generador
está abierto en el conectador.
1. Reinicialice el disyuntor del generador.
2. Consulte el manual del generador.
3. Reinicialice el disyuntor de desconexión del
generador en el conectador.
El conectador automático no
transfiere la conexión a la red
pública
1. El disyuntor de desconexión del servicio de la
red pública está abierto en el conectador.
2. La tensión de la red pública no es aceptable.
1. Reinicialice el disyuntor de desconexión de
la red pública en el conectador.
2. Espere a que se restablezca la normalidad
en la tensión de la red pública.
El generador sigue funcionando
después de que el conectador
transfiere la conexión a la red
pública
El motor se encuentra en el período
de enfriamiento. El motor se debe detener después de 1 minuto.
El generador o las cargas
supervisadas (aire
acondicionado, etc.) no
funcionan correctamente
cuando el generador está
suministrando alimentación
1. Los módulos remotos no están funcionando
correctamente.
2. La carga del generador es excesiva.
3. El transformador de corriente no
está conectado.
4. El transformador de corriente está averiado.
5. Se perdió la comunicación debido a ruido en la
línea de alimentación.
6. Se perdió la comunicación entre el conectador
y las tarjetas de control de Symphony II.
1. El temporizador de retardo de cinco minutos
aún no llega a su fin.
2. Reduzca la carga del generador.
3. Póngase en contacto con el servicio técnico
autorizado local.
4. Póngase en contacto con el servicio técnico
autorizado local.
5. Compruebe que las balastras para tubos
fluorescentes estén clasificadas para uso
residencial únicamente. De lo contrario,
sustituya con balastras de uso residencial.
Instale un filtro de ruido en serie y cerca
del dispositivo problemático.
Cambie el cable del módulo remoto a la
línea de alimentación opuesta (L1 o L2)
de la del dispositivo problemático.
6. Póngase en contacto con el centro de
servicio autorizado local.
El generador sigue funcionando
cuando se restablece la
alimentación eléctrica de la
red pública
1. No ha transcurrido el tiempo de
funcionamiento mínimo del motor.
2. Los fusibles del conectador están defectuosos.
1. Espere cinco minutos a que el conectador
vuelva a transferir la conexión de la
red pública.
2. Póngase en contacto con el centro de
servicio autorizado local.
Lo s módulos de retardo no
cierran después de cinco
minutos
1. La carga del generador es excesiva.
2. La comunicación se interrumpió.
3. La prioridad está configurada en 9 ó 10.
1. Reduzca la carga del generador.
2. Reinicialice el disyuntor de desconexión de
la red pública en el conectador y espere
cinco minutos (coloque el disyuntor en la
posición OFF durante diez segundos y
vuelva a colocarlo en la posición ON).
3. El aparato no enciente dura nte el suministro
de alimentación de reserva. Póngase
en contacto con el centro de servicio
autorizado local para cambiar la
configuración de las prioridades.
Lo s módulos de retardo no
abren durante la transferencia
y retransferencia.
La comunicación se interrumpió. Póngase en contacto con el centro de servicio
autorizado local.
El LED de estado de la tarjeta de
control del sistema Symphony
II no cambia su patrón de
parpadeo de iluminación
para la alimentación de la red
pública o del generador.
1. Los cables de comunicación TxRx y TxRx GND
no están conectados entre el generador y el
conectador.
2. Los cables de comunicación TxRx y TxRx GND
no están conectados correctamente entre el
generador y el conectador.
3. Los cables de comunicación TxRx y TxRx
GND son afectados por interferencia de
ruido eléctrico.
1. Póngase en contacto con el centro de
servicio autorizado local.
2. Póngase en contacto con el centro de
servicio autorizado local.
3. Póngase en contacto con el centro de
servicio autorizado local.
NOT
FOR
REPRODUCTION

23
POLÍTICA DE GARANTÍA PARA EL PROPIETARIO DEL CONECTADOR DE BRIGGS & STRATTON POWER PRODUCTS GROUP, LLC
GARANTÍA LIMITADA
Briggs & Stratton Power Products Group, LLC reparará o sustituirá sin cargo alguno cualquier componente del equipo que presente
defectos de materiales y/o mano de obra. Los gastos de transporte de las producto enviadas para reparar o sustituir conforme a los
términos de esta garantía correrán a cargo del comprador. El periodo de vigencia y las condiciones de esta garantía son los que se
estipulan a continuación. Para obtener servicio en garantía, localice el distribuidor de servicio autorizado más próximo en nuestro mapa
de distribuidores, en BRIGGSandSTRATTON.COM.
NO EXISTE NINGUNA OTRA GARANTÍA EXPLÍCITA. LAS GARANTÍAS IMPLÍCITAS, INCLUIDAS LAS DE COMERCIABILIDAD
O IDONEIDAD PARA UN FIN CONCRETO, SE LIMITAN A UN AÑO DESDE LA FECHA DE COMPRA O AL LÍMITE DE TIEMPO
PERMITIDO POR LA LEY. QUEDAN EXCLUIDAS TODAS LAS GARANTÍAS IMPLÍCITAS QUEDA EXCLUIDA LA RESPONSABILIDAD
POR DAÑOS SECUNDARIOS Y DERIVADOS HASTA EL LÍMITE PERMITIDO POR LA LEY. Algunos países o estados no permiten
limitar la duración de una garantía implícita ni excluir o limitar los daños secundarios y derivados. Por tanto, es posible que las
limitaciones y exclusiones mencionadas no sean aplicables en su caso. Esta garantía le otorga determinados derechos legales y es
posible que tenga otros derechos que pueden variar de un país o estado a otro.
El período de garantía comienza en la fecha de compra del primer consumidor o usuario comercial final y se prolonga durante el tiempo
especificado en la siguiente tabla. “Uso del consumidor” significa uso doméstico personal por parte de un consumidor final. “Uso comercial”
significa cualquier otro uso, incluidos los usos con fines comerciales, de generación de ingresos o alquiler. Una vez que el equipo se
haya usado con fines comerciales, se considerará como equipo de uso comercial a efectos de esta garantía. Los equipos utilizados para
suministrar energía en sustitución de un servicio público no pueden acogerse a esta garantía.
NO ES NECESARIO REGISTRAR LA GARANTÍA PARA OBTENER SERVICIO DE BRIGGS & STRATTON PRODUCTS. GUARDE SU
RECIBO DE COMPRA. SI NO APORTA LA PRUEBA DE LA FECHA DE COMPRA INICIAL, SE UTILIZARÁ LA FECHA DE FABRICACIÓN
DEL PRODUCTO PARA DETERMINAR EL PERÍODO DE GARANTÍA.
ACERCA DE LA EQUIPO GARANTÍA
Esperamos que disfrute de nuestra garantía y le pedimos disculpas por las molestias causadas. Cualquier distribuidor de servicio autorizado
puede llevar a cabo reparaciones en garantía. La mayoría de las reparaciones en garantía se gestionan normalmente, pero algunas veces la
solicitud de servicio en garantía puede no ser procedente. Por ejemplo, la garantía no será válida si el equipo presenta daños debidos al mal
uso, la falta de mantenimiento, el transporte, la manipulación, el almacenamiento o la instalación inadecuados. De manera similar, la garantía
quedará anulada si se ha borrado la fecha de fabricación o el número de serie del equipo, o si el equipo ha sido alterado o modificado.
Durante el período de garantía, el distribuidor de servicio autorizado podrá reparar o sustituir, a su libre elección, cualquier pieza que, previa
inspección, sea defectuosa en condiciones normales de uso y servicio. Esta garantía no cubre las reparaciones y equipos que se detallan a
continuación:
• Desgaste normal: Al igual que cualquier otro aparato mecánico, los equipos de uso en exteriores necesitan piezas y mantenimiento
periódicos para funcionar correctamente. Esta garantía no cubre las reparaciones cuando el uso normal haya agotado la vida útil de una
pieza concreta del equipo.
• Instalación y mantenimiento: Esta garantía no cubre los equipos ni las piezas cuya instalación sea incorrecta o no haya sido
autorizada, ni aquellos que hayan sido objeto de cualquier tipo de alteración, mal uso, negligencia, accidente, sobrecarga o
mantenimiento, reparación o almacenamiento inadecuados que, a nuestro juicio, haya afectado negativamente a su funcionamiento y
su fiabilidad. La garantía tampoco cubre el mantenimiento normal, como los ajustes y la limpieza y cambio de los fusibles.
• Otras exclusiones: También quedan excluidos de esta garantía el desgaste de los artículos tales y los daños derivados de accidentes,
uso indebido, modificaciones, alteraciones, servicio inadecuado. Los accesorios quedan excluidos de la garantía del producto. Esta
garantía excluye los fallos debidos a hechos fortuitos y a otros acontecimientos de fuerza mayor que escapan al control del fabricante.
También se excluyen los equipos usados o reacondicionados y los destinados a demostraciones. 198180S, Rev. D, 08/03/2010
BRIGGS & STRATTON POWER PRODUCTS GROUP, LLC
MILWAUKEE, WI, EE.UU
Fecha de entrada en vigor: 1 de Agosto de 2010. Sustituye a todas las garantías sin fecha y a las de fecha anterior al 1 de Agosto de 2010
3 Años
ninguno
Uso del consumidor
Uso comercial
PERÍODO DE GARANTÍA
NOT
FOR
REPRODUCTION
24 BRIGGSandSTRATTON.COM
Interruptor de transferencia automática
Especificaciones del producto
Modelo 071048
Corriente de carga nominal máxima
a 25°C (77°F)* ...........................................................100 A
Tensión nominal c.a. ....................................................250 V
Polos .................................................................................... 2
Frecuencia .................................................................... 60 Hz
Valor nominal de la corriente
conexión a tierra .................... 25,000 A eficaces, simétrica
Rango operativo normal ......-28.8°C (-20°F) to 40°C (104°F)
Peso ................................................................27 kg (59 lbs).
Modelo 071049
Corriente de carga nominal máxima
a 25°C (77°F)* ...........................................................200 A
Tensión nominal c.a. ....................................................250 V
Polos .................................................................................... 2
Frecuencia .................................................................... 60 Hz
Valor nominal de la corriente
conexión a tierra .................... 25,000 A eficaces, simétrica
Rango operativo normal ......-28.8°C (-20°F) to 40°C (104°F)
Peso ................................................................28 kg (63 lbs).
Este conectador es un dispositivo clasificado según UL.
Modelo 071054
Corriente de carga nominal máxima
a 25°C (77°F)* ...........................................................200 A
Tensión nominal c.a. ....................................................250 V
Polos .................................................................................... 2
Frecuencia .................................................................... 60 Hz
Valor nominal de la corriente
conexión a tierra .................... 25,000 A eficaces, simétrica
Rango operativo normal ......-28.8°C (-20°F) to 40°C (104°F)
Peso ................................................................28 kg (63 lbs).
NOT
FOR
REPRODUCTION

Guide d’installation et d’utilisation
100/200 A Commutateur
de transfert automatique
avec disjoncteur de l’alimentation de service et
système de gestion de l’alimentation Symphony™ II
Vous avez des questions?
Vous n’avez pas besoin d’aller loin pour trouver de l’aide!
Appelez: Ligne Directe de génératrice la maison
800-743-4115 M-F 8-5 CT
NOT
FOR
REPRODUCTION

2 BRIGGSandSTRATTON.COM
Droits d’auteur © 2012. Briggs & Stratton Power Products Group, LLC
Milwaukee, WI, USA. Tous droits réservés.
Briggs & Stratton Power Products sont des marques
déposées de Briggs & Stratton Corporation
Milwaukee, WI, USA
Nous vous remercions d’avoir acheté ce commutateur de transfert automatique de Briggs & Stratton® Power Products. Ce
produit est conçu pour être utilisé avec des génératrices de secours résidentielles spécifiques et risque de ne pas fonctionner
avec des génératrices ou des modules à distance fabriqués par d’autres sociétés. Ayez recours à un professionnel en
électricité qualifié pour déterminer l’applicabilité de ce matériel à du matériel fabriqué par d’autres sociétés. Si vous respectez
les directives d’utilisation et d’entretien de ce manuel, vous pourrez vous fier à votre système durant de nombreuses années.
Ce manuel contient des renseignements sur la sécurité pour vous renseigner sur les dangers et les risques associés à ce
système et sur la façon de les éviter. Nous avons tout fait pour fournir un produit dont l’installation soit sécuritaire, facile et
économique. Comme chaque installation est unique, il est impossible de connaître et de recommander une marche à suivre
présentant toutes les méthodes et consignes d’installation possibles. De plus, nous ne connaissons pas tous les dangers et/ou
résultats potentiels de chaque méthode ou procédure. Il est important de bien lire et comprendre entièrement ces directives avant
de tenter d’installer et d’utiliser cet équipement. Conservez ces directives initiales aux fins de consultation ultérieure.
Ce commutateur de transfert et les modules à distance optionnels nécessitent une installation professionnelle avant
l’utilisation. Consultez la section Installation de ce manuel ainsi que la notice d’installation fournie avec les modules à distance
au sujet des directives sur les procédures d’installation. Seuls des entrepreneurs en électricité qualifiés devraient installer des
commutateurs de transfert et des modules à distance. Toute installation doit être conforme à l’ensemble des codes, normes et
règlements applicables (fédéraux, provinciaux et locaux). Votre installateur doit suivre ces directives à la lettre.
Où nous trouver
Vous n’aurez jamais à chercher bien loin pour trouver un centre de soutien et de service Briggs & Stratton pour votre système.
Consultez les Pages Jaunes. De nombreux distributeurs de service après-vente agréés offrent un service de qualité. Vous
pouvez aussi joindre le Service technique en composant le 800-743-4115, entre 8 h et 17 h HNC, ou cliquez sur Trouver un
distributeur sur BRIGGSandSTRATTON.com qui présente une liste de distributeurs autorisés.
À des fins de consultation ultérieure
Veuillez fournir les renseignements suivants et les conserver avec votre reçu pour vous aider dans l’identification de l’appareil
lors de vos prochains achats d’équipement.
Commutateur Module à distance Module à distance Module à distance Module à distance
Numéro de modèle
Révision
Numéro de série
Date d’achat
PRIORITÉ N/A
Module à distance Module à distance Module à distance Module à distance Module à distance Module à distance
NOT
FOR
REPRODUCTION

3
Table des matières
Directives de sécurité importantes ......................4
Installation ...........................................5
Responsabilités du propriétaire ....................................5
Conseils au propriétaire ..........................................5
Re sponsabilités du détaillant/de l’entrepreneur chargé de l’installation....5
Description de l’équipement.......................................5
Vérification de la livraison.........................................7
Directives d’assemblage..........................................7
In terconnexions du câblage d’alimentation..........................11
Bornes de commande de surveillance .............................12
Configuration du système........................................14
Réglage du module à distance ...................................14
Mi se à l’essai du commutateur de transfert automatique ..............15
Mi se à l’essai du système de gestion de l’alimentation Symphony II .....16
Commandes.........................................17
Mode d’utilisation ....................................18
Moniteur du système Symphony™ II (option)........................18
Porte de boîtier ................................................18
DEL d’état ....................................................19
Indicateurs d’état à DEL du module à distance ......................20
Entretien............................................22
Dépannage..........................................23
Garantie ............................................24
Caractéristiques du produit............................26
NOT
FOR
REPRODUCTION

4 BRIGGSandSTRATTON.COM
Conservez ces directives
Directives de sécurité importantes
CONSERVEZ CES DIRECTIVES – Ce manuel renferme
d’importantes directives qu’il faut suivre durant l’installation et
l’entretien de l’équipement.
Symboles de sécurité et leur signification
Le symbole d’alerte de sécurité indique un risque
potentiel de blessure personnelle. Un mot signal (DANGER,
AVERTISSEMENT ou ATTENTION) est utilisé avec un
symbole d’alerte pour vous indiquer le degré ou le niveau
du risque. Un symbole de sécurité peut être utilisé pour
représenter le type de risque. Le mot signal AVIS est
utilisé pour traiter les pratiques qui ne sont pas reliées aux
blessures personnelles.
Le mot signal DANGER indique un danger qui, s’il n’est
pas évité, causera la mort ou des blessures graves.
Le mot signal AVERTISSEMENT indique un risque
qui, s’il n’est pas évité, pourrait causer la mort ou des
blessures graves.
Le mot signal ATTENTION indique un risque qui, s’il
n’est pas évité, pourrait causer des blessures mineures
ou modérées.
Le mot AVIS est utilisé pour les pratiques qui ne sont pas
reliées aux blessures personnelles.
Le fabriquant ne peut anticiper toutes les circonstances
potentielles pouvant comporter un danger. Par conséquent,
les avertissements contenus dans le présent manuel,
ainsi que les plaques et les décalques apposés sur l’unité
n’englobent pas toutes les possibilités. Si vous utilisez
une procédure, une méthode de travail ou une technique
d’opération non spécifiquement recommandée par le
fabricant, vous devez vous assurer qu’elle ne compromet
pas votre sécurité ni celle des autres. Vous devez également
vous assurer que la procédure, la méthode de travail ou
la technique d’opération que vous choisissez ne rend pas
l’équipement dangereux.
Choc électrique Lisez le manuel
AVIS Seuls les électriciens qualifiés peuvent procéder
à l’installation de cet équipement, laquelle doit respecter
strictement les codes, normes et règlements applicables.
AVERTISSEMENT Certains composants de ce produit
ainsi que les accessoires reliés contiennent des produits
chimiques reconnus par l’État de la Californie comme
causant des cancers, des malformations congénitales, ou
d’autres problèmes de reproduction. Nettoyez-vous les
mains après la manipulation.
AVERTISSEMENT Risque de chocs électriques.
L’installation de câbles haute tension et
basse tension dans le même conduit pourrait
entraîner la mort, des blessures graves ou des
dommages matériels.
• Ne passez pas de câbles haute tension et basse tension
dans le même conduit à moins que la valeur nominale
d’isolation de TOUS les câbles soit de 600 V. Consultez
NEC pour de plus amples renseignements.
AVERTISSEMENT Si l’équipement n’est pas mis à
la terre comme il se doit qui peut provoquer une
électrocution risquant d’entraîner la mort et des
blessures graves.
• Ne pas toucher aux fils dénudés.
• Ne pas utiliser l’équipement si le câblage est usé,
effiloché, dénudé ou autrement endommagé.
• Ne pas manipuler les cordons électriques les pieds dans
l’eau ou les pieds nus ou lorsque les mains ou les pieds
sont mouillés.
• Si vous devez travailler autour d’une unité alors qu’elle est
en marche, placez-vous sur une surface sèche isolée afin
de réduire les risques de choc électrique.
• Ne pas laisser les personnes non qualifiées ou les enfants
utiliser ou entretenir l’équipement.
• En cas d’accident causé par un choc électrique, mettez
immédiatement toutes les sources d’alimentation
électrique hors tension et communiquez avec les autorités
locales. Évitez tout contact direct avec la victime.
AVERTISSEMENT L’équipement fonctionne à
une tension élevée qui peut provoquer une
électrocution risquant d’entraîner la mort et des
blessures graves.
• En dépit de la conception sécuritaire du système, le fait
d’opérer l’équipement de façon imprudente, de ne pas
l’entretenir ou d’être négligent peut causer la mort et des
blessures graves.
AVIS Le traitement inadéquat de l’équipement peut
l’endommager et réduire sa durée de vie utile.
• N’utilisez l’équipement que pour les applications pour
lesquelles il a été conçu.
• Si vous avez des questions à propos de l’utilisation
prévue de cet appareil, consultez votre détaillant ou
communiquez avec Briggs & Stratton Power Products.
• N’exposez pas l’équipement à l’humidité excessive, à la
poussière, à la saleté ou aux vapeurs corrosives.
• Demeurez alerte en tout temps lorsque vous travaillez sur
cet équipement. Ne travaillez jamais sur l’équipement si
vous êtes fatigué physiquement ou mentalement.
• Si les appareils branchés surchauffent, éteignez-les et
mettez leur disjoncteur ou fusible hors tension.
NOT
FOR
REPRODUCTION

5
Installation
Nous sommes sincèrement reconnaissants que vous
fassiez partie de notre clientèle et nous avons déployé tous
les efforts pour vous offrir un produit dont l’installation soit
sécuritaire, facile et économique. Comme chaque installation
est unique, il est impossible de connaître et de recommander
une marche à suivre présentant toutes les méthodes et
consignes d’installation possibles. De plus, nous ignorons
les dangers et/ou les résultats potentiels propres à chaque
méthode ou procédure.
Pour ces raisons, seuls des professionnels en électricité
agréés doivent procéder à l’installation du système.
Toute installation doit être conforme à l’ensemble des
codes ainsi que des normes et des règlements de
l’industrie applicables.
Votre équipement vous est livré avec le présent « Manuel
d’installation et d’utilisation ». Ce manuel est un document
important; conservez-le après avoir terminé l’installation.
Tout a été fait pour s’assurer que les renseignements
contenus dans le présent manuel sont exacts et à jour.
Toutefois, le fabriquant se réserve le droit de changer, de
modifier ou encore d’améliorer le système en tout temps
sans préavis.
Responsabilités du propriétaire
Afin de vous aider à faire des choix avisés et à communiquer
efficacement avec l’entrepreneur qui procédera à
l’installation, veuillez lire attentivement la section
Conseils au propriétaire avant de commencer
l’installation de votre équipement ou de la confier à
un entrepreneur.
Pour assurer une installation adéquate, veuillez contacter le
magasin qui vous a vendu votre équipement, votre détaillant
ou votre fournisseur de services d’électricité.
Si l’installation du système n’est pas effectuée par
un professionnel en électricité certifié, la garantie
sera ANNULÉE.
Conseils au propriétaire
Les illustrations se rapportent à des cas types et ont pour but
de vous familiariser avec les différentes options d’installation
du système dont vous disposez.
Au moment de négocier avec un installateur professionnel,
il faudra tenir compte des facteurs suivants : les codes de
sécurité locaux, l’apparence et les distances. Plus la distance
entre l’appareil et le service d’alimentation électrique existant
est grande, plus on aura besoin de compenser par les
matériaux de câblage. Cette contrainte est nécessaire pour
vous conformer aux codes locaux et pour surmonter les
chutes de tension électrique.
Ces facteurs auront une incidence directe sur le prix total de
l’installation de votre équipement.
Votre installateur est tenu de vérifier les codes locaux ET
d’obtenir les permis requis avant de procéder à l’installation
du système.
• Vousdevezlireetsuivrelesdirectivesindiquéesdans
ce manuel.
• Établissezunprogrammed’entretienetd’utilisation
régulier de votre équipement, tel qu’indiqué dans
ce manuel.
Re sponsabilités du détaillant/de
l’entrepreneur chargé de l’installation
• VousdevezlireetrespecterlesImportantesconsignes
de sécurité.
• Vousdevezlireetsuivrelesdirectivesindiquéesdans
ce manuel.
• Ilsepeutl’installateurdoivefournirlescontacteurs
nominaux appropriés selon les charges à contrôler.
• Discutezaveclepropriétairedel’importancedela
priorité des charges afin de déterminer les réglages de
priorité du module à distance.
• Vérifiezlescodesfédéraux,provinciauxetlocauxet
auprès des autorités compétentes si vous avez des
questions concernant l’installation.
S’assurer que la génératrice n’est pas surchargée par des
charges sélectionnées.
Pour de plus amples renseignements sur le commutateur de
transfert, téléphonez au 800-743-4115, de 8h à 17h HNC.
Description de l’équipement
Le commutateur de transfert est conçu pour transférer des
charges sélectionnées retrouvées habituellement dans les
installations résidentielles régulières vers l’alimentation
de secours en cas de panne de la source d’alimentation
primaire. La charge est branchée à l’alimentation de
service (normal) ou à l’alimentation de secours résidentielle
(génératrice). En contrôlant la tension de service et
celle de la génératrice, le commutateur de transfert
connecte automatiquement les charges à la source
d’électricité appropriée.
Le système de gestion de l’alimentation Symphony™ II est
très flexible et utilise des modules individuels haute tension
et basse tension qui peuvent être installés n’importe où entre
le panneau de distribution principal de la maison et l’appareil
géré. Conçu pour communiquer par le câblage électrique
existant de votre maison, la demande d’énergie et la
séquence de priorité de 8 charges d’appareils sont relayées
à la génératrice de secours, empêchant les surcharges de la
génératrice de façon efficace tout en rehaussant la gamme
de puissance et la performance. Le système est évolutif et
des relais supplémentaires peuvent être ajoutés lorsque les
besoins en gestion de l’alimentation du propriétaire changent
au fil du temps.
NOT
FOR
REPRODUCTION
6 BRIGGSandSTRATTON.COM
Seul un électricien autorisé devrait effectuer l’installation
de secours d’une maison. Les conducteurs et le conduit de
l’alimentation de service peuvent être directement branchés
de votre wattheuremètre au commutateur de transfert.
Un disjoncteur de l’alimentation de service distinct et son
câblage ne sont pas requis lorsque l’installation est conforme
aux normes, à la réglementation et aux codes fédéraux,
provinciaux et locaux.
Les principaux éléments du commutateur de transfert sont
un disjoncteur bipolaire d’interruption de l’alimentation
de service, un disjoncteur bipolaire d’interruption de
la génératrice, un commutateur de transfert bipolaire
bidirectionnel, un tableau de commande du commutateur
de transfert, un tableau de commande du système de
gestion de l’alimentation Symphony, des bornes de tension
avec fusible et le câblage de raccordement. Tous ces
composants sont contenus dans un boîtier NEMA 3R adapté
pour un usage à l’intérieur et à l’extérieur.
Le commutateur de transfert est commandé par
électroaimant depuis les entrées de la génératrice ou
de service et contient des interrupteurs de sécurité
mécaniques et électriques adéquats pour éviter la possibilité
de raccordement entre le service public et le débit de la
génératrice. Sa capacité nominale est suffisante pour
commuter toute la puissance de service de la résidence.
De plus, le commutateur comporte un levier de priorité pour
transférer l’alimentation manuellement.
Le tableau de commande du commutateur de transfert
comprend des circuits actifs contrôlant les tensions de
service et de la génératrice. Il produit les signaux de
démarrage de la génératrice ainsi que de transfert et de
retransfert lorsque l’alimentation de service est rétablie.
Une DEL sur le tableau de commande du commutateur de
transfert indique la source d’alimentation disponible.
Le tableau de commande du système de gestion de
l’alimentation Symphony™ II comprend un bouton d’essai,
un voyant d’état (DEL) et huit DEL de charge prioritaire. Il
produit et envoie des signaux à des modules à distance
optionnels, leur commandant d’ajouter (activer l’alimentation)
ou de délester (désactiver l’alimentation) la charge gérée.
La technologie de transporteur d’alimentation du système
Symphony II a été rigoureusement testée et s’est avérée des
plus robustes. Certains types de dispositifs et d’appareils
du domicile génèrent cependant des « bruits » sur la ligne.
Ces dispositifs peuvent inclure des ballasts fluorescents
non résidentiels, des gradateurs, des commandes de
vitesse (éclairage et ventilateurs), des appareils de salle de
bains, des appareils de cuisine, des outils électriques, des
chargeurs de téléphone ainsi que des blocs d’alimentation.
Ces types d’appareils ont un plus grand impact sur la
communication de l’alimentation lorsqu’ils sont situés près
d’un module à distance.
La radio AM, X10, les transporteurs d’alimentation,
l’alimentation sans coupure (UPS), les systèmes de
suppression de tension transitoires (TVSS) ainsi que la
technologie de filtre de puissance peuvent également
entraîner un fonctionnement inattendu du système
Symphony II. Ils peuvent causer des interférences avec
le système Symphony II pendant le fonctionnement de
l’alimentation de secours.
S’il est déterminé que les bruits de la ligne d’alimentation
causent un problème de communication avec le système
Symphony II, les changements suivants peuvent résoudre le
problème.
• Faireremplacerlesballastsfluorescentscommerciaux
(non destinés à usage par un consommateur) par des
ballasts à usage résidentiel.
• AvoirunfiltreEMI/RFIinstalléensérieetprèsdu
dispositif présentant le problème.
• Lemoduleàdistancedoitêtreraccordéàlalignede
communication opposée (Line 1 ou Line 2) des bornes
du dispositif présentant un problème.
• Reportez-vousàlasectionDépannage.
Le module à distance de 50 A est conçu pour être
commandé par le système Symphony pour l’ajout ou le
délestage des charges d’appareils qui y sont connectées
selon les paramètres de priorité définis par l’utilisateur. Ce
module à distance gère des charges de 120 V c.a. ou de
240 V c.a., unipolaires ou bipolaires jusqu’à 50 ampères.
L’état du relais du module à distance est normalement
ouvert. Ses composants sont contenus dans un boîtier
NEMA 4 adapté aux installations intérieures ou extérieures.
Ce module à distance basse tension en option est conçu
pour être commandé par le système Symphony II pour l’ajout
ou le délestage des charges contrôlées par contacteur du
climatiseur, de la pompe à chaleur ou de basse tension selon
les paramètres de priorité définis par l’utilisateur. Le module
à distance est contenu dans un boîtier NEMA 4 adapté aux
installations intérieures ou extérieures.
NOT
FOR
REPRODUCTION

7
Vérification de la livraison
Après avoir ouvert la boîte d’expédition, examinez avec soin
les composants du commutateur de transfert à la recherche
de dommages potentiels subis durant l’expédition.
Au moment de la livraison, si vous remarquez des
dommages ou des pièces manquantes, demandez au
livreur de noter tous les dommages sur la facture de fret et
d’apposer sa signature dans l’espace réservé à cette fin. Si
vous remarquez des dommages ou des pièces manquantes
après la livraison, communiquez avec le transporteur
pour connaître les procédures de réclamation. Les pièces
manquantes ou endommagées ne sont pas garanties.
Contenu de l’envoi :
• Commutateurdetransfertautomatique
• Manueld’installationetd’utilisation
• Transformateursdecourant(2)
Composants en option :
• Modulede50ampères
• Modulebassetension(modèlessimplesoudouble)
• MoniteurdepuissanceSymphony™II
Éléments fournis par l’installateur :
• Conduitetfildebranchement
• Diversoutils/équipementsspécialisés
Directives d’assemblage
Les circuits du système de commutateur de transfert se
trouvent dans un boîtier de type NEMA 3R adapté aux
installations intérieures ou extérieures. Voici les directives
d’assemblage du boîtier :
• Installezleboîtiersurunestructureportanteferme
et robuste.
• Leboîtierducommutateurdetransfertdoitêtreinstallé
avec la quincaillerie de raccordement de conduits cotée
au minimum NEMA 3R.
• Pouréviterladistorsiondesmanocontacts,placezle
boîtier au niveau et d’aplomb. Ceci peut être accompli
en insérant des rondelles entre le boîtier et la surface
de fixation.
• N’installezJAMAISlescomposantsdusystème
dans un endroit où une substance corrosive
pourrait s’infiltrer.
• Protégezlescomposantsdusystèmeentouttemps
contre l’humidité, les poussières, les saletés, les
peluches, le gravier et les vapeurs corrosives.
Vous trouverez à la page précédente une illustration de
l’installation type de commutateur de transfert automatique. Des
exemples d’installations d’un module à distance sont également
montrés. Il est recommandé d’installer le commutateur de
transfert près du compteur de l’alimentation de service, soit
à l’intérieur ou à l’extérieur.
Le module à distance peut
être installé n’importe où entre le panneau de distribution
principal ou sa charge connectée, soit à l’intérieur soit à
l’extérieur.
Le module à distance doit être accessible pour
l’entretien. Discutez des suggestions et des changements de
disposition avec le propriétaire avant d’entamer le processus
d’installation du système.
NOT
FOR
REPRODUCTION

8 BRIGGSandSTRATTON.COM
Panneau du
disjoncteur
principal
Commutateur
de transfert avec
disjoncteur de
l’alimentation de
service et système
Chauffe-eau
Climatiseur
Génératrice
Watt-
heuremètre
Interrupteur de
débranchement
Module à
distance de
50 A optionnel
Module à distance
basse optionnel
Circuits
de
dérivation
Thermostat
c.a.
To thermostat and heat pump
or air handler, or air conditioner,
or furnace, or HVAC.
Exemple de charge de climatiseur de
240 V c.a. commandée par thermostat.
Thermostat commandé par un module à
distance basse tension.
NOT
FOR
REPRODUCTION

9
G
N
Distribution Panel
L2 L1 IN
L2
L1 IN
G
N
N
L
Dual Low
Voltage Module
#1
#2
Low Voltage
Control Wiring
To thermostat and heat pump
or air handler, or air conditioner,
or furnace, or HVAC.
Exemple de deux charges de
climatiseur de 240 V c.a. commandées
par thermostat. Thermostats
commandés par un module à distance
double basse tension.
To thermostat and heat pump
or air handler, or air conditioner,
or furnace, or HVAC.
Exemple de charge de pompe
à chaleur de 240 V c.a.
commandée par un module à
distance basse tension.
NOT
FOR
REPRODUCTION

10 BRIGGSandSTRATTON.COM
L2 IN
L2 OUT
L1 IN
L1 OUT
Neutral IN
Neutral OUT
L2 IN
L2 OUT
L1 IN
L1 OUT
Neutral IN
Neutral OUT
Exemple de deux charges
de 120 V c.a. gérées par un
module à distance de 50 A.
Exemple d’une charge de
240 V c.a. gérée par un
module à distance de 50 A.
NOT
FOR
REPRODUCTION

11
In terconnexions du câblage d’alimentation
Tout le câblage doit être de la bonne dimension, soutenu
convenablement et protégé par un conduit. Tout le câblage
doit être conforme aux codes, normes et règlements
applicables (fédéraux, provinciaux et locaux). Respectez
les spécifications relatives au type de fil et au serrage se
trouvant sur les blocs de branchement et le raccord neutre/
de mise à la terre, ainsi que les directives d’installation.
Approuvé pour le cuivre et le câblage en aluminium.
Utilisez un fil de cuivre de 300 V c.a. ou plus fourni par
l’installateur, d’une grosseur conforme au derniére version
du National Electric Code pour effectuer les connexions
suivantes entre l’alimentation de service, le commutateur de
transfert, la génératrice, le panneau de distribution principal
et les modules à distance optionnels. Appliquez les facteurs
de correction nécessaires et les calculs de grosseurs de fils.
1. Réglez le disjoncteur de la génératrice à la position
OFF (ouverte).
2. Réglez l’interrupteur de la génératrice à la position OFF.
3. Retirez le fusible de 15 A du tableau de commande de
la génératrice.
4. Fermez l’alimentation de service à la génératrice
auxiliaire et au commutateur de transfert.
5. Raccordez le branchement de l’alimentation de service
aux bornes du disjoncteur de l’alimentation de service
marquées « UTILITY CONNECTION » du commutateur
de transfert.
6. Branchez le neutre du branchement de l’alimentation de
service à la borne neutre du commutateur de transfert.
7. Raccordez les fils d’alimentation du panneau
de distribution principal aux bornes « LOAD
CONNECTION » du commutateur de transfert.
8. AVIS Raccordez le neutre du panneau de distribution
principal à la borne neutre du commutateur de transfert.
9. Raccordez la mise à la masse du panneau de
distribution principal à la borne « GND » du
commutateur de transfert.
Assurez-vous que l’électrode de terre est raccordée
selon les normes, les règlements et les codes fédéraux,
provinciaux et locaux applicables.
10. Branchez les conducteurs d’alimentation des bornes
« GENERATOR CONNECTION » du disjoncteur du
commutateur de transfert aux bornes LINE1 et LINE2
du disjoncteur de la génératrice. Tous les conducteurs
doivent être passés par l’ouverture du transformateur
de courant avant que la connexion ne soit effectuée.
11. Branchez les fils du transformateur de courant aux
bornes « CT1 » et « CT2 » sur le tableau de commande
(C) du commutateur de transfert.
12. Branchez le conducteur à partir de la borne neutre
du commutateur de transfert à la borne NEUTRAL
de la génératrice. Consultez les étiquettes du
panneau de contrôle de la génératrice au sujet de
l’identification des bornes.
AVIS Une installation inadéquate peut causer des
dommages aux cartes de circuit et réduire leur durée de
vie utile. L’installation de cartes de circuit imprimé dans
des circuits alimentés causera des dommages à la carte
et qui n’est pas couverts par la garantie. Débranchez
TOUJOURS TOUTES les sources d’alimentation électrique
avant l’entretien.
• Retirez toutes les sources d’alimentation avant d’installer
l’équipement. La négligence de cette consigne pourrait
causer des dommages internes à la carte lors de
l’établissement des raccordements électriques.
• Placez le commutateur de la génératrice à la position
« OFF » (ARRÊT).
• Fermez l’alimentation de service à la génératrice auxiliaire
et au commutateur de transfert.
33
240V
11
22
44
11
22
44
120V
120V
0
Neutre
Mise à
la terre
Vers le commutateur de transfert
Ligne 1 Neutre
Mise à
la terre
Ligne 2
Disjoncteur
CT1 CT2
DPSW2
DPSW1
J6
J5
J4
J3
J2
J1
C
AVERTISSEMENT Risque de chocs électriques.
L’installation de câbles haute tension et
basse tension dans le même conduit pourrait
entraîner la mort, des blessures graves ou des
dommages matériels.
• Ne passez pas de câbles haute tension et basse tension
dans le même conduit à moins que la valeur nominale
d’isolation de TOUS les câbles soit de 600 V. Consultez
NEC pour de plus amples renseignements.
NOT
FOR
REPRODUCTION

12 BRIGGSandSTRATTON.COM
13. Branchez le conducteur à partir de la borne « GND » du
commutateur de transfert à la borne « GROUND » du
panneau de commande de la génératrice.
Assurez-vous que le conducteur de mise à la terre est
raccordé selon les normes, les réglementations et les
codes fédéraux, provinciaux et locaux applicables.
14. À l’aide de conducteurs de calibre minimum de 14,
branchez les bornes « UTILITY 240 VAC » du
commutateur de transfert aux bornes « 240 VAC » de
la génératrice en utilisant le connecteur bipolaire fourni
avec la génératrice.
AVIS Le câblage de communication TxRx et TxRx GND
doit être relié au système Synphony II pour qu’il fonctionne
correctement.
15. En utilisant des conducteurs en cuivre à paire torsadée
de calibre 18, pas plus long que 200 pieds, de 300
volts, 75° C-90° C, branchez les bornes « T/R » et
« GND » du tableau de commande du commutateur de
transfert (B) aux bornes « TxRx » et « TTxRx GND »
du tableau de commande de la génératrice (A) à l’aide
du connecteur de dix pôles fourni avec la génératrice.
Faites le décompte vers l’emplacement approprié de
la broche sur tableau de commande de la génératrice
car un alignement visuel avec le décalque peut être
trompeur.
16. Installez les modules à distance optionnels en suivant
les directives d’installation fournies avec chaque
module. Réglez chaque module selon les paramètres
de priorité convenus.
17. Serrez au couple approprié tous les raccords de fils
et attaches. Voir l’étiquette à l’intérieur du boîtier du
commutateur de transfert ou les valeurs indiquées dans
les directives d’installation du module à distance pour
les valeurs de couple exactes.
Bornes de commande de surveillance
Pour éviter un fonctionnement indésirable, nous
recommandons que les charges soient gérées seulement
avec des modules à distance de climatiseur/basse tension
ou de 50 A. N’utilisez pas les bornes de commande de
surveillance du tableau de commande du commutateur de
transfert (le cas échéant).
L’illustration de la page suivante montre l’installation
complète d’un commutateur de transfert. La disposition
réelle de votre système sera différente. Voici les références
à l’illustration :
A - Du wattheuremètre de l’alimentation de service
B - Transformateurs de courant
C - Commutateur de transfert
D - Tableau de commande du système de Symphony™
E - T/R et GND vers la génératrice
F - Tableau de commande du commutateur de transfert
G – Borne neutre
A - Barre omnibus neutre
C - Barre omnibus de mise à la terre
K - Panneau de distribution principal
L – UTILITY 240VAC (ALIMENTATION DE SERVICE
240 V CA) vers la génératrice
W – Connecteur bipolaire
W – Connecteur 10 pôles
P - Disjoncteur de la génératrice
R - Génératrice
S – Borne neutre de la génératrice
T – Borne de mise à la terre de la génératrice
U - Borne de mise à la terre du commutateur de transfert
V – Connexion de la charge au panneau de
distribution principal
W – Disjoncteur de la génératrice
W – Disjoncteur de l’alimentation de service
Y – Connexion de l’alimentation de service
Z - Connexion de la génératrice
A
B
NOT
FOR
REPRODUCTION

13
G
LINE1
LINE2
N
240
VAC
L1
L2
N
G
L1
L2
N
A D
E
F
G
T
S
H
U
M
Y
P
N
Z
K
W
J
V
R
C
B
L
X
NOT
FOR
REPRODUCTION

14 BRIGGSandSTRATTON.COM
Configuration du système
Vous devez procéder aux étapes suivantes avant d’utiliser
le système :
• Silagénératriceestinstalléedansunezone
régulièrement soumise à des températures inférieures à
40 °F (4 °C), sélectionnez une durée de réchauffement
de 50 secondes en déplaçant le cavalier installé sur
JP2 (C) du tableau de commande du commutateur de
transfert de la position « 20 » à la position « 50 ».
• RéglezlescommutateursDIPDPSW1(A) et DPSW2
(B) du tableau de commande du commutateur de
transfert à la valeur nominale en KW de la génératrice
de secours résidentielle, tel que décrit à la section
Réglage des commutateurs DIP.
Réglage des commutateurs DIP
Les commutateurs Dip servent à ajuster l’opération du
tableau de commande en fonction de la capacité de la
génératrice. Les commutateurs DSPW1 et DPSW2 sont
réglés pour correspondre à la valeur nominale totale du
système en KW. Le commutateur DIP DPSW1 (A) est doté
d’unités de 1 000 watts; le commutateur DIP DPSW2 (B) est
doté d’unités de 10 000 watts.
Réglez les commutateurs DIP lorsque l’alimentation vers
le commutateur de transfert est coupée afin d’assurer
une opération appropriée du système de contrôle. Si les
commutateurs DIP sont réglés alors que l’alimentation vers
le commutateur de transfert est active, une réinitialisation de
l’alimentation devra être effectuée pour que les nouveaux
réglages des commutateurs DIP ne prennent effet. Une
réinitialisation de l’alimentation s’effectue lorsque toute
l’alimentation est coupée vers le commutateur de transfert et
que l’alimentation est réactivée après 30 secondes.
REMARQUE : Un FC_8 s’affiche sur le tableau de commande de la
génératrice auxiliaire si les commutateurs DIP ne sont pas réglés tel
qu’indiqué ci-dessus.
La position « On » des commutateurs DIP correspond au
numéro de commutateur sur le TABLEAU DE COMMANDE
DU COMMUTATEUR DE TRANSFERT, et non sur le
commutateur. Par exemple, pour une génératrice de 18
000 watts, réglez le commutateur DIP 10 de DPSW2 à la
position « ON ». Réglez le commutateur DIP 8 de DPSW1 à
la position « On ». 10 000 plus 8 000 égale 18 000 watts. Ne
réglez qu’un commutateur à la position « ON » (MARCHE)
sur les commutateurs DPSW1 et DPSW2.
Reportez-vous au tableau suivant au sujet des sélections
appropriées des commutateurs.
Niveau de kW de la
génératrice Position « ON »
du commutateur
DIP 1
Position « ON »
du commutateur
DIP 2
7kw 7 0
8kW 8 0
9kW 9 0
10kW 0 10
11kW 1 10
12kW 2 10
13kW 3 10
14kW 4 10
15kW 5 10
16kW 6 10
17kW 7 10
18kW 8 10
19kW 9 10
20kW 0 20
30kW 0 30
45kW 5 40
48kW 8 40
50kW 0 50
60kW 0 60
* Pour une génératrice d’une valeur nominale qui inclut 500 watts, arrondissez à la valeur la
plus près (par exemple, 13,5 kW, réglez à 13 kW)
AVIS La densité de l’air étant moindre en haute altitude, la
puissance du moteur est donc réduite. En fait, la puissance
du moteur sera réduite de 3,5% pour chaque 1000 pieds
(300 mètres) au-dessus du niveau de la mer, et de 1%
pour chaque 10° F (5,6°C) au-dessus de 77°F (25°C).
Génératrices situés dans ces conditions doit avoir le
commutateur de transfert programmé de manière appropriée
pour cette diminution de puissance.
AVIS Faites preuve d’une grande attention lors du réglage
des commutateurs DIP car des dommages au module de
commande pourraient en résulter.
• Utilisez un crayon ou une petite pièce en plastique pour
régler les commutateurs DIP.
• N’utilisez JAMAIS un tournevis ou tout type d’objet
métallique pour régler les commutateurs DIP.
DPSW1
DPSW2
JP2
A
B
C
NOT
FOR
REPRODUCTION

15
Réglage du module à distance
Chaque module à distance comporte un sélecteur de priorité
(D) qui permet de commander la séquence dans laquelle
les charges sont ajoutées et délestées. Un numéro de
priorité est indiqué sur la barrière de protection transparente.
Des diagrammes de chaque module sont illustrés dans la
section DEL d’état, plus loin dans ce guide. La priorité 1 est
la plus élevée – les dispositifs réglés à cette priorité seront
les premières charges ajoutées ou les dernières charges
délestées dans une situation de gestion des charges. La
priorité 8 est la plus basse.
Les priorités 9 et 10 sont des verrouillages. Le ou les
modules à distance réglés à ces priorités ne fonctionneront
pas pendant une panne d’électricité. Un nombre illimité de
modules à distance peut être assigné aux priorités 9 ou 10.
En collaboration avec le propriétaire, réglez le sélecteur
de priorité de chaque module à distance à la position de la
priorité désirée. Pour un fonctionnement optimal, attribuez
une priorité différente à chaque module à distance.
Mi se à l’essai du commutateur de
transfert automatique
Réglez le disjoncteur de l’alimentation de service alimentant
le commutateur de transfert sur « OFF ». La séquence
automatique du système décrite ci-dessous commencera.
Pour revenir à l’alimentation de service, réglez le disjoncteur
de l’alimentation de service sur « ON ».
Panne de l’alimentation de service
La génératrice détecte la chute de la tension de l’alimentation
de service sous 70 pourcent de la tension nominale. La
séquence de démarrage du moteur commence après un
délai de 6 secondes.
Réchauffement du moteur
Prévoyez un délai de réchauffement du moteur avant
le transfert. Utilisez un cavalier sur le commutateur de
transfert pour sélectionner un délai de 20 secondes ou de
50 secondes.
Transfert
Le transfert de l’alimentation de service à l’alimentation de la
génératrice se produit après que la tension de la génératrice
dépasse un seuil prédéterminé. Le voyant à DEL du tableau
de commande du commutateur de transfert passe du
vert (service) au rouge (génératrice) et le voyant d’état du
Symphony II change l’état de clignotement de Clignotement
Clignotement_Pause_Clignotement Clignotement à
Clignotement _Pause_Clignotement. Après le transfert, le
moteur tourne durant au moins 5 minutes.
Gestion des charges
Cinq minutes après le transfert à l’alimentation par la
génératrice, les modules à distance alimentent la ou les
charges connectées si l’alimentation par la génératrice est
disponible, en commençant par la charge la plus prioritaire
(1) jusqu’à la dernière priorité (8). Il y a un délai de 10
secondes entre chaque activation séquentielle.
Les DEL P1 à P8 (A, page suivante) du tableau de
commande de Symphony II s’allument pour indiquer que les
charges ont été ajoutées.
Les charges connectées à des modules à distance réglés
aux priorités 9 et 10 demeurent arrêtés pour la durée d’une
panne d’électricité.
D
AVERTISSEMENT L’essai doit être seulement
exécuté par le personnel qualifié. L’équipement
fonctionne à une tension élevée qui peut provoquer
une électrocution risquant d’entraîner la mort et
des blessures graves.
• En dépit de la conception sécuritaire du système, le fait
d’opérer l’équipement de façon imprudente, de ne pas
l’entretenir ou d’être négligent peut causer la mort et des
blessures graves.
NOT
FOR
REPRODUCTION

16 BRIGGSandSTRATTON.COM
Prise en charge de l’alimentation de service
La tension de prise en charge est de 80 pourcent de la
tension nominale.
Retransfert
Le transfert de l’alimentation de la génératrice à l’alimentation
de service se fait 10 secondes après que la tension de
service ait dépassé le niveau de prise en charge et que le
temps d’exécution minimum est achevé. Tous les modules
à distance restent arrêtés pendant cinq minutes après le
transfert de l’alimentation.
Refroidissement du moteur
Le moteur tourne pendant 60 secondes après le transfert.
Mi se à l’essai du système de gestion de
l’alimentation Symphony II
Le système Symphony peut être mis à l’essai sous
l’alimentation de service ou de la génératrice. Seulement une
DEL de priorité et le module à distance associé seront en
marche (ON) à la fois en mode d’essai.
• SileboutonTESTn’estpasenfoncéànouveau
dans les 4 minutes ET que le test est effectué sous
l’alimentation de service, toutes les charges gérées
reprendront leur fonctionnement sous l’alimentation de
service après un délai de cinq minutes.
• SileboutonTESTn’estpasenfoncéànouveau
dans les 4 minutes ET que le test est effectué sous
l’alimentation de la génératrice, les charges gérées
seront ajoutées selon l’ordre de priorité fixé pour
chaque charge.
AVERTISSEMENT L’essai doit être seulement
exécuté par le personnel qualifié. L’équipement
fonctionne à une tension élevée qui peut provoquer
une électrocution risquant d’entraîner la mort et
des blessures graves.
• En dépit de la conception sécuritaire du système, le fait
d’opérer l’équipement de façon imprudente, de ne pas
l’entretenir ou d’être négligent peut causer la mort et des
blessures graves.
LED
LED
LED
LED
LED
LED
LED
LED
LED
B
D
C
A
NOT
FOR
REPRODUCTION

17
Voici la procédure d’essai au mode génératrice :
1. Réglez le disjoncteur de l’alimentation de service
alimentant le commutateur de transfert sur « OFF ».
2. Après le transfert à l’alimentation par la génératrice,
vérifiez si la DEL de communication est verte pour
chacun des modules à distance.
3. Appuyez sur le bouton TEST (B) sur le tableau de
commande du système Symphony II. La DEL de la
priorité 1 (C) du tableau de commande du système
Symphony II et la charge connectée au module à
distance réglé à la priorité 1 s’allume alors.
4. Vérifiez si le signal reçu par le module à distance est
réglé à la priorité un. Suivez les directives de test pour
chaque module :
Module de 50 ampères : Les contacts de relais seront
fermés. Les Del de relais et de communication seront
vertes. L’appareil/charge sera alimenté.
Module basse tension (simple et double) :
Vérifiez la continuité entre les contacts du câblage
de commande de la basse tension (A). La DEL de
communication sera verte. L’appareil/charge sera
alimenté.
5. Appuyez sur le bouton TEST sur le tableau de
commande du système Symphony II. La DEL de la
priorité 1 (C) et la charge connectée au module à
distance réglé à la priorité 1 s’éteindront.
Module de 50 ampères : Lorsqu’éteint, la DEL du
relais est éteinte. La DEL d’état de communication sera
verte.
Module basse tension (simple et double) :
Lorsqu’éteint, la DEL d’état de communication sera
verte. Il n’y aura pas de continuité entre les contacts de
basse tension.
La DEL de la priorité 2 (D) et la charge connectée au
module à distance réglé à la priorité 2 s’allumeront.
Répétez l’étape 4 pour chaque numéro de priorité géré.
6. Chaque fois que vous appuyez sur le bouton TEST, le
cycle se poursuit et la priorité du degré inférieur suivant
est exécutée jusqu’à la priorité 8. Après la priorité 8,
appuyez sur le bouton TEST une fois pour quitter le
mode d’essai. Le système se réinitialise ensuite et est
prêt pour l’ajout de charges en 5 minutes.
7. Pour revenir à l’alimentation de service, réglez le
disjoncteur de l’alimentation de service sur « ON ».
Toutes les charges gérées seront mises en arrêt et
remises en marche après 5 minutes.
Commandes
Outre un levier d’arrêt manuel, il n’y a pas de commande
manuelle car le commutateur de transfert est automatique.
La commande manuelle de priorité ne peut être effectuée
que par des professionnels agréés. Des renseignements sur
l’utilisation du levier peuvent être obtenus en téléphonant au
service technique au 800-743-4115.
fermés ouvert
A
NOT
FOR
REPRODUCTION

18 BRIGGSandSTRATTON.COM
Mode d’utilisation
Pour actionner le transfert automatique, suivez la procédure
décrite ci-dessous :
1. Sur le commutateur de transfert, réglez le disjoncteur
de l’alimentation de service en position « ON ».
2. Sur le commutateur de transfert, réglez le disjoncteur
de la génératrice en position « ON ».
3. Installez le fusible de 15 ampères dans le panneau de
commande de la génératrice.
4. Réglez le disjoncteur de la génératrice à la
position « ON ».
5. Réglez l’interrupteur de la génératrice à la
position « AUTO ».
Le système est maintenant en mode de
fonctionnement automatique.
Lorsque la génératrice transmet de la puissance au
commutateur de transfert, le tableau de commande du
commutateur de transfert surveille continuellement la
puissance de la génératrice et communique avec le tableau
de commande du système Symphony.
Le système Symphony commandera jusqu’à 8 priorités, les
priorités 9 et 10 étant des verrouillages. Quand la charge
totale de la génératrice atteint une valeur préréglée, le tableau
de commande du système Symphony commence à délester
des charges, en commençant par la charge ayant la plus
faible priorité (numéro le plus élevé). Le système Symphony
ajoutera ou délestera les charges gérées selon la capacité de
sortie de la génératrice et les paramètres de priorité.
Le système Symphony attend 10 secondes avant d’ajouter
ou de délester chaque charge afin de pouvoir se stabiliser.
Si la demande de charge est trop importante, le système
Symphony commencera à délester rapidement toutes les
charges afin d’empêcher une surcharge de la génératrice. Une
fois la demande de charge stabilisée, le système Symphony II
rechargera la génératrice après un délai de 5 minutes, tel que
décrit précédemment.
Il y a un délai minimum de cinq minutes entre le moment où
l’alimentation de service est perdue et que les charges de
priorité 1 sont alimentées par le système Symphony.
Vous devez savoir que les charges gérées d’éléments
chauffants (tels que des brûleurs de cuisinière électrique, un
four, ou des radiateurs autonomes) qui étaient en marche
au moment où la panne d’électricité est survenue, seront
en marche lorsque la génératrice commencera à fournir
l’alimentation. Il est conseillé au propriétaire de vérifier tous
les appareils de ce type gérés afin de s’assurer qu’ils sont
arrêtés avant l’alimentation par la génératrice.
Les appareils gérés comme les sécheuses à linge qui
demandent qu’on appuie sur un bouton de marche ne
recommenceront pas à fonctionner à moins que l’on
appuie sur le bouton de marche après que la génératrice a
commencé à fonctionner.
Moniteur du système Symphony™ II (option)
Pour votre commodité, un moniteur de puissance Symphony
est disponible. Il procure un état visuel de marche et d’arrêt
pour chaque appareil/charge géré. Une série de voyants
DEL sont allumés quand un appareil est alimenté par la
génératrice et éteints quand l’appareil est en mode de
délestage ou n’est pas alimenté. Lorsque l’alimentation est
fournie par la génératrice, le consommateur peut voir quels
appareils sont gérés.
Un décalque est fourni pour étiqueter les appareils/charges
gérés et apposé à côté de chaque DEL de priorité.
Le moniteur se branche dans n’importe quelle prise de
courant standard de la maison et indique continuellement
l’état du système grâce à la technologie de communication
de l’alimentation utilisée par le système de gestion de
l’alimentation Symphony II lorsque l’alimentation est assurée
par la génératrice.
Porte de boîtier
Pour ouvrir la porte du commutateur de transfert, appuyez sur
le verrouillage à ressort de la porte à la droite et tirez la porte.
Pour fermer et verrouiller la porte, poussez la porte contre
le boîtier. À cette position, poussez la porte vers le haut.
Le verrouillage à ressort de la porte s’engagera alors et
verrouillera la porte à cette position. La porte du boîtier
DOIT être fermée et verrouillée en tout temps sauf lors de
l’entretien du système.
NOT
FOR
REPRODUCTION

19
DEL d’état
Les voyants DEL et l’état que chaque couleur de DEL
représente sont décrits ci-dessous.
Tableaux de commande du commutateur de transfert
DEL D’ÉTAT
ROUGE (A) signifie que la GÉNÉRATRICE
fournit l’alimentation.
VERT (B) signifie que l’alimentation provient du SERVICE.
Tableau de commande du système Symphony II
DEL D’ÉTAT (C)
Un seul clignotement-pause signifie que l’appareil fonctionne
sous l’alimentation de la GÉNÉRATRICE.
Un double clignotement-pause signifie que l’appareil
fonctionne sous l’alimentation de SERVICE.
DEL/LUMIÈRE DE PRIORITÉ (D & G)
Lorsqu’allumée, indique que le module à distance
optionnel réglé à cette priorité fournit de l’alimentation à la
charge connectée.
Lorsqu’éteinte, indique que le module à distance optionnel
réglé à cette priorité est réglé à arrêt (géré et Symphony II ne
fournit pas d’alimentation à l’appareil).
Tous les voyants LUMIÈRE/DEL sont éteints lorsque
l’alimentation provient du service.
Moniteur de puissance Symphony II (option)
LUMIÈRE D’ALIMENTATION (E)
Lorsqu’allumée, indique
que l’appareil fonctionne
sous l’alimentation de la
GÉNÉRATRICE.
Lorsqu’éteinte, indique que
l’alimentation provient du
service.
LUMIÈRE COMM (état-
communication) (F)
Lorsqu’allumée, indique que
l’appareil reçoit des signaux
du contrôleur Symphony II.
Lorsqu’éteinte, indique que
l’alimentation provient du service ou la présence d’une
défaillance du contrôleur Symphony II.
CT1 CT2
DPSW2
DPSW1
J6
J5
J4
J3
J2
J1
AB
E
F
G
312113
LED
LED
LED
LED
LED
LED
LED
LED
LED
CD
NOT
FOR
REPRODUCTION

20 BRIGGSandSTRATTON.COM
Indicateurs d’état à DEL du module à distance
Le système Symphony II ne communique pas et ne gère pas
les appareils/charges lorsque l’alimentation de service est
présente.
AVIS Lorsque vous regardez les DEL, assurez-vous des les
regarder directement et non pas à un angle.
Modèles basse tension (simple et double)
A - Contacts des bornes de câblage de contrôle basse
tension
B - Sélecteur de priorités
C - DEL de communication
D - Connexion du neutre
E - Connexion de l’alimentation/ligne
La DEL indique l’état de communication du signal (C).
Alimentation de service présente :
• Étatnormal
- DEL orange – Pas de communication et les
appareils/charges ne peuvent être gérés par le
système Symphony II
• Étatdeproblème(VoirDépannage)
- Pas de DEL – Pas d’alimentation au tableau de
commande basse tension ; vérifiez le câblage
- DEL verte - DEL brisée; remplacez le module basse
tension
- DEL rouge – défaillance dans le système ; vérifiez
les connexions du transformateur de courant,
vérifiez la connexion des câbles de communication
orange et jaune
Alimentation de la génératrice présente :
• Étatnormal
- DEL verte – la communication du signal est
détectée et les appareils/charges peuvent être
gérés après 5 minutes de retard
• Étatdeproblème(VoirDépannage)
- Pas de DEL – Pas d’alimentation au tableau de
commande basse tension ; vérifiez le câblage
- DEL orange – la communication du signal n’est pas
détectée; vérifiez le câblage
- DEL rouge – défaillance dans le système ; vérifiez
les connexions du transformateur de courant,
vérifiez la connexion des câbles de communication
orange et jaune
A
C
DE
B
NOT
FOR
REPRODUCTION

21
Modèles de 50 ampères
A - Sélecteur de priorités
B - Relais de 50 ampères
C - DEL d’état de relais
D - DEL de communication
E - Connexion du neutre
F - Connexion des charges
G - Connexion de l’alimentation/ligne
Les DEL indiquent l’état de communication du signal et l’état
de position des relais.
Alimentation de service présente :
• Étatnormal
Del d’état de position de relais (C)
- DEL verte – Le relais est fermé; l’alimentation est
disponible pour l’appareil/charge
DEL d’état de communication de signal (D)
- DEL orange – Pas de communication et les
appareils/charges ne peuvent être gérés par le
système Symphony II
• Étatdeproblème(VoirDépannage)
Del d’état de position de relais (C)
- Pas de DEL – Pas d’alimentation aux appareils/
charges gérés; le délai de 5 minutes n’est pas
expiré; vérifiez le câblage
- DEL rouge – les contacts de relais de 50 ampères
sont dans un état inapproprié; remplacez le module
de 50 ampères
DEL d’état de communication du signal (D)
- Pas de DEL - Pas d’alimentation au tableau de
commande de 50 ampères; vérifiez le câblage
- DEL verte - DEL brisée; remplacez le module de 50
ampères
- DEL rouge – défaillance dans le système; vérifiez
les connexions du transformateur de courant,
vérifiez la connexion des câbles de communication
orange et jaune
Alimentation de la génératrice présente :
• Étatnormal
Del d’état de position de relais (C)
- DEL verte – Le relais est fermé; l’alimentation est
disponible pour l’appareil/charge
- Pas de DEL – Le relais est ouvert; pas
d’alimentation, Symphony II gère la charge
DEL d’état de communication du signal (D)
- DEL verte – La communication du signal est
détectée et les appareils/charges sont gérés après
5 minutes de retard
• Étatdeproblème(VoirDépannage)
Del d’état de position de relais (C)
- Pas de DEL – Pas d’alimentation aux appareils/
charges gérés; le délai de 5 minutes n’est pas
expiré; vérifiez le câblage
- DEL rouge – les contacts de relais de 50 ampères
sont dans un état inapproprié; remplacez le module
de 50 ampères
DEL d’état de communication du signal (D)
- Pas de DEL - Pas d’alimentation au tableau de
commande de 50 ampères; vérifiez le câblage
- DEL orange - la communication du signal n’est pas
détectée; vérifiez le câblage
- DEL rouge – défaillance dans le système; vérifiez
les connexions du transformateur de courant,
vérifiez la connexion des câbles de communication
orange et jaune
A
D
B
C
E
GF
NOT
FOR
REPRODUCTION
22 BRIGGSandSTRATTON.COM
Entretien
Le commutateur de transfert est conçu pour ne nécessiter
aucun entretien dans le cadre d’une utilisation normale.
Toutefois, il faut effectuer des inspections et des
vérifications d’entretien régulièrement. L’entretien consiste
essentiellement à garder le commutateur de transfert propre.
Il faut effectuer une inspection visuelle au moins trois fois par
année. L’accès au commutateur de transfert et aux modules
optionnels ne doit pas être obstrué. Laissez un dégagement
d’au moins 3 pi (92 cm) autour du commutateur de transfert.
Inspectez le système à la recherche d’accumulation de
saleté, d’humidité et/ou de corrosion à la surface ou autour
du boîtier; de pièces/quincaillerie lâches, de fissures et/ou de
décoloration de l’isolant; et de composantes endommagées
ou décolorées.
Testez le commutateur de transfert et le système Symphony
II au moins une fois tous les trois mois tel qu’indiqué dans
les sections Mise à l’essai du commutateur de transfert
automatique et Mise à l’essai du système de gestion de
l’alimentation Symphony II à moins qu’une panne de courant
ne survienne et que le groupe électrogène résidentiel
complet ait effectué une séquence automatique. Laissez
la génératrice fonctionner au moins 10 minutes pendant le
cycle d’exercice.
Communiquez avec un professionnel en électricité certifié
pour l’inspection et le nettoyage de l’intérieur du boîtier et
des autres composantes de votre système de génératrice
résidentielle au moins une fois par année.
Si vous téléphonez pour obtenir de l’aide
Ayez en main les numéros de modèle et de série inscrits sur
l’étiquette d’identification du commutateur de transfert ou
du module à distance si vous devez communiquer avec un
centre de service local pour un entretien ou une réparation.
Vous pouvez obtenir des renseignements sur l’étiquette
d’identification de l’unité se trouvant sur l’appareil ou à
l’intérieur de celui-ci. Pour votre commodité, inscrivez les
renseignements à la page couverture intérieure de ce guide.
Pour communiquer avec Briggs & Stratton, veuillez appeler
au 800-743-4115, entre 8 h et 17 h HNC.
Inspection de l’installation
Avant de mettre le système en service, vérifiez
minutieusement l’ensemble de l’installation.
Tout en procédant à la vérification, remplissez la Liste de
contrôle de l’installation fournie avec la génératrice. Assurez-
vous que tous les éléments sont cochés et que toutes les
signatures ont été obtenues. Indiquez au propriétaire qu’il
doit poster la copie blanche à l’adresse indiquée sur la liste
de contrôle.
NOT
FOR
REPRODUCTION

23
Dépannage
Problème Cause Solution
Le commutateur de transfert
automatique ne transfère
pas à la génératrice
1. Le disjoncteur de la génératrice est ouvert.
2. La tension de la génératrice n’est pas
adéquate.
3. Le disjoncteur de la génératrice est ouvert sur
le commutateur de transfert.
1. Réarmez le disjoncteur de la génératrice.
2. Reportez-vous au manuel de la génératrice.
3. Réinitialisez le disjoncteur de la génératrice sur
le commutateur de transfert.
Le commutateur de transfert
automatique ne transfère
pas à l’alimentation de
service
1. Le disjoncteur de l’alimentation de service est
ouvert sur le commutateur de transfert.
2. La tension de l’alimentation de service n’est pas
adéquate.
1. Réinitialisez le disjoncteur de l’alimentation de
service sur le commutateur de transfert.
2. Attendez que la tension de service revienne à
la normale.
La génératrice continue de
fonctionner après que le
commutateur eut transféré
à l’alimentation de service
Période de refroidissement du moteur. Le moteur devrait s’éteindre après 1 minute.
La génératrice ou les
charges surveillées
(climatiseur, etc.)
ne fonctionnent pas
correctement lorsque
la génératrice fournit
l’alimentation
1. Les modules à distance ne fonctionnent pas
correctement.
2. Charge trop élevée pour la génératrice.
3. Transformateur de courant non branché.
4. Transformateur de courant défectueux.
5. La perte de communication est causée par des
bruits sur la ligne d’alimentation.
6. Perte de communication entre le commutateur
de transfert et les tableaux de commande de
Symphony II.
1. Le temporisateur de cinq minutes n’est pas
expiré.
2. Diminuez la charge sollicitée de la génératrice.
3. Contactez un centre de service autorisé local.
4. Contactez un centre de service autorisé local.
5. Vérifiez si les ballasts fluorescents sont destinés à
un usage résidentiel seulement. Si ce n’est pas
le cas, remplacez par des ballasts résidentiels.
Installez un filtre antiparasites en série et
fermez le dispositif présentant le problème.
Le module à distance doit être raccordé à la
ligne de communication opposée (L1 ou L2) des
bornes du dispositif présentant un problème.
6. Contactez un centre de service autorisé local.
La génératrice demeure
en marche après le
rétablissement de
l’alimentation de service
1. La période de fonctionnement minimum du
moteur ne s’est pas écoulée.
2. Le ou les fusibles du commutateur de transfert
sont défectueux.
1. Attendez cinq minutes pour que le commutateur
de transfert transfère à l’alimentation de
service.
2. Contactez un centre de service autorisé local.
Le s modules de relais ne
se ferment pas après
cinq minutes
1. Charge trop élevée pour la génératrice.
2. Interruption de la communication.
3. Priorité réglée à 9 ou 10.
1. Diminuez la charge sollicitée de la génératrice.
2. Reprogrammez le disjoncteur de l’alimentation
de service du commutateur de transfert et
attendez cinq minutes (mettez le disjoncteur
hors tension pendant 10 secondes, puis
remettez-le sous tension).
3. L’appareil ne s’allume pas pendant
l’alimentation de secours. Contactez un
centre de service autorisé local pour changer
le réglage des priorités.
Le s modules de relais ne
s’ouvrent pas pendant le
transfert et le retransfert
Interruption de la communication. Contactez un centre de service autorisé local.
La DEL d’état du tableau
de commande du système
Symphony II ne change pas
le modèle de clignotement
pour l’alimentation de
service ou celle de la
génératrice.
1. Le câblage de communication TxRx et TxRx
GND n’est pas relié entre la génératrice et le
commutateur de transfert.
2. Le câblage de communication TxRx et TxRx
GND n’est pas correctement reliés entre la
génératrice et le commutateur de transfert.
3. Le câblage de communication TxRx et TxRx
GND subit des interférences électriques.
1. Contactez un centre de service autorisé local.
2. Contactez un centre de service autorisé local.
3. Contactez un centre de service autorisé local.
NOT
FOR
REPRODUCTION

24 BRIGGSandSTRATTON.COM
GARANTIE DU PROPRIÉTAIRE DU COMMUTATEUR DE TRANSFERT BRIGGS & STRATTON POWER PRODUCTS GROUP, LLC
GARANTIE LIMITÉE
Briggs & Stratton Power Products Group, LLC réparera ou remplacera, sans frais, toutes pièces d’équipement défectueuses comportant
un vice de matériau ou un défaut de fabrication ou les deux. En vertu de la présente garantie, les frais de transport des produit soumises
pour réparation ou remplacement sont à la charge de l’acheteur. La présente garantie sera en vigueur durant les périodes stipulées
ci-dessous et est assujettie aux conditions stipulées ci-dessous. Pour obtenir des services en vertu de la garantie, veuillez consulter notre
Outil de recherche d’un Service après-vente agréé au BRIGGSandSTRATTON.COM afin de trouver un distributeur de service après-
vente agréé dans votre région.
IL N’EXISTE AUCUNE AUTRE GARANTIE EXPRESSE. LES GARANTIES IMPLICITES, INCLUANT CELLES DE QUALITÉ
MARCHANDE ET D’ADAPTATION À UN USAGE PARTICULIER, SONT LIMITÉES À UNE PÉRIODE D’UN AN À PARTIR DE LA DATE
D’ACHAT OU JUSQU’À LA LIMITE PERMISE PAR LA LOI, TOUTE GARANTIE IMPLICITE EST EXCLUE. LA RESPONSABILITÉ POUR
DOMMAGES ACCESSOIRES OU INDIRECTS EST EXCLUE DANS LA MESURE OÙ UNE TELLE EXCLUSION EST PERMISE PAR LA
LOI. Certains États/provinces ou pays n’autorisent aucune restriction sur la durée d’une garantie implicite, et certains États/provinces ou
pays n’autorisent pas l’exclusion ou la limitation des dommages consécutifs ou indirects. Par conséquent, les restrictions et exclusions
décrites ci-dessus pourraient ne pas s’appliquer dans votre cas. La présente garantie vous accorde certains droits légaux spécifiques et
vous pourriez également en avoir d’autres, qui peuvent varier d’un État ou d’une province à l’autre et d’un pays à l’autre.
La période de garantie débute à la date d’achat par le premier acheteur au détail ou par le premier utilisateur commercial final, et se prolonge
pour la durée stipulée dans le tableau ci-dessus. “Usage par un consommateur” signifie utilisation domestique personnelle dans une résidence,
par l’acheteur au détail. “Usage à des fins commerciales” signifie toute autre utilisation, y compris à des fins commerciales, générant de revenus
ou de location. Aux fins de la présente garantie, dès qu’un équipement a été utilisé commercialement une fois, il est par la suite considéré comme
étant d’usage à des fins commerciales. L’équipement utilisé pour l’alimentation principale n’est pas couvert par la présente garantie.
POUR EXERCER LA GARANTIE SUR TOUT PRODUIT FABRIQUÉ PAR BRIGGS & STRATTON, IL N’EST PAS NÉCESSAIRE DE
L’ENREGISTRER. CONSERVEZ LE REÇU COMME PREUVE D’ACHAT. SI, LORS D’UNE RÉCLAMATION DE GARANTIE, VOUS NE
POUVEZ PROUVER LA DATE INITIALE DE L’ACHAT, NOUS UTILISERONS LA DATE DE FABRICATION DU PRODUIT COMME DATE DE
RÉFÉRENCE POUR DÉTERMINER LA PÉRIODE DE GARANTIE.
À PROPOS DE LA ÉQUPEMENT GARANTIE
Nous acceptons de faire effectuer les réparations couvertes par la garantie et tenons à nous excuser pour tout inconvénient subi. Tout agent
d’un service après-vente agréé peut exécuter les réparations couvertes par la garantie. La plupart des réparations couvertes par la garantie
sont traitées automatiquement; cependant, il arrive parfois que les demandes de service en vertu de la garantie soient non fondées. Par
exemple, la garantie ne couvre pas les dommages causés à l’équipement par une utilisation abusive, par un manque d’entretien périodique,
durant l’expédition, la manutention ou l’entreposage, ou en raison d’une installation inadéquate. De même, la garantie sera annulée si la date de
fabrication ou le numéro de série apposé à l’équipement a été enlevé ou si l’équipement a été changé ou modifié. Durant la période de garantie,
le distributeur de service après-vente agréé réparera ou remplacera, à son gré, toute pièce qui, après examen, est trouvée défectueuse à la
suite d’une utilisation et d’un entretien normaux. La présente garantie ne couvre pas les réparations et les équipements suivants:
• Usure normale: Comme tout autre dispositif mécanique, les groupes électrogènes d’extérieur nécessitent l’entretien périodiques
de certaines pièces pour fonctionner adéquatement. La présente garantie ne couvre pas les frais de réparation des pièces ou des
équipements dont la durée de vie utile a été dépassée à la suite d’une utilisation normale.
• Installation et entretien: La présente garantie ne couvre pas les équipements ou les pièces qui ont fait l’objet d’une installation ou
de modifications et de changements inadéquats ou non autorisés, d’une mauvaise utilisation, de négligence, d’un accident, d’une
surcharge, d’entretien inadéquat, de réparation ou d’entreposage qui, selon nous, auraient nui à la performance et à la fiabilité du
produit. De plus, la garantie ne couvre pas l’entretien normal tel que le réglage, le nettoyage et remplacement de fusible.
• Exclusions supplémentaires: La présente garantie exclut les pièces qui s’usent ou tout dommage ou tout mauvais fonctionnement
résultant d’un accident, d’une utilisation abusive, de modifications, de changements ou d’un entretien inadéquat du système. La garantie du
produit ne couvre pas les pièces accessoires. Cette garantie exclut toute défaillance due à une catastrophe naturelle ou à toute autre force
majeure hors du contrôle du fabricant. Est aussi exclu tout équipement usé, remis à neuf ou de démonstration. 198180F, Rev. D, 08/03/2010
BRIGGS & STRATTON POWER PRODUCTS GROUP, LLC
MILWAUKEE, WI, USA
Prise d’effet au 1 er Août 2010, annule et remplace toutes les garanties précédentes et les garanties antérieures au 1 er Août 2010
3 ans
aucune
Usage par un consommateur
Usage à des fins commerciales
PÉRIODE DE GARANTIE
NOT
FOR
REPRODUCTION

25
Réservé
NOT
FOR
REPRODUCTION

Manual No. 311215GS Rev.C
Commutateur de transfert automatique
Caractéristiques du produit
Modéle 071048
Charge nominale maximum
à 25°C (77°F)* ...............................................100 Ampères
Tension nominale C.A. ........................................... 250 Volts
Pôles .................................................................................... 2
Fréquence ....................................................................60 Hz
Intensité de défaillance
nominale .................... 25,000 Ampères Symétriques RMS
Plage d’utilisation normale ...-28.8°C (-20°F) to 40°C (104°F)
Poids .................................................................. 27 kg (59 lb)
Modéle 071049
Charge nominale maximum
à 25°C (77°F)* ...............................................200 Ampères
Tension nominale C.A. ........................................... 250 Volts
Pôles .................................................................................... 2
Fréquence ....................................................................60 Hz
Intensité de défaillance
nominale .................... 25,000 Ampères Symétriques RMS
Plage d’utilisation normale ...-28.8°C (-20°F) to 40°C (104°F)
Poids .................................................................. 28 kg (63 lb)
* Ce commutateur de transfert est homologué UL
Modèle 071054
Charge nominale maximum
à 25°C (77°F)* ...............................................200 Ampères
Tension nominale C.A. ........................................... 250 Volts
Pôles .................................................................................... 2
Fréquence ....................................................................60 Hz
Intensité de défaillance
nominale .................... 25,000 Ampères Symétriques RMS
Plage d’utilisation normale ...-28.8°C (-20°F) to 40°C (104°F)
Poids .................................................................. 28 kg (63 lb)
NOT
FOR
REPRODUCTION