Broadcast Solutions Electronics FM-25 25W Stereo Transmitter/Exciter User Manual fm25
Broadcast Solutions Electronics (Pty) Ltd 25W Stereo Transmitter/Exciter fm25
Manual

FM-25 FM BROADCASTING EXCITER
Page 1
FM-25
25W STEREO
TRANSMITTER/EXCITER
TECHNICAL MANUAL
LARCAN USA INC.
1390 Overlook Drive #2
Lafayette, CO 80026
USA
Tel: (303) 6658000 Fax: (303) 6739900
Email: Sales@earthnet.net Web: www.larcan.com

FM-25 FM BROADCASTING EXCITER
Page 2
FM-25
25W STEREO TRANSMITTER/EXCITER
TECHNICAL MANUAL
CONTENTS:
1. General Description
2. Technical Specifications
3. Operating Information
4. Installation Information
5. Technical Information
6. Maintenance Information
LARCAN USA INC.
1390 Overlook Drive #2
Lafayette, CO 80026
USA
Tel: (303) 6658000 Fax: (303) 6739900
Email: Sales@earthnet.net Web: www.larcan.com
FM-25 FM BROADCASTING EXCITER
Page 3
INTRODUCTION
This manual contains the operating, technical and installation information for the LARCAN FM-
25 FM Broadcasting Exciter. The Exciter forms part of a new range of Professional FM
Broadcast Exciters supplied by LARCAN and manufactured by Broadcast Solutions
Electronics (Pty) Ltd.
1. The FM-25 Exciter forms a compact, solid state FM Broadcast transmitter with a RF
output in excess of 25W in the FM Broadcasting band (87.5MHz to 108MHz). The unit is
housed in a 19 inch rack mount case occupying only a 1U space. The Exciter features a
range of customer options including a built in, high quality Stereo coder.
2. The FM-25 25W Transmitter / Exciter is fully compatible with the Ibiquity IBOC digital
Audio system to be implemented.
3. The FM-25 Exciter offers a standard specification, well above the requirements of major
broadcasters in the world. This level of performance is only found in the very best
equipment the market has to offer.
4. The following basic versions are available:
a) FM-25 (W) Wideband MPX Exciter (For use with composite input).
b) FM-25 (S) Stereo Exciter (With built in Stereo coder and Audio Limiter).
c) FM-25 (M) Mono Exciter (For use with Mono input).

FM-25 FM BROADCASTING EXCITER
Page 4
25W STEREO TRANSMITTER/EXCITER
TECHNICAL MANUAL
General Description
LARCAN USA INC.
1390 Overlook Drive #2
Lafayette, CO 80026
USA
Tel: (303) 6658000 Fax: (303) 6739900
Email: Sales@earthnet.net Web: www.larcan.com
FM-25 FM BROADCASTING EXCITER
Page 5
GENERAL DESCRIPTION
1. STRUCTURE.
The Exciter comprises of the following modules.
a) Synthesizer/Modulator module (98052100).
b) Control/Monitoring module (98052200).
c) 25W RF PA module (98052700).
d) Power supply module (98053000).
e) Display module (98052400).
f) Stereo coder/Limiter (378-Z0021). (optional).
Each module is Field replaceable, in line with LARCAN maintenance philosophy. This allows
the customer to change a module, or to upgrade options easily.
2. FEATURES.
The FM-25 Exciter has standard features including the following;
a) Remote/Internal frequency selection (standard).
b) Remote telemetry with voltage free contacts (standard).
c) +24V Battery operation (standard).
d) Wideband input (MPX) with two auxiliary inputs (SST/SCA/RDS).
e) Comprehensive metering including VU meters. (Built in Stereo decoder).
f) ALC built in for absolute control of RF output power.
g) Comprehensive protection built in.
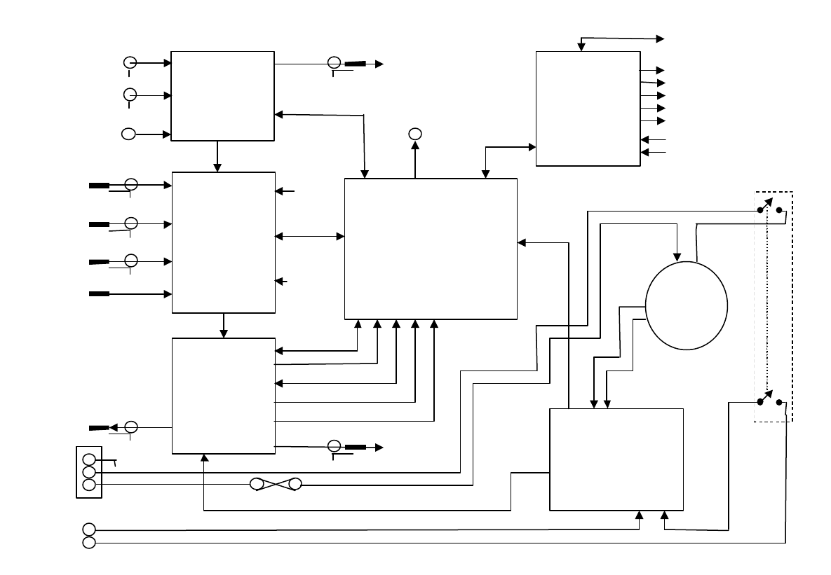
3. BLOCK DIAGRAM DESCRIPTION.
FM-25 FM BROADCASTING EXCITER
Page 6
Refer to the Front panel layout and Rear panel controls and connectors in figure 1, and the
Block diagram of FM-25 in Figure 2

FM-25 FM BROADCASTING EXCITER
Page 7
Figure 1: Front panel layout and rear panel connectors and functions

FM-25 FM BROADCASTING EXCITER
Page 8
STEREO
CODER
378-Z0021
OV
OV
LEFT (XLR)
RIGHT (XLR)
PRE-EMPH
(SWITCH)
SYNTHESISER
980507
OV
MPX (I/P)
OV
AUX 1 (I/P)
OV
AUX2 (I/P)
SYNTH
REMOTE
(D-15)
PL1
PL2
PL3
SK2
SK3
SK4
PL2
MPX OUT
RF P.A.
25W
98081
OV
RF OUT
(N TYPE)
RF OUT
SK1
CONTROL PCB
980508
BACK PANEL
INPUTS
OV
PILOT OUT
(BNC)
REAR PANEL
SK1
PL4
10 way ribbon
cable
PL4
REMOTE
TELEMETRY
REAR PANEL
(D-25)
PL7
DEVIATION
ADJ.
(OPTIONAL)
PL3
PSU
PL4 PL5
THUMBWHEEL
(OPTION)
PSU PCB
980803
SK3
OV
SK1
ALC
TEMP
CNTRL
FWD
REFL
PL3 PL1 PL2 SK1 SK2
PL1
PL2
PL3
DISPLAY
PCB
980802
26 way ribbon
cable
PL6
20 LED MULTIMETER
STEREO VU METER
PILOT INDICATOR
FAULT INDICATORS
FUNCTIONAL INDICATORS
DEVIATION ADJ. (OPTIONAL)
RF POWER ADJ.
RS485 (OPTIONAL)
REAR PANEL
PL1
PL8
120VA
TRANSFORMER
RF MONITOR
FRONT PANEL
(BNC)
OV
115V
60Hz
(IEC INPUT)
E
N
L
0V
+24V
+24V
AC
115V
60Hz
FRONT
PANEL
POWER
SWITCH
PL4
MAIN PSU
2A
D.C.
INPUT
SK2/2 SK2/1
PL3
PL2
25W STEREO EXCITER BLOCK SCHEMATIC
SK4
Figure 2: block diagram of FM-25
FM-25 FM BROADCASTING EXCITER
Page 9
a) SYNTHESIZER AND MODULATOR (98052100)
The digital synthesizer derives the final operating frequency from a 10MHz reference (TCXO) using
a PLL (Phase lock loop) and dividers. The frequency can be selected Locally (In 100kHz steps via
rotary BCD switches) or Remotely (via a external parallel control). The direct carrier modulator
uses special techniques to obtain very low distortion and high stereo channel separation (>60dB).
This level of performance is not normally found on competitive equipment, especially at low audio
frequencies.
The Synthesizer is equipped with four modulating inputs, three of which are external (BNC's) and
one internal (SMB) for use with optional Stereo coder.
The synthesizer is protected from Out of Lock and Out of Band operation by removing the RF
Output when either of these conditions exist.
b) RF PA MODULE (98052700)
The RF output (Nominally +10dBm) from the synthesizer buffer is amplified by a three stage RF
power amplifier to obtain the final output power of >25W. The final device is operated in push-pull
mode to obtain high efficiency. All devices are operated well within their ratings.
Wideband techniques are used throughout the PA and a built in harmonic filter is used at the output
to suppress all harmonics. Directional couplers are used to sample the output for control and
monitoring purposes.
A temperature sensing device is provided for thermal monitoring. This device is situated at the final
RF Stage to provide accurate temperature monitoring of the RF PA Heatsink.
Current and voltage sensing is provided for control and monitoring purposes along with the ALC
circuit, which controls and monitors the RF output power.
A Series regulator is used to ensure protection and utilizes a 3A adjustable voltage type operating at
+22.5V.
c) CONTROL MODULE (98052200)
The control Pcb provides the standard telemetry functions and interconnections for the Exciter.
The unit receives two dc inputs, one from the external battery supply and one from the rectified a/c
supply and has a on board low power switching power supply. The various voltages are distributed
to the other modules via the Control Pcb.
Forward and Reflected RF Inputs are processed and distributed for ALC control and monitoring
purposes. RF PA current, voltage and temperature are also processed and distributed.
Various voltage free contacts are provided for telemetry purposes and are Link selectable for o/c or
s/c condition.
d) POWER SUPPLY MODULE (9805300)
The power supply module contains the rectification and smoothing capacitors for the off board
230V 50Hz a/c toroidal mains transformer. The +24V nominal external battery supply is combined
on this module with the smoothed supply via isolating diodes. Fuses are provided for the +24V dc
supply and the rectified dc supply on this module. The various voltages are then distributed to the
other modules.
e) DISPLAY MODULE (98052400)
FM-25 FM BROADCASTING EXCITER
Page 10
The display module provides the Local user functions and alarm indications at the Exciter front
panel. The display has two functional meters which allow instant viewing of multiple functions.
1) Multimeter: Provides push button selectable functions for Forward power, Reflected power,
PA current and Heatsink temperature.
2) MPX VU meter: Active peak detection meters for Left and Right channels, derived from built
in Stereo decoder. This provides instant viewing of Transmitter deviation from Left and Right
channels. The Stereo pilot indication is also provided with the meter.
Alarms and indications are provided by Front panel Leds enabling instant status of transmitter
functions. Front panel adjustments are available for control of RF Output power and Deviation level.
Connection for the optional RS485 Module is provided on the Display, enabling remote viewing of
Meter functions.
f) STEREO CODER MODULE (378-Z0021) (optional)
This optional module allows the user to facilitate a very high quality stereo signal on board the
Exciter and provides all the necessary functions such as Pre emphasis switching, Mono- Stereo
switching with the added advantage of a built in Audio Limiter. The module accepts Left and Right
audio inputs (600 ohms balanced) and after Limiting and filtering is converted into the Stereo
multiplex format via a new digital stereo multiplexer. A 100kHz Linear phase filter is used at the
output with comprehensive phase adjustment to obtain absolute transparency.
A 19kHz Pilot signal output is provided for supplementary signal use.
g) BACK PANEL CONNECTIONS (98051900)
The 230V 50Hz a/c power input is connected via a IEC connector whilst the +24 dc input is
connected via Binding terminals. A back panel Fuse is provided on the a/c input for maximum
protection.
Standard telemetry output is provided via a 25 pin D connector while the Remote frequency control
has a 15 pin D connector.
There is provision for three (50 ohm BNC female) external modulating inputs, one for external MPX
(600 ohms unbal. or 1.2k ohms bal.) and two for auxiliary use (20k ohms unbal.).
The RF Output is via a N Type (50 ohm) connector.
Optional connectors include two XLR (F) connectors (for Stereo coder), plus Pre- emph slide
switch with a 9 pin D connector for the RS485 module.
h) MONO FILTER (98053100) (optional)
The Mono filter option provides the user with a XLR (F) 600 ohm balanced input and 15kHz low
pass filter with an internal output connection to the Synthesizer and modulator. Pre-emphasis
switching (50uS or 75uS) is provided on board and is switched via the Pre-emphasis switch on the
back panel. An Audio Limiter is supplied as standard issue with internally adjustable threshold.

FM-25 FM BROADCASTING EXCITER
Page 11
25W STEREO TRANSMITTER/EXCITER
TECHNICAL MANUAL
Technical Specifications
LARCAN USA INC.
1390 Overlook Drive #2
Lafayette, CO 80026
USA
Tel: (303) 6658000 Fax: (303) 6739900
Email: Sales@earthnet.net Web: www.larcan.com

FM-25 FM BROADCASTING EXCITER
Page 12
TECHNICAL SPECIFICATIONS
GENERAL RF SPECIFICATIONS
FREQUENCY RANGE 87.5 MHz to 108MHz
FREQUENCY CONTROL PLL Synthesizer
FREQUENCY INCREMENTS 100kHz steps (Local and Remote control)
FREQUENCY STABILITY ± 2ppm (10MHz TCXO)
RF OUTPUT POWER ≥ 25W (Adjustable via front panel control)
RF HARMONIC SUPPRESSION ≥ 70dB
RF SPURIOUS SUPPRESSION ≥ 75dB
OUT OF LOCK ATTENUATION ≥ 80dB
OUT OF BAND ATTENUATION ≥ 80dB (87.5MHz ≤ F ≤ 108MHz)
AM NON SYNCHRONOUS NOISE ≤ -60dB (Filtered 20Hz to 20kHz)
AM SYNCHRONOUS ≤ -60dB (Filtered 20Hz to 20kHz)
MEAN CARRIER VARIATION ≤ ±200Hz
WIDEBAND COMPOSITE OPERATION
BASEBAND RESPONSE
≤ 0.2dB (30Hz to 100kHz)
STEREO SEPARATION
≥ 60dB (30Hz to 15kHz)
STEREO DISTORTION
≤ 0.1% (30Hz to 15kHz)
WIDEBAND S/N RATIO ≥ 80dB (20Hz to 20kHz) 50uS de emph.
INPUT IMPEDANCE 1k2 ohms balanced (other on request)
DEVIATION SENSITIVITY 3.5V p-p for ±75kHz deviation (adj.)
STEREO OPERATION (With built in Stereo coder/Limiter)
AF RESPONSE
≤ ±0.3dB (30Hz to 15kHz)
STEREO SEPARATION ≥ 60dB (30Hz to 15kHz)
STEREO DISTORTION ≤ 0.1% (30Hz to 15kHz)
STEREO S/N RATIO 75dB (20Hz to 20kHz) 50uS de emph.
MONO/STEREO CROSSTALK ≥ 50dB (30Hz to 15kHz)
INPUT IMPEDANCE 600 ohms balanced (XLR)
DEVIATION SENSITIVITY +6dBm for ±40kHz deviation (adj.)
AUDIO LIMITER SENSITIVITY 10dBm nom. for 62.5kHz deviation
ATTACK TIME ≤ 2mS for increased 10dB I/P step
DECAY TIME ≥ 80mS for a decreased 10dB I/P step
LIMITER DISTORTION ≤ 0.35% (10dB into limiting)
LIMITER THRESHOLD Internally adjustable
MONO OPERATION (With built in Mono filter)
AF RESPONSE ≤ ±0.3dB (30Hz to 15kHz)
MONO DISTORTION ≤ 0.1% (30Hz to 15kHz)
S/N RATIO ≥ 80dB (20Hz to 20kHz) 50uS de emph

FM-25 FM BROADCASTING EXCITER
Page 13
INPUT IMPEDANCE 600 ohms balanced (XLR)
DEVIATION SENSITIVITY +6dBm for ±40kHz deviation (adj.)
ATTACK TIME ≤ 2mS for increased 10dB I/P step
DECAY TIME ≥ 80mS for a decreased 10dB I/P step
LIMITER DISTORTION ≤ 0.35% (10dB into limiting)
LIMITER THRESHOLD Internally adjustable
ENVIRONMENTAL SPECIFICATIONS
A/C INPUT POWER 115V ±10% (other on request)
A/C FREQUENCY VARIATION 60Hz ±5% (other on request)
DC INPUT POWER +24V Nominal
STORAGE TEMPERATURE -40°C to +60°C
OPERATING TEMPERATURE -10°C to +45°C
RELATIVE HUMIDITY 20% to 90% (non condensing)
OPERATING ALTITUDE ≤ 3000m above sea level
COOLING SYSTEM Convection cooled
PHYSICAL DIMENSIONS 480mm x 450mm x 44.4mm
PHYSICAL MASS Approximately 8kg
STANDARD ALARM SETTINGS AND LOCAL INDICATIONS
RF FAULT INDICATION ≤ 18W (Red led on front panel)
VSWR FAULT INDICATION ≥ 2.5W (Red led on front panel)
VSWR FAULT TRIP INDICATION ≥ 3.5W (Red led/front panel/10Sec re-cycle)
TEMP FAULT INDICATION ≥ 55°C (Red led on front panel)
TEMP TRIP INDICATION ≥ 65°C (Red led on front panel)
ALC FAULT INDICATION Out of range (Red led on front panel)
PSU FAULT INDICATION Internal Psu fault (Red led on front panel)
RF PSU FAULT INDICATION RF PA Psu fault (Red led on front panel)
OVERVOLTAGE FAULT ≥ +40V at Control (Red led on front panel)
The unit has a number of operational customer link options which should normally be configured
before delivery. Consult Control module technical description section.
• RF Power backed off with high temperature.
• RF Power backed off with high VSWR.
• RF Power backed off with high RF PA Current.

FM-25 FM BROADCASTING EXCITER
Page 14
25W STEREO TRANSMITTER/EXCITER
TECHNICAL MANUAL
Operating Information
LARCAN USA INC.
1390 Overlook Drive #2
Lafayette, CO 80026
USA
Tel: (303) 6658000 Fax: (303) 6739900
Email: Sales@earthnet.net Web: www.larcan.com

FM-25 FM BROADCASTING EXCITER
Page 15
OPERATING INFORMATION
FRONT PANEL
1. POWER ON/OFF SWITCH
The front panel On/Off switch connects the External A/C and D/C supplies to the equipment.
2. POWER ADJUST CONTROL
This single turn potentiometer is used to set the RF output power via the internal ALC
circuit. Fully anti-clockwise gives minimum power (≤ 1W) while clockwise gives
maximum power (≥ 25W).
3. DEVIATION ADJUST
This single turn potentiometer is used to fine trim the Transmitter final deviation level.
The standard variation is ± 1.5dB (other on request). This controls the total deviation
level.
Note: When the stereo coder option is installed, the built in Limiter controls the maximum
deviation level of the Left and Right program inputs and adjustment of this level is done
internally, to customers requested level.
4. MULTIMETER
The Multimeter comprises a Linear scale, 20 led (green) custom bar display. The meter
has a push button selector with individual LED's (yellow) for indicating the four selectable
functions.
• Temperature: RF PA Heatsink temperature with 100°C f.s.d.
• RF PA Current: RF final stage current with 3.2A f.s.d.
• RF Forward power: RF Output power with 32W f.s.d.
• RF Reflected power: RF Output Reflected power with 3.2W f.s.d.
5. ALC METER
This meter is only provided with the High power Exciters. The ALC Alarm is still operational
and is indicated on the Front panel.
6. VU METERS
This dedicated stereo meter is used to indicate the dynamic peak deviation of the Left
and Right channels. This provides the user with instant visual information on the status of
the system modulation.
The meters operate to the DIN 45406 specification with precision Full wave peak
detection.
The signals are derived from the built in stereo decoder and calibrated accordingly.
The VU meter scales are as follows:
LEFT CHANNEL RIGHT CHANNEL LED STATUS
+3dBm +3dBm Over deviation (red)
+2dbm +2dbm Over deviation (red)
+1dBm +1dBm Over deviation (red)

FM-25 FM BROADCASTING EXCITER
Page 16
+0dBm +0dBm Peak program (yellow)
-1dBm -1dBm Normal program (green)
-3dBm -3dBm Normal program (green)
-5dBm -5dBm Normal program (green)
-7dBm -7dBm Normal program (green)
-10dBm -10dBm Normal program (green)
-20dBm -20dBm Normal program (green)
The stereo pilot is also monitored by the decoder and is indicated by a led (green)
between the Left and Right VU meters. If the pilot is lost the led will extinguish and if
desired the Right channel VU meter can be actively disabled in this circumstance
(Internal link option). This would normally happen for instance if Mono had been selected.
7. INDICATORS
FRONT PANEL
FUNCTION INDICATION STATUS
RF ENABLED Green led Indicates ext. command on.
PLL LOCK Green led Indicates PLL is in lock.
PRE EMPHASIS Yellow led Indicates pre emphasis is on.
REMOTE PLL Yellow led Indicates PLL in remote.
RS485 (option) Yellow led Indicates RS485 module on.
RF FAULT Red led Indicates low RF Forward.
VSWR FAULT Red led Indicates high RF Reflected.
AC SUPPLY Green led Indicates a/c supply is on.
EXT. DC Green led Indicates dc supply is on.
OVERVOLTAGE Red led Indicates high voltage.
PSU FAULT Red led Indicates internal Psu fault.
RF PSU FAULT Red led Indicates RF Psu fault.
ALC FAULT Red led Indicates ALC fault.
BACK PANEL
a) A/C INPUT
Standard IEC male connector for 115V 60Hz mains operation.
b) A/C FUSE
20mm (1 Amp) fuse connected in live line.
c) DC INPUT
Terminals for +24V dc operation.
d) DC FUSE
Only on High power Exciters.
e) WIDEBAND MPX INPUT

FM-25 FM BROADCASTING EXCITER
Page 17
BNC (female) for use with external stereo multiplex input.
f) AUXILIARY #1 AND #2 INPUTS
BNC (female) for use with supplementary signals (RDS/SST/SCA).
g) LEFT INPUT
Balanced 600 ohm XLR (female) input for Left channel (Stereo coder or Mono filter
installed).
h) RIGHT INPUT
Balanced 600 ohm XLR (female) input for Right channel (Stereo coder installed).
i) PRE EMPHASIS SWITCH
Slide switch for pre emphasis switching (Stereo coder or Mono filter installed).
j) PILOT OUTPUT
BNC (female) with pilot (19kHz) sine wave output 1V p-p (Stereo coder installed).
k) RF OUTPUT
N Type (female) RF output connector.
l) REMOTE PLL
This 15 pin D type (female) connector is used for remote frequency operation
(BCD coded).
m) TELEMETRY OUTPUT
This 25 pin D type (female) connector is used for monitoring and control purposes.
n) RS485 OPTION
This 9 pin D type (female) connector is used for remote monitoring of meter functions.
o) TELEMETRY CONNECTIONS (PL7)
FUNCTION PL7 CONNECTOR PINS CONTACT STATUS
RF FAULT Pins 1 and 2 Voltage free contacts s/c
for fault
VSWR FAULT Pins 3 and 4 Voltage free contacts
s/c for fault
TEMPERATURE FAULT Pins 5 and 6 Voltage free contacts
s/c for fault
PSU FAULT Pins 7 and 8 Voltage free contacts
s/c for fault
STEREO OPERATION Pins 9 and 10 Voltage free contacts
s/c for stereo
PLL LOCK Pins 11 and 12 Voltage free contacts
s/c for Lock
ENABLE COMMAND Pins 13 o/c to enable
ground to disable
MONO/STEREO
COMMAND
Pins 14 o/c for Stereo
ground for Mono

FM-25 FM BROADCASTING EXCITER
Page 18
+12V / 20mA SOURCE Pins 15 Supply for Test jig Leds
GROUND Pins 17 and 18 Connected to chassis
NOTE: Alternative contact positions are available internally, (via Link selections on the Control
module), for the Telemetry outputs.
p) REMOTE FREQUENCY PROGRAMMING (PL2)
15 pin connector BCD Parallel Code Code information
PL2 pin 1 x 0.1MHz These four data lines contain
PL2 pin 2 x 0.2MHz the information from 0 MHz to
PL2 pin 3 x 0.4MHz 0.9MHz in BCD code.
PL2 pin 4 x 0.8MHz
PL2 pin 5 x 1MHz These four data lines contain
PL2 pin 6 x 2MHz the information from 1MHz to
PL2 pin 7 x 4MHz 9MHz in BCD code.
PL2 pin 8 x 8MHz
PL2 pin 9 x 10MHz These three data lines contain
PL2 pin 10 x 80MHz the information, 80MHz, 90MHz
PL2 pin 11 x 100MHz and 100MHz.
PL2 pin 12 Data enabled +5V Logic '1'output.
PL2 pin 13 Lock indication Open collector for Lock.
PL2 pin 14 Remote enable Connect to 0V for Enable.
PL2 pin 15 Ground 0V
Example
Freq. pin 11 pin 10 pin 9 pin 8 pin 7 pin 6 pin 5 pin 4 pin 3 pin 2 pin 1
107.6 1 0 0 0 1 1 1 0 1 1 0
98.9 0 1 1 1 0 0 0 1 0 0 1
88.5 0 1 0 1 0 0 0 0 1 0 1
The logic '0' condition only requires an open circuit, and logic '1' condition has to be connected to
PL2 pin 12.

FM-25 FM BROADCASTING EXCITER
Page 19
25W STEREO TRANSMITTER/EXCITER
TECHNICAL MANUAL
Installation Information
LARCAN USA INC.
1390 Overlook Drive #2
Lafayette, CO 80026
USA
Tel: (303) 6658000 Fax: (303) 6739900
Email: Sales@earthnet.net Web: www.larcan.com
FM-25 FM BROADCASTING EXCITER
Page 20
INSTALLATION
STAND ALONE CONFIGURATION (Stereo Exciter)
The following information sets out the general requirements for installation and operation of the
above equipment in a "stand alone" configuration.
Note: The Audio program inputs (Left and Right), may vary in level from the standard factory
sensitivity setting, and adjustment may have to be made internally (due to the Stereo coders built
in Limiter). The Limiter threshold level is factory set to limit the deviation of the audio signal to
±62.5kHz.
The pilot deviation is factory set to ±7kHz. The total deviation must not exceed ±75kHz. A fine
deviation level adjustment of ±1.5dB is available on the front panel to allow for small variations.
The operating frequency will normally be set at factory configuration, but if a different operating
frequency is necessary then the unit top cover has to be removed and a new frequency selected
on the Synthesizer module (98052100). This is simply done by setting the direct readout on the
rotary BCD switches.
1. ELECTRICAL CONNECTIONS
Ensure that the power on/off switch on the front panel is switched off before proceeding.
a) A/C MAINS SUPPLY (115V 50Hz).
Connect a/c power cable to IEC connector on back panel.
b) DC SUPPLY (+24V dc).
Connect dc power input to the dc supply terminals on the back panel observing correct
polarity.
c) RF OUTPUT.
Connect the Antenna cable to the RF Output on the back panel using an N type connector
or via suitable adapters.
d) AUDIO INPUTS.
Connect the Left and Right audio feeds (XLR female) to the Left and Right (XLR male)
inputs on the back panel.
e) PRE EMPHASIS.
Set the pre emphasis switch to "ON" at the back panel.
Note: When the Telemetry connector is not in use the unit requires no external commands to enable
the RF. The unit is also ready for Stereo operation. These functions can be changed via link
commands on the Telemetry connector. See "9" Telemetry connections (PL7).
2. OPERATION
With the electrical connections completed above the unit is now ready for operation.
a) SWITCH ON SEQUENCE
Adjust the RF power control on the front panel, fully acw. then set the power on/off

FM-25 FM BROADCASTING EXCITER
Page 21
switch to ON.
b) FRONT PANEL LED's:
RF ENABLE (green led) ON
PLL LOCK (green led) ON
PRE EMPHASIS (yellow led) ON
REMOTE PLL (yellow led) OFF
RF FAULT (red led) ON
VSWR FAULT (red led) OFF
TEMP FAULT (red led) OFF
A/C SUPPLY (green led) ON
EXT DC (green led) ON
OVER VOLTAGE (red led) OFF
PSU FAULT (red led) OFF
RF PSU FAULT (red led) OFF
ALC FAULT (red led) OFF
c) ALC METER (not fitted on this unit).
d) MULTIMETER
Select the four functions in turn and check the meter readings:
• TEMPERATURE Room ambient.
• PA CURRENT 0 Amps (no Leds on).
• FORWARD POWER 0 Watts (no Leds on).
• REFLECTED POWER 0 Watts (no Leds on).
e) DECODED MPX (VU Meters).
The Left and Right, VU meters will be indicating the incoming program levels and should be
operating in the green zone of the meters with occasional peaks switching the 0dB yellow led on.
The program peaks should not be operating in the red zone of the meters. If the meter is
operating below the 0dB level (yellow), the internal sensitivity setting may have to be increased
on the Stereo coder module to suit the incoming program levels. See calibration section for
information.
The front panel deviation adjustment should not be used for the purpose of deviation adjustment in
the Stereo operational mode. (This is for use with Wideband operation).
With the standard factory setting, the unit should not be over deviating due to the Limiter operation
and protection. The Pilot led should be on, indicating that the stereo pilot signal is present.
f) SETTING THE RF POWER LEVEL
Select FWD POWER on the Multimeter and observe the reading.
Adjust the Front panel PWR ADJ potentiometer clockwise to set the RF output power to
25W. (This should be achieved with 16 Leds on).
Now check the PA CURRENT and REFL POWER readings:
PA CURRENT should be approximately 1.9 Amps.
REFL POWER should be less than 2.5W (16 Leds).
FM-25 FM BROADCASTING EXCITER
Page 22
Check all the fault Leds on the front panel and ensure that there are no red Leds on .
The unit is now operational and only the final temperature must be monitored after
approximately 15 minutes. The temperature reading on the front panel Multimeter should
settle down to approximately 12°C above Room temperature.
WIDEBAND OPERATION
The connection for this mode of operation is almost the same as for the Stereo mode, the difference
being in the connection of the Program inputs.
The Wideband system does not use the Left and Right program inputs or the pre emphasis switch
(not normally supplied). The Composite input or MPX is connected to the MPX input on the
unit back panel (BNC female).
The Decoded MPX meter is still operational in this mode and displays the Left and Right signals as
before with exactly the same operation.
The Deviation adjust control on the front panel is now used to set the level of the modulation on the
meters. The pilot led is also still operational if the incoming MPX signal is in stereo and will be
off if the pilot is not present.
MECHANICAL
The unit is designed to fit in a standard 19 inch rack, cabinet structure. There is a Slide rail kit
(option) available for this purpose which allows the unit to be installed in this manner.
Due to the weight of the unit it is not recommended to mount the unit without proper support.
INTERCONNECTIONS
The external cables and connectors are not normally supplied as standard kit, and due to the various
customer configurations the cable and connector requirements must be requested by the
customer.

FM-25 FM BROADCASTING EXCITER
Page 23
25W STEREO TRANSMITTER/EXCITER
TECHNICAL MANUAL
Technical Information
LARCAN USA INC.
1390 Overlook Drive #2
Lafayette, CO 80026
USA
Tel: (303) 6658000 Fax: (303) 6739900
Email: Sales@earthnet.net Web: www.larcan.com
FM-25 FM BROADCASTING EXCITER
Page 24
TECHNICAL INFORMATION
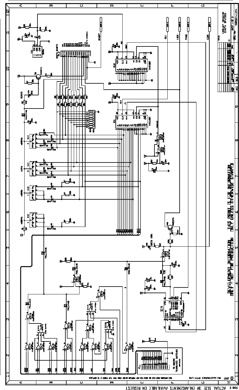
1. SYNTHESIZER MODULE (98052100)
a) Power supply.
The single +21.5V dc input at PL4 pin 4 is routed via diode D25 to capacitor C68, which acts as a
dc storage mechanism that allows the synthesizer module to remain temporarily operational
during power dips in the final system. The dc voltage is then regulated via IC14 (+15V) and
IC15 (+5V) before distribution to the other circuits.
Led D28 indicates +15V supply on.
A voltage divider is formed via TR6, (+7V. ) which is used to provide the a/c ground inputs to the
operational amplifiers.
b) Synthesizer circuit. (refer to circuit diagram)
The reference for the synthesized operating frequency is obtained from a 10MHz TCXO, (IC3).
The frequency output is then divided down by 6400 via a fixed divider (IC2), which provides the
comparison frequency for the PLL (Phase lock loop) of 1562.5Hz.
The frequency programming is obtained by another divider (IC1), which derives the comparison
frequency (1562.5Hz) by a division ratio, set by Rotary BCD switches SW1 to SW4. A pre
scalar (IC12) is used to divide the operating frequency by 64, which is used as the input for
IC1.
The synthesizer can be switched in steps of 100kHz from 87.5MHz to 108MHz.
Provision is made for external operation of the switching process via PL2, which is activated by
connecting pin 14 and 15 on PL2 which disables the rotary BCD switches via diode D12. This
in turn switches on transistor TR1 which provides the logic 1 signal for the external data on pin
12 of PL2. Led D38 provides indication of remote operation.
IC8/c and IC8/d are used to provide correct startup of dividers at switch on.
c) PLL (Phase lock loop)
Comparison of the above 1562.5Hz signals is done by IC9, which provides an tri-state output on
pin 13, depending on the phase relationship between the two signals. This output is then
integrated by IC10/a and the dc output is then filtered by a Low pass filter IC10/b, IC17/a
and IC17/b. The filter cuts off above 7Hz and provides ≥40dB attenuation above 25Hz. The
loop delay of the filter is ≤50mS which allows for fast correction of VCO disturbances.
The filtered dc output is now used to control the VCO (Voltage controlled oscillator) which is
separately screened on the module. The filtered dc input above is buffered by TR3 (which is a
low noise transistor) and the output is used to drive the varactor diodes D20,D21,D31 and
D22. This arrangement provides very high linearity and deviation flatness. The input sensitivity
of the VCO is approximately 2.2MHz/Volt, with a tuning voltage range between 3 and 12 volts
The Fet oscillator TR4, is tuned to the operating frequency via L2 and the above varactor diodes.
The output from the oscillator is split and attenuated to the separately screened Pre scalar (IC12)
and a RF output buffer IC11, which provides the final RF output to SK1 (Typically +10dBm).
d) Out of Band detection
The synthesizer has a feature to prevent accidental or deliberate operation outside the standard
FM Broadcasting band. The circuit operates by continuous monitoring of the frequency
programming lines at the synthesizer programmable divider IC1.
IC4/d, IC5/b, IC5/c, IC5/a, IC7/b, IC7/c, IC6/d and IC5/d, provide the data required to detect
the condition of ≤ 87.5MHz.
FM-25 FM BROADCASTING EXCITER
Page 25
IC4/a, IC6/a, IC6/b, IC6/c, IC4/c, IC7/a, IC4/b and IC8/a, provide the data required to detect
the condition of ≥ 108MHz.
The signals are finally gated by diodes D16 and D15 which are input to IC8/b pin 5, which will
force the Lock led, (D18) off This will also inhibit the RF output at SK1 via TR5, which
removes the dc supply to IC11 (RF output buffer). The RF output is attenuated by ≥40dB.
e) Out of Lock detection
In the case of an Out of Lock condition, the Phase detector (IC9 pin 1) will provide an input to
IC8/b pin 4 that will switch off the Lock led
(D18) and output buffer (IC11) as described
above.
f) Signal inputs and Phase correction
The MPX input at SK2 (BNC) can be operated in a Balanced or Unbalanced mode by insertion of
LK1 (unbalanced). The input impedance is 600 ohms (Unbalanced) or 1.2k ohms (Balanced).
The output from IC13/a is routed via R80 (MPX Adjust) potentiometer which is used to set the
required level for operation.
The summing amplifier IC13/b is used to combine all the inputs including the three unbalanced
Auxiliary inputs on SK3, SK4 and SK5 (BNC's). SK3 and SK4 have trimming
potentiometers (R82 and R84) to set their required levels, while SK5 is input directly (normally
from Stereo coder option).
MPX phase correction is now required: Low frequency phase correction (30Hz) is done at
IC16/a via R93 while High frequency phase correction (15kHz) is done at IC16/b via R116
(All pass filter).
A MPX output is provided for metering purposes at PL4 pin 3 while the direct output is routed to
the VCO via R57.
An input is provided for external level control at PL3, which is normally used to adjust the final
deviation in the Wideband mode of operation.
The adjustment to control the deviation flatness is provided by R53. This is used to provide
constant deviation by adjusting the dc conditions to Varactor diodes, D21 and D22, when the
synthesizer frequency is changed.
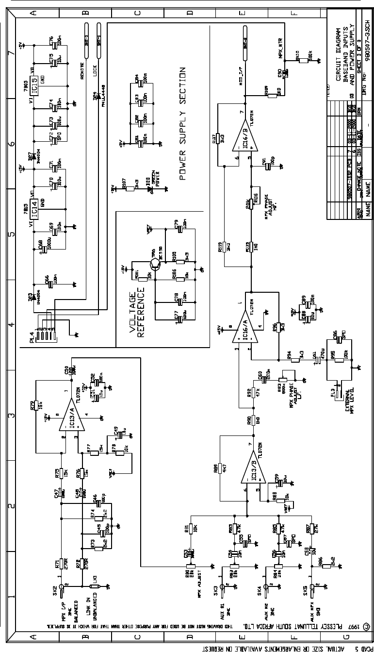
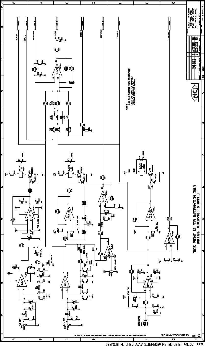
2. CONTROL MODULE (98052200)
a) PSU and Internal Monitoring
The Control module has two dc power inputs. The dc (+24V battery) input is connected to PL8
pin 2, while the rectified and smoothed (a/c supply) input is connected to PL9 pin 2. The
nominal voltage in this case is +28V.
Each of these inputs are monitored for indication purposes via R88 and R89 which drive external
Leds on the Exciter front panel.
The two dc voltages are combined via D36 and D37 (providing isolation), to fuse F1 (protection).
The voltage is now distributed to various points as follows:
• IC7 (Switch mode Psu). This provides +21.5V output and has Undervoltage startup
protection via TR9 and overvoltage protection (nominally +40V) via IC6/a and TR8.
• IC9 (Switch mode Psu). This provides -12V output from the +12V supply.
• IC8 (Linear regulator). This provides +12V output from the 21.5V supply.
• PL4 (pins 5 and 6). This provides the dc output to the Stereo coder module (option).
FM-25 FM BROADCASTING EXCITER
Page 26
• PL5 (pin 4). This provides the +21.5V dc output to the Synthesizer module.
• PL6 (pins 24 and 25). This provides the +21.5V dc output to the Display module.
• IC6/b (-12V Psu sensing). This provides Psu fault indication via TR10/RL6.
b) RF Psu Monitoring
PL2, (pins 3 and 4) provide a differential current monitor for the RF PA power supply via IC4/a.
This configuration gives good common mode rejection and has an adjustment (R69) for zeroing
the common mode signal. The output is now amplified by IC4/b to give a voltage level
proportional to the RF PA Current. (i.e. 1 volt = 1 amp). Level
adjustment is via R72 (I Cal).
The voltage is then output to PL6 pin 16.
PL2 (pin 1) provides the voltage sensing for the RF PA power supply, and IC5/a detects for low
voltage against the +12V reference. The sense output is then distributed to PL6 pin 26.
c) Forward RF detection and Alarm
The Forward RF monitoring input is via SK1 (SMB), which provides a RF signal (nominally 0dBm),
proportional to the RF forward power of the Exciter. A dc output proportional to the input
power is achieved via D1,D2 and IC1/a (The diodes provide temperature compensation).
Adjustments are provided for Level (R8) and Offset (R6). The Offset voltage is adjusted for
0.8V nominal with no input signal at SK1. This is done to allow the use of linear metering of the
RF Forward power in the Display module. The nominal adjusted dc level is then +5V/OdBm.
IC2/a provides the detection for a Forward RF Alarm, with R10 (FWD Alarm cal) setting the
required threshold when the level is low. The output is used to give an Alarm signal via
TR1/RL1.
d) Reflected RF detection and Alarm
The Reflected RF monitoring input is via SK2 (SMB), which provides a RF signal (nominally
0dBm), proportional to the RF reflected power of the Exciter. A dc output proportional to the
input power is achieved via D5,D6 and IC1/b (The diodes provide temperature compensation).
Adjustments are provided for Level (R21) and Offset (R19). The Offset voltage is adjusted for
0.8V nominal with no input signal at SK2. This is done to allow the use of linear metering of the
RF Reflected power in the Display module. The nominal adjusted dc level is then +5V/OdBm.
IC2/b provides the detection for a Reflected RF Alarm, with R24 (REFL Alarm cal) setting the
required threshold when the level is high. The output is used to give an Alarm signal via
TR2/RL2.
The detected dc output from IC1/b is routed via IC2/c and R32 (REFL Alarm trip), which sets a
threshold to activate the Timing circuit at IC2/d. This provides a 10 second re-cycle time in the
Exciter if the High reflected power persists. When the output of IC2/d is low the Reflected Alarm
is held on via D7, which latches the Alarm indication during re-cycling via IC2/b.
e) Temperature detection and Alarms
The temperature sensing Thermistor, which is mounted in the RF PA module is input at PL1 (pins
1 and 2). The nominal resistance of the Thermistor is 4700 ohms at 25°C. R41 (Temp cal), is
adjusted to obtain a voltage output at IC3/a of 2.5V for 25°°C. The circuit sensitivity is 10°°C
per Volt.
The Temperature detected output voltage is now routed via IC3/b, TR3 and RL3c. to give an
Alarm indication, and R45 (TEMP Alarm cal) is provided to set the alarm level (normally
50°C). The voltage is also routed via IC3/c to provide a fixed trip level
at 65°°C. This output
switches off the RF PA Power supply.
f) ALC (Automatic level control)

FM-25 FM BROADCASTING EXCITER
Page 27
The ALC output at PL3 pin 2 is derived from IC3/d which has the following inputs.
• ALC CONT. This dc input is derived from the Display module via PL6 pin 19.
• FWD-V. This dc input is derived from IC1/a (Forward power detected dc).
• REFL-V. This dc input is derived from IC1/b (Reflected power detected dc).
• TEMP-V. This dc input is derived from IC3/a (Temperature detected dc).
• CURR-V. This dc input is derived from IC4/b (RF PA current detected dc)
The circuit operates by comparing the set voltage from the ALC Control to the FWD-V voltage
derived from the RF Forward power. This is done to correct any change in the output power in
the Exciter with respect to the Control voltage (The ALC Output is used to control the Gain of
the RF PA via the Mosfet gate voltage). This arrangement controls the power output of the RF
PA and the other inputs to the circuit are only their for protection purposes, by reducing the
output power during fault conditions.
• LK1 is used to insert protection from High reflected
power. (option)
• LK2 is used to change the standard Temperature back off level from 55°°C to 60°°C.
• LK3 is used to insert protection from High RF PA Current. (option)
g) Telemetry connection (see circuit diagram)
The Telemetry outputs at PL7 provide voltage free contacts for six functions ,
• RF Fault. This provides indication of low Forward power.
• VSWR Fault. This provides indication of High reflected power.
• TEMP Fault. This provides indication of High temperature at RF PA.
• PSU Fault. This provides indication of internal PSU fault.
• STEREO Indication. This provides indication of Stereo Pilot (19kHz)
• PLL Lock. This provides indication of Synthesizer in Lock.
The Pilot detection is routed from the Display module via PL6 pin 6 and TR5/RL4/c.
The PLL Lock detection is derived from the Synthesizer module via PL5 pin 1 and TR6/RL5/c.
The Enable input on PL7 pin 13 requires a ground connection to Disable the RF PA. This is done
via D29, D23, TR4 to PL2 pin2.
The Mono/Stereo input on PL7 pin 14 requires a ground connection for Mono. This is only used
when the Stereo coder option is installed.
The +12VS voltage output at PL7 pin 15 is a 12V/20mA current source used for test purposes.
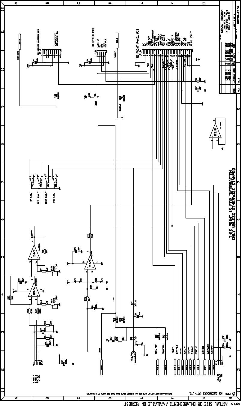
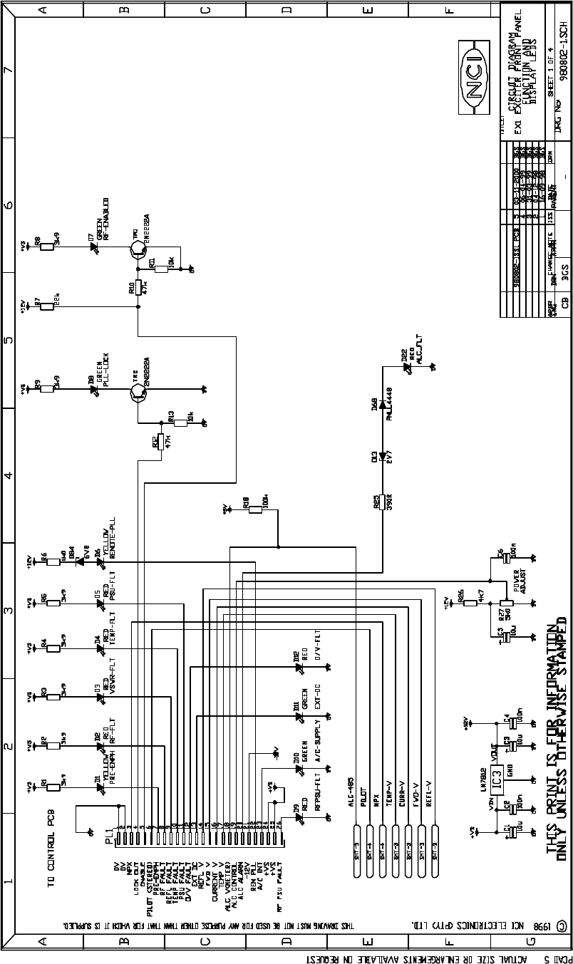
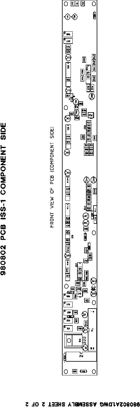
3. DISPLAY MODULE (98052400)
a) Psu and Input requirements
The power supply input is connected at PL1 pin 24 and 25. This dc input is nominally +21.5V with
the 0V connection at PL1 pin 1 and 2. The -12V dc input is connected to PL1 pin 21. IC3
provides the internal +12V supply and IC12 provides the +5V.
PL1 FUNCTION TABLE
PL1 Function Comment
PL1 pin 1 0V Ground connection
PL1 pin 2 0V Ground connection
PL1 pin 3 MPX Input MPX metering input
PL1 pin 4 Lock (indication) Provides data for Led D8
PL1 pin 5 Enable (indication) Provides data for Led D7
PL1 pin 6 Pilot (Decoder output) +9V nom. for detection
PL1 pin 7 Pre emphasis (indication) Provides data for Led D1

FM-25 FM BROADCASTING EXCITER
Page 28
PL1 pin 8 RF Fault (indication) Provides data for Led D2
PL1 pin 9 Reflected Fault (indication) Provides data for Led D3
PL1 pin 10 Temp Fault (indication) Provides data for Led D4
PL1 pin 11 Psu Fault (indication) Provides data for Led D5
PL1 pin 12 O/V Fault (indication) Provides data for Led D12
PL1 pin 13 Ext. dc (indication) Provides data for Led D11
PL1 pin 14 Reflected Voltage (input) dc for Refl power meter
PL1 pin 15 Forward Voltage (input) dc for Fwd power meter
PL1 pin 16 Current Voltage (input) dc for Current meter
PL1 pin 17 Temp Voltage (input) dc for Temp meter
PL1 pin 18 ALC Voltage (input) dc for ALC monitoring
PL1 pin 19 ALC Control (Set power) dc output from R27
PL1 pin 20 ALC Fault dc input for fault detection
PL1 pin 21 -12V dc -12V dc input
PL1 pin 22 Remote PLL (indication) Provides data for Led D6
PL1 pin 23 A/C Internal (indication) Provides data for Led D10
PL1 pin 24 +Vs +21.5V dc input
PL1 pin 25 +Vs +21.5V dc input
PL1 pin 26 RF Psu Fault (indication) Provides data for Led D9
b) ALC alarm
The ALC Fault alarm Led (D22) derives its signal from PL1 pin 20, via R25/D13 which in
conjunction with D68 turns the Fault Led on at approximately +8V.
c) Multimeter operation
The Multimeter
consists of a 20 Led
custom Bar display using Linear scale Bargraph Drivers,
IC10 and IC11, which operate the Leds D47 to D66 inclusive. D47 being the least significant.
The sensitivity of the driver input is 1.2V dc. for Full scale deflection. The Bargraph drivers are
operated in dot mode but configured to run in bar mode by connecting the Leds in series, this
reduces the current consumption by a factor of 10.
A Four way selector switch using a Push button (SW1) is formed via IC8 and IC9. These operate
on an increment function that allows a One in Four selection. IC8 is a counter that counts up
from 0 to 3 and resets on the count of 4. IC9 is a dual “One in Four” switch whose outputs are
controlled by the data from IC8 (Two lines). IC9 pins 1,5,2 and 4 operate Leds D46, D45,
D44 and D43, which indicate which switch selection is in operation.
The four inputs to the switch are as follows:
• Temperature. R47 is used to calibrate this input function.
• Current. R52 is used to calibrate this input while R51 sets the offset null (0 Amps).
• Forward power. R55 is used to calibrate this input which is converted from a Square law
scale to a Linear scale via IC7/b and temperature compensated diode arrangement D78 and
D79.
• Reflected power. R62 is used to calibrate this input which is converted from a Square law
scale to a Linear scale via IC7/c and temperature compensated diode arrangement D80 and
D81.
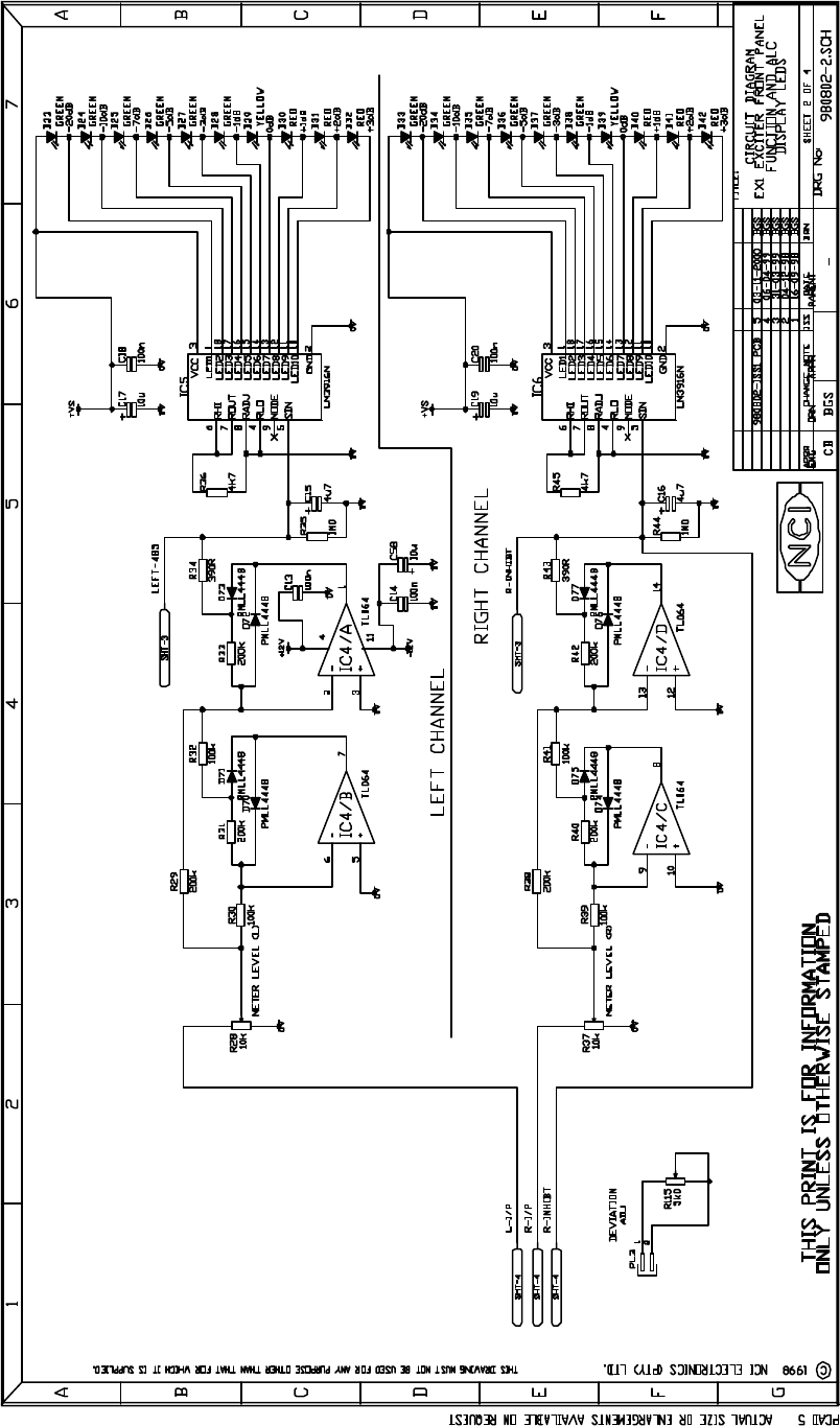
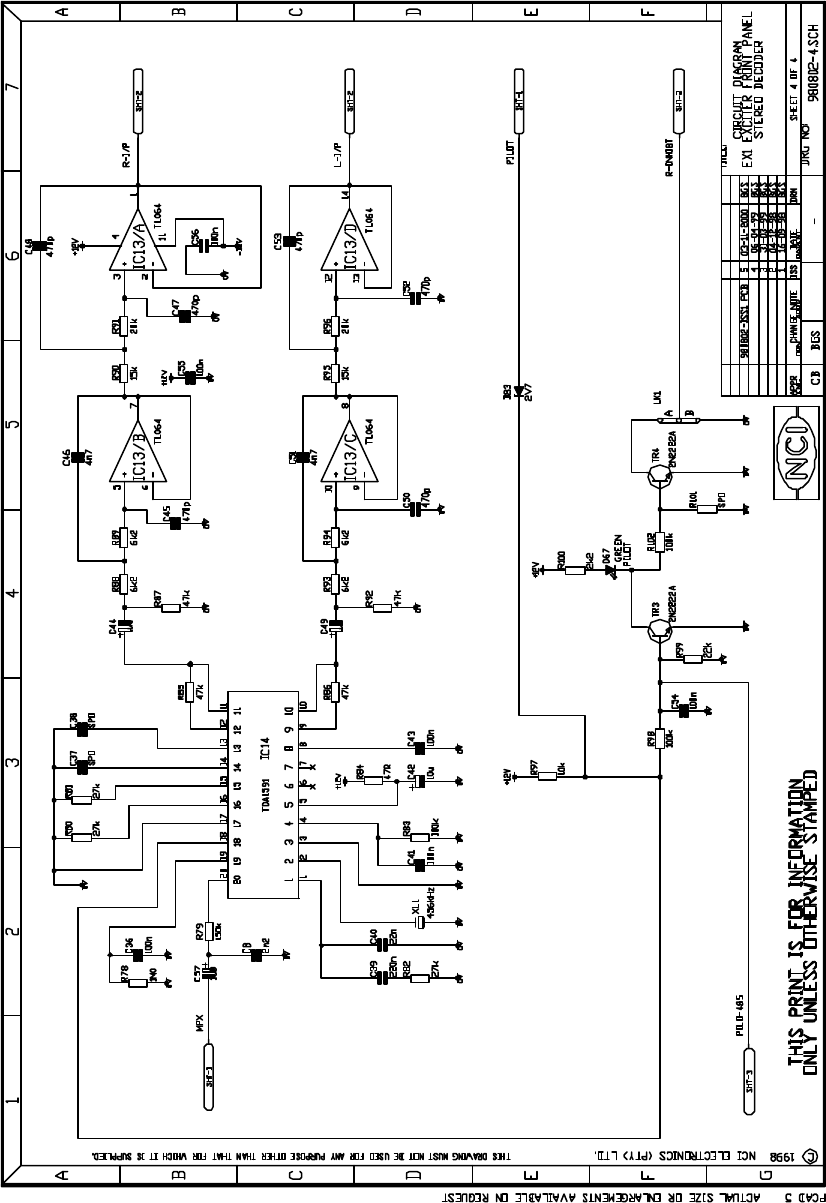
d) Stereo decoder

FM-25 FM BROADCASTING EXCITER
Page 29
The Stereo decoder input is derived from the MPX input on PL1 pin 3, which is decoded via
IC14 (Stereo decoder chip). The IC provides both Left and Right decoded outputs on pins 11
and 10 respectively. The IC operates from a 456kHz ceramic resonator which provides very
good stability while requiring no adjustments. Stereo separation of 40 dB (Typical) is obtained.
The 19kHz Pilot detection is obtained via pin 18 of the Stereo decoder chip, and is a open
collector output (open when pilot detected). This output is inverted by TR3 to activate Led D67
(Pilot) and is also routed to the MPX VU Meter via TR4/LK1. The detected pilot signal is
also routed via D83 to PL1 pin 6.
The Left and Right outputs are then filtered by Fourth order Low pass networks IC13/a, IC13/b,
IC13/c and IC13/d, which remove the 19kHz and 38kHz products produced in the Decoding
process and prevent errors in the VU meter operation.
e) VU Meters and peak detection circuits.
The Left and Right outputs from the Stereo decoder are routed via R28 (Left meter level) and
R37 (Right meter level) which are used to calibrate the VU meters.
Two identical circuits are used to convert the incoming audio signals to a peak dc level. This is done
by IC4/a, IC4/b, IC4/c and IC4/d. Taking one of the sections only for description purposes the
circuit operates as a precision full wave peak detector which has a very fast attack time
(1.7mS) and decay time (650mS), conforming to the DIN 45406 Specification. This calls for a
response 1dB down from steady state for a 10mS tone burst and 4dB down for a 3mS tone
burst. The decay time is 20dB in 1.5 sec’s.
The VU meters operate on a standard VU scale and the bargraph driver used to do this is
calibrated internally to achieve this. IC5 and IC6 form the Left and Right bargraph drivers
which are operated in dot mode but configured in bar mode by connecting the Leds in series.
This is done to reduce current consumption. The sensitivity of the bargraph driver is 1.2V. Leds
D23 to D32 form the display for the Left channel with Leds D33 to D42 for the Right channel.
The Right VU meter
bargraph driver has a inhibit function at the input. This is provided such that
when the unit is operated in Mono the customer can choose to have the Left meter
operational only (LK1 in position B) or when operated in stereo, if the pilot signal fails then
the Right meter could be inhibited automatically (LK1 in position A). This provides the
customer with excellent visual status of the real time program.
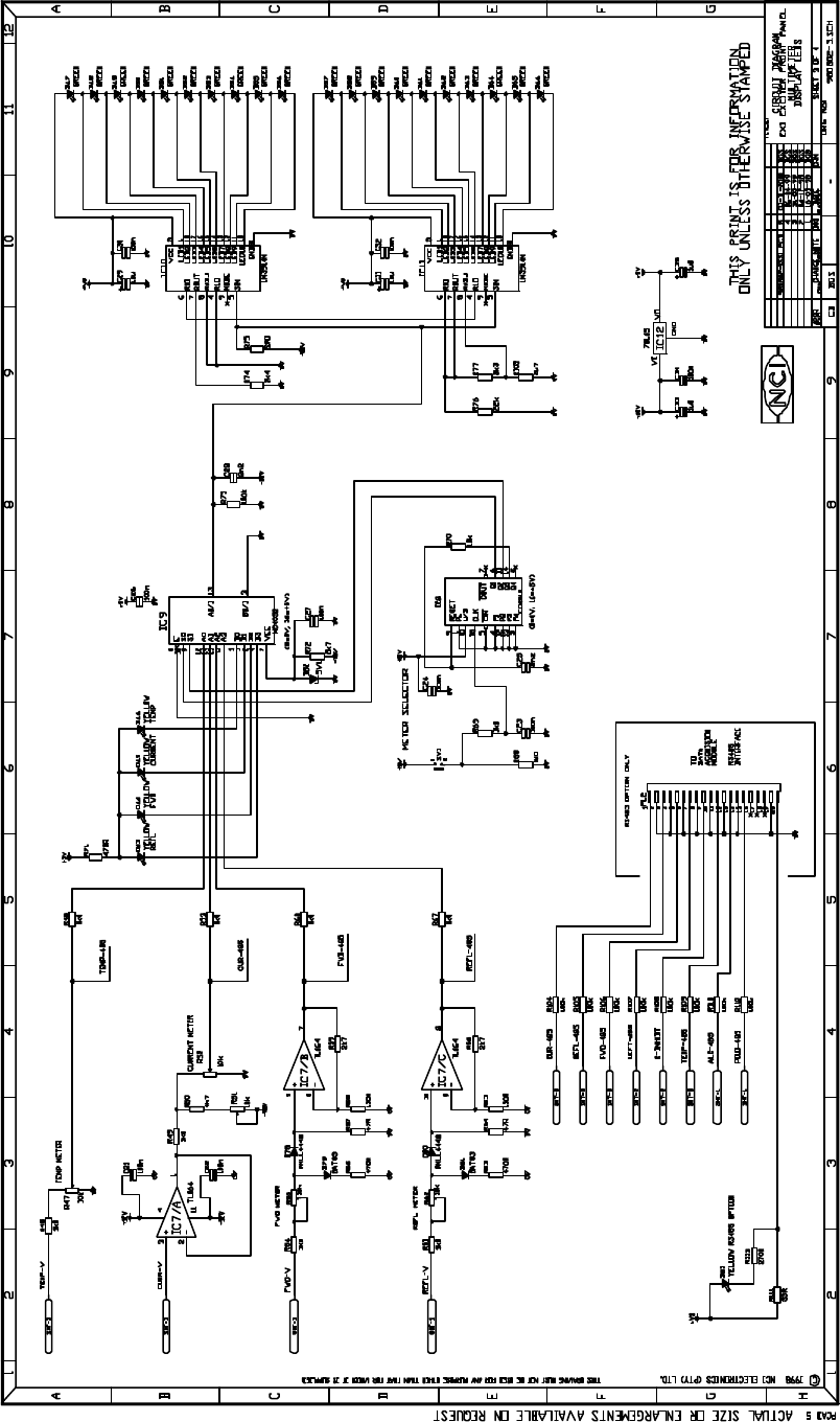
f) RS 485 Option
The display module has provision via PL2 to connect a RS485 module . The purpose of this is to
provide remote viewing of the display meter functions. The +21.5V internal dc is routed via
a fuse (F1) and is connected to pin 20 of PL2. Provision is made for an indication of the RS485
module connection via Led D85.
The monitored parameters are:
Parameter PL2 Connection Comment
PA Current pin 1 0 to 1.2Vdc voltage output
Reflected power pin 3 0 to 1.2Vdc voltage output
Forward power pin 5 0 to 1.2Vdc voltage output
Left VU meter pin 7 0 to 1.2Vdc voltage output
Right VU meter pin 9 0 to 1.2Vdc voltage output
Temperature pin 11 0 to 1.2Vdc voltage output
ALC meter pin 13 -5 to +3Vdc voltage output
Pilot status pin 15 +0.7V for pilot/0V no pilot
FM-25 FM BROADCASTING EXCITER
Page 30
These outputs are routed to the Analog to Digital converters in the RS485 module and the meter
scales and alarms are calibrated and set in the software.
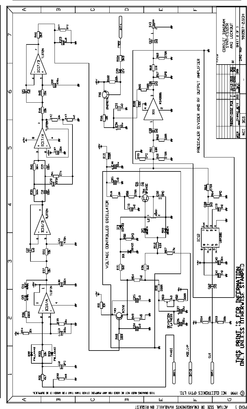
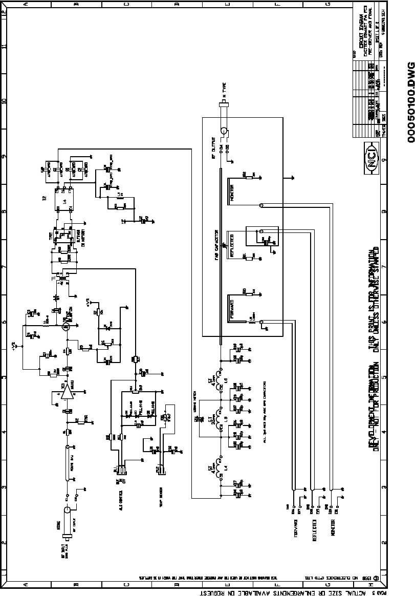
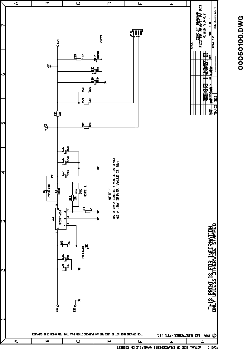
4. RF PA MODULE (98052600)
a) Psu and Regulator
The +Vin supply (E22) is the main supply for the PA and is typically between +24V and +32V.
This supply is connected to the main regulator, IC2 (+22.5V) via Fuse F1, (3.15A). The output
of the regulator is at E24 and is indicated by Led D4.
The main regulator can be disabled via TR3 which effectively reduces the output voltage to 0V
when the transistor is On. TR3 is switched via a external input from the control module.
Resistor R30 is used to monitor the current in the RF PA section and provision is made for external
monitoring via R31, R32 and R29.
b) RF Amplifier stages
The RF amplifier comprises a three stage amplification block. The first stage (Bipolar) amplifies
the RF input (E1, E2) from 10dBm to 20dBm via IC1 (Wideband amplifier). The second
stage (Mosfet) amplifies the RF signal to approximately 3 watts via TR1 (Wideband
amplifier). TR1 has a potentiometer R6 to adjust the device gate voltage for optimum
operation which requires a idling current of about 100mA (No RF input).
The final stage (TR2) is operated in push-pull mode via a 2:1 wideband input transformer T1.
Resistors R9 and R10 is used to stabilize the dynamic impedance of the Mosfet input. The
output wideband transformer (1:2) T2 has a centre tap in which the dc input is applied. This
provides optimum balance in the push-pull mode of operation and ac de-coupling is provided via
L3 and associated components. R14 is provided to set the gate voltage for the output mosfet
which is operated in Class C. (See manufacturers data sheet for individual gate voltage settings).
dc blocking capacitors C7, C8 and C9 are provided to remove the dc component.
c) RF Harmonic filter
The output from the final RF stage is routed directly via C7 to the RF filter stage. The filter used is a
Hybrid eighth order type utilizing a notch at 180MHz (C24/L5). The notch is designed to
eliminate the second harmonic. The filter ripple is less than 0.1dB (0 to 110MHz) and reduces all
harmonics to ≤≤ 70dBc.
d) RF Couplers
Three microstripline couplers are available to provide Forward, Reflected and Monitoring RF
signals, two of which are used for control and protection within the Exciter. The 150p capacitors
at the coupler outputs are required to ensure a flat RF response. A TAB capacitor is provided on
the Reflected coupler to optimise the Directivity. The RF output at E14 and E15 is connected
externally to a 50 ohm N Type connector.
e) Temperature sensor.
A Thermistor is provided (R16) at the base of the Final output device TR2, which is used to monitor
the Heatsink temperature and whose output is connected externally.
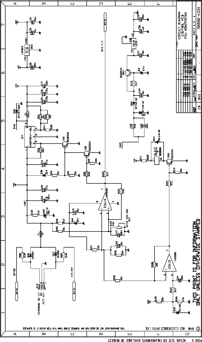
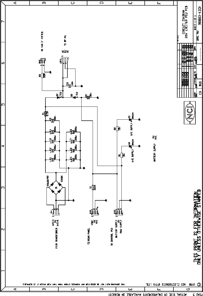
5. PSU MODULE (98053000)
FM-25 FM BROADCASTING EXCITER
Page 31
a) A/C Supply
The a/c input to the power supply module is provided by a external 24V Transformer winding
which is connected to SK1 pin 1 and pin 3. A Full wave Bridge rectifier (D1) rectifies the a/c
input. This raw a/c input is smoothed by capacitors C1 to C9 inclusive and is then routed via
Fuse F1 and diode D2 to SK4, which provides the power to the RF PA. This supply is also
routed to SK3 pin 1 which provides power to the control module. Led D4 indicates the
presence of the a/c supply.
b) +24V dc supply (battery)
The +24 dc battery supply input is connected to SK2 pin 1 which is routed via Fuse F2 and
diode D3 to SK4, which provides power to the RF PA. This supply is also routed to SK3 pin
3 which provides power to the control module. Led D5 indicates the presence of the dc supply.
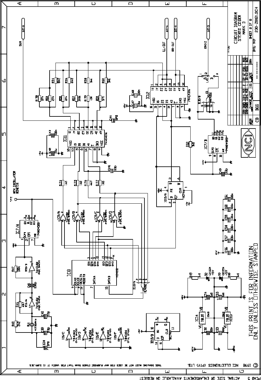
6. STEREO CODER MODULE (378-Z0021)
a) Psu and distribution
The dc input is supplied via PL4 pins 5 and 6, and is typically between 24V to 40V dc. The
ground is connected to PL4 pins 1 and 2.
The incoming dc is routed via diode D7 which is provided for protection against negative voltages.
The dc is then applied to IC26, which is a switch mode regulator providing a dc output of 16V
and indicated by Led D10. The regulator is prevented from switching on until the dc input
reaches approximately 16V by TR2 and D8.
The +16V supply is applied to IC27 to obtain a +12V stabilized output which is the connected to
IC28 via D11 to obtain a -12V output. (This is also a switch mode supply). L3 is incorporated
to remove any switching spikes from the -12V switch mode supply before distribution to other
circuits.
The ±12V dc supplies are distributed to Linear regulators IC14 (+5V) and IC15 (-5V) and are
indicated by Leds D2 and D3 respectively. These supplies are required by the HCMOS digital
circuitry.
b) Audio Input circuits
(The Left and Right input circuits are identical and only one (Left) needs to be described).
The audio input at PL1 can be balanced or unbalanced with an input impedance which is nominally
600 ohms. Capacitors C1 and C2 are provided to remove any RF signals. IC1/a is configured
as a differential amplifier
which is required to remove any common mode signal when the input
is operated in balanced mode. The input circuitry has the capacity to operate up to 20V p-p
(+19dBm).
Trimmers R9 (Left) and R37 (Right) are provided to allow for level adjustment to customer
requirements which generally vary from -6dBm to +9dBm.
Note: This is the main adjustment in the final Exciter.
IC1/b is a buffer amplifier with a gain of +6dB.
c) Audio Limiter
The buffer outputs above are connected to op-amps IC3/a and IC3/b whose gains are controlled
via IC4 (Limiter gain cell). The cell operates by monitoring the outputs of IC3/a and IC3/b
and compares them to a preset level set by R21 (Limiter threshold adjust) at IC5. Both Left
and Right signals are monitored and if either or both signals exceed the preset threshold (which
is equally positive and negative), the comparator IC5 switches on (open collector output). This
activates TR1 and charges C16, increasing the dc level into pins 1 and 16 of IC4. This in turn

FM-25 FM BROADCASTING EXCITER
Page 32
reduces the gain of IC3/a and IC3/b via their negative feedback loops. The output from the
comparator IC5 is a narrow pulse train and if the Limiter circuit is totally overloaded or faulty,
the pulses become much wider and start to illuminate Led D1. The nominal input to the Limiter is
3.1V p-p.
The attack time of the Limiter is approximately 1mS and decay time, 100mS. This is achieved by
TR1/C16 which is essentially a peak detection circuit which is discharged slowly by the high
impedance into IC4 pins 1 and 16.
d) High pass filter
The output from the Limiter circuit is connected to IC20/a and IC23/a which form the High pass
filters, removing any low frequencies below 10Hz. This is done to remove any dc switching
transients contained in the incoming audio program.
e) Pre emphasis
The outputs of the High pass filters are routed to the pre emphasis circuits IC20/b and IC23/b
which have a time constant of 50uS (LK2 and LK3 In) or 75uS (Links out). The pre emphasis
is selected by operating Relay RL2 which requires a external s/c between PL3 pins 1 and 2.
R104 and R129 are provided for setting the required level to the Stereo coder section (see
stereo coding section).
f) 15kHz Low pass filters
The Left and Right 15kHz filters are identical and only the Left will be discussed.
The filter has three distinct sections and was designed for minimum ripple and group delay.
• The first section, IC21/a and IC21/d, is configured as a notch filter centered at 23.8kHz. The
notch frequency can be adjusted by R108.
• The second section, IC21/b and IC21/c, is configured as a notch filter centered at 19kHz. The
notch frequency can be adjusted by R113.
• The third section, IC22/a and IC22/b is configured as a fifth order 19kHz low pass filter.
Adjustment is provided by C101.
The filter is adjusted by monitoring TP4, which is the output of a differential amplifier IC29,with
very high common mode rejection. This unique feature enables very simple set up of the 15kHz
filters by allowing the Left or Right filter to be measured individually and also allowing
simple differential measurement with both Left and Right together. This is very important
when setting up the Mono into Stereo calibration in the final Exciter.
The adjustment is made simple by setting the notches as described and adjusting the trimming
capacitor for a flat response at 15kHz (with respect to 1kHz). The response of the filter should
be as follows when adjusted:
1kHz 8kHz 12kHz 15kHz 19kHz ≥23kHz
0dBm +0.15dBm +0.1dBm 0dBm -40dBm -40dBm
The amplitude variance of this filter is very small and should not present any problems in set up,
unlike other filters found in competitive equipment.
g) Stereo coding and switching
The reference oscillator is formed by IC6/a and crystal XL1 with fine frequency adjustment via
C38. The oscillator operates at 4.256MHz and is buffered by IC6/b.
The square wave output is then divided by 8 via IC7/a to give a frequency of 532kHz.
FM-25 FM BROADCASTING EXCITER
Page 33
The 532kHz clock signal is applied to IC8/a and IC8/b (dual 4 bit shift register) which forms a 14
step multiplexer via IC9 and IC10/a, allowing a count of 7 (532khz/7 = 76kHz). Each output
has a pulse repetition frequency of 76kHz with a 1.879uS pulse. The outputs of IC9 are routed
to a Quad bilateral switch (IC11) which with precision weighting resistors (R53 to R60), a 14
step replica of a 38kHz sinusoid is produced. This has a distinct advantage over direct
switching at 38kHz as any spurious products produced appear at frequencies 532kHz and
above and are easy to filter.
The output of IC8 pin 11 is routed via IC13/a which produces a 38kHz square wave at its outputs.
These outputs are applied to another Quad bilateral switch IC12 which alternately switches the
Left and Right audio signals at the inputs of this switch at 38kHz These signals are applied to the
weighting resistors above.
The output of IC13/a pin 5 is routed via resistors R51 and R52. (R51 is used to vary the phase).
This 38kHz signal is divided by 2 via IC7/b, whose output is at 19kHz. This signal is then routed
to the 19kHz bandpass filters.
The stereo coded signal produced, has virtually no commutation products due to the use of High
speed CMOS switching and the final output from the weighting resistors is routed to IC17 via
R73.
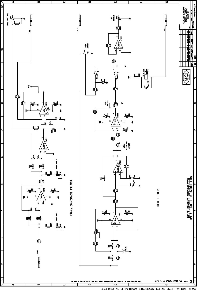
h) 19kHz Bandpass filters
The 19kHz square wave above, is routed to IC16/a and IC16/b which are configured as bandpass
filters centered at 19kHz. These filters convert the 19kHz square wave to a sinusoid with ≤0.1%
distortion. The filters are adjusted by R63 and R67 for maximum amplitude at 19kHz and the
output from IC16/b is routed to a SMB connector SK1. This is for external use and isolation is
provided via R69.
The signal is also routed to IC17 to provide the 19kHz pilot signal in the final Composite MPX
output. The pilot level is adjusted via R70.
i) MPX Filter
The output from IC17 buffer is routed to a fifth order Linear phase filter (IC18/a and IC18/b)
which provides ≥≥ 50dB attenuation above 532kHz. The required filter Passband (53kHz) has a
flatness characteristic of ≤≤ 0.02dB with a phase variance of ≤≤ 0.1°°. Allpass filter IC19/a
provides a Fine phase adjustment of the stereo multiplex signal at 15kHz. The total combination
exhibits a group delay variance of ≤≤ 10nS.
j) MPX output buffer
R91 (MPX Level) and R96 (Mono Level) provide adjustment for their respective functions and
RL1 provides the switching mechanism for Mono or Stereo. The final signal is routed via buffer
IC19/b to the output at SK2 (SMB connector).

FM-25 FM BROADCASTING EXCITER
Page 34
25W STEREO TRANSMITTER/EXCITER
TECHNICAL MANUAL
Maintenance Information
LARCAN USA INC.
1390 Overlook Drive #2
Lafayette, CO 80026
USA
Tel: (303) 6658000 Fax: (303) 6739900
Email: Sales@earthnet.net Web: www.larcan.com

FM-25 FM BROADCASTING EXCITER
Page 35

FM-25 FM BROADCASTING EXCITER
Page 36

FM-25 FM BROADCASTING EXCITER
Page 37

FM-25 FM BROADCASTING EXCITER
Page 38

FM-25 FM BROADCASTING EXCITER
Page 39

FM-25 FM BROADCASTING EXCITER
Page 40

FM-25 FM BROADCASTING EXCITER
Page 41

FM-25 FM BROADCASTING EXCITER
Page 42

FM-25 FM BROADCASTING EXCITER
Page 43

FM-25 FM BROADCASTING EXCITER
Page 44

FM-25 FM BROADCASTING EXCITER
Page 45

FM-25 FM BROADCASTING EXCITER
Page 46

FM-25 FM BROADCASTING EXCITER
Page 47

FM-25 FM BROADCASTING EXCITER
Page 48

FM-25 FM BROADCASTING EXCITER
Page 49

FM-25 FM BROADCASTING EXCITER
Page 50

FM-25 FM BROADCASTING EXCITER
Page 51

FM-25 FM BROADCASTING EXCITER
Page 52

FM-25 FM BROADCASTING EXCITER
Page 53

FM-25 FM BROADCASTING EXCITER
Page 54

FM-25 FM BROADCASTING EXCITER
Page 55

FM-25 FM BROADCASTING EXCITER
Page 56

FM-25 FM BROADCASTING EXCITER
Page 57

FM-25 FM BROADCASTING EXCITER
Page 58

FM-25 FM BROADCASTING EXCITER
Page 59

FM-25 FM BROADCASTING EXCITER
Page 60

FM-25 FM BROADCASTING EXCITER
Page 61

FM-25 FM BROADCASTING EXCITER
Page 62

FM-25 FM BROADCASTING EXCITER
Page 63

FM-25 FM BROADCASTING EXCITER
Page 64

FM-25 FM BROADCASTING EXCITER
Page 65

FM-25 FM BROADCASTING EXCITER
Page 66

FM-25 FM BROADCASTING EXCITER
Page 67