Broil King Signet 20 9865 24 Users Manual
9865-27 to the manual a01948c5-73eb-40dc-b2d3-b56cac8d3636
2015-02-02
: Broil-King Broil-King-Signet-20-9865-24-Users-Manual-485268 broil-king-signet-20-9865-24-users-manual-485268 broil-king pdf
Open the PDF directly: View PDF
.
Page Count: 16

REDDI-BILT BARBECUES
ASSEMBLY MANUAL & PARTS LIST MANUEL DE MONTAGE & LISTE DE PIECES
RETAIN FOR FUTURE REFERENCE VEUILLEZ CONSERVER POUR REFERENCE ULTERIEURE
1-800-265-2150 info@omcbbq.com
10084-E41 REV D 11/08
SIGNET 20 SIGNET 40
9865-54 9865-24
9865-57 9865-27
SIGNET 70 SIGNET 90
9865-74 9869-84R
9865-77 9869-87R

(2)
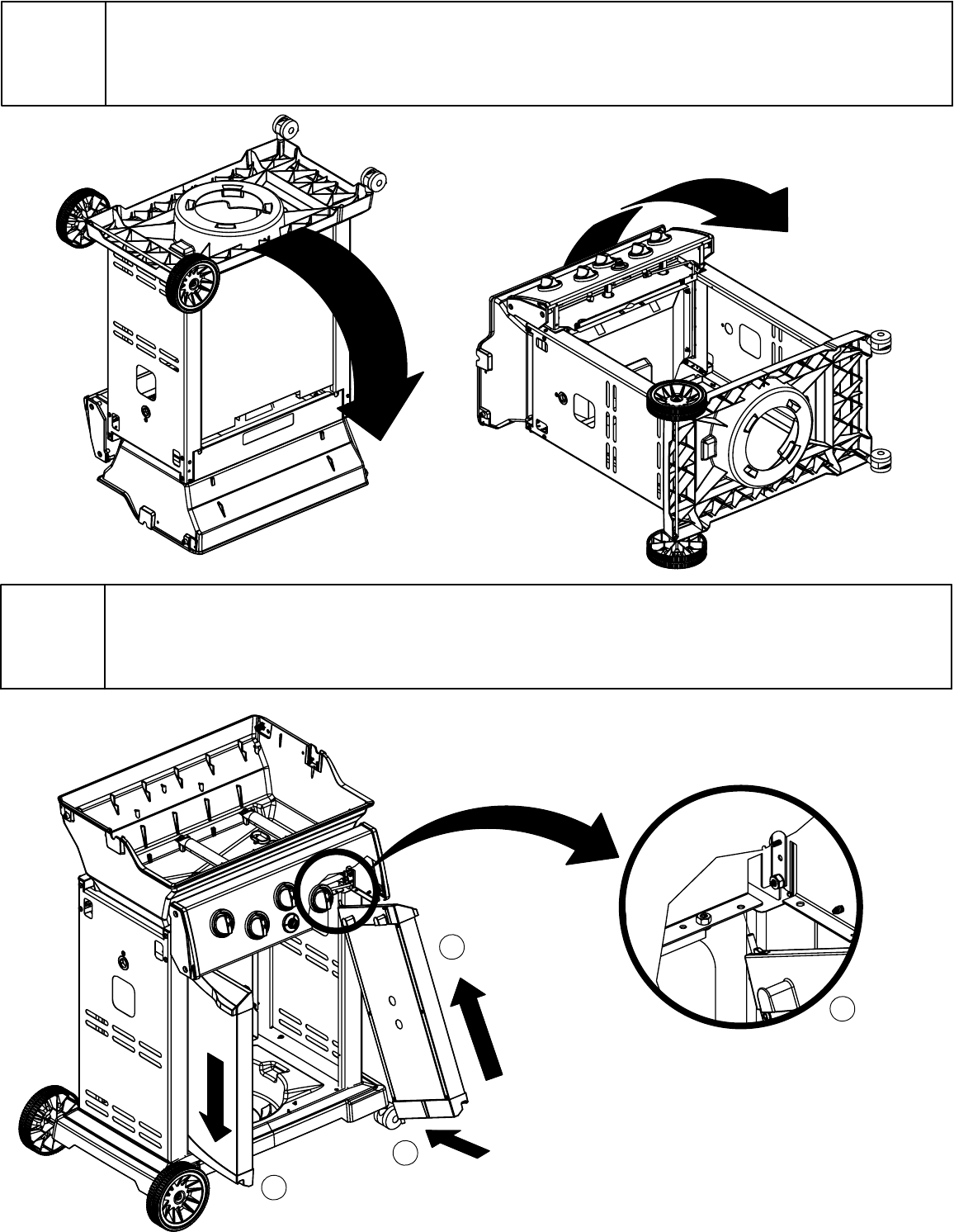
1

2
3(4) (8)

(6)
(4)
4
5
(2)
(6)
(2)

3
1
2
1
6
7

(2)
8(2) (1)

(2) (1)
(1)
(2) (2)
9
10 (1)

11

B
A
A
B
(2)
12 (2)
(2) (2)

13
14

15
12
3
(2) (2)

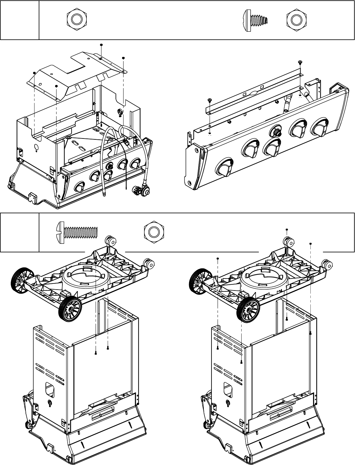
PARTS LIST / LISTE DES PIECES
KEY # ITEM # DESCRIPTION DESCRIPTION 9865-24 9865-54 9865-74 9869-84R
9865-27 9865-57 9865-77 9869-87R
1 10909-E400 CASTING BOTTOM FOND DU FOYER 1 1 1 1
2 10473-E400 CASTING TOP COUVERCLE DU GRIL 1 1 1 1
3 10081-BK603 NAMEPLATE PLAQUE D’IDENTIFICATION 1 1 1 1
4 10958-E400 TOP CASTING INSERT PANNEAU DE COUVERCLE 1 1 1 1
5 10571-6 HEAT INDICATOR INDICATEUR DE CHALEUR 1 1 1 1
6 10240-15 HINGE PIN GOUPILLE DE CHARNIÈRE 6 6 6 6
6A S21237 HINGE SPACER ENTRETOISE DE CHARNIÈRE 2 2 2 2
7 S21233 HITCH PIN CLIP ATTACHE DE CHEVILLE 6 6 6 6
9 10225-E404 GRID - S.S. GRILLE - A.I. 2 •• •
10225-T436 GRID - PORCELAIN GRILLE •222
10 10222-E400 FLAV-R-WAVE FLAV-R-WAVE 3 3 3 3
11 10225-E401 GRID - WARMING RACK GRILLE 1 1 1 1
12 10222-E401 DIVIDER DIVISEUR 2 2 2 2
15 10390-E20 BURNER BRÛLEUR 3 3 3 3
15A Y-11791 NUT ÉCROU 3 3 3 3
17 10342-245 ELECTRONIC IGNITOR ALLUMEUR ÉLECTRONIQUE •11 •
10342-246 ELECTRONIC IGNITOR ALLUMEUR ÉLECTRONIQUE 1 •• 1
18 10342-E12 ELECTRODE ELECTRODE 2 2 2 2
19 10342-E400 COLLECTOR BOX BOÎTE DE COLLECTEUR 1 1 1 1
19A 10342-E401 COLLECTOR BOX BOÎTE DE COLLECTEUR 1 1 1 1
21 10444-E409 CONTROL ASSEMBLY LP ASSEMBLÉE DE CONTROLE PL •1• •
10444-E419 CONTROL ASSEMBLY NG ASSEMBLÉE DE CONTROLE GN •1• •
10444-E429 CONTROL ASSEMBLY LP ASSEMBLÉE DE CONTROLE PL 1•• •
10444-E439 CONTROL ASSEMBLY NG ASSEMBLÉE DE CONTROLE GN 1 •• •
10444-E449 CONTROL ASSEMBLY LP ASSEMBLÉE DE CONTROLE PL ••1 •
10444-E459 CONTROL ASSEMBLY NG ASSEMBLÉE DE CONTROLE GN ••1 •
10444-E469 CONTROL ASSEMBLY LP ASSEMBLÉE DE CONTROLE PL ••• 1
10444-E479 CONTROL ASSEMBLY NG ASSEMBLÉE DE CONTROLE GN ••• 1
21A. S13470-091 HOSE-SIDE BURNER LP TUYAU DU BRULEUR LATERAL PL 1•• 1
S13470-132 HOSE-SIDE BURNER NG TUYAU DU BRULEUR LATERAL GN 1 •• 1
Y-11230 COTTER PIN ATTACHE DE CHEVILLE 1 •• 1
21B. 10110-40 TUBE-REAR BURNER ASSY TUBE DE BRULEUR ARRIERE ••
11
22 10114-20 HOSE & REGULATOR LP - QCC1 TUYAU ET REGULATEUR PL - QCC1 1111
10111-K45 HOSE NATURAL GAS TUYAU (GAZ NATUREL) 1 111
23 22001-768 CONTROL KNOB BOUTON DE CONTROLE 4 3 4 5
23A 10472-E38 CONTROL BEZEL MONTURE DE CONTROLE 4 3 4 5
23B Y-12674 CONTROL KNOB BOUTON DE CONTROLE 4 3 4 5
25 10222-E402 BAFFLE PLAQUE-CHICANE 1 1 1 1
30 10194-E433 CONTROL COVER PANNEAU DE CONTROLE •1• •
10194-E455 CONTROL COVER PANNEAU DE CONTROLE 1•• •
10194-E477 CONTROL COVER PANNEAU DE CONTROLE ••
1•
10194-E499 CONTROL COVER PANNEAU DE CONTROLE ••• 1
31 10711-E42 EDGE CAP - CONTROL COVER PAC DE BORD 1 1 1 1
32 10711-E41 EDGE CAP - CONTROL COVER PAC DE BORD 1 1 1 1
33 10184-E84 RADIATION SHIELD ÉCRAN DE CHALEUR 1 1 1 1
35 10184-E501 SUPPORT-CASTING-LEFT SUPPORT GAUCHE DU FOYER 1 1 1 1
36 10184-E511 SUPPORT-CASTING-RIGHT SUPPORT DROIT DU FOYER 1 1 1 1
37 10184-E751 SUPPORT-SIDE SHELF-LEFT SUPPORT TABLETTE DE GAUCHE 2 2 2 2
37A 10184-E63 SUPPORT-SIDE SHELF-LEFT SUPPORT TABLETTE DE GAUCHE 2 2 2 2
38 10184-E741 SUPPORT-SIDE SHELF-RIGHT SUPPORT TABLETTE DE DROIT 2 2 2 2
38A 10184-E62 SUPPORT-SIDE SHELF-RIGHT SUPPORT TABLETTE DE DROIT 2 2 2 2
39 10956-E581 BRACE-REAR SUPPORT ARRIERE 1 1 1 1
40 10958-E81 BASE TABLETTE INFERIEURE 1 1 1 1
41 10956-E591 BRACE-FRONT SUPPORT AVANT 1 1 1 1
42 10958-E79 DOOR PORTE 2 2 2 2
42A 10958-E851 DOOR – INNER PORTE INTÉRIEURE 2 2 2 2
43 10958-E761 SIDE PANEL BLK PANNEAU LATERALE 2 2 2 2
44 10958-E901 PANEL - REAR PANNEAU - ARRIÈRE 1 1 1 1
45 10184-E801 BRACKET - DOOR CATCH CROCHET DE PORTE 1 1 1 1
47 10184-E691 SHELF BRACKET SUPPORT POUR TABLETTE 2 2 2 2
50 10711-E75 SHELF - RIGHT PLANCHETTE – DROIT 1 1 1 1
50A 10184-E73 SHELF STRAP COURROIE - PLANCHETTE 2 2 2 2

PARTS LIST / LISTE DES PIECES
KEY # ITEM # DESCRIPTION DESCRIPTION 9865-24 9865-54 9865-74 9869-94
9865-27 9865-57 9865-77 9869-97
51 10711-E76 SHELF - LEFT PLANCHETTE - GAUCHE •11 •
10711-E77 SHELF-SIDEBURNER PLANCHETTE – BRULEUR DE COTE 1 •• 1
52 10184-E78 DOOR - TOP CAP - LEFT PORTE - DESSUS - GAUCHE 1 1 1 1
53 10184-E76 DOOR - BOTTOM CAP - LEFT PORTE - DESSOUS - GAUCHE 1 1 1 1
54 10184-E79 DOOR - TOP CAP - RIGHT PORTE - DESSUS - DROIT 1 1 1 1
55 10184-E77 DOOR - BOTTOM CAP - RIGHT PORTE - DESSOUS - DROIT 1 1 1 1
56 10892-7 WHEEL ROUE 2 2 2 2
66 S13005 BURNER ROTISSERIE BRULEUR A ROTISS ••
11
68 S21362 SPRING RESSORT ••
11
70 Y-11990 HEX NUT ECROU ••
11
71 10696-109 REARBURNER-ORIFICE LP ORIFICE DU BRULEUR ARRIERE PL ••1 1
10696-160 REARBURNER-ORIFICE NG ORIFICE DU BRULEUR ARRIERE GN ••
11
73 S21420 PUSH NUT POUSSE ECROU 2 2 2 2
74 S21084 SCREW - #14 x 3/4 VIS - #14 x 3/4 14 14 14 14
75 10338-400 HANDLE POIGNÉE 1 1 1 1
75A 10184-E702 STRAP - HANDLE COURROIE - POIGNÉE 1 1 1 1
10184-E705 STRAP - HANDLE COURROIE - POIGNÉE ••• •
76 S21255 WASHER RONDELLE 2 2 2 2
78 10892-15 CASTOR ROULETTES 2 2 2 2
79 Y-11561 BOLT – 1/4:20 x 1 3/4 BOULON - 1/4:20 X 1 3/4 8 8 8 8
80 Y-11546 SCREW- 1/4-20 X 5/8 VIS – 1/4-20 X 5/8 4 4 4 4
81 Y-12860 SCREW – 1/4-20 X 1 3/8 VIS – 1/4-20 X 1 3/8 4 4 4 4
82 Y-12673 SHELF - LOCK PIN ÉTAGÈRE - GOUPILLE DE SERRURE 2 2 2 2
82A Y-12855 BOLT- 1/4-20 X 3/8 BOULON – 1/4-20 X 3/8 2 2 2 2
83 Y-12310 BOLT- 1/4-20 X 3/4 BOULON – 1/4-20 X 3/4 6 6 6 6
84 S15170 AXLE ESSIEU 1 1 1 1
87 Y-11793 NUT- 1/4-20 ECROU – 1/4-20 20 20 20 20
88 Y-11560 BOLT – 1/4:20 x 1 1/2 BOULON - 1/4:20 X 1 1/2 4 4 4 4
96 S21125 SCREW – 8 X 1/2 VIS - 8 X 1/2 16 16 16 16
98 S21124 SCREW – 8 X 1/2 VIS - 8 X 1/2 20 19 20 21
98A Y-12643 SCREW – 8 X 1/2 VIS - 8 X 1/2 12 12 12 12
99 Y-12646 SCREW – SHOULDER 8 X 1/2 VIS - 8 X 1/2 2 •• 2
104 Y-12835 SCREW – 6-32 X 1/4 VIS – 6-32 X 1/4 2 •• 2
105 Y-29307 NUT – 10-24 ECROU – 10-24 4 •• 4
108 PB20-60 LID HANDLE POIGNEE 1 •• 1
109 S21136 SCREW – 8-32 X 3/8 VIS – 8-32 X 3/8 2 •• 2
110 10225-T10 GRID GRILLE 1 •• 1
111 10390-E10 SIDE BURNER BRULEUR DE COTE 1 •• 1
113 10342-T16 ELECTRODE – SIDE BURNER ELECTRODE – BRULEUR DE COTE 1 •• 1
114 10393-K40 COVER-SIDE BURNER COUVERCLE LATÉRAL 1 •• 1
115 Y-29304 SCREW – 10-24 X 3/8 VIS– 10-24 X 3/8 4 •• 4
117 10393-R50 SHELF-SIDE BURNER SUPPORT DE BRULEUR DE COTE 1 •• 1
123 S15115 GREASE PAN - DISPOSABLE CUVETTE A GRAISSE 1 1 1 1
125 Y-12220 BUSHING DOUILLE 1 •• 1
135 Y-12119 3/8 HEYCO BUSHING DOUILLE DE 3/8 HEYCO 3 2 2 3
136 10184-E43 ROTISSERIE SHIELD BOUCLIER DE ROTISSERIE 1 1 1 1
137 10184-E42 ROTISSERIE BRACKET CROCHET DE ROTISSERIE 111 1
138 10184-E44 ROTISSERIE SHIELD BOUCLIER DE ROTISSERIE 1 1 1 1
139 S21061 WING NUT ECROU PAPILLON 222 2
140 Y-29306 BOLT - 10-24 x 5/8 BOULON - 10-24 x 5/8 222 2
141 S15271 ROTISSERIE HANDLE POIGNEE DE ROTISSERIE ••
11
142 S15270 ROTISSERIE COUNTER WEIGHT CONTREPOIDS DE ROTISSERIE ••
11
143 S15263 BUSHING COL ••
11
144 S15287 ROTISSERIE FORKS FOURCHETTE DE ROTISSERIE ••
22
145 S15257 SPIT ROD BROCHETTE ••
11
146 S15236 ROTISSERIE MOTOR MOTEUR DE ROTISSERIE ••
11
147 S15299 WASHER RONDELLE ••
11

25
141
142
147
143
145
144
146
21A
11
9
10
12
74
98
37
47
38
98
51
50A
74
74
71 70
18
81
32
23
17
98
30
31
81
1
138
23A
15A
66
68
21A
22
15
6
6A
7
21
21B
19A 19 136
137
81
139
140
23B
96
5
3
4
75A
74
76
2
75
114
108
99
109
111
110
104
113
105
117
115

42
42A
54
98A
55
96
42
52
53
6
6
6
80
7
79
79
125
135
43
82
78
40
87
73
84
56
87
83
43
79
79
80
37A
7
6
80 38A
98
44
83
98
37A
38A
80
82
123 87
39
87
36
98
33
87
87
98
35
98 82A 45
87
41
87
87
135
50A
38
37
98
47
74
98
74
50
74