Brother Ke 430F Parts Manual
2014-12-12
: Brother Brother-Ke-430F-Parts-Manual-119218 brother-ke-430f-parts-manual-119218 brother pdf
Open the PDF directly: View PDF
.
Page Count: 68
- Cover
- Description of model plate
- Notes for using this parts book
- A. Machine body
- B. Upper shaft and needle bar mechanism
- C. Feed mechanism
- D. Work clamp lifter mechanism
- E. Button clamp mechanism (BE-438F)
- F. Lower shaft mechanism
- G. Lubrication
- H. Threading mechanism
- J. Bobbin winder mechanism
- K. Thread trimmer mechanism
- L. Thread wiper mechanism
- M. Tension release mechanism
- N. Thread nipper mechanism
- P1. Control box mechanism
- P2. Control box mechanism
- Q. Power supply equipment mechanism
- R. Operation panel mechanism
- S. Motor mechanism
- T. Foot switch pedal mechanism (Option parts)
- U1. Auxiliary device (Option parts for BE-438F)
- U2. Auxiliary device (Option parts for BE-438F)
- Z. Accessories
- Wa. Warning labels
- Sp. Different parts list
- Ga. Gauge parts list
- Index
- Back Cover

Parts Navigation http://partsbook.brother.co.jp/partsnavi/jpn/
The latest parts information, refer to the Parts Navigation. http://partsbook.brother.co.jp/partsnavi/eng/
KE-430F
BE-438F
ELECTRONIC DIRECT DRIVE LOCKSTITCH BAR TACKER
ELECTRONIC DIRECT DRIVE LOCKSTITCH BUTTON SEWER
PARTS BOOK

BROTHER INDUSTRIES, LTD.
KE-430F-00
BROTHER INDUSTRIES, LTD.
BE-438F
3:
5:
F:
K:

3: Medium-weight materials
5: Heavy-weight materials
K: Knitted materials
Description of model plate
BROTHER INDUSTRIES, LTD.
KE-430F-00
BROTHER INDUSTRIES, LTD.
BE-438F
ELECTRONIC DIRECT DRIVE LOCKSTITCH BAR TACKER
F: Foundation garments
ELECTRONIC DIRECT DRIVE LOCKSTITCH BUTTON SEWER

1.
2.
3.
4.
A. 1
B. 3
C.
7
D. 11
E.
13
F. 15
G. 17
H.
19
J. 21
K.
23
L.
27
M. 29
N.
31
P1. 33
P2. 35
Q. 37
R.
39
S. 41
T. 43
U1.
45
U2.
47
Z. 49
Wa.
51
Sp.
53
Ga.
55
59

1. This book was prepared based on information available in April 2010.
2. Parts are subject to changes in design without prior notice.
3. Parts supplied as complete assemblies are circled by a dotted line.
4.
A. Machine body ................................................... 1
B. Upper shaft and needle bar mechanism ..........
.
3
C. Feed mechanism .............................................. 7
D. Work clamp lifter mechanism ...........................
.
11
E. Button clamp mechanism (BE-438F) ...............
.
13
F. Lower shaft mechanism ...................................
.
15
G. Lubrication ........................................................ 17
H. Threading mechanism ...................................... 19
J. Bobbin winder mechanism ...............................
.
21
K. Thread trimmer mechanism .............................
.
23
L. Thread wiper mechanism ................................. 27
M. Tension release mechanism ............................
.
29
N. Thread nipper mechanism ................................ 31
P1. Control box mechanism .................................... 33
P2. Control box mechanism .................................... 35
Q. Power supply equipment mechanism ............... 37
R. Operation panel mechanism ............................
.
39
S. Motor mechanism ............................................. 41
T. Foot switch pedal mechanism (Option parts).... 43
U1. Auxiliary device
(Option parts for BE-438F ) ............................. 45
U2. Auxiliary device
(Option parts for BE-438F ) ............................. 47
Z.
A
ccessories ...................................................... 49
Wa. Warning labels .................................................. 51
Sp. Different parts list .............................................
.
53
Ga. Gauge parts list ................................................
.
55
Index ................................................................. 59
Notes for using this parts book
CONTENTS
The part which has the symbol "+" on its number (REF.NO) in the figure differs
depending on the specification. For details, refer to the parts list.

1
A. / Machine body
REF.NO CODE Q'TY NAME OF PARTS RM
1 SB0788001 1
RUBBER CAP 23
2 117934001 2
RUBBER CAP, 13.5
3 S32263001 5
RUBBER CAP, 8.5
4 S20878000 2
RUBBER CAP, 5.3
5 S32263001 3
RUBBER CAP, 8.5
6 S20878000 5
RUBBER CAP, 5.3
7 S23337001 1
RUBBER CAP, 18.5
8 SB1167001 1 FACE PLATE ASS
Y
9 117934001 1
RUBBER CAP, 13.5
10 062500816 3 SCREW PAN M5X8
11 SB1277001 1
THREAD TAKE-UP LEVER COVE
R
12 062401006 1 SCREW PAN M4X10
13 SB0786001 1
SIDE COVE
R
14 062500816 4 SCREW PAN M5X8
15 SA3262202 1
SHUTTLE RACE COVE
R
16 SA3263001 1
SHUTTLE RACE COVER HOOK D
17 004300513 2 SCREW, FLAT M3X5
18 SA3264001 1 NUT PLATE
19 SA3265001 2
SHOULDER SCREW,8-2
20 109239002 2
WASHER, WAVE SPRING
21 SA3266101 1
SHUTTLE RACE COVER HOOK U
22 062300416 2 SCREW PAN M3X4
23 025030236 2
WASHER PLAIN M 3
24 SB1168001 3
RUBBER CUSHIOM
25 SA8680001 3 SPACE
R
26 062402016 3 SCREW PAN M4X20
27 025040136 3
WASHER PLAIN S 4
28 SB1169001 1 CUSHION PLATE
29 S25310101 2
SCREW, FLAT M4
30 SB0789001 1 HEAD RES
T
31 SB0984001 2 COLLAR
32 018062036 2
BOLT SOCKET M6X20
33 025060236 2
WASHER PLAIN M 6
34 SA9826001 1 LABEL CAUTION
35 S37060001 1 LABEL, GROUNDING
36 SA9957002 1
INJURY MAR
K
37 SA9957001 1
INJURY MAR
K
KE-430F/BE-438F-050
2
1
A . / Machine body
KE-430F/BE-438F-050
30
14
2
8
4
9
3
3
3
1
2
15
7
35
17
16
18
20 19
5
36
637
6
10
12
11
13
32 33 31
23
24
25
27
26
24
25
27
26
24
29
28
34
25
27
26
22
21

2
A. / Machine body
REF.NO CODE Q'TY NAME OF PARTS RM
1 SB0788001 1
RUBBER CAP 23
2 117934001 2
RUBBER CAP, 13.5
3 S32263001 5
RUBBER CAP, 8.5
4 S20878000 2
RUBBER CAP, 5.3
5 S32263001 3
RUBBER CAP, 8.5
6 S20878000 5
RUBBER CAP, 5.3
7 S23337001 1
RUBBER CAP, 18.5
8 SB1167001 1 FACE PLATE ASS
Y
9 117934001 1
RUBBER CAP, 13.5
10 062500816 3 SCREW PAN M5X8
11 SB1277001 1
THREAD TAKE-UP LEVER COVE
R
12 062401006 1 SCREW PAN M4X10
13 SB0786001 1
SIDE COVE
R
14 062500816 4 SCREW PAN M5X8
15 SA3262202 1
SHUTTLE RACE COVE
R
16 SA3263001 1
SHUTTLE RACE COVER HOOK D
17 004300513 2 SCREW, FLAT M3X5
18 SA3264001 1 NUT PLATE
19 SA3265001 2
SHOULDER SCREW,8-2
20 109239002 2
WASHER, WAVE SPRING
21 SA3266101 1
SHUTTLE RACE COVER HOOK U
22 062300416 2 SCREW PAN M3X4
23 025030236 2
WASHER PLAIN M 3
24 SB1168001 3
RUBBER CUSHIOM
25 SA8680001 3 SPACE
R
26 062402016 3 SCREW PAN M4X20
27 025040136 3
WASHER PLAIN S 4
28 SB1169001 1 CUSHION PLATE
29 S25310101 2
SCREW, FLAT M4
30 SB0789001 1 HEAD RES
T
31 SB0984001 2 COLLAR
32 018062036 2
BOLT SOCKET M6X20
33 025060236 2
WASHER PLAIN M 6
34 SA9826001 1 LABEL CAUTION
35 S37060001 1 LABEL, GROUNDING
36 SA9957002 1
INJURY MAR
K
37 SA9957001 1
INJURY MAR
K
KE-430F/BE-438F-050
2

3
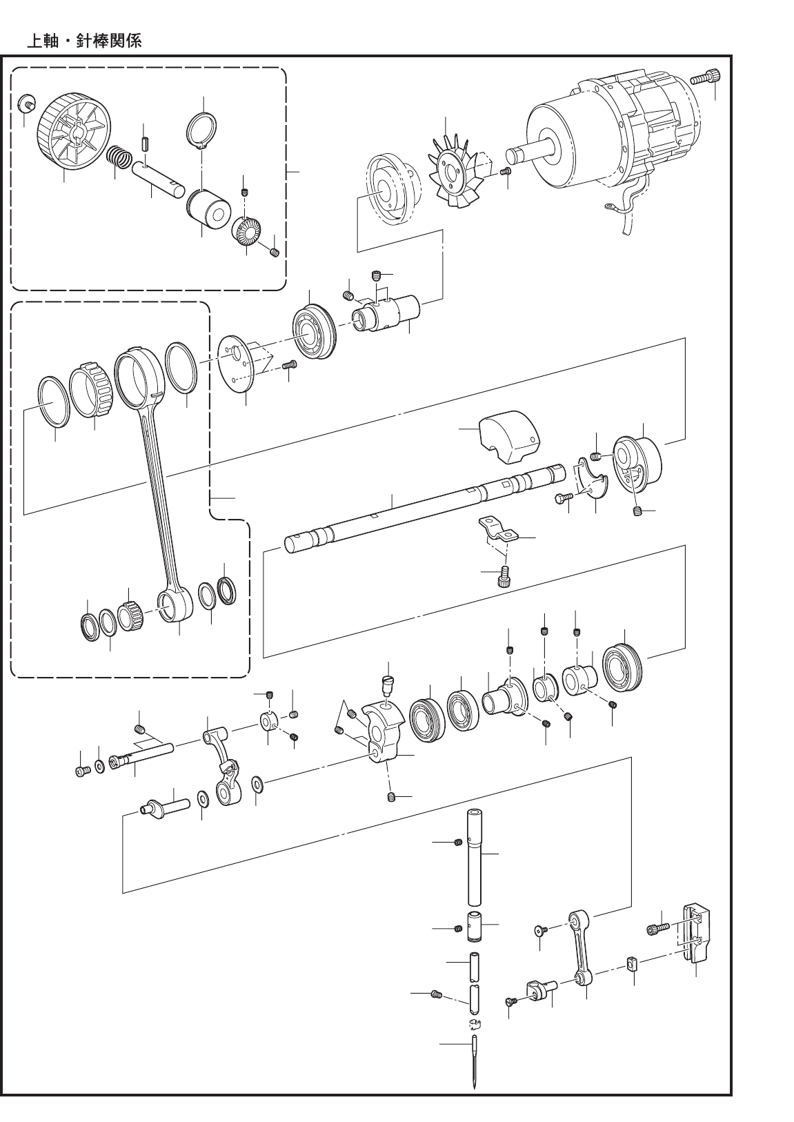
B. / Upper shaft and needle bar mechanism
REF.NO CODE Q'TY NAME OF PARTS RM
1 SB0993001 1
UPPER SHAF
T
2 SB1278001 1 ECCENTRIC WHEEL ASS
Y
3 SB1012001 1 PLATE
4 SA5248001 1
GREASE COVE
R
5 017400802 3
BOLT M4X8
6 062400816 3 SCREW PAN M4X8
7 S23651001 2 SET SCREW SOCKET (FT) M6X6
8 SB1679001 1 CRANK ROD BASE SE
T
9 SB0697101 1 CRANK ROD
10 SB0991001 1
NEEDLE BEARING KT424717…<SILVER>
10 SB0991002 1
NEEDLE BEARING KT424717…<BLUE>
11 SB1013001 2 SPACE
R
12 SB0992001 1
NEEDLE BEARING KT182412 EG…<SILVER>
12 SB0992002 1
NEEDLE BEARING KT182412 EG…<BLUE>
13 SB1014001 2 SPACER D
14 SB1070001 2 OIL SEAL OS18253
15 SB1025001 1
BALANCER PLATE
16 SB1026101 1
BALANCE
R
17 018061636 2
BOLT SOCKET M6X16
18 SB1005001 1
BALL BEARING BUSH F
19 SA7520001 1
BALL BEARING 6904ZZNR
20 SA7521001 1
BALL BEARING 6904ZZ
21 S23651001 2 SET SCREW SOCKET (FT) M6X6
22 SB1007001 1
BALL BEARING BUSH M
23 S38707001 1
BALL BEARING, 6004ZZNR
24 S23651001 2 SET SCREW SOCKET (FT) M6X6
<For KE-430F>
25+ SB1009001 1
JOINT
<For BE-438F>
25+ SB1011001 1
JOINT B
26 S38710001 1
BALL BEARING, 6204ZZNR
27 S23651001 4 SET SCREW SOCKET (FT) M6X6
--- <For KE-430F-03, -0K, -0F>
28+ SB0995101 1 THREAD TAKE-UP CRANK U
29+ SB1019001 1
NEEDLE BAR CRANK U
30+ SB1002001 1
THREAD TAKE-UP LEVER U ASS
Y
- <For KE-430F-05>
28+ SB0994101 1 THREAD TAKE-UP CRAN
K
29+ SB0695001 1
NEEDLE BAR CRAN
K
30+ SB0997001 1
THREAD TAKE-UP LEVER ASS
Y
<For BE-438F>
28+ SB0996101 1 THREAD TAKE-UP CRANK B
29+ SB1018001 1
NEEDLE BAR CRANK B
30+ SB0999001 1
THREAD TAKE-UP LEVER B ASS
Y
31 S25235001 1
SCREW M8
32 S23651001 4 SET SCREW SOCKET (FT) M6X6
33 110367001 2
WASHER, PLAIN SPECIAL
8
34 140004001 1
SCREW, SM3.57-40X7
35 SA9650001 1
NEEDLE BAR CLAMP
36 SB1034101 1
NEEDLE BAR CONNECTING ROD ASS
Y
37 SA2422001 1
SCREW, SM3.57L
38 SB1031001 1
THREAD TAKE-UP SUPPORT SHAFT D
39 062500616 1 SCREW PAN M5X6
40 026050136 1
WASHER PLAIN S 5
41 012500536 1 SET SCREW SOCKET (FT) M5X5
42 SA1125001 1 SET SCREW COLLA
R
43 012400436 2 SET SCREW SOCKET (FT) M4X4
44 012060636 2 SET SCREW SOCKET (FT) M6X6
45 SB1029001 1 SLIDE BLOCK D
46 SB1035101 1 SLIDE BLOCK GUIDE
KE-430F/BE-438F-123
4
3
KE-430F/BE-438F-123
B . / Upper shaft and needle bar mechanism
56
46
45
36
37
4
33
33
42 43
5
2
7
7
3
11
10
11
6
55
23
22
58
57
18
19
47
20
31
41
38
44
40
39
1
26
68
66
66
64
17
49
43
16
14
14
13
13
9
48
53 51
15
50
54
65
60
61
62
63
67
27
59
8
27
21 58
21
12
32
32
25+
30+
28+
29+
52+
24
24
53
34 35

4
B. / Upper shaft and needle bar mechanism
REF.NO CODE Q'TY NAME OF PARTS RM
1 SB0993001 1
UPPER SHAF
T
2 SB1278001 1 ECCENTRIC WHEEL ASS
Y
3 SB1012001 1 PLATE
4 SA5248001 1
GREASE COVE
R
5 017400802 3
BOLT M4X8
6 062400816 3 SCREW PAN M4X8
7 S23651001 2 SET SCREW SOCKET (FT) M6X6
8 SB1679001 1 CRANK ROD BASE SE
T
9 SB0697101 1 CRANK ROD
10 SB0991001 1
NEEDLE BEARING KT424717…<SILVER>
10 SB0991002 1
NEEDLE BEARING KT424717…<BLUE>
11 SB1013001 2 SPACE
R
12 SB0992001 1
NEEDLE BEARING KT182412 EG…<SILVER>
12 SB0992002 1
NEEDLE BEARING KT182412 EG…<BLUE>
13 SB1014001 2 SPACER D
14 SB1070001 2 OIL SEAL OS18253
15 SB1025001 1
BALANCER PLATE
16 SB1026101 1
BALANCE
R
17 018061636 2
BOLT SOCKET M6X16
18 SB1005001 1
BALL BEARING BUSH F
19 SA7520001 1
BALL BEARING 6904ZZNR
20 SA7521001 1
BALL BEARING 6904ZZ
21 S23651001 2 SET SCREW SOCKET (FT) M6X6
22 SB1007001 1
BALL BEARING BUSH M
23 S38707001 1
BALL BEARING, 6004ZZNR
24 S23651001 2 SET SCREW SOCKET (FT) M6X6
<For KE-430F>
25+ SB1009001 1
JOINT
<For BE-438F>
25+ SB1011001 1
JOINT B
26 S38710001 1
BALL BEARING, 6204ZZNR
27 S23651001 4 SET SCREW SOCKET (FT) M6X6
--- <For KE-430F-03, -0K, -0F>
28+ SB0995101 1 THREAD TAKE-UP CRANK U
29+ SB1019001 1
NEEDLE BAR CRANK U
30+ SB1002001 1
THREAD TAKE-UP LEVER U ASS
Y
- <For KE-430F-05>
28+ SB0994101 1 THREAD TAKE-UP CRAN
K
29+ SB0695001 1
NEEDLE BAR CRAN
K
30+ SB0997001 1
THREAD TAKE-UP LEVER ASS
Y
<For BE-438F>
28+ SB0996101 1 THREAD TAKE-UP CRANK B
29+ SB1018001 1
NEEDLE BAR CRANK B
30+ SB0999001 1
THREAD TAKE-UP LEVER B ASS
Y
31 S25235001 1
SCREW M8
32 S23651001 4 SET SCREW SOCKET (FT) M6X6
33 110367001 2
WASHER, PLAIN SPECIAL
8
34 140004001 1
SCREW, SM3.57-40X7
35 SA9650001 1
NEEDLE BAR CLAMP
36 SB1034101 1
NEEDLE BAR CONNECTING ROD ASS
Y
37 SA2422001 1
SCREW, SM3.57L
38 SB1031001 1
THREAD TAKE-UP SUPPORT SHAFT D
39 062500616 1 SCREW PAN M5X6
40 026050136 1
WASHER PLAIN S 5
41 012500536 1 SET SCREW SOCKET (FT) M5X5
42 SA1125001 1 SET SCREW COLLA
R
43 012400436 2 SET SCREW SOCKET (FT) M4X4
44 012060636 2 SET SCREW SOCKET (FT) M6X6
45 SB1029001 1 SLIDE BLOCK D
46 SB1035101 1 SLIDE BLOCK GUIDE
KE-430F/BE-438F-123
4

5
B. / Upper shaft and needle bar mechanism
REF.NO CODE Q'TY NAME OF PARTS RM
47 018401636 2
BOLT SOCKET M4X16
48 SB1021001 1
NEEDLE BAR D
49 144458001 1
SET SCREW SM3.57-40X4.5
50 SB1023001 1
NEEDLE BAR BUSH U
51 SB1024001 1
NEEDLE BAR BUSH D
- <For KE-430F-0>
52+ NEEDLE DPX5…(#14)
- <For KE-430F-0>
52+ NEEDLE DPX5…(#9)
- <For KE-430F-05>
52+ NEEDLE DPX17NY…(#19)
- <For KE-430F-0F>
52+ NEEDLE DPX5KN…(#11)
<For BE-438F>
52+ NEEDLE DPX17NY…(#12)
53 012500536 2 SET SCREW SOCKET (FT) M5X5
54 S38713100 1 FAN
55 062400816 3 SCREW PAN M4X8
56 018501636 4
BOLT SOCKET M5X16
57 SA9004001 1
PULLEY GEAR
R
58 012500536 2 SET SCREW SOCKET (FT) M5X5
59 SB1036001 1
PULLEY SHAFT ASS
Y
60 SB1037001 1
PULLEY SHAFT
61 SB1038001 1
PULLEY BUSH
62 SB1041001 1
PULLEY SPRING
63 SB1040001 1
SCRE
W
64 047402042 1
PIN SPRING ROLL AW4
65 SB1039001 1
PULLEY GEAR L
66 012500536 2 SET SCREW SOCKET (FT) M5X5
67 SB0910001 1
PULLE
Y
68 048280142 1
RETAINING RING EXTERNAL C28
KE-430F/BE-438F-123
6
5
KE-430F/BE-438F-123
B . / Upper shaft and needle bar mechanism
56
46
45
36
37
4
33
33
42 43
5
2
7
7
3
11
10
11
6
55
23
22
58
57
18
19
47
20
31
41
38
44
40
39
1
26
68
66
66
64
17
49
43
16
14
14
13
13
9
48
53 51
15
50
54
65
60
61
62
63
67
27
59
8
27
21 58
21
12
32
32
25+
30+
28+
29+
52+
24
24
53
34 35

6
B. / Upper shaft and needle bar mechanism
REF.NO CODE Q'TY NAME OF PARTS RM
47 018401636 2
BOLT SOCKET M4X16
48 SB1021001 1
NEEDLE BAR D
49 144458001 1
SET SCREW SM3.57-40X4.5
50 SB1023001 1
NEEDLE BAR BUSH U
51 SB1024001 1
NEEDLE BAR BUSH D
- <For KE-430F-0>
52+ NEEDLE DPX5…(#14)
- <For KE-430F-0>
52+ NEEDLE DPX5…(#9)
- <For KE-430F-05>
52+ NEEDLE DPX17NY…(#19)
- <For KE-430F-0F>
52+ NEEDLE DPX5KN…(#11)
<For BE-438F>
52+ NEEDLE DPX17NY…(#12)
53 012500536 2 SET SCREW SOCKET (FT) M5X5
54 S38713100 1 FAN
55 062400816 3 SCREW PAN M4X8
56 018501636 4
BOLT SOCKET M5X16
57 SA9004001 1
PULLEY GEAR
R
58 012500536 2 SET SCREW SOCKET (FT) M5X5
59 SB1036001 1
PULLEY SHAFT ASS
Y
60 SB1037001 1
PULLEY SHAFT
61 SB1038001 1
PULLEY BUSH
62 SB1041001 1
PULLEY SPRING
63 SB1040001 1
SCRE
W
64 047402042 1
PIN SPRING ROLL AW4
65 SB1039001 1
PULLEY GEAR L
66 012500536 2 SET SCREW SOCKET (FT) M5X5
67 SB0910001 1
PULLE
Y
68 048280142 1
RETAINING RING EXTERNAL C28
KE-430F/BE-438F-123
6

7
C. / Feed mechanism
REF.NO CODE Q'TY NAME OF PARTS RM
1 SB0956001 1
X-FEED LEVER BUSH
2 SB0922001 1
X-FEED LEVE
R
3 SB0800001 1 T-LENGTH REGURATOR BLOCK ASS
Y
4 012300336 1 SET SCREW SOCKET (FT) M3X3
5 012500536 1 SET SCREW SOCKET (FT) M5X5
6 SA3366101 1
X-FEED GEA
R
7 018063036 1
BOLT SOCKET M6X30
8 XC5780001 2
BEARING 10 ,LINE
R
9 012060636 2 SET SCREW SOCKET (FT) M6X6
10 SB0918001 1
Y-FEED RACK SHAF
T
11 048080342 1 RETAINING RING E8
12 012500536 1 SET SCREW SOCKET (FT) M5X5
13 SB0917001 1
Y-FEED RACK SHAFT CLAMP
14 012400436 1 SET SCREW SOCKET (FT) M4X4
15 018501436 1
BOLT SOCKET M5X14
16 SA4197101 2
FEED GEA
R
17 012060536 4 SET SCREW SOCKET (FT) M6X5
18 SA3370001 1
ECCENTRIC SHAFT
19 070608800 1
BALL BEARING RADIAL 608ZZ
20 048080142 1
RETAINING RING EXTERNAL C8
21 012060636 1 SET SCREW SOCKET (FT) M6X6
22 SB0916001 1
FEED BAR SUPPORT PLATE
23 018401036 4
BOLT SOCKET M4X10
24 SB0921001 1
FEED BAR COVE
R
25 SA3538001 6
SCREW,M4X8
<For KE-430F>
26+ SB0799101 1
FEED BAR SUB ASSY
A
<For BE-438F>
26+ SB1076001 1
FEED BAR SUB ASSY
B
27 SB0803001 1 T-WIDTH REGURATOR BLOCK ASS
Y
28 012400436 1 SET SCREW SOCKET (FT) M4X4
29 012500536 1 SET SCREW SOCKET (FT) M5X5
30+ P.54-58 1 FEED PLATE
31 153057101 2
SCREW, ROUND W/SOCKET SM4.37
32 SB0919001 1 X-MOTOR SETTING PLATE
33 S42446001 3
BOLT SOCKET (S/P WASHER)M6X14
34 SB0920001 1 Y-MOTOR SETTING PLATE
35 S42446001 3
BOLT SOCKET (S/P WASHER)M6X14
36 SB1171001 1
WORK CLAMP ARM ASS
Y
37 SA3419101 1
WORK CLAMP ARM
38 SB0925001 1
WORK CLAMP ARM LEVER
R
39 SB0926101 1
WORK CLAMP ARM LEVER L
40 SB0929001 1
WORK CLAMP ARM LEVER SHAF
T
41 110367001 1
WASHER, PLAIN SPECIAL
8
42 048060346 1 RETAINING RING E6
43 SA3231001 1 SET SCREW COLLAR,B
44 012060536 2 SET SCREW, SOCKET (FT) M6X5
45 012500536 1 SET SCREW SOCKET (FT) M5X5
46 SA3424001 2 WORK CLAMP GUIDE BRACKET,
A
47 SA3425001 1 WORK CLAMP GUIDE BRACKET,B
48 SA3426001 6
SCREW,FLAT M3.5
49 SA3208201 2
WORK CLAMP ARM LEVER PLATE
50 146354002 2
WASHER, PLAIN 5
51 018500836 2
BOLT SOCKET M5X8
52 SA3427101 2
SPRING GUIDE ROD
53 SA1179002 2
SHOULDER SCREW, M5
54 153568001 2
PRESSER SPRING,
A
55 152788000 2
PRESSER SPRING SPACE
R
56 153567000 2
PRESSER SPRING COLLA
R
57 SA4130001 1
FINGER GUARD
58 SA2626001 2
SET SCREW, (CP) M3.5
KE-430F/BE-438F-202
8
7
KE-430F/BE-438F-202
C . / Feed mechanism
< BE-438F
/ For BE-438F >
< KE-430F
/ For KE-430F >
7
6
33
68
69
5
2
14
1
17
17
16
32
34
35
25
24
67
59
52
56
55
44
61
38
50 51
54
49
40
64
57
62
63
46
48
46
47
37
58
45
39
53
41
36
42
60
58
4344
22
27
23
3
29
29
31
10
11
12
13
15
8
8
9
9
28
4
17
16 18
19 20
21
17
65+
26+
26+
30+
66+
72
71
70

8
C. / Feed mechanism
REF.NO CODE Q'TY NAME OF PARTS RM
1 SB0956001 1
X-FEED LEVER BUSH
2 SB0922001 1
X-FEED LEVE
R
3 SB0800001 1 T-LENGTH REGURATOR BLOCK ASS
Y
4 012300336 1 SET SCREW SOCKET (FT) M3X3
5 012500536 1 SET SCREW SOCKET (FT) M5X5
6 SA3366101 1
X-FEED GEA
R
7 018063036 1
BOLT SOCKET M6X30
8 XC5780001 2
BEARING 10 ,LINE
R
9 012060636 2 SET SCREW SOCKET (FT) M6X6
10 SB0918001 1
Y-FEED RACK SHAF
T
11 048080342 1 RETAINING RING E8
12 012500536 1 SET SCREW SOCKET (FT) M5X5
13 SB0917001 1
Y-FEED RACK SHAFT CLAMP
14 012400436 1 SET SCREW SOCKET (FT) M4X4
15 018501436 1
BOLT SOCKET M5X14
16 SA4197101 2
FEED GEA
R
17 012060536 4 SET SCREW SOCKET (FT) M6X5
18 SA3370001 1
ECCENTRIC SHAFT
19 070608800 1
BALL BEARING RADIAL 608ZZ
20 048080142 1
RETAINING RING EXTERNAL C8
21 012060636 1 SET SCREW SOCKET (FT) M6X6
22 SB0916001 1
FEED BAR SUPPORT PLATE
23 018401036 4
BOLT SOCKET M4X10
24 SB0921001 1
FEED BAR COVE
R
25 SA3538001 6
SCREW,M4X8
<For KE-430F>
26+ SB0799101 1
FEED BAR SUB ASSY
A
<For BE-438F>
26+ SB1076001 1
FEED BAR SUB ASSY
B
27 SB0803001 1 T-WIDTH REGURATOR BLOCK ASS
Y
28 012400436 1 SET SCREW SOCKET (FT) M4X4
29 012500536 1 SET SCREW SOCKET (FT) M5X5
30+ P.54-58 1 FEED PLATE
31 153057101 2
SCREW, ROUND W/SOCKET SM4.37
32 SB0919001 1 X-MOTOR SETTING PLATE
33 S42446001 3
BOLT SOCKET (S/P WASHER)M6X14
34 SB0920001 1 Y-MOTOR SETTING PLATE
35 S42446001 3
BOLT SOCKET (S/P WASHER)M6X14
36 SB1171001 1
WORK CLAMP ARM ASS
Y
37 SA3419101 1
WORK CLAMP ARM
38 SB0925001 1
WORK CLAMP ARM LEVER
R
39 SB0926101 1
WORK CLAMP ARM LEVER L
40 SB0929001 1
WORK CLAMP ARM LEVER SHAF
T
41 110367001 1
WASHER, PLAIN SPECIAL
8
42 048060346 1 RETAINING RING E6
43 SA3231001 1 SET SCREW COLLAR,B
44 012060536 2 SET SCREW, SOCKET (FT) M6X5
45 012500536 1 SET SCREW SOCKET (FT) M5X5
46 SA3424001 2 WORK CLAMP GUIDE BRACKET,
A
47 SA3425001 1 WORK CLAMP GUIDE BRACKET,B
48 SA3426001 6
SCREW,FLAT M3.5
49 SA3208201 2
WORK CLAMP ARM LEVER PLATE
50 146354002 2
WASHER, PLAIN 5
51 018500836 2
BOLT SOCKET M5X8
52 SA3427101 2
SPRING GUIDE ROD
53 SA1179002 2
SHOULDER SCREW, M5
54 153568001 2
PRESSER SPRING,
A
55 152788000 2
PRESSER SPRING SPACE
R
56 153567000 2
PRESSER SPRING COLLA
R
57 SA4130001 1
FINGER GUARD
58 SA2626001 2
SET SCREW, (CP) M3.5
KE-430F/BE-438F-202
8

9
C. / Feed mechanism
REF.NO CODE Q'TY NAME OF PARTS RM
59 SA3428001 1
SUPPORT SHAFT,W-CLAMP
60 012500536 1 SET SCREW SOCKET (FT) M5X5
61 SB1172001 1
SLIDER
62 018061636 2
BOLT SOCKET M6X16
63 025060236 2
WASHER PLAIN M 6
64 SB0923001 1
WORK CLAMP ARM SUPPORT PLATE
65+ P.54-58 1 WORK CLAMP
R
66+ P.54-58 1 WORK CLAMP L
67 018400836 2
BOLT SOCKET M4X8
68 SB0924001 1
X-FEED GEAR COVE
R
69 062400416 2 SCREW, PAN M4X4
<OPTION PARTS>
70 SA4198001 1
H-POSITION STANDARD PLATE ASS
Y
71 S42903001 1
H-POSITION STANDARD PLATE
72 S49955101 2
SCREW, W/SOCKET SM4.37
KE-430F/BE-438F-202
10
9
KE-430F/BE-438F-202
C . / Feed mechanism
< BE-438F
/ For BE-438F >
< KE-430F
/ For KE-430F >
7
6
33
68
69
5
2
14
1
17
17
16
32
34
35
25
24
67
59
52
56
55
44
61
38
50 51
54
49
40
64
57
62
63
46
48
46
47
37
58
45
39
53
41
36
42
60
58
4344
22
27
23
3
29
29
31
10
11
12
13
15
8
8
9
9
28
4
17
16 18
19 20
21
17
65+
26+
26+
30+
66+
72
71
70

10
C. / Feed mechanism
REF.NO CODE Q'TY NAME OF PARTS RM
59 SA3428001 1
SUPPORT SHAFT,W-CLAMP
60 012500536 1 SET SCREW SOCKET (FT) M5X5
61 SB1172001 1
SLIDER
62 018061636 2
BOLT SOCKET M6X16
63 025060236 2
WASHER PLAIN M 6
64 SB0923001 1
WORK CLAMP ARM SUPPORT PLATE
65+ P.54-58 1 WORK CLAMP
R
66+ P.54-58 1 WORK CLAMP L
67 018400836 2
BOLT SOCKET M4X8
68 SB0924001 1
X-FEED GEAR COVE
R
69 062400416 2 SCREW, PAN M4X4
<OPTION PARTS>
70 SA4198001 1
H-POSITION STANDARD PLATE ASS
Y
71 S42903001 1
H-POSITION STANDARD PLATE
72 S49955101 2
SCREW, W/SOCKET SM4.37
KE-430F/BE-438F-202
10

11
D. / Work clamp lifter mechanism
REF.NO CODE Q'TY NAME OF PARTS RM
1 SA3432101 1
WORK CLAMP LIFTER PLATE
2 047602042 1
PIN SPRING ROLL AW6
3 SB1080001 1
LIFTER LEVER ASS
Y
4 102630001 1
NEEDLE BAR GUIDE SLIDE BLOC
K
5 SB0962001 1
LEVER SHAFT
6 012500536 1 SET SCREW SOCKET (FT) M5X5
7 S20356001 1
WASHER, PLAIN 10
8 048080342 1 RETAINING RING E8
9 012060536 1 SET SCREW, SOCKET (FT) M6X5
10 SB0961001 1
W-CLAMP LIFTER LEVER BUSH
11 SB0963001 1
LIN
K
12 SB0705001 2
LINK SHOULDER SCRE
W
13 SB0958001 1
DRIVE LEVER W-CLAMP LIFTE
R
14 SB0965001 1
SPRING HOLDER M5
15 070696800 1
BALL BEARING RADIAL 696ZZ
16 SA3441001 1
W-CLAMP LIFTER ROLLER SHAFT
17 012500536 1 SET SCREW SOCKET (FT) M5X5
18 SB0959001 1
CAM LEVER SHAF
T
19 012500536 2 SET SCREW SOCKET (FT) M5X5
20 S20356001 2
WASHER, PLAIN 10
21 048080342 1 RETAINING RING E8
22 SB0966001 1
CAM GEA
R
23 012060536 2 SET SCREW, SOCKET (FT) M6X5
24 SB0960001 1
CAM SHAFT
25 048060346 1 RETAINING RING E6
26 SA3231001 1 SET SCREW COLLAR,B
27 012060536 2 SET SCREW, SOCKET (FT) M6X5
28 SB1081001 1
MOTOR BRACKET ASS
Y
29 018062036 3
BOLT SOCKET M6X20
30 SB0964001 1
SPRING
31 SB0968001 1
SPRING HOO
K
32 018400836 2
BOLT SOCKET M4X8
33 SA3707101 1
GEAR 16
34 012060536 2 SET SCREW, SOCKET (FT) M6X5
<For BE-438F>
35 SA3628001 1
BUTTON CLAMP ROD
36 SA3629001 1
BUTTON CLAMP ROLLER SHAFT
37 107744001 1 ROLLER
38 025040236 1
WASHER PLAIN M 4
39 021400216 2 NUT 2 M4
40 SB1078001 1
BUTTON CLAMP LEVER HOLDE
R
41 018061636 2
BOLT SOCKET M6X16
42 SA3631001 1
BUTTON CLAMP LEVE
R
43 SB1079001 1
BUTTON CLAMP LEVER SHAFT
44 110367001 1
WASHER, PLAIN SPECIAL
8
45 048060346 1 RETAINING RING E6
46 012060636 1 SET SCREW SOCKET (FT) M6X6
KE-430F/BE-438F-204
12
11
KE-430F/BE-438F-204
D . /
Work clamp lifter
mechanism
< BE-
438F / For BE-
438F >
29
24
25
33
32
31
35
27
10
6
4
26
22
28
29
12
38
37
36
39
23
34
5
3
78
13
14
11
4146
43
42
40
21
20
18
15
17
23
16
9
2
1
19
30
45 44

12
D. / Work clamp lifter mechanism
REF.NO CODE Q'TY NAME OF PARTS RM
1 SA3432101 1
WORK CLAMP LIFTER PLATE
2 047602042 1
PIN SPRING ROLL AW6
3 SB1080001 1
LIFTER LEVER ASS
Y
4 102630001 1
NEEDLE BAR GUIDE SLIDE BLOC
K
5 SB0962001 1
LEVER SHAFT
6 012500536 1 SET SCREW SOCKET (FT) M5X5
7 S20356001 1
WASHER, PLAIN 10
8 048080342 1 RETAINING RING E8
9 012060536 1 SET SCREW, SOCKET (FT) M6X5
10 SB0961001 1
W-CLAMP LIFTER LEVER BUSH
11 SB0963001 1
LIN
K
12 SB0705001 2
LINK SHOULDER SCRE
W
13 SB0958001 1
DRIVE LEVER W-CLAMP LIFTE
R
14 SB0965001 1
SPRING HOLDER M5
15 070696800 1
BALL BEARING RADIAL 696ZZ
16 SA3441001 1
W-CLAMP LIFTER ROLLER SHAFT
17 012500536 1 SET SCREW SOCKET (FT) M5X5
18 SB0959001 1
CAM LEVER SHAF
T
19 012500536 2 SET SCREW SOCKET (FT) M5X5
20 S20356001 2
WASHER, PLAIN 10
21 048080342 1 RETAINING RING E8
22 SB0966001 1
CAM GEA
R
23 012060536 2 SET SCREW, SOCKET (FT) M6X5
24 SB0960001 1
CAM SHAFT
25 048060346 1 RETAINING RING E6
26 SA3231001 1 SET SCREW COLLAR,B
27 012060536 2 SET SCREW, SOCKET (FT) M6X5
28 SB1081001 1
MOTOR BRACKET ASS
Y
29 018062036 3
BOLT SOCKET M6X20
30 SB0964001 1
SPRING
31 SB0968001 1
SPRING HOO
K
32 018400836 2
BOLT SOCKET M4X8
33 SA3707101 1
GEAR 16
34 012060536 2 SET SCREW, SOCKET (FT) M6X5
<For BE-438F>
35 SA3628001 1
BUTTON CLAMP ROD
36 SA3629001 1
BUTTON CLAMP ROLLER SHAFT
37 107744001 1 ROLLER
38 025040236 1
WASHER PLAIN M 4
39 021400216 2 NUT 2 M4
40 SB1078001 1
BUTTON CLAMP LEVER HOLDE
R
41 018061636 2
BOLT SOCKET M6X16
42 SA3631001 1
BUTTON CLAMP LEVE
R
43 SB1079001 1
BUTTON CLAMP LEVER SHAFT
44 110367001 1
WASHER, PLAIN SPECIAL
8
45 048060346 1 RETAINING RING E6
46 012060636 1 SET SCREW SOCKET (FT) M6X6
KE-430F/BE-438F-204
12

13
E. (BE-438F) / Button clamp mechanism (BE-438F)
REF.NO CODE Q'TY NAME OF PARTS RM
1 153830100 1
BUTTON CLAMP HOLDER
2 153827001 1
BUTTON CLAMP HOLDER SHAFT
3 014680632 2
SET SCREW SOCKET SM4.37-40X6
4 151968001 1
BUTTON CLAMP HOLDER HOOK ASS
Y
5 151969001 1
B-CLAMP HOLDER HOO
K
6 107744001 2 ROLLER
7 153484001 1
WASHER, PLAIN 4.76
8 105234003 2 NUT SM4.37
9 014760632 1
SET SCREW SOCKET SM5.95-28X6
10 017711412 2
BOLT SM4.76-32X14
11 146354001 2
WASHER, PLAIN 5
12 146994001 2
NUT, ROUND SM6.35-40
13 115148201 1
A
DJUSTING SCREW SM6.35-40
14 115147001 1
COMPRESSION SPRING
15 S49998001 1
FINGER GUARD
16 011679312 2
SET SCREW, (FT) SM3.57
17 SA9287001 1
BUTTON CLAMP ASSY S
18 SA9288001 1
BUTTON CLAMP BASE
19 SA9289001 1
BUTTON CLAMP L-S
20 SA9290001 1
BUTTON CLAMP R-S
21 SA9291001 2
BUTTON CLAMP GUIDE PIN
22 047250642 2
PIN SPRING ROLL AW2.5
23 SA9292001 1
BUTTON CLAMP L PLATE SPRING S
24 SA9293001 1
BUTTON CLAMP R PLATE SPRING S
25 062400416 2 SCREW, PAN M4X4
26 SA9294001 2
SHOULDER SCREW 4
27 SA9301001 1
BUTTON CLAMP M
28 SA9302001 1
BUTTON CLAMP PLATE CAM
29 062400816 2 SCREW PAN M4X8
30 SA9296001 1
SCREW 4
31 SA9297001 1 NUT ROUND 4
32 115163001 1
BUTTON CLAMP PLATE SPRING
33 SA9298001 1
BUTTON CLAMP ADJUSTING PLATE
34 SA9299001 1
SHOULDER SCREW 4
35 SA9300001 1
SHOULDER SCREW 4
36 S52072101 1
BUTTON CLAMP SPACER BL
37 S52076101 1
BUTTON CLAMP SPACER B
R
38 S01694101 2
SCREW FLAT SM2.38X4
<OPTION PARTS>
39 S52071101 1
BUTTON CLAMP SPACER AL
40 S52075101 1
BUTTON CLAMP SPACER A
R
41 S52073101 1
BUTTON CLAMP SPACER CL
42 S52077101 1
BUTTON CLAMP SPACER C
R
43 S52074101 1
BUTTON CLAMP SPACER DL
44 S52078101 1
BUTTON CLAMP SPACER D
R
45 SA9303001 1
BUTTON CLAMP ASSY L
46 SA9306001 1
BUTTON CLAMP L PLATE SPRING L
47 SA9307001 1
BUTTON CLAMP R PLATE SPRING L
48 SA9308001 1
BUTTON CLAMP ADJUSTING PLATE
49 S59321001 1
SPRING
50 SA9304001 1
BUTTON CLAMP L-L
51 SA9305001 1
BUTTON CLAMP R-L
BE-438F-214
14
13
BE-438F-214
E . (BE-438F) / Button clamp mechanism (BE-438F)
< / Option parts >
33, 48
13
28
12
3035
38
22
3 2
10 11
8
7
4
6
5
34
16
15
25
38
37
31
27
29
9
1
2621
18
14
16
36
39
40
41
42
43
44
17,45
32,49
19,50
20, 51
24,47 23,46

14
E. (BE-438F) / Button clamp mechanism (BE-438F)
REF.NO CODE Q'TY NAME OF PARTS RM
1 153830100 1
BUTTON CLAMP HOLDER
2 153827001 1
BUTTON CLAMP HOLDER SHAFT
3 014680632 2
SET SCREW SOCKET SM4.37-40X6
4 151968001 1
BUTTON CLAMP HOLDER HOOK ASS
Y
5 151969001 1
B-CLAMP HOLDER HOO
K
6 107744001 2 ROLLER
7 153484001 1
WASHER, PLAIN 4.76
8 105234003 2 NUT SM4.37
9 014760632 1
SET SCREW SOCKET SM5.95-28X6
10 017711412 2
BOLT SM4.76-32X14
11 146354001 2
WASHER, PLAIN 5
12 146994001 2
NUT, ROUND SM6.35-40
13 115148201 1
A
DJUSTING SCREW SM6.35-40
14 115147001 1
COMPRESSION SPRING
15 S49998001 1
FINGER GUARD
16 011679312 2
SET SCREW, (FT) SM3.57
17 SA9287001 1
BUTTON CLAMP ASSY S
18 SA9288001 1
BUTTON CLAMP BASE
19 SA9289001 1
BUTTON CLAMP L-S
20 SA9290001 1
BUTTON CLAMP R-S
21 SA9291001 2
BUTTON CLAMP GUIDE PIN
22 047250642 2
PIN SPRING ROLL AW2.5
23 SA9292001 1
BUTTON CLAMP L PLATE SPRING S
24 SA9293001 1
BUTTON CLAMP R PLATE SPRING S
25 062400416 2 SCREW, PAN M4X4
26 SA9294001 2
SHOULDER SCREW 4
27 SA9301001 1
BUTTON CLAMP M
28 SA9302001 1
BUTTON CLAMP PLATE CAM
29 062400816 2 SCREW PAN M4X8
30 SA9296001 1
SCREW 4
31 SA9297001 1 NUT ROUND 4
32 115163001 1
BUTTON CLAMP PLATE SPRING
33 SA9298001 1
BUTTON CLAMP ADJUSTING PLATE
34 SA9299001 1
SHOULDER SCREW 4
35 SA9300001 1
SHOULDER SCREW 4
36 S52072101 1
BUTTON CLAMP SPACER BL
37 S52076101 1
BUTTON CLAMP SPACER B
R
38 S01694101 2
SCREW FLAT SM2.38X4
<OPTION PARTS>
39 S52071101 1
BUTTON CLAMP SPACER AL
40 S52075101 1
BUTTON CLAMP SPACER A
R
41 S52073101 1
BUTTON CLAMP SPACER CL
42 S52077101 1
BUTTON CLAMP SPACER C
R
43 S52074101 1
BUTTON CLAMP SPACER DL
44 S52078101 1
BUTTON CLAMP SPACER D
R
45 SA9303001 1
BUTTON CLAMP ASSY L
46 SA9306001 1
BUTTON CLAMP L PLATE SPRING L
47 SA9307001 1
BUTTON CLAMP R PLATE SPRING L
48 SA9308001 1
BUTTON CLAMP ADJUSTING PLATE
49 S59321001 1
SPRING
50 SA9304001 1
BUTTON CLAMP L-L
51 SA9305001 1
BUTTON CLAMP R-L
BE-438F-214
14

15
F. / Lower shaft mechanism
REF.NO CODE Q'TY NAME OF PARTS RM
1 SB1652001 1 SHUTTLE RACE BASE SE
T
2 SB1173001 1 SHUTTLE RACE BASE UNI
T
3 SB1072001 1 SHUTTLE RACE BASE
4 SB1285001 1 SHUTTLE RACE THREAD GUIDE
5 SA4199001 2
SCREW M3X4
6 SA3241001 2 S-RACE BASE SETTING CLA
W
7 152684101 2
COMPRESSION SPRING
8 026030136 2
WASHER PLAIN S 3
9 062300616 2 SCREW PAN M3X6
10 SA9396001 2 FELT
11 SB1044001 2 FELT
12 SB1050001 2
OIL FEEDING PIPE S
13 SB1048101 1
OIL FEEDING PIPE M
14 SB1047001 1 FELT HOLDER
15 SA9191001 2
SCREW M3X5.5
16 SA3274101 1 FELT HOLDER
17 S47307001 2
SCREW, M3X4
18 SB1049001 1 FELT ASS
Y
19 SA9397001 2
RUBBER CAP 5.5
20 SB1054001 2
OIL TUBE L=330
21 SB1055001 1
OIL TUBE L=430
22 SA4187001 2
NEEDLE BEARING KT182412 EG…<BLUE>
22 SA4188001 2
NEEDLE BEARING KT182412 EG…<BLACK>
22 SA4189001 2
NEEDLE BEARING KT182412 EG…<SILVER>
22 SA4190001 2
NEEDLE BEARING KT182412 EG…<COPPER>
23 SA3276001 2 SPACER
A
24 SA3277001 2 RETAINING RING
25 012060636 1 SET SCREW SOCKET (FT) M6X6
26 SA3278001 1 COLLAR
27 SB1268001 1
LOWER SHAFT ASS
Y
28 S23651001 2 SET SCREW SOCKET (FT) M6X6
29 SA6448201 1
DRIVER E
30 018501036 1
BOLT SOCKET M5X10
31+ P.53 1 SHUTTLE RACE BASE
32+ P.53 1
SHUTTLE HOOK ASSY W/BO
X
33+ P.53 1
BOBBIN CASE ASS
Y
34+ P.53 1
BOBBIN
35 SB1175001 1
GEAR COVE
R
36 062400616 5 SCREW PAN M4X6
37 0A5400806 2
SCREW PAN (S/P WASHER) M4X
8
38 SB0718001 1
ROCK GEAR COLLA
R
39 081040070 2
O RING P40
40 012060636 4 SET SCREW SOCKET (FT) M6X6
41 SB0717001 1
ROCK GEA
R
42 S23651001 2 SET SCREW SOCKET (FT) M6X6
43 SB1043101 1
ROCK GEAR SHAFT ASS
Y
44 S23651001 2 SET SCREW SOCKET (FT) M6X6
45 SB0985001 1
ROCK GEAR SHAFT
R
46 SA7520001 2
BALL BEARING 6904ZZNR
47 SB0909001 2
RUBBER SEAL
R
48 017061006 1
BOLT M6X10
49 SB1051001 1
WASHER CRANK RID
50 SB0986001 2
BEARING BUSH
51 SA4647001 2
BALL BEARING 6900ZZNR
52 S23651001 4 SET SCREW SOCKET (FT) M6X6
53 SB1258001 1 OIL SEAL
54 SB0790001 1
RUBBER SEAL L
55 SB1204001 1
POSITIONING PLATE
56 062400616 2 SCREW PAN M4X6
57 012400436 1 SET SCREW SOCKET (FT) M4X4
58 SA3238101 1
A
DJUSTING STUD
59 081003670 1
O RING PW3
KE-430F/BE-438F-305
16
15
KE-430F/BE-438F-305
F . / Lower shaft mechanism
18
5
4
8
7
29 13
9
20
21
17
31+6
3
12
11
10
19
30
32+
34+
25 58 59
36
37
15
14
33+
26
24
24
23
22
22
23
57
52
50
52
52
50
52 51 53
27
54
51
16
35
2
1
28
56
28
42
42
38
41
47
46
39
46 45
47
55
39
40
40
40
40
43
44
44
48 49

16
F. / Lower shaft mechanism
REF.NO CODE Q'TY NAME OF PARTS RM
1 SB1652001 1 SHUTTLE RACE BASE SE
T
2 SB1173001 1 SHUTTLE RACE BASE UNI
T
3 SB1072001 1 SHUTTLE RACE BASE
4 SB1285001 1 SHUTTLE RACE THREAD GUIDE
5 SA4199001 2
SCREW M3X4
6 SA3241001 2 S-RACE BASE SETTING CLA
W
7 152684101 2
COMPRESSION SPRING
8 026030136 2
WASHER PLAIN S 3
9 062300616 2 SCREW PAN M3X6
10 SA9396001 2 FELT
11 SB1044001 2 FELT
12 SB1050001 2
OIL FEEDING PIPE S
13 SB1048101 1
OIL FEEDING PIPE M
14 SB1047001 1 FELT HOLDER
15 SA9191001 2
SCREW M3X5.5
16 SA3274101 1 FELT HOLDER
17 S47307001 2
SCREW, M3X4
18 SB1049001 1 FELT ASS
Y
19 SA9397001 2
RUBBER CAP 5.5
20 SB1054001 2
OIL TUBE L=330
21 SB1055001 1
OIL TUBE L=430
22 SA4187001 2
NEEDLE BEARING KT182412 EG…<BLUE>
22 SA4188001 2
NEEDLE BEARING KT182412 EG…<BLACK>
22 SA4189001 2
NEEDLE BEARING KT182412 EG…<SILVER>
22 SA4190001 2
NEEDLE BEARING KT182412 EG…<COPPER>
23 SA3276001 2 SPACER
A
24 SA3277001 2 RETAINING RING
25 012060636 1 SET SCREW SOCKET (FT) M6X6
26 SA3278001 1 COLLAR
27 SB1268001 1
LOWER SHAFT ASS
Y
28 S23651001 2 SET SCREW SOCKET (FT) M6X6
29 SA6448201 1
DRIVER E
30 018501036 1
BOLT SOCKET M5X10
31+ P.53 1 SHUTTLE RACE BASE
32+ P.53 1
SHUTTLE HOOK ASSY W/BO
X
33+ P.53 1
BOBBIN CASE ASS
Y
34+ P.53 1
BOBBIN
35 SB1175001 1
GEAR COVE
R
36 062400616 5 SCREW PAN M4X6
37 0A5400806 2
SCREW PAN (S/P WASHER) M4X
8
38 SB0718001 1
ROCK GEAR COLLA
R
39 081040070 2
O RING P40
40 012060636 4 SET SCREW SOCKET (FT) M6X6
41 SB0717001 1
ROCK GEA
R
42 S23651001 2 SET SCREW SOCKET (FT) M6X6
43 SB1043101 1
ROCK GEAR SHAFT ASS
Y
44 S23651001 2 SET SCREW SOCKET (FT) M6X6
45 SB0985001 1
ROCK GEAR SHAFT
R
46 SA7520001 2
BALL BEARING 6904ZZNR
47 SB0909001 2
RUBBER SEAL
R
48 017061006 1
BOLT M6X10
49 SB1051001 1
WASHER CRANK RID
50 SB0986001 2
BEARING BUSH
51 SA4647001 2
BALL BEARING 6900ZZNR
52 S23651001 4 SET SCREW SOCKET (FT) M6X6
53 SB1258001 1 OIL SEAL
54 SB0790001 1
RUBBER SEAL L
55 SB1204001 1
POSITIONING PLATE
56 062400616 2 SCREW PAN M4X6
57 012400436 1 SET SCREW SOCKET (FT) M4X4
58 SA3238101 1
A
DJUSTING STUD
59 081003670 1
O RING PW3
KE-430F/BE-438F-305
16

17
G. / Lubrication
REF.NO CODE Q'TY NAME OF PARTS RM
1 SB1052001 1 OIL TANK ASS
Y
2 SB1053001 1 OIL TANK NUT
3 SB1056001 1 OIL TANK PLATE
4 017401015 2
BOLT M4X10
5 025040236 2
WASHER PLAIN M 4
6 018400836 2
BOLT SOCKET M4X8
7 SB0911001 1
JOINT
8 SA9917001 1 OIL FEEDING POCKET COVE
R
9 SB1276001 1
OIL TUBE SUPPORT
10 062400616 1 SCREW PAN M4X6
11 SA1394101 1 CORD HOLDER U3
12 062400616 1 SCREW PAN M4X6
13 SB0927001 1
Y-FEED RACK SHAFT COVE
R
14 SB0928001 1 FELT
15 SB1279101 1
GREASE SUPPORT F
16 SB1488101 1 FELT
KE-430F/BE-438F-350
18
17
KE-430F/BE-438F-350
G . / Lubrication
3
12
10
9
11
7
1
5
4
2
14
13
6
15
16
8

18
G. / Lubrication
REF.NO CODE Q'TY NAME OF PARTS RM
1 SB1052001 1 OIL TANK ASS
Y
2 SB1053001 1 OIL TANK NUT
3 SB1056001 1 OIL TANK PLATE
4 017401015 2
BOLT M4X10
5 025040236 2
WASHER PLAIN M 4
6 018400836 2
BOLT SOCKET M4X8
7 SB0911001 1
JOINT
8 SA9917001 1 OIL FEEDING POCKET COVE
R
9 SB1276001 1
OIL TUBE SUPPORT
10 062400616 1 SCREW PAN M4X6
11 SA1394101 1 CORD HOLDER U3
12 062400616 1 SCREW PAN M4X6
13 SB0927001 1
Y-FEED RACK SHAFT COVE
R
14 SB0928001 1 FELT
15 SB1279101 1
GREASE SUPPORT F
16 SB1488101 1 FELT
KE-430F/BE-438F-350
18

19
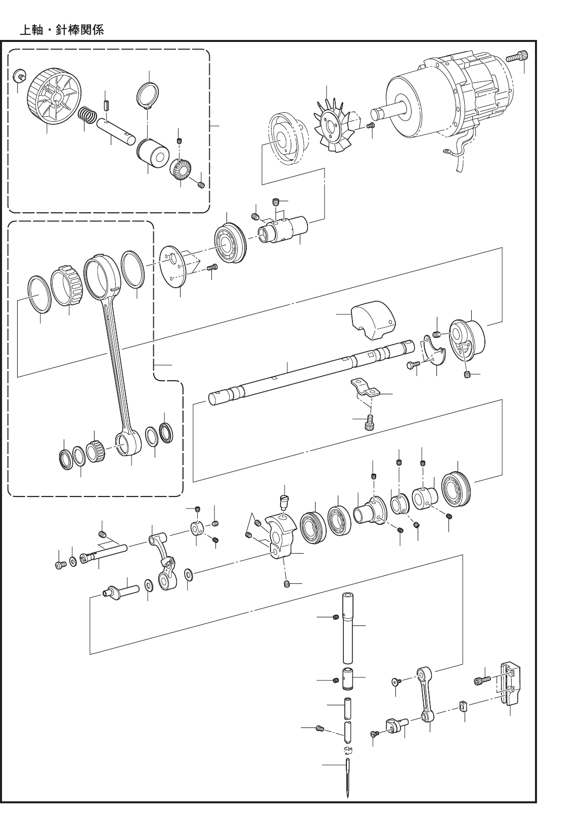
H. / Threading mechanism
REF.NO CODE Q'TY NAME OF PARTS RM
1 SA3250001 1
A
RM THREAD GUIDE,
A
2 062500616 4 SCREW PAN M5X6
3 SA4333001 1
A
RM THREAD GUIDE,B
4 SA6391001 1
A
RM THREAD GUIDE C
5 SB1086001 1
A
RM THREAD GUIDE D
6+ P.53 1
THREAD TAKE-UP SPRING
7 SB1084001 1
DT TENSION STUD
8 SB1088001 1 SET COLLAR DT
9 SB1180001 1
SHAFT
10 SB1181001 1 DT CUSHION
11 SA6190001 1 DISC DT
12 SB1267001 1
COIL SPRING
13 145446001 1 DISC, TENSION
14 SB1281001 1 TAPER DISC PRESSE
R
15 018301036 1
BOLT SOCKET M3X10
16 SB1182001 1
TENSION BRACKET ASS
Y
17 012400436 1 SET SCREW SOCKET (FT) M4X4
18 021500316 1 NUT 3 M5
19 153484001 1
WASHER, PLAIN 4.76
20 SA4143001 1
SET SCREW, (FT) M6X6
21 SA3256001 1
TENSION STUD
A
22 100136001 1 TENSION NUT
23 SA4146101 1
SUB TENSION SPRING
24 145446001 2 DISC, TENSION
25 SB1087001 1 THREAD GUIDE ARM
26 021400306 1 NUT 3 M4
27 SB1058001 1
N-BAR BUSH THREAD GUIDE D
28 SB1085001 1
TENSION RELEASE PIN
29+ P.54 1
NEEDLE BAR THREAD GUIDE
<OPTION PARTS>
30 152881101 1 NEEDLE COOLER ASS
Y
31 012060636 1 SET SCREW SOCKET (FT) M6X6
32 152883000 1 FELT, 8X15.5
33 152884001 1 NEEDLE COOLER THREAD GUIDE
34 062670412 1 SCREW PAN SM3.57-40X4
KE-430F/BE-438F-401
20
19
KE-430F/BE-438F-401
H . / Threading mechanism
< / Option parts >
27
31
32
2
2
21
24
23
22
12
15
2
2
3
4
7
10
11
14
13
16
19
28
18
8
9
25
1
5
33
34
30
20
17
26
6+
29+

20
H. / Threading mechanism
REF.NO CODE Q'TY NAME OF PARTS RM
1 SA3250001 1
A
RM THREAD GUIDE,
A
2 062500616 4 SCREW PAN M5X6
3 SA4333001 1
A
RM THREAD GUIDE,B
4 SA6391001 1
A
RM THREAD GUIDE C
5 SB1086001 1
A
RM THREAD GUIDE D
6+ P.53 1
THREAD TAKE-UP SPRING
7 SB1084001 1
DT TENSION STUD
8 SB1088001 1 SET COLLAR DT
9 SB1180001 1
SHAFT
10 SB1181001 1 DT CUSHION
11 SA6190001 1 DISC DT
12 SB1267001 1
COIL SPRING
13 145446001 1 DISC, TENSION
14 SB1281001 1 TAPER DISC PRESSE
R
15 018301036 1
BOLT SOCKET M3X10
16 SB1182001 1
TENSION BRACKET ASS
Y
17 012400436 1 SET SCREW SOCKET (FT) M4X4
18 021500316 1 NUT 3 M5
19 153484001 1
WASHER, PLAIN 4.76
20 SA4143001 1
SET SCREW, (FT) M6X6
21 SA3256001 1
TENSION STUD
A
22 100136001 1 TENSION NUT
23 SA4146101 1
SUB TENSION SPRING
24 145446001 2 DISC, TENSION
25 SB1087001 1 THREAD GUIDE ARM
26 021400306 1 NUT 3 M4
27 SB1058001 1
N-BAR BUSH THREAD GUIDE D
28 SB1085001 1
TENSION RELEASE PIN
29+ P.54 1
NEEDLE BAR THREAD GUIDE
<OPTION PARTS>
30 152881101 1 NEEDLE COOLER ASS
Y
31 012060636 1 SET SCREW SOCKET (FT) M6X6
32 152883000 1 FELT, 8X15.5
33 152884001 1 NEEDLE COOLER THREAD GUIDE
34 062670412 1 SCREW PAN SM3.57-40X4
KE-430F/BE-438F-401
20

21
J. / Bobbin winder mechanism
REF.NO CODE Q'TY NAME OF PARTS RM
1 SB0785001 1 TOP COVER
2 SA3299001 1 KNIFE
3 062500616 1 SCREW PAN M5X6
4 SB1253001 1 BOBBIN WINDER TENSION ASS
Y
5 S31032002 1 TENSION NUT
6 145446002 2 DISC, TENSION
7 S12441001 1
WASHE
R
8 100401022 1
TENSION SPRING
9 012500536 1 SET SCREW SOCKET (FT) M5X5
10 062500816 4 SCREW PAN M5X8
11 SB1183001 1 BOBBIN WINDER UNI
T
12 SB0792001 1
BOBBIN WINDER BASE
13 SB1093001 1
BOBBIN PRESSER ARM SHAF
T
14 012500536 1 SET SCREW SOCKET (FT) M5X5
15 048040342 3 RETAINING RING E4
16 SB1184001 1
B-WINDER SHAFT SUPPORT ASS
Y
17 SB1091001 1
BOBBIN WINDER SHAF
T
18 108549001 1
O RING
19 SA8507001 1 BOBBIN WINDER WHEE
L
20 012400636 2 SET SCREW SOCKET (FT) M4X6
21 SA8503001 1
RUBBER RING
22 SB1186001 1
BOBBIN PRESSER CAM ASS
Y
23 SA1982101 1
BOBBIN PRESSER CAM
24 SB1094001 1
BOBBIN WINDER ARM SHAF
T
25 012500536 1 SET SCREW SOCKET (FT) M5X5
26 025060136 2
WASHER PLAIN S 6
27 SA1984001 1
BOBBIN PRESSER ARM
28 018401236 1
BOLT SOCKET M4X12
29 SA3294001 1
BOBBIN PRESSE
R
30 S23418002 1
SCREW M4X5
31 SA8510101 1
BOBBIN SUPPOR
T
32 SB1098001 1
BOBBIN WINDER LEVE
R
33 SB1096001 1
SPRING
34 SB1095001 1
BOBBIN WINDER BASE SPRIN
G
35 SB1266001 1
TORSION SPRING
36 062401006 2 SCREW PAN M4X10
37 025040236 2
WASHER PLAIN M 4
KE-430F/BE-438F-402
22
21
KE-430F/BE-438F-402
J . / Bobbin winder mechanism
22
25
31
1
35
21
9
12
27
29
30
14
13
15
15
20
36
37
26
34
33
19
16
8
7
5
11
17
18
32
23
24
26
15
28
20
6
4
3
210
10
36
37

22
J. / Bobbin winder mechanism
REF.NO CODE Q'TY NAME OF PARTS RM
1 SB0785001 1 TOP COVER
2 SA3299001 1 KNIFE
3 062500616 1 SCREW PAN M5X6
4 SB1253001 1 BOBBIN WINDER TENSION ASS
Y
5 S31032002 1 TENSION NUT
6 145446002 2 DISC, TENSION
7 S12441001 1
WASHE
R
8 100401022 1
TENSION SPRING
9 012500536 1 SET SCREW SOCKET (FT) M5X5
10 062500816 4 SCREW PAN M5X8
11 SB1183001 1 BOBBIN WINDER UNI
T
12 SB0792001 1
BOBBIN WINDER BASE
13 SB1093001 1
BOBBIN PRESSER ARM SHAF
T
14 012500536 1 SET SCREW SOCKET (FT) M5X5
15 048040342 3 RETAINING RING E4
16 SB1184001 1
B-WINDER SHAFT SUPPORT ASS
Y
17 SB1091001 1
BOBBIN WINDER SHAF
T
18 108549001 1
O RING
19 SA8507001 1 BOBBIN WINDER WHEE
L
20 012400636 2 SET SCREW SOCKET (FT) M4X6
21 SA8503001 1
RUBBER RING
22 SB1186001 1
BOBBIN PRESSER CAM ASS
Y
23 SA1982101 1
BOBBIN PRESSER CAM
24 SB1094001 1
BOBBIN WINDER ARM SHAF
T
25 012500536 1 SET SCREW SOCKET (FT) M5X5
26 025060136 2
WASHER PLAIN S 6
27 SA1984001 1
BOBBIN PRESSER ARM
28 018401236 1
BOLT SOCKET M4X12
29 SA3294001 1
BOBBIN PRESSE
R
30 S23418002 1
SCREW M4X5
31 SA8510101 1
BOBBIN SUPPOR
T
32 SB1098001 1
BOBBIN WINDER LEVE
R
33 SB1096001 1
SPRING
34 SB1095001 1
BOBBIN WINDER BASE SPRIN
G
35 SB1266001 1
TORSION SPRING
36 062401006 2 SCREW PAN M4X10
37 025040236 2
WASHER PLAIN M 4
KE-430F/BE-438F-402
22

23
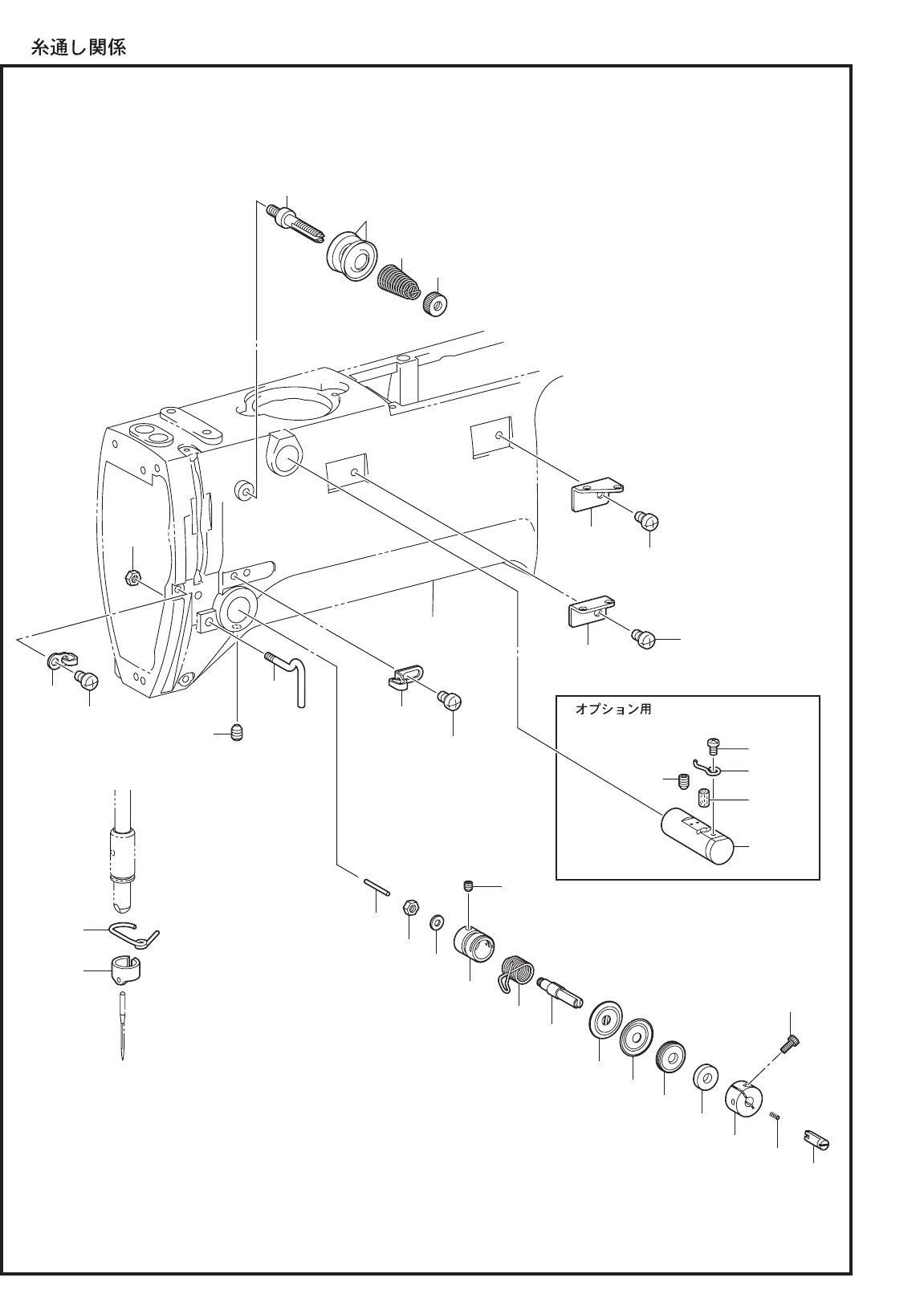
K. / Thread trimmer mechanism
REF.NO CODE Q'TY NAME OF PARTS RM
<For KE-430F>
1+ SB0935001 1 THREAD TRIMMER CAM
<For BE-438F>
1+ SB1206001 1 THREAD TRIMMER CAM B
2 S23651001 2 SET SCREW SOCKET (FT) M6X6
3 SB1187001 1
TR-DRIVING LEVER ASS
Y
4 SB0936001 1
TR-DRIVING LEVE
R
5 SB0834001 1 COLLAR TR-TRIMMER
6 SB0711001 1
COLLAR SHAFT
7 012500536 2 SET SCREW SOCKET (FT) M5X5
8 048060142 1
RETAINING RING EXTERNAL C6
9 S23651001 2 SET SCREW SOCKET (FT) M6X6
10 021060306 1 NUT 3 M6
11 231071001 1 BUSH, 8X15
12 SB0938001 1
GUIDE SHAFT
13 SB0937001 1
SPRING COMPRESSION
14 SB0939001 1 THREAD TRIMMER ROD ASSY
V
15 S32465101 2
BALL JOINT ASS
Y
16 S32462001 2
SHOULDER SCREW, B ;M6
17 021060306 2 NUT 3 M6
18 SB0945001 1
THREAD TRIMMER LEVER
V
19 SB0943001 1 THREAD TRIMMER LIN
K
20 SB0705001 1
LINK SHOULDER SCRE
W
21 021060306 1 NUT 3 M6
22 SB0944001 1
SOLENOID SHAFT
23 012500536 2 SET SCREW SOCKET (FT) M5X5
24 SB0946001 1
THREAD TRIMMER LEVER H
25 021060306 2 NUT 3 M6
26 SB0947001 1
SHAFT TR-TRIMMER LEVER
27 SB0948001 2
SPACE
R
28 048100142 1
RETAINING RING EXTERNAL C10
29 012060636 2 SET SCREW SOCKET (FT) M6X6
30 018061236 1
BOLT SOCKET M6X12
31 155559001 1
WASHER PLAIN
32 SB0941001 1 THREAD TRIMMER ROD ASSY H
33 S32465101 2
BALL JOINT ASS
Y
34 S32462001 1
SHOULDER SCREW, B ;M6
35 021060306 2 NUT 3 M6
36 SA3324001 1
MOVING KNIFE LEVE
R
37 SA3325101 1
SHOULDER SCREW 6.35-6
38 SA3326001 1
SHAFT M-KNIFE LEVER
39 012060636 1 SET SCREW SOCKET (FT) M6X6
40 SA3327401 1 M-KNIFE CONNECTING PLATE
41 SA4354001 1
SHOULDER SCREW,6-1.8
42 SB0714001 1 NEEDLE PLATE
43 SB1189001 1 MOVABLE KNIFE F ASS
Y
44 SA4518001 1
MOVABLE KNIFE SHOULDER SCRE
W
45 SA4519001 1
THRUST WASHE
R
46 S00705001 1 MOVABLE KNIFE COLLA
R
47 SA3334001 1
M-KNIFE SPACER T0.3
47 SB0955001 1
M-KNIFE SPACER T0.35
47 SA6398001 1
M-KNIFE SPACER T0.4
48 SB1191101 1 FIXED KNIFE F
49 062300416 2 SCREW PAN M3X4
50 025030236 2
WASHER PLAIN M 3
51+ P.53, 58 1 NEEDLE HOLE PLATE
52 100360003 2
SCRE
W
53 S25310101 2
SCREW, FLAT M4
54 SA3538001 2
SCREW,M4X8
55 SB0932001 1
CAM LEVER THREAD TRIMME
R
56 SA3449101 1 THREAD WIPER ROLLE
R
57 SA3441001 1
W-CLAMP LIFTER ROLLER SHAFT
KE-430F/BE-438F-403
24
23
KE-430F/BE-438F-403
K . / Thread trimmer mechanism
4
3
9
29
29
7
16
61
62
18
27
28
26
21
23
15
17
14
17
15
12
19
22
20
27
24
31
30
13
11
2
2
56
8
16
55
58
64
63
64
60
59
57
25
25
32
33 35
34
35
33
37
36
40
41
38
39
42
52
43
44
45
46
49
50
70
72
69
71
48 47
53
54
60
65
66
66
56
51+
1+
10
7
67
68

24
K. / Thread trimmer mechanism
REF.NO CODE Q'TY NAME OF PARTS RM
<For KE-430F>
1+ SB0935001 1 THREAD TRIMMER CAM
<For BE-438F>
1+ SB1206001 1 THREAD TRIMMER CAM B
2 S23651001 2 SET SCREW SOCKET (FT) M6X6
3 SB1187001 1
TR-DRIVING LEVER ASS
Y
4 SB0936001 1
TR-DRIVING LEVE
R
5 SB0834001 1 COLLAR TR-TRIMMER
6 SB0711001 1
COLLAR SHAFT
7 012500536 2 SET SCREW SOCKET (FT) M5X5
8 048060142 1
RETAINING RING EXTERNAL C6
9 S23651001 2 SET SCREW SOCKET (FT) M6X6
10 021060306 1 NUT 3 M6
11 231071001 1 BUSH, 8X15
12 SB0938001 1
GUIDE SHAFT
13 SB0937001 1
SPRING COMPRESSION
14 SB0939001 1 THREAD TRIMMER ROD ASSY
V
15 S32465101 2
BALL JOINT ASS
Y
16 S32462001 2
SHOULDER SCREW, B ;M6
17 021060306 2 NUT 3 M6
18 SB0945001 1
THREAD TRIMMER LEVER
V
19 SB0943001 1 THREAD TRIMMER LIN
K
20 SB0705001 1
LINK SHOULDER SCRE
W
21 021060306 1 NUT 3 M6
22 SB0944001 1
SOLENOID SHAFT
23 012500536 2 SET SCREW SOCKET (FT) M5X5
24 SB0946001 1
THREAD TRIMMER LEVER H
25 021060306 2 NUT 3 M6
26 SB0947001 1
SHAFT TR-TRIMMER LEVER
27 SB0948001 2
SPACE
R
28 048100142 1
RETAINING RING EXTERNAL C10
29 012060636 2 SET SCREW SOCKET (FT) M6X6
30 018061236 1
BOLT SOCKET M6X12
31 155559001 1
WASHER PLAIN
32 SB0941001 1 THREAD TRIMMER ROD ASSY H
33 S32465101 2
BALL JOINT ASS
Y
34 S32462001 1
SHOULDER SCREW, B ;M6
35 021060306 2 NUT 3 M6
36 SA3324001 1
MOVING KNIFE LEVE
R
37 SA3325101 1
SHOULDER SCREW 6.35-6
38 SA3326001 1
SHAFT M-KNIFE LEVER
39 012060636 1 SET SCREW SOCKET (FT) M6X6
40 SA3327401 1 M-KNIFE CONNECTING PLATE
41 SA4354001 1
SHOULDER SCREW,6-1.8
42 SB0714001 1 NEEDLE PLATE
43 SB1189001 1 MOVABLE KNIFE F ASS
Y
44 SA4518001 1
MOVABLE KNIFE SHOULDER SCRE
W
45 SA4519001 1
THRUST WASHE
R
46 S00705001 1 MOVABLE KNIFE COLLA
R
47 SA3334001 1
M-KNIFE SPACER T0.3
47 SB0955001 1
M-KNIFE SPACER T0.35
47 SA6398001 1
M-KNIFE SPACER T0.4
48 SB1191101 1 FIXED KNIFE F
49 062300416 2 SCREW PAN M3X4
50 025030236 2
WASHER PLAIN M 3
51+ P.53, 58 1 NEEDLE HOLE PLATE
52 100360003 2
SCRE
W
53 S25310101 2
SCREW, FLAT M4
54 SA3538001 2
SCREW,M4X8
55 SB0932001 1
CAM LEVER THREAD TRIMME
R
56 SA3449101 1 THREAD WIPER ROLLE
R
57 SA3441001 1
W-CLAMP LIFTER ROLLER SHAFT
KE-430F/BE-438F-403
24

25
K. / Thread trimmer mechanism
REF.NO CODE Q'TY NAME OF PARTS RM
58 SB0934001 1 ROLLER 10X10
59 SB0933001 1
ROLLER SHAFT 6X20
60 012500536 2 SET SCREW SOCKET (FT) M5X5
61 SB0931001 1
DRIVING THREAD TRIMMER SHAFT
62 110367001 1
WASHER, PLAIN SPECIAL
8
63 048060346 1 RETAINING RING E6
64 012500536 2 SET SCREW SOCKET (FT) M5X5
65 SB0930001 1 THREAD TRIMMER DRIVING CAM
66 012060536 2 SET SCREW, SOCKET (FT) M6X5
67 SB1082001 1
MOTOR BRACKET REAR ASS
Y
68 018061430 3
BOLT SOCKET M6X14
69 028030246 2
WASHER SPRING 2-3
70 SB0713001 1
BOBBIN THREAD CLAMP SPRING
71 062300416 2 SCREW PAN M3X4
72 025030236 2
WASHER PLAIN M 3
KE-430F/BE-438F-403
26
25
KE-430F/BE-438F-403
K . / Thread trimmer mechanism
4
3
9
29
29
7
16
61
62
18
27
28
26
21
23
15
17
14
17
15
12
19
22
20
27
24
31
30
13
11
2
2
56
8
16
55
58
64
63
64
60
59
57
25
25
32
33 35
34
35
33
37
36
40
41
38
39
42
52
43
44
45
46
49
50
70
72
69
71
48 47
53
54
60
65
66
66
56
51+
1+
10
7
67
68

26
K. / Thread trimmer mechanism
REF.NO CODE Q'TY NAME OF PARTS RM
58 SB0934001 1 ROLLER 10X10
59 SB0933001 1
ROLLER SHAFT 6X20
60 012500536 2 SET SCREW SOCKET (FT) M5X5
61 SB0931001 1
DRIVING THREAD TRIMMER SHAFT
62 110367001 1
WASHER, PLAIN SPECIAL
8
63 048060346 1 RETAINING RING E6
64 012500536 2 SET SCREW SOCKET (FT) M5X5
65 SB0930001 1 THREAD TRIMMER DRIVING CAM
66 012060536 2 SET SCREW, SOCKET (FT) M6X5
67 SB1082001 1
MOTOR BRACKET REAR ASS
Y
68 018061430 3
BOLT SOCKET M6X14
69 028030246 2
WASHER SPRING 2-3
70 SB0713001 1
BOBBIN THREAD CLAMP SPRING
71 062300416 2 SCREW PAN M3X4
72 025030236 2
WASHER PLAIN M 3
KE-430F/BE-438F-403
26

27
L. / Thread wiper mechanism
REF.NO CODE Q'TY NAME OF PARTS RM
1 SB0969001 1 THREAD WIPER CAM
2 012060536 2 SET SCREW, SOCKET (FT) M6X5
3 SB0970001 1
DRIVING LEVER THREAD WIPE
R
4 SB0965001 1
SPRING HOLDER M5
5 SA3449101 1 THREAD WIPER ROLLE
R
6 SA3441001 1
W-CLAMP LIFTER ROLLER SHAFT
7 012500536 1 SET SCREW SOCKET (FT) M5X5
8 SB0964001 1
SPRING
9 SB0972001 1
THREAD WIPER ROD SHAF
T
10 S20356001 2
WASHER, PLAIN 10
11 048080342 2 RETAINING RING E8
12 012500536 1 SET SCREW SOCKET (FT) M5X5
13 SB0973001 1 THREAD WIPER ROD ASS
Y
14 SB0977001 1
WIPER SHAFT
15 012500536 1 SET SCREW SOCKET (FT) M5X5
16 155559001 1
WASHER PLAIN
17 048040342 1 RETAINING RING E4
18 SA3458001 1 CONNECTING PLATE
19 025050134 1
WASHER PLAIN S 5
20 048040342 1 RETAINING RING E4
21 081005070 2
O RING P5
22 SA3459101 1
THREAD WIPER ARM ASS
Y
23 062401006 2 SCREW PAN M4X10
24 025040236 2
WASHER PLAIN M 4
25 048040342 1 RETAINING RING E4
26 SA3464001 1 OIL CAP
KE-430F/BE-438F-405
28
27
KE-430F/BE-438F-405
L . / Thread wiper mechanism
2
3
5
67
18
22
25
23
21
15
24
26
20
19
21
16
1
9
11
17
14
11
12
13
10
10
2
8
4

28
L. / Thread wiper mechanism
REF.NO CODE Q'TY NAME OF PARTS RM
1 SB0969001 1 THREAD WIPER CAM
2 012060536 2 SET SCREW, SOCKET (FT) M6X5
3 SB0970001 1
DRIVING LEVER THREAD WIPE
R
4 SB0965001 1
SPRING HOLDER M5
5 SA3449101 1 THREAD WIPER ROLLE
R
6 SA3441001 1
W-CLAMP LIFTER ROLLER SHAFT
7 012500536 1 SET SCREW SOCKET (FT) M5X5
8 SB0964001 1
SPRING
9 SB0972001 1
THREAD WIPER ROD SHAF
T
10 S20356001 2
WASHER, PLAIN 10
11 048080342 2 RETAINING RING E8
12 012500536 1 SET SCREW SOCKET (FT) M5X5
13 SB0973001 1 THREAD WIPER ROD ASS
Y
14 SB0977001 1
WIPER SHAFT
15 012500536 1 SET SCREW SOCKET (FT) M5X5
16 155559001 1
WASHER PLAIN
17 048040342 1 RETAINING RING E4
18 SA3458001 1 CONNECTING PLATE
19 025050134 1
WASHER PLAIN S 5
20 048040342 1 RETAINING RING E4
21 081005070 2
O RING P5
22 SA3459101 1
THREAD WIPER ARM ASS
Y
23 062401006 2 SCREW PAN M4X10
24 025040236 2
WASHER PLAIN M 4
25 048040342 1 RETAINING RING E4
26 SA3464001 1 OIL CAP
KE-430F/BE-438F-405
28

29
M. / Tension release mechanism
REF.NO CODE Q'TY NAME OF PARTS RM
1 SB1090001 1 DT SOLENOID SETTING PLATE
2 062500816 2 SCREW PAN M5X8
3 SB1179001 1 SOLENOID CUSHION
4 017401015 1
BOLT M4X10
5 025040236 1
WASHER PLAIN M 4
6 SB1192001 2
TENSION RELEASE BAR BUSH
7 SB1089001 1
TENSION RELEASE BA
R
8 SB0787001 1
SOLENOID COVE
R
9 060400516 2
SCREW BIND M4X5
10 021400306 1 NUT 3 M4
KE-430F/BE-438F-406
30
KE-430F/BE-438F-406
29
M . / Tension release mechanism
1
2
9
6
6
7
8
3
5
10
4

30
M. / Tension release mechanism
REF.NO CODE Q'TY NAME OF PARTS RM
1 SB1090001 1 DT SOLENOID SETTING PLATE
2 062500816 2 SCREW PAN M5X8
3 SB1179001 1 SOLENOID CUSHION
4 017401015 1
BOLT M4X10
5 025040236 1
WASHER PLAIN M 4
6 SB1192001 2
TENSION RELEASE BAR BUSH
7 SB1089001 1
TENSION RELEASE BA
R
8 SB0787001 1
SOLENOID COVE
R
9 060400516 2
SCREW BIND M4X5
10 021400306 1 NUT 3 M4
KE-430F/BE-438F-406
30

31
N. / Thread nipper mechanism
REF.NO CODE Q'TY NAME OF PARTS RM
--- <For KE-430F-03, -0K, -0F>
1 SB0709001 1 THREAD NIPPER D ASS
Y
2 SA3333001 1
THREAD NIPPER SHOULDER SCRE
W
3 SA4329001 1 COLLAR,THREAD NIPPE
R
4 SA4330001 1
SPACER,THREAD NIPPE
R
5 SB0954001 1 THREAD NIPPER U
6 SA3342001 1
SHOULDER SCREW,6-0.9
7 SA3343001 1
PLATE,SPRING HOO
K
8 062300416 2 SCREW PAN M3X4
9 025030236 2
WASHER PLAIN M 3
10 SA4465001 1
SPRING EXTENSION
11 SB0980001 1
TR-DRIVING MOTOR LEVER
12 012500536 2 SET SCREW SOCKET (FT) M5X5
13 SB0983001 1 TR-LINK
14 SB0705001 2
LINK SHOULDER SCRE
W
15 SB0979001 1
TR-DRIVING LEVE
R
16 SB0982001 1
LEVER SHAFT
17 110367001 1
WASHER, PLAIN SPECIAL
8
18 048060346 1 RETAINING RING E6
19 012500536 2 SET SCREW SOCKET (FT) M5X5
20 SB0981001 1 TN-CONNECTING PLATE R
21 SB0705001 1
LINK SHOULDER SCRE
W
22 109239002 1
WASHER, WAVE SPRING
23 SB0750001 1 TN-CONNECTING PLATE ASSY F
24 017400802 2
BOLT M4X8
25 025040236 2
WASHER PLAIN M 4
KE-430F/BE-438F-409
32
31
KE-430F/BE-438F-409
N . / Thread nipper mechanism
11
24
25
23
21
22
17
18
15
14
13
20
19
16
12
12
1
2
3
4
7
10
8
9
5
6
19

32
N. / Thread nipper mechanism
REF.NO CODE Q'TY NAME OF PARTS RM
--- <For KE-430F-03, -0K, -0F>
1 SB0709001 1 THREAD NIPPER D ASS
Y
2 SA3333001 1
THREAD NIPPER SHOULDER SCRE
W
3 SA4329001 1 COLLAR,THREAD NIPPE
R
4 SA4330001 1
SPACER,THREAD NIPPE
R
5 SB0954001 1 THREAD NIPPER U
6 SA3342001 1
SHOULDER SCREW,6-0.9
7 SA3343001 1
PLATE,SPRING HOO
K
8 062300416 2 SCREW PAN M3X4
9 025030236 2
WASHER PLAIN M 3
10 SA4465001 1
SPRING EXTENSION
11 SB0980001 1
TR-DRIVING MOTOR LEVER
12 012500536 2 SET SCREW SOCKET (FT) M5X5
13 SB0983001 1 TR-LINK
14 SB0705001 2
LINK SHOULDER SCRE
W
15 SB0979001 1
TR-DRIVING LEVE
R
16 SB0982001 1
LEVER SHAFT
17 110367001 1
WASHER, PLAIN SPECIAL
8
18 048060346 1 RETAINING RING E6
19 012500536 2 SET SCREW SOCKET (FT) M5X5
20 SB0981001 1 TN-CONNECTING PLATE R
21 SB0705001 1
LINK SHOULDER SCRE
W
22 109239002 1
WASHER, WAVE SPRING
23 SB0750001 1 TN-CONNECTING PLATE ASSY F
24 017400802 2
BOLT M4X8
25 025040236 2
WASHER PLAIN M 4
KE-430F/BE-438F-409
32

33
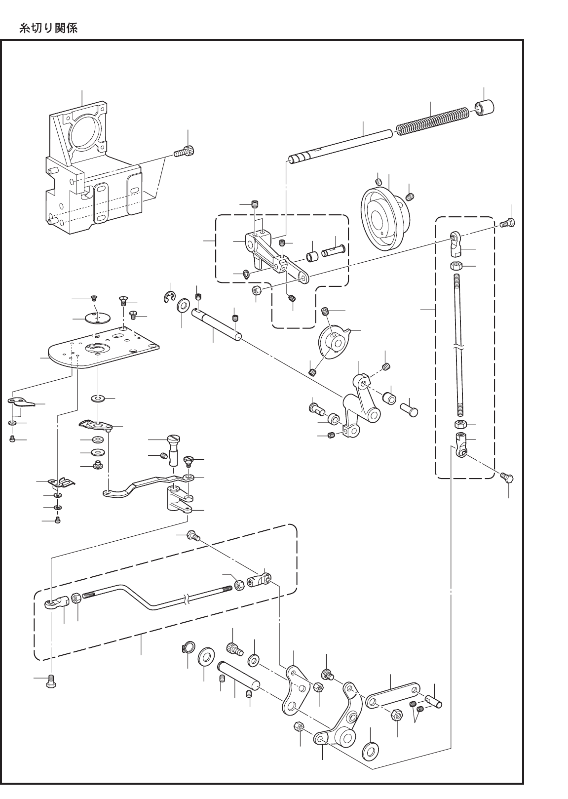
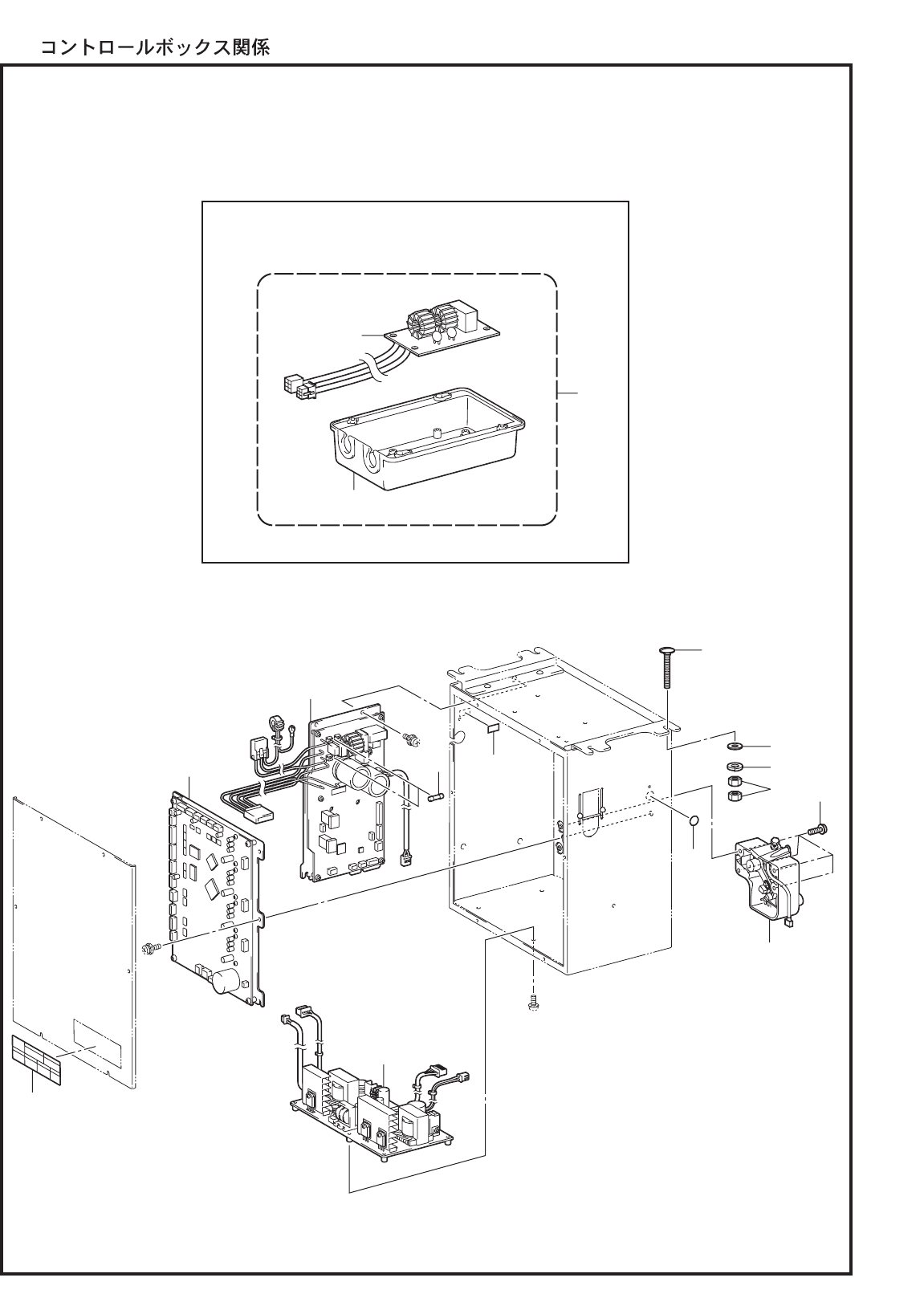
P1. / Control box mechanism
REF.NO CODE Q'TY NAME OF PARTS RM
1 SA9525001 1
MAIN PCB ASS
Y
2 SA8350001 1
MOTOR PCB ASS
Y
3
A
10193001 2 G FUSE S 15
A
4 SA9500001 1
POWER PCB ASS
Y
5 SA9602001 1 TREADLE UNIT -EX
6 J00353001 4 SCREW PAN (S/P WASHER) M5X14
7 S37060001 1 LABEL, GROUNDING
8 S37059001 1 LABEL, PE
9 SA9893001 4
BOLT M8X65
10 025080336 4
8 WASHER PLAIN L 8
11 028080246 4
2-8 WASHER SPRING 2-8
12 021080206 8 NUT 2 M8
13 SA9725001 1
LABEL ELECTRICAL SHOCK 36X150
< 230V AC> <For Single phase 230V AC>
<> <For Europe>
14 SA9559001 1 CE FILTER BOX ASS
Y
15 SA9564001 1 CE FILTER CASE
16 SA9565001 1
CE FILTER PCB ASS
Y
KE-430F/BE-438F-502
34
KE-430F/BE-438F-502
33
P1 . / Control box mechanism
< 欧州向用 / For Europe >
< 単相 230V AC用 / For Single phase 230V AC >
13
5
7
13
8
6
4
2
14
9
10
11
12
16
15

34
P1. / Control box mechanism
REF.NO CODE Q'TY NAME OF PARTS RM
1 SA9525001 1
MAIN PCB ASS
Y
2 SA8350001 1
MOTOR PCB ASS
Y
3
A
10193001 2 G FUSE S 15
A
4 SA9500001 1
POWER PCB ASS
Y
5 SA9602001 1 TREADLE UNIT -EX
6 J00353001 4 SCREW PAN (S/P WASHER) M5X14
7 S37060001 1 LABEL, GROUNDING
8 S37059001 1 LABEL, PE
9 SA9893001 4
BOLT M8X65
10 025080336 4
8 WASHER PLAIN L 8
11 028080246 4
2-8 WASHER SPRING 2-8
12 021080206 8 NUT 2 M8
13 SA9725001 1
LABEL ELECTRICAL SHOCK 36X150
< 230V AC> <For Single phase 230V AC>
<> <For Europe>
14 SA9559001 1 CE FILTER BOX ASS
Y
15 SA9564001 1 CE FILTER CASE
16 SA9565001 1
CE FILTER PCB ASS
Y
KE-430F/BE-438F-502
34

35
P2. / Control box mechanism
REF.NO CODE Q'TY NAME OF PARTS RM
< 200V AC > <For Three phase 200V AC>
<> < For Japan >
1+ SA9616001 1
POWER SWITCH ASSY SJ
T
< 220V AC > <For Three phase 220V AC>
<> < For USA, Canada and Mexico >
1+ SA9831001 1
POWER SWITCH ASSY SJT#2
< 220V AC> <For Single phase 220V AC>
<
> < For Asia, General and Europe >
2+ SA9535001 1
POWER SUPPLY SWITCH ASSY CC
C
< 220V AC> <For Single phase 220V AC>
<> < For China >
2+ BMP3010-0000001-3S00 1
POWER SWITCH 220
V
3 S03816001 2 WOOD SCREW M4.5X16
4 200190001 2
STAPLE 10X20
< 100V> <For Single phase 100V>
<> < For Japan >
5+ SB1229001 1
TRANCE BOX 100V SUPPL
Y
<> < For USA, Canada and Mexico >
5+ BMP3010-0000000-2ST1 1
TRANSFORMER BOX
< 380V> <For Three phase 380V>
<
> < For General and Asia >
6+ BMP3010-0000000-3ST4 1
TRANSFORMER BOX
<> < For China >
6+ BMP3010-0000001-3ST4 1
TRANSFORMER BOX
< 400V> <For Three phase 400V>
<> <For Europe>
6+ BMP3010-0000000-4ST4 1
TRANSFORMER BOX
7 SA9914001 1
LABEL ELECTRICAL SHOCK 25 X 28
KE-430F/BE-438F-502
36
KE-430F/BE-438F-502
35
P2 . / Control box mechanism
OFFON
OFFON
OFFON
OFFON
OFFON
OFFON
OFFON
OFFON
OFFON
OFFON
OFFON
OFFON
OFFON
OFFON
OFFON
OFFON
< / For Japan >
7
7
1+
4
3
4
3
2+
5+
6+

36
P2. / Control box mechanism
REF.NO CODE Q'TY NAME OF PARTS RM
< 200V AC > <For Three phase 200V AC>
<> < For Japan >
1+ SA9616001 1
POWER SWITCH ASSY SJ
T
< 220V AC > <For Three phase 220V AC>
<> < For USA, Canada and Mexico >
1+ SA9831001 1
POWER SWITCH ASSY SJT#2
< 220V AC> <For Single phase 220V AC>
<
> < For Asia, General and Europe >
2+ SA9535001 1
POWER SUPPLY SWITCH ASSY CC
C
< 220V AC> <For Single phase 220V AC>
<> < For China >
2+ BMP3010-0000001-3S00 1
POWER SWITCH 220
V
3 S03816001 2 WOOD SCREW M4.5X16
4 200190001 2
STAPLE 10X20
< 100V> <For Single phase 100V>
<> < For Japan >
5+ SB1229001 1
TRANCE BOX 100V SUPPL
Y
<> < For USA, Canada and Mexico >
5+ BMP3010-0000000-2ST1 1
TRANSFORMER BOX
< 380V> <For Three phase 380V>
<
> < For General and Asia >
6+ BMP3010-0000000-3ST4 1
TRANSFORMER BOX
<> < For China >
6+ BMP3010-0000001-3ST4 1
TRANSFORMER BOX
< 400V> <For Three phase 400V>
<> <For Europe>
6+ BMP3010-0000000-4ST4 1
TRANSFORMER BOX
7 SA9914001 1
LABEL ELECTRICAL SHOCK 25 X 28
KE-430F/BE-438F-502
36

37
Q. / Power supply equipment mechanism
REF.NO CODE Q'TY NAME OF PARTS RM
1 SA8349001 1 PULSE MOTOR ASSY
X
2 018401036 4
BOLT SOCKET M4X10
3 SA9497001 1 PULSE MOTOR ASSY
Y
4 018401036 4
BOLT SOCKET M4X10
5 SA8352001 1 PULSE MOTOR ASSY P
6 018400836 4
BOLT SOCKET M4X10
7 SB0794001 1 TENSION SOLENOID
8 017400802 2
BOLT M4X8
9 028040246 2
WASHER SPRING 2-4
10 025040236 2
WASHER PLAIN M 4
11 SB1194001 1 THREAD TRIMMER SOLENOID ASS
Y
12 018501636 3
BOLT SOCKET M5X16
13 SB0915001 3
WASHE
R
14 SB1650001 1
SWITCH ASSY MACHINE HEAD
15 0A5301605 2
SCREW PAN (S/P WASHER) M3X16
16 SB1200001 1
SWITCH MACHINE HEAD PLATE
17 0A5401006 2
SCREW PAN (S/P WASHER) M4X10
18 SA3486001 1 GROUND WIRE 350
19 0A5401006 1
SCREW PAN (S/P WASHER) M4X10
20 SB1201001 3
CORD HOLDER
21 062400616 3 SCREW PAN M4X6
22 SA1394101 2 CORD HOLDER U3
23 062500816 2 SCREW PAN M5X8
24 S11817000 2
CLAMP, NK-18N
25 0A5401006 3
SCREW PAN (S/P WASHER) M4X10
26 218859001 2
BINDER M150
27 552907000 1
CORD HOLDER #10
28 SA4224001 2 MARK ATTENTION 30X40
--- <For KE-430F-03, -0K, -0F>
29 SA8316001 1 PULSE MOTOR ASSY
T
30 018401036 4
BOLT SOCKET M4X10
KE-430F/BE-438F-515
38
37
KE-430F/BE-438F-515
Q . / Power supply equipment mechanism
< KE-430F-03, -0K, -0F 用
/ For KE-430F-03, -0K, -0F >
16
14
15
11
12
4
3
29
5
13
19
17
1
2
18
25
25
24
28
28
7
10
30
6
21
22
23
20
27
9
8
26
26

38
Q. / Power supply equipment mechanism
REF.NO CODE Q'TY NAME OF PARTS RM
1 SA8349001 1 PULSE MOTOR ASSY
X
2 018401036 4
BOLT SOCKET M4X10
3 SA9497001 1 PULSE MOTOR ASSY
Y
4 018401036 4
BOLT SOCKET M4X10
5 SA8352001 1 PULSE MOTOR ASSY P
6 018400836 4
BOLT SOCKET M4X10
7 SB0794001 1 TENSION SOLENOID
8 017400802 2
BOLT M4X8
9 028040246 2
WASHER SPRING 2-4
10 025040236 2
WASHER PLAIN M 4
11 SB1194001 1 THREAD TRIMMER SOLENOID ASS
Y
12 018501636 3
BOLT SOCKET M5X16
13 SB0915001 3
WASHE
R
14 SB1650001 1
SWITCH ASSY MACHINE HEAD
15 0A5301605 2
SCREW PAN (S/P WASHER) M3X16
16 SB1200001 1
SWITCH MACHINE HEAD PLATE
17 0A5401006 2
SCREW PAN (S/P WASHER) M4X10
18 SA3486001 1 GROUND WIRE 350
19 0A5401006 1
SCREW PAN (S/P WASHER) M4X10
20 SB1201001 3
CORD HOLDER
21 062400616 3 SCREW PAN M4X6
22 SA1394101 2 CORD HOLDER U3
23 062500816 2 SCREW PAN M5X8
24 S11817000 2
CLAMP, NK-18N
25 0A5401006 3
SCREW PAN (S/P WASHER) M4X10
26 218859001 2
BINDER M150
27 552907000 1
CORD HOLDER #10
28 SA4224001 2 MARK ATTENTION 30X40
--- <For KE-430F-03, -0K, -0F>
29 SA8316001 1 PULSE MOTOR ASSY
T
30 018401036 4
BOLT SOCKET M4X10
KE-430F/BE-438F-515
38

39
R. / Operation panel mechanism
REF.NO CODE Q'TY NAME OF PARTS RM
1 SB0562001 1 OPERATION PANEL ASS
Y
2 SB0564001 1 PANEL SHEE
T
3 SA9509001 1
PANEL PCB ASS
Y
4 SB0553001 1 PANEL HARNESS
5 220681001 1
CABLE TIE
6 085311016 5
TAPTITE BIND B M3X10
7 SB0566001 1
CARD COVE
R
80B0452006 4 WOOD SCREW ROUND M4.5X20
9200190001 3 STAPLE 10X20
KE-430F/BE-438F-530
40
KE-430F/BE-438F-530
39
R . / Operation panel mechanism
4
9
8
2
3
6
7
1
5

40
R. / Operation panel mechanism
REF.NO CODE Q'TY NAME OF PARTS RM
1 SB0562001 1 OPERATION PANEL ASS
Y
2 SB0564001 1 PANEL SHEE
T
3 SA9509001 1
PANEL PCB ASS
Y
4 SB0553001 1 PANEL HARNESS
5 220681001 1
CABLE TIE
6 085311016 5
TAPTITE BIND B M3X10
7 SB0566001 1
CARD COVE
R
80B0452006 4 WOOD SCREW ROUND M4.5X20
9200190001 3 STAPLE 10X20
KE-430F/BE-438F-530
40

41
S. / Motor mechanism
REF.NO CODE Q'TY NAME OF PARTS RM
1 SB0752001 1 MOTOR 430 SUPPLY
2 018501632 3
BOLT SOCKET M5X16
3 028050247 3
WASHER SPRING 2-5
4 SA9436001 3
WASHER PLAIN 5
5 SB0347001 1
RESOLVER STATOR 430 ASS
Y
6 0A4301206 3
SCREW PAN (S/P WASHER) M3X12
7 SB0350001 1
PULLEY HOLDER L ASS
Y
8 012501032 2 SET SCREW SOCKET (FT) M5X10
9 SB0353001 1 CORD HOLDER L
10 0A4401006 2
SCREW PAN (S/P WASHER) M4X10
11 0A4401006 1
SCREW PAN (S/P WASHER) M4X10
12 SA9449001 1
RESOLVER COVE
R
13 0A4300806 1
SCREW PAN (S/P WASHER) M3X
8
KE-430F/BE-438F-650
42
KE-430F/BE-438F-650
41
S . / Motor mechanism
4
2
3
56
13
7
12
8
11
9
10
1

42
S. / Motor mechanism
REF.NO CODE Q'TY NAME OF PARTS RM
1 SB0752001 1 MOTOR 430 SUPPLY
2 018501632 3
BOLT SOCKET M5X16
3 028050247 3
WASHER SPRING 2-5
4 SA9436001 3
WASHER PLAIN 5
5 SB0347001 1
RESOLVER STATOR 430 ASS
Y
6 0A4301206 3
SCREW PAN (S/P WASHER) M3X12
7 SB0350001 1
PULLEY HOLDER L ASS
Y
8 012501032 2 SET SCREW SOCKET (FT) M5X10
9 SB0353001 1 CORD HOLDER L
10 0A4401006 2
SCREW PAN (S/P WASHER) M4X10
11 0A4401006 1
SCREW PAN (S/P WASHER) M4X10
12 SA9449001 1
RESOLVER COVE
R
13 0A4300806 1
SCREW PAN (S/P WASHER) M3X
8
KE-430F/BE-438F-650
42

43
T. () / Foot switch pedal mechanism (Option parts)
REF.NO CODE Q'TY NAME OF PARTS RM
<Except for Europe>
1+ SB1565001 1 CONVERSION HARNESS FOOT S
W
2+ SA6038001 1 2-PEDAL FOOT SWITCH ASS
Y
<For Euro
p
e onl
y
>
1+ SB15660E1 1 CONVERSION HARNESS FOOT SW.E
2+ SB15670E1 1 2-PEDAL FOOT SWITCH SET 3.E
KE-430F/BE-438F-651
44
KE-430F/BE-438F-651
43
T . / Foot switch pedal mechanism (Option parts)
1+
2+

44
T. () / Foot switch pedal mechanism (Option parts)
REF.NO CODE Q'TY NAME OF PARTS RM
<Except for Europe>
1+ SB1565001 1 CONVERSION HARNESS FOOT S
W
2+ SA6038001 1 2-PEDAL FOOT SWITCH ASS
Y
<For Euro
p
e onl
y
>
1+ SB15660E1 1 CONVERSION HARNESS FOOT SW.E
2+ SB15670E1 1 2-PEDAL FOOT SWITCH SET 3.E
KE-430F/BE-438F-651
44

45
U1. (BE-438F) / Auxiliary device (Option parts for BE-438F)
REF.NO CODE Q'TY NAME OF PARTS RM
1 SB1563001 1 SHANK DEVICE SET 438F
2 142689409 1
SHANK BUTTON CLAMP BRAC. ASS
Y
3 154684009 1
SHANK BUTTON CLAMP BRACKE
T
4 142677101 1
BUTTON CLAMP,
A
5 142678201 1
BUTTON CLAMP, B
6 062670812 1 SCREW PAN SM3.57-40X8
7 102707002 1
WASHE
R
8 142681001 1
BUTTON CLAMP STUD
9 154685001 1
SPRING
10 142706001 2 SET SCREW COLLA
R
11 062670712 2 SCREW PAN SM3.57-40X7
12 154686001 1
BUTTON CLAMP ARM
13 013719412 1
SET SCREW, (CP) SM4.76
14 142680001 1
BUTTON CLAMP
15 120990001 1
SET SCREW, (CP) SM4.37-40X8
16 SB1644001 1
CLAMP OPENE
R
17 SB1564001 1
STUD
18 014680432 1
SET SCREW SOCKET SM4.37-40X4
19 154697001 1
FEED PLATE BASE
20 156336101 1
SHANK BUTTON FEED PLATE
21 154713001 2
SCREW, SM4.76
22 021710212 2 NUT 2 SM4.76-32
23 025710232 2
WASHER PLAIN M SM4.76
24 142686101 1
CLOTH RECEIVER, S
25 060670512 1
SCREW BIND SM3.57-40X5
26 SB1643001 1 MOVABLE KNIFE SK ASS
Y
27 SA6505014 1 NEEDLE 10PIECE ASSY SA650
6
28 S03641101 1
BUTTON CLAMP, D
29 SB0715001 1 NEEDLE HOLE PLATE 1.6GM
30 SB1645001 1
NEEDLE BAR SKD
31 062500616 1 SCREW PAN M5X6
BE-438F-944
46
BE-438F-944
45
U1 . BE-438F / Auxiliary device (Option parts for BE-438F)
21
25
24
22
23
12
17
16
31
14
13
30
2
1
27
7
6
20
5
4
15
8
28
29
11
18
9
19
26
10
3

46
U1. (BE-438F) / Auxiliary device (Option parts for BE-438F)
REF.NO CODE Q'TY NAME OF PARTS RM
1 SB1563001 1 SHANK DEVICE SET 438F
2 142689409 1
SHANK BUTTON CLAMP BRAC. ASS
Y
3 154684009 1
SHANK BUTTON CLAMP BRACKE
T
4 142677101 1
BUTTON CLAMP,
A
5 142678201 1
BUTTON CLAMP, B
6 062670812 1 SCREW PAN SM3.57-40X8
7 102707002 1
WASHE
R
8 142681001 1
BUTTON CLAMP STUD
9 154685001 1
SPRING
10 142706001 2 SET SCREW COLLA
R
11 062670712 2 SCREW PAN SM3.57-40X7
12 154686001 1
BUTTON CLAMP ARM
13 013719412 1
SET SCREW, (CP) SM4.76
14 142680001 1
BUTTON CLAMP
15 120990001 1
SET SCREW, (CP) SM4.37-40X8
16 SB1644001 1
CLAMP OPENE
R
17 SB1564001 1
STUD
18 014680432 1
SET SCREW SOCKET SM4.37-40X4
19 154697001 1
FEED PLATE BASE
20 156336101 1
SHANK BUTTON FEED PLATE
21 154713001 2
SCREW, SM4.76
22 021710212 2 NUT 2 SM4.76-32
23 025710232 2
WASHER PLAIN M SM4.76
24 142686101 1
CLOTH RECEIVER, S
25 060670512 1
SCREW BIND SM3.57-40X5
26 SB1643001 1 MOVABLE KNIFE SK ASS
Y
27 SA6505014 1 NEEDLE 10PIECE ASSY SA650
6
28 S03641101 1
BUTTON CLAMP, D
29 SB0715001 1 NEEDLE HOLE PLATE 1.6GM
30 SB1645001 1
NEEDLE BAR SKD
31 062500616 1 SCREW PAN M5X6
BE-438F-944
46

47
U2. (BE-438F) / Auxiliary device (Option parts for BE-438F)
REF.NO CODE Q'TY NAME OF PARTS RM
1 SA6156101 1
BUTTON SPACER SET 438D
2 SA6157101 1
BUTTON SPACER ASS
Y
3 SA6158101 1
BASE
4 S09658001 1 SCALE
5 S09686001 1
BOLT, SM4.37-40X7
6 S02745001 1
WASHE
R
7 S09659001 1
POSITIONING PLATE,
A
8 S09660001 1
POSITIONING PLATE, B
9 115166001 1
SHOULDER SCREW, SM4.37
10 S25310101 2
SCREW, FLAT M4
11 S13184001 1 FEED PLATE
BE-438F-944
48
47
BE-438F-944
U2 . BE-438F / Auxiliary device (Option parts for BE-438F)
9
7
8
4
2
5
10
3
11
10
6
1

48
U2. (BE-438F) / Auxiliary device (Option parts for BE-438F)
REF.NO CODE Q'TY NAME OF PARTS RM
1 SA6156101 1
BUTTON SPACER SET 438D
2 SA6157101 1
BUTTON SPACER ASS
Y
3 SA6158101 1
BASE
4 S09658001 1 SCALE
5 S09686001 1
BOLT, SM4.37-40X7
6 S02745001 1
WASHE
R
7 S09659001 1
POSITIONING PLATE,
A
8 S09660001 1
POSITIONING PLATE, B
9 115166001 1
SHOULDER SCREW, SM4.37
10 S25310101 2
SCREW, FLAT M4
11 S13184001 1 FEED PLATE
BE-438F-944
48

49
Z. / Accessories
REF.NO CODE Q'TY NAME OF PARTS RM
1 SB1066001 1 SETTING PLATE DUST OILER
2 032461606 2 WOOD SCREW ROUND 2 M4.5X16
3 062300816 2 SCREW PAN M3X8
4 154467001 1
DUST OILER
5 114486002 1
OILER
6 SA3384001 2
PIN
7 012060636 2 SET SCREW SOCKET (FT) M6X6
8 SA3385001 2
HINGE HOLDE
R
9 SA3395001 2
RUBBER CUSHION
10 SA3392001 2 SPACE
R
11 018066036 4
BOLT SOCKET M6X60
12 025060336 4
WASHER PLAIN L 6
13 028060246 4
WASHER SPRING 2-6
14 021060106 4 NUT 1 M6
---- <For KE-430F-03, -05, -0K, -0F>
<For BE-438F>
15+ 159613051 1
BOBBIN
- <For KE-430F-05>
<> < For USA, Canada and Mexico >
15+ S15665001 1
BOBBIN L
A
16 SA8239201 1 OIL TANK ASS
Y
17 SB1271001 1
OIL WARNING LABEL JP
18 SB1270001 1
OIL WARNING LABEL EN
19 S02763602 1
COTTON STAND ASSY 2D
R
20 S51283001 2
SPOOL STAND BASE
21 150182000 2
SPOOL MAT
22 S51282101 2
SPOOL CUSHION
23 S02747101 1
SPRING
24 150179002 2
SPOOL SHAFT B
25 028050244 2
WASHER SPRING 2-5
26 021500104 2 NUT 1 M5
27 SA6607001 1
SPOOL HOLDER 2
28 SA6607001 1
SPOOL HOLDER 2
29 150183000 2
THREAD HANGER BASE
30 142990001 2
THREAD BUSH
31 SA6609001 2
SPOOL HOLDER SUPPORTE
R
32 062061604 2 SCREW PAN M6X16
33 144226001 1
HEAD COVE
R
34 SB1069001 1
EYE GUARD SE
T
35 S44485101 1
EYE GUARD
36 SB1067001 1
EYE GUARD HOLDE
R
37 026030233 2
WASHER PLAIN M 3
38 062300616 2 SCREW PAN M3X6
39 062401006 2 SCREW PAN M4X10
40 SB0791001 1
REAR COVE
R
41 062500816 4 SCREW PAN M5X8
42 SB1275001 1
GREASE UNI
T
<For BE-438F>
43 S18642009 1
BUTTON TRAY
44 153843009 1
BUTTTON TRAY HOLDER
45 014760632 1
SET SCREW SOCKET SM5.95-28X6
46 0B1351606 2 WOOD SCREW FLAT M3.5X16
47 SB1272001 1
SPRING
A
48 110215002 1
SCREW SM3.57
49 025660132 1
WASHER PLAIN S SM3.18
50 SB1273001 1
SPRING SUPPOR
T
51 146360002 1
BOLT, SM4.76X7
52 154179001 1
HEXAGONAL WRENCH, 4
KE-430F/BE-438F-910
50
KE-430F/BE-438F-910
49
Z . / Accessories
< BE-438F / For BE-438F >
15+
33
46
44
43
45
5
3
4
48
49 50
47
51
39
38 37
35
34
36
68
11
8
12
13
14
12
40
13
14
7
9 10
10 9
52
1
2
11
19
27
20
22
26
24
25
28
23
30
29
31
32
31
21
32
41
16
17
18
42

50
Z. / Accessories
REF.NO CODE Q'TY NAME OF PARTS RM
1 SB1066001 1 SETTING PLATE DUST OILER
2 032461606 2 WOOD SCREW ROUND 2 M4.5X16
3 062300816 2 SCREW PAN M3X8
4 154467001 1
DUST OILER
5 114486002 1
OILER
6 SA3384001 2
PIN
7 012060636 2 SET SCREW SOCKET (FT) M6X6
8 SA3385001 2
HINGE HOLDE
R
9 SA3395001 2
RUBBER CUSHION
10 SA3392001 2 SPACE
R
11 018066036 4
BOLT SOCKET M6X60
12 025060336 4
WASHER PLAIN L 6
13 028060246 4
WASHER SPRING 2-6
14 021060106 4 NUT 1 M6
---- <For KE-430F-03, -05, -0K, -0F>
<For BE-438F>
15+ 159613051 1
BOBBIN
- <For KE-430F-05>
<> < For USA, Canada and Mexico >
15+ S15665001 1
BOBBIN L
A
16 SA8239201 1 OIL TANK ASS
Y
17 SB1271001 1
OIL WARNING LABEL JP
18 SB1270001 1
OIL WARNING LABEL EN
19 S02763602 1
COTTON STAND ASSY 2D
R
20 S51283001 2
SPOOL STAND BASE
21 150182000 2
SPOOL MAT
22 S51282101 2
SPOOL CUSHION
23 S02747101 1
SPRING
24 150179002 2
SPOOL SHAFT B
25 028050244 2
WASHER SPRING 2-5
26 021500104 2 NUT 1 M5
27 SA6607001 1
SPOOL HOLDER 2
28 SA6607001 1
SPOOL HOLDER 2
29 150183000 2
THREAD HANGER BASE
30 142990001 2
THREAD BUSH
31 SA6609001 2
SPOOL HOLDER SUPPORTE
R
32 062061604 2 SCREW PAN M6X16
33 144226001 1
HEAD COVE
R
34 SB1069001 1
EYE GUARD SE
T
35 S44485101 1
EYE GUARD
36 SB1067001 1
EYE GUARD HOLDE
R
37 026030233 2
WASHER PLAIN M 3
38 062300616 2 SCREW PAN M3X6
39 062401006 2 SCREW PAN M4X10
40 SB0791001 1
REAR COVE
R
41 062500816 4 SCREW PAN M5X8
42 SB1275001 1
GREASE UNI
T
<For BE-438F>
43 S18642009 1
BUTTON TRAY
44 153843009 1
BUTTTON TRAY HOLDER
45 014760632 1
SET SCREW SOCKET SM5.95-28X6
46 0B1351606 2 WOOD SCREW FLAT M3.5X16
47 SB1272001 1
SPRING
A
48 110215002 1
SCREW SM3.57
49 025660132 1
WASHER PLAIN S SM3.18
50 SB1273001 1
SPRING SUPPOR
T
51 146360002 1
BOLT, SM4.76X7
52 154179001 1
HEXAGONAL WRENCH, 4
KE-430F/BE-438F-910
50

51
51
Wa. / Warning labels
KE-430F/BE-438F-Wa
56 X 43
12
L=16
L
L
L=25
36 X 150
L=28.4
L
7.5 X 12.5
30 X 40
/ Name of parts / Warning labels Size(mm) Code
Label caution
Label, grounding
Injury mark
Injury mark
Label electrical shock 36 X 150
6
Label electrical shock 25 X 28
25 X 28
Label, PE
PE
30 X 40
Mark attention 30 X40
SA9826-001
SA9957-002
SA9957-001
S37060-001
SA9725-001
S37059-001
SA4224-001
SA9914-001

52
52
KE-430F/BE-438F-Wa
Wa. / Warning labels
68 X 30
68 X 30
Oil warning label JP
Oil warning label EN
/ Name of parts
/ Warning labels Size(mm) Code
SB1271-001
SB1270-001

53
53
KE-430F/BE-438F-Sp
◎In the following table, parts marked with ★are common with the KE-430D (Electronic Lockstitch Tacker)
& BE-438D (Electronic Lockstitch Button sewer).
◎In the following table, parts marked with ☆are common with the BAS-311G (Electronic program Lock Stitcher) .
-05 -03 -0K -0F
品名
Part name
仕様
Spec.
KE-430F BE-438F
(K-51)
針穴板
Needle hole plate
(F-33)
ボビンケース組
Bobbin case
assy
(F-34, Z-15)
ボビン
Bobbin
(F-32)
中がま箱組
Shuttle hook
assy, w/box
(F-31)
大がま
Shuttle race
base
(H-6)
糸取りばね
Thread
take-up spring
ボビンケース
調子ばね
Tension
spring
ボビンケース
ばねねじ
Screw
空転防止ばね
Anti-spin
spring
(φ2.4)
< A >
< A >
(φ1.6) (φ1.6)
< B >
< LH >
< A >
< LA >
< A >
< B >
< C >
< A > < A >
< A >
< A >
(φ1.6)(φ1.6)
Sp . (KE-430F, BE-438F) / Different parts list (KE-430F, BE-438F)
< B >
< LC >
< AN >
The following are standard gauge parts according to each specification.
KE-430F, BE-438Fには下記部品が用意されていますので幅広い用途にご活用ください。
◎表中★の部品は、KE-430D (本縫電子閂止ミシン)、BE-438D (本縫電子ボタン付けミシン)と共通です。
◎表中☆の部品は、BAS-311G (プログラム式電子ミシン)と共通です。
ニット,メリヤス
/Knitted materials
ファンデーション
/Foundation garments
中厚物/Medium-
weight materials
厚物/Heavy-
weight materials
SB0949-001 SB0715-001 SB0951-001 SB0953-001
SB0715-001
154339-101
154341-001
159610-401
159610-401
154339-101
154341-001
159613-051
152682-201
159610-401
SA1881-001
154339-101
SA4315-001
SA9058-001SA9058-001
159613-051
SA1881-001
152682-201
SA4315-001
159613-051
SA1881-001
S15665-001
SA1882-001
SA8197-101
152690-501
S59221-301
154340-101
S48664-001
154341-001
154341-001
S16492-101
SA4315-001
159613-051
S15667-001
152686-201
SA6193-301
SA4315-001
Sp . (KE-430F, BE-438F) / Different parts list (KE-430F, BE-438F)
54
KE-430F/BE-438F-Sp
◎In the following table, parts marked with ★are common with the KE-430D (Electronic Lockstitch Tacker)
& BE-438D (Electronic Lockstitch Button sewer).
◎Standard sizes for work clamps and feed plates are as follows:
(The actual sewing area has 1.5 mm margin on every size; inside the lines which the dimensions indicate.)
(B-52)
ミシン針4個入り組
Needle assy
A B
(H-29)
針棒糸案内
Needle bar thread
guide
R
L
(C-65, 66)
押え足
Work clamp
(C-30)
送り板
Feed plate
R
L
(C-65, 66)
押え足
Work clamp
(C-30)
送り板
Feed plate
KE-430F BE-438F
KE-430F BE-438F
23
6
1.4
0.6
31
13.4
12
5.4
4
30.2
21.2
1.4
0.6
1
0.2
1
0.2
1
0.2
11
11
23
6
t = 0.3
18
4
12
4
23
5.6
22
5
23
5.6
(沈下式)
(Submerged-type)
DP X 17 NY <♯19 > DP X 5 <♯14 > DP X 17NY <♯12 >DP X 5 <♯9 > DP X 5KN <♯11 >
◎表中★の部品は、KE-430D (本縫電子閂止ミシン)、BE-438D (本縫電子ボタン付けミシン)と共通です。
◎標準の押え足、送り板のサイズは、次のとおりです。(実際の縫製エリアは、内枠寸法から約1.5mm内側になります。)
-05
-05
-03
-03
-0K
-0K
-0F
品名
Part name
仕様
Spec.
-0F
品名
Part name
仕様
Spec.
-05 -05
品名
Part name
仕様
Spec.
< A > < B > < B >
27
16
10.2
22
5
ニット,メリヤス
/Knitted materials
ニット,メリヤス
/Knitted materials
ファンデーション
/Foundation garments
デニム/Denim
ファンデーション
/Foundation garments
中厚物/Medium-
weight materials
中厚物/Medium-
weight materials
厚物/Heavy-
weight materials
厚物/Heavy-
weight materials
<アジア向け
/ For Asia >
デニム/Denim
< USA向け
/ For USA >
SA1579-019 SA1752-009SA1752-014 SA1579-012SA1737-011
152777-001 S49695-001
152778-001
SA3607-001
153608-101
154527-001
SA3378-001 SA3609-001 SA6511-201 SA3606-101
S49694-001
SA6509-001
SA6510-001
152781-001
152782-001
SA3611-001
SB1059-001 SB1060-001 SB1060-001
153201-001
153202-001
SA3616-001

54
Sp . (KE-430F, BE-438F) / Different parts list (KE-430F, BE-438F)
54
KE-430F/BE-438F-Sp
◎In the following table, parts marked with ★are common with the KE-430D (Electronic Lockstitch Tacker)
& BE-438D (Electronic Lockstitch Button sewer).
◎Standard sizes for work clamps and feed plates are as follows:
(The actual sewing area has 1.5 mm margin on every size; inside the lines which the dimensions indicate.)
(B-52)
ミシン針4個入り組
Needle assy
A B
(H-29)
針棒糸案内
Needle bar thread
guide
R
L
(C-65, 66)
押え足
Work clamp
(C-30)
送り板
Feed plate
R
L
(C-65, 66)
押え足
Work clamp
(C-30)
送り板
Feed plate
KE-430F BE-438F
KE-430F BE-438F
23
6
1.4
0.6
31
13.4
12
5.4
4
30.2
21.2
1.4
0.6
1
0.2
1
0.2
1
0.2
11
11
23
6
t = 0.3
18
4
12
4
23
5.6
22
5
23
5.6
(沈下式)
(Submerged-type)
DP X 17 NY <♯19 > DP X 5 <♯14 > DP X 17NY <♯12 >DP X 5 <♯9 > DP X 5KN <♯11 >
◎表中★の部品は、KE-430D (本縫電子閂止ミシン)、BE-438D (本縫電子ボタン付けミシン)と共通です。
◎標準の押え足、送り板のサイズは、次のとおりです。(実際の縫製エリアは、内枠寸法から約1.5mm内側になります。)
-05
-05
-03
-03
-0K
-0K
-0F
品名
Part name
仕様
Spec.
-0F
品名
Part name
仕様
Spec.
-05 -05
品名
Part name
仕様
Spec.
< A > < B > < B >
27
16
10.2
22
5
ニット,メリヤス
/Knitted materials
ニット,メリヤス
/Knitted materials
ファンデーション
/Foundation garments
デニム/Denim
ファンデーション
/Foundation garments
中厚物/Medium-
weight materials
中厚物/Medium-
weight materials
厚物/Heavy-
weight materials
厚物/Heavy-
weight materials
<アジア向け
/ For Asia >
デニム/Denim
< USA向け
/ For USA >
SA1579-019 SA1752-009SA1752-014 SA1579-012SA1737-011
152777-001 S49695-001
152778-001
SA3607-001
153608-101
154527-001
SA3378-001 SA3609-001 SA6511-201 SA3606-101
S49694-001
SA6509-001
SA6510-001
152781-001
152782-001
SA3611-001
SB1059-001 SB1060-001 SB1060-001
153201-001
153202-001
SA3616-001

55
KE-430F/BE-438F-Ga
Ga . (KE-430F) / Gauge parts list (KE-430F)
55
< Gauge parts >
The following are provided as optional gauge parts.
Each work clamp pair and presser pair are used in combination
with the feed plate directly below them.
(Work clamp and feed plate are common with to the KE-430D.)
R
L
(C-65, 66)
押え足
Work clamp
(C-30)
送り板
Feed plate
(C-30)
送り板
Feed plate
(C-30)
送り板
Feed plate
R
L
R
L
(C-65, 66)
押え足
Work clamp
(C-65, 66)
押え足
Work clamp
1 2 3 4
33
5.6
10.2 23
6
10.2
27
16
10.2 13
5
10.2
33
5.6
18
4
12
4
22
5
5 6 7 8
1.4 0.6
23
6
10.2
13
32.9
6
21.2
10.2 1.4 0.6
23
5.6
22
5
12 28.4
5
5.6
910
(デニム / For denim)
(デニム / For denim)
(デニム / For denim) < PL >
< PL >
< PL >
< PS >
< PS >
(1 inch)
(1 inch)
< PS > (1 inch)
(30mm)
(30 mm)
(PL)
(メリヤス/ For knitted
materials)
(メリヤス / For knitted
materials)
(メリヤス / For knitted
materials)
(デニム / For denim)
(デニム / For denim)
(デニム / For denim)
< PL >
< PL >
(30 mm)
<ゲージ部品>
オプションのゲージ部品には次のものがあります。
押え足(押え)と送り板は、上下の組合わせになります。
(押え足と送り板は KE-430D と共通です。)
23
6
12
4
12
4
24
16
10.2
t = 0.3
13
5
(沈下式 S / Submerged
-type,S)
(沈下式 S / Submerged
-type,S)
(沈下式 S / Submerged
-type,S)
152781-001
152782-001
SA3611-001
153201-001
153202-001
153203-001
153204-001
S00906-001
S00907-001
SA3612-001 SA3613-001 SA3614-001
S33747-001
S33748-001
153201-001
153202-001
152777-001
152778-001
152779-001
152780-001
SA3615-001 SA3616-001 SA3612-001
SA3608-001
152779-001
152780-001
SA6346-201
152779-001
152780-001
SA3610-001
56
KE-430F/BE-438F-Ga
Ga . (KE-430F) / Gauge parts list (KE-430F)
(C-30)
送り板
Feed plate
R
L
(C-65, 66)
押え足
Work clamp
15 16
26.4 18.4
5.4 5.4
5.4
26.4
10.2
5.4
18.4
10.2
(縦閂止 / For vertical
bar tacking)
(縦閂止 / For vertical
bar tacking)
(縦閂止 / For vertical
bar tacking)
(縦閂止 / For vertical
bar tacking)
(縦閂止 / For vertical
bar tacking)
(縦閂止 / For vertical
bar tacking)
(C-30)
送り板
Feed plate
R
L
ボルト
Bolt
(C-65, 66)
押え足
Work clamp
(C-65, 66)
押え足
Work clamp
ボルト
Bolt
(C-65, 66)
押え足
Work clamp
42
16.5
33
3
10.2 10.2
5
13
10.2
32.4
3
32.4
3
4.4
13
11 12 13
(線閂止 / For straight
bar tacking)
(線閂止 / For straight
bar tacking)
(線閂止・沈 / For straight
bar tacking/submerged)
(線閂止・沈 / For straight
bar tacking/submerged)
(線閂止・沈 / For straight
bar tacking/submerged)
(線閂止 / For straight
bar tacking)
(縦閂止 / For vertical
bar tacking)
(縦閂止 / For vertical
bar tacking)
(縦閂止 / For vertical
bar tacking)
15
23
0.2
1
4.4
13
14
(縦閂止・沈 / For vertical
bar tacking/submerged)
(縦閂止・沈 / For vertical
bar tacking/submerged)
(縦閂止・沈 / For vertical
bar tacking/submerged)
< LTA1 >
< VBTA1 >
< VBTA1 >
< VBTA1 >
< VBTA1 >
< VBTB1 >
< VBTB1 >
< VBTB1 > < VBTA1 > < VBTB1 >
< LTA1 > < LTB1 > < VBTA1 >
< LTA1 >
< LTA1 >
< LTA1 >
< VBTA1 >
< VBTA1 >
* * * * * *
* * * * * *
As for the parts of part codes marked with *, please order two pieces for each part as a right and left pair.
*
S59909-001 S59909-001
SA2230-001 SA2233-001
SA2229-001 SA2232-001
SA3620-001 SA3622-001
S59892-001S59892-001
156006-001 S59892-001 156006-001 S59892-001 156006-001 S59892-001
S46771-001 S46771-001 S46774-001
S46773-001
S46770-001
S46770-001
SA3618-001
SA3617-001 SA3619-001
156006-001 S59892-001
S46774-001
S46773-001
SA3621-001

56
56
KE-430F/BE-438F-Ga
Ga . (KE-430F) / Gauge parts list (KE-430F)
(C-30)
送り板
Feed plate
R
L
(C-65, 66)
押え足
Work clamp
15 16
26.4 18.4
5.4 5.4
5.4
26.4
10.2
5.4
18.4
10.2
(縦閂止 / For vertical
bar tacking)
(縦閂止 / For vertical
bar tacking)
(縦閂止 / For vertical
bar tacking)
(縦閂止 / For vertical
bar tacking)
(縦閂止 / For vertical
bar tacking)
(縦閂止 / For vertical
bar tacking)
(C-30)
送り板
Feed plate
R
L
ボルト
Bolt
(C-65, 66)
押え足
Work clamp
(C-65, 66)
押え足
Work clamp
ボルト
Bolt
(C-65, 66)
押え足
Work clamp
42
16.5
33
3
10.2 10.2
5
13
10.2
32.4
3
32.4
3
4.4
13
11 12 13
(線閂止 / For straight
bar tacking)
(線閂止 / For straight
bar tacking)
(線閂止・沈 / For straight
bar tacking/submerged)
(線閂止・沈 / For straight
bar tacking/submerged)
(線閂止・沈 / For straight
bar tacking/submerged)
(線閂止 / For straight
bar tacking)
(縦閂止 / For vertical
bar tacking)
(縦閂止 / For vertical
bar tacking)
(縦閂止 / For vertical
bar tacking)
15
23
0.2
1
4.4
13
14
(縦閂止・沈 / For vertical
bar tacking/submerged)
(縦閂止・沈 / For vertical
bar tacking/submerged)
(縦閂止・沈 / For vertical
bar tacking/submerged)
< LTA1 >
< VBTA1 >
< VBTA1 >
< VBTA1 >
< VBTA1 >
< VBTB1 >
< VBTB1 >
< VBTB1 > < VBTA1 > < VBTB1 >
< LTA1 > < LTB1 > < VBTA1 >
< LTA1 >
< LTA1 >
< LTA1 >
< VBTA1 >
< VBTA1 >
* * * * * *
* * * * * *
As for the parts of part codes marked with *, please order two pieces for each part as a right and left pair.
*
S59909-001 S59909-001
SA2230-001 SA2233-001
SA2229-001 SA2232-001
SA3620-001 SA3622-001
S59892-001S59892-001
156006-001 S59892-001 156006-001 S59892-001 156006-001 S59892-001
S46771-001 S46771-001 S46774-001
S46773-001
S46770-001
S46770-001
SA3618-001
SA3617-001 SA3619-001
156006-001 S59892-001
S46774-001
S46773-001
SA3621-001

57
57
Ga . (KE-430F) / Gauge parts list (KE-430F)
KE-430F/BE-438F-Ga
R
L
(C-30)
送り板
Feed plate
(C-65, 66)
押え足
Work clamp
17 18 19
φ13 14.6
10
10
14.6
10.2
φ13 14.6
10
10.2
10
10.2 14.6
(菊穴 / For circular stitching)
(菊穴 / For circular stitching)
(菊穴 / For circular stitching)
(半月閂 / For crescent
bar tacking)
(半月閂 / For crescent
bar tacking)
(半月閂 / For crescent
bar tacking)
(半月閂 / For crescent
bar tacking)
(半月閂 / For crescent
bar tacking)
(半月閂 / For crescent
bar tacking)
< KIA1 >
< KIA1 >
< KIA1 >
< HMA1 > < HMA1 >
< HMA1 >
< HMA1 >
< HMA1 > < HMA1 >
As for the parts of part codes marked with *, please order two pieces for each part as a right and left pair.
*
* * * * * *
ボルト
Bolt
(C-65, 66)
押え足
Work clamp
S46777-001 S46780-001 SA2236-001
S46776-001 S46779-001 SA2235-001
SA3623-001 SA3624-001 SA3625-001
156006-001 S59892-001 156006-001 S59892-001 S59909-001 S59892-001
58
KE-430F/BE-438F-Ga
Ga . (KE-430F, BE-438F) / Gauge parts list (KE-430F, BE-438F)
1.5 2 2.5 3
ボタンつかみスペーサ / Button clamp spacer
φ2.2
2.5
φ3.2
φ2.6
φ2
2.5
1.5
(C)特注用 (KE-430F)/ For specially orderd (KE-430F)
(C-65, 66)
押え足
ブランク
Work clamp
blank
(C-30)
送り板
ブランク
Feed plate
blank
R
L
(E)オプション部品 (BE-438F)/ Option parts (BE-438F)
51.5
26.4
51.5
26.4
(C-65, 66)
押え足
Work clamp
ボルト
Bolt
KE-430F BE-438F
(K
-
51)その他の針穴板 / For other needle hole plate
(C-30)
送り板
ブランク
Feed plate
blank
1.4 0.6
10.2
(菱目有り /
With lozenge)
(菱目無し /
Without lozenge)
(菱目有り /
With lozenge)
(E-39) (E-36) (E-41) (E-43)
(E-40)
AL
AR
BL
BR
CL
CR
DL
DR
(E-37) (E-42) (E-44)
As for the parts of part codes marked with *, please order two pieces for each part as a right and left pair.
*
* *
SB0952-001 SB0712-001
SA4195-001
SA4196-001
SA3626-001 SA3627-001
SA3817-001
S52071-101 S52072-101 S52073-101 S52074-101
S52075-101 S52076-101 S52077-101 S52078-101
S59909-001 S59892-001

58
58
KE-430F/BE-438F-Ga
Ga . (KE-430F, BE-438F) / Gauge parts list (KE-430F, BE-438F)
1.5 2 2.5 3
ボタンつかみスペーサ / Button clamp spacer
φ2.2
2.5
φ3.2
φ2.6
φ2
2.5
1.5
(C)特注用 (KE-430F)/ For specially orderd (KE-430F)
(C-65, 66)
押え足
ブランク
Work clamp
blank
(C-30)
送り板
ブランク
Feed plate
blank
R
L
(E)オプション部品 (BE-438F)/ Option parts (BE-438F)
51.5
26.4
51.5
26.4
(C-65, 66)
押え足
Work clamp
ボルト
Bolt
KE-430F BE-438F
(K
-
51)その他の針穴板 / For other needle hole plate
(C-30)
送り板
ブランク
Feed plate
blank
1.4 0.6
10.2
(菱目有り /
With lozenge)
(菱目無し /
Without lozenge)
(菱目有り /
With lozenge)
(E-39) (E-36) (E-41) (E-43)
(E-40)
AL
AR
BL
BR
CL
CR
DL
DR
(E-37) (E-42) (E-44)
As for the parts of part codes marked with *, please order two pieces for each part as a right and left pair.
*
* *
SB0952-001 SB0712-001
SA4195-001
SA4196-001
SA3626-001 SA3627-001
SA3817-001
S52071-101 S52072-101 S52073-101 S52074-101
S52075-101 S52076-101 S52077-101 S52078-101
S59909-001 S59892-001

59
/ Index
CODE Page CODE Page CODE Page CODE Page
004300513 A - 17 2 017711412 E - 10 14 028030246 K - 69 26 062670712 U1 - 11 46
011679312 E - 16 14 018061236 K - 30 24 028040246 Q - 9 38 062670812 U1 - 6 46
012060536 C - 17 8 018061430 K - 68 26 028050244 Z - 25 50 070608800 C - 19 8
012060536 C - 44 8 018061636 B - 17 4 028050247 S - 3 42 070696800 D - 15 12
012060536 D - 9 12 018061636 C - 62 10 028060246 Z - 13 50 081003670 F - 59 16
012060536 D - 23 12 018061636 D - 41 12 028080246 P1 - 11 34 081005070 L - 21 28
012060536 D - 27 12 018062036 A - 32 2 032461606 Z - 2 50 081040070 F - 39 16
012060536 D - 34 12 018062036 D - 29 12 047250642 E - 22 14 085311016 R - 6 40
012060536 K - 66 26 018063036 C - 7 8 047402042 B - 64 6 0A4300806 S - 13 42
012060536 L - 2 28 018066036 Z - 11 50 047602042 D - 2 12 0A4301206 S - 6 42
012060636 B - 44 4 018301036 H - 15 20 048040342 J - 15 22 0A4401006 S - 10 42
012060636 C - 9 8 018400836 C - 67 10 048040342 L - 17 28 0A4401006 S - 11 42
012060636 C - 21 8 018400836 D - 32 12 048040342 L - 20 28 0A5301605 Q - 15 38
012060636 D - 46 12 018400836 G - 6 18 048040342 L - 25 28 0A5400806 F - 37 16
012060636 F - 25 16 018400836 Q - 6 38 048060142 K - 8 24 0A5401006 Q - 17 38
012060636 F - 40 16 018401036 C - 23 8 048060346 C - 42 8 0A5401006 Q - 19 38
012060636 H - 31 20 018401036 Q - 2 38 048060346 D - 25 12 0A5401006 Q - 25 38
012060636 K - 29 24 018401036 Q - 30 38 048060346 D - 45 12 0B0452006 R - 8 40
012060636 K - 39 24 018401036 Q - 4 38 048060346 K - 63 26 0B1351606 Z - 46 50
012060636 Z - 7 50 018401236 J - 28 22 048060346 N - 18 32 100136001 H - 22 20
012300336 C - 4 8 018401636 B - 47 6 048080142 C - 20 8 100360003 K - 52 24
012400436 B - 43 4 018500836 C - 51 8 048080342 C - 11 8 100401022 J - 8 22
012400436 C - 14 8 018501036 F - 30 16 048080342 D - 8 12 102630001 D - 4 12
012400436 C - 28 8 018501436 C - 15 8 048080342 D - 21 12 102707002 U1 - 7 46
012400436 F - 57 16 018501632 S - 2 42 048080342 L - 11 28 105234003 E - 8 14
012400436 H - 17 20 018501636 B - 56 6 048100142 K - 28 24 107744001 D - 37 12
012400636 J - 20 22 018501636 Q - 12 38 048280142 B - 68 6 107744001 E - 6 14
012500536 B - 41 4 021060106 Z - 14 50 060400516 M - 9 30 108549001 J - 18 22
012500536 B - 53 6 021060306 K - 10 24 060670512 U1 - 25 46 109239002 A - 20 2
012500536 B - 58 6 021060306 K - 17 24 062061604 Z - 32 50 109239002 N - 22 32
012500536 B - 66 6 021060306 K - 21 24 062300416 A - 22 2 110215002 Z - 48 50
012500536 C - 5 8 021060306 K - 25 24 062300416 K - 49 24 110367001 B - 33 4
012500536 C - 12 8 021060306 K - 35 24 062300416 K - 71 26 110367001 C - 41 8
012500536 C - 29 8 021080206 P1 - 12 34 062300416 N - 8 32 110367001 D - 44 12
012500536 C - 45 8 021400216 D - 39 12 062300616 F - 9 16 110367001 K - 62 26
012500536 C - 60 10 021400306 H - 26 20 062300616 Z - 38 50 110367001 N - 17 32
012500536 D - 6 12 021400306 M - 10 30 062300816 Z - 3 50 114486002 Z - 5 50
012500536 D - 17 12 021500104 Z - 26 50 062400416 C - 69 10 115147001 E - 14 14
012500536 D - 19 12 021500316 H - 18 20 062400416 E - 25 14 115148201 E - 13 14
012500536 J - 9 22 021710212 U1 - 22 46 062400616 F - 36 16 115163001 E - 32 14
012500536 J - 14 22 025030236 A - 23 2 062400616 F - 56 16 115166001 U2 - 9 48
012500536 J - 25 22 025030236 K - 50 24 062400616 G - 10 18 117934001 A - 2 2
012500536 K - 7 24 025030236 K - 72 26 062400616 G - 12 18 117934001 A - 9 2
012500536 K - 23 24 025030236 N - 9 32 062400616 Q - 21 38 120990001 U1 - 15 46
012500536 K - 60 26 025040136 A - 27 2 062400816 B - 6 4 140004001 B - 34 4
012500536 K - 64 26 025040236 D - 38 12 062400816 B - 55 6 142677101 U1 - 4 46
012500536 L - 7 28 025040236 G - 5 18 062400816 E - 29 14 142678201 U1 - 5 46
012500536 L - 12 28 025040236 J - 37 22 062401006 A - 12 2 142680001 U1 - 14 46
012500536 L - 15 28 025040236 L - 24 28 062401006 J - 36 22 142681001 U1 - 8 46
012500536 N - 12 32 025040236 M - 5 30 062401006 L - 23 28 142686101 U1 - 24 46
012500536 N - 19 32 025040236 N - 25 32 062401006 Z - 39 50 142689409 U1 - 2 46
012501032 S - 8 42 025040236 Q - 10 38 062402016 A - 26 2 142706001 U1 - 10 46
013719412 U1 - 13 46 025050134 L - 19 28 062500616 B - 39 4 142990001 Z - 30 50
014680432 U1 - 18 46 025060136 J - 26 22 062500616 H - 2 20 144226001 Z - 33 50
014680632 E - 3 14 025060236 A - 33 2 062500616 J - 3 22 144458001 B - 49 6
014760632 E - 9 14 025060236 C - 63 10 062500616 U1 - 31 46 145446001 H - 13 20
014760632 Z - 45 50 025060336 Z - 12 50 062500816 A - 10 2 145446001 H - 24 20
017061006 F - 48 16 025080336 P1 - 10 34 062500816 A - 14 2 145446002 J - 6 22
017400802 B - 5 4 025660132 Z - 49 50 062500816 J - 10 22 146354001 E - 11 14
017400802 N - 24 32 025710232 U1 - 23 46 062500816 M - 2 30 146354002 C - 50 8
017400802 Q - 8 38 026030136 F - 8 16 062500816 Q - 23 38 146360002 Z - 51 50
017401015 G - 4 18 026030233 Z - 37 50 062500816 Z - 41 50 146994001 E - 12 14
017401015 M - 4 30 026050136 B - 40 4 062670412 H - 34 20 150179002 Z - 24 50
59
REF.NO REF.NO REF.NO REF.NO

60
/ Index
CODE Page CODE Page CODE Page CODE Page
150182000 Z - 21 50 BMP3010-0000000-2ST1 S37059001 P1 - 8 34 SA1982101 J - 23 22
150183000 Z - 29 50 P2 - 5+ 36 S37059001 Wa 51 SA1984001 J - 27 22
151968001 E - 4 14 BMP3010-0000000-3ST4 S37060001 A - 35 2 SA2229001 Ga 56
151969001 E - 5 14 P2 - 6+ 36 S37060001 P1 - 7 34 SA2230001 Ga 56
152682201 Sp 53 BMP3010-0000000-4ST4 S37060001 Wa 51 SA2232001 Ga 56
152684101 F - 7 16 P2 - 6+ 36 S38707001 B - 23 4 SA2233001 Ga 56
152686201 Sp 53 BMP3010-0000001-3S00 S38710001 B - 26 4 SA2235001 Ga 57
152690501 Sp 53 P2 - 2+ 36 S38713100 B - 54 6 SA2236001 Ga 57
152777001 Sp 54 BMP3010-0000001-3ST4 S42446001 C - 33 8 SA2422001 B - 37 4
152777001 Ga 55 P2 - 6+ 36 S42446001 C - 35 8 SA2626001 C - 58 8
152778001 Sp 54 J00353001 P1 - 6 34 S42903001 C - 71 10 SA3208201 C - 49 8
152778001 Ga 55 S00705001 K - 46 24 S44485101 Z - 35 50 SA3231001 C - 43 8
152779001 Ga 55 S00906001 Ga 55 S46770001 Ga 56 SA3231001 D - 26 12
152780001 Ga 55 S00907001 Ga 55 S46771001 Ga 56 SA3238101 F - 58 16
152781001 Sp 54 S01694101 E - 38 14 S46773001 Ga 56 SA3241001 F - 6 16
152781001 Ga 55 S02745001 U2 - 6 48 S46774001 Ga 56 SA3250001 H - 1 20
152782001 Sp 54 S02747101 Z - 23 50 S46776001 Ga 57 SA3256001 H - 21 20
152782001 Ga 55 S02763602 Z - 19 50 S46777001 Ga 57 SA3262202 A - 15 2
152788000 C - 55 8 S03641101 U1 - 28 46 S46779001 Ga 57 SA3263001 A - 16 2
152881101 H - 30 20 S03816001 P2 - 3 36 S46780001 Ga 57 SA3264001 A - 18 2
152883000 H - 32 20 S09658001 U2 - 4 48 S47307001 F - 17 16 SA3265001 A - 19 2
152884001 H - 33 20 S09659001 U2 - 7 48 S48664001 Sp 53 SA3266101 A - 21 2
153057101 C - 31 8 S09660001 U2 - 8 48 S49694001 Sp 54 SA3274101 F - 16 16
153201001 Sp 54 S09686001 U2 - 5 48 S49695001 Sp 54 SA3276001 F - 23 16
153201001 Ga 55 S11817000 Q - 24 38 S49955101 C - 72 10 SA3277001 F - 24 16
153202001 Sp 54 S12441001 J - 7 22 S49998001 E - 15 14 SA3278001 F - 26 16
153202001 Ga 55 S13184001 U2 - 11 48 S51282101 Z - 22 50 SA3294001 J - 29 22
153203001 Ga 55 S15665001 Z - 15+ 50 S51283001 Z - 20 50 SA3299001 J - 2 22
153204001 Ga 55 S15665001 Sp 53 S52071101 E - 39 14 SA3324001 K - 36 24
153484001 E - 7 14 S15667001 Sp 53 S52071101 Ga 58 SA3325101 K - 37 24
153484001 H - 19 20 S16492101 Sp 53 S52072101 E - 36 14 SA3326001 K - 38 24
153567000 C - 56 8 S18642009 Z - 43 50 S52072101 Ga 58 SA3327401 K - 40 24
153568001 C - 54 8 S20356001 D - 7 12 S52073101 E - 41 14 SA3333001 N - 2 32
153608101 Sp 54 S20356001 D - 20 12 S52073101 Ga 58 SA3334001 K - 47 24
153827001 E - 2 14 S20356001 L - 10 28 S52074101 E - 43 14 SA3342001 N - 6 32
153830100 E - 1 14 S20878000 A - 4 2 S52074101 Ga 58 SA3343001 N - 7 32
153843009 Z - 44 50 S20878000 A - 6 2 S52075101 E - 40 14 SA3366101 C - 6 8
154179001 Z - 52 50 S23337001 A - 7 2 S52075101 Ga 58 SA3370001 C - 18 8
154339101 Sp 53 S23418002 J - 30 22 S52076101 E - 37 14 SA3378001 Sp 54
154340101 Sp 53 S23651001 B - 7 4 S52076101 Ga 58 SA3384001 Z - 6 50
154341001 Sp 53 S23651001 B - 21 4 S52077101 E - 42 14 SA3385001 Z - 8 50
154467001 Z - 4 50 S23651001 B - 24 4 S52077101 Ga 58 SA3392001 Z - 10 50
154527001 Sp 54 S23651001 B - 27 4 S52078101 E - 44 14 SA3395001 Z - 9 50
154684009 U1 - 3 46 S23651001 B - 32 4 S52078101 Ga 58 SA3419101 C - 37 8
154685001 U1 - 9 46 S23651001 F - 28 16 S59221301 Sp 53 SA3424001 C - 46 8
154686001 U1 - 12 46 S23651001 F - 42 16 S59321001 E - 49 14 SA3425001 C - 47 8
154697001 U1 - 19 46 S23651001 F - 44 16 S59892001 Ga 56 SA3426001 C - 48 8
154713001 U1 - 21 46 S23651001 F - 52 16 S59892001 Ga 57 SA3427101 C - 52 8
155559001 K - 31 24 S23651001 K - 2 24 S59892001 Ga 58 SA3428001 C - 59 10
155559001 L - 16 28 S23651001 K - 9 24 S59909001 Ga 56 SA3432101 D - 1 12
156006001 Ga 56 S25235001 B - 31 4 S59909001 Ga 57 SA3441001 D - 16 12
156006001 Ga 57 S25310101 A - 29 2 S59909001 Ga 58 SA3441001 K - 57 24
156336101 U1 - 20 46 S25310101 K - 53 24 SA1125001 B - 42 4 SA3441001 L - 6 28
159610401 Sp 53 S25310101 U2 - 10 48 SA1179002 C - 53 8 SA3449101 K - 56 24
159613051 Z - 15+ 50 S31032002 J - 5 22 SA1394101 G - 11 18 SA3449101 L - 5 28
159613051 Sp 53 S32263001 A - 3 2 SA1394101 Q - 22 38 SA3458001 L - 18 28
200190001 P2 - 4 36 S32263001 A - 5 2 SA1579012 Sp 54 SA3459101 L - 22 28
200190001 R - 9 40 S32462001 K - 16 24 SA1579019 Sp 54 SA3464001 L - 26 28
218859001 Q - 26 38 S32462001 K - 34 24 SA1737011 Sp 54 SA3486001 Q - 18 38
220681001 R - 5 40 S32465101 K - 15 24 SA1752009 Sp 54 SA3538001 C - 25 8
231071001 K - 11 24 S32465101 K - 33 24 SA1752014 Sp 54 SA3538001 K - 54 24
552907000 Q - 27 38 S33747001 Ga 55 SA1881001 Sp 53 SA3606101 Sp 54
A10193001 P1 - 3 34 S33748001 Ga 55 SA1882001 Sp 53 SA3607001 Sp 54
60
REF.NO REF.NO REF.NO REF.NO

61
/ Index
CODE Page CODE Page CODE Page CODE Page
SA3608001 Ga 55 SA6510001 Sp 54 SA9914001 P2 - 7 36 SB0931001 K - 61 26
SA3609001 Sp 54 SA6511201 Sp 54 SA9914001 Wa 51 SB0932001 K - 55 24
SA3610001 Ga 55 SA6607001 Z - 27 50 SA9917001 G - 8 18 SB0933001 K - 59 26
SA3611001 Sp 54 SA6607001 Z - 28 50 SA9957001 A - 37 2 SB0934001 K - 58 26
SA3611001 Ga 55 SA6609001 Z - 31 50 SA9957001 Wa 51 SB0935001 K - 1+ 24
SA3612001 Ga 55 SA7520001 B - 19 4 SA9957002 A - 36 2 SB0936001 K - 4 24
SA3613001 Ga 55 SA7520001 F - 46 16 SA9957002 Wa 51 SB0937001 K - 13 24
SA3614001 Ga 55 SA7521001 B - 20 4 SB0347001 S - 5 42 SB0938001 K - 12 24
SA3615001 Ga 55 SA8197101 Sp 53 SB0350001 S - 7 42 SB0939001 K - 14 24
SA3616001 Sp 54 SA8239201 Z - 16 50 SB0353001 S - 9 42 SB0941001 K - 32 24
SA3616001 Ga 55 SA8316001 Q - 29 38 SB0553001 R - 4 40 SB0943001 K - 19 24
SA3617001 Ga 56 SA8349001 Q - 1 38 SB0562001 R - 1 40 SB0944001 K - 22 24
SA3618001 Ga 56 SA8350001 P1 - 2 34 SB0564001 R - 2 40 SB0945001 K - 18 24
SA3619001 Ga 56 SA8352001 Q - 5 38 SB0566001 R - 7 40 SB0946001 K - 24 24
SA3620001 Ga 56 SA8503001 J - 21 22 SB0695001 B - 29+ 4 SB0947001 K - 26 24
SA3621001 Ga 56 SA8507001 J - 19 22 SB0697101 B - 9 4 SB0948001 K - 27 24
SA3622001 Ga 56 SA8510101 J - 31 22 SB0705001 D - 12 12 SB0949001 Sp 53
SA3623001 Ga 57 SA8680001 A - 25 2 SB0705001 K - 20 24 SB0951001 Sp 53
SA3624001 Ga 57 SA9004001 B - 57 6 SB0705001 N - 14 32 SB0952001 Ga 58
SA3625001 Ga 57 SA9058001 Sp 53 SB0705001 N - 21 32 SB0953001 Sp 53
SA3626001 Ga 58 SA9191001 F - 15 16 SB0709001 N - 1 32 SB0954001 N - 5 32
SA3627001 Ga 58 SA9287001 E - 17 14 SB0711001 K - 6 24 SB0955001 K - 47 24
SA3628001 D - 35 12 SA9288001 E - 18 14 SB0712001 Ga 58 SB0956001 C - 1 8
SA3629001 D - 36 12 SA9289001 E - 19 14 SB0713001 K - 70 26 SB0958001 D - 13 12
SA3631001 D - 42 12 SA9290001 E - 20 14 SB0714001 K - 42 24 SB0959001 D - 18 12
SA3707101 D - 33 12 SA9291001 E - 21 14 SB0715001 U1 - 29 46 SB0960001 D - 24 12
SA3817001 Ga 58 SA9292001 E - 23 14 SB0715001 Sp 53 SB0961001 D - 10 12
SA4130001 C - 57 8 SA9293001 E - 24 14 SB0717001 F - 41 16 SB0962001 D - 5 12
SA4143001 H - 20 20 SA9294001 E - 26 14 SB0718001 F - 38 16 SB0963001 D - 11 12
SA4146101 H - 23 20 SA9296001 E - 30 14 SB0750001 N - 23 32 SB0964001 D - 30 12
SA4187001 F - 22 16 SA9297001 E - 31 14 SB0752001 S - 1 42 SB0964001 L - 8 28
SA4188001 F - 22 16 SA9298001 E - 33 14 SB0785001 J - 1 22 SB0965001 D - 14 12
SA4189001 F - 22 16 SA9299001 E - 34 14 SB0786001 A - 13 2 SB0965001 L - 4 28
SA4190001 F - 22 16 SA9300001 E - 35 14 SB0787001 M - 8 30 SB0966001 D - 22 12
SA4195001 Ga 58 SA9301001 E - 27 14 SB0788001 A - 1 2 SB0968001 D - 31 12
SA4196001 Ga 58 SA9302001 E - 28 14 SB0789001 A - 30 2 SB0969001 L - 1 28
SA4197101 C - 16 8 SA9303001 E - 45 14 SB0790001 F - 54 16 SB0970001 L - 3 28
SA4198001 C - 70 10 SA9304001 E - 50 14 SB0791001 Z - 40 50 SB0972001 L - 9 28
SA4199001 F - 5 16 SA9305001 E - 51 14 SB0792001 J - 12 22 SB0973001 L - 13 28
SA4224001 Q - 28 38 SA9306001 E - 46 14 SB0794001 Q - 7 38 SB0977001 L - 14 28
SA4224001 Wa 51 SA9307001 E - 47 14 SB0799101 C - 26+ 8 SB0979001 N - 15 32
SA4315001 Sp 53 SA9308001 E - 48 14 SB0800001 C - 3 8 SB0980001 N - 11 32
SA4329001 N - 3 32 SA9396001 F - 10 16 SB0803001 C - 27 8 SB0981001 N - 20 32
SA4330001 N - 4 32 SA9397001 F - 19 16 SB0834001 K - 5 24 SB0982001 N - 16 32
SA4333001 H - 3 20 SA9436001 S - 4 42 SB0909001 F - 47 16 SB0983001 N - 13 32
SA4354001 K - 41 24 SA9449001 S - 12 42 SB0910001 B - 67 6 SB0984001 A - 31 2
SA4465001 N - 10 32 SA9497001 Q - 3 38 SB0911001 G - 7 18 SB0985001 F - 45 16
SA4518001 K - 44 24 SA9500001 P1 - 4 34 SB0915001 Q - 13 38 SB0986001 F - 50 16
SA4519001 K - 45 24 SA9509001 R - 3 40 SB0916001 C - 22 8 SB0991001 B - 10 4
SA4647001 F - 51 16 SA9525001 P1 - 1 34 SB0917001 C - 13 8 SB0991002 B - 10 4
SA5248001 B - 4 4 SA9535001 P2 - 2+ 36 SB0918001 C - 10 8 SB0992001 B - 12 4
SA6038001 T - 2+ 44 SA9559001 P1 - 14 34 SB0919001 C - 32 8 SB0992002 B - 12 4
SA6156101 U2 - 1 48 SA9564001 P1 - 15 34 SB0920001 C - 34 8 SB0993001 B - 1 4
SA6157101 U2 - 2 48 SA9565001 P1 - 16 34 SB0921001 C - 24 8 SB0994101 B - 28+ 4
SA6158101 U2 - 3 48 SA9602001 P1 - 5 34 SB0922001 C - 2 8 SB0995101 B - 28+ 4
SA6190001 H - 11 20 SA9616001 P2 - 1+ 36 SB0923001 C - 64 10 SB0996101 B - 28+ 4
SA6193301 Sp 53 SA9650001 B - 35 4 SB0924001 C - 68 10 SB0997001 B - 30+ 4
SA6346201 Ga 55 SA9725001 P1 - 13 34 SB0925001 C - 38 8 SB0999001 B - 30+ 4
SA6391001 H - 4 20 SA9725001 Wa 51 SB0926101 C - 39 8 SB1002001 B - 30+ 4
SA6398001 K - 47 24 SA9826001 A - 34 2 SB0927001 G - 13 18 SB1005001 B - 18 4
SA6448201 F - 29 16 SA9826001 Wa 51 SB0928001 G - 14 18 SB1007001 B - 22 4
SA6505014 U1 - 27 46 SA9831001 P2 - 1+ 36 SB0929001 C - 40 8 SB1009001 B - 25+ 4
SA6509001 Sp 54 SA9893001 P1 - 9 34 SB0930001 K - 65 26 SB1011001 B - 25+ 4
61
REF.NO REF.NO REF.NO REF.NO

62
/ Index
CODE Page CODE Page CODE Page CODE Page
SB1012001 B - 3 4 SB1172001 C - 61 10
SB1013001 B - 11 4 SB1173001 F - 2 16
SB1014001 B - 13 4 SB1175001 F - 35 16
SB1018001 B - 29+ 4 SB1179001 M - 3 30
SB1019001 B - 29+ 4 SB1180001 H - 9 20
SB1021001 B - 48 6 SB1181001 H - 10 20
SB1023001 B - 50 6 SB1182001 H - 16 20
SB1024001 B - 51 6 SB1183001 J - 11 22
SB1025001 B - 15 4 SB1184001 J - 16 22
SB1026101 B - 16 4 SB1186001 J - 22 22
SB1029001 B - 45 4 SB1187001 K - 3 24
SB1031001 B - 38 4 SB1189001 K - 43 24
SB1034101 B - 36 4 SB1191101 K - 48 24
SB1035101 B - 46 4 SB1192001 M - 6 30
SB1036001 B - 59 6 SB1194001 Q - 11 38
SB1037001 B - 60 6 SB1200001 Q - 16 38
SB1038001 B - 61 6 SB1201001 Q - 20 38
SB1039001 B - 65 6 SB1204001 F - 55 16
SB1040001 B - 63 6 SB1206001 K - 1+ 24
SB1041001 B - 62 6 SB1229001 P2 - 5+ 36
SB1043101 F - 43 16 SB1253001 J - 4 22
SB1044001 F - 11 16 SB1258001 F - 53 16
SB1047001 F - 14 16 SB1266001 J - 35 22
SB1048101 F - 13 16 SB1267001 H - 12 20
SB1049001 F - 18 16 SB1268001 F - 27 16
SB1050001 F - 12 16 SB1270001 Z - 18 50
SB1051001 F - 49 16 SB1270001 Wa 52
SB1052001 G - 1 18 SB1271001 Z - 17 50
SB1053001 G - 2 18 SB1271001 Wa 52
SB1054001 F - 20 16 SB1272001 Z - 47 50
SB1055001 F - 21 16 SB1273001 Z - 50 50
SB1056001 G - 3 18 SB1275001 Z - 42 50
SB1058001 H - 27 20 SB1276001 G - 9 18
SB1059001 Sp 54 SB1277001 A - 11 2
SB1060001 Sp 54 SB1278001 B - 2 4
SB1066001 Z - 1 50 SB1279101 G - 15 18
SB1067001 Z - 36 50 SB1281001 H - 14 20
SB1069001 Z - 34 50 SB1285001 F - 4 16
SB1070001 B - 14 4 SB1488101 G - 16 18
SB1072001 F - 3 16 SB1563001 U1 - 1 46
SB1076001 C - 26+ 8 SB1564001 U1 - 17 46
SB1078001 D - 40 12 SB1565001 T - 1+ 44
SB1079001 D - 43 12 SB15660E1 T - 1+ 44
SB1080001 D - 3 12 SB15670E1 T - 2+ 44
SB1081001 D - 28 12 SB1643001 U1 - 26 46
SB1082001 K - 67 26 SB1644001 U1 - 16 46
SB1084001 H - 7 20 SB1645001 U1 - 30 46
SB1085001 H - 28 20 SB1650001 Q - 14 38
SB1086001 H - 5 20 SB1652001 F - 1 16
SB1087001 H - 25 20 SB1679001 B - 8 4
SB1088001 H - 8 20 XC5780001 C - 8 8
SB1089001 M - 7 30
SB1090001 M - 1 30
SB1091001 J - 17 22
SB1093001 J - 13 22
SB1094001 J - 24 22
SB1095001 J - 34 22
SB1096001 J - 33 22
SB1098001 J - 32 22
SB1167001 A - 8 2
SB1168001 A - 24 2
SB1169001 A - 28 2
SB1171001 C - 36 8
62
REF.NO REF.NO REF.NO REF.NO

63
PARTS BOOK
©2010 Brother Industries, Ltd. All Rights Reserved. KE-430F, BE-438F
SB1257-001.J/E
2010.05.B (1)