Bryant 580D Users Manual
580D to the manual 352f052c-c0c7-4d47-a162-7aeab908a19f
2015-02-02
: Bryant Bryant-580D-Users-Manual-412073 bryant-580d-users-manual-412073 bryant pdf
Open the PDF directly: View PDF
.
Page Count: 72

Standard-Efficiency Rooftop Units with:
• Exclusive integrated gas control board with diagnostics
• Alumagard™ heat exchanger coating
• Induced-draft fan for gas combustion
• Tubular, dimpled heat exchangers
• Pre-painted galvanized steel cabinet for long life and quality
appearance
• Commercial strength baserails with built-in rigging capability
• Convertible design for horizontal supply/return
• Non-corrosive, sloped condensate drain pan, meets ASHRAE
62-89 (IAQ)
• Two-inch return-air filters
• A wide assortment of factory-installed options available, in-
cluding high static drives that provide additional performance
range
FEATURES/BENEFITS
Every compact one-piece unit arrives fully assembled, charged,
tested, and ready to run.
INTEGRATED GAS UNIT CONTROLLER (IGC) (All Models)
—All ignition components are contained in the compact IGC
which is easily accessible for servicing. The IGC control board,
designed and manufactured exclusively for Bryant rooftop units,
provides built-in diagnostic capability. An LED (light-emitting di-
ode) simplifies troubleshooting by providing visual fault notifica-
tion and system status confirmation.
The IGC also contains an exclusive anti-cycle protection for gas
heat operation. After 4 continuous cycles on the unit high-
temperature limit switch, the gas heat operation is disabled, and
an error code is issued. This feature greatly improves reliability
of the rooftop unit.
580D036-072
580D090-150
579F180,216
579F240,300
COMMERCIAL
SINGLE PACKAGE ROOFTOP
GAS HEATING/ELECTRIC COOLING UNITS
Model 579F/580D
Sizes 036-300
3to25Tons
Form No. PDS 580D.36.8
The IGC also contains burner control logic for accurate and
dependable gas ignition. The LED is visible without removing
the unit control box access panel. This LED fault-notification
system reduces service person troubleshooting time and mini-
mizes service costs. The IGC also maximizes heating efficiency
by controlling evaporator-fan on and off delays.
QUIET, EFFICIENT OPERATION AND DEPENDABLE PER-
FORMANCE — Compressors have vibration isolators for ex-
tremely quiet operation. Efficient fan and motor design permits
operation at very low sound levels and all 580D036-150 units
are mounted either on independent mounting rails (036-072) or
on an exclusive polycore plate (090-150).
The 580D090-150 and 579F180-300 units offer high energy ef-
ficiency and lower utility costs through part-load operation using
2 stages of cooling.
Quiet and efficient operation is provided by belt-driven evapo-
rator fans (standard on all units over 5 tons). The belt-driven
evaporator-fan is equipped with variable-pitch pulleys which al-
low adjustment within the rpm ranges of the factory-supplied
pulleys.
A standard (low-medium static) and alternate (high static) drive
is available for 579F180-300 units.
Increased operating efficiency is achieved through computer-
designed coils featuring staggered internally enhanced copper
tubes. Fins are ripple-edged for strength, lanced, and double
waved for higher heat transfer.
Tubular, dimpled gas heat exchangers optimize heat transfer for
improved efficiency. The tubular design permits hot gases to
make multiple passes across the path of the supply air. The
dimpled design creates a turbulent gas flow to maximize heating
efficiency. The extra thick Alumagard™ heat exchanger coating
provides corrosion resistance and ensures long life.
The California Air Quality Management Districts NO
x
require-
ment of 40 nanograms/joule or less is met when low NO
x
kit
CRLOWNOX001A00 is installed for sizes 036-060.
The unsightly appearance of flue stacks is eliminated and the
effects of wind on heating operations are diminished by the in-
duced draft combustion system. The inducer fan draws hot
combustion gas through the heat exchanger at the optimum rate
for the most effective heat transfer. The heat exchanger oper-
ates under negative pressure, preventing flue gas leakage into
the indoor supply air.
During the heating mode, the evaporator-fan relay automatically
starts the evaporator fan after the heat exchanger warms up to
a suitable temperature. The 30-second fan delay prevents cold
air from entering the supply duct system when the conditioned
space is calling for heat to maximize efficiency.
The direct-spark ignition system saves operating expense when
compared to pilot ignition systems. No crossover tube is re-
quired, therefore no sooting or pilot fouling problems can occur.
All 580D and 579F standard units are designed for natural gas,
but an accessory LP (liquid propane) conversion kit is available,
if required.
SAFETY IS BUILT IN — All 580D and 579F units have a flame
rectification sensor to quickly sense the burner flame and ignite
burners almost immediately. Fast shutdown is a certainty since
the sensor reacts quickly to any flame outage or system failure.
In the event of a shutdown, an error code is issued at the IGC
board.
Safety is also assured due to the heating safety controls which
will shut down the unit if there is a problem. If excessive tem-
peratures develop, limit switches shut off the gas valve. After 4
continuous short cycles of the high-temperature limit switch, the
IGC board locks out the gas heat cycle to prevent any further
short cycles. This safety feature is provided exclusively on
Bryant rooftop units. The rollout switch also deenergizes the gas
valve in the event of a flame rollout.
DURABLE, DEPENDABLE CONSTRUCTION— Designed for
durability in any climate, the weather-resistant cabinets are con-
structed of galvanized steel and bonderized, and all exterior
panels are coated with a prepainted baked enamel finish. The
paint finish is non-chalking, and is capable of withstanding
ASTM B117 500-hour Salt Spray Test. All internal cabinet pan-
els are primed, permitting longer life and a more attractive ap-
pearance for the entire unit.
In addition, the 580D090-150 units are designed with a single,
continuous top piece to eliminate any possible leaks. Totally-
enclosed condenser-fan motors and permanently-lubricated
bearings provide additional unit dependability.
EASY INSTALLATION AND CONVERSION — All units are
shipped in the vertical discharge configuration for fit-up to stand-
ard roof curbs. (Two different curb sizes fit unit sizes 036-072
and 090-150, respectively, and one curb size is needed for 180-
300 units.) The contractor can order and install the roof curb
early in the construction stage, before decisions on size require-
ments are made.
All units feature roll-formed baserail design with forklift slots and
rigging holes for easier maneuvering. (Forklift slots are found on
3 sides for 580D036-150 units and on 2 sides for 180-300
units.) The standard 580D036-060 units have operating weights
under 500 lb and durable packaging protects all units during
shipment and storage.
The units can be easily converted from a vertical to a hori-
zontal discharge configuration either by interchanging the
panels supplied with the unit (sizes 036-150) or by using
one of the horizontal supply/return adapter roof curbs (sizes
180-300).
NOTE: On units using horizontal supply and return the acces-
sory barometric relief or power exhaust must be installed on the
return ductwork.
Convenient duct openings in the 579F180-300 unit basepans
permit side-by-side or concentric duct connections (see Applica-
tion data section on page 65) without requiring internal unit
modification.
The non-corrosive sloped condensate pan permits either an ex-
ternal horizontal side condensate drain (outside the roof curb) or
an internal vertical bottom drain (inside the roof curb). Both op-
tions require an external, field-supplied P-trap. Also, the con-
denser coil grille (available on the 036-150 units as a field-
installed accessory provides a metal plate as an alternate
location for the field-supplied disconnect, if desired.
The 579F/580D units were designed with service technicians in
mind. The single-row condenser coils on the 580D036-060 and
090 units simplify the cleaning process. The efficient in-shot
burners and all ignition components are contained in an easily
removable, compact assembly.
The 580D036-150 units also have a standard filter access
panel, which permits tool-less filter changes, even on units with
horizontal economizers.
SIMPLE ELECTRICAL CONNECTIONS — Terminal boards,
located in the base unit control box, facilitate connections to
room thermostat, outdoor thermostat(s), and economizer. Serv-
ice panels are quickly removed, permitting easy servicing.
Thru-the-bottom service connection capability (sizes 036-150)
and thru-the-curb service connections (sizes 180-300) allow
power and control wiring to be routed through unit base pan
(036-150 units) or curb (180-300 units), minimizing roof pen-
etrations. Both power and control connections are made on the
same side of the unit to simplify installation.
In addition, color-coded wires permit easy tracing and
diagnostics.
2
PROVEN COMPRESSOR RELIABILITY — Design techniques
feature computer programmed balance between compressor,
condenser, and evaporator. Hermetic (036-150 units) and semi-
hermetic (180-300 units) compressors with suction and
discharge service valves are equipped with compressor over-
current and overtemperature protection to ensure dependability.
Crankcase heaters (180-300 units) prevent refrigerant dilution
of oil during off cycles and ensure proper lubrication at start-up
to prolong compressor life. Crankcase heaters are not neces-
sary on 036-150 units due to high-side crankcase design (sizes
072,150) and low refrigerant charge levels (sizes 036-150).
The 579F180 unit (with factory-supplied unloading) is equipped
with a thermostatic expansion valve to precisely adjust refriger-
ant flow during Stage 1 (unloaded) operation. All other 579F/
580D units have the exclusive Acutrol™ metering device which
precisely controls refrigerant flow, preventing slugging and
flood-back, while maintaining optimum unit performance.
Additional unloaders are not recommended on the 579F180-
300 units.
INTEGRATED ECONOMIZERS AND OUTDOOR AIR —
Optional economizers and manual outdoor-air dampers intro-
duce outdoor air which mixes with the conditioned air, improving
indoor air quality and often reducing energy consumption.
During a first stage call for cooling, if the outdoor-air tempera-
ture is below the control changeover set point, the discharge-air
sensor modulates the economizer outdoor-air damper open to
achieve the changeover set point. When second-stage cooling
is called for, the compressor is energized in addition to the
economizer. If the outdoor-air temperature is above the change-
over set point, the first stage of compression is activated and
the economizer stays at vent position. Economizer operation is
controlled by Accusensor™ I dry-bulb thermostat that senses
outdoor-air temperature. Accessory upgrade kits include Accu-
sensor II solid-state enthalpy control (sizes 036-150) and Accu-
sensor III enthalpy sensor.
The Durablade economizer (option or accessory) on the
580D036-150 units has a reliable sliding plate damper which is
easily adjusted for 100% outdoor air, 100% return air, or any
proportions of mixed air.
The 580D036-150 units can also utilize the optional Parablade
economizer. This economizer incorporates a parallel-opposed
blade design with standard enthalpy controls. In addition, the
Parablade economizer has a spring return built into the damper
motor to provide reliable close-on-power-loss. The Parablade
economizer comes equipped with up to 45% barometric relief
capability for high outdoor airflow applications.
For units without economizer, year-round ventilation is en-
hanced by a manual outdoor-air damper (ordered as standard
on 579F180-300; ordered as an accessory or an option
on 580D036-150 units). The damper can be preset to admit
up to 25% outdoor air (sizes 180-300) or 50% outdoor air
(sizes 036-150).
In addition, the barometric relief damper or power exhaust
accessory can be utilized to help maintain proper building
pressure.
INDOOR-AIR QUALITY — Sloped condensate pans minimize
biological growth in rooftop units in accordance with ASHRAE
(American Society of Heating, Refrigeration, and Air Condition-
ing Engineers) Standard 62-89. Two-inch filters with optional
dirty filter indicator switch provide for greater particle reduction
in the return air. The face-split evaporator coils improve the de-
humidification capability of standard units, and standard en-
thalpy controls provided with the optional or accessory (sizes
036-150) economizers maximize building humidity control.
TABLE OF CONTENTS
Page
Features/Benefits ..........................1-3
Model Number Nomenclature ...................4,5
ARI Capacity Ratings ........................6,7
Physical Data ............................8-13
Options and Accessories .....................14-16
Base Unit Dimensions .......................17-20
Accessory Dimensions ......................21-24
Selection Procedure .........................25
Performance Data .........................26-55
Electrical Data ............................56,57
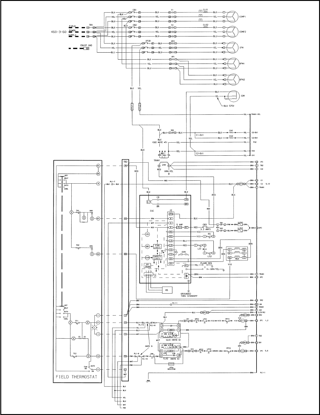
Typical Piping and Wiring ....................58,59
Typical Wiring Schematics ....................60-62
Controls ................................63,64
Application Data ..........................65,66
Guide Specifications ........................67-72
3

MODEL NUMBER NOMENCLATURE
*Contains high pressure, (loss-of-charge) low-pressure, and freeze protec-
tion cutout switches.
NOTE: The example model number 580DEV090180CB designates a 7
1
⁄
2
ton 460-3-60 volt gas/electric rooftop unit with 180,000 Btuh natural gas
heat, Durablade economizer, and alternate drive.
580D036-150 MODELS ONLY
4

MODEL NUMBER NOMENCLATURE (cont)
579F180-300 MODELS ONLY
NOTE: The example model number 579FEV180230CB designates
a 15-ton 460-3-60 volt gas/electric rooftop unit with 230,000 Btuh
natural gas heat input, economizer, and the standard low-medium
fan drive static capability.
5

ARI* CAPACITY RATINGS
UNIT 580D NOMINAL
TONS STANDARD
CFM
NET COOLING
CAPACITY
(Btuh)
TOTAL
kW
SEER† SOUND
RATING
(Bels)
Belt Drive Direct Drive
036 3 1200 35,000 4.0 10.0 9.7 8.2
048 4 1600 47,000 5.5 10.0 9.7 8.2
060 5 2000 57,000 6.7 10.0 9.7 8.2
UNIT NOMINAL
TONS STANDARD
CFM
NET COOLING
CAPACITY
(Btuh)
TOTAL
kW EER SOUND
RATING
(Bels) IPLV
580D072 6 2100 72,000 8.0 9.0 8.2 **
580D090 7
1
⁄
2
2800 85,000 9.6 8.9 8.6 9.35
580D102 8
1
⁄
2
3000 99,000 11.0 9.0 8.6 9.00
580D120 10 4000 117,000 13.0 9.0 8.8 9.35
580D150 12
1
⁄
2
4500 145,000 16.1 9.0 8.8 9.20
579F180 15 5250 178,000 20.7 8.6 8.8 10.70
579F216 18 6000 190,000 21.3 8.9 9.0 9.20
579F240 20 6200 222,000 25.5 8.6 9.5 8.80
579F300 25 7200 268,000 31.4 8.5 9.5 8.40
LEGEND
Bels — Sound Levels (1 bel = 10 decibels)
db — Dry Bulb
EER — Energy Efficiency Ratio
IPLV — Integrated Part-Load Values
SEER — Seasonal Energy Efficiency Ratio
wb — Wet Bulb
*Air Conditioning and Refrigeration Institute.
†Applies only to units with capacity of 65,000 Btuh or less.
**The IPLV applies only to two-stage cooling units.
NOTES:
1. Rated in accordance with ARI Standards 210/240-89 (for sizes 036-120) or 360-89 (for sizes 150-240) and 270-89.
2. The 579F300 is beyond the scope of the ARI certification program.
3. ARI ratings are net values, reflecting the effects of circulating fan heat.
4. Ratings are based on:
Cooling Standard: 80 F db, 67 F wb indoor entering-air temperature and 95 F db air entering outdoor unit.
IPLV Standard: 80 F db, 67 F wb indoor entering-air temperature and 80 F db outdoor entering-air temperature.
6

ARI* CAPACITY RATINGS (cont)
HEATING CAPACITIES AND EFFICIENCIES — 580D036-150
UNIT 580D HEATING INPUT
(Btuh)
Stage 2/Stage 1
OUTPUT CAPACITY
(Btuh)
TEMPERATURE
RISE
(F)
AFUE
(%)
STEADY-STATE
EFFICIENCY
(%)
CALIFORNIA
SEASONAL
EFFICIENCY
(%)
036 074 —/ 72,000 59,200 25-55 80.0 80.0 77.2
036 115 115,000/ 82,000 92,000 55-85 80.0 80.0 76.7
048 074 —/ 72,000 59,200 25-55 80.0 80.0 77.2
048 115 —/115,000 92,000 35-65 80.0 80.0 77.1
048 150 150,000/120,000 120,000 50-80 80.0 80.0 76.9
060 074 —/ 72,000 59,200 25-55 80.0 80.0 77.2
060 115 —/115,000 92,000 35-65 80.0 80.0 77.1
060 150 150,000/120,000 120,000 50-80 80.0 80.0 76.9
072 074 —/ 72,000 59,200 25-55 80.0 80.0 77.2
072 115 —/115,000 92,000 35-65 80.0 80.0 77.1
072 150 150,000/120,000 120,000 50-80 80.0 80.0 76.9
090 125 —/125,000 100,000 20-50 80.0 80.0 75.8
090 180 180,000/120,000 144,000 35-65 80.0 80.0 77.1
090 224 224,000/180,000 179,200 45-75 80.0 80.0 77.1
102 125 —/125,000 100,000 20-50 80.0 80.0 75.8
102 184 180,000/120,000 144,000 35-65 80.0 80.0 77.1
102 224 224,000/180,000 179,200 45-75 80.0 80.0 77.1
120 180 180,000/120,000 144,000 35-65 80.0 80.0 77.1
120 224 224,000/180,000 179,200 35-65 80.0 80.0 77.1
120 250 250,000/200,000 200,000 40-70 80.0 80.0 76.4
150 224 224,000/180,000 179,200 35-65 80.0 80.0 77.1
150 250 250,000/200,000 200,000 40-70 80.0 80.0 76.4
LEGEND
AFUE — Annual Fuel Utilization Efficiency
NOTE: NOxlevels are 40 nanograms/joule or less with the accessory NOxreduction kit (sizes 036-060).
HEATING CAPACITIES AND EFFICIENCIES — 579F180-300
UNIT 579F HEATING INPUT
(Btuh)
Stage 2/Stage 1*
OUTPUT CAPACITY
(Btuh)
TEMPERATURE
RISE
(F)
STEADY-STATE
EFFICIENCY
(%)
MINIMUM
HEATING
CFM
180 230 230,000/172,000 186,000 15-45 81.0 3800
180 300 300,000/225,000 243,000 30-60 81.0 3800
216 275 275,000/206,000 223,000 15-45 81.0 4750
216 360 360,000/270,000 292,000 20-50 81.0 5450
240 275 275,000/206,000 223,000 15-45 81.0 4750
240 360 360,000/270,000 292,000 20-50 81.0 5450
300 275 275,000/206,000 223,000 15-45 81.0 4750
300 360 360,000/270,000 292,000 20-50 81.0 5450
*All units are 2-stage heat.
NOTE: Minimum allowable temperature of mixed-air entering the heat exchanger during first-stage
heating is 45 F. There is no minimum mixed-air temperature limitation during second-stage heating.
For entering-air temperatures below 45 F both stages of heat must be energized together to minimize
condensation issues and to ensure proper unit operation.
7

PHYSICAL DATA — 580D036-072
UNIT SIZE 580D 036 048 060 072
NOMINAL CAPACITY (tons) 3456
OPERATING WEIGHT (lb)
Unit
Al/Al* 460 470 490 565
Al/Cu* 465 476 497 576
Cu/Cu* 468 482 505 587
Economizer
Durablade 34 34 34 34
Parablade 42 42 42 42
Roof Curb† 115 115 115 115
COMPRESSOR Hermetic
Quantity 1111
No. Cylinders (per Circuit) 2222
Oil (oz) 50 50 50 54
REFRIGERANT TYPE R-22
Expansion Device Acutrol™ Feed Device
Operating Charge (lb-oz)
Circuit 1 3-6 4-11 5-13 7-8
Circuit 2 ————
CONDENSER COIL Enhanced Copper Tubes, Aluminum Lanced Fins
Rows...Fins/in. 1...17 1...17 1...17 2...17
Total Face Area (sq ft) 7.36 11.39 13.19 10.42
CONDENSER FAN Propeller Type
Nominal Cfm 3500 4000 4000 4000
Quantity...Diameter (in.) 1...22.0 1...22.0 1...22.0 1...22.0
Motor Hp...Rpm
1
⁄
4
...1100
1
⁄
4
...1100
1
⁄
4
...1100
1
⁄
4
...1100
Watts Input (Total) 325 325 325 325
EVAPORATOR COIL Enhanced Copper Tubes, Aluminum Double-Wavy Fins
Rows...Fins/in. 2...15 2...15 3...15 4...15
Total Face Area (sq ft) 4.17 5.5 5.5 5.5
EVAPORATOR FAN Centrifugal Type
Quantity...Size (in.) Std 1...10 x 10 1...10 x 10 1...11 x 10 1...10 x 10
Alt 1...10 x 10 1...10 x 10 1...10 x 10 —
Type Drive Std Direct Direct Direct Belt
Alt Belt Belt Belt —
Nominal Cfm 1200 1600 2000 2400
Motor Hp Std ————
Alt ————
Maximum Continuous Bhp Std .34 .75 1.20 2.40
Alt 1.00 1.00 1.80 —
Motor Frame Size Std 48 48 48 56
Alt 48 48 48 —
Nominal Rpm High/Low Std 860/800 1075/970 1075/970 —
Alt ————
Fan Rpm Range Std — — — 1070-1460
Alt 760-1000 835-1185 900-1300 —
Motor Bearing Type Ball Ball Ball Ball
Maximum Allowable Rpm 2100 2100 2100 2100
Motor Pulley Pitch Diameter Min/Max (in.) Std — — — 2.8/3.8
Alt 1.9/2.9 1.9/2.9 2.4/3.4 —
Nominal Motor Shaft Diameter (in.) Std
1
⁄
21
⁄
21
⁄
25
⁄
8
Alt
1
⁄
21
⁄
21
⁄
2
—
Fan Pulley Pitch Diameter (in.) Std ———4.5
Alt 4.5 4.0 4.5 —
Nominal Fan Shaft Diameter (in.) ————
Belt, Quantity...Type...Length (in.) Std — — — 1...A...40
Alt 1...A...34 1...A...34 1...A...39 —
Pulley Center Line Distance (in.) Std — — — 14.7-15.5
Alt 10.0-12.4 10.0-12.4 14.7-15.5 —
Speed Change per Full Turn of Std ———80
Movable Pulley Flange (rpm) Alt 48 70 80 —
Movable Pulley Maximum Full Turns Std ——— 5
From Closed Position Alt 555—
Factory Setting Std ——— 3
Alt 333—
Factory Speed Setting (rpm) Std — — — 1225
Alt 856 975 1060 —
Fan Shaft Diameter at Pulley (in.)
1
⁄
21
⁄
21
⁄
21
⁄
2
LEGEND
Al — Aluminum
Bhp — Brake Horsepower
Cu — Copper
*Evaporator coil fin material/condenser coil fin material. Contact your
local representative for details about coated fins.
†Weight of 14-in. roof curb.
**Rollout switch lockout is manually reset by interrupting power to unit
or resetting thermostat.
††Requires an optional or accessory Controls Upgrade Kit.
NOTE: The 580D036-150 units have a loss-of-charge/low-pressure
switch (accessory or option) located in the liquid line.
8

PHYSICAL DATA — 580D036-072 (cont)
UNIT SIZE 580D 036
MEDIUM/
HIGH HEAT
048
LOW/MEDIUM/
HIGH HEAT
060
LOW/MEDIUM/
HIGH HEAT
072
LOW/MEDIUM/
HIGH HEAT
FURNACE SECTION
Rollout Switch Cutout
Temp (F)** 195 195 195 195
Burner Orifice Diameter
(in. ...drill size)
Natural Gas Std .113...33 .113...33/.113...33/.129...30 .113...33/.113...33/.129...30 .113...33/.113...33/.129...30
Liquid Propane Alt .089...43 .089...43/.089...43/.102...38 .089...43/.089...43/.102...38 .089...43/.089...43/.102...38
Pilot Orifice Diameter
(Quantity) in. ...drill size
Natural Gas Std ————
Liquid Propane Alt ————
Thermostat Heat Anticipator
Setting (amps)
208/230 v and 575 v Stage 1 .14 .14 .14 .14
Stage 2 .14 .14 .14 .14
460 v Stage 1 .14 .14 .14 .14
Stage 2 .14 .14 .14 .14
Gas Input (Btuh) Stage 1 72,000/82,000 72,000/115,000/120,000 72,000/115,000/120,000 72,000/115,000/120,000
Stage 2 —/115,000 —/—/150,000 —/—/150,000 —/—/150,000
Efficiency (Steady
State) (%) 80 80 80 80
Temperature Rise Range 25-55/55-85 25-55/35-65/50-80 25-55/35-65/50-80 25-55/35-65/50-80
Manifold Pressure (in. wg)
Natural Gas Std 3.5 3.5 3.5 3.5
Liquid Propane Alt 3.5 3.5 3.5 3.5
Gas Valve Quantity 1111
Gas Valve Pressure Range
Psig 0.180-0.487 0.180-0.487 0.180-0.487 0.180-0.487
in. wg 5.0-13.5 5.0-13.5 5.0-13.5 5.0-13.5
Field Gas Connection
Size (in.)
1
⁄
21
⁄
21
⁄
21
⁄
2
HIGH-PRESSURE SWITCH (psig)††
Standard Compressor
Internal Relief (Differential) 450±50 500±50
Cutout 428 428
Reset (Auto.) 320 320
LOW-PRESSURE SWITCH (psig)††
Cutout 7±3
Reset (Auto.) 22±7
FREEZE PROTECTION
THERMOSTAT (F)**
Opens 30±5
Closes 45±5
OUTDOOR-AIR INLET SCREENS Cleanable
Quantity...Size (in.) 1...20 x 24 x 1
RETURN-AIR FILTERS Throwaway
Quantity...Size (in.) 2...16 x 25 x 2
LEGEND
Al — Aluminum
Bhp — Brake Horsepower
Cu — Copper
*Evaporator coil fin material/condenser coil fin material. Contact your
local representative for details about coated fins.
†Weight of 14-in. roof curb.
**Rollout switch lockout is manually reset by interrupting power to unit
or resetting thermostat.
††Requires an optional or accessory Controls Upgrade Kit.
NOTE: The 580D036-150 units have a loss-of-charge/low-pressure
switch (accessory or option) located in the liquid line.
9

PHYSICAL DATA — 580D090-150
UNIT SIZE 580D 090 102 120 150
NOMINAL CAPACITY (tons) 7
1
⁄
2
8
1
⁄
2
10 12
1
⁄
2
OPERATING WEIGHT (lb)
Unit
Al/Al* 870 880 1035 1050
Al/Cu* 881 896 1057 1077
Cu/Cu* 893 907 1080 1100
Economizer
Durablade 44 44 44 44
Parablade 62 62 62 62
Roof Curb† 143 143 143 143
COMPRESSOR Hermetic
Quantity 2222
No. Cylinders (per Circuit) 2222
Oil (oz) 50 ea 50 ea 50 ea 54 ea
REFRIGERANT TYPE R-22
Expansion Device Acutrol™ Feed Device
Operating Charge (lb-oz)
Circuit 1 4-13 6-14 5-13 8-10
Circuit 2 4-14 6- 3 5-14 8- 8
CONDENSER COIL Enhanced Copper Tubes, Aluminum Lanced Fins
Rows...Fins/in. 1...17 2...17 2...17 2...17
Total Face Area (sq ft) 20.50 18.00 17.42 25.00
CONDENSER FAN Propeller Type
Nominal Cfm 6500 6500 7000 7000
Quantity...Diameter (in.) 2...22 2...22 2...22 2...22
Motor Hp...Rpm
1
⁄
4
...1100
1
⁄
4
...1100
1
⁄
4
...1100
1
⁄
4
...1100
Watts Input (Total) 600 600 600 600
EVAPORATOR COIL Enhanced Copper Tubes, Aluminum Double-Wavy Fins
Rows...Fins/in. 3...15 3...15 3...15 4...15
Total Face Area (sq ft) 8.0 8.0 10.0 11.1
EVAPORATOR FAN Centrifugal Type
Quantity...Size (in.) Std 1...15 x 15 1...15 x 15 1...15 x 15 1...15 x 15
Alt 1...15 x 15 — 1...15 x 15 1...15 x 15
Type Drive Std Belt Belt Belt Belt
Alt Belt — Belt Belt
Nominal Cfm 3000 3400 4000 5000
Motor Hp Std ————
Alt ————
Maximum Continuous Bhp Std 2.40 2.40 2.40 4.20
Alt — — 2.90 5.25
Motor Frame Size Std 56 56 56 56
Alt — — 56 56
Nominal Rpm High/Low ————
Fan Rpm Range Std 590-840 685-935 685-935 860-1080
Alt 685-935 — 835-1085 900-1260
Motor Bearing Type Ball Ball Ball Ball
Maximum Allowable Rpm 2100 2100 2100 2100
Motor Pulley Pitch Diameter Min/Max (in.) Std 2.4/3.4 2.8/3.8 2.8/3.8 4.0/5.0
Alt 2.8/3.8 — 3.4/4.4 3.1/4.1
Nominal Motor Shaft Diameter (in.) Std
5
⁄
85
⁄
85
⁄
87
⁄
8
Alt ——
7
⁄
87
⁄
8
Fan Pulley Pitch Diameter (in.) Std 7.0 7.0 7.0 8.0
Alt 7.0 — 7.0 5.9
Nominal Fan Shaft Diameter (in.) ————
Belt, Quantity...Type...Length (in.) Std 1...A...49 1...A...49 1...A...49 1...A...52
Alt 1...A...49 — 1...A...49 1...BX...46
Pulley Center Line Distance (in.) Std 16.75-19.25 16.75-19.25 15.85-17.50 15.85-17.50
Alt 16.75-19.25 — 15.85-17.50 15.85-17.50
Speed Change per Full Turn of Std 50 50 50 44
Movable Pulley Flange (rpm) Alt 50 — 50 50
Movable Pulley Maximum Full Turns Std 5555
From Closed Position Alt 5—5 6
Factory Setting Std 5555
Alt 5—5 5
Factory Speed Setting (rpm) Std 590 685 685 860
Alt 685 — 835 960
Fan Shaft Diameter at Pulley (in.) 1111
LEGEND
Al — Aluminum
Bhp — Brake Horsepower
Cu — Copper
*Evaporator coil fin material/condenser coil fin material. Contact your
local representative for details about coated fins.
†Weight of 14-in. roof curb.
**Rollout switch lockout is manually reset by interrupting power to unit
or resetting thermostat.
††Requires an optional or accessory Controls Upgrade Kit.
NOTE: The 580D036-150 units have a loss-of-charge/low-pressure
switch (accessory or option) located in the liquid line.
10

PHYSICAL DATA — 580D090-150 (cont)
UNIT SIZE 580D 090
LOW/MEDIUM/
HIGH HEAT
102
LOW/MEDIUM/
HIHG HEAT
120
LOW/MEDIUM/
HIGH HEAT
150
LOW/
MEDIUM HEAT
FURNACE SECTION
Rollout Switch Cutout
Temp (F)†† 195 195 195 195
Burner Orifice Diameter
(in. ...drill size)
Natural Gas Std .120...31 .120...31 .120...31/.120...31/.129...30 .120...31/.129...30
Liquid Propane Alt .096...41 .096...41 .096...41/.096...41/.102...38 .096...41/.102...38
Pilot Orifice Diameter
(Quantity) in. ...drill size
Natural Gas Std —— ——
Liquid Propane Alt —— ——
Thermostat Heat Anticipator
Setting (amps)
208/230 v and 575 v Stage 1 .14 .14 .14 .14
Stage 2 .20 .20 .20 .20
460 v Stage 1 .14 .14 .14 .14
Stage 2 .20 .20 .20 .20
Gas Input (Btuh) Stage 1 125,000/120,000/180,000 125,000/120,000/180,000 120,000/180,000/200,000 180,000/200,000
Stage 2 —/180,000/224,000 —/180,000/224,000 180,000/224,000/250,000 224,000/250,000
Efficiency (Steady
State) (%) 80 80 80 80
Temperature Rise Range 20-50/35-65/45-75 20-50/35-65/45-75 35-65/35-65/40-70 35-65/40-70
Manifold Pressure (in. wg)
Natural Gas Std 3.5 3.5 3.5 3.5
Liquid Propane Alt 3.5 3.5 3.5 3.5
Gas Valve Quantity 11 11
Gas Valve Pressure Range
Psig 0.180-0.487 0.180-0.487 0.180-0.487 0.180-0.487
in. wg 5.0-13.5 5.0-13.5 5.0-13.5 5.0-13.5
Field Gas Connection
Size (in.)
1
⁄
2
/
3
⁄
4
/
3
⁄
41
⁄
2
/
3
⁄
4
/
3
⁄
43
⁄
4
/
3
⁄
4
/
3
⁄
43
⁄
4
/
3
⁄
4
HIGH-PRESSURE SWITCH (psig)††
Standard Compressor
Internal Relief (Differential) 450±50 500±50
Cutout 428 428
Reset (Auto.) 320 320
LOW-PRESSURE SWITCH (psig)††
Cutout 7±3
Reset (Auto.) 22±7
FREEZE PROTECTION
THERMOSTAT (F)**
Opens 30±5
Closes 45±5
OUTDOOR-AIR INLET SCREENS Cleanable
Quantity...Size (in.) 1...20 x 25 x 1
1...16 x 25 x 1
RETURN-AIR FILTERS Throwaway
Quantity...Size (in.) 4...16 x 20 x 2 4...16 x 20 x 2 4...20 x 20 x 2 4...20 x 20 x 2
LEGEND
Al — Aluminum
Bhp — Brake Horsepower
Cu — Copper
*Evaporator coil fin material/condenser coil fin material. Contact your
local representative for details about coated fins.
†Weight of 14-in. roof curb.
**Rollout switch lockout is manually reset by interrupting power to unit
or resetting thermostat.
††Requires an optional or accessory Controls Upgrade Kit.
NOTE: The 580D036-150 units have a loss-of-charge/low-pressure
switch (accessory or option) located in the liquid line.
11

PHYSICAL DATA — 579F180-300
UNIT SIZE 579F 180 216 240 300
NOMINAL CAPACITY (tons) 15 18 20 25
OPERATING WEIGHT (lb)
Unit
Al/Al* 1650 2150 2200 2250
Economizer 110 110 110 110
Roof Curb† 200 200 200 200
COMPRESSOR Semi-Hermetic
Model No. ...Quantity
(Number of Cylinders) 06D-537...1 (6) 06D-824...1 (6)
06D-818...1 (4) 06D-824...2 (6) 06D-328...2 (6)
Oil (oz) 115 88,115 115 ea 128 ea
No. of Cylinders (per circuit) 666 6
Cooling Capacity Stages (%) 0, 66, 100 0, 57, 100 0, 50, 100 0, 50, 100
REFRIGERANT TYPE R-22
Expansion Device TXV Acutrol™ Refrigerant Metering Device
Operating Charge (lb-oz)
Circuit 1** 19-4 13-4 12-13 16-12
Circuit 2 — 11-0 12-13 15-12
CONDENSER COIL
3
⁄
8
-in. Enhanced Copper Tubes, Aluminum Lanced or Copper Fins
Rows...Fins/in. 2...17 3...15 3...15 4...15
Total Face Area (sq ft) 22.2 22.2 22.2 22.2
CONDENSER FAN Propeller Type
Nominal Cfm 10,500 10,500 14,200 14,200
Quantity...Diameter (in.) 3...22 3...22 2...30 2...30
Motor Hp...Rpm
1
⁄
2
...1050
1
⁄
2
...1050 1...1075 1...1075
Watts Input (Total) 1100 1100 3400 3400
EVAPORATOR COIL
3
⁄
8
-in. Enhanced Copper Tubes, Aluminum or Copper Plate Fins, Face Split
Rows...Fins/in. 2...17 3...17 4...15 4...15
Total Face Area (sq ft) 17.9 17.9 17.9 17.9
EVAPORATOR FAN Centrifugal Type
Quantity...Size (in.) 2...10 x 10 2...12 x 12 2...12 x 12 2...12 x 12
Type Drive Belt Belt Belt Belt
Nominal Cfm 6000 7200 8000 10,000
Motor Hp 3.7 5 7
1
⁄
2
10
Motor Nominal rpm 1725 1745 1745 1740
Maximum Continuous Bhp 4.25 5.90 8.7 [208/230 v]
9.5 [460 v] 10.2 [208/230 v]
11.8 [460 v]
Motor Frame Size 56H 184T 213T 215T
Nominal Rpm High/Low ——— —
Fan Rpm Range Low-Medium Static 891-1179 817-1038 1002-1225 1066-1283
High Static 1227-1550 994-1197 1193-1458 1332-1550
Motor Bearing Type Ball Ball Ball Ball
Maximum Allowable Rpm 1550 1550 1550 1550
Motor Pulley Pitch Diameter Low-Medium Static 3.1-4.1 3.7-4.7 5.4-6.6 4.9-5.9
Min/Max (in.) High Static 3.7-4.7 4.9-5.9 5.4-6.6 4.9-5.9
Nominal Motor Shaft Diameter (in.)
7
⁄
8
1
1
⁄
8
1
3
⁄
8
1
3
⁄
8
Fan Pulley Pitch Diameter (in.) Low-Medium Static 6.0 7.9 9.4 8.0
High Static 5.2 8.6 7.9 6.4
Nominal Fan Shaft Diameter (in.) 1
3
⁄
16
1
7
⁄
16
1
7
⁄
16
1
7
⁄
16
Belt, Quantity...Type...Length (in.) Low-Medium Static 1...BX...42 1...BX...46 1...BX...53 2...BX...50
High Static 1...BX...42 1...BX...50 1...BX...50 2...BX...47
Pulley Center Line Distance (in.) 13.5-15.5 13.3-14.8 14.6-15.4 14.6-15.4
Speed Change per Full Turn of Low-Medium Static 48 37 37 36
Movable Pulley Flange (rpm) High Static 55 34 44 45
Movable Pulley Maximum Full Turns
From Closed Position 555 5
Factory Setting 3.5 3.5 3.5 3.5
Factory Speed Setting (rpm) Low-Medium Static 1035 934 1120 1182
High Static 1389 1104 1328 1470
Fan Shaft Diameter at Pulley (in.) 1
3
⁄
16
1
7
⁄
16
1
7
⁄
16
1
7
⁄
16
LEGEND
Al — Aluminum
Bhp — Brake Horsepower
Cu — Copper
TXV — Thermostatic Expansion Valve
*Evaporator coil fin material/condenser coil fin material.
†Weight of 14-in. roof curb.
**On 579F180-300 units, Circuit 1 consists of lower portion of condenser coil and
lower portion of evaporator coil, and Circuit 2 is the upper portion of both coils.
††Rollout switch lockout is manually reset by interrupting power to unit or resetting
thermostat.
\The 579F300 unit requires 2-in. industrial-grade filters capable of handling face
velocities of up to 625 ft/min (such as American Air Filter no. 5700 or
equivalent).
NOTE: The 579F180-300 units have a low-pressure switch (standard) located on
the suction side.
12

PHYSICAL DATA — 579F180-300 (cont)
UNIT SIZE 579F 180
LOW/HIGH HEAT 216
LOW/HIGH HEAT 240
LOW/HIGH HEAT 300
LOW/HIGH HEAT
FURNACE SECTION
Rollout Switch Cutout
Temp (F)†† 190 190 190 190
Burner Orifice Diameter
(in. ...drill size)
Natural Gas 0.1405...28/0.136...29 0.1405...28/0.136...29 0.1405...28/0.136...29 0.1405...28/0.136...29
Thermostat Heat Anticipator Setting (amps)
208/230 v Stage 1 0.98 0.98 0.98 0.98
Stage 2 0.44 0.44 0.44 0.44
460 v Stage 1 0.80 0.80 0.80 0.80
Stage 2 0.44 0.44 0.44 0.44
Gas Input (Btuh) Stage 1 172,000/225,000 206,000/270,000 206,000/270,000 206,000/270,000
Stage 2 230,000/300,000 275,000/360,000 275,000/360,000 275,000/360,000
Efficiency (Steady State) (%) 81 81 81 81
Temperature Rise Range 15-45/30-60 15-45/20-50 15-45/20-50 15-45/20-50
Manifold Pressure (in. wg)
Natural Gas 3.3 3.3 3.3 3.3
Gas Valve Pressure Range
in. wg 5.5-13.5 5.5-13.5 5.5-13.5 5.5-13.5
psig 0.235-0.487 0.235-0.487 0.235-0.487 0.235-0.487
Gas Valve Quantity 1111
Field Gas Connection Size (in.)
3
⁄
43
⁄
43
⁄
43
⁄
4
HIGH-PRESSURE SWITCH (psig)
Standard Compressor Internal Relief
(Differential) —
Cutout 426
Reset (Auto.) 320
LOW-PRESSURE SWITCH (psig)
Cutout 7
Reset (Auto.) 22
FREEZE PROTECTION THERMOSTAT (F)
Opens 30±5
Closes 45±5
OUTDOOR-AIR INLET SCREENS Cleanable
Quantity...Size (in.) 2...20 x 25 x 1
1...20 x 20 x 1
RETURN-AIR FILTERS Throwaway\
Quantity...Size (in.) 4...20 x 20 x 2
4...16 x 20 x 2
POWER EXHAUST
1
⁄
2
Hp 208/230-460 v Motor Direct Drive, Prop-Fan (Factory-wired for 460 v)
LEGEND
Al — Aluminum
Bhp — Brake Horsepower
Cu — Copper
TXV — Thermostatic Expansion Valve
*Evaporator coil fin material/condenser coil fin material.
†Weight of 14-in. roof curb.
**On 579F180-300 units, Circuit 1 consists of lower portion of con-
denser coil and lower portion of evaporator coil, and Circuit 2 is the
upper portion of both coils.
††Rollout switch lockout is manually reset by interrupting power to unit
or resetting thermostat.
\The 579F300 unit requires 2-in. industrial-grade filters capable of
handling face velocities of up to 625 ft/min (such as American Air Fil-
ter no. 5700 or equivalent).
NOTE: The 579F180-300 units have a low-pressure switch (standard)
located on the suction side.
13

OPTIONS AND ACCESSORIES
ITEM OPTION* ACCESSORY†
Parablade Economizer (036-150 only) X
Parablade Economizer with Power Exhaust (036-150) X
Integrated Economizer (180-300) XX
Durablade Integrated Economizer (036-150; Includes Hood) XX
Manual Outdoor-Air Damper (ordered as standard on 180-300
units without optional economizer) XX
Controls Upgrade Kit (036-150)** XX
Condenser Coil Grille (036-150) X
Alternate Drive (090, 180-300) X
Alternate Motor and Drive (036-060, 120,150) X
LP (Liquid Propane) Conversion Kit X
Commercial Programmable Thermostat X
25% Open Two-Position Damper X
100% Open Two-Position Damper (036-150) X
Barometric Relief Damper (180-300)†† X
Roof Curbs (Vertical and Horizontal Discharge) X
Horizontal Adapter (180-300) X
Thermostats and Subbases X
Power Exhaust (180-300)†† X
Low-Ambient Kits (180-300) X
Winter Start Time-Delay Relay (216-300) X
MotormasterTHead Pressure Control (Speed Control) (180,216) X
Motormaster II Head Pressure Control (Cycle Control) (036-150) X
Motormaster III Head Pressure Control (Speed Control) (240-300) X
Time GuardTII Control Circuit X
Thru-the-Bottom Service Connections (036-150) X
Accusensor™ II Enthalpy Control (036-150) X
Accusensor III Enthalpy Sensor X
Condenser Coil Hail Guard Assembly (036-150) X
Flue Shield (036-150) X
NO
x
Reduction Kit (036-060) X
Flue Discharge Deflector (036-150) X
Fan/Filter Status (036-150) X
*Factory-installed.
†Field-installed. **Includes high-pressure, low-pressure/loss-of-charge, and freeze protection switches.
††Not available with horizontal adapter curb (180-300).
NOTES:
1. Refer to 579F/580D price pages or contact your local representative for accessory
and option package information.
2. For units being installed in California Air Quality Management Districts which require
NO
x
emissions of 40 nanograms/joule or less, kit CRLOWNOX001A00 must be in-
stalled (sizes 036-060).
HEAD PRESSURE CONTROL
The 580D036 and 579F240 standard units are designed to operate in cooling at outdoor temperatures down
to 25 F, the standard 579F180 unit operates down to 40 F, the standard 579F216 unit operates down to 35 F;
and the standard 579F300 unit operates down to 48 F. With accessory Motormaster control (579F180,216)
(condenser-fan speed modulation), Motormaster II control (condenser-fan cycling for units sizes 036-150),
−20 F low-ambient kit (condenser fan sequencing for 579F180), or Motormaster III control (579F240,300)
(condenser fan speed modulation) units can operate at outdoor temperatures down to −20 F. The head pres-
sure controls, which mount in the condenser section, control the condenser-fan motor to maintain correct con-
densing temperature. Refer to Trade Prices or contact your local representative for appropriate accessory
combinations for desired outdoor ambient temperature operation.
MOTORMASTER CONTROL
(180,216)
MOTORMASTER III
CONTROL
(240,300)
MOTORMASTER II CONTROL
(036-150)
14

OPTIONS AND ACCESSORIES (cont)
LIQUID PROPANE (LP) CONVERSION KITS
DURABLADE ECONOMIZER
(SIZES 036-150)
Exclusive Durablade economizer damper design saves energy while
providing economical and reliable cooling. A sliding plate on the face
of the economizer controls the amount of outdoor air entering the
system. Closed, it provides a leakproof seal which prevents ambient
air from seeping in or conditioned air from seeping out. It can be ad-
justed easily for 100% outdoor air or any proportions of mixed air.
Like the base unit, the economizer is converted easily for horizontal
discharge applications.
Designed specifically for use with Bryant commercial sys-
tems, this Bryant programmable thermostat features LED
occupied/unoccupied displays and setback mode which can
override continuous fan operation.
TIME GUARDTII CONTROL
Time Guard II control automatically prevents compressor from
restarting for at least 5 minutes after a shutdown. Accessory
prevents short cycling of compressor if thermostat is changed
rapidly. Time Guard II control mounts in the control compart-
ment of unit.
PARABLADE ECONOMIZER
(SIZES 036-150)
The unique design of the Parablade economizer saves energy while
providing economical and reliable cooling. The design uses a parallel-
opposed blade damper. The economizer also has built-in spring return
for reliable close-on-power-loss. The Parablade design incorporates
standard enthalpy controls and up to 45% barometric relief capability
for additional flexibility in high outdoor airflow applications.
036-072 SHOWN
The LP conversion kit allows the unit to utilize a liquid propane
fuel supply in areas where natural gas is unavailable, and per-
mits the unit to be converted from natural gas to LP gas use.
The kit contains the orifices required for LP operation.
BRYANT COMMERCIAL
PROGRAMMABLE THERMOSTAT
15

OPTIONS AND ACCESSORIES (cont)
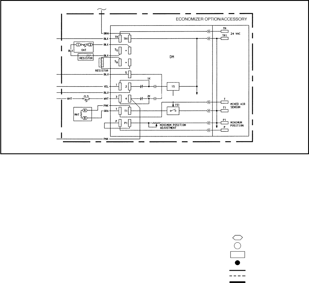
ACCUSENSOR™ II
CONTROL
(036-150 Only)
MINIMUM
POSITION
OPEN
3
1
T
P
P1
T1
4
2
5
S
S
O
D
C
TR
B
REV. B
198818A
%
H
U
M
I
D
I
T
Y
90
70
60
30
10
DCBA
60 65 70
75
55
50 85
80
DAMPER
DAMPER
CLOSED
OPEN
OUTDOOR TEMP. °F
REV.
97-3672
CW–SETPOINTS–CCW
CONTACTS SHOWN IN HIGH ENTHALPY
RUSH AT 24VAC
3 mA MIN. AT 11 VDC
CONTACT RATINGS: 1.5A RUN, 3.5A IN
OR UNPOWERED STATE
1
2
3
TR
TR1
24VAC
ENTHALPY CONTROL
ACCUSENSOR III
SENSOR
+
Accusensor economizer controls help provide efficient, economical
economizer operation. Accusensor II solid-state enthalpy control in-
cludes the logic and one sensor to calculate both dry- and wet-bulb of
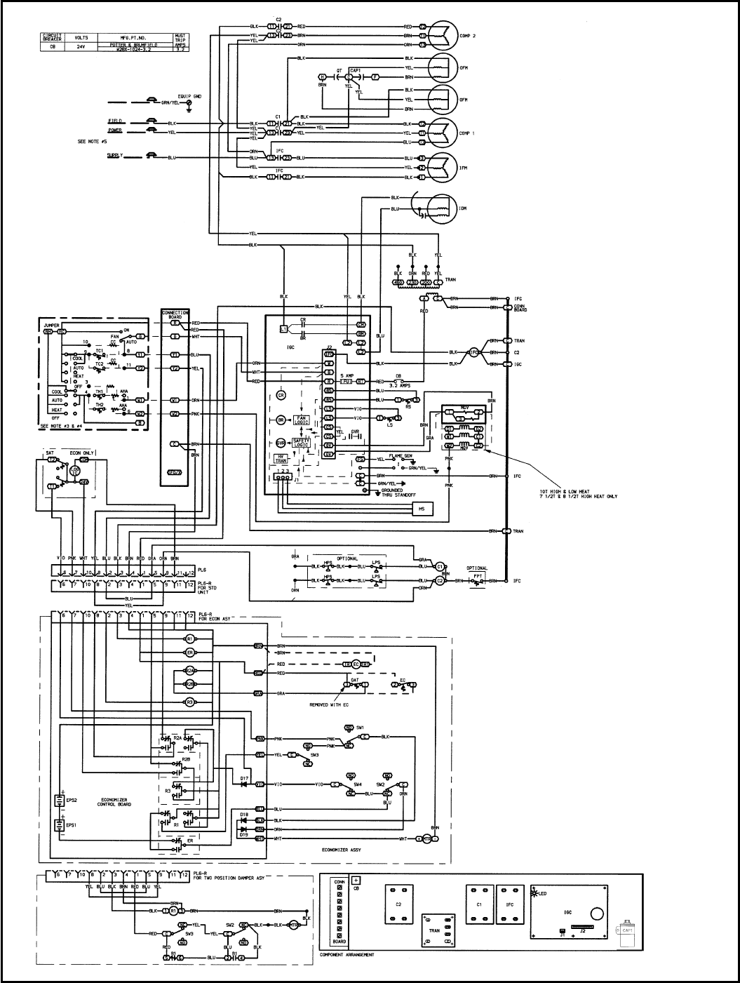
the outdoor air to provide an accurate enthalpy reading on 036-150
units. It then decides when to energize the economizer based on this
reading. The 180-300 unit economizer provides the decision-making
function internally, and requires one Accusensor III sensor for solid-state
enthalpy sensing. A second Accusensor III sensor (required for all units
for differential enthalpy sensing) compares outdoor temperature and hu-
midity to return-air temperature and humidity and determines the most
economical mixture of air (purchased in addition to enthalpy control
[sizes 036-150] or to first solid-state enthalpy sensor [sizes 180-300] for
differential enthalpy sensing).
POWER EXHAUST (180-300 SHOWN)
When used with accessory/optional economizer, the power exhaust
accessory helps to relieve building over-pressurization.
NOTE: This accessory is not available with horizontal supply
adapter.
THERMOSTAT
H
C
Thermostat (24 v) provides one- or 2-stage cooling for control of unit.
Matching subbases are available with or without tamperproof
switches and automatic changeover.
16

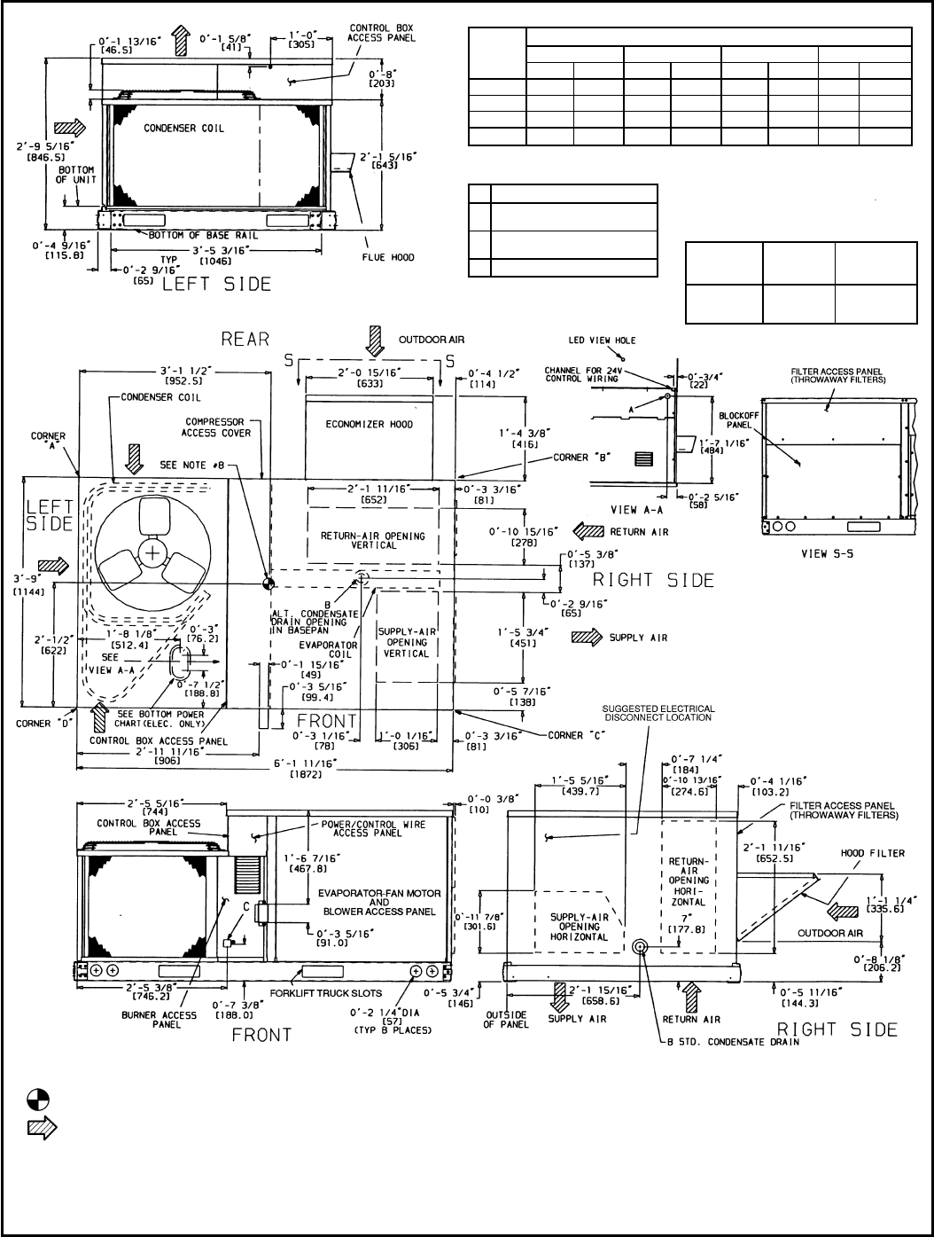
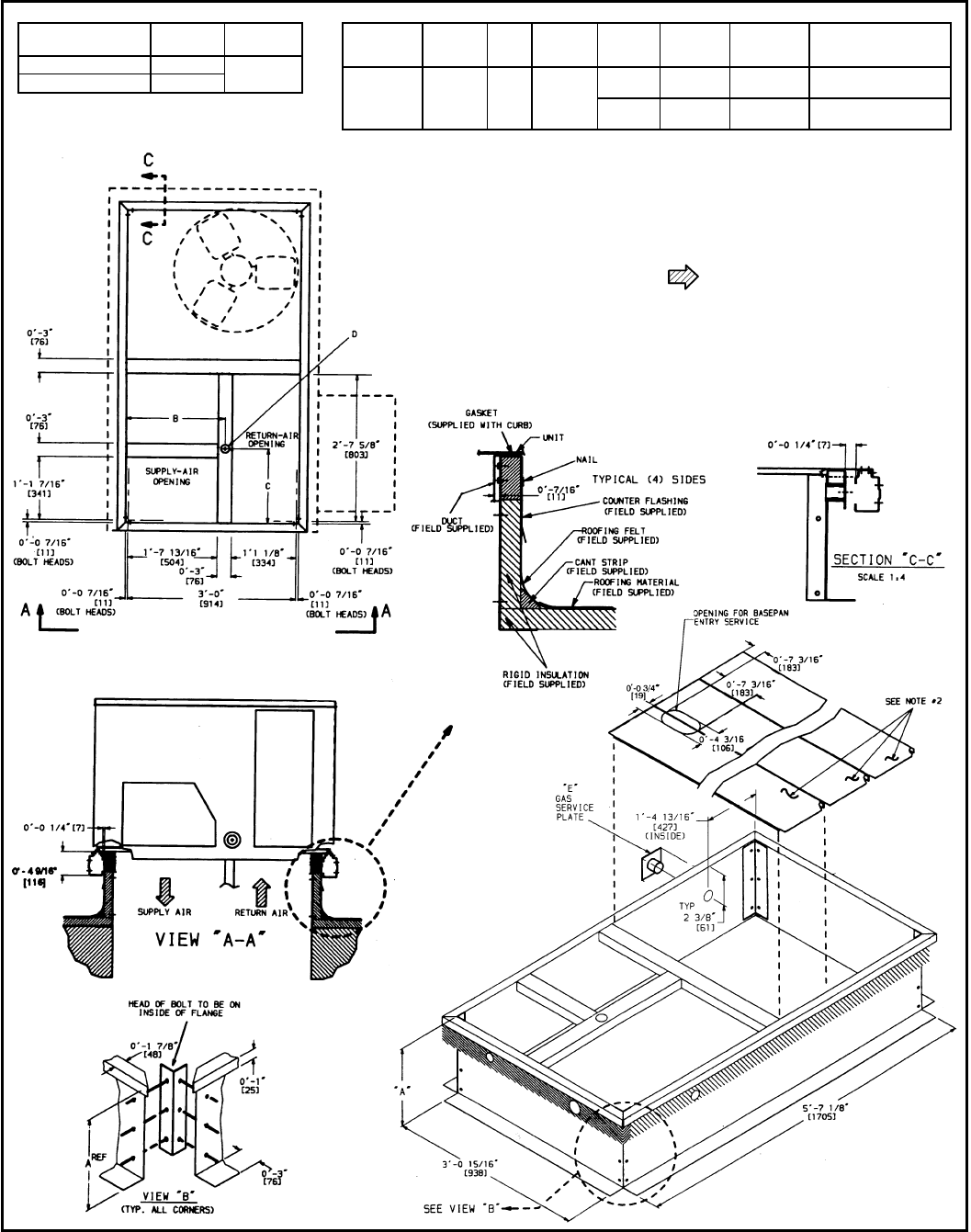
BASE UNIT DIMENSIONS — 580D036-072
UNIT
580D
CORNER WEIGHT*
ABCD
lb kg lb kg lb kg lb kg
036 140 63.5 105 47.6 159 72.1 56 25.4
048 142 64.4 106 48.1 162 73.5 60 27.2
060 150 68.0 115 52.2 160 72.6 65 29.5
072 165 74.8 136 61.7 200 90.7 64 29.0
*Weights are for unit only (aluminum plate fins) and do not include options or crating.
CONNECTION SIZES
A1
1
⁄
16
9Dia. [27] Field Power
Supply Hole
B
3
⁄
4
9— 14 NPT Condensate
Drain
C
1
⁄
2
9—14 NPT Gas Connection
BOTTOM POWER CHART, THESE
HOLES REQUIRED FOR USE WITH
ACCESSORY PACKAGES —
CRBTMPWR001A00 (
1
⁄
2
9,
3
⁄
4
9)
CRBTMPWR002A00 (
1
⁄
2
9,1
1
⁄
4
9)
THREADED
CONDUIT
SIZE WIRE SIZE REQUIRED
HOLE SIZES
(MAX)
1
⁄
2
(24 V
7
⁄
8
9[22.2]
3
⁄
4
(Power† 1
1
⁄
8
9[28.4]
1
1
⁄
4
(Power† 1
3
⁄
4
9[44.4]
†Select either
3
⁄
4
9or 1
1
⁄
4
9for power, depending
on wire size.
NOTES:
1. Dimensions in [ ] are in millimeters.
2. Center of gravity.
3. Direction of airflow.
4. On vertical discharge units, ductwork to be attached to accessory roof curb only.
For horizontal discharge units, field-supplied flanges should be attached to horizon-
tal discharge openings, and all ductwork should be attached to the flanges.
5. Minimum clearance (local codes or jurisdiction may prevail):
a. Between unit, flue side and combustible surfaces, 36 inches.
b. Bottom of unit to combustible surfaces (when not using curb), 1 inch. Bottom of
base rail to combustible surfaces (when not using curb) 0 inches.
c. Condenser coil, for proper airflow, 36 in. one side, 12 in. the other. The side get-
ting the greater clearance is optional.
d. Overhead, 60 in. to assure proper condenser fan operation.
e. Between units, control box side, 42 in. per NEC (National Electrical Code).
f. Between unit and ungrounded surfaces, control box side, 36 in. per NEC.
g. Between unit and block or concrete walls and other grounded surfaces, control
box side, 42 in. per NEC.
h. Horizontal supply and return end, 0 inches.
6. With the exception of the clearance for the condenser coil and combustion side as
stated in Notes 5a, b, and c, a removable fence or barricade requires no clearance.
7. Units may be installed on combustible floors made from wood or Class A, B, or C
roof covering material if set on baserail.
8. The vertical center of gravity is 18-69[457] up from the bottom of the base rail. Hori-
zontal center of gravity is shown.
17

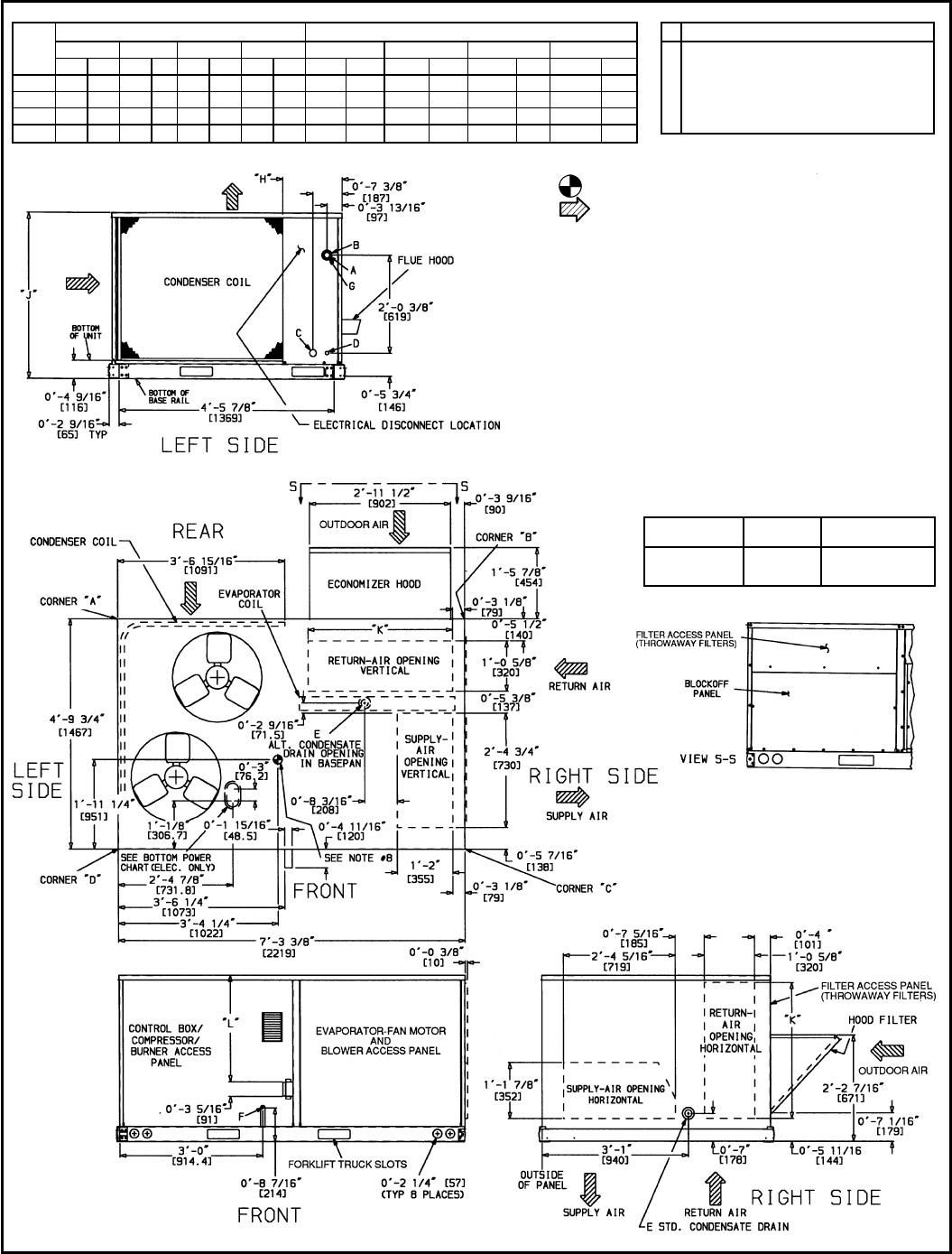
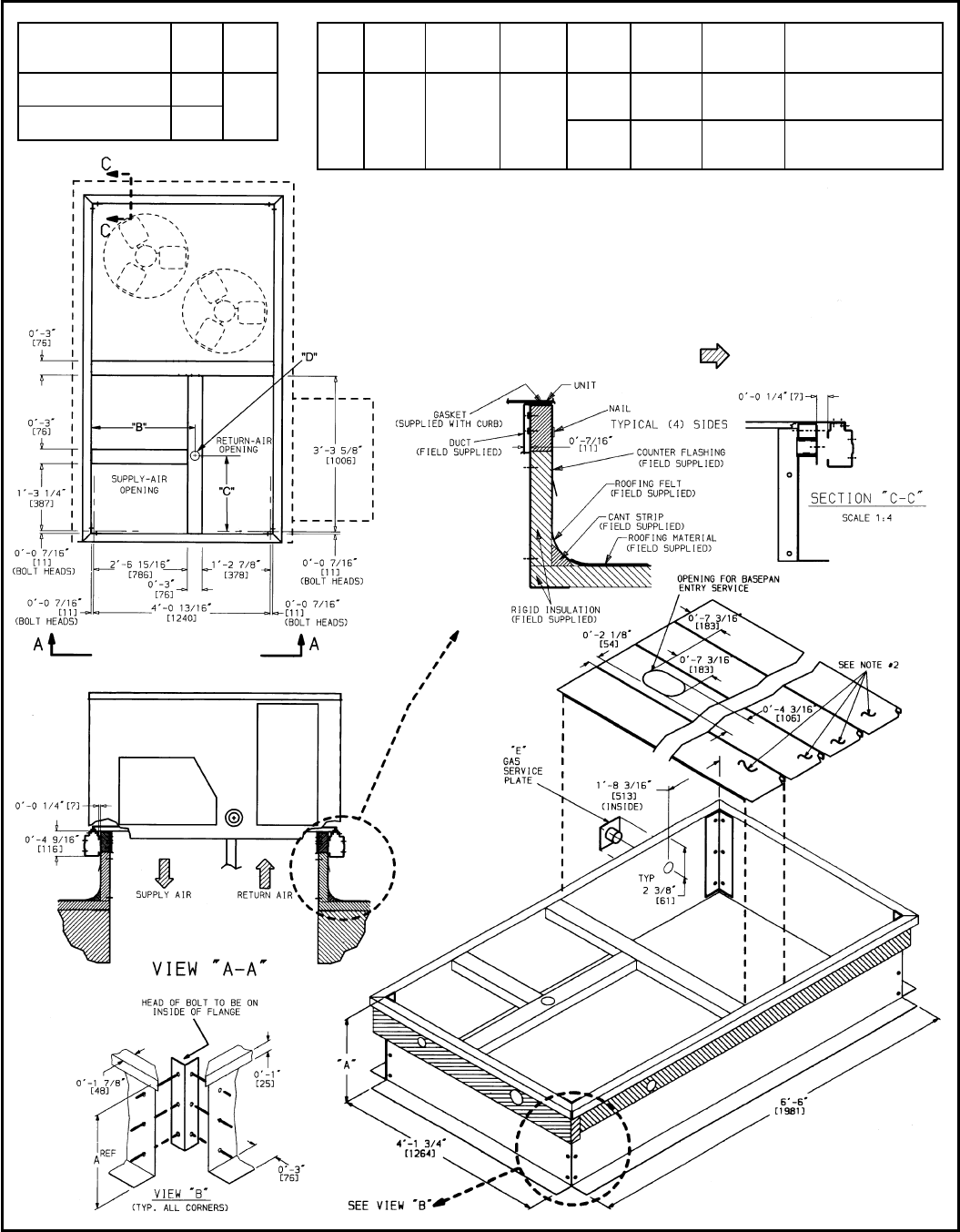
BASE UNIT DIMENSIONS — 580D090-150
UNIT
580D
CORNER WEIGHT* DIMENSIONS
A B C D ‘‘H’’ ‘‘J’’ ‘‘K’’ ‘‘L’’
lb kg lb kg lb kg lb kg ft-in. mm ft-in. mm ft-in. mm ft-in. mm
090 189 86 161 73 239 109 280 127 1-2
7
⁄
8
378 3-5
5
⁄
16
1050 2-9
11
⁄
16
856 2- 2
7
⁄
16
672
102 191 87 163 74 242 110 284 129 3-3
7
⁄
8
1013 3-5
5
⁄
16
1050 2-9
11
⁄
16
856 2- 2
7
⁄
16
672
120 225 102 192 87 285 129 333 151 2-5
7
⁄
8
759 4-1
5
⁄
16
1253 3-0
3
⁄
8
924 2-10
7
⁄
16
875
150 228 103 195 88 289 131 338 153 1-2
7
⁄
8
378 4-1
5
⁄
16
1253 3-0
3
⁄
8
924 2-10
7
⁄
16
875
*Weights are for units only (aluminum plate fins) and do not include options or crating.
CONNECTION SIZES
A1
3
⁄
8
9Dia [35] Field Power Supply Hole
B2
1
⁄
2
9Dia [64] Power Supply Knockout
C1
3
⁄
4
9Dia [44] Charging Port Hole
D
7
⁄
8
9Dia [22] Field Control Wiring Hole
E
3
⁄
4
9—14 NPT Condensate Drain
F
1
⁄
2
9—14 NPT Gas Connection 090 125 & 102 125
3
⁄
4
9—14 NPT Gas Connection All Others
G29Dia [51] Power Supply Knockout
NOTES:
1. Dimensions in [ ] are in millimeters.
2. Center of gravity.
3. Direction of airflow.
4. On vertical discharge units, ductwork to be attached to accessory roof curb only.
For horizontal discharge units field-supplied flanges should be attached to hori-
zontal discharge openings, and all ductwork should be attached to the flanges.
5. Minimum clearance (local codes or jurisdiction may prevail):
a. Between unit (flue side) and combustible surfaces, 48 inches.
b. Bottom of unit to combustible surfaces (when not using curb) 1 inch.
Bottom of base rail to combustible surfaces (when not using curb) 0 inches.
c. Condenser coil, for proper airflow, 36 in. one side, 12 in. the other. The side
getting the greater clearance is optional.
d. Overhead, 60 in. to assure proper condenser fan operation.
e. Between units, control box side, 42 in. per NEC (National Electrical Code).
f. Between unit and ungrounded surfaces, control box side, 36 in. per NEC.
g. Between unit and block or concrete walls and other grounded surfaces, con-
trol box side, 42 in. per NEC.
h. Horizontal supply and return end, 0 inches.
6. With the exception of the clearance for the condenser coil and combustion side
as stated in Notes 5a, b, and c, a removable fence or barricade requires no
clearance.
7. Units may be installed on combustible floors made from wood or Class A, B, or
C roof covering material if set on base rail.
8. The vertical center of gravity is 18-79[483] up from the bottom of the base rail.
Horizontal center of gravity is shown.
BOTTOM POWER CHART, THESE HOLES
REQUIRED FOR USE WITH ACCESSORY
PACKAGES — CRBTMPWR001A00 (
1
⁄
2
9,
3
⁄
4
9)
OR CRBTMPWR002A00 (
1
⁄
2
9,1
1
⁄
4
9)
THREADED
CONDUIT SIZE WIRE SIZE REQUIRED HOLE
SIZES (MAX)
1
⁄
2
(24 V
7
⁄
8
9[22.2]
3
⁄
4
(Power† 1
1
⁄
8
9[28.4]
1
1
⁄
4
(Power† 1
3
⁄
4
9[44.4]
†Select either
3
⁄
4
9or 1
1
⁄
4
9for power, depending on wire size.
18

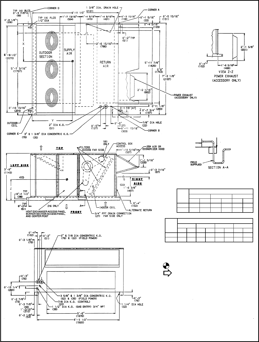
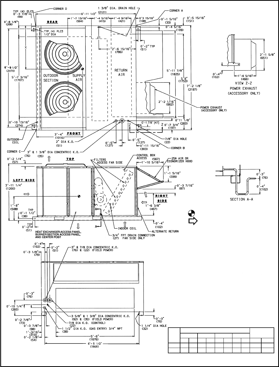
BASE UNIT DIMENSIONS — 579F180,216
UNIT
579F
DIMENSIONS
XYZ
ft-in. mm ft-in. mm ft-in. mm
180 3-2 965 4-0 1219 1-10 559
216 3-7 1090 3-2 965 1- 8 508
UNIT
579F
CORNER WEIGHT*
ABCD
lb kg Lb kg lb kg lb kg
180 384 174 370 168 358 162 538 244
216 520 235 508 230 486 220 636 288
*Weights are for unit only (aluminum plate fins) and do not in-
clude options or crating.
NOTES:
1. Dimensions in ( ) are in millimeters.
2. Center of gravity.
3. Direction of airflow.
4. Ductwork to be attached to accessory roof curb or adapter only.
5. Minimum clearance:
a. Rear: 7809(2134) for coil removal. This dimension can be re-
duced to 4809(1219) if conditions permit coil removal from
the top.
b. Left side: 4809(1219) for proper condenser coil airflow.
c. Front: 4809(1219) for control box access.
d. Right side: 4809(1219) for proper operation of damper and
power exhaust (if so equipped).
e. Top: 6809(1829) to assure proper condenser fan operation.
f. Local codes or jurisdiction may prevail.
6. With the exception of clearance for the condenser coil and the
damper/power exhaust as stated in Note No. 5, a removable
fence or barricade requires no clearance.
7. Dimensions are from outside of corner post. Allow 08-
5
⁄
16
9(8) on
each side for top panel drip edge.
8. Do not locate adjacent units with flue discharge facing econo-
mizer inlet.
19

BASE UNIT DIMENSIONS — 579F240,300
UNIT
579F
CORNER WEIGHT* DIMENSION
X
ABCD
lb kg lb kg lb kg lb kg ft-in. mm
240 520 235 508 230 532 241 640 290 3-2 965
300 527 239 545 247 578 262 600 272 3-7 1092
*Weights are for unit only (aluminum plate fins) and do not include op-
tions or crating.
NOTES:
1. Dimensions in ( ) are in millimeters.
2. Center of gravity.
3. Direction of airflow.
4. Ductwork to be attached to accessory roof curb or
adapter only.
5. Minimum clearance:
a. Rear: 7809(2134) for coil removal. This dimension
can be reduced to 4809(1219) if conditions permit
coil removal from the top.
b. 4809(1219) to combustible surfaces, all four sides
(includes between units).
c. Left side: 4809(1219) for proper condenser coil
airflow.
d. Front: 4809(1219) for control box access.
e. Right side: 4809(1219) for proper operation of
damper and power exhaust (if so equipped).
f. Top: 6809(1829) to assure proper condenser fan
operation.
g. Bottom: 149(356) to combustible surfaces (when not
using curb or adapter).
h. Control box side: 3809(914) to ungrounded surfaces
(non-combustible).
i. Control box side, 3869(1067) to block or concrete
walls, or other grounded surfaces.
j. Local codes or jurisdiction may prevail.
6. With the exception of clearance for the condenser coil
and the damper/power exhaust as stated in Note No. 5,
a removable fence or barricade requires no clearance.
7. Dimensions are from outside of corner post. Allow
08-
5
⁄
16
9(8) on each side for top panel drip edge.
8. Do not locate adjacent units with the discharge facing
economizer inlet.
20

ACCESSORY DIMENSIONS
Roof Curb — 580D036-072
ROOF CURB
ACCESSORY ‘‘A’’ UNIT SIZE
580D
CRRFCURB001A00 18-29[356] 036-072
CRRFCURB002A00 28-09[610]
NOTES:
1. Roof curb accessory is shipped unassembled.
2. Insulated panels.
3. Dimensions in [ ] are in millimeters.
4. Roof curb: galvanized steel.
5. Attach ductwork to curb (flanges of duct rest on
curb).
6. Service clearance 4 ft on each side.
7. Direction of airflow.
UNIT SIZE
580D ‘‘B’’ ‘‘C’’ ‘‘D’’ ALT
DRAIN
HOLE
‘‘E’’
GAS POWER CONTROL CONNECTOR
PKG ACY
036-072 18-9
11
⁄
16
9
[551] 18-49
[406] 1
3
⁄
4
9[45]
3
⁄
4
9NPT
3
⁄
4
9NPT
1
⁄
2
9NPT CRBTMPWR001A00*
(Thru-The-Bottom)
3
⁄
4
9NPT 1
1
⁄
4
9NPT
1
⁄
2
9NPT CRBTMPWR002A00*
(Thru-The-Bottom)
*Either connector package available for either roof curb.
21

ACCESSORY DIMENSIONS (cont)
Roof Curb — 580D090-150
ROOF CURB
ACCESSORY ‘‘A’’ UNIT
SIZE
580D
CRRFCURB003A00 18-29
[356] 090-
150
CRRFCURB004A00 28-09
[610]
UNIT
SIZE
580D ‘‘B’’ ‘‘C’’ ‘‘D’’ ALT
DRAIN
HOLE
‘‘E’’
GAS POWER CONTROL CONNECTOR
PACKAGE
ACCESSORY
090-
150 28-8
7
⁄
16
9
[827] 18-10
15
⁄
16
9
[583] 1
3
⁄
4
9
[45]
3
⁄
4
9NPT
3
⁄
4
9NPT
1
⁄
2
9NPT CRBTMPWR001A00*
(THRU-THE-BOTTOM
CONNECTIONS)
3
⁄
4
9NPT 1
1
⁄
4
9NPT
1
⁄
2
9NPT CRBTMPWR002A00*
(THRU-THE-BOTTOM
CONNECTIONS)
*Either connector package available for either roof curb.
NOTES:
1. Roof curb accessory is shipped
unassembled.
2. Insulated panels.
3. Dimensions in [ ] are in millimeters.
4. Roof curb: galvanized steel.
5. Attach ductwork to curb. (Flanges of
duct rest on curb.)
6. Service clearance 4 ft on each side.
7. Direction of airflow.
22

ACCESSORY DIMENSIONS (cont)
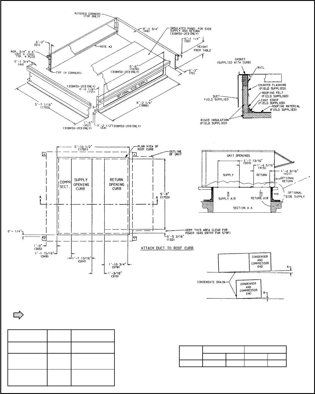
Horizontal and Vertical Roof Curbs and Horizontal Adapter
579F180-300
NOTE: To prevent the hazard of stagnant water
build-up in the drain pan of the indoor section, unit
can only be pitched as shown.
LEGEND
COMPR SECT. — Compressor Section
NOTES:
1. Roof curb accessory is shipped unassembled.
2. Insulated panels, 19thick neoprene coated, 1
1
⁄
2
lb density.
3. Dimensions in ( ) are in millimeters.
4. Direction of airflow.
5. Roof curb: 16 ga. (VA03-56) steel.
PKG. NO. REF. CURB
HEIGHT DESCRIPTION
308450-201 18-29
(355) Standard curb
149high
308450-202 28-09
(610)
Standard curb for
units requiring
high installation
308450-203 28-09
(610)
Side supply and
return curb for
high installation
DIMENSIONS (degrees and inches)
UNIT AB
DEG. IN. DEG. IN.
579F .28 .45 .28 .43
UNIT LEVELING TOLERANCES*
*From edge of unit to horizontal.
23

ACCESSORY DIMENSIONS (cont)
Horizontal Supply/Return Adapter Installation
579F180-300
NOTE: 389210-201 is a fully factory preassembled horizontal
adapter and includes an insulated high static regain transition
duct which substantially improves fan static performance.
The Barometric Relief Damper and Power Exhaust accesso-
ries are not available with the horizontal adapter.
ACCESSORY
PACKAGE NO. CURB
HEIGHT DESCRIPTION
389270-201 18-119
(584) Pre-Assembled, High Static,
Horizontal Adapter
Power Exhaust
(579F180-300)
2'-1 5/8"
2'-2 1/16" 1'-6 5/16"
24

SELECTION PROCEDURE (with 579F180 example)
I DETERMINE COOLING AND HEATING REQUIRE-
MENTS AT DESIGN CONDITIONS.
Given:
Required Cooling Capacity ............ 170,000 Btuh
Sensible Heat Capacity ............... 114,000 Btuh
Required Heating Capacity ............ 200,000 Btuh
Condenser Entering Air Temp ......... 95F(Summer)
Evaporator Entering Air Temp ............. 80Fedb,
67 F ewb
Evaporator Air Quantity .................. 4,500 cfm
External Static Pressure ................. 0.6in.wg
Electrical Characteristics (V-Ph-Hz) ......... 460-3-60
Vertical discharge unit with optional economizer
required.
edb — Entering dry-bulb
ewb — Entering wet-bulb
II SELECT UNIT BASED ON REQUIRED COOLING
CAPACITY.
Enter Cooling Capacities table for 579F180 (page 29) at
condenser entering temperature 95 F, evaporator air en-
tering at 4,500 cfm and 67 F wb. The 579F180
unit will provide a total cooling capacity of 180,000 Btuh
and a sensible heating capacity of 120,000 Btuh. For air
entering evaporator at temperatures other than 80 F edb,
calculate sensible heat capacity correction as required us-
ing the formula in the notes following the Cooling Capaci-
ties tables.
NOTE: Unit ratings are gross capacities and do not include
the effect of evaporator-fan motor heat. To calculate net
capacities, see Step V.
III SELECT HEATING CAPACITY OF UNIT TO PROVIDE
DESIGN CONDITION REQUIREMENTS.
In the Heating Capacities and Efficiencies table (page 7)
note that the 579F180 300 will provide an output capac-
ity of 243,000 Btuh, which is adequate for the given
application.
IV DETERMINE FAN SPEED AND POWER REQUIRE-
MENTS AT DESIGN CONDITIONS.
Before entering the Fan Performance tables, cal-
culate the total static pressure required based on unit com-
ponents. From the given and the Accessory/FIOP Static
Pressure table on page 52 find:
External static pressure 0.60 in. wg
Economizer static pressure 0.04 in. wg
Total static pressure 0.64 in. wg
Enter the Fan Performance table 579F180 (page 47) at
4,500 cfm and 0.64 in. wg external static pressure. By in-
terpolation, find that the rpm is 988 and the watts are 1334.
V DETERMINE NET COOLING CAPACITY.
Cooling capacities are gross capacities and do not include
indoor (evaporator) fan motor (IFM) heat. Use the watts in-
put power to the motor calculated in Section IV above.
IFM Watts = 1334
Determine net cooling capacity using the following
formula:
Net capacity = Gross capacity – IFM heat
= 180,000 Btuh – 1334 Watts Btuh
(3.412 )
Watts
= 180,000 Btuh – 4552 Btuh
= 175,448 Btuh
Net sensible capacity = 120,000 Btuh – 4552 Btuh
= 115,448 Btuh
The calculations show that a 579F180 unit with the stand-
ard motor and standard low-medium static drive is the cor-
rect selection for the given conditions.
25

PERFORMANCE DATA
COOLING CAPACITIES
580D036 (3 TONS)
Temp (F)
Air Entering
Condenser
(Edb)
Air Entering Evaporator — Cfm/BF
900/0.11 1200/0.14 1500/0.17
Air Entering Evaporator — Ewb (F)
72 67 62 72 67 62 72 67 62
75 TC 42.8 38.9 35.0 44.8 40.8 37.0 45.8 41.9 38.2
SHC 20.0 24.5 28.7 21.8 27.5 32.8 23.0 30.0 36.0
kW 2.91 2.81 2.70 2.99 2.88 2.78 3.02 2.92 2.82
85 TC 40.8 36.9 33.3 42.5 38.7 35.0 43.6 39.9 36.1
SHC 19.4 23.7 27.9 21.0 26.8 31.8 22.6 29.7 35.1
kW 3.14 3.01 2.90 3.20 3.08 2.97 3.24 3.14 3.02
95 TC 38.7 34.9 31.4 40.4 36.6 33.0 41.4 37.6 34.1
SHC 18.6 22.9 27.0 20.3 26.0 30.9 22.0 28.8 34.0
kW 3.35 3.21 3.09 3.42 3.29 3.16 3.47 3.35 3.22
105 TC 36.5 32.8 29.2 38.1 34.3 30.9 39.0 35.2 32.4
SHC 17.8 22.1 25.9 19.6 25.2 29.8 21.2 28.0 32.3
kW 3.55 3.41 3.27 3.63 3.49 3.35 3.68 3.54 3.43
115 TC 34.3 30.7 26.9 35.7 32.1 28.8 36.5 32.9 30.6
SHC 17.0 21.3 24.8 19.0 24.4 28.8 20.5 27.1 30.6
kW 3.76 3.60 3.45 3.84 3.68 3.54 3.88 3.74 3.64
580D048 (4 TONS)
Temp (F)
Air Entering
Condenser
(Edb)
Air Entering Evaporator — Cfm/BF
1200/0.12 1600/0.15 2000/0.18
Air Entering Evaporator — Ewb (F)
72 67 62 72 67 62 72 67 62
75 TC 57.9 53.1 48.3 60.4 55.9 51.3 62.2 57.3 52.9
SHC 27.2 33.3 39.2 29.4 37.2 44.8 31.4 40.3 49.1
kW 4.07 3.93 3.79 4.17 4.03 3.90 4.24 4.08 3.96
85 TC 55.7 50.8 45.3 57.7 53.4 48.5 59.4 55.0 50.2
SHC 26.4 32.5 37.8 28.4 36.7 43.6 30.5 40.3 47.9
kW 4.40 4.24 4.08 4.47 4.35 4.20 4.54 4.42 4.25
95 TC 52.9 48.1 42.5 55.2 50.5 45.7 56.7 52.0 47.4
SHC 25.5 31.5 36.4 27.6 35.6 42.2 29.7 39.2 46.7
kW 4.70 4.54 4.36 4.78 4.63 4.47 4.87 4.70 4.56
105 TC 50.1 45.3 39.8 52.3 47.6 42.8 53.6 48.9 44.9
SHC 24.4 30.3 35.1 26.7 34.5 40.7 28.8 38.1 44.6
kW 5.00 4.81 4.62 5.10 4.91 4.73 5.17 4.99 4.84
115 TC 47.3 42.6 37.2 49.3 44.6 40.0 50.5 45.9 42.4
SHC 23.4 29.2 33.7 25.9 33.3 39.3 27.8 37.1 42.4
kW 5.30 5.07 4.88 5.42 5.19 4.99 5.48 5.28 5.12
580D060 (5 TONS)
Temp (F)
Air Entering
Condenser
(Edb)
Air Entering Evaporator — Cfm/BF
1500/0.07 2000/0.09 2500/0.12
Air Entering Evaporator — Ewb (F)
72 67 62 72 67 62 72 67 62
75 TC 71.0 63.8 55.4 74.5 67.2 59.2 76.5 69.7 62.1
SHC 33.9 41.5 47.9 37.4 47.4 55.8 40.6 52.8 61.8
kW 5.04 4.82 4.62 5.20 4.97 4.76 5.29 5.06 4.87
85 TC 69.2 61.0 54.2 72.9 65.6 57.2 75.2 68.1 61.5
SHC 33.4 40.5 47.3 37.0 46.9 54.9 40.1 52.3 61.3
kW 5.50 5.27 5.02 5.66 5.41 5.18 5.75 5.50 5.29
95 TC 65.5 56.6 50.4 69.4 60.9 53.1 71.2 63.3 57.8
SHC 32.1 38.8 45.6 35.8 45.3 52.6 39.1 50.9 57.8
kW 5.88 5.62 5.37 6.01 5.76 5.53 6.12 5.87 5.67
105 TC 61.9 53.1 47.1 65.4 56.6 50.5 67.1 58.8 54.5
SHC 30.8 37.5 44.1 34.5 43.7 50.2 37.9 49.3 54.5
kW 6.25 5.99 5.72 6.38 6.13 5.91 6.50 6.23 6.06
115 TC 58.2 49.7 43.7 61.4 52.3 47.8 63.0 54.3 51.2
SHC 29.5 36.1 42.5 33.2 42.1 47.8 36.7 47.6 51.2
kW 6.63 6.35 6.08 6.75 6.49 6.29 6.88 6.59 6.46
Standard Ratings
LEGEND
BF — Bypass Factor
Edb — Entering Dry-Bulb
Ewb — Entering Wet-Bulb
kW — Compressor Motor Power Input
Ldb — Leaving Dry-Bulb
Lwb — Leaving Wet-Bulb
SHC — Sensible Heat Capacity (1000 Btuh) Gross
TC — Total Capacity (1000 Btuh) Gross
NOTES:
1. Direct interpolation is permissible. Do not extrapolate.
2. The following formulas may be used:
sensible capacity (Btuh)
tldb =t
edb −1.10 x cfm
tlwb = Wet-bulb temperature corresponding to enthalpy of air leav-
ing evaporator coil (hlwb)
total capacity (Btuh)
hlwb =h
ewb −4.5 x cfm
Where: hewb = Enthalpy of air entering evaporator coil
3. The SHC is based on 80 F edb temperature of air entering evapo-
rator coil.
Below 80 F edb, subtract (corr factor x cfm) from SHC.
Above 80 F edb, add (corr factor x cfm) to SHC.
Correction Factor = 1.10 x (1 − BF) x (edb − 80).
580D072 (6 TONS)
Temp (F)
Air Entering
Condenser
(Edb)
Air Entering Evaporator — Cfm/BF
1800/0.06 2100/0.08 2400/0.09 3000/0.11
Air Entering Evaporator — Ewb (F)
72 67 62 72 67 62 72 67 62 72 67 62
75 TC 86.6 80.0 73.6 87.8 80.3 73.2 90.8 84.1 77.2 93.2 86.6 79.7
SHC 42.2 52.3 62.2 43.0 53.9 65.5 46.5 59.6 71.6 50.1 66.4 78.7
kW 5.48 5.33 5.21 5.69 5.50 5.32 5.59 5.44 5.29 5.66 5.51 5.35
85 TC 84.1 77.4 71.0 84.0 77.2 69.5 87.8 81.2 74.5 90.1 83.5 77.3
SHC 41.4 51.3 61.1 41.7 53.1 64.0 45.5 58.6 70.3 49.4 65.4 76.7
kW 6.17 6.00 5.85 6.21 6.04 5.83 6.27 6.11 5.94 6.35 6.19 6.02
95 TC 81.6 74.7 68.5 81.0 73.5 66.3 84.8 78.2 71.8 87.0 80.4 74.8
SHC 40.6 50.3 60.0 40.8 51.8 62.8 44.6 57.6 69.1 48.7 64.5 74.7
kW 6.86 6.67 6.49 6.78 6.54 6.33 6.95 6.77 6.59 7.03 6.86 6.69
105 TC 78.4 71.8 65.6 76.8 69.7 62.5 81.6 74.9 68.9 83.3 76.9 72.1
SHC 39.4 49.2 58.7 39.4 50.3 61.1 43.5 56.4 67.4 47.4 63.1 72.0
kW 7.60 7.39 7.20 7.30 7.05 6.80 7.72 7.50 7.31 7.77 7.59 7.41
115 TC 75.1 68.7 62.5 72.5 65.5 58.7 78.0 71.5 66.1 79.5 73.3 69.3
SHC 38.1 47.9 57.2 37.9 48.7 58.7 42.3 55.1 65.5 46.3 61.6 69.2
kW 8.36 8.14 7.93 7.81 7.53 7.27 8.49 8.25 8.06 8.55 8.33 8.18
26

PERFORMANCE DATA (cont)
COOLING CAPACITIES (cont)
580D090 (7
1
⁄
2
TONS)
Temp (F)
Air Entering
Condenser
(Edb)
Air Entering Evaporator — Cfm/BF
2250/0.07 2800/0.09 3000/0.10 3750/0.12
Air Entering Evaporator — Ewb (F)
72 67 62 72 67 62 72 67 62 72 67 62
75 TC 102.8 94.8 86.2 105.8 98.2 90.0 106.4 99.0 90.8 109.2 101.6 93.6
SHC 49.4 61.8 73.2 52.6 67.8 81.6 53.6 69.8 84.0 58.2 77.4 92.2
kW 7.14 6.82 6.50 7.28 6.98 6.68 7.32 7.04 6.72 7.46 7.18 6.86
85 TC 98.2 90.2 81.6 101.8 93.6 85.2 102.6 94.4 86.0 104.6 96.8 89.6
SHC 48.0 60.2 71.2 51.6 66.4 79.6 52.8 68.6 82.0 56.8 76.0 89.4
kW 7.66 7.34 7.00 7.82 7.50 7.18 7.86 7.54 7.22 7.98 7.68 7.40
95 TC 93.8 85.2 76.6 97.0 88.4 80.0 97.6 89.0 81.2 99.4 91.2 85.2
SHC 46.4 58.2 68.8 50.2 64.6 77.2 51.4 66.8 79.0 55.6 74.4 85.2
kW 8.18 7.84 7.48 8.36 8.00 7.64 8.40 8.04 7.70 8.50 8.16 7.92
105 TC 88.4 79.8 70.8 91.0 82.8 74.6 91.6 83.4 76.0 93.8 85.4 80.6
SHC 44.6 56.2 66.0 48.2 62.6 74.2 49.4 64.8 75.6 54.2 72.4 80.6
kW 8.68 8.30 7.98 8.80 8.46 8.14 8.86 8.50 8.20 8.98 8.64 8.42
115 TC 82.8 73.8 66.0 85.2 76.8 69.6 85.6 77.4 71.0 87.6 79.4 76.0
SHC 42.6 53.8 63.2 46.4 60.4 69.6 47.8 62.6 71.0 52.8 70.4 75.8
kW 9.16 8.78 8.42 9.30 8.92 8.64 9.34 8.96 8.72 9.48 9.10 8.94
580D102 (8
1
⁄
2
TONS)
Temp (F)
Air Entering
Condenser
(Edb)
Air Entering Evaporator — Cfm/BF
2550/0.08 3000/0.10 3400/0.11 4250/0.135
Air Entering Evaporator — Ewb (F)
72 67 62 72 67 62 72 67 62 72 67 62
75 TC 116.6 108.4 99.0 119.2 111.3 101.8 120.1 112.8 103.6 122.3 114.8 106.3
SHC 71.9 61.9 75.9 75.2 65.1 81.4 80.5 68.0 85.6 32.7 73.9 94.4
kW 7.77 7.57 7.38 7.86 10.68 7.44 7.89 6.72 7.51 7.97 7.80 7.60
85 TC 113.3 104.2 94.0 115.7 106.9 97.0 117.2 108.7 98.8 120.1 111.0 101.8
SHC 54.0 67.7 80.4 56.3 72.5 87.1 58.2 76.4 92.5 62.9 84.2 101.0
kW 8.46 8.22 7.96 5.54 8.31 8.04 8.60 8.38 8.12 8.72 8.48 8.23
95 TC 109.1 99.3 87.3 111.2 102.0 91.4 112.5 103.6 93.7 115.3 105.8 107.4
SHC 52.6 65.9 77.4 55.0 70.9 84.9 57.1 75.1 90.3 62.2 83.2 97.3
kW 8.90 8.97 8.68 8.99 9.06 8.79 9.06 9.12 8.86 4.76 9.24 9.00
105 TC 103.3 94.0 81.4 105.9 96.3 84.6 107.4 97.7 87.9 109.4 99.9 92.8
SHC 50.5 54.0 74.5 53.5 69.1 81.4 55.8 73.1 86.6 60.4 81.4 92.8
kW 9.74 9.43 9.08 9.85 9.54 9.21 9.92 9.60 9.29 10.03 9.72 9.48
115 TC 97.7 87.9 75.9 99.9 90.4 78.8 101.3 91.8 82.4 102.9 93.8 88.3
SHC 48.7 61.7 71.9 51.8 66.9 78.1 54.0 71.2 82.3 58.5 79.4 88.2
kW 10.33 9.97 9.61 10.46 10.10 9.75 10.54 10.18 9.88 10.61 10.30 10.10
Standard Ratings
LEGEND
BF — Bypass Factor
Edb — Entering Dry-Bulb
Ewb — Entering Wet-Bulb
kW — Compressor Motor Power Input
Ldb — Leaving Dry-Bulb
Lwb — Leaving Wet-Bulb
SHC — Sensible Heat Capacity (1000 Btuh) Gross
TC — Total Capacity (1000 Btuh) Gross
NOTES:
1. Direct interpolation is permissible. Do not extrapolate.
2. The following formulas may be used:
sensible capacity (Btuh)
tldb =t
edb −1.10 x cfm
tlwb = Wet-bulb temperature corresponding to enthalpy of air leav-
ing evaporator coil (hlwb)
total capacity (Btuh)
hlwb =h
ewb −4.5 x cfm
Where: hewb = Enthalpy of air entering evaporator coil
3. The SHC is based on 80 F edb temperature of air entering evapo-
rator coil.
Below 80 F edb, subtract (corr factor x cfm) from SHC.
Above 80 F edb, add (corr factor x cfm) to SHC.
Correction Factor = 1.10 x (1 − BF) x (edb − 80).
27

PERFORMANCE DATA (cont)
COOLING CAPACITIES (cont)
580D120 (10 TONS)
Temp (F)
Air Entering
Condenser
(Edb)
Air Entering Evaporator — Cfm/BF
3000/0.095 4000/0.125 5000/0.15
Air Entering Evaporator — Ewb (F)
72 67 62 72 67 62 72 67 62
75 TC 135.8 124.8 112.0 142.4 130.6 119.8 146.5 134.2 123.7
SHC 66.8 82.6 97.4 73.2 93.4 112.7 79.7 104.4 123.1
kW 9.76 9.41 9.10 10.00 9.61 9.27 10.17 9.75 9.41
85 TC 130.0 119.6 104.0 136.0 125.0 114.5 140.0 127.9 118.8
SHC 64.3 80.5 93.8 71.1 91.7 110.2 77.5 101.8 118.7
kW 10.41 10.07 9.74 10.67 10.28 9.94 10.84 10.41 10.09
95 TC 124.1 113.7 96.7 129.5 118.9 106.9 132.8 122.0 114.1
SHC 62.2 78.4 90.0 69.1 89.8 105.9 74.9 100.1 114.0
kW 11.13 10.78 10.40 11.38 10.99 10.63 11.52 11.14 10.83
105 TC 118.1 104.6 87.9 122.7 111.8 98.5 126.0 115.1 108.0
SHC 60.4 74.9 85.2 66.9 87.7 98.5 73.1 98.3 108.0
kW 11.93 11.52 11.10 12.13 11.74 11.41 12.27 11.89 11.65
115 TC 115.0 98.0 84.2 120.0 103.8 93.4 122.6 109.8 102.8
SHC 59.4 72.4 83.4 66.4 84.8 93.4 72.8 96.9 102.8
kW 12.26 11.82 11.40 12.48 12.06 11.78 12.60 12.20 12.00
580D150 (12
1
⁄
2
TONS)
Temp (F)
Air Entering
Condenser
(Edb)
Air Entering Evaporator — Cfm/BF
3750/0.08 4500/0.09 5000/0.10 6250/0.12
Air Entering Evaporator — Ewb (F)
72 67 62 72 67 62 72 67 62 72 67 62
75 TC 175.6 162.2 149.2 181.0 167.5 154.2 182.9 170.2 156.4 187.2 174.7 161.8
SHC 85.7 107.3 128.0 91.4 116.2 140.3 94.2 122.2 146.5 102.1 135.3 160.7
kW 11.16 10.85 10.57 11.32 11.00 10.69 11.37 11.07 10.73 11.49 11.19 10.87
85 TC 169.3 155.7 140.6 174.2 160.7 147.0 176.9 163.0 149.7 181.5 167.3 155.8
SHC 83.9 104.8 124.0 89.6 113.9 137.0 92.7 119.7 143.6 100.9 133.4 155.6
kW 12.15 11.78 11.42 12.31 11.94 11.58 12.39 12.01 11.63 12.53 12.14 11.82
95 TC 161.9 148.9 132.0 166.8 153.5 139.1 169.5 155.7 142.8 173.2 159.5 149.6
SHC 81.4 102.0 119.8 87.0 111.1 133.2 90.7 117.3 140.2 98.3 130.8 149.6
kW 13.12 12.72 12.28 13.30 12.89 12.46 13.40 12.97 12.56 13.54 13.11 12.78
105 TC 154.9 141.3 123.0 158.8 145.4 130.2 160.9 147.6 135.0 165.3 151.2 143.2
SHC 79.0 99.2 115.5 84.5 108.2 128.1 87.8 114.3 134.9 96.6 127.8 143.1
kW 14.16 13.66 13.17 14.31 13.82 13.35 14.38 13.91 13.48 14.58 14.07 13.77
115 TC 146.2 132.2 113.1 150.5 137.0 122.4 152.3 139.4 127.8 155.2 142.7 136.0
SHC 76.1 95.7 110.3 81.7 105.2 122.3 85.0 111.6 127.7 92.9 125.0 135.8
kW 15.09 14.57 14.07 15.30 14.76 14.25 15.37 14.87 14.43 15.49 15.02 14.73
Standard Ratings
LEGEND
BF — Bypass Factor
Edb — Entering Dry-Bulb
Ewb — Entering Wet-Bulb
kW — Compressor Motor Power Input
Ldb — Leaving Dry-Bulb
Lwb — Leaving Wet-Bulb
SHC — Sensible Heat Capacity (1000 Btuh) Gross
TC — Total Capacity (1000 Btuh) Gross
NOTES:
1. Direct interpolation is permissible. Do not extrapolate.
2. The following formulas may be used:
sensible capacity (Btuh)
tldb =t
edb −1.10 x cfm
tlwb = Wet-bulb temperature corresponding to enthalpy of air leav-
ing evaporator coil (hlwb)
total capacity (Btuh)
hlwb =h
ewb −4.5 x cfm
Where: hewb = Enthalpy of air entering evaporator coil
3. The SHC is based on 80 F edb temperature of air entering evapo-
rator coil.
Below 80 F edb, subtract (corr factor x cfm) from SHC.
Above 80 F edb, add (corr factor x cfm) to SHC.
Correction Factor = 1.10 x (1 − BF) x (edb − 80).
28

PERFORMANCE DATA (cont)
COOLING CAPACITIES (cont)
579F180 (15 TONS)
Temp (F)
Air Entering
Condenser
(Edb)
Air Entering Evaporator — Cfm/BF
4500/0.08 5250/0.10 6000/0.11 6750/0.12 7500/0.14
Air Entering Evaporator — Ewb (F)
72 67 62 72 67 62 72 67 62 72 67 62 72 67 62
75 TC 212.0 195.0 179.0 216.0 200.0 183.0 219.0 204.0 187.0 223.0 205.0 189.0 224.0 207.0 193.0
SHC 101.0 126.0 148.0 105.0 133.0 161.0 109.0 141.0 170.0 115.0 152.0 179.0 118.0 157.0 187.0
kW 15.20 14.70 14.20 15.40 14.90 14.40 15.50 15.10 14.60 15.70 15.10 14.70 15.70 15.20 14.80
85 TC 205.0 188.0 171.0 210.0 193.0 176.0 212.0 196.0 179.0 215.0 199.0 182.0 216.0 199.0 185.0
SHC 98.5 123.0 145.0 103.0 131.0 156.0 108.0 138.0 167.0 113.0 145.0 176.0 116.0 154.0 184.0
kW 16.60 16.10 15.50 16.80 16.30 15.70 16.90 16.40 15.90 17.10 16.50 16.00 17.10 16.60 16.10
95 TC 197.0 180.0 162.0 202.0 184.0 167.0 205.0 188.0 171.0 206.0 191.0 174.0 209.0 193.0 178.0
SHC 95.8 120.0 141.0 101.0 128.0 152.0 105.0 136.0 164.0 110.0 143.0 172.0 115.0 150.0 178.0
kW 18.00 17.40 16.70 18.20 17.60 16.90 18.40 17.80 17.10 18.40 17.90 17.30 18.60 18.00 17.50
105 TC 190.0 172.0 152.0 194.0 176.0 157.0 197.0 179.0 161.0 199.0 182.0 166.0 200.0 183.0 171.0
SHC 93.3 117.0 136.0 98.0 125.0 148.0 103.0 133.0 158.0 107.0 140.0 166.0 112.0 148.0 171.0
kW 19.40 18.70 17.90 19.60 18.90 18.10 19.80 19.10 18.40 19.90 19.20 18.60 20.00 19.30 18.80
115 TC 180.0 161.0 142.0 185.0 166.0 146.0 187.0 170.0 151.0 190.0 172.0 158.0 191.0 173.0 163.0
SHC 90.0 112.0 131.0 95.4 121.0 142.0 100.0 130.0 151.0 105.0 137.0 158.0 109.0 144.0 163.0
kW 20.80 19.90 19.10 21.00 20.10 19.30 21.20 20.30 19.60 21.40 20.50 19.90 21.50 20.60 20.10
579F216 (18 TONS)
Temp (F)
Air Entering
Condenser
(Edb)
Air Entering Evaporator — Cfm/BF
5400/0.06 6000/0.07 7200/0.08 9000/0.09
Air Entering Evaporator — Ewb (F)
72 67 62 72 67 62 72 67 62 72 67 62
75 TC 242.0 219.6 197.3 242.0 221.1 198.4 241.0 221.0 201.8 238.0 218.8 203.3
SHC 121.6 151.8 176.3 125.7 157.4 184.1 135.8 167.7 196.6 143.5 182.4 203.0
kW 14.72 14.78 14.71 14.91 15.00 14.97 15.35 15.43 15.50 15.94 16.03 16.19
85 TC 231.0 208.6 187.3 232.0 209.3 188.1 231.0 209.5 191.5 227.0 208.3 194.5
SHC 116.8 146.3 171.5 121.2 152.7 178.6 128.0 162.9 189.5 142.8 177.5 193.5
kW 16.27 16.29 16.26 16.59 16.56 16.50 17.02 17.05 17.10 17.63 17.72 17.91
95 TC 218.5 196.4 176.0 220.1 197.1 178.2 219.1 198.2 181.2 215.3 196.1 185.2
SHC 112.5 141.3 165.6 116.4 147.1 172.7 122.4 157.6 181.2 131.8 170.2 183.9
kW 17.83 17.79 17.73 18.15 18.12 18.08 18.64 18.71 18.76 19.37 19.36 19.71
105 TC 204.3 187.2 169.4 203.1 187.2 170.9 203.4 186.5 172.8 199.8 184.3 174.4
SHC 105.1 135.0 158.6 108.1 139.0 165.4 115.6 149.2 172.4 124.9 162.2 174.2
kW 17.75 17.88 17.93 17.96 18.12 18.27 18.45 18.62 18.87 19.17 19.37 19.68
115 TC 193.1 175.6 159.4 190.9 176.0 160.4 191.6 175.3 162.7 188.1 173.3 165.1
SHC 101.1 129.9 153.0 102.7 134.1 158.4 110.6 143.7 162.6 111.6 155.4 164.7
kW 19.26 19.41 19.44 19.47 19.72 19.75 20.07 20.25 20.48 20.81 21.02 21.47
125 TC 178.4 163.8 148.3 179.4 163.9 150.2 177.7 163.9 152.7 174.5 160.6 154.5
SHC 96.1 124.1 145.8 99.5 128.6 150.1 103.7 138.5 152.6 110.8 147.5 154.1
kW 20.73 20.86 20.85 21.04 21.17 21.33 21.52 21.82 22.08 22.29 22.50 23.10
29

PERFORMANCE DATA (cont)
COOLING CAPACITIES (cont)
579F240 (20 TONS)
Temp (F)
Air Entering
Condenser
(Edb)
Air Entering Evaporator — Cfm/BF
6000/0.06 7000/0.07 8000/0.08 9000/0.09 10,000/0.10
Air Entering Evaporator — Ewb (F)
72 67 62 72 67 62 72 67 62 72 67 62 72 67 62
75 TC 274.0 250.0 226.0 280.0 256.0 232.0 284.0 260.0 236.0 288.0 264.0 242.0 292.0 268.0 246.0
SHC 130.4 163.6 194.4 136.4 175.0 210.0 144.4 186.8 224.0 151.8 197.0 236.0 157.4 208.0 246.0
kW 16.92 16.40 15.90 17.04 16.58 16.12 17.22 16.72 16.22 17.32 16.84 16.36 17.42 16.92 16.50
85 TC 264.0 240.0 216.0 270.0 244.0 222.0 276.0 250.0 226.0 278.0 254.0 232.0 282.0 256.0 238.0
SHC 127.6 159.8 189.8 138.2 172.2 206.0 141.8 183.4 220.0 147.8 194.6 232.0 154.6 204.0 236.0
kW 18.54 18.00 17.36 18.72 18.18 17.60 18.96 18.34 17.74 19.04 18.46 17.94 19.14 18.56 18.08
95 TC 252.0 228.0 204.0 258.0 234.0 210.0 262.0 238.0 216.0 266.0 240.0 222.0 270.0 242.0 228.0
SHC 124.4 155.4 184.6 131.0 167.6 200.0 138.8 178.8 214.0 145.2 189.8 222.0 151.8 200.0 228.0
kW 20.20 19.52 18.82 20.40 19.76 19.08 20.60 19.90 19.28 20.80 20.00 19.52 20.80 20.20 19.76
105 TC 240.0 216.0 190.6 246.0 222.0 196.6 250.0 226.0 204.0 252.0 228.0 212.0 256.0 230.0 218.0
SHC 120.0 150.8 178.4 127.2 163.6 193.8 135.0 175.2 204.0 141.6 185.4 212.0 147.4 196.2 218.0
kW 21.80 21.00 20.20 22.00 21.20 20.60 22.20 21.40 20.80 22.40 21.60 21.00 22.40 21.60 21.40
115 TC 228.0 204.0 176.6 232.0 208.0 184.6 236.0 212.0 194.2 238.0 214.0 202.0 240.0 216.0 208.0
SHC 116.0 146.2 171.8 123.8 158.4 184.6 130.4 169.6 194.2 137.2 180.8 202.0 144.0 190.8 206.0
kW 23.40 22.40 21.60 23.60 22.60 22.00 23.80 22.80 22.40 23.80 23.00 22.60 24.00 23.20 22.80
125 TC 214.0 188.8 163.2 218.0 194.2 174.2 220.0 197.6 183.4 224.0 199.8 190.6 226.0 202.0 196.0
SHC 111.0 140.8 162.8 118.6 153.4 174.2 125.8 164.8 183.4 132.0 175.6 190.4 139.0 185.2 195.4
kW 24.80 23.80 23.00 25.00 24.00 23.40 25.20 24.20 23.80 25.40 24.40 24.00 25.40 24.60 24.40
579F300 (25 TONS)
Temp (F)
Air Entering
Condenser
(Edb)
Air Entering Evaporator — Cfm/BF
7000/0.03 8750/0.05 10,000/0.07 11,250/0.09
Air Entering Evaporator — Ewb (F)
72 67 62 72 67 62 72 67 62 72 67 62
75 TC 323.9 299.4 275.8 331.3 312.7 288.4 336.1 319.8 294.7 342.6 322.5 300.0
SHC 159.4 195.2 230.6 170.1 216.5 259.1 177.6 231.1 276.8 186.6 242.9 292.6
kW 21.10 20.50 19.90 21.30 20.90 20.20 21.50 21.10 20.40 21.70 21.20 20.50
85 TC 315.3 290.4 264.3 326.9 303.2 278.0 333.7 309.1 285.0 335.1 314.2 291.1
SHC 156.3 191.7 224.9 168.4 213.2 254.9 177.5 226.9 273.8 184.4 240.7 288.4
kW 22.70 22.10 21.30 23.10 22.50 21.80 23.30 22.70 22.00 23.30 22.80 22.20
95 TC 304.1 277.4 243.1 315.3 290.1 263.8 320.4 295.6 271.1 324.1 300.6 279.4
SHC 152.0 186.5 215.2 165.0 208.5 248.0 173.0 222.4 266.4 181.6 236.5 279.4
kW 24.80 24.00 23.20 25.20 24.50 23.50 25.40 24.60 23.80 25.50 24.80 24.10
105 TC 291.2 261.4 224.8 300.9 274.2 242.1 305.7 280.3 252.3 309.8 284.8 266.3
SHC 147.2 179.7 206.6 159.9 201.8 237.3 168.3 216.8 252.3 176.8 231.1 266.3
kW 26.90 25.80 25.00 27.20 26.30 25.40 27.40 26.60 25.80 27.60 26.80 26.00
115 TC 274.6 237.9 207.6 285.9 251.5 222.6 291.3 258.4 237.7 293.9 267.5 247.1
SHC 140.9 170.0 198.6 154.9 193.2 222.6 164.1 208.7 237.7 163.0 224.3 247.1
kW 28.80 27.80 26.80 29.40 28.20 27.40 29.60 28.50 27.70 29.70 28.50 28.10
125 TC 254.5 214.9 184.3 266.7 230.9 206.7 272.0 236.0 220.8 276.1 240.0 231.1
SHC 133.3 160.8 184.3 148.0 185.1 206.7 157.5 200.2 220.8 166.6 214.4 231.1
kW 30.90 29.90 28.90 31.40 30.20 29.60 31.70 30.50 29.90 31.90 30.80 30.30
Standard Ratings
LEGEND
BF — Bypass Factor
Edb — Entering Dry-Bulb
Ewb — Entering Wet-Bulb
kW — Compressor Motor Power Input
Ldb — Leaving Dry-Bulb
Lwb — Leaving Wet-Bulb
SHC — Sensible Heat Capacity (1000 Btuh) Gross
TC — Total Capacity (1000 Btuh) Gross
NOTES:
1. Direct interpolation is permissible. Do not extrapolate.
2. The following formulas may be used:
sensible capacity (Btuh)
tldb =t
edb −1.10 x cfm
tlwb = Wet-bulb temperature corresponding to enthalpy of air leav-
ing evaporator coil (hlwb)
total capacity (Btuh)
hlwb =h
ewb −4.5 x cfm
Where: hewb = Enthalpy of air entering evaporator coil
3. The SHC is based on 80 F edb temperature of air entering evapo-
rator coil.
Below 80 F edb, subtract (corr factor x cfm) from SHC.
Above 80 F edb, add (corr factor x cfm) to SHC.
BYPASS
FACTOR
(BF)
ENTERING AIR DRY-BULB TEMP (F)
79 78 77 76 75 under 75
81 82 83 84 85 over 85
Correction Factor
.05 1.04 2.07 3.11 4.14 5.18 Use formula
shown below.
.10 .98 1.96 2.94 3.92 4.90
.20 .87 1.74 2.62 3.49 4.36
.30 .76 1.53 2.29 3.05 3.82
Interpolation is permissible.
Correction Factor = 1.10 x (1 − BF) x (edb − 80).
30

PERFORMANCE DATA (cont)
FAN PERFORMANCE — 580D036-150 VERTICAL DISCHARGE UNITS
580D036 (3 TONS) — STANDARD MOTOR (DIRECT DRIVE)
Airflow
(Cfm)
Low Speed High Speed
208 V 230, 460, 575 V 208 V 230, 460, 575 V
Esp Bhp Watts Esp Bhp Watts Esp Bhp Watts Esp Bhp Watts
900 0.49 0.21 253 0.50 0.23 277 0.51 0.26 307 0.55 0.31 363
1000 0.42 0.23 270 0.43 0.25 292 0.43 0.27 321 0.51 0.32 374
1100 0.37 0.24 287 0.38 0.26 307 0.39 0.28 335 0.46 0.33 385
1200 0.33 0.26 304 0.33 0.27 323 0.34 0.29 349 0.40 0.34 397
1300 0.27 0.27 321 0.28 0.29 338 0.28 0.31 364 0.34 0.34 408
1400 0.20 0.29 338 0.23 0.30 354 0.25 0.32 378 — — —
1500 0.16 0.30 355 0.18 0.31 369 0.20 0.33 392 — — —
LEGEND
Bhp — Brake Horsepower Input to Fan
Esp — External Static Pressure (in. wg)
FIOP — Factory-Installed Option
NOTES:
1. Values include losses for filters, unit casing, and wet coils. See
page 52 for accessory/FIOP static pressure information.
2. Extensive motor and electrical testing on these units ensures that the
full range of the motor can be utilized with confidence. Using your fan
motors up to the wattage ratings shown will not result in nuisance
tripping or premature motor failure. Unit warranty will not be affected.
See Evaporator-Fan Motor Performance table on page 55 for addi-
tional information.
3. Use of a field-supplied motor may affect wire sizing. Contact your
local representative for details.
580D036 (3 TONS) — ALTERNATE MOTOR (BELT DRIVE)*
Airflow
Cfm
External Static Pressure (in. wg)
0.1 0.2 0.3 0.4 0.5 0.6
Rpm Bhp Watts Rpm Bhp Watts Rpm Bhp Watts Rpm Bhp Watts Rpm Bhp Watts Rpm Bhp Watts
900 581 0.12 119 673 0.18 179 736 0.22 219 805 0.25 249 865 0.29 288 911 0.34 338
1000 644 0.19 189 709 0.22 219 782 0.28 279 835 0.30 298 900 0.35 348 937 0.38 378
1100 687 0.22 219 746 0.26 259 806 0.30 298 867 0.35 348 929 0.40 398 964 0.40 398
1200 733 0.26 259 785 0.32 318 843 0.35 348 903 0.41 408 960 0.47 467 994 0.50 497
1300 754 0.29 288 826 0.38 378 891 0.43 428 942 0.48 477 991 0.53 527 1047 0.60 597
1400 810 0.35 348 868 0.45 448 937 0.51 507 984 0.57 567 1032 0.62 617 1067 0.67 666
1500 841 0.42 418 911 0.53 527 985 0.61 607 1029 0.66 656 1073 0.72 716 1109 0.77 766
580D036 (3 TONS) — ALTERNATE MOTOR (BELT DRIVE)* (cont)
Airflow
Cfm
External Static Pressure (in. wg)
0.7 0.8 0.9 1.0 1.1 1.2
Rpm Bhp Watts Rpm Bhp Watts Rpm Bhp Watts Rpm Bhp Watts Rpm Bhp Watts Rpm Bhp Watts
900 957 0.39 388 988 0.43 428 1039 0.47 448 1061 0.51 487 1083 0.54 527 1105 0.58 567
1000 992 0.44 438 1039 0.49 487 1061 0.55 507 1088 0.60 547 1111 0.66 587 1136 0.72 627
1100 1013 0.49 487 1068 0.55 547 1091 0.61 577 1109 0.66 607 1127 0.73 637 1145 0.80 666
1200 1045 0.56 557 1090 0.64 637 1109 0.68 647 1156 0.73 676 1203 0.81 706 1250 0.86 736
1300 1075 0.64 637 1122 0.70 696 1152 0.76 716 1190 0.82 756 1228 0.87 796 1266 0.94 836
1400 1110 0.73 726 1160 0.78 766 1181 0.83 806 1237 0.88 845 1293 0.94 885 1349 0.99 925
1500 1150 0.78 816 1190 0.84 855 1225 0.89 895 1271 0.95 945 1317 1.00 995 1383 1.05 1044
LEGEND
Bhp — Brake Horsepower Input to Fan
FIOP — Factory-Installed Option
Watts — Input Watts to Motor
*Motor drive range is 760 to 1000 rpm. All other rpms require a field-
supplied drive.
NOTES:
1. Boldface indicates field-supplied motor and drive are required.
2. Values include losses for filters, unit casing, and wet coils. See
page 52 for accessory/FIOP static pressure information.
3. Maximum continuous bhp is 1.0 and the maximum continuous watts
are 1000. Extensive motor and electrical testing on these units en-
sures that the full range of the motor can be utilized with confidence.
Using your fan motors up to the wattage ratings shown will not result
in nuisance tripping or premature motor failure. Unit warranty will not
be affected. See Evaporator-Fan Motor Performance table on
page 55 for additional information.
4. Use of a field-supplied motor may affect wire sizing. Contact your
local representative for details.
5. Interpolation is permissible. Do not extrapolate.
31

PERFORMANCE DATA (cont)
FAN PERFORMANCE — 580D036-150 VERTICAL DISCHARGE UNITS (cont)
580D048 (4 TONS) — STANDARD MOTOR (DIRECT DRIVE)
Airflow
(Cfm)
Low Speed High Speed
208 V 230, 460, 575 V 208 V 230, 460, 575 V
Esp Bhp Watts Esp Bhp Watts Esp Bhp Watts Esp Bhp Watts
1200 0.68 0.41 458 0.74 0.45 506 0.74 0.51 572 0.85 0.56 632
1300 0.61 0.42 471 0.67 0.46 521 0.66 0.52 589 0.78 0.58 651
1400 0.53 0.45 503 0.59 0.49 556 0.59 0.54 616 0.70 0.60 681
1500 0.45 0.47 536 0.51 0.52 593 0.52 0.56 631 0.63 0.62 698
1600 0.36 0.49 557 0.42 0.54 616 0.45 0.58 654 0.56 0.64 723
1700 0.26 0.52 584 0.32 0.57 646 0.37 0.60 678 0.48 0.66 750
1800 0.15 0.54 610 0.22 0.60 674 0.30 0.62 698 0.41 0.68 772
1900 0.04 0.56 629 0.11 0.62 696 0.23 0.64 720 0.34 0.70 796
2000 — — — — — — 0.16 0.66 744 0.26 0.73 823
LEGEND
Bhp — Brake Horsepower Input to Fan
Esp — External Static Pressure (in. wg)
FIOP — Factory-Installed Option
NOTES:
1. Values include losses for filters, unit casing, and wet coils. See
page 52 for accessory/FIOP static pressure information.
2. Extensive motor and electrical testing on these units ensures that the
full range of the motor can be utilized with confidence. Using your fan
motors up to the wattage ratings shown will not result in nuisance
tripping or premature motor failure. Unit warranty will not be affected.
See Evaporator-Fan Motor Performance table on page 55 for addi-
tional information.
3. Use of a field-supplied motor may affect wire sizing. Contact your
local representative for details.
580D048 (4 TONS) — ALTERNATE MOTOR (BELT DRIVE)*
Airflow
(Cfm)
External Static Pressure (in. wg)
0.1 0.2 0.3 0.4 0.6 0.7 0.8
Rpm Bhp Watts Rpm Bhp Watts Rpm Bhp Watts Rpm Bhp Watts Rpm Bhp Watts Rpm Bhp Watts Rpm Bhp Watts
1200 596 0.20 210 665 0.25 263 722 0.31 320 779 0.36 378 872 0.48 504 915 0.54 567 957 0.60 630
1300 633 0.24 252 699 0.30 315 754 0.36 378 809 0.42 441 902 0.55 578 943 0.61 641 984 0.67 704
1400 672 0.30 315 735 0.36 378 788 0.42 441 840 0.48 504 933 0.62 651 972 0.69 720 1011 0.75 788
1500 711 0.35 368 770 0.42 441 822 0.49 510 873 0.55 578 963 0.69 725 1002 0.77 804 1041 0.84 858
1600 751 0.42 441 835 0.49 515 871 0.56 588 907 0.63 662 993 0.77 787 1033 0.85 869 1072 0.93 950
1700 791 0.49 515 873 0.57 599 907 0.65 678 941 0.72 757 1024 0.87 889 1064 0.96 976 1103 1.04 1063
1800 831 0.58 609 881 0.66 693 929 0.74 772 976 0.81 851 1057 0.97 991 1095 1.06 1078 1132 1.14 1165
1900 872 0.67 704 919 0.75 788 965 0.84 877 1011 0.92 967 1091 1.08 1104 1127 1.17 1191 1162 1.25 1277
2000 913 0.77 809 958 0.86 904 1002 0.95 993 1046 1.03 1082 1125 1.21 1237 1160 1.30 1323 1195 1.38 1410
580D048 (4 TONS) — ALTERNATE MOTOR (BELT DRIVE)* (cont)
Airflow
(Cfm)
External Static Pressure (in. wg)
0.9 1.0 1.1 1.2 1.4 1.6 1.8
Rpm Bhp Watts Rpm Bhp Watts Rpm Bhp Watts Rpm Bhp Watts Rpm Bhp Watts Rpm Bhp Watts Rpm Bhp Watts
1200 993 0.65 678 1028 0.69 725 1056 0.72 751 1083 0.74 778 1134 0.80 935 1185 0.88 965 1331 0.99 1000
1300 1021 0.74 772 1058 0.80 841 1090 0.85 888 1121 0.89 935 1171 0.94 988 1219 1.00 999 1268 1.10 1029
1400 1049 0.82 837 1086 0.89 885 1120 0.96 950 1153 1.00 976 1210 1.12 1071 1257 1.17 1105 1307 1.25 1190
1500 1077 0.92 922 1113 0.99 985 1147 1.06 1054 1180 1.13 1081 1241 1.27 1215 1295 1.37 1294 1339 1.43 1350
1600 1107 1.00 998 1141 1.09 1084 1174 1.17 1134 1207 1.25 1196 1269 1.40 1339 1326 1.54 1454 1376 1.65 1558
1700 1137 1.12 1128 1171 1.20 1194 1203 1.29 1278 1235 1.37 1310 1296 1.53 1463 1354 1.70 1605 1407 1.84 1738
1800 1167 1.23 1239 1202 1.32 1313 1233 1.41 1398 1263 1.49 1425 1323 1.67 1597 1381 1.85 1747 1436 2.02 1907
1900 1197 1.35 1360 1232 1.45 1442 1263 1.54 1532 1294 1.63 1559 1351 1.81 1731 1408 2.00 1889 1463 2.19 2068
2000 1229 1.48 1491 1262 1.58 1572 1294 1.68 1671 1325 1.78 1702 1362 1.97 1884 1436 2.16 2040 1489 2.36 2229
LEGEND
Bhp — Brake Horsepower Input to Fan
FIOP — Factory-Installed Option
Watts — Input Watts to Motor
*Motor drive range is 835 to 1185 rpm. All other rpms require a field-
supplied drive.
NOTES:
1. Boldface indicates field-supplied motor and drive are required.
2. Values include losses for filters, unit casing, and wet coils. See
page 52 for accessory/FIOP static pressure information.
3. Maximum continuous bhp is 1.0, and the maximum continuous watts
are 1000. Extensive motor and electrical testing on these units en-
sure that the full range of the motor can be utilized with confidence.
Using your fan motors up to the wattage ratings shown will not result
in nuisance tripping or premature motor failure. Unit warranty will not
be affected. See Evaporator-Fan Motor Performance table on
page 55 for additional information.
4. Use of a field-supplied motor may affect wire sizing. Contact your
local representative for details.
5. Interpolation is permissible. Do not extrapolate.
32

PERFORMANCE DATA (cont)
FAN PERFORMANCE — 580D036-150 VERTICAL DISCHARGE UNITS (cont)
580D060 (5 TONS) — STANDARD MOTOR (DIRECT DRIVE)
Airflow
(Cfm)
Low Speed Medium Speed High Speed
208 V 230, 460, 575 V 208 V 230, 460, 575 V 208 V 230, 460, 575 V
Esp Bhp Watts Esp Bhp Watts Esp Bhp Watts Esp Bhp Watts Esp Bhp Watts Esp Bhp Watts
1500 0.69 0.67 750 1.01 0.71 791 1.00 0.70 782 1.20 0.76 845 1.22 0.79 875 1.28 0.85 949
1600 0.49 0.70 780 0.85 0.74 824 0.85 0.74 821 1.06 0.79 883 1.09 0.82 913 1.17 0.89 988
1700 0.29 0.73 810 0.70 0.77 857 0.70 0.77 861 0.93 0.83 921 0.97 0.85 950 1.06 0.92 1027
1800 0.09 0.75 839 0.54 0.80 891 0.55 0.81 900 0.80 0.86 959 0.84 0.89 988 0.95 0.96 1066
1900 — — — 0.39 0.83 924 0.40 0.84 940 0.67 0.90 997 0.72 0.92 1025 0.84 0.99 1105
2000 — — — 0.23 0.86 957 0.25 0.88 979 0.54 0.93 1035 0.59 0.95 1063 0.73 1.03 1144
2100 — — — 0.08 0.89 990 0.10 0.91 1018 0.41 0.96 1073 0.46 0.99 1101 0.62 1.06 1183
2200 — — — — — — — — — 0.28 1.00 1111 0.34 1.02 1138 0.51 1.10 1222
2300 — — — — — — — — — 0.15 1.03 1149 0.21 1.06 1176 0.40 1.13 1261
2400 — — — — — — — — — 0.02 1.07 1187 0.09 1.09 1213 0.29 1.17 1300
2500 — — — — — — — — — — — — — — — 0.18 1.20 1340
LEGEND
Bhp — Brake Horsepower Input to Fan
Esp — External Static Pressure (in. wg)
FIOP — Factory-Installed Option
NOTES:
1. Values include losses for filters, unit casing, and wet coils. See
page 52 for accessory/FIOP static pressure information.
2. Extensive motor and electrical testing on these units ensures that the
full range of the motor can be utilized with confidence. Using your fan
motors up to the wattage ratings shown will not result in nuisance
tripping or premature failure. Unit warranty will not be affected. See
Evaporator-Fan Motor Performance table on page 55 for additional
information.
3. Use of a field-supplied motor may affect wire sizing. Contact your
local representative for details.
580D060 (5 TONS) — ALTERNATE MOTOR (BELT DRIVE)*
Airflow
(Cfm)
External Static Pressure (in. wg)
0.1 0.2 0.4 0.6 0.8 1.0
Rpm Bhp Watts Rpm Bhp Watts Rpm Bhp Watts Rpm Bhp Watts Rpm Bhp Watts Rpm Bhp Watts
1500 750 0.36 368 808 0.42 429 914 0.56 572 1001 0.69 705 1084 0.85 869 1168 1.01 1032
1600 794 0.42 429 846 0.49 501 950 0.64 654 1034 0.78 797 1111 0.94 961 1194 1.11 1134
1700 839 0.50 511 884 0.57 582 983 0.72 736 1068 0.88 899 1145 1.03 1053 1218 1.21 1237
1800 885 0.58 593 924 0.66 674 1018 0.82 838 1105 0.98 1001 1179 1.13 1155 1246 1.32 1349
1900 932 0.68 695 965 0.76 777 1057 0.92 940 1143 1.10 1124 1212 1.26 1288 1280 1.43 1461
2000 979 0.78 797 1008 0.87 889 1096 1.04 1063 1177 1.22 1247 1247 1.40 1431 1300 1.57 1604
2100 1026 0.89 910 1051 0.99 1012 1136 1.17 1196 1210 1.35 1380 1284 1.54 1574 1347 1.72 1758
2200 1074 1.02 1042 1095 1.12 1145 1173 1.30 1328 1245 1.49 1523 1322 1.70 1737 1380 1.89 1931
2300 1122 1.16 1185 1140 1.26 1288 1210 1.47 1502 1284 1.65 1686 1356 1.80 1901 1418 2.07 2115
2400 1170 1.30 1328 1185 1.41 1441 1249 1.61 1645 1323 1.80 1860 1389 2.03 2074 1456 2.26 2310
2500 1218 1.46 1492 1231 1.57 1604 1289 1.78 1819 1363 2.00 2044 1424 2.22 2269 1500 2.45 2504
580D060 (5 TONS) — ALTERNATE MOTOR (BELT DRIVE)* (cont)
Airflow
(Cfm)
External Static Pressure (in. wg)
1.2 1.4 1.6
Rpm Bhp Watts Rpm Bhp Watts Rpm Bhp Watts
1500 1199 1.19 1216 1226 1.46 1492 1250 1.69 1757
1600 1263 1.28 1308 1275 1.49 1523 1299 1.78 1800
1700 1295 1.39 1420 1351 1.58 1615 1352 1.80 1850
1300 1319 1.52 1553 1389 1.71 1747 1435 1.91 1952
1900 1343 1.64 1676 1415 1.80 1891 1478 2.05 2095
2000 1374 1.77 1809 1438 1.99 2034 1505 2.21 2258
2100 1409 1.91 1952 1465 2.14 2167 —— —
2200 1442 2.08 2126 1498 2.30 2350 —— —
2300 1475 2.26 2310 —— — —— —
2400 1565 2.47 2524 —— — —— —
2500 —— — —— — —— —
LEGEND
Bhp — Brake Horsepower Input to Fan
FIOP — Factory-Installed Option
Watts — Input Watts to Motor
*Motor drive range is 900 to 1300 rpm. All other rpms require a field-
supplied drive.
NOTES:
1. Boldface indicates field-supplied motor and drive are required.
2. Values include losses for filters, unit casing, and wet coils. See
page 52 for accessory/FIOP static pressure information.
3. Maximum continuous bhp is 1.80 and the maximum continuous
watts are 1921. Extensive motor and electrical testing on these units
ensures that the full range of the motor can be utilized with confi-
dence. Using your fan motors up to the wattage ratings shown will
not result in nuisance tripping or premature motor failure. Unit war-
ranty will not be affected. See Evaporator-Fan Motor Performance
table on page 55 for additional information.
4. Use of a field-supplied motor may affect wire sizing. Contact your
local representative for details.
5. Interpolation is permissible. Do not extrapolate.
33

PERFORMANCE DATA (cont)
FAN PERFORMANCE — 580D036-150 VERTICAL DISCHARGE UNITS (cont)
580D072 (6 TONS)*
Airflow
(Cfm)
External Static Pressure (in. wg)
0.1 0.2 0.4 0.6 0.8 1.0
Rpm Bhp Watts Rpm Bhp Watts Rpm Bhp Watts Rpm Bhp Watts Rpm Bhp Watts Rpm Bhp Watts
1800 942 0.70 646 978 0.66 700 1063 0.82 771 1147 0.97 891 1248 1.20 1081 1322 1.33 1190
1900 982 0.80 739 1023 0.78 779 1097 0.91 843 1175 1.11 1006 1266 1.29 1156 1356 1.47 1310
2000 1022 0.91 835 1068 0.90 867 1132 1.01 924 1218 1.23 1106 1303 1.41 1258 1397 1.52 1353
2100 1063 0.99 916 1115 1.00 998 1180 1.17 1056 1261 1.35 1207 1340 1.53 1361 1428 1.66 1473
2200 1104 1.13 1039 1159 1.15 1081 1214 1.28 1148 1310 1.52 1353 1375 1.63 1447 1459 1.80 1595
2300 1130 1.26 1156 1202 1.29 1140 1248 1.38 1233 1358 1.69 1499 1410 1.72 1526 1488 1.93 1709
2400 1174 1.37 1258 1237 1.41 1224 1292 1.55 1378 1392 1.81 1604 1460 1.90 1683 1532 2.14 1892
2500 1201 1.48 1361 1272 1.53 1335 1335 1.71 1517 1427 1.94 1718 1518 2.16 1910 1575 2.35 2076
2600 1246 1.62 1491 1320 1.68 1482 1368 1.81 1604 1458 2.06 1823 1562 2.42 2136 1620 2.59 2283
2700 1285 1.75 1613 1361 1.82 1595 1400 1.91 1691 1490 2.19 1936 1602 2.64 2326 1666 2.85 2504
2800 1304 1.87 1726 1402 1.95 1639 1439 2.08 1840 1543 2.43 2145 1642 2.86 2512 —— —
2900 1345 2.07 1910 1446 2.16 1814 1477 2.16 1989 1585 2.65 2335 —— — —— —
3000 1378 2.26 2084 1489 2.36 2032 1529 2.52 2223 1598 2.73 2444 —— — —— —
580D072 (6 TONS)* (cont)
Airflow
(Cfm)
External Static Pressure (in. wg)
1.2 1.4 1.6
Rpm Bhp Watts Rpm Bhp Watts Rpm Bhp Watts
1800 1395 1.46 1301 1475 1.56 1387 1542 1.71 1517
1900 1430 1.58 1404 1504 1.69 1499 1556 1.82 1613
2000 1459 1.67 1482 1532 1.82 1613 1588 1.97 1744
2100 1489 1.80 1595 1567 1.99 1761 1626 2.16 1910
2200 1528 1.95 1726 1603 2.17 1919 1666 2.37 2093
2300 1561 2.13 1884 1637 2.35 2076 1710 2.54 2272
2400 1584 2.28 2015 1671 2.55 2249 1756 2.70 2467
2500 1633 2.53 2232 1698 2.72 2405 —— —
2600 1675 2.77 2436 —— — —— —
2700 —— — —— — —— —
2800 —— — —— — —— —
2900 —— — —— — —— —
3000 —— — —— — —— —
LEGEND
Bhp — Brake Horsepower Input to Fan
FIOP — Factory-Installed Option
Watts — Input Watts to Motor
*Motor drive range is 1070 to 1460 rpm. All other rpms require a field-
supplied drive.
NOTES:
1. Boldface indicates field-supplied motor and drive are required.
2. Values include losses for filters, unit casing, and wet coils. See
page 52 for accessory/FIOP static pressure information.
3. Maximum continuous bhp is 2.40 and the maximum continuous
watts are 2120. Extensive motor and electrical testing on these units
ensures that the full range of the motor can be utilized with confi-
dence. Using your fan motors up to the wattage ratings shown will
not result in nuisance tripping or premature motor failure. Unit war-
ranty will not be affected. See Evaporator-Fan Motor Performance
table on page 55 for additional information.
4. Use of a field-supplied motor may affect wire sizing. Contact your
local representative for details.
5. Interpolation is permissible. Do not extrapolate.
34

PERFORMANCE DATA (cont)
FAN PERFORMANCE — 580D036-150 VERTICAL DISCHARGE UNITS (cont)
580D090 (7
1
⁄
2
TONS)*
Airflow
(Cfm)
External Static Pressure (in. wg)
0.2 0.4 0.6 0.8 1.0
Rpm Bhp Watts Rpm Bhp Watts Rpm Bhp Watts Rpm Bhp Watts Rpm Bhp Watts
2250 514 0.55 562 593 0.76 723 662 0.99 907 724 1.22 1097 781 1.78 1318
2300 521 0.57 577 600 0.79 747 668 1.02 932 730 1.26 1131 786 1.50 1335
2400 536 0.63 623 613 0.85 795 680 1.09 989 741 1.34 1199 796 1.59 1413
2500 551 0.69 669 626 0.93 859 693 1.17 1056 753 1.43 1275 808 1.69 1499
2550 559 0.72 692 634 0.97 891 700 1.21 1089 759 1.48 1318 814 1.74 1543
2600 567 0.75 716 641 1.00 916 706 1.25 1123 764 1.52 1353 819 1.79 1587
2700 582 0.83 779 655 1.08 981 719 1.34 1199 776 1.61 1430 831 1.89 1674
2800 598 0.90 835 670 1.17 1056 732 1.43 1275 789 1.71 1517 842 2.00 1770
2900 614 0.98 899 684 1.25 1123 745 1.53 1361 802 1.81 1604 854 2.11 1866
3000 630 1.07 973 699 1.35 1207 759 1.63 1147 815 1.92 1700 866 2.23 1971
3100 646 1.16 1047 714 1.45 1292 773 1.74 1543 828 2.04 1805 878 2.35 2076
3200 662 1.26 1131 729 1.55 1378 787 1.86 1648 841 2.16 1910 891 2.48 2188
3300 679 1.36 1216 744 1.66 1473 801 1.98 1753 854 2.29 2023 904 2.61 2300
3400 695 1.47 1310 759 1.78 1578 816 2.10 1858 867 2.42 2136 917 2.75 2420
3500 712 1.59 1413 774 1.90 1683 830 2.23 1971 881 2.56 2257 930 2.90 2546
3600 729 1.71 1517 790 2.03 1796 845 2.37 2093 895 2.71 2386 943 3.05 2670
3700 745 1.84 1630 805 2.17 1919 860 2.52 2223 909 2.87 2521 956 3.22 2807
3750 754 1.91 1691 813 2.24 1980 868 2.59 2283 917 2.95 2587 963 3.30 2870
580D090 (7
1
⁄
2
TONS)* (cont)
Airflow
(Cfm)
External Static Pressure (in. wg)
1.2 1.4 1.6
Rpm Bhp Watts Rpm Bhp Watts Rpm Bhp Watts
2250 841 1.81 1604 902 2.25 1989 939 2.60 2292
2300 843 1.83 1621 905 2.28 2015 943 2.62 2309
2400 849 1.88 1665 910 2.31 2041 952 2.74 2411
2500 859 1.96 1735 912 2.31 2050 963 2.81 2470
2550 864 2.01 1779 915 2.34 2067 968 2.81 2479
2600 869 2.06 1823 918 2.37 2093 973 2.81 2487
2700 880 2.17 1919 927 2.47 2180 976 2.84 2495
2800 892 2.29 2023 938 2.58 2275 983 2.92 2562
2900 903 2.42 2136 949 2.71 2386 993 3.03 2653
3000 915 2.54 2240 961 2.85 2504 1003 3.17 2767
3100 926 2.67 2352 972 3.00 2629 1015 3.32 2886
3200 938 2.81 2470 983 3.14 2743 1026 3.47 3002
3300 950 2.95 2587 995 3.30 2870 — — —
3400 963 3.10 2710 1007 3.45 2987 — — —
3500 976 3.25 2831 — — — — — —
3600 988 3.41 2956 — — — — — —
3700 — — — — — — — — —
3750 — — — — — — — — —
LEGEND
Bhp — Brake Horsepower Input to Fan
FIOP — Factory-Installed Option
Watts — Input Watts to Motor
*Standard drive range is 590 to 840 rpm. Alternate drive range is 685 to
935 rpm. All other rpms require a field-supplied drive.
NOTES:
1. Boldface indicates field-supplied motor and drive are required.
2. Values include losses for filters, unit casing, and wet coils. See
page 52 for accessory/FIOP static pressure information.
3. Maximum continuous bhp is 2.40 and the maximum continuous
watts are 2120. Extensive motor and electrical testing on these units
ensures that the full range of the motor can be utilized with confi-
dence. Using your fan motors up to the wattage ratings shown will
not result in nuisance tripping or premature motor failure. Unit war-
ranty will not be affected. See Evaporator-Fan Motor Performance
table on page 55 for additional information.
4. Use of a field-supplied motor may affect wire sizing. Contact your
local representative for details.
5. Interpolation is permissible. Do not extrapolate.
35

PERFORMANCE DATA (cont)
FAN PERFORMANCE — 580D036-150 VERTICAL DISCHARGE UNITS (cont)
580D102 (8
1
⁄
2
TONS)*
Airflow
(Cfm)
External Static Pressure (in. wg)
0.2 0.4 0.6 0.8 1.0
Rpm Bhp Watts Rpm Bhp Watts Rpm Bhp Watts Rpm Bhp Watts Rpm Bhp Watts
2550 559 0.72 692 634 0.97 891 700 1.21 1089 759 1.48 1318 814 1.74 1543
2600 567 0.75 716 641 1.00 916 706 1.25 1123 764 1.52 1353 819 1.79 1587
2700 582 0.83 779 655 1.08 981 719 1.34 1199 776 1.61 1430 831 1.89 1674
2800 598 0.90 835 670 1.17 1056 732 1.43 1275 789 1.71 1517 842 2.00 1770
2900 614 0.98 899 684 1.25 1123 745 1.53 1361 802 1.81 1604 854 2.11 1866
3000 630 1.07 973 690 1.35 1207 759 1.63 1147 815 1.92 1700 866 2.23 1971
3100 646 1.16 1047 714 1.45 1292 773 1.74 1543 828 2.04 1805 878 2.35 2076
3200 662 1.26 1131 729 1.55 1378 787 1.86 1648 841 2.16 1910 891 2.48 2188
3300 679 1.36 1216 744 1.66 1473 801 1.98 1753 854 2.29 2023 904 2.61 2300
3400 695 1.47 1310 759 1.78 1578 816 2.10 1858 867 2.42 2136 917 2.75 2420
3500 712 1.59 1413 774 1.90 1683 830 2.23 1971 881 2.56 2257 930 2.90 2546
3600 729 1.71 1517 790 2.03 1796 845 2.37 2093 895 2.71 2386 943 3.05 2670
3700 745 1.84 1630 805 2.17 1919 860 2.52 2223 909 2.87 2521 956 3.22 2807
3750 754 1.91 1691 813 2.24 1980 868 2.59 2283 917 2.95 2587 963 3.30 2870
3800 762 1.98 1753 821 2.31 2041 875 2.66 2343 924 3.03 2653 970 3.38 2933
3900 779 2.12 1875 836 2.46 2171 890 2.82 2479 938 3.19 2783 —— —
4000 796 2.27 2006 852 2.61 2300 905 2.98 2612 953 3.37 2925 —— —
4100 813 2.42 2136 868 2.78 2445 920 3.15 2751 —— — —— —
4200 830 2.59 2283 884 2.95 2587 935 3.33 2894 —— — —— —
4250 839 2.68 2360 890 3.04 2661 —— — —— — —— —
580D102 (8
1
⁄
2
TONS)* (cont)
Airflow
(Cfm)
External Static Pressure (in. wg)
1.2 1.4 1.6
Rpm Bhp Watts Rpm Bhp Watts Rpm Bhp Watts
2550 864 2.01 1779 915 2.34 2067 968 2.81 2479
2600 869 2.06 1823 918 2.37 2093 973 2.81 2487
2700 880 2.17 1919 927 2.47 2180 976 2.84 2495
2800 892 2.29 2023 938 2.58 2275 983 2.92 2562
2900 903 2.42 2136 949 2.71 2386 993 3.03 2653
3000 915 2.54 2240 961 2.85 2504 1003 3.17 2767
3100 926 2.67 2352 972 3.00 2629 1016 3.32 2886
3200 938 2.81 2470 983 3.14 2743 1026 3.47 3002
3300 950 2.95 2587 995 3.30 2870 —— —
3400 963 3.10 2710 1007 3.45 2987 —— —
3500 976 3.25 2831 —— — —— —
3600 988 3.41 2956 —— — —— —
3700 —— — —— — —— —
3750 —— — —— — —— —
3800 —— — —— — —— —
3900 —— — —— — —— —
4000 —— — —— — —— —
4100 —— — —— — —— —
4200 —— — —— — —— —
4250 —— — —— — —— —
LEGEND
Bhp — Brake Horsepower Input to Fan
FIOP — Factory-Installed Option
Watts — Input Watts to Motor
*Motor drive range is 685 to 935 rpm. All other rpms require a field-
supplied drive.
NOTES:
1. Boldface indicates field-supplied motor and drive are required.
2. Values include losses for filters, unit casing, and wet coils. See
page 52 for accessory/FIOP static pressure information.
3. Maximum continuous bhp is 2.4 and maximum continuous watts are
2120. Extensive motor and electrical testing on these units ensures
that the full range of the motor can be utilized with confidence. Using
your fan motors up to the wattage ratings shown will not result in nui-
sance tripping or premature motor failure. Unit warranty will not be
affected. See Evaporator-Fan Motor Performance table on page 55
for additional information.
4. Use of a field-supplied motor may affect wire sizing. Contact your
local representative for details.
5. Interpolation is permissible. Do not extrapolate.
36

PERFORMANCE DATA (cont)
FAN PERFORMANCE — 580D036-150 VERTICAL DISCHARGE UNITS (cont)
580D120 (10 TONS)*
Airflow
(Cfm)
External Static Pressure (in. wg)
0.2 0.4 0.6 0.8 1.0 1.2
Rpm Bhp Watts Rpm Bhp Watts Rpm Bhp Watts Rpm Bhp Watts Rpm Bhp Watts Rpm Bhp Watts
3000 592 0.76 723 661 0.93 859 722 1.09 989 779 1.26 1131 829 1.42 1267 880 1.58 1404
3100 607 0.83 779 676 1.01 924 734 1.17 1056 791 1.34 1199 840 1.51 1344 890 1.68 1491
3200 622 0.90 835 690 1.09 989 746 1.25 1123 803 1.43 1275 852 1.60 1422 900 1.77 1569
3300 638 0.98 899 705 1.17 1056 759 1.33 1190 815 1.52 1353 864 1.70 1508 910 1.88 1665
3400 653 1.06 965 719 1.26 1131 772 1.43 1275 826 1.62 1439 876 1.81 1604 921 1.98 1753
3500 669 1.15 1039 733 1.35 1207 786 1.53 1361 838 1.72 1526 888 1.91 1691 933 2.10 1858
3600 684 1.24 1114 747 1.44 1284 800 1.64 1456 850 1.82 1613 900 2.03 1796 945 2.22 2014
3700 700 1.33 1190 760 1.54 1370 814 1.75 1552 863 1.92 1700 912 2.14 1892 957 2.34 2117
3800 715 1.43 1275 774 1.64 1456 828 1.86 1648 875 2.04 1805 924 2.26 1997 969 2.47 2230
3900 731 1.54 1370 787 1.74 1543 843 1.98 1753 888 2.16 1910 936 2.38 2151 981 2.60 2344
4000 747 1.64 1456 801 1.85 1639 857 2.10 1858 902 2.30 2032 948 2.51 2265 993 2.74 2469
4100 763 1.76 1560 816 1.97 1744 872 2.23 1971 916 2.44 2203 960 2.64 2380 1005 2.88 2596
4200 778 1.88 1665 831 2.10 1884 886 2.36 2084 929 2.58 2326 972 2.78 2505 1016 3.03 2735
4300 794 2.00 1770 846 2.23 1971 900 2.50 2256 943 2.73 2460 985 2.93 2642 1028 3.17 2866
4400 810 2.13 1884 861 2.37 2093 913 2.64 2380 958 2.89 2605 999 3.09 2791 1040 3.32 3010
4500 826 2.27 2006 876 2.52 2273 927 2.78 2505 973 3.04 2744 1012 3.26 2952 —— —
4600 842 2.41 2177 892 2.67 2406 940 2.92 2633 987 3.21 2904 —— — —— —
4700 858 2.55 2300 907 2.83 2551 954 3.08 2782 1002 3.38 3068 —— — —— —
4800 874 2.70 2433 922 2.99 2698 968 3.24 2933 —— — —— — —— —
4900 890 2.86 2578 938 3.16 2857 ————————————
5000 906 3.03 2735 953 3.33 3020 ————————————
580D120 (10 TONS)* (cont)
Airflow
(Cfm)
External Static Pressure (in. wg)
1.4 1.6 1.8 2.0
Rpm Bhp Watts Rpm Bhp Watts Rpm Bhp Watts Rpm Bhp Watts
3000 924 1.73 1534 970 1.89 1736 1019 2.00 1828 1066 2.30 2082
3100 935 1.84 1695 977 2.00 1828 1026 2.17 1971 1070 2.44 2203
3200 946 1.95 1786 987 2.11 1920 1029 2.28 2065 1075 2.51 2265
3300 957 2.06 1878 998 2.23 2022 1037 2.40 2169 1082 2.58 2326
3400 967 2.17 1971 1009 2.35 2125 1047 2.53 2282 1087 2.70 2433
3500 976 2.29 2074 1020 2.48 2238 1058 2.66 2397 1095 2.84 2560
3600 986 2.41 2177 1030 2.61 2353 1069 2.80 2523 1106 2.98 2688
3700 998 2.54 2291 1039 2.74 2469 1081 2.94 2651 1117 3.13 2829
3800 1010 2.67 2406 1049 2.87 2587 1091 3.08 2782 1128 3.29 2981
3900 1022 2.81 2533 1060 3.02 2726 1100 3.23 2923 —— —
4000 1034 2.96 2670 1072 3.17 2866 1110 3.38 3068 —— —
4100 1046 3.11 2810 1084 3.32 3010 —— — —— —
4200 1058 3.26 2952 —— — —— — —— —
4300 —— — —— — —— — —— —
4400 —— — —— — —— — —— —
4500 —— — —— — —— — —— —
4600 —— — —— — —— — —— —
4700 —— — —— — —— — —— —
4800 —— — —— — —— — —— —
4900 —— — —— — —— — —— —
5000 —— — —— — —— — —— —
LEGEND
Bhp — Brake Horsepower Input to Fan
FIOP — Factory-Installed Option
Watts — Input Watts to Motor
*Standard motor drive range is 685 to 935 rpm. Alternate motor drive
range is 835 to 1085 rpm. All other rpms require a field-supplied drive.
NOTES:
1. Boldface indicates field-supplied motor and drive are required.
2. Values include losses for filters, unit casing, and wet coils. See
page 52 for accessory/FIOP static pressure information.
3. Maximum continuous bhp is 2.4 for the standard motor and 2.9 for
the alternate motor. Maximum continuous watts are 2120 for the
standard motor and 2615 for the alternate motor. Extensive motor
and electrical testing on these units ensures that the full range of the
motor can be utilized with confidence. Using your fan motors up to
the wattage ratings shown will not result in nuisance tripping or pre-
mature motor failure. Unit warranty will not be affected. See
Evaporator-Fan Motor Performance table on page 55 for additional
information.
4. Use of a field-supplied motor may affect wire sizing. Contact your
local representative for details.
5. Interpolation is permissible. Do not extrapolate.
37

PERFORMANCE DATA (cont)
FAN PERFORMANCE — 580D036-150 VERTICAL DISCHARGE UNITS (cont)
580D150 (12
1
⁄
2
TONS)*
Airflow
(Cfm)
External Static Pressure (in. wg)
0.2 0.4 0.6 0.8 1.0 1.2
Rpm Bhp Watts Rpm Bhp Watts Rpm Bhp Watts Rpm Bhp Watts Rpm Bhp Watts Rpm Bhp Watts
3750 737 1.41 1300 798 1.64 1486 854 1.84 1658 909 2.12 1893 961 2.35 2097 1014 2.61 2325
3800 745 1.46 1340 805 1.69 1531 861 1.89 1700 915 2.17 1940 967 2.41 2149 1019 2.67 2378
3900 761 1.56 1423 820 1.80 1624 875 2.01 1802 928 2.29 2044 979 2.55 2272 1029 2.80 2494
4000 777 1.67 1514 836 1.92 1725 889 2.14 1914 941 2.40 2140 991 2.68 2387 1040 2.94 2620
4100 793 1.79 1615 851 2.05 1836 904 2.27 2027 955 2.52 2246 1004 2.82 2512 1052 3.08 2746
4200 810 1.91 1717 867 2.18 1948 918 2.41 2149 968 2.65 2361 1017 2.96 2638 1064 3.23 2882
4300 826 2.04 1828 883 2.32 2070 933 2.55 2272 982 2.79 2485 1030 3.11 2773 1076 3.40 3037
4400 842 2.17 1940 898 2.46 2193 948 2.70 2405 996 2.93 2611 1043 3.25 2901 1088 3.56 3184
4500 859 2.31 2061 914 2.60 2316 962 2.85 2539 1010 3.09 2755 1056 3.40 3037 1101 3.73 3341
4600 876 2.45 2184 930 2.76 2459 977 3.01 2683 1024 3.26 2910 1070 3.55 3175 1114 3.90 3498
4700 892 2.60 2316 945 2.91 2593 992 3.18 2837 1039 3.43 3065 1083 3.71 3322 1126 4.07 3655
4800 909 2.77 2468 961 3.07 2737 1008 3.36 3001 1053 3.61 3230 1097 3.88 3479 1140 4.25 3822
4900 926 2.93 2611 977 3.24 2891 1024 3.54 3166 1068 3.80 3405 1111 4.06 3646 1153 4.41 3971
5000 942 3.11 2773 993 3.41 3047 1039 3.73 3341 1080 3.99 3581 1125 4.25 3822 1166 4.59 4139
5100 959 3.29 2937 1009 3.60 3221 1055 3.92 3516 1097 4.19 3767 1139 4.46 4018 1180 4.78 4316
5200 976 3.47 3101 1025 3.78 3387 1071 4.12 3702 1112 4.40 3962 1153 4.67 4214 1194 4.98 4503
5300 993 3.67 3285 1041 3.98 3572 1086 4.33 3897 1127 4.61 4158 1168 4.90 4428 1208 5.19 4698
5400 1010 3.87 3470 1057 4.18 3757 1102 4.54 4093 1142 4.84 4372 1182 5.13 4642 —— —
5500 1027 4.07 3655 1073 4.39 3953 1118 4.76 4298 1157 5.07 4586 —— — —— —
5600 1043 4.29 3860 1090 4.61 4158 1133 4.99 4512 —— — —— — —— —
5700 1060 4.51 4065 1106 4.83 4363 1149 5.22 4726 —— — —— — —— —
5800 1077 4.74 4279 1122 5.07 4586 —— — —— — —— — —— —
5900 1094 4.98 4503 —— — —— — —— — —— — —— —
6000 1111 5.22 4726 —— — —— — —— — —— — —— —
6100 —— — —— — —— — —— — —— — —— —
6250 —— — —— — —— — —— — —— — —— —
580D150 (12
1
⁄
2
TONS)* (cont)
Airflow
(Cfm)
External Static Pressure (in. wg)
1.4 1.6 1.8 2.0
Rpm Bhp Watts Rpm Bhp Watts Rpm Bhp Watts Rpm Bhp Watts
3750 1065 2.87 2557 1113 3.12 2783 1158 3.36 2997 1197 3.56 3180
3800 1070 2.94 2620 1118 3.19 2846 1163 3.44 3074 1203 3.65 3267
3900 1079 3.07 2737 1128 3.34 2983 1173 3.60 3221 1214 3.83 3433
4000 1089 3.22 2873 1137 3.49 3120 1183 3.76 3368 1225 4.00 3590
4100 1100 3.36 3001 1147 3.65 3267 1193 3,93 3525 1236 4.19 3767
4200 1110 3.51 3138 1157 3.81 3414 1202 4.09 3674 1245 4.38 3943
4300 1121 3.67 3285 1167 3.97 3562 1212 4.27 3841 1255 4.56 4111
4400 1133 3.84 3442 1178 4.14 3720 1222 4.44 3999 1265 4.74 4279
4500 1144 4.00 3590 1188 4.31 3878 1232 4.62 4167 1274 4.93 4456
4600 1157 4.19 3767 1199 4.49 4046 1242 4.81 4344 1284 5.13 4642
4700 1169 4.38 3943 1210 4.68 4223 1252 5.00 4521 —— —
4800 1181 4.58 4130 1222 4.87 4400 1263 5.20 4707 —— —
4900 1194 4.77 4307 1234 5.09 4605 —— — —— —
5000 1207 4.97 4493 —— — —— — —— —
5100 1220 5.18 4689 —— — —— — —— —
5200 —— — —— — —— — —— —
5300 —— — —— — —— — —— —
5400 —— — —— — —— — —— —
5500 —— — —— — —— — —— —
5600 —— — —— — —— — —— —
5700 —— — —— — —— — —— —
5800 —— — —— — —— — —— —
5900 —— — —— — —— — —— —
6000 —— — —— — —— — —— —
6100 —— — —— — —— — —— —
6250 —— — —— — —— — —— —
LEGEND
Bhp — Brake Horsepower Input to Fan
FIOP — Factory-Installed Option
Watts — Input Watts to Motor
*Standard motor drive range is 860 to 1080 rpm. Alternate motor drive
range is 900 to 1260 rpm. All other rpms require a field-supplied drive.
NOTES:
1. Boldface indicates field-supplied motor and drive are required.
2. Values include losses for filters, unit casing, and wet coils. See
page 52 for accessory/FIOP static pressure information.
3. Maximum continuous bhp is 4.20 for the standard motor and 5.25 for
the alternate motor. Maximum continuous watts are 3775 for the
standard motor and 4400 for the alternate motor. Extensive motor
and electrical testing on these units ensures that the full range of the
motor can be utilized with confidence. Using your fan motors up to
the wattage ratings shown will not result in nuisance tripping or pre-
mature motor failure. Unit warranty will not be affected. See
Evaporator-Fan Motor Performance table on page 55 for additional
information.
4. Use of a field-supplied motor may affect wire sizing. Contact your
local representative for details.
5. Interpolation is permissible. Do not extrapolate.
38

PERFORMANCE DATA (cont)
FAN PERFORMANCE — 580D036-150 HORIZONTAL DISCHARGE UNITS
580D036 (3 TONS) — STANDARD MOTOR (DIRECT DRIVE)
Airflow
(Cfm)
Low Speed High Speed
208 v 230, 460, 575 v 208 v 230, 460, 575 v
Esp Bhp Watts Esp Bhp Watts Esp Bhp Watts Esp Bhp Watts
900 0.54 0.21 253 0.57 0.23 277 0.55 0.26 307 0.60 0.31 363
1000 0.49 0.23 270 0.51 0.25 292 0.52 0.27 321 0.53 0.32 374
1100 0.43 0.24 287 0.45 0.26 307 0.46 0.28 335 0.49 0.33 385
1200 0.39 0.26 304 0.40 0.27 323 0.38 0.29 349 0.43 0.34 397
1300 0.33 0.27 321 0.35 0.29 338 0.35 0.31 364 0.36 0.34 408
1400 0.26 0.29 338 0.28 0.30 354 0.29 0.32 378 — — —
1500 0.21 0.30 355 0.23 0.31 369 0.24 0.33 392 — — —
LEGEND
Bhp — Brake Horsepower Input to Fan
Esp — External Static Pressure (in. wg)
FIOP — Factory-Installed Option
NOTES:
1. Values include losses for filters, unit casing, and wet coils. See
page 52 for accessory/FIOP static pressure information.
2. Extensive motor and electrical testing on these units ensures that the
full range of the motor can be utilized with confidence. Using your fan
motors up to the wattage ratings shown will not result in nuisance
tripping or premature motor failure. Unit warranty will not be affected.
See Evaporator-Fan Motor Performance table on page 55 for addi-
tional information.
3. Use of a field-supplied motor may affect wire sizing. Contact your
local representative for details.
580D036 (3 TONS) — ALTERNATE MOTOR (BELT DRIVE)*
Airflow
(Cfm)
External Static Pressure (in. wg)
0.1 0.2 0.3 0.4 0.5 0.6
Rpm Bhp Watts Rpm Bhp Watts Rpm Bhp Watts Rpm Bhp Watts Rpm Bhp Watts Rpm Bhp Watts
900 526 0.06 70 584 0.08 99 656 0.12 139 734 0.22 219 818 0.25 269 875 0.27 269
1000 570 0.09 109 627 0.13 149 738 0.19 189 800 0.26 259 848 0.29 288 895 0.31 308
1100 614 0.13 149 670 0.16 189 758 0.23 229 812 0.29 288 863 0.32 308 914 0.35 348
1200 658 0.16 189 710 0.23 229 780 0.28 279 840 0.32 318 889 0.36 358 938 0.40 398
1300 703 0.20 239 752 0.27 269 808 0.32 318 868 0.37 368 916 0.41 408 963 0.45 448
1400 725 0.29 288 776 0.31 308 845 0.38 378 891 0.42 418 937 0.47 467 983 0.51 507
1500 755 0.33 328 816 0.38 378 870 0.43 428 924 0.48 477 969 0.53 527 1014 0.58 577
580D036 (3 TONS) — ALTERNATE MOTOR (BELT DRIVE)* (cont)
Airflow
(Cfm)
External Static Pressure (in. wg)
0.7 0.8 0.9 1.0 1.1 1.2
Rpm Bhp Watts Rpm Bhp Watts Rpm Bhp Watts Rpm Bhp Watts Rpm Bhp Watts Rpm Bhp Watts
900 924 0.32 308 953 0.35 348 989 0.38 388 1028 0.42 438 1074 0.45 487 1120 0.50 537
1000 936 0.35 348 977 0.39 388 1020 0.44 438 1064 0.48 477 1124 0.52 537 1185 0.55 597
1100 960 0.39 388 1005 0.43 428 1052 0.49 487 1100 0.52 527 1163 0.56 587 1225 0.60 647
1200 988 0.45 448 1038 0.50 497 1076 0.53 527 1136 0.59 577 1201 0.61 647 1266 0.64 716
1300 1012 0.51 507 1061 0.56 557 1094 0.61 607 1172 0.65 647 1239 0.69 716 1306 0.72 786
1400 1027 0.56 557 1071 0.60 597 1108 0.67 666 1208 0.70 706 1278 0.75 786 1347 0.79 865
1500 1056 0.63 627 1097 0.68 676 1117 0.70 696 1245 0.74 776 1315 0.80 865 1385 0.85 955
LEGEND
Bhp — Brake Horsepower Input to Fan
FIOP — Factory-Installed Option
Watts — Input Watts to Motor
*Motor drive range is 760 to 1000 rpm. All other rpms require a field-
supplied drive.
NOTES:
1. Values include losses for filters, unit casing, and wet coils. See
page 52 for accessory/FIOP static pressure information.
2. Maximum continuous bhp is 1.00 and maximum continuous watts
are 1000. Extensive motor and electrical testing on these units
ensures that the full range of the motor can be utilized with confi-
dence. Using your fan motors up to the wattage ratings shown will
not result in nuisance tripping or premature motor failure. Unit war-
ranty will not be affected. See Evaporator-Fan Motor Performance
table on page 55 for additional information.
3. Use of a field-supplied motor may affect wire sizing. Contact your
local representative for details.
4. Interpolation is permissible. Do not extrapolate.
39

PERFORMANCE DATA (cont)
FAN PERFORMANCE — 580D036-150 HORIZONTAL DISCHARGE UNITS (cont)
580D048 (4 TONS) — STANDARD MOTOR (DIRECT DRIVE)
Airflow
(Cfm)
Low Speed High Speed
208 v 230, 460, 575 v 208 v 230, 460, 575 v
Esp Bhp Watts Esp Bhp Watts Esp Bhp Watts Esp Bhp Watts
1200 0.75 0.41 458 0.81 0.45 506 0.87 0.51 572 0.92 0.56 632
1300 0.68 0.42 471 0.74 0.46 521 0.79 0.52 589 0.85 0.58 651
1400 0.60 0.45 503 0.66 0.49 556 0.71 0.54 616 0.77 0.60 681
1500 0.51 0.47 536 0.58 0.52 593 0.64 0.56 631 0.70 0.62 698
1600 0.42 0.49 557 0.49 0.54 616 0.56 0.58 654 0.63 0.64 723
1700 0.32 0.52 584 0.39 0.57 646 0.48 0.60 678 0.55 0.66 750
1800 0.21 0.54 610 0.29 0.60 674 0.41 0.62 698 0.48 0.68 772
1900 0.09 0.56 629 0.18 0.62 696 0.33 0.64 720 0.41 0.70 796
2000 — — — 0.06 0.65 731 0.26 0.66 744 0.33 0.73 823
LEGEND
Bhp — Brake Horsepower Input to Fan
Esp — External Static Pressure (in. wg)
FIOP — Factory-Installed Option
NOTES:
1. Values include losses for filters, unit casing, and wet coils. See
page 52 for accessory/FIOP static pressure information.
2. Extensive motor and electrical testing on these units ensures that the
full range of the motor can be utilized with confidence. Using your fan
motors up to the wattage ratings shown will not result in nuisance
tripping or premature motor failure. Unit warranty will not be affected.
See Evaporator-Fan Motor Performance table on page 55 for addi-
tional information.
3. Use of a field-supplied motor may affect wire sizing. Contact your
local representative for details.
580D048 (4 TONS) — ALTERNATE MOTOR (BELT DRIVE)*
Airflow
(Cfm)
External Static Pressure (in. wg)
0.1 0.2 0.3 0.4 0.6 0.7 0.8
Rpm Bhp Watts Rpm Bhp Watts Rpm Bhp Watts Rpm Bhp Watts Rpm Bhp Watts Rpm Bhp Watts Rpm Bhp Watts
1200 569 0.18 189 641 0.23 242 701 0.29 299 761 0.34 357 859 0.46 483 901 0.52 546 943 0.58 609
1300 604 0.22 231 673 0.28 294 731 0.34 352 788 0.39 410 887 0.52 546 928 0.59 615 968 0.65 683
1400 640 0.27 284 705 0.33 347 761 0.39 410 817 0.45 473 914 0.59 620 955 0.66 688 996 0.72 757
1500 676 0.32 336 738 0.38 399 793 0.45 468 847 0.51 536 940 0.65 683 982 0.73 767 1024 0.81 851
1600 713 0.38 399 772 0.44 462 825 0.51 536 877 0.58 609 967 0.73 767 1009 0.81 851 1051 0.89 935
1700 750 0.45 473 806 0.51 536 857 0.59 615 908 0.66 693 997 0.81 851 1037 0.90 940 1077 1.01 1030
1800 788 0.52 546 841 0.59 620 890 0.67 704 939 0.75 788 1026 0.91 956 1065 1.01 1040 1104 1.07 1124
1900 826 0.60 630 876 0.68 714 924 0.76 799 971 0.84 883 1056 1.01 1061 1094 1.10 1151 1132 1.18 1240
2000 864 0.70 735 912 0.77 809 958 0.86 898 1004 0.94 988 1087 1.12 1177 1125 1.21 1271 1162 1.30 1366
580D048 (4 TONS) — ALTERNATE MOTOR (BELT DRIVE)* (cont)
Airflow
(Cfm)
External Static Pressure (in. wg)
0.9 1.0 1.1 1.2 1.4 1.6 1.8
Rpm Bhp Watts Rpm Bhp Watts Rpm Bhp Watts Rpm Bhp Watts Rpm Bhp Watts Rpm Bhp Watts Rpm Bhp Watts
1200 987 0.64 652 1030 0.70 695 1068 0.79 792 1106 0.87 889 1134 0.98 998 1189 1.12 1138 1245 1.21 1358
1300 1006 0.71 709 1044 0.77 736 1086 0.84 833 1128 0.91 930 1183 1.10 1052 1226 1.23 1215 1297 1.35 1406
1400 1033 0.79 797 1069 0.86 838 1104 0.93 925 1139 1.01 1012 1218 1.14 1090 1286 1.34 1282 1320 1.48 1463
1500 1060 0.88 891 1095 0.95 930 1129 1.02 1022 1162 1.09 1114 1228 1.24 1186 1303 1.40 1339 1343 1.60 1530
1600 1087 1.01 1001 1123 1.05 1073 1156 1.13 1150 1185 1.20 1226 1250 1.35 1291 1319 1.51 1444 1382 1.68 1607
1700 1114 1.07 1108 1151 1.15 1185 1183 1.23 1262 1215 1.31 1339 1276 1.48 1415 1334 1.64 1569 1398 1.80 1722
1800 1141 1.17 1221 1178 1.26 1318 1211 1.35 1390 1243 1.43 1461 1303 1.61 1540 1359 1.78 1702 1418 1.95 1865
1900 1168 1.28 1371 1204 1.37 1502 1238 1.47 1548 1271 1.56 1594 1330 1.74 1664 1386 1.93 1846 1439 2.11 2018
2000 1197 1.39 1485 1231 1.48 1604 1265 1.59 1666 1298 1.69 1727 1358 1.89 1808 1413 2.08 1989 1466 2.27 2171
LEGEND
Bhp — Brake Horsepower Input to Fan
FIOP — Factory-Installed Option
Watts — Input Watts to Motor
*Motor drive range is 835 to 1185 rpm. All other rpms require a field-
supplied drive.
NOTES:
1. Boldface indicates field-supplied motor and drive are required.
2. Values include losses for filters, unit casing, and wet coils. See
page 52 for accessory/FIOP static pressure information.
3. Maximum continuous bhp is 1.00 and the maximum continuous
watts are 1000. Extensive motor and electrical testing on these units
ensures that the full range of the motor can be utilized with confi-
dence. Using your fan motors up to the wattage ratings shown will
not result in nuisance tripping or premature motor failure. Unit war-
ranty will not be affected. See Evaporator-Fan Motor Performance
table on page 55 for additional information.
4. Use of a field-supplied motor may affect wire sizing. Contact your
local representative for details.
5. Interpolation is permissible. Do not extrapolate.
40

PERFORMANCE DATA (cont)
FAN PERFORMANCE — 580D036-150 HORIZONTAL DISCHARGE UNITS (cont)
580D060 (5 TONS) — STANDARD MOTOR (DIRECT DRIVE)
Airflow
(Cfm)
Low Speed Medium Speed High Speed
208 V 230, 460, 575 V 208 V 230,460, 575 V 208 V 230, 460, 575 V
Esp Bhp Watts Esp Bhp Watts Esp Bhp Watts Esp Bhp Watts Esp Bhp Watts Esp Bhp Watts
1500 0.74 0.67 750 1.06 0.71 791 1.07 0.70 782 1.27 0.76 845 1.26 0.79 875 1.33 0.85 949
1600 0.54 0.70 780 0.90 0.74 824 0.92 0.74 821 1.13 0.79 883 1.14 0.82 913 1.22 0.89 988
1700 0.34 0.73 810 0.75 0.77 857 0.77 0.77 861 1.00 0.83 921 1.01 0.85 950 1.11 0.92 1027
1800 0.14 0.75 839 0.59 0.80 891 0.62 0.81 900 0.87 0.86 959 0.89 0.88 988 1.00 0.96 1066
1900 — — — 0.44 0.83 924 0.47 0.84 940 0.74 0.90 997 0.77 0.92 1025 0.89 0.99 1105
2000 — — — 0.28 0.86 957 0.32 0.88 979 0.61 0.93 1035 0.64 0.95 1063 0.78 1.03 1144
2100 — — — 0.13 0.89 990 0.17 0.91 1018 0.48 0.96 1073 0.51 0.99 1101 0.67 1.06 1183
2200 — — — — — — 0.02 0.95 1058 0.35 1.00 1111 0.39 1.02 1138 0.56 1.10 1222
2300 — — — — — — — — — 0.22 1.03 1149 0.26 1.06 1176 0.45 1.13 1261
2400 — — — — — — — — — 0.09 1.07 1187 0.14 1.09 1213 0.34 1.17 1300
2500 — — — — — — — — — — — — — — — 0.23 1.20 1340
LEGEND
Bhp — Brake Horsepower Input to Fan
Esp — External Static Pressure (in. wg)
FIOP — Factory-Installed Option
NOTES:
1. Values include losses for filters, unit casing, and wet coils. See
page 52 for accessory/FIOP static pressure information.
2. Extensive motor and electrical testing on these units ensures that the
full range of the motor can be utilized with confidence. Using your fan
motors up to the wattage ratings shown will not result in nuisance
tripping or premature motor failure. Unit warranty will not be affected.
See Evaporator-Fan Motor Performance table on page 55 for addi-
tional information.
3. Use of a field-supplied motor may affect wire sizing. Contact your
local representative for details.
580D060 (5 TONS) — ALTERNATE MOTOR (BELT DRIVE)
Airflow
(Cfm)
External Static Pressure (in. wg)
0.1 0.2 0.4 0.6 0.8 1.0
Rpm Bhp Watts Rpm Bhp Watts Rpm Bhp Watts Rpm Bhp Watts Rpm Bhp Watts Rpm Bhp Watts
1500 730 0.34 357 789 0.40 420 896 0.53 557 990 0.67 704 1072 0.83 872 1153 1.00 1051
1600 770 0.40 420 826 0.46 483 931 0.61 641 1020 0.75 788 1101 0.91 956 1178 1.09 1145
1700 811 0.47 494 865 0.54 567 966 0.69 725 1051 0.84 883 1133 1.01 1061 1205 1.18 1240
1800 852 0.55 578 905 0.62 651 1002 0.78 820 1084 0.93 977 1163 1.10 1156 1235 1.29 1355
1900 894 0.54 567 945 0.72 757 1037 0.88 925 1119 1.04 1093 1194 1.21 1271 1266 1.40 1471
2000 936 0.74 778 984 0.82 862 1072 0.98 1030 1154 1.16 1219 1226 1.33 1397 1297 1.53 1608
2100 978 0.85 893 1024 0.93 977 1108 1.10 1156 1192 1.29 1355 1259 1.47 1545 1327 1.66 1744
2200 1021 0.97 1019 1064 1.05 1103 1145 1.22 1282 1225 1.43 1503 1294 1.62 1702 1359 1.80 1902
2300 1064 1.10 1156 1104 1.18 1240 1183 1.36 1429 1260 1.57 1650 1330 1.78 1870 1392 1.97 2070
2400 1107 1.24 1303 1145 1.32 1387 1222 1.45 1524 1296 1.73 1818 1365 1.94 2038 1426 2.15 2259
2500 1150 1.39 1460 1186 1.48 1555 1262 1.68 1765 1331 1.89 1986 1400 2.12 2227 1461 2.34 2459
580D060 (5 TONS) — ALTERNATE MOTOR (BELT DRIVE) (cont)
Airflow
(Cfm)
External Static Pressure (in. wg)
1.2 1.4 1.6 1.8
Rpm Bhp Watts Rpm Bhp Watts Rpm Bhp Watts Rpm Bhp Watts
1500 1221 1.17 1229 1256 1.30 1366 1283 1.32 1387 1303 1.22 1282
1600 1252 1.27 1334 1311 1.45 1524 1340 1.58 1660 1330 1.61 1692
1700 1278 1.37 1439 1345 1.57 1650 1397 1.76 1849 1424 1.89 1986
1800 1303 1.48 1555 1371 1.69 1776 1433 1.90 1996 1480 2.09 2196
1900 1330 1.59 1671 1396 1.80 1902 1460 2.03 2133 1517 2.25 2364
2000 1362 1.73 1818 1422 1.94 2038 1485 2.16 2270 1544 2.40 2522
2100 1393 1.87 1965 1452 2.08 2185 1510 2.31 2427 1570 2.55 2674
2200 1423 2.02 2122 1483 2.24 2354 1538 2.46 2585 1594 2.71 2821
2300 1454 2.18 2291 1515 2.41 2532 1571 2.64 2758 1623 2.88 2976
2400 1485 2.36 2480 1544 2.59 2721 1604 2.84 2947 1657 3.07 3152
2500 1518 2.55 2679 1574 2.78 2905 1633 3.03 3134 1692 3.28 3345
LEGEND
Bhp — Brake Horsepower Input to Fan
FIOP — Factory-Installed Option
Watts — Input Watts to Motor
*Motor drive range is 900 to 1300 rpm. All other rpms require a field-
supplied drive.
NOTES:
1. Boldface indicates field-supplied motor and drive are required.
2. Values include losses for filters, unit casing, and wet coils. See
page 52 for accessory/FIOP static pressure information.
3. Maximum continuous bhp is 1.80 and maximum continuous watts
are 1921. Extensive motor and electrical testing on these units en-
sures that the full range of the motor can be utilized with confidence.
Using your fan motors up to the wattage ratings shown will not result
in nuisance tripping or premature motor failure. Unit warranty will
not be affected. See Evaporator-Fan Motor Performance table on
page 55 for additional information.
4. Use of a field-supplied motor may affect wire sizing. Contact your
local representative for details.
5. Interpolation is permissible. Do not extrapolate.
41

PERFORMANCE DATA (cont)
FAN PERFORMANCE — 580D036-150 HORIZONTAL DISCHARGE UNITS (cont)
580D072 (6 TONS)*
Airflow
(Cfm)
External Static Pressure (in. wg)
0.1 0.2 0.4 0.6 0.8 1.0
Rpm Bhp Watts Rpm Bhp Watts Rpm Bhp Watts Rpm Bhp Watts Rpm Bhp Watts Rpm Bhp Watts
1800 885 0.63 623 942 0.73 700 1047 0.90 835 1139 1.05 956 1193 1.14 1031 1276 1.30 1165
1900 928 0.73 700 982 0.83 779 1084 1.02 932 1160 1.11 1006 1223 1.24 1114 1301 1.38 1233
2000 971 0.84 787 1022 0.94 867 1121 1.12 1014 1188 1.22 1097 1254 1.36 1216 1329 1.44 1284
2100 1015 0.97 891 1063 1.10 998 1140 1.18 1064 1196 1.27 1140 1272 1.45 1292 1354 1.58 1404
2200 1060 1.10 998 1104 1.20 1081 1159 1.23 1106 1229 1.41 1258 1306 1.53 1361 1363 1.70 1508
2300 1104 1.25 1123 1130 1.27 1140 1196 1.37 1224 1264 1.56 1387 1340 1.66 1473 1397 1.86 1648
2400 1138 1.30 1165 1174 1.37 1224 1245 1.57 1396 1305 1.63 1447 1373 1.84 1630 1440 1.95 1726
2500 1183 1.43 1275 1201 1.50 1335 1284 1.65 1465 1338 1.75 1552 1402 1.99 1761 1469 2.04 1805
2600 1210 1.58 1404 1246 1.67 1482 1312 1.76 1560 1366 1.96 1735 1435 2.10 1858 1494 2.19 1936
2700 1254 1.76 1560 1285 1.80 1595 1354 1.95 1726 1403 2.14 1892 1474 2.21 1954 1536 2.46 2171
2800 1274 1.82 1613 1304 1.85 1639 1374 2.12 1875 1459 2.25 1989 1514 2.42 2136 1570 2.66 2343
2900 1318 1.95 1726 1345 2.05 1814 1412 2.32 2050 1496 2.54 2240 1529 2.61 2300 1603 2.87 2521
3000 1362 2.20 1945 1378 2.30 2032 1451 2.40 2119 1534 2.66 2343 1560 2.81 2470 1611 3.01 2648
580D072 (6 TONS)* (cont)
Airflow
(Cfm)
External Static Pressure (in. wg)
1.2 1.4 1.6
Rpm Bhp Watts Rpm Bhp Watts Rpm Bhp Watts
1800 1341 1.40 1250 1413 1.55 1378 1474 1.58 1404
1900 1374 1.53 1361 1437 1.62 1439 1490 1.67 1482
2000 1396 1.66 1473 1460 1.68 1491 1509 1.77 1569
2100 1413 1.75 1552 1475 1.73 1534 1529 1.92 1700
2200 1434 1.81 1604 1487 1.85 1639 1554 2.07 1831
2300 1459 1.88 1665 1520 2.07 1831 1576 2.24 1980
2400 1502 2.06 1823 1552 2.24 1980 1604 2.42 2136
2500 1524 2.24 1980 1585 2.42 2136 1638 2.60 2292
2600 1552 2.40 2119 1616 2.63 2317 1671 2.80 2462
2700 1584 2.61 2300 1646 2.83 2487 1706 2.97 2653
2800 1624 2.85 2504 1677 2.99 2661 —— —
2900 1671 3.03 2725 —— — —— —
3000 —— — —— — —— —
LEGEND
Bhp — Brake Horsepower Input to Fan
FIOP — Factory-Installed Option
Watts — Input Watts to Motor
*Motor drive range is 1070 to 1460 rpm. All other rpms require a field-
supplied drive.
NOTES:
1. Boldface indicates field-supplied motor and drive are required.
2. Values include losses for filters, unit casing, and wet coils. See
page 52 for accessory/FIOP static pressure information.
3. Maximum continuous bhp is 2.4 and maximum continuous watts are
2120. Extensive motor and electrical testing on these units ensures
that the full range of the motor can be utilized with confidence. Using
your fan motors up to the wattage ratings shown will not result in nui-
sance tripping or premature motor failure. Unit warranty will not be
affected. See Evaporator-Fan Motor Performance table on page 55
for additional information.
4. Use of a field-supplied motor may affect wire sizing. Contact your
local representative for details.
5. Interpolation is permissible. Do not extrapolate.
42

PERFORMANCE DATA (cont)
FAN PERFORMANCE — 580D036-150 HORIZONTAL DISCHARGE UNITS (cont)
580D090 (7
1
⁄
2
TONS)*
Airflow
(Cfm)
External Static Pressure (in. wg)
0.2 0.4 0.6 0.8 0.9 1.0
Rpm Bhp Watts Rpm Bhp Watts Rpm Bhp Watts Rpm Bhp Watts Rpm Bhp Watts Rpm Bhp Watts
2250 507 0.53 547 586 0.73 700 658 0.97 891 722 1.22 1097 752 1.34 1199 783 1.46 1301
2300 513 0.55 562 592 0.76 723 663 1.00 916 727 1.26 1131 756 1.38 1224 786 1.49 1327
2400 528 0.60 600 606 0.83 779 674 1.06 965 738 1.34 1199 766 1.46 1301 795 1.58 1404
2500 542 0.66 646 619 0.90 835 686 1.13 1022 748 1.41 1258 777 1.55 1370 806 1.68 1491
2550 550 0.69 669 627 0.94 867 692 1.17 1056 754 1.45 1292 783 1.60 1413 812 1.74 1543
2600 557 0.72 692 634 0.97 891 698 1.21 1089 759 1.49 1327 787 1.64 1456 816 1.79 1587
2700 573 0.79 747 648 1.05 956 711 1.29 1156 770 1.58 1404 798 1.73 1534 827 1.88 1665
2800 588 0.86 803 662 1.13 1022 723 1.38 1233 782 1.66 1473 809 1.82 1613 837 1.98 1753
2900 604 0.94 867 676 1.21 1089 737 1.48 1318 794 1.76 1560 821 1.92 1700 848 2.08 1840
3000 620 1.02 932 690 1.30 1165 750 1.58 1404 806 1.86 1648 832 2.02 1788 849 2.18 1927
3100 636 1.11 1006 704 1.39 1241 764 1.69 1499 818 1.97 1744 844 2.13 1884 870 2.29 2023
3200 652 1.21 1089 718 1.49 1327 778 1.80 1595 831 2.09 1849 856 2.25 1980 882 2.40 2119
3300 668 1.31 1173 732 1.59 1413 793 1.92 1700 844 2.21 1954 869 2.37 2093 894 2.53 2232
3400 684 1.41 1258 747 1.70 1508 807 2.04 1805 857 2.35 2076 882 2.51 2206 907 2.66 2343
3500 701 1.53 1361 762 1.82 1613 821 2.16 1910 871 2.48 2188 895 2.64 2326 919 2.80 2462
3600 717 1.65 1465 777 1.94 1718 835 2.29 2023 885 2.63 2317 908 2.79 2453 932 2.95 2587
3700 733 1.77 1569 792 2.07 1831 849 2.42 2136 899 2.78 2445 922 2.95 2579 945 3.11 2718
3750 742 1.84 1630 800 2.14 1892 856 2.49 2197 907 2.86 2512 929 3.03 2653 952 3.20 2719
580D090 (7
1
⁄
2
TONS)* (cont)
Airflow
(Cfm)
External Static Pressure (in. wg)
1.2 1.4 1.6
Rpm Bhp Watts Rpm Bhp Watts Rpm Bhp Watts
2250 843 1.81 1604 908 2.25 1989 955 2.59 2283
2300 846 1.84 1630 910 2.25 2015 959 2.61 2300
2400 853 1.88 1665 912 2.31 2041 967 2.68 2360
2500 859 1.94 1718 919 2.37 2093 971 2.73 2403
2550 864 1.99 1761 920 2.39 2110 974 2.76 2428
2600 868 2.04 1805 921 2.41 2136 976 2.78 2445
2700 878 2.16 1910 928 2.45 2162 983 2.88 2529
2800 889 2.29 2023 937 2.57 2266 986 2.91 2554
2900 900 2.41 2128 947 2.70 2377 993 3.01 2637
3000 910 2.52 2223 958 2.85 2504 1002 3.15 2751
3100 920 2.64 2326 968 2.99 2620 1012 3.30 2870
3200 931 2.76 2428 979 3.13 2735 1023 3.47 3002
3300 942 2.89 2537 989 3.26 2839 1034 3.63 3121
3400 954 3.02 2645 1000 3.40 2948 1044 3.79 3237
3500 966 3.15 2751 1011 3.55 3062 1054 3.94 3340
3600 978 3.30 2870 1022 3.69 3165 1065 4.10 3445
3700 990 3.45 2987 1034 3.84 3272 1076 4.26 3544
3750 997 3.54 3055 1040 3.93 3333 —— —
LEGEND
Bhp — Brake Horsepower Input to Fan
FIOP — Factory-Installed Option
Watts — Input Watts to Motor
*Standard drive range is 590 to 840 rpm. Alternate drive range is 685 to
935 rpm. All other rpms require a field-supplied drive.
NOTES:
1. Boldface indicates field-supplied motor and drive are required.
2. Values include losses for filters, unit casing, and wet coils. See
page 52 for accessory/FIOP static pressure information.
3. Maximum continuous bhp is 2.4 and maximum continuous watts are
2120. Extensive motor and electrical testing on these units ensures
that the full range of the motor can be utilized with confidence. Using
your fan motors up to the wattage ratings shown will not result in nui-
sance tripping or premature motor failure. Unit warranty will not be
affected. See Evaporator-Fan Motor Performance table on page 55
for additional information.
4. Use of a field-supplied motor may affect wire sizing. Contact your
local representative for details.
5. Interpolation is permissible. Do not extrapolate.
43

PERFORMANCE DATA (cont)
FAN PERFORMANCE — 580D036-150 HORIZONTAL DISCHARGE UNITS (cont)
580D102 (8
1
⁄
2
TONS)*
Airflow
(Cfm)
External Static Pressure (in. wg)
0.2 0.4 0.6 0.8 0.9 1.0
Rpm Bhp Watts Rpm Bhp Watts Rpm Bhp Watts Rpm Bhp Watts Rpm Bhp Watts Rpm Bhp Watts
2550 550 0.69 669 627 0.94 867 692 1.17 1056 754 1.45 1292 783 1.60 1413 812 1.74 1543
2600 557 0.72 692 634 0.97 891 698 1.21 1089 759 1.49 1327 787 1.64 1456 816 1.79 1587
2700 573 0.79 747 648 1.05 956 711 1.29 1156 770 1.58 1404 798 1.73 1534 827 1.88 1665
2800 588 0.86 803 662 1.13 1022 723 1.38 1233 782 1.66 1473 809 1.82 1613 837 1.98 1753
2900 604 0.94 867 676 1.21 1089 737 1.48 1318 794 1.76 1560 821 1.92 1700 848 2.08 1840
3000 620 1.02 932 690 1.30 1165 750 1.58 1404 806 1.86 1648 832 2.02 1788 849 2.18 1927
3100 636 1.11 1006 704 1.39 1241 764 1.69 1499 818 1.97 1744 844 2.13 1884 870 2.29 2023
3200 652 1.21 1089 718 1.49 1327 778 1.80 1595 831 2.09 1849 856 2.25 1980 882 2.40 2119
3300 668 1.31 1173 732 1.59 1413 793 1.92 1700 844 2.21 1954 869 2.37 2093 894 2.53 2232
3400 684 1.41 1258 747 1.70 1508 807 2.04 1805 857 2.35 2076 882 2.51 2206 907 2.66 2343
3500 701 1.53 1361 762 1.82 1613 821 2.16 1910 871 2.48 2188 895 2.64 2326 919 2.80 2462
3600 717 1.65 1465 777 1.94 1718 835 2.29 2023 885 2.63 2317 908 2.79 2453 932 2.95 2587
3700 733 1.77 1569 792 2.07 1831 849 2.42 2136 899 2.78 2445 922 2.95 2579 945 3.11 2718
3750 742 1.84 1630 800 2.14 1892 856 2.49 2197 907 2.86 2512 929 3.03 2653 952 3.20 2719
3800 750 1.90 1683 807 2.21 1954 863 2.56 2257 914 2.93 2571 936 3.11 2847 958 3.28 2854
3900 767 2.04 1805 822 2.35 2076 877 2.71 2386 928 3.09 2702 950 3.27 2979 972 3.45 2987
4000 783 2.18 1927 838 2.50 2206 891 2.86 2512 942 3.26 2839 964 3.45 3187 986 3.63 3121
4100 800 2.34 2067 854 2.66 2343 905 3.02 2645 956 2.43 2971 978 3.62 3244 1000 3.81 3251
4200 817 2.49 2197 869 2.82 2479 920 3.19 2783 970 3.60 3099 992 3.80 3258 1015 4.00 3380
4250 826 2.58 2275 877 2.91 2554 928 3.28 2854 977 3.69 3165 999 3.90 3306 1022 4.10 3445
580D102 (8
1
⁄
2
TONS)* (cont)
Airflow
(Cfm)
External Static Pressure (in. wg)
1.2 1.4 1.6
Rpm Bhp Watts Rpm Bhp Watts Rpm Bhp Watts
2550 864 1.99 1761 920 2.39 2110 974 2.76 2428
2600 868 2.04 1805 921 2.41 2136 976 2.78 2445
2700 878 2.16 1910 928 2.45 2162 983 2.88 2529
2800 889 2.29 2023 937 2.57 2266 986 2.91 2554
2900 900 2.41 2128 947 2.70 2377 993 3.01 2637
3000 910 2.52 2223 958 2.85 2504 1002 3.15 2751
3100 920 2.64 2326 968 2.99 2620 1012 3.30 2870
3200 931 2.76 2428 979 3.13 2735 1023 3.47 3002
3300 942 2.89 2537 989 3.26 2839 1034 3.63 3121
3400 954 3.02 2645 1000 3.40 2948 1044 3.79 3237
3500 966 3.15 2751 1011 3.55 3062 1054 3.94 3340
3600 978 3.30 2870 1022 3.69 3165 1065 4.10 3445
3700 990 3.45 2987 1034 3.84 3272 1076 4.26 3544
3750 997 3.54 3055 1040 3.93 3333 1082 5.27 3609
3800 1003 3.62 3114 1045 4.01 3387 1087 4.43 3643
3900 1015 3.80 3244 1057 4.18 3495 1098 4.60 3733
4000 1028 3.99 3373 1070 4.36 3603 1110 4.78 3820
4100 1042 4.18 3495 1082 4.56 3713 1122 4.97 3902
4200 1055 4.38 3614 1095 4.76 3811 1134 5.16 3971
4250 1062 4.49 3676 1102 4.87 3860 —— —
LEGEND
Bhp — Brake Horsepower Input to Fan
FIOP — Factory-Installed Option
Watts — Input Watts to Motor
*Motor drive range is 685 to 935 rpm. All other rpms require a field-
supplied drive.
NOTES:
1. Boldface indicates field-supplied motor and drive are required.
2. Values include losses for filters, unit casing, and wet coils. See
page 52 for accessory/FIOP static pressure information.
3. Maximum continuous bhp is 2.4 and maximum continuous watts are
2120. Extensive motor and electrical testing on these units ensures
that the full range of the motor can be utilized with confidence. Using
your fan motors up to the wattage ratings shown will not result in nui-
sance tripping or premature motor failure. Unit warranty will not be
affected. See Evaporator-Fan Motor Performance table on page 55
for additional information.
4. Use of a field-supplied motor may affect wire sizing. Contact your
local representative for details.
5. Interpolation is permissible. Do not extrapolate.
44

PERFORMANCE DATA (cont)
FAN PERFORMANCE — 580D036-150 HORIZONTAL DISCHARGE UNITS (cont)
580D120 (10 TONS)*
Airflow
(Cfm)
External Static Pressure (in. wg)
0.2 0.4 0.6 0.8 1.0 1.2
Rpm Bhp Watts Rpm Bhp Watts Rpm Bhp Watts Rpm Bhp Watts Rpm Bhp Watts Rpm Bhp Watts
3000 552 0.68 661 632 0.87 810 701 1.05 956 761 1.22 1097 816 1.36 1216 871 1.54 1370
3100 565 0.74 708 644 0.93 859 711 1.12 1014 772 1.31 1173 825 1.45 1292 879 1.63 1447
3200 578 0.81 763 656 1.00 916 723 1.20 1081 782 1.39 1241 835 1.55 1378 887 1.71 1517
3300 591 0.88 818 668 1.08 973 734 1.28 1148 793 1.47 1310 845 1.65 1465 895 1.80 1595
3400 605 0.96 883 680 1.16 1047 745 1.36 1216 803 1.56 1387 856 1.75 1552 904 1.91 1691
3500 619 1.04 948 691 1.23 1106 755 1.44 1284 813 1.65 1465 867 1.86 1648 914 2.03 1796
3600 633 1.13 1022 703 1.31 1173 766 1.52 1353 824 1.74 1543 877 1.97 1744 924 2.15 1901
3700 648 1.23 1106 714 1.39 1241 777 1.61 1430 835 1.85 1639 887 2.07 1831 935 2.28 2015
3800 662 1.33 1190 726 1.51 1310 789 1.72 1526 846 1.95 1726 897 2.18 1927 946 2.40 2169
3900 677 1.44 1284 738 1.61 1387 801 1.82 1613 857 2.06 1823 908 2.29 2023 956 2.53 2282
4000 692 1.55 1378 750 1.73 1473 813 1.94 1718 868 2.17 1919 918 2.40 2119 967 2.66 2397
4100 707 1.67 1482 762 1.84 1560 825 2.05 1814 878 2.28 2015 929 2.53 2282 977 2.78 2505
4200 722 1.80 1595 775 1.97 1656 837 2.16 1910 889 2.40 2119 941 2.66 2397 987 2.91 2624
4300 737 1.94 1718 787 2.09 1761 848 2.27 2006 900 2.52 2273 952 2.80 2523 999 3.04 2744
4400 752 2.08 1840 800 2.21 1875 860 2.39 2110 912 2.66 2397 962 2.93 2642 1008 3.19 2885
4500 768 2.24 1980 814 2.35 1989 871 2.51 2265 924 2.80 2523 973 3.07 2772 1019 3.34 3029
4600 783 2.40 2119 827 2.50 2121 883 2.64 2380 937 2.95 2661 983 3.21 2904 —— —
4700 799 2.56 2309 841 2.64 2291 894 2.77 2496 949 3.10 2800 994 3.36 3049 —— —
4800 814 2.74 2469 855 2.80 2424 906 2.91 2624 961 3.26 2952 —— — —— —
4900 — — — 868 2.90 2578 918 3.05 2754 972 3.40 3088 —— — —— —
5000 —— —883 3.10 2735 931 3.21 2904 —— — —— — —— —
580D120 (10 TONS)* (cont)
Airflow
(Cfm)
External Static Pressure (in. wg)
1.4 1.6 1.8 2.0
Rpm Bhp Watts Rpm Bhp Watts Rpm Bhp Watts Rpm Bhp Watts
3000 918 1.67 1482 967 1.89 1736 1010 2.09 1903 1063 2.46 2221
3100 928 1.78 1478 973 1.94 1778 1018 2.17 1971 1070 2.51 2265
3200 937 1.90 1745 981 2.04 1861 1026 2.26 2048 1075 2.57 2318
3300 946 2.00 1828 991 2.16 1963 1032 2.32 2099 1080 2.64 2380
3400 953 2.10 1912 1000 2.29 2074 1041 2.44 2203 1083 2.65 2389
3500 961 2.20 1997 1009 2.41 2177 1051 2.57 2318 1090 2.74 2469
3600 970 2.32 2099 1017 2.53 2282 1061 2.72 2451 1099 2.88 2596
3700 980 2.45 2212 1024 2.64 2380 1069 2.87 2587 1109 3.03 2735
3800 989 2.58 2326 1033 2.76 2487 1077 2.99 2698 1118 3.20 2895
3900 1000 2.73 2460 1042 2.91 2624 1085 3.12 2819 1127 3.36 3049
4000 1010 2.87 2587 1052 3.06 2763 1093 3.24 2933 —— —
4100 1021 3.02 2726 1062 3.22 2914 1102 3.41 3097 —— —
4200 1032 3.17 2866 1072 3.38 2971 —— — —— —
4300 1042 3.32 3010 —— — —— — —— —
4400 —— — —— — —— — —— —
4500 —— — —— — —— — —— —
4600 —— — —— — —— — —— —
4700 —— — —— — —— — —— —
4800 —— — —— — —— — —— —
4900 —— — —— — —— — —— —
5000 —— — —— — —— — —— —
LEGEND
Bhp — Brake Horsepower Input to Fan
FIOP — Factory-Installed Option
Watts — Input Watts to Motor
*Standard motor drive range is 685 to 935 rpm. Alternate motor drive
range is 835 to 1085 rpm. All other rpms require a field-supplied drive.
NOTES:
1. Boldface indicates field-supplied motor and drive are required.
2. Values include losses for filters, unit casing, and wet coils. See
page 52 for accessory/FIOP static pressure information.
3. Maximum continuous bhp is 2.4 for the standard motor and 2.9 for
the alternate motor. Maximum continuous watts are 2120 for the
standard motor and 2615 for the alternate motor. Extensive motor
and electrical testing on these units ensures that the full range of the
motor can be utilized with confidence. Using your fan motors up to
the wattage ratings shown will not result in nuisance tripping or pre-
mature motor failure. Unit warranty will not be affected. See
Evaporator-Fan Motor Performance table on page 55 for additional
information.
4. Use of a field-supplied motor may affect wire sizing. Contact your
local representative for details.
5. Interpolation is permissible. Do not extrapolate.
45

PERFORMANCE DATA (cont)
FAN PERFORMANCE — 580D036-150 HORIZONTAL DISCHARGE UNITS (cont)
580D150 (12
1
⁄
2
TONS)*
Airflow
(Cfm)
External Static Pressure (in. wg)
0.2 0.4 0.6 0.8 1.0 1.2
Rpm Bhp Watts Rpm Bhp Watts Rpm Bhp Watts Rpm Bhp Watts Rpm Bhp Watts Rpm Bhp Watts
3750 684 1.24 1162 755 1.48 1353 816 1.70 1540 875 1.94 1738 933 2.23 1988 989 2.49 2219
3800 691 1.28 1194 761 1.52 1390 822 1.75 1582 880 1.98 1776 937 2.28 2035 993 2.55 2272
3900 705 1.37 1267 773 1.62 1473 834 1.86 1674 891 2.08 1862 947 2.39 2131 1002 2.66 2370
4000 720 1.47 1349 786 1.71 1548 847 1.97 1768 902 2.19 1957 957 2.50 2228 1011 2.79 2485
4100 734 1.56 1423 800 1.82 1641 860 2.09 1871 914 2.31 2061 967 2.60 2316 1021 2.91 2593
4200 749 1.66 1506 813 1.92 1725 873 2.21 1974 926 2.44 2175 978 2.71 2414 1030 3.04 2710
4300 764 1.77 1598 826 2.04 1828 886 2.33 2079 938 2.57 2290 989 2.83 2521 1040 3.18 2837
4400 779 1.88 1691 840 2.16 1931 899 2.46 2193 951 2.71 2414 1000 2.96 2638 1050 3.31 2955
4500 793 1.99 1785 854 2.28 2035 912 2.59 2307 963 2.86 2548 1012 3.09 2755 1061 3.43 3065
4600 808 2.11 1888 868 2.42 2158 925 2.73 2459 975 3.00 2674 1024 3.25 2901 1071 3.56 3184
4700 822 2.24 2000 882 2.56 2281 937 2.86 2548 988 3.16 2819 1036 3.42 3056 1082 3.70 3313
4800 837 2.37 2114 896 2.71 2414 950 3.00 2674 1001 3.32 2964 1048 3.59 3212 1093 3.86 3461
4900 852 2.51 2237 910 2.86 2548 963 3.15 2810 1014 3.48 3111 1060 3.76 3368 1105 4.02 3609
5000 867 2.65 2361 924 3.01 2683 977 3.30 2946 1027 3.65 3267 1073 3.94 3535 1117 4.20 3776
5100 882 2.79 2485 938 3.17 2828 990 3.46 3092 1040 3.82 3424 1085 4.12 3702 1129 4.40 3962
5200 896 2.95 2629 952 3.33 2973 1003 3.63 3248 1053 4.00 3590 1098 4.30 3869 1141 4.60 4148
5300 911 3.11 2773 967 3.50 3129 1017 3.80 3405 1066 4.18 3757 1111 4.50 4055 1153 4.80 4335
5400 926 3.27 2919 981 3.68 3294 1030 3.98 3572 1079 4.35 3916 1124 4.70 4270 1166 5.01 4531
5500 940 3.44 3074 995 3.86 3461 1044 4.17 3748 1092 4.54 4093 1137 4.91 4437 1178 5.22 4726
5600 955 3.62 3239 1010 4.04 3627 1058 4.38 3943 1105 4.73 4270 1150 5.12 4633 —— —
5700 970 3.80 3405 1024 4.23 3804 1072 4.59 4139 1118 4.93 4456 —— — —— —
5800 985 3.99 3581 1039 4.42 3981 1086 4.80 4335 1131 5.14 4652 —— — —— —
5900 1000 4.18 3757 1053 4.62 4167 1100 5.02 4540 —— — —— — —— —
6000 1015 4.39 3953 1068 4.83 4363 — — — — — — — — — — — —
6100 1030 4.59 4139 1083 5.04 4558 —— — —— — —— — —— —
6250 1062 5.02 4560 — — — — — — — — — — — —
580D150 (12
1
⁄
2
TONS)* (cont)
Airflow
(Cfm)
External Static Pressure (in. wg)
1.4 1.6 1.8 2.0
Rpm Bhp Watts Rpm Bhp Watts Rpm Bhp Watts Rpm Bhp Watts
3750 1041 2.75 2445 1086 2.98 2634 1122 3.16 2819 1146 3.28 2928
3800 1046 2.81 2503 1092 3.05 2719 1129 3.25 2901 1156 3.39 3028
3900 1055 2.94 2620 1102 3.20 2855 1143 3.42 3056 1174 3.59 3212
4000 1064 3.07 2737 1112 3.34 2983 1155 3.59 3212 1190 3.80 3405
4100 1072 3.20 2855 1121 3.49 3120 1165 3.76 3368 1203 3.99 3581
4200 1081 3.34 2983 1130 3.64 3258 1175 3.92 3516 1215 4.18 3757
4300 1090 3.48 3111 1139 3.79 3396 1185 4.08 3664 1226 4.36 3925
4400 1100 3.63 3248 1148 3.94 3535 1194 4.25 3822 1236 4.54 4093
4500 1109 3.78 3387 1157 4.09 3674 1203 4.42 3981 1246 4.72 4260
4600 1119 3.93 3525 1166 4.26 3832 1212 4.58 4130 1255 4.91 4437
4700 1129 4.09 3674 1175 4.43 3990 1221 4.76 4298 1264 5.09 4605
4800 1139 4.24 3813 1185 4.60 4148 1230 4.93 4456 —— —
4900 1150 4.38 3943 1194 4.77 4307 1239 5.12 4633 —— —
5000 1161 4.54 4093 1204 4.95 4475 —— — —— —
5100 1172 4.71 4251 1214 5.13 4642 —— — —— —
5200 1183 4.91 4419 —— — —— — —— —
5300 1194 5.08 4596 —— — —— — —— —
5400 —— — —— — —— — —— —
5500 —— — —— — —— — —— —
5600 —— — —— — —— — —— —
5700 —— — —— — —— — —— —
5800 —— — —— — —— — —— —
5900 —— — —— — —— — —— —
6000 —— — —— — —— — —— —
6100 —— — —— — —— — —— —
6250 —— — —— — —— — —— —
LEGEND
Bhp — Brake Horsepower Input to Fan
FIOP — Factory-Installed Option
Watts — Input Watts to Motor
*Standard motor drive range is 860 to 1080 rpm. Alternate motor drive
range is 900 to 1260 rpm. All other rpms require a field-supplied drive.
NOTES:
1. Boldface indicates field-supplied motor and drive are required.
2. Values include losses for filters, unit casing, and wet coils. See
page 52 for accessory/FIOP static pressure information.
3. Maximum continuous bhp is 4.2 for the standard motor and 5.25 for
the alternate motor. The maximum continuous watts are 3775 for the
standard motor and 4400 for the alternate motor. Extensive motor
and electrical testing on these units ensures that the full range of the
motor can be utilized with confidence. Using your fan motors up to
the wattage ratings shown will not result in nuisance tripping or pre-
mature motor failure. Unit warranty will not be affected. See
Evaporator-Fan Motor Performance table on page 55 for additional
information.
4. Use of a field-supplied motor may affect wire sizing. Contact your
local representative for details.
5. Interpolation is permissible. Do not extrapolate.
46

PERFORMANCE DATA (cont)
FAN PERFORMANCE — 579F180-300 UNITS
579F180 (15 TONS)
Airflow
(Cfm)
External Static Pressure (in. wg)
0.2 0.4 0.6 0.8 1.0 1.2
Rpm Bhp Watts Rpm Bhp Watts Rpm Bhp Watts Rpm Bhp Watts Rpm Bhp Watts Rpm Bhp Watts
4500 801 1.05 933 890 1.26 1119 971 1.46 1297 1050 1.67 1483 1125 1.88 1670 1200 2.12 1883
4800 843 1.25 1110 928 1.47 1306 1006 1.68 1492 1081 1.90 1687 1153 2.13 1892 1223 2.36 2096
5100 885 1.47 1306 968 1.70 1510 1043 1.93 1714 1114 2.16 1918 1183 2.40 2131 1250 2.64 2345
5400 927 1.71 1519 1008 1.95 1732 1080 2.20 1954 1148 2.44 2167 1214 2.69 2389 1279 2.94 2611
5700 971 1.98 1758 1049 2.24 1989 1118 2.50 2220 1134 2.75 2442 1247 3.01 2673 1309 3.28 2913
6000 1016 2.28 2025 1091 2.55 2265 1158 2.83 2513 1222 3.10 2753 1282 3.36 2984 1342 3.64 3233
6300 1059 2.60 2309 1133 2.89 2567 1198 3.17 2815 1259 3.46 3073 1318 3.74 3321 1375 4.02 3570
6600 1104 2.96 2629 1174 3.26 2895 1239 3.56 3162 1297 3.86 3428 1355 4.15 3686 1405 4.40 3970
6900 1150 3.35 2975 1218 3.67 3259 1281 3.98 3535 1340 4.20 3730 1392 4.55 4040 1460 4.95 4350
7200 1194 3.77 3348 1260 4.10 3641 1325 4.40 3907 1390 4.65 4130 1440 5.10 4530 1510 5.30 4700
7500 1238 4.23 3758 1300 4.50 3996 1370 4.90 4351 1435 5.00 4440 1490 5.60 4970 — — —
579F180 (15 TONS)
Airflow
(Cfm)
External Static Pressure (in. wg)
1.4 1.6 1.8 2.0
Rpm Bhp Watts Rpm Bhp Watts Rpm Bhp Watts Rpm Bhp Watts
4500 1275 2.39 2123 1349 2.70 2398 1421 3.03 2691 1490 3.39 3011
4800 1293 2.62 2327 1364 2.92 2593 1433 3.24 2877 1501 3.59 3188
5100 1316 2.90 2575 1382 3.18 2824 1448 3.49 3099 1514 3.86 3428
5400 1342 3.20 2842 1403 3.47 3082 1466 3.77 3348 1529 4.16 3694
5700 1370 3.54 3144 1429 3.81 3384 1487 4.11 3650 — — —
6000 1401 3.92 3481 1458 4.20 3730 1525 4.50 3776 — — —
6300 1430 4.30 3820 1490 4.55 4040 — — — — — —
6600 1461 4.85 4305 1530 5.00 4440 — — — — — —
6900 1500 5.35 4750 — — — — — — — — —
7200 —— — —— — —— — —— —
7500 —— — —— — —— — —— —
LEGEND
Bhp — Brake Horsepower Input to Fan
FIOP — Factory Installed Option
Watts — Input Watts to Motor
*Standard low-medium static drive range is 891 to 1179 rpm. Alternate
high static drive range is 1227 to 1550 rpm. Other rpms require a field-
supplied drive.
NOTES:
1. Static pressure losses (i.e., economizer) must be added to exter-
nal static pressure before entering Fan Performance table. See
Accessory/FIOP Static Pressure table on page 52 for more
information.
2. Interpolation is permissible. Do not extrapolate.
3. Maximum continuous bhp is 4.25 and the maximum continuous
watts are 3775. Extensive motor and drive testing on these units en-
sures that the full horsepower range of the motor can be utilized with
confidence. Using your fan motors up to the watts rating shown will
not result in nuisance tripping or premature motor failure. Unit war-
ranty will not be affected.
47

PERFORMANCE DATA (cont)
FAN PERFORMANCE — 579F180-300 UNITS (cont)
579F216 (18 TONS)*
Airflow
(Cfm)
External Static Pressure (in. wg)
0.2 0.4 0.6 0.8 1.0 1.2
Rpm Bhp Watts Rpm Bhp Watts Rpm Bhp Watts Rpm Bhp Watts Rpm Bhp Watts Rpm Bhp Watts
5000 669 1.10 1019 772 1.40 1291 870 1.80 1582 963 2.10 1903 1052 2.50 2251 1137 2.90 2623
5500 717 1.40 1292 813 1.80 1585 905 2.10 1892 992 2.50 2223 1076 2.90 2680 1157 3.30 2962
6000 767 1.80 1617 858 2.20 1932 944 2.50 2256 1026 2.90 2600 1104 3.30 2967 1181 3.80 3358
6500 817 2.20 1992 903 2.60 2329 985 3.00 2673 1062 3.40 3031 1136 3.80 3410 1209 4.30 3811
7000 869 2.70 2427 950 3.10 2787 1028 3.50 3151 1102 3.90 3527 1172 4.40 3919 1241 4.80 4331
7200 889 2.94 2624 969 3.34 2993 1046 3.74 3366 1118 4.18 3749 1187 4.64 4147 1255 5.08 4564
7500 920 3.30 2919 998 3.70 3303 1073 4.10 3689 1143 4.60 4083 1210 5.00 4490 1275 5.50 4914
8000 973 3.90 3476 1047 4.30 3886 1119 4.80 4294 1186 5.30 4708 1250 5.70 5131 — — —
8500 1026 4.60 4102 1097 5.10 4635 1166 5.60 4967 — — — — — — — — —
9000 1079 5.40 4800 — — — — — — — — — — — — — — —
579F216 (18 TONS)* (cont)
Airflow
(Cfm)
External Static Pressure (in. wg)
1.3 1.4 1.6 1.8
Rpm Bhp Watts Rpm Bhp Watts Rpm Bhp Watts Rpm Bhp Watts
5000 1178 3.15 2820 1218 3.40 3016 1295 3.80 3425 1369 4.30 3849
5500 1196 3.55 3164 1234 3.80 3366 1309 4.20 3789 1381 4.70 4229
6000 1218 4.00 3565 1251 4.20 3772 1327 4.70 4206 1396 5.20 4658
6500 1244 4.50 4022 1279 4.70 4233 1348 5.20 4677 1415 5.80 5139
7000 1275 5.05 4547 1308 5.30 4762 — — — — — —
7200 1288 5.33 4783 — — — — — — — — —
7500 1307 5.75 5135 — — — — — — — — —
8000 —— — —— — —— — —— —
8500 —— — —— — —— — —— —
9000 —— — —— — —— — —— —
LEGEND
Bhp — Brake Horsepower Input to Fan
FIOP — Factory-Installed Option
Watts — Input Watts to Motor
*Standard low-medium static drive range is 817 to 1038 rpm. Alternate
high static high static motor drive range is 994 to 1197. Other rpms re-
quire a field-supplied drive.
NOTES:
1. Static pressure losses (i.e., economizer) must be added to exter-
nal static pressure before entering Fan Performance table. See
Accessory/FIOP Static Pressure table on page 52 for more
information.
2. Interpolation is permissible. Do not extrapolate.
3. Maximum continuous bhp is 5.9 and the maximum continuous watts
are 5180. Extensive motor and drive testing on these units ensures
that the full horsepower range of the motor can be utilized with con-
fidence. Using your fan motors up to the watts rating shown will not
result in nuisance tripping or premature motor failure. Unit warranty
will not be affected.
4. Deduct 0.2 in. wg static pressure for high heat units at or above
8000 cfm.
48

PERFORMANCE DATA (cont)
FAN PERFORMANCE — 579F180-300 UNITS (cont)
579F240 (20 TONS)*
Airflow
(Cfm)
External Static Pressure (in. wg)
0.2 0.4 0.6 0.8 1.0 1.2
Rpm Bhp Watts Rpm Bhp Watts Rpm Bhp Watts Rpm Bhp Watts Rpm Bhp Watts Rpm Bhp Watts
6000 767 1.80 1617 858 2.20 1932 944 2.50 2256 1026 2.90 2600 1104 3.30 2967 1181 3.80 3358
6500 817 2.20 1992 903 2.60 2329 985 3.00 2673 1062 3.40 3031 1136 3.80 3410 1209 4.30 3811
7000 869 2.70 2427 950 3.10 2787 1028 3.50 3151 1102 3.90 3527 1172 4.40 3919 1241 4.80 4331
7500 920 3.30 2919 998 3.70 3303 1073 4.10 3689 1143 4.60 4083 1210 5.00 4490 1275 5.50 4914
8000 973 3.90 3476 1047 4.30 3886 1119 4.80 4294 1186 5.30 4708 1250 5.70 5131 1313 6.20 5569
8500 1026 4.60 4102 1097 5.10 4635 1166 5.60 4967 1231 6.00 5401 1292 6.50 5843 1352 7.00 6297
9000 1079 5.40 4800 1147 5.90 5257 1214 6.40 5714 1276 6.90 6171 1336 7.40 6632 1393 7.90 7102
9500 1133 6.20 5576 1199 6.80 6058 1263 7.30 6540 1323 7.90 7018 1381 8.40 7500 1436 8.90 7988
10,000 1188 7.20 6432 1250 7.80 6939 1313 8.30 7444 1371 8.90 7946 1426 9.50 8449 — — —
579F240 (20 TONS)* (cont)
Airflow
(Cfm)
External Static Pressure (in. wg)
1.4 1.6 1.8 1.9 2.0
Rpm Bhp Watts Rpm Bhp Watts Rpm Bhp Watts Rpm Bhp Watts Rpm Bhp Watts
6000 1255 4.20 3772 1327 4.70 4206 1396 5.20 4658 1431 5.45 4884 1465 5.70 5110
6500 1279 4.70 4233 1348 5.20 4677 1415 5.80 5139 1449 6.10 5370 1482 6.40 5601
7000 1308 5.30 4762 1373 5.80 5215 1437 6.40 5686 1469 6.70 5922 1501 7.00 6157
7500 1339 6.00 5356 1401 6.50 5818 1462 7.00 6298 1493 7.25 6538 1523 7.50 6778
8000 1373 6.70 6024 1433 7.30 6495 1493 7.80 6966 1523 8.05 7202 — — —
8500 1410 7.60 6765 1467 8.10 7248 1524 8.70 7731 — — — — — —
9000 1449 8.50 7584 1503 9.00 8033 — — — — — — — — —
9500 1488 9.40 8403 — — — — — — — — — — — —
10,000 —— — —— — —— — —— — —— —
LEGEND
Bhp — Brake Horsepower Input to Fan
FIOP — Factory-Installed Option
Watts — Input Watts to Motor
*Standard low-medium static motor drive range is 1002 to 1225 rpm. Al-
ternate high static motor drive range is 1193 to 1458 rpm. Other rpms
require a field-supplied drive.
NOTES:
1. Static pressure losses (i.e., economizer) must be added to exter-
nal static pressure before entering Fan Performance table. See
Accessory/FIOP Static Pressure table on page 52 for more
information.
2. Interpolation is permissible. Do not extrapolate.
3. Maximum continuous bhp is 8.7 for 208/230-v units and 9.5 for 460-v
units. The maximum continuous watts are 7915 for the 208/230-v
units and 8640 for the 460-v units. Extensive motor and drive testing
on these units ensures that the full horsepower range of the motor
can be utilized with confidence. Using your fan motors up to the
watts rating shown will not result in nuisance tripping or premature
motor failure. Unit warranty will not be affected.
4. Deduct 0.2 in. wg static pressure for high heat units at or above
9000 cfm. Deduct 0.3 in. wg static pressure for high heat units at or
above 10,000 cfm.
49

PERFORMANCE DATA (cont)
FAN PERFORMANCE — 579F180-300 UNITS (cont)
579F300 (25 TONS)*
Airflow
(Cfm)
External Static Pressure (in. wg)
0.2 0.4 0.6 0.8 0.9 1.0
Rpm Bhp Watts Rpm Bhp Watts Rpm Bhp Watts Rpm Bhp Watts Rpm Bhp Watts Rpm Bhp Watts
7,500 962 3.39 3123 1039 3.81 3507 1111 4.23 3895 1179 4.66 4295 1212 4.89 4503 1245 5.11 4710
8,000 1017 4.04 3717 1091 4.48 4126 1160 4.93 4536 1225 5.38 4954 1256 5.62 5170 1287 5.85 5386
8,500 1072 4.76 4385 1143 5.23 4818 1209 5.70 5250 1271 6.18 5688 1302 6.42 5913 1332 6.66 6137
9,000 1128 5.57 5129 1196 6.07 5587 1260 6.56 6042 1320 7.06 6501 1348 7.32 6735 1377 7.57 6968
9,500 1185 6.47 5955 1250 6.99 6437 1311 7.51 6915 1369 8.03 7395 1396 8.30 7638 1424 8.56 7881
10,000 1241 7.45 6865 1304 8.00 7372 1363 8.55 7873 1419 9.09 8376 1445 9.37 8629 1472 9.64 8882
10,500 1298 8.54 7865 1359 9.12 8396 1415 9.69 8921 1469 10.26 9446 1495 10.55 9710 1521 10.83 9973
11,000 1355 9.72 8956 1414 10.33 9512 1469 10.93 10,062 1521 11.52 10,609 — — — — — —
11,250 1384 10.36 9540 1441 10.97 10,107 1495 11.58 10,668 — — — — — — — — —
579F300 (25 TONS)* (cont)
Airflow
(Cfm)
External Static Pressure (in. wg)
1.2 1.3 1.4 1.6 1.8
Rpm Bhp Watts Rpm Bhp Watts Rpm Bhp Watts Rpm Bhp Watts Rpm Bhp Watts
7,500 1309 5.58 5143 1341 5.83 5370 1372 6.08 5597 1434 6.59 6067 1494 7.12 6558
8,000 1349 6.33 5833 1379 6.59 6065 1409 6.84 6297 1467 7.36 6779 — — —
8,500 1390 7.17 6600 1419 7.43 6839 1447 7.68 7077 1504 8.22 7571 — — —
9,000 1433 8.08 7446 1461 8.35 7692 1488 8.62 7938 — — — — — —
9,500 1478 9.10 8378 1505 9.37 8626 — — — — — — — — —
10,000 1524 10.20 9396 1550 10.48 9653 — — — — — — — — —
10,500 ————— ——————————
11,000 —— —————————————
11,250 —— —————————————
LEGEND
Bhp — Brake Horsepower Input to Fan
FIOP — Factory-Installed Option
Watts — Input Watts to Motor
*Standard low-medium static motor drive range is 1066 to 1283 rpm. Al-
ternate high static motor drive range is 1332 to 1550 rpm. Other rpms
require a field-supplied drive.
NOTES:
1. Static pressure losses (i.e., economizer) must be added to exter-
nal static pressure before entering Fan Performance table. See
Accessory/FIOP Static Pressure table on page 52 for more
information.
2. Interpolation is permissible. Do not extrapolate.
3. Fan performance is based on wet coils, clean filters, and casing
losses.
4. Maximum continuous bhp is 10.2 for 208/230-v units and 11.8 for
460-v units. The maximum continuous watts are 9510 for the 208/
230-v units and 11,000 for the 460-v units. Extensive motor and drive
testing on these units ensures that the full horsepower range of the
motor can be utilized with confidence. Using your fan motors up to
the watts rating shown will not result in nuisance tripping or prema-
ture motor failure. Unit warranty will not be affected.
5. Deduct 0.3 in. wg static pressure for high heat units at or above
10,000 cfm.
50

PERFORMANCE DATA (cont)
AIR QUANTITY LIMITS
UNIT MINIMUM CFM MAXIMUM CFM
580D036 900 1500
580D048 1200 2000
580D060 1500 2500
580D072 1800 3000
580D090 2250 3750
580D102 2550 4250
UNIT MINIMUM CFM MAXIMUM CFM
580D120 3000 5,000
580D150 3750 6,250
579F180 4500 7,500
579F216 5400 9,000
579F240 6000 10,000
579F300 7000 11,250
SOUND POWER (Total Unit)
UNIT SOUND
RATING
(60 Hz)
A-WEIGHTED
(dB)
OCTAVE BANDS
63 125 250 500 1000 2000 4000 8000
580D036-072 8.2 Bels 80.5 56.8 75.8 72.4 72.9 74.8 75.4 71.3 69.1
580D090,102 8.6 Bels 86.4 83.2 87.4 83.5 82.8 83.0 77.7 71.8 67.0
580D120 8.8 Bels 87.6 97.6 90.4 85.7 84.8 83.9 77.5 71.3 65.8
580D150 8.8 Bels 86.4 83.7 87.2 83.4 82.8 83.0 77.7 71.8 67.0
580D180 8.8 Bels 87.3 87.1 89.9 86.4 84.0 82.7 79.0 73.9 68.6
580D216 9.0 Bels 89.5 95.7 88.9 87.2 85.2 81.9 79.5 72.7 66.0
579F240 9.5 Bels 94.1 98.7 92.3 93.8 90.9 89.6 85.9 80.3 74.3
579F300 9.5 Bels 94.1 98.7 92.3 93.8 90.9 89.6 85.9 80.3 74.3
Bels — Sound Levels (1 bel = 10 decibels)
579F180-300 HORIZONTAL SUPPLY/RETURN FAN PERFORMANCE
WITH 389210-201 HIGH STATIC
REGAIN ADAPTER CURB
NOTES:
1. Dimensions are in millimeters.
2. The 389210-201 high static regain adapter accesso-
ries may be used to provide horizontal supply/return.
NOTE: The 389210-201 horizontal supply/return adapter
accessories improve 579F180-300 fan performance by in-
creasing external static pressure by amount shown above.
51

PERFORMANCE DATA (cont)
ACCESSORY/FIOP STATIC PRESSURE* (in. wg) − 580D036-072
COMPONENT CFM
900 1200 1400 1600 1800 2000 2200 2400 2600 3000
Durablade Economizer 0.05 0.05 0.05 0.05 0.05 0.05 0.05 0.05 0.05 0.05
Parablade Economizer 0.08 0.10 0.17 0.26 0.33 0.34 0.36 0.40 0.44 —
LEGEND
FIOP − Factory-Installed Option
*The static pressure must be added to external static pressure. The sum and the evaporator entering-air cfm should then be used in conjunction with
the Fan Performance tables to determine blower rpm and watts.
ACCESSORY/FIOP STATIC PRESSURE* (in. wg) − 580D090-150
COMPONENT CFM
2200 2500 3000 3500 4000 4500 5000 5500 6000 6250
Durablade Economizer 0.02 0.02 0.03 0.04 0.05 0.06 0.07 0.08 0.09 0.09
Parablade Economizer 0.21 0.25 0.35 0.49 0.61 —————
LEGEND
FIOP − Factory-Installed Option
*The static pressure must be added to external static pressure. The sum and the evaporator entering-air cfm should then be used in conjunction with
the Fan Performance tables to determine blower rpm and watts.
ACCESSORY/FIOP STATIC PRESSURE* (in. wg) − 579F180-300
COMPONENT CFM
4500 5000 5400 6000 7200 7500 9000 10,000 11,250
Economizer 0.04 0.05 0.06 0.07 0.09 0.10 0.11 0.12 0.14
LEGEND
FIOP − Factory-Installed Option
*The static pressure must be added to external static pressure. The sum and the evaporator entering-air cfm should then be used in conjunction with
the Fan Performance tables to determine blower rpm and watts.
FAN RPM AT MOTOR PULLEY SETTINGS* — 580D036-150 AND 579F180-300
UNIT MOTOR PULLEY TURNS OPEN
0
1
⁄
2
11
1
⁄
2
22
1
⁄
2
33
1
⁄
2
44
1
⁄
2
55
1
⁄
2
6
580D036† 1000 976 952 928 904 880 856 832 808 784 760 — —
580D048† 1185 1150 1115 1080 1045 1010 975 940 905 870 835 — —
580D060† 1300 1260 1220 1180 1140 1100 1060 1020 980 940 900 — —
580D072** 1460 1420 1380 1345 1305 1265 1225 1185 1150 1110 1070 — —
580D090** 840 815 790 765 740 715 690 665 635 615 590 — —
580D090†† 935 910 885 860 835 810 785 760 735 710 685 — —
580D102** 935 910 885 860 835 810 785 760 735 710 685 — —
580D120** 935 910 885 860 835 810 785 760 735 710 685 — —
580D120† 1085 1060 1035 1010 985 960 935 910 885 860 835 — —
580D150** 1080 1060 1035 1015 990 970 950 925 905 880 860 — —
580D150† 1260 1220 1185 1155 1130 1100 1075 1045 1015 990 960 930 900
579F180** \\1179 1150 1121 1093 1064 1035 1006 978 949 920 891
579F180†† \\1559 1522 1488 1455 1422 1389 1356 1323 1289 1256 1227
579F216** \\1038 1023 1001 979 956 934 912 890 868 846 817
579F216†† \\1197 1185 1165 1145 1124 1104 1084 1064 1043 1023 994
579F240** \\1225 1209 1187 1165 1143 1120 1098 1076 1053 1031 1022
579F240†† \\1458 1434 1407 1381 1354 1328 1301 1275 1248 1222 1193
579F300** \\1283 1269 1247 1225 1203 1182 1160 1138 1116 1095 1066
579F300†† \\N/A N/A 1551 1524 1497 1470 1443 1415 1388 1361 1332
*Approximate fan rpm shown.
†Indicates alternate motor and drive package.
**Indicates standard motor and drive package.
††Indicates alternate drive package only.
\Due to belt and pulley size, pulley cannot be set to this number of turns open.
52

PERFORMANCE DATA (cont)
Durablade Economizer Barometric
Relief Damper Characteristics —
580D036-150
Parablade Economizer Barometric
Relief Damper Characteristics —
580D036-072
Parablade Economizer Barometric
Relief Damper Characteristics —
580D090-150
ALTITUDE COMPENSATION* —
580D036-072
ELEVATION
(ft)
72,000 AND 115,000
BTUH NOMINAL
INPUT
150,000 BTUH
NOMINAL INPUT
Natural
Gas
Orifice
Size†
Liquid
Propane
Orifice
Size†
Natural
Gas
Orifice
Size†
Liquid
Propane
Orifice
Size†
0-2,000 33 43 30 38
2,000 34 43 30 39
3,000 35 44 31 40
4,000 36 44 32 41
5,000 36 44 33 42
6,000 37 45 34 43
7,000 37 45 35 43
8,000 38 46 36 44
9,000 39 47 37 44
10,000 41 48 38 45
11,000 43 48 39 45
12,000 44 49 40 46
13,000 44 49 41 47
14,000 45 50 42 47
*As the height above sea level increases, there is less oxygen per cubic
foot of air. Therefore, heat input rate should be reduced at higher
altitudes.
†Orifices available through your local distributor.
53

PERFORMANCE DATA (cont)
ALTITUDE COMPENSATION* — 580D090-150
ELEVATION
(ft)
125,000, 180,000,
AND 224,000 BTUH
NOMINAL INPUT
250,000 BTUH
NOMINAL INPUT
Natural
Gas
Orifice
Size†
Liquid
Propane
Orifice
Size†
Natural
Gas
Orifice
Size†
Liquid
Propane
Orifice
Size†
0-2,000 31 41 30 38
2,000 32 42 30 39
3,000 32 42 31 40
4,000 32 42 32 41
5,000 33 43 33 42
6,000 34 43 34 43
7,000 35 44 35 43
8,000 36 44 36 44
9,000 37 45 37 44
10,000 38 46 38 45
11,000 39 47 39 45
12,000 40 47 40 46
13,000 41 48 41 47
14,000 42 48 42 47
*As the height above sea level increases, there is less oxygen per
cubic foot of air. Therefore, heat input rate should be reduced at
higher altitudes.
†Orifices available through your local distributor.
EVAPORATOR-FAN MOTOR EFFICIENCY
UNIT MOTOR EFFICIENCY (%)
580D036,048 75
580D060 74
580D072 84
580D090-120 80
580D150 87
579F180 (3.7 Hp) 85.8
579F216 (5 Hp) 87.5
579F240 (7.5 Hp) 88.5
579F300 (10 Hp) 89.5
NOTE: All indoor-fan motors 5 hp and larger meet the minimum effi-
ciency requirements as established by the Energy Policy Act of 1992
(EPACT) effective October 24, 1997.
ALTITUDE COMPENSATION* —
579F180-300
ELEVATION
(ft) NATURAL GAS ORIFICE SIZE†
Lo Heat High Heat
0-2,000 28 29
2,000 29 29
3,000 29 30
4,000 29 30
5,000 30 30
6,000 30 30
7,000 31 31
8,000 31 31
9,000 31 31
10,000 32 32
*As the height above sea level increases, there is less oxygen per
cubic foot of air. Therefore, heat input rate should be reduced at higher
altitudes.
†Orifices available through your local distributor.
ALTITUDE DERATING FACTOR* —
ALL UNITS
ELEVATION
(ft) MAXIMUM HEATING VALUE
(Btu/ft
3
)
0-2,000 1,100
2,001-3,000 1,050
3,001-4,000 1,000
4,001-5,000 950
5,001-6,000 900
*Derating of the unit is not required unless the heating value of the gas
exceeds the values listed in the table above, or if the elevation exceeds
6000 ft. Derating conditions must be 4% per thousand ft above sea
level. For example, at 4000 ft, if the heating value of the gas exceeds
1000 Btu/ft
3
, the unit will require a 16% derating. For elevations above
6000 ft, the same formula applies. For example, at 7000 ft, the unit will
require a 28% derating of the maximum heating value per the National
Fuel Gas Code.
Fan Performance Using Accessory Power Exhaust (579F180-300)
54

PERFORMANCE DATA (cont)
EVAPORATOR-FAN MOTOR PERFORMANCE
UNIT EVAPORATOR-FAN
MOTOR UNIT
VOLTAGE
MAXIMUM
ACCEPTABLE
CONTINUOUS
BHP*
MAXIMUM
ACCEPTABLE
OPERATING
WATTS
MAXIMUM
AMP DRAW
580D036
Standard
208/230
0.34 440
2.9
460 1.4
575 1.4
Alternate
208/230
1.00 1000
5.4
460 2.3
575 2.3
580D048
Standard
208/230
0.75 850
3.5
460 1.8
575 1.8
Alternate
208/230
1.00 1000
5.4
460 2.3
575 2.3
580D060
Standard
208/230
1.20 1340
5.9
460 3.2
575 3.2
Alternate
208/230
1.80 1921
8.9
460 4.7
575 4.7
580D072 Standard
208/230
2.40 2120
6.1
460 2.7
575 2.7
580D090 Standard
208/230
2.40 2120
6.1
460 2.7
575 2.7
580D102 Standard
208/230
2.40 2120
6.1
460 2.7
575 2.7
580D120
Standard
208/230
2.40 2120
6.1
460 2.7
575 2.7
Alternate
208/230
2.90 2615
7.9
460 3.6
575 3.6
580D150
Standard
208/230
4.20 3775
11.1
460 5.0
575 5.0
Alternate
208/230
5.25 4400
15.0
460 7.4
575 7.4
579F180 Standard 208/230 4.25 3775 10.5
460 4.8
579F216 Standard 208/230 5.90 5180 15.8
460 7.9
579F240 Standard 208/230 8.70 7915 22.0
460 9.50 8640 13.0
579F300 Standard 208/230 10.20 9510 28.0
460 11.80 11,000 14.6
LEGEND
Bhp — Brake Horsepower
*Extensive motor and electrical testing on these units ensures that the
full horsepower range of the motors can be utilized with confidence.
Using your fan motors up to the horsepower ratings shown in this table
will not result in nuisance tripping or premature motor failure. Unit war-
ranty will not be affected.
NOTE: All indoor-fan motors 5 hp and larger meet the minimum effi-
ciency requirements as established by the Energy Policy Act of 1992
(EPACT) effective October 24, 1997.
55

ELECTRICAL DATA — 580D036-150
UNIT
580D
NOMINAL
VOLTAGE
(60 Hz)
IFM
TYPE
VOLTAGE
RANGE COMPR
(ea) OFM
(ea) IFM COMBUSTION
FAN MOTOR POWER SUPPLY DISCONNECT
SIZE*
Min Max RLA LRA Hp FLA FLA FLA MCA MOCP† FLA LRA
036
(3 Tons)
208/230
(single phase) Std 187 254 18.0 96.0
1
⁄
4
1.4 2.8 .57 26.7/26.7 35/35 26/26 106/106
Alt 4.9 28.8/28.8 35/35 28/28 107/107
208/230
(3 phase) Std 187 254 16.4 75.0
1
⁄
4
1.4 2.8 .57 24.7/24.7 30/30 24/24 85/85
Alt 4.9 26.8/26.8 30/30 26/26 86/86
460
(3 phase) Std 414 508 4.8 40.0
1
⁄
4
0.8 1.3 .30 8.1 15 8 46
Alt 2.1 8.9 15 9 46
575
(3 phase) Std 518 632 4.1 31.0
1
⁄
4
0.8 1.3 .30 7.2 15 7 37
Alt 2.1 8.0 15 8 37
048
(4 Tons)
208/230
(single phase) Std 187 254 23.0 110.0
1
⁄
4
1.4 3.5 .57 34.7/34.7 40/40 32/32 122/122
Alt 4.9 35.1/35.1 40/40 34/34 125/125
208/230
(3 phase) Std 187 254 15.3 92.0
1
⁄
4
1.4 3.5 .57 24.0/24.0 30/30 24/24 104/104
Alt 4.9 25.4/25.4 30/30 25/25 107/107
460
(3 phase) Std 414 508 7.0 46.0
1
⁄
4
0.8 1.8 .30 11.4 15 11 52
Alt 2.1 11.7 15 11 54
575
(3 phase) Std 518 632 5.8 44.0
1
⁄
4
0.8 1.8 .30 9.3 15 9 49
Alt 2.1 9.6 15 9 51
060
(5 Tons)
208/230
(single phase) Std 187 254 30.5 141.0
1
⁄
4
1.4 5.9 .57 42.7/42.7 50/50 43/43 155/155
Alt 8.8 48.3/48.3 60/60 47/47 178/178
208/230
(3 phase) Std 187 254 17.7 110.0
1
⁄
4
1.4 5.9 .57 29.4/29.4 35/35 29/29 124/124
Alt 5.8 29.3/29.3 35/35 29/29 145/145
460
(3 phase) Std 414 508 8.6 55.0
1
⁄
4
0.8 3.2 .30 14.8 20 15 63
Alt 2.6 14.2 20 14 73
575
(3 phase) Std 518 632 6.4 44.0
1
⁄
4
0.8 3.2 .30 12.0 15 12 52
Alt 2.6 11.4 15 12 62
072
(6 Tons)
208/230
(3 phase) Std 187 254 23.6 146.0
1
⁄
4
1.4 5.8 .57 36.1/36.1 45/45 35/35 181/181
460
(3 phase) Std 414 508 10.6 73.0
1
⁄
4
0.8 2.6 .30 16.7 20 16 89
575
(3 phase) Std 518 632 8.5 58.4
1
⁄
4
0.8 2.6 .30 14.4 15 12 76
090
(7
1
⁄
2
Tons)
208/230
(3 phase) Std 187 254 13.6 73.4
1
⁄
4
1.4 5.8 .57 40.1/40.1 45/45 42/42 229/229
460
(3 phase) Std 414 508 6.2 37.7
1
⁄
4
0.7 2.6 .30 18.4 25 19 108
575
(3 phase) Std 518 632 4.9 31.0
1
⁄
4
0.7 2.6 .30 14.9 20 16 97
102
(8
1
⁄
2
Tons)
208/230
(3 phase) Std 187 254 15.8 92.0
1
⁄
4
1.4 5.8 .57 44.2/44.2 50/50 46/46 231/231
460
(3 phase) Std 414 508 7.4 46.0
1
⁄
4
0.7 2.6 .30 20.7 25 22 116
575
(3 phase) Std 518 632 5.9 44.0
1
⁄
4
0.7 2.6 .30 16.5 20 17 107
120
(10 Tons)
208/230
(3 phase) Std 187 254 17.9 110.0
1
⁄
4
1.4 5.8 .57 48.9/48.9 60/60 51/51 267/267
Alt 7.5 50.6/50.6 60/60 53/53 286/286
460
(3 phase) Std 414 508 8.6 55.0
1
⁄
4
0.7 2.6 .30 23.4 30 24 134
Alt 3.4 24.2 30 25 173
575
(3 phase) Std 518 632 6.4 44.0
1
⁄
4
0.7 2.6 .30 17.6 20 18 107
Alt 3.4 18.2 20 19 139
150
(12
1
⁄
2
Tons)
208/230
(3 phase) Std 187 254 23.0 142.0
1
⁄
4
1.4 10.6 .57 63.6/63.6 70/70 67/67 375/375
Alt 15.0 69.6/69.6 80/80 73/73 406/406
460
(3 phase) Std 414 508 10.4 73.0
1
⁄
4
0.7 4.8 .30 29.6 40 31 190
Alt 7.4 32.2 45 34 203
575
(3 phase) Std 518 632 8.3 58.4
1
⁄
4
0.7 4.8 .30 26.6 30 28 154
Alt 7.4 28.6 35 30 163
See Legend and Notes on page 57.
56

ELECTRICAL DATA — 579F180-300
UNIT NOMINAL
VOLTAGE
(60 Hz)
VOLTAGE
RANGE COMPRESSOR OFM IFM POWER
EXHAUST COMBUSTION
FAN MOTOR POWER SUPPLY
NO. 1 NO. 2
Min Max RLA LRA RLA LRA Qty Hp FLA
(ea) FLA FLA LRA FLA MCA MOCP†
180
(15
Tons)
208/230
(3 phase) 187 254 61.0 266 — — 3
1
⁄
2
1.70 10.5/10.5 — — 0.57 92/92 150/150
4.6 18.8 0.57 96/96 150/150
460
(3 phase) 414 508 28.0 120 — — 3
1
⁄
2
0.80 4.8 — — 0.30 42 70
2.3 6.0 0.30 45 70
216
(18
Tons)
208/230
(3 phase) 187 254 35.6 198 28.2 160 3
1
⁄
2
1.70 15.8/15.8 — — 0.57 94/94 125/125
4.6 18.8 0.57 98/98 125/125
460
(3 phase) 414 508 17.8 99 14.1 80 3
1
⁄
2
0.80 7.9 — — 0.30 47 60
2.3 6.0 0.30 49 60
240
(20
Tons)
208/230
(3 phase) 187 254 35.6 198 35.6 198 2 1 5.50 25.0/25.0 — — 0.57 116/116 150/150
4.6 18.8 0.57 121/121 150/150
460
(3 phase) 414 508 17.8 99 17.8 99 2 1 2.80 13.0 — — 0.30 59 70
2.3 6.0 0.30 61 70
300
(25
Tons)
208/230
(3 phase) 187 254 43.6 228 43.6 228 2 1 5.50 28.0/28.0 — — 0.57 137/137 175/175
4.6 18.8 0.57 142/142 175/175
460
(3 phase) 414 508 22.1 114 22.1 114 2 1 2.80 14.6 — — 0.30 70 90
2.3 6.0 0.30 72 90
LEGEND
FLA — Full Load Amps
HACR — Heating, Air Conditioning and Refrigeration
IFM — Indoor (Evaporator) Fan Motor
LRA — Locked Rotor Amps
MCA — Minimum Circuit Amps
MOCP — Maximum Overcurrent Protection
NEC — National Electrical Code
OFM — Outdoor (Condenser) Fan Motor
RLA — Rated Load Amps
*Used to determine minimum disconnect size per NEC.
†Fuse or HACR circuit breaker.
036-150 Only 180-300 Only 180-300 Only
036-072 Only 090-150 Only
NOTES:
1. In compliance with NEC requirements for multimotor and combina-
tion load equipment (refer to NEC Articles 430 and 440), the over-
current protective device for the unit shall be fuse or HACR breaker.
Canadian units may be fuse or circuit breaker.
2. Unbalanced 3-Phase Supply Voltage
Never operate a motor where a phase imbalance in supply voltage is
greater than 2%.
Use the following formula to determine the percent
voltage imbalance.
% Voltage Imbalance
max voltage deviation from average voltage
= 100 x average voltage
EXAMPLE: Supply voltage is 460-3-60.
AB = 452 v
BC = 464 v
AC = 455 v
452 + 464 + 455
Average Voltage = 3
1371
=3
= 457
Determine maximum deviation from average voltage.
(AB) 457 - 452=5v
(BC) 464 - 457=7v
(AC) 457 - 455=2v
Maximum deviation is 7 v.
Determine percent voltage imbalance.
7
% Voltage Imbalance = 100 x 457
= 1.53%
This amount of phase imbalance is satisfactory as it is below the
maximum allowable 2%.
IMPORTANT: If the supply voltage phase imbalance is more than
2%, contact your local electric utility company immediately.
57

TYPICAL PIPING AND WIRING — 580D036-150
Vertical Discharge Ducting
Horizontal Discharge Ducting
NEC — National Electrical Code
58

TYPICAL PIPING AND WIRING — 579F180-300
(579F180 shown)
NEC — National Electrical Code
59

TYPICAL WIRING SCHEMATIC — 580D036-150
NOTES FOR 580D036-150 UNITS:
1. If any of the original wire furnished must be re-
placed, it must be replaced with Type 90 C
wire or its equivalent.
2. Three-phase motors are protected under pri-
mary single phasing conditions.
3. Thermostat: HH07AT170, 172, 174 and
P272-2783
Subbase: HH93AZ176, 178 and P272-
1882, 1883
4. Set heat anticipator for first stage at 0.14 amp,
second stage at 0.2 amp.
5. Use copper conductors only.
6. TRAN is wired for 230 v unit. If unit is to be run
with 208 v power supply, disconnect BLK wire
from 230 v tap (RED) and connect to 200 v tap
(BLU). Insulate end of 230 v tap.
7. When ECON assembly is installed move GRA
wire from connection board (Y1) to GRA wire
from PL6,5. Move ORN wire from connection
board (Y2) to ORN wire from PL6,9 on ECON
assembly.
60

TYPICAL WIRING SCHEMATIC (579F240-300, 460-v shown)
61

TYPICAL WIRING SCHEMATIC (579F240-300, 460-v shown) (cont)
LEGEND FOR TYPICAL WIRING SCHEMATICS
AHA — Adjustable Heat Anticipator
BKR W/AT — Breaks with Amp Turns
BR — Burner Relay
C—Contactor, Compressor
CAP — Capacitor
CB — Circuit Breaker
CC — Cooling Compensator
CH — Crankcase Heater
CLO — Compressor Lockout
COMP — Compressor Motor
CR — Control Relay
CT — Current Transformer
DM — Damper Motor
DU — Dummy Terminal
EC — Enthalpy Control
ER — Economizer Relay
EQUIP — Equipment
EPS — Emergency Power Supply
(9 v Battery)
FPT — Freeze Protection Thermostat
FU — Fuse
GND — Ground
GVR — Gas Valve Relay
HPS — High-Pressure Switch
HS — Hall Effect Sensor
HV — High Voltage
I—Ignitor
IDM — Induced-Draft Motor
IFC — Indoor (Evaporator)
Fan Contactor
IFCB — Indoor (Evaporator)
Fan Circuit Breaker
IFM — Indoor (Evaporator)
Fan Motor
IGC — Integrated Gas Unit Controller
IP — Internal Protector
L—Light
LLSV — Liquid Line Solenoid Valve
LOR — Lockout Relay
LPS — Low-Pressure Switch
LS — Limit Switch
MAT — Mixed-Air Thermostat
MGV — Main Gas Valve
MTR — Motor
OAT — Outdoor-Air Thermostat
OFC — Outdoor (Condenser)
Fan Contactor
OFM — Outdoor (Condenser)
Fan Motor
PL — Plug Assembly
PRI — Primary
QT — Quadruple Terminal
R—Relay
RS — Rollout Switch
SR — Solenoid Relay
SEN,SN — Sensor
SW — Switch
TB — Terminal Block
TC — Thermostat Cooling
TDR — Time-Delay Relay
TH — Thermostat Heating
TRAN — Transformer
Terminal (Marked)
Terminal (Unmarked)
Terminal Block
Splice
Factory Wiring
Field Wiring
To Indicate Common
Potential Only, Not
To Represent Wiring
NOTES FOR 579F240-300 UNITS:
1. Compressor and fan motors thermally protected; 3-phase motors
protected against primary single-phasing conditions.
2. If any of the original wire furnished must be replaced, it must be
replaced with type 90 C wire or its equivalent.
3. Jumpers are omitted when unit is equipped with economizer.
4. IFCB must trip amps is equal to or less than 140% full load amps,
and CB1 and CB2 (156%).
5. On TRAN1 use BLK lead for 460-v power supply.
6. The CLO locks out the compressor to prevent short cycling on
compressor overload and safety devices. Before replacing CLO,
check these devices.
7. Number(s) indicates the line location of used contacts. A bracket
over (2) numbers signifies a single-pole, double-throw contact.
An underlined number signifies a normally closed contact. A plain
(no line) number signifies a normally open contact.
8. TDR switches 1 and 2 to be set to ON for a 3-second delay.
62
CONTROLS
OPERATING SEQUENCE
Cooling, Units Without Economizer — When thermostat calls
for cooling, terminals G and Y1 are energized. The indoor
(evaporator) fan contactor (IFC) and compressor contactor
no. 1 (C1) are energized, and evaporator-fan motor (IFM), com-
pressor no. 1 (580D036-150 and 579F216-300) or unloaded
compressor (579F180), and condenser fan(s) start. The liquid
line solenoid value for compressor no. 1 is deenergized open.
The condenser-fan motor(s) runs continuously while unit is cool-
ing. For units with 2 stages of cooling, if the thermostat calls for
a second stage of cooling by energizing Y2, compressor con-
tactor no. 2 (C2) is energized and compressor no. 2 starts
(580D090-150 and 579F216-300), or compressor no. 1 runs
fully loaded (579F180). The liquid line solenoid valve for com-
pressor no. 2 (579F180 and 240) is deenergized to open.
Heating, Units Without Economizer (580D036-150) — When
the thermostat calls for heating, terminal W1 is energized. In or-
der to prevent thermostat short-cycling, the unit is locked into
the Heating mode for at least 1 minute when W1 is energized.
The induced-draft motor (IDM) is then energized and the burner
ignition sequence begins. The indoor (evaporator) fan motor
(IFM) is energized 45 seconds after a flame is ignited. On units
equipped for two stages of heat, when additional heat is
needed, W2 is energized and the high-fire solenoid on the main
gas valve (MGV) is energized. When the thermostat is satisfied
and W1 is deenergized, the IFM stops after a 45-second time-
off delay.
Heating, Units Without Economizer (579F180-300)
NOTE: The 579F180-300 units have 2 stages of heat.
When the thermostat calls for heating, power is sent to W on the
IGC (integrated gas unit controller) board. An LED (light-
emitting diode) on the IGC board will be on during normal op-
eration. A check is made to ensure that the rollout switch and
limit switch are closed. The induced-draft motor is then ener-
gized, and when speed is proven with the hall effect sensor on
the motor, the ignition activation period begins. The burners will
ignite within 5 seconds.
If the burners do not light, there is a 22-second delay before an-
other 5-second attempt. If the burners still do not light, this se-
quence is repeated for 15 minutes. After the 15 minutes have
elapsed, if the burners still have not lighted, heating is locked
out. To reset the control, break 24-v power to the thermostat.
When ignition occurs the IGC board will continue to monitor the
condition of the rollout and limit switches, the hall effect sensor,
as well as the flame sensor. If the unit is controlled through a
room thermostat set for fan auto., 45 seconds after ignition oc-
curs, the indoor-fan motor will be energized. If for some reason
the overtemperature limit opens prior to the start of the indoor
fan blower, on the next attempt, the 45-second delay will be
shortened to 5 seconds less than the time from initiation of heat
to when the limit tripped. Gas will not be interrupted to the burn-
ers and heating will continue. Once modified, the fan on delay
will not change back to 45 seconds unless power is reset to the
control.
When additional heat is required, W2 closes and initiates power
to the second stage of the main gas valve. When the thermostat
is satisfied, W1 and W2 open and the gas valve closes, inter-
rupting the flow of gas to the main burners. If the call for W1
lasted less than 1 minute, the heating cycle will not terminate
until 1 minute after W1 became active. If the unit is controlled
through a room thermostat set for fan auto., the indoor-fan mo-
tor will continue to operate for an additional 45 seconds then
stop. If the overtemperature limit opens after the indoor motor is
stopped within 10 minutes of W1 becoming inactive, on the next
cycle the time will be extended by 15 seconds. The maximum
delay is 3 minutes. Once modified, the fan off delay will not
change back to 45 seconds unless power is reset to the control.
A LED indicator is provided on the IGC to monitor operation.
The IGC is located by removing the side panel and viewing the
IGC through the view port located in the control box access
panel. During normal operation, the LED is continuously on.
Cooling, Units With Durablade Economizer (580D036-150)
—When the outdoor-air temperature is above the OAT
(outdoor-air thermostat) setting and the room thermostat calls
for cooling, compressor contactor no. 1 is energized to start
compressor no. 1 and the outdoor (condenser) fan motor
(OFM). The indoor (evaporator) fan motor (IFM) is energized
and the economizer damper moves to the minimum position.
Upon a further call for cooling, compressor contactor no. 2 will
be energized, starting compressor no. 2 (090-150 only). After
the thermostat is satisfied, the damper moves to the fully closed
position when using an auto fan or to the minimum position
when using a continuous fan.
When the outdoor-air temperature is below the OAT setting and
the thermostat calls for cooling, the economizer dampers move
to the minimum position. If the supply-air temperature is above
57 F, the damper continues to open until it reaches the fully
open position or until the supply-air temperature drops below
52 F.
When the supply-air temperature falls to between 57 F and
52 F, the damper will remain at an intermediate open position. If
the supply-air temperature falls below 52 F, the damper will
modulate closed until it reaches the minimum position or until
the supply-air temperature is above 52 F. When the thermostat
is satisfied, the damper will move to the fully closed position
when using an auto fan or to the minimum position when using
a continuous fan.
If the outdoor air alone cannot satisfy the cooling requirements
of the conditioned space, economizer cooling is integrated with
mechanical cooling, providing second-stage cooling. Compres-
sor no. 1 and the condenser fan will be energized and the po-
sition of the economizer damper will be determined by the
supply-air temperature. Compressor no. 2 is locked out.
When the second stage of cooling is satisfied, the compressor
and OFM will be deenergized. The damper position will be de-
termined by the supply-air temperature.
After a 30-second delay, the IFM shuts off. If the thermostat
fan selector switch is in the ON position, the IFM will run
continuously.
63
CONTROLS (cont)
Cooling, Units With Parablade Economizer (580D036-072)
—When the outdoor air is above the enthalpy control (EC) set-
ting, and the room thermostat calls for cooling, and the com-
pressor contactor is energized to start the compressor and the
condenser-fan motor. The evaporator-fan motor is energized
and the economizer damper moves to the minimum position. Af-
ter the room thermostat is satisfied, the damper will spring re-
turn to the fully closed position.
When the outdoor air is below the (EC) setting and the ther-
mostat calls for cooling, the economizer outdoor-air damper is
opened proportionally to maintain between 50 and 56 F at the
mixed-air sensor. If outdoor air alone cannot satisfy the cooling
requirements, economizer cooling is integrated with mechanical
cooling. When the room thermostat is satisfied, the damper will
spring return to the fully closed position.
Cooling, Units With Parablade Economizer (580D090-150)
—When the outdoor air is above the enthalpy control (EC) set-
ting, and the room thermostat calls for cooling, and compressor
contactor no. 1 is energized to start compressor no. 1 and the
condenser-fan motor. The evaporator-fan motor is energized
and the economizer damper moves to the minimum position.
Upon a further call for cooling, compressor contactor no. 2 is en-
ergized, starting compressor no. 2. After the room thermostat
is satisfied, the damper will spring return to the fully closed
position.
When the outdoor-air temperature is below the EC setting and
the thermostat calls for cooling, the economizer outdoor-air
damper is opened proportionally to maintain between 50 and
56 F at the mixed-air sensor. If outdoor-air alone cannot satisfy
the cooling requirements, economizer cooling is integrated with
mechanical cooling, and the second compressor is locked out.
When the room thermostat is satisfied, the damper will spring
return to the fully closed position.
Cooling, Units With Economizer (579F180-300) — Upon a
call for cooling, when outdoor ambient is above the temperature
control setting, the economizer damper moves to VENT posi-
tion. The compressors and evaporator and condenser fans
energize.
Upon a first call for cooling, when outdoor ambient is below the
temperature control setting, the evaporator fan starts and the
economizer opens to maintain 53 F leaving-air temperature.
The compressors remain off.
Upon a second-stage call for cooling, compressor no. 1 is en-
ergized and mechanical cooling is integrated with econo-
mizer cooling. If the outdoor-air temperature drops below
50 F, a cooling lockout switch prevents the compressors from
running.
When supply-air temperature drops below a fixed set point, the
economizer damper modulates to maintain the temperature at
the fixed set point.
A freeze protection thermostat (FPT) is located on the evapora-
tor coil. It detects frost build-up and turns off the compressors,
allowing the coil to clear. Once frost has melted, the compres-
sors can be reenergized.
Heating, Units With Economizer (580D036-150) — When the
thermostat calls for heating, terminal W1 is energized. In order
to prevent thermostat short-cycling, the unit is locked into the
Heating mode for at least 1 minute when W1 is energized. The
induced-draft motor is then energized and the burner ignition
sequence begins. The indoor (evaporator) fan motor (IFM) is
energized 45 seconds after a flame is ignited and the damper
moves to the minimum position. On units equipped for two
stages of heat, when additional heat is needed, W2 is energized
and the high-fire solenoid on the main gas valve (MGV) is en-
ergized. When the thermostat is satisfied and W1 is deener-
gized, the IFM stops after a 45 second time-off delay. The
economizer damper then moves to the fully closed position.
When using continuous fan, the damper will remain in the mini-
mum position.
Heating, Units With Economizer (579F180-300) — Outdoor-
air damper stays at VENT position while evaporator fan is op-
erating. Refer to Heating, units without economizer section on
page 63 for remainder of operating sequence.
64
APPLICATION DATA
1. DUCTWORK (580D036-150) — Secure vertical discharge
ductwork to roof curb. For horizontal discharge applica-
tions, attach ductwork to unit, or field-supplied flanges can
be attached to horizontal discharge openings and all duct-
work attached to flanges.
2. DUCTWORK (579F180-300) — Ductwork should be at-
tached to the curb on all units. Interior installation may pro-
ceed before unit is set in place on roof. If ductwork will be
attached to the unit, do not drill in condensate drain pan
area — leaks may result. See figures on page 66 for in-
formation on field-installed concentric ductwork when
applicable.
3. TO CONVERT DURABLADE ECONOMIZER FROM VER-
TICAL DISCHARGE TO HORIZONTAL DISCHARGE
(580D036-150):
1. Remove economizer to gain access to return duct
opening.
2. Move the horizontal discharge duct opening covers to
the vertical discharge openings.
3. Rotate economizer 90 degrees (until the economizer
motor faces the condenser section).
4. Rotate the barometric relief damper 90 degrees (econo-
mizer only).
5. Install block-off plate over the opening on the access
panel.
NOTE: Parablade economizer is for vertical discharge units
only.
4. THRU-THE-CURB SERVICE CONNECTIONS (579F180-
300) — Roof curb connections allow field power wires, con-
trol wires, and gas supply to enter through the roof curb
opening.
5. THRU-THE-BOTTOM SERVICE CONNECTIONS
(580D036-150) — An accessory kit is required for proper
installation of thru-the-bottom connections.
6. THERMOSTAT — Use of 2-stage cooling thermostat is rec-
ommended for all units. A 2-stage cooling thermostat is
required on units with accessory economizer to provide
integrated cooling.
7. HEATING-TO-COOLING CHANGEOVER — All units are
automatic changeover from heating to cooling when auto-
matic changeover thermostat and subbase are used.
8. AIRFLOW — Units are draw-thru on cooling and blow-thru
on heating.
9. MAXIMUM AIRFLOW — To minimize the possibility of con-
densate blow-off from evaporator, airflow through units
should not exceed 500 cfm/ton on size 036-240 units, and
11,250 cfm on size 028 units.
10. MINIMUM AIRFLOW — The minimum airflow for cooling is
300 cfm/ton on size 036-240 units and 280 cfm/ton on size
300 units. Refer to Heating Capacities and Efficiencies
table on page 7 for minimum airflow cfm for heating on size
180-300 units.
11. MINIMUM AMBIENT COOLING OPERATION TEMPERA-
TURE (580D036-150) — The cooling temperature for size
036-150 standard units is 25 F. With accessory Motor-
masterTcontrol units can operate at outdoor temperatures
down to −20 F.
12. MINIMUM AMBIENT COOLING OPERATION TEMPERA-
TURE (579F180-300) — Units are designed to operate at
outdoor temperatures down to 40 F for 579F180, 35 F for
579F216 25 F for 579F240, and 48 F for 579F300. To op-
erate at lower outdoor-air temperatures, see Price Pages or
contact your local representative for appropriate accessory
combinations for specific applications.
13. MAXIMUM OPERATING OUTDOOR-AIR TEMPERA-
TURE — For cooling, this temperature is 115 F on size 036-
180 units, 125 F on size 216-300 units.
14. HIGH ALTITUDE — A change to the gas orifice may be re-
quired at high altitudes. Refer to Altitude Compensation
charts on pages 53 and 54.
15. MINIMUM TEMPERATURE — Air entering the heat ex-
changer in heating must be a minimum of 50 F continuous
and 45 F intermittent.
16. INTERNAL UNIT DESIGN — Due to the internal unit de-
sign (draw-thru over the motor), air path, and specially de-
signed motors, the full horsepower (maximum continuous
bhp) listed in the Physical Data table and the notes follow-
ing each Fan Performance table can be utilized with ex-
treme confidence.
Using motors with the values listed in the Physical and Fan
Performance Data tables
will not
result in nuisance tripping
or premature motor failure. The unit warranty will not be
affected.
65

APPLICATION DATA (cont)
Concentric Duct Air Distribution
579F180-300 Only
NOTE: Do not drill in this area, damage to basepan may result in
water leak.
Concentric Duct Details
579F180-300 Only
NOTE: Dimensions A, A8and B, B8are obtained from field-supplied
ceiling diffuser.
indicates block-off panels.
66
GUIDE SPECIFICATIONS — 580D036-150
PACKAGED ROOFTOP ELECTRIC COOLING UNIT
WITH GAS HEAT — CONSTANT VOLUME APPLICATION
HVAC GUIDE SPECIFICATIONS
SIZE RANGE: 3to12
1
⁄
2
TONS, NOMINAL (COOLING)
72,000 TO 250,000 BTUH, NOMINAL
(INPUT HEATING)
MODEL NUMBER: 580D
Part 1 — General
1.01 SYSTEM DESCRIPTION
Outdoor rooftop mounted, electrically-controlled heating
and cooling unit utilizing a hermetic compressor(s) for
cooling duty and gas combustion for heating duty. Unit
shall discharge supply air vertically or horizontally as
shown on contract drawings.
1.02 QUALITY ASSURANCE
A. Unit shall be rated in accordance with ARI Standards 210/
240 or 360 and 270. Designed in accordance with UL
Standard 1995.
B. Unit shall be designed to conform to ASHRAE 15, latest
revision.
C. Unit shall be UL-tested and certified in accordance
with ANSI Z21.47 Standards and UL listed and certified
under Canadian standards as a total package for safety
requirements.
D. Roof curb shall be designed to conform to NRCA
Standards.
E. Insulation and adhesive shall meet NFPA 90A require-
ments for flame spread and smoke generation.
F. Unit casing shall be capable of withstanding 500-hour salt
spray exposure per ASTM B117 (scribed specimen).
G. Unit shall be designed in accordance with ISO 9001, and
shall be manufactured in a facility registered to ISO 9002/
BS5750, Part 2.
H. Each 580D unit is subjected to completely automated run
testing on the assembly line. Each unit contains a factory-
supplied printout indicating tested pressures, amperages,
data, and inspectors; providing certification of the unit sta-
tus at the time of manufacture.
1.03 DELIVERY, STORAGE, AND HANDLING
Unit shall be stored and handled per manufacturer’s
recommendations.
Part 2 — Products
2.01 EQUIPMENT (STANDARD)
A. General:
Factory assembled, single-piece heating and cooling unit.
Contained within the unit enclosure shall be all factory
wiring, piping, controls, refrigerant charge (R-22), and
special features required prior to field start-up.
B. Unit Cabinet:
1. Unit cabinet shall be constructed of galvanized steel,
and shall be bonderized and coated with a prepainted
baked enamel finish on all externally exposed
surfaces.
2. Evaporator fan compartment interior cabinet surfaces
shall be insulated with a minimum
1
⁄
2
-in. thick, flexible
fiberglass insulation, coated on the air side. Aluminum
foil-faced fiberglass insulation shall be used in the gas
heat compartment.
3. Cabinet panels shall be easily removable for
servicing.
4. Holes shall be provided in the base rails for rigging
shackles to facilitate maneuvering and overhead rig-
ging.
5. Unit shall have a factory-installed, sloped condensate
drain pan made of a non-corrosive material, providing
a minimum
3
⁄
4
-in. connection with both vertical and
horizontal drains, and shall comply with ASHRAE
Standard 62.
6. Unit shall have a factory-installed filter access panel to
provide filter access with tool-less removal.
7. Unit shall have standard thru-the-bottom power
connection capability.
C. Fans:
1. Evaporator Fan:
a. Fan shall be direct or belt driven as shown on the
equipment drawings. Belt drive shall include an
adjustable-pitch motor pulley.
b. Fan wheel shall be double-inlet type with forward-
curved blades.
c. Bearings shall be sealed, permanently lubri-
cated ball-bearing type for longer life and lower
maintenance.
2. Evaporator fan shall be made from steel with a
corrosion-resistant finish and shall be dynamically
balanced.
3. Condenser fan shall be of the direct-driven propeller
type and shall discharge air vertically.
4. Condenser fan shall have aluminum blades riveted
to corrosion-resistant steel spiders and shall be dy-
namically balanced.
5. Induced-draft blower shall be of the direct-driven,
single inlet, forward-curved centrifugal type, made
from steel with a corrosion-resistant finish and shall be
dynamically balanced.
D. Compressor(s):
1. Fully hermetic type, internally protected.
2. Factory spring-shock mounted and internally spring
mounted for vibration isolation.
3. On independent mounting circuits (090-150).
E. Coils:
1. Evaporator and condenser coils shall have aluminum
plate fins mechanically bonded to copper tubes with
all joints brazed.
2. Tube sheet openings shall be belled to prevent tube
wear.
3. Evaporator coil shall be of the face-split design which
proves effective in removing additional moisture from
the supply air.
F. Heating Section:
1. Induced-draft combustion type with energy saving
direct-spark ignition system and redundant main gas
valve.
2. The heat exchanger shall be of the tubular-section
type constructed of a minimum of 20-gage steel
coated with a nominal 1.2 mil aluminum-silicone alloy
for corrosion resistance.
3. Burners shall be of the in-shot type constructed of
aluminum-coated steel.
4. All gas piping shall enter the unit cabinet at a
single location.
67
GUIDE SPECIFICATIONS — 580D036-150 (cont)
5. The integrated gas controller (IGC) board shall include
gas heat operation fault notification using an LED
(light-emitting diode).
6. Unit shall be equipped with anti-cycle protection with
one short cycle on unit flame rollout switch or 4 con-
tinuous short cycles on the high-temperature limit
switch. Fault indication shall be made using an LED.
7. The IGC board shall contain algorithms that modify
evaporator-fan operation to prevent future cycling on
high-temperature limit switch.
8. The LED shall be visible without removal of control
box access panel.
G. Refrigerant Components:
Refrigerant circuit components shall include:
1. Fixed orifice feed system.
2. Refrigerant strainer.
3. Service gage connections on suction, discharge, and
liquid lines.
H. Filter Section:
1. Standard filter section shall consist of factory-
installed, low velocity, throwaway 2-in. thick fiberglass
filters of commercially available sizes.
2. Filter face velocity shall not exceed 320 fpm at nomi-
nal airflows.
3. Filter section should use only one size filter.
4. Filters shall be accessible through an access panel
with ‘‘no-tool’’ removal.
I. Controls and Safeties:
1. Unit Controls:
Unit shall be complete with self-contained low-voltage
control circuit protected by an auto-reset device.
2. Safeties:
a. Unit shall incorporate compressor overtempera-
ture and overcurrent safety devices to shut off
compressor.
b. Heating section shall be provided with the follow-
ing minimum protections:
1) High-temperature limit switch.
2) Induced-draft motor speed sensor.
3) Flame rollout switch.
4) Flame proving controls.
J. Operating Characteristics:
1. Unit shall be capable of starting and running at
115 F ambient outdoor temperature, meeting maxi-
mum load criteria of ARI Standard 210/240 or 360.
2. Compressor with standard controls shall be capable of
operation down to 25 F ambient outdoor temperature.
K. Electrical Requirements:
All unit power wiring shall enter unit cabinet at a single
factory-predrilled location.
L. Motors:
1. Compressor motors shall be cooled by refrig-
erant gas passing through motor windings and shall
have line break thermal and current overload
protection.
2. Evaporator-fan motor shall have permanently lubri-
cated bearings and inherent automatic-reset thermal
overload protection.
3. Totally enclosed condenser-fan motor shall have per-
manently lubricated bearings, and inherent automatic-
reset thermal overload protection.
4. Induced-draft motor shall have permanently lubricated
sealed bearings and inherent automatic-reset thermal
overload protection.
M. Special Features:
Certain features are not applicable when the features
designated * are specified. For assistance in amending
the specifications, contact your local sales office.
1. Roof Curbs (Horizontal and Vertical):
a. Formed galvanized steel with wood nailer strip
and shall be capable of supporting entire unit
weight.
b. Permits installation and securing of ductwork to
curb prior to mounting unit on the curb.
* 2. Integrated Economizers:
a. Integrated integral modulating type capable of
simultaneous economizer and compressor
operation.
b. Includes all hardware and controls to provide
cooling with outdoor air.
c. Equipped with low-leakage dampers, not to ex-
ceed 3% leakage at 1 in. wg pressure differential
(variable sliding plate economizer only) or parallel
blade design.
d. Capable of introducing up to 100% outdoor
air.
e. Parallel opposed blade economizer shall be
equipped with a barometric relief damper with up
to 30% of return air (036-072) or 45% of return air
(090-150) relief. The variable sliding plate econo-
mizer is equipped with 30% of return-air relief
(036-150).
f. Designed to close damper during loss-of-power
situations with emergency power supply (variable
sliding plate economizer) or spring return built into
motor (parallel opposed blade economizer).
g. Dry bulb outdoor-air thermostat (variable sliding
plate economizer) or enthalpy (parallel opposed
blade economizer) protection shall be provided as
standard.
h. Variable sliding plate economizer is a guillotine-
style damper, and the parallel opposed blade
economizer is a parallel blade design.
i. Parallel opposed blade economizer shall provide
control of internal building pressure through its in-
herent power exhaust function.
j. Parallel opposed blade economizer shall be ca-
pable of exhausting up to 100% outdoor air.
NOTE: Parallel opposed blade type economizer
shall also be available with power exhaust.
* 3. Manual Outdoor-Air Damper:
Manual damper package shall consist of damper,
birdscreen, and rainhood which can be preset to ad-
mit up to 50% outdoor air for year round ventilation.
* 4. 100% Two-Position Damper:
a. Two-position damper package shall include single
blade damper and motor. Admits up to 100% out-
door air.
68
GUIDE SPECIFICATIONS — 580D036-150 (cont)
b. Damper shall close upon indoor (evaporator) fan
shutoff.
c. Designed to close damper during loss of power
situations.
d. Equipped with 15% barometric relief damper.
* 5. 25% Two-Position Damper:
a. Two-position damper package shall include single
blade damper and motor. Admits up to 25% out-
door air.
b. Damper shall close upon indoor (evaporator) fan
shutoff.
c. Designed to close damper during loss of power
situations.
d. Equipped with barometric relief damper.
* 6. Solid-State Enthalpy Control:
a. For use with variable sliding plate economizer
package only.
b. Capable of sensing outdoor-air heat content (tem-
perature and humidity) and control economizer
cut-in point to have minimum heat content air
passing over the evaporator coil for most efficient
system operation.
* 7. Differential Enthalpy Sensor:
a. For use with economizer only.
b. Capable of comparing heat content (temperature
and humidity) of outdoor air and return air and
controlling economizer cut-in point at the most
economical level.
* 8. Head Pressure Control Package:
Consists of solid-state control and condenser-coil
temperature sensor to maintain condensing tem-
perature between 90 F and 110 F at outdoor ambient
temperatures down to −20 F by condenser-fan speed
modulation or condenser-fan cycling.
9. LP (Liquid Propane) Gas Conversion Kit:
Package shall contain all the necessary hardware
and instructions to convert a standard natural gas
unit for use with liquefied propane gas.
* 10. Commercial Programmable Thermostat:
Seven-day commercial progammable thermostat
shall be capable of auto-changeover, F/C, 3-stage
heating and 2-stage cabling. Thermostat shall also
be equipped with complete system status display.
* 11. Flue Shield:
Provides protection from the hot sides of the gas flue
hood.
* 12. Thermostat and Subbase:
Provides staged cooling and heating automatic (or
manual) changeover, fan control, and indicator light.
* 13. Condenser Coil Hail Guard Assembly:
Hail guard shall protect against damage from hail
and flying debris.
14. NO
x
Reduction Kit:
Package shall contain all necessary hardware and
instructions to convert a standard natural gas unit to
reduce the nitrous oxide (NOx) emissions to a level
of 40 nanograms/joule or less for unit sizes 036-060
being installed in California Air Quality Management
Districts.
15. Controls Upgrade Kit:
Kit shall contain high-pressure, loss-of-charge/low-
pressure, and freeze protection switches. It shall
mount on factory-installed Schrader fittings.
16. Alternate Motor(s) and/or Drive(s) (036-060, 090,
120, 150):
Alternate motor(s) and drive(s) shall be factory-
installed to provide additional performance range.
17. Flue Discharge Deflector:
Flue discharge deflector directs unit exhaust verti-
cally instead of horizontally.
* 18. Condenser Coil Grille:
The grille protects the condenser coil from damage
by large objects without increasing unit clearances.
19. Compressor Cycle Delay:
Unit shall be prevented from restarting for minimum
of 5 min. after shutdown.
20. Thru-the-Bottom Service Connectors:
Kit shall provide connectors to permit gas and elec-
trical connections to be brought to the unit through
the basepan.
21. Fan/Filter Status Switch:
Provides status of indoor (evaporator) fan (ON/OFF)
or filter (CLEAN/DIRTY). Status shall be displayed
over communication bus when used with direct
digital controls or with an indicator light at the
thermostat.
69
GUIDE SPECIFICATIONS — 579F180-300
PACKAGED ROOFTOP ELECTRIC COOLING UNIT WITH
GAS HEAT — CONSTANT VOLUME APPLICATION
HVAC GUIDE SPECIFICATIONS
SIZE RANGE: 15 TO 25 TONS, NOMINAL (COOLING)
172,000 to 360,000 BTUH, NOMINAL
(INPUT HEATING)
MODEL NUMBER: 579F
Part 1 — General
1.01 SYSTEM DESCRIPTION
Unit is an outdoor rooftop mounted, electrically controlled
heating and cooling unit utilizing a reciprocating semi-
hermetic compressor(s) for cooling duty and gas combus-
tion for heating duty. Supply air shall be discharged
downward or horizontally (with horizontal supply/return
curb adapter assembly), as shown on contract drawings.
Standard unit shall include a manual outdoor-air inlet.
1.02 QUALITY ASSURANCE
A. Unit (180-290) shall be rated in accordance with ARI
Standards 270 and 360 and all units shall be designed in
accordance with UL Standard 1995.
NOTE: The 579F300 is beyond the scope of the ARI cer-
tification program.
B. Unit shall be designed to conform to ASHRAE 15.
C. Unit shall be ETL and ETL, Canada tested and certified in
accordance with ANSI Z21.47 Standards as a total pack-
age.
D. Roof curb shall be designed to conform to NRCA
Standards.
E. Insulation and adhesive shall meet NFPA 90A require-
ments for flame spread and smoke generation.
F. Unit casing shall be capable of withstanding 500-hour salt
spray exposure per ASTM B117 (scribed specimen).
G. Unit shall be manufactured in a facility registered to ISO
9002/BS5750, Part 2.
1.03 DELIVERY, STORAGE, AND HANDLING
Unit shall be stored and handled per manufacturer’s
recommendations.
Part 2 — Products
2.01 EQUIPMENT (STANDARD)
A. General:
The 579F unit shall be a factory assembled, single-piece
heating and cooling unit. Contained within the unit enclo-
sure shall be all factory wiring, piping, controls, refrigerant
charge (R-22), and special features required prior to field
start-up.
B. Unit Cabinet:
1. Unit cabinet shall be constructed of galvanized steel,
bonderized and coated with a prepainted baked
enamel
finish.
2. Indoor blower compartment interior surfaces shall be
insulated with a minimum
1
⁄
2
-in. thick, 1 lb density neo-
prene cooled, fiberglass insulation coated on the air
side. Aluminum foil-faced fiberglass insulation shall be
used in the gas heat compartment.
3. Cabinet panels shall be easily removable for
servicing.
4. Filters shall be accessible through an access panel.
5. Holes shall be provided in the base rails for rigging
shackles to facilitate overhead rigging.
6. Unit shall have a factory-installed internal condensate
drain connection and a sloped condensate pan.
C. Fans:
1. Indoor blower (evaporator fan):
a. Fan shall be belt driven. Belt drive shall include an
adjustable pulley. The standard fan drive shall
have a factory-installed low-medium static pres-
sure fan drive. The alternate fan drive option shall
have a factory-installed high static pressure fan
drive.
b. Fan wheel shall be made from steel with a corro-
sion resistant finish. It shall be a dynamically bal-
anced, double-inlet type with forward-curved
blades.
2. Condenser fans shall be of the direct-driven propeller
type, with corrosion-resistant blades riveted to
corrosion-resistant steel supports. They shall be dy-
namically balanced and discharge air upwards.
3. Induced-draft blower shall be of the direct-driven,
single inlet, forward-curved, centrifugal type. It shall
be made from steel with a corrosion-resistant finish
and shall be dynamically balanced.
D. Compressor(s):
1. The reciprocating semi-hermetic compressor(s) has
factory-installed external spring vibration isolation.
2. Factory-installed crankcase heater prevents refriger-
ant dilution of oil.
3. The 180 size semi-hermetic compressor shall be
equipped with an electric unloader for capacity con-
trol. Additional field-supplied unloaders are not recom-
mended on any 180-300 sizes.
4. Compressors shall be on mechanically and electrically
independent circuits (216-300 sizes).
E. Coils:
1. Standard evaporator and condenser coils shall have
copper or aluminum plate fins mechanically bonded to
seamless internally grooved copper tubes with all
joints brazed.
2. Optional precoated coils shall be coated with a
baked-on organic, epoxy, phenolic coating.
F. Heating Section:
1. Induced-draft combustion type with energy saving
direct-spark ignition system and redundant main gas
valve.
2. The heat exchanger shall be of the tubular-section
type constructed of a minimum of 20-gage steel
coated with a nominal 1.2 mil aluminum-silicone alloy
for corrosion resistance.
3. Burners shall be of the in-shot type constructed of
aluminum-coated steel.
4. All gas piping shall enter the unit at a single location.
G. Refrigerant Components:
Refrigerant circuit components shall include:
1. Fixed expansion device with filter driers.
2. Service valve gage and connections on suction, dis-
charge, and liquid lines.
3. Thermostatic expansion valve (size 180) or fixed ori-
fice feed system (sizes 216-300).
70
GUIDE SPECIFICATIONS — 579F180-300
H. Filter Section:
Standard filter section shall consist of 2 sizes of factory-
installed 2-in. thick throwaway fiberglass filters of
commercially available sizes.
I. Controls and Safeties:
1. Unit Controls:
a. Economizer control (optional)
b. Capacity control (2-step)
c. Unit shall be complete with self-contained low-
voltage control circuit.
2. Safeties:
a. Unit shall incorporate a solid-state compressor
lockout which provides reset capability at the
space thermostat, should any of the following
safety devices trip and shut off compressor:
1) Compressor overtemperature, overcurrent.
2) Low-pressure switch.
3) Freezestats (evaporator coil).
4) High-pressure switch.
b. Supply-air thermostat shall be located in the unit.
c. Heating section shall be provided with the follow-
ing minimum protections:
1) High-temperature limit switch.
2) Induced-draft motor speed sensor.
3) Flame rollout switch.
4) Flame proving controls.
5) Redundant gas valve.
J. Operating Characteristics:
1. Unit shall be capable of starting and running at 115 F
ambient outdoor temperature per maximum load crite-
ria of ARI Standard 360.
2. Unit with standard controls will operate in cooling
down to an outdoor ambient temperature of 40 F on
579F180 units, to 35 F on 216 units, to 25 F ambient
on 240 units, and to 48 F ambient on 300 units.
3. Unit shall be provided with fan time delay to prevent
cold air delivery.
K. Electrical Requirements:
All unit power wiring shall enter unit cabinet at a single
location.
L. Motors:
1. All compressor motors shall be of the refrigerant
cooled type with thermal and calibrated circuit breaker
overload protection.
2. All fan motors shall have permanently lubricated,
sealed bearings and inherent automatic-reset thermal
overload protection or manual reset calibrated circuit
breakers.
3. All indoor-fan motors 5 hp and larger shall meet the
minimum efficiency requirements as established by
the Energy Policy Act of 1992 (EPACT) effective Oc-
tober 24, 1997.
M. Special Features:
Certain features are not applicable when the features
designated * are specified. For assistance in amending
the specifications, contact your local sales office.
1. Roof Curbs (Horizontal and Vertical):
a. Formed of 18-gage galvanized steel with wood
nailer strip and shall be capable of supporting en-
tire unit weight.
b. Permits installing and securing ductwork to curb
prior to mounting unit on the curb.
2. Horizontal Adapter Roof Curb:
Includes factory-assembled adapter and duct
and substantially improves evaporator fan static
performance.
* 3. Integrated Economizer:
a. Integrated type capable of simultaneous econo-
mizer and compressor operation to provide cool-
ing with outdoor air.
b. Equipped with low-leakage dampers not to
exceed 3% leakage, at 1.0 in. wg pressure
differential.
c. Capable of introducing up to 100% outdoor air.
d. Equipped with dry-bulb temperature control to
govern economizer changeover.
e. Equipped with a mixed-air sensor that controls the
economizer to a 55 F control point.
4. Two-Position Damper:
Two-position damper package shall include single
blade damper and motor. Admits up to 25% outdoor
air, and shall close upon unit shutoff.
5. Accessory Compressor Cycle Delay:
Compressor shall be prevented from restarting for a
minimum of 5 minutes after shutdown.
* 6. Thermostats and Subbases:
To provide staged heating and cooling in addition to
automatic (or manual) changeover and fan control.
* 7. Barometric Relief Damper Package:
a. Package shall include damper, seals, hardware,
and hoods to relieve excess internal pressure.
b. Damper shall close due to gravity upon unit shut-
down.
* 8. Power Exhaust:
Package shall include an exhaust (propeller style)
fan,
1
⁄
2
Hp 208-230, 460 v (factory-wired for 460 v)
motor, and damper for vertical flow units with econo-
mizer to control overpressurization of building.
* 9. Head Pressure Control Package:
Consists of an accessory outdoor-air package and a
solid-state control with condenser coil temperature
sensor for controlling condenser-fan motor
speed to maintain condensing temperature between
90 F and 100 F at outdoor ambient temperature
down to –20 F.
10. Low-Ambient Kits:
When used, allows units to operate at lower outdoor
ambient temperatures. See trade prices for more
information.
71

GUIDE SPECIFICATIONS — 579F180-300
* 11. Enthalpy Sensor:
a. For use with economizer only.
b. Capable of comparing heat content (temperature
and humidity) of outdoor air and indoor air and
controlling economizer cut-in point at the most
economical level.
NOTE: Two accessory enthalpy sensors are re-
quired for differential enthalpy control.
* 12. Commercial Programmable Thermostat:
Seven-day commercial progammable thermostat
shall be capable of auto-changeover, F/C, 3-stage
heating and 2-stage cooling. Thermostat shall also
be equipped with complete system status display.
13. Winter Start Time-Delay Relay:
Used in conjunction with the accessory low-ambient
kit or head pressure control device, permits opera-
tion in cooling at lower outdoor ambient tempera-
tures. See price pages for more information.
14. Liquid Propane Conversion Kit:
Kit shall contain all the necessary hardware and in-
structions to convert a standard natural gas unit for
use with liquified propane gas.
Copyright 1998 Bryant Heating & Cooling Systems
SPECIFICATIONS SUBJECT TO CHANGE WITHOUT NOTICE
UNIT MUST BE INSTALLED IN ACCORDANCE
WITH INSTALLATION INSTRUCTIONS
Printed in U.S.A. 9/98 CATALOG NO. 5258-001