Bryant 581A B Users Manual Pds580f 36 3 PG1 143
581AB to the manual fdcaafd8-7736-4865-92fb-3ebf2e9b7354
2015-02-02
: Bryant Bryant-581A-B-Users-Manual-412093 bryant-581a-b-users-manual-412093 bryant pdf
Open the PDF directly: View PDF
.
Page Count: 268 [warning: Documents this large are best viewed by clicking the View PDF Link!]
- Features/Benefits
- Table of Contents
- Model Number Nomenclature
- ARI Capacity Ratings
- Options and Accessories
- 580F036-151
- 581B036-150
- Physical Data
- Base Unit Dimensions
- Accessory Dimensions
- Selection Procedure
- Performance Data
- Cooling Capacities, Standard Units
- Cooling Capacities, Units with Perfect Humidity Adaptive Dehumidification Option
- Fan Performance
- Fan RPM at Motor Pulley Setting
- Altitude Compensation
- Outdoor Sound Power
- Accessory/FIOP Static Pressure
- Perfect Humidity™ Adaptive Dehumidification Coil Pressure Drop
- Vertical EconoMi$er IV and EconoMi$er2 Performance Data
- Evaporator-Fan Motor Performance
- Power Exhaust Options
- Electrical Data
- Typical Wiring Schematics
- Typing and Wiring
- Guide Specifications — 580F036-151 and 581B036-150
- 579F180-300
- 580F180-300
- 581A155-300
- Physical Data
- Base Unit Dimensions
- Accessory Dimensions
- Selection Procedure
- Performance Data
- Cooling Capacities, Standard Units
- Cooling Capacities, Units with Hot Gas Reheat Option
- Fan Performance
- Fan Performance Using Accessory Power Exhaust
- Altitude Compensation
- Accessory/FIOP Static Pressure
- Evaporator-Fan Motor Performance
- Fan RPM at Motor Pulley Settings — 581A155,180
- Outdoor Sound Power
- Fan RPM at Motor Pulley Settings — 581A210-300
- Evaporator Fan Motor Specifications — 581A210-300
- Electrical Data
- Typical Wiring Schematics
- Typical Piping and Wiring
- Guide Specifications — 579F/580F180-300 and 581A155-300
- Controls
- Application Data
- Index

Form No. PDS 580F.36.3
COMMERCIAL
SINGLE PACKAGE ROOFTOP UNITS
GAS HEATING/ELECTRIC COOLING UNITS
Standard efficiency units (580F072, 090, 120, 150 and
579F180-300) are available. Standard efficiency units
(580F036-060, 073, 091,103,121,151, and 180-300) that meet
ASHRAE 90.1-04 minimum energy efficiency requirements are
also available. High efficiency units (581B036-150 and
581A155-300) well exceed ASHRAE 90.1-04 energy efficiency
requirements and must comply with Energy Star high efficiency
requirements. Gas heating with electric cooling rooftops offer:
• Pre-painted galvanized steel cabinet for long life and quality
appearance
• Commercial strength base rails with built-in rigging capability
• Convertible design for vertical or horizontal supply/return
(036-151 and 210-300 only)
• Non-corrosive, sloped condensate drain pan, meets
ASHRAE 62 (IAQ)
• Two-inch return-air filters
• A wide assortment of factory-installed options available,
including high-static drives that provide additional perfor-
mance range
• Factory-installed optional gear driven EconoMi$er IV (vertical
return for sizes 036-151 only) for use with standard rooftop
unit controls (includes CO2 sensor control capability)
• Factory-installed optional gear driven EconoMi$er2 (vertical
return only) for use with third party DDC controls (includes
4 to 20 mA actuator for demand control ventilation)
• Perfect Humidity™ dehumidification package (581B036-150
only)
• Hot gas reheat dehumidification package (581A181-300 only)
Heat Options
• Exclusive integrated gas control board with diagnostics
• Alumagard™ heat exchanger coating
• Induced-draft fan for gas combustion
• Tubular, dimpled heat exchangers
• Natural gas
• LP conversion kits
•Low NO
X (size 036-060 only)
• Optional stainless steel heat exchangers.
FEATURES/BENEFITS
Every compact one-piece unit arrives fully assembled,
charged, tested, and ready to run.
GAS HEAT MODELS — All ignition components are contained
in the compact IGC (integrated gas controller) which is easily
accessible for servicing. The IGC control board, designed and
manufactured exclusively for Bryant rooftop units, provides
built-in diagnostic capability. An LED (light-emitting diode) sim-
plifies troubleshooting by providing visual fault notification and
system status confirmation.
The IGC also contains an exclusive anti-cycle protection for
gas heat operation. After 4 continuous cycles on the unit high-
temperature limit switch, the gas heat operation is disabled,
and an error code is issued. This feature greatly improves reli-
ability of the rooftop unit.
The IGC also contains burner control logic for accurate and
dependable gas ignition. The LED is visible without removing
the unit control box access panel. This LED fault-notification
system reduces service person troubleshooting time and mini-
mizes service costs. The IGC also maximizes heating effi-
ciency by controlling evaporator-fan on and off delays.
Tubular, dimpled gas heat exchangers optimize heat transfer
for improved efficiency. The tubular design permits hot gases
to make multiple passes across the path of the supply air. The
dimpled design creates a turbulent gas flow to maximize heat-
ing efficiency.
580F, 579F, 581A/B
DuraPac and
DuraPac Plus Series
Sizes 036-300
3 to 25 Tons
SIZES 036-073
SIZES 090-151 579F180-216
581A155,180
580F180,210
580F240
579F240-300 580F300
581A210-300
48-910df
a48-8207
50-1242f 50-1214df
a48-5997
48-831df
2
TABLE OF CONTENTS
Page
Features/Benefits . . . . . . . . . . . . . . . . . . . . . . . . . . . . . . . . . 1-4
Model Number Nomenclature . . . . . . . . . . . . . . . . . . . . . . . . 5-7
ARI Capacity Ratings . . . . . . . . . . . . . . . . . . . . . . . . . . . . . 8-15
Options and Accessories . . . . . . . . . . . . . . . . . . . . . . . . . 16-19
580F036-151
Physical Data . . . . . . . . . . . . . . . . . . . . . . . . . . . . . . . . . . 20-25
Base Unit Dimensions. . . . . . . . . . . . . . . . . . . . . . . . . . . . 26-29
Accessory Dimensions . . . . . . . . . . . . . . . . . . . . . . . . . . . 30,31
Selection Procedure . . . . . . . . . . . . . . . . . . . . . . . . . . . . . . . .32
Performance Data . . . . . . . . . . . . . . . . . . . . . . . . . . . . . . . 33-74
Electrical Data. . . . . . . . . . . . . . . . . . . . . . . . . . . . . . . . . . 75-78
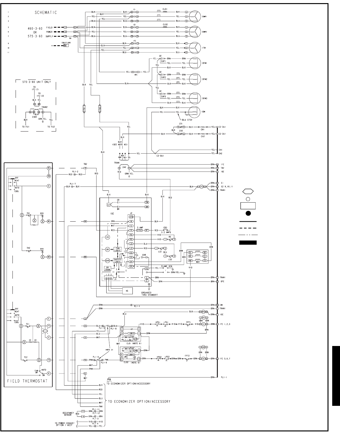
Typical Wiring Schematics . . . . . . . . . . . . . . . . . . . . . . . . 79-81
Typical Piping and Wiring . . . . . . . . . . . . . . . . . . . . . . . . . . . .82
581B036-150
Physical Data . . . . . . . . . . . . . . . . . . . . . . . . . . . . . . . . . . 83-86
Base Unit Dimensions. . . . . . . . . . . . . . . . . . . . . . . . . . . . 87,88
Accessory Dimensions . . . . . . . . . . . . . . . . . . . . . . . . . . . 89,90
Selection Procedure . . . . . . . . . . . . . . . . . . . . . . . . . . . . . . . .91
Performance Data . . . . . . . . . . . . . . . . . . . . . . . . . . . . . . 92-132
Electrical Data. . . . . . . . . . . . . . . . . . . . . . . . . . . . . . . . 133,134
Typical Wiring Schematics . . . . . . . . . . . . . . . . . . . . . . 135-137
Typical Piping and Wiring . . . . . . . . . . . . . . . . . . . . . . . . . . .138
Guide Specifications (036-151 Size Units) . . . . . . . . 139-143
579F180-300
Physical Data . . . . . . . . . . . . . . . . . . . . . . . . . . . . . . . . 144,145
Base Unit Dimensions. . . . . . . . . . . . . . . . . . . . . . . . . . 146,147
Accessory Dimensions . . . . . . . . . . . . . . . . . . . . . . . . . 148-150
Selection Procedure . . . . . . . . . . . . . . . . . . . . . . . . . . . . . . .151
Performance Data . . . . . . . . . . . . . . . . . . . . . . . . . . . . . 152-165
Electrical Data. . . . . . . . . . . . . . . . . . . . . . . . . . . . . . . . . . . .166
Typical Wiring Schematics . . . . . . . . . . . . . . . . . . . . . . 167-170
Typical Piping and Wiring . . . . . . . . . . . . . . . . . . . . . . . . . . .171
580F180-300
Physical Data . . . . . . . . . . . . . . . . . . . . . . . . . . . . . . . . 172,173
Base Unit Dimensions. . . . . . . . . . . . . . . . . . . . . . . . . . 174-176
Accessory Dimensions . . . . . . . . . . . . . . . . . . . . . . . . . 177-180
Selection Procedure . . . . . . . . . . . . . . . . . . . . . . . . . . . . . . .181
Performance Data . . . . . . . . . . . . . . . . . . . . . . . . . . . . . 182-191
Electrical Data. . . . . . . . . . . . . . . . . . . . . . . . . . . . . . . . . . . .192
Typical Wiring Schematics . . . . . . . . . . . . . . . . . . . . . . 193-195
Typical Piping and Wiring . . . . . . . . . . . . . . . . . . . . . . . . . . .196
581A155-300
Physical Data . . . . . . . . . . . . . . . . . . . . . . . . . . . . . . . . 197-200
Base Unit Dimensions. . . . . . . . . . . . . . . . . . . . . . . . . . 201,202
Accessory Dimensions . . . . . . . . . . . . . . . . . . . . . . . . . 203-206
Selection Procedure . . . . . . . . . . . . . . . . . . . . . . . . . . . . . . .207
Performance Data . . . . . . . . . . . . . . . . . . . . . . . . . . . . . 208-243
Electrical Data. . . . . . . . . . . . . . . . . . . . . . . . . . . . . . . . 244-246
Typical Wiring Schematics . . . . . . . . . . . . . . . . . . . . . . 247,248
Typical Piping and Wiring . . . . . . . . . . . . . . . . . . . . . . . . . . .249
Guide Specifications (155-300 Size Units) . . . . . . . . 250-258
Controls. . . . . . . . . . . . . . . . . . . . . . . . . . . . . . . . . . . . . 259-262
Application Data . . . . . . . . . . . . . . . . . . . . . . . . . . . . . . 263-266
Index . . . . . . . . . . . . . . . . . . . . . . . . . . . . . . . . . . . . . . . . . . .267
FEATURES/BENEFITS (cont)
The efficient in-shot burners and all ignition components are
contained in an easily removable, compact assembly.
The California Air Quality Management Districts NOx require-
ment of 40 nanograms/joule or less is met on 036-060 size Low
NOx models.
The extra thick Alumagard™ heat exchanger coating provides
corrosion resistance and ensures long life (optional stainless
steel heat exchangers are available).
The unsightly appearance of flue stacks is eliminated and the
effects of wind on heating operations are diminished by the
induced draft combustion system. The inducer fan draws hot
combustion gas through the heat exchanger at the optimum
rate for the most effective heat transfer. The heat exchanger
operates under negative pressure, preventing flue gas leakage
into the indoor supply air.
During the heating mode, the evaporator-fan relay automatically
starts the evaporator fan after the heat exchanger warms up to
a suitable temperature. The 30-second fan delay prevents cold
air from entering the supply duct system when the conditioned
space is calling for heat to maximize efficiency.
The direct-spark ignition system saves operating expense when
compared to pilot ignition systems. No crossover tube is
required, therefore no sooting or pilot fouling problems can
occur.
All standard units are designed for natural gas, but an acces-
sory LP (liquid propane) conversion kit is available.
All units have a flame rectification sensor to quickly sense the
burner flame and ignite burners almost immediately. Fast shut-
down is a certainty since the sensor reacts quickly to any flame
outage or system failure. In the event of a shutdown, an error
code is issued at the IGC board.
Safety is also assured due to the heating safety controls which
will shut down the unit if there is a problem. If excessive temper-
atures develop, limit switches shut off the gas valve. After
4 continuous short cycles of the high-temperature limit switch,
the IGC board locks out the gas heat cycle to prevent any fur-
ther short cycles. This safety feature is provided exclusively on
Bryant rooftop units. The rollout switch also deenergizes the
gas valve in the event of a flame rollout.
QUIET, EFFICIENT OPERATION AND DEPENDABLE PER-
FORMANCE — Compressors have vibration isolators for quiet
operation. Efficient fan and motor design permits operation at
low sound levels.
Unit sizes 090-300 offer lower utility costs through part-load
operation using 2 or 3 stages of cooling.
Quiet and efficient operation is provided by belt-driven evapora-
tor fans (standard on all units over 5 tons). The belt-driven
evaporator-fan is equipped with variable-pitch pulleys which
allow adjustment within the rpm ranges of the factory-supplied
pulleys.
Increased operating efficiency is achieved through computer-
designed coils featuring staggered internally enhanced copper
tubes. Fins are ripple-edged for strength, lanced, and double
waved for higher heat transfer.
DURABLE, DEPENDABLE CONSTRUCTION — Designed for
durability in any climate, the weather-resistant cabinets are con-
structed of galvanized steel and bonderized, and all exterior
panels are coated with a prepainted baked enamel finish. The
paint finish is non-chalking, and is capable of withstanding
ASTM (American Society for Testing and Materials) B117
500-hour Salt Spray Test. All internal cabinet panels are primed,
permitting longer life and a more attractive appearance for the
entire unit.
In addition, all size 036-151 units are designed with a single,
continuous top piece to eliminate any possible leaks at seams
or gasketing. Totally enclosed condenser-fan motors and
permanently lubricated bearings provide additional unit
dependability.
EASY INSTALLATION AND CONVERSION
All Units are Shipped in the Vertical Duct Configuration for
fit-up to standard roof curbs. The contractor can order and
install the roof curb early in the construction stage, before deci-
sions on size requirements are made.
All units feature a base rail design with forklift slots and rigging
holes for easier maneuvering. Durable packaging protects all
units during shipment and storage.
3
FEATURES/BENEFITS (cont)
The units can be easily converted from a vertical to a horizontal
duct configuration by relocating the panels supplied with the
unit (size 036-150 only).
To Convert 036-151 Units from vertical to horizontal discharge,
simply relocate 2 panels. The same basic unit can be used for a
variety of applications and can be quickly modified at the job-
site.
To Convert 155-300 Units from vertical to horizontal discharge,
use the optional horizontal supply/return adapter roof curb
(581A155,180 and 579F/580F180-300) or accessory conversion
kit (581A210-300). Please note that 581A210-300 units are
available from the factory configured for horizontal supply/return.
Convenient Duct Openings in the unit basepans permit side-
by-side or concentric duct connections (see Application data
section) without requiring internal unit modification.
NOTE: On units using horizontal supply and return, the acces-
sory barometric relief or power exhaust MUST be installed on
the return ductwork.
Thru-The-Bottom Service Connection Capability comes
standard with the rooftop unit to allow power and control wiring
and gas connections to be routed through the unit’s basepan,
thereby minimizing roof penetrations (to prevent water leaks).
(Thru-the-bottom gas connection requires thru-the-bottom
accessory kit.) Power, gas and control connections are made
on the same side of the unit to simplify installation.
The Non-Corrosive Sloped Condensate Drain Pan
(Size 036-150) permits either an external horizontal side con-
densate drain (outside the roof curb) or an internal vertical
bottom drain (inside the roof curb). Both options require an
external, field-supplied P-trap.
Standard 2-in. Throwaway Filters are easily accessed
through a removable panel located above the air intake hood.
No tools are required to change unit filters.
Belt-Driven Evaporator-Fan Motors (optional on 580F units
under 6 tons) allow maximum on-site flexibility without changing
motors or drives.
Low Voltage Wiring Connections are easily made thanks to
the large terminal board which is located for quick, convenient
access.
In addition, color-coded wires permit easy tracing and
diagnostics.
PROVEN COMPRESSOR RELIABILITY — Design techniques
feature computer-programmed balance between compressor,
condenser, and evaporator. Bryant-specified hermetic compres-
sors are equipped with compressor overcurrent and overtem-
perature protection to ensure dependability.
All units have Bryant’s exclusive Acutrol™ (036-150) or TXV
(thermostatic expansion valve) metering device (155-300)
which precisely controls refrigerant flow, preventing slugging
and flood-back, while maintaining optimum unit performance.
Refrigerant filter driers are standard.
INTEGRATED ECONOMIZERS AND OUTDOOR-AIR DAMP-
ERS — Available as options or accessories, economizers and
manual outdoor-air dampers introduce outdoor air which mixes
with the conditioned air, improving indoor-air quality and often
reducing energy consumption.
During a first stage call for cooling, if the outdoor-air tempera-
ture is below the economizer control changeover set point, the
mixed-air sensor modulates the economizer outdoor-air damper
open to take advantage of free cooling provided by the outside
air. When second-stage cooling is called for, the compressor is
energized in addition to the economizer. If the outdoor-air tem-
perature is above the changeover set point, the first stage of
compression is activated and the economizer damper stays at
minimum position.
Accessory upgrade kits allow for control by differential dry-bulb
temperature (outdoor vs return), outdoor air enthalpy
changeover, or more precise differential enthalpy control.
Units can be equipped with different economizer options to
meet specific controls applications. The factory-installed or
field-installed EconoMi$er IV and EconoMi$er2 are available.
The EconoMi$er IV is used with the standard rooftop unit con-
trols and includes an industry standard, stand-alone, solid-state
controller. The control can be used with a CO2 sensor for DCV
(demand control ventilation) operation. For direct digital control
(DDC) applications, the EconoMi$er2 can be operated using a
third party control system. The EconoMi$er2 includes 4 to
20 mA actuator capability for demand control ventilation
applications.
All economizers incorporate a parallel blade, gear-driven
damper system for efficient air mixing and reliable control. In
addition, the standard damper actuator includes a spring return
to provide reliable closure on power loss. The economizers for
sizes 036-151 are equipped with up to 100% barometric relief
capability for high outdoor airflow operations. Economizers for
unit sizes 036-151 are available, factory-installed, for vertical
return only. Economizers for unit sizes 155-300 are compatible
for vertical or horizontal return. An optional field-installed baro-
metric relief package is available for size 155-300 units.
In addition, single-stage power exhaust is available as a field-
installed accessory for EconoMi$er IV to help maintain proper
building pressure.
For units without economizer, year-round ventilation is
enhanced by an optional manual outdoor-air damper. On 036-
150 units, a 25% or 50% manual damper is available as a field-
installed accessory. Unit sizes 155-300 are equipped with a
manual 25% damper.
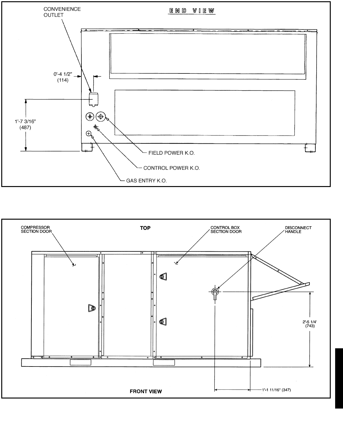
SERVICE OPTIONS (581B and 581A Units Only) — Servicing
a rooftop unit has never been easier with the factory-installed
service options for these rooftop units. These options include
the following:
• Hinged access panels are provided for the filter/indoor-fan
motor, compressors, evaporator fan, and control box areas.
Quick access to major components is accomplished by simply
unlatching and swinging open the various panels. Each
hinged panel is permanently mounted to the unit, thereby
eliminating the concern of a dropped or wind-blown panel
puncturing delicate roof materials. The 4 extended access
panels are also equipped with ‘‘tie back’’ retaining devices to
hold the door in the open position while servicing the unit.
• An external, covered, 115-v Ground Fault Interrupt (GFI)
receptacle is provided as a convenient power source for drills,
lights, refrigerant recovery units, or other electrical service
tools. A factory-supplied step down transformer is connected
to the “load” side of the unit main power connection (size 036-
150). For sizes 155-300, connect the outlet to a field-supplied
and properly fused branch circuit power supply.
• Slide out “motor-drive-blower” reduces service time (only on
581A210-300).
• An integral non-fused disconnect switch within the rooftop unit
reduces installation time, labor and material costs. Safety is
assured by an interlock which prevents access to the control
box unless the switch is in the OFF position. In addition, the
externally mounted handle incorporates power lockout capa-
bility to further protect service personnel.
4
FEATURES/BENEFITS (cont)
INDOOR-AIR QUALITY (IAQ) BEGINS WITH BRYANT ROOF-
TOPS — Sloped condensate pans minimize biological growth in
rooftop units in accordance with ASHRAE (American Society of
Heating, Refrigeration and Air Conditioning Engineers)
Standard 62. Two-inch filters with optional dirty filter indicator
switch provide for greater particle reduction in the return air.
The face-split evaporator coils improve the dehumidification
capability of standard units, maximize building humidity control.
Optional proportional reacting CO2 sensor is available with the
EconoMi$er IV outdoor air damper option/accessory to aid the
IAQ benefits.
PERFECT HUMIDITY™ ADAPTIVE DEHUMIDIFICATION
SYSTEM (581B036-150 only) — Bryant’s Perfect Humidity
adaptive dehumidification system is an all-inclusive factory-
installed option that can be ordered with any 581B rooftop unit
to meet the demand for providing a flexible and high performing
solution to accommodate all of these design related issues.
This system expands the envelope of operation of 581B rooftop
products to provide unprecedented flexibility to meet year-round
comfort conditions. The Perfect Humidity adaptive dehumidifica-
tion system has the industry’s only dual dehumidification mode
setting. The Perfect Humidity system includes two new modes
of operation. The 581B rooftop coupled with the Perfect Humid-
ity system is capable of operating in normal design cooling
mode, subcooling mode, and hot gas reheat mode. Normal
Design Cooling mode is when the unit will operate under its nor-
mal sequence of operation by cycling compressors to maintain
comfort conditions. Subcooling mode will operate to satisfy part
load type conditions when the space requires combined sensi-
ble and a higher proportion of latent load control. Hot Gas
Reheat mode will operate when outdoor temperatures diminish
and the need for latent capacity is required for sole humidity
control. Hot Gas Reheat mode will provide neutral air for maxi-
mum dehumidification operation.
EXCLUSIVE HOT GAS REHEAT DEHUMIDIFICATION PACK-
AGE (581A181-300) — The hot gas reheat dehumidification
package is a result of recent advances by Bryant in controlling
comfort levels. This factory-installed option significantly
improves the dehumidification capability of the rooftop unit and
helps control humidity levels in the building.
This option provides increased dehumidification by cooling the
hot liquid refrigerant leaving the condenser coil. The hot gas
reheat package consists of a subcooling coil located on the
leaving-air side of the evaporator coil. The location of this coil in
the indoor airstream enhances the latent capacity of the units
by as much as 40%. Many buildings suffer from humidity dam-
age or poor indoor air quality due to humid conditions. The
improved latent capacity provided by the hot gas reheat option
reduces the building’s humidity, eliminating potential property
damage and making the space more comfortable.
The hot gas reheat option is the ideal IAQ option for hot and
humid regions. The operation of the hot gas reheat package
can be controlled by a field-installed, wall mounted humidistat
or Thermidistat™ device. The circuit activates only when
needed (using the accessory humidistat) as opposed to some
dehumidification systems that operate continuously. The humi-
distat can be set for any humidity level between 20% and 80%
relative humidity. The Thermidistat device can be set for any
humidity level between 50% and 90% relative humidity.

5
MODEL NUMBER NOMENCLATURE
580F036-150 (Standard and Medium Efficiency) 3 to 121/2 Tons
MODEL NUMBER NOMENCLATURE
581B036-150 (High Efficiency) — 3 to 121/2 Tons
Factory-Installed Options Code
580F E V 060 120 N KB
580F – Packaged Rooftop
Standard Efficiency
Voltage Designation
J–208/230-1-60
P–208/230-3-60
E–460-3-60
T–575-3-60
Fuel Control Type/Heat Exchanger
V– Natural Gas/Direct Spark Ignition
N – Low NOx Natural Gas/Direct Spark Ignition/Stainless
Steel Heat Exchanger Gas Heat Input (Btuh)
Standard Units
074 – 74,000
115 – 115,000
125 – 125,000
150 – 150,000
180 – 180,000
224 – 224,000
250 – 250,000
Low NOx Units
060 – 60,000
090 – 90,000
120 – 120,000
Nominal Tons
036 – 3
048 – 4
060 – 5
072 – 6
073 – 6 (Medium
Efficiency)
090 – 7-1/2
091 – 7-1/2 (Medium Efficiency)
103 – 8-1/2 (Medium Efficiency)
120 – 10
121 – 10 (Medium Efficiency)
150 – 12-1/2
151 – 12-1/2 (Medium Effficiency)
Gas Heat Options
A
N
S
–
–
–
Standard
Low NOx Unit
Stainless Steel Heat Exchanger
NOTE: The example model number 580FEV060120NKB designates a 5-ton 460-3-60 volt Low NOx, gas/electric rooftop unit
with 120,000 Btuh natural gas heat, EconoMi$er2 and alternate drive. Low NOx units must show the “N” designation in the
model number.
a48-8190
581B – Single Package
High-Efficiency
Gas/Electric Unit
Voltage Designation
E– 460-3-60
J–208/230-1-60
P– 208/230-3-60
T– 575-3-60
581B E V 060 120 N DA
Fuel Control Type/Heat Exchanger
V–Natural Gas/Direct Spark Ignition
Factory-Installed Options*
Nominal Tons
036 – 3090 – 7-1/2
048 – 4102 – 8-1/2
060 – 5120 – 10
072 – 6150 – 12-1/2
Gas Heat Input (Btuh)
072 – 72,000 180 – 180,000
115 – 115,000 224 – 224,000
125 – 125,000 250 – 250,000
150 – 150,000
Low NOx California Compliant 3 Phase
060 – 60,000 071 – 72,000
090 – 90,000 114 – 115,000
120 – 120,000 149 – 150,000
Gas Heat Options
A
N
S
–
–
–
Standard
Low NOx Unit
Stainless Steel Heat Exchanger
*Refer to the Trade Prices for ordering codes of factory-installed options.
The Example model number 581BEV060120NDA designates a high efficiency 5-ton 460-3-60 volt Low NOx gas/electric roof top unit with
120,000 Btuh natural gas heat and EconoMi$er IV. Low NOx units must show an “N” in the nomenclature.
a48-8191

6
MODEL NUMBER NOMENCLATURE — 579F180-300
MODEL NUMBER NOMENCLATURE
580F180-300
Nominal Tons
180 – 15 Tons
216 – 18 Tons
240 – 20 Tons
300 – 25 Tons
579F E V 180 230 – – C B
579F – Single-Package
Standard-Efficiency Gas/Electric Unit
Voltage Designation
E–460-3-60
P–208/230-3-60
T – 575-3-60
Gas Heat Input (Btuh)
230 – 230,000
275 – 275,000
300 – 300,000
360 – 360,000
Fuel and Control Type
V– Natural Gas/Electric Relight Pilot
Fan Drive Option
(Standard Motor)
B– Standard Low-Medium
Fan Drive Static
Capability
D– Alternate High Fan
Drive Static Capability
Factory-Installed Outdoor-Air
and Other Upgrade Options
C– EconoMi$er IV
H– Manual Outdoor-Air Damper
Design Series Code
NOTES:
1. All indoor-fan motors 5 hp and larger meet the minimum efficiency requirements as established
by the Energy Policy Act of 1992 (EPACT) effective October 24, 1997.
2. The example model number 579FEV180230--CB designates a 15-ton 460-3-60 volt gas/
electric rooftop unit with 230,000 Btuh natural gas heat input, EconoMi$er IV, and the standard
low-medium fan drive static capability.
a48-8192
Fan Drive Position
(Standard Motor)
B–Standard Low-Medium
Fan Drive Static
Capability
D–Alternate High Fan
Drive Static Capability
580F E V 180 275 – – C B
Gas Heat Input (Btuh)
275 – 275,000
300 – 300,000
360 – 360,000
Design Series Change
Factory-Installed Outdoor-Air
and Other Upgrade Options
C– EconoMi$er IV
H– Manual Outdoor-Air Damper
Nominal Tons
180 – 15 Tons
210 – 18 Tons
240 – 20 Tons
300 – 25 Tons
580F – Single Package
Medium-Efficiency Gas/Electric Unit
Voltage Designation
E–460-3-60
P–208/230-3-60
T – 575-3-60
Fuel and Control Type
V– Natural Gas/Electric Relight Pilot
NOTES:
1. All indoor-fan motors 5 hp and larger meet the minimum efficiency requirements as established
by the Energy Policy Act of 1992 (EPACT) effective October 24, 1997.
2. The example model number 580FEV180275--CB designates a 15-ton 460-3-60 volt gas/
electric rooftop unit with 275,000 Btuh natural gas heat input, EconoMi$er IV, and the stan-
dard low-medium fan drive static capability.
a48-8193

7
MODEL NUMBER NOMENCLATURE
581A155, 180, 181 — 13 to 15 Tons
MODEL NUMBER NOMENCLATURE
581A210-300 — 18 to 25 Tons
581A E V 180 230 – – C B
581A – Single Package
High Efficiency Gas/Electric Unit
Nominal Tons
155 – 13 Tons
180
181
–
–
15 Tons
15 Tons with hot gas reheat*
Voltage Designation
E – 460-3-60
P – 208/230-3-60
T – 575-3-60
Fuel and Control Type
V–Natural Gas/Electric Relight Pilot
Fan Drive Position
(Standard Motor)
B–Standard Low-Medium
Fan Drive Static
Capability
D–Alternate High Fan
Drive Static Capability
Factory-Installed Outdoor-Air
and Other Upgrade Options
C–EconoMi$er IV
H–Manual Outdoor-Air Damper
Gas Heat Input (Btuh)
230 – 230,000
275 – 275,000
300 – 300,000
360 – 360,000
Design Series Change
*See pages 213 and 214 for cooling capacity tables for 5581A181 unit. For all other
data, contact application engineering.
NOTE: All indoor-fan motors 5 hp and larger meet the minimum efficiency requirements
as established by the Energy Policy Act of 1992 (EPACT) effective October 24, 1997.
The example model number: 581AEV180230--CB designates a 15 ton 460-3-60 high
efficiency gas/electric rooftop unit with 230,000 Btuh natural gas input, EconoMi$er IV
and standard, low-medium fan drive static capability.
a48-8194
581A – High Efficiency Rooftop
Units Gas Heating/
Electric Cooling
Constant Volume
Voltage Designation
E–460-3-60
P–
T–
208/230-3-60
575-3-60
Indoor Fan, Orientation, Hinged Doors
Return/Supply Smoke Detector Options*
Nominal Cooling Capacity
– 18 Tons
– 20 Tons
– 25 Tons
210
240
300
5 8 1 A E A 2 1 0 2 5 0 – – A A
Coil Protection Options*
Factory-Installed
Options*
Gas Heat Input (Btuh)
250 –
365 –
400 –
Design Series Code
250,000 25S-- 250,000 w/SS Heat Exchanger
365,000 36S-- 365,000 w/SS Heat Exchanger
400,000 40S-- 400,000 w/SS Heat Exchanger
SS — Stainless Steel
*Refer to unit price pages.
a48-8208

8
ARI* CAPACITY RATINGS — 580F036-151
LEGEND
*Air Conditioning and Refrigeration Institute.
†Applies only to units with capacity of 65,000 Btuh or less.
**The IPLV applies only to two-stage cooling units.
NOTES:
1. Rated in accordance with ARI Standards 210/240 (for sizes 036-
120) or 360, (for size 150 and 151) and 270.
2. ARI ratings are net values, reflecting the effects of circulating fan
heat.
3. Ratings are based on:
Cooling Standard: 80 F db, 67 F wb indoor entering-air tempera-
ture and 95 F db air entering outdoor unit.
IPLV Standard: 80 F db, 67 F wb indoor entering-air temperature
and 80 F db outdoor entering-air temperature.
4. All 580F036, 048, 060, 073, 091, 103, 121, 151 units are in com-
pliance with ASHRAE 90.1-1999 Energy Standard for minimum
SEER and EER requirements. Refer to state and local codes or
visit the following website: http://solstice.crest.org/efficiency/bcap
to determine if compliance with this standard pertains to a given
geographical area of the United States.
5. All 581B036-120 units are in compliance with Energy Star high
efficiency requirements.
HEATING CAPACITIES AND EFFICIENCIES (Standard-Efficiency Units) — 580F036-151
208/230-1-60 — SINGLE-STAGE GAS HEAT
208/230-1-60 — SINGLE-STAGE GAS HEAT — LOW NOx
UNIT 580F NOMINAL
TONS
STANDARD
CFM
NET COOLING
CAPACITY
(Btuh)
TOTAL
kW
SEER† SOUND
RATING
(dB)
Belt Drive Direct Drive
036 3 1200 35,000 4.0 10.0 9.7 81
048 4 1600 47,000 5.3 10.0 9.7 81
060 5 2000 57,000 6.7 10.0 9.7 81
UNIT
580F
NOMINAL
TONS
NET COOLING
CAPACITY
(Btuh)
TOTAL
kW EER
SOUND
RATING
(dB)
IPLV
072 6 72,000 8.0 9.0 81 **
073 6 71,000 7.0 10.1 80 **
090 71/285,000 9.6 8.9 87 9.40
091 71/288,000 8.7 10.1 82 10.5
103 81/2100,000 9.9 10.1 82 10.4
120 10 117,000 13.0 9.0 88 9.40
121 10 114,000 11.3 10.1 84 11.0
150 121/2144,000 16.0 9.0 87 9.20
151 121/2136,000 14.3 9.5 86 9.70
dB — Sound Levels (decibels)
db — Dry Bulb
EER — Energy Efficiency Ratio
IPLV — Integrated Part-Load Values
SEER — Seasonal Energy Efficiency Ratio
wb — Wet Bulb
UNIT
580F
INPUT
CAPACITY
OUTPUT
CAPACITY
TEMPERATURE
RISE (°F)
MINIMUM HEATING
AIRFLOW (CFM)
EFFICIENCY
AFUE (%) Steady State (%)
036074 74,000 57,000 25-55 1004 80 80
036115 115,000 89,000 55-85 1002 80 80
048074 74,000 57,000 25-55 1004 80 80
048115 115,000 91,000 35-65 1327 80 80
048150 150,000 118,000 50-80 1396 80 80
060074 74,000 57,000 25-55 1004 80 80
060115 115,000 91,000 35-65 1327 80 80
060150 150,000 118,000 50-80 1314 80 80
UNIT
580F
INPUT
CAPACITY
OUTPUT
CAPACITY
TEMPERATURE
RISE (°F)
MINIMUM HEATING
AIRFLOW (CFM)
EFFICIENCY
AFUE (%) Steady State (%)
036060N 60,000 49,000 20-50 910 80 80
036090N 90,000 73,000 30-60 1130 80 80
048060N 60,000 49,000 20-50 910 80 80
048090N 90,000 73,000 30-60 1130 80 80
048120N 120,000 98,000 40-70 1300 80 80
060060N 60,000 49,000 20-50 910 80 80
060090N 90,000 73,000 30-60 1130 80 80
060120N 120,000 98,000 40-70 1300 80 80

9
ARI* CAPACITY RATINGS (cont)
HEATING CAPACITIES AND EFFICIENCIES (Standard Efficiency Units) — 580F036-151 (cont)
208/230/460-3-60 — SINGLE-STAGE GAS HEAT — LOW NOx
208/230, 460, 575-3-60 — 2-STAGE GAS HEAT
208/230, 460, 575-3-60 — SINGLE-STAGE GAS HEAT
LEGEND
AFUE — Annual Fuel Utilization Efficiency
HEATING CAPACITIES AND EFFICIENCIES (Medium-Efficiency Units) — 580F036-151
UNIT
580F
INPUT
CAPACITY
OUTPUT
CAPACITY
TEMPERATURE
RISE (°F)
MINIMUM HEATING
AIRFLOW (CFM)
EFFICIENCY
AFUE (%) Steady State (%)
036060N 60,000 49,000 20-50 910 80 80
036090N 90,000 73,000 30-60 1130 80 80
048060N 60,000 49,000 20-50 910 80 80
048090N 90,000 73,000 30-60 1130 80 80
048120N 120,000 98,000 40-70 1300 80 80
060060N 60,000 47,000 20-50 910 80 80
060090N 90,000 73,000 30-60 1130 80 80
060120N 120,000 98,000 40-70 1300 80 80
UNIT
580F
INPUT CAPACITY OUTPUT CAPACITY TEMPERATURE
RISE (°F)
MINIMUM HEATING
AIRFLOW (CFM)
EFFICIENCY
1st Stage 2nd Stage 1st Stage 2nd Stage AFUE (%) Steady State (%)
036115 82,000 115,000 65,600 92,000 55-85 1004 80 80
048150 120,000 150,000 96,000 120,000 50-80 1396 80 80
060150 120,000 150,000 96,000 120,000 50-80 1314 80 80
072150 120,000 150,000 96,000 120,000 50-80 1390 80 80
090180 120,000 180,000 96,000 144,000 35-65 2060 80 80
090224 180,000 224,000 144,000 179,200 45-75 2230 80 80
120180 120,000 180,000 90,000 144,000 35-65 2060 80 80
120224 180,000 224,000 144,000 179,200 35-65 2510 80 80
120250 200,000 250,000 160,000 200,000 40-70 2650 80 80
150224 180,000 224,000 144,000 179,200 35-65 2510 80 80
150250 200,000 250,000 160,000 200,000 40-70 2650 80 80
UNIT
580F
INPUT
CAPACITY
OUTPUT
CAPACITY
TEMPERATURE
(°F)
MINIMUM HEATING
AIRFLOW (CFM)
EFFICIENCY
AFUE (%) Steady State (%)
036074 74,000 59,200 15-45 1220 80 80
048074 74,000 59,200 15-45 1220 80 80
048115 115,000 92,000 35-65 1320 80 80
060074 74,000 59,200 15-45 1220 80 80
060115 115,000 92,000 35-65 1320 80 80
072074 74,000 59,200 15-45 1220 80 80
072115 115,000 92,000 35-65 1320 80 80
090125, 091125 125,000 100,000 20-50 1860 80 80
103125 125,000 100,000 20-50 1860 80 80
UNIT
580F
HEATING INPUT (Btuh)
Stage 2/Stage 1
OUTPUT CAPACITY
(Btuh)
TEMPERATURE
RISE (F)
MINIMUM HEATING
AIRFLOW (CFM)
AFUE
(%)
STEADY-STATE
EFFICIENCY (%)
073074 —/ 74,000 59,200 25-55 1220 80.0 80.0
073115 —/115,000 92,000 35-65 1320 80.0 80.0
073150 150,000/120,000 120,000 50-80 1390 80.0 80.0
091125 —/125,000 100,000 20-50 1860 80.0 80.0
091180 180,000/120,000 144,000 35-65 2060 80.0 80.0
091224 224,000/180,000 179,200 45-75 2180 80.0 80.0
103125 —/125,000 100,000 20-50 1860 80.0 80.0
103180 180,000/120,000 144,000 35-65 2060 80.0 80.0
103224 224,000/180,000 179,200 45-75 2180 80.0 80.0
121180 180,000/120,000 144,000 35-65 2060 80.0 80.0
121224 224,000/180,000 179,200 35-65 2510 80.0 80.0
121250 250,000/200,000 200,000 40-70 2650 80.0 80.0
151224 224,000/180,000 179,200 35-65 2510 80.0 80.0
151250 250,000/200,000 200,000 40-70 2650 80.0 80.0

10
ARI* CAPACITY RATINGS — 581B036-150
LEGEND
*Air-Conditioning & Refrigeration Institute.
†Applies only to units with capacity of 65,000 Btuh or less.
**The IPLV is not applicable to single-compressor units.
NOTES:
1. Rated in accordance with ARI Standard 210/240 (036-120 units) or
360 (150 units) and 270 (036-150 units).
2. Ratings are net values, reflecting the effects of circulating fan heat.
Ratings are based on:
Cooling Standard: 80 F db, 67 wb indoor entering-air temperature
and 95 F db outdoor entering-air temperature.
IPLV Standard: 80 F db, 67 F wb indoor entering-air temperature
and 80 F db outdoor entering-air temperature.
3. All 581B036-150 units are in compliance with ASHRAE 90.1-1999
Energy Standard for minimum SEER and EER requirements. Refer
to state and local codes or visit the following website: http://sol-
stice.crest.org/efficiency/bcap to determine if compliance with this
standard pertains to a given geographical area of the United States.
4. All 581B036-120 units are Energy Star certified.
HEATING CAPACITIES AND EFFICIENCIES — 581B036-150
208/230-1-60 — SINGLE-STAGE GAS HEAT
LEGEND
AFUE — Annual Fuel Utilization Efficiency.
208/230-1-60 — SINGLE-STAGE GAS HEAT — LOW NOx
LEGEND
AFUE — Annual Fuel Utilization Efficiency.
UNIT
581B
NOMINAL
TONS
COOLING
(Btuh)
TOTAL
kW SEER† EER SOUND RATING
dB IPLV
036 3 36,000 3.21 13.0 11.20 76 **
048 4 46,000 4.25 13.0 11.05 76 **
060 5 61,000 5.55 13.0 11.00 80 **
072 6 73,000 6.70 — 11.00 80 **
090 71/290,000 8.18 — 11.00 82 11.6
102 81/2103,000 8.90 — 11.60 82 12.8
120 10 120,000 10.91 — 11.00 84 11.4
150 121/2138,000 14.40 — 9.6 86 10.3
EER — Energy Efficiency Ratio
IPLV — Integrated Part-Load Value
SEER — Seasonal Energy Efficiency Ratio
Sizes 036-120
Only Sizes 150
Only
UNIT
581B INPUT CAPACITY OUTPUT CAPACITY TEMPERATURE
RISE (°F)
MINIMUM HEATING
AIRFLOW (CFM)
EFFICIENCY
AFUE (%) Steady State (%)
036072 72,000 58,000 25-55 1004 82.8 82.0
036115 115,000 90,000 55-85 1002 80.0 80.0
048072 72,000 58,000 25-55 1004 82.8 82.0
048115 115,000 90,000 35-65 1320 81.0 81.0
048150 150,000 118,000 50-80 1396 80.4 80.0
060072 72,000 58,000 25-55 1004 82.8 82.0
060115 115,000 92,000 35-65 1327 81.0 81.0
060150 150,000 118,000 50-80 1314 80.4 80.0
UNIT
581B INPUT CAPACITY OUTPUT CAPACITY TEMPERATURE
RISE (°F)
MINIMUM HEATING
AIRFLOW (CFM)
EFFICIENCY
AFUE (%) Steady State (%)
036060N 60,000 50,000 20-50 930 80.2 81.2
036090N 90,000 74,000 30-60 1150 81.0 81.4
048060N 60,000 50,000 20-50 930 80.2 81.2
048090N 90,000 74,000 30-60 1150 81.0 81.4
048120N 120,000 101,000 40-70 1340 80.7 82.4
060060N 60,000 50,000 20-50 930 80.2 81.2
060090N 90,000 74,000 30-60 1150 81.0 81.4
060120N 120,000 101,000 40-70 1340 80.7 82.4

11
ARI* CAPACITY RATINGS (cont)
HEATING CAPACITIES AND EFFICIENCIES — 581B036-150(cont)
208/230/460-3-60 — SINGLE-STAGE GAS HEAT — LOW NOx
208/230/460-3-60 — SINGLE-STAGE GAS HEAT
(California Compliant Models)
208/230/460-3-60 — 2-STAGE GAS HEAT
LEGEND
AFUE — Annual Fuel Utilization Efficiency
NOTE: Capacities for stainless steel heat exchanger units are the same as standard units.
UNIT
581B INPUT CAPACITY OUTPUT CAPACITY TEMPERATURE
RISE (°F)
MINIMUM HEATING
AIRFLOW (CFM)
EFFICIENCY
AFUE (%) Steady State (%)
036060N 60,000 50,000 20-50 930 80.2 81.2
036090N 90,000 74,000 30-60 1150 81.0 81.4
048060N 60,000 50,000 20-50 930 80.2 81.2
048090N 90,000 74,000 30-60 1150 81.0 81.4
048120N 120,000 101,000 40-70 1340 80.7 82.4
060060N 60,000 50,000 20-50 930 80.2 81.2
060090N 90,000 74,000 30-60 1150 81.0 81.4
060120N 120,000 101,000 40-70 1340 80.7 82.4
UNIT
581B INPUT CAPACITY OUTPUT CAPACITY TEMPERATURE
RISE (°F)
MINIMUM HEATING
AIRFLOW (CFM)
EFFICIENCY
AFUE (%) Steady State (%)
036071 72,000 59,040 25-55 1000 82.0 82.0
036114 115,000 93,150 55-85 1020 80.0 80.0
048071 72,000 59,040 25-55 1000 82.0 82.0
048114 115,000 93,150 30-60 1440 81.0 81.0
048149 150,000 120,000 50-80 1390 80.0 80.0
060071 72,000 59,040 25-55 1220 82.0 82.0
060114 115,000 93,150 35-65 1330 81.0 81.0
060149 150,000 120,000 50-80 1390 80.0 80.0
UNIT
581B
INPUT CAPACITY OUTPUT CAPACITY TEMPERATUR
E
RISE (°F)
MINIMUM
HEATING
AIRFLOW (CFM)
EFFICIENCY
1st Stage 2nd Stage 1st Stage 2nd Stage AFUE (%) Steady State (%)
036072 50,000 72,000 41,000 59,040 25-55 1004 82.8 82.0
036115 82,000 115,000 65,600 93,150 55-85 1002 80.0 80.0
048072 50,000 72,000 41,000 59,040 25-55 1004 82.8 82.0
048115 82,000 115,000 66,420 93,150 35-65 1330 81.0 81.0
048150 120,000 150,000 96,000 120,000 50-80 1390 80.4 80.0
060072 50,000 72,000 41,000 59,040 25-55 1004 82.8 82.0
060115 82,000 115,000 66,420 93,150 35-65 1330 81.0 81.0
060150 120,000 150,000 96,000 120,000 50-80 1370 80.4 80.0
072072 50,000 72,000 41,000 59,040 25-55 1220 82.0 82.0
072115 82,000 115,000 66,420 93,150 35-65 1330 81.0 81.0
072150 120,000 150,000 96,000 120,000 50-80 1390 80.0 80.0
090125 90,000 125,000 73,800 102,500 20-50 1900 82.0 82.0
090180 120,000 180,000 98,400 147,600 35-65 1440 82.0 82.0
090224 180,000 224,000 147,600 183,680 45-75 2230 82.0 82.0
102125 90,000 125,000 73,800 102,500 20-50 1900 82.0 82.0
102180 120,000 180,000 98,400 147,600 35-65 1440 82.0 82.0
102224 180,000 224,000 147,600 183,680 45-75 2230 82.0 82.0
120180 120,000 180,000 98,400 147,600 35-65 1440 82.0 82.0
120224 180,000 224,000 147,600 183,680 35-65 2570 82.0 82.0
120250 200,000 250,000 160,000 200,000 40-70 2650 80.0 80.0
150224 180,000 224,000 147,600 183,680 35-65 2570 82.0 82.0
150250 200,000 250,000 160,000 200,000 40-70 2650 80.0 80.0

12
ARI* CAPACITY RATINGS — 579F180-300
LOW HEAT UNITS
HIGH HEAT UNITS
LEGEND
*Air Conditioning and Refrigeration Institute.
NOTES:
1. Rated in accordance with ARI Standards 360 and 270.
2. The 579F300 is beyond the scope of the ARI Certification
Program.
3. ARI ratings are net values, reflecting the effects of circulating fan
heat.
4. Ratings are based on:
Cooling Standard: 80 F db, 67 F wb indoor entering-air tempera-
ture and 95 F db air entering outdoor unit.
IPLV Standard: 80 F db, 67 F wb indoor entering-air temperature
and 80 F db outdoor entering-air temperature.
HEATING CAPACITIES AND EFFICIENCIES — 579F180-300
*All units are 2-stage heat.
NOTE: Minimum allowable temperature of mixed-air entering the heat exchanger during first-stage
heating is 45 F. There is no minimum mixed-air temperature limitation during second-stage heating.
For entering-air temperatures below 45 F both stages of heat must be energized together to minimize
condensation issues and ensure proper unit operation.
AIR QUANTITY LIMITS LOW OUTDOOR TEMPERATURE
OPERATING LIMITS (F)
UNIT
579F
NOMINAL
TONS
NET COOLING
CAPACITY
(Btuh)
TOTAL
WATTS EER
SOUND
RATING
(dB)
IPLV
180 15 174,000 20,128 8.6 88 9.3
216 18 188,000 21,619 8.7 88 9.5
240 20 220,000 25,513 8.6 94 8.7
300 25 268,000 31,068 8.6 94 9.2
UNIT
579F
NOMINAL
TONS
NET COOLING
CAPACITY
(Btuh)
TOTAL
WATTS EER
SOUND
RATING
(dB)
IPLV
180 15 174,000 20,154 8.6 88 9.3
216 18 186,000 21,798 8.5 88 9.3
240 20 218,000 25,719 8.5 94 8.5
300 25 268,000 31,600 8.5 94 8.9
dB — Sound Levels (decibels)
db — Dry Bulb
EER — Energy Efficiency Ratio
IPLV — Integrated Part-Load Values
wb — Wet Bulb
UNIT
579F
HEATING INPUT
(Btuh)
Stage 2/Stage 1*
OUTPUT CAPACITY
(Btuh)
TEMPERATURE
RISE (F)
STEADY-STATE
EFFICIENCY (%)
MINIMUM
HEATING CFM
180230 230,000/172,000 186,000 15-45 81.0 3830
180300 300,000/225,000 243,000 30-60 81.0 3750
216275 275,000/206,000 223,000 15-45 81.0 4580
216360 360,000/270,000 292,000 20-50 81.0 5400
240275 275,000/206,000 223,000 15-45 81.0 4580
240360 360,000/270,000 292,000 20-50 81.0 5400
300275 275,000/206,000 223,000 15-45 81.0 4580
300360 360,000/270,000 292,000 20-50 81.0 5400
UNIT 579F MINIMUM CFM MAXIMUM CFM
180 4500 7,500
216 5400 9,000
240 6000 10,000
300 7000 11,250
UNITS TEMPERATURE
All 40
180 and 216 with Low Ambient Kit 10
240 and 300 with Low Ambient Kit 25
All with Motormaster® Head Pressure Control –20

13
ARI* CAPACITY RATINGS — 580F180-300
LEGEND
*Air Conditioning and Refrigeration Institute.
NOTES:
1. Rated in accordance with ARI Standards 360 and 270.
2. ARI ratings are net values, reflecting the effects of circulating fan
heat.
3. Ratings are based on:
Cooling Standard: 80 F db, 67 F wb indoor entering-air tempera-
ture and 95 F db air entering outdoor unit.
IPLV Standard: 80 F db, 67 F wb indoor entering-air temperature
and 80 F db outdoor entering-air temperature.
4. All 580F180-300 units are in compliance with ASHRAE 90.1-
1999 Energy Standard for minimum SEER and EER require-
ments. Refer to state and local codes or visit the following website:
http://solstice.crest.org/efficiency/bcap to determine if compliance
with this standard pertains to a given geographical area of the
United States.
HEATING CAPACITIES AND EFFICIENCIES — 580F180-300
*All units are 2-stage heat.
NOTE: Minimum allowable temperature of mixed-air entering the heat exchanger during first-stage
heating is 45 F. There is no minimum mixed-air temperature limitation during second-stage heating.
For entering-air temperatures below 45 F both stages of heat must be energized together to minimize
condensation issues and ensure proper unit operation.
AIR QUANTITY LIMITS (Cooling) COOLING OPERATION
LOW OUTDOOR TEMPERATURE OPERATING LIMITS (F)
UNIT SIZE
580F
(Low Heat)
NOMINAL
TONS
NET COOLING
CAPACITY (Btuh)
TOTAL
WATTS EER
SOUND
RATING
(dB)
IPLV
180 15 176,000 17,064 9.5 88 9.5
210 18 202,000 21,166 9.7 88 10.2
240 20 236,000 24,832 9.5 94 10.1
300 25 278,000 28,535 9.7 94 10.4
UNIT SIZE
580F
(High Heat)
NOMINAL
TONS
NET COOLING
CAPACITY (Btuh)
TOTAL
WATTS EER
SOUND
RATING
(dB)
IPLV
180 15 176,000 17,179 9.5 88 9.5
210 18 202,000 21,301 9.7 88 10.1
240 20 236,000 24,832 9.5 94 10.0
300 25 277,000 29,067 9.5 94 10.0
Bels — Sound Levels (1 bel = 10 decibels)
db — Dry Bulb
EER — Energy Efficiency Ratio
IPLV — Integrated Part-Load Values
wb — Wet Bulb
UNIT
580F
HEATING INPUT
(Btuh)
Stage 2/Stage 1*
OUTPUT CAPACITY
(Btuh)
TEMPERATURE
RISE (F)
STEADY-STATE
EFFICIENCY (%)
MINIMUM
HEATING CFM
180275 275,000/206,000 223,000 15-45 81.0 3750
180360 360,000/270,000 292,000 20-50 81.0 3830
210275 275,000/206,000 223,000 15-45 81.0 4580
210360 360,000/270,000 292,000 20-50 81.0 5400
240275 275,000/206,000 223,000 15-45 81.0 4580
240360 360,000/270,000 292,000 20-50 81.0 5400
300275 275,000/206,000 223,000 15-45 81.0 4580
300360 360,000/270,000 292,000 20-50 81.0 5400
UNIT 580F MINIMUM CFM MAXIMUM CFM
180 4500 7,500
210 5400 9,000
240 6000 10,000
300 7000 11,250
UNITS TEMPERATURE
All — Standard Unit 40
180 and 210 with Low Ambient Kit 10
240 and 300 with Low Ambient Kit 25
All with Motormaster® Head Pressure Control –20

14
ARI* CAPACITY RATINGS — 581A155,180
LOW HEAT UNITS
HIGH HEAT UNITS
LEGEND
*Air Conditioning and Refrigeration Institute.
NOTES:
1. Rated in accordance with ARI Standards 360 and 270.
2. ARI ratings are net values, reflecting the effects of circulating fan
heat.
3. Ratings are based on:
Cooling Standard: 80 F db, 67 F wb indoor entering-air tempera-
ture and 95 F db air entering outdoor unit.
IPLV Standard: 80 F db, 67 F wb indoor entering-air temperature
and 80 F db outdoor entering-air temperature.
4. All 581A155, 180 units are in compliance with ASHRAE 90.1-
1999 Energy Standard for minimum EER requirements. Refer to
state and local codes or visit the following website: http://sol-
stice.crest.org/efficiency/bcap to determine if compliance with this
standard pertains to a given geographical area of the United
States.
HEATING CAPACITIES AND EFFICIENCIES — 581A155-180
*All units are 2-stage heat.
†Minimum heating cfm must be maintained to ensure proper heating operation.
NOTE: Minimum allowable temperature of mixed air entering the heat exchanger during first stage
heating is 45 F. There is no minimum mixed-air limitation during second-stage heating. For entering
air temperatures below 45 F, both stages of heat must be energized together to minimize conden-
sation issues and ensure proper unit operation.
LOW OUTDOOR AIR TEMPERATURE
COOLING OPERATION LIMITS
AIR QUANTITY LIMITS (Cooling)
UNIT
581A
NOMINAL
TONS
NET COOLING
CAPACITY
(Btuh)
TOTAL
WATTS EER
SOUND
RATING
(dB)
IPLV
155230 13 134,000 12,209 10.60 88 11.4
180275 15 180,000 17,064 10.50 88 11.4
UNIT
581A
NOMINAL
TONS
NET COOLING
CAPACITY
(Btuh)
TOTAL
WATTS EER
SOUND
RATING
(dB)
IPLV
155300 13 134,000 12,218 10.60 88 11.4
180360 15 180,000 17,179 10.50 88 11.1
dB — Sound Levels (decibels)
db — Dry Bulb
EER — Energy Efficiency Ratio
IPLV — Integrated Part-Load Values
wb — Wet Bulb
UNIT 581A
HEATING
INPUT (Btuh)
Stage 2/Stage 1*
OUTPUT
CAPACITY
(Btuh)
TEMPERATURE
RISE (F)
AGA STEADY
STATE
EFFICIENCY (%)
MINIMUM HEATING
CFM†
155230 230,000/172,000 186,000 15-45 81.0 3750
155300 300,000/225,000 243,000 30-60 81.0 3830
180275 275,000/206,000 223,000 15-45 81.0 4580
180360 360,000/270,000 292,000 20-50 81.0 5400
UNIT SIZE
581A
TEMPERATURE LIMIT (F)
Standard
Unit
Unit With
Low Ambient Kit
Unit With
Motormaster®
Control
155, 180 40 20 –20
UNIT 581A MINIMUM CFM MAXIMUM CFM
155 3900 6500
180 4500 7500

15
ARI* CAPACITY RATINGS — 581A210-300
LEGEND
*Air Conditioning and Refrigeration Institute.
†IPLV values are calculated based on control configuration T.CTL = 2
(2 Stage Y1).
**Size 300 unit is not listed with ARI, but is tested to ARI standards.
NOTES:
1. Rated in accordance with ARI Standards 360-93 and 270-95.
2. ARI ratings are net values, reflecting the effects of circulating fan heat.
3. Ratings are based on:
Cooling Standard: 80 F db, 67 F wb indoor entering-air temperature and
95 F db air entering outdoor unit.
IPLV Standard: 80 F db, 67 F wb indoor entering-air temperature and 80 F
db outdoor entering-air temperature.
4. All 581A210-300 units are in compliance with ASHRAE 90.1 2001 Energy
Standard for minimum EER requirements. Refer to state and local codes or
visit the following website: http://solstice.crest.org/efficiency/bcap to deter-
mine if compliance with this standard pertains to a given geographical area
of the United States.
HEATING CAPACITIES AND EFFICIENCIES — 581A210-300
VERTICAL SUPPLY — NATURAL GAS
NOTE: All units are 2-stage gas heat.
HORIZONTAL SUPPLY — NATURAL GAS
*7000 cfm minimum recommended above 1.0 in. wg external static pressure.
NOTE: All units are 2-stage gas heat.
VERTICAL SUPPLY — PROPANE
NOTE: All units are 2-stage gas heat.
HORIZONTAL SUPPLY — PROPANE
*7000 cfm minimum recommended above 1.0 in. wg external static pressure.
NOTE: All units are 2-stage gas heat.
UNIT
581A
NOMINAL
TONS CFM NET COOLING
CAPACITY (Btuh)
TOTAL
kW EER SOUND RATING
(dB) IPLV†
210 18 5,500 200,000 18.5 10.8 81.7 12.0
240 20 6,000 234,000 21.7 10.8 81.7 11.9
300** 25 7,500 278,000 27.8 10.0 84.6 10.9
db — Dry Bulb
EER — Energy Efficiency Ratio
IPLV — Integrated Part-Load Values
wb — Wet Bulb
UNIT
581A
HEATING INPUT
(Btuh) Stage 2/Stage 1
OUTPUT CAPACITY
(Btuh)
TEMPERATURE
RISE (F)
STEADY-STATE
EFFICIENCY %
MINIMUM
HEATING CFM
210250 250,000/199,000 205,000 15-45 82% 4218
210365 365,000/281,000 296,000 25-55 81% 4977
210400 400,000/317,000 328,000 25-55 82% 5522
240250 250,000/199,000 205,000 15-45 82% 4218
240365 365,000/281,000 296,000 25-55 81% 4977
240400 400,000/317,000 328,000 25-55 82% 5522
300250 250,000/199,000 205,000 15-45 82% 4218
300365 365,000/281,000 296,000 25-55 81% 4977
300400 400,000/317,000 328,000 25-55 82% 5522
UNIT
581A
HEATING INPUT
(Btuh) Stage 2/Stage 1
OUTPUT CAPACITY
(Btuh)
TEMPERATURE
RISE (F)
STEADY-STATE
EFFICIENCY %
MINIMUM
HEATING CFM
210250 250,000/199,000 205,000 15-45 82% 4218
210365 365,000/281,000 296,000 25-55 81% 4977
210400 400,000/317,000 328,000 25-55 82% 5522
240250 250,000/199,000 205,000 15-45 82% 4218
240365 365,000/281,000 296,000 25-55 81% 4977
240400 400,000/317,000 328,000 25-55 82% 5522
300250 250,000/199,000 205,000 15-45 82% 4218
300365 365,000/281,000 296,000 25-55 81% 4977*
300400 400,000/317,000 325,000 25-55 82% 5522*
UNIT
581A
HEATING INPUT
(Btuh) Stage 2/Stage 1
OUTPUT CAPACITY
(Btuh)
TEMPERATURE
RISE (F)
STEADY-STATE
EFFICIENCY %
MINIMUM
HEATING CFM
210250 250,000/207,000 205,000 15-45 82% 4218
210365 365,000/291,000 296,000 25-55 81% 4480
210400 400,000/331,000 328,000 25-55 82% 5522
240250 250,000/207,000 205,000 15-45 82% 4218
240365 365,000/291,000 296,000 25-55 81% 4480
240400 400,000/331,000 328,000 25-55 82% 5522
300250 250,000/207,000 205,000 15-45 82% 4218
300365 365,000/291,000 296,000 25-55 81% 4480
300400 400,000/331,000 328,000 25-55 82% 5522
UNIT
581A
HEATING INPUT
(Btuh) Stage 2/Stage 1
OUTPUT CAPACITY
(Btuh)
TEMPERATURE
RISE (F)
STEADY-STATE
EFFICIENCY %
MINIMUM
HEATING CFM
210250 225,000/207,000 185,000 15-45 82% 3807
210365 329,000/291,000 266,000 25-55 81% 4480
210400 356,000/331,000 292,000 25-55 82% 4916
240250 225,000/207,000 184,500 15-45 82% 3796
240365 329,000/291,000 266,000 25-55 81% 4480
240400 356,000/331,000 292,000 25-55 82% 4916
300250 225,000/207,000 185,000 15-45 82% 3807
300365 329,000/291,000 266,000 25-55 81% 4480*
300400 356,000/331,000 292,000 25-55 82% 4920*

16
OPTIONS AND ACCESSORIES
581B036-150 AND 580F036-151
*Factory-installed.
†Field-installed.
NOTES:
1. Refer to unit price pages or contact your local representative for
accessory and option package information.
2. Some options may increase product lead times.
ITEM OPTION* ACCESSORY†
100% Open Two-Position Damper X
25% Open Two-Position Damper X
Condenser Coil Grille X
Condenser Coil Hail Guard Assembly X
Convenience Outlet (Load Side) X
Copper Fins Indoor and Outdoor Coil X
Copper Fins Outdoor Coil X
E-Coat Outdoor Coil (Aluminum) X
E-Coat Outdoor Coil (Copper) X
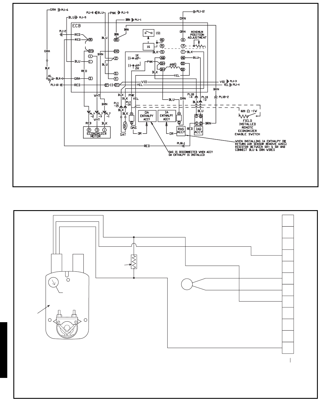
EconoMi$er IV with Controller XX
EconoMi$er2 (without controller) XX
Electronic Programmable Thermostat X
Enthalpy or Differential Enthalpy Sensor X
Fan/Filter Status X
Flue Discharge Deflector X
Flue Shield X
High-Static Motor and Drive X
Hinged Access Panels (581B only) X
Hinged Panel Kit for Economizer X
Perfect Humidity™ Dehumidification Package (581B only) X
Humidistat X
Indoor Air Quality (CO2) Sensor X
Light Commercial Thermidistat™ Device X
Low NOX (036-060) X
Louvered Hail Guard XX
LP (Liquid Propane) Conversion Kit X
Manual Outdoor-Air Damper X
Motormaster® I, II, IV Head Pressure Control Low Ambient Kit) X
Outdoor Air Enthalpy Sensor X
Power Exhaust Transformer for 575 v X
Power Exhaust with Barometric Relief X
Pre-Coat Aluminum Fins on Outdoor Coil X
Return Air CO2 Sensor (EconoMi$er IV) X
Return Air Enthalpy Sensor X
Return Air Temperature Sensor X
Roof Curbs (Vertical and Horizontal Discharge) X
Smoke Detectors, Supply/Return (Blanket Quote Control) X
Stainless Steel Heat Exchanger X
Thermostats and Subbases X
Thru-the-Bottom Utility Connections X
Time Guard II (Compressor Cycle Delay) Control Circuit X
Unit-Mounted Non-Fused Disconnect X
UVC Lights (Blanket Quote Control) XX

17
OPTIONS AND ACCESSORIES (cont)
579F180-300, 580F180-300, AND 581A155-181
*Factory-installed.
†Field-installed.
NOTES:
1. Refer to unit price pages or contact your local representative for
accessory and option package information.
2. Some options may increase product lead times.
3. No other options are available with hot gas reheat units.
ITEM OPTION* ACCESSORY†
25% Open Two-Position Damper X
Barometric Relief Damper (not for use with Horizontal Adapter Curb) X
Condenser Coil Hail Guard Assembly (180-240) X
Convenience Outlet (Load Side) X
Copper Fins Indoor and Outdoor Coil X
Copper Fins Outdoor Coil X
E-Coat Outdoor Coil (Aluminum) X
E-Coat Outdoor Coil (Copper) X
EconoMi$er IV with Controller XX
EconoMi$er2 (without Controller) X
Electronic Programmable Thermostat X
Enthalpy or Differential Enthalpy Sensor X
Fan/Filter Status X
High-Static Motor and Drive X
Hinged Access Panels X
Horizontal Adapter Curb (180-240) X
Hot Gas Reheat Dehumidification Package (581A181 only) X
Humidistat X
Indoor Air Quality (CO2) Sensor X
Light Commercial Thermidistat™ Device X
LP (Liquid Propane) Conversion Kit X
Manual Outdoor-Air Damper X
Motormaster® I, V Head Pressure Control (Low Ambient Kit) X
Outdoor Air Enthalpy Sensor X
Power Exhaust without Barometric Relief X
Pre-coat Aluminum Fins on Outdoor Coil X
Return Air CO2 Sensor X
Return Air Enthalpy Sensor X
Return Air Temperature Sensor X
Roof Curbs (Vertical and Horizontal Discharge) X
Thermostats and Subbases X
Time Guard II (Compressor Cycle Delay) Control Circuit X
Ultraviolet Germicidal Lamps X
Unit-Mounted Non-Fused Disconnect X
Winter Start Time Delay X

18
OPTIONS AND ACCESSORIES (cont)
581A210-300
*Factory-installed.
†Field-installed.
NOTES:
1. Refer to unit price pages or contact your local representative for
accessory and option package information.
2. Some options may increase product lead times.
ITEM OPTION* ACCESSORY†
EconoMi$er IV XX
Power Exhaust XX
Barometric Relief XX
Hail Guard XX
Horizontal Kit XX
Return Smoke Detector XX
Supply Smoke Detector X
Return and Supply Smoke Detector X
Non-Fused Disconnect X
Non-Powered Convenience Outlet X
Outdoor Air Enthalpy Sensor X
Return Air Enthalpy Sensor X
Return Air Temperature Sensor X
Return Air CO2 Sensor X
Indoor Air Quality (CO2) Room Sensor X
Hot Gas Reheat X
Non-Powered Convenience Outlet X
Pre-Coat Condenser X
E-Coat Condenser Coil X
Copper Condenser Coil X
Copper Evaporator Coil X
E-Coat Copper Evaporator Coil X
Low Range Drive X
Mid-Low Range Drive X
Mid-High Range Drive X
High Range Drive X
Roof Curb (14 in.) X
Roof Curb (24 in.) X
Low Heat Gas X
High Heat Gas X
Medium Heat Gas X
Stainless Steel Heat Exchangers X
Propane Kit X
Drip Edge X
Two-Position Damper XX
Condensate Overflow Switch X
Phase Loss Detection X
Manual Damper XX
Thermostat and Subbase X
Hinged Access Panels X
19
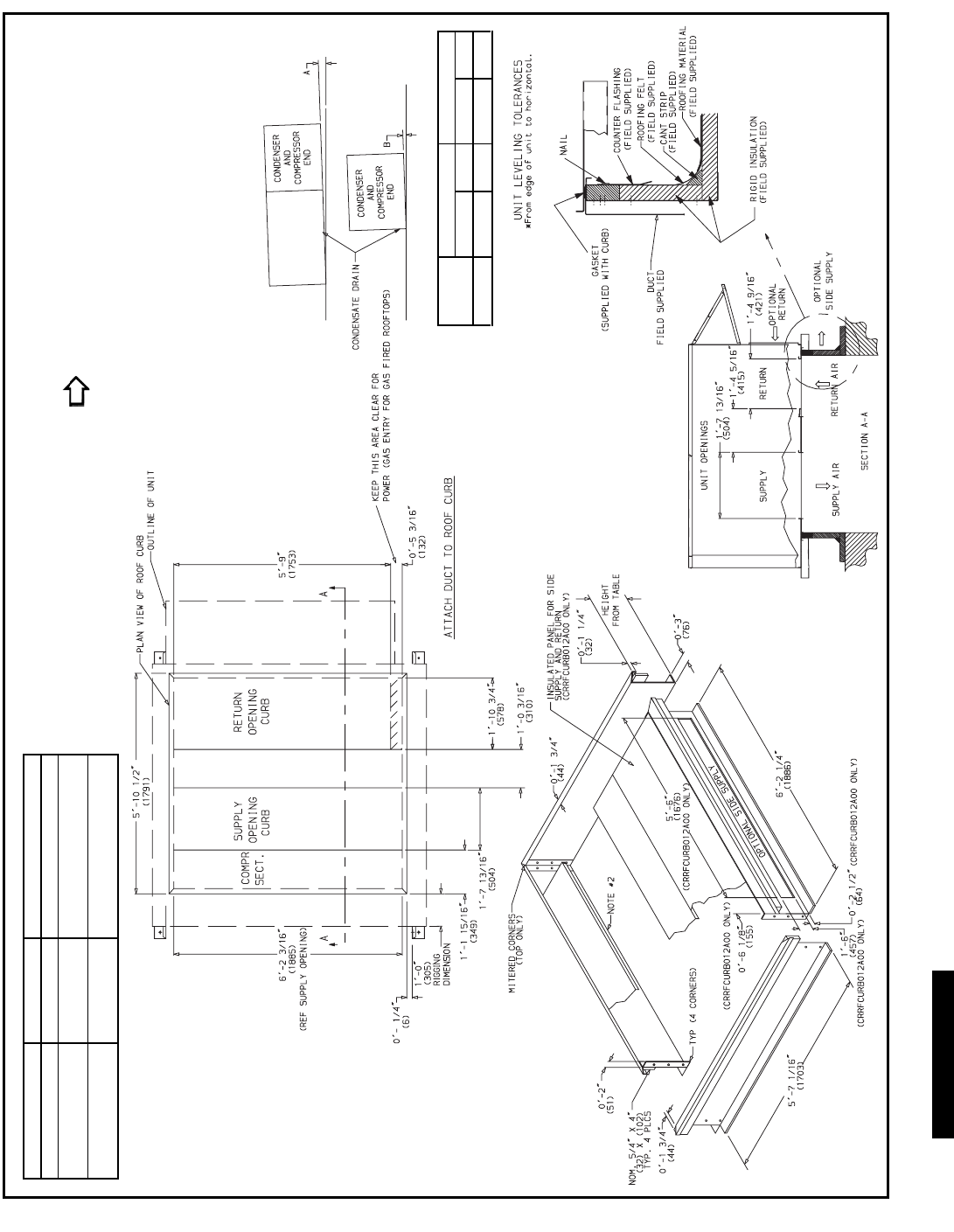
OPTIONS AND ACCESSORIES (cont)
Roof Curbs (Horizontal and Vertical) permit installation and
securing of ductwork to curb prior to mounting unit on the curb.
Both 14-in. and 24-in. roof curbs are available as field-installed
accessories.
EconoMi$er IV is available as a factory-installed option in
vertical supply/return configuration only for unit sizes 036-151.
Vertical or horizontal configuration is available for unit sizes
155-300. (The EconoMi$er IV is available as a field-installed
accessory for horizontal and/or vertical supply return configura-
tions.) The EconoMi$er IV is provided with an industry stan-
dard, stand-alone, solid-state controller that is easy to configure
and troubleshoot. The EconoMi$er IV is compatible with non-
DDC applications. The EconoMi$er IV is equipped with a
barometric relief damper capable of relieving up to 100% return
air (for unit sizes 036-151 only). Dry bulb outdoor-air tempera-
ture sensor is provided as standard. The return air sensor,
indoor enthalpy sensor, and outdoor enthalpy sensor are pro-
vided as field-installed accessories to provide enthalpy control,
differential enthalpy control, and differential dry bulb tempera-
ture control.
EconoMi$er IV on 579F and 581A units is used for both vertical
and horizontal return air configurations.
EconoMi$er2 is available as a blanket quote control or as a
field-installed accessory for horizontal and/or vertical supply
return configurations. The EconoMi$er2 is provided without a
controller for use with field-installed third-party controls. The
EconoMi$er2 is equipped with a barometric relief damper capa-
ble of relieving up to 100% return air. Dry bulb outdoor-air tem-
perature sensor is provided as standard. The enthalpy,
differential temperature (adjustable), and differential enthalpy
control are provided as field-installed accessories. The
EconoMi$er2 is capable of control from a 4 to 20 mA signal
through optional 4 to 20 mA design without microprocessor
control (required for third party control interface).
Manual Outdoor-Air Damper can be preset to admit up to 50%
outdoor air for year round ventilation and is available as a field-
installed accessory.
Two-Position Damper package is available as an accessory.
Both 25% or 100% outdoor air dampers are available.
Head Pressure Control (Motormaster) accessory package
maintains condensing temperature between 90 F and 110 F at
outdoor ambient temperatures down to –20 F by condenser-fan
speed modulation or condenser-fan cycling and wind baffles.
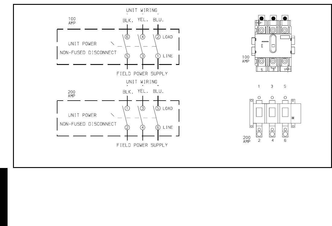
Unit-Mounted, Non-Fused Disconnect Switch provides unit
power shutoff. The switch is accessible from outside the unit,
provides power off lockout capability and is available as a
factory-installed option.
Convenience Outlet is factory-installed and internally mounted
with easily accessible 115-v female receptacle.
Compressor Cycle Delay (Time Guard II) accessory prevents
unit from restarting for minimum of 5 minutes after shutdown.
Thru-The-Bottom Utility Connectors permit electrical con-
nections to be brought to the unit through the basepan.
Connectors are available as field-installed accessories.
Fan/Filter Status Switch accessory provides status of indoor
(evaporator) fan (ON/OFF) or filter (CLEAN/DIRTY).
Power Exhaust accessory will provide system exhaust of up to
100% of return air (vertical only). The power exhaust is a field-
installed accessory (separate vertical and horizontal design).
Ultraviolet Germicidal Lamps eliminate odor causing mold
and fungus that may develop in the wet area of the evaporator
section of the unit. The high output, low temperature germicidal
lamps are field installed in the evaporator section of the unit,
aimed at the evaporator coil and condensate pan.
Hinged Panel Option provides hinged access panels for the fil-
ter, compressor, evaporator fan, and control box areas. Filter
hinged panels permit tool-less entry for changing filters. Each
hinged panel is permanently attached to the rooftop unit.
Hinged panels are a factory-installed option.

20
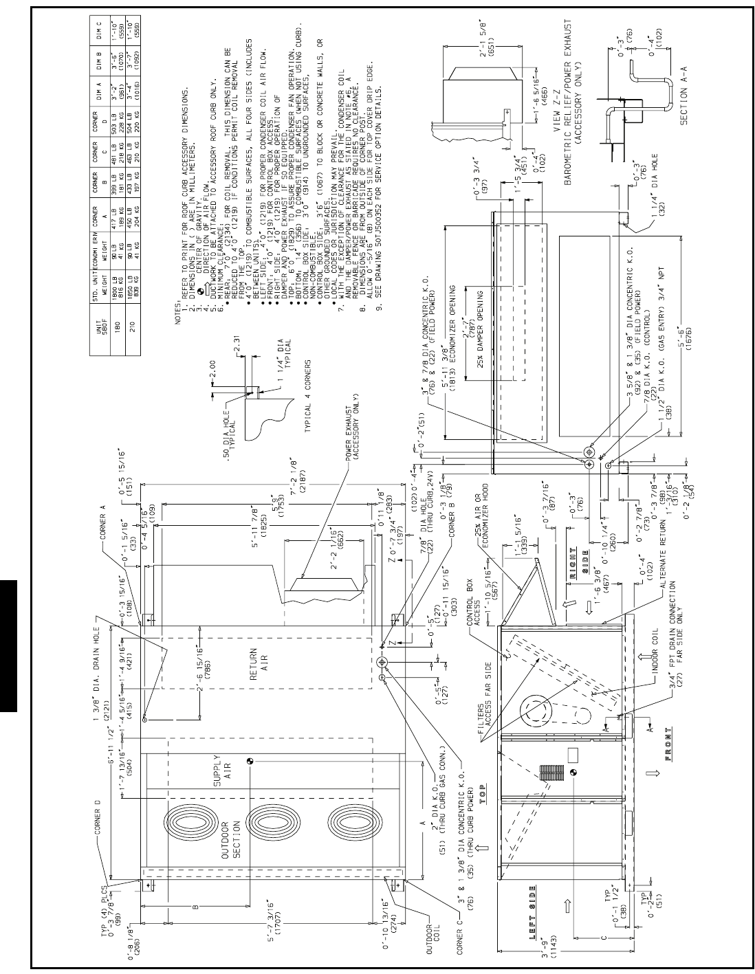
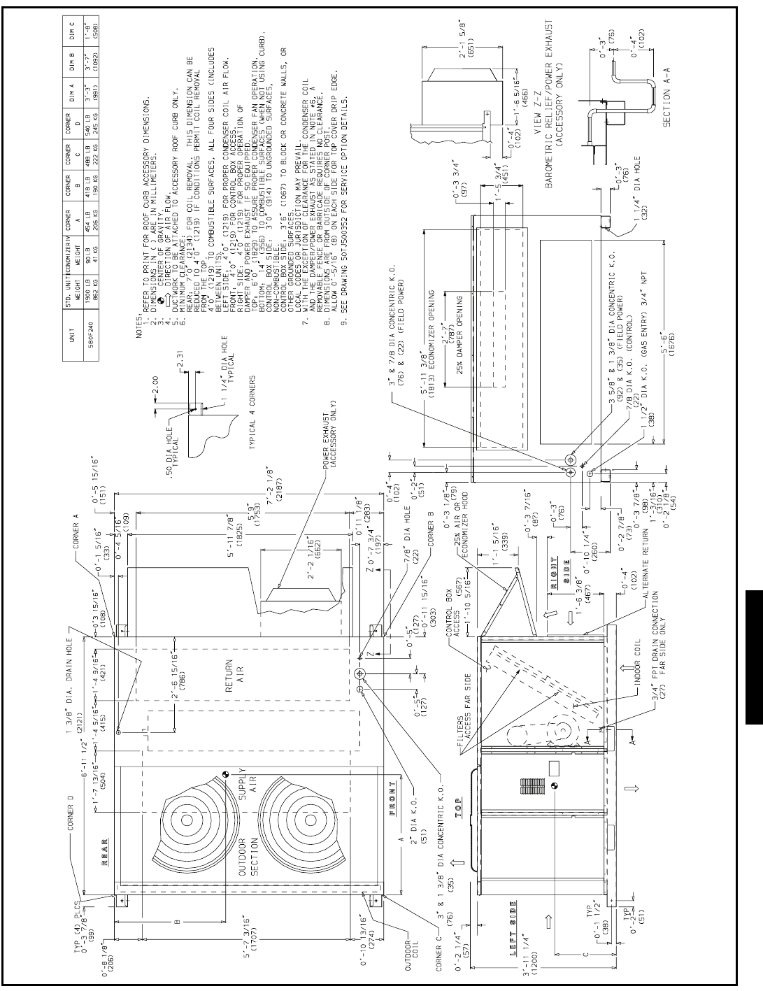
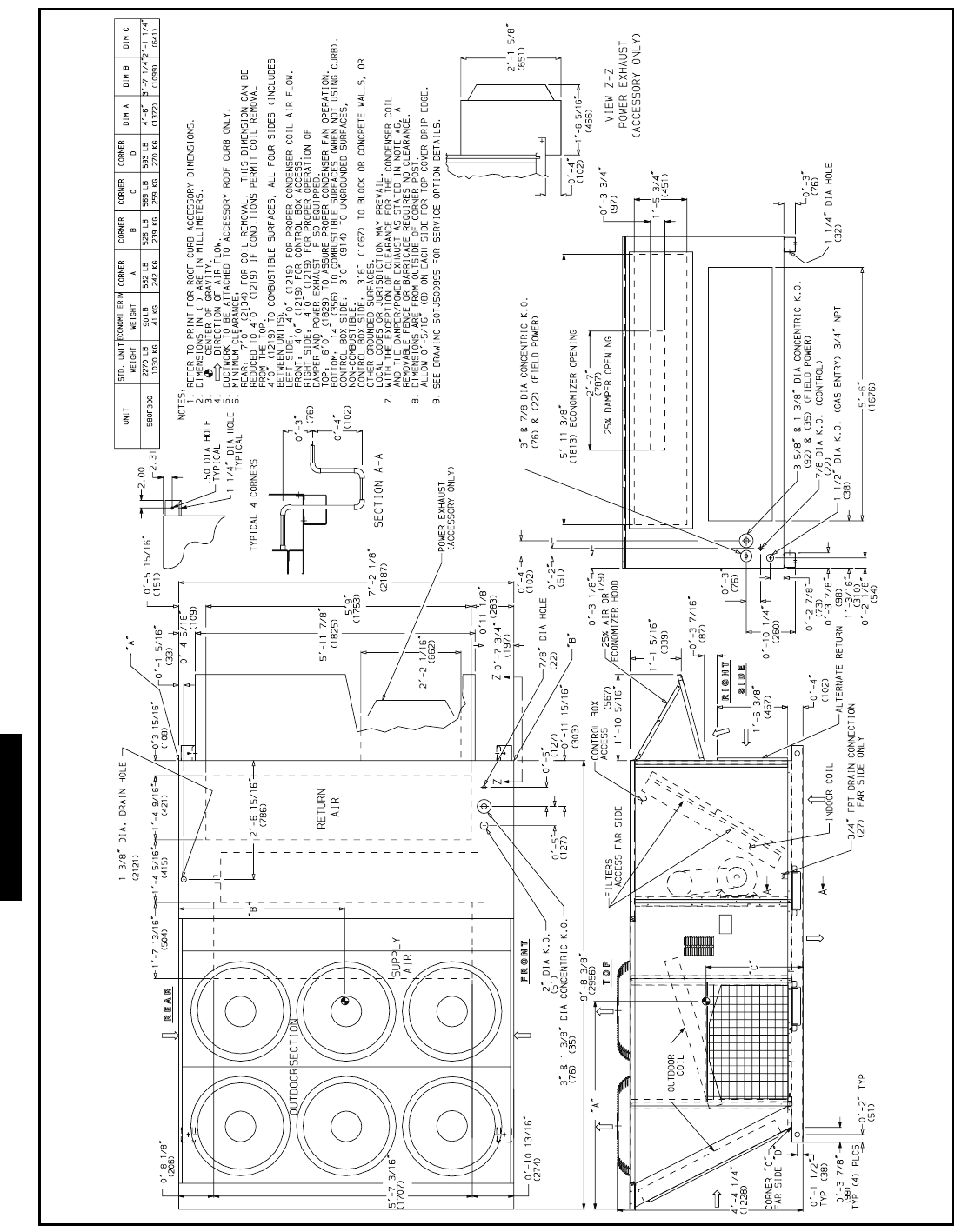
PHYSICAL DATA — 580F036-073
LEGEND
*Evaporator coil fin material/condenser coil fin material. Contact your local repre-
sentative for details about coated fins.
†Weight of 14-in. roof curb.
**Single phase/three-phase.
††Rollout switch lockout is manually reset by interrupting power to unit or resetting
thermostat.
***Three-phase standard high heat models have heating input values as shown.
Single-phase standard high heat models have one-stage heating with heating
input values as follows:
580F036 — 115,000 Btuh
580F048,060 — 150,000 Btuh
†††California SCAQMD compliant Low NOx models have combustion products
that are controlled to 40 nanograms per joule or less.
NOTES:
1. High-static motor not available on single-phase units.
2. An LP kit is available as an accessory. Kit may be used at elevations as high
as 2000 ft. LP kit is not used with Low NOx units.
UNIT SIZE 580F 036 048 060 072 073
NOMINAL CAPACITY (tons) 34566
OPERATING WEIGHT (lb)
Unit
Al/Al* 460 470 490 565 615
Al/Cu* 465 476 497 576 626
Cu/Cu* 468 482 505 587 637
EconoMi$er IV 50 50 50 50 50
EconoMi$er2 46 46 46 46 46
Roof Curb† 115 115 115 115 115
COMPRESSOR
Type Reciprocating Scroll
Quantity 11111
No. Cylinders (per Circuit) 222NA2
Oil (oz) 50 50 50 54 60
REFRIGERANT TYPE R-22
Expansion Device Acutrol™ Metering Device
Operating Charge (lb-oz)
Circuit 1 (first stage) 4-5 6-6 7-14 9-0 11-0
Circuit 2 (second stage) —————
CONDENSER FAN Propeller Type
Nominal Cfm 3500 4000 4000 4000 4100
Quantity...Diameter (in.) 1...22.0 1...22.0 1...22.0 1...22.0 1...22.0
Motor Hp...Rpm 1/4...1100 1/4...1100 1/4...1100 1/4...1100 1/4...1100
Watts Input (Total) 325 325 325 325 320
CONDENSER COIL 3/8-in. OD Enhanced Copper Tubes, Aluminum Lanced Fins
Rows...Fins/in. 1...17 2...17 2...17 2...17 2...17
Total Face Area (sq ft) 8.36 8.36 10.42 10.42 16.5
EVAPORATOR FAN Centrifugal Type
Quantity...Size (in.) Std 1...10 x 10 1...10 x 10 1...11 x 10 1...10 x 10 1...10 x 10
Alt 1...10 x 10 1...10 x 10 1...10 x 10 — —
High-Static 1...10 x 10 1...10 x 10 1...10 x 10 1...10 x 10 1...10 x 10
Type Drive Std Direct Direct Direct Belt Belt
Alt Belt Belt Belt — —
High-Static Belt Belt Belt Belt Belt
Nominal Cfm 1200 1600 2000 2400 2100
Maximum Continuous Bhp Std .34 .75 1.20 2.40 2.40
Alt 1.20 1.20 1.30/2.40** — —
High-Static 2.40 2.40 2.90 2.90 2.90
Motor Frame Size Std 48 48 48 56 56
Alt 48 48 56 — —
High-Static 56 56 56 56 56
Nominal Rpm High/Low Std 860/800 1075/970 1075/1040 — —
Alt 1620 1620 1725 — —
High-Static 1725 1725 1725 1725 1725
Fan Rpm Range Std — — — 1070-1460 1070-1460
Alt 685-1045 770-1175 900-1300 — —
High-Static 1075-1455 1075-1455 1300-1685 1300-1685 1300-1685
Motor Bearing Type Ball Ball Ball Ball Ball
Maximum Allowable Rpm 2100 2100 2100 2100 2100
Motor Pulley Pitch Diameter Min/Max (in.) Std — — — 2.8/3.8 2.8/3.8
Alt 1.9/2.9 1.9/2.9 2.8/3.8 — —
High-Static 2.8/3.8 2.8/3.8 3.4/4.4 3.4/4.4 3.4/4.4
Nominal Motor Shaft Diameter (in.) Std 1/21/21/25/85/8
Alt 1/21/25/8——
High-Static 5/85/87/87/87/8
Fan Pulley Pitch Diameter (in.) Std ———4.54.5
Alt 4.5 4.0 5.5 — —
High-Static 4.5 4.5 4.5 4.5 4.5
Belt, Quantity...Type...Length (in.) Std — — — 1...A...39 1...A...39
Alt 1...A...36 1...A...36 1...A...40 — —
High-Static 1...A...39 1...A...39 1...A...40 1...A...40 1...A...40
Pulley Center Line Distance (in.) Std — — — 14.7-15.5 14.7-15.5
Alt 10.0-12.4 10.0-12.4 14.7-15.5 — —
High-Static 10.0-12.4 10.0-12.4 14.7-15.5 14.7-15.5 14.7-15.5
Speed Change per Full Turn of Std — — — 80 80
Movable Pulley Flange (rpm) Alt 48 70 80 — —
High-Static 65 65 60 60 60
Movable Pulley Maximum Full Turns Std ——— 5 5
From Closed Position Alt 555——
High-Static 66555
Factory Setting Std ——— 3 3
Alt 333——
High-Static 31/231/231/231/231/2
Factory Speed Setting (rpm) Std — — — 1225 1226
Alt 829 932 1100 — —
High-Static 1233 1233 1416 1396 1416
Fan Shaft Diameter at Pulley (in.) 5/85/85/85/85/8
EVAPORATOR COIL 3/8-in. OD Enhanced Copper Tubes, Aluminum Double-Wavy Fins
Rows...Fins/in. 2...15 2...15 3...15 4...15 4...15
Total Face Area (sq ft) 4.17 5.5 5.5 5.5 5.5
Al — Aluminum
Bhp — Brake Horsepower
Cu — Copper
580F036-151

21
PHYSICAL DATA — 580F036-073 (cont)
LEGEND
*Evaporator coil fin material/condenser coil fin material. Contact your local repre-
sentative for details about coated fins.
†Weight of 14-in. roof curb.
**Single phase/three-phase.
††Rollout switch lockout is manually reset by interrupting power to unit or resetting
thermostat.
***Three-phase standard high heat models have heating input values as shown.
Single-phase standard high heat models have one-stage heating with heating
input values as follows:
580F036 — 115,000 Btuh
580F048,060 — 150,000 Btuh
†††California SCAQMD compliant Low NOx models have combustion products
that are controlled to 40 nanograms per joule or less.
NOTES:
1. High-static motor not available on single-phase units.
2. An LP kit is available as an accessory. Kit may be used at elevations as high
as 2000 ft. LP kit is not used with Low NOx units.
UNIT SIZE 580F 036 048 060 072 073
FURNACE SECTION
Rollout Switch Cutout
Temp (F)†† 195 195 195 195 195
Burner Orifice Diameter
(in. ...drill size)
Natural Gas Std 074 — .113...33 .113...33 .113...33 .113...33
115 .113...33 .113...33 .113...33 .113...33 .113...33
150 .113...33 .129...30 .129...30 .129...30 .129...30
060N — .102...38 .102...38 — —
090N .102...38 .102...38 .102...38 — —
120N .102...38 .116...32 .116...32 — —
Liquid Propane Alt 074 — .089...43 .089...43 .089...43 .089...43
115 .089...43 .089...43 .089...43 .089...43 .089...43
150 .089...43 .104...37 .104...37 .102...38 .104...37
Thermostat Heat Anticipator
Setting (amps)
208/230 v and 575 Stage 1 .14 .14 .14 .14 .14
Stage 2 .14 .14 .14 .14 .14
460 v Stage 1 .14 .14 .14 .14 .14
Stage 2 .14 .14 .14 .14 .14
Gas Input (Btuh) Standard Units 074 — —/74,000 —/74,000 —/74,000 —/74,000
(Stage 1/Stage 2) 115 —/74,000 —/115,000 —/115,000 —/115,000 —/115,000
150*** 82,000/115,000 120,000/150,000 120,000/150,000 120,000/150,000 120,000/150,000
Low NOx Units 060N††† — 60,000 60,000 — —
090N††† 60,000 90,000 90,000 — —
120N††† 90,000 120,000 120,000 — —
Efficiency (Steady
State) (%) 80 80 80 80 80
Temperature Rise Range 074 — 15-45 15-45 15-45 15-45
115 15-45 35-65 35-65 35-65 35-65
150 55-85 50-80 50-80 50-80 50-80
060N — 20-50 20-50 — —
090N 20-50 30-60 30-60 — —
120N 30-60 40-70 40-70 — —
Manifold Pressure (in. wg)
Natural Gas Std 3.5 3.5 3.5 3.5 3.5
Liquid Propane Alt 3.5 3.5 3.5 3.5 3.5
Gas Valve Quantity 11111
Gas Valve Pressure Range
Psig 0.180-0.487 0.180-0.487 0.180-0.487 0.180-0.487 0.180-0.487
in. wg 5.0-13.5 5.0-13.5 5.0-13.5 5.0-13.5 5.0-13.5
Field Gas Connection
Size (in.) 1/21/21/21/21/2
HIGH-PRESSURE SWITCH (psig)
Standard Compressor 450 ± 50 500 ± 50 500 ± 50
Internal Relief (Differential)
Cutout 428 428 428
Reset (Auto.) 320 320 320
LOW-PRESSURE SWITCH (psig)
Cutout 7 ± 3
Reset (Auto.) 22 ± 7
FREEZE PROTECTION
THERMOSTAT (F)
Opens 30 ± 5
Closes 45 ± 5
OUTDOOR-AIR INLET SCREENS Cleanable
Quantity...Size (in.) Varies by Option Selected
RETURN-AIR FILTERS Throwaway
Quantity...Size (in.) 2...16 x 25 x 2
Al — Aluminum
Bhp — Brake Horsepower
Cu — Copper
580F036-151

22
PHYSICAL DATA — 580F090,120,150 UNITS
LEGEND
*Evaporator coil fin material/condenser coil fin material. Contact your local repre-
sentative for details about coated fins.
†Weight of 14-in. roof curb.
**Rollout switch lockout is manually reset by interrupting power to unit or resetting
thermostat.
NOTE: High-static motor not available on size 150 units.
UNIT SIZE 580F 090 120 150
NOMINAL CAPACITY (tons) 71/210 121/2
OPERATING WEIGHT (lb)
Unit
Al/Al* 870 1035 1050
Al/Cu* 881 1057 1077
Cu/Cu* 893 1080 1100
Economizer
EconoMi$er IV 75 75 75
Roof Curb† 143 143 143
COMPRESSOR
Type Reciprocating Reciprocating Scroll
Quantity 222
No. Cylinders (per Circuit) 22—
Oil (oz) 42 ea 54 ea 54 ea
REFRIGERANT TYPE R-22
Expansion Device Fixed Orifice Metering Device
Operating Charge (lb-oz)
Circuit 1 (first stage) 4-13 7- 3 8-10
Circuit 2 (second stage) 4-14 7-13 8- 6
CONDENSER COIL 3/8-in. OD Enhanced Copper Tubes, Aluminum Lanced Fins
Rows...Fins/in. 1...17 2...17 2...17
Total Face Area (sq ft) 20.50 20.47 25.00
CONDENSER FAN Propeller Type
Nominal Cfm 6400 7000 7000
Quantity...Diameter (in.) 2...22 2...22 2...22
Motor Hp...Rpm 1/4...1100 1/4...1100 1/4...1100
Watts Input (Total) 600 600 600
EVAPORATOR COIL 3/8-in. OD Enhanced Copper Tubes, Aluminum Double-Wavy Fins, Face Split
Rows...Fins/in. 3...15 3...15 4...15
Total Face Area (sq ft) 8.0 10.0 11.1
EVAPORATOR FAN Centrifugal Type
Quantity...Size (in.) Std 1...15 x 15 1...15 x 15 1...15 x 15
Alt 1...15 x 15 1...15 x 15 1...15 x 15
High-Static 1...15 x 15 1...15 x 15 —
Type Drive Std Belt Belt Belt
Alt Belt Belt Belt
High-Static Belt Belt —
Nominal Cfm 3000 4000 5000
Maximum Continuous Bhp Std 2.40 2.40 3.70
Alt 2.40 2.90 5.25
High-Static 3.70 5.25 —
Motor Frame Size Std 56 56 56
Alt 56 56 56
High-Static 56 56 —
Fan Rpm Range Std 590-840 685-935 860-1080
Alt 685-935 835-1085 830-1130
High-Static 860-1080 830-1130 —
Motor Bearing Type Ball Ball Ball
Maximum Allowable Rpm 2100 2100 2100
Motor Pulley Pitch Diameter Min/Max (in.) Std 2.4/3.4 2.8/3.8 4.0/5.0
Alt 2.8/3.8 3.4/4.4 3.1/4.1
High-Static 4.0/5.0 2.8/3.8 —
Nominal Motor Shaft Diameter (in.) Std 5/85/87/8
Alt 1/27/87/8
High-Static 7/87/8—
Fan Pulley Pitch Diameter (in.) Std 7.0 7.0 8.0
Alt 7.0 7.0 5.9
High-Static 8.0 5.8 —
Belt, Quantity...Type...Length (in.) Std 1...A...48 1...A...49 1...A...53
Alt 1...A...48 1...A...51 1...BX...48
High-Static 1...A...53 1...BX...48 —
Pulley Center Line Distance (in.) Std 16.75-19.25 15.85-17.50 15.85-17.50
Alt 16.75-19.25 15.85-17.50 15.85-17.50
High-Static 16.75-19.25 15.85-17.50 —
Speed Change per Full Turn of Std 50 50 44
Movable Pulley Flange (rpm) Alt 50 50 50
High-Static 60 60 —
Movable Pulley Maximum Full Turns Std 555
From Closed Position Alt 556
High-Static 56—
Factory Setting Std 555
Alt 555
High-Static 55—
Factory Speed Setting (rpm) Std 590 685 860
Alt 685 835 960
High-Static 860 887 —
Fan Shaft Diameter at Pulley (in.) 111
Al — Aluminum
Bhp — Brake Horsepower
Cu — Copper
580F036-151

23
PHYSICAL DATA — 580F090,120,150 UNITS (cont)
LEGEND
*Evaporator coil fin material/condenser coil fin material. Contact your local repre-
sentative for details about coated fins.
†Weight of 14-in. roof curb.
**Rollout switch lockout is manually reset by interrupting power to unit or resetting
thermostat.
NOTE: High-static motor not available on size 150 units.
UNIT SIZE 580F 090 120 150
FURNACE SECTION
Rollout Switch Cutout
Temp (F)** 195 195 195
Burner Orifice Diameter
(in. ...drill size)
Natural Gas Std Low .120...31 .120...31 .120...31
Med .120...31 .120...31 .129...30
High .120...31 .129...30 —
Liquid Propane Alt Low .096...41 .096...41 .096...41
Med .096...41 .096...41 .102...38
High .096...41 .102...38 —
Thermostat Heat Anticipator
Setting (amps)
208/230 v and 575 Stage 1 .14 .14 .14
Stage 2 .20 .20 .20
460 v Stage 1 .14 .14 .14
Stage 2 .20 .20 .20
Gas Input (Btuh) Stage 1 Low 125,000 120,000 180,000
Med 120,000 180,000 200,000
High 180,000 200,000 —
Stage 2 Low — 180,000 224,000
Med 180,000 224,000 250,000
High 224,000 250,000 —
Efficiency (Steady
State) (%) 80 80 80
Temperature Rise Range Low 20-50 35-65 35-65
Med 35-65 35-65 40-70
High 45-75 40-70 —
Manifold Pressure (in. wg)
Natural Gas Std 3.5 3.5 3.5
Liquid Propane Alt 3.5 3.5 3.5
Gas Valve Quantity 111
Gas Valve Pressure Range
Psig 0.180-0.487 0.180-0.487 0.180-0.487
in. wg 5.0-13.5 5.0-13.5 5.0-13.5
Field Gas Connection
Size (in.) 1/2/3/4/3/43/4/3/4/3/43/4/3/4
HIGH-PRESSURE SWITCH (psig)
Standard Compressor 450 ± 50 500 ± 50
Internal Relief (Differential)
Cutout 428 428
Reset (Auto.) 320 320
LOSS-OF-CHARGE (LOW-PRESSURE)
SWITCH (psig)
Cutout 7 ± 3
Reset (Auto.) 22 ± 7
FREEZE PROTECTION
THERMOSTAT (F)
Opens 30 ± 5
Closes 45 ± 5
OUTDOOR-AIR INLET SCREENS Cleanable...Screen size and quantity varies by option selected.
RETURN-AIR FILTERS Throwaway
Quantity...Size (in.) 4...16 x 20 x 2 4...20 x 20 x 2 4...20 x 20 x 2
Al — Aluminum
Bhp — Brake Horsepower
Cu — Copper
580F036-151

24
PHYSICAL DATA — 580F091,103,121,151 UNITS
ASHRAE 90.1 COMPLIANT UNITS
LEGEND *Evaporator coil fin material/condenser coil fin material. Contact your local repre-
sentative for details about coated fins.
†Weight of 14-in. roof curb.
**Rollout switch lockout is manually reset by interrupting power to unit or resetting
thermostat.
UNIT SIZE 580F 091 103 121 151
NOMINAL CAPACITY (tons) 71/281/210 121/2
OPERATING WEIGHT (lb)
Unit
Al/Al* 870 880 1035 1050
Al/Cu* 881 896 1057 1077
Cu/Cu* 893 907 1080 1100
EconoMi$er IV 75 75 75 75
EconoMi$er2 71 71 71 71
Roof Curb† 143 143 143 143
COMPRESSOR
Type Reciprocating Scroll Scroll Scroll
Quantity 2222
No. Cylinders (per Circuit) 2222
Oil (oz) (each compressor) 42 53 50 60
REFRIGERANT TYPE R-22
Expansion Device Acutrol™ Metering Device
Operating Charge (lb-oz)
Circuit 1 (first stage) 7-10 7-14 8-10 9-8
Circuit 2 (second stage) 8-28-58-89-5
CONDENSER FAN Propeller Type
Nominal Cfm 6500 6500 7000 7000
Quantity...Diameter (in.) 2...22 2...22 2...22 2...22
Motor Hp...Rpm 1/4...1100 1/4...1100 1/4...1100 1/4...1100
Watts Input (Total) 650 650 650 650
CONDENSER COIL 3/8-in. OD Enhanced Copper Tubes, Aluminum Lanced Fins
Rows...Fins/in. 2...17 2...17 2...17 2...17
Total Face Area (sq ft) 20.50 20.50 25.00 25.00
EVAPORATOR FAN Centrifugal Type
Quantity...Size (in.) Std 1...15 x 15 1...15 x 15 1...15 x 15 1...15 x 15
Alt 1...15 x 15 — 1...15 x 15 1...15 x 15
High-Static 1...15 x 15 1...15 x 15 1...15 x 15 —
Type Drive Std Belt Belt Belt Belt
Alt Belt — Belt Belt
High-Static Belt Belt Belt —
Nominal Cfm 2900 3000 3200 5000
Maximum Continuous Bhp Std 2.40 2.40 2.40 3.70
Alt 2.40 — 2.90 5.25
High-Static 3.70 3.70 5.25 —
Motor Frame Size Std 56 56 56 56
Alt 56 — 56 56
High-Static 56 56 56 —
Fan Rpm Range Std 590-840 685-935 685-935 860-1080
Alt 685-935 — 835-1085 830-1130
High-Static 860-1080 860-1080 830-1130 —
Motor Bearing Type Ball Ball Ball Ball
Maximum Allowable Rpm 1500 1500 1500 1500
Motor Pulley Pitch Diameter Min/Max (in.) Std 2.4/3.4 2.8/3.8 2.8/3.8 4.0/5.0
Alt 2.8/3.8 — 3.4/4.4 3.1/4.1
High-Static 4.0/5.0 4.0/5.0 2.8/3.8 —
Nominal Motor Shaft Diameter (in.) Std 5/85/85/87/8
Alt 5/8—7/87/8
High-Static 7/87/87/8—
Fan Pulley Pitch Diameter (in.) Std 7.0 7.0 7.0 8.0
Alt 7.0 — 7.0 5.9
High-Static 8.0 8.0 5.8 —
Belt, Quantity...Type...Length (in.) Std 1...A...48 1...A...48 1...A...49 1...A...53
Alt 1...A...48 — 1...A...51 1...BX...48
High-Static 1...A...53 1...A...53 1...BX...48 —
Pulley Center Line Distance (in.) Std 16.75-19.25 16.75-19.25 15.85-17.50 15.85-17.50
Alt 16.75-19.25 — 15.85-17.50 15.85-17.50
High-Static 16.75-19.25 16.75-19.25 15.85-17.50 —
Speed Change per Full Turn of Std 50 50 50 44
Movable Pulley Flange (rpm) Alt 50 — 50 50
High-Static 60 60 60 —
Movable Pulley Maximum Full Turns Std 5555
From Closed Position Alt 5—5 6
High-Static 556—
Factory Setting Std 5555
Alt 5—5 5
High-Static 555—
Factory Speed Setting (rpm) Std 590 685 685 860
Alt 685 — 835 887
High-Static 860 860 887 —
Fan Shaft Diameter at Pulley (in.) 1111
EVAPORATOR COIL 3/8-in. OD Enhanced Copper Tubes, Aluminum Double-Wavy Fins, Face Split
Rows...Fins/in. 3...15 3...15 3...15 4...15
Total Face Area (sq ft) 8.9 8.9 10.0 11.1
Al — Aluminum
Bhp — Brake Horsepower
Cu — Copper
580F036-151

25
PHYSICAL DATA — 580F091,103,121,151 UNITS (cont)
ASHRAE 90.1 COMPLIANT UNITS (cont)
LEGEND *Evaporator coil fin material/condenser coil fin material. Contact your local repre-
sentative for details about coated fins.
†Weight of 14-in. roof curb.
**Rollout switch lockout is manually reset by interrupting power to unit or resetting
thermostat.
UNIT SIZE 580F 091 103 121 151
FURNACE SECTION
Rollout Switch Cutout
Temp (F)** 195 195 195 195
Burner Orifice Diameter
(in. ...drill size)
Natural Gas Std Low .120...31 .120...31 .120...31 .120...31
Med .120...31 .120...31 .120...31 .129...30
High .120...31 .120...31 .129...30 —
Liquid Propane Alt Low .096...41 .096...41 .096...41 .096...41
Med .096...41 .096...41 .096...41 .102...38
High .096...41 .096...41 .102...38 —
Thermostat Heat Anticipator
Setting (amps)
208/230 v and 575 Stage 1 .14.14.14.14
Stage 2 .20.20.20.20
460 v Stage 1 .14.14.14.14
Stage 2 .20.20.20.20
Gas Input (Btuh) Stage 1 Low 125,000 125,000 120,000 180,000
Med 120,000 120,000 180,000 200,000
High 180,000 180,000 200,000 —
Stage 2 Low — — 180,000 224,000
Med 180,000 180,000 224,000 250,000
High 224,000 224,000 250,000 —
Efficiency (Steady
State) (%) 80 80 80 80
Temperature Rise Range Low 20-50 20-50 35-65 35-65
Med 35-65 35-65 35-65 40-70
High 45-75 45-75 40-70 —
Manifold Pressure (in. wg)
Natural Gas Std 3.5 3.5 3.5 3.5
Liquid Propane Alt 3.5 3.5 3.5 3.5
Gas Valve Quantity 1111
Gas Valve Pressure Range
Psig 0.180-0.487 0.180-0.487 0.180-0.487 0.180-0.487
in. wg 5.0-13.5 5.0-13.5 5.0-13.5 5.0-13.5
Field Gas Connection
Size (in.) Low 1/21/23/43/4
Med 3/43/43/43/4
High 3/43/43/4—
HIGH-PRESSURE SWITCH (psig)
Standard Compressor 450 ± 50 500 ± 50
Internal Relief (Differential)
Cutout 428 428
Reset (Auto.) 320 320
LOW-PRESSURE SWITCH (psig)
Cutout 7 ± 3
Reset (Auto.) 22 ± 7
FREEZE PROTECTION
THERMOSTAT (F)
Opens 30 ± 5
Closes 45 ± 5
OUTDOOR-AIR INLET SCREENS Cleanable
Quantity...Size (in.) Varies by Option Selected
RETURN-AIR FILTERS Throwaway
Quantity...Size (in.) 4...16 x 20 x 2 4...20 x 20 x 2 4...20 x 20 x 2 4...20 x 20 x 2
Al — Aluminum
Bhp — Brake Horsepower
Cu — Copper
580F036-151

26
BASE UNIT DIMENSIONS — 580F036-072
a48-8195
580F036-151

27
BASE UNIT DIMENSIONS — 580F073
a48-8196
580F036-151

28
BASE UNIT DIMENSIONS — 580F090,120,150
a48-8197
580F036-151

29
BASE UNIT DIMENSIONS — 580F091,103,121,151
a48-8198
580F036-151

30
ACCESSORY DIMENSIONS — 580F
ROOF CURB
ACCESSORY A UNIT SIZE
CRRFCURB001A01 1′-2″
[356] 580F
036-073
CRRFCURB002A01 2′-0″
[610]
NOTES:
1. Roof curb accessory is shipped disassembled.
2. Insulated panels.
3. Dimensions in [ ] are in millimeters.
4. Roof curb, galvanized steel.
5. Attach ductwork to curb (flanges of duct rest on curb).
6. Service clearance: 4 ft on each side.
7. Direction of airflow.
8. Connector packages CRBTMPWR001A01 and 2A01 are for
thru-the-curb type gas. Packages CRBTMPWR003A01 and
4A01 are for thru-the-bottom type gas connections.
CONNECTOR
PKG. ACCY. BC
D ALT
DRAIN
HOLE
GAS POWER CONTROL ACCESSORY
POWER
CRBTMPWR001A01
1′-911/16
″
[551]
1′-4″
[406]
13/4
″
[44.5]
3/4
″ [19] NPT 3/4
″ [19] NPT
1/2
″
[12.7]
NPT
1/2
″
[12.7]
NPT
CRBTMPWR002A01 11/4
″ [31.7]
CRBTMPWR003A01 1/2
″ [12.7] NPT 3/4
″ [19] NPT
CRBTMPWR004A01 3/4
″ [19] NPT 11/4
″ [31.7]
a48-7317
Roof Curb
580F036-151

31
ACCESSORY DIMENSIONS — 580F (cont)
CONNECTOR
PKG. ACCY. BC
D ALT
DRAIN
HOLE
GAS POWER CONTROL ACCESSORY
POWER
CRBTMPWR001A01
2′-87/
16
″
[827]
1′-1015/
16
″
[583]
13/4
″
[44.5]
3/4
″
[19] NPT
3/4
″ [19] NPT
1/2
″
[12.7] NPT
1/2
″
[12.7] NPT
CRBTMPWR002A01 11/4
″ [31.7]
CRBTMPWR003A01 1/2
″
[12.7] NPT 3/4
″ [19] NPT
CRBTMPWR004A01 3/4
″
[19] NPT 11/4
″ [31.7]
NOTES:
1. Roof curb accessory is shipped disassembled.
2. Insulated panels: 1-in. thick polyurethane foam,
13/4 lb density.
3. Dimensions in [ ] are in millimeters.
4. Roof curb: 16-gage steel.
5. Attach ductwork to curb (flanges of duct rest on
curb).
6. Service clearance 4 ft on each side.
7. Direction of airflow.
8. Connector packages CRBTMPWR001A01 and
2A01 are for thru-the-curb gas type. Packages
CRBTMPWR003A01 and 4A01 are for thru-the-
bottom type gas connections.
ROOF CURB
ACCESSORY “A” UNIT SIZE
CRRFCURB003A01 1′-2″ [356] 580F
090-151
CRRFCURB004A01 2′-0″ [610]
Roof Curb Details
a48-7321
580F036-151

32
SELECTION PROCEDURE (with 580F060 example)
I DETERMINE COOLING AND HEATING REQUIRE-
MENTS AT DESIGN CONDITIONS.
Given:
Required Cooling Capacity (TC). . . . . . . . . . . 55,000 Btuh
Sensible Heat Capacity (SHC) . . . . . . . . . . . . 40,000 Btuh
Required Heating Capacity. . . . . . . . . . . . . . . 60,000 Btuh
Condenser Entering Air Temp . . . . . . . . . .95 F (Summer)
Evaporator Entering Air Temp. . . . . . . . . . . . . . . 80 F edb,
67 F ewb
Evaporator Air Quantity . . . . . . . . . . . . . . . . . . . 2,000 cfm
External Static Pressure . . . . . . . . . . . . . . . . . . . 0.6 in. wg
Electrical Characteristics (V-Ph-Hz) . . . . . . . . . . 230-3-60
Vertical discharge unit with optional EconoMi$er IV
required.
edb — Entering dry-bulb
ewb — Entering wet-bulb
II SELECT UNIT BASED ON REQUIRED COOLING
CAPACITY.
Enter Cooling Capacities table for 580F060 (page 33) at
condenser entering temperature 95 F, evaporator air
entering at 2,000 cfm and 67 F wb. The 580F060 unit will
provide a total cooling capacity of 60,900 Btuh and a sen-
sible heating capacity of 45,300 Btuh. For air entering
evaporator at temperatures other than 80 F edb, calculate
sensible heat capacity correction as required using the for-
mula in the notes following the Cooling Capacities tables.
NOTE: Unit ratings are gross capacities and do not include
the effect of evaporator-fan motor heat. To calculate net
capacities, see Step V.
III SELECT HEATING CAPACITY OF UNIT TO PROVIDE
DESIGN CONDITION REQUIREMENTS.
In the Heating Capacities and Efficiencies table (page 9)
note that the 580F060 074 will provide an output capacity
of 59,200 Btuh, which is adequate for the given
application.
IV DETERMINE FAN SPEED AND POWER REQUIRE-
MENTS AT DESIGN CONDITIONS.
Before entering the Fan Performance tables, calculate the
total static pressure required based on unit components.
From the given and the Accessory/FIOP Static Pressure
table on page 70 find:
External static pressure 0.60 in. wg
EconoMi$er IV static pressure 0.12 in. wg
Total Static 0.72 in. wg
Enter the standard motor Fan Performance table 580F060
Vertical Discharge (page 39) at 2,000 cfm and 0.72 in. wg
external static pressure. The standard motor cannot
provide 0.87 in. wg external static pressure. Enter the
alternate motor Fan Performance table for 580F060, verti-
cal discharge. At 2,000 cfm and 0.72 in. wg external static
pressure, find that the rpm is 1219, the Bhp is 1.31, and
the watts are 1168 (interpolation required).
V DETERMINE NET COOLING CAPACITY.
Cooling capacities are gross capacities and do not include
indoor (evaporator) fan motor (IFM) heat. Use the watts
input power to the motor calculated in Section IV above.
IFM Watts = 1168
Determine net cooling capacity using the following
formula:
The calculations show that a 580F060 unit with the alter-
nate motor and drive is the correct selection for the given
conditions.
Net capacity = Gross capacity – IFM heat
)
= 60,900 Btuh – 1168 Watts
(3.412 Btuh
Watts
= 60,900 Btuh – 3985 Btuh
= 56,915 Btuh
Net sensible capacity = 45,300 Btuh – 3985 Btuh
= 41,315 Btuh
580F036-151

33
PERFORMANCE DATA
COOLING CAPACITIES
Standard Ratings
LEGEND
NOTES:
1. Direct interpolation is permissible. Do not extrapolate.
2. The following formulas may be used:
Where: hewb = Enthalpy of air entering evaporator coil.
3. The SHC is based on 80 F edb temperature of air entering evaporator coil.
Below 80 F edb, subtract (corr factor x cfm) from SHC.
Above 80 F edb, add (corr factor x cfm) to SHC.
Interpolation is permissible.
Correction Factor = 1.10 x (1 – BF) x (edb – 80).
580F036 (3 TONS)
Temp (F)
Air Entering
Condenser
(Edb)
Air Entering Evaporator — Cfm/BF
900/0.11 1200/0.14 1500/0.17
Air Entering Evaporator — Ewb (F)
72 67 62 72 67 62 72 67 62
75 TC 42.8 38.9 35.0 44.8 40.8 37.0 45.8 41.9 38.2
SHC 20.0 24.5 28.7 21.8 27.5 32.8 23.0 30.0 36.0
kW 2.91 2.81 2.70 2.99 2.88 2.78 3.02 2.92 2.82
85 TC 40.8 36.9 33.3 42.5 38.7 35.0 43.6 39.9 36.1
SHC 19.4 23.7 27.9 21.0 26.8 31.8 22.6 29.7 35.1
kW 3.14 3.01 2.90 3.20 3.08 2.97 3.24 3.14 3.02
95 TC 38.7 34.9 31.4 40.4 36.6 33.0 41.4 37.6 34.1
SHC 18.6 22.9 27.0 20.3 26.0 30.9 22.0 28.8 34.0
kW 3.35 3.21 3.09 3.42 3.29 3.16 3.47 3.35 3.22
105 TC 36.5 32.8 29.2 38.1 34.3 30.9 39.0 35.2 32.4
SHC 17.8 22.1 25.9 19.6 25.2 29.8 21.2 28.0 32.3
kW 3.55 3.41 3.27 3.63 3.49 3.35 3.68 3.54 3.43
115 TC 34.3 30.7 26.9 35.7 32.1 28.8 36.5 32.9 30.6
SHC 17.0 21.3 24.8 19.0 24.4 28.8 20.5 27.1 30.6
kW 3.76 3.60 3.45 3.84 3.68 3.54 3.88 3.74 3.64
580F060 (5 TONS)
Temp (F)
Air Entering
Condenser
(Edb)
Air Entering Evaporator — Cfm/BF
1500/0.07 2000/0.09 2500/0.12
Air Entering Evaporator — Ewb (F)
72 67 62 72 67 62 72 67 62
75 TC 71.0 63.8 55.4 74.5 67.2 59.2 76.5 69.7 62.1
SHC 33.9 41.5 47.9 37.4 47.4 55.8 40.6 52.8 61.8
kW 5.04 4.82 4.62 5.20 4.97 4.76 5.29 5.06 4.87
85 TC 69.2 61.0 54.2 72.9 65.6 57.2 75.2 68.1 61.5
SHC 33.4 40.5 47.3 37.0 46.9 54.9 40.1 52.3 61.3
kW 5.50 5.27 5.02 5.66 5.41 5.18 5.75 5.50 5.29
95 TC 65.5 56.6 50.4 69.4 60.9 53.1 71.2 63.3 57.8
SHC 32.1 38.8 45.6 35.8 45.3 52.6 39.1 50.9 57.8
kW 5.88 5.62 5.37 6.01 5.76 5.53 6.12 5.87 5.67
105 TC 61.9 53.1 47.1 65.4 56.6 50.5 67.1 58.8 54.5
SHC 30.8 37.5 44.1 34.5 43.7 50.2 37.9 49.3 54.5
kW 6.25 5.99 5.72 6.38 6.13 5.91 6.50 6.23 6.06
115 TC 58.2 49.7 43.7 61.4 52.3 47.8 63.0 54.3 51.2
SHC 29.5 36.1 42.5 33.2 42.1 47.8 36.7 47.6 51.2
kW 6.63 6.35 6.08 6.75 6.49 6.29 6.88 6.59 6.46
580F072 (6 TONS)
Temp (F)
Air Entering
Condenser
(Edb)
Air Entering Evaporator — Cfm/BF
1800/0.06 2100/0.08 2400/0.09 3000/0.11
Air Entering Evaporator — Ewb (F)
72 67 62 72 67 62 72 67 62 72 67 62
75 TC 86.6 80.0 73.6 87.8 80.3 73.2 90.8 84.1 77.2 93.2 86.6 79.7
SHC 42.2 52.3 62.2 43.0 53.9 65.5 46.5 59.6 71.6 50.1 66.4 78.7
kW 5.48 5.33 5.21 5.69 5.50 5.32 5.59 5.44 5.29 5.66 5.51 5.35
85 TC 84.1 77.4 71.0 84.0 77.2 69.5 87.8 81.2 74.5 90.1 83.5 77.3
SHC 41.4 51.3 61.1 41.7 53.1 64.0 45.5 58.6 70.3 49.4 65.4 76.7
kW 6.17 6.00 5.85 6.21 6.04 5.83 6.27 6.11 5.94 6.35 6.19 6.02
95 TC 81.6 74.7 68.5 81.0 73.5 66.3 84.8 78.2 71.8 87.0 80.4 74.8
SHC 40.6 50.3 60.0 40.8 51.8 62.8 44.6 57.6 69.1 48.7 64.5 74.7
kW 6.86 6.67 6.49 6.78 6.54 6.33 6.95 6.77 6.59 7.03 6.86 6.69
105 TC 78.4 71.8 65.6 76.8 69.7 62.5 81.6 74.9 68.9 83.3 76.9 72.1
SHC 39.4 49.2 58.7 39.4 50.3 61.1 43.5 56.4 67.4 47.4 63.1 72.0
kW 7.60 7.39 7.20 7.30 7.05 6.80 7.72 7.50 7.31 7.77 7.59 7.41
115 TC 75.1 68.7 62.5 72.5 65.5 58.7 78.0 71.5 66.1 79.5 73.3 69.3
SHC 38.1 47.9 57.2 37.9 48.7 58.7 42.3 55.1 65.5 46.3 61.6 69.2
kW 8.36 8.14 7.93 7.81 7.53 7.27 8.49 8.25 8.06 8.55 8.33 8.18
580F073 (6 TONS)
Temp (F)
Air Entering
Condenser
(Edb)
Air Entering Evaporator — Cfm/BF
1800/0.06 2100/0.07 2400/0.09 3000/0.11
Air Entering Evaporator — Ewb (F)
72 67 62 72 67 62 72 67 62 72 67 62
75
TC 81.3 77.8 71.3 82.7 78.7 72.9 84.2 79.7 74.6 85.3 82.5 76.7
SHC 38.2 51.3 61.6 40.2 54.2 65.9 42.3 57.1 70.2 43.7 64 76.4
kW 4.69 4.63 4.52 4.73 4.65 4.56 4.77 4.67 4.6 4.8 4.75 4.63
85
TC 78.8 75.6 69 81.1 77.1 70.7 83.3 78.6 72.3 85 80.5 75
SHC 37.7 50.4 60.5 40 53.9 64.9 42.2 57.5 69.2 44.3 63.6 74.9
kW 5.21 5.16 5.05 5.27 5.2 5.09 5.34 5.24 5.13 5.39 5.29 5.17
95
TC 77.1 73.3 66.9 79.2 74.8 68.5 81.3 76.2 70.1 82 78 73.3
SHC 37 49.9 59.7 39.4 53.3 64 41.8 56.8 68.3 43.5 63.4 73.2
kW 5.85.785.655.875.81 5.7 5.94 5.85 5.74 5.95 5.88 5.8
105
TC 75.4 70.7 62.9 76.6 72.1 64.8 77.9 73.4 66.7 79.7 74.9 70.9
SHC 36.7 48.7 58.2 38.6 52.3 62.2 40.6 55.9 66.3 43 62.4 70.9
kW 6.49 6.45 6.26 6.53 6.48 6.32 6.56 6.51 6.38 6.61 6.53 6.46
115
TC 72.1 67.9 59 73.6 69 61.1 75.2 70.1 63.3 76.7 71.9 68.1
SHC 35.3 47.5 57.2 37.6 51.2 60.2 39.9 54.8 63.3 42.2 61.5 68.1
kW 7.2 7.17 6.94 7.25 7.18 7.01 7.29 7.2 7.08 7.35 7.26 7.15
580F048 (4 TONS)
Temp (F)
Air Entering
Condenser
(Edb)
Air Entering Evaporator — Cfm/BF
1200/0.12 1600/0.15 2000/0.18
Air Entering Evaporator — Ewb (F)
72 67 62 72 67 62 72 67 62
75 TC 57.9 53.1 48.3 60.4 55.9 51.3 62.2 57.3 52.9
SHC 27.2 33.3 39.2 29.4 37.2 44.8 31.4 40.3 49.1
kW 4.07 3.93 3.79 4.17 4.03 3.90 4.24 4.08 3.96
85
TC 55.7 50.8 45.3 57.7 53.4 48.5 59.4 55.0 50.2
SHC 26.4 32.5 37.8 28.4 36.7 43.6 30.5 40.3 47.9
kW 4.40 4.24 4.08 4.47 4.35 4.20 4.54 4.42 4.25
95
TC 52.9 48.1 42.5 55.2 50.5 45.7 56.7 52.0 47.4
SHC 25.5 31.5 36.4 27.6 35.6 42.2 29.7 39.2 46.7
kW 4.70 4.54 4.36 4.78 4.63 4.47 4.87 4.70 4.56
105
TC 50.1 45.3 39.8 52.3 47.6 42.8 53.6 48.9 44.9
SHC 24.4 30.3 35.1 26.7 34.5 40.7 28.8 38.1 44.6
kW 5.00 4.81 4.62 5.10 4.91 4.73 5.17 4.99 4.84
115
TC 47.3 42.6 37.2 49.3 44.6 40.0 50.5 45.9 42.4
SHC 23.4 29.2 33.7 25.9 33.3 39.3 27.8 37.1 42.4
kW 5.30 5.07 4.88 5.42 5.19 4.99 5.48 5.28 5.12
BF — Bypass Factor
Edb — Entering Dry-Bulb
Ewb — Entering Wet-Bulb
kW — Compressor Motor Power Input
Ldb — Leaving Dry-Bulb
Lwb — Leaving Wet-Bulb
SHC — Sensible Heat Capacity (1000 Btuh) Gross
TC — Total Capacity (1000 Btuh) Gross
tldb =t
edb –sensible capacity (Btuh)
1.10 x cfm
tlwb = Wet-bulb temperature corresponding to enthalpy of air leaving evaporator
coil (hlwb)
hlwb =h
ewb –total capacity (Btuh)
4.5 x cfm
BYPASS
FACTOR
(BF)
ENTERING AIR DRY-BULB TEMP (F)
79 78 77 76 75 under 75
81 82 83 84 85 over 85
Correction Factor
.05 1.04 2.07 3.11 4.14 5.18
Use formula
shown below.
.10 .98 1.96 2.94 3.92 4.90
.20 .87 1.74 2.62 3.49 4.36
.30 .76 1.53 2.29 3.05 3.82
580F036-151

34
PERFORMANCE DATA (cont)
COOLING CAPACITIES (cont)
580F090 (71/2 TONS)
Temp (F)
Air Entering
Condenser
(Edb)
Air Entering Evaporator — Cfm/BF
2250/0.07 2800/0.09 3000/0.10 3750/0.12
Air Entering Evaporator — Ewb (F)
72 67 62 72 67 62 72 67 62 72 67 62
75
TC 102.8 94.8 86.2 105.8 98.2 90.0 106.4 99.0 90.8 109.2 101.6 93.6
SHC 49.4 61.8 73.2 52.6 67.8 81.6 53.6 69.8 84.0 58.2 77.4 92.2
kW 7.14 6.82 6.50 7.28 6.98 6.68 7.32 7.04 6.72 7.46 7.18 6.86
85
TC 98.2 90.2 81.6 101.8 93.6 85.2 102.6 94.4 86.0 104.6 96.8 89.6
SHC 48.0 60.2 71.2 51.6 66.4 79.6 52.8 68.6 82.0 56.8 76.0 89.4
kW 7.66 7.34 7.00 7.82 7.50 7.18 7.86 7.54 7.22 7.98 7.68 7.40
95
TC 93.8 85.2 76.6 97.0 88.4 80.0 97.6 89.0 81.2 99.4 91.2 85.2
SHC 46.4 58.2 68.8 50.2 64.6 77.2 51.4 66.8 79.0 55.6 74.4 85.2
kW 8.18 7.84 7.48 8.36 8.00 7.64 8.40 8.04 7.70 8.50 8.16 7.92
105
TC 88.4 79.8 70.8 91.0 82.8 74.6 91.6 83.4 76.0 93.8 85.4 80.6
SHC 44.6 56.2 66.0 48.2 62.6 74.2 49.4 64.8 75.6 54.2 72.4 80.6
kW 8.68 8.30 7.98 8.80 8.46 8.14 8.86 8.50 8.20 8.98 8.64 8.42
115
TC 82.8 73.8 66.0 85.2 76.8 69.6 85.6 77.4 71.0 87.6 79.4 76.0
SHC 42.6 53.8 63.2 46.4 60.4 69.6 47.8 62.6 71.0 52.8 70.4 75.8
kW 9.16 8.78 8.42 9.30 8.92 8.64 9.34 8.96 8.72 9.48 9.10 8.94
580F091 (71/2 TONS)
Temp (F)
Air Entering
Condenser
(Edb)
Air Entering Evaporator — Cfm/BF
2250/0.10 2800/0.11 3000/0.11 3750/0.14
Air Entering Evaporator — Ewb (F)
72 67 62 72 67 62 72 67 62 72 67 62
75 TC 105.8 97.6 88.7 108.9 101.1 92.6 109.5 101.9 93.5 112.4 104.6 96.4
SHC 50.9 63.6 75.4 54.1 69.8 84.0 55.2 71.9 86.5 59.9 79.7 94.9
kW 6.34 6.05 5.77 6.46 6.19 5.93 6.50 6.25 5.96 6.62 6.37 6.09
85 TC 101.1 92.9 84.0 104.8 96.4 87.7 105.6 97.2 88.5 107.7 99.6 92.2
SHC 49.4 62.0 73.3 53.1 68.4 81.9 54.4 70.6 84.4 58.5 78.2 92.0
kW 6.80 6.51 6.21 6.94 6.66 6.37 6.98 6.69 6.41 7.08 6.82 6.57
95 TC 96.6 87.7 78.9 99.9 91.0 82.4 100.5 91.6 83.6 102.3 93.9 87.7
SHC 47.8 59.9 70.8 51.7 66.5 79.5 52.9 68.8 81.3 57.2 76.6 87.7
kW 7.26 6.96 6.64 7.42 7.10 6.78 7.46 7.14 6.83 7.54 7.24 7.03
105 TC 91.0 82.1 72.9 93.7 85.2 76.8 94.3 85.9 78.2 96.6 87.9 83.0
SHC 45.9 57.9 67.9 49.6 64.4 76.4 50.9 66.7 77.8 55.8 74.5 83.0
kW 7.70 7.37 7.08 7.81 7.51 7.22 7.86 7.54 7.28 7.97 7.67 7.47
115 TC 85.2 76.0 67.9 87.7 79.1 71.6 88.1 79.7 73.1 90.2 81.7 78.2
SHC 43.9 55.4 65.1 47.8 62.2 71.6 49.2 64.4 73.1 54.4 72.5 78.0
kW 8.13 7.79 7.47 8.25 7.92 7.67 8.29 7.95 7.74 8.41 8.08 7.93
580F103 (81/2 TONS)
Temp (F)
Air Entering
Condenser
(Edb)
Air Entering Evaporator — Cfm/BF
2550/0.08 3000/0.09 3400/0.11 4250/0.13
Air Entering Evaporator — Ewb
72 67 62 72 67 62 72 67 62 72 67 62
75
TC 117.7 104.1 93.4 121.3 107.5 97.2 122.9 109.0 98.7 124.4 111.1 101.8
SHC 55.7 64.7 76.6 59.3 70.6 85.0 61.3 74.7 91.4 66.8 82.1 99.7
kW 6.42 6.34 6.26 6.46 6.38 6.30 6.47 6.39 6.33 6.50 6.41 6.35
85
TC 113.8 100.4 89.2 117.9 103.8 93.4 119.6 105.3 94.7 122.1 107.5 97.2
SHC 54.3 63.3 75.0 58.0 69.4 83.8 60.4 73.4 89.1 65.2 81.7 97.0
kW 7.35 7.26 7.17 7.41 7.31 7.24 7.43 7.33 7.24 7.46 7.37 7.28
95
TC 109.6 96.2 85.3 113.3 99.7 89.2 115.4 101.1 90.3 118.3 103.2 93.1
SHC 52.9 61.9 73.1 56.5 67.9 81.7 59.1 71.9 87.3 64.0 80.3 93.1
kW 8.37 8.27 8.16 8.42 8.33 8.24 8.46 8.34 8.22 8.51 8.40 8.31
105
TC 105.6 92.1 81.3 108.8 95.2 84.6 110.4 96.4 86.3 113.2 98.4 89.1
SHC 51.4 60.4 71.6 55.2 66.4 80.0 57.5 70.3 85.3 62.5 78.3 89.1
kW 9.49 9.37 9.27 9.55 9.44 9.34 9.57 9.45 9.35 9.61 9.49 9.41
115
TC 100.4 87.9 76.8 103.1 90.4 80.3 105.1 91.7 82.1 107.6 93.5 85.0
SHC 49.4 58.6 69.6 52.9 64.7 78.3 55.8 68.5 81.9 60.6 76.6 85.0
kW 10.63 10.56 10.46 10.70 10.62 10.55 10.74 10.62 10.54 10.80 10.68 10.58
125
TC 95.8 83.0 72.0 98.5 85.5 74.9 99.8 86.6 77.5 101.4 88.2 80.7
SHC 48.0 56.8 67.5 51.6 62.9 74.9 54.0 66.9 77.5 58.2 74.6 80.7
kW 11.97 11.83 11.61 12.02 11.89 11.73 12.05 11.92 11.80 12.09 11.97 11.86
580F036-151

35
PERFORMANCE DATA (cont)
COOLING CAPACITIES (cont)
Standard Ratings
LEGEND
NOTES:
1. Direct interpolation is permissible. Do not extrapolate.
2. The following formulas may be used:
Where: hewb = Enthalpy of air entering evaporator coil.
3. The SHC is based on 80 F edb temperature of air entering evaporator coil.
Below 80 F edb, subtract (corr factor x cfm) from SHC.
Above 80 F edb, add (corr factor x cfm) to SHC.
Interpolation is permissible.
Correction Factor = 1.10 x (1 – BF) x (edb – 80).
580F120 (10 TONS)
Temp (F)
Air Entering
Condenser
(Edb)
Air Entering Evaporator — Cfm/BF
3000/0.095 4000/0.125 5000/0.15
Air Entering Evaporator — Ewb (F)
72 67 62 72 67 62 72 67 62
75
TC 135.8 124.8 112.0 142.4 130.6 119.8 146.5 134.2 123.7
SHC 66.8 82.6 97.4 73.2 93.4 112.7 79.7 104.4 123.1
kW 9.76 9.41 9.10 10.00 9.61 9.27 10.17 9.75 9.41
85
TC 130.0 119.6 104.0 136.0 125.0 114.5 140.0 127.9 118.8
SHC 64.3 80.5 93.8 71.1 91.7 110.2 77.5 101.8 118.7
kW 10.41 10.07 9.74 10.67 10.28 9.94 10.84 10.41 10.09
95
TC 124.1 113.7 96.7 129.5 118.9 106.9 132.8 122.0 114.1
SHC 62.2 78.4 90.0 69.1 89.8 105.9 74.9 100.1 114.0
kW 11.13 10.78 10.40 11.38 10.99 10.63 11.52 11.14 10.83
105
TC 118.1 104.6 87.9 122.7 111.8 98.5 126.0 115.1 108.0
SHC 60.4 74.9 85.2 66.9 87.7 98.5 73.1 98.3 108.0
kW 11.93 11.52 11.10 12.13 11.74 11.41 12.27 11.89 11.65
115
TC 115.0 98.0 84.2 120.0 103.8 93.4 122.6 109.8 102.8
SHC 59.4 72.4 83.4 66.4 84.8 93.4 72.8 96.9 102.8
kW 12.26 11.82 11.40 12.48 12.06 11.78 12.60 12.20 12.00
580F121 (10 TONS)
Temp (F)
Air Entering
Condenser
(Edb)
Air Entering Evaporator — Cfm/BF
3000/0.095 4000/0.125 5000/0.15
Air Entering Evaporator — Ewb (F)
72 67 62 72 67 62 72 67 62
75
TC 138.2 127.0 114.0 145.0 132.9 122.0 149.1 136.6 125.9
SHC 68.0 84.1 99.1 74.5 95.1 114.7 81.1 106.3 125.3
kW 8.37 8.07 7.80 8.57 8.24 7.95 8.72 8.36 8.07
85
TC 132.3 121.7 105.9 138.4 127.2 116.6 142.5 130.2 120.9
SHC 65.5 81.9 95.5 72.4 93.3 112.2 78.9 103.6 120.8
kW 8.92 8.63 8.35 9.15 8.81 8.52 9.29 8.92 8.65
95
TC 126.3 115.7 98.4 131.8 121.0 108.8 135.2 124.2 116.1
SHC 63.3 79.8 91.6 70.3 91.4 107.8 76.2 101.9 116.0
kW 9.54 9.24 8.91 9.75 9.42 9.11 9.87 9.55 9.28
105
TC 120.2 106.5 89.5 124.9 113.8 100.3 128.3 117.2 109.9
SHC 61.5 76.2 86.7 68.1 89.3 100.3 74.4 100.1 109.9
kW 10.23 9.87 9.51 10.40 10.06 9.78 10.52 10.19 9.99
115
TC 117.1 99.8 85.7 122.2 105.7 95.1 124.8 111.8 104.6
SHC 60.5 73.7 84.9 67.6 86.3 95.1 74.1 98.6 104.6
kW 10.51 10.13 9.77 10.70 10.34 10.10 10.80 10.46 10.29
580F150 (121/2 TONS)
Temp (F)
Air Entering
Condenser
(Edb)
Air Entering Evaporator — Cfm/BF
3750/0.08 4500/0.09 5000/0.10 6250/0.12
Air Entering Evaporator — Ewb (F)
72 67 62 72 67 62 72 67 62 72 67 62
75
TC 175.6 162.2 149.2 181.0 167.5 154.2 182.9 170.2 156.4 187.2 174.7 161.8
SHC 85.7 107.3 128.0 91.4 116.2 140.3 94.2 122.2 146.5 102.1 135.3 160.7
kW 11.16 10.85 10.57 11.32 11.00 10.69 11.37 11.07 10.73 11.49 11.19 10.87
85
TC 169.3 155.7 140.6 174.2 160.7 147.0 176.9 163.0 149.7 181.5 167.3 155.8
SHC 83.9 104.8 124.0 89.6 113.9 137.0 92.7 119.7 143.6 100.9 133.4 155.6
kW 12.15 11.78 11.42 12.31 11.94 11.58 12.39 12.01 11.63 12.53 12.14 11.82
95
TC 161.9 148.9 132.0 166.8 153.5 139.1 169.5 155.7 142.8 173.2 159.5 149.6
SHC 81.4 102.0 119.8 87.0 111.1 133.2 90.7 117.3 140.2 98.3 130.8 149.6
kW 13.12 12.72 12.28 13.30 12.89 12.46 13.40 12.97 12.56 13.54 13.11 12.78
105
TC 154.9 141.3 123.0 158.8 145.4 130.2 160.9 147.6 135.0 165.3 151.2 143.2
SHC 79.0 99.2 115.5 84.5 108.2 128.1 87.8 114.3 134.9 96.6 127.8 143.1
kW 14.16 13.66 13.17 14.31 13.82 13.35 14.38 13.91 13.48 14.58 14.07 13.77
115
TC 146.2 132.2 113.1 150.5 137.0 122.4 152.3 139.4 127.8 155.2 142.7 136.0
SHC 76.1 95.7 110.3 81.7 105.2 122.3 85.0 111.6 127.7 92.9 125.0 135.8
kW 15.09 14.57 14.07 15.30 14.76 14.25 15.37 14.87 14.43 15.49 15.02 14.73
BF — Bypass Factor
Edb — Entering Dry-Bulb
Ewb — Entering Wet-Bulb
kW — Compressor Motor Power Input
Ldb — Leaving Dry-Bulb
Lwb — Leaving Wet-Bulb
SHC — Sensible Heat Capacity (1000 Btuh) Gross
TC — Total Capacity (1000 Btuh) Gross
tldb =t
edb –sensible capacity (Btuh)
1.10 x cfm
tlwb = Wet-bulb temperature corresponding to enthalpy of air
leaving evaporator coil (hlwb)
hlwb =h
ewb –total capacity (Btuh)
4.5 x cfm
BYPASS
FACTOR
(BF)
ENTERING AIR DRY-BULB TEMP (F)
79 78 77 76 75 under 75
81 82 83 84 85 over 85
Correction Factor
.05 1.04 2.07 3.11 4.14 5.18
Use formula
shown below.
.10 .98 1.96 2.94 3.92 4.90
.20 .87 1.74 2.62 3.49 4.36
.30 .76 1.53 2.29 3.05 3.82
580F036-151

36
PERFORMANCE DATA (cont)
COOLING CAPACITIES (cont)
Standard Ratings
LEGEND
NOTES:
1. Direct interpolation is permissible. Do not extrapolate.
2. The following formulas may be used:
Where: hewb = Enthalpy of air entering evaporator coil.
3. The SHC is based on 80 F edb temperature of air entering evaporator coil.
Below 80 F edb, subtract (corr factor x cfm) from SHC.
Above 80 F edb, add (corr factor x cfm) to SHC.
Interpolation is permissible.
Correction Factor = 1.10 x (1 – BF) x (edb – 80).
580F151 (121/2 TONS)
Temp (F)
Air Entering
Condenser
(Edb)
Air Entering Evaporator — Cfm/BF
3750/0.08 4300/0.09 5000/0.11 6250/0.13
Air Entering Evaporator — Ewb
72 67 62 72 67 62 72 67 62 72 67 62
75
TC 164.6 152.0 139.9 167.3 155.3 142.6 170.9 158.2 146.2 173.9 162.0 151.0
SHC 81.3 101.9 121.7 84.5 108.1 130.0 88.9 115.9 139.8 96.7 128.7 150.8
kW 10.24 9.96 9.71 10.31 10.05 9.78 10.42 10.12 9.84 10.50 10.23 9.95
85
TC 159.9 147.1 133.6 162.6 150.2 137.4 166.3 153.0 141.3 169.5 156.8 147.1
SHC 79.7 99.9 119.1 83.1 106.3 128.0 88.3 114.1 137.7 96.1 127.4 146.9
kW 11.38 11.05 10.82 11.45 11.14 10.87 11.58 11.20 10.97 11.66 11.32 11.08
95
TC 154.2 141.5 124.4 157.2 144.6 129.3 159.9 147.6 134.5 164.0 150.9 142.3
SHC 77.9 98.0 114.8 81.8 104.5 124.1 86.3 112.5 133.8 94.4 125.8 142.2
kW 12.59 12.26 11.95 12.68 12.36 12.04 12.75 12.44 12.15 12.88 12.54 12.31
105
TC 147.8 134.2 114.0 150.7 137.2 119.1 153.3 140.4 136.4 156.4 143.7 136.7
SHC 75.4 95.2 109.5 79.6 101.9 118.2 84.4 110.6 126.5 92.2 124.0 136.6
kW 13.84 13.48 13.12 13.92 13.58 13.24 14.01 13.69 13.37 14.06 13.80 13.58
115
TC 139.7 120.4 102.8 142.1 124.2 109.1 145.5 127.5 117.1 148.4 133.2 128.1
SHC 72.5 89.8 102.6 76.7 97.0 109.1 82.1 105.7 116.6 90.4 120.1 128.0
kW 15.03 14.70 14.34 15.12 14.80 15.24 15.24 14.90 14.65 15.35 15.04 14.86
125
TC 130.5 107.0 92.5 132.8 109.7 135.5 135.5 112.7 105.0 138.2 121.1 118.3
SHC 69.8 84.4 92.4 73.7 91.5 99.2 79.0 99.9 104.9 87.7 114.6 118.3
kW 16.32 15.91 15.67 16.43 16.00 15.79 16.52 16.11 15.97 16.59 16.21 16.10
BF — Bypass Factor
Edb — Entering Dry-Bulb
Ewb — Entering Wet-Bulb
kW — Compressor Motor Power Input
Ldb — Leaving Dry-Bulb
Lwb — Leaving Wet-Bulb
SHC — Sensible Heat Capacity (1000 Btuh) Gross
TC — Total Capacity (1000 Btuh) Gross
tldb =t
edb –sensible capacity (Btuh)
1.10 x cfm
tlwb = Wet-bulb temperature corresponding to enthalpy of air
leaving evaporator coil (hlwb)
hlwb =h
ewb –total capacity (Btuh)
4.5 x cfm
BYPASS
FACTOR
(BF)
ENTERING AIR DRY-BULB TEMP (F)
79 78 77 76 75 under 75
81 82 83 84 85 over 85
Correction Factor
.05 1.04 2.07 3.11 4.14 5.18
Use formula
shown below.
.10 .98 1.96 2.94 3.92 4.90
.20 .87 1.74 2.62 3.49 4.36
.30 .76 1.53 2.29 3.05 3.82
580F036-151

37
PERFORMANCE DATA (cont)
FAN PERFORMANCE — VERTICAL DISCHARGE UNITS
LEGEND See page 70 for general fan performance notes.
LEGEND
*Motor drive range: 685 to 1045 rpm. All other rpms require a field-supplied drive.
NOTES:
1. Boldface indicates field-supplied drive is required.
2. Maximum continuous bhp is 1.20.
3. See page 70 for general fan performance notes.
LEGEND
*Motor drive range: 1075 to 1455 rpm. All other rpms require a field-supplied
drive.
NOTES:
1. Boldface indicates field-supplied drive is required.
2. Maximum continuous bhp is 2.40.
3. See page 70 for general fan performance notes.
580F036 (3 TONS) — STANDARD MOTOR (DIRECT DRIVE)
Airflow
(Cfm)
Low Speed High Speed
208 V 230, 460, 575 V 208 V 230, 460, 575 V
ESP Bhp Watts ESP Bhp Watts ESP Bhp Watts ESP Bhp Watts
900 0.49 0.21 253 0.50 0.23 277 0.51 0.26 307 0.55 0.31 363
1000 0.42 0.23 270 0.43 0.25 292 0.43 0.27 321 0.51 0.32 374
1100 0.37 0.24 287 0.38 0.26 307 0.39 0.28 335 0.46 0.33 385
1200 0.33 0.26 304 0.33 0.27 323 0.34 0.29 349 0.40 0.34 397
1300 0.27 0.27 321 0.28 0.29 338 0.28 0.31 364 0.34 0.34 408
1400 0.20 0.29 338 0.23 0.30 354 0.25 0.32 378 — — —
1500 0.16 0.30 355 0.18 0.31 369 0.20 0.33 392 — — —
Bhp — Brake Horsepower Input to Fan
ESP — External Static Pressure (in. wg)
580F036 (3 TONS) — ALTERNATE MOTOR (BELT DRIVE)*
Airflow
(Cfm)
External Static Pressure (in. wg)
0.2 0.4 0.6 0.8 1.0
Rpm Bhp Watts Rpm Bhp Watts Rpm Bhp Watts Rpm Bhp Watts Rpm Bhp Watts
900 643 0.15 152 768 0.22 222 870 0.30 296 958 0.37 373 1037 0.46 454
1000 683 0.19 191 804 0.27 268 904 0.35 348 991 0.43 430 1069 0.52 517
1100 725 0.24 237 842 0.32 321 939 0.41 407 1025 0.50 496 1102 0.59 588
1200 767 0.29 291 880 0.38 382 976 0.48 474 1060 0.57 570 1136 0.67 668
1300 811 0.35 352 920 0.45 451 1013 0.55 550 1095 0.66 652 1170 0.76 756
1400 855 0.43 423 960 0.53 529 1051 0.64 636 1132 0.75 744 1205 0.86 855
1500 900 0.51 504 1002 0.62 617 1090 0.74 731 1169 0.85 846 1242 0.97 963
580F036 (3 TONS) — ALTERNATE MOTOR (BELT DRIVE)* (cont)
Airflow
(Cfm)
External Static Pressure (in. wg)
1.2 1.4 1.6 1.8 2.0
Rpm Bhp Watts Rpm Bhp Watts Rpm Bhp Watts Rpm Bhp Watts Rpm Bhp Watts
900 1110 0.54 538 1177 0.63 627 1239 0.72 718 1298 0.82 813 1355 0.92 911
1000 1141 0.61 607 1207 0.70 700 1269 0.80 796 1328 0.90 895 1384 1.00 998
1100 1173 0.69 683 1238 0.79 781 1300 0.89 883 1358 0.99 987 1414 1.10 1094
1200 1205 0.77 768 1270 0.88 872 1332 0.98 979 1389 1.09 1088 —— —
1300 1239 0.87 863 1303 0.98 972 1364 1.09 1084 —— — —— —
1400 1273 0.97 967 1337 1.09 1082 —— — —— — —— —
1500 1309 1.09 1082 —— — —— — —— — —— —
Bhp — Brake Horsepower Input to Fan
Watts — Input Watts to Motor
580F036 (3 TONS) — HIGH-STATIC MOTOR (BELT DRIVE)*
Airflow
(Cfm)
External Static Pressure (in. wg)
0.2 0.4 0.6 0.8 1.0
Rpm Bhp Watts Rpm Bhp Watts Rpm Bhp Watts Rpm Bhp Watts Rpm Bhp Watts
900 643 0.15 152 768 0.22 222 870 0.30 296 958 0.37 373 1037 0.46 454
1000 683 0.19 191 804 0.27 268 904 0.35 348 991 0.43 430 1069 0.52 517
1100 725 0.24 237 842 0.32 321 939 0.41 407 1025 0.50 496 1102 0.59 588
1200 767 0.29 291 880 0.38 382 976 0.48 474 1060 0.57 570 1136 0.67 668
1300 811 0.35 352 920 0.45 451 1013 0.55 550 1095 0.66 652 1170 0.76 756
1400 855 0.43 423 960 0.53 529 1051 0.64 636 1132 0.75 744 1205 0.86 855
1500 900 0.51 504 1002 0.62 617 1090 0.74 731 1169 0.85 846 1242 0.97 963
580F036 (3 TONS) — HIGH-STATIC MOTOR (BELT DRIVE)* (cont)
Airflow
(Cfm)
External Static Pressure (in. wg)
1.2 1.4 1.6 1.8 2.0
Rpm Bhp Watts Rpm Bhp Watts Rpm Bhp Watts Rpm Bhp Watts Rpm Bhp Watts
900 1110 0.54 538 1177 0.63 627 1239 0.72 718 1298 0.82 813 1355 0.92 911
1000 1141 0.61 607 1207 0.70 700 1269 0.80 796 1328 0.90 895 1384 1.00 998
1100 1173 0.69 683 1238 0.79 781 1300 0.89 883 1358 0.99 987 1414 1.10 1094
1200 1205 0.77 768 1270 0.88 872 1332 0.98 979 1389 1.09 1088 1444 1.21 1200
1300 1239 0.87 863 1303 0.98 972 1364 1.09 1084 1421 1.21 1199 1475 1.32 1316
1400 1273 0.97 967 1337 1.09 1082 1397 1.21 1200 1453 1.33 1320 1507 1.45 1443
1500 1309 1.09 1082 1371 1.21 1204 1430 1.33 1327 1486 1.46 1453 1540 1.59 1581
Bhp — Brake Horsepower Input to Fan
Watts — Input Watts to Motor
580F036-151

38
PERFORMANCE DATA (cont)
FAN PERFORMANCE — VERTICAL DISCHARGE UNITS (cont)
LEGEND See page 70 for general fan performance notes.
LEGEND
*Motor drive range: 770 to 1175 rpm. All other rpms require a field-supplied drive.
NOTES:
1. Boldface indicates field-supplied drive is required.
2. Maximum continuous bhp is 1.20.
3. See page 70 for general fan performance notes.
LEGEND
*Motor drive range: 1075 to 1455 rpm. All other rpms require a field-supplied
drive.
NOTES:
1. Boldface indicates field-supplied drive is required.
2. Maximum continuous bhp is 2.40.
3. See page 70 for general fan performance notes.
580F048 (4 TONS) — STANDARD MOTOR (DIRECT DRIVE)
Airflow
(Cfm)
Low Speed High Speed
208 V 230, 460, 575 V 208 V 230, 460, 575 V
ESP Bhp Watts ESP Bhp Watts ESP Bhp Watts ESP Bhp Watts
1200 0.68 0.41 458 0.74 0.45 506 0.74 0.51 572 0.85 0.56 632
1300 0.61 0.42 471 0.67 0.46 521 0.66 0.52 589 0.78 0.58 651
1400 0.53 0.45 503 0.59 0.49 556 0.59 0.54 616 0.70 0.60 681
1500 0.45 0.47 536 0.51 0.52 593 0.52 0.56 631 0.63 0.62 698
1600 0.36 0.49 557 0.42 0.54 616 0.45 0.58 654 0.56 0.64 723
1700 0.26 0.52 584 0.32 0.57 646 0.37 0.60 678 0.48 0.66 750
1800 0.15 0.54 610 0.22 0.60 674 0.30 0.62 698 0.41 0.68 772
1900 0.04 0.56 629 0.11 0.62 696 0.23 0.64 720 0.34 0.70 796
2000 ——————0.160.667440.260.73823
Bhp — Brake Horsepower Input to Fan
ESP — External Static Pressure (in. wg)
580F048 (4 TONS) — ALTERNATE MOTOR (BELT DRIVE)*
Airflow
(Cfm)
External Static Pressure (in. wg)
0.2 0.4 0.6 0.8 1.0
Rpm Bhp Watts Rpm Bhp Watts Rpm Bhp Watts Rpm Bhp Watts Rpm Bhp Watts
1200 666 0.26 257 778 0.37 367 871 0.47 471 952 0.57 572 1025 0.67 670
1300 701 0.31 306 810 0.43 426 901 0.54 540 981 0.65 651 1053 0.76 760
1400 737 0.36 361 842 0.49 491 931 0.62 616 1010 0.74 738 1081 0.86 856
1500 773 0.42 422 875 0.57 564 963 0.70 699 1040 0.84 831 1110 0.96 960
1600 810 0.49 491 909 0.65 643 994 0.79 790 1070 0.94 932 1140 1.08 1070
1700 847 0.57 567 943 0.73 730 1027 0.89 888 1101 1.05 1040 1170 1.20 1189
1800 885 0.66 652 978 0.83 826 1060 1.00 994 1133 1.16 1157 — — —
1900 923 0.75 745 1014 0.94 930 1093 1.11 1109 — — — — — —
2000 962 0.85 847 1049 1.05 1043 — — — — — — — — —
580F048 (4 TONS) — ALTERNATE MOTOR (BELT DRIVE)* (cont)
Airflow
(Cfm)
External Static Pressure (in. wg)
1.2 1.4 1.6 1.8 2.0
Rpm Bhp Watts Rpm Bhp Watts Rpm Bhp Watts Rpm Bhp Watts Rpm Bhp Watts
1200 1093 0.77 767 1155 0.87 861 1213 0.96 955 1268 1.05 1047 1321 1.14 1137
1300 1119 0.87 866 1181 0.98 970 1239 1.08 1073 1294 1.18 1175 —— —
1400 1147 0.98 972 1208 1.09 1086 —— — —— — —— —
1500 1175 1.09 1086 — — — — — — — — — — — —
1600 —— — —— — —— — —— — —— —
1700 —— — —— — —— — —— — —— —
1800 —— — —— — —— — —— — —— —
1900 —— — —— — —— — —— — —— —
2000 —— — —— — —— — —— — —— —
Bhp — Brake Horsepower Input to Fan
Watts — Input Watts to Motor
580F048 (4 TONS) — HIGH-STATIC MOTOR (BELT DRIVE)*
Airflow
(Cfm)
External Static Pressure (in. wg)
0.2 0.4 0.6 0.8 1.0
Rpm Bhp Watts Rpm Bhp Watts Rpm Bhp Watts Rpm Bhp Watts Rpm Bhp Watts
1200 666 0.26 257 778 0.37 367 871 0.47 471 952 0.57 572 1025 0.67 670
1300 701 0.31 306 810 0.43 426 901 0.54 540 981 0.65 651 1053 0.76 760
1400 737 0.36 361 842 0.49 491 931 0.62 616 1010 0.74 738 1081 0.86 856
1500 773 0.42 422 875 0.57 564 963 0.70 699 1040 0.84 831 1110 0.96 960
1600 810 0.49 491 909 0.65 643 994 0.79 790 1070 0.94 932 1140 1.08 1070
1700 847 0.57 567 943 0.73 730 1027 0.89 888 1101 1.05 1040 1170 1.20 1189
1800 885 0.66 652 978 0.83 826 1060 1.00 994 1133 1.16 1157 1200 1.32 1316
1900 923 0.75 745 1014 0.94 930 1093 1.11 1109 1165 1.29 1283 1231 1.46 1453
2000 962 0.85 847 1049 1.05 1043 1127 1.24 1233 1198 1.42 1417 1263 1.61 1598
580F048 (4 TONS) — HIGH-STATIC MOTOR (BELT DRIVE)* (cont)
Airflow
(Cfm)
External Static Pressure (in. wg)
1.2 1.4 1.6 1.8 2.0
Rpm Bhp Watts Rpm Bhp Watts Rpm Bhp Watts Rpm Bhp Watts Rpm Bhp Watts
1200 1093 0.77 767 1155 0.87 861 1213 0.96 955 1268 1.05 1047 1321 1.14 1137
1300 1119 0.87 866 1181 0.98 970 1239 1.08 1073 1294 1.18 1175 1346 1.28 1275
1400 1147 0.98 972 1208 1.09 1086 1265 1.21 1199 1320 1.32 1310 1371 1.43 1419
1500 1175 1.09 1086 1235 1.22 1209 1292 1.34 1332 1346 1.46 1452 1397 1.58 1572
1600 1204 1.21 1207 1263 1.35 1340 1320 1.48 1472 1373 1.61 1603 1424 1.74 1732
1700 1233 1.34 1336 1292 1.49 1480 1348 1.63 1622 1401 1.77 1762 1451 1.91 1901
1800 1262 1.48 1473 1321 1.64 1627 1376 1.79 1779 1428 1.94 1930 1479 2.09 2078
1900 1293 1.63 1620 1350 1.79 1784 1405 1.96 1946 1457 2.12 2106 1506 2.28 2265
2000 1323 1.79 1776 1380 1.96 1950 1434 2.13 2123 1486 2.31 2293 —— —
Bhp — Brake Horsepower Input to Fan
Watts — Input Watts to Motor
580F036-151

39
PERFORMANCE DATA (cont)
FAN PERFORMANCE — VERTICAL DISCHARGE UNITS (cont)
LEGEND See page 70 for general fan performance notes.
LEGEND
*Motor drive range: 900 to 1300 rpm. All other rpms require a field-supplied drive.
NOTES:
1. Boldface indicates field-supplied drive is required.
2. Maximum continuous bhp is 1.30.
3. See page 70 for general fan performance notes.
580F060 (5 TONS) — STANDARD MOTOR (DIRECT DRIVE)
Airflow
(Cfm)
Low Speed Medium Speed High Speed
208 V 230,460,575 V 208 V 230,460,575 V 208 V 230,460,575 V
ESP Bhp Watts ESP Bhp Watts ESP Bhp Watts ESP Bhp Watts ESP Bhp Watts ESP Bhp Watts
1500 0.69 0.67 750 1.01 0.71 791 1.00 0.70 782 1.20 0.76 845 1.22 0.79 875 1.28 0.85 949
1600 0.49 0.70 780 0.85 0.74 824 0.85 0.74 821 1.06 0.79 883 1.09 0.82 913 1.17 0.89 988
1700 0.29 0.73 810 0.70 0.77 857 0.70 0.77 861 0.93 0.83 921 0.97 0.85 950 1.06 0.92 1027
1800 0.09 0.75 839 0.54 0.80 891 0.55 0.81 900 0.80 0.86 959 0.84 0.89 988 0.95 0.96 1066
1900 — — — 0.39 0.83 924 0.40 0.84 940 0.67 0.90 997 0.72 0.92 1025 0.84 0.99 1105
2000 — — — 0.23 0.86 957 0.25 0.88 979 0.54 0.93 1035 0.59 0.95 1063 0.73 1.03 1144
2100 — — — 0.08 0.89 990 0.10 0.91 1018 0.41 0.96 1073 0.46 0.99 1101 0.62 1.06 1183
2200 — — — — — — — — — 0.28 1.00 1111 0.34 1.02 1138 0.51 1.10 1222
2300 — — — — — — — — — 0.15 1.03 1149 0.21 1.06 1176 0.40 1.13 1261
2400 — — — — — — — — — 0.02 1.07 1187 0.09 1.09 1213 0.29 1.17 1300
2500 — — — — — — — — — — — — — — — 0.18 1.20 1340
Bhp — Brake Horsepower Input to Fan
ESP — External Static Pressure (in. wg)
580F060 (5 TONS) — SINGLE-PHASE, ALTERNATE MOTOR (BELT DRIVE)*
Airflow
(Cfm)
External Static Pressure (in. wg)
0.2 0.4 0.6 0.8 1.0
Rpm Bhp Watts Rpm Bhp Watts Rpm Bhp Watts Rpm Bhp Watts Rpm Bhp Watts
1500 802 0.42 370 912 0.55 489 1006 0.70 624 1088 0.87 773 1163 1.05 935
1600 840 0.49 432 947 0.63 557 1038 0.78 696 1119 0.95 848 1193 1.14 1013
1700 878 0.57 502 982 0.71 632 1071 0.87 776 1151 1.05 932 1224 1.24 1100
1800 917 0.65 581 1017 0.81 716 1105 0.97 864 1183 1.15 1024 — — —
1900 956 0.75 668 1053 0.91 808 1139 1.08 961 1216 1.27 1126 —— —
2000 995 0.86 764 1090 1.02 910 1173 1.20 1067 — — — — — —
2100 1035 0.98 869 1127 1.15 1021 — — — — — — — — —
2200 1075 1.11 984 1164 1.29 1141 — — — — — — — — —
2300 1115 1.25 1110 — — — — — — — — — — — —
2400 —— — —— — —— — —— — —— —
2500 —— — —— — —— — —— — —— —
580F060 (5 TONS) — SINGLE-PHASE, ALTERNATE MOTOR (BELT DRIVE)* (cont)
Airflow
(Cfm)
(Cfm)
External Static Pressure (in. wg)
1.2 1.4 1.6 1.8 2.0
Rpm Bhp Watts Rpm Bhp Watts Rpm Bhp Watts Rpm Bhp Watts Rpm Bhp Watts
1500 1232 1.25 1109 —— — —— — —— — —— —
1600 —— — —— — —— — —— — —— —
1700 —— — —— — —— — —— — —— —
1800 —— — —— — —— — —— — —— —
1900 —— — —— — —— — —— — —— —
2000 —— — —— — —— — —— — —— —
2100 —— — —— — —— — —— — —— —
2200 —— — —— — —— — —— — —— —
2300 —— — —— — —— — —— — —— —
2400 —— — —— — —— — —— — —— —
2500 —— — —— — —— — —— — —— —
Bhp — Brake Horsepower Input to Fan
Watts — Input Watts to Motor
580F036-151

40
PERFORMANCE DATA (cont)
FAN PERFORMANCE — VERTICAL DISCHARGE UNITS (cont)
LEGEND
*Motor drive range: 900 to 1300 rpm. All other rpms require a field-supplied drive.
NOTES:
1. Boldface indicates field-supplied drive is required.
2. Maximum continuous bhp is 2.40.
3. See page 70 for general fan performance notes.
LEGEND
*Motor drive range: 1300 to 1685 rpm. All other rpms require a field-supplied
drive.
NOTES:
1. Boldface indicates field-supplied drive is required.
2. Maximum continuous bhp is 2.90.
3. See page 70 for general fan performance notes.
580F060 (5 TONS) — THREE-PHASE, ALTERNATE MOTOR (BELT DRIVE)*
Airflow
(Cfm)
External Static Pressure (in. wg)
0.2 0.4 0.6 0.8 1.0
Rpm Bhp Watts Rpm Bhp Watts Rpm Bhp Watts Rpm Bhp Watts Rpm Bhp Watts
1500 802 0.42 370 912 0.55 489 1006 0.70 624 1088 0.87 773 1163 1.05 935
1600 840 0.49 432 947 0.63 557 1038 0.78 696 1119 0.95 848 1193 1.14 1013
1700 878 0.57 502 982 0.71 632 1071 0.87 776 1151 1.05 932 1224 1.24 1100
1800 917 0.65 581 1017 0.81 716 1105 0.97 864 1183 1.15 1024 1255 1.35 1197
1900 956 0.75 668 1053 0.91 808 1139 1.08 961 1216 1.27 1126 1287 1.47 1302
2000 995 0.86 764 1090 1.02 910 1173 1.20 1067 1249 1.39 1236 1319 1.59 1416
2100 1035 0.98 869 1127 1.15 1021 1209 1.33 1183 1283 1.53 1357 1351 1.74 1541
2200 1075 1.11 984 1164 1.29 1141 1244 1.47 1309 1317 1.68 1488 1385 1.89 1676
2300 1115 1.25 1110 1202 1.43 1273 1280 1.63 1446 1352 1.83 1629 1418 2.05 1822
2400 1155 1.40 1246 1240 1.59 1415 1316 1.79 1594 1387 2.01 1782 1452 2.23 1980
2500 1196 1.57 1394 1278 1.77 1569 1353 1.97 1753 1422 2.19 1946 —— —
580F060 (5 TONS) — THREE-PHASE, ALTERNATE MOTOR (BELT DRIVE)* (cont)
Airflow
(Cfm)
External Static Pressure (in. wg)
1.2 1.4 1.6 1.8 2.0
Rpm Bhp Watts Rpm Bhp Watts Rpm Bhp Watts Rpm Bhp Watts Rpm Bhp Watts
1500 1232 1.25 1109 1297 1.46 1295 1357 1.68 1492 1415 1.91 1700 1469 2.16 1917
1600 1262 1.34 1190 1325 1.55 1379 1385 1.78 1579 1442 2.01 1788 1496 2.26 2009
1700 1291 1.44 1281 1354 1.66 1472 1414 1.89 1674 1470 2.12 1887 1524 2.37 2109
1800 1322 1.55 1380 1384 1.77 1575 1443 2.00 1779 1499 2.25 1994 —— —
1900 1352 1.68 1489 1414 1.90 1687 1472 2.13 1894 1528 2.38 2112 —— —
2000 1384 1.81 1607 1445 2.04 1808 1502 2.27 2019 —— — —— —
2100 1415 1.95 1736 1476 2.18 1940 —— — —— — —— —
2200 1448 2.11 1875 1507 2.35 2083 —— — —— — —— —
2300 1480 2.28 2025 —— — —— — —— — —— —
2400 —— — —— — —— — —— — —— —
2500 —— — —— — —— — —— — —— —
Bhp — Brake Horsepower Input to Fan
Watts — Input Watts to Motor
580F060 (5 TONS) — HIGH-STATIC MOTOR (BELT DRIVE)*
Airflow
(Cfm)
External Static Pressure (in. wg)
0.2 0.4 0.6 0.8 1.0
Rpm Bhp Watts Rpm Bhp Watts Rpm Bhp Watts Rpm Bhp Watts Rpm Bhp Watts
1500 802 0.42 370 912 0.55 489 1006 0.70 624 1088 0.87 773 1163 1.05 935
1600 840 0.49 432 947 0.63 557 1038 0.78 696 1119 0.95 848 1193 1.14 1013
1700 878 0.57 502 982 0.71 632 1071 0.87 776 1151 1.05 932 1224 1.24 1100
1800 917 0.65 581 1017 0.81 716 1105 0.97 864 1183 1.15 1024 1255 1.35 1197
1900 956 0.75 668 1053 0.91 808 1139 1.08 961 1216 1.27 1126 1287 1.47 1302
2000 995 0.86 764 1090 1.02 910 1173 1.20 1067 1249 1.39 1236 1319 1.59 1416
2100 1035 0.98 869 1127 1.15 1021 1209 1.33 1183 1283 1.53 1357 1351 1.74 1541
2200 1075 1.11 984 1164 1.29 1141 1244 1.47 1309 1317 1.68 1488 1385 1.89 1676
2300 1115 1.25 1110 1202 1.43 1273 1280 1.63 1446 1352 1.83 1629 1418 2.05 1822
2400 1155 1.40 1246 1240 1.59 1415 1316 1.79 1594 1387 2.01 1782 1452 2.23 1980
2500 1196 1.57 1394 1278 1.77 1569 1353 1.97 1753 1422 2.19 1946 1486 2.42 2149
580F060 (5 TONS) — HIGH-STATIC MOTOR (BELT DRIVE)* (cont)
Airflow
(Cfm)
External Static Pressure (in. wg)
1.2 1.4 1.6 1.8 2.0
Rpm Bhp Watts Rpm Bhp Watts Rpm Bhp Watts Rpm Bhp Watts Rpm Bhp Watts
1500 1232 1.25 1109 1297 1.46 1295 1357 1.68 1492 1415 1.91 1700 1469 2.16 1917
1600 1262 1.34 1190 1325 1.55 1379 1385 1.78 1579 1442 2.01 1788 1496 2.26 2009
1700 1291 1.44 1281 1354 1.66 1472 1414 1.89 1674 1470 2.12 1887 1524 2.37 2109
1800 1322 1.55 1380 1384 1.77 1575 1443 2.00 1779 1499 2.25 1994 1552 2.50 2219
1900 1352 1.68 1489 1414 1.90 1687 1472 2.13 1894 1528 2.38 2112 1580 2.63 2339
2000 1384 1.81 1607 1445 2.04 1808 1502 2.27 2019 1557 2.52 2240 1609 2.78 2470
2100 1415 1.95 1736 1476 2.18 1940 1533 2.43 2155 1587 2.68 2378 — — —
2200 1448 2.11 1875 1507 2.35 2083 1563 2.59 2301 1617 2.85 2528 — — —
2300 1480 2.28 2025 1539 2.52 2237 1595 2.77 2459 — — — — — —
2400 1513 2.46 2187 1571 2.71 2403 — — — — — — — — —
2500 1547 2.66 2360 — — — — — — — — — — — —
Bhp — Brake Horsepower Input to Fan
Watts — Input Watts to Motor
580F036-151

41
PERFORMANCE DATA (cont)
FAN PERFORMANCE — VERTICAL DISCHARGE UNITS (cont)
LEGEND
*Motor drive range: 1070 to 1460 rpm. All other rpms require a field-supplied
drive.
NOTES:
1. Boldface indicates field-supplied drive is required.
2. Maximum continuous bhp is 2.40.
3. See page 70 for general fan performance notes.
LEGEND
*Motor drive range: 1300 to 1685 rpm. All other rpms require a field-supplied
drive.
NOTES:
1. Boldface indicates field-supplied drive is required.
2. Maximum continuous bhp is 2.90.
3. See page 70 for general fan performance notes.
580F072,073 (6 TONS) — STANDARD MOTOR (BELT DRIVE)*
Airflow
(Cfm)
External Static Pressure (in. wg)
0.2 0.4 0.6 0.8 1.0
Rpm Bhp Watts Rpm Bhp Watts Rpm Bhp Watts Rpm Bhp Watts Rpm Bhp Watts
1800 967 0.65 579 1077 0.81 718 1172 0.96 856 1257 1.12 993 1334 1.27 1130
1900 1007 0.75 663 1115 0.91 811 1208 1.08 957 1291 1.24 1101 1368 1.40 1246
2000 1048 0.85 757 1153 1.03 913 1244 1.20 1066 1326 1.37 1219 1401 1.54 1371
2100 1090 0.97 859 1191 1.15 1023 1281 1.33 1185 1361 1.51 1345 1435 1.69 1505
2200 1131 1.09 970 1230 1.29 1143 1318 1.48 1313 1397 1.67 1481 1470 1.86 1649
2300 1173 1.23 1091 1269 1.43 1273 1355 1.63 1451 1433 1.83 1627 1505 2.03 1803
2400 1215 1.38 1223 1309 1.59 1413 1393 1.80 1600 1470 2.01 1784 1540 2.21 1967
2500 1258 1.54 1365 1349 1.76 1564 1431 1.98 1759 1506 2.20 1951 —— —
2600 1300 1.71 1518 1389 1.94 1726 1470 2.17 1929 1544 2.40 2130 —— —
2700 1343 1.90 1683 1430 2.14 1899 1509 2.38 2111 —— — —— —
2800 1386 2.09 1860 1471 2.35 2085 —— — —— — —— —
2900 1429 2.31 2050 — — — — — — — — — — — —
3000 —— — —— — —— — —— — —— —
580F072,073 (6 TONS) — STANDARD MOTOR (BELT DRIVE)* (cont)
Airflow
(Cfm)
External Static Pressure (in. wg)
1.2 1.4 1.6 1.8 2.0
Rpm Bhp Watts Rpm Bhp Watts Rpm Bhp Watts Rpm Bhp Watts Rpm Bhp Watts
1800 1406 1.43 1268 1473 1.58 1407 1535 1.74 1548 1595 1.90 1690 1652 2.06 1833
1900 1438 1.57 1391 1504 1.73 1537 1567 1.90 1685 1626 2.06 1833 1682 2.23 1983
2000 1471 1.72 1523 1536 1.89 1677 1598 2.06 1831 1657 2.24 1986 —— —
2100 1504 1.87 1665 1569 2.06 1825 1630 2.24 1986 —— — —— —
2200 1538 2.04 1816 1602 2.23 1984 —— — —— — —— —
2300 1572 2.23 1978 —— — —— — —— — —— —
2400 —— — —— — —— — —— — —— —
2500 —— — —— — —— — —— — —— —
2600 —— — —— — —— — —— — —— —
2700 —— — —— — —— — —— — —— —
2800 —— — —— — —— — —— — —— —
2900 —— — —— — —— — —— — —— —
3000 —— — —— — —— — —— — —— —
Bhp — Brake Horsepower Input to Fan
Watts — Input Watts to Motor
580F072,073 (6 TONS) — HIGH-STATIC MOTOR (BELT DRIVE)*
Airflow
(Cfm)
External Static Pressure (in. wg)
0.2 0.4 0.6 0.8 1.0
Rpm Bhp Watts Rpm Bhp Watts Rpm Bhp Watts Rpm Bhp Watts Rpm Bhp Watts
1800 967 0.65 579 1077 0.81 718 1172 0.96 856 1257 1.12 993 1334 1.27 1130
1900 1007 0.75 663 1115 0.91 811 1208 1.08 957 1291 1.24 1101 1368 1.40 1246
2000 1048 0.85 757 1153 1.03 913 1244 1.20 1066 1326 1.37 1219 1401 1.54 1371
2100 1090 0.97 859 1191 1.15 1023 1281 1.33 1185 1361 1.51 1345 1435 1.69 1505
2200 1131 1.09 970 1230 1.29 1143 1318 1.48 1313 1397 1.67 1481 1470 1.86 1649
2300 1173 1.23 1091 1269 1.43 1273 1355 1.63 1451 1433 1.83 1627 1505 2.03 1803
2400 1215 1.38 1223 1309 1.59 1413 1393 1.80 1600 1470 2.01 1784 1540 2.21 1967
2500 1258 1.54 1365 1349 1.76 1564 1431 1.98 1759 1506 2.20 1951 1576 2.41 2142
2600 1300 1.71 1518 1389 1.94 1726 1470 2.17 1929 1544 2.40 2130 1613 2.62 2329
2700 1343 1.90 1683 1430 2.14 1899 1509 2.38 2111 1581 2.61 2320 1649 2.85 2527
2800 1386 2.09 1860 1471 2.35 2085 1548 2.60 2305 1619 2.84 2522 — — —
2900 1429 2.31 2050 1512 2.57 2283 1588 2.83 2512 — — — — — —
3000 1473 2.54 2252 1553 2.81 2494 — — — — — — — — —
580F072,073 (6 TONS) — HIGH-STATIC MOTOR (BELT DRIVE)* (cont)
Airflow
(Cfm)
External Static Pressure (in. wg)
1.2 1.4 1.6 1.8 2.0
Rpm Bhp Watts Rpm Bhp Watts Rpm Bhp Watts Rpm Bhp Watts Rpm Bhp Watts
1800 1406 1.43 1268 1473 1.58 1407 1535 1.74 1548 1595 1.90 1690 1652 2.06 1833
1900 1438 1.57 1391 1504 1.73 1537 1567 1.90 1685 1626 2.06 1833 1682 2.23 1983
2000 1471 1.72 1523 1536 1.89 1677 1598 2.06 1831 1657 2.24 1986 1713 2.41 2142
2100 1504 1.87 1665 1569 2.06 1825 1630 2.24 1986 1688 2.42 2149 1744 2.60 2312
2200 1538 2.04 1816 1602 2.23 1984 1663 2.42 2152 1720 2.61 2321 1775 2.81 2491
2300 1572 2.23 1978 1635 2.42 2153 1695 2.62 2328 1753 2.82 2504 —— —
2400 1607 2.42 2150 1669 2.63 2332 1729 2.83 2515 —— — —— —
2500 1642 2.63 2333 1704 2.84 2523 —— — —— — —— —
2600 1677 2.85 2527 — — — — — — — — — — — —
2700 —— — —— — —— — —— — —— —
2800 —— — —— — —— — —— — —— —
2900 —— — —— — —— — —— — —— —
3000 —— — —— — —— — —— — —— —
Bhp — Brake Horsepower Input to Fan
Watts — Input Watts to Motor
580F036-151

42
PERFORMANCE DATA (cont)
FAN PERFORMANCE — VERTICAL DISCHARGE UNITS (cont)
LEGEND
*Motor drive range: 590 to 840 rpm. All other rpms require field-supplied
drive.
NOTES:
1. Boldface indicates field-supplied drive is required.
2. Maximum continuous bhp is 2.40.
3. See page 70 for General Fan Performance Notes.
580F090,091 (71/2 TONS) — STANDARD MOTOR (BELT DRIVE)*
Airflow
(Cfm)
External Static Pressure (in. wg)
0.2 0.4 0.6 0.8 1.0
Rpm Bhp Watts Rpm Bhp Watts Rpm Bhp Watts Rpm Bhp Watts Rpm Bhp Watts
2250 513 0.54 505 595 0.76 713 665 1.01 940 728 1.27 1187 786 1.56 1453
2300 521 0.57 531 601 0.79 741 671 1.04 972 734 1.31 1222 791 1.60 1489
2400 535 0.63 584 615 0.86 802 684 1.11 1038 745 1.39 1293 802 1.68 1566
2500 551 0.69 642 628 0.93 866 696 1.19 1109 757 1.47 1369 813 1.77 1647
2550 558 0.72 673 635 0.97 900 702 1.23 1146 763 1.51 1409 818 1.81 1689
2600 566 0.76 705 642 1.00 935 709 1.27 1183 769 1.55 1450 824 1.86 1732
2700 582 0.83 771 656 1.08 1008 721 1.35 1263 781 1.65 1535 835 1.95 1823
2800 597 0.90 842 670 1.16 1086 734 1.44 1347 793 1.74 1625 847 2.06 1917
2900 613 0.98 918 684 1.25 1169 748 1.54 1436 805 1.84 1720 859 2.16 2019
3000 629 1.07 999 699 1.35 1256 761 1.64 1530 818 1.95 1820 871 2.28 2125
3100 645 1.16 1085 713 1.45 1349 775 1.75 1630 831 2.06 1925 883 2.40 2235
3200 662 1.26 1176 728 1.55 1448 788 1.86 1734 844 2.18 2036 —— —
3300 678 1.36 1272 743 1.66 1551 802 1.98 1845 857 2.31 2152 —— —
3400 694 1.47 1374 758 1.78 1660 816 2.10 1961 — — — — — —
3500 711 1.59 1482 773 1.90 1775 831 2.23 2082 — — — — — —
3600 727 1.71 1596 789 2.03 1896 845 2.37 2210 —— — —— —
3700 744 1.84 1716 804 2.17 2023 — — — — — — — — —
3750 752 1.91 1778 812 2.24 2089 — — — — — — — — —
580F090,091 (71/2 TONS) — STANDARD MOTOR (BELT DRIVE)* (cont)
Airflow
(Cfm)
External Static Pressure (in. wg)
1.2 1.4 1.6 1.8 2.0
Rpm Bhp Watts Rpm Bhp Watts Rpm Bhp Watts Rpm Bhp Watts Rpm Bhp Watts
2250 839 1.86 1735 889 2.18 2032 —— — —— — —— —
2300 844 1.90 1773 893 2.22 2073 —— — —— — —— —
2400 854 1.99 1855 903 2.32 2159 —— — —— — —— —
2500 865 2.08 1940 ————————————
2550 870 2.13 1985 ————————————
2600 875 2.18 2031 ————————————
2700 886 2.28 2126 ————————————
2800 897 2.39 2227 ————————————
2900 ———————————————
3000 ———————————————
3100 ———————————————
3200 ———————————————
3300 ———————————————
3400 ———————————————
3500 ———————————————
3600 ———————————————
3700 ———————————————
3750 ———————————————
Bhp — Brake Horsepower Input to Fan
Watts — Input Watts to Motor
580F036-151

43
PERFORMANCE DATA (cont)
FAN PERFORMANCE — VERTICAL DISCHARGE UNITS (cont)
LEGEND
*Motor drive range: 685 to 935 rpm. All other rpms require field-supplied
drive.
NOTES:
1. Boldface indicates field-supplied drive is required.
2. Maximum continuous bhp is 2.40.
3. See page 70 for General Fan Performance Notes.
580F090,091 (71/2 TONS) — ALTERNATE MOTOR (BELT DRIVE)*
Airflow
(Cfm)
External Static Pressure (in. wg)
0.2 0.4 0.6 0.8 1.0
Rpm Bhp Watts Rpm Bhp Watts Rpm Bhp Watts Rpm Bhp Watts Rpm Bhp Watts
2250 513 0.54 505 595 0.76 713 665 1.01 940 728 1.27 1187 786 1.56 1453
2300 521 0.57 531 601 0.79 741 671 1.04 972 734 1.31 1222 791 1.60 1489
2400 535 0.63 584 615 0.86 802 684 1.11 1038 745 1.39 1293 802 1.68 1566
2500 551 0.69 642 628 0.93 866 696 1.19 1109 757 1.47 1369 813 1.77 1647
2550 558 0.72 673 635 0.97 900 702 1.23 1146 763 1.51 1409 818 1.81 1689
2600 566 0.76 705 642 1.00 935 709 1.27 1183 769 1.55 1450 824 1.86 1732
2700 582 0.83 771 656 1.08 1008 721 1.35 1263 781 1.65 1535 835 1.95 1823
2800 597 0.90 842 670 1.16 1086 734 1.44 1347 793 1.74 1625 847 2.06 1917
2900 613 0.98 918 684 1.25 1169 748 1.54 1436 805 1.84 1720 859 2.16 2019
3000 629 1.07 999 699 1.35 1256 761 1.64 1530 818 1.95 1820 871 2.28 2125
3100 645 1.16 1085 713 1.45 1349 775 1.75 1630 831 2.06 1925 883 2.40 2235
3200 662 1.26 1176 728 1.55 1448 788 1.86 1734 844 2.18 2036 — — —
3300 678 1.36 1272 743 1.66 1551 802 1.98 1845 857 2.31 2152 — — —
3400 694 1.47 1374 758 1.78 1660 816 2.10 1961 — — — — — —
3500 711 1.59 1482 773 1.90 1775 831 2.23 2082 — — — — — —
3600 727 1.71 1596 789 2.03 1896 845 2.37 2210 — — — — — —
3700 744 1.84 1716 804 2.17 2023 — — — — — — — — —
3750 752 1.91 1778 812 2.24 2089 — — — — — — — — —
580F090,091 (71/2 TONS) — ALTERNATE MOTOR (BELT DRIVE)* (cont)
Airflow
(Cfm)
External Static Pressure (in. wg)
1.2 1.4 1.6 1.8 2.0
Rpm Bhp Watts Rpm Bhp Watts Rpm Bhp Watts Rpm Bhp Watts Rpm Bhp Watts
2250 839 1.86 1735 889 2.18 2032 — — — — — — — — —
2300 844 1.90 1773 893 2.22 2073 — — — — — — — — —
2400 854 1.99 1855 903 2.32 2159 — — — — — — — — —
2500 865 2.08 1940 — — — — — — — — — — — —
2550 870 2.13 1985 — — — — — — — — — — — —
2600 875 2.18 2031 — — — — — — — — — — — —
2700 886 2.28 2126 — — — — — — — — — — — —
2800 897 2.39 2227 — — — — — — — — — — — —
2900 ———————————————
3000 ———————————————
3100 ———————————————
3200 ———————————————
3300 ———————————————
3400 ———————————————
3500 ———————————————
3600 ———————————————
3700 ———————————————
3750 ———————————————
Bhp — Brake Horsepower Input to Fan
Watts — Input Watts to Motor
580F036-151

44
PERFORMANCE DATA (cont)
FAN PERFORMANCE — VERTICAL DISCHARGE UNITS (cont)
LEGEND
*Motor drive range: 860 to 1080 rpm. All other rpms require field-supplied
drive.
NOTES:
1. Boldface indicates field-supplied drive is required.
2. Maximum continuous bhp is 3.70.
3. See page 70 for General Fan Performance Notes.
580F090,091 (71/2 TONS) — HIGH-STATIC MOTOR (BELT DRIVE)*
Airflow
(Cfm)
External Static Pressure (in. wg)
0.2 0.4 0.6 0.8 1.0
Rpm Bhp Watts Rpm Bhp Watts Rpm Bhp Watts Rpm Bhp Watts Rpm Bhp Watts
2250 513 0.54 505 595 0.76 713 665 1.01 940 728 1.27 1187 786 1.56 1453
2300 521 0.57 531 601 0.79 741 671 1.04 972 734 1.31 1222 791 1.60 1489
2400 535 0.63 584 615 0.86 802 684 1.11 1038 745 1.39 1293 802 1.68 1566
2500 551 0.69 642 628 0.93 866 696 1.19 1109 757 1.47 1369 813 1.77 1647
2550 558 0.72 673 635 0.97 900 702 1.23 1146 763 1.51 1409 818 1.81 1689
2600 566 0.76 705 642 1.00 935 709 1.27 1183 769 1.55 1450 824 1.86 1732
2700 582 0.83 771 656 1.08 1008 721 1.35 1263 781 1.65 1535 835 1.95 1823
2800 597 0.90 842 670 1.16 1086 734 1.44 1347 793 1.74 1625 847 2.06 1917
2900 613 0.98 918 684 1.25 1169 748 1.54 1436 805 1.84 1720 859 2.16 2019
3000 629 1.07 999 699 1.35 1256 761 1.64 1530 818 1.95 1820 871 2.28 2125
3100 645 1.16 1085 713 1.45 1349 775 1.75 1630 831 2.06 1925 883 2.40 2235
3200 662 1.26 1176 728 1.55 1448 788 1.86 1734 844 2.18 2036 895 2.52 2352
3300 678 1.36 1272 743 1.66 1551 802 1.98 1845 857 2.31 2152 908 2.65 2475
3400 694 1.47 1374 758 1.78 1660 816 2.10 1961 870 2.44 2275 920 2.79 2603
3500 711 1.59 1482 773 1.90 1775 831 2.23 2082 884 2.58 2402 933 2.93 2737
3600 727 1.71 1596 789 2.03 1896 845 2.37 2210 897 2.72 2537 946 3.09 2877
3700 744 1.84 1716 804 2.17 2023 860 2.51 2343 911 2.87 2677 959 3.24 3023
3750 752 1.91 1778 812 2.24 2089 867 2.59 2413 918 2.95 2750 966 3.32 3100
580F090,091 (71/2 TONS) — HIGH-STATIC MOTOR (BELT DRIVE)* (cont)
Airflow
(Cfm)
External Static Pressure (in. wg)
1.2 1.4 1.6 1.8 2.0
Rpm Bhp Watts Rpm Bhp Watts Rpm Bhp Watts Rpm Bhp Watts Rpm Bhp Watts
2250 839 1.86 1735 889 2.18 2032 935 2.52 2345 980 2.87 2673 1022 3.23 3015
2300 844 1.90 1773 893 2.22 2073 940 2.56 2389 984 2.91 2718 1027 3.28 3062
2400 854 1.99 1855 903 2.32 2159 950 2.66 2478 993 3.02 2812 1035 3.39 3159
2500 865 2.08 1940 913 2.41 2249 959 2.76 2573 1003 3.12 2911 1044 3.50 3261
2550 870 2.13 1985 918 2.46 2296 964 2.81 2622 1008 3.18 2962 1049 3.55 3315
2600 875 2.18 2031 923 2.51 2344 969 2.87 2673 1012 3.23 3014 1054 3.61 3370
2700 886 2.28 2126 934 2.62 2445 979 2.98 2777 1022 3.35 3123 — — —
2800 897 2.39 2227 944 2.73 2550 989 3.10 2888 1032 3.47 3238 — — —
2900 908 2.50 2333 955 2.85 2661 1000 3.22 3003 1042 3.60 3358 — — —
3000 920 2.62 2443 966 2.98 2777 1010 3.35 3123 — — — — — —
3100 931 2.75 2560 977 3.11 2899 1021 3.49 3250 — — — — — —
3200 943 2.88 2682 989 3.25 3026 1032 3.63 3383 — — — — — —
3300 955 3.01 2810 1000 3.39 3159 — — — — — — — — —
3400 967 3.16 2945 1012 3.54 3299 — — — — — — — — —
3500 980 3.31 3084 1024 3.69 3445 — — — — — — — — —
3600 992 3.46 3230 — — — — — — — — — — — —
3700 1005 3.63 3383 — — — — — — — — — — — —
3750 ———————————————
Bhp — Brake Horsepower Input to Fan
Watts — Input Watts to Motor
580F036-151

45
PERFORMANCE DATA (cont)
FAN PERFORMANCE — VERTICAL DISCHARGE UNITS (cont)
LEGEND
*Motor drive range: 685 to 935 rpm. All other rpms require field-supplied
drive.
NOTES:
1. Boldface indicates field-supplied drive is required.
2. Maximum continuous bhp is 2.40.
3. See page 70 for General Fan Performance Notes.
580F103 (81/2 TONS) — STANDARD MOTOR (BELT DRIVE)*
Airflow
(Cfm)
External Static Pressure (in. wg)
0.2 0.4 0.6 0.8 1.0
Rpm Bhp Watts Rpm Bhp Watts Rpm Bhp Watts Rpm Bhp Watts Rpm Bhp Watts
2550 558 0.72 673 635 0.97 900 702 1.23 1146 763 1.51 1409 818 1.81 1689
2600 566 0.76 705 642 1.00 935 709 1.27 1183 769 1.55 1450 824 1.86 1732
2700 582 0.83 771 656 1.08 1008 721 1.35 1263 781 1.65 1535 835 1.95 1823
2800 597 0.90 842 670 1.16 1086 734 1.44 1347 793 1.74 1625 847 2.06 1917
2900 613 0.98 918 684 1.25 1169 748 1.54 1436 805 1.84 1720 859 2.16 2019
3000 629 1.07 999 699 1.35 1256 761 1.64 1530 818 1.95 1820 871 2.28 2125
3100 645 1.16 1085 713 1.45 1349 775 1.75 1630 831 2.06 1925 883 2.40 2235
3200 662 1.26 1176 728 1.55 1448 788 1.86 1734 844 2.18 2036 — — —
3300 678 1.36 1272 743 1.66 1551 802 1.98 1845 857 2.31 2152 — — —
3400 694 1.47 1374 758 1.78 1660 816 2.10 1961 — — — — — —
3500 711 1.59 1482 773 1.90 1775 831 2.23 2082 — — — — — —
3600 727 1.71 1596 789 2.03 1896 845 2.37 2210 — — — — — —
3700 744 1.84 1716 804 2.17 2023 — — — — — — — — —
3750 752 1.91 1778 812 2.24 2089 — — — — — — — — —
3800 761 1.98 1842 820 2.31 2156 — — — — — — — — —
3900 777 2.12 1974 — — — — — — — — — — — —
4000 794 2.27 2113 — — — — — — — — — — — —
4100 ———————————————
4200 ———————————————
4250 ———————————————
580F103 (81/2 TONS) — STANDARD MOTOR (BELT DRIVE)* (cont)
Airflow
(Cfm)
External Static Pressure (in. wg)
1.2 1.4 1.6 1.8 2.0
Rpm Bhp Watts Rpm Bhp Watts Rpm Bhp Watts Rpm Bhp Watts Rpm Bhp Watts
2550 870 2.13 1985 — — — — — — — — — — — —
2600 875 2.18 2031 — — — — — — — — — — — —
2700 886 2.28 2126 — — — — — — — — — — — —
2800 897 2.39 2227 — — — — — — — — — — — —
2900 ———————————————
3000 ———————————————
3100 ———————————————
3200 ———————————————
3300 ———————————————
3400 ———————————————
3500 ———————————————
3600 ———————————————
3700 ———————————————
3750 ———————————————
3800 ———————————————
3900 ———————————————
4000 ———————————————
4100 ———————————————
4200 ———————————————
4250 ———————————————
Bhp — Brake Horsepower Input to Fan
Watts — Input Watts to Motor
580F036-151

46
PERFORMANCE DATA (cont)
FAN PERFORMANCE — VERTICAL DISCHARGE UNITS (cont)
LEGEND
*Motor drive range: 860 to 1080 rpm. All other rpms require field-supplied
drive.
NOTES:
1. Boldface indicates field-supplied drive is required.
2. Maximum continuous bhp is 3.70.
3. See page 70 for General Fan Performance Notes.
580F103 (81/2 TONS) — HIGH-STATIC MOTOR (BELT DRIVE)*
Airflow
(Cfm)
External Static Pressure (in. wg)
0.2 0.4 0.6 0.8 1.0
Rpm Bhp Watts Rpm Bhp Watts Rpm Bhp Watts Rpm Bhp Watts Rpm Bhp Watts
2550 558 0.72 673 635 0.97 900 702 1.23 1146 763 1.51 1409 818 1.81 1689
2600 566 0.76 705 642 1.00 935 709 1.27 1183 769 1.55 1450 824 1.86 1732
2700 582 0.83 771 656 1.08 1008 721 1.35 1263 781 1.65 1535 835 1.95 1823
2800 597 0.90 842 670 1.16 1086 734 1.44 1347 793 1.74 1625 847 2.06 1917
2900 613 0.98 918 684 1.25 1169 748 1.54 1436 805 1.84 1720 859 2.16 2019
3000 629 1.07 999 699 1.35 1256 761 1.64 1530 818 1.95 1820 871 2.28 2125
3100 645 1.16 1085 713 1.45 1349 775 1.75 1630 831 2.06 1925 883 2.40 2235
3200 662 1.26 1176 728 1.55 1448 788 1.86 1734 844 2.18 2036 895 2.52 2352
3300 678 1.36 1272 743 1.66 1551 802 1.98 1845 857 2.31 2152 908 2.65 2475
3400 694 1.47 1374 758 1.78 1660 816 2.10 1961 870 2.44 2275 920 2.79 2603
3500 711 1.59 1482 773 1.90 1775 831 2.23 2082 884 2.58 2402 933 2.93 2737
3600 727 1.71 1596 789 2.03 1896 845 2.37 2210 897 2.72 2537 946 3.09 2877
3700 744 1.84 1716 804 2.17 2023 860 2.51 2343 911 2.87 2677 959 3.24 3023
3750 752 1.91 1778 812 2.24 2089 867 2.59 2413 918 2.95 2750 966 3.32 3100
3800 761 1.98 1842 820 2.31 2156 874 2.66 2484 925 3.03 2824 973 3.41 3177
3900 777 2.12 1974 835 2.46 2296 889 2.82 2630 939 3.19 2977 986 3.58 3336
4000 794 2.27 2113 851 2.62 2442 904 2.99 2784 953 3.36 3137 — — —
4100 811 2.42 2259 867 2.78 2595 919 3.16 2944 968 3.54 3304 — — —
4200 828 2.59 2412 883 2.95 2755 934 3.34 3110 — — — — — —
4250 837 2.67 2490 891 3.04 2838 942 3.43 3197 — — — — — —
580F103 (81/2 TONS) — HIGH-STATIC MOTOR (BELT DRIVE)* (cont)
Airflow
(Cfm)
External Static Pressure (in. wg)
1.2 1.4 1.6 1.8 2.0
Rpm Bhp Watts Rpm Bhp Watts Rpm Bhp Watts Rpm Bhp Watts Rpm Bhp Watts
2550 870 2.13 1985 918 2.46 2296 964 2.81 2622 1008 3.18 2962 1049 3.55 3315
2600 875 2.18 2031 923 2.51 2344 969 2.87 2673 1012 3.23 3014 1054 3.61 3370
2700 886 2.28 2126 934 2.62 2445 979 2.98 2777 1022 3.35 3123 — — —
2800 897 2.39 2227 944 2.73 2550 989 3.10 2888 1032 3.47 3238 — — —
2900 908 2.50 2333 955 2.85 2661 1000 3.22 3003 1042 3.60 3358 — — —
3000 920 2.62 2443 966 2.98 2777 1010 3.35 3123 — — — — — —
3100 931 2.75 2560 977 3.11 2899 1021 3.49 3250 — — — — — —
3200 943 2.88 2682 989 3.25 3026 1032 3.63 3383 — — — — — —
3300 955 3.01 2810 1000 3.39 3159 — — — — — — — — —
3400 967 3.16 2945 1012 3.54 3299 — — — — — — — — —
3500 980 3.31 3084 1024 3.69 3445 — — — — — — — — —
3600 992 3.46 3230 — — — — — — — — — — — —
3700 1005 3.63 3383 — — — — — — — — — — — —
3750 ———————————————
3800 ———————————————
3900 ———————————————
4000 ———————————————
4100 ———————————————
4200 ———————————————
4250 ———————————————
Bhp — Brake Horsepower Input to Fan
Watts — Input Watts to Motor
580F036-151

47
PERFORMANCE DATA (cont)
FAN PERFORMANCE — VERTICAL DISCHARGE UNITS (cont)
LEGEND
*Motor drive range: 685 to 935 rpm. All other rpms require field-supplied
drive.
NOTES:
1. Boldface indicates field-supplied drive is required.
2. Maximum continuous bhp is 2.40.
3. See page 70 for General Fan Performance Notes.
580F120 (10 TONS) — STANDARD MOTOR (BELT DRIVE)*
Airflow
(Cfm)
External Static Pressure (in. wg)
0.2 0.4 0.6 0.8 1.0
Rpm Bhp Watts Rpm Bhp Watts Rpm Bhp Watts Rpm Bhp Watts Rpm Bhp Watts
3000 726 0.75 656 793 0.94 822 853 1.14 997 910 1.35 1181 962 1.56 1373
3100 746 0.81 713 811 1.01 883 870 1.21 1062 926 1.42 1250 978 1.65 1447
3200 766 0.88 773 829 1.08 947 887 1.29 1131 942 1.51 1323 993 1.74 1524
3300 786 0.95 836 847 1.16 1016 905 1.37 1204 958 1.60 1400 1008 1.83 1604
3400 806 1.03 904 866 1.24 1088 922 1.46 1280 975 1.69 1481 1024 1.92 1689
3500 826 1.11 975 885 1.33 1163 940 1.55 1360 991 1.78 1565 1040 2.03 1778
3600 846 1.20 1050 904 1.42 1243 958 1.65 1444 1008 1.88 1654 1056 2.13 1870
3700 866 1.29 1129 923 1.51 1327 975 1.75 1532 1025 1.99 1746 1073 2.24 1967
3800 886 1.38 1212 942 1.61 1415 994 1.85 1625 1043 2.10 1843 1089 2.36 2068
3900 907 1.48 1299 961 1.72 1507 1012 1.96 1722 1060 2.21 1944 —— —
4000 927 1.58 1391 980 1.83 1603 1030 2.08 1823 1078 2.33 2049 —— —
4100 948 1.69 1487 1000 1.94 1704 1049 2.20 1928 —— — —— —
4200 968 1.81 1588 1019 2.06 1809 1067 2.32 2038 —— — —— —
4300 989 1.93 1694 1039 2.19 1920 —— — —— — —— —
4400 1009 2.06 1804 1058 2.32 2034 —— — —— — —— —
4500 1030 2.19 1919 ————————————
4600 1051 2.32 2039 ————————————
4700 ———————————————
4800 ———————————————
4900 ———————————————
5000 ———————————————
580F120 (10 TONS) — STANDARD MOTOR (BELT DRIVE)* (cont)
Airflow
(Cfm)
External Static Pressure (in. wg)
1.2 1.4 1.6 1.8 2.0
Rpm Bhp Watts Rpm Bhp Watts Rpm Bhp Watts Rpm Bhp Watts Rpm Bhp Watts
3000 1012 1.79 1574 1060 2.03 1781 1105 2.28 1997 —— — —— —
3100 1027 1.88 1651 1073 2.12 1863 1118 2.37 2081 —— — —— —
3200 1041 1.97 1732 1088 2.22 1947 —— — —— — —— —
3300 1056 2.07 1817 1102 2.32 2036 —— — —— — —— —
3400 1071 2.17 1905 ————————————
3500 1087 2.28 1998 ————————————
3600 1102 2.39 2094 ————————————
3700 ———————————————
3800 ———————————————
3900 ———————————————
4000 ———————————————
4100 ———————————————
4200 ———————————————
4300 ———————————————
4400 ———————————————
4500 ———————————————
4600 ———————————————
4700 ———————————————
4800 ———————————————
4900 ———————————————
5000 ———————————————
Bhp — Brake Horsepower Input to Fan
Watts — Input Watts to Motor
580F036-151

48
PERFORMANCE DATA (cont)
FAN PERFORMANCE — VERTICAL DISCHARGE UNITS (cont)
LEGEND
*Motor drive range: 835 to 1085 rpm. All other rpms require field-supplied
drive.
NOTES:
1. Boldface indicates field-supplied drive is required.
2. Maximum continuous bhp is 2.90.
3. See page 70 for General Fan Performance Notes.
580F120 (10 TONS) — ALTERNATE MOTOR (BELT DRIVE)*
Airflow
(Cfm)
External Static Pressure (in. wg)
0.2 0.4 0.6 0.8 1.0
Rpm Bhp Watts Rpm Bhp Watts Rpm Bhp Watts Rpm Bhp Watts Rpm Bhp Watts
3000 726 0.75 656 793 0.94 822 853 1.14 997 910 1.35 1181 962 1.56 1373
3100 746 0.81 713 811 1.01 883 870 1.21 1062 926 1.42 1250 978 1.65 1447
3200 766 0.88 773 829 1.08 947 887 1.29 1131 942 1.51 1323 993 1.74 1524
3300 786 0.95 836 847 1.16 1016 905 1.37 1204 958 1.60 1400 1008 1.83 1604
3400 806 1.03 904 866 1.24 1088 922 1.46 1280 975 1.69 1481 1024 1.92 1689
3500 826 1.11 975 885 1.33 1163 940 1.55 1360 991 1.78 1565 1040 2.03 1778
3600 846 1.20 1050 904 1.42 1243 958 1.65 1444 1008 1.88 1654 1056 2.13 1870
3700 866 1.29 1129 923 1.51 1327 975 1.75 1532 1025 1.99 1746 1073 2.24 1967
3800 886 1.38 1212 942 1.61 1415 994 1.85 1625 1043 2.10 1843 1089 2.36 2068
3900 907 1.48 1299 961 1.72 1507 1012 1.96 1722 1060 2.21 1944 1106 2.48 2173
4000 927 1.58 1391 980 1.83 1603 1030 2.08 1823 1078 2.33 2049 1123 2.60 2283
4100 948 1.69 1487 1000 1.94 1704 1049 2.20 1928 1095 2.46 2159 1140 2.73 2397
4200 968 1.81 1588 1019 2.06 1809 1067 2.32 2038 1113 2.59 2274 1157 2.87 2516
4300 989 1.93 1694 1039 2.19 1920 1086 2.45 2153 1131 2.73 2393 —— —
4400 1009 2.06 1804 1058 2.32 2034 1105 2.59 2272 1149 2.87 2517 —— —
4500 1030 2.19 1919 1078 2.45 2154 1124 2.73 2397 —— — —— —
4600 1051 2.32 2039 1098 2.60 2279 1143 2.88 2527 —— — —— —
4700 1071 2.47 2165 1118 2.75 2409 —— — —— — —— —
4800 1092 2.62 2295 1138 2.90 2545 —— — —— — —— —
4900 1113 2.77 2431 ————————————
5000 ———————————————
580F120 (10 TONS) — ALTERNATE MOTOR (BELT DRIVE)* (cont)
Airflow
(Cfm)
External Static Pressure (in. wg)
1.2 1.4 1.6 1.8 2.0
Rpm Bhp Watts Rpm Bhp Watts Rpm Bhp Watts Rpm Bhp Watts Rpm Bhp Watts
3000 1012 1.79 1574 1060 2.03 1781 1105 2.28 1997 1148 2.53 2219 1190 2.79 2449
3100 1027 1.88 1651 1073 2.12 1863 1118 2.37 2081 1161 2.63 2308 1202 2.89 2540
3200 1041 1.97 1732 1088 2.22 1947 1132 2.47 2170 1174 2.73 2400 —— —
3300 1056 2.07 1817 1102 2.32 2036 1146 2.58 2262 1188 2.84 2496 —— —
3400 1071 2.17 1905 1116 2.43 2128 1160 2.69 2359 —— — —— —
3500 1087 2.28 1998 1131 2.53 2225 1174 2.80 2459 —— — —— —
3600 1102 2.39 2094 1146 2.65 2326 —— — —— — —— —
3700 1118 2.50 2195 1162 2.77 2430 —— — —— — —— —
3800 1134 2.62 2300 1177 2.89 2539 —— — —— — —— —
3900 1150 2.75 2410 ————————————
4000 1167 2.88 2524 ————————————
4100 ———————————————
4200 ———————————————
4300 ———————————————
4400 ———————————————
4500 ———————————————
4600 ———————————————
4700 ———————————————
4800 ———————————————
4900 ———————————————
5000 ———————————————
Bhp — Brake Horsepower Input to Fan
Watts — Input Watts to Motor
580F036-151

49
PERFORMANCE DATA (cont)
FAN PERFORMANCE — VERTICAL DISCHARGE UNITS (cont)
LEGEND
*Motor drive range: 830 to 1130 rpm. All other rpms require field-supplied
drive.
NOTES:
1. Boldface indicates field-supplied drive is required.
2. Maximum continuous bhp is 5.25.
3. See page 70 for General Fan Performance Notes.
580F120 (10 TONS) — HIGH-STATIC MOTOR (BELT DRIVE)*
Airflow
(Cfm)
External Static Pressure (in. wg)
0.2 0.4 0.6 0.8 1.0
Rpm Bhp Watts Rpm Bhp Watts Rpm Bhp Watts Rpm Bhp Watts Rpm Bhp Watts
3000 726 0.75 656 793 0.94 822 853 1.14 997 910 1.35 1181 962 1.56 1373
3100 746 0.81 713 811 1.01 883 870 1.21 1062 926 1.42 1250 978 1.65 1447
3200 766 0.88 773 829 1.08 947 887 1.29 1131 942 1.51 1323 993 1.74 1524
3300 786 0.95 836 847 1.16 1016 905 1.37 1204 958 1.60 1400 1008 1.83 1604
3400 806 1.03 904 866 1.24 1088 922 1.46 1280 975 1.69 1481 1024 1.92 1689
3500 826 1.11 975 885 1.33 1163 940 1.55 1360 991 1.78 1565 1040 2.03 1778
3600 846 1.20 1050 904 1.42 1243 958 1.65 1444 1008 1.88 1654 1056 2.13 1870
3700 866 1.29 1129 923 1.51 1327 975 1.75 1532 1025 1.99 1746 1073 2.24 1967
3800 886 1.38 1212 942 1.61 1415 994 1.85 1625 1043 2.10 1843 1089 2.36 2068
3900 907 1.48 1299 961 1.72 1507 1012 1.96 1722 1060 2.21 1944 1106 2.48 2173
4000 927 1.58 1391 980 1.83 1603 1030 2.08 1823 1078 2.33 2049 1123 2.60 2283
4100 948 1.69 1487 1000 1.94 1704 1049 2.20 1928 1095 2.46 2159 1140 2.73 2397
4200 968 1.81 1588 1019 2.06 1809 1067 2.32 2038 1113 2.59 2274 1157 2.87 2516
4300 989 1.93 1694 1039 2.19 1920 1086 2.45 2153 1131 2.73 2393 1175 3.01 2640
4400 1009 2.06 1804 1058 2.32 2034 1105 2.59 2272 1149 2.87 2517 1192 3.15 2768
4500 1030 2.19 1919 1078 2.45 2154 1124 2.73 2397 1168 3.01 2646 1210 3.31 2901
4600 1051 2.32 2039 1098 2.60 2279 1143 2.88 2527 1186 3.17 2780 1228 3.46 3040
4700 1071 2.47 2165 1118 2.75 2409 1162 3.03 2661 1205 3.33 2919 1245 3.63 3184
4800 1092 2.62 2295 1138 2.90 2545 1181 3.19 2801 1223 3.49 3064 1264 3.80 3333
4900 1113 2.77 2431 1158 3.06 2685 1201 3.36 2947 1242 3.66 3214 1282 3.97 3487
5000 1134 2.93 2572 1178 3.23 2832 1220 3.53 3097 1261 3.84 3369 1300 4.16 3647
580F120 (10 TONS) — HIGH-STATIC MOTOR (BELT DRIVE)* (cont)
Airflow
(Cfm)
External Static Pressure (in. wg)
1.2 1.4 1.6 1.8 2.0
Rpm Bhp Watts Rpm Bhp Watts Rpm Bhp Watts Rpm Bhp Watts Rpm Bhp Watts
3000 1012 1.79 1574 1060 2.03 1781 1105 2.28 1997 1148 2.53 2219 1190 2.79 2449
3100 1027 1.88 1651 1073 2.12 1863 1118 2.37 2081 1161 2.63 2308 1202 2.89 2540
3200 1041 1.97 1732 1088 2.22 1947 1132 2.47 2170 1174 2.73 2400 1215 3.00 2636
3300 1056 2.07 1817 1102 2.32 2036 1146 2.58 2262 1188 2.84 2496 1228 3.12 2735
3400 1071 2.17 1905 1116 2.43 2128 1160 2.69 2359 1201 2.96 2595 1241 3.23 2839
3500 1087 2.28 1998 1131 2.53 2225 1174 2.80 2459 1215 3.08 2699 1255 3.36 2946
3600 1102 2.39 2094 1146 2.65 2326 1188 2.92 2563 1229 3.20 2808 1268 3.48 3058
3700 1118 2.50 2195 1162 2.77 2430 1203 3.04 2672 1243 3.33 2920 1282 3.62 3174
3800 1134 2.62 2300 1177 2.89 2539 1218 3.17 2785 1258 3.46 3036 1296 3.75 3295
3900 1150 2.75 2410 1193 3.02 2653 1233 3.31 2902 1273 3.60 3158 1311 3.90 3420
4000 1167 2.88 2524 1208 3.16 2770 1249 3.45 3024 1287 3.74 3284 1325 4.04 3549
4100 1183 3.01 2642 1224 3.30 2893 1264 3.59 3151 1302 3.89 3414 1340 4.20 3683
4200 1200 3.15 2765 1240 3.44 3020 1280 3.74 3282 1318 4.04 3549 1355 4.36 3823
4300 1216 3.30 2893 1257 3.59 3152 1295 3.89 3418 1333 4.20 3690 1370 4.52 3967
4400 1233 3.45 3025 1273 3.75 3289 1311 4.05 3559 1349 4.37 3834 1385 4.69 4116
4500 1250 3.60 3163 1290 3.91 3431 1328 4.22 3705 1364 4.54 3985 —— —
4600 1268 3.77 3306 1306 4.08 3578 1344 4.39 3856 1380 4.72 4140 —— —
4700 1285 3.94 3454 1323 4.25 3730 1360 4.57 4013 1396 4.90 4300 —— —
4800 1303 4.11 3608 1340 4.43 3888 1377 4.76 4175 —— — —— —
4900 1320 4.29 3766 1357 4.62 4051 1394 4.95 4342 —— — —— —
5000 1338 4.48 3930 1375 4.81 4219 —— — —— — —— —
Bhp — Brake Horsepower Input to Fan
Watts — Input Watts to Motor
580F036-151

50
PERFORMANCE DATA (cont)
FAN PERFORMANCE — VERTICAL DISCHARGE UNITS (cont)
LEGEND
*Motor drive range: 685 to 935 rpm. All other rpms require field-supplied
drive.
Refer to page 70 for general Fan Performance Data notes.
NOTES:
1. Boldface indicates field-supplied drive is required.
2. Maximum continuous bhp is 2.40.
580F121 (10 TONS) — STANDARD MOTOR (BELT DRIVE)*
Airflow
(Cfm)
External Static Pressure (in. wg)
0.2 0.4 0.6 0.8 1.0
Rpm Bhp Watts Rpm Bhp Watts Rpm Bhp Watts Rpm Bhp Watts Rpm Bhp Watts
3000 592 0.77 672 658 0.93 817 719 1.10 961 775 1.26 1105 828 1.42 1249
3100 607 0.83 731 672 1.00 881 731 1.17 1030 787 1.34 1179 839 1.51 1328
3200 623 0.90 794 686 1.08 949 744 1.26 1103 798 1.43 1257 850 1.61 1410
3300 638 0.98 860 700 1.16 1020 757 1.34 1179 810 1.52 1338 861 1.71 1496
3400 653 1.06 931 714 1.25 1095 770 1.44 1260 822 1.62 1423 872 1.81 1586
3500 669 1.15 1005 728 1.34 1175 783 1.53 1344 835 1.72 1512 884 1.91 1680
3600 685 1.23 1084 742 1.43 1258 796 1.63 1432 847 1.83 1606 895 2.03 1778
3700 700 1.33 1167 757 1.53 1346 810 1.74 1524 860 1.94 1703 907 2.14 1881
3800 716 1.43 1254 771 1.64 1438 823 1.85 1621 873 2.06 1805 919 2.26 1987
3900 732 1.53 1345 786 1.75 1534 837 1.96 1722 886 2.18 1911 932 2.39 2099
4000 748 1.64 1441 801 1.86 1635 851 2.08 1828 899 2.30 2022 — — —
4100 764 1.76 1542 816 1.98 1741 865 2.21 1939 — — — — — —
4200 780 1.88 1648 831 2.11 1851 879 2.34 2054 — — — — — —
4300 796 2.00 1758 846 2.24 1966 — — — — — — — — —
4400 812 2.13 1874 861 2.38 2087 — — — — — — — — —
4500 828 2.27 1994 — — — — — — — — — — — —
4600 ———————————————
4700 ———————————————
4800 ———————————————
4900 ———————————————
5000 ———————————————
580F121 (10 TONS) — STANDARD MOTOR (BELT DRIVE)* (cont)
Airflow
(Cfm)
External Static Pressure (in. wg)
1.2 1.4 1.6 1.8 2.0
Rpm Bhp Watts Rpm Bhp Watts Rpm Bhp Watts Rpm Bhp Watts Rpm Bhp Watts
3000 878 1.59 1391 925 1.75 1534 970 1.91 1676 1014 2.07 1817 1055 2.23 1958
3100 888 1.68 1475 935 1.85 1623 979 2.02 1769 1022 2.18 1916 1063 2.35 2062
3200 898 1.78 1563 944 1.95 1715 988 2.13 1867 1031 2.30 2018 —— —
3300 909 1.88 1654 954 2.06 1811 998 2.24 1968 —— — —— —
3400 919 1.99 1749 964 2.18 1911 1007 2.36 2073 —— — —— —
3500 930 2.11 1848 975 2.30 2015 —— — —— — —— —
3600 941 2.22 1951 ————————————
3700 952 2.35 2058 ————————————
3800 ———————————————
3900 ———————————————
4000 ———————————————
4100 ———————————————
4200 ———————————————
4300 ———————————————
4400 ———————————————
4500 ———————————————
4600 ———————————————
4700 ———————————————
4800 ———————————————
4900 ———————————————
5000 ———————————————
Bhp — Brake Horsepower Input to Fan
Watts — Input Watts to Motor
580F036-151

51
PERFORMANCE DATA (cont)
FAN PERFORMANCE — VERTICAL DISCHARGE UNITS (cont)
LEGEND
*Motor drive range: 835 to 1085 rpm. All other rpms require field-supplied
drive.
Refer to page 70 for general Fan Performance Data notes.
NOTES:
1. Boldface indicates field-supplied drive is required.
2. Maximum continuous bhp is 2.90.
580F121 (10 TONS) — ALTERNATE MOTOR (BELT DRIVE)*
Airflow
(Cfm)
External Static Pressure (in. wg)
0.2 0.4 0.6 0.8 1.0
Rpm Bhp Watts Rpm Bhp Watts Rpm Bhp Watts Rpm Bhp Watts Rpm Bhp Watts
3000 592 0.77 672 658 0.93 817 719 1.10 961 775 1.26 1105 828 1.42 1249
3100 607 0.83 731 672 1.00 881 731 1.17 1030 787 1.34 1179 839 1.51 1328
3200 623 0.90 794 686 1.08 949 744 1.26 1103 798 1.43 1257 850 1.61 1410
3300 638 0.98 860 700 1.16 1020 757 1.34 1179 810 1.52 1338 861 1.71 1496
3400 653 1.06 931 714 1.25 1095 770 1.44 1260 822 1.62 1423 872 1.81 1586
3500 669 1.15 1005 728 1.34 1175 783 1.53 1344 835 1.72 1512 884 1.91 1680
3600 685 1.23 1084 742 1.43 1258 796 1.63 1432 847 1.83 1606 895 2.03 1778
3700 700 1.33 1167 757 1.53 1346 810 1.74 1524 860 1.94 1703 907 2.14 1881
3800 716 1.43 1254 771 1.64 1438 823 1.85 1621 873 2.06 1805 919 2.26 1987
3900 732 1.53 1345 786 1.75 1534 837 1.96 1722 886 2.18 1911 932 2.39 2099
4000 748 1.64 1441 801 1.86 1635 851 2.08 1828 899 2.30 2022 944 2.52 2214
4100 764 1.76 1542 816 1.98 1741 865 2.21 1939 912 2.43 2137 957 2.66 2334
4200 780 1.88 1648 831 2.11 1851 879 2.34 2054 925 2.57 2257 969 2.80 2460
4300 796 2.00 1758 846 2.24 1966 894 2.48 2175 939 2.71 2382 — — —
4400 812 2.13 1874 861 2.38 2087 908 2.62 2299 952 2.86 2512 — — —
4500 828 2.27 1994 877 2.52 2212 922 2.77 2430 — — — — — —
4600 845 2.42 2120 892 2.67 2343 — — — — — — — — —
4700 861 2.57 2251 907 2.82 2479 — — — — — — — — —
4800 877 2.72 2388 — — — — — — — — — — — —
4900 894 2.88 2531 — — — — — — — — — — — —
5000 ———————————————
580F121 (10 TONS) — ALTERNATE MOTOR (BELT DRIVE)* (cont)
Airflow
(Cfm)
External Static Pressure (in. wg)
1.2 1.4 1.6 1.8 2.0
Rpm Bhp Watts Rpm Bhp Watts Rpm Bhp Watts Rpm Bhp Watts Rpm Bhp Watts
3000 878 1.59 1391 925 1.75 1534 970 1.91 1676 1014 2.07 1817 1055 2.23 1958
3100 888 1.68 1475 935 1.85 1623 979 2.02 1769 1022 2.18 1916 1063 2.35 2062
3200 898 1.78 1563 944 1.95 1715 988 2.13 1867 1031 2.30 2018 1072 2.47 2169
3300 909 1.88 1654 954 2.06 1811 998 2.24 1968 1040 2.42 2124 1080 2.60 2280
3400 919 1.99 1749 964 2.18 1911 1007 2.36 2073 1049 2.55 2234 1089 2.73 2395
3500 930 2.11 1848 975 2.30 2015 1017 2.49 2182 1058 2.68 2348 1098 2.86 2514
3600 941 2.22 1951 985 2.42 2123 1027 2.61 2295 1068 2.81 2466 — — —
3700 952 2.35 2058 996 2.55 2236 1038 2.75 2412 — — — — — —
3800 964 2.47 2170 1007 2.68 2352 1048 2.89 2534 — — — — — —
3900 976 2.60 2286 1018 2.82 2473 — — — — — — — — —
4000 987 2.74 2407 — — — — — — — — — — — —
4100 999 2.88 2532 — — — — — — — — — — — —
4200 ———————————————
4300 ———————————————
4400 ———————————————
4500 ———————————————
4600 ———————————————
4700 ———————————————
4800 ———————————————
4900 ———————————————
5000 ———————————————
Bhp — Brake Horsepower Input to Fan
Watts — Input Watts to Motor
580F036-151

52
PERFORMANCE DATA (cont)
FAN PERFORMANCE — VERTICAL DISCHARGE UNITS (cont)
LEGEND
*Motor drive range: 830 to 1130 rpm. All other rpms require field-supplied
drive.
Refer to page 70 for general Fan Performance Data notes.
NOTES:
1. Boldface indicates field-supplied drive is required.
2. Maximum continuous bhp is 5.25.
580F121 (10 TONS) — HIGH-STATIC MOTOR (BELT DRIVE)*
Airflow
(Cfm)
External Static Pressure (in. wg)
0.2 0.4 0.6 0.8 1.0
Rpm Bhp Watts Rpm Bhp Watts Rpm Bhp Watts Rpm Bhp Watts Rpm Bhp Watts
3000 592 0.77 672 658 0.93 817 719 1.10 961 775 1.26 1105 828 1.42 1249
3100 607 0.83 731 672 1.00 881 731 1.17 1030 787 1.34 1179 839 1.51 1328
3200 623 0.90 794 686 1.08 949 744 1.26 1103 798 1.43 1257 850 1.61 1410
3300 638 0.98 860 700 1.16 1020 757 1.34 1179 810 1.52 1338 861 1.71 1496
3400 653 1.06 931 714 1.25 1095 770 1.44 1260 822 1.62 1423 872 1.81 1586
3500 669 1.15 1005 728 1.34 1175 783 1.53 1344 835 1.72 1512 884 1.91 1680
3600 685 1.23 1084 742 1.43 1258 796 1.63 1432 847 1.83 1606 895 2.03 1778
3700 700 1.33 1167 757 1.53 1346 810 1.74 1524 860 1.94 1703 907 2.14 1881
3800 716 1.43 1254 771 1.64 1438 823 1.85 1621 873 2.06 1805 919 2.26 1987
3900 732 1.53 1345 786 1.75 1534 837 1.96 1722 886 2.18 1911 932 2.39 2099
4000 748 1.64 1441 801 1.86 1635 851 2.08 1828 899 2.30 2022 944 2.52 2214
4100 764 1.76 1542 816 1.98 1741 865 2.21 1939 912 2.43 2137 957 2.66 2334
4200 780 1.88 1648 831 2.11 1851 879 2.34 2054 925 2.57 2257 969 2.80 2460
4300 796 2.00 1758 846 2.24 1966 894 2.48 2175 939 2.71 2382 982 2.95 2589
4400 812 2.13 1874 861 2.38 2087 908 2.62 2299 952 2.86 2512 995 3.10 2725
4500 828 2.27 1994 877 2.52 2212 922 2.77 2430 966 3.02 2648 1008 3.26 2865
4600 845 2.42 2120 892 2.67 2343 937 2.92 2566 980 3.18 2788 1022 3.43 3010
4700 861 2.57 2251 907 2.82 2479 952 3.08 2706 994 3.34 2934 1035 3.60 3161
4800 877 2.72 2388 923 2.99 2621 966 3.25 2853 1008 3.52 3086 1049 3.78 3317
4900 894 2.88 2531 938 3.15 2768 981 3.42 3005 1022 3.69 3242 1062 3.96 3479
5000 910 3.05 2679 954 3.33 2921 996 3.60 3163 1037 3.88 3405 1076 4.15 3647
580F121 (10 TONS) — HIGH-STATIC MOTOR (BELT DRIVE)* (cont)
Airflow
(Cfm)
External Static Pressure (in. wg)
1.2 1.4 1.6 1.8 2.0
Rpm Bhp Watts Rpm Bhp Watts Rpm Bhp Watts Rpm Bhp Watts Rpm Bhp Watts
3000 878 1.59 1391 925 1.75 1534 970 1.91 1676 1014 2.07 1817 1055 2.23 1958
3100 888 1.68 1475 935 1.85 1623 979 2.02 1769 1022 2.18 1916 1063 2.35 2062
3200 898 1.78 1563 944 1.95 1715 988 2.13 1867 1031 2.30 2018 1072 2.47 2169
3300 909 1.88 1654 954 2.06 1811 998 2.24 1968 1040 2.42 2124 1080 2.60 2280
3400 919 1.99 1749 964 2.18 1911 1007 2.36 2073 1049 2.55 2234 1089 2.73 2395
3500 930 2.11 1848 975 2.30 2015 1017 2.49 2182 1058 2.68 2348 1098 2.86 2514
3600 941 2.22 1951 985 2.42 2123 1027 2.61 2295 1068 2.81 2466 1107 3.00 2637
3700 952 2.35 2058 996 2.55 2236 1038 2.75 2412 1078 2.95 2588 1117 3.15 2764
3800 964 2.47 2170 1007 2.68 2352 1048 2.89 2534 1088 3.09 2715 1126 3.30 2895
3900 976 2.60 2286 1018 2.82 2473 1059 3.03 2660 1098 3.24 2846 1136 3.45 3031
4000 987 2.74 2407 1029 2.96 2598 1069 3.18 2790 1108 3.40 2981 1146 3.61 3171
4100 999 2.88 2532 1041 3.11 2729 1080 3.33 2925 1119 3.56 3121 1156 3.78 3316
4200 1012 3.03 2662 1052 3.26 2863 1092 3.49 3065 1130 3.72 3266 1167 3.95 3466
4300 1024 3.19 2796 1064 3.42 3003 1103 3.66 3210 1141 3.89 3415 1177 4.13 3621
4400 1036 3.35 2937 1076 3.59 3148 1114 3.83 3359 1152 4.07 3570 1188 4.31 3781
4500 1049 3.51 3082 1088 3.76 3298 1126 4.00 3514 1163 4.25 3730 1199 4.50 3945
4600 1062 3.68 3232 1100 3.94 3454 1138 4.19 3675 1174 4.44 3895 1210 4.69 4116
4700 1075 3.86 3387 1113 4.12 3614 1150 4.38 3840 1186 4.63 4065 1221 4.89 4291
4800 1088 4.04 3549 1125 4.31 3780 1162 4.57 4011 1198 4.83 4241 —— —
4900 1101 4.23 3716 1138 4.50 3951 1174 4.77 4188 —— — —— —
5000 1114 4.43 3888 1151 4.70 4129 1187 4.98 4370 —— — —— —
Bhp — Brake Horsepower Input to Fan
Watts — Input Watts to Motor
580F036-151

53
PERFORMANCE DATA (cont)
FAN PERFORMANCE — VERTICAL DISCHARGE UNITS (cont)
LEGEND
*Motor drive range: 860 to 1080 rpm. All other rpms require field-supplied
drive.
NOTES:
1. Boldface indicates field-supplied drive is required.
2. Maximum continuous bhp is 3.70.
3. See page 70 for General Fan Performance Notes.
580F150,151 (121/2 TONS) — STANDARD MOTOR (BELT DRIVE)*
Airflow
(Cfm)
External Static Pressure (in. wg)
0.2 0.4 0.6 0.8 1.0
Rpm Bhp Watts Rpm Bhp Watts Rpm Bhp Watts Rpm Bhp Watts Rpm Bhp Watts
3700 728 1.36 1266 789 1.58 1473 848 1.81 1686 904 2.04 1906 957 2.29 2132
3800 744 1.46 1361 804 1.69 1572 861 1.92 1790 916 2.16 2015 969 2.41 2246
3900 760 1.57 1460 819 1.80 1676 875 2.04 1899 929 2.28 2128 981 2.53 2364
4000 777 1.68 1563 834 1.91 1785 889 2.16 2012 942 2.41 2247 993 2.67 2487
4100 793 1.79 1672 850 2.04 1899 904 2.29 2132 956 2.54 2371 1006 2.80 2615
4200 810 1.92 1786 865 2.16 2018 918 2.42 2255 969 2.68 2499 1018 2.95 2748
4300 826 2.04 1906 880 2.30 2142 932 2.56 2385 983 2.82 2633 1031 3.10 2888
4400 843 2.18 2031 896 2.44 2272 947 2.70 2520 996 2.97 2773 1044 3.25 3032
4500 860 2.32 2161 912 2.58 2408 962 2.85 2660 1010 3.13 2918 1057 3.41 3182
4600 876 2.46 2297 927 2.73 2549 977 3.01 2807 1024 3.29 3070 1070 3.58 3338
4700 893 2.62 2439 943 2.89 2696 992 3.17 2958 1038 3.46 3226 — — —
4800 910 2.77 2587 959 3.06 2849 1007 3.34 3116 1053 3.63 3390 — — —
4900 927 2.94 2741 975 3.23 3008 1022 3.52 3280 — — — — — —
5000 944 3.11 2901 991 3.40 3173 1037 3.70 3451 — — — — — —
5100 961 3.29 3068 1007 3.59 3345 — — — — — — — — —
5200 978 3.48 3241 — — — — — — — — — — — —
5300 995 3.67 3420 — — — — — — — — — — — —
5400 ———————————————
5500 ———————————————
5600 ———————————————
5700 ———————————————
5800 ———————————————
5900 ———————————————
6000 ———————————————
6100 ———————————————
6200 ———————————————
6300 ———————————————
580F150,151 (121/2 TONS) — STANDARD MOTOR (BELT DRIVE)* (cont)
Airflow
(Cfm)
External Static Pressure (in. wg)
1.2 1.4 1.6 1.8 2.0
Rpm Bhp Watts Rpm Bhp Watts Rpm Bhp Watts Rpm Bhp Watts Rpm Bhp Watts
3700 1008 2.54 2364 1058 2.79 2602 1106 3.05 2846 1152 3.32 3094 1198 3.59 3348
3800 1019 2.66 2482 1068 2.92 2725 1116 3.19 2972 1162 3.46 3226 —— —
3900 1031 2.79 2605 1079 3.06 2852 1126 3.33 3104 1171 3.61 3362 —— —
4000 1042 2.93 2733 1090 3.20 2984 1136 3.48 3241 —— — —— —
4100 1054 3.07 2866 1101 3.35 3122 1146 3.63 3383 —— — —— —
4200 1066 3.22 3004 1112 3.50 3264 —— — —— — —— —
4300 1078 3.38 3148 1123 3.66 3413 —— — —— — —— —
4400 1090 3.54 3297 ————————————
4500 1103 3.70 3451 ————————————
4600 ———————————————
4700 ———————————————
4800 ———————————————
4900 ———————————————
5000 ———————————————
5100 ———————————————
5200 ———————————————
5300 ———————————————
5400 ———————————————
5500 ———————————————
5600 ———————————————
5700 ———————————————
5800 ———————————————
5900 ———————————————
6000 ———————————————
6100 ———————————————
6200 ———————————————
6300 ———————————————
Bhp — Brake Horsepower Input to Fan
Watts — Input Watts to Motor
580F036-151

54
PERFORMANCE DATA (cont)
FAN PERFORMANCE — VERTICAL DISCHARGE UNITS (cont)
LEGEND
*Motor drive range: 830 to 1130 rpm. All other rpms require field-supplied
drive.
NOTES:
1. Boldface indicates field-supplied drive is required.
2. Maximum continuous bhp is 5.25.
3. See page 70 for General Fan Performance Notes.
580F150,151 (121/2 TONS) — ALTERNATE MOTOR (BELT DRIVE)*
Airflow
(Cfm)
External Static Pressure (in. wg)
0.2 0.4 0.6 0.8 1.0
Rpm Bhp Watts Rpm Bhp Watts Rpm Bhp Watts Rpm Bhp Watts Rpm Bhp Watts
3700 728 1.36 1266 789 1.58 1473 848 1.81 1686 904 2.04 1906 957 2.29 2132
3800 744 1.46 1361 804 1.69 1572 861 1.92 1790 916 2.16 2015 969 2.41 2246
3900 760 1.57 1460 819 1.80 1676 875 2.04 1899 929 2.28 2128 981 2.53 2364
4000 777 1.68 1563 834 1.91 1785 889 2.16 2012 942 2.41 2247 993 2.67 2487
4100 793 1.79 1672 850 2.04 1899 904 2.29 2132 956 2.54 2371 1006 2.80 2615
4200 810 1.92 1786 865 2.16 2018 918 2.42 2255 969 2.68 2499 1018 2.95 2748
4300 826 2.04 1906 880 2.30 2142 932 2.56 2385 983 2.82 2633 1031 3.10 2888
4400 843 2.18 2031 896 2.44 2272 947 2.70 2520 996 2.97 2773 1044 3.25 3032
4500 860 2.32 2161 912 2.58 2408 962 2.85 2660 1010 3.13 2918 1057 3.41 3182
4600 876 2.46 2297 927 2.73 2549 977 3.01 2807 1024 3.29 3070 1070 3.58 3338
4700 893 2.62 2439 943 2.89 2696 992 3.17 2958 1038 3.46 3226 1084 3.75 3500
4800 910 2.77 2587 959 3.06 2849 1007 3.34 3116 1053 3.63 3390 1098 3.93 3668
4900 927 2.94 2741 975 3.23 3008 1022 3.52 3280 1067 3.82 3558 1111 4.12 3841
5000 944 3.11 2901 991 3.40 3173 1037 3.70 3451 1082 4.00 3733 1125 4.31 4021
5100 961 3.29 3068 1007 3.59 3345 1053 3.89 3627 1096 4.20 3915 1139 4.51 4208
5200 978 3.48 3241 1024 3.78 3523 1068 4.09 3811 1111 4.40 4103 1153 4.72 4400
5300 995 3.67 3420 1040 3.98 3707 1084 4.29 4000 1126 4.61 4298 1168 4.93 4600
5400 1012 3.87 3606 1056 4.18 3899 1099 4.50 4196 1141 4.82 4499 1182 5.15 4806
5500 1029 4.07 3799 1073 4.39 4097 1115 4.72 4400 1156 5.05 4707 —— —
5600 1046 4.29 3999 1089 4.61 4302 1131 4.94 4610 —— — —— —
5700 1063 4.51 4207 1105 4.84 4515 1146 5.18 4827 —— — —— —
5800 1080 4.74 4420 1122 5.08 4734 — — — — — — — — —
5900 1098 4.98 4642 — — — — — — — — — — — —
6000 1115 5.22 4872 — — — — — — — — — — — —
6100 ———————————————
6200 ———————————————
6300 ———————————————
580F150,151 (121/2 TONS) — ALTERNATE MOTOR (BELT DRIVE)* (cont)
Airflow
(Cfm)
External Static Pressure (in. wg)
1.2 1.4 1.6 1.8 2.0
Rpm Bhp Watts Rpm Bhp Watts Rpm Bhp Watts Rpm Bhp Watts Rpm Bhp Watts
3700 1008 2.54 2364 1058 2.79 2602 1106 3.05 2846 1152 3.32 3094 1198 3.59 3348
3800 1019 2.66 2482 1068 2.92 2725 1116 3.19 2972 1162 3.46 3226 1206 3.74 3484
3900 1031 2.79 2605 1079 3.06 2852 1126 3.33 3104 1171 3.61 3362 1215 3.89 3624
4000 1042 2.93 2733 1090 3.20 2984 1136 3.48 3241 1180 3.76 3503 1224 4.04 3770
4100 1054 3.07 2866 1101 3.35 3122 1146 3.63 3383 1190 3.91 3649 1233 4.20 3921
4200 1066 3.22 3004 1112 3.50 3264 1157 3.79 3530 1200 4.08 3801 1243 4.37 4077
4300 1078 3.38 3148 1123 3.66 3413 1167 3.95 3683 1210 4.24 3958 1252 4.54 4238
4400 1090 3.54 3297 1135 3.82 3566 1179 4.12 3841 1221 4.42 4121 1262 4.72 4405
4500 1103 3.70 3451 1147 4.00 3726 1190 4.29 4005 1232 4.60 4289 1273 4.91 4578
4600 1115 3.87 3612 1159 4.17 3891 1201 4.48 4175 1243 4.79 4464 1283 5.10 4757
4700 1128 4.05 3778 1171 4.36 4062 1213 4.67 4350 1254 4.98 4644 —— —
4800 1141 4.24 3951 1183 4.55 4239 1225 4.86 4532 1265 5.18 4830 —— —
4900 1154 4.43 4130 1196 4.74 4422 1237 5.06 4720 —— — —— —
5000 1167 4.63 4314 1209 4.95 4611 —— — —— — —— —
5100 1181 4.83 4505 1221 5.16 4808 —— — —— — —— —
5200 1194 5.04 4703 ————————————
5300 ———————————————
5400 ———————————————
5500 ———————————————
5600 ———————————————
5700 ———————————————
5800 ———————————————
5900 ———————————————
6000 ———————————————
6100 ———————————————
6200 ———————————————
6300 ———————————————
Bhp — Brake Horsepower Input to Fan
Watts — Input Watts to Motor
580F036-151

55
PERFORMANCE DATA (cont)
FAN PERFORMANCE — HORIZONTAL DISCHARGE UNITS
LEGEND See page 73 for general fan performance notes.
LEGEND
*Motor drive range: 685 to 1045 rpm. All other rpms require a field-supplied drive.
NOTES:
1. Boldface indicates field-supplied drive is required.
2. Maximum continuous bhp is 1.20.
3. See page 70 for general fan performance notes.
LEGEND
*Motor drive range: 1075 to 1455 rpm. All other rpms require a field-supplied
drive.
NOTES:
1. Boldface indicates field-supplied drive is required.
2. Maximum continuous bhp is 2.40.
3. See page 70 for general fan performance notes.
580F036 (3 TONS) — STANDARD MOTOR (DIRECT DRIVE)
Airflow
(Cfm)
Low Speed High Speed
208 V 230, 460, 575 V 208 V 230, 460, 575 V
ESP Bhp Watts ESP Bhp Watts ESP Bhp Watts ESP Bhp Watts
900 0.54 0.21 253 0.57 0.23 277 0.55 0.26 307 0.60 0.31 363
1000 0.49 0.23 270 0.51 0.25 292 0.52 0.27 321 0.53 0.32 374
1100 0.43 0.24 287 0.45 0.26 307 0.46 0.28 335 0.49 0.33 385
1200 0.39 0.26 304 0.40 0.27 323 0.38 0.29 349 0.43 0.34 397
1300 0.33 0.27 321 0.35 0.29 338 0.35 0.31 364 0.36 0.34 408
1400 0.26 0.29 338 0.28 0.30 354 0.29 0.32 378 — — —
1500 0.21 0.30 355 0.23 0.31 369 0.24 0.33 392 — — —
Bhp — Brake Horsepower Input to Fan
ESP — External Static Pressure (in. wg)
580F036 (3 TONS) — ALTERNATE MOTOR (BELT DRIVE)*
Airflow
(Cfm)
External Static Pressure (in. wg)
0.2 0.4 0.6 0.8 1.0
Rpm Bhp Watts Rpm Bhp Watts Rpm Bhp Watts Rpm Bhp Watts Rpm Bhp Watts
900 607 0.14 142 745 0.22 221 856 0.31 304 952 0.39 393 1037 0.49 485
1000 640 0.18 174 775 0.26 261 884 0.35 351 978 0.45 446 1062 0.55 545
1100 674 0.21 212 805 0.31 307 912 0.41 404 1005 0.51 506 1089 0.61 611
1200 708 0.26 256 836 0.36 359 941 0.47 464 1033 0.57 572 1116 0.69 683
1300 743 0.31 307 868 0.42 417 971 0.53 530 1062 0.65 645 1143 0.77 764
1400 780 0.37 364 900 0.49 483 1002 0.61 603 1091 0.73 726 1172 0.86 851
1500 816 0.43 428 934 0.56 556 1033 0.69 685 1121 0.82 815 1201 0.95 947
580F036 (3 TONS) — ALTERNATE MOTOR (BELT DRIVE)* (cont)
Airflow
(Cfm)
External Static Pressure (in. wg)
1.2 1.4 1.6 1.8 2.0
Rpm Bhp Watts Rpm Bhp Watts Rpm Bhp Watts Rpm Bhp Watts Rpm Bhp Watts
900 1114 0.59 582 1186 0.69 684 1253 0.79 789 1316 0.90 898 1375 1.02 1010
1000 1139 0.65 648 1210 0.76 754 1277 0.87 865 1340 0.98 979 1399 1.10 1097
1100 1165 0.72 720 1236 0.84 832 1302 0.95 948 1364 1.07 1068 1423 1.20 1191
1200 1191 0.80 799 1261 0.92 917 1327 1.04 1039 1389 1.17 1165 —— —
1300 1218 0.89 885 1288 1.02 1010 1353 1.14 1138 —— — —— —
1400 1246 0.99 980 1315 1.12 1111 —— — —— — —— —
1500 1274 1.09 1083 —— — —— — —— — —— —
Bhp — Brake Horsepower Input to Fan
Watts — Input Watts to Motor
580F036 (3 TONS) — HIGH-STATIC MOTOR (BELT DRIVE)*
Airflow
(Cfm)
External Static Pressure (in. wg)
0.2 0.4 0.6 0.8 1.0
Rpm Bhp Watts Rpm Bhp Watts Rpm Bhp Watts Rpm Bhp Watts Rpm Bhp Watts
900 607 0.14 142 745 0.22 221 856 0.31 304 952 0.39 393 1037 0.49 485
1000 640 0.18 174 775 0.26 261 884 0.35 351 978 0.45 446 1062 0.55 545
1100 674 0.21 212 805 0.31 307 912 0.41 404 1005 0.51 506 1089 0.61 611
1200 708 0.26 256 836 0.36 359 941 0.47 464 1033 0.57 572 1116 0.69 683
1300 743 0.31 307 868 0.42 417 971 0.53 530 1062 0.65 645 1143 0.77 764
1400 780 0.37 364 900 0.49 483 1002 0.61 603 1091 0.73 726 1172 0.86 851
1500 816 0.43 428 934 0.56 556 1033 0.69 685 1121 0.82 815 1201 0.95 947
580F036 (3 TONS) — HIGH-STATIC MOTOR (BELT DRIVE)* (cont)
Airflow
(Cfm)
External Static Pressure (in. wg)
1.2 1.4 1.6 1.8 2.0
Rpm Bhp Watts Rpm Bhp Watts Rpm Bhp Watts Rpm Bhp Watts Rpm Bhp Watts
900 1114 0.59 582 1186 0.69 684 1253 0.79 789 1316 0.90 898 1375 1.02 1010
1000 1139 0.65 648 1210 0.76 754 1277 0.87 865 1340 0.98 979 1399 1.10 1097
1100 1165 0.72 720 1236 0.84 832 1302 0.95 948 1364 1.07 1068 1423 1.20 1191
1200 1191 0.80 799 1261 0.92 917 1327 1.04 1039 1389 1.17 1165 1448 1.30 1293
1300 1218 0.89 885 1288 1.02 1010 1353 1.14 1138 1414 1.28 1270 1473 1.41 1404
1400 1246 0.99 980 1315 1.12 1111 1379 1.25 1246 1440 1.39 1383 1499 1.53 1523
1500 1274 1.09 1083 1342 1.23 1221 1406 1.37 1362 1467 1.51 1505 1525 1.66 1652
Bhp — Brake Horsepower Input to Fan
Watts — Input Watts to Motor
580F036-151

56
PERFORMANCE DATA (cont)
FAN PERFORMANCE — HORIZONTAL DISCHARGE UNITS (cont)
LEGEND See page 70 for general fan performance notes.
LEGEND
*Motor drive range: 770 to 1175 rpm. All other rpms require a field-supplied drive.
NOTES:
1. Boldface indicates field-supplied drive is required.
2. Maximum continuous bhp is 1.20.
3. See page 70 for general fan performance notes.
LEGEND
*Motor drive range: 1075 to 1455 rpm. All other rpms require a field-supplied
drive.
NOTES:
1. Boldface indicates field-supplied drive is required.
2. Maximum continuous bhp is 2.40.
3. See page 70 for general fan performance notes.
580F048 (4 TONS) — STANDARD MOTOR (DIRECT DRIVE)
Airflow
(Cfm)
Low Speed High Speed
208 V 230, 460, 575 V 208 V 230, 460, 575 V
ESP Bhp Watts ESP Bhp Watts ESP Bhp Watts ESP Bhp Watts
1200 0.75 0.41 458 0.81 0.45 506 0.87 0.51 572 0.92 0.56 632
1300 0.68 0.42 471 0.74 0.46 521 0.79 0.52 589 0.85 0.58 651
1400 0.60 0.45 503 0.66 0.49 556 0.71 0.54 616 0.77 0.60 681
1500 0.51 0.47 536 0.58 0.52 593 0.64 0.56 631 0.70 0.62 698
1600 0.42 0.49 557 0.49 0.54 616 0.56 0.58 654 0.63 0.64 723
1700 0.32 0.52 584 0.39 0.57 646 0.48 0.60 678 0.55 0.66 750
1800 0.21 0.54 610 0.29 0.60 674 0.41 0.62 698 0.48 0.68 772
1900 0.09 0.56 629 0.18 0.62 696 0.33 0.64 720 0.41 0.70 796
2000 — — — 0.06 0.65 731 0.26 0.66 744 0.33 0.73 823
Bhp — Brake Horsepower Input to Fan
ESP — External Static Pressure (in. wg)
580F048 (4 TONS) — ALTERNATE MOTOR (BELT DRIVE)*
Airflow
(Cfm)
External Static Pressure (in. wg)
0.2 0.4 0.6 0.8 1.0
Rpm Bhp Watts Rpm Bhp Watts Rpm Bhp Watts Rpm Bhp Watts Rpm Bhp Watts
1200 643 0.23 234 762 0.34 343 859 0.46 458 944 0.58 579 1020 0.71 705
1300 675 0.28 277 790 0.40 394 886 0.52 517 969 0.65 644 1044 0.78 777
1400 707 0.33 326 819 0.45 452 913 0.58 581 996 0.72 716 1070 0.86 855
1500 740 0.38 382 849 0.52 515 941 0.66 653 1023 0.80 795 1096 0.95 941
1600 773 0.45 444 879 0.59 586 970 0.73 731 1050 0.88 880 1123 1.04 1034
1700 807 0.52 513 910 0.67 663 999 0.82 817 1078 0.98 973 1150 1.14 1134
1800 841 0.59 589 942 0.75 749 1029 0.91 910 1106 1.08 1074 — — —
1900 875 0.68 674 974 0.85 842 1059 1.02 1012 1135 1.19 1184 — — —
2000 910 0.77 767 1006 0.95 944 1090 1.13 1122 — — — — — —
580F048 (4 TONS) — ALTERNATE MOTOR (BELT DRIVE)* (cont)
Airflow
(Cfm)
External Static Pressure (in. wg)
1.2 1.4 1.6 1.8 2.0
Rpm Bhp Watts Rpm Bhp Watts Rpm Bhp Watts Rpm Bhp Watts Rpm Bhp Watts
1200 1089 0.84 837 1153 0.98 974 1213 1.12 1115 —— — —— —
1300 1113 0.92 915 1177 1.06 1058 —— — —— — —— —
1400 1138 1.01 1000 1201 1.15 1149 —— — —— — —— —
1500 1163 1.10 1092 — — — — — — — — — — — —
1600 1189 1.20 1191 —— — —— — —— — —— —
1700 —— — —— — —— — —— — —— —
1800 —— — —— — —— — —— — —— —
1900 —— — —— — —— — —— — —— —
2000 —— — —— — —— — —— — —— —
Bhp — Brake Horsepower Input to Fan
Watts — Input Watts to Motor
580F048 (4 TONS) — HIGH-STATIC MOTOR (BELT DRIVE)*
Airflow
(Cfm)
External Static Pressure (in. wg)
0.2 0.4 0.6 0.8 1.0
Rpm Bhp Watts Rpm Bhp Watts Rpm Bhp Watts Rpm Bhp Watts Rpm Bhp Watts
1200 643 0.23 234 762 0.34 343 859 0.46 458 944 0.58 579 1020 0.71 705
1300 675 0.28 277 790 0.40 394 886 0.52 517 969 0.65 644 1044 0.78 777
1400 707 0.33 326 819 0.45 452 913 0.58 581 996 0.72 716 1070 0.86 855
1500 740 0.38 382 849 0.52 515 941 0.66 653 1023 0.80 795 1096 0.95 941
1600 773 0.45 444 879 0.59 586 970 0.73 731 1050 0.88 880 1123 1.04 1034
1700 807 0.52 513 910 0.67 663 999 0.82 817 1078 0.98 973 1150 1.14 1134
1800 841 0.59 589 942 0.75 749 1029 0.91 910 1106 1.08 1074 1177 1.25 1242
1900 875 0.68 674 974 0.85 842 1059 1.02 1012 1135 1.19 1184 1205 1.37 1360
2000 910 0.77 767 1006 0.95 944 1090 1.13 1122 1165 1.31 1302 1234 1.49 1485
580F048 (4 TONS) — HIGH-STATIC MOTOR (BELT DRIVE)* (cont)
Airflow
(Cfm)
External Static Pressure (in. wg)
1.2 1.4 1.6 1.8 2.0
Rpm Bhp Watts Rpm Bhp Watts Rpm Bhp Watts Rpm Bhp Watts Rpm Bhp Watts
1200 1089 0.84 837 1153 0.98 974 1213 1.12 1115 1270 1.27 1262 1324 1.42 1413
1300 1113 0.92 915 1177 1.06 1058 1237 1.21 1205 1293 1.36 1358 1347 1.52 1514
1400 1138 1.01 1000 1201 1.15 1149 1261 1.31 1303 1317 1.47 1461 1370 1.63 1623
1500 1163 1.10 1092 1226 1.25 1247 1285 1.41 1407 1341 1.58 1571 1394 1.75 1740
1600 1189 1.20 1191 1252 1.36 1353 1310 1.53 1520 1365 1.70 1690 1418 1.87 1865
1700 1216 1.31 1299 1277 1.48 1468 1335 1.65 1640 1390 1.83 1817 1442 2.01 1998
1800 1242 1.42 1414 1303 1.60 1590 1361 1.78 1770 1415 1.96 1953 1467 2.15 2140
1900 1270 1.55 1538 1330 1.73 1721 1387 1.92 1908 1441 2.11 2098 1493 2.30 2292
2000 1297 1.68 1672 1357 1.87 1862 1414 2.07 2055 1467 2.26 2252 —— —
Bhp — Brake Horsepower Input to Fan
Watts — Input Watts to Motor
580F036-151

57
PERFORMANCE DATA (cont)
FAN PERFORMANCE — HORIZONTAL DISCHARGE UNITS (cont)
LEGEND See page 70 for general fan performance notes.
LEGEND
*Motor drive range: 900 to 1300 rpm. All other rpms require a field-supplied drive.
NOTES:
1. Boldface indicates field-supplied drive is required.
2. Maximum continuous bhp is 1.30.
3. See page 70 for general fan performance notes.
580F060 (5 TONS) — STANDARD MOTOR (DIRECT DRIVE)
Airflow
(Cfm)
Low Speed Medium Speed High Speed
208V 230, 460, 575 V 208 V 230, 460, 575 V 208 V 230, 460, 575 V
ESP Bhp Watts ESP Bhp Watts ESP Bhp Watts ESP Bhp Watts ESP Bhp Watts ESP Bhp Watts
1500 0.74 0.67 750 1.06 0.71 791 1.07 0.70 782 1.27 0.76 845 1.26 0.79 875 1.33 0.85 949
1600 0.54 0.70 780 0.90 0.74 824 0.92 0.74 821 1.13 0.79 883 1.14 0.82 913 1.22 0.89 988
1700 0.34 0.73 810 0.75 0.77 857 0.77 0.77 861 1.00 0.83 921 1.01 0.85 950 1.11 0.92 1027
1800 0.14 0.75 839 0.59 0.80 891 0.62 0.81 900 0.87 0.86 959 0.89 0.88 988 1.00 0.96 1066
1900 — — — 0.44 0.83 924 0.47 0.84 940 0.74 0.90 997 0.77 0.92 1025 0.89 0.99 1105
2000 — — — 0.28 0.86 957 0.32 0.88 979 0.61 0.93 1035 0.64 0.95 1063 0.78 1.03 1144
2100 — — — 0.13 0.89 990 0.17 0.91 1018 0.48 0.96 1073 0.51 0.99 1101 0.67 1.06 1183
2200 ——————0.020.9510580.351.0011110.391.021138 0.56 1.10 1222
2300 —————————0.221.0311490.261.061176 0.45 1.13 1261
2400 —————————0.091.0711870.141.091213 0.34 1.17 1300
2500 ———————————————0.231.201340
Bhp — Brake Horsepower Input to Fan
ESP — External Static Pressure (in. wg)
580F060 (5 TONS) — SINGLE-PHASE, ALTERNATE MOTOR (BELT DRIVE)*
Airflow
(Cfm)
External Static Pressure (in. wg)
0.2 0.4 0.6 0.8 1.0
Rpm Bhp Watts Rpm Bhp Watts Rpm Bhp Watts Rpm Bhp Watts Rpm Bhp Watts
1500 790 0.40 353 896 0.53 470 990 0.67 599 1074 0.83 738 1151 1.00 886
1600 828 0.46 413 930 0.60 535 1021 0.75 669 1103 0.91 812 1179 1.09 965
1700 866 0.54 479 964 0.68 607 1053 0.84 746 1133 1.01 894 1207 1.18 1051
1800 905 0.62 553 1000 0.77 687 1085 0.94 831 1164 1.11 984 1236 1.29 1146
1900 944 0.71 635 1036 0.87 775 1119 1.04 924 1195 1.22 1082 — — —
2000 984 0.82 725 1072 0.98 871 1153 1.15 1025 — — — — — —
2100 1024 0.93 824 1109 1.10 976 1188 1.28 1136 — — — — — —
2200 1064 1.05 932 1147 1.23 1090 — — — — — — — — —
2300 1105 1.18 1050 — — — — — — — — — — — —
2400 —— — —— — —— — —— — —— —
2500 —— — —— — —— — —— — —— —
580F060 (5 TONS) — SINGLE-PHASE, ALTERNATE MOTOR (BELT DRIVE)* (cont)
Airflow
(Cfm)
External Static Pressure (in. wg)
1.2 1.4 1.6 1.8 2.0
Rpm Bhp Watts Rpm Bhp Watts Rpm Bhp Watts Rpm Bhp Watts Rpm Bhp Watts
1500 1223 1.18 1045 — — — — — — — — — — — —
1600 1249 1.27 1127 — — — — — — — — — — — —
1700 —— — —— — —— — —— — —— —
1800 —— — —— — —— — —— — —— —
1900 —— — —— — —— — —— — —— —
2000 —— — —— — —— — —— — —— —
2100 —— — —— — —— — —— — —— —
2200 —— — —— — —— — —— — —— —
2300 —— — —— — —— — —— — —— —
2400 —— — —— — —— — —— — —— —
2500 —— — —— — —— — —— — —— —
Bhp — Brake Horsepower Input to Fan
Watts — Input Watts to Motor
580F036-151

58
PERFORMANCE DATA (cont)
FAN PERFORMANCE — HORIZONTAL DISCHARGE UNITS (cont)
LEGEND
*Motor drive range: 900 to 1300 rpm. All other rpms require a field-supplied drive.
NOTES:
1. Boldface indicates field-supplied drive is required.
2. Maximum continuous bhp is 2.40.
3. See page 70 for general fan performance notes.
LEGEND
*Motor drive range: 1300 to 1685 rpm. All other rpms require a field-supplied
drive.
NOTES:
1. Boldface indicates field-supplied drive is required.
2. Maximum continuous bhp is 2.90.
3. See page 70 for general fan performance notes.
580F060 (5 TONS) — THREE-PHASE, ALTERNATE MOTOR (BELT DRIVE)*
Airflow
(Cfm)
External Static Pressure (in. wg)
0.2 0.4 0.6 0.8 1.0
Rpm Bhp Watts Rpm Bhp Watts Rpm Bhp Watts Rpm Bhp Watts Rpm Bhp Watts
1500 790 0.40 353 896 0.53 470 990 0.67 599 1074 0.83 738 1151 1.00 886
1600 828 0.46 413 930 0.60 535 1021 0.75 669 1103 0.91 812 1179 1.09 965
1700 866 0.54 479 964 0.68 607 1053 0.84 746 1133 1.01 894 1207 1.18 1051
1800 905 0.62 553 1000 0.77 687 1085 0.94 831 1164 1.11 984 1236 1.29 1146
1900 944 0.71 635 1036 0.87 775 1119 1.04 924 1195 1.22 1082 1266 1.41 1248
2000 984 0.82 725 1072 0.98 871 1153 1.15 1025 1227 1.34 1189 1297 1.53 1360
2100 1024 0.93 824 1109 1.10 976 1188 1.28 1136 1260 1.47 1305 1328 1.67 1481
2200 1064 1.05 932 1147 1.23 1090 1223 1.41 1256 1294 1.61 1430 1360 1.81 1612
2300 1105 1.18 1050 1185 1.37 1215 1259 1.56 1386 1328 1.76 1566 1393 1.97 1752
2400 1146 1.33 1179 1223 1.52 1349 1295 1.72 1527 1362 1.93 1711 1426 2.14 1903
2500 1187 1.48 1317 1262 1.68 1494 1332 1.89 1677 1398 2.10 1868 1460 2.33 2065
580F060 (5 TONS) — THREE-PHASE, ALTERNATE MOTOR (BELT DRIVE)* (cont)
Airflow
(Cfm)
External Static Pressure (in. wg)
1.2 1.4 1.6 1.8 2.0
Rpm Bhp Watts Rpm Bhp Watts Rpm Bhp Watts Rpm Bhp Watts Rpm Bhp Watts
1500 1223 1.18 1045 1291 1.36 1212 1355 1.56 1388 1415 1.77 1573 1473 1.99 1765
1600 1249 1.27 1127 1316 1.46 1298 1379 1.66 1478 1439 1.87 1665 1496 2.09 1860
1700 1277 1.37 1217 1342 1.57 1392 1404 1.77 1575 1463 1.99 1766 1520 2.21 1965
1800 1305 1.48 1316 1369 1.68 1495 1430 1.89 1681 1489 2.11 1876 1545 2.34 2078
1900 1333 1.60 1423 1397 1.81 1606 1457 2.02 1797 1514 2.25 1995 —— —
2000 1363 1.73 1540 1425 1.94 1727 1484 2.16 1922 1541 2.39 2124 —— —
2100 1393 1.87 1665 1454 2.09 1857 1512 2.31 2056 —— — —— —
2200 1424 2.03 1801 1484 2.25 1997 —— — —— — —— —
2300 1455 2.19 1946 —— — —— — —— — —— —
2400 1487 2.37 2103 —— — —— — —— — —— —
2500 —— — —— — —— — —— — —— —
Bhp — Brake Horsepower Input to Fan
Watts — Input Watts to Motor
580F060 (5 TONS) — HIGH-STATIC MOTOR (BELT DRIVE)*
Airflow
(Cfm)
External Static Pressure (in. wg)
0.2 0.4 0.6 0.8 1.0
Rpm Bhp Watts Rpm Bhp Watts Rpm Bhp Watts Rpm Bhp Watts Rpm Bhp Watts
1500 790 0.40 353 896 0.53 470 990 0.67 599 1074 0.83 738 1151 1.00 886
1600 828 0.46 413 930 0.60 535 1021 0.75 669 1103 0.91 812 1179 1.09 965
1700 866 0.54 479 964 0.68 607 1053 0.84 746 1133 1.01 894 1207 1.18 1051
1800 905 0.62 553 1000 0.77 687 1085 0.94 831 1164 1.11 984 1236 1.29 1146
1900 944 0.71 635 1036 0.87 775 1119 1.04 924 1195 1.22 1082 1266 1.41 1248
2000 984 0.82 725 1072 0.98 871 1153 1.15 1025 1227 1.34 1189 1297 1.53 1360
2100 1024 0.93 824 1109 1.10 976 1188 1.28 1136 1260 1.47 1305 1328 1.67 1481
2200 1064 1.05 932 1147 1.23 1090 1223 1.41 1256 1294 1.61 1430 1360 1.81 1612
2300 1105 1.18 1050 1185 1.37 1215 1259 1.56 1386 1328 1.76 1566 1393 1.97 1752
2400 1146 1.33 1179 1223 1.52 1349 1295 1.72 1527 1362 1.93 1711 1426 2.14 1903
2500 1187 1.48 1317 1262 1.68 1494 1332 1.89 1677 1398 2.10 1868 1460 2.33 2065
580F060 (5 TONS) — HIGH-STATIC MOTOR (BELT DRIVE)* (cont)
Airflow
(Cfm)
External Static Pressure (in. wg)
1.2 1.4 1.6 1.8 2.0
Rpm Bhp Watts Rpm Bhp Watts Rpm Bhp Watts Rpm Bhp Watts Rpm Bhp Watts
1500 1223 1.18 1045 1291 1.36 1212 1355 1.56 1388 1415 1.77 1573 1473 1.99 1765
1600 1249 1.27 1127 1316 1.46 1298 1379 1.66 1478 1439 1.87 1665 1496 2.09 1860
1700 1277 1.37 1217 1342 1.57 1392 1404 1.77 1575 1463 1.99 1766 1520 2.21 1965
1800 1305 1.48 1316 1369 1.68 1495 1430 1.89 1681 1489 2.11 1876 1545 2.34 2078
1900 1333 1.60 1423 1397 1.81 1606 1457 2.02 1797 1514 2.25 1995 1570 2.48 2200
2000 1363 1.73 1540 1425 1.94 1727 1484 2.16 1922 1541 2.39 2124 1596 2.63 2333
2100 1393 1.87 1665 1454 2.09 1857 1512 2.31 2056 1568 2.55 2262 1622 2.79 2475
2200 1424 2.03 1801 1484 2.25 1997 1541 2.48 2200 1596 2.71 2411 — — —
2300 1455 2.19 1946 1514 2.42 2147 1571 2.65 2355 1625 2.89 2570 — — —
2400 1487 2.37 2103 1545 2.60 2308 1601 2.84 2521 — — — — — —
2500 1520 2.56 2269 1577 2.79 2480 — — — — — — — — —
Bhp — Brake Horsepower Input to Fan
Watts — Input Watts to Motor
580F036-151

59
PERFORMANCE DATA (cont)
FAN PERFORMANCE — HORIZONTAL DISCHARGE UNITS (cont)
LEGEND
*Motor drive range: 1070 to 1460 rpm. All other rpms require a field-supplied
drive.
NOTES:
1. Boldface indicates field-supplied drive is required.
2. Maximum continuous bhp is 2.40.
3. See page 70 for general fan performance notes.
LEGEND
*Motor drive range: 1300 to 1685 rpm. All other rpms require a field-supplied
drive.
NOTES:
1. Boldface indicates field-supplied drive is required.
2. Maximum continuous bhp is 2.90.
3. See page 70 for general fan performance notes.
580F072,073 (6 TONS) — STANDARD MOTOR (BELT DRIVE)*
Airflow
(Cfm)
External Static Pressure (in. wg)
0.2 0.4 0.6 0.8 1.0
Rpm Bhp Watts Rpm Bhp Watts Rpm Bhp Watts Rpm Bhp Watts Rpm Bhp Watts
1800 919 0.63 561 1010 0.75 663 1095 0.87 771 1174 1.00 886 1250 1.14 1008
1900 960 0.73 648 1047 0.85 754 1129 0.98 867 1206 1.11 986 1279 1.25 1111
2000 1001 0.84 744 1085 0.96 855 1163 1.09 972 1238 1.23 1095 1309 1.38 1224
2100 1043 0.96 850 1123 1.09 965 1199 1.22 1086 1271 1.37 1213 1340 1.52 1346
2200 1085 1.09 966 1162 1.22 1086 1235 1.36 1211 1305 1.51 1342 1372 1.67 1479
2300 1127 1.23 1092 1201 1.37 1217 1272 1.52 1347 1340 1.67 1482 1405 1.83 1623
2400 1169 1.38 1229 1241 1.53 1359 1310 1.68 1493 1375 1.84 1633 1439 2.00 1778
2500 1212 1.55 1378 1281 1.70 1513 1348 1.86 1652 1412 2.02 1796 1473 2.19 1945
2600 1255 1.73 1539 1322 1.89 1678 1386 2.05 1822 1448 2.22 1970 1508 2.39 2124
2700 1298 1.93 1713 1363 2.09 1857 1425 2.26 2005 — — — — — —
2800 1341 2.14 1899 1404 2.31 2048 — — — — — — — — —
2900 1384 2.36 2099 — — — — — — — — — — — —
3000 —— — —— — —— — —— — —— —
580F072,073 (6 TONS) — STANDARD MOTOR (BELT DRIVE)* (cont)
Airflow
(Cfm)
External Static Pressure (in. wg)
1.2 1.4 1.6 1.8 2.0
Rpm Bhp Watts Rpm Bhp Watts Rpm Bhp Watts Rpm Bhp Watts Rpm Bhp Watts
1800 1321 1.28 1137 1390 1.43 1273 1455 1.59 1415 1518 1.76 1563 1579 1.93 1718
1900 1348 1.40 1243 1415 1.56 1381 1479 1.72 1526 1541 1.89 1677 1601 2.06 1834
2000 1377 1.53 1359 1442 1.69 1500 1505 1.86 1648 1565 2.03 1801 1624 2.21 1961
2100 1406 1.67 1485 1470 1.83 1629 1531 2.00 1780 1591 2.18 1936 1648 2.36 2098
2200 1437 1.83 1621 1499 1.99 1769 1559 2.16 1923 1617 2.34 2082 —— —
2300 1468 1.99 1769 1529 2.16 1920 1587 2.34 2077 —— — —— —
2400 1500 2.17 1928 1559 2.35 2083 —— — —— — —— —
2500 1533 2.36 2098 ————————————
2600 —— — —— — —— — —— — —— —
2700 —— — —— — —— — —— — —— —
2800 —— — —— — —— — —— — —— —
2900 —— — —— — —— — —— — —— —
3000 —— — —— — —— — —— — —— —
Bhp — Brake Horsepower Input to Fan
Watts — Input Watts to Motor
580F072,073 (6 TONS) — HIGH-STATIC MOTOR (BELT DRIVE)*
Airflow
(Cfm)
External Static Pressure (in. wg)
0.2 0.4 0.6 0.8 1.0
Rpm Bhp Watts Rpm Bhp Watts Rpm Bhp Watts Rpm Bhp Watts Rpm Bhp Watts
1800 919 0.63 561 1010 0.75 663 1095 0.87 771 1174 1.00 886 1250 1.14 1008
1900 960 0.73 648 1047 0.85 754 1129 0.98 867 1206 1.11 986 1279 1.25 1111
2000 1001 0.84 744 1085 0.96 855 1163 1.09 972 1238 1.23 1095 1309 1.38 1224
2100 1043 0.96 850 1123 1.09 965 1199 1.22 1086 1271 1.37 1213 1340 1.52 1346
2200 1085 1.09 966 1162 1.22 1086 1235 1.36 1211 1305 1.51 1342 1372 1.67 1479
2300 1127 1.23 1092 1201 1.37 1217 1272 1.52 1347 1340 1.67 1482 1405 1.83 1623
2400 1169 1.38 1229 1241 1.53 1359 1310 1.68 1493 1375 1.84 1633 1439 2.00 1778
2500 1212 1.55 1378 1281 1.70 1513 1348 1.86 1652 1412 2.02 1796 1473 2.19 1945
2600 1255 1.73 1539 1322 1.89 1678 1386 2.05 1822 1448 2.22 1970 1508 2.39 2124
2700 1298 1.93 1713 1363 2.09 1857 1425 2.26 2005 1485 2.43 2158 1544 2.61 2315
2800 1341 2.14 1899 1404 2.31 2048 1464 2.48 2201 1523 2.66 2358 1580 2.84 2520
2900 1384 2.36 2099 1445 2.54 2253 1504 2.71 2410 1561 2.90 2572 — — —
3000 1428 2.60 2313 1487 2.78 2471 — — — — — — — — —
580F072,073 (6 TONS) — HIGH-STATIC MOTOR (BELT DRIVE)* (cont)
Airflow
(Cfm)
External Static Pressure (in. wg)
1.2 1.4 1.6 1.8 2.0
Rpm Bhp Watts Rpm Bhp Watts Rpm Bhp Watts Rpm Bhp Watts Rpm Bhp Watts
1800 1321 1.28 1137 1390 1.43 1273 1455 1.59 1415 1518 1.76 1563 1579 1.93 1718
1900 1348 1.40 1243 1415 1.56 1381 1479 1.72 1526 1541 1.89 1677 1601 2.06 1834
2000 1377 1.53 1359 1442 1.69 1500 1505 1.86 1648 1565 2.03 1801 1624 2.21 1961
2100 1406 1.67 1485 1470 1.83 1629 1531 2.00 1780 1591 2.18 1936 1648 2.36 2098
2200 1437 1.83 1621 1499 1.99 1769 1559 2.16 1923 1617 2.34 2082 1673 2.53 2246
2300 1468 1.99 1769 1529 2.16 1920 1587 2.34 2077 1644 2.52 2239 1699 2.71 2406
2400 1500 2.17 1928 1559 2.35 2083 1616 2.53 2243 1672 2.71 2408 1726 2.90 2579
2500 1533 2.36 2098 1591 2.54 2257 1647 2.73 2421 — — — — — —
2600 1566 2.57 2281 1623 2.75 2444 — — — — — — — — —
2700 1600 2.79 2477 — — — — — — — — — — — —
2800 —— — —— — —— — —— — —— —
2900 —— — —— — —— — —— — —— —
3000 —— — —— — —— — —— — —— —
Bhp — Brake Horsepower Input to Fan
Watts — Input Watts to Motor
580F036-151

60
PERFORMANCE DATA (cont)
FAN PERFORMANCE — HORIZONTAL DISCHARGE UNITS (cont)
LEGEND
*Motor drive range: 590 to 840 rpm. All other rpms require field-supplied
drive.
NOTES:
1. Boldface indicates field-supplied drive is required.
2. Maximum continuous bhp is 2.40.
3. See page 70 for General Fan Performance Notes.
580F090,091 (71/2 TONS) — STANDARD MOTOR (BELT DRIVE)*
Airflow
(Cfm)
External Static Pressure (in. wg)
0.2 0.4 0.6 0.8 1.0
Rpm Bhp Watts Rpm Bhp Watts Rpm Bhp Watts Rpm Bhp Watts Rpm Bhp Watts
2250 505 0.52 484 586 0.73 681 657 0.97 901 722 1.22 1142 782 1.50 1403
2300 513 0.55 509 592 0.76 708 663 1.00 931 727 1.26 1174 787 1.54 1437
2400 527 0.60 561 605 0.82 766 674 1.07 993 738 1.33 1241 796 1.62 1508
2500 543 0.66 617 618 0.89 828 686 1.14 1060 748 1.41 1312 806 1.70 1583
2550 550 0.69 647 625 0.92 860 692 1.17 1095 754 1.45 1349 811 1.74 1623
2600 558 0.73 677 632 0.96 894 698 1.21 1131 759 1.49 1388 816 1.78 1664
2700 574 0.80 742 645 1.03 964 710 1.29 1207 770 1.58 1469 826 1.88 1749
2800 589 0.87 811 659 1.11 1039 723 1.38 1287 782 1.67 1554 837 1.97 1839
2900 605 0.95 885 673 1.20 1119 736 1.47 1372 794 1.76 1644 848 2.07 1933
3000 621 1.03 963 688 1.29 1204 749 1.57 1463 806 1.87 1740 859 2.18 2033
3100 637 1.12 1046 702 1.39 1293 762 1.67 1558 818 1.97 1840 871 2.29 2139
3200 654 1.22 1135 717 1.49 1388 776 1.78 1658 831 2.09 1946 — — —
3300 670 1.32 1228 732 1.60 1488 789 1.89 1764 843 2.21 2057 —— —
3400 686 1.42 1328 747 1.71 1593 803 2.01 1876 856 2.33 2174 —— —
3500 703 1.54 1433 762 1.83 1705 817 2.14 1993 — — — — — —
3600 720 1.66 1543 777 1.95 1822 832 2.27 2116 — — — — — —
3700 736 1.78 1660 793 2.09 1944 — — — — — — — — —
3750 745 1.85 1721 801 2.15 2008 — — — — — — — — —
580F090,091 (71/2 TONS) — STANDARD MOTOR (BELT DRIVE)* (cont)
Airflow
(Cfm)
External Static Pressure (in. wg)
1.2 1.4 1.6 1.8 2.0
Rpm Bhp Watts Rpm Bhp Watts Rpm Bhp Watts Rpm Bhp Watts Rpm Bhp Watts
2250 838 1.81 1683 891 2.12 1981 —— — —— — —— —
2300 842 1.84 1719 895 2.17 2019 —— — —— — —— —
2400 851 1.92 1793 903 2.25 2097 —— — —— — —— —
2500 860 2.01 1873 911 2.34 2180 —— — —— — —— —
2550 865 2.05 1914 916 2.38 2223 —— — —— — —— —
2600 869 2.10 1957 ————————————
2700 879 2.19 2046 ————————————
2800 889 2.29 2140 ————————————
2900 899 2.40 2239 ————————————
3000 ———————————————
3100 ———————————————
3200 ———————————————
3300 ———————————————
3400 ———————————————
3500 ———————————————
3600 ———————————————
3700 ———————————————
3750 ———————————————
Bhp — Brake Horsepower Input to Fan
Watts — Input Watts to Motor
580F036-151

61
PERFORMANCE DATA (cont)
FAN PERFORMANCE — HORIZONTAL DISCHARGE UNITS (cont)
LEGEND
*Motor drive range: 685 to 935 rpm. All other rpms require field-supplied
drive.
NOTES:
1. Boldface indicates field-supplied drive is required.
2. Maximum continuous bhp is 2.40.
3. See page 70 for General Fan Performance Notes.
580F090,091 (71/2 TONS) — ALTERNATE MOTOR (BELT DRIVE)*
Airflow
(Cfm)
External Static Pressure (in. wg)
0.2 0.4 0.6 0.8 1.0
Rpm Bhp Watts Rpm Bhp Watts Rpm Bhp Watts Rpm Bhp Watts Rpm Bhp Watts
2250 505 0.52 484 586 0.73 681 657 0.97 901 722 1.22 1142 782 1.50 1403
2300 513 0.55 509 592 0.76 708 663 1.00 931 727 1.26 1174 787 1.54 1437
2400 527 0.60 561 605 0.82 766 674 1.07 993 738 1.33 1241 796 1.62 1508
2500 543 0.66 617 618 0.89 828 686 1.14 1060 748 1.41 1312 806 1.70 1583
2550 550 0.69 647 625 0.92 860 692 1.17 1095 754 1.45 1349 811 1.74 1623
2600 558 0.73 677 632 0.96 894 698 1.21 1131 759 1.49 1388 816 1.78 1664
2700 574 0.80 742 645 1.03 964 710 1.29 1207 770 1.58 1469 826 1.88 1749
2800 589 0.87 811 659 1.11 1039 723 1.38 1287 782 1.67 1554 837 1.97 1839
2900 605 0.95 885 673 1.20 1119 736 1.47 1372 794 1.76 1644 848 2.07 1933
3000 621 1.03 963 688 1.29 1204 749 1.57 1463 806 1.87 1740 859 2.18 2033
3100 637 1.12 1046 702 1.39 1293 762 1.67 1558 818 1.97 1840 871 2.29 2139
3200 654 1.22 1135 717 1.49 1388 776 1.78 1658 831 2.09 1946 — — —
3300 670 1.32 1228 732 1.60 1488 789 1.89 1764 843 2.21 2057 — — —
3400 686 1.42 1328 747 1.71 1593 803 2.01 1876 856 2.33 2174 — — —
3500 703 1.54 1433 762 1.83 1705 817 2.14 1993 — — — — — —
3600 720 1.66 1543 777 1.95 1822 832 2.27 2116 — — — — — —
3700 736 1.78 1660 793 2.09 1944 — — — — — — — — —
3750 745 1.85 1721 801 2.15 2008 — — — — — — — — —
580F090,091 (71/2 TONS) — ALTERNATE MOTOR (BELT DRIVE)* (cont)
Airflow
(Cfm)
External Static Pressure (in. wg)
1.2 1.4 1.6 1.8 2.0
Rpm Bhp Watts Rpm Bhp Watts Rpm Bhp Watts Rpm Bhp Watts Rpm Bhp Watts
2250 838 1.81 1683 891 2.12 1981 — — — — — — — — —
2300 842 1.84 1719 895 2.17 2019 — — — — — — — — —
2400 851 1.92 1793 903 2.25 2097 — — — — — — — — —
2500 860 2.01 1873 911 2.34 2180 — — — — — — — — —
2550 865 2.05 1914 916 2.38 2223 — — — — — — — — —
2600 869 2.10 1957 — — — — — — — — — — — —
2700 879 2.19 2046 — — — — — — — — — — — —
2800 889 2.29 2140 — — — — — — — — — — — —
2900 899 2.40 2239 — — — — — — — — — — — —
3000 ———————————————
3100 ———————————————
3200 ———————————————
3300 ———————————————
3400 ———————————————
3500 ———————————————
3600 ———————————————
3700 ———————————————
3750 ———————————————
Bhp — Brake Horsepower Input to Fan
Watts — Input Watts to Motor
580F036-151

62
PERFORMANCE DATA (cont)
FAN PERFORMANCE — HORIZONTAL DISCHARGE UNITS (cont)
LEGEND
*Motor drive range: 860 to 1080 rpm. All other rpms require field-supplied
drive.
NOTES:
1. Boldface indicates field-supplied drive is required.
2. Maximum continuous bhp is 3.70.
3. See page 70 for General Fan Performance Notes.
580F090,091 (71/2 TONS) — HIGH-STATIC MOTOR (BELT DRIVE)*
Airflow
(Cfm)
External Static Pressure (in. wg)
0.2 0.4 0.6 0.8 1.0
Rpm Bhp Watts Rpm Bhp Watts Rpm Bhp Watts Rpm Bhp Watts Rpm Bhp Watts
2250 505 0.52 484 586 0.73 681 657 0.97 901 722 1.22 1142 782 1.50 1403
2300 513 0.55 509 592 0.76 708 663 1.00 931 727 1.26 1174 787 1.54 1437
2400 527 0.60 561 605 0.82 766 674 1.07 993 738 1.33 1241 796 1.62 1508
2500 543 0.66 617 618 0.89 828 686 1.14 1060 748 1.41 1312 806 1.70 1583
2550 550 0.69 647 625 0.92 860 692 1.17 1095 754 1.45 1349 811 1.74 1623
2600 558 0.73 677 632 0.96 894 698 1.21 1131 759 1.49 1388 816 1.78 1664
2700 574 0.80 742 645 1.03 964 710 1.29 1207 770 1.58 1469 826 1.88 1749
2800 589 0.87 811 659 1.11 1039 723 1.38 1287 782 1.67 1554 837 1.97 1839
2900 605 0.95 885 673 1.20 1119 736 1.47 1372 794 1.76 1644 848 2.07 1933
3000 621 1.03 963 688 1.29 1204 749 1.57 1463 806 1.87 1740 859 2.18 2033
3100 637 1.12 1046 702 1.39 1293 762 1.67 1558 818 1.97 1840 871 2.29 2139
3200 654 1.22 1135 717 1.49 1388 776 1.78 1658 831 2.09 1946 882 2.41 2249
3300 670 1.32 1228 732 1.60 1488 789 1.89 1764 843 2.21 2057 894 2.54 2365
3400 686 1.42 1328 747 1.71 1593 803 2.01 1876 856 2.33 2174 907 2.67 2488
3500 703 1.54 1433 762 1.83 1705 817 2.14 1993 870 2.46 2297 919 2.81 2616
3600 720 1.66 1543 777 1.95 1822 832 2.27 2116 883 2.60 2425 932 2.95 2750
3700 736 1.78 1660 793 2.09 1944 846 2.41 2245 896 2.75 2560 944 3.10 2889
3750 745 1.85 1721 801 2.15 2008 853 2.48 2312 903 2.82 2630 951 3.18 2962
580F090,091 (71/2 TONS) — HIGH-STATIC MOTOR (BELT DRIVE)* (cont)
Airflow
(Cfm)
External Static Pressure (in. wg)
1.2 1.4 1.6 1.8 2.0
Rpm Bhp Watts Rpm Bhp Watts Rpm Bhp Watts Rpm Bhp Watts Rpm Bhp Watts
2250 838 1.81 1683 891 2.12 1981 941 2.46 2297 988 2.82 2629 1033 3.19 2976
2300 842 1.84 1719 895 2.17 2019 944 2.51 2336 992 2.86 2669 1037 3.24 3018
2400 851 1.92 1793 903 2.25 2097 952 2.59 2416 999 2.95 2752 1043 3.33 3104
2500 860 2.01 1873 911 2.34 2180 960 2.68 2502 1006 3.05 2842 1051 3.43 3196
2550 865 2.05 1914 916 2.38 2223 964 2.73 2547 1010 3.10 2888 1054 3.48 3243
2600 869 2.10 1957 920 2.43 2267 968 2.78 2593 1014 3.15 2935 1058 3.53 3292
2700 879 2.19 2046 929 2.53 2360 976 2.88 2689 1022 3.25 3035 1066 3.64 3395
2800 889 2.29 2140 938 2.64 2458 985 2.99 2791 1030 3.37 3140 — — —
2900 899 2.40 2239 948 2.75 2561 994 3.11 2898 1039 3.49 3250 — — —
3000 910 2.51 2343 958 2.86 2670 1004 3.23 3011 1048 3.61 3366 — — —
3100 921 2.63 2453 968 2.98 2783 1013 3.35 3128 — — — — — —
3200 932 2.75 2569 978 3.11 2903 1023 3.49 3252 — — — — — —
3300 943 2.88 2690 989 3.25 3029 1033 3.63 3382 — — — — — —
3400 954 3.02 2816 1000 3.39 3159 — — — — — — — — —
3500 966 3.16 2950 1011 3.54 3297 — — — — — — — — —
3600 978 3.31 3088 1022 3.69 3442 — — — — — — — — —
3700 990 3.47 3233 — — — — — — — — — — — —
3750 996 3.55 3308 — — — — — — — — — — — —
Bhp — Brake Horsepower Input to Fan
Watts — Input Watts to Motor
580F036-151

63
PERFORMANCE DATA (cont)
FAN PERFORMANCE — HORIZONTAL DISCHARGE UNITS (cont)
LEGEND
*Motor drive range: 685 to 935 rpm. All other rpms require field- supplied
drive.
NOTES:
1. Boldface indicates field-supplied drive is required.
2. Maximum continuous bhp is 2.40.
3. See page 70 for General Fan Performance Notes.
580F103 (81/2 TONS) — STANDARD MOTOR (BELT DRIVE)*
Airflow
(Cfm)
External Static Pressure (in. wg)
0.2 0.4 0.6 0.8 1.0
Rpm Bhp Watts Rpm Bhp Watts Rpm Bhp Watts Rpm Bhp Watts Rpm Bhp Watts
2550 550 0.69 647 625 0.92 860 692 1.17 1095 754 1.45 1349 811 1.74 1623
2600 558 0.73 677 632 0.96 894 698 1.21 1131 759 1.49 1388 816 1.78 1664
2700 574 0.80 742 645 1.03 964 710 1.29 1207 770 1.58 1469 826 1.88 1749
2800 589 0.87 811 659 1.11 1039 723 1.38 1287 782 1.67 1554 837 1.97 1839
2900 605 0.95 885 673 1.20 1119 736 1.47 1372 794 1.76 1644 848 2.07 1933
3000 621 1.03 963 688 1.29 1204 749 1.57 1463 806 1.87 1740 859 2.18 2033
3100 637 1.12 1046 702 1.39 1293 762 1.67 1558 818 1.97 1840 871 2.29 2139
3200 654 1.22 1135 717 1.49 1388 776 1.78 1658 831 2.09 1946 — — —
3300 670 1.32 1228 732 1.60 1488 789 1.89 1764 843 2.21 2057 — — —
3400 686 1.42 1328 747 1.71 1593 803 2.01 1876 856 2.33 2174 — — —
3500 703 1.54 1433 762 1.83 1705 817 2.14 1993 — — — — — —
3600 720 1.66 1543 777 1.95 1822 832 2.27 2116 — — — — — —
3700 736 1.78 1660 793 2.09 1944 — — — — — — — — —
3750 745 1.85 1721 801 2.15 2008 — — — — — — — — —
3800 753 1.91 1783 808 2.22 2074 — — — — — — — — —
3900 770 2.05 1912 824 2.37 2209 — — — — — — — — —
4000 787 2.20 2047 — — — — — — — — — — — —
4100 804 2.35 2189 — — — — — — — — — — — —
4200 ———————————————
4250 ———————————————
580F103 (81/2 TONS) — STANDARD MOTOR (BELT DRIVE)* (cont)
Airflow
(Cfm)
External Static Pressure (in. wg)
1.2 1.4 1.6 1.8 2.0
Rpm Bhp Watts Rpm Bhp Watts Rpm Bhp Watts Rpm Bhp Watts Rpm Bhp Watts
2550 865 2.05 1914 916 2.38 2223 — — — — — — — — —
2600 869 2.10 1957 — — — — — — — — — — — —
2700 879 2.19 2046 — — — — — — — — — — — —
2800 889 2.29 2140 — — — — — — — — — — — —
2900 899 2.40 2239 — — — — — — — — — — — —
3000 ———————————————
3100 ———————————————
3200 ———————————————
3300 ———————————————
3400 ———————————————
3500 ———————————————
3600 ———————————————
3700 ———————————————
3750 ———————————————
3800 ———————————————
3900 ———————————————
4000 ———————————————
4100 ———————————————
4200 ———————————————
4250 ———————————————
Bhp — Brake Horsepower Input to Fan
Watts — Input Watts to Motor
580F036-151

64
PERFORMANCE DATA (cont)
FAN PERFORMANCE — HORIZONTAL DISCHARGE UNITS (cont)
LEGEND
*Motor drive range: 860 to 1080 rpm. All other rpms require field-supplied
drive.
NOTES:
1. Boldface indicates field-supplied drive is required.
2. Maximum continuous bhp is 3.70.
3. See page 70 for General Fan Performance Notes.
580F103 (81/2 TONS) — HIGH-STATIC MOTOR (BELT DRIVE)*
Airflow
(Cfm)
External Static Pressure (in. wg)
0.2 0.4 0.6 0.8 1.0
Rpm Bhp Watts Rpm Bhp Watts Rpm Bhp Watts Rpm Bhp Watts Rpm Bhp Watts
2550 550 0.69 647 625 0.92 860 692 1.17 1095 754 1.45 1349 811 1.74 1623
2600 558 0.73 677 632 0.96 894 698 1.21 1131 759 1.49 1388 816 1.78 1664
2700 574 0.80 742 645 1.03 964 710 1.29 1207 770 1.58 1469 826 1.88 1749
2800 589 0.87 811 659 1.11 1039 723 1.38 1287 782 1.67 1554 837 1.97 1839
2900 605 0.95 885 673 1.20 1119 736 1.47 1372 794 1.76 1644 848 2.07 1933
3000 621 1.03 963 688 1.29 1204 749 1.57 1463 806 1.87 1740 859 2.18 2033
3100 637 1.12 1046 702 1.39 1293 762 1.67 1558 818 1.97 1840 871 2.29 2139
3200 654 1.22 1135 717 1.49 1388 776 1.78 1658 831 2.09 1946 882 2.41 2249
3300 670 1.32 1228 732 1.60 1488 789 1.89 1764 843 2.21 2057 894 2.54 2365
3400 686 1.42 1328 747 1.71 1593 803 2.01 1876 856 2.33 2174 907 2.67 2488
3500 703 1.54 1433 762 1.83 1705 817 2.14 1993 870 2.46 2297 919 2.81 2616
3600 720 1.66 1543 777 1.95 1822 832 2.27 2116 883 2.60 2425 932 2.95 2750
3700 736 1.78 1660 793 2.09 1944 846 2.41 2245 896 2.75 2560 944 3.10 2889
3750 745 1.85 1721 801 2.15 2008 853 2.48 2312 903 2.82 2630 951 3.18 2962
3800 753 1.91 1783 808 2.22 2074 861 2.55 2380 910 2.90 2701 957 3.26 3036
3900 770 2.05 1912 824 2.37 2209 875 2.70 2522 924 3.05 2848 970 3.42 3189
4000 787 2.20 2047 840 2.52 2351 890 2.86 2669 938 3.22 3002 984 3.59 3348
4100 804 2.35 2189 856 2.68 2499 905 3.03 2824 952 3.39 3162 — — —
4200 821 2.51 2338 872 2.85 2655 920 3.20 2986 967 3.57 3331 — — —
4250 829 2.59 2415 880 2.93 2735 928 3.29 3069 974 3.66 3417 — — —
580F103 (81/2 TONS) — HIGH-STATIC MOTOR (BELT DRIVE)* (cont)
Airflow
(Cfm)
External Static Pressure (in. wg)
1.2 1.4 1.6 1.8 2.0
Rpm Bhp Watts Rpm Bhp Watts Rpm Bhp Watts Rpm Bhp Watts Rpm Bhp Watts
2550 865 2.05 1914 916 2.38 2223 964 2.73 2547 1010 3.10 2888 1054 3.48 3243
2600 869 2.10 1957 920 2.43 2267 968 2.78 2593 1014 3.15 2935 1058 3.53 3292
2700 879 2.19 2046 929 2.53 2360 976 2.88 2689 1022 3.25 3035 1066 3.64 3395
2800 889 2.29 2140 938 2.64 2458 985 2.99 2791 1030 3.37 3140 — — —
2900 899 2.40 2239 948 2.75 2561 994 3.11 2898 1039 3.49 3250 — — —
3000 910 2.51 2343 958 2.86 2670 1004 3.23 3011 1048 3.61 3366 — — —
3100 921 2.63 2453 968 2.98 2783 1013 3.35 3128 — — — — — —
3200 932 2.75 2569 978 3.11 2903 1023 3.49 3252 — — — — — —
3300 943 2.88 2690 989 3.25 3029 1033 3.63 3382 — — — — — —
3400 954 3.02 2816 1000 3.39 3159 — — — — — — — — —
3500 966 3.16 2950 1011 3.54 3297 — — — — — — — — —
3600 978 3.31 3088 1022 3.69 3442 — — — — — — — — —
3700 990 3.47 3233 — — — — — — — — — — — —
3750 996 3.55 3308 — — — — — — — — — — — —
3800 1002 3.63 3385 — — — — — — — — — — — —
3900 ———————————————
4000 ———————————————
4100 ———————————————
4200 ———————————————
4250 ———————————————
Bhp — Brake Horsepower Input to Fan
Watts — Input Watts to Motor
580F036-151

65
PERFORMANCE DATA (cont)
FAN PERFORMANCE — HORIZONTAL DISCHARGE UNITS (cont)
LEGEND
*Motor drive range: 685 to 935 rpm. All other rpms require field-supplied
drive.
NOTES:
1. Boldface indicates field-supplied drive is required.
2. Maximum continuous bhp is 2.40.
3. See page 70 for General Fan Performance Notes.
580F120,121 (10 TONS) — STANDARD MOTOR (BELT DRIVE)*
Airflow
(Cfm)
External Static Pressure (in. wg)
0.2 0.4 0.6 0.8 1.0
Rpm Bhp Watts Rpm Bhp Watts Rpm Bhp Watts Rpm Bhp Watts Rpm Bhp Watts
3000 555 0.72 630 629 0.87 765 696 1.03 904 757 1.19 1048 814 1.36 1198
3100 568 0.78 686 641 0.94 825 706 1.10 968 766 1.27 1115 823 1.45 1269
3200 582 0.85 745 652 1.01 888 717 1.18 1035 776 1.35 1186 832 1.53 1343
3300 595 0.92 808 664 1.09 955 728 1.26 1106 786 1.44 1261 841 1.62 1421
3400 609 1.00 874 677 1.17 1026 739 1.35 1181 797 1.53 1340 851 1.71 1503
3500 623 1.08 945 689 1.25 1100 750 1.43 1259 807 1.62 1422 860 1.81 1589
3600 636 1.16 1019 702 1.34 1179 762 1.53 1341 817 1.72 1508 870 1.91 1679
3700 650 1.25 1097 714 1.44 1261 773 1.63 1428 828 1.82 1598 880 2.02 1772
3800 664 1.34 1179 727 1.54 1347 785 1.73 1518 839 1.93 1693 890 2.13 1870
3900 678 1.44 1266 740 1.64 1438 797 1.84 1613 850 2.04 1791 901 2.25 1973
4000 693 1.55 1356 753 1.75 1533 809 1.95 1712 861 2.16 1894 911 2.37 2080
4100 707 1.65 1451 766 1.86 1632 821 2.07 1816 873 2.28 2002 — — —
4200 721 1.77 1551 779 1.98 1736 833 2.19 1924 — — — — — —
4300 735 1.89 1656 792 2.10 1845 846 2.32 2037 — — — — — —
4400 750 2.01 1764 806 2.23 1958 — — — — — — — — —
4500 764 2.14 1879 819 2.37 2077 — — — — — — — — —
4600 779 2.28 1998 — — — — — — — — — — — —
4700 ———————————————
4800 ———————————————
4900 ———————————————
5000 ———————————————
580F120,121 (10 TONS) — STANDARD MOTOR (BELT DRIVE)* (cont)
Airflow
(Cfm)
External Static Pressure (in. wg)
1.2 1.4 1.6 1.8 2.0
Rpm Bhp Watts Rpm Bhp Watts Rpm Bhp Watts Rpm Bhp Watts Rpm Bhp Watts
3000 867 1.54 1353 918 1.72 1513 966 1.91 1680 1012 2.11 1852 1056 2.31 2029
3100 876 1.63 1427 926 1.81 1590 973 2.00 1760 1019 2.20 1934 —— —
3200 884 1.71 1504 934 1.90 1671 981 2.10 1843 1026 2.30 2020 —— —
3300 893 1.81 1586 942 2.00 1755 988 2.20 1931 1033 2.40 2111 —— —
3400 902 1.90 1671 950 2.10 1844 996 2.30 2022 —— — —— —
3500 911 2.01 1760 959 2.21 1937 —— — —— — —— —
3600 920 2.11 1854 967 2.32 2033 —— — —— — —— —
3700 929 2.22 1951 — — — — — — — — — — — —
3800 939 2.34 2053 ————————————
3900 ———————————————
4000 ———————————————
4100 ———————————————
4200 ———————————————
4300 ———————————————
4400 ———————————————
4500 ———————————————
4600 ———————————————
4700 ———————————————
4800 ———————————————
4900 ———————————————
5000 ———————————————
Bhp — Brake Horsepower Input to Fan
Watts — Input Watts to Motor
580F036-151

66
PERFORMANCE DATA (cont)
FAN PERFORMANCE — HORIZONTAL DISCHARGE UNITS (cont)
LEGEND
*Motor drive range: 835 to 1085 rpm. All other rpms require field-supplied
drive.
NOTES:
1. Boldface indicates field-supplied drive is required.
2. Maximum continuous bhp is 2.90.
3. See page 70 for General Fan Performance Notes.
580F120,121 (10 TONS) — ALTERNATE MOTOR (BELT DRIVE)*
Airflow
(Cfm)
External Static Pressure (in. wg)
0.2 0.4 0.6 0.8 1.0
Rpm Bhp Watts Rpm Bhp Watts Rpm Bhp Watts Rpm Bhp Watts Rpm Bhp Watts
3000 555 0.72 630 629 0.87 765 696 1.03 904 757 1.19 1048 814 1.36 1198
3100 568 0.78 686 641 0.94 825 706 1.10 968 766 1.27 1115 823 1.45 1269
3200 582 0.85 745 652 1.01 888 717 1.18 1035 776 1.35 1186 832 1.53 1343
3300 595 0.92 808 664 1.09 955 728 1.26 1106 786 1.44 1261 841 1.62 1421
3400 609 1.00 874 677 1.17 1026 739 1.35 1181 797 1.53 1340 851 1.71 1503
3500 623 1.08 945 689 1.25 1100 750 1.43 1259 807 1.62 1422 860 1.81 1589
3600 636 1.16 1019 702 1.34 1179 762 1.53 1341 817 1.72 1508 870 1.91 1679
3700 650 1.25 1097 714 1.44 1261 773 1.63 1428 828 1.82 1598 880 2.02 1772
3800 664 1.34 1179 727 1.54 1347 785 1.73 1518 839 1.93 1693 890 2.13 1870
3900 678 1.44 1266 740 1.64 1438 797 1.84 1613 850 2.04 1791 901 2.25 1973
4000 693 1.55 1356 753 1.75 1533 809 1.95 1712 861 2.16 1894 911 2.37 2080
4100 707 1.65 1451 766 1.86 1632 821 2.07 1816 873 2.28 2002 922 2.50 2191
4200 721 1.77 1551 779 1.98 1736 833 2.19 1924 884 2.41 2114 933 2.63 2307
4300 735 1.89 1656 792 2.10 1845 846 2.32 2037 896 2.54 2231 944 2.77 2428
4400 750 2.01 1764 806 2.23 1958 858 2.45 2154 908 2.68 2352 — — —
4500 764 2.14 1879 819 2.37 2077 871 2.59 2276 920 2.82 2479 — — —
4600 779 2.28 1998 833 2.51 2200 883 2.74 2404 — — — — — —
4700 793 2.42 2121 846 2.65 2328 896 2.89 2537 — — — — — —
4800 808 2.56 2251 8602.812462—————————
4900 822 2.72 2385 ————————————
5000 837 2.88 2525 — — — — — — — — — — — —
580F120,121 (10 TONS) — ALTERNATE MOTOR (BELT DRIVE)* (cont)
Airflow
(Cfm)
External Static Pressure (in. wg)
1.2 1.4 1.6 1.8 2.0
Rpm Bhp Watts Rpm Bhp Watts Rpm Bhp Watts Rpm Bhp Watts Rpm Bhp Watts
3000 867 1.54 1353 918 1.72 1513 966 1.91 1680 1012 2.11 1852 1056 2.31 2029
3100 876 1.63 1427 926 1.81 1590 973 2.00 1760 1019 2.20 1934 1062 2.41 2114
3200 884 1.71 1504 934 1.90 1671 981 2.10 1843 1026 2.30 2020 1069 2.51 2203
3300 893 1.81 1586 942 2.00 1755 988 2.20 1931 1033 2.40 2111 1076 2.62 2295
3400 902 1.90 1671 950 2.10 1844 996 2.30 2022 1041 2.51 2205 1083 2.73 2393
3500 911 2.01 1760 959 2.21 1937 1004 2.41 2118 1048 2.62 2303 1091 2.84 2494
3600 920 2.11 1854 967 2.32 2033 1013 2.53 2217 1056 2.74 2406 — — —
3700 929 2.22 1951 976 2.43 2134 1021 2.65 2322 1064 2.86 2513 — — —
3800 939 2.34 2053 985 2.55 2239 1030 2.77 2430 — — — — — —
3900 949 2.46 2159 995 2.68 2349 1039 2.90 2543 — — — — — —
4000 959 2.59 2269 1004 2.81 2462 — — — — — — — — —
4100 969 2.72 2384 — — — — — — — — — — — —
4200 979 2.85 2504 — — — — — — — — — — — —
4300 ———————————————
4400 ———————————————
4500 ———————————————
4600 ———————————————
4700 ———————————————
4800 ———————————————
4900 ———————————————
5000 ———————————————
Bhp — Brake Horsepower Input to Fan
Watts — Input Watts to Motor
580F036-151

67
PERFORMANCE DATA (cont)
FAN PERFORMANCE — HORIZONTAL DISCHARGE UNITS (cont)
LEGEND
*Motor drive range: 830 to 1130 rpm. All other rpms require field-supplied
drive.
NOTES:
1. Boldface indicates field-supplied drive is required.
2. Maximum continuous bhp is 5.25.
3. See page 70 for General Fan Performance Notes.
580F120,121 (10 TONS) — HIGH-STATIC MOTOR (BELT DRIVE)*
Airflow
(Cfm)
External Static Pressure (in. wg)
0.2 0.4 0.6 0.8 1.0
Rpm Bhp Watts Rpm Bhp Watts Rpm Bhp Watts Rpm Bhp Watts Rpm Bhp Watts
3000 555 0.72 630 629 0.87 765 696 1.03 904 757 1.19 1048 814 1.36 1198
3100 568 0.78 686 641 0.94 825 706 1.10 968 766 1.27 1115 823 1.45 1269
3200 582 0.85 745 652 1.01 888 717 1.18 1035 776 1.35 1186 832 1.53 1343
3300 595 0.92 808 664 1.09 955 728 1.26 1106 786 1.44 1261 841 1.62 1421
3400 609 1.00 874 677 1.17 1026 739 1.35 1181 797 1.53 1340 851 1.71 1503
3500 623 1.08 945 689 1.25 1100 750 1.43 1259 807 1.62 1422 860 1.81 1589
3600 636 1.16 1019 702 1.34 1179 762 1.53 1341 817 1.72 1508 870 1.91 1679
3700 650 1.25 1097 714 1.44 1261 773 1.63 1428 828 1.82 1598 880 2.02 1772
3800 664 1.34 1179 727 1.54 1347 785 1.73 1518 839 1.93 1693 890 2.13 1870
3900 678 1.44 1266 740 1.64 1438 797 1.84 1613 850 2.04 1791 901 2.25 1973
4000 693 1.55 1356 753 1.75 1533 809 1.95 1712 861 2.16 1894 911 2.37 2080
4100 707 1.65 1451 766 1.86 1632 821 2.07 1816 873 2.28 2002 922 2.50 2191
4200 721 1.77 1551 779 1.98 1736 833 2.19 1924 884 2.41 2114 933 2.63 2307
4300 735 1.89 1656 792 2.10 1845 846 2.32 2037 896 2.54 2231 944 2.77 2428
4400 750 2.01 1764 806 2.23 1958 858 2.45 2154 908 2.68 2352 955 2.91 2553
4500 764 2.14 1879 819 2.37 2077 871 2.59 2276 920 2.82 2479 966 3.06 2684
4600 779 2.28 1998 833 2.51 2200 883 2.74 2404 932 2.97 2611 978 3.21 2820
4700 793 2.42 2121 846 2.65 2328 896 2.89 2537 944 3.13 2747 989 3.37 2960
4800 808 2.56 2251 860 2.81 2462 909 3.05 2674 956 3.29 2889 1001 3.54 3106
4900 822 2.72 2385 873 2.96 2601 922 3.21 2818 968 3.46 3037 1013 3.71 3258
5000 837 2.88 2525 887 3.13 2745 935 3.38 2966 981 3.63 3189 1024 3.89 3414
580F120,121 (10 TONS) — HIGH-STATIC MOTOR (BELT DRIVE)* (cont)
Airflow
(Cfm)
External Static Pressure (in. wg)
1.2 1.4 1.6 1.8 2.0
Rpm Bhp Watts Rpm Bhp Watts Rpm Bhp Watts Rpm Bhp Watts Rpm Bhp Watts
3000 867 1.54 1353 918 1.72 1513 966 1.91 1680 1012 2.11 1852 1056 2.31 2029
3100 876 1.63 1427 926 1.81 1590 973 2.00 1760 1019 2.20 1934 1062 2.41 2114
3200 884 1.71 1504 934 1.90 1671 981 2.10 1843 1026 2.30 2020 1069 2.51 2203
3300 893 1.81 1586 942 2.00 1755 988 2.20 1931 1033 2.40 2111 1076 2.62 2295
3400 902 1.90 1671 950 2.10 1844 996 2.30 2022 1041 2.51 2205 1083 2.73 2393
3500 911 2.01 1760 959 2.21 1937 1004 2.41 2118 1048 2.62 2303 1091 2.84 2494
3600 920 2.11 1854 967 2.32 2033 1013 2.53 2217 1056 2.74 2406 1098 2.96 2600
3700 929 2.22 1951 976 2.43 2134 1021 2.65 2322 1064 2.86 2513 1106 3.09 2710
3800 939 2.34 2053 985 2.55 2239 1030 2.77 2430 1073 2.99 2625 1114 3.22 2824
3900 949 2.46 2159 995 2.68 2349 1039 2.90 2543 1081 3.12 2741 1122 3.35 2943
4000 959 2.59 2269 1004 2.81 2462 1048 3.03 2660 1090 3.26 2861 1130 3.49 3067
4100 969 2.72 2384 1014 2.94 2581 1057 3.17 2782 1098 3.40 2987 1139 3.64 3195
4200 979 2.85 2504 1024 3.08 2705 1066 3.31 2909 1107 3.55 3117 1147 3.79 3329
4300 990 3.00 2629 1034 3.23 2833 1076 3.46 3040 1117 3.71 3252 1156 3.95 3467
4400 1000 3.14 2758 1044 3.38 2966 1085 3.62 3177 1126 3.87 3392 1165 4.11 3611
4500 1011 3.30 2892 1054 3.54 3104 1095 3.78 3319 1135 4.03 3537 1174 4.28 3759
4600 1022 3.45 3032 1064 3.70 3247 1105 3.95 3466 1145 4.20 3688 1183 4.46 3913
4700 1033 3.62 3176 1075 3.87 3395 1115 4.12 3618 1155 4.38 3843 1193 4.64 4072
4800 1044 3.79 3326 1085 4.04 3549 1126 4.30 3775 1164 4.56 4004 1202 4.83 4237
4900 1055 3.97 3482 1096 4.22 3708 1136 4.49 3938 1174 4.75 4171 1212 5.02 4406
5000 1066 4.15 3642 1107 4.41 3873 1146 4.68 4106 1184 4.95 4342 1221 5.22 4582
Bhp — Brake Horsepower Input to Fan
Watts — Input Watts to Motor
580F036-151

68
PERFORMANCE DATA (cont)
FAN PERFORMANCE — HORIZONTAL DISCHARGE UNITS (cont)
LEGEND
*Motor drive range: 860 to 1080 rpm. All other rpms require field-supplied
drive.
NOTES:
1. Boldface indicates field-supplied drive is required.
2. Maximum continuous bhp is 3.70.
3. See page 70 for General Fan Performance Notes.
580F150,151 (121/2 TONS) — STANDARD MOTOR (BELT DRIVE)*
Airflow
(Cfm)
External Static Pressure (in. wg)
0.2 0.4 0.6 0.8 1.0
Rpm Bhp Watts Rpm Bhp Watts Rpm Bhp Watts Rpm Bhp Watts Rpm Bhp Watts
3700 676 1.19 1106 747 1.42 1328 811 1.66 1552 871 1.91 1779 927 2.15 2008
3800 690 1.27 1185 760 1.52 1414 823 1.76 1644 882 2.01 1876 938 2.26 2111
3900 705 1.36 1269 773 1.61 1503 835 1.86 1739 894 2.12 1977 948 2.38 2217
4000 719 1.45 1357 786 1.71 1597 848 1.97 1838 905 2.23 2082 959 2.50 2328
4100 734 1.55 1449 799 1.82 1695 860 2.08 1942 917 2.35 2192 970 2.62 2443
4200 748 1.66 1545 813 1.93 1797 872 2.20 2050 928 2.47 2305 981 2.75 2562
4300 763 1.76 1646 826 2.04 1903 885 2.32 2162 940 2.60 2423 992 2.88 2686
4400 778 1.88 1751 840 2.16 2014 898 2.44 2279 952 2.73 2546 1004 3.02 2814
4500 792 1.99 1860 853 2.28 2130 910 2.57 2401 964 2.87 2673 1015 3.16 2947
4600 807 2.12 1975 867 2.41 2250 923 2.71 2527 976 3.01 2805 1027 3.31 3085
4700 822 2.25 2094 881 2.55 2375 936 2.85 2658 989 3.15 2942 1038 3.46 3227
4800 837 2.38 2218 895 2.69 2505 949 3.00 2794 1001 3.31 3083 1050 3.62 3375
4900 852 2.52 2347 909 2.83 2640 963 3.15 2935 1014 3.46 3230 — — —
5000 867 2.66 2482 923 2.98 2781 976 3.30 3081 1026 3.63 3383 — — —
5100 882 2.81 2622 937 3.14 2926 989 3.47 3232 — — — — — —
5200 897 2.97 2766 951 3.30 3077 1003 3.63 3389 — — — — — —
5300 912 3.13 2917 966 3.47 3233 — — — — — — — — —
5400 927 3.30 3073 980 3.64 3395 — — — — — — — — —
5500 943 3.47 3234 — — — — — — — — — — — —
5600 958 3.65 3402 — — — — — — — — — — — —
5700 ———————————————
5800 ———————————————
5900 ———————————————
6000 ———————————————
6100 ———————————————
6200 ———————————————
6300 ———————————————
580F150,151 (121/2 TONS) — STANDARD MOTOR (BELT DRIVE)* (cont)
Airflow
(Cfm)
External Static Pressure (in. wg)
1.2 1.4 1.6 1.8 2.0
Rpm Bhp Watts Rpm Bhp Watts Rpm Bhp Watts Rpm Bhp Watts Rpm Bhp Watts
3700 981 2.40 2240 1031 2.65 2473 1079 2.91 2709 1125 3.16 2948 1169 3.42 3189
3800 990 2.52 2348 1040 2.77 2587 1088 3.03 2828 1133 3.30 3073 1177 3.56 3319
3900 1000 2.64 2459 1050 2.90 2705 1097 3.17 2951 1142 3.43 3201 1186 3.70 3452
4000 1011 2.76 2576 1059 3.03 2826 1106 3.30 3079 1151 3.58 3334 —— —
4100 1021 2.89 2697 1069 3.17 2953 1116 3.44 3210 —— — —— —
4200 1031 3.03 2822 1079 3.31 3083 1125 3.59 3347 —— — —— —
4300 1042 3.16 2951 1089 3.45 3218 —— — —— — —— —
4400 1053 3.31 3085 1100 3.60 3357 —— — —— — —— —
4500 1064 3.46 3224 — — — — — — — — — — — —
4600 1075 3.61 3367 — — — — — — — — — — — —
4700 ———————————————
4800 ———————————————
4900 ———————————————
5000 ———————————————
5100 ———————————————
5200 ———————————————
5300 ———————————————
5400 ———————————————
5500 ———————————————
5600 ———————————————
5700 ———————————————
5800 ———————————————
5900 ———————————————
6000 ———————————————
6100 ———————————————
6200 ———————————————
6300 ———————————————
Bhp — Brake Horsepower Input to Fan
Watts — Input Watts to Motor
580F036-151

69
PERFORMANCE DATA (cont)
FAN PERFORMANCE — HORIZONTAL DISCHARGE UNITS (cont)
LEGEND
*Motor drive range: 830 to 1130 rpm. All other rpms require field-supplied
drive.
NOTES:
1. Boldface indicates field-supplied drive is required.
2. Maximum continuous bhp is 5.25.
3. See page 70 for General Fan Performance Notes.
580F150,151 (121/2 TONS) — ALTERNATE MOTOR (BELT DRIVE)*
AIRFLOW
(Cfm)
EXTERNAL STATIC PRESSURE (in. wg)
0.2 0.4 0.6 0.8 1.0
Rpm Bhp Watts Rpm Bhp Watts Rpm Bhp Watts Rpm Bhp Watts Rpm Bhp Watts
3700 676 1.19 1106 747 1.42 1328 811 1.66 1552 871 1.91 1779 927 2.15 2008
3800 690 1.27 1185 760 1.52 1414 823 1.76 1644 882 2.01 1876 938 2.26 2111
3900 705 1.36 1269 773 1.61 1503 835 1.86 1739 894 2.12 1977 948 2.38 2217
4000 719 1.45 1357 786 1.71 1597 848 1.97 1838 905 2.23 2082 959 2.50 2328
4100 734 1.55 1449 799 1.82 1695 860 2.08 1942 917 2.35 2192 970 2.62 2443
4200 748 1.66 1545 813 1.93 1797 872 2.20 2050 928 2.47 2305 981 2.75 2562
4300 763 1.76 1646 826 2.04 1903 885 2.32 2162 940 2.60 2423 992 2.88 2686
4400 778 1.88 1751 840 2.16 2014 898 2.44 2279 952 2.73 2546 1004 3.02 2814
4500 792 1.99 1860 853 2.28 2130 910 2.57 2401 964 2.87 2673 1015 3.16 2947
4600 807 2.12 1975 867 2.41 2250 923 2.71 2527 976 3.01 2805 1027 3.31 3085
4700 822 2.25 2094 881 2.55 2375 936 2.85 2658 989 3.15 2942 1038 3.46 3227
4800 837 2.38 2218 895 2.69 2505 949 3.00 2794 1001 3.31 3083 1050 3.62 3375
4900 852 2.52 2347 909 2.83 2640 963 3.15 2935 1014 3.46 3230 1062 3.78 3528
5000 867 2.66 2482 923 2.98 2781 976 3.30 3081 1026 3.63 3383 1074 3.95 3685
5100 882 2.81 2622 937 3.14 2926 989 3.47 3232 1039 3.80 3540 1086 4.13 3849
5200 897 2.97 2766 951 3.30 3077 1003 3.63 3389 1052 3.97 3702 1099 4.31 4017
5300 912 3.13 2917 966 3.47 3233 1016 3.81 3551 1065 4.15 3870 1111 4.49 4191
5400 927 3.30 3073 980 3.64 3395 1030 3.99 3719 1078 4.34 4044 1123 4.69 4370
5500 943 3.47 3234 994 3.82 3563 1044 4.17 3892 1091 4.53 4223 1136 4.88 4555
5600 958 3.65 3402 1009 4.01 3736 1057 4.37 4071 1104 4.73 4408 1149 5.09 4746
5700 973 3.83 3575 1023 4.20 3915 1071 4.56 4256 1117 4.93 4599 — — —
5800 988 4.03 3754 1038 4.40 4100 1085 4.77 4447 1130 5.14 4796 — — —
5900 1004 4.22 3939 1052 4.60 4292 1099 4.98 4645 — — — — — —
6000 1019 4.43 4131 1067 4.81 4489 1113 5.20 4848 — — — — — —
6100 1034 4.64 4329 1082 5.03 4693 — — — — — — — — —
6200 1050 4.86 4533 — — — — — — — — — — — —
6300 1065 5.09 4744 — — — — — — — — — — — —
580F150,151 (121/2 TONS) — ALTERNATE MOTOR (BELT DRIVE)* (cont)
AIRFLOW
(Cfm)
EXTERNAL STATIC PRESSURE (in. wg)
1.2 1.4 1.6 1.8 2.0
Rpm Bhp Watts Rpm Bhp Watts Rpm Bhp Watts Rpm Bhp Watts Rpm Bhp Watts
3700 981 2.40 2240 1031 2.65 2473 1079 2.91 2709 1125 3.16 2948 1169 3.42 3189
3800 990 2.52 2348 1040 2.77 2587 1088 3.03 2828 1133 3.30 3073 1177 3.56 3319
3900 1000 2.64 2459 1050 2.90 2705 1097 3.17 2951 1142 3.43 3201 1186 3.70 3452
4000 1011 2.76 2576 1059 3.03 2826 1106 3.30 3079 1151 3.58 3334 1194 3.85 3591
4100 1021 2.89 2697 1069 3.17 2953 1116 3.44 3210 1160 3.72 3471 1203 4.00 3733
4200 1031 3.03 2822 1079 3.31 3083 1125 3.59 3347 1169 3.87 3612 1212 4.16 3880
4300 1042 3.16 2951 1089 3.45 3218 1135 3.74 3487 1179 4.03 3758 1221 4.32 4031
4400 1053 3.31 3085 1100 3.60 3357 1145 3.90 3632 1188 4.19 3909 1230 4.49 4187
4500 1064 3.46 3224 1110 3.76 3502 1155 4.06 3782 1198 4.36 4064 1239 4.66 4348
4600 1075 3.61 3367 1121 3.91 3650 1165 4.22 3937 1208 4.53 4224 1249 4.84 4514
4700 1086 3.77 3515 1131 4.08 3805 1175 4.39 4096 1217 4.71 4389 1258 5.02 4684
4800 1097 3.93 3668 1142 4.25 3963 1186 4.57 4260 1228 4.89 4559 1268 5.21 4860
4900 1109 4.10 3826 1153 4.43 4128 1196 4.75 4430 1238 5.08 4734 —— —
5000 1120 4.28 3990 1164 4.61 4296 1207 4.94 4604 —— — —— —
5100 1132 4.46 4159 1175 4.79 4471 1218 5.13 4784 —— — —— —
5200 1144 4.65 4333 1187 4.99 4651 —— — —— — —— —
5300 1155 4.84 4512 1198 5.19 4836 —— — —— — —— —
5400 1167 5.04 4697 ————————————
5500 1179 5.24 4889 ————————————
5600 ———————————————
5700 ———————————————
5800 ———————————————
5900 ———————————————
6000 ———————————————
6100 ———————————————
6200 ———————————————
6300 ———————————————
Bhp — Brake Horsepower Input to Fan
Watts — Input Watts to Motor
580F036-151

70
PERFORMANCE DATA (cont)
GENERAL NOTES FOR FAN PERFORMANCE DATA TABLES
1. Values include losses for filters, unit casing, and wet coils. See this
page for accessory/FIOP static pressure information.
2. Extensive motor and electrical testing on these units ensures that
the full range of the motor can be utilized with confidence. Using fan
motors up to the wattage ratings shown will not result in nuisance
tripping or premature motor failure. Unit warranty will not be
affected. See Evaporator-Fan Motor Performance table on page 73
for additional information.
3. Use of a field-supplied motor may affect wire sizing. Contact your
Bryant representative for details.
4. Interpolation is permissible. Do not extrapolate. (Belt drive units
only.)
OUTDOOR SOUND POWER (Total Unit)
NOTE: Indoor sound power is available in Bryant’s Electronic Catalog program (ECAT) for specific operating parameters.
ACCESSORY/FIOP ECONOMIZER IV AND ECONOMI$ER2 STATIC PRESSURE* (in. wg) — 580F036-073
LEGEND *The static pressure must be added to external static pressure. The
sum and the evaporator entering-air cfm should be used in conjunction
with the Fan Performance tables to determine indoor blower rpm and
watts.
ACCESSORY/FIOP ECONOMISER IV AND ECONOMI$ER2 STATIC PRESSURE* (in. wg) — 580F090-151
LEGEND *The static pressure must be added to external static pressure. The
sum and the evaporator entering-air cfm should then be used in con-
junction with the Fan Performance tables to determine blower rpm and
watts.
UNIT 580F
SOUND
RATING
60 Hz (dB)
A-WEIGHTED
(dB)
OCTAVE BANDS
63 125 250 500 1000 2000 4000 8000
036-072 81 80.5 56.8 75.8 72.4 72.9 74.8 75.4 71.3 69.1
073 80 80.0 59.1 68.9 68.7 71.9 74.0 68.9 65.7 59.0
090 87 86.4 83.2 87.4 83.5 82.8 83.0 77.7 71.8 67.0
091, 103 82 82.0 62.2 69.3 71.5 74.7 76.2 72.9 68.7 61.5
120 88 87.6 97.6 90.4 85.7 84.8 83.9 77.5 71.3 65.8
121 84 84.0 64.6 71.7 73.3 76.9 77.6 73.7 70.6 63.7
150 87 86.4 83.7 87.2 83.4 82.8 83.0 77.7 71.8 67.0
151 86 86.0 63.7 69.9 72.5 78.2 81.1 77.3 73.3 66.8
COMPONENT CFM
1250 1500 1750 2000 2250 2500 2750 3000
Vertical EconoMi$er IV and EconoMi$er2 0.045 0.065 0.08 0.12 0.145 0.175 0.22 0.255
Horizontal EconoMi$er IV and EconoMi$er2 — — 0.1 0.125 0.15 0.18 0.225 0.275
FIOP — Factory-Installed Option
COMPONENT CFM
2250 2500 2750 3000 3250 3500 3750 4000 4250 4500 4750 5000 5250 6250
Vertical EconoMi$er IV
and EconoMi$er2 0.06 0.075 0.09 0.115 0.13 0.15 0.17 0.195 0.22 0.25 0.285 0.325 0.36 —
Horizontal EconoMi$er IV
and EconoMi$er2 — 0.1 0.125 0.15 0.18 0.21 0.25 0.275 0.3 0.34 0.388 — — —
FIOP — Factory-Installed Option
580F036-151

71
PERFORMANCE DATA (cont)
FAN RPM AT MOTOR PULLEY SETTINGS* — 580F036-073
*Approximate fan rpm shown.
†Indicates alternate motor and drive package.
**Indicates high-static motor and drive package.
††Indicates standard motor and drive package.
FAN RPM AT MOTOR PULLEY SETTINGS* — 580F090-151
*Approximate fan rpm shown.
†Indicates standard motor and drive package.
**Indicates alternate drive package only.
††Indicates high-static motor and drive package.
***Indicates alternate motor and drive package.
ALTITUDE COMPENSATION* — 580F036-073
STANDARD UNITS
*As the height above sea level increases, there is less oxygen per cubic foot of air.
Therefore, heat input rate should be reduced at higher altitudes.
†Orifices available through your local Bryant distributor.
ALTITUDE COMPENSATION* — 580F036-073
LOW NOx UNITS
*As the height above sea level increases, there is less oxygen per cubic foot of air.
Therefore, the input rate should be reduced at higher altitudes.
†Orifices are available through your local Bryant distributor.
ALTITUDE COMPENSATION* — 580F090-151
*As the height above sea level increases, there is less oxygen per cubic foot of air.
Therefore, heat input rate should be reduced at higher altitudes.
†Orifices available through your local Bryant distributor.
ALTITUDE DERATING FACTOR*
*Derating of the unit is not required unless the heating value of the gas exceeds the val-
ues listed in the table above, or if the elevation exceeds 6000 ft. Derating conditions
must be 4% per thousand ft above 2000 ft. For example, at 4000 ft, if the heating value
of the gas exceeds 1000 Btu/ft3, the unit will require a 16% derating. For elevations
above 6000 ft, the same formula applies. For example, at 7000 ft, the unit will require a
28% derating of the maximum heating value per the National Fuel Gas Code.
IMPORTANT: Local utility companies may be reducing heat content of gas at altitudes
above 2000 ft. If this is being done, changing spuds may not be required.
UNIT 580F MOTOR PULLEY TURNS OPEN
01/211
1/222
1/233
1/244
1/255
1/26
036† 1045 1009 973 937 901 865 829 793 757 721 685 — —
036** 1455 1423 1392 1360 1328 1297 1265 1233 1202 1170 1138 1107 1075
048† 1175 1135 1094 1054 1013 973 932 892 851 811 770 — —
048** 1455 1423 1392 1360 1328 1297 1265 1233 1202 1170 1138 1107 1075
060† 1300 1266 1233 1200 1166 1133 1100 1066 1033 1000 966 933 900
060** 1685 1647 1608 1570 1531 1493 1454 1416 1377 1339 1300 — —
072,073†† 1460 1421 1382 1343 1304 1265 1226 1187 1148 1109 1070 — —
072,073** 1685 1647 1608 1570 1531 1493 1454 1416 1377 1399 1300 — —
UNIT 580F MOTOR PULLEY TURNS OPEN
01/211
1/222
1/233
1/244
1/255
1/26
090,091† 840 815 790 765 740 715 690 665 635 615 590 — —
090,091** 935 910 885 860 835 810 785 760 735 710 685 — —
090,091†† 1080 1025 1007 988 970 952 933 915 897 878 860 — —
103† 935 910 885 860 835 810 785 760 735 710 685 — —
103†† 1080 1025 1007 988 970 952 933 915 897 878 860 — —
120,121† 935 910 885 860 835 810 785 760 735 710 685 — —
120,121*** 1085 1060 1035 1010 985 960 935 910 885 860 835 — —
120,121†† 1130 1112 1087 1062 1037 1012 987 962 937 912 887 862 830
150,151† 1080 1060 1035 1015 990 970 950 925 905 880 860 — —
150,151*** 1130 1112 1087 1062 1037 1012 987 962 937 912 887 862 830
ELEVATION
(ft)
74,000 AND 115,000 BTUH
NOMINAL INPUT
150,000 BTUH
NOMINAL INPUT
Natural Gas
Orifice Size†
Liquid Propane
Orifice Size†
Natural Gas
Orifice Size†
Liquid Propane
Orifice Size†
0-2,000 33 43 30 37
2,000 36 44 31 39
3,000 36 45 31 40
4,000 37 45 32 41
5,000 38 46 32 42
6,000 40 47 34 43
7,000 41 48 35 43
8,000 42 49 36 44
9,000 43 50 37 45
10,000 44 50 39 46
11,000 45 51 41 47
12,000 46 52 42 48
13,000 47 52 43 49
14,000 48 53 44 50
ELEVATION
(ft)
60,000 AND 90,000 BTUH
NOMINAL INPUT
120,000 BTUH
NOMINAL INPUT
Natural Gas Orifice Size† Natural Gas Orifice Size
0-2,000 38 32
2,000 40 33
3,000 41 35
4,000 42 36
5,000 43 37
6,000 43 38
7,000 44 39
8,000 45 41
9,000 46 42
10,000 47 43
11,000 48 44
12,000 49 44
13,000 50 46
14,000 51 47
ELEVATION
(ft)
125,000,180,000, AND 224,000
BTUH NOMINAL INPUT
250,000 BTUH
NOMINAL INPUT
Natural Gas
Orifice Size†
Liquid Propane
Orifice Size†
Natural Gas
Orifice Size†
Liquid Propane
Orifice Size†
0-2,000 31 41 30 38
2,000 32 42 30 39
3,000 32 42 31 40
4,000 32 42 32 41
5,000 33 43 33 42
6,000 34 43 34 43
7,000 35 44 35 43
8,000 36 44 36 44
9,000 37 45 37 44
10,000 38 46 38 45
11,000 39 47 39 45
12,000 40 47 40 46
13,000 41 48 41 47
14,000 42 48 42 47
ELEVATION
(ft)
MAXIMUM HEATING VALUE
(Btu/ft3)
0-2,000 1,100
2,001-3,000 1,050
3,001-4,000 1,000
4,001-5,000 950
5,001-6,000 900
580F036-151

72
PERFORMANCE DATA (cont)
OPTIONAL POWER EXHAUST
POWER REQUIREMENTS
LEGEND
EVAPORATOR-FAN MOTOR EFFICIENCY
*Single phase/three-phase.
NOTE: The EPACT (Energy Policy Act of 1992) regulates energy
requirements for specific types of indoor fan motors. Motors regulated
by EPACT include any general purpose, T-frame (three-digit, 143 and
larger), single-speed, foot mounted, polyphase, squirrel cage induction
motors of NEMA (National Electrical Manufacturers Association) design
A and B, manufactured for use in the United States. Ranging from 1 to
200 Hp, these continuous-duty motors operate on 230 and 460 volt,
60 Hz power. If a motor does not fit into these specifications, the motor
does not have to be replaced by an EPACT-compliant energy-efficient
motor. Variable-speed motors are exempt from EPACT compliance
requirements. Therefore, the indoor-fan motors for these units are
exempt from these requirements.
0
500
1000
1500
2000
2500
0.05" 0.15" 0.25"
Static Pressure (in. wg)
Flow in cubic feet per minute (cfm)
3-6 Ton
7 1/2 - 12 1/2 Ton
0
5
10
15
20
25
30
0.1" 0. 2" 0.3" 0. 4" 0.5"
Static Pressure (in. wg)
Flow in cubic feet per minute (cfm)
3-6 Ton
7 1/2 - 12 1/2 Ton
Vertical EconoMi$er IV and EconoMi$er2
Performance Data (580F036-151)
0
1000
2000
3000
4000
5000
0 0.1 0.2 0.3 0.4 0.5
3-6 Ton
7.5-12.5 Ton
STATIC PRESSURE (in. wg)
FLOW (cfm)
VERTICAL POWER EXHAUST PERFORMANCE
Horizontal EconoMi$er IV and EconoMi$er2
Performance Data (580F036-151)
0
500
1000
1500
2000
2500
0 0.1 0.2 0.3 0.4 0.5
STATIC PRESSURE (in. wg)
FLOW (cfm)
HORIZONTAL POWER EXHAUST PERFORMANCE
0
500
1000
1500
2000
2500
0.05 0.15 0.25
STATIC PRESSURE (in. wg)
FLOW IN CUBIC FEET PER MINUTE (cfm)
3-6 Ton
7 1/2 - 12 1/2 Ton
0
5
10
15
20
25
30
0.13 0.20 0.22 0.25 0.30 0.35 0.40 0.45 0.50
3-6 Ton
7 1/2-12 1/2 Ton
STATIC PRESSURE (in. wg)
FLOW IN CUBIC FEET PER MINUTE (cfm)
BAROMETRIC RELIEF FLOW CAPACITY
OUTDOOR AIR DAMPER LEAKAGE
BAROMETRIC RELIEF CAPACITY
OUTDOOR AIR DAMPER LEAKAGE
a48-6308
a48-6202
a48-6203 a48-6225
a48-6224
a48-6309
UNIT
SIZE
AMPS AT
230 V
(2 Fans
Running)
MOCP
230 VAC 460 VAC 575 VAC
580F036-073 1.40 Amps at
60 Hz 15.0 amps 15.0 amps 15.0 amps
580F090-151 3.04 Amps at
60 Hz
MOCP — Maximum Overcurrent Protection
UNIT 580F MOTOR EFFICIENCY (%)
036,048 75
060 74/84*
072, 073 84
090-121 80
150, 151 87
580F036-151

73
PERFORMANCE DATA (cont)
EVAPORATOR-FAN MOTOR PERFORMANCE
LEGEND
BHP — Brake Horsepower
*Extensive motor and electrical testing on these units ensures that the full
horsepower range of the motors can be utilized with confidence. Using your
fan motors up to the horsepower ratings shown in this table will not result in
nuisance tripping or premature motor failure. Unit warranty will not be
affected.
†Single phase/three-phase.
NOTE: High-static motor not available on single-phase units.
UNIT 580F EVAPORATOR-FAN
MOTOR
UNIT
VOLTAGE
MAXIMUM ACCEPTABLE
CONTINUOUS BHP*
MAXIMUM ACCEPTABLE
OPERATING WATTS
MAXIMUM
AMP DRAW
036
Standard
208/230
0.34 440
2.8
460 1.3
575 1.3
Alternate
208/230
1.20 1000
4.9
460 2.1
575 2.1
High Static
208/230
2.40 2120
6.0
460 3.0
575 3.0
048
Standard
208/230
0.75 850
3.5
460 1.8
575 1.8
Alternate
208/230
1.20 1000
4.9
460 2.1
575 2.1
High Static
208/230
2.40 2120
6.0
460 3.0
575 3.0
060
Standard
208/230
1.20 1340
5.9
460 3.2
575 3.2
Alternate
208/230
1.30/2.40† 2120
6.6/5.2†
460 2.6
575 3.0
High Static
208/230
2.90 2562
8.6
460 3.9
575 3.9
072,073
Standard
208/230
2.40 2120
5.2
460 3.0
575 3.0
High Static
208/230
2.90 2562
8.6
460 3.9
575 3.9
090,091
Standard,
Alternate
208/230
2.40 2120
6.7
460 3.0
575 3.0
High Static
208/230
3.70 3313
12.2
460 5.5
575 5.5
103
Standard
208/230
2.40 2120
6.7
460 3.0
575 3.0
High Static
208/230
3.70 3313
12.2
460 5.5
575 5.5
120,121
Standard
208/230
2.40 2120
6.7
460 3.0
575 3.0
Alternate
208/230
2.90 2615
8.6
460 3.9
575 3.9
High Static
208/230
5.25 4400
17.3
460 8.5
575 8.5
150, 151
Standard
208/230
3.70 3313
12.2
460 5.5
575 5.5
Alternate
208/230
5.25 4400
17.3
460 8.5
575 8.5
580F036-151

74
PERFORMANCE DATA (cont)
POWER EXHAUST OPTIONS
VERTICAL — MOUNTED IN ECONOMIZER HOOD
POWER EXHAUST
PART N O. POWER EXHAUST DESCRIPTION APPLICATION
USAGE
POWER OUTPUT
(Hp per fan)
NO.
FANS
CRPWREXH030A01 Power Exhaust System (208/230-1-60) 036-073 0.23 2
CRPWREXH021A01 Power Exhaust System (460-3-60) 036-073 0.24 2
CRPWREXH022A01 Power Exhaust System (208/230-1-60) 090-151 0.47 2
CRPWREXH023A01 Power Exhaust System (460-3-60) 090-151 0.37 2
HORIZONTAL — MOUNTED IN RETURN DUCTWORK
POWER EXHAUST
PART N O. POWER EXHAUST DESCRIPTION APPLICATION
USAGE
POWER OUTPUT
(Hp per fan)
NO.
FANS
CRPWREXH028A01 Horizontal Power Exhaust (208/230-1-60) All 0.48 1
CRPWREXH029A01 Horizontal Power Exhaust (460-3-60) All 0.48 1
580F036-151

75
ELECTRICAL DATA
LEGEND
*Used to determine minimum disconnect per NEC.
†Fuse or HACR circuit breaker.
NOTES:
1. In compliance with NEC requirements for multimotor and combination load equipment (refer
to NEC Articles 430 and 440), the overcurrent protective device for the unit shall be fuse or
HACR breaker. Canadian units may be fuse or circuit breaker.
2. Unbalanced 3-Phase Supply Voltage
Never operate a motor where a phase imbalance in supply voltage is greater than 2%. Use
the following formula to determine the percent of voltage imbalance.
% Voltage Imbalance
Example: Supply voltage is 460-3-60.
AB = 452 v
BC = 464 v
AC = 455 v
= 457
Determine maximum deviation from average voltage.
(AB) 457 – 452 = 5 v
(BC) 464 – 457 = 7 v
(AC) 457 – 455 = 2 v
Maximum deviation is 7 v.
Determine percent of voltage imbalance.
= 1.53%
This amount of phase imbalance is satisfactory as it is below the maximum allowable 2%.
IMPORTANT: If the supply voltage phase imbalance is more than 2%, contact your local
electric utility company immediately.
3. For units with power exhaust: If a single power source is to be used, size wire to include
power exhaust MCA and MOCP. Check MCA and MOCP when power exhaust is powered
through the unit (must be in accordance with NEC and/or local codes). Determine the new
MCA including the power exhaust using the following formula:
MCA New = MCA unit only + MCA of Power Exhaust
For example, using a 580F060 unit with MCA = 28.9 and MOCP = 35, with
CRPWREXH030A01 power exhaust.
MCA New = 28.9 amps + 1.6 amps = 30.5 amps
If the new MCA does not exceed the published MOCP, then MOCP would not change. The
MOCP in this example is 35 amps, the MCA New is below 35, therefore the MOCP is
acceptable. If “MCA New” is larger than the published MOCP, raise the MOCP to the next
larger size. For separate power, the MOCP for the power exhaust will be 15 amps per NEC.
POWER EXHAUST ELECTRICAL DATA
*Single or three phase.
UNIT SIZE
580F
NOMINAL
V-PH-Hz
IFM
TYPE
CONV
OUTLET
VOLTAGE RANGE COMPRESSOR (each) OFM (each) IFM
FLA
COMBUSTION
FAN MOTOR POWER SUPPLY MINIMUM UNIT
DISCONNECT SIZE*
Min Max Qty RLA LRA Qty FLA FLA MCA MOCP† FLA LRA
036
(3 Ton)
208/230-1-60
STD NO
187 254 1 16.2 96 1 1.4
3.5
0.6
25.2 35 24 106
YES 31.2 35 30 111
ALT NO 4.9 26.6 40 26 111
YES 32.6 40 31 116
208/230-3-60
STD NO
187 254 1 10.2 75 1 1.4
3.5
0.6
17.7 25 17 85
YES 23.7 25 23 90
ALT NO 4.9 19.1 25 19 90
YES 25.1 30 25 95
HIGH NO 5.2 19.4 25 19 109
YES 25.4 30 25 114
460-3-60
STD NO
414 508 1 4.4 40 1 0.8
1.3
0.3
7.6 15 7 44
YES 10.3 15 10 47
ALT NO 2.1 8.4 15 8 48
YES 11.1 15 11 50
HIGH NO 2.6 8.9 15 9 57
YES 11.6 15 11 59
575-3-60
ALT NO
518 632 1 3.7 31 1 0.6
1.9
0.3
7.1 15 7 37
YES 9.3 15 9 39
HIGH NO 2.0 7.2 15 8 44
YES 9.4 15 10 45
048
(4 Ton)
208/230-1-60
STD NO
187 254 1 23.3 118 1 1.4
3.5
0.6
34.0 40 32 129
YES 40.0 45 38 134
ALT NO 4.9 35.4 45 34 133
YES 41.4 50 40 138
208/230-3-60
STD NO
187 254 1 15.4 90 1 1.4
3.5
0.6
24.2 30 23 101
YES 30.2 35 29 106
ALT NO 4.9 25.6 30 25 105
YES 31.6 35 30 110
HIGH NO 5.2 25.9 30 25 124
YES 31.9 35 31 129
460-3-60
STD NO
414 508 1 8.3 45 1 0.8
1.8
0.3
13.0 20 13 51
YES 15.7 20 15 53
ALT NO 2.1 13.3 20 13 53
YES 16.0 20 15 55
HIGH NO 2.6 13.8 20 13 62
YES 16.5 20 16 64
575-3-60
ALT NO
518 632 1 6.4 36 1 0.6
1.9
0.3
10.5 15 10 42
YES 12.7 15 12 43
HIGH NO 2.0 10.6 15 10 49
YES 12.8 15 12 50
FLA — Full Load Amps
HACR — Heating, Air Conditioning and Refrigeration
IFM — Indoor (Evaporator) Fan Motor
LRA — Locked Rotor Amps
MCA — Minimum Circuit Amps
MOCP — Maximum Overcurrent Protection
NEC — National Electrical Code
OFM — Outdoor (Condenser) Fan Motor
RLA — Rated Load Amps
= 100 x max voltage deviation from average voltage
average voltage
Average Voltage = 452 + 464 + 455
3
= 1371
3
% Voltage Imbalance = 100 x 7
457
POWER EXHAUST
PART NO.
APPLICATION
USAGE
MCA
(230 V)
MCA
(460 V)
MCA
(575 V)
MOCP
(separate
power source
only)
CRPWREXH030A01 036-073* 1.6 N/A 0.64 15
CRPWREXH021A01 036-073 N/A 0.68 N/A 15
CRPWREXH022A01 090-151* 3.4 N/A 1.32 15
CRPWREXH023A01 090-151 N/A 1.4 N/A 15
CRPWREXH028A01 ALL* 1.7 N/A 0.68 15
CRPWREXH029A01 ALL N/A 0.7 N/A 15
580F036-151

76
ELECTRICAL DATA (cont)
UNIT SIZE
580F
NOMINAL
V-PH-Hz
IFM
TYPE
CONV
OUTLET
VOLTAGE RANGE COMPRESSOR (each) OFM (each) IFM
FLA
COMBUSTION
FAN MOTOR POWER SUPPL MINIMUM UNIT
DISCONNECT SIZE*
Min Max Qty RLA LRA Qty FLA FLA MCA MOCP† FLA LRA
060
(5 Ton)
208/230-1-60
STD NO
187 254 1 28.8 147 1 1.4
5.9
0.6
43.3 60 42 161
YES 49.3 60 47 166
ALT NO 6.6 44.0 60 42 184
YES 50.0 60 48 188
208/230-3-60
STD NO
187 254 1 16 114 1 1.4
5.9
0.6
27.3 35 27 128
YES 33.3 40 32 133
ALT NO 5.2 26.6 35 26 148
YES 32.6 35 32 153
HIGH NO 7.5 28.9 35 29 174
YES 34.9 40 34 179
460-3-60
STD NO
414 508 1 7.4 64 1 0.8
3.1
0.3
13.2 20 13 71
YES 15.9 20 15 74
ALT NO 2.6 12.7 15 12 81
YES 15.4 20 15 84
HIGH NO 3.4 13.5 20 13 93
YES 16.2 20 16 96
575-3-60
ALT NO
518 632 1 6.2 52 1 0.6
1.9
0.3
10.4 15 11 65
YES 12.6 15 12 66
HIGH NO 2.0 11.2 15 11 74
YES 2.0 13.5 15 13 74
072
(6 Ton)
208/230-3-60
STD NO
187 254 1 20.6 146 1 1.4
5.2
0.6
32.4 40 31 180
YES 38.4 45 37 184
HIGH NO 7.5 34.7 40 34 205
YES 40.7 45 39 210
460-3-60
STD NO
414 508 1 9.5 73 1 0.9
2.6
0.3
15.3 20 15 90
YES 18.0 20 17 92
HIGH NO 3.4 16.1 20 16 103
YES 18.8 25 18 105
575-3-60
STD NO
518 632 1 7.6 58.4 1 0.6
2.0
0.3
12.1 15 12 71
YES 13.3 20 13 72
HIGH NO 2.8 12.9 15 13 80
YES 14.1 20 15 81
073
(6 Ton)
208/230-3-60
STD NO
187 254 1 20.6 146 1 1.4
5.2
0.6
32.4 40 31 180
YES 38.4 45 37 184
HIGH NO 7.5 34.7 40 34 205
YES 40.7 45 39 210
460-3-60
STD NO
414 508 1 9.5 73 1 0.9
2.6
0.3
15.4 20 15 90
YES 18.0 20 17 92
HIGH NO 3.4 16.2 20 16 103
YES 18.8 25 18 105
575-3-60
STD NO
518 632 1 7.6 62 1 0.6
1.9
0.3
12.3 15 13 75
YES 14.4 20 15 77
HIGH NO 2.0 13.1 20 14 84
YES 15.3 20 16 86
090
(71/2 Ton)
208/230-3-60
STD NO
187 254 2 149121.4
5.8
0.6
40.1 45 42 229
YES 46.1 50 48 233
ALT NO 5.8 40.1 45 42 229
YES 46.1 50 48 233
HIGH NO 10.6 44.9 50 48 273
YES 50.9 60 53 273
460-3-60
STD NO
414 508 2 6.4 42 2 0.7
2.6
0.3
18.4 20 19 108
YES 24.4 25 22 110
ALT NO 2.6 18.4 20 19 108
YES 24.4 25 22 110
HIGH NO 4.8 20.6 25 22 130
YES 23.3 30 24 132
575-3-60
STD NO
518 632 2 5.2 39 2 0.6
2.0
0.3
14.9 20 16 97
YES 20.9 25 18 99
ALT NO 2.0 14.9 20 16 97
YES 20.9 25 18 99
HIGH NO 2.8 16.7 20 18 114
YES 19.4 25 20 117
091
(71/2 Ton)
208/230-3-60
STD NO
187 254 2 14 91 2 1.4
5.8
0.6
40.1 45 42 229
YES 44.9 50 48 234
ALT NO 5.8 40.1 45 42 229
YES 44.9 50 48 234
HIGH NO 10.6 44.9 50 48 273
YES 49.7 60 53 277
460-3-60
STD NO
414 508 2 6.4 42 2 0.7
2.6
0.3
18.4 20 19 108
YES 20.6 25 22 110
ALT NO 2.6 18.4 20 19 108
YES 20.6 25 22 110
HIGH NO 4.8 20.6 25 22 130
YES 22.8 25 24 132
575-3-60
STD NO
518 632 2 5.2 39 2 0.6
2.0
0.3
14.9 20 16 97
YES 16.6 20 18 99
ALT NO 2.0 14.9 20 16 97
YES 16.6 20 18 99
HIGH NO 2.8 16.7 20 18 114
YES 18.4 20 20 116
580F036-151

77
ELECTRICAL DATA (cont)
LEGEND
*Used to determine minimum disconnect per NEC.
†Fuse or HACR circuit breaker.
NOTES:
1. In compliance with NEC requirements for multimotor and combination load equipment (refer
to NEC Articles 430 and 440), the overcurrent protective device for the unit shall be fuse or
HACR breaker. Canadian units may be fuse or circuit breaker.
2. Unbalanced 3-Phase Supply Voltage
Never operate a motor where a phase imbalance in supply voltage is greater than 2%. Use
the following formula to determine the percent of voltage imbalance.
% Voltage Imbalance
Example: Supply voltage is 460-3-60.
AB = 452 v
BC = 464 v
AC = 455 v
= 457
Determine maximum deviation from average voltage.
(AB) 457 – 452 = 5 v
(BC) 464 – 457 = 7 v
(AC) 457 – 455 = 2 v
Maximum deviation is 7 v.
Determine percent of voltage imbalance.
= 1.53%
This amount of phase imbalance is satisfactory as it is below the maximum allowable 2%.
IMPORTANT: If the supply voltage phase imbalance is more than 2%, contact your local
electric utility company immediately.
3. For units with power exhaust: If a single power source is to be used, size wire to include
power exhaust MCA and MOCP. Check MCA and MOCP when power exhaust is powered
through the unit (must be in accordance with NEC and/or local codes). Determine the new
MCA including the power exhaust using the following formula:
MCA New = MCA unit only + MCA of Power Exhaust
For example, using a 580F060 unit with MCA = 28.9 and MOCP = 35, with
CRPWREXH030A01 power exhaust.
MCA New = 28.9 amps + 1.6 amps = 30.5 amps
If the new MCA does not exceed the published MOCP, then MOCP would not change. The
MOCP in this example is 35 amps, the MCA New is below 35, therefore the MOCP is
acceptable. If “MCA New” is larger than the published MOCP, raise the MOCP to the next
larger size. For separate power, the MOCP for the power exhaust will be 15 amps per NEC.
POWER EXHAUST ELECTRICAL DATA
*Single or three phase.
UNIT SIZE
580F
NOMINAL
V-PH-Hz
IFM
TYPE
CONV
OUTLET
VOLTAGE RANGE COMPRESSOR (each) OFM (each) IFM
FLA
COMBUSTION
FAN MOTOR POWER SUPPLY MINIMUM UNIT
DISCONNECT SIZE*
Min Max Qty RLA LRA Qty FLA FLA MCA MOCP† FLA LRA
103
(81/2 Ton)
208/230-3-60
STD NO
187 254 2 17.3 120.0 2 1.4
5.8
0.6
44.3 50 46 272
YES 49.1 60 52 277
HIGH NO 10.6 49.1 60 52 316
YES 53.9 60 57 320
460-3-60
STD NO
414 508 2 7.9 70.0 2 0.7
2.6
0.3
21.0 25 22 149
YES 23.2 30 24 151
HIGH NO 4.8 23.2 30 24 171
YES 25.4 30 27 173
575-3-60
STD NO
518 632 2 5.5 50.0 2 0.6
2.0
0.3
16.7 20 17 109
YES 18.4 25 19 111
HIGH NO 2.8 18.5 25 19 126
YES 20.2 25 21 128
120
(10 Ton)
208/230-3-60
STD NO
187 254 2 15.8 130 2 1.4
5.8
0.6
44.2 50 46 307
YES 50.2 60 52 311
ALT NO 7.5 45.9 50 48 326
YES 51.9 60 54 330
HIGH NO 15.0 53.4 60 57 374
YES 59.4 70 62 378
460-3-60
STD NO
414 508 2 7.9 64 2 0.7
2.6
0.3
21.8 25 23 152
YES 27.8 30 25 154
ALT NO 3.4 22.6 25 24 191
YES 25.3 30 26 193
HIGH NO 7.4 26.6 30 28 185
YES 29.3 35 31 187
575-3-60
STD NO
518 632 2 6.6 52 2 0.6
2.0
0.3
18.1 25 19 123
YES 24.1 25 21 109
ALT NO 2.0 18.7 25 20 155
YES 24.7 25 22 141
HIGH NO 2.8 21.9 30 23 150
YES 24.6 30 25 136
121
(10 Ton)
208/230-3-60
STD NO
187 254 2 15.8 130 2 1.4
5.8
0.6
44.6 50 46 307
YES 49.4 60 52 312
ALT NO 7.5 46.3 60 48 326
YES 51.1 60 54 331
HIGH NO 15.0 53.8 60 57 374
YES 58.6 70 62 379
460-3-60
STD NO
414 508 2 7.9 64 2 0.7
2.6
0.3
22.0 25 23 152
YES 24.2 30 25 154
ALT NO 3.4 22.8 25 24 191
YES 25.0 30 26 193
HIGH NO 7.4 26.8 30 28 185
YES 29.0 35 30 187
575-3-60
STD NO
518 632 2 6.6 52 2 0.6
2.0
0.3
18.1 20 19 123
YES 19.8 25 21 125
ALT NO 2.8 18.7 20 20 150
YES 20.4 25 22 156
HIGH NO 3.3 21.9 25 23 155
YES 23.6 25 25 151
FLA — Full Load Amps
HACR — Heating, Air Conditioning and Refrigeration
IFM — Indoor (Evaporator) Fan Motor
LRA — Locked Rotor Amps
MCA — Minimum Circuit Amps
MOCP — Maximum Overcurrent Protection
NEC — National Electrical Code
OFM — Outdoor (Condenser) Fan Motor
RLA — Rated Load Amps
= 100 x max voltage deviation from average voltage
average voltage
Average Voltage = 452 + 464 + 455
3
= 1371
3
% Voltage Imbalance = 100 x 7
457
POWER EXHAUST
PART NO.
APPLICATION
USAGE
MCA
(230 V)
MCA
(460 V)
MCA
(575 V)
MOCP
(separate
power source
only)
CRPWREXH030A01 036-073* 1.6 N/A 0.64 15
CRPWREXH021A01 036-073 N/A 0.68 N/A 15
CRPWREXH022A01 090-151* 3.4 N/A 1.32 15
CRPWREXH023A01 090-151 N/A 1.4 N/A 15
CRPWREXH028A01 ALL* 1.7 N/A 0.68 15
CRPWREXH029A01 ALL N/A 0.7 N/A 15
580F036-151

78
ELECTRICAL DATA (cont)
LEGEND
*Used to determine minimum disconnect per NEC.
†Fuse or HACR circuit breaker.
NOTES:
1. In compliance with NEC requirements for multimotor and combination load equipment (refer
to NEC Articles 430 and 440), the overcurrent protective device for the unit shall be fuse or
HACR breaker. Canadian units may be fuse or circuit breaker.
2. Unbalanced 3-Phase Supply Voltage
Never operate a motor where a phase imbalance in supply voltage is greater than 2%. Use
the following formula to determine the percent of voltage imbalance.
% Voltage Imbalance
Example: Supply voltage is 460-3-60.
AB = 452 v
BC = 464 v
AC = 455 v
= 457
Determine maximum deviation from average voltage.
(AB) 457 – 452 = 5 v
(BC) 464 – 457 = 7 v
(AC) 457 – 455 = 2 v
Maximum deviation is 7 v.
Determine percent of voltage imbalance.
= 1.53%
This amount of phase imbalance is satisfactory as it is below the maximum allowable 2%.
IMPORTANT: If the supply voltage phase imbalance is more than 2%, contact your local
electric utility company immediately.
3. For units with power exhaust: If a single power source is to be used, size wire to include
power exhaust MCA and MOCP. Check MCA and MOCP when power exhaust is powered
through the unit (must be in accordance with NEC and/or local codes). Determine the new
MCA including the power exhaust using the following formula:
MCA New = MCA unit only + MCA of Power Exhaust
For example, using a 580F060 unit with MCA = 28.9 and MOCP = 35, with
CRPWREXH030A01 power exhaust.
MCA New = 28.9 amps + 1.6 amps = 30.5 amps
If the new MCA does not exceed the published MOCP, then MOCP would not change. The
MOCP in this example is 35 amps, the MCA New is below 35, therefore the MOCP is
acceptable. If “MCA New” is larger than the published MOCP, raise the MOCP to the next
larger size. For separate power, the MOCP for the power exhaust will be 15 amps per NEC.
POWER EXHAUST ELECTRICAL DATA
*Single or three phase.
UNIT SIZE
580F
NOMINAL
V-PH-Hz
IFM
TYPE
CONV
OUTLET
VOLTAGE RANGE COMPRESSOR (each) OFM (each) IFM
FLA
COMBUSTION
FAN MOTOR POWER SUPPLY MINIMUM UNIT
DISCONNECT SIZE*
Min Max Qty RLA LRA Qty FLA FLA MCA MOCP† FLA LRA
150
(121/2 Ton)
208/230-3-60
STD NO
187 254 2 23 146 2 1.4
10.6
0.6
65.2 80 68 383
YES 71.2 80 74 387
HIGH NO 15.0 69.6 80 73 406
YES 75.6 80 79 410
460-3-60
STD NO
414 508 2 10.4 73 2 0.7
4.8
0.3
29.6 35 31 192
YES 35.6 40 34 194
HIGH NO 7.4 32.2 35 34 203
YES 34.9 40 37 205
575-3-60
STD NO
518 632 2 8.3 58.4 2 0.6
2.0
0.3
23.6 30 25 154
YES 29.6 35 27 156
HIGH NO 2.8 25.7 30 27 163
YES 31.7 35 29 165
151
(121/2 Ton)
208/230-3-60
STD NO
187 254 2 19 156 2 1.4
10.6
0.6
56.2 70 59 359
YES 61.0 70 65 364
HIGH NO 15.0 60.6 70 64 378
YES 65.4 80 70 383
460-3-60
STD NO
414 508 2 9 75 2 0.7
4.8
0.3
26.5 30 28 174
YES 28.7 35 30 176
HIGH NO 7.4 29.1 35 31 213
YES 31.3 35 33 215
575-3-60
STD NO
518 632 2 7.4 54 2 0.6
3.3
0.3
21.6 25 23 127
YES 23.3 30 25 129
HIGH NO 5.6 23.7 25 25 159
YES 5.6 25.4 30 27 160
FLA — Full Load Amps
HACR — Heating, Air Conditioning and Refrigeration
IFM — Indoor (Evaporator) Fan Motor
LRA — Locked Rotor Amps
MCA — Minimum Circuit Amps
MOCP — Maximum Overcurrent Protection
NEC — National Electrical Code
OFM — Outdoor (Condenser) Fan Motor
RLA — Rated Load Amps
= 100 x max voltage deviation from average voltage
average voltage
Average Voltage = 452 + 464 + 455
3
= 1371
3
% Voltage Imbalance = 100 x 7
457
POWER EXHAUST
PART NO.
APPLICATION
USAGE
MCA
(230 V)
MCA
(460 V)
MCA
(575 V)
MOCP
(separate
power source
only)
CRPWREXH030A01 036-073* 1.6 N/A 0.64 15
CRPWREXH021A01 036-073 N/A 0.68 N/A 15
CRPWREXH022A01 090-151* 3.4 N/A 1.32 15
CRPWREXH023A01 090-151 N/A 1.4 N/A 15
CRPWREXH028A01 ALL* 1.7 N/A 0.68 15
CRPWREXH029A01 ALL N/A 0.7 N/A 15
580F036-151

79
TYPICAL WIRING SCHEMATICS — 580F036-151
(580F090, 460-3-60 Shown)
CIRCUIT
BREAKER VOLTS MFG. PT. NO. MUST TRIP
AMPS
CB 24 V POTTER & BRUMFIELD 3.2
W2BX-1024-3.2
CB1
(150,151 Std) 460-3-60 Heinemann Airpax 8.5
CF3-Z228-41 219-3-2600-486
LEGEND
C—Contactor, Compressor
CAP — Capacitor
CB — Circuit Breaker
CLO — Compressor Lockout
COMP — Compressor Motor
EQUIP — Equipment
FPT — Freeze Protection Thermostat
GND — Ground
HPS — High-Pressure Switch
HS — Hall Effect Sensor
I—Ignitor
IDM — Induced Draft Motor
IFC — Indoor Fan Contactor
IFM — Indoor (Evaporator) Fan Motor
IFMOVL — Indoor Fan Motor Overload Switch
IGC — Integrated Gas Unit Controller
LPS — Low-Pressure Switch
LS — Limit Switch
MGV — Main Gas Valve
OFC — Outdoor Fan Contactor
OFM — Outdoor Fan Motor
P—Plug
PL — Plug Assembly
QT — Quadruple Terminal
RAT — Return Air Temperature
Sensor
RS — Rollout Switch
SAT — Mixed-Air Temperature
Sensor
SEN — Sensor
TRAN — Transformer
Field Splice
Marked Wire
Terminal (Marked)
Terminal (Unmarked)
Te r m i n a l B l o c k
Splice
Splice (Marked)
Factory Wiring
Field Control Wiring
Field Power Wiring
Accessory or
Optional Wiring
To indicate common potential
only. Not to represent wiring.
a48-6270
580F036-151

80
TYPICAL WIRING SCHEMATICS — 580F036-151 (cont)
LEGEND
IAQ — Indoor Air Quality
LA — Low Ambient Lockout Device
POT — Potentiometer
OAT — Outdoor-Air Temperature
RAT — Return-Air Temperature
EconoMi$er IV Wiring — 580F036-151 Units
NOTES:
1. Switch on actuator must be in run position for economizer to operate.
2. 50HJ540573 actuator consists of the 50HJ540567 actuator and a harness with 500-ohm resistor.
NOTE:
Potentiometer Defaults Settings:
Power Exhaust Middle
Minimum Pos. Fully Closed
DCV Max. Middle
DCV Set Middle
Enthalpy C Setting
ECONOMIZER NOTES:
1. 620 ohm, 1 watt 5% resister should be removed only when using differential
enthalpy or dry bulb.
2. If a separate field supplied 24v transformer is used for the IAQ sensor
power supply, it cannot have the secondary of the transformer grounded.
3. For field installed remote minimum position POT, remove black wire jumper
between P and P1 and set control minimum position POT to the minimum
position.
EconoMi$er2 Wiring — 580F036-151 Units
a48-7910
4
3
5
2
8
6
7
1
10
11
9
12
PINK
VIOLET
BLACK
BLUE
YELLOW
NOTE 1
NOTE 2
RUN
500 OHM
RESISTOR
-
+
OPTIONAL CO
SENSOR 4 - 20 mA
OUTPUT
50HJ540573
ACTUATOR
ASSEMBLY
RED
WHITE
ECONOMISER2 PLUG
DIRECT DRIVE
ACTUATOR
2
a48-8209
580F036-151

81
TYPICAL WIRING SCHEMATICS — 580F (cont)
C2 FOR 008-014 UNITS
LINE SIDE
C
11
13 23
23
21
BLU
BLU
GRA
GRA
RED
GRARED
RED
YEL
YEL
208-230-1 ONLY
240V
H1
H1
H3 H2
H2
H4
TRAN4
TRAN4
TRAN4
X4 X2 X3 X1
WHTBLK
SECONDARY
120V GROUND FAULT
INTERRUPTER
CONVENIENCE
OUTLET
GFI - CO
GRN-YEL
GRN-YEL
WHT
BLK
FUSE
15 AMP
TEST
RESET
SWITCH
SECONDARY
120V
SECONDARY
120V
X4 X2 X3 X1
600V
H1 H3
RED YEL BLU GRA
460V
H2 H4
X4 X2 X3 X1
FIELD
POWER
SUPPLY
UNIT
DISCONNECT
BLK
YEL
BLU
BLK
YEL
BLU
BLK
YEL
BLU
SINGLE POINT CONNECTION BOX
BLK
YEL
BLU
TB
Convenience Outlet (Optional) — Sizes 580F036-151
Non-Fused Disconnect (Optional) — Sizes 580F036-151
NOTE: Use copper conductors only.
a48-7462
a48-7463
580F036-151

82
TYPICAL PIPING AND WIRING — 580F036-151
NO.2
NO.1
CONVENIENCE
OUTLET
Vertical Discharge Ducting
Horizontal Discharge Ducting
NEC — National Electrical Code
48-983
a48-6307
580F036-151

83
PHYSICAL DATA — 581B036-072
LEGEND
*Single phase/three phase.
†Indicates automatic reset.
**60,000 and 72,000 Btuh heat input units have 2 burners. 90,000 and
120,000 Btuh heat input units have 3 burners. 115,000 Btuh heat input units
and 150,000 Btuh Heat input units have 3 burners.
††An LP kit is available as an accessory.
||California compliant three-phase models.
***California SCAQMD compliant low NOx models have combustion products that
are controlled to 40 nanograms per joule or less.
UNIT SIZE 581B 036 048 060 072
NOMINAL CAPACITY 34 5 6
OPERATING WEIGHT (lb)
Unit 530 540 560 635
With EconoMi$er IV 580 590 610 685
With EconoMi$er2 576 586 606 681
With Perfect Humidity™ Dehumidification Package 548 558 578 653
Vertical Power Exhaust 50 50 50 50
Horizontal Power Exhaust 30 30 30 30
Roof Curb 115 115 115 115
COMPRESSOR Scroll
Quantity 11 1 1
Oil (oz) 42 53 50 60
REFRIGERANT TYPE R-22
Operating Charge (lb-oz)
Standard Unit 5-8 10-2 10- 0 12-8
Unit With Perfect Humidity Dehumidification Package 9-0 15-8 17-0 21-0
CONDENSER FAN Propeller
Quantity...Diameter (in.) 1...22 1...22 1...22 1...22
Nominal Cfm 3500 3500 4100 4100
Motor Hp...Rpm 1/4...825 1/4...825 1/4...1100 1/4...1100
Watts Input (Total) 180 180 320 320
CONDENSER COIL 3/8-in. OD Enhanced Copper Tubes, Aluminum Lanced Fins
Standard Unit
Rows...Fins/in. 1...17 2...17 2...17 2...17
Total Face Area (sq ft) 14.6 16.5 16.5 16.5
Unit with Perfect Humidity Dehumidification Package
Rows...Fins/in. 1...17 1...17 1...17 1...17
Total Face Area (sq ft) 3.9 3.9 3.9 3.9
EVAPORATOR COIL 3/8-in. OD Enhanced Copper Tubes, Aluminum Double-Wavy Fins, Acutrol™ Metering Device
Rows...Fins/in. 2...15 2...15 4...15 4...15
Total Face Area (sq ft) 5.5 5.5 5.5 5.5
EVAPORATOR FAN Centrifugal Type, Belt Drive
Quantity...Size (in.) 1...10 x 10 1...10 x 10 1...10 x 10 1...10 x 10
Nominal Cfm 1200 1600 2000 2400
Maximum Continuous Bhp Std 1.20 1.20 1.30/2.40* 2.40
Hi-Static 2.40 2.40 2.90 2.90
Motor Frame Size Std 48 48 48/56* 56
Hi-Static 56 56 56 56
Fan Rpm Range Std 680-1044 770-1185 1035-1460 1119-1585
Hi-Static 1075-1455 1075-1455 1300-1685 1300-1685
Motor Bearing Type Ball Ball Ball Ball
Maximum Fan Rpm 2100 2100 2100 2100
Motor Pulley Pitch Diameter A/B (in.) Std 1.9/2.9 1.9/2.0 2.4/3.4 2.4/3.4
Hi-Static 2.8/3.8 2.8/3.8 3.4/4.4 3.4/3.4
Nominal Motor Shaft Diameter (in.) Std 1/21/25/85/8
Hi-Static 5/85/85/87/8
Fan Pulley Pitch Diameter (in.) Std 4.5 4.0 4.0 3.7
Hi-Static 4.5 4.5 4.5 4.5
Belt — Type...Length (in.) Std 1...A...36 1...A...36 1....4...40 1...A...38
Hi-Static 1...A...39 1...A...39 1...A...40 1...A...40
Pulley Center Line Distance (in.) 10.0-12.4 10.0-12.4 14.7-15.5 14.7-15.5
Speed Change per Full Turn of
Movable Pulley Flange (rpm)
Std 65 70 75 95
Hi-Static 65 65 60 60
Movable Pulley Maximum Full
Turns from Closed Position
Std 55 6 5
Hi-Static 66 5 5
Factory Setting — Full Turns Open Std 33 3 3
Hi-Static 31/231/231/231/2
Factory Speed Setting (rpm) Std 826 936 1248 1305
Hi-Static 1233 1233 1396 1396
Fan Shaft Diameter at Pulley (in.) 5/85/85/85/8
Bhp — Brake Horsepower
581B036-150

84
PHYSICAL DATA — 581B036-072 (cont)
LEGEND
*Single phase/three phase.
†Indicates automatic reset.
**60,000 and 72,000 Btuh heat input units have 2 burners. 90,000 and
120,000 Btuh heat input units have 3 burners. 115,000 Btuh heat input units
and 150,000 Btuh Heat input units have 3 burners.
††An LP kit is available as an accessory. In order to convert a Low NOx unit to
LP gas, the baffle must be removed. Low NOx units converted to LP gas are
no longer California SCAQMD compliant.
||California compliant three-phase models.
***California SCAQMD compliant low NOx models have combustion products that
are controlled to 40 nanograms per joule or less.
UNIT SIZE 581B 036 048 060 072
FURNACE SECTION
Rollout Switch Cutout Temp (F)† 195 195 195 195
Burner Orifice Diameter (in. ...drill size)**
Natural Gas — Std 071/072 .113...33 .113...33 .113...33 .113...33
114/115 .113...33 .113...33 .113...33 .113...33
149/150 — .129...30 .129...30 .129...30
060N .102...38 .102...38 .102...38 —
090N .102...38 .102...38 .102...38 —
120N — .116...32 .116...32 —
Liquid Propane — Alt†† 071/072 .089...43 .089...43 .089...43 .089...43
114115 .089...43 .089...43 .089...43 .089...43
149/150 — .102...38 .102...38 .102...38
Thermostat Heat Anticipator Setting (amps)
208/230/460 v
First Stage .14 .14 .14 .14
Second Stage .14 .14 .14 .14
Gas Input (Btuh)
First Stage/Second Stage (3-phase units) 072 50,000/ 72,000 50,000/ 72,000 50,000/ 72,000 50,000/ 72,000
115 82,000/115,000 82,000/115,000 82,000/115,000 82,000/115,000
150 — 120,000/150,000 120,000/150,000 120,000/150,000
071II —/ 72,000 —/ 72,000 —/ 72,000 —
114II —/115,000 —/115,000 —/115,000 —
149II — —/150,000 —/150,000 —
060N*** —/ 60,000 —/ 60,000 —/ 60,000 —
090N*** —/ 90,000 —/ 90,000 —/ 90,000 —
120N*** — —/120,000 —/120,000 —
Efficiency (Steady State) (%) 072 82 82 82 82
115 80 81 81 81
150 —8080 80
071 82 82 82 —
114 80 81 81 —
149 —8080—
060N 80 80 80 —
090N 80 80 80 —
120N —8080—
Temperature Rise Range 072 25-55 25-55 25-55 25-55
115 55-85 35-65 35-65 35-65
150 — 50-80 50-80 50-80
071 25-55 25-55 25-55 —
114 55-85 35-65 35-65 —
149 — 50-80 50-80 —
060N 20-50 20-50 20-50 —
090N 30-60 30-60 30-60 —
120N — 40-70 40-70 —
Manifold Pressure (in. wg)
Natural Gas — Std 3.5 3.5 3.5 3.5
Liquid Propane — Alt†† 3.5 3.5 3.5 3.5
Maximum Static Pressure (in. wg) 1.0 1.0 1.0 1.0
Field Gas Connection Size (in.) 1/21/21/21/2
HIGH-PRESSURE SWITCH (psig)
Standard Compressor Internal Relief 450 ± 50
Cutout 428
Reset (Auto.) 320
LOSS-OF-CHARGE SWITCH/LOW-PRESSURE
SWITCH (Liquid LIne) (psig)
Cutout 7 ± 3
Reset (Auto.) 22 ± 5
FREEZE PROTECTION THERMOSTAT
Opens (F) 30 ± 5
Closes (F) 45 ± 5
OUTDOOR-AIR INLET SCREENS Cleanable
Quantity...Size (in.) Varies By Option Selected
RETURN-AIR FILTERS Throwaway
Quantity...Size (in.) 2...16 x 25 x 2 4...16 x 16 x 2
Bhp — Brake Horsepower
581B036-150

85
PHYSICAL DATA — 581B090-150
LEGEND
*Single phase/three phase.
†Indicates automatic reset.
**72,000 Btuh heat input units have 2 burners.
115,000 Btuh heat input units and 150,000 Btuh Heat input units have
3 burners.
††An LP kit is available as an accessory.
UNIT SIZE 581B 090 102 120 150
NOMINAL CAPACITY (tons) 71/281/210 121/2
OPERATING WEIGHT (lb)
Unit 870 1015 1035 1050
With EconoMi$er IV 945 1077 1110 1125
With EconoMi$er2 941 1072 1106 1121
With Perfect Humidity™ Dehumidification Package 899 1044 1068 1083
Roof Curb 143 143 143 143
COMPRESSOR Scroll
Quantity 2222
Oil (oz) (each compressor) 53 50 50 60
REFRIGERANT TYPE R-22
Operating Charge (lb-oz)
Standard Unit
Circuit 1 (first stage) 7-10 9- 8 9-10 9-8
Circuit 2 (second stage) 8- 2 8-13 10-10 9-5
Unit With Perfect Humidity Dehumidification Package
Circuit 1 (first stage) 13-016-016-815-3
Circuit 2 (second stage) 13-616-817-816-6
CONDENSER FAN Propeller
Quantity...Diameter (in.) 2...22 2...22 2...22 2...22
Nominal Cfm 6500 6500 7000 7000
Motor Hp...Rpm 1/4...1100 1/4...1100 1/4...1100 1/4...1100
Watts Input (Total) 650 650 650 650
CONDENSER COIL 3/8-in. OD Enhanced Copper Tubes, Aluminum Lanced Fins
Standard Unit
Rows...Fins/in. 2...17 2...17 2...17 2...17
Total Face Area (sq ft) 20.5 25.0 25.0 25.0
Unit with Perfect Humidity Dehumidification Package
Rows...Fins/in. 1...17 1...17 1...17 1...17
Total Face Area (sq ft) 6.38.48.48.4
EVAPORATOR FAN Centrifugal
Size (in.) 15 x 15 15 x 15 15 x 15 15 x 15
Type Drive Belt Belt Belt Belt
Nominal Cfm 3000 3400 4000 5000
Maximum Continuous Bhp Std 2.90 2.90 3.70 5.25
Hi-Static 4.20 4.20 5.25 —
Motor Frame 56 56 56 56
Fan Rpm Range Std 840-1085 840-1085 860-1080 830-1130
Hi-Static 860-1080 860-1080 830-1130 —
Motor Bearing Type Ball Ball Ball Ball
Maximum Fan Rpm 2100 2100 2100 2100
Motor Pulley Pitch Diameter
A/B (in.)
Std 3.4/4.4 3.4/4.4 4.0/5.0 2.8/3.8
Hi-Static 4.0/5.0 4.0/5.0 2.8/3.8 —
Nominal Motor Shaft Diameter (in.) 7/87/87/87/8
Fan Pulley Pitch Diameter (in.) Std 7.07.08.05.8
Hi-Static 8.0 8.0 5.8 —
Belt — Type...Length (in.) Std A...48 A...51 A...53 BX...48
Hi-Static A...53 A...53 BX...45 —
Pulley Center Line Distance (in.) 16.75-19.25 16.75-19.25 15.85-17.50 15.85-17.50
Speed Change per Full Turn of
Movable Pulley Flange (rpm)
Std 50 50 45 60
Hi-Static 60 60 60 —
Movable Pulley Maximum Full
Turns from Closed Position
Std 5556
Hi-Static 556—
Factory Setting — Full Turns Open Std 5555
Hi-Static 555—
Factory Speed Setting (rpm) Std 840 840 860 887
Hi-Static 860 860 890 —
Fan Shaft Diameter at Pulley (in.) 1111
EVAPORATOR COIL 3/8-in. OD Enhanced Copper Tubes, Aluminum Double-Wavy Fins
Rows...Fins/in. 3...15 4...15 4...15 4...15
Total Face Area (sq ft) 8.9 11.1 11.1 11.1
Bhp — Brake Horsepower
581B036-150

86
PHYSICAL DATA — 581B090-150 (cont)
LEGEND
*Single phase/three phase.
†Indicates automatic reset.
**180,000 Btuh heat input units have 2 burners.
224,000 Btuh heat input units and 250,000 Btuh Heat input units have
3 burners.
††An LP kit is available as an accessory.
UNIT SIZE 581B 090 102 120 150
FURNACE SECTION
Rollout Switch Cutout Temp (F)† 195 195 195 195
Burner Orifice Diameter (in. ...drill size)**
Natural Gas — Std Lo .120...31 .120...31 .120...31 .120...31
Med .120...31 .120...31 .120...31 .129...30
Hi .120...31 .120...31 .129...30
Liquid Propane — Alt†† Lo .096...41 .096...41 .096...41 .096...41
Med .096...41 .096...41 .096...41 .102...38
Hi .096...41 .096...41 .102...38
Thermostat Heat Anticipator Setting (amps)
Stage 1 .14 .14 .14 .14
.14 .14 .14 .14
.14 .14 .14
Stage 2 .14 .14 .20 .20
.20 .20 .20 .20
.20 .20 .20
Gas Input (Btuh) Stage 1 Lo 90,000 90,000 120,000 120,000
Med 120,000 120,000 180,000 180,000
Hi 180,000 180,000 200,000
Stage 2 Lo 125,000 125,000 180,000 180,000
Med 180,000 180,000 224,000 224,000
Hi 224,000 224,000 250,000
Efficiency (Steady State) (%) 82 82 82 82
82 82 82 80
82 82 80
Temperature Rise Range Lo 20-50 20-50 35-65 35-65
Med 35-65 35-65 35-65 40-70
Hi 45-75 45-75 40-70
Manifold Pressure (in. wg)
Natural Gas — Std 3.5 3.5 3.5 3.5
Liquid Propane — Alt†† 3.5 3.5 3.5 3.5
Field Gas Connection Size (in.) Lo .50 .50 .75 .75
Med .75 .75 .75 .75
Hi .75 .75 .75
HIGH-PRESSURE SWITCH (psig)
Standard Compressor Internal Relief 450 ± 50
Cutout 428
Reset (Auto.) 320
LOSS-OF-CHARGE SWITCH/LOW-PRESSURE
SWITCH (Liquid LIne) (psig)
Cutout 7 ± 3
Reset (Auto.) 22 ± 7
FREEZE PROTECTION THERMOSTAT
Opens (F) 30 ± 5
Closes (F) 45 ± 5
OUTDOOR-AIR INLET SCREENS Cleanable
Quantity...Size (in.) 1...20 x 25 x 1
1...16 x 25 x 1
RETURN-AIR FILTERS Throwaway
Quantity...Size (in.) 4...16 x 20 x 2 4...20 x 20 x 2 4...20 x 20 x 2 4...20 x 20 x 2
Bhp — Brake Horsepower
581B036-150

87
BASE UNIT DIMENSIONS — 581B036-072
a48-8199
581B036-150

88
BASE UNIT DIMENSIONS — 581B090-150
UNIT
581B
STD UNIT
WEIGHT
ECONOMI$ER IV
WEIGHT
VERT. ECON IV
W/P.E. WEIGHT
(A)
CORNER WEIGHT
(B)
CORNER WEIGHT
(C)
CORNER WEIGHT
(D)
CORNER WEIGHT “H” “J” “K” “L”
Lb Kg Lb Kg Lb Kg Lb Kg Lb Kg Lb Kg Lb Kg ft-in. mm ft-in. mm ft-in. mm ft-in. mm
090 870 395 75 34.1 145 65.9 189 86 161 73 239 109 280 127 2-07/8632 3-55/16 1050 2-911/16 856 2- 27/16 672
102 1015 460 75 34.1 145 65.9 223 101 188 85 279 126 327 148 1-27/8378 4-15/16 1253 3-03/8924 2-107/16 875
120 1035 469 75 34.1 145 65.9 225 102 192 87 285 129 333 151 1-27/8378 4-15/16 1253 3-03/8924 2-107/16 875
150 1050 476 75 34.1 145 65.9 228 103 195 88 289 131 338 153 1-27/8378 4-15/16 1253 3-03/8924 2-107/16 875
a48-8200
581B036-150

89
ACCESSORY DIMENSIONS — 581B036-072
a48-8201
581B036-150

90
ACCESSORY DIMENSIONS — 581B090-150
a48-8202
581B036-150

91
SELECTION PROCEDURE (With 581B048 Example)
I DETERMINE COOLING AND HEATING REQUIRE-
MENTS AT DESIGN CONDITIONS.
Given:
Required Cooling Capacity (TC) . . . . . . . . . . 44,600 Btuh
Sensible Heat Capacity (SHC). . . . . . . . . . . . 32,000 Btuh
Required Heating Capacity . . . . . . . . . . . . . . 85,000 Btuh
Condenser Entering-Air Temperature . . . . . . . . . . . . 95 F
Evaporator Entering-Air Temperature . . . . . . . . .82 F edb,
67 F ewb
Evaporator Air Quantity . . . . . . . . . . . . . . . . . . . .1600 cfm
External Static Pressure (ESP) . . . . . . . . . . . . 0.75 in. wg
Electrical Characteristics (V-Ph-Hz). . . . . . . . . . . 230-1-60
II SELECT UNIT BASED ON REQUIRED COOLING
CAPACITY.
Enter the Cooling Capacities table (page 92) at condenser
entering temperature of 95 F, evaporator-air entering at
1600 cfm and 80 F db and 67 F wb. The 581B--048115
unit will provide cooling capacity of 48,900 Btuh and a
sensible heat capacity of 34,700 Btuh. For evaporator-air
temperature other than 80 F edb, calculate sensible heat
capacity correction, as required, using the formula found in
Note 3 following the Cooling Capacities tables.
For this example:
Correction factor = 1.10 x (1 – .21) x (82 – 80) = 1.738
Multiply the correction factor of 1.738 by 1600 cfm (a total
of 2781). From the Gross Cooling Capacities tables find
that the sensible heat capacity at 80 F is 34.7 MBtuh
(equivalent to 34,700 Btuh). Add 34,700 and 2781 to get
the corrected sensible heat capacity of 37,481.
NOTE: Unit ratings are gross capacities and do not
include the effect of evaporator-fan motor heat. To calcu-
late net capacities, see Step V.
III SELECT HEATING CAPACITY OF UNIT TO PROVIDE
DESIGN CONDITION REQUIREMENTS.
In the Heating Capacities and Efficiencies table (page 10)
note that unit 581B--048115 will provide output capacity of
93,150 Btuh, which is adequate for the given application.
IV DETERMINE FAN SPEED AND POWER REQUIRE-
MENTS AT DESIGN CONDITIONS.
Before entering the Fan Performance tables, calculate the
total static pressure required based on unit components.
From the given and the Pressure Drop tables (page 128),
find:
External static pressure .75 in. wg
Total static pressure = .75 in. wg
Enter the Fan Performance table for 581B--048115 vertical
discharge unit on page 104. At 1600 cfm and 0.75 in. wg
interpolation is required. The rpm is 1051. The bhp is 0.90.
The watts are 897. The factory-installed standard motor
and drive are sufficient for operation.
V DETERMINE NET COOLING CAPACITY.
Cooling capacities are gross and do not include indoor-fan
motor (IFM) heat. Determine net capacity using the follow-
ing formula:
Net capacity = gross capacity – IFM heat
= 48,900 Btuh – 897 Watts
(3.413 Btuh )
Watts
= 48,900 Btuh – 3061 Btuh
Net capacity = 45,839 Btuh
Net sensible capacity = 37,481 Btuh – 3061 Btuh
= 34,420 Btuh
581B036-150

92
PERFORMANCE DATA
COOLING CAPACITIES, STANDARD UNITS
Standard Ratings
LEGEND
NOTES:
1. Direct interpolation is permissible. Do not extrapolate.
2. The following formulas may be used:
Where: hewb = Enthalpy of air entering evaporator coil.
3. The SHC is based on 80 F edb temperature of air entering evaporator coil.
Below 80 F edb, subtract (corr factor x cfm) from SHC.
Above 80 F edb, add (corr factor x cfm) to SHC.
Correction Factor = 1.10 x (1 – BF) x (edb – 80).
581B036 (3 TONS)
Temp (F)
Air Ent
Condenser
(Edb)
Air Entering Evaporator — Cfm/BF
900/0.14 1200/0.17 1500/0.20
Air Entering Evaporator — Ewb
72 67 62 72 67 62 72 67 62
75
TC 41.9 38.7 35.7 43.5 40.8 37.7 44.8 41.8 39.0
SHC 20.4 25.2 29.7 21.8 28.2 33.8 23.3 30.7 37.0
kW 2.19 2.16 2.12 2.21 2.18 2.15 2.23 2.19 2.16
85
TC 40.7 37.5 34.5 42.1 39.3 36.4 43.5 40.4 37.6
SHC 19.9 24.7 29.2 21.5 27.7 33.2 23.2 30.3 36.4
kW 2.46 2.42 2.39 2.47 2.44 2.41 2.50 2.45 2.42
95
TC 39.3 36.1 33.1 40.8 37.8 34.9 42.0 38.9 36.1
SHC 19.5 24.1 28.4 21.1 27.2 32.5 22.8 29.9 35.6
kW 2.75 2.71 2.66 2.77 2.73 2.69 2.79 2.74 2.71
105
TC 37.7 34.6 31.7 39.3 36.2 33.4 40.1 37.2 34.7
SHC 18.8 23.5 27.8 20.7 26.6 31.8 22.1 29.3 34.7
kW 3.06 3.02 2.98 3.09 3.04 3.01 3.10 3.06 3.03
115
TC 36.0 33.0 29.7 37.4 34.5 31.5 38.1 35.5 33.2
SHC 18.3 22.9 26.7 19.9 26.1 30.9 21.3 28.7 33.2
kW 3.41 3.36 3.31 3.43 3.39 3.34 3.44 3.41 3.37
125
TC 34.2 31.3 27.8 35.6 32.7 29.4 36.3 33.6 31.9
SHC 17.6 22.2 25.8 19.4 25.4 29.4 20.8 28.0 31.8
kW 3.78 3.73 3.66 3.80 3.76 3.71 3.81 3.78 3.75
581B048 (4 TONS)
Temp (F)
Air Ent
Condenser
(Edb)
Air Entering Evaporator — Cfm/BF
1200/0.17 1450/0.19 1600/0.21 2000/0.24
Air Entering Evaporator — Ewb (F)
72 67 62 72 67 62 72 67 62 72 67 62
75
TC 54.0 50.7 44.2 55.9 52.2 47.7 56.4 52.8 49.1 58.1 54.5 50.6
SHC 26.1 32.7 37.5 27.6 35.1 41.8 28.2 36.2 43.8 30.2 39.5 47.5
kW 2.81 2.80 2.76 2.83 2.81 2.78 2.83 2.80 2.79 2.84 2.82 2.79
85
TC 52.2 48.9 41.9 54.1 50.4 45.9 54.5 51.0 47.2 55.3 52.3 48.7
SHC 25.4 32.0 36.4 26.9 34.5 40.8 27.5 35.7 42.8 28.6 38.5 46.6
kW 3.20 3.19 3.15 3.22 3.20 3.17 3.22 3.20 3.18 3.22 3.20 3.18
95
TC 50.7 46.9 39.5 51.9 48.4 43.5 52.5 48.9 45.2 53.9 50.1 46.7
SHC 24.9 31.1 35.0 26.1 33.6 39.6 26.8 34.7 41.8 28.8 37.5 45.6
kW 3.64 3.61 3.57 3.65 3.62 3.60 3.65 3.62 3.60 3.67 3.63 3.61
105
TC 48.8 44.5 36.7 49.8 46.2 40.7 50.2 46.7 42.1 51.5 48.2 44.7
SHC 24.3 30.2 33.6 25.3 32.8 38.2 26.0 33.9 40.3 27.9 37.4 44.4
kW 4.12 4.09 4.03 4.12 4.09 4.06 4.12 4.09 4.07 4.14 4.11 4.08
115
TC 46.5 41.1 34.3 47.7 43.3 37.0 48.0 44.4 38.5 48.9 45.7 42.0
SHC 23.4 28.9 32.4 24.9 31.8 36.3 25.4 33.4 38.3 27.1 36.9 42.0
kW 4.64 4.59 4.53 4.65 4.62 4.55 4.64 4.63 4.56 4.65 4.63 4.60
125
TC 43.8 37.5 32.4 45.1 39.0 33.8 45.3 40.1 35.4 46.3 42.6 38.8
SHC 22.5 27.4 31.5 24.1 30.2 33.7 24.7 31.9 35.4 26.5 35.9 38.8
kW 5.19 5.13 5.05 5.20 5.15 5.09 5.19 5.17 5.11 5.20 5.19 5.15
581B060 (5 TONS)
Temp (F)
Air Ent
Condenser
(Edb)
Air Entering Evaporator — Cfm/BF
1500/0.08 1750/0.09 2000/0.11 2500/0.13
Air Entering Evaporator — Ewb (F)
72 67 62 72 67 62 72 67 62 72 67 62
75
TC 70.8 65.4 58.5 72.5 67.3 61.1 73.0 68.4 62.8 74.8 70.3 64.8
SHC 34.1 42.7 49.9 35.7 45.5 54.2 36.8 48.0 57.8 39.6 53.0 63.4
kW 3.53 3.49 3.44 3.55 3.50 3.46 3.55 3.51 3.47 3.57 3.54 3.48
85
TC 68.9 63.2 55.3 70.5 65.1 57.9 72.2 66.4 60.2 73.2 68.1 62.9
SHC 33.5 41.8 48.4 35.0 44.8 52.8 37.0 47.6 56.8 39.3 52.5 62.4
kW 3.98 3.94 3.87 4.00 3.96 3.90 4.03 3.97 3.92 4.04 3.99 3.94
95
TC 66.8 60.6 52.4 68.3 62.5 54.3 69.3 63.8 56.6 71.2 65.6 60.6
SHC 32.8 40.7 47.0 34.5 43.8 51.1 36.0 46.7 55.0 39.1 51.8 60.5
kW 4.48 4.43 4.35 4.50 4.45 4.37 4.51 4.46 4.40 4.55 4.48 4.44
105
TC 64.3 57.7 49.9 65.9 59.8 51.7 66.9 61.1 54.1 68.4 62.8 58.4
SHC 32.0 39.6 45.8 33.7 42.8 49.7 35.3 45.7 53.5 38.4 51.0 58.4
kW 5.03 4.96 4.87 5.05 4.99 4.90 5.06 5.00 4.93 5.08 5.02 4.98
115
TC 61.5 54.8 47.3 62.8 56.7 49.1 64.0 58.2 51.6 65.4 59.9 56.1
SHC 31.0 38.4 44.5 32.5 41.6 48.2 34.4 44.6 51.6 37.4 50.0 56.1
kW 5.61 5.55 5.46 5.62 5.58 5.49 5.65 5.60 5.52 5.67 5.61 5.57
125
TC 58.7 51.6 44.5 59.9 53.4 46.2 60.8 54.9 49.0 62.2 56.8 53.5
SHC 30.0 37.2 43.1 31.7 40.4 46.2 33.3 43.4 48.9 36.4 48.9 53.4
kW 6.27 6.19 6.09 6.28 6.21 6.13 6.29 6.24 6.17 6.31 6.27 6.22
BF — Bypass Factor
Edb — Entering Dry Bulb
Ewb — Entering Wet Bulb
kW — Compressor Motor Power Input
SHC — Sensible Heat Capacity (1000 Btuh) Gross
TC — Total Capacity (1000 Btuh) Gross
tldb =t
edb –sensible capacity (Btuh)
1.10 x cfm
tlwb = Wet-bulb temperature corresponding to enthalpy of air leaving
evaporator coil (hlwb)
hlwb =h
ewb –total capacity (Btuh)
4.5 x cfm
581B036-150

93
PERFORMANCE DATA (cont)
COOLING CAPACITIES, STANDARD UNITS (cont)
Standard Ratings
LEGEND
NOTES:
1. Direct interpolation is permissible. Do not extrapolate.
2. The following formulas may be used:
Where: hewb = Enthalpy of air entering evaporator coil.
3. The SHC is based on 80 F edb temperature of air entering evaporator coil.
Below 80 F edb, subtract (corr factor x cfm) from SHC.
Above 80 F edb, add (corr factor x cfm) to SHC.
Correction Factor = 1.10 x (1 – BF) x (edb – 80).
581B072 (6 TONS)
Temp (F)
Air Ent
Condenser
(Edb)
Air Entering Evaporator — Cfm/BF
1800/0.05 2100/0.06 2400/0.06 3000/0.08
Air Entering Evaporator — Ewb (F)
72 67 62 72 67 62 72 67 62 72 67 62
75
TC 86.7 80.7 74.4 88.8 82.7 76.6 90.5 84.4 78.2 92.6 86.3 81.0
SHC 43.0 53.7 63.8 45.0 57.4 68.9 47.2 61.2 73.6 51.2 67.4 80.7
kW 4.58 4.46 4.33 4.63 4.50 4.38 4.67 4.55 4.41 4.72 4.58 4.47
85
TC 84.1 78.2 72.0 86.4 80.3 74.1 88.2 81.7 75.7 90.2 84.0 78.8
SHC 42.0 52.6 62.7 44.5 56.6 68.0 46.8 60.2 72.5 50.6 67.4 78.7
kW 5.10 4.97 4.85 5.16 5.03 4.90 5.21 5.06 4.93 5.26 5.12 4.99
95
TC 81.3 75.3 69.2 83.4 77.3 71.3 85.1 78.9 72.9 87.2 80.6 76.2
SHC 41.0 51.4 61.4 43.4 55.3 66.6 45.8 59.2 71.2 50.2 65.8 76.2
kW 5.65 5.52 5.39 5.71 5.57 5.44 5.77 5.62 5.48 5.83 5.66 5.55
105
TC 77.9 72.0 66.1 80.0 73.8 68.0 81.6 75.3 69.6 83.4 77.1 73.2
SHC 39.7 50.2 60.0 42.2 54.0 65.2 44.6 57.8 69.3 49.0 64.5 73.2
kW 6.22 6.08 5.94 6.29 6.13 6.00 6.34 6.17 6.04 6.40 6.22 6.12
115
TC 74.7 68.4 61.8 75.9 70.0 64.1 77.6 71.3 66.5 78.7 73.0 70.1
SHC 38.7 48.8 58.1 40.8 52.6 63.2 43.3 56.4 66.4 46.9 63.2 70.0
kW 6.84 6.68 6.49 6.87 6.71 6.56 6.93 6.75 6.63 6.96 6.80 6.72
125
TC 70.3 63.6 57.2 71.8 65.5 59.1 72.9 66.8 61.9 74.0 68.6 66.4
SHC 37.2 47.0 55.8 39.5 51.0 59.1 41.7 55.0 61.9 45.4 61.8 66.3
kW 7.43 7.25 7.03 7.48 7.30 7.13 7.51 7.35 7.22 7.54 7.41 7.33
581B090 (71/2 TONS)
Temp (F)
Air Ent
Condenser
(Edb)
Air Entering Evaporator — Cfm/BF
2250/0.10 3000/0.11 3750/0.14
Air Entering Evaporator — Ewb (F)
72 67 62 72 67 62 72 67 62
75
TC 105.5 96.9 87.6 107.3 99.6 90.7 110.3 101.9 93.8
SHC 50.6 63.6 75.7 53.3 69.2 83.7 58.0 76.6 92.2
kW 5.15 5.07 5.04 5.16 5.11 5.06 5.20 5.13 5.07
85
TC 102.5 93.6 83.6 105.1 96.5 87.5 107.7 99.0 90.6
SHC 49.7 62.4 73.9 52.8 68.4 82.2 57.3 75.9 90.0
kW 5.86 5.79 5.73 5.89 5.82 5.77 5.93 5.86 5.78
95
TC 98.9 90.1 79.3 101.6 92.9 83.5 103.8 95.3 87.4
SHC 48.5 61.2 71.9 51.9 67.2 80.2 56.2 74.9 87.3
kW 6.65 6.58 6.49 6.69 6.61 6.53 6.72 6.64 6.57
105
TC 95.3 86.2 75.7 97.6 88.8 79.6 100.0 91.0 84.1
SHC 47.3 59.6 70.2 50.7 65.9 78.0 55.3 73.6 84.1
kW 7.51 7.44 7.31 7.55 7.48 7.36 7.59 7.50 7.41
115
TC 91.0 82.0 71.6 93.2 84.5 75.4 95.6 86.6 80.7
SHC 45.9 58.0 68.1 49.3 64.2 75.3 54.2 72.1 80.7
kW 8.43 8.33 8.20 8.46 8.37 8.27 8.52 8.42 8.34
125
TC 86.2 77.8 68.1 88.3 80.0 71.9 90.0 81.9 77.2
SHC 44.1 56.4 66.3 47.5 62.6 71.8 52.1 70.1 77.2
kW 9.38 9.29 9.14 9.43 9.34 9.24 9.47 9.38 9.32
581B102 (81/2 TONS)
Temp (F)
Air Ent
Condenser
(Edb)
Air Entering Evaporator — Cfm/BF
2550/0.11 3000/0.12 3400/0.13 4250/0.17
Air Entering Evaporator — Ewb (F)
57 62 67 72 57 62 67 57 62 67 72 57 62 67 72 57
75
TC 94.6 101.0 110.0 119.2 100.4 104.4 113.4 121.8 104.2 106.8 115.8 123.4 109.8 111.0 119.0 125.8
SHC 94.6 84.4 69.4 54.4 100.4 92.4 75.0 57.2 104.2 99.0 80.0 59.8 109.8 110.4 89.4 64.2
kW 5.72 5.76 5.76 5.82 5.74 5.76 5.80 5.86 5.74 5.76 5.82 5.88 5.76 5.78 5.84 5.90
85
TC 91.0 97.4 106.8 115.8 97.4 101.0 110.0 119.6 101.2 103.0 112.0 121.6 108.0 108.0 116.0 123.4
SHC 91.0 83.0 68.8 53.2 97.4 91.2 74.2 57.0 101.2 97.6 78.8 59.6 108.0 108.0 89.4 64.2
kW 6.46 6.5 6.52 6.58 6.50 6.52 6.54 6.60 6.50 6.52 6.54 6.64 6.54 6.54 6.60 6.64
95
TC 85.2 91.4 103.0 112.8 93.4 96.6 106.2 116.0 98.2 99.2 108.4 117.8 104.6 104.6 111.6 121.2
SHC 85.2 80.4 67.2 52.6 93.4 89.4 73.0 55.8 98.2 96.2 78.2 58.8 104.6 104.6 88.0 64.6
kW 7.24 7.28 7.36 7.42 7.30 7.32 7.38 7.44 7.34 7.36 7.4 7.46 7.36 7.36 7.42 7.50
105
TC 80.0 82.2 98.6 108.6 87.0 87.8 101.6 111.8 93.4 93.6 103.8 114.0 101.0 100.8 106.8 116.6
SHC 80.0 76.6 65.6 51.2 87.0 85.6 71.6 54.8 93.4 93.2 76.6 57.8 101.0 100.8 86.8 63.6
kW 8.08 8.12 8.26 8.32 8.16 8.16 8.28 8.36 8.20 8.20 8.3 8.38 8.28 8.28 8.30 8.40
115
TC 73.6 74.6 89.4 103.4 81.0 81.2 95.2 106.4 86.2 86.2 98.4 108.4 96.4 96.4 101.6 111.8
SHC 73.6 73.0 62.2 49.6 81.0 81.2 69.4 53.0 86.2 86.2 75.0 56.4 96.4 96.4 85.4 62.8
kW 9.00 9.00 9.16 9.28 9.08 9.08 9.22 9.30 9.14 9.14 9.26 9.34 9.22 9.22 9.30 9.38
125
TC 68.6 68.6 80.2 98.2 74.4 74.4 84.0 101.0 79.2 79.2 86.8 102.8 88.0 88.0 93.8 105.6
SHC 68.6 68.6 59.0 48.0 74.4 74.4 65.4 51.6 79.2 79.2 71.0 54.6 88.0 88.0 82.8 61.0
kW 9.98 9.98 10.14 10.32 10.06 10.06 10.18 10.36 10.14 10.14 10.22 10.38 10.24 10.24 10.28 10.42
BF — Bypass Factor
Edb — Entering Dry Bulb
Ewb — Entering Wet Bulb
kW — Compressor Motor Power Input
SHC — Sensible Heat Capacity (1000 Btuh) Gross
TC — Total Capacity (1000 Btuh) Gross
tldb =t
edb –sensible capacity (Btuh)
1.10 x cfm
tlwb = Wet-bulb temperature corresponding to enthalpy of
air leaving evaporator coil (hlwb)
hlwb =h
ewb –total capacity (Btuh)
4.5 x cfm
581B036-150

94
PERFORMANCE DATA (cont)
COOLING CAPACITIES, STANDARD UNITS (cont)
Standard Ratings
LEGEND
NOTES:
1. Direct interpolation is permissible. Do not extrapolate.
2. The following formulas may be used:
Where: hewb = Enthalpy of air entering evaporator coil.
3. The SHC is based on 80 F edb temperature of air entering evaporator coil.
Below 80 F edb, subtract (corr factor x cfm) from SHC.
Above 80 F edb, add (corr factor x cfm) to SHC.
Correction Factor = 1.10 x (1 – BF) x (edb – 80).
581B120 (10 TONS)
Temp (F)
Air Ent
Condenser
(Edb)
Air Entering Evaporator — Cfm/BF
3000/0.03 3200/0.03 4000/0.04 5000/0.04
Air Entering Evaporator — Ewb
72 67 62 72 67 62 72 67 62 72 67 62
75
TC 140.3 129.4 115.0 141.2 130.4 118.1 145.2 134.0 122.1 147.5 136.6 125.3
SHC 65.6 82.2 97.4 66.7 84.4 101.5 71.3 93.1 113.5 77.9 103.7 124.7
kW 7.35 7.21 7.12 7.37 7.23 7.13 7.46 7.31 7.17 7.51 7.37 7.22
85
TC 137.7 125.3 110.0 138.9 126.6 113.6 142.6 130.6 117.7 144.6 133.3 122.3
SHC 65.0 81.2 95.2 66.3 83.6 99.7 71.0 92.8 112.0 76.9 103.1 122.2
kW 8.29 8.13 8.02 8.32 8.16 8.03 8.40 8.24 8.09 8.45 8.31 8.16
95
TC 133.8 120.7 103.0 135.1 121.9 107.2 138.8 125.8 112.8 141.7 128.5 118.5
SHC 63.979.692.265.282.0 97.0 70.6 91.5 109.7 76.9 102.5 118.4
kW 9.33 9.16 8.98 9.35 9.18 9.00 9.44 9.27 9.07 9.51 9.33 9.19
105
TC 128.7 115.4 96.5 129.8 116.6 99.7 133.7 120.3 107.1 136.7 122.8 114.5
SHC 62.3 77.6 89.4 63.6 80.2 93.5 69.4 89.6 106.8 76.0 100.6 114.3
kW 10.46 10.28 10.00 10.47 10.30 10.07 10.57 10.38 10.21 10.66 10.43 10.31
115
TC 123.2 109.1 90.8 124.3 110.3 92.2 127.9 114.4 100.8 130.9 116.8 110.1
SHC 60.4 75.1 86.6 61.9 77.8 90.0 67.6 87.6 100.7 74.6 98.7 109.9
kW 11.66 11.47 11.20 11.68 11.51 11.25 11.77 11.60 11.41 11.89 11.66 11.58
125
TC 117.5 101.8 86.2 118.5 103.0 87.4 121.6 107.1 96.0 124.1 110.3 104.8
SHC 58.5 72.5 84.5 60.0 75.0 87.3 65.8 85.1 96.0 72.5 96.9 104.8
kW 12.99 12.77 12.50 13.02 12.81 12.55 13.10 12.92 12.74 13.19 13.01 12.91
581B150 (121/2 TONS)
Temp (F)
Air Ent
Condenser
(Edb)
Air Entering Evaporator — Cfm/BF
3750/0.08 4300/0.09 5000/0.11 6250/0.13
Air Entering Evaporator — Ewb
72 67 62 72 67 62 72 67 62 72 67 62
75
TC 167.1 154.3 142.0 169.8 157.7 144.8 173.5 160.6 148.4 176.5 164.5 153.3
SHC 82.5 103.5 123.6 85.8 109.7 132.0 90.3 117.7 141.9 98.2 130.7 153.1
kW 9.44 9.18 8.95 9.50 9.26 9.01 9.60 9.33 9.07 9.68 9.43 9.17
85
TC 162.3 149.3 135.6 165.1 152.5 139.5 168.8 155.3 143.5 172.1 159.2 149.3
SHC 80.9 101.4 120.9 84.4 107.9 129.9 89.6 115.8 139.8 97.6 129.3 149.1
kW 10.49 10.18 9.97 10.55 10.27 10.02 10.67 10.32 10.11 10.75 10.43 10.21
95
TC 156.5 143.7 126.3 159.6 146.8 131.3 162.3 149.8 136.5 166.5 153.2 144.5
SHC 79.1 99.5 116.5 83.0 106.1 126.0 87.6 114.2 135.8 95.8 127.7 144.4
kW 11.60 11.30 11.01 11.69 11.39 11.10 11.75 11.47 11.20 11.87 11.56 11.35
105
TC 150.0 136.2 115.7 153.0 139.3 120.9 155.6 142.5 138.5 158.8 145.9 138.8
SHC 76.5 96.7 111.2 80.8 103.5 120.0 85.7 112.3 128.4 93.6 125.9 138.7
kW 12.76 12.42 12.09 12.83 12.52 12.20 12.91 12.62 12.32 12.96 12.72 12.52
115
TC 141.8 122.2 104.4 144.3 126.1 110.8 147.7 129.4 118.9 150.7 135.2 130.1
SHC 73.6 91.2 104.2 77.9 98.5 110.8 83.4 107.3 118.4 91.8 121.9 129.9
kW 13.85 13.55 13.22 13.94 13.64 13.35 14.05 13.73 13.50 14.15 13.86 13.70
125
TC 132.5 108.6 93.9 134.8 111.4 100.7 137.6 114.4 106.6 140.3 122.9 120.1
SHC 70.9 85.7 93.8 74.8 92.9 100.7 80.2 101.4 106.5 89.0 116.3 120.1
kW 15.04 14.66 14.44 15.14 14.75 14.55 15.23 14.85 14.72 15.29 14.94 14.84
BF — Bypass Factor
Edb — Entering Dry Bulb
Ewb — Entering Wet Bulb
kW — Compressor Motor Power Input
SHC — Sensible Heat Capacity (1000 Btuh) Gross
TC — Total Capacity (1000 Btuh) Gross
tldb =t
edb –sensible capacity (Btuh)
1.10 x cfm
tlwb = Wet-bulb temperature corresponding to enthalpy of air leaving
evaporator coil (hlwb)
hlwb =h
ewb –total capacity (Btuh)
4.5 x cfm
581B036-150

95
PERFORMANCE DATA (cont)
COOLING CAPACITIES — UNITS WITH PERFECT HUMIDITY™ ADAPTIVE DEHUMIDIFICATION SYSTEM OPTION
LEGEND
NOTES:
1. Direct interpolation is permissible. Do not extrapolate.
2. The following formulas may be used:
Where: hewb = Enthalpy of air entering evaporator coil.
3. The SHC is based on 80 F edb temperature of air entering evapo-
rator coil.
Below 80 F edb, subtract (corr factor x cfm) from SHC.
Above 80 F edb, add (corr factor x cfm) to SHC.
Correction Factor = 1.10 x (1 – BF) x (edb – 80).
581B036 (3 TONS) — SUBCOOLING MODE
Temp (F)
Air Ent
Condenser
(Edb)
Air Entering Evaporator — Cfm/BF
900/0.14 1200/0.17 1500/0.20
Air Entering Evaporator — Ewb (F)
72 67 62 72 67 62 72 67 62
75
TC 41.3 37.3 34.3 43.5 39.2 35.9 45.5 41.6 38.2
SHC 17.5 22.4 26.7 19.6 25.5 31.2 21.5 28.5 35.2
kW 2.19 2.14 2.10 2.21 2.16 2.14 2.24 2.19 2.16
85
TC 38.6 34.4 31.6 41.3 37.5 33.3 43.5 38.6 35.5
SHC 15.2 20.1 25.1 17.1 23.2 29.0 18.9 26.3 32.9
kW 2.46 2.40 2.37 2.47 2.43 2.40 2.51 2.45 2.42
95
TC 35.9 31.4 28.8 39.2 35.9 30.6 41.3 35.7 32.9
SHC 13.0 17.9 23.3 14.5 21.1 26.9 16.1 24.2 30.6
kW 2.74 2.68 2.63 2.76 2.74 2.67 2.80 2.75 2.71
105
TC 33.8 29.7 27.4 36.3 32.2 28.7 38.1 32.8 30.4
SHC 10.9 15.8 21.0 12.5 18.9 24.6 14.0 21.7 28.1
kW 3.05 3.00 2.97 3.09 3.04 2.99 3.12 3.07 3.03
115
TC 31.8 28.0 25.5 33.2 28.7 26.5 34.9 30.0 27.9
SHC 9.0 13.7 18.4 10.3 16.8 22.3 11.9 19.3 25.2
kW 3.40 3.36 3.31 3.45 3.38 3.32 3.48 3.41 3.37
125
TC 28.7 26.3 23.4 29.7 25.5 22.9 31.3 27.1 25.5
SHC 6.9 12.2 17.3 7.9 14.5 20.6 9.2 17.3 22.3
kW 3.78 3.73 3.66 3.84 3.77 3.71 3.87 3.79 3.75
581B036 (3 TONS) — HOT GAS REHEAT MODE
Temp (F)
Air Ent
Condenser
(Edb)
Air Entering Evaporator — Ewb (F)
75 Dry Bulb
62.5 Wet Bulb
(50% Relative)
75 Dry Bulb
64 Wet Bulb
(55% Relative)
75 Dry Bulb
65.3 Wet Bulb
(60% Relative)
Air Entering Evaporator — Cfm
900 1200 1500 900 1200 1500 900 1200 1500
80
TC 12.83 15.84 18.20 13.24 16.31 18.73 13.58 16.72 19.18
SHC 4.06 5.69 6.98 2.21 3.83 5.12 .59 2.20 3.50
kW 2.12 2.12 2.12 2.13 2.13 2.13 2.14 2.14 2.14
75
TC 13.61 16.44 18.67 14.03 16.93 19.20 14.39 17.34 19.67
SHC 4.62 6.16 7.37 2.89 4.43 5.65 1.40 2.93 4.15
kW 2.11 2.11 2.11 2.12 2.12 2.12 2.14 2.14 2.14
70
TC 14.39 17.05 19.14 14.82 17.54 19.68 15.19 17.96 20.15
SHC 5.17 6.62 7.77 3.58 5.03 6.18 2.20 3.65 4.80
kW 2.10 2.10 2.10 2.12 2.12 2.12 2.13 2.13 2.13
60
TC 15.95 18.26 20.08 16.40 18.77 20.63 16.79 19.21 21.11
SHC 6.27 7.55 8.56 4.95 6.23 7.24 3.81 5.09 6.10
kW 2.09 2.09 2.09 2.11 2.11 2.11 2.12 2.12 2.12
50
TC 17.50 19.48 21.02 17.98 20.00 21.58 18.40 20.45 22.07
SHC 7.37 8.47 9.35 6.32 7.43 8.30 5.42 6.52 7.39
kW 2.07 2.07 2.07 2.10 2.10 2.10 2.12 2.12 2.12
40
TC 19.06 20.69 21.07 19.56 21.23 22.54 20.00 21.70 23.03
SHC 8.47 9.40 10.13 7.71 8.63 9.36 7.02 7.95 8.69
kW 2.06 2.06 2.06 2.08 2.08 2.08 2.11 2.11 2.11
BF — Bypass Factor
Edb — Entering Dry Bulb
Ewb — Entering Wet Bulb
kW — Compressor Motor Power Input
SHC — Sensible Heat Capacity (1000 Btuh) Gross
TC — Total Capacity (1000 Btuh) Gross
tldb =t
edb –sensible capacity (Btuh)
1.10 x cfm
tlwb = Wet-bulb temperature corresponding to enthalpy of air
leaving evaporator coil (hlwb)
hlwb =h
ewb –total capacity (Btuh)
4.5 x cfm
581B036-150

96
PERFORMANCE DATA (cont)
COOLING CAPACITIES — UNITS WITH PERFECT HUMIDITY™ ADAPTIVE DEHUMIDIFICATION SYSTEM OPTION (cont)
LEGEND
*Negative SHC value indicates that the air entering the coil is being
heated.
NOTES:
1. Direct interpolation is permissible. Do not extrapolate.
2. The following formulas may be used:
Where: hewb = Enthalpy of air entering evaporator coil.
3. The SHC is based on 80 F edb temperature of air entering evapo-
rator coil.
Below 80 F edb, subtract (corr factor x cfm) from SHC.
Above 80 F edb, add (corr factor x cfm) to SHC.
Correction Factor = 1.10 x (1 – BF) x (edb – 80).
581B048 (4 TONS) — SUBCOOLING MODE
Temp (F)
Air Ent
Condenser
(Edb)
Air Entering Evaporator — Cfm/BF
1200/0.17 1450/0.19 1600/0.21 2000/0.24
Air Entering Evaporator — Ewb (F)
72 67 62 72 67 62 72 67 62 72 67 62
75
TC 52.9 47.5 41.5 55.7 50.9 47.5 57.0 51.7 48.1 60.5 55.6 52.1
SHC 22.7 28.4 33.4 26.1 34.1 38.9 25.9 33.7 41.6 29.4 39.1 47.5
kW 2.87 2.86 2.82 2.89 2.87 2.84 2.89 2.86 2.85 2.90 2.88 2.85
85
TC 49.2 43.8 37.1 52.1 47.2 43.6 52.9 47.9 43.7 55.4 51.4 47.0
SHC 19.8 25.5 30.4 22.2 29.5 35.8 22.4 31.1 38.7 24.2 36.0 44.3
kW 3.26 3.25 3.21 3.28 3.26 3.23 3.28 3.26 3.24 3.28 3.26 3.24
95
TC 45.8 40.1 32.8 48.2 43.6 39.4 48.8 44.0 39.3 51.7 47.4 43.0
SHC 17.2 22.5 27.3 18.4 24.8 32.6 19.0 28.1 35.9 20.7 33.0 41.0
kW 3.71 3.68 3.64 3.72 3.69 3.67 3.72 3.69 3.67 3.74 3.70 3.68
105
TC 41.6 37.0 29.7 43.2 38.9 35.4 43.9 39.7 34.7 46.5 41.4 37.5
SHC 13.5 19.5 23.9 14.7 21.7 29.2 15.0 23.7 30.6 16.4 27.8 35.1
kW 4.20 4.17 4.11 4.20 4.17 4.14 4.20 4.17 4.15 4.22 4.19 4.16
115
TC 37.2 33.2 27.1 38.4 34.0 30.8 39.4 35.5 30.0 41.3 35.2 31.9
SHC 9.9 16.4 20.7 11.3 18.5 25.6 11.2 19.7 25.4 12.4 22.4 28.6
kW 4.73 4.68 4.62 4.74 4.71 4.64 4.73 4.72 4.65 4.74 4.72 4.69
125
TC 32.4 28.1 24.9 33.8 28.1 27.4 35.3 30.5 26.6 36.1 32.0 28.7
SHC 7.2 12.9 18.3 8.4 14.5 21.9 16.8 21.1 21.2 9.5 18.3 24.1
kW 5.29 5.23 5.15 5.30 5.25 5.19 5.29 5.27 5.21 5.30 5.29 5.25
581B048 (4 TONS) — HOT GAS REHEAT MODE*
Temp (F)
Air Ent
Condenser
(Edb)
Air Entering Evaporator — Ewb (F)
75 Dry Bulb
62.5 Wet Bulb
(50% Relative)
75 Dry Bulb
64 Wet Bulb
(55% Relative)
75 Dry Bulb
65.3 Wet Bulb
(60% Relative)
Air Entering Evaporator — Cfm
1200 1450 1600 1200 1450 1600 1200 1450 1600
80
TC 12.13 14.30 15.43 14.98 17.20 18.36 17.44 19.71 20.90
SHC 1.01 1.60 1.90 –0.18 0.41 0.72 –1.20 –0.61 –0.30
kW 2.76 2.76 2.76 2.75 2.75 2.75 2.74 2.74 2.74
75
TC 13.25 15.28 16.34 15.96 18.05 19.14 18.31 20.44 21.56
SHC 1.60 2.14 2.43 0.50 1.05 1.34 –0.45 0.11 0.40
kW 7.54 7.54 7.57 7.61 7.64 7.66 7.66 7.70 7.71
70
TC 14.37 16.27 17.26 16.94 18.90 19.92 19.17 21.17 22.22
SHC 2.18 2.69 2.96 1.17 1.69 1.96 0.30 0.82 1.10
kW 2.70 2.70 2.70 2.70 2.70 2.70 2.70 2.70 2.70
60
TC 16.60 18.24 19.10 18.91 20.60 21.48 20.91 22.64 23.54
SHC 3.35 3.79 4.03 2.52 2.97 3.21 1.80 2.25 2.50
kW 2.64 2.64 2.64 2.65 2.65 2.65 2.65 2.65 2.65
50
TC 18.83 20.22 20.94 20.87 22.30 23.04 22.65 24.10 24.86
SHC 4.51 4.89 5.09 3.86 4.25 4.45 3.30 3.69 3.89
kW 2.59 2.59 2.59 2.60 2.60 2.60 2.61 2.61 2.61
40
TC 21.06 22.19 22.78 22.84 24.00 24.61 24.38 25.57 26.19
SHC 5.68 5.99 6.16 5.21 5.53 5.69 4.80 5.12 5.29
kW 2.53 2.53 2.53 2.55 2.55 2.55 2.57 2.57 2.57
BF — Bypass Factor
Edb — Entering Dry Bulb
Ewb — Entering Wet Bulb
kW — Compressor Motor Power Input
SHC — Sensible Heat Capacity (1000 Btuh) Gross
TC — Total Capacity (1000 Btuh) Gross
tldb =t
edb –sensible capacity (Btuh)
1.10 x cfm
tlwb = Wet-bulb temperature corresponding to enthalpy of air
leaving evaporator coil (hlwb)
hlwb =h
ewb –total capacity (Btuh)
4.5 x cfm
581B036-150

97
PERFORMANCE DATA (cont)
COOLING CAPACITIES — UNITS WITH PERFECT HUMIDITY™ ADAPTIVE DEHUMIDIFICATION SYSTEM OPTION (cont)
LEGEND
*Negative SHC value indicates that the air entering the coil is being
heated.
NOTES:
1. Direct interpolation is permissible. Do not extrapolate.
2. The following formulas may be used:
Where: hewb = Enthalpy of air entering evaporator coil.
3. The SHC is based on 80 F edb temperature of air entering evapo-
rator coil.
Below 80 F edb, subtract (corr factor x cfm) from SHC.
Above 80 F edb, add (corr factor x cfm) to SHC.
Correction Factor = 1.10 x (1 – BF) x (edb – 80).
581B060 (5 TONS) — SUBCOOLING MODE
Temp (F)
Air Ent
Condenser
(Edb)
Air Entering Evaporator — Cfm/BF
1500/0.08 1750/0.09 2000/0.11 2500/0.13
Air Entering Evaporator — Ewb (F)
72 67 62 72 67 62 72 67 62 72 67 62
75 TC 69.9 62.7 56.2 74.7 67.3 61.0 78.5 71.2 64.8 81.7 75.5 69.3
SHC 29.0 36.9 43.9 31.7 40.5 51.2 34.5 44.2 55.4 37.8 52.0 62.8
kW 3.61 3.55 3.51 3.64 3.58 3.49 3.65 3.60 3.51 3.62 3.58 3.51
85 TC 65.9 59.1 51.7 70.6 63.2 56.3 75.5 66.8 60.7 78.1 70.8 65.1
SHC 25.3 34.0 41.9 27.5 37.6 48.0 30.7 41.6 52.0 33.8 47.4 58.0
kW 4.05 3.97 3.91 4.07 4.01 3.92 4.11 4.00 3.95 4.08 4.02 3.96
95 TC 61.9 55.2 47.7 66.5 58.8 51.3 70.4 61.9 55.7 74.2 65.9 60.6
SHC 21.6 31.1 40.0 23.5 34.5 44.6 26.0 38.6 47.9 30.0 42.8 52.6
kW 4.53 4.43 4.35 4.55 4.47 4.37 4.56 4.42 4.41 4.58 4.49 4.44
105 TC 57.7 51.1 44.9 61.8 54.5 47.7 65.1 57.2 50.8 68.4 60.3 56.1
SHC 18.1 27.8 35.7 20.0 31.2 40.1 22.1 34.3 43.5 26.1 38.9 48.5
kW 5.05 4.93 4.84 5.09 4.97 4.88 5.11 4.96 4.92 5.11 5.03 4.98
115 TC 53.4 47.2 42.0 56.6 50.0 44.2 59.6 52.5 46.2 62.6 54.9 51.6
SHC 14.7 24.6 31.5 16.5 27.8 35.7 18.2 30.0 39.0 22.1 34.9 44.3
kW 5.60 5.49 5.40 5.64 5.52 5.45 5.69 5.55 5.48 5.69 5.61 5.57
125 TC 48.7 42.0 36.9 51.3 45.0 39.0 54.1 46.8 40.9 56.9 49.2 45.9
SHC 10.9 19.6 28.0 12.5 22.2 31.5 13.5 24.0 34.0 16.5 28.0 38.8
kW 6.26 6.12 6.02 6.28 6.18 6.09 6.33 6.18 6.13 6.33 6.27 6.22
581B060 (5 TONS) — HOT GAS REHEAT MODE*
Temp (F)
Air Ent
Condenser
(Edb)
Air Entering Evaporator — Ewb (F)
75 Dry Bulb
62.5 Wet Bulb
(50% Relative)
75 Dry Bulb
64 Wet Bulb
(55% Relative)
75 Dry Bulb
65.3 Wet Bulb
(60% Relative)
Air Entering Evaporator — Cfm
1500 1750 2000 1500 1750 2000 1500 1750 2000
80
TC 17.67 19.23 20.59 17.51 19.09 20.48 17.37 18.98 20.39
SHC –0.39 0.07 0.46 –1.61 –1.15 –0.75 –2.67 –2.21 –1.80
kW 3.45 3.45 3.45 3.48 3.48 3.48 3.50 3.50 3.50
75
TC 18.55 20.03 21.32 18.45 19.95 21.27 18.36 19.89 21.23
SHC 0.28 0.71 1.09 –0.85 –0.42 –0.04 –1.83 –1.39 –1.01
kW 3.43 3.43 3.43 3.46 3.46 3.46 3.49 3.49 3.49
70
TC 19.44 20.83 22.06 19.39 20.81 22.06 19.35 20.80 22.07
SHC 0.95 1.36 1.71 –0.09 0.32 0.68 –0.99 –0.58 –0.22
kW 3.42 3.42 3.42 3.45 3.45 3.45 3.48 3.48 3.48
60
TC 21.20 22.44 23.53 21.27 22.54 23.65 21.33 22.62 23.75
SHC 2.30 2.65 2.95 1.44 1.80 2.11 0.70 1.06 1.37
kW 3.38 3.38 3.38 3.42 3.42 3.42 3.46 3.46 3.46
50
TC 22.96 24.05 25.00 23.15 24.26 25.23 23.31 24.43 25.42
SHC 3.64 3.94 4.20 2.97 3.27 3.53 2.39 2.69 2.96
kW 3.35 3.35 3.35 3.40 3.40 3.40 3.43 3.43 3.43
40
TC 24.73 25.66 26.48 25.03 25.98 26.81 25.28 26.25 27.10
SHC 4.99 5.23 5.45 4.50 4.75 4.96 4.07 4.32 4.54
kW 3.32 3.32 3.32 3.37 3.37 3.37 3.41 3.41 3.41
BF — Bypass Factor
Edb — Entering Dry Bulb
Ewb — Entering Wet Bulb
kW — Compressor Motor Power Input
SHC — Sensible Heat Capacity (1000 Btuh) Gross
TC — Total Capacity (1000 Btuh) Gross
tldb =t
edb –sensible capacity (Btuh)
1.10 x cfm
tlwb = Wet-bulb temperature corresponding to enthalpy of air
leaving evaporator coil (hlwb)
hlwb =h
ewb –total capacity (Btuh)
4.5 x cfm
581B036-150

98
PERFORMANCE DATA (cont)
COOLING CAPACITIES — UNITS WITH PERFECT HUMIDITY™ ADAPTIVE DEHUMIDIFICATION SYSTEM OPTION (cont)
LEGEND
*Negative SHC value indicates that the air entering the coil is being
heated.
NOTES:
1. Direct interpolation is permissible. Do not extrapolate.
2. The following formulas may be used:
Where: hewb = Enthalpy of air entering evaporator coil.
3. The SHC is based on 80 F edb temperature of air entering evapo-
rator coil.
Below 80 F edb, subtract (corr factor x cfm) from SHC.
Above 80 F edb, add (corr factor x cfm) to SHC.
Correction Factor = 1.10 x (1 – BF) x (edb – 80).
581B072 (6 TONS) — SUBCOOLING MODE
Temp (F)
Air Ent
Condenser
(Edb)
Air Entering Evaporator — Cfm/BF
1800/0.05 2100/0.06 2400/0.06 3000/0.08
Air Entering Evaporator — Ewb (F)
72 67 62 72 67 62 72 67 62 72 67 62
75 TC 82.6 75.6 68.5 84.9 78.0 70.9 85.9 79.5 73.5 89.1 82.7 77.0
SHC 36.0 44.8 55.4 37.5 49.1 59.7 38.8 51.1 64.0 41.8 58.1 70.2
kW 4.60 4.52 4.36 4.67 4.57 4.46 4.70 4.57 4.45 4.77 4.61 4.51
85 TC 78.2 71.6 64.5 80.9 73.4 65.8 82.0 74.4 67.9 85.8 78.2 72.3
SHC 31.4 41.2 51.7 33.0 44.7 55.8 34.7 47.4 60.1 37.6 54.3 66.7
kW 5.16 5.03 4.89 5.22 5.11 4.96 5.26 5.09 4.97 5.32 5.17 5.04
95 TC 73.8 67.4 60.2 76.3 68.3 60.5 77.5 69.3 62.3 82.0 72.8 67.5
SHC 27.0 37.6 47.9 28.2 40.0 51.6 30.2 43.7 56.2 33.6 49.2 62.9
kW 5.75 5.60 5.44 5.80 5.66 5.48 5.84 5.68 5.53 5.90 5.73 5.60
105 TC 68.4 62.6 55.9 71.4 64.3 56.2 72.1 64.6 58.3 75.7 67.0 62.4
SHC 22.3 33.5 43.5 23.4 36.5 48.0 25.4 38.4 50.2 29.1 45.2 56.2
kW 6.37 6.22 6.06 6.45 6.27 6.10 6.46 6.29 6.16 6.53 6.36 6.24
115 TC 63.4 57.8 50.7 66.0 60.1 51.5 66.4 59.6 54.5 68.8 60.8 57.5
SHC 18.1 29.5 38.9 18.8 32.9 44.1 20.7 33.3 43.8 24.3 41.4 49.7
kW 7.04 6.89 6.68 7.10 6.91 6.74 7.12 6.95 6.83 7.16 7.01 6.92
125 TC 55.5 49.6 45.8 58.4 52.4 46.1 57.6 52.1 49.5 59.2 52.8 53.1
SHC 15.3 24.0 35.2 15.7 27.5 39.0 17.5 27.5 38.4 20.9 34.6 44.4
kW 7.80 7.61 7.38 7.83 7.67 7.49 7.89 7.72 7.58 7.92 7.78 7.70
581B072 (6 TONS) — HOT GAS REHEAT MODE*
Temp (F)
Air Ent
Condenser
(Edb)
Air Entering Evaporator — Ewb (F)
75 Dry Bulb
62.5 Wet Bulb
(50% Relative)
75 Dry Bulb
64 Wet Bulb
(55% Relative)
75 Dry Bulb
65.3 Wet Bulb
(60% Relative)
Air Entering Evaporator — Cfm
1800 2100 2400 1800 2100 2400 1800 2100 2400
80
TC 27.41 28.12 28.75 27.25 27.98 28.62 27.12 27.86 28.51
SHC 5.74 7.61 9.25 1.68 3.52 5.14 –1.85 –0.03 1.58
kW 4.40 4.39 4.39 4.44 4.44 4.44 4.49 4.49 4.49
75
TC 27.98 28.66 29.24 27.89 28.58 29.18 27.81 28.52 29.13
SHC 5.73 7.48 9.02 1.92 3.65 5.18 –1.38 0.34 1.85
kW 4.45 4.45 4.45 4.50 4.50 4.50 4.55 4.55 4.55
70
TC 28.55 29.19 29.74 28.53 29.18 29.74 28.51 29.17 29.74
SHC 5.71 7.35 8.79 2.17 3.79 5.22 –0.91 0.70 2.12
kW 4.51 4.51 4.51 4.57 4.57 4.57 4.62 4.62 4.62
60
TC 29.70 30.25 30.74 29.80 30.37 30.86 29.89 30.47 30.97
SHC 5.67 7.09 8.34 2.65 4.06 5.29 0.04 1.43 2.65
kW 4.62 4.62 4.62 4.69 4.69 4.69 4.75 4.75 4.75
50
TC 30.84 31.32 31.73 31.07 31.56 31.98 31.27 31.77 32.20
SHC 5.63 6.83 7.89 3.14 4.33 5.37 0.98 2.15 3.19
kW 4.74 4.74 4.74 4.82 4.82 4.82 4.89 4.89 4.89
40
TC 31.99 32.38 32.73 32.35 32.75 33.12 32.66 33.07 33.43
SHC 5.60 6.57 7.43 3.63 4.59 5.44 1.92 2.88 3.72
kW 4.86 4.86 4.86 4.95 4.95 4.95 5.02 5.02 5.02
BF — Bypass Factor
Edb — Entering Dry Bulb
Ewb — Entering Wet Bulb
kW — Compressor Motor Power Input
SHC — Sensible Heat Capacity (1000 Btuh) Gross
TC — Total Capacity (1000 Btuh) Gross
tldb =t
edb –sensible capacity (Btuh)
1.10 x cfm
tlwb = Wet-bulb temperature corresponding to enthalpy of air
leaving evaporator coil (hlwb)
hlwb =h
ewb –total capacity (Btuh)
4.5 x cfm
581B036-150

99
PERFORMANCE DATA (cont)
COOLING CAPACITIES — UNITS WITH PERFECT HUMIDITY™ ADAPTIVE DEHUMIDIFICATION SYSTEM OPTION (cont)
LEGEND
*Negative SHC value indicates that the air entering the coil is being
heated.
NOTES:
1. Direct interpolation is permissible. Do not extrapolate.
2. The following formulas may be used:
Where: hewb = Enthalpy of air entering evaporator coil.
3. The SHC is based on 80 F edb temperature of air entering evapo-
rator coil.
Below 80 F edb, subtract (corr factor x cfm) from SHC.
Above 80 F edb, add (corr factor x cfm) to SHC.
Correction Factor = 1.10 x (1 – BF) x (edb – 80).
581B090 (71/2 TONS) — SUBCOOLING MODE
TEMP (F)
AIR ENT
CONDENSER
(Edb)
AIR ENTERING EVAPORATOR — Cfm/BF
2250/0.10 3000/0.11 3750/0.14
Air Entering Evaporator — Ewb (F)
72 67 62 72 67 62 72 67 62
75
TC 98.4 91.1 81.1 103.7 97.9 91.8 105.8 101.3 94.1
SHC 44.5 55.4 67.0 50.4 65.4 80.5 54.5 72.4 89.5
kW 5.05 4.96 4.87 5.09 5.04 4.97 5.16 5.04 4.99
85
TC 94.2 85.8 76.9 100.3 92.4 85.2 103.5 96.8 89.0
SHC 39.7 51.3 62.7 46.2 58.3 75.7 50.6 68.2 84.3
kW 5.74 5.65 5.55 5.81 5.75 5.64 5.89 5.74 5.70
95
TC 89.9 80.5 72.6 96.9 86.8 78.6 101.1 92.2 83.8
SHC 34.8 47.2 58.3 41.9 51.2 71.0 46.6 63.9 79.1
kW 6.42 6.33 6.22 6.52 6.45 6.31 6.62 6.43 6.40
105
TC 84.6 75.3 68.0 91.6 81.3 73.4 94.5 86.3 78.4
SHC 30.0 42.5 53.9 36.9 49.3 66.4 41.4 59.2 73.8
kW 7.26 7.16 7.05 7.36 7.25 7.15 7.46 7.29 7.23
115
TC 79.2 70.1 63.3 86.2 75.8 68.1 87.9 80.3 72.9
SHC 25.2 37.8 49.4 31.9 47.4 61.9 36.1 54.4 68.5
kW 8.10 7.99 7.87 8.20 8.05 7.98 8.30 8.14 8.05
125
TC 72.8 64.5 57.2 78.0 69.8 62.3 81.6 73.2 69.2
SHC 20.1 33.4 44.1 25.4 42.5 56.5 31.1 48.9 64.7
kW 9.10 8.94 8.83 9.23 9.05 8.95 9.26 9.10 8.99
581B090 (71/2 TONS) — HOT GAS REHEAT MODE*
Temp (F)
Air Ent
Condenser
(Edb)
Air Entering Evaporator — Ewb (F)
75 Dry Bulb
62.5 Wet Bulb
(50% Relative)
75 Dry Bulb
64 Wet Bulb
(55% Relative)
75 Dry Bulb
65.3 Wet Bulb
(60% Relative)
Air Entering Evaporator — Cfm
2250 3000 3750 2250 3000 3750 2250 3000 3750
80
TC 37.74 40.54 42.68 38.48 41.35 43.55 39.12 42.05 44.29
SHC 10.67 15.63 19.63 5.01 9.84 13.74 0.10 4.82 8.63
kW 4.92 4.92 4.92 4.97 4.97 4.97 5.01 5.01 5.01
75
TC 37.34 39.95 41.95 38.08 40.75 42.81 38.72 41.45 43.55
SHC 9.83 14.48 18.24 4.52 9.05 12.70 –0.09 4.34 7.91
kW 5.19 5.19 5.19 5.25 5.25 5.25 5.30 5.30 5.30
70
TC 36.93 39.36 41.22 37.67 40.16 42.07 38.31 40.85 42.80
SHC 8.99 13.33 16.84 4.02 8.26 11.67 –0.28 3.86 7.19
kW 5.46 5.46 5.46 5.52 5.52 5.52 5.58 5.58 5.58
60
TC 36.13 38.18 39.75 36.87 38.97 40.58 37.51 39.66 41.31
SHC 7.31 11.04 14.04 3.04 6.67 9.60 –0.66 2.89 5.75
kW 5.99 5.99 5.99 6.08 6.08 6.08 6.15 6.15 6.15
50
TC 35.32 37.00 38.29 36.06 37.78 39.10 36.75 38.46 39.81
SHC 5.63 8.74 11.25 2.06 5.09 7.53 –1.03 1.93 4.32
kW 6.52 6.52 6.52 6.63 6.63 6.63 6.73 6.73 6.73
40
TC 34.52 35.82 36.82 35.26 36.60 37.62 35.90 37.27 38.32
SHC 3.94 6.44 8.45 1.08 3.51 5.47 –1.41 0.97 2.88
kW 7.05 7.05 7.05 7.18 7.18 7.18 7.30 7.30 7.30
BF — Bypass Factor
Edb — Entering Dry Bulb
Ewb — Entering Wet Bulb
kW — Compressor Motor Power Input
SHC — Sensible Heat Capacity (1000 Btuh) Gross
TC — Total Capacity (1000 Btuh) Gross
tldb =t
edb –sensible capacity (Btuh)
1.10 x cfm
tlwb = Wet-bulb temperature corresponding to enthalpy of air
leaving evaporator coil (hlwb)
hlwb =h
ewb –total capacity (Btuh)
4.5 x cfm
581B036-150

100
PERFORMANCE DATA (cont)
COOLING CAPACITIES — UNITS WITH PERFECT HUMIDITY™ ADAPTIVE DEHUMIDIFICATION SYSTEM OPTION (cont)
LEGEND
NOTES:
1. Direct interpolation is permissible. Do not extrapolate.
2. The following formulas may be used:
Where: hewb = Enthalpy of air entering evaporator coil.
3. The SHC is based on 80 F edb temperature of air entering evapo-
rator coil.
Below 80 F edb, subtract (corr factor x cfm) from SHC.
Above 80 F edb, add (corr factor x cfm) to SHC.
Correction Factor = 1.10 x (1 – BF) x (edb – 80).
581B102 (81/2 TONS) — SUBCOOLING MODE
Temp (F)
Air Ent
Condenser
(Edb)
Air Entering Evaporator — Cfm/BF
2550/0.08 3000/0.09 3400/0.11 4250/0.13
Air Entering Evaporator — Ewb (F)
72 67 62 72 67 62 72 67 62 72 67 62
75 TC 114.1 104.1 97.8 116.3 108.5 103.4 117.6 111.9 108.0 122.2 118.9 111.4
SHC 49.8 64.2 81.2 52.6 70.8 89.0 55.4 76.9 95.4 62.0 87.0 107.2
kW 5.57 5.46 5.44 5.59 5.50 5.44 5.60 5.51 5.44 5.62 5.62 5.69
85 TC 107.3 98.4 92.6 111.0 101.8 98.0 113.0 104.2 102.0 117.1 111.4 106.1
SHC 42.2 58.3 76.0 47.1 64.5 83.5 51.2 70.2 89.2 57.3 81.2 101.2
kW 6.32 6.30 6.15 6.32 6.27 6.18 6.34 6.22 6.20 6.30 6.31 6.45
95 TC 101.9 92.4 86.8 105.3 95.5 92.8 107.4 97.7 96.5 112.1 103.7 100.3
SHC 35.4 51.9 70.3 40.1 58.5 77.9 44.9 64.9 83.7 52.1 74.0 94.8
kW 7.06 7.13 6.93 7.06 7.06 6.95 7.06 6.99 6.98 7.01 7.04 7.17
105 TC 94.5 85.4 77.0 97.6 88.3 82.4 99.9 90.6 88.0 104.1 96.1 94.0
SHC 29.7 45.7 63.2 33.9 52.2 70.1 38.0 58.3 75.7 44.4 67.6 88.5
kW 7.99 8.00 7.81 8.01 7.97 7.85 8.02 7.94 7.89 7.96 7.96 8.08
115 TC 86.4 75.0 68.3 89.3 80.2 74.1 91.4 83.2 78.4 96.5 88.4 87.1
SHC 24.0 38.7 56.4 27.4 45.6 62.9 31.1 51.9 67.0 37.0 60.8 81.8
kW 8.91 8.83 8.66 8.93 8.86 8.76 8.97 8.86 8.84 8.91 8.93 8.90
125 TC 78.6 65.5 60.2 81.3 68.9 64.7 83.3 71.6 68.2 88.5 78.8 78.9
SHC 18.3 32.0 48.8 21.2 38.0 53.5 24.1 44.1 57.5 29.4 53.3 73.8
kW 9.81 9.65 9.53 9.86 9.68 9.64 9.89 9.71 9.75 9.90 9.72 9.88
581B102 (81/2 TONS) — HOT GAS REHEAT MODE
Temp (F)
Air Ent
Condenser
(Edb)
Air Entering Evaporator — Ewb (F)
75 Dry Bulb
62.5 Wet Bulb
(50% Relative)
75 Dry Bulb
64 Wet Bulb
(55% Relative)
75 Dry Bulb
65.3 Wet Bulb
(60% Relative)
Air Entering Evaporator — Cfm
2550 3000 3400 4250 2550 3000 3400 4250 2550 3000 3400 4250
80
TC 43.44 46.26 48.45 52.38 45.26 48.15 50.39 54.43 46.84 49.79 52.08 56.20
SHC 12.34 16.78 20.29 26.74 5.79 10.15 13.60 19.93 0.11 4.40 7.80 14.03
kW 6.31 6.31 6.31 6.31 6.05 6.05 6.05 6.05 5.83 5.83 5.83 5.83
75
TC 44.33 47.00 49.06 52.78 46.12 48.85 50.97 54.78 47.67 50.46 52.63 56.52
SHC 12.92 17.12 20.44 26.54 6.81 10.94 14.20 20.20 1.51 5.58 8.79 14.70
kW 6.38 6.38 6.8 6.38 6.15 6.15 6.15 6.15 5.95 5.95 5.95 5.95
70
TC 45.22 47.73 49.68 53.18 46.98 49.55 51.55 55.14 48.51 51.14 53.18 56.84
SHC 13.50 17.47 20.59 26.34 7.83 11.73 14.81 20.46 2.92 6.76 9.79 15.36
kW 6.46 6.46 6.46 6.46 6.25 6.25 6.25 6.25 6.07 6.07 6.07 6.07
60
TC 46.99 49.19 50.90 53.97 48.70 50.96 52.71 55.86 50.18 52.49 54.27 57.49
SHC 14.67 18.15 20.90 25.95 9.88 13.31 16.01 20.99 5.73 9.11 11.78 16.68
kW 6.60 6.60 6.60 6.60 6.45 6.45 6.45 6.45 6.32 6.32 6.32 6.32
50
TC 48.77 50.66 52.13 54.77 50.42 52.36 53.87 56.57 51.85 53.83 55.37 58.14
SHC 15.83 18.83 21.20 25.56 11.93 14.89 17.22 21.51 8.55 11.47 13.77 18.01
kW 6.74 6.74 6.74 6.74 6.64 6.64 6.64 6.64 6.56 6.56 6.56 6.56
40
TC 50.54 52.13 53.35 55.56 52.14 53.76 55.02 57.29 53.53 55.18 56.47 58.78
SHC 17.00 19.52 21.51 25.16 13.98 16.47 18.43 22.04 11.36 13.82 15.76 19.33
kW 6.88 6.88 6.88 6.88 6.84 6.84 6.84 6.84 6.81 6.81 6.81 6.81
BF — Bypass Factor
Edb — Entering Dry Bulb
Ewb — Entering Wet Bulb
kW — Compressor Motor Power Input
SHC — Sensible Heat Capacity (1000 Btuh) Gross
TC — Total Capacity (1000 Btuh) Gross
tldb =t
edb –sensible capacity (Btuh)
1.10 x cfm
tlwb = Wet-bulb temperature corresponding to enthalpy of air
leaving evaporator coil (hlwb)
hlwb =h
ewb –total capacity (Btuh)
4.5 x cfm
581B036-150

101
PERFORMANCE DATA (cont)
COOLING CAPACITIES — UNITS WITH PERFECT HUMIDITY™ ADAPTIVE DEHUMIDIFICATION SYSTEM OPTION (cont)
LEGEND
*Negative SHC value indicates that the air entering the coil is being heated.
NOTES:
1. Direct interpolation is permissible. Do not extrapolate.
2. The following formulas may be used:
Where: hewb = Enthalpy of air entering evaporator coil.
3. The SHC is based on 80 F edb temperature of air entering evaporator
coil.
Below 80 F edb, subtract (corr factor x cfm) from SHC.
Above 80 F edb, add (corr factor x cfm) to SHC.
Correction Factor = 1.10 x (1 – BF) x (edb – 80).
581B120 (10 TONS) — SUBCOOLING MODE
Temp (F)
Air Ent
Condenser
(Edb)
Air Entering Evaporator — Cfm/BF
3000/0.03 3200/0.03 4000/0.04 5000/0.04
Air Entering Evaporator — Ewb (F)
72 67 62 72 67 62 72 67 62 72 67 62
75 TC 134.3 122.5 111.4 135.8 124.3 113.0 138.4 129.5 123.5 143.3 136.5 130.2
SHC 60.0 76.1 93.7 61.3 79.1 97.4 68.0 89.5 109.4 75.2 100.9 123.3
kW 7.03 6.84 6.72 7.01 6.89 6.77 7.10 6.92 6.77 7.15 7.03 6.88
85 TC 127.6 115.4 104.6 128.9 118.1 107.0 132.5 121.5 116.6 137.2 128.0 122.9
SHC 51.5 68.8 87.2 53.9 72.0 91.2 61.0 82.7 102.4 68.6 93.6 115.9
kW 7.96 7.86 7.59 7.94 7.78 7.51 8.02 7.84 7.69 8.02 7.94 7.79
95 TC 120.9 108.3 97.8 121.9 111.8 101.0 126.5 113.4 109.7 131.1 119.4 115.5
SHC 43.0 61.5 80.6 46.5 64.8 84.9 53.9 75.9 95.4 62.0 86.2 108.4
kW 8.88 8.87 8.46 8.86 8.66 8.26 8.94 8.76 8.60 8.89 8.85 8.69
105 TC 112.0 99.9 90.4 113.1 103.2 93.4 117.2 105.0 100.7 122.1 110.5 105.9
SHC 36.1 54.1 73.8 38.8 57.8 78.9 45.6 68.2 86.8 53.0 78.3 99.7
kW 10.0 10.0 9.6 10.0 9.8 9.5 10.1 9.9 9.8 10.1 10.0 9.9
115 TC 103.0 91.5 83.1 104.3 94.6 85.9 107.8 96.7 91.7 113.0 101.6 96.4
SHC 29.2 46.7 66.9 31.2 50.7 72.9 37.3 60.6 78.3 44.0 70.3 90.9
kW 11.2 11.1 10.8 11.2 11.0 10.7 11.3 11.1 11.0 11.3 11.2 11.1
125 TC 94.1 83.1 75.7 95.5 86.0 78.3 98.5 88.3 82.7 104.0 92.7 86.8
SHC 22.3 39.3 60.1 23.5 43.7 66.8 29.0 52.9 69.7 35.0 62.4 82.2
kW 12.35 12.15 11.94 12.38 12.13 11.92 12.48 12.27 12.25 12.53 12.30 12.28
581B120 (10 TONS) — HOT GAS REHEAT MODE*
Temp (F)
Air Ent
Condenser
(Edb)
Air Entering Evaporator — Ewb (F)
75 Dry Bulb
62.5 Wet Bulb
(50% Relative)
75 Dry Bulb
64 Wet Bulb
(55% Relative)
75 Dry Bulb
65.3 Wet Bulb
(60% Relative)
Air Entering Evaporator — Cfm
3000 3200 4000 5000 3000 3200 4000 5000 3000 3200 4000 5000
80
TC 49.15 50.16 53.80 57.72 51.04 52.08 55.86 59.94 52.67 53.74 57.65 61.86
SHC 9.58 12.02 20.74 29.89 2.88 5.29 13.88 22.89 –2.92 -0.55 7.93 16.83
kW 7.39 7.38 7.38 7.37 7.45 7.45 7.44 7.43 7.50 7.50 7.49 7.49
75
TC 49.60 50.61 54.30 58.28 51.45 52.50 56.33 60.45 53.05 54.14 58.09 62.34
SHC 10.07 12.38 20.60 29.23 3.82 6.09 14.20 22.70 –1.60 0.64 8.65 17.05
kW 7.56 7.56 7.55 7.55 7.63 7.63 7.62 7.62 7.69 7.69 7.69 7.68
70
TC 50.04 51.07 54.81 58.83 51.86 52.92 56.80 60.96 53.43 54.53 58.52 62.82
SHC 10.56 12.73 20.47 28.58 4.75 6.89 14.52 22.52 –0.28 1.83 9.36 17.26
kW 7.73 7.73 7.72 7.72 7.81 7.81 7.81 7.80 7.89 7.88 7.88 7.87
60
TC 50.93 51.98 55.81 59.93 52.68 53.77 57.73 61.99 54.20 55.32 59.39 63.77
SHC 11.54 13.44 20.19 27.28 6.62 8.49 15.16 22.15 2.36 4.21 10.79 17.70
kW 8.07 8.07 8.07 8.06 8.18 8.18 8.17 8.17 8.27 8.27 8.26 8.26
50
TC 51.82 52.90 56.81 61.03 53.50 54.62 58.66 63.01 54.96 56.10 60.26 64.73
SHC 12.53 14.14 19.92 25.98 8.50 10.09 15.80 21.78 5.00 6.58 12.22 18.14
kW 8.42 8.42 8.41 8.41 8.54 8.54 8.54 8.54 8.66 8.65 8.65 8.65
40
TC 52.71 53.81 57.82 62.13 54.32 55.46 59.59 64.04 55.72 56.89 61.13 65.69
SHC 13.51 14.85 19.64 24.67 10.37 11.70 16.43 21.41 7.64 8.96 13.65 18.58
kW 8.76 8.76 8.76 8.75 8.91 8.91 8.91 8.90 9.04 9.04 9.04 9.03
BF — Bypass Factor
Edb — Entering Dry Bulb
Ewb — Entering Wet Bulb
kW — Compressor Motor Power Input
SHC — Sensible Heat Capacity (1000 Btuh) Gross
TC — Total Capacity (1000 Btuh) Gross
tldb =t
edb –sensible capacity (Btuh)
1.10 x cfm
tlwb = Wet-bulb temperature corresponding to enthalpy of air
leaving evaporator coil (hlwb)
hlwb =h
ewb –total capacity (Btuh)
4.5 x cfm
581B036-150

102
PERFORMANCE DATA (cont)
COOLING CAPACITIES — UNITS WITH PERFECT HUMIDITY™ ADAPTIVE DEHUMIDIFICATION SYSTEM OPTION (cont)
LEGEND
*Negative SHC value indicates that the air entering the coil is being
heated.
NOTES:
1. Direct interpolation is permissible. Do not extrapolate.
2. The following formulas may be used:
Where: hewb = Enthalpy of air entering evaporator coil.
3. The SHC is based on 80 F edb temperature of air entering evapo-
rator coil.
Below 80 F edb, subtract (corr factor x cfm) from SHC.
Above 80 F edb, add (corr factor x cfm) to SHC.
Correction Factor = 1.10 x (1 – BF) x (edb – 80).
581B150 (121/2 TONS) — SUBCOOLING MODE
Temp (F)
Air Ent
Condenser
(Edb)
Air Entering Evaporator — Cfm/BF
3750/0.08 4300/0.09 5000/0.11 6250/0.13
Air Entering Evaporator — Ewb (F)
72 67 62 72 67 62 72 67 62 72 67 62
75
TC 156.3 144.2 132.3 160.0 148.4 136.2 162.8 150.6 138.2 169.0 157.5 145.6
SHC 66.6 87.6 112.1 72.5 94.8 121.3 76.9 99.6 127.5 87.0 115.5 142.7
kW 9.28 8.98 8.59 9.35 9.08 8.80 9.40 9.18 8.9 9.43 9.18 8.93
85
TC 147.6 136.2 123.7 150.7 140.1 127.2 154.1 140.8 127.9 161.1 148.0 135.4
SHC 58.7 80.0 103.8 63.5 86.5 112.2 68.7 91.0 118.1 77.7 107.8 133.2
kW 10.29 9.93 9.58 10.36 10.08 9.77 10.40 10.34 10.03 10.45 10.18 9.88
95
TC 138.9 128.2 115.1 141.4 131.8 118.3 145.3 131.0 117.6 153.1 138.4 125.1
SHC 50.8 72.3 95.5 54.4 78.1 103.2 60.5 82.3 108.7 68.5 100.0 123.7
kW 11.29 10.87 10.57 11.37 11.08 10.74 11.40 11.50 11.1 11.46 11.17 10.83
105
TC 129.1 117.8 105.8 131.7 121.0 108.7 134.8 119.9 107.7 140.9 126.9 115.9
SHC 42.1 63.5 86.5 45.4 69.0 93.9 51.2 74.2 101.3 57.7 90.2 113.6
kW 12.59 12.14 11.82 12.67 12.34 11.96 12.70 12.67 12.28 12.79 12.46 12.08
115
TC 119.2 107.3 96.4 122.1 110.2 99.0 124.2 108.8 97.8 128.7 115.3 106.7
SHC 33.5 54.8 77.5 36.4 59.8 84.7 41.9 66.1 93.8 46.8 80.5 103.5
kW 13.90 13.40 13.08 13.98 13.59 13.18 14.00 13.83 13.41 14.11 13.75 13.33
125
TC 109.4 96.9 87.1 112.4 99.4 89.3 113.7 97.7 87.8 116.5 103.8 97.5
SHC 24.8 46.0 68.5 27.4 50.7 75.5 32.6 58.0 86.4 36.0 70.7 93.5
kW 15.20 14.67 14.33 15.28 14.85 14.40 15.30 15.00 14.54 15.44 15.04 14.58
581B150 (121/2 TONS) — HOT GAS REHEAT MODE*
Temp (F)
Air Ent
Condenser
(Edb)
Air Entering Evaporator — Ewb (F)
75 Dry Bulb
62.5 Wet Bulb
(50% Relative)
75 Dry Bulb
64 Wet Bulb
(55% Relative)
75 Dry Bulb
65.3 Wet Bulb
(60% Relative)
Air Entering Evaporator — Cfm
3750 4300 5000 6250 3750 4300 5000 6250 3750 4300 5000 6250
80
TC 43.54 45.21 47.05 49.78 45.46 47.16 49.05 51.85 47.11 48.86 50.78 53.64
SHC –4.36 0.76 6.50 15.20 –9.51 –4.35 1.45 10.22 –13.97 –8.77 –2.93 5.90
kW 8.70 8.70 8.70 8.70 8.82 8.82 8.82 8.82 8.92 8.92 8.92 8.92
75
TC 44.45 46.02 47.75 50.32 46.33 47.94 49.71 52.34 47.96 49.60 51.41 54.10
SHC –3.84 0.96 6.36 14.53 –8.66 –3.81 1.63 9.86 –12.84 –7.96 –2.48 5.82
kW 8.90 8.90 8.90 8.90 9.03 9.03 9.03 9.03 9.14 9.14 9.14 9.14
70
TC 45.36 46.82 48.45 50.86 47.20 48.71 50.37 52.84 48.80 50.34 52.04 54.55
SHC –3.32 1.17 6.21 13.85 –7.81 –3.28 1.80 9.50 –11.71 –7.14 –2.02 5.74
kW 9.10 9.10 9.10 9.10 9.24 9.24 9.24 9.24 9.36 9.36 9.36 9.36
60
TC 47.17 48.44 49.84 51.93 48.95 50.25 51.69 53.83 50.49 51.82 53.29 55.47
SHC –2.28 1.59 5.93 12.50 –6.12 –2.22 2.16 8.79 –9.45 –5.52 –1.11 5.57
kW 9.51 9.51 9.51 9.51 9.66 9.66 9.66 9.66 9.80 9.80 9.80 9.80
50
TC 48.98 50.05 51.24 53.00 50.70 51.80 53.01 54.82 52.18 53.31 54.55 56.39
SHC –1.24 2.00 5.64 11.15 –4.43 –1.15 2.52 8.07 –7.18 –3.89 –0.19 5.41
kW 9.91 9.91 9.91 9.91 10.09 10.09 10.09 10.09 10.24 10.24 10.24 10.24
40
TC 50.79 51.67 52.64 54.07 52.44 53.34 54.33 55.80 53.87 54.79 55.80 57.30
SHC –0.20 2.41 5.35 9.80 –2.73 –.019 2.87 7.36 –4.92 –2.26 0.72 5.24
kW 10.31 10.31 10.31 10.31 10.51 10.51 10.51 10.51 10.68 10.68 10.68 10.68
BF — Bypass Factor
Edb — Entering Dry Bulb
Ewb — Entering Wet Bulb
kW — Compressor Motor Power Input
SHC — Sensible Heat Capacity (1000 Btuh) Gross
TC — Total Capacity (1000 Btuh) Gross
tldb =t
edb –sensible capacity (Btuh)
1.10 x cfm
tlwb = Wet-bulb temperature corresponding to enthalpy of air
leaving evaporator coil (hlwb)
hlwb =h
ewb –total capacity (Btuh)
4.5 x cfm
581B036-150

103
PERFORMANCE DATA (cont)
FAN PERFORMANCE — VERTICAL DISCHARGE UNITS
LEGEND
*Motor drive range: 680 to 1044 rpm. All other rpms require field-
supplied drive.
Refer to this page for general Fan Performance Data notes.
NOTES:
1. Boldface indicates field-supplied drive is required.
2. Maximum continuous bhp is 1.20.
LEGEND
*Motor drive range: 1075 to 1455 rpm. All other rpms require field-
supplied drive.
Refer to this page for general Fan Performance Data notes.
NOTES:
1. Boldface indicates field-supplied drive is required.
2. Maximum continuous bhp is 2.40.
GENERAL NOTES FOR FAN PERFORMANCE DATA TABLES
1. Static pressure losses (i.e., EconoMi$er IV) must be added to
external static pressure before entering Fan Performance table.
2. Interpolation is permissible. Do not extrapolate.
3. Fan performance is based on wet coils, clean filters, and casing
losses. See Accessory/FIOP Static Pressure table on page 128.
4. Extensive motor and drive testing on these units ensures that the
full horsepower and watts range of the motor can be utilized with
confidence. Using the fan motors up to the watts or bhp rating
shown will not result in nuisance tripping or premature motor fail-
ure. Unit warranty will not be affected.
5. Use of a field-supplied motor may affect wire size. Contact your
Bryant representative for details.
581B036 (3 TONS) — STANDARD MOTOR (BELT DRIVE)*
Airflow
(Cfm)
External Static Pressure (in. wg)
0.2 0.4 0.6 0.8 1.0
Rpm Bhp Watts Rpm Bhp Watts Rpm Bhp Watts Rpm Bhp Watts Rpm Bhp Watts
900 567 0.15 145 688 0.22 222 786 0.30 296 871 0.37 368 947 0.44 437
1000 599 0.18 177 717 0.27 265 814 0.35 349 897 0.43 430 972 0.51 509
1100 632 0.22 215 747 0.31 313 842 0.41 407 925 0.50 498 999 0.59 587
1200 666 0.26 257 778 0.37 367 871 0.47 471 952 0.57 572 1025 0.67 670
1300 701 0.31 306 810 0.43 426 901 0.54 540 981 0.65 651 1053 0.76 760
1400 737 0.36 361 842 0.49 491 931 0.62 616 1010 0.74 738 1081 0.86 856
1500 773 0.42 422 875 0.57 564 963 0.70 699 1040 0.84 831 1110 0.96 960
581B036 (3 TONS) — STANDARD MOTOR (BELT DRIVE)* (cont)
Airflow
(Cfm)
External Static Pressure (in. wg)
1.2 1.4 1.6 1.8 2.0
Rpm Bhp Watts Rpm Bhp Watts Rpm Bhp Watts Rpm Bhp Watts Rpm Bhp Watts
900 1016 0.51 505 1080 0.57 572 1139 0.64 637 1195 0.71 702 1249 0.77 765
1000 1041 0.59 587 1104 0.67 662 1163 0.74 737 1219 0.81 811 1272 0.89 883
1100 1066 0.68 674 1129 0.76 759 1188 0.85 843 1243 0.93 925 1296 1.01 1007
1200 1093 0.77 767 1155 0.87 861 1213 0.96 955 1268 1.05 1047 1321 1.14 1137
1300 1119 0.87 866 1181 0.98 970 1239 1.08 1073 1294 1.18 1175 ———
1400 1147 0.98 972 1208 1.09 1086 —————————
1500 1175 1.09 1086 ————————————
Bhp — Brake Horsepower
Watts — Input Watts to Motor
581B048 (3 TONS) — HIGH-STATIC MOTOR (BELT DRIVE)*
Airflow
(Cfm)
External Static Pressure (in. wg)
0.2 0.4 0.6 0.8 1.0
Rpm Bhp Watts Rpm Bhp Watts Rpm Bhp Watts Rpm Bhp Watts Rpm Bhp Watts
900 567 0.15 145 688 0.22 222 786 0.30 296 871 0.37 368 947 0.44 437
1000 599 0.18 177 717 0.27 265 814 0.35 349 897 0.43 430 972 0.51 509
1100 632 0.22 215 747 0.31 313 842 0.41 407 925 0.50 498 999 0.59 587
1200 666 0.26 257 778 0.37 367 871 0.47 471 952 0.57 572 1025 0.67 670
1300 701 0.31 306 810 0.43 426 901 0.54 540 981 0.65 651 1053 0.76 760
1400 737 0.36 361 842 0.49 491 931 0.62 616 1010 0.74 738 1081 0.86 856
1500 773 0.42 422 875 0.57 564 963 0.70 699 1040 0.84 831 1110 0.96 960
581B048 (3 TONS) — HIGH-STATIC MOTOR (BELT DRIVE)* (cont)
Airflow
(Cfm)
External Static Pressure (in. wg)
1.2 1.4 1.6 1.8 2.0
Rpm Bhp Watts Rpm Bhp Watts Rpm Bhp Watts Rpm Bhp Watts Rpm Bhp Watts
900 1016 0.51 505 1080 0.57 572 1139 0.64 637 1195 0.71 702 1249 0.77 765
1000 1041 0.59 587 1104 0.67 662 1163 0.74 737 1219 0.81 811 1272 0.89 883
1100 1066 0.68 674 1129 0.76 759 1188 0.85 843 1243 0.93 925 1296 1.01 1007
1200 1093 0.77 767 1155 0.87 861 1213 0.96 955 1268 1.05 1047 1321 1.14 1137
1300 1119 0.87 866 1181 0.98 970 1239 1.08 1073 1294 1.18 1175 1346 1.28 1275
1400 1147 0.98 972 1208 1.09 1086 1265 1.21 1199 1320 1.32 1310 1371 1.43 1419
1500 1175 1.09 1086 1235 1.22 1209 1292 1.34 1332 1346 1.46 1452 1397 1.58 1572
Bhp — Brake Horsepower
Watts — Input Watts to Motor
581B036-150

104
PERFORMANCE DATA (cont)
FAN PERFORMANCE — VERTICAL DISCHARGE UNITS (cont)
LEGEND
*Motor drive range: 770 to 1185 rpm. All other rpms require field-
supplied drive.
Refer to page 103 for general Fan Performance Data notes.
NOTES:
1. Boldface indicates field-supplied drive is required.
2. Maximum continuous bhp is 1.20.
LEGEND
*Motor drive range: 1075 to 1455 rpm. All other rpms require field-
supplied drive.
Refer to page 103 for general Fan Performance Data notes.
NOTES:
1. Boldface indicates field-supplied drive is required.
2. Maximum continuous bhp is 2.40.
581B048 (4 TONS) — STANDARD MOTOR (BELT DRIVE)*
Airflow
(Cfm)
External Static Pressure (in. wg)
0.2 0.4 0.6 0.8 1.0
Rpm Bhp Watts Rpm Bhp Watts Rpm Bhp Watts Rpm Bhp Watts Rpm Bhp Watts
1200 666 0.26 257 778 0.37 367 871 0.47 471 952 0.57 572 1025 0.67 670
1300 701 0.31 306 810 0.43 426 901 0.54 540 981 0.65 651 1053 0.76 760
1400 737 0.36 361 842 0.49 491 931 0.62 616 1010 0.74 738 1081 0.86 856
1500 773 0.42 422 875 0.57 564 963 0.70 699 1040 0.84 831 1110 0.96 960
1600 810 0.49 491 909 0.65 643 994 0.79 790 1070 0.94 932 1140 1.08 1070
1700 847 0.57 567 943 0.73 730 1027 0.89 888 1101 1.05 1040 1170 1.20 1189
1800 885 0.66 652 978 0.83 826 1060 1.00 994 1133 1.16 1157 — — —
1900 923 0.75 745 1014 0.94 930 1093 1.11 1109 ——————
2000 962 0.85 847 1049 1.05 1043 —————————
581B048 (4 TONS) — STANDARD MOTOR (BELT DRIVE)* (cont)
Airflow
(Cfm)
External Static Pressure (in. wg)
1.2 1.4 1.6 1.8 2.0
Rpm Bhp Watts Rpm Bhp Watts Rpm Bhp Watts Rpm Bhp Watts Rpm Bhp Watts
1200 1093 0.77 767 1155 0.87 861 1213 0.96 955 1268 1.05 1047 1321 1.14 1137
1300 1119 0.87 866 1181 0.98 970 1239 1.08 1073 1294 1.18 1175 ———
1400 1147 0.98 972 1208 1.09 1086 —————————
1500 1175 1.09 1086 — — — —————————
1600 ———————————————
1700 ———————————————
1800 ———————————————
1900 ———————————————
2000 ———————————————
Bhp — Brake Horsepower
Watts — Input Watts to Motor
581B048 (4 TONS) — HIGH-STATIC MOTOR (BELT DRIVE)*
Airflow
(Cfm)
External Static Pressure (in. wg)
0.2 0.4 0.6 0.8 1.0
Rpm Bhp Watts Rpm Bhp Watts Rpm Bhp Watts Rpm Bhp Watts Rpm Bhp Watts
1200 666 0.26 257 778 0.37 367 871 0.47 471 952 0.57 572 1025 0.67 670
1300 701 0.31 306 810 0.43 426 901 0.54 540 981 0.65 651 1053 0.76 760
1400 737 0.36 361 842 0.49 491 931 0.62 616 1010 0.74 738 1081 0.86 856
1500 773 0.42 422 875 0.57 564 963 0.70 699 1040 0.84 831 1110 0.96 960
1600 810 0.49 491 909 0.65 643 994 0.79 790 1070 0.94 932 1140 1.08 1070
1700 847 0.57 567 943 0.73 730 1027 0.89 888 1101 1.05 1040 1170 1.20 1189
1800 885 0.66 652 978 0.83 826 1060 1.00 994 1133 1.16 1157 1200 1.32 1316
1900 923 0.75 745 1014 0.94 930 1093 1.11 1109 1165 1.29 1283 1231 1.46 1453
2000 962 0.85 847 1049 1.05 1043 1127 1.24 1233 1198 1.42 1417 1263 1.61 1598
581B048 (4 TONS) — HIGH-STATIC MOTOR (BELT DRIVE)* (cont)
Airflow
(Cfm)
External Static Pressure (in. wg)
1.2 1.4 1.6 1.8 2.0
Rpm Bhp Watts Rpm Bhp Watts Rpm Bhp Watts Rpm Bhp Watts Rpm Bhp Watts
1200 1093 0.77 767 1155 0.87 861 1213 0.96 955 1268 1.05 1047 1321 1.14 1137
1300 1119 0.87 866 1181 0.98 970 1239 1.08 1073 1294 1.18 1175 1346 1.28 1275
1400 1147 0.98 972 1208 1.09 1086 1265 1.21 1199 1320 1.32 1310 1371 1.43 1419
1500 1175 1.09 1086 1235 1.22 1209 1292 1.34 1332 1346 1.46 1452 1397 1.58 1572
1600 1204 1.21 1207 1263 1.35 1340 1320 1.48 1472 1373 1.61 1603 1424 1.74 1732
1700 1233 1.34 1336 1292 1.49 1480 1348 1.63 1622 1401 1.77 1762 1451 1.91 1901
1800 1262 1.48 1473 1321 1.64 1627 1376 1.79 1779 1428 1.94 1930 1479 2.09 2078
1900 1293 1.63 1620 1350 1.79 1784 1405 1.96 1946 1457 2.12 2106 1506 2.28 2265
2000 1323 1.79 1776 1380 1.96 1950 1434 2.13 2123 1486 2.31 2293 ———
Bhp — Brake Horsepower
Watts — Input Watts to Motor
581B036-150

105
PERFORMANCE DATA (cont)
FAN PERFORMANCE — VERTICAL DISCHARGE UNITS (cont)
LEGEND
*Motor drive range: 1035 to 1460 rpm. All other rpms require field-supplied drive.
Refer to page 103 for general Fan Performance Data notes.
NOTES:
1. Boldface indicates field-supplied drive is required.
2. Maximum continuous bhp is 1.30.
LEGEND
*Motor drive range: 1035 to 1460 rpm. All other rpms require field-supplied drive.
Refer to page 103 for general Fan Performance Data notes.
NOTES:
1. Boldface indicates field-supplied drive is required.
2. Maximum continuous bhp is 2.40.
581B060 (5 TONS) — STANDARD MOTOR (BELT DRIVE)* — SINGLE-PHASE UNITS
Airflow
(Cfm)
External Static Pressure (in. wg)
0.2 0.4 0.6 0.8 1.0
Rpm Bhp Watts Rpm Bhp Watts Rpm Bhp Watts Rpm Bhp Watts Rpm Bhp Watts
1500 848 0.42 371 968 0.55 486 1069 0.68 600 1158 0.80 715 1238 0.94 831
1600 887 0.49 433 1004 0.63 556 1103 0.76 678 1190 0.90 800 1269 1.04 922
1700 927 0.57 502 1040 0.71 633 1137 0.86 763 1223 1.00 892 1302 1.15 1022
1800 967 0.65 579 1077 0.81 718 1172 0.96 856 1257 1.12 993 1334 1.27 1130
1900 1007 0.75 663 1115 0.91 811 1208 1.08 957 1291 1.24 1101 — — —
2000 1048 0.85 757 1153 1.03 913 1244 1.20 1066 — — ————
2100 1090 0.97 859 1191 1.15 1023 —————————
2200 1131 1.09 970 1230 1.29 1143 —————————
2300 11731.231091————————————
2400 ———————————————
2500 ———————————————
581B060 (5 TONS) — STANDARD MOTOR (BELT DRIVE)* — SINGLE-PHASE UNITS (cont)
Airflow
(Cfm)
External Static Pressure (in. wg)
1.2 1.4 1.6 1.8 2.0
Rpm Bhp Watts Rpm Bhp Watts Rpm Bhp Watts Rpm Bhp Watts Rpm Bhp Watts
1500 1312 1.07 948 1380 1.20 1067 —————————
1600 13421.181047————————————
1700 13741.301153————————————
1800 ———————————————
1900 ———————————————
2000 ———————————————
2100 ———————————————
2200 ———————————————
2300 ———————————————
2400 ———————————————
2500 ———————————————
Bhp — Brake Horsepower
Watts — Input Watts to Motor
581B060 (5 TONS) — STANDARD MOTOR (BELT DRIVE)* — THREE-PHASE UNITS
Airflow
(Cfm)
External Static Pressure (in. wg)
0.2 0.4 0.6 0.8 1.0
Rpm Bhp Watts Rpm Bhp Watts Rpm Bhp Watts Rpm Bhp Watts Rpm Bhp Watts
1500 848 0.42 371 968 0.55 486 1069 0.68 600 1158 0.80 715 1238 0.94 831
1600 887 0.49 433 1004 0.63 556 1103 0.76 678 1190 0.90 800 1269 1.04 922
1700 927 0.57 502 1040 0.71 633 1137 0.86 763 1223 1.00 892 1302 1.15 1022
1800 967 0.65 579 1077 0.81 718 1172 0.96 856 1257 1.12 993 1334 1.27 1130
1900 1007 0.75 663 1115 0.91 811 1208 1.08 957 1291 1.24 1101 1368 1.40 1246
2000 1048 0.85 757 1153 1.03 913 1244 1.20 1066 1326 1.37 1219 1401 1.54 1371
2100 1090 0.97 859 1191 1.15 1023 1281 1.33 1185 1361 1.51 1345 1435 1.69 1505
2200 1131 1.09 970 1230 1.29 1143 1318 1.48 1313 1397 1.67 1481 1470 1.86 1649
2300 1173 1.23 1091 1269 1.43 1273 1355 1.63 1451 1433 1.83 1627 1505 2.03 1803
2400 1215 1.38 1223 1309 1.59 1413 1393 1.80 1600 1470 2.01 1784 1540 2.21 1967
2500 1258 1.54 1365 1349 1.76 1564 1431 1.98 1759 1506 2.20 1951 ———
581B060 (5 TONS) — STANDARD MOTOR (BELT DRIVE)* — THREE-PHASE UNITS (cont)
Airflow
(Cfm)
External Static Pressure (in. wg)
1.2 1.4 1.6 1.8 2.0
Rpm Bhp Watts Rpm Bhp Watts Rpm Bhp Watts Rpm Bhp Watts Rpm Bhp Watts
1500 1312 1.07 948 1380 1.20 1067 1445 1.34 1189 1506 1.48 1312 1564 1.62 1437
1600 1342 1.18 1047 1411 1.32 1173 1474 1.46 1300 1535 1.61 1429 1593 1.76 1560
1700 1374 1.30 1153 1441 1.45 1286 1505 1.60 1420 1565 1.75 1555 1622 1.91 1692
1800 1406 1.43 1268 1473 1.58 1407 1535 1.74 1548 1595 1.90 1690 1652 2.06 1833
1900 1438 1.57 1391 1504 1.73 1537 1567 1.90 1685 1626 2.06 1833 1682 2.23 1983
2000 1471 1.72 1523 1536 1.89 1677 1598 2.06 1831 1657 2.24 1986 ———
2100 1504 1.87 1665 1569 2.06 1825 1630 2.24 1986 ——————
2200 1538 2.04 1816 1602 2.23 1984 —————————
2300 1572 2.23 1978 ————————————
2400 ———————————————
2500 ———————————————
Bhp — Brake Horsepower
Watts — Input Watts to Motor
581B036-150

106
PERFORMANCE DATA (cont)
FAN PERFORMANCE — VERTICAL DISCHARGE UNITS (cont)
LEGEND
*Motor drive range: 1300 to 1685 rpm. All other rpms require field-supplied drive.
Refer to page 103 for general Fan Performance Data notes.
NOTES:
1. Boldface indicates field-supplied drive is required.
2. Maximum continuous bhp is 2.90.
LEGEND
*Motor drive range: 1119 to 1585 rpm. All other rpms require field-supplied drive.
Refer to page 103 for general Fan Performance Data notes.
NOTES:
1. Boldface indicates field-supplied drive is required.
2. Maximum continuous bhp is 2.40.
581B060 (5 TONS) — HIGH-STATIC MOTOR (BELT DRIVE)*
Airflow
(Cfm)
External Static Pressure (in. wg)
0.2 0.4 0.6 0.8 1.0
Rpm Bhp Watts Rpm Bhp Watts Rpm Bhp Watts Rpm Bhp Watts Rpm Bhp Watts
1500 848 0.42 371 968 0.55 486 1069 0.68 600 1158 0.80 715 1238 0.94 831
1600 887 0.49 433 1004 0.63 556 1103 0.76 678 1190 0.90 800 1269 1.04 922
1700 927 0.57 502 1040 0.71 633 1137 0.86 763 1223 1.00 892 1302 1.15 1022
1800 967 0.65 579 1077 0.81 718 1172 0.96 856 1257 1.12 993 1334 1.27 1130
1900 1007 0.75 663 1115 0.91 811 1208 1.08 957 1291 1.24 1101 1368 1.40 1246
2000 1048 0.85 757 1153 1.03 913 1244 1.20 1066 1326 1.37 1219 1401 1.54 1371
2100 1090 0.97 859 1191 1.15 1023 1281 1.33 1185 1361 1.51 1345 1435 1.69 1505
2200 1131 1.09 970 1230 1.29 1143 1318 1.48 1313 1397 1.67 1481 1470 1.86 1649
2300 1173 1.23 1091 1269 1.43 1273 1355 1.63 1451 1433 1.83 1627 1505 2.03 1803
2400 1215 1.38 1223 1309 1.59 1413 1393 1.80 1600 1470 2.01 1784 1540 2.21 1967
2500 1258 1.54 1365 1349 1.76 1564 1431 1.98 1759 1506 2.20 1951 1576 2.41 2142
581B060 (5 TONS) — HIGH-STATIC MOTOR (BELT DRIVE)* (cont)
Airflow
(Cfm)
External Static Pressure (in. wg)
1.2 1.4 1.6 1.8 2.0
Rpm Bhp Watts Rpm Bhp Watts Rpm Bhp Watts Rpm Bhp Watts Rpm Bhp Watts
1500 1312 1.07 948 1380 1.20 1067 1445 1.34 1189 1506 1.48 1312 1564 1.62 1437
1600 1342 1.18 1047 1411 1.32 1173 1474 1.46 1300 1535 1.61 1429 1593 1.76 1560
1700 1374 1.30 1153 1441 1.45 1286 1505 1.60 1420 1565 1.75 1555 1622 1.91 1692
1800 1406 1.43 1268 1473 1.58 1407 1535 1.74 1548 1595 1.90 1690 1652 2.06 1833
1900 1438 1.57 1391 1504 1.73 1537 1567 1.90 1685 1626 2.06 1833 1682 2.23 1983
2000 1471 1.72 1523 1536 1.89 1677 1598 2.06 1831 1657 2.24 1986 1713 2.41 2142
2100 1504 1.87 1665 1569 2.06 1825 1630 2.24 1986 1688 2.42 2149 1744 2.60 2312
2200 1538 2.04 1816 1602 2.23 1984 1663 2.42 2152 1720 2.61 2321 1775 2.81 2491
2300 1572 2.23 1978 1635 2.42 2153 1695 2.62 2328 1753 2.82 2504 ———
2400 1607 2.42 2150 1669 2.63 2332 1729 2.83 2515 ——————
2500 1642 2.63 2333 1704 2.84 2523 —————————
Bhp — Brake Horsepower
Watts — Input Watts to Motor
581B072 (6 TONS) — STANDARD MOTOR (BELT DRIVE)*
Airflow
(Cfm)
External Static Pressure (in. wg)
0.2 0.4 0.6 0.8 1.0
Rpm Bhp Watts Rpm Bhp Watts Rpm Bhp Watts Rpm Bhp Watts Rpm Bhp Watts
1800 967 0.63 563 1075 0.80 715 1170 0.97 861 1255 1.13 1002 1333 1.28 1139
1900 1008 0.72 643 1112 0.91 805 1205 1.08 960 1289 1.25 1111 1366 1.42 1258
2000 1049 0.82 731 1151 1.02 903 1241 1.20 1068 1323 1.38 1228 1399 1.56 1384
2100 1091 0.93 827 1189 1.14 1008 1278 1.33 1183 1358 1.52 1353 1433 1.71 1519
2200 1133 1.05 933 1229 1.26 1123 1315 1.47 1308 1393 1.67 1487 1467 1.87 1662
2300 1176 1.18 1047 1268 1.40 1247 1352 1.62 1441 1429 1.84 1630 1501 2.04 1815
2400 1218 1.32 1170 1308 1.55 1380 1390 1.78 1584 1466 2.01 1782 1537 2.23 1977
2500 1261 1.47 1304 1349 1.72 1523 1429 1.96 1736 1503 2.19 1945 — — —
2600 1305 1.63 1448 1390 1.89 1677 1468 2.14 1900 1540 2.38 2117 — — —
2700 1348 1.80 1602 1431 2.07 1841 1507 2.33 2073 — — ————
2800 1392 1.99 1768 1472 2.27 2016 —————————
2900 14352.191945————————————
3000 14792.402135————————————
581B072 (6 TONS) — STANDARD MOTOR (BELT DRIVE)* (cont)
Airflow
(Cfm)
External Static Pressure (in. wg)
1.2 1.4 1.6 1.8 2.0
Rpm Bhp Watts Rpm Bhp Watts Rpm Bhp Watts Rpm Bhp Watts Rpm Bhp Watts
1800 1406 1.43 1273 1475 1.58 1403 1540 1.72 1531 1601 1.87 1657 1660 2.00 1780
1900 1438 1.58 1401 1505 1.73 1541 1569 1.89 1678 1630 2.04 1813 1689 2.19 1945
2000 1470 1.73 1537 1537 1.90 1686 1600 2.06 1833 1660 2.23 1977 1718 2.38 2118
2100 1502 1.89 1681 1568 2.07 1840 1631 2.25 1996 ——————
2200 1535 2.06 1834 1600 2.25 2002 —————————
2300 15692.251996————————————
2400 ———————————————
2500 ———————————————
2600 ———————————————
2700 ———————————————
2800 ———————————————
2900 ———————————————
3000 ———————————————
Bhp — Brake Horsepower
Watts — Input Watts to Motor
581B036-150

107
PERFORMANCE DATA (cont)
FAN PERFORMANCE — VERTICAL DISCHARGE UNITS (cont)
LEGEND
*Motor drive range: 1300 to 1685 rpm. All other rpms require field-
supplied drive.
Refer to page 103 for general Fan Performance Data notes.
NOTES:
1. Boldface indicates field-supplied drive is required.
2. Maximum continuous bhp is 2.90.
581B072 (6 TONS) — HIGH-STATIC MOTOR (BELT DRIVE)*
Airflow
(Cfm)
External Static Pressure (in. wg)
0.2 0.4 0.6 0.8 1.0
Rpm Bhp Watts Rpm Bhp Watts Rpm Bhp Watts Rpm Bhp Watts Rpm Bhp Watts
1800 967 0.63 563 1075 0.80 715 1170 0.97 861 1255 1.13 1002 1333 1.28 1139
1900 1008 0.72 643 1112 0.91 805 1205 1.08 960 1289 1.25 1111 1366 1.42 1258
2000 1049 0.82 731 1151 1.02 903 1241 1.20 1068 1323 1.38 1228 1399 1.56 1384
2100 1091 0.93 827 1189 1.14 1008 1278 1.33 1183 1358 1.52 1353 1433 1.71 1519
2200 1133 1.05 933 1229 1.26 1123 1315 1.47 1308 1393 1.67 1487 1467 1.87 1662
2300 1176 1.18 1047 1268 1.40 1247 1352 1.62 1441 1429 1.84 1630 1501 2.04 1815
2400 1218 1.32 1170 1308 1.55 1380 1390 1.78 1584 1466 2.01 1782 1537 2.23 1977
2500 1261 1.47 1304 1349 1.72 1523 1429 1.96 1736 1503 2.19 1945 1572 2.42 2149
2600 1305 1.63 1448 1390 1.89 1677 1468 2.14 1900 1540 2.38 2117 1608 2.62 2331
2700 1348 1.80 1602 1431 2.07 1841 1507 2.33 2073 1578 2.59 2301 1645 2.84 2524
2800 1392 1.99 1768 1472 2.27 2016 1547 2.54 2258 1616 2.81 2495 — — —
2900 1435 2.19 1945 1514 2.48 2203 1587 2.76 2455 ——————
3000 1479 2.40 2135 1556 2.70 2402 —————————
581B072 (6 TONS) — HIGH-STATIC MOTOR (BELT DRIVE)* (cont)
Airflow
(Cfm)
External Static Pressure (in. wg)
1.2 1.4 1.6 1.8 2.0
Rpm Bhp Watts Rpm Bhp Watts Rpm Bhp Watts Rpm Bhp Watts Rpm Bhp Watts
1800 1406 1.43 1273 1475 1.58 1403 1540 1.72 1531 1601 1.87 1657 1660 2.00 1780
1900 1438 1.58 1401 1505 1.73 1541 1569 1.89 1678 1630 2.04 1813 1689 2.19 1945
2000 1470 1.73 1537 1537 1.90 1686 1600 2.06 1833 1660 2.23 1977 1718 2.38 2118
2100 1502 1.89 1681 1568 2.07 1840 1631 2.25 1996 1690 2.42 2149 1747 2.59 2300
2200 1535 2.06 1834 1600 2.25 2002 1662 2.44 2167 1721 2.62 2330 1778 2.80 2490
2300 1569 2.25 1996 1633 2.45 2174 1694 2.64 2348 1752 2.84 2520 ———
2400 1603 2.44 2167 1666 2.65 2355 1727 2.86 2539 ——————
2500 1638 2.64 2349 1700 2.87 2546 —————————
2600 1673 2.86 2541 — — — —————————
2700 ———————————————
2800 ———————————————
2900 ———————————————
3000 ———————————————
Bhp — Brake Horsepower
Watts — Input Watts to Motor
581B036-150

108
PERFORMANCE DATA (cont)
FAN PERFORMANCE — VERTICAL DISCHARGE UNITS (cont)
LEGEND
*Motor drive range: 840 to 1085 rpm. All other rpms require field-
supplied drive.
Refer to page 103 for general Fan Performance Data notes.
NOTES:
1. Boldface indicates field-supplied drive is required.
2. Maximum continuous bhp is 2.90.
581B090 (71/2 TONS) — STANDARD MOTOR (BELT DRIVE)*
Airflow
(Cfm)
External Static Pressure (in. wg)
0.2 0.4 0.6 0.8 1.0
Rpm Bhp Watts Rpm Bhp Watts Rpm Bhp Watts Rpm Bhp Watts Rpm Bhp Watts
2250 513 0.54 505 595 0.76 713 665 1.01 940 728 1.27 1187 786 1.56 1453
2300 521 0.57 531 601 0.79 741 671 1.04 972 734 1.31 1222 791 1.60 1489
2400 535 0.63 584 615 0.86 802 684 1.11 1038 745 1.39 1293 802 1.68 1566
2500 551 0.69 642 628 0.93 866 696 1.19 1109 757 1.47 1369 813 1.77 1647
2550 558 0.72 673 635 0.97 900 702 1.23 1146 763 1.51 1409 818 1.81 1689
2600 566 0.76 705 642 1.00 935 709 1.27 1183 769 1.55 1450 824 1.86 1732
2700 582 0.83 771 656 1.08 1008 721 1.35 1263 781 1.65 1535 835 1.95 1823
2800 597 0.90 842 670 1.16 1086 734 1.44 1347 793 1.74 1625 847 2.06 1917
2900 613 0.98 918 684 1.25 1169 748 1.54 1436 805 1.84 1720 859 2.16 2019
3000 629 1.07 999 699 1.35 1256 761 1.64 1530 818 1.95 1820 871 2.28 2125
3100 645 1.16 1085 713 1.45 1349 775 1.75 1630 831 2.06 1925 883 2.40 2235
3200 662 1.26 1176 728 1.55 1448 788 1.86 1734 844 2.18 2036 895 2.52 2352
3300 678 1.36 1272 743 1.66 1551 802 1.98 1845 857 2.31 2152 908 2.65 2475
3400 694 1.47 1374 758 1.78 1660 816 2.10 1961 870 2.44 2275 920 2.79 2603
3500 711 1.59 1482 773 1.90 1775 831 2.23 2082 884 2.58 2402 — — —
3600 727 1.71 1596 789 2.03 1896 845 2.37 2210 897 2.72 2537 — — —
3700 744 1.84 1716 804 2.17 2023 860 2.51 2343 911 2.87 2677 — — —
3750 752 1.91 1778 812 2.24 2089 867 2.59 2413 — — — — — —
581B090 (71/2 TONS) — STANDARD MOTOR (BELT DRIVE)* (cont)
Airflow
(Cfm)
External Static Pressure (in. wg)
1.2 1.4 1.6 1.8 2.0
Rpm Bhp Watts Rpm Bhp Watts Rpm Bhp Watts Rpm Bhp Watts Rpm Bhp Watts
2250 839 1.86 1735 889 2.18 2032 935 2.52 2345 980 2.87 2673 — — —
2300 844 1.90 1773 893 2.22 2073 940 2.56 2389 — — — — — —
2400 854 1.99 1855 903 2.32 2159 950 2.66 2478 — — — — — —
2500 865 2.08 1940 913 2.41 2249 959 2.76 2573 — — — — — —
2550 870 2.13 1985 918 2.46 2296 964 2.81 2622 — — — — — —
2600 875 2.18 2031 923 2.51 2344 969 2.87 2673 — — — — — —
2700 886 2.28 2126 934 2.62 2445 — — — — — — — — —
2800 897 2.39 2227 944 2.73 2550 — — — — — — — — —
2900 908 2.50 2333 955 2.85 2661 — — — — — — — — —
3000 920 2.62 2443 — — — — — — — — — — — —
3100 931 2.75 2560 — — — — — — — — — — — —
3200 943 2.88 2682 — — — — — — — — — — — —
3300 ———————————————
3400 ———————————————
3500 ———————————————
3600 ———————————————
3700 ———————————————
3750 ———————————————
Bhp — Brake Horsepower Input to Fan
Watts — Input Watts to Motor
581B036-150

109
PERFORMANCE DATA (cont)
FAN PERFORMANCE — VERTICAL DISCHARGE UNITS (cont)
LEGEND
*Motor drive range: 860 to 1080 rpm. All other rpms require field-
supplied drive.
Refer to page 103 for general Fan Performance Data notes.
NOTES:
1. Boldface indicates field-supplied drive is required.
2. Maximum continuous bhp is 4.20.
581B090 (71/2 TONS) — HIGH-STATIC MOTOR (BELT DRIVE)*
Airflow
(Cfm)
External Static Pressure (in. wg)
0.2 0.4 0.6 0.8 1.0
Rpm Bhp Watts Rpm Bhp Watts Rpm Bhp Watts Rpm Bhp Watts Rpm Bhp Watts
2250 513 0.54 505 595 0.76 713 665 1.01 940 728 1.27 1187 786 1.56 1453
2300 521 0.57 531 601 0.79 741 671 1.04 972 734 1.31 1222 791 1.60 1489
2400 535 0.63 584 615 0.86 802 684 1.11 1038 745 1.39 1293 802 1.68 1566
2500 551 0.69 642 628 0.93 866 696 1.19 1109 757 1.47 1369 813 1.77 1647
2550 558 0.72 673 635 0.97 900 702 1.23 1146 763 1.51 1409 818 1.81 1689
2600 566 0.76 705 642 1.00 935 709 1.27 1183 769 1.55 1450 824 1.86 1732
2700 582 0.83 771 656 1.08 1008 721 1.35 1263 781 1.65 1535 835 1.95 1823
2800 597 0.90 842 670 1.16 1086 734 1.44 1347 793 1.74 1625 847 2.06 1917
2900 613 0.98 918 684 1.25 1169 748 1.54 1436 805 1.84 1720 859 2.16 2019
3000 629 1.07 999 699 1.35 1256 761 1.64 1530 818 1.95 1820 871 2.28 2125
3100 645 1.16 1085 713 1.45 1349 775 1.75 1630 831 2.06 1925 883 2.40 2235
3200 662 1.26 1176 728 1.55 1448 788 1.86 1734 844 2.18 2036 895 2.52 2352
3300 678 1.36 1272 743 1.66 1551 802 1.98 1845 857 2.31 2152 908 2.65 2475
3400 694 1.47 1374 758 1.78 1660 816 2.10 1961 870 2.44 2275 920 2.79 2603
3500 711 1.59 1482 773 1.90 1775 831 2.23 2082 884 2.58 2402 933 2.93 2737
3600 727 1.71 1596 789 2.03 1896 845 2.37 2210 897 2.72 2537 946 3.09 2877
3700 744 1.84 1716 804 2.17 2023 860 2.51 2343 911 2.87 2677 959 3.24 3023
3750 752 1.91 1778 812 2.24 2089 867 2.59 2413 918 2.95 2750 966 3.32 3100
581B090 (71/2 TONS) — HIGH-STATIC MOTOR (BELT DRIVE)* (cont)
Airflow
(Cfm)
External Static Pressure (in. wg)
1.2 1.4 1.6 1.8 2.0
Rpm Bhp Watts Rpm Bhp Watts Rpm Bhp Watts Rpm Bhp Watts Rpm Bhp Watts
2250 839 1.86 1735 889 2.18 2032 935 2.52 2345 980 2.87 2673 1022 3.23 3015
2300 844 1.90 1773 893 2.22 2073 940 2.56 2389 984 2.91 2718 1027 3.28 3062
2400 854 1.99 1855 903 2.32 2159 950 2.66 2478 993 3.02 2812 1035 3.39 3159
2500 865 2.08 1940 913 2.41 2249 959 2.76 2573 1003 3.12 2911 1044 3.50 3261
2550 870 2.13 1985 918 2.46 2296 964 2.81 2622 1008 3.18 2962 1049 3.55 3315
2600 875 2.18 2031 923 2.51 2344 969 2.87 2673 1012 3.23 3014 1054 3.61 3370
2700 886 2.28 2126 934 2.62 2445 979 2.98 2777 1022 3.35 3123 1063 3.74 3483
2800 897 2.39 2227 944 2.73 2550 989 3.10 2888 1032 3.47 3238 1073 3.86 3601
2900 908 2.50 2333 955 2.85 2661 1000 3.22 3003 1042 3.60 3358 1083 4.00 3725
3000 920 2.62 2443 966 2.98 2777 1010 3.35 3123 1052 3.74 3484 1093 4.14 3856
3100 931 2.75 2560 977 3.11 2899 1021 3.49 3250 1063 3.88 3615 — — —
3200 943 2.88 2682 989 3.25 3026 1032 3.63 3383 1074 4.02 3752 — — —
3300 955 3.01 2810 1000 3.39 3159 1043 3.78 3521 1084 4.18 3896 —— —
3400 967 3.16 2945 1012 3.54 3299 1055 3.93 3667 — — — — — —
3500 980 3.31 3084 1024 3.69 3445 1066 4.09 3817 — — — — — —
3600 992 3.46 3230 1036 3.86 3596 — — — — — — — — —
3700 1005 3.63 3383 1048 4.03 3755 — — — — — — — — —
3750 1011 3.71 3462 1054 4.11 3836 — — — — — — — — —
Bhp — Brake Horsepower Input to Fan
Watts — Input Watts to Motor
581B036-150

110
PERFORMANCE DATA (cont)
FAN PERFORMANCE — VERTICAL DISCHARGE UNITS (cont)
LEGEND
*Motor drive range: 840 to 1085 rpm. All other rpms require field-
supplied drive.
Refer to page 103 for general Fan Performance Data notes.
NOTES:
1. Boldface indicates field-supplied drive is required.
2. Maximum continuous bhp is 2.90.
581B102 (81/2 TONS) — STANDARD MOTOR (BELT DRIVE)*
Airflow
(Cfm)
External Static Pressure (in. wg)
0.2 0.4 0.6 0.8 1.0
Rpm Bhp Watts Rpm Bhp Watts Rpm Bhp Watts Rpm Bhp Watts Rpm Bhp Watts
2500 541 0.50 467 624 0.66 614 701 0.83 771 771 1.00 936 837 1.19 1109
2600 556 0.55 513 637 0.71 665 711 0.89 827 781 1.07 996 845 1.26 1173
2700 571 0.60 562 650 0.77 720 722 0.95 885 790 1.14 1059 854 1.33 1241
2800 586 0.66 615 663 0.83 777 734 1.02 948 800 1.21 1126 863 1.41 1312
2900 601 0.72 672 676 0.90 839 745 1.09 1014 811 1.28 1197 872 1.49 1387
3000 616 0.79 732 689 0.97 904 757 1.16 1083 821 1.36 1271 882 1.57 1465
3100 632 0.85 796 703 1.04 972 769 1.24 1157 832 1.45 1349 892 1.66 1548
3200 648 0.93 864 717 1.12 1045 782 1.32 1235 843 1.53 1431 902 1.75 1635
3300 663 1.00 936 731 1.20 1122 795 1.41 1316 855 1.63 1517 912 1.85 1725
3400 679 1.09 1012 745 1.29 1203 808 1.50 1402 867 1.72 1608 923 1.95 1820
3500 695 1.17 1092 760 1.38 1288 821 1.60 1492 879 1.83 1703 934 2.06 1920
3600 711 1.26 1177 774 1.48 1379 834 1.70 1587 891 1.93 1802 945 2.17 2024
3700 728 1.36 1266 789 1.58 1473 848 1.81 1686 904 2.04 1906 957 2.29 2132
3800 744 1.46 1361 804 1.69 1572 861 1.92 1790 916 2.16 2015 969 2.41 2246
3900 760 1.57 1460 819 1.80 1676 875 2.04 1899 929 2.28 2128 981 2.53 2364
4000 777 1.68 1563 834 1.91 1785 889 2.16 2012 942 2.41 2247 993 2.67 2487
4100 793 1.79 1672 850 2.04 1899 904 2.29 2132 956 2.54 2371 1006 2.80 2615
4200 810 1.92 1786 865 2.16 2018 918 2.42 2255 969 2.68 2499 — — —
4300 826 2.04 1906 880 2.30 2142 932 2.56 2385 983 2.82 2633 — — —
581B102 (81/2 TONS) — STANDARD MOTOR (BELT DRIVE)* (cont)
Airflow
(Cfm)
External Static Pressure (in. wg)
1.2 1.4 1.6 1.8 2.0
Rpm Bhp Watts Rpm Bhp Watts Rpm Bhp Watts Rpm Bhp Watts Rpm Bhp Watts
2500 900 1.38 1289 959 1.58 1476 1015 1.79 1669 1069 2.00 1868 1121 2.22 2073
2600 907 1.46 1357 965 1.66 1548 1021 1.87 1745 1074 2.09 1948 1125 2.31 2158
2700 914 1.53 1429 972 1.74 1624 1027 1.96 1825 1079 2.18 2032 1130 2.41 2245
2800 922 1.61 1505 979 1.83 1704 1033 2.05 1909 1085 2.27 2120 1135 2.51 2337
2900 931 1.70 1584 986 1.92 1787 1040 2.14 1996 1091 2.37 2211 1141 2.61 2432
3000 939 1.79 1667 994 2.01 1874 1047 2.24 2087 1098 2.47 2307 1147 2.71 2532
3100 948 1.88 1753 1002 2.11 1965 1054 2.34 2183 1105 2.58 2406 1153 2.83 2635
3200 957 1.98 1844 1011 2.21 2060 1062 2.45 2283 1112 2.69 2510 —— —
3300 967 2.08 1939 1020 2.32 2160 1070 2.56 2386 1119 2.81 2618 —— —
3400 977 2.19 2039 1029 2.43 2264 1079 2.67 2494 — — — — — —
3500 987 2.30 2143 1038 2.54 2372 1088 2.80 2607 —— — —— —
3600 998 2.41 2251 1048 2.66 2485 — — — — — — — — —
3700 1008 2.54 2364 1058 2.79 2602 — — — — — — — — —
3800 1019 2.66 2482 — — — — — — — — — — — —
3900 1031 2.79 2605 — — — — — — — — — — — —
4000 ———————————————
4100 ———————————————
4200 ———————————————
4300 ———————————————
Bhp — Brake Horsepower Input to Fan
Watts — Input Watts to Motor
581B036-150

111
PERFORMANCE DATA (cont)
FAN PERFORMANCE — VERTICAL DISCHARGE UNITS (cont)
LEGEND
*Motor drive range: 860 to 1080 rpm. All other rpms require field-
supplied drive.
Refer to page 103 for general Fan Performance Data notes.
NOTES:
1. Boldface indicates field-supplied drive is required.
2. Maximum continuous bhp is 4.20.
581B102 (81/2 TONS) — HIGH-STATIC MOTOR (BELT DRIVE)*
Airflow
(Cfm)
External Static Pressure (in. wg)
0.2 0.4 0.6 0.8 1.0
Rpm Bhp Watts Rpm Bhp Watts Rpm Bhp Watts Rpm Bhp Watts Rpm Bhp Watts
2500 541 0.50 467 624 0.66 614 701 0.83 771 771 1.00 936 837 1.19 1109
2600 556 0.55 513 637 0.71 665 711 0.89 827 781 1.07 996 845 1.26 1173
2700 571 0.60 562 650 0.77 720 722 0.95 885 790 1.14 1059 854 1.33 1241
2800 586 0.66 615 663 0.83 777 734 1.02 948 800 1.21 1126 863 1.41 1312
2900 601 0.72 672 676 0.90 839 745 1.09 1014 811 1.28 1197 872 1.49 1387
3000 616 0.79 732 689 0.97 904 757 1.16 1083 821 1.36 1271 882 1.57 1465
3100 632 0.85 796 703 1.04 972 769 1.24 1157 832 1.45 1349 892 1.66 1548
3200 648 0.93 864 717 1.12 1045 782 1.32 1235 843 1.53 1431 902 1.75 1635
3300 663 1.00 936 731 1.20 1122 795 1.41 1316 855 1.63 1517 912 1.85 1725
3400 679 1.09 1012 745 1.29 1203 808 1.50 1402 867 1.72 1608 923 1.95 1820
3500 695 1.17 1092 760 1.38 1288 821 1.60 1492 879 1.83 1703 934 2.06 1920
3600 711 1.26 1177 774 1.48 1379 834 1.70 1587 891 1.93 1802 945 2.17 2024
3700 728 1.36 1266 789 1.58 1473 848 1.81 1686 904 2.04 1906 957 2.29 2132
3800 744 1.46 1361 804 1.69 1572 861 1.92 1790 916 2.16 2015 969 2.41 2246
3900 760 1.57 1460 819 1.80 1676 875 2.04 1899 929 2.28 2128 981 2.53 2364
4000 777 1.68 1563 834 1.91 1785 889 2.16 2012 942 2.41 2247 993 2.67 2487
4100 793 1.79 1672 850 2.04 1899 904 2.29 2132 956 2.54 2371 1006 2.80 2615
4200 810 1.92 1786 865 2.16 2018 918 2.42 2255 969 2.68 2499 1018 2.95 2748
4300 826 2.04 1906 880 2.30 2142 932 2.56 2385 983 2.82 2633 1031 3.10 2888
581B102 (81/2 TONS) — HIGH-STATIC MOTOR (BELT DRIVE)* (cont)
Airflow
(Cfm)
External Static Pressure (in. wg)
1.2 1.4 1.6 1.8 2.0
Rpm Bhp Watts Rpm Bhp Watts Rpm Bhp Watts Rpm Bhp Watts Rpm Bhp Watts
2500 900 1.38 1289 959 1.58 1476 1015 1.79 1669 1069 2.00 1868 1121 2.22 2073
2600 907 1.46 1357 965 1.66 1548 1021 1.87 1745 1074 2.09 1948 1125 2.31 2158
2700 914 1.53 1429 972 1.74 1624 1027 1.96 1825 1079 2.18 2032 1130 2.41 2245
2800 922 1.61 1505 979 1.83 1704 1033 2.05 1909 1085 2.27 2120 1135 2.51 2337
2900 931 1.70 1584 986 1.92 1787 1040 2.14 1996 1091 2.37 2211 1141 2.61 2432
3000 939 1.79 1667 994 2.01 1874 1047 2.24 2087 1098 2.47 2307 1147 2.71 2532
3100 948 1.88 1753 1002 2.11 1965 1054 2.34 2183 1105 2.58 2406 1153 2.83 2635
3200 957 1.98 1844 1011 2.21 2060 1062 2.45 2283 1112 2.69 2510 1160 2.94 2743
3300 967 2.08 1939 1020 2.32 2160 1070 2.56 2386 1119 2.81 2618 1167 3.06 2855
3400 977 2.19 2039 1029 2.43 2264 1079 2.67 2494 1127 2.93 2730 1174 3.19 2971
3500 987 2.30 2143 1038 2.54 2372 1088 2.80 2607 1135 3.05 2847 1181 3.32 3092
3600 998 2.41 2251 1048 2.66 2485 1097 2.92 2724 1144 3.18 2968 1189 3.45 3218
3700 1008 2.54 2364 1058 2.79 2602 1106 3.05 2846 1152 3.32 3094 1198 3.59 3348
3800 1019 2.66 2482 1068 2.92 2725 1116 3.19 2972 1162 3.46 3226 1206 3.74 3484
3900 1031 2.79 2605 1079 3.06 2852 1126 3.33 3104 1171 3.61 3362 1215 3.89 3624
4000 1042 2.93 2733 1090 3.20 2984 1136 3.48 3241 1180 3.76 3503 1224 4.04 3770
4100 1054 3.07 2866 1101 3.35 3122 1146 3.63 3383 1190 3.91 3649 1233 4.20 3921
4200 1066 3.22 3004 1112 3.50 3264 1157 3.79 3530 1200 4.08 3801 —— —
4300 1078 3.38 3148 1123 3.66 3413 1167 3.95 3683 —— — —— —
Bhp — Brake Horsepower Input to Fan
Watts — Input Watts to Motor
581B036-150

112
PERFORMANCE DATA (cont)
FAN PERFORMANCE — VERTICAL DISCHARGE UNITS (cont)
LEGEND
*Motor drive range: 860 to 1080 rpm. All other rpms require field-
supplied drive.
Refer to page 103 for general Fan Performance Data notes.
NOTES:
1. Boldface indicates field-supplied drive is required.
2. Maximum continuous bhp is 3.70.
581B120 (10 TONS) — STANDARD MOTOR (BELT DRIVE)*
Airflow
(Cfm)
External Static Pressure (in. wg)
0.2 0.4 0.6 0.8 1.0
Rpm Bhp Watts Rpm Bhp Watts Rpm Bhp Watts Rpm Bhp Watts Rpm Bhp Watts
3000 616 0.79 732 689 0.97 904 757 1.16 1083 821 1.36 1271 882 1.57 1465
3100 632 0.85 796 703 1.04 972 769 1.24 1157 832 1.45 1349 892 1.66 1548
3200 648 0.93 864 717 1.12 1045 782 1.32 1235 843 1.53 1431 902 1.75 1635
3300 663 1.00 936 731 1.20 1122 795 1.41 1316 855 1.63 1517 912 1.85 1725
3400 679 1.09 1012 745 1.29 1203 808 1.50 1402 867 1.72 1608 923 1.95 1820
3500 695 1.17 1092 760 1.38 1288 821 1.60 1492 879 1.83 1703 934 2.06 1920
3600 711 1.26 1177 774 1.48 1379 834 1.70 1587 891 1.93 1802 945 2.17 2024
3700 728 1.36 1266 789 1.58 1473 848 1.81 1686 904 2.04 1906 957 2.29 2132
3800 744 1.46 1361 804 1.69 1572 861 1.92 1790 916 2.16 2015 969 2.41 2246
3900 760 1.57 1460 819 1.80 1676 875 2.04 1899 929 2.28 2128 981 2.53 2364
4000 777 1.68 1563 834 1.91 1785 889 2.16 2012 942 2.41 2247 993 2.67 2487
4100 793 1.79 1672 850 2.04 1899 904 2.29 2132 956 2.54 2371 1006 2.80 2615
4200 810 1.92 1786 865 2.16 2018 918 2.42 2255 969 2.68 2499 1018 2.95 2748
4300 826 2.04 1906 880 2.30 2142 932 2.56 2385 983 2.82 2633 1031 3.10 2888
4400 843 2.18 2031 896 2.44 2272 947 2.70 2520 996 2.97 2773 1044 3.25 3032
4500 860 2.32 2161 912 2.58 2408 962 2.85 2660 1010 3.13 2918 1057 3.41 3182
4600 876 2.46 2297 927 2.73 2549 977 3.01 2807 1024 3.29 3070 1070 3.58 3338
4700 893 2.62 2439 943 2.89 2696 992 3.17 2958 1038 3.46 3226 — — —
4800 910 2.77 2587 959 3.06 2849 1007 3.34 3116 1053 3.63 3390 — — —
4900 927 2.94 2741 975 3.23 3008 1022 3.52 3280 — — — — — —
5000 944 3.11 2901 991 3.40 3173 1037 3.70 3451 — — — — — —
581B120 (10 TONS) — STANDARD MOTOR (BELT DRIVE)* (cont)
Airflow
(Cfm)
External Static Pressure (in. wg)
1.2 1.4 1.6 1.8 2.0
Rpm Bhp Watts Rpm Bhp Watts Rpm Bhp Watts Rpm Bhp Watts Rpm Bhp Watts
3000 939 1.79 1667 994 2.01 1874 1047 2.24 2087 1098 2.47 2307 1147 2.71 2532
3100 948 1.88 1753 1002 2.11 1965 1054 2.34 2183 1105 2.58 2406 1153 2.83 2635
3200 957 1.98 1844 1011 2.21 2060 1062 2.45 2283 1112 2.69 2510 1160 2.94 2743
3300 967 2.08 1939 1020 2.32 2160 1070 2.56 2386 1119 2.81 2618 1167 3.06 2855
3400 977 2.19 2039 1029 2.43 2264 1079 2.67 2494 1127 2.93 2730 1174 3.19 2971
3500 987 2.30 2143 1038 2.54 2372 1088 2.80 2607 1135 3.05 2847 1181 3.32 3092
3600 998 2.41 2251 1048 2.66 2485 1097 2.92 2724 1144 3.18 2968 1189 3.45 3218
3700 1008 2.54 2364 1058 2.79 2602 1106 3.05 2846 1152 3.32 3094 1198 3.59 3348
3800 1019 2.66 2482 1068 2.92 2725 1116 3.19 2972 1162 3.46 3226 —— —
3900 1031 2.79 2605 1079 3.06 2852 1126 3.33 3104 1171 3.61 3362 —— —
4000 1042 2.93 2733 1090 3.20 2984 1136 3.48 3241 —— — —— —
4100 1054 3.07 2866 1101 3.35 3122 1146 3.63 3383 —— — —— —
4200 1066 3.22 3004 1112 3.50 3264 —— — —— — —— —
4300 1078 3.38 3148 1123 3.66 3413 —— — —— — —— —
4400 1090 3.54 3297 ————————————
4500 1103 3.70 3451 ————————————
4600 ———————————————
4700 ———————————————
4800 ———————————————
4900 ———————————————
5000 ———————————————
Bhp — Brake Horsepower Input to Fan
Watts — Input Watts to Motor
581B036-150

113
PERFORMANCE DATA (cont)
FAN PERFORMANCE — VERTICAL DISCHARGE UNITS (cont)
LEGEND
*Motor drive range: 830 to 1130 rpm. All other rpms require field-
supplied drive.
Refer to page 103 for general Fan Performance Data notes.
NOTES:
1. Boldface indicates field-supplied drive is required.
2. Maximum continuous bhp is 5.25.
581B120 (10 TONS) — HIGH-STATIC MOTOR (BELT DRIVE)*
Airflow
(Cfm)
External Static Pressure (in. wg)
0.2 0.4 0.6 0.8 1.0
Rpm Bhp Watts Rpm Bhp Watts Rpm Bhp Watts Rpm Bhp Watts Rpm Bhp Watts
3000 616 0.79 732 689 0.97 904 757 1.16 1083 821 1.36 1271 882 1.57 1465
3100 632 0.85 796 703 1.04 972 769 1.24 1157 832 1.45 1349 892 1.66 1548
3200 648 0.93 864 717 1.12 1045 782 1.32 1235 843 1.53 1431 902 1.75 1635
3300 663 1.00 936 731 1.20 1122 795 1.41 1316 855 1.63 1517 912 1.85 1725
3400 679 1.09 1012 745 1.29 1203 808 1.50 1402 867 1.72 1608 923 1.95 1820
3500 695 1.17 1092 760 1.38 1288 821 1.60 1492 879 1.83 1703 934 2.06 1920
3600 711 1.26 1177 774 1.48 1379 834 1.70 1587 891 1.93 1802 945 2.17 2024
3700 728 1.36 1266 789 1.58 1473 848 1.81 1686 904 2.04 1906 957 2.29 2132
3800 744 1.46 1361 804 1.69 1572 861 1.92 1790 916 2.16 2015 969 2.41 2246
3900 760 1.57 1460 819 1.80 1676 875 2.04 1899 929 2.28 2128 981 2.53 2364
4000 777 1.68 1563 834 1.91 1785 889 2.16 2012 942 2.41 2247 993 2.67 2487
4100 793 1.79 1672 850 2.04 1899 904 2.29 2132 956 2.54 2371 1006 2.80 2615
4200 810 1.92 1786 865 2.16 2018 918 2.42 2255 969 2.68 2499 1018 2.95 2748
4300 826 2.04 1906 880 2.30 2142 932 2.56 2385 983 2.82 2633 1031 3.10 2888
4400 843 2.18 2031 896 2.44 2272 947 2.70 2520 996 2.97 2773 1044 3.25 3032
4500 860 2.32 2161 912 2.58 2408 962 2.85 2660 1010 3.13 2918 1057 3.41 3182
4600 876 2.46 2297 927 2.73 2549 977 3.01 2807 1024 3.29 3070 1070 3.58 3338
4700 893 2.62 2439 943 2.89 2696 992 3.17 2958 1038 3.46 3226 1084 3.75 3500
4800 910 2.77 2587 959 3.06 2849 1007 3.34 3116 1053 3.63 3390 1098 3.93 3668
4900 927 2.94 2741 975 3.23 3008 1022 3.52 3280 1067 3.82 3558 1111 4.12 3841
5000 944 3.11 2901 991 3.40 3173 1037 3.70 3451 1082 4.00 3733 1125 4.31 4021
581B120 (10 TONS) — HIGH-STATIC MOTOR (BELT DRIVE)* (cont)
Airflow
(Cfm)
External Static Pressure (in. wg)
1.2 1.4 1.6 1.8 2.0
Rpm Bhp Watts Rpm Bhp Watts Rpm Bhp Watts Rpm Bhp Watts Rpm Bhp Watts
3000 939 1.79 1667 994 2.01 1874 1047 2.24 2087 1098 2.47 2307 1147 2.71 2532
3100 948 1.88 1753 1002 2.11 1965 1054 2.34 2183 1105 2.58 2406 1153 2.83 2635
3200 957 1.98 1844 1011 2.21 2060 1062 2.45 2283 1112 2.69 2510 1160 2.94 2743
3300 967 2.08 1939 1020 2.32 2160 1070 2.56 2386 1119 2.81 2618 1167 3.06 2855
3400 977 2.19 2039 1029 2.43 2264 1079 2.67 2494 1127 2.93 2730 1174 3.19 2971
3500 987 2.30 2143 1038 2.54 2372 1088 2.80 2607 1135 3.05 2847 1181 3.32 3092
3600 998 2.41 2251 1048 2.66 2485 1097 2.92 2724 1144 3.18 2968 1189 3.45 3218
3700 1008 2.54 2364 1058 2.79 2602 1106 3.05 2846 1152 3.32 3094 1198 3.59 3348
3800 1019 2.66 2482 1068 2.92 2725 1116 3.19 2972 1162 3.46 3226 1206 3.74 3484
3900 1031 2.79 2605 1079 3.06 2852 1126 3.33 3104 1171 3.61 3362 1215 3.89 3624
4000 1042 2.93 2733 1090 3.20 2984 1136 3.48 3241 1180 3.76 3503 1224 4.04 3770
4100 1054 3.07 2866 1101 3.35 3122 1146 3.63 3383 1190 3.91 3649 1233 4.20 3921
4200 1066 3.22 3004 1112 3.50 3264 1157 3.79 3530 1200 4.08 3801 1243 4.37 4077
4300 1078 3.38 3148 1123 3.66 3413 1167 3.95 3683 1210 4.24 3958 1252 4.54 4238
4400 1090 3.54 3297 1135 3.82 3566 1179 4.12 3841 1221 4.42 4121 1262 4.72 4405
4500 1103 3.70 3451 1147 4.00 3726 1190 4.29 4005 1232 4.60 4289 1273 4.91 4578
4600 1115 3.87 3612 1159 4.17 3891 1201 4.48 4175 1243 4.79 4464 1283 5.10 4757
4700 1128 4.05 3778 1171 4.36 4062 1213 4.67 4350 1254 4.98 4644 —— —
4800 1141 4.24 3951 1183 4.55 4239 1225 4.86 4532 1265 5.18 4830 —— —
4900 1154 4.43 4130 1196 4.74 4422 1237 5.06 4720 —— — —— —
5000 1167 4.63 4314 1209 4.95 4611 —— — —— — —— —
Bhp — Brake Horsepower Input to Fan
Watts — Input Watts to Motor
581B036-150

114
PERFORMANCE DATA (cont)
FAN PERFORMANCE — VERTICAL DISCHARGE UNITS (cont)
LEGEND
*Motor drive range: 830 to 1130 rpm. All other rpms require field-
supplied drive.
Refer to page 103 for general Fan Performance Data notes.
NOTES:
1. Boldface indicates field-supplied drive is required.
2. Maximum continuous bhp is 5.25.
581B150 (121/2 TONS) — STANDARD MOTOR (BELT DRIVE)*
Airflow
(Cfm)
External Static Pressure (in. wg)
0.2 0.4 0.6 0.8 1.0
Rpm Bhp Watts Rpm Bhp Watts Rpm Bhp Watts Rpm Bhp Watts Rpm Bhp Watts
3700 728 1.36 1266 789 1.58 1473 848 1.81 1686 904 2.04 1906 957 2.29 2132
3800 744 1.46 1361 804 1.69 1572 861 1.92 1790 916 2.16 2015 969 2.41 2246
3900 760 1.57 1460 819 1.80 1676 875 2.04 1899 929 2.28 2128 981 2.53 2364
4000 777 1.68 1563 834 1.91 1785 889 2.16 2012 942 2.41 2247 993 2.67 2487
4100 793 1.79 1672 850 2.04 1899 904 2.29 2132 956 2.54 2371 1006 2.80 2615
4200 810 1.92 1786 865 2.16 2018 918 2.42 2255 969 2.68 2499 1018 2.95 2748
4300 826 2.04 1906 880 2.30 2142 932 2.56 2385 983 2.82 2633 1031 3.10 2888
4400 843 2.18 2031 896 2.44 2272 947 2.70 2520 996 2.97 2773 1044 3.25 3032
4500 860 2.32 2161 912 2.58 2408 962 2.85 2660 1010 3.13 2918 1057 3.41 3182
4600 876 2.46 2297 927 2.73 2549 977 3.01 2807 1024 3.29 3070 1070 3.58 3338
4700 893 2.62 2439 943 2.89 2696 992 3.17 2958 1038 3.46 3226 1084 3.75 3500
4800 910 2.77 2587 959 3.06 2849 1007 3.34 3116 1053 3.63 3390 1098 3.93 3668
4900 927 2.94 2741 975 3.23 3008 1022 3.52 3280 1067 3.82 3558 1111 4.12 3841
5000 944 3.11 2901 991 3.40 3173 1037 3.70 3451 1082 4.00 3733 1125 4.31 4021
5100 961 3.29 3068 1007 3.59 3345 1053 3.89 3627 1096 4.20 3915 1139 4.51 4208
5200 978 3.48 3241 1024 3.78 3523 1068 4.09 3811 1111 4.40 4103 1153 4.72 4400
5300 995 3.67 3420 1040 3.98 3707 1084 4.29 4000 1126 4.61 4298 1168 4.93 4600
5400 1012 3.87 3606 1056 4.18 3899 1099 4.50 4196 1141 4.82 4499 1182 5.15 4806
5500 1029 4.07 3799 1073 4.39 4097 1115 4.72 4400 1156 5.05 4707 —— —
5600 1046 4.29 3999 1089 4.61 4302 1131 4.94 4610 —— — —— —
5700 1063 4.51 4207 1105 4.84 4515 1146 5.18 4827 —— — —— —
5800 1080 4.74 4420 1122 5.08 4734 — — — — — — — — —
5900 1098 4.98 4642 — — — — — — — — — — — —
6000 1115 5.22 4872 — — — — — — — — — — — —
6100 ———————————————
6200 ———————————————
6300 ———————————————
581B150 (121/2 TONS) — STANDARD MOTOR (BELT DRIVE)* (cont)
Airflow
(Cfm)
External Static Pressure (in. wg)
1.2 1.4 1.6 1.8 2.0
Rpm Bhp Watts Rpm Bhp Watts Rpm Bhp Watts Rpm Bhp Watts Rpm Bhp Watts
3700 1008 2.54 2364 1058 2.79 2602 1106 3.05 2846 1152 3.32 3094 1198 3.59 3348
3800 1019 2.66 2482 1068 2.92 2725 1116 3.19 2972 1162 3.46 3226 1206 3.74 3484
3900 1031 2.79 2605 1079 3.06 2852 1126 3.33 3104 1171 3.61 3362 1215 3.89 3624
4000 1042 2.93 2733 1090 3.20 2984 1136 3.48 3241 1180 3.76 3503 1224 4.04 3770
4100 1054 3.07 2866 1101 3.35 3122 1146 3.63 3383 1190 3.91 3649 1233 4.20 3921
4200 1066 3.22 3004 1112 3.50 3264 1157 3.79 3530 1200 4.08 3801 1243 4.37 4077
4300 1078 3.38 3148 1123 3.66 3413 1167 3.95 3683 1210 4.24 3958 1252 4.54 4238
4400 1090 3.54 3297 1135 3.82 3566 1179 4.12 3841 1221 4.42 4121 1262 4.72 4405
4500 1103 3.70 3451 1147 4.00 3726 1190 4.29 4005 1232 4.60 4289 1273 4.91 4578
4600 1115 3.87 3612 1159 4.17 3891 1201 4.48 4175 1243 4.79 4464 1283 5.10 4757
4700 1128 4.05 3778 1171 4.36 4062 1213 4.67 4350 1254 4.98 4644 —— —
4800 1141 4.24 3951 1183 4.55 4239 1225 4.86 4532 1265 5.18 4830 —— —
4900 1154 4.43 4130 1196 4.74 4422 1237 5.06 4720 —— — —— —
5000 1167 4.63 4314 1209 4.95 4611 —— — —— — —— —
5100 1181 4.83 4505 1221 5.16 4808 —— — —— — —— —
5200 1194 5.04 4703 ————————————
5300 ———————————————
5400 ———————————————
5500 ———————————————
5600 ———————————————
5700 ———————————————
5800 ———————————————
5900 ———————————————
6000 ———————————————
6100 ———————————————
6200 ———————————————
6300 ———————————————
Bhp — Brake Horsepower Input to Fan
Watts — Input Watts to Motor
581B036-150

115
PERFORMANCE DATA (cont)
FAN PERFORMANCE — HORIZONTAL DISCHARGE UNITS
LEGEND
*Motor drive range: 680 to 1044 rpm. All other rpms require field-
supplied drive.
See page 103 for general fan performance notes.
NOTES:
1. Boldface indicates field-supplied drive is required.
2. Maximum continuous bhp is 1.20.
LEGEND
*Motor drive range: 1075 to 1455 rpm. All other rpms require field-
supplied drive.
See page 103 for general fan performance notes.
NOTES:
1. Boldface indicates field-supplied drive is required.
2. Maximum continuous bhp is 2.40.
581B036 (3 TONS) — STANDARD MOTOR (BELT DRIVE)*
Airflow
(Cfm)
External Static Pressure (in. wg)
0.2 0.4 0.6 0.8 1.0
Rpm Bhp Watts Rpm Bhp Watts Rpm Bhp Watts Rpm Bhp Watts Rpm Bhp Watts
900 553 0.14 134 681 0.22 221 782 0.32 316 870 0.42 417 948 0.53 526
1000 582 0.16 163 707 0.26 257 807 0.36 358 894 0.47 466 971 0.58 580
1100 612 0.20 196 734 0.30 297 833 0.41 405 919 0.52 519 995 0.64 639
1200 643 0.23 234 762 0.34 343 859 0.46 458 944 0.58 579 1020 0.71 705
1300 675 0.28 277 790 0.40 394 886 0.52 517 969 0.65 644 1044 0.78 777
1400 707 0.33 326 819 0.45 452 913 0.58 581 996 0.72 716 1070 0.86 855
1500 740 0.38 382 849 0.52 515 941 0.66 653 1023 0.80 795 1096 0.95 941
581B036 (3 TONS) — STANDARD MOTOR (BELT DRIVE)* (cont)
Airflow
(Cfm)
External Static Pressure (in. wg)
1.2 1.4 1.6 1.8 2.0
Rpm Bhp Watts Rpm Bhp Watts Rpm Bhp Watts Rpm Bhp Watts Rpm Bhp Watts
900 1019 0.64 640 1084 0.76 760 1146 0.89 885 1203 1.02 1016 1258 1.16 1152
1000 1042 0.70 700 1107 0.83 825 1168 0.96 956 1225 1.10 1091 ———
1100 1065 0.77 765 1130 0.90 896 1190 1.04 1032 1247 1.18 1173 ———
1200 1089 0.84 837 1153 0.98 974 1213 1.12 1115 ——————
1300 1113 0.92 915 1177 1.06 1058 —————————
1400 1138 1.01 1000 1201 1.15 1149 —————————
1500 1163 1.10 1092 ————————————
Bhp — Brake Horsepower
Watts — Input Watts to Motor
581B036 (3 TONS) — HIGH-STATIC MOTOR (BELT DRIVE)*
Airflow
(Cfm)
External Static Pressure (in. wg)
0.2 0.4 0.6 0.8 1.0
Rpm Bhp Watts Rpm Bhp Watts Rpm Bhp Watts Rpm Bhp Watts Rpm Bhp Watts
900 553 0.14 134 681 0.22 221 782 0.32 316 870 0.42 417 948 0.53 526
1000 582 0.16 163 707 0.26 257 807 0.36 358 894 0.47 466 971 0.58 580
1100 612 0.20 196 734 0.30 297 833 0.41 405 919 0.52 519 995 0.64 639
1200 643 0.23 234 762 0.34 343 859 0.46 458 944 0.58 579 1020 0.71 705
1300 675 0.28 277 790 0.40 394 886 0.52 517 969 0.65 644 1044 0.78 777
1400 707 0.33 326 819 0.45 452 913 0.58 581 996 0.72 716 1070 0.86 855
1500 740 0.38 382 849 0.52 515 941 0.66 653 1023 0.80 795 1096 0.95 941
581B036 (3 TONS) — HIGH-STATIC MOTOR (BELT DRIVE)* (cont)
Airflow
(Cfm)
External Static Pressure (in. wg)
1.2 1.4 1.6 1.8 2.0
Rpm Bhp Watts Rpm Bhp Watts Rpm Bhp Watts Rpm Bhp Watts Rpm Bhp Watts
900 1019 0.64 640 1084 0.76 760 1146 0.89 885 1203 1.02 1016 1258 1.16 1152
1000 1042 0.70 700 1107 0.83 825 1168 0.96 956 1225 1.10 1091 1279 1.24 1232
1100 1065 0.77 765 1130 0.90 896 1190 1.04 1032 1247 1.18 1173 1301 1.33 1319
1200 1089 0.84 837 1153 0.98 974 1213 1.12 1115 1270 1.27 1262 1324 1.42 1413
1300 1113 0.92 915 1177 1.06 1058 1237 1.21 1205 1293 1.36 1358 1347 1.52 1514
1400 1138 1.01 1000 1201 1.15 1149 1261 1.31 1303 1317 1.47 1461 1370 1.63 1623
1500 1163 1.10 1092 1226 1.25 1247 1285 1.41 1407 1341 1.58 1571 1394 1.75 1740
Bhp — Brake Horsepower
Watts — Input Watts to Motor
581B036-150

116
PERFORMANCE DATA (cont)
FAN PERFORMANCE — HORIZONTAL DISCHARGE UNITS (cont)
LEGEND
*Motor drive range: 770 to 1185 rpm. All other rpms require field-
supplied drive.
See page 103 for general fan performance notes.
NOTES:
1. Boldface indicates field-supplied drive is required.
2. Maximum continuous bhp is 1.20.
LEGEND
*Motor drive range: 1075 to 1455 rpm. All other rpms require field-
supplied drive.
See page 103 for general fan performance notes.
NOTES:
1. Boldface indicates field-supplied drive is required.
2. Maximum continuous bhp is 2.40.
581B048 (4 TONS) — STANDARD MOTOR (BELT DRIVE)*
Airflow
(Cfm)
External Static Pressure (in. wg)
0.2 0.4 0.6 0.8 1.0
Rpm Bhp Watts Rpm Bhp Watts Rpm Bhp Watts Rpm Bhp Watts Rpm Bhp Watts
1200 643 0.23 234 762 0.34 343 859 0.46 458 944 0.58 579 1020 0.71 705
1300 675 0.28 277 790 0.40 394 886 0.52 517 969 0.65 644 1044 0.78 777
1400 707 0.33 326 819 0.45 452 913 0.58 581 996 0.72 716 1070 0.86 855
1500 740 0.38 382 849 0.52 515 941 0.66 653 1023 0.80 795 1096 0.95 941
1600 773 0.45 444 879 0.59 586 970 0.73 731 1050 0.88 880 1123 1.04 1034
1700 807 0.52 513 910 0.67 663 999 0.82 817 1078 0.98 973 1150 1.14 1134
1800 841 0.59 589 942 0.75 749 1029 0.91 910 1106 1.08 1074 — — —
1900 875 0.68 674 974 0.85 842 1059 1.02 1012 1135 1.19 1184 — — —
2000 910 0.77 767 1006 0.95 944 1090 1.13 1122 ——————
581B048 (4 TONS) — STANDARD MOTOR (BELT DRIVE)* (cont)
Airflow
(Cfm)
External Static Pressure (in. wg)
1.2 1.4 1.6 1.8 2.0
Rpm Bhp Watts Rpm Bhp Watts Rpm Bhp Watts Rpm Bhp Watts Rpm Bhp Watts
1200 1089 0.84 837 1153 0.98 974 1213 1.12 1115 ——————
1300 1113 0.92 915 1177 1.06 1058 —————————
1400 1138 1.01 1000 1201 1.15 1149 —————————
1500 1163 1.10 1092 — — — —————————
1600 1189 1.20 1191 ————————————
1700 ———————————————
1800 ———————————————
1900 ———————————————
2000 ———————————————
Bhp — Brake Horsepower
Watts — Input Watts to Motor
581B048 (4 TONS) — HIGH-STATIC MOTOR (BELT DRIVE)*
Airflow
(Cfm)
External Static Pressure (in. wg)
0.2 0.4 0.6 0.8 1.0
Rpm Bhp Watts Rpm Bhp Watts Rpm Bhp Watts Rpm Bhp Watts Rpm Bhp Watts
1200 643 0.23 234 762 0.34 343 859 0.46 458 944 0.58 579 1020 0.71 705
1300 675 0.28 277 790 0.40 394 886 0.52 517 969 0.65 644 1044 0.78 777
1400 707 0.33 326 819 0.45 452 913 0.58 581 996 0.72 716 1070 0.86 855
1500 740 0.38 382 849 0.52 515 941 0.66 653 1023 0.80 795 1096 0.95 941
1600 773 0.45 444 879 0.59 586 970 0.73 731 1050 0.88 880 1123 1.04 1034
1700 807 0.52 513 910 0.67 663 999 0.82 817 1078 0.98 973 1150 1.14 1134
1800 841 0.59 589 942 0.75 749 1029 0.91 910 1106 1.08 1074 1177 1.25 1242
1900 875 0.68 674 974 0.85 842 1059 1.02 1012 1135 1.19 1184 1205 1.37 1360
2000 910 0.77 767 1006 0.95 944 1090 1.13 1122 1165 1.31 1302 1234 1.49 1485
581B048 (4 TONS) — HIGH-STATIC MOTOR (BELT DRIVE)* (cont)
Airflow
(Cfm)
External Static Pressure (in. wg)
1.2 1.4 1.6 1.8 2.0
Rpm Bhp Watts Rpm Bhp Watts Rpm Bhp Watts Rpm Bhp Watts Rpm Bhp Watts
1200 1089 0.84 837 1153 0.98 974 1213 1.12 1115 1270 1.27 1262 1324 1.42 1413
1300 1113 0.92 915 1177 1.06 1058 1237 1.21 1205 1293 1.36 1358 1347 1.52 1514
1400 1138 1.01 1000 1201 1.15 1149 1261 1.31 1303 1317 1.47 1461 1370 1.63 1623
1500 1163 1.10 1092 1226 1.25 1247 1285 1.41 1407 1341 1.58 1571 1394 1.75 1740
1600 1189 1.20 1191 1252 1.36 1353 1310 1.53 1520 1365 1.70 1690 1418 1.87 1865
1700 1216 1.31 1299 1277 1.48 1468 1335 1.65 1640 1390 1.83 1817 1442 2.01 1998
1800 1242 1.42 1414 1303 1.60 1590 1361 1.78 1770 1415 1.96 1953 1467 2.15 2140
1900 1270 1.55 1538 1330 1.73 1721 1387 1.92 1908 1441 2.11 2098 1493 2.30 2292
2000 1297 1.68 1672 1357 1.87 1862 1414 2.07 2055 1467 2.26 2252 ———
Bhp — Brake Horsepower
Watts — Input Watts to Motor
581B036-150

117
PERFORMANCE DATA (cont)
FAN PERFORMANCE — HORIZONTAL DISCHARGE UNITS (cont)
LEGEND
*Motor drive range: 1035 to 1460 rpm. All other rpms require field-
supplied drive.
See page 103 for general fan performance notes.
NOTES:
1. Boldface indicates field-supplied drive is required.
2. Maximum continuous bhp is 1.30.
LEGEND
*Motor drive range: 1035 to 1460 rpm. All other rpms require field-
supplied drive.
See page 103 for general fan performance notes.
NOTES:
1. Boldface indicates field-supplied drive is required.
2. Maximum continuous bhp is 2.40.
581B060 (5 TONS) — STANDARD MOTOR (BELT DRIVE)* — SINGLE-PHASE UNITS
Airflow
(Cfm)
External Static Pressure (in. wg)
0.2 0.4 0.6 0.8 1.0
Rpm Bhp Watts Rpm Bhp Watts Rpm Bhp Watts Rpm Bhp Watts Rpm Bhp Watts
1500 800 0.39 350 904 0.49 438 999 0.60 535 1087 0.72 640 1169 0.85 753
1600 839 0.46 412 938 0.57 505 1030 0.68 605 1115 0.80 714 1195 0.93 829
1700 879 0.54 483 974 0.65 580 1062 0.77 684 1144 0.90 796 1221 1.03 914
1800 919 0.63 561 1010 0.75 663 1095 0.87 771 1174 1.00 886 1250 1.14 1008
1900 960 0.73 648 1047 0.85 754 1129 0.98 867 1206 1.11 986 1279 1.25 1111
2000 1001 0.84 744 1085 0.96 855 1163 1.09 972 1238 1.23 1095 — — —
2100 1043 0.96 850 1123 1.09 965 1199 1.22 1086 ——————
2200 1085 1.09 966 1162 1.22 1086 —————————
2300 1127 1.23 1092 — — — —————————
2400 ———————————————
2500 ———————————————
581B060 (5 TONS) — STANDARD MOTOR (BELT DRIVE)* — SINGLE-PHASE UNITS (cont)
Airflow
(Cfm)
External Static Pressure (in. wg)
1.2 1.4 1.6 1.8 2.0
Rpm Bhp Watts Rpm Bhp Watts Rpm Bhp Watts Rpm Bhp Watts Rpm Bhp Watts
1500 1247 0.98 873 1320 1.13 1002 1390 1.28 1137 ——————
1600 1270 1.07 952 1342 1.22 1083 —————————
1700 1295 1.17 1040 — — — —————————
1800 1321 1.28 1137 — — — —————————
1900 ———————————————
2000 ———————————————
2100 ———————————————
2200 ———————————————
2300 ———————————————
2400 ———————————————
2500 ———————————————
Bhp — Brake Horsepower
Watts — Input Watts to Motor
581B060 (5 TONS) — STANDARD MOTOR (BELT DRIVE)* — THREE-PHASE UNITS
Airflow
(Cfm)
External Static Pressure (in. wg)
0.2 0.4 0.6 0.8 1.0
Rpm Bhp Watts Rpm Bhp Watts Rpm Bhp Watts Rpm Bhp Watts Rpm Bhp Watts
1500 800 0.39 350 904 0.49 438 999 0.60 535 1087 0.72 640 1169 0.85 753
1600 839 0.46 412 938 0.57 505 1030 0.68 605 1115 0.80 714 1195 0.93 829
1700 879 0.54 483 974 0.65 580 1062 0.77 684 1144 0.90 796 1221 1.03 914
1800 919 0.63 561 1010 0.75 663 1095 0.87 771 1174 1.00 886 1250 1.14 1008
1900 960 0.73 648 1047 0.85 754 1129 0.98 867 1206 1.11 986 1279 1.25 1111
2000 1001 0.84 744 1085 0.96 855 1163 1.09 972 1238 1.23 1095 1309 1.38 1224
2100 1043 0.96 850 1123 1.09 965 1199 1.22 1086 1271 1.37 1213 1340 1.52 1346
2200 1085 1.09 966 1162 1.22 1086 1235 1.36 1211 1305 1.51 1342 1372 1.67 1479
2300 1127 1.23 1092 1201 1.37 1217 1272 1.52 1347 1340 1.67 1482 1405 1.83 1623
2400 1169 1.38 1229 1241 1.53 1359 1310 1.68 1493 1375 1.84 1633 1439 2.00 1778
2500 1212 1.55 1378 1281 1.70 1513 1348 1.86 1652 1412 2.02 1796 1473 2.19 1945
581B060 (5 TONS) — STANDARD MOTOR (BELT DRIVE)* — THREE-PHASE UNITS (cont)
Airflow
(Cfm)
External Static Pressure (in. wg)
1.2 1.4 1.6 1.8 2.0
Rpm Bhp Watts Rpm Bhp Watts Rpm Bhp Watts Rpm Bhp Watts Rpm Bhp Watts
1500 1247 0.98 873 1320 1.13 1002 1390 1.28 1137 1457 1.44 1280 1522 1.61 1430
1600 1270 1.07 952 1342 1.22 1083 1411 1.37 1221 1476 1.54 1365 1540 1.71 1517
1700 1295 1.17 1040 1365 1.32 1173 1432 1.48 1313 1497 1.64 1459 1559 1.82 1612
1800 1321 1.28 1137 1390 1.43 1273 1455 1.59 1415 1518 1.76 1563 1579 1.93 1718
1900 1348 1.40 1243 1415 1.56 1381 1479 1.72 1526 1541 1.89 1677 1601 2.06 1834
2000 1377 1.53 1359 1442 1.69 1500 1505 1.86 1648 1565 2.03 1801 1624 2.21 1961
2100 1406 1.67 1485 1470 1.83 1629 1531 2.00 1780 1591 2.18 1936 1648 2.36 2098
2200 1437 1.83 1621 1499 1.99 1769 1559 2.16 1923 1617 2.34 2082 ———
2300 1468 1.99 1769 1529 2.16 1920 1587 2.34 2077 ——————
2400 1500 2.17 1928 1559 2.35 2083 —————————
2500 1533 2.36 2098 ————————————
Bhp — Brake Horsepower
Watts — Input Watts to Motor
581B036-150

118
PERFORMANCE DATA (cont)
FAN PERFORMANCE — HORIZONTAL DISCHARGE UNITS (cont)
LEGEND
*Motor drive range: 1300 to 1685 rpm. All other rpms require field-supplied
drive.
See page 103 for general fan performance notes.
NOTES:
1. Boldface indicates field-supplied drive is required.
2. Maximum continuous bhp is 2.90.
LEGEND
*Motor drive range: 1119 to 1585 rpm. All other rpms require field-supplied
drive.
See page 103 for general fan performance notes.
NOTES:
1. Boldface indicates field-supplied drive is required.
2. Maximum continuous bhp is 2.40.
581B060 (5 TONS) — HIGH-STATIC MOTOR (BELT DRIVE)*
Airflow
(Cfm)
External Static Pressure (in. wg)
0.2 0.4 0.6 0.8 1.0
Rpm Bhp Watts Rpm Bhp Watts Rpm Bhp Watts Rpm Bhp Watts Rpm Bhp Watts
1500 800 0.39 350 904 0.49 438 999 0.60 535 1087 0.72 640 1169 0.85 753
1600 839 0.46 412 938 0.57 505 1030 0.68 605 1115 0.80 714 1195 0.93 829
1700 879 0.54 483 974 0.65 580 1062 0.77 684 1144 0.90 796 1221 1.03 914
1800 919 0.63 561 1010 0.75 663 1095 0.87 771 1174 1.00 886 1250 1.14 1008
1900 960 0.73 648 1047 0.85 754 1129 0.98 867 1206 1.11 986 1279 1.25 1111
2000 1001 0.84 744 1085 0.96 855 1163 1.09 972 1238 1.23 1095 1309 1.38 1224
2100 1043 0.96 850 1123 1.09 965 1199 1.22 1086 1271 1.37 1213 1340 1.52 1346
2200 1085 1.09 966 1162 1.22 1086 1235 1.36 1211 13051.51134213721.671479
2300 1127 1.23 1092 1201 1.37 1217 1272 1.52 1347 13401.67148214051.831623
2400 1169 1.38 1229 1241 1.53 1359 1310 1.68 1493 1375 1.84 1633 1439 2.00 1778
2500 1212 1.55 1378 1281 1.70 1513 1348 1.86 1652 1412 2.02 1796 1473 2.19 1945
581B060 (5 TONS) — HIGH-STATIC MOTOR (BELT DRIVE)* (cont)
Airflow
(Cfm)
External Static Pressure (in. wg)
1.2 1.4 1.6 1.8 2.0
Rpm Bhp Watts Rpm Bhp Watts Rpm Bhp Watts Rpm Bhp Watts Rpm Bhp Watts
1500 1247 0.98 873 1320 1.13 1002 1390 1.28 1137 1457 1.44 1280 1522 1.61 1430
1600 1270 1.07 952 1342 1.22 1083 1411 1.37 1221 1476 1.54 1365 1540 1.71 1517
1700 1295 1.17 1040 1365 1.32 1173 1432 1.48 1313 1497 1.64 1459 1559 1.82 1612
1800 1321 1.28 1137 1390 1.43 1273 1455 1.59 1415 1518 1.76 1563 1579 1.93 1718
1900 1348 1.40 1243 1415 1.56 1381 1479 1.72 1526 1541 1.89 1677 1601 2.06 1834
2000 1377 1.53 1359 1442 1.69 1500 1505 1.86 1648 1565 2.03 1801 1624 2.21 1961
2100 1406 1.67 1485 1470 1.83 1629 1531 2.00 1780 1591 2.18 1936 1648 2.36 2098
2200 1437 1.83 1621 1499 1.99 1769 1559 2.16 1923 1617 2.34 2082 1673 2.53 2246
2300 1468 1.99 1769 1529 2.16 1920 1587 2.34 2077 1644 2.52 2239 1699 2.71 2406
2400 1500 2.17 1928 1559 2.35 2083 1616 2.53 2243 1672 2.71 2408 1726 2.90 2579
2500 15332.36209815912.54225716472.732421——————
Bhp — Brake Horsepower
Watts — Input Watts to Motor
581B072 (6 TONS) — STANDARD MOTOR (BELT DRIVE)*
Airflow
(Cfm)
External Static Pressure (in. wg)
0.2 0.4 0.6 0.8 1.0
Rpm Bhp Watts Rpm Bhp Watts Rpm Bhp Watts Rpm Bhp Watts Rpm Bhp Watts
1800 913 0.64 569 1010 0.80 715 1098 0.98 869 11781.16103212521.351203
1900 952 0.73 652 1046 0.91 805 1131 1.09 965 1210 1.28 1134 1282 1.48 1311
2000 992 0.84 744 1083 1.02 903 1166 1.21 1070 1242 1.40 1245 1313 1.61 1427
2100 1032 0.95 844 1120 1.14 1010 1200 1.33 1184 1275 1.54 1365 1345 1.75 1553
2200 1073 1.07 954 1158 1.27 1127 1236 1.47 1307 1308 1.68 1495 1377 1.90 1689
2300 1114 1.21 1074 1196 1.41 1254 1272 1.62 1440 1343 1.84 1634 1409 2.07 1834
2400 1155 1.36 1204 1234 1.57 1391 1308 1.78 1584 1377 2.01 1784 1443 2.24 1990
2500 1196 1.51 1345 1273 1.73 1538 1345 1.96 1738 1412 2.19 1945 — — —
2600 1238 1.69 1497 1312 1.91 1697 1382 2.14 1904 1448 2.38 2117 — — —
2700 12801.87166013522.10186714202.342081——————
2800 13222.07183513922.312050—————————
2900 13642.282023————————————
3000 ———————————————
581B072 (6 TONS) — STANDARD MOTOR (BELT DRIVE)* (cont)
Airflow
(Cfm)
External Static Pressure (in. wg)
1.2 1.4 1.6 1.8 2.0
Rpm Bhp Watts Rpm Bhp Watts Rpm Bhp Watts Rpm Bhp Watts Rpm Bhp Watts
1800 1322 1.56 1382 1388 1.77 1568 1451 1.98 1762 1510 2.21 1962 ———
1900 1351 1.68 1495 1416 1.90 1686 1477 2.12 1885 1536 2.35 2090 — — —
2000 13801.82161714442.04181415052.272017——————
2100 14111.97174814732.201950—————————
2200 14412.13189015032.362097—————————
2300 14732.302041————————————
2400 ———————————————
2500 ———————————————
2600 ———————————————
2700 ———————————————
2800 ———————————————
2900 ———————————————
3000 ———————————————
Bhp — Brake Horsepower
Watts — Input Watts to Motor
581B036-150

119
PERFORMANCE DATA (cont)
FAN PERFORMANCE — HORIZONTAL DISCHARGE UNITS (cont)
LEGEND
*Motor drive range: 1300 to 1686 rpm. All other rpms require field-
supplied drive.
See page 103 for general fan performance notes.
NOTES:
1. Boldface indicates field-supplied drive is required.
2. Maximum continuous bhp is 2.90.
581B072 (6 TONS) — HIGH-STATIC MOTOR (BELT DRIVE)*
Airflow
(Cfm)
External Static Pressure (in. wg)
0.2 0.4 0.6 0.8 1.0
Rpm Bhp Watts Rpm Bhp Watts Rpm Bhp Watts Rpm Bhp Watts Rpm Bhp Watts
1800 913 0.64 569 1010 0.80 715 1098 0.98 869 1178 1.16 1032 1252 1.35 1203
1900 952 0.73 652 1046 0.91 805 1131 1.09 965 1210 1.28 1134 1282 1.48 1311
2000 992 0.84 744 1083 1.02 903 1166 1.21 1070 1242 1.40 1245 1313 1.61 1427
2100 1032 0.95 844 1120 1.14 1010 1200 1.33 1184 1275 1.54 1365 1345 1.75 1553
2200 1073 1.07 954 1158 1.27 1127 1236 1.47 1307 1308 1.68 1495 1377 1.90 1689
2300 1114 1.21 1074 1196 1.41 1254 1272 1.62 1440 1343 1.84 1634 1409 2.07 1834
2400 1155 1.36 1204 1234 1.57 1391 1308 1.78 1584 1377 2.01 1784 1443 2.24 1990
2500 1196 1.51 1345 1273 1.73 1538 1345 1.96 1738 1412 2.19 1945 1477 2.43 2157
2600 1238 1.69 1497 1312 1.91 1697 1382 2.14 1904 1448 2.38 2117 1511 2.63 2335
2700 1280 1.87 1660 1352 2.10 1867 1420 2.34 2081 1484 2.59 2300 1546 2.84 2526
2800 1322 2.07 1835 1392 2.31 2050 1458 2.56 2270 1521 2.81 2496 — — —
2900 13642.28202314322.53224514962.782472——————
3000 14062.50222414722.762452—————————
581B072 (6 TONS) — HIGH-STATIC MOTOR (BELT DRIVE)* (cont)
Airflow
(Cfm)
External Static Pressure (in. wg)
1.2 1.4 1.6 1.8 2.0
Rpm Bhp Watts Rpm Bhp Watts Rpm Bhp Watts Rpm Bhp Watts Rpm Bhp Watts
1800 1322 1.56 1382 1388 1.77 1568 1451 1.98 1762 1510 2.21 1962 1568 2.44 2169
1900 1351 1.68 1495 1416 1.90 1686 1477 2.12 1885 1536 2.35 2090 1593 2.59 2302
2000 1380 1.82 1617 1444 2.04 1814 1505 2.27 2017 1563 2.51 2227 1619 2.75 2443
2100 1411 1.97 1748 1473 2.20 1950 1533 2.43 2159 1590 2.67 2374 — — —
2200 1441 2.13 1890 1503 2.36 2097 1562 2.60 2311 1618 2.85 2532 — — —
2300 14732.30204115332.54225415912.792474——————
2400 15052.48220315642.732422—————————
2500 15372.682376————————————
2600 15712.882560————————————
2700 ———————————————
2800 ———————————————
2900 ———————————————
3000 ———————————————
Bhp — Brake Horsepower
Watts — Input Watts to Motor
581B036-150

120
PERFORMANCE DATA (cont)
FAN PERFORMANCE — HORIZONTAL DISCHARGE UNITS (cont)
LEGEND
*Motor drive range: 840 to 1085 rpm. All other rpms require field-supplied
drive.
See page 103 for general fan performance notes.
NOTES:
1. Boldface indicates field-supplied drive is required.
2. Maximum continuous bhp is 2.90.
581B090 (71/2 TONS) — STANDARD MOTOR (BELT DRIVE)*
Airflow
(Cfm)
External Static Pressure (in. wg)
0.2 0.4 0.6 0.8 1.0
Rpm Bhp Watts Rpm Bhp Watts Rpm Bhp Watts Rpm Bhp Watts Rpm Bhp Watts
2250 505 0.52 484 586 0.73 681 657 0.97 901 722 1.22 1142 782 1.50 1403
2300 513 0.55 509 592 0.76 708 663 1.00 931 727 1.26 1174 787 1.54 1437
2400 527 0.60 561 605 0.82 766 674 1.07 993 738 1.33 1241 796 1.62 1508
2500 543 0.66 617 618 0.89 828 686 1.14 1060 748 1.41 1312 806 1.70 1583
2550 550 0.69 647 625 0.92 860 692 1.17 1095 754 1.45 1349 811 1.74 1623
2600 558 0.73 677 632 0.96 894 698 1.21 1131 759 1.49 1388 816 1.78 1664
2700 574 0.80 742 645 1.03 964 710 1.29 1207 770 1.58 1469 826 1.88 1749
2800 589 0.87 811 659 1.11 1039 723 1.38 1287 782 1.67 1554 837 1.97 1839
2900 605 0.95 885 673 1.20 1119 736 1.47 1372 794 1.76 1644 848 2.07 1933
3000 621 1.03 963 688 1.29 1204 749 1.57 1463 806 1.87 1740 859 2.18 2033
3100 637 1.12 1046 702 1.39 1293 762 1.67 1558 818 1.97 1840 871 2.29 2139
3200 654 1.22 1135 717 1.49 1388 776 1.78 1658 831 2.09 1946 882 2.41 2249
3300 670 1.32 1228 732 1.60 1488 789 1.89 1764 843 2.21 2057 894 2.54 2365
3400 686 1.42 1328 747 1.71 1593 803 2.01 1876 856 2.33 2174 907 2.67 2488
3500 703 1.54 1433 762 1.83 1705 817 2.14 1993 870 2.46 2297 919 2.81 2616
3600 720 1.66 1543 777 1.95 1822 832 2.27 2116 883 2.60 2425 — — —
3700 736 1.78 1660 793 2.09 1944 846 2.41 2245 896 2.75 2560 — — —
3750 745 1.85 1721 801 2.15 2008 853 2.48 2312 903 2.82 2630 — — —
581B090 (71/2 TONS) — STANDARD MOTOR (BELT DRIVE)* (cont)
Airflow
(Cfm)
External Static Pressure (in. wg)
1.2 1.4 1.6 1.8 2.0
Rpm Bhp Watts Rpm Bhp Watts Rpm Bhp Watts Rpm Bhp Watts Rpm Bhp Watts
2250 838 1.81 1683 891 2.12 1981 941 2.46 2297 988 2.82 2629 — — —
2300 842 1.84 1719 895 2.17 2019 944 2.51 2336 992 2.86 2669 — — —
2400 851 1.92 1793 903 2.25 2097 952 2.59 2416 — — — — — —
2500 860 2.01 1873 911 2.34 2180 960 2.68 2502 — — — — — —
2550 865 2.05 1914 916 2.38 2223 964 2.73 2547 — — — — — —
2600 869 2.10 1957 920 2.43 2267 968 2.78 2593 — — — — — —
2700 879 2.19 2046 929 2.53 2360 976 2.88 2689 — — — — — —
2800 889 2.29 2140 938 2.64 2458 — — — — — — — — —
2900 899 2.40 2239 948 2.75 2561 — — — — — — — — —
3000 910 2.51 2343 958 2.86 2670 — — — — — — — — —
3100 921 2.63 2453 — — — — — — — — — — — —
3200 932 2.75 2569 — — — — — — — — — — — —
3300 943 2.88 2690 — — — — — — — — — — — —
3400 ———————————————
3500 ———————————————
3600 ———————————————
3700 ———————————————
3750 ———————————————
Bhp — Brake Horsepower Input to Fan
Watts — Input Watts to Motor
581B036-150

121
PERFORMANCE DATA (cont)
FAN PERFORMANCE — HORIZONTAL DISCHARGE UNITS (cont)
LEGEND
*Motor drive range: 860 to 1080 rpm. All other rpms require field-supplied
drive.
See page 103 for general fan performance notes.
NOTES:
1. Boldface indicates field-supplied drive is required.
2. Maximum continuous bhp is 4.20.
581B090 (71/2 TONS) — HIGH-STATIC MOTOR (BELT DRIVE)*
Airflow
(Cfm)
External Static Pressure (in. wg)
0.2 0.4 0.6 0.8 1.0
Rpm Bhp Watts Rpm Bhp Watts Rpm Bhp Watts Rpm Bhp Watts Rpm Bhp Watts
2250 505 0.52 484 586 0.73 681 657 0.97 901 722 1.22 1142 782 1.50 1403
2300 513 0.55 509 592 0.76 708 663 1.00 931 727 1.26 1174 787 1.54 1437
2400 527 0.60 561 605 0.82 766 674 1.07 993 738 1.33 1241 796 1.62 1508
2500 543 0.66 617 618 0.89 828 686 1.14 1060 748 1.41 1312 806 1.70 1583
2550 550 0.69 647 625 0.92 860 692 1.17 1095 754 1.45 1349 811 1.74 1623
2600 558 0.73 677 632 0.96 894 698 1.21 1131 759 1.49 1388 816 1.78 1664
2700 574 0.80 742 645 1.03 964 710 1.29 1207 770 1.58 1469 826 1.88 1749
2800 589 0.87 811 659 1.11 1039 723 1.38 1287 782 1.67 1554 837 1.97 1839
2900 605 0.95 885 673 1.20 1119 736 1.47 1372 794 1.76 1644 848 2.07 1933
3000 621 1.03 963 688 1.29 1204 749 1.57 1463 806 1.87 1740 859 2.18 2033
3100 637 1.12 1046 702 1.39 1293 762 1.67 1558 818 1.97 1840 871 2.29 2139
3200 654 1.22 1135 717 1.49 1388 776 1.78 1658 831 2.09 1946 882 2.41 2249
3300 670 1.32 1228 732 1.60 1488 789 1.89 1764 843 2.21 2057 894 2.54 2365
3400 686 1.42 1328 747 1.71 1593 803 2.01 1876 856 2.33 2174 907 2.67 2488
3500 703 1.54 1433 762 1.83 1705 817 2.14 1993 870 2.46 2297 919 2.81 2616
3600 720 1.66 1543 777 1.95 1822 832 2.27 2116 883 2.60 2425 932 2.95 2750
3700 736 1.78 1660 793 2.09 1944 846 2.41 2245 896 2.75 2560 944 3.10 2889
3750 745 1.85 1721 801 2.15 2008 853 2.48 2312 903 2.82 2630 951 3.18 2962
581B090 (71/2 TONS) — HIGH-STATIC MOTOR (BELT DRIVE)* (cont)
Airflow
(Cfm)
External Static Pressure (in. wg)
1.2 1.4 1.6 1.8 2.0
Rpm Bhp Watts Rpm Bhp Watts Rpm Bhp Watts Rpm Bhp Watts Rpm Bhp Watts
2250 838 1.81 1683 891 2.12 1981 941 2.46 2297 988 2.82 2629 1033 3.19 2976
2300 842 1.84 1719 895 2.17 2019 944 2.51 2336 992 2.86 2669 1037 3.24 3018
2400 851 1.92 1793 903 2.25 2097 952 2.59 2416 999 2.95 2752 1043 3.33 3104
2500 860 2.01 1873 911 2.34 2180 960 2.68 2502 1006 3.05 2842 1051 3.43 3196
2550 865 2.05 1914 916 2.38 2223 964 2.73 2547 1010 3.10 2888 1054 3.48 3243
2600 869 2.10 1957 920 2.43 2267 968 2.78 2593 1014 3.15 2935 1058 3.53 3292
2700 879 2.19 2046 929 2.53 2360 976 2.88 2689 1022 3.25 3035 1066 3.64 3395
2800 889 2.29 2140 938 2.64 2458 985 2.99 2791 1030 3.37 3140 1073 3.76 3503
2900 899 2.40 2239 948 2.75 2561 994 3.11 2898 1039 3.49 3250 1082 3.88 3616
3000 910 2.51 2343 958 2.86 2670 1004 3.23 3011 1048 3.61 3366 1090 4.01 3736
3100 921 2.63 2453 968 2.98 2783 1013 3.35 3128 1057 3.74 3488 1099 4.14 3861
3200 932 2.75 2569 978 3.11 2903 1023 3.49 3252 1066 3.88 3616 — — —
3300 943 2.88 2690 989 3.25 3029 1033 3.63 3382 1076 4.02 3749 — — —
3400 954 3.02 2816 1000 3.39 3159 1044 3.77 3518 1086 4.17 3889 —— —
3500 966 3.16 2950 1011 3.54 3297 1054 3.92 3660 — — — — — —
3600 978 3.31 3088 1022 3.69 3442 1065 4.08 3808 — — — — — —
3700 990 3.47 3233 1034 3.85 3591 — — — — — — — — —
3750 996 3.55 3308 1040 3.93 3669 — — — — — — — — —
Bhp — Brake Horsepower Input to Fan
Watts — Input Watts to Motor
581B036-150

122
PERFORMANCE DATA (cont)
FAN PERFORMANCE — HORIZONTAL DISCHARGE UNITS (cont)
LEGEND
*Motor drive range: 840 to 1085 rpm. All other rpms require field-supplied
drive.
See page 103 for general fan performance notes.
NOTES:
1. Boldface indicates field-supplied drive is required.
2. Maximum continuous bhp is 2.90.
581B102 (81/2 TONS) — STANDARD MOTOR (BELT DRIVE)*
Airflow
(Cfm)
External Static Pressure (in. wg)
0.2 0.4 0.6 0.8 1.0
Rpm Bhp Watts Rpm Bhp Watts Rpm Bhp Watts Rpm Bhp Watts Rpm Bhp Watts
2500 513 0.45 423 603 0.62 576 682 0.78 732 753 0.96 892 817 1.13 1055
2600 526 0.50 463 614 0.67 621 692 0.84 783 761 1.02 948 825 1.20 1117
2700 539 0.54 505 625 0.72 670 702 0.90 837 770 1.08 1008 834 1.27 1182
2800 552 0.59 551 637 0.77 721 712 0.96 894 780 1.15 1070 842 1.34 1250
2900 565 0.64 599 648 0.83 775 722 1.02 954 789 1.22 1136 851 1.42 1321
3000 579 0.70 651 660 0.89 832 732 1.09 1017 799 1.29 1204 860 1.50 1395
3100 592 0.76 706 672 0.96 893 743 1.16 1083 808 1.37 1276 869 1.58 1471
3200 606 0.82 764 684 1.03 957 754 1.24 1153 818 1.45 1351 878 1.66 1552
3300 620 0.88 825 696 1.10 1024 765 1.31 1225 829 1.53 1429 888 1.75 1636
3400 634 0.95 890 709 1.17 1095 777 1.40 1302 839 1.62 1511 897 1.85 1723
3500 648 1.03 958 721 1.25 1169 788 1.48 1381 850 1.71 1597 907 1.95 1815
3600 662 1.10 1030 734 1.34 1246 800 1.57 1465 860 1.81 1686 917 2.05 1909
3700 676 1.19 1106 747 1.42 1328 811 1.66 1552 871 1.91 1779 927 2.15 2008
3800 690 1.27 1185 760 1.52 1414 823 1.76 1644 882 2.01 1876 938 2.26 2111
3900 705 1.36 1269 773 1.61 1503 835 1.86 1739 894 2.12 1977 948 2.38 2217
4000 719 1.45 1357 786 1.71 1597 848 1.97 1838 905 2.23 2082 959 2.50 2328
4100 734 1.55 1449 799 1.82 1695 860 2.08 1942 917 2.35 2192 970 2.62 2443
4200 748 1.66 1545 813 1.93 1797 872 2.20 2050 928 2.47 2305 981 2.75 2562
4300 763 1.76 1646 826 2.04 1903 885 2.32 2162 940 2.60 2423 992 2.88 2686
581B102 (81/2 TONS) — STANDARD MOTOR (BELT DRIVE)* (cont)
Airflow
(Cfm)
External Static Pressure (in. wg)
1.2 1.4 1.6 1.8 2.0
Rpm Bhp Watts Rpm Bhp Watts Rpm Bhp Watts Rpm Bhp Watts Rpm Bhp Watts
2500 877 1.31 1222 933 1.49 1392 986 1.68 1565 1037 1.87 1742 1085 2.06 1921
2600 885 1.38 1289 940 1.57 1464 993 1.76 1643 1043 1.96 1824 1091 2.15 2008
2700 892 1.46 1359 948 1.65 1540 1000 1.85 1723 1049 2.05 1909 1097 2.25 2099
2800 900 1.54 1432 955 1.74 1618 1007 1.94 1807 1056 2.14 1998 1103 2.35 2192
2900 908 1.62 1508 963 1.82 1699 1014 2.03 1893 1063 2.24 2089 1110 2.45 2289
3000 917 1.70 1587 970 1.91 1784 1021 2.13 1983 1070 2.34 2185 1117 2.56 2389
3100 925 1.79 1670 979 2.01 1872 1029 2.23 2076 1077 2.45 2283 1123 2.67 2492
3200 934 1.88 1756 987 2.10 1963 1037 2.33 2172 1085 2.56 2384 1131 2.79 2599
3300 943 1.98 1845 995 2.21 2057 1045 2.44 2272 1092 2.67 2490 —— —
3400 952 2.08 1939 1004 2.31 2156 1053 2.55 2376 1100 2.79 2599 —— —
3500 961 2.18 2035 1013 2.42 2258 1062 2.66 2483 — — — — — —
3600 971 2.29 2135 1022 2.53 2364 1070 2.78 2595 — — — — — —
3700 981 2.40 2240 1031 2.65 2473 — — — — — — — — —
3800 990 2.52 2348 1040 2.77 2587 — — — — — — — — —
3900 1000 2.64 2459 1050 2.90 2705 — — — — — — — — —
4000 1011 2.76 2576 — — — — — — — — — — — —
4100 1021 2.89 2697 — — — — — — — — — — — —
4200 ———————————————
4300 ———————————————
Bhp — Brake Horsepower Input to Fan
Watts — Input Watts to Motor
581B036-150

123
PERFORMANCE DATA (cont)
FAN PERFORMANCE — HORIZONTAL DISCHARGE UNITS (cont)
LEGEND
*Motor drive range: 860 to 1080 rpm. All other rpms require field-supplied
drive.
See page 103 for general fan performance notes.
NOTES:
1. Boldface indicates field-supplied drive is required.
2. Maximum continuous bhp is 4.20.
581B102 (81/2 TONS) — HIGH-STATIC MOTOR (BELT DRIVE)*
Airflow
(Cfm)
External Static Pressure (in. wg)
0.2 0.4 0.6 0.8 1.0
Rpm Bhp Watts Rpm Bhp Watts Rpm Bhp Watts Rpm Bhp Watts Rpm Bhp Watts
2500 513 0.45 423 603 0.62 576 682 0.78 732 753 0.96 892 817 1.13 1055
2600 526 0.50 463 614 0.67 621 692 0.84 783 761 1.02 948 825 1.20 1117
2700 539 0.54 505 625 0.72 670 702 0.90 837 770 1.08 1008 834 1.27 1182
2800 552 0.59 551 637 0.77 721 712 0.96 894 780 1.15 1070 842 1.34 1250
2900 565 0.64 599 648 0.83 775 722 1.02 954 789 1.22 1136 851 1.42 1321
3000 579 0.70 651 660 0.89 832 732 1.09 1017 799 1.29 1204 860 1.50 1395
3100 592 0.76 706 672 0.96 893 743 1.16 1083 808 1.37 1276 869 1.58 1471
3200 606 0.82 764 684 1.03 957 754 1.24 1153 818 1.45 1351 878 1.66 1552
3300 620 0.88 825 696 1.10 1024 765 1.31 1225 829 1.53 1429 888 1.75 1636
3400 634 0.95 890 709 1.17 1095 777 1.40 1302 839 1.62 1511 897 1.85 1723
3500 648 1.03 958 721 1.25 1169 788 1.48 1381 850 1.71 1597 907 1.95 1815
3600 662 1.10 1030 734 1.34 1246 800 1.57 1465 860 1.81 1686 917 2.05 1909
3700 676 1.19 1106 747 1.42 1328 811 1.66 1552 871 1.91 1779 927 2.15 2008
3800 690 1.27 1185 760 1.52 1414 823 1.76 1644 882 2.01 1876 938 2.26 2111
3900 705 1.36 1269 773 1.61 1503 835 1.86 1739 894 2.12 1977 948 2.38 2217
4000 719 1.45 1357 786 1.71 1597 848 1.97 1838 905 2.23 2082 959 2.50 2328
4100 734 1.55 1449 799 1.82 1695 860 2.08 1942 917 2.35 2192 970 2.62 2443
4200 748 1.66 1545 813 1.93 1797 872 2.20 2050 928 2.47 2305 981 2.75 2562
4300 763 1.76 1646 826 2.04 1903 885 2.32 2162 940 2.60 2423 992 2.88 2686
581B102 (81/2 TONS) — HIGH-STATIC MOTOR (BELT DRIVE)* (cont)
Airflow
(Cfm)
External Static Pressure (in. wg)
1.2 1.4 1.6 1.8 2.0
Rpm Bhp Watts Rpm Bhp Watts Rpm Bhp Watts Rpm Bhp Watts Rpm Bhp Watts
2500 877 1.31 1222 933 1.49 1392 986 1.68 1565 1037 1.87 1742 1085 2.06 1921
2600 885 1.38 1289 940 1.57 1464 993 1.76 1643 1043 1.96 1824 1091 2.15 2008
2700 892 1.46 1359 948 1.65 1540 1000 1.85 1723 1049 2.05 1909 1097 2.25 2099
2800 900 1.54 1432 955 1.74 1618 1007 1.94 1807 1056 2.14 1998 1103 2.35 2192
2900 908 1.62 1508 963 1.82 1699 1014 2.03 1893 1063 2.24 2089 1110 2.45 2289
3000 917 1.70 1587 970 1.91 1784 1021 2.13 1983 1070 2.34 2185 1117 2.56 2389
3100 925 1.79 1670 979 2.01 1872 1029 2.23 2076 1077 2.45 2283 1123 2.67 2492
3200 934 1.88 1756 987 2.10 1963 1037 2.33 2172 1085 2.56 2384 1131 2.79 2599
3300 943 1.98 1845 995 2.21 2057 1045 2.44 2272 1092 2.67 2490 1138 2.91 2710
3400 952 2.08 1939 1004 2.31 2156 1053 2.55 2376 1100 2.79 2599 1145 3.03 2824
3500 961 2.18 2035 1013 2.42 2258 1062 2.66 2483 1108 2.91 2711 1153 3.15 2942
3600 971 2.29 2135 1022 2.53 2364 1070 2.78 2595 1116 3.03 2827 1161 3.29 3063
3700 981 2.40 2240 1031 2.65 2473 1079 2.91 2709 1125 3.16 2948 1169 3.42 3189
3800 990 2.52 2348 1040 2.77 2587 1088 3.03 2828 1133 3.30 3073 1177 3.56 3319
3900 1000 2.64 2459 1050 2.90 2705 1097 3.17 2951 1142 3.43 3201 1186 3.70 3452
4000 1011 2.76 2576 1059 3.03 2826 1106 3.30 3079 1151 3.58 3334 1194 3.85 3591
4100 1021 2.89 2697 1069 3.17 2953 1116 3.44 3210 1160 3.72 3471 1203 4.00 3733
4200 1031 3.03 2822 1079 3.31 3083 1125 3.59 3347 1169 3.87 3612 1212 4.16 3880
4300 1042 3.16 2951 1089 3.45 3218 1135 3.74 3487 1179 4.03 3758 —— —
Bhp — Brake Horsepower Input to Fan
Watts — Input Watts to Motor
581B036-150

124
PERFORMANCE DATA (cont)
FAN PERFORMANCE — HORIZONTAL DISCHARGE UNITS (cont)
LEGEND
*Motor drive range: 860 to 1080 rpm. All other rpms require field-supplied
drive.
See page 103 for general fan performance notes.
NOTES:
1. Boldface indicates field-supplied drive is required.
2. Maximum continuous bhp is 3.70.
581B120 (10 TONS) — STANDARD MOTOR (BELT DRIVE)*
Airflow
(Cfm)
External Static Pressure (in. wg)
0.2 0.4 0.6 0.8 1.0
Rpm Bhp Watts Rpm Bhp Watts Rpm Bhp Watts Rpm Bhp Watts Rpm Bhp Watts
3000 579 0.70 651 660 0.89 832 732 1.09 1017 799 1.29 1204 860 1.50 1395
3100 592 0.76 706 672 0.96 893 743 1.16 1083 808 1.37 1276 869 1.58 1471
3200 606 0.82 764 684 1.03 957 754 1.24 1153 818 1.45 1351 878 1.66 1552
3300 620 0.88 825 696 1.10 1024 765 1.31 1225 829 1.53 1429 888 1.75 1636
3400 634 0.95 890 709 1.17 1095 777 1.40 1302 839 1.62 1511 897 1.85 1723
3500 648 1.03 958 721 1.25 1169 788 1.48 1381 850 1.71 1597 907 1.95 1815
3600 662 1.10 1030 734 1.34 1246 800 1.57 1465 860 1.81 1686 917 2.05 1909
3700 676 1.19 1106 747 1.42 1328 811 1.66 1552 871 1.91 1779 927 2.15 2008
3800 690 1.27 1185 760 1.52 1414 823 1.76 1644 882 2.01 1876 938 2.26 2111
3900 705 1.36 1269 773 1.61 1503 835 1.86 1739 894 2.12 1977 948 2.38 2217
4000 719 1.45 1357 786 1.71 1597 848 1.97 1838 905 2.23 2082 959 2.50 2328
4100 734 1.55 1449 799 1.82 1695 860 2.08 1942 917 2.35 2192 970 2.62 2443
4200 748 1.66 1545 813 1.93 1797 872 2.20 2050 928 2.47 2305 981 2.75 2562
4300 763 1.76 1646 826 2.04 1903 885 2.32 2162 940 2.60 2423 992 2.88 2686
4400 778 1.88 1751 840 2.16 2014 898 2.44 2279 952 2.73 2546 1004 3.02 2814
4500 792 1.99 1860 853 2.28 2130 910 2.57 2401 964 2.87 2673 1015 3.16 2947
4600 807 2.12 1975 867 2.41 2250 923 2.71 2527 976 3.01 2805 1027 3.31 3085
4700 822 2.25 2094 881 2.55 2375 936 2.85 2658 989 3.15 2942 1038 3.46 3227
4800 837 2.38 2218 895 2.69 2505 949 3.00 2794 1001 3.31 3083 1050 3.62 3375
4900 852 2.52 2347 909 2.83 2640 963 3.15 2935 1014 3.46 3230 — — —
5000 867 2.66 2482 923 2.98 2781 976 3.30 3081 1026 3.63 3383 — — —
581B120 (10 TONS) — STANDARD MOTOR (BELT DRIVE)* (cont)
Airflow
(Cfm)
External Static Pressure (in. wg)
1.2 1.4 1.6 1.8 2.0
Rpm Bhp Watts Rpm Bhp Watts Rpm Bhp Watts Rpm Bhp Watts Rpm Bhp Watts
3000 917 1.70 1587 970 1.91 1784 1021 2.13 1983 1070 2.34 2185 1117 2.56 2389
3100 925 1.79 1670 979 2.01 1872 1029 2.23 2076 1077 2.45 2283 1123 2.67 2492
3200 934 1.88 1756 987 2.10 1963 1037 2.33 2172 1085 2.56 2384 1131 2.79 2599
3300 943 1.98 1845 995 2.21 2057 1045 2.44 2272 1092 2.67 2490 1138 2.91 2710
3400 952 2.08 1939 1004 2.31 2156 1053 2.55 2376 1100 2.79 2599 1145 3.03 2824
3500 961 2.18 2035 1013 2.42 2258 1062 2.66 2483 1108 2.91 2711 1153 3.15 2942
3600 971 2.29 2135 1022 2.53 2364 1070 2.78 2595 1116 3.03 2827 1161 3.29 3063
3700 981 2.40 2240 1031 2.65 2473 1079 2.91 2709 1125 3.16 2948 1169 3.42 3189
3800 990 2.52 2348 1040 2.77 2587 1088 3.03 2828 1133 3.30 3073 1177 3.56 3319
3900 1000 2.64 2459 1050 2.90 2705 1097 3.17 2951 1142 3.43 3201 1186 3.70 3452
4000 1011 2.76 2576 1059 3.03 2826 1106 3.30 3079 1151 3.58 3334 —— —
4100 1021 2.89 2697 1069 3.17 2953 1116 3.44 3210 —— — —— —
4200 1031 3.03 2822 1079 3.31 3083 1125 3.59 3347 —— — —— —
4300 1042 3.16 2951 1089 3.45 3218 —— — —— — —— —
4400 1053 3.31 3085 1100 3.60 3357 —— — —— — —— —
4500 1064 3.46 3224 — — — — — — — — — — — —
4600 1075 3.61 3367 — — — — — — — — — — — —
4700 ———————————————
4800 ———————————————
4900 ———————————————
5000 ———————————————
Bhp — Brake Horsepower Input to Fan
Watts — Input Watts to Motor
581B036-150

125
PERFORMANCE DATA (cont)
FAN PERFORMANCE — HORIZONTAL DISCHARGE UNITS (cont)
LEGEND
*Motor drive range: 830 to 1130 rpm. All other rpms require field-supplied
drive.
See page 103 for general fan performance notes.
NOTES:
1. Boldface indicates field-supplied drive is required.
2. Maximum continuous bhp is 5.25.
581B120 (10 TONS) — HIGH-STATIC MOTOR (BELT DRIVE)*
Airflow
(Cfm)
External Static Pressure (in. wg)
0.2 0.4 0.6 0.8 1.0
Rpm Bhp Watts Rpm Bhp Watts Rpm Bhp Watts Rpm Bhp Watts Rpm Bhp Watts
3000 579 0.70 651 660 0.89 832 732 1.09 1017 799 1.29 1204 860 1.50 1395
3100 592 0.76 706 672 0.96 893 743 1.16 1083 808 1.37 1276 869 1.58 1471
3200 606 0.82 764 684 1.03 957 754 1.24 1153 818 1.45 1351 878 1.66 1552
3300 620 0.88 825 696 1.10 1024 765 1.31 1225 829 1.53 1429 888 1.75 1636
3400 634 0.95 890 709 1.17 1095 777 1.40 1302 839 1.62 1511 897 1.85 1723
3500 648 1.03 958 721 1.25 1169 788 1.48 1381 850 1.71 1597 907 1.95 1815
3600 662 1.10 1030 734 1.34 1246 800 1.57 1465 860 1.81 1686 917 2.05 1909
3700 676 1.19 1106 747 1.42 1328 811 1.66 1552 871 1.91 1779 927 2.15 2008
3800 690 1.27 1185 760 1.52 1414 823 1.76 1644 882 2.01 1876 938 2.26 2111
3900 705 1.36 1269 773 1.61 1503 835 1.86 1739 894 2.12 1977 948 2.38 2217
4000 719 1.45 1357 786 1.71 1597 848 1.97 1838 905 2.23 2082 959 2.50 2328
4100 734 1.55 1449 799 1.82 1695 860 2.08 1942 917 2.35 2192 970 2.62 2443
4200 748 1.66 1545 813 1.93 1797 872 2.20 2050 928 2.47 2305 981 2.75 2562
4300 763 1.76 1646 826 2.04 1903 885 2.32 2162 940 2.60 2423 992 2.88 2686
4400 778 1.88 1751 840 2.16 2014 898 2.44 2279 952 2.73 2546 1004 3.02 2814
4500 792 1.99 1860 853 2.28 2130 910 2.57 2401 964 2.87 2673 1015 3.16 2947
4600 807 2.12 1975 867 2.41 2250 923 2.71 2527 976 3.01 2805 1027 3.31 3085
4700 822 2.25 2094 881 2.55 2375 936 2.85 2658 989 3.15 2942 1038 3.46 3227
4800 837 2.38 2218 895 2.69 2505 949 3.00 2794 1001 3.31 3083 1050 3.62 3375
4900 852 2.52 2347 909 2.83 2640 963 3.15 2935 1014 3.46 3230 1062 3.78 3528
5000 867 2.66 2482 923 2.98 2781 976 3.30 3081 1026 3.63 3383 1074 3.95 3685
581B120 (10 TONS) — HIGH-STATIC MOTOR (BELT DRIVE)* (cont)
Airflow
(Cfm)
External Static Pressure (in. wg)
1.2 1.4 1.6 1.8 2.0
Rpm Bhp Watts Rpm Bhp Watts Rpm Bhp Watts Rpm Bhp Watts Rpm Bhp Watts
3000 917 1.70 1587 970 1.91 1784 1021 2.13 1983 1070 2.34 2185 1117 2.56 2389
3100 925 1.79 1670 979 2.01 1872 1029 2.23 2076 1077 2.45 2283 1123 2.67 2492
3200 934 1.88 1756 987 2.10 1963 1037 2.33 2172 1085 2.56 2384 1131 2.79 2599
3300 943 1.98 1845 995 2.21 2057 1045 2.44 2272 1092 2.67 2490 1138 2.91 2710
3400 952 2.08 1939 1004 2.31 2156 1053 2.55 2376 1100 2.79 2599 1145 3.03 2824
3500 961 2.18 2035 1013 2.42 2258 1062 2.66 2483 1108 2.91 2711 1153 3.15 2942
3600 971 2.29 2135 1022 2.53 2364 1070 2.78 2595 1116 3.03 2827 1161 3.29 3063
3700 981 2.40 2240 1031 2.65 2473 1079 2.91 2709 1125 3.16 2948 1169 3.42 3189
3800 990 2.52 2348 1040 2.77 2587 1088 3.03 2828 1133 3.30 3073 1177 3.56 3319
3900 1000 2.64 2459 1050 2.90 2705 1097 3.17 2951 1142 3.43 3201 1186 3.70 3452
4000 1011 2.76 2576 1059 3.03 2826 1106 3.30 3079 1151 3.58 3334 1194 3.85 3591
4100 1021 2.89 2697 1069 3.17 2953 1116 3.44 3210 1160 3.72 3471 1203 4.00 3733
4200 1031 3.03 2822 1079 3.31 3083 1125 3.59 3347 1169 3.87 3612 1212 4.16 3880
4300 1042 3.16 2951 1089 3.45 3218 1135 3.74 3487 1179 4.03 3758 1221 4.32 4031
4400 1053 3.31 3085 1100 3.60 3357 1145 3.90 3632 1188 4.19 3909 1230 4.49 4187
4500 1064 3.46 3224 1110 3.76 3502 1155 4.06 3782 1198 4.36 4064 1239 4.66 4348
4600 1075 3.61 3367 1121 3.91 3650 1165 4.22 3937 1208 4.53 4224 1249 4.84 4514
4700 1086 3.77 3515 1131 4.08 3805 1175 4.39 4096 1217 4.71 4389 1258 5.02 4684
4800 1097 3.93 3668 1142 4.25 3963 1186 4.57 4260 1228 4.89 4559 1268 5.21 4860
4900 1109 4.10 3826 1153 4.43 4128 1196 4.75 4430 1238 5.08 4734 —— —
5000 1120 4.28 3990 1164 4.61 4296 1207 4.94 4604 —— — —— —
Bhp — Brake Horsepower Input to Fan
Watts — Input Watts to Motor
581B036-150

126
PERFORMANCE DATA (cont)
FAN PERFORMANCE — HORIZONTAL DISCHARGE UNITS (cont)
LEGEND
*Motor drive range: 830 to 1130 rpm. All other rpms require field-supplied
drive.
See page 103 for general fan performance notes.
NOTES:
1. Boldface indicates field-supplied drive is required.
2. Maximum continuous bhp is 5.25.
581B150 (121/2 TONS) — STANDARD MOTOR (BELT DRIVE)*
Airflow
(Cfm)
External Static Pressure (in. wg)
0.2 0.4 0.6 0.8 1.0
Rpm Bhp Watts Rpm Bhp Watts Rpm Bhp Watts Rpm Bhp Watts Rpm Bhp Watts
3700 676 1.19 1106 747 1.42 1328 811 1.66 1552 871 1.91 1779 927 2.15 2008
3800 690 1.27 1185 760 1.52 1414 823 1.76 1644 882 2.01 1876 938 2.26 2111
3900 705 1.36 1269 773 1.61 1503 835 1.86 1739 894 2.12 1977 948 2.38 2217
4000 719 1.45 1357 786 1.71 1597 848 1.97 1838 905 2.23 2082 959 2.50 2328
4100 734 1.55 1449 799 1.82 1695 860 2.08 1942 917 2.35 2192 970 2.62 2443
4200 748 1.66 1545 813 1.93 1797 872 2.20 2050 928 2.47 2305 981 2.75 2562
4300 763 1.76 1646 826 2.04 1903 885 2.32 2162 940 2.60 2423 992 2.88 2686
4400 778 1.88 1751 840 2.16 2014 898 2.44 2279 952 2.73 2546 1004 3.02 2814
4500 792 1.99 1860 853 2.28 2130 910 2.57 2401 964 2.87 2673 1015 3.16 2947
4600 807 2.12 1975 867 2.41 2250 923 2.71 2527 976 3.01 2805 1027 3.31 3085
4700 822 2.25 2094 881 2.55 2375 936 2.85 2658 989 3.15 2942 1038 3.46 3227
4800 837 2.38 2218 895 2.69 2505 949 3.00 2794 1001 3.31 3083 1050 3.62 3375
4900 852 2.52 2347 909 2.83 2640 963 3.15 2935 1014 3.46 3230 1062 3.78 3528
5000 867 2.66 2482 923 2.98 2781 976 3.30 3081 1026 3.63 3383 1074 3.95 3685
5100 882 2.81 2622 937 3.14 2926 989 3.47 3232 1039 3.80 3540 1086 4.13 3849
5200 897 2.97 2766 951 3.30 3077 1003 3.63 3389 1052 3.97 3702 1099 4.31 4017
5300 912 3.13 2917 966 3.47 3233 1016 3.81 3551 1065 4.15 3870 1111 4.49 4191
5400 927 3.30 3073 980 3.64 3395 1030 3.99 3719 1078 4.34 4044 1123 4.69 4370
5500 943 3.47 3234 994 3.82 3563 1044 4.17 3892 1091 4.53 4223 1136 4.88 4555
5600 958 3.65 3402 1009 4.01 3736 1057 4.37 4071 1104 4.73 4408 1149 5.09 4746
5700 973 3.83 3575 1023 4.20 3915 1071 4.56 4256 1117 4.93 4599 — — —
5800 988 4.03 3754 1038 4.40 4100 1085 4.77 4447 1130 5.14 4796 — — —
5900 1004 4.22 3939 1052 4.60 4292 1099 4.98 4645 — — — — — —
6000 1019 4.43 4131 1067 4.81 4489 1113 5.20 4848 — — — — — —
6100 1034 4.64 4329 1082 5.03 4693 — — — — — — — — —
6200 1050 4.86 4533 — — — — — — — — — — — —
6300 1065 5.09 4744 — — — — — — — — — — — —
581B150 (121/2 TONS) — STANDARD MOTOR (BELT DRIVE)* (cont)
Airflow
(Cfm)
External Static Pressure (in. wg)
1.2 1.4 1.6 1.8 2.0
Rpm Bhp Watts Rpm Bhp Watts Rpm Bhp Watts Rpm Bhp Watts Rpm Bhp Watts
3700 981 2.40 2240 1031 2.65 2473 1079 2.91 2709 1125 3.16 2948 1169 3.42 3189
3800 990 2.52 2348 1040 2.77 2587 1088 3.03 2828 1133 3.30 3073 1177 3.56 3319
3900 1000 2.64 2459 1050 2.90 2705 1097 3.17 2951 1142 3.43 3201 1186 3.70 3452
4000 1011 2.76 2576 1059 3.03 2826 1106 3.30 3079 1151 3.58 3334 1194 3.85 3591
4100 1021 2.89 2697 1069 3.17 2953 1116 3.44 3210 1160 3.72 3471 1203 4.00 3733
4200 1031 3.03 2822 1079 3.31 3083 1125 3.59 3347 1169 3.87 3612 1212 4.16 3880
4300 1042 3.16 2951 1089 3.45 3218 1135 3.74 3487 1179 4.03 3758 1221 4.32 4031
4400 1053 3.31 3085 1100 3.60 3357 1145 3.90 3632 1188 4.19 3909 1230 4.49 4187
4500 1064 3.46 3224 1110 3.76 3502 1155 4.06 3782 1198 4.36 4064 1239 4.66 4348
4600 1075 3.61 3367 1121 3.91 3650 1165 4.22 3937 1208 4.53 4224 1249 4.84 4514
4700 1086 3.77 3515 1131 4.08 3805 1175 4.39 4096 1217 4.71 4389 1258 5.02 4684
4800 1097 3.93 3668 1142 4.25 3963 1186 4.57 4260 1228 4.89 4559 1268 5.21 4860
4900 1109 4.10 3826 1153 4.43 4128 1196 4.75 4430 1238 5.08 4734 —— —
5000 1120 4.28 3990 1164 4.61 4296 1207 4.94 4604 —— — —— —
5100 1132 4.46 4159 1175 4.79 4471 1218 5.13 4784 —— — —— —
5200 1144 4.65 4333 1187 4.99 4651 —— — —— — —— —
5300 1155 4.84 4512 1198 5.19 4836 —— — —— — —— —
5400 1167 5.04 4697 ————————————
5500 1179 5.24 4889 ————————————
5600 ———————————————
5700 ———————————————
5800 ———————————————
5900 ———————————————
6000 ———————————————
6100 ———————————————
6200 ———————————————
6300 ———————————————
Bhp — Brake Horsepower Input to Fan
Watts — Input Watts to Motor
581B036-150

127
PERFORMANCE DATA (cont)
FAN RPM AT MOTOR PULLEY SETTING WITH STANDARD MOTOR* — 581B036-150
*Approximate fan rpm shown (standard motor/drive).
FAN RPM AT MOTOR PULLEY SETTING WITH HIGH-STATIC MOTOR* — 581B036-150
*Approximate fan rpm shown (high-static motor/drive).
ALTITUDE COMPENSATION* — 581B036-072
*As the height above sea level increases, there is less oxygen per cubic foot
of air. Therefore, the input rate should be reduced at higher altitudes.
†Orifices are available through your local Bryant distributor.
ALTITUDE COMPENSATION* — 581B090-150
*As the height above sea level increases, there is less oxygen per cubic foot
of air. Therefore, the input rate should be reduced at higher altitudes.
†Orifices are available through your local Bryant distributor.
ALTITUDE DERATING FACTOR*
*Derating of the unit is not required unless the heating value of the gas
exceeds the values listed in the table above, or if the elevation exceeds
6000 ft. Derating conditions must be 4% per thousand ft above 2000 ft.
For example, at 4000 ft, if the heating value of the gas exceeds 1000 Btu/
ft3, the unit will require a 16% derating. For elevations above 6000 ft, the
same formula applies. For example, at 7000 ft, the unit will require a 28%
derating of the maximum heating value per the National Fuel Gas Code.
IMPORTANT: Local utility companies may be reducing heat content of gas
at altitudes above 2000 ft. If this is being done, changing spuds may not be
required.
UNIT
581B
MOTOR PULLEY TURNS OPEN
01/211
1/222
1/233
1/244
1/255
1/26
036 1044 1008 971 935 898 862 826 789 753 716 680 — —
048 1185 1144 1102 1061 1019 978 936 895 853 812 770 — —
060 1460 1425 1389 1354 1318 1283 1248 1212 1177 1141 1106 1070 1035
072 1585 1538 1492 1445 1399 1352 1305 1259 1212 1166 1119 — —
090,102 1085 1060 1035 1010 985 960 935 910 890 865 840 — —
120 1080 1060 1035 1015 990 970 950 925 905 880 860 — —
150 1130 1112 1087 1062 1037 1212 987 962 937 912 887 962 830
UNIT
581B
MOTOR PULLEY TURNS OPEN
01/211
1/222
1/233
1/244
1/255
1/26
036 1455 1423 1392 1360 1328 1297 1265 1233 1202 1170 1138 1107 1075
048 1455 1423 1392 1360 1328 1297 1265 1233 1202 1170 1138 1107 1075
060 1685 1589 1557 1525 1493 1460 1428 1396 1364 1332 1300 — —
072 1685 1589 1557 1525 1493 1460 1428 1396 1364 1332 1300 — —
090 1080 1025 1007 988 970 952 933 915 897 878 860 — —
102 1080 1025 1007 988 970 952 933 915 897 878 860 — —
120 1130 1112 1087 1062 1037 1212 987 962 937 912 887 962 830
ELEVATION
(ft)
72,000 AND 115,000/
60,000 and 90,000 BTUH
NOMINAL INPUT
150,000/120,000 BTUH
NOMINAL INPUT
Natural Gas
Orifice Size†
Liquid
Propane
Orifice Size†
Natural
Gas
Orifice Size
Liquid
Propane
Orifice Size†
0-2,000 33/38 43 30/32 38
2,000 34/39 43 30/33 39
3,000 35/40 44 31/34 40
4,000 36/41 44 32/35 41
5,000 36/41 44 33/35 42
6,000 37/42 45 34/36 43
7,000 37/42 45 35/37 43
8,000 38/43 46 36/37 44
9,000 39/43 47 37/38 44
10,000 41/44 48 38/40 45
11,000 43/45 48 39/41 45
12,000 44/45 49 40/42 46
13,000 44/46 49 41/43 47
14,000 45/47 50 42/43 47
ELEVATION
(ft)
125,000, 180,000, AND
224,000 BTUH
NOMINAL INPUT
250,000 BTUH
NOMINAL INPUT
Natural Gas
Orifice
Size†
Liquid
Propane
Orifice Size†
Natural Gas
Orifice
Size†
Liquid
Propane
Orifice Size†
0-2,000 31 41 30 38
2,000 32 42 30 39
3,000 32 42 31 40
4,000 32 42 32 41
5,000 33 43 33 42
6,000 34 43 34 43
7,000 35 44 35 43
8,000 36 44 36 44
9,000 37 45 37 44
10,000 38 46 38 45
11,000 39 47 39 45
12,000 40 47 40 46
13,000 41 48 41 47
14,000 42 48 42 47
ELEVATION MAXIMUM HEATING VALUE (Btu/ft3)
0-2000 1100
2001-3000 1050
3001-4000 1000
4001-5000 950
5001-6000 900
581B036-150

128
PERFORMANCE DATA (cont)
OUTDOOR SOUND POWER (TOTAL UNIT)
LEGEND NOTE: The indoor sound power is available in Bryant’s Electronic Catalog
program (ECAT) for specific operating parameters.
EVAPORATOR-FAN MOTOR EFFICIENCY
*Single phase/3 phase.
NOTES:
1. Convert bhp to watts using the following formula:
2. The EPACT (Energy Policy Act of 1992) regulates energy requirements
for specific types of indoor fan motors. Motors regulated by EPACT
include any general purpose, T-frame (three-digit, 143 and larger),
single-speed, foot mounted, polyphase, squirrel cage induction motors
of NEMA (National Electrical Manufacturers Association) design A and
B, manufactured for use in the United States. Ranging from 1 to 200
Hp, these continuous-duty motors operate on 230 and 460 volt, 60 Hz
power. If a motor does not fit into these specifications, the motor does
not have to be replaced by an EPACT-compliant energy-efficient motor.
Variable-speed motors are exempt from EPACT compliance require-
ments. Therefore, the indoor fan motors for Bryant 581B036-150 units
are exempt from these requirements.
ACCESSORY/FIOP ECONOMI$ER IV AND ECONOMI$ER2 STATIC PRESSURE* (in. wg) — 581B036-072
LEGEND *The static pressure must be added to external static pressure. The sum and
the evaporator entering-air cfm should be used in conjunction with the Fan
Performance tables to determine indoor blower rpm and watts.
ACCESSORY/FIOP ECONOMI$ER IV AND ECONOMI$ER2 STATIC PRESSURE* (in. wg) — 581B090-150
LEGEND *The static pressure must be added to external static pressure. The sum and
the evaporator entering-air cfm should be used in conjunction with the Fan
Performance tables to determine indoor blower rpm and watts.
UNIT
581B
SOUND
RATING
(dB)
OCTAVE BANDS
63 125 250 500 1000 2000 4000 8000
036,048 76 55.9 66.0 64.0 66.2 68.4 64.5 61.7 57.3
060,072 80 59.1 68.9 68.7 71.9 74.0 68.9 65.7 59.0
090,102 82 62.2 69.3 71.5 74.7 76.2 72.9 68.7 61.5
120 84 64.6 71.1 73.3 76.9 77.6 73.7 70.6 63.7
150 86 63.7 69.9 72.5 78.2 81.1 77.3 73.3 66.8
dB — Sound Levels (decibels)
UNIT SIZE 581B EFFICIENCY%
036,048 75
060 74/84*
072 84
090,102 80
120 85
150 87
watts = bhp (746)
motor efficiency
COMPONENT CFM
1250 1500 1750 2000 2250 2500 2750 3000
Vertical EconoMi$er IV and EconoMi$er2 0.045 0.065 0.08 0.12 0.145 0.175 0.22 0.255
Horizontal EconoMi$er IV and EconoMi$er2 — — 0.1 0.125 0.15 0.18 0.225 0.275
FIOP — Factory-Installed Option
COMPONENT CFM
2250 2500 2750 3000 3250 3500 3750 4000 4250 4500 4750 5000 5250 6250
Vertical EconoMi$er IV and
EconoMi$er2 0.06 0.075 0.09 0.115 0.13 0.15 0.17 0.195 0.22 0.25 0.285 0.325 0.36 —
Horizontal EconoMi$er IV and
EconoMi$er2 — 0.1 0.125 0.15 0.18 0.21 0.25 0.275 0.3 0.34 0.388 — — —
FIOP — Factory-Installed Option
581B036-150

129
PERFORMANCE DATA (cont)
Perfect Humidity™ Adaptive Dehumidification Coil Pressure Drop
(Subcooling and Reheat Modes of Operation)
6000
5000
4000
3000
2000
1000
0
0
0.05
0.1
0.15
0.2
0.25
0.3
0.35
Coil Pressure Drop (in. wg)
4 & 5 ton 6 ton 7.5 ton 8.5, 10 & 12.5 ton
3 ton
Airflow (cfm) a48-7640
581B036-150

130
PERFORMANCE DATA (cont)
POWER EXHAUST POWER REQUIREMENTS
LEGEND
MOCP — Maximum Overcurrent Protection
0
500
1000
1500
2000
2500
0.05" 0.15" 0.25"
Static Pressure (in. wg)
Flow in cubic feet per minute (cfm)
3-6 Ton
7 1/2 - 12 1/2 Ton
0
5
10
15
20
25
30
0.1" 0. 2" 0.3" 0. 4" 0.5"
Static Pressure (in. wg)
Flow in cubic feet per minute (cfm)
3-6 Ton
7 1/2 - 12 1/2 Ton
Vertical EconoMi$er IV and EconoMi$er2
Performance Data (581B036-150)
0
1000
2000
3000
4000
5000
0 0.1 0.2 0.3 0.4 0.5
3-6 Ton
7.5-12.5 Ton
STATIC PRESSURE (in. wg)
FLOW (cfm)
VERTICAL POWER EXHAUST PERFORMANCE
Horizontal EconoMi$er IV and EconoMi$er2
Performance Data (581B036-150)
0
500
1000
1500
2000
2500
0 0.1 0.2 0.3 0.4 0.5
STATIC PRESSURE (in. wg)
FLOW (cfm)
HORIZONTAL POWER EXHAUST PERFORMANCE
0
500
1000
1500
2000
2500
0.05 0.15 0.25
STATIC PRESSURE (in. wg)
FLOW IN CUBIC FEET PER MINUTE (cfm)
3-6 Ton
7 1/2 - 12 1/2 Ton
0
5
10
15
20
25
30
0.13 0.20 0.22 0.25 0.30 0.35 0.40 0.45 0.50
3-6 Ton
7 1/2-12 1/2 Ton
STATIC PRESSURE (in. wg)
FLOW IN CUBIC FEET PER MINUTE (cfm)
BAROMETRIC RELIEF FLOW CAPACITY
OUTDOOR AIR DAMPER LEAKAGE
BAROMETRIC RELIEF CAPACITY
OUTDOOR AIR DAMPER LEAKAGE
a48-6308
a48-6202
a48-6203 a48-6225
a48-6224
a48-6309
POWER EXHAUST
SIZE
AMPS AT 230 V
(2 FANS RUNNING)
MOCP
230 VAC 460 VAC 575 VAC
3 to 6 Ton 1.40 amps
at 60 Hz 15.0
amps
15.0
amps
15.0
amps
71/2 to 121/2 Ton 3.04 amps
at 60 Hz
581B036-150

131
PERFORMANCE DATA (cont)
EVAPORATOR-FAN MOTOR PERFORMANCE — STANDARD MOTOR
LEGEND
Bhp — Brake Horsepower
*Extensive motor and electrical testing on these units ensures that the full horsepower and watts range of the
motors can be utilized with confidence. Using fan motors up to the ratings shown in this table will not result in
nuisance tripping or premature motor failure. Unit warranty will not be affected.
EVAPORATOR-FAN MOTOR PERFORMANCE — HIGH-STATIC MOTOR
LEGEND
Bhp — Brake Horsepower
*Extensive motor and electrical testing on these units ensures that the full horsepower and watts range of the
motors can be utilized with confidence. Using fan motors up to the ratings shown in this table will not result in
nuisance tripping or premature motor failure. Unit warranty will not be affected.
UNIT
581B
UNIT
VOLTAGE
UNIT
PHASE
MAXIMUM
CONTINUOUS BHP*
MAXIMUM
OPERATING WATTS*
MAXIMUM
AMP DRAW
036
208/230 Single 1.20 1000 4.9
208/230
Three 1.20 1000
4.9
460 2.2
575 2.2
048
208/230 Single 1.20 1000 4.9
208/230
Three 1.20 1000
4.9
460 2.2
575 2.2
060
208/230 Single 1.30 1650 10.1
208/230
Three 2.40 2120
6.7
460 3.0
575 3.0
072
208/230
Three 2.40 2120
6.7
460 3.0
575 3.0
090,102
208/230
Three 2.90 2615
8.6
460 3.9
575 3.9
120
208/230
Three 3.70 3775
12.2
460 5.5
575 5.5
150
208/230
Three 5.25 4400
17.3
460 8.5
575 8.5
UNIT
581B
UNIT
VOLTAGE
UNIT
PHASE
MAXIMUM
CONTINUOUS BHP*
MAXIMUM
OPERATING WATTS*
MAXIMUM
AMP DRAW
036
208/230
Three 2.40 2120
6.7
460 3.0
575 3.0
048
208/230
Three 2.40 2120
6.7
460 3.0
575 3.0
060
208/230
Three 2.90 2615
8.6
460 3.9
575 3.9
072
208/230
Three 2.90 2615
8.6
460 3.9
575 3.9
090,102
208/230
Three 4.20 3775
12.2
460 5.5
575 5.5
120
208/230
Three 5.25 4400
17.3
460 8.5
575 8.5
581B036-150

132
PERFORMANCE DATA (cont)
POWER EXHAUST OPTIONS
*Single or three phase.
VERTICAL — MOUNTED IN ECONOMIZER HOOD
POWER EXHAUST
PART N O. POWER EXHAUST DESCRIPTION APPLICATION
USAGE
POWER OUTPUT
(Hp per fan)
NO.
FANS
CRPWREXH030A01 Power Exhaust System (208/230-1-60) 036-072* 0.23 2
CRPWREXH021A01 Power Exhaust System (460-3-60) 036-072 0.24 2
CRPWREXH022A01 Power Exhaust System (208/230-1-60) 090-150* 0.47 2
CRPWREXH023A01 Power Exhaust System (460-3-60) 090-150 0.37 2
HORIZONTAL — MOUNTED IN RETURN DUCTWORK
POWER EXHAUST|
PART N O. POWER EXHAUST DESCRIPTION APPLICATION
USAGE
POWER OUTPUT
(Hp per fan)
NO.
FANS
CRPWREXH028A01 Horizontal Power Exhaust (208/230-1-60) All* 0.48 1
CRPWREXH029A01 Horizontal Power Exhaust (460-3-60) All 0.48 1
581B036-150

133
ELECTRICAL DATA
581B036-150 UNITS
UNIT SIZE
581B
NOMINAL
V-PH-Hz
IFM
TYPE
CONV
OUTLET
VOLTAGE
RANGE COMPRESSOR (each) OFM (each) IFM
FLA
COMBUSTION
FAN MOTOR POWER SUPPLY* MINIMUM UNIT
DISCONNECT SIZE†
Min Max Qty RLA LRA Qty FLA FLA MCA MOCP** FLA LRA
036
(3 Tons)
208/230-1-60 STD NO 187 254 1 16 88 1 0.7 4.9 0.6 25.6 30 25 101
YES 31.6 35 30 106
208/230-3-60
STD NO
187 254 1 10.3 77 1 0.7
4.9
0.6
18.5 25 18 90
YES 24.5 30 24 95
HIGH NO 5.2 19.4 25 19 120
YES 25.4 30 25 124
460-3-60
STD NO
414 508 1 5.1 39 1 0.4
2.2
0.3
9.0 15 9 46
YES 11.7 15 11 48
HIGH NO 2.6 9.4 15 9 60
YES 12.1 15 12 63
575-3-60
STD NO
518 632 1 4.2 31
10.4
1.9
0.3
7.6 10 7 36
YES 9.7 15 9 38
HIGH NO 2.0 7.7 10 8 43
YES 9.8 15 10 44
PH NO 10.42.6 0.9 8.3 10 8 52
YES 10.4 15 10 54
048
(4 Tons)
208/230-1-60 STD NO 187 254 1 23.7 126 1 0.7 4.9 0.6 35.2 45 34 139
YES 41.2 50 39 144
208/230-3-60
STD NO
187 254 1 13.5 93 1 0.7
4.9
0.6
22.5 30 22 106
YES 28.5 35 27 111
HIGH NO 5.8 23.4 30 23 136
YES 29.4 35 29 140
460-3-60
STD NO
414 508 1 6.4 46.5 1 0.4
2.2
0.3
10.6 15 10 54
YES 13.3 15 13 56
HIGH NO 2.6 11.0 15 11 68
YES 13.7 15 13 70
575-3-60
STD NO
518 632 1 6.4 40
10.4
1.9
0.3
10.3 15 10 45
YES 12.5 15 12 47
HIGH NO 2.0 10.4 15 10 52
YES 12.6 15 12 53
PH NO 10.42.6 0.9 11.0 15 11 61
YES 13.2 15 13 63
060
(5 Tons)
208/230-1-60 STD NO 187 254 1 28.8 169 1 1.5 6.6 0.6 44.1 60 42 206
YES 50.1 60 48 210
208/230-3-60
STD NO
187 254 1 17.3 123 1 1.5
5.8
0.6
28.9 35 28 168
YES 34.9 40 34 173
HIGH NO 7.5 30.6 35 30 187
YES 36.6 40 36 192
460-3-60
STD NO
414 508 1 9 62 1 0.8
2.6
0.3
14.7 20 14 84
YES 17.4 20 17 87
HIGH NO 3.4 15.5 20 15 94
YES 18.2 20 18 96
575-3-60
STD NO
518 632 1 7.1 50
10.6
2.0
0.3
11.5 15 11 63
YES 13.6 15 13 64
HIGH NO 2.8 12.3 15 12 72
YES 14.4 20 14 73
PH NO 10.83.4 0.3 12.2 15 12 76
YES 14.4 20 14 77
072
(6 Tons)
208/230-3-60
STD NO
187 254 1 20.5 156 1 1.4
5.8 0.6 32.8 40 32 200
YES 38.8 45 37 205
HIGH NO 7.5 0.6 34.5 40 34 219
YES 40.5 45 39 224
460-3-60
STD NO
414 508 1 9.6 75 1 0.6
2.6 0.3 15.2 20 15 97
YES 17.9 20 17 99
HIGH NO 3.4 0.3 16.0 20 16 107
YES 18.7 25 18 109
575-3-60
STD NO
518 632 1 7.7 56
10.8
2.0
0.3
12.4 15 12 69
YES 14.6 20 14 70
HIGH NO 2.8 13.2 20 13 79
YES 15.4 20 15 80
PH NO 10.63.4 0.3 12.8 15 13 81
YES 15.0 20 15 83
090
(71/2 Tons)
208/230-3-60
STD NO
187 254 2 12.4 88 2 1.4
7.5
0.6
38.2 45 40 242
YES 44.2 50 46 247
HIGH NO 10.6 41.3 45 44 267
YES 47.3 50 49 271
460-3-60
STD NO
414 508 2 6.4 44 2 0.7
3.4
0.3
19.2 25 20 121
YES 21.9 25 23 123
HIGH NO 4.8 20.6 25 22 134
YES 23.3 25 24 136
575-3-60
STD NO
518 632 2 4.8 34
20.6
2.8
0.3
14.6 20 15 95
YES 16.8 20 17 95
HIGH NO 3.3 15.3 20 17 104
YES 17.5 20 19 104
PH NO 20.74.8 0.3 15.8 20 17 104
YES 17.9 20 19 104
581B036-150

134
ELECTRICAL DATA (cont)
581B036-150 UNITS
LEGEND
*The values listed in this table do not include power exhaust. See table at right for power
exhaust requirements.
†Used to determine minimum disconnect per NEC.
**Fuse or HACR circuit breaker.
NOTES:
1. In compliance with NEC requirements for multimotor and combination load equipment
(refer to NEC Articles 430 and 440), the overcurrent protective device for the unit shall be
fuse or HACR breaker. The UL, Canada units may be fuse or circuit breaker.
2. Electrical data based on 95 F ambient outdoor-air temperature ± 10% voltage.
3. Unbalanced 3-Phase Supply Voltage
Never operate a motor where a phase imbalance in supply voltage is greater than 2%.
Use the following formula to determine the percent of voltage imbalance.
Example: Supply voltage is 460-3-60.
AB = 452 v
BC = 464 v
AC = 455 v
Determine maximum deviation from average voltage.
(AB) 457 – 452 = 5 v
(BC) 464 – 457 = 7 v
(AC) 457 – 455 = 2 v
Maximum deviation is 7 v.
Determine percent of voltage imbalance.
This amount of phase imbalance is satisfactory as it is below the maximum allowable
2%.
IMPORTANT: If the supply voltage phase imbalance is more than 2%, contact your local
electric utility company immediately.
POWER EXHAUST ELECTRICAL DATA
N/A — Not Available
*Single or three phase.
NOTE: If a single power source is to be used, size wire to include power exhaust MCA
and MOCP.
Check MCA and MOCP when power exhaust is powered through the unit. Determine the
new MCA including the power exhaust using the following formula:
MCA New = MCA unit only + MCA of Power Exhaust
For example, using a 581B060 unit with MCA = 28.9 and MOCP = 35, with
CRPWREXH030A01 power exhaust.
MCA New = 28.9 amps + 1.6 amps = 30.5 amps
If the new MCA does not exceed the published MOCP, then MOCP would not change.
The MOCP in this example is 35 amps and the MCA New is below 35; therefore the
MOCP is acceptable. If “MCA New” is larger than the published MOCP, raise the MOCP
to the next larger size. For separate power, the MOCP for the power exhaust will be
15 amps per NEC.
UNIT SIZE
581B
NOMINAL
V-PH-Hz IFM TYPE CONV
OUTLET
VO LTAGE
RANGE COMPRESSOR (each) OFM (each) IFM
FLA
COMBUSTION
FAN MOTOR POWER SUPPLY* MINIMUM UNIT
DISCONNECT SIZE†
Min Max Qty RLA LRA Qty FLA FLA MCA MOCP** FLA LRA
102
(81/2 Tons)
208/230-3-60
STD NO
187 254 2 13.1 105 2 1.4
7.5
0.6
40.2 45 42 276
YES 46.2 50 48 281
HIGH NO 10.6 43.3 50 46 301
YES 49.3 60 51 305
460-3-60
STD NO
414 508 2 7.4 55 2 0.7
3.4
0.3
21.5 25 23 143
YES 24.2 30 25 145
HIGH NO 4.8 22.9 25 24 156
YES 25.6 30 27 158
575-3-60
STD NO
518 632 2 6.4 44 2
0.6
2.8
0.3
18.2 20 19 115
YES 20.4 25 21 116
HIGH NO 3.3 18.9 25 20 124
YES 21.1 25 22 126
PH NO 0.7 4.8 0.3 19.4 25 20 124
YES 21.5 25 22 126
120
(10 Tons)
208/230-3-60
STD NO
187 254 2 17.6 125 2 1.4
10.6 0.6 53.0 60 56 341
YES 59.0 70 61 345
HIGH NO 15.0 0.6 57.4 70 61 364
YES 63.4 70 66 369
460-3-60
STD NO
414 508 2 8.3 62.5 2 0.7
4.8
0.3
24.9 30 26 171
YES 27.6 30 29 173
HIGH NO 7.4 27.5 30 29 182
YES 30.2 35 32 184
575-3-60
STD NO
518 632 2 6.3 50
20.6
3.3 0.3 19.1 25 20 136
YES 21.3 25 22 138
HIGH NO 5.6 0.3 21.0 25 23 146
YES 23.1 25 25 148
PH NO 20.77.4 0.3 21.2 25 23 146
YES 23.4 25 25 148
150
(121/2 Tons)
208/230-3-60 STD NO 187 254 2 19 156 2 1.4 15.0 0.6 60.6 70 64 426
YES 66.6 70 70 431
460-3-60 STD NO 414 508 2 9 75 2 0.7 7.4 0.3 29.1 35 31 207
YES 31.8 35 33 209
575-3-60
ST NO
518 632 2 7.4 54
20.65.6 0.3 23.5 30 25 154
YES 25.6 30 27 156
PH NO 20.77.4 0.3 23.7 30 25 154
YES 25.9 30 27 156
CONV — Convenience Outlet
FLA — Full Load Amps
HACR — Heating, Air Conditioning and Refrigeration
IFM — Indoor (Evaporator) Fan Motor
LRA — Locked Rotor Amps
MCA — Minimum Circuit Amps
MOCP — Maximum Overcurrent Protection
NEC — National Electrical Code
OFM — Outdoor (Condenser) Fan Motor
PH — Perfect Humidity™ Dehumidification System
RLA — Rated Load Amps
UL — Underwriters’ Laboratories
= 100 x max voltage deviation from average voltage
average voltage
Average Voltage = 452 + 464 + 455
3
= 1371
3
= 457
% Voltage Imbalance = 100 x 7
457
= 1.53%
POWER EXHAUST
PART NO.
APPLICATION
USAGE
MCA
(230 V)
MCA
(460 V)
MCA
(575 V)
MOCP
(separate
power source
only)
CRPWREXH030A01 036-072* 1.6 N/A 0.64 15
CRPWREXH021A01 036-072 N/A 0.68 N/A 15
CRPWREXH022A01 090-150* 3.4 N/A 1.32 15
CRPWREXH023A01 090-150 N/A 1.4 N/A 15
CRPWREXH028A01 ALL* 1.7 N/A 0.68 15
CRPWREXH029A01 ALL N/A 0.7 N/A 15
581B036-150

135
TYPICAL WIRING SCHEMATICS — 581B
SIZES 036-150 (581B090, 460-3-60 Shown)
a48-8233
581B036-150

136
TYPICAL WIRING SCHEMATICS — 581B (cont)
LEGEND
IAQ — Indoor Air Quality
LA — Low Ambient Lockout Device
POT — Potentiometer
OAT — Outdoor-Air Temperature
RAT — Return-Air Temperature
EconoMi$er IV Wiring — 581B036-150 Units
NOTE:
Potentiometer Defaults Settings:
Power Exhaust Middle
Minimum Pos. Fully Closed
DCV Max. Middle
DCV Set Middle
Enthalpy C Setting
ECONOMIZER NOTES:
1. 620 ohm, 1 watt 5% resister should be removed only when using differential
enthalpy or dry bulb.
2. If a separate field supplied 24v transformer is used for the IAQ sensor
power supply, it cannot have the secondary of the transformer grounded.
3. For field installed remote minimum position POT, remove black wire jumper
between P and P1 and set control minimum position POT to the minimum
position.
EconoMi$er2 Wiring — 581B036-150 Units
a48-7910
4
3
5
2
8
6
7
1
10
11
9
12
PINK
VIOLET
BLACK
BLUE
YELLOW
NOTE 1
NOTE 2
RUN
500 OHM
RESISTOR
-
+
OPTIONAL CO
SENSOR 4 - 20 mA
OUTPUT
50HJ540573
ACTUATOR
ASSEMBLY
RED
WHITE
ECONOMISER2 PLUG
DIRECT DRIVE
ACTUATOR
2
a48-8209
NOTES:
1. Switch on actuator must be in run position for economizer to operate.
2. 50HJ540573 actuator consists of the 50HJ540567 actuator and a harness with 500-ohm resistor.
581B036-150

137
TYPICAL WIRING SCHEMATICS — 581B (cont)
C2 FOR 008-014 UNITS
LINE SIDE
C
11
13 23
23
21
BLU
BLU
GRA
GRA
RED
GRARED
RED
YEL
YEL
208-230-1 ONLY
240V
H1
H1
H3 H2
H2
H4
TRAN4
TRAN4
TRAN4
X4 X2 X3 X1
WHTBLK
SECONDARY
120V GROUND FAULT
INTERRUPTER
CONVENIENCE
OUTLET
GFI - CO
GRN-YEL
GRN-YEL
WHT
BLK
FUSE
15 AMP
TEST
RESET
SWITCH
SECONDARY
120V
SECONDARY
120V
X4 X2 X3 X1
600V
H1 H3
RED YEL BLU GRA
460V
H2 H4
X4 X2 X3 X1
FIELD
POWER
SUPPLY
UNIT
DISCONNECT
BLK
YEL
BLU
BLK
YEL
BLU
BLK
YEL
BLU
SINGLE POINT CONNECTION BOX
BLK
YEL
BLU
TB
Convenience Outlet (Optional) — Sizes 581B036-150
Non-Fused Disconnect (Optional) — Sizes 581B036-150
NOTE: Use copper conductors only.
a48-7462
a48-7463
581B036-150

138
TYPICAL PIPING AND WIRING — 581B036-150
NO.2
NO.1
CONVENIENCE
OUTLET
Vertical Discharge Ducting
Horizontal Discharge Ducting
NEC — National Electrical Code
48-983
a48-6307
581B036-150

139
GUIDE SPECIFICATIONS — 580F036-151 AND 581B036-150
PACKAGED ROOFTOP ELECTRIC COOLING UNIT WITH
GAS HEAT — CONSTANT VOLUME APPLICATION
HVAC GUIDE SPECIFICATIONS
SIZE RANGE: 3 TO 121/2 TONS, NOMINAL (COOLING)
60,000 TO 250,000 BTUH, NOMINAL (INPUT HEATING)
BRYANT MODEL NUMBERS: 580F, 581B
PART 1 — GENERAL
1.01 SYSTEM DESCRIPTION
Outdoor rooftop mounted, electrically controlled heating
and cooling unit utilizing a hermetic compressor(s) for
cooling duty and gas combustion for heating duty. Unit
shall discharge supply air vertically or horizontally as
shown on contract drawings.
1.02 QUALITY ASSURANCE
A. Unit well exceeds ASHRAE 90.1-2001 Energy Standards.
Units 581B036-120 are Energy Star qualified.
B. Unit shall be rated in accordance with ARI Standards 210
or 360. Designed in accordance with UL Standard 1995.
C. Unit shall be designed to conform to ASHRAE 15, latest
revision.
D. Unit shall be UL-tested and certified in accordance with
ANSI Z21.47 Standards and UL-listed and certified
under Canadian standards as a total package for safety
requirements.
E. Roof curb shall be designed to conform to NRCA
Standards.
F. Insulation and adhesive shall meet NFPA 90A require-
ments for flame spread and smoke generation.
G. Unit casing shall be capable of withstanding 500-hour salt
spray exposure per ASTM B117 (scribed specimen).
H. Unit shall be designed in accordance with ISO
9001:2000, and shall be manufactured in a facility regis-
tered to ISO 9001:2000.
I. Each unit shall be subjected to a completely automated
run testing on the assembly line. A factory-supplied print-
out indicating tested pressures, amperages, data, and
inspectors; providing certification of the unit status at the
time of manufacture, shall be available upon request.
1.03 DELIVERY, STORAGE, AND HANDLING
Unit shall be stored and handled per manufacturer’s
recommendations.
PART 2 — PRODUCTS
2.01 EQUIPMENT (STANDARD)
A. General:
Factory assembled, single-piece heating and cooling unit.
Contained within the unit enclosure shall be all factory
wiring, piping, controls, refrigerant charge (R-22), and
special features required prior to field start-up.
B. Unit Cabinet:
1. Unit cabinet shall be constructed of galvanized steel,
and shall be bonderized and coated with a pre-
painted baked enamel finish on all externally
exposed surfaces.
2. Evaporator fan compartment interior cabinet sur-
faces shall be insulated with a minimum 1/2-in. thick,
1 lb density, flexible fiberglass insulation, neoprene
coated on the air side. Aluminum foil-faced fiber-
glass insulation shall be used in the gas heat
compartment.
3. Cabinet panels shall be easily removable for
servicing.
4. Holes shall be provided in the base rails for rigging
shackles to facilitate maneuvering and overhead
rigging.
5. Unit shall have a factory-installed, sloped conden-
sate drain pan made of a non-corrosive material, pro-
viding a minimum 3/4-in.-14 NPT connection with
both vertical and horizontal drains, and shall comply
with ASHRAE Standard 62.
6. Unit shall have a factory-installed filter access panel
to provide filter access with tool-less removal.
7. Unit shall have standard thru-the-bottom gas and
power connection capability (accessory kit is
required).
C. Fans:
1. Evaporator Fan:
a. Fan shall be direct or belt driven as shown on the
equipment drawings. Belt drive shall include an
adjustable-pitch motor pulley.
b. Fan wheel shall be double-inlet type with forward-
curved blades.
c. Bearings shall be sealed, permanently lubricated
ball-bearing type for longer life and lower
maintenance.
2. Evaporator fan shall be made from steel with a corro-
sion-resistant finish and shall be dynamically
balanced.
3. Bryant rooftop evaporator fan motors smaller than
5 hp are specifically designed for Bryant and are
rated in maximum continuous Bhp or maximum con-
tinuous watts. The motors do not have a horsepower
rating on the nameplate.
4. Condenser fan shall be of the direct-driven (with
totally enclosed motors) propeller type and shall dis-
charge air vertically.
5. Condenser fan shall have aluminum blades riveted to
corrosion-resistant steel spiders and shall be dynam-
ically balanced.
6. Induced-draft blower shall be of the direct-driven, sin-
gle inlet, forward-curved centrifugal type, made from
steel with a corrosion-resistant finish and shall be
dynamically balanced.
D. Compressor(s):
1. Fully hermetic type, internally protected scroll-type.
2. Factory mounted on rubber grommets and internally
spring mounted for vibration isolation.
3. On dual electrically and mechanically independent
circuits (090-150).
E. Coils:
1. Standard evaporator and condenser coils shall have
aluminum lanced plate fins mechanically bonded to
seamless internally grooved 3/8-in. OD copper tubes
with all joints brazed.
2. Dual compressor models (size 090-150) shall have
face-split type evaporator coil (circuit no. 1 on
bottom).
581B036-121 UNITS ARE
ENERGY STAR QUALIFIED
580F036-151 AND 581B036-150

140
GUIDE SPECIFICATIONS — 580F036-151 AND 581B036-150 (cont)
3. Testing:
a. Evaporator and condenser coils shall be qualified
to UL 1995 burst test at 2,200 psi.
b. Evaporator and condenser coils shall be leak
tested to 150 psig and pressure tested to
400 psig.
4. Optional Coils:
a. Optional pre-coated aluminum-fin coils shall have
a durable epoxy-phenolic coating to provide pro-
tection in mildly corrosive coastal environments.
Coating shall be applied to the aluminum fin stock
prior to the fin stamping process to create an inert
barrier between the aluminum fin and copper
tube. Epoxy-phenolic barrier shall minimize gal-
vanic action between dissimilar metals.
b. Copper-fin coils shall be constructed of copper
fins mechanically bonded to copper tubes and
copper tube sheets. Galvanized steel tube sheets
shall not be acceptable. A polymer strip shall pre-
vent coil assembly from contacting the sheet
metal coil pan to minimize potential for galvanic
corrosion between coil and pan. All copper con-
struction shall provide protection in moderate
coastal environments.
c. E-Coated aluminum-fin coils shall have a flexible
epoxy polymer coating uniformly applied to all coil
surface areas without material bridging between
fins. Coating process shall ensure complete coil
encapsulation. Color shall be high gloss black
with gloss — 60 deg of 65 to 90% per ASTM
D523-89. Uniform dry film thickness from 0.8 to
1.2 mil on all surface areas including fin edges.
Superior hardness characteristics of 2H per
ASTM D3363-92A and cross-hatch adhesion of
4B-5B per ASTM D3359-93. Impact resistance
shall be up to 160 in.-lb (ASTM D2794-93).
Humidity and water immersion resistance shall be
up to minimum 1000 and 250 hours respectively
(ASTM D2247-92 and ASTM D870-92). Corro-
sion durability shall be confirmed through testing
to be no less than 1000 hours salt spray per
ASTM B117-90. Coil construction shall be alumi-
num fins mechanically bonded to copper tubes.
d. E-Coated copper-fin coils shall have a flexible
epoxy polymer coating uniformly applied to all coil
surface areas without material bridging between
fins. Coating process shall ensure complete coil
encapsulation. Color shall be high gloss black
with gloss — 60 deg of 65 to 90% per ASTM
D523-89. Uniform dry film thickness from 0.8 to
1.2 mil on all surface areas including fin edges.
Superior hardness characteristics of 2H per
ASTM D3363-92A and cross-hatch adhesion of
4B-5B per ASTM D3359-93. Impact resistance
shall be up to 160 in.-lb (ASTM D2794-93).
Humidity and water immersion resistance shall be
up to minimum 1000 and 250 hours respectively
(ASTM D2247-92 and ASTM D870-92). Corro-
sion durability shall be confirmed through testing
to be no less than 1000 hours salt spray per
ASTM B117-90. Coil construction shall be copper
fins mechanically bonded to copper tubes with
copper tube sheets. Galvanized steel tube sheets
shall not be acceptable. A polymer strip shall pre-
vent coil assembly from contacting sheet metal
coil pan to maintain coating integrity and minimize
corrosion potential between coil and pan.
F. Heating Section:
1. Induced-draft combustion type with energy saving
direct-spark ignition system and redundant main gas
valve.
2. Heat Exchanger:
a. The standard heat exchanger shall be of the
tubular-section type constructed of a minimum of
20-gage steel coated with a nominal 1.2 mil
aluminum-silicone alloy for corrosion resistance.
b. The optional stainless steel heat exchanger shall
be of the tubular-section type, constructed of a
minimum of 20-gage type 409 stainless steel.
3. Burners shall be of the in-shot type constructed of
aluminum-coated steel.
4. All gas piping shall enter the unit cabinet at a single
location on side of unit (horizontal plane).
5. The integrated gas controller (IGC) board shall
include gas heat operation fault notification using an
LED (light-emitting diode).
6. Unit shall be equipped with anti-cycle protection with
one short cycle on unit flame rollout switch or 4 con-
tinuous short cycles on the high-temperature limit
switch. Fault indication shall be made using an LED.
7. The IGC board shall contain algorithms that modify
evaporator-fan operation to prevent future cycling on
high-temperature limit switch.
8. The LED shall be visible without removal of control
box access panel.
G. Refrigerant Components:
Refrigerant circuit components shall include:
1. Fixed orifice metering system.
2. Refrigerant filter drier.
3. Service gage connections on suction, discharge, and
liquid lines.
H. Filter Section:
1. Standard filter section shall consist of factory-
installed, low velocity, throwaway 2-in. thick fiberglass
filters of commercially available sizes.
2. Filter face velocity shall not exceed 320 fpm at nomi-
nal airflows.
3. Filter section should use only one size filter.
4. Filters shall be accessible through an access panel
with “no-tool” removal.
I. Controls and Safeties:
1. Unit Controls:
Unit shall be complete with self-contained low-volt-
age control circuit protected by a fuse on the 24-v
transformer side (090-150 units have a resettable
circuit breaker).
2. Safeties:
a. Unit shall incorporate a solid-state compressor
protector which provides anti-cycle reset capabil-
ity at the space thermostat, should any of the fol-
lowing standard safety devices trip and shut off
compressor.
1) Compressor overtemperature, overcurrent.
2) Loss-of-charge/low-pressure switch.
3) Freeze-protection thermostat, evaporator coil.
4) High-pressure switch.
5) Automatic reset motor thermal overload
protector.
The lockout protection shall be easily discon-
nected at the control board, if necessary.
580F036-150 AND 581B036-150

141
GUIDE SPECIFICATIONS — 580F036-151 AND 581B036-150 (cont)
b. Heating section shall be provided with the follow-
ing minimum protections:
1) High-temperature limit switches.
2) Induced draft motor speed sensor.
3) Flame rollout switch.
4) Flame proving controls.
J. Operating Characteristics:
1. Unit shall be capable of starting and running at 125 F
ambient outdoor temperature, meeting maximum
load criteria of ARI Standard 210/240 or 360 at
+ 10% voltage.
2. Compressor with standard controls shall be
capable of operation down to 25 F ambient outdoor
temperature.
K. Electrical Requirements:
All unit power wiring shall enter unit cabinet at a single
factory-predrilled location.
L. Motors:
1. Compressor motors shall be cooled by refrigerant
gas passing through motor windings and shall have
line break thermal and current overload protection.
2. Evaporator-fan motor shall have permanently lubri-
cated bearings and inherent automatic-reset thermal
overload protection. Evaporator motors are designed
specifically for Bryant and do not have conventional
horsepower (HP) ratings listed on the motor name-
plate. Motors are designed and qualified in the “air-
over” location downstream of the cooling coil and
carry a maximum continuous bhp rating that is the
maximum application bhp rating for the motor; no
“safety factors” above that rating may be applied.
3. Totally enclosed condenser-fan motor shall have
permanently lubricated bearings, and inherent auto-
matic-reset thermal overload protection.
4. Induced-draft motor shall have permanently lubri-
cated sealed bearings and inherent automatic-reset
thermal overload protection.
M. Special Features:
Certain features are not applicable when the features
designated * are specified. For assistance in amending
the specifications, contact your local Bryant Sales Office.
1. Roof Curbs (Horizontal and Vertical):
a. Formed galvanized steel with wood nailer strip
and shall be capable of supporting entire unit
weight.
b. Permits installation and securing of ductwork to
curb prior to mounting unit on the curb.
* 2. Integrated Economizers:
a. Integrated integral modulating type capable of
simultaneous economizer and compressor opera-
tion. During economizer operation, up to two
compressors on sizes 090-150 will operate.
b. Available as a factory-installed option in vertical
supply/return configuration only. (Available as a
field-installed accessory for dedicated horizontal
and/or vertical supply return configurations.)
c. Includes all hardware and controls to provide
cooling with outdoor air.
d. Equipped with low-leakage dampers, not
to exceed 2% leakage at 1 in. wg pressure
differential.
e. Capable of introducing up to 100% outdoor air.
f. EconoMi$er IV and EconoMi$er2 shall be
equipped with a barometric relief damper capable
of relieving up to 100% return air.
g. Designed to close damper(s) during loss-of-
power situations with spring return built into
motor.
h. Dry bulb outdoor-air temperature sensor shall be
provided as standard. Outdoor air sensor set
point is adjustable and shall range from 40 to
100 F. For the EconoMi$er IV, the return air sen-
sor, indoor enthalpy sensor, and outdoor enthalpy
sensor shall be provided as field-installed acces-
sories to provide enthalpy control, differential
enthalpy control, and differential dry bulb temper-
ature control. For the EconoMi$er2, the enthalpy,
differential temperature (adjustable), and differen-
tial enthalpy control shall be provided as field-
installed accessories.
i. EconoMi$er IV controller shall use a mixed air
thermistor mounted on the evaporator fan hous-
ing to control EconoMi$er IV operation to a supply
air temperature of 55 F.
j. The EconoMi$er IV and EconoMi$er2 shall have
a gear-driven parallel blade design.
k. EconoMi$er IV controller shall provide control of
internal building pressure through its accessory
power exhaust function. Factory set at 100%, with
a range of 0% to 100%.
l. EconoMi$er2 shall be capable of control from a
4 to 20 mA signal through optional 4 to 20 mA
design without microprocessor control (required
for PremierLink™ or third party control interface).
m. EconoMi$er IV controller Occupied Minimum
Damper Position Setting maintains the minimum
airflow into the building during occupied period
providing design ventilation rate for full occupancy
(damper position during heating). A remote
potentiometer may be used to override the set
point.
n. EconoMi$er IV controller Unoccupied Minimum
Damper Position Setting — The EconoMi$er IV
dampers shall be closed when the unit is in the
occupied mode.
o. EconoMi$er IV controller IAQ/DCV Maximum
Damper Position Setting — Setting the maximum
position of the damper prevents the introduction
of large amounts of hot or cold air into the space.
This position is intended to satisfy the base mini-
mum ventilation rate.
p. EconoMi$er IV controller IAQ/DCV control modu-
lates the outdoor-air damper to provide ventilation
based on the optional 2 to 10 vdc CO2 sensor
input.
q. Compressor lockout sensor (opens at 35 F,
closes at 50 F).
r. Actuator shall be direct coupled to economizer
gear, eliminating linkage arms and rods.
s. Control LEDs:
1) When the outdoor air damper is capable of
providing free cooling, the “Free Cool” LED
shall illuminate.
2) The IAQ LED indicates when the module is on
the DCV mode.
3) The EXH LED indicates when the exhaust fan
contact is closed.
580F036-151 AND 581B036-150

142
GUIDE SPECIFICATIONS — 580F036-151 AND 581B036-150 (cont)
t. Remote Minimum Position Control — A field-
installed accessory remote potentiometer allows
the outdoor air damper to be opened or closed
beyond the minimum position in the occupied
mode for modified ventilation.
3. Manual Outdoor-Air Damper:
Manual damper package shall consist of damper,
birdscreen, and rainhood which can be preset to
admit up to 50% outdoor air for year round
ventilation.
* 4. 100% Two-Position Damper:
a. Two-position damper package shall include single
blade damper and motor. Admits up to 100% out-
door air.
b. Damper shall close upon indoor (evaporator) fan
shutoff.
c. Designed to close damper during loss of power
situations.
d. Equipped with 15% barometric relief damper.
* 5. 25% Two-Position Damper:
a. Two-position damper package shall include single
blade damper and motor. Admits up to 25% out-
door air.
b. Damper shall close upon indoor (evaporator) fan
shutoff.
* 6. Head Pressure Control Package:
Consists of solid-state control and condenser-coil
temperature sensor to maintain condensing temper-
ature between 90 F and 110 F at outdoor ambient
temperatures down to –20 F by condenser-fan
speed modulation or condenser-fan cycling and wind
baffles.
7. LP (Liquid Propane) Conversion Kit:
Package shall contain all the necessary hardware
and instructions to convert a standard natural gas
unit for use with liquefied propane (valid up to 2000 ft
elevation).
* 8. Electronic Programmable Thermostat:
Units shall be capable of using deluxe full-featured
electronic thermostat. Thermostat shall use built-in
compressor cycle delay control for both heating and
cooling duty. Thermostat shall be capable of working
with third party direct digital controls.
9. Light Commercial Thermidistat™ Device:
Field-installed wall-mounted thermostat is used to
control temperature and activation of the dehumidifi-
cation package. The Thermidistat device can be set
for humidity settings from 50% to 90% relative
humidity. Automatic humidity control adjusts indoor
humidity based on the outdoor temperature sensor.
* 10. Flue Shield:
Flue shield shall provide protection from the hot
sides of the gas flue hood.
* 11. Thermostat and Subbase:
Thermostat and subbase shall provide staged cool-
ing and heating automatic (or manual) changeover,
fan control, and indicator light.
* 12. Condenser Coil Hail Guard Assembly:
Hail guard shall protect against damage from hail
and flying debris.
13. Unit-Mounted, Non-Fused Disconnect Switch:
Switch shall be factory-installed, internally mounted.
NEC and UL approved non-fused switch shall
provide unit power shutoff. Switch shall be accessi-
ble from outside the unit and shall provide power off
lockout capability.
14. Convenience Outlet:
Outlet shall be factory-installed and internally
mounted with easily accessible 115-v female recep-
tacle. Shall include 15 amp GFI receptacle with inde-
pendent fuse protection. Voltage required to operate
convenience outlet shall be provided by a
factory-installed step-down transformer. Shall be
accessible from outside the unit.
15. High-Static Indoor Fan Motor(s) and Drive(s)
(036-120):
High-static motor(s) and drive(s) shall be factory-
installed to provide additional performance range.
16. Flue Discharge Deflector:
Flue discharge deflector directs unit exhaust verti-
cally instead of horizontally.
17. Condenser Coil Grille:
The grille protects the condenser coil from damage
by large objects without increasing unit clearances.
18. Compressor Cycle Delay:
Unit shall be prevented from restarting for minimum
of 5 minutes after shutdown.
19. Thru-the-Bottom Utility Connectors:
Kit shall provide connectors to permit gas and elec-
trical connections to be brought to the unit through
the basepan.
20. Fan/Filter Status Switch:
Switch shall provide status of indoor (evaporator) fan
(ON/OFF) or filter (CLEAN/DIRTY). Status shall be
displayed over communication bus when used with
direct digital controls or with an indicator light at the
thermostat.
21. Power Exhaust Accessory for EconoMi$er IV or
EconoMi$er2:
Power exhaust shall be used in conjunction with
EconoMi$er IV or EconoMi$er2 to provide system
exhaust of up to 100% of return air (vertical only).
The power exhaust is a field-installed accessory
(separate vertical and horizontal design).
NOTE: Horizontal power exhaust is intended to
mount in return ductwork.
As the outdoor-air damper opens and closes, both
propeller fans are energized and deenergized
through the EconoMi$er IV controller. The set point
is factory set at 100% of outdoor-air, and is adjust-
able 0 to 100% to meet specific job requirements.
Available in 208/230-1-60 v or 460-3-60 v. An LED
light on the controller indicates when the power
exhaust is operating.
For the EconoMi$er2, the power exhaust shall be
controlled by the third party controls.
22. Outdoor Air Enthalpy Sensor (EconoMi$er IV or
EconoMi$er2):
The outdoor air enthalpy sensor shall be used with
the EconoMi$er IV or EconoMi$er2 device to provide
single enthalpy control. When used in conjunction
with a return air enthalpy sensor, the EconoMi$er IV
or EconoMi$er2 device will provide differential
enthalpy control. The sensor allows the EconoMi$er
IV or EconoMi$er2 controller to determine if outside
air is suitable for free cooling.
580F036-150 AND 581B036-150

143
GUIDE SPECIFICATIONS — 580F036-151 AND 581B036-150 (cont)
23. Return Air Enthalpy Sensor (EconoMi$er IV or
EconoMi$er2):
The return air enthalpy sensor shall be used with the
EconoMi$er IV or EconoMi$er2 device. When used
in conjunction with an outdoor air enthalpy sensor,
the EconoMi$er IV or EconoMi$er2 device will pro-
vide differential enthalpy control.
24. Return Air Temperature Sensor (EconoMi$er IV or
EconoMi$er2):
The return air temperature sensor shall be used with
the EconoMi$er IV or EconoMi$er2 device. When
used in conjunction with the standard outdoor air tem-
perature sensor, the EconoMi$er IV or EconoMi$er2
device will provide differential temperature control.
25. Indoor Air Quality (CO2) Sensor (EconoMi$er2):
a. Shall have the ability to provide demand ventila-
tion indoor air quality (IAQ) control through the
EconoMi$er2 with an IAQ sensor.
b. The IAQ sensor shall be available in duct mount,
wall mount, and wall mount with LED display. The
set point shall have adjustment capability.
c. Requires EconoMi$er2 control option.
26. Indoor Air Quality (CO2) Room Sensor (EconoMi$er
IV):
Sensor shall have the ability to provide demand ven-
tilation control through the EconoMi$er IV. The IAQ
sensor shall be wall mounted with an LED display in
parts per million. The set point shall have adjustment
capability.
27. Return Air CO2 Sensor (EconoMi$er IV):
Sensor shall have the ability to provide demand ven-
tilation control through the EconoMi$er IV. The IAQ
sensor shall be duct mounted. The set point shall
have adjustment capability.
28. Gas Heat options (sizes 004-006):
a. Single-stage gas heat shall be provided in lieu of
two-stage heat.
b. NOx reduction shall be provided to reduce nitrous
oxide emissions to meet the California Air Quality
Management NOx requirement of 40 nanograms/
joule or less.
c. Primary tubes on low NOx units shall be 409
stainless steel. Other components shall be alumi-
nized steel.
29. Ultraviolet Germicidal Lamps:
Ultraviolet germicidal lamps are designed to elimi-
nate odor causing mold and fungus that may develop
in the wet area of the evaporator section of the unit.
The high output, low temperature germicidal lamps
are field installed in the evaporator section of the
unit, aimed at the evaporator coil and condensate
pan. The short wavelength ultraviolet light inhibits
and kills mold, fungus and microbial growth. The
lamps have an output rating at 45F in 400 fpm airflow
of 120 microwatts/cm2 at 1 meter.
30. Perfect Humidity™ Adaptive Dehumidification Sys-
tem (581B only):
a. The Perfect Humidity dehumidification system
shall be factory-installed in the rooftop units, and
shall provide greater dehumidification of the occu-
pied space by two modes of dehumidification
operations beside its normal design cooling
mode:
1) Subcooling mode further subcools the hot liq-
uid refrigerant leaving the condenser coil when
both temperature and humidity in the space
are not satisfied.
2) Hot gas reheat mode shall mix a portion of the
hot gas from the discharge of the compressor
with the hot liquid refrigerant leaving the con-
denser coil to create a two-phase heat transfer
in the system, resulting in a neutral leaving-air
temperature when only humidity in the space is
not satisfied.
b. The system shall consist of a subcooling/reheat
dehumidification coil located downstream of the
standard evaporator coil. This dehumidification
coil is a two-row coil with the exception of the 036
unit, which has a one-row coil.
c. The system shall include crankcase heater(s) for
the scroll compressor(s).
d. The system shall include a low outdoor air tem-
perature switch to lock out both subcooling and
hot gas reheat mode when the outdoor-air tem-
perature is below 40 F.
e. The system shall include a Motormaster® low
ambient control to ensure the normal design cool-
ing mode capable of down to 0° F low ambient
operation.
f. The system shall include a low-pressure switch
on the suction line to ensure low pressure start-
up of hot gas reheat mode at lower outdoor tem-
perature condition.
g. The system operation may be controlled by a
field-installed, wall-mounted humidistat. The
dehumidification circuit will then operate only
when needed. Field connections for the humidis-
tat are made in the low-voltage compartment of
the unit control box. The sensor can be set for any
level between 55% and 80% relative humidity.
h. The system shall include a thermostatic expan-
sion valve (TXV) to ensure a positive superheat
condition and a balance of pressure drop.
i. For units with two compressors (sizes 090-150),
depending on the conditions required to maintain
the space set points, one or both compressors
can operate in subcooling mode, one compressor
could operate in subcooling mode while the other
operates in hot gas reheat mode, or one or both
compressors can operate in hot gas reheat mode.
31. Humidistat:
Field-installed, wall-mounted humidistat is used to
control activation of the dehumidification package.
The humidistat can be set for humidity levels
between 20% and 80% relative humidity.
32. Hinged Panel Option:
Hinged panel option provides hinged access panels
for the filter, compressor, evaporator fan, and control
box areas. Filter hinged panels permit tool-less entry
for changing filters. Each hinged panel is perma-
nently attached to the rooftop unit.
33. Louvered Hail Guard:
The hail guard shall protect the entire outdoor coil
surface from direct or indirect (from adjacent sur-
faces) hail damage. Hail guard shall have a pressure
drop of 2%.
580F036-151 AND 581B036-150

144
PHYSICAL DATA — 579F180-300
LEGEND
*Circuit 1 uses the lower portion of condenser coil and lower portion of evapora-
tor coils; and Circuit 2 uses the upper portion of both coils.
†Rollout switch is manual reset.
**The 579F300 units requires 2-in. industrial-grade filters capable of handling face
velocities of up to 625 ft/min (such as American Air Filter no. 5700 or equivalent).
NOTE: The 579F units have a low-pressure switch (standard) located on the suc-
tion side.
UNIT 579F 180 216 240 300
208/230, 460 v 575 v
NOMINAL CAPACITY (tons) 15 18 20 25
OPERATING WEIGHT (lb) 1650 1800 1850 2000
Economizer 90 90 90 90
Roof Curb 200 200 200 200
COMPRESSOR Scroll
Quantity...Model (Ckt 1, Ckt 2) 2...SR*942AE
2
90, 90
1...SM120,
1...SR*782AE
1...SM120,
1...SM110
1...SM161,
1...SM120
Number of Refrigerant Circuits 22 2
Oil (oz) (Ckt 1, Ckt 2) 110, 72 110,110 112, 110
Stages of Capacity Control (%) 50/50 60/40 52/48 56/44
REFRIGERANT TYPE R-22
Expansion Device TXV
Operating Charge (lb-oz)
Circuit 1* 10-13
10-5
15-2 16-3 21-0
Circuit 2 11-5 14-8 15-4
CONDENSER COIL Cross-Hatched 3/8-in. Copper Tubes, Aluminum Lanced,
Aluminum Pre-Coated, or Copper Plate Fins
Rows...Fins/in. 2...17
21.7
3...15 3...15 4...15
Total Face Area (sq ft) 21.7 21.7 21.7
CONDENSER FAN Propeller Type
Nominal Cfm 10,400 9300 13,700 12,500
Quantity...Diameter (in.) 3...22 3...22 2...30 2...30
Motor Hp...Rpm 1/2...1050 1/2...1050 1...1075 1...1075
Watts Input (Total) 1100 1100 3400 3400
EVAPORATOR COIL Cross-Hatched 3/8-in. Copper Tubes, Aluminum Lanced or
Copper Plate Fins, Face Split
Rows...Fins/in. 2...17 3...15 3...15 4...15
Total Face Area (sq ft) 17.5 17.5 17.5 17.5
EVAPORATOR FAN Centrifugal Type
Quantity...Size (in.) 2...10 x 10 2...10 x 10 2...12 x 12 2...12 x 12 2...12 x 12
Type Drive Belt Belt Belt Belt Belt
Nominal Cfm 6000 6000 7200 8000 10,000
Motor Hp 3.7 3.0 5 7.5 10
Motor Nominal Rpm 1725 1725 1745 1745 1740
Maximum Continuous Bhp 4.25 3.45 5.90 8.7 [208/230, 575 v]
9.5 [460 v]
10.2 [208/230, 575 v]
11.8 [460 v]
Motor Frame Size 56H 56H 184T 213T 215T
Nominal Rpm High/Low ——— — —
Fan r/s Range Low-Medium Static 891-1179 1159-1429 910-1095 1002-1225 1066-1283
High Static 1227-1550 — 1069-1287 1193-1458 1332-1550
Motor Bearing Type Ball Ball Ball Ball Ball
Maximum Allowable Rpm 1550 1550 1550 1550 1550
Motor Pulley Pitch Diameter Low-Medium Static 3.1/4.1 4.3/5.3 4.9/5.9 5.4/6.6 4.9/5.9
Min/Max (in.) High Static 3.7/4.7 — 4.9/5.9 5.4/6.6 4.9/5.9
Nominal Motor Shaft Diameter (in.) 7/87/811/813/813/8
Fan Pulley Pitch Diameter (in.) Low-Medium Static 6.0 6.4 9.4 9.4 8.0
High Static 5.2 — 8.0 7.9 6.4
Nominal Fan Shaft Diameter (in.) 13/16 13/16 17/16 17/16 17/16
Belt, Quantity...Type...Length (in.) Low-Medium Static 1...BX...42 1...BX...45 1...BX...50 1...BX...54 2...BX...50
High Static 1...BX...42 — 1...BX...48 1...BX...50 2...BX...47
Pulley Center Line Distance (in.) 13.5-15.5 13.5-15.5 13.3-14.8 14.6-15.4 14.6-15.4
Speed Change per Full Turn of
Movable Pulley Flange (rpm)
Low-Medium Static 48 44 37 37 36
High Static 55 — 34 44 45
Movable Pulley Maximum Full Turns
From Closed Position 555 5 5
Factory Speed 3.5 3.5 3.5 3.5 3.5
Factory Speed Setting (rpm) Low-Medium Static 1035 1296 1002 1120 1182
High Static 1389 — 1178 1328 1470
Fan Shaft Diameter at Pulley (in.) 13/16 13/16 17/16 17/16 17/16
Bhp — Brake Horsepower
TXV — Thermostatic Expansion Valve
0TFQ004-012
579F180-300

145
PHYSICAL DATA — 579F180-300 (cont)
LEGEND
*Circuit 1 uses the lower portion of condenser coil and lower portion of evapora-
tor coils; and Circuit 2 uses the upper portion of both coils.
†Rollout switch is manual reset.
**The 579F300 units requires 2-in. industrial-grade filters capable of handling face
velocities of up to 625 ft/min (such as American Air Filter no. 5700 or equivalent).
NOTE: The 579F units have a low-pressure switch (standard) located on the suc-
tion side.
OPERATING AND RIGGING WEIGHTS
*Base unit weight does not include electric heaters, copper coils, economizer,
power exhaust, barometric relief or crating. See Options and Accessories table
below for more information.
NOTE: For 180 and 216 unit sizes add 75 lb (34 kg) for domestic crating. For 240
and 300 unit sizes add 135 lb (61 kg). For export crating add 500 lb (227 kg).
OPTIONS AND ACCESSORIES
(Weight Adders)
LEGEND
UNIT 579F 180 216 240 300
FURNACE SECTION
Rollout Switch Cutout Temp (F)† 190 190 190 190
Burner Orifice Diameter (in. ...drill size)
Natural Gas 0.1285...30/0.136...29 0.1285...30/0.136...29 0.1285...30/0.136...29 0.1285...30/0.136...29
Thermostat Heat Anticipator Setting (amps)
208/230, 575 Stage 1 0.98 0.98 0.98 0.98
Stage 2 0.44 0.44 0.44 0.44
460 v Stage 1 0.80 0.80 0.80 0.80
Stage 2 0.44 0.44 0.44 0.44
Gas Input Stage 1 172,000/225,000 206,000/270,000 206,000/270,000 206,000/270,000
Stage 2 230,000/300,000 275,000/360,000 275,000/360,000 275,000/360,000
Efficiency (Steady State) (%) 81 81 81 81
Temperature Rise Range 15-45/20-50 15-45/20-50 15-45/20-50 15-45/20-50
Manifold Pressure (in. wg)
Natural Gas 3.3 3.3 3.3 3.3
Gas Valve Quantity 1111
Field Gas Connection Size (in.-FPT) 3/43/43/43/4
HIGH-PRESSURE SWITCH (psig)
Cutout 426
Reset (Auto) 320
LOW-PRESSURE SWITCH (psig)
Cutout 27
Reset (Auto) 44
FREEZE PROTECTION THERMOSTAT (F)
Opens 30 ± 5
Closes 45 ± 5
OUTDOOR-AIR INLET SCREENS Cleanable
Quantity...Size (in.) 2...20 x 25 x 1
1...20 x 20 x 1
RETURN-AIR FILTERS Throwaway**
Quantity...Size (in.) 4...20 x 20 x 2
4...16 x 20 x 2
POWER EXHAUST 1/2 Hp, 208/230-460 v Motor Direct Drive, Propeller-Fan (Factory-Wired for 460 v)
Bhp — Brake Horsepower
TXV — Thermostatic Expansion Valve
UNIT
BASE UNIT OPERATING WEIGHTS*
180 216 240 300
lb kg lb kg lb kg lb kg
579F 1650 748 1800 816 1850 839 2000 907
OPTION/
ACCESSORY
OPTION/ACCESSORY WEIGHTS
180 216 240 300
lb kg lb kg lb kg lb kg
Barometric Relief Damper 50 23 50 23 50 23 50 23
Power Exhaust 85 39 85 39 85 39 85 39
EconoMi$er IV 90 41 90 41 90 41 90 41
Cu Condenser Coil 150 68 150 68 150 68 150 68
Cu Condenser and Evaporator Coils 280 127 280 127 280 127 280 127
Roof Curb (14-in. curb) 200 91 200 91 200 91 200 91
Horizontal Adapter Curb (Pre-Assembled) 250 113 250 113 250 113 250 113
Horizontal Adapter Curb (Field-Assembled) 343 156 343 156 343 156 343 156
Hail Guard 60 27 60 27 60 27 60 27
Cu — Copper
0TFQ004-012
579F180-300

146
BASE UNIT DIMENSIONS — 579F180,216
NOTES:
1. Refer to print for roof curb accessory dimensions.
2. Dimensions in ( ) are in millimeters.
3. Center of Gravity.
4. Direction of airflow.
5. Ductwork to be attached to accessory roof curb only.
6. Minimum clearance:
•Rear: 7′-0″ (2134) for coil removal. This dimension can be reduced to
4′-0″ (1219) if conditions permit coil removal from the top.
•4′-0″ (1219) to combustible surfaces, all four sides (includes between
units).
• Left side: 4′-0″ (1219) for proper condenser coil airflow.
• Front: 4′-0″ (1219) for control box access.
• Right side: 4′-0″ (1219) for proper operation of damper and power
exhaust if so equipped.
•Top: 6′-0″ (1829) to assure proper condenser fan operation.
• Bottom: 14″ (356) to combustible surfaces (when not using curb).
• Control box side: 3′-0″ (914) to ungrounded surfaces, non-combustible.
• Control box side: 3′-6″ (1067) to block or concrete walls, or other
grounded surfaces.
• Local codes or jurisdiction may prevail.
7. With the exception of clearance for the condenser coil and the damper/
power exhaust as stated in Note #6, a removable fence or barricade
requires no clearance.
8. Dimensions are from outside of corner post. Allow 0′-5/16″ (8) on each
side for top cover drip edge.
9. See drawing 50TJ500352 for service option details.
UNIT
579F
STD UNIT
WEIGHT
ECONOMIZER
WEIGHT
CORNER
A
CORNER
B
CORNER
C
CORNER
DDIM A DIM B DIM C
Lb Kg Lb Kg Lb Kg Lb Kg Lb Kg Lb Kg ft-in. mm ft-in. mm ft-in. mm
180 1650 748 90 41 423 192 386 175 403 183 438 199 3-5 1041 3-5 1041 1-10 559
216 1800 816 90 41 432 196 410 186 461 209 472 214 3-3 991 3-7 1092 1-8 508
a48-7338
0TFQ004-012
579F180-300

147
BASE UNIT DIMENSIONS — 579F240,300
NOTES:
1. Refer to print for roof curb accessory dimensions.
2. Dimensions in ( ) are in millimeters.
3. Center of Gravity.
4. Direction of airflow.
5. Ductwork to be attached to accessory roof curb only.
6. Minimum clearance:
• Rear: 7′-0″ (2134) for coil removal. This dimension can be reduced to
4′-0″ (1219) if conditions permit coil removal from the top.
•4′-0″ (1219) to combustible surfaces, all four sides (includes between
units).
• Left side: 4′-0″ (1219) for proper condenser coil airflow.
•Front: 4′-0″ (1219) for control box access.
• Right side: 4′-0″ (1219) for proper operation of damper and power
exhaust if so equipped.
• Top: 6′-0″ (1829) to assure proper condenser fan operation.
• Bottom: 14″ (356) to combustible surfaces (when not using curb).
• Control box side: 3′-0″ (914) to ungrounded surfaces, non-combusti-
ble.
• Control box side: 3′-6″ (1067) to block or concrete walls, or other
grounded surfaces.
• Local codes or jurisdiction may prevail.
7. With the exception of clearance for the condenser coil and the damper/
power exhaust as stated in Note #6, a removable fence or barricade
requires no clearance.
8. Dimensions are from outside of corner post. Allow 0′-5/16″ (8) on each
side for top cover drip edge.
9. See drawing 50TJ500353 for service option details.
UNIT
579F
STD UNIT
WEIGHT
ECONOMIZER
WEIGHT
CORNER
A
CORNER
B
CORNER
C
CORNER
DDIM A DIM B DIM C
Lb Kg Lb Kg Lb Kg Lb Kg Lb Kg Lb Kg ft-in. mm ft-in. mm ft-in. mm
240 1850 839 90 41 443 201 406 184 476 216 525 238 3-2 965 3-5 1041 1-8 508
300 2000 907 90 41 471 214 428 194 526 239 574 260 3-2 965 3-5 1041 1-8 508
a48-7339
0TFQ004-012
579F180-300

148
ACCESSORY DIMENSIONS — 579F180-300
Horizontal and Vertical Roof Curbs — 579F180-300
PKG. NO. REF. CURB
HEIGHT DESCRIPTION
CRRFCURB010A00 1′−2″ (305) Standard Curb 14″ High
CRRFCURB011A00 2′-0″ (610) Standard Curb for Units Requiring High Installation
CRRFCURB012A00 2′-0″ (610) Side Supply and Return Curb for High Installation
a48-7928
0TFQ004-012
579F180-300

149
ACCESSORY DIMENSIONS — 579F180-300 (cont)
Horizontal Supply/Return Adapter Installation (579F180-300)
NOTE: CRRFCURB013A00 is a fully factory preassembled horizontal
adapter and includes an insulated transition duct. The pressure drop
through the adapter curb is negligible.
For horizontal return applications: The power exhaust and barometric
relief dampers must be installed in the return air duct.
23"
14 3/4"
6"
3 1/2"
FULLY INSULATED
SUPPLY PLENUM
1" INSULATION
1 1/2 # DENSITY,
STICK PINNED & GLUED
2" X 1/4
SUPPORT TYP.
STITCH WELDED
12" WIDE STANDING
SEAM PANELS
ACCESSORY
PAC K AG E NO.
CURB
HEIGHT DESCRIPTION
CRRFCURB013A00 1′-11″
(584)
Pre-Assembled, Roof Curb,
Horizontal Adapter
For horizontal return applications: The power exhaust
relief must be installed in the return air duct.
2'-1 5/8"
2'-2 1/16" 1'-6 5/16"
Barometric Relief/Power Exhaust
a48-7457
a48-7458
a48-7459
48-1169df
0TFQ004-012
579F180-300

150
ACCESSORY DIMENSIONS (cont)
Factory-Installed Convenience Outlet
Factory-Installed Non-Fused Disconnect
LEGEND
K.O. — Knockout
a48-4184
a48-4185
0TFQ004-012
579F180-300

151
SELECTION PROCEDURE (With 579F180 Example)
I DETERMINE COOLING AND HEATING REQUIRE-
MENTS AT DESIGN CONDITIONS.
Given:
Required Cooling Capacity . . . . . . . . . . . . . 170,000 Btuh
Sensible Heat Capacity . . . . . . . . . . . . . . . . 111,000 Btuh
Required Heating Capacity . . . . . . . . . . . . . 200,000 Btuh
Condenser Entering Air Temp . . . . . . . . . . 95 F (Summer)
Evaporator Entering Air Temp . . . . . . . . . . . . . . .80 F edb,
67 F ewb
Evaporator Air Quantity . . . . . . . . . . . . . . . . . . . 4,500 cfm
External Static Pressure . . . . . . . . . . . . . . . . . . 0.6 in. wg
Electrical Characteristics (V-Ph-Hz). . . . . . . . . . . 460-3-60
Vertical discharge unit with optional EconoMi$er IV
required.
edb — Entering dry-bulb
ewb — Entering wet-bulb
II SELECT UNIT BASED ON REQUIRED COOLING
CAPACITY.
Enter Cooling Capacities table for 579F180300 (page 152)
at condenser entering temperature 95 F, evaporator air
entering at 4,500 cfm and 67 F wb. The 579F180300 unit
will provide a total cooling capacity of 179,000 Btuh and a
sensible heating capacity of 117,000 Btuh. For air entering
evaporator at temperatures other than 80 F edb, calculate
sensible heat capacity correction as required using the for-
mula in the notes following the Cooling Capacities tables.
NOTE: Unit ratings are gross capacities and do not
include the effect of evaporator-fan motor heat. To calcu-
late net capacities, see Step V.
III SELECT HEATING CAPACITY OF UNIT TO PROVIDE
DESIGN CONDITION REQUIREMENTS.
In the ARI Heating Capacities and Efficiencies table
(page 12) note that the 579F180300 will provide an
output capacity of 243,000 Btuh, which is adequate for the
given application.
IV DETERMINE FAN SPEED AND POWER REQUIRE-
MENTS AT DESIGN CONDITIONS.
Before entering the Fan Performance tables, calculate the
total static pressure required based on unit components.
From the given and the Accessory/FIOP Static Pressure
table on page 164 find:
Enter the Fan Performance table 579F180300 (page 161)
at 4,500 cfm and 0.64 in. wg external static pressure. By
interpolation, find that the rpm is 1017 and the watts are
1743.
V DETERMINE NET COOLING CAPACITY.
Cooling capacities are gross capacities and do not include
indoor (evaporator) fan motor (IFM) heat. Use the watts
input power to the motor calculated in Section IV above.
IFM Watts = 1743
Determine net cooling capacity using the following
formula:
Net capacity = Gross capacity – IFM heat
= 179,000 Btuh – 1743 Watts
= 179,000 Btuh – 5947 Btuh
= 173,053 Btuh
Net sensible capacity = 117,000 Btuh – 5947 Btuh
= 111,053 Btuh
The calculations show that a 579F180300 unit with the
standard motor and standard low-medium static drive is
the correct selection for the given conditions.
External static pressure 0.60 in. wg
EconoMi$er IV static pressure 0.04 in. wg
Total static pressure 0.64 in. wg
(3.412 Btuh )
Watts
0TFQ004-012
579F180-300

152
PERFORMANCE DATA — 579F
COOLING CAPACITIES
LEGEND
NOTES:
1. Direct interpolation is permissible. Do not extrapolate.
2. The following formulas may be used:
Where: hewb = Enthalpy of air entering evaporator coil
3. The SHC is based on 80 F edb temperature of air entering evaporator coil.
Below 80 F edb, subtract (corr factor x cfm) from SHC.
Above 80 F edb, add (corr factor x cfm) to SHC.
Interpolation is permissible.
Correction Factor = 1.10 x (1 – BF) x (edb – 80).
579F180 (15 Tons)
Temp (F)
Air Entering
Condenser
(Edb)
Evaporator Air Quantity — Cfm
4500 5250
Evaporator Air — Ewb (F)/BF
54/0.48 58/0.32 62/0.22 67/0.20 72/0.19 76/0.24 80/0.04 54/0.54 58/0.39 62/0.25 67/0.23 72/0.21 76/0.23 80/0.04
75
TC — 168 177 192 209 225 240 171 171 182 197 214 229 246
SHC — 152 142 123 103 85 69 171 150 151 130 108 88 69
kW — 12.4 12.6 13.0 13.3 13.6 13.9 12.5 12.6 12.7 13.1 13.4 13.7 14.0
85
TC 159 164 171 186 202 219 233 166 172 175 190 207 222 237
SHC 159 148 139 120 100 83 66 166 151 148 127 105 86 67
kW 13.7 13.8 14.1 14.4 14.8 15.5 15.4 13.9 14.0 14.1 14.5 14.9 15.2 15.5
95
TC 154 159 165 179 195 210 226 161 164 169 183 199 214 229
SHC 154 142 136 117 98 80 64 161 155 145 124 102 83 64
kW 15.3 15.4 15.5 15.9 16.3 16.7 17.3 15.5 15.5 15.7 16.0 16.5 16.8 17.1
105
TC 149 154 158 172 187 201 216 156 156 162 176 191 205 222
SHC 149 137 133 114 95 78 61 156 156 142 121 99 81 62
kW 16.9 17.0 17.1 17.6 18.0 18.4 18.7 17.2 17.1 17.2 17.7 18.1 18.5 19.1
115
TC 144 145 152 165 179 193 207 150 151 156 168 183 196 210
SHC 144 142 130 111 92 75 58 150 151 137 118 96 78 58
kW 18.6 18.6 18.9 19.3 19.8 20.2 20.6 18.9 18.9 19.0 19.5 19.9 20.3 20.7
117
TC 143 143 150 163 178 191 205 149 149 154 167 181 194 208
SHC 143 142 129 110 91 74 57 149 149 136 117 96 77 58
kW 18.9 19.0 19.2 19.7 20.2 20.5 20.9 19.2 19.2 19.4 19.8 20.3 20.7 21.0
120
TC 141 141 148 161 175 — — 147 148 152 164 179 — —
SHC 141 141 128 109 90 — — 147 148 135 116 95 — —
kW 19.5 19.5 19.8 20.2 20.7 — — 19.8 19.8 19.9 20.4 20.8 — —
579F180 (15 Tons) (cont)
Temp (F)
Air Entering
Condenser
(Edb)
Evaporator Air Quantity — Cfm
6000 6750
Evaporator Air — Ewb (F)/BF
54/0.58 58/0.43 62/0.30 67/0.25 72/0.23 76/0.24 80/0.04 54/0.62 58/0.48 62/0.36 67/0.28 72/0.25 76/0.25 80/0.03
75
TC 178 174 185 200 218 233 250 183 179 183 203 221 236 253
SHC 178 171 159 136 112 91 70 183 179 161 142 116 93 70
kW 12.7 12.7 12.8 13.1 13.5 13.8 14.1 12.8 12.7 12.8 13.2 13.5 13.9 14.1
85
TC 173 173 179 193 210 227 244 178 178 183 196 213 228 247
SHC 173 172 156 133 109 89 68 178 178 161 139 113 91 68
kW 14.1 14.1 14.2 14.6 15.0 15.8 16.2 14.2 14.2 14.3 14.7 15.1 15.3 16.3
95
TC 167 167 173 186 203 217 232 173 173 177 189 205 220 235
SHC 167 167 152 130 106 86 64 173 173 157 137 111 88 65
kW 15.7 15.6 15.8 16.1 16.6 16.9 17.2 15.8 15.8 15.9 16.2 16.6 17.0 17.3
105
TC 162 162 167 179 194 208 223 168 167 171 181 197 211 225
SHC 162 162 147 127 104 83 61 168 167 152 133 108 85 62
kW 17.3 17.3 17.4 17.8 18.2 18.5 18.9 17.4 17.4 17.5 17.9 18.3 18.6 18.9
115
TC 156 156 160 171 186 199 213 160 160 165 173 188 201 215
SHC 156 156 143 124 101 80 59 160 160 145 130 104 82 59
kW 19.1 19.1 19.1 19.6 20.0 20.4 20.7 19.2 19.2 19.3 19.6 20.1 20.5 20.8
117
TC 154 155 159 169 184 197 211 159 159 163 171 186 199 —
SHC 154 155 142 124 100 79 58 159 159 144 129 104 82 —
kW 19.4 19.4 19.5 19.9 20.4 20.8 21.1 19.6 19.6 19.7 20.0 20.4 20.8 —
120
TC 153 153 157 167 181 — — 157 157 161 169 — — —
SHC 153 153 140 122 99 — — 157 157 142 128 — — —
kW 19.9 19.9 20.0 20.4 20.9 — — 20.1 20.1 20.2 20.5 — — —
BF — Bypass Factor
Edb — Entering Dry-Bulb
Ewb — Entering Wet-Bulb
kW — Compressor Motor Power Input
ldb — Leaving Dry-Bulb
lwb — Leaving Wet-Bulb
SHC — Sensible Heat Capacity (1000 Btuh) Gross
TC — Total Capacity (1000 Btuh) Gross
tldb =t
edb – sensible capacity (Btuh)
1.10 x cfm
tlwb = Wet-bulb temperature corresponding to enthalpy of air
leaving evaporator coil (hlwb)
hlwb =h
ewb – total capacity (Btuh)
4.5 x cfm
BYPASS
FACTOR
(BF)
ENTERING AIR DRY-BULB TEMP (F)
79 78 77 76 75 under 75
81 82 83 84 85 over 85
Correction Factor
0.05 1.04 2.07 3.11 4.14 5.18
Use formula
shown below.
0.10 0.98 1.96 2.94 3.92 4.91
0.20 0.87 1.74 2.62 3.49 4.36
0.30 0.76 1.53 2.29 3.05 3.82
0.40 0.65 1.31 1.96 2.62 3.27
0.50 0.55 1.09 1.64 2.18 2.73
0.60 0.44 0.87 1.31 1.74 2.18
0.70 0.33 0.65 0.98 1.31 1.64
0TFQ004-012
579F180-300

153
PERFORMANCE DATA — 579F (cont)
COOLING CAPACITIES (cont)
LEGEND
NOTES:
1. Direct interpolation is permissible. Do not extrapolate.
2. The following formulas may be used:
Where: hewb = Enthalpy of air entering evaporator coil
3. The SHC is based on 80 F edb temperature of air entering evaporator coil.
Below 80 F edb, subtract (corr factor x cfm) from SHC.
Above 80 F edb, add (corr factor x cfm) to SHC.
Interpolation is permissible.
Correction Factor = 1.10 x (1 – BF) x (edb – 80).
579F180 (15 Tons) (cont)
Temp (F)
Air Entering
Condenser
(Edb)
Evaporator Air Quantity — Cfm
7500
Evaporator Air — Ewb (F)/BF
54/0.65 58/0.52 62/0.41 67/0.30 72/0.28 76/0.27 80/0.03
75
TC 188 183 193 206 223 239 256
SHC 188 183 170 148 120 95 70
kW 12.9 12.8 13.0 13.2 13.6 13.9 14.2
85
TC 183 183 187 199 215 233 249
SHC 183 183 167 145 117 94 68
kW 14.4 14.4 14.4 14.7 15.1 15.9 16.3
95
TC 177 177 181 191 207 222 237
SHC 177 177 161 142 114 90 65
kW 15.9 15.9 16.0 16.3 16.7 17.0 17.3
105
TC 171 171 175 183 199 213 228
SHC 171 171 154 138 111 87 62
kW 17.6 17.6 17.7 18.0 18.4 18.7 19.0
115
TC 164 164 169 175 190 203 217
SHC 164 164 146 135 108 84 59
kW 19.4 19.4 19.5 19.7 20.2 20.5 20.9
117
TC 163 163 167 173 188 201 —
SHC 163 163 145 134 107 84 —
kW 19.7 19.7 19.9 20.0 20.5 20.9 —
120
TC 161 161 165 170 — — —
SHC 161 161 143 133 — — —
kW 20.2 20.3 20.4 20.6 — — —
BF — Bypass Factor
Edb — Entering Dry-Bulb
Ewb — Entering Wet-Bulb
kW — Compressor Motor Power Input
ldb — Leaving Dry-Bulb
lwb — Leaving Wet-Bulb
SHC — Sensible Heat Capacity (1000 Btuh) Gross
TC — Total Capacity (1000 Btuh) Gross
tldb =t
edb – sensible capacity (Btuh)
1.10 x cfm
tlwb = Wet-bulb temperature corresponding to enthalpy of air
leaving evaporator coil (hlwb)
hlwb =h
ewb – total capacity (Btuh)
4.5 x cfm
BYPASS
FACTOR
(BF)
ENTERING AIR DRY-BULB TEMP (F)
79 78 77 76 75 under 75
81 82 83 84 85 over 85
Correction Factor
0.05 1.04 2.07 3.11 4.14 5.18
Use formula
shown below.
0.10 0.98 1.96 2.94 3.92 4.91
0.20 0.87 1.74 2.62 3.49 4.36
0.30 0.76 1.53 2.29 3.05 3.82
0.40 0.65 1.31 1.96 2.62 3.27
0.50 0.55 1.09 1.64 2.18 2.73
0.60 0.44 0.87 1.31 1.74 2.18
0.70 0.33 0.65 0.98 1.31 1.64
0TFQ004-012
579F180-300

154
PERFORMANCE DATA — 579F (cont)
COOLING CAPACITIES (cont)
LEGEND
NOTES:
1. Direct interpolation is permissible. Do not extrapolate.
2. The following formulas may be used:
Where: hewb = Enthalpy of air entering evaporator coil
3. The SHC is based on 80 F edb temperature of air entering evaporator coil.
Below 80 F edb, subtract (corr factor x cfm) from SHC.
Above 80 F edb, add (corr factor x cfm) to SHC.
Interpolation is permissible.
Correction Factor = 1.10 x (1 – BF) x (edb – 80).
579F216 (18 Tons)
Temp (F)
Air Entering
Condenser
(Edb)
Evaporator Air Quantity — Cfm
5400 6000
Evaporator Air — Ewb (F)/BF
54/0.49 58/0.31 62/0.20 67/0.18 72/0.16 76/0.19 80/0.05 54/0.53 58/0.35 62/0.23 67/0.19 72/0.17 76/0.19 80/0.05
75
TC 194 198 206 223 243 260 277 200 203 210 227 246 263 —
SHC 194 178 169 146 121 99 79 200 191 177 152 125 102 —
kW 13.6 13.7 13.9 14.2 14.6 15.0 15.2 13.7 13.8 14.0 14.4 14.7 15.1 —
85
TC 189 192 200 217 235 252 269 195 195 204 220 239 255 —
SHC 189 176 166 143 118 97 76 195 195 174 149 123 100 —
kW 15.1 15.2 15.4 15.9 16.3 16.6 16.9 15.3 15.3 15.7 16.0 16.4 16.8 —
95
TC 183 184 193 209 227 243 — 189 190 196 212 230 246 —
SHC 183 181 162 140 115 94 — 189 190 170 146 120 97 —
kW 16.8 16.8 17.1 17.6 18.0 18.4 — 17.0 17.0 17.2 17.6 18.1 18.5 —
105
TC 177 178 185 201 218 234 — 183 185 189 204 221 237 —
SHC 177 178 159 137 112 91 — 183 185 166 143 116 94 —
kW 18.6 18.6 18.8 19.3 19.8 20.2 — 18.8 18.6 18.9 19.4 19.9 20.3 —
115
TC 171 171 177 192 209 224 — 176 177 181 195 212 226 —
SHC 171 171 154 133 109 88 — 176 177 161 139 113 90 —
kW 20.5 20.5 20.7 21.2 21.8 22.1 — 20.7 20.7 20.8 21.3 21.8 22.2 —
117
TC 170 170 176 191 207 222 — 175 175 180 193 210 224 —
SHC 170 170 154 132 108 87 — 175 175 160 138 112 90 —
kW 20.9 20.9 21.1 21.6 22.1 22.5 — 21.1 21.1 21.2 21.7 22.2 22.6 —
120
TC 168 168 173 188 204 — — 173 173 177 191 207 — —
SHC 168 168 152 131 107 — — 173 173 159 137 111 — —
kW 21.5 21.5 21.7 22.2 22.7 — — 21.7 21.7 21.8 22.3 22.8 — —
579F216 (18 Tons) (cont)
Temp (F)
Air Entering
Condenser
(Edb)
Evaporator Air Quantity — Cfm
7000 8000
Evaporator Air — Ewb (F)/BF
54/0.58 58/0.42 62/0.29 67/0.21 72/0.20 76/0.20 80/0.05 54/0.62 58/0.48 62/0.36 67/0.23 72/0.22 76/0.21 80/0.04
75
TC 209 209 215 232 251 268 — 216 217 221 236 255 272 —
SHC 209 209 189 162 132 106 — 216 217 198 171 138 109 —
kW 13.9 13.9 14.1 14.5 14.9 15.2 — 14.1 14.1 14.2 14.5 15.0 15.3 —
85
TC 203 204 209 224 243 260 — 211 211 215 228 247 263 —
SHC 203 204 185 159 129 103 — 211 211 192 168 135 107 —
kW 15.5 15.5 15.7 16.1 16.5 16.9 — 15.7 15.7 15.8 16.2 16.6 17.0 —
95
TC 197 197 202 216 235 251 — 204 204 209 220 238 254 —
SHC 197 197 180 156 126 100 — 204 204 185 165 132 104 —
kW 17.2 17.2 17.4 17.8 18.2 18.7 — 17.4 17.4 17.6 17.9 18.3 18.7 —
105
TC 191 191 195 208 225 241 — 197 197 202 211 228 244 —
SHC 191 191 175 152 123 97 — 197 197 177 161 128 100 —
kW 19.0 19.0 19.2 19.5 20.0 20.5 — 19.2 19.2 19.3 19.6 20.1 20.6 —
115
TC 184 184 188 199 215 230 — 190 190 194 202 218 — —
SHC 184 184 168 149 119 94 — 190 190 170 158 125 — —
kW 21.0 21.0 21.1 21.5 22.0 22.4 — 21.1 21.1 21.2 21.6 22.1 — —
117
TC 183 183 187 197 214 228 — 188 188 192 200 216 — —
SHC 183 183 166 148 118 93 — 188 188 171 157 124 — —
kW 21.3 21.4 21.5 21.8 22.4 22.7 — 21.5 21.5 21.7 22.0 22.5 — —
120
TC 180 180 185 194 210 — — 186 186 190 197 — — —
SHC 180 180 163 147 117 — — 186 186 172 156 — — —
kW 21.9 22.0 22.1 22.4 23.0 — — 22.1 22.1 22.2 22.5 — — —
BF — Bypass Factor
Edb — Entering Dry-Bulb
Ewb — Entering Wet-Bulb
kW — Compressor Motor Power Input
ldb — Leaving Dry-Bulb
lwb — Leaving Wet-Bulb
SHC — Sensible Heat Capacity (1000 Btuh) Gross
TC — Total Capacity (1000 Btuh) Gross
tldb =t
edb – sensible capacity (Btuh)
1.10 x cfm
tlwb = Wet-bulb temperature corresponding to enthalpy of air
leaving evaporator coil (hlwb)
hlwb =h
ewb – total capacity (Btuh)
4.5 x cfm
BYPASS
FACTOR
(BF)
ENTERING AIR DRY-BULB TEMP (F)
79 78 77 76 75 under 75
81 82 83 84 85 over 85
Correction Factor
0.05 1.04 2.07 3.11 4.14 5.18
Use formula
shown below.
0.10 0.98 1.96 2.94 3.92 4.91
0.20 0.87 1.74 2.62 3.49 4.36
0.30 0.76 1.53 2.29 3.05 3.82
0.40 0.65 1.31 1.96 2.62 3.27
0.50 0.55 1.09 1.64 2.18 2.73
0.60 0.44 0.87 1.31 1.74 2.18
0.70 0.33 0.65 0.98 1.31 1.64
0TFQ004-012
579F180-300

155
PERFORMANCE DATA — 579F (cont)
COOLING CAPACITIES (cont)
LEGEND
NOTES:
1. Direct interpolation is permissible. Do not extrapolate.
2. The following formulas may be used:
Where: hewb = Enthalpy of air entering evaporator coil
3. The SHC is based on 80 F edb temperature of air entering evaporator coil.
Below 80 F edb, subtract (corr factor x cfm) from SHC.
Above 80 F edb, add (corr factor x cfm) to SHC.
Interpolation is permissible.
Correction Factor = 1.10 x (1 – BF) x (edb – 80).
579F216 (18 Tons) (cont)
Temp (F)
Air Entering
Condenser
(Edb)
Evaporator Air Quantity — Cfm
9000
Evaporator Air — Ewb (F)/BF
54/0.65 58/0.53 62/0.40 67/0.25 72/0.23 76/0.23 80/0.05
75
TC 223 223 228 239 258 275 —
SHC 223 223 202 181 144 113 —
kW 14.3 14.3 14.4 14.6 15.0 15.4 —
85
TC 216 217 222 231 250 266 —
SHC 216 217 194 177 141 110 —
kW 15.8 15.9 16.0 16.3 16.7 17.1 —
95
TC 210 210 215 223 241 257 —
SHC 210 210 187 174 138 107 —
kW 17.6 17.6 17.7 18.0 18.4 18.8 —
105
TC 202 202 207 214 231 — —
SHC 202 202 184 170 134 — —
kW 19.4 19.4 19.5 19.7 20.2 — —
115
TC 195 195 196 204 221 — —
SHC 195 195 192 166 131 — —
kW 21.3 21.3 21.4 21.7 22.2 — —
117
TC 193 193 194 202 219 — —
SHC 193 193 192 166 130 — —
kW 21.7 21.7 21.7 22.0 22.6 — —
120
TC 191 191 191 199 — — —
SHC 191 191 191 164 — — —
kW 22.3 22.3 22.3 22.6 — — —
BF — Bypass Factor
Edb — Entering Dry-Bulb
Ewb — Entering Wet-Bulb
kW — Compressor Motor Power Input
ldb — Leaving Dry-Bulb
lwb — Leaving Wet-Bulb
SHC — Sensible Heat Capacity (1000 Btuh) Gross
TC — Total Capacity (1000 Btuh) Gross
tldb =t
edb – sensible capacity (Btuh)
1.10 x cfm
tlwb = Wet-bulb temperature corresponding to enthalpy of air
leaving evaporator coil (hlwb)
hlwb =h
ewb – total capacity (Btuh)
4.5 x cfm
BYPASS
FACTOR
(BF)
ENTERING AIR DRY-BULB TEMP (F)
79 78 77 76 75 under 75
81 82 83 84 85 over 85
Correction Factor
0.05 1.04 2.07 3.11 4.14 5.18
Use formula
shown below.
0.10 0.98 1.96 2.94 3.92 4.91
0.20 0.87 1.74 2.62 3.49 4.36
0.30 0.76 1.53 2.29 3.05 3.82
0.40 0.65 1.31 1.96 2.62 3.27
0.50 0.55 1.09 1.64 2.18 2.73
0.60 0.44 0.87 1.31 1.74 2.18
0.70 0.33 0.65 0.98 1.31 1.64
0TFQ004-012
579F180-300

156
PERFORMANCE DATA — 579F (cont)
COOLING CAPACITIES (cont)
LEGEND
NOTES:
1. Direct interpolation is permissible. Do not extrapolate.
2. The following formulas may be used:
Where: hewb = Enthalpy of air entering evaporator coil
3. The SHC is based on 80 F edb temperature of air entering evaporator coil.
Below 80 F edb, subtract (corr factor x cfm) from SHC.
Above 80 F edb, add (corr factor x cfm) to SHC.
Interpolation is permissible.
Correction Factor = 1.10 x (1 – BF) x (edb – 80).
579F240 (20 Tons)
Temp (F)
Air Entering
Condenser
(Edb)
Evaporator Air Quantity — Cfm
6,000 7,000
Evaporator Air — Ewb (F)/BF
54/0.48 58/0.31 62/0.21 67/0.19 72/0.17 76/0.22 80/0.05 54/0.54 58/0.37 62/0.25 67/0.21 72/0.19 76/0.21 80/0.04
75
TC 217 222 232 252 274 294 316 227 231 238 254 281 297 322
SHC 217 199 189 163 136 112 90 227 217 202 172 143 115 91
kW 15.1 15.2 15.4 15.8 16.2 16.6 17.0 15.3 15.4 15.5 15.9 16.4 16.5 17.2
85
TC 212 217 226 244 266 285 306 222 225 231 250 272 291 312
SHC 212 194 185 159 133 109 87 222 211 198 170 140 113 88
kW 16.9 17.2 17.3 17.6 18.0 18.4 18.8 17.1 17.3 17.3 17.7 18.2 18.6 19.0
95
TC 206 208 217 236 257 276 295 215 216 223 241 262 281 301
SHC 206 197 181 156 129 106 84 215 213 194 166 136 110 84
kW 18.9 18.8 19.0 19.5 20.0 20.4 20.8 19.0 19.0 19.2 19.6 20.1 20.5 21.0
105
TC 199 202 209 227 247 265 285 208 209 215 232 252 270 —
SHC 199 190 177 152 126 103 80 208 209 189 163 132 107 —
kW 20.8 20.9 21.1 21.6 22.0 22.5 22.9 21.0 21.0 21.2 21.7 22.2 22.6 —
115
TC 192 194 200 218 237 254 — 202 202 207 222 242 259 —
SHC 192 192 173 149 122 99 — 202 202 183 159 129 103 —
kW 23.0 22.9 23.3 23.8 24.3 24.8 — 23.2 23.2 23.5 23.9 24.5 24.9 —
117
TC 191 191 199 216 235 252 — 200 200 205 220 240 257 —
SHC 191 191 172 148 121 99 — 200 200 182 158 128 102 —
kW 23.5 23.5 23.7 24.2 24.8 25.2 — 23.8 23.8 23.9 24.4 24.9 25.3 —
120
TC 189 189 196 213 232 249 — 197 198 203 217 236 — —
SHC 189 189 170 147 120 98 — 197 198 181 156 127 — —
kW 24.2 24.2 24.4 25.0 25.5 25.9 — 24.5 24.5 24.6 25.1 25.6 — —
579F240 (20 Tons) (cont)
Temp (F)
Air Entering
Condenser
(Edb)
Evaporator Air Quantity — Cfm
8,000 9,000
Evaporator Air — Ewb (F)/BF
54/0.58 58/0.43 62/0.30 67/0.23 72/0.21 76/0.22 80/0.04 54/0.62 58/0.48 62/0.35 67/0.24 72/0.23 76/0.23 80/0.04
75
TC 236 238 241 259 286 302 328 244 244 250 267 290 307 —
SHC 236 232 211 181 149 119 91 244 244 222 192 155 123 —
kW 15.5 15.5 15.6 15.9 16.5 16.6 17.3 15.7 15.7 15.8 16.1 16.6 16.7 —
85
TC 231 230 237 254 276 296 — 237 238 243 258 281 300 —
SHC 231 230 209 179 146 117 — 237 238 216 189 152 121 —
kW 17.5 17.3 17.4 17.8 18.3 18.7 — 17.5 17.6 17.6 18.0 18.4 18.8 —
95
TC 223 223 229 245 267 285 — 231 230 235 249 270 289 —
SHC 223 223 203 176 142 114 — 231 230 209 185 148 117 —
kW 19.2 19.2 19.3 19.8 20.2 20.6 — 19.5 19.4 19.5 19.8 20.3 20.8 —
105
TC 216 216 221 236 256 274 — 222 223 228 239 260 278 —
SHC 216 216 197 172 139 110 — 222 223 202 181 145 114 —
kW 21.3 21.3 21.4 21.8 22.3 22.7 — 21.4 21.5 21.6 21.9 22.4 22.8 —
115
TC 208 209 213 226 246 263 — 214 214 220 229 249 266 —
SHC 208 209 190 168 135 107 — 214 214 193 177 141 110 —
kW 23.5 23.5 23.7 24.0 24.6 25.0 — 23.7 23.7 23.9 24.2 24.7 25.1 —
117
TC 207 207 212 224 243 260 — 213 213 219 227 246 263 —
SHC 207 207 188 167 134 106 — 213 213 191 176 140 109 —
kW 24.0 24.0 24.1 24.5 25.0 25.5 — 24.2 24.2 24.2 24.6 25.1 25.6 —
120
TC 204 205 209 221 240 — — 210 210 215 224 243 — —
SHC 204 205 185 166 133 — — 210 210 193 175 139 — —
kW 24.7 24.7 24.8 25.2 25.7 — — 24.9 24.9 25.0 25.3 25.8 — —
BF — Bypass Factor
Edb — Entering Dry-Bulb
Ewb — Entering Wet-Bulb
kW — Compressor Motor Power Input
ldb — Leaving Dry-Bulb
lwb — Leaving Wet-Bulb
SHC — Sensible Heat Capacity (1000 Btuh) Gross
TC — Total Capacity (1000 Btuh) Gross
tldb =t
edb – sensible capacity (Btuh)
1.10 x cfm
tlwb = Wet-bulb temperature corresponding to enthalpy of air
leaving evaporator coil (hlwb)
hlwb =h
ewb – total capacity (Btuh)
4.5 x cfm
BYPASS
FACTOR
(BF)
ENTERING AIR DRY-BULB TEMP (F)
79 78 77 76 75 under 75
81 82 83 84 85 over 85
Correction Factor
0.05 1.04 2.07 3.11 4.14 5.18
Use formula
shown below.
0.10 0.98 1.96 2.94 3.92 4.91
0.20 0.87 1.74 2.62 3.49 4.36
0.30 0.76 1.53 2.29 3.05 3.82
0.40 0.65 1.31 1.96 2.62 3.27
0.50 0.55 1.09 1.64 2.18 2.73
0.60 0.44 0.87 1.31 1.74 2.18
0.70 0.33 0.65 0.98 1.31 1.64
0TFQ004-012
579F180-300

157
PERFORMANCE DATA — 579F (cont)
COOLING CAPACITIES (cont)
LEGEND
NOTES:
1. Direct interpolation is permissible. Do not extrapolate.
2. The following formulas may be used:
Where: hewb = Enthalpy of air entering evaporator coil
3. The SHC is based on 80 F edb temperature of air entering evaporator coil.
Below 80 F edb, subtract (corr factor x cfm) from SHC.
Above 80 F edb, add (corr factor x cfm) to SHC.
Interpolation is permissible.
Correction Factor = 1.10 x (1 – BF) x (edb – 80).
579F240 (20 Tons) (cont)
Temp (F)
Air Entering
Condenser
(Edb)
Evaporator Air Quantity — Cfm
10,000
Evaporator Air — Ewb (F)/BF
54/0.65 58/0.52 62/0.40 67/0.26 72/0.24 76/0.24 80/0.04
75
TC 250 250 256 267 294 314 —
SHC 250 250 227 200 161 127 —
kW 15.8 15.8 15.9 16.1 16.7 17.1 —
85
TC 243 244 249 262 284 303 —
SHC 243 244 220 198 158 124 —
kW 17.6 17.8 17.7 18.0 18.5 18.9 —
95
TC 236 236 241 252 274 292 —
SHC 236 236 212 194 154 121 —
kW 19.5 19.5 19.7 19.9 20.4 20.9 —
105
TC 228 228 234 242 263 281 —
SHC 228 228 203 190 151 117 —
kW 21.6 21.6 21.8 22.0 22.5 22.9 —
115
TC 220 220 223 232 251 268 —
SHC 220 220 207 186 147 113 —
kW 23.9 23.9 23.9 24.2 24.7 25.2 —
117
TC 218 218 221 230 249 266 —
SHC 218 218 205 185 146 112 —
kW 24.3 24.3 24.4 24.7 25.2 25.6 —
120
TC 215 215 218 226 245 — —
SHC 215 215 203 183 145 — —
kW 25.1 25.1 25.1 25.4 25.9 — —
BF — Bypass Factor
Edb — Entering Dry-Bulb
Ewb — Entering Wet-Bulb
kW — Compressor Motor Power Input
ldb — Leaving Dry-Bulb
lwb — Leaving Wet-Bulb
SHC — Sensible Heat Capacity (1000 Btuh) Gross
TC — Total Capacity (1000 Btuh) Gross
tldb =t
edb – sensible capacity (Btuh)
1.10 x cfm
tlwb = Wet-bulb temperature corresponding to enthalpy of air
leaving evaporator coil (hlwb)
hlwb =h
ewb – total capacity (Btuh)
4.5 x cfm
BYPASS
FACTOR
(BF)
ENTERING AIR DRY-BULB TEMP (F)
79 78 77 76 75 under 75
81 82 83 84 85 over 85
Correction Factor
0.05 1.04 2.07 3.11 4.14 5.18
Use formula
shown below.
0.10 0.98 1.96 2.94 3.92 4.91
0.20 0.87 1.74 2.62 3.49 4.36
0.30 0.76 1.53 2.29 3.05 3.82
0.40 0.65 1.31 1.96 2.62 3.27
0.50 0.55 1.09 1.64 2.18 2.73
0.60 0.44 0.87 1.31 1.74 2.18
0.70 0.33 0.65 0.98 1.31 1.64
0TFQ004-012
579F180-300

158
PERFORMANCE DATA — 579F (cont)
COOLING CAPACITIES (cont)
LEGEND
NOTES:
1. Direct interpolation is permissible. Do not extrapolate.
2. The following formulas may be used:
Where: hewb = Enthalpy of air entering evaporator coil
3. The SHC is based on 80 F edb temperature of air entering evaporator coil.
Below 80 F edb, subtract (corr factor x cfm) from SHC.
Above 80 F edb, add (corr factor x cfm) to SHC.
Interpolation is permissible.
Correction Factor = 1.10 x (1 – BF) x (edb – 80).
579F300 (25 Tons)
Temp (F)
Air Entering
Condenser
(Edb)
Evaporator Air Quantity — Cfm
7,000 8,000
Evaporator Air — Ewb (F)/BF
54/0.44 58/0.26 62/0.13 67/0.12 72/0.12 76/0.19 80/0.01 54/0.49 58/0.32 62/0.15 67/0.14 72/0.13 76/0.17 80/0.00
75
TC — 256 270 298 325 349 370 266 268 280 304 324 352 379
SHC — 243 229 198 164 133 106 266 251 246 209 168 137 107
kW — 19.3 20.0 20.3 21.0 21.6 22.2 19.5 19.6 19.9 20.5 20.9 21.8 22.4
85
TC 249 251 265 289 315 340 361 260 262 272 294 321 344 367
SHC 249 238 226 194 160 130 103 260 254 243 205 167 135 104
kW 21.3 21.3 21.7 22.4 23.1 24.3 24.4 21.6 21.6 22.0 22.5 23.3 23.9 24.6
95
TC 244 245 257 279 306 328 349 254 256 262 284 310 332 355
SHC 244 230 223 190 156 127 99 254 249 238 201 163 131 100
kW 23.6 23.5 24.1 24.6 25.6 26.2 26.7 23.8 23.9 24.1 24.8 25.5 26.2 26.9
105
TC 237 238 247 269 293 315 336 246 247 253 274 298 319 343
SHC 237 233 218 185 152 122 95 246 245 233 197 159 127 96
kW 25.9 25.9 26.3 27.0 27.8 28.5 29.2 26.3 26.3 26.5 27.2 28.0 28.7 29.5
115
TC 229 231 237 258 283 302 322 238 239 243 264 286 306 328
SHC 229 225 213 181 148 119 91 238 239 228 193 155 123 91
kW 28.6 28.6 28.9 29.6 30.3 31.2 31.9 28.9 28.9 29.1 29.7 30.6 31.4 32.1
117
TC 228 230 236 256 279 299 — 237 237 241 260 283 304 —
SHC 228 225 212 180 147 118 — 237 237 227 192 154 122 —
kW 29.1 29.1 29.4 30.2 31.0 31.7 — 29.4 29.5 29.6 30.4 31.2 31.9 —
120
TC 226 226 232 252 276 — — 234 234 238 257 280 — —
SHC 226 225 211 179 145 — — 234 234 225 190 152 — —
kW 30.0 30.0 30.3 30.9 31.8 — — 30.3 30.3 30.5 31.1 32.0 — —
579F300 (25 Tons) (cont)
Temp (F)
Air Entering
Condenser
(Edb)
Evaporator Air Quantity — Cfm
9,000 10,000
Evaporator Air — Ewb (F)/BF
54/0.53 58/0.37 62/0.18 67/0.15 72/0.14 76/0.17 80/0.00 54/0.57 58/0.41 62/0.23 67/0.16 72/0.15 76/0.17 80/0.00
75
TC 277 276 286 310 336 361 385 286 284 291 314 341 365 390
SHC 277 269 261 221 178 142 108 286 284 274 232 186 147 108
kW 19.8 19.5 20.0 20.6 21.3 22.0 22.6 20.0 20.2 20.2 20.8 21.5 22.1 22.7
85
TC 271 272 277 300 326 349 373 278 278 282 304 330 354 378
SHC 271 264 257 217 175 139 104 278 278 269 228 182 143 105
kW 22.2 21.9 22.1 22.7 23.4 24.1 24.8 22.1 22.1 22.2 22.8 23.6 24.2 24.9
95
TC 263 263 268 289 316 337 360 270 270 273 293 319 341 364
SHC 263 263 251 213 171 135 100 270 270 262 223 177 139 101
kW 24.1 24.1 24.3 24.9 25.9 26.4 27.1 24.4 24.4 24.4 25.1 25.8 26.5 27.2
105
TC 255 255 258 278 302 326 346 261 262 264 282 306 328 352
SHC 255 255 246 208 166 132 96 261 262 254 219 173 135 97
kW 26.5 26.5 26.6 27.3 28.1 29.0 29.6 26.8 26.8 26.9 27.5 28.3 29.0 29.8
115
TC 247 246 249 267 290 311 — 253 253 255 270 293 315 —
SHC 247 246 239 204 162 127 — 253 253 245 214 168 131 —
kW 29.1 29.2 29.3 30.0 30.8 31.5 — 29.3 29.3 29.6 30.1 30.9 31.7 —
117
TC 244 244 247 265 288 308 — 251 251 253 268 291 — —
SHC 244 244 237 203 161 126 — 251 251 243 213 168 — —
kW 29.7 29.7 29.8 30.4 31.3 32.1 — 30.0 30.0 30.0 30.6 31.4 — —
120
TC 241 242 244 261 — — — 248 248 250 264 — — —
SHC 241 242 235 201 — — — 248 248 239 212 — — —
kW 30.6 30.6 30.7 31.3 — — — 30.8 30.8 31.0 31.5 — — —
BF — Bypass Factor
Edb — Entering Dry-Bulb
Ewb — Entering Wet-Bulb
kW — Compressor Motor Power Input
ldb — Leaving Dry-Bulb
lwb — Leaving Wet-Bulb
SHC — Sensible Heat Capacity (1000 Btuh) Gross
TC — Total Capacity (1000 Btuh) Gross
tldb =t
edb – sensible capacity (Btuh)
1.10 x cfm
tlwb = Wet-bulb temperature corresponding to enthalpy of air
leaving evaporator coil (hlwb)
hlwb =h
ewb – total capacity (Btuh)
4.5 x cfm
BYPASS
FACTOR
(BF)
ENTERING AIR DRY-BULB TEMP (F)
79 78 77 76 75 under 75
81 82 83 84 85 over 85
Correction Factor
0.05 1.04 2.07 3.11 4.14 5.18
Use formula
shown below.
0.10 0.98 1.96 2.94 3.92 4.91
0.20 0.87 1.74 2.62 3.49 4.36
0.30 0.76 1.53 2.29 3.05 3.82
0.40 0.65 1.31 1.96 2.62 3.27
0.50 0.55 1.09 1.64 2.18 2.73
0.60 0.44 0.87 1.31 1.74 2.18
0.70 0.33 0.65 0.98 1.31 1.64
0TFQ004-012
579F180-300

159
PERFORMANCE DATA — 579F (cont)
COOLING CAPACITIES (cont)
LEGEND
NOTES:
1. Direct interpolation is permissible. Do not extrapolate.
2. The following formulas may be used:
Where: hewb = Enthalpy of air entering evaporator coil
3. The SHC is based on 80 F edb temperature of air entering evaporator coil.
Below 80 F edb, subtract (corr factor x cfm) from SHC.
Above 80 F edb, add (corr factor x cfm) to SHC.
Interpolation is permissible.
Correction Factor = 1.10 x (1 – BF) x (edb – 80).
579F300 (25 Tons) (cont)
Temp (F)
Air Entering
Condenser
(Edb)
Evaporator Air Quantity — Cfm
11,250
Evaporator Air — Ewb (F)/BF
54/0.61 58/0.47 62/0.30 67/0.16 72/0.17 76/0.17 80/0.00
75
TC 295 295 298 319 342 367 392
SHC 295 295 285 245 193 151 108
kW 20.3 20.3 20.4 20.9 21.2 21.5 21.9
85
TC 288 287 289 310 334 359 384
SHC 288 287 278 241 190 148 106
kW 22.5 22.4 22.4 23.1 23.7 24.4 25.3
95
TC 278 278 280 318 323 346 —
SHC 278 278 269 150 186 144 —
kW 24.6 24.6 24.7 30.0 26.0 26.7 —
105
TC 269 269 272 285 310 332 —
SHC 269 269 259 232 182 140 —
kW 27.0 27.0 27.1 27.6 28.4 29.1 —
115
TC 259 260 262 273 297 318 —
SHC 259 260 247 227 177 136 —
kW 29.7 29.6 29.8 30.2 31.1 31.8 —
117
TC 257 257 261 271 294 — —
SHC 257 257 245 226 176 — —
kW 30.3 30.3 30.3 30.7 31.6 — —
120
TC 254 254 257 267 — — —
SHC 254 254 242 224 — — —
kW 31.1 31.1 31.3 31.6 — — —
BF — Bypass Factor
Edb — Entering Dry-Bulb
Ewb — Entering Wet-Bulb
kW — Compressor Motor Power Input
ldb — Leaving Dry-Bulb
lwb — Leaving Wet-Bulb
SHC — Sensible Heat Capacity (1000 Btuh) Gross
TC — Total Capacity (1000 Btuh) Gross
tldb =t
edb – sensible capacity (Btuh)
1.10 x cfm
tlwb = Wet-bulb temperature corresponding to enthalpy of air
leaving evaporator coil (hlwb)
hlwb =h
ewb – total capacity (Btuh)
4.5 x cfm
BYPASS
FACTOR
(BF)
ENTERING AIR DRY-BULB TEMP (F)
79 78 77 76 75 under 75
81 82 83 84 85 over 85
Correction Factor
0.05 1.04 2.07 3.11 4.14 5.18
Use formula
shown below.
0.10 0.98 1.96 2.94 3.92 4.91
0.20 0.87 1.74 2.62 3.49 4.36
0.30 0.76 1.53 2.29 3.05 3.82
0.40 0.65 1.31 1.96 2.62 3.27
0.50 0.55 1.09 1.64 2.18 2.73
0.60 0.44 0.87 1.31 1.74 2.18
0.70 0.33 0.65 0.98 1.31 1.64
0TFQ004-012
579F180-300

160
PERFORMANCE DATA — 579F (cont)
FAN PERFORMANCE — 579F180-300 UNITS
LEGEND
*Standard low-medium static drive range is 891 to 1179 rpm (208/230 v and
460 v) or 1159 to 1429 (575 v). Alternate high-static drive range is 1227 to 1550
(208/230 v and 460 v only). Other rpms require a field-supplied drive.
Refer to page 162 for general Fan Performance Data notes.
NOTE: Maximum continuous bhp is 4.25 (208/230 v and 460 v) or 3.45 (575 v)
and the maximum continuous watts are 3775 (208/230 v and 460 v) or 3065
(575 v). Do not adjust motor rpm such that motor maximum bhp and/or watts is
exceeded at the maximum operating cfm.
LEGEND
*Standard low-medium static drive range for the 216 size is 910 to 1095 rpm.
Standard low-medium static drive range for the 240 size is 1002 to 1225 rpm.
Alternate high-static drive range for the 216 size is 1069 to 1287. Alternate high-
static drive range for the 240 size is 1193 to 1458 rpm. Other rpms require a field-
supplied drive.
Refer to page 162 for general Fan Performance Data notes.
NOTE: Maximum continuous bhp for the 216 size is 5.90. Maximum continuous
bhp for the 240 size is 8.70 (208/230 and 575 v) or 9.50 (460 v). The maximum
continuous watts for the 216 size is 5180. The maximum continuous watts for the
240 size is 7915 (208/230 and 575 v) or 8640 (460 v). Do not adjust motor rpm
such that motor maximum bhp and/or watts is exceeded at the maximum operat-
ing cfm.
579F180230 (15 TONS) *
Airflow
(Cfm)
Available External Static Pressure (in. wg)
0.2 0.4 0.6 0.8 1.0 1.2
Rpm Bhp Watts Rpm Bhp Watts Rpm Bhp Watts Rpm Bhp Watts Rpm Bhp Watts Rpm Bhp Watts
4500 809 1.53 1317 906 1.74 1502 994 1.96 1690 1078 2.18 1882 1156 2.41 2077 1230 2.64 2275
4800 850 1.76 1516 942 1.98 1706 1027 2.20 1899 1107 2.43 2094 1183 2.66 2293 1255 2.89 2495
5100 892 2.01 1733 979 2.24 1928 1061 2.46 2125 1138 2.70 2325 1211 2.93 2528 1281 3.17 2733
5400 934 2.28 1970 1017 2.52 2169 1096 2.75 2371 1170 2.99 2575 1241 3.22 2781 1309 3.47 2990
5700 976 2.58 2225 1056 2.82 2429 1132 3.06 2635 1204 3.30 2843 1272 3.54 3053 1338 3.79 3266
6000 1019 2.90 2500 1096 3.14 2709 1168 3.38 2919 1238 3.63 3131 1304 3.88 3345 1368 4.13 3562
6300 1063 3.24 2795 1136 3.49 3008 1206 3.74 3223 1273 3.99 3439 1337 4.24 3657 — — —
6600 1106 3.61 3111 1177 3.86 3329 1244 4.11 3547 1309 4.37 3767 ——————
6900 1150 4.00 3448 1218 4.26 3670 ————————————
7200 ——————————————————
7500 ——————————————————
579F180230 (15 TONS)* (cont)
Airflow
(Cfm)
Available External Static Pressure (in. wg)
1.4 1.6 1.8 1.9 2.0
Rpm Bhp Watts Rpm Bhp Watts Rpm Bhp Watts Rpm Bhp Watts Rpm Bhp Watts
4500 1301 2.87 2477 1369 3.11 2683 1434 3.35 2891 1497 3.47 2997 1497 3.60 3103
4800 1324 3.13 2700 1390 3.37 2909 1454 3.62 3120 1515 3.74 3226 1515 3.87 3334
5100 1349 3.41 2942 1413 3.66 3153 1475 3.90 3367 1535 4.03 3475 1535 4.16 3584
5400 1374 3.71 3202 1437 3.96 3416 1498 4.21 3633 ——————
5700 1402 4.04 3481 1463 4.29 3699 —————————
6000 ———————————————
6300 ———————————————
6600 ———————————————
6900 ———————————————
7200 ———————————————
7500 ———————————————
Bhp — Brake Horsepower
Watts — Input Watts to Motor
579F216275 AND 240275 (18 AND 20 TONS) *
Airflow
(Cfm)
Available External Static Pressure (in. wg)
0.2 0.4 0.6 0.8 1.0 1.2
Rpm Bhp Watts Rpm Bhp Watts Rpm Bhp Watts Rpm Bhp Watts Rpm Bhp Watts Rpm Bhp Watts
5,500 755 2.27 1908 831 2.58 2171 901 2.91 2443 968 3.24 2723 1031 3.58 3009 1091 3.93 3302
6,000 810 2.72 2287 881 3.04 2556 947 3.37 2833 1010 3.71 3116 1070 4.05 3406 1127 4.40 3702
6,500 866 3.22 2710 932 3.55 2985 994 3.88 3266 1054 4.23 3554 1111 4.57 3847 1166 4.93 4146
7,000 923 3.78 3177 985 4.11 3458 1044 4.45 3744 1100 4.80 4036 1155 5.15 4333 1207 5.51 4635
7,500 980 4.39 3690 1038 4.73 3976 1094 5.07 4267 1148 5.43 4564 1200 5.78 4864 1250 6.15 5170
8,000 1038 5.06 4251 1093 5.40 4542 1146 5.75 4838 1197 6.11 5138 1246 6.47 5443 1294 6.84 5752
8,500 1096 5.78 4859 1148 6.13 5156 1198 6.49 5456 1247 6.85 5761 1294 7.22 6070 1340 7.59 6382
9,000 1154 6.56 5517 1204 6.92 5818 1251 7.28 6123 1298 7.65 6432 1343 8.02 6745 1388 8.40 7062
9,500 1213 7.40 6224 1260 7.77 6531 1306 8.13 6840 1350 8.51 7154 1394 8.88 7471 1436 9.26 7791
10,000 1272 8.30 6983 1317 8.67 7294 1360 9.05 7608 1403 9.43 7926 1445 9.81 8247 1486 10.19 8570
579F216275 AND 240275 (18 AND 20 TONS)* (cont)
Airflow
(Cfm)
Available External Static Pressure (in. wg)
1.4 1.6 1.8 1.9 2.0
Rpm Bhp Watts Rpm Bhp Watts Rpm Bhp Watts Rpm Bhp Watts Rpm Bhp Watts
5,500 1149 4.28 3602 1204 4.65 3907 1258 5.02 4217 1284 5.20 4375 1309 5.39 4533
6,000 1183 4.76 4003 1236 5.13 4310 1288 5.50 4622 1313 5.68 4780 1337 5.87 4939
6,500 1219 5.29 4450 1270 5.66 4759 1320 6.03 5073 1344 6.22 5232 1368 6.41 5391
7,000 1258 5.88 4942 1307 6.25 5253 1355 6.62 5569 1378 6.81 5729 1402 7.00 5890
7,500 1299 6.52 5480 1346 6.89 5794 1392 7.27 6113 1415 7.46 6273 1437 7.65 6435
8,000 1341 7.21 6065 1387 7.59 6383 1392 7.97 6704 1453 8.16 6866 1475 8.36 7300
8,500 1385 7.97 6699 1429 8.35 7019 1472 8.73 7343 1493 8.93 7506 1514 9.12 7670
9,000 1431 8.78 7382 1473 9.15 7705 1515 9.55 8032 1535 9.75 8196 — — —
9,500 1478 9.65 8114 1519 10.04 8441 —————————
10,000 ———————————————
Bhp — Brake Horsepower
Watts — Input Watts to Motor
0TFQ004-012
579F180-300

161
PERFORMANCE DATA — 579F (cont)
FAN PERFORMANCE — 579F180-300 UNITS (cont)
LEGEND
*Standard low-medium static drive range is 1066 to 1283 rpm. Alternate high-
static drive range is 1332 to 1550. Other rpms require a field-supplied drive.
Refer to page 162 for general Fan Performance Data notes.
NOTE: Maximum continuous bhp is 10.20 (208/230 and 575 v) or 11.80 (460 v)
and the maximum continuous watts are 9510 (208/230 and 575 v) or 11,000
(460 v). Do not adjust motor rpm such that motor maximum bhp and/or watts is
exceeded at the maximum operating cfm.
LEGEND
*Standard low-medium static drive range is 891 to 1179 rpm (208/230 v and
460 v) or 1159 to 1429 (575 v). Alternate high-static drive range is 1227 to 1550
(208/230 v and 460 v only). Other rpms require a field-supplied drive.
Refer to page 162 for general Fan Performance Data notes.
NOTE: Maximum continuous bhp is 4.25 (208/230 v and 460 v) or 3.45 (575 v)
and the maximum continuous watts are 3775 (208/230 v and 460 v) or 3065
(575 v). Do not adjust motor rpm such that motor maximum bhp and/or watts is
exceeded at the maximum operating cfm.
579F300275 (25 TONS) *
Airflow
(Cfm)
Available External Static Pressure (in. wg)
0.2 0.4 0.6 0.8 1.0 1.2
Rpm Bhp Watts Rpm Bhp Watts Rpm Bhp Watts Rpm Bhp Watts Rpm Bhp Watts Rpm Bhp Watts
7,000 941 3.35 2,769 1002 3.80 3,140 1061 4.27 3528 1117 4.76 3,934 1171 5.27 4,356 1224 5.80 4,794
7,500 999 4.05 3,348 1057 4.53 3,742 1112 5.02 4152 1166 5.54 4,579 1218 6.07 5,216 1268 6.63 5,478
8,000 1058 4.85 4,007 1113 5.35 4,424 1165 5.87 4856 1216 6.41 5,304 1266 6.97 5,766 1314 7.55 6,243
8,500 1117 5.74 4,750 1169 6.28 5,190 1219 6.83 5645 1268 7.40 6,114 1315 7.98 6,597 1361 8.58 7,094
9,000 1177 6.75 5,583 1226 7.31 6,047 1274 7.89 6524 1320 8.48 7,015 1365 9.09 7,520 1410 9.72 8,037
9,500 1237 7.98 6,511 1284 8.46 6,999 1329 9.07 7499 1374 9.69 8,012 1417 10.33 8,538 1459 10.98 9,076
10,000 1297 9.12 7,450 1342 9.74 8,051 1385 10.37 8574 1428 11.02 9,110 1469 11.68 9,657 1510 12.36 10,217
10,500 1358 10.49 8,674 1400 11.14 9,209 1442 11.80 9755 1483 12.47 10,314 1523 13.16 10,883 — — —
11,000 1418 12.00 9,919 1459 12.67 10,478 ————————————
11,250 1449 12.80 10,585 ———————————————
579F300275 (25 TONS) * (cont)
Airflow
(Cfm)
Available External Static Pressure (in. wg)
1.4 1.6 1.8
Rpm Bhp Watts Rpm Bhp Watts Rpm Bhp Watts
7,000 1274 6.35 5248 1323 6.92 5,718 1371 5.54 6204
7,500 1316 7.20 6960 1364 7.79 6,437 1410 6.41 6939
8,000 1360 8.14 6734 1406 8.76 7,239 1450 7.40 7759
8,500 1406 9.20 7605 1449 9.83 8,129 1492 8.48 8666
9,000 1453 10.36 8568 1495 11.02 9,111 1536 9.69 9667
9,500 1501 11.64 9627 1541 12.32 10,190 — — —
10,000 —————————
10,500 —————————
11,000 —————————
11,250 —————————
Bhp — Brake Horsepower
Watts — Input Watts to Motor
579F180300 (15 TONS)*
Airflow
(Cfm)
Available External Static Pressure (in. wg)
0.2 0.4 0.6 0.8 1.0 1.2
Rpm Bhp Watts Rpm Bhp Watts Rpm Bhp Watts Rpm Bhp Watts Rpm Bhp Watts Rpm Bhp Watts
4500 819 1.55 1335 914 1.76 1518 1001 1.98 1705 1083 2.20 1894 1160 2.42 2088 1234 2.65 2284
4800 861 1.78 1538 951 2.00 1726 1035 2.22 1916 1113 2.45 2110 1188 2.68 2307 1259 2.91 2507
5100 904 2.04 1759 989 2.26 1952 1069 2.49 2147 1145 2.72 2345 1218 2.95 2545 1287 3.17 2749
5400 947 2.32 1999 1300 2.55 2197 1105 2.78 2396 1179 3.01 2598 1248 3.25 2802 1315 3.49 3009
5700 990 2.62 2259 1068 2.85 2461 1142 3.09 2665 1213 3.33 2871 1280 3.57 3079 1345 3.81 3289
6000 1034 2.94 2539 1109 3.18 2745 1180 3.42 2953 1248 3.67 3163 1313 3.91 3375 1376 4.16 3589
6300 1078 3.29 2840 1150 3.54 3050 1218 3.78 3262 1284 4.03 3476 1348 4.28 3692 — — —
6600 1123 3.67 3161 1192 3.91 3376 1258 4.16 3592 —————————
6900 1167 4.06 3504 1234 4.32 3723 ————————————
7200 ——————————————————
7500 ——————————————————
579F180300 (15 TONS) * (cont)
Airflow
(Cfm)
Available External Static Pressure (in. wg)
1.4 1.6 1.8 1.9 2.0
Rpm Bhp Watts Rpm Bhp Watts Rpm Bhp Watts Rpm Bhp Watts Rpm Bhp Watts
4500 1304 2.88 2484 1371 3.12 2688 1435 3.36 2895 1467 3.48 2999 1497 3.60 3104
4800 1327 3.14 2711 1393 3.38 2917 1456 3.62 3126 1486 3.75 3232 1517 3.87 3338
5100 1353 3.43 2955 1417 3.67 3165 1478 3.92 3377 1508 4.04 3484 1537 4.16 3592
5400 1380 3.73 3219 1442 3.98 3432 1502 4.23 3646 1531 4.35 3755 — — —
5700 1408 4.06 3503 1468 4.31 3718 —————————
6000 ———————————————
6300 ———————————————
6600 ———————————————
6900 ———————————————
7200 ———————————————
7500 ———————————————
Bhp — Brake Horsepower
Watts — Input Watts to Motor
0TFQ004-012
579F180-300

162
PERFORMANCE DATA — 579F (cont)
FAN PERFORMANCE — 579F180-300 UNITS (cont)
LEGEND
*Standard low-medium static drive range for the 216 size is 910 to 1095 rpm.
Standard low-medium static drive range for the 240 size is 1002 to 1225 rpm.
Alternate high-static drive range for the 216 size is 1069 to 1287. Alternate high-
static drive range for the 240 size is 1193 to 1458 rpm. Other rpms require a
field-supplied drive.
Refer to this page for general Fan Performance Data notes.
NOTE: Maximum continuous bhp for the 216 size is 5.90. Maximum continuous
bhp for the 240 size is 8.70 (208/230 and 575 v) or 9.50 (460 v). The maximum
continuous watts for the 216 size is 5180. The maximum continuous watts for the
240 size is 7915 (208/230 and 575 v) or 8640 (460 v). Do not adjust motor rpm
such that motor maximum bhp and/or watts is exceeded at the maximum operat-
ing cfm.
LEGEND
*Standard low-medium static drive range is 1066 to 1283 rpm. Alternate high-
static drive range is 1332 to 1550. Other rpms require a field-supplied drive.
Refer to this page for general Fan Performance Data notes.
NOTE: Maximum continuous bhp is 10.20 (208/230 and 575 v) or 11.80 (460 v)
and the maximum continuous watts are 9510 (208/230 and 575 v) or 11,000
(460 v). Do not adjust motor rpm such that motor maximum bhp and/or watts is
exceeded at the maximum operating cfm.
GENERAL NOTES FOR FAN PERFORMANCE DATA TABLES
1. Static pressure losses (i.e., EconoMi$er IV) must be added to external static
pressure before entering Fan Performance table.
2. Interpolation is permissible. Do not extrapolate.
3. Fan performance is based on wet coils, clean filters, and casing losses. See
Accessory/FIOP Static Pressure table on page 164.
4. Extensive motor and drive testing on these units ensures that the full horse-
power and watts range of the motor can be utilized with confidence. Using
fan motors up to the watts or bhp rating shown will not result in nuisance
tripping or premature motor failure. Unit warranty will not be affected.
5. Use of a field-supplied motor may affect wire sizing. Contact your Bryant
representative for details.
579F216360 and 240360 (18 AND 20 TONS) *
Airflow
(Cfm)
Available External Static Pressure (in. wg)
0.2 0.4 0.6 0.8 1.0 1.2
Rpm Bhp Watts Rpm Bhp Watts Rpm Bhp Watts Rpm Bhp Watts Rpm Bhp Watts Rpm Bhp Watts
5,500 795 2.43 2043 866 2.74 2306 934 3.07 2578 998 3.40 2856 1059 3.74 3142 1117 4.08 3434
6,000 854 2.92 2452 921 3.24 2722 984 3.57 3998 1044 3.90 3281 1102 4.25 3570 1158 4.60 3865
6,500 914 3.46 2909 977 3.79 3184 1036 4.12 3465 1093 4.46 3752 1148 4.81 4045 1201 5.16 4343
7,000 975 4.06 3414 1034 4.39 3695 1090 4.73 3981 1144 5.08 4272 1196 5.43 4569 1246 5.79 4870
7,500 1037 4.72 3969 1092 5.06 4255 1145 5.41 4546 1196 5.76 4842 1256 6.12 5142 1294 6.48 5447
8,000 1099 5.44 4575 1150 5.79 4866 1201 6.14 5162 1249 6.50 5462 1297 6.86 5766 1343 7.22 6075
8,500 1161 6.22 5232 1210 6.57 5529 1258 6.93 5829 1304 7.29 6134 1349 7.66 6443 1393 8.03 6755
9,000 1223 7.07 5943 1270 7.43 6245 1315 7.79 6550 1360 8.16 6869 1403 8.53 7171 1445 8.90 7487
9,500 1286 7.98 6708 1331 8.34 7014 1374 8.71 7324 1416 9.08 7638 1457 9.46 7954 1498 9.84 8274
10,000 1349 8.95 7528 1392 9.32 7839 1433 9.70 8154 1473 10.07 8471 ——————
579F216360 and 240360 (18 AND 20 TONS) * (cont)
Airflow
(Cfm)
Available External Static Pressure (in. wg)
1.4 1.6 1.8 1.9 2.0
Rpm Bhp Watts Rpm Bhp Watts Rpm Bhp Watts Rpm Bhp Watts Rpm Bhp Watts
5,500 1173 4.44 3732 1227 4.80 4036 1279 5.17 4345 1304 5.35 4502 1329 5.54 4629
6,000 1211 4.95 4165 1263 5.32 4471 1313 5.69 4782 1337 5.87 4939 1361 6.06 5097
6,500 1252 5.53 4646 1302 5.89 4954 1350 6.26 5267 1373 6.56 5425 1396 6.64 5584
7,000 1295 6.16 5176 1343 6.52 5487 1389 6.90 5802 1412 7.09 5961 1434 7.28 6121
7,500 1340 6.85 5756 1386 7.22 6070 1431 7.60 6387 1452 7.79 6547 1474 7.98 6709
8,000 1388 7.60 6388 1431 7.97 6704 1474 8.35 7240 1495 8.54 7186 1516 8.74 7348
8,500 1436 8.41 7071 1478 8.79 7390 1520 9.17 7713 1540 9.37 7876 — — —
9,000 1486 9.28 7807 1527 9.67 8130 —————————
9,500 1538 10.22 8597 ————————————
10,000 ———————————————
Bhp — Brake Horsepower
Watts — Input Watts to Motor
579F300360 (25 TONS) *
Airflow
(Cfm)
Available External Static Pressure (in. wg)
0.2 0.4 0.6 0.8 1.0 1.2
Rpm Bhp Watts Rpm Bhp Watts Rpm Bhp Watts Rpm Bhp Watts Rpm Bhp Watts Rpm Bhp Watts
7,000 992 4.05 3,348 1051 4.44 3,668 1106 4.83 3995 1160 5.24 4331 1212 5.65 4675 1262 6.08 5026
7,500 1055 4.77 3,947 1110 5.17 4,277 1162 5.58 4615 1214 6.00 4960 1263 6.43 5312 1311 6.86 5672
8,000 1118 5.58 4,610 1170 5.99 4,950 1220 6.41 5298 1268 6.84 5653 1315 7.27 6014 1361 7.72 6382
8,500 1182 6.46 5,339 1231 6.88 5,690 1278 7.31 6047 1324 7.75 6411 1369 8.20 6782 1413 8.66 7158
9,000 1246 7.42 6,136 1292 7.86 6,498 1337 8.30 6865 1381 8.75 7239 1424 9.21 7618 1466 9.68 8003
9,500 1310 8.47 7,005 1354 8.92 7,377 1397 9.38 7754 1439 9.84 8137 1480 10.31 8525 1520 10.79 8918
10,000 1374 9.61 7,947 1416 10.07 8,329 1457 10.54 8715 1497 11.02 9107 1537 11.50 9504 — — —
10,500 1439 10.84 8,964 1479 11.32 9,356 1518 11.79 9752 —————————
11,000 1503 12.17 10,059 1542 12.65 10,460 ————————————
11,250 1536 12.86 10,636 ———————————————
579F300360 (25 TONS) * (cont)
Airflow
(Cfm)
Available External Static Pressure (in. wg)
1.4 1.6 1.8
Rpm Bhp Watts Rpm Bhp Watts Rpm Bhp Watts
7,000 1311 6.51 5385 1359 6.96 5751 1405 6.00 6124
7,500 1358 7.30 6039 1403 7.76 6412 1448 6.84 6792
8,000 1406 8.17 6767 1560 8.63 7137 1492 7.75 7524
8,500 1456 9.12 7541 1498 9.59 7929 1539 8.75 8323
9,000 1507 10.15 8393 1548 10.63 8790 — — —
9,500 —————————
10,000 —————————
10,500 —————————
11,000 —————————
11,250 —————————
Bhp — Brake Horsepower
Watts — Input Watts to Motor
0TFQ004-012
579F180-300

163
PERFORMANCE DATA — 579F (cont)
ALTITUDE COMPENSATION* —
579F180-300
*Includes a 4% input reduction per each 1,000 feet.
†Orifices available through your Bryant distributor.
ALTITUDE DERATING FACTOR*
*Derating of the unit is not required unless the heating value of the gas
exceeds the values listed in the table above, or if the elevation exceeds
6000 ft. Derating conditions must be 4% per thousand ft above 2000 ft.
For example, at 4000 ft, if the heating value of the gas exceeds
1000 Btu/ft3, the unit will require a 16% derating. For elevations above
6000 ft, the same formula applies. For example, at 7000 ft, the unit will
require a 28% derating of the maximum heating value per the National
Fuel Gas Code.
IMPORTANT: Local utility companies may be reducing heat content of
gas at altitudes above 2000 ft. If this is being done, then changing
spuds may not be required.
Fan Performance Using Accessory Power Exhaust (579F180-300)
a50-4028
ELEVATION
(ft)
NATURAL GAS ORIFICE SIZE†
Low Heat High Heat
0-3,000 30 29
3,000- 7,000 31 30
7,000- 9,000 32 31
9,000-10,000 33 31
above 10,000 35 32
ELEVATION (ft) MAXIMUM HEATING VALUE
(Btu/ft3)
0-2,000 1,100
2,001-3,000 1,050
3,001-4,000 1,000
4,001-5,000 950
5,001-6,000 900
0TFQ004-012
579F180-300

164
PERFORMANCE DATA — 579F (cont)
ALTITUDE COMPENSATION — 579F180-300
(LP Gas Units)
OUTDOOR SOUND POWER
NOTE: Indoor sound power is available in Bryant’s Electronic Catalog program (ECAT) for specific operating parameters.
ACCESSORY/FIOP STATIC PRESSURE (in. wg)* — 579F180-300
LEGEND
*The static pressure must be added to external static pressure. The sum and the evaporator entering-air cfm
should then be used in conjunction with the Fan Performance tables to determine blower rpm and watts.
FAN RPM AT MOTOR PULLEY SETTINGS*
*Approximate fan rpm shown.
†Indicates standard drive package.
**Indicates alternate drive package.
††Due to belt and pulley size, pulley cannot be set to this number of turns open.
ELEVATION
(ft)
LIQUID PROPANE ORIFICE SIZE
Low Heat and High Heat
0-2,000 36
2,000 37
3,000 38
4,000 38
5,000 39
6,000 40
7,000 41
8,000 41
9,000 42
10,000 43
UNIT
579F
SOUND
RATING
(60 Hz)
A-WEIGHTED
(dB)
OCTAVE BANDS
63 125 250 500 1000 2000 4000 8000
180 88 dB 87.8 90.8 88.7 86.4 84.3 83.5 78.4 75.6 66.8
216 88 dB 87.8 90.8 88.7 86.4 84.3 83.5 78.4 75.6 66.8
240 95 dB 94.1 98.7 92.3 93.8 90.9 89.6 85.9 80.3 74.3
300 95 dB 94.1 98.7 92.3 93.8 90.9 89.6 85.9 80.3 74.3
COMPONENT CFM
4500 5000 5400 6000 7200 7500 9000 10,000 11,250
EconoMi$er IV and EconoMi$er2 0.040 0.050 0.060 0.070 0.090 0.100 0.110 0.120 0.140
FIOP — Factory-Installed Option
UNIT
579F
MOTOR PULLEY TURNS OPEN
01/211
1/222
1/233
1/244
1/255
1/26
180† (208/230 and 460-v) †† †† 1179 1150 1121 1093 1064 1035 1006 978 949 920 891
180** †† †† 1559 1522 1488 1455 1422 1389 1356 1323 1289 1256 1227
180† (575-v) †† †† 1429 1403 1376 1349 1323 1296 1269 1242 1215 1188 1159
216† †† †† 1095 1077 1058 1040 1021 1002 984 965 947 928 910
216** †† †† 1287 1265 1243 1222 1200 1178 1156 1134 1112 1091 1069
240† †† †† 1225 1209 1187 1165 1143 1120 1098 1076 1053 1031 1002
240** †† †† 1458 1434 1407 1381 1354 1328 1301 1275 1248 1222 1193
300† †† †† 1283 1269 1247 1225 1203 1182 1160 1138 1116 1095 1066
300** †† †† — — 1551 1524 1497 1470 1443 1415 1388 1361 1332
0TFQ004-012
579F180-300

165
PERFORMANCE DATA — 579F (cont)
EVAPORATOR-FAN MOTOR DATA
LEGEND
*Extensive motor and electrical testing on these units ensures that the full horsepower (brake kilowatt) range
of the motors can be utilized with confidence. Using fan motors up to the horsepower (brake kilowatt) ratings
shown in this table will not result in nuisance tripping or premature motor failure. Unit warranty will not be
affected.
NOTE: All indoor-fan motors 5 hp and larger meet the minimum efficiency requirements as established by the
Energy Policy Act of 1992 (EPACT) effective October 24, 1997.
EVAPORATOR-FAN MOTOR EFFICIENCY
NOTE: All indoor-fan motors 5 hp and larger meet the minimum effi-
ciency requirements as established by the Energy Policy Act of 1992
(EPACT) effective October 24, 1997.
UNIT
579F
UNIT
VOLTAGE
MAXIMUM
ACCEPTABLE
CONTINUOUS
BHP*
MAXIMUM
ACCEPTABLE
CONTINUOUS
BkW*
MAXIMUM
ACCEPTABLE
OPERATING
WATTS
MAXIMUM
AMP DRAW
180
208/230 4.25 3.17 3,775 10.5
460 4.25 3.17 3,775 4.8
575 3.45 2.59 3,065 3.9
216
208/230
5.90 4.40 5,180
15.8
460 7.9
575 6.0
240
208/230 8.70 6.49 7,915 22.0
460 9.50 7.08 8,640 13.0
575 8.70 6.49 7,915 10.0
300
208/230 10.20 7.61 9,510 28.0
460 11.80 8.80 11,000 14.6
575 10.20 7.61 9,510 13.0
BHP — Brake Horsepower
BkW — Brake Kilowatts
UNIT
579F
MOTOR EFFICIENCY
(%)
180 (3.0 Hp) 81.7
180 (3.7 Hp) 85.8
216 (5 Hp) 87.5
240 (7.5 Hp) 88.5
300 (10 Hp) 89.5
0TFQ004-012
579F180-300

166
ELECTRICAL DATA
LEGEND
*Fuse or HACR circuit breaker.
NOTES:
1. In compliance with NEC requirements for multimotor and combina-
tion load equipment (refer to NEC Articles 430 and 440), the over-
current protective device for the unit shall be fuse or HACR
breaker. Canadian units may be fuse or circuit breaker.
2. Unbalanced 3-Phase Supply Voltage
Never operate a motor where a phase imbalance in supply voltage
is greater than 2%. Use the following formula to determine the per-
cent voltage imbalance.
% Voltage Imbalance
EXAMPLE: Supply voltage is 460-3-60.
Determine maximum deviation from average voltage.
(AB) 457 – 452 = 5 v
(BC) 464 – 457 = 7 v
(AC) 457 – 455 = 2 v
Maximum deviation is 7 v.
Determine percent voltage imbalance.
This amount of phase imbalance is satisfactory as it is below the
maximum allowable 2%.
IMPORTANT: If the supply voltage phase imbalance is more than
2%, contact your local electric utility company immediately.
UNIT
579F
NOMINAL
VOLTAGE
(3 Ph, 60 Hz)
VOLTAGE
RANGE
COMPRESSOR OFM IFM POWER
EXHAUST
COMBUSTION
FAN MOTOR
POWER
SUPPLY
No. 1 No. 2
Min Max RLA LRA RLA LRA Qty Hp FLA (ea) Hp FLA FLA LRA FLA MCA MOCP*
180
(15 Tons)
208/230 187 253 28.8 195 28.8 195 3 0.5 1.7 3.7 10.5/11.0 — — 0.57 81/81 100/100
4.6 18.8 0.57 85/86 110/110
460 414 508 14.7 95 14.7 95 3 0.5 0.8 3.7 4.8 — — 0.30 40 50
2.3 6.0 0.30 43 50
575 518 633 10.8 80 10.8 80 3 0.5 0.8 3.0 3.9 — — 0.57 30 40
2.1 4.8 0.57 32 40
216
(18 Tons)
208/230 187 253 30.1 225 28.8 195 3 0.5 1.7 5.0 15.8/15.8 — — 0.57 87/87 110/110
4.6 18.8 0.57 92/92 110/110
460 414 508 15.5 114 14.7 95 3 0.5 0.8 5.0 7.9 — — 0.30 44 50
2.3 6.0 0.30 47 60
575 518 633 12.1 80 10.8 80 3 0.5 0.8 5.0 6.0 — — 0.57 34 40
2.1 4.8 0.57 36 40
240
(20 Tons)
208/230 187 253 37.8 239 30.1 225 2 1 6.6 7.5 25.0/25.0 — — 0.57 116/116 150/150
4.6 18.8 0.57 120/120 150/150
460 414 508 17.2 125 15.5 114 2 1 3.3 7.5 13.0 — — 0.30 57 70
2.3 6.0 0.30 59 70
575 518 633 12.4 80 12.1 80 2 1 3.4 7.5 10.0 — — 0.57 44 50
2.1 4.8 0.57 46 50
300
(25 Tons)
208/230 187 253 41.0 350 37.8 239 2 1 6.6 10.0 28.0/28.0 — — 0.57 130/130 150/150
4.6 18.8 0.57 135/135 175/175
460 414 508 21.8 158 17.2 125 2 1 3.3 10.0 14.6 — — 0.30 66 80
2.3 6.0 0.30 68 80
575 518 633 17.3 125 12.4 80 2 1 3.4 10.0 13.0 — — 0.57 54 70
2.1 4.8 0.57 56 70
FLA — Full Load Amps
HACR — Heating, Air Conditioning and Refrigeration
IFM — Indoor (Evaporator) Fan Motor
LRA — Locked Rotor Amps
MCA — Minimum Circuit Amps
MOCP — Maximum Overcurrent Protection
NEC — National Electrical Code
OFM — Outdoor (Condenser) Fan Motor
RLA — Rated Load Amps
= 100 x max voltage deviation from average voltage
average voltage
AB = 452 v
BC = 464 v
AC = 455 v
Average Voltage = 452 + 464 + 455
3
=1371
3
= 457
% Voltage Imbalance = 100 x 7
457
= 1.53%
0TFQ004-012
579F180-300

167
TYPICAL WIRING SCHEMATICS — 579F
(579F240, 208/230 V Shown)
a48-7929
0TFQ004-012
579F180-300

168
TYPICAL WIRING SCHEMATICS — 579F
(579F240, 208/230 V Shown) (cont)
AHA — Adjustable Heat Anticipator
BKR W/AT — Breaker with Amp Turns
C—Contactor, Compressor
CB — Circuit Breaker
CC — Cooling Compensator
CLO — Compressor Lockout
COMP — Compressor Motor
CR — Control Relay
CT — Control Transformer
DM — Damper Motor
DU — Dummy Terminal
EQUIP — Equipment
FPT — Freeze Protection Thermostat
FU — Fuse
GND — Ground
HPS — High-Pressure Switch
HS — Hall Effect Sensor
HV — High Voltage
I—Ignitor
IDM — Induced-Draft Motor
IFC — Indoor-Fan Contactor
IFCB — Indoor-Fan Circuit Breaker
IFM — Indoor-Fan Motor
IGC — Integrated Gas Unit Controller
L—Light
LED — Light-Emitting Diode
LOR — Lockout Relay
LPS — Low-Pressure Switch
LS — Limit Switch
MGV — Main Gas Valve
NEC — National Electrical Code
OFC — Outdoor-Fan Contactor
OFM — Outdoor-Fan Motor
PL — Plug Assembly
PRI — Primary
RS — Rollout Switch
SN — Sensor
SR — Solenoid Relay
SW — Switch
TB — Terminal Block
TC — Thermostat Cooling
TH — Thermostat Heating
TRAN — Transformer
Terminal (Marked)
Terminal (Unmarked)
Terminal Block
Splice
Splice (Marked)
Splice (Field Supplied)
Factory Wiring
Field Control Wiring
Field Power Wiring
Accessory or Optional Wiring
To indicate common potential
only; not to represent wiring.
NOTES:
1. Compressor and fan motors thermally protected; 3-phase motors protected against primary single-phasing conditions.
2. If any of the original wire furnished must be replaced, it must be replaced with type 90 C wire or its equivalent.
3. Jumpers are omitted when unit is equipped with economizer.
4. IFCB must trip amps is equal to or less than 140% full load amps.
5. On 208/230-v unit, TRAN1 is factory wired to ORN lead for 230-v power supply. If unit is to run on 208-v power supply, TRAN1
must be rewired. Disconnect the BLK wire on TRAN1 and connect wire to 208-v RED wire. Insulate 230-v ORN wire.
6. The CLO locks out the compressor to prevent short cycling on compressor overload and safety devices. Before replacing CLO,
check these devices.
7. Number(s) indicates the line location of used contacts. A bracket over (2) numbers signifies a single-pole, double-throw contact. An
underlined number signifies a normally closed contact. A plain (no line) number signifies a normally open contact.
LEGEND AND NOTES
LEGEND
a48-5655
0TFQ004-012
579F180-300

169
TYPICAL WIRING SCHEMATICS — 579F (cont)
4
3
5
2
8
6
7
1
10
11
9
12
PINK
BLACK
BLUE
NOTE 1
NOTE 2
RUN
500 OHM
RESISTOR
50HJ540573
ACTUATOR
ASSEMBLY
RED
WHITE
ECONOMISER2 PLUG
DIRECT DRIVE
ACTUATOR
OAT
EconoMi$er IV Wiring — 579F180-300 Units
EconoMi$er2 Wiring — 579F180-300 Units
LEGEND
OAT — Outdoor Air Temperature Sensor
NOTES:
1. Switch on actuator must be in run position for economizer to operate.
2. 50HJ540573 actuator consists of the 50HJ540567 actuator and a harness with 500-ohm resistor.
LEGEND
AL —Ambient Limit OA — Outdoor Air
ECB —Economizer Control Board OAS — Outdoor Air Sensor
IA —Indoor Air RAS — Return Air Sensor
IAQ —Indoor Air Quality SAT — Supply Air Temperature
a48-7877
a50-8058
0TFQ004-012
579F180-300

170
TYPICAL WIRING SCHEMATICS — 579F (cont)
Non-Fused Disconnect (Optional) — 579F180-300
NOTES:
1. If the Non-Fused Disconnect Service Option is ordered for these units, the Non-Fused Disconnect will be factory-installed.
2. The Disconnect takes the place of TB-1 as shown on the unit wiring diagram label and the component arrangement label.
a48-6005
0TFQ004-012
579F180-300

171
TYPICAL PIPING AND WIRING — 579F180-300
(579F180 Shown)
LEGEND
NEC — National Electrical Code b48-1258
0TFQ004-012
579F180-300

172
PHYSICAL DATA — 580F180-300
LEGEND
*Circuit 1 uses the lower portion of the condenser coil and lower portion of the evaporator coils;
and Circuit 2 uses the upper portion of both coils.
†Rollout switch is manual reset.
**The 580F300 unit requires 2-in. industrial-grade filters capable of handling face velocities up to
625 ft/min (such as American Air Filter no. 5700 or equivalent).
NOTE: The 580F180-300 units have a low-pressure switch (standard) located on the suction side.
UNIT 580F 180 210 240 300
NOMINAL CAPACITY (tons) 15 18 20 25
OPERATING WEIGHT
Unit 1800 1850 1900 2270
EconoMi$er IV 80 80 80 80
COMPRESSOR/MANUFACTURER Scroll, Copeland
Quantity...Model (Ckt 1, Ckt 2) 1...ZR94KC,
1...ZR72KC
1...ZR108KC,
1...ZR94KC
1...ZR125KC,
1...ZR108KC
1...ZR4140KC,
2...ZR144KC
Capacity Stages (%) 60, 40 55, 45 55, 45 60, 40
Number of Refrigerant Circuits 22 2 2
Oil (oz) (Ckt 1, Ckt 2) 85, 60 106, 81 106,106 136, 106
REFRIGERANT TYPE R-22
Expansion Device TXV
Operating Charge (lb-oz)
Circuit 1* 19-8 19-8 19-11 26-13
Circuit 2 13-8 19-2 13-14 25-10
CONDENSER COIL Cross-Hatched 3/8-in. Copper Tubes, Aluminum Lanced,
Aluminum Pre-Coated, or Copper Plate Fins
Rows...Fins/in. 4...15 4...15 4...15 3...15 (2 coils)
Total Face Area (sq ft) 21.7 21.7 21.7 43.4
CONDENSER FAN Propeller Type
Nominal Cfm 10,500 10,500 14,200 21,000
Quantity...Diameter (in.) 3...22 3...22 2...30 6...22
Motor Hp...Rpm 1/2...1050 1/2...1050 1...1075 1/2...1050
Watts Input (Total) 1100 1100 3400 2200
EVAPORATOR COIL Cross-Hatched 3/8-in. Copper Tubes, Aluminum Lanced or
Copper Plate Fins, Face Split
Rows...Fins/in. 4...15 4...15 4...15 4...15
Total Face Area (sq ft) 17.5 17.5 17.5 17.5
EVAPORATOR FAN Centrifugal Type
Quantity...Size (in.) 2...12 x 12 2...12 x 12 2...12 x 12 2...12 x 12
Type Drive Belt Belt Belt Belt
Nominal Cfm 6000 7200 8000 10,000
Motor Hp 55 7.5 10
Motor Nominal Rpm 1745 1745 1745 1740
Maximum Continuous Bhp 6.13 5.90 8.7 [208/230, 575 v]
9.5 [460 v]
10.2 [208/230, 575 v]
11.8 [460 v]
Motor Frame Size 184T 184T 213T 215T
Nominal Rpm High/Low —— — —
Fan Rpm Range Low-Medium Static 873-1021 910-1095 1002-1151 1066-1283
High Static 1025-1200 1069-1287 1193-1369 1332-1550
Motor Bearing Type Ball Ball Ball Ball
Maximum Allowable Rpm 1550 1550 1550 1550
Motor Pulley Pitch Diameter Low-Medium Static 4.9/5.9 4.9/5.9 5.4/6.6 4.9/5.9
Min/Max (in.) High Static 4.9/5.9 4.9/5.9 5.4/6.6 4.9/5.9
Nominal Motor Shaft Diameter (in.) 11/811/813/813/8
Fan Pulley Pitch Diameter (in.) Low-Medium Static 9.4 9.4 9.4 8.0
High Static 8.0 8.0 7.9 6.4
Nominal Fan Shaft Diameter (in.) 17/16 17/16 17/16 17/16
Belt, Quantity...Type...Length (in.) Low-Medium Static 1...BX...50 1...BX...50 1...BX...53 2...BX...50
High Static 1...BX...48 1...BX...48 1...BX...50 2...BX...47
Pulley Center Line Distance (in.) 13.3-14.8 13.3-14.8 14.6-15.4 14.6-15.4
Speed Change per Full Turn of
Movable Pulley Flange (rpm)
Low-Medium Static 37 37 37 36
High Static 44 34 44 45
Movable Pulley Maximum Full Turns
From Closed Position 46 6 6
Factory Speed 3.5 3.5 3.5 3.5
Factory Speed Setting (rpm) Low-Medium Static 965 1002 1095 1182
High Static 1134 1178 1303 1470
Fan Shaft Diameter at Pulley (in.) 17/16 17/16 17/16 17/16
Bhp — Brake Horsepower
TXV — Thermostatic Expansion Valve
0TFQ004-012
580F180-300

173
PHYSICAL DATA — 580F180-300 (cont)
LEGEND
*Circuit 1 uses the lower portion of the condenser coil and lower portion of the evaporator coils;
and Circuit 2 uses the upper portion of both coils.
†Rollout switch is manual reset.
**The 580F300 unit requires 2-in. industrial-grade filters capable of handling face velocities up to 625 ft/min
(such as American Air Filter no. 5700 or equivalent).
NOTE: The 580F180-300 units have a low-pressure switch (standard) located on the suction side.
OPERATING AND RIGGING WEIGHTS
*Base unit weight does not include copper coils, economizer, power exhaust, barometric relief or crating. See
Options and Accessories table below for more information.
NOTE: For 180 or 210 unit, add 75 lb (34 kg) for domestic crating. For 240 unit, add 135 lb (61 kg). For 300
unit, add 175 lb (79 kg) for domestic crating.
OPTIONS AND ACCESSORIES
(Weight Adders)
LEGEND
UNIT 580F 180 210 240 300
FURNACE SECTION
Rollout Switch Cutout Temp (F)† 190 190 190 190
Burner Orifice Diameter (in. ...drill size)
Natural Gas 0.1285...30/0.136...29 0.1285...30/0.136...29 0.1285...30/0.136...29 0.1285...30/0.136...29
Thermostat Heat Anticipator Setting (amps)
208/230, 575 v Stage 1 0.98 0.98 0.98 0.98
Stage 2 0.44 0.44 0.44 0.44
460 v Stage 1 0.80 0.80 0.80 0.80
Stage 2 0.44 0.44 0.44 0.44
Gas Input Stage 1 206,000/270,000 206,000/270,000 206,000/270,000 206,000/270,000
Stage 2 275,000/360,000 275,000/360,000 275,000/360,000 275,000/360,000
Efficiency (Steady-State) (%) 81 81 81 81
Temperature Rise Range 15-45/20-50 15-45/20-50 15-45/20-50 15-45/20-50
Manifold Pressure (in. wg)
Natural Gas 3.3 3.3 3.3 3.3
Gas Valve Quantity 1111
Gas Valve Pressure Range
in. wg 5.5-13.5 5.5-13.5 5.5-13.5 5.5-13.5
psig 0.235-0.487 0.235-0.487 0.235-0.487 0.235-0.487
Field Gas Connection Size (in.-FPT) 3/43/43/43/4
HIGH-PRESSURE SWITCH (psig)
Cutout 426
Reset (Auto) 320
LOW-PRESSURE SWITCH (psig)
Cutout 27
Reset (Auto) 44
FREEZE PROTECTION THERMOSTAT (F)
Opens 30 ± 5
Closes 45 ± 5
OUTDOOR-AIR INLET SCREENS Cleanable
Quantity...Size (in.) 2...20 x 25 x 1
1...20 x 20 x 1
RETURN-AIR FILTERS Throwaway**
Quantity...Size (in.) 4...20 x 20 x 2
4...16 x20 x 2
POWER EXHAUST 1/2 Hp, 208/230-460 v Motor Direct Drive, Propeller-Fan (Factory-Wired for 460 v)
Bhp — Brake Horsepower
TXV — Thermostatic Expansion Valve
UNIT
BASE UNIT OPERATING WEIGHTS*
180 210 240 300
lb kg lb kg lb kg lb kg
580F 1800 816 1850 839 1900 862 2270 1030
OPTION/
ACCESSORY
OPTION/ACCESSORY WEIGHTS
180 210 240 300
lb kg lb kg lb kg lb kg
Barometric Relief Damper 50 23 50 23 50 23 50 23
Power Exhaust 85 39 85 39 85 39 85 39
EconoMi$er IV 90 41 90 41 90 41 90 41
Cu Condenser Coil 150 68 150 68 150 68 150 68
Cu Condenser and Evaporator Coils 280 127 280 127 280 127 280 127
Roof Curb (14-in. curb) 200 91 200 91 200 91 200 91
Horizontal Adapter Curb (Pre-Assembled) 250 113 250 113 250 113 250 113
Horizontal Adapter Curb (Field-Assembled) 348 156 343 156 343 156 343 156
Hail Guard 60 27 60 27 60 27 60 27
Cu — Copper
0TFQ004-012
580F180-300

174
BASE UNIT DIMENSIONS — 580F180, 210
$
a48-8203
0TFQ004-012
580F180-300

175
BASE UNIT DIMENSIONS — 580F240
a48-8204
0TFQ004-012
580F180-300

176
BASE UNIT DIMENSIONS — 580F300
$
a48-8205
0TFQ004-012
580F180-300

177
ACCESSORY DIMENSIONS — 580F180-240
Horizontal and Vertical Roof Curbs
580F180-240
PKG. NO. REF. CURB
HEIGHT DESCRIPTION
CRRFCURB010A00 1′−2″ (305) Standard Curb 14″ High
CRRFCURB011A00 2′-0″ (610) Standard Curb for Units Requiring High Installation
CRRFCURB012A00 2′-0″ (610) Side Supply and Return Curb for High Installation
a48-6314
0TFQ004-012
580F180-300

178
ACCESSORY DIMENSIONS — 580F300
Vertical Roof Curbs
580F300
a48-7456
0TFQ004-012
580F180-300

179
ACCESSORY DIMENSIONS — 580F (cont)
Horizontal Supply/Return Adapter Installation (580F180-240)
NOTE: CRRFCURB013A00 is a fully factory preassembled horizontal
adapter and includes an insulated transition duct. The pressure drop
through the adapter curb is negligible.
For horizontal return applications: The power exhaust and barometric
relief dampers must be installed in the return air duct.
23"
14 3/4"
6"
3 1/2"
FULLY INSULATED
SUPPLY PLENUM
1" INSULATION
1 1/2 # DENSITY,
STICK PINNED & GLUED
2" X 1/4
SUPPORT TYP.
STITCH WELDED
12" WIDE STANDING
SEAM PANELS
ACCESSORY
PAC K AG E NO.
CURB
HEIGHT DESCRIPTION
CRRFCURB013A00 1′-11″
(584)
Pre-Assembled, Roof Curb,
Horizontal Adapter
For horizontal return applications: The power exhaust
relief must be installed in the return air duct.
2'-1 5/8"
2'-2 1/16" 1'-6 5/16"
Barometric Relief/Power Exhaust
a48-7457
a48-7458
a48-7459
48-1169df
0TFQ004-012
580F180-300

180
ACCESSORY DIMENSIONS — 580F (cont)
Factory-Installed Convenience Outlet
Factory-Installed Non-Fused Disconnect (180-300)
LEGEND
K.O. — Knockout
a48-4184
a48-4185
0TFQ004-012
580F180-300

181
SELECTION PROCEDURE (With 580F240 Example)
I DETERMINE COOLING AND HEATING REQUIRE-
MENTS AT DESIGN CONDITIONS.
Given:
Required Cooling Capacity . . . . . . . . . . . . . 230,000 Btuh
Sensible Heat Capacity (SHC). . . . . . . . . . . 170,000 Btuh
Required Heating Capacity . . . . . . . . . . . . . 215,000 Btuh
Condenser Entering Air Temp . . . . . . . . . . 95 F (Summer)
Evaporator Entering Air Temp . . . . . . . . . . . . . . .80 F edb,
67 F ewb
Evaporator Air Quantity . . . . . . . . . . . . . . . . . . . 8,000 cfm
External Static Pressure . . . . . . . . . . . . . . . . . . 0.6 in. wg
Electrical Characteristics (V-Ph-Hz). . . . . . . . . . . 460-3-60
Vertical discharge unit with optional EconoMi$er IV
required.
edb — Entering dry-bulb
ewb — Entering wet-bulb
II SELECT UNIT BASED ON REQUIRED COOLING
CAPACITY.
Enter Cooling Capacities table for 580F240 (page 183) at
condenser entering temperature 95 F, evaporator air
entering at 8,000 cfm and 67 F wb. The unit will provide a
total cooling capacity of 249,000 Btuh and a sensible heat-
ing capacity (SHC) of 188,000 Btuh. For air entering evap-
orator at temperatures other than 80 F edb, calculate SHC
correction as required.
NOTE: Unit ratings are gross capacities and do not
include the effect of evaporator-fan motor heat. To calcu-
late net capacities, see Step V.
III SELECT HEATING CAPACITY OF UNIT TO PROVIDE
DESIGN CONDITION REQUIREMENTS.
In the ARI Heating Capacities and Efficiencies table note
that the 580F240360 will provide an output capacity of
292,000 Btuh, which is adequate for the given application.
IV DETERMINE FAN SPEED AND POWER REQUIRE-
MENTS AT DESIGN CONDITIONS.
Before entering the Fan Performance tables, calculate the
total static pressure required based on unit components.
From the given and the Accessory/FIOP Static Pressure
table on page 191 find:
External static pressure 0.60 in. wg
EconoMi$er IV static pressure 0.10 in. wg
Total static pressure 0.70 in. wg
Enter the Fan Performance table 580F240360 at
8,000 cfm and 0.70 in. wg external static pressure. By
interpolation, find that the rpm is 1243 and the watts
are 5368.
V DETERMINE NET COOLING CAPACITY.
Cooling capacities are gross capacities and do not include
indoor (evaporator) fan motor (IFM) heat. Use the watts
input power to the motor calculated in Section IV above.
IFM Watts = 5368
Determine net cooling capacity using the following
formula:
Net capacity = Gross capacity – IFM heat
= 249,000 Btuh – 5368 Watts
= 249,000 Btuh – 18,316 Btuh
= 230,684 Btuh
Net sensible capacity = 188,000 Btuh – 18,316 Btuh
= 169,684 Btuh
The calculations show that a 580F240360 unit with the
standard motor and standard low-medium static drive is
the correct selection for the given conditions.
(3.412 Btuh )
Watts
0TFQ004-012
580F180-300

182
PERFORMANCE DATA
COOLING CAPACITIES
LEGEND
580F180 (15 TONS)
Temp (F)
Air Entering
Condenser
(Edb)
Air Entering Evaporator — Cfm/BF
4,500/0.010 5,250/0.120 6,000/0.140 6,750/0.150 7,500/0.160
Air Entering Evaporator — Ewb (F)
62 67 72 62 67 72 62 67 72 62 67 72 62 67 72
75
TC 175.7 191.8 210.9 180.5 196.4 214.9 183.3 201.0 218.9 187.1 203.0 222.9 189.2 205.0 224.9
SHC 145.5 123.0 99.9 156.2 131.5 104.9 167.8 139.1 110.6 175.3 146.3 115.0 183.7 155.8 119.4
kW 14.0 14.4 15.0 14.2 14.6 15.1 14.3 14.7 15.2 14.4 14.9 15.4 14.5 14.9 15.4
85
TC 168.8 185.1 203.0 173.3 189.2 207.0 177.1 192.8 210.9 179.7 196.0 214.9 182.3 198.0 216.9
SHC 141.7 119.8 97.1 151.6 128.6 101.9 162.4 135.9 106.7 171.1 143.1 111.0 179.1 150.2 116.4
kW 15.2 15.6 16.1 15.3 15.8 16.3 15.5 15.9 16.5 15.6 16.1 16.6 15.7 16.1 16.7
95
TC 161.8 177.5 194.4 166.4 181.5 199.0 169.0 184.7 203.0 171.7 187.7 205.0 174.5 189.4 207.0
SHC 138.7 116.8 93.9 147.5 125.2 99.1 157.6 132.7 103.3 167.2 139.9 108.3 173.9 146.5 112.2
kW 16.4 16.9 17.4 16.6 17.0 17.6 16.7 17.2 17.7 16.8 17.3 17.8 16.9 17.4 17.9
105
TC 154.6 169.3 185.3 158.6 173.1 189.2 161.2 175.9 192.0 164.0 178.1 194.6 167.4 179.7 196.2
SHC 133.9 113.6 90.7 143.7 121.4 95.7 154.2 129.0 100.3 161.8 136.1 104.7 167.2 142.7 108.7
kW 17.6 18.2 18.7 17.8 18.3 18.8 17.9 18.5 18.9 18.1 18.5 19.1 18.2 18.6 19.1
115
TC 147.1 160.8 175.5 150.4 164.2 179.1 152.4 166.4 181.9 155.8 168.6 184.3 159.6 169.7 185.7
SHC 130.1 110.2 87.4 139.7 117.8 92.1 149.3 125.4 96.7 155.6 131.9 101.1 159.2 139.1 105.3
kW 19.0 19.5 20.0 19.1 19.7 20.2 19.2 19.8 20.2 19.4 19.9 20.4 19.5 19.9 20.4
118
TC 144.7 158.0 172.5 147.7 161.2 175.9 150.0 163.4 178.3 153.4 165.4 180.7 157.0 166.8 182.1
SHC 129.0 109.1 86.4 138.5 116.6 91.1 147.7 124.2 95.5 153.4 130.7 99.9 156.8 137.7 104.1
kW 19.4 19.9 20.4 19.5 20.0 20.6 19.6 20.2 20.6 19.8 20.2 20.8 19.9 20.4 20.8
120
TC 142.9 156.2 170.5 145.9 159.2 — 148.3 161.2 — 151.8 163.2 — 155.4 164.8 —
SHC 128 108 86 138 116 — 146 123 — 152 130 — 155 137 —
kW 19.6 20.2 20.6 19.8 20.2 — 19.9 20.4 — 20.0 20.4 — 20.2 20.6 —
580F210 (18 TONS)
Temp (F)
Air Entering
Condenser
(Edb)
Air Entering Evaporator — Cfm/BF
5,400/0.095 6,000/0.105 7,000/0.120 8,000/0.140 9,000/0.150
Air Entering Evaporator — Ewb (F)
62 67 72 62 67 72 62 67 72 62 67 72 62 67 72
75
TC 227 247 269 232 251 274 237 255 277 241 258 280 248 261 283
SHC 200 167 134 215 178 141 231 194 152 241 205 160 248 219 167
kW 15.9 16.5 17.2 16.1 16.7 17.3 16.3 16.8 17.5 16.5 16.9 17.6 16.7 17.0 17.7
85
TC 219 238 259 224 242 265 229 247 269 235 250 272 241 252 273
SHC 197 164 131 210 175 137 225 188 145 234 200 153 240 214 163
kW 17.2 17.8 18.5 17.4 17.9 18.6 17.6 18.1 18.8 17.8 18.3 19.0 18.0 18.3 19.0
95
TC 210 229 248 214 233 253 219 237 258 225 239 261 231 242 263
SHC 192 160 126 205 171 133 218 183 141 225 194 148 231 206 156
kW 18.5 19.2 19.9 18.7 19.3 20.0 19.0 19.5 20.2 19.2 19.6 20.3 19.4 19.7 20.4
105
TC 200 218 237 205 222 241 210 225 245 216 228 249 221 230 250
SHC 186 155 123 199 166 129 210 178 136 216 190 143 221 201 150
kW 19.9 20.5 21.2 20.1 20.7 21.3 20.4 20.8 21.5 20.6 21.0 21.7 20.8 21.0 21.8
115
TC 190 207 225 195 210 228 201 213 232 206 216 235 211 217 236
SHC 181 151 118 193 161 124 201 173 132 206 185 139 211 196 146
kW 21.3 21.9 22.6 21.5 22.1 22.8 21.8 22.2 22.9 22.0 22.4 23.1 22.2 22.4 23.1
120
TC 185 200 218 189 205 221 196 207 225 201 209 227 205 210 229
SHC 179 149 117 189 159 122 196 171 130 201 182 137 205 193 144
kW 22.1 22.6 — 22.3 22.8 — 22.5 22.9 — 22.7 — — 22.9 — —
BF — Bypass Factor kW — Compressor Power
Edb — Entering Dry Bulb SHC — Gross Sensible Capacity (1000 Btuh)
Ewb — Entering Wet Bulb TC — Gross Cooling Capacity (1000 Btuh)
0TFQ004-012
580F180-300

183
PERFORMANCE DATA (cont)
COOLING CAPACITIES (cont)
LEGEND
580F240 (20 TONS)
Temp (F)
Air Entering
Condenser
(Edb)
Air Entering Evaporator — Cfm/BF
6,000/0.04 7,000/0.05 8,000/0.06 9,000/0.07 10,000/0.08
Air Entering Evaporator — Ewb (F)
62 67 72 62 67 72 62 67 72 62 67 72 62 67 72
75
TC 237 258 282 242 264 288 247 268 291 252 271 295 258 274 298
SHC 204 171 138 221 184 146 237 199 156 247 210 164 257 221 172
kW 16.7 17.4 18.1 16.9 17.6 18.3 17.1 17.8 18.5 17.3 17.9 18.6 17.5 18.0 18.7
85
TC 229 249 272 234 254 278 239 260 283 245 262 286 250 265 287
SHC 201 167 135 216 180 142 231 193 150 240 203 157 250 217 167
kW 18.1 18.7 19.5 18.3 18.9 19.7 18.5 19.1 19.9 18.7 19.3 20.1 18.8 19.4 20.1
95
TC 220 239 261 225 245 267 230 249 271 235 251 275 241 255 277
SHC 195 163 130 211 176 138 224 188 145 233 199 152 241 210 160
kW 19.4 20.2 20.9 19.7 20.4 21.2 19.9 20.6 21.3 20.1 20.6 21.4 20.3 20.8 21.6
105
TC 209 228 249 216 234 254 220 237 259 225 240 262 230 242 263
SHC 189 159 126 206 171 134 217 183 140 225 195 148 230 205 154
kW 20.9 21.5 22.3 21.2 21.8 22.5 21.4 22.0 22.7 21.6 22.1 22.9 21.8 22.2 23.0
115
TC 200 217 237 205 222 241 211 225 244 216 227 248 221 229 249
SHC 185 154 122 199 166 129 209 178 136 216 189 143 221 200 150
kW 22.5 23.1 23.8 22.7 23.3 24.0 22.9 23.4 24.2 23.2 23.6 24.4 23.4 23.7 24.4
120
TC 194 211 230 199 216 234 205 218 237 210 220 240 214 222 241
SHC 183 152 121 195 164 126 204 175 134 210 186 141 214 196 148
kW 23.2 23.8 24.6 23.5 24.0 — 23.7 24.2 — 23.9 24.4 — 24.1 24.4 —
580F300 (25 TONS)
Temp (F)
Air Entering
Condenser
(Edb)
Air Entering Evaporator — Cfm/BF
7,000/0.05 8,000/0.06 9,000/0.07 10,000/0.08 11,250/0.09
Air Entering Evaporator — Ewb (F)
57 62 67 72 57 62 67 72 57 62 67 72 57 62 67 72 57 62 67 72
75
TC 256 271 299 327 267 278 305 336 276 283 309 341 285 286 313 344 294 294 316 347
SHC 256 232 196 159 267 249 208 166 276 265 220 173 285 281 232 182 294 294 252 198
kW 18.0 18.3 18.9 19.6 18.3 18.5 19.1 19.8 18.5 18.7 19.2 19.9 18.7 18.8 19.4 20.1 19.0 19.0 19.5 20.2
85
TC 248 262 288 316 259 267 293 322 267 273 298 328 276 276 302 331 284 285 305 336
SHC 248 228 192 154 259 244 204 161 267 259 216 169 276 274 228 175 284 284 244 187
kW 20.0 20.4 20.9 21.5 20.3 20.4 21 21.7 20.6 20.6 21.2 21.9 20.8 20.8 21.3 22 21 21 21.5 22.1
95
TC 241 252 277 303 251 257 281 309 259 262 286 314 266 267 290 317 274 275 293 321
SHC 241 223 187 149 251 239 198 157 259 254 210 164 266 265 222 171 274 275 238 180
kW 22.4 22.6 23.1 23.7 22.6 22.7 23.3 23.9 22.8 22.9 23.4 24 23 23 23.5 24.2 23.2 23.2 23.6 24.2
105
TC 233 243 266 289 242 247 270 295 250 252 273 299 256 258 277 303 264 265 280 306
SHC 233 218 182 145 242 233 194 152 250 248 206 159 256 257 217 166 264 265 232 176
kW 24.9 25.1 25.6 26.2 25.2 25.3 25.8 26.3 25.4 25.4 25.9 26.5 25.6 25.6 26 26.6 25.8 25.8 26.1 26.7
115
TC 225 232 254 277 234 236 258 281 241 242 261 285 247 247 264 288 254 255 267 291
SHC 225 214 178 140 234 228 189 148 241 241 201 155 247 247 211 162 253 255 227 171
kW 27.9 27.9 28.5 29 28 28.1 28.6 29.2 28.2 28.2 28.7 29.2 28.4 28.4 28.8 29.3 28.7 28.7 28.9 29.5
125
TC 216 221 241 263 224 225 245 267 231 231 248 269 237 236 251 273 243 242 253 276
SHC 216 208 173 136 223 221 184 142 230 231 196 149 236 236 206 157 243 242 221 166
kW 30.9 31.1 31.6 32 31.2 31.2 31.7 32.2 31.4 31.4 31.7 32.3 31.6 31.6 31.9 32.3 31.7 31.7 31.9 32.5
BF — Bypass Factor kW — Compressor Power
Edb — Entering Dry Bulb SHC — Gross Sensible Capacity (1000 Btuh)
Ewb — Entering Wet Bulb TC — Gross Cooling Capacity (1000 Btuh)
0TFQ004-012
580F180-300

184
PERFORMANCE DATA (cont)
FAN PERFORMANCE — 580F180-300 UNITS
LEGEND
*Standard low-medium static drive range is 873 to 1021 rpm. Alternate
high-static drive range is 1025 to 1200. Other rpms require a field-
supplied drive.
Refer to page 189 for general Fan Performance Data notes.
NOTE: Maximum continuous bhp for the standard motor is 6.13. The
maximum continuous watts is 5180. Do not adjust motor rpm such that
motor maximum bhp and/or watts is exceeded at the maximum operat-
ing cfm.
580F180275*
Airflow
(Cfm)
Available External Static Pressure (in. wg)
0.2 0.4 0.6 0.8 1.0
Rpm Watts Bhp Rpm Watts Bhp Rpm Watts Bhp Rpm Watts Bhp Rpm Watts Bhp
4500 753 1307 1.53 761 1330 1.56 840 1572 1.84 912 1822 2.14 980 2080 2.44
4800 747 1384 1.62 790 1515 1.78 866 1765 2.07 936 2023 2.37 1002 2289 2.68
5100 741 1465 1.72 820 1718 2.01 893 1977 2.32 961 2243 2.63 1280 2516 2.95
5700 810 1911 2.24 882 2182 2.56 950 2459 2.88 1014 2741 3.21 1075 3029 3.55
6000 844 2164 2.54 914 2444 2.87 980 2730 3.20 1042 3021 3.54 1100 3317 3.89
6300 879 2439 2.86 947 2729 3.20 1010 3023 3.55 1070 3322 3.90 1127 3626 4.25
6600 915 2737 3.21 980 3035 3.56 1041 3338 3.91 1099 3645 4.28 1155 3957 4.64
6900 950 3057 3.59 1013 3364 3.95 1072 3675 4.31 1129 3991 4.68 1183 4311 5.06
7200 986 3401 3.99 1047 3717 4.36 1104 4037 4.74 1159 4361 5.11 1211 4689 5.50
7500 1022 3770 4.42 1081 4095 4.80 1136 4423 5.19 1189 4755 5.58 1241 5091 5.97
580F180275* (cont)
Airflow
(Cfm)
Available External Static Pressure (in. wg)
1.2 1.4 1.6 1.8 2.0
Rpm Watts Bhp Rpm Watts Bhp Rpm Watts Bhp Rpm Watts Bhp Rpm Watts Bhp
4500 1044 2345 2.75 1105 2619 3.07 1163 2899 3.40 1218 3187 3.74 1271 3481 4.08
4800 1065 2561 3.00 1124 2841 3.33 1180 3127 3.67 1235 3420 4.01 1287 3720 4.36
5100 1086 2795 3.28 1144 3082 3.61 1199 3375 3.96 1252 3674 4.31 1304 3979 4.67
5700 1132 3324 3.90 1187 3624 4.25 1240 3929 4.61 1291 4241 4.97 1341 4558 5.35
6000 1157 3619 4.24 1210 3925 4.60 1262 4239 4.97 1312 4557 5.34 1361 4880 5.72
6300 1182 3935 4.62 1234 4249 4.98 1285 4569 5.36 1334 4894 5.74 — — —
6600 1208 4274 5.01 1259 4595 5.39 1309 4922 5.77 — — — — — —
6900 1235 4636 5.44 1285 4964 5.82 —————————
7200 1262 5021 5.89 — — ——————————
7500 ———————————————
580F180275* (cont)
Airflow
(Cfm)
Available External Static Pressure (in. wg)
2.2 2.4 2.6 2.8 3.0
Rpm Watts Bhp Rpm Watts Bhp Rpm Watts Bhp Rpm Watts Bhp Rpm Watts Bhp
4500 1322 3781 4.43 1372 4088 4.79 1419 4400 5.16 1466 4719 5.53 1511 5042 5.91
4800 1337 4280 4.72 1386 4337 5.09 1433 4655 5.46 1479 4978 5.84 — — —
5100 1353 4290 5.03 1401 4607 5.40 1448 4930 5.78 — — — — — —
5700 1388 4881 5.72 — — ——————————
6000 ———————————————
6300 ———————————————
6600 ———————————————
6900 ———————————————
7200 ———————————————
7500 ———————————————
Bhp — Brake Horsepower
Watts — Input Watts to Motor
0TFQ004-012
580F180-300

185
PERFORMANCE DATA (cont)
FAN PERFORMANCE — 580F180-300 UNITS (cont)
LEGEND
*Standard low-medium static drive range is 873 to 1021 rpm. Alternate
high-static drive range is 1025 to 1200. Other rpms require a field-
supplied drive.
Refer to page 189 for general Fan Performance Data notes.
NOTE: Maximum continuous bhp for the standard motor is 6.13. The
maximum continuous watts is 5180. Do not adjust motor rpm such that
motor maximum bhp and/or watts is exceeded at the maximum operat-
ing cfm.
580F180360*
Airflow
(Cfm)
Available External Static Pressure (in. wg)
0.2 0.4 0.6 0.8 1.0
Rpm Watts Bhp Rpm Watts Bhp Rpm Watts Bhp Rpm Watts Bhp Rpm Watts Bhp
4500 753 1307 1.53 786 1404 1.65 861 1644 1.93 932 1893 2.22 997 2150 2.52
4800 747 1384 1.62 818 1603 1.88 890 1852 2.17 958 2108 2.47 1022 2373 2.78
5100 775 1571 1.84 850 1822 2.14 920 2079 2.44 986 2344 2.75 1048 2616 3.07
5700 849 2054 2.41 918 2323 2.73 982 2598 3.05 1044 2879 3.38 1102 3166 3.71
6000 886 2329 2.73 952 2607 3.06 1015 2891 3.39 1074 3180 3.73 1130 3474 4.08
6300 924 2628 3.08 987 2915 3.42 1047 3207 3.76 1105 3504 4.11 1160 3807 4.46
6600 962 2951 3.46 1023 3246 3.81 1081 3547 4.16 1136 3853 4.52 1190 4163 4.88
6900 1000 3298 3.87 1059 3603 4.23 1115 3912 4.59 1168 4225 4.96 1220 4543 5.33
7200 1038 3672 4.31 1095 3986 4.67 1149 4303 5.05 1201 4625 5.42 1251 4950 5.81
7500 1077 4072 4.78 1131 4394 5.15 1184 4720 5.54 1234 5050 5.92 — — —
580F180360* (cont)
Airflow
(Cfm)
Available External Static Pressure (in. wg)
1.2 1.4 1.6 1.8 2.0
Rpm Watts Bhp Rpm Watts Bhp Rpm Watts Bhp Rpm Watts Bhp Rpm Watts Bhp
4500 1060 2414 2.83 1119 2685 3.15 1175 2964 3.48 1230 3250 3.81 1282 3542 4.15
4800 1082 2644 3.10 1140 2922 3.43 1195 3207 3.76 1248 3498 4.10 1299 3795 4.45
5100 1106 2894 3.39 1163 3178 3.73 1216 3470 4.07 1268 3767 4.42 1319 4071 4.77
5700 1157 3459 4.06 1211 3757 4.41 1262 4061 4.76 1312 4371 5.13 1360 4686 5.50
6000 1184 3774 4.43 1236 4080 4.79 1287 4391 5.15 1335 4707 5.52 1382 5029 5.90
6300 1212 4114 4.83 1263 4427 5.19 1312 4745 5.57 1359 5067 5.94 — — —
6600 1241 4478 5.25 1290 4798 5.63 1338 5122 6.01 — — — — — —
6900 1270 4866 5.71 ————————————
7200 ———————————————
7500 ———————————————
580F180360* (cont)
Airflow
(Cfm)
Available External Static Pressure (in. wg)
2.2 2.4 2.6 2.8 3.0
Rpm Watts Bhp Rpm Watts Bhp Rpm Watts Bhp Rpm Watts Bhp Rpm Watts Bhp
4500 1332 3841 4.50 1381 4145 4.86 1428 4456 5.23 1473 4772 5.60 1518 5095 5.98
4800 1349 4100 4.81 1397 4409 5.17 1443 4725 5.54 1488 5046 5.92 — — —
5100 1367 4380 5.14 1414 4695 5.51 1460 5180 5.88 — — — — — —
5700 1407 5007 5.87 ————————————
6000 ———————————————
6300 ———————————————
6600 ———————————————
6900 ———————————————
7200 ———————————————
7500 ———————————————
Bhp — Brake Horsepower
Watts — Input Watts to Motor
0TFQ004-012
580F180-300

186
PERFORMANCE DATA (cont)
FAN PERFORMANCE — 580F180-300 UNITS (cont)
LEGEND *Standard low-medium static drive range is 910 to 1095 rpm. Alternate high-static
drive range is 1069 to 1287. Other rpms require a field-supplied drive.
Refer to page 189 for general Fan Performance Data notes.
NOTE: Maximum continuous bhp is 5.90. The maximum continuous watts is 5180.
LEGEND *Standard low-medium static drive range is 910 to 1095 rpm. Alternate high-static
drive range is 1069 to 1287. Other rpms require a field-supplied drive.
Refer to page 189 for general Fan Performance Data notes.
NOTE: Maximum continuous bhp is 5.90. The maximum continuous watts is 5180.
580F210275 (18 TONS)*
Airflow
(Cfm)
Available External Static Pressure (in. wg)
0.2 0.4 0.6 0.8 1.0 1.2
Rpm Bhp Watts Rpm Bhp Watts Rpm Bhp Watts Rpm Bhp Watts Rpm Bhp Watts Rpm Bhp Watts
5,500 755 2.27 1908 831 2.58 2171 901 2.91 2443 968 3.24 2723 1031 3.58 3009 1091 3.93 3302
6,000 810 2.72 2287 881 3.04 2556 947 3.37 2833 1010 3.71 3116 1070 4.05 3406 1127 4.40 3702
6,500 866 3.22 2710 932 3.55 2985 994 3.88 3266 1054 4.23 3554 1111 4.57 3847 1166 4.93 4146
7,000 923 3.78 3177 985 4.11 3458 1044 4.45 3744 1100 4.80 4036 1155 5.15 4333 1207 5.51 4635
7,500 980 4.39 3690 1038 4.73 3976 1094 5.07 4267 1148 5.43 4564 1200 5.78 4864 1250 6.15 5170
8,000 1038 5.06 4251 1093 5.40 4542 1146 5.75 4838 1197 6.11 5138 1246 6.47 5443 1294 6.84 5752
8,500 1096 5.78 4859 1148 6.13 5156 1198 6.49 5456 1247 6.85 5761 1294 7.22 6070 1340 7.59 6382
9,000 1154 6.56 5517 1204 6.92 5818 1251 7.28 6123 1298 7.65 6432 1343 8.02 6745 1388 8.40 7062
9,500 1213 7.40 6224 1260 7.77 6531 1306 8.13 6840 1350 8.51 7154 1394 8.88 7471 1436 9.26 7791
10,000 1272 8.30 6983 1317 8.67 7294 1360 9.05 7608 1403 9.43 7926 1445 9.81 8247 1486 10.19 8570
580F210275 (18 TONS)* (cont)
Airflow
(Cfm)
Available External Static Pressure (in. wg)
1.4 1.6 1.8 1.9 2.0
Rpm Bhp Watts Rpm Bhp Watts Rpm Bhp Watts Rpm Bhp Watts Rpm Bhp Watts
5,500 1149 4.28 3602 1204 4.65 3907 1258 5.02 4217 1284 5.20 4375 1309 5.39 4533
6,000 1183 4.76 4003 1236 5.13 4310 1288 5.50 4622 1313 5.68 4780 1337 5.87 4939
6,500 1219 5.29 4450 1270 5.66 4759 1320 6.03 5073 1344 6.22 5232 1368 6.41 5391
7,000 1258 5.88 4942 1307 6.25 5253 1355 6.62 5569 1378 6.81 5729 1402 7.00 5890
7,500 1299 6.52 5480 1346 6.89 5794 1392 7.27 6113 1415 7.46 6273 1437 7.65 6435
8,000 1341 7.21 6065 1387 7.59 6383 1392 7.97 6704 1453 8.16 6866 1475 8.36 7300
8,500 1385 7.97 6699 1429 8.35 7019 1472 8.73 7343 1493 8.93 7506 1514 9.12 7670
9,000 1431 8.78 7382 1473 9.15 7705 1515 9.55 8032 1535 9.75 8196 — — —
9,500 1478 9.65 8114 1519 10.04 8441 —————————
10,000 ———————————————
Bhp — Brake Horsepower
Watts — Input Watts to Motor
580F210360 (18 TONS)*
Airflow
(Cfm)
Available External Static Pressure (in. wg)
0.2 0.4 0.6 0.8 1.0 1.2
Rpm Bhp Watts Rpm Bhp Watts Rpm Bhp Watts Rpm Bhp Watts Rpm Bhp Watts Rpm Bhp Watts
5,500 795 2.43 2043 866 2.74 2306 934 3.07 2578 998 3.40 2856 1059 3.74 3142 1117 4.08 3434
6,000 854 2.92 2452 921 3.24 2722 984 3.57 3998 1044 3.90 3281 1102 4.25 3570 1158 4.60 3865
6,500 914 3.46 2909 977 3.79 3184 1036 4.12 3465 1093 4.46 3752 1148 4.81 4045 1201 5.16 4343
7,000 975 4.06 3414 1034 4.39 3695 1090 4.73 3981 1144 5.08 4272 1196 5.43 4569 1246 5.79 4870
7,500 1037 4.72 3969 1092 5.06 4255 1145 5.41 4546 1196 5.76 4842 1256 6.12 5142 1294 6.48 5447
8,000 1099 5.44 4575 1150 5.79 4866 1201 6.14 5162 1249 6.50 5462 1297 6.86 5766 1343 7.22 6075
8,500 1161 6.22 5232 1210 6.57 5529 1258 6.93 5829 1304 7.29 6134 1349 7.66 6443 1393 8.03 6755
9,000 1223 7.07 5943 1270 7.43 6245 1315 7.79 6550 1360 8.16 6869 1403 8.53 7171 1445 8.90 7487
9,500 1286 7.98 6708 1331 8.34 7014 1374 8.71 7324 1416 9.08 7638 1457 9.46 7954 1498 9.84 8274
10,000 1349 8.95 7528 1392 9.32 7839 1433 9.70 8154 1473 10.07 8471 ——————
580F210360 (18 TONS)* (cont)
Airflow
(Cfm)
Available External Static Pressure (in. wg)
1.4 1.6 1.8 1.9 2.0
Rpm Bhp Watts Rpm Bhp Watts Rpm Bhp Watts Rpm Bhp Watts Rpm Bhp Watts
5,500 1173 4.44 3732 1227 4.80 4036 1279 5.17 4345 1304 5.35 4502 1329 5.54 4629
6,000 1211 4.95 4165 1263 5.32 4471 1313 5.69 4782 1337 5.87 4939 1361 6.06 5097
6,500 1252 5.53 4646 1302 5.89 4954 1350 6.26 5267 1373 6.56 5425 1396 6.64 5584
7,000 1295 6.16 5176 1343 6.52 5487 1389 6.90 5802 1412 7.09 5961 1434 7.28 6121
7,500 1340 6.85 5756 1386 7.22 6070 1431 7.60 6387 1452 7.79 6547 1474 7.98 6709
8,000 1388 7.60 6388 1431 7.97 6704 1474 8.35 7260 1495 8.54 7186 1516 8.74 7348
8,500 1436 8.41 7071 1478 8.79 7390 1520 9.17 7713 1540 9.37 7876 — — —
9,000 1486 9.28 7807 1527 9.67 8130 —————————
9,500 1538 10.22 8597 ————————————
10,000 ———————————————
Bhp — Brake Horsepower
Watts — Input Watts to Motor
0TFQ004-012
580F180-300

187
PERFORMANCE DATA (cont)
FAN PERFORMANCE — 580F180-300 UNITS (cont)
LEGEND
*Standard low-medium static drive range is 1002 to 1151 rpm. Alternate
high-static drive range is 1193 to 1369. Other rpms require a field-
supplied drive.
Refer to page 189 for general Fan Performance Data notes.
NOTE: Maximum continuous bhp for the standard motor is 8.70 (for
208/230 and 575-v units) and 9.50 (for 460-v units). The maximum con-
tinuous watts is 7915 (for 208/230 and 575-v units) and 8640 (for 460-v
units). Do not adjust motor rpm such that motor maximum bhp and/or
watts is exceeded at the maximum operating cfm. See Evaporator Fan
Motor Performance table for additional information.
580F240275 (20 TONS)*
Cfm
Available External Static Pressure (in. wg)
0.2 0.4 0.6 0.8 1.0
Rpm Watts Bhp Rpm Watts Bhp Rpm Watts Bhp Rpm Watts Bhp Rpm Watts Bhp
6,000 824 2607 3.09 894 2844 3.37 961 3085 3.66 1023 3330 3.95 1083 3578 4.24
6,500 881 3030 3.59 947 3266 3.88 1009 3507 4.16 1069 3751 4.45 1126 3998 4.74
7,000 939 3488 4.14 1001 3725 4.42 1060 3965 4.70 1116 4208 4.99 1170 4454 5.28
7,500 998 3982 4.72 1055 4218 5.00 1111 4458 5.29 1165 4701 5.58 1217 4946 5.87
8,000 1056 4512 5.35 1111 4748 5.63 1164 4988 5.92 1215 5230 6.20 1264 5474 6.49
8,500 1116 5077 6.02 1167 5314 6.30 1218 5553 6.59 1266 5795 6.87 1314 6039 7.16
9,000 1175 5678 6.74 1224 5915 7.02 1272 6154 7.30 1319 6395 7.59 1364 6639 7.88
9,500 1235 6315 7.49 1282 6552 7.77 1327 6791 8.06 1372 7033 8.34 1415 7276 8.63
10,000 1295 6988 8.29 1340 7225 8.57 1383 7465 8.86 1426 7706 9.14 1468 7949 9.43
580F240275 (20 TONS)* (cont)
Cfm
Available External Static Pressure (in. wg)
1.2 1.4 1.6 1.8 2.0
Rpm Watts Bhp Rpm Watts Bhp Rpm Watts Bhp Rpm Watts Bhp Rpm Watts Bhp
6,000 1141 3829 4.54 1196 4082 4.84 1249 4337 5.15 1301 4596 5.45 1351 4856 5.76
6,500 1181 4247 5.04 1234 4499 5.34 1285 4753 5.64 1334 5009 5.94 1383 5267 6.25
7,000 1223 4702 5.58 1274 4953 5.88 1323 5205 6.18 1371 5460 6.48 1417 5716 6.78
7,500 1267 5194 6.16 1316 5443 6.46 1363 5694 6.76 1409 5947 7.06 1454 6202 7.36
8,000 1313 5721 6.79 1359 5970 7.08 1405 6220 7.38 1449 6472 7.68 1493 6726 7.98
8,500 1360 6285 7.46 1405 6533 7.75 1449 6783 8.05 1491 7034 8.34 1533 7286 8.64
9,000 1408 6885 8.17 1451 7132 8.46 1494 7381 8.76 1535 7631 9.05 — — —
9,500 1458 7521 8.92 1499 7768 9.22 1540 8180 9.51 — — — — — —
10,000 1508 8193 9.72 1549 8440 10.01 —————————
580F240275 (20 TONS)* (cont)
Cfm
Available External Static Pressure (in. wg)
2.2 2.4 2.6 2.8 3.0
Rpm Watts Bhp Rpm Watts Bhp Rpm Watts Bhp Rpm Watts Bhp Rpm Watts Bhp
6,000 1399 5118 6.07 1446 5381 6.38 1492 5647 6.70 1537 5914 7.02 — — —
6,500 1429 5527 6.56 1475 5789 6.87 1520 6052 7.18 — — — — — —
7,000 1462 5974 7.09 1507 6234 7.40 1550 6495 7.71 — — — — — —
7,500 1498 6459 7.66 1540 6717 7.97 —————————
8,000 1535 6981 8.28 ————————————
8,500 ———————————————
9,000 ———————————————
9,500 ———————————————
10,000 ———————————————
Bhp — Brake Horsepower
Watts — Input Watts to Motor
0TFQ004-012
580F180-300

188
PERFORMANCE DATA (cont)
FAN PERFORMANCE — 580F180-300 UNITS (cont)
LEGEND
*Standard low-medium static drive range is 1002 to 1151 rpm. Alternate
high-static drive range is 1193 to 1369. Other rpms require a field-
supplied drive.
Refer to page 189 for general Fan Performance Data notes.
NOTE: Maximum continuous bhp for the standard motor is 8.70 (for
208/230 and 575-v units) and 9.50 (for 460-v units). The maximum con-
tinuous watts is 7915 (for 208/230 and 575-v units) and 8640 (for 460-v
units). Do not adjust motor rpm such that motor maximum bhp and/or
watts is exceeded at the maximum operating cfm. See Evaporator Fan
Motor Performance table for more information.
580F240360 (20 TONS)*
Cfm
Available External Static Pressure (in. wg)
0.2 0.4 0.6 0.8 1.0
Rpm Watts Bhp Rpm Watts Bhp Rpm Watts Bhp Rpm Watts Bhp Rpm Watts Bhp
6,000 868 2752 3.26 934 2987 3.54 997 3227 3.83 1058 3470 4.12 1115 3716 4.41
6,500 929 3201 3.80 991 3436 4.08 1051 3675 4.36 1108 3917 4.65 1162 4163 4.94
7,000 991 3687 4.37 1049 3923 4.65 1105 4161 4.94 1159 4403 5.22 1211 4647 5.51
7,500 1054 4211 5.00 1109 4447 5.28 1161 4686 5.56 1213 4926 5.84 1262 5170 6.13
8,000 1117 4773 5.66 1168 5009 5.94 1218 5247 6.22 1267 5488 6.51 1314 5731 6.80
8,500 1180 5373 6.37 1229 5609 6.65 1277 5847 6.94 1323 6088 7.22 1368 6331 7.51
9,000 1244 6011 7.13 1290 6247 7.41 1335 6485 7.69 1380 6726 7.98 1423 6968 8.27
9,500 1308 6687 7.93 1352 6924 8.21 1395 7162 8.50 1437 7402 8.78 1479 7644 9.07
10,000 1372 7401 8.78 1414 7638 9.06 1455 7876 9.34 1496 8117 9.63 1535 8358 9.92
580F240360 (20 TONS)* (cont)
Cfm
Available External Static Pressure (in. wg)
1.2 1.4 1.6 1.8 2.0
Rpm Watts Bhp Rpm Watts Bhp Rpm Watts Bhp Rpm Watts Bhp Rpm Watts Bhp
6,000 1171 3965 4.70 1224 4216 5.00 1276 4469 5.30 1326 4726 5.61 1374 4983 5.91
6,500 1215 4410 5.23 1266 4659 5.53 1316 4911 5.83 1364 5165 6.13 1411 5421 6.43
7,000 1262 4894 5.81 1311 5142 6.10 1358 5392 6.40 1404 5645 6.70 1449 5899 7.00
7,500 1310 5415 6.42 1357 5663 6.72 1403 5912 7.01 1447 6164 7.31 1490 6416 7.61
8,000 1360 5976 7.09 1405 6222 7.38 1449 6471 7.68 1492 6721 7.97 1533 6973 8.27
8,500 1412 6575 7.80 1455 6821 8.09 1497 7068 8.39 1538 7318 8.68 — — —
9,000 146572128.56150674578.85154777059.14——————
9,500 151978889.36————————————
10,000 ———————————————
580F240360 (20 TONS)* (cont)
Cfm
Available External Static Pressure (in. wg)
2.2 2.4 2.6 2.8 3.0
Rpm Watts Bhp Rpm Watts Bhp Rpm Watts Bhp Rpm Watts Bhp Rpm Watts Bhp
6,000 1422 5243 6.22 1468 5505 6.53 1513 5768 6.84 — — — — — —
6,500 1456 5679 6.74 1501 5938 7.04 1544 6199 7.35 — — — — — —
7,000 1493 6155 7.30 1536 6412 7.61 —————————
7,500 1533 6670 7.91 — — ——————————
8,000 ———————————————
8,500 ———————————————
9,000 ———————————————
9,500 ———————————————
10,000 ———————————————
Bhp — Brake Horsepower
Watts — Input Watts to Motor
0TFQ004-012
580F180-300

189
PERFORMANCE DATA (cont)\
FAN PERFORMANCE — 580F180-300 UNITS (cont)
LEGEND
*Standard low-medium static drive range is 1066 to 1283 rpm. Alternate high-
static drive range is 1332 to 1550. Other rpms require a field-supplied drive.
Refer to this page for general Fan Performance Data notes.
NOTE: Maximum continuous bhp is 10.20 (208/230 and 575 v) or 11.80 (460 v)
and the maximum continuous watts are 9510 (208/230 and 575 v) or 11,000
(460 v). Do not adjust motor rpm such that motor maximum bhp and/or watts is
exceeded at the maximum operating cfm. See Evaporator Fan Motor Performance
table for more information.
LEGEND
*Standard low-medium static drive range is 1066 to 1283 rpm. Alternate high-
static drive range is 1332 to 1550. Other rpms require a field-supplied drive.
Refer to this page for general Fan Performance Data notes.
NOTE: Maximum continuous bhp is 10.20 (208/230 and 575 v) or 11.80 (460 v)
and the maximum continuous watts are 9510 (208/230 and 575 v) or 11,000
(460 v). Do not adjust motor rpm such that motor maximum bhp and/or watts is
exceeded at the maximum operating cfm. See Evaporator Fan Motor Performance
table for more information.
GENERAL NOTES FOR FAN PERFORMANCE DATA TABLES
1. Static pressure losses (i.e., EconoMi$er IV) must be added to external static
pressure before entering Fan Performance table.
2. Interpolation is permissible. Do not extrapolate.
3. Fan performance is based on wet coils, clean filters, and casing losses. See
Accessory/FIOP Static Pressure table on page 191.
4. Extensive motor and drive testing on these units ensures that the full horse-
power and watts range of the motor can be utilized with confidence. Using
fan motors up to the watts or bhp rating shown will not result in nuisance
tripping or premature motor failure. Unit warranty will not be affected.
5. Use of a field-supplied motor may affect wire size. Contact your Bryant rep-
resentative for details.
580F300275 (25 TONS)*
Airflow
(Cfm)
Available External Static Pressure (in. wg)
0.2 0.4 0.6 0.8 1.0 1.2
Rpm Bhp Watts Rpm Bhp Watts Rpm Bhp Watts Rpm Bhp Watts Rpm Bhp Watts Rpm Bhp Watts
7,000 941 3.35 2,769 1002 3.80 3,140 1061 4.27 3528 1117 4.76 3,934 1171 5.27 4,356 1224 5.80 4,794
7,500 999 4.05 3,348 1057 4.53 3,742 1112 5.02 4152 1166 5.54 4,579 1218 6.07 5,210 1268 6.63 5,478
8,000 1058 4.85 4,007 1113 5.35 4,424 1165 5.87 4856 1216 6.41 5,304 1266 6.97 5,766 1314 7.55 6,243
8,500 1117 5.74 4,750 1169 6.28 5,190 1219 6.83 5645 1268 7.40 6,114 1315 7.98 6,597 1361 8.58 7,094
9,000 1177 6.75 5,583 1226 7.31 6,047 1274 7.89 6524 1320 8.48 7,015 1365 9.09 7,520 1410 9.72 8,037
9,500 1237 7.98 6,511 1284 8.46 6,999 1329 9.07 7499 1374 9.69 8,012 1417 10.33 8,538 1459 10.98 9,076
10,000 1297 9.12 7,450 1342 9.74 8,051 1385 10.37 8574 1428 11.02 9,110 1469 11.68 9,657 1510 12.36 10,217
10,500 1358 10.49 8,674 1400 11.14 9,209 1442 11.80 9755 1483 12.47 10,314 1523 13.16 10,883 — — —
11,000 1418 12.00 9,919 1459 12.67 10,478 ————————————
11,250 1449 12.80 10,585 ———————————————
580F300275 (25 TONS)* (cont)
Airflow
(Cfm)
Available External Static Pressure (in. wg)
1.4 1.6 1.8
Rpm Bhp Watts Rpm Bhp Watts Rpm Bhp Watts
7,000 1274 6.35 5248 1323 6.92 5,718 1371 5.54 6204
7,500 1316 7.20 6960 1364 7.79 6,437 1410 6.41 6939
8,000 1360 8.14 6734 1406 8.76 7,239 1450 7.40 7759
8,500 1406 9.20 7605 1449 9.83 8,129 1492 8.48 8666
9,000 1453 10.36 8568 1495 11.02 9,111 1536 9.69 9667
9,500 1501 11.64 9627 1541 12.32 10,190 — — —
10,000 —————————
10,500 —————————
11,000 —————————
11,250 —————————
Bhp — Brake Horsepower
Watts — Input Watts to Motor
580F300360 (25 TONS)*
Airflow
(Cfm)
Available External Static Pressure (in. wg)
0.2 0.4 0.6 0.8 1.0 1.2
Rpm Bhp Watts Rpm Bhp Watts Rpm Bhp Watts Rpm Bhp Watts Rpm Bhp Watts Rpm Bhp Watts
7,000 992 4.05 3,348 1051 4.44 3,668 1106 4.83 3995 1160 5.24 4331 1212 5.65 4675 1262 6.08 5026
7,500 1055 4.77 3,947 1110 5.17 4,277 1162 5.58 4615 1214 6.00 4960 1263 6.43 5312 1311 6.86 5672
8,000 1118 5.58 4,610 1170 5.99 4,950 1220 6.41 5298 1268 6.84 5653 1315 7.27 6014 1361 7.72 6382
8,500 1182 6.46 5,339 1231 6.88 5,690 1278 7.31 6047 1324 7.75 6411 1369 8.20 6782 1413 8.66 7158
9,000 1246 7.42 6,136 1292 7.86 6,498 1337 8.30 6865 1381 8.75 7239 1424 9.21 7618 1466 9.68 8003
9,500 1310 8.47 7,005 1354 8.92 7,377 1397 9.38 7754 1439 9.84 8137 1480 10.31 8525 1520 10.79 8918
10,000 1374 9.61 7,947 1416 10.07 8,329 1457 10.54 8715 1497 11.02 9107 1537 11.50 9504 — — —
10,500 1439 10.84 8,964 1479 11.32 9,356 1518 11.79 9752 —————————
11,000 1503 12.17 10,059 1542 12.65 10,460 ————————————
11,250 1536 12.86 10,636 ———————————————
580F300360 (25 TONS)* (cont)
Airflow
(Cfm)
Available External Static Pressure (in. wg)
1.4 1.6 1.8
Rpm Bhp Watts Rpm Bhp Watts Rpm Bhp Watts
7,000 1311 6.51 5385 1359 6.96 5751 1405 6.00 6124
7,500 1358 7.30 6039 1403 7.76 6412 1448 6.84 6792
8,000 1406 8.17 6767 1560 8.63 7137 1492 7.75 7524
8,500 1456 9.12 7541 1498 9.59 7929 1539 8.75 8323
9,000 1507 10.15 8393 1548 10.63 8790 — — —
9,500 —————————
10,000 —————————
10,500 —————————
11,000 —————————
11,250 —————————
Bhp — Brake Horsepower
Watts — Input Watts to Motor
0TFQ004-012
580F180-300

190
PERFORMANCE DATA (cont)
ALTITUDE COMPENSATION* —
580F180-300
*Includes a 4% input reduction per each 1,000 feet.
†Orifices available through your Bryant dealer.
ALTITUDE DERATING FACTOR*
*Derating of the unit is not required unless the heating value of the gas
exceeds the values listed in the table above, or if the elevation exceeds
6000 ft. Derating conditions must be 4% per thousand ft above 2000 ft.
For example, at 4000 ft, if the heating value of the gas exceeds
1000 Btu/ft3, the unit will require a 16% derating. For elevations above
6000 ft, the same formula applies. For example, at 7000 ft, the unit will
require a 28% derating of the maximum heating value per the National
Fuel Gas Code.
IMPORTANT: Local utility companies may be reducing heat content of
gas at altitudes above 2000 ft. If this is being done, changing spuds may
not be required.
ALTITUDE COMPENSATION — 580F180-300
(LP Gas Units)
OUTDOOR SOUND POWER
LEGEND
NOTE: Indoor sound power is available in Bryant’s Electronic Catalog
program (ECAT) for specific operating parameters.
ELEVATION
(ft)
NATURAL GAS ORIFICE SIZE†
Low Heat High Heat
0-3,000 30 29
3,000- 7,000 31 30
7,000- 9,000 32 31
9,000-10,000 33 31
above 10,000 35 32
Fan Performance Using Accessory
Power Exhaust (580F180-300)
a50-4028
ELEVATION
(ft)
MAXIMUM HEATING VALUE
(Btu/ft3)
0-2,000 1,100
2,001-3,000 1,050
3,001-4,000 1,000
4,001-5,000 950
5,001-6,000 900
ELEVATION
(ft)
LIQUID PROPANE
ORIFICE SIZE
Low Heat and High Heat
0-2,000 36
2,000 37
3,000 38
4,000 38
5,000 39
6,000 40
7,000 41
8,000 41
9,000 42
10,000 43
UNIT
580F
SOUND
RATING
(60 Hz)
A-WEIGHTED
(dB)
OCTAVE BANDS
63 125 250 500 1000 2000 4000 8000
180 88 dB 87.6 90.8 88.7 86.4 84.3 83.5 78.4 75.6 66.8
210 88 dB 87.8 90.8 88.7 86.4 84.3 83.5 78.4 75.6 66.8
240 94 dB 94.4 99.7 93.0 93.7 91.8 89.7 85.9 80.7 74.4
300 94 dB 94.1 98.7 92.3 93.8 90.9 89.6 85.9 80.3 74.3
Bels — Sound Levels (1 bel = 10 decibels)
0TFQ004-012
580F180-300

191
PERFORMANCE DATA (cont)
ACCESSORY/FIOP STATIC PRESSURE (in. wg)* — 580F180-300
LEGEND
*The static pressure must be added to external static pressure. The sum and the evaporator entering-air cfm should then be
used in conjunction with the Fan Performance tables to determine blower rpm and watts.
FAN RPM AT MOTOR PULLEY SETTINGS*
*Approximate fan rpm shown.
†Indicates standard drive package.
**Indicates alternate drive package.
††Due to belt and pulley size, pulley cannot be set to this number of turns open.
EVAPORATOR-FAN MOTOR PERFORMANCE
LEGEND
*Extensive motor and electrical testing on these units ensures that the full horse-
power (brake kilowatt) range of the motors can be utilized with confidence. Using
your fan motors up to the horsepower (brake kilowatt) ratings shown in this table
will not result in nuisance tripping or premature motor failure. Unit warranty will
not be affected.
NOTE: All indoor-fan motors 5 hp and larger meet the minimum efficiency require-
ments as established by the Energy Policy Act of 1992 (EPACT) effective
October 24, 1997.
EVAPORATOR-FAN MOTOR EFFICIENCY
NOTE: The EPACT (Energy Policy Act of 1992) regulates energy
requirements for specific types of indoor fan motors. Motors regulated by
EPACT include any general purpose, T-frame (three-digit, 143 and
larger), single-speed, foot mounted, polyphase, squirrel cage induction
motors of NEMA (National Electrical Manufacturers Association) design
A and B, manufactured for use in the United States. Ranging from 1 to
200 Hp, these continuous-duty motors operate on 230 and 460 volt,
60 Hz power. If a motor does not fit into these specifications, the motor
does not have to be replaced by an EPACT-compliant energy-efficient
motor. Variable-speed motors are exempt from EPACT compliance
requirements. Therefore, the indoor-fan motors for these units are
exempt from these requirements.
COMPONENT CFM
4500 5000 5400 6000 7200 7500 9000 10,000 11,250
EconoMi$er IV and EconoMi$er2 0.040 0.050 0.060 0.070 0.090 0.100 0.110 0.120 0.140
FIOP — Factory-Installed Option
UNIT
580F
MOTOR PULLEY TURNS OPEN
01/211
1/222
1/233
1/244
1/255
1/26
180† †† †† †† †† 1021 1002 984 965 947 928 910 891 873
180** †† †† †† †† 1200 1178 1156 1134 1112 1091 1069 1047 1025
210† †† †† 1095 1077 1058 1040 1021 1002 984 965 947 928 910
210** †† †† 1287 1265 1243 1222 1200 1178 1156 1134 1112 1091 1069
240† †† †† †† †† 1151 1132 1114 1095 1077 1058 1040 1021 1002
240** †† †† †† †† 1369 1347 1325 1303 1281 1259 1237 1215 1193
300† †† †† 1283 1269 1247 1225 1203 1182 1160 1138 1116 1095 1066
300** †† †† †† †† 1551 1524 1497 1470 1443 1415 1388 1361 1332
UNIT
580F
UNIT
VOLTAGE
MAXIMUM
ACCEPTABLE
CONTINUOUS
BHP*
MAXIMUM
ACCEPTABLE
CONTINUOUS
BkW*
MAXIMUM
ACCEPTABLE
OPERATING
WATTS
MAXIMUM
AMP DRAW
180
208/230
6.13 4.57 5,180
15.8
460 7.9
575 6.0
210
208/230
5.90 4.40 5,180
15.8
460 7.9
575 6.0
240
208/230 8.70 6.49 7,915 22.0
460 9.50 7.08 8,640 13.0
575 8.70 6.49 7,915 10.0
300
208/230 10.20 7.61 9,510 28.0
460 11.80 8.80 11,000 14.6
575 10.20 7.61 9,510 13.0
BHP — Brake Horsepower
BkW — Brake Kilowatts
UNIT 580F MOTOR EFFICIENCY
(%)
5 Hp 87.5
7.5 Hp 88.5
10 Hp 89.5
0TFQ004-012
580F180-300

192
ELECTRICAL DATA
LEGEND
*Fuse or HACR circuit breaker.
NOTES:
1. In compliance with NEC requirements for multimotor and combination load
equipment (refer to NEC Articles 430 and 440), the overcurrent protective
device for the unit shall be fuse or HACR breaker. Canadian units may be
fuse or circuit breaker.
2. Unbalanced 3-Phase Supply Voltage
Never operate a motor where a phase imbalance in supply voltage is
greater than 2%. Use the following formula to determine the percent voltage
imbalance.
% Voltage Imbalance
EXAMPLE: Supply voltage is 460-3-60.
Determine maximum deviation from average voltage.
(AB) 457 – 452 = 5 v
(BC) 464 – 457 = 7 v
(AC) 457 – 455 = 2 v
Maximum deviation is 7 v.
Determine percent voltage imbalance.
= 1.53%
This amount of phase imbalance is satisfactory as it is below the maximum
allowable 2%.
IMPORTANT: If the supply voltage phase imbalance is more than 2%, con-
tact your local electric utility company immediately.
UNIT
580F
NOMINAL
VOLTAGE
(3 Ph, 60 Hz)
VOLTAGE
RANGE
COMPRESSOR OFM IFM POWER
EXHAUST
COMBUSTION
FAN MOTOR
POWER
SUPPLY
No. 1 No. 1A No. 2
Min Max RLA LRA RLA LRA RLA LRA Qty Hp FLA (ea) Hp FLA FLA LRA FLA MCA MOCP*
180
208/230 187 253 32.1 195 — — 20.7 156 3 0.5 1.7 5.0 15.8/15.8 — — 0.57 82/82 110/110
4.6 18.8 0.57 86/86 110/110
460 414 508 16.4 95 — — 10 70 3 0.5 0.8 5.0 7.9 — — 0.30 41 50
2.3 6.0 0.30 43 50
575 518 633 12 80 — — 8.2 54 3 0.5 0.75 5.0 6.0 — — 0.57 31 40
2.1 4.8 0.57 34 40
210
208/230 187 253 30.1 225 — — 28.8 195 3 0.5 1.7 5.0 15.8/15.8 — — 0.57 87/87 110/110
4.6 18.8 0.57 92/92 110/110
460 414 508 15.5 114 — — 14.7 95 3 0.5 0.8 5.0 7.9 — — 0.30 44 50
2.3 6.0 0.30 47 60
575 518 632.5 12.1 80 — — 10.7 80 3 0.5 0.75 5.0 6.0 — — 0.57 34 40
2.1 4.8 0.57 36 40
240
208/230 187 253 42 239 — — 33.6 225 2 1 6.6 7.5 25.0/25.0 — — 0.57 124/124 150/150
4.6 18.8 0.57 129/129 150/150
460 414 508 19.2 125 — — 17.3 114 2 1 3.3 7.5 13.0 — — 0.30 61 80
2.3 6.0 0.30 63 80
575 518 633 13.8 80.0 — — 13.5 80.0 2 1.0 3.4 7.5 10.0 — — 0.57 48 60
2.1 4.8 0.57 50 60
300
208/230 187.2 253 20.7 156 20.7 156 47.1 245 6 0.5 1.7 10.0 28.0/28.0 — — 0.57 138/138 175/175
4.6 18.8 0.57 143/143 150/175
460 414 508 10 75 10 75 19.6 125 6 0.5 0.8 10.0 14.6 — — 0.30 64 80
2.3 6 0.30 66 80
575 517.5 632.5 8.2 54 8.2 54 15.8 100 6 0.5 0.8 10.0 13.0 — — 0.57 54 60
2.1 4.8 0.57 56 70
FLA — Full Load Amps
HACR — Heating, Air Conditioning and Refrigeration
IFM — Indoor (Evaporator) Fan Motor
LRA — Locked Rotor Amps
MCA — Minimum Circuit Amps
MOCP — Maximum Overcurrent Protection
NEC — National Electrical Code
OFM — Outdoor (Condenser) Fan Motor
RLA — Rated Load Amps
= 100 x max voltage deviation from average voltage
average voltage
AB = 452 v
BC = 464 v
AC = 455 v
Average Voltage = 452 + 464 + 455
3
=1371
3
= 457
% Voltage Imbalance = 100 x 7
457
0TFQ004-012
580F180-300

193
TYPICAL WIRING SCHEMATICS — 580F
Typical Wiring Schematic — 580F180, 460-3-60 Shown
LEGEND
AHA — Adjustable Heat Anticipator
C—Contactor, Compressor
CAP — Capacitor
CB — Circuit Breaker
CC — Cooling Compensator
CH — Crankcase Heater
CLO — Compressor Lockout
COMP — Compressor Motor
CR — Control Relay
DU — Dummy Terminal
EQUIP — Equipment
FPT — Freeze Protection
Thermostat
FU — Fuse
GND — Ground
HPS — High-Pressure Switch
HS — Hall Effect Sensor
HV — High Voltage
I—Ignitor
IDM — Induced-Draft Motor
IFC — Indoor-Fan Contactor
IFCB — Indoor-Fan Circuit Breaker
IFM — Indoor-Fan Motor
IGC — Integrated Gas Unit
Controller
L—Light
LOR — Lockout Relay
LPS — Low-Pressure Switch
LS — Limit Switch
MGV — Main Gas Valve
OFC — Outdoor-Fan Contactor
OFM — Outdoor-Fan Motor
PL — Plug Assembly
PRI — Primary
QT — Quadruple Terminal
R—Relay
RS — Rollout Switch
SEN — Sensor
SW — Switch
TB — Terminal Block
TC — Thermostat, Cooling
TH — Thermostat, Heating
TRAN — Transformer
Terminal (Marked)
Terminal (Unmarked)
Terminal Block
Splice
Factory Wiring
Field Wiring
Option/Accessory Wiring
To indicate common
potential only, not to
represent wiring.
a48-7461
0TFQ004-012
580F180-300

194
TYPICAL WIRING SCHEMATICS — 580F (cont)
4
3
5
2
8
6
7
1
10
11
9
12
PINK
BLACK
BLUE
NOTE 1
NOTE 2
RUN
500 OHM
RESISTOR
50HJ540573
ACTUATOR
ASSEMBLY
RED
WHITE
ECONOMISER2 PLUG
DIRECT DRIVE
ACTUATOR
OAT
LEGEND
AL — Ambient Limit OA — Outdoor Air
ECB — Economizer Control Board OAS — Outdoor Air Sensor
IA — Indoor Air RAS— Return Air Sensor
IAQ — Indoor Air Quality SAT — Supply Air Temperature
EconoMi$er IV Wiring — 580F180-300
EconoMi$er2 Wiring — 580F180-300
LEGEND
OAT — Outdoor Air Temperature Sensor
NOTES:
1. Switch on actuator must be in run position for economizer to operate.
2. 50HJ540573 actuator consists of the 50HJ540567 actuator and a harness with 500-ohm resistor.
a48-7877
a50-8058
0TFQ004-012
580F180-300

195
TYPICAL WIRING SCHEMATICS — 580F (cont)
Non-Fused Disconnect (Optional) — 580F180-300
NOTES:
1. If the Non-Fused Disconnect Service Option is ordered for these units, the Non-Fused Disconnect will be factory-installed.
2. The Disconnect takes the place of TB-1 as shown on the unit wiring diagram label and the component arrangement label.
a48-6005
0TFQ004-012
580F180-300

196
TYPICAL PIPING AND WIRING — 580F180-300
LEGEND
NEC — National Electrical Code b48-1258
0TFQ004-012
580F180-300

197
PHYSICAL DATA — 581A155,180
LEGEND *Evaporator coil fin material/condenser coil fin material.
†Weight of 14-in. roof curb.
**Circuit 1 uses the lower portion of condenser coil and lower portion of evaporator coils, and
Circuit 2 uses the upper portion of both coils.
††Due to belt and pulley style, moveable pulley cannot be set to 0 to 1/2 turns open.
***Rollout switch is manual reset.
†††A Liquid Propane kit is available as an accessory. Kit may be used at elevations as high as
2000 ft.
UNIT 581A 155 180
208/230 460 575 208/230 460 575
NOMINAL CAPACITY (tons) 12 15
OPERATING WEIGHT (lb)
Unit
Al/Al* 1725 1800
Al/Cu* 1875 1950
Cu/Cu* 2005 2080
EconoMi$er IV 90 90
EconoMi$er2 85 85
Roof Curb† 200 200
Hot Gas Reheat Dehumidification Package —40
COMPRESSOR
Quantity...Model (Ckt 1, Ckt 2) 2...ZR72KC 1...ZR94KC, 1...ZR72KC
Number of Refrigerant Circuits 22
Loading (% of full capacity) 0,53,100 0,60,100
Crankcase Heater Watts 70 70
Oil (oz) (Ckt 1, Ckt 2) 60,60 85,60
REFRIGERANT TYPE R-22
Expansion Device TXV
Operating Charge (lb)
Circuit 1** 20.7 19.5
Circuit 2 13.4 13.45
CONDENSER FAN Propeller Type
Nominal Cfm 10,500 10,500
Quantity...Diameter (in.) 3...22 3...22
Motor Hp...Rpm 1/2...1050 1/2...1050
Watts Input (Total) 1100 1100
CONDENSER COIL Cross-Hatched 3/8-in. Copper Tubes, Aluminum Lanced, Aluminum
Pre-Coated, or Copper Plate Fins
Rows...Fins/in. 4...15 4...15
Total Face Area (sq ft) 21.7 21.7
EVAPORATOR FAN Centrifugal Type
Quantity...Size (in.) 2...12 X 12 2...12 x 12
Type Drive Belt Belt
Nominal Cfm 5200 6000
Std Motor Hp 2.9 3.0 5
Opt Motor Hp 3.7 N/A N/A
Motor Nominal Rpm 1725 1745
Std Maximum Continuous Bhp 3.13 3.38 6.13
Opt Maximum Continuous Bhp 4.26 N/A
Motor Frame Size 56H 184T
Fan Rpm Range Low-Medium Static 895-1147 895-1147 873-1021
High Static 1040-1315 N/A 1025-1200
Motor Bearing Type Ball Ball
Maximum Allowable Rpm 1550 1550
Motor Pulley Pitch Dia. Low-Medium Static 3.1/4.1 3.1/4.1 4.9/5.9
High Static 3.7/4.7 N/A 4.9/5.9
Nominal Motor Shaft Diameter (in.) 7/87/811/8
Fan Pulley Pitch Diameter (in.) Low-Medium Static 6.0 6.0 9.4
High Static 6.0 6.0 8.0
Nominal Fan Shaft Diameter (in.) 13/16 13/16 17/16
Belt, Quantity...Type... Length (in.) Low-Medium Static 1...BX...45 1...BX...45 1...BX...50
High Static 1...BX...45 1...BX...45 1...BX...48
Pulley Center Line Distance (in.) 14.5-16.0 14.5-16.0 13.3-14.8
Speed Change per Full Turn of Movable
Pulley Flange (Rpm) Low-Medium Static 45 45 37
High Static 45 N/A 44
Movable Pulley Maximum
Full Turns From Closed Position 66 4††
Factory Speed 3.5 3.5 3.5
Factory Speed Setting (Rpm) Low-Medium Static 987 987 965
High Static 1155 N/A 1134
EVAPORATOR COIL Cross-Hatched 3/8-in. Copper Tubes, Aluminum Lanced or Copper Plate Fins, Face Split
Rows...Fins/in. 4...15 4...15
Total Face Area (sq ft) 17.5 17.5
FURNACE SECTION
Rollout Switch Cutout Temp (F)*** 190 190
Burner Orifice Diameter (in...drill size)
Natural Gas Std 0.1285...30/ 0.136...29 0.1285...30/ 0.136...29
Liquid Propane††† Alt 0.1065...36/0.1065...36 0.1065...36/0.1065...36
Thermostat Heat Anticipator Setting
208/230/460/575 v
Stage 1 (amps) 0.98 0.8 0.98 0.98 0.8 0.98
Stage 2 (amps) 0.44 0.44 0.44 0.44 0.44 0.44
Gas Input (Btuh) Stage 1 172,000/230,000 206,000/270,000
Stage 2 225,000/300,000 275,000/360,000
Efficiency (Steady State) (%) 81 81
Temperature Rise Range 15-45/30-60 15-45/20-50
Manifold Pressure (in. wg)
Natural Gas Std 3.3 3.3
Liquid Propane††† Alt 3.3 3.3
Gas Valve Quantity 11
Gas Valve Pressure Range (Min-Max Allowable) (in. wg) 5.5-13.5 5.5-13.5
(psig) .235-.487 .235-.487
Field Gas Connection Size (in.-FPT) 3/43/4
HIGH-PRESSURE SWITCH (psig)
Cutout 426
Reset (Auto.) 320
LOW-PRESSURE SWITCH (psig)
Cutout 27
Reset (Auto.) 44
FREEZE PROTECTION THERMOSTAT (F)
Opens 30 ± 5
Closes 45 ± 5
OUTDOOR-AIR INLET SCREENS Cleanable
Quantity...Size (in.) 2...20 x 25 x 1
1...20 x 20 x 1
RETURN-AIR FILTERS Throwaway
Quantity...Size (in.) 4...20 x 20 x 2
4...16 x 20 x 2
Al — Aluminum
Bhp — Brake Horsepower
Cu — Copper
TXV — Thermostatic Expansion Valve
581A155-300

198
PHYSICAL DATA — 581A210-300
LEGEND
UNIT 581A 210 240 300
NOMINAL CAPACITY (tons) 18 20 25
OPERATING WEIGHT (lb)
Al/Al 222422722526
COMPRESSOR
Quantity 332
Number of Refrigerant Circuits 332
Oil (ounces) Ckt A...Ckt B...Ckt C 68...68...90 90...90...90 110...110...NA
REFRIGERANT TYPE
Expansion Device TXV TXV TXV
Operating Charge (lb)
Circuit A 13.1 13.8 21.8
Circuit B 12.7 13.9 20.3
Circuit C 15.2 15.5 NA
CONDENSER FAN
Nominal Cfm (Total, all fans) 14,000 14,000 21,000
Quantity...Diameter (in.) 4...22 4...22 6...22
Motor Hp...Rpm 1/4...1100 1/4...1100 1/4...1100
Watts Input (Total) 140014002100
CONDENSER COIL
Rows...Fins/in. 2...17 2...17 2...17
Total Face Area (sq ft) 57.78 57.78 66.67
EVAPORATOR FAN
Quantity...Size 2...15x11 2...15x11 2...15x11
Type Drive Belt Belt Belt
Nominal Cfm 7000 8000 10,000
Motor Bearing Type Ball Ball Ball
Maximum Allowable Fan Rpm 140014001400
EVAPORATOR COIL
Rows...Fins/in. 3...15 4...15 4...15
Total Face Area (sq ft) 23.33 23.33 27.22
FURNACE SECTION
Rollout Switch Cutout Temp (F) 225 225 225
Burner Orifice Diameter (in. ...drill size) 0.136...29 0.136...29 0.136...29
Gas Natural Natural Natural
Thermostat Heat Anticipator Setting
Stage 1 (amps) 0.98 0.98 0.98
Stage 2 (amps) 0.44 0.44 0.44
Gas Input (Btuh) HIGH HEAT Stage 1 317,000 317,000 317,000
Stage 2 400,000 400,000 400,000
Efficiency (Steady State) % Vertical 82 82 82
Temperature Rise Range 25-55 25-55 25-55
Gas Input (Btuh) MEDIUM HEAT Stage 1 281,000 281,000 281,000
Stage 2 365,000 365,000 365,000
Efficiency (Steady State) % Vertical 81 81 81
Temperature Rise Range 25-55 25-55 25-55
Gas Input (Btuh) LOW HEAT Stage 1 199,000 199,000 199,000
Stage 2 250,000 250,000 250,000
Efficiency (Steady State) % Vertical 82 82 82
Temperature Rise Range (F) 15-45 15-45 15-45
Manifold Pressure
Natural Gas (in. wg) Vertical 3.00 3.00 3.00
Natural Gas (in. wg) Horizontal 2.95 2.95 2.95
Gas Valve Quantity 111
Gas Valve Pressure Range (in. wg) 5.5-13.0 5.5-13.0 5.5-13.0
Min-Max Allowable (psig) .235-.469 .235-.469 .235-.469
Field Gas Connection Size (in. FPT) 3/43/43/4
HIGH-PRESSURE SWITCH (psig)
Cutout 426 426 426
Reset (Auto) 320 320 320
OUTDOOR-AIR INLET SCREENS
Quantity...Size (in.) 3...20x25 3...20x25 3...20x25
RETURN-AIR FILTERS
Quantity...Size (in.) 9...16x25 9...16x25 9...18x24
TXV — Thermostatic Expansion Valve
581A155-300

199
PHYSICAL DATA (cont)
EVAPORATOR FAN DATA — 581A210-300 VERTICAL SUPPLY/RETURN UNITS
LEGEND
EVAPORATOR FAN DATA — 581A210-300 HORIZONTAL SUPPLY/RETURN UNITS
LEGEND
581A 210 240 300
203/230 and 460 V 575 V 203/230 and 460 V 575 V 203/230 and 460 V 575 V
LOW RANGE
Motor Hp 3.73 5555
Motor Nominal RPM 1725 1725 1745 1745 1745 1745
Maximum Continuous Bhp 4.25 3.45 5.75 5.75 5.75 5.75
Maximum Continuous Watts 3698 3149 4900 4900 4900 4900
Motor Frame Size 56HZ 56HZ S184T 184T S184T 184T
Motor Shaft Diameter (in.) 7/87/811/811/811/811/8
Fan Rpm Range 647-886 810-1072 949-1206 949-1206 805-1007 805-1007
Motor Pulley Min. Pitch Diameter (in.) 2.7 3.1 3.7 3.7 4.8 4.8
Motor Pulley Max. Pitch Diameter (in.) 3.7 4.1 4.7 4.7 6.0 6.0
Blower Pulley Pitch Diameter (in.) 7.2 6.6 6.8 6.8 10.4 10.4
Blower Pulley Shaft Diameter (in.) 1.1875 1.1875 1.1875 1.1875 1.1875 1.1875
Blower Pulley Type Fixed Fixed Fixed Fixed Fixed Fixed
Pulley Center Line Distance (in.) 11.293-13.544 11.286-14.475 9.81-13.055 9.81-13.055 9.81-13.055 9.81-13.055
Belt, Quantity...Type...Length (in.) 1...BX...38 1...BX...38 1...BX...38 1...BX...38 1...BX...45 1...BX...45
Speed Change Per Turn — Moveable Pulley (rpm) 48 52 51 51 40 40
Moveable Pulley Maximum Full Turns 6 6 6666
Factory Speed Setting (rpm) 767 941 1078 1078 906 906
HIGH RANGE
Motor Hp 5 5 7.5 7.5 7.5 7.5
Motor Nominal Rpm 1745 1745 1745 1745 1745 1745
Maximum Continuous Bhp 5.75 5.75 8.63 8.63 8.63 8.63
Maximum Continuous Watts 4900 4900 7267 7267 7267 7267
Motor Frame Size S184T 184T S213T S213T S213T S213T
Motor Shaft Diameter (in.) 11/811/813/813/813/813/8
Fan Rpm Range 897-1139 873-1108 941-1176 941-1176 941-1176 941-1176
Motor Pulley Min. Pitch Diameter (in.) 3.7 3.7 4.8 4.8 4.8 4.8
Motor Pulley Max. Pitch Diameter (in.) 4.7 4.7 6.0 6.0 6.0 6.0
Blower Pulley Pitch Diameter (in.) 7.2 7.4 8.9 8.9 8.9 8.9
Blower Pulley Shaft Diameter (in.) 1.1875 1.1875 1.1875 1.1875 1.1875 1.1875
Blower Pulley Type Fixed Fixed Fixed Fixed Fixed Fixed
Pulley Center Line Distance (in.) 9.81-13.055 9.81-13.055 9.025-12.179 9.025-12.179 9.025-12.179 9.025-12.179
Belt, Quantity...Type...Length (in.) 1...BX...38 1...BX...38 1...BX...42 1...BX...42 1...BX...42 1...BX...42
Speed Change Per Turn — Moveable Pulley (rpm) 48 47 47 47 47 47
Moveable Pulley Maximum Full Turns 6 6 6666
Factory Speed Setting (rpm) 1018 991 1059 1059 1059 1059
Bhp — Brake Horsepower
581A 210 240 300
203/230 and 460 V 575 V 203/230 and 460 V 575 V 203/230 and 460 V 575 V
LOW RANGE
Motor Hp 3.7 3 3.7 5 5 5
Motor Nominal Rpm 1725 1725 1725 1745 1745 1745
Maximum Continuous Bhp 4.25 3.45 4.25 5.75 5.75 5.75
Maximum Continuous Watts 3698 3149 3698 4900 4900 4900
Motor Frame Size 56HZ 56HZ 56HZ 184T S184T 184T
Motor Shaft Diameter (in.) 7/87/87/811/811/811/8
Fan Rpm Range 896-1227 863-1141 896-1227 873-1108 805-1007 805-1007
Motor Pulley Min. Pitch Diameter (in.) 2.7 3.1 2.7 3.7 4.8 4.8
Motor Pulley Max. Pitch Diameter (in.) 3.7 4.1 3.7 4.7 6.0 6.0
Blower Pulley Pitch Diameter (in.) 5.2 6.2 5.2 7.4 10.4 10.4
Blower Pulley Shaft Diameter (in.) 1.1875 1.1875 1.1875 1.1875 1.1875 1.1875
Blower Pulley Type Fixed Fixed Fixed Fixed Fixed Fixed
Pulley Center Line Distance (in.) 11.293-13.544 11.286-14.475 11.293-13.544 9.81-13.055 9.81-13.055 9.81-13.055
Belt, Quantity...Type...Length (in.) 1...BX...35 1...BX...38 1...BX...35 1...BX...38 1...BX...45 1...BX...45
Speed Change Per Turn — Moveable Pulley (rpm) 66 56 66 47 40 40
Moveable Pulley Maximum Full Turns 6 6 6666
Factory Speed Setting (rpm) 1062 1002 1062 991 906 906
HIGH RANGE
Motor Hp 55557.57.5
Motor Nominal Rpm 1745 1745 1745 1745 1745 1745
Maximum Continuous Bhp 5.75 5.75 5.75 5.75 8.63 8.63
Maximum Continuous Watts 4900 4900 4900 4900 7267 7267
Motor Frame Size S184T 184T S184T 184T S213T S213T
Motor Shaft Diameter (in.) 11/811/811/811/813/813/8
Fan Rpm Range 1113-1414 1042-1285 1113-1414 1113-1414 941-1176 941-1176
Motor Pulley Min. Pitch Diameter (in.) 3.7 4.3 3.7 3.7 4.8 4.8
Motor Pulley Max. Pitch Diameter (in.) 4.7 5.3 4.7 4.7 6.0 6.0
Blower Pulley Pitch Diameter (in.) 5.8 7.2 5.8 5.8 8.9 8.9
Blower Pulley Shaft Diameter (in.) 1.1875 1.1875 1.1875 1.1875 1.1875 1.1875
Blower Pulley Type Fixed Fixed Fixed Fixed Fixed Fixed
Pulley Center Line Distance (in.) 9.81-13.055 9.81-13.055 9.81-13.055 9.81-13.055 9.025-12.179 9.025-12.179
Belt, Quantity...Type...Length (in.) 1...BX...35 1...BX...38 1...BX...35 1...BX...35 1...BX...42 1...BX...42
Speed Change Per Turn — Moveable Pulley (rpm) 60 48 60 60 47 47
Moveable Pulley Maximum Full Turns 6 6 6666
Factory Speed Setting (rpm) 1264 1164 1264 1264 1059 1059
Bhp — Brake Horsepower
581A155-300

200
PHYSICAL DATA (cont)
OPERATING AND RIGGING WEIGHTS — 581A155,180
*Base unit weight does not include electric heaters, copper coils, economizer, power exhaust, barometric relief or
crating. See Options and Accessories table below for more information.
NOTE: For 155 and 180 unit sizes add 75 lb (34 kg) for domestic crating. For export crating add 500 lb (227 kg).
OPTIONS AND ACCESSORIES — 581A155,180 (Weight Adders)
LEGEND
OPTIONS AND ACCESSORIES — 581A210-300 (Weight Adders)
LEGEND
UNIT
BASE UNIT OPERATING WEIGHTS*
155 180
lb kg lb kg
581A 1725 782 1800 816
OPTION/
ACCESSORY
OPTION/ACCESSORY WEIGHTS
48HJ015 48HJ017
lb kg lb kg
Barometric Relief Damper 50 23 50 23
Power Exhaust 85 39 85 39
EconoMi$er IV 90 41 90 41
EconoMi$er2 85 39 85 39
Cu Condenser Coil 150 68 150 68
Cu Condenser and Evaporator Coils 280 127 280 127
Roof Curb (14-in. curb) 200 91 200 91
Horizontal Adapter Roof Curb (Preassembled) 250 113 250 113
Horizontal Adapter Roof Curb (Field-assembled) 343 156 343 156
Hail Guard 60 27 60 27
Hot Gas Reheat Dehumidification Package — — 40 18
Cu — Copper
OPTION/
ACCESSORY
OPTION/ACCESSORY WEIGHTS
581A210 581A240 581A300
lb kg lb kg lb kg
Barometric Relief Damper 50 23 50 23 50 23
Power Exhaust 125 57 125 57 125 57
Economizer 170 77 170 77 195 88
Cu Condenser Coil 162 73 162 73 202 92
Cu Condenser and Evaporator Coils 316 143 290 132 365 166
5-Cell Gas Heat Assembly 85 39 85 39 85 39
8-Cell Gas Heat Assembly 113 51 113 51 113 51
Roof Curb (14 inch) 210 95 210 95 210 95
Optional Indoor Motor 28 13 28 13 20 9
Two-Position Damper 45 20 45 20 45 20
Hail Guard 85 39 85 39 100 45
Horizontal Airflow 90 41 90 41 90 41
Hot Gas Reheat 70 32 70 32 85 39
CO2 Sensor 525252
Return Smoke Detector 525252
Supply Smoke Detector 525252
Non-Fused Disconnect 15 7 15 7 15 7
Non-Powered Convenience Outlet 20 9 20 9 20 9
Enthalpy Sensor 212121
Differential Enthalpy Sensor 313131
Drip Edge 525252
Manual Damper 25 11 25 11 25 11
Cu — Copper
HACR — Heating, Air Conditioning and Refrigeration
581A155-300

201
BASE UNIT DIMENSIONS — 581A155,180
UNIT
581A
STD UNIT
WEIGHT
ECONOMI$ER IV
WEIGHT
CORNER
A
CORNER
B
CORNER
C
CORNER
DDIM A DIM B DIM C
Lb Kg Lb Kg Lb Kg Lb Kg Lb Kg Lb Kg ft-in. mm ft-in. mm ft-in. mm
155 1725 782 90 41 407 185 375 170 383 174 410 186 3-3 991 3- 5 1051 1-10 559
180 1800 816 90 41 417 189 399 181 481 218 503 228 3- 2 961 3-6 1070 1-10 559
NOTES:
1. Refer to print for roof curb accessory dimensions.
2. Dimensions in ( ) are in millimeters.
3. Center of Gravity.
4. Direction of airflow.
5. Ductwork to be attached to accessory roof curb only.
6. Minimum clearance:
• Rear: 7′-0″ (2134) for coil removal. This dimension can be reduced to
4′-0″ (1219) if conditions permit coil removal from the top.
•4′-0″ (1219) to combustible surfaces, all four sides (includes between
units).
• Left side: 4′-0″ (1219) for proper condenser coil airflow.
• Front: 4′-0″ (1219) for control box access.
• Right side: 4′-0″ (1219) for proper operation of damper and power
exhaust if so equipped.
•Top: 6′-0″ (1829) to assure proper condenser fan operation.
• Bottom: 14″ (356) to combustible surfaces (when not using curb).
• Control box side: 3′-0″ (914) to ungrounded surfaces, non-combustible.
• Control box side: 3′-6″ (1067) to block or concrete walls, or other
grounded surfaces.
• Local codes or jurisdiction may prevail.
7. With the exception of clearance for the condenser coil and the damper/
power exhaust as stated in Note #6, a removable fence or barricade
requires no clearance.
8. Dimensions are from outside of corner post. Allow 0′-5/16″ (8) on each
side for top cover drip edge.
a48-8219
581A155-300

202
BASE UNIT DIMENSIONS — 581A210-300
a48-8206
581A155-300

203
ACCESSORY DIMENSIONS — 581A155,180
PKG. NO. REF. CURB HEIGHT DESCRIPTION
CRRFCURB010A00 1′-2″ (305) Standard Curb 14″ High
CRRFCURB011A00 2′-0″ (610) Standard Curb for Units
Requiring High Installation
CRRFCURB012A00 2′-0″ (610) Side Supply and Return
Curb for High Installation
NOTES:
1. Roof curb accessory is shipped disassembled.
2. Insulated panels: 1″ thick neoprene coated 11/2 lb density.
3. Dimensions in ( ) are in millimeters.
4. Direction of airflow.
5. Roof curb: 16 ga. (VA03-56) stl.
6. A 90 degree elbow must be installed on the supply ductwork
below the unit discharge for units equipped with electric heaters.
7. To prevent the hazard of stagnant water build-up in the drain pan of the
indoor section, unit can only be pitched as shown.
DIMENSIONS* (degrees and inches)
UNIT AB
Deg. in. Deg. in.
ALL .28 .45 .28 .43
581A155,180
a50-5670
581A155-300

204
ACCESSORY DIMENSIONS (cont)
Horizontal Supply/Return Adapter Installation (581A155,180)
NOTE: CRRFCURB013A00 is a fully factory preassembled horizontal
adapter and includes an insulated transition duct. The pressure drop
through the adapter curb is negligible.
For horizontal return applications: The power exhaust and barometric
relief dampers must be installed in the return air duct.
23"
14 3/4"
6"
3 1/2"
FULLY INSULATED
SUPPLY PLENUM
1" INSULATION
1 1/2 # DENSITY,
STICK PINNED & GLUED
2" X 1/4
SUPPORT TYP.
STITCH WELDED
12" WIDE STANDING
SEAM PANELS
ACCESSORY
PAC K AG E NO.
CURB
HEIGHT DESCRIPTION
CRRFCURB013A00 1′-11″
(584)
Pre-Assembled, Horizontal
Adapter Roof Curb
For horizontal return applications: The power exhaust
relief must be installed in the return air duct.
2'-1 5/8"
2'-2 1/16" 1'-6 5/16"
Barometric Relief/Power Exhaust
a48-7457
a48-7458
a48-7459
48-1169df
581A155-300

205
ACCESSORY DIMENSIONS (cont)
Factory-Installed Convenience Outlet
Factory-Installed Non-Fused Disconnect
a48-4184
a48-6126
581A155-300

206
ACCESSORY DIMENSIONS — 581A210-300
a48-8234
581A155-300

207
SELECTION PROCEDURE
I DETERMINE COOLING AND HEATING REQUIRE-
MENTS AT DESIGN CONDITIONS.
Given:
Required Gross Cooling
Capacity (TC) . . . . . . . . . . . . . . . . . . . . . 168,000 Btuh
Gross Sensible Heat
Capacity (SHC) . . . . . . . . . . . . . . . . . . . . 121,000 Btuh
Required Heating Capacity . . . . . . . . . . . . . 190,000 Btuh
Condenser Entering Air
Temperature . . . . . . . . . . . . . . . . . . . . . . . 95 F Summer
Indoor Air Temperature . . . . . . . . . . . .80 F edb, 67 F ewb
Evaporator Air Quantity . . . . . . . . . . . . . . . . . . . 6,000 cfm
External Static Pressure . . . . . . . . . . . . . . . . . 1.40 in. wg
Electrical Characteristics (V-Ph-Hz). . . . . . . . . . . 230-3-60
II SELECT UNIT BASED ON REQUIRED COOLING
CAPACITY.
Enter Cooling Capacities table for 581A180 at condenser
entering temperature of 95 F, evaporator air quantity of
6,000 cfm, and indoor air temperature of 67 F. The
581A180 unit will provide a total cooling capacity of
190,000 Btuh and a SHC of 136,000 Btuh. For evaporator
air temperatures other than 80 F, calculate SHC correction
using formula in notes under cooling capacity tables.
Unit meets design conditions for TC and SHC.
NOTE: Unit ratings are gross capacities and do not
include the effect of indoor fan motor heat. To calculate net
capacities, see Step V.
III SELECT HEATING CAPACITY OF UNIT TO PROVIDE
DESIGN CONDITION REQUIREMENT.
In Heating Capacities and Efficiencies table, note that
581A180275 unit will provide 223,000 Btuh with an input
of 275,000 Btuh.
IV DETERMINE FAN SPEED AND POWER REQUIRE-
MENTS AT DESIGN CONDITIONS.
Before entering the Fan Performance tables, calculate the
total static pressure required based on unit components.
Tabulated fan performance includes filters and wet evapo-
rator coil. Refer to Accessory/FIOP Static Pressure table
for added pressure drops.
Calculate pressure drop:
Design External Static Pressure 1.40
EconoMi$er IV 0.07
1.47 in. wg (ESP)
Enter Fan Performance tables for 581A180 (low heat
units) at 6,000 cfm and 1.47 in. wg. The rpm is 1228 and
the Bhp is 4.73. The factory-installed 5 hp motor and alter-
nate high-static drive are sufficient for this operation.
V DETERMINE NET COOLING CAPACITIES.
Cooling capacities are gross capacities and do not include
indoor (evaporator) fan motor (IFM) heat. To determine
input power to the motor, enter the Fan Performance
tables for 581A180 (low heat units) at 6,000 cfm and
1.47 in. wg. Input watts to the motor are 4035.
Determine net cooling capacity and net sensible cooling
capacity using the following formulas:
IFM Heat = Input Watts x 3.412 Btuh/Watt
= 4035 x 3.412
= 13,767 Btuh
Net Capacity = Gross Capacity – IFM Heat
= 190,000 – 13,767
= 176,233 Btuh
Net Sensible Cap. = Gross Sensible Cap. – IFM Heat
= 136,000 – 13,767
= 122,233 Btuh
The calculations show that a 581A180275 unit is the cor-
rect selection for the given conditions.
VI SELECT THE UNIT THAT CORRESPONDS TO POWER
SOURCE AVAILABLE.
The electrical data table shows that the 230-3-60 unit is
available.
581A155-300

208
PERFORMANCE DATA
COOLING CAPACITIES — STANDARD UNITS
LEGEND
NOTES:
1. Direct interpolation is permissible. Do not extrapolate.
2. The following formulas may be used:
tlwb = Wet-bulb temperature corresponding to enthalpy of air leaving evapo-
rator coil (hlwb)
Where: hewb = Enthalpy of air entering evaporator coil
3. The SHC is based on 80 F edb temperature of air entering evaporator coil.
Below 80 F edb, subtract (corr factor x cfm) from SHC.
Above 80 F edb, add (corr factor x cfm) to SHC.
Interpolation is permissible.
Correction Factor = 1.10 x (1 – BF) x (edb – 80).
4. Use chart below for bypass factor.
581A155 (12 Tons)
Temp (F)
Air Ent
Cond
Evap Air — Cfm/BF
3600/0.01 4375/0.01 5000/0.01
Evap Air — Ewb (F)
54 58 62 67 72 76 80 54 58 62 67 72 76 80 54 58 62 67 72 76 80
60
TC 152 156 161 174 189 201 213 161 164 167 180 195 207 218 169 171 172 184 199 211 222
SHC 152 144 135 114 92.9 75.4 57.5 161 156 150 125 99.6 78.7 57.5 169 166 162 134 105 81.3 57.4
kW 7.567.657.748.018.33 8.6 8.867.767.827.888.148.468.728.977.927.957.988.248.558.829.06
70
TC 148 152 156 169 183 195 206 157 160 162 174 189 200 211 165 166 167 179 193 204 214
SHC 148 141 133 112 90.6 73.2 55.4 157 153 148 123 97.3 76.5 55.3 165 162 160 132 103 79.1 55.3
kW 8.5 8.58 8.67 8.97 9.26 9.53 9.8 8.7 8.75 8.81 9.07 9.39 9.66 9.91 8.86 8.89 8.91 9.16 9.49 9.76 9.99
75
TC 146 150 154 166 181 192 204 155 158 160 172 186 197 208 163 164 164 176 189 201 212
SHC 146 139 132 111 89.7 72.2 54.6 155 151 146 122 96.2 75.5 54.6 163 161 158 131 101 78.1 54.5
kW 9.02 9.1 9.18 9.45 9.8 10.1 10.4 9.22 9.27 9.31 9.58 9.91 10.2 10.5 9.39 9.41 9.43 9.68 9.99 10.3 10.6
85
TC 142 145 149 161 175 186 196 151 153 154 166 179 190 200 158 159 159 170 183 194 203
SHC 142 136 129 109 87.4 70 52.4 151 147 144 119 93.9 73.2 52.3 158 157 155 128 99.1 75.8 52.2
kW 10.1 10.2 10.3 10.6 10.9 11.2 11.5 10.3 10.4 10.4 10.7 11 11.3 11.6 10.5 10.5 10.5 10.8 11.1 11.4 11.7
95
TC 138 141 143 155 168 179 189 147 148 149 160 173 183 192 153 153 154 164 177 187 195
SHC 138 133 127 106 85 67.7 50.1 147 144 141 117 91.6 70.9 50 153 153 152 126 96.9 73.5 49.9
kW 11.4 11.4 11.5 11.8 12.2 12.4 12.7 11.6 11.6 11.6 11.9 12.3 12.6 12.8 11.8 11.8 11.8 12 12.4 12.7 12.9
105
TC 134 136 138 149 162 172 181 141 142 143 153 166 176 184 148 148 148 157 169 179 186
SHC 134 129 124 104 82.4 65.3 47.7 141 139 137 114 89 68.4 47.5 148 148 148 123 94.3 70.9 47.4
kW 12.7 12.8 12.8 13.2 13.5 13.8 14.1 12.9 13 13 13.3 13.6 13.9 14.2 13.1 13.1 13.1 13.4 13.7 14 14.3
115
TC 129 130 132 143 155 164 172 136 137 138 146 158 168 175 142 142 142 149 161 171 177
SHC 129 125 121 101 79.8 62.7 45.1 136 135 133 111 86.3 65.9 45 142 142 142 120 91.6 68.4 45
kW 14.2 14.2 14.3 14.6 15 15.3 15.6 14.4 14.4 14.5 14.7 15.1 15.5 15.7 14.6 14.6 14.6 14.8 15.2 15.6 15.7
125
TC 124 125 126 136 147 156 163 131 131 132 140 150 159 165 136 136 136 142 153 162 167
SHC 124 121 118 98.2 77 60.1 42.5 131 130 128 109 83.5 63.2 42.5 136 136 136 117 88.7 65.7 42.4
kW 15.8 15.8 15.9 16.2 16.6 17 17.2 16.1 16.1 16.1 16.4 16.7 17.1 17.3 16.3 16.2 16.2 16.4 16.8 17.2 17.4
581A155 (12 Tons) (cont)
Temp (F)
Air Ent
Cond
Evap Air — Cfm/BF
5625/0.02 6250/0.02
Evap Air — Ewb (F)
54 58 62 67 72 76 80 54 58 62 67 72 76 80
60
TC 175 175 176 187 202 214 224 180 180 180 190 204 216 226
SHC 175 173 171 142 110 83.8 57.3 180 180 180 151 115 86.2 57.2
kW 8.03 8.05 8.07 8.3 8.61 8.87 9.1 8.14 8.15 8.16 8.36 8.66 8.93 9.14
70
TC 170 171 171 181 195 207 216 175 176 176 184 198 209 218
SHC 170 169 168 140 108 81.5 55.2 175 176 176 148 113 84 55.1
kW 8.98 8.99 9.01 9.23 9.55 9.81 10 9.09 9.1 9.11 9.3 9.61 9.87 10.1
75
TC 168 168 169 179 192 203 213 173 173 173 181 195 206 215
SHC 168 167 166 139 107 80.5 54.4 173 173 173 147 112 83 54.3
kW 9.5 9.51 9.52 9.75 10.1 10.3 10.6 9.62 9.62 9.62 9.81 10.1 10.4 10.6
85
TC 163 163 164 172 185 196 205 168 168 168 175 188 198 206
SHC 163 162 162 136 104 78.2 52.2 168 168 168 145 109 80.6 52.1
kW 10.6 10.6 10.6 10.9 11.2 11.5 11.7 10.7 10.7 10.8 10.9 11.2 11.5 11.8
95
TC 158 158 158 166 178 189 196 162 162 162 168 180 190 197
SHC 158 157 157 134 102 75.9 49.8 162 162 162 142 107 78.3 49.7
kW 11.9 11.9 11.9 12.1 12.4 12.7 12.9 12 12 12 12.1 12.5 12.8 13
105
TC 152 152 152 159 171 181 187 157 157 157 161 173 182 188
SHC 152 152 152 131 99.3 73.3 47.4 157 157 157 139 104 75.7 47.4
kW 13.2 13.2 13.2 13.4 13.8 14.1 14.3 13.4 13.4 13.4 13.5 13.9 14.2 14.4
115
TC 146 146 146 151 163 172 177 150 150 150 153 165 174 178
SHC 146 146 146 128 96.6 70.7 44.9 150 150 150 136 102 73.1 44.8
kW 14.7 14.7 14.7 14.9 15.3 15.6 15.8 14.9 14.9 14.9 14.9 15.4 15.7 15.8
125
TC 140 140 140 144 155 163 167 144 144 144 146 156 164 168
SHC 140 140 140 125 93.7 67.9 42.4 144 144 144 133 98.7 70.2 42.3
kW 16.4 16.4 16.4 16.5 16.9 17.2 17.4 16.5 16.5 16.5 16.6 17 17.3 17.4
BF — Bypass Factor
Edb — Entering Dry-Bulb
Ewb — Entering Wet-Bulb
kW — Compressor Motor Power Input
ldb — Leaving Dry-Bulb
lwb — Leaving Wet-Bulb
SHC — Sensible Heat Capacity (1000 Btuh) Gross
TC — Total Capacity (1000 Btuh) Gross
tldb = tedb – sensible capacity (Btuh)
1.10 x cfm
hlwb = hewb – total capacity (Btuh)
4.5 x cfm
BYPASS
FACTOR
(BF)
ENTERING AIR DRY-BULB TEMP (F)
79 78 77 76 75 under 75
81 82 83 84 85 over 85
Correction Factor
.05 1.04 2.07 3.11 4.14 5.18
Use formula
shown below.
.10 .98 1.96 2.94 3.92 4.90
.20 .87 1.74 2.62 3.49 4.36
.30 .76 1.53 2.29 3.05 3.82
CFM
ENTERING WET-BULB (F)
54 58 62 67 72 76 80
Bypass Factor
3600 0.355 0.158 0.054 0.038 0.049 0.000 0.000
4375 0.439 0.255 0.112 0.043 0.057 0.000 0.000
5000 0.486 0.314 0.126 0.054 0.037 0.000 0.000
5625 0.525 0.360 0.174 0.066 0.073 0.000 0.000
6250 0.551 0.410 0.202 0.080 0.079 0.000 0.000
581A155-300

209
PERFORMANCE DATA (cont)
COOLING CAPACITIES — STANDARD UNITS (cont)
LEGEND
NOTES:
1. Direct interpolation is permissible. Do not extrapolate.
2. The following formulas may be used:
tlwb = Wet-bulb temperature corresponding to enthalpy of air leaving evapo-
rator coil (hlwb)
Where: hewb = Enthalpy of air entering evaporator coil
3. The SHC is based on 80 F edb temperature of air entering evaporator coil.
Below 80 F edb, subtract (corr factor x cfm) from SHC.
Above 80 F edb, add (corr factor x cfm) to SHC.
Interpolation is permissible.
Correction Factor = 1.10 x (1 – BF) x (edb – 80).
4. Use chart below for bypass factor.
581A180 (15 Tons)
Temp (F)
Air Ent
Cond
Evap Air — Cfm/BF
4500/0.01 5250/0.01 6000/0.01
Evap Air — Ewb (F)
54 58 62 67 72 76 80 54 58 62 67 72 76 80 54 58 62 67 72 76 80
60
TC 180.5 184.6 188.7 203.5 219.9 233.7 247 189.3 191.7 194.2 208.7 224.1 238 251 198.1 198.8 199.6 212.9 229.3 242 255
SHC 180.5 172.4 159.4 132.3 104.7 87.9 65.7 189.3 183.2 173.2 142.8 110.4 91 65.5 198.1 195.1 185.1 153.1 116.7 94 65.4
kW 9.41 9.49 9.58 9.87 10.19 10.47 10.78 9.58 9.63 9.68 9.97 10.29 10.57 10.87 9.75 9.77 9.79 10.07 10.39 10.67 10.95
70
TC 176.7 180.5 184.4 199 215.1 227.8 242 185.3 187.5 189.8 203 219.2 231.8 245 193 194.5 195.1 208.1 224.3 237 248
SHC 176.7 169 155.8 129.4 102.4 86 63.9 185.3 179.7 169.3 138.9 108 89.1 63.8 193 191.4 181 149.7 114.2 92.2 63.7
kW 10.5 10.57 10.64 10.96 11.35 11.62 11.95 10.68 10.72 10.76 11.06 11.45 11.72 12.04 10.85 10.87 10.89 11.17 11.55 11.82 12.13
75
TC 174.7 177.5 181 196 213 224.2 238 182.3 184.4 186 201 217 229.2 242 190.9 191.3 189 204 219 233.1 246
SHC 174.7 167.2 147 124 99 84.9 62.9 182.3 177.9 160 133 105 88 62.8 190.9 189.5 173 143 113 91 62.7
kW 11.07 11.14 11.2 11.6 12 12.23 12.57 11.25 11.3 11.3 11.7 12.1 12.33 12.66 11.45 11.45 11.4 11.8 12.1 12.44 12.75
85
TC 169.6 172.2 175 190 205 218.1 230.8 177.2 179 180 194 209 221.9 233.3 185.6 185.9 183 198 212 225.7 237
SHC 169.6 163.3 145 121 97 82.5 60.7 177.2 174.1 157 130 102 85.6 60.5 185.6 184.7 168 139 106 88.6 60.4
kW 12.29 12.35 12.3 12.7 13.1 13.5 13.86 12.47 12.51 12.5 12.8 13.2 13.61 13.96 12.67 12.68 12.6 12.9 13.3 13.71 14.05
95
TC 164.3 166.5 168 182 197 209.8 221.2 171.7 172.6 172 187 201 213.4 224.6 179.1 179.3 176 190 203 217.1 228
SHC 164.3 158.9 142 118 93 79.8 57.9 171.7 168.8 154 127 98 82.8 57.9 179.1 178.7 164 136 102 86 57.8
kW 13.59 13.65 13.5 13.9 14.3 14.85 15.23 13.8 13.82 13.6 14 14.4 14.96 15.32 14 14 13.8 14.1 14.5 15.07 15.43
105
TC 158.1 159.8 161 174 188 200.3 212.4 165.2 166 165 178 191 203.8 214.6 172.3 172.3 169 181 193 207.3 216.8
SHC 158.1 154.2 138 115 91 76.8 55.2 165.2 163.1 150 124 95 79.9 55.1 172.3 172.2 158 132 98 83 54.9
kW 14.97 15.02 14.8 15.2 15.6 16.28 16.69 15.19 15.21 14.9 15.3 15.7 16.39 16.77 15.41 15.4 15.1 15.4 15.7 16.5 16.86
115
TC 151.8 152.8 152 165 179 190.6 201.3 158.4 158.8 157 168 180 194 204.5 165 164.9 161 171 181 197.3 206.6
SHC 151.8 149.1 134 111 87 73.7 52.1 158.4 157 145 120 91 76.7 52.1 165 164.9 151 128 94 79.8 51.9
kW 16.45 16.48 16.1 16.5 16.9 17.79 18.21 16.68 16.68 16.2 16.6 17 17.91 18.3 16.89 16.88 16.4 16.7 17 18.01 18.39
125
TC 144.7 145.4 146 157.1 170.5 180.7 191.1 150.8 151.1 151.5 160.2 172.9 183.9 192 156.8 156.9 157 163.2 175.4 186.2 193.9
SHC 144.7 143.5 123.4 102.2 81.16 70.4 48.9 150.8 150.2 135.2 109.6 85.15 73.4 48.8 156.8 156.9 145.6 117.4 89.3 76.4 48.7
kW 17.96 18.01 18.05 18.49 18.99 19.44 19.85 18.18 18.22 18.25 18.6 19.11 19.5 19.89 18.42 18.44 18.46 18.72 19.14 19.65 19.93
581A180 (15 Tons) (cont)
Temp (F)
Air Ent
Cond
Evap Air — Cfm/BF
6750/0.01 7500/0.02
Evap Air — Ewb (F)
54 58 62 67 72 76 80 54 58 62 67 72 76 80
60
TC 203.8 204.2 204.6 216.3 231.7 244 257 209.5 209.5 209.6 218.8 235 248 259
SHC 203.8 201.8 191.2 164.1 124.1 97 65.4 209.5 209.5 196.6 173.7 138.1 100 65.2
kW 9.88 9.88 9.89 10.13 10.45 10.72 11 9.99 9.99 9.99 10.19 10.51 10.78 11.05
70
TC 199.6 199.8 200.1 210.5 226.5 239 250 205.2 205.1 205.1 213.8 228.8 241 252
SHC 199.6 197.8 187 159.7 121.3 95.2 63.5 205.2 205.1 192.4 169.8 134.5 98.2 63.5
kW 10.99 10.99 11 11.24 11.6 11.88 12.18 11.12 11.11 11.11 11.31 11.65 11.94 12.22
75
TC 196.4 196.6 194 206 220 235 247 201.9 201.9 198 208 223 237 249
SHC 196.4 195.7 181 153 120 94 62.5 201.9 201.9 186 163 163 97.1 62.5
kW 11.58 11.58 11.6 11.9 12.2 12.5 12.8 11.71 11.7 11.7 11.9 11.9 12.56 12.84
85
TC 191 191.1 188 200 213 227.8 239 196.4 196.4 192 202 214 229.8 241
SHC 191 190.5 175 148 115 91.6 60.2 196.4 196.4 180 157 119 94.6 60.2
kW 12.81 12.81 12.7 13 13.3 13.77 14.1 12.96 12.95 12.8 13.1 13.4 13.84 14.13
95
TC 184.4 184.5 181 192 205 219.1 229.7 189.7 189.7 185 194 206 221.1 230.5
SHC 184.4 184.2 170 144 108 88.9 57.7 189.7 189.7 174 153 113 91.9 57.6
kW 14.15 14.15 13.9 14.2 14.6 15.14 15.47 14.29 14.29 14 14.3 14.6 15.2 15.51
105
TC 176.7 176.7 173 182 194 209.2 218.5 181.9 181.9 177 184 194 211.1 220.1
SHC 176.7 176.7 162 140 103 86 54.9 181.9 181.9 166 148 107 88.9 54.7
kW 15.55 15.55 15.2 15.5 15.8 16.57 16.9 15.7 15.7 15.3 15.5 15.8 16.64 16.94
115
TC 169.5 169.4 166 172 183 198.2 207.1 173.9 173.8 169 174 183 200 208.6
SHC 169.5 169.4 155 136 98 82.7 51.8 173.9 173.8 158 142 101 85.6 51.7
kW 17.05 17.04 16.6 16.8 17.1 18.08 18.42 17.2 17.2 16.7 16.9 17.1 18.15 18.45
125
TC 160.9 161.1 161.2 165.6 177.4 187.9 195.4 165.1 165.2 165.4 167.8 179.2 188.6 196
SHC 160.9 161.1 150.7 125.6 95.04 79.4 48.7 165.1 165.2 155.2 133.2 105.3 82.3 48.6
kW 18.57 18.59 18.62 18.81 19.18 19.68 20.06 18.72 18.75 18.78 18.91 19.33 19.71 20.09
BF — Bypass Factor
Edb — Entering Dry-Bulb
Ewb — Entering Wet-Bulb
kW — Compressor Motor Power Input
ldb — Leaving Dry-Bulb
lwb — Leaving Wet-Bulb
SHC — Sensible Heat Capacity (1000 Btuh) Gross
TC — Total Capacity (1000 Btuh) Gross
tldb = tedb – sensible capacity (Btuh)
1.10 x cfm
hlwb = hewb – total capacity (Btuh)
4.5 x cfm
BYPASS
FACTOR
(BF)
ENTERING AIR DRY-BULB TEMP (F)
79 78 77 76 75 under 75
81 82 83 84 85 over 85
Correction Factor
.05 1.04 2.07 3.11 4.14 5.18
Use formula
shown below.
.10 .98 1.96 2.94 3.92 4.90
.20 .87 1.74 2.62 3.49 4.36
.30 .76 1.53 2.29 3.05 3.82
CFM
ENTERING WET-BULB (F)
54 58 62 67 72 76 80
Bypass Factor
4500 0.396 0.193 0.054 0.053 0.067 0.000 0.000
5250 0.455 0.272 0.077 0.065 0.077 0.000 0.000
6000 0.504 0.337 0.121 0.077 0.088 0.000 0.000
6750 0.544 0.390 0.193 0.094 0.100 0.000 0.000
7500 0.578 0.436 0.244 0.108 0.114 0.000 0.000
581A155-300

210
PERFORMANCE DATA (cont)
COOLING CAPACITIES — STANDARD UNITS (cont)
LEGEND
NOTES:
1. Direct interpolation is permissible. Do not extrapolate.
2. The following formulas may be used:
tlwb = Wet-bulb temperature corresponding to enthalpy of air leaving evapo-
rator coil (hlwb)
Where: hewb = Enthalpy of air entering evaporator coil
3. The SHC is based on 80 F edb temperature of air entering evaporator coil.
Below 80 F edb, subtract (corr factor x cfm) from SHC.
Above 80 F edb, add (corr factor x cfm) to SHC.
Interpolation is permissible.
Correction Factor = 1.10 x (1 – BF) x (edb – 80).
4. Use chart below for bypass factor.
581A210 (18 Tons)
Temp (F)
Air Ent
Cond
Evap Air — Cfm/BF
5400/0.05 6300/0.06 7200/0.07
Evap Air — Ewb (F)
54 58 62 67 72 76 80 54 58 62 67 72 76 80 54 58 62 67 72 76 80
60
TC 202 206 211 229 248 263 279 212 215 218 235 254 269 285 220 221 223 239 259 273 289
SHC 202 193 184 155 124 99.3 74.7 212 205 199 166 131 103 74.9 220 216 213 177 138 106 75
kW 10.2 10.3 10.4 10.6 10.8 11 11.2 10.4 10.4 10.4 10.7 10.9 11.1 11.3 10.5 10.5 10.5 10.7 11 11.2 11.4
70
TC 197 202 206 223 242 256 272 207 209 212 228 247 262 277 215 216 217 233 252 267 282
SHC 197 189 181 152 122 97 72.5 207 202 196 163 129 101 72.7 215 212 210 174 135 104 72.8
kW 11.4 11.5 11.5 11.8 12 12.2 12.5 11.6 11.6 11.6 11.9 12.1 12.3 12.6 11.7 11.7 11.7 11.9 12.2 12.4 12.6
75
TC 195 199 203 219 238 253 268 204 206 209 225 244 258 273 212 213 214 229 248 263 277
SHC 195 187 180 150 120 95.8 71.3 204 199 195 162 127 99.3 71.4 212 210 208 173 134 103 71.5
kW 12.1 12.2 12.2 12.5 12.7 13 13.2 12.3 12.3 12.3 12.6 12.8 13 13.3 12.4 12.4 12.4 12.6 12.9 13.1 13.3
85
TC 190 193 196 213 231 246 260 199 201 202 218 236 251 264 206 207 208 222 240 255 268
SHC 190 183 177 148 118 93.4 68.8 199 195 191 159 125 96.9 68.9 206 205 204 170 131 100 69
kW 13.5 13.5 13.6 13.8 14.1 14.4 14.6 13.6 13.7 13.7 13.9 14.2 14.5 14.7 13.7 13.8 13.8 14 14.3 14.5 14.8
95
TC 184 187 190 205 222 236 250 193 194 195 210 227 241 254 200 200 201 214 231 245 258
SHC 184 179 173 144 114 90.2 65.9 193 190 187 156 121 93.7 66.1 200 199 199 167 128 97.1 66.2
kW 15 15 15.1 15.4 15.7 15.9 16.2 15.1 15.2 15.2 15.5 15.8 16 16.3 15.3 15.3 15.3 15.5 15.8 16.1 16.3
105
TC 178 180 182 197 213 228 240 186 187 188 201 217 232 244 193 193 193 205 221 235 247
SHC 178 173 169 141 111 87.3 62.9 186 184 183 152 118 90.8 63.1 193 193 193 163 124 94.1 63.2
kW 16.6 16.7 16.7 17 17.3 17.7 17.9 16.8 16.8 16.8 17.1 17.4 17.8 18 16.9 16.9 16.9 17.2 17.5 17.8 18
115
TC 171 172 174 188 203 217 228 179 179 179 192 207 221 232 185 185 185 195 210 224 235
SHC 171 168 165 137 107 83.6 59.6 179 178 178 149 114 87.1 59.7 185 185 185 159 121 90.4 59.9
kW 18.4 18.4 18.4 18.8 19.1 19.4 19.7 18.6 18.6 18.6 18.9 19.2 19.5 19.8 18.7 18.7 18.7 19 19.3 19.6 19.9
125
TC 164 165 165 178 192 205 216 171 171 171 182 196 208 219 177 177 177 185 199 211 222
SHC 164 162 160 134 104 79.8 56.1 171 171 171 145 110 83.2 56.3 177 177 177 155 117 86.5 56.4
kW 20.2 20.3 20.3 20.6 21 21.3 21.6 20.4 20.4 20.4 20.8 21.1 21.4 21.7 20.6 20.6 20.6 20.8 21.2 21.5 21.8
581A210 (18 Tons) (cont)
Temp (F)
Air Ent
Cond
Evap Air — Cfm/BF
8100/0.08 9000/0.09
Evap Air — Ewb (F)
54 58 62 67 72 76 80 54 58 62 67 72 76 80
60
TC 227 227 228 243 262 277 293 233 233 233 246 265 280 295
SHC 227 226 224 187 144 109 75.1 233 233 233 198 151 113 75.1
kW 10.5 10.6 10.6 10.7 11 11.2 11.4 10.6 10.6 10.6 10.8 11 11.3 11.5
70
TC 222 222 222 236 255 271 284 228 228 227 239 258 272 287
SHC 222 221 221 185 142 107 72.8 228 228 227 195 148 110 72.9
kW 11.8 11.8 11.8 12 12.2 12.5 12.7 11.9 11.9 11.8 12 12.3 12.5 12.7
75
TC 219 219 219 232 251 266 280 225 224 224 235 254 268 282
SHC 219 218 218 183 140 106 71.6 225 224 224 193 147 109 71.7
kW 12.5 12.5 12.5 12.7 12.9 13.2 13.4 12.6 12.5 12.5 12.7 13 13.2 13.4
85
TC 213 213 213 225 243 258 271 218 218 218 228 245 260 273
SHC 213 213 213 180 138 103 69.1 218 218 218 190 144 107 69.2
kW 13.8 13.8 13.8 14.1 14.3 14.6 14.8 13.9 13.9 13.9 14.1 14.4 14.6 14.8
95
TC 206 206 206 217 234 248 260 211 211 211 220 236 250 262
SHC 206 206 206 177 134 100 66.3 211 211 211 187 141 103 66.4
kW 15.4 15.4 15.4 15.6 15.9 16.1 16.4 15.5 15.5 15.5 15.6 15.9 16.2 16.4
105
TC 199 199 199 208 224 238 249 203 203 204 210 226 240 251
SHC 199 199 199 173 131 97.2 63.2 203 203 204 183 137 100 63.4
kW 17 17.1 17.1 17.3 17.6 17.9 18.1 17.2 17.2 17.2 17.3 17.6 17.9 18.1
115
TC 191 191 191 198 213 226 237 195 195 195 201 215 228 238
SHC 191 191 191 169 127 93.5 60 195 195 195 179 133 96.6 60
kW 18.8 18.8 18.8 19 19.3 19.7 19.9 18.9 18.9 18.9 19.1 19.4 19.7 19.9
125
TC 182 182 182 188 201 213 224 186 186 186 190 203 215 225
SHC 182 182 182 165 123 89.6 56.5 186 186 186 174 129 92.6 56.6
kW 20.7 20.7 20.7 20.9 21.2 21.6 21.9 20.9 20.9 20.9 21 21.3 21.6 21.9
BF — Bypass Factor
Edb — Entering Dry-Bulb
Ewb — Entering Wet-Bulb
kW — Compressor Motor Power Input
ldb — Leaving Dry-Bulb
lwb — Leaving Wet-Bulb
SHC — Sensible Heat Capacity (1000 Btuh) Gross
TC — Total Capacity (1000 Btuh) Gross
tldb = tedb – sensible capacity (Btuh)
1.10 x cfm
hlwb = hewb – total capacity (Btuh)
4.5 x cfm
BYPASS
FACTOR
(BF)
ENTERING AIR DRY-BULB TEMP (F)
79 78 77 76 75 under 75
81 82 83 84 85 over 85
Correction Factor
.05 1.04 2.07 3.11 4.14 5.18
Use formula
shown below.
.10 .98 1.96 2.94 3.92 4.90
.20 .87 1.74 2.62 3.49 4.36
.30 .76 1.53 2.29 3.05 3.82
CFM
ENTERING WET-BULB (F)
54 58 62 67 72 76 80
Bypass Factor
5400 0.424 0.238 0.125 0.120 0.138 0.000 0.000
6300 0.478 0.304 0.153 0.132 0.145 0.000 0.000
7200 0.525 0.364 0.190 0.144 0.153 0.000 0.000
8100 0.562 0.414 0.231 0.156 0.162 0.000 0.000
9000 0.594 0.456 0.281 0.168 0.170 0.000 0.000
581A155-300

211
PERFORMANCE DATA (cont)
COOLING CAPACITIES — STANDARD UNITS (cont)
LEGEND
NOTES:
1. Direct interpolation is permissible. Do not extrapolate.
2. The following formulas may be used:
tlwb = Wet-bulb temperature corresponding to enthalpy of air leaving evapo-
rator coil (hlwb)
Where: hewb = Enthalpy of air entering evaporator coil
3. The SHC is based on 80 F edb temperature of air entering evaporator coil.
Below 80 F edb, subtract (corr factor x cfm) from SHC.
Above 80 F edb, add (corr factor x cfm) to SHC.
Interpolation is permissible.
Correction Factor = 1.10 x (1 – BF) x (edb – 80).
4. Use chart below for bypass factor.
581A240 (20 Tons)
Temp (F)
Air Ent
Cond
Evap Air — Cfm/BF
6,000/0.04 7,000/0.05 8,000/0.05
Evap Air — Ewb (F)
54 58 62 67 72 76 80 54 58 62 67 72 76 80 54 58 62 67 72 76 80
60
TC 235 242 248 267 288 306 323 247 251 256 274 296 312 330 257 259 262 279 300 317 333
SHC 235 224 212 178 143 115 86.6 247 238 230 191 151 119 87 257 251 246 204 159 123 86.7
kW 11.5 11.6 11.7 12 12.4 12.7 13 11.7 11.8 11.8 12.1 12.5 12.8 13.1 11.9 11.9 11.9 12.2 12.6 12.9 13.1
70
TC 231 237 242 261 282 300 316 242 246 250 268 289 305 323 252 254 256 273 293 310 326
SHC 231 220 209 175 141 113 84.5 242 234 227 189 149 117 84.9 252 247 243 201 156 120 84.6
kW 13.1 13.2 13.3 13.6 14 14.3 14.6 13.3 13.3 13.4 13.7 14.1 14.4 14.8 13.4 13.5 13.5 13.8 14.2 14.5 14.8
75
TC 228 234 239 257 278 295 311 239 243 246 264 285 301 318 249 250 252 269 290 305 322
SHC 228 218 208 174 139 112 83.1 239 232 225 187 147 115 83.6 249 245 241 199 155 119 83.5
kW 13.9 14 14.1 14.5 14.9 15.2 15.6 14.1 14.2 14.2 14.6 15 15.3 15.7 14.3 14.3 14.4 14.7 15.1 15.4 15.8
85
TC 223 227 231 250 270 287 303 234 236 238 256 277 292 310 243 244 245 261 282 296 314
SHC 223 213 204 171 136 109 80.5 234 227 221 184 144 112 80.9 243 240 236 196 152 116 81.3
kW 15.6 15.7 15.8 16.2 16.6 17.1 17.4 15.8 15.9 15.9 16.3 16.8 17.2 17.6 16 16.1 16.1 16.5 16.9 17.3 17.7
95
TC 216 219 223 241 260 277 292 226 228 230 247 267 282 298 235 235 236 251 272 285 303
SHC 216 208 200 167 132 105 77.2 226 221 217 180 141 109 77.7 235 233 231 192 148 112 78
kW 17.4 17.5 17.6 18.1 18.6 19 19.4 17.7 17.7 17.8 18.2 18.7 19.1 19.6 17.9 17.9 17.9 18.3 18.9 19.2 19.7
105
TC 208 211 214 231 249 265 279 218 219 220 236 256 270 285 226 226 226 241 260 273 290
SHC 208 202 195 163 129 101 73.6 218 215 212 176 137 105 74 226 226 225 188 145 108 74.4
kW 19.3 19.4 19.5 20 20.6 21 21.5 19.6 19.6 19.7 20.2 20.8 21.2 21.6 19.9 19.9 19.9 20.3 20.9 21.3 21.8
115
TC 200 202 204 220 237 253 266 209 210 210 225 243 257 271 217 217 217 229 248 260 275
SHC 200 195 190 158 124 97.2 69.5 209 207 206 171 132 101 70 217 217 217 183 140 104 70.4
kW 21.3 21.4 21.5 22 22.7 23.2 23.6 21.7 21.7 21.7 22.2 22.9 23.3 23.8 21.9 21.9 21.9 22.4 23 23.4 23.9
125
TC 191 192 193 208 224 239 251 199 199 200 212 230 243 255 207 207 206 216 232 245 257
SHC 191 188 185 153 120 92.8 65.3 199 199 199 166 128 96.4 65.7 207 207 206 178 135 99.8 65.5
kW 23.5 23.5 23.6 24.2 24.8 25.4 25.9 23.8 23.8 23.8 24.4 25 25.5 26 24.1 24.1 24.1 24.5 25.1 25.7 26.1
581A240 (20 Tons) (cont)
Temp (F)
Air Ent
Cond
Evap Air — Cfm/BF
9,000/0.06 10,000/0.07
Evap Air — Ewb (F)
54 58 62 67 72 76 80 54 58 62 67 72 76 80
60
TC 265 266 267 284 305 321 338 272 272 272 287 307 325 340
SHC 265 262 260 216 166 126 87 272 271 271 227 173 130 86.7
kW 12 12 12 12.3 12.7 12.9 13.2 12.1 12.1 12.1 12.4 12.7 13 13.3
70
TC 260 261 261 277 298 315 331 266 267 267 281 301 317 333
SHC 260 258 256 213 164 124 85 266 267 267 225 171 127 84.7
kW 13.6 13.6 13.6 13.9 14.3 14.6 14.9 13.7 13.7 13.7 14 14.3 14.6 15
75
TC 256 257 258 273 294 310 326 263 263 263 277 296 312 327
SHC 256 255 254 211 162 123 83.7 263 263 263 223 169 126 83.4
kW 14.5 14.5 14.5 14.8 15.2 15.5 15.8 14.6 14.6 14.6 14.9 15.2 15.6 15.9
85
TC 250 250 250 265 285 301 316 257 256 256 268 287 303 317
SHC 250 250 249 208 159 120 81 257 256 256 220 166 123 80.7
kW 16.2 16.2 16.2 16.5 17 17.4 17.7 16.4 16.4 16.4 16.6 17 17.4 17.7
95
TC 242 242 242 255 274 288 304 248 248 248 258 276 292 306
SHC 242 242 242 204 155 116 77.8 248 248 248 215 162 120 77.6
kW 18.1 18.1 18.1 18.4 18.9 19.3 19.7 18.3 18.3 18.2 18.5 19 19.4 19.7
105
TC 233 233 233 244 263 275 291 239 239 239 247 264 279 291
SHC 233 233 233 200 152 112 74.2 239 239 239 211 158 116 73.9
kW 20.1 20.1 20.1 20.4 21 21.4 21.8 20.3 20.2 20.2 20.5 21 21.5 21.8
115
TC 223 223 223 232 250 262 276 229 228 228 235 251 263 276
SHC 223 223 223 195 147 108 70.2 229 228 228 206 154 111 69.9
kW 22.2 22.1 22.1 22.5 23.1 23.5 24 22.3 22.3 22.3 22.6 23.1 23.6 24
125
TC 213 212 212 219 234 247 258 218 217 217 222 235 248 259
SHC 213 212 212 189 142 103 65.4 218 217 217 200 148 106 65.2
kW 24.3 24.3 24.3 24.6 25.2 25.7 26.2 24.5 24.5 24.5 24.7 25.3 25.8 26.2
BF — Bypass Factor
Edb — Entering Dry-Bulb
Ewb — Entering Wet-Bulb
kW — Compressor Motor Power Input
ldb — Leaving Dry-Bulb
lwb — Leaving Wet-Bulb
SHC — Sensible Heat Capacity (1000 Btuh) Gross
TC — Total Capacity (1000 Btuh) Gross
tldb = tedb – sensible capacity (Btuh)
1.10 x cfm
hlwb = hewb – total capacity (Btuh)
4.5 x cfm
BYPASS
FACTOR
(BF)
ENTERING AIR DRY-BULB TEMP (F)
79 78 77 76 75 under 75
81 82 83 84 85 over 85
Correction Factor
.05 1.04 2.07 3.11 4.14 5.18
Use formula
shown below.
.10 .98 1.96 2.94 3.92 4.90
.20 .87 1.74 2.62 3.49 4.36
.30 .76 1.53 2.29 3.05 3.82
CFM
ENTERING WET-BULB (F)
54 58 62 67 72 76 80
Bypass Factor
6,000 0.386 0.197 0.108 0.109 0.134 0.000 0.000
7,000 0.444 0.260 0.131 0.121 0.138 0.000 0.000
8,000 0.492 0.321 0.163 0.133 0.145 0.000 0.000
9,000 0.532 0.375 0.205 0.146 0.154 0.000 0.000
10,000 0.566 0.420 0.245 0.158 0.164 0.000 0.000
581A155-300

212
PERFORMANCE DATA (cont)
COOLING CAPACITIES — STANDARD UNITS (cont)
LEGEND
NOTES:
1. Direct interpolation is permissible. Do not extrapolate.
2. The following formulas may be used:
tlwb = Wet-bulb temperature corresponding to enthalpy of air leaving evapo-
rator coil (hlwb)
Where: hewb = Enthalpy of air entering evaporator coil
3. The SHC is based on 80 F edb temperature of air entering evaporator coil.
Below 80 F edb, subtract (corr factor x cfm) from SHC.
Above 80 F edb, add (corr factor x cfm) to SHC.
Interpolation is permissible.
Correction Factor = 1.10 x (1 – BF) x (edb – 80).
4. Use chart below for bypass factor.
581A300 (25 Tons)
Temp (F)
Air Ent
Cond
Evap Air — Cfm/BF
7,500/0.05 8,250/0.06 9,500/0.07
Evap Air — Ewb (F)
54 58 62 67 72 76 80 54 58 62 67 72 76 80 54 58 62 67 72 76 80
60
TC 287 296 304 331 359 385 408 297 304 310 336 367 390 414 311 315 319 345 375 398 421
SHC 287 274 261 220 178 145 110 297 285 273 229 185 148 110 311 303 294 246 194 152 111
kW 15.5 15.7 15.9 16.5 17.3 17.9 18.6 15.7 15.9 16 16.7 17.4 18.1 18.7 16 16.1 16.2 16.9 17.6 18.3 19
70
TC 279 286 293 318 345 367 392 288 293 298 323 350 372 397 301 303 306 329 357 381 403
SHC 279 267 255 214 173 139 105 288 278 268 224 178 142 105 301 294 287 239 188 147 105
kW 17 17.2 17.3 18 18.7 19.3 20 17.2 17.3 17.5 18.1 18.8 19.4 20.1 17.5 17.6 17.7 18.3 19 19.7 20.3
75
TC 275 281 287 311 338 360 383 283 288 293 316 343 365 388 296 298 300 323 349 372 394
SHC 275 264 252 212 170 136 102 283 274 265 221 176 139 103 296 290 284 237 185 144 103
kW 17.9 18.1 18.2 18.8 19.5 20.1 20.8 18.1 18.2 18.4 18.9 19.7 20.3 20.9 18.4 18.5 18.5 19.1 19.8 20.5 21.1
85
TC 267 272 277 299 324 345 366 274 278 282 304 329 350 370 286 287 289 311 334 355 375
SHC 267 257 247 207 165 131 97.3 274 267 259 216 171 134 97.3 286 282 278 232 180 139 97.3
kW 19.8 19.9 20 20.6 21.2 21.8 22.4 20 20.1 20.1 20.7 21.4 22 22.6 20.2 20.3 20.3 20.9 21.5 22.1 22.7
95
TC 259 263 267 288 311 331 350 267 270 273 293 315 335 354 278 279 281 299 322 340 358
SHC 259 251 242 202 160 126 92.5 267 261 255 212 166 129 92.5 278 276 273 227 175 134 92.4
kW 22.1 22.2 22.3 22.8 23.4 23.9 24.5 22.3 22.4 22.5 22.9 23.5 24 24.6 22.6 22.6 22.6 23.1 23.6 24.2 24.7
105
TC 253 256 260 279 301 318 335 260 262 264 282 304 322 338 269 270 270 287 308 326 342
SHC 253 246 239 198 156 122 87.9 260 255 250 207 162 125 87.8 269 268 267 222 171 129 87.7
kW 24.9 25 25.1 25.4 25.9 26.4 26.9 25.1 25.1 25.1 25.5 26 26.5 26.9 25.2 25.2 25.2 25.6 26.1 26.6 27.1
115
TC 246 249 252 270 291 305 320 253 255 256 274 294 309 323 262 262 262 277 298 312 328
SHC 246 240 235 195 152 118 83.5 253 250 246 204 158 121 83.4 262 261 261 218 167 125 83.9
kW 28.1 28.2 28.3 28.6 29 29.3 29.6 28.3 28.3 28.3 28.6 29 29.4 29.7 28.4 28.4 28.4 28.7 29.1 29.4 29.9
125
TC 238 240 242 259 279 293 305 245 246 246 262 281 295 310 253 253 253 266 284 298 313
SHC 238 234 230 190 148 114 79.2 245 243 240 199 153 116 79.7 253 253 253 214 162 120 79.9
kW 31.6 31.7 31.7 32 32.4 32.6 32.9 31.8 31.8 31.8 32.1 32.4 32.7 33 31.9 31.9 31.9 32.1 32.5 32.7 33.1
581A300 (25 Tons) (cont)
Temp (F)
Air Ent
Cond
Evap Air — Cfm/BF
10,750/0.08 12,000/0.09
Evap Air — Ewb (F)
54 58 62 67 72 76 80 54 58 62 67 72 76 80
60
TC 322 324 327 351 380 404 429 332 333 334 357 386 410 432
SHC 322 317 313 260 203 157 111 332 330 329 276 212 162 111
kW 16.3 16.4 16.4 17 17.8 18.5 19.2 16.6 16.6 16.6 17.2 18 18.6 19.2
70
TC 311 312 314 336 364 386 408 320 320 321 341 368 392 414
SHC 311 308 305 255 198 151 105 320 320 319 269 206 156 106
kW 17.8 17.8 17.9 18.4 19.2 19.8 20.5 18 18 18 18.5 19.3 20 20.6
75
TC 306 307 308 329 356 378 398 315 315 315 333 360 383 404
SHC 306 304 302 252 195 149 103 315 314 314 266 203 153 103
kW 18.7 18.7 18.7 19.3 20 20.6 21.3 18.9 18.9 18.9 19.4 20.1 20.8 21.4
85
TC 295 296 297 315 340 362 379 303 303 303 319 344 365 385
SHC 295 295 294 246 189 144 97.3 303 303 303 260 198 148 97.9
kW 20.5 20.5 20.5 21 21.7 22.3 22.8 20.7 20.7 20.7 21.1 21.8 22.4 23
95
TC 286 286 286 303 327 344 364 293 293 294 307 330 347 366
SHC 286 286 286 241 185 138 93 293 293 294 255 193 142 92.8
kW 22.7 22.7 22.7 23.1 23.8 24.3 24.9 22.9 22.9 22.9 23.2 23.9 24.4 24.9
105
TC 277 277 277 290 312 329 347 284 284 285 295 314 331 352
SHC 277 277 277 236 179 133 88.3 284 284 285 250 188 137 88.7
kW 25.4 25.4 25.4 25.7 26.2 26.7 27.2 25.5 25.6 25.6 25.8 26.3 26.7 27.3
115
TC 268 269 269 281 300 315 332 274 274 275 283 303 317 333
SHC 268 269 269 232 176 129 84.4 274 274 275 245 184 133 84
kW 28.5 28.5 28.5 28.7 29.2 29.5 30 28.6 28.6 28.6 28.8 29.2 29.5 30
125
TC 260 259 259 269 287 300 316 265 265 264 271 289 302 318
SHC 260 259 259 227 171 125 80 265 265 264 240 179 129 80.1
kW 32 32 32 32.1 32.5 32.8 33.2 32.1 32.1 32.1 32.2 32.5 32.8 33.3
BF — Bypass Factor
Edb — Entering Dry-Bulb
Ewb — Entering Wet-Bulb
kW — Compressor Motor Power Input
ldb — Leaving Dry-Bulb
lwb — Leaving Wet-Bulb
SHC — Sensible Heat Capacity (1000 Btuh) Gross
TC — Total Capacity (1000 Btuh) Gross
tldb = tedb – sensible capacity (Btuh)
1.10 x cfm
hlwb = hewb – total capacity (Btuh)
4.5 x cfm
BYPASS
FACTOR
(BF)
ENTERING AIR DRY-BULB TEMP (F)
79 78 77 76 75 under 75
81 82 83 84 85 over 85
Correction Factor
.05 1.04 2.07 3.11 4.14 5.18
Use formula
shown below.
.10 .98 1.96 2.94 3.92 4.90
.20 .87 1.74 2.62 3.49 4.36
.30 .76 1.53 2.29 3.05 3.82
CFM
ENTERING WET-BULB (F)
54 58 62 67 72 76 80
Bypass Factor
7,500 0.407 0.208 0.097 0.104 0.123 0.000 0.000
8,250 0.443 0.256 0.110 0.112 0.128 0.000 0.000
9,500 0.494 0.324 0.138 0.123 0.136 0.000 0.000
10,750 0.536 0.380 0.181 0.134 0.145 0.000 0.000
12,000 0.571 0.427 0.232 0.145 0.154 0.000 0.000
581A155-300

213
PERFORMANCE DATA (cont)
COOLING CAPACITIES, UNITS WITH HOT GAS REHEAT OPTION
LEGEND
NOTES:
1. Direct interpolation is permissible. Do not extrapolate.
2. The following formulas may be used:
tlwb = Wet-bulb temperature corresponding to enthalpy of air leaving evapo-
rator coil (hlwb)
Where: hewb = Enthalpy of air entering evaporator coil
3. The SHC is based on 80 F edb temperature of air entering evaporator coil.
Below 80 F edb, subtract (corr factor x cfm) from SHC.
Above 80 F edb, add (corr factor x cfm) to SHC.
Interpolation is permissible.
Correction Factor = 1.10 x (1 – BF) x (edb – 80).
581A181 (15 TONS) UNIT WITH HOT GAS REHEAT IN COOLING MODE
Temp (F)
Air Entering
Condenser
(Edb)
Air Entering Evaporator — Cfm/BF
4500/0.02 5250/0.03 6000/0.04 6750/0.04 7500/0.05
Air Entering Evaporator — Ewb (F)
57 62 67 72 57 62 67 72 57 62 67 72 57 62 67 72 57 62 67 72
75 TC 166 179 193 214 175 186 202 221 183 191 208 227 190 195 212 232 197 199 216 236
SHC 165 152 129 108 175 166 140 115 183 178 150 121 190 189 159 127 197 196 168 133
kW 10.4 10.6 10.7 10.9 10.5 10.6 10.8 11.0 10.6 10.7 10.9 11.1 10.7 10.7 10.9 11.2 10.8 10.8 11.0 11.2
85 TC 162 174 189 209 171 180 195 216 179 185 200 222 186 189 205 226 192 194 208 230
SHC 162 150 127 106 171 163 137 113 179 175 147 119 186 185 156 125 192 192 164 131
kW 11.7 11.9 12.1 12.3 11.8 12.0 12.1 12.4 11.9 12.0 12.2 12.5 12.0 12.1 12.3 12.5 12.1 12.1 12.3 12.6
95 TC 158 169 182 202 166 174 187 209 174 179 194 214 181 183 198 218 187 188 201 221
SHC 158 148 126 104 166 160 134 110 174 172 145 116 181 180 154 122 187 187 163 128
kW 12.7 12.9 13.1 13.3 12.9 13.0 13.2 13.4 13.0 13.0 13.2 13.5 13.1 13.1 13.3 13.6 13.1 13.2 13.4 13.6
105 TC 153 163 178 195 162 168 181 201 169 172 188 206 175 177 191 209 181 181 194 213
SHC 153 145 123 101 162 157 133 107 169 167 142 113 175 175 151 119 181 181 160 125
kW 14.1 14.2 14.4 14.7 14.2 14.3 14.5 14.8 14.3 14.3 14.6 14.8 14.4 14.4 14.6 14.9 14.5 14.5 14.7 14.9
115 TC 148 156 171 188 157 161 176 193 163 165 180 197 169 170 183 201 174 175 185 203
SHC 148 141 120 98 157 153 130 104 163 162 139 110 169 169 148 116 174 174 156 122
kW 15.5 15.6 15.8 16.1 15.6 15.7 15.9 16.2 15.7 15.8 16.0 16.3 15.8 15.8 16.1 16.3 15.9 15.9 16.1 16.4
125 TC 143 149 163 179 151 153 168 184 157 158 171 188 163 163 174 190 167 167 176 192
SHC 143 138 117 95 151 149 126 101 157 156 136 107 163 163 144 112 167 167 153 118
kW 17.0 17.1 17.4 17.7 17.2 17.2 17.5 17.8 17.3 17.3 17.6 17.8 17.4 17.4 17.6 17.9 17.5 17.5 17.6 17.9
581A181 (15 TONS) UNIT WITH HOT GAS REHEAT — A IN REHEAT, B AND C OFF
Temp (F)
Air Entering
Condenser
(Edb)
Evaporator Air Quantity — Cfm/BF
4500/0.12 5250/0.14 6000/.015 6750/0.18 7500/0.18
Evaporator Air — Relative Humidity (%)
50 55 60 50 55 60 50 55 60 50 55 60 50 55 60
65
TC 55 57 59 56 58 59 56 58 60 57 59 60 57 59 61
SHC 34 32 30 36 34 32 37 35 33 38 36 35 40 38 36
kW 4.4 4.5 4.5 4.4 4.5 4.5 4.4 4.5 4.5 4.4 4.5 4.5 4.4 4.5 4.5
75
TC 42 44 45 43 44 46 43 45 46 43 45 46 44 45 47
SHC 22 19 17 23 21 18 25 22 20 26 24 21 28 25 23
kW 4.8 4.8 4.8 4.8 4.8 4.8 4.8 4.8 4.8 4.8 4.8 4.8 4.8 4.8 4.8
85
TC 29 30 31 29 31 32 30 31 32 30 32 33 31 32 33
SHC 9 6 3118 5131071411816129
kW 5.2 5.2 5.3 5.2 5.2 5.3 5.2 5.2 5.3 5.2 5.2 5.3 5.2 5.2 5.3
95
TC 15 16 17 16 17 18 16 18 18 17 18 19 17 18 19
SHC –3 –7 –11 –1 –5 –9 1 –3 –7 2 –2 –5 4 0 –4
kW 5.6 5.6 5.6 5.6 5.6 5.6 5.6 5.6 5.6 5.6 5.6 5.6 5.6 5.6 5.6
581A181 (15 TONS) UNIT WITH HOT GAS REHEAT — A AND B IN REHEAT, C OFF
Temp (F)
Air Entering
Condenser
(Edb)
Evaporator Air Quantity — Cfm/BF
4500/0.12 5250/0.14 6000/.015 6750/0.18 7500/0.18
Evaporator Air — Relative Humidity (%)
50 55 60 50 55 60 50 55 60 50 55 60 50 55 60
65
TC 81 84 86 82 85 87 83 86 88 84 87 89 85 87 90
SHC 34 32 30 36 33 31 37 35 33 39 36 34 40 38 36
kW 7.8 7.9 7.9 7.8 7.9 7.9 7.8 7.9 7.9 7.8 7.9 7.9 7.8 7.9 7.9
75
TC 62 64 66 62 65 67 63 66 68 64 66 68 64 67 69
SHC 22 19 16 24 21 18 25 22 20 27 24 21 28 25 22
kW 8.5 8.5 8.5 8.5 8.5 8.5 8.5 8.5 8.5 8.5 8.5 8.5 8.5 8.5 8.5
85
TC 42 44 46 43 45 46 43 45 47 44 46 48 44 46 48
SHC 106 2128 4141061511816139
kW 9.2 9.2 9.3 9.2 9.2 9.3 9.2 9.2 9.3 9.2 9.2 9.3 9.2 9.2 9.3
95
TC 23 24 26 23 25 26 24 25 27 24 26 27 24 26 27
SHC –2 –7 –11 0 –5 –9 2 –3 –7 3 –1 –6 5 0 –4
kW 9.9 9.9 9.9 9.9 9.9 9.9 9.9 9.9 9.9 9.9 9.9 9.9 9.9 9.9 9.9
BF — Bypass Factor
Edb — Entering Dry-Bulb
Ewb — Entering Wet-Bulb
kW — Compressor Motor Power Input
ldb — Leaving Dry-Bulb
lwb — Leaving Wet-Bulb
SHC — Sensible Heat Capacity (1000 Btuh) Gross
TC — Total Capacity (1000 Btuh) Gross
tldb = tedb – sensible capacity (Btuh)
1.10 x cfm
hlwb = hewb – total capacity (Btuh)
4.5 x cfm
BYPASS
FACTOR
(BF)
ENTERING AIR DRY-BULB TEMP (F)
79 78 77 76 75 under 75
81 82 83 84 85 over 85
Correction Factor
.05 1.04 2.07 3.11 4.14 5.18 Use for-
mula
shown
below.
.10 .981.962.943.924.90
.20 .871.742.623.494.36
.30 .761.532.293.053.82
581A155-300

214
PERFORMANCE DATA (cont)
COOLING CAPACITIES, UNITS WITH HOT GAS REHEAT OPTION (cont)
LEGEND
NOTES:
1. Direct interpolation is permissible. Do not extrapolate.
2. The following formulas may be used:
tlwb = Wet-bulb temperature corresponding to enthalpy of air leaving evapo-
rator coil (hlwb)
Where: hewb = Enthalpy of air entering evaporator coil
3. The SHC is based on 80 F edb temperature of air entering evaporator coil.
Below 80 F edb, subtract (corr factor x cfm) from SHC.
Above 80 F edb, add (corr factor x cfm) to SHC.
Interpolation is permissible.
Correction Factor = 1.10 x (1 – BF) x (edb – 80).
581A181 (15 TONS) UNIT WITH HOT GAS REHEAT — A AND B IN REHEAT, C ON
Temp (F)
Air Entering
Condenser
(Edb)
Evaporator Air Quantity — Cfm/BF
4500/0.12 5250/0.14 6000/.015 6750/0.18 7500/0.18
Evaporator Air — Relative Humidity (%)
50 55 60 50 55 60 50 55 60 50 55 60 50 55 60
65
TC 133 140 146 134 141 147 135 142 148 136 143 149 137 144 150
SHC 73 69 65 75 71 67 77 73 69 79 75 71 81 76 72
kW 10.7 10.7 10.8 10.7 10.7 10.8 10.7 10.7 10.8 10.7 10.7 10.8 10.7 10.7 10.8
75
TC 116 123 128 117 123 129 117 124 130 118 125 131 118 126 132
SHC 61 55 50 63 57 52 65 59 54 66 61 56 68 62 57
kW 11.8 11.8 11.8 11.8 11.8 11.8 11.8 11.8 11.8 11.8 11.8 11.8 11.8 11.8 11.8
85
TC 98 105 111 99 106 112 99 106 112 100 107 113 100 107 113
SHC 48 41 35 50 43 37 52 45 39 54 46 40 55 48 42
kW 12.9 13.0 13.0 12.9 13.0 13.0 12.9 13.0 13.0 12.9 13.0 13.0 12.9 13.0 13.0
95
TC 81 88 94 81 88 94 81 88 95 81 89 95 81 89 95
SHC 36 28 21 38 29 22 39 31 24 41 32 25 42 34 26
kW 14.0 14.1 14.1 14.0 14.1 14.1 14.0 14.1 14.1 14.0 14.1 14.1 14.0 14.1 14.1
581A210 (18 TONS) UNIT WITH HOT GAS REHEAT IN COOLING MODE
Temp (F)
Air Entering
Condenser
(Edb)
Air Entering Evaporator — Cfm/BF
5400/0.03 6300/0.04 7200/0.05 8100/0.06 9000/0.07
Air Entering Evaporator — Ewb (F)
57 62 67 72 57 62 67 72 57 62 67 72 57 62 67 72 57 62 67 72
75 TC 183 198 215 236 192 206 224 245 201 212 230 252 210 216 235 257 217 222 240 262
SHC 182 169 143 120 192 184 156 127 201 197 166 134 210 209 177 141 217 218 186 147
kW 11.5 11.7 11.9 12.2 11.6 11.8 12.1 12.4 11.7 11.9 12.2 12.5 11.9 11.9 12.2 12.5 12.0 12.0 12.3 12.6
85 TC 179 192 210 231 188 200 217 239 197 205 223 244 205 210 227 249 212 215 232 254
SHC 179 166 142 117 188 181 153 125 197 194 163 131 205 206 173 138 212 213 183 145
kW 12.8 13.1 13.3 13.7 13.0 13.2 13.5 13.8 13.2 13.3 13.6 13.9 13.3 13.4 13.7 14.0 13.4 13.5 13.7 14.1
95 TC 175 186 202 223 184 193 209 229 193 198 215 236 200 203 219 241 206 208 223 245
SHC 175 163 142 114 184 177 151 121 193 191 160 128 200 200 170 135 206 207 180 142
kW 14.1 14.3 14.6 14.9 14.3 14.4 14.7 15.1 14.4 14.5 14.8 15.2 14.6 14.6 14.9 15.3 14.7 14.7 15.0 15.4
105 TC 170 180 197 215 179 186 201 222 187 192 208 226 194 197 212 230 200 202 215 235
SHC 170 160 136 111 179 174 147 118 187 186 158 125 194 195 168 131 200 201 178 138
kW 15.6 15.8 16.1 16.5 15.8 15.9 16.2 16.6 15.9 16.0 16.3 16.7 16.1 16.1 16.4 16.8 16.2 16.2 16.5 16.9
115 TC 165 173 189 208 173 179 195 214 181 184 199 218 187 189 203 222 193 194 205 225
SHC 165 157 133 109 173 170 144 116 181 181 154 122 187 188 164 128 193 194 173 134
kW 17.2 17.4 17.7 18.1 17.4 17.5 17.8 18.2 17.5 17.6 17.9 18.3 17.7 17.7 18.0 18.4 17.8 17.9 18.1 18.5
125 TC 159 166 181 199 167 171 186 203 174 177 190 207 180 182 193 210 186 187 196 213
SHC 159 154 130 105 167 166 140 112 174 175 151 118 180 181 160 124 186 187 170 130
kW 18.9 19.1 19.5 19.9 19.1 19.2 19.6 20.0 19.3 19.4 19.7 20.1 19.5 19.5 19.8 20.1 19.6 19.6 19.8 20.2
581A210 (18 TONS) UNIT WITH HOT GAS REHEAT — A IN REHEAT, B AND C OFF
Temp (F)
Air Entering
Condenser
(Edb)
Evaporator Air Quantity — Cfm/BF
5400/0.03 6300/0.04 7200/0.05 8100/0.06 9000/0.07
Evaporator Air — Relative Humidity (%)
50 55 60 50 55 60 50 55 60 50 55 60 50 55 60
65
TC 61 63 65 62 64 66 63 65 66 63 65 67 64 66 68
SHC 38 35 34 40 37 35 41 39 37 43 41 39 44 42 40
kW 5.0 5.0 5.0 5.0 5.0 5.0 5.0 5.0 5.0 5.0 5.0 5.0 5.0 5.0 5.0
75
TC 47 48 50 47 49 51 48 50 51 48 50 52 49 51 52
SHC 24 21 18 26 23 20 28 25 22 29 26 24 31 28 25
kW 5.4 5.4 5.4 5.4 5.4 5.4 5.4 5.4 5.4 5.4 5.4 5.4 5.4 5.4 5.4
85
TC 32 33 35 32 34 35 33 34 36 33 35 36 34 35 37
SHC 11 7 3 13 9 5 14 11 7 16 12 9 17 14 10
kW 5.9 5.9 5.9 5.9 5.9 5.9 5.9 5.9 5.9 5.9 5.9 5.9 5.9 5.9 5.9
95
TC 17 18 19 18 19 20 18 19 20 19 20 21 19 20 21
SHC –3 –8 –12 –1 –6 –10 1 –4 –8 3 –2 –6 4 0 –4
kW 6.3 6.3 6.3 6.3 6.3 6.3 6.3 6.3 6.3 6.3 6.3 6.3 6.3 6.3 6.3
BF — Bypass Factor
Edb — Entering Dry-Bulb
Ewb — Entering Wet-Bulb
kW — Compressor Motor Power Input
ldb — Leaving Dry-Bulb
lwb — Leaving Wet-Bulb
SHC — Sensible Heat Capacity (1000 Btuh) Gross
TC — Total Capacity (1000 Btuh) Gross
tldb = tedb – sensible capacity (Btuh)
1.10 x cfm
hlwb = hewb – total capacity (Btuh)
4.5 x cfm
BYPASS
FACTOR
(BF)
ENTERING AIR DRY-BULB TEMP (F)
79 78 77 76 75 under 75
81 82 83 84 85 over 85
Correction Factor
.05 1.04 2.07 3.11 4.14 5.18 Use formula
shown below.
.10 .98 1.96 2.94 3.92 4.90
.20 .87 1.74 2.62 3.49 4.36
.30 .76 1.53 2.29 3.05 3.82
581A155-300

215
PERFORMANCE DATA (cont)
COOLING CAPACITIES, UNITS WITH HOT GAS REHEAT OPTION (cont)
LEGEND
NOTES:
1. Direct interpolation is permissible. Do not extrapolate.
2. The following formulas may be used:
tlwb = Wet-bulb temperature corresponding to enthalpy of air leaving evapo-
rator coil (hlwb)
Where: hewb = Enthalpy of air entering evaporator coil
3. The SHC is based on 80 F edb temperature of air entering evaporator coil.
Below 80 F edb, subtract (corr factor x cfm) from SHC.
Above 80 F edb, add (corr factor x cfm) to SHC.
Interpolation is permissible.
Correction Factor = 1.10 x (1 – BF) x (edb – 80).
581A210 (18 TONS) UNIT WITH HOT GAS REHEAT — A AND B IN REHEAT, C OFF
Temp (F)
Air Entering
Condenser
(Edb)
Evaporator Air Quantity — Cfm/BF
5400/0.03 6300/0.04 7200/0.05 8100/0.06 9000/0.07
Evaporator Air — Relative Humidity (%)
50 55 60 50 55 60 50 55 60 50 55 60 50 55 60
65
TC 90 93 95 91 94 97 92 95 98 93 96 99 94 97 100
SHC 38 35 33 40 37 35 41 39 37 43 40 38 44 42 40
kW 8.8 8.8 8.8 8.8 8.8 8.8 8.8 8.8 8.8 8.8 8.8 8.8 8.8 8.8 8.8
75
TC 68 71 73 69 72 74 70 73 75 71 74 76 72 74 77
SHC 24 21 18 26 23 20 28 25 22 30 26 23 31 28 25
kW 9.6 9.6 9.6 9.6 9.6 9.6 9.6 9.6 9.6 9.6 9.6 9.6 9.6 9.6 9.6
85
TC 47 49 51 47 50 52 48 50 52 49 51 53 49 51 53
SHC 11 7 3 13 9 5 15 11 7 17 12 9 18 14 10
kW 10.3 10.3 10.3 10.3 10.3 10.3 10.3 10.3 10.3 10.3 10.3 10.3 10.3 10.3 10.3
95
TC 25 27 29 26 27 29 26 28 29 26 28 30 27 29 30
SHC –2 –8 –12 0 –5 –10 2 –-3 –8 3 –2 –6 5 0 –5
kW 11.1 11.1 11.1 11.1 11.1 11.1 11.1 11.1 11.1 11.1 11.1 11.1 11.1 11.1 11.1
581A210 (18 TONS) UNIT WITH HOT GAS REHEAT — A AND B IN REHEAT, C ON
Temp (F)
Air Entering
Condenser
(Edb)
Evaporator Air Quantity — Cfm/BF
5400/0.03 6300/0.04 7200/0.05 8100/0.06 9000/0.07
Evaporator Air — Relative Humidity (%)
50 55 60 50 55 60 50 55 60 50 55 60 50 55 60
65
TC 147 155 162 148 157 164 150 158 165 151 160 167 152 161 168
SHC 81 76 72 84 79 75 86 81 77 88 83 79 90 85 80
kW 11.9 12.0 12.0 11.9 12.0 12.0 11.9 12.0 12.0 11.9 12.0 12.0 11.9 12.0 12.0
75
TC 128 136 143 129 137 144 130 138 146 131 139 147 132 140 148
SHC 67 61 56 70 63 58 72 65 60 74 67 62 76 69 63
kW 13.2 13.2 13.2 13.2 13.2 13.2 13.2 13.2 13.2 13.2 13.2 13.2 13.2 13.2 13.2
85
TC 108 117 124 109 118 125 110 118 126 110 119 127 111 120 127
SHC 54 46 39 56 48 41 58 50 43 60 52 45 61 53 46
kW 14.5 14.5 14.5 14.5 14.5 14.5 14.5 14.5 14.5 14.5 14.5 14.5 14.5 14.5 14.5
95
TC 89 98 105 89 98 106 89 98 106 90 99 107 90 99 107
SHC 40 31 23 42 33 25 44 34 26 45 36 28 47 37 29
kW 15.8 15.7 15.7 15.8 15.7 15.7 15.8 15.7 15.7 15.8 15.7 15.7 15.8 15.7 15.7
581A240 (20 TONS) UNIT WITH HOT GAS REHEAT IN COOLING MODE
Temp (F)
Air Entering
Condenser
(Edb)
Air Entering Evaporator — Cfm/BF
6000/0.04 7000/0.05 8000/0.06 9000/0.07 10,000/0.08
Air Entering Evaporator — Ewb (F)
57 62 67 72 57 62 67 72 57 62 67 72 57 62 67 72 57 62 67 72
75 TC 216 234 255 279 226 243 265 290 237 251 273 298 247 256 279 305 256 263 284 310
SHC 213 199 171 141 225 217 185 151 237 232 198 159 247 241 211 168 256 251 223 176
kW 13.9 14.2 14.6 15.0 14.0 14.4 14.8 15.3 14.3 14.5 15.0 15.4 14.5 14.6 15.1 15.6 14.6 14.8 15.2 15.7
85 TC 211 227 249 272 221 237 258 282 232 243 265 287 242 250 270 293 250 255 275 300
SHC 209 194 168 141 221 214 182 148 232 228 195 155 242 237 206 163 250 244 220 173
kW 15.4 15.8 16.2 16.7 15.7 16.0 16.4 16.9 15.9 16.1 16.6 17.1 16.1 16.3 16.7 17.2 16.3 16.4 16.8 17.4
95 TC 207 220 240 262 217 228 250 269 228 235 254 278 236 241 259 286 243 247 264 290
SHC 205 192 164 134 217 209 179 142 228 222 190 152 236 230 202 161 243 236 214 169
kW 17.2 17.5 17.9 18.4 17.4 17.7 18.2 18.6 17.7 17.9 18.3 18.8 17.9 18.0 18.4 19.0 18.1 18.2 18.6 19.1
105 TC 201 214 232 253 211 221 238 261 221 228 247 266 229 234 251 271 236 239 255 278
SHC 197 190 161 131 211 206 172 140 221 216 188 146 229 223 200 155 236 229 212 165
kW 19.0 19.3 19.8 20.3 19.3 19.5 20.0 20.6 19.5 19.7 20.2 20.7 19.8 19.9 20.3 20.8 20.0 20.0 20.4 21.0
115 TC 195 206 224 245 205 213 230 252 214 219 236 258 221 225 240 262 228 231 243 265
SHC 191 185 158 129 205 201 171 137 214 209 183 145 221 215 194 152 228 221 207 160
kW 21.0 21.3 21.8 22.4 21.3 21.5 22.0 22.7 21.6 21.7 22.2 22.8 21.8 21.9 22.3 22.9 22.0 22.1 22.4 23.0
125 TC 189 198 215 235 198 204 221 239 207 210 225 244 214 216 229 248 220 222 232 251
SHC 184 179 154 125 198 194 167 132 207 201 179 139 214 207 191 147 220 212 202 154
kW 23.1 23.4 24.0 24.7 23.5 23.7 24.2 24.8 23.8 23.9 24.4 25.0 24.0 24.1 24.5 25.1 24.2 24.3 24.6 25.2
BF — Bypass Factor
Edb — Entering Dry-Bulb
Ewb — Entering Wet-Bulb
kW — Compressor Motor Power Input
ldb — Leaving Dry-Bulb
lwb — Leaving Wet-Bulb
SHC — Sensible Heat Capacity (1000 Btuh) Gross
TC — Total Capacity (1000 Btuh) Gross
tldb = tedb – sensible capacity (Btuh)
1.10 x cfm
hlwb = hewb – total capacity (Btuh)
4.5 x cfm
BYPASS
FACTOR
(BF)
ENTERING AIR DRY-BULB TEMP (F)
79 78 77 76 75 under 75
81 82 83 84 85 over 85
Correction Factor
.05 1.04 2.07 3.11 4.14 5.18 Use formula
shown below.
.10 .98 1.96 2.94 3.92 4.90
.20 .87 1.74 2.62 3.49 4.36
.30 .76 1.53 2.29 3.05 3.82
581A155-300

216
PERFORMANCE DATA (cont)
COOLING CAPACITIES, UNITS WITH HOT GAS REHEAT OPTION (cont)
LEGEND
NOTES:
1. Direct interpolation is permissible. Do not extrapolate.
2. The following formulas may be used:
tlwb = Wet-bulb temperature corresponding to enthalpy of air leaving evapo-
rator coil (hlwb)
Where: hewb = Enthalpy of air entering evaporator coil
3. The SHC is based on 80 F edb temperature of air entering evaporator coil.
Below 80 F edb, subtract (corr factor x cfm) from SHC.
Above 80 F edb, add (corr factor x cfm) to SHC.
Interpolation is permissible.
Correction Factor = 1.10 x (1 – BF) x (edb – 80).
581A240 (20 TONS) UNIT WITH HOT GAS REHEAT — A IN REHEAT, B AND C OFF
Temp (F)
Air Entering
Condenser
(Edb)
Evaporator Air Quantity — Cfm/BF
6000/0.04 7000/0.05 8000/0.06 9000/0.07 10,000/0.08
Evaporator Air — Relative Humidity (%)
50 55 60 50 55 60 50 55 60 50 55 60 50 55 60
65
TC 73 75 77 73 76 78 74 76 79 75 77 79 75 78 80
SHC 45 42 40 47 44 42 49 47 44 51 48 46 53 50 48
kW 6.1 6.1 6.1 6.1 6.1 6.1 6.1 6.1 6.1 6.1 6.1 6.1 6.1 6.1 6.1
75
TC 55 57 59 56 58 60 56 58 60 57 59 61 57 59 61
SHC 29 25 22 31 27 24 33 30 26 35 31 28 37 33 30
kW 6.6 6.6 6.6 6.6 6.6 6.6 6.6 6.6 6.6 6.6 6.6 6.6 6.6 6.6 6.6
85
TC 38 40 41 38 40 42 39 40 42 39 41 42 39 41 43
SHC 13 8 4 1510 7 1713 9 191410211612
kW 7.2 7.2 7.2 7.2 7.2 7.2 7.2 7.2 7.2 7.2 7.2 7.2 7.2 7.2 7.2
95
TC 20 22 23 21 22 24 21 22 24 21 23 24 21 23 24
SHC –4 –9 –14 –1 –7 –11 1 –4 –9 3 –3 –7 5 –1 –6
kW 7.7 7.7 7.7 7.7 7.7 7.7 7.7 7.7 7.7 7.7 7.7 7.7 7.7 7.7 7.7
581A240 (20 TONS) UNIT WITH HOT GAS REHEAT — A AND B IN REHEAT, C OFF
Temp (F)
Air Entering
Condenser
(Edb)
Evaporator Air Quantity — Cfm/BF
6000/0.04 7000/0.05 8000/0.06 9000/0.07 10,000/0.08
Evaporator Air — Relative Humidity (%)
50 55 60 50 55 60 50 55 60 50 55 60 50 55 60
65
TC 106 110 113 108 111 114 109 113 116 110 114 117 111 115 118
SHC 45 42 39 47 44 41 49 46 44 51 48 46 53 50 47
kW 10.7 10.7 10.8 10.7 10.7 10.8 10.7 10.7 10.8 10.7 10.7 10.8 10.7 10.7 10.8
75
TC 81 84 87 82 85 88 83 86 89 83 87 89 84 87 90
SHC 29 25 21 31 27 24 34 29 26 36 31 28 37 33 30
kW 11.6 11.6 11.6 11.6 11.6 11.6 11.6 11.6 11.6 11.6 11.6 11.6 11.6 11.6 11.6
85
TC 56 58 61 56 59 61 56 59 61 57 59 62 57 60 62
SHC 13 8 3 1610 6 1813 8 201510221612
kW 12.6 12.7 12.7 12.6 12.7 12.7 12.6 12.7 12.7 12.6 12.7 12.7 12.6 12.7 12.7
95
TC 30 33 34 30 32 34 30 32 34 30 32 34 30 32 34
SHC –3 –9 –14 0 –6 –12 2 –4 –10 4 –2 –8 6 0 –6
kW 13.6 13.6 13.6 13.6 13.6 13.6 13.6 13.6 13.6 13.6 13.6 13.6 13.6 13.6 13.6
581A240 (20 TONS) UNIT WITH HOT GAS REHEAT — A AND B IN REHEAT, C ON
Temp (F)
Air Entering
Condenser
(Edb)
Evaporator Air Quantity — Cfm/BF
6000/0.04 7000/0.05 8000/0.06 9000/0.07 10,000/0.08
Evaporator Air — Relative Humidity (%)
50 55 60 50 55 60 50 55 60 50 55 60 50 55 60
65
TC 177 185 191 177 185 192 178 186 192 178 186 193 178 186 193
SHC 98 92 86 100 94 88 101 95 90 103 97 92 104 98 93
kW 14.5 14.6 14.7 14.5 14.6 14.7 14.5 14.6 14.7 14.5 14.6 14.7 14.5 14.6 14.7
75
TC 154 161 168 154 162 169 155 162 169 155 163 169 155 163 170
SHC 81 73 66 83 75 69 85 78 71 87 80 73 89 81 75
kW 16.1 16.1 16.1 16.1 16.1 16.1 16.1 16.1 16.1 16.1 16.1 16.1 16.1 16.1 16.1
85
TC 131 138 145 131 139 145 131 139 146 132 139 146 132 140 146
SHC 63 54 46 66 57 49 69 60 52 71 62 54 73 64 56
kW 17.7 17.7 17.8 17.7 17.7 17.8 17.7 17.7 17.8 17.7 17.7 17.8 17.7 17.7 17.8
95
TC 107 115 122 108 115 122 108 116 122 108 116 123 109 116 123
SHC 46 35 25 50 39 29 53 42 32 55 45 35 58 47 38
kW 19.3 19.3 19.3 19.3 19.3 19.3 19.3 19.3 19.3 19.3 19.3 19.3 19.3 19.3 19.3
BF — Bypass Factor
Edb — Entering Dry-Bulb
Ewb — Entering Wet-Bulb
kW — Compressor Motor Power Input
ldb — Leaving Dry-Bulb
lwb — Leaving Wet-Bulb
SHC — Sensible Heat Capacity (1000 Btuh) Gross
TC — Total Capacity (1000 Btuh) Gross
tldb = tedb – sensible capacity (Btuh)
1.10 x cfm
hlwb = hewb – total capacity (Btuh)
4.5 x cfm
BYPASS
FACTOR
(BF)
ENTERING AIR DRY-BULB TEMP (F)
79 78 77 76 75 under 75
81 82 83 84 85 over 85
Correction Factor
.05 1.04 2.07 3.11 4.14 5.18 Use formula
shown below.
.10 .98 1.96 2.94 3.92 4.90
.20 .87 1.74 2.62 3.49 4.36
.30 .76 1.53 2.29 3.05 3.82
581A155-300

217
PERFORMANCE DATA (cont)
COOLING CAPACITIES, UNITS WITH HOT GAS REHEAT OPTION (cont)
LEGEND
NOTES:
1. Direct interpolation is permissible. Do not extrapolate.
2. The following formulas may be used:
tlwb = Wet-bulb temperature corresponding to enthalpy of air leaving evapo-
rator coil (hlwb)
Where: hewb = Enthalpy of air entering evaporator coil
3. The SHC is based on 80 F edb temperature of air entering evaporator coil.
Below 80 F edb, subtract (corr factor x cfm) from SHC.
Above 80 F edb, add (corr factor x cfm) to SHC.
Interpolation is permissible.
Correction Factor = 1.10 x (1 – BF) x (edb – 80).
581A300 (25 TONS) UNIT WITH HOT GAS REHEAT IN COOLING MODE
Temp (F)
Air Entering
Condenser
(Edb)
Air Entering Evaporator — Cfm/BF
7000/0.042 8250/0.052 9500/0.062 10,750/0.072 12,000/0.082
Air Entering Evaporator — Ewb (F)
57 62 67 72 57 62 67 72 57 62 67 72 57 62 67 72 57 62 67 72
75 TC 245 268 293 318 259 282 303 333 274 291 314 340 289 301 322 348 305 309 332 356
SHC 245 229 197 162 259 254 213 173 274 271 230 183 289 287 247 195 305 298 267 203
kW 16.4 17.0 17.6 18.2 16.7 17.4 17.9 18.6 17.1 17.6 18.2 18.8 17.5 17.8 18.4 19.0 18.0 18.1 18.6 19.2
85 TC 233 259 278 309 256 273 293 324 271 282 305 330 285 290 312 337 298 303 321 343
SHC 233 228 186 158 256 252 211 171 271 264 229 180 285 276 246 191 298 295 261 201
kW 17.9 18.7 19.3 19.9 18.5 19.1 19.7 20.4 19.0 19.4 20.0 20.8 19.3 19.6 20.2 21.1 19.8 19.9 20.4 21.3
95 TC 230 252 276 303 251 265 284 314 269 274 290 326 274 282 300 332 283 293 308 334
SHC 230 225 191 156 251 249 202 166 269 269 220 181 274 274 238 190 283 280 259 197
kW 20.0 20.8 21.4 22.1 20.7 21.2 21.5 22.4 21.3 21.4 21.9 23.0 21.5 21.7 22.1 23.2 21.6 22.0 22.5 23.3
105 TC 226 245 268 292 242 253 277 301 255 264 284 308 266 275 290 314 278 281 294 319
SHC 226 223 188 153 242 241 205 163 255 255 221 171 265 265 240 185 278 278 253 194
kW 22.0 22.8 23.3 24.3 22.7 23.1 23.7 24.7 23.1 23.4 24.0 25.0 23.6 23.7 24.3 25.2 24.0 24.1 24.4 25.4
115 TC 221 233 258 281 232 242 267 290 247 253 274 297 253 260 275 302 267 269 279 306
SHC 221 217 183 149 232 230 200 160 247 246 217 170 253 254 233 179 267 267 248 189
kW 24.3 25.1 25.7 26.7 24.8 25.4 26.1 27.1 25.3 25.8 26.4 27.2 25.8 26.0 26.5 27.3 26.1 26.3 26.7 27.4
125 TC 216 223 247 268 225 230 253 275 237 240 256 280 247 248 260 285 254 255 263 288
SHC 216 212 181 145 225 223 196 155 237 236 211 163 247 247 228 174 254 254 242 184
kW 26.9 27.1 28.0 29.0 27.4 27.5 28.3 29.4 27.8 27.9 28.5 29.6 28.2 28.3 28.7 29.8 28.5 28.6 28.9 29.9
581A300 (25 TONS) UNIT WITH HOT GAS REHEAT — A IN REHEAT, B OFF
Temp (F)
Air Entering
Condenser
(Edb)
Evaporator Air Quantity — Cfm/BF
7500/0.045 8250/0.055 9500/0.065 10,750/0.075 12,000/0.085
Evaporator Air — Relative Humidity (%)
50 55 60 50 55 60 50 55 60 50 55 60 50 55 60
65
TC 79 83 87 80 84 88 81 85 89 82 86 90 83 87 91
SHC 39 33 28 41 35 30 43 37 32 45 39 34 47 41 36
kW 11 11 11 11 11 11 11 11 11 11 11 11 11 11 11
75
TC 56 61 65 57 62 66 59 63 67 60 64 68 61 65 69
SHC 1811 52012 62215 8241610261812
kW 11 11 11 11 11 11 11 11 11 11 11 11 11 11 11
85
TC 34 38 42 35 39 43 37 41 45 38 42 46 39 43 47
SHC –2 –11 –19 –1 –10 –18 1 –8 –16 3 –7 –14 4 –5 –13
kW 11 11 12 11 12 12 12 12 12 12 12 12 12 12 12
95
TC 12 16 19 13 17 21 15 19 22 16 20 24 17 22 25
SHC –23 –33 –42 –22 –32 –41 –20 –31 –40 –19 –30 –39 –17 –28 –38
kW 12 12 12 12 12 12 12 12 12 12 12 12 12 12 12
581A300 (25 TONS) UNIT WITH HOT GAS REHEAT — A IN REHEAT, B ON
Temp (F)
Air Entering
Condenser
(Edb)
Evaporator Air Quantity — Cfm/BF
7500/0.045 8250/0.055 9500/0.065 10,750/0.075 12,000/0.085
Evaporator Air — Relative Humidity (%)
50 55 60 50 55 60 50 55 60 50 55 60 50 55 60
65
TC 211 222 231 215 226 235 220 232 241 226 237 247 230 242 252
SHC 123 115 109 129 121 115 139 131 124 147 139 133 155 147 140
kW 19 19 20 19 19 20 19 19 20 19 20 20 19 20 20
75
TC 182 193 202 185 196 205 189 200 210 192 204 214 196 208 218
SHC 103 93 85 110 100 91 120 110 101 128 118 110 136 126 118
kW 20 21 21 20 21 21 21 21 21 21 21 21 21 21 21
85
TC 153 164 174 155 166 176 157 169 178 159 171 181 161 173 184
SHC 84 72 62 90 78 68 100 88 78 110 97 87 118 106 95
kW 22 22 22 22 22 22 22 22 22 22 22 22 22 22 22
95
TC 124 135 145 125 136 146 125 137 147 126 138 148 127 139 149
SHC 64 50 38 71 57 45 81 67 55 91 76 64 99 85 72
kW 23 23 23 23 23 23 23 23 24 23 23 24 23 24 24
BF — Bypass Factor
Edb — Entering Dry-Bulb
Ewb — Entering Wet-Bulb
kW — Compressor Motor Power Input
ldb — Leaving Dry-Bulb
lwb — Leaving Wet-Bulb
SHC — Sensible Heat Capacity (1000 Btuh) Gross
TC — Total Capacity (1000 Btuh) Gross
tldb = tedb – sensible capacity (Btuh)
1.10 x cfm
hlwb = hewb – total capacity (Btuh)
4.5 x cfm
BYPASS
FACTOR
(BF)
ENTERING AIR DRY-BULB TEMP (F)
79 78 77 76 75 under 75
81 82 83 84 85 over 85
Correction Factor
.05 1.04 2.07 3.11 4.14 5.18 Use formula
shown below.
.10 .98 1.96 2.94 3.92 4.90
.20 .87 1.74 2.62 3.49 4.36
.30 .76 1.53 2.29 3.05 3.82
581A155-300

218
PERFORMANCE DATA (cont)
FAN PERFORMANCE — VERTICAL DISCHARGE UNITS
LEGEND
*Standard low-medium static drive range is 895 to 1147 rpm. Other rpms require a
field-supplied drive.
Refer to page 230 for general Fan Performance Data notes.
NOTES:
1. Field-supplied motor required.
2. Maximum continuous bhp for the standard motor is 3.13 (for 208/230 and
460-v units) or 3.38 (for 575-v units). The maximum continuous watts is
2700 (for 208/230 and 460-v units) or 3065 (for 575-v units). Do not adjust
motor rpm such that motor maximum bhp and/or watts is exceeded at the
maximum operating cfm. See Evaporator Fan Motor Data tables for more
information.
3. Fan performance is identical for horizontal discharge applications using
Bryant horizontal adapter curb.
LEGEND
*Alternate high-static drive range is 1040 to 1315 (for 208/230 and 460-v
units). The alternate high-static drive is not available for 575-v units. Other
rpms require a field-supplied drive.
Refer to page 230 for general Fan Performance Data notes.
NOTES:
1. Field-supplied motor required.
2. Maximum continuous bhp for the optional motor is 4.26. Maximum continuous
watts for the optional motor is 3610. Do not adjust motor rpm such that motor
maximum bhp and/or watts is exceeded at the maximum operating cfm. See
Evaporator Fan Motor Data tables for more information.
3. Fan performance is identical for horizontal discharge applications using
Bryant horizontal adapter curb.
581A155 (12 TONS) WITH STANDARD MOTOR (Low Heat Units)*
Airflow
(Cfm)
Available External Static Pressure (in. wg)
0.2 0.4 0.6 0.8 1.0
Rpm Watts Bhp Rpm Watts Bhp Rpm Watts Bhp Rpm Watts Bhp Rpm Watts Bhp
3750 597 895 0.84 692 967 1.07 781 1150 1.33 858 1342 1.59 928 1527 1.85
4000 625 1014 0.98 714 1097 1.21 800 1292 1.48 876 1495 1.75 945 1689 2.03
4250 653 1141 1.13 737 1236 1.36 820 1442 1.64 895 1656 1.93 963 1859 2.22
4500 682 1274 1.29 761 1382 1.54 840 1599 1.82 914 1824 2.11 982 2037 2.42
4750 711 1415 1.48 786 1538 1.73 861 1765 2.01 934 2001 2.32 1001 2224 2.63
5000 740 1563 1.68 812 1702 1.94 884 1940 2.22 954 2188 2.53 1020 2419 2.86
5250 769 1719 1.89 839 1875 2.16 907 2125 2.45 974 2384 2.77 1039 2625 3.10
5500 799 1884 2.13 867 2060 2.41 931 2321 2.70 996 2592 3.02 1059 2841 3.36
5750 828 2058 2.38 894 2256 2.67 956 2528 2.97 1018 2810 3.29 1080 3069 3.64
6000 857 2243 2.64 923 2464 2.96 982 2748 3.26 1041 3042 3.59 1101 3308 3.94
6250 885 2438 2.93 951 2687 3.27 1008 2981 3.58 1065 3286 3.91 1122 3559 4.26
581A155 (12 TONS) WITH STANDARD MOTOR (Low Heat Units)* (cont)
Airflow
(Cfm)
Available External Static Pressure (in. wg)
1.2 1.4 1.6 1.8 2.0
Rpm Watts Bhp Rpm Watts Bhp Rpm Watts Bhp Rpm Watts Bhp Rpm Watts Bhp
3750 992 1756 2.12 1053 1988 2.40 1112 2236 2.68 1169 2497 2.97 1224 2769 3.27
4000 1009 1931 2.31 1069 2173 2.59 1126 2431 2.88 1181 2702 3.18 1234 2984 3.48
4250 1026 2114 2.51 1085 2366 2.80 1141 2634 3.10 1194 2914 3.40 1246 3206 3.72
4500 1044 2304 2.72 1102 2566 3.02 1157 2844 3.33 1209 3133 3.65 1260 3433 3.97
4750 1062 2504 2.95 1120 2775 3.26 1174 3062 3.58 1226 3360 3.91 1275 3666 4.23
5000 1081 2712 3.19 1138 2993 3.52 1191 3288 3.85 1242 3592 4.18 1291 3905 4.52
5250 1100 2931 3.44 1156 3220 3.79 1209 3523 4.13 1260 3832 4.47 1308 4148 4.82
5500 1119 3160 3.72 1175 3457 4.07 1228 3765 4.43 1278 4077 4.78 1326 4395 5.14
5750 1138 3399 4.00 1194 3702 4.37 1246 4014 4.74 1296 4328 5.11 1343 4644 5.48
6000 1158 3649 4.31 1213 3957 4.69 1265 4270 5.07 1315 4581 5.45———
6250 1179 3910 4.64 1233 4219 5.02 1284 4531 5.41——————
Bhp — Brake Horsepower
Watts — Input Watts to Motor
581A155 (12 TONS) WITH OPTIONAL MOTOR (Low Heat Units)*
Airflow
(Cfm)
Available External Static Pressure (in. wg)
0.2 0.4 0.6 0.8 1.0
Rpm Watts Bhp Rpm Watts Bhp Rpm Watts Bhp Rpm Watts Bhp Rpm Watts Bhp
3750 597 895 0.84 692 967 1.07 781 1150 1.33 858 1342 1.59 928 1527 1.85
4000 625 1014 0.98 714 1097 1.21 800 1292 1.48 876 1495 1.75 945 1689 2.03
4250 653 1141 1.13 737 1236 1.36 820 1442 1.64 895 1656 1.93 963 1859 2.22
4500 682 1274 1.29 761 1382 1.54 840 1599 1.82 914 1824 2.11 982 2037 2.42
4750 711 1415 1.48 786 1538 1.73 861 1765 2.01 934 2001 2.32 1001 2224 2.63
5000 740 1563 1.68 812 1702 1.94 884 1940 2.22 954 2188 2.53 1020 2419 2.86
5250 769 1719 1.89 839 1875 2.16 907 2125 2.45 974 2384 2.77 1039 2625 3.10
5500 799 1884 2.13 867 2060 2.41 931 2321 2.70 996 2592 3.02 1059 2841 3.36
5750 828 2058 2.38 894 2256 2.67 956 2528 2.97 1018 2810 3.29 1080 3069 3.64
6000 857 2243 2.64 923 2464 2.96 982 2748 3.26 1041 3042 3.59 1101 3308 3.94
6250 885 2438 2.93 951 2687 3.27 1008 2981 3.58 1065 3286 3.91 1122 3559 4.26
581A155 (12 TONS) WITH OPTIONAL MOTOR (Low Heat Units)* (cont)
Airflow
(Cfm)
Available External Static Pressure (in. wg)
1.2 1.4 1.6 1.8 2.0
Rpm Watts Bhp Rpm Watts Bhp Rpm Watts Bhp Rpm Watts Bhp Rpm Watts Bhp
3750 992 1756 2.12 1053 1988 2.40 1112 2236 2.68 1169 2497 2.97 1224 2769 3.27
4000 1009 1931 2.31 1069 2173 2.59 1126 2431 2.88 1181 2702 3.18 1234 2984 3.48
4250 1026 2114 2.51 1085 2366 2.80 1141 2634 3.10 1194 2914 3.40 1246 3206 3.72
4500 1044 2304 2.72 1102 2566 3.02 1157 2844 3.33 1209 3133 3.65 1260 3433 3.97
4750 1062 2504 2.95 1120 2775 3.26 1174 3062 3.58 1226 3360 3.91 1275 3666 4.23
5000 1081 2712 3.19 1138 2993 3.52 1191 3288 3.85 1242 3592 4.18 1291 3905 4.52
5250 1100 2931 3.44 1156 3220 3.79 1209 3523 4.13 1260 3832 4.47 1308 4148 4.82
5500 1119 3160 3.72 1175 3457 4.07 1228 3765 4.43 1278 4077 4.78 1326 4395 5.14
5750 1138 3399 4.00 1194 3702 4.37 1246 4014 4.74 1296 4328 5.11 1343 4644 5.48
6000 1158 3649 4.31 1213 3957 4.69 1265 4270 5.07 1315 4581 5.45———
6250 1179 3910 4.64 1233 4219 5.02 1284 4531 5.41——————
Bhp — Brake Horsepower
Watts — Input Watts to Motor
581A155-300

219
PERFORMANCE DATA (cont)
FAN PERFORMANCE — VERTICAL DISCHARGE UNITS (cont)
LEGEND
*Standard low-medium static drive range is 895 to 1147 rpm. Other rpms require a
field-supplied drive.
Refer to page 230 for general Fan Performance Data notes.
NOTES:
1. Field-supplied motor required.
2. Maximum continuous bhp for the standard motor is 3.13 (for 208/230 and
460-v units) or 3.38 (for 575-v units). The maximum continuous watts is
2700 (for 208/230 and 460-v units) or 3065 (for 575-v units). Do not adjust
motor rpm such that motor maximum bhp and/or watts is exceeded at the
maximum operating cfm. See Evaporator Fan Motor Data tables for more
information.
3. Fan performance is identical for horizontal discharge applications using
Bryant horizontal adapter curb.
LEGEND
*Alternate high-static drive range is 1040 to 1315. Other rpms require a field-
supplied drive.
Refer to page 230 for general Fan Performance Data notes.
NOTES:
1. Field-supplied motor required.
2. Maximum continuous bhp for the optional motor is 4.26. The maximum contin-
uous watts is 3610. Do not adjust motor rpm such that motor maximum bhp
and/or watts is exceeded at the maximum operating cfm. See Evaporator Fan
Motor Data tables for more information.
3. Fan performance is identical for horizontal discharge applications using
Bryant horizontal adapter curb.
581A155 (12 TONS) WITH STANDARD MOTOR (High Heat Units)*
Airflow
(Cfm)
Available External Static Pressure (in. wg)
0.2 0.4 0.6 0.8 1.0
Rpm Watts Bhp Rpm Watts Bhp Rpm Watts Bhp Rpm Watts Bhp Rpm Watts Bhp
3750 622 888 0.89 713 1027 1.13 795 1234 1.37 869 1454 1.63 936 1584 1.89
4000 652 1015 1.04 738 1168 1.28 818 1388 1.54 890 1620 1.80 956 1756 2.07
4250 682 1151 1.20 763 1317 1.45 841 1550 1.72 911 1793 1.99 976 1937 2.27
4500 713 1295 1.38 790 1474 1.63 864 1719 1.91 934 1973 2.20 997 2126 2.49
4750 744 1448 1.58 817 1641 1.84 889 1896 2.12 956 2159 2.42 1019 2326 2.72
5000 776 1610 1.80 845 1817 2.06 914 2081 2.35 979 2353 2.66 1041 2536 2.97
5250 808 1783 2.04 874 2003 2.31 940 2277 2.60 1003 2556 2.91 1064 2757 3.24
5500 840 1967 2.29 903 2200 2.57 966 2482 2.87 1028 2768 3.19 1087 2991 3.52
5750 872 2163 2.57 933 2410 2.86 993 2699 3.16 1053 2990 3.49 1110 3237 3.83
6000 905 2373 2.87 963 2634 3.16 1021 2929 3.47 1078 3225 3.81 1134 3497 4.15
6250 937 2596 3.19 994 2872 3.49 1049 3172 3.81 1105 3473 4.15 1159 3769 4.50
581A155 (12 TONS) WITH STANDARD MOTOR (High Heat Units)* (cont)
Airflow
(Cfm)
Available External Static Pressure (in. wg)
1.2 1.4 1.6 1.8 2.0
Rpm Watts Bhp Rpm Watts Bhp Rpm Watts Bhp Rpm Watts Bhp Rpm Watts Bhp
3750 999 1829 2.15 1059 2091 2.42 1117 2343 2.70 1174 2521 2.99 1228 2801 3.29
4000 1017 2010 2.35 1076 2279 2.63 1132 2540 2.91 1186 2738 3.21 1239 3023 3.51
4250 1036 2198 2.56 1093 2474 2.85 1148 2743 3.14 1201 2962 3.44 1253 3251 3.75
4500 1056 2395 2.78 1112 2675 3.08 1166 2951 3.39 1217 3194 3.70 1267 3487 4.01
4750 1077 2601 3.03 1132 2885 3.34 1184 3168 3.65 1235 3435 3.97 1284 3731 4.29
5000 1098 2816 3.29 1152 3104 3.61 1204 3392 3.93 1253 3683 4.26 1301 3981 4.59
5250 1120 3042 3.56 1173 3332 3.90 1224 3626 4.23 1273 3940 4.57 1320 4239 4.91
5500 1142 3279 3.86 1195 3570 4.20 1245 3870 4.55 1293 4203 4.89 1339 4501 5.24
5750 1165 3528 4.18 1217 3819 4.53 1266 4125 4.88 1313 4471 5.24———
6000 1188 3789 4.51 1239 4080 4.88 1288 4389 5.24——————
6250 1212 4062 4.87 1262 4351 5.24—————————
Bhp — Brake Horsepower
Watts — Input Watts to Motor
581A155 (12 TONS) WITH OPTIONAL MOTOR (High Heat Units)*
Airflow
(Cfm)
Available External Static Pressure (in. wg)
0.2 0.4 0.6 0.8 1.0
Rpm Watts Bhp Rpm Watts Bhp Rpm Watts Bhp Rpm Watts Bhp Rpm Watts Bhp
3750 622 888 0.89 713 1027 1.13 795 1234 1.37 869 1454 1.63 936 1584 1.89
4000 652 1015 1.04 738 1168 1.28 818 1388 1.54 890 1620 1.80 956 1756 2.07
4250 682 1151 1.20 763 1317 1.45 841 1550 1.72 911 1793 1.99 976 1937 2.27
4500 713 1295 1.38 790 1474 1.63 864 1719 1.91 934 1973 2.20 997 2126 2.49
4750 744 1448 1.58 817 1641 1.84 889 1896 2.12 956 2159 2.42 1019 2326 2.72
5000 776 1610 1.80 845 1817 2.06 914 2081 2.35 979 2353 2.66 1041 2536 2.97
5250 808 1783 2.04 874 2003 2.31 940 2277 2.60 1003 2556 2.91 1064 2757 3.24
5500 840 1967 2.29 903 2200 2.57 966 2482 2.87 1028 2768 3.19 1087 2991 3.52
5750 872 2163 2.57 933 2410 2.86 993 2699 3.16 1053 2990 3.49 1110 3237 3.83
6000 905 2373 2.87 963 2634 3.16 1021 2929 3.47 1078 3225 3.81 1134 3497 4.15
6250 937 2596 3.19 994 2872 3.49 1049 3172 3.81 1105 3473 4.15 1159 3769 4.50
581A155 (12 TONS) WITH OPTIONAL MOTOR (High Heat Units)* (cont)
Airflow
(Cfm)
Available External Static Pressure (in. wg)
1.2 1.4 1.6 1.8 2.0
Rpm Watts Bhp Rpm Watts Bhp Rpm Watts Bhp Rpm Watts Bhp Rpm Watts Bhp
3750 999 1829 2.15 1059 2091 2.42 1117 2343 2.70 1174 2521 2.99 1228 2801 3.29
4000 1017 2010 2.35 1076 2279 2.63 1132 2540 2.91 1186 2738 3.21 1239 3023 3.51
4250 1036 2198 2.56 1093 2474 2.85 1148 2743 3.14 1201 2962 3.44 1253 3251 3.75
4500 1056 2395 2.78 1112 2675 3.08 1166 2951 3.39 1217 3194 3.70 1267 3487 4.01
4750 1077 2601 3.03 1132 2885 3.34 1184 3168 3.65 1235 3435 3.97 1284 3731 4.29
5000 1098 2816 3.29 1152 3104 3.61 1204 3392 3.93 1253 3683 4.26 1301 3981 4.59
5250 1120 3042 3.56 1173 3332 3.90 1224 3626 4.23 1273 3940 4.57 1320 4239 4.91
5500 1142 3279 3.86 1195 3570 4.20 1245 3870 4.55 1293 4203 4.89 1339 4501 5.24
5750 1165 3528 4.18 1217 3819 4.53 1266 4125 4.88 1313 4471 5.24———
6000 1188 3789 4.51 1239 4080 4.88 1288 4389 5.24——————
6250 1212 4062 4.87 1262 4351 5.24—————————
Bhp — Brake Horsepower
Watts — Input Watts to Motor
581A155-300

220
PERFORMANCE DATA (cont)
FAN PERFORMANCE — VERTICAL DISCHARGE UNITS (cont)
LEGEND
*Standard low-medium static drive range is 873 to 1021 rpm. Alternate
high-static drive range is 1025 to 1200. Other rpms require a field-
supplied drive.
Refer to page 230 for general Fan Performance Data notes.
NOTES:
1. Maximum continuous bhp for the standard motor is 6.13. The max-
imum continuous watts is 5180. Do not adjust motor rpm such that
motor maximum bhp and/or watts is exceeded at the maximum
operating cfm. See Evaporator Fan Motor Data tables for more
information.
2. Fan performance is identical for horizontal discharge applications
using Bryant horizontal adapter curb.
581A180 (15 TONS) (Low Heat Units)*
Airflow
(Cfm)
Available External Static Pressure (in. wg)
0.2 0.4 0.6 0.8 1.0
Rpm Watts Bhp Rpm Watts Bhp Rpm Watts Bhp Rpm Watts Bhp Rpm Watts Bhp
4500 753 1307 1.53 761 1330 1.56 840 1572 1.84 912 1822 2.14 980 2080 2.44
4800 747 1384 1.62 790 1515 1.78 866 1765 2.07 936 2023 2.37 1002 2289 2.68
5100 741 1465 1.72 820 1718 2.01 893 1977 2.32 961 2243 2.63 1025 2516 2.95
5700 810 1911 2.24 882 2182 2.56 950 2459 2.88 1014 2741 3.21 1075 3029 3.55
6000 844 2164 2.54 914 2444 2.87 980 2730 3.20 1042 3021 3.54 1100 3317 3.89
6300 879 2439 2.86 947 2729 3.20 1010 3023 3.55 1070 3322 3.90 1127 3626 4.25
6600 915 2737 3.21 980 3035 3.56 1041 3338 3.91 1099 3645 4.28 1155 3957 4.64
6900 950 3057 3.59 1013 3364 3.95 1072 3675 4.31 1129 3991 4.68 1183 4311 5.06
7200 986 3401 3.99 1047 3717 4.36 1104 4037 4.74 1159 4361 5.11 1211 4689 5.50
7500 1022 3770 4.42 1081 4095 4.80 1136 4423 5.19 1189 4755 5.58 1241 5091 5.97
581A180 (15 TONS) (Low Heat Units)* (cont)
Airflow
(Cfm)
Available External Static Pressure (in. wg)
1.2 1.4 1.6 1.8 2.0
Rpm Watts Bhp Rpm Watts Bhp Rpm Watts Bhp Rpm Watts Bhp Rpm Watts Bhp
4500 1044 2345 2.75 1105 2619 3.07 1163 2899 3.40 1218 3187 3.74 1271 3481 4.08
4800 1065 2561 3.00 1124 2841 3.33 1180 3127 3.67 1235 3420 4.01 1287 3720 4.36
5100 1086 2795 3.28 1144 3082 3.61 1199 3375 3.96 1252 3674 4.31 1304 3979 4.67
5700 1132 3324 3.90 1187 3624 4.25 1240 3929 4.61 1291 4241 4.97 1341 4558 5.35
6000 1157 3619 4.24 1210 3925 4.60 1262 4239 4.97 1312 4557 5.34 1361 4880 5.72
6300 1182 3935 4.62 1234 4249 4.98 1285 4569 5.36 1334 4894 5.74 — — —
6600 1208 4274 5.01 1259 4595 5.39 1309 4922 5.77 — — — — — —
6900 1235 4636 5.44 1285 4964 5.82 —————————
7200 1262 5021 5.89 — — ——————————
7500 ———————————————
581A180 (15 TONS) (Low Heat Units)* (cont)
Airflow
(Cfm)
Available External Static Pressure (in. wg)
2.2 2.4 2.6 2.8 3.0
Rpm Watts Bhp Rpm Watts Bhp Rpm Watts Bhp Rpm Watts Bhp Rpm Watts Bhp
4500 1322 3781 4.43 1372 4088 4.79 1419 4400 5.16 1466 4719 5.53 1511 5042 5.91
4800 1337 4025 4.72 1386 4337 5.09 1433 4655 5.46 1479 4978 5.84 — — —
5100 1353 4290 5.03 1401 4607 5.40 1448 4930 5.78 — — — — — —
5700 1388 4881 5.72 — — ——————————
6000 ———————————————
6300 ———————————————
6600 ———————————————
6900 ———————————————
7200 ———————————————
7500 ———————————————
Bhp — Brake Horsepower
FIOP — Factory-Installed Option
Watts — Input Watts to Motor
581A155-300

221
PERFORMANCE DATA (cont)
FAN PERFORMANCE — VERTICAL DISCHARGE UNITS (cont)
LEGEND
*Standard low-medium static drive range is 873 to 1021 rpm. Alternate
high-static drive range is 1025 to 1200. Other rpms require a field-
supplied drive.
Refer to page 230 for general Fan Performance Data notes.
NOTES:
1. Maximum continuous bhp for the standard motor is 6.13. The max-
imum continuous watts is 5180. Do not adjust motor rpm such that
motor maximum bhp and/or watts is exceeded at the maximum
operating cfm. See Evaporator Fan Motor Data tables for more
information.
2. Fan performance is identical for horizontal discharge applications
using Bryant horizontal adapter curb.
581A180 (15 TONS) (High Heat Units)*
Airflow
(Cfm)
Available External Static Pressure (in. wg)
0.2 0.4 0.6 0.8 1.0
Rpm Watts Bhp Rpm Watts Bhp Rpm Watts Bhp Rpm Watts Bhp Rpm Watts Bhp
4500 753 1307 1.53 786 1404 1.65 861 1644 1.93 932 1893 2.22 997 2150 2.52
4800 747 1384 1.62 818 1603 1.88 890 1852 2.17 958 2108 2.47 1022 2373 2.78
5100 775 1571 1.84 850 1822 2.14 920 2079 2.44 986 2344 2.75 1048 2616 3.07
5700 849 2054 2.41 918 2323 2.73 982 2598 3.05 1044 2879 3.38 1102 3166 3.71
6000 886 2329 2.73 952 2607 3.06 1015 2891 3.39 1074 3180 3.73 1130 3474 4.08
6300 924 2628 3.08 987 2915 3.42 1047 3207 3.76 1105 3504 4.11 1160 3807 4.46
6600 962 2951 3.46 1023 3246 3.81 1081 3547 4.16 1136 3853 4.52 1190 4163 4.88
6900 1000 3298 3.87 1059 3603 4.23 1115 3912 4.59 1168 4225 4.96 1220 4543 5.33
7200 1038 3672 4.31 1095 3986 4.67 1149 4303 5.05 1201 4625 5.42 1251 4950 5.81
7500 1077 4072 4.78 1131 4394 5.15 1184 4720 5.54 1234 5050 5.92 — — —
581A180 (15 TONS) (High Heat Units)* (cont)
Airflow
(Cfm)
Available External Static Pressure (in. wg)
1.2 1.4 1.6 1.8 2.0
Rpm Watts Bhp Rpm Watts Bhp Rpm Watts Bhp Rpm Watts Bhp Rpm Watts Bhp
4500 1060 2414 2.83 1119 2685 3.15 1175 2964 3.48 1230 3250 3.81 1282 3542 4.15
4800 1082 2644 3.10 1140 2922 3.43 1195 3207 3.76 1248 3498 4.10 1299 3795 4.45
5100 1106 2894 3.39 1163 3178 3.73 1216 3470 4.07 1268 3767 4.42 1319 4071 4.77
5700 1157 3459 4.06 1211 3757 4.41 1262 4061 4.76 1312 4371 5.13 1360 4686 5.50
6000 1184 3774 4.43 1236 4080 4.79 1287 4391 5.15 1335 4707 5.52 1382 5029 5.90
6300 1212 4114 4.83 1263 4427 5.19 1312 4745 5.57 1359 5067 5.94 — — —
6600 1241 4478 5.25 1290 4798 5.63 1338 5122 6.01 — — — — — —
6900 1270 4866 5.71 ————————————
7200 ———————————————
7500 ———————————————
581A180 (15 TONS) (High Heat Units)* (cont)
Airflow
(Cfm)
Available External Static Pressure (in. wg)
2.2 2.4 2.6 2.8 3.0
Rpm Watts Bhp Rpm Watts Bhp Rpm Watts Bhp Rpm Watts Bhp Rpm Watts Bhp
4500 1332 3841 4.50 1381 4145 4.86 1428 4456 5.23 1473 4772 5.60 1518 5095 5.98
4800 1349 4100 4.81 1397 4409 5.17 1443 4725 5.54 1488 5046 5.92 — — —
5100 1367 4380 5.14 1414 4695 5.51 1460 5016 5.88 — — — — — —
5700 1407 5007 5.87 ————————————
6000 ———————————————
6300 ———————————————
6600 ———————————————
6900 ———————————————
7200 ———————————————
7500 ———————————————
Bhp — Brake Horsepower
Watts — Input Watts to Motor
581A155-300

222
PERFORMANCE DATA (cont)
FAN PERFORMANCE — VERTICAL DISCHARGE UNITS (cont)
LEGEND
*Motor drive ranges:
Low Range: 647-886 (208/230 and 460-v), 810-1072 (575-v)
High Range: 897-1139 (208/230 and 460-v), 873-1108 (575-v)
All other rpms require field-supplied drive.
Refer to page 230 for general Fan Performance Data notes.
NOTE: Maximum continuous bhp is:
Low Range: 4.25 (208/230 and 460-v), 3.45 (575-v)
High Range: 5.75
581A210 (18 TONS) (Low Heat Units)*
Airflow
(Cfm)
Available External Static Pressure (in. wg)
0.2 0.4 0.6 0.8 1.0
Rpm Watts Bhp Rpm Watts Bhp Rpm Watts Bhp Rpm Watts Bhp Rpm Watts Bhp
3500 460 591 0.68 548 774 0.89 623 951 1.09 692 1126 1.29 755 1301 1.50
4000 499 774 0.89 581 976 1.12 653 1170 1.35 717 1361 1.56 777 1551 1.78
4500 538 990 1.14 617 1212 1.39 685 1423 1.64 746 1630 1.88 803 1835 2.11
5000 579 1243 1.43 654 1485 1.71 719 1715 1.97 778 1938 2.23 832 2158 2.48
5500 621 1536 1.77 693 1798 2.07 755 2045 2.35 811 2285 2.63 864 2520 2.90
6000 664 1871 2.15 732 2152 2.48 792 2417 2.78 846 2673 3.07 897 2925 3.36
6500 707 2250 2.59 772 2550 2.93 830 2834 3.26 883 3106 3.57 932 3373 3.88
7000 751 2676 3.08 813 2994 3.44 869 3295 3.79 920 3585 4.12 967 3868 4.45
7500 795 3150 3.62 855 3487 4.01 909 3805 4.38 958 4112 4.73 1004 4411 5.07
8000 839 3676 4.23 897 4029 4.63 949 4366 5.02 997 4689 5.39 1042 5004 5.75
8500 884 4253 4.89 940 4625 5.32 990 4978 5.73 1037 5318 6.12 1080 5649 6.50
581A210 (18 TONS) (Low Heat Units)* (cont)
Airflow
(Cfm)
Available External Static Pressure (in. wg)
1.2 1.4 1.6 1.8 2.0
Rpm Watts Bhp Rpm Watts Bhp Rpm Watts Bhp Rpm Watts Bhp Rpm Watts Bhp
3500 814 1476 1.70 871 1650 1.90 924 1825 2.10 975 1999 2.30 1023 2173 2.50
4000 834 1740 2.00 888 1930 2.22 939 2119 2.44 988 2308 2.65 1035 2497 2.87
4500 857 2039 2.35 909 2243 2.58 958 2446 2.81 1005 2650 3.05 1051 2853 3.28
5000 884 2376 2.73 933 2594 2.98 980 2811 3.23 1026 3028 3.48 1070 3244 3.73
5500 913 2753 3.17 960 2984 3.43 1006 3215 3.70 1049 3445 3.96 1092 3674 4.23
6000 945 3172 3.65 990 3417 3.93 1034 3662 4.21 1076 3905 4.49 1117 4147 4.77
6500 978 3636 4.18 1022 3895 4.48 1064 4153 4.78 1104 4409 5.07 1144 4665 5.37
7000 1012 4145 4.77 1055 4419 5.08 1095 4691 5.39 1135 4960 5.70 1173 5229 6.01
7500 1047 4703 5.41 1089 4992 5.74 1128 5277 6.07 1167 5561 6.40 1204 5842 6.72
8000 1084 5311 6.11 1124 5615 6.46 1163 5915 6.80 1200 6211 7.14 1236 6506 7.48
8500 1121 5972 6.87 1160 6290 7.23 1198 6604 7.60 1234 6914 7.95 1269 7223 8.31
Bhp — Brake Horsepower Input to Fan
Watts — Input Watts to Motor
581A155-300

223
PERFORMANCE DATA (cont)
FAN PERFORMANCE — VERTICAL DISCHARGE UNITS (cont)
LEGEND
*Motor drive ranges:
Low Range: 647-886 (208/230 and 460-v), 810-1072 (575-v)
High Range: 897-1139 (208/230 and 460-v), 873-1108 (575-v)
All other rpms require field-supplied drive.
Refer to page 230 for general Fan Performance Data notes.
NOTE: Maximum continuous bhp is:
Low Range: 4.25 (208/230 and 460-v), 3.45 (575-v)
High Range: 5.75
581A210 (18 TONS) (Medium Heat Units)*
Airflow
(Cfm)
Available External Static Pressure (in. wg)
0.2 0.4 0.6 0.8 1.0
Rpm Watts Bhp Rpm Watts Bhp Rpm Watts Bhp Rpm Watts Bhp Rpm Watts Bhp
3500 470 611 0.70 556 791 0.91 630 967 1.11 697 1141 1.31 760 1314 1.51
4000 511 802 0.92 591 1001 1.15 661 1194 1.37 725 1383 1.59 784 1572 1.81
4500 553 1029 1.18 629 1248 1.44 695 1458 1.68 756 1663 1.91 812 1866 2.15
5000 597 1297 1.49 669 1534 1.76 732 1761 2.03 789 1982 2.28 843 2201 2.53
5500 641 1606 1.85 709 1862 2.14 770 2106 2.42 825 2343 2.70 876 2577 2.96
6000 686 1961 2.26 751 2234 2.57 809 2495 2.87 862 2749 3.16 911 2997 3.45
6500 732 2363 2.72 794 2653 3.05 849 2931 3.37 900 3201 3.68 948 3465 3.99
7000 779 2815 3.24 837 3122 3.59 891 3416 3.93 940 3702 4.26 986 3981 4.58
7500 826 3320 3.82 882 3642 4.19 933 3953 4.55 980 4254 4.89 1025 4549 5.23
8000 873 3879 4.46 926 4217 4.85 975 4542 5.22 1021 4860 5.59 1065 5169 5.95
8500 921 4495 5.17 972 4847 5.57 1019 5189 5.97 1063 5521 6.35 1105 5846 6.72
581A210 (18 TONS) (Medium Heat Units)* (cont)
Airflow
(Cfm)
Available External Static Pressure (in. wg)
1.2 1.4 1.6 1.8 2.0
Rpm Watts Bhp Rpm Watts Bhp Rpm Watts Bhp Rpm Watts Bhp Rpm Watts Bhp
3500 818 1488 1.71 874 1661 1.91 927 1835 2.11 978 2008 2.31 1026 2182 2.51
4000 840 1760 2.02 893 1948 2.24 943 2136 2.46 992 2324 2.67 1039 2512 2.89
4500 865 2068 2.38 915 2270 2.61 964 2472 2.84 1011 2673 3.07 1056 2876 3.31
5000 893 2417 2.78 942 2632 3.03 988 2848 3.28 1033 3063 3.52 1076 3278 3.77
5500 925 2808 3.23 971 3037 3.49 1016 3266 3.76 1059 3494 4.02 1100 3721 4.28
6000 958 3243 3.73 1003 3486 4.01 1045 3728 4.29 1087 3970 4.57 1127 4210 4.84
6500 993 3725 4.28 1036 3982 4.58 1077 4238 4.87 1117 4492 5.17 1156 4745 5.46
7000 1029 4256 4.90 1071 4528 5.21 1111 4797 5.52 1150 5064 5.82 1187 5330 6.13
7500 1067 4838 5.56 1107 5124 5.89 1146 5407 6.22 1184 5688 6.54 1220 5967 6.86
8000 1106 5474 6.30 1145 5774 6.64 1182 6071 6.98 1219 6365 7.32 1254 6657 7.66
8500 1145 6165 7.09 1183 6479 7.45 1220 6790 7.81 1255 7098 8.16 1290 7403 8.51
Bhp — Brake Horsepower Input to Fan
Watts — Input Watts to Motor
581A155-300

224
PERFORMANCE DATA (cont)
FAN PERFORMANCE — VERTICAL DISCHARGE UNITS (cont)
LEGEND
*Motor drive ranges:
Low Range: 647-886 (208/230 and 460-v), 810-1072 (575-v)
High Range: 897-1139 (208/230 and 460-v), 873-1108 (575-v)
All other rpms require field-supplied drive.
Refer to page 230 for general Fan Performance Data notes.
NOTE: Maximum continuous bhp is:
Low Range: 4.25 (208/230 and 460-v), 3.45 (575-v)
High Range: 5.75
581A210 (18 TONS) (High Heat Units)*
Airflow
(Cfm)
Available External Static Pressure (in. wg)
0.2 0.4 0.6 0.8 1.0
Rpm Watts Bhp Rpm Watts Bhp Rpm Watts Bhp Rpm Watts Bhp Rpm Watts Bhp
3500 470 611 0.70 556 791 0.91 630 967 1.11 697 1141 1.31 760 1314 1.51
4000 511 802 0.92 591 1001 1.15 661 1194 1.37 725 1383 1.59 784 1572 1.81
4500 553 1029 1.18 629 1248 1.44 695 1458 1.68 756 1663 1.91 812 1866 2.15
5000 597 1297 1.49 669 1534 1.76 732 1761 2.03 789 1982 2.28 843 2201 2.53
5500 641 1606 1.85 709 1862 2.14 770 2106 2.42 825 2343 2.70 876 2577 2.96
6000 686 1961 2.26 751 2234 2.57 809 2495 2.87 862 2749 3.16 911 2997 3.45
6500 732 2363 2.72 794 2653 3.05 849 2931 3.37 900 3201 3.68 948 3465 3.99
7000 779 2815 3.24 837 3122 3.59 891 3416 3.93 940 3702 4.26 986 3981 4.58
7500 826 3320 3.82 882 3642 4.19 933 3953 4.55 980 4254 4.89 1025 4549 5.23
8000 873 3879 4.46 926 4217 4.85 975 4542 5.22 1021 4860 5.59 1065 5169 5.95
8500 921 4495 5.17 972 4847 5.57 1019 5189 5.97 1063 5521 6.35 1105 5846 6.72
581A210 (18 TONS) (High Heat Units)* (cont)
Airflow
(Cfm)
Available External Static Pressure (in. wg)
1.2 1.4 1.6 1.8 2.0
Rpm Watts Bhp Rpm Watts Bhp Rpm Watts Bhp Rpm Watts Bhp Rpm Watts Bhp
3500 818 1488 1.71 874 1661 1.91 927 1835 2.11 978 2008 2.31 1026 2182 2.51
4000 840 1760 2.02 893 1948 2.24 943 2136 2.46 992 2324 2.67 1039 2512 2.89
4500 865 2068 2.38 915 2270 2.61 964 2472 2.84 1011 2673 3.07 1056 2876 3.31
5000 893 2417 2.78 942 2632 3.03 988 2848 3.28 1033 3063 3.52 1076 3278 3.77
5500 925 2808 3.23 971 3037 3.49 1016 3266 3.76 1059 3494 4.02 1100 3721 4.28
6000 958 3243 3.73 1003 3486 4.01 1045 3728 4.29 1087 3970 4.57 1127 4210 4.84
6500 993 3725 4.28 1036 3982 4.58 1077 4238 4.87 1117 4492 5.17 1156 4745 5.46
7000 1029 4256 4.90 1071 4528 5.21 1111 4797 5.52 1150 5064 5.82 1187 5330 6.13
7500 1067 4838 5.56 1107 5124 5.89 1146 5407 6.22 1184 5688 6.54 1220 5967 6.86
8000 1106 5474 6.30 1145 5774 6.64 1182 6071 6.98 1219 6365 7.32 1254 6657 7.66
8500 1145 6165 7.09 1183 6479 7.45 1220 6790 7.81 1255 7098 8.16 1290 7403 8.51
Bhp — Brake Horsepower Input to Fan
Watts — Input Watts to Motor
581A155-300

225
PERFORMANCE DATA (cont)
FAN PERFORMANCE — VERTICAL DISCHARGE UNITS (cont)
LEGEND
*Motor drive ranges:
Low Range: 949-1206
High Range: 941-1176
All other rpms require field-supplied drive.
Refer to page 230 for general Fan Performance Data notes.
NOTE: Maximum continuous bhp is:
Low Range: 5.75
High Range: 8.63
581A240 (20 TONS) (Low Heat Units)*
Airflow
(Cfm)
Available External Static Pressure (in. wg)
0.2 0.4 0.6 0.8 1.0
Rpm Watts Bhp Rpm Watts Bhp Rpm Watts Bhp Rpm Watts Bhp Rpm Watts Bhp
5,000 590 1276 1.47 663 1516 1.74 727 1745 2.01 786 1968 2.26 840 2189 2.52
5,500 633 1579 1.82 703 1838 2.11 764 2084 2.40 820 2324 2.67 872 2560 2.94
6,000 677 1925 2.21 744 2203 2.53 803 2467 2.84 857 2723 3.13 907 2974 3.42
6,500 722 2317 2.67 786 2614 3.01 842 2896 3.33 894 3167 3.64 942 3434 3.95
7,000 767 2758 3.17 828 3073 3.53 883 3371 3.88 933 3660 4.21 979 3942 4.53
7,500 813 3250 3.74 871 3582 4.12 924 3897 4.48 972 4202 4.83 1017 4500 5.18
8,000 859 3795 4.36 915 4143 4.77 966 4475 5.15 1012 4797 5.52 1056 5110 5.88
8,500 906 4394 5.05 959 4759 5.47 1008 5107 5.87 1053 5445 6.26 1096 5774 6.64
9,000 952 5051 5.81 1004 5432 6.25 1051 5797 6.67 1095 6150 7.07 1136 6494 7.47
9,500 999 5767 6.63 1049 6163 7.09 1094 6544 7.53 1137 6913 7.95 1177 7272 8.36
10,000 1047 6544 7.53 1094 6956 8.00 1138 7352 8.46 1180 7736 8.90 1219 8111 9.33
581A240 (20 TONS) (Low Heat Units)* (cont)
Airflow
(Cfm)
Available External Static Pressure (in. wg)
1.2 1.4 1.6 1.8 2.0
Rpm Watts Bhp Rpm Watts Bhp Rpm Watts Bhp Rpm Watts Bhp Rpm Watts Bhp
5,000 891 2408 2.77 940 2625 3.02 987 2843 3.27 1032 3060 3.52 1076 3277 3.77
5,500 921 2792 3.21 968 3024 3.48 1014 3255 3.74 1057 3485 4.01 1099 3716 4.27
6,000 954 3221 3.70 999 3467 3.99 1042 3711 4.27 1084 3955 4.55 1125 4198 4.83
6,500 988 3696 4.25 1032 3956 4.55 1073 4214 4.85 1114 4470 5.14 1153 4726 5.44
7,000 1024 4219 4.85 1066 4493 5.17 1106 4764 5.48 1145 5034 5.79 1183 5303 6.10
7,500 1060 4792 5.51 1101 5080 5.84 1140 5365 6.17 1178 5649 6.50 1215 5930 6.82
8,000 1098 5417 6.23 1138 5719 6.58 1176 6018 6.92 1213 6315 7.26 1249 6610 7.60
8,500 1137 6096 7.01 1175 6413 7.38 1212 6726 7.74 1248 7036 8.09 1283 7344 8.45
9,000 1176 6831 7.86 1214 7163 8.24 1250 7490 8.61 1285 7814 8.99 1319 8135 9.36
9,500 1216 7624 8.77 1253 7970 9.17 1288 8312 9.56 1322 8649 9.95 1355 8984 10.33
10,000 1256 8478 9.75 1292 8838 10.16 1327 9193 10.57 1360 9545 10.98 1393 9893 11.38
Bhp — Brake Horsepower Input to Fan
Watts — Input Watts to Motor
581A155-300

226
PERFORMANCE DATA (cont)
FAN PERFORMANCE — VERTICAL DISCHARGE UNITS (cont)
LEGEND
*Motor drive ranges:
Low Range: 949-1206
High Range: 941-1176
All other rpms require field-supplied drive.
Refer to page 230 for general Fan Performance Data notes.
NOTE: Maximum continuous bhp is:
Low Range: 5.75
High Range: 8.63
581A240 (20 TONS) (Medium Heat Units)*
Airflow
(Cfm)
Available External Static Pressure (in. wg)
0.2 0.4 0.6 0.8 1.0
Rpm Watts Bhp Rpm Watts Bhp Rpm Watts Bhp Rpm Watts Bhp Rpm Watts Bhp
5,000 607 1329 1.53 677 1565 1.80 740 1791 2.06 797 2013 2.31 850 2231 2.57
5,500 652 1648 1.90 719 1902 2.19 779 2145 2.47 833 2382 2.74 884 2616 3.01
6,000 699 2013 2.32 763 2285 2.63 819 2545 2.93 872 2798 3.22 921 3046 3.50
6,500 746 2428 2.79 807 2716 3.12 861 2993 3.44 911 3262 3.75 958 3525 4.05
7,000 794 2895 3.33 851 3198 3.68 904 3491 4.02 952 3776 4.34 998 4055 4.66
7,500 842 3415 3.93 897 3735 4.30 947 4043 4.65 994 4343 5.00 1038 4637 5.33
8,000 891 3992 4.59 943 4327 4.98 991 4650 5.35 1036 4966 5.71 1079 5274 6.07
8,500 940 4628 5.32 990 4977 5.72 1036 5316 6.11 1080 5646 6.49 1121 5970 6.87
9,000 990 5325 6.12 1037 5688 6.54 1082 6042 6.95 1124 6386 7.35 1163 6724 7.73
9,500 1039 6085 7.00 1085 6462 7.43 1128 6829 7.85 1168 7188 8.27 1207 7541 8.67
10,000 1089 6911 7.95 1133 7301 8.40 1174 7682 8.83 1213 8055 9.26 1251 8421 9.69
581A240 (20 TONS) (Medium Heat Units)* (cont)
Airflow
(Cfm)
Available External Static Pressure (in. wg)
1.2 1.4 1.6 1.8 2.0
Rpm Watts Bhp Rpm Watts Bhp Rpm Watts Bhp Rpm Watts Bhp Rpm Watts Bhp
5,000 900 2448 2.82 949 2664 3.06 995 2879 3.31 1040 3095 3.56 1083 3310 3.81
5,500 933 2847 3.27 979 3077 3.54 1023 3305 3.80 1066 3534 4.06 1108 3762 4.33
6,000 967 3292 3.79 1011 3535 4.07 1054 3778 4.35 1095 4019 4.62 1135 4260 4.90
6,500 1003 3785 4.35 1046 4043 4.65 1087 4298 4.94 1127 4553 5.24 1165 4806 5.53
7,000 1041 4330 4.98 1082 4601 5.29 1122 4870 5.60 1160 5138 5.91 1197 5404 6.22
7,500 1079 4926 5.67 1119 5212 5.99 1158 5495 6.32 1195 5776 6.64 1231 6055 6.96
8,000 1119 5578 6.42 1158 5878 6.76 1195 6174 7.10 1231 6468 7.44 1267 6761 7.78
8,500 1160 6288 7.23 1198 6601 7.59 1234 6912 7.95 1269 7219 8.30 1303 7524 8.65
9,000 1202 7056 8.12 1238 7384 8.49 1273 7708 8.87 1308 8029 9.23 1341 8347 9.60
9,500 1244 7887 9.07 1279 8228 9.46 1314 8566 9.85 1347 8900 10.24 1379 9231 10.62
10,000 1287 8781 10.10 1321 9137 10.51 1355 9488 10.91 1387 9836 11.31 — — —
Bhp — Brake Horsepower Input to Fan
Watts — Input Watts to Motor
581A155-300

227
PERFORMANCE DATA (cont)
FAN PERFORMANCE — VERTICAL DISCHARGE UNITS (cont)
LEGEND
*Motor drive ranges:
Low Range: 949-1206
High Range: 941-1176
All other rpms require field-supplied drive.
Refer to page 230 for general Fan Performance Data notes.
NOTE: Maximum continuous bhp is:
Low Range: 5.75
High Range: 8.63
581A240 (20 TONS) (High Heat Units)*
Airflow
(Cfm)
Available External Static Pressure (in. wg)
0.2 0.4 0.6 0.8 1.0
Rpm Watts Bhp Rpm Watts Bhp Rpm Watts Bhp Rpm Watts Bhp Rpm Watts Bhp
5,000 607 1329 1.53 677 1565 1.80 740 1791 2.06 797 2013 2.31 850 2231 2.57
5,500 652 1648 1.90 719 1902 2.19 779 2145 2.47 833 2382 2.74 884 2616 3.01
6,000 699 2013 2.32 763 2285 2.63 819 2545 2.93 872 2798 3.22 921 3046 3.50
6,500 746 2428 2.79 807 2716 3.12 861 2993 3.44 911 3262 3.75 958 3525 4.05
7,000 794 2895 3.33 851 3198 3.68 904 3491 4.02 952 3776 4.34 998 4055 4.66
7,500 842 3415 3.93 897 3735 4.30 947 4043 4.65 994 4343 5.00 1038 4637 5.33
8,000 891 3992 4.59 943 4327 4.98 991 4650 5.35 1036 4966 5.71 1079 5274 6.07
8,500 940 4628 5.32 990 4977 5.72 1036 5316 6.11 1080 5646 6.49 1121 5970 6.87
9,000 990 5325 6.12 1037 5688 6.54 1082 6042 6.95 1124 6386 7.35 1163 6724 7.73
9,500 1039 6085 7.00 1085 6462 7.43 1128 6829 7.85 1168 7188 8.27 1207 7541 8.67
10,000 1089 6911 7.95 1133 7301 8.40 1174 7682 8.83 1213 8055 9.26 1251 8421 9.69
581A240 (20 TONS) (High Heat Units)* (cont)
Airflow
(Cfm)
Available External Static Pressure (in. wg)
1.2 1.4 1.6 1.8 2.0
Rpm Watts Bhp Rpm Watts Bhp Rpm Watts Bhp Rpm Watts Bhp Rpm Watts Bhp
5,000 900 2448 2.82 949 2664 3.06 995 2879 3.31 1040 3095 3.56 1083 3310 3.81
5,500 933 2847 3.27 979 3077 3.54 1023 3305 3.80 1066 3534 4.06 1108 3762 4.33
6,000 967 3292 3.79 1011 3535 4.07 1054 3778 4.35 1095 4019 4.62 1135 4260 4.90
6,500 1003 3785 4.35 1046 4043 4.65 1087 4298 4.94 1127 4553 5.24 1165 4806 5.53
7,000 1041 4330 4.98 1082 4601 5.29 1122 4870 5.60 1160 5138 5.91 1197 5404 6.22
7,500 1079 4926 5.67 1119 5212 5.99 1158 5495 6.32 1195 5776 6.64 1231 6055 6.96
8,000 1119 5578 6.42 1158 5878 6.76 1195 6174 7.10 1231 6468 7.44 1267 6761 7.78
8,500 1160 6288 7.23 1198 6601 7.59 1234 6912 7.95 1269 7219 8.30 1303 7524 8.65
9,000 1202 7056 8.12 1238 7384 8.49 1273 7708 8.87 1308 8029 9.23 1341 8347 9.60
9,500 1244 7887 9.07 1279 8228 9.46 1314 8566 9.85 1347 8900 10.24 1379 9231 10.62
10,000 1287 8781 10.10 1321 9137 10.51 1355 9488 10.91 1387 9836 11.31 — — —
Bhp — Brake Horsepower Input to Fan
Watts — Input Watts to Motor
581A155-300

228
PERFORMANCE DATA (cont)
FAN PERFORMANCE — VERTICAL DISCHARGE UNITS (cont)
LEGEND
*Motor drive ranges:
Low Range: 805-1007
High Range: 941-1176
All other rpms require field-supplied drive.
Refer to page 230 for general Fan Performance Data notes.
NOTE: Maximum continuous bhp is:
Low Range: 5.75
High Range: 8.63
581A300 (25 TONS) (Low Heat Units)*
Airflow
(Cfm)
Available External Static Pressure (in. wg)
0.2 0.4 0.6 0.8 1.0
Rpm Watts Bhp Rpm Watts Bhp Rpm Watts Bhp Rpm Watts Bhp Rpm Watts Bhp
6,500 750 2,468 2.84 806 2,767 3.18 854 3,031 3.49 898 3,298 3.79 943 3,584 4.12
7,000 797 2,942 3.38 853 3,276 3.77 899 3,557 4.09 941 3,832 4.41 982 4,118 4.74
7,500 845 3,468 3.99 900 3,840 4.42 945 4,142 4.76 985 4,430 5.09 1024 4,721 5.43
8,000 892 4,045 4.65 948 4,462 5.13 991 4,789 5.51 1030 5,092 5.86 1067 5,391 6.20
8,500 939 4,677 5.38 995 5,141 5.91 1038 5,497 6.32 1076 5,818 6.69 1112 6,129 7.05
9,000 986 5,364 6.17 1042 5,882 6.76 1085 6,269 7.21 1122 6,611 7.60 1157 6,936 7.98
9,500 1033 6,108 7.03 1090 6,684 7.69 1132 7,105 8.17 1169 7,470 8.59 1203 7,813 8.99
10,000 1079 6,911 7.95 1137 7,550 8.68 1180 8,007 9.21 1216 8,399 9.66 1249 8,761 10.08
10,500 1126 7,773 8.94 1184 8,480 9.75 1227 8,978 10.33 1263 9,399 10.81 1296 9,782 11.25
11,000 1172 8,696 10.00 1232 9,475 10.90 1274 10,017 11.52 1310 10,468 12.04 1342 10,876 12.51
11,500 1219 9,681 11.13 1279 10,539 12.12 1322 11,127 12.80 1357 11,611 13.35 — — —
12,000 1265 10,732 12.34 1326 11,669 13.42 — — — — — — — — —
12,500 1311 11,848 13.63 — — — — — — — — — — — —
581A300 (25 TONS) (Low Heat Units)* (cont)
Airflow
(Cfm)
Available External Static Pressure (in. wg)
1.2 1.4 1.6 1.8 2.0
Rpm Watts Bhp Rpm Watts Bhp Rpm Watts Bhp Rpm Watts Bhp Rpm Watts Bhp
6,500 988 3,900 4.49 1035 4,250 4.89 1082 4,634 5.33 1130 5,053 5.81 1177 5,499 6.32
7,000 1024 4,426 5.09 1066 4,760 5.48 1109 5,126 5.90 1153 5,524 6.35 1197 5,953 6.85
7,500 1063 5,026 5.78 1101 5,351 6.15 1141 5,702 6.56 1181 6,081 6.99 1222 6,490 7.46
8,000 1104 5,698 6.55 1140 6,020 6.92 1176 6,361 7.32 1213 6,727 7.74 1251 7,118 8.19
8,500 1146 6,443 7.41 1180 6,765 7.78 1214 7,103 8.17 1249 7,459 8.58 1283 7,837 9.01
9,000 1190 7,259 8.35 1222 7,586 8.73 1255 7,925 9.11 1287 8,276 9.52 1319 8,645 9.94
9,500 1235 8,148 9.37 1266 8,483 9.76 1296 8,824 10.15 1327 9,176 10.55 1357 9,541 10.97
10,000 1280 9,111 10.48 1310 9,456 10.88 1340 9,804 11.28 1369 10,158 11.68 1398 10,522 12.10
10,500 1326 10,147 11.67 1355 10,505 12.08 1384 10,862 12.49 — — — — — —
11,000 1372 11,259 12.95 — — — — — — — — — — — —
11,500 —— ——— ——— ——— ——— —
12,000 —— ——— ——— ——— ——— —
12,500 —— ——— ——— ——— ——— —
Bhp — Brake Horsepower Input to Fan
Watts — Input Watts to Motor
581A155-300

229
PERFORMANCE DATA (cont)
FAN PERFORMANCE — VERTICAL DISCHARGE UNITS (cont)
LEGEND
*Motor drive ranges:
Low Range: 805-1007
High Range: 941-1176
All other rpms require field-supplied drive.
Refer to page 230 for general Fan Performance Data notes.
NOTE: Maximum continuous bhp is:
Low Range: 5.75
High Range: 8.63
581A300 (25 TONS) (Medium Heat Units)*
Airflow
(Cfm)
Available External Static Pressure (in. wg)
0.2 0.4 0.6 0.8 1.0
Rpm Watts Bhp Rpm Watts Bhp Rpm Watts Bhp Rpm Watts Bhp Rpm Watts Bhp
6,500 775 2,600 2.99 825 2,872 3.30 871 3,130 3.60 915 3,400 3.91 959 3,692 4.25
7,000 826 3,115 3.58 875 3,408 3.92 918 3,679 4.23 959 3,954 4.55 1000 4,245 4.88
7,500 878 3,690 4.24 925 4,006 4.61 966 4,292 4.94 1005 4,575 5.26 1043 4,868 5.60
8,000 929 4,326 4.98 975 4,667 5.37 1015 4,970 5.72 1052 5,265 6.06 1088 5,564 6.40
8,500 981 5,029 5.78 1026 5,395 6.20 1064 5,717 6.58 1100 6,025 6.93 1134 6,332 7.28
9,000 1033 5,799 6.67 1076 6,191 7.12 1114 6,533 7.51 1148 6,856 7.89 1181 7,173 8.25
9,500 1085 6,640 7.64 1128 7,058 8.12 1164 7,421 8.54 1198 7,761 8.93 1229 8,091 9.31
10,000 1137 7,553 8.69 1179 8,000 9.20 1214 8,385 9.64 1247 8,741 10.05 1278 9,086 10.45
10,500 1190 8,542 9.82 1230 9,016 10.37 1265 9,424 10.84 1297 9,799 11.27 1327 10,158 11.68
11,000 1242 9,609 11.05 1282 10,111 11.63 1316 10,542 12.12 1347 10,937 12.58 1376 11,311 13.01
11,500 1294 10,756 12.37 1333 11,287 12.98 1367 11,741 13.50 — — — — — —
12,000 1347 11,985 13.78 — — — — — — — — — — — —
12,500 —— ——— ——— ——— ——— —
581A300 (25 TONS) (Medium Heat Units)* (cont)
Airflow
(Cfm)
Available External Static Pressure (in. wg)
1.2 1.4 1.6 1.8 2.0
Rpm Watts Bhp Rpm Watts Bhp Rpm Watts Bhp Rpm Watts Bhp Rpm Watts Bhp
6,500 1004 4,016 4.62 1050 4,374 5.03 1098 4,769 5.48 1145 5,195 5.97 1192 5646 6.49
7,000 1041 4,559 5.24 1083 4,902 5.64 1126 5,277 6.07 1170 5,685 6.54 1214 6122 7.04
7,500 1081 5,179 5.96 1120 5,512 6.34 1159 5,872 6.75 1199 6,261 7.20 1240 6680 7.68
8,000 1124 5,875 6.76 1160 6,203 7.13 1196 6,553 7.54 1233 6,928 7.97 1270 7329 8.43
8,500 1168 6,647 7.64 1202 6,974 8.02 1235 7,318 8.42 1269 7,684 8.84 1304 8071 9.28
9,000 1214 7,495 8.62 1245 7,825 9.00 1277 8,168 9.39 1309 8,527 9.81 1341 8905 10.24
9,500 1260 8,421 9.69 1290 8,756 10.07 1320 9,100 10.47 1351 9,457 10.88 1381 9830 11.31
10,000 1308 9,425 10.84 1337 9,768 11.23 1365 10,116 11.63 1394 10,474 12.05 — — —
10,500 1356 10,510 12.09 1384 10,862 12.49 — — — — — — — — —
11,000 —— ——— ——— ——— ——— —
11,500 —— ——— ——— ——— ——— —
12,000 —— ——— ——— ——— ——— —
12,500 —— ——— ——— ——— ——— —
Bhp — Brake Horsepower Input to Fan
Watts — Input Watts to Motor
581A155-300

230
PERFORMANCE DATA (cont)
FAN PERFORMANCE — VERTICAL DISCHARGE UNITS (cont)
LEGEND
*Motor drive ranges:
Low Range: 805-1007
High Range: 941-1176
All other rpms require field-supplied drive.
Refer to this page for general Fan Performance Data notes.
NOTE: Maximum continuous bhp is:
Low Range: 5.75
High Range: 8.63
GENERAL NOTES FOR FAN PERFORMANCE DATA TABLES
1. Static pressure losses (i.e., EconoMi$er IV) must be added to
external static pressure before entering Fan Performance table.
2. Interpolation is permissible. Do not extrapolate.
3. Fan performance is based on wet coils, clean filters, and casing
losses. See Accessory/FIOP Static Pressure table on pages 241
and 243.
4. Extensive motor and drive testing on these units ensures that the
full horsepower and watts range of the motor can be utilized with
confidence. Using the fan motors up to the watts or bhp rating
shown will not result in nuisance tripping or premature motor fail-
ure. Unit warranty will not be affected.
5. Use of a field-supplied motor may affect wire size. Contact your
Bryant representative for details.
6. Field-supplied drive requires changing belt and motor pulley to
meet desired airflow. See application data or contact your local
Bryant representative for details.
581A300 (25 TONS) (High Heat Units)*
Airflow
(Cfm)
Available External Static Pressure (in. wg)
0.2 0.4 0.6 0.8 1.0
Rpm Watts Bhp Rpm Watts Bhp Rpm Watts Bhp Rpm Watts Bhp Rpm Watts Bhp
6,500 775 2,600 2.99 825 2,872 3.30 871 3,130 3.60 915 3,400 3.91 959 3,692 4.25
7,000 826 3,115 3.58 875 3,408 3.92 918 3,679 4.23 959 3,954 4.55 1000 4,245 4.88
7,500 878 3,690 4.24 925 4,006 4.61 966 4,292 4.94 1005 4,575 5.26 1043 4,868 5.60
8,000 929 4,326 4.98 975 4,667 5.37 1015 4,970 5.72 1052 5,265 6.06 1088 5,564 6.40
8,500 981 5,029 5.78 1026 5,395 6.20 1064 5,717 6.58 1100 6,025 6.93 1134 6,332 7.28
9,000 1033 5,799 6.67 1076 6,191 7.12 1114 6,533 7.51 1148 6,856 7.89 1181 7,173 8.25
9,500 1085 6,640 7.64 1128 7,058 8.12 1164 7,421 8.54 1198 7,761 8.93 1229 8,091 9.31
10,000 1137 7,553 8.69 1179 8,000 9.20 1214 8,385 9.64 1247 8,741 10.05 1278 9,086 10.45
10,500 1190 8,542 9.82 1230 9,016 10.37 1265 9,424 10.84 1297 9,799 11.27 1327 10,158 11.68
11,000 1242 9,609 11.05 1282 10,111 11.63 1316 10,542 12.12 1347 10,937 12.58 1376 11,311 13.01
11,500 1294 10,756 12.37 1333 11,287 12.98 1367 11,741 13.50 — — — — — —
12,000 1347 11,985 13.78 — — — — — — — — — — — —
12,500 —— ——— ——— ——— ——— —
581A300 (25 TONS) (High Heat Units)* (cont)
Airflow
(Cfm)
Available External Static Pressure (in. wg)
1.2 1.4 1.6 1.8 2.0
Rpm Watts Bhp Rpm Watts Bhp Rpm Watts Bhp Rpm Watts Bhp Rpm Watts Bhp
6,500 1004 4,016 4.62 1050 4,374 5.03 1098 4,769 5.48 1145 5,195 5.97 1192 5646 6.49
7,000 1041 4,559 5.24 1083 4,902 5.64 1126 5,277 6.07 1170 5,685 6.54 1214 6122 7.04
7,500 1081 5,179 5.96 1120 5,512 6.34 1159 5,872 6.75 1199 6,261 7.20 1240 6680 7.68
8,000 1124 5,875 6.76 1160 6,203 7.13 1196 6,553 7.54 1233 6,928 7.97 1270 7329 8.43
8,500 1168 6,647 7.64 1202 6,974 8.02 1235 7,318 8.42 1269 7,684 8.84 1304 8071 9.28
9,000 1214 7,495 8.62 1245 7,825 9.00 1277 8,168 9.39 1309 8,527 9.81 1341 8905 10.24
9,500 1260 8,421 9.69 1290 8,756 10.07 1320 9,100 10.47 1351 9,457 10.88 1381 9830 11.31
10,000 1308 9,425 10.84 1337 9,768 11.23 1365 10,116 11.63 1394 10,474 12.05 — — —
10,500 1356 10,510 12.09 1384 10,862 12.49 — — — — — — — — —
11,000 —— ——— ——— ——— ——— —
11,500 —— ——— ——— ——— ——— —
12,000 —— ——— ——— ——— ——— —
12,500 —— ——— ——— ——— ——— —
Bhp — Brake Horsepower Input to Fan
Watts — Input Watts to Motor
581A155-300

231
PERFORMANCE DATA (cont)
FAN PERFORMANCE — HORIZONTAL DISCHARGE UNITS (cont)
LEGEND
*Motor drive ranges:
Low Range: 896-1227 (208/230 and 460-v), 863-1141 (575-v)
High Range: 1113-1414 (208/230 and 460-v), 1042-1285 (575-v)
All other rpms require field-supplied drive.
Refer to page 230 for general Fan Performance Data notes.
NOTE: Maximum continuous bhp is:
Low Range: 4.25 (208/230 and 460-v), 3.45 (575-v)
High Range: 5.75
581A210 (18 TONS) (Low Heat Units)*
Airflow
(Cfm)
External Static Pressure (in. wg)
0.2 0.4 0.6 0.8 1.0
Rpm Bhp Watts Rpm Bhp Watts Rpm Bhp Watts Rpm Bhp Watts Rpm Bhp Watts
3,500 635 1064 1.22 709 1278 1.47 776 1492 1.72 838 1708 1.96 896 1924 2.21
4,000 707 1402 1.61 773 1627 1.87 835 1853 2.13 892 2080 2.39 947 2307 2.65
4,500 780 1802 2.07 840 2037 2.34 897 2273 2.61 950 2510 2.89 1001 2465 2.84
5,000 853 2264 2.60 909 2510 2.89 961 2756 3.17 1011 2710 3.12 1059 3015 3.47
5,500 928 2794 3.21 979 3049 3.51 1028 3012 3.46 1075 3333 3.83 1120 3661 4.21
6,000 1003 3047 3.50 1051 3376 3.88 1096 3714 4.27 1140 4059 4.67 1182 4411 5.07
6,500 1079 3812 4.38 1123 4166 4.79 1166 4529 5.21 1207 4898 5.63 1247 5274 6.07
7,000 1155 4697 5.40 1196 5078 5.84 1236 5465 6.29 1275 5859 6.74 1313 6260 7.20
7,500 1231 5714 6.57 1270 6120 7.04 1308 6533 7.51 1345 6952 8.00 1381 7378 8.49
8,000 1308 6871 7.90 1344 7303 8.40 1380 7741 8.90 — — — — — —
8,500 1385 8177 9.40 — — — — — — — — — — — —
9,000 ———————————————
9,500 ———————————————
10,000 ———————————————
581A210 (18 TONS) (Low Heat Units)* (cont)
Airflow
(Cfm)
External Static Pressure (in. wg)
1.2 1.4 1.6 1.8 2.0
Rpm Bhp Watts Rpm Bhp Watts Rpm Bhp Watts Rpm Bhp Watts Rpm Bhp Watts
3,500 951 2143 2.46 1003 2120 2.44 1052 2387 2.75 1100 2662 3.06 1146 2944 3.39
4,000 998 2535 2.92 1048 2548 2.93 1095 2835 3.26 1141 3129 3.60 1184 3432 3.95
4,500 1050 2756 3.17 1097 3055 3.51 1142 3363 3.87 1185 3678 4.23 1227 4001 4.60
5,000 1105 3329 3.83 1150 3651 4.20 1192 3979 4.58 1234 4315 4.96 1274 4658 5.36
5,500 1163 3997 4.60 1205 4342 4.99 1246 4692 5.40 1286 5051 5.81 1324 5415 6.23
6,000 1224 4771 5.49 1263 5138 5.91 1302 5511 6.34 1340 5892 6.78 1377 6278 7.22
6,500 1286 5658 6.51 1324 6048 6.96 1361 6445 7.41 1397 6847 7.87 — — —
7,000 1350 6668 7.67 1386 7081 8.14 — — — — — — — — —
7,500 ———————————————
8,000 ———————————————
8,500 ———————————————
9,000 ———————————————
9,500 ———————————————
10,000 ———————————————
Bhp — Brake Horsepower Input to Fan
Watts — Input Watts to Motor
581A155-300

232
PERFORMANCE DATA (cont)
FAN PERFORMANCE — HORIZONTAL DISCHARGE UNITS (cont)
LEGEND
*Motor drive ranges:
Low Range: 896-1227 (208/230 and 460-v), 863-1141 (575-v)
High Range: 1113-1414 (208/230 and 460-v), 1042-1285 (575-v)
All other rpms require field-supplied drive.
Refer to page 230 for general Fan Performance Data notes.
NOTE: Maximum continuous bhp is:
Low Range: 4.25 (208/230 and 460-v), 3.45 (575-v)
High Range: 5.75
581A210 (18 TONS) (Medium Heat Units)*
Airflow
(Cfm)
External Static Pressure (in. wg)
0.2 0.4 0.6 0.8 1.0
Rpm Bhp Watts Rpm Bhp Watts Rpm Bhp Watts Rpm Bhp Watts Rpm Bhp Watts
3,500 645 1105 1.27 720 1329 1.53 788 1549 1.78 851 1767 2.03 910 1982 2.28
4,000 718 1454 1.67 785 1692 1.95 848 1926 2.22 906 2158 2.48 962 2388 2.75
4,500 792 1866 2.15 853 2117 2.43 911 2364 2.72 965 2609 3.00 1017 2583 2.97
5,000 867 2343 2.69 923 2605 3.00 977 2865 3.30 1027 2845 3.27 1076 3163 3.64
5,500 943 2889 3.32 995 3162 3.64 1044 3158 3.63 1092 3497 4.02 1138 3843 4.42
6,000 1019 3177 3.65 1067 3532 4.06 1113 3892 4.48 1158 4259 4.90 1201 4631 5.33
6,500 1096 3973 4.57 1141 4354 5.01 1184 4742 5.45 1226 5136 5.91 1267 5535 6.37
7,000 1173 4894 5.63 1215 5304 6.10 1256 5719 6.58 1295 6140 7.06 1334 6567 7.55
7,500 1250 5952 6.85 1290 6389 7.35 1328 6832 7.86 1366 7281 8.37 — — —
8,000 1328 7153 8.23 1365 7620 8.76 — — — — — — — — —
8,500 ———————————————
9,000 ———————————————
9,500 ———————————————
10,000 ———————————————
581A210 (18 TONS) (Medium Heat Units)* (cont)
Airflow
(Cfm)
External Static Pressure (in. wg)
1.2 1.4 1.6 1.8 2.0
Rpm Bhp Watts Rpm Bhp Watts Rpm Bhp Watts Rpm Bhp Watts Rpm Bhp Watts
3,500 965 2195 2.53 1018 2181 2.51 1068 2442 2.81 1116 2708 3.11 1162 2979 3.43
4,000 1014 2364 2.72 1064 2644 3.04 1112 2930 3.37 1158 3221 3.70 1202 3517 4.05
4,500 1067 2882 3.31 1114 3187 3.67 1160 3498 4.02 1204 3814 4.39 1246 4135 4.76
5,000 1123 3489 4.01 1168 3820 4.39 1211 4156 4.78 1253 4497 5.17 1294 4844 5.57
5,500 1182 4194 4.82 1224 4551 5.23 1266 4913 5.65 1306 5280 6.07 1345 5652 6.50
6,000 1243 5008 5.76 1283 5391 6.20 1323 5779 6.65 1361 6172 7.10 1398 6569 7.56
6,500 1306 5939 6.83 1345 6349 7.30 1382 6763 7.78 — — — — — —
7,000 1371 6997 8.05 — — — — — — — — — — — —
7,500 ———————————————
8,000 ———————————————
8,500 ———————————————
9,000 ———————————————
9,500 ———————————————
10,000 ———————————————
Bhp — Brake Horsepower Input to Fan
Watts — Input Watts to Motor
581A155-300

233
PERFORMANCE DATA (cont)
FAN PERFORMANCE — HORIZONTAL DISCHARGE UNITS (cont)
LEGEND
*Motor drive ranges:
Low Range: 896-1227 (208/230 and 460-v), 863-1141 (575-v)
High Range: 1113-1414 (208/230 and 460-v), 1042-1285 (575-v)
All other rpms require field-supplied drive.
Refer to page 230 for general Fan Performance Data notes.
NOTE: Maximum continuous bhp is:
Low Range: 4.25 (208/230 and 460-v), 3.45 (575-v)
High Range: 5.75
581A210 (18 TONS) (High Heat Units)*
Airflow
(Cfm)
External Static Pressure (in. wg)
0.2 0.4 0.6 0.8 1.0
Rpm Bhp Watts Rpm Bhp Watts Rpm Bhp Watts Rpm Bhp Watts Rpm Bhp Watts
3,500 645 1105 1.27 720 1329 1.53 788 1549 1.78 851 1767 2.03 910 1982 2.28
4,000 718 1454 1.67 785 1692 1.95 848 1926 2.22 906 2158 2.48 962 2388 2.75
4,500 792 1866 2.15 853 2117 2.43 911 2364 2.72 965 2609 3.00 1017 2583 2.97
5,000 867 2343 2.69 923 2605 3.00 977 2865 3.30 1027 2845 3.27 1076 3163 3.64
5,500 943 2889 3.32 995 3162 3.64 1044 3158 3.63 1092 3497 4.02 1138 3843 4.42
6,000 1019 3177 3.65 1067 3532 4.06 1113 3892 4.48 1158 4259 4.90 1201 4631 5.33
6,500 1096 3973 4.57 1141 4354 5.01 1184 4742 5.45 1226 5136 5.91 1267 5535 6.37
7,000 1173 4894 5.63 1215 5304 6.10 1256 5719 6.58 1295 6140 7.06 1334 6567 7.55
7,500 1250 5952 6.85 1290 6389 7.35 1328 6832 7.86 1366 7281 8.37 — — —
8,000 1328 7153 8.23 1365 7620 8.76 — — — — — — — — —
8,500 ———————————————
9,000 ———————————————
9,500 ———————————————
10,000 ———————————————
581A210 (18 TONS) (High Heat Units)* (cont)
Airflow
(Cfm)
External Static Pressure (in. wg)
1.2 1.4 1.6 1.8 2.0
Rpm Bhp Watts Rpm Bhp Watts Rpm Bhp Watts Rpm Bhp Watts Rpm Bhp Watts
3,500 965 2195 2.53 1018 2181 2.51 1068 2442 2.81 1116 2708 3.11 1162 2979 3.43
4,000 1014 2364 2.72 1064 2644 3.04 1112 2930 3.37 1158 3221 3.70 1202 3517 4.05
4,500 1067 2882 3.31 1114 3187 3.67 1160 3498 4.02 1204 3814 4.39 1246 4135 4.76
5,000 1123 3489 4.01 1168 3820 4.39 1211 4156 4.78 1253 4497 5.17 1294 4844 5.57
5,500 1182 4194 4.82 1224 4551 5.23 1266 4913 5.65 1306 5280 6.07 1345 5652 6.50
6,000 1243 5008 5.76 1283 5391 6.20 1323 5779 6.65 1361 6172 7.10 1398 6569 7.56
6,500 1306 5939 6.83 1345 6349 7.30 1382 6763 7.78 — — — — — —
7,000 1371 6997 8.05 — — — — — — — — — — — —
7,500 ———————————————
8,000 ———————————————
8,500 ———————————————
9,000 ———————————————
9,500 ———————————————
10,000 ———————————————
Bhp — Brake Horsepower Input to Fan
Watts — Input Watts to Motor
581A155-300

234
PERFORMANCE DATA (cont)
FAN PERFORMANCE — HORIZONTAL DISCHARGE UNITS (cont)
LEGEND
*Motor drive ranges:
Low Range: 896-1227 (208/230 and 460-v), 873-1108 (575-v)
High Range: 1113-1414
All other rpms require field-supplied drive.
Refer to page 230 for general Fan Performance Data notes.
NOTE: Maximum continuous bhp is:
Low Range: 4.25 (208/230 and 460-v), 5.75 (575-v)
High Range: 5.75
581A240 (20 TONS) (Low Heat Units)*
Airflow
(Cfm)
External Static Pressure (in. wg)
0.2 0.4 0.6 0.8 1.0
Rpm Bhp Watts Rpm Bhp Watts Rpm Bhp Watts Rpm Bhp Watts Rpm Bhp Watts
3,500 642 1082 1.24 714 1296 1.49 781 1510 1.74 843 1726 1.98 901 1943 2.23
4,000 714 1426 1.64 780 1651 1.90 841 1877 2.16 898 2103 2.42 952 2330 2.68
4,500 787 1831 2.11 847 2067 2.38 904 2303 2.65 957 2540 2.92 1008 2501 2.88
5,000 862 2301 2.65 917 2547 2.93 969 2793 3.21 1019 2755 3.17 1066 3062 3.52
5,500 937 2838 3.26 988 3094 3.56 1036 3067 3.53 1083 3390 3.90 1127 3719 4.28
6,000 1013 3113 3.58 1060 3445 3.96 1105 3783 4.35 1149 4130 4.75 1191 4484 5.16
6,500 1089 3893 4.48 1133 4250 4.89 1175 4615 5.31 1216 4986 5.73 1256 5364 6.17
7,000 1166 4798 5.52 1207 5181 5.96 1247 5570 6.41 1285 5965 6.86 1323 6369 7.32
7,500 1243 5837 6.71 1282 6244 7.18 1319 6658 7.66 1355 7080 8.14 1391 7507 8.63
8,000 1320 7017 8.07 1356 7450 8.57 1392 7890 9.08 — — — — — —
8,500 1398 8350 9.60 — — — — — — — — — — — —
9,000 ———————————————
9,500 ———————————————
10,000 ———————————————
581A240 (20 TONS) (Low Heat Units)* (cont)
Airflow
(Cfm)
External Static Pressure (in. wg)
1.2 1.4 1.6 1.8 2.0
Rpm Bhp Watts Rpm Bhp Watts Rpm Bhp Watts Rpm Bhp Watts Rpm Bhp Watts
3,500 955 2160 2.48 1007 2142 2.46 1056 2409 2.77 1104 2684 3.09 1149 2968 3.41
4,000 1004 2299 2.64 1053 2578 2.96 1100 2865 3.29 1145 3160 3.63 1189 3463 3.98
4,500 1056 2793 3.21 1103 3093 3.56 1147 3402 3.91 1191 3718 4.28 1233 4041 4.65
5,000 1112 3376 3.88 1156 3699 4.25 1199 4029 4.63 1240 4366 5.02 1280 4710 5.42
5,500 1171 4057 4.67 1212 4402 5.06 1253 4754 5.47 1292 5114 5.88 1331 5480 6.30
6,000 1232 4845 5.57 1271 5213 6.00 1310 5588 6.43 1348 5970 6.87 1384 6358 7.31
6,500 1295 5749 6.61 1333 6141 7.06 1369 6538 7.52 — — — — — —
7,000 1360 6778 7.80 1396 7193 8.27 — — — — — — — — —
7,500 ———————————————
8,000 ———————————————
8,500 ———————————————
9,000 ———————————————
9,500 ———————————————
10,000 ———————————————
Bhp — Brake Horsepower Input to Fan
Watts — Input Watts to Motor
581A155-300

235
PERFORMANCE DATA (cont)
FAN PERFORMANCE — HORIZONTAL DISCHARGE UNITS (cont)
LEGEND
*Motor drive ranges:
Low Range: 896-1227 (208/230 and 460-v), 873-1108 (575-v)
High Range: 1113-1414
All other rpms require field-supplied drive.
Refer to page 230 for general Fan Performance Data notes.
NOTE: Maximum continuous bhp is:
Low Range: 4.25 (208/230 and 460-v), 5.75 (575-v)
High Range: 5.75
581A240 (20 TONS) (Medium Heat Units)*
Airflow
(Cfm)
External Static Pressure (in. wg)
0.2 0.4 0.6 0.8 1.0
Rpm Bhp Watts Rpm Bhp Watts Rpm Bhp Watts Rpm Bhp Watts Rpm Bhp Watts
3,500 652 1123 1.29 726 1347 1.55 793 1567 1.80 856 1784 2.05 914 2000 2.30
4,000 725 1479 1.70 792 1716 1.97 854 1950 2.24 912 2182 2.51 967 2412 2.77
4,500 800 1897 2.18 861 2148 2.47 918 2395 2.75 972 2639 3.04 1024 2620 3.01
5,000 875 2383 2.74 931 2645 3.04 984 2904 3.34 1035 2892 3.33 1083 3212 3.69
5,500 952 2937 3.38 1003 2883 3.32 1053 3217 3.70 1100 3558 4.09 1145 3905 4.49
6,000 1029 3249 3.74 1077 3605 4.15 1123 3966 4.56 1167 4334 4.98 1210 4707 5.41
6,500 1106 4061 4.67 1151 4445 5.11 1194 4834 5.56 1236 5229 6.01 1276 5629 6.47
7,000 1184 5003 5.75 1226 5414 6.23 1266 5831 6.71 1306 6253 7.19 1344 6681 7.68
7,500 1262 6083 7.00 1302 6522 7.50 1340 6967 8.01 1377 7417 8.53 — — —
8,000 1341 7312 8.41 1378 7779 8.95 — — — — — — — — —
8,500 ———————————————
9,000 ———————————————
9,500 ———————————————
10,000 ———————————————
581A240 (20 TONS) (Medium Heat Units)* (cont)
Airflow
(Cfm)
External Static Pressure (in. wg)
1.2 1.4 1.6 1.8 2.0
Rpm Bhp Watts Rpm Bhp Watts Rpm Bhp Watts Rpm Bhp Watts Rpm Bhp Watts
3,500 970 2213 2.55 1022 2203 2.53 1072 2464 2.83 1120 2730 3.14 1166 3002 3.45
4,000 1019 2393 2.75 1069 2673 3.07 1117 2959 3.40 1163 3251 3.74 1207 3548 4.08
4,500 1073 2920 3.36 1120 3226 3.71 1165 3537 4.07 1209 3854 4.43 1252 4176 4.80
5,000 1130 3537 4.07 1174 3870 4.45 1218 4207 4.84 1259 4549 5.23 1300 4896 5.63
5,500 1189 4257 4.90 1232 4614 5.31 1273 4977 5.72 1313 5345 6.15 1352 5719 6.58
6,000 1251 5086 5.85 1292 5469 6.29 1331 5859 6.74 1369 6253 7.19 — — —
6,500 1315 6035 6.94 1354 6446 7.41 1391 6861 7.89 — — — — — —
7,000 1381 7114 8.18 — — — — — — — — — — — —
7,500 ———————————————
8,000 ———————————————
8,500 ———————————————
9,000 ———————————————
9,500 ———————————————
10,000 ———————————————
Bhp — Brake Horsepower Input to Fan
Watts — Input Watts to Motor
581A155-300

236
PERFORMANCE DATA (cont)
FAN PERFORMANCE — HORIZONTAL DISCHARGE UNITS (cont)
LEGEND
*Motor drive ranges:
Low Range: 896-1227 (208/230 and 460-v), 873-1108 (575-v)
High Range: 1113-1414
All other rpms require field-supplied drive.
Refer to page 230 for general Fan Performance Data notes.
NOTE: Maximum continuous bhp is:
Low Range: 4.25 (208/230 and 460-v), 5.75 (575-v)
High Range: 5.75
581A240 (20 TONS) (High Heat Units)*
Airflow
(Cfm)
External Static Pressure (in. wg)
0.2 0.4 0.6 0.8 1.0
Rpm Bhp Watts Rpm Bhp Watts Rpm Bhp Watts Rpm Bhp Watts Rpm Bhp Watts
3,500 652 1123 1.29 726 1347 1.55 793 1567 1.80 856 1784 2.05 914 2000 2.30
4,000 725 1479 1.70 792 1716 1.97 854 1950 2.24 912 2182 2.51 967 2412 2.77
4,500 800 1897 2.18 861 2148 2.47 918 2395 2.75 972 2639 3.04 1024 2620 3.01
5,000 875 2383 2.74 931 2645 3.04 984 2904 3.34 1035 2892 3.33 1083 3212 3.69
5,500 952 2937 3.38 1003 2883 3.32 1053 3217 3.70 1100 3558 4.09 1145 3905 4.49
6,000 1029 3249 3.74 1077 3605 4.15 1123 3966 4.56 1167 4334 4.98 1210 4707 5.41
6,500 1106 4061 4.67 1151 4445 5.11 1194 4834 5.56 1236 5229 6.01 1276 5629 6.47
7,000 1184 5003 5.75 1226 5414 6.23 1266 5831 6.71 1306 6253 7.19 1344 6681 7.68
7,500 1262 6083 7.00 1302 6522 7.50 1340 6967 8.01 1377 7417 8.53 — — —
8,000 1341 7312 8.41 1378 7779 8.95 — — — — — — — — —
8,500 ———————————————
9,000 ———————————————
9,500 ———————————————
10,000 ———————————————
581A240 (20 TONS) (High Heat Units)* (cont)
Airflow
(Cfm)
External Static Pressure (in. wg)
1.2 1.4 1.6 1.8 2.0
Rpm Bhp Watts Rpm Bhp Watts Rpm Bhp Watts Rpm Bhp Watts Rpm Bhp Watts
3,500 970 2213 2.55 1022 2203 2.53 1072 2464 2.83 1120 2730 3.14 1166 3002 3.45
4,000 1019 2393 2.75 1069 2673 3.07 1117 2959 3.40 1163 3251 3.74 1207 3548 4.08
4,500 1073 2920 3.36 1120 3226 3.71 1165 3537 4.07 1209 3854 4.43 1252 4176 4.80
5,000 1130 3537 4.07 1174 3870 4.45 1218 4207 4.84 1259 4549 5.23 1300 4896 5.63
5,500 1189 4257 4.90 1232 4614 5.31 1273 4977 5.72 1313 5345 6.15 1352 5719 6.58
6,000 1251 5086 5.85 1292 5469 6.29 1331 5859 6.74 1369 6253 7.19 — — —
6,500 1315 6035 6.94 1354 6446 7.41 1391 6861 7.89 — — — — — —
7,000 1381 7114 8.18 — — — — — — — — — — — —
7,500 ———————————————
8,000 ———————————————
8,500 ———————————————
9,000 ———————————————
9,500 ———————————————
10,000 ———————————————
Bhp — Brake Horsepower Input to Fan
Watts — Input Watts to Motor
581A155-300

237
PERFORMANCE DATA (cont)
FAN PERFORMANCE — HORIZONTAL DISCHARGE UNITS (cont)
LEGEND
*Motor drive ranges:
Low Range: 805-1007
High Range: 941-1176
All other rpms require field-supplied drive.
Refer to page 230 for general Fan Performance Data notes.
NOTE: Maximum continuous bhp is:
Low Range: 5.75
High Range: 8.63
581A300 (25 TONS) (Low Heat Units)*
Airflow
(Cfm)
External Static Pressure (in. wg)
0.2 0.4 0.6 0.8 1.0
Rpm Bhp Watts Rpm Bhp Watts Rpm Bhp Watts Rpm Bhp Watts Rpm Bhp Watts
6,500 786 2,658 3.06 819 2,835 3.26 857 3,052 3.51 899 3,304 3.80 943 3,586 4.12
7,000 842 3,208 3.69 871 3,386 3.89 905 3,599 4.14 943 3,847 4.42 983 4,123 4.74
7,500 898 3,827 4.40 925 4,006 4.61 955 4,217 4.85 989 4,460 5.13 1026 4,733 5.44
8,000 955 4,518 5.20 979 4,699 5.40 1007 4,908 5.65 1037 5,148 5.92 1070 5,416 6.23
8,500 1012 5,284 6.08 1034 5,466 6.29 1059 5,675 6.53 1087 5,912 6.80 1117 6,176 7.10
9,000 1069 6,127 7.05 1090 6,312 7.26 1113 6,521 7.50 1138 6,757 7.77 1165 7,017 8.07
9,500 1127 7,050 8.11 1146 7,238 8.32 1167 7,448 8.57 1190 7,682 8.84 1215 7,940 9.13
10,000 1184 8,057 9.27 1202 8,247 9.49 1221 8,460 9.73 1243 8,693 10.00 1266 8,948 10.29
10,500 1242 9,149 10.52 1258 9,344 10.75 1276 9,557 10.99 1296 9,791 11.26 1318 10,046 11.55
11,000 1299 10,331 11.88 1315 10,529 12.11 1332 10,745 12.36 1350 10,979 12.63 1370 11,232 12.92
11,500 1357 11,604 13.35 1372 11,806 13.58 — — — — — — — — —
12,000 — — —— — —— — —— — —— — —
12,500 — — —— — —— — —— — —— — —
581A300 (25 TONS) (Low Heat Units)* (cont)
Airflow
(Cfm)
External Static Pressure (in. wg)
1.2 1.4 1.6 1.8 2.0
Rpm Bhp Watts Rpm Bhp Watts Rpm Bhp Watts Rpm Bhp Watts Rpm Bhp Watts
6,500 988 3,900 4.49 1035 4,248 4.89 1082 4,632 5.33 1129 5,050 5.81 1177 5,499 6.32
7,000 1024 4,428 5.09 1066 4,760 5.48 1109 5,124 5.89 1153 5,521 6.35 1197 5,950 6.84
7,500 1063 5,031 5.79 1102 5,354 6.16 1141 5,703 6.56 1181 6,081 6.99 1221 6,487 7.46
8,000 1105 5,709 6.57 1140 6,025 6.93 1176 6,364 7.32 1213 6,729 7.74 1250 7,116 8.18
8,500 1149 6,465 7.44 1181 6,777 7.79 1215 7,109 8.18 1249 7,463 8.58 1283 7,838 9.02
9,000 1194 7,302 8.40 1225 7,608 8.75 1256 7,935 9.13 1287 8,282 9.53 1319 8,649 9.95
9,500 1242 8,222 9.46 1270 8,524 9.80 1298 8,847 10.17 1328 9,189 10.57 1358 9,548 10.98
10,000 1290 9,227 10.61 1316 9,525 10.96 1343 9,845 11.32 1370 10,181 11.71 1399 10,536 12.12
10,500 1340 10,321 11.87 1364 10,617 12.21 1389 10,932 12.57 — — — — — —
11,000 1391 11,505 13.23 — — — — — — — — — — — —
11,500 —— —————————————
12,000 —— —————————————
12,500 —— —————————————
Bhp — Brake Horsepower Input to Fan
Watts — Input Watts to Motor
581A155-300

238
PERFORMANCE DATA (cont)
FAN PERFORMANCE — HORIZONTAL DISCHARGE UNITS (cont)
LEGEND
*Motor drive ranges:
Low Range: 805-1007
High Range: 941-1176
All other rpms require field-supplied drive.
Refer to page 230 for general Fan Performance Data notes.
NOTE: Maximum continuous bhp is:
Low Range: 5.75
High Range: 8.63
581A300 (25 TONS) (Medium Heat Units)*
Airflow
(Cfm)
External Static Pressure (in. wg)
0.2 0.4 0.6 0.8 1.0
Rpm Bhp Watts Rpm Bhp Watts Rpm Bhp Watts Rpm Bhp Watts Rpm Bhp Watts
6,500 799 2,730 3.14 833 2,914 3.35 872 3,135 3.61 914 3,392 3.90 958 3,687 4.24
7,000 856 3,294 3.79 887 3,481 4.00 921 3,699 4.25 958 3,950 4.54 999 4,235 4.87
7,500 913 3,929 4.52 941 4,118 4.74 972 4,335 4.99 1006 4,582 5.27 1042 4,860 5.59
8,000 971 4,637 5.33 996 4,829 5.55 1024 5,046 5.80 1055 5,290 6.08 1088 5,562 6.40
8,500 1029 5,421 6.24 1052 5,617 6.46 1078 5,835 6.71 1106 6,077 6.99 1136 6,345 7.30
9,000 1087 6,285 7.23 1108 6,484 7.46 1132 6,703 7.71 1158 6,946 7.99 1185 7,211 8.29
9,500 1145 7,231 8.32 1165 7,433 8.55 1187 7,655 8.80 1211 7,898 9.08 1236 8,161 9.39
10,000 1203 8,262 9.50 1222 8,468 9.74 1243 8,693 10.00 1265 8,936 10.28 1288 9,199 10.58
10,500 1261 9,381 10.79 1279 9,592 11.03 1299 9,820 11.29 1319 10,065 11.58 1341 10,327 11.88
11,000 1320 10,592 12.18 1337 10,807 12.43 1355 11,038 12.70 1374 11,284 12.98 1394 11,547 13.28
11,500 1378 11,896 13.68 — — — — — — — — — — — —
12,000 —————————————— —
12,500 —————————————— —
581A300 (25 TONS) (Medium Heat Units)* (cont)
Airflow
(Cfm)
External Static Pressure (in. wg)
1.2 1.4 1.6 1.8 2.0
Rpm Bhp Watts Rpm Bhp Watts Rpm Bhp Watts Rpm Bhp Watts Rpm Bhp Watts
6,500 1005 4,020 4.62 1052 4,390 5.05 1100 4,791 5.51 1148 5,221 6.00 1195 5673 6.52
7,000 1041 4,555 5.24 1084 4,908 5.64 1128 5,294 6.09 1172 5,710 6.57 1217 6153 7.08
7,500 1080 5,168 5.94 1119 5,508 6.33 1160 5,878 6.76 1201 6,279 7.22 1242 6708 7.71
8,000 1122 5,862 6.74 1158 6,190 7.12 1195 6,548 7.53 1233 6,934 7.97 1272 7347 8.45
8,500 1167 6,638 7.63 1200 6,959 8.00 1234 7,305 8.40 1269 7,677 8.83 1304 8076 9.29
9,000 1214 7,499 8.63 1244 7,813 8.99 1275 8,149 9.37 1308 8,511 9.79 1340 8896 10.23
9,500 1262 8,447 9.72 1290 8,754 10.07 1319 9,084 10.45 1349 9,437 10.85 1379 9812 11.28
10,000 1312 9,482 10.91 1338 9,785 11.25 1365 10,110 11.63 1392 10,454 12.02 — — —
10,500 1363 10,608 12.20 1387 10,909 12.55 — — — — — — — — —
11,000 — — —— — —— — —— — —— — —
11,500 — — —— — —— — —— — —— — —
12,000 — — —— — —— — —— — —— — —
12,500 — — —— — —— — —— — —— — —
Bhp — Brake Horsepower Input to Fan
Watts — Input Watts to Motor
581A155-300

239
PERFORMANCE DATA (cont)
FAN PERFORMANCE — HORIZONTAL DISCHARGE UNITS (cont)
LEGEND
*Motor drive ranges:
Low Range: 805-1007
High Range: 941-1176
All other rpms require field-supplied drive.
Refer to page 230 for general Fan Performance Data notes.
NOTE: Maximum continuous bhp is:
Low Range: 5.75
High Range: 8.63
581A300 (25 TONS) (High Heat Units)*
Airflow
(Cfm)
External Static Pressure (in. wg)
0.2 0.4 0.6 0.8 1.0
Rpm Bhp Watts Rpm Bhp Watts Rpm Bhp Watts Rpm Bhp Watts Rpm Bhp Watts
6,500 799 2,730 3.14 833 2,914 3.35 872 3,135 3.61 914 3,392 3.90 958 3,687 4.24
7,000 856 3,294 3.79 887 3,481 4.00 921 3,699 4.25 958 3,950 4.54 999 4,235 4.87
7,500 913 3,929 4.52 941 4,118 4.74 972 4,335 4.99 1006 4,582 5.27 1042 4,860 5.59
8,000 971 4,637 5.33 996 4,829 5.55 1024 5,046 5.80 1055 5,290 6.08 1088 5,562 6.40
8,500 1029 5,421 6.24 1052 5,617 6.46 1078 5,835 6.71 1106 6,077 6.99 1136 6,345 7.30
9,000 1087 6,285 7.23 1108 6,484 7.46 1132 6,703 7.71 1158 6,946 7.99 1185 7,211 8.29
9,500 1145 7,231 8.32 1165 7,433 8.55 1187 7,655 8.80 1211 7,898 9.08 1236 8,161 9.39
10,000 1203 8,262 9.50 1222 8,468 9.74 1243 8,693 10.00 1265 8,936 10.28 1288 9,199 10.58
10,500 1261 9,381 10.79 1279 9,592 11.03 1299 9,820 11.29 1319 10,065 11.58 1341 10,327 11.88
11,000 1320 10,592 12.18 1337 10,807 12.43 1355 11,038 12.70 1374 11,284 12.98 1394 11,547 13.28
11,500 1378 11,896 13.68 — — — — — — — — — — — —
12,000 — — —— — —— — —— — —— — —
12,500 — — —— — —— — —— — —— — —
581A300 (25 TONS) (High Heat Units)* (cont)
Airflow
(Cfm)
External Static Pressure (in. wg)
1.2 1.4 1.6 1.8 2.0
Rpm Bhp Watts Rpm Bhp Watts Rpm Bhp Watts Rpm Bhp Watts Rpm Bhp Watts
6,500 1005 4,020 4.62 1052 4,390 5.05 1100 4,791 5.51 1148 5,221 6.00 1195 5673 6.52
7,000 1041 4,555 5.24 1084 4,908 5.64 1128 5,294 6.09 1172 5,710 6.57 1217 6153 7.08
7,500 1080 5,168 5.94 1119 5,508 6.33 1160 5,878 6.76 1201 6,279 7.22 1242 6708 7.71
8,000 1122 5,862 6.74 1158 6,190 7.12 1195 6,548 7.53 1233 6,934 7.97 1272 7347 8.45
8,500 1167 6,638 7.63 1200 6,959 8.00 1234 7,305 8.40 1269 7,677 8.83 1304 8076 9.29
9,000 1214 7,499 8.63 1244 7,813 8.99 1275 8,149 9.37 1308 8,511 9.79 1340 8896 10.23
9,500 1262 8,447 9.72 1290 8,754 10.07 1319 9,084 10.45 1349 9,437 10.85 1379 9812 11.28
10,000 1312 9,482 10.91 1338 9,785 11.25 1365 10,110 11.63 1392 10,454 12.02 — — —
10,500 1363 10,608 12.20 1387 10,909 12.55 — — — — — — — — —
11,000 —— —————————————
11,500 —— —————————————
12,000 —— —————————————
12,500 —— —————————————
Bhp — Brake Horsepower Input to Fan
Watts — Input Watts to Motor
581A155-300

240
PERFORMANCE DATA (cont)
ALTITUDE COMPENSATION* — 581A155,180
(Natural Gas Units)
*Includes a 4% input reduction per each 1,000 feet.
†Orifices available through your Bryant dealer.
ALTITUDE COMPENSATION — 581A155,180
(LP Gas Units)
ALTITUDE COMPENSATION — 581A210-300
(Natural Gas)
ALTITUDE COMPENSATION — 581A210-300
(LP Gas)
ALTITUDE DERATING FACTOR*
*Derating of the unit is not required unless the heating value of the gas
exceeds the values listed in the table above, or if the elevation exceeds
6000 ft. Derating conditions must be 4% per thousand ft above 2000 ft.
For example, at 4000 ft, if the heating value of the gas exceeds
1000 Btu/ft3, the unit will require a 16% derating. For elevations above
6000 ft, the same formula applies. For example, at 7000 ft, the unit will
require a 28% derating of the maximum heating value per the National
Fuel Gas Code.
IMPORTANT: Local utility companies may be reducing heat content of
gas at altitudes above 2000 ft. If this is being done, changing spuds may
not be required.
EVAPORATOR-FAN MOTOR EFFICIENCY —
581A155,180
NOTE: All indoor-fan motors 5 hp and larger meet the minimum efficiency
requirements as established by the Energy Policy Act of 1992 (EPACT)
effective October 24, 1997.
ELEVATION
(ft)
NATURAL GAS ORIFICE SIZE†
Low Heat High Heat
0-3,000 30 29
3,000- 7,000 31 30
7,000- 9,000 32 31
9,000-10,000 33 31
above 10,000 35 32
ELEVATION
(ft)
LIQUID PROPANE ORIFICE SIZE
Low Heat and High Heat
0-2,000 36
2,000 37
3,000 38
4,000 38
5,000 39
6,000 40
7,000 41
8,000 41
9,000 42
10,000 43
ELEVATION
(ft)
ORIFICE SIZE — NATURAL GAS
Low
Heat
Medium
Heat
High Heat
(6 Cell)
High Heat
(8 Cell)
0-2,000 29 30 29 29
2,000 29 30 29 29
3,000 30 31 30 30
4,000 30 31 30 30
5,000 30 31 30 30
6,000 30 31 30 30
7,000 31 32 31 31
8,000 31 32 31 31
9,000 31 32 31 31
above 10,000 32 33 32 32
Fan Performance Using Accessory
Power Exhaust (581A155,180)
a50-4028
ELEVATION
(ft)
ORIFICE SIZE — LP GAS
Low
Heat
Medium
Heat
High Heat
(6 Cell)
High Heat
(8 Cell)
0-2,000 35 38 35 35
2,000 36 39 36 36
3,000 36 39 36 36
4,000 37 40 37 37
5,000 37 40 37 37
6,000 38 41 38 38
7,000 39 42 39 39
8,000 40 43 40 40
9,000 41 44 41 41
above 10,000 42 45 42 42
ELEVATION
(ft)
MAXIMUM HEATING VALUE
(Btu/ft3)
0-2,000 1,100
2,001-3,000 1,050
3,001-4,000 1,000
4,001-5,000 950
5,001-6,000 900
MOTOR
HORSEPOWER
MOTOR EFFICIENCY
(%)
3.0 81.7
2.9, 3.7 85.8
5.0 87.5
581A155-300

241
PERFORMANCE DATA (cont)
ACCESSORY/FIOP STATIC PRESSURE (in. wg)* — 581A155,180
LEGEND *The static pressure must be added to external static pressure. The sum and
the evaporator entering-air cfm should then be used in conjunction with the
Fan Performance tables to determine blower rpm and watts.
INDOOR SOUND DATA (TOTAL UNIT) — 581A155,180
EVAPORATOR FAN MOTOR PERFORMANCE — 581A155,180
LEGEND
FAN RPM AT MOTOR PULLEY SETTINGS* — 581A155,180
*Approximate fan rpm shown.
†Indicates standard drive package.
**Indicates alternate drive package.
††Due to belt and pulley style, pulley cannot be set to this number of turns open.
COMPONENT CFM
4500 5000 5400 6000 7200 7500 9000 10,000 11,250
EconoMi$er IV 0.040 0.050 0.060 0.070 0.090 0.100 0.110 0.120 0.140
FIOP — Factory-Installed Option
UNIT 581A
SOUND
RATING-dB
(60 Hz)
A-WEIGHTED
(dB)
SOUND POWER (dB)
Octave Bands
63 125 250 500 1000 2000 4000 8000
155 87 87.3 87.1 89.9 86.4 84.0 82.7 79.0 73.9 68.6
180 88 88.0 95.7 88.9 87.2 85.2 91.9 79.5 72.7 66.0
UNIT 581A NOMINAL HP VOLTAGE MAX WATTS EFF. % MAX BHP MAX BkW MAX AMPS
155
(Standard Motor)
2.9 208 2700 85.8 3.13 2.34 9.46
2.9 230 2700 85.8 3.13 2.34 8.6
2.9 460 2700 85.8 3.13 2.34 4.3
3 575 3065 81.7 3.38 2.53 3.9
155
(Optional Motor)
3.7 208 3610 85.8 4.38 3.27 10.5
3.7 230 3610 85.8 4.38 3.27 10.5
3.7 460 3610 85.8 4.38 3.27 4.8
180
5 208 5180 87.5 6.13 4.57 15.8
5 230 5180 87.5 6.13 4.57 15.8
5 460 5180 87.5 6.13 4.57 7.9
5 575 5180 87.5 6.13 4.57 6.0
BHP — Brake Horsepower
BkW — Brake Kilowatts
UNIT
581A
MOTOR PULLEY TURNS OPEN
01/211
1/222
1/233
1/244
1/255
1/26
155† 1147 1124 1101 1078 1055 1032 1010 987 964 941 918 895 ††
155** 1315 1292 1269 1246 1223 1200 1178 1155 1132 1109 1086 1063 1040
180† †† †† †† †† 1021 1002 984 965 947 928 910 891 873
180** †† †† †† †† 1200 1178 1156 1134 1112 1091 1069 1047 1025
581A155-300

242
PERFORMANCE DATA (cont)
OUTDOOR SOUND POWER (TOTAL UNIT)
LEGEND
NOTE: Indoor sound power is available in Bryant’s Electronic Catalog Program (ECAT) for specific operating
parameters.
FAN RPM AT MOTOR PULLEY SETTINGS* — 581A210-300
*Approximate fan rpm shown.
UNIT
581A
ARI
RATING
(decibels)
A-WEIGHTED
(db)
OCTAVE BANDS
63 125 250 500 1000 2000 4000 8000
155,180 88 87.6 90.8 88.7 86.4 84.3 83.5 78.4 75.6 66.8
210, 240 82 81.7 90.2 84.8 80.7 79.0 77.6 71.4 66.7 60.7
300 85 84.9 90.0 86.3 83.6 82.9 80.3 74.9 71.4 66.5
ARI — Air Conditioning and Refrigeration Institute
581A DRIVE MOTOR PULLEY TURNS OPEN
01/211
1/222
1/233
1/244
1/255
1/26
210
(208/230 and
460 volt)
Low Range Vertical 647 667 687 707 727 747 767 786 806 826 846 866 886
High Range Vertical 897 917 937 958 978 998 1018 1038 1058 1079 1099 1119 1139
Low Range Horizontal 896 924 951 979 1006 1034 1062 1089 1117 1144 1172 1199 1227
High Range Horizontal 1113 1138 1163 1188 1213 1238 1264 1289 1314 1339 1364 1389 1414
210
(575 volt)
Low Range Vertical 810 832 854 876 897 919 941 963 985 1007 1028 1050 1072
High Range Vertical 873 893 912 932 951 971 991 1010 1030 1049 1069 1088 1108
Low Range Horizontal 863 886 909 933 956 979 1002 1025 1048 1072 1095 1118 1141
High Range Horizontal 1042 1062 1083 1103 1123 1143 1164 1184 1204 1224 1245 1265 1285
240
(208/230 and
460 volt)
Low Range Vertical 949 970 992 1013 1035 1056 1078 1099 1120 1142 1163 1185 1206
High Range Vertical 941 961 980 1000 1019 1039 1059 1078 1098 1117 1137 1156 1176
Low Range Horizontal 896 924 951 979 1006 1034 1062 1089 1117 1144 1172 1199 1227
High Range Horizontal 1113 1138 1163 1188 1213 1238 1264 1289 1314 1339 1364 1389 1414
240
(575 volt)
Low Range Vertical 949 970 992 1013 1035 1056 1078 1099 1120 1142 1163 1185 1206
High Range Vertical 941 961 980 1000 1019 1039 1059 1078 1098 1117 1137 1156 1176
Low Range Horizontal 873 893 912 932 951 971 991 1010 1030 1049 1069 1088 1108
High Range Horizontal 1113 1138 1163 1188 1213 1238 1264 1289 1314 1339 1364 1389 1414
300
(all voltages)
Low Range Vertical 805 822 839 856 872 889 906 923 940 957 973 990 1007
High Range Vertical 941 961 980 1000 1019 1039 1059 1078 1098 1117 1137 1156 1176
Low Range Horizontal 805 822 839 856 872 889 906 923 940 957 973 990 1007
High Range Horizontal 941 961 980 1000 1019 1039 1059 1078 1098 1117 1137 1156 1176
581A155-300

243
PERFORMANCE DATA (cont)
EVAPORATOR FAN MOTOR SPECIFICATIONS — 581A210-300
LEGEND
ACCESSORY/FIOP STATIC PRESSURE (in. wg) — 581A210-300
LEGEND *The static pressure must be added to the external static pressure. The sum
and the evaporator entering-air cfm should then be used in conjunction with
the Fan Performance tables to determine blower rpm and watts.
UNIT
581A DRIVE ORIENTATION MOTOR
P/N
NOMINAL
HP VOLTAGE MAX
WATTS
EFFICIENCY
%
MAX
BHP
MAX
BkW
MAX
AMPS
210
Low Vertical
HD60FK651 3.7 208 3698 85.8 4.25 3.17 10.6
HD60FK651 3.7 230 3698 85.8 4.25 3.17 9.6
HD60FK651 3.7 460 3698 85.8 4.25 3.17 4.8
HD58DL575 3 575 3149 81.7 3.45 2.57 3.9
High Vertical
HD60FL650 5 208 4900 87.5 5.75 4.29 16.7
HD60FL650 5 230 4900 87.5 5.75 4.29 15.2
HD60FL650 5 460 4900 87.5 5.75 4.29 7.6
HD60FL575 5 575 4900 87.5 5.75 4.29 6.1
Low Horizontal
HD60FK651 3.7 208 3698 85.8 4.25 3.17 10.6
HD60FK651 3.7 230 3698 85.8 4.25 3.17 9.6
HD60FK651 3.7 460 3698 85.8 4.25 3.17 4.8
HD58DL575 3 575 3149 81.7 3.45 2.57 3.9
High Horizontal
HD60FL650 5 208 4900 87.5 5.75 4.29 16.7
HD60FL650 5 230 4900 87.5 5.75 4.29 15.2
HD60FL650 5 460 4900 87.5 5.75 4.29 7.6
HD60FL575 5 575 4900 87.5 5.75 4.29 6.1
240
Low Vertical
HD60FL650 5 208 4900 87.5 5.75 4.29 16.7
HD60FL650 5 230 4900 87.5 5.75 4.29 15.2
HD60FL650 5 460 4900 87.5 5.75 4.29 7.6
HD60FL575 5 575 4900 87.5 5.75 4.29 6.1
High Vertical
HD62FL650 7.5 208 7267 88.5 8.63 6.43 24.2
HD62FL650 7.5 230 7267 88.5 8.63 6.43 22
HD62FL650 7.5 460 7267 88.5 8.63 6.43 11
HD62FL575 7.5 575 7267 88.5 8.63 6.43 9
Low Horizontal
HD60FK651 3.7 208 3698 85.8 4.25 3.17 10.6
HD60FK651 3.7 230 3698 85.8 4.25 3.17 9.6
HD60FK651 3.7 460 3698 85.8 4.25 3.17 4.8
HD60FL575 5 575 4900 87.5 5.75 4.29 6.1
High Horizontal
HD60FL650 5 208 4900 87.5 5.75 4.29 16.7
HD60FL650 5 230 4900 87.5 5.75 4.29 15.2
HD60FL650 5 460 4900 87.5 5.75 4.29 7.6
HD60FL575 5 575 4900 87.5 5.75 4.29 6.1
300
Mid-Low Vertical
HD60FL650 5 208 4900 87.5 5.75 4.29 16.7
HD60FL650 5 230 4900 87.5 5.75 4.29 15.2
HD60FL650 5 460 4900 87.5 5.75 4.29 7.6
HD60FL575 5 575 4900 87.5 5.75 4.29 6.1
Mid-High Vertical
HD62FL650 7.5 208 7267 88.5 8.63 6.43 24.2
HD62FL650 7.5 230 7267 88.5 8.63 6.43 22
HD62FL650 7.5 460 7267 88.5 8.63 6.43 11
HD62FL575 7.5 575 7267 88.5 8.63 6.43 9
Mid-Low Horizontal
HD60FL650 5 208 4900 87.5 5.75 4.29 16.7
HD60FL650 5 230 4900 87.5 5.75 4.29 15.2
HD60FL650 5 460 4900 87.5 5.75 4.29 7.6
HD60FL575 5 575 4900 87.5 5.75 4.29 6.1
Mid-High Horizontal
HD62FL650 7.5 208 7267 88.5 8.63 6.43 24.2
HD62FL650 7.5 230 7267 88.5 8.63 6.43 22
HD62FL650 7.5 460 7267 88.5 8.63 6.43 11
HD62FL575 7.5 575 7267 88.5 8.63 6.43 9
BHP — Brake Horsepower
BkW — Brake Kilowatts
COMPONENT CFM
4,000 4,500 5,000 5,500 6,000 6,500 7,000 7,500 8,000 8,500 9,000 9,500 10,000 10,500 11,000 11,500 12,000
Economizer 0.02 0.03 0.04 0.05 0.06 0.07 0.08 0.09 0.10 0.11 0.12 0.13 0.15 0.16 0.17 0.19 0.20
FIOP — Factory-Installed Option
581A155-300

244
ELECTRICAL DATA — 581A (cont)
ELECTRICAL DATA — 581A155,180
LEGEND
*Fuse or HACR circuit breaker.
NOTES:
1. In compliance with NEC requirements for multimotor and combina-
tion load equipment (refer to NEC Articles 430 and 440), the over-
current protective device for the unit shall be fuse or HACR
breaker. Canadian units may be fuse or circuit breaker.
2. Unbalanced 3-Phase Supply Voltage
Never operate a motor where a phase imbalance in supply voltage
is greater than 2%. Use the following formula to determine the per-
cent of voltage imbalance.
% Voltage Imbalance
Example: Supply voltage is 460-3-60.
AB = 452 v
BC = 464 v
AC = 455 v
= 457
Determine maximum deviation from average voltage.
(AB) 457 – 452 = 5 v
(BC) 464 – 457 = 7 v
(AC) 457 – 455 = 2 v
Maximum deviation is 7 v.
Determine percent of voltage imbalance.
% Voltage Imbalance = 100 x
= 1.53%
This amount of phase imbalance is satisfactory as it is below the
maximum allowable 2%.
IMPORTANT: If the supply voltage phase imbalance is more than
2%, contact your local electric utility company immediately.
UNIT
581A
NOMINAL
VOLTAGE
(3 Ph, 60 Hz)
VOLTAGE
RANGE
COMPRESSOR OFM IFM POWER
EXHAUST
COMBUSTION
FAN MOTOR
POWER
SUPPLY
No. 1 No. 2
Min Max RLA LRA RLA LRA Qty Hp FLA (ea) Hp FLA FLA LRA FLA MCA MOCP*
155
(Standard
IFM)
208/230 187 253 20.7 156 20.7 156 3 0.5 1.70 2.9 8.8/ 8.4 — — 0.57 60/60 80/80
4.6 18.8 0.57 65/65 80/80
460 414 506 10.0 75 10.0 75 3 0.5 0.80 2.9 4.2 — — 0.30 29 35
2.3 6.0 0.30 31 40
575 518 633 8.2 54 8.2 54 3 0.5 0.75 3.0 3.9 — — 0.57 25 30
2.1 4.8 0.57 27 30
155
(Optional
IFM)
208/230 187 253 20.7 156 20.7 156 3 0.5 1.70 3.7 10.5/11.0 — — 0.57 62/63 80/80
4.6 18.8 0.57 67/67 80/80
460 414 506 10.0 75 10.0 75 3 0.5 0.80 3.7 4.8 — — 0.30 30 35
2.3 6.0 0.30 32 40
180
208/230 187 253 32.1 195 20.7 156 3 0.5 1.70 5.0 15.8/15.8 — — 0.57 82/82 110/110
4.6 18.8 0.57 86/86 110/110
460 414 506 16.4 95 10.0 75 3 0.5 0.80 5.0 7.9 — — 0.30 41 50
2.3 6.0 0.30 43 50
575 518 633 12.0 80 8.2 54 3 0.5 0.75 5.0 6.0 — — 0.57 31 40
2.1 4.8 0.57 34 45
FLA — Full Load Amps
HACR — Heating, Air Conditioning and Refrigeration
IFM — Indoor (Evaporator) Fan Motor
LRA — Locked Rotor Amps
MCA — Minimum Circuit Amps
MOCP — Maximum Overcurrent Protection
NEC — National Electrical Code
OFM — Outdoor (Condenser) Fan Motor
RLA — Rated Load Amps
= 100 x max voltage deviation from average voltage
average voltage
Average Voltage = 452 + 464 + 455
3
= 1371
3
7
457
581A155-300

245
ELECTRICAL DATA — 581A (cont)
ELECTRICAL DATA — 581A210-300 WITHOUT CONVENIENCE OUTLET
LEGEND
*Fuse or HACR circuit breaker.
NOTES:
1. In compliance with NEC requirements for multimotor and combination load equipment
(refer to NEC Articles 430 and 440), the overcurrent protective device for the unit shall be
fuse or HACR breaker. Canadian units may be fuse or circuit breaker.
2. Unbalanced 3-Phase Supply Voltage
Never operate a motor where a phase imbalance in supply voltage is greater than 2%.
Use the following formula to determine the percent of voltage imbalance.
% Voltage Imbalance
Example: Supply voltage is 460-3-60.
AB = 452 v
BC = 464 v
AC = 455 v
Determine maximum deviation from average voltage.
(AB) 457 – 452 = 5 v
(BC) 464 – 457 = 7 v
(AC) 457 – 455 = 2 v
Maximum deviation is 7 v.
Determine percent of voltage imbalance.
This amount of phase imbalance is satisfactory as it is below the maximum allowable
2%.
IMPORTANT: If the supply voltage phase imbalance is more than 2%, contact your local
electric utility company immediately.
UNIT
581A
NOMINAL
VO LTAGE
(3 Ph,
60 Hz)
VOLTAGE
RANGE
COMPRESSOR OFM IFM POWER
EXHAUST
COMBUSTION
FAN MOTOR POWER SUPPLY DISCONNECT
SIZE
No. 1No. 2No. 3
Min Max RLA LRA RLA LRA RLA LRA Qty Hp FLA
(ea) Hp FLA Qty Hp FLA
(ea) FLA MCA MOCP* FLA
210
208/230 187 253 16.7 130 16.7 130 22.4 184 4 0.25 1.5
3.7 10.6/ 9.6 —— —
0.5
78/ 77 100/ 90 83/ 82
2 1 5.9 90/ 89 100/100 97/ 96
5 16.7/15.2 — — — 84/ 83 100/100 90/ 89
2 1 5.9 96/ 94 100/100 104/102
7.5 24.2/22 — — — 92/ 89 100/100 99/ 96
2 1 5.9 104/101 125/110 112/110
460 414 506 9 70 9 70 10.7 90 4 0.25 0.7
3.7 4.8 —— —
0.3
39 45 42
213.1 45 50 49
57.6—— — 42 50 45
213.1 48 50 52
7.5 11 —— — 45 50 49
213.1 51 60 56
575 518 633 7 55 7 55 9.3 73 4 0.25 0.7
33.9—— —
0.24
32 40 35
212.4 37 45 40
56.1—— — 35 40 37
212.4 39 45 43
7.5 9 —— — 37 45 40
212.4 42 50 46
240
208/230 187 253 22.4 184 22.4 184 22.4 184 4 0.25 1.5
3.7 10.6/ 9.6 —— —
0.5
89/ 88 100/100 96/ 95
2 1 5.9 101/100 110/110 110/109
5 16.7/15.2 — — — 96/ 94 100/100 103/102
2 1 5.9 107/106 125/125 117/115
7.5 24.2/22 — — — 103/101 125/110 112/109
2 1 5.9 115/113 125/125 126/123
10 30.8/28 — — — 112/108 125/125 120/116
2 1 5.9 124/120 150/125 133/130
460 414 506 10.7 90 10.7 90 10.7 90 4 0.25 0.7
3.7 4.8 —— —
0.3
42 50 46
213.1 49 50 53
57.6—— — 45 50 49
213.1 51 60 56
7.5 11 —— — 49 50 53
213.1 55 60 60
10 14 —— — 52 60 56
213.1 59 60 63
575 518 633 9.3 73 9.3 73 9.3 73 4 0.25 0.7
56.1—— —
0.24
39 45 42
212.4 44 50 48
7.5 9 —— — 42 50 46
212.4 47 50 51
10 11 —— — 44 50 48
212.4 49 60 53
300
208/230 187 253 47.1 245 47.1 245 — — 6 0.25 1.5
5 16.7/15.2 —— —
0.5
132/130 175/175 138/136
2 1 5.9 143/142 175/175 151/150
7.5 24.2/22 — — — 139/137 175/175 147/144
2 1 5.9 151/149 175/175 160/158
10 30.8/28 — — — 146/143 175/175 154/151
2 1 5.9 158/155 200/200 168/164
460 414 506 19.6 125 19.6 125 — — 6 0.25 0.7
57.6—— —
0.3
56 60 59
213.1 62 80 66
7.5 11 —— — 59 60 63
213.1 66 80 70
10 14 —— — 62 80 66
213.1 69 80 73
575 518 633 15.8 100 15.8 100 — — 6 0.25 0.7
56.1—— —
0.24
46 60 48
212.4 51 60 54
7.5 9 —— — 49 60 52
212.4 54 60 57
10 11 —— — 51 60 54
212.4 56 60 59
FLA — Full Load Amps MCA — Minimum Circuit Amps
HACR — Heating, Air Conditioning and MOCP— Maximum Overcurrent Protection
Refrigeration NEC — National Electrical Code
IFM — Indoor (Evaporator) Fan Motor OFM — Outdoor (Condenser) Fan Motor
LRA — Locked Rotor Amps RLA — Rated Load Amps
MCA — Minimum Circuit Amps
= 100 x max voltage deviation from average voltage
average voltage
Average Voltage = 452 + 464 + 455
3
= 1371
3
= 457
% Voltage Imbalance = 100 x 7
457
= 1.53%
581A155-300

246
ELECTRICAL DATA — 581A (cont)
ELECTRICAL DATA — 581A210-300 WITH OPTIONAL CONVENIENCE OUTLET
LEGEND
*Fuse or HACR circuit breaker.
NOTES:
1. In compliance with NEC requirements for multimotor and combination load equipment
(refer to NEC Articles 430 and 440), the overcurrent protective device for the unit shall be
fuse or HACR breaker. Canadian units may be fuse or circuit breaker.
2. Unbalanced 3-Phase Supply Voltage
Never operate a motor where a phase imbalance in supply voltage is greater than 2%.
Use the following formula to determine the percent of voltage imbalance.
% Voltage Imbalance
Example: Supply voltage is 460-3-60.
AB = 452 v
BC = 464 v
AC = 455 v
Determine maximum deviation from average voltage.
(AB) 457 – 452 = 5 v
(BC) 464 – 457 = 7 v
(AC) 457 – 455 = 2 v
Maximum deviation is 7 v.
Determine percent of voltage imbalance.
This amount of phase imbalance is satisfactory as it is below the maximum allowable
2%.
IMPORTANT: If the supply voltage phase imbalance is more than 2%, contact your local
electric utility company immediately.
UNIT
581A
NOMINAL
VO LTAGE
(3 Ph,
60 Hz)
VOLTAGE
RANGE
COMPRESSOR OFM IFM POWER
EXHAUST
COMBUSTION
FAN MOTOR POWER SUPPLY DISCONNECT
SIZE
No. 1No. 2No. 3
Min Max RLA LRA RLA LRA RLA LRA Qty Hp FLA
(ea) Hp FLA Qty Hp FLA
(ea) FLA MCA MOCP* FLA
210
208/230 187 253 16.7 130 16.7 130 22.4 184 4 0.25 1.5
3.7 10.6/ 9.6 —— —
0.5
83/ 82 100/100 89/ 88
2 1 5.9 95/ 94 100/100 103/101
5 16.7/15.2 — — — 89/ 88 100/100 96/ 94
2 1 5.9 101/ 99 110/100 110/108
7.5 24.2/22 — — — 97/ 94 100/100 105/102
2 1 5.9 109/106 125/125 118/116
460 414 506 9 70 9 70 10.7 90 4 0.25 0.7
3.7 4.8 —— —
0.3
42 50 45
213.1 48 50 52
57.6—— — 45 50 48
213.1 51 60 56
7.5 11 —— — 48 50 52
213.1 54 60 59
575 518 633 7 55 7 55 9.3 73 4 0.25 0.7
33.9—— —
0.24
35 40 38
212.4 40 45 43
56.1—— — 38 45 40
212.4 42 50 46
7.5 9 —— — 40 45 44
212.4 45 50 49
240
208/230 187 253 22.4 184 22.4 184 22.4 184 4 0.25 1.5
3.7 10.6/ 9.6 —— —
0.5
94/ 93 100/100 102/101
2 1 5.9 106/105 125/125 116/115
5 16.7/15.2 — — — 101/ 99 110/100 109/107
2 1 5.9 112/111 125/125 123/121
7.5 24.2/22 — — — 108/106 125/125 118/115
2 1 5.9 120/118 125/125 131/129
10 30.8/28 — — — 117/113 125/125 125/122
2 1 5.9 129/125 150/150 139/136
460 414 506 10.7 90 10.7 90 10.7 90 4 0.25 0.7
3.7 4.8 —— —
0.3
45 50 49
213.1 52 60 56
57.6—— — 48 50 52
213.1 54 60 59
7.5 11 —— — 52 60 56
213.1 58 60 63
10 14 —— — 55 60 60
213.1 62 70 67
575 518 633 9.3 73 9.3 73 9.3 73 4 0.25 0.7
56.1—— —
0.24
42 50 46
212.4 47 50 51
7.5 9 —— — 45 50 49
212.4 50 50 55
10 11 —— — 47 50 51
212.4 52 60 57
300
208/230 187 253 47.1 245 47.1 245 — — 6 0.25 1.5
5 16.7/15.2 —— —
0.5
137/135 175/175 144/142
2 1 5.9 148/147 175/175 157/155
7.5 24.2/22 — — — 144/142 175/175 152/150
2 1 5.9 156/154 200/200 166/163
10 30.8/28 — — — 151/148 175/175 160/157
2 1 5.9 163/160 200/200 173/170
460 414 506 19.6 125 19.6 125 — — 6 0.25 0.7
57.6—— —
0.3
59 60 62
213.1 65 80 69
7.5 11 —— — 62 80 66
213.1 69 80 73
10 14 —— — 65 80 69
213.1 72 90 77
575 518 633 15.8 100 15.8 100 - - 6 0.25 0.7
56.1—— —
0.24
49 60 52
212.4 54 60 57
7.5 9 —— — 52 60 55
212.4 57 60 60
10 11 —— — 54 60 57
212.4 59 60 63
FLA — Full Load Amps MCA — Minimum Circuit Amps
HACR — Heating, Air Conditioning and MOCP— Maximum Overcurrent Protection
Refrigeration NEC — National Electrical Code
IFM — Indoor (Evaporator) Fan Motor OFM — Outdoor (Condenser) Fan Motor
LRA — Locked Rotor Amps RLA — Rated Load Amps
MCA — Minimum Circuit Amps
= 100 x max voltage deviation from average voltage
average voltage
Average Voltage = 452 + 464 + 455
3
= 1371
3
= 457
% Voltage Imbalance = 100 x 7
457
= 1.53%
581A155-300

247
TYPICAL WIRING SCHEMATICS — 581A
LEGEND
AHA — Adjustable Heat Anticipator
C—Contactor, Compressor
CAP — Capacitor
CB — Circuit Breaker
CC — Cooling Compensator
CH — Crankcase Heater
CLO — Compressor Lockout
COMP — Compressor Motor
CR — Control Relay
DM — Damper Motor
DU — Dummy Terminal
EQUIP — Equipment
FPT — Freeze Protection Thermostat
FU — Fuse
GND — Ground
HPS — High-Pressure Switch
HS — Hall Effect Sensor
HV — High Voltage
I—Ignitor
IDM — Induced Draft Motor
IFC — Indoor Fan Contactor
IFM — Indoor (Evaporator) Fan Motor
IGC — Integrated Gas Unit Controller
L—Light
LOR — Lockout Relay
LPS — Low-Pressure Switch
LS — Limit Switch
MGV — Main Gas Valve
OFC — Outdoor Fan Contactor
OFM — Outdoor Fan Motor
PL — Plug Assembly
PRI — Primary
QT — Quadruple Terminal
RS — Rollout Switch
SW — Switch
TB — Terminal Block
TC — Thermostat-Cooling
TH — Thermostat-Heating
TRAN — Transformer
Terminal (Marked)
Terminal (Unmarked)
Terminal Block
Splice
Factory Wiring
Field Wiring
Option/Accessory Wiring
To indicate common potential
only. Not to represent wiring.
581A155, 460-3-60 Shown
a48-7474
581A155-300

248
TYPICAL WIRING SCHEMATICS — 581A
4
3
5
2
8
6
7
1
10
11
9
12
PINK
BLACK
BLUE
NOTE 1
NOTE 2
RUN
500 OHM
RESISTOR
50HJ540573
ACTUATOR
ASSEMBLY
RED
WHITE
ECONOMISER2 PLUG
DIRECT DRIVE
ACTUATOR
OAT
LEGEND
AL — Ambient Limit OA — Outdoor Air
ECB — Economizer Control Board OAS — Outdoor Air Sensor
IA — Indoor Air RAS— Return Air Sensor
IAQ — Indoor Air Quality SAT — Supply Air Temperature
EconoMi$er IV Wiring — 581A155,180
EconoMi$er2 Wiring — 581A155,180
LEGEND
OAT — Outdoor Air Temperature Sensor
NOTES:
1. Switch on actuator must be in run position for economizer to operate.
2. 50HJ540573 actuator consists of the 50HJ540567 actuator and a harness with 500-ohm resistor.
a48-7877
a50-8058
581A155-300

249
TYPICAL PIPING AND WIRING — 581A (581A155 Shown)
LEGEND
NEC — National Electrical Code b48-1258
581A155-300

250
GUIDE SPECIFICATIONS — 579F/580F180-300 AND 581A155,180 SIZE UNITS
PACKAGED ROOFTOP ELECTRIC COOLING UNIT WITH
GAS HEAT — CONSTANT VOLUME APPLICATION
HVAC GUIDE SPECIFICATIONS
SIZE RANGE: 13 AND 15 TONS (581A), 15 TO 25 TONS
(579F, 580F), NOMINAL (COOLING)
230,000 TO 360,000 BTUH, NOMINAL (INPUT
HEATING) (GAS UNITS)
BRYANT MODEL NUMBERS: 580F, 579F, 581A
PART 1 — GENERAL
1.01 SYSTEM DESCRIPTION
Unit is an outdoor rooftop mounted, electrically controlled
heating and cooling unit utilizing scroll hermetic compres-
sors for cooling duty and gas combustion for heating duty.
Supply air shall be discharged downward or horizontally
(with horizontal supply/return curb adapter assembly), as
shown on contract drawings. Standard unit shall include a
manual outdoor-air inlet.
1.02 QUALITY ASSURANCE
A. Unit shall be rated in accordance with ARI Standards 270
and 360 and all units shall be designed in accordance
with UL Standard 1995.
NOTE: Size 300 units are beyond the scope of ARI certifi-
cation guidelines.
B. Unit shall be designed to conform to ASHRAE 15.
C. Unit shall be ETL and ETL, Canada tested and certified in
accordance with ANSI Z21.47 Standards as a total
package.
D. Roof curb shall be designed to conform to NRCA
Standards.
E. Insulation and adhesive shall meet NFPA 90A require-
ments for flame spread and smoke generation.
F. Unit casing shall be capable of withstanding 500-hour salt
spray exposure per ASTM B117 (scribed specimen).
G. Unit shall be manufactured in a facility registered to
ISO 9001:2000.
1.03 DELIVERY, STORAGE, AND HANDLING
Unit shall be stored and handled per manufacturer’s
recommendations.
PART 2 — PRODUCTS
2.01 EQUIPMENT (STANDARD)
A. General:
Each unit shall be a factory assembled, single-piece heat-
ing and cooling unit. Contained within the unit enclosure
shall be all factory wiring, piping, controls, refrigerant
charge (R-22), and special features required prior to field
start-up.
B. Unit Cabinet:
1. Constructed of galvanized steel (G90 — 1.8 oz. of
zinc per square foot of sheet metal), bonderized and
primer-coated on both sides and coated with a baked
polyester thermosetting powdercoating finish on the
outer surface.
2. Indoor blower compartment interior surfaces shall be
insulated with a minimum 1/2-in. thick, 1 lb density
fiberglass insulation. Fiberglass insulation shall be
bonded with a thermosetting resin (8 to 12% by
weight nominal, phenol formaldehyde typical), and
coated with an acrylic or other material that meets
the NFPA 90 flame retardance requirements and has
an ‘‘R’’ Value of 3.70. Aluminum foil-faced fiber-
glass insulation shall be used in the gas heat
compartment.
3. Cabinet panels shall be easily removable for servic-
ing. Cabinet panels are minimum 20 gage. Panels
shall have 1/2-in. thick, 1.5-lb. density insulation.
4. Filters shall be accessible through an access panel.
5. Holes shall be provided in the base rails (minimum
12 gage) for rigging shackles to facilitate overhead
rigging.
6. Unit shall contain a sloped drain pan, to prevent
standing water from accumulating. Pan shall be fabri-
cated of hot dipped zinc coated minimum spangle
steel. Zinc coating shall be G90 designation accord-
ing to ASTM Standard A653. Unit shall contain a
factory-installed nonferrous main condensate drain
connection.
C. Fans:
1. Indoor blower (evaporator fan):
a. Fan shall be belt driven. Belt drive shall include
an adjustable pulley. The standard fan drive shall
have a factory-installed low-medium external
static pressure capable fan drive. The alternate
fan drive option shall have a factory-installed
external high static pressure capable fan drive.
b. Fan wheel shall be made from steel with a
corrosion-resistant finish. It shall be a dynamically
balanced, double-inlet type with forward-curved
blades.
2. Condenser fans shall be of the direct-driven propeller
type, with corrosion-resistant blades riveted to
corrosion-resistant steel supports. They shall be
dynamically balanced and discharge air upwards.
3. Induced-draft blower shall be of the direct-driven,
single inlet, forward-curved, centrifugal type. It shall
be made from steel with a corrosion-resistant finish
and shall be dynamically balanced.
D. Compressor(s):
1. Fully hermetic, scroll type, internally protected.
2. Factory spring-shock mounted and internally spring
mounted for vibration isolation.
3. On electrically and mechanically independent refrig-
erant circuits.
4. All compressors shall have 70 W crankcase heaters.
E. Coils:
1. Standard evaporator and condenser coils shall have
aluminum plate fins mechanically bonded to seam-
less internally grooved copper tubes with all joints
brazed.
2. Coils shall be leak tested at 150 psig and pressure
tested at 450 psig.
F. Heating Section:
1. Induced-draft combustion type with energy saving
direct-spark ignition system and redundant main gas
valve.
2. a. The heat exchanger shall be of the tubular-
section type constructed of a minimum of 20-gage
steel coated with a nominal 1.2 mil aluminum-
silicone alloy for corrosion resistance.
b. The optional stainless steel heat exchangers shall
be tubular-section design and shall be con-
structed of a minimum 20 gage, 409 stainless
steel.
3. Burners shall be of the in-shot type constructed of
aluminum-coated steel.
579F/580F/581A155-300

251
GUIDE SPECIFICATIONS — 579F/580F180-300 AND 581A155,180 SIZE UNITS (cont)
4. All gas piping shall enter the unit at a single location.
5. Gas piping shall be capable of being routed through
the roof curb directly into unit.
G. Refrigerant Components:
Refrigerant circuit components shall include:
1. Thermostatic expansion valve (TXV).
2. Filter driers.
3. Gage port and connections on suction, discharge,
and liquid lines.
H. Filter Section:
Standard filter section shall consist of 2 sizes of factory-
installed 2-in. thick throwaway fiberglass filters of com-
mercially available sizes. Filters shall be approximately
10% efficient with an airside pressure drop of approxi-
mately 0.07 in. wg (clean).
I. Controls and Safeties:
1. Unit Controls:
a. Economizer control (optional).
b. Capacity control (2-step).
c. Unit shall be complete with self-contained low-
voltage control circuit.
J. Safeties:
a. Unit shall incorporate a solid-state compressor
lockout which provides reset capability at the
space thermostat, should any of the following
safety devices trip and shut off compressor:
1) Compressor lockout protection provided for
either internal or external overload.
2) Low-pressure switch.
3) Dual freezestats (evaporator coil).
4) High-pressure switch.
b. Supply-air thermostat shall be located in the unit.
c. Heating section shall be provided with the follow-
ing minimum protections:
1) High-temperature limit switch.
2) Induced-draft motor speed sensor.
3) Flame rollout switch.
4) Flame proving controls.
5) Redundant gas valve.
K. Operating Characteristics:
1. Unit shall be capable of starting and running at 120 F
ambient outdoor temperature per maximum load cri-
teria of ARI Standard 360.
2. Unit with standard controls will operate in cooling
down to an outdoor ambient temperature of 40 F.
3. Unit shall be provided with fan time delay to prevent
cold air delivery.
L. Electrical Requirements:
All unit power wiring shall enter unit cabinet at a single
location.
M. Motors:
1. Compressor motors shall be cooled by refrigerant
gas passing through motor windings and shall have
line break thermal and current overload protection.
2. All fan motors shall have permanently lubricated,
sealed bearings and inherent automatic-reset ther-
mal overload protection or manual reset calibrated
circuit breakers.
3. All indoor-fan motors 5 hp and larger shall meet the
minimum efficiency requirements as established by
the Energy Policy Act of 1992 (EPACT) effective
October 24, 1997.
N. Special Features:
Certain features are not applicable when the features
designated * are specified. For assistance in amending
the specifications, contact your local Bryant Sales Office.
1. Coils:
a. Optional pre-coated aluminum-fin coils shall have
a durable epoxy-phenolic coating to provide pro-
tection in mildly corrosive coastal environments.
Coating shall be applied to the aluminum fin stock
prior to the fin stamping process to create an inert
barrier between the aluminum fin and copper
tube. Epoxy-phenolic barrier shall minimize gal-
vanic action between dissimilar metals.
b. Optional copper-fin coils shall be constructed of
copper fins mechanically bonded to copper tubes
and copper tube sheets. Galvanized steel tube
sheets shall not be acceptable. A polymer strip
shall prevent coil assembly from contacting the
sheet metal coil pan to minimize potential for gal-
vanic corrosion between coil and pan. All copper
construction shall provide protection in moderate
coastal environments.
c. E-Coated aluminum-fin coils shall have a flexible
epoxy polymer coating uniformly applied to all coil
surface areas without material bridging between
fins. Coating process shall ensure complete coil
encapsulation. Color shall be high gloss black
with gloss — 60 deg of 65 to 90% per ASTM
D523-89. Uniform dry film thickness from 0.8 to
1.2 mil on all surface areas including fin edges.
Superior hardness characteristics of 2H per
ASTM D3363-92A and cross-hatch adhesion of
4B-5B per ASTM D3359-93. Impact resistance
shall be up to 160 in./lb (ASTM D2794-93).
Humidity and water immersion resistance shall be
up to minimum 1000 and 250 hours respectively
(ASTM D2247-92 and ASTM D870-92). Corro-
sion durability shall be confirmed through testing
to be no less than 1000 hours salt spray per
ASTM B117-90. Coil construction shall be alumi-
num fins mechanically bonded to copper tubes.
d. E-Coated copper-fin coils shall have a flexible
epoxy polymer coating uniformly applied to all coil
surface areas without material bridging between
fins. Coating process shall ensure complete coil
encapsulation. Color shall be high gloss black
with gloss — 60 deg of 65 to 90% per ASTM
D523-89. Uniform dry film thickness from 0.8 to
1.2 mil on all surface areas including fin edges.
Superior hardness characteristics of 2H per
ASTM D3363-92A and cross-hatch adhesion of
4B-5B per ASTM D3359-93. Impact resistance
shall be up to 160 in./lb (ASTM D2794-93).
Humidity and water immersion resistance shall be
up to minimum 1000 and 250 hours respectively
(ASTM D2247-92 and ASTM D870-92). Corro-
sion durability shall be confirmed through testing
to be no less than 1000 hours salt spray per
ASTM B117-90. Coil construction shall be copper
fins mechanically bonded to copper tubes with
copper tube sheets. Galvanized steel tube sheets
shall not be acceptable. A polymer strip shall pre-
vent coil assembly from contacting sheet metal
coil pan to maintain coating integrity and minimize
corrosion potential between coil and pan.
579F/580F/581A155-300

252
GUIDE SPECIFICATIONS — 579F/580F180-300 AND 581A155,180 SIZE UNITS (cont)
2. Roof Curbs (Horizontal and Vertical):
a. Formed of 16-gage galvanized steel with wood
nailer strip and shall be capable of supporting
entire unit weight.
b. Permits installing and securing ductwork to curb
prior to mounting unit on the curb.
3. Horizontal Adapter Roof Curb:
Includes factory-assembled adapter and internal
duct and substantially improves evaporator fan static
performance (static regain).
NOTE: Power exhaust or barometric relief must be
mounted in the return ductwork when used in con-
junction with this accessory.
* 4. Integrated Economizers:
a. Integrated integral modulating type capable of
simultaneous economizer and compressor
operation.
b. Available as a factory-installed option in vertical
supply/return configuration only. (Available as a
field-installed accessory for horizontal and/or ver-
tical supply return configurations.)
c. Includes all hardware and controls to provide
cooling with outdoor air.
d. Equipped with low-leakage dampers, not to
exceed 2% leakage at 1 in. wg pressure
differential.
e. Capable of introducing up to 100% outdoor air.
f. EconoMi$er IV and EconoMi$er2 shall be
equipped with a barometric relief damper.
g. Designed to close damper(s) during loss-of-
power situations with spring return built into
motor.
h. Dry bulb outdoor-air temperature sensor shall be
provided as standard. Outdoor air sensor set
point is adjustable and shall range from 40 to
100 F. For the EconoMi$er IV, the return air
sensor, indoor enthalpy sensor, and outdoor
enthalpy sensor shall be provided as field-
installed accessories to provide enthalpy control,
differential enthalpy control, and differential dry
bulb temperature control. For the EconoMi$er2,
the enthalpy, differential temperature (adjustable),
and differential enthalpy control shall be provided
as field-installed accessories.
i. EconoMi$er IV controller shall use a mixed air
thermistor mounted on the evaporator fan hous-
ing to control EconoMi$er IV operation to a supply
air temperature of 55 F.
j. The EconoMi$er IV and EconoMi$er2 shall have
a gear-driven parallel blade design.
k. EconoMi$er IV controller shall provide control of
internal building pressure through its accessory
power exhaust function. Factory set at 100%, with
a range of 0% to 100%.
l. EconoMi$er2 shall be capable of control from a
4 to 20 mA signal through optional 4 to 20 mA
design without microprocessor control (required
for third party control interface).
m. EconoMi$er IV controller Occupied Minimum
Damper Position Setting maintains the minimum
airflow into the building during occupied period
providing design ventilation rate for full occupancy
(damper position during heating). A remote
potentiometer may be used to override the set
point.
n. EconoMi$er IV controller Unoccupied Minimum
Damper Position Setting — The EconoMi$er IV
dampers shall be completely closed when the unit
is in the occupied mode.
o. EconoMi$er IV controller IAQ/DCV Maximum
Damper Position Setting — Setting the maximum
position of the damper prevents the introduction
of large amounts of hot or cold air into the space.
This position is intended to satisfy the base mini-
mum ventilation rate.
p. EconoMi$er IV controller IAQ/DCV control modu-
lates the outdoor-air damper to provide ventilation
based on the optional 2 to 10 vdc CO2 sensor
input.
q. Compressor lockout sensor (opens at 35 F,
closes at 50 F).
r. Actuator shall be direct coupled to economizer
gear, eliminating linkage arms and rods.
s. Control LEDs:
1) When the outdoor air damper is capable of
providing free cooling, the “Free Cool” LED
shall illuminate.
2) The IAQ LED indicates when the module is on
the DCV mode.
3) The EXH LED indicates when the exhaust fan
contact is closed.
t. Remote Minimum Position Control — A field-
installed accessory remote potentiometer allows
the outdoor air damper to be opened or closed
beyond the minimum position in the occupied
mode for modified ventilation.
5. Two-Position Damper:
Two-position damper package shall include single
blade damper and 24-v motor. Admits up to 25%
outdoor air, and shall close upon unit shutoff.
Damper shall cover 3.8-in. high by 17.75-in. wide
(117.8 sq. in.) opening in return air upper panel.
6. Accessory Compressor Cycle Delay:
Compressor shall be prevented from restarting for a
minimum of 5 minutes after shutdown.
* 7. Thermostats and Subbases:
To provide staged heating and cooling in addition to
automatic (or manual) changeover and fan control.
* 8. Barometric Relief Damper Package:
a. Package shall include damper, seals, hardware,
and hoods to relieve excess internal pressure.
b. Damper shall close due to gravity upon unit
shutdown.
c. Damper package must be field-installed in return-
air ductwork when used with optional side return
connections.
* 9. Power Exhaust:
Package shall include an exhaust (propeller style)
fan, 1/2 Hp 208-230, 460 v (factory-wired for 460 v)
direct drive motor, and damper for vertical flow units
with economizer to control over-pressurization of
building. Power Exhaust package must be field-
installed in return-air ductwork when used with
optional side return connections.
* 10. Head Pressure Control Package:
Consists of an accessory outdoor-air package and a
solid-state control with condenser coil temperature
sensor for controlling condenser-fan motor speed to
maintain condensing temperature between 90 F
and 100 F at outdoor ambient temperature down
to –20 F.
579F/580F/581A155-300

253
GUIDE SPECIFICATIONS — 579F/580F180-300 AND 581A155,180 SIZE UNITS (cont)
11. Low-Ambient Kits:
When used, allows units to operate at lower outdoor
ambient temperatures. Sizes 155, 180, 210/216, and
300 will operate down to 10 F. Size 240 will operate
down to 25 F.
* 12. Enthalpy Sensor:
a. For use with Economi$er IV only.
b. Capable of comparing heat content (temperature
and humidity) of outdoor air and indoor air and
controlling economizer cut-in point at the most
economical level.
NOTE: Two accessory enthalpy sensors are
required for differential enthalpy control.
* 13. Electronic Programmable Thermostat:
Capable of using deluxe full-featured electronic
thermostat.
14. Hot Gas Bypass Dehumidification Package:
The dehumidification package is a factory-installed
option that provides increased dehumidification by
further subcooling the hot liquid refrigerant leaving
the condenser coil. The package consists of a single
row, 12.25 sq ft subcooling coil located on the leav-
ing airside of the evaporator coil. The location of this
coil in the indoor airstream greatly enhances the
latent capacity of the unit.
The package shall be equipped with low pressure
switch(es) and TXVs. Low pressure switch(es) pre-
vents evaporator coil freeze-up and TXVs assure a
positive superheat condition. If the operation of the
subcooling coil is controlled by a field-installed wall-
mounted humidistat, the dehumidification circuit will
then operate only when needed. Optional field con-
nections for the humidistat are made in the low volt-
age compartment of the unit control box.
15. Winter Start Time-Delay Relay:
Used in conjunction with the accessory low-ambient
kit or head pressure control device, permits opera-
tion in cooling at lower outdoor ambient tempera-
tures. See price pages for more information.
16. Liquid Propane Conversion Kit:
Kit shall contain all the necessary hardware and
instructions to convert a standard natural gas unit for
use with liquefied propane gas.
17. Hinged Access Panels for the Filter, Compressors,
Evaporator Fan, and Control Box Areas:
Filter hinged access panels permit tool-less entry for
changing filters. Evaporator fan hinged access panel
shall be field-convertible to a tool-less entry by
removing and discarding screws. Each external
hinged access panel shall be permanently attached
to the rooftop unit.
18. Convenience Outlet:
Shall be factory-installed and internally mounted with
an externally accessible 115-v, 15 amp. GFI, female
receptacle with hinged cover. Voltage required to
operate convenience outlet shall be provided by a
field-installed separate branch circuit.
19. Non-Fused Disconnect Switch:
Shall be factory-installed, internally mounted, NEC
and UL approved non-fused switch shall provide unit
power shutoff. The control access door shall be
interlocked with the non-fused disconnect. The dis-
connect switch must be in the OFF position to open
the control box access door. Shall be accessible
from outside the unit and shall provide power off
lockout capability.
20. Alternate Drive:
Shall provide higher static drive capability to en-
hance evaporator-fan performance rpm range.
21. Hail Guard, Condenser Coil Grille:
Shall protect the condenser coil from hail, flying
debris, and damage by large objects without increas-
ing unit clearances.
22. Ultraviolet Germicidal Lamps:
Ultraviolet germicidal lamps are designed to elimi-
nate odor causing mold and fungus that may develop
in the wet area of the evaporator section of the unit.
The high output, low temperature germicidal lamps
are field installed in the evaporator section of the
unit, aimed at the evaporator coil and condensate
pan. The short wavelength ultraviolet light inhibits
and kills mold, fungus and microbial growth. The
lamps have an output rating at 45 F in 400 fpm air-
flow of 120 microwatts/cm2 at 1 meter.
23. Stainless Steel Condensate Pan:
Stainless steel condensate pans shall be available
for condensate collection.
24. Light Commercial Thermidistat™ Device:
Shall regulate temperature and humidity from one
location. Automatic humidity control adjusts indoor
humidity level between 50 and 90% RH (relative
humidity) based on the outdoor temperature sensor.
25. Fan/Filter Status Switch:
Provides status of indoor (evaporator) fan (ON/OFF)
or filter (CLEAN/DIRTY). Status shall be displayed
over communication bus when used with direct
digital controls or with an indicator light at the
thermostat.
26. Manual Outdoor-Air Damper:
Manual damper package shall consist of damper,
birdscreen, and rainhood which can be preset
to admit up to 50% outdoor air for year-round
ventilation.
27. High-Static Motor(s) and Drive(s):
High-static motor(s) and drive(s) shall be factory-
installed to provide additional performance range.
28. Indoor Air Quality (CO2) Sensor:
a. Shall have the ability to provide demand ventila-
tion indoor air quality (IAQ) control through the
economizer with an IAQ sensor.
b. The IAQ sensor shall be available in duct mount,
wall mount, and wall mount with LED display. The
set point shall have adjustment capability.
29. Return Air CO2 Sensor (EconoMi$er IV):
Sensor shall have the ability to provide demand ven-
tilation control through the EconoMi$er IV. The IAQ
sensor shall be duct mounted. The set point shall
have adjustment capability.
30. Outdoor Air Enthalpy Sensor (EconoMi$er IV or
EconoMi$er2):
The outdoor air enthalpy sensor shall be used to pro-
vide single enthalpy control. When used in conjunc-
tion with a return air enthalpy sensor, the controller
will provide differential enthalpy control. The sensor
allows the controller to determine if outside air is
suitable for free cooling.
579F/580F/581A155-300

254
GUIDE SPECIFICATIONS — 579F/580F180-300 AND 581A155,180 SIZE UNITS (cont)
31. Return Air Enthalpy Sensor (EconoMi$er IV or
EconoMi$er2):
The return air enthalpy sensor shall be used with the
EconoMi$er IV or EconoMi$er2 device. When used
in conjunction with an outdoor air enthalpy sensor,
the controller will provide differential enthalpy
control.
32. Return Air Temperature Sensor (EconoMi$er IV or
EconoMi$er2):
The return air temperature sensor shall be used with
the EconoMi$er IV or EconoMi$er2 device. When
used in conjunction with the standard outdoor air
temperature sensor, the EconoMi$er IV or
EconoMi$er2 device will provide differential tempera-
ture control.
33. Indoor Air Quality (CO2) Room Sensor (EconoMi$er
IV):
Sensor shall have the ability to provide demand ven-
tilation control through the EconoMi$er IV. The IAQ
sensor shall be wall mounted with an LED display in
parts per million. The set point shall have adjustment
capability.
34. Humidistat:
Field-installed, wall-mounted humidistat is used to
control activation of the dehumidification package.
The humidistat can be set for humidity levels
between 20% and 80% relative humidity.
579F/580F/581A155-300

255
GUIDE SPECIFICATIONS — 581A210-300 UNITS
PACKAGED ROOFTOP ELECTRIC COOLING UNIT WITH
GAS HEAT — CONSTANT VOLUME APPLICATION
HVAC GUIDE SPECIFICATIONS
SIZE RANGE: 18 TO 25 TONS NOMINAL (COOLING)
250,000 TO 400,000 BTUH, NOMINAL
(INPUT HEATING)
BRYANT MODEL NUMBERS: 581A
PART 1 — GENERAL
1.01 SYSTEM DESCRIPTION
Unit is an outdoor rooftop mounted, electrically controlled
heating and cooling unit utilizing scroll hermetic compres-
sors with crankcase heaters for cooling duty and gas com-
bustion heat for heating duty. Supply air shall be
discharged downward or horizontally, as shown on con-
tract drawings.
1.02 QUALITY ASSURANCE
A. Unit shall well exceed the energy efficiency requirements
of ASHRAE standard 90.1-2001. Unit shall be Energy
Star qualified.
B. Unit shall be rated in accordance with ARI Standards 270
and 360 and all units shall be designed in accordance
with UL Standard 1995.
C. Unit shall be designed to conform to ASHRAE 15.
D. Unit shall be UL and UL, Canada, tested and certified in
accordance with ANSI Z21.47 Standards as a total
package.
E. Roof curb shall be designed to conform to NRCA
Standards.
F. Insulation and adhesive shall meet NFPA 90A require-
ments for flame spread and smoke generation.
G. Unit casing shall be capable of withstanding 500-hour salt
spray exposure per ASTM B117 (scribed specimen).
H. Unit shall be manufactured in a facility registered to
ISO 9001:2000.
1.03 DELIVERY, STORAGE, AND HANDLING
Unit shall be stored and handled per manufacturer’s
recommendations.
PART 2 — PRODUCTS
2.01 EQUIPMENT (STANDARD)
A. General:
The 581A unit shall be a factory assembled, single-piece
heating and cooling unit. Contained within the unit enclo-
sure shall be all factory wiring, piping, controls, refrigerant
charge (R-22), and special features required prior to field
start-up.
B. Unit Cabinet:
1. Constructed of galvanized steel (G90 — 1.8 oz. of
zinc per square foot of sheet metal), bonderized and
primer-coated on both sides and coated with a baked
polyester thermosetting powdercoating finish on the
outer surface.
2. Indoor blower compartment interior surfaces shall be
insulated with a minimum 1/2-in. thick, 1 lb density
fiberglass insulation. Fiberglass insulation shall be
bonded with a thermosetting resin (8 to 12% by
weight nominal, phenol formaldehyde typical), and
coated with an acrylic or other material that meets
the NFPA 90 flame retardance requirements and
has an ‘‘R’’ Value of 3.70. Aluminum foil-faced fiber-
glass insulation shall be used in the gas heat
compartment.
3. Cabinet panels shall have minimum 1/2-in. thick,
1.5-lb. density insulation. Each external access panel
shall be permanently attached to the rooftop unit.
Panels shall also include tiebacks.
4. Filters shall be accessible through an access panel.
5. Holes shall be provided in the base rails (minimum
14 gage) for rigging shackles and level travel and
movement during overhead rigging operations.
6. Fork lift slots shall be available from two sides of the
unit (end and side).
7. Unit shall contain a sloped drain pan, to prevent
standing water from accumulating. Pan shall be fabri-
cated of epoxy powder coated steel.
C. Fans:
1. Indoor blower (evaporator fan):
a. Centrifugal supply air blower shall have pillow-
block ball bearings and adjustable belt
drive. Blower assembly shall slide out of unit for
servicing.
b. Fan wheel shall be made from steel with a corro-
sion resistant finish. It shall be a dynamically bal-
anced, double-inlet type with forward-curved
blades.
c. The indoor fan system (blower wheels, motors,
belts, and both bearings) shall slide out for easy
access.
2. Condenser fans shall be of the direct-driven propeller
type, with corrosion-resistant blades riveted to corro-
sion-resistant steel supports. They shall be dynami-
cally balanced and discharge air upwards.
Condenser fan motors shall be totally enclosed and
be of a shaft down design.
3. Induced-draft blower shall be of the direct-driven, sin-
gle inlet, forward-curved, centrifugal type. It shall be
made from steel with a corrosion-resistant finish and
shall be dynamically balanced.
D. Compressor(s):
1. Fully hermetic, scroll type, internally protected.
2. Factory spring-shock mounted and internally spring
mounted for vibration isolation.
3. On electrically and mechanically independent refrig-
erant circuits.
4. Reverse rotation protection capability.
5. Crankcase heaters shall only be activated during
compressor OFF mode.
E. Coils:
1. Standard evaporator and condenser coils shall have
copper or aluminum plate fins mechanically bonded
to seamless internally grooved copper tubes with all
joints brazed.
2. Coils shall be leak tested at 150 psig (1034 kPa) and
pressure tested at 450 psig (3103 kPa).
581A210-300

256
GUIDE SPECIFICATIONS — 581A210-300 UNITS (cont)
3. Optional pre-coated aluminum-fin coils shall have a
durable epoxy-phenolic coating to provide protection
in mildly corrosive coastal environments. Coating
shall be applied to the aluminum fin stock prior to the
fin stamping process to create an inert barrier
between the aluminum fin and copper tube. Epoxy-
phenolic barrier shall minimize galvanic action
between dissimilar metals.
4. Copper-fin coils shall be constructed of copper fins
mechanically bonded to copper tubes and copper
tube sheets. Galvanized steel tube sheets shall not
be acceptable. A polymer strip shall prevent coil
assembly from contacting the sheet metal coil pan to
minimize potential for galvanic corrosion between
coil and pan. All copper construction shall provide
protection in moderate coastal environments.
5. E-Coated aluminum-fin coils shall have a flexible
epoxy polymer coating uniformly applied to all coil
surface areas without material bridging between fins.
Coating process shall ensure complete coil encapsu-
lation. Color shall be high gloss black with gloss —
60 deg of 65 to 90% per ASTM D523-89. Uniform dry
film thickness from 0.8 to 1.2 mil on all surface areas
including fin edges. Superior hardness characteris-
tics of 2H per ASTM D3363-92A and cross-hatch
adhesion of 4B-5B per ASTM D3359-93. Impact
resistance shall be up to 160 in./lb (ASTM D2794-
93). Humidity and water immersion resistance shall
be up to minimum 1000 and 250 hours respectively
(ASTM D2247-92 and ASTM D870-92). Corrosion
durability shall be confirmed through testing to be no
less than 1000 hours salt spray per ASTM B117-90.
Coil construction shall be aluminum fins mechani-
cally bonded to copper tubes.
6. E-Coated copper-fin coils shall have a flexible epoxy
polymer coating uniformly applied to all coil surface
areas without material bridging between fins. Coating
process shall ensure complete coil encapsulation.
Color shall be high gloss black with gloss — 60 deg
of 65 to 90% per ASTM D523-89. Uniform dry film
thickness from 0.8 to 1.2 mil on all surface areas
including fin edges. Superior hardness characteris-
tics of 2H per ASTM D3363-92A and cross-hatch
adhesion of 4B-5B per ASTM D3359-93. Impact
resistance shall be up to 160 in./lb (ASTM D2794-
93). Humidity and water immersion resistance shall
be up to minimum 1000 and 250 hours respectively
(ASTM D2247-92 and ASTM D870-92). Corrosion
durability shall be confirmed through testing to be no
less than 1000 hours salt spray per ASTM B117-90.
Coil construction shall be copper fins mechanically
bonded to copper tubes with copper tube sheets.
Galvanized steel tube sheets shall not be acceptable.
A polymer strip shall prevent coil assembly from con-
tacting sheet metal coil pan to maintain coating integ-
rity and minimize corrosion potential between coil
and pan.
F. Heating Section:
1. Induced-draft combustion type with energy saving
direct-spark ignition system and redundant main gas
valve with 2-stage capability.
2. The heat exchanger shall be of the tubular-section
type constructed of a minimum of 20-gage steel
coated with a nominal 1.2 mil aluminum-silicone alloy
for corrosion resistance.
3. Burners shall be of the in-shot type constructed of
aluminum-coated steel.
4. All gas piping shall enter the unit at a single location.
5. Stainless steel heat exchanger shall be available.
G. Refrigerant Components:
Each refrigerant circuit shall include:
1. Thermostatic expansion valve (TXV) with removable
power element.
2. Filter driers.
3. Gage port and connections on suction and
discharge.
H. Filter Section:
Standard filter section shall consist of factory-installed
2-in. thick throwaway fiberglass filters.
I. Controls and Safeties:
1. Electro-Mechanical Control:
a. Economizer control (optional).
b. Capacity control (2-step).
c. Unit shall be complete with self-contained low-
voltage control circuit.
2. Safeties:
a. Unit shall incorporate a solid-state compressor
lockout which provides optional reset capability at
the space thermostat, should any of the following
safety devices trip and shut off compressor:
1) Compressor lockout protection provided for
either internal or external overload.
2) Low-pressure protection.
3) Freeze protection (evaporator coil).
4) High-pressure protection (high pressure switch
or internal).
b. Induced draft heating section shall be provided
with the following minimum protections:
1) High-temperature limit switch.
2) Induced-draft motor speed sensor.
3) Flame rollout switch.
4) Flame proving controls.
5) Redundant gas valve.
J. Operating Characteristics:
1. Unit shall be capable of starting and running at 125 F
ambient outdoor temperature per maximum load
criteria of ARI Standard 360.
2. Unit with standard controls will operate in cooling
down to an outdoor ambient temperature of 40 F.
3. Size 18 and 20 ton units shall have 3 fully indepen-
dent refrigerant circuits to allow for 33% capacity per
circuit.
K. Electrical Requirements:
All unit power wiring shall enter unit cabinet at a single
location.
L. Motors:
1. Compressor motors shall be cooled by refrigerant
gas passing through motor windings and shall have
line break thermal and current overload protection.
2. All fan motors shall have permanently lubricated,
sealed bearings and inherent automatic-reset ther-
mal overload protection or manual reset calibrated
circuit breakers.
3. All indoor-fan motors 5 hp and larger shall meet the
minimum efficiency requirements as established by
the Energy Policy Act of 1992 (EPACT), effective
October 24, 1997.
581A210-300

257
GUIDE SPECIFICATIONS — 581A210-300 UNITS (cont)
M. Special Features:
Certain features are not applicable when the features
designated * are specified. For assistance in amending
the specifications, contact your local Bryant Sales Office.
1. Full Perimeter Roof Curbs (Horizontal and Vertical):
a. Formed of 14-gage galvanized steel with wood
nailer strip and shall be capable of supporting
entire unit weight.
b. Permits installing and securing ductwork to curb
prior to mounting unit on the curb.
c. Retrofit roof curb kit shall be available for fit up to
existing Bryant roof curbs.
* 2. Integrated Economizer:
a. Integrated integral modulating type capable
of simultaneous economizer and compressor
operation.
b. Available as a factory-installed option in vertical
supply/return configuration only. (Available as a
field-installed accessory for dedicated horizontal
and/or vertical supply return configurations.)
c. Includes all hardware and controls to provide
cooling with outdoor air.
d. Equipped with low-leakage dampers, not to
exceed 2% leakage at 1 in. wg pressure
differential.
e. Capable of introducing up to 100% outdoor air.
f. EconoMi$er IV shall be equipped with a baromet-
ric relief damper.
g. Designed to close damper(s) during loss-of-
power situations with spring return built into
motor.
h. Dry bulb outdoor-air temperature sensor shall be
provided as standard. Outdoor air sensor set
point is adjustable and shall range from 40 to
100 F. For the EconoMi$er IV, the return air sen-
sor, indoor enthalpy sensor, and outdoor enthalpy
sensor shall be provided as field-installed acces-
sories to provide enthalpy control, differential
enthalpy control, and differential dry bulb temper-
ature control.
i. EconoMi$er IV controller shall use a mixed air
thermistor mounted on the evaporator fan hous-
ing to control EconoMi$er IV operation to a supply
air temperature of 55 F.
j. The EconoMi$er IV shall have a gear-driven par-
allel blade design.
k. EconoMi$er IV controller shall provide control of
internal building pressure through its accessory
power exhaust function. Factory set at 100%, with
a range of 0% to 100%.
l. EconoMi$er IV controller Occupied Minimum
Damper Position Setting maintains the minimum
airflow into the building during occupied period
providing design ventilation rate for full occupancy
(damper position during heating). A remote
potentiometer may be used to override the set
point.
m. EconoMi$er IV controller Unoccupied Minimum
Damper Position Setting — The EconoMi$er IV
dampers shall be completely closed when the unit
is in the occupied mode.
n. EconoMi$er IV controller IAQ/DCV control modu-
lates the outdoor-air damper to provide ventilation
based on the optional 2 to 10 vdc CO2 sensor
input.
o. Compressor lockout sensor (opens at 35 F,
closes at 50 F).
p. Actuator shall be direct coupled to economizer
gear, eliminating linkage arms and rods.
q. Control LEDs:
1) When the outdoor air damper is capable of
providing free cooling, the “Free Cool” LED
shall illuminate.
2) The IAQ LED indicates when the module is on
the DCV mode.
3) The EXH LED indicates when the exhaust fan
contact is closed.
r. Remote Minimum Position Control — A field-
installed accessory remote potentiometer allows
the outdoor air damper to be opened or closed
beyond the minimum position in the occupied
mode for modified ventilation.
* 3. Barometric Relief Damper Package:
a. Package shall include damper, seals, hardware,
and hoods to relieve excess internal pressure.
b. Damper shall close due to gravity upon unit
shutdown.
* 4. Power Exhaust:
Package shall include an exhaust (centrifugal style)
fan, 1 Hp 208-230, 460 v (factory-wired for 460 v)
direct-drive motor, and damper for vertical flow units
with economizer to control over-pressurization of
building.
* 5. Thermostats and Subbases:
Units shall provide staged heating and cooling in
addition to automatic (or manual) changeover and
fan control.
* 6. Electronic Programmable Thermostat:
Thermostat shall be capable of using deluxe full-
featured electronic thermostat.
7. Liquefied Propane Conversion Kit:
Kit shall contain all the necessary hardware and
instructions to convert a standard natural gas unit for
use with liquefied propane gas.
8. Convenience Outlet:
Outlet shall be factory-installed and internally
mounted with an externally accessible 115-v, 15 amp
GFI, female receptacle with hinged cover. A step
down transformer shall be included so no additional
wiring is necessary.
9. Non-Fused Disconnect Switch:
Switch shall be factory-installed, internally mounted,
NEC and UL approved. Non-fused switch shall pro-
vide unit power shutoff. Shall be accessible from out-
side the unit and shall provide power off lockout
capability.
10. Hail Guard, Condenser Coil Grille:
Grille shall protect the condenser coil from hail, flying
debris, and damage by large objects without increas-
ing unit clearances.
11. Horizontal Kit:
Horizontal kit shall contain all the necessary hard-
ware to convert a vertical airflow unit to a horizontal
airflow unit.
The unit shall also be available as a horizontal air-
flow unit directly from the factory.
581A210-300

258
GUIDE SPECIFICATIONS — 581A210-300 UNITS (cont)
12. Return Air Smoke Detector:
The smoke detector shall send input to the controller
to shut down the unit in case smoke is detected. The
smoke detector shall be factory installed in the return
air section or shall be available as a field-installed
accessory.
13. Two-Position Damper:
The damper shall admit up to 25% outdoor air and
shall close upon shutdown. The package shall
include a single-blade damper and motor.
14. Manual Damper:
The damper shall have a manually adjustable out-
side air intake for up to 33% outside air.
15. 30% Filters:
The filters shall be 30% efficient. The filters shall be
2-in., pleated filters.
16. Standard Motor with Alternate Drive:
The alternate drive shall provide high-static drive
capability to enhance evaporator fan performance.
17. Alternate Motor with Standard Drive:
The alternate motor shall provide high-static motor
capability to enhance evaporator fan performance.
18. Alternate Motor with Optional Drive:
The alternate motor and optional drive shall provide
high-static motor and drive capability to enhance
evaporator fan performance.
19. Four-in. Filter Capability:
The unit shall be capable of accepting 4-in. filters by
removal of the factory-supplied 2-in. filters and filter
rack and installation of a specially designed filter
bracket.
20. Supply Air Smoke Detector:
The smoke detector shall send input to the controller
to shut down the unit in case smoke is detected. The
smoke detector shall be factory installed in the sup-
ply air section or shall be available as a field-installed
accessory.
21. Supply and Return Air Smoke Detector:
The smoke detector shall send input to the controller
to shut down the unit in case smoke is detected. The
smoke detector shall be factory installed in the sup-
ply and return air sections or shall be available as a
field-installed accessory.
22. HACR Breaker:
The HACR circuit breaker shall be factory installed.
23. Thru-the-Curb Utility Connectors:
Kit shall provide connectors to permit gas and elec-
trical connections to be brought to the unit through
the roof curb.
24. Condensate Overflow Switch:
The condensate overflow switch shall close when the
condensate level in the pan rises above switch.
25. Outdoor Air Enthalpy Sensor (EconoMi$er IV):
The outdoor air enthalpy sensor is used to sense
outdoor air enthalpy for the EconoMi$er IV device.
The outdoor air humidity sensor, in conjunction with
the standard outdoor air temperature sensor, shall
be used with the EconoMi$er IV device to provide
outdoor enthalpy. Outdoor air enthalpy shall be cal-
culated by the EconoMi$er IV device from the out-
door air temperature and enthalpy readings. When
the outdoor air enthalpy sensor is installed, the
EconoMi$er IV can perform Outdoor Air Enthalpy
control. With the additional installation of an acces-
sory return air temperature sensor and return air
enthalpy sensor, differential enthalpy control can
also be performed.
26. Return Air Enthalpy Sensor (EconoMi$er IV):
The return air enthalpy sensor is used to sense
return air enthalpy for the EconoMi$er IV device. The
return air enthalpy sensor, in conjunction with the
accessory return air temperature sensor, shall be
used with the EconoMi$er IV device to provide return
air enthalpy. Return air enthalpy shall be calculated
by the EconoMi$er IV device from the return air tem-
perature and humidity readings. With the additional
installation of an accessory return air temperature
sensor and outdoor air enthalpy sensor, differential
enthalpy control can also be performed.
27. Return Air Temperature Sensor (EconoMi$er IV):
The return air temperature sensor is used to sense
return air temperature for the EconoMi$er IV device.
When the return air temperature sensor is installed,
the EconoMi$er IV can perform Differential Tempera-
ture control. The return air temperature sensor, in
conjunction with the accessory return air humidity
sensor, shall be used with the EconoMi$er IV device
to provide return air enthalpy. Return air enthalpy
shall be calculated by the EconoMi$er IV device
from the return air temperature and humidity read-
ings. With the additional installation of an accessory
return air enthalpy sensor and outdoor air humidity
sensor, differential enthalpy control can also be per-
formed.
28. Indoor Air Quality (CO2) Room Sensor (EconoMi$er
IV:
Sensor shall have the ability to provide demand ven-
tilation control through the EconoMi$er IV. The IAQ
sensor shall be wall mounted with an LED display in
parts per million. The set point shall have adjustment
capability.
29. Return Air CO2 Sensor (EconoMi$er IV):
Sensor shall have the ability to provide demand ven-
tilation control through the EconoMi$er IV. The IAQ
sensor shall be duct mounted. The set point shall
have adjustment capability.
581A210-300
259
CONTROLS
OPERATING SEQUENCE, SIZE 036-151 UNITS
Cooling, Units Without Economizer — When thermostat calls
for cooling, terminals G and Y1 are energized. The indoor-fan
contactor (IFC) and compressor contactor are energized
and indoor-fan motor, compressor, and outdoor fan starts. The
outdoor-fan motor runs continuously while unit is cooling.
For units with 2 stages of cooling, if the thermostat calls for a
second stage of cooling by energizing Y2, compressor contac-
tor no. 2 (C2) is energized and compressor no. 2 starts.
Heating, Units Without Economizer — When the thermostat
calls for heating, terminal W1 is energized. To prevent thermo-
stat short-cycling, the unit is locked into the Heating mode for at
least 1 minute when W1 is energized. The induced-draft motor
is energized and the burner ignition sequence begins. The
indoor (evaporator) fan motor (IFM) is energized 45 seconds
after a flame is ignited. On units equipped for two stages of
heat, when additional heat is needed, W2 is energized and the
high-fire solenoid on the main gas valve (MGV) is energized.
When the thermostat is satisfied and W1 is deenergized, the
IFM stops after a 45-second time-off delay.
Cooling, Units With EconoMi$er IV — When free cooling is
not available, the compressors will be controlled by the zone
thermostat. When free cooling is available, the outdoor-air
damper is modulated by the EconoMi$er IV control to provide a
50 to 55 F mixed-air temperature into the zone. As the mixed-air
temperature fluctuates above 55 or below 50 F, the dampers will
be modulated (open or close) to bring the mixed-air tempera-
ture back within control.
If mechanical cooling is utilized with free cooling, the outdoor-air
damper will maintain its current position at the time the com-
pressor is started. If the increase in cooling capacity causes the
mixed-air temperature to drop below 45 F, then the outdoor-air
damper position will be decreased to the minimum position. If
the mixed-air temperature continues to fall, the outdoor-air
damper will close. Control returns to normal once the mixed-air
temperature rises above 48 F.
If optional power exhaust is installed, as the outdoor-air damper
opens and closes, the power exhaust fans will be energized and
deenergized.
If field-installed accessory CO2 sensors are connected to the
EconoMi$er IV control, a demand controlled ventilation strategy
will begin to operate. As the CO2 level in the zone increases
above the CO2 set point, the minimum position of the damper
will be increased proportionally. As the CO2 level decreases
because of the increase in fresh air, the outdoor-air damper will
be proportionally closed.
For EconoMi$er IV operation, there must be a thermostat call
for the fan (G). If the unit is occupied and the fan is on, the
damper will operate at minimum position. Otherwise, the
damper will be closed when the thermostat is satisfied.
When the EconoMi$er IV control is in the occupied mode and a
call for cooling exists (Y1 on the thermostat), the control will first
check for indoor fan operation. If the fan is not on, then cooling
will not be activated. If the fan is on, then the control will open
the EconoMi$er IV damper to the minimum position.
On the initial power to the EconoMi$er IV control, it will take the
damper up to 21/2 minutes before it begins to position itself. Any
change in damper position will take up to 30 seconds to initiate.
Damper movement from full closed to full open (or vice versa)
will take between 11/2 and 21/2 minutes.
If free cooling can be used as determined from the appropriate
changeover command (switch, dry bulb, enthalpy curve, differ-
ential dry bulb, or differential enthalpy), then the control will
modulate the dampers open to maintain the mixed-air tempera-
ture set point at 50 to 55 F.
If there is a further demand for cooling (cooling second stage —
Y2 is energized), then the control will bring on compressor
stage 1 to maintain the mixed-air temperature set point. The
EconoMi$er IV damper will be open at maximum position.
EconoMi$er IV operation is limited to a single compressor.
Heating, Units With Economizer
NOTE: The units have 2 stages of heat.
When the thermostat calls for heating, power is sent to W1 on
the IGC (integrated gas unit controller) board. An LED (light-
emitting diode) on the IGC board will be on during normal oper-
ation. A check is made to ensure that the rollout switch and limit
switch are closed and the induced-draft motor is running. The
induced-draft motor is then energized, and when speed is
proven with the hall effect sensor on the motor, the ignition acti-
vation period begins. The burners will ignite within 5 seconds.
If the burners do not light, there is a 22-second delay before
another 5-second attempt. If the burners still do not light, this
sequence is repeated for 15 minutes. After the 15 minutes have
elapsed, if the burners still have not lit, heating is locked out. To
reset the control, break 24-v power to the thermostat.
When ignition occurs the IGC board will continue to monitor the
condition of the rollout and limit switches, the hall effect sensor,
as well as the flame sensor. If the unit is controlled through a
room thermostat set for fan auto., 45 seconds after ignition
occurs, the indoor-fan motor will be energized (and the outdoor-
air dampers will open to their minimum position). If for some
reason the overtemperature limit opens prior to the start of the
indoor fan blower, on the next attempt, the 45-second delay will
be shortened to 5 seconds less than the time from initiation of
heat to when the limit tripped. Gas will not be interrupted to the
burners and heating will continue. Once modified, the fan on
delay will not change back to 45 seconds unless power is reset
to the control.
When additional heat is required, W2 closes and initiates power
to the second stage of the main gas valve. When the thermostat
is satisfied, W1 and W2 open and the gas valve closes, inter-
rupting the flow of gas to the main burners. If the call for W1
lasted less than 1 minute, the heating cycle will not terminate
until 1 minute after W1 became active. If the unit is controlled
through a room thermostat set for fan auto., the indoor-fan
motor will continue to operate for an additional 45 seconds then
stop (and the outdoor-air dampers will close). If the overtemper-
ature limit opens after the indoor motor is stopped within
10 minutes of W1 becoming inactive, on the next cycle the time
will be extended by 15 seconds. The maximum delay is 3 min-
utes. Once modified, the fan off delay will not change back to
45 seconds unless power is reset to the control.
When the thermostat is satisfied and W1 and W2 are deener-
gized, the IFM continues to run and the economizer damper
then moves to the minimum position.
OPERATING SEQUENCE, 580F180-300, 579F150-300 AND
581A155,180
Cooling, Units Without Economizer — When thermostat calls
for cooling, terminals G and Y1 are energized. The indoor
(evaporator) fan contactor (IFC) and compressor contactor
no. 1 (C1) are energized, and evaporator-fan motor (IFM), com-
pressor no. 1 and condenser fan(s) start. The condenser-fan
motor(s) runs continuously while unit is cooling. When the ther-
mostat calls for a second stage of cooling by energizing Y2,
compressor contactor no. 2 (C2) is energized and compressor
no. 2 starts.
260
CONTROLS (cont)
Heating, Units Without Economizer — When the thermostat
calls for heating, power is sent to W on the IGC (integrated gas
unit controller) board. An LED (light-emitting diode) on the IGC
board will be on during normal operation. A check is made to
ensure that the rollout switch and limit switch are closed. The
induced-draft motor is then energized, and when speed is
proven with the hall effect sensor on the motor, the ignition acti-
vation period begins. The burners will ignite within 5 seconds.
If the burners do not light, there is a 22-second delay before
another 5-second attempt. If the burners still do not light, this
sequence is repeated for 15 minutes. After the 15 minutes have
elapsed, if the burners still have not lit, heating is locked out. To
reset the control, break 24-v power to the thermostat.
When ignition occurs the IGC board will continue to monitor the
condition of the rollout and limit switches, the hall effect sensor,
as well as the flame sensor. If the unit is controlled through a
room thermostat set for fan auto., 45 seconds after ignition
occurs, the indoor-fan motor will be energized. If for some
reason the overtemperature limit opens prior to the start of the
indoor fan blower, on the next attempt, the 45-second delay will
be shortened to 5 seconds less than the time from initiation of
heat to when the limit tripped. Gas will not be interrupted to the
burners and heating will continue. Once modified, the fan on
delay will not change back to 45 seconds unless power is reset
to the control.
When additional heat is required, W2 closes and initiates power
to the second stage of the main gas valve. When the thermostat
is satisfied, W1 and W2 open and the gas valve closes, inter-
rupting the flow of gas to the main burners. If the call for W1
lasted less than 1 minute, the heating cycle will not terminate
until 1 minute after W1 became active. If the unit is controlled
through a room thermostat set for fan auto., the indoor-fan motor
will continue to operate for an additional 45 seconds then stop. If
the overtemperature limit opens after the indoor motor is
stopped within 10 minutes of W1 becoming inactive, on the next
cycle the time will be extended by 15 seconds. The maximum
delay is 3 minutes. Once modified, the fan off delay will not
change back to 45 seconds unless power is reset to the control.
An LED indicator is provided on the IGC to monitor operation.
The IGC is located by removing the side panel and viewing the
IGC through the view port located in the control box access
panel. During normal operation, the LED is continuously on.
Cooling, Units With EconoMi$er IV — When free cooling is
not available, the compressors will be controlled by the zone
thermostat. When free cooling is available, the outdoor-air
damper is modulated by the EconoMi$er IV control to provide a
50 to 55 F mixed-air temperature into the zone. As the mixed-air
temperature fluctuates above 55 or below 50 F, the dampers will
be modulated (open or close) to bring the mixed-air tempera-
ture back within control.
If mechanical cooling is utilized with free cooling, the outdoor-air
damper will maintain its current position at the time the com-
pressor is started. If the increase in cooling capacity causes the
mixed-air temperature to drop below 45 F, then the outdoor-air
damper position will be decreased to the minimum position. If
the mixed-air temperature continues to fall, the outdoor-air
damper will close. Control returns to normal once the mixed-air
temperature rises above 48 F.
If optional power exhaust is installed, as the outdoor-air damper
opens and closes, the power exhaust fans will be energized and
deenergized.
If field-installed accessory CO2 sensors are connected to the
EconoMi$er IV control, a demand controlled ventilation strategy
will begin to operate. As the CO2 level in the zone increases
above the CO2 set point, the minimum position of the damper
will be increased proportionally. As the CO2 level decreases
because of the increase in fresh air, the outdoor-air damper will
be proportionally closed.
For EconoMi$er IV operation, there must be a thermostat call
for the fan (G). If the unit is occupied and the fan is on, the
damper will operate at minimum position. Otherwise, the
damper will be closed.
When the EconoMi$er IV control is in the occupied mode and a
call for cooling exists (Y1 on the thermostat), the control will first
check for indoor fan operation. If the fan is not on, then cooling
will not be activated. If the fan is on, then the control will open
the EconoMi$er IV damper to the minimum position.
On the initial power to the EconoMi$er IV control, it will take the
damper up to 21/2 minutes before it begins to position itself. Any
change in damper position will take up to 30 seconds to initiate.
Damper movement from full closed to full open (or vice versa)
will take between 11/2 and 21/2 minutes.
If free cooling can be used as determined from the appropriate
changeover command (switch, dry bulb, enthalpy curve, differ-
ential dry bulb, or differential enthalpy), then the control will
modulate the dampers open to maintain the mixed-air tempera-
ture set point at 50 to 55 F.
If there is a further demand for cooling (cooling second stage —
Y2 is energized), then the control will bring on compressor
stage 1 to maintain the mixed-air temperature set point. The
EconoMi$er IV damper will be open at maximum position.
EconoMi$er IV operation is limited to a single compressor.
Heating, Units With Economizer
NOTE: The units have 2 stages of heat.
When the thermostat calls for heating, power is sent to W1 on
the IGC (integrated gas unit controller) board. An LED (light-
emitting diode) on the IGC board will be on during normal oper-
ation. A check is made to ensure that the rollout switch and limit
switch are closed and the induced-draft motor is running. The
induced-draft motor is then energized, and when speed is
proven with the hall effect sensor on the motor, the ignition acti-
vation period begins. The burners will ignite within 5 seconds.
If the burners do not light, there is a 22-second delay before
another 5-second attempt. If the burners still do not light, this
sequence is repeated for 15 minutes. After the 15 minutes have
elapsed, if the burners still have not lit, heating is locked out. To
reset the control, break 24-v power to the thermostat.
When ignition occurs the IGC board will continue to monitor the
condition of the rollout and limit switches, the hall effect sensor,
as well as the flame sensor. If the unit is controlled through a
room thermostat set for fan auto., 45 seconds after ignition
occurs, the indoor-fan motor will be energized (and the outdoor-
air dampers will open to their minimum position). If for some
reason the overtemperature limit opens prior to the start of the
indoor fan blower, on the next attempt, the 45-second delay will
be shortened to 5 seconds less than the time from initiation of
heat to when the limit tripped. Gas will not be interrupted to the
burners and heating will continue. Once modified, the fan on
delay will not change back to 45 seconds unless power is reset
to the control.
When additional heat is required, W2 closes and initiates power
to the second stage of the main gas valve. When the thermostat
is satisfied, W1 and W2 open and the gas valve closes, inter-
rupting the flow of gas to the main burners. If the call for W1
lasted less than 1 minute, the heating cycle will not terminate
until 1 minute after W1 became active. If the unit is controlled
through a room thermostat set for fan auto., the indoor-fan
motor will continue to operate for an additional 45 seconds then
stop (and the outdoor-air dampers will close). If the overtemper-
ature limit opens after the indoor motor is stopped within
10 minutes of W1 becoming inactive, on the next cycle the time
will be extended by 15 seconds. The maximum delay is 3 min-
utes. Once modified, the fan off delay will not change back to
45 seconds unless power is reset to the control.
261
CONTROLS (cont)
When the thermostat is satisfied and W1 and W2 are deener-
gized, the IFM continues to run and the economizer damper
then moves to the minimum position.
Units With Hot Gas Bypass Dehumidification Package —
When thermostat calls for cooling, terminals G and Y1 and Y2
and the compressor contactors C1 and C2 are energized. The
indoor (evaporator) fan motor (IFM), compressor, and outdoor
(condenser) fan motor (OFM) start. The OFM runs continuously
while the unit is in cooling. As shipped from the factory, hot gas
bypass dehumidification circuit is always energized. If hot gas
bypass circuit modulation is desired, a field-installed, wall-
mounted humidistat is required.
If the hot gas bypass humidistat is installed and calls for the hot
gas bypass subcooler coil to operate, the humidistat internal
switch closes. This energizes and closes the liquid line solenoid
valve coil (LLSV) of the hot gas bypass circuit, forcing the hot
liquid refrigerant of the liquid line to enter the subcooler coil. As
the hot liquid passes through the subcooler coil, it is exposed to
the cold supply airflow coming off from the evaporator coil and
the liquid is further cooled to a temperature approaching the
evaporator coil leaving-air temperature. The state of the refrig-
erant leaving the subcooler coil is a highly subcooled liquid
refrigerant. The liquid then enters a thermostatic expansion
valve (TXV) where the liquid is dropped to a lower pressure.
The TXV does not have a pressure drop great enough to
change the liquid to a 2-phase fluid. The TXV can throttle the
pressure drop of the liquid refrigerant and maintain proper con-
ditions at the compressor suction valve over a wide range of
operating conditions. The liquid then enters a second fixed
restrictor expansion device for a second pressure drop to a
2-phase fluid. The liquid proceeds to the evaporator coil at a
temperature lower than normal cooling operation. This lower
temperature is what increases the latent capacity of the rooftop.
The 2-phase refrigerant passes through the evaporator and is
changed into a vapor. The air passing over the evaporator coil
will become colder than during normal operation as a result of
the colder refrigerant temperatures. However, as it passes over
the subcooler coil, the air will be warmed slightly.
As the refrigerant leaves the evaporator, the refrigerant passes
a low-pressure switch in the suction line. This low-pressure
switch will de-activate the hot gas bypass package when the
suction pressure reaches 60 psig. The low-pressure switch is
an added safety device to protect against evaporator coil
freeze-up. The low-pressure switch will only de-activate and
open the liquid line solenoid valve in the hot gas bypass circuit.
The compressors will continue to run as long as there is a call
for cooling, regardless of the position of the low-pressure
switch. The solenoid valve and the hot gas bypass package will
be re-activated only when the call for cooling has been satisfied,
the low-pressure switch has closed, and a new call for cooling
exists. The crankcase heaters on the scroll compressor provide
additional protection for the compressor due to the additional
refrigerant charge in the subcooler.
When the humidistat is satisfied, the humidistat internal switch
opens cutting power to and opening the LLSV. The refrigerant is
routed back through the evaporator and the subcooler coil is
removed from the refrigerant loop.
When the thermostat is satisfied, C1 and C2 are deenergized
and the compressor and OFM shut off. After a 30-second delay,
the IFM shuts off. If the thermostat fan selector switch is in the
ON position, the IFM will run continuously.
OPERATING SEQUENCE, 581A210-300
Cooling, Units Without Economizer — When thermostat calls
for cooling, terminals G and Y1 are energized. The indoor-fan
contactor (IFC) and compressor contactors A1 and B1 (except
300 units) are energized and indoor-fan motor, compressor, and
outdoor fan starts. The outdoor fan motor runs continuously
while unit is cooling. If further cooling is required, the Y2 output
from the thermostat energizes compressor contactor C1 (B1 on
300 units).
Heating, Units Without Economizer
NOTE: The 581A210-300 units have 2 stages of heat.
When the thermostat calls for heating, power is sent to W on the
IGC (integrated gas unit controller) board. An LED (light-
emitting diode) on the IGC board will be on during normal oper-
ation. A check is made to ensure that the rollout switch and limit
switch are closed and the induced-draft motor is running.
The induced-draft motor is then energized, and when speed is
proven with the hall effect sensor on the motor, the ignition acti-
vation period begins. The burners will ignite within 5 seconds.
If the burners do not light, there is a 22-second delay before
another 5-second attempt. If the burners still do not light, this
sequence is repeated for 15 minutes. After the 15 minutes have
elapsed, if the burners still have not lit, heating is locked out.
To reset the control, break 24-v power to the thermostat. When
ignition occurs the IGC board will continue to monitor the condi-
tion of the rollout and limit switches, the hall effect sensor, as
well as the flame sensor. If the unit is controlled through a room
thermostat set for fan auto., 45 seconds after ignition occurs,
the indoor-fan motor will be energized (and the outdoor-air
dampers will open to their minimum position). If for some rea-
son the overtemperature limit opens prior to the start of the
indoor fan blower, on the next attempt, the 45-second delay will
be shortened to 5 seconds less than the time from initiation of
heat to when the limit tripped. Gas will not be interrupted to the
burners and heating will continue.
Once modified, the fan on delay will not change back to
45 seconds unless power is reset to the control.
When additional heat is required, W2 closes and initiates power
to the second stage of the main gas valve. When the thermostat
is satisfied, W1 and W2 open and the gas valve closes, inter-
rupting the flow of gas to the main burners. If the call for W1
lasted less than 1 minute, the heating cycle will not terminate
until 1 minute after W1 became active. If the unit is controlled
through a room thermostat set for fan auto., the indoor-fan
motor will continue to operate for an additional 45 seconds then
stop (and the outdoor-air dampers will close).
If the overtemperature limit opens after the indoor motor is
stopped within 10 minutes of W1 becoming inactive, on the next
cycle the time will be extended by 15 seconds. The maximum
delay is 3 minutes. Once modified, the fan off delay will not
change back to 45 seconds unless power is reset to the control.
A LED indicator is provided on the IGC to monitor operation.
The IGC is located by removing the side panel and viewing the
IGC through the view port located in the control box access
panel. During normal operation, the LED is continuously on.
Cooling, Units With EconoMi$er IV — When free cooling is
not available, the compressors will be controlled by the zone
thermostat. When free cooling is available, the outdoor-air
damper is modulated by the EconoMi$er IV control to provide a
50 to 55 F mixed-air temperature into the zone. As the mixed-air
temperature fluctuates above 55 or below 50 F, the dampers will
be modulated (open or close) to bring the mixed-air tempera-
ture back within control.
If mechanical cooling is utilized with free cooling, the outdoor-air
damper will maintain its current position at the time the com-
pressor is started. If the increase in cooling capacity causes the
mixed-air temperature to drop below 45 F, then the outdoor-air
damper position will be decreased to the minimum position. If
the mixed-air temperature continues to fall, the outdoor-air
damper will close. Control returns to normal once the mixed-air
temperature rises above 48 F.
If optional power exhaust is installed, as the outdoor-air damper
opens and closes, the power exhaust fans will be energized and
deenergized.
262
CONTROLS (cont)
If field-installed accessory CO2 sensors are connected to the
EconoMi$er IV control, a demand controlled ventilation strategy
will begin to operate. As the CO2 level in the zone increases
above the CO2 set point, the minimum position of the damper
will be increased proportionally. As the CO2 level decreases
because of the increase in fresh air, the outdoor-air damper will
be proportionally closed.
For EconoMi$er IV operation, there must be a thermostat call
for the fan (G). If the unit is occupied and the fan is on, the
damper will operate at minimum position. Otherwise, the
damper will be closed.
When the EconoMi$er IV control is in the occupied mode and a
call for cooling exists (Y1 on the thermostat), the control will first
check for indoor fan operation. If the fan is not on, then cooling
will not be activated. If the fan is on, then the control will open
the EconoMi$er IV damper to the minimum position.
On the initial power to the EconoMi$er IV control, it will take the
damper up to 21/2 minutes before it begins to position itself. Any
change in damper position will take up to 30 seconds to initiate.
Damper movement from full closed to full open (or vice versa)
will take between 11/2 and 21/2 minutes.
If free cooling can be used as determined from the appropriate
changeover command (switch, dry bulb, enthalpy curve, differ-
ential dry bulb, or differential enthalpy), then the control will
modulate the dampers open to maintain the mixed-air tempera-
ture set point at 50 to 55 F.
If there is a further demand for cooling (cooling second stage —
Y2 is energized), then the control will bring on compressor
stage 1 to maintain the mixed-air temperature set point. The
EconoMi$er IV damper will be open at maximum position.
EconoMi$er IV operation is limited to a single compressor.
Heating, Units With Economizer
NOTE: The units have 2 stages of heat.
When the thermostat calls for heating, power is sent to W1 on
the IGC (integrated gas unit controller) board. An LED (light-
emitting diode) on the IGC board will be on during normal oper-
ation. A check is made to ensure that the rollout switch and limit
switch are closed and the induced-draft motor is running. The
induced-draft motor is then energized, and when speed is
proven with the hall effect sensor on the motor, the ignition acti-
vation period begins. The burners will ignite within 5 seconds.
If the burners do not light, there is a 22-second delay before
another 5-second attempt. If the burners still do not light, this
sequence is repeated for 15 minutes. After the 15 minutes have
elapsed, if the burners still have not lit, heating is locked out. To
reset the control, break 24-v power to the thermostat.
When ignition occurs the IGC board will continue to monitor the
condition of the rollout and limit switches, the hall effect sensor,
as well as the flame sensor. If the unit is controlled through a
room thermostat set for fan auto., 45 seconds after ignition
occurs, the indoor-fan motor will be energized (and the outdoor-
air dampers will open to their minimum position). If for some
reason the overtemperature limit opens prior to the start of the
indoor fan blower, on the next attempt, the 45-second delay will
be shortened to 5 seconds less than the time from initiation of
heat to when the limit tripped. Gas will not be interrupted to the
burners and heating will continue. Once modified, the fan on
delay will not change back to 45 seconds unless power is reset
to the control.
When additional heat is required, W2 closes and initiates power
to the second stage of the main gas valve. When the thermostat
is satisfied, W1 and W2 open and the gas valve closes, inter-
rupting the flow of gas to the main burners. If the call for W1
lasted less than 1 minute, the heating cycle will not terminate
until 1 minute after W1 became active. If the unit is controlled
through a room thermostat set for fan auto., the indoor-fan
motor will continue to operate for an additional 45 seconds then
stop (and the outdoor-air dampers will close). If the overtemper-
ature limit opens after the indoor motor is stopped within
10 minutes of W1 becoming inactive, on the next cycle the time
will be extended by 15 seconds. The maximum delay is 3 min-
utes. Once modified, the fan off delay will not change back to
45 seconds unless power is reset to the control.
When the thermostat is satisfied and W1 and W2 are deener-
gized, the IFM continues to run and the economizer damper
then moves to the minimum position.

263
APPLICATION DATA
1. CONDENSATE DRAIN PAN — A sloped condensate drain
pan is supplied on all units. The condensate pan must be
externally trapped. Condensate drains are located on both
the bottom and end of the unit.
2. DUCTWORK — All ductwork must be attached to flanges.
If no flanges are present, they must be field supplied.
Secure vertical discharge ductwork to roof curb. For hori-
zontal discharge applications, attach ductwork to flanges.
Field-supplied flanges can be attached to horizontal dis-
charge openings and all ductwork attached to flanges.
3. THERMOSTAT — Use of 2-stage cooling thermostat is rec-
ommended for all units equipped with economizer. A
2-stage cooling thermostat is required for size 090-300
units with integrated economizer.
4. HEATING-TO-COOLING CHANGEOVER — All units are
automatic changeover from heating to cooling when auto-
matic changeover thermostat and subbase are used.
5. AIRFLOW — Units are draw-thru on cooling and blow-thru
on heating.
6. MAXIMUM AIRFLOW — To minimize possibility of conden-
sate blow-off from evaporator, airflow through units should
not exceed 500 cfm/ton (sizes 036-240) and 11,250 cfm
(size 300).
7. MINIMUM AIRFLOW — Minimum airflow for cooling is
300 cfm/ton (sizes 036-240) and 280 cfm/ton (300 units).
Refer to Heating Capacities and Efficiencies table for mini-
mum heating airflow.
8. MINIMUM AMBIENT OPERATING TEMPERATURE —
Minimum ambient operating temperature for size 036-150
standard units is 25 F. With accessory Motormaster® I, II, or
IV units can operate at outdoor temperatures down to –20 F.
Unit sizes 155-300 are designed to operate at outdoor tem-
peratures down to 40 F. With accessory Motormaster I or
Motormaster V control, units can operate at outdoor tem-
peratures down to –20 F.
NOTE: Under most application circumstances, if the rooftop
unit is equipped with an economizer, low ambient controls
are not required. Unless the outdoor air is unsatisfactory for
free cooling due to high temperature, excessive humidity, or
poor air quality, outdoor air should be used.
9. MAXIMUM OPERATING OUTDOOR-AIR TEMPERA-
TURE — Maximum outdoor operating temperature for
cooling is shown below (60 Hz):
580F/581B036-091, 120, 121 115 F
580F/581B103, 150, 151 125 F
579F/580F180-240 120 F
579F/580F300 125 F
581A036-155 125 F
581A180 120 F
581A210 125 F
581A240 125 F
581A300 125 F
10. HIGH ALTITUDES — These may require a change to the
gas orifice. Refer to Altitude Compensation tables.
11. MINIMUM HEATING ENTERING AIR TEMPERATURE —
The minimum temperature of air entering the dimpled heat
exchanger is 50 F continuous and 45 F intermittent for alu-
minum heat exchangers and 40 F continuous and 35 F
intermittent for stainless steel heat exchangers. To operate
at lower mixed-air temperatures, a field-supplied outdoor-
air thermostat must be used to initiate both stages of heat
when the temperature is below the minimum required tem-
perature to ensure full fire operation. Wire the outdoor-air
thermostat (part no. HH22AG106) in series with the second
stage gas valve as shown below. Set the outdoor-air
thermostat at 35 F for stainless steel heat exchangers or
45 F for aluminum heat exchangers. This temperature set-
ting will bring on the second stage of heat whenever the
ambient temperature is below the thermostat set point.
Indoor comfort may be compromised when heating is initi-
ated using low entering air temperatures with insufficient
heating temperature rise.
12. MOTOR DATA — Due to Bryant’s internal unit design
(draw-thru over the motor), air path, and specially designed
motors, the full horsepower (maximum continuous bhp)
listed in the Physical Data tables and the notes following
each Fan Performance table can be utilized with extreme
confidence.
Using Bryant motors to the values listed in the Physical
Data, Fan Performance, and Evaporator-Fan Motor Data
tables will not result in nuisance tripping or premature motor
failure. In addition, the unit warranty will not be affected.
13. THRU-THE-BOTTOM CONNECTIONS — The accessory
thru-the-bottom connections are needed to ensure proper
connections when routing wiring and piping through the
basepan and roof curb. This accessory is used for electric
and control power only or electric, control power, and gas
piping depending on which accessory is selected.
14. FIELD-SUPPLIED FAN DRIVES — If the factory drive sets
must be changed to obtain other wheel speeds, consult the
nearest Browning Manufacturing Co. sales office with the
required new wheel speed and the data from Physical Data
tables (center distances, motor and fan shaft diameters,
motor horsepower) for a modified drive set selection. For
minor speed changes, the fan sheave size should be
changed. (Do not reduce the size of the motor sheave; this
will result in reduced belt horse-power ratings and reduced
belt life.) All indoor fan pulleys are adjustable. See physical
data tables for rpm adjustment ranges.
15. CONDENSER COIL PROTECTION
a. PRE-COATED ALUMINUM FIN COILS have a durable
epoxy-phenolic coating applied to the fin prior to the fin
stamping process to provide protection in mildly corro-
sive coastal environments. Pre-coated coils have an
inert barrier between the aluminum fin and copper tube.
This barrier electrically disconnects the dissimilar metals
to minimize the potential for galvanic corrosion. This eco-
nomical option provides substantial corrosion protection
beyond the standard uncoated coil construction.
b. COPPER-FIN COILS provide increased corrosion resis-
tance in moderate coastal environments where industrial
air pollution is not present. All copper coils eliminate bi-
metallic construction to eliminate the potential for gal-
vanic corrosion. Application in industrial environments is
not recommended due to potential attack from sulfur,
sulfur oxide, nitrogen oxides, carbon and several other
industrial airborne contaminants. In moderate seacoast
environments, copper-fin coils have extended life com-
pared to standard or pre-coated aluminum-fin coils.
W1
W2
FIELD-INSTALLED
OUTDOOR-AIR THERMOSTAT
TO UNIT THERMOSTAT
CONNECTIONS
Wiring of Outdoor-Air Thermostat
a48-7481

264
APPLICATION DATA (cont)
c. E-COATED ALUMINUM FIN coils undergo a precisely
controlled scientific process that bonds an impermeable
epoxy coating to the specially prepared fin coil surface.
E-Coating produces a smooth, consistent coating that is
less brittle, more resilient and more durable than previ-
ous postcoating processes. E-Coated aluminum-fin coils
offer economical protection and improved coil life in
many contaminated environments.
d. E-COATED COPPER-FIN COILS provide maximum pro-
tection in virtually all environments, this option combines
the continuous, impenetrable barrier of the E-Coating
process with the natural resistance of an all-copper con-
struction. E-Coated copper-fin coil assemblies ensure
long life, even in environments that combine harsh
coastal conditions with industrial contamination.
16. ECONOMI$ER IV — The EconoMi$er IV factory-installed
economizer package includes a gear-driven damper sys-
tem that modulates the return air and outdoor air supply to
the rooftop unit in order to take advantage of “free cooling”
with outdoor air when conditions are suitable. The system
utilizes industry proven technology available for integrating
the use of outdoor air for cooling with mechanical cooling
for 3 through 25-ton rooftop units. The intuitive
EconoMi$er IV microprocessor-based controller optimizes
and enhances rooftop operation through reduced energy
consumption, optimal zone comfort, and efficient equip-
ment cycling. This is accomplished by operating the com-
pressors when the outdoor air temperature is too warm,
integrating the compressors with outdoor air when free
cooling is available, and locking out the compressor when
outdoor air temperature is too cold. The detailed sequence
of operation is described in the Controls section with a brief
description of selected application items here.
a. THERMOSTAT INTERFACE — The EconoMi$er IV con-
trol was designed to work with conventional thermostats
that have Y1 (cooling stage 1), Y2 (cooling stage 2), W1
(heat stage 1), W2 (heat stage 2), and G (fan). In addi-
tion, the EconoMi$er IV will support an occupied/
unoccupied switch (typically integrated into the thermo-
stat or Thermidistat™ device). When the switch is
closed, it provides a 24-vac signal to the unit for occu-
pied mode, and provides no signal to indicate unoccu-
pied mode. The EconoMi$er IV control can be
configured to allow different minimum economizer
damper positions and to allow the use of mechanical
cooling in the occupied mode.
CONDENSER COIL PROTECTION APPLICATIONS
LEGEND
CONCENTRIC DUCT DISTRIBUTION CONCENTRIC DUCT DETAILS
NOTE: Do not drill in this area, damage to basepan may result in
water leak.
6'-2 3/8'' MAX.
5'-9 3/16'' MAX.
5 3/16''
B
A
BAFFLE
A
B
24'' MIN.
1'-0 3/16''
1'-7 15/16''
4'-6 13/16''1'-0 3/16''
1'-10 11/16''
MAX.
Shaded area indicates block-off panels.
NOTE: Dimensions A, A′ and B, B′ are obtained from field-supplied
ceiling diffuser.
Concentric Duct Details
a48-7482
a50-530
DESCRIPTION
(Dura-Shield Option)
ENVIRONMENT
Standard, Non-Corrosive Mild Coastal Severe Coastal Industrial Combined Coastal
and Industrial
Standard, Al/Cu X
Pre-Coated Al/Cu X
Cu/Cu X
E-Coated Al/Cu XX
E-Coated Cu/Cu X
Al/Cu — Aluminum Fin with Copper Tube Coil E-Coated — Extremely Flexible and Durable Epoxy Coating Uniformly
Cu/Cu — Copper Fin with Copper Tube Coil Applied to the Coil Surfaces
Dura-Shield —Family of Coil Protection Options Pre-Coated — Epoxy Coating Applied to Fin Stock Material

265
APPLICATION DATA (cont)
b. CONTROL FEATURES — The EconoMi$er IV controller
provides superior functionality for rooftop unit operation.
EconoMi$er IV control features are included as follows:
Remote Minimum Position — The EconoMi$er IV con-
troller can be used with a field-supplied and field-
installed remote minimum position control switch that will
enable and disable the EconoMi$er IV to open or close
the damper beyond the minimum position for modified
ventilation, providing 2 to 10 vdc output.
NOTE: Minimum position signal takes priority over the
DCV (demand control ventilation) maximum position
signal.
Demand Control Ventilation (DCV) — The EconoMi$er
IV has DCV capability when using an IAQ sensor. This
sensor is typically installed in the return duct or occupied
space. When implementing a DCV control scheme with
the EconoMi$er IV, the control algorithm will modulate
the position of the damper between two user-configured
damper positions, Maximum DCV Position and Minimum
Occupied position. Design airflow rates for these two
damper positions should be such that when the damper
is at the Maximum DCV position, enough fresh ventila-
tion air will be brought in to remove contaminants and
CO2 generated by sources other than people (i.e., since
in unoccupied mode). The Maximum DCV position is
intended to satisfy the IAQ “Base Ventilation Rate.” The
Minimum Occupied position design airflow rate should
be sufficient to satisfy ventilation requirements for
removing CO2 from all sources including people at the
maximum occupancy.
IAQ Sensors — EconoMi$er IV can be utilized with any
IAQ (CO2) sensor that provides a 2 to 10 vdc output. The
controller will modulate the outdoor air damper to pro-
vide ventilation based on the sensor output and the IAQ
setting of the controller. When used, an IAQ sensor will
modulate the damper from the minimum position (base
ventilation rate based on CO2 levels) to maximum posi-
tion (full occupancy ventilation rate).
Damper Operation — The EconoMi$er IV allows the
damper to be configured for two adjustable damper posi-
tions including maximum position and occupied mini-
mum positions. The two (2) position damper capability is
a unique feature of EconoMi$er IV and includes opera-
tion flexibility as follows:
1. Minimum Occupied Position: This adjustable position
allows a minimum ventilation (base ventilation rate)
airflow rate through the unit during occupied periods.
2. Demand Control Ventilation (DCV) Maximum Posi-
tion: A DCV maximum occupied position is provided
when using an IAQ sensor for DCV. See DCV and
Control sections for sequence. The DCV Maximum
Position limits outdoor airflow into the rooftop when
the DCV routine overrides the mixed air sensor. Set-
ting the DCV Maximum Position of the outdoor air
damper prevents large amounts of hot or cold air into
the space.
IMPORTANT: When the DCV Maximum Position is set
below the minimum position, the minimum position
overrides the maximum position, negating most DCV
functions.
Power Exhaust — The EconoMi$er IV has the capability
to control one stage of power exhaust for maintaining air
balance and pressurization. Control is activated based
on outdoor air damper position (adjustable); factory-set
at the “middle” position (dampers halfway open).
Compressor Staging — The EconoMi$er IV is an inte-
grated economizer and has the ability to utilize simulta-
neous outdoor air and compressors. The EconoMi$er IV
can be configured to support economizer and compres-
sor operation. Only one or two compressor operation is
available with 3 to 121/2 ton units.
c. CHANGEOVER STRATEGIES — The EconoMi$er IV
controller can be configured to accommodate all avail-
able economizer control strategies that place the rooftop
unit in economizer mode including:
Remote Minimum Position — Used when a remote sig-
nal from a remote minimum position control will enable
and disable the EconoMi$er IV (remote enable control).
Outdoor Dry Bulb — EconoMi$er IV will be enabled
based on the outdoor-air temperature. This is provided
standard with the EconoMi$er IV.
Differential Dry Bulb — EconoMi$er IV will be enabled
whenever the outdoor-air temperature is lower than the
return-air temperature.
Outside Air Enthalpy — EconoMi$er IV will be enabled
based on the outside air enthalpy curves as shown in the
EconoMi$er IV Changeover diagram below. The A, B,
C, and D curves shown have been in use for many years
and have been included as part of the latest
ASHRAE 90.1 energy efficiency code. The curves are
designed to take into consideration both outdoor temper-
ature and humidity. These curves are used to set up the
EconoMi$er IV controller to use the EconoMi$er IV for
free cooling when the conditions to the left of the curve
exist. When the conditions are to the right of the curve,
then outdoor air cooling will not be used and the outdoor
air damper position will be set at the minimum position.
Deciding which curve is used is a function of the outdoor
climate and the type of economizer utilized. Since
EconoMi$er IV is a fully integrated economizer, the
range where outdoor air can be utilized for free cooling is
expanded and the A and B curves may be used. The
control point table in the EconoMi$er IV Changeover dia-
gram below provides assistance for whether the A and B
curves will be suitable. In general terms, a hot and humid
climate may be a reason not to use the A curve, while a
cooler climate might be more applicable for using the A
or B curve.
The EconoMi$er IV has expanded outdoor air capability.
For a changeover economizer which cannot utilize simul-
taneous economizer and compression, both A and B
curves would potentially be undesirable since the tem-
perature and humidity levels are too high without com-
pression assistance to provide effective cooling.
Therefore, most changeover economizers utilize the D
curve.
Differential Enthalpy — The EconoMi$er IV will be
enabled based on the comparison of the enthalpy of the
return air and outside air. When the outside air enthalpy
is lower than he return side, the unit will be in econo-
mizer mode.
Using the EconoMi$er IV controller for implementing
different control changeover strategies requires the use
of different combinations of dry bulb and humidity
sensors as outlined in the EconoMi$er IV Sensor Usage
table.

266
APPLICATION DATA (cont)
ECONOMI$ER IV SENSOR USAGE CHART
*CRENTDIF004A00 and CRTEMPSN002A00 accessories are used on many different base units. As such, these kits may contain parts that will not be needed
for installation.
†CGCDXSEN004A00 is an accessory CO2 sensor.
**CGCDXASP001A00 is an accessory aspirator box required for duct-mounted applications.
Economizer Changeover Curves
CONTROL
CURVE
A
B
C
D
CONTROL POINT
APPROX. °F (°C)
AT 50% RH
73 (23)
70 (21)
67 (19)
63 (17)
12 14 16 18 20 22 24 26 28 30 32 34 36 38 40 42 44 46
90
100
80
70
60
50
40
30
20
10
ENTHALPY—BTU PER POUND DRY AIR
85
(29)
90
(32)
95
(35)
100
(38)
105
(41)
110
(43)
35
(2)
35
(2)
40
(4)
40
(4)
105
(41)
110
(43)
45
(7)
45
(7)
50
(10)
50
(10)
55
(13)
55
(13)
60
(16)
60
(16)
65
(18)
65
(18)
70
(21)
70
(21)
75
(24)
75
(24)
80
(27)
80
(27)
85
(29)
90
(32)
95
(35)
100
(38)
APPROXIMATE DRY BULB TEMPERATURE— °F
(
°C
)
A
A
B
B
C
C
D
D
RELATIVE HUMIDITY (%)
HIGH LIMIT
CURVE
a50-7751
APPLICATION
ECONOMI$ERIV WITH OUTDOOR AIR
DRY BULB SENSOR
ECONOMI$ERIV WITH SINGLE
ENTHALPY SENSOR
Accessories Required Accessories Required
Outdoor Air Dry Bulb None. The outdoor air dry bulb sensor is factory installed. CRTEMPSN002A00*
Differential Dry Bulb CRTEMPSN002A00* (2) CRTEMPSN002A00*
Single Enthalpy HH57AC078 None. The single enthalpy sensor is factory installed.
Differential Enthalpy
HH57AC078
and
CRENTDIF004A00*
CRENTDIF004A00*
CO2 for DCV Control using a
Wall-Mounted CO2 Sensor CGCDXSEN004A00
CO2 for DCV Control using a
Duct-Mounted CO2 Sensor
CGCDXSEN004A00†
and
CGCDXASP001A00**
267
INDEX
579F180-300 section 144-171, 250-254
580F036-151 section 20-82, 139-143
580F180-300 section 172-196, 250-254
581A155-300 section 197-258
581B036-150 section 83-143
Airflow
Configuration 263
Maximum 263
Minimum 263
Altitude compensation
579F180-300 163,164
580F036-151 71
580F180-300 190
581A155-300 240
581B036-150 127
Altitude derating
factor 71, 127, 163, 190, 240
Application data 263-266
ARI capacity ratings
579F180-300 12
580F036-151 8, 9
580F180-300 13
581A155-300 14, 15
581B036-150 10, 11
Barometric relief
580F036-151 72
581B036-150 130
Changeover, heating to cooling 263
Concentric duct details 264
Condenser coil protection 263, 264
Controls 259-262
Convenience outlet 19, 81, 137, 150, 180, 205
Convert vertical to horizontal discharge 3
Cooling capacities
579F180-300 152-159
580F036-151 33-36
580F180-300 182, 183
581A155-300 208-217
581B036-150 92-102
Dimensions
Accessory
579F180-300 148-150
580F036-151 30, 31
580F180-300 177-180
581A155-300 203-206
581B036-150 89, 90
Base unit
579F180-300 146, 147
580F036-151 26-29
580F180-300 174-176
581A155-300 201, 202
581B036-150 87, 88
Drain pan 263
Ductwork 263
EconoMi$er IV 19, 72, 80, 130, 136, 169, 194,
248, 264-266
EconoMi$er2 19, 72, 80, 130, 136, 169,
194, 248
Outdoor air leakage
580F036-151 72
581B036-150 130
Electrical data
579F180-300 166
580F036-151 75-78
580F180-300 192
581A155-300 244-246
581B036-150 133, 134
Evaporator fan motor
Efficiency
579F180-300 165
580F036-151 72
580F180-300 191
581A155-300 240
581B036-150 128
Performance
579F180-300 165
580F036-151 73
580F180-300 191
581A155-300 241, 243
581B036-150 (high-static motor) 131
581B036-150 (standard motor) 131
Fan performance tables
579F180-300 160-162
580F036-151 37-69
580F180-300 184-189
581A155-300 218-239
581B036-150 103-126
Fan RPM at motor pulley settings
579F180-300 164
580F036-151 71
580F180-300 191
581A155-300 241, 242
581B036-150 127
Features/Benefits 1-4
Field-supplied fan drives 263
Guide specifications
036-151 size units 139-143
155-300 size units 250-258
High altitudes 263
Hinged panels 19
Indoor Air Quality (IAQ) 4
Maximum operating temperature 263
Minimum ambient operating
temperature 263
Minimum temperature 263
Model number nomenclature
579F180-300 6
580F036-151 5
580F180-300 6
581A155-300 7
581B036-150 5
Motormaster® options 19
Options and accessories 16-19
Perfect Humidity™ dehumidification
package 4, 95-102
Performance data
579F180-300 152-165
580F036-151 33-74
580F180-300 182-191
581A155-300 208-243
581B036-150 92-132
Physical data
579F180-300 144, 145
580F036-151 20-25
580F180-300 172, 173
581A155-300 197-200
581B036-150 83-86
Piping and wiring
579F180-300 171
580F036-151 82
580F180-300 196
581A155-300 249
581B036-150 138
Power exhaust
579F180-300 149, 163
580F036-151 72, 74
580F180-300 179, 190
581A155-300 204, 240
581B036-150 130, 132
Roof curb dimensions
579F180-300 148
580F036-073 30
580F090-151 31
580F180-300 177, 178
581A155-300 203, 206
581B036-072 89
581B090-150 90
Selection procedure
579F180-300 151
580F036-151 32
580F180-300 181
581A155-300 91
581B036-150 207
Service options 3
Sound data
579F180-300 164
580F036-151 70
580F180-300 190
581A155-300 241, 242
581B036-150 128
Static pressure drop
Economizer
579F180-300 164
580F036-151 70
580F180-300 191
581A155-300 241, 243
581B036-150 128
Perfect Humidity
581B036-151 129
Thermostat
Wiring 263
Application data 263
Thru-the-bottom connections 263
Unit-mounted disconnect 19, 81, 137, 150,
170, 180, 195, 205
Wiring
579F180-300 167-170
580F036-151 79-81
580F180-300 193-195
581A155-300 247, 248
581B036-150 135-137

Copyright 2006 Bryant Heating & Cooling Systems Printed in U.S.A. 6/06 Catalog No. 5258-006
SPECIFICATIONS SUBJECT TO CHANGE WITHOUT NOTICE
UNIT MUST BE INSTALLED IN ACCORDANCE
WITH INSTALLATION INSTRUCTIONS