Bryant Commercial Single Package Rooftop Gas Heat Electric Cooling 581B Users Manual
COMMERCIAL SINGLE PACKAGE ROOFTOP GAS HEAT/ELECTRIC COOLING 581B a423d268-d56d-4b50-91fa-3f5d20db01b1
581B to the manual a423d268-d56d-4b50-91fa-3f5d20db01b1
2015-02-02
: Bryant Bryant-Commercial-Single-Package-Rooftop-Gas-Heat-Electric-Cooling-581B-Users-Manual-412005 bryant-commercial-single-package-rooftop-gas-heat-electric-cooling-581b-users-manual-412005 bryant pdf
Open the PDF directly: View PDF
.
Page Count: 64

Form No. PDS 581B.36.5
COMMERCIAL
SINGLE PACKAGE ROOFTOP
GAS HEAT/ELECTRIC COOLING
UNITS
Bryant has designed the DuraPac Plus series based on
customer needs and requests to be the most efficient and reli-
able ever.
FEATURES/BENEFITS
• Efficient rooftop line for cooling using scroll compressor
technology
• Efficient rooftop line for heating using dimpled heat
exchangers
• High reliability — non-corrosive condensate pans, prepainted
cabinets and primed interior panels, and all units are fully
protected by internal safeties
• Quiet operation — isolated compressor plate. All compres-
sors mounted on independent vibration isolators. Standard,
belt-driven evaporator fan motors on all units
• Ease of maintenance achieved by self diagnostics on the
Integrated Gas Controller (IGC), standard size filters, no tool
filter access, simple compressor access, permanently lubri-
cated fan motors, optional disconnect switch, optional hinged
access panels, and optional 115-v convenience outlet
• Performance and comfort enhancing options — High-static
motors and Perfect Humidity™ dehumidification package.
BRYANT MEANS TOP QUALITY AND RELIABILITY —
Each component utilized in the DuraPac Plus series is
designed and tested for a minimum of 15 years operation
under the harshest conditions.
Every unit is thoroughly run tested at the factory in each oper-
ating mode and evacuated prior to final charging. Every coil is
leak-tested with helium particles. Automated run testing allows
accurate undisputed tests and measurements which are sec-
ond to none in the industry.
Each unit contains a factory printout indicating tested pres-
sures, amperages, dates, and inspectors, providing certifica-
tion of the unit’s status at the time of manufacture.
Units are equipped with valuable safety controls designed to
monitor and protect for the life of the unit. The standard safe-
ties include:
• low-pressure/loss-of-charge switch
• high-pressure switch
• freeze-protection thermostat
• internal compressor overload
• exclusive Cycle-LOC™ circuit board that prevents compres-
sor cycling
• refrigerant filter drier
The cabinet is constructed of galvanized steel, bonderized and
coated with a prepainted baked enamel finish. The paint finish
is a non-chalking type, and is capable of exceeding Federal
Test Method Standard No. 141 (Method 6061) 500-Hour Salt
Spray Test. In addition, all cabinet interior surfaces are primed,
allowing the entire unit to have a longer life and more attractive
appearance.
EASY MAINTENANCE AND INSTALLATION
All Units are Factory Shipped in the Vertical Discharge
Configuration for fit-up to standard roof curbs. (One acces-
sory curb fits sizes 036-072; another accessory curb fits
sizes 090-150.) Contractors can order and install the roof curbs
early in the construction stage, before decisions on size
requirements have been made.
All Units Feature Heavy-Gage Roll-Formed Baserail design
with forklift slots on 3 sides of the unit and rigging holes for
easier maneuvering and installation. Stretch-wrap packaging
protects the unit during shipment and storage.
Units are Easily Converted from vertical to horizontal applica-
tions to make retrofit and add-on jobs easier. To convert from
vertical to horizontal discharge, simply relocate 2 panels. The
same basic unit can be used for a variety of applications and
can be quickly modified at the jobsite.
Standard high-performance, belt-driven, evaporator-fan motors
enable 581B036-150 units to operate in most ductwork
configurations.
Ductwork Connections are Made Easy by the logical 2 to 1
aspect ratio. On vertical discharge units, ductwork attaches
directly to the roof curb.
Model 581B
DuraPac Plus Series
Sizes 036-150
3 to 121/2 Tons
Unit 581B036-072 Unit 581B090-150

2
FEATURES/BENEFITS (cont)
BALL BEARING, PERMANENTLY-
LUBRICATED MOTORS
PREMIUM QUALITY
SCROLL COMPRESSORS
DIMPLED HEAT
EXCHANGERS
BELT DRIVEN
EVAPORATOR FANS
FACTORY-INSTALLED
OPTIONAL
CONVENIENCE OUTLET
REFRIGERATION
SYSTEM
PROTECTION
FACTORY-INSTALLED
OPTIONAL
DISCONNECT SWITCH
FULLY MODULATING
ECONOMIZER (OPTION OR ACCESSORY)
HIGH-EFFICIENCY COILS
ON-SITE CONVERTIBILITY
FROM VERTICAL TO
HORIZONTAL DISCHARGE
HIGH-EFFICIENCY
COILS AND
FIXED ORIFICE
REFRIGERANT
METERING DEVICE
SINGLE PIECE
TOP PANEL
NO TOOL
FILTER ACCESS
SLEEVE BEARING PERMANENTLY-
LUBRICATED MOTORS
SLOPED,
NON-CORROSIVE
CONDENSATE
DRAIN PAN
3
FEATURES/BENEFITS (cont)
Thru-the-Bottom Service Connection Capability comes
standard with the rooftop unit to allow power and control wiring
to be routed through the unit’s basepan, thereby minimizing roof
penetrations (to prevent water leaks). Both power and control
connections are made on the same side of the unit to simplify
installation.
The Non-Corrosive, Sloped, Condensate Drain Pan is
standard and in conformance with ASHRAE (American Society
of Heating, Refrigeration, and Air Conditioning Engineers)
Standard 62 to meet many Indoor Air Quality (IAQ) specifica-
tions. The condensate drain pan offers both bottom and end
drain capability to minimize roof penetrations. The bottom drain
can be used in conjunction with thru-the-bottom connections.
An external trap must be field supplied.
Standard 2-in. Throwaway Filters are easily accessed
through an easily removable filter access panel located directly
above the air intake hood; no tools are required to change the
filters.
All Units are Designed with a Single Continuous Top Piece
to eliminate leaking at the seams or gasketing, which tends to
deteriorate over time and shift during rigging procedures.
Belt-Driven Evaporator-Fan Motors allow maximum on-site
flexibility without changing motors or drives.
Low-Voltage Wiring Connections are easily made due to the
large terminal board which is conveniently located for quick,
simple access.
QUIET, EFFICIENT OPERATION AND DEPENDABLE
PERFORMANCE
All Units are Equipped With Scroll Compressors which are
fully hermetic with internal vibration isolators for extremely quiet
operation. The scroll compressors are quieter and more reliable
than reciprocating designs. Compressors are mounted on an
independent plate for additional sound integrity and structural
support. Efficient condenser fan and motor design permits
operation at low sound levels.
Totally Enclosed Condenser-Fan Motors and permanently
lubricated bearings provide additional dependability.
All Coils Use State-of-the-Art Internally Enhanced Copper
Tubing — Coils are thoroughly tested with helium particles as
well as pressure tested at the factory. Condenser coils have lou-
vered, aluminum lanced fins to provide maximum heat transfer
for optimum efficiency and easy cleaning.
Exclusive Dimpled Heat Exchangers optimize heat transfer
for improved efficiency. The tubular design permits hot gases to
make multiple passes across the path of the supply air. In addi-
tion, dimpled heat exchanger tubes act as baffles, forcing the
hot gases to stay in close contact with the cell walls to maximize
heat transfer and efficiency.
The California Air Quality Management NOx requirement of
40 nanograms/joule or less is met with Low kit NOx models in
036-060 sizes.
The Induced Draft Combustion System eliminates the
unsightly appearance of flue stacks, and diminishes the effects
of winds on heating operation. The inducer fan draws hot com-
bustion gas through the heat exchanger at the optimum rate for
the most effective heat transfer. The induced draft (negative
pressure) also prevents contaminants from entering the supply
air if a leak in the heat exchanger occurs.
The Direct Spark Ignition System saves operating expense
when compared to old-style pilot ignition systems. No crossover
tube is required, therefore no sooting or pilot fouling problems
can occur.
LP (Liquid Propane) Conversion Kit — Standard units are
designed for natural gas. An LP Conversion Kit is available as
an accessory, if required. Installation of the accessory LP kit
simply involves changing the gas orifices to accommodate liq-
uid propane gas.
Refrigerant Circuit Protection assures dependability. All units
have standard:
1) loss-of-charge/low-pressure protection switch which allows
operation at lower ambient conditions while protecting
against low-charge operation
2) freeze-protection thermostat, which protects against evapo-
rator coil frost build-up
3) high-pressure switch, which protects against above normal
operating pressure
4) filter driers, which trap moisture and debris in the refrigera-
tion system.
5) Bryant’s exclusive fixed orifice metering device, which pre-
cisely controls refrigerant flow, preventing slugging and
floodback, while maintaining optimum unit performance by
metering the circuits individually.
Two Independent Compressor Circuits (all 71/2 to 121/2 ton
units) provide pinpoint comfort control, improved efficiency, and
back-up capability.
The Standard Control System is readily adaptable to all con-
ventional thermostats.
Integrated Gas Unit Controller (IGC) — All ignition compo-
nents are contained in the compact Integrated Gas Controller
(IGC) that is easily accessible for service. The IGC provides
built in diagnostic capabilities. An LED simplifies troubleshoot-
ing by providing visual fault notification and system status infor-
mation. The IGC board provides exclusive anti-cycle protection
for its gas heat operation. The IGC also contains burner control
logic for dependable heating operation. The LED is visible with-
out removing the unit control box access panel. The 581B units
maximize heating efficiency through the IGC’s control of evapo-
rator fan ON/OFF delays. The IGC helps make 581B units reli-
able for many years.
Patented Cycle-LOC™ Protection System provides protec-
tion against compressor cycling by monitoring compressor cur-
rent draw. When lack of compressor current exists, the Cycle-
LOC circuit board locks out the compressors. The Cycle-LOC
board may be manually reset by simply switching thermostat to
OFF, and then back to the Cooling or AUTO modes. No manipu-
lation of the unit disconnect switch is needed.
TABLE OF CONTENTS
Page
Features/Benefits. . . . . . . . . . . . . . . . . . . . . . . . . . . . . . . . . .1-4
Model Number Nomenclature . . . . . . . . . . . . . . . . . . . . . . . . . 4
ARI Capacities . . . . . . . . . . . . . . . . . . . . . . . . . . . . . . . . . . . . . 5
Options and Accessories . . . . . . . . . . . . . . . . . . . . . . . . . . . .6-8
Physical Data. . . . . . . . . . . . . . . . . . . . . . . . . . . . . . . . . . . .9-12
Base Unit Dimensions . . . . . . . . . . . . . . . . . . . . . . . . . . . . 13,14
Accessory Dimensions . . . . . . . . . . . . . . . . . . . . . . . . . . . 15,16
Selection Procedure . . . . . . . . . . . . . . . . . . . . . . . . . . . . . . . 17
Performance Data . . . . . . . . . . . . . . . . . . . . . . . . . . . . . . .18-44
Electrical Data . . . . . . . . . . . . . . . . . . . . . . . . . . . . . . . . . .45-48
Application Data. . . . . . . . . . . . . . . . . . . . . . . . . . . . . . . . .49-53
Typical Piping and Wiring. . . . . . . . . . . . . . . . . . . . . . . . . . . . 54
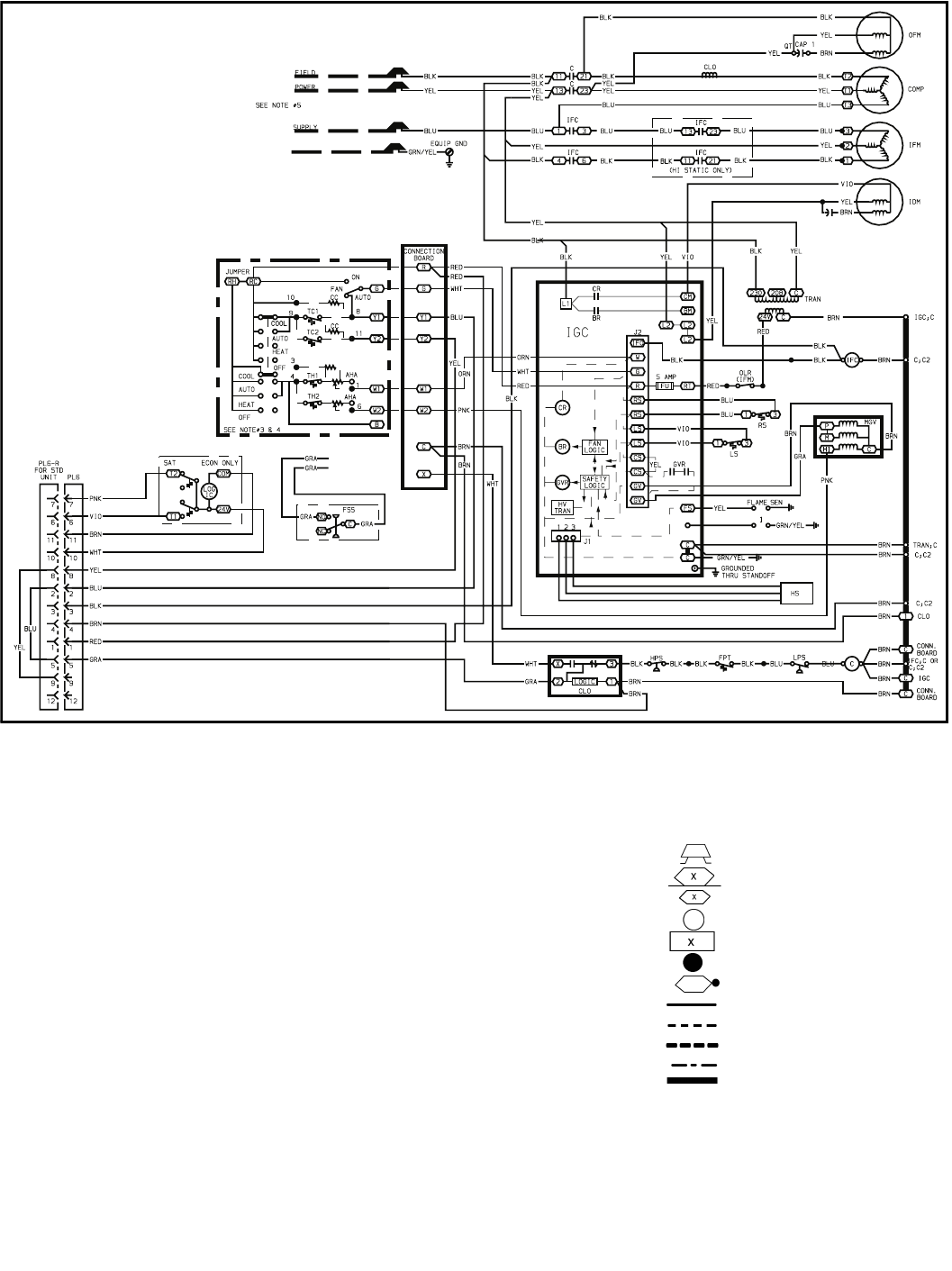
Typical Wiring Schematic. . . . . . . . . . . . . . . . . . . . . . . . . .55-57
Controls . . . . . . . . . . . . . . . . . . . . . . . . . . . . . . . . . . . . . . . 58,59
Guide Specifications . . . . . . . . . . . . . . . . . . . . . . . . . . . . .60-62

4
FEATURES/BENEFITS (cont)
INDOOR AIR QUALITY (IAQ)
The Quality of Building Air is Improved as the DuraPac Plus
series utilizes certain key features that assist in improving
indoor air quality. A sloped condensate pan eliminates possible
biological growth in the rooftop unit. A face-split evaporator coil
(090-150 sizes) design proves effective in removing additional
moisture from the supply air. Two-in. filters are standard in all
rooftop units and an optional filter status sensor is available.
SERVICEABILITY
Standardized Components for the complete DuraPac Plus
line of products are found in all safety devices, condenser-fan
motors, evaporator-fan motors, and control boards, while the
gas sections use common inducer motors, limit switches, and
rollout switches. This allows for greater inventory control, famil-
iarity of parts, and fewer stocked parts.
Easily Accessible Refrigerant Access Ports on all discharge,
suction, and liquid lines permit easy and accurate measure-
ments as well as simple accessibility.
Resettable 24-v Circuit Breaker On 581B090-150 Units
allows room for error without replacing transformers or fuses.
Single-Side Utility Connections provide easy access to per-
form any necessary service.
Color-Coded Wires permit easy tracing and diagnostics.
Belt-Driven Motors are accessible through a single access
door to facilitate servicing and adjusting after installation.
Compressors and Safety Switches are Easily Accessible for
troubleshooting and system analysis.
MODEL NUMBER NOMENCLATURE
581B –Single Package
High-Efficiency
Gas/Electric Unit
Voltage Designation
E–460-3-60
J–208/230-1-60
P–208/230-3-60
T–575-3-60
581B E V 090 180 N AA
Fuel and Control Type
V–Natural Gas/Direct
Spark Ignition
Factory-Installed Options*
Nominal Tons
036 –3090 –7-1/2
048 –4102 –8-1/2
060 –5120 –10
072 –6150 –12-1/2
N–Low NOx Units
Gas Heat Input (Btuh)
072 – 72,000 180 –180,000
115 –115,000 220 –224,000
125 –125,000 250 –250,000
150 –150,000
Low NOx* California Compliant 3 Phase
060N – 60,000 071 – 72,000
090N – 90,000 114 –115,000
120N –120,000 149 –150,000
*Refer to the Trade Prices for ordering codes of factory-installed options.

5
ARI* CAPACITIES
LEGEND
*Air-Conditioning & Refrigeration Institute.
†Applies only to units with capacity of 65,000 Btuh or less.
**The IPLV is not applicable to single-compressor units.
NOTES:
1. Rated in accordance with ARI Standard 210/240 (size 036-120 units) or 360
(size 150 units) and 270 (size 036-150 units).
2. Ratings are net values, reflecting the effects of circulating fan heat. Ratings are
based on:
Cooling Standard: 80 F db, 67 wb indoor entering-air temperature and 95 F
db outdoor entering-air temperature.
IPLV Standard: 80 F db, 67 F wb indoor entering-air temperature and 80 F
db outdoor entering-air temperature.
HEATING CAPACITIES AND EFFICIENCIES
LEGEND
AFUE — Annual Fuel Utilization Efficiency
*California rated three-phase models.
†Three-phase standard models have heating input values as shown. Single-phase standard models
have one-stage heating with heating input values as follows:
581BJV036-060072, 72,000 Btuh
581BJV036-060115, 115,000 Btuh
581BJV048-060150, 150,000 Btuh
**California SCAQMD compliant Low NOx models have combustion products that are controlled to
40 nanograms per joule or less.
UNIT
581B
NOMINAL
TONS
STANDARD
CFM
COOLING
(Btuh)
TOTAL
kW SEER†EER SOUND RATING
(dB) IPLV**
036 3 1200 36,000 3.21 13.00 11.20 76 —
048 4 1450 47,000 4.25 13.00 11.05 76 —
060 5 1750 60,000 5.55 13.00 11.00 80 —
072 6 2100 74,000 6.70 —11.00 80 —
090 71/23000 90,000 8.18 —11.00 82 11.6
102 81/23000 102,000 9.44 —10.80 82 10.9
120 10 3200 120,000 10.91 —11.00 84 9.7
150 121/24300 140,000 14.04 —9.50 86 9.8
dB —Decibels
EER —Energy Efficiency Ratio
IPLV —Integrated Part-Load Value
SEER —Seasonal Energy Efficiency Ratio
SIZE
581B
HEATING INPUT (Btuh)
Stage 2/Stage 1
OUTPUT CAPACITY
(Btuh)
TEMPERATURE
RISE
AFUE
(%)
STEADY-STAGE
EFFICIENCY (%)
036071* —/72,000 —/ 59,040 15-45 82 82
036072†72,000/ 50,000 59,040/ 41,000 15-45 82 82
036114* —/115,000 —/ 92,000 55-85 80 80
036115†115,000/ 82,000 92,000/ 65,600 55-85 80 82
036060N** —/60,000 —/ 50,000 20-50 81 81
036090N** —90,000 —/ 74,000 30-60 81 81
048071* —/72,000 —/ 59,040 15-45 82 82
048072†72,000/ 50,000 59,040/ 41,000 15-45 82 82
048114* —/115,000 —/ 92,000 35-65 81 81
048115†115,000/ 82,000 93,150/ 66,420 35-65 81 81
048149* —/150,000 —/120,000 50-80 80 80
048150†150,000/120,000 120,000/ 96,000 50-80 80 80
048060N** —/60,000 —/ 50,000 20-50 81 81
048090N** —/90,000 —/ 74,000 30-60 81 81
048120N** —/120,000 —/101,000 40-70 82 82
060071* —/72,000 —/ 59,040 15-45 82 82
060072†72,000/ 50,000 59,040/ 41,000 15-45 82 82
060114* —/115,000 —/ 93,150 35-65 81 81
060115†115,000/82,000 93,150/ 66,420 35-65 81 81
060149* —/150,000 —/120,000 50-80 80 80
060150†150,000/120,000 120,000/ 96,000 50-80 80 80
060060N** —/60,000 —/ 50,000 20-50 81 81
060090N** —/90,000 —/ 74,000 30-60 81 81
060120N** —/120,000 —/101,000 40-70 82 82
072072 72,000/ 50,000 59,040/ 41,000 15-45 82 82
072115 115,000/ 82,000 93,150/ 66,420 35-65 81 81
072150 150,000/120,000 120,000/ 96,000 50-80 80 80
090125 125,000/ 90,000 102,500/ 72,900 20-50 82 82
090180 180,000/120,000 147,600/ 98,400 35-65 82 82
090224 224,000/180,000 183,700/147,600 45-75 82 82
102125 125,000/ 90,000 102,500/ 72,900 20-50 82 82
102180 180,000/120,000 147,600/ 98,400 35-65 82 82
102224 224,000/180,000 183,700/147,600 45-75 82 82
120180 180,000/120,000 147,600/ 98,400 35-65 82 82
120224 224,000/180,000 183,700/147,600 45-75 82 82
120250 250,000/200,000 200,000/160,000 40-70 80 80
150224 224,000/180,000 183,700/147,600 45-75 82 82
150250 250,000/200,000 200,000/160,000 40-70 80 80
Sizes 036-120 Only Size 150 Only

6
OPTIONS AND ACCESSORIES
*Indicates a factory-installed option.
†Indicates a field-installed accessory.
ITEM OPTION* ACCESSORY†
Perfect Humidity™ Dehumidification Package X
Integrated Economizer — Durablade XX
Integrated Economizer — EconoMi$er (gear driven) XX
EconoMi$er with Power Exhaust (Vertical Only) X
Power Exhaust for EconoMi$er X
High-Static Motor (except 150) X
Hinged Access Panels X
25% Manual Outdoor-Air Damper XX
50% Manual Outdoor-Air Damper X
Convenience Outlet X
Unit Mounted Disconnect X
Two-Position Damper (25% Open) X
Two-Position Damper (100% Open) X
Roof Curb (14 in.) X
Roof Curb (24 in.) X
Thru-the-Bottom Service Connections X
Thermostat and Subbase X
Light Commercial Thermostat X
Light Commercial Thermidistat X
Time Guard® II Control Circuit (3-Phase Units Only) X
Motormaster® Low Ambient Control X
Motormaster II Low Ambient Control X
Motormaster IV Low Ambient Control X
Accusensor™ II Enthalpy Control X
Accusensor III Differential Enthalpy Sensor X
Liquid Propane Conversion Kit X
Flue Discharge Deflector X
Flue-Hood Protector Assembly X
Coil Guard Grille X
Condenser Coil Hail Guard X
Fan/Filter Status Switch X
Corrosion Resistant Coils X
BURNER SPUDS
(ORIFICES)
LOW AMBIENT CONTROLS
The 581B036-150 standard units are designed to operate in cooling at outdoor temperatures
down to 25 F. With accessory Motormaster control (condenser-fan speed modulation), or Motor-
master II control (condenser-fan cycling), units can operate at outdoor temperatures down to
–20 F. The head pressure controls, which mount in the condenser section, control the
condenser-fan motor to maintain correct condensing temperature.
TIME GUARD II CONTROL
Time Guard II Control automatically prevents compressor
from restarting for at least 5 minutes after a shutdown.
Field-installed accessory prevents short cycling of com-
pressor if thermostat is rapidly changed. Time Guard II
device mounts in the control compartment of unit. The
Time Guard II device is not required when a programma-
ble thermostat is applied.
MOTORMASTER I
MOTORMASTER II
LIQUID PROPANE CONVERSION KIT
Liquid propane conversion kit allows
the unit to utilize a liquid propane fuel
supply in areas where natural gas is
not available. (Kit shown is for
sizes 036-072.)

7
OPTIONS AND ACCESSORIES (cont)
CONTROLLER
BAROMETRIC
RELIEF DAMPERS
OUTDOOR AIR
TEMPERATURE
SENSOR
GEAR-DRIVEN
DAMPER
ACTUATOR
ECONOMI$ER
PLUG
UNIT MOUNTED DISCONNECT ECONOMI$ER
Factory-installed, internally-mounted, NEC (National Electrical
Code) and UL (Underwriters’ Laboratories) approved non-fused
switch provides unit power shutoff with disconnect lockout protection
capability. The switch is accessible from outside the unit.
Factory-installed EconoMi$er utilizes a microprocessor-based con-
trol, gear drive damper system, low pressure drop characteristics,
built-in spring return (for close upon power loss), and an integral
barometric damper.
NOTE: EconoMi$er is only available for vertical ductwork applica-
tions and can be field or factory installed.
CONVENIENCE OUTLET
Factory-installed, internally mounted and externally accessible 115-v
female receptacle. Includes 15-amp GFI (Ground Fault Interrupter)
receptacle with independent fuse protection. Voltage required to
operate convenience outlet is provided by a factory-installed
transformer.
DURABLADE ECONOMIZER
Exclusive Durablade economizer damper design saves energy while
providing economical and reliable cooling. A sliding plate on the face
of the economizer controls the amount of outdoor air entering the
system. When the sliding plate is closed, it provides a leakproof seal
which prevents ambient air from seeping in or conditioned air from
seeping out. It can be easily adjusted for 100% outdoor air or any
proportions of mixed air. Equipped with standard controls and 30%
barometric relief capabilities.
PERFECT HUMIDITY™ DEHUMIDIFICATION PACKAGE
The Perfect Humidity dehumidification package is a factory-installed option
that provides increased dehumidification by cooling the hot liquid refrigerant
leaving the condenser coil. The package consists of a subcooling coil
located on the leaving-air side of the evaporator coil. The location of this coil
in the indoor-air stream enhances the latent capacity of the 581B units by
as much as 40%. The Perfect Humidity package includes crankcase
heater(s) and low-pressure switch(es) and operation can be controlled by a
field-installed, wall-mounted humidistat or light commercial thermidistat.

8
OPTIONS AND ACCESSORIES (cont)
MINIMUM
POSITION
OPEN
3
1
T
P
P1
T1
4
2
5
S
S
O
D
C
TR
B
REV.B
198818A
%
H
U
M
I
D
I
T
Y
90
70
60
30
10
DCBA
60 65 70
75
55
50 85
80
DAMPER
DAMPER
CLOSED
OPEN
OUTDOOR TEMP.°F
REV
.
97-3672
CW–SETPOINTS–CCW
CONTACTS SHOWN IN HIGH ENTHALPY
RUSH AT 24VAC
3 mA MIN.A
T 11 VDC
CONTACT RATINGS: 1.5A RUN, 3.5A IN
OR UNPOWERED STATE
1
2
3
TR
TR1
24VAC
ENTHALPY CONTROL
+
HAIL GUARD ACCUSENSOR™ II ENTHALPY CONTROL
Hail guard accessory (field installed) protects condenser coils
against damage from hail and other flying debris.
COIL GUARD GRILLE
Coil guard grille protects coils against large objects and
vandalism.
ACCUSENSOR III DIFFERENTIAL ENTHALPY
Accusensor economizer controls help provide efficient, economical
economizer operation. The Accusensor I dry-bulb sensor measures out-
door temperature and is standard with the Durablade economizer.
The accessory Accusensor II solid-state enthalpy control senses both
dry and wet bulb of the outdoor air to provide an accurate enthalpy read-
ing. Accusensor II control is available as a field-installed accessory for
the Durablade economizer.
The accessory Accusensor III differential enthalpy sensor control com-
pares outdoor temperature and humidity to return-air temperature and
humidity and determines the most economical mixture of air. Accu-
sensor III is available for Durablade economizers.
BRYANT COMMERCIAL PROGRAMMABLE THERMOSTAT
Designed specifically for use with Bryant commercial systems, this Bryant
programmable thermostat features LED occupied/unoccupied displays and
setback mode which can override continuous fan operation.
BRYANT LIGHT COMMERCIAL THERMIDISTAT
The light commercial thermidistat combines temperature and dehumidifica-
tion control in one device and provides continuous fan operation in occupied
mode. Recommended for use with the Perfect Humidity™ package.

9
PHYSICAL DATA
LEGEND
*Single phase/three phase.
†Indicates automatic reset.
**581B 072 unit size 036-072 (72,000 Btu heat input) have 2 burners.
581B 115 unit size 036-072 (115,000 Btu heat input) have 3 burners.
581B 150 unit size 048-072 (150,000 Btu heat input) have 3 burners.
††An LP kit is available as an accessory.
llCalifornia compliant three-phase models.
***Three-phase standard models have heating inputs as shown. Single-
phase standard models have one-stage heating with heating input values
as follows:
581BJV036-060072, 72,000 Btuh
581BJV036-060115, 115,000 Btuh
581BJV048-060150, 150,000 Btuh
†††California SCAQMD compliant Low NOx models have combustion prod-
ucts that are controlled to 40 nanograms per joule or less.
UNIT SIZE 581B 036 048 060 072
NOMINAL CAPACITY 34 56
OPERATING WEIGHT (lb)
Unit 530 540 560 615
With Durablade Economizer 564 574 594 649
With EconoMi$er 577 587 607 662
With Perfect Humidity™ Dehumidification Package 548 558 578 633
Roof Curb 115 115 115 115
COMPRESSOR Scroll
Quantity 1111
Oil (oz) 42 53 50 60
REFRIGERANT TYPE R-22
Operating Charge (lb-oz)
Standard Unit 5- 8 8-6 10- 0 9-10
Unit With Perfect Humidity Dehumidification Package 8-13 11-2 12-13 13- 6
CONDENSER FAN Propeller
Quantity...Diameter (in.) 1...22 1...22 1...22 1...22
Nominal Cfm 3500 3500 4100 4100
Motor Hp...Rpm 1/4...825 1/4...825 1/4...1100 1/4...1100
Watts Input (Total) 180 180 320 320
CONDENSER COIL Enhanced Copper Tubes, Aluminum Lanced Fins
Standard Unit
Rows...Fins/in. 1...17 2...17 2...17 2...17
Total Face Area (sq ft) 14.6 16.5 16.5 16.5
Unit with Perfect Humidity Dehumidification Package
Rows...Fins/in. 1...17 1...17 1...17 1...17
Total Face Area (sq ft) 3.9 3.9 3.9 3.9
EVAPORATOR FAN Centrifugal Type, Belt Drive
Quantity...Size (in.) 1...10 x 10 1...10 x 10 1...10 x 10 1...10 x 10
Nominal Cfm 1200 1600 2000 2400
Maximum Continuous Bhp Std 1.20 1.20 1.30/2.40* 2.40
Hi-Static 2.40 2.40 2.90 2.90
Motor Frame Size Std 48 48 48/56* 56
Hi-Static 56 56 56 56
Fan Rpm Range Std 760-1090 840-1185 1020-1460/1120-1585* 1120-1585
Hi-Static 1075-1455 1075-1455 1300-1685 1300-1685
Motor Bearing Type Ball Ball Ball Ball
Maximum Fan Rpm 2100 2100 2100 2100
Motor Pulley Pitch Diameter
A/B (in.)
Std 1.9/2.9 1.9/2.0 2.4/3.4 2.4/3.4
Hi-Static 2.8/3.8 2.8/3.8 3.4/4.4 3.4/3.4
Nominal Motor Shaft Diameter (in.) Std 1/21/25/85/8
Hi-Static 5/85/85/85/8
Fan Pulley Pitch Diameter (in.) Std 4.5 4.0 4.0 4.0
Hi-Static 4.5 4.0 4.5 4.5
Belt — Type...Length (in.) Std 1...A...33 1...A...33 1....4...40 1...A...38
Hi-Static 1...A...39 1...A...39 1...A...40 1...A...40
Pulley Center Line Distance (in.) 10.0-12.4 10.0-12.4 14.7-15.5 14.7-15.5
Speed Change per Full Turn of
Movable Pulley Flange (rpm)
Std 65 70 75 95
Hi-Static 65 65 60 60
Movable Pulley Maximum Full
Turns from Closed Position
Std 5565
Hi-Static 6655
Factory Setting — Full Turns Open Std 3333
Hi-Static 31/231/231/231/2
Factory Speed Setting (rpm) Std 890 980 1240 1304
Hi-Static 1233 1233 1396 1396
Fan Shaft Diameter at Pulley (in.) 5/85/85/85/8
EVAPORATOR COIL Enhanced Copper Tubes, Aluminum Double-Wavy Fins, Fixed Orifice Metering Device
Rows...Fins/in. 2...15 2...15 4...15 4...15
Total Face Area (sq ft) 5.5 5.5 5.5 5.5
Bhp —Brake Horsepower

10
PHYSICAL DATA (cont)
LEGEND
*Single phase/three phase.
†Indicates automatic reset.
**581B 072 unit size 036-072 (72,000 Btu heat input) have 2 burners.
581B 115 unit size 036-072 (115,000 Btu heat input) have 3 burners.
581B 150 unit size 048-072 (150,000 Btu heat input) have 3 burners.
††An LP kit is available as an accessory.
llCalifornia compliant three-phase models.
***Three-phase standard models have heating inputs as shown. Single-
phase standard models have one-stage heating with heating input values
as follows:
581BJV036-060072, 72,000 Btuh
581BJV036-060115, 115,000 Btuh
581BJV048-060150, 150,000 Btuh
†††California SCAQMD compliant Low NOx models have combustion prod-
ucts that are controlled to 40 nanograms per joule or less.
UNIT SIZE 581B 036 048 060 072
FURNACE SECTION
Rollout Switch Cutout Temp (F)†195 195 195 195
Burner Orifice Diameter (in. ...drill size)**
Natural Gas — Std 071/072 .113...33 .113...33 .113...33 .113...33
114/115 .113...33 .113...33 .113...33 .113...33
149/150 —.129...30 .129...30 .129...30
060N .102...38 .102...38 .102...38 —
090N .102...38 .102...38 .102...38 —
120N —.116...32 .116...32 —
Liquid Propane — Alt†† 071/072 .089...43 .089...43 .089...43 .089...43
114/115 .089...43 .089...43 .089...43 .089...43
149/150 —.102...38 .102...38 .102...38
060N .082...45 .082...45 .082...45 —
090N .082...45 .082...45 .082...45 —
120N —.094...42 .094...42 —
Thermostat Heat Anticipator Setting (amps)
(208/230/460/575 V) .14 .14 .14 .14
Gas Input (Btuh)
First Stage/Second Stage 071II —/ 72,000 —/ 72,000 —/ 72,000 —
114II —/115,000 —/115,000 —/115,000 —
149II ——/150,000 —/150,000 —
072*** 50,000/ 72,000 50,000/ 72,000 50,000/ 72,000 50,000/ 72,000
115*** 82,000/115,000 82,000/115,000 82,000/115,000 82,000/115,000
150*** —120,000/150,000 120,000/150,000 120,000/150,000
060N††† —/ 60,000 —/ 60,000 —/ 60,000 —
090N††† —/ 90,000 —/ 90,000 —/ 90,000 —
120N††† ——/120,000 —/120,000 —
Efficiency (Thermal) (%) 071 82 82 82 —
114 80 81 81 —
149 —80 80 —
072 82 82 82 82
115 80 81 81 81
150 —80 80 80
060N 81 81 81 —
090N 81 81 81 —
120N —82 82 —
Temperature Rise Range 071 15-45 15-45 15-45 —
114 55-85 35-65 35-65 —
149 —50-80 50-80 —
072 15-45 15-45 15-45 15-45
115 55-85 35-65 35-65 35-65
150 —50-80 50-80 50-80
060N 20-50 20-50 20-50 —
090N 30-60 30-60 30-60 —
120N —40-70 40-70 —
Manifold Pressure (in. wg)
Natural Gas — Std 3.5 3.5 3.5 3.5
Liquid Propane — Alt†† 3.5 3.5 3.5 3.5
Maximum Static Pressure (in. wg) 1.0 1.0 1.0 1.0
Field Gas Connection Size (in.) 1/
2
1/
2
1/
2
1/
2
HIGH-PRESSURE SWITCH (psig)
Standard Compressor Internal Relief 450 ± 50
Cutout 428
Reset (Auto.) 320
LOSS-OF-CHARGE SWITCH/LOW-PRESSURE SWITCH
(Liquid Line) (psig)
Cutout 7 ± 3
Reset (Auto.) 22 ± 5
FREEZE PROTECTION THERMOSTAT
Opens (F) 30 ± 5
Closes (F) 45 ± 5
OUTDOOR-AIR INLET SCREENS Cleanable
Quantity...Size (in.) 1...20 x 24 x 1
RETURN-AIR FILTERS Throwaway
Quantity...Size (in.) 2...16 x 25 x 2
Bhp —Brake Horsepower

11
PHYSICAL DATA (cont)
LEGEND
*Weight of 14-in. roof curb.
†Rollout switch lockout is manually reset by interrupting power to unit or
resetting thermostat.
NOTE: High-static motor not available on size 150 units.
UNIT SIZE 581B 090 102 120 150
NOMINAL CAPACITY (tons) 71/281/210 121/2
OPERATING WEIGHT (lb)
Unit 870 880 1035 1050
With Durablade Economizer 914 924 1079 1094
With EconoMi$er 932 942 1097 1112
With Perfect Humidity™ Dehumidification Package 899 909 1068 1083
Roof Curb* 143 143 143 143
COMPRESSOR Scroll
Quantity 22 22
Oil (oz) (each compressor) 53 53 50 60
REFRIGERANT TYPE R-22
Operating Charge (lb-oz)
Standard Unit
Circuit 1 7-10 7-14 9-10 9-8
Circuit 2 8- 2 8- 5 10-10 9-5
Unit With Perfect Humidity Dehumidification
Package
Circuit 1 10-10 10-11 13- 0 12-6
Circuit 2 12- 8 10-10 13- 5 12-2
CONDENSER FAN Propeller
Quantity...Diameter (in.) 2...22 2...22 2...22 2...22
Nominal Cfm 6500 6500 7000 7000
Motor Hp...Rpm 1/4...1100 1/4...1100 1/4...1100 1/4...1100
Watts Input (Total) 650 650 650 650
CONDENSER COIL Enhanced Copper Tubes, Aluminum Lanced Fins
Standard Unit
Rows...Fins/in. 2...17 2...17 2...17 2...17
Total Face Area (sq ft) 20.5 20.5 25.0 25.0
Unit with Perfect Humidity Dehumidification
Package
Rows...Fins/in. 1...17 1...17 1...17 1...17
Total Face Area (sq ft) 6.3 6.3 8.4 8.4
EVAPORATOR FAN Centrifugal
Size (in.) 15 x 15 15 x 15 15 x 15 15 x 15
Type Drive Belt Belt Belt Belt
Nominal Cfm 3000 3400 4000 5000
Maximum Continuous Bhp Std 2.90 2.90 3.70 5.25
Hi-Static 4.20 4.20 5.25 —
Motor Frame 56 56 56 56
Fan Rpm Range Std 840-1085 840-1085 860-1080 900-1260
Hi-Static 860-1080 860-1080 830-1130 —
Motor Bearing Type Ball Ball Ball Ball
Maximum Fan Rpm 2100 2100 2100 2100
Motor Pulley Pitch Diameter
A/B (in.)
Std 3.4/4.4 3.4/4.4 4.0/5.0 2.8/3.8
Hi-Static 4.0/5.0 4.0/5.0 2.8/3.8 —
Nominal Motor Shaft Diameter (in.) 7/87/87/87/8
Fan Pulley Pitch Diameter (in.) Std 7.0 7.0 8.0 5.8
Hi-Static 8.0 8.0 5.8 —
Belt — Type...Length (in.) Std A...51 A...51 A...51 BX...46
Hi-Static A...55 A...55 BX...46 —
Pulley Center Line Distance (in.) 16.75-19.25 16.75-19.25 15.85-17.50 15.85-17.50
Speed Change per Full Turn of
Movable Pulley Flange (rpm)
Std 50 50 45 60
Hi-Static 60 60 60 —
Movable Pulley Maximum Full
Turns from Closed Position
Std 55 56
Hi-Static 55 6—
Factory Setting — Full Turns Open Std 55 55
Hi-Static 55 5—
Factory Speed Setting (rpm) Std 840 840 860 960
Hi-Static 860 860 890 —
Fan Shaft Diameter at Pulley (in.) 11 11
EVAPORATOR COIL Enhanced Copper Tubes, Aluminum Double-Wavy Fins
Rows...Fins/in. 3...15 3...15 4...15 4...15
Total Face Area (sq ft) 8.9 8.9 11.1 11.1
Bhp —Brake Horsepower

12
PHYSICAL DATA (cont)
LEGEND
*Weight of 14-in. roof curb.
†Rollout switch lockout is manually reset by interrupting power to unit or
resetting thermostat.
NOTE: High-static motor not available on size 150 units.
UNIT SIZE 581B HEAT 090 102 120 150
FURNACE SECTION
Rollout Switch Cutout Temp†195 195 195 195
Burner Orifice Diameter
(in. ...drill size)
Natural Gas Std Lo .120...31 .120...31 .120...31 .120...31
Med .120...31 .120...31 .120...31 .129...30
Hi .120...31 .120...31 .129...30 —
Liquid Propane Accy Lo .096...41 .096...41 .096...41 .096...41
Med .096...41 .096...41 .096...41 .102...38
Hi .096...41 .096...41 .102...38 —
Thermostat Heat Anticipator
Setting (amps)
208/230 v and 575 Stage 1 .14 .14 .14 .14
Stage 2 .20 .20 .20 .20
460 v Stage 1 .14 .14 .14 .14
Stage 2 .20 .20 .20 .20
Gas Input (Btuh)Stage1/Stage 2 Lo 125,000/—125,000/—120,000/180,000 180,000/224,000
Med 120,000/180,000 120,000/180,000 180,000/224,000 200,000/250,000
Hi 180,000/224,000 180,000/224,000 200,000/250,000 —/—
Efficiency (Steady State) (%) 82 82 82, 80 (in 250,000 Btuh
heat range)
82, 80 (in 250,000 Btuh
heat range)
Temperature Rise Range Lo 20-50 20-50 35-65 35-65
Med 35-65 35-65 35-65 40-70
Hi 45-75 45-75 40-70 —
Manifold Pressure (in. wg)
Natural Gas Std 3.5 3.5 3.5 3.5
Liquid Propane Accy 3.5 3.5 3.5 3.5
Gas Valve Quantity 11 1 1
Gas Valve Pressure Range
Psig 0.180-0.487 0.180-0.487 0.180-0.487 0.180-0.487
in. wg 5.0-13.5 5.0-13.5 5.0-13.5 5.0-13.5
Field Gas Connection
Size (in.) Lo 1/21/23/43/4
Med 3/43/43/43/4
Hi 3/43/43/4—
HIGH-PRESSURE SWITCH (psig)
Standard Compressor 450 ± 50 500 ± 50
Internal Relief (Differential)
Cutout 428 428
Reset (Auto.) 320 320
LOSS-OF-CHARGE (LOW-PRESSURE)
SWITCH (psig)
Cutout 7 ± 3
Reset (Auto.) 22 ± 7
FREEZE PROTECTION
THERMOSTAT (F)
Opens 30 ± 5
Closes 45 ± 5
OUTDOOR-AIR INLET SCREENS Cleanable
Quantity...Size (in.) 1...20 x 24 x 1
1...16 x 25 x 1
RETURN-AIR FILTERS Throwaway
Quantity...Size (in.) 4...16 x 20 x 2 4...16 x 20 x 2 4...20 x 20 x 2 4...20 x 20 x 2
Bhp —Brake Horsepower

13
BASE UNIT DIMENSIONS
UNIT
581B
STANDARD
UNIT
WEIGHT
DURABLADE
ECONOMIZER
WEIGHT
ECONOMI$ER
WEIGHT
CORNER
WEIGHT
(A)
CORNER
WEIGHT
(B)
CORNER
WEIGHT
(C)
CORNER
WEIGHT
(D)
Lb Kg Lb Kg Lb Kg Lb Kg Lb Kg Lb Kg Lb Kg
036 530 240 34 15.4 47 21.3 127 57.6 122 55.3 138 62.6 143 64.9
048 540 245 34 15.4 47 21.3 129 58.5 124 56.2 141 64.0 146 66.2
060 560 254 34 15.4 47 21.3 134 60.8 129 58.5 146 66.2 151 68.5
072 615 279 34 15.4 47 21.3 147 66.7 142 64.4 160 72.6 166 75.3
CONNECTION SIZES
A13/8″
″″
″ Dia [35] Field Power Supply Hole
B2″
″″
″ Dia [51] Power Supply Knockout
C13/4″
″″
″ Dia [44] Charging Port Hole
D7/8″
″″
″ Dia [22] Field Control Wiring Hole
E3/4″
″″
″-14 NPT Condensate Drain
F1/2″
″″
″-14 NPT Gas Connection
G21/2″
″″
″ Dia [64] Power Supply Knockout
NOTES:
1. Dimensions in [ ] are in millimeters.
2. Center of gravity.
3. Direction of airflow.
4. On vertical discharge units, ductwork to be attached to accessory roof curb only. For horizontal
discharge units, field-supplied flanges should be attached to horizontal discharge openings, and
all ductwork should be attached to the flanges.
5. Minimum clearance (local codes or jurisdiction may prevail):
a. Between unit, flue side and combustible surfaces, 48 inches.
b. Bottom of unit to combustible surfaces (when not using curb), 1 inch.
Bottom of base rail to combustible surfaces (when not using curb) 0 inches.
c. Condenser coil, for proper airflow, 36 in. one side, 12 in. the other. The side getting the
greater clearance is optional.
d. Overhead, 60 in. to assure proper condenser fan operation.
e. Between units, control box side, 42 in. per NEC (National Electrical Code).
f. Between unit and ungrounded surfaces, control box side, 36 in. per NEC.
g. Between unit and block or concrete walls and other grounded surfaces, control box side,
42 in. per NEC.
h. Horizontal supply and return end, 0 inches.
6. With the exception of the clearance for the condenser coil and combustion side as stated in
notes 5a, b and c, a removable fence or barricade requires no clearance.
7. Units may be installed on combustible floors made from wood or Class A, B, or C roof covering
material if set on base rail.
8. The vertical center of gravity is 1′-6″ [457] up from the bottom of the base rail.
BOTTOM POWER CHART, THESE HOLES REQUIRED FOR
USE WITH ACCESSORY PACKAGES — CRBTMPWR001A00,
3A00 (1/2″, 3/4″) OR CRBTMPWR002A00, 4A00 (1/2″, 11/4″)
*Select either 3/4″ or 11/4″ for power, depending on wire size.
THREADED
CONDUIT SIZE
WIRE
USE
REQURED
HOLE SIZES (MAX.)
1/2″
″″
″24 V 7/8″ [22.2]
3/4″
″″
″Power* 11/8″ [28.4]
11/4″
″″
″Power* 13/4″
[44.4]
(003) 1/2″
″″
″ FPT Gas 11/4″ [31.8]
(004) 3/4″
″″
″ FPT Gas 15/8″ [41.3]
581B036-072

14
BASE UNIT DIMENSIONS (cont)
UNIT
581B
STANDARD
UNIT WEIGHT
DURABLADE
ECONOMIZER WEIGHT
ECONOMI$ER
WEIGHT
CORNER
WEIGHT (A)
CORNER
WEIGHT (B)
CORNER
WEIGHT (C)
CORNER
WEIGHT (D) “H”“J”“K”“L”
Lb Kg Lb Kg Lb Kg Lb Kg Lb Kg Lb Kg ft-in. mm ft-in. mm ft-in. mm ft-in. mm ft-in. mm
090 870 395 44 20 62 28.1 189 86 161 73 239 109 280 127 2-07/8632 3-55/16 1050 2-911/16 856 2- 27/16 672
102 880 399 44 20 62 28.1 191 87 163 74 242 110 284 129 1-27/8378 3-55/16 1050 2-911/16 856 2- 27/16 672
120 1035 469 44 20 62 28.1 225 102 192 87 285 129 333 151 1-27/8378 4-15/16 1253 3-03/8924 2-107/16 875
150 1050 476 44 20 62 28.1 228 103 195 88 289 131 338 153 1-27/8378 4-15/16 1253 3-03/8924 2-107/16 875
NOTES:
1. Dimensions in [ ] are in millimeters.
2. Center of gravity.
3. Direction of airflow.
4. On vertical discharge units, ductwork to be attached to
accessory roof curb only. For horizontal discharge units,
field-supplied flanges should be attached to horizontal dis-
charge openings, and all ductwork should be attached to the
flanges.
5. Minimum clearance (local codes or jurisdiction may prevail):
a. Between unit, flue side and combustible surfaces,
48 inches.
b. Bottom of unit to combustible surfaces (when not using
curb), 1 inch. Bottom of base rail to combustible surfaces
(when not using curb) 0 inches.
c. Condenser coil, for proper airflow, 36 in. one side, 12 in.
the other. The side getting the greater clearance is
optional.
d. Overhead, 60 in. to assure proper condenser fan
operation.
e. Between units, control box side, 42 in. per NEC (National
Electrical Code).
f. Between unit and ungrounded surfaces, control box side,
36 in. per NEC.
g. Between unit and block or concrete walls and other
grounded surfaces, control box side, 42 in. per NEC.
h. Horizontal supply and return end, 0 inches.
6. With the exception of the clearance for the condenser coil
and combustion side as stated in notes 5a, b and c, a remov-
able fence or barricade requires no clearance.
7. Units may be installed on combustible floors made from
wood or Class A, B, or C roof covering material if set on
base rail.
8. The vertical center of gravity is 1′-7″ [483] for 090 and 102,
1′-11″ [584] for 120 and 150 up from the bottom of the base
rail.
CONNECTION SIZES
A13/8″ Dia [35] Field Power Supply Hole
B21/2″ Dia [64] Power Supply Knockout
C13/4″ Dia [44] Charging-Port Hole
D7/8″ Dia [22] Field Control Wiring Hole
E3/4″-14 NPT Condensate Drain
F
1/2″-14 NPT Gas Conn. — 581B090 & 102 —125 Heat
3/4″-14 NPT Gas Conn. — 581B090 to 120 — 180 Heat
581B 090 to 150 — 224 Heat, 581B120 & 150 — 250 Heat
G2″ Dia [51] Power Supply Knockout
BOTTOM POWER CHART, THESE HOLES
REQUIRED FOR USE WITH ACCESSORY PACKAGES —
CRBTMPWR001A00, 2A00 (1/2″, 3/4″) OR
CRBTMPWR002A00, 4A00 (1/2″, 11/4″)
*Select either 3/4″ or 11/4″ for power, depending on wire
size.
THREADED
CONDUIT SIZE
WIRE
USE
REQUIRED
HOLE SIZES (MAX.)
1/2″24 V 7/8″ [22.2]
3/4″Power* 11/8″ [28.4]
11/4″Power* 13/4″ [44.4]
(003) 1/2″ FPT Gas 11/4″ [31.8]
(004) 3/4″ FPT Gas 15/8″ [41.3]
581B090-150

15
ACCESSORY DIMENSIONS — 581B036-072
UNIT
SIZE
581B
“A”ROOF CURB
ACCESSORY
036-072 1′-2″ [356] CRRFCURB001A00
2′-0″ [610] CRRFCURB002A00
NOTES:
1. Roof curb accessory is shipped disassembled.
2. Insulated panels.
3. Dimensions in [ ] are in millimeters.
4. Roof curb: galvanized steel.
5. Attach ductwork to curb (flanges of duct rest on curb).
6. Service clearance 4 ft on each side.
7. Direction of airflow.
8. Connector packages CRBTMPWR001A00 and 002A00 are for thru-the-curb connec-
tions. Packages CRBTMP003A00 and 004A00 are for thru-the-bottom connections.
UNIT SIZE
581B BC
D ALT
DRAIN
HOLE
“E”
GAS
“F”
POWER
“G”
CONTROL
CONNECTOR
PKG. ACCY.
036-072 1′-911/16″
[551]
1′-4″
[406]
13/4″
[44.5]
3/4″
[19] NPT
3/4″ [19] NPT 1/2″
[12.7] NPT
CRBTMPWR001A00
11/4″ [31.7] CRBTMPWR002A00
1/2″
[12.7] NPT 3/4″ [19] NPT 1/2″
[12.7] NPT
CRBTMPWR003A00
3/4″
[19] NPT 11/4″ [31.7] CRBTMPWR004A00

16
ACCESSORY DIMENSIONS — 581B090-150
CONNECTOR
PKG. ACCY. BC
D ALT
DRAIN
HOLE
“E”
GAS
“F”
POWER
“G”
CONTROL
CRBTMPWR001A00
2′-87/16″
[827]
1′-1015/16″
[583]
13/4″
[44.5]
3/4″
[19] NPT
3/4″ [19] NPT) 1/2″
[12.7]
CRBTMPWR002A00 11/4″ [31.7]
CRBTMPWR003A00 1/2″
[12.7] NPT 3/4″ [19] NPT 1/2″
[12.7]
CRBTMPWR004A00 3/4″
[19] NPT 11/4″ [31.7]
NOTES:
1. Roof curb accessory is shipped disassembled.
2. Insulated panels: 1-in. thick polyurethane foam,
13/4 lb density.
3. Dimensions in [ ] are in millimeters.
4. Roof curb: 16-gage steel.
5. Attach ductwork to curb (flanges of duct rest on
curb).
6. Service clearance 4 ft on each side.
7. Direction of airflow.
8. Connector packages CRBTMPWR001A00 and
002A00 are for thru-the-curb type. Packages
CRBTMPWR003A00 and 004A00 are for thru-
the-bottom type connections.
ROOF CURB
ACCESSORY “A”UNIT SIZE
581B
CRRFCURB003A00 1′-2″ [356] 090-150
CRRFCURB004A00 2′-0″ [610]

17
SELECTION PROCEDURE (With 581B048 Example)
I DETERMINE COOLING AND HEATING REQUIRE-
MENTS AT DESIGN CONDITIONS.
Given:
Required Cooling Capacity (TC) . . . . . . . . . . 44,600 Btuh
Sensible Heat Capacity (SHC). . . . . . . . . . . . 32,000 Btuh
Required Heating Capacity . . . . . . . . . . . . . . 85,000 Btuh
Condenser Entering-Air Temperature . . . . . . . . . . . . 95 F
Evaporator Entering-Air Temperature . . . . . . . . .82 F edb,
67 F ewb
Evaporator Air Quantity . . . . . . . . . . . . . . . . . . . .1600 cfm
External Static Pressure (ESP) . . . . . . . . . . . . 0.75 in. wg
Electrical Characteristics (V-Ph-Hz). . . . . . . . . . . 230-1-60
II SELECT UNIT BASED ON REQUIRED COOLING
CAPACITY.
Enter the Cooling Capacities table (page 18) at condenser
entering temperature of 95 F, evaporator-air entering at
1600 cfm and 80 F db and 67 F wb. The 581B--048115
unit will provide cooling capacity of 48,900 Btuh and a
sensible heat capacity of 34,700 Btuh. For evaporator-air
temperature other than 80 F edb, calculate sensible heat
capacity correction, as required, using the formula found in
Note 3 following the Cooling Capacities tables.
For this example:
Correction factor = 1.10 x (1 – .21) x (82 – 80) = 1.738
Multiply the correction factor of 1.738 by 1600 cfm (a total
of 2781). From the Gross Cooling Capacities tables find
that the sensible heat capacity at 80 F is 34.7 MBtuh
(equivalent to 34,700 Btuh). Add 34,700 and 2781 to get
the corrected sensible heat capacity of 37,481.
NOTE: Unit ratings are gross capacities and do not
include the effect of evaporator-fan motor heat. To calcu-
late net capacities, see Step V.
III SELECT HEATING CAPACITY OF UNIT TO PROVIDE
DESIGN CONDITION REQUIREMENTS.
In the Heating Capacities and Efficiencies table (page 5)
note that unit 581B--048115 will provide output capacity of
92,000 Btuh, which is adequate for the given application.
IV DETERMINE FAN SPEED AND POWER REQUIRE-
MENTS AT DESIGN CONDITIONS.
Before entering the Fan Performance tables, calculate the
total static pressure required based on unit components.
From the given and the Pressure Drop tables (page 40),
find:
External static pressure .75 in. wg
Durablade economizer .05 in. wg
Total static pressure = .80 in. wg
Enter the Fan Performance table for 581B--048115 vertical
discharge unit on page 27. At 1600 cfm, the standard
motor will deliver 1.1 in. wg static pressure and 1.17 Bhp.
This will adequately handle the job requirements.
Using evaporator-fan motor efficiency table and formula on
page 40, determine watts.
V DETERMINE NET COOLING CAPACITY.
Cooling capacities are gross and do not include indoor-fan
motor (IFM) heat. Determine net capacity using the follow-
ing formula:
Watts = 1.17 (746)
.75
Watts = 1164
Net capacity = gross capacity –IFM heat
= 48,900 Btuh –1164 Watts
(3.413 Btuh )
Watts
= 48,900 Btuh –3972 Btuh
Net capacity = 44,928 Btuh
Net sensible capacity = 37,481 Btuh –3972 Btuh
= 33,509 Btuh

18
PERFORMANCE DATA
COOLING CAPACITIES
Standard Ratings
LEGEND
NOTES:
1. Direct interpolation is permissible. Do not extrapolate.
2. The following formulas may be used:
Where hewb = Enthalpy of air entering indoor coil.
3. The SHC is based on 80 F edb temperature of air entering evap-
orator coil.
Below 80 F db, subtract (corr factor x cfm) from SHC.
Above 80 F db, add (corr factor x cfm) to SHC.
Correction Factor = 1.10 x (1 – BF) x (db – 80).
581B036 (3 TONS)
Temp (F)
Air Ent
Condenser
(Edb)
Temp (F) Air Entering Evaporator — Cfm/BF
900/0.14 1200/0.17 1500/0.20
Temp (F) Air Entering Evaporator — Ewb
72 67 62 72 67 62 72 67 62
75
TC 41.9 38.7 35.7 43.5 40.8 37.7 44.8 41.8 39.0
SHC 20.4 25.2 29.7 21.8 28.2 33.8 23.3 30.7 37.0
kW 2.19 2.16 2.12 2.21 2.18 2.15 2.23 2.19 2.16
85
TC 40.7 37.5 34.5 42.1 39.3 36.4 43.5 40.4 37.6
SHC 19.9 24.7 29.2 21.5 27.7 33.2 23.2 30.3 36.4
kW 2.46 2.42 2.39 2.47 2.44 2.41 2.50 2.45 2.42
95
TC 39.3 36.1 33.1 40.8 37.8 34.9 42.0 38.9 36.1
SHC 19.5 24.1 28.4 21.1 27.2 32.5 22.8 29.9 35.6
kW 2.75 2.71 2.66 2.77 2.73 2.69 2.79 2.74 2.71
105
TC 37.7 34.6 31.7 39.3 36.2 33.4 40.1 37.2 34.7
SHC 18.8 23.5 27.8 20.7 26.6 31.8 22.1 29.3 34.7
kW 3.06 3.02 2.98 3.09 3.04 3.01 3.10 3.06 3.03
115
TC 36.0 33.0 29.7 37.4 34.5 31.5 38.1 35.5 33.2
SHC 18.3 22.9 26.7 19.9 26.1 30.9 21.3 28.7 33.2
kW 3.41 3.36 3.31 3.43 3.39 3.34 3.44 3.41 3.37
125
TC 34.2 31.3 27.8 35.6 32.7 29.4 36.3 33.6 31.9
SHC 17.6 22.2 25.8 19.4 25.4 29.4 20.8 28.0 31.8
kW 3.78 3.73 3.66 3.80 3.76 3.71 3.81 3.78 3.75
581B048 (4 TONS)
Temp (F)
Air Ent
Condenser
(Edb)
Temp (F) Air Entering Evaporator — Cfm/BF
1200/0.17 1450/0.19 1600/0.21 2000/0.24
Temp (F) Air Entering Evaporator — Ewb (F)
72 67 62 72 67 62 72 67 62 72 67 62
75
TC 54.0 50.7 44.2 55.9 52.2 47.7 56.4 52.8 49.1 58.1 54.5 50.6
SHC 26.1 32.7 37.5 27.6 35.1 41.8 28.2 36.2 43.8 30.2 39.5 47.5
kW 2.81 2.80 2.76 2.83 2.81 2.78 2.83 2.80 2.79 2.84 2.82 2.79
85
TC 52.2 48.9 41.9 54.1 50.4 45.9 54.5 51.0 47.2 55.3 52.3 48.7
SHC 25.4 32.0 36.4 26.9 34.5 40.8 27.5 35.7 42.8 28.6 38.5 46.6
kW 3.20 3.19 3.15 3.22 3.20 3.17 3.22 3.20 3.18 3.22 3.20 3.18
95
TC 50.7 46.9 39.5 51.9 48.4 43.5 52.5 48.9 45.2 53.9 50.1 46.7
SHC 24.9 31.1 35.0 26.1 33.6 39.6 26.8 34.7 41.8 28.8 37.5 45.6
kW 3.64 3.61 3.57 3.65 3.62 3.60 3.65 3.62 3.60 3.67 3.63 3.61
105
TC 48.8 44.5 36.7 49.8 46.2 40.7 50.2 46.7 42.1 51.5 48.2 44.7
SHC 24.3 30.2 33.6 25.3 32.8 38.2 26.0 33.9 40.3 27.9 37.4 44.4
kW 4.12 4.09 4.03 4.12 4.09 4.06 4.12 4.09 4.07 4.14 4.11 4.08
115
TC 46.5 41.1 34.3 47.7 43.3 37.0 48.0 44.4 38.5 48.9 45.7 42.0
SHC 23.4 28.9 32.4 24.9 31.8 36.3 25.4 33.4 38.3 27.1 36.9 42.0
kW 4.64 4.59 4.53 4.65 4.62 4.55 4.64 4.63 4.56 4.65 4.63 4.60
125
TC 43.8 37.5 32.4 45.1 39.0 33.8 45.3 40.1 35.4 46.3 42.6 38.8
SHC 22.5 27.4 31.5 24.1 30.2 33.7 24.7 31.9 35.4 26.5 35.9 38.8
kW 5.19 5.13 5.05 5.20 5.15 5.09 5.19 5.17 5.11 5.20 5.19 5.15
BF —Bypass Factor
Edb —Entering Dry Bulb
Ewb —Entering Wet Bulb
kW —Compressor Motor Power Input
SHC —Sensible Heat Capacity (1000 Btuh) Gross
TC —Total Capacity (1000 Btuh) Gross
tldb =t
edb –sensible heat capacity (Btuh)
1.10 x cfm
tlwb = wet-bulb temperature corresponding to enthalpy of air
leaving indoor coil (hlwb)
hlwb =h
ewb –total capacity (Btuh)
4.5 x cfm

19
PERFORMANCE DATA (cont)
COOLING CAPACITIES (cont)
Standard Ratings
LEGEND
NOTES:
1. Direct interpolation is permissible. Do not extrapolate.
2. The following formulas may be used:
Where hewb = Enthalpy of air entering indoor coil.
3. The SHC is based on 80 F edb temperature of air entering evap-
orator coil.
Below 80 F db, subtract (corr factor x cfm) from SHC.
Above 80 F db, add (corr factor x cfm) to SHC.
Correction Factor = 1.10 x (1 – BF) x (db – 80).
581B060 (5 TONS)
Temp (F)
Air Ent
Condenser
(Edb)
Temp (F) Air Entering Evaporator — Cfm/BF
1500/0.08 1750/0.09 2000/0.11 2500/0.13
Temp (F) Air Entering Evaporator — Ewb (F)
72 67 62 72 67 62 72 67 62 72 67 62
75
TC 70.8 65.4 58.5 72.5 67.3 61.1 73.0 68.4 62.8 74.8 70.3 64.8
SHC 34.1 42.7 49.9 35.7 45.5 54.2 36.8 48.0 57.8 39.6 53.0 63.4
kW 3.53 3.49 3.44 3.55 3.50 3.46 3.55 3.51 3.47 3.57 3.54 3.48
85
TC 68.9 63.2 55.3 70.5 65.1 57.9 72.2 66.4 60.2 73.2 68.1 62.9
SHC 33.5 41.8 48.4 35.0 44.8 52.8 37.0 47.6 56.8 39.3 52.5 62.4
kW 3.98 3.94 3.87 4.00 3.96 3.90 4.03 3.97 3.92 4.04 3.99 3.94
95
TC 66.8 60.6 52.4 68.3 62.5 54.3 69.3 63.8 56.6 71.2 65.6 60.6
SHC 32.8 40.7 47.0 34.5 43.8 51.1 36.0 46.7 55.0 39.1 51.8 60.5
kW 4.48 4.43 4.35 4.50 4.45 4.37 4.51 4.46 4.40 4.55 4.48 4.44
105
TC 64.3 57.7 49.9 65.9 59.8 51.7 66.9 61.1 54.1 68.4 62.8 58.4
SHC 32.0 39.6 45.8 33.7 42.8 49.7 35.3 45.7 53.5 38.4 51.0 58.4
kW 5.03 4.96 4.87 5.05 4.99 4.90 5.06 5.00 4.93 5.08 5.02 4.98
115
TC 61.5 54.8 47.3 62.8 56.7 49.1 64.0 58.2 51.6 65.4 59.9 56.1
SHC 31.0 38.4 44.5 32.5 41.6 48.2 34.4 44.6 51.6 37.4 50.0 56.1
kW 5.61 5.55 5.46 5.62 5.58 5.49 5.65 5.60 5.52 5.67 5.61 5.57
125
TC 58.7 51.6 44.5 59.9 53.4 46.2 60.8 54.9 49.0 62.2 56.8 53.5
SHC 30.0 37.2 43.1 31.7 40.4 46.2 33.3 43.4 48.9 36.4 48.9 53.4
kW 6.27 6.19 6.09 6.28 6.21 6.13 6.29 6.24 6.17 6.31 6.27 6.22
581B072 (6 TONS)
Temp (F)
Air Ent
Condenser
(Edb)
Temp (F) Air Entering Evaporator — Cfm/BF
1800/0.05 2100/0.06 2400/0.06 3000/0.08
Temp (F) Air Entering Evaporator — Ewb (F)
72 67 62 72 67 62 72 67 62 72 67 62
75
TC 86.7 80.7 74.4 88.8 82.7 76.6 90.5 84.4 78.2 92.6 86.3 81.0
SHC 43.0 53.7 63.8 45.0 57.4 68.9 47.2 61.2 73.6 51.2 67.4 80.7
kW 4.58 4.46 4.33 4.63 4.50 4.38 4.67 4.55 4.41 4.72 4.58 4.47
85
TC 84.1 78.2 72.0 86.4 80.3 74.1 88.2 81.7 75.7 90.2 84.0 78.8
SHC 42.0 52.6 62.7 44.5 56.6 68.0 46.8 60.2 72.5 50.6 67.4 78.7
kW 5.10 4.97 4.85 5.16 5.03 4.90 5.21 5.06 4.93 5.26 5.12 4.99
95
TC 81.3 75.3 69.2 83.4 77.3 71.3 85.1 78.9 72.9 87.2 80.6 76.2
SHC 41.0 51.4 61.4 43.4 55.3 66.6 45.8 59.2 71.2 50.2 65.8 76.2
kW 5.65 5.52 5.39 5.71 5.57 5.44 5.77 5.62 5.48 5.83 5.66 5.55
105
TC 77.9 72.0 66.1 80.0 73.8 68.0 81.6 75.3 69.6 83.4 77.1 73.2
SHC 39.7 50.2 60.0 42.2 54.0 65.2 44.6 57.8 69.3 49.0 64.5 73.2
kW 6.22 6.08 5.94 6.29 6.13 6.00 6.34 6.17 6.04 6.40 6.22 6.12
115
TC 74.7 68.4 61.8 75.9 70.0 64.1 77.6 71.3 66.5 78.7 73.0 70.1
SHC 38.7 48.8 58.1 40.8 52.6 63.2 43.3 56.4 66.4 46.9 63.2 70.0
kW 6.84 6.68 6.49 6.87 6.71 6.56 6.93 6.75 6.63 6.96 6.80 6.72
125
TC 70.3 63.6 57.2 71.8 65.5 59.1 72.9 66.8 61.9 74.0 68.6 66.4
SHC 37.2 47.0 55.8 39.5 51.0 59.1 41.7 55.0 61.9 45.4 61.8 66.3
kW 7.43 7.25 7.03 7.48 7.30 7.13 7.51 7.35 7.22 7.54 7.41 7.33
BF —Bypass Factor
Edb —Entering Dry Bulb
Ewb —Entering Wet Bulb
kW —Compressor Motor Power Input
SHC —Sensible Heat Capacity (1000 Btuh) Gross
TC —Total Capacity (1000 Btuh) Gross
tldb =t
edb –sensible heat capacity (Btuh)
1.10 x cfm
tlwb = wet-bulb temperature corresponding to enthalpy of air
leaving indoor coil (hlwb)
hlwb =h
ewb –total capacity (Btuh)
4.5 x cfm

20
PERFORMANCE DATA (cont)
COOLING CAPACITIES (cont)
Standard Ratings
LEGEND
NOTES:
1. Direct interpolation is permissible. Do not extrapolate.
2. The following formulas may be used:
Where hewb = Enthalpy of air entering indoor coil.
3. The SHC is based on 80 F edb temperature of air entering evap-
orator coil.
Below 80 F db, subtract (corr factor x cfm) from SHC.
Above 80 F db, add (corr factor x cfm) to SHC.
Correction Factor = 1.10 x (1 – BF) x (db – 80).
581B090 (71/2 TONS)
Temp (F)
Air Ent
Condenser
(Edb)
Temp (F) Air Entering Evaporator — Cfm/BF
2250/0.10 3000/0.11 3750/0.14
Temp (F) Air Entering Evaporator — Ewb
72 67 62 72 67 62 72 67 62
75 TC 105.5 96.9 87.6 107.3 99.6 90.7 110.3 101.9 93.8
SHC 50.6 63.6 75.7 53.3 69.2 83.7 58.0 76.6 92.2
kW 5.15 5.07 5.04 5.16 5.11 5.06 5.20 5.13 5.07
85
TC 102.5 93.6 83.6 105.1 96.5 87.5 107.7 99.0 90.6
SHC 49.7 62.4 73.9 52.8 68.4 82.2 57.3 75.9 90.0
kW 5.86 5.79 5.73 5.89 5.82 5.77 5.93 5.86 5.78
95
TC 98.9 90.1 79.3 101.6 92.9 83.5 103.8 95.3 87.4
SHC 48.5 61.2 71.9 51.9 67.2 80.2 56.2 74.9 87.3
kW 6.65 6.58 6.49 6.69 6.61 6.53 6.72 6.64 6.57
105
TC 95.3 86.2 75.7 97.6 88.8 79.6 100.0 91.0 84.1
SHC 47.3 59.6 70.2 50.7 65.9 78.0 55.3 73.6 84.1
kW 7.51 7.44 7.31 7.55 7.48 7.36 7.59 7.50 7.41
115
TC 91.0 82.0 71.6 93.2 84.5 75.4 95.6 86.6 80.7
SHC 45.9 58.0 68.1 49.3 64.2 75.3 54.2 72.1 80.7
kW 8.43 8.33 8.20 8.46 8.37 8.27 8.52 8.42 8.34
125
TC 86.2 77.8 68.1 88.3 80.0 71.9 90.0 81.9 77.2
SHC 44.1 56.4 66.3 47.5 62.6 71.8 52.1 70.1 77.2
kW 9.38 9.29 9.14 9.43 9.34 9.24 9.47 9.38 9.32
581B102 (81/2 TONS)
Temp (F)
Air Ent
Condenser
(Edb)
Temp (F) Air Entering Evaporator — Cfm/BF
2550/0.08 3000/0.09 3400/0.11 4250/0.13
Temp (F) Air Entering Evaporator — Ewb
72 67 62 72 67 62 72 67 62 72 67 62
75
TC 119.5 105.7 94.8 123.1 109.1 98.7 124.8 110.7 100.2 126.3 112.8 103.4
SHC 56.5 65.7 77.8 60.2 71.7 86.3 62.2 75.8 92.8 67.8 83.3 101.2
kW 5.92 5.84 5.77 5.95 5.88 5.81 5.96 5.89 5.83 5.99 5.91 5.85
85
TC 115.5 101.9 90.6 119.7 105.4 94.8 121.4 106.9 96.1 124.0 109.1 98.7
SHC 55.1 64.3 76.1 58.9 70.5 85.1 61.3 74.5 90.5 66.2 82.9 98.5
kW 6.77 6.69 6.61 6.83 6.74 6.67 6.85 6.76 6.67 6.88 6.79 6.71
95
TC 111.3 97.7 86.6 115.0 101.2 90.6 117.2 102.6 91.7 120.1 104.8 94.5
SHC 53.7 62.8 74.2 57.4 68.9 82.9 60.0 73.0 88.6 65.0 81.5 94.5
kW 7.71 7.62 7.52 7.76 7.68 7.59 7.80 7.69 7.58 7.84 7.74 7.66
105
TC 107.2 93.5 82.5 110.5 96.7 85.9 112.1 97.9 87.6 114.9 99.9 90.5
SHC 52.2 61.3 72.7 56.0 67.4 81.2 58.4 71.4 86.6 63.5 79.5 90.5
kW 8.75 8.64 8.54 8.80 8.70 8.61 8.82 8.71 8.62 8.86 8.75 8.67
115
TC 101.9 89.2 78.0 104.7 91.8 81.5 106.7 93.1 83.3 109.2 94.9 86.3
SHC 50.2 59.5 70.7 53.7 65.7 79.5 56.6 69.5 83.1 61.5 77.8 86.3
kW 9.80 9.73 9.64 9.86 9.79 9.72 9.90 9.79 9.71 9.95 9.84 9.75
125
TC 97.3 84.3 73.1 100.0 86.8 76.0 101.3 87.9 78.7 102.9 89.5 81.9
SHC 48.7 57.7 68.5 52.4 63.9 76.0 54.8 67.9 78.7 59.1 75.7 81.9
kW 11.03 10.90 10.70 11.08 10.96 10.81 11.11 10.99 10.88 11.14 11.03 10.93
BF —Bypass Factor
Edb —Entering Dry Bulb
Ewb —Entering Wet Bulb
kW —Compressor Motor Power Input
SHC —Sensible Heat Capacity (1000 Btuh) Gross
TC —Total Capacity (1000 Btuh) Gross
tldb =t
edb –sensible heat capacity (Btuh)
1.10 x cfm
tlwb = wet-bulb temperature corresponding to enthalpy of air
leaving indoor coil (hlwb)
hlwb =h
ewb –total capacity (Btuh)
4.5 x cfm

21
PERFORMANCE DATA (cont)
COOLING CAPACITIES (cont)
Standard Ratings
LEGEND
NOTES:
1. Direct interpolation is permissible. Do not extrapolate.
2. The following formulas may be used:
Where hewb = Enthalpy of air entering indoor coil.
3. The SHC is based on 80 F edb temperature of air entering evap-
orator coil.
Below 80 F db, subtract (corr factor x cfm) from SHC.
Above 80 F db, add (corr factor x cfm) to SHC.
Correction Factor = 1.10 x (1 – BF) x (db – 80).
581B120 (10 TONS)
Temp (F)
Air Ent
Condenser
(Edb)
Temp (F) Air Entering Evaporator — Cfm/BF
3000/0.03 3200/0.03 4000/0.04 5000/0.04
Temp (F) Air Entering Evaporator — Ewb
72 67 62 72 67 62 72 67 62 72 67 62
75
TC 140.3 129.4 115.0 141.2 130.4 118.1 145.2 134.0 122.1 147.5 136.6 125.3
SHC 65.6 82.2 97.4 66.7 84.4 101.5 71.3 93.1 113.5 77.9 103.7 124.7
kW 7.35 7.21 7.12 7.37 7.23 7.13 7.46 7.31 7.17 7.51 7.37 7.22
85
TC 137.7 125.3 110.0 138.9 126.6 113.6 142.6 130.6 117.7 144.6 133.3 122.3
SHC 65.0 81.2 95.2 66.3 83.6 99.7 71.0 92.8 112.0 76.9 103.1 122.2
kW 8.29 8.13 8.02 8.32 8.16 8.03 8.40 8.24 8.09 8.45 8.31 8.16
95
TC 133.8 120.7 103.0 135.1 121.9 107.2 138.8 125.8 112.8 141.7 128.5 118.5
SHC 63.9 79.6 92.2 65.2 82.0 97.0 70.6 91.5 109.7 76.9 102.5 118.4
kW 9.33 9.16 8.98 9.35 9.18 9.00 9.44 9.27 9.07 9.51 9.33 9.19
105
TC 128.7 115.4 96.5 129.8 116.6 99.7 133.7 120.3 107.1 136.7 122.8 114.5
SHC 62.3 77.6 89.4 63.6 80.2 93.5 69.4 89.6 106.8 76.0 100.6 114.3
kW 10.46 10.28 10.00 10.47 10.30 10.07 10.57 10.38 10.21 10.66 10.43 10.31
115
TC 123.2 109.1 90.8 124.3 110.3 92.2 127.9 114.4 100.8 130.9 116.8 110.1
SHC 60.4 75.1 86.6 61.9 77.8 90.0 67.6 87.6 100.7 74.6 98.7 109.9
kW 11.66 11.47 11.20 11.68 11.51 11.25 11.77 11.60 11.41 11.89 11.66 11.58
125
TC 117.5 101.8 86.2 118.5 103.0 87.4 121.6 107.1 96.0 124.1 110.3 104.8
SHC 58.5 72.5 84.5 60.0 75.0 87.3 65.8 85.1 96.0 72.5 96.9 104.8
kW 12.99 12.77 12.50 13.02 12.81 12.55 13.10 12.92 12.74 13.19 13.01 12.91
581B150 (121/2 TONS)
Temp (F)
Air Ent
Condenser
(Edb)
Temp (F) Air Entering Evaporator — Cfm/BF
3750/0.08 4300/0.09 5000/0.11 6250/0.13
Temp (F) Air Entering Evaporator — Ewb
72 67 62 72 67 62 72 67 62 72 67 62
75
TC 164.3 154.8 132.8 168.5 157.7 143.6 171.7 160.6 148.3 174.7 164.6 153.5
SHC 91.0 107.5 111.6 95.7 114.1 121.0 101.6 121.5 129.7 49.4 110.6 142.3
kW 9.56 9.43 9.18 9.67 9.44 9.26 9.75 9.51 9.25 9.83 9.61 9.38
85
TC 159.5 149.4 125.8 163.8 152.7 136.6 166.8 155.6 143.6 170.2 159.5 149.4
SHC 78.3 102.0 116.4 82.8 108.2 128.8 86.7 116.1 140.0 93.3 130.0 149.3
kW 10.60 10.50 10.19 10.47 10.49 10.27 10.81 10.57 10.33 10.92 10.69 10.43
95
TC 154.0 143.2 118.0 157.7 146.7 128.8 161.1 149.6 137.5 164.4 153.6 144.3
SHC 76.6 99.5 112.5 80.5 106.1 124.8 85.1 114.4 136.3 75.5 112.1 135.8
kW 11.59 11.62 11.41 11.64 11.71 11.49 11.78 11.80 11.56 12.08 11.90 11.69
105
TC 148.0 134.1 110.7 151.5 139.5 120.6 153.9 142.4 128.3 157.0 145.8 138.7
SHC 74.4 95.9 108.6 78.9 104.0 119.9 83.2 111.6 128.3 89.3 125.2 138.7
kW 12.94 12.69 12.36 13.04 12.77 12.45 13.10 12.84 12.57 13.18 12.93 12.76
115
TC 139.1 120.4 103.2 143.0 125.0 110.6 146.1 128.8 118.2 148.9 135.7 129.5
SHC 71.3 90.5 103.2 76.0 98.1 110.5 80.5 107.0 118.2 87.2 122.1 129.5
kW 14.12 13.83 13.50 14.20 13.93 13.63 14.29 14.03 13.78 14.37 14.14 13.97
125
TC 127.1 106.2 97.5 131.6 108.7 100.7 136.1 112.0 105.7 139.5 118.4 116.4
SHC 67.2 85.1 97.4 72.4 91.9 100.3 77.6 100.4 105.6 84.6 114.2 116.3
kW 15.31 14.99 14.65 15.42 15.08 14.85 15.51 15.18 15.03 15.60 15.28 15.22
BF —Bypass Factor
Edb —Entering Dry Bulb
Ewb —Entering Wet Bulb
kW —Compressor Motor Power Input
SHC —Sensible Heat Capacity (1000 Btuh) Gross
TC —Total Capacity (1000 Btuh) Gross
tldb =t
edb –sensible heat capacity (Btuh)
1.10 x cfm
tlwb = wet-bulb temperature corresponding to enthalpy of air
leaving indoor coil (hlwb)
hlwb =h
ewb –total capacity (Btuh)
4.5 x cfm

22
PERFORMANCE DATA (cont)
COOLING CAPACITIES, UNITS WITH PERFECT HUMIDITY™ OPTION
LEGEND NOTES:
1. Direct interpolation is permissible. Do not extrapolate.
2. The following formulas may be used:
Where: hewb = Enthalpy of air entering evaporator coil.
3. The SHC is based on 80 F edb temperature of air entering evapo-
rator coil.
Below 80 F edb, subtract (corr factor x cfm) from SHC.
Above 80 F edb, add (corr factor x cfm) to SHC.
Correction Factor = 1.10 x (1 – BF) x (edb – 80).
581B036 (3 TONS)
Temp (F)
Air Ent
Condenser
(Edb)
Temp (F) Air Entering Evaporator — Cfm/BF
900/0.14 1200/0.17 1500/0.20
Temp (F) Air Entering Evaporator — Ewb
72 67 62 72 67 62 72 67 62
75
TC 41.3 37.3 34.3 43.5 39.2 35.9 45.5 41.6 38.2
SHC 17.5 22.4 26.7 19.6 25.5 31.2 21.5 28.5 35.2
kW 2.19 2.14 2.10 2.21 2.16 2.14 2.24 2.19 2.16
85
TC 38.6 34.4 31.6 41.3 37.5 33.3 43.5 38.6 35.5
SHC 15.2 20.1 25.1 17.1 23.2 29.0 18.9 26.3 32.9
kW 2.46 2.40 2.37 2.47 2.43 2.40 2.51 2.45 2.42
95
TC 35.9 31.4 28.8 39.2 35.9 30.6 41.3 35.7 32.9
SHC 13.0 17.9 23.3 14.5 21.1 26.9 16.1 24.2 30.6
kW 2.74 2.68 2.63 2.76 2.74 2.67 2.80 2.75 2.71
105
TC 33.8 29.7 27.4 36.3 32.2 28.7 38.1 32.8 30.4
SHC 10.9 15.8 21.0 12.5 18.9 24.6 14.0 21.7 28.1
kW 3.05 3.00 2.97 3.09 3.04 2.99 3.12 3.07 3.03
115
TC 31.8 28.0 25.5 33.2 28.7 26.5 34.9 30.0 27.9
SHC 9.0 13.7 18.4 10.3 16.8 22.3 11.9 19.3 25.2
kW 3.40 3.36 3.31 3.45 3.38 3.32 3.48 3.41 3.37
125
TC 28.7 26.3 23.4 29.7 25.5 22.9 31.3 27.1 25.5
SHC 6.9 12.2 17.3 7.9 14.5 20.6 9.2 17.3 22.3
kW 3.78 3.73 3.66 3.84 3.77 3.71 3.87 3.79 3.75
581B048 (4 TONS)
Temp (F)
Air Ent
Condenser
(Edb)
Temp (F) Air Entering Evaporator — Cfm/BF
1200/0.17 1450/0.19 1600/0.21 2000/0.24
Temp (F) Air Entering Evaporator — Ewb
72 67 62 72 67 62 72 67 62 72 67 62
75
TC 52.9 47.5 41.5 55.7 50.9 47.5 57.0 51.7 48.1 60.5 55.6 52.1
SHC 22.7 28.4 33.4 26.1 34.1 38.9 25.9 33.7 41.6 29.4 39.1 47.5
kW 2.87 2.86 2.82 2.89 2.87 2.84 2.89 2.86 2.85 2.90 2.88 2.85
85
TC 49.2 43.8 37.1 52.1 47.2 43.6 52.9 47.9 43.7 55.4 51.4 47.0
SHC 19.8 25.5 30.4 22.2 29.5 35.8 22.4 31.1 38.7 24.2 36.0 44.3
kW 3.26 3.25 3.21 3.28 3.26 3.23 3.28 3.26 3.24 3.28 3.26 3.24
95
TC 45.8 40.1 32.8 48.2 43.6 39.4 48.8 44.0 39.3 51.7 47.4 43.0
SHC 17.2 22.5 27.3 18.4 24.8 32.6 19.0 28.1 35.9 20.7 33.0 41.0
kW 3.71 3.68 3.64 3.72 3.69 3.67 3.72 3.69 3.67 3.74 3.70 3.68
105
TC 41.6 37.0 29.7 43.2 38.9 35.4 43.9 39.7 34.7 46.5 41.4 37.5
SHC 13.5 19.5 23.9 14.7 21.7 29.2 15.0 23.7 30.6 16.4 27.8 35.1
kW 4.20 4.17 4.11 4.20 4.17 4.14 4.20 4.17 4.15 4.22 4.19 4.16
115
TC 37.2 33.2 27.1 38.4 34.0 30.8 39.4 35.5 30.0 41.3 35.2 31.9
SHC 9.9 16.4 20.7 11.3 18.5 25.6 11.2 19.7 25.4 12.4 22.4 28.6
kW 4.73 4.68 4.62 4.74 4.71 4.64 4.73 4.72 4.65 4.74 4.72 4.69
125
TC 32.4 28.1 24.9 33.8 28.1 27.4 35.3 30.5 26.6 36.1 32.0 28.7
SHC 7.2 12.9 18.3 8.4 14.5 21.9 16.8 21.1 21.2 9.5 18.3 24.1
kW 5.29 5.23 5.15 5.30 5.25 5.19 5.29 5.27 5.21 5.30 5.29 5.25
BF —Bypass Factor
Edb —Entering Dry Bulb
Ewb —Entering Wet Bulb
kW —Compressor Motor Power Input
SHC —Sensible Heat Capacity (1000 Btuh) Gross
TC —Total Capacity (1000 Btuh) Gross
tldb =t
edb –sensible capacity (Btuh)
1.10 x cfm
tlwb = Wet-bulb temperature corresponding to enthalpy of air
leaving evaporator coil (hlwb)
hlwb =h
ewb –total capacity (Btuh)
4.5 x cfm

23
PERFORMANCE DATA (cont)
COOLING CAPACITIES, UNITS WITH PERFECT HUMIDITY™ OPTION (cont)
LEGEND NOTES:
1. Direct interpolation is permissible. Do not extrapolate.
2. The following formulas may be used:
Where: hewb = Enthalpy of air entering evaporator coil.
3. The SHC is based on 80 F edb temperature of air entering evapo-
rator coil.
Below 80 F edb, subtract (corr factor x cfm) from SHC.
Above 80 F edb, add (corr factor x cfm) to SHC.
Correction Factor = 1.10 x (1 – BF) x (edb – 80).
581B060 (5 TONS)
Temp (F)
Air Ent
Condenser
(Edb)
Temp (F) Air Entering Evaporator — Cfm/BF
1500/0.08 1750/0.09 2000/0.11 2500/0.13
Temp (F) Air Entering Evaporator — Ewb
72 67 62 72 67 62 72 67 62 72 67 62
75 TC 69.9 62.7 56.2 74.7 67.3 61.0 78.5 71.2 64.8 81.7 75.5 69.3
SHC 29.0 36.9 43.9 31.7 40.5 51.2 34.5 44.2 55.4 37.8 52.0 62.8
kW 3.61 3.55 3.51 3.64 3.58 3.49 3.65 3.60 3.51 3.62 3.58 3.51
85 TC 65.9 59.1 51.7 70.6 63.2 56.3 75.5 66.8 60.7 78.1 70.8 65.1
SHC 25.3 34.0 41.9 27.5 37.6 48.0 30.7 41.6 52.0 33.8 47.4 58.0
kW 4.05 3.97 3.91 4.07 4.01 3.92 4.11 4.00 3.95 4.08 4.02 3.96
95 TC 61.9 55.2 47.7 66.5 58.8 51.3 70.4 61.9 55.7 74.2 65.9 60.6
SHC 21.6 31.1 40.0 23.5 34.5 44.6 26.0 38.6 47.9 30.0 42.8 52.6
kW 4.53 4.43 4.35 4.55 4.47 4.37 4.56 4.42 4.41 4.58 4.49 4.44
105 TC 57.7 51.1 44.9 61.8 54.5 47.7 65.1 57.2 50.8 68.4 60.3 56.1
SHC 18.1 27.8 35.7 20.0 31.2 40.1 22.1 34.3 43.5 26.1 38.9 48.5
kW 5.05 4.93 4.84 5.09 4.97 4.88 5.11 4.96 4.92 5.11 5.03 4.98
115 TC 53.4 47.2 42.0 56.6 50.0 44.2 59.6 52.5 46.2 62.6 54.9 51.6
SHC 14.7 24.6 31.5 16.5 27.8 35.7 18.2 30.0 39.0 22.1 34.9 44.3
kW 5.60 5.49 5.40 5.64 5.52 5.45 5.69 5.55 5.48 5.69 5.61 5.57
125 TC 48.7 42.0 36.9 51.3 45.0 39.0 54.1 46.8 40.9 56.9 49.2 45.9
SHC 10.9 19.6 28.0 12.5 22.2 31.5 13.5 24.0 34.0 16.5 28.0 38.8
kW 6.26 6.12 6.02 6.28 6.18 6.09 6.33 6.18 6.13 6.33 6.27 6.22
581B072 (6 TONS)
Temp (F)
Air Ent
Condenser
(Edb)
Temp (F) Air Entering Evaporator — Cfm/BF
1800/0.05 2100/0.06 2400/0.06 3000/0.08
Temp (F) Air Entering Evaporator — Ewb
72 67 62 72 67 62 72 67 62 72 67 62
75 TC 82.6 75.6 68.5 84.9 78.0 70.9 85.9 79.5 73.5 89.1 82.7 77.0
SHC 36.0 44.8 55.4 37.5 49.1 59.7 38.8 51.1 64.0 41.8 58.1 70.2
kW 4.60 4.52 4.36 4.67 4.57 4.46 4.70 4.57 4.45 4.77 4.61 4.51
85 TC 78.2 71.6 64.5 80.9 73.4 65.8 82.0 74.4 67.9 85.8 78.2 72.3
SHC 31.4 41.2 51.7 33.0 44.7 55.8 34.7 47.4 60.1 37.6 54.3 66.7
kW 5.16 5.03 4.89 5.22 5.11 4.96 5.26 5.09 4.97 5.32 5.17 5.04
95 TC 73.8 67.4 60.2 76.3 68.3 60.5 77.5 69.3 62.3 82.0 72.8 67.5
SHC 27.0 37.6 47.9 28.2 40.0 51.6 30.2 43.7 56.2 33.6 49.2 62.9
kW 5.75 5.60 5.44 5.80 5.66 5.48 5.84 5.68 5.53 5.90 5.73 5.60
105 TC 68.4 62.6 55.9 71.4 64.3 56.2 72.1 64.6 58.3 75.7 67.0 62.4
SHC 22.3 33.5 43.5 23.4 36.5 48.0 25.4 38.4 50.2 29.1 45.2 56.2
kW 6.37 6.22 6.06 6.45 6.27 6.10 6.46 6.29 6.16 6.53 6.36 6.24
115 TC 63.4 57.8 50.7 66.0 60.1 51.5 66.4 59.6 54.5 68.8 60.8 57.5
SHC 18.1 29.5 38.9 18.8 32.9 44.1 20.7 33.3 43.8 24.3 41.4 49.7
kW 7.04 6.89 6.68 7.10 6.91 6.74 7.12 6.95 6.83 7.16 7.01 6.92
125 TC 55.5 49.6 45.8 58.4 52.4 46.1 57.6 52.1 49.5 59.2 52.8 53.1
SHC 15.3 24.0 35.2 15.7 27.5 39.0 17.5 27.5 38.4 20.9 34.6 44.4
kW 7.80 7.61 7.38 7.83 7.67 7.49 7.89 7.72 7.58 7.92 7.78 7.70
BF —Bypass Factor
Edb —Entering Dry Bulb
Ewb —Entering Wet Bulb
kW —Compressor Motor Power Input
SHC —Sensible Heat Capacity (1000 Btuh) Gross
TC —Total Capacity (1000 Btuh) Gross
tldb =t
edb –sensible capacity (Btuh)
1.10 x cfm
tlwb = Wet-bulb temperature corresponding to enthalpy of air
leaving evaporator coil (hlwb)
hlwb =h
ewb –total capacity (Btuh)
4.5 x cfm

24
PERFORMANCE DATA (cont)
COOLING CAPACITIES, UNITS WITH PERFECT HUMIDITY™ OPTION (cont)
LEGEND NOTES:
1. Direct interpolation is permissible. Do not extrapolate.
2. The following formulas may be used:
Where: hewb = Enthalpy of air entering evaporator coil.
3. The SHC is based on 80 F edb temperature of air entering evapo-
rator coil.
Below 80 F edb, subtract (corr factor x cfm) from SHC.
Above 80 F edb, add (corr factor x cfm) to SHC.
Correction Factor = 1.10 x (1 – BF) x (edb – 80).
581B090 (71/2 TONS)
Temp (F)
Air Ent
Condenser
(Edb)
Temp (F) Air Entering Evaporator — Cfm/BF
2250/0.10 3000/0.11 3750/0.14
Temp (F) Air Entering Evaporator — Ewb
72 67 62 72 67 62 72 67 62
75 TC 98.4 91.1 81.1 103.7 97.9 91.8 105.8 101.3 94.1
SHC 44.5 55.4 67.0 50.4 65.4 80.5 54.5 72.4 89.5
kW 5.05 4.96 4.87 5.09 5.04 4.97 5.16 5.04 4.99
85 TC 94.2 85.8 76.9 100.3 92.4 85.2 103.5 96.8 89.0
SHC 39.7 51.3 62.7 46.2 58.3 75.7 50.6 68.2 84.3
kW 5.74 5.65 5.55 5.81 5.75 5.64 5.89 5.74 5.70
95 TC 89.9 80.5 72.6 96.9 86.8 78.6 101.1 92.2 83.8
SHC 34.8 47.2 58.3 41.9 51.2 71.0 46.6 63.9 79.1
kW 6.42 6.33 6.22 6.52 6.45 6.31 6.62 6.43 6.40
105 TC 84.6 75.3 68.0 91.6 81.3 73.4 94.5 86.3 78.4
SHC 30.0 42.5 53.9 36.9 49.3 66.4 41.4 59.2 73.8
kW 7.26 7.16 7.05 7.36 7.25 7.15 7.46 7.29 7.23
115 TC 79.2 70.1 63.3 86.2 75.8 68.1 87.9 80.3 72.9
SHC 25.2 37.8 49.4 31.9 47.4 61.9 36.1 54.4 68.5
kW 8.10 7.99 7.87 8.20 8.05 7.98 8.30 8.14 8.05
125 TC 72.8 64.5 57.2 78.0 69.8 62.3 81.6 73.2 69.2
SHC 20.1 33.4 44.1 25.4 42.5 56.5 31.1 48.9 64.7
kW 9.10 8.94 8.83 9.23 9.05 8.95 9.26 9.10 8.99
581B102 (81/2 TONS)
Temp (F)
Air Ent
Condenser
(Edb)
Temp (F) Air Entering Evaporator — Cfm/BF
2550/0.08 3000/0.09 3400/0.11 4250/0.13
Temp (F) Air Entering Evaporator — Ewb
72 67 62 72 67 62 72 67 62 72 67 62
75 TC 112.4 102.2 92.6 115.2 106.4 96.4 119.6 110.3 101.3 127.6 117.6 108.0
SHC 49.1 62.4 75.0 52.9 68.5 82.3 56.2 73.3 89.5 62.8 83.3 101.7
kW 6.10 5.96 5.86 6.18 6.05 5.95 6.18 6.05 5.95 6.18 6.10 6.00
85 TC 105.7 95.7 86.5 110.0 100.6 91.0 114.0 103.7 94.6 118.2 110.9 101.2
SHC 43.6 57.1 69.9 47.8 62.8 76.9 50.7 67.9 82.8 74.7 77.7 94.8
kW 6.92 6.78 6.63 6.97 6.90 6.75 7.01 6.85 6.75 7.01 6.91 6.80
95 TC 98.9 89.1 80.4 104.7 94.8 85.5 108.4 97.0 87.9 108.8 104.1 94.3
SHC 38.0 51.7 64.8 42.7 57.0 71.4 45.2 62.4 76.2 86.5 72.0 87.9
kW 7.73 7.59 7.40 7.75 7.75 7.56 7.84 7.65 7.54 7.84 7.71 7.60
105 TC 91.8 82.3 73.8 97.3 87.6 78.6 100.4 89.8 80.8 102.3 95.3 85.8
SHC 32.6 46.3 59.5 37.0 51.9 66.8 39.3 56.7 70.0 68.6 65.5 80.9
kW 8.80 8.64 8.47 8.80 8.76 8.58 8.89 8.69 8.59 8.93 8.77 8.67
115 TC 84.7 75.5 67.3 89.8 80.5 71.7 92.5 82.5 73.8 95.8 86.6 77.4
SHC 27.2 40.9 54.2 31.4 46.9 62.2 33.4 51.0 63.8 50.6 59.1 73.9
kW 9.86 9.69 9.53 9.86 9.77 9.61 9.95 9.74 9.65 10.01 9.84 9.75
125 TC 77.6 68.7 60.7 82.4 73.3 64.8 84.5 75.3 66.7 89.3 77.8 68.9
SHC 21.8 35.5 48.9 25.7 41.8 57.6 27.5 45.3 57.6 32.7 52.6 66.9
kW 10.93 10.74 10.60 10.91 10.78 10.64 11.00 10.78 10.70 11.10 10.90 10.82
BF —Bypass Factor
Edb —Entering Dry Bulb
Ewb —Entering Wet Bulb
kW —Compressor Motor Power Input
SHC —Sensible Heat Capacity (1000 Btuh) Gross
TC —Total Capacity (1000 Btuh) Gross
tldb =t
edb –sensible capacity (Btuh)
1.10 x cfm
tlwb = Wet-bulb temperature corresponding to enthalpy of air
leaving evaporator coil (hlwb)
hlwb =h
ewb –total capacity (Btuh)
4.5 x cfm

25
PERFORMANCE DATA (cont)
COOLING CAPACITIES, UNITS WITH PERFECT HUMIDITY™ OPTION (cont)
LEGEND NOTES:
1. Direct interpolation is permissible. Do not extrapolate.
2. The following formulas may be used:
Where: hewb = Enthalpy of air entering evaporator coil.
3. The SHC is based on 80 F edb temperature of air entering evapo-
rator coil.
Below 80 F edb, subtract (corr factor x cfm) from SHC.
Above 80 F edb, add (corr factor x cfm) to SHC.
Correction Factor = 1.10 x (1 – BF) x (edb – 80).
581B120 (10 TONS)
Temp (F)
Air Ent
Condenser
(Edb)
Temp (F) Air Entering Evaporator — Cfm/BF
3000/0.03 3200/0.03 4000/0.04 5000/0.04
Temp (F) Air Entering Evaporator — Ewb
72 67 62 72 67 62 72 67 62 72 67 62
75 TC 134.3 122.5 111.4 135.8 124.3 113.0 138.4 129.5 123.5 143.3 136.5 130.2
SHC 60.0 76.1 93.7 61.3 79.1 97.4 68.0 89.5 109.4 75.2 100.9 123.3
kW 7.03 6.84 6.72 7.01 6.89 6.77 7.10 6.92 6.77 7.15 7.03 6.88
85 TC 127.6 115.4 104.6 128.9 118.1 107.0 132.5 121.5 116.6 137.2 128.0 122.9
SHC 51.5 68.8 87.2 53.9 72.0 91.2 61.0 82.7 102.4 68.6 93.6 115.9
kW 7.96 7.86 7.59 7.94 7.78 7.51 8.02 7.84 7.69 8.02 7.94 7.79
95 TC 120.9 108.3 97.8 121.9 111.8 101.0 126.5 113.4 109.7 131.1 119.4 115.5
SHC 43.0 61.5 80.6 46.5 64.8 84.9 53.9 75.9 95.4 62.0 86.2 108.4
kW 8.88 8.87 8.46 8.86 8.66 8.26 8.94 8.76 8.60 8.89 8.85 8.69
105 TC 112.0 99.9 90.4 113.1 103.2 93.4 117.2 105.0 100.7 122.1 110.5 105.9
SHC 36.1 54.1 73.8 38.8 57.8 78.9 45.6 68.2 86.8 53.0 78.3 99.7
kW 10.0 10.0 9.6 10.0 9.8 9.5 10.1 9.9 9.8 10.1 10.0 9.9
115 TC 103.0 91.5 83.1 104.3 94.6 85.9 107.8 96.7 91.7 113.0 101.6 96.4
SHC 29.2 46.7 66.9 31.2 50.7 72.9 37.3 60.6 78.3 44.0 70.3 90.9
kW 11.2 11.1 10.8 11.2 11.0 10.7 11.3 11.1 11.0 11.3 11.2 11.1
125 TC 94.1 83.1 75.7 95.5 86.0 78.3 98.5 88.3 82.7 104.0 92.7 86.8
SHC 22.3 39.3 60.1 23.5 43.7 66.8 29.0 52.9 69.7 35.0 62.4 82.2
kW 12.35 12.15 11.94 12.38 12.13 11.92 12.48 12.27 12.25 12.53 12.30 12.28
581B150 (121/2 TONS)
Temp (F)
Air Ent
Condenser
(Edb)
Temp (F) Air Entering Evaporator — Cfm/BF
3750/0.08 4300/0.09 5000/0.11 6250/0.13
Temp (F) Air Entering Evaporator — Ewb
72 67 62 72 67 62 72 67 62 72 67 62
75
TC 156.3 144.2 132.3 160.0 148.4 136.2 162.8 150.6 138.2 169.0 157.5 145.6
SHC 66.6 87.6 112.1 72.5 94.8 121.3 76.9 99.6 127.5 87.0 115.5 142.7
kW 9.28 8.98 8.59 9.35 9.08 8.80 9.40 9.18 8.9 9.43 9.18 8.93
85
TC 147.6 136.2 123.7 150.7 140.1 127.2 154.1 140.8 127.9 161.1 148.0 135.4
SHC 58.7 80.0 103.8 63.5 86.5 112.2 68.7 91.0 118.1 77.7 107.8 133.2
kW 10.29 9.93 9.58 10.36 10.08 9.77 10.40 10.34 10.03 10.45 10.18 9.88
95
TC 138.9 128.2 115.1 141.4 131.8 118.3 145.3 131.0 117.6 153.1 138.4 125.1
SHC 50.8 72.3 95.5 54.4 78.1 103.2 60.5 82.3 108.7 68.5 100.0 123.7
kW 11.29 10.87 10.57 11.37 11.08 10.74 11.40 11.50 11.1 11.46 11.17 10.83
105
TC 129.1 117.8 105.8 131.7 121.0 108.7 134.8 119.9 107.7 140.9 126.9 115.9
SHC 42.1 63.5 86.5 45.4 69.0 93.9 51.2 74.2 101.3 57.7 90.2 113.6
kW 12.59 12.14 11.82 12.67 12.34 11.96 12.70 12.67 12.28 12.79 12.46 12.08
115
TC 119.2 107.3 96.4 122.1 110.2 99.0 124.2 108.8 97.8 128.7 115.3 106.7
SHC 33.5 54.8 77.5 36.4 59.8 84.7 41.9 66.1 93.8 46.8 80.5 103.5
kW 13.90 13.40 13.08 13.98 13.59 13.18 14.00 13.83 13.41 14.11 13.75 13.33
125
TC 109.4 96.9 87.1 112.4 99.4 89.3 113.7 97.7 87.8 116.5 103.8 97.5
SHC 24.8 46.0 68.5 27.4 50.7 75.5 32.6 58.0 86.4 36.0 70.7 93.5
kW 15.20 14.67 14.33 15.28 14.85 14.40 15.30 15.00 14.54 15.44 15.04 14.58
BF —Bypass Factor
Edb —Entering Dry Bulb
Ewb —Entering Wet Bulb
kW —Compressor Motor Power Input
SHC —Sensible Heat Capacity (1000 Btuh) Gross
TC —Total Capacity (1000 Btuh) Gross
tldb =t
edb –sensible capacity (Btuh)
1.10 x cfm
tlwb = Wet-bulb temperature corresponding to enthalpy of air
leaving evaporator coil (hlwb)
hlwb =h
ewb –total capacity (Btuh)
4.5 x cfm

26
PERFORMANCE DATA (cont)
FAN PERFORMANCE — VERTICAL DISCHARGE UNITS
LEGEND
NOTES:
1. Boldface indicates field-supplied drive required. (See Note 2.)
2. Motor drive range is 760 to 1090 rpm for standard motor; 1075 to 1455 rpm
for high-static motor. All other rpms require a field-supplied drive.
3. Values include losses for filters, unit casing, and wet coils. See page 40 for
accessory/FIOP static pressure information.
4. Maximum continuous bhp is 1.20 for standard motor, 2.40 for high-static
motor. Extensive motor and electrical testing on these units ensures that the
full range of the motor can be utilized with confidence. Using your fan motors
up to the ratings shown will not result in nuisance tripping or premature
motor failure. Unit warranty will not be affected. See Evaporator-Fan Motor
Data tables on pages 41 and 42 for additional information.
5. Use of a field-supplied motor may affect wire sizing. Contact your Bryant
representative to verify.
6. Interpolation is permissible. Do not extrapolate.
581B036 (3 TONS) — STANDARD MOTOR
AIRFLOW
(Cfm)
EXTERNAL STATIC PRESSURE (in. wg)
0.1 0.2 0.3 0.4 0.5 0.6
Rpm Bhp Rpm Bhp Rpm Bhp Rpm Bhp Rpm Bhp Rpm Bhp
900 581 0.12 673 0.18 736 0.22 805 0.25 865 0.29 911 0.34
1000 644 0.19 709 0.22 782 0.28 835 0.30 900 0.35 937 0.38
1100 687 0.22 746 0.26 806 0.30 867 0.35 929 0.40 964 0.40
1200 733 0.26 785 0.32 843 0.35 903 0.41 960 0.47 994 0.50
1300 754 0.29 826 0.38 891 0.43 942 0.48 991 0.53 1047 0.60
1400 810 0.35 868 0.45 937 0.51 984 0.57 1032 0.62 1067 0.67
1500 841 0.42 911 0.53 985 0.61 1029 0.66 1073 0.72 1109 0.77
581B036 (3 TONS) — STANDARD MOTOR (cont)
AIRFLOW
(Cfm)
EXTERNAL STATIC PRESSURE (in. wg)
0.7 0.8 0.9 1.0 1.1 1.2
Rpm Bhp Rpm Bhp Rpm Bhp Rpm Bhp Rpm Bhp Rpm Bhp
900 957 0.39 988 0.43 1039 0.47 1061 0.51 1083 0.54 1105 0.58
1000 992 0.44 1039 0.49 1061 0.55 1088 0.60 1111 0.66 1136 0.72
1100 1013 0.49 1068 0.55 1091 0.61 1109 0.66 1127 0.73 1145 0.80
1200 1045 0.56 1090 0.64 1109 0.68 1156 0.73 1203 0.81 1250 0.86
1300 1075 0.64 1122 0.70 1152 0.76 1190 0.82 1228 0.87 1266 0.94
1400 1110 0.73 1160 0.78 1181 0.83 1237 0.88 1293 0.94 1349 0.99
1500 1150 0.78 1190 0.84 1225 0.89 1271 0.95 1371 1.00 1383 1.05
581B036 (3 TONS) — HIGH-STATIC MOTOR
AIRFLOW
(Cfm)
EXTERNAL STATIC PRESSURE (in. wg)
0.2 0.4 0.6 0.8 1.0
Rpm Bhp Rpm Bhp Rpm Bhp Rpm Bhp Rpm Bhp
900 673 0.18 805 0.25 911 0.34 988 0.43 1061 0.47
1000 709 0.22 835 0.30 937 0.38 1039 0.49 1086 0.55
1100 746 0.28 867 0.35 964 0.40 1068 0.55 1109 0.61
1200 785 0.32 903 0.41 994 0.50 1090 0.64 1156 0.68
1300 826 0.38 942 0.48 1047 0.60 1122 0.70 1190 0.76
1400 868 0.45 984 0.57 1087 0.67 1160 0.84 1237 0.85
1500 911 0.53 1029 0.66 1109 0.77 1190 1.00 1271 0.95
581B036 (3 TONS) — HIGH-STATIC MOTOR (cont)
AIRFLOW
(Cfm)
EXTERNAL STATIC PRESSURE (in. wg)
1.2 1.4 1.6 1.8 2.0
Rpm Bhp Rpm Bhp Rpm Bhp Rpm Bhp Rpm Bhp
900 11050.5711400.6311700.6811980.7312240.77
1000 11360.6311720.6912030.7512320.8012580.86
1100 11450.6711810.7312130.8012420.8512680.91
1200 12100.7412480.8112820.8813120.9413401.01
1300 12660.8413060.9213411.0013731.0714021.14
1400 13490.9313911.0214291.111463 1.19 1494 1.26
1500 13631.0514061.151465 1.25 1500 1.34 1532 1.43
Bhp —Brake Horsepower Input to Fan
FIOP —Factory-Installed Option

27
PERFORMANCE DATA (cont)
FAN PERFORMANCE — VERTICAL DISCHARGE UNITS (cont)
LEGEND
NOTES:
1. Boldface indicates field-supplied drive required. (See Note 3.)
2. indicates field-supplied motor and drive required.
3. Motor drive range is 840 to 1185 rpm for standard motor; 1075 to 1455 rpm
for high-static motor. All other rpms require a field-supplied drive.
4. Values include losses for filters, unit casing, and wet coils. See page 40 for
accessory/FIOP static pressure information.
5. Maximum continuous bhp is 1.2 for standard motor, 2.4 for high-static motor.
Extensive motor and electrical testing on these units ensures that the full
range of the motor can be utilized with confidence. Using your fan motors up
to the ratings shown will not result in nuisance tripping or premature motor
failure. Unit warranty will not be affected. See Evaporator-Fan Motor Data
tables on pages 41 and 42 for additional information.
6. Use of a field-supplied motor may affect wire sizing. Contact your Bryant
representative to verify.
7. Interpolation is permissible. Do not extrapolate.
581B048 (4 TONS) — STANDARD MOTOR
AIRFLOW
(Cfm)
EXTERNAL STATIC PRESSURE (in. wg)
0.1 0.2 0.3 0.4 0.6 0.7 0.8
Rpm Bhp Rpm Bhp Rpm Bhp Rpm Bhp Rpm Bhp Rpm Bhp Rpm Bhp
1200 596 0.20 665 0.25 722 0.31 779 0.36 872 0.48 915 0.54 957 0.60
1300 633 0.24 699 0.30 754 0.36 809 0.42 902 0.55 943 0.61 984 0.67
1400 672 0.30 735 0.36 788 0.42 840 0.48 933 0.62 972 0.69 1011 0.75
1500 711 0.35 770 0.42 822 0.49 873 0.55 963 0.69 1002 0.77 1041 0.84
1600 751 0.42 835 0.49 871 0.56 907 0.63 993 0.77 1033 0.85 1072 0.93
1700 791 0.49 873 0.57 907 0.65 941 0.72 1024 0.87 1064 0.96 1103 1.04
1800 831 0.58 881 0.66 929 0.74 976 0.81 1057 0.97 1095 1.06 1132 1.14
1900 872 0.67 919 0.75 965 0.84 1011 0.92 1091 1.08 1127 1.17 1162 1.25
2000 913 0.77 958 0.86 1002 0.95 1046 1.03 1125 1.21 1160 1.30 1195 1.38
581B048 (4 TONS) — STANDARD MOTOR (cont)
AIRFLOW
(Cfm)
EXTERNAL STATIC PRESSURE (in. wg)
0.9 1.0 1.1 1.2 1.4 1.6 1.8
Rpm Bhp Rpm Bhp Rpm Bhp Rpm Bhp Rpm Bhp Rpm Bhp Rpm Bhp
1200 993 0.65 1028 0.69 1056 0.72 1083 0.74 1134 0.80 1185 0.88 1231 0.99
1300 1021 0.74 1058 0.80 1090 0.85 1121 0.89 1171 0.94 1219 1.00 1268 1.10
1400 1049 0.82 1086 0.89 1120 0.96 1153 1.00 1210 1.12 1257 1.17 1307 1.25
1500 1077 0.92 1113 0.99 1147 1.06 1180 1.13 1241 1.27 1295 1.37 1339 1.43
1600 1107 1.00 1141 1.09 1174 1.17 1207 1.25 1269 1.40 1326 1.54 1376 1.65
1700 1137 1.12 1171 1.20 1203 1.29 1235 1.37 1296 1.53 1354 1.70 1407 1.84
1800 1167 1.23 1202 1.32 1233 1.41 1263 1.49 1323 1.67 1381 1.85 1436 2.02
1900 1197 1.35 1232 1.45 1263 1.54 1294 1.63 1351 1.81 1408 2.00 1463 2.19
2000 1229 1.48 1262 1.58 1294 1.68 1325 1.78 1362 1.97 1436 2.16 1489 2.36
581B048 (4 TONS) — HIGH-STATIC MOTOR
AIRFLOW
(Cfm)
EXTERNAL STATIC PRESSURE (in. wg)
0.2 0.4 0.6 0.8 1.0
Rpm Bhp Rpm Bhp Rpm Bhp Rpm Bhp Rpm Bhp
1200 665 0.25 779 0.36 872 0.48 957 0.60 1028 0.69
1300 699 0.30 809 0.42 902 0.55 984 0.67 1058 0.80
1400 735 0.36 840 0.48 933 0.62 1011 0.75 1086 0.89
1500 770 0.42 873 0.55 963 0.69 1041 0.84 1113 0.99
1600 835 0.49 907 0.63 993 0.77 1072 0.93 1141 1.09
1700 873 0.57 941 0.72 1024 0.87 1103 1.04 1171 1.20
1800 881 0.66 976 0.81 1057 0.97 1132 1.14 1202 1.32
1900 919 0.75 1011 0.92 1091 1.08 1162 1.25 1232 1.45
2000 958 0.86 1046 1.03 1125 1.21 1195 1.38 1262 1.58
581B048 (4 TONS) — HIGH-STATIC MOTOR (cont)
AIRFLOW
(Cfm)
EXTERNAL STATIC PRESSURE (in. wg)
1.2 1.4 1.6 1.8 2.0
Rpm Bhp Rpm Bhp Rpm Bhp Rpm Bhp Rpm Bhp
1200 10830.7411340.8011850.8813310.9913741.09
1300 11210.8911710.9412191.0012681.1013091.21
1400 11531.0012101.1212571.1713071.2513491.37
1500 11801.1312411.2712951.3713391.4313821.57
1600 12071.2512691.4013261.5413761.6514201.81
1700 12351.3712961.5313541.7014071.8414522.02
1800 12631.4913231.6713811.8514362.021482 2.22
1900 12941.6313511.8114082.001463 2.19 ——
2000 13251.7813621.9714362.161489 2.36 ——
Bhp —Brake Horsepower Input to Fan
FIOP —Factory-Installed Option

28
PERFORMANCE DATA — (cont)
FAN PERFORMANCE — VERTICAL DISCHARGE UNITS (cont)
LEGEND
NOTES:
1. Boldface indicates field-supplied drive required. (See Note 3.)
2. indicates field-supplied motor and drive required.
3. Motor drive range is 1020 to 1460 rpm for single-phase standard motors,
1120 to 1585 for 3-phase standard motors, and 1300 to 1685 for high-static
motors. All other rpms require a field-supplied drive.
4. Values include losses for filters, unit casing, and wet coils. See page 40 for
accessory/FIOP static pressure information.
5. Maximum continuous bhp is 1.30 for single-phase standard motors, 2.40 for
3-phase standard motors, and 2.90 for high-static motors. Extensive motor
and electrical testing on these units ensures that the full range of the motor
can be utilized with confidence. Using your fan motors up to the ratings
shown will not result in nuisance tripping or premature motor failure. Unit
warranty will not be affected. See Evaporator-Fan Motor Data tables on
pages 41 and 42 for additional information.
6. Use of a field-supplied motor may affect wire sizing. Contact your Bryant
representative to verify.
7. Interpolation is permissible. Do not extrapolate.
581B060 (5 TONS) — STANDARD MOTOR — SINGLE-PHASE UNITS
AIRFLOW
(Cfm)
EXTERNAL STATIC PRESSURE (in. wg)
0.1 0.2 0.4 0.6 0.8 1.0 1.2 1.4 1.6
Rpm Bhp Rpm Bhp Rpm Bhp Rpm Bhp Rpm Bhp Rpm Bhp Rpm Bhp Rpm Bhp Rpm Bhp
1500 771 0.37 828 0.44 935 0.58 1027 0.73 1107 0.88 1185 1.04 1257 1.20 1330 1.38 1411 1.59
1600 816 0.45 869 0.51 968 0.66 1056 0.81 1127 0.97 1215 1.14 1286 1.31 1353 1.49 1421 1.68
1700 902 0.61 940 0.60 1007 0.75 1094 0.91 1175 1.09 1245 1.26 1315 1.44 1381 1.52 1443 1.69
1800 942 0.70 978 0.66 1063 0.82 1147 0.97 1248 1.20 1322 1.33 1395 1.46 1475 1.56 1542 1.71
1900 982 0.80 1023 0.78 1097 0.91 1175 1.11 1266 1.29 1356 1.47 1430 1.58 1504 1.69 1556 1.82
2000 1022 0.91 1068 0.90 1132 1.01 1218 1.23 1303 1.41 1397 1.52 1459 1.67 1532 1.82 1588 1.97
2100 1063 0.99 1115 1.00 1180 1.17 1261 1.35 1340 1.53 1428 1.66 1489 1.80 1567 1.99 1626 2.16
2200 1104 1.13 1159 1.15 1214 1.28 1310 1.52 1375 1.63 1459 1.80 1528 1.95 1603 2.17 1666 2.37
2300 1130 1.26 1202 1.29 1248 1.38 1358 1.69 1410 1.72 1488 1.93 1561 2.13 1637 2.35 1710 2.54
2400 1174 1.37 1237 1.41 1292 1.55 1392 1.81 1460 1.90 1532 2.14 1584 2.28 1671 2.55 1756 2.70
2500 1201 1.48 1272 1.53 1335 1.71 1427 1.94 1518 2.16 1575 2.35 1633 2.53 1698 2.72 ——
581B060 (5 TONS) — STANDARD MOTOR — THREE-PHASE UNITS
AIRFLOW
(Cfm)
EXTERNAL STATIC PRESSURE (in. wg)
0.1 0.2 0.4 0.6 0.8 1.0 1.2 1.4 1.6
Rpm Bhp Rpm Bhp Rpm Bhp Rpm Bhp Rpm Bhp Rpm Bhp Rpm Bhp Rpm Bhp Rpm Bhp
1500 771 0.37 828 0.44 935 0.58 1027 0.73 1107 0.88 1185 1.04 1257 1.20 1330 1.38 1411 1.59
1600 816 0.45 869 0.51 968 0.66 1056 0.81 1127 0.97 1215 1.14 1286 1.31 1353 1.49 1421 1.68
1700 902 0.61 940 0.60 1007 0.75 1094 0.91 1175 1.09 1245 1.26 1315 1.44 1381 1.52 1443 1.69
1800 942 0.70 978 0.66 1063 0.82 1147 0.97 1248 1.20 1322 1.33 1395 1.46 1475 1.56 1542 1.71
1900 982 0.80 1023 0.78 1097 0.91 1175 1.11 1266 1.29 1356 1.47 1430 1.58 1504 1.69 1556 1.82
2000 1022 0.91 1068 0.90 1132 1.01 1218 1.23 1303 1.41 1397 1.52 1459 1.67 1532 1.82 1588 1.97
2100 1063 0.99 1115 1.00 1180 1.17 1261 1.35 1340 1.53 1428 1.66 1489 1.80 1567 1.99 1626 2.16
2200 1104 1.13 1159 1.15 1214 1.28 1310 1.52 1375 1.63 1459 1.80 1528 1.95 1603 2.17 1666 2.37
2300 1130 1.26 1202 1.29 1248 1.38 1358 1.69 1410 1.72 1488 1.93 1561 2.13 1637 2.35 1710 2.54
2400 1174 1.37 1237 1.41 1292 1.55 1392 1.81 1460 1.90 1532 2.14 1584 2.28 1671 2.55 1756 2.70
2500 1201 1.48 1272 1.53 1335 1.71 1427 1.94 1518 2.16 1575 2.35 1633 2.53 1698 2.72 ——
581B060 (5 TONS) — HIGH-STATIC MOTOR
AIRFLOW
(Cfm)
EXTERNAL STATIC PRESSURE (in. wg)
0.2 0.4 0.6 0.8 1.0
Rpm Bhp Rpm Bhp Rpm Bhp Rpm Bhp Rpm Bhp
1500 808 0.42 914 0.56 1001 0.69 1084 0.85 1168 1.01
1600 846 0.49 950 0.64 1034 0.78 1111 0.94 1194 1.11
1700 884 0.57 983 0.72 1068 0.88 1145 1.03 1218 1.21
1800 924 0.66 1018 0.82 1105 0.98 1179 1.13 1246 1.32
1900 965 0.76 1057 0.92 1143 1.10 1212 1.26 1280 1.43
2000 1008 0.87 1096 1.04 1177 1.22 1247 1.40 1300 1.57
2100 1051 0.99 1136 1.17 1210 1.35 1284 1.54 1347 1.72
2200 1095 1.12 1173 1.30 1245 1.49 1322 1.70 1380 1.89
2300 1140 1.26 1210 1.47 1284 1.65 1356 1.80 1418 2.07
2400 1185 1.41 1249 1.61 1323 1.80 1389 2.03 1456 2.26
2500 1231 1.57 1289 1.78 1363 2.00 1424 2.22 1500 2.45
581B060 (5 TONS) — HIGH-STATIC MOTOR (cont)
AIRFLOW
(Cfm)
EXTERNAL STATIC PRESSURE (in. wg)
1.2 1.4 1.6 1.8 2.0
Rpm Bhp Rpm Bhp Rpm Bhp Rpm Bhp Rpm Bhp
1500 1199 1.19 1126 1.46 1250 1.69 1301 1.91 1349 2.12
1600 1263 1.28 1275 1.49 1299 1.78 1352 2.01 1401 2.23
1700 1295 1.39 1351 1.58 1352 1.80 1407 2.03 1459 2.26
1800 1319 1.52 1389 1.71 1435 1.91 1494 2.15 1548 2.40
1900 1343 1.64 1415 1.80 1478 2.05 1538 2.31 1594 2.57
2000 1374 1.77 1438 1.99 1505 2.21 1566 2.49 1624 2.77
2100 1409 1.91 1465 2.14 1533 2.45 1596 2.77 1654 3.08
2200 1442 2.08 1498 2.30 1568 2.64 1632 2.97 1691 3.31
2300 1475 2.26 1554 2.64 1627 3.03 1693 3.42 1755 3.81
2400 1565 2.47 1649 2.89 1726 3.31 ————
2500 1596 2.95 1682 3.45 1760 3.96 ————
Bhp —Brake Horsepower Input to Fan
FIOP —Factory-Installed Option

29
PERFORMANCE DATA (cont)
FAN PERFORMANCE — VERTICAL DISCHARGE UNITS (cont)
LEGEND
NOTES:
1. Boldface indicates field-supplied drive required. (See Note 3.)
2. indicates field-supplied motor and drive required.
3. Motor drive range is 1120 to 1585 rpm for standard motors, 1300 to
1685 rpm for high-static motors. All other rpms require a field-supplied drive.
4. Values include losses for filters, unit casing, and wet coils. See page 40 for
accessory/FIOP static pressure information.
5. Maximum continuous bhp is 2.40 for standard motors, 2.90 for high-static
motors. Extensive motor and electrical testing on these units ensures that
the full range of the motor can be utilized with confidence. Using your fan
motors up to the ratings shown will not result in nuisance tripping or prema-
ture motor failure. Unit warranty will not be affected. See Evaporator-Fan
Motor Data tables on pages 41 and 42 for additional information.
6. Use of a field-supplied motor may affect wire sizing. Contact your Bryant
representative to verify.
7. Interpolation is permissible. Do not extrapolate.
581B072 (6 TONS) — STANDARD MOTOR
AIRFLOW
(Cfm)
EXTERNAL STATIC PRESSURE (in. wg)
0.1 0.2 0.4 0.6 0.8 1.0 1.2 1.4 1.6
Rpm Bhp Rpm Bhp Rpm Bhp Rpm Bhp Rpm Bhp Rpm Bhp Rpm Bhp Rpm Bhp Rpm Bhp
1800 942 0.70 978 0.66 1063 0.82 1147 0.97 1248 1.20 1322 1.33 1395 1.46 1475 1.56 1542 1.71
1900 982 0.80 1023 0.78 1097 0.91 1175 1.11 1266 1.29 1356 1.47 1430 1.58 1504 1.69 1556 1.82
2000 1022 0.91 1068 0.90 1132 1.01 1218 1.23 1303 1.41 1397 1.52 1459 1.67 1532 1.82 1588 1.97
2100 1063 0.99 1115 1.00 1180 1.17 1261 1.35 1340 1.53 1428 1.66 1489 1.80 1567 1.99 1626 2.16
2200 1104 1.13 1159 1.15 1214 1.28 1310 1.52 1375 1.63 1459 1.80 1528 1.95 1603 2.17 1666 2.37
2300 1130 1.26 1202 1.29 1248 1.38 1358 1.69 1410 1.72 1488 1.93 1561 2.13 1637 2.35 1710 2.54
2400 1174 1.37 1237 1.41 1292 1.55 1392 1.81 1460 1.90 1532 2.14 1584 2.28 1671 2.55 1756 2.70
2500 1201 1.48 1272 1.53 1335 1.71 1427 1.94 1518 2.16 1575 2.35 1633 2.53 1698 2.72 ——
2600 1246 1.62 1320 1.68 1368 1.81 1458 2.06 1562 2.42 1620 2.59 1675 2.77 ————
2700 1285 1.75 1361 1.82 1400 1.91 1490 2.19 1602 2.64 1666 2.85 ——————
2800 1304 1.87 1402 1.95 1439 2.08 1543 2.43 1642 2.86 ————————
2900 1345 2.07 1446 2.16 1477 2.16 1585 2.65 ——————————
3000 1378 2.26 1489 2.36 1529 2.52 1598 2.73 ——————————
581B072 (6 TONS) — HIGH-STATIC MOTOR
AIRFLOW
(Cfm)
EXTERNAL STATIC PRESSURE (in. wg)
0.2 0.4 0.6 0.8 1.0
Rpm Bhp Rpm Bhp Rpm Bhp Rpm Bhp Rpm Bhp
1800 978 0.66 1063 0.82 1147 0.97 1248 1.20 1322 1.33
1900 10230.7810970.9111751.1112661.291356 1.47
2000 10680.9011321.0112181.231303 1.41 1397 1.52
2100 11151.0011801.1712611.351340 1.53 1428 1.66
2200 11591.1512141.281310 1.52 1375 1.63 1459 1.80
2300 12021.2912481.381358 1.69 1410 1.72 1488 1.93
2400 12371.4112921.551392 1.81 1460 1.90 1532 2.14
2500 1272 1.53 1335 1.71 1427 1.94 1518 2.16 1575 2.35
2600 13201.6813681.8114582.0615622.4216202.59
2700 13611.8214001.9114902.1916022.6416662.85
2800 14021.9514392.0815432.4316422.861775 3.62
2900 14462.1614772.1615852.651753 3.58 ——
3000 14892.3615292.5215982.731767 3.69 ——
581B072 (6 TONS) — HIGH-STATIC MOTOR (cont)
AIRFLOW
(Cfm)
EXTERNAL STATIC PRESSURE (in. wg)
1.2 1.4 1.6 1.8 2.0
Rpm Bhp Rpm Bhp Rpm Bhp Rpm Bhp Rpm Bhp
1800 13951.4614751.5615421.7116071.9416672.16
1900 14301.5815041.6915561.8216212.0616822.30
2000 14591.6715321.8215881.9716552.231717 2.49
2100 14891.8015671.9916262.161694 2.44 1758 2.73
2200 15281.9516032.1716662.371736 2.68 ——
2300 15612.1316372.351710 2.54 1782 2.87 ——
2400 15842.2816712.551756 2.70 ————
2500 1633 2.53 1698 2.72 1779 3.13 ————
2600 1675 2.77 1768 3.26 ——————
2700 1776 3.45 ————————
2800 ——————————
2900 ——————————
3000 ——————————
Bhp —Brake Horsepower Input to Fan
FIOP —Factory-Installed Option

30
PERFORMANCE DATA (cont)
FAN PERFORMANCE — VERTICAL DISCHARGE UNITS (cont)
LEGEND
NOTES:
1. Boldface indicates field-supplied drive required. (See Note 3.)
2. indicates field-supplied motor and drive required.
3. Motor drive range is 840 to 1085 rpm for standard motors; 860 to 1080 rpm
for high-static motors. All other rpms require a field-supplied drive.
4. Values include losses for filters, unit casing, and wet coils. See page 40 for
accessory/FIOP static pressure information.
5. Maximum continuous bhp is 2.90 for standard motors, 4.20 for high-static
motors. Extensive motor and electrical testing on these units ensures that the
full range of the motor can be utilized with confidence. Using your fan motors
up to the ratings shown will not result in nuisance tripping or premature motor
failure. Unit warranty will not be affected. See Evaporator-Fan Motor Data
tables on pages 41 and 42 for additional information.
6. Use of a field-supplied motor may affect wire sizing. Contact your Bryant
representative to verify.
7. Interpolation is permissible. Do not extrapolate.
581B090 (71/2 TONS) — STANDARD MOTOR
AIRFLOW
(Cfm)
EXTERNAL STATIC PRESSURE (in. wg)
0.2 0.4 0.6 0.8 1.0 1.2 1.4 1.6
Rpm Bhp Rpm Bhp Rpm Bhp Rpm Bhp Rpm Bhp Rpm Bhp Rpm Bhp Rpm Bhp
2200 506 0.52 586 0.72 656 0.95 718 1.18 776 1.43 838 1.78 898 2.21 935 2.58
2250 514 0.55 593 0.76 662 0.99 724 1.22 781 1.78 841 1.81 902 2.25 939 2.60
2300 521 0.57 600 0.79 668 1.02 730 1.26 786 1.50 843 1.83 905 2.28 943 2.62
2400 536 0.63 613 0.85 680 1.09 741 1.34 796 1.59 849 1.88 910 2.31 952 2.74
2500 551 0.69 626 0.93 693 1.17 753 1.43 808 1.69 859 1.96 912 2.31 963 2.81
2550 559 0.72 634 0.97 700 1.21 759 1.48 814 1.74 864 2.01 915 2.34 968 2.81
2600 567 0.75 641 1.00 706 1.25 764 1.52 819 1.79 869 2.06 918 2.37 973 2.81
2700 582 0.83 655 1.08 719 1.34 776 1.61 831 1.89 880 2.17 927 2.47 976 2.84
2800 598 0.90 670 1.17 732 1.43 789 1.71 842 2.00 892 2.29 938 2.58 983 2.92
2900 614 0.98 684 1.25 745 1.53 802 1.81 854 2.11 903 2.42 949 2.71 993 3.03
3000 630 1.07 699 1.35 759 1.63 815 1.92 866 2.23 915 2.54 961 2.85 1003 3.17
3100 646 1.16 714 1.45 773 1.74 828 2.04 878 2.35 926 2.67 972 3.00 1015 3.32
3200 662 1.26 729 1.55 787 1.86 841 2.16 891 2.48 938 2.81 983 3.14 1026 3.47
3300 679 1.36 744 1.66 801 1.98 854 2.29 904 2.61 950 2.95 995 3.30 ——
3400 695 1.47 759 1.78 816 2.10 867 2.42 917 2.75 963 3.10 1007 3.45 ——
3500 712 1.59 774 1.90 830 2.23 881 2.56 930 2.90 976 3.25 ————
3600 729 1.71 790 2.03 845 2.37 895 2.71 943 3.05 988 3.41 ————
3700 745 1.84 805 2.17 860 2.52 909 2.87 956 3.22 ——————
3750 754 1.91 813 2.24 868 2.59 917 2.95 963 3.30 ——————
581B090 (71/2 TONS) — HIGH-STATIC MOTOR
AIRFLOW
(Cfm)
EXTERNAL STATIC PRESSURE (in. wg)
0.2 0.4 0.6 0.8 1.0
Rpm Bhp Rpm Bhp Rpm Bhp Rpm Bhp Rpm Bhp
2200 506 0.52 586 0.72 656 0.95 718 1.18 776 1.43
2250 514 0.55 593 0.76 662 0.99 724 1.22 781 1.48
2300 521 0.57 600 0.79 668 1.02 730 1.26 786 1.50
2400 536 0.63 613 0.85 680 1.09 741 1.34 796 1.59
2500 551 0.69 626 0.93 693 1.17 753 1.43 808 1.69
2550 559 0.72 634 0.97 700 1.21 759 1.48 814 1.74
2600 567 0.75 641 1.00 706 1.25 764 1.52 819 1.79
2700 582 0.83 655 1.08 719 1.34 776 1.61 831 1.89
2800 598 0.90 670 1.17 732 1.43 789 1.71 842 2.00
2900 614 0.98 684 1.25 745 1.53 802 1.81 854 2.11
3000 630 1.07 699 1.35 759 1.63 815 1.92 866 2.23
3100 646 1.16 714 1.45 773 1.74 828 2.04 878 2.35
3200 662 1.26 729 1.55 787 1.86 841 2.16 891 2.48
3300 679 1.36 744 1.66 801 1.98 854 2.29 904 2.61
3400 695 1.47 759 1.78 816 2.10 867 2.42 917 2.75
3500 712 1.59 774 1.90 830 2.23 881 2.56 930 2.90
3600 729 1.71 790 2.03 845 2.37 895 2.71 943 3.05
3700 745 1.84 805 2.17 860 2.52 909 2.87 956 3.22
3750 754 1.91 813 2.24 868 2.59 917 2.95 963 3.30
581B090 (71/2 TONS) — HIGH-STATIC MOTOR (cont)
AIRFLOW
(Cfm)
EXTERNAL STATIC PRESSURE (in. wg)
1.2 1.4 1.6 1.8 2.0
Rpm Bhp Rpm Bhp Rpm Bhp Rpm Bhp Rpm Bhp
2200 838 1.78 898 2.21 935 2.58 974 2.92 1011 3.26
2250 841 1.81 902 2.25 939 2.60 979 2.94 1015 3.29
2300 843 1.83 905 2.28 943 2.62 983 2.96 1020 3.31
2400 849 1.88 910 2.31 952 2.74 992 3.10 1029 3.46
2500 859 1.96 912 2.31 963 2.81 1004 3.18 1041 3.55
2550 864 2.01 915 2.34 968 2.81 1009 3.18 1047 3.55
2600 869 2.06 918 2.37 973 2.81 1014 3.18 1052 3.55
2700 880 2.17 927 2.47 976 2.84 1017 3.21 1055 3.59
2800 892 2.29 938 2.58 983 2.92 1024 3.30 1063 3.69
2900 903 2.42 949 2.71 993 3.03 1035 3.43 1074 3.83
3000 915 2.54 961 2.85 1003 3.17 1045 3.59 1084 4.01
3100 926 2.67 972 3.00 1015 3.32 1058 3.76 1097 4.20
3200 938 2.81 983 3.14 1026 3.47 1069 3.93 1109 4.39
3300 950 2.95 995 3.30 1043 3.80 1086 4.30 1127 4.80
3400 963 3.10 1007 3.45 1055 3.97 1100 4.49 1141 5.02
3500 976 3.25 1030 3.82 1079 4.40 1125 4.97 1167 5.56
3600 988 3.41 1043 4.01 1093 4.61 1139 5.22 1181 5.83
3700 1019 3.90 1075 4.58 1127 5.27 1174 5.97 1218 6.67
3750 1026 4.00 1083 4.70 1135 5.41 1183 6.12 1227 6.83
Bhp —Brake Horsepower Input to Fan
FIOP —Factory-Installed Option

31
PERFORMANCE DATA (cont)
FAN PERFORMANCE — VERTICAL DISCHARGE UNITS (cont)
LEGEND
NOTES:
1. Boldface indicates field-supplied drive required. (See Note 3.)
2. indicates field-supplied motor and drive required.
3. Motor drive range is 840 to 1085 rpm for standard motors, 860 to 1080 rpm
for high-static motors. All other rpms require a field-supplied drive.
4. Values include losses for filters, unit casing, and wet coils. See page 40 for
accessory/FIOP static pressure information.
5. Maximum continuous bhp is 2.90 for standard motors, 4.20 for high-static
motors. Extensive motor and electrical testing on these units ensures that
the full range of the motor can be utilized with confidence. Using your fan
motors up to the ratings shown will not result in nuisance tripping or prema-
ture motor failure. Unit warranty will not be affected. See Evaporator-Fan
Motor Data tables on pages 41 and 42 for additional information.
6. Use of a field-supplied motor may affect wire sizing. Contact your Bryant
representative to verify.
581B102 (81/2 TONS) — STANDARD MOTOR
AIRFLOW
(Cfm)
EXTERNAL STATIC PRESSURE (in. wg)
0.2 0.4 0.6 0.8 1.0 1.2 1.4 1.6
Rpm Bhp Rpm Bhp Rpm Bhp Rpm Bhp Rpm Bhp Rpm Bhp Rpm Bhp Rpm Bhp
2550 559 0.72 634 0.97 700 1.21 759 1.48 814 1.74 864 2.01 915 2.34 968 2.81
2600 567 0.75 641 1.00 706 1.25 764 1.52 819 1.79 869 2.06 918 2.37 973 2.81
2700 582 0.83 655 1.08 719 1.34 776 1.61 831 1.89 880 2.17 927 2.47 976 2.84
2800 598 0.90 670 1.17 732 1.43 789 1.71 842 2.00 892 2.29 938 2.58 983 2.92
2900 614 0.98 684 1.25 745 1.53 802 1.81 854 2.11 903 2.42 949 2.71 993 3.03
3000 630 1.07 690 1.35 759 1.63 815 1.92 866 2.23 915 2.54 961 2.85 1003 3.17
3100 646 1.16 714 1.45 773 1.74 828 2.04 878 2.35 926 2.67 972 3.00 1016 3.32
3200 662 1.26 729 1.55 787 1.86 841 2.16 891 2.48 938 2.81 983 3.14 1026 3.47
3300 679 1.36 744 1.66 801 1.98 854 2.29 904 2.61 950 2.95 995 3.30 ——
3400 695 1.47 759 1.78 816 2.10 867 2.42 917 2.75 963 3.10 1007 3.45 ——
3500 712 1.59 774 1.90 830 2.23 881 2.56 930 2.90 976 3.25 ————
3600 729 1.71 790 2.03 845 2.37 895 2.71 943 3.05 988 3.41 ————
3700 745 1.84 805 2.17 860 2.52 909 2.87 956 3.22 ——————
3750 754 1.91 813 2.24 868 2.59 917 2.95 963 3.30 ——————
3800 762 1.98 821 2.31 875 2.66 924 3.03 970 3.38 ——————
3900 779 2.12 836 2.46 890 2.82 938 3.19 ———— — — — —
4000 796 2.27 852 2.61 905 2.98 953 3.37 ———— — — — —
4100 813 2.42 868 2.78 920 3.15 —————— — — — —
4200 830 2.59 884 2.95 935 3.33 —————— — — — —
4250 839 2.68 890 3.04 ———————— — — — —
4300 847 2.76 900 3.13 ———————— — — — —
581B102 (81/2 TONS) — HIGH-STATIC MOTOR
AIRFLOW
(Cfm)
EXTERNAL STATIC PRESSURE (in. wg)
0.2 0.4 0.6 0.8 1.0
Rpm Bhp Rpm Bhp Rpm Bhp Rpm Bhp Rpm Bhp
2550 559 0.72 634 0.97 700 1.21 759 1.48 814 1.74
2600 567 0.75 641 1.00 706 1.25 764 1.52 819 1.79
2700 582 0.83 655 1.08 719 1.34 776 1.61 831 1.89
2800 598 0.90 670 1.17 732 1.43 789 1.71 842 2.00
2900 614 0.98 684 1.25 745 1.53 802 1.81 854 2.11
3000 630 1.07 690 1.35 759 1.63 815 1.92 866 2.23
3100 646 1.16 714 1.45 773 1.74 828 2.04 878 2.35
3200 682 1.26 729 1.55 787 1.86 841 2.16 891 2.48
3300 679 1.36 744 1.66 801 1.98 854 2.29 904 2.61
3400 695 1.47 759 1.78 816 2.10 867 2.42 917 2.75
3500 712 1.59 774 1.90 830 2.23 881 2.56 930 2.90
3600 729 1.71 790 2.03 845 2.37 895 2.71 943 3.05
3700 745 1.84 805 2.17 860 2.52 909 2.87 956 3.22
3750 754 1.91 813 2.24 868 2.59 917 2.95 963 3.30
3800 762 1.98 821 2.31 875 2.66 924 3.03 970 3.38
3900 779 2.12 836 2.46 890 2.82 938 3.19 981 3.65
4000 796 2.27 852 2.61 905 2.98 953 3.37 996 3.85
4100 813 2.42 868 2.78 920 3.15 974 3.74 1019 4.28
4200 830 2.59 884 2.95 935 3.33 990 3.96 1036 4.52
4250 839 2.68 890 3.04 965 3.88 1022 4.61 1069 5.27
4300 847 2.76 900 3.13 976 3.99 1034 4.74 1081 5.42
581B102 (81/2 TONS) — HIGH-STATIC MOTOR (cont)
AIRFLOW
(Cfm)
EXTERNAL STATIC PRESSURE (in. wg)
1.2 1.4 1.6 1.8 2.0
Rpm Bhp Rpm Bhp Rpm Bhp Rpm Bhp Rpm Bhp
2550 864 2.01 915 2.34 968 2.81 991 3.02 1012 3.21
2600 869 2.06 918 2.37 973 2.81 996 3.02 1017 3.21
2700 880 2.17 927 2.47 976 2.84 999 3.05 1021 3.25
2800 892 2.29 938 2.58 983 2.92 1006 3.13 1028 3.34
2900 903 2.42 949 2.71 993 3.03 1017 3.25 1038 3.46
3000 915 2.54 961 2.85 1003 3.17 1027 3.40 1049 3.62
3100 926 2.67 972 3.00 1016 3.32 1040 3.56 1062 3.80
3200 938 2.81 983 3.14 1026 3.47 1050 3.72 1073 3.97
3300 950 2.95 995 3.30 1022 3.58 1046 3.84 1069 4.09
3400 963 3.10 1007 3.45 1034 3.74 1059 4.01 1081 4.27
3500 976 3.25 1007 3.56 1034 3.86 1058 4.15 1081 4.42
3600 988 3.41 1019 3.74 1047 4.05 1071 4.35 1094 4.63
3700 992 3.59 1023 3.94 1050 4.27 1075 4.58 1098 4.88
3750 999 3.68 1030 4.04 1058 4.38 1083 4.70 1106 5.00
3800 1006 3.77 1038 4.14 1066 4.48 1091 4.81 1114 5.12
3900 1017 4.07 1049 4.46 1077 4.84 1103 5.19 1127 5.53
4000 1034 4.30 1066 4.71 1095 5.11 1121 5.48 1145 5.84
4100 1057 4.77 1090 5.24 1119 5.67 1146 6.09 1170 6.49
4200 1074 5.05 1108 5.54 1138 6.00 1165 6.44 1190 6.86
4250 1109 5.88 1143 6.45 1174 6.98 1202 7.50 1228 7.98
4300 1121 6.05 1156 6.64 1188 7.19 1216 7.72 1242 8.22
Bhp —Brake Horsepower Input to Fan
FIOP —Factory-Installed Option

32
PERFORMANCE DATA (cont)
FAN PERFORMANCE — VERTICAL DISCHARGE UNITS (cont)
LEGEND
NOTES:
1. Boldface indicates field-supplied drive required. (See Note 3.)
2. indicates high static motor and drive required.
3. Motor drive range is 860 to 1080 rpm for standard motors; 830 to 1130 rpm
for high-static motors. All other rpms require a field-supplied drive.
4. Values include losses for filters, unit casing, and wet coils. See page 40 for
accessory/FIOP static pressure information.
5. Maximum continuous bhp is 3.70 for standard motors, 5.25 for high-static
motors. Extensive motor and electrical testing on these units ensures that
the full range of the motor can be utilized with confidence. Using your fan
motors up to the ratings shown will not result in nuisance tripping or prema-
ture motor failure. Unit warranty will not be affected. See Evaporator-Fan
Motor Data tables on pages 41 and 42 for additional information.
6. Use of a field-supplied motor may affect wire sizing. Contact your Bryant
representative to verify.
LEGEND
NOTES:
1. Boldface indicates field-supplied drive required. (See Note 2.)
2. Standard drive range is 900 to 1260 rpm.
3. Values include losses for filters, unit casing, and wet coils. See page 40 for
accessory/FIOP static pressure information.
4. Maximum continuous bhp is 5.25 for standard motor. Extensive motor and
electrical testing on these units ensures that the full range of the motor can
be utilized with confidence. Using your fan motors up to the ratings shown
will not result in nuisance tripping or premature motor failure. Unit warranty
will not be affected. See Evaporator-Fan Motor Data table on pages 41 and
42 for additional information.
5. Use of a field-supplied motor may affect wire sizing. Contact your Bryant
representative to verify.
6. Interpolation is permissible. Do not extrapolate.
581B120 (10 TONS) — STANDARD AND HIGH-STATIC MOTOR
AIRFLOW
(Cfm)
EXTERNAL STATIC PRESSURE (in. wg)
0.2 0.4 0.6 0.8 1.0 1.2 1.4 1.6 1.8 2.0
Rpm Bhp Rpm Bhp Rpm Bhp Rpm Bhp Rpm Bhp Rpm Bhp Rpm Bhp Rpm Bhp Rpm Bhp Rpm Bhp
3000 556 0.65 624 0.81 682 0.95 737 0.99 745 1.04 750 1.12 809 1.24 875 1.40 899 1.56 950 1.92
3100 569 0.70 636 0.87 693 1.01 748 1.08 755 1.12 757 1.20 862 1.38 903 1.53 943 1.88 971 2.21
3200 583 0.76 649 0.94 705 1.08 758 1.17 787 1.30 769 1.36 905 1.52 971 1.86 982 2.19 992 2.41
3300 597 0.83 662 1.00 717 1.16 770 1.29 815 1.37 780 1.43 965 1.82 991 2.10 1000 2.40 1025 2.59
3400 611 0.90 675 1.08 730 1.23 781 1.41 830 1.50 838 1.63 992 2.11 1015 2.43 1030 2.62 1050 2.72
3500 625 0.97 688 1.15 742 1.32 792 1.49 840 1.64 860 1.85 1011 2.45 1028 2.62 1072 2.74 1099 2.90
3600 639 1.04 701 1.23 755 1.41 803 1.57 850 1.87 890 2.21 1026 2.55 1063 2.75 1095 2.89 1119 3.08
3700 729 1.36 790 1.58 847 1.79 902 2.06 955 2.29 1008 2.55 1060 2.80 1108 3.05 1152 3.27 1190 3.46
3800 745 1.46 805 1.69 861 1.89 915 2.17 967 2.41 1019 2.67 1070 2.94 1118 3.19 1163 3.44 1203 3.65
3900 761 1.56 820 1.80 875 2.01 928 2.29 979 2.55 1029 2.80 1079 3.07 1128 3.34 1173 3.60 1214 3.83
4000 777 1.67 836 1.92 889 2.14 941 2.40 991 2.68 1040 2.94 1089 3.22 1137 3.49 1183 3.76 1225 4.00
4100 793 1.79 851 2.05 904 2.27 955 2.52 1004 2.82 1052 3.08 1100 3.36 1147 3.65 1193 3.93 1236 4.19
4200 810 1.91 867 2.18 918 2.41 968 2.65 1017 2.96 1064 3.23 1110 3.51 1157 3.81 1202 4.09 1245 4.38
4300 826 2.04 883 2.32 933 2.55 982 2.79 1030 3.11 1076 3.40 1121 3.67 1167 3.97 1212 4.27 1255 4.56
4400 842 2.17 898 2.46 948 2.70 996 2.93 1043 3.25 1088 3.56 1133 3.84 1178 4.14 1222 4.44 1265 4.74
4500 859 2.31 914 2.60 962 2.85 1010 3.09 1056 3.40 1101 3.73 1144 4.00 1188 4.31 1232 4.62 1274 4.93
4600 876 2.45 930 2.76 977 3.01 1024 3.26 1070 3.55 1114 3.90 1157 4.19 1199 4.49 1242 4.81 1284 5.13
4700 892 2.60 945 2.91 992 3.18 1039 3.43 1083 3.71 1126 4.07 1169 4.38 1210 4.68 1252 5.00 ——
4800 909 2.77 961 3.07 1008 3.36 1053 3.61 1097 3.88 1140 4.25 1181 4.58 1222 4.87 1263 5.20 ——
4900 926 2.93 977 3.24 1024 3.54 1068 3.80 1111 4.06 1153 4.41 1194 4.77 1234 5.09 ————
5000 942 3.11 993 3.41 1039 3.73 1080 3.99 1125 4.25 1166 4.59 1207 4.97 ——————
Bhp —Brake Horsepower Input to Fan
FIOP —Factory-Installed Option
581B150 (121/2 TONS) — STANDARD MOTOR
AIRFLOW
(Cfm)
EXTERNAL STATIC PRESSURE (in. wg)
0.2 0.4 0.6 0.8 1.0 1.2 1.4 1.6 1.8 2.0
Rpm Bhp Rpm Bhp Rpm Bhp Rpm Bhp Rpm Bhp Rpm Bhp Rpm Bhp Rpm Bhp Rpm Bhp Rpm Bhp
3700 ——————902 2.06 955 2.29 1008 2.55 1060 2.80 1108 3.05 1152 3.27 1190 3.46
3800 ————861 1.89 915 2.17 967 2.41 1019 2.67 1070 2.94 1118 3.19 1163 3.44 1203 3.65
3900 ————875 2.01 928 2.29 979 2.55 1029 2.80 1079 3.07 1128 3.34 1173 3.60 1214 3.83
4000 ————889 2.14 941 2.40 991 2.68 1040 2.94 1089 3.22 1137 3.49 1183 3.76 1225 4.00
4100 ————904 2.27 955 2.52 1004 2.82 1052 3.08 1100 3.36 1147 3.65 1193 3.93 1236 4.19
4200 ——867 2.18 918 2.41 968 2.65 1017 2.96 1064 3.23 1110 3.51 1157 3.81 1202 4.09 1245 4.38
4300 ——883 2.32 933 2.55 982 2.79 1030 3.11 1076 3.40 1121 3.67 1167 3.97 1212 4.27 1255 4.56
4400 ——898 2.46 948 2.70 996 2.93 1043 3.25 1088 3.56 1133 3.84 1178 4.14 1222 4.44 1265 4.74
4500 ——914 2.60 962 2.85 1010 3.09 1056 3.40 1101 3.73 1144 4.00 1188 4.31 1232 4.62 1274 4.93
4600 876 2.45 930 2.76 977 3.01 1024 3.26 1070 3.55 1114 3.90 1157 4.19 1199 4.49 1242 4.81 1284 5.13
4700 892 2.60 945 2.91 992 3.18 1039 3.43 1083 3.71 1126 4.07 1169 4.38 1210 4.68 1252 5.00 ——
4800 909 2.77 961 3.07 1008 3.36 1053 3.61 1097 3.88 1140 4.25 1181 4.58 1222 4.87 1263 5.20 ——
4900 926 2.93 977 3.24 1024 3.54 1068 3.80 1111 4.06 1153 4.41 1194 4.77 1234 5.09 ————
5000 942 3.11 993 3.41 1039 3.73 1080 3.99 1125 4.25 1166 4.59 1207 4.97 ——————
5100 959 3.29 1009 3.60 1055 3.92 1097 4.19 1139 4.46 1180 4.78 1220 5.18 ——————
5200 976 3.47 1025 3.78 1071 4.12 1112 4.40 1153 4.67 1194 4.98 ————————
5300 993 3.67 1041 3.98 1086 4.33 1127 4.61 1168 4.90 1208 5.19 ————————
5400 1010 3.87 1057 4.18 1102 4.54 1142 4.84 1182 5.13 ——————————
5500 1027 4.07 1073 4.39 1118 4.76 1157 5.07 ————————————
5600 1043 4.29 1090 4.61 1133 4.99 ——————————————
5700 1060 4.51 1106 4.83 1149 5.22 ——————————————
5800 1077 4.74 1122 5.07 ————————————————
5900 1094 4.98 ——————————————————
6000 1111 5.22 ——————————————————
6100 ————————————————————
6200 ————————————————————
Bhp —Brake Horsepower Input to Fan
FIOP —Factory-Installed Option

33
PERFORMANCE DATA (cont)
FAN PERFORMANCE — HORIZONTAL DISCHARGE UNITS
LEGEND
NOTES:
1. Boldface indicates field-supplied drive required. (See Note 3.)
2. Motor drive range is 760 to 1090 rpm for standard motors; 1075 to 1455 rpm
for high-static motors. All other rpms require a field-supplied drive.
3. Values include losses for filters, unit casing, and wet coils. See page 40 for
accessory/FIOP static pressure information.
4. Maximum continuous bhp is 1.20 for standard motors; 2.40 for high-static
motors. Extensive motor and electrical testing on these units ensures that the
full range of the motor can be utilized with confidence. Using your fan motors
up to the ratings shown will not result in nuisance tripping or premature motor
failure. Unit warranty will not be affected. See Evaporator-Fan Motor Data
tables on pages 41 and 42 for additional information.
5. Use of a field-supplied motor may affect wire sizing. Contact your Bryant rep-
resentative to verify.
6. Interpolation is permissible. Do not extrapolate.
581B036 (3 TONS) — STANDARD MOTOR
AIRFLOW
(Cfm)
EXTERNAL STATIC PRESSURE (in. wg)
0.1 0.2 0.3 0.4 0.5 0.6
Rpm Bhp Rpm Bhp Rpm Bhp Rpm Bhp Rpm Bhp Rpm Bhp
900 526 0.06 584 0.08 656 0.12 734 0.22 818 0.25 875 0.27
1000 570 0.09 627 0.13 738 0.19 800 0.26 848 0.29 895 0.31
1100 614 0.13 670 0.16 758 0.23 812 0.29 863 0.32 914 0.35
1200 658 0.16 710 0.23 780 0.28 840 0.32 889 0.36 938 0.40
1300 703 0.20 752 0.27 808 0.32 868 0.37 916 0.41 963 0.45
1400 725 0.29 776 0.31 845 0.38 891 0.42 937 0.47 983 0.51
1500 755 0.33 816 0.38 870 0.43 924 0.48 969 0.53 1014 0.58
581B036 (3 TONS) — STANDARD MOTOR (cont)
AIRFLOW
(Cfm)
EXTERNAL STATIC PRESSURE (in. wg)
0.7 0.8 0.9 1.0 1.1 1.2
Rpm Bhp Rpm Bhp Rpm Bhp Rpm Bhp Rpm Bhp Rpm Bhp
900 924 0.32 953 0.35 989 0.38 1028 0.42 1074 0.45 1120 0.50
1000 936 0.35 977 0.39 1020 0.44 1064 0.48 1124 0.52 1185 0.55
1100 960 0.39 1005 0.43 1052 0.49 1100 0.52 1163 0.56 1225 0.60
1200 988 0.45 1038 0.50 1076 0.53 1136 0.59 1201 0.61 1266 0.64
1300 1012 0.51 1061 0.56 1094 0.61 1172 0.65 1239 0.69 1306 0.72
1400 1027 0.56 1071 0.60 1108 0.67 1208 0.70 1278 0.75 1347 0.79
1500 1056 0.63 1097 0.68 1117 0.70 1245 0.74 1315 0.80 1385 0.85
581B036 (3 TONS) — HIGH-STATIC MOTOR
AIRFLOW
(Cfm)
EXTERNAL STATIC PRESSURE (in. wg)
0.2 0.4 0.6 0.8 1.0
Rpm Bhp Rpm Bhp Rpm Bhp Rpm Bhp Rpm Bhp
900 584 0.08 734 0.22 875 0.27 953 0.36 1028 0.42
1000 627 0.13 800 0.26 895 0.31 977 0.39 1064 0.48
1100 670 0.16 812 0.29 914 0.35 1005 0.43 1100 0.52
1200 710 0.23 840 0.32 938 0.40 1038 0.50 1136 0.59
1300 752 0.27 868 0.37 963 0.45 1061 0.56 1172 0.65
1400 776 0.31 891 0.42 983 0.51 1071 0.60 1208 0.70
1500 816 0.38 924 0.48 1014 0.58 1097 0.68 1245 0.74
581B036 (3 TONS) — HIGH-STATIC MOTOR (cont)
AIRFLOW
(Cfm)
EXTERNAL STATIC PRESSURE (in. wg)
1.2 1.4 1.6 1.8 2.0
Rpm Bhp Rpm Bhp Rpm Bhp Rpm Bhp Rpm Bhp
900 11200.5411550.5911860.6412150.6912400.73
1000 11850.6012220.6612550.7112850.7713120.82
1100 12250.6512630.7112980.7713280.8313570.88
1200 12660.7213060.7913410.8613730.9214020.98
1300 13060.7913470.8713830.9414161.0114461.07
1400 13470.8713890.9514271.031461 1.11 1492 1.18
1500 13850.9614281.051467 1.14 1502 1.22 1534 1.30
Bhp —Brake Horsepower Input to Fan
FIOP —Factory-Installed Option

34
PERFORMANCE DATA (cont)
FAN PERFORMANCE — HORIZONTAL DISCHARGE UNITS (cont)
LEGEND
NOTES:
1. Boldface indicates field-supplied drive required. (See Note 3.)
2. indicates field-supplied motor and drive required.
3. Motor drive range is 840 to 1185 rpm for standard units; 1075 to 1455 rpm for
high-static motors. All other rpms require a field-supplied drive.
4. Values include losses for filters, unit casing, and wet coils. See page 40 for
accessory/FIOP static pressure information.
5. Maximum continuous bhp is 1.20 for standard motors; 2.40 for high-static
motors. Extensive motor and electrical testing on these units ensures that the
full range of the motor can be utilized with confidence. Using your fan motors
up to the ratings shown will not result in nuisance tripping or premature motor
failure. Unit warranty will not be affected. See Evaporator-Fan Motor Data
tables on pages 41 and 42 for additional information.
6. Use of a field-supplied motor may affect wire sizing. Contact your Bryant rep-
resentative to verify.
7. Interpolation is permissible. Do not extrapolate.
581B048 (4 TONS) — STANDARD MOTOR
AIRFLOW
(Cfm)
EXTERNAL STATIC PRESSURE (in. wg)
0.1 0.2 0.3 0.4 0.6 0.7 0.8
Rpm Bhp Rpm Bhp Rpm Bhp Rpm Bhp Rpm Bhp Rpm Bhp Rpm Bhp
1200 569 0.18 641 0.23 701 0.29 761 0.34 859 0.46 901 0.52 943 0.58
1300 604 0.22 673 0.28 731 0.34 788 0.39 887 0.52 928 0.59 968 0.65
1400 640 0.27 705 0.33 761 0.39 817 0.45 914 0.59 955 0.66 996 0.72
1500 676 0.32 738 0.38 793 0.45 847 0.51 940 0.65 982 0.73 1024 0.81
1600 713 0.38 772 0.44 825 0.51 877 0.58 967 0.73 1009 0.81 1051 0.89
1700 750 0.45 806 0.51 857 0.59 908 0.66 997 0.81 1037 0.90 1077 1.01
1800 788 0.52 841 0.59 890 0.67 939 0.75 1026 0.91 1065 1.01 1104 1.07
1900 826 0.60 876 0.68 924 0.76 971 0.84 1056 1.01 1094 1.10 1132 1.18
2000 864 0.70 912 0.77 958 0.86 1004 0.94 1087 1.12 1125 1.21 1162 1.30
581B048 (4 TONS) — STANDARD MOTOR (cont)
AIRFLOW
(Cfm)
EXTERNAL STATIC PRESSURE (in. wg)
0.9 1.0 1.1 1.2 1.4 1.6 1.8
Rpm Bhp Rpm Bhp Rpm Bhp Rpm Bhp Rpm Bhp Rpm Bhp Rpm Bhp
1200 987 0.64 1030 0.70 1068 0.79 1106 0.87 1134 0.98 1189 1.12 1245 1.21
1300 1006 0.71 1044 0.77 1086 0.84 1128 0.91 1183 1.10 1226 1.23 1297 1.35
1400 1033 0.79 1069 0.86 1104 0.93 1139 1.01 1218 1.14 1286 1.34 1320 1.48
1500 1060 0.88 1095 0.95 1129 1.02 1162 1.09 1228 1.24 1303 1.40 1343 1.60
1600 1087 1.01 1123 1.05 1156 1.13 1185 1.20 1250 1.35 1319 1.51 1382 1.68
1700 1114 1.07 1151 1.15 1183 1.23 1215 1.31 1276 1.48 1334 1.64 1398 1.80
1800 1141 1.17 1178 1.26 1211 1.35 1243 1.43 1303 1.61 1359 1.78 1418 1.95
1900 1168 1.28 1204 1.37 1238 1.47 1271 1.56 1330 1.74 1386 1.93 1439 2.11
2000 1197 1.39 1231 1.48 1265 1.59 1298 1.69 1358 1.89 1413 2.08 1466 2.27
581B048 (4 TONS) — HIGH-STATIC MOTOR
AIRFLOW
(Cfm)
EXTERNAL STATIC PRESSURE (in. wg)
0.2 0.4 0.6 0.8 1.0
Rpm Bhp Rpm Bhp Rpm Bhp Rpm Bhp Rpm Bhp
1200 641 0.23 761 0.34 859 0.46 943 0.58 1030 0.70
1300 673 0.28 788 0.39 887 0.52 968 0.65 1044 0.77
1400 705 0.33 817 0.45 914 0.59 996 0.72 1069 0.86
1500 738 0.38 847 0.51 940 0.65 1024 0.81 1095 0.95
1600 772 0.44 877 0.58 967 0.73 1051 0.89 1123 1.05
1700 806 0.51 908 0.66 997 0.81 1077 1.01 1151 1.15
1800 841 0.59 939 0.75 1026 0.91 1104 1.07 1178 1.26
1900 876 0.68 971 0.84 1056 1.01 1132 1.18 1204 1.37
2000 912 0.77 1004 0.94 1087 1.12 1162 1.30 1231 1.48
581B048 (4 TONS) — HIGH-STATIC MOTOR (cont)
AIRFLOW
(Cfm)
EXTERNAL STATIC PRESSURE (in. wg)
1.21.41.61.8 2.0
Rpm Bhp Rpm Bhp Rpm Bhp Rpm Bhp Rpm Bhp
1200 1106 0.87 1134 0.98 1189 1.12 1245 1.21 1292 1.35
1300 1128 0.91 1183 1.10 1226 1.23 1297 1.35 1346 1.51
1400 1139 1.01 1218 1.14 1286 1.34 1320 1.48 1370 1.65
1500 1162 1.09 1228 1.24 1303 1.40 1343 1.60 1393 1.79
1600 1185 1.20 1250 1.35 1319 1.51 1382 1.68 1434 1.88
1700 1215 1.31 1276 1.48 1334 1.64 1398 1.80 1451 2.01
1800 12431.4313031.6113591.7814181.95 1471 2.18
1900 12711.5613301.7413861.9314392.11 1493 2.36
2000 12981.6913581.8914132.081466 2.27 1521 2.54
Bhp —Brake Horsepower Input to Fan
FIOP —Factory-Installed Option

35
PERFORMANCE DATA (cont)
FAN PERFORMANCE — HORIZONTAL DISCHARGE UNITS (cont)
LEGEND
NOTES:
1. Boldface indicates field-supplied drive required. (See Note 3.)
2. indicates field-supplied motor and drive required.
3. Motor drive range is 1020 to 1460 rpm for single-phase standard units, 1120
to 1585 for 3-phase standard units, and 1300 to 1685 for high-static units. All
other rpms require a field-supplied drive.
4. Values include losses for filters, unit casing, and wet coils. See page 40 for
accessory/FIOP static pressure information.
5. Maximum continuous bhp is 1.30 for single-phase standard units, 2.40 for
3-phase standard motors, and 2.90 for high-static motors. Extensive motor
and electrical testing on these units ensures that the full range of the motor
can be utilized with confidence. Using your fan motors up to the ratings shown
will not result in nuisance tripping or premature motor failure. Unit warranty
will not be affected. See Evaporator-Fan Motor Data tables on pages 41 and
42 for additional information.
6. Use of a field-supplied motor may affect wire sizing. Contact your Bryant rep-
resentative to verify.
7. Interpolation is permissible. Do not extrapolate.
581B060 (5 TONS) — STANDARD MOTOR — SINGLE-PHASE UNITS
AIRFLOW
(Cfm)
EXTERNAL STATIC PRESSURE (in. wg)
0.1 0.2 0.4 0.6 0.8 1.0 1.2 1.4 1.6
Rpm Bhp Rpm Bhp Rpm Bhp Rpm Bhp Rpm Bhp Rpm Bhp Bhp Rpm Bhp Rpm Bhp Rpm
1500 741 0.38 798 0.43 895 0.54 990 0.67 1073 0.80 1154 0.95 1218 1.12 1295 1.36 1360 1.40
1600 783 0.45 838 0.51 933 0.63 1016 0.75 1102 0.90 1182 1.04 1251 1.20 1310 1.40 1385 1.49
1700 825 0.53 878 0.60 969 0.72 1049 0.84 1134 1.00 1206 1.14 1281 1.31 1342 1.48 1398 1.53
1800 885 0.63 942 0.73 1047 0.90 1139 1.05 1193 1.14 1276 1.30 1341 1.40 1413 1.55 1474 1.58
1900 928 0.73 982 0.83 1084 1.02 1160 1.11 1223 1.24 1301 1.38 1374 1.53 1437 1.62 1490 1.67
2000 971 0.84 1022 0.94 1121 1.12 1188 1.22 1254 1.36 1329 1.44 1396 1.66 1460 1.68 1509 1.77
2100 1015 0.97 1063 1.10 1140 1.18 1196 1.27 1272 1.45 1354 1.58 1413 1.75 1475 1.73 1529 1.92
2200 1060 1.10 1104 1.20 1159 1.23 1229 1.41 1306 1.53 1363 1.70 1434 1.81 1487 1.85 1554 2.07
2300 1104 1.25 1130 1.27 1196 1.37 1264 1.56 1340 1.66 1397 1.86 1459 1.88 1520 2.07 1576 2.24
2400 1138 1.30 1174 1.37 1245 1.57 1305 1.63 1373 1.84 1440 1.95 1502 2.06 1552 2.24 1604 2.42
2500 1183 1.43 1201 1.50 1284 1.65 1338 1.75 1402 1.99 1469 2.04 1524 2.24 1585 2.42 1638 2.60
581B060 (5 TONS) — STANDARD MOTOR — 3-PHASE UNITS
AIRFLOW
(Cfm)
EXTERNAL STATIC PRESSURE (in. wg)
0.1 0.2 0.4 0.6 0.8 1.0 1.2 1.4 1.6
Rpm Bhp Rpm Bhp Rpm Bhp Rpm Bhp Rpm Bhp Rpm Bhp Bhp Rpm Bhp Rpm Bhp Rpm
1500 741 0.38 798 0.43 895 0.54 990 0.67 1073 0.80 1154 0.95 1218 1.12 1295 1.36 1360 1.40
1600 783 0.45 838 0.51 933 0.63 1016 0.75 1102 0.90 1182 1.04 1251 1.20 1310 1.40 1385 1.49
1700 825 0.53 878 0.60 969 0.72 1049 0.84 1134 1.00 1206 1.14 1281 1.31 1342 1.48 1398 1.53
1800 885 0.63 942 0.73 1047 0.90 1139 1.05 1193 1.14 1276 1.30 1341 1.40 1413 1.55 1474 1.58
1900 928 0.73 982 0.83 1084 1.02 1160 1.11 1223 1.24 1301 1.38 1374 1.53 1437 1.62 1490 1.67
2000 971 0.84 1022 0.94 1121 1.12 1188 1.22 1254 1.36 1329 1.44 1396 1.66 1460 1.68 1509 1.77
2100 1015 0.97 1063 1.10 1140 1.18 1196 1.27 1272 1.45 1354 1.58 1413 1.75 1475 1.73 1529 1.92
2200 1060 1.10 1104 1.20 1159 1.23 1229 1.41 1306 1.53 1363 1.70 1434 1.81 1487 1.85 1554 2.07
2300 1104 1.25 1130 1.27 1196 1.37 1264 1.56 1340 1.66 1397 1.86 1459 1.88 1520 2.07 1576 2.24
2400 1138 1.30 1174 1.37 1245 1.57 1305 1.63 1373 1.84 1440 1.95 1502 2.06 1552 2.24 1604 2.42
2500 1183 1.43 1201 1.50 1284 1.65 1338 1.75 1402 1.99 1469 2.04 1524 2.24 1585 2.42 1638 2.60
581B060 (5 TONS) — HIGH-STATIC MOTOR
AIRFLOW
(Cfm)
EXTERNAL STATIC PRESSURE (in. wg)
0.2 0.4 0.6 0.8 1.0
Rpm Bhp Rpm Bhp Rpm Bhp Rpm Bhp Rpm Bhp
1500 789 0.40 896 0.53 990 0.67 1072 0.83 1153 1.00
1600 826 0.46 931 0.61 1020 0.75 1101 0.91 1178 1.09
1700 865 0.54 966 0.69 1051 0.84 1133 1.01 1205 1.18
1800 905 0.62 1002 0.78 1084 0.93 1163 1.10 1235 1.29
1900 945 0.72 1037 0.88 1119 1.04 1194 1.21 1266 1.40
2000 984 0.82 1072 0.98 1154 1.16 1226 1.33 1297 1.53
2100 10240.9311081.1011921.2912591.471327 1.66
2200 10641.0511451.2212251.4312941.621359 1.80
2300 11041.1811831.3612601.571330 1.78 1392 1.97
2400 11451.3212221.4512961.731365 1.94 1426 2.15
2500 1186 1.48 1262 1.68 1331 1.89 1400 2.12 1461 2.34
581B060 (5 TONS) — HIGH-STATIC MOTOR (cont)
AIRFLOW
(Cfm)
EXTERNAL STATIC PRESSURE (in. wg)
1.2 1.4 1.6 1.8 2.0
Rpm Bhp Rpm Bhp Rpm Bhp Rpm Bhp Rpm Bhp
1500 1221 1.17 1256 1.30 1283 1.32 1303 1.22 1345 1.34
1600 1252 1.27 1311 1.45 1340 1.58 1330 1.61 1373 1.77
1700 1278 1.37 1345 1.57 1397 1.76 1424 1.89 1470 2.08
1800 13031.4813711.6914331.9014802.0915282.30
1900 13301.5913961.8014602.0315172.2515662.47
2000 13621.7314221.9414852.1615442.4015942.64
2100 13931.8714522.0815102.3115702.5516202.80
2200 14232.0214832.2415382.4615942.711645 2.98
2300 14542.1815152.4115712.6416232.881676 3.17
2400 14852.3615442.5916042.841657 3.07 1710 3.38
2500 15182.5515742.781633 3.03 1692 3.28 1746 3.61
Bhp —Brake Horsepower Input to Fan
FIOP —Factory-Installed Option

36
PERFORMANCE DATA (cont)
FAN PERFORMANCE — HORIZONTAL DISCHARGE UNITS (cont)
LEGEND
NOTES:
1. Boldface indicates field-supplied drive required. (See Note 3.)
2. indicates field-supplied motor and drive required.
3. Motor drive range is 1120 to 1585 rpm for standard motors; 1300 to 1685 rpm
for high-static motors. All other rpms require a field-supplied drive.
4. Values include losses for filters, unit casing, and wet coils. See page 40 for
accessory/FIOP static pressure information.
5. Maximum continuous bhp is 2.4 for standard motors; 2.9 for high-static
motors. Extensive motor and electrical testing on these units ensures that the
full range of the motor can be utilized with confidence. Using your fan motors
up to the ratings shown will not result in nuisance tripping or premature motor
failure. Unit warranty will not be affected. See Evaporator-Fan Motor Data
tables on pages 41 and 42 for additional information.
6. Use of a field-supplied motor may affect wire sizing. Contact your Bryant rep-
resentative to verify.
7. Interpolation is permissible. Do not extrapolate.
581B072 (6 TONS) — STANDARD MOTOR
AIRFLOW
(Cfm)
EXTERNAL STATIC PRESSURE (in. wg)
0.1 0.2 0.4 0.6 0.8 1.0 1.2 1.4 1.6
Rpm Bhp Rpm Bhp Rpm Bhp Rpm Bhp Rpm Bhp Rpm Bhp Rpm Bhp Rpm Bhp Rpm Bhp
1800 885 0.63 942 0.73 1047 0.90 1139 1.05 1193 1.14 1276 1.30 1341 1.40 1413 1.55 1474 1.58
1900 928 0.73 982 0.83 1084 1.02 1160 1.11 1223 1.24 1301 1.38 1374 1.53 1437 1.62 1490 1.67
2000 971 0.84 1022 0.94 1121 1.12 1188 1.22 1254 1.36 1329 1.44 1396 1.66 1460 1.68 1509 1.77
2100 1015 0.97 1063 1.10 1140 1.18 1196 1.27 1272 1.45 1354 1.58 1413 1.75 1475 1.73 1529 1.92
2200 1060 1.10 1104 1.20 1159 1.23 1229 1.41 1306 1.53 1363 1.70 1434 1.81 1487 1.85 1554 2.07
2300 1104 1.25 1130 1.27 1196 1.37 1264 1.56 1340 1.66 1397 1.86 1459 1.88 1520 2.07 1576 2.24
2400 1138 1.30 1174 1.37 1245 1.57 1305 1.63 1373 1.84 1440 1.95 1502 2.06 1552 2.24 1604 2.42
2500 1183 1.43 1201 1.50 1284 1.65 1338 1.75 1402 1.99 1469 2.04 1524 2.24 1585 2.42 1638 2.60
2600 1210 1.58 1243 1.67 1312 1.76 1366 1.96 1435 2.10 1494 2.19 1552 2.40 1616 2.63 1671 2.80
2700 1254 1.76 1285 1.80 1354 1.95 1403 2.14 1474 2.21 1536 2.46 1584 2.61 1646 2.83 1706 2.97
2800 1274 1.82 1304 1.85 1374 2.12 1459 2.25 1514 2.42 1570 2.66 1624 2.85 1677 2.99 ——
2900 13181.9513452.0514122.321496 2.45 1529 2.61 1603 2.87 1671 3.03 ————
3000 13622.2013782.3014512.401534 2.66 1560 2.81 1611 3.01 ——————
581B072 (6 TONS) — HIGH-STATIC MOTOR
AIRFLOW
(Cfm)
EXTERNAL STATIC PRESSURE (in. wg)
0.2 0.4 0.6 0.8 1.0 1.2 1.4 1.6 1.8 2.0
Rpm Bhp Rpm Bhp Rpm Bhp Rpm Bhp Rpm Bhp Rpm Bhp Rpm Bhp Rpm Bhp Rpm Bhp Rpm Bhp
1800 942 0.73 1047 0.90 1139 1.05 1193 1.14 1276 1.30 1341 1.40 1413 1.55 1474 1.58 1522 1.74 1566 1.89
1900 982 0.83 1084 1.02 1160 1.11 1223 1.24 1301 1.38 1374 1.53 1437 1.62 1490 1.67 1538 1.84 1583 2.00
2000 1022 0.94 1121 1.12 1188 1.22 1264 1.36 1329 1.44 1396 1.66 1460 1.68 1509 1.77 1558 1.95 1603 2.12
2100 1063 1.10 1140 1.18 1196 1.27 1272 1.45 1354 1.58 1413 1.75 1475 1.73 1529 1.92 1578 2.11 1624 2.30
2200 1104 1.20 1159 1.23 1229 1.41 1306 1.53 1363 1.70 1434 1.81 1487 1.85 1554 2.07 1604 2.28 1651 2.48
2300 1130 1.27 1196 1.37 1264 1.56 1340 1.66 1397 1.86 1459 1.88 1520 2.07 1576 2.24 1627 2.46 1674 2.68
2400 1174 1.37 1245 1.57 1305 1.63 1373 1.84 1440 1.95 1502 2.06 1552 2.24 1604 2.42 1656 2.66 1704 2.90
2500 1201 1.50 1284 1.65 1338 1.75 1402 1.99 1469 2.04 1524 2.24 1585 2.42 1638 2.60 1691 2.86 1740 3.12
2600 1246 1.67 1312 1.76 1366 1.96 1435 2.10 1494 2.19 1552 2.40 1616 2.63 1671 2.80 1726 3.09 1775 3.35
2700 1285 1.80 1354 1.95 1403 2.14 1474 2.21 1536 2.46 1584 2.61 1646 2.83 1706 2.97 1761 3.27 ——
2800 1304 1.85 1374 2.12 1459 2.25 1514 2.42 1570 2.66 1624 2.85 1677 2.99 1739 3.33 1795 3.67 ——
2900 1345 2.05 1412 2.32 1496 2.54 1529 2.61 1603 2.87 1671 3.03 1742 3.43 ——————
3000 1378 2.30 1451 2.40 1534 2.66 1560 2.81 1611 3.01 1692 3.49 1764 3.95 ——————
Bhp —Brake Horsepower Input to Fan
FIOP —Factory-Installed Option

37
PERFORMANCE DATA (cont)
FAN PERFORMANCE — HORIZONTAL DISCHARGE UNITS (cont)
LEGEND
NOTES:
1. Boldface indicates field-supplied drive required. (See Note 3.)
2. indicates field-supplied motor and drive required.
3. Motor drive range is 840 to 1085 rpm for standard motors. All other rpms
require a field-supplied drive.
4. Values include losses for filters, unit casing, and wet coils. See page 40 for
accessory/FIOP static pressure information.
5. Maximum continuous bhp is 2.9 for standard motors. Extensive motor and
electrical testing on these units ensures that the full range of the motor can be
utilized with confidence. Using your fan motors up to the ratings shown will not
result in nuisance tripping or premature motor failure. Unit warranty will not be
affected. See Evaporator-Fan Motor Data tables on pages 41 and 42 for addi-
tional information.
6. Use of a field-supplied motor may affect wire sizing. Contact your Bryant
representative to verify.
7. Interpolation is permissible. Do not extrapolate.
LEGEND
NOTES:
1. Boldface indicates field-supplied drive required. (See Note 3.)
2. indicates field-supplied motor and drive required.
3. Motor drive range is 860 to 1080 rpm for high-static motors. All other rpms
require a field-supplied drive.
4. Values include losses for filters, unit casing, and wet coils. See page 40 for
accessory/FIOP static pressure information.
5. Maximum continuous bhp is 4.2 for high-static motors. Extensive motor and
electrical testing on these units ensures that the full range of the motor can be
utilized with confidence. Using your fan motors up to the ratings shown will not
result in nuisance tripping or premature motor failure. Unit warranty will not be
affected. See Evaporator-Fan Motor Data tables on pages 41 and 42 for addi-
tional information.
6. Use of a field-supplied motor may affect wire sizing. Contact your Bryant
representative to verify.
7. Interpolation is permissible. Do not extrapolate.
581B090 (71/2 TONS) — STANDARD MOTOR
AIRFLOW
(Cfm)
EXTERNAL STATIC PRESSURE (in. wg)
0.2 0.4 0.6 0.8 0.9 1.0 1.2 1.4 1.6
Rpm Bhp Rpm Bhp Rpm Bhp Rpm Bhp Rpm Bhp Rpm Bhp Rpm Bhp Rpm Bhp Rpm Bhp
2200 499 0.50 580 0.70 652 0.94 717 1.17 748 1.30 779 1.43 839 1.78 905 2.21 951 2.57
2250 507 0.53 586 0.73 658 0.97 722 1.22 752 1.34 783 1.46 843 1.81 908 2.25 955 2.59
2300 513 0.55 592 0.76 663 1.00 727 1.26 756 1.38 786 1.49 846 1.84 910 2.25 959 2.61
2400 528 0.60 606 0.83 674 1.06 738 1.34 766 1.46 795 1.58 853 1.88 912 2.31 967 2.68
2500 542 0.66 619 0.90 686 1.13 748 1.41 777 1.55 806 1.68 859 1.94 919 2.37 971 2.73
2550 550 0.69 627 0.94 692 1.17 754 1.45 783 1.60 812 1.74 864 1.99 920 2.39 974 2.76
2600 557 0.72 634 0.97 698 1.21 759 1.49 787 1.64 816 1.79 868 2.04 921 2.41 976 2.78
2700 573 0.79 648 1.05 711 1.29 770 1.58 798 1.73 827 1.88 878 2.16 928 2.45 983 2.88
2800 588 0.86 662 1.13 723 1.38 782 1.66 809 1.82 837 1.98 889 2.29 937 2.57 986 2.91
2900 604 0.94 676 1.21 737 1.48 794 1.76 821 1.92 848 2.08 900 2.41 947 2.70 993 3.01
3000 620 1.02 690 1.30 750 1.58 806 1.86 832 2.02 849 2.18 910 2.52 958 2.85 1002 3.15
3100 636 1.11 704 1.39 764 1.69 818 1.97 844 2.13 870 2.29 920 2.64 968 2.99 1012 3.30
3200 652 1.21 718 1.49 778 1.80 831 2.09 856 2.25 882 2.40 931 2.76 979 3.13 1023 3.47
3300 668 1.31 732 1.59 793 1.92 844 2.21 869 2.37 894 2.53 942 2.89 989 3.26 1034 3.63
3400 684 1.41 747 1.70 807 2.04 857 2.35 882 2.51 907 2.66 954 3.02 1000 3.40 1044 3.79
3500 701 1.53 762 1.82 821 2.16 871 2.48 895 2.64 919 2.80 966 3.15 1011 3.55 1054 3.94
3600 717 1.65 777 1.94 835 2.29 885 2.63 908 2.79 932 2.95 978 3.30 1022 3.69 1065 4.10
3700 733 1.77 792 2.07 849 2.42 899 2.78 922 2.95 945 3.11 990 3.45 1034 3.84 1076 4.26
3750 742 1.84 800 2.14 856 2.49 907 2.86 929 3.03 952 3.20 997 3.54 1040 3.93 1082 5.27
Bhp —Brake Horsepower Input to Fan
FIOP —Factory-Installed Option
581B090 (71/2 TONS) — HIGH-STATIC MOTOR
AIRFLOW
(Cfm)
EXTERNAL STATIC PRESSURE (in. wg)
0.2 0.4 0.6 0.8 1.0 1.2 1.4 1.6 1.8 2.0
Rpm Bhp Rpm Bhp Rpm Bhp Rpm Bhp Rpm Bhp Rpm Bhp Rpm Bhp Rpm Bhp Rpm Bhp Rpm Bhp
2200 499 0.50 580 0.70 652 0.94 717 1.17 779 1.43 839 1.78 905 2.21 951 2.57 986 2.87 1019 3.16
2250 507 0.53 586 0.73 658 0.97 722 1.22 783 1.46 843 1.81 908 2.25 955 2.59 991 2.89 1023 3.19
2300 513 0.55 592 0.76 663 1.00 727 1.26 786 1.49 846 1.84 910 2.25 959 2.61 995 2.91 1028 3.21
2400 528 0.60 606 0.83 674 1.06 738 1.34 795 1.58 853 1.88 912 2.31 967 2.68 1003 2.99 1036 3.30
2500 542 0.66 619 0.90 686 1.13 748 1.41 806 1.68 859 1.94 919 2.37 971 2.73 1007 3.05 1041 3.36
2550 550 0.69 627 0.94 692 1.17 754 1.45 812 1.74 864 1.99 920 2.39 974 2.76 1010 3.08 1044 3.40
2600 557 0.72 634 0.97 698 1.21 759 1.49 816 1.79 868 2.04 921 2.41 976 2.78 1012 3.10 1046 3.42
2700 573 0.79 648 1.05 711 1.29 770 1.58 827 1.88 878 2.16 928 2.45 983 2.88 1020 3.21 1053 3.54
2800 588 0.86 662 1.13 723 1.38 782 1.66 837 1.98 889 2.29 937 2.57 986 2.91 1023 3.25 1057 3.58
2900 604 0.94 676 1.21 737 1.48 794 1.76 848 2.08 900 2.41 947 2.70 993 3.01 1030 3.36 1064 3.70
3000 620 1.02 690 1.30 750 1.58 806 1.86 849 2.18 910 2.52 958 2.85 1002 3.15 1039 3.51 1074 3.88
3100 636 1.11 704 1.39 764 1.69 818 1.97 870 2.29 920 2.64 968 2.99 1012 3.30 1050 3.69 1084 4.06
3200 652 1.21 718 1.49 778 1.80 831 2.09 882 2.40 931 2.76 979 3.13 1023 3.47 1061 3.87 1096 4.27
3300 668 1.31 732 1.59 793 1.92 844 2.21 894 2.53 942 2.89 989 3.26 1034 3.63 1072 4.05 1108 4.47
3400 684 1.41 747 1.70 807 2.04 857 2.35 907 2.66 954 3.02 1000 3.40 1044 3.79 1083 4.23 1119 4.66
3500 701 1.53 762 1.82 821 2.16 871 2.48 919 2.80 966 3.15 1011 3.55 1054 3.94 1093 4.40 1129 4.85
3600 717 1.65 777 1.94 835 2.29 885 2.63 932 2.95 978 3.30 1022 3.69 1065 4.10 1105 4.57 1141 5.05
3700 733 1.77 792 2.07 849 2.42 899 2.78 945 3.11 990 3.45 1034 3.84 1076 4.26 1116 4.75 1153 5.24
3750 742 1.84 800 2.14 856 2.49 907 2.86 952 3.20 997 3.54 1040 3.93 1082 4.27 1122 4.78 1159 5.25
Bhp —Brake Horsepower Input to Fan
FIOP —Factory-Installed Option

38
PERFORMANCE DATA (cont)
FAN PERFORMANCE — HORIZONTAL DISCHARGE UNITS (cont)
LEGEND
NOTES:
1. Boldface indicates field-supplied drive required. (See Note 3.)
2. indicates field-supplied motor and drive required.
3. Motor drive range is 840 to 1085 rpm for standard motors. All other rpms
require a field-supplied drive.
4. Values include losses for filters, unit casing, and wet coils. See page 40 for
accessory/FIOP static pressure information.
5. Maximum continuous bhp is 2.9 for standard motors. Extensive motor and
electrical testing on these units ensures that the full range of the motor can be
utilized with confidence. Using your fan motors up to the ratings shown will not
result in nuisance tripping or premature motor failure. Unit warranty will not be
affected. See Evaporator-Fan Motor Data tables on pages 41 and 42 for addi-
tional information.
6. Use of a field-supplied motor may affect wire sizing. Contact your Bryant
representative to verify.
LEGEND
NOTES:
1. Boldface indicates field-supplied drive required. (See Note 3.)
2. indicates field-supplied motor and drive required.
3. Motor drive range is 860 to 1080 rpm for high-static motors. All other rpms
require a field-supplied drive.
4. Values include losses for filters, unit casing, and wet coils. See page 40 for
accessory/FIOP static pressure information.
5. Maximum continuous bhp is 4.2 for high-static motors. Extensive motor and
electrical testing on these units ensures that the full range of the motor can be
utilized with confidence. Using your fan motors up to the ratings shown will not
result in nuisance tripping or premature motor failure. Unit warranty will not be
affected. See Evaporator-Fan Motor Data tables on pages 41 and 42 for addi-
tional information.
6. Use of a field-supplied motor may affect wire sizing. Contact your Bryant
representative to verify.
7. Interpolation is permissible. Do not extrapolate.
581B102 (81/2 TONS) — STANDARD MOTOR
AIRFLOW
(Cfm)
EXTERNAL STATIC PRESSURE (in. wg)
0.2 0.4 0.6 0.8 0.9 1.0 1.2 1.4 1.6
Rpm Bhp Rpm Bhp Rpm Bhp Rpm Bhp Rpm Bhp Rpm Bhp Rpm Bhp Rpm Bhp Rpm Bhp
2550 550 0.69 627 0.94 692 1.17 754 1.45 783 1.60 812 1.74 864 1.99 920 2.39 974 2.76
2600 557 0.72 634 0.97 698 1.21 759 1.49 787 1.64 816 1.79 868 2.04 921 2.41 976 2.78
2700 573 0.79 648 1.05 711 1.29 770 1.58 798 1.73 827 1.88 878 2.16 928 2.45 983 2.88
2800 588 0.86 662 1.13 723 1.38 782 1.66 809 1.82 837 1.98 889 2.29 937 2.57 986 2.91
2900 604 0.94 676 1.21 737 1.48 794 1.76 821 1.92 848 2.08 900 2.41 947 2.70 993 3.01
3000 620 1.02 690 1.30 750 1.58 806 1.86 832 2.02 849 2.18 910 2.52 958 2.85 1002 3.15
3100 636 1.11 704 1.39 764 1.69 818 1.97 844 2.13 870 2.29 920 2.64 968 2.99 1012 3.30
3200 652 1.21 718 1.49 778 1.80 831 2.09 856 2.25 882 2.40 931 2.76 979 3.13 1023 3.47
3300 668 1.31 732 1.59 793 1.92 844 2.21 869 2.37 894 2.53 942 2.89 989 3.26 1034 3.63
3400 684 1.41 747 1.70 807 2.04 857 2.35 882 2.51 907 2.66 954 3.02 1000 3.40 1044 3.79
3500 701 1.53 762 1.82 821 2.16 871 2.48 895 2.64 919 2.80 966 3.15 1011 3.55 1054 3.94
3600 717 1.65 777 1.94 835 2.29 885 2.63 908 2.79 932 2.95 978 3.30 1022 3.69 1065 4.10
3700 733 1.77 792 2.07 849 2.42 899 2.78 922 2.95 945 3.11 990 3.45 1034 3.84 1076 4.26
3750 742 1.84 800 2.14 856 2.49 907 2.86 929 3.03 952 3.20 997 3.54 1040 3.93 1082 4.27
3800 750 1.90 807 2.21 863 2.56 914 2.93 936 3.11 958 3.28 1003 3.62 1045 4.01 1087 4.43
3900 767 2.04 822 2.35 877 2.71 928 3.09 950 3.27 972 3.45 1015 3.80 1057 4.18 1098 4.60
4000 783 2.18 838 2.50 891 2.86 942 3.26 964 3.45 986 3.63 1028 3.99 1070 4.36 1110 4.78
4100 800 2.34 854 2.66 905 3.02 956 3.43 978 3.62 1000 3.81 1042 4.18 1082 4.56 1122 4.97
4200 817 2.49 869 2.82 920 3.19 970 3.60 992 3.80 1015 4.00 1055 4.38 1095 4.76 1134 5.16
4250 826 2.58 877 2.91 928 3.28 977 3.69 999 3.90 1022 4.10 1062 4.49 1102 4.87 ——
4300 834 2.66 885 3.00 935 3.37 984 3.78 1006 3.99 1029 4.20 1069 4.59 1108 4.98 ——
Bhp —Brake Horsepower Input to Fan
FIOP —Factory-Installed Option
581B102 (81/2 TONS) — HIGH-STATIC MOTOR
AIRFLOW
(Cfm)
EXTERNAL STATIC PRESSURE (in. wg)
0.2 0.4 0.6 0.8 1.0 1.2 1.4 1.6 1.8 2.0
Rpm Bhp Rpm Bhp Rpm Bhp Rpm Bhp Rpm Bhp Rpm Bhp Rpm Bhp Rpm Bhp Rpm Bhp Rpm Bhp
2550 550 0.69 627 0.94 692 1.17 754 1.45 812 1.74 864 1.99 920 2.39 974 2.76 1005 3.04 1034 3.31
2600 557 0.72 634 0.97 698 1.21 759 1.49 816 1.79 868 2.04 921 2.41 976 2.78 1008 3.06 1037 3.33
2700 573 0.79 648 1.05 711 1.29 770 1.58 827 1.88 878 2.16 928 2.45 983 2.88 1015 3.17 1044 3.45
2800 588 0.86 662 1.13 723 1.38 782 1.66 837 1.98 889 2.29 937 2.57 986 2.91 1018 3.20 1047 3.49
2900 604 0.94 676 1.21 737 1.48 794 1.76 848 2.08 900 2.41 947 2.70 993 3.01 1025 3.31 1055 3.61
3000 620 1.02 690 1.30 750 1.58 806 1.86 849 2.18 910 2.52 958 2.85 1002 3.15 1034 3.47 1064 3.77
3100 636 1.11 704 1.39 764 1.69 818 1.97 870 2.29 920 2.64 968 2.99 1012 3.30 1045 3.63 1075 3.95
3200 652 1.21 718 1.49 778 1.80 831 2.09 882 2.40 931 2.76 979 3.13 1023 3.47 1056 3.82 1087 4.16
3300 668 1.31 732 1.59 793 1.92 844 2.21 894 2.53 942 2.89 989 3.26 1034 3.63 1067 3.99 1098 4.35
3400 684 1.41 747 1.70 807 2.04 857 2.35 907 2.66 954 3.02 1000 3.40 1044 3.79 1078 4.17 1109 4.54
3500 701 1.53 762 1.82 821 2.16 871 2.48 919 2.80 966 3.15 1011 3.55 1054 3.94 1088 4.33 1119 4.72
3600 717 1.65 777 1.94 835 2.29 885 2.63 932 2.95 978 3.30 1022 3.69 1065 4.10 1099 4.51 1131 4.91
3700 733 1.77 792 2.07 849 2.42 899 2.78 945 3.11 990 3.45 1034 3.84 1076 4.26 1111 4.69 1143 5.10
3750 742 1.84 800 2.14 856 2.49 907 2.86 952 3.20 997 3.54 1040 3.93 1082 4.27 1117 4.70 1149 5.12
3800 750 1.90 807 2.21 863 2.56 914 2.93 958 3.28 1003 3.62 1045 4.01 1087 4.43 1122 4.87 1155 5.31
3900 767 2.04 822 2.35 877 2.71 928 3.09 972 3.45 1015 3.80 1057 4.18 1098 4.60 1133 5.06 1166 5.51
4000 783 2.18 838 2.50 891 2.86 942 3.26 986 3.63 1028 3.99 1070 4.36 1110 4.78 1146 5.26 1179 5.73
4100 800 2.34 854 2.66 905 3.02 956 3.43 1000 3.81 1042 4.18 1082 4.56 1122 4.97 1158 5.47 1192 5.95
4200 817 2.49 869 2.82 920 3.19 970 3.60 1015 4.00 1055 4.38 1095 4.76 1134 5.16 1171 5.68 1204 6.18
4250 826 2.58 877 2.91 928 3.28 977 3.69 1022 4.10 1062 4.49 1102 4.87 1140 5.27 1177 5.80 1211 6.31
4300 834 2.66 885 3.00 935 3.37 984 3.78 1029 4.20 1069 4.59 1108 4.98 1147 5.38 1184 5.92 1218 6.45
Bhp —Brake Horsepower Input to Fan
FIOP —Factory-Installed Option

39
PERFORMANCE DATA (cont)
FAN PERFORMANCE — HORIZONTAL DISCHARGE UNITS (cont)
LEGEND
NOTES:
1. Boldface indicates field-supplied drive required. (See Note 3.)
2. indicates high static motor and drive required.
3. Motor drive range is 860 to 1080 rpm for standard motors and 830 to 1130 for
high-static motors. All other rpms require a field-supplied drive.
4. Values include losses for filters, unit casing, and wet coils. See page 40 for
accessory/FIOP static pressure information.
5. Maximum continuous bhp is 3.70 for standard motors and 5.25 for high-static
motors. Extensive motor and electrical testing on these units ensures that the
full range of the motor can be utilized with confidence. Using your fan motors
up to the ratings shown will not result in nuisance tripping or premature motor
failure. Unit warranty will not be affected. See Evaporator-Fan Motor Data
tables on pages 41 and 42 for additional information.
6. Use of a field-supplied motor may affect wire sizing. Contact your Bryant
representative to verify.
LEGEND
NOTES:
1. Boldface indicates field-supplied drive required. (See Note 2.)
2. Standard drive range is 900 to 1260 rpm.
3. Values include losses for filters, unit casing, and wet coils. See page 40 for
accessory/FIOP static pressure information.
4. Maximum continuous bhp is 5.25 for the standard motor. Extensive motor and
electrical testing on these units ensures that the full range of the motor can be
utilized with confidence. Using your fan motors up to the ratings shown will not
result in nuisance tripping or premature motor failure. Unit warranty will not be
affected. See Evaporator-Fan Motor Data table on pages 41 and 42 for addi-
tional information.
5. Use of a field-supplied motor may affect wire sizing. Contact your Bryant
representative to verify.
6. Interpolation is permissible. Do not extrapolate.
581B120 (10 TONS) — STANDARD AND HIGH-STATIC MOTOR
AIRFLOW
(Cfm)
EXTERNAL STATIC PRESSURE (in. wg)
0.2 0.4 0.6 0.8 1.0 1.2 1.4 1.6 1.8 2.0
Rpm Bhp Rpm Bhp Rpm Bhp Rpm Bhp Rpm Bhp Rpm Bhp Rpm Bhp Rpm Bhp Rpm Bhp Rpm Bhp
3000 478 0.57 658 0.92 721 1.08 796 1.23 851 1.50 898 1.78 942 2.01 983 2.17 1023 2.46 1063 2.61
3100 500 0.62 669 0.97 731 1.16 808 1.30 861 1.57 907 1.86 951 2.09 992 2.24 1031 2.51 1070 2.75
3200 519 0.69 680 1.03 741 1.23 818 1.38 873 1.65 916 1.95 960 2.18 1000 2.32 1039 2.58 1077 2.88
3300 537 0.77 692 1.10 751 1.30 828 1.47 884 1.72 925 2.03 969 2.27 1009 2.41 1048 2.66 1086 2.95
3400 561 0.86 704 1.17 761 1.37 837 1.57 896 1.82 934 2.12 978 2.36 1018 2.51 1057 2.75 1094 3.02
3500 592 0.98 715 1.24 773 1.45 847 1.66 907 1.92 945 2.22 987 2.46 1027 2.60 1066 2.85 1102 3.12
3600 632 1.12 727 1.32 784 1.54 857 1.76 917 2.03 957 2.32 996 2.55 1036 2.71 1075 2.96 1111 3.22
3700 677 1.20 748 1.43 810 1.65 869 1.89 928 2.17 984 2.43 1036 2.68 1080 2.90 1114 3.07 1135 3.17
3800 691 1.28 761 1.52 822 1.75 880 1.98 937 2.28 993 2.55 1046 2.81 1092 3.05 1129 3.25 1156 3.39
3900 705 1.37 773 1.62 834 1.86 891 2.08 947 2.39 1002 2.66 1055 2.94 1102 3.20 1143 3.42 1174 3.59
4000 720 1.47 786 1.71 847 1.97 902 2.19 957 2.50 1011 2.79 1064 3.07 1112 3.34 1155 3.59 1190 3.80
4100 734 1.56 800 1.82 860 2.09 914 2.31 967 2.60 1021 2.91 1072 3.20 1121 3.49 1165 3.76 1203 3.99
4200 749 1.66 813 1.92 873 2.21 926 2.44 978 2.71 1030 3.04 1081 3.34 1130 3.64 1175 3.92 1215 4.18
4300 764 1.77 826 2.04 886 2.33 938 2.57 989 2.83 1040 3.18 1090 3.48 1139 3.79 1185 4.08 1226 4.36
4400 779 1.88 840 2.16 899 2.46 951 2.71 1000 2.96 1050 3.31 1100 3.63 1148 3.94 1194 4.25 1236 4.54
4500 793 1.99 854 2.28 912 2.59 963 2.86 1012 3.09 1061 3.43 1109 3.78 1157 4.09 1203 4.42 1246 4.72
4600 808 2.11 868 2.42 925 2.73 975 3.00 1024 3.25 1071 3.56 1119 3.93 1166 4.26 1212 4.58 1255 4.91
4700 822 2.24 882 2.56 937 2.86 988 3.16 1036 3.42 1082 3.70 1129 4.09 1175 4.43 1221 4.76 1264 5.09
4800 837 2.37 896 2.71 950 3.00 1001 3.32 1048 3.59 1093 3.86 1139 4.24 1185 4.60 1230 4.93 ——
4900 852 2.51 910 2.86 963 3.15 1014 3.48 1060 3.76 1105 4.02 1150 4.38 1194 4.77 1239 5.12 ——
5000 867 2.65 924 3.01 977 3.30 1027 3.65 1073 3.94 1117 4.20 1161 4.54 1204 4.95 ————
Bhp —Brake Horsepower Input to Fan
FIOP —Factory-Installed Option
581B150 (121/2 TONS) — STANDARD MOTOR
AIRFLOW
(Cfm)
EXTERNAL STATIC PRESSURE (in. wg)
0.2 0.4 0.6 0.8 1.0 1.2 1.4 1.6 1.8 2.0
Rpm Bhp Rpm Bhp Rpm Bhp Rpm Bhp Rpm Bhp Rpm Bhp Rpm Bhp Rpm Bhp Rpm Bhp Rpm Bhp
3700 ——————869 1.89 928 2.17 984 2.43 1036 2.68 1080 2.90 1114 3.07 1135 3.17
3800 ——————880 1.98 937 2.28 993 2.55 1046 2.81 1092 3.05 1129 3.25 1156 3.39
3900 ——————891 2.08 947 2.39 1002 2.66 1055 2.94 1102 3.20 1143 3.42 1174 3.59
4000 ——————902 2.19 957 2.50 1011 2.79 1064 3.07 1112 3.34 1155 3.59 1190 3.80
4100 ————860 2.09 914 2.31 967 2.60 1021 2.91 1072 3.20 1121 3.49 1165 3.76 1203 3.99
4200 ————873 2.21 926 2.44 978 2.71 1030 3.04 1081 3.34 1130 3.64 1175 3.92 1215 4.18
4300 ————886 2.33 938 2.57 989 2.83 1040 3.18 1090 3.48 1139 3.79 1185 4.08 1226 4.36
4400 ————899 2.46 951 2.71 1000 2.96 1050 3.31 1100 3.63 1148 3.94 1194 4.25 1236 4.54
4500 ————912 2.59 963 2.86 1012 3.09 1061 3.43 1109 3.78 1157 4.09 1203 4.42 1246 4.72
4600 ——868 2.42 925 2.73 975 3.00 1024 3.25 1071 3.56 1119 3.93 1166 4.26 1212 4.58 1255 4.91
4700 ——882 2.56 937 2.86 988 3.16 1036 3.42 1082 3.70 1129 4.09 1175 4.43 1221 4.76 1264 5.09
4800 ——896 2.71 950 3.00 1001 3.32 1048 3.59 1093 3.86 1139 4.24 1185 4.60 1230 4.93 ——
4900 ——910 2.86 963 3.15 1014 3.48 1060 3.76 1105 4.02 1150 4.38 1194 4.77 1239 5.12 ——
5000 867 2.65 924 3.01 977 3.30 1027 3.65 1073 3.94 1117 4.20 1161 4.54 1204 4.95 ————
5100 882 2.79 938 3.17 990 3.46 1040 3.82 1085 4.12 1129 4.40 1172 4.71 1214 5.13 ————
5200 896 2.95 952 3.33 1003 3.63 1053 4.00 1098 4.30 1141 4.60 1183 4.91 ——————
5300 911 3.11 967 3.50 1017 3.80 1066 4.18 1111 4.50 1153 4.80 1194 5.08 ——————
5400 926 3.27 981 3.68 1030 3.98 1079 4.35 1124 4.70 1166 5.01 ————————
5500 940 3.44 995 3.86 1044 4.17 1092 4.54 1137 4.91 1178 5.22 ————————
5600 955 3.62 1010 4.04 1058 4.38 1105 4.73 1150 5.12 ——————————
5700 970 3.80 1024 4.23 1072 4.59 1118 4.93 ————————————
5800 985 3.99 1039 4.42 1086 4.80 1131 5.14 ————————————
5900 1000 4.18 1053 4.62 1100 5.02 ——————————————
6000 1015 4.39 1068 4.83 1114 5.25 ——————————————
6100 1030 4.59 1083 5.04 ————————————————
6200 1046 4.81 ——————————————————
Bhp —Brake Horsepower Input to Fan
FIOP —Factory-Installed Option

40
PERFORMANCE DATA (cont)
OUTDOOR SOUND POWER (TOTAL UNIT)
LEGEND
ECONOMIZER STATIC PRESSURE DROP (in. wg)
581B036-072
ECONOMIZER STATIC PRESSURE DROP (in. wg)
581B090-150
EVAPORATOR-FAN MOTOR EFFICIENCY
*Single phase/3 phase.
NOTE: Convert bhp to watts using the following formula:
FIOP PERFECT HUMIDITY™ DEHUMIDIFICATION
PACKAGE STATIC PRESSURE DROP (in. wg)
LEGEND
FIOP — Factory-Installed Option
UNIT
581B
ARI
RATING
(dB)
OCTAVE BANDS
63 125 250 500 1000 2000 4000 8000
036,048 76 55.9 66.0 64.0 66.2 68.4 64.5 61.7 57.3
060,072 80 59.1 68.9 68.7 71.9 74.0 68.9 65.7 59.0
090-102 82 62.2 69.3 71.5 74.7 76.2 72.9 68.7 61.5
120 84 64.6 71.1 73.3 76.9 77.6 73.7 70.6 63.7
150 86 63.7 69.9 72.5 78.2 81.1 77.3 73.3 66.8
ARI —Air Conditioning and Refrigeration Institute
dB —Sound Levels (decibels)
UNIT CFM
900 1200 1400 1600 1800 2000 2200 2400 2600
Durablade .05 .05 .05 .05 .05 .05 .05 .05 .05
EconoMi$er —.09 .12 .15 .19 .24 .29 .35 —
ECONOMIZER CFM
2200 2500 3000 3500 4000 4500 5000 5500 6000
Durablade .02 .02 .030 .040 .05 .06 .07 .08 .09
EconoMi$er ——.125 .180 .27 .34 .40 ——
UNIT SIZE
581B EFFICIENCY %
036,048 75
060* 74/84
072 84
090,102 80
120 85
150 87
watts = bhp (746)
motor efficiency
UNIT SIZE
581B
UNIT NOMINAL
TONS
CFM PER TON
300 400 500
036 3 .04 .07 .09
048 4 .07 .12 .15
060 5 .09 .15 .21
072 6 .12 .20 .28
090 71/2.08 .13 .18
102 81/2.10 .15 .22
120 10 .08 .13 .18
150 121/2.11 .18 .26

41
PERFORMANCE DATA (cont)
581B FAN RPM AT MOTOR PULLEY SETTING WITH STANDARD MOTOR
581B FAN RPM AT MOTOR PULLEY SETTING WITH HIGH-STATIC MOTOR
EVAPORATOR-FAN MOTOR DATA — STANDARD MOTOR
LEGEND
Bhp — Brake Horsepower
*Extensive motor and electrical testing on these units ensures that the
full horsepower and watts range of the motors can be utilized with con-
fidence. Using your fan motors up to the ratings shown in this table will
not result in nuisance tripping or premature motor failure. Unit warranty
will not be affected.
STANDARD MOTOR
Unit
581B
Motor Pulley Turns Open
01/211
1/222
1/233
1/244
1/255
1/26
036 1090 1055 1025 990 960 925 890 860 825 795 760 ——
048 1185 1150 1115 1080 1045 1015 980 945 910 875 840 ——
060
(single-phase) 1460 1425 1385 1350 1315 1275 1240 1205 1165 1130 1095 1055 1020
060 (3-phase)
and 072 1585 1540 1490 1445 1400 1350 1305 1260 1210 1165 1120 ——
090,102 1085 1060 1035 1010 985 960 935 910 890 865 840 ——
120 1080 1060 1035 1015 990 970 950 930 905 885 860 ——
150 1260 1220 1185 1155 1130 1100 1075 1045 1015 990 960 930 900
HIGH-STATIC MOTOR
Unit
581B
Motor Pulley Turns Open
01/211
1/222
1/233
1/244
1/255
1/26
036 1455 1423 1392 1360 1328 1297 1265 1233 1202 1170 1138 1107 1075
048 1455 1423 1392 1360 1328 1297 1265 1233 1202 1170 1138 1107 1075
060 1685 1589 1557 1525 1493 1460 1428 1396 1364 1332 1300 ——
072 1685 1589 1557 1525 1493 1460 1428 1396 1364 1332 1300 ——
090 1080 1025 1007 988 970 952 933 915 897 878 860 ——
102 1080 1025 1007 988 970 952 933 915 897 878 860 ——
120 1130 1112 1087 1062 1037 1212 987 962 937 912 887 962 830
UNIT
581B
UNIT
PHASE
MAXIMUM
CONTINUOUS BHP*
MAXIMUM
OPERATING WATTS* UNIT VOLTAGE MAXIMUM
AMP DRAW
036
Single 1.20 1000 208/230 4.9
Three 1.20 1000
208/230 4.9
460 2.2
575 2.2
048
Single 1.20 1000 208/230 4.9
Three 1.20 1000
208/230 4.9
460 2.2
575 2.2
060
Single 1.30 1650 208/230 10.1
Three 2.40 2120
208/230 6.7
460 3.0
575 3.0
072 Three 2.40 2120
208/230 6.7
460 3.0
575 3.0
090,102 Three 2.90 2615
208/230 8.6
460 3.9
575 3.9
120 Three 3.70 3775
208/230 12.2
460 5.5
575 5.5
150 Three 5.25 4400
208/230 17.3
460 8.5
575 8.5

42
PERFORMANCE DATA (cont)
EVAPORATOR-FAN MOTOR DATA — HIGH-STATIC MOTORS
LEGEND
Bhp — Brake Horsepower
*Extensive motor and electrical testing on these units ensures that the full
horsepower and watts range of the motors can be utilized with confidence.
Using your fan motors up to the ratings shown in this table will not result in
nuisance tripping or premature motor failure. Unit warranty will not be
affected.
UNIT
581B
UNIT
PHASE
MAXIMUM
CONTINUOUS BHP*
MAXIMUM
OPERATING WATTS* UNIT VOLTAGE MAXIMUM
AMP DRAW
036 Three 2.40 2120
208/230 6.7
460 3.0
575 3.0
046 Three 2.40 2120
208/230 6.7
460 3.0
575 3.0
060 Three 2.90 2615
208/230 8.6
460 3.9
575 3.9
072 Three 2.90 2615
208/230 8.6
460 3.9
575 3.9
090,102 Three 4.20 3775
208/230 12.2
460 5.5
575 5.5
120 Three 5.25 4400
208/230 17.5
460 8.5
575 8.5
Durablade Economizer Barometric Relief
Damper Characteristics — 581B036-072
Durablade Economizer Barometric Relief
Damper Characteristics — 581B090-150

43
PERFORMANCE DATA (cont)
50
40
30
20
10
0
00.25 0.5 0.75 1
FLOW (CFM)
STATIC PRESSURE (in. wg)
3 TO 6 TON
7 1/2 TO 12 1/2 TON
0.25
0.20
0.15
0.10
0.05
0.00
1200 2000 2800 3600 4400
FLOW (CFM)
STATIC PRESSURE (in. wg)
3 TO 6 TON
7 1/2 TO 12 1/2 TON
0.35
0.30
EconoMi$er Outdoor-Air Leakage EconoMi$er Return-Air Pressure Drop
0.25
0.20
0.15
0.10
0.05
0.00
0500 1000 1500 2000
FLOW (CFM)
STATIC PRESSURE (in. wg)
3 TO 6 TON
7 1/2 TO 12 1/2 TON
EconoMi$er Barometric Relief
Damper Characteristics
FLOW (cfm)
00.1 0.2 0.3 0.4 0.5
STATIC PRESSURE (in. wg)
2 FANS
OPERATING
1 FAN
OPERATING
2500
2000
1500
1000
500
0
5000
4000
3000
2000
1000
0
00.1 0.2 0.3 0.4 0.5
STATIC PRESSURE (in. wg)
FLOW (cfm)
2 FANS
OPERATING
1 FAN
OPERATING
EconoMi$er Power Exhaust Performance
(581B036-072) EconoMi$er Power Exhaust Performance
(581B090-150)

44
PERFORMANCE DATA (cont)
ALTITUDE COMPENSATION*
581B036-072
*As the height above sea level increases, there is less oxygen per cubic foot of air.
Therefore, heat input rate should be reduced at higher altitudes.
†Orifices available through your Bryant distributor.
ALTITUDE COMPENSATION*
581B090-150
*As the height above sea level increases, there is less oxygen per cubic
foot of air. Therefore, heat input rate should be reduced at higher
altitudes.
†Orifices available through your local Bryant distributor.
ALTITUDE DERATING FACTOR*
581B036-150
*Derating of the unit is not required unless the heating value of the
gas exceeds the values listed in the table above, or if the elevation
exceeds 6000 ft. Derating conditions must be 4% per thousand ft
above sea level. For example, at 4000 ft, if the heating value of the
gas exceeds 1000 Btu/ft3, the unit will require a 16% derating. For
elevations above 6000 ft, the same formula applies. For example, at
7000 ft, the unit will require a 28% derating of the maximum heating
value per the National Fuel Gas Code.
ELEVATIO
N
(ft)
72,000 AND 115,000/
60,000 and 90,000
BTUH NOMINAL
INPUT*
150,000/120,000 BTUH
NOMINAL INPUT
Natural
Gas
Orifice
Size†
Liquid
Propane
Orifice
Size†
Natural
Gas
Orifice
Size†
Liquid
Propane
Orifice
Size†
0-2,000 33/38 43/45 30/32 38/42
2,000 34/39 43/46 30/33 39/42
3,000 35/40 44/47 31/34 40/43
4,000 36/41 44/47 32/35 41/43
5,000 36/41 44/48 33/35 42/43
6,000 37/42 45/48 34/36 43/44
7,000 37/42 45/49 35/37 43/44
8,000 38/43 46/49 36/37 44/45
9,000 39/43 47/50 37/38 44/46
10,000 41/44 48/50 38/40 45/47
11,000 43/45 48/51 39/41 45/48
12,000 44/45 49/51 40/42 46/49
13,000 44/46 49/52 41/43 47/49
14,000 45/47 50/52 42/43 47/50
ELEVATION
(ft)
125,000-224,000 BTUH
NOMINAL INPUT
250,000 BTUH
NOMINAL INPUT
Natural
Gas
Orifice
Size†
Liquid
Propane
Orifice
Size†
Natural
Gas
Orifice
Size†
Liquid
Propane
Orifice
Size†
0-2,000 31 41 30 38
2,000 32 42 30 39
3,000 32 42 31 40
4,000 32 42 32 41
5,000 33 43 33 42
6,000 34 43 34 43
7,000 35 44 35 43
8,000 36 44 36 44
9,000 37 45 37 44
10,000 38 46 38 45
11,000 39 47 39 45
12,000 40 47 40 46
13,000 41 48 41 47
14,000 42 48 42 47
ELEVATION MAXIMUM HEATING VALUE
(Btu/ft3)
0-2000 1100
2001-3000 1050
3001-4000 1000
4001-5000 950
5001-6000 900

45
ELECTRICAL DATA
581B036-072 STANDARD MOTOR (Units Without Electrical Convenience Outlet)
581B036-072 STANDARD MOTOR (Units With Electrical Convenience Outlet)
LEGEND
*Used to determine minimum disconnect per NEC.
†Fuse or HACR circuit breaker.
NOTES:
1. In compliance with NEC requirements for multimotor and combination
load equipment (refer to NEC Articles 430 and 440), the overcurrent
protective device for the unit shall be fuse or HACR breaker. UL, Can-
ada units may be fuse or circuit breaker.
2. Unbalanced 3-Phase Supply Voltage
Never operate a motor where a phase imbalance in supply voltage is
greater than 2%. Use the following formula to determine the percent of
voltage imbalance.
Example: Supply voltage is 460-3-60.
AB = 452 v
BC = 464 v
AC = 455 v
= 457
Determine maximum deviation from average voltage.
(AB) 457 – 452 = 5 v
(BC) 464 – 457 = 7 v
(AC) 457 – 455 = 2 v
Maximum deviation is 7 v.
Determine percent of voltage imbalance.
% Voltage Imbalance = 100 x
= 1.53%
This amount of phase imbalance is satisfactory as it is below the maximum
allowable 2%.
IMPORTANT: If the supply voltage phase imbalance is more than 2%, con-
tact your local electric utility company immediately.
UNIT
581B
NOMINAL
VOLTAGE
(V-Ph-Hz)
VOLTAGE
RANGE COMPRESSOR OFM IFM COMBUSTION
FAN MOTOR
POWER
SUPPLY
WITH OUTLET
MINIMUM UNIT
DISCONNECT
SIZE*
Min Max RLA LRA FLA FLA FLA MCA MOCP†FLA LRA
036
(3 Tons)
208/230-1-60 187 254 16.0 88.0 0.7 4.9 .57 25.6/25.6 35/35 25/25 101/101
208/230-3-60 187 254 10.3 77.0 0.7 4.9 .57 18.5/18.5 25/25 18/18 90/ 90
460-3-60 414 508 5.1 39.0 0.4 2.2 .30 9.0 15 9 46
575-3-60 518 632 4.2 31.0 0.4 2.2 .30 7.3 15 7 36
048
(4 Tons)
208/230-1-60 187 254 23.7 129.0 0.7 4.9 .57 35.2/35.2 45/45 34/34 142/142
208/230-3-60 187 254 13.5 99.0 0.7 4.9 .57 22.5/22.5 30/30 22/22 112/112
460-3-60 414 508 7.4 49.5 0.4 2.2 .30 11.9 15 12 56
575-3-60 518 632 5.8 40.0 0.4 2.2 .30 9.3 15 9 45
060
(5 Tons)
208/230-1-60 187 254 28.8 169.0 1.5 8.8 .57 46.3/46.3 60/60 45/45 216/216
208/230-3-60 187 254 17.3 123.0 1.5 5.8 .57 28.9/28.9 35/35 28/28 168/168
460-3-60 414 508 9.0 62.0 0.8 2.6 .30 14.7 20 14 84
575-3-60 518 632 7.1 50.0 0.8 2.6 .30 11.6 15 11 67
072
(6 Tons)
208/230-3-60 187 254 20.5 156.0 1.4 5.8 .57 32.8/32.8 40/40 32/32 200/200
460-3-60 414 508 9.6 70.0 0.6 2.6 .30 15.2 20 15 92
575-3-60 518 632 7.7 56.0 0.6 2.6 .30 12.2 15 13 78
UNIT
581B
NOMINAL
VOLTAGE
(V-Ph-Hz)
VOLTAGE
RANGE COMPRESSOR OFM IFM COMBUSTION
FAN MOTOR
POWER
SUPPLY
WITH OUTLET
MINIMUM UNIT
DISCONNECT
SIZE*
Min Max RLA LRA FLA FLA FLA MCA MOCP†FLA LRA
036
(3 Tons)
208/230-1-60 187 254 16.0 88.0 0.7 4.9 .57 31.6/31.6 40/40 30/30 106/106
208/230-3-60 187 254 10.3 77.0 0.7 4.9 .57 24.5/24.5 30/30 24/24 95/95
460-3-60 414 508 5.1 39.0 0.4 2.2 .30 11.7 15 11 48
575-3-60 518 632 4.2 31.0 0.4 2.2 .30 9.5 15 9 38
048
(4 Tons)
208/230-1-60 187 254 23.7 129.0 0.7 4.9 .57 41.2/41.2 50/50 39/39 147/147
208/230-3-60 187 254 13.5 99.0 0.7 4.9 .57 28.5/28.5 35/35 27/27 117/117
460-3-60 414 508 7.4 49.5 0.4 2.2 .30 14.6 20 14 58
575-3-60 518 632 5.8 40.0 0.4 2.2 .30 11.5 15 11 47
060
(5 Tons)
208/230-1-60 187 254 28.8 169.0 1.5 8.8 .57 52.3/52.3 60/60 50/50 221/221
208/230-3-60 187 254 17.3 123.0 1.5 5.8 .57 34.9/34.9 40/40 34/34 173/173
460-3-60 414 508 9.0 62.0 0.8 2.6 .30 17.4 20 17 86
575-3-60 518 632 7.1 50.0 0.8 2.6 .30 13.8 20 13 69
072
(6 Tons)
208/230-3-60 187 254 20.5 156.0 1.4 5.8 .57 38.8/38.8 45/45 37/37 205/205
460-3-60 414 508 9.6 70.0 0.6 2.6 .30 17.9 20 17 94
575-3-60 518 632 7.7 56.0 0.6 2.6 .30 14.3 20 15 79
FLA —Full Load Amps
HACR —Heating, Air Conditioning and Refrigeration
IFM —Indoor (Evaporator) Fan Motor
LRA —Locked Rotor Amps
MCA —Minimum Circuit Amps
MOCP —Maximum Overcurrent Protection
NEC —National Electrical Code
OFM —Outdoor (Condenser) Fan Motor
RLA —Rated Load Amps
UL —Underwriters’ Laboratories
= 100 x max voltage deviation from average voltage
average voltage
Average Voltage = 452 + 464 + 455
3
= 1371
3
7
457

46
ELECTRICAL DATA (cont)
581B036-072 HIGH-STATIC MOTOR (Units Without Electrical Convenience Outlet)
581B036-072 HIGH-STATIC MOTOR (Units With Electrical Convenience Outlet)
LEGEND
*Used to determine minimum disconnect per NEC.
†Fuse or HACR circuit breaker.
NOTES:
1. In compliance with NEC requirements for multimotor and combina-
tion load equipment (refer to NEC Articles 430 and 440), the overcur-
rent protective device for the unit shall be fuse or HACR breaker. UL,
Canada units may be fuse or circuit breaker.
2. Unbalanced 3-Phase Supply Voltage
Never operate a motor where a phase imbalance in supply voltage is
greater than 2%. Use the following formula to determine the percent
of voltage imbalance.
Example: Supply voltage is 460-3-60.
AB = 452 v
BC = 464 v
AC = 455 v
= 457
Determine maximum deviation from average voltage.
(AB) 457 – 452 = 5 v
(BC) 464 – 457 = 7 v
(AC) 457 – 455 = 2 v
Maximum deviation is 7 v.
Determine percent of voltage imbalance.
% Voltage Imbalance = 100 x
= 1.53%
This amount of phase imbalance is satisfactory as it is below the maxi-
mum allowable 2%.
IMPORTANT: If the supply voltage phase imbalance is more than 2%,
contact your local electric utility company immediately.
UNIT
581B
NOMINAL
VOLTAGE
(V-Ph-Hz)
VOLTAGE
RANGE
COMPRESSOR
(each) OFM IFM COMBUSTION
FAN MOTOR
POWER
SUPPLY
MINIMUM UNIT
DISCONNECT
SIZE*
Min Max RLA LRA FLA FLA RLA MCA MOCP†FLA LRA
036
208/230-3-60 187 254 10.3 77.0 0.7 5.8 0.6 19.4/19.4 25/25 19/19 120/120
460-3-60 414 508 5.1 39.0 0.4 2.6 0.3 9.4 15 9 60
575-3-60 518 632 4.2 31.0 0.4 2.6 0.3 7.7 15 8 48
048
208/230-3-60 187 254 13.5 99.0 0.7 5.8 0.6 23.4/23.4 30/30 23/23 142/142
460-3-60 414 508 7.4 49.5 0.4 2.6 0.3 12.3 15 12 71
575-3-60 518 632 5.8 40.0 0.4 2.6 0.3 9.7 15 9 57
060
208/230-3-60 187 254 17.3 123.0 1.5 7.5 0.6 30.6/30.6 35/35 30/30 187/187
460-3-60 414 508 9.0 62.0 0.8 3.4 0.3 15.5 20 15 94
575-3-60 518 632 7.1 50.0 0.8 3.4 0.3 12.2 15 12 76
072
208/230-3-60 187 254 20.5 156.0 1.4 7.5 0.6 30.6/30.6 35/35 30/30 187/187
460-3-60 414 508 9.6 70.0 0.6 3.4 0.3 15.5 20 15 94
575-3-60 518 632 7.7 56.0 0.6 3.4 0.3 12.2 15 12 76
UNIT
581B
NOMINAL
VOLTAGE
(V-Ph-Hz)
VOLTAG E
RANGE
COMPRESSOR
(each) OFM IFM COMBUSTION
FAN MOTOR
POWER
SUPPLY
MINIMUM UNIT
DISCONNECT
SIZE*
Min Max RLA LRA FLA FLA RLA MCA MOCP†FLA LRA
036
208/230-3-60 187 254 10.3 77.0 0.7 5.8 0.6 25.4/25.4 30/30 25 124/124
460-3-60 414 508 5.1 39.0 0.4 2.6 0.3 12.1 15 12 63
575-3-60 518 632 4.2 31.0 0.4 2.6 0.3 9.8 15 10 50
048
208/230-3-60 187 254 13.5 99.0 0.7 5.8 0.6 29.4/29.4 35/35 29 146/146
460-3-60 414 508 7.4 49.5 0.4 2.6 0.3 15.0 20 14 73
575-3-60 518 632 5.8 40.0 0.4 2.6 0.3 11.8 15 11 59
060
208/230-3-60 187 254 17.3 123.0 1.5 7.5 0.6 36.6/36.6 40/40 36 192/192
460-3-60 414 508 9.0 62.0 0.8 3.4 0.3 18.2 20 18 96
575-3-60 518 632 7.1 50.0 0.8 3.4 0.3 14.4 20 14 77
072
208/230-3-60 187 254 20.5 156.0 1.4 7.5 0.6 40.5/40.5 45/45 39 224/224
460-3-60 414 508 9.6 70.0 0.6 3.4 0.3 18.7 25 18 104
575-3-60 518 632 7.7 56.0 0.6 3.4 0.3 15.0 20 15 89
FLA —Full Load Amps
HACR —Heating, Air Conditioning and Refrigeration
IFM —Indoor (Evaporator) Fan Motor
LRA —Locked Rotor Amps
MCA —Minimum Circuit Amps
MOCP—Maximum Overcurrent Protection
NEC —National Electrical Code
OFM —Outdoor (Condenser) Fan Motor
RLA —Rated Load Amps
UL —Underwriters’ Laboratories
= 100 x max voltage deviation from average voltage
average voltage
Average Voltage = 452 + 464 + 455
3
= 1371
3
7
457

47
ELECTRICAL DATA (cont)
581B090-150 STANDARD MOTOR (Units Without Electrical Convenience Outlet)
581B090-150 STANDARD MOTOR (Units With Electrical Convenience Outlet)
LEGEND
*Used to determine minimum disconnect per NEC.
†Fuse or HACR circuit breaker per NEC.
NOTES:
1. In compliance with NEC requirements for multimotor and combina-
tion load equipment (refer to NEC Articles 430 and 440), the overcur-
rent protective device for the unit shall be fuse or HACR breaker. The
UL, Canadian approved units may be fuse or circuit breaker.
2. Unbalanced 3-Phase Supply Voltage
Never operate a motor where a phase imbalance in supply voltage is
greater than 2%. Use the following formula to determine the percent
of voltage imbalance.
% Voltage imbalance
Example: Supply voltage is 460-3-60.
AB = 452 v
BC = 464 v
AC = 455 v
= 457
Determine maximum deviation from average voltage.
(AB) 457 – 452 = 5 v
(BC) 464 – 457 = 7 v
(AC) 457 – 455 = 2 v
Maximum deviation is 7 v.
Determine percent of voltage imbalance.
% Voltage Imbalance = 100 x
= 1.53%
This amount of phase imbalance is satisfactory as it is below the maxi-
mum allowable 2%.
IMPORTANT: If the supply voltage phase imbalance is more than 2%,
contact your local electric utility company immediately.
UNIT
581B
NOMINAL
VOLTAGE
(V-Ph-Hz)
VOLTAG E
RANGE COMPRESSOR OFM IFM COMBUSTION
FAN MOTOR
POWER
SUPPLY
WITH OUTLET
MINIMUM UNIT
DISCONNECT
SIZE*
Min Max RLA LRA FLA FLA FLA MCA MOCP FLA LRA
090
208/230-3-60 187 254 12.4 88.0 1.4 7.5 .57 38.2/38.2 45/45†40/40 242/242
460-3-60 414 508 6.4 44.0 0.7 3.4 .30 19.2 25†20 121
575-3-60 518 632 4.8 34.0 0.7 3.4 .30 14.6 20†16 95
102
208/230-3-60 187 254 15.0 99.0 1.4 7.5 .57 44.1/44.1 50/50†46/46 264/264
460-3-60 414 508 8.2 49.5 0.7 3.4 .30 23.3 30†24 132
575-3-60 518 632 5.8 40.0 0.7 3.4 .30 16.9 20†18 107
120
208/230-3-60 187 254 18.9 125.0 1.4 10.6 .57 55.9/55.9 60/60†59/59 341/341
460-3-60 414 508 9.0 62.5 0.7 4.8 .30 26.5 30†28 171
575-3-60 518 632 7.1 50.0 0.7 4.8 .30 20.9 25†22 136
150
208/230-3-60 187 254 19.0 156.0 1.4 15.0 .57 60.6/60.6 70/70 64/64 426/426
460-3-60 414 508 9.0 70.0 0.7 7.4 .30 29.1 35†31 197
575-3-60 518 632 7.4 54.0 0.7 7.4 .30 23.7 30†25 154
UNIT
581B
NOMINAL
VOLTAGE
(V-Ph-Hz)
VOLTAG E
RANGE COMPRESSOR OFM IFM COMBUSTION
FAN MOTOR
POWER
SUPPLY
WITH OUTLET
MINIMUM UNIT
DISCONNECT
SIZE*
Min Max RLA LRA FLA FLA FLA MCA MOCP FLA LRA
090
208/230-3-60 187 254 12.4 88.0 1.4 7.5 .57 44.2/44.2 50/50†46/46 247/247
460-3-60 414 508 6.4 44.0 0.7 3.4 .30 21.9 25†23 124
575-3-60 518 632 4.8 34.0 0.7 3.4 .30 16.8 20†18 97
102
208/230-3-60 187 254 15.0 99.0 1.4 7.5 .57 50.1/50.1 60/60†52/52 269/269
460-3-60 414 508 8.2 49.5 0.7 3.4 .30 26.0 30†27 135
575-3-60 518 632 5.8 40.0 0.7 3.4 .30 19.1 25†20 109
120
208/230-3-60 187 254 18.9 125.0 1.4 10.6 .57 61.9/61.9 70/70 64/64 345/345
460-3-60 414 508 9.0 62.5 0.7 4.8 .30 29.2 35†30 173
575-3-60 518 632 7.1 50.0 0.7 4.8 .30 23.1 25†24 139
150
208/230-3-60 187 254 19.0 156.0 1.4 15.0 .57 66.6/66.6 80/70 70/70 430/430
460-3-60 414 508 9.0 70.0 0.7 7.4 .30 31.8 35†33 199
575-3-60 518 632 7.4 54.0 0.7 7.4 .30 25.9 30†27 156
FLA —Full Load Amps
HACR —Heating, Air Conditioning and Refrigeration
IFM —Indoor (Evaporator) Fan Motor
LRA —Locked Rotor Amps
MCA —Minimum Circuit Amps
MOCP—Maximum Overcurrent Protection
NEC —National Electrical Code
OFM —Outdoor (Condenser) Fan Motor
RLA —Rated Load Amps
UL —Underwriters’ Laboratories
= 100 x max voltage deviation from average voltage
average voltage
Average Voltage = 452 + 464 + 455
3
= 1371
3
7
457

48
ELECTRICAL DATA (cont)
581B090-120 HIGH-STATIC MOTOR (Units Without Electrical Convenience Outlet)
581B090-120 HIGH-STATIC MOTOR (Units With Electrical Convenience Outlet)
LEGEND
*Used to determine minimum disconnect per NEC.
†Fuse or HACR circuit breaker per NEC.
NOTES:
1. In compliance with NEC requirements for multimotor and combina-
tion load equipment (refer to NEC Articles 430 and 440), the overcur-
rent protective device for the unit shall be fuse or HACR breaker. The
UL, Canada approved units may be fuse or circuit breaker.
2. Unbalanced 3-Phase Supply Voltage
Never operate a motor where a phase imbalance in supply voltage is
greater than 2%. Use the following formula to determine the percent
of voltage imbalance.
% Voltage imbalance
Example: Supply voltage is 460-3-60.
AB = 452 v
BC = 464 v
AC = 455 v
= 457
Determine maximum deviation from average voltage.
(AB) 457 – 452 = 5 v
(BC) 464 – 457 = 7 v
(AC) 457 – 455 = 2 v
Maximum deviation is 7 v.
Determine percent of voltage imbalance.
% Voltage Imbalance = 100 x
= 1.53%
This amount of phase imbalance is satisfactory as it is below the maxi-
mum allowable 2%.
IMPORTANT: If the supply voltage phase imbalance is more than 2%,
contact your local electric utility company immediately.
UNIT
581B
NOMINAL
VOLTAGE
(V-Ph-Hz)
VOLTAGE
RANGE
COMPRESSOR
(each) OFM IFM COMBUSTION
FAN MOTOR
POWER
SUPPLY
MINIMUM UNIT
DISCONNECT
SIZE*
Min Max RLA LRA FLA FLA RLA MCA MOCP FLA LRA
090
208/230-3-60 187 254 12.4 88.0 1.4 10.6 0.6 41.3 45†44 267
460-3-60 414 508 6.4 44.0 0.7 4.8 0.3 20.6 25†22 134
575-3-60 518 632 4.8 34.0 0.7 4.8 0.3 15.8 20†17 95
102
208/230-3-60 187 254 15.0 99.0 1.4 10.6 0.6 47.2 60†50 264
460-3-60 414 508 8.2 49.5 0.7 4.8 0.3 24.7 30†26 132
575-3-60 518 632 5.8 40.0 0.7 4.8 0.3 18.0 20†19 107
120
208/230-3-60 187 254 17.3 125.0 1.4 15.0 0.6 56.7 70 61 360
460-3-60 414 508 9.0 62.0 0.7 7.4 0.3 29.1 35†29 181
575-3-60 518 632 7.1 50.0 0.7 7.4 0.3 23.0 25†23 136
UNIT
581B
NOMINAL
VOLTAGE
(V-Ph-Hz)
VOLTAGE
RANGE
COMPRESSOR
(each) OFM IFM COMBUSTION
FAN MOTOR
POWER
SUPPLY
MINIMUM UNIT
DISCONNECT
SIZE*
Min Max RLA LRA FLA FLA RLA MCA MOCP FLA LRA
090
208/230-3-60 187 254 12.4 88.0 1.4 10.6 0.6 47.3 50†49 267
460-3-60 414 508 6.4 44.0 0.7 4.8 0.3 23.3 25†24 134
575-3-60 518 632 4.8 34.0 0.7 4.8 0.3 18.5 20†19 95
102
208/230-3-60 187 254 15.0 99.0 1.4 10.6 0.6 53.2 60†55 264
460-3-60 414 508 8.2 49.5 0.7 4.8 0.3 27.4 30†28 132
575-3-60 518 632 5.8 40.0 0.7 4.8 0.3 20.7 25†21 107
120
208/230-3-60 187 254 17.3 125.0 1.4 15.0 0.6 62.7 70 66 360
460-3-60 414 508 9.0 62.0 0.7 7.4 0.3 31.8 35†32 181
575-3-60 518 632 7.1 50.0 0.7 7.4 0.3 25.7 30†25 147
FLA —Full Load Amps
HACR —Heating, Air Conditioning and Refrigeration
IFM —Indoor (Evaporator) Fan Motor
LRA —Locked Rotor Amps
MCA —Minimum Circuit Amps
MOCP—Maximum Overcurrent Protection
NEC —National Electrical Code
OFM —Outdoor (Condenser) Fan Motor
RLA —Rated Load Amps
UL —Underwriters’ Laboratories
= 100 x max voltage deviation from average voltage
average voltage
Average Voltage = 452 + 464 + 455
3
= 1371
3
7
457
49
APPLICATION DATA
1. CONDENSATE DRAIN PAN — A sloped condensate drain
pan is supplied on all units. The condensate pan must be
externally trapped. Condensate drains are located on both
the bottom and end of the unit.
2. DUCTWORK — All ductwork must be attached to flanges.
If no flanges are present, they must be field supplied.
Secure vertical discharge ductwork to roof curb. For hori-
zontal discharge applications, attach ductwork to flanges.
Field-supplied flanges can be attached to horizontal dis-
charge openings and all ductwork attached to flanges.
3. TO CONVERT FROM VERTICAL DISCHARGE TO HORI-
ZONTAL DISCHARGE (Durablade Economizer Only):
a. Remove economizer/two-position damper to gain access
to return duct opening.
b. Move the horizontal-discharge duct opening covers to
the vertical discharge openings.
c. Rotate economizer 90 degrees (until the economizer/
two-position damper motor faces the condenser section).
d. Rotate the barometric relief damper 90 degrees.
e. Install block-off plate over the opening on the access
panel.
4. THERMOSTAT — Use of 2-stage cooling thermostat is
recommended for all size 036-072 units equipped with
economizer.
5. HEATING-TO-COOLING CHANGEOVER — All units are
automatic changeover from heating to cooling when auto-
matic changeover thermostat and subbase are used.
6. AIRFLOW — Units are draw-thru on cooling and blow-thru
on heating.
7. MAXIMUM AIRFLOW — To minimize possibility of conden-
sate blow-off from evaporator, airflow through units should
not exceed 500 cfm/ton.
8. MINIMUM AIRFLOW — Minimum airflow for cooling is
300 cfm/ton.
9. MINIMUM AMBIENT OPERATING TEMPERATURE —
Minimum ambient operating temperature for size 036-150
standard units is 25 F. With accessory Motormaster® or
Motormaster II control, units can operate at outdoor tem-
peratures down to –20 F.
10. MAXIMUM OPERATING OUTDOOR-AIR TEMPERATURE
— Maximum outdoor-air operating temperature for cooling
is 125 F.
11. HIGH ALTITUDES — These may require a change to the
gas orifice. Refer to Altitude Compensation tables on
page 43.
12. MINIMUM TEMPERATURE — Minimum temperature of air
entering the dimpled heat exchanger is 50 F continuous
and 45 F intermittent.
13. MOTOR DATA — Due to Bryant’s internal unit design
(draw-thru over the motor), air path, and specially designed
motors, the full horsepower (maximum continuous bhp)
listed in the Physical Data table and the notes following
each Fan Performance table can be utilized with extreme
confidence.
Using Bryant motors to the values listed in the Physical
Data, Fan Performance, and Evaporator-Fan Motor Data
tables will not result in nuisance tripping or premature
motor failure. In addition, the unit warranty will not be
affected.
14. THRU-THE-BOTTOM CONNECTIONS — The accessory
thru-the-bottom connections are needed to ensure proper
connections when routing wiring and piping through the
basepan and roof curb. This accessory is used for electric
and control power only.
15. PERFECT HUMIDITY™ DEHUMIDIFICATION PACKAGE
— This option provides greater dehumidification by further
subcooling the hot liquid refrigerant leaving the condenser
coil. The Perfect Humidity package consists of a subcooling
coil located on the leaving-air side of the evaporator coil.
The location of the coil in the indoor airstream enhances
the latent capacity of the 581B rooftop units by up to 40%.
Many buildings suffer damage or have poor indoor-air qual-
ity due to overly humid conditions. Building humidity must
be controlled for the following reasons:
a. INDOOR-AIR QUALITY — Humidity is a major factor in
the growth and propagation of mold and mildew in a
building. The mold and mildew can spread quickly and
grow in carpets and ductwork and on walls, and often
causes cases of sick building syndrome. This syndrome
can lead to employee absenteeism due to illness, lower
worker productivity, and increased health care costs.
The American Society of Heating, Refrigeration, and
Air Conditioning Engineers (ASHRAE) recommends
that relative humidity levels in buildings be maintained
below 70%.
b. COMFORT LEVELS — High humidity levels cause the
occupied space to become uncomfortable, because
humidity interferes with the body’s natural cooling pro-
cess (evaporation at the skin surface).
c. HUMIDITY DAMAGE — Humidity causes property
damage, such as stained wallpaper and ceiling tiles.
Humidity can also damage books and artwork, and
create strong odors in carpets. In addition, humidity can
contribute to unacceptable product quality in industrial
processes.
d. IMPROPER VENTILATION — Buildings in hot and
humid geographical areas cannot be properly ventilated
due to high humidity levels outdoors, resulting in poor
indoor-air quality.
e. EQUIPMENT INEFFICIENCY — Humidity can cause
inefficient operation of refrigerators and freezers.
f. INCREASED ENERGY COSTS — Because of high
humidity levels and less comfortable conditions, ther-
mostat set points are lowered to force the HVAC (heat-
ing, ventilation, and air conditioning) equipment to run
longer and work harder to lower the humidity levels.
Also, in an attempt to control humidity, system design-
ers typically oversize HVAC equipment and add reheat
capability to get the desired latent capacity. This results
in higher initial equipment costs, as well as increased
energy expenses throughout the life of the unit.
Applications
There are many different rooftop unit applications that are
susceptible to problems caused by high humidity levels.
Some common applications include:
a. RESTAURANTS — The kitchen areas of restaurants
have many humidity-producing activities, such as dish
washing and cooking.
b. SUPERMARKETS — High humidity levels cause ineffi-
ciency in operation of refrigeration and freezer systems.
c. MUSEUMS AND LIBRARIES — Humidity can damage
books and artwork.
d. GYMNASIUMS, LOCKER ROOMS, AND HEALTH
CLUBS — Shower areas and human perspiration
cause uncomfortable occupied space conditions.
e. HOT AND HUMID CLIMATES — The southeastern
United States is a good example of this application. The
Perfect Humidity dehumidification package becomes
particularly useful when increased amounts of the hot
and humid outdoor air need to be brought into the build-
ing for proper ventilation.
16. PERFECT HUMIDITY DEHUMIDIFICATION PACKAGE
DESIGN EFFECTS — To fully understand the operation of
the Perfect Humidity dehumidification package, refer to the
pressure enthalpy curve, and analyze the Perfect Humidity
package effects on the refrigerant in the rooftop unit. The
pressure enthalpy curve shows the refrigerant cycle for a
581B rooftop unit.

50
APPLICATION DATA (cont)
Standard Unit Refrigerant Cycle
At point no. 1 in the pressure enthalpy curve, vapor leaving the
compressor at a high pressure and a high temperature enters
the condenser. The condenser removes heat from the refriger-
ant, lowers its temperature, and changes it to a liquid. At point
no. 2, the liquid leaves the condenser and enters a fixed expan-
sion device that lowers the pressure of the refrigerant. At point
no. 3, the liquid enters the evaporator coil, where the refrigerant
increases in temperature and changes back to a vapor. At point
no. 4, the vapor leaves the evaporator and reenters the com-
pressor.
Refrigerant Cycle Using Perfect Humidity™ Dehumidification
Package
When a subcooler coil is added to the rooftop unit, the refriger-
ant is affected in such a way that the unit latent capacity is
increased. The refrigerant cycle follows the same path from
point no. 1 to point no. 2 as the standard refrigerant cycle with-
out a subcooler (see the pressure enthalpy curve). However, at
point no. 2, the liquid refrigerant enters the subcooler coil where
the temperature is lowered further. At point no. 2A, this sub-
cooled liquid enters the TXV, which drops the pressure of the
liquid. At point no. 2B, the liquid enters the fixed orifice metering
device. The refrigerant leaves this device as a saturated vapor
and enters the evaporator at point no. 2C. The improved refrig-
eration effect can now be seen between point no. 2C and point
no. 3. The increase in the total refrigeration effect is the addi-
tional enthalpy gained from point no. 2C to point no. 3. However,
the subcooler coil rejects this added refrigeration effect to the
air downstream of the evaporator coil, thus maximizing the over-
all latent effect. This improved latent effect is a direct result of
the addition of the Perfect Humidity subcooler coil to the refrig-
erant cycle.
Latent Capacity Effects
Refer to the psychrometric chart to see how the sensible heat
factor decreases when the optional Perfect Humidity dehumidifi-
cation package is installed. This chart contains data for the
5-ton 581B unit operation, both with and without the Perfect
Humidity package, at 1750 cfm. Point no. 1 on the chart repre-
sents the return-air dry bulb (80 F) and wet bulb (67 F) condi-
tions. Point no. 2 represents the supply-air conditions for a
standard 581B rooftop unit without the Perfect Humidity dehu-
midification package. Point no. 3 represents the supply-air con-
ditions for a 581B rooftop unit with the Perfect Humidity
package. By connecting point no. 1 and point no. 2 on the chart
and finding the intersection on the sensible heat factor scale,
the sensible heat factor is 0.73. Connect point no. 1 and point
no. 3, and see that the sensible heat factor is 0.58. This is a
17.5% increase in latent capacity for the given conditions. This
increase in latent capacity allows the 581B rooftop units to
remove more moisture from the conditioned space; thus lower-
ing the humidity levels.
Dehumidification Effects
Further evidence of dehumidification can be seen by analyzing
the pounds of water per pound of dry air found in the supply air.
At point no. 2 in the psychrometric chart, there are 65 grains
(0.0092 lb) of moisture per pound of dry air. At point no. 3, there
are 58 grains (0.0083 lb) of moisture per pound of dry air. This
is a 12.1% decrease in the amount of water in the supply air.
17. PERFECT HUMIDITY DEHUMIDIFICATION PACKAGE
OPERATING PERFORMANCE — Perfect Humidity dehu-
midification package operation does not affect the electrical
data. The electrical data remains the same either with or
without the Perfect Humidity package.
The operating and shipping weights will be slightly
increased with the addition of the Perfect Humidity sub-
cooler. See the Physical Data table for added base unit
weight with this option.
Refer to cooling performance data, both with and without
the Perfect Humidity dehumidification package. Note the
greatly improved latent capacity with the Perfect Humidity
dehumidification package.
Static pressure is also slightly affected by the addition of
the Perfect Humidity dehumidification package. See Static
Pressure Drop table on page 40 when using this option.
18. PERFECT HUMIDITY DEHUMIDIFICATION PACKAGE
FEATURES AND BENEFITS
•The Perfect Humidity dehumidification package can improve
the humidity control of your rooftop equipment by up to 40%.
This greatly reduces the risk of sick building syndrome by
reducing biological growth in both ductwork and the rest of the
building.
•The Perfect Humidity dehumidification package improves
comfort levels in the building by better controlling the humidity.
This improved comfort level allows building tenants to raise
the cooling set point on the thermostats for accumulated
energy savings.
•Better humidity control lowers the risk of humidity-induced
property damage.
•The Perfect Humidity dehumidification package permits build-
ing refrigerators and freezers to operate more efficiently due
to lower relative humidity levels. This is the perfect solution for
supermarket applications.
•The Perfect Humidity subcooling circuit can be operated by a
humidity sensor. If the sensor is used, the Perfect Humidity
circuit will then only operate when needed. If the humidity lev-
els in the occupied space are acceptable (such as in the
spring and fall seasons), the Perfect Humidity circuit will not
operate. The rooftop unit is then able to operate to its full sen-
sible potential, which provides more efficient performance and
energy savings.
•At lower outdoor temperatures, rooftop units with dehumidifi-
cation devices are subject to low suction pressure conditions.
The Perfect Humidity dehumidification package contains a
low-pressure switch that deactivates the Perfect Humidity
dehumidification package under low suction pressure condi-
tions without deactivating the compressors.
•Improved humidity control allows increased outdoor-air venti-
lation in hot and humid geographical areas. Humidity control
also helps to improve the indoor-air quality of the building.
•The Perfect Humidity dehumidification package is factory
installed. There are no additional field installation costs. There
is also no need to purchase a roof curb from another manu-
facturer, as standard Bryant roof curbs will accommodate the
581B rooftop units which have the Perfect Humidity dehumidi-
fication package option installed.
•The Perfect Humidity dehumidification package is engineered
and manufactured by Bryant for Bryant rooftop units. All appli-
cation support, service, and warranty issues can therefore be
handled through one company.
•The slightly lower sensible capacities obtained when using the
Perfect Humidity dehumidification package allow the unit to
operate for an extended period of time. The more the unit
operates, the more air is exposed to the subcooling coil. This
rooftop unit increased latent capacity results in lower relative
humidity levels in the occupied space.
•It is no longer necessary to oversize equipment and add
reheat devices to properly dehumidify your building. In a typi-
cal scenario, a building owner may need 39,000 Btuh of sensi-
ble capacity and 23,000 Btuh of latent capacity (62,000 total
Btuh). To accomplish this without the Perfect Humidity dehu-
midification package, a 71/2-ton unit with a reheat device
would be necessary to attain the higher latent capacity
required. This results in a large up-front expense to oversize
the equipment from a standard 5-ton to a 71/2-ton unit.
The building owner can now purchase a 5-ton unit with the
Perfect Humidity dehumidification package for a small addi-
tional up-front charge, and no reheat device will be necessary
to satisfy the cooling requirements. This reduces both installa-
tion costs and operating costs throughout the life of the
product.

51
APPLICATION DATA (cont)
Perfect Humidity™ Dehumidification Option

52
APPLICATION DATA (cont)
NOTE: Numbers 1 through 4 indicate point numbers referred to in Perfect Humidity™ Dehumidification Package Design Effects section.
Pressure Enthalpy Curve

53
APPLICATION DATA (cont)
Point 1 —Entering Air (F) 80 db/67 wb
Point 2 —Leaving Air (F) 58.9 db/56.4 wb
(Without Subcooler)
Point 3 —Leaving Air (F) 63.0 db/56.8 wb
(With Subcooler)
LEGEND
db —Dry Bulb
wb—Wet Bulb
Psychrometric Chart (581B072 Shown)

54
TYPICAL PIPING AND WIRING
Vertical Discharge
Horizontal Discharge
LEGEND
NEC — National Electrical Code

55
TYPICAL WIRING SCHEMATIC
581B036-072 Typical Wiring Schematic and Component Arrangement
(208/230 V 3-Phase Unit Shown)

56
TYPICAL WIRING SCHEMATIC (cont)
581B036-072 Typical Wiring Schematic and Component Arrangement
(208/230 V 3-Phase Unit Shown) (cont)
LEGEND
AHA —Adjustable Heat Anticipator
C—Contactor, Compressor
CAP —Capacitor
CC —Cooling Compensator
CLO —Compressor Lockout
COMP —Compressor Motor
D—Diode
EC —Enthalpy Control
ECON —Economizer
EPS —Emergency Power Supply
EQUIP —Equipment
ER —Economizer Relay
FPT —Freeze-Protection Thermostat
FSS —Filter-Status Switch
FU —Fuse
GND —Ground
GVR —Gas Valve Relay
HPS —High-Pressure Switch
HS —Hall-Effect Sensor
HV —High Voltage
I—Ignitor
IDM —Induced-Draft Motor
IFC —Indoor (Evaporator) Fan Contactor
IFM —Indoor (Evaporator) Fan Motor
IGC —Integrated Gas Unit Controller
LED —Light-Emitting Diode
LPS —Low-Pressure/Loss-of-Charge Switch
LS —Limit Switch
MGV —Main Gas Valve
MTR —Motor
OAT —Outdoor-Air Thermostat
OFM —Outdoor (Condenser) Fan Motor
OLR —Overload
P—Plug
PL —Plug Assembly
QT —Quadruple Terminal
R—Relay
RS —Rollout Switch
SAT —Supply-Air Thermostat
SEN —Sensor
SW1 —Switch Fully Open
SW2 —Switch Fully Closed
SW3 —Switch Minimum Vent Position
SW4 —Switch Maximum Vent Position
TC —Thermostat-Cooling
TH —Thermostat-Heating
TRAN —Transformer
Field Splice
Marked Wire
Terminal (Marked)
Terminal (Unmarked)
Terminal Block
Splice
Splice (Marked)
Factory Wiring
Field Control Wiring
Field Power Wiring
Accessory or Optional Wiring
To indicate common potential only.
Not to represent wiring.
NOTES:
1. If any of the original wire furnished must be replaced, it must be replaced with Type 90 C wire or its equivalent.
2. Three-phase motors are protected under primary single-phasing conditions.
3. Thermostats: HH07AT170, 172
Subbase: HH93AZ176, 177, 178 and 179
4. Set heat anticipator at .14 amp for first stage and .14 amp for second stage.
5. Use copper conductors only.
6. TRAN is wired for 230 v unit. If unit is to be run with 208 v power supply, disconnect BLK wire from 230 v tap and
connect to 208 v tap (RED). Insulate end of 230 v tap.

57
TYPICAL WIRING SCHEMATIC (cont)
581B090-150 Typical Wiring Schematic
LEGEND
AHA —Adjustable Heat Anticipator
BR —Burner Relay
C—Contactor, Compressor
CAP —Capacitor
CB —Circuit Breaker
CC —Cooling Compensator
CLO —Compressor Lockout
COMP —Compressor Motor
CONN —Connection
CR —Control Relay
D—Diode
EC —Enthalpy Control
ECON —Economizer
EPS —Emergency Power Supply
EQUIP —Equipment
ER —Economizer Relay
FPT —Freeze-Protection Thermostat
FS —Flame Sensor
FSS —Filter Status Switch
FU —Fuse
GND —Ground
GVR —Gas Valve Relay
HPS —High-Pressure Switch
HS —Hall Effect Sensor
HV —High Voltage
I—Ignitor
IDM —Induced-Draft Motor
IFC —Indoor (Evaporator) Fan
Contactor
IFM —Indoor (Evaporator) Fan Motor
IFMOVL —Indoor-Fan Motor Overload
Switch
IGC —Integrated Gas Unit Controller
LPS —Low-Pressure/Loss-of-Charge
Switch
LS —Limit Switch
MGV —Main Gas Valve
MTR —Motor
NC —Normally Closed
NO —Normally Open
OAT —Outdoor-Air Thermostat
OFC —Outdoor (Condenser) Fan
Contactor
OFM —Outdoor (Condenser) Fan Motor
P—Plug
PL —Plug Assembly
QT —Quadruple Terminal
R—Relay
RS —Rollout Switch
SAT —Supply-Air Thermostat
SEN —Sensor
SW1 —Switch Fully Open
SW2 —Switch Fully Closed
SW3 —Switch Minimum Vent Position
SW4 —Switch Maximum Vent Position
TC —Thermostat-Cooling
TH —Thermostat-Heating
TRAN —Transformer
Field Splice
Terminal (Marked)
Terminal (Unmarked)
Terminal Block
Splice
Splice (Marked)
Factory Wiring
Field Control Wiring
Field Power Wiring
Accessory or Optional Wiring
To indicate common potential
only. Not to represent wiring.
CIRCUIT
BREAKER VOLTS MFG. PT. NO.
MUST
TRIP
AMPS
CB 24 V Potter & Brumfield 3.2
W2BX-1024-3.2
CB1
(150 Std) 208/230-3-60 Heinemann Airpax 17.3
CF3-2204-15 209-3-2599-485
58
CONTROLS
OPERATING SEQUENCE FOR 581B036-072 UNITS
Cooling, Units Without Economizer — When thermostat calls
for cooling, terminals G and Y1 and the compressor contactor
(C) are energized. The indoor (evaporator) fan motor (IFM),
compressor, and outdoor (condenser) fan motor (OFM) start.
The OFM runs continuously while the unit is in cooling. When
the thermostat is satisfied, C is deenergized and the compres-
sor and OFM shut off. After a 30-second delay, the IFM shuts
off. If the thermostat fan selector switch is in the ON position,
the evaporator motor will run continuously.
Cooling, Units With Durablade Economizer — When the
outdoor-air temperature is above the outdoor-air temperature
(OAT) setting and the room thermostat calls for cooling, the
compressor contactor is energized to start the compressor and
outdoor (condenser) fan motor (OFM). The indoor (evaporator)
fan motor (IFM) is energized and the economizer damper
moves to the minimum position. After the thermostat is satis-
fied, the damper moves to the fully closed position when IFM is
deenergized.
When the outdoor-air temperature is below the OAT setting and
the thermostat calls for Y1 and G, the economizer damper
moves to the minimum position when the evaporator fan starts.
The first stage of cooling is provided by the economizer. If the
supply-air temperature is above 57 F, a switch on the supply-air
thermostat is closed between the T2 terminal and the 24 vac
terminal. This causes the damper to continue to modulate open
until the supply-air temperature falls below 55 F or the damper
reaches the fully open position.
When the supply-air temperature is between 55 F and 52 F, the
supply-air thermostat has open switches between the T2 and
24 vac terminals and between the T1 and 24 vac terminals. This
causes the economizer damper to remain in an intermediate
open position.
If the supply-air temperature falls below 52 F, a switch on the
supply-air thermostat is closed between the T1 terminal and the
24 vac terminal. This causes the damper to modulate closed
until the supply-air temperature rises above 55 F or the damper
reaches the minimum position.
When the supply-air temperature is between 55 F and 57 F, the
supply-air thermostat has open switches between the T2 and
24 vac terminals. This causes the economizer damper to
remain in an intermediate open position.
If the outdoor air alone cannot satisfy the cooling requirements
of the conditioned space, economizer cooling is integrated with
mechanical cooling, providing second stage cooling. The com-
pressor and condenser fan will be energized and the position of
the economizer damper will be determined by the supply-air
temperature.
When the second stage of cooling is satisfied, the compressor
and condenser-fan motor will be deenergized. The damper
position will be determined by the supply-air temperature.
When the first stage of cooling is satisfied, the IFM shuts off
after a 30-second delay. The damper then moves to fully closed
position.
Cooling, Units With EconoMi$er — When the outdoor-air
temperature (OAT) is above the ECON SP set point and the
room thermostat calls for Stage 1 cooling (R to G +Y1), the
indoor-fan motor (IFM) is energized and the EconoMi$er
damper modulates to minimum position. The compressor con-
tactor is energized starting the compressor and outdoor-fan
motor (OFM). After the thermostat is satisfied, the damper mod-
ulates to the fully closed position when the IFM is deenergized.
When the OAT is below the ECON SP set point and the room
thermostat calls for Stage 1 cooling (R to G + Y1), the
EconoMi$er modulates to the minimum position when the IFM
is energized. The EconoMi$er provides Stage 1 of cooling by
modulating the return and outdoor air dampers to maintain a
55 F supply air set point. If the supply-air temperature (SAT) is
greater than 57 F, the EconoMi$er modulates open, allowing a
greater amount of outdoor air to enter the unit. If the SAT drops
below 53 F, the outdoor-air damper modules closed to reduce
the amount of outdoor air. When the SAT is between 53 and
57 F, the EconoMi$er maintains its position.
Heating, Units Without Economizer — When the thermostat
calls for heating, terminal W1 is energized. The induced-draft
motor is energized and the burner ignition sequence begins.
The indoor (evaporator) fan motor (IFM) is energized 45 sec-
onds after a flame is ignited. On units equipped for two stages
of heat, when additional heat is needed, W2 is energized and
the high-fire solenoid on the main gas valve (MGV) is ener-
gized. When the thermostat is satisfied and W1 is deenergized,
the IFM stops after a 45-second time-off delay.
Heating, Units With Economizer or Two-Position Damper —
When the thermostat calls for heating, terminal W1 is ener-
gized. The induced-draft motor is energized and the burner igni-
tion sequence begins. The indoor (evaporator) fan motor (IFM)
is energized 45 seconds after a flame is ignited and the damper
moves to the minimum position. If the accessory two-position
damper is used, the outdoor-air damper opens to the minimum
position whenever the evaporator fan runs. On units equipped
for two stages of heat, when additional heat is needed, W2 is
energized and the high-fire solenoid on the main gas valve
(MGV) is energized. When the thermostat is satisfied and W1 is
deenergized, the IFM stops after a 45-second time-off delay.
The economizer damper then moves to the fully closed position.
When using continuous fan, the damper will remain in the mini-
mum position.
OPERATING SEQUENCE FOR 581B090-150 UNITS
Cooling, Units Without Economizer — When thermostat calls
for cooling, terminals G and Y1 are energized. The indoor
(evaporator) fan contactor (IFC) and compressor contactor no. 1
(C1) are energized, and evaporator-fan motor, compressor
no. 1, and condenser fans start. The condenser-fan motors run
continuously while unit is cooling. For units with 2 stages of
cooling, if the thermostat calls for a second stage of cooling by
energizing Y2, compressor contactor no. 2 (C2) is energized
and compressor no. 2 starts.
When the thermostat is satisfied, C1 and C2 are deenergized
and the compressors and outdoor (condenser) fan motors
(OFM) shut off. After a 30-second delay, the indoor (evaporator)
fan motor (IFM) shuts off. If the thermostat fan selector switch is
in the ON position, the evaporator motors will run continuously.
Cooling, Units With Durablade Economizer — When the
outdoor-air temperature (OAT) is above the OAT setting and the
room thermostat calls for cooling, the compressor contactor
no. 1 is energized to start compressor no. 1 and outdoor (con-
denser) fan motors (OFM). The indoor (evaporator) fan motor
(IFM) is energized and the economizer damper moves to the
minimum position. Upon a further call for cooling, compressor
contactor no. 2 will be energized, starting compressor no. 2.
After the thermostat is satisfied and the IFM is deenergized, the
damper moves to the fully closed position.
When the outdoor-air temperature is below the OAT setting and
the thermostat calls for Y1 and G, the economizer damper
moves to the minimum position when the evaporator fan starts.
The first stage of cooling is provided by the economizer. If the
supply-air temperature is above 57 F, a switch on the supply-air
thermostat is closed between the T2 terminal and the 24 vac
terminal. This causes the damper to continue to modulate open
until the supply-air temperature falls below 55 F or the damper
reaches the fully open position.
When the supply-air temperature is between 55 F and 52 F, the
supply-air thermostat has open switches between the T2 and
24 vac terminals and between the T1 and 24 vac terminals. This
causes the economizer damper to remain in an intermediate
open position.
59
CONTROLS (cont)
If the supply-air temperature falls below 52 F, a switch on the
supply-air thermostat is closed between the T1 terminal and the
24 vac terminal. This causes the damper to modulate closed
until the supply-air temperature rises above 55 F or the damper
reaches the minimum position.
When the supply-air temperature is between 55 F and 57 F, the
supply-air thermostat has open switches between the T2 and
24 vac terminals. This causes the economizer damper to
remain in an intermediate open position.
If the outdoor air alone cannot satisfy the cooling requirements
of the conditioned space, economizer cooling is integrated with
mechanical cooling, providing second stage cooling. Compres-
sor no. 1 and condenser fan will be energized, and the position
of the economizer damper will be determined by the supply-air
temperature. Compressor no. 2 is locked out.
When the second stage of cooling is satisfied, the compressor
and condenser fan motors will be deenergized. The damper
position will be determined by the supply-air temperature.
When the first stage of cooling is satisfied, the IFM shuts off
after a 30-second delay. The damper then moves to fully closed
position.
Cooling, Units With EconoMi$er — When the outdoor-air
temperature (OAT) is above the ECON SP set point and the
room thermostat calls for Stage 1 cooling (R to G +Y1), the
indoor-fan motor (IFM) is energized and the EconoMi$er
damper modulates to minimum position. The compressor con-
tactor is energized starting the compressor and outdoor-fan
motor (OFM). After the thermostat is satisfied, the damper mod-
ulates to the fully closed position when the IFM is deenergized.
When the OAT is below the ECON SP set point and the room
thermostat calls for Stage 1 cooling (R to G + Y1), the
EconoMi$er modulates to the minimum position when the IFM
is energized. The EconoMi$er provides Stage 1 of cooling by
modulating the return and outdoor air dampers to maintain a
55 F supply air set point. If the supply-air temperature (SAT) is
greater than 57 F, the EconoMi$er modulates open, allowing a
greater amount of outdoor air to enter the unit. If the SAT drops
below 53 F, the outdoor-air damper modules closed to reduce
the amount of outdoor air. When the SAT is between 53 and
57 F, the EconoMi$er maintains its position.
Heating, Units Without Economizer — When the thermostat
calls for heating, terminal W1 is energized. In order to prevent
thermostat short-cycling, the unit is locked into the Heating
mode for at least 1 minute when W1 is energized. The induced-
draft motor (IDM) is then energized and the burner ignition
sequence begins. The indoor (evaporator) fan motor (IFM) is
energized 45 seconds after a flame is ignited. When additional
heat is needed, W2 is energized and the high-fire solenoid on
the main gas valve (MGV) is energized. When the thermostat is
satisfied and W1 and W2 are deenergized, the IFM stops after a
45-second time-off delay.
Heating, Units With Economizer or Two-Position Damper —
When the thermostat calls for heating, terminal W1 is ener-
gized. In order to prevent thermostat short-cycling, the unit is
locked into the Heating mode for at least 1 minute when W1 is
energized. The induced-draft motor is then energized and the
burner ignition sequence begins. The indoor (evaporator) fan
motor (IFM) is energized 45 seconds after a flame is ignited and
the damper moves to the minimum position. If the accessory
two-position damper is used, the outdoor-air damper opens to
the minimum position whenever the evaporator fan runs. When
additional heat is needed, W2 is energized and the high-fire
solenoid on the main gas valve (MGV) is energized. When the
thermostat is satisfied and W1 and W2 are deenergized, the
IFM stops after a 45-second time-off delay. The economizer
damper then moves to the fully closed position. When using
continuous fan, the damper will remain in the minimum position.
OPERATING SEQUENCE FOR 581B036-150 SIZE UNITS
Units With Perfect Humidity™ Dehumidification Package —
When thermostat calls for cooling, terminals G and Y1 is ener-
gized. The indoor (evaporator) fan motor (IFM), compressor (C),
and outdoor (condenser) fan motor (OFM) start. The OFM runs
continuously while the unit is in cooling. As shipped from the
factory, Perfect Humidity dehumidification circuit is always ener-
gized. If Perfect Humidity circuit modulation is desired, a field-
installed, wall-mounted LC Thermidistat or humidistat are
required.
If the Perfect Humidity humidistat is installed and calls for the
Perfect Humidity subcooler coil to operate, the humidistat inter-
nal switch closes. This energizes and closes the liquid line sole-
noid valve coil (LLSV) of the Perfect Humidity circuit, forcing the
hot liquid refrigerant of the liquid line to enter the subcooler coil.
As the hot liquid passes through the subcooler coil, it is
exposed to the cold supply airflow coming off from the evapora-
tor coil and the liquid is further cooled to a temperature
approaching the evaporator coil leaving-air temperature. The
state of the refrigerant leaving the subcooler coil is a highly sub-
cooled liquid refrigerant. The liquid then enters a thermostatic
expansion valve (TXV) where the liquid is dropped to a lower
pressure. The TXV does not have a pressure drop great
enough to change the liquid to a 2-phase fluid. The TXV can
throttle the pressure drop of the liquid refrigerant and maintain
proper conditions at the compressor suction valve over a wide
range of operating conditions. The liquid then enters a second
fixed restrictor expansion device for a second pressure drop to
a 2-phase fluid. The liquid proceeds to the evaporator coil at a
temperature lower than normal cooling operation. This lower
temperature is what increases the latent capacity of the rooftop.
The 2-phase refrigerant passes through the evaporator and is
changed into a vapor. The air passing over the evaporator coil
will become colder than during normal operation as a result of
the colder refrigerant temperatures. However, as it passes over
the subcooler coil, the air will be warmed slightly.
As the refrigerant leaves the evaporator, the refrigerant passes
a low-pressure switch in the suction line. This low-pressure
switch will deactivate the Perfect Humidity package when the
suction pressure reaches 60 psig. The low-pressure switch is
an added safety device to protect against evaporator coil
freeze-up. The low-pressure switch will only deactivate and
open the liquid line solenoid valve in the Perfect Humidity circuit.
The compressors will continue to run as long as there is a call
for cooling, regardless of the position of the low-pressure
switch. The solenoid valve and the Perfect Humidity package
will be re-activated only when the call for cooling has been sat-
isfied, the low-pressure switch has closed, and a new call for
cooling exists. The crankcase heaters on the scroll compressor
provide additional protection for the compressor due to the
additional refrigerant charge in the subcooler.
When the humidistat is satisfied, the humidistat internal switch
opens cutting power to and opening the LLSV. The refrigerant is
routed back through the evaporator and the subcooler coil is
removed from the refrigerant loop.
When the thermostat is satisfied, C1 is deenergized and the
compressor and OFM shut off. After a 30-second delay, the IFM
shuts off. If the thermostat fan selector switch is in the ON posi-
tion, the IFM will run continuously.
60
GUIDE SPECIFICATIONS
PACKAGED ROOFTOP COOLING UNIT WITH GAS HEAT —
CONSTANT VOLUME APPLICATION
HVAC GUIDE SPECIFICATIONS
SIZE RANGE: 3 TO 121/2 TONS, NOMINAL COOLING
72,000 TO 250,000 BTUH,
NOMINAL INPUT HEATING
BRYANT MODEL NUMBER: 581B
PART 1 — GENERAL
1.01 SYSTEM DESCRIPTION
Outdoor rooftop- or slab-mounted, electrically controlled
heating and cooling utilizing a scroll compressor for cool-
ing duty and gas combustion for heating duty. Unit shall
discharge supply air vertically or horizontally as shown on
contract drawings.
1.02 QUALITY ASSURANCE
A. Unit shall be rated in accordance with ARI Standards 210/
240 or 360 and 270.
B. Unit shall be designed to conform to ASHRAE 15, latest
revision, and in accordance with UL 1995.
C. Unit shall be UL tested and certified in accordance with
ANSI Z21.47 Standard and UL listed and certified under
Canadian Standards as a total package for safety
requirements.
D. Roof curb shall be designed to conform to NRCA
Standards.
E. Insulation and adhesive shall meet NFPA 90A require-
ments for flame spread and smoke generation.
F. Unit casing shall be capable of exceeding Federal Test
Method Standard No. 141 (Method 6061) 500-hour Salt
Spray Test.
G. Each 581B unit is subjected to completely automated run
testing on the assembly line. Each unit contains a factory-
supplied printout indicating tested pressures, amperages,
data, and inspectors; providing certification of the unit
status at the time of manufacture.
1.03 DELIVERY, STORAGE, AND HANDLING
Unit(s) shall be stored and handled per manufacturer’s
recommendations.
PART 2 — PRODUCTS
2.01 EQUIPMENT (STANDARD)
A. General:
Factory-assembled, single-piece heating and cooling unit.
Contained within the unit enclosure shall be all factory
wiring, piping, controls, refrigerant charge (R-22), and
special features required prior to field start-up.
B. Unit Cabinet:
1. Unit cabinet shall be constructed of galvanized steel,
bonderized and coated with a baked enamel finish
on all externally exposed surfaces, and have primer-
coated interior surfaces on all panels.
2. Evaporator-fan cabinet interior shall be insulated with
a minimum 1/2-in. thick flexible fiberglass insulation
coated on the air side. Aluminum foil-faced fiberglass
insulation shall be used in the heating compartment.
3. Cabinet panels shall be easily removable for
servicing.
4. Holes shall be provided in the base rails for rigging
shackles to facilitate overhead rigging, and forklift
slots shall be provided to facilitate maneuvering.
5. Unit shall have a factory-installed, sloped conden-
sate drain pan made of a non-corrosive material, pro-
viding a minimum 3/4-in. connection with both vertical
and horizontal drains and shall comply with
ASHRAE 62.
6. Unit shall have factory-installed filter access panel to
provide filter access with tool-less removal.
7. Unit shall have standard thru-the-bottom power con-
nection capability.
C. Fans:
1. Indoor blower (evaporator fan) shall be of the
belt-driven, double inlet, forward-curved centrifugal
type. Belt drive shall include an adjustable-pitch
motor pulley.
2. Indoor blower (evaporator fan) shall be made from
steel with a corrosion-resistant finish and shall be
dynamically balanced.
3. Bearings shall be of the sealed, permanently lubri-
cated, ball-bearing type for longer life and lower
maintenance.
4. Condenser fan shall be of the direct-driven propeller
type and shall discharge air vertically upward.
5. Condenser fan shall have aluminum blades riveted to
corrosion-resistant steel spiders and shall be dynam-
ically balanced.
6. Condenser-fan motor shall be totally enclosed.
7. Induced draft blower shall be of the direct-driven, sin-
gle inlet, forward curved, centrifugal type, shall be
made from steel with a corrosion-resistant finish, and
shall be dynamically balanced.
D. Compressor(s):
1. Fully hermetic scroll type, internally protected.
2. Factory rubber-shock mounted and internally spring
mounted for vibration isolation.
3. On independent circuits (sizes 090-150).
E. Coils:
1. Evaporator and condenser coils shall have aluminum
plate fins mechanically bonded to enhanced copper
tubes with all joints brazed.
2. Tube sheet openings shall be belled to prevent tube
wear.
3. Evaporator coil shall be of the face-split design.
F. Heating Section:
1. Induced draft combustion type with energy saving
direct spark ignition system, redundant main gas
valve.
2. The heat exchanger shall be of the tubular section
type constructed of a minimum of 20 gage steel
coated with a nominal 1.2 mil aluminum-silicone alloy
for corrosion resistance.
3. Burners shall be of the in-shot type constructed of
aluminum coated steel.
4. All gas piping shall enter the unit cabinet at a single
location.
5. The Integrated Gas Control (IGC) board shall provide
timed control of evaporator fan functioning and
burner ignition. An LED (light-emitting diode) shall
provide diagnostic information. The LED shall be vis-
ible without removing the control box access panel.
6. IGC board contains anti-cycle protection for gas heat
operation (after 4 continuous cycles on high temper-
ature limit switch and one cycle on the flame rollout
switch).
G. Refrigerant Components:
Refrigerant circuit components shall include:
1. Fixed-orifice type feed system.
2. Refrigerant strainer.
3. Service gage connections on suction, discharge, and
liquid lines.
4. Filter drier.
5. Ability to route gage hoses through unit top cover
(unit sizes 036-072 only).
H. Filter Section:
1. Standard filter section shall consist of factory-
installed low-velocity, throwaway 2-in. thick fiberglass
filters of commercially available sizes.
2. Filter face velocity shall not exceed 300 fpm at nomi-
nal airflows.
3. Filter section shall use only one size filter.
4. Filters shall be accessible through an access panel
with ‘‘no-tool’’ removal.
61
GUIDE SPECIFICATIONS (cont)
I. Controls and Safeties:
1. Unit Controls:
Unit shall be complete with self-contained low-
voltage control circuit protected by a fuse on the 24-v
transformer side.
2. Safeties:
a. Unit shall incorporate a solid-state compressor
protector which provides anti-cycle reset capabil-
ity at the space thermostat, should any of the
following standard safety devices trip and shut off
compressor.
1) Compressor overtemperature, overcurrent.
2) Loss-of-charge/low-pressure switch.
3) Freeze-protection thermostat, evaporator coil.
4) High-pressure switch.
The lockout protection shall be easily discon-
nected at the control board, if necessary.
b. Heating section shall be provided with the follow-
ing minimum protections:
1) High-temperature limit switches.
2) Induced draft motor speed sensor.
3) Flame rollout switch.
4) Flame proving controls
J. Operating Characteristics:
1. Unit shall be capable of starting and running at 125 F
ambient outdoor temperature, meeting maximum
load criteria of ARI Standard 210/240 or 360 at ±10%
voltage.
2. Compressor with standard controls shall be
capable of operation down to 25 F ambient outdoor
temperature.
K. Electrical Requirements:
All unit power wiring shall enter unit cabinet at a single
factory-predrilled location.
L. Motors:
1. Compressor motors shall be cooled by refrigerant
passing through motor windings and shall have line
break thermal and current overload protection.
2. Indoor blower (evaporator-fan) motor shall have per-
manently lubricated bearings and inherent
automatic-reset thermal overload protection.
3. Totally enclosed condenser-fan motor shall have
permanently lubricated bearings and inherent
automatic-reset thermal overload protection.
4. Induced-draft motor shall have permanently lubri-
cated, sealed bearings and inherent automatic reset
thermal overload protection.
M. Special Features:
Certain features are not applicable when the features
designated by * are specified. For assistance in amending
the specifications, contact your local sales office.
1. Roof Curbs:
a. Formed galvanized steel with wood nailer strip
and capable of supporting entire unit weight.
b. Allows for installing and securing ductwork to curb
prior to mounting unit on the curb.
*2. Integrated Economizers:
a. Integrated integral-modulating type capable of
simultaneous economizer and compressor
operation.
b. Includes all hardware and controls to provide
cooling with outdoor air.
c. Equipped with low-leakage dampers not to
exceed 3% leakage, at 1 in. wg pressure differen-
tial (Durablade economizer).
d. Capable of introducing up to 100% outdoor air in
both minimum and fully open positions.
e. Equipped with a gravity relief sliding plate damper
(Durablade economizer). Damper shall close
upon unit shutoff.
f. EconoMi$er shall be equipped with a barometric
relief damper with up to 100% of return air (036-
072) or 90% of return air (090-150) relief. The
Durablade economizer is equipped with 30% of
return-air relief (036-150).
g. Designed to close damper during loss-of-power
situations with emergency power supply (Dura-
blade economizer) or spring return built into
motor (EconoMi$er).
h. Dry bulb outdoor-air thermostat protection shall
be provided as standard.
i. Durablade economizer is a guillotine-style
damper, and the EconoMi$er is a parallel blade
design.
3. 50% Manual Outdoor-Air Damper:
Manual damper package shall consist of damper,
birdscreen, and rainhood which can be preset
to admit up to 50% outdoor air for year-round
ventilation.
4. 25% Manual Outdoor-Air Damper:
Manual damper package shall consist of damper,
birdscreen, and rainhood which can be preset
to admit up to 25% outdoor air for year-round
ventilation.
5. 100% Two-Position Damper:
a. Two-position damper package shall include single
blade damper and motor. Admits up to 100% out-
door air.
b. Damper shall close upon indoor (evaporator) fan
shutoff.
c. Designed to close damper during loss of power
situations.
d. Equipped with 15% barometric relief damper.
6. 25% Two-Position Damper:
a. Two-position damper package shall include single
blade damper and motor. Admits up to 25% out-
door air.
b. Damper shall close upon indoor (evaporator) fan
shutoff.
*7. Solid-State Enthalpy Control:
a. For use with variable sliding economizer package
only.
b. Capable of sensing outdoor-air enthalpy content
(temperature and humidity) and controlling econ-
omizer cut-in point to have minimum heat content
air passing over the evaporator coil for most effi-
cient system operation.
*8. Differential Enthalpy Sensor:
a. For use with economizer only.
b. Capable of comparing enthalpy content (tempera-
ture and humidity) of outdoor and indoor air and
controlling economizer cut-in point at the most
economical level.
9. Outdoor-Air Enthalpy Sensor:
The outdoor-air enthalpy sensor shall be used with
the EconoMi$er device to provide single enthalpy
control. When used in conjunction with a return-air
enthalpy sensor, the EconoMi$er device will provide
differential enthalpy control. The sensor allows the
EconoMi$er controller to determine if outside air is
suitable for free cooling.
10. Return-Air Enthalpy Sensor:
The return-air enthalpy sensor shall be used with the
EconoMi$er device. When used in conjunction with
an outdoor-air enthalpy sensor, the EconoMi$er
device will provide differential enthalpy control.
62
GUIDE SPECIFICATIONS (cont)
11. Return-Air Temperature Sensor:
The return-air temperature sensor shall be used with
the EconoMi$er device. When used in conjunction
with an outdoor-air temperature sensor, the
EconoMi$er device will provide differential tempera-
ture control.
12. Indoor-Air Quality (CO2) Sensor:
Shall have the ability to provide demand ventilation
indoor-air quality (IAQ) control through the
EconoMi$er with an IAQ sensor.
The IAQ sensor shall be available in duct mount, wall
mount and wall mount with LED display. The set
point shall have adjustment capability.
*13. Low Ambient Control Packages:
Each package consists of solid-state control and
condenser-coil temperature sensor to maintain con-
densing temperature between 90 F and 110 F at out-
door ambient temperatures down to –20 F by
condenser-fan speed modulation or condenser-fan
cycling.
*14. Thermostat and Subbase:
Provides staged cooling and heating automatic (or
manual) changeover, fan control, and indicator light.
15. Thru-The-Bottom Service Connection:
Kit shall provide connectors to permit electrical con-
nections to be brought to the unit through the
basepan.
16. Condenser Coil Hail Guard Assembly:
Hail guard shall protect against damage from hail
and flying debris.
17. Condenser Coil Guard Grille:
The grille protects the condenser coil from damage
by large objects without increasing unit clearances.
18. Compressor Cycle Delay:
Unit shall be prevented from restarting for a mini-
mum of 5 min. after shutdown.
19. Fan/Filter Status Switch:
Provides status of evaporator fan (ON/OFF) or
indoor-air filter (CLEAN/DIRTY). Status shall be dis-
played over communication bus when used with
direct digital controls or with an indicator light at the
thermostat.
20. Unit-Mounted, Non-Fused Disconnect Switch:
Shall be factory-installed, internally-mounted, NEC
and UL approved non-fused switch shall provide unit
power shutoff. Shall be accessible from outside the
unit and shall provide power off lockout capability.
21. Convenience Outlet:
Shall be factory-installed and internally-mounted
with easily accessible 115-v female receptacle. Shall
include 15 amp GFI receptacle with independent
fuse protection. Voltage required to operate con-
venience outlet shall be provided by a factory-
installed step-down transformer. Shall be accessible
from outside the unit.
22. High-Static Motor and Drive:
High-static motor and drive shall be factory-installed
to provide additional performance range.
23. EconoMi$er and Power Exhaust:
Package shall provide control of internal building
pressure. The system shall exhaust up to 100% of
return air.
24. Power Exhaust for Accessory EconoMi$er:
Two two-stage power exhausts shall be used in con-
junction with EconoMi$er to provide the system with
the capability to exhaust up to 100% of return air.
The power exhaust is a field-installed accessory for
vertical and horizontal applications.
25. Flue Hood Protector Assembly:
Provides protection from the hot sides of the gas flue
hood.
26. Liquid Propane Kit:
Package shall contain all the necessary hardware
and instructions to convert a standard natural gas
unit for use with liquefied propane.
27. NOx Reduction Unit:
Unit shall have reduced nitrous oxide (NOx) emis-
sions to meet the California Air Quality Management
NOx requirement of 40 nanograms/joule or less on
036-060 sizes.
28. Flue Discharge Deflector:
Package shall contain single-piece deflector and
hardware to exhaust the flue discharge up and away
from unit. The flue discharge deflector shall allow
minimum flue side clearances to combustibles to be
reduced to 18 inches.
29. Dehumidification Package:
The dehumidification package is a factory-installed
option that provides increased dehumidification by
further subcooling the hot liquid refrigerant leaving
the condenser coil. The package consists of a sub-
cooling coil located on the leaving-air side of the
evaporator coil. The location of this coil in the indoor
airstream greatly enhances the latent capacity of the
units.
The package shall be equipped with crankcase
heater(s), low pressure switch(es), and thermostatic
expansion valve(s) (TXV). Low pressure switch(es)
prevents evaporator coil freeze up and TXV(s)
assure a positive superheat condition. If the opera-
tion of the subcooling coil is controlled by a field-
installed, wall-mounted humidistat or LC Thermidis-
tat, the dehumidification circuit will then operate only
when needed. Optional field connections for the
humidistat are made in the low voltage compartment
of the unit control box.
30. Light Commercial Thermidistat:
Field-installed, wall mounted thermidistat is used to
control temperature and activation of Perfect
Humidity™ package. The thermidistat can be set for
humidity settings from 50% to 90% relative humidity.
31. Electronic Programmable Thermostat:
Capable of using deluxe full-featured electronic ther-
mostat. Shall use built-in compressor cycle delay
control for both heating and cooling duty.
32. Humidistat:
Field-installed, wall-mounted humidistat is used to
control activation of the dehumidification package.
The humidistat can be set for humidity levels
between 20% and 80% relative humidity.
33. Hinged Panel Option:
Hinged panel option provides hinged access panels
for the filter, compressor, evaporator fan, and control
box areas. Filter hinged panels permit tool-less entry
for changing filters. Each hinged panel is perma-
nently attached to the rooftop unit.

Copyright 2000 Bryant Heating & Cooling Systems Printed in U.S.A. 12/00 Catalog No. 5258-103
SPECIFICATIONS SUBJECT TO CHANGE WITHOUT NOTICE
UNIT MUST BE INSTALLED IN ACCORDANCE
WITH INSTALLATION INSTRUCTIONS