Bryant Hum 56 1 Users Manual
HUM-56-1 IIHUM-56-1
HUM-56-1 to the manual cca1f2eb-bc00-4c4b-b5e5-20fd7b7b1128
2015-02-02
: Bryant Bryant-Hum-56-1-Users-Manual-412106 bryant-hum-56-1-users-manual-412106 bryant pdf
Open the PDF directly: View PDF
.
Page Count: 12

NOTE: Read the entire instruction in manual applicable to
specific unit before starting the installation. This symbol →
indicates a change since the last issue.
SAFETY CONSIDERATIONS
Improper installation, adjustment, alteration, service, maintenance,
or use can cause explosion, fire, electrical shock, or other
conditions which may cause personal injury or property damage.
Consult a qualified installer, service agency, distributor, or branch
for information or assistance. The qualified installer or agency
must use factory-authorized kits or accessories when modifying
this product. Refer to the individual instructions packaged with the
kits or accessories when installing.
Follow all safety codes. Wear safety glasses and work gloves. Use
quenching cloth for brazing operations. Have fire extinguisher
available. Read these instructions thoroughly and follow all
warnings or cautions attached to the unit. Consult local building
codes and National Electrical Code (NEC) for special require-
ments.
Recognize safety information. This is the safety-alert symbol .
When you see this symbol on the unit and in instructions or
manuals, be alert to the potential for personal injury.
Understand the signal words DANGER, WARNING, and CAU-
TION. These words are used with the safety-alert symbol. DAN-
GER identifies the most serious hazards which will result in severe
personal injury or death. WARNING signifies hazards which
could result in personal injury or death. CAUTION is used to
identify unsafe practices which would result in minor personal
injury or product and property damage.
WARNING: Before installing or servicing system, al-
ways turn off main power to system. There may be more
than 1 disconnect switch. Turn off accessory heater
power if applicable. Electrical shock can cause personal
injury or death.
CAUTION: Unit must not be installed where freezing
temperatures could occur. Do not install unit on the
furnace or fan coil jacket. Do not install unit where ends
of cooling coil could restrict airflow to the humidifier.
Condensation damage could occur if home has closed-
off, unheated rooms.
INSTALLATION OF HUMBBLBP2018-A--
BYPASS HUMIDIFIER
Bryant’s HUMBBLBP2018-A-- bypass humidifier can be installed
on either the supply or return plenum of a forced-air system. This
unit requires an external bypass duct between the supply- and
return-air ductwork.
It is recommended to install the humidifier where it can be easily
serviced. If this humidifier is installed with a central cooling
system the bypass duct must have a shutoff damper to close during
the cooling season. Always install humidifier downstream of an
electronic air cleaner.
→Humidifiers
A98361
MODEL HUMBBLFP1025-A--
FAN-POWERED
HUMIDIFIER
MODEL HUMBBSFP1016-A--
FAN-POWERED
HUMIDIFIER
MODEL HUMBBWTR2019-A--
WATER-SAVER
BYPASS HUMIDIFIER
MODEL HUMBBLBP2018-A--
BYPASS HUMIDIFIER
MODEL HUMBBSBP2017-A--
installation and
start-up instructions
HUMIDIFIERS AND
HUMIDISTAT
Cancels: II 912D-56-3 II HUM-56-1
7-98
HUM
—1—

I. INSPECT PACKAGE AND CHECK EQUIPMENT
Inspect contents of packaged humidifier. File claim with shipping
company prior to installation if shipment is damaged or incom-
plete.
The package should contain:
1. Humidifier and media assembly
2. Humidistat
3. Template
4. Owner’s Manual
5. Warranty Certificate
6. Solenoid valve with bridge rectifier
7. Saddle valve assembly with adapter
8. Four sheet metal screws
9. Foam tape
10. Water noise reducer (use for water pressure over 60 psi)
11. 6-in. damper
12. Worm clamp for field-supplied drain tube
13. Humidifier maintenance instruction sticker
14. Bryant logo label
II. SELECT LOCATION (SEE FIG. 1.)
Humidifier may be installed on either supply or return plenum.
If furnace has air conditioning coil, be sure humidifier does not
interfere with coil ends. Remember to provide clearance for
maintenance and evaporator pad removal.
III. PREPARE PLENUM OPENING (SEE FIG. 2.)
1. Use template for marking humidifier opening.
2. Tape in place on plenum making sure template is level.
IMPORTANT: For humidifier to operate properly it must be
level and mounted on a vertical surface.
3. Drill four 1/8-in. holes in plenum.
4. Cut opening in plenum using heavy solid lines on template
as a guide.
IV. MOUNT THE HUMIDIFIER (SEE FIG. 3.)
1. Attach foam tape on inside of mounting flange.
2. Hook bottom notch of humidifier on opening cut in plenum.
3. Push top of humidifier to plenum aligning screw holes with
flange.
4. Align, level, and secure using top screws first.
5. Insert bottom screws and tighten all screws for air tight seal.
V. INSTALL BYPASS DUCT
Attach field-supplied 6-in. diameter duct, elbow, or starting collar
with field-supplied 1/4-in. zip screws. Install supplied 6-in. damper
in 6-in. duct connector.
IMPORTANT: On systems with central cooling, the damper
should be closed during cooling season to prevent bypass air.
CAUTION: Do not support weight of bypass duct from
humidifier — damage could result.
→Fig. 1—Installation of HUMBBLBP2018-A--
Bypass-Type Humidifier
A98363
BYPASS UNITS ONLY
VERTICAL
HORIZONTAL
BYPASS UNITS
DRILL (2) HOLES
IN DUCT
FOR #8 SHEETMETAL
SCREWS
"N" COIL
Fig. 2—Preparing Plenum Opening
A97096
TEMPLATE
PLENUM
LEVEL
→Fig. 3—Mounting the Humidifier
A98364
FOAM TAPE
NOTCH
SCREWS
—2—
→
→

VI. INSTALL DRAIN LINE
1. Use 1/2- or 5/8-in. vinyl tubing (field supplied) to connect
drain on bottom of humidifier housing to an open drain.
2. Use supplied worm clamp to hold drain tubing in position
over drain fitting outlet.
CAUTION: Unit may leak if drain tubing is misapplied.
Do not insert tubing inside of drain fitting outlet.
3. Make sure line is free of traps due to sagging and has
sufficient pitch to drain.
VII. MAKE WATER CONNECTION
If garden hose is not used for water supply:
1. Mount saddle valve on water line according to instructions
supplied with valve.
2. Run 1/4-in. diameter (water line grade) tubing from saddle
valve to adapter on solenoid valve and tighten compression
fittings.
IMPORTANT: If water pressure is higher than normal (60 psi),
use noise suppression disk included in parts bag. (Read water noise
reducer note located inside package for instructions.) For normal
operation, saddle valve need only be opened 1 full turn to meet
performance requirements.
3. Open valve and check installation for leaks.
NOTE: Saddle valve is self piercing on copper lines; 1/4-in. hole
must be drilled in steel or iron pipes. Use only a grounded drill or
a hand drill to avoid shock hazard. Turn off water and drain the
pipe prior to drilling 1/4-in. hole.
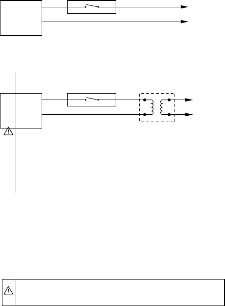
VIII. INSTALL HUMIDISTAT AND COMPLETE WIRING
1. Mount humidistat on inside wall, or return-air duct in
accordance with section INSTALLATION OF HUMIDIS-
TAT on page 10.
2. Wire brown low voltage leads to furnace control board, or
install a field-supplied step-down transformer
115vac/24vac 60Hz to power solenoid valve. (See Fig. 4.)
Make sure bridge rectifier is attached to coil of solenoid
valve.
NOTE: Wiring must comply with National Electrical Code and
any local codes or ordinances that may apply.
IX. START-UP
1. Open saddle valve to permit water flow to the solenoid.
2. Check all connections for water leaks.
3. Set thermostat to call for heat. Set humidistat for highest
humidity setting making sure contacts are closed. After a
few minutes of operation, check the drain connection for
leaks and to see if water is flowing through humidifier.
4. Reverse thermostat and humidistat settings to insure proper
shutdown.
5. Reset thermostat to normal setting. Reset humidistat to
recommended setting.
X. FINAL STEPS
Attach humidifier maintenance instruction sticker to a visible
location.
1. Inform homeowner of proper operation, maintenance, and
humidistat setting.
a. If unit is installed during cooling season, close bypass
damper, set humidistat for summer setting (OFF or
lowest setting).
b. If installed during heating season, set unit for normal
operation.
INSTALLATION OF HUMBBLFP1025-A--
FAN POWERED HUMIDIFIER
Bryant’s HUMBBLFP1025-A-- fan powered humidifier can only
be installed on the supply plenum of a forced-air system. This unit
requires an external 115-vac (fused) plug-in receptacle near the
equipment for proper operation.
It is recommended to install the humidifier where it can be easily
serviced. Pad access can be easily obtained from either the top or
bottom of unit. Always install humidifier downstream of an
electronic air cleaner.
I. INSPECT PACKAGE AND CHECK EQUIPMENT
Inspect the contents of packaged humidifier. File claim with
shipping company prior to installation if shipment is damaged or
incomplete.
The package should contain:
1. Humidifier and media assembly
2. Humidistat
3. Template
4. Owner’s Manual
5. Warranty Certificate
6. Solenoid valve
7. Saddle valve assembly with adapter
8. Four sheet metal screws
9. Foam tape
10. Water noise reducer (use for water pressure over 60 psi)
11. Worm clamp for field-supplied drain tube
12. Humidifier maintenance instruction sticker
13. Bryant logo label
→Fig. 4—Installation of Humidistat
on Bypass-Type Humidifier
A98365
HUMIDIFIER HUMIDISTAT
24VAC
FURNACE
BROWN
BROWN
HUMIDIFIER HUMIDISTAT 115V
FIELD
WIRING
TRANSFORMER
(FIELD SUPPLIED)
RED
BLU 24V
—3—
→
→
→

II. SELECT LOCATION (SEE FIG. 5.)
Humidifier must be installed on supply plenum only. If furnace has
air conditioning coil, be sure humidifier does not interfere with coil
ends.
Remember to provide clearance for maintenance and evaporator
pad removal. To access pad remove top or bottom cover to expose
assembly (turn knob counter-clockwise).
III. PREPARE PLENUM OPENING (SEE FIG. 2.)
1. Use template for marking humidifier opening.
2. Tape in place on plenum making sure template is level.
IMPORTANT: For humidifier to operate properly it must be
level and mounted on a vertical surface.
3. Drill four 1/8-in. holes in plenum.
4. Cut opening in plenum using heavy solid lines on template
as a guide.
IV. MOUNT THE HUMIDIFIER (SEE FIG. 3.)
1. Attach foam tape on inside of mounting flange.
2. Hook bottom notch of humidifier on opening cut in plenum.
3. Push top of humidifier to plenum aligning screw holes with
flange.
4. Align, level, and secure using top screws first.
5. Insert bottom screws and tighten all screws for air tight seal.
V. INSTALL DRAIN LINE
1. Use 1/2- or 5/8-in. vinyl tubing (field supplied) to connect
drain on bottom of humidifier housing to an open drain.
2. Use supplied worm clamp to hold drain tubing in position
over drain fitting outlet.
CAUTION: Unit may leak if drain tubing is misapplied.
Do not insert tubing inside of drain fitting outlet.
3. Make sure line is free of traps due to sagging and has
sufficient pitch to drain.
VI. MAKE WATER CONNECTION
If garden hose is not used for water supply:
1. Mount saddle valve on water line according to instructions
supplied with saddle valve.
2. Run 1/4-in. diameter (water line grade) tubing from saddle
valve to adapter on solenoid valve and tighten compression
fittings.
IMPORTANT: If water pressure is higher than normal (60 psi),
use noise suppression disk included in parts bag. (Read water noise
reducer note located inside package for instructions). For normal
operation, saddle valve need only be opened 1 full turn to meet
performance requirements.
3. Open valve and check installation for leaks.
NOTE: Saddle valve is self piercing on copper lines; 1/4-in. hole
must be drilled in steel or iron pipes. Use only a grounded drill or
a hand drill to avoid shock hazard. Turn off water and drain the
pipe prior to drilling 1/4-in. hole.
VII. INSTALL HUMIDISTAT AND COMPLETE WIRING
1. Mount humidistat on inside wall, or return-air duct in
accordance with section INSTALLATION OF HUMIDIS-
TAT on page 10.
2. Wire red and blue low voltage. (See Fig. 6.)
3. Plug power cord in to 115-vac 60Hz source.
NOTE: Wiring must comply with National Electrical Code and
any local codes or ordinances that may apply.
VIII. START-UP
1. Open saddle valve to permit water flow to the solenoid.
2. Check all connections for water leaks.
3. Set thermostat to call for heat. Set humidistat for highest
humidity setting making sure contacts are closed. After a
few minutes of operation, check the drain connection for
leaks and to see if water is flowing through humidifier.
4. Reverse thermostat and humidistat settings to insure proper
shutdown.
5. Reset thermostat to normal setting. Reset humidistat to
recommended setting.
IX. FINAL STEPS
Attach humidifier maintenance instruction sticker to a visible
location.
1. Inform homeowner of proper operation, maintenance, and
humidistat setting.
a. If unit is installed during cooling season set humidistat
for summer setting (OFF or lowest setting).
b. If installed during heating season, set unit for normal
operation.
→Fig. 5—Installation of HUMBBLFP1025-A--
Fan-Type Humidifier
A98366
VERTICAL HORIZONTAL
"N" COIL
RED
BLUE
Fig. 6—Installation of Humidistat
on Fan-Type Humidifier
A96010
HUMIDIFIER HUMIDISTAT
115V FIELD WIRING
FAN TYPE UNITS ONLY
24VAC
FURNACE
RED
BLU
HUMIDIFIER HUMIDISTAT
115V FIELD WIRING
FAN TYPE UNITS ONLY
115V
FIELD
WIRING
TRANSFORMER
(FIELD SUPPLIED)
RED
BLU 24V
—4—
→

INSTALLATION OF HUMBBSFP1016-A--
FAN POWERED HUMIDIFIER
Bryant’s HUMBBSFP1016-A-- fan powered humidifier can only
be installed on the supply plenum of a forced-air system. This unit
requires an external 115-vac (fused) plug-in receptacle near the
equipment for proper operation.
It is recommended to install the humidifier where it can be easily
serviced. Pad access door can be easily converted from right to the
left hand side. Always install humidifier downstream of an
electronic air cleaner.
I. INSPECT PACKAGE AND CHECK EQUIPMENT
Inspect contents of packaged humidifier. File claim with shipping
company prior to installation, if shipment is damaged or incom-
plete.
The package should contain:
1. Humidifier and media assembly
2. Humidistat
3. Template
4. Owner’s Manual
5. Warranty Certificate
6. Solenoid valve
7. Saddle valve assembly with adapter
8. Four sheet metal screws
9. Foam tape
10. Noise suppressor (use for water pressure over 60 psi)
11. Worm clamp for field-supplied drain tube
12. Humidifier maintenance instruction sticker
13. Bryant logo label
II. SELECT LOCATION (SEE FIG. 7.)
Humidifier must be installed on supply plenum only. If furnace has
air conditioning coil, be sure humidifier does not interfere with coil
ends. Remember to provide clearance for maintenance and evapo-
rator pad removal.
To reverse pad access from right to the left side:
1. Remove side door and media pad assembly.
2. Remove 4 screws and separate top assembly from lower
mounting base. (See Fig. 8.)
3. Rotate lower mounting base 180 degrees, so side access
door is now on left.
4. Snap together top assembly to mounting base and reinstall
screws.
5. Replace media pad assembly (with distributor reservoir up)
and side access door.
CAUTION: When re-installing media pad assembly into
plastic housing, insure the assembly drain stub aligns into
the drain outlet located in bottom of humidifier. Unit can
leak if drain stub does not align with drain outlet. (See
Fig. 9.)
IMPORTANT: Make sure front housing assembly with electrical
cord is facing down.
III. PREPARE PLENUM OPENING (SEE FIG. 2.)
1. Use template for marking humidifier opening.
2. Tape in place on plenum making sure template is level.
IMPORTANT: For humidifier to operate properly it must be
level and mounted on a vertical surface.
3. Drill four 1/8-in. holes in plenum.
4. Cut opening in plenum using heavy solid lines on template
as a guide.
Fig. 7—Installation of HUMBBSFP1016-A--
Fan-Type Humidifier
A97098
VERTICAL HORIZONTAL
HORIZONTAL
"N" COIL
Fig. 8—Reversing Door Access
on HUMBBSFP1016-A--
A96049
Fig. 9—Media Pad Assembly Installation
A97108
MEDIA PAD
ASSEMBLY
HOUSING
ENCLOSURE
DRAIN OUTLET
DRAIN
OUTLET
VINYL DRAIN
TUBING
—5—
→

IV. MOUNT THE HUMIDIFIER
1. Attach foam tape to back of mounting flange (exclude the
off-set edge).
2. Hook off-set edge over opening cut in plenum.
3. Place humidifier in plenum aligning screw holes with
flange.
4. Align, level, and tighten all screws for air tight seal.
V. INSTALL DRAIN LINE
1. Use 5/8-in. vinyl tubing (field supplied) to connect drain on
bottom of humidifier housing to an open drain.
2. Use clamp to hold drain tubing in position over drain fitting
outlet.
CAUTION: Unit may leak if drain tubing is misapplied.
Do not insert tubing inside of drain fitting outlet.
3. Make sure line is free of traps due to sagging and has
sufficient pitch to drain.
VI. MOUNT SOLENOID VALVE
The water solenoid valve should be mounted on top of humidifier
enclosure.
1. To mount solenoid on top, see Fig. 10.
a. Firmly press valve into the top inlet hole on enclosure.
Seat valve flush against inlet hole.
2. If alternate mounting of solenoid is required, see Fig. 11.
a. To mount solenoid on side, use 3/8-in. ID, 1/2-in. OD
vinyl tubing (field supplied). Place tubing onto valve
stem and secure with clamp.
b. Mount valve upside down securing to side of housing.
c. Place open end of tubing into the top inlet hole.
IMPORTANT: Be careful not to kink tubing.
VII. MAKE WATER CONNECTION
If garden hose is not used for water supply:
1. Mount saddle valve on water line according to instructions
supplied with valve.
2. Run 1/4-in. diameter (water line grade) tubing from saddle
valve to adapter on solenoid valve and tighten compression
fittings.
IMPORTANT: If water pressure is higher than normal (60 psi),
use noise suppression disk included in parts bag. (Read water noise
reducer note located inside package for instructions). For normal
operation, saddle valve need only be opened 1 full turn to meet
performance requirements.
3. Open valve and check installation for leaks.
NOTE: Saddle valve is self piercing on copper lines; 1/4-in. hole
must be drilled in steel or iron pipes. Use only a grounded drill or
a hand drill to avoid shock hazard. Turn off water and drain the
pipe prior to drilling 1/4-in. hole.
VIII. INSTALL HUMIDISTAT AND COMPLETE WIRING
1. Mount humidistat on inside wall, or return-air duct in
accordance with section INSTALLATION OF HUMIDIS-
TAT on page 10.
2. Wire red and blue low-voltage leads. (See Fig. 6.)
3. Plug power cord in to 115-vac 60Hz source.
NOTE: Wiring must comply with National Electrical Code and
any local codes or ordinances that may apply.
IX. START-UP
1. Open saddle valve to permit water flow to the solenoid.
2. Check all connections for water leaks.
3. Set thermostat to call for heat. Set humidistat for highest
humidity setting making sure contacts are closed. After a
few minutes of operation, check the drain connection for
leaks and to see if water is flowing through humidifier.
4. Reverse thermostat and humidistat settings to insure proper
shutdown.
5. Reset thermostat to normal setting. Reset humidistat to
recommended setting.
X. FINAL STEPS
Attach humidifier maintenance instruction sticker to a visible
location.
1. Inform homeowner of proper operation, maintenance, and
humidistat setting.
a. If unit is installed during cooling season set humidistat
for summer setting (OFF or lowest setting).
b. If installed during heating season, set unit for normal
operation.
Fig. 10—Top Mounting of Water Solenoid Valve
A97107
SOLENOID
VALVE
HOUSING
ENCLOSURE
INLET HOLE
SEAT
SOLENOID
VALVE
FLUSH
AGAINST
INLET
Fig. 11—Alternate Mounting of Solenoid Valve
on HUMBBSFP1016-A-- Humidifier
A97099
POSITION TUBING
INSIDE INLET HOLE
(CUT LENGTH
IF REQUIRED)
TUBING
ENCLOSURE
INLET HOLE
—6—

INSTALLATION OF HUMBBSBP2017-A--
BYPASS HUMIDIFIER
Bryant’s HUMBBSBP2017-A-- bypass humidifier can be installed
on either the supply or return plenum of a forced air system. This
unit requires an external bypass duct between the supply- and
return-air ductwork.
It is recommended to install the humidifier where it can be easily
serviced. If this humidifier is installed with a central cooling
system the bypass duct must have a shutoff damper to close during
the cooling season. Always install humidifier downstream of an
electronic air cleaner.
I. INSPECT PACKAGE AND CHECK EQUIPMENT
Inspect the contents of packaged humidifier. File claim with
shipping company prior to installation if shipment is damaged or
incomplete.
The package should contain:
1. Humidifier and media assembly
2. Humidistat
3. Template
4. 6-in. damper
5. Owner’s Manual
6. Warranty Certificate
7. Solenoid valve with bridge rectifier
8. Transfer tube
9. Saddle valve assembly with adapter
10. Three pair of miscellaneous screws
11. Six sheet metal screws
12. Foam tape
13. Water noise reducer (use for water pressure over 60 psi)
14. Worm clamp for field-supplied drain tube
15. Humidifier maintenance instruction sticker
16. Bryant logo label
II. SELECT LOCATION (SEE FIG. 12.)
Humidifier may be installed on either supply or return plenum. If
furnace has air conditioning coil, be sure unit does not interfere
with coil ends. Remember to provide clearance for maintenance
and evaporator pad removal.
III. PREPARE PLENUM OPENING (SEE FIG. 2.)
1. Use template for marking humidifier opening.
2. Tape in place on plenum making sure template is level.
IMPORTANT: For humidifier to operate properly it must be
level and mounted on a vertical surface.
3. Drill four 1/8-in. holes in plenum.
4. Cut opening in plenum using heavy solid lines on template
as a guide.
IV. MOUNT HUMIDIFIER
1. Attach foam tape on inside of mounting flange.
2. Determine discharge direction.
3. If right-hand discharge is required:
a. Remove side door and media pad assembly.
b. Invert unit 180 degrees.
c. Re-install media pad and door.
IMPORTANT: Always ensure pad assembly is in the upright
position.
4. Attach solenoid valve to unit housing using two screws in
upper mounting holes. (See Fig. 13.) Do not over tighten
screws.
→Fig. 12—Installation of HUMBBSBP2017-A--
Bypass-Type Humidifier
A98367
VERTICAL HORIZONTAL
BYPASS UNITS
DRILL (2) HOLES
IN DUCT
FOR #8 SHEETMETAL
SCREWS
"N" COIL
ACCESS
DOOR
→Fig. 13—Mounting Solenoid Valve
on HUMBBSBP2017-A-- Humidifier
A98368
SOLENOID
VALVE
ASSEMBLY
PAD
ACCESS
DOOR
BROWN
—7—
→

5. Attach transfer tube to solenoid valve and insert free end
into inlet fitting on top of unit housing.
6. Attach bridge rectifier to solenoid valve.
7. Insert sheet metal screws into lower holes in plenum,
pre-drilled using template.
8. Tighten screws until heads protrude approximately 3/16-in.
9. Hang humidifier on bottom screws and push top of humidi-
fier to plenum, aligning top screw holes with flange, and
insert screws.
10. Align and level unit.
11. Tighten all screws for air tight seal.
V. INSTALL BYPASS DUCT
Attach field-supplied 6-in. diameter duct, elbow, or starting collar
with field-supplied 1/4-in. zip screws. Install supplied 6-in. damper
in 6-in. duct connector.
IMPORTANT: On systems with central cooling, the damper
should be closed during cooling season to prevent bypass air.
CAUTION: Do not support weight of bypass duct from
humidifier — damage could result.
VI. INSTALL DRAIN LINE
1. Use 5/8-in. ID vinyl tubing (field supplied) to connect drain
on bottom of humidifier housing to an open drain.
2. Use worm clamp to hold drain tubing in position over drain
fitting outlet.
CAUTION: Unit may leak if drain tubing is misapplied.
Do not insert tubing inside of drain fitting outlet.
3. Make sure line is free of traps due to sagging and has
sufficient pitch to drain.
VII. MAKE WATER CONNECTION
If garden hose is not used for water supply:
1. Mount saddle valve on water line according to instructions
supplied with valve.
2. Run 1/4-in. diameter (water line grade) tubing from saddle
valve to adapter on solenoid valve and tighten compression
fittings.
IMPORTANT: If water pressure is higher than normal (60 psi),
use noise suppression disk included in parts bag. (Read water noise
reducer note located inside package for instructions). For normal
operation, saddle valve need only be opened 1 full turn to meet
performance requirements.
3. Open valve and check installation for leaks.
NOTE: Saddle valve is self piercing on copper lines; 1/4-in. hole
must be drilled in steel or iron pipes. Use only a grounded drill or
a hand drill to avoid shock hazard. Turn off water and drain the
pipe prior to drilling 1/4-in. hole.
VIII. INSTALL HUMIDISTAT AND COMPLETE WIRING
1. Mount humidistat on inside wall, or return-air duct in
accordance with section INSTALLATION OF HUMIDIS-
TAT on page 10.
2. Wire brown low-voltage leads to furnace control board, or
install a field-supplied step-down transformer
115vac/24vac 60Hz to power solenoid valve. (See Fig. 4.)
Make sure bridge rectifier is attached to coil of solenoid
valve.
NOTE: Wiring must comply with National Electrical Code and
any local codes or ordinances that may apply.
IX. START-UP
1. Open saddle valve to permit water flow to the solenoid.
2. Check all connections for water leaks.
3. Set thermostat to call for heat. Set humidistat for highest
humidity setting making sure contacts are closed. After a
few minutes of operation, check the drain connection for
leaks and to see if water is flowing through humidifier.
4. Reverse thermostat and humidistat settings to insure proper
shutdown.
5. Reset thermostat to normal setting. Reset humidistat to
recommended setting.
X. FINAL STEPS
Attach humidifier maintenance instruction sticker to a visible
location.
1. Inform homeowner of proper operation, maintenance, and
humidistat setting.
a. If unit is installed during cooling season, close bypass
damper, set humidistat for summer setting (OFF or
lowest setting).
b. If installed during heating season, set unit for normal
operation.
INSTALLATION OF HUMBBWTR2019-A--
BYPASS WATER SAVER HUMIDIFIER
Bryant’s HUMBBWTR2019-A-- bypass water saver humidifier
can be installed on either the supply or return plenum of a
forced-air system. This unit requires an external bypass duct
between the supply- and return-air ductwork.
It is recommended to install the humidifier where it can be easily
serviced. If this humidifier is installed with a central cooling
system the factory-supplied 6-in. shutoff damper must be installed
to close during the cooling season to prevent bypass air. Always
install humidifier downstream of an electronic air cleaner.
I. INSPECT PACKAGE AND CHECK EQUIPMENT
Inspect contents of packaged humidifier. File claim with shipping
company prior to installation if shipment is damaged or incom-
plete.
The package should contain:
1. Humidifier and media assembly
2. Humidistat
3. Template
4. Ten ft 1/4-in. water supply tubing
5. Owner’s Manual
6. Warranty Certificate
7. Support Bracket
8. One 1/4-in. blunt point screw
9. Saddle valve assembly
10. Four sheet metal screws
11. 6-in. damper
12. Worm clamp for field-supplied drain tube
13. Humidifier maintenance instruction sticker
14. Bryant logo label
—8—
→
→
→
→
→

II. SELECT LOCATION (SEE FIG. 14.)
Humidifier may be installed on either supply or return plenum. If
furnace has air conditioning coil, be sure humidifier does not
interfere with coil ends. Remember to provide clearance for
maintenance and evaporator pad removal.
III. PREPARE PLENUM OPENING (SEE FIG. 2.)
1. Use template for marking humidifier opening.
2. Tape in place on plenum making sure template is level.
IMPORTANT: For humidifier to operate properly it must be
level and mounted on a vertical surface.
3. Drill four 1/8-in. holes in plenum.
4. Cut opening in plenum using heavy solid lines on template
as a guide.
IV. MOUNT THE HUMIDIFIER
Supply or return plenum mounting:
1. Remove unit access door by turning 2 pawl latches 1/2 turn
and pulling door forward.
2. Determine whether unit is to be used for right- or left-hand
installation and apply gasket tape (supplied) to unit flange
intended to seat against duct.
3. Remove media assembly from cabinet by lifting bearing
end of assembly out of bearing retainer and pulling assem-
bly toward outlet duct, thus disengaging media from motor.
Remove media through unit access opening.
4. Remove pin from float assembly and remove float and arm.
Remove drain plug and water pan.
NOTE: Water pan must be tilted for removal.
5. Mount unit to duct using pre-drilled holes and four 1/2-in.
long screws found in parts bag.
6. Level unit and attach support bracket to unit using 1/4-in.
blunt point screw. Attach other end of support bracket to
duct by drilling a hole and using remaining 1/4-in. long
screw.
7. Re-install water pan and drain plug. Re-attach float arm to
valve body by aligning holes in both parts and re-inserting
pin.
NOTE: Pin may be re-inserted from either direction.
8. Re-install media assembly. Ensure that square shaft of
media assembly is located inside mating opening of motor
coupling. Ensure that bearing washer is located on interior
side of bearing retainer. (See Fig. 15.)
V. INSTALL BYPASS DUCT
Attach field-supplied 6-in. diameter duct, elbow, or starting collar
with field-supplied 1/4-in. zip screws. Install supplied 6-in. damper
in 6-in. duct connector.
IMPORTANT: On systems with central cooling, the damper
should be closed during cooling season to prevent bypass air.
CAUTION: Do not support weight of duct from humidi-
fier — damage could result.
VI. INSTALL DRAIN LINE
1. Use 1/2-in. ID field-supplied vinyl tubing or equivalent
tubing to connect overflow drain connection on unit water
pan to drain. (See Fig. 16.)
2. Use worm clamp to hold tubing in position over overflow
drain connection.
IMPORTANT: Make sure that line is free of traps due to sagging
and has sufficient pitch to drain.
3. Unit must be level to provide proper drainage.
VII. MAKE WATER CONNECTION
1. Mount saddle valve on cold water line according to local
codes.
2. For plastic tube installations: run 1/4-in. OD tubing (sup-
plied) from saddle valve to float valve. Prepare tubing ends
with plastic compression sleeves and brass inserts, and
tighten compression fittings. Plastic compression nut sup-
plied with float valve should not be torqued greater than 25
in.-lb. For copper tubing installations: copper tubing may be
connected to float valve by using a field-supplied 1/4 to 1/4
in. straight-through compression union. Run copper tubing
to 1 side of compression union and use a standard compres-
sion sleeve. Tighten compression nut to torque recom-
mended by manufacturer. Attach approximately 6 in. of
polyethylene supply tubing (supplied) between compres-
sion union and float valve. Prepare polyethylene tubing on
both ends with brass inserts to prevent tubing collapse. Use
compression nut at union to manufacturer’s recommended
torque, tighten plastic nut on float valve to maximum of 25
in.-lb.
3. Open valve and check installation for leaks.
NOTE: Valve is self piercing on copper lines; 1/4-in. hole must
be drilled in steel or iron pipes. Use only a grounded drill or a hand
drill to avoid shock hazard. Turn off water and drain the pipe prior
to drilling 1/4-in. hole.
→Fig. 14—Installation of HUMBBWTR2019-A--
Water Saver Humidifier
A98369
VERTICAL HORIZONTAL
BYPASS UNITS
DRILL (2) HOLES
IN DUCT
FOR #8 SHEETMETAL
SCREWS
"N" COIL
Fig. 16—Water Level in HUMBBWTR2019-A--
A96013
DRAIN PLUG
OVERFLOW TUBE
1⁄4″
—9—
→
→

VIII. INSTALL HUMIDISTAT AND COMPLETE WIRING
1. Mount humidistat on inside wall or return-air duct in
accordance with section INSTALLATION OF HUMIDIS-
TAT on page 10.
NOTE: Wiring must comply with national electrical code and any
local codes or ordinances that may apply. (See Fig. 17.)
IX. START-UP
1. Open saddle valve to permit water to flow to the solenoid
valve.
2. Check all connections for water leaks.
3. Set thermostat to call for heat. Set humidistat at highest
humidity setting to be sure the contacts are closed. After a
few minutes of operation, check the drain connection for
leaks and to see if water is flowing through humidifier.
4. Reverse thermostat and humidistat settings to insure proper
shutdown.
5. Reset thermostat to normal setting. Reset humidistat to
recommended setting.
X. FINAL STEPS
Attach humidifier maintenance instruction sticker to a visible
location.
1. Inform homeowner of proper operation, maintenance, and
humidistat setting.
a. If unit is installed during cooling season, close bypass
damper, set humidistat for summer setting (OFF or
lowest setting).
b. If installed during heating season, set unit for normal
operation.
INSTALLATION OF HUMIDISTAT
The humidistat provides automatic control of humidifiers in
central heating systems. It is designed for low voltage, wall, or
surface duct mounting and contains a SPST snap-acting dustproof
switch.
CAUTION: Disconnect power supply before making
wiring connections to prevent possible electrical shock
and equipment damage. Make wiring connections in
accordance with Installation Instruction supplied with the
humidifier.
1. Installer must be a trained, experienced service person.
2. Disconnect power supply before beginning installation.
3. Conduct a thorough checkout before leaving installation.
I. WALL MOUNTING (LOW VOLTAGE)
1. Choose a location for humidistat about 5 ft above floor on
inside wall with average room temperature and relative
humidity conditions. Maximum ambient temperature of
selected location must not exceed 125°F. Humidistat may
be mounted directly on wall.
2. Drill a small hole in wall and run low-voltage wiring to
location chosen. Pull about 6 in. of wire through hole. Plug
opening to prevent drafts from affecting humidistat opera-
tion.
3. Remove knob, faceplate, and switch assembly from case by
following steps listed below.
a. Remove knob by pulling away from casing. (See Fig.
18.)
b. Lift off faceplate, starting at right side. Left end of
faceplate protrudes under lip of casing. (See Fig. 18.)
c. Remove switch by removing 2 screws in back of casing.
Pressing tab on case. Lift out control. (See Fig. 19.)
4. Make connections to screw terminals on switch assembly.
Re-install switch into casing — secure with 2 short screws.
5. Mount case horizontally over wires directly to wall using 2
long screws provided.
6. Replace faceplate and knob.
→Fig. 15—Valve and Media Assembly for HUMBBWTR2019-A--
A98370
PIN
FLOAT
ARM
GASKET
RETAINER
BEARING
VALVE SEAT
SUPPORT
BRACKET
(LEFT HAND INSTALLATION SHOWN) FLOAT VALVE ASSEMBLY REINSTALLING MEDIA ASSEMBLY
VALVE BODY
WASHER
1⁄4 IN. BLUNT
POINT SCREW
1⁄2 IN. LONG
SCREW
Fig.17—Humidistat Installation for HUMBBWTR2019-A--
A96014
MOTOR
HUMIDISTAT 115V
FIELD
WIRING
TRANSFORMER
(10-VA)
24V
MOTOR
HUMIDISTAT
24VAC
FURNACE
—10—

II. DUCT MOUNTING (LOW VOLTAGE)
1. Locate humidistat at least 8 in. upstream of humidifier in
return-air duct. If mounting near elbow area, keep device 6
in. upstream of elbow so element will be affected by normal
airflow. (See Fig. 20.)
2. Remove protective backing from template furnished with
each control and apply self-adhesive side on return air duct
at selected location. Following instructions on template and
in Fig. 21, drill 2 mounting holes and six 1/4-in. diameter
sensing holes in duct. Sensing holes allow return air to
reach nylon sensing element and operate humidistat.
NOTE: If desired, cut square hole in duct as indicated on template
as an alternative to holes.
3. Remove protective backing from foam gasket provided with
control and apply to template.
4. Run low-voltage wire from humidifier to template. Lay
wire over 1 side of foam gasket. Wire can enter humidistat
case from any direction.
IMPORTANT: Do not position wire directly under standoff
projections at back of case. If wire is under these projections, case
will not seat tightly against gasket causing air leakage and possible
improper operation.
5. Remove knob, faceplate, and switch assembly from case by
following steps listed below.
a. Remove knob by pulling away from casing. (See Fig.
18.)
b. Lift off faceplate, starting at right side. Left end of
faceplate protrudes under lip on casing. (See Fig. 18.)
c. Remove switch by removing 2 screws in back of casing.
Pressing tab on case. Lift out control. (See Fig. 19.)
6. Make connections to screw terminals on switch assembly.
Re-install switch into casing — secure with 2 short screws.
7. While holding wire in place. Mount humidistat case hori-
zontally on duct using 2 mounting screws provided. Tighten
firmly so that gasket seals space around wires and between
case and duct. (See Fig. 21.)
8. Replace faceplate and knob.
III. WIRING
All wiring must comply with local codes and ordinances.
IV. ADJUSTMENT
Recommended humidistat setting should only be used as a guide.
After adjustment of setting, allow at least 5 hr for equilibrium to be
reached. Condensation on single pane windows or woodwork
indicates excessive moisture. Condensation must not be allowed to
continue for extended periods of time, or moisture damage can
result. Lower humidistat setting in small steps until condensation
disappears. However, if air is too dry, raise the setting.
Fig. 18—Knob and Faceplate Removal
A97102
KNOB
FACEPLATE
MOUNTING HOLES
CASE
Fig. 19—Switch Assembly Removal
A97103
CASING
TAB
CONTROL
Fig. 20—Alternate Location Duct Mount Installation
A97104
ALTERNATE LOCATIONS
BEST LOCATION
RETURN AIR DUCT
5 IN. MIN. 15 IN. MIN.
RETURN AIR RETURN AIR
—11—

V. OPERATION
When relative humidity falls to humidistat set point, the humidistat
switch makes contact and starts humidifier. In some central unit
humidifier systems, furnace fan must be operating before humidi-
fier will start. An increase in relative humidity above set point will
stop humidifier.
VI. CHECKOUT
Place system in operation and observe at least 1 complete cycle to
make certain that all components are functioning properly.
Fig. 21—Humidistat Installation Schematic
A97105
CASE
MOUNTING TEMPLATE
MOUNTING SCREWS (2)
FOAM GASKET
MAKE OPENING IN DUCT MOUNT HUMIDISTAT CASE
ALTERNATE PROCEDURE:
DRILL SIX 1/4 IN.
DIAMETER HOLES
RECOMMENDED HUMIDISTAT SETTING
OUTSIDE
TEMPERATURES RECOMMENDED
HUMIDISTAT SETTING
-20°F 15%
-10°F 20% (LO)
0°F 25%
+10°F 30%
+20°F 35%
+30°F 40% (MED)
© 1998 Bryant Heating & Cooling Systems 7310 W. Morris St. Indianapolis, IN 46231 —12— Printed in U.S.A. iihum561 Catalog No. 13HU-MB1