Buhler Commercial Snowblower Users Manual
commercialsnowblower e2595a12-d8a2-48b8-8b16-bc0e0ad6fb6e Buhler Snow Blower Commercial Snowblower User Guide |
2015-02-02
: Buhler Buhler-Commercial-Snowblower-Users-Manual-485776 buhler-commercial-snowblower-users-manual-485776 buhler pdf
Open the PDF directly: View PDF
.
Page Count: 36
TABLE OF CONTENTS
DESCRIPTION PAGE NUMBER
Warranty ......................................................................... 1
Safety Instructions........................................................... 2
Safety Signs.................................................................... 4
Operating Instructions..................................................... 6
Hydraulic Control Block .............................................. 8
Hydraulic Control Block Parts List & Drawing ................. 9
Assembly Instructions ................................................... 10
Hydraulic Snowblower – 22” Housing ........................... 13
Hydraulic Snowblower – 22” Housing Parts List............ 15
Hydraulic Snowblower – 24” Housing ........................... 17
Hydraulic Snowblower – 24” Housing Parts List............ 19
Hydraulic Snowblower – Assembly............................... 21
Hydraulic Snowblower – Assembly Parts List ............... 22
PTO Snowblower – 24” Housing................................... 23
PTO Snowblower – 24” Housing Parts List................... 25
PTO Drawing & Parts List ............................................. 27
Cylinder Assembly Drawing & Parts List....................... 28
Gearbox Drawing & Parts List....................................... 29
Specifications................................................................ 30
Hydraulic Snowblower Schmatic................................... 31
Troubleshooting ............................................................ 32
Shipping Bundles .......................................................... 33

Commercial Snowblower
1
WARRANTY REGISTRATION AND POLICY
Buhler Manufacturing products are warranted for a period of twelve (12) months from
original date of purchase, by original purchaser, to be free from defects in material and
workmanship under correct, normal agricultural use and proper applications.
Buhler Manufacturing’s obligations under this warranty shall be limited to the repair or
exchange, at Buhler Manufacturing’s option, of any Buhler Manufacturing product or
part which proves to be defective as provided. Buhler Manufacturing reserves the right
to either inspect the product at the buyer’s location or have it returned to the factory for
inspection.
The above warranty does not extend to goods damaged or subject to accident, abuse or
misuse after shipment from Buhler Manufacturing’s factory, nor to goods altered or
repaired by anyone other than an authorized Buhler Manufacturing representative.
Buhler Manufacturing makes no Express Warranties other than those, which are
specifically described. Any description of goods, including any references and
specifications in catalogues, circulars and other written material published, is for the
sole purpose of identifying goods and shall conform to such descriptions. Any sample
or model is for illustrative purposes only and does not create an Express Warranty that
the goods conform to sample or model shown.
The purchaser is solely responsible for determining suitability of goods sold. This
warranty is expressly in lieu of all other warranties expressed or implied. Buhler
Manufacturing will in no event be liable for any incidental or consequential damages
whatsoever. Nor for any sum in excess of the price received for the goods for which
liability is claimed.
WARRANTY CLAIMS:
Warranty requests must be prepared on Buhler Manufacturing Warranty Claim Forms
with all requested information properly completed. Warranty Claims must be submitted
within a thirty (30) day period from date of failure repair.
WARRANTY LABOR:
Any labor subject to warranty must be authorized by Buhler Manufacturing. The labor
rate for replacing defective parts, where applicable, will be credited at a rate determined
by the Company, Buhler Manufacturing.
IMPORTANT FACTS:
Buckets and Bucket Tines Carry No Warranty Bent Spears Carry No Warranty
Snowblower Fan Shafts Carry No Warranty
Mower Blades Carry No Warranty
Portable Auger Parts Have Two (2) Year Warranty

Commercial Snowblower
2
CAUTION
1. Always review operator’s manual before starting new machine.
2. Do not let inexperienced operators or children run this equipment.
3. Never service or clean unit while it is running.
4. Do not remove shields.
5. Stay clear of augers.
6. Stay clear of discharge chute. Rocks can be picked up and thrown.
7. Do not operate in the fully raised position.
8. Relieve pressure on hydraulic system before repairing or adjusting.
9. Wear hand and eye protection when looking for hydraulic leaks. Use
cardboard to look for leaks.
10. The quick tach must be securely locked in place before using snowblower.
11. Poor judgment results in accidents. Always be careful.
12. Remember a careful operator is the best insurance.
THIS SYMBOL MEANS
STAY ALERT! WATCH FOR IT!

Commercial Snowblower
3
SNOWBLOWERS
This manual is for both Commercial Hydraulic Snowblowers and Commercial PTO
Drive Snowblowers. The hydraulic models come in 60”, 74” and 84” widths. The PTO
drive model is only available in an 84” width. Hydraulic models come with four different
motor series. Hydraulic output on the equipment running the Snowblower must match
the requirement for each motor series for the Snowblower to work. The hitch is a skid
steer fixed type of quick hitch. The PTO drive model runs at 540 rpm. It is supplied
with category 2 hitch pins. There is a shear bolt on the auger and two on the PTO
shaft to protect the machine from damage if a large object is picked up. All
Snowblowers come with a hydraulic chute control as standard.

Commercial Snowblower
4
DECALS

Commercial Snowblower
5
DECALS – cont’d.
#1
#4
#2
#3

Commercial Snowblower
6
OPERATING INSTRUCTIONS
1. HYDRAULIC DRIVE: All snowblower hydraulic blocks are set at the factory for a
2800 - 3000 psi system. Refer to the section on the hydraulic control block if your
system does not fall into this range.
2. ALL: Depth of the cut can be partially controlled by tilting the snowblower forward or
backward.
3. PTO DRIVE: Adjust the top link of the tractor hitch so the snowblower is just slightly
tilted back when resting on the ground. CAUTION: Excessive backward tilt may
cause the “U” joints to flutter resulting in PTO shear bolt failure.
4. PTO DRIVE: The inside holes on the hitch are spaced to fit a category 2 quick hitch
using the pins supplied. The hitch will also fit category 2 three point arms or
category 3 if you add bushings.
5. PTO DRIVE: Adjust the lower link sway chains or blocks on the tractor to restrict
movement of the blower when operating.
6. ALL: All snowblowers have a hydraulic control spout and spout deflector. Refer to
the hydraulic control block section. The pressure to the chute control is regulated by
the two modulating elements (#14a and #14b). Each controls the hydraulic pressure
in one direction. They are set at the factory to about
2 ½ turns. If the pressure is too low, the chute won’t turn. If the pressure is too high
you could damage the teeth on the spout control ring. To adjust the pressure, you
loosen the lock nut on the modulating valve and back off the adjusting screw till the
screw turns freely by hand. Turn the screw in till you feel it making contact and turn
in 2 ½ turns. Start with this setting to do any fine adjustment if necessary. Pressure
should not go over 1000 psi.
The deflector cylinder pressure is regulated by modulating element (#14a). It is set
at the factory to about 2 turns. If pressure is too low it will not operate. Excess heat
will be generated if it is set too high. Adjust if necessary as per previous paragraph.
Operating pressure should be about 700 psi.
7. ALL: Run the snowblower at low rpm to check operation before blowing snow.
8. PTO DRIVE: The blower has two shear bolts to protect the tractor and blower in
case a large object enters the blower. PTO shear bolt – two 5/16” x 1” (grade 8);
auger shear bolt – 5/16” x 1 ¼” (grade 5). Shear bolts should be fastened with a lock
nut or two jam nuts. These bolts must be tight to prevent wear of the bolts and bolt
holes.
9. PTO DRIVE: Never run PTO at over 600 rpm.

Commercial Snowblower
7
OPERATING INSTRUCTIONS – cont’d.
10. ALL: Chain tension on auger chain should be set at 3/8” to 1/2” slack.
11. LUBRICATION:
a) ALL: The gear teeth on the chute control should be periodically
lubricated with gun grease.
b) PTO DRIVE: PTO shaft universal joints and square shaft slide should
be periodically lubricated with a grease gun.
c) ALL: Regularly oiling the chain will significantly increase the life of the
chain.
d) PTO DRIVE: Use any 80-90 gear oil or multigrade with 80 minimum in
the gearbox up to the level plug height.
12. ALL: Periodically check all bolts for tightness. The bolt holding on the fan
and the bearing bolts are of particular importance.
13. HYDRAULIC DRIVE: Always use goggles and gloves when checking for
hydraulic leaks. Use a piece of cardboard instead of your hands to look for
leaks.
14. ALL: Always shut off snowblower for servicing or unplugging. Disengage
hydraulics or PTO shaft.
15. PTO DRIVE: Check the shear sprocket at the beginning of every season to
make sure it will spin freely. Clean to loosen if necessary.
16. ALL: When replacing bearings or tightening a loose bearing collar, always
tighten collar in the direction of shaft rotation using a center punch or a similar
tool.
17. HYDRAULIC DRIVE: WARNING: The locking pins must extend through
the holes in the attachment when mounting the snowblower to an implement.
Levers must be fully down and locked. Failure to secure pins can allow
attachment to come off and cause injury or death.

Commercial Snowblower
8
HYDRAULIC CONTROL BLOCK
NON-STALLING-FAN FEATURE:
The Hydraulic Snowblower has a unique modulating element that keeps the blower fan
from stalling in an overloaded condition. This is accomplished by starving the hydraulic
flow to the front auger motor (which then stops feeding the fan) and diverts all of the
flow (and energy) to the main fan motor. As the fan clears itself, and the pressure
drops, the auger again begins feeding according to load. When the system is set up
properly the fan motor should not stall or plug up.
MODULATING ELEMENT SETUP:
For optimum performance the modulating element (#4) (Fig. 1) must be adjusted to
match the system pressure of the tractor being used. The factory setting is for a 2800-
3000 psi system. If your system is less, you should make adjustments accordingly. For
adjustment:
Loosen the LOCK NUT (on the MODULATING VALVE (#4) and back off the
adjusting screw till the screw turns freely by hand, and then turn it in till you feel
the screw making contact with the pressure spring. One turn sets the pressure
up by about 600 psi.
For 2100 psi turn the screw in 3 ½ turns.
For 2400 psi, turn in 4 turns
For 2700 psi, turn in 4 ½ turns
For 3000 psi, turn in 5 turns.
If the fan stalls (in an over load condition), the (#6) element is set too high. If the Auger
slows and stops too soon, it is set too low. Once it is set it should not need to be
adjusted any more.
Since there are a number of unknown variables that are unique to almost every
situation, it is difficult to give an exact setting for a particular model. The variables are:
hose size and length, type and size of quick couplers, etc.

Commercial Snowblower
9
NO. DESCRIPTION PART NO.
1 Main Block 905669
2 Logic Element 813922
3 Element Seal Kit X2732
4 Control Valve 813923
5 Seal Kit X2733
6 No-Load Valve 813924
7 Seal Kit X2734
8ab Chute Cont. Valves 813925
9 Seal Kit X2735
10a No-Load Press. Coil 813926
10bc Chute Up Down Coil 813926
10ef Chute Left Right Coil 813926
11 Harness Assembly X2572
12 Check Valve 813959
13 Seal Kit X2736
14a No-Load Control 813930
14bc Torque Limit Control 813930
15 Seal Kit X2737
16 Check Valve 813931
17 Seal Kit X2745

Commercial Snowblower
10
ASSEMBLY INSTRUCTIONS
1. SPOUT ASSEMBLY FOR ALL SNOWBLOWERS: Remove two of the
grooved spout rollers to mount the discharge spout. Replace the two rollers
to hold spout in place. Install the 2 ½” x 8” cylinder on the spout using the
pins supplied.
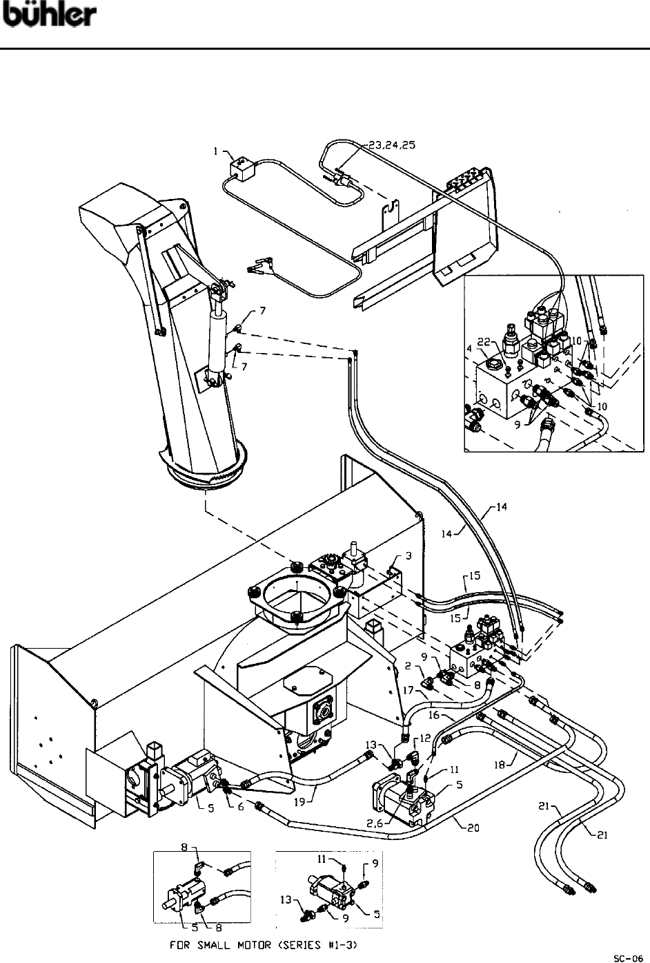
2. HYDRAULIC DRIVE: The 62” long hydraulic lines (#14) for the spout
deflector cylinder should be connected to the two ports on the hydraulic block
labeled C1 and C2 (see section on hydraulic control block for block drawing).
The 30” long lines (#15) from the spout control motor connect to the two ports
labeled M1 and M2 on the hydraulic block. The ¾” diam. x 84” main
lines (#21) connect to the implement. NOTE: The customer must supply the
appropriate tips to connect the main lines to the implement. A two-piece
wiring harness is supplied with all hydraulic snowblowers. The 45” part of the
harness is mounted on the snowblower. One end of this wire connects to the
control block. The plug end mounts on a bracket welded to the top edge of
the quick hitch. The 155” part of the harness with the switch is connected to
the plug on the harness mounted on the snowblower. A switch mounted in
the cab controls the spout and the deflector. The alligator clips attach to the
battery which acts as a power source. A schematic of the wiring harness is
included in this manual.
3. PTO DRIVE:
1. Slide the two hitch adaptor weldments (#17) into the sleeves on the body.
These tubes are adjustable to three different positions. The correct position
for each individual tractor will be determined when mounting the snowblower
on the tractor (see section on mounting blower on tractor). Start with the
tubes pulled out to the last hole. Connect to the snowblower using pins (#71)
and linch pins (#73).
Mount the hitch Weldment (#7) to the body. The top arm of the hitch bolts on
top of the bracket on the body using a ¾” x 1 5/8” bolt, lock washer and hex
nut. The bottom of the hitch bolts to the outside of the two hitch adaptors
using 5/8” x 1 ¾” hex bolts, flat washers, lock washers and hex nuts.
2. Connect two 108” hoses (#76) to the hydraulic spout control motor and
two hoses to the cylinder on the discharge spout. Connect these hoses to the
tractor after mounting the snowblower on the tractor.
3. Mounting blower on tractor:
a) The pins supplied with the snowblower are for a category 2 quick
hitch. The quick coupling hitch has two holes both at the top of the
hitch and at each lift arm. When using a quick coupler, the pins
must be in the inside set of holes. Use the outside set of holes
with a standard three-point hitch.

Commercial Snowblower
11
ASSEMBLY INSTRUCTIONS – cont’d.
b) Using tape or a bright colored marking pen, mark on the outer
shields the position where the shaft is completely pushed together
and the position where you have a 4” overlap. Watch these marks
when moving the blower through all possible operating angles to
see that the PTO shaft stays within this range.
c) With the engine on the tractor shut off, attach the PTO shaft. The
tractor end has a standard 6-spline end with a spring loaded locking
collar. The snowblower end has a clamp-style yoke with a 3/8” key
way. Slide the yoke onto the gearbox shaft with the 3/8” key
supplied. Lock the yoke in place with the ½” x 3” bolt and lock nut
fitted through the groove in the gearbox shaft. After tightening the
bolt, insert and tighten the 3/8” socket set screw supplied.
Caution: Always check to see that both ends of the PTO shaft are securely
attached every time the Snowblower is used. This should always
be done with the tractor engine off.
d) Check that the PTO shaft does not bottom or separate with the
blower in the extreme high and low positions. A longer optional
PTO shaft is available if the standard shaft is too short. Check for
free movement of all parts in various raised positions; particularly
the PTO shaft.
e) NOTE: Excessive U-joint wear and shear pin failure may result if
the tractor PTO angle exceeds 20º. The drawing below gives an
approximate way to check this angle. With the PTO half extended,
the tractor output should not be over 32 inches high. Use 34 inches
if the PTO is nearly compressed.

Commercial Snowblower
12
ASSEMBLY INSTRUCTIONS – cont’d.
4. PTO SHIELD: All PTO snowblowers are supplied with a PTO shield
(#18). To install, remove the two rear bolts at the top of the gearbox
(#34). Bolt the PTO shield to the gearbox by the hinges using these same
bolts. A utility spring (#68) keeps the shield in place. Hook one end of the
spring in the hole in the shield and the other end to the hole in the brace
under the gearbox.
CAUTION: Do not run the snowblower without this shield in place.
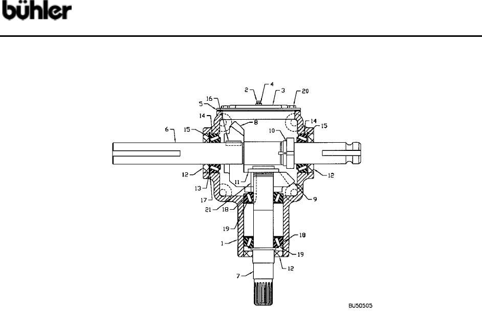
REFILLING GEARBOX WITH OIL: If the gearbox requires refilling with oil
because of repairs to the gearbox, add oil to the level shown in drawing.
Check the level regularly using the plug in the lid. The correct level is
even with the bottom of the plug.

Commercial Snowblower
13
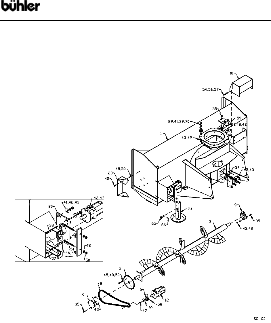
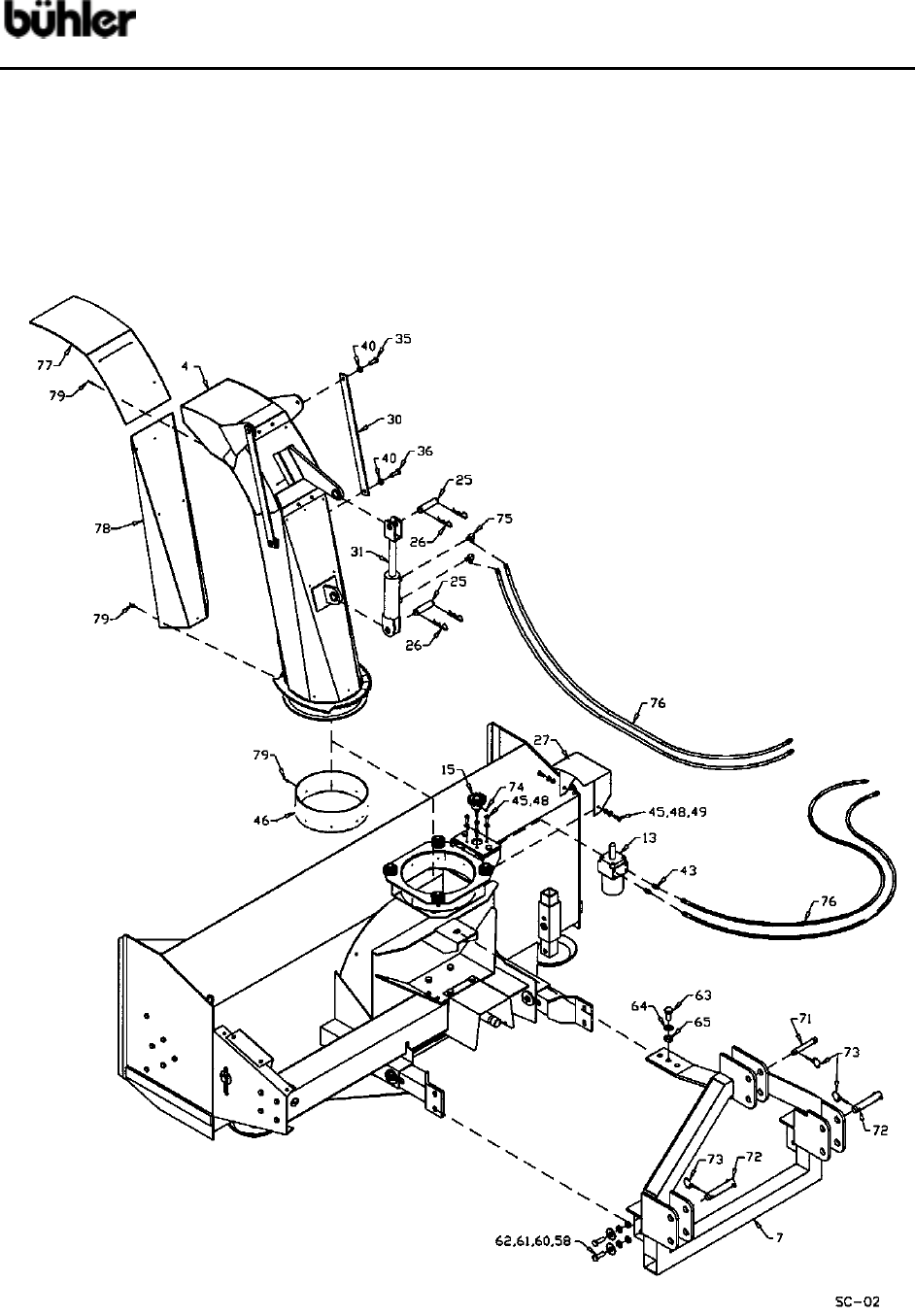
HYDRAULIC COMMERCIAL SERIES SNOWBLOWER – 22” HOUSING

Commercial Snowblower
14

Commercial Snowblower
15
WHEN ORDERING PARTS
Always give your dealer the Model and Serial Number of your machine to assist him in
ordering and obtaining the correct parts. Use the exploded view and tabular listing of
the area of interest to exactly identify the required part.
Hyd Commercial Series Snowblower - 22'' Housing
Item # Part # Description
1 905536 Main Body Weldt - 74''
905534 Main Body Weldt - 60''
2 905226 Fan Weldt - 22''
3 905206 Auger Weldt - 74''
905210 Auger Weldt - 60''
4 905550 Spout Weldt
5 965912 40 Tooth Sprocket #60, 1 3/8'' Bore
6 902880 Cutting Edge (74'')
902883 Cutting Edge (60'')
7 905291 Adaptor
8 906658 Roller Chain (#60H x 72 Links w/ Conn)
9 965426 1 3/8'' Housing W/ Bearing
965430 1 3/8'' Bearing W/ SS Lock
10 906322 Auger Sprocket 15T #60 (1 1/4'' Bore) (Ser 1 - 3)
906323 Auger Sprocket 15T #60 (1 1/2'' Bore) (Ser 4)
11 906332 Spout Liner
12 905623 Fan Motor - 2 Hole (Ser 1)
905694 Fan Motor - 2 Hole (Ser 2)
905695 Fan Motor - 2 Hole (Ser 3)
905624 Fan Motor - 4 Hole (Ser 4)
13 906335 Spout Motor
14 967440 Pop Rivet SD68BSLF
15 905241 Spout Gear Weldt
16 968627 1 1/2'' Bearing w/ Collar
17 967260 1 1/2'' Bearing Flange (Set)
18 902869 Fan Motor Mount Plate (Ser 1-3)
905289 Fan Motor Mount Plate (Ser 4)
19 905362 Roller Chain (#80H x 30 Links w/ Conn)
20 905299 Auger Motor Mount Plate (Ser 1-3)
905528 Auger Motor Mount Plate (Ser 4)
21 906311 Hyd Box Shield Weldt
22 905224 Fan Shaft 1 1/2'' x 15 1/4''
23 22695 Chain Cover
24 902407 Skid Plate Weldt
25 103753 Cylinder Clevis Pin 1'' x 4''
26 12779 Hair Pin Clip #9 Western Wire

Commercial Snowblower
16
27 960719 Sprocket 15T, #80, 1 1/2'' Bore
28 905309 Sprocket 15T, #80, 1 1/4'' Bore (Ser 1-3)
960719 Sprocket 15T, #80, 1 1/2'' Bore (Ser 4)
29 905237 Spout Roller
30 905181 Spout Link 22''
31 24981 Cylinder 2 1/2'' Dia x 8''
32 905554 Spout Sprocket Cover
33 906660 1/2'' x 2'' Sq Hd Set Screw (pl)
34 81620 1/2'' x 1 1/4'' Hex Bolt (pl)
35 84277 1/2'' x 1 1/2'' Hex Bolt (pl)
36 906655 1/2'' x 1 1/2'' Fl Hd Bolt (skt) (pl)
37 87553 1/2'' x 1 3/4'' Hex Bolt (pl)
38 811791 1/2'' x 2'' Hex Bolt (pl) (Series #1-3)
81624 1/2'' x 2 1/4'' Hex Bolt (pl) (Series #4)
39 81624 1/2'' x 2 1/4'' Hex Bolt (pl)
40 812364 1/2'' Lock Nut (pl)
41 81638 1/2'' BS Flat Washer Std (pl)
42 81637 1/2'' Lock Washer (pl)
43 81636 1/2'' Hex Nut (pl)
44 86170 3/8'' x 1'' Hex Bolt (pl)
45 86171 3/8'' x 1 1/4'' Hex Bolt (pl)
46 811792 3/8'' x 1 1/2'' Hex Bolt (pl)
47 967431 3/8'' x 1'' Flat Bolt (skt) (pl)
48 81593 3/8'' Lock Washer (pl)
9 812363 3/8'' Lock Nut (pl)
50 81592 3/8'' Hex Nut (pl)
51 905543 3/8'' x 4'' Auger Chain Bolt Weldt
52 905648 Spout Liner Middle
53 905647 Spout Liner Bottom
54 81568 5/16'' Hex Nut (pl)
55 906393 5/16'' x 3/4'' Fl Hd Bolt (skt) (pl)
56 81569 5/16'' Lock Washer (pl)
57 81549 5/16'' x 3/4'' Hex Bolt (pl)
58 988999 3/8'' x 3/8'' Socket Set Screw
59 902874 Spout Motor Mount Plate
60 84268 5/8'' x 1 1/2'' Hex Bolt (pl)
61 81677 5/8'' Lock Washer (pl)
62 81678 5/8'' BS Flat Washer Std (pl)
63 965821 3/8'' x 1 3/4'' Key
64 905310 3/8'' x 4 1/2'' Key
65 900712 Skid Pin Weldt 5/8'' x 3''
66 961012 #16 Hair Pin Clip (pl)
67 905278 Cover Plate
68 905336 Fan Housing Liner 68''

Commercial Snowblower
17
69 906348 Motor Washer 13/32'' hole x 2'' OD
70 906574 Bronze Bushing 7/8'' OD x 1''
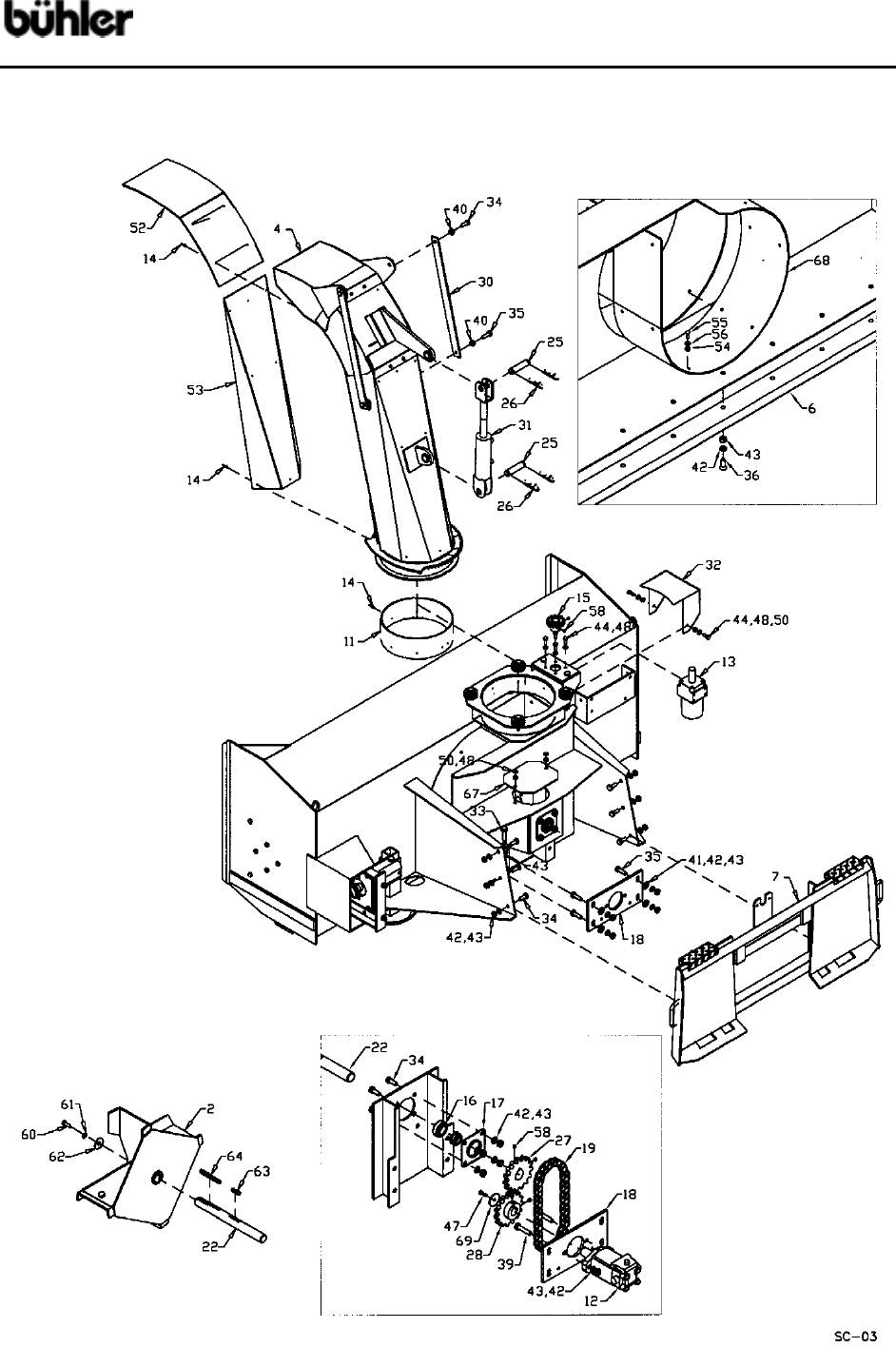
HYDRAULIC COMMERCIAL SERIES SNOWBLOWER – 24” HOUSING

Commercial Snowblower
18

Commercial Snowblower
19
Hyd Commercial Series Snowblower - 24'' Housing
Item # Part # Description
1 905540 Main Body Weldt - 84''
905538 Main Body Weldt - 74''
2 905225 Fan Weldt - 24''
3 905202 Auger Weldt - 84''
905206 Auger Weldt - 74''
4 905550 Spout Weldt
5 965912 40 Tooth Sprocket #60, 1 3/8'' Bore
6 902879 Cutting Edge (84'')
902880 Cutting Edge (74'')
7 905291 Adaptor
8 906658 Roller Chain (#60H x 72 Links w/ Conn)
9 965426 1 3/8'' Housing W/ Bearing
965430 1 3/8'' Bearing W/ SS Lock
10 906322 Auger Sprocket 15T #60 (1 1/4'' Bore) (Ser 1-3)
906323 Auger Sprocket 15T #60 (1 1/2'' Bore) (Ser 4)
11 906332 Spout Liner
12 905623 Fan Motor - 2 Hole (Ser #1)
905694 Fan Motor - 2 Hole (Ser #2)
905695 Fan Motor - 2 Hole (Ser #3)
905624 Fan Motor - 4 Hole (Ser #4)
13 906335 Spout Motor
14 967440 Pop Rivet SD68BSLF
15 905241 Spout Gear Weldt
16 968627 1 1/2'' Bearing w/ Collar
17 967260 1 1/2'' Bearing Flange (Set)
18 902869 Fan Motor Mount Plate (Ser 1-3)
905289 Fan Motor Mount Plate (Ser 4)
19 905362 Roller Chain (#80H x 30 Links w/ Conn)
20 905299 Auger Motor Mount Plate (Ser 1-3)
905528 Auger Motor Mount Plate (Ser 4)
21 906311 Hyd Box Shield Weldt
22 905224 Fan Shaft 1 1/2'' x 15 1/4''
23 22695 Chain Cover
24 902407 Skid Plate Weldt
25 103753 Cylinder Clevis Pin 1'' x 4''
26 12779 Hair Pin Clip #9 Western Wire
27 960719 Sprocket 15T, #80, 1 1/2'' Bore
28 905309 Sprocket 15T, #80, 1 1/4'' Bore (Ser 1-3)
960719 Sprocket 15T, #80, 1 1/2'' Bore (Ser 4)
29 905237 Spout Roller
30 905181 Spout Link 22''

Commercial Snowblower
20
31 24981 Cylinder 2 1/2'' Dia x 8''
32 905554 Spout Sprocket Cover
33 905246 3/8'' x 3'' Fan Bolt Weldt
34 81620 1/2'' x 1 1/4'' Hex Bolt (pl)
35 84277 1/2'' x 1 1/2'' Hex Bolt (pl)
36 906655 1/2'' x 1 1/2'' Fl Hd Bolt (skt) (pl)
37 87553 1/2'' x 1 3/4'' Hex Bolt (pl)
38 811791 1/2'' x 2'' Hex Bolt (pl) (Series #1-3)
81624 1/2'' x 2 1/4'' Hex Bolt (pl) (Series #4)
39 81624 1/2'' x 2 1/4'' Hex Bolt (pl)
40 812364 1/2'' Lock Nut (pl)
41 81638 1/2'' BS Flat Washer Std (pl)
42 81637 1/2'' Lock Washer (pl)
43 81636 1/2'' Hex Nut (pl)
44 86170 3/8'' x 1'' Hex Bolt (pl)
45 86171 3/8'' x 1 1/4'' Hex Bolt (pl)
46 811792 3/8'' x 1 1/2'' Hex Bolt (pl)
47 967431 3/8'' x 1'' Flat Bolt (skt) (pl)
48 81593 3/8'' Lock Washer (pl)
49 812363 3/8'' Lock Nut (pl)
50 81592 3/8'' Hex Nut (pl)
51 905543 3/8'' x 4'' Auger Chain Bolt Weldt
52 905648 Spout Liner Middle
53 905647 Spout Liner Bottom
54 81568 5/16'' Hex Nut (pl)
55 906393 5/16'' x 3/4'' Fl Hd Bolt (skt) (pl)
56 81569 5/16'' Lock Washer (pl)
57 81549 5/16'' x 3/4'' Hex Bolt (pl)
58 988999 3/8'' x 3/8'' Socket Set Screw
59 902874 Spout Motor Mount Plate
60 84268 5/8'' x 1 1/2'' Hex Bolt (pl)
61 81677 5/8'' Lock Washer (pl)
62 81678 5/8'' BS Flat Washer Std (pl)
63 965821 3/8'' x 1 3/4'' Key
64 905310 3/8'' x 4 1/2'' Key
65 900712 Skid Pin Weldt 5/8'' x 3''
66 961012 #16 Hair Pin Clip (pl)
67 905278 Cover Plate
68 905337 Fan Housing Liner 73 1/2''
69 906348 Motor Washer 13/32'' hole x 2'' OD
70 906574 Bronze Bushing 7/8'' OD x 1''

Commercial Snowblower
21
SNOWBLOWER ASSEMBLY

Commercial Snowblower
22
HYD COMMERCIAL SERIES SNOWBLOWER ASSEMBLY
Item # Part # Description
1 X2572 Wiring Harness
2 890082 1 1/16 SWFJIC x 1 1/16 MJIC Elbow 90
3 JDF19M7866 HFL Bolt M8 x 20 (10.9) (pl)
4 905669 Hyd Manifold Assembly
5 905623 Series #1 Motor - 2 Holes (Already Assembled)
905694 Series #2 Motor - 2 Holes (Already Assembled)
905695 Series #3 Motor - 2 Holes (Already Assembled)
905624 Series #4 Motor - 4 Holes (Already Assembled)
6 906589 1 5/16 MORB x 1 1/16 MJIC Adaptor Str
7 811918 9/16 MJIC x 9/16 SWMORB Elbow 90
8 812647 1 1/16 MJIC x 1 1/16 MORB Elbow 90
9 812661 1 1/16 MORB x 1 1/16 MJIC Adaptor Str
10 812086 9/16 MORB x 9/16 MJIC Adaptor Str
11 812838 7/16 MORB x 9/16 MJIC Adaptor Str
12 813756 1 1/16 MJIC x 1 5/16 MORB Elbow 90
13 887575 1 1/16 SWFJIC X 1 1/16 MJIC x 1 1/16 MJIC Tee
14 115620 3/8'' x 62'' Hose 9/16 SWFJIC x 9/16 SWFJIC
15 115796 3/8'' x 30'' Hose 9/16 SWFJIC x 9/16 MORB
16 115618 3/8'' x 45'' Hose 9/16 SWFJIC x 9/16 SWFJIC - 84''
115619 3/8'' x 40'' Hose 9/16 SWFJIC x 9/16 SWFJIC-74''&60''
17 115611 3/4'' x 52'' Hose 1 1/16 SWFJIC x 1 1/16 SWFJIC-84''
115612 3/4'' x 42'' Hose 1 1/16SWFJICxSWFJIC-60''&(74'' Ser #4)
115614 3/4'' x 48'' Hose 1 1/16 SWFJIC x SWFJIC-74'' Ser #1-3
18 115614 3/4'' x 48'' Hose 1 1/16 SWFJIC x 1 1/16 SWFJIC - 84''
115616 3/4'' x 40'' Hose 1 1/16 SWFJIC x SWFJIC - 74'' Ser #1-3
115615 3/4'' x 36'' Hose 1 1/16 SWFJICxSWFJIC-60''&(74'' Ser #4)
19 115612 3/4'' x 42'' Hose 1 1/16 SWFJIC x 1 1/16 SWFJIC - 84''
115616 3/4'' x 40'' Hose 1 1/16 SWFJIC x SWFJIC - 74'' Ser #1-3
115615 3/4'' x 36'' Hose 1 1/16 SWFJICxSWFJIC-60''&(74'' Ser#4)
20 115608 3/4'' x 86'' Hose 1 1/16 SWFJIC x 1 1/16 SWFJIC - 84''
115609 3/4'' x 74'' Hose 1 1/16 SWFJIC x 1 1/16 SWFJIC - 74''
115610 3/4'' x 68'' Hose 1 1/16 SWFJIC x 1 1/16 SWFJIC - 60''
21 115617 3/4'' x 84'' Hose 1 1/16 SWFJIC x 1 1/16 MORB
22 811922 9/16'' ORB Steel Plug
23 81525 1/4'' x 3/4'' Hex Bolt (pl)
24 81545 1/4'' Lock Washer (pl)
25 81544 1/4'' Hex Nut (pl)

Commercial Snowblower
23
PTO COMMERCIAL SERIES SNOWBLOWER – 24 “ HOUSING

Commercial Snowblower
24

Commercial Snowblower
25
Pto Commercial Series Snowblower - 24'' Housing
Item # Part # Description
1 905298 Main Body Weldt
2 905225 Fan Weldt - 24''
3 905202 Auger Weldt
4 905550 Spout Weldt
5 965912 40 Tooth Sprocket #60, 1 3/8'' Bore
6 902879 Cutting Edge (84'')
7 F0328 Hitch
8 905196 Drive Shaft
9 965426 1 3/8'' Housing W/ Bearing
965430 1 3/8'' Bearing W/SS Lock
10 965433 1 1/4'' Housing W/ Bearing (UCF207-20)
961676 1 1/4'' Brg W/ Collar
11 906659 Roller Chain (#60H x 92 Links W/ Conn)
12 965914 13T Sprocket, #60 1 1/4'' Bore
13 906335 Spout Motor
14 84072 3/8'' x 3/4'' Hex Bolt (pl)
15 905241 Spout Gear Weldt
16 902874 Spout Motor Mount Plate
17 905214 Hitch Adaptor Weldt
18 965967 PTO Shield
19 BU50505 Gearbox w/o Oil
20 F972 PTO Shaft
21 905227 Idler Shield
22 905199 Drive Shaft Guard
23 22695 Chain Cover
24 902407 Skid Plate Weldt
25 103753 Cylinder Clevis Pin 1'' x 4''
26 12779 Hair Pin Clip #9 Western Wire
27 905554 Spout Sprocket Cover
28 905337 Fan Housing Liner 73 1/2''
29 905237 Spout Roller
30 905181 Spout Link 22''
31 24981 Cylinder 2 1/2'' Dia X 8''
32 965969 Idler Spacer
33 965962 Idler Sprocket, 13T, #60, 5/8'' Bore
34 81619 1/2'' x 1'' Hex Bolt (pl)
35 81620 1/2'' x 1 1/4'' Hex Bolt (pl)
36 84277 1/2'' x 1 1/2'' Hex Bolt (pl)
37 906655 1/2'' x 1 1/2'' Fl Hd Bolt (skt) (pl)
38 81624 1/2'' x 2 1/4'' Hex Bolt (pl)
39 81627 1/2'' x 3'' Hex Bolt (pl)

Commercial Snowblower
26
40 812364 1/2'' Lock Nut (pl)
41 81637 1/2'' Lock Washer (pl)
42 81636 1/2'' Hex Nut (pl)
43 812086 9/16 MORB x 9/16 MJIC Adaptor Str
44 81638 1/2'' BS Flat Washer Std (pl)
45 86170 3/8'' x 1'' Hex Bolt (pl)
46 906332 Spout Liner
47 86171 3/8'' x 1 1/4'' Hex Bolt (pl)
48 81593 3/8'' Lock Washer (pl)
49 81592 3/8'' Hex Nut (pl)
50 81549 5/16'' x 3/4'' Hex Bolt (pl)
51 906393 5/16'' x 3/4'' Fl Hd Bolt (skt) (pl)
52 906574 Bronze Bushing 7/8''OD x 1''
53 81552 5/16'' x 1 1/4'' Hex Bolt (pl)
54 81569 5/16'' Lock Washer (pl)
55 812362 5/16'' Lock Nut (pl)
56 81568 5/16'' Hex Nut (pl)
57 84268 5/8'' x 1 1/2'' Hex Bolt (pl)
58 84270 5/8'' x 1 3/4'' Hex Bolt (pl)
59 81671 5/8'' x 4'' Hex Bolt (pl)
60 81677 5/8'' Lock Washer (pl)
61 81678 5/8'' BS Flat Washer Std (pl)
62 81676 5/8'' Hex Nut (pl)
63 967437 3/4'' x 1 5/8'' Hex Bolt (pl)
64 81701 3/4'' Lock Washer (pl)
65 81700 3/4'' Hex Nut (pl)
66 902377 3/8'' x 3/8'' x 4 3/4'' Key
67 968807 3/8''x 3/8'' x 2'' Key
68 960135 Spring
69 900712 Skid Pin Weldt 5/8'' x 3''
70 961012 #16 Hair Pin Clip (pl)
71 965910 Top Link Pin (Cat. 2)
72 965966 Quick Hitch Lift Pin (Cat. 2)
73 965911 Linch Pin 7/16''
74 988999 3/8'' Dia x 3/8'' Socket Set Screw
75 811918 9/16 MJIC x 9/16 SWMORB Elbow 90
76 115370 3/8'' x 108'' Hose 9/16 SWFJIC x 1/2 MNPT
77 905648 Spout Liner Middle
78 905647 Spout Liner Bottom
79 967440 Pop Rivet SD68BSLF

Commercial Snowblower
27
PTO DRIVE COMMERCIAL SNOWBLOWER
PTO DRIVE COMMERCIAL SNOWBLOWER
Item # Part # Description
F972 Shaft Complete
936276 Tractor Half of PTO (Shear)
936264 Implement Half of PTO (Clamp Yoke)
1 936277 Shear Assembly
2 936199 Safety Slide Lock Repair Kit
(Collar, Spring, Ret. Ring, 2-Pawls)
3 936249 Shear Assembly Repair Kit
(3/8" x 1/2" Bolt, Lube, Blank, 31-1/4" Balls)
4 967247 Shear Bolt - 5/16" x 1" (Grade 8)
- 2 required
5 812362 5/16" Lock Nut
6 936025 Repair Kit
7 936270 Yoke & Tube
8 936319 Bearing & Snap Ring Kit
9 936272 Inner Shield
10 936273 Outer Shield
11 936274 Yoke & Shaft
12 936269 Clamp Yoke
13 81627 1/2" x 3" Hex Bolt (pl)
14 812364 1/2" Lock Nut (pl)
15 936430 Shear Yoke
16 936411 6 Spl. Shear Hub

Commercial Snowblower
28
2 ½” x 8” CYLINDER ASSEMBLY
Item # Part # Description
1 24982 Tube Weldment
2 108655 Shaft 1.25 dia x 15.54 Lg
3 23156 2.50 Dia Headplate
4 13109 2.50 Dia Piston
5 13090 Piston Rod Clevis (Cast)
6 82330 2.50 OD x e Sect O-Ring
7 83330 2.50 OD x o Sect Backup Washer
8 82018 0.88 OD x 0.06 O-Ring
9 812200 1.50 OD x 1.25 ID x o Sect Seal
10 81901 1.50 OD x 1.25 ID Dust Seal
11 811922 0.56 MORB Plug
12 81578 3/8'' x 1 3/4'' Hex Bolt (pl)
13 81592 3/8'' Hex Nut
14 104314 7/8'' Jam Lock Nut (Steel) (pl)
15 103753 Clevis Pin 1'' x 4''
16 12779 Hair Pin Clip
17 22370 Hyd Cyl Decal

Commercial Snowblower
29
PTO DRIVE COMMERCIAL SNOWBLOWER
Item # Part # Description
BU50505 Gearbox Complete
1 BU50310 Gearbox Casting Only
2 BU500089-3 Pipe Plug
3 BU50457 Gearbox Cover
4 BU500167-1 Relief Valve
5 BU50458 Gearbox Gasket
6 BU50507 Cross Shaft
7 BU50502 Pinion Shaft
8 BU50329 Bevel Gear - 1 1/2" Bore
9 BU50331 Bevel Gear - 1 3/8" Bore
10 BU50428 Staking Lock Nut
11 BU50444 Staking Lock Nut
12 BU50422-1 Oil Seal (3 used)
13 BU50415 Retainer Ring (4 used)
14 BU575902 Bearing Cup (2 used)
15 BU575901 Bearing Cone (2 used)
16 BU50429 Key
17 BU50210X Shim Set
18 BU575907 Bearing Cup (2 used)
19 BU575906 Bearing Cone (2 used)
20 BU500397-6 Hex Bolt 5/16'' NC x 5/8'' GR5 (pl)
21 BU50417-1 Key

Commercial Snowblower
30
SPECIFICATIONS
MODEL
B6022HSB-1
B6022HSB-2
B6022HSB-3
B7422HSB-1
B7422HSB-2
B7422HSB-3
B7422HSB-4
B7424HSB-3
B7424HSB-4
B8424HSB-2
B8424HSB-3
B84SB
(PTO Drive)
Cutting Width 60" 74" 74" 84" 84"
Cutting Height 28” 30” 30” 30” 30”
Fan Housing Replaceable
UHMW Liner Replaceable
UHMW Liner Replaceable
UHMW Liner Replaceable
UHMW Liner Replaceable
UHMW Liner
Fan 4-Blade 4-Blade 4-Blade 4-Blade 4-Blade
Fan Diameter 21.5” 21.5” 23.5” 23.5” 23.5”
Fan Depth 7.5” 7.5” 7.5” 7.5” 7.5”
Auger Diameter 20” 20” 20” 20” 20”
Auger Center
Diameter 3”od x .150 wall 3”od x .150 wall 3”od x .150 wall 3”od x .150 wall 3”od x .150 wall
Auger
Thickness 3/8” 3/8” " 3/8” 3/8” 3/8”
Drive Fan Hyd w/#80 Chain Hyd w/#80 Chain Hyd w/#80 Chain Hyd w/#80 Chain PTO Gearbox
Drive Auger Hyd w/#60H Chain Hyd w/#60H Chain Hyd w/#60H Chain Hyd w/#60H Chain #60H Chain
Body Housing 10ga 10ga 10ga 7ga 7ga
Hitch Type Skid Steer-fixed Skid Steer-fixed Skid Steer-fixed Skid Steer-fixed Cat. 3 –3 pt.
Hitch
Adjustment No No No No 3 position
Chute Rotator Hydraulic-230 Hydraulic-230 Hydraulic-230 Hydraulic-230 Hydraulic-230
Chute Deflector Hyd. Hyd. Hyd. Hyd. Hyd.
Cutting Edge ½” x 4” Beveled
replaceable ½” x 4” Beveled
replaceable ½” x 4” Beveled
replaceable ½” x 4” Beveled
replaceable ½” x 4” Beveled
replaceable
Skid Shoes Cup Type –
adjustable Cup Type –
adjustable Cup Type –
adjustable Cup Type –
adjustable Cup Type –
adjustable
Truckloading
Spout Opt. Opt. Opt. Opt. Opt.
System
Controls &
Drive
Hyd. Load
Sensing Block flow
adjustable
Hyd. Load
Sensing Block flow
adjustable
Hyd. Load
Sensing Block flow
adjustable
Hyd. Load
Sensing Block flow
adjustable PTO w/shear pin
Hyd.
Requirements 13-26 gpm
2000 psi Min. 13-32 gpm
2000 psi Min. 20-32 gpm
2000 psi Min. 20-32 gpm
2000 psi Min. 10 gpm
1000 psi Min.
Approx. Weight 1070 lbs. 1178 lbs. 1193 lbs. 1209 lbs 1307 lbs.
Hydraulic Snowblower Fan RPM to GPM Rating
Series I 13 – 17 gpm 2000 psi min. (6.2 cu.in./rev)
Series II 16 – 22 gpm 2000 psi min. (8 cu.in./rev)
Series III 20 – 26 gpm 2000 psi min. (9.6 cu.in./rev)
Series IV 24 – 32 gpm 2000 psi min (11.9 cu.in./rev)
gpm x psi = hp
1714

Commercial Snowblower
31
Category Motor GPM Motor HP @ HP @ Shaft Type Eaton Motor Buhler
Cu/in/rev RPM 2000 3000 psi Flange Mtg. Part #'s Part #
12 447 12 18 1.25" Straight 1 1/16-12 ORB
Group #1 6.2 16 596 16 24 2 bolt 104-1062 905623
17 491 17 25 1.25 Straight 1/16/=12 ORB
Group #2 8 20 578 20 29 2 bolt 104-1063 905694
20 481 20 29 1.25 Straight 1 16/-12 ORB
Group #3 9.6 24 578 24 35 2 bolt 104-1064 905695
21 408 21 31 1.25 Straight 1 116-12 ORB
Group #4 11.9 28 544 28 41 1.25 Straight 104 - 1065 905624
spout motor 146-1028-002 905625

Commercial Snowblower
32
TROUBLESHOOTING
SYMPTOM PROBABLE CAUSE REMEDY
D1 Nothing Works Hydraulic Circuit Not Complete
1. Hydraulic Valve not engaged 1. Engage valve to full detent
2. 1 or more quick couplers not 2. Fully engage all couplers
completely engaged.
3. Defective quick coupler 3. Replace defective quick couplers
4. Hydraulic pump low on fluid 4. Top up fluid level
D2 Auger Rotates Hydraulic Circuit Reversed
backwards, and 1. Main valve is in reverse 1. Reverse valve direction or
fan does not 2. Quick couplers are connected 2. Switch hose connections to
rotate backwards. the machine.
D3 Fan turns too 1. Inadequate hydraulic flow for 1. Check the gpm of your
slow this motor size. system.
2. Wrong motor for your system. 2. Contact your dealer.
D4 Fan motor stalls Valve #4 (Fig. 1) set too high See MODULATING
ELEMENT SET UP
D5 Auger motor Valve #4 (Fig. 1) set too low See MODULATING
slows or stalls ELEMENT SET UP
too quickly
D6 Fan & Auger work Electrical Problem
but chute controls 1. Electrical connections to battery 1. Ensure that the clamps are
do not work making proper connection.
properly 2. Breaker is tripped. 2. Reset breaker.
3. Connector from Sw to block not 3. Ensure the connector is
contacting. fully engaged. Check for
broken wires.
4. Connection to No-Load Valve #6 4. Check all items in D6
(Fig. #1) is not making
5. Diodes in switchbox are defective. 5. Check for voltage through diodes
6. Solenoid Valve Spool is stuck 6. Replace #8a or 8b solenoid
cartridge.
D7 Chute controls do 1. The No-Load pressurizing valve 1. Back of the adjuster-screw
not work properly #14a (Fig. #1) set too low. till it rotates freely by hand. Then
in no-load turn in till you feel it contacting the
conditions. spring. Then turn in 2 turns.
2. Electrical: Switch, harness, 2. Check the No-Load Circuit
connectors, coil 10a, diodes #5 in Fig. #2
3. Polarity of the system is reversed. 3. Red Alligator clip must be
on the Positive Terminal
4. Diodes in switchbox defective. 4. Replace defective diodes.
5. Defective Coil #10a (Fig. #1) 5. Replace Coil.
6. Defective Valve #6 (Fig. #1) 6. Replace Valve.
D8 Chute Rotation 1. See D7-1 1. Same as D7-1.
seems to lack 2. Valve #14b or #14c set too low. 2. Back of the adjuster-screw
power to turn. till it rotates freely by hand
then turn in till you feel it
contacting the spring. Then
turn in 2 turns.

Commercial Snowblower
33
SHIPPING BUNDLES
QUANTITY
REQUIRED BUNDLE NUMBER DESCRIPTION
60” HYDRAULIC DRIVE W/22” FAN SERIES 1 B6022HSB-1
1 F0324 Spout
Assembly
1 F0325 Crate of Parts
1 F5545 Snowblower
60” HYDRAULIC DRIVE W/22” FAN SERIES 2 B6022HSB-2
1 F0324 Spout Assembly
1 F0325 Crate of Parts
1 F5550 Snowblower
60” HYDRAULIC DRIVE W/22” FAN SERIES 3 B6022HSB-3
1 F0324 Spout Assembly
1 F0325 Crate of Parts
1 F5553 Snowblower
74” HYDRAULIC DRIVE W/22” FAN SERIES 1 B7422HSB-1
1 F0324 Spout Assembly
1 F0325 Crate of Parts
1 F5546 Snowblower
74” HYDRAULIC DRIVE W/22” FAN SERIES 2 B7422HSB-2
1 F0324 Spout Assembly
1 F0325 Crate of Parts
1 F5551 Snowblower
74” HYDRAULIC DRIVE W/22” FAN SERIES 3 B7422HSB-3
1 F0324 Spout Assembly
1 F0325 Crate of Parts
1 F5558 Snowblower

Commercial Snowblower
34
SHIPPING BUNDLES – cont’d.
74” HYDRAULIC DRIVE W/22” FAN SERIES 4 B7422HSB-4
1 F0324 Spout Assembly
1 F0325 Crate of Parts
1 F5559 Snowblower
74” HYDRAULIC DRIVE W/24” FAN SERIES 1 B7424HSB-1
1 F0324 Spout Assembly
1 F0325 Crate of Parts
1 F5561 Snowblower
74” HYDRAULIC DRIVE W/24” FAN SERIES 2 B7424HSB-2
1 F0324 Spout Assembly
1 F0325 Crate of Parts
1 F5560 Snowblower
74” HYDRAULIC DRIVE W/24” FAN SERIES 3 B7424HSB-3
1 F0324 Spout Assembly
1 F0325 Crate of Parts
1 F5552 Snowblower
74” HYDRAULIC DRIVE W/24” FAN SERIES 4 B7424HSB-4
1 F0324 Spout Assembly
1 F0325 Snowblower
1 F5547 Snowblower
84” HYDRAULIC DRIVE W/24” FAN SERIES 2 B8424HSB-2
1 F0324 Spout Assembly
1 F0325 Crate of Parts
1 F5556 Snowblower
84” HYDRAULIC DRIVE W/24” FAN SERIES 3 B8424HSB-3
1 F0324 Spout Assembly
1 F0325 Crate of Parts
1 F5557 Snowblower

Commercial Snowblower
35
SHIPPING BUNDLES – cont’d.
84” HYDRAULIC DRIVE W/24” FAN SERIES 4 B8424HSB-4
1 F0324 Spout Assembly
1 F0325 Crate of Parts
1 F5548 Snowblower
84” PTO Drive W/24” FAN B84SB
1 F0324 Spout Assembly
1 F0326 Crate of Parts
1 F0328 Hitch
1 F5549 Snowblower
1 F972 PTO