Bunn Beverage Dispenser Fmd 4 Users Manual Service, Repair, Series Service & Repair
FMD-4 to the manual 515f927f-d0ac-4f58-8cea-3e44453e0644
2015-02-04
: Bunn Bunn-Bunn-Beverage-Dispenser-Fmd-4-Users-Manual-364111 bunn-bunn-beverage-dispenser-fmd-4-users-manual-364111 bunn pdf
Open the PDF directly: View PDF
.
Page Count: 71

SERVICE & REPAIR MANUAL
BUNN-O-MATIC CORPORATION
POST OFFICE BOX 3227
SPRINGFIELD, ILLINOIS 62708-3227
PHONE: (217) 529-6601 FAX: (217) 529-6644
42672.0000B 06/12 ©2009 Bunn-O-Matic Corporation
FMD Series
Including: FMD-1,2,3,4,5
242672 030912
BUNN-O-MATIC COMMERCIAL PRODUCT WARRANTY
(Excluding regular maintenance items)
Bunn-O-Matic Corp. (“BUNN”) warrants equipment manufactured by it as follows:
1) Airpots, thermal carafes, decanters, GPR servers, iced tea/coffee dispensers, MCP/MCA pod brewers thermal servers
and Thermofresh servers (mechanical and digital)- 1 year parts and 1 year labor.
2) All other equipment - 2 years parts and 1 year labor plus added warranties as specified below:
a) Electronic circuit and/or control boards - parts and labor for 3 years.
b) Compressors on refrigeration equipment - 5 years parts and 1 year labor.
c) Grinding burrs on coffee grinding equipment to grind coffee to meet original factory screen sieve analysis - parts
and labor for 4 years or 40,000 pounds of coffee, whichever comes first.
These warranty periods run from the date of installation BUNN warrants that the equipment manufactured by it will be
commercially free of defects in material and workmanship existing at the time of manufacture and appearing within the
applicable warranty period. This warranty does not apply to any equipment, component or part that was not manufactured
by BUNN or that, in BUNN’s judgment, has been affected by misuse, neglect, alteration, improper installation or operation,
improper maintenance or repair, non periodic cleaning and descaling, equipment failures related to poor water quality,
damage or casualty. In addition, the warranty does not apply to replacement of items subject to normal use including but
not limited to user replaceable parts such as seals and gaskets. This warranty is conditioned on the Buyer 1) giving BUNN
prompt notice of any claim to be made under this warranty by telephone at (217) 529-6601 or by writing to Post Office
Box 3227, Springfield, Illinois 62708-3227; 2) if requested by BUNN, shipping the defective equipment prepaid to an
authorized BUNN service location; and 3) receiving prior authorization from BUNN that the defective equipment is under
warranty.
THE FOREGOING WARRANTY IS EXCLUSIVE AND IS IN LIEU OF ANY OTHER WARRANTY, WRITTEN OR ORAL, EX-
PRESS OR IMPLIED, INCLUDING, BUT NOT LIMITED TO, ANY IMPLIED WARRANTY OF EITHER MERCHANTABILITY
OR FITNESS FOR A PARTICULAR PURPOSE. The agents, dealers or employees of BUNN are not authorized to make
modifications to this warranty or to make additional warranties that are binding on BUNN. Accordingly, statements by such
individuals, whether oral or written, do not constitute warranties and should not be relied upon.
If BUNN determines in its sole discretion that the equipment does not conform to the warranty, BUNN, at its exclusive op-
tion while the equipment is under warranty, shall either 1) provide at no charge replacement parts and/or labor (during the
applicable parts and labor warranty periods specified above) to repair the defective components, provided that this repair
is done by a BUNN Authorized Service Representative; or 2) shall replace the equipment or refund the purchase price for
the equipment.
THE BUYER’S REMEDY AGAINST BUNN FOR THE BREACH OF ANY OBLIGATION ARISING OUT OF THE SALE OF THIS
EQUIPMENT, WHETHER DERIVED FROM WARRANTY OR OTHERWISE, SHALL BE LIMITED, AT BUNN’S SOLE OPTION
AS SPECIFIED HEREIN, TO REPAIR, REPLACEMENT OR REFUND.
In no event shall BUNN be liable for any other damage or loss, including, but not limited to, lost profits, lost sales, loss of
use of equipment, claims of Buyer’s customers, cost of capital, cost of down time, cost of substitute equipment, facilities
or services, or any other special, incidental or consequential damages.
392, AutoPOD, AXIOM, BrewLOGIC, BrewMETER, Brew Better Not Bitter, BrewWISE, BrewWIZARD, BUNN Espress, BUNN
Family Gourmet, BUNN Gourmet, BUNN Pour-O-Matic, BUNN, BUNN with the stylized red line, BUNNlink, Bunn-OMatic,
Bunn-O-Matic, BUNNserve, BUNNSERVE with the stylized wrench design, Cool Froth, DBC, Dr. Brew stylized Dr. design,
Dual, Easy Pour, EasyClear, EasyGard, FlavorGard, Gourmet Ice, Gourmet Juice, High Intensity, iMIX, Infusion Series, In-
tellisteam, My Café, Phase Brew, PowerLogic, Quality Beverage Equipment Worldwide, Respect Earth, Respect Earth with
the stylized leaf and coffee cherry design, Safety-Fresh, savemycoffee.com, Scale-Pro, Silver Series, Single, Smart Funnel,
Smart Hopper, SmartWAVE, Soft Heat, SplashGard, The Mark of Quality in Beverage Equipment Worldwide, ThermoFresh,
Titan, trifecta, Velocity Brew, A Partner You Can Count On, Air Brew, Air Infusion, Beverage Bar Creator, Beverage Profit
Calculator, Brew better, not bitter., BUNNSource, Coffee At Its Best, Cyclonic Heating System, Daypart, Digital Brewer
Control, Nothing Brews Like a BUNN, Pouring Profits, Signature Series, Tea At Its Best, The Horizontal Red Line, Ultra are
either trademarks or registered trademarks of Bunn-O-Matic Corporation.
3
USER NOTICES
All notices on this equipment are written for your protection. All notices are to be kept in good condition.
Replace any unreadable or damaged labels.
CONTENTS
Warranty ...................................................................................................................................2
User Notices .............................................................................................................................3
Site Preparation .......................................................................................................................3
Preventive Maintenance
Recommended Cleaning ....................................................................................................4
Preventive Maintenance Schedule .......................................................................................5
Troubleshooting ........................................................................................................................6
Service .................................................................................................................................... 12
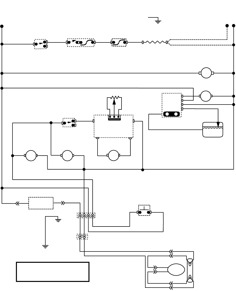
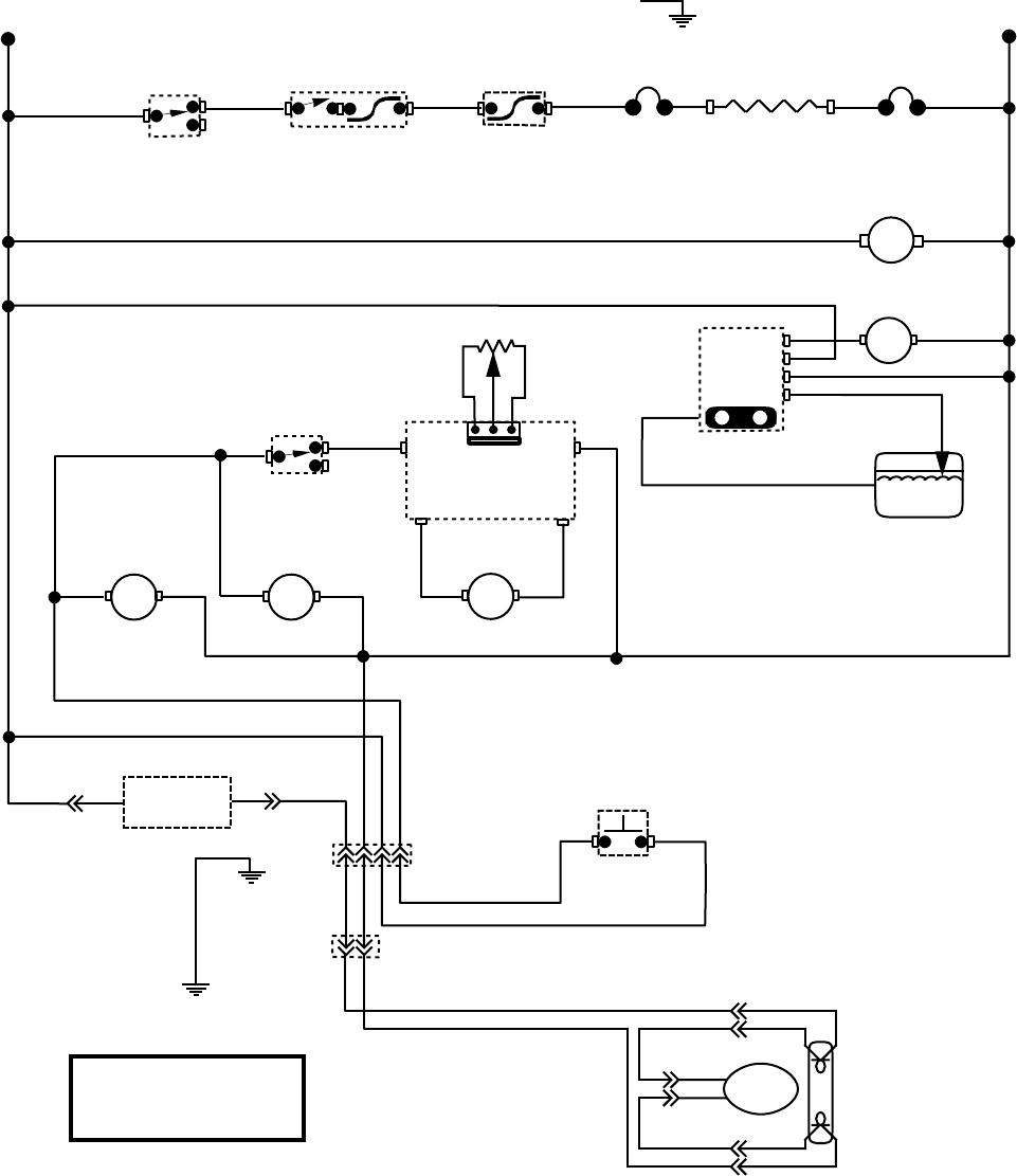
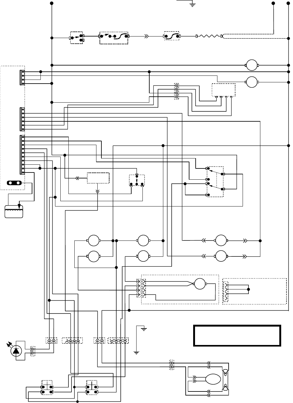
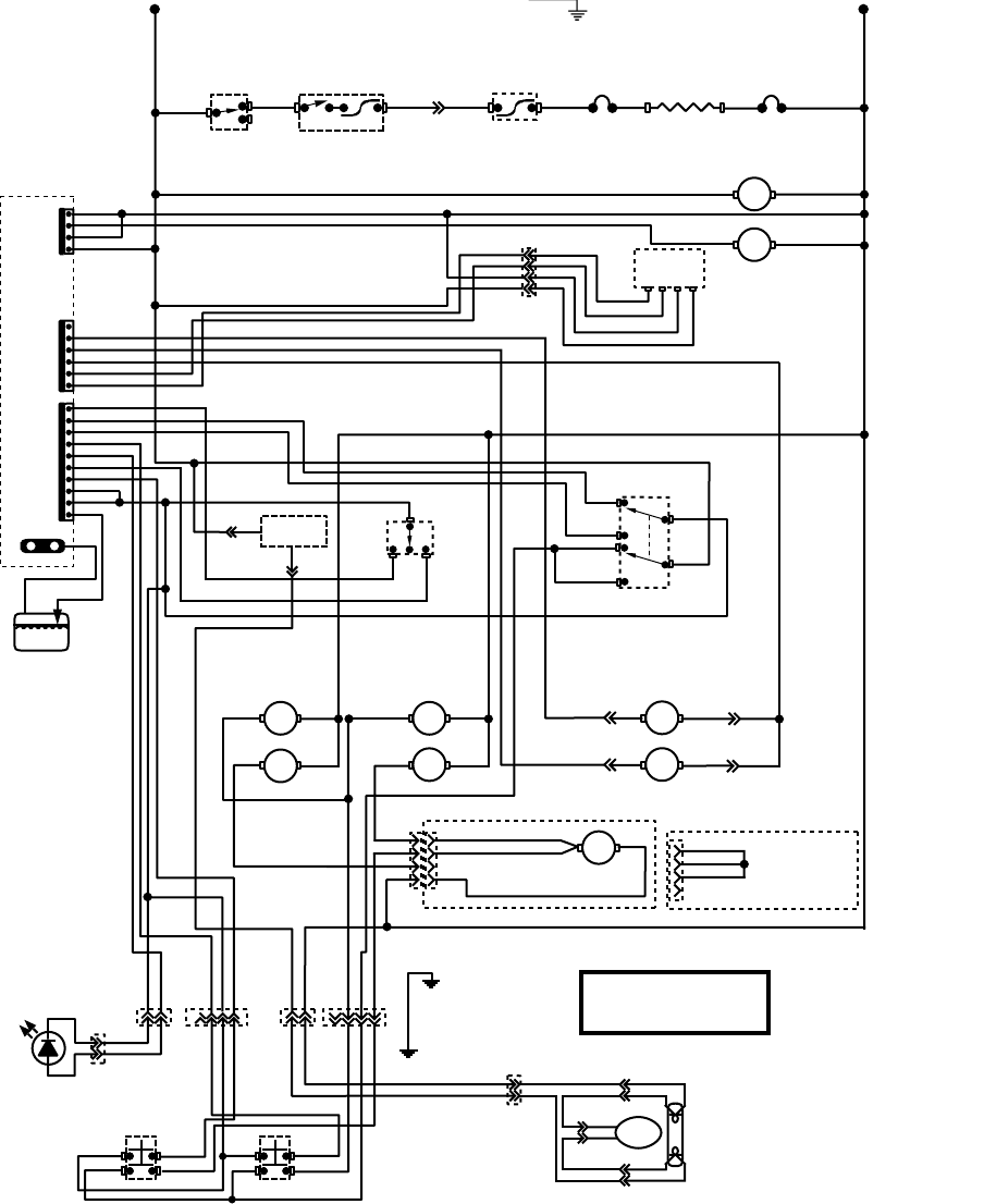
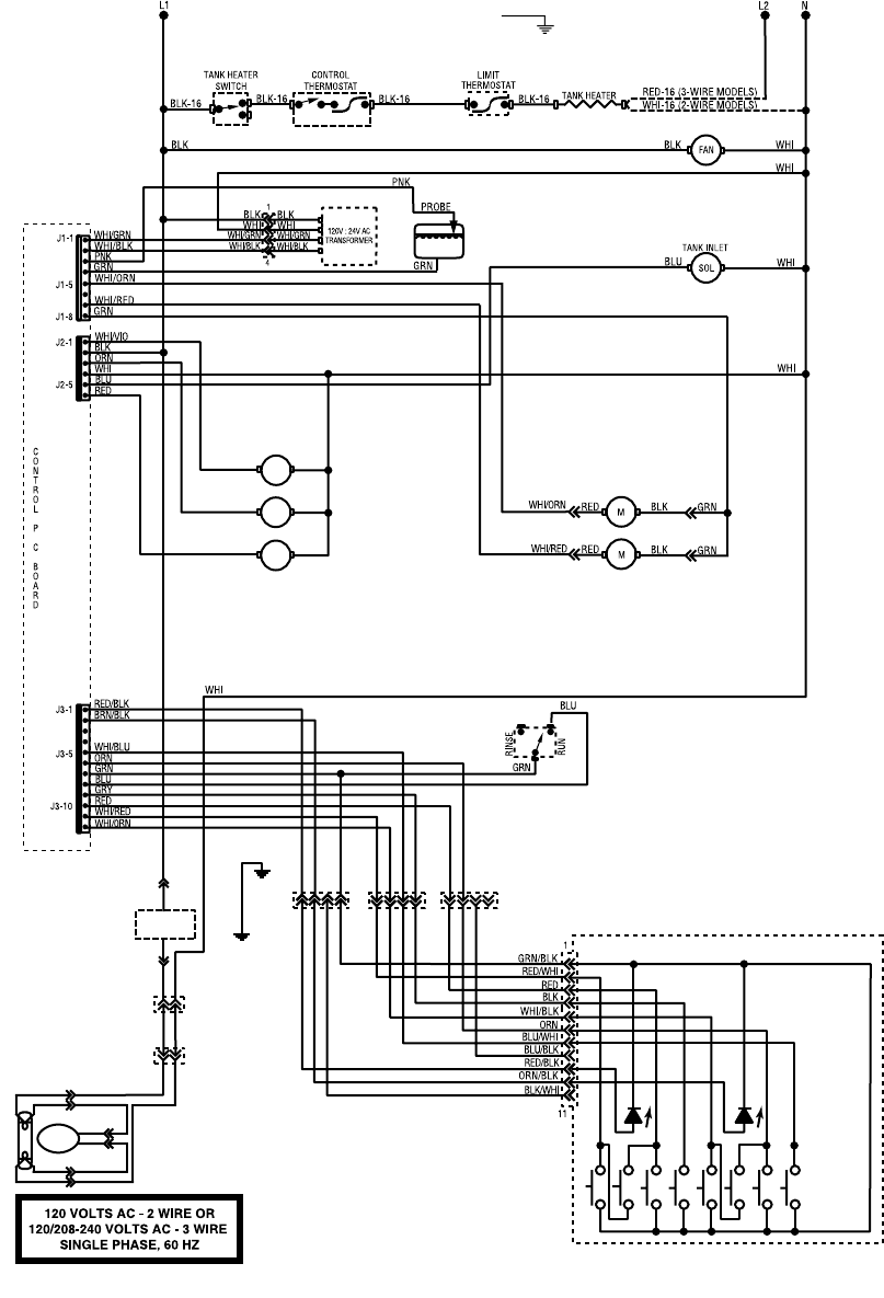
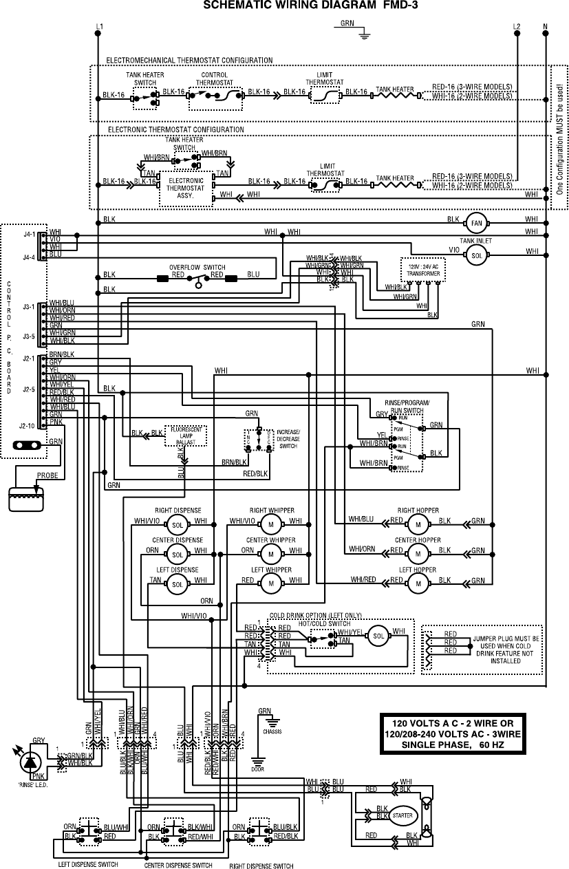
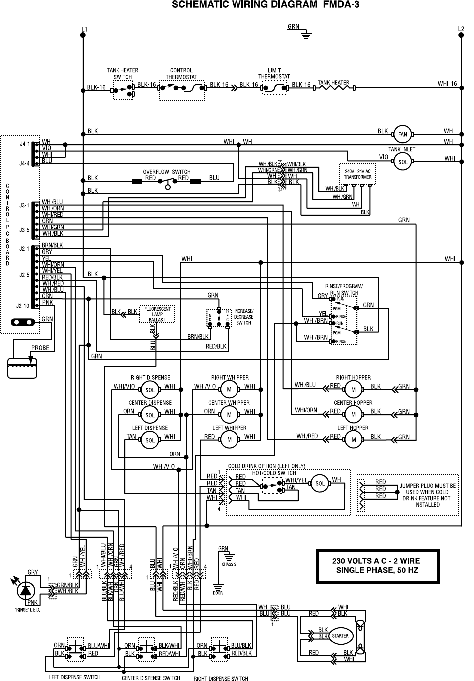
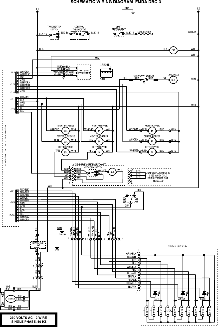
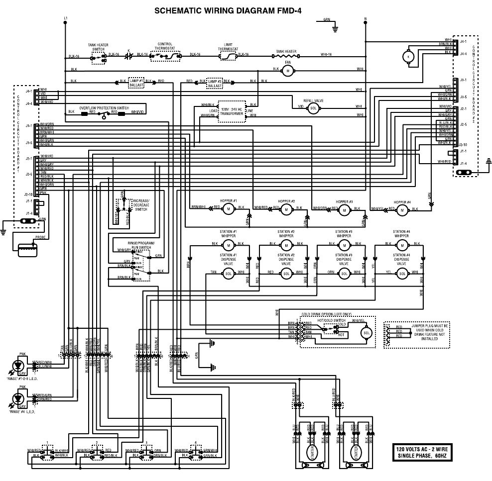
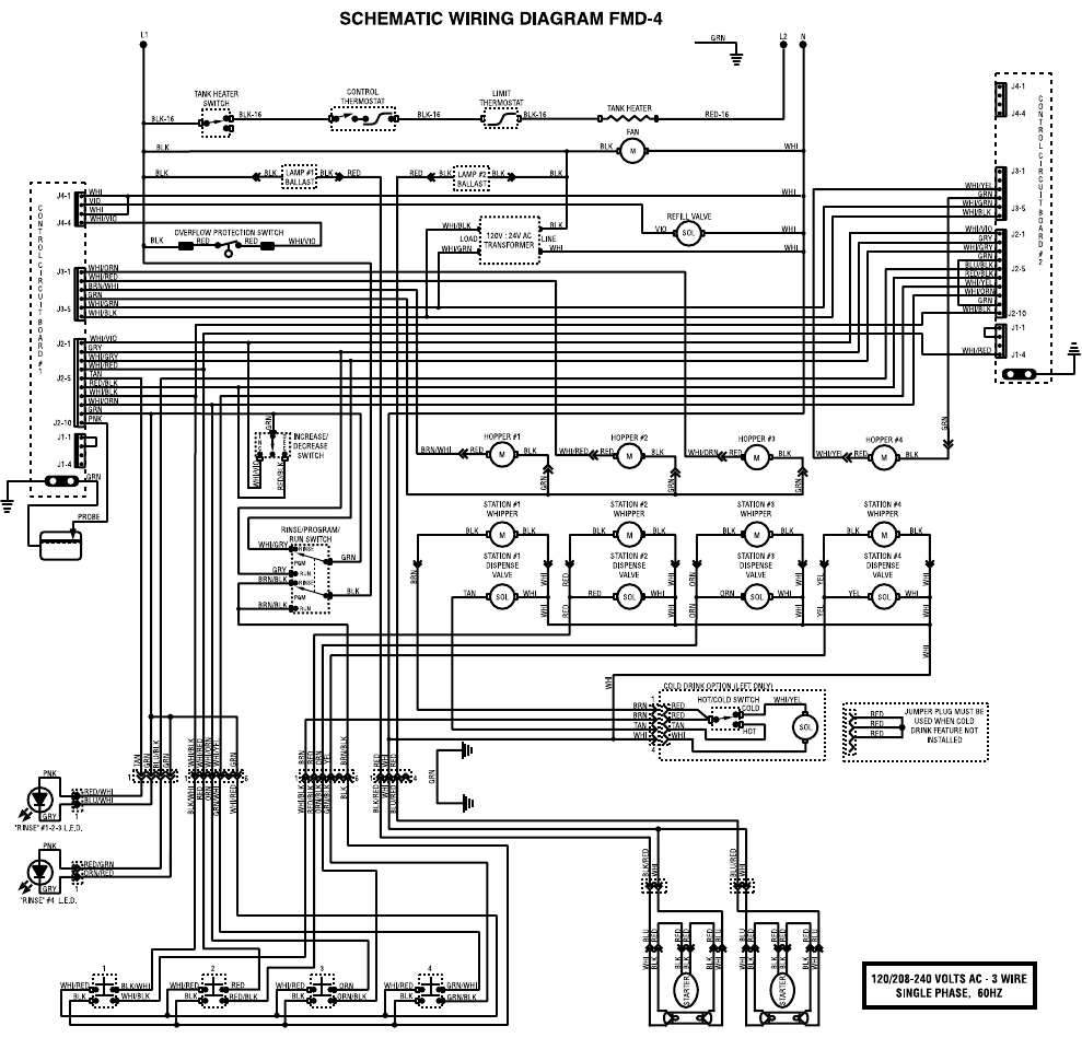
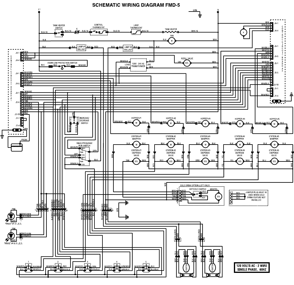
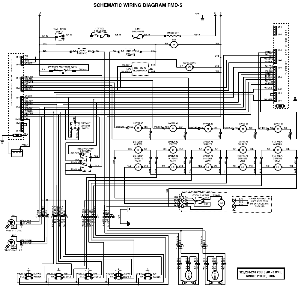
Electrical Schematics ..............................................................................................................42
SITE PREPARATION
A minimal clearance is required between the dispenser sides and the wall or another appliances. Leave some
space so the dispenser can be moved for cleaning.
INTRODUCTION
Safety first!
To avoid electrical shock, unplug dispenser from power source before servicing inside.
Basic Maintenance
In order to maintain proper machine operation, a Preventative Maintenance schedule must be performed on a
regular basis.
The following procedures pretain to all versions in the FMD family of machines unless otherwise noted.
42672 122209

4
CLEANING
The use of a damp cloth rinsed in any mild, non-abrasive, liquid detergent is recommended for cleaning all sur-
faces on Bunn-O-Matic equipment. Do NOT clean this equipment with a water jet device.
1 x 24h
37254.0000A 07/04 © 2004 BUNN-O-MATIC CORPORATION
NOTICE
The cleaning instructions noted above are for non-dairy sugar based food products. When dispensing any other food product,
the cleaning cycle for the whipping chamber assembly and ejector elbow must be performed daily.
NOTA:
Las instrucciones de limpieza descritas anteriormente excluyen productos lacteos azucarados. La limpieza de las camaras
de mezcla y de los codos de salida de cada tolva deberá realizarse diariamente.
1 x 7d
1
2
3
4
5
a. Wash
b. Rinse
c. Sanitize
d. Dry
a. Lave
b. Enjuague
c. Desinfecte
d. Seque
7
8
6
a
b
c
9
7
Replace Light Bulbs
as required.
1. Para limpiar las camaras de mezcla, coloque el interruptor en la
posicón ENJUAGUE/MARCHA (”RINSE/RUN”) y pulse el boton
para espumar y distribuir la bebida (”DISPENSE”).
2. Gire el codo hacia arriba, remueva las tolvas, llene las tolvas con
producto y coloque las tolvas nuevamente en la maquina.
3. Vacie la bandeja de goteo y limpiela con un detergente liquido
suave no abrasivo.
1. Rinse out Whipper Chambers by placing RINSE/RUN
switch in the "RINSE" position and activating DISPENSE
switches.
2. Turn elbow up, remove Hoppers, refill with product and
replace hoppers into dispenser.
3. Empty Drip Tray and wash in a solution of dish detergent.
Cambie los bombillos
quemados cuando
sea necesario.
42672 122209
5
REQUIRED REGULAR MAINTENANCE:
When performing Daily-Weekly Cleaning procedures, inspect o-rings, seals, and bushings for signs of wear or
damage and replace immediately.
Check and/or replace every 6 months or as required:
32906.0000 Mixing Chamber Kit (Includes items indented below)
25732.0000 Steam Collector
25733.0000 Mixing Chamber
25734.0000 Whipper Chamber
25736.0000 Dispense Tip
24733.0010 O-ring
25902.0000 Frother
26356.0000 Shaft Seal
28866.0000 Receptacle
25903.0000 Elbow
29128.0000 Whipper Motor Seal Kit (Includes items indented below)
24733.0010 O-ring
28867.0000 Slinger
26356.0000 Shaft Seal
Check and/or replace every 3 months or as required:
26356.1000 Whipper Shaft Seal Kit (Contains 6 Seals)
42672 122209
6
TROUBLESHOOTING
A troubleshooting guide is provided to suggest probable causes and remedies for the most likely problems
encountered. If the problem remains after exhausting the troubleshooting steps, contact the Bunn-O-Matic
Technical Service Department.
• Inspection,testing,andrepairofelectricalequipmentshouldbeperformedonlybyqualiedserviceperson-
nel.
• Allelectroniccomponentshavehighvoltageacandlowvoltagedcpotentialontheirterminals.Shortingof
terminals or the application of external voltages may result in board failure.
• Intermittentoperationofelectroniccircuitboardsisunlikely.Boardfailurewillnormallybepermanent.If
an intermittent condition is encountered, the cause will likely be a switch contact or a loose connection at a
terminal or crimp.
• Solenoidremovalrequiresinterruptingthewatersupplytothevalve.Damagemayresultifsolenoidsare
energized for more than ten minutes without a supply of water.
• Theuseoftwowrenchesisrecommendedwheneverplumbingttingsaretightenedorloosened.Thiswill
help to avoid twists and kinks in the tubing.
• Makecertainthatallplumbingconnectionsaresealedandelectricalconnectionstightandisolated.
• Thisunitisheatedatalltimes.Keepawayfromcombustibles.
WARNING – • Exerciseextremecautionwhenservicingelectricalequipment.
• Unplugthedispenserwhenservicing,exceptwhenelectricaltestsarespecied.
• Followrecommendedserviceprocedures
• Replaceallprotectiveshieldsorsafetynotices
PROBLEM
Product will not dispense
PROBABLE CAUSE
1. No water
2. No power or incorrect voltage to
the dispenser
3. Dispense Switch
4. Digital Touch Control Switch
5. Dispense Solenoid Valve
6. Solenoid Valve (Inlet)
REMEDY
Water lines and valves to the dis-
penser must be open.
(A) Check for correct voltage to the
dispenser.
(B) Check circuit breakers or fuses.
Refer to Service - Dispense Switch for
testing procedure. See page 28
Refer to Service - Digital Touch
Control Switch for testing procedure.
See page 29
Refer to Service - Dispense Solenoid
Valve for testing procedures. See
page 47
Refer to Service - Solenoid Valve
(Inlet) for testing procedures. See
page 49
42672 122209
7
TROUBLESHOOTING (cont.)
PROBLEM
Product will not dispense (cont.)
Water is not hot
PROBABLE CAUSE
7. Level Control Board and Probe -
FMD-1
8. Control Board
9. Overflow Protection Switch
10. Auger Drive
11. Water Strainer
12. Lime build-up
CAUTION - Tank and tank compo-
nents should be delimed regularly
depending on local water conditions.
Excessive mineral build-up on stain-
less steel surfaces can initiate cor-
rosive reactions resulting in serious
leaks.
13. Transformer
14. Rinse Cycle Not Run
1. Limit Thermostat
CAUTION - Do not eliminate or by-
pass limit thermostat. Use only BOM
replacement part #29329.1000
2. Control Thermostat
3. Tank Heater
REMEDY
Refer to Service - Level Control Board
and Probe for testing procedures.
See page 41
Refer to Service - Control Board and
Probe for testing procedures. See
page 20
Refer to Service - Overflow Protec-
tion Switch. See page 44
Refer to Service - Auger Drive. See
page 14
(A) Direction of flow arrow must be
pointing towards dispenser.
(B) Remove the strainer and check for
obstructions. Clear or replace.
Inspect the tank assembly for ex-
cessive lime deposits. Delime as
required.
Refer to Service - Transformer for
testing procedures. See page 40
Refer to Cleaning for running a Rinse
Cycle.
Refer to Service - Limit Thermostat
for testing procedures. See page
43
Refer to Service - Control Thermostat
for testing procedures. See page
26
Refer to Service - Tank Heater for
testing procedures. See page 50
42672 122209
8
TROUBLESHOOTING (cont.)
PROBLEM
Water is not hot (Cont.)
Spitting or excessive steaming
Dripping from dispense tip
Water flows into tank continuously
PROBABLE CAUSE
4. Tank Heater Switch
5. Heater Relay
6. Control Board
1. Lime build-up
CAUTION - Tank and tank compo-
nents should be delimed regularly
depending on local water conditions.
Excessive mineral build-up on stain-
less steel surfaces can initiate cor-
rosive reactions resulting in serious
leaks.
2. Control Thermostat
1. Lime build-up
CAUTION - Tank and tank compo-
nents should be delimed regularly
depending on local water conditions.
Excessive mineral build-up on stain-
less steel surfaces can initiate cor-
rosive reactions resulting in serious
leaks.
2. Dispense Solenoid Valve
1. Control Board
2. Solenoid Valve (Inlet)
REMEDY
Refer to Service - Tank Heater Switch
for testing procedures. See page
52
Refer to Service - Heater Relay for
testing procedures. See page 51
Refer to Service - Control Board for
testing procedures. See page 20
Inspect the tank assembly for ex-
cessive lime deposits. Delime as
required.
Refer to Service - Control Thermo-
stat for testing procedures. See
page 26
Inspect the tank assembly for ex-
cessive lime deposits. Delime as
required.
Remove the dispense solenoid valve
and clear any obstructions. Rebuild
or replace the valve if necessary. See
page 47
Refer to Service - Control Board and
Probe for testing procedures. See
page 20
Refer to Service - Solenoid Valve
(Inlet) for testing procedures. See
page 49
42672 122209
9
TROUBLESHOOTING (cont.)
PROBLEM
Water flows into tank continuously
(Cont.)
Weak product
PROBABLE CAUSE
3. Overflow Protection Switch
4. Digital Touch Control Switch
1. Water Temperature
2. Whipper Motor
3. Frother
4. Dispense Solenoid Valve
5. Auger Drive
6. Auger Spring
7. Auger Motor
8. Rinse/Run Switch
9. Rinse Timer
10. Tank Heater Relay
11. Control Board
REMEDY
Refer to Service - Overflow Protec-
tion Switch. See page 44
Refer to Service - Digital Touch Con-
trol Switch for testing procedures.
See page 29
Place an empty container beneath the
dispense tip. Initiate a dispense cycle
and check the water temperature
immediately below the dispense tip
with a thermometer.(see thermostat
temperature settings decal)
Refer to Service - Whipper Motor for
testing procedure. See page 34
Refer to Service - Frother Compo-
nents. See page 33
Refer to Service - Dispense Solenoid
for test procedures. See page 47
Refer to Service - Auger Drive Com-
ponents. See page 14
Refer to Service - Auger Drive Com-
ponents. See page 14
Refer to Service - Auger Drive Com-
ponents. See page 14
Refer to Service - Rinse/Run Switch
for test procedures. See page 45
Refer to the Installation and Operat-
ing Manual
Refer to Service - Relay. See page
51
Refer to Service - Control Board. See
page 20
42672 122209
10
TROUBLESHOOTING (CONT.)
PROBLEM
Product overflows container
Dispenser is making unusual
noises
Excess dust
Display not lit
PROBABLE CAUSE
1. Dispense Switch
2. Dispense Solenoid Valve
1. Plumbing Lines
2. Water Supply
3. Tank Heater
1. Fan
2. A) Hopper Drive Board - FMD-1
B) Control board
1. Lamp
2. Lamp Holder
3. Starter - Lamp
4. Ballast
REMEDY
Refer to Service - Dispense Switch for
testing procedures. See page 28
Remove the solenoid valve and clear
any obstructions. Rebuild or replace
the valve if necessary. See page 47
Plumbing lines should not be resting
on the counter top.
(A) The dispenser must be connected
to a cold water line
(B) Water pressure to the dispenser
must not exceed 90 psi (620 kPa).
Install a regulator if necessary to
lower the working pressure to ap-
proximately 50 psi (345 kPa).
Remove and clean lime off the tank
heater. See page 50
Refer to Service - Fan for testing
procedures. See page 32
Refer to Service - Hopper Drive
Board for testing procedures. See
page 35
Refer to Service - Control Board for
testing procedures. See page 20
Refer to Service - Lamp, see page
39 for lamp replacement.
Refer to Service - Lamp Holder for
testing procedures. See page 39
Refer to Service - Starter for testing
procedures. See page 40
Refer to Service - Ballast for testing
procedures. See page 19
42672 122209
11
NOTES
42672 122209
12
SERVICE
This section provides procedures for testing and replacing various major components used in this dispenser
should service become necessary. Refer to Troubleshooting for assistance in determining the cause of any
problem.
WARNING - Inspection, testing, and repair of electrical equipment should be performed only by qualified service
personnel. The dispenser should be disconnected from the power source when servicing, except when electrical
tests are required and the test procedure specifically states to connect the dispenser to the power source.
COMPONENT ACCESS
WARNING - Disconnect the dispenser from the power source before the removal of any panel or the replacement
of any component.
All components are accessible by opening the door, removal of the door panels, dispenser top covers,
hopper(s), hopper support plate, splash guard, splash panel w/drip tray, lower front access panel and rear ac-
cess cover.
Refer to the contents listing for component location.
INDEX
Access Panels ..................................................................................................................................13
Auger Drive Components .................................................................................................................14
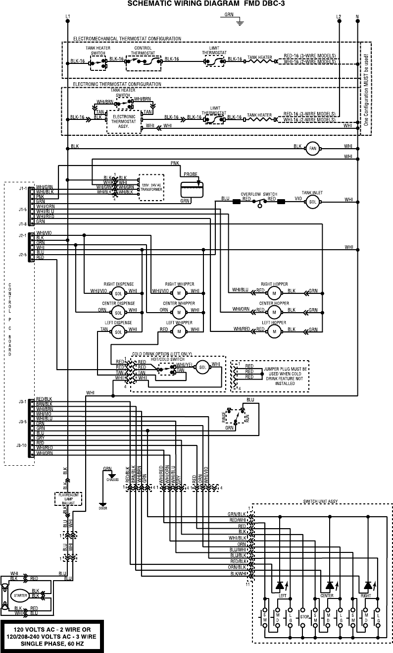
Auxillary Control Board (FMD DBC-3) ..............................................................................................17
Ballast ..............................................................................................................................................19
Control Board (Main) ..................................................................................................................20,23
Control Thermostat ..........................................................................................................................26
Dispense Switches ........................................................................................................................... 28
Digital Touch Control Switch ............................................................................................................ 29
EMI Filter (FMD DBC-3) ...................................................................................................................31
Fan ...................................................................................................................................................32
Frother ............................................................................................................................................33
Hopper Drive Board (FMD-1) ...........................................................................................................35
Hot/Cold Switch (FMD DBC-3) ......................................................................................................... 37
Increase/Decrease Switch ................................................................................................................38
Lamp ................................................................................................................................................39
Lamp Holder ....................................................................................................................................39
Lamp Starter & Socket .....................................................................................................................40
Level Control Board (FMD-1) ...........................................................................................................41
Limit Thermostat ..............................................................................................................................43
Overflow Protection Switch ..............................................................................................................44
Rinse/Run Switch ............................................................................................................................45
Solenoid (Cold Drink) .......................................................................................................................46
Solenoid (Dispense) .........................................................................................................................47
Solenoid (Hot Water) .......................................................................................................................48
Solenoid (Inlet) ................................................................................................................................49
Tank Heater ......................................................................................................................................50
Tank Heater Relay (FMD-4,5) ...........................................................................................................51
Tank Heater Switch ..........................................................................................................................52
Transformer .....................................................................................................................................53
Whipper Motor .................................................................................................................................34
42672 122209

13
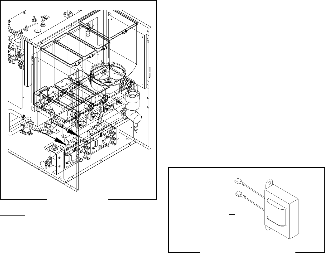
SERVICE(CONT.)
ACCESS PANELS
Location:
All access panels are similar through the whole FMD family (FMD-5 shown). Before removing panels, make
sure power is OFF to the machine and water is disconnected accept where indicated in testing procedures. Retain
all screws and other attaching hardware for re-assembly.
FIG. 1 ACCESS PANELS
PLACE
CUP HERE
FMD-5 shown
42672 122209

14
SERVICE (CONT.)
AUGER DRIVE COMPONENTS (all Models)
J4
J1
J2
J3
J4
J1
J2
J3
FIG. 2 AUGER DRIVE COMPONENTS
Location
The auger components are located inside the bottom
part of the hopper except for the auger drive bracket,
spacer and retaining clip, which are located on the
outside rear of the hopper base. The auger motor is
located on the lower right rear of the motor mounting
panel. Refer to Fig. 3 for disassembly and assembly.
Test Procedures - Auger Motor
1. Disconnect the dispenser from the power source.
2. Disconnect the white/red wire and the white wire
from the hopper drive board (FMD-1) or relative
wires from the control board(all other models).
3. Check the voltage across the white/red wire and
the white wire with a voltmeter. With the rinse/
run switch in the run (lower) position, connect the
dispenser to the power supply. The indication must
be:
a) 120 volts ac for two wire 120 volt models.
b)120 volts ac for three wire120/208 volt or
120/240 volt models.
c) 230 volts ac for two wire 230 volt models.
4. Disconnect the dispenser from the power supply.
P4095
If voltage is present as described, proceed to #5.
If voltage is not present as described, refer to the wiring
diagram and check the dispenser wiring harness.
5. Check the voltage across the positive (red wire)
terminal and the negative (black wire) terminal on
the auger motor with a voltmeter. With the rinse/
run switch in the run (lower) position press and
hold the dispense switch. Connect the dispenser
to the power supply. After a .6 second delay the
indication must be 4.0 to 24.5 volts dc.
If voltage is present as described, the auger motor drive
is operating properly. If auger does not turn, replace
the auger motor.
If voltage is not present as described, check the auger
hopper drive board.
Removal, Cleaning and Replacement
Hopper & Auger (FMD-1,4)
1. Open the dispenser door and raise the top front
cover.
2. Lift the hopper assy (15) over the pins on hopper
support plate (11) and slide hopper assembly out
the front of the dispenser.
3. Remove hopper lid (1) and empty product.
4. Pull off the ejector elbow (14).
5. Remove retainer clip (10) and washer (9) from the
bottom of the hopper base (8).
6. Remove whipper shaft (3), wiper blade (4) and
wiper drive gear (5) from the hopper base (8).
7. Remove auger wire (13) by pulling it out the front
of the hopper base (8).
8. Remove auger drive bracket (6) by unscrewing left
hand threads from auger drive shaft (12).
9. Slide spacer (7) and auger drive shaft bracket (6)
off of the auger drive shaft (12).
10. Remove auger drive shaft (12) from hopper base
(8).
11. Wash components in a mild solution of dish deter-
gent using a bristle brush when needed.
12. Rinse and dry each item thoroughly.
13. Check for damaged or broken components, replace
any if necessary and reassemble hopper assem-
bly.
14. Install hopper assy (15) in the dispenser by sliding
hopper assy on the hopper support plate (11) until
the slot in the rear of the hopper base (8) seats
against the pins in the hopper support plate (11).
FMD-4 shown
42672 122209

15
SERVICE (CONT.)
AUGER DRIVE COMPONENTS
FIG. 3 AUGER DRIVE & HOPPER DISASSEMBLY
1. Hopper Lid
2. Hopper
3. Wiper Shaft
4. Wiper Blade
5. Wiper Drive Gear
6. Auger Drive Bracket
7. Spacer
8. Hopper Base
9. Washer
10. Retainer Clip
11. Hopper Support Plate
12. Auger Drive Shaft
13. Auger Wire
14. Ejector Elbow
15. Hopper Assembly
16. Auger Motor Bracket
17. Auger Motor
18. Dust Seal
19. Auger Motor Mounting
panel
1
2
6
7
8
9
10
3
4
5
12
13
14
15
16 17 18 19 11 P2633
RED to Control Board
BLK to GRN from
Control Board
P1639
FIG. 4 AUGER MOTOR TERMINALS
Auger Drive Motor (Refer to Fig. 2)
1. Remove hopper assy (15), and set aside for reas-
sembly.
2. Remove the four #8-32 screws securing the hopper
support plate (11), remove plate and set aside for
reassembly.
3. Remove the four #8-32 screws, located inside the
dispenser housing on the lower right front of the
auger motor mounting panel (19), securing auger
motor mounting bracket (16) and auger motor
(17) to the rear of the auger motor mounting panel
(19).
4. Disconnect the wires from the hopper drive
board.
5. Remove auger motor mounting bracket (16), auger
motor (17) and dust seal (18) as an assembly.
6. Remove dust seal (18) from auger motor (17).
7. Disconnect the wires from the auger motor (17).
8. Remove the four #8-32 screws securing the auger
motor (17) to the auger motor mounting bracket
(16).
9. Remove auger motor (17) and discard.
10. Using four #8-32 screws install new auger motor
(17) on mounting bracket (16).
11. Install dust seal (18) on auger motor shaft and align
notch in seal with motor casting.
12. Reconnect the wires to the terminals on the hopper
drive board.
13. Refer to schematic wiring diagrams when recon-
necting the wires.
14. Using four #8-32 locking screws install auger mo-
tor, dust seal and mounting bracket to the rear of
the auger motor mounting panel (19).
15. Install hopper assy (15).
FMD-4 shown
42672 122209

16
SERVICE (CONT.)
AUGER DRIVE COMPONENTS
FIG. 5 AUGER DRIVE & HOPPER DISASSEMBLY
1. Hopper Lid
2. Mixing Blade
3. Agitator Disk
4. Auger Drive Shaft
Bushing
5. Auger Drive Shaft
6. Locknut
7. Auger Drive Bracket
8. Hopper
9. Auger Wire
10. Ejector Elbow
11. Hopper Assy
12. Auger Motor Mounting
Panel
13. Hopper Support Plate
14. Auger Motor Bracket
15. Auger Motor
16. Dust Seal
P2634
1
2
3
8
7
6
4
5
9
10
14 15 16 12 13
11
Removal, Cleaning and Replacement
Hopper & Auger (all other hoppers)
1. Open the dispenser door and raise the top front
cover.
2. Lift the front edge of hopper assy (20) over the
tab on hopper support plate (19) and slide hopper
assembly out the front of the dispenser.
3. Remove hopper lid (1) and empty product.
4. Pull off the ejector elbow (13).
5. Remove agitator disc assy (2) by pulling agitator
support rod (4) towards agitator disc assy and
lifting agitator disc assy from hopper (10).
6. Remove auger (12) by pulling it out the front of
the hopper (10).
7. Remove auger drive shaft (5) by removing the
retaining clip (6) from auger drive shaft.
8. Slide washer (8) and auger drive shaft bracket (7)
off of the auger drive shaft (5).
9. Slide auger drive shaft (5) from auger drive shaft
bushing (3) and remove from hopper (10).
10. Remove locknut (9) from auger drive shaft bushing
(3) and remove auger drive shaft bushing from
hopper (10).
11. Wash components in a mild solution of dish de-
tergent using a bristle brush when needed.
12. Rinse and dry each item thoroughly.
13. Check for damaged or broken components, replace
any if necessary and reassemble hopper assy.
14. Install hopper assy (20) in the dispenser by sliding
hopper assy in the guides on the hopper support
plate (19) until the slot in the bottom rear the hop-
per seats against the pin (18) in the hopper support
plate.
FMD-5 shown
42672 122209

17
SERVICE (CONT.)
AUXILLARY CONTROL BOARD (FMD DBC-3 only)
FIG. 6 AUXILIARY CONTROL BOARD
P4102.40
Location:
The auxiliary control board is located behind the lower
front access cover, mounted on the rear side of the
component bracket.
Hot Water Dispense
Test Procedure:
1. Disconnect the dispenser from the power source.
2. With a voltmeter, and using the component mount-
ing bracket as a reference (-), back probe check
for voltage at pin 1 (red wire) of J1. Connect the
dispenser to the power source. The indication must
be approximately 37 volts dc.
3. Disconnect the dispenser from the power source.
If voltage is present as described, proceed to step 5. If
voltage is not present as described, refer to the wiring
diagram and check the dispenser wiring harness.
4. Back probe check the voltage across pins 2 (black
wire) and 5 (white wire) of the six pin J2 connector
on the wiring harness with a voltmeter. Connect the
dispenser to the power source. The indication must
be:
a) 120 volts ac for two wire 120 volt models
b) 120 volts ac for three wire 120/208 or 120/240
volt models
c) 240 volts ac for two wire 240 volt models.
d) 230 volts ac for two wire 230 volt models.
5. Disconnect the dispenser from the power source.
If voltage is present as described, proceed to step 6. If
voltage is not present as described, refer to the wiring
diagram and check the dispenser wiring harness.
6. Check the voltage across the terminals of the hot
water dispense solenoid with a voltmeter. Connect
the dispenser to the power source. Press the hot
water dispense switch. The indication must be:
a) 120 volts ac for two wire 120 volt models
b) 120 volts ac for three wire 120/208 or 120/240
volt models
c) 240 volts ac for two wire 240 volt models.
d) 230 volts ac for two wire 230 volt models.
7. Disconnect the dispenser from the power source.
If voltage is present as described the hot water dispense
circuitry is operating properly. If voltage is not present
as described, replace the auxiliary control board.
Ready Light Circuit
Test Procedure:
1. Disconnect the dispenser from the power source.
2. With a voltmeter, and using the component mount-
ing bracket as a reference (-), back probe check
for voltage at pin 1 (red wire) of J1. Connect the
dispenser to the power source. The indication must
be approximately 37 volts dc.
3. Disconnect the dispenser from the power source.
If voltage is present as described, proceed to step 4. If
voltage is not present as described, refer to the wiring
diagram and check the dispenser wiring harness.
42672 122209

18
Removal and Replacement:
1. Loosen the two #8-32 screws securing the compo-
nent mounting bracket to the dispenser housing.
2. Slide the component mounting bracket forward until
the screw heads align with the large diameters of
the keyhole openings.
3. Lift the component mounting bracket, and pull it
through the lower access panel opening.
4. Disconnect the two plugs on the main wiring har-
ness from the connectors on the auxiliary control
board.
5. Remove the two #6-32 keps nuts securing the
auxiliary control board to the component mounting
bracket.
6. Remove the auxiliary control board.
7. Remove the two snap-in stand-offs from the auxiliary
control board and install them in the new auxiliary
control board. Discard the old auxiliary control
board.
8. Install the new auxiliary control board using the
two #6-32 keps nuts.
9. Reconnect the two plugs on the main wiring harness
to the connectors on the auxiliary control board.
10. Replace the component mounting bracket and
tighten the two #8-32 screws.
4. On the dispenser whipper panel, ensure that the tank
heater switch is in the “ON” (lower) position.
5. Disconnect the black wire coming from the control
thermostat from the limit thermostat.
6. Remove the control thermostat bulb from the
tank.
7. With a voltmeter, and using pin 5 as a reference,
back probe check for voltage, in turn, at pin 3 and
pin 6 of the six pin J2 connector of the wiring har-
ness. Connect the dispenser to the power source.
The indication must be :
a) 120 volts ac for two wire 120 volt models
b) 120 volts ac for three wire 120/208 or 120/240
volt models
c) 240 volts ac for two wire 240 volt models.
d) 230 volts ac for two wire 230 volt models.
8. Disconnect the dispenser from the power source.
If voltage is present as described, proceed to step 9. If
voltage is not present as described, refer to the wiring
diagram and check the dispenser wiring harness.
9. Re-install the control thermostat bulb.
10. Noting the starting position of the control thermostat
knob, adjust the control thermostat knob counter-
clockwise until a click is heard.
11. With a voltmeter, check for voltage between pins 3
and 6 of the six pin J2 connector of the wiring har-
ness. Connect the dispenser to the power source.
The indication must be:
a) 120 volts ac for two wire 120 volt models
b) 208 volts ac for three wire 120/208 or 240 volts
ac for three wire 120/240 volt models
c) 240 volts ac for two wire 240 volt models.
d) 230 volts ac for two wire 230 volt models.
12. Disconnect the dispenser from the power source.
Return the control thermostat knob to the starting
position.
If voltage is present as described, replace the auxiliary
control board. If voltage is not present as described,
refer to the wiring diagram and check the dispenser
wiring harness.
FIG. 7 AUXILIARY CONTROL
BOARD TERMINALS
P1996.80
J2
J1
SERVICE (CONT.)
AUXILLARY CONTROL BOARD (CONT.)
42672 122209

19
SERVICE (cont.)
BALLAST (all Models)
J4
J1
J2
J3
J4
J1
J2
J3
Location
The front door lamp ballasts are located behind
the front access panel and may be on either side of the
component bracket assembly.
Test Procedure
1. Disconnect the dispenser from the power source.
2. Disconnect the two black leads on the ballast from
the main harness.
3. Check for continuity between the two black leads
on the ballast.
If continuity is present as described the ballast is op-
erating properly.
If continuity is not present as described, replace the
ballast.
BLK to BLK
from Main
Wiring Harness
BLK to RED from
Main Harness
P1447
FIG. 9 BALLAST TERMINALS
Removal and Replacement
1. Loosen the three #8-32 screws securing the com-
ponent bracket to the dispenser housing base.
2. Pull component bracket out the front of the dis-
penser far enough so the leads on each ballast can
be disconnected from the main wiring harness and
the door interconnect harness.
3. Remove the two #8-32 screws securing each ballast
to the rear of the component bracket.
4. Remove and discard the ballast.
5. Install new ballast on the rear of the component
bracket and secure each with two #8-32 screws.
6. Refer to schematic wiring diagrams when recon-
necting the wires.
7. Place the component bracket into position and
tighten the two #8-32 screws securing the com-
ponent bracket to the dispenser housing base.
P4095
FIG. 8 BALLASTS
FMD-4 shown
42672 122209

20
SERVICE (cont.)
CONTROL BOARD (FMD-2,-2FD,DBC-2FD,DBC-3)
FIG. 10 CONTROL BOARD
Location:
The Control Board is located behind the lower front
access cover mounted on the component bracket.
Test Procedure:
Power Supply:
1. Disconnect the dispenser from the power source.
2. With a voltmeter, back probe check the voltage
across pins 1 & 2 of the eight pin J1 connector
on the wiring harness. Connect the dispenser to
the power source. The indication must be 24 volts
ac.
3. Disconnect the dispenser from the power source.
If voltage is present as described, proceed to step 4.
If voltage is not present as described, refer to the wiring
diagram and check the dispenser wiring harness back
to the transformer.
4. With a voltmeter, back probe check the voltage
across pins 2 & 4 of the six pin J2 connector on
the wiring harness. Connect the dispenser to the
power source. The indication must be:
a) 120 volts ac for two wire 120 volt models
b) 120 volts ac for three wire 120/208 volt models
or three wire 120/240 volt models
c) 240 volts ac for two wire 240 volt models.
d) 230 volts ac for two wire 230 volt models.
5. Disconnect the dispenser from the power source.
If voltage is present as described, proceed to step 6.
If voltage is not present as described, refer to the wiring
diagram and check the dispenser wiring harness back
to the power cord.
Liquid Level Control Circuitry
6. Carefully connect a piece of insulated jumper wire
to pin 3 (third from left on top row) of J1 on the
control board. Keep the other end of this wire away
from any metal surfaces of the dispenser.
7. With a voltmeter check the voltage across the
terminals of the inlet solenoid valve. Connect the
dispenser to the power source. After a 10 second
delay, the indication must be :
a) 120 volts ac for two wire 120 volt models.
b) 120 volts ac for three wire 120/208 or 120/240
volt models.
c) 240 volts ac for two wire 240 volt models.
d) 230 volts ac for two wire 230 volt models.
8. Touch the free end of the jumper wire to the dis-
penser housing. The indication must be 0.
If voltage is present as described, proceed to step 9.
If the voltage is not present as described, replace the
control circuit board.
NOTE: Verify the ground wire is connected to the board
mounting stud before replacing the control board.
9. Gently pull the liquid level probe out of the tank lid
and inspect for corrosion. Replace it if necessary.
10. Place the probe so that neither end is in contact
with any metal surface of the dispenser.
P4102.40
FMD DBC-3 shown
42672 122209

21
SERVICE (cont.)
CONTROL BOARD (CONT.)
11. With a voltmeter check the voltage across the
terminals of the inlet solenoid valve. Connect the
dispenser to the power source. After a 10 second
delay, the indication must be :
a) 120 volts ac for two wire 120 volt models.
b) 120 volts ac for three wire 120/208 or 120/240
volt models.
c) 240 volts ac for two wire 240 volt models.
d) 230 volts ac for two wire 230 volt models.
12. Move the probe’s flat end to the dispenser housing.
The indication must be 0.
13. Move the probe’s flat end away from the housing.
After a 5 second delay, the indication must, again,
be:
a) 120 volts ac for two wire 120 volt models.
b) 120 volts ac for three wire 120/208 or 120/240
volt models.
c) 240 volts ac for two wire 240 volt models.
d) 230 volts ac for two wire 230 volt models.
14. Disconnect the dispenser from the power source.
If the voltage is present as described, re-install the
probe. The liquid level control circuitry is operating
properly.
If the voltage is not present as described, check the
pink probe wire and green tank wire for continuity and
check the overflow protection switch.
Hopper Motor Control Circuitry:
1. Disconnect the dispenser from the power source.
2. With the voltmeter, back probe check the voltage
across pins 1 & 2 of the eight pin J1 connector on
the wiring harness. Connect the dispenser to the
power source. The indication must be 24 volts ac
from the transformer.
3. Disconnect the dispenser from the power source.
If voltage is present as described, proceed to step 4.
If voltage is not present as described, refer to the wiring
diagram and check the dispenser wiring harness.
4. Check that the “Rinse/Run” switch is in the “Run”
position.
5. With a voltmeter check the voltage across the red
(+) terminal and the black (-) terminal of the auger
motor. Connect the dispenser to the power source.
Press the appropriate dispense switch. After a
delay of about .6 seconds, the indication must be
between +4.0 and +24.5 volts dc.
If the voltage is present as described, the hopper motor
control circuitry is operating properly.
If the voltage is not present as described, replace the
control circuit board.
Whipper Motor and Dispense Solenoid Circuitry:
1. Disconnect the dispenser from the power source.
2. With a voltmeter, back probe check the voltage
across pins 1 & 2 of the eight pin J1 connector
on the wiring harness. Connect the dispenser to
the power source. The indication must be 24 volts
ac.
3. Disconnect the dispenser from the power source.
If voltage is present as described, proceed to step 4.
If voltage is not present as described, refer to the wiring
diagram and check the dispenser wiring harness.
4. Check that the RINSE/RUN switch is in the “Rinse”
position.
5. With a voltmeter, back probe check the voltage
across pins 2 & 4 of the six pin J2 connector on
the wiring harness. Connect the dispenser to the
power source. The indication must be:
a) 120 volts ac for two wire 120 volt models
b) 120 volts ac for three wire 120/208 or 120/240
volt models
c) 240 volts ac for two wire 240 volt models.
d) 230 volts ac for two wire 230 volt models.
6. Disconnect the dispenser from the power source.
7. With a voltmeter check the voltage across the
terminals of the appropriate dispense solenoid.
Connect the dispenser to the power source. Press
the appropriate dispense switch. The indication
must be :
a) 120 volts ac for two wire 120 volt models
b) 120 volts ac for three wire 120/208 or 120/240
volt models
c) 240 volts ac for two wire 240 volt models.
d) 230 volts ac for two wire 230 volt models.
42672 122209

22
J3
J2
J1
J4
J1
FIG. 11 CONTROL BOARD CONNECTORS P1680
SERVICE (cont.)
J3
J2
CONTROL BOARD (cont.)
If the voltage is present as described, the whipper mo-
tor and dispense solenoid control circuitry is operating
properly.
If the voltage is not present as described, replace the
control circuit board.
Removal and Replacement:
1. Disconnect the three plugs on the main wiring har-
ness from the connectors on the control board.
2. Remove the four #6-32 keps nuts securing the
control board to the component bracket.
3. Remove control board and discard.
4. Install new control board on the component bracket
using four #6-32 keps nuts.
5. Reconnect the three plugs on the main harness to
the connectors on the control board.
42672 122209

23
J4
J1
J2
J3
J4
J1
J2
J3
5. Disconnect the dispenser from the power source.
If voltage is present as described, proceed to step 6.
If voltage is not present as described, refer to the wiring
diagram and check the dispenser wiring harness.
6. Carefully connect a piece of insulated jumper wire
to pin 10 (top right) of J2 on control board #1.
Keep the other end of this wire away from any metal
surfaces of the dispenser.
7. Check the voltage across the terminals of the
inlet solenoid valve with a voltmeter. Connect the
dispenser to the power source. The indication
must again be 120 volts ac for two wire 120 volt
models, three wire 120/208 volt models, three wire
120/240 volt models, or 230 volts ac for two wire
230 volt models after a delay of approximately 10
seconds.
8. Touch the free end of the jumper wire to the dis-
penser housing. The indication must be 0.
9. Move the jumper wire away from the housing. The
indication must again be 120 volts ac for two wire
120 volt models, three wire 120/208 volt models,
three wire 120/240 volt models, or 230 volts ac
for two wire 230 volt models after a delay of ap-
proximately 5 seconds.
10. Disconnect the dispenser from the power source
and remove the jumper wire.
If voltage is present as described, proceed to step
11.
If the voltage is not present as described, replace
control board #1.
11. Gently pull the liquid level probe out of the tank lid
and inspect for corrosion. Replace it if necessary.
12. Place the probe so that neither end is in contact
with any metal surface of the dispenser.
13. Check the voltage across the terminals of the
inlet solenoid valve with a voltmeter. Connect the
dispenser to the power source. The indication
must again be 120 volts ac for two wire 120 volt
models, three wire 120/208 volt models, three wire
120/240 volt models, or 230 volts ac for two wire
230 volt models after a delay of approximately 10
seconds.
SERVICE (cont.)
CONTROL BOARD (FMD-3,-4,-5)
FIG. 12 CONTROL BOARD
Location:
The Control Board(s) are located behind the
lower front access cover mounted on the component
bracket.
Test Procedure:
Liquid Level Control Circuitry(Control Board #1):
1. Disconnect the dispenser from the power source.
2. Back probe check the voltage across pins 5 & 6 of
the six pin J3 connector on the wiring harness with
a voltmeter. Connect the dispenser to the power
source. The indication must be 24 volts ac.
3. Disconnect the dispenser from the power source.
If voltage is present as described, proceed to step 4.
If voltage is not present as described, refer to the wiring
diagram and check the dispenser wiring harness.
4. Back probe check the voltage across pins 1 & 4 of
the four pin J4 connector on the wiring harness with
a voltmeter. Connect the dispenser to the power
source. The indication must be 120 volts ac for
two wire 120 volt models, three wire 120/208 volt
models, three wire 120/240 volt models, or 230
volts ac for two wire 230 volt models.
P4095
#1
#2
FMD-4 shown
42672 122209

24
SERVICE (cont.)
CONTROL BOARD (CONT.)
14. Move the probe’s flat end to the dispenser housing.
The indication must be 0.
15. Move the probe’s flat end away from the housing.
The indication must again be 120 volts ac for two
wire 120 volt models, three wire 120/208 volt
models, three wire 120/240 volt models, or 230
volts ac for two wire 230 volt models after a delay
of approximately 5 seconds.
16. Disconnect the dispenser from the power source.
If the voltage is present as described, re-install the
probe. The liquid level control circuitry is operating
properly.
If the voltage is not present as described, check the pink
probe wire and green tank wire for continuity.
Hopper Motor Control Circuitry (Stations 1-3, Control
Board #1 & Stations 4-5, Control Board #2):
1. Disconnect the dispenser from the power source.
2. Back probe check the voltage across pins 5 & 6 of
the six pin J3connector on the wiring harness with
a voltmeter. Connect the dispenser to the power
source. The indication must be 24 volts ac.
3. Disconnect the dispenser from the power source.
If voltage is present as described, proceed to step 4.
If voltage is not present as described, refer to the wiring
diagram and check the dispenser wiring harness.
4. Check that the rinse/run switch is in the run posi-
tion.
5. Check the voltage across the red (+) terminal and
the black (-) terminal of the auger motor with a volt-
meter. Connect the dispenser to the power source.
Press and hold the appropriate dispense switch.
After a delay of about .6 seconds, the indication
must be between +4.0 and +24.5 volts dc.
If the voltage is present as described, the hopper motor
control circuitry is operating properly.
If the voltage is not present as described, replace the
control circuit board.
Tank Heater Relay Control Circuitry (Control Board #2)
(120V dispensers only):
1. Disconnect the dispenser from the power source.
2. Back probe check the voltage across pins 5 & 6 of
the six pin J3 connector on the wiring harness with
a voltmeter. Connect the dispenser to the power
source. the indication must be 24 volts ac.
3. disconnect the dispenser from the power source.
If voltage is present as described, proceed to step 4.
If voltage is not present as described, refer to the wiring
diagram and check the dispenser wiring harness.
4. Back probe check the voltage across pins 1 & 4 of
the four-pin J4 connector on the wiring harness
with a voltmeter. The indication must be 120 volts
ac.
5. Disconnect the dispenser from the power source.
If voltage is present as described, proceed to step 6.
If voltage is not present as described, refer to the wiring
diagram and check the dispenser wiring harness.
6. Check the voltage across the coil terminals of the
tank heater relay with a voltmeter. Connect the
dispenser to the power source. The indication must
be 0 volts ac.
If voltage is absent as described, proceed to step 7.
If voltage is present, replace the control circuit board
#2.
7. Place containers below any three dispenser noz-
zles.
8. Simultaneously initiate dispenses at each of the
selected dispense stations while monitoring the
voltage across the coil terminals of the tank heater
relay. The indication must be 120V ac.
If voltage is present as described, the control board #2
is functioning correctly.
If voltage is not present as described, replace the control
circuit board #2.
42672 122209

25
J4
J1
J2
J3
J4
J1
J2
J3
J4 J3
FIG. 13 CONTROL BOARD CONNECTORS
P2637
J1 J2
J1 J2
J4 J3
CONTROL BOARD #1
CONTROL BOARD #2
SERVICE (cont.)
CONTROL BOARD (CONT.)
Removal and Replacement:
1. Disconnect the three plugs on the main wiring har-
ness from the connectors on the control board.
2. Remove the four #6-32 keps nuts securing the
control board to the component bracket.
3. Remove control board and discard.
4. Install new control board on the component bracket
using four #6-32 keps nuts.
5. Reconnect the three plugs on the main harness to
the connectors on the control board.
NOTE: J4 is not connected on Control Board #2 on
120/208 - 240V dispensers.
42672 122209

26
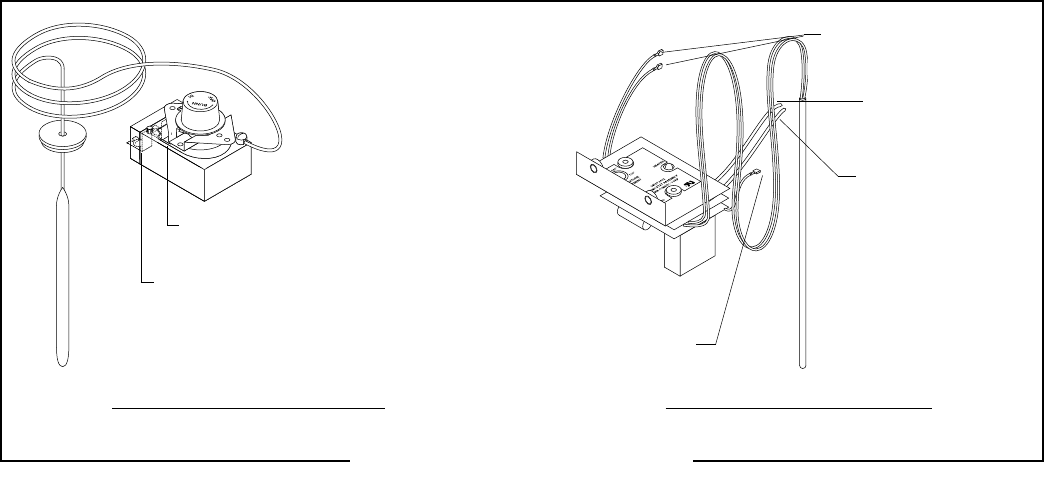
CONTROL THERMOSTAT (FMD-1,-2,-2FD,-3,-4,-5)
SERVICE (cont.)
FIG. 14 CONTROL THERMOSTAT
Location:
The control thermostat (mechanical or electronic)
is located inside the dispenser on the upper left side
of the housing.
Test Procedure:
Mechanical Thermostat:
1. Disconnect the dispenser from the power source.
2. Disconnect the black wire of the control thermostat
from the black lead from the limit thermostat.
3. Remove bulb from the tank.
4. With a voltmeter, check the voltage across black
wire on the control thermostat and the white or red
wire on the tank heater with the tank heater switch
in the “ON” (lower) position. Connect the dispenser
to the power source. The indication must be:
a) 120 volts ac for two wire 120 volt models.
b) 208 volts ac for three wire 120/208 volt mod-
els.
c) 240 volts ac for two wire 240 volt models and
three wire 120/240 volt models.
d) 230 volts ac for two wire 230 volt models.
5. Disconnect the dispenser from the power source.
If voltage is present as described the control thermostat
is operating properly. Reinstall bulb into the tank.
If voltage is not present as described, replace the
thermostat.
P1445
Electronic Thermostat (Optional):
1. Disconnect the dispenser from the power source.
2. Disconnect the black wire of the control thermostat
from the black wire from the limit thermostat.
3. Remove temperature probe from the tank.
4. With a voltmeter, check the voltage across the black
wire from the control thermostat and the white wire
on the tank heater with the tank heater switch in
the “ON” (lower) position. Connect the dispenser
to the power source. The indication must be120
volts ac for two wire 120 volt models.
If voltage is present as described the control thermostat
is operating properly. Reinstall temperature probe into
the tank.
If voltage is not present as described, replace the control
thermostat.
Removal and Replacement:
1. Disconnect the wires from the thermostat.
2. Remove the thermostat capillary bulb/temperature
probe by firmly pulling up on the capillary grommet
at the tank lid.
3. Loosen the two #8-32 screws securing the thermo-
stat bracket to the upper left rear of the dispenser
housing.
4. Remove thermostat bracket and thermostat as an
assembly.
5. Install the new thermostat and bracket inside the
dispenser housing on the upper left rear side and
tighten the two #8-32 screws.
6. Slide the grommet to the line 4.5" above the bulb
on the new capillary tube (mechanical thermostat
only).
7. Insert the capillary bulb/temperature probe through
the hole in the tank lid and press the grommet firmly
and evenly so that the groove in the grommet fits
into the tank lid.
8. Carefully bend the capillary tube so that the tube and
bulb inside the tank are in the vertical position and
away from any electrical connections (mechanical
thermostat only).
9. Refer to Fig. 15 and reconnect the wires.
NOTE - The capillary tube must be clear of any electrical
termination and not kinked.
FMD-3 shown
42672 122209

27
FIG. 15 THERMOSTAT TERMINALS P1448
BLK from Limit
Thermostat
BLK from Tank
Heater Switch
SERVICE (cont.)
CONTROL THERMOSTAT (cont.)
MECHANICAL THERMOSTAT
TAN to WHI/BRN in
Main Wiring Harness
BLK to Main
Wiring Harness
WHI to Main
Wiring Harness
BLK to Main
Wiring Harness
ELECTRONIC THERMOSTAT
42672 122209

28
P1449
FIG. 17 DISPENSE SWITCH TERMINALS
DISPENSE SWITCHES (FMD-1,-2,-2FD,-3,-4,-5)
SERVICE (cont.)
If voltage is present as described, proceed to #7.
If voltage is not present as described, refer to the wiring
diagram and check the dispenser wiring harness.
7. Check for continuity across the terminals (top right
to top left; bottom right to bottom left) of the dis-
pense switch with the switch in the “ON” position.
Continuity must not present when the switch is in
the “OFF” released position.
If continuity is present as described, reconnect the
connector to the door interconnect wiring harness, the
switch is operating properly.
If continuity is not present as described, replace the
switch.
Removal and Replacement
1. Open the dispenser door.
2. Remove the six #8-32 screws securing the bottom
door cover and remove cover.
3. Disconnect the wires on the dispense switch from
the door interconnect wiring harness.
4. Compress the clips inside the door on the dispense
switch and gently push the switch through the
opening
5. Push the new switch into the opening and spread
the clips to hold the switch in the door.
6. Reconnect the wires to the dispense switch from
the door interconnect wiring harness.
7. Reinstall the door bottom cover using six #8-32
screws.
8. Refer to schematic wiring diagrams when recon-
necting the wires.
FIG.16 DISPENSE SWITCHES
P2636
Location:
The dispense switches are located on the lower
outside of the dispenser door.
Test Procedure:
1. Disconnect the dispenser from the power source.
2. Open the dispenser door and remove the bottom
door cover.
3. Disconnect the wires from the door interconnect wir-
ing harness to the dispense switch to be tested.
4. Check for voltage across the black and red/white
wires for the dispense switch to be teseted from
the door interconnect wiring harness. Connect the
dispenser to the power supply. The indication must
be:
a) 120 volts ac for two wire 120 volt models.
b) 120 volts ac for three wire 120/208 volt or 120/240
volt models.
c) 230 volts ac for two wire 230 volt models.
5. Disconnect the dispenser from the power source.
If voltage is present as described, proceed to #6.
If voltage is not present as described, refer to the wiring
diagram and check the dispenser wiring harness.
6. With a voltmeter, check the voltage across the
remaining two wires of the dispense switch being
tested from the door interconnect wiring harness.
Connect the dispenser to the power source. The
indication must be +5 volts dc.
FMD-5 shown
42672 122209

29
SERVICE (cont.)
If voltage is present as described, proceed to step 7.
If voltage is not present as described, refer to the wiring
diagram and check the dispenser wiring harness.
7. While pressing the appropriate switch, check for
continuity across the following pins of the digital
touch control switch assembly’s multi-pin connec-
tor:
Note: Pin 1 of the connector is identified by an arrow
embossed on the connector housing.
FMD DBC-3:
Left Small : pin 1 to pin 2
Left Medium: pin 2 to pin 3
Left Large: pin 1 to pin 3
Stop: pin 1 to pin 4
Center Small: pin 1 to pin 5
Center Medium: pin 5 to pin 6
Center Large: pin 1 to pin 6
Right Small: pin 1 to pin 7
Right Medium: pin 7 to pin 8
Right Large: pin 1 to pin 8
Hot Water: pin 1 to pin 13
FMD DBC-2FD:
Left Small : pin 1 to pin 2
Left Medium: pin 2 to pin 3
Left Large: pin 1 to pin 3
Stop: pin 1 to pin 4
Right Small: pin 1 to pin 5
Right Medium: pin 5 to pin 6
Right Large: pin 1 to pin 6
Hot Water: pin 1 to pin 7
If continuity is present as described, the membrane
switch assembly is operating properly.
If continuity is not present as described, replace the
membrane switch assembly.
P1631
Location:
The digital touch control switch is located on the lower
outside of the dispenser door.
Test Procedure:
1. Disconnect the dispenser from the power source.
2. Open dispenser door and remove the bottom door
cover.
3. Disconnect the wires from the door interconnect
wiring harness to the digital touch control switch
assembly.
4. With a voltmeter, and using pin 1 of the multi-pin
connector of the door interconnect wiring harness
as a reference (-), check for voltage at each of the
other pins of the connector. Connect the dispenser
to the power source. The indication must be +5
volts dc.
5. On dispensers with a hot water valve, with a volt-
meter, and using pin 1 of the multi-pin connector
of the door wiring harness as a reference (-), check
for voltage at pin 13 (blue/red wire). Connect the
dispenser to the power source. The indication must
be approximately 37 volts dc.
6. Disconnect the dispenser from the power source.
FIG.18 DIGITAL TOUCH CONTROL SWITCH
DIGITAL TOUCH CONTROL SWITCH (FMD DBC-2,DBC-3)
FMD DBC-3 shown
42672 122209

30
P1685
FIG. 19 DIGITAL TOUCH CONTROL
SWITCH
TO DOOR INTERCONNECT
HARNESS CONNECTOR
SERVICE (cont.)
DIGITAL TOUCH CONTROL SWITCH (cont.)
Removal and Replacement:
1. Open the dispenser door.
2. Remove the five #6-32 screws securing the bottom
door cover and remove cover.
3. Disconnect the wires on the dispense switch to be
removed from the door interconnect wiring har-
ness.
4. From inside the door gently push the switch away
from the door and discard.
5. Remove the paper from the adhesive backing on
the switch and feed the ribbon cable on the back
of switch through the slot in the door.
6. Firmly press the new switch into the opening on
the door to hold the switch in the door.
7. Reconnect the wires to the dispense switch from
door interconnect wiring harness.
8. Reinstall the door bottom cover using five #6-32
screws.
9. Refer to Fig. 19 when reinstalling wires.
Align arrows on
connectors
42672 122209

31
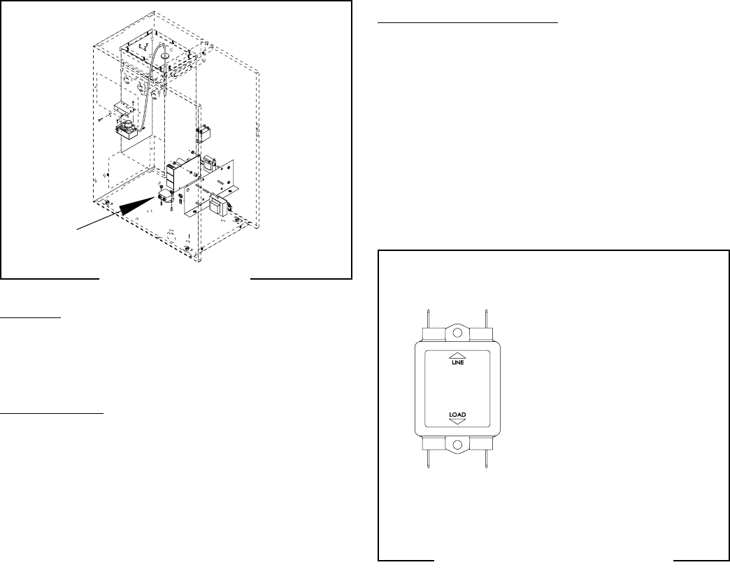
SERVICE (cont.)
EMI FILTER (230 Volt FMD DBC-3)
FIG. 20 EMI FILTER
Location:
The EMI Filter is located on the rear of the dispenser
base on FMD DBC-3.
Test Procedure:
1. Disconnect the dispenser from the power source.
2. Disconnect the two black wires and two white
wires on the EMI Filter from the EMI Filter wiring
harness.
3. Check for resistance between the two black leads
on the EMI Filter.
If resistance is present as described the EMI Filter is
operating properly.
If resistance is not present as described, replace the
EMI Filter.
Removal and Replacement:
1. Disconnect the wires from the EMI Filter.
2. Remove the two #8-32 screws and nuts securing
the EMI Filter.
3. Remove and discard EMI Filter.
4. Install new EMI Filter using two #8-32 screws and
nuts to secure EMI Filter to its former location.
5. Refer to schematic wiring diagrams when recon-
necting the wires.
FIG. 21 EMI FILTER CONNECTORS
118.0 kΩ - 118.5 kΩ
Across either pair
42672 122209

32
VACUUM FAN (all Models)
FIG. 22 FAN
Location:
The fan is located inside the dispenser housing on
the right rear of the dispenser base plate.
Test Procedures:
1. Disconnect the dispenser from the power source.
2. Disconnect the black and white wires from the fan
terminals.
3. With a voltmeter, check the voltage across the
black and white wires. Connect the dispenser to
the power source. The indication must be:
a) 120 volts ac for two wire 120 volt, three wire
120/208 volt and 120/240 volt models.
b) 240 volts ac for two wire 240 volt models.
c) 230 volts ac for two wire 230 volt models.
If voltage is present as described, replace the fan.
If voltage is not present as described, refer to Wiring
Diagrams and check the dispenser wiring harness.
SERVICE (cont.)
Removal and Replacement:
1. Disconnect the vacuum hose from the fan.
2. Remove the two #8-32 locking screws securing the
fan to the dispenser housing base plate.
3. Disconnect the wires from the fan terminals and
discard the fan
4. Refer to schematic wiring diagrams when recon-
necting the wires.
5. Install new fan using two #8-32 locking screws.
6. Reconnect the vacuum hose to the fan.
BLK from Main
WiringHarness
WHI from Main Wiring Harness
FIG. 23 FAN TERMINALS P1507
P4102.40
FMD DBC-3 shown
42672 122209

33
P4102.40
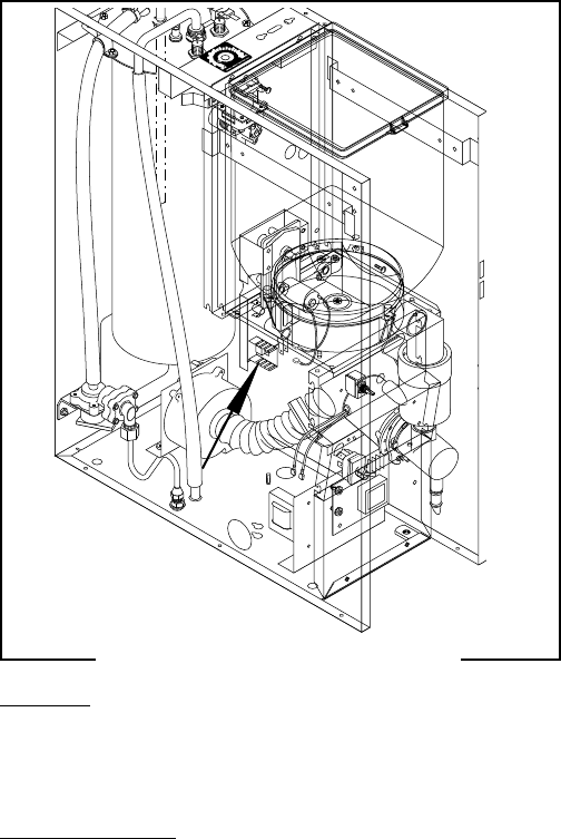
SERVICE (cont.)
FROTHER AND WHIPPER MOTOR (all Models except -2FD)
FIG. 24 FROTHER AND WHIPPER MOTOR
Location:
The frothers are located behind the dispenser door,
mounted on the whipper motor shaft inside the whipper
chamber.
The whipper motors are located on the back side
of the whipper motor mounting panel.
Test Procedure:
1. Check that the rinse/run switch is in the rinse (up)
position.
2. Disconnect the dispenser from the power source.
3. Disconnect both wires from the black leads on the
motor to be checked.
4. Press and hold the appropriate dispense switch
and, with a voltmeter, check the voltage across the
disconnected harness. Connect the dispenser to the
power source. The reading must be:
a) 120 volts ac for two wire 120 volt models, three
wire 120/208 volt and 120/240 volt models.
b) 240 volts ac for two wire 240 volt models.
c) 230 volts ac for two wire 230 volt models.
5. Disconnect the dispenser from the power source.
If voltage is present as described, replace the motor.
If voltage is not present as described, refer to the Wiring
Diagrams and check the dispenser wiring harness
9 8 7 6 5 4 3
10
FIG. 25 MIXING/WHIPPER CHAMBER
COMPONENTS
P1630.35
1. Steam Collector
2. Mixing Chamber
3. Dispense Tip
4. Whipper Chamber
5. O-Ring
6. Frother
7. Nut
8. Receptacle w/Seal
9. Slinger
10. Motor Assy.
11. Fan
12. Vacuum Hose
13. Baffle
11 12 13
1 2
Removal, Cleaning & Replacement (Refer to Fig. 25):
1. Disconnect the dispenser from power.
2. Open the dispenser door and turn elbows up.
3. Remove the steam collectors (1) by pulling forward
and at the same time twisting clockwise.
4. Pull the mixing chamber (2) out of the whipper
chamber (4).
5. Remove dispense tip (3) and twist the whipper
chamber (4) clockwise and pull it off the whipper
chamber receptacle (8).
FMD DBC-3 shown
42672 122209

34
SERVICE (cont.)
FROTHER AND WHIPPER MOTOR (cont.)
6. Pull the frother (6) off the motor shaft. Notice the
flat side on the shaft and the matching flat inside
the frother. It is important that these two flats are
lined up when reassembling.
7. Slip the o-ring (5) off the whipper chamber recep-
tacle (8).
8. Remove nearest side panel and disconnect whipper
motor wires.
9. Remove the two nuts (7) securing whipper chamber
receptacle (8) and whipper motor (10) to the front
panel.
NOTE: To remove the recptacle only, rotate clockwise
until the receptacle clears the nuts (7) and slides
off of the motor shaft.
10. Slide the receptacle with seal off of the motor
shaft.
11. Slide the slinger (9) off of the motor shaft.
12. Remove motor and discard.
13. Install new motor (10) on rear of front panel and
secure with two nuts (7) and connect black leads
on the motor to the main wiring harness. Refer to
Fig. 27 when reconnecting wires
14. Slide slinger (9) onto the motor shaft flush against
the front panel.
15. Wash remaining components in a mild solution of
dish detergent using a bristle brush.
16. Rinse thoroughly and allow to dry before reinstalling
in the dispenser.
17. Slide whipper chamber receptacle with seal (8) and
o-ring (5) on to the motor shaft.
18 Rotate the receptacle with seal (8) counterclockwise
until it snaps into place on the motor mounting nuts
(7).
19. Push frother (6) onto the motor shaft, making sure
the flat in the frother (6) lines up with the flat on
the motor shaft.
20. Install whipper chamber (4) on the whipper chamber
receptacle (8) by twisting counterclockwise until
the tabs on the whipper chamber (4) lock with the
tabs on the whipper chamber receptacle (8). Be
sure dispense port is pointing down.
21. Install dispense tip (3) into the bottom of the whip-
per chamber (4).
22. Slip the mixing chamber (2) onto the mixing chamber
water inlet tube far enough so the mixing chamber
(2) will seat inside the whipper chamber (4).
23. Install the steam collector (1) onto the mixing cham-
ber (2) by pushing down and toward the dispenser
while twisting until the flange on the steam collector
lines up with the slot in the front panel.
24. Install hopper assembly in the dispenser by slid-
ing hopper assembly on the hopper support panel
until the slot in the bottom rear of the hopper seats
against the shoulder screw in the hopper support
panel.
25. Reinstall side panel.
26. Reconnect to power and test.
FIG. 26 WHIPPER MOTOR TERMINALS P1451.40
BLK to Main Harness
BLK to Main Harness
42672 122209

35
SERVICE (cont.)
HOPPER DRIVE BOARD - FMD-1 ONLY
FIG. 27 HOPPER DRIVE BOARD
Location
The hopper drive board is located inside the dispenser
mounted on the auger motor mounting bracket.
Test Procedures:
1. Disconnect the dispenser from the power source.
2. Disconnect the white/red wire and the white wire
from the hopper speed control board.
3. Check the voltage across the white/red wire and
the white wire with a voltmeter. With the rinse/
run switch in the run (lower) position, connect the
dispenser to the power supply. The indication must
be:
a) 120 volts ac for two wire 120 volt models.
b) 120 volts ac for three wire 120/208 volt or
120/240 volt models.
c) 230 volts ac for two wire 230 volt models.
4. Disconnect the dispenser from the power supply.
P1665
If voltage is present as described, proceed to #5.
If voltage is not present as described, refer to the wiring
diagram and check the dispenser wiring harness.
5. Check the voltage across the positive (red wire)
terminal and the negative (black wire) terminal on
the auger motor with a voltmeter. With the rinse/
run switch in the run (lower) position press and
hold the dispense switch. Connect the dispenser
to the power supply. After a .6 second delay the
indication must be 4.0 to 24.5 volts dc.
If voltage is present as described,the auger motor drive
is operating properly. If auger does not turn replace
the auger motor.
If voltage is not present as described, replace the hop-
per drive board.
J1
42672 122209

36
SERVICE (cont.)
HOPPER DRIVE BOARD - FMD-1 ONLY
J1 Connector for
Three Pin Plug from
Potentiometer
RED from Hopper
Motor
FIG. 28 HOPPER DRIVE BOARD TERMINALS
P1669
BLK from
Hopper Motor
RED/WHI from
Main Harness
WHI from Main
Harness
Removal and Replacement: (Refer to Fig. 27)
1. Remove hopper assy (17), and set aside for reas-
sembly.
2. Remove the four #8-32 screws securing the hopper
support plate (12), remove plate and set aside for
reassembly.
3. Remove the four #8-32 screws, located inside the
dispener housing on the lower right front of the auger
motor mounting panel (21), securing auger motor
mounting bracket (18) and auger motor (19) to the
rear of the auger motor mounting panel (21).
4. Disconnect the wires from the terminals on the
hopper drive board and disconnect the three pin
plug (J1) from the hopper drive board.
5. Remove auger motor mounting bracket (18), auger
motor (19), dust seal (20) and hopper drive board
as an assembly.
6. Remove the two #8-32 screws securing the hopper
drive board to the auger motor mounting bracket.
7. Remove the two spacers from the hopper drive
board and discard board.
8. Install spacers on new hopper drive board.
9. Install new hopper drive board to the auger motor
mounting bracket using two #8-32 screws..
10. Refer to Fig. 22 and reconnect the wires to the
hopper drive board terminals.
11. Connect three pin plug from the potentiometer to
the hopper drive board J1. Refer to Fig. 28.
12. Install auger motor mounting bracket with auger
motor and hopper drive board to the rear of the auger
motor mounting panel using four #8-32 screws.
13. Install hopper support plate using four #8-32
screws.
14. Install hopper assy (17).
42672 122209

37
FIG. 29 HOT/COLD SWITCH P1684.40
HOT/COLD SWITCH (Optional for FMD DBC-3)
Location:
The hot/cold switch is located on the left side of the
whipper motor mounting panel.
Test Procedure:
1. Disconnect the dispenser from the power source.
2. Disconnect the wires from the switch terminals.
3. With the switch in the “Cold” (upper) position check
for continuity between the center terminal and the
bottom terminal. With the switch in the “Hot”
(lower) position check for continuity between the
center terminal and the upper terminal.
If continuity is present as described, the hot/cold switch
is operating properly.
If continuity is not present as described, replace the
switch.
Removal and Replacement:
1. Remove all wires from the switch terminals.
2. Remove the mounting nut on the front of the whip-
per motor mounting panel.
3. Remove the hot/cold switch from the rear of the
front panel and discard.
4. Reconnect the wires to the terminals on the rear of
the new switch.
5. Push new hot/cold switch through the hole on the
left side of the whipper motor mounting panel and
secure with mounting nut.
6. Refer to schematic wiring diagrams when recon-
necting the wires.
FIG. 30 HOT/COLD SWITCH TERMINALS P1208
TAN to Main Harness
RED to Main Harness
WHI/YEL to
Cold Solenoid
SERVICE (cont.)
42672 122209

38
INCREASE/DECREASE SWITCH (FMD-2,-2FD,-3,-4,-5)
FIG. 31 INCREASE/DECREASE SWITCH
P1666
Location:
The increase/decrease switch is located on the lower
left front of the whipper motor mounting panel.
Test Procedure:
1. Disconnect the dispenser from the power source.
2. Disconnect the wires from the switch terminals.
3. Check for continuity between the center terminal and
upper terminal with switch in the decrease position
(lower). Check for continuity between the center
terminal and the lower terminal with the switch in
the increase position (upper).
If continuity is present as described, the switch is
operating properly.
If continuity is not present as described, replace the
switch.
Removal and Replacement:
1. Open the dispenser door.
2. Remove the facenut securing the increase/decrease
switch to the whipper motor mounting panel.
3. Remove switch with wires attached from the back
side of the whipper motor mounting panel.
4. Disconnect the wires from the switch and discard
the switch.
5. Refer to schematic wiring diagrams when recon-
necting the wires.
6. Install new switch with wires attached through the
hole in the whipper mounting panel and secure with
facenut.
FIG. 32 INCREASE/DECREASE SWITCH
TERMINALS
P1208
SERVICE (cont.)
FMD-3 shown
42672 122209

39
SERVICE (cont.)
PUSH and HOLD BUTTON UNTIL CUP IS 2/3 FULL, THEN RELEASE
LAMP HOLDER (all Models)
FIG. 33 LAMP HOLDERS P1454.70
Location:
The lamp holders are located on the front of the upper
panel behind the display panel.
Test Procedure:
1. Disconnect the dispenser from the power source.
2. Remove upper door panel (4) and disconnect the
door wiring harness from the leads on the lamp
holders.
3. Remove lamp from lamp holders.
4. Check for continuity on each lead of the lamp hold-
ers.
If continuity is present as described, lamp holders are
operating properly.
If continuity is not present as described replace the
lamp holder.
1
3
4
6
1. Door Assy
2. Lamp Holders
3. Lamp
4. Upper Panel
5. Lower Panel
6. Starter W/Socket
5
2
Removal and Replacement: (Refer to Fig. 33)
1. Open dispenser door (1).
2. Remove the five #6-32 screws securing lower door
panel (5) to the door (1) and remove cover.
3. Disconnect the door wiring harness from the door
interconnect wiring harness.
4. Remove five #6-32 screws securing the upper door
panel (4) to the door (1).
5. Remove the upper door cover (4), lamp (3), lamp
holders (2) and door wiring harness as an assem-
bly.
6. Disconnect the wires from the lamp holder to be
replaced from the door wiring harness.
7. Rotate lamp (3) 90° and remove from lamp holders
(2).
8. Remove the #6-32 screw securing the lamp holder
(2) to be removed, remove lamp holder (2) and
discard.
9. Install new lamp holder (2) and secure with a #6-32
screw.
10. Connect the wires on the new lamp holder to the
door wiring harness, black wire to red wire, and
white wire to blue wire.
11. Install lamp (3) into lamp holders (2) and turn 90°
until the pins snap in place.
12. Install upper door panel (4), lamp (3), lamp holders
(2) and door wiring harness as an assembly using
five #6-32 screws.
13. Reconnect the plug on the door wiring harness
to the connector on the door interconnect wiring
harness.
14. Install the door lower panel (5) using five
#6-32 screws.
LAMP REPLACEMENT (Refer to Fig. 33)
1. Remove the outside window and display graphic.
2. Remove the two #4-40 screws securing the inside
window to the door and remove window.
3. Rotate lamp (3) 90° and remove from the lamp
holders (2).
4. Insert new lamp (3) into lamp holders (2) and turn
90° until the pins snap in place.
5. Using two #4-40 screws secure the inside window
to the door.
6. Install outside window and slide display graphic
down between the inside window and the outside
window.
FMD DBC-3 shown
42672 122209

40
SERVICE (cont.)
LAMP STARTER and SOCKET
Location:
The lamp starter (6) is located inside the door assy (1)
on the top of the door lower panel (5).
Test Procedures:
1. Disconnect the dispenser from the power source.
2. Disconnect the starter leads from the door wiring
harness.
3. Remove lamp starter from starter socket.
4. Check for continuity on each lead of the starter
socket.
If continuity is present as described the starter socket
is operating properly.
If continuity is not present as described replace the
starter socket.
6. Remove starter (6) from starter socket.
7. Check for continuity across the pins on the bottom
of the starter (6).
If continuity is present as described, replace the
starter.
If continuity is not present as described, starter is
operating properly.
Note: If continuity tests are both as described and lamp
does not light, replace the starter.
Removal and Replacement (Refer to Fig. 33):
1. Open dispenser door assy (1)
2. Remove the five #6-32 screws securing the door
lower panel (5) to the door assy (1).
3. Disconnect the leads on the starter socket from the
door wiring harness.
4. Remove lower door panel (5) and starter w/socket
(6) as assembly.
5. Compress the spring tabs on the socket and remove
socket from the door bottom cover (5).
6. Rotate starter 90° and remove from the starter
socket.
7. Insert new starter (6) into socket and turn 90° until
the pins snap in place.
8. Install new socket by compressing spring tabs on
the socket and pushing the socket up through the
hole in the lower door panel (5) and releasing spring
tabs.
9. Connect the sockets leads to the door wiring har-
ness.
10. Install door lower panel (5) with starter and starter
socket on door assy (1) using five #6-32 screws.
42672 122209

41
SERVICE (cont.)
J1
LEVEL CONTROL BOARD AND LEVEL PROBE (FMD-1 only)
FIG. 34 LEVEL CONTROL BOARD AND PROBE
Location:
The level control board is located behind the lower
access panel mounted on the right side of the compo-
nent bracket.
The Level probe is located on the left center of the
tank lid just in front of the overflow tube.
Test Procedure:
1. Disconnect the dispenser from the power source.
2. Remove the violet wire from terminal 1 & pink wire
from terminal 4 of the circuit board.
3. Check the voltage across terminals 2 & 3 with a
voltmeter. Connect the dispenser to the power
source. The indication must be:
a) 120 volts ac for two wire 120 volt models.
b) 120 volts ac for three wire 120/208 volt or
120/240 volt models.
c) 230 volts ac for two wire 230 volt models.
P1665
4. Disconnect the dispenser from the power
source.
If voltage is present as described, proceed to #5.
If voltage is not present as described, refer to the wiring
diagram and check the dispenser wiring haness.
5. Reconnect the violet wire to terminal 1.
6. Carefully connect a piece of insulated jumper wire
to terminal 4. Keep the other end of this wire away
from any metal surface of the dispenser.
7. Check the voltage across terminals 1 & 3 with a
voltmeter. Connect the dispenser to the power
source. The indication must be:
a) 120 volts ac for two wire 120 volt models,
b) 120 volts ac for three wire 120/208 volt or
120/240 volt models,
c) 230 volts ac for two wire 230 volt models, after
a delay of approximately 5 seconds.
8. Touch the free end of jumper wire to the component
bracket. The indication must be 0.
9. Move the jumper wire away from the component
bracket. The indication must again be:
a) 120 volts ac for two wire 120 volt models,
b) 120 volts ac for three wire 120/208 volt or
120/240 volt models,
c) 230 volts ac for two wire 230 volt models, after
a delay of approximately 5 seconds.
10. Disconnect the dispenser from the power source
and remove the jumper wire from terminal 4.
If voltage is present as described, the level control board
is operating properly, proceed to #11.
If voltage is not present as described, replace the level
control board.
11. Reconnect the pink wire to terminal 4.
12. Gently pull the probe out of the tank lid and inspect
for corrosion. Replace it if necessary.
42672 122209

42
P1671
FIG. 35 LEVEL BOARD TERMINALS
TI VIO to Inlet Solenoid Coil
T2 BLK to Main Harness
T3 WHI to Main Harness
T4 PNK to Probe
13. Place the probe so that neither end is in contact
with any metal surface of the dispenser.
14. Check the voltage across terminals 1 & 3 with a
voltmeter. Connect the dispenser to the power
source. The indication must be:
a) 120 volts ac for two wire 120 volt models,
b) 120 volts ac for three wire 120/208 volt or
120/240 volt models,
c) 230 volts ac for two wire 230 volt models, after
a delay of approximately 5 seconds.
15. Move the probe’s flat end to the tank. The indication
must be 0.
16. Move the probe’s flat end away from the tank. The
indication should again be:
a) 120 volts ac for two wire 120 volt models,
b) 120 volts ac for three wire 120/208 volt or
120/240 volt models,
c) 230 volts ac for two wire 230 volt models, after
a delay of approximately 5 seconds.
If voltage is present as described, reinstall the probe,
the level control board and level probe are operating
properly.
If voltage is not present as described, check the pink
probe wire for continuity.
Removal and Replacement:
1. Remove all wires from the level control board.
2. Remove two #8-32 keps nuts holding level control
board to right side of the component bracket.
3. Remove level control board and spacers.
4. Install the new level control board and spacers to
the right side of the component bracket using two
#8-32 keps nuts.
5. Refer to schematic wiring diagrams when recon-
necting the wires.
SERVICE (cont.)
LEVEL CONTROL BOARD AND LEVEL PROBE (cont.)
42672 122209

43
FIG. 37 LIMIT THERMOSTAT TERMINALS P1800
LIMIT THERMOSTAT (all Models)
FIG. 36 LIMIT THERMOSTAT
Location:
The limit thermostat is located in the center of the
tank lid.
Test Procedures:
1. Disconnect the dispenser from the power source.
2. Disconnect both black wires from the limit thermo-
stat.
3. Check for continuity across the limit thermostat
terminals.
SERVICE (cont.)
If continuity is present as described, the limit thermostat
is operating properly.
If continuity is not present as described, replace the
limit thermostat.
Removal and Replacement:
1. Remove all wires from the limit thermostat termi-
nals.
2. Carefully slide the limit thermostat out from under
the retaining clip and remove the limit thermo-
stat.
3. Carefully slide the new limit thermostat into the
retaining clip.
4. Refer to schematic wiring diagrams when recon-
necting the wires.
P4102.40
FMD DBC-3 shown
42672 122209

44
SERVICE (cont.)
OVERFLOW PROTECTION SWITCH (FMD-3,DBC-3-4,-5)
FIG. 39 OVERFLOW PROTECTION
SWITCH LEADS
P1212
FIG. 38 OVERFLOW PROTECTION SWITCH
Location:
The overflow protection switch is located inside the
copper overflow cup on the left side of the tank.
Test Procedures:
1. Disconnect the dispenser from the power source.
2. Remove the wire nuts connecting the red wires
from the overflow protection switch to the black
wire and blue wire from the main harness.
3. Check for continuity across the safety overflow
switch red wires only until the plastic float is raised
and check that continuity returns when the plastic
float is again lowered.
If continuity is present as described, reconnect the
red wires to the black wire and the blue wire from the
main harness.
If continuity is not present as described, replace the
overflow protection switch.
Removal and Replacement:
1. Disconnect the red leads from the overflow protec-
tion switch from the black wire and the blue wire
from the main harness.
2. Remove the nut beneath the copper overflow
cup.
3. Remove the entire switch assembly from the cup.
4. Place the new switch assembly into the cup, wires
first. Make sure that a gasket is in place around the
threaded switch stem.
NOTE - The magnets must be at the top of float and
there must be NO adjusting washers installed for the
overflow protection switch to operate properly.
5. Install the nut beneath the copper overflow cup. Be
sure not to overtighten.
6. Refer to schematic wiring diagrams when recon-
necting wires.
P4102.40
FMD DBC-3 shown
42672 122209

45
RINSE /RUN SWITCH (all Models)
FIG. 40 RINSE/RUN SWITCH
P1684.40
Location:
The rinse/run switch is located on the lower right side
of the whipper motor mounting panel.
Test Procedures:
1. Disconnect the dispenser from the power source.
2. Disconnect the wires from the switch terminals.
3. Models FMD DBC-2FD and DBC-3: With the switch
in the “RUN” (lower) position check for continuity
between the center and the upper terminal. With
the switch in the “RINSE” (upper) position no
continuity should be present between center and
upper terminals.
Models FMD-2,-3,-4,-5: Check for continuity
between the center left terminal and left bottom
terminal, also between the center right terminal
and the right bottom terminal with the switch in the
rinse position (upper). Check for continuity across
the center left terminal and the top left terminal,
also between center right terminal and the top
right terminal with the switch in the run position
(lower). Continuity must not be present when the
switch is in the center position.
If continuity is present as described, the “RINSE/RUN”
switch is operating properly.
If continuity is not present as described, replace the
switch.
Removal and Replacement:
1. Open the dispenser door.
2. Remove the facenut securing the run/rinse switch
to the whipper motor mounting panel.
3. Remove switch with wires attached from the back
side of the whipper motor mounting panel.
4. Disconnect the wires from the switch and discard
the switch.
5. Refer to schematic wiring diagrams when recon-
necting the wires.
6. Install new switch with wires attached through
the hole in the whipper motor mounting panel and
secure with facenut.
FIG. 41 RINSE/RUN SWITCH TERMINALS
P1456
SERVICE (cont.)
FMD DBC-3 shown
P1644
FMD-2,-3,-4,-5
FMD DBC-3,-2FD
42672 122209

46
FIG. 43 COLD WATER SOLENOID TERMINALS
P1215
SOLENOID VALVE (COLD WATER - OPTIONAL for
FMD-2,-3,-4,-5)
FIG. 42 COLD WATER SOLENOID VALVE
Location:
The cold water solenoid valve is located on the left
side of the dispenser base just behind the component
bracket.
Test Procedures:
1. Disconnect the dispenser from the power source.
2. With the “HOT/COLD” switch in the “COLD” (upper)
position press any left dispense switch on front of
the door.
3. With a voltmeter check the voltage across the white
and white/yellow wires at the solenoid terminals.
Connect the dispenser to the power source. The
indication must be:
a) 120 volts ac for two wire 120 volt models
b) 120 volts ac for three wire 120/208 or 120/240
volt models
c) 240 volts ac for two wire 240 volt models.
d) 230 volts ac for two wire 230 volt models.
4. Disconnect the dispenser from the power
source.
If voltage is present as described, proceed to #5
If voltage is not present as described, refer to wiring
diagram and check dispenser wiring harness.
5. Disconnect the white and white/yellow wires from
the solenoid.
6. Check for continuity across the solenoid valve coil
terminals.
If continuity is present as described, reconnect the
white and white/yellow wires to the solenoid.
If continuity is not present as described, replace the
solenoid valve.
7. Check the solenoid valve for coil action. Connect the
dispenser to the power source. With “HOT/COLD”
switch in the “COLD” (upper) position press the left
dispense switch and listen carefully in the vicinity
of the solenoid valve for a “clicking” sound as the
coil magnet attracts.
8. Disconnect the dispenser from the power source.
If the sound is heard as described and water will not
pass through the solenoid valve, there may be a block-
age in the water line before the solenoid valve or, the
solenoid valve may require inspection for wear, and
removal of waterborne particles.
If the sound is not heard as described, replace the
solenoid valve.
Removal and Replacement:
1. Loosen the two screws securing the component
bracket to the dispenser base. Lift the component
bracket off of the base and move to the right.
2. Remove the white and white/yellow wires from the
solenoid valve.
3. Turn off the water supply to the dispenser.
4. Disconnect the water lines to and from the solenoid
valve.
5. Loosen the two #8-32 screws and washers secur-
ing the solenoid mounting bracket to the base.
Remove solenoid bracket and solenoid valve as an
assembly.
6. Remove the two #10-32 screws and lockwash-
ers securing the solenoid valve to the solenoid
bracket.
7. Using two #10-32 screws and lockwashers install
new solenoid valve on solenoid mounting brack-
et.
8. Install the solenoid valve and bracket on the dis-
penser base and tighten the two #8-32 screws.
9. Securely fasten the water lines to and from the
solenoid valve.
10. Refer to schematic wiring diagrams when recon-
necting the wires.
SERVICE (cont.)
P4102.40
FMD DBC-3 shown
42672 122209

47
FIG. 45 DISPENSE SOLENOID VALVE
TERMINALS
P1645
SERVICE (cont.)
SOLENOID VALVES (DISPENSE) (all Models)
FIG. 44 DISPENSE SOLENOID VALVES
P1637.40
Location:
The dispense solenoids are located on the side of
the tank.
Test Procedures:
1. Disconnect the dispenser from the power source.
2. Disconnect the two wires from the solenoid valve.
With the “RUN/RINSE” switch in the “RINSE” (up-
per) position press the appropriate dispense switch
on front of the door.
3. With a voltmeter, check the voltage across the two
wires. Connect the dispenser to the power source.
The indication must be:
a) 120 volts ac for two wire 120 volt models, three
wire 120/208 volt, and 120/240 volt models.
b) 240 volts ac for two wire 240 volt models.
c) 230 volts ac for two wire 230 volt models.
4. Disconnect the dispenser from the power source,
If voltage is present as described, proceed to #5
If voltage is not present as described, refer to Wiring
Diagrams and check dispenser wiring harness.
5. Check for continuity across the solenoid valve coil
terminals.
If continuity is present as described, reconnect the two
wires to the solenoid.
If continuity is not present as described, replace the
solenoid valve.
6. Check the solenoid valve for coil action. Connect the
dispenser to the power source. With “RUN/RINSE”
switch in the “RINSE” (upper) position press the
appropriate dispense switch and listen carefully in
the vicinity of the solenoid valve for a “clicking”
sound as the coil magnet attracts.
7. Disconnect the dispenser from the power source.
If the sound is heard as described and water will not
pass through the solenoid valve, there may be a block-
age in the tank water outlet before the solenoid valve
or, the solenoid valve may require inspection for wear,
and removal of waterborne particles.
If the sound is not heard as described, replace the
solenoid valve.
Removal and Replacement:
1. Remove the two wires from the solenoid valve.
2. Turn off the water supply to the dispenser.
3. Drain enough water from the tank (approximately
1.0 gallon) so the water level is below the dispense
valve mounting hole.
4. Disconnect the water line from the solenoid
valve.
5. Remove the #10-32 screw securing the solenoid
valve to side of the tank. Remove solenoid valve.
6. Using the #10-32 screw install new solenoid valve
on side of the tank
7. Push the water line onto the tube on bottom of
solenoid valve.
8. Refer to schematic wiring diagrams when recon-
necting the wires.
to Dispense Switch to Control Board
FMD DBC-3 shown
42672 122209

48
P4102
FIG. 46 HOT WATER DISPENSE
SOLENOID VALVE
Location:
The hot water solenoid valve is located on the left side
of the tank.
Test Procedures:
1. Disconnect the dispenser from the power source.
2. With a voltmeter check the voltage across the white
and blue wires at the solenoid valve. Connect the
dispenser to the power source. The indication must
be:
a) 120 volts ac for two wire 120 volt models
b) 120 volts for three wire 120/208 or 120/240 volt
models
c) 240 volts ac for two wire 240 volt models.
d) 230 volts ac for two wire 230 volt models.
3. Disconnect the dispenser from the power source.
If voltage is present as described, proceed to #4.
If voltage is not present as described, refer to the wiring
diagram and check dispenser wiring harness.
4. Disconnect the white and blue wires from the so-
lenoid valve.
5. Check for continuity across the solenoid valve coil
terminals.
If continuity is present as described, reconnect the
white and blue wires to the solenoid.
If continuity is not present as described, replace the
solenoid valve.
6. Check the solenoid valve for coil action. Connect
the dispenser to the power source. Listen carefully
in the vicinity of the solenoid valve for a “clicking”
sound as the coil magnet attracts.
7. Disconnect the dispenser from the power source.
If the sound is heard as described and water will not
pass through the solenoid valve, there may be a block-
age in the water line before the solenoid valve or the
solenoid valve may require inspection for wear, and
removal of waterborne particles.
If the sound is not heard as described, replace the
solenoid valve.
Removal and Replacement:
1. Remove the white and blue wires from the solenoid
valve.
2. Turn off the water supply to the dispenser.
3. Drain enough water from the tank (approximately
2.0 gallons) so the water level is below the dispense
valve mounting hole.
4. Disconnect the water line from the solenoid
valve.
5. Loosen the #10-32 screw securing the solenoid
valve to side of the tank. Twist the solenoid valve
clockwise and remove solenoid valve.
6. Using the #10-32 screw install new solenoid valve
on side of the tank.
7. Push the water line onto the tube on bottom of
solenoid valve.
8. Refer to schematic wiring diagrams when recon-
necting the wires.
P1995.50
FIG. 47 HOT WATER DISPENSE
SOLENOID VALVE WIRING
SERVICE (cont.)
HOT WATER DISPENSE SOLENOID VALVE (FMD-2FD,DBC-2FD,-3,DBC-3)
FMD DBC-3 shown
42672 122209

49
SERVICE (cont.)
SOLENOID VALVE (INLET) (all Models)
FIG. 48 INLET SOLENOID VALVE
Location:
The inlet solenoid is located inside on the rear of
the dispenser base.
Test Procedures:
1. Disconnect the dispenser from the power
source.
2. Disconnect the two wires from the solenoid
valve.
3. Check for continuity across the solenoid valve coil
terminals.
If continuity is present as described, reconnect the two
wires to the solenoid.
If continuity is not present as described, replace the
solenoid valve.
4. Check the solenoid valve for coil action. Connect
the dispenser to the power source. Listen carefully
in the vicinity of the solenoid valve for a “clicking”
sound as the coil magnet attracts.
5. Disconnect the dispenser from the power source.
If the sound is heard as described and water will not
pass through the solenoid valve, there may be a block-
age in the water line before the solenoid valve or, the
solenoid valve may require inspection for wear, and
removal of waterborne particles.
If the sound is not heard as described, replace the
solenoid valve.
Removal and Replacement:
1. Remove the two wires from the solenoid valve.
2. Turn off the water supply to the dispenser.
3. Disconnect the water lines to and from the solenoid
valve.
4. Remove the two #8-32 screws securing the sole-
noid to the dispenser base. Remove solenoid.
5. Install new solenoid valve on the dispenser base
and secure with the two #8-32 screws.
6. Securely fasten the water lines to and from the
solenoid valve.
7. Refer to Schematic Wiring Diagrams when recon-
necting the wires.
P1217
FIG. 49 INLET SOLENOID VALVE TERMINALS
Late Models
Early Models
120V 1.2 kΩ
230V 3.84 kΩ
120V 622 Ω
230V 1555 Ω
P4102.40
FMD DBC-3 shown
42672 122209

50
SERVICE (cont.)
TANK HEATER (all Models)
FIG. 50 TANK HEATER P4102.40
Location:
The tank heater is located inside the tank and secured to
the tank lid.
Test Procedure:
1. Disconnect the dispenser from the power source.
2. With a voltmeter check the voltage across the black
and white wires 120 volt or 240 volt models or black
and red wires for 120/208 volt models or 120/240 volt
models. Connect the dispenser to the power source.
The indication must be:
a) 120 volts ac for two wire 120 volt models;
b) 208 volts ac for three wire 120/208 volt models.
c) 240 volts ac for three wire 120/240 volt models and
two wire 240 volt models.
d) 230 volts ac for two wire 230 volt models.
3. Disconnect the dispenser from the power source.
If voltage is present as described, proceed to #4.
If voltage is not present as described, refer to the dispenser
wiring diagram and check the wiring harness.
4. Disconnect the black wire and the white or red wire
from the tank heater terminals.
5. Check for continuity across the tank heater terminals.
If continuity is present as described, reconnect the wires,
the tank heater is operating properly.
If continuity is not present as described, replace the tank
heater.
NOTE - If the tank heater remains unable to heat, remove
and inspect heater for cracks in the sheath.
Removal and Replacement:
1. Shut off water supply to the dispenser.
2. Disconnect the water supply tube on the tank lid.
3. Disconnect the black wires on the limit thermostat. FIG. 51 TANK HEATER TERMINALS P1218
WHI or RED to Main
Wiring Harness
BLK to Limit
Thermostat
FMD DBC-3 shown
4. Disconnect the black wire and the white or red wire from
the tank heater terminals.
5. Disconnect the pink wire from the liquid level probe.
6. Disconnect the green wire from the tank.
7. Remove the thermostat capillary bulb/temperature probe
by firmly pulling up on the capillary at the tank lid. This
will disengage the grommet from the tank lid.
8. Remove the ten #8-32 nuts securing the tank lid to the
tank.
9. Remove tank lid with limit thermostat, liquid level probe
and tank heater as an assembly.
10. Remove the two hex nuts securing the tank heater to
the tank lid. Remove tank heater with gaskets and dis-
card.
11. Install new tank heater with gaskets on the tank lid and
secure with two hex nuts.
12. Install tank lid with limit thermostat, liquid level probe
and tank heater on the tank and secure with ten #8-32
hex nuts.
13. Connect water inlet line to the tank lid.
14. Reconnect the black wires to limit thermostat, the pink
wire to the liquid level probe and the green wire to the
tank. Refer to the limit thermostat and the liquid level
board and probe sections in this manual when recon-
necting wires.
15. Refer to Fig. 51 when reconnecting the wires to the tank
heater.
Resistance Values
120V 7.8 - 9.2 ohms @ 68° - 75°F
240V 15.3 - 17.9 ohms @ 68° - 75°F
42672 122209

51
J4
J1
J2
J3
J4
J1
J2
J3
TANK HEATER RELAY (FMD-4,-5,120V Dispensers only)
FIG. 52 TANK HEATER RELAY
P4095
Location:
The tank heater relay is located behind the lower
front access cover, mounted on the left rear side of the
component bracket.
Test Procedure:
1. Disconnect the dispenser from the power source.
2. Place the tank heater switch in the “OFF” (upper)
position.
3. With an ohmmeter, check for continuity between
normally closed (NC-5) and common (COM-3)
terminals of the relay. The indication must be less
than 1 ohm.
If continuity is present as described, proceed to step
4.
If continuity is not present as described, replace the
relay.
4. With an ohmmeter, check the resistance across the
coil terminals (1 & 2) of the relay. The indication
must be approximately 4,000 ohms (4kΩ).
If the resistance measures as described, proceed to
step 5.
If the resistance does not measure as described, replace
the relay.
5. Disconnect the wires from the normally closed (NC-
5) and common (COM-3) terminals of the relay.
FIG. 53 TANK HEATER RELAY TERMINALS
P2639
SERVICE (cont.)
Removal and Replacement:
1. Loosen the three #8-32 screws securing the com-
ponent bracket to the dispenser housing base.
2. Pull component bracket out the front of the dis-
penser far enough so the tank heater relay can be
disconnected from the main wiring harness.
3 Disconnect the tank heater relay from the main
wiring harness.
4. Remove the two #8-32 screws securing the tank
heater relay to the rear of the component bracket.
5. Remove and discard the tank heater relay.
6. Install new tank heater relay on the rear of the
component bracket and secure with two #8-32
screws.
7. Connect the tank heater relay to the main wiring
harness (see Fig. 53).
8. Place the component bracket into position and
tighten the three #8-32 screws.
6. With an ohmmeter, check for continuity between
the normally closed (NC-5) and common (COM-3)
terminals of the relay.
7. Place containers below any three dispense noz-
zles.
8. Connect the dispenser to the power source.
9. Simultaneously initiate dispenses at each of the
selected dispense stations while monitorintg con-
tinuity across the referenced terminals of the tank
heater relay. The indication must be open circuit.
If continuity is absent as described, the relay is func-
tioning correctly.
If continuity is present, replace the relay.
BLK from
Main Harness
BLK from
Main Harness
BRN/BLK from
Main Harness
WHI from
Main Harness
No Connection
42672 122209

52
P1684.40
SERVICE (cont.)
TANK HEATER SWITCH (all Models)
FIG. 54 TANK HEATER SWITCH
Location:
The tank heater switch located is inside the dispenser
on the upper right of the whipper motor mounting
panel.
Test Procedure:
1. Disconnect the dispenser from the power source.
2. Disconnect the black or white/brown wires from
the main harness.
3. With the switch in the “ON” (lower) position check
for continuity between the center and the upper
terminal. With the switch in the “OFF” (upper)
position no continuity should be present between
center and upper terminals.
If continuity is present as described, the heater “ON/
OFF” switch is operating properly.
If continuity is not present as described, replace the
switch.
FIG. 55 TANK HEATER SWITCH TERMINALS
P1219
Removal and Replacement:
1. Refer to the hopper section in this manual and
remove the hopper assemblies and the hopper
support plate.
2. Remove the switch mounting nut on the front of
the front panel.
3. Remove switch with wires attached from the rear
of the front panel.
4. Remove the wires from the switch terminals and
discard switch.
5. Refer to schematic wiring diagrams when recon-
necting the wires.
5. Push new switch through hole in the front panel
and secure with face nut.
7. Refer to the hopper section in this manual and
install the hopper support plate and the hopper
assemblies.
FMD DBC-3 shown
42672 122209

53
SERVICE (cont.)
FIG. 57 TRANSFORMER TERMINALS
P1647
TRANSFORMER (all Models)
FIG. 56 TRANSFORMER P1646
Location:
The transformer is located behind the lower
front access cover, mounted on the right rear side of
the component bracket.
Test Procedure:
1. Disconnect the dispenser from the power source.
2. Disconnect the four pin plug from the main harness
from the four pin connector on the transformer.
3 Check the voltage across black wire (pin 1) and
the
white wire (pin 2) on the plug from the main har-
ness. Connect the dispenser to power source. The
indication must be:
a) 120 volts ac for two wire 120 volt models.
b) 120 volts for three wire 120/208 and 120/240
volt models.
c) 240 volts ac for two wire 240 volt models.
d) 230 volts ac for two wire 230 volt models.
4. Disconnect the dispenser from the power source.
If voltage is present as described reconnect the plug
and the connector and proceed to #5.
If voltage is not present as described, refer to the wiring
diagrams and check the main wiring harness.
5. Check the voltage between J1-1 and J1-2 on the
eight pin connector at the control board. Connect
the dispenser to the power source. The indication
must be 24 volts ac.
If voltage is present as described the transformer is
operating properly.
If voltage is not present as described, replace the
transformer.
Removal and Replacement:
1. Loosen the two #8-32 screws securing the com-
ponent bracket to the dispenser housing base.
2. Pull component bracket out the front of the dispenser
far enough so the transformer connector can be
disconnected from the main wiring harness.
3 Disconnect the transformer four pin connector from
the four pin plug on the main wiring harness.
4. Remove the two #6-32 keps nuts securing the trans-
former to the rear of the component bracket.
5. Remove and discard the transformer.
6. Install new transformer on the rear of the component
bracket and secure with two #6-32 keps nuts.
7. Connect the four pin connector on the transformer
to four pin plug on the main wiring harness.
8. Place the component bracket into position and
tighten the two #8-32 screws.
FMD DBC-3 shown
42672 122209

54
Q1
MOV1
MOV2
MOV4
MOV3
Q2
Q5
Q7
Q1
Q1
Bunn Part Number 28826.0006
Bunn Part Number 38739.0000
Bunn Part Number 38739.0001
MOV1
MOV1
TRIAC MAPS for FMD
Q1 & MOV1 controls Refill Valve @ J4
Q1 & MOV1 controls Left Whipper Motor @ J2-6
Q2 & MOV3 controls Center Whipper Motor @ J2-3
Q5 & MOV4 controls Right Whipper Motor @ J2-1
Q7 & MOV2 controls Refill Valve @ J2-5
42672 122209

55
SOL
DISPENSE
M
WHIPPER
M
HOPPER
RUN/RINSE
SWITCH
WHI RED
WHI
RED
RED
RED
RED
RED
BLK-16
120 VOLTS A C - 2 WIRE
120/208-240 VOLTS AC - 3WIRE
SINGLE PHASE
29096.0000C 8/98 © 1998 BUNN-O-MATIC CORPORATION
SCHEMATIC WIRING DIAGRAM FMD-1
GRN
GRN
GRN
GRN
L1 NL2
LIMIT
THERMOSTAT
BLK-16 TANK HEATER RED-16 (3-WIRE MODELS)
WHI-16 (2-WIRE MODELS)
BLK-16
SOL
TANK INLET
BLK
BLK
BLK
PROBE
1
4
3
2
LIQUID
LEVEL
BOARD
VIOWHI
WHI
WHI
PNK
FAN
HEATER
SWITCH
CONTROL
THERMOSTAT
BLK-16
HOPPER
DRIVE
PCB
WHI
WHI
BLK
BLK
WHI
RED
BLU
STARTER
BLK
BLK
BLU
BLUBLU
BLU
BLU
RED
RED BLK
BLK
WHI
WHIWHI
WHI
DISPENSE SWITCH
1
4
1
BLK
J1
1 2 3
WHI/RED
FLUORESCENT
LAMP
BALLAST
BLK
BLK BLK
BLK
BLK
BLK
RED
RED
RED
CHASSIS
DOOR
GRN
HOPPER SPEED ADJUST
42672 122209

56
SOL
DISPENSE
M
WHIPPER
M
HOPPER
RUN/RINSE
SWITCH
WHI RED
WHI
RED
RED
RED
RED
RED
BLK-16
230 VOLTS AC CE
2 WIRE + GND
SINGLE PHASE 50/60 HZ
29096.0006B 04/05 © 2005 BUNN-O-MATIC CORPORATION
SCHEMATIC WIRING DIAGRAM FMD-1A
GRN
GRN
GRN
GRN
L1 L2
LIMIT
THERMOSTAT
BLK-16
SOL
TANK INLET
BLK
BLK
BLK
PROBE
1
4
3
2
LIQUID
LEVEL
BOARD
VIO WHI
WHI
WHI
PNK
FAN
HEATER
SWITCH
CONTROL
THERMOSTAT
BLK-16
HOPPER
DRIVE
PCB
WHI
WHI
BLK
BLK
WHI
RED
BLU
STARTER
BLK
BLK
BLU
BLU BLU
BLU
BLU
RED
RED BLK
BLK
WHI
WHI WHI
WHI
DISPENSE SWITCH
1
4
1
BLK
J1
1 2 3
WHI/RED
FLUORESCENT
LAMP
BALLAST
BLK
BLK BLK
BLK
BLK
BLK
RED
RED
RED
CHASSIS
DOOR
GRN
HOPPER SPEED ADJUST
BLK-16 TANK HEATER WHI-16
THERMAL
FUSE
THERMAL
FUSE
42672 122209

57
GRN
GRN
GRN
WHIWHI
WHI WHI
WHI
WHI
SOL
LEFT DISPENSE
M
LEFT WHIPPER
M
LEFT HOPPER
M
RIGHT HOPPER
M
RIGHT WHIPPER
SOL
RIGHT DISPENSE
BLK
BLK
WHI
WHI
WHI
WHI
WHI
WHI
RED
RED BLU
BLU
RED
RED
RED
RED
JUMPER PLUG MUST BE
USED WHEN COLD
DRINK FEATURE NOT
INSTALLED
RED
SOL
COLD DRINK OPTION (LEFT ONLY)
BLK-16
120 VOLTS AC - 2 WIRE
120/208-240 VOLTS AC - 3 WIRE
SINGLE PHASE, 60 HZ
29096.0001C 10/98 © 1998 BUNN-O-MATIC CORPORATION
SCHEMATIC WIRING DIAGRAM FMD-2
GRN
L1 NL2
LIMIT
THERMOSTAT
BLK-16 BLK-16
TANK HEATER
RED-16 (3-WIRE MODELS)
WHI-16 (2-WIRE MODELS)
BLK-16
SOL
TANK INLET
BLK
BLK
BLK
BLK
BLK
BLKBLK
BLK
WHI
WHI
WHI
FAN
TANK HEATER
SWITCH
BLK-16
RED
RED
WHI
144
1
1
1
1
4
CONTROL
THERMOSTAT
WHI
WHI
J4-1
J2-10
J4-4
J3-1
J3-6
J2-1
J2-5
GRN
PROBE
PNK
C
O
N
T
R
O
L
P
C
B
O
A
R
D
.
.
VIO
VIO
GRN
GRN
GRN GRN
GRN
GRN
GRN
GRN
WHI/ORN
WHI/ORN
WHI/RED
WHI/RED
WHI/BLK
WHI/GRN
BRN/BLK
BRN/BLK
RED/BLK
RED/BLK
GRY
YEL
WHI/YEL
WHI/RED
WHI/ORN
ORNORN
ORN
TAN
TAN
WHI
FLUORESCENT
LAMP
BALLAST
BLK
BLK
BLK
BLU
1
GRN/BLK
WHI/BLK
GRY
PNK
"RINSE" L.E.D.
4
1
120V : 24V AC
TRANSFORMER
WHI/BLK
WHI/BLK
WHI/BLK
WHI/GRN
WHI/GRNWHI/GRN
WHI
BLK
INCREASE/
DECREASE
SWITCH
I
N
C
D
E
C
RINSE/PROGRAM/
RUN SWITCH
RUN
RUN
PGM
PGM
RINSE
RINSE
GRY
YEL
BRN/WHI
BRN/WHI
BRN/WHI
ORN
WHI/YEL
WHI/ORN
WHI/RED
WHI
BLK
BLK
WHI
RED
BLU
BLU
STARTER
BLK
BLK
BLK BLK
BLK
BLU
BLU BLU
RED
1
WHI
WHI
BLK/WHI
BLK/WHI
RED/WHI
RED/WHI
RED
RED
BLU/WHI
BLU/WHI
ORN ORN
ORN
LEFT DISPENSE SWITCH RIGHT DISPENSE SWITCH
CHASSIS
DOOR
G
R
N
42672 122209

58
GRN
GRN
GRN
WHIWHI
WHI WHI
WHI
WHI
SOL
LEFT DISPENSE
M
LEFT WHIPPER
M
LEFT HOPPER
M
RIGHT HOPPER
M
RIGHT WHIPPER
SOL
RIGHT DISPENSE
BLK
BLK
WHI
WHI
WHI
WHI
WHI
WHI
RED
RED BLU
BLU
RED
RED
RED
RED JUMPER PLUG MUST BE
USED WHEN COLD
DRINK FEATURE NOT
INSTALLED
RED
SOL
COLD DRINK OPTION (LEFT ONLY)
BLK-16
230 VOLTS AC
2 WIRE + GND
SINGLE PHASE, 50 HZ
29096.0005B 04/05 © 2005 BUNN-O-MATIC CORPORATION
SCHEMATIC WIRING DIAGRAM FMD-2A
GRN
L1 L2
LIMIT
THERMOSTAT
BLK-16BLK-16 TANK HEATER WHI-16
BLK-16
SOL
TANK INLET
BLK
BLK
BLK
BLK
BLK
BLKBLK
BLK
WHI
WHI
WHI
FAN
TANK HEATER
SWITCH
BLK-16
RED
RED
WHI
144
1
1
1
1
4
CONTROL
THERMOSTAT
WHI
WHI
J4-1
J2-10
J4-4
J3-1
J3-6
J2-1
J2-5
GRN
PROBE
PNK
C
O
N
T
R
O
L
P
C
B
O
A
R
D
.
.
VIO
VIO
GRN
GRN
GRN GRN
GRN
GRN
GRN
GRN
WHI/ORN
WHI/ORN
WHI/RED
WHI/RED
WHI/BLK
WHI/GRN
BRN/BLK
BRN/BLK
RED/BLK
RED/BLK
GRY
YEL
WHI/YEL
WHI/RED
WHI/ORN
ORNORN
ORN
TAN
TAN
WHI
FLUORESCENT
LAMP
BALLAST
BLK
BLK
BLK
BLU
1
GRN/BLK
WHI/BLK
GRY
PNK
"RINSE" L.E.D.
4
1
240V : 24V AC
TRANSFORMER
WHI/BLK
WHI/BLK
WHI/BLK
WHI/GRN
WHI/GRNWHI/GRN
WHI
BLK
INCREASE/
DECREASE
SWITCH
I
N
C
D
E
C
RINSE/PROGRAM/
RUN SWITCH
RUN
RUN
PGM
PGM
RINSE
RINSE
GRY
YEL
WHI/BRN
WHI/BRN
WHI/BRN
ORN
WHI/YEL
WHI/ORN
WHI/RED
WHI
BLK
BLK
WHI
RED
BLU
BLU
STARTER
BLK
BLK
BLK BLK
BLK
BLU
BLUBLU
RED
1
WHI
WHI
BLK/WHI
BLK/WHI
RED/WHI
RED/WHI
RED
RED
BLU/WHI
BLU/WHI
ORN ORN
ORN
LEFT DISPENSE SWITCH RIGHT DISPENSE SWITCH
CHASSIS
DOOR
G
R
N
THERMAL
FUSE
THERMAL
FUSE
42672 122209

59
SCHEMATIC WIRING DIAGRAM FMD DBC-2
FREEZE DRIED W/HOT WATER
HOT WATER
WHI
WHI
WHI
WHI/VIO
RED
ORN
RIGHT DISPENSE
LEFT DISPENSE
SOL
SOL
SOL
HOT
WATER
L
G
L
G
M
D
M
D
S
M
S
MSTOP
LEFT CENTER
SWITCH UNIT ASSY
WHI
WHI
BLK
BLK
BLK
BLK
RED
RED
BLU
BLU
BLU
WHI
BLU
WHI
BLU
1
1
STARTER
BLKBLK BLK
FLUORESCENT
LAMP
BALLAST
GRN
GRN
RED/BLK
BRN/BLK
DOOR
CHASSIS
111
444
WHI/RED
WHI/ORN
WHI/BLU
GRY
RED
ORN
GRN/BLK
RED/WHI
GRN
29096.0003B 05/02 © 2002 BUNN-O-MATIC CORPORATION
RIGHT HOPPER
LEFT HOPPER
42672 122209

60
GRN
GRN
GRN
WHI
WHI
WHI
WHI
SOL
SOL
LEFT DISPENSE
HOT WATR
M
LEFT HOPPER
M
RIGHT HOPPER
SOL
RIGHT DISPENSE
BLK
BLK
WHI
WHI
WHI
WHI
RED
RED
BLK-16
120 VOLTS AC - 2 WIRE
120/208-240 VOLTS AC - 3 WIRE
SINGLE PHASE, 60 HZ
29096.0004A 01/03 © 2003 BUNN-O-MATIC CORPORATION
SCHEMATIC WIRING DIAGRAM FMD-2FD
GRN
L1 NL2
LIMIT
THERMOSTAT
BLK-16 TANK HEATER RED-16 (3-WIRE MODELS)
WHI-16 (2-WIRE MODELS)
BLK-16
SOL
TANK INLET
BLK
BLK
BLK
BLK
BLK
BLKBLK
BLK
WHI
WHI
WHI
WHI
FAN
TANK HEATER
SWITCH
BLK-16
RED
RED
144
1
1
1
CONTROL
THERMOSTAT
WHI
WHI
J4-1
J2-10
J4-4
J3-1
J3-6
J2-1
J2-5
GRN
PROBE
PNK
C
O
N
T
R
O
L
P
C
B
O
A
R
D
.
.
VIO VIO
GRN
GRN
GRN GRN
GRN
GRN
GRN
WHI/GRY
WHI/GRY
WHI/ORN
WHI/ORN
WHI/RED
WHI/RED
WHI/BLK
WHI/GRN
BRN/BLK
BRN/BLK
RED/BLK
RED/BLK
GRY
YEL
WHI/YEL
WHI/RED
WHI/ORN
ORN
FLUORESCENT
LAMP
BALLAST
BLK
BLK
BLK
BLU
1
GRN/BLK
WHI/BLK
GRY
PNK
"RINSE" L.E.D.
4
1
120V : 24V AC
TRANSFORMER
WHI/BLK
WHI/BLK
WHI/GRNWHI/GRN
INCREASE/
DECREASE
SWITCH
I
N
C
D
E
C
RINSE/RUN
SWITCH
RUN
RINSE
GRY
YEL
BRN/WHI
BRN/WHI
WHI/VIO
ORN
WHI/YEL
WHI/ORN
WHI/RED
WHI
BLK
BLK
WHI
RED
BLU
BLU
STARTER
BLK
BLK
BLK BLK
BLK
BLU
BLU BLU
RED
1
WHI
WHI
BLK/WHI
BLK/WHI
RED/WHI
RED/WHI
RED
RED
BLU/WHI
BLU/WHI
ORN ORN
ORN/BLK
ORN
BLK
LEFT DISPENSE SWITCH RIGHT DISPENSE SWITCH
HOT WATER
DISPENSE SWITCH
CHASSIS
DOOR
G
R
N
GRN
WHI/VIO
ORN/BLK
GRN
DISPENSE/PROGRAM
SWITCH
DISP
DISP
PGM
PGM
White Strip-Tac Plus
Black Ink
Finished Size: 6.25" x 7.20"
62% Reduction
42672 122209

61 42672 122209

62 42672 122209

63 42672 122209

64 42672 122209

65
RED
(3-WIRE MODELS)
BLK
(3-WIRE MODELS)
BLK
(2-WIRE MODELS)
WHI
(2-WIRE MODELS)
GREEN
L1 L2
BLK
N
MAIN ON/OFF SWITCH
(Late 3-wire Models only)
RED
WHI
SCHEMATIC WIRING DIAGRAM FMD DBC-3
(WITH HOT WATER DISPENSE)
120 VOLTS AC 2 WIRE + GND or
120/208-240 VOLTS AC - 3 WIRE + GND
SINGLE PHASE, 60 Hz
29218.0002D 03/07 © 1999 BUNN-O-MATIC CORPORATION
42672 122209

66
L2L1
29218.0004A 09/01 © 2001 BUNN-O-MATIC CORPORATION
230 VOLTS AC - 2 WIRE
SINGLE PHASE
50/60 HZ
BLU/RED
WHI/RED
BLK/WHI
ORN/BLK
RED/BLK
BLU/BLK
BLU/WHI
ORN
WHI/BLK
BLK
RED
RED/WHI
GRN/BLK
ORN
RED
RUN
RINSE
GRY
WHI/BLU
WHI/ORN
WHI/RED
GRN
WHI/BRN
BRN/BLK
RED/BLK
WHI/VIO-22
WHI/VIO
BLU-22
BLU-22
BLU
BLK
BLU/BLK
BLU/BLK
WHI
WHI
WHI/VIO-22
RED-22
J2-1
J2-5
J1-1
GRN-22
GRN-22
RED-22
RED/BLK
BRN/BLK
WHI/BRN
WHI/VIO
WHI/VIO WHI/VIO
WHI/BLU
ORN
ORN ORN
GRN GRN
BLU
BLU
BLU
GRY
RED
BLK
BLK
BLK
BLU/BLK BLU/BLK
BLK-16 BLK-16 BLK-16 BLK-16
WHI
WHI/GRN
WHI/BLK
BLK
WHI
WHI/GRN
WHI/BLK
WHI/VIO
WHI/RED
GRN
WHI/BLU
WHI/ORN
GRN GRN BLU
N.C.
SOL
REDRED VIO
BLK
WHI
WHI
WHI
WHI
WHI
WHI
GRN/YEL
PNK
PNK
WHI/BLK
WHI/GRN
ORN
WHI
BLU
RED
WHI/RED
WHI/ORN
GRN
STARTER
DOOR
CHASSIS
COLD DRINK OPTION (LEFT ONLY)
SOL
SOL
SOL
LEFT CENTER RIGHTREADY
HOT
WATER
STOP
S
M
M
D
L
G
S
M
M
D
L
G
S
M
M
D
L
G
AUX. CONTROL PC BOARD
SWITCH UNIT ASSY
RIGHT DISPENSE
120V : 24V AC
TRANSFORMER
PROBE
CONTROL
THERMOSTAT
LIMIT
THERMOSTATTANK HEATER
OVERFLOW SWITCH
FAN
TANK INLET
TANK HEATER
SWITCH
LEFT DISPENSE
CENTER DISPENSE
RIGHT WHIPPER
LEFT WHIPPER
CENTER WHIPPER
RIGHT HOPPER
HOT WATER
LEFT HOPPER
CENTER HOPPER
SOL
SOL
M
M
M
M
M
M
HOT/COLD SWITCH
JUMPER PLUG MUST BE
USED WHEN COLD
DRINK FEATURE NOT
INSTALLED
BLU
BLU
WHI
BLUBLK BLK
WHI
BLU
BLU
BLK
BLK
BLK
WHI
J3-1
J2-1
J1-1
J2-5
J1-5
J1-8
J3-5
J3-10
J4-4
J4-1
TAN
TAN
RED
RED
RED
WHI
WHI
WHI
WHI
WHI WHI
WHI/RED
WHI/ORN
WHI/BLU
RED
RED
RED
BLK
BLK
BLK
GRN
GRN
GRN
WHI
WHI/YEL
TANTAN
RED RED
RED
RED
RED
WHI
BLK
BLK RED
RED
WHI
WHI
FLOURESCENT
LAMP
BALLAST
DISCONNECT
TO ENABLE
RINSE TIMER
C
O
N
T
R
O
L
P
C
B
O
A
R
D
SCHEMATIC WIRING DIAGRAM FMDA DBC-3
(WITH HOT WATER DISPENSE)
42672 122209

67 42672 122209

68 42672 122209

69 42672 122209

70 42672 122209

71
GRN
GRY
WHI/GRY
BRN/BLK
BRN/BLK
BLK
I
N
C
D
E
C
INCREASE/
DECREASE
SWITCH
RINSE/PROGRAM/
RUN SWITCH
RUN
RUN
PGM
PGM
RINSE
RINSE
WHI/VIO
RED/BLK
GRN
GRN
GRN
GRN
GRY
PNK
WHI/ORN
WHI/ORN
WHI/RED
WHI/RED
WHI/GRY
WHI/VIO
GRY
WHI/GRY
WHI/VIO
WHI/VIO
WHI
VIO
WHI
WHI/BLK
WHI/GRN
WHI/BLK
WHI/BLK
WHI/RED
WHI/GRN
WHI/BLK
BRN/WHI
RED/BLK
RED/BLK
BLU/BLK
WHI/YEL
WHI/YEL
TAN
J2-5
J3-5
J3-1
J4-4
J4-1
J1-4
J1-1
J2-1
J2-10
C
O
N
T
R
O
L
C
I
R
C
U
I
T
B
O
A
R
D
#
2
WHI/ORN
WHI/BLU
WHI/BLU
GRN
BLK
RED
RED
SCHEMATIC WIRING DIAGRAM FMD-5A
GRN
L1
BLK-16
BLK
BLK
BLK-16 BLK-16 BLK-16
BLK WHI
WHI
WHI
WHI
WHI
WHI
TANK HEATER
SWITCH
CONTROL
THERMOSTAT
LIMIT
THERMOSTAT
L2
M
FAN
SOL
REFILL VALVE
VIO
OVERFLOW PROTECTION SWITCH
RED RED WHI/VIO
GRY
PNK
"RINSE" #1-3 L.E.D.
1
116
1614
RED/WHI
BLU/WHI
TAN
GRN
GRY
PNK
"RINSE" #4 & 5 L.E.D.
1
RED/GRN
ORN/RED
BLU/BLK
GRN
WHI/RED
WHI/BLK
WHI/RED WHI/RED WHI/RED
GRN/BLK
GRN/WHI
BLU/BLK
BLU
BLK/WHI
RED/BLK
RED
ORN/BLK
ORN
BLK BLK BLK BLK
WHI/RED
BLK
WHI/BLK
BLU/BLK
RED/BLK
ORN/BLK
RED
ORN
GRN/WHI
GRN/BLK
BLU
BLK
WHI/RED
WHI/BLK
BLK/WHI
RED
RED
RED
ORN
YEL
BLU
BRN/BLK
BRN
WHI/RED
WHI/ORN
WHI/YEL
WHI/BLU
GRN
WHI
BLK
WHI
WHI
BLU
WHI
BLK
BLK
BLK
BLK/RED
WHI
BLU/RED
BLK/RED
RED
BLU
BLU
RED
RED
RED
RED
RED
RED
RED
BLU
WHIWHI
GRN
BLU/RED
BLK
BLK
BLK
WHI
BLK
STARTER
STARTER
LAMP #1
BALLAST LAMP #2
BALLAST
BLK BLK
BLK BLK BLK BLK BLK
BLK
BRN/BLK
HOPPER #4 HOPPER #5
MM
M
SOL
M
SOL
M
SOL
M
SOL
M
SOL
STATION #1
WHIPPER
STATION #2
WHIPPER
STATION #3
WHIPPER
STATION #4
WHIPPER
STATION #5
WHIPPER
STATION #1
DISPENSE
VALVE
STATION #2
DISPENSE
VALVE
STATION #3
DISPENSE
VALVE
STATION #4
DISPENSE
VALVE
STATION #5
DISPENSE
VALVE
BLK BLK BLK BLK BLK BLK BLKBLK BL
KB
LK
BRN
BRN
TAN
WHI
RED
RED RED
RED
RED
34820.0002B 04/05 ©2005 BUNN-O-MATIC CORPORATION
TANHOT SOL
COLD
WHI
WHI/YEL
1
4
COLD DRINK OPTION (LEFT ONLY)
HOT/COLD SWITCH
BRN
TANWHI WHI ORN WHI
WHI
WHI
WHI
ORN
YEL WHIBLU
WHI
BLU
WHI
WHI
WHI
WHI
WHI
WHI
WHI
WHI
YEL
RED
RED
ORN
BLU
YEL
RED
JUMPER PLUG MUST BE
USED WHEN COLD
DRINK FEATURE NOT
INSTALLED
RED RED
WHI/YEL WHI/BLU
GRN
GRN
GRN
BLK
BLK
BLK RED
RED
RED
HOPPER #1 HOPPER #2 HOPPER #3
MMM
BRN/WHI WHI/RED WHI/ORN
GRN
BLK
GRN
230 VOLTS AC
2 WIRE + GND
SINGLE PHASE, 50/60HZ
12345
240V : 24V AC
TRANSFORMER
WHI/BLK
WHI/GRN
BLK
WHI
LOAD LINE
K
KBLK-16 TANK HEATER WHI-16
THERMAL
FUSE
THERMAL
FUSE
PROBE
J2-5
J3-5
J3-1
J4-4
J4-1
J2-1
J2-10
C
O
N
T
R
O
L
C
I
R
C
U
I
T
B
O
A
R
D
#
1
J1-4
J1-1
42672 122209