Burnham Apex Installation And Operation Manual
2015-06-08
: Burnham Burnham-Apex-Installation-And-Operation-Manual-738089 burnham-apex-installation-and-operation-manual-738089 burnham pdf
Open the PDF directly: View PDF .
Page Count: 132 [warning: Documents this large are best viewed by clicking the View PDF Link!]

103022-04 - 8/13 Price - $5.00
WARNING: Improper installation, adjustment, alteration, service or maintenance can cause property damage,
injury, or loss of life. For assistance or additional information, consult a qualied installer, service agency or the
gas supplier. This boiler requires a special venting system. Read these instructions carefully before installing.
INSTALLATION, OPERATING AND
SERVICE INSTRUCTIONS FOR
APEX™
CONDENSING HIGH EFFICIENCY
DIRECT VENT
GAS - FIRED HOT WATER BOILER
9700609

2
IMPORTANT INFORMATION - READ CAREFULLY
NOTE: The equipment shall be installed in accordance with those installation regulations enforced in the area where the
installation is to be made. These regulations shall be carefully followed in all cases. Authorities having jurisdiction
shall be consulted before installations are made.
All wiring on boilers installed in the USA shall be made in accordance with the National Electrical Code and/or local regulations.
All wiring on boilers installed in Canada shall be made in accordance with the Canadian Electrical Code and/or local regulations.
The following terms are used throughout this manual to bring attention to the presence of hazards of various risk levels,
or to important information concerning product life.
The City of New York requires a Licensed Master Plumber supervise the installation of this product.
The Massachusetts Board of Plumbers and Gas Fitters has approved the Apex™ Series boiler. See the Massachusetts Board of
Plumbers and Gas Fitters website, http://license.reg.state.ma.us/pubLic/pl_products/pb_pre_form.asp for the latest Approval
Code or ask your local Sales Representative.
The Commonwealth of Massachusetts requires this product to be installed by a Licensed Plumber or Gas Fitter.
DANGER
Indicates an imminently hazardous situation
which, if not avoided, will result in death, serious
injury or substantial property damage.
CAUTION
Indicates a potentially hazardous situation which,
if not avoided, may result in moderate or minor
injury or property damage.
WARNING
Indicates a potentially hazardous situation which,
if not avoided, could result in death, serious injury
or substantial property damage.
NOTICE
Indicates special instructions on installation,
operation, or maintenance which are important
but not related to personal injury hazards.
DANGER
DO NOT store or use gasoline or other ammable vapors or liquids in the vicinity of this or any other
appliance.
If you smell gas vapors, NO NOT try to operate any appliance - DO NOT touch any electrical switch or use
any phone in the building. Immediately, call the gas supplier from a remotely located phone. Follow the gas
supplier’s instructions or if the supplier is unavailable, contact the re department.
3
Special Installation Requirements for Massachusetts
A. For all sidewall horizontally vented gas fueled equipment installed in every dwelling, building or structure used in whole or
in part for residential purposes and where the sidewall exhaust vent termination is less than seven (7) feet above grade, the
following requirements shall be satised:
1. If there is no carbon monoxide detector with an alarm already installed in compliance with the most current edition of
NFPA 720, NFPA 70 and the Massachusetts State Building Code in the residential unit served by the sidewall horizontally
vented gas fueled equipment, a battery operated carbon monoxide detector with an alarm shall be installed in compliance
with the most current edition of NFPA 720, NFPA 70 and the Massachusetts State Building Code.
2. In addition to the above requirements, if there is not one already present, a carbon monoxide detector with an alarm
and a battery back-up shall be installed and located in accordance with the installation requirements supplied with the
detector on the oor level where the gas equipment is installed. The carbon monoxide detector with an alarm shall
comply with 527 CMR, ANSI/UL 2034 Standards or CSA 6.19 and the most current edition of NFPA 720. In the event
that the requirements of this subdivision can not be met at the time of the completion of the installation of the equipment,
the installer shall have a period of thirty (30) days to comply with this requirement; provided, however, that during
said thirty (30) day period, a battery operated carbon monoxide detector with an alarm shall be installed in compliance
with the most current edition of NFPA 720, NFPA 70 and the Massachusetts State Building Code. In the event that the
sidewall horizontally vented gas fueled equipment is installed in a crawl space or an attic, the carbon monoxide detector
may be installed on the next adjacent habitable oor level. Such detector may be a battery operated carbon monoxide
detector with an alarm and shall be installed in compliance with the most current edition of NFPA 720, NFPA 70 and the
Massachusetts State Building Code.
3. A metal or plastic identication plate shall be permanently mounted to the exterior of the building at a minimum height
of eight (8) feet above grade directly in line with the exhaust vent terminal for the horizontally vented gas fueled
heating appliance or equipment. The sign shall read, in print size no less than one-half (1/2) inch in size, “GAS VENT
DIRECTLY BELOW. KEEP CLEAR OF ALL OBSTRUCTIONS”.
4. A nal inspection by the state or local gas inspector of the sidewall horizontally vented equipment shall not be performed
until proof is provided that the state or local electrical inspector having jurisdiction has granted a permit for installation of
carbon monoxide detectors and alarms as required above.
B. EXEMPTIONS: The following equipment is exempt from 248 CMR 5.08(2)(a) 1 through 4:
1. The equipment listed in Chapter 10 entitled “Equipment Not Required To Be Vented” in the most current edition of NFPA
54 as adopted by the Board; and
2. Product Approved sidewall horizontally vented gas fueled equipment installed in a room or structure separate from the
dwelling, building or structure used in whole or in part for residential purposes.
C. When the manufacturer of Product Approved sidewall horizontally vented gas equipment provides a venting system design
or venting system components with the equipment, the instructions for installation of the equipment and the venting system
shall include:
1. A complete parts list for the venting system design or venting system; and
2. Detailed instructions for the installation of the venting system design or the venting system components.
D. When the manufacturer of a Product Approved sidewall horizontally vented gas fueled equipment does not provide the parts
for venting ue gases, but identies “special venting systems”, the following shall be satised:
1. The referenced “special venting system” instructions shall be included with the appliance or equipment installation
instructions; and
2. The “special venting systems” shall be Product Approved by the Board, and the instructions for that system shall include a
parts list and detailed installation instructions.
E. A copy of all installation instructions for all Product Approved sidewall horizontally vented gas fueled equipment, all venting
instructions, all parts lists for venting instructions, and/or all venting design instructions shall remain with the appliance or
equipment at the completion of the installation.

4
WARNING
This boiler requires regular maintenance and service to operate safely. Follow the instructions contained
in this manual.
Improper installation, adjustment, alteration, service or maintenance can cause property damage, personal
injury or loss of life. Read and understand the entire manual before attempting installation, start-up
operation, or service. Installation and service must be performed only by an experienced, skilled, and
knowledgeable installer or service agency
This boiler must be properly vented.
This boiler needs fresh air for safe operation and must be installed so there are provisions for adequate
combustion and ventilation air.
The interior of the venting system must be inspected and cleaned before the start of the heating season
and should be inspected periodically throughout the heating season for any obstructions. A clean and
unobstructed venting system is necessary to allow noxious fumes that could cause injury or loss of life
to vent safely and will contribute toward maintaining the boiler’s efciency.
Installation is not complete unless a pressure relief valve is installed into the tapping located on left side
of appliance. - See the Water Piping and Trim Section of this manual for details.
This boiler is supplied with safety devices which may cause the boiler to shut down and not re-start
without service. If damage due to frozen pipes is a possibility, the heating system should not be left
unattended in cold weather; or appropriate safeguards and alarms should be installed on the heating
system to prevent damage if the boiler is inoperative.
This boiler contains very hot water under high pressure. Do not unscrew any pipe ttings nor attempt
to disconnect any components of this boiler without positively assuring the water is cool and has no
pressure. Always wear protective clothing and equipment when installing, starting up or servicing this
boiler to prevent scald injuries. Do not rely on the pressure and temperature gauges to determine the
temperature and pressure of the boiler. This boiler contains components which become very hot when
the boiler is operating. Do not touch any components unless they are cool.
Boiler materials of construction, products of combustion and the fuel contain alumina, silica, heavy metals,
carbon monoxide, nitrogen oxides, aldehydes and/or other toxic or harmful substances which can cause
death or serious injury and which are known to the state of California to cause cancer, birth defects and
other reproductive harm. Always use proper safety clothing, respirators and equipment when servicing
or working nearby the appliance.
Failure to follow all instructions in the proper order can cause personal injury or death. Read all instruc-
tions, including all those contained in component manufacturers manuals which are provided with the
boiler before installing, starting up, operating, maintaining or servicing.
All cover plates, enclosures and guards must be in place at all times.
NOTICE
This boiler has a limited warranty, a copy of which is printed on the back of this manual. It is the responsibility
of the installing contractor to see that all controls are correctly installed and are operating properly when the
installation is complete.

5
TABLE OF CONTENTS
I. Product Description, Specications and Dimensional Data...................... 6
II. Unpacking Boiler........................................................................................ 10
III. Pre-Installation and Boiler Mounting.......................................................... 11
IV. Venting...................................................................................................... 15
A. General Guidelines............................................................................... 15
B. CPVC/PVC Venting.............................................................................. 18
C. Polypropylene Venting......................................................................... 26
D. Stainless Steel Venting........................................................................ 30
E. Concentric Polypropylene Venting....................................................... 32
F. Removing the Existing Boiler............................................................... 38
G. Multiple Boiler Installation Venting....................................................... 40
V. Condensate Disposal................................................................................. 43
VI. Water Piping and Trim............................................................................... 45
VII. Gas Piping ............................................................................................... 59
VIII. Electrical ................................................................................................... 63
IX. System Start-Up ....................................................................................... 75
X. Operation...................................................................................................... 81
A. Overview.............................................................................................. 81
B. Supply Water Temperature Regulation................................................ 82
C. Boiler Protection Features.................................................................... 83
D. Multiple Boiler Control Sequencer........................................................ 84
E. Boiler Sequence of Operation.............................................................. 85
1. Normal Operation........................................................................... 85
2. Using the Display............................................................................ 86
F. Viewing Boiler Status.......................................................................... 87
1. Status Screens............................................................................... 87
2. Detail Screens................................................................................ 88
3. Multiple Boiler Sequencer Screens................................................ 89
G. Changing Adjustable Parameters........................................................ 90
1. Entering Adjust Mode.................................................................... 90
2. Adjusting Parameters.................................................................... 90
XI. Service and Maintenance ........................................................................ 101
XII. Troubleshooting........................................................................................ 105
XIII. Repair Parts ............................................................................................. 109
Appendix A - Figures................................................................................ 124
Appendix B - Tables.................................................................................. 127
Warranty...........................................................................................Back Page

6
I. Product Description, Specications and Dimensional Data
Apex™ Series boilers are condensing high efciency
gas-red direct vent hot water boilers designed for use
in forced hot water space or space heating with indirect
domestic hot water heating systems, where supply water
temperature does not exceed 210°F. These boilers have
special coil type stainless steel heat exchangers, constructed,
tested and stamped per Section IV ‘Heating Boilers’ of
ASME Boiler and Pressure Vessel Code, which provide a
maximum heat transfer and simultaneous protection against
ue gas product corrosion. These boilers are not designed
for use in gravity hot water space heating systems or
systems containing signicant amount of dissolved oxygen
(swimming pool water heating, direct domestic hot water
heating, etc.).
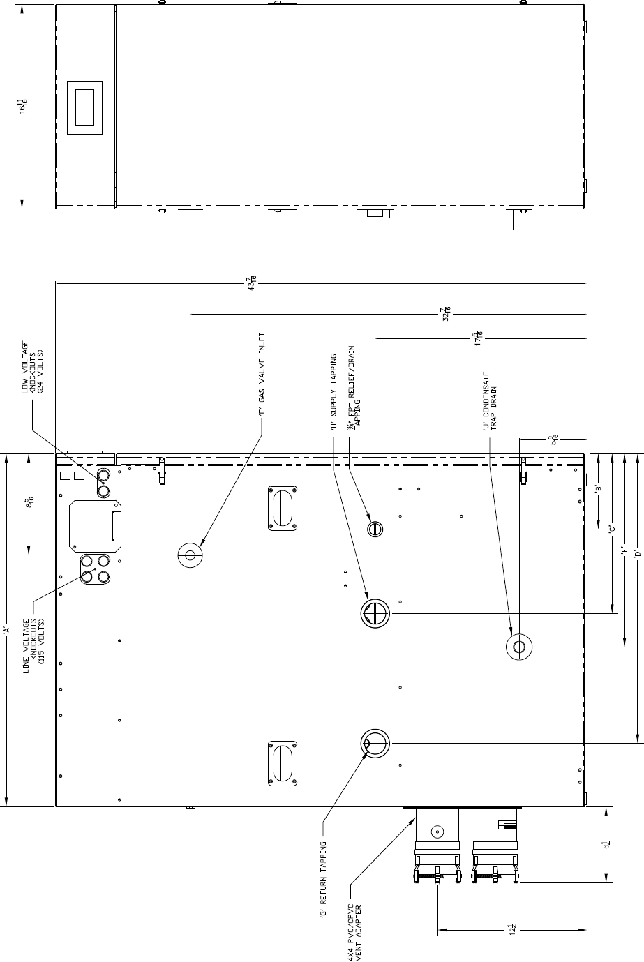
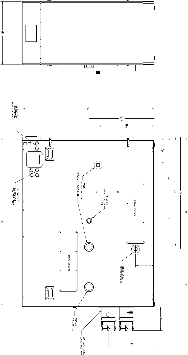
Table 1: Dimensional Data (See Figures 1A, 1B and 1C)
Dimension
Boiler Model
APX399 APX500 APX800
A - Inch
(mm)
28-7/8
(734)
44-7/8
(1140)
54-9/16
(1384)
B - Inch
(mm)
6-3/16
(157)
22-1/8
(562)
28-3/8
(724)
C - Inch
(mm)
13-1/16
(332)
29
(737)
34-1/4
(876)
D - Inch
(mm)
23-3/4
(602)
39-11/16
(1008)
48-1/16
(1226)
E - Inch
(mm)
15-13/16
(402)
29-3/8
(752)
33-13/16
(864)
Gas Inlet F
(FPT) 3/4” 3/4” 1
Return G 1-1/2” (FPT) 2” (MPT)
Supply H 1-1/2” (FPT) 2” (MPT)
Condensate Drain J Factory Provided Socket End Compression Pipe Joining Clamp for 3/4” Schedule 40 PVC Pipe
Boiler Two-Pipe
CPVC/PVC Vent Connector
(Figures 1A, 1B and 1C) - Inch
4 x 4 6 x 6
Approx. Shipping Weight (LBS) 304 350 430

7
I. Product Description, Specications and Dimensional Data (continued)
Figure 1A: Apex™ - Model APX399

8
Figure 1B: Apex™ - Model APX500
I. Product Description, Specications and Dimensional Data (continued)

9
I. Product Description, Specications and Dimensional Data (continued)
Figure 1C: Apex™ - Model APX800

10
I. Product Description, Specications and Dimensional Data (continued)
Table 2A: Rating Data - Models APX399, APX500 and APX800 (0 to 5000 Feet Elevation Above Sea Level)
Table 2B: Rating Data - Models APX399, APX500 and APX800 (5001 to 10000 Feet Elevation Above Sea Level)
Apex Series Gas-Fired Boilers
Model
Number
Input (MBH) * Output
(MBH)
Net AHRI
Ratings Water
(MBH)
Thermal
Efciency
(%)
Combustion
Efciency (%)
Boiler Water
Volume (Gal.)
Heat Transfer
Area
(Sq. Ft.)
Min. Max.
APX399 80 399 375 326 94.1 94.5 3.4 41.8
APX500 100 500 475 413 95.0 95.0 4.2 50.8
APX800 160 800 760 661 95.0 93.0 5.0 65.3
Notes: * Gross Output
Maximum Allowable Working Pressure, Water - 160 PSI
Safety Relief Valve Pressure, Water - 50 PSI Shipped from Factory (std.) (APX399 and APX500); 60 PSI Shipped from
Factory (std.) (APX800); 80 PSI and 100 PSI - optional (APX399, APX500 and APX800)
Maximum Allowable Temperature, Water - 210°F
APX399 and APX500 Boiler models are factory shipped as Natural Gas builds and have to be eld adjusted for LP
gas application. Refer to ‘System Start- Up Section of this manual for detailed procedure.
APX800 Boiler Model is factory shipped as either Natural Gas build or LP gas build.
Ratings shown are for installations at sea level and elevations up to 2000 Feet. For elevations above 2000 Feet,
ratings should be reduced at the rate of two and half percent (2.5%) for each 1000 Feet above sea level.
Apex Series Gas-Fired Boilers
Model
Number
Input (MBH) * Output
(MBH)
Net AHRI
Ratings
Water (MBH)
Thermal
Efciency
(%)
Combustion
Efciency (%)
Boiler Water
Volume
(Gal.)
Heat Transfer
Area
(Sq. Ft.)
Min. Max.
APX399 80 399 375 328 94.1 94.5 3.4 41.8
APX500 167 500 475 413 95.0 95.0 4.2 50.8
APX800 267 800 760 661 95.0 93.0 5.0 65.3
Notes: * Gross Output
Maximum Allowable Working Pressure, Water - 160 PSI
Safety Relief Valve Pressure, Water - 50 PSI Shipped from Factory (std.) (APX399 and APX500); 60 PSI Shipped from
Factory (std.) (APX800); 80 PSI and 100 PSI - optional (APX399, APX500 and APX800)
Maximum Allowable Temperature, Water - 210°F
APX399 and APX500 Boiler models are factory shipped as Natural Gas builds and have to be eld adjusted for LP
gas application. Refer to ‘System Start- Up Section of this manual for detailed procedure.
APX800 Boiler Model is factory shipped as either Natural Gas build or LP gas build.
Ratings shown are for installations at sea level and elevations up to 2000 Feet. For elevations above 2000 Feet,
ratings should be reduced at the rate of two and half percent (2.5%) for each 1000 Feet above sea level.
II. Unpacking Boiler
CAUTION
Do not drop boiler.
A. Move boiler to approximate installed position.
B. Remove all crate fasteners.
C. Lift and remove outside container.
D. Remove boiler from cardboard positioning sleeve on
shipping skid.
WARNING
Installation of this boiler should be undertaken
only by trained and skilled personnel from a
qualied service agency.
E. Move boiler to its permanent location.

11
WARNING
If you do not follow these instructions exactly,
a re or explosion may result causing property
damage or personal injury.
NOTICE
Due to the low water content of the boiler, mis-
sizing of the boiler with regard to the heating
system load will result in excessive boiler cycling
and accelerated component failure. Burnham
Commercial DOES NOT warrant failures caused
by mis-sized boiler applications. DO NOT
oversize the boiler to the system. Multiple boiler
installations greatly reduce the likelihood of
boiler oversizing.
A. Installation must conform to the requirements of the
authority having jurisdiction. In the absence of such
requirements, installation must conform to the National
Fuel Gas Code, NFPA 54/ANSI Z223.1, and/or CAN/
CSA B149.1 Installation Codes.
B. Boiler is certied for installation on combustible
ooring. Do not install boiler on carpeting.
C. Provide clearance between boiler jacket and
combustible material in accordance with local re
ordinance. Refer to Figure 2 for minimum listed
clearances from combustible material. Recommended
service clearance is 24 inches from left side, front, top
and rear of the boiler. Recommended front clearance
may be reduced to the combustible material clearance
providing:
1. Access to boiler front is provided through a door or
removable front access panel.
2. Access is provided to the condensate trap located
underneath the heat exchanger.
D. Protect gas ignition system components from water
(dripping, spraying, rain, etc.) during boiler operation
and service (circulator replacement, condensate trap,
control replacement, etc.).
E. Provide combustion and ventilation air in accordance
with applicable provisions of local building codes,
or: USA - National Fuel Gas Code, NFPA 54/ANSI
Z223.1, Air for Combustion and Ventilation;
Canada - Natural Gas and Propane Installation Code,
CAN/CSA-B149.1, Venting Systems and Air Supply for
Appliances.
III. Pre-Installation and Boiler Mounting
WARNING
Adequate combustion and ventilation air must
be provided to assure proper combustion.
F. The boiler should be located so as to minimize the
length of the vent system. The PVC combustion
air piping, or the optional concentric vent piping,
containing integral combustion air inlet piping, must
terminate where outdoor air is available for combustion
and away from areas that may contaminate combustion
air. In particular, avoid areas near chemical products
containing chlorines, chlorouorocarbons, paint
removers, cleaning solvents and detergents. Avoid
areas containing saw dust, loose insulation bers, dry
wall dust etc.
CAUTION
Avoid operating this boiler in an environment
where sawdust, loose insulation bers, dry wall
dust, etc. are present. If boiler is operated under
these conditions, the burner interior and ports
must be cleaned and inspected daily to insure
proper operation.
G. General.
1. Apex boilers are intended for installations in an
area with a oor drain, or, in a suitable drain pan to
prevent any leaks or relief valve discharge to cause
property damage
2. Apex boilers are not intended to support external
piping and venting. All external piping and venting
must be supported independently of the boiler.
3. Apex boilers must be installed level to prevent
condensate from backing up inside the boiler.
4. Boiler Installation:
a. For basement installation provide a solid level
base such as concrete, where oor is not level,
or, water may be encountered on the oor
around boiler. Floor must be able to support
weight of boiler, water and all additional system
components.
b. Boiler must be level to prevent condensate from
backing up inside the boiler.
c. Provide adequate space for condensate piping or
a condensate pump if required.

12
Figure 2: Clearances To Combustible and Non-combustible Material
III. Pre-Installation and Boiler Mounting G. General (continued)
Boiler Clearances to Combustible (and Non-
Combustible) Material:
APX399 and APX500 Boiler Models:
These boilers are approved for closet installation with
the following clearances – Top = 1”, Front = 1”, Left
Side = 10”, Right Side = 2”, Rear = *6”
APX800 Boiler Model:
This boiler is approved for alcove installation with the
following clearances – Top = 1”, Front = Open, Left
Side = 10”, Right Side = 2”, Rear = *6”
* Note:
When boiler is vented vertically, the minimum
clearance from the rear of the jacket is increased
to 18” with a short radius 90° elbow provided in
order to provide adequate space at boiler rear for
installation of vent and air intake piping and service
access
Boiler Service Clearances – Applicable to all Boiler
Models:
Top = 24”, Front = 24”, Left Side = 24”, Right Side =
24”, Rear = 24”
The above Clearances are recommended for Service
Access but may be reduced to the Combustible Material
Clearances provided:
1. The boiler front is accessible thru a door
2. Access is provided to the condensate trap located on
the left side of boiler
3. Access is provided to thermal link located at the
boiler rear
Approved Direct
Vent System
Vent Pipe
Material
Vent
Pipe
Direction
Enclosure
Vent Pipe
Nominal
Diameter
Minimum
Clearance to
Combustible
Material
Factory Standard
Two-Pipe CPVC/PVC Vent and PVC
Air Intake
* CPVC/PVC
Vertical or
Horizontal
Unenclosed at
all Sides
4” or 6” 1”
Available Optional
Two-Pipe Rigid Polypropylene Vent
(or, Flexible Polypropylene Liner
for Vertical Venting only) and Rigid
Polypropylene or PVC Combustion
Air Intake
Pipe Rigid
Polypropylene
Vent (or,
Flexible
Polypropylene
Liner for
Vertical
Venting only)
80 mm
10 mm
(110 mm)
150 mm
(160 mm)
1”
Available Optional
Two-Pipe Stainless Steel Vent and
Galvanized Steel or Air Intake
Stainless
Steel 4” or 6” 1”
Available Optional
Concentric Inner Polypropylene Vent
and Outer Steel Air Intake
Polypropylene 100/150 mm
(110/160 mm) 0”
* Do not enclose PVC venting - use CPVC vent pipe in enclosed spaces, or to penetrate through
combustible or non-combustible walls

13
III. Pre-Installation and Boiler Mounting G. General (continued)
H. Boiler Stacking
1. For installations with unusually high space heating
and/or domestic hot water heating loads, where
employing two (2) Apex (APX) boilers will offer the
benets of greater operational efciency, oor space
savings and boiler redundancy, the Apex (APX)
boilers may be installed stacked one on the top of
the other. Refer to Table 3 “Apex (APX) Boiler
Model Stacking Combinations” for details.
Table 3: Apex (APX) Boiler Model Stacking
Combinations
Bottom
Boiler Model Top Boiler Model
APX399 APX399
APX500 APX399 or APX500
APX800 APX399, APX500 or APX800
2. To eld assemble individual Apex (APX) boilers
into a stackable conguration, use the steps below:
a. Position the bottom boiler rst. Refer to Sections
II “Unpacking Boiler” and III “Pre-Installation
& Boiler Mounting” of the manual for details.
Always position higher input boiler model as
bottom boiler.
b. Each Apex (APX) boiler is factory packaged
with two (2) Stacking Boiler Attachment
Brackets (P/N 101679-01) and the bracket
mounting hardware [six (6) self-drilling hex
washer head plated #8 x ½” long screws, P/N
80860743]. Locate and remove the brackets and
the hardware. The Stacking Boiler Attachments
Bracket has three 7/32” diameter holes punched
in a triangular pattern. See Figure 3 “Stacking
Boiler Attachment Bracket Placement”.
c. Apex (APX) boiler left and right side panels
have a series of dimples at panel top and bottom.
These dimples are positioning dimples for
Stacking Boiler Attachment Bracket mounting
screws. Side panel bottom positioning dimples
are evenly spaced from boiler front and back,
while side panel top positioning dimples follow
specic pattern to compensate for Apex (APX)
boiler model variable depth.
d. Position the upper boiler on the top of the bottom
boiler and align boiler front doors and sides ush
with each other.
• Place rst Stacking Boiler Attachment
Bracket onto the upper boiler left side panel,
at the panel lower left corner and align
bracket two upper holes with corresponding
side panel lower dimples.
• The remaining lower bracket hole must align
with a matching bottom boiler left side panel
top positioning dimple.
• Once bracket holes and side panel dimple
alignment is veried, attach the bracket to
top and bottom boiler left side panels with
the mounting screws.
e. Repeat above procedure to install second
Stacking Boiler Attachment Bracket and secure
the stacked boiler right side panels together at
the front right corner.
f. Install the third Stacking Boiler Attachment
Bracket to secure top and bottom boiler left side
panels at the rear left corner. Align the bracket
holes with corresponding positioning dimples in
the top boiler and bottom boiler left side panels,
then secure bracket with the screws.
g. Repeat above procedure to install the forth
Stacking Boiler Attachment Bracket to secure
stacked boiler right side panels at the rear right
corner.
3. When installing stackable boiler combinations
observe the following guidelines:
a. Venting - Top and bottom boilers must have their
individual vent piping and vent terminals.
WARNING
No common manifolded venting is permitted.
For side-wall venting individual model vent
terminals must terminate not closer than 12
inches horizontally and three (3) feet vertically
from each other in order to prevent combustion
air contamination. For vertical through the roof
venting, individual vertical vent terminals, if
level with each other, must be spaced no closer
than 12 inches horizontally. If vertical terminals
cannot end in one plane, they must be spaced no
closer than three (3) feet horizontally.
Chimney chase concentric venting is permitted
for modules, when stackable, providing
concentric vertical (roof) vent terminals, if level
with each other, are spaced no closer then 12
inches horizontally.
If vertical vent terminals cannot end in one
plane, they must be spaced no closer then three
(3) feet horizontally.
Follow instructions in Section IV “Venting”
of the manual for specics of individual boiler
vent termination. Follow instructions in Section
V “Condensate Disposal” for each individual
boiler ue gas condensate line construction and
condensate disposal. Terminating individual
boiler condensate lines into common pipe prior
to drain disposal is permissible, providing
common pipe has sufcient ow capacity
to handle combined condensate volume of
stackable combination.

14
III. Pre-Installation and Boiler Mounting G. General (continued)
b. Gas Piping - Follow instructions in Section
VII “Gas Piping” of the manual for sizing
and installation of an individual boiler. When
common gas piping is sized, insure it will have
adequate capacity for combined input (CFH
gas ow) of the selected stackable boiler
combination.
c. Water Piping and Trim - Follow instructions
in Section VI “Water Piping and Trim” of the
manual for system piping and boiler secondary
piping selection/sizing based on combined
heating capacity and/or gross output of
the selected stackable boiler combination.
Follow instructions of Section VI “Water
Piping and Trim” for each individual boiler trim
installation.
d. Electrical - Follow instructions in Section VIII
“Electrical” of the manual to wire individual
boilers.
Figure 3: Stacking Boiler Attachment Bracket Placement

15
IV. Venting
A. General Guidelines
1. Vent system installation must be in accordance
with National Fuel Gas Code, NFPA 54/ANSI
Z221.3 or CAN/CSA B149.1 Installation Code for
Canada, or, applicable provisions of local building
codes. Contact local building or re ofcials about
restrictions and installation inspection in your area.
2. The Apex™ is designed to be installed as a
Direct Vent (sealed combustion) boiler. The air
for combustion is supplied directly to the burner
enclosure from outdoors and ue gases are vented
directly outdoors (through wall or roof).
3. The following combustion air/vent system options
are approved for use with the Apex™ boilers (refer
to Table 4):
a. Two-Pipe CPVC/PVC Vent/Combustion Air
System - separate CPVC/PVC pipe serves to
expel products of combustion and separate PVC
pipe delivers fresh outdoor combustion air.
Refer to Part B for specic details.
b. Two-Pipe Polypropylene Vent/Combustion Air
System - separate rigid or exible polypropylene
pipe serves to expel products of combustion and
separate rigid polypropylene pipe or PVC pipe
delivers fresh outdoor combustion air. Refer to
part C for specic details.
c. Two-Pipe Stainless Steel Vent/Combustion Air
System - separate stainless steel pipe serves to
expel products of combustion. Separate PVC or
galvanized pipe delivers fresh outdoor air. Refer
to Part D for specic details.
d. Concentric Inner Polypropylene Vent
and Outer Steel Combustion Air System
- the assembly consists of inner re resistant
polypropylene vent pipe and outer steel pipe
casing. The inner pipe serves as conduit to
expel products of combustion, while outdoor
fresh combustion air is drawn through the space
between the inner and outer pipes. Refer to Part
E for specic details.
4. Horizontal vent pipe must maintain a 1/4" per foot
slope down towards the boiler.
5. Horizontal combustion air pipe must maintain a
minimum ¼" per foot slope down towards terminal,
when possible. If not, slope toward boiler.
6. Do not install venting system components on
the exterior of the building except as specically
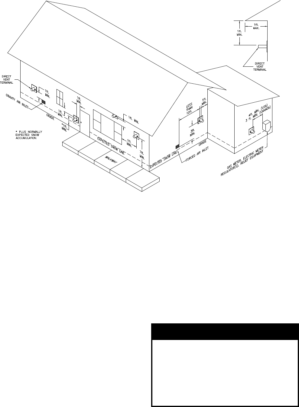
required by these instructions (refer to Figure 4):
a. Vent terminals must be at least 1 foot from door,
window, or gravity inlet into the building.
b. Maintain the correct clearance and orientation
between the vent and air intake terminals.
WARNING
Failure to vent this boiler in accordance with these instructions could cause products of combustion to
enter the building resulting in severe property damage, personal injury or death.
Do not interchange vent systems or materials unless otherwise specied.
The use of thermal insulation covering vent pipe and ttings is prohibited.
Do not use a barometric damper, draft hood or vent damper with this boiler.
When using the CPVC/PVC vent option, the use of CPVC is required when venting in vertical or horizontal
chase ways, closets and through wall penetrations.
The CPVC vent materials supplied with this boiler do not comply with B149.1.S1-07 and are not ap-
proved for use in Canadian jurisdictions that require vent systems be listed to ULC S636-2008. In
these jurisdictions, vent this boiler using either stainless steel Special Gas vent or a listed ULC S636
Class IIB venting system.
Do not locate vent termination where exposed to prevailing winds. Moisture and ice may form on
surface around vent termination. To prevent deterioration, surface must be in good repair (sealed,
painted, etc.).
Do not locate air intake vent termination where chlorines, chlorouorocarbons (CFC’s), petroleum
distillates, detergents, volatile vapors or other chemicals are present. Severe boiler corrosion and
failure will result.
The use of cellular core PVC (ASTM F891), cellular core CPVC or Radel (polyphenolsulfone) is prohibited.
Do not locate vent termination under a deck.
Do not reduce specied diameters of vent and combustion air piping.
When installing vent pipe through chimney, as a chase, no other appliance can be vented into the
chimney.
Do not allow low spots in the vent where condensate may pool.

16
Table 4: Vent/Combustion Air System Options
IV. Venting A. General Guidelines (continued)
Approved Direct
Vent System
Vent
Material Orientation Termination Description Figures Component
Table Part
Factory Standard
Two-Pipe,
CPVC/PVC Vent and
PVC Air Intake
CPVC/PVC
Horizontal
Standard
(thru sidewall)
The system includes separate CPVC
vent pipe and PVC air intake pipe
terminating thru sidewall with individual
penetrations for the vent and air intake
piping and separate terminals (tees).
4 thru 9A,
9B, 10 5A
B.
Optional
Snorkel
(thru sidewall)
Same as above but separate snorkel
type terminals.
4 thru 7,
10, 11 5B
Optional
Vertical
Vertical
(thru roof)
The system includes separate CPVC
vent pipe and PVC air intake pipe
terminating thru roof with individual
penetrations for the vent and air intake
piping and separate vertical terminals.
4 thru 6, 10,
12, 13 5C
Available Optional
Two-Pipe, Rigid
Polypropylene
Vent (or Flexible
Polypropylene Liner
for Vertical venting
only) and Rigid
Polypropylene or PVC
Pipe Air Intake
Rigid
Polypropylene
(or Flexible
Polypropylene
Liner for vertical
Venting only)
Horizontal
Standard
(thru sidewall)
The system includes separate Rigid
Polypropylene vent pipe and Rigid
Polypropylene or PVC air intake pipe
terminating thru sidewall with individual
penetrations for the vent and air intake
piping and separate terminals (tees).
4 thru 9A,
9B, 10 9, 10
C.
Optional Snorkel
(thru sidewall)
Same as above but separate snorkel
type terminals.
4 thru 7,
10, 11 9, 10
Optional
Vertical
Vertical
(thru roof or
chimney/chase)
The system includes separate Flexible
Polypropylene vent liner and Rigid
Polypropylene vent pipe combination
for venting and Rigid Polypropylene or
PVC air intake pipe terminating thru roof
with individual penetrations for the vent
and air intake and individual vent /air
terminals.
12 thru 16 9, 10
Available Optional
Two-Pipe,
Stainless Steel Vent
and PVC/Galvanized
Steel Air Intake
Stainless Steel
Horizontal
Standard
(thru sidewall)
The system includes separate stainless
steel vent pipe and PVC/galvanized steel
air intake pipe terminating thru sidewall
with individual penetrations for the
vent and air intake piping and separate
terminals
9A, 9B,
16, 17
11A, 11B D.
Optional Snorkel
(thru sidewall) Same as above but separate snorkel
type terminals. 11, 16, 17
Vertical Vertical (thru roof)
The system includes separate stainless
steel vent pipe and PVC/galvanized steel
air intake pipe terminating thru roof with
individual penetrations for the vent and
air intake piping and separate terminals.
12, 13, 17
Available Optional
Concentric, Inner
Polypropylene Vent and
Outer Steel Air Intake
Polypropylene
Horizontal
Horizontal
(Wall) Terminal Concentric vent/air pipe terminates thru
sidewall. 18 thru 25
12, 13 E.
Vertical Vertical (Roof)
Terminal
Concentric vent/air pipe terminates thru
roof.
18 thru 21,
26 thru 31
i. The centerlines between the vent and air
intake terminals must be spaced a minimum
of 12” apart. More than 12” spacing is
recommended.
ii. If possible, locate air intake and vent
terminations on the same wall to prevent
nuisance shutdowns. However, boiler
may be installed with vertical venting and
sidewall combustion air inlet or vice versa
where installation conditions do not allow
for alternate arrangement.
iii. The vent and air intake terminations may
be at varying heights when installed on
the same wall, but the height of the vent
termination should always be higher than
the air intake termination and within the
specied limit as shown in Figure 9B.
c. The bottom of the vent and air intake terminal
must be at least 12" (18" in Canada) above the
normal snow line. In no case should they be less
than 12" above grade level.
d. The bottom of the vent terminal must be at least
7 feet above a public walkway.
e. Do not install the vent terminal directly over
windows or doors.
f. The bottom of the vent terminal must be at least
3 feet above any forced air inlet located within
10 feet.
g. A clearance of at least 4 feet horizontally must
be maintained between the vent terminal and
gas meters, electric meters, regulators, and relief
equipment. Do not install vent terminal over this
equipment.

17
h. Do not locate the vent terminal under decks or
similar structures.
i. Minimum twelve (12) inches vertically from any
roof overhang twelve (12) inches or less wide.
If a roof overhang width exceeds twelve (12)
inches the terminal vertical clearance must be
increased to avoid ue vapor condensation.
j. Top of vent terminal must be at least 5 feet
below eaves, softs, or overhangs. Maximum
depth of overhang is 3 ft.
k. If window and/or air inlet is within four (4) feet
of an inside corner, then terminal must be at least
six (6) feet from adjoining wall of inside corner.
l. Concentric - Minimum twelve (12) inches
horizontally from a building corner.
m. Under certain conditions, water in the ue gas
may condense, and possibly freeze, on objects
around the terminal including on the structure
itself. If these objects are subject to damage by
ue gas condensate, they should be moved or
protected.
n. If possible, install the vent and air intake
terminals on a wall away from the prevailing
Figure 4: Location of Vent Terminal Relative to Windows, Doors, Grades,
Overhangs, Meters and Forced Air Inlets
(Concentric Terminal Shown - Two-Pipe System Vent Terminal to be installed in same location -
Two-Pipe System Air Intake Terminal Not Shown)
IV. Venting A. General Guidelines (continued)
wind. Reliable operation of this boiler cannot be
guaranteed if the terminal is subjected to winds
in excess of 40 mph.
o. Air intake terminal must not terminate in areas
that might contain combustion air contaminates,
such as near swimming pools.
p. For sidewall venting the minimum horizontal
distance between any adjacent individual module
(boiler) vent terminations is twelve (12) inches.
Increasing this distance is recommended to avoid
frost damage to building surfaces where vent
terminations are placed.
CAUTION
Installing multiple individual module (boiler) vent
terminations too close together may result in cross
contamination and combustion product water
vapor condensation on building surfaces, where
vent termination are placed, and subsequent
frost damage. To avoid/minimize frost damage,
extend the distance from building surfaces to
vent termination end and increase the horizontal
distance between adjacent vent terminations.

18
q. The minimum horizontal distance between any
adjacent individual module (boiler) roof vent
terminations is one (1) foot.
7. Use noncombustible ¾" pipe strap to support
horizontal runs and maintain vent location and
slope while preventing sags in pipe. Do not restrict
thermal expansion or movement of vent system.
Maximum support spacing four (4) feet. Avoid low
spots where condensate may pool. Do not penetrate
any part of the vent system with fasteners.
8. Maintain minimum clearance to combustible
materials. See Figure 2 for details.
9. Enclose vent passing through occupied or
unoccupied spaces above boiler with the material
having a re resistance rating of at least equal to the
rating of adjoining oor or ceiling.
Note: For one or two family dwellings, re
resistance rating requirement may not need to be
met, but is recommended.
10. Multiple individual module vertical vent pipes may
be piped through a common conduit or chase so that
one roof penetration may be made.
IV. Venting A. General Guidelines (continued)
B. CPVC/PVC Venting
WARNING
All CPVC vent components (supplied with boiler)
must be used for near-boiler vent piping before
transitioning to Schedule 40 PVC pipe (ASTM
2665) components for remainder of vent system.
WARNING
CPVC vent components must be used within
any interior space where air cannot circulate
freely, such as air inside a stud wall, and in
any boiler closet or chase way.
When using the CPVC/PVC vent options, the
use of CPVC is required when venting in vertical
or horizontal chase ways.
All condensate that forms in the vent must
be able to drain back to the boiler.
1. Components and Length Restrictions
a. See Table 5A for CPVC/PVC Vent & Air Intake
Components included with boiler, Table 5B for
CPVC/PVC Vent and Air Intake Components
(Installer Provided) required for Optional
Table 5A: CPVC/PVC Vent & Air Intake Components Included With Boiler
Vent & Air Intake Components Part
Number
Quantity
APX399 and APX500
Standard Termination
Vent Kit
(P/N 102189-03)
includes
APX800
Standard Termination
Vent Kit
(P/N 103253-01)
includes
4” Schedule 40 PVC Tee (Vent or Air Intake Terminals) 102190-02 2 N/A
6” Schedule 40 PVC 90° Elbow (Vent or Air Intake
Terminal) 103313-01 N/A 2
4” Stainless Steel Rodent Screen 102191-02 2 N/A
6” Stainless Steel Rodent Screen 102191-03 N/A 2
4” x 30” Schedule 40 CPVC Pipe 102193-02 1 N/A
6” x 30” Schedule 40 CPVC Pipe 103267-01 N/A 1
4” Schedule 80 CPVC 90° Elbow 102192-02 1 N/A
6” Schedule 80 CPVC 90° Elbow 103268-01 N/A 1
4 oz. Bottle of Transition Cement 102195-01 1
4 oz. Bottle of Primer 102194-01 1
4" Vent/4" Combustion Air CPVC/PVC Connector 102183-03 1 N/A
6" Vent/6" Combustion Air CPVC/PVC Connector 103270-01 N/A 1
4" Vent/4" Combustion Air CPVC/PVC Connector
Gasket 102185-02 1 N/A
6" Vent/6" Combustion Air CPVC/PVC Connector
Gasket 103248-01 N/A 1

19
Horizontal (Snorkel) Termination and Table 5C
for CPVC/PVC Vent and Air Intake Components
(Installer Provided) required for Optional
Vertical (Roof) Termination.
b. Vent length restrictions are based on equivalent
length of vent/combustion air pipe (total length
of straight pipe plus equivalent length of
ttings). Maximum vent/combustion air lengths
are listed in Table 8. Do not exceed maximum
vent/combustion air lengths. Table 6 lists
equivalent lengths for ttings. Do not include
vent/combustion air terminals in equivalent
feet calculations. See “Combustion Air/Vent,
Equivalent Length Work Sheet”.
c. The vent termination location is restricted as per
'General Guidelines', Paragraph A, 6.
(Refer to Figure 4).
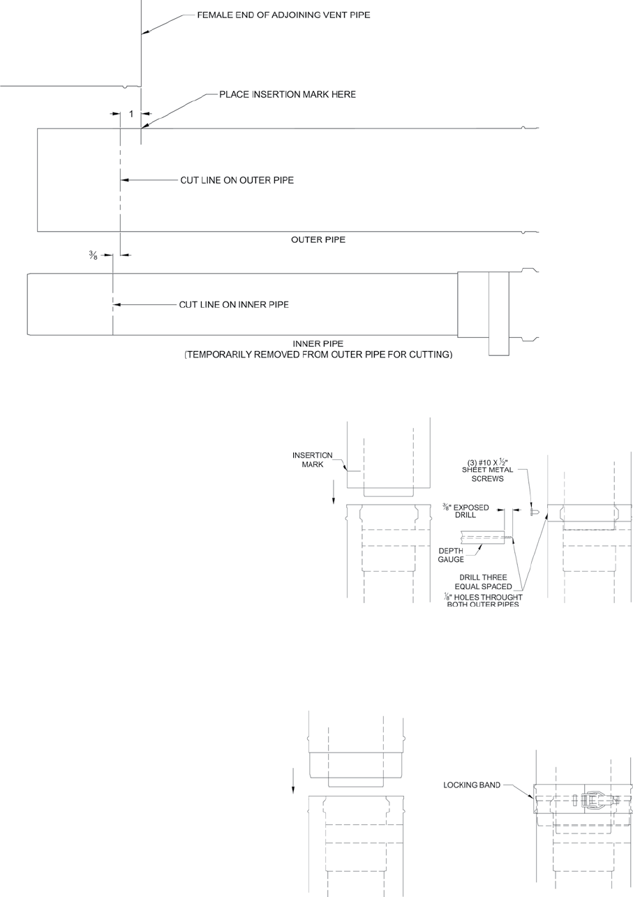
2. System Assembly
a. Plan venting system to avoid possible contact
with plumbing or electrical wires. Start at
vent connector at boiler and work towards vent
termination.
b. Do not exceed maximum Vent/Combustion Air
length. Refer to Table 8.
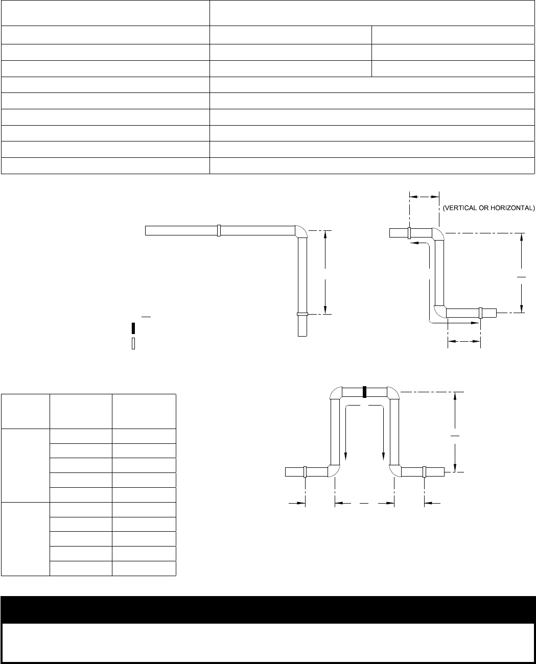
c. Design the Vent System to allow 3/8" of thermal
expansion per 10 feet of CPVC/PVC pipe. Runs
of 20 feet or longer that are restrained at both
ends must use an offset or expansion loop. Refer
to Figure 5 and Table 7.
d. Follow all manufacturer instructions and
warnings when preparing pipe ends for joining
and using the primer and the cement.
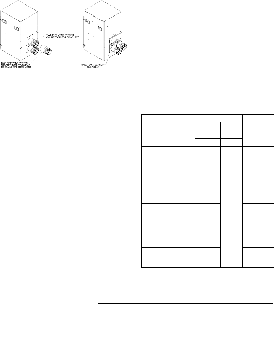
3. Field Installation of CPVC/PVC Two-Pipe
Vent System Connector
Refer to Figure 6 and Steps below:
a. Position the CPVC/PVC vent connector and
gasket onto boiler rear/bottom panel and insert
vent connector inner stainless steel vent pipe into
heat exchanger vent outlet.
b. Align vent connector plate and gasket clearance
holes with rear/bottom panel engagement holes;
than, secure the connector and gasket to the
panel with six mounting screws.
c. Apply supplied dielectric grease (grease pouch
attached to two-pipe vent connector) to gasket
inside vent section of two-pipe vent connector,
The grease will prevent gasket rupture when
inserting vent pipe and gasket deterioration due
to condensate exposure.
IV. Venting B. CPVC/PVC Venting (continued)
Table 5C: CPVC/PVC Vent & Air Intake Components (Installer Provided) required for Optional Vertical
(Roof) Termination
Vent Components Part
Number
Quantity
APX399 and APX500
Horizontal (Snorkel)
Termination
APX800
Horizontal (Snorkel)
Termination
4" Schedule 40 PVC Pipe x up to 7 ft. max. vertical run
N/A
Supplied by Others
2 N/A
6" Schedule 40 PVC Pipe x up to 7 ft. max. vertical run N/A 2
4" Schedule 40 PVC 90° Elbow 4 N/A
6" Schedule 40 PVC 90° Elbow N/A 4
4" Schedule 40 PVC Pipe x ½ ft. min. horizontal run 2 N/A
6" Schedule 40 PVC Pipe x ¾ ft. min. horizontal run N/A 2
Vent Components Part
Number
Quantity
APX399 and APX500
Vertical (Roof)
Termination
APX800
Vertical (Roof)
Termination
4" Schedule 40 PVC Coupler
N/A
Supplied by Others
1 N/A
6" Schedule 40 PVC Coupler N/A 1
4" Schedule 40 PVC 90° Elbow 2 N/A
6" Schedule 40 PVC 90° Elbow N/A 2
4" Schedule 40 CPVC Pipe x ½ ft. min. horizontal run 1 N/A
6" Schedule 40 CPVC Pipe x ¾ ft. min. horizontal run N/A 1
Table 5B: CPVC/PVC Vent & Air Intake Components (Installer Provided) required for Optional Horizontal
(Snorkel) Termination

20
Table 6: Vent System and Combustion Air System Components Equivalent Length
vs. Component Nominal Diameter
Vent or Combustion Air System
Component Description
Equivalent Length (Ft.) for Vent or Combustion Air System Component
vs. Component Nominal Diameter (In.)
Component Nominal Diameter, In. 4” 6”
90° Elbow (Sch. 80 or Sch.40) 13 22
45° Elbow (Sch. 80 or Sch. 40) 4.5 7.5
Sch. 40 CPVC Pipe x 30 In. Long 2.5
Sch. 40 PVC Pipe x 1 Ft. Long 1
Sch. 40 PVC Pipe x 2 Ft. Long 2
Sch. 40 PVC Pipe x 3 Ft. Long 3
Sch. 40 PVC Pipe x 4 Ft. Long 4
Sch. 40 PVC Pipe x 5 Ft. Long 5
IV. Venting B. CPVC/PVC Venting (continued)
Figure 5: Expansion Loop and Offset
2 L
5
6"
MIN
6"
MIN
5
4
4
2
LONG RUN OF PIPE
CHANGE OF DIRECTION
(VERTICAL OR HORIZONTAL)
LOOP
(HORIZONTAL ONLY)
(TOP VIEW)
OFFSET
L
L
L
(L)
LOOP LENGTH
L
L
L
RESTRAINT (RESTRICTS MOVEMENT)
HANGER (ALLOWS MOVEMENT)
KEY
Nominal
Pipe
Dia. (In.)
Length of
Straight Run
(Ft.)
Loop Length
“L” (In.)
4
20 60
30 74
40 85
50 95
60 104
6
20 73
30 90
40 103
50 116
60 127
WARNING
Apply supplied dielectric grease to gasket inside vent section of two-pipe vent connector. Failure to apply the
grease could result in gasket rupture during vent pipe installation and gasket deterioration due to condensate
exposure.
Table 7: Expansion Loop Lengths

21
Figure 6: Field Installation of CPVC/PVC Two-Pipe Vent System Connector
IV. Venting B. CPVC/PVC Venting (continued)
4. Near-Boiler Vent/Combustion Air Piping
Refer to Figure 7 and the following Steps:
APX399 and APX500 Boiler Models:
a. 4” x 4” Two-Pipe CPVC/PVC Vent System
Connector (P/N 102183-03), used on APX399
and APX500 boiler models, has factory installed
internal sealing gaskets at both vent and air
intake sections.
b. Install provided 4” Schedule 40 x 30” long
CPVC pipe into the connector vent section with
a slight twisting motion and secure by tightening
the metal strap.
c. All CPVC vent components supplied with
boiler inside vent carton (4” Schedule 40 x 30”
Figure 7: Near-Boiler Vent/Combustion Air Piping
long CPVC pipe and 4” Schedule 80 CPVC
90° Elbow) must be used for near-boiler piping
before transitioning to Schedule 40 PVC (ASTM
2665) pipe components for reminder of vent
system. The CPVC 30” long straight pipe may be
cut to accommodate desired vent conguration
provided both pieces are used in conjunction
with CPVC 90° Elbow before any PVC
components are used. Ensure that the CPVC 90°
Elbow is the rst elbow used in the vent system
as it exits the boiler.
d. Insert 4” Schedule 40 PVC combustion air pipe
(installer provided) into the connector air intake
section with a slight twisting motion and secure
by tightening the metal strap.

22
IV. Venting B. CPVC/PVC Venting (continued)
Table 8: Vent/Combustion Air Pipe Length – Two-Pipe Direct Vent System Options
CPVC/PVC
Polypropylene (PP) or Polypropylene (PP)/PVC
Stainless Steel/PVC or Galvanized Steel)
Vent/Combustion Air Equivalent Length Calculation Work Sheet
Combustion Air Vent
90° Elbow(s) PVC (Installer Supplied) 90° Elbow(s) CPVC (Supplied with Boiler)
Nominal
Diameter,
In.
Quantity
(Pc)
Equivalent
Length, Ft/Pc
Subtotal,
Equivalent
Ft. (A)
Nominal
Diameter,
In.
Quantity
(Pc)
Equivalent Length,
Ft/Pc
Subtotal,
Equivalent Ft.
(D)
4 13 4 1 13 13
6 22 6 1 22 22
45° Elbow(s) PVC (Installer Supplied) 90° Elbow(s) PVC (Installer Supplied)
Nominal
Diameter,
In.
Quantity
(Pc)
Equivalent
Length, Ft/Pc
Subtotal,
Equivalent
Ft. (B)
Nominal
Diameter,
In.
Quantity
(Pc)
Equivalent Length,
Ft/Pc
Subtotal,
Equivalent Ft.
(A)
4 4.5 4 13
6 7.5 6 22
Straight Pipe, PVC (Installer Supplied) 45° Elbow(s) PVC (Installer Supplied)
Nominal
Diameter,
In.
Quantity
(Length,
Ft.)
Equivalent
Length,
Ft/Ft
Subtotal,
Equivalent
Ft. (C)
Nominal
Diameter, In.
Quantity
(Length, Ft.)
Equivalent Length,
Ft/Ft
Subtotal,
Equivalent Ft.
(B)
4 1 4 4.5
6 1 6 7.5
* Total Equivalent Length, Ft. (A+B+C) = 30” (2.5 Ft.) Straight Pipe, CPVC (Supplied with Boiler)
Nominal
Diameter,
In.
Quantity
(Length, Ft.)
Equivalent Length,
Ft/Ft
Subtotal,
Equivalent Ft.
(E)
4 2.5 1 2.5
6 2.5 1 2.5
Straight Pipe, PVC (Installer Supplied)
Nominal
Diameter,
In
Quantity
(Length, Ft.)
Equivalent Length,
Ft/Ft
Subtotal,
Equivalent Ft.
(C)
4 1
6 1
* Total Equivalent Length, Ft. (A+B+C+D+E) =
* Note: Total Equivalent Length Calculated Value Cannot Exceed Max. Equivalent Length Values shown in Table 8.
Vent and Combustion Air Terminals Do Not Count Towards Total Equivalent Length.
Boiler
Model
4” Combustion Air Pipe
(Equivalent Length)
6” Combustion Air Pipe
(Equivalent Length)
4” Vent Pipe
(Equivalent Length)
6” Vent Pipe
(Equivalent Length)
Min. Max. Min. Max. Min. Max. Min. Max.
APX399 30 In. 100 Ft. 30 In. 100 Ft.
APX500 30 In. 100 Ft. 30 In. 100 Ft.
APX800 30 In. 200 Ft. 30 In. 200 Ft.

23
e. Clean all vent and combustion air pipe joints
with primer and secure with transition cement
(4-oz. bottles of primer and cement are
supplied with boiler inside vent carton). Follow
application instructions provided on primer and
cement bottles.
APX800 Boiler Model:
f. 6” x 6” Two-Pipe CPVC/PVC Vent System
Connector (P/N 102183-03), used on APX800
boiler model, does not have factory installed
internal sealing gaskets at both vent and air
intake sections and requires use of supplied red
RTV silicon sealant to seal vent and combustion
air pipes to the connector.
g. Apply a coating of the sealant, at least 1” wide,
onto provided 6” Schedule 40 x 30” long CPVC
pipe.
h. Insert the coated end of the CPVC pipe with a
slight twisting motion into the connector vent
section and secure by tightening the metal strap.
i. All CPVC vent components supplied with
boiler inside vent carton (6” Schedule 40 x 30”
long CPVC pipe and 6” Schedule 80 CPVC
90° Elbow) must be used for near-boiler piping
before transitioning to Schedule 40 PVC (ASTM
2665) pipe components for remainder of vent
system. The CPVC 30” long straight pipe may be
cut to accommodate desired vent conguration
provided both pieces are used in conjunction
with CPVC 90° Elbow before any PVC
components are used. Ensure that the CPVC 90°
Elbow is the rst elbow used in the vent system
as it exits the boiler.
j. Apply a coating of the sealant, at least 1” wide,
onto 6” Schedule 40 PVC combustion air pipe
(installer provided).
k. Insert the coated end of the PVC pipe with a
slight twisting motion into the connector air
intake section and secure by tightening the metal
strap.
l. Clean all vent and combustion air pipe joints
with primer and secure with transition cement
(4-oz. bottles of primer and cement are
supplied with boiler inside vent carton). Follow
application instructions provided on primer and
cement bottles.
5. Horizontal Vent Termination
a. Standard Two-Pipe Termination
See Figures 8 through 11.
i. Vent Piping
Running PVC vent pipe inside Enclosures
and thru Walls:
IV. Venting B. CPVC/PVC Venting (continued)
• PVC vent pipe must be installed in such
way as to permit adequate air circulation
around the outside of the pipe to prevent
internal wall temperature rising above
ANSI Z21.13 standard specied limit.
• Do not enclose PVC venting – use higher
temperature rated CPVC pipe in enclosed
spaces, or, to penetrate combustible or
non-combustible walls.
• PVC vent pipe may not be used
to penetrate combustible or non-
combustible walls unless all following
three conditions are met simultaneously
(see Figure 8 “ Wall Penetration
Clearances for PVC Vent Pipe”):
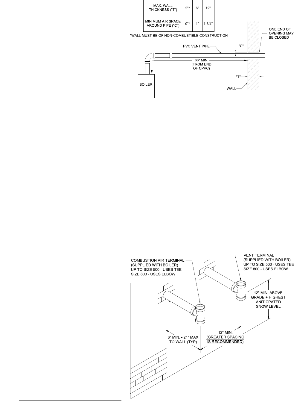
- The wall penetration is at least 66
inches from the boiler as measured
along the vent
Figure 9A: Direct Vent - Sidewall Terminations
Figure 8: Wall Penetration Clearances for PVC Vent Pipe

24
- The wall is 12” thick or less
- An air space of at least of that shown
in Figure 8 is maintained around
outside of the vent pipe to provide air
circulation
• If above three conditions cannot be
met simultaneously when penetrating
a combustible wall, use a single wall
thimble [Burnham Commercial part
numbers 102181-01 (4”) and 103419-01
(6”)].
• Thimble use is optional for non-
combustible wall.
• Insert thimble into cut opening from
outside. Secure thimble outside ange to
wall with nails or screws and seal ID and
OD with sealant material.
• When thimble is not used for non-
combustible wall, size and cut wall opening
such that a minimal clearance is obtained
and to allow easy insertion of vent pipe.
• Apply sealant between vent pipe and
thimble or wall opening to provide weather-
tight seal. Sealant should not restrain the
expansion of the vent pipe.
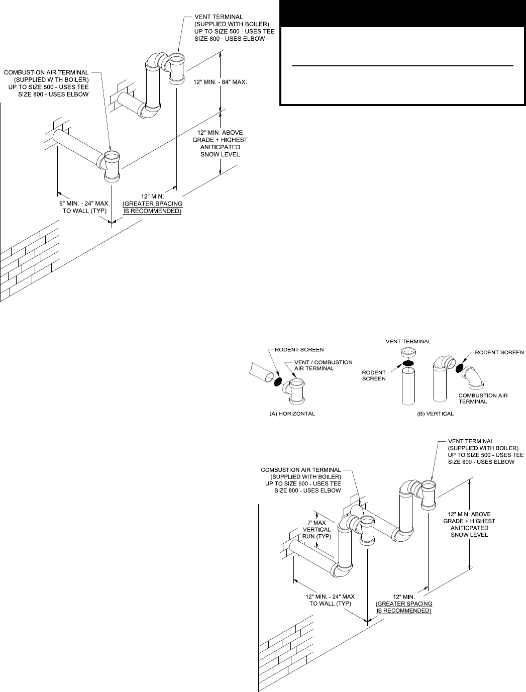
• Install Rodent Screen and Vent Terminal
(supplied with boiler). See Figure 10 for
appropriate conguration details.
Figure 10: Rodent Screen Installation
IV. Venting B. CPVC/PVC Venting (continued)
Figure 9B: Direct Vent - Sidewall Terminations (Optional)
WARNING
All CPVC pipe supplied with boiler vent carton
must be used as part of vent system prior to
connecting supplied PVC vent terminal.
Methods of securing and sealing terminals to
the outside wall must not restrain the thermal
expansion of the vent pipe.
ii. Combustion Air Piping
• Do not exceed maximum combustion air
pipe length. Refer to Table 8.
• Size combustion air pipe wall penetration
opening to allow easy insertion of the pipe.
• Install Rodent Screen and Combustion Air
Terminal (supplied with boiler). See Figure
10 for appropriate conguration details.
• Apply sealant between combustion air pipe
and wall opening to provide weather-tight
seal.
b. Optional Two-Pipe Snorkel Termination
See Figures 10 and 11.
This installation will allow a maximum of seven (7)
feet vertical exterior run of the vent/combustion air
piping to be installed on the CPVC/PVC horizontal
venting application.
Figure 11: Direct Vent - Optional Sidewall
Snorkel Terminations

25
IV. Venting B. CPVC/PVC Venting (continued)
NOTICE
Exterior run to be included in equivalent vent/
combustion air lengths.
i. Vent Piping
• After penetrating wall, install a Schedule
40 PVC 90° elbow so that the elbow leg is
in the up direction.
• Install maximum vertical run of seven (7)
feet of Schedule 40 PVC vent pipe. See
Figure 11.
• At top of vent pipe length install another
PVC 90° elbow so that elbow leg is opposite
the building’s exterior surface.
• Install Rodent Screen and Vent Terminal
(supplied with boiler), see Figure 10 for
appropriate conguration.
• Brace exterior piping if required.
ii. Combustion Air Piping
• After penetrating wall, install a Schedule
40 PVC 90° elbow so that elbow leg is in
the up direction.
• Install maximum vertical run of seven (7)
feet of Schedule 40 PVC vent pipe. See
Figure 11.
• At top of air pipe length install another PVC
90° elbow so that elbow leg is opposite the
building’s exterior surface.
• Install Rodent Screen and Combustion Air
Terminal (supplied with boiler), see Figure
10 for appropriate conguration.
• Brace exterior piping if required.
6. Vertical Vent Termination
a. Standard Two-Pipe Termination
Refer to Figures 10, 12 and 13.
i. Vent Piping
• Install re stops where vent passes through
oors, ceilings or framed walls. The re
stop must close the opening between the
vent pipe and the structure.
• Whenever possible, install vent straight
through the roof. Refer to Figures 12 and
13.
- Size roof opening to maintain minimum
clearance of 1" from combustible
materials.
- Extend vent pipe to maintain minimum
vertical and horizontal distance of
twelve (12) inches from roof surface.
Additional vertical distance for expected
snow accumulation. Provide brace as
required.
CAUTION
Vertical venting and combustion air roof
penetrations (where applicable) require the use
of roof ashing and storm collar, which are not
supplied with boiler, to prevent moisture from
entering the structure.
- Install storm collar on vent pipe
immediately above ashing. Apply
Dow Corning Silastic 732 RTV Sealant
between vent pipe and storm collar to
provide weather-tight seal.
• Install Rodent Screen and Vent Terminal
(supplied with boiler), see Figure 10 for
appropriate conguration.
• Brace exterior piping if required.
WARNING
All CPVC pipe and elbow supplied with boiler
vent carton must be used as part of vent
system prior to connecting supplied PVC vent
terminal.
Do not operate boiler without the rain cap
over vent pipe in place.
ii. Combustion Air Piping
• Locate combustion air termination on the
same roof location as the vent termination
to prevent nuisance boiler shutdowns.
Combustion air terminal can be installed
closer to roof than vent.
Figure 12: Direct Vent - Vertical Terminations

26
IV. Venting B. CPVC/PVC Venting (continued)
Extend vent/combustion air piping to maintain minimum vertical (‘X’) and minimum horizontal (‘Y’) distance of
twelve (12) inches (18 inches Canada) from roof surface. Allow additional vertical (‘X’) distance for expected
snow accumulation.
Figure 13: Direct Vent - Vertical Terminations
with Sloped Roof
• Size roof opening to allow easy insertion
of combustion air piping and allow proper
installation of ashing and storm collar
to prevent moisture from entering the
structure.
- Use appropriately designed vent ashing
when passing through roofs. Follow
ashing manufacturers’ instructions for
installation procedures.
- Extend combustion air pipe to maintain
minimum vertical and horizontal distance
of twelve (12) inches from roof surface.
Allow additional vertical distance for
expected snow accumulation. Provide
brace as required.
- Install storm collar on combustion
air pipe immediately above ashing.
Apply Dow Corning Silastic 732
RTV Sealant between combustion
air pipe and storm collar to provide
weather-tight seal.
• Install Rodent Screen and Combustion
Air Terminal (supplied with boiler), see
Figure 10 for appropriate conguration.
• Brace exterior piping if required.
C. Polypropylene Venting
Apex boilers have been approved for use with
polypropylene vent system.
It is an installing contractor responsibility to
procure listed below polypropylene vent system pipe
and related components.
Polypropylene vent system manufactures are listed
below:
Approved Polypropylene Vent System Manufacturers
Make Model
M&G/DuraVent
PolyPro Single Wall Rigid Vent
PolyPro Flex Flexible Vent (APX399 and
APX500)
Centrotherm
Eco Systems
InnoFlue SW Rigid Vent
Flex Flexible Vent (APX399 and APX500)
NOTE: Do not mix vent components from approved
manufacturers.
M&G/DuraVent PolyPro Single Wall Rigid Vent
and PolyPro Flex Flexible Vent comply with the
requirements of ULC-S636-08 ‘Standard for Type BH
Gas Venting Systems’.
Centrotherm Eco Systems InnoFlue SW Rigid Vent
and Flex Flexible Vent comply with the requirements
of UL 1738 ‘Standard for Safety for Venting Systems’
and ULC-S636-08 ‘Standard for Type BH Gas Venting
Systems’.
For polypropylene vent system installation details refer
to an approved manufacturer either Rigid Single Wall
Polypropylene Vent Installation Instructions, or Flexible
Polypropylene Vent Installation Instructions provided
with a manufacturer specic kits. See Tables 9 and 10.
Refer to Table 8 ‘Vent/Combustion Air Pipe Length –
Two-Pipe Direct Vent System Options’ for minimum
and maximum listed equivalent length values.
All terminations must comply with listed options for
two-pipe venting system. See Figures 8 thru 12 for
details.

27
IV. Venting C. Polypropylene Venting (continued)
When using exible polypropylene vent pipe (liner):
• Flexible pipe must be treated carefully and stored at
temperatures higher than 41°F (5°C).
• Do not bend or attempt to install exible pipe if
it has been stored at lower ambient temperature
without allowing the pipe to warm up to a higher
temperature rst.
CAUTION
Bending or attempting to install exible pipe if it
has been stored at ambient temperature below
41°F (5°C) will cause material to become brittle
and lead to cracks.
When exible polypropylene pipe (liner) is
used for combustion product venting, it must
not be installed at an angle greater than 45
degrees from vertical plane. This will insure
proper condensate ow back towards the boiler.
CAUTION
Do not install exible polypropylene pipe at an
angle greater than 45 degrees from vertical plane
when used for combustion product venting.
Failure to do so will result in improper condensate
drainage towards the boiler and possible
subsequent vent pipe blockage.
• When exible polypropylene pipe (liner) is used
for combustion air supply to a boiler, the pipe
(liner) can be installed in vertical or horizontal
position.
• Follow flexible polypropylene pipe (liner)
manufacturer specic installation instructions
regarding application/listing, permits, minimum
clearances to combustibles; installation details
(proper joint assembly, pipe support and routing,
gasket and tting installation, optional tooling
availability/usage, routing thru masonry chimney
for combustion product venting or, combination
of combustion product venting and combustion
air supply).
• When there is a conflict between flexible
polypropylene pipe (liner) manufacturer installation
instructions and Apex boiler Installation, Operating
and Service Instructions, the more restrictive
instructions shall govern.
Apex Boiler Two-Pipe Vent System Connector Field
Modication Procedure To Accept Polypropylene
Vent Piping:
Apex boilers are factory supplied with a model-specic
boiler two-pipe CPVC/PVC vent system connector
shipped within a model-specic boiler CPVC gasketed
vent kit carton.
Locate and remove a model-specic boiler two-pipe
CPVC/PVC vent system connector.
When using M&G/DuraVent polypropylene pipe for
combustion product venting and/or air supply, male
PVC to PP boiler adapter (4PPS-04PVCM-4PPF or
6PPS-06PVCM-6PPF as applicable) is installed into the
two-pipe vent system connector vent or combustion air
supply port as follows (see Figure 14):
1) APX399 and APX500 models - Apply provided
dielectric grease (grease pouch taped to the vent
system connector) all around to the vent or air
connection inner red silicon gasket.
2) APX399 and APX500 models - Push and twist
PVC to PP boiler adapter (4PPS-04PVCM-4PPF)
into two-pipe vent system connector vent connection
or air supply port until bottomed out.
Boiler
Model
M&G / DuraVent Part Numbers/Sizes
Male Boiler Adapter,
PVC to PP Rigid Pipe Flex Pipe Pipe Joint
Locking Band
Side Wall
Termination Tee
Chimney Kit for
Venting Only
APX399 4PPS-04PVCM-4PPF 100 mm 100 mm 43PPS-LB 43PPS-TB 4PPS-FK
APX500
APX800 6PPS-06PVCM-6PPF 150 mm N/A 6PPS-LBC 6PPS-E90B N/A
Table 9: Approved Polypropylene Pipe, Fittings and Terminations - M&G/DuraVent
Boiler
Model
Centrotherm Eco Part Numbers/Sizes
Male Boiler Adapter,
PVC to PP Rigid Pipe Flex Pipe Pipe Joint
Locking Band
Side Wall
Termination Tee
Chimney Kit for
Venting Only
APX399 ISAA0404
ISSAL0404 110 mm 110 mm IANS04 ISTT0420
IFCK0425
and
IFCK0435
APX500
APX800 ISAA0606
ISSAL0606 160 mm N/A IANS06 ISTT0620 N/A
Table 10: Approved Polypropylene Pipe, Fittings and Terminations - Centrotherm Eco

28
IV. Venting C. Polypropylene Venting (continued)
Figure 14: Vent System Field Modication to Install PVC to PP Adapter (M&G/DuraVent Shown)
3) Tighten the worm band clamp screw to secure PVC
to PP boiler adapter.
4) Do not install PVC to PP boiler adapter at the
lower combustion air supply port of the two-pipe
vent system connector when using PVC pipe for
combustion air supply to boiler.
5) APX800 model - Apply a coating of supplied red
RTV silicon sealant, at least 1” wide, to PVC to PP
boiler adapter (6PPS-06PVCM-6PPF) male end,
when used for combustion product venting.
If polypropylene pipe is also used for combustion air
supply, application of the silicon sealant to PVC to
PP boiler adapter (6PPS-06PVCM-6PPF) male end
is not required.
6) APX800 model - Push and twist PVC to PP boiler
adapter (6PPS-06PVCM-6PPF) into two-pipe vent
system connector vent port or air supply port until
bottomed out.
7) Tighten the worm band clamp screw to secure PVC
to PP boiler adapter.
8) Do not install PVC to PP boiler adapter at the
lower combustion air supply port of the two-pipe
vent system connector when using PVC pipe for
combustion air supply to boiler.
When using Centrotherm Eco polypropylene pipe
for combustion product venting and/or air supply PVC
to PP boiler adapter (ISAA0404 or ISAAL0404 and
ISAA0606 or ISAAL0606 as applicable) is installed
into the two-pipe vent system connector vent or
combustion air supply port as follows (see Figure 14):
9) APX399 and APX500 models - Apply provided
dielectric grease (grease pouch taped to the vent
system connector) all around to the vent or air
connection inner red silicon gasket.
10) APX399 and APX500 models - Push and
twist PVC to PP boiler adapter (ISAA0404 or
ISAAL0404) into two-pipe vent system connector
vent connection or air supply port until bottomed
out.
11) Tighten the worm band clamp screw to secure PVC
to PP boiler adapter.
12) Do not install PVC to PP boiler adapter at the
lower combustion air supply port of the two-pipe
vent system connector when using PVC pipe for
combustion air supply to boiler.
13) APX800 model - Apply a coating of supplied red
RTV silicon sealant, at least 1” wide, to PVC to PP
boiler adapter (ISAA0606 or ISAAL0606) male
end, when used for combustion product venting.
If polypropylene pipe is also used for combustion air
supply, application of the silicon sealant to PVC to
PP boiler adapter (ISAA0606 or ISAAL0606) male
end is not required.
14) APX800 model - Push and twist PVC to PP boiler
adapter (ISAA0606 or ISAAL0606) into two-pipe
vent system connector vent port or air supply port
until bottomed out.
15) Tighten the worm band clamp screw to secure PVC
to PP boiler adapter.
16) Do not install PVC to PP boiler adapter at the
lower combustion air supply port of the two-pipe
vent system connector when using PVC pipe for
combustion air supply to boiler.
Optional Two-pipe Vertical Venting Installation –
Running Flexible Polypropylene Vent (Liner)
Thru Unused Chimney Chase (see Figure 15).
Apex APX399 and APX500 boilers are approved for
vertical venting by installing Flexible Vent in an UNUSED
masonry chimney/chase and supplying combustion air
thru a separate wall or roof air intake terminal.

29
WARNING
Follow installation instructions included by the original polypropylene venting component manufacturers,
M&G/DuraVent or Centrotherm, whichever applicable.
Flexible Polypropylene Vent must be installed in an UNUSED chimney. A chimney, either single or
multiple ue type, is considered UNUSED when none of the ues is being used for any appliance
venting.
Where one of the multiple ues is being used for an appliance venting, the exible vent installation is
not permitted thru any of adjacent ues.
Observe all precautions outlined in either M&G/DuraVent or Centrotherm instructions in addition to
those outlined in these instructions.
Examine all components for possible shipping damage prior to installation.
Proper joint assembly is essential for safe installation.
The venting system must be free to expand and contract and supported in accordance with installation
instructions included by the original polypropylene venting component manufacturers, M&G/DuraVent
or Centrotherm, whichever applicable.
Do not mix vent components or joining methods for different vent systems.
Where a conict arises between M&G/DuraVent or Centrotherm instructions and these instructions, the
more restrictive instructions shall govern.
Do not apply thermal insulation to vent pipe and ttings.
Do not obtain combustion air from within the building.
Figure 15: Flexible Vent in Masonry
Chimney with Separate Air Intake
IV. Venting C. Polypropylene Venting (continued)
Venting of Other Appliances (or Fireplace)
into Chase or Adjacent Flues Prohibited!

30
IV. Venting D. Stainless Steel Venting (continued)
D. Stainless Steel Venting
CAUTION
Vent systems made by Heat Fab, Protech and
Z-Flex rely on gaskets or proper sealing. When
these vent systems are used, take the following
precautions:
• Make sure that gasket is in position and un-
damaged in the female end of the pipe.
• Make sure that both the male and female
pipes are free of damage prior to assembly.
• Only cut vent pipe as permitted by the vent
manufacturer in accordance with their in-
structions. When pipe is cut, cut end must
be square and carefully de-burred prior to
assembly.
WARNING
All condensate that forms in the vent must be
able to drain back to the boiler.
1. Vent Length Restrictions
a. Vent length restrictions are based on equivalent
length of vent/combustion air pipe (total length
of straight pipe plus equivalent length of
ttings). Maximum vent/combustion air lengths
are listed in Table 8. Do not exceed maximum
vent/combustion air lengths. Do not include
vent/combustion air terminals in equivalent
feet calculations. See “Combustion Air/Vent,
Equivalent Length Work Sheet”.
b. The vent termination location is restricted as
per ‘General Guidelines’, Section A.5. (Refer to
Figure 4)
c. Where the use of “silicone” is called for in the
following instructions, use GE RTV 106 or
equivalent for the vent collar. Air inlet piping
sections are sealed with any general-purpose
silicone sealant such as GE RTV102. PVC air
inlet piping sections are connected with PVC
cement.
d. Longitudinal welded seams should not be placed
at the bottom of horizontal sections of exhaust
pipe.
e. Do not drill holes in vent pipe.
f. Do not attempt to mix vent components of
different vent system manufacturers.
2. Near Boiler Connection
To install the stainless steel vent adapter
[P/N 102220-01 (4”)]:
a. Push the stainless steel vent adapter onto the
CPVC/PVC connector with a slight twisting
motion. Make sure that the stainless steel vent
adapter is inserted at least 1” (refer to Figure 16).
b. Secure the adapter to the CPVC/PVC connector
by tightening the metal strap.
To install the stainless steel vent adapter
[P/N 103285-01 (6”)]:
c. Apply a coating of supplied red RTV silicone
sealant, at least 1” wide, all around male end of
the stainless steel vent adapter.
d. Afterwards, insert the male end of the adapter
with a slight twisting motion into vent section of
installed two-pipe CPVC/PVC vent connector.
e. Secure the adapter to the two-pipe CPVC/PVC
vent connector by tightening the metal strap.
3. System Assembly
a. Plan venting system to avoid possible contact
with plumbing or electrical wires. Start at
vent connector at boiler and work towards vent
termination.
b. Refer to Tables 11A and 11B for approved
AL29C Vent Systems.
c. Do not exceed maximum Vent/Combustion air
length. Refer to Table 8.
d. Follow all manufacturer instructions and
warnings when preparing pipe ends for joining
and using the primer and the cement.
e. Assemble the air intake system using either
galvanized or PVC pipe.
i. If PVC piping is used, use PVC cement
to assemble the PVC intake system
components. See Part B for air intake
installation instructions.
ii. If galvanized piping is used, use at least two
sheet metal screws per joint. Seal the outside
of all joints.
4. Horizontal Vent Termination
a. Standard Two-Pipe Termination
Refer to Figure 9A.
i. Vent Termination
• Use Burnham Commercial stainless
exhaust terminal [P/N 100184-01 (4”)].
The outer edge of this terminal must be
between 6” and 12” from the surface
of the wall. The joint between the
terminal and the last piece of pipe
must be outside of the building.
• Male end of terminal will t into the
female end of any of the approved
stainless vent systems.

31
Vent System
Component
Part Numbers
Equivalent
Feet of Pipe
APX399
and
APX500
APX800
4" Vent 6” Vent
SS Vent Kit 102501-02
N/A
N/A
Horizontal Vent Terminal
(Included in Kit) 8116313
PVC to SS Vent Adapter
(Included In Kit) 102220-01
Vertical Vent Terminal 102680-02
Pipe x 1 Ft. 100176-01 1
Pipe x 3 Ft. 100177-01 3
Pipe x 5 Ft. 100178-01 5
Pipe x Adjustable 100179-01
Equal to
Installed
Length
(1.06 to 1.64)
90° Elbow 100180-01 8.0 (4")
45° Elbow 100181-01 4.5 (4")
Horizontal Drain Tee 100182-01 2
Vertical Drain Tee 100183-01 7½
Single Wall Thimble 100184-01 N/A
Table 11A: Burnham Commercial Vent System
Components (Stainless Steel)
Manufacturer Vent
System Size Wall Thimbles Horizontal Termination Vertical
Termination
Protech Systems Inc.. FasNseal 4 FSWT4 Tee: FSTT4 FSBS4
6 FSWT6 Tee: FSTT6 FSBS6
Z-Flex SVE Series III
(“Z-Vent III”)
4 2SVSWTEF04 Tee: 2SVSTTF04 24SVSTPF04
6 N/A N/A N/A
Flex-L Intl. Star-34 4SR04WT15 Tee: SRTT-04 SRTP-04
6 N/A N/A N/A
NOTE: See vent system manufacturer’s literature for other part numbers that are required such as straight pipe, elbows, restops
and vent supports.
Table 11B: Alternate Vent Systems and Vent Components (Stainless Steel)
IV. Venting D. Stainless Steel Venting (continued)
Figure 16: Field Installation of Two-Pipe Vent
System Adapter for Stainless Steel
• Apply a heavy bead of silicone to the
male end of the terminal before inserting
it into the last piece of pipe. Orient the
terminal so that the seam in the terminal
is at 12:00.
• Smooth the silicone over the seam
between the terminal and the last piece
of pipe, applying additional silicone if
necessary to ensure a tight seal.
• Allow the silicone to cure per the silicone
manufacturer’s instructions before
operating the boiler.
ii. Combustion Air Termination
• Horizontal intake terminal is a tee in the
upright position. Tee should protrude
the same distance from the wall as the
exhaust terminal. See Figure 9A.
• Install a rodent screen (not supplied) in
the inlet terminal. Use a screen having
1/2” x 1/2” mesh.
b. Optional Two-Pipe Snorkel Termination
Refer to Figure 11.
This installation will allow a maximum of
seven (7) feet vertical exterior run of the vent/
combustion air piping to be installed on the
approved AL29-4C Stainless Steel horizontal
venting application.
i. Vent Termination
• After penetrating wall, install the
appropriate manufacturer’s 90° elbow so
that the elbow leg is in the up direction.
• Install maximum vertical run of seven (7)
feet of appropriate manufacturer’s vent
pipe. See Figure 11.
• At top of vent pipe length install another
appropriate manufacturer’s 90° elbow
so that the elbow leg is opposite the
building’s exterior surface.
• Install horizontal vent terminal.
• Brace exterior piping if required.

32
ii. Combustion Air Termination
• After penetrating wall, install a 90°
elbow so that the elbow leg is in the up
direction.
• Install maximum vertical run of seven (7)
feet of combustion air pipe. See Figure
11.
• At top of vent pipe length install another
90° elbow os that the elbow leg is
opposite the building’s exterior surface.
• Install Rodent Screen (not supplied) and
horizontal vent terminal.
• Brace exterior piping if required.
5. Vertical Vent Termination
a. Standard Two-Pipe Termination
Refer to Figures 12 and 13.
i. Vent Termination
• Use the terminal supplied by the vent
system manufacturer shown in Table
11B. Follow manufacturer’s instructions
to attach terminal to vent system.
ii. Combustion Air Termination
• Install vertical combustion air terminal.
Vertical combustion air terminal consists
of an 180° bend (comprised of two (2)
90° elbows) as shown in Figure 12.
• Install rodent screen (not supplied) in the
combustion air terminal. Use a screen
having 1/2” (2 x 2) or larger mesh.
E. Concentric Polypropylene Venting
1. Vent Length Restrictions
a. Vent length restrictions are based on equivalent
length of vent pipe i.e. total length of straight
pipe plus equivalent length of ttings. See
Table 12 for specied vent length details. Do
not exceed maximum vent length. Table 13
lists available concentric vent components and
includes equivalent vent length for ttings.
b. The vent termination location is restricted as per
‘General Guidelines’, Paragraph A, 5 (refer to
Figure 4).
2. Field Installation of Boiler Concentric Vent
Collar
a. Locate and remove six mounting screws from the
Miscellaneous Parts Carton.
b. Position the Collar onto jacket combination rear/
bottom panel and insert collar inner stainless
steel vent pipe into the heat exchanger vent
outlet.
IV. Venting D. Stainless Steel Venting (continued)
Table 12: Concentric Vent Length
Boiler
Model
Inner/Outer
Pipe Dia., mm
Vent Length
(Equiv. Ft.) Wall Opening
Diameter
Minimum * Maximum
APX399 100/150 mm 32 in.
60 6-1/2 in
APX500 100/150 mm 32 in
APX800 N/A N/A N/A N/A
* with optional concentric vent components, see Table 13 for details.
Table 13: Concentric Vent Components (Applicable to APX399 and APX500 only)
Part Number Component Description Size
Component
Equivalent Vent
Length, Ft
Comments
101548-01 90° Elbow – Long Radius 100/150 mm 8.0
101549-01 45° Elbow - Long Radius 100/150 mm 3.0
101550-01 1 Cut -To-Length Extension, 500 mm (19-1/2”) 100/150 mm 1.63 ** Can be cut
101551-01 Cut -To-Length Extension, 1000 mm (39”) 100/150 mm 3.25 ** Can be cut
101553-01 Fixed Extension, 2000 mm (78”) 100/150 mm 6.5 *** Must not be cut
101809-01 Horizontal (Wall) Terminal 100/150 mm * NA Supplied with boiler
101557-01 Vertical (Roof) Terminal 100/150 mm * NA See Note 1
101558-01 Flat Roof Flashing 100/150 mm
101559-01 Sloped Roof Flashing 100/150 mm See Note 2
101560-01 Support Elbow with Chimney Chase Bracket 100/150 mm 10.0 See Note 3
101561-01 Hanger Wall Bracket 100/150 mm
Notes:
* NA – do not include vent terminal into total vent length calculations.
** These sections have plain male end and beaded female end. See Figure 18 for details.
*** These sections have beaded male end and beaded female end. See Figure 19 for details.
1. Vertical terminal can be used with either of the roof ashings listed beneath it.
2. Sloped roof ashing suitable for roof angles between 25° and 45°.
3. Used at base of vertical run inside unused masonry chimney.

33
c. Align collar plate clearance holes with rear/
bottom panel engagement holes; then secure the
collar to rear/bottom panel with six mounting
screws. See Figure 17.
d. Flue temperature sensor, factory attached to the
boiler wiring harness, is secured to the left boiler
jacket panel with tape.
e. Remove the tape and push the sensor rubber plug
into Concentric Vent Collar sensor port until the
plug is securely engaged. See Figure 17.
The installation of the Concentric Vent Collar is now
completed.
3. System Assembly
a. Plan venting system to avoid possible contact
with plumbing or electrical wires. Start at
vent connector at boiler and work towards vent
termination.
b. Do not exceed maximum Concentric vent length.
Refer to Table 12.
c. If additional concentric vent piping is needed:
i. Concentric Vent Cut-To-Length Extension
pipes, identied in Table 13 CAN BE
CUT to required length when used as an
extension. These pipes have plain male
end and beaded female end. Always cut
the pipe from plain male end. See Figure
18 ‘Cut-To-Length Extension (Cuttable)”.
d. To cut the Concentric Vent Straight pipe to
required length refer to Figure 20 “Cutting
Straight Pipe” and the following procedure:
i. Determine the required length of the outer
pipe. When doing this allow an additional
1” of length for insertion into the female end
of the adjoining pipe. Mark the cut line on
the outer pipe.
ii. Remove the plastic inner pipe by pulling it
out from the female end.
iii. Cut the OUTER PIPE ONLY at the point
marked in Step (a) using aviation shears, a
hacksaw, or an abrasive wheel cutter. Be
careful to cut the pipe square. De-burr the
cut end with a le or emery cloth.
iv. Make an insertion mark 1” from the male
end of the outer pipe.
v. Cut the plastic inner pipe so that it will
protrude 3/8” beyond the male end of the
outer pipe when reinstalled in the outer pipe.
Use a ne tooth hacksaw or a PVC saw to
cut the plastic pipe and be careful to cut the
Figure 17: Field Installation of Boiler
Concentric Vent Collar
IV. Venting E. Concentric Polypropylene Venting (continued)
Figure 18: Cut-To-Length Extension (Cuttable)
ii. The remaining Concentric Vent Fixed
Extensions shown in Table 13 CANNOT
BE CUT. These pipes have beaded male and
beaded female ends. See Figure 19 “Fixed
Extension (Non-Cuttable)’.
Figure 19: Fixed Extension (Non-Cuttable)

34
pipe square. De-burr the cut edge of the
plastic pipe with a le, razor blade or ne
sandpaper.
vi. Reinstall the inner pipe.
e. To join Concentric Vent Pipe refer to Figure 21
“Joining Cuttable Pipe” and Figure 22 “Joining
Non-Cuttable Pipe” and follow the procedure
below:
i. Start assembly of the vent system at the
boiler. Lubricate the brown gasket in the
boiler vent collar with a few drops of water.
ii. Push the male end of the rst tting into the
boiler collar until it bottoms out. The male
end of cuttable sections should go 1” into
the collar until the insertion mark (made in
Step 4 above) is covered. On other ttings,
the bead on the male pipe will be bottom out
on the collar (see Figure 22).
iii. The male end of cuttable ttings must be
held to the collar with three (3) #10 x 1/2”
sheet metal screws. Drill a 1/8 hole through
both outer pipes to start this screw. Use a
drill stop or other means to ensure that
the drill bit does not penetrate more than
3/8” into the outer pipe. Do not use a
sheet metal screw longer than 1/2” (see
Figure 21).
iv. Use locking bands (provided with all
ttings) to secure non-cuttable pipe, as well
as ttings, to the boiler collar (see Figure
22).
IV. Venting E. Concentric Polypropylene Venting (continued)
Figure 20: Cutting Straight Pipe
Figure 21: Joining Cuttable Pipe
Figure 22: Joining Non-Cuttable Pipe

35
v. Use the same method to join all remaining
vent components except for the terminal.
4. Horizontal Vent Termination
a. Standard Concentric Termination
Refer to Figure 23.
i. Permitted terminals for horizontal venting:
Horizontal (Wall) Terminal, [100/150 mm
(P/N 101809-01)] - see Table 13.
ii. Concentric Vent components supplied with
the boiler are packed inside boiler carton
and include the following:
• Horizontal (Wall) Terminal,
• Horizontal (Wall) Terminal consists
of Straight section having plain male
end with locking band clamp installed;
Terminal Assembly with offset vent
termination, and Outside Wall Plate,
both riveted on the opposite end; overall
length is approximately 28-1/8”.
• Separate Inside Wall Plate
• Two Hardware Bags (each bag contains
four screws and four anchors) to attach
vent terminal Outside Wall Plate to
exterior wall and Inside Wall Plate to
interior wall.
iii. For horizontal (sidewall) installation, the
Horizontal (Wall) Terminal will extend
past outer wall surface by 5½” (100/150
mm). See Figure 23 “Horizontal Concentric
Venting”.
iv. Install the Horizontal (Wall) Terminal:
• Cut a 6½” (for 100/150 mm) at the
planned location of the horizontal
terminal.
• Measure dimension “L” from exterior
wall outer surface to the end of the last
tting. See Figure 24 ‘Dimension “L”’.
Figure 23: Horizontal Concentric Venting
IV. Venting E. Concentric Polypropylene Venting (continued)
Figure 24: Dimension “L”
• When factory Horizontal (Wall)
Terminal needs to be shortened, measure
dimension “L” plus 1¼” from inside
of the attached Outside Wall Plate and
mark the Horizontal (Wall) Terminal
outer pipe. To achieve a square cut of the
outer pipe, place several marks around
the outer pipe to establish a cut line. See
Figure 25 ‘ Cutting Vent Terminal Pipe’.
• Carefully cut the outer pipe at the marked
line using aviation shears, a hacksaw etc.
Ensure the pipe is cut square and cut end
is de-burred.
• Mark the end of the Horizontal (Wall)
Terminal inner polypropylene vent pipe
to extend 3/8” past the cut end of the
outer pipe. To achieve a square cut of the
inner pipe, place several marks around
the inner pipe to establish a cut line.
• Cut off the marked end of inner
polypropylene vent pipe with a ne tooth
blade hacksaw etc. and de-burr. See
Figure 25 “Cutting Vent Terminal Pipe.
This pipe can be removed from the
terminal to ease cutting, if desired.

36
CAUTION
Exterior wall surface must be reasonably at to
attach the Outside Wall Plate. When exterior wall
surface is not at (covered with vinyl or wood
shingle siding etc.) the siding must be removed,
and a at surface build up ash or above siding
exterior surface to secure/seal the terminal
Outside Wall Plate.
•. Install the supplied Inside Wall Plate onto
the shortened Horizontal (Wall) Terminal
interior end and move the plate to cover
interior wall cut opening. Secure the
plate with provided fasteners, then, apply
the sealant around plate sides to seal it to
interior wall (refer to Figure 26).
• Lubricate the brown gasket inside boiler
concentric vent collar or the last section
of the vent pipe with small amount of
water.
• Ensure that inner pipe of the terminal
is evenly engaged into the gasket all
around, then push the termination male
end inside boiler concentric vent collar or
the last section of the vent pipe, until the
mark (see Step v) is no longer visible.
• Re-install locking band clamp onto the
joint to secure the terminal to the collar
or the last section of the vent pipe.
5. Vertical Vent Termination
a. Standard Concentric Termination
Refer to Figures 27 thru 31.
i. In addition to the vertical terminal, either a
Flat Roof Flashing or Sloped Roof Flashing
is required for this installation. Refer to
Table 12 ‘Concentric Vent Components’ for
details.
• Determine the centerline of the terminal
location on the roof. For at roof, cut
6½” (100/150 mm) for the terminal. For
sloped roof, cut a hole in the roof large
enough for the terminal to pass through
the roof while remaining plumb.
CAUTION
If the boiler is located directly under the hole,
cover it while cutting the hole to prevent debris
from falling onto boiler.
IV. Venting E. Concentric Polypropylene Venting (continued)
Figure 25: Cutting Vent Terminal Pipe

37
IV. Venting E. Concentric Polypropylene Venting (continued)
Figure 26: Completing Horizontal (Wall Terminal Installation)
Figure 27: Vertical Concentric Vent Installation
Figure 28: Dimension "H"

38
IV. Venting E. Concentric Polypropylene Venting (continued)
• Install the roof ashing using standard
practice on the roong system of the
structure.
• If not already done, assemble the venting
system inside the building. The last
section of pipe needs to be on the same
center line as the terminal and within
19-1/4” of the top edge of the roof
ashing.
• Measure distance “H” from the top edge
of the storm collar to the end of the last
tting as shown in Figure 28.
• Add 1” to distance “H”. Carefully mark
this length on the pipe as shown in Figure
29.
• Cut the outer pipe only at the point
marked in Step (e) using aviation shears,
a hacksaw, or an abrasive wheel cutter.
Be careful to cut the pipe square. De-burr
the cut end with a le or emery cloth.
• Place a mark on the plastic inner pipe
3/8” beyond the end of the outer pipe
(Figure 29). Use a ne tooth hacksaw to
cut the plastic pipe and be careful to cut
the pipe square. De-burr the cut edge of
the plastic pipe with a le or emery cloth.
• Make a mark on the terminal section
1” from the cut end of the outer pipe as
shown in Figure 29.
Figure 29: Cutting Vertical Terminal
Figure 30: Completing Vertical Terminal Installation
• Slip the terminal section through the
roof from the outside. Push into the last
section of vent pipe until the mark made
in Step (h) is not longer visible. Secure
the terminal to the last piece of pipe with
three #10 x 1/2” sheet metal screws.
Drill a 1/8” hole through both outer pipes
to start these screws. Use a drill stop or
other means to ensure that the drill
bit does not penetrate more than 3/8”
into the outer pipe. Do not use a sheet
metal screw longer than 1/2”.
• Secure the terminal section to the inside
of the roof structure using the mounting
bracket provided with the terminal
(Figure 30).
b. Optional Concentric Chimney Chase Installation
Refer to Figure 31.
i. A vertical concentric vent system can be
installed in an UNUSED masonry chimney.
• The Chimney chase Support Elbow
with attached Mounting Bracket is used
at the base of the chimney. Refer to
Table 12 ‘Concentric Vent Components’
for details. Slip the elbow over the
M10 x 35 screw in the support bracket.
Determine the desired vertical location
of the support elbow in the chimney and
mark the location of the pin, positioned
on the back of the support bracket,
onto the chimney rear wall. Drill a
7/16” diameter x 3-1/2” deep hole in
the marked location, then, insert the
back bracket pin into the hole. The
front of the elbow mounting bracket
should be supported either by bottom
of the opening into chimney or installer
supplied spacer.
• Construct a weather-tight at roof to
cover the top of the old chimney. Install
the vertical terminal through this roof
using the at roof ashing.
F. Removing the Existing Boiler
For installations not involving the replacement of an
existing boiler, proceed to Step B.

39
IV. Venting F. Removing the Existing Boiler (continued)
Figure 31: Chimney Chase Installation
When an existing boiler is removed from a common
venting system, the common venting system is likely
to be too large for proper venting of the remaining
appliances. At the time of removal of an existing
boiler, the following steps shall be followed with each
appliance remaining connected to the common venting
system placed in operation, while the other appliances
remaining connected to the common venting system are
not in operation:
1. Seal any unused openings in the common venting
system.
2. Visually inspect the venting system for proper
size and horizontal pitch and determine there is no
blockage or restriction, leakage, corrosion, and other
deciencies which could cause an unsafe condition.
3. Insofar as is practical, close all building doors and
windows and all doors between the space in which
the appliances remaining connected to the common
venting system are located and other spaces of the
building. Turn on clothes dryers and any appliance
not connected to the common venting system.
Turn on any exhaust fans, such as range-hoods and
bathroom exhausts, so they will operate at maxi mum
speed. Do not operate a summer exhaust fan. Close
replace dampers.
4. Place in operation the appliance being inspected.
Follow the Lighting (or Operating) Instructions.
Adjust thermo stat so appliance will operate
continuously.
5. Test for spillage at the draft hood relief opening
after ve (5) minutes of main burner operation. Use
the ame of a match or candle, or smoke from a
cigarette, cigar or pipe.
6. After it has been determined that each appliance
remain ing connected to the common venting system
properly vents when tested as outlined above, return
doors, win dows, exhaust fans, replace dampers and
any other gas burning appliance to their previous
conditions of use.
7. Any improper operation of the common venting
system should be corrected so the installation
conforms with the National Fuel Gas Code, NFPA
54/ANSI Z223.1. When resizing any portion of the
common venting system, the common venting
system should be resized to approach the minimum
size as determined using the appropriate tables in
Part II in the National Fuel Gas Code, NFPA 54/
ANSI Z223.1.

40
G. Multiple Boiler Installation Venting
1. CPVC/PVC or Polypropylene Venting
a. Multiple Boiler CPVC/PVC or polypropylene
direct venting is shown in Figure 32.
b. Each individual module (boiler) must have own
vent pipe and vent terminal. Refer to Paragraphs
B thru E (as applicable) for individual module
(boiler) venting guidelines and options.
WARNING
No common manifolded venting (vent piping and
vent terminals) is permitted.
c. The individual module (boiler) maximum vent
length - see Table 8.
d. For sidewall venting the minimum horizontal
distance between any adjacent individual module
(boiler) vent terminations is twelve (12) inches.
Additional horizontal spacing between any adjacent
individual module (boiler) vent terminations as well
as extending the distance from building surfaces
to vent termination end are recommended to avoid
frost damage to building surfaces where vent
terminations are placed.
CAUTION
Installing multiple individual module (boiler) vent
terminations too close together may result in
combustion product water vapor condensation
on building surfaces, where vent termination are
placed, and subsequent frost damage. To avoid/
minimize frost damage, extend the distance from
building surfaces to vent termination end and
increase the horizontal distance between adjacent
vent terminations.
e. Individual module (boiler) sidewall vent
terminals must be placed at least twelve (12)
inches above the ground plus the expected snow
accumulation.
f. Multiple individual module vertical vent pipes
may be piped through a common conduit or
chase so that one roof penetration may be made.
The minimum horizontal distance between any
adjacent individual module (boiler) roof vent
terminations is one (1) foot.
2. PVC Pipe Air Intake Piping
a. Multiple Boiler PVC air intake piping is shown
in Figure 32.
b. Each individual module (boiler) must have own
combustion air intake pipe and combustion air
intake terminal. Refer to Paragraphs B thru E
(as applicable) for individual module (boiler)
combustion air intake guidelines and options.
IV. Venting G. Multiple Boiler Installation Venting (continued)
c. The individual module (boiler) maximum
combustion air intake pipe length - see Table 8.
d. If possible, locate each individual module
(boiler) both combustion air intake termination
and vent termination on the same sidewall, to
prevent nuisance boiler shutdowns.
However, if same sidewall placement is
problematic, an individual module (boiler) may
be installed using vertical venting and sidewall
combustion air intake termination (or, vice versa)
3. Concentric Combination Venting/Combustion
Air Intake Piping
a. Concentric Combustion Venting and air intake is
shown in Figure 33.
b. Each individual module (boiler) must have
own concentric vent pipe and vent termination.
Follow Section IV “Venting” of this manual for
individual module (boiler) concentric venting
guidelines.
WARNING
No common manifolded concentric venting is
permitted.
c. The individual module (boiler) maximum
concentric vent length - see Table 8.
d. For sidewall venting any adjacent individual
module (boiler) concentric vent terminals must
be spaced no closer than 12 inches horizontally
and three (3) feet vertically from each other to
prevent combustion air contamination.
Additional horizontal spacing between any
adjacent individual module (boiler) concentric
vent terminations and increased distance from
building surfaces to concentric vent termination
end are recommended to avoid frost damage to
building surfaces where vent terminations are
placed.
e. Individual module (boiler) sidewall concentric
vent terminals must be placed at least twelve
(12) inches above the ground plus the expected
snow accumulation.
f. For vertical through the roof venting any
adjacent individual module (boiler) vertical
vent terminals, if level with each other, must be
spaced no closer than 12 inches horizontally.
If vertical vent terminals cannot end in one
plane, they must be spaced no closer than three
(3) feet horizontally.
g. Chimney chase concentric venting is permitted
for modules, when stackable, providing
concentric vertical (roof) vent terminals, if level
with each other, are spaced no closer then 12
inches horizontally.

41
Figure 32: Multiple Boiler Direct Vent Termination
IV. Venting G. Multiple Boiler Installation Venting (continued)

42
Figure 33: Multiple Boiler Concentric Vent Termination
IV. Venting G. Multiple Boiler Installation Venting (continued)

43
V. Condensate Disposal
A. Condensate Trap and Drain Line.
1. All condensate, which forms in the boiler or vent
system, collects in the sump under heat exchanger
and leaves the boiler through factory installed
condensate trap.
2. The trap allows condensate to drain from sump
while retaining ue gases in the boiler. The trap
has factory installed overow switch, which shuts
down the boiler in the event the drain line becomes
obstructed, preventing proper condensate removal.
Refer to Section XI “Service and Maintenance” for
condensate trap and condensate overow switch
removal and replacement procedure, if required.
3. Note the following when disposing of the
condensate:
a. Condensate is slightly acidic, typical pH around
3.5 - 4.5. Do not use metallic pipe or ttings in
the condensate drain line. Do not route the drain
line through areas that could be damaged by
leaking condensate.
b. Do not route or terminate the condensate drain
line in areas subject to freezing temperatures.
c. If the point of condensate disposal is above the
trap, a condensate pump is required to move
the condensate to the drain. Select a condensate
pump approved for use with condensing
furnaces. If overow from the pump would
result in property damage, select a pump with an
overow switch. Wire this switch in series with
installer provided external high limit, to shut off
the boiler, and, if desired, in series with installer-
supplied alarm, to trigger an alarm in the event
of overow.
d. Do not attempt to substitute another trap for one
provided with the boiler.
e. In order for boiler to work properly, the boiler
must be leveled during installation.
4. The condensate trap stub is located at boiler left
side, below inlet and outlet water pipe connections.
Refer to Figures 1A and 1B.
IV. Venting G. Multiple Boiler Installation Venting (continued)
If vertical vent terminals cannot end in one
plane, they must be spaced no closer then three
(3) feet horizontally.
h. When individual modules (boilers) are installed
in the same horizontal plane, chimney chase
vertical concentric venting is permitted provided:
i. Sufcient inside space available at the base
of the chimney to install multiple chimney
chase brackets and support elbows.
ii. Spacing between adjacent vertical vent
terminals is in accordance with Item ‘g’
above.
5. Condensate trap must be lled up with water,
prior to boiler start-up and before connecting
any condensate line to the boiler, to insure
combustion products cannot escape from
operating boiler. To ll the trap, inject water in the
amount of 1 cup (8 uid ounces) through condensate
trap stub opening. Do not overll the trap.
6. If any additional condensate drain line is needed,
construct the extension from PVC or CPVC
Schedule 40 pipe. The factory supplied ¾” x 5-5/8”
long PVC coupling, located in the Part Carton, must
be used to connect drain line to the condensate trap
stub. Do not over tighten coupling compression nuts
when connecting drain line and condensate trap
stub.
WARNING
Failure to install the condensate trap and
condensate drain in accordance with the above
instructions could cause ue gas to enter the
building, resulting in personal injury or death.
CAUTION
Boiler condensate is corrosive. Route
condensate drain line in a manner such
that any condensate leakage will not cause
property damage.
Some jurisdictions may require that
condensate be neutralized prior to disposal.
NOTICE
Use materials approved by the authority having
jurisdiction.
B. Condensate Neutralizer Installation
1. Some jurisdictions may require that the condensate
be neutralized before being disposed of. Follow
local codes pertaining to condensate disposal.

44
2. A Condensate Neutralizer Kit (P/N 101867-01)
is available as optional equipment. Follow local
codes and instructions enclosed with the kit for
Condensate Neutralizer installation.
3. Limestone chips will get coated by neutral salts
(product of chemical reaction between limestone
and acidic condensate) and lose neutralizing
V. Condensate Disposal (continued)
effectiveness over time. Therefore, periodic
condensate neutralizer maintenance and limestone
chip replacement must be performed. A pH test or
acid test kits are available from HVAC/plumbing
distributors and should be used to measure
condensate acidity before/after neutralizer thus
indicating a need for service and chip replacement.
Figure 34: Condensate Trap and Drain Line

45
A. Installation of Factory Supplied Piping and Trim
Components
Apex (APX) boilers have factory supplied
Miscellaneous Part Carton (P/N 102942-04 – APX399
& APX500; P/N 103259-01 – APX800), which includes
supply piping components, gas piping components,
Temperature & Pressure Gauge, Pressure Relief Valve
and Drain Valve. See Figure 35 “Factory Supplied
Piping and Trim Installation”.
Install these components prior to connecting boiler to
system piping as follows:
VI. Water Piping and Trim
Figure 35: Factory Supplied Piping and Trim Installation
WARNING
Failure to properly pipe boiler may result in improper operation and damage to boiler or structure.
Install boiler so that the gas ignition system components are protected from water (dripping, spraying,
rain, etc.) during appliance operation and service (circulator replacement, etc.).
Oxygen contamination of boiler water will cause corrosion of iron and steel boiler components, and can
lead to boiler failure. Burnham Commercial’s Standard Warranty does not cover problems caused by
oxygen contamination of boiler water or scale (lime) build-up caused by frequent addition of water.
Do not ll boiler with softened water to prevent chloride contamination.
1. APX399 and APX500 Boiler Models
a. Locate and remove (1) ¾” NPT x close black
nipple, (1) ¾” NPT x 12” black nipple, ¾” NPT
black tee, ¾” FPT x ¾” FPT Pressure Relief
Valve, ¾” NPT Drain Valve.
b. Install close nipple into tee branch, then, screw
the assembly into boiler left side front ¾” FPT
tapping making sure tee run outlets are in vertical
plane and parallel to boiler side.
c. Install the ¾” NPT x 12” black nipple into tee
run top outlet.
d. Mount ¾” FPT x ¾” FPT Pressure Relief Valve
onto 12” nipple.
e. Install Drain Valve into the tee bottom outlet.

46
f. Locate and remove 1½” NPT x 2” long black
nipple, 1½” x 1½” x ¾” NPT black tee, ¾” x ¼”
NPT black reducing bushing and Temperature &
Pressure Gauge.
g. Mount the nipple into 1½” FPT boiler supply
tapping (see Figures 1A and 1B), then, install the
tee onto the nipple, making sure ¾” branch outlet
is in horizontal plane and facing the boiler front.
h. Install ¾” x ¼” NPT black reducing bushing
into the tee branch, then, put in Temperature &
Pressure Gauge.
2. APX800 Boiler Model
a. Locate and remove (1) ¾” NPT x close black
nipple, (1) ¾” NPT x 12” black nipple, ¾” NPT
black tee, ¾” FPT x 1” FPT Pressure Relief
Valve, ¾” NPT Drain Valve.
b. Install close nipple into tee branch, then, screw
the assembly into boiler left side front ¾”
tapping making sure tee run outlets are in vertical
plane and parallel to boiler side.
c. Install the ¾” NPT x 12” black nipple into tee
run top outlet.
d. Mount ¾” FPT x 1” FPT Pressure Relief Valve
onto 12” nipple.
e. Install Drain Valve into the tee bottom outlet.
f. Locate and remove 2” NPT steel coupling, 2”
NPT x 2-1/2” long black nipple, 2” x 2” x ¾”
NPT black tee, ¾” x ¼” NPT black reducing
bushing and Temperature & Pressure Gauge.
g. Mount 2” NPT coupling onto 2” MPT boiler
supply stub (see Figure 1C), then, install 2”
NPT x 2-1/2” long black nipple into the coupling
VI. Water Piping and Trim A. Factory Supplied Piping and Trim (continued)
Boiler
Model
Boiler
Supply
Connection,
Inch, FPT
Boiler
Return
Connection,
Inch, FPT
Minimum
Required
Flow (GPM)
@ 35°F DT
Boiler
Head Loss,
Ft.
@ 35°F DT
Required
Flow,
(GPM)
@ 30°F DT
Boiler
Head Loss,
Ft.
@ 30°F DT
Required
Flow,
(GPM)
@ 25°F DT
Boiler Head
Loss, Ft. @
25°F DT
Maximum
Required
Flow (GPM)
@ 20°F DT
Boiler
Head
Loss, Ft.
@ 20°F DT
APX399 1½ 1½ 21.5 6.1 25.1 7.9 30.2 10.8 37.7 15.9
APX500 1½ 1½ 27.1 6.9 31.7 8.9 38.0 12.1 47.5 17.6
APX800 2 2 43.4 12.1 50.7 15.5 60.8 20.9 76.0 30.0
Notes: Required Flow (GPM) = ** Output (MBH) * 1000/500 * DT
** Output (MBH) - Select Value for specic Boiler Model from Table 2A or 2B
Using boiler antifreeze will result in higher uid density and may require larger circulators.
Table 14: Flow Range Requirement Through Boiler
Pressure Drop vs. Flow
399 500
800
0
5
10
15
20
25
30
010 20 30 40 50 60 70 80
Flow Rate (GPM)
Pressure Drop (Feet of Head)

47
VI. Water Piping and Trim B. Piping System To Be Employed (continued)
Table 15: Recommended Circulator Models for Apex (APX) Boilers Based on 25°F Temperature Differential
and Up to 75 ft. Equivalent Length Near-Boiler Piping - Space Heating Circulator
Boiler
Model
Boiler Supply
Connection,
Inch, FPT
Boiler Return
Connection,
Inch, FPT
Near-Boiler
Piping Supply
Pipe Size, Inch
Near-Boiler
Piping Return
Pipe Size, Inch
Flow, GPM
@ 25°F Temp.
Differential
Combined Boiler
& Piping Loop
Head Loss, Ft.
* Recommended Circulator
Make & Model
APX399 1½ 1½ 2 2 30.2 12.0 Taco 2400-20 Grundfos UPS
32-80/2 F (second speed)
APX500 1½ 1½ 2 2 37.8 13.9
Taco 2400-30
Grundfos UPS
32-80/2 F (third speed)
or
40-80/2 F (second speed)
APX800 2 2 2½ 2½ 60.8 21.5 Taco 1400-70 Grundfos UPS
50-80/2 F (third speed)
Notes:
* Circulator Models shown are not equipped with internal ow check valve (IFC).
When selecting Circulators with IFC contact Circulator Manufacturer for sizing information.
Near-Boiler Piping Size shown is based on 2 to 5.5 Ft/Sec. velocity range to avoid potential noise and pipe erosion.
outlet, then, attach 2” x 2” x ¾” tee onto the
nipple opposite end, making sure ¾” branch
outlet is in horizontal plane and facing the boiler
front.
h. Install ¾” x ¼” NPT black reducing bushing
into the tee branch, then, put in Temperature &
Pressure Gauge.
B. Piping System To Be Employed.
Apex (APX) boilers are designed to operate in a closed
loop pressurized system. Minimum pressure in the
boiler must be 12 PSI. Proper operation of the Apex
(APX) boiler requires that the water ow through the
boiler remain within the limits shown in Table 14, any
time the boiler is ring.
NOTICE
Failure to maintain the ow through boiler within
specied limits could result in erratic operation or
premature boiler failure.
1. Near boiler piping must isolate APX boiler from
system piping via closely spaced tees to insure
specied ow range through boiler any time the
boiler is ring:
a. The ow rate through the isolated near-boiler
loop is maintained by factory recommended and
installer supplied boiler circulator.
b. The ow rate through the isolated near-boiler
loop is completely independent of the ow rate
through the heating system loop(s).
c. The ow rate through the heating system loop(s)
is controlled by installer sized/provided system
loop circulator(s).
d. This piping arrangement can be used either for
space heating-only applications or space heating
with indirect water heater(s) applications.
i. Space heating only - refer to Table 15 and
Figure 36 “Near Boiler Piping - Heating
Only” as applicable.
ii. Space heating plus indirect water
heater(s) - refer to Table 15 and Figure 37
“Near Boiler Piping - Heating Plus Indirect
Water Heater” as applicable.
NOTICE
Where it is not possible to install a separate
boiler loop, the system circulator must be
sized to ensure that the ow through boiler
stays within the dened parameters to prevent
overheating when the boiler is red at it’s full
rated input. Install a ow meter to measure the
ow, or re the boiler at full rate and ensure the
boiler DT does not exceed 35°F.
2. Direct connection of Apex (APX) boiler to
heating system, similar to a conventional boiler, is
NOT RECOMMENDED because:
a. The ow rate through system must be the same
as through boiler and fall within limits specied
in Table 14.
b. Pressure drop through entire system must be
known, added to pressure drop through boiler,
and, a circulator selected to provide required
ow at total calculated pressure drop.
c. It is often very difcult to accurately calculate
the pressure drop through the system.
d. In replacement installations, it may be nearly
impossible to get an accurate measurement of
piping amount and number of ttings in the
system. If system is zoned, the system ow rate
may drop well below recommended minimum
ow when only a single zone is calling for heat.

48
VI. Water Piping and Trim C. Standard Installation Requirements (continued)
C. Standard Installation Requirements.
Observe the following guidelines when making the
actual installation of the boiler piping:
1. Safety Relief Valve (Required) - The relief valve is
packaged loose with boiler and must be installed in
the location shown in Figure 35 “Factory Supplied
Piping and Trim Installation”. The relief valve
must be installed with spindle in vertical position.
Installation of the relief valve must comply with
ASME Boiler and Pressure Vessel Code, Section IV.
The standard factory shipped relief valve is rated
for 50 PSI maximum working pressure. Optional
80 PSI and 100 PSI maximum working pressure
rated relief valves are available. If the valve is to be
replaced, the replacement valve must have a relief
capacity equal or exceeding the boiler AHRI Gross
Output rating (model APX500). Pipe the relief valve
discharge to a location where hot water or steam will
not create hazard or property damage if the valve
opens. The end of the discharge pipe must terminate
in an unthreaded pipe. If the relief valve is not
piped to a drain, it must terminate at least 6” above
the oor. Do not run relief valve discharge piping
through an area prone to freezing. The termination
of discharge piping must be in an area where it will
not become plugged by debris.
WARNING
Safety relief valve discharge piping must be
piped such that the potential of severe burns
is eliminated. DO NOT pipe in any area where
freezing could occur. DO NOT install any shut-off
valves, plugs or caps. Consult Local Codes for
proper discharge piping arrangement.
2. Circulator (Required) – Usually at least two
circulators will be required to properly install a
Apex™ Series boiler. See Paragraph B above for
information on sizing the circulators.
3. Expansion Tank (Required) – If this boiler is
replacing an existing boiler with no other changes
in the system, the old expansion tank can generally
be reused. If the expansion tank must be replaced,
consult the expansion tank manufacturer’s literature
for proper sizing.
4. Fill Valve (Required) – Either manual
(recommended) or automatic ll valve may be used.
However, if automatic rell is employed, a water
meter must be added to evaluate the makeup water
volume taken after initial ll and eliminate any
water leakage as early as possible.
5. Automatic Air Vent (Required) –At least one
automatic air vent is required. Manual vents will
usually be required in other parts of the system to
remove air during initial ll.
6. Manual Reset High Limit (Required by some
Codes) - This control is required by ASME CSD-1
and some other codes. Install the high limit in the
boiler supply piping just above the boiler with no
intervening valves. Set the manual reset high limit
to 200°F. Wire the limit per Figures 44 and 45A, in
Section VIII “Electrical”.
7. Y-strainer (Recommended) – A Y-strainer or
equivalent strainer removes heating system debris
from hydronic systems and protects boiler heat
exchanger from fouling up. Install the strainer
downstream of full port isolation valve, at the inlet
side of the circulator, for easy service.
8. Flow Control Valve (Strongly Recommended) –
The ow control valve prevents ow through the
system unless the circulator is operating. Flow
control valves are used to prevent gravity circulation
or “ghost ows” in circulator zone systems through
zones that are not calling for heat.
9. Isolation Valves (Strongly recommended) –
Isolation valves are useful when the boiler must be
drained, as they will eliminate having to drain and
rell the entire system.
10. Drain Valve (Required) – Drain valve is packaged
loose with boiler and must be installed in the
location shown in Figure 35 “Factory Supplied
Piping and Trim Installation”.
11. Low Water Cutoff (Required by some Codes) –
LWCO with harness and LWCO transformer are
available as optional components. Order Complete
Kit (Part No. 102097-01) when required.

49
NOTICE
The Apex (APX) boiler heat exchanger is made from stainless steel tubular coil having relatively narrow
waterways. Once lled with water, it will be subject to the effects of corrosion. Failure to take the following
precautions to minimize corrosion and heat exchanger waterways overheating could result in severe boiler
damage.
•Before connecting the boiler, insure the system is free of impurities, grease, sediment, construction
dust, sand, copper dust, ux and any residual boiler water additives. Flush the system thoroughly and
repeatedly, if needed, with clear water mixed with concentrated rinse agent to remove these contaminants
completely.
•Iron oxide (red oxide sludge Fe2O3) is produced during oxygenation. To minimize any oxygen presence
in the system, the system must be air free and leak tight. Do not connect the boiler to radiant tubing
without an oxygen barrier. Using automatic water rell is not recommended, however, if such rell is
employed, a water meter must be added to evaluate the makeup water volume taken after initial ll and
eliminate any water leakage as early as possible.
•Maintain the water pressure in the boiler at a minimum of 12 PSI.
•The boiler water pH must be within 7.5 < pH < 9.5. If the system contains any aluminum components,
pH must be less than 8.5.
•Black oxide sludge (magnetite Fe3O4) forms as the result of continuous electrolytic corrosion in any
system not protected by an inhibitor.
•Scale deposit is made up of lime scale contained in most distributed water and settles over the warmest
surfaces of boiler heat exchanger causing subsequent overheating and eventual failure. Water hardness
must be maintained within 3 to 9 grain/gal range.
•Refer to Section XI “Service and Maintenance” for recommended heating system water treatment products
(corrosion/scale inhibitors, cleaners etc) and their suppliers.
VI. Water Piping and Trim C. Standard Installation Requirements (continued)
Table 16: Fitting and Valve Equivalent Length
Copper Fitting and Sweat Valve Equivalent Length (Ft)
Fitting or Valve
Description
Copper Pipe or Valve Size
1 1¼ 1½ 2
90° Elbow 2.5 3.0 4.0 5.5
45° Elbow 1.0 1.2 1.5 2.0
Tee (thru ow) 0.5 0.6 0.8 1.0
Tee (Branch ow) 4.5 5.5 7.0 9.0
Diverter Tee (typical) 23.5 25.0 23.0 23.0
Gate Valve 0.3 0.4 0.5 0.7
Globe Valve 25.0 36.0 46.0 56.0
Angle Valve 5.3 7.8 9.4 12.5
Ball Valve (standard port) 4.3 7.0 6.6 14.0
Ball Valve (full port) 1.9 1.4 2.2 1.3
Swing Check Valve 4.5 5.5 6.5 9.0
Flow-Check Valve (typical) 54.0 74.0 57.0 177.0
Buttery Valve 2.7 2.0 2.7 4.5
Threaded Fitting and Valve Equivalent Length (Ft)
Fitting or Valve
Description
Black Threaded Pipe or
Valve Size
1 1¼ 1½ 2
90° Elbow 2.6 3.5 4.0 5.2
Long Radius
Elbow (45° or 90°) 1.4 1.8 2.2 2.8
Tee (thru ow) 1.8 2.3 2.7 3.5
Tee (Branch ow) 5.3 6.9 8.1 10.0
Close Return Bend 4.4 5.8 6.7 8.6
Gate Valve (full open) 0.7 0.9 1.1 1.4
Globe Valve (full open) 30.0 39.0 46.0 59.0
Angle Valve (full open) 13.0 17.0 20.0 26.0
Swing Check Valve
(full open) 8.7 12.0 13.0 17.0
Flow-Check Valve (typical) 42.0 60.0 63.0 83.0
Table 16: Fitting and Valve Equivalent Length
(cont’d)
NOTE: Table 16 is provided as reference to assist in piping design and species equivalent length of typical piping ttings and
valves.

50
Figure 36: Near Boiler Piping - Heating Only
VI. Water Piping and Trim C. Standard Installation Requirements (continued)

51
Figure 37: Near Boiler Piping - Heating Plus Indirect Water Heater
VI. Water Piping and Trim C. Standard Installation Requirements (continued)

52
D. Special Situation Piping Installation Requirements
Observe the following guidelines when making the
actual installation of the boiler piping for special
situations:
1. Systems containing high level of dissolved oxygen
– Many hydronic systems contain enough dissolved
oxygen to cause severe corrosion damage to Apex
(APX) boiler heat exchanger. Some examples
include but not limited to:
• Radiant systems employing tubing without
oxygen barrier
• Systems with routine additions of fresh water
• Systems open to atmosphere
If the boiler is used in such a system, it must be
separated from oxygenated water being heated
with a heat exchanger as shown in Figures 38A and
38B. Consult the heat exchanger manufacturer for
proper heat exchanger sizing as well as ow and
temperature requirements. All components on the
oxygenated side of the heat exchanger, such as the
pump and expansion tank, must be designed for use
in oxygenated water.
Table 17: Multiple Boiler Water Manifold Sizing
Boiler Model
Number of Units
2345678
Recommended Minimum Common
Water Manifold Size (NPT)
APX399 2½” 3” 3” 4” 5” 5” 5”
APX500 3” 4” 4” 5” 5” 6” 6”
APX800 3” 5” 5 6” 6” 8” 8”
VI. Water Piping and Trim D. Special Situation Piping Installation Requirements (continued)
2. Piping with a Chiller - If the boiler is used in
conjunction with a chiller, pipe the boiler and chiller
in parallel. Use isolation valves to prevent chilled
water from entering the boiler.
3. Boiler Piping with Air Handlers - Where the
boiler is connected to air handlers through which
refrigerated air passes, use ow control valves in the
boiler piping or other automatic means to prevent
gravity circulation during the cooling cycle.
Figure 38A: Isolation of the Boiler From Oxygenated Water with A Plate Heat Exchanger
(IWH Piped as Part of Boiler Piping)

53
VI. Water Piping and Trim E. Multiple Boiler Installation Water Piping (continued)
Figure 38B: Isolation of the Boiler From Oxygenated Water with A Plate Heat Exchanger
(IWH Piped Off System Header)
E. Multiple Boiler Installation Water Piping - See Table 17
and Figures 39B and 40B.
1. Refer to this Section of this manual for:
a. Installation of Factory Supplied Piping and Trim
Components for an individual module (boiler).
b. Regarding an individual module (boiler) piping
system specic details.
c. Selection criteria for individual module (boiler)
space heating and/or DHW circulators.
2. For installations where indirect domestic hot water
heater is combined with space heating, the Alliance
SL™ model must be piped as a separate heating
zone off the system header. The circulator must be
sized based on the Alliance SL™ model coil ow and
combined coil pressure drop and the zone piping total
equivalent length. Refer to Alliance SL™ Indirect
Water Heater literature for a specic model coil ow
and pressure drop. Refer to Table 18 and Figures 40A
and 40B.

54
Figure 39A: Multiple Boiler Water Piping w/Domestic Hot Water Heater (Page 1 of 2)
VI. Water Piping and Trim E. Multiple Boiler Installation Water Piping (continued)
NOTICE
Installing a low water cutoff in the system piping
of Multiple boilers is strongly recommended and
may be required by Local Codes.

55
Figure 39B: Multiple Boiler Water Piping w/Domestic Hot Water Heater (Page 2 of 2)
VI. Water Piping and Trim E. Multiple Boiler Installation (continued)
NOTICE
Installing a low water cutoff in the system piping
of Multiple boilers is strongly recommended and
may be required by Local Codes.

56
Figure 40A: Alternate Multiple Boiler Water Piping w/ Indirect Domestic Hot Water Heater (Page 1 of 2)
CAUTION
It is the installers responsibility to select pumps
and boiler piping congurations that provide the
proper ow rates and performance for the boiler
and indirect water heater.
Refer to Table 15 for recommended Boiler Loop
Circulator.
VI. Water Piping and Trim E. Multiple Boiler Installation (continued)

57
Figure 40B: Alternate Multiple Boiler Water Piping w/Indirect Domestic Hot Water Heater (Page 2 of 2)
VI. Water Piping and Trim E. Multiple Boiler Installation (continued)

58
Boiler
Model
Boiler
Supply
Connection,
Inch, FPT
Boiler
Return
Connection,
Inch, FPT
Near-Boiler
Piping
Supply
Pipe Size,
Inch
(Note 2)
Near-
Boiler
Piping
Return
Pipe
Size,
Inch
(Note 2)
Max
Allowable
Flow thru
Boiler,
GPM @
20°F
DT
Flow,
GPM
@ 25°F
DT
Min Req’d
Flow thru
Boiler,
GPM
@ 35°F
DT
Alliance SL
Models to
be installed
As Part of
Near-Boiler
Piping
Alliance SL
Coil
Required
Flow Rate,
GPM
Alliance SL
Coil Head
Loss, Ft @
Required
Flow Rate
Combined
Boiler,
Alliance SL
& Piping
Loop Head
Loss, Ft
*Recommended
Circulator Make &
Model for
Alliance SL
installed as Part
of Near-Boiler
Piping
Reference
Figure Notes
APX399
1-1/2 1-1/2 2 2
37.7 30.2 21.5
SL27 6 9
NA
*Not
Recommended
(see Notes 1
and 2)
40A & 40B
40A & 40B
Note 1
Note 2
SL35 6 9
SL50 6 9.5
SL70 6 10
SL119 14 17.0
APX500 47.2 37.8 27.0
SL27 6 9
SL35 6 9
SL50 6 9.5
SL70 6 10
SL119 14 17.0
APX800 2 2 2½ 2½ 76.0 60.8 43.4
SL27 6 9
SL35 6 9
SL50 6 9.5
SL70 6 10
SL119 14 17.0
Table 18: Recommended Circulator Models for Apex (APX) Boilers and Alliance SL Indirect Water Heaters
Installed as Part of Near-Boiler Piping Up to 75 Ft. Equivalent Length - Domestic Hot Water Circulator
NOTES:
Note 1: All Alliance SL Coil Flow Rates are below Min Required Flow Rate thru Boiler corresponding to boiler maximum ring rate. These Alliance models can only be installed as separate heating zone off system header - see
Figure 39A and 39B for IWH piping.
Indirect Water Heater Circulator must be selected by an installer based on Alliance SL required coil ow and corresponding coil head loss shown as well as total equivalent length of such separate zone.
Note 2: * The IWH may be installed as part of Boiler piping when boiler DHW modulation rate (input) is adjusted to closely match the IWH rated heating capacity required to satisfy DHW demand (see Figures 40A and 40B).
IMPORTANT – Shared or Isolated DHW Demand
When the IWH parameter is set to “Primary Piped”, the Sequence Master will be sequencing all required boilers to satisfy the DHW setpoint (default 180°F). Do not use the “Boiler Piped” parameter for 500 and 800 models,
unless IWH is piped off an individual boiler having DHW modulation rate (input) adjusted to closely match the IWH rated heating capacity required to satisfy DHW demand. Otherwise, piping an IWH of an individual boiler could
cause higher than normal velocities or DT’s thru that boiler because of required IWH ow. For commercial applications, it is recommended to pipe IWH’s off the common header piping. A header sensor must be installed to
prevent rapid header temperature rise when the Sequence Master is sequencing all required boilers to satisfy the DHW setpoint (default 180°F).
Note 3: Near-Boiler Piping Size shown is based on 2 to 5.5 Ft/sec velocity range to avoid potential noise and pipe erosion.
VI. Water Piping and Trim E. Multiple Boiler Installation (continued)

59
VII. Gas Piping
WARNING
Failure to properly pipe gas supply to boiler may
result in improper operation and damage to the
boiler or structure. Always assure gas piping is
absolutely leak free and of the proper size and
type for the connected load.
An additional gas pressure regulator may be
needed. Consult gas supplier.
WARNING
Size corrugated stainless steel tubing (CSST)
to ensure proper capacity and minimize ow
restrictions.
A. Size gas piping. Design system to provide adequate gas
supply to boiler. Consider these factors:
1. Allowable pressure drop from point of delivery to
boiler. Maximum allowable system pressure is ½
psig. Actual point of delivery pressure may be less;
contact gas supplier for additional information.
Inlet Pressure 0.5 PSI or less; 0.3 Inch W.C. Pressure Drop
Nominal
Pipe Size, In.
Inside
Diameter, In.
Length of Pipe, Ft.
10 20 30 40 50 60 70 80 90 100
½0.622 131 90 72 62 55 50 46 42 40 38
¾0.824 273 188 151 129 114 104 95 89 83 79
1 1.049 514 353 284 243 215 195 179 167 157 148
1¼ 1.380 1056 726 583 499 442 400 368 343 322 304
1½ 1.610 1582 1087 873 747 662 600 552 514 482 455
2 2.067 3046 2094 1681 1439 1275 1156 1063 989 928 877
2½ 2.469 4856 3337 2680 2294 2033 1842 1695 1576 1479 1397
3 3.068 8584 5900 4738 4055 3594 3256 2996 2787 2615 2470
Table 19A: Maximum Capacity of Schedule 40 Black Pipe in CFH* (Natural Gas) For Gas Pressures
of 0.5 psig or Less
Inlet Pressure 0.5 PSI or less; 0.5 Inch W.C. Pressure Drop
Nominal
Pipe Size, In.
Inside
Diameter, In.
Length of Pipe, Ft.
10 20 30 40 50 60 70 80 90 100
½0.622 172 118 95 81 72 65 60 56 52 50
¾0.824 360 247 199 170 151 137 126 117 110 104
1 1.049 678 466 374 320 284 257 237 220 207 195
1¼ 1.380 1392 957 768 657 583 528 486 452 424 400
1½ 1.610 2085 1433 1151 985 873 791 728 677 635 600
2 2.067 4016 2760 2217 1897 1681 1523 1402 1304 1223 1156
2½ 2.469 6401 4400 3533 3024 2680 2428 2234 2078 1950 1842
3 3.068 11316 7778 6246 5345 4738 4293 3949 3674 3447 3256
* 1 CFH of Natural Gas is approximately equal to 1 MBH; contact your gas supplier for the actual heating value of your
gas.
Minimum gas valve inlet pressure is stamped on
the rating label located in the boiler’s vestibule
compartment.
2. Maximum gas demand. Refer to the boiler’s input as
printed on its rating label. Also consider existing and
expected future gas utilization equipment (i.e. water
heater, cooking equipment).
3. Length of piping and number of ttings. Refer
to Tables 19A (natural gas) or 19B (LP gas) for
maximum capacity of Schedule 40 pipe. Table 20
lists equivalent pipe length for standard ttings.
4. Specic gravity of gas. Gas piping systems for gas
with a specic gravity of 0.60 or less can be sized
directly from Tables 19A or 19B, unless authority
having jurisdiction species a gravity factor be
applied. For specic gravity greater than 0.60,
apply gravity factor from Table 21. If exact specic
gravity is not shown choose next higher value.
For materials or conditions other than those listed
above, refer to National Fuel Gas Code, NFPA
54/ANSI Z223.1, or size system using standard
engineering methods acceptable to authority having
jurisdiction.

60
Table 19B: Maximum Capacity of Schedule 40 Black Pipe in CFH* (LP Gas) For Gas Pressures
of 0.5 psig or Less
Inlet Pressure 11.0 Inch W.C.; 0.3 Inch W.C. Pressure Drop
Nominal
Pipe Size, In.
Inside
Diameter, In.
Length of Pipe, Ft.
10 20 30 40 50 60 70 80 90 100
½0.622 88 60 48 41 37 33 31 29 27 25
¾0.824 184 126 101 87 77 70 64 60 56 53
1 1.049 346 238 191 163 145 131 121 112 105 100
1¼ 1.380 710 488 392 336 297 269 248 231 216 204
1½ 1.610 1064 732 588 503 446 404 371 346 324 306
2 2.067 2050 1409 1131 968 858 778 715 666 624 590
2½ 2.469 3267 2246 1803 1543 1368 1239 1140 1061 995 940
3 3.068 5776 3970 3188 2729 2418 2191 2016 1875 1760 1662
Inlet Pressure 11.0 Inch W.C.; 0.5 Inch W.C. Pressure Drop
Nominal
Pipe Size, In.
Inside
Diameter, In.
Length of Pipe, Ft.
10 20 30 40 50 60 70 80 90 100
½0.622 116 80 64 55 48 44 40 38 35 33
¾0.824 242 166 134 114 101 92 85 79 74 70
1 1.049 456 314 252 215 191 173 159 148 139 131
1¼ 1.380 937 644 517 442 392 355 327 304 285 269
1½ 1.610 1403 964 775 663 588 532 490 456 427 404
2 2.067 2703 1858 1492 1277 1131 1025 943 877 823 778
2½ 2.469 4308 2961 2377 2035 1803 1634 1503 1399 1312 1239
3 3.068 7615 5234 4203 3597 3188 2889 2658 2472 2320 2191
* 1 CFH of LP Gas is approximately equal to 2.5 MBH; contact your gas supplier for the actual heating value of your gas.
Table 20: Equivalent Lengths of Standard Pipe Fittings & Valves
Nominal
Pipe Size,
Inc.
Inside
Diameter,
In.
Valves (Screwed) - Fully Open Screwed Fittings
Gate Globe Angle Swing
Check
45°
Elbow
90°
Elbow
180 Close
Return
Bend
90 Tee
Flow Thru
Run
90 Tee, Flow
Thru Branch
½0.622 0.4 17.3 8.7 4.3 0.7 1.6 3.5 1.6 3.1
¾0.824 0.5 22.9 11.4 5.7 1.0 2.1 4.6 2.1 4.1
1 1.049 0.6 29.1 14.6 7.3 1.2 2.6 5.8 2.6 5.2
1¼ 1.38 0.8 38.3 19.1 9.6 1.6 3.5 7.7 3.5 6.9
1½ 1.61 0.9 44.7 22.4 11.2 1.9 4.0 9.0 4.0 8.0
2 2.067 1.2 57.4 28.7 14.4 2.4 5.2 11.5 5.2 10.3
2½ 2.469 1.4 68.5 34.3 17.1 2.9 6.2 13.7 6.2 12.3
3 3.068 1.8 85.2 42.6 21.3 3.6 7.7 17.1 7.7 15.3
B. Connect boiler gas valve to gas supply system.
WARNING
Failure to use proper thread compounds on all
gas connectors may result in leaks of ammable
gas.
WARNING
Gas supply to boiler and system must be
absolutely shut off prior to installing or servicing
boiler gas piping.
VII. Gas Piping (continued)

61
4. All above ground gas piping upstream from manual
shut-off valve must be electrically continuous and
bonded to a grounding electrode. Do not use gas
piping as grounding electrode. Refer to National
Electrical Code, NFPA 70.
C. Pressure test. See Table 22 for Apex Min./Max.
Pressure Ratings. The boiler and its gas connection
must be leak tested before placing boiler in operation.
1. Protect boiler gas control valve. For all testing over
½ psig, boiler and its individual shutoff valve must
be disconnected from gas supply piping. For testing
at ½ psig or less, isolate boiler from gas supply
piping by closing boiler’s individual manual shutoff
valve.
2. Locate leaks using approved combustible gas non-
corrosive leak detector solution.
Table 21: Specic Gravity Correction Factors
Specic
Gravity
Correction
Factor
Specic
Gravity
Correction
Factor
0.60 1.00 0.90 0.82
0.65 0.96 1.00 0.78
0.70 0.93 1.10 0.74
0.75 0.90 1.20 0.71
0.80 0.87 1.30 0.68
0.85 0.81 1.40 0.66
1. Use methods and materials in accordance with local
plumbing codes and requirements of gas supplier. In
absence of such requirements, follow National Fuel
Gas Code, NFPA 54/ANSI Z223.1.
2. Use thread (joint) compounds (pipe dope) resistant
to action of liqueed petroleum gas.
3. Apex (APX) boilers have factory supplied
Miscellaneous Part Cartons (P/N 102942-03 –
APX500, or, P/N 103259-01 – APX800), which
include gas-piping components to connect boiler
gas valve(s) to gas supply system. Install these
components prior to connecting boiler to gas supply
system piping as follows:
APX500
a. Locate and remove the ¾” NPT x 6” long black
nipple and ¾” NPT external gas shutoff valve
(required for APX500).
b. APX500 boiler has ¾” NPT x 12” long black
nipple and left side panel grommet factory
installed (disregard the supplied ¾” NPT x 6”
long black nipple in the Miscellaneous Part
Carton).
c. Mount the ¾” NPT external gas shutoff valve
onto the nipple threaded end outside of the jacket
left side panel.
d. Install sediment trap, ground-joint union and
manual shut-off valve upstream of mounted
factory supplied manual shut-off valve. See
Figure 41 “ Recommended Gas Piping ”.
APX800
e. Locate and remove 1” NPT external gas shutoff
valve.
f. APX800 boiler has 1” NPT x 3” long black
nipple and left side panel grommet factory
installed.
g. Mount the 1” NPT external gas shutoff valve
onto the nipple threaded end outside of the jacket
left side panel.
h. Install sediment trap, ground-joint union and
manual shut-off valve upstream of mounted
factory supplied manual shut-off valve. See
Figure 41 “ Recommended Gas Piping”.
VII. Gas Piping (continued)
Boiler
Model
No.
Natural/LP
Gas Max.
Pressure
(in. w.c.)
Natural Gas
Min. Pressure
Inlet to Gas Valve
(in. w.c.)
LP Gas
Min. Pressure
Inlet to Gas
Valve
(in. w.c.)
APX399 14 4,0
11.0APX500 13.5 4.5
APX800
Table 22: Min./Max. Pressure Ratings
Figure 41: Recommended Gas Piping
DANGER
Do not use matches, candles, open ames or
other ignition source to check for leaks.
D. Apex Models 500 and 800 (if equipped with optional
low and high gas pressure switches):
1. The low gas pressure switch must be reset after the
boiler is piped to the gas supply and before it is
red.

62
Figure 42: Gas Inlet Pressure Tap and Pressure Switch Location
VII. Gas Piping (continued)
2. For the low and high gas pressure switches proper
operation, the boiler inlet gas pressure must be
within 4.5” w.c. to 13.5” w.c range.
3. The gas pressure can be measured at the gas valve
inlet pressure port. Refer to Figure 42 “Gas Inlet
Pressure Tap and Pressure Switch Location “.
4. If either pressure switch is tripped, it must be
manually reset before the boiler can be restarted.
E. Gas Piping for Multiple Boiler Installation
1. Individual module (boiler) gas pipe sizing specic
details - see Paragraph A.
2. Individual module (boiler) recommended gas piping
detail - see Figure 41.
MANUAL
GAS SHUTOFF
VALVE
INLET
TEST
PORT (P1)
OUTLET
TEST
PORT (P2)
SIZE 625 THRU 800
RIGHT SIDE PANEL & BLOWER
OMITTED FOR CLARITY
MANUAL RESET
BUTTON
HIGH PRESSURE
SWITCH
MANUAL RESET
BUTTON
LOW PRESSURE
SWITCH
MANUAL RESET
BUTTON
HIGH PRESSURE
SWITCH
INLET
TEST
PORT (P1)
LOW PRESSURE
SWITCH
SIZE 500 ONLY
LEFT SIDE PANEL & BLOWER
OMITTED FOR CLARITY
6" LONG PIPE NIPPLE
(USED ON 500 ONLY)
34" NPT PIPE PLUG
(USED ON 625 THRU 800)
PART OF FACTORY
INSTALLED GAS TRAIN.
PRESSURE SWITCH
ASSEMBLY
MANUAL RESET
BUTTON
OUTLET
TEST
PORT (P2)
3. An additional gas pressure regulator(s) may need to
be installed to properly regulate inlet gas pressure at
the smallest individual module (boiler).
WARNING
If gas pressure in the building is above ½ psig,
an additional gas pressure regulator is required.
Using one additional regulator for multiple
boilers may result in unsafe boiler operation.
The additional regulator must be able to properly
regulate gas pressure at the input of the smallest
boiler. If the regulator cannot do this, two or
more additional regulators are required. Consult
regulator manufacturer and/or local gas supplier
for instructions and equipment ratings.

63
VIII. Electrical
A. General. Install wiring and electrically ground boiler
in accordance with authority having jurisdiction or, in
the absence of such requirements, follow the National
Electrical Code, NFPA 70, and/or CSA C22.1 Electrical
Code.
B. A separate electrical circuit must be run from
the main electrical service with an over-current
device/disconnect in the circuit. A service switch is
recommended and may be required by some local
jurisdictions. Install the service switch in the line
voltage “Hot” leg of the power supply. Locate the
service switch such that the boiler can be shut-off
without exposing personnel to danger in the event of
an emergency. Connect the main power supply and
ground to the three (3) boiler wires (black, white and
green) located in the junction box at the inside top of
the boiler jacket.
C. Refer to Figures 43 and 44 or details on the internal
boiler wiring.
Line Voltage (120 VAC) Connections - see Figure 44.
1. The line voltage connections are located in the
junction box on the left side of the vestibule. The
terminal block TB-1 in conjunction with terminal
screw identication label is attached to the junction
box combination cover/inside high voltage bracket.
2. The conductor insulation colors are:
a. Black – L1 line voltage “Hot”
b. White – L2 line voltage “Neutral” for boiler and
circulators
c. Red – Line voltage “Hot” for “Heating”
circulator, “System” circulator and “DHW”
circulator
d. Green – Ground connection
DANGER
Positively assure all electrical connections are unpowered before attempting installation or service of
electrical components or connections of the boiler or building. Lock out all electrical boxes with padlock
once power is turned off.
WARNING
Failure to properly wire electrical connections to the boiler may result in serious physical harm.
Electrical power may be from more than one source. Make sure all power is off before attempting any
electrical work.
Each boiler must be protected with a properly sized over-current device.
Never jump out or make inoperative any safety or operating controls.
The wiring diagrams contained in this manual are for reference purposes only. Each boiler is shipped with
a wiring diagram attached to the front door. Refer to this diagram and the wiring diagram of any controls
used with the boiler. Read, understand and follow all wiring instructions supplied with the controls.
NOTICE
This boiler is equipped with a high water temperature limit located inside the internal wiring of the boiler.
This limit provides boiler shutdown in the event the boiler water temperature exceeds the set point of the
limit control. Certain Local Codes require an additional water temperature limit. In addition, certain types
of systems may operate at temperatures below the minimum set point of the limit contained in the boiler.
If this occurs, install an additional water temperature limit (Honeywell L4006 Aquastat). Wire as indicated in
the Electrical Section of this manual.
NOTICE
All wire, wire nuts, controls etc. are installer supplied unless otherwise noted.

64
Low Voltage (24 VAC) Connections - see Figure 44.
3. The terminal block TB-2 in conjunction with
terminal screw identication label is attached to
the junction box front and located inside Sage2.1
Control compartment on the left side.
4. The connections are (listed identication label top to
bottom):
• 1 – “Heating Thermostat”
• 2 – “Heating Thermostat”
• 3 – “DHW Temperature Switch”
• 4 – “DHW Temperature Switch”
• 5 – “Outdoor Sensor”
• 6 – “Outdoor Sensor”
• 7 – “Header Sensor”
• 8 – “Header Sensor”
• 9 – “Remote Firing Rate -”
• 10 – “Remote Firing Rate +”
• 11 – “External Limit”
• 12 – “External Limit”
5. If the outdoor sensor is connected to terminals 5 and
6 “Outdoor Sensor”, the boiler will adjust the target
space heating set point supply water temperature
downwards as the outdoor air temperature increases.
If used, this sensor should be located on the outside
of the structure in an area where it will sense the
average air temperature around the house. Avoid
placing this sensor in areas where it may be covered
with ice or snow. Locations where the sensor will
pick up direct radiation from the sun should also
be avoided. Avoid placing the sensor near potential
sources of electrical noise such as transformers,
power lines, and uorescent lighting. Wire the
sensor to the boiler using 22 gauge or larger wire.
As with the sensor, the sensor wiring should be
routed away from sources of electrical noise. Where
it is impossible to avoid such noise sources, wire
the sensor using a 2 conductor, UL Type CM, AWM
Style 2092, 300Volt 60°C shielded cable. Connect
one end of the shielding on this cable to ground.
WARNING
When making low voltage connections, make
sure that no external power source is present
in the thermostat or limit circuits. If such a
power source is present, it could destroy the
boiler’s Microprocessor Control (Sage2.1). One
example of an external power source that could
be inadvertently connected to the low voltage
connections is a transformer in old thermostat
wiring.
D. Power Requirements
Nominal boilers current draw is provided in Table
23. These values are for planning purposes only
and represent only the boiler’s power consumption.
To obtain total system power consumption add any
selected circulator and component current draws.
VIII. Electrical (continued)
Model Number Nominal Current
(amps)
APX399 <7
APX500 <6
APX800 <8
Table 23: Boiler Current Draw
E. Multiple Boiler Wiring
Install over-current protection in accordance with
authority having jurisdiction or, in the absence of such
requirements, follow the National Electric Code, NFPA
70, and/or CSA C22.1 Electrical Code. Do not provide
over-current protection greater than 15 amperes. If it
becomes necessary to provide greater amperes (because
of the number of boilers provided) use separate circuits
and over-current protection for additional boilers.
F. External Multiple Boiler Control System
As an alternate to the Sage2.1 Control internal sequencer,
the Sage2.1 Control also accepts an input from an
external sequencer. Follow multiple boiler control system
manufacturer (Honeywell, Tekmar, etc.) instructions
to properly apply amultiple boiler control system. The
Tekmar Model 264 and Model 265 based control wiring
diagrams (Figures 44A and 44B) are provided as examples
of typical multiple boiler control systems.

65
VIII. Electrical (continued)
Figure 43: Ladder Diagram

66
VIII. Electrical (continued)

67
Figure 44: Wiring Connections Diagram
VIII. Electrical (continued)

68
Figure 45A: Modied Wiring For DHW Priority When Using Low Flow Circulator Piped Off System Header -
Heating (with Central Heating Circulators) Plus Alternately Piped Indirect Water Heater
VIII. Electrical (continued)

69
Figure 45B: Modied Wiring For DHW Priority When Using Low Flow Circulator Piped Off System Header -
Heating (with Central Heating Zone Valves) Plus Alternately Piped Indirect Water Heater
N
L1
2
3
1
3
2
1
3
2
X1
X2
X3
X4
TACO ZONE VALVES
(SEE NOTE)
HONEYWELL V8043E
ZONE VALVES
X3
X4
X2
X1
YE
RD RD
YE
YE YE
RD
YE
YE
RD
RD
X2
X1
X3
X4
3
1
22
4
2
3
4
2
1
2
3
4
1
2
X1
X2
X3
X4
1
2
3
45
2
54
1
3
2
4 5
1
3
2 WIRE (24V) THERMOSTATS
W/ HEAT ANTICIPATOR SET
AT 0.9 AMPS (40VA REQ'D
FOR EVERY 6 ZONE VALVES)
FLAIR "VJ"
ZONE VALVES
(SEE NOTE)
TO SAGE2
HEATING T-STAT
POWER
SUPPLY
120/60/1
FIELD INSTALLED
40VA TRANSFORMER
(SEE NOTE)
2 WIRE (24V) THERMOSTATS
W/ HEAT ANTICIPATOR SET
AT 0.9 AMPS (40VA REQ'D
FOR EVERY 3 ZONE VALVES)
2 WIRE (24V) THERMOSTATS
W/ HEAT ANTICIPATOR SET
AT 0.5 AMPS (40VA REQ'D
FOR EVERY 4 ZONE VALVES)
2 WIRE (24V) THERMOSTATS
W/ HEAT ANTICIPATOR SET
AT 0.3 AMPS (40VA REQ'D
FOR EVERY 4 ZONE VALVES)
WHITE ROGERS
#1361-102
ZONE VALVES
CHECK FOR CROSS-PHASING BETWEEN BOILER TRANSFORMER AND FIELD SUPPLIED
TRANSFORMER ON TACO AND FLAIR ZONE VALVE CIRCUITS. IF CROSS-PHASING OCCURS,
CORRECT BY SWITCHING X1 AND X2 OR X3 AND X4. ALSO, BOILER SECONDARY SIDE (24V) IS
NOTE:
GROUNDED ON EI AND CANADIAN MODELS AND THE ZONE CIRCUIT MAY NOT OPERATE IF A
SEPARATE GROUND IS MADE IN THE ZONE CIRCUIT.
VIII. Electrical (continued)

70
Figure 46: Multiple Boiler Wiring Diagram
Internal Sage2.1 Multiple Boiler Control Sequencer
(Three Boilers Shown, Typical Connections for up to Eight Boilers)
VIII. Electrical (continued)

71
Tekmar 265 Based Control System (or equal)
Sequence of Operation
The Tekmar 265 Control (or equal) can control up to three (3) boilers and an Indirect Water Heater. When a call for heat is received by the Tekmar 265 Control, the control
will re either one or more boilers in either parallel or sequential ring mode to establish a required reset water temperature in the system supply main based on outdoor
temperature. The boilers will modulate based on an Analog communication signal established between the Tekmar 265 Control and each boiler’s Sage2.1™ Control. The
boiler(s) and system supply water temperature will be reset together to maintain the input that is needed to the system. When a call for Indirect Hot Water is generated to the
Tekmar 265, the control will de-energize the zone pump control (ZC terminal), energize the Indirect pump and modulate the boiler ring to establish a setpoint temperature in the
main for the Indirect Heater using Priority. The Tekmar 265 also controls each boiler’s pump and a post purge of leftover temperature in the boilers will occur at the end of the
call for Indirect Hot Water.
Figure 47A: Multiple Boiler Wiring Diagram w/Tekmar 265 Control
VIII. Electrical (continued)

72
VIII. Electrical (continued)
Figure 47B: Multiple Boiler Wiring Diagram w/Tekmar 264 Control
Tekmar 264 Based Control System (or equal)
Sequence of Operation
The Tekmar 264 Control (or equal) can control up to four (4) boilers and an Indirect Water Heater by utilizing stage ring. When a call for heat is received by the Tekmar 264
Control, the control will re either one or more boilers in sequential ring mode to establish a required reset water temperature in the system supply main based on outdoor
temperature. The boilers will modulate on their own based on each boiler’s Sage2.1™ Control and will target a setpoint temperature to supply enough input to the system main
to satisfy the desired reset water temperature in the main established by the Tekmar 264 Control. When a call for Indirect Hot Water is generated to the Tekmar 264, the control
will de-energize the zone pump control (ZC terminal), energize the Indirect pump and sequentially re the boilers to establish a setpoint temperature in the main for the Indirect
Heater using Priority. The Tekmar 264 Control will disable the stage ring and post purge the Indirect Pump to reduce the temperature in the Supply Main near the end of the
Indirect Mode to a point where it will need to be when it changes back to Space Heating Mode. The Tekmar 264 Control also has the ability to rotate the lead-lag ring of the
boilers to establish equal operating time for each boiler stage.

73
G. Multiple Boiler Operating Information
1. Required Equipment and Setup
a. Header Sensor (P/N 101935-01 or 103104-01)
A header sensor must be installed and wired
to the Master Sequencer “enabled” Sage2.1
Controller. The header sensor is installed on the
common system piping and provides blended
temperature information to the Sequence Master.
Refer to piping diagram Figures 39A and 40A
for installation location and Figure 48 or 49 for
installation detail.
b. RJ45 Splitters (P/N 103192-01)
RJ45 Splitters are required for installing
communications between three or more boilers.
When two boilers are connected the splitter is
not required.
c. Ethernet Cables
Ethernet cables are used to connect the boiler
network together. These are standard “straight
through” cables that can be purchased at
electrical distributors.
Alternately, the network can be wired together
by simply wiring terminal J3, Modbus 2,
terminals A, B and V- between each boiler.
Refer to Figures 43 and 44 terminal J3 for wiring
location.
Figure 48: Recommended Direct Immersion
Header Sensor Installation Detail
Figure 49: Alternate “Immersion” type Header
Sensor Installation Detail
VIII. Electrical (continued)

74
G. Multiple Boiler Operating Information (continued)
1. Required Equipment and Setup (continued)
Step Description Comments
1Install and wire the Header
Sensor
Wire the header sensor to low voltage terminal strip terminals “Header sensor”.
NOTE
This step can not be skipped. The Sequence Master can not be “enabled” unless a Header
Sensor is installed.
2Install Ethernet Cables
between boilers
Standard Ethernet type cables with RJ45 connectors are “plugged in” to the Boiler-to-Boiler
Communication Network connection located on the side of the boiler. When more than two
boilers are connected an RJ45 splitter may be used to connect the boilers. Refer to Figure
50.
3 Apply Power to All Boilers
4Set Unique Boiler
Addresses
Assign all boilers a unique Boiler Address using any number from 1 through 8.
WARNING
When two boiler’s addresses are the same undesirable simultaneous operation occurs.
5Enable 1 Boiler Master
Enable only one Sage2.1 Control’s Sequencer Master.
WARNING
When more than one Sequencer Master is enable erratic behavior will result.
6 Power Down All Boilers
7
Power Up Master
Sequencer
“Enabled” Boiler First
8Power Up Other Boilers
9Conrm Communication
From the Home Screen of the Sage2.1 Control with the Master Sequencer “enabled”, select
the Status button. The Sequencer display shows the boiler address of the communicating
boilers. Additionally, from the “Home” screen select the “Detail” button and then the
“Networked Boilers” buttons to view boiler communication status.
If a boiler is not shown, check Ethernet cable connections and conrm all boilers have unique
addresses.
d. Multiple Boiler Setup
Figure 50: RJ45 Splitter Installation Detail
VIII. Electrical (continued)

75
A. Verify that the venting, water piping, gas piping and
electrical system are installed properly. Refer to
installation instructions contained in this manual.
B. Conrm all electrical, water and gas supplies are
turned off at the source and that vent is clear of
obstructions.
C. Conrm that all manual shut-off gas valves between
the boiler and gas source are closed.
WARNING
Completely read, understand and follow all
instructions in this manual before attempting
start up.
D. If not already done, ush the system to remove
sediment, ux and traces of boiler additives. This must
be done with the boiler isolated from the system. Fill
entire heating system with water meeting the following
requirements:
NOTICE
pH between 7.5 and 9.5.
Chlorides< 50 ppm
If system contains aluminum components, pH
must be less than 8.5
Total Dissolved Solids - less than 2500 PPM
Hardness - 3 to 9 grains/gallon.
Pressurize the system to at least 12 PSI. Purge air from
the system.
WARNING
The maximum operating pressure of this boiler is
30 psig, 50 psig, 80 psig or 100 psig depending
on the model and relief valve option selected.
Never exceed these pressures. Do not plug or
change pressure relief valve.
E. Conrm that the boiler and system have no water
leaks.
F. Prepare to check operation.
1. Obtain gas heating value (in Btu per cubic foot)
IX. System Start-up
from gas supplier.
2. Apex gas valves have inlet and outlet pressure
taps with built-in shut off screw. Turn each
screw from fully closed position three to four
turns counterclockwise to open taps. Connect
manometers to pressure taps on gas valve.
NOTICE
If it is required to perform a long term pressure
test of the hydronic system, the boiler should
rst be isolated to avoid a pressure loss due to
the escape of air trapped in the boiler.
To perform a long term pressure test including
the boiler, ALL trapped air must rst be removed
from the boiler.
A loss of pressure during such a test, with no
visible water leakage, is an indication that the
boiler contained trapped air.
3. Temporarily turn off all other gas-red appliances.
4. Turn on gas supply to the boiler gas piping.
5. Open the eld installed manual gas shut-off valve
located upstream of the gas valve on the boiler.
6. Conrm that the supply pressure to the gas valve is
14 in. w.c. or less. Refer to Table 22 for minimum
supply pressure.
7. Using soap solution, or similar non-combustible
solution, electronic leak detector or other approved
method. Check that boiler gas piping valves, and
all other components are leak free. Eliminate any
leaks.
DANGER
Do not use matches, candles, open ames or
other ignition source to check for leaks.
8. Purge gas line of air.
G. Operating Instructions
Start the boiler using the lighting instructions, see
Figure 51. After the boiler is powered up, it should go
through the following sequence. Refer to Section X,
“Operation” to locate and view sequence status.

76
IX. System Start-up (continued)
Apex™ Series Lighting and Operating Instructions
Figure 51: Lighting Instructions

77
H. Purge Air From Gas Train
Upon initial start-up, the gas train will be lled with air.
Even if the gas line has been completely purged of air,
it may take several tries for ignition before a ame is
established. If more than 5 tries for ignition are needed,
it will be necessary to press the reset button to restart
the boiler. Once a ame has been established for the
rst time, subsequent calls for burner operation should
result in a ame on the rst try.
I. Check Burner Flame
Inspect the ame visible through the window. On high
re the ame should be stable and mostly blue (Figure
52). No yellow tipping should be present; however,
intermittent ecks of yellow and orange in the ame are
normal.
J. Check Gas Inlet Pressure
Check the inlet pressure and adjust if necessary. Verify
that the inlet pressure is between the upper and lower
limits shown on the rating plate with all gas appliances
on and off.
WARNING
The outlet pressure for the gas valve has been
factory set and requires no eld adjustment. This
setting is satisfactory for both natural gas and
propane. Attempting to adjust the outlet pressure
may result in damage to the gas valve and cause
property damage, personal injury or loss of life.
K. For LP Gas, perform procedure as described in
Paragraph R “Field Conversion From Natural Gas to LP
Gas” before starting Paragraph L “Checking/Adjusting
Gas Input Rate”.
For natural gas, proceed to Paragraph L “Checking/
Adjusting Gas Input Rate”.
L. Checking /Adjusting Gas Input Rate
1. Turn off gas supply to all appliances other than gas-
red boiler.
2. Light main burner by adjusting thermostat to highest
setting.
3. Clock gas meter for at least two (2) revolutions
of the dial typically labeled ½ or 1 cubic foot per
revolution on a typical gas meter.
4. Determine gas ow rate in Cubic Feet per Hour
based on elapsed time for two revolutions.
Example:
Using a meter with dial labeled 1 cubic foot per
revolution, measured time is 72 Seconds for (2)
Revolutions, i.e. 36 seconds per 1 cubic foot.
Calculate hourly gas ow rate:
3600 sec/hr ÷ 36 sec/cu ft = 100 cu ft/hr
5. Obtain gas-heating value (Btu per cubic foot) from
gas supplier.
6. Multiply hourly gas ow rate by gas heating value
to determine the boiler input rate, BTU/hr
Example:
Natural gas heating value provided by local gas
utility is 1050 Btu per cubic foot.
Measured and calculated hourly gas ow rate is 100
cu ft/hr.
Measured boiler input rate is:
100 cu ft/hr * 1050 BTU/ cu ft = 105, 000 BTU/hr
7. Compare measured input rate to input rate value
stated on rating label. Strive to adjust the boiler
input rate within 88% to 100% of the value listed on
the boiler rating label.
8. If measured input is too high, reduce input rate by
rotating gas valve throttle screw clockwise (see
Figure 53) in ¼ turn increments and checking the
rate after every adjustment until the measured
input rate value falls within 88% to 100% of the
IX. System Start-up (continued)
Status Control Action
Initiate Power-up
Standby Delay
This state is entered when a delay is
needed before allowing the burner control
to be available and for sensor errors.
Standby
Boiler is not ring. There is no call for
heat or there is a call for heat and the
temperature is greater than setpoint.
Safe Startup Tests ame circuit then checks for ame
signal.
Drive Purge Driving blower to purge rate setting and
waiting for the proper fan feedback.
Prepurge Purges the combustion chamber for the
10 second purge time.
Drive Light-off Driving blower to light-off rate setting and
waiting for the proper fan feedback.
Pre-ignition
Test
Tests the safety relay and veries that
downstream contacts are off.
Pre-ignition Energizes the igniter and checks for
ame.
Direct
Ignition
Opens main fuel valve and attempts
to ignite the main fuel directly from the
ignition source.
Running
Normal boiler operation. Modulation rate
depends on temperature and setpoint
selections and modulating control action.
Postpurge Purges the combustion chamber for the
30 second purge time.
Lockout
Prevents system from running due to a
detected problem and records fault in
Lockout History.

78
Figure 52: Burner Flame
probe directly into ue sensor port. Reinstall the sensor
and the cap upon combustion testing completion.
Check CO2 (or O2) and CO at both high and low re.
The boiler may be locked into high of low re as
follows:
1. To lock the boiler in high re enter the Manual
control screen by rst entering the Adjust screen. To
access the Adjust screen, touch the Adjust button,
then Login using the contractor password “076”.
Press Save and then select the adjust button. Enter
the Manual Control button and select “High”.
Allow the boiler to operate for approximately 5
minutes before taking combustion readings.
2. To lock the boiler in low re select “Low” from
the Manual Control screen. Allow the boiler to
operate for approximately 5 minutes before taking
combustion readings.
3. Normal modulation of the boiler will only occur
after the “Auto” button is selected in the Manual
Control screen.
Typical CO2 readings are shown in Table 24 (Natural
Gas or Table 26 (LP Gas).
WARNING
Each Apex Series boiler is tested at the factory and
adjustments to the air fuel mixture are normally
not necessary. Improper gas valve or mixture
adjustments could result in property damage,
personal injury, or loss of life.
IX. System Start-up (continued)
value listed on the boiler rating label. If a boiler
is equipped with two gas valves, throttle screw
adjustments must be done to both gas valves equally
and simultaneously.
9. If measured input is too low, increase input rate by
rotating gas valve throttle screw counterclockwise
(see Figure 53) in ¼ turn increments and checking
the rate after every adjustment until the measured
input rate value falls within 88% to 100% of the
value listed on the boiler rating label. If a boiler
is equipped with two gas valves, throttle screw
adjustments must be done to both gas valves equally
and simultaneously.
10. To lock the boiler in low re, select “Low” from
manual control screen. If measured % O2 on LF,
is out of spec (see Table 24 or 26), then turn offset
screw clockwise (see Figure 53) to lower % O2 or
vice versa.
WARNING
Offset screw on each Apex Series boiler is
adjusted at the factory to the specication. DO
NOT touch the offset screw if measured 02 on Low
Fire is in the spec (see Table 24 or 26).
11. Once the boiler input rate adjusted/conrmed,
recheck main burner ame and perform combustion
test as described below (see Paragraph L “ Perform
Combustion Test”).
12. Upon completion, return other gas-red appliances
to previous condition of use.
M. Perform Combustion Test
Boilers are equipped with Flue Temperature Sensor
installed into:
• Flue sensor port of boiler CPVC/PVC two-pipe
vent system connector - See Figures 5 and 16.
• Flue sensor port of boiler concentric vent collar -
see Figure 17.
Remove Flue Temperature Sensor and insert the
analyzer probe through Flue Temperature Sensor
silicon cap opening, or if required, remove also the Flue
Temperature Sensor silicon cap and insert the analyzer
Boiler
Model
Altitude Range
0 - 7000 Ft.
% CO2% O2 Range CO, PPM
APX399
9.9 - 8.2
(High Fire)
9.3 - 7.9
(Low Fire)
3.5 - 6.5
(High Fire)
4.5 - 7.0
(Low Fire) Less than
100 PPM
APX500
APX800
9.3 - 7.9
(High Fire)
9.3 - 7.9
(Low Fire)
4.5 - 7.0
(High Fire)
4.5 - 7.0
(Low Fire)
Table 24: Typical Combustion Settings,
Natural Gas

79
Figure 53: Dungs Gas Valve Detail
Table 25: Number of Clockwise Throttle Screw
Turns for LP Conversion
Boiler
Model Gas Valve
Throttle Screw Turns at
Altitude Range
0 - 7000 Ft.
APX399
Dungs
GB-057 HO
(¾” NPT)
1¾
APX500
Dungs
GB-057 HO
(¾” NPT)
1
APX800
Dungs GB-ND057
D01 S00 XP
(¾” NPT)
N/A
See Tables 2A & 2B
Notes
IX. System Start-up (continued)
N. Test External Limits
Test any external limits or other controls in accordance
with the manufacturer’s instructions.
O. Check Thermostat Operation
Verify that the boiler starts and stops in response to
calls for heat from the heating thermostat and indirect
water heater thermostat. Make sure that the appropriate
circulators also start and stop in response to the
thermostats.
P. Adjust Supply Water Temperature
As shipped, the heating set point supply temperature is
set to 180°F and, indirect water heater set point supply
temperature is set to 170°F. If necessary, adjust these to
the appropriate settings for the type of system to which
this boiler is connected. See Section X “Operation”
(parameter Table on page 97) of this manual for
information on how to do this.
Q. Adjust Thermostats
Adjust the heating and indirect water heater thermostats
to their nal set points.
R. Field Conversion From Natural Gas to LP Gas
Apex boiler models APX399 and APX500 are factory
shipped as Natural Gas builds and can be eld
converted to LP gas. Follow steps below for eld
conversion from Natural Gas to LP Gas.
Boiler model APX800 is factory shipped as either
Natural Gas build or LP Gas build. Field conversions of
model APX800 are not permitted.
1. Conversion of Apex models APX399 and APX500
from one fuel to another is accomplished using the
throttle screw on the gas valve. Figure 53 “Dungs
Gas Valve Detail” shows the location of the throttle
screw on the Dungs valve. Locate the throttle screw
on the boiler being converted.
WARNING
This conversion should be performed by a
qualied service agency in accordance with the
manufacturer’s instructions and all applicable
codes and requirements of the authority
having jurisdiction. If the information in these
instructions is not followed exactly, a re, an
explosion or production of carbon monoxide
may result causing property damage, personal
injury, or loss of life. The qualied service
agency is responsible for proper conversion of
these boilers. The conversion is not proper and
complete until the operation of the converted
appliance is checked as specied in this manual.
2. If conversion is being made on a new installation,
install the boiler in accordance with the installation
instructions supplied with the boiler. If an installed
boiler is being converted, connect the new gas
supply to the boiler, check for gas leaks, and purge
the gas line up to the boiler in accordance with
the National Fuel Gas Code (ANSI Z223.1) or the
requirements of the authority having jurisdiction.
3. Before attempting to start the boiler, make the
number of turns to the throttle screw called for in
Table 25.
4. Attempt to start the boiler using the lighting instructions
located inside the lower front cover of the boiler. If the
boiler does not light on the rst try for ignition, allow
to boiler to make at least four more attempts to light.
If boiler still does not light, turn the throttle counter
clockwise in 1/4 turn increments, allowing the boiler
to make at least three tries for ignition at each setting,
until the boiler lights.
5. After the burner lights, force the burner to high re.
Allow the boiler to operate for approximately 5 minutes
before taking combustion readings.
6. Check/adjust rate (see Paragraph L), then perform a
combustion test (see Paragraph M).
WARNING
The throttle adjustments shown in Table 25 are
approximate. The nal throttle setting must be
found using a combustion analyzer. Leaving the
boiler in operation with a CO level in excess of
the value shown in Table 26 could result in injury
or death from carbon monoxide poisoning.

80
NOTICE
If the throttle is very far out of adjustment on the “rich” (counter-clockwise) side, the boiler burner may be
running at 0% Excess Air or even with air deciency.
At 0% Excess Air the CO2 readings will be either 11.9% CO2 for Natural Gas or 13.8% CO2 for LP Gas (O2 will
be 0%) and CO level will be extremely high (well over 1000 PPM).
If the burner operates with air deciency, the following phenomena may be observed:
% CO2 will actually drop (% O2 will increase) as the throttle is turned counterclockwise
% CO2 will actually increase (% O2 will drop) as the throttle is turned clockwise
If the boiler appears to operate with air deciency, turn the throttle clockwise to increase the amount of
Excess Air to the burner.
As the throttle is turned clockwise, the CO2 level will rise, eventually peaking @ 11.8% or 13.8%, depending
of the type of gas being used, before falling (conversely, O2 level will drop to 0% before rising). After this
happens, continue turning the throttle clockwise, until CO2 level drops (or O2 level increases) to the values
shown in Table 24 or Table 26.
WARNING
The pressure regulator (offset screw) has been factory set using precision instruments and must never
be adjusted in the eld unnecessarily. The gas valve outlet pressure is the same for both natural gas and
propane. Make sure that all adjustments are made with the throttle, not the pressure regulator. Attempting
to adjust the pressure regulator unnecessary, will result in damage to the gas valve and may cause property
damage, personal injury or loss of life.
IX. System Start-up (continued)
Boiler Model
Altitude Range
0 - 5000 Ft.
5001 - 10000 Ft.
% CO2 % O2 Range CO, PPM
APX399
11.4 - 9.5
(High Fire)
11.4 - 9.1
(Low Fire)
3.5 - 6.5
(High Fire)
3.5 - 7.0
(Low Fire) Less than
100 PPM
APX500
APX800
10.8 - 9.1
(High Fire)
10.8 - 9.1
(Low Fire)
4.5 -7.0
(High Fire)
4.5 - 7.0
(Low Fire)
Table 26: Typical Combustion Settings,
LP Gas
WARNING
These instructions include a procedure for
adjusting the air-fuel mixture on this boiler.
This procedure requires a combustion analyzer
to measure the CO2 (or Oxygen) and Carbon
Monoxide (CO) levels in ue gas. Adjusting the
air-fuel mixture without a proper combustion
analyzer could result in unreliable boiler operation,
personal injury, or death due to carbon monoxide
poisoning.
7. While the burner is at high re adjust the throttle as
needed to obtain the CO2 (or O2) settings shown in the
Table 26:
• To reduce the CO2 (increase the O2) turn the throttle
clockwise
• To increase the CO2 (reduce the O2) turn the throttle
counter-clockwise
Make adjustments in increments of 1/8 to 1/4 turn and
allow the boiler at least a minute to respond to each
adjustment before making another. In general, the CO
level will be at its lowest somewhere in the CO2 range
shown in this table.
8. Verify that the gas inlet pressure is between the upper and
lower limits shown in Table 22 with all gas appliances
(including the converted boiler) both on and off.
9. A label sheet is provided with the boiler for conversions
from natural to LP gas. Once conversion is completed,
apply labels as follows:
• Apply the “Rating Plate Label” adjacent to the
rating plate.
• Apply the “Gas Valve Label” to a conspicuous area
on the gas valve.
• Apply the “Boiler Conversion Label” to a
conspicuous surface on, or adjacent to, the outer
boiler jacket. Fill in the date of the conversion and
the name and address of the company making the
conversion with a permanent marker.

81
X. Operation
A. Overview
1. Sage 2.1 Controller
The Sage 2.1 Controller (Control) contains features and
capabilities which help improve heating system operation,
and efciency. By including unique capabilities, the Control
can do more, with less eld wiring, and fewer aftermarket
controls and components – improving the operation of both
new and replacement boiler installations.
2. Advanced Touch Screen Display
180 F
Boiler 1
Energy Save On
Max Efficiency On
Standby
iStatus
Help
Adjust
Detail
Home Screen
Boiler status and setup selections are available from an
easy to use, dual color, LCD Touch Screen Display. Over
one hundred helpful information screens are provide to
explain status information and setup functions. In the event
of a fault condition the user is guided by “blinking” touch
buttons to Help screens that explain the problem cause and
corrective action. Operation evaluation and problem-solving
is enhanced by historical capability including graphic trends,
lockout history records as well as boiler and circulator cycle
counts and run time hours.
3. Advanced Modulating Control
The Control modulates the boiler input by varying the fan
speed. As the fan speed increases, so does the amount of
fuel gas drawn into the blower. As a result, a fairly constant
air-fuel ratio is maintained across all inputs. The Control
determines the input needed by looking at both current and
recent differences between the measured temperature and
the setpoint temperature. As the measured temperature
approaches the setpoint temperature, the fan will slow down
and the input will drop. The Control also utilizes boiler
return water and ue gas temperatures to adjust fan speed.
4. Built-in Safety Control
The Control includes safety controls designed to ensure safe
and reliable operation. In addition to ame safety controls
the Control includes supply water temperature, differential
water temperature, and stack temperature safety limits and
stepped modulation responses. Boiler modulation is adjusted
when required to help avoid loss of boiler operation due
to exceeding limits. Additionally, the Control accepts the
optional eld installation of low water cut-off and auxiliary
safety limits.
5. Outdoor Air Reset
When selected the modulation rate setpoint is automatically
adjusted based on outside air temperature, time of day and
length of demand (boost) settings. Outdoor air “reset”
setpoint saves fuel by adjusting the water temperature of a
heating boiler lower as the outside air temperature increases.
6. Warm Weather Shutdown (WWSD)
Some boilers are used primarily for heating buildings,
and the boilers can be automatically shutdown when
the outdoor air temperature is warm. When outside air
temperature is above the WWSD setpoint, this function
will shut down the boiler, boiler pump and/or the system
pump.
7. Domestic Hot Water Priority (DHWP)
Some boilers are used primarily for building space heating,
but also provide heat for the domestic hot water users.
When the outdoor temperature is warm, the outdoor reset
setpoint may drop lower than a desirable domestic hot
water temperature. Also, often it is required to quickly
recover the indirect water heater. When DHWP is
enabled, heating circulators are stopped, the domestic
circulator is started and the domestic hot water setpoint is
established in response to a domestic hot water demand.
Priority protection is provided to allow the heating loop
to be serviced again in the event of an excessively long
domestic hot water call for heat.
8. Energy Management System (EMS) Interface
The control accepts a 4-20mAdc input from the EMS
system for either direct modulation rate or setpoint.
9. Circulator Control
The Control may be used to sequence the domestic hot
water, boiler and system circulators. Service rated relay
outputs are wired to a line voltage terminal block for easy
eld connection. Simple parameter selections allow all
three pumps to respond properly to various hydronic
piping arrangements including either a boiler or primary
piped indirect water heater. Circulators are automatically
run for a 20 second exercise period after not being used
for longer than 7 days. Circulator exercise helps prevent
pump rotor seizing.
10. Multiple Boiler Sequencer Peer-To-Peer Network
The Control includes state-of-the-art modulating lead-
lag sequencer for up to eight (8) boilers capable of auto
rotation, outdoor reset and peer-to-peer communication.
The peer-peer network is truly “plug and play”.
Communication is activated by simply connecting a RJ45
ethernet cable between boilers. The Control provides
precise boiler coordination by sequencing boilers based
on both header water temperature and boiler modulation
rate. For example, the lead boiler can be congured to
start a lag boiler after operating at 50% modulation rate for
longer than an adjustable time. The boilers are modulated
in “unison” (parallel) modulation rate to ensure even heat
distribution
11. Modbus Communication Interface
A factory congured RS485 Modbus interface is available
for Energy Management System (EMS)monitoring when
not used for Multiple Boiler Sequencer Peer-To-Peer
Network. Consult factory if this interface must be used
in addition to the boiler Peer-to-Peer Network.

82
B. Supply Water Temperature Regulation
1. Priority Demand
The Control accepts a call for heat (demand) from
multiple places and responds according to it’s “Priority”.
When more than 1 demand is present the higher priority
demand is used to determine active boiler settings.
For example, when Domestic Hot Water (DHW) has
priority the setpoint, “Diff Above”, “Diff Below” and
pump settings are taken from DHW selections. Active
“Priority” is displayed on the “Boiler Status” screen.
X. Operation B. Supply Water Temperature Regulation (continued)
Table 27: Order of Priority
Priority
Status
Screen
Display
Boiler Responding to:
1st Sequencer
Control
The boiler is connected to the peer-
to-peer network. The boiler accepts
demand from the Sequencer Master.
2nd Domestic Hot
Water
DHW call for heat is on and selected
as the priority demand. DHW is
always higher priority than Central
Heat. It also has higher priority than
the Sequencer Control when DHW
priority is “enabled” and “Boiler Piped”
IWH is selected.
3rd Central Heat Central Heat call for heat is on and
there is no DHW demand or DHW
priority time has expired.
4th Frost
Protection
Frost Protection is active and there is
no other call for heat. Frost protection
will be a higher priority than Sequencer
Control if the Sequence Master has
no active call for heat.
5th Warm
Weather
Shutdown
(WWSD)
WWSD is active and the boiler will
not respond to central heat demands.
DHW demand is not blocked by
WWSD.
6th Standby There is no demand detected.
2. Setpoint Purpose
The Control starts and stops the boiler and modulates
the boiler input from minimum (MBH) to maximum
(MBH) in order to heat water up to the active setpoint.
The setpoint is determined by the priority (Central Heat
or Domestic Hot Water) and as described in the following
paragraphs.
3. Central Heat Setpoint
Upon a Central Heat call for heat the setpoint is either
the user entered Central Heat Setpoint or is automatically
adjusted by a thermostat’s “Sleep” or “Away” modes and/
or Outdoor Air Reset or a Energy Management System
(EMS) supplied 4-20mAdc setpoint.
4. Outdoor Air Reset
If an outdoor temperature sensor is connected to the boiler
and Outdoor Reset is enabled, the Central Heat setpoint
will automatically adjust downwards as the outdoor
temperature increases. When the water temperature is
properly matched to heating needs there is minimal chance
of room air temperature overshoot. Excessive heat is
not sent to the room heating elements by “overheated”
(supply water temperature maintained too high a setting)
water. Reset control saves energy by reducing room
over heating, reducing boiler temperature & increasing
combustion efciency and reducing standby losses as a
boiler and system piping cool down to ambient following
room over heating.
5. Boost Time
When the Central Heat Setpoint is decreased by Outdoor
Air Reset settings the Boost function can be enabled to
increase the setpoint in the event that central heat demand
is not satised for longer than the Boost Time minutes.
The Boost feature increases the operating temperature
setpoint by 10°F every 20 minutes (eld adjustable) the
central heat demand is not satised. This process will
continue until heat demand is satised (indoor air is at
desired temperature). Once the heat demand is satised,
the operating setpoint reverts to the value determined by
the Outdoor Air Reset settings. If Boost Time is zero,
then the boost function is not used.
6. Domestic Hot Water (DHW) Setpoint
Upon a DHW call for heat the setpoint is either the user
entered DHW setpoint or the Thermostat’s “Sleep” or
“Away” DHW setpoint. The optimal value of this setpoint
is established based on the requirements of the indirect
water heater.
7. Domestic Hot Water Priority (DHWP)
When domestic hot water priority is selected and there
is a DHW call for heat, the system pump will be turned
off (when system pump run pump for parameter is set for
“Central Heat Optional Priority”) and the DHW pump will
be turned on. Additionally, if outdoor reset is active, the
active setpoint is adjusted to the DHW Setpoint. Priority
protection is provided to ensure central heat supply in
the case of excessively long DHW call for heat.
8. “Setback” Setpoints
User adjustable Thermostat “Sleep” or “Away” Setback
Setpoints are provided for both Central Heat and
DHW demands. The Setback setpoint is used when the
EnviraCOM thermostat is in “leave” or “sleep” modes.
When setback is “on” the thermostat setback setpoint
shifts the reset curve to save energy while the home is
in reduced room temperature mode. The Honeywell
VisionPro IAQ (part number TH9421C1004) is a
“setback” EnviraCOM enabled thermostat.

83
X. Operation C. Boiler Protection Features (continued)
C. Boiler Protection Features
1. Supply Water Temperature High Limit
The boiler is equipped with independent automatic reset
and a manual reset High Limit devices. The automatic
reset high limit is provided by a supply manifold mounted
Limit Device. The automatic high limit is set to 200°F.
The Control monitors a supply water temperature sensor
that is also mounted in the supply water manifold and
supplies an internal, manual reset high limit. If supply
water temperature exceeds 190°F, the control begins
to reduce the blower maximum speed setting. If the
temperature exceeds 200°F, a forced recycle results.
If the temperature exceeds 210°F, a manual reset hard
lockout results. Additionally, if the supply temperature
rises faster than the degrees Fahrenheit per second limit
a soft lockout is activated.
2. High Differential Temperature Limit
The Control monitors the temperature difference between
the return and supply sensors. If this difference exceeds
43°F the control begins to reduce the maximum blower
speed. If temperature difference exceeds 53°F a forced
boiler recycle results. If the temperature difference
exceeds 63°F the control will shut the unit down. The
unit will restart automatically once the temperature
difference has decreased and the minimum off time has
expired.
3. Low Water Cut Off (LWCO)
The Control shuts down the boiler when either the
supply water temperature is too high or supply to return
temperature differential temperature is too high. This
ensures the boiler is shutdown in the event of a low water
level or low water ow condition.
Some codes and jurisdiction may accept these integral
features instead of requiring a low water cutoff. ADHERE
TO ALL LOCAL CODE REQUIREMENTS. Contact
your local code inspector prior to installation. If required, a
LWCO four-position wire harness connection is provided
for an external LWCO kit (p/n 102097-01) to be added.
If the LWCO opens, the boiler will shut down and an
open limit indication and error code is provided. If the
limit installed is a manual reset type, it will need to be
reset before the boiler will operate.
4. Return Temperature Higher Than Supply Temperature
(Inversion Limit)
The Control monitors the supply and return temperature
sensors. If the return water temperature exceeds the
supply water temperature for longer than a limit time
delay the Control shuts down the boiler and delays
restart. If the inverted temperature is detected more than
ve times the boiler manual reset Hard Lockout is set.
This condition is the result of incorrectly attaching the
supply and return piping.
5. External Limit
An external limit control can be installed between
terminals 11 and 12 on the low voltage terminal strip.
Be sure to remove the jumper when adding an external
limit control to the system. If the external limit opens, the
boiler will shut down and an open limit indication and
error code is provided. If the limit installed is a manual
reset type, it will need to be reset before the boiler will
operate.
6. Boiler Mounted Limit Devices
The Control monitors individual limit devices: pressure
switch, high limit device, condensate level switch,
Thermal Link, Burner Door Thermostat with manual
reset, low water cutoff (optional), fuel gas pressure
switches (optional) and external limit (optional). If any
of these limits opens, the boiler will shut down and an
individual open limit indication is provided.
7. Stack High Limit
The Control monitors the ue gas temperature sensor
located in the vent connector. If the ue temperature
exceeds 184°F, the control begins to reduce the maximum
blower speed. If the ue temperature exceeds 194°F, a
forced boiler recycle results. If the ue temperature
exceeds 204°F, the control activates a manual reset Hard
Lockout.
8. Ignition Failure
The Control monitors ignition using a burner mounted
ame sensor. In the event of an ignition failure:
• APX399 - the control retries ve (5) times and
then goes into soft lockout for one hour.
• APX500 and APX800 - the control retries one (1)
time and then goes into hard lockout. Manual reset
is required to resume boiler operation.
9. Central Heating System Frost Protection
When enabled, Frost Protection starts the boiler and
system pump and res the boiler when low outside air
and low supply water temperatures are sensed. The
Control provides the following control action when frost
protection is enabled:
Device
Started
Start
Temperatures
Stop
Temperatures
Boiler & System
Pump
Outside Air < 0°F
Supply Water < 45°F
Outside Air > 4°F
Supply Water > 50°F
Boiler Supply Water < 38°F Supply Water > 50°F
Table 28: Frost Protection
FROST PROTECTION NOTE
The Control helps provide freeze protection for the boiler water.
Boiler ue gas condensate drain is not protected from freezing.
Since the Control only controls the system and boiler circulators
individual zones are not protected. It is recommended that the
boiler be installed in a location that is not exposed to freezing
temperatures.
84
X. Operation D. Multiple Boiler Control Sequencer (continued)
D. Multiple Boiler Control Sequencer
1. “Plug & Play” Multiple Boiler Control Sequencer
When multiple boilers are installed, the Control’s
Sequencer may be used to coordinate and optimize the
operation of up to eight (8) boilers. Boilers are connected
into a “network” by simply “plugging in” standard
ethernet cables into each boiler’s “Boiler-To-Boiler
Communication” RJ45 connection.
2. Sequencer Master
A single Control is parameter selected to be the Sequencer
Master. The call for heat, outdoor and header sensors,
and common pumps are wired to the Sequencer Master
“enabled” Control.
3. Lead/Slave Sequencing & Equalized Run Time
One boiler is a “Lead” boiler and the remaining networked
boilers are “Slaves”. When demand is increasing, the
Lead boiler is the rst to start and the Slave boilers are
started in sequential order (1,2,3,…) until the demand
is satised. When demand is decreasing, the boilers are
stopped in reverse order with the Lead boiler stopped
last (…,3,2,1). To equalize the run time the sequencer
automatically rotates the Lead boiler after 24 hours of
run time.
4. Improved Availability
The following features help improve the heat availability:
a. Backup Header Sensor: In the event of a header sensor
failure the lead boiler’s supply sensor is used by the
Sequence Master to control ring rate. This feature
allows continued coordinated sequencer control even
after a header sensor failure.
b. “Stand Alone” Operation Upon Sequence Master
Failure: If the Sequence Master Control is powered
down or disabled or if communication is lost
between boilers, individual boilers may be setup to
automatically resume control as a “stand alone” boiler.
c. Slave Boiler Rate Adjustment: Each slave boiler
continues to monitor supply, return and ue gas
temperatures and modies the Sequence Master’s
ring rate demand to help avoid individual boiler
faults, minimize boiler cycling and provide heat to
the building efciently.
d. Slave Boiler Status Monitoring: The Sequence Master
monitors slave boiler lockout status and automatically
skip over disabled boilers when starting a new slave
boiler.
5. Customized Sequences
Normally, boilers are started and stopped in numerical
order. However, custom sequences may be established
to optimize the heat delivery. For example, in order to
minimize boiler cycling, a large boiler may be selected
to run rst during winter months and then selected to
run last for the remainder of the year.
6. Multiple Demands
The Sequence Master responds to Central Heat, DHW
and frost protection demands similar to the stand alone
boiler. For example, when selected and DHW priority
is active, the sequence master uses DHW setpoint, “Diff
Above”, “Diff Below” and pump settings.
7. Shared or Isolated DHW Demand
When the Indirect Water Heater (IWH) parameter is set
to “Primary Piped” the Sequence Master sequences all
required boilers to satisfy the DHW setpoint (default 180
F). When “Boiler Piped” is selected only the individual
slave boiler, with the wired DHW demand and pump,
res to satisfy the DHW setpoint.
8. DHW Two boiler Start
When the Indirect Water Heater (IWH) parameter is set to
“Primary Piped” and the DHW Two Boiler Start parameter
is set to “Enabled” two boilers are started without delay
in response to a DHW call for heat. This feature allows
rapid recovery of large IWH’s and multiple IWH’s.
9. Optimized Boiler Modulation
Boiler ring rate is managed to increase smoothly as
boilers are started. For example, when a second boiler is
started the initial ring rate is 100%/2 or 50%, when the
third boiler is started the ring rate starts at 200%/3 or
66%. After the initial start, the Sequence Master develops
a unison ring rate demand based on it’s setpoint and
sensed header temperature.
10. Innovative Condensing Boiler Control
During low loads, the Sequence Master limits ring rates
to a ‘Base Load Common Rate” to ensure peak operating
efciency. Lower ring rates boost efciency by helping
increase the amount of ue gas water vapor condensation.
The Control maintains a “Base Load Common Rate” until
the last lag boiler is started. At this point, the “Base Load
Common Rate” is released to allow boilers to modulated
as required to meet heat load.
11. Advanced Boiler Sequencing
After there is a Call For Heat input, both header water
temperature and boiler ring rate percent are used to start
and stop the networked boilers. The control starts and
stops boilers when the water temperature is outside the
user selected “Diff Above” and “Diff Below” settings.
Also, in order to minimize temperature deviations, the
control adjusts the number of boilers running based on
the ring rate. This combination allows the boilers to
anticipate slow load changes before they disrupt water
temperature yet still respond quickly to sudden load
changes. These special sequencer features help reduce
energy wasting system temperature swings and the
resulting unnecessary boiler cycling.
12. Stop All Boilers
All boilers are stopped without delay if the Call for Heat
input is removed or if the header temperature is higher
than 195°F (eld adjustable).

85
X. Operation E. Boiler Sequence Of Operation (continued)
E. Boiler Sequence of Operation
1. Normal Operation
Table 29: Boiler Sequence of Operation
Status Screen Display Description
Supply 140 F
140 F
Rate 0%
Status:
Setpoint
Boiler 1
>
<
Priority:Standby
i
Standby
Priority:
Standby
Status:
Standby
(burner Off, circulator(s) Off)
Boiler is not ring and there is no call for heat, priority equals standby. The boiler
is ready to respond to a call for heat.
Supply 140 F
140 F
Rate 0%
Status:
Setpoint
Boiler 1
>
<
Priority:Central Heat
i
Standby
Priority:
Central Heat
Status:
Standby
(burner Off, circulator(s) On)
Boiler is not ring. There is a Central Heat call for heat and the Supply temperature
is greater than setpoint minus the “Diff Below”.
Supply 132 F
140 F
Rate 98%
Status:
Setpoint
Boiler 1
>
<
Priority:Central Heat
i
Prepurge 10
Priority:
Central Heat
Status:
Prepurge
When supply temperature drops burner demand continues with following Status
shown:
Safe Startup: Flame circuit is tested.
Drive purge: The blower is driven to the fan purge speed.
Prepurge: After the blower reaches the fan purge speed setting the 10
second combustion chamber purge is conducted.
Supply 132 F
140 F
Rate 89%
Status:
Setpoint
Boiler 1
>
<
Priority:Central Heat
i
Direct Ignition
Priority:
Central Heat
Status:
Direct
ignition
After purge time is complete the following Status is shown:
Drive light-off: The blower is driven to light-off rate.
Pre-Ignition Test: After the blower reaches light-off rate a safety relay test is
conducted.
Pre-ignition: Spark is energized and it is conrmed that no ame is present
Direct Ignition: Spark and Main fuel valve are energized.
Supply 132 F
140 F
Rate 100%
Status:
Setpoint
Boiler 1
>
<
Priority:Central Heat
i
Running
Priority:
Central Heat
Status:
Running
(burner On, circulator(s) On)
After ame is proven normal boiler operation begins. Modulation rate depending
on temperature and setpoint selections and modulating control action.
Supply 132 F
180 F
Rate 100%
Status:
Setpoint
Boiler 1
>
<
Priority:Domestic Hot Water
i
Running
Priority:
Domestic
Hot Water
Status:
Running
If the Central Heat call for heat is active and a Domestic Hot Water (DHW) call for
heat received the DHW demand becomes the “priority” and the modulation rate,
setpoint, “Diff Above” and “Diff Below” are based on DHW settings.
Priority:
Standby
Status:
Post-purge
(burner Off, circulator(s) Off)
If there is no call for heat the main fuel valve is closed and the blower is driven
to the fan post-purge speed. After the blower reaches the fan post-purge speed
setting the 30 second combustion chamber purge is conducted.
Priority:
Standby
Status:
Standby
Delay
This state is entered when a delay is needed before allowing the burner control to
be available. For example, when Anti-Short Cycle time is selected Standby delay
is entered after the Central Heat call for heat ends. Select “Help” button from the
“Home Screen” to determine the cause of the Standby Delay.
Priority:
Standby
Status:
Lockout
A lockout Status is entered to prevent the boiler from running due to a detected
problem. Select “Help” button from the “Home Screen” to determine the cause of
the Lockout. The last 10 Lockouts are recorded in the Lockout History.

86
X. Operation E. Boiler Sequence Of Operation (continued)
2. Using The Display
The Control includes a touch screen LCD display. The user monitors and adjusts boiler operation by selecting screen
navigation “buttons” and symbols. Navigation features are shown below.
The “Home Screen” and menu selections are shown below. When no selection is made, while viewing any screen, the
display reverts to the “Home Screen” after 4 minutes. The “Home Screen” displays boiler temperature, boiler status and
Efciency Information. “Energy Save On” indication appears when the outdoor reset or setback features have lowered the
Central Heat Setpoint based on outside air temperature measurement or time of day. “Max Efciency On” appears when
the boiler return temperature has been reduced low enough to cause energy saving ue gas condensation.
180 F
Boiler 1
Energy Save On
Max Efficiency On
Standby
iStatus
Help
Adjust
Detail
Home Screen
Help Menu
(see Figure 60)
Detail Menu
(see Figure 55)
Status Screens
(see Figure 54)
Adjust Mode Screens
(see Figure 56)
Supply 180 F
180 F
Rate 0%
Status: Standby
Setpoint
Boiler 1
>
<
Priority: Central Heat
iCentral Heat
Domestic
Hot Water
Outdoor
Reset Curve
Warning! Only Qualified Technicians
Should Adjust Controls, Contact Your
Qualified Heating Professional
Improper settings or service create risk of
property damage, injury, or death.
Service Contact Adjust
Lockout
History
Service
Contract
Boiler Size
Setup
Sequencer
Setup
Active Faults
i
Supply 180 F
180 F
Rate 0%
Status: Standby
Setpoint
Boiler 1
>
<
Priority: Central Heat
iActive
Fault
180 F
Boiler 1
Energy Save On
Max Efficiency On
Standby
iStatus
Help
Adjust
Detail
Home Screen
Status Screen
Menu Button
The Home Screen Menu Buttons connect the displays four main display
groups; Status, Detail, Help and Adjustment Screens.
Close Symbol
The “Close” symbol returns to the display to previous menu or screen.
Repeatedly pressing the “Close” symbol will always return the display to the
“Home” screen.
Arrow Symbol
The “Arrow” symbol links together all screens in the selected group. For
example, repeated pressing the right “Arrow” symbol will rotate the display
around all the screens in the Status group. Using this feature the user can
review all the boiler status and adjustment mode screens.
Fault Symbols
“Active Fault” and “Rate Limit” symbols provide a link to the cause of a boiler
fault or firing rate limit. The first boiler status screen provides an overview of
boiler operation including fault status.
Information Symbol
“Information” symbol links most screens to screen content explanations. New
terminology used in status and adjustment screens are explained in plain words.

87
X. Operation F. Viewing Boiler Status (continued)
F. Viewing Boiler Status
1. Status Screens
Boiler Status screens are the primary boiler monitoring screens. The user may simply “walk” though boiler
operation by repeatedly selecting the right or left “arrow” symbol. These screens are accessed by selected the
“Status” button from the “Home” screen.
Flame
2.5 hour trend
Flame
5 minute trend Firing Rate
Supply / Return ><
Trends
i
><
Status
147 F
160 F
Supply 180 F
Rate 40 %
Stack
Return
Supply 180 F
180 F
Rate 0%
Status: Standby
Setpoint
Boiler 1
><
Priority:Central Heat
i
2000
800
Boiler Cycles
Boiler Cycles/Hours
><
i
Run Time Hours
Pump Status/Cycles
><
i
System On 98
Boiler On 23
DHW Off 0
Heat Demand
><
i
Central Heat On
Domestic Hot Water Off
Sequence Master Off
Frost Protection Off
Frost Protection On Exercise On
Figure 54: Status Screens
Flame
2.5 hour trend
Flame
5 minute trend Firing Rate
Supply / Return ><
Trends
2000
800
Boiler Cycles
Boiler Cycles/Hours
><
i
Run Time Hours
Data Logging
Real time graphic trends allow users to observe process
changes over time providing valuable diagnostic
information. For example, ame current performance
over start up periods and varying loads can be an indication
of gas supply issues. Additionally, supply and return
temperature dual pen trends brings a focused look at
heat exchanger and pump performance. For example,
studying a differential temperature trend may indicate
pump speed settings need to be changed.
Cycles and Hours
Boiler cycles and hours are used to monitor the
boilers overall compatibility to the heating load.
Excessive cycling compared to run time hours
may be an indication of pumping, boiler sizing or
adjustment issues.
Priority:
The selected Priority is shown. Available Priorities
are: Standby (no call for heat is present), Sequencer
Control, Central Heat, Domestic HW, Frost
Protection or Warm Weather Shutdown.
Active fault:
A hard lockout will cause the active
fault indication to appear. When
visible the text becomes a screen link
to the “Help” Menu.
Rate:
The rate % value is equal to the actual fan speed
divided by the maximum fan speed.
Setpoint:
this is the active setpoint. This temperature is the
result of Outdoor Air Reset, Setback and Domestic
Hot Water (DHW) selections.
Status:
Information found at the
bottom of the Status screen
and on the Home screen.
Table 29 shows each status
and the action the control
takes during the condition.
Supply 180 F
180 F
Rate 0%
Status: Standby
Setpoint
Boiler 1
>
<
Priority: Central Heat
iActive
Fault Rate Limit:
The “ ”symbol appears to the right
of the Rate % when firing rate is
limited or overridden in any way.
During the start-up and shutdown
sequence it is normal for the rate to be
overridden by the purge and light-off
requirements. When a rate limit is the
result of boiler protection logic the
“” symbol blinks and becomes a
screen link
Supply:
measured supply water temperature. This is the
temperature being used to start/stop and fire boiler
when there is a call-for- heat.

88
X. Operation F. Viewing Boiler Status (continued)
Pump Status/Cycles
><
i
System On 98
Boiler On 23
DHW Off 0
Frost Protection On Exercise On
Pumping is a major part of any hydronic system. This screen
provides the status of the boiler’s demand to connected
pumps as well as the status of Frost Protection and pump
Exercise functions.
This screen provides the status of the boiler’s 4 possible
heat demands. When demand is off the Control has not
detected the call-for-heat.
1. Status Screens (continued)
Heat Demand
><
i
Central Heat On
Domestic Hot Water Off
Sequence Master Off
Frost Protection Off
2. Detail Screens
Detail screens are accessed by selected the “Detail”
button from the “Home” screen and provide in depth
operating parameter status such as “On Point”, “Off
Point” and Setpoint Source information.
Demand detail screens are provided for Central Heat
(shown), DHW and Sequencer demands.
Outdoor Reset saves energy and improves home comfort
by adjusting boiler water temperature . This screen
presents the active reset curve. The curve shows the
relationship between outside air and outdoor reset
setpoint. The curve shown is adjustable by entering the
display’s adjust mode.
Central Heat
On Point -7 F
Setpoint
Off Point +5 F
Firing Rate 22%
Setpoint: Outdoor Reset
i
180 F180 F
Supply
Outdoor Reset
Outside Air
W
a
t
e
r
180
130
110
0 70
i
Setpoint 164 F
Outside Air 16 F
Status: Enabled
Figure 55: Detail Screens

89
X. Operation F. Viewing Boiler Status (continued)
3. Multiple Boiler Sequencer Screens
When the Sequence Master is enabled the following screens are available:
Header 132 F
180 F
Rate 100%
Networked Boilers:
Setpoint
Sequencer
>
<
Priority: Domestic Hot Water
i
1 ,2 ,3 ,4 ,5 ,6 ,7 ,8
The Sequencer Status screen is selected by “pressing” “Status” button from the “Home” screen when Sequence Master is enabled.
Header:
measured header water temperature.
This is the temperature being used to
start, stop and fire boiler when there is
a call-for-heat.
Setpoint:
this is the active setpoint. This
temperature is the result of Outdoor
Air Reset, Setback and Domestic Hot
Water (DHW) selections.
Rate:
The rate % value is equal to the
Sequence Master demand to the
individual boiler. Actual boiler firing
rate is found on the individual boiler
status pages.
Priority:
The selected Sequencer Priority is
shown. Available Priorities are:
Standby (no call for heat is present),
Central Heat, Domestic Hot Water,
Frost Protection or Warm Weather
Shutdown.
Networked Boiler Status:
Provides connected, start sequence and firing rate status information for all connected boiler addresses. The boiler number is
underlined if the boiler is running and blinks if the boiler has the start sequence in progress. For example the status for boiler
address 1 is provided as follows:
1 - Boiler 1 is connected to the network
1 - “Blinking underline” - boiler 1 is starting
1 - “Solid underline” - boiler 1 is running
Networked Boilers
Boiler 1 Lead 50% Firing
Boiler 2 50% Firing
Boiler 3 0 % Available
Boiler 4 0 % Available
i
The “Networked Boilers” screen is selected by “pressing” the “Detail” button from the “Home” screens and “pressing” Networked
Boilers” from the “Detail” screen.
Boiler Number:
Up to eight (8) boiler’s status is
shown
Lead Boiler:
Upon power up the lowest numbered
boiler becomes the lead boiler. The
lead boiler is the first to start and last
to stop. The lead boiler is
automatically rotated after 24 hours of
run time. Additionally, the lead is
rotated if there is a lead boiler fault.
Firing Rate:
Demanded firing rate is
provided.
Sequence Status:
Slave boiler status is provide as follows:
Available:
Add Stage:
Running:
On Leave:
Recovering:
Disabled:
Boiler is ready and waiting to be started by the Sequencer Master.
Boiler has begun the start sequence but has not yet reached the boiler
running status.
Boiler is running.
Boiler has left the network to service a DHW demand.
Boiler is in the process of returning to the network. For example, the
slave boiler is in the Postpurge state.
Note: The recovery time is normally 30 seconds. However, if the
slave boiler fails to start the recovery time increases from 30 seconds
to 5, 10 and 15 minutes.
Boiler has a lockout condition and is unable to become available to
the Sequencer Master.

90
X. Operation G. Changing Adjustable Parameters (continued)
1. Entering Adjust Mode
The Control is factory programmed
to include basic modulating boiler
functionality. These settings are password
protected to discourage unauthorized or
accidental changes to settings. User login is
required to view or adjust these settings:
- Press the “Adjust” button on the “Home”
screen.
- Press the “Adjust” button on the Adjust
Mode screen or Press Contractor for
service provider contact information.
- Press “Login” button to access password
screen.
- Press 5-digit display to open a keypad.
Enter the password (Installer Password
is 76) and press the return arrow to close
the keypad. Press the “Save” button.
- Press the “Adjust” button to enter
Adjustment mode.
G. Changing Adjustable Parameters
Active
Fault
Login to Access
Adjustment Mode
For Service Contact:
CONTRACTOR NAME
ADDRESS LINE 1
ADDRESS LINE 2
PHONE NUMBER
Access Level: Installer
Password required
Installer Password = 76
Warning! Only Qualified
Technicians Should Adjust
Controls, Contact Your
Qualified Heating Professional
i
Press 5-digit display to
Input Password
Press Save to enter password
i
000
1CL
R
ES
C
5432
6B
S
0987
Press 5-digit display to
Input Password
i
076
After inputting the
password press
to enter password After password is Saved
These buttons access
Adjust mode screens
Service Contact Adjust
Login Adjust
Save Adjust
Adjust
Figure 56: Adjust Mode Screens
2. Adjusting Parameters
Editing parameters is accomplished as follows:
Value to be edited
(blinks while editing)
Edit Value
Press the buttons to edit a
value. While editing a value it will blink
until it has been accepted or cancelled. A
value is also cancelled by leaving the
screen without accepting the value.
Cancel edit
Press the button to cancel
newly edited value and go back
to the original
Accept Value
Press the button to confirm
newly edited value.
The value modified with the
increase and decrease buttons is
not accepted unless this button is
also pressed
CH Setpoint
Central Heat
<>
180 F
i

91
X. Operation G. Changing Adjustable Parameters (continued)
2. Adjusting Parameters (continued)
From the “Home” screen select the Adjust button to access the adjustment mode screens show below (if required, refer to
the previous page to review how to enter Adjustment mode):
The following pages describe the
Control’s adjustable parameters.
Parameters are presented in the order
they appear on the Control’s Display,
from top to bottom and, left to right
Pump
Setup
- More -
Manual
Control
Contractor
Setup
System
Setup
Modulation
Setup
Outdoor
Reset
Remote
4-20mA
Central
Heat
Domestic
Hot Water
Sequence
Master
Sequence
Slave
“Press”
System
Setup
button to access the following parameters:
Factory
Setting
Range /
Choices Parameter and Description
Fahrenheit Fahrenheit,
Celsius
Temperature Units
The Temperature Units parameter determines whether temperature is represented in units of
Fahrenheit or Celsius degrees.
4 0-14 Display Brightness
Display brightness is adjustable from 0 to 14.
8 0-14 Display Contrast
Display contrast is adjustable from 0 to 14.
Wired
Not Installed,
Wired
Wireless
Outdoor Sensor Source
Not Installed Outdoor Sensor is not connected to the boiler, the sensor is not monitored for faults.
Wired Outdoor Sensor is installed directly on the boiler terminal Strip-TB2.
Wireless Outdoor sensor is installed and wireless.
Enabled Enable/Disable
Frost Protection
Disable Frost Protection is not used.
Enable Boiler and system circulators start and boiler res when low outside air, supply and
return temperatures are sensed as follows:
0 Secs 0-900 Secs
Anti-Short Cycle Time
Anti-short cycle is a tool that helps prevent excessive cycling resulting from a fast cycling
Thermostat or Zone valves. It provides a minimum delay time before the next burner cycle. DHW
demand is serviced immediately, without any delay.
Disabled Enable/Disable
Warm Weather Shutdown Enable
Disable Warm Weather Shutdown (WWSD) is not used.
Enable The boiler will not be allowed to start in response to a central heat call for heat if the
outside temperature is greater than the WWSD setpoint. WWSD is initiated as soon
as outside air temperature is above WWSD Setpoint. The control does not require
call for heat to be satised.
The boiler will still start in response to a Domestic Hot Water call for heat.
70°F 0-100°F
Warm Weather Shutdown Setpoint
The Warm Weather Shutdown (WWSD) Setpoint used to shutdown the boiler when enabled by the
“WWSD Enable” parameter.
Device
Started
Start
Temperatures
Stop
Temperatures
Boiler & System Outside Air < 0°F Outside Air > 4°F

92
X. Operation G. Changing Adjustable Parameters (continued)
WARNING
Boiler type is factory set and must match the boiler model. Only change the boiler type setting if you are
installing a new or replacement Control. The boiler type setting determines minimum and maximum blower
speeds. Incorrect boiler type can cause hazardous burner conditions and improper operation that may result
in PROPERTY LOSS, PHYSICAL INJURY OR DEATH.
2. Adjusting Parameters (continued)
“Press”
Modulation
Setup
button to access the following parameters:
Factory
Setting
Range /
Choices Parameter and Description
See Table
30 See Table 30
Boiler Type
Boiler Size Setup
To verify the boiler size selection, a qualied technician should do the following:
1. Check boiler’s label for actual boiler size.
2. Set “Boiler Type” to match actual boiler size.
3. Select “Conrm”.
The Boiler Type parameter changes the minimum and maximum modulation settings. This
parameter is intended to allow a user to set the parameters in a spare part Sage2.1 Controller to a
particular boiler type.
See Table
30
Minimum to
Maximum
Modulation
Central Heat Maximum Modulation
This parameter denes the highest modulation rate the Control will go to during a central heat call
for heat. If the rated input of the installed home radiation is less than the maximum output of the
boiler, change the Central Heat Maximum Modulation (fan speed) setting to limit the boiler output
accordingly.
See Table
30
Minimum to
Maximum
Modulation
Domestic Hot Water (DHW) Max Modulation
This parameter denes the highest modulation rate the Control will go to during a Domestic Hot
Water call for heat. If the rated input of the indirect water heater is less than the maximum output
of the boiler, change the DHW Maximum Modulation (fan speed) setting to limit the boiler output
accordingly.
See Table
30
Minimum
- 100 to
Maximum
Minimum Modulation
This parameter is the lowest modulation rate the Control will go to during any call for heat.
See Table
30
2500 - Maximum
Light-off Rate
Lightoff Rate
This is the blower speed during ignition and ame stabilization periods.
Spare Part:
Sage2.1 Controller - P/N 104471-01
Maximum Light-off Rate
= 4000
Sage2.1 Controller - P/N 104471-04
Maximum Light-off Rate
= 4000
Altitude 0 -7000 ft. 0 - 5000 ft.
Boiler Type 399
-07
500
-07
800N
-05
800P
-05
Maximum Modulation Rate 7600 5900 5200 5150
Minimum Modulation Rate 2100 1400 1200 1200
Absolute Maximum Modulation Rate 8500 6550 5900 5600
Table 30: Parameters Changed Using the Boiler Type Parameter Selections:
NOTE: Maximum Modulation Rates are designed for 100% nameplate rate at 0°F combustion air. Contact factory before
attempting to increase the Maximum Modulation Rate.

93
X. Operation G. Changing Adjustable Parameters (continued)
“Press”
Pump Setup
button to access the following parameters:
Factory Setting Range / Choices Parameter and Description
Central Heat,
Optional Priority
Never,
Any Demand,
Central heat, No Priority,
Central Heat, Optional
Priority
System Pump run pump for:
Activates the system pump output according to selected function.
Never: Pump is disabled and not shown on status screen.
Any Demand: Pump Runs during any call for heat.
Central Heat, No Priority: Pump Runs during central heat and frost
protection call for heat. Pump does not start for a
DHW call for heat and continues to run during
Domestic Hot Water Priority.
Central heat, Optional
Priority: Pump Runs during central heat and frost
protection call for heat. Pump does not start
for a DHW call for heat and will be forced off if
there is a DHW call for heat and Domestic Hot
Water Priority is active.
Any Demand Any Demand,
Central heat, off DHW
demand
Boiler Pump run pump for:
Activates the boiler pump output according to selected function.
Any Demand: Pump Runs during any call for heat.
Central heat, off DHW
demand: Pump Runs during central heat and frost
protection call for heat. Pump does not start for
a DHW call for heat and will be forced off if there
is a DHW call for heat and Domestic Hot Water
Priority is active.
Primary
Loop Pipe
IWH
Never,
Primary Loop Piped IWH,
Boiler Piped IWH
Domestic Pump run pump for:
Activates the Domestic pump output according to selected function.
Never: Pump is disabled and not shown on status screen.
Primary Loop Piped IWH: Pump Runs during domestic hot water call for
heat. Domestic Hot Water Priority enable/disable
does not affect pump operation.
Boiler Piped IWH: Pump Runs during domestic hot water call
for heat. Pump is forced off during a central
heat call for heat when Domestic Hot Water
Priority “disabled” is selected and when Domestic
Hot Water Priority “enable” has been selected
and the DHW call for heat has remained on for
longer than 1 hour (priority protection time).
Explanation:
This piping arrangement only services
central heat. When there is any de-
mand both boiler and system pumps
turn on.
Parameter Selections:
System Pump= “any demand”
Boiler Pump = “any demand”
DHW Pump = “never”
Example Pump Parameter selections:
Single boiler with no Indirect Water Heater

94
X. Operation G. Changing Adjustable Parameters (continued)
Parameter Selections:
System Pump= “Central Heat ,
Optional Priority”
Boiler Pump = “any demand”
DHW Pump = “Primary Loop Piped IWH”
DHW Priority Enable is optional
Explanation:
This piping arrangement permits the
system pump to run or not run when
there is a domestic hot water call for heat.
Domestic hot water priority is optional.
It is permissible for the domestic and
system pumps to run at the same time.
The boiler pump must run for every call
for heat.
Example Pump Parameter selections (continued):
Single boiler Indirect Water Heater Piped to Primary, Optional Domestic Hot Water Priority.
Multiple Boilers with Boiler Piped IWH, System and DHW Wired to Master
Sequencer Master
(Boiler 1) Boiler 2
Wiring locations:
Thermostat X
DHW call for heat X
System pump X
DHW pump X
Boiler Pump X X
Sequencer Master Parameter Selections:
Sequencer Master Enabled
Indirect Water
Heater “Boiler Piped”
Pump Parameter Selections:
System Pump = Central Heat,
No Priority Never
Boiler Pump = Central Heat,
Off DHW Priority
Any
demand
DHW Pump = Boiler Piped IWH Never
Explanation:
This piping arrangement does not allow both the Slave 1’s boiler and domestic hot water pump to run at the same time.
When call for Domestic Hot Water is received the DHW pump is turned on and the boiler pump is turned off. However, the
system pumps may run to satisfy a central heat demand that is being satised by a different slave. The central heat demand
is ignored by Slave 1 until the domestic hot water demand is ended. If domestic hot water priority is enabled and priority
protection time is exceeded the domestic hot water pump turns off to allow the boiler pump to run.

95
X. Operation G. Changing Adjustable Parameters (continued)
Multiple boilers IWH Piped to Primary, Optional Domestic Hot Water Priority
Sequencer Master
(Boiler 1) Boiler 2
Wiring locations:
Thermostat X
DHW call for heat X
System pump X
DHW pump X
Boiler Pump X X
Sequencer Master Parameter Selections:
Sequencer Master Enabled
Indirect Water
Heater “Primary Piped”
Pump Parameter Selections:
System Pump = Central Heat,
Optional Priority Never
Boiler Pump = Any demand Any
demand
DHW Pump = Primary Loop
Piped IWH Never
Explanation:
This piping arrangement permits the system pump to run or not run when there is a domestic hot water call for heat. Domestic
hot water priority is optional. It is permissible for the domestic and system pumps to run at the same time. The boiler pump
must run for every call for heat.
Example Pump Parameter selections (continued):
Multiple Boilers, IWH piped to primary, system pump required to run for any call for heat
Sequencer Master
(Boiler 1) Boiler 2
Wiring locations:
Thermostat X
DHW call for heat X
System pump X
DHW pump X
Boiler Pump X X
Sequencer Master Parameter Selections:
Sequencer Master Enabled
Indirect Water
Heater “Primary Piped”
Pump Parameter Selections:
System Pump = Any demand Never
Boiler Pump = Any demand Any demand
DHW Pump = Primary Loop
Piped IWH Never
Explanation:
This piping arrangement requires the system pump to be running for any calls for heat. Also the boiler pump must run for any
call for heat.

96
X. Operation G. Changing Adjustable Parameters (continued)
“Press”
Contractor
Setup
button to access the following parameters:
Factory Setting Range / Choices Parameter and Description
Contractor Name User dened Contractor Name
Address Line 1 User dened Contractor Address Line 1
Address Line 2 User dened Contractor Address Line 2
Phone User dened Contractor Phone
“Press”
Manual
Control
button to access the following screen:
The Manual Speed Control speed screen allows the technician to set ring rate at low or high speed for combustion testing.
Status Auto
0 RPM 0%
press to change mode
High Auto
Low
NOTE
Selecting “Low” or “High”
locks (manual mode) firing
rate at min or max Rate %.
After combustion testing select
“Auto” to return the boiler to
normal operation.
Press “Auto”
to return
firing rate to
Automatic
Mode
“Press” “Low” to select
manual firing rate control
and Minimum firing rate %
Manual Speed Control
i
“Press” “High” to select
manual firing rate control
and Central Heat
Maximum firing rate %
Use Up and DOWN Arrows for More
Exit Screen without Saving
Clear Entire Field
Backspace
Save Field and Exit
Save
Press box to input contractor information.
Contractor Name
<>
i
Bill Smith
17
6
5
4
3
2
AES
C
D
C
B
8
CL
R
7
BS
8
Enter Contractor Information
Bill Smith
Press SAVE button to store revisions.
For Service Contact:
Bill Smith
12 Victory Lane
Plainview, New York
516 123-4567
Example Screen

97
X. Operation G. Changing Adjustable Parameters (continued)
“Press”
Domestic
Hot Water
button to access the following parameters:
Factory
Setting
Range /
Choices Parameter and Description
170°F 80°F to
190°F
Domestic Hot Water Setpoint
The Domestic Hot Water (DHW) Setpoint parameter is used to create a minimum boiler water tem-
perature setpoint that is used when DHW heat demand is “on”.
When the DHW heat demand is not “on” (the contact is open or not wired) this setpoint is ignored.
160°F 80°F to
190°F
Domestic Hot Water Thermostat “Sleep” or “Away” Setback Setpoint
Thermostat setback setpoint is used when the EnviraCOM thermostat is in “leave” or “sleep” modes
and sensed at E-COM terminals D, R, and C. When setback is “on” the thermostat setback setpoint
shifts the DHW setpoint to lower the DHW temperature and to save energy while home is in a reduced
room temperature mode.
5°F 2°F to 10°F Domestic Hot Water Diff Above
The boiler stops when the water temperature rises ‘Diff Above’ degrees above the setpoint.
7°F 2°F to 30°F Domestic Hot Water Diff Below
The boiler starts when the water temperature drops ‘Diff Below’ degrees below the setpoint.
Enable Enable
Disable
Domestic Hot Water Priority (DHWP)
When Domestic Hot Water Priority is Enabled and Domestic Hot Water (DHW) heat demand is “on”
the DHW demand will take “Priority” over home heating demand. When the System and Boiler pumps
are congured as “Central Heat (off DHW priority)” or “Central Heat, Optional Priority” then they will
be forced “off” during DHW Priority. Priority protection time is provided to end DHWP in the event of a
failed or excessive long DHW demand.
60
Minutes
30 to 120
Minutes
Priority Time
When DHWP is Enabled the Priority Time Parameter appears and is adjustable.
3 1 to 5
Response Speed
This parameter adjusts the Domestic Hot Water temperature controller Proportion Integral Derivative
(PID) values. Higher values cause a larger ring rate change for each degree of temperature change.
If set too high ring rate “overshoots” required value, increases to high re causing the temperature
to exceed the “Diff Above” setpoint and cycle the boiler unnecessarily. Lower values cause a smaller
ring rate change for each degree of temperature change. If set too low, the ring rate response will
be sluggish and temperature will wander away from setpoint.
“Press”
Central
Heat button to access the following parameters:
Factory
Setting
Range /
Choices Parameter and Description
180°F 80°F to
190°F
Central Heat Setpoint
Target temperature for the central heat priority. Value also used by the outdoor air reset function.
170°F 80°F to
190°F
Central Heat Thermostat “Sleep” or “Away” Setback Setpoint
Thermostat setback setpoint is used when the EnviraCOM thermostat is in “leave” or “sleep” modes
and sensed at E-COM terminals D, R, and C. When setback is “on” the thermostat setback setpoint
shifts the reset curve to save energy while home is in a reduced room temperature mode. The reset
curve is shifted by the difference between the High Boiler Water Temperature and the Thermostat
Setback Setpoint. Honeywell VisionPro IAQ part number TH9421C1004 is a “setback” EnviraCOM
enabled thermostat. When connected, it allows boiler water setback cost savings.
5°F 2°F to 10°F Central Heat Diff Above
The boiler stops when the water temperature rises ‘Diff Above’ degrees above the setpoint.
7°F 2°F to 30°F Central Heat Diff Below
The boiler starts when the water temperature drops ‘Diff Below’ degrees below the setpoint.
3 1 to 5
Response Speed
This parameter adjusts the Central Heat temperature controller Proportion Integral Derivative (PID)
values. Higher values cause a larger ring rate change for each degree of temperature change. If
set too high ring rate “overshoots” required value, increases to high re causing the temperature to
exceed the “Diff Above” setpoint and cycle the boiler unnecessarily. Lower values cause a smaller
ring rate change for each degree of temperature change. If set too low, the ring rate response will
be sluggish and temperature will wander away from setpoint.

98
X. Operation G. Changing Adjustable Parameters (continued)
“Press”
Outdoor
Reset
button to access the following parameters:
Factory
Setting
Range /
Choices Parameter and Description
Enabled Enable Disable
Outdoor Reset Enable
If an outdoor sensor is installed and Outdoor Reset is Enabled, the boiler will automatically
adjust the heating zone set point temperature based on the outdoor reset curve in Figure 57.
The maximum set point is dened by the Central Heat Setpoint (factory set to 180°F) when
the outdoor temperature is 0°F or below. The minimum set point temperature shown is 130°F
(adjustable as low as 80 F) when the outdoor temperature is 50°F or above. As the outdoor
temperature falls the supply water target temperature increases. For example, if the outdoor
air temperature is 30°F, the set point temperature for the supply water is 150°F.
Disable Do Not Calculate setpoint based on outdoor temperature
Enable Calculate the temperature setpoint based on outdoor temperature using a reset
curve dened by Low Outdoor Temp, High Outdoor Temp, Low Boiler Water
Temp, Min Boiler Temp and Central Heat Setpoint and Boost Time parameters.
0°F -40°F to 100°F
Low Outdoor Temperature
The Low Outdoor Temperature parameter is also called “Outdoor Design Temperature”. This
parameter is the outdoor temperature used in the heat loss calculation. It is typically set to
the coldest outdoor temperature.
70°F 32°F to 100°F
High Outdoor Temperature
The High Outdoor Temperature parameter is the outdoor temperature at which the Low
Boiler Water Temperature is supplied. This parameter is typically set to the desired building
temperature.
110°F 70°F to 190°F
Low Boiler Water Temperature
The Low Boiler Water Temperature parameter is the operating setpoint when the High
Outdoor Temperature is measured. If the home feels cool during warm outdoor conditions,
the Low Boiler Water Temperature parameter should be increased.
130°F 80°F to 190°F
Minimum Boiler Temperature
The Minimum Boiler Temperature parameter sets a low limit for the Reset setpoint. Set this
parameter to the lowest supply water temperature that will provide enough heat for the type
radiation used to function properly. Always consider the type of radiation when adjusting this
parameter.
0 Minutes
0-1800 Seconds
(0-30 Minutes)
Boost Time
When the Central Heat Setpoint is decreased by Outdoor Reset settings, the Boost Time
parameter is used to increase the operating setpoint when the home heat demand is not
satised after the Boost Time setting is exceeded. When heat demand has been “on”
continuously for longer than the Boost Time parameter the operating setpoint is increased
by 10°F. The highest operating setpoint from Boost Time is current Central Heat Setpoint
minus the Central Heat “Diff Above” setting. A setting of 0 seconds disables this feature.

99
X. Operation G. Changing Adjustable Parameters (continued)
Central Heat
Setpoint Heating Element Type Central Heat
Setpoint Heating Element Type
180 to 190°F Fan Coil 100 to 140°F In Slab Radiant High
Mass Radiant
160 to 190°F
Convection
Baseboard
Fin Tube
Convective
130 to 160°F Staple-up Radiant
Low Mass Radiant
130 to 160°F Radiant
Baseboard 140 to 160°F Radiators
Figure 57: Outdoor Reset Curve
Outdoor Air Temperature
-20 105-15 -10 -5
0
110
454020 25 30 35 55 60 65 70
15 50
145
115
150
120
140
135
130
125
155
190
160
195
165
185
180
175
170
200 Boost Maximum Off Point
= Central Heat Setpoint
minus Diff Above
Low Boiler Water Temp
Default = 110 F
High Outside Air Temp
Default = 70 F
10 F
Hot Water Setpoint
Minimum Water Temperature
Default = 130 F
TOD Setback Setpoint
Default = 170 F
Central Heat Setpoint
Low Outside Air Temp
=180 F & 0 F
Default Outdoor Air Reset Setpoint
(Shown Bold)
Default Boost Outdoor Air Reset Setpoint
(Shown with thin lines, typical)
(Reset setpoint increased by 10 F every
20 minutes that demand is not satisfied.
Boost Time is field selectable
between 0 to 30 minutes)
75

100
X. Operation G. Changing Adjustable Parameters (continued)
Factory
Setting
Range /
Choices Parameter and Description
Local Local,
4-20mA
Central Heat Modulation Source
This parameter enables the 4-20mA input to control ring rate and the thermostat input to control boiler on/off
demand directly without using the internal setpoint. The 4-20mA selection is used to enable a remote multiple boiler
controller to control the Sage2.1 Control:
Local: 4-20mA Input on Terminal 9 & 10 is ignored.
4-20mA 4-20mA Input on Terminal 9 & 10 is used to control ring Rate % directly.
Local Local,
4-20mA
Central Heat Setpoint Source
Sets the remote (Energy Management System) control mode as follows:
Local: Local setpoint and modulation rate is used. 4-20mA input on Terminal 9 & 10 is ignored.
4-20mA 4-20mA Input on Terminal 9 & 10 is used as the temperature setpoint. The following two
parameters may be used to adjust the signal range.
130°F
80°F -
Central Heat
Setpoint
Central Heat 4-20mAdc Setup, 4 mA Water Temperature*
Sets the Central Heat Temperature Setpoint corresponding to 4mA for signal input on terminal 9 & 10. Current
below 4mA is considered invalid, (failed or incorrect wired input).
180°F
80°F -
Central Heat
Setpoint
Central Heat 4-20mAdc Setup, 20 mA Water Temperature*
Sets the Central Heat Temperature Setpoint corresponding to 20mA for signal input on terminal 9 & 10. Current
above 20mA is considered invalid, (failed or incorrect wired input).
* Only visible when Central Heat Setpoint Source is set to 4-20mA.
“Press”
Remote
4-20mA
button to access the following parameters:
“Press”
Sequence
Master
button to access the following parameters:
Factory
Setting Range / Choices Parameter and Description
Disable Enable,
Disable
Master Enable/Disable
The Sequencer Master Enable/Disable is used to “turn on” the Multiple Boiler Controller. Warning! enable
ONLY one Sequence Master.
Boiler
Piped
Boiler Piped,
Primary Piped
Indirect Water Heater (IWH)
Boiler Piped Sequencer to respond to an Isolated DHW demand that is piped to a single boiler. The
individual boiler goes on “Leave” from the Sequencer Master and goes to DHW Service.
Primary Piped The Sequence Master responds to the DHW Call For Heat. This allows one or more
boilers to provide heat to the IWH.
Disabled Enable,
Disable
DHW Two Boiler Start
The Sequencer to immediately start two boilers for a DHW call for heat. Used when DHW is the largest
demand. Only visible when primary piped IWH is selected.
120 Secs 120 - 1200 Secs
Boiler Start Delay
Slave boiler time delay after header temperature has dropped below the setpoint minus “Diff below” setpoint.
Longer time delay will prevent nuisance starts due to short temperature swings.
195°F
Central Heat
Setpoint,
195°F
Stop All Boilers Setpoint
When this temperature is reached all boilers are stopped. This setpoint allows the Sequencer to respond to
rapid load increases.
50% 50% - 100%
Base Load Common Rate
To maximize condensing boiler efciency, the ring rate is limited to an adjustable value. Boilers are kept at
or below this ring rate as long as the boilers can handle the load. After last available boiler has started, the
modulation rate limit is released up to 100%.
3 1-5
Response Speed
This parameter adjusts the Sequence Master temperature controller Proportion Integral Derivative (PID)
values. Higher values cause a larger ring rate change for each degree of temperature change. If set too
high ring rate “overshoots” required value, increases to high re causing the temperature to exceed the “Diff
Above” setpoint and cycle the boiler unnecessarily. Lower values cause a smaller ring rate change for each
degree of temperature change. If set too low, the ring rate response will be sluggish and temperature will
wander away from setpoint.
“Press”
Sequence
Slave
button to access the following parameters:
Factory
Setting Range / Choices Parameter and Description
None 1-8
Boiler Address
Each boiler must be given a unique address. When ”Normal” slave selection order is used, the boiler address
is used by the Master Sequencer as the boiler start order. The boiler address is also the Modbus Address
when a Energy Management System is connected.
Normal
Use Boiler First,
Normal,
Use Boiler Last
Slave Selection Order
“Use Boiler First”; places the Slave in the lead permanently.
”Normal”; ring order follows boiler number (1,2,3,..) order.
”Use Boiler Last”; places the slave last in the ring order.

101
XI. Service and Maintenance
NOTICE
Warranty does not cover boiler damage or
malfunction if the following steps are not
performed at the intervals specied.
A. Continuously:
1. Keep the area around the boiler free from
combustible materials, gasoline and other ammable
vapors and liquids.
2. Keep the area around the combustion air inlet
terminal free from contaminates .
3. Keep the boiler room ventilation openings open and
unobstructed.
B. Monthly Inspections:
1. Inspect the vent piping and outside air intake piping
to verify they are open, unobstructed and free from
leakage or deterioration. Call the service technician
to make repairs if needed.
2. Inspect the condensate drain system to verify it is
leak tight, open and unobstructed. Call the service
technician if the condensate drain system requires
maintenance.
3. Inspect the ue temperature sensor cap to verify that
it is free from leakage and deterioration. Call the
Service Technician to make repairs, if needed.
4. Inspect the water and gas lines to verify they are
free from leaks. Call the service technician to make
repairs if required.
CAUTION
Water leaks can cause severe corrosion damage
to the boiler or other system components.
Immediately repair any leaks found.
C. Annual Inspections and Service: In addition to
the inspections listed above the following should be
performed by a service technician once every year.
1. If equipped, test the low water cutoff by pressing the
“Test” button located at its end. The yellow light
should come on and “Limit Open” will ash in the
Active Faults screen on the display. Push the reset
button to restore normal operation. If yellow light
does not come on, determine why the low water
cutoff is not working properly.
2. Follow the procedure for turning the boiler off per
Figure 51 “Lighting Instructions”.
3. Inspect the wiring to verify the conductors are in
good condition and attached securely.
DANGER
This boiler uses ammable gas, high voltage electricity, moving parts, and very hot water under high
pressure. Assure that all gas and electric power supplies are off and that the water temperature is cool
before attempting any disassembly or service.
Do not attempt any service work if gas is present in the air in the vicinity of the boiler. Never modify,
remove or tamper with any control device.
WARNING
This boiler must only be serviced and repaired by skilled and experienced service technicians.
If any controls are replaced, they must be replaced with identical models.
Read, understand and follow all the instructions and warnings contained in all the sections of this
manual.
If any electrical wires are disconnected during service, clearly label the wires and assure that the wires
are reconnected properly.
Never jump out or bypass any safety or operating control or component of this boiler.
Read, understand and follow all the instructions and warnings contained in ALL of the component
instruction manuals.
Assure that all safety and operating controls and components are operating properly before placing
the boiler back in service.
Annually inspect all vent gaskets and replace any exhibiting damage or deterioration.

102
CAUTION
Label all wires prior to disconnection when
servicing controls. Wiring errors can cause
improper and dangerous operation. Verify
proper operation after servicing.
4. Remove the igniter assembly and ame sensor and
inspect them for oxide deposits. Clean the oxide deposits
from the igniter electrodes and ame sensor rod with
steel wool. Do not use sandpaper for the cleaning.
Inspect the ceramic insulators for cracks and replace
the igniter assembly and/or ame sensor if necessary.
Check the igniter electrode spacing gap. Refer to Figure
58 “Igniter Electrode Gap” for details.
If the condensate neutralizer is used, check pH before
and after the neutralizer to determine neutralizing
effectiveness. Replace limestone chips and clean out
the neutralizer if needed.
10. Inspect the ue temperature sensor cap to verify that
it is free from leakage and deterioration, replace, if
needed.
11. Inspect vent connections and vent connector to heat
exchanger seals to verify that they are free from leakage
and deterioration, repair as needed.
12. Reinstall the gas valve/blower/burner assembly and
secure with M6X1 hex ange nuts.
13. Reconnect any wiring which has been disconnected.
14. Inspect the heating system and correct any other
deciencies prior to restarting the boiler.
15. Follow Section IX “System Start-up” before leaving
installation.
16. Perform the combustion test outlined in Section IX
“System Start-up”.
17. Verify that the system PH is between 7.5 and 9.5.
18. Check for vent terminal obstructions and clean as
necessary.
D. Recommended Heating System Water Treatment
Products:
1. System Cleaning and Conditioning:
a. The following heating system water treatment
products are recommended for an initial existing
heating system sludge removal, initial boiler
cleaning from copper dust, ux residue and any
boiler debris and for preventive treatment as
corrosion/scale inhibitors:
i. Fernox™ Restorer (universal cleaner, sludge
remover, scale remover, ux residue/debris
remover, corrosion inhibitor)
ii. Fernox™ Protector (Alphi 11, CH#, Copal)
(sludge remover, corrosion inhibitor)
Follow manufacturer application procedure
for proper heating system/boiler cleaning and
preventive treatment.
Above referenced products are available
from Cookson Electronics Company, 4100
Sixth Avenue, Altoona, PA 16602, Tel: (814)
946-1611 and/or selected HVAC distributors.
Contact Burnham Commercial for specic
details.
iii. Equivalent system water treatment products
may be used in lieu of products referenced
above.
2. System Freeze Protection:
a. The following heating system freeze protection
products are recommended for Apex boilers:
Figure 58: Igniter Electrode Gap
5. To gain access to boiler burner and combustion chamber
rstly disconnect and remove gas inlet piping from
gas valve, than, remove six M6X1 hex ange nuts and
take out the blower/gas valve/burner assembly from
the boiler.
6. Inspect the assembly for lint and dust presence. If
signicant lint and dust accumulations are found,
disassemble the blower/gas valve assembly to expose the
swirl plate and blower inlet (see the exploded diagram
in the parts list at the back of this manual). Vacuum
these parts as required, being careful not to damage
the vanes on the swirl plate.
7. Vacuum any dust or lint from the burner if present. If
the burner shows any visual deterioration or corrosion
signs, replace it immediately. Inspect the burner gasket
and replace, if necessary.
8. Inspect the heat exchanger combustion chamber, clean
and vacuum any debris found on the surfaces. If
required, brush the coils of the heat exchanger using
a non-metal wire exible brush. Any cleaning of the
combustion chamber with acid or alkali products
is prohibited. Remove insulation disc and clean the
surfaces by ushing with clean water. If the disc has
signs of damage, it must be replaced. Drain and ush the
inside of the heat exchanger and condensate collector.
Do not use any cleaning agents or solvents. Re-install
insulation disc upon cleaning completion..
9. Inspect the condensate trap to verify it is open and free
from debris. Inspect condensate line integrity between
boiler and condensate neutralizer (if used), condensate
neutralizer and the drain. Clean/repair if needed.
XI. Service and Maintenance (continued)

103
i. Fernox™ Protector Alphi 11 (combined
antifreeze and inhibitor).
Follow manufacturer application procedure
to insure proper antifreeze concentration and
inhibitor level.
Above referenced product is available from
Cookson Electronics Company, 4100 Sixth
Avenue, Altoona, PA 16602, Tel: (814) 946-
1611 and/or selected HVAC distributors.
Contact Burnham Commercial for specic
details.
b. Equivalent system freeze protection products
may be used in lieu of product referenced above.
In general, freeze protection for new or existing
systems must use specially formulated glycol,
which contains inhibitors, preventing the glycol
from attacking the metallic system components.
Insure that system uid contains proper glycol
concentration and inhibitor level. The system should
be tested at least once a year and as recommended by
the manufacturer of the glycol solution. Allowance
should be made for expansion of the glycol solution.
CAUTION
Use only inhibited propylene glycol solutions
specically formulated for hydronic systems.
Do not use ethylene glycol, which is toxic and
can attack gaskets and seals used in hydronic
systems.
E. Condensate Overow Switch and Condensate Trap
Removal and Replacement:
For removal or replacement of the condensate overow
switch and/or condensate trap follow the steps below. For
parts identication, refer to Section XIII “Repair Parts”.
1. Condensate Overflow Switch Removal and
Replacement:
a. Disconnect power supply to boiler.
b. Remove two (2) wire nuts and disconnect overow
switch wire pigtails from boiler wiring.
c. Using pliers, release spring clip securing the
overow switch to condensate trap body and remove
the switch. Note that the switch has factory applied
silicon adhesive seal, which may have to be carefully
cut all around to facilitate the switch removal.
d. Insure the trap overow switch port is not obstructed
with silicon seal debris, clean as needed.
e. Apply silicon seal to the replacement switch
threads and install the switch into the trap body
making sure it is properly oriented - the arrow
molded into the switch hex end side must face
down for proper switch operation. See Figure
59 “Condensate Overow Switch Orientation”
for details.
f. Reconnect the switch wire pigtails to the boiler
wiring and secure with wire nuts.
g. Restore power supply to boiler. Fill up the trap
(see Section V “Condensate Disposal”) and verify
the switch operation.
2. Condensate Trap Removal and Reinstallation:
a. Disconnect power supply to boiler.
b. Remove two (2) wire nuts and disconnect overow
switch wire pigtails from boiler wiring.
c. Disconnect pressure switch hose from condensate
trap.
d. Disconnect outside condensate compression tting
from condensate trap stab.
XI. Service and Maintenance (continued)
Figure 59: Condensate Overow Switch Orientation

104
XI. Service and Maintenance (continued)
Outdoor Temperature Ohms of
Resistance
°F °C
-20 -28.9 106926
-10 -23.3 80485
0 -17.8 61246
10 -12.2 47092
20 -6.7 36519
30 -1.1 28558
40 4.4 22537
50 10.0 17926
60 15.6 14356
70 21.1 11578
76 24.4 10210
78 25.6 9795
80 26.7 9398
90 32.2 7672
100 37.8 6301
110 43.3 5203
120 48.9 4317
Outdoor Air Temperature Sensor
Temperature versus Resistance
(P/N 102946-01)
(10kOhm NTC Sensor)
Temperature Ohms of
Resistance
°F °C
32 0 36100
50 10 22790
68 20 14770
77 25 12000
86 30 9810
104 40 6653
122 50 4610
140 60 3250
158 70 2340
176 80 1710
194 90 1270
212 100 950
230 110 730
248 120 560
Supply, Return and Stack Temperature Sensor
Temperature versus Resistance
(12kOhm NTC Sensor), Beta of 3750
Header Temperature Sensor
Temperature versus Resistance
(P/N 101935-01 or 103104-01)
(10kOhm NTC Sensor), Beta of 3950
Temperature Ohms of
Resistance
°F °C
32 0 32648
50 10 19898
68 20 12492
77 25 10000
86 30 8057
104 40 5327
122 50 3602
140 60 2488
158 70 1752
176 80 1256
194 90 916
212 100 697
248 120 386
e. Using pliers, release spring clip securing the
overow switch to condensate trap body and remove
the switch. Note that the switch has factory applied
silicon adhesive seal, which may have to be carefully
cut all around to facilitate the switch removal.
f. Using pliers, release spring clip securing condensate
trap body to the heat exchanger bottom drain stab.
g. Firstly, pull the trap downwards to release from
the heat exchanger bottom drain stab; secondly,
pull the trap end from left side jacket panel sealing
grommet and remove the trap from boiler.
h. To reinstall the trap, reverse above steps.
i. If the original condensate overow switch is to
be re-used, follow the appropriate switch removal
steps from Condensate Overow Switch Removal
and Replacement procedure above.
j. Insure that fresh silicon sealant is applied to
the overow switch threads, and the switch is
properly oriented relative to the trap body -
the arrow molded into the switch hex side end
must face down for proper switch operation.
See Figure 59 “Condensate Overow Switch
Orientation” for details. Insure that pressure
switch hose is reconnected to the trap.
k. Restore power supply to boiler. Fill up the trap
(see Section V “Condensate Disposal”) and
verify the switch operation.

105
XII. Troubleshooting
WARNING
Turn off power to boiler before working on wiring.
Condition Possible Cause
Boiler not responding to call for heat, “Status” and
“Priority” show “Standby”.
Boiler is not seeing call for heat. Check thermostat or zone wiring for loose connection,
miswiring, or defective thermostat/zone control.
Boiler not responding to a call for heat, “Status”
shows “Standby” and “Priority” shows Central Heat
or Domestic Hot Water.
Boiler is not ring, temperature is greater than setpoint.
Boiler Running but System or Boiler Circulator is
not running
• Check wiring for loose connection, miswiring
• When there is a Domestic Hot Water Heat Request the System or Boiler pumps will be
forced “off” when there “Run Pump for” parameter is set to “Central heat, off DHW
demand” or “Central Heat, Optional Priority”. This has been set to allow all of the heat
to be provided for fast indirect water heater recovery. After one hour of “priority
protection” or the end of the Domestic Hot Water Heat Request the system and boiler
pumps will be free to run.
Home is cold during mild weather days • Increase Low Boiler Water Temperature parameter 5°F per day.
Home is cold during cold weather days • Increase High Boiler Water Temperature parameter 5°F per day
A. Troubleshooting problems where no error code is displayed.
Faults are investigated by selecting the “Help” button from the “Home” screen. When a fault is active the “Help”
button ashes and the home screen turns a red color. Continue to select ashing buttons to be directed to the Fault
cause.
B. Display Faults:
Boiler
Energy Save On
Max Efficiency On
Standby
iStatus
Help
Adjust
Detail
Lockout
History
Service
Contract
Boiler Size
Setup
Sequencer
Setup
Active Faults
i
**00FF Communication
Fault
i
Limit String
Status
Rate Limit
Status Reset
Sensor
Status
Soft Lockout
(Hold)
Hard
Lockout
024 F
Sensor
Fault
Help Screen Active Fault Screen
Home Screen
Figure 60: Help Menu
Indication Condition Possible Cause
Display Completely Dark
Fan off, LWCO lights off, no green power
light on Control
No 120Vac Power
at Boiler
Check breaker and wiring between breaker panel and boiler.
Display Completely Dark, Fan running No 24Vac
Power to Control
- Loose 120Vac connection wiring between boiler J-Box and transformer
- Loose 24 Vac connection wiring between transformer and Control.
Blinking Green power light on Control Control
Fault
- The green light is connected to internal power supply. The power supply
is repeatedly starting and stopping (not normal) making the light ash. The
microprocessors are not running.
- Try disconnecting all terminals except 24VAC to power the Control. The
green light should be steady. If it is not then the control is defective. If
steady, start plugging in all the connectors while watching the green light.
When faulty wiring reconnected green light will begin to ash.
Display Completely Dark but Boiler res No 5 Vdc
Power to Display
- Loose 5 Vdc connection wiring between display and Control
- Defective display.
**00FF Display lost
communication
with control
- Loose or defective display harness
- Defective Display
- Defective Control
ER0011 Adjustment Mode
Password Timeout
- The Control and Display are NOT defective. The password has timed out.
Simply cycle power to the Display to restore operation.

106
XII. Troubleshooting (continued)
Indication Condition Possible Cause
Sequencer
Setup
Flashing
Sequencer
Setup
Fault
This alarm is active if the slave boiler has lost communication with the Sequence Master. Check
the following:
- RJ 45 peer-to-peer network disconnected
- Sequencer Master was Enabled and then Disabled
- Master’s Boiler has been powered down.
- To clear fault restore communication or cycle power
Boiler Size
Setup
Flashing
Boiler
Size
Fault
WARNING!
Boiler size setting may not match actual boiler size.
The Boiler size setting determines min, max and light-off blower speeds. Incorrect boiler size can
cause hazardous burner conditions and improper operation that may result in PROPERTY LOSS,
PHYSICAL INJURY, OR DEATH.
Refer to Page 92 for boiler size setting instructions.
C. Help Screen Faults
D. Help Screen Diagnostic Features
Indication Possible Cause
Lockout History is stored in a rst-in, rst-out basis. Each History le is stored with boiler run hour of when the
lockout occurred.
The “When happened” and “Current” provide:
- “Current” is the run hour and status the boiler just nished.
- “When happened” is the run hour and status when the lockout occurred.
For Service Contact:
CONTRACTOR NAME
CONTRACTOR ADDRESS 1
CONTRACTOR ADDRESS 2
PHONE NUMBER
The user is given the contact information of the responsible service provider. Refer to page 96 for data entry
instructions.
Supply High Limit
Lockout History 1 of 10 (newest)
<>
i
Status
Run Time Hour
Running Lockout
50 50
When happened Current
Indication Condition Possible Cause
Limit String Status
Air
Press
Switch
Limit String Status
i
Auto
Reset
Hi Limit
Condensate
Float Switch
(& Thermal Link
on Size > 210)
(Gas Press Switch,
LWCO,
External Hi Limit
When provided)
Limit String
Fault
The Limit String Status screen shows the faulty safety limit. A contact icon, either “open” or
“closed”, graphically represents each safety limit. The “closed” contact icon is steady; the “open”
contact icon is blinking. For example, the screen shown to the left illustrates a “closed” Air
Pressure Switch contact and an “open’ Auto Reset High Limit contact. The Auto Reset High Limit
is causing the boiler to stop ring.
NOTE: Since the limit string items are wired in series, all limits downstream of the “open” limit will
also appear on the screen as “open” (blinking) icons regardless of whether or not they are actually
open.
Sensor Status
i
Supply Sensor 180 F Normal
Return Sensor 768 F Shorted
Stack Sensor 024 F Open
Outdoor Sensor 45 F Normal
Header Sensor None
4-20mA Input 4 mA Normal
Sensor
Fault
The Sensor Status screen shows the status of all sensors. Possible states include:
None: Feature requiring this sensor has not been selected.
Normal: Sensor is working normally.
Shorted: Sensor is shorted or is defective.
Open: There is a break in the wiring between the Control and the sensor or the sensor is
defective
Out of Range: Sensor is defective or is being subjected to electrical noise.
Unreliable: Sensor is defective or is being subjected to electrical noise.
When a sensor fails “opened” or “shorted” the value is changed to reverse video (background
black and value white) “024” or “768” respectively to indicate that there is a fault with the sensor.
Rate Limit
i
Active Rate Limiter:
Rate Limits
High Stack Temp Rate Limit
Active Rate Override:
Burner Control Rate Override
High Stack
Temperature
Rate Limit
The following messages appear when the ring rate is limited or reduced to help avoid a lockout.
Refer to lockout section for potential corrective action.
- High Stack Temperature Limit
- High Supply Temperature Limit
- High Differential Temperature Limit
The following messages appear as part of a normal start and stop sequence:
- Minimum Modulate (normal start/stop sequence)
- Forced Modulation (normal start/stop sequence)
- Burner Control Rate (normal start/stop sequence)
- Manual Firing Rate ( User selection)
E. Active Fault Screen Faults

107
XII. Troubleshooting (continued)
F. Troubleshooting problems where a Soft Lockout Code is displayed. When a soft lockout occurs, the boiler will shut
down, the display will turn red and the “Help” button will “blink”. Select the “blinking” “Help” button to determine the
cause of the soft lockout. The boiler will automatically restart once the condition that caused the lockout is corrected.
Soft Lockout Codes Displayed
Lockout
Number Condition Possible Cause
1
Anti Short Cycle
Minimum time between starts has not been reached.
Normal delay used to avoid excessive cycles.
2
Boiler Safety Limit
Open
Boiler Safety Limit wired to terminals J6-1, 2 or 3
OPEN:
• Condensate Trap Float Switch
contact open.
• Thermal Link Switch contact open.
• Burner Door Thermostat with manual reset
contact open.
• Air Pressure Switch contact open.
• Auto Reset High Limit contact open.
• Loose wiring to limit device.
• Auto Reset Supply high limit sensor detected temperature in excess of 200°F.
• Defective Auto Reset Supply High Limit Switch.
• Plugged Condensate Trap - also check to ensure boiler is level.
• Thermal Link Switch blown due to temperature rise above 604°F (318°C).
• Burner Door Thermostat with manual reset contact open due to temperature rise
above 500°F (260°C) - check the cause of overheating (burner door insulation, loose
mounting, etc.).
• Air Pressure Switch contact open - check for blocked vent.
• See possible causes for “Hard Lockout 4”.
NOTE
Block Vent Special Note
Before a call for heat the air pressure switch is closed. When there is a call for heat
with a blocked vent the air pressure switch will open (due to excessive pressure of the
blower against a blocked ue pipe) after the blower starts. The control stops the start
sequence and stops the blower. After the blower stops the pressure switch re-closes
and the cycle continues. The displays shows the cause of trip for only the time the
pressure switch is open.
3
Boiler Safety Limit
Open
Boiler Safety Limit, or External Limit wired to
terminals J5-1 OPEN:
• Jumper for External Limit wired to terminals 11
and 12 or device connected to it open.
• Jumper for Low Water Cutoff (LWCO) Switch or
device connected to it open.
• Jumper for Low Gas Pressure Switch or device
connected to it open.
• See possible causes for “Hard Lockout 4”.
• Loose wiring to limit device.
• External Limit defective or jumper not installed.
• Low Gas Pressure Switch contact open (if installed).
• LWCO switch not installed and jumper missing.
• If yellow light on LWCO is on, system is low on water.
• If neither yellow or green light is on, check LWCO harness.
7
Return sensor fault Shorted or open return temperature sensor. • Shorted or mis-wired return sensor wiring.
• Defective return sensor.
8
Supply sensor fault Shorted or open supply temperature sensor. • Shorted or mis-wired supply sensor wiring.
• Defective supply sensor.
9
DHW sensor fault
Shorted or open Domestic Hot Water (DHW)
temperature sensor.
• Shorted or mis-wired DHW sensor wiring.
• Defective DHW sensor.
10
Stack sensor fault Shorted or open ue gas (stack) temperature sensor. • Shorted or mis-wired stack sensor wiring.
• Defective stack sensor.
11
Ignition failure Flame failure after 5 tries to restart.
• No gas pressure.
• Gas pressure under minimum value shown on rating plate.
• Gas line not completely purged of air.
• Defective Electrode.
• Loose burner ground connection.
• Defective Ignition Cable.
• Defective gas valve (check for 24 Vac at harness during trial for ignition before
replacing valve).
• Air-fuel mixture out of adjustment - consult factory.
13
Flame rod
shorted to ground
Flame rod shorted to ground • Shorted or mis-wired ame rode wiring.
• Defective ame rod.
14
DT inlet/outlet high
Temperature rise between supply and return is too
high.
• Inadequate boiler water ow. Verify that circulator is operating and that circulator
and piping are sized per Section VI of this manual.
15
Return temp higher
than supply
The Control is reading a return sensor temperature
higher than the supply sensor temperature. Condition
must be present for at least 75 seconds for this error
code to appear.
• Flow through boiler reversed. Verify correct piping and circulator orientation.
• No boiler water ow. Verify that system is purged of air and that appropriate valves
are open.
• Sensor wiring reversed.
• Supply or return sensor defective.
16
Supply temp has risen
too quickly
Supply water temperature has risen too quickly.
• See possible causes for “Hard Lockout 4”.
• Inadequate boiler water ow.
• Verify that circulator is operating and that circulator and piping are sized per
Section VI of this manual.
17
Blower speed not
proved
Normal waiting for blower speed to match purge and
light-off setpoint.

108
XII. Troubleshooting (continued)
G. Troubleshooting problems where a Hard Lockout Code is displayed. When a hard lockout occurs, the boiler will shut
down, the display will turn red and the “Help” button will “blink”. Select the “blinking” “Help” button to determine the
cause of the Hard Lockout. Once the condition that caused the lockout is corrected, the boiler will need to be manually reset
using the Reset button on the “Active Fault” display or located on the Sage2.1 Control.
Lockout Number Condition Possible Cause
4
Supply high limit
Sage2.1 supply sensor detected
temperatures in excess of 210°F.
• Heating load at time of error was far below the minimum ring
rate of the boiler.
• Defective system circulator or no ow in primary loop.
• Defective boiler circulator or no ow in boiler loop.
• Control system miswired so that the boiler operation is
permitted when no zones are calling.
5
DHW high limit
Sage2.1 DHW sensor detected
temperatures in excess of Setpoint.
• DHW load at time of error was far below the minimum ring
rate of the boiler.
• Control system miswired so that boiler operation is permitted
when no DHW are calling.
6
Stack High limit
Sage2.1 Flue gas (Stack) sensor detected
temperatures in excess of 204°F.
• Heat exchanger needs to be cleaned.
• Boiler over-red.
• Air-fuel mixture out of adjustment - consult factory.
12
Flame detected out of sequence
A ame signal was present when there
should be no ame.
• Defective gas valve - make sure inlet pressure is below
maximum on rating plate before replacing valve.
18
Light off rate proving failed
Blower is not running at Light-off rate
when it should or blower speed signal not
being detected by Sage2.1.
• Loose connection in 120 VAC blower wiring.
• Loose or miswired blower speed harness.
• Defective blower
19
Purge rate proving failed
Blower is not running at Purge rate when
it should or blower speed signal not being
detected by Sage2.1.
• Loose connection in 120 VAC blower wiring.
• Loose or miswired blower speed harness.
• Defective blower
20
Invalid Safety Parameters
Unacceptable Sage2.1 control Safety
related parameter detected. Safety Parameter verication required. Contact factory.
21
Invalid Modulation Parameter
Unacceptable Sage2.1 control Modulation
related parameter detected. Reset the control.
22
Safety data verication needed
Safety related parameter change has
been detected and a verication has not
been completed.
Safety related Sage2.1 control parameter has been changed and
verication has not been performed.
23
24VAC voltage low/high
Sage2.1 control 24Vac control power is
high or low.
• Loose connection in 24Vac VAC power wiring.
• Loose or miswired 24Vac harness.
• Miswired wiring harness causing power supply short to
ground.
• Defective transformer.
• Transformer frequency, voltage and VA do not meet
specications.
24
Fuel Valve Error
Power detected at fuel valve output when
fuel valve should be off.
• Loose or defective gas valve harness. Check electrical
connections.
• Defective gas valve (check for 24 Vac at harness during trial
for ignition before replacing valve).
25
Hardware Fault Internal control failure. • Reset the control. If problem reoccurs, replace the Sage.
26
Internal Fault Internal control failure. • Reset the control. If problem reoccurs, replace the Sage.
27
Ignition failure
Model APX500 and APX800:
Flame failure after 1 try to restart.
• No gas pressure.
• Gas pressure under minimum value shown on rating plate.
• Gas line not completely purged of air.
• Defective Electrode.
• Loose burner ground connection.
• Defective Ignition Cable.
• Defective gas valve (check for 24 Vac at harness during trial
for ignition before replacing valve).
• Air-fuel mixture out of adjustment - consult factory.
Hard Lockout Codes Displayed

109
XIII. Repair Parts
All Apex™ Series Repair Parts may be obtained through your local Burnham Commercial Cast Iron
Wholesale distributor. Should you require assistance in locating a Burnham Commercial Cast Iron
distributor in your area, or have questions regarding the availability of Burnham Commercial Cast Iron
products or repair parts, please contact Burnham Commercial Cast Iron Customer Service at
(888) 791-3790 or Fax (877) 501-5211.

110
1P-3
1P-2
1P-1
XIII. Repair Parts (continued)
1C 1D
1E

111
XIII. Repair Parts (continued)
Key
No. Description (Quantity) Part Number
APX399 APX500 APX800
1A Bare Heat Exchanger 101931-06 101931-07 103261-01
1B Burner Head Assembly 101933-06 101933-07 103108-01
1C Replacement Igniter Kit 103005-01 103005-02 103308-01
1D Replacement Flame Sensor Kit 103339-01 103310-01
1E Replacement Partially Assembled Burner Door 102696-01 104597-01
1F Air Vent Valve 101586-01
1G Water Temp Sensor (2) 101685-01
1H High Limit 101653-01
1J Gasket, Header (All Three) N/A
1K Gasket, Header, 1” NPT N/A
1L Gasket, Header, 1” & 3/4” NPT N/A
1M Gasket, Header, 1-1/2” NPT 101372-03
1N Gasket, Header, 3/4” NPT 101372-01
1P-1 Gas/Air Intake Duct Assembly 101725-02 N/A N/A
1P-2 Gas/Air Intake Duct Assembly N/A N/A 103338-01
1P-3 Gas/Air Intake Duct Weldment N/A 102615-01 N/A
1Q Burner Plate Insulation (Warning: Contains RCF, Not Shown) 101728-01 103610-01
1R Burner Plate Inner Seal 101729-01
1S Burner Plate Outer Seal 101730-01
1T Burner Head 101731-06 102658-01 104584-01
1U Burner Head Seal 101732-01
1V Insulation Disc (Warning: Contains RCF) 101996-02
1W Burner Door Thermostat with Manual Reset 104569-01
M6x1 Hex Flange Nut (Not Shown) (6) 101724-01
M5x14 mm Pan Hd Thread Forming Screw, T25 Drive (Not Shown) (4) 101742-01 N/A
M5x10mm Pan Hd Thread Forming Screw, Phillips Drive (Not Shown) N/A (5) 102671-01
Thermal Link Switch (Backside of Duo Heat Exchanger) (Not Shown) 103321-01
Flue Exit Gasket Kit (Inside of Vent Termination of Heat Exchanger),
(Not Shown) 104501-01 104502-01
1Q
1U
1T
1V
1S
1R
1W

112
XIII. Repair Parts (continued)
Key
No. Description (Quantity) Part Number
APX399 APX500 APX800
2A Blower 101530-01 101531-01 103222-01
2B
Blower Inlet Shroud Assembly
(includes Gas Orice; Gas Orice O-Ring; (3x) M4x20 mm or (3x) M4x25 mm
Self-threading Screws; Injector Plate; (4x) M4 x 10 mm Flat Head Screws;
Air Intake Adapter - Air Connection Side; Swirlplate; (2x) M5 x 16 mm Phillips
Flat Head Screws; Blower Adapter Plate; Air Intake Adapter - Blower Side).
101704-04 101704-05 103223-01
2B-1 Blower Inlet Repair Kit (includes Blower Adapter Plate, Swirlplate and
Mounting Hardware) 104620-04 104620-05 N/A
2C Gas Valve 102975-06 102975-07
(2) 103224-01
(Nat. Gas)
103299-01 (LP)
2D Gas Valve Harness with Plug 102971-01 103300-01 (LP)
Gas Valve Harness with Two Plugs N/A 103225-01 (Nat. Gas)
2E Blower Outlet Gasket 101345-01 102614-01 103263-01
2F Gas Valve Flange Kit N/A 102972-03 (4) 102972-03
2G Rubber Grommet, Gas Line 101638-01 103252-01
APX800 Only
2A
2D
2C
2E
(SIZE 500)
(SIZE 399)
2F
(SIZE 500 ONLY)
2G
2B
2B-1
APX399 and APX500 Only

113
Key
No. Description
(Quantity) Part Number
APX399 APX500 APX800
3A Low Gas Pressure Switch N/A 102702-01
3B High Gas Pressure Switch N/A 102703-01
3C Gas Pressure Switch Wire Harness N/A 102704-01
XIII. Repair Parts (continued)

114
Key
No. Description
(Quantity) Part Number
APX399 APX500 APX800
4A Air Pressure Switch 104426-01
4B Air Pressure Switch Tubing, Black 7016041 102770-01 103257-01
4C Condensate Trap, Blow Molded 101239-01
4D Blocked Condensate Drain Switch 101587-01
4E Spring Clip, Condensate Trap (2) 101632-01
4F Rubber Grommet, Condensate Trap 101595-01
4G Condensate Comp. Fitting 101546-01
XIII. Repair Parts (continued)

115
XIII. Repair Parts (continued)
Key
No. Description
(Quantity) Part Number
APX399 APX500 APX800
5A Sage2.1 (Programmed) 104472-01 104472-04
5B Programmed Display (with Mounting Hard-
ware) 104427-01
5C Transformer 102516-01 103193-01

116
XIII. Repair Parts (continued)

117
XIII. Repair Parts (continued)
Key
No. Description
(Quantity) Part Number
APX399 APX500 APX800
6A Jacket, Rear/Bottom Panel 103406-02 103407-01 N/A
6B Jacket, Left Side Panel 102776-06 102776-07 103232-01
6C Jacket, Right Side Panel 101766-02 102610-01 103233-01
6D Partition Shelf Assembly 102831-06 102831-07 103237-01
6E Jacket, Top Panel 101218-06 101218-07 103234-01
6F Heat Exchanger Support Assembly, Right Side 101232-06 101232-07 103228-01
6G Heat Exchanger Support, Left Side 101224-06 101224-07 103227-01
6H Bracket, High Voltage Terminal 102780-01
6J Bracket, Rear HX Support 101381-01
6K Jacket Support Bracket (2) 101593-01 (1) 101593-01 N/A
6L Lower Front Door Assembly 101227-02 101227-01
6M Jacket, Upper Front Panel 101509-01
6N Bracket, Right Clip 101508-01
6P Rubber Pad, Right Clip 101245-01
6R Draw Latch 101037-01
6S Bracket, Left Clip 101507-02 N/A
Bracket, HX Strap N/A 103229-01
6T Access Panel (5’ x 16’) N/A 102612-01 N/A
6U Gasket, Access Panel (5’ x 16’) N/A 102613-01 N/A
6V Bracket, Gas Train N/A 102611-01 103240-01
6W Gasket, Access Panel (5’ x 8’) (1) 102877-01 (2) 102877-01 (6) 102877-01
6X Jacket, Rear Panel N/A 103230-01
6Y Access Panel (5’ x 8’) (1) 102873-01 (2) 102873-01 (6) 102873-01
6Z Control, Slid Tray 102777-01 103336-01
6AA Gasket, Rear to Base & Partition N/A 103241-01
6BB Gasket, Rear to Side N/A 103242-01
6CC Gasket, Side to Base & Partition N/A 103243-01
6DD Gasket, Side to Base Support N/A 103244-01
6EE Gasket, Side to Header Strap N/A 103245-01
6FF Gasket, Side to HX Support N/A 103246-01
6GG Heat Exchanger Support, Front/Rear N/A 103231-01
6HH Base Pan N/A 102226-01
6JJ Bracket, Partition Shelf Support N/A 103239-01
Nylon Glide (4) 8186006 (6) 8186006

118
XIII. Repair Parts (continued)

119
XIII. Repair Parts (continued)
Key
No. Description
(Quantity) Part Number
APX399 APX500 APX800
6A Jacket, Rear/Bottom Panel 103406-02 103407-01 N/A
6B Jacket, Left Side Panel 102776-06 102776-07 103232-01
6C Jacket, Right Side Panel 102776-02 102610-01 103233-01
6D Partition Shelf Assembly 102831-06 102831-07 103237-01
6E Jacket, Top Panel 101218-06 101218-07 103234-01
6F Heat Exchanger Support Assembly, Right Side 101232-06 101232-07 103228-01
6G Heat Exchanger Support, Left Side 101224-06 101224-07 103227-01
6H Bracket, High Voltage Terminal 102780-01
6J Bracket, Rear HX Support 101381-01
6K Jacket Support Bracket (2) 101593-01 (1) 101593-01 N/A
6L Lower Front Door Assembly 101227-02 101227-01
6M Jacket, Upper Front Panel 101509-01
6N Bracket, Right Clip 101508-01
6P Rubber Pad, Right Clip 101245-01
6R Draw Latch 101037-01
6S Bracket, Left Clip 101507-02 N/A
Bracket, HX Strap N/A 103229-01
6T Access Panel (5’ x 16’) N/A 102612-01 N/A
6U Gasket, Access Panel (5’ x 16’) N/A 102613-01 N/A
6V Bracket, Gas Train N/A 102611-01 103240-01
6W Gasket, Access Panel (5’ x 8’) (1) 102877-01 (2) 102877-01 (6) 102877-01
6X Jacket, Rear Panel N/A 103230-01
6Y Access Panel (5’ x 8’) (1) 102873-01 (2) 102873-01 (6) 102873-01
6Z Control, Slid Tray 102777-01 103336-01
6AA Gasket, Rear to Base & Partition N/A 103241-01
6BB Gasket, Rear to Side N/A 103242-01
6CC Gasket, Side to Base & Partition N/A 103243-01
6DD Gasket, Side to Base Support N/A 103244-01
6EE Gasket, Side to Header Strap N/A 103245-01
6FF Gasket, Side to HX Support N/A 103246-01
6GG Heat Exchanger Support, Front/Rear N/A 103231-01
6HH Base Pan N/A 103226-01
6JJ Bracket, Partition Shelf Support N/A 103239-01
Nylon Glide (4) 8186006 (6) 8186006

120
Key
No. Vent System Components Part Number
(Quantity) Part Number
APX399 APX500 APX800
7A 4” Schedule 40 PVC Tee Vent/Combustion Air Terminal 102190-02 2 N/A
7B 4” Stainless Steel Rodent Screens 102191-02 2 N/A
6” Stainless Steel Rodent Screens 102191-03 N/A 2
7C 4” x 30” Schedule 40 CPVC Pipe 102193-02 1 N/A
6” x 30” Schedule 40 CPVC Pipe 103267-01 N/A 1
7D
4” Schedule 80 CPVC 90° Elbow 102192-02 1 N/A
6” Schedule 80 CPVC 90° Elbow 103268-02 N/A 1
6” Schedule 40 PVC 90° Elbow 103313-01 N/A 2
7E 8 oz. Bottle of Transition Cement 102195-01 1
7F 8 oz. Bottle of Primer 102194-01 1
7G 4” x 4” CPVC/PVC Vent System Connector 102183-03 1 N/A
6” x 6” CPVC/PVC Vent System Connector 103270-01 N/A 1
7H 4” x 4” CPVC/PVC Vent System Connector Gasket 102185-02 1 N/A
6” x 6” CPVC/PVC Vent System Connector Gasket 103248-01 N/A 1
7J Flue Temperature Sensor Cap 102153-01 1
Flue Temperature Sensor (Not Shown) 101687-01 1
XIII. Repair Parts (continued)

121
XIII. Repair Parts (continued)
Key
No. Description
(Quantity) Part Number
APX399 APX500 APX800
MISCELLANEOUS PARTS CARTON 102942-03 102942-03 102942-04
8A Temperature/Pressure Gauge 100282-01
8B External Gas Shut Off Valve 101615-01 816SOL0015
8C Relief Valve 81660302 81660375
8D Boiler Drain Valve 806603061
8E Boiler Stacking Brackets (2) 101679-01
8F Boiler Stacking Bracket Screws (8) 80860743
Outdoor Temperature Sensor (Not Shown) 102946-01

122
Key
No. Description Part Number
APX399 APX500 APX800
--- Complete Wiring Harness (includes 10A, 10B, 10C & 10D) 102701-02
10A Main (Low Voltage) Harness 103009-02
10B High Voltage Harness 103010-02
10C Blower Power Harness 103012-01
10D Communication Harness 103011-01
10E Igniter Harness 103486-01
10F Wiring Harness, Thermal Link and Burner Door Thermostat 104574-01
XIII. Repair Parts (continued)

123
Important Product Safety Information
Refractory Ceramic Fiber Product
Warning:
The Repair Parts list designates parts that contain refractory ceramic fibers
(RCF). RCF has been classified as a possible human carcinogen. When
exposed to temperatures about 1805°F, such as during direct flame contact,
RCF changes into crystalline silica, a known carcinogen. When disturbed as a
result of servicing or repair, these substances become airborne and, if inhaled,
may be hazardous to your health.
AVOID Breathing Fiber Particulates and Dust
Precautionary Measures:
Do not remove or replace RCF parts or attempt any service or repair work
involving RCF without wearing the following protective gear:
1. A National Institute for Occupational Safety and Health (NIOSH)
approved respirator
2. Long sleeved, loose fitting clothing
3. Gloves
4. Eye Protection
• Take steps to assure adequate ventilation.
• Wash all exposed body areas gently with soap and water after contact.
• Wash work clothes separately from other laundry and rinse washing
machine after use to avoid contaminating other clothes.
• Discard used RCF components by sealing in an airtight plastic bag. RCF
and crystalline silica are not classified as hazardous wastes in the United
States and Canada.
First Aid Procedures:
• If contact with eyes: Flush with water for at least 15 minutes. Seek
immediate medical attention if irritation persists.
• If contact with skin: Wash affected area gently with soap and water.
Seek immediate medical attention if irritation persists.
• If breathing difficulty develops: Leave the area and move to a location
with clean fresh air. Seek immediate medical attention if breathing
difficulties persist.
• Ingestion: Do not induce vomiting. Drink plenty of water. Seek
immediate medical attention.

124
Figure
Number
Page
Number Description
Section I - Product Description, Specications & Dimensional Data
Figure 1A 7 Model APX399
Figure 1B 8 Model APX500
Figure 1C 9 Model APX800
Section III - Pre-Installation and Boiler Mounting
Figure 2 12 Clearances To Combustible and Non-combustible Material
Figure 3 14 Stacking Boiler Attachment Bracket Placement
Section IV - Venting
Figure 4 17
Location of Vent Terminal Relative to Windows, Doors, Grades, Overhangs, Meters and Forced Air
Inlets (Concentric Terminal Shown - Two-Pipe System Vent Terminal to be installed in same location
Two-Pipe System Air Intake Terminal Not Shown)
Figure 5 20 Expansion Loop and Offset
Figure 6 21 Field Installation of CPVC/PVC Two-Pipe Vent System Connector
Figure 7 21 Near-Boiler Vent/Combustion Air Piping
Figure 8 23 Wall Penetration Clearances for PVC Vent Pipe
Figure 9A 23 Direct Vent - Sidewall Terminations
Figure 9B 24 Direct Vent - Sidewall Terminations (Optional)
Figure 10 24 Rodent Screen Installation
Figure 11 24 Direct Vent - Optional Sidewall Snorkel Terminations
Figure 12 25 Direct Vent - Vertical Terminations
Figure 13 26 Direct Vent - Vertical Terminations w/ Sloped Roof
Figure 14 28 Vent System Field Modication to Install PVC to PP Adapter (M&G/DuraVent Shown)
Figure 15 29 Flexible Vent in Masonry Chimney with Separate Air Intake
Figure 16 31 Field Installation of Two-Pipe Vent System Adapter for Stainless Steel
Figure 17 33 Field Installation of Boiler Concentric Vent Collar
Figure 18 33 Cut-To-Length Extension (Cuttable)
Figure 19 33 Fixed Extension (Non-Cuttable)
Figure 20 34 Cutting Straight Pipe
Figure 21 34 Joining Cuttable Pipe
Figure 22 34 Joining Non-Cuttable Pipe
Figure 23 35 Horizontal Concentric Venting
Figure 24 35 Dimension “L”
Figure 25 36 Cutting Vent Terminal Pipe
Figure 26 37 Completing Horizontal (Wall Terminal Installation)
Figure 27 37 Vertical Concentric Vent Installation
Figure 28 37 Dimension “H”
Figure 29 38 Cutting Vertical Terminal
Figure 30 38 Completing Vertical Terminal Installation
Figure 31 39 Chimney Chase Installation
Figure 32 41 Multiple Boiler Direct Vent Termination
Appendix A - Figures
125
Appendix A - Figures (continued)
Figure
Number
Page
Number Description
Section IV - Venting (continued)
Figure 33 42 Multiple Boiler Concentric Vent Termination
Section V - Condensate Disposal
Figure 34 44 Condensate Trap and Drain Line
Section VI - Water Piping and Trim
Figure 35 45 Factory Supplied Piping & Trim Installation
Figure 36 50 Near Boiler Piping - Heating Only
Figure 37 51 Near Boiler Piping - Heating Plus Indirect Water Heater
Figure 38A 52 Isolation of the Boiler From Oxygenated Water with A Plate Heat Exchanger
(IWH Piped as Part of Boiler Piping)
Figure 38B 53 Isolation of the Boiler From Oxygenated Water with A Plate Heat Exchanger
(IWH Piped Off System Header)
Figure 39A 54 Multiple Boiler Water Piping w/Domestic Hot Water Heater (Page 1 of 2)
Figure 39B 55 Multiple Boiler Water Piping w/Domestic Hot Water Heater (Page 2 of 2)
Figure 40A 56 Alternate Multiple Boiler Water Piping w/ Indirect Domestic Hot Water Heater (Page 1 of 2)
Figure 40B 57 Alternate Multiple Boiler Water Piping w/Indirect Domestic Hot Water Heater (Page 2 of 2)
Section VII - Gas Piping
Figure 41 61 Recommended Gas Piping
Figure 42 62 Gas Inlet Pressure Tap and Pressure Switch Location
Section VIII - Electrical
Figure 43 65 Ladder Diagram
Figure 44 66 & 67 Wiring Connections Diagram
Figure 45A 68 Modied Wiring For DHW Priority When Using Low Flow Circulator Piped Off System Header -
Heating (with Central Heating Circulators) Plus Alternately Piped Indirect Water Heater
Figure 45B 69 Modied Wiring For DHW Priority When Using Low Flow Circulator Piped Off System Header -
Heating (with Central Heating Zone Valves) Plus Alternately Piped Indirect Water Heater
Figure 46 70 Multiple Boiler Wiring Diagram, Internal Sage2.1 Multiple Boiler Control Sequencer (Three Boilers
Shown, Typical Connections for up to Eight Boilers)
Figure 47A 71 Multiple Boiler Wiring Diagram w/Tekmar 265 Control
Figure 47B 72 Multiple Boiler Wiring Diagram w/Tekmar 264 Control
Figure 48 73 Recommended Direct Immersion Header Sensor Installation Detail
Figure 49 73 Alternate “Immersion” type Header Sensor Installation Detail
Figure 50 74 RJ45 Splitter Installation Detail
Section IX- System Start-Up
Figure 51 76 Lighting Instructions
Figure 52 78 Burner Flame
Figure 53 79 Dungs Gas Valve Detail
126
Figure
Number
Page
Number Description
Section X - Operation
Figure 54 87 Status Screens
Figure 55 88 Detail Screens
Figure 56 90 Adjust Mode Screens
Figure 57 99 Outdoor Reset Curve
Section XI - Service and Maintenance
Figure 58 102 Igniter Electrode Gap
Figure 59 103 Condensate Overow Switch Orientation
Section XII - Troubleshooting
Figure 60 105 Help Menu
Section XIII - Repair Parts
N/A Pages 110 thru 122
Appendix A - Figures (continued)

127
Appendix B - Tables
Table
Number
Page
Number Description
Section I - Product Description, Specications & Dimensional Data
Table 1 6 Dimensional Data (See Figures 1A, 1B and 1C)
Table 2A 10 Rating Data - Models APX500 and APX800 (0 to 5000 Feet Elevation Above Sea Level)
Table 2B 10 Rating Data - Models APX500 and APX800 (5001 to 10000 Feet Elevation Above Sea Level)
Section III - Pre-Installation and Boiler Mounting
Table 3 13 Apex (APX) Boiler Model Stacking Combinations
Section IV - Venting
Table 4 16 Vent/Combustion Air System Options
Table 5A 18 CPVC/PVC Vent & Air Intake Components Included With Boiler
Table 5B 19 CPVC/PVC Vent & Air Intake Components (Installer Provided) required for Optional Horizontal
(Snorkel) Termination
Table 5C 19 CPVC/PVC Vent & Air Intake Components (Installer Provided) required for Optional Vertical (Roof)
Termination
Table 6 20 Vent System and Combustion Air System Components Equivalent Length vs. Component Nominal
Diameter
Table 7 20 Expansion Loop Lengths
Table 8 22 Vent/Combustion Air Pipe Length – Two-Pipe Direct Vent System Options (CPVC PVC and Stain-
less Steel/PVC or Galvanized Steel)
Table 9 27 Approved Polypropylene Pipe, Fittings and Terminations - M&G/DuraVent
Table 10 27 Approved Polypropylene Pipe, Fittings and Terminations - Centrotherm Eco
Table 11A 31 Burnham Commercial Vent System Components (Stainless Steel)
Table 11B 31 Alternate Vent Systems and Vent Components (Stainless Steel)
Table 12 32 Concentric Vent Length
Table 13 32 Concentric Vent Components (Applicable to APX500 Only)
Section VI - Water Piping and Trim
Table 14 46 Flow Range Requirement Through Boiler
Table 15 47 Recommended Circulator Models for Apex (APX) Boilers Based on 25°F Temperature Differential
and Up to 75 ft. Equivalent Length Near-Boiler Piping - Space Heating Circulator
Table 16 49 Fitting & Valve Equivalent Length
Table 17 52 Multiple Boiler Water Manifold Sizing
Table 18 58
Recommended Circulator Models for Apex (APX) Boilers and Alliance SL Indirect Water Heaters
Installed as Part of Near-Boiler Piping Up to 75 Ft. Equivalent Length - Domestic Hot Water
Circulator
Section VII - Gas Piping
Table 19A 59 Maximum Capacity of Schedule 40 Black Pipe in CFH* (Natural Gas) For Gas Pressures of 0.5
psig or Less
Table 19B 60 Maximum Capacity of Schedule 40 Black Pipe in CFH* (LP Gas) For Gas Pressures of 0.5 psig or
Less
Table 20 60 Equivalent Length of Standard Pipe Fittings & Valves
Table 21 61 Specic Gravity Correction Factors
Table 22 61 Min./Max. Pressure Ratings
128
Table
Number
Page
Number Description
Section VIII - Electrical
Table 23 64 Boiler Current Draw
Section IX - System Start-Up
Table 24 78 Recommended Combustion Settings, Natural Gas
Table 25 79 Number of Clockwise Throttle Screw Turns for LP Conversion
Table 26 80 Recommended Combustion Settings, LP Gas
Section X - Operation
Table 27 82 Order of Priority
Table 28 83 Frost Protection
Table 29 85 Boiler Sequence of Operation
Table 30 92 Parameters Changed Using the Boiler Type Parameter Selections
Section XIII - Repair Parts
N/A Pages 111 thru 122
Appendix B - Tables (continued)

129
SERVICE RECORD
DATE SERVICE PERFORMED

130
SERVICE RECORD
DATE SERVICE PERFORMED

131
SERVICE RECORD
DATE SERVICE PERFORMED

132
Subject to the terms and conditions set forth below, Burnham Commercial, Lancaster,
Pennsylvania hereby extends the following limited warranties to the original owner of a
commercial grade water or steam boiler or Burnham Commercial supplied parts and/or
accessories manufactured and shipped on or after October 1, 2009:
ONE YEAR LIMITED WARRANTY ON COMMERCIAL GRADE BOILERS
AND PARTS / ACCESSORIES SUPPLIED BY BURNHAM COMMERCIAL.
Burnham Commercial warrants to the original owner that its commercial grade water
and steam boilers and parts/accessories comply at the time of manufacture with
recognized hydronic industry standards and requirements then in effect and will be
free of defects in material and workmanship under normal usage for a period of one
year from the date of original installation. If any part of a commercial grade boiler or
any part or accessory provided by Burnham Commercial is found to be defective in
material or workmanship during this one year period, Burnham Commercial will, at its
option, repair or replace the defective part (not including labor).
HEAT EXCHANGER WARRANTIES
Burnham Commercial warrants to the original owner that the heat exchanger of its
commercial grade boilers will remain free from defects in material and workmanship
under normal usage for the time period specified in the chart below to the original owner
at the original place of installation. If a claim is made under this warranty during the “No
Charge” period from the date of original installation, Burnham Commercial will, at its
option, repair or replace the heat exchanger (not including labor). If a claim is made
under this warranty after the expiration of the “No Charge” period from the date of
original installation, Burnham Commercial will, at its option and upon payment of the
pro-rated service charge set forth below, repair or replace the heat exchanger. The
service charge applicable to a heat exchanger warranty claim is based upon the number
of years the heat exchanger has been in service and will be determined as a percentage
of the retail price of the heat exchanger model involved at the time the warranty claim is
made as follows:
NOTE: If the heat exchanger involved is no longer available due to product obsolescence
or redesign, the value used to establish the retail price will be the published price as set
forth in Burnham Commercial Repair Parts Pricing where the heat exchanger last
appeared or the current retail price of the then nearest equivalent heat exchanger,
whichever is greater.
ADDITIONAL TERMS AND CONDITIONS
1. Applicability: The limited warranties set forth above are extended only to the
original owner at the original place of installation within the United States and
Canada. These warranties are applicable only to boilers, parts, or accessories
designated as commercial grade by Burnham Commercial and installed and
used exclusively for purposes of commercial space heating or domestic hot
water generation through a heat exchanger (or a combination for such purposes)
and do not apply to residential grade products or industrial uses.
2. Components Manufactured by Others: Upon expiration of the one year limited
warranty on commercial grade boilers, all boiler components other than heat
exchangers manufactured by others but furnished by Burnham Commercial
(such as oil burner, circulator and controls) will be subject only to the
manufacturer’s warranty, if any.
3. Proper Installation: The warranties extended by Burnham Commercial are
conditioned upon the installation of the commercial grade boiler, parts, and
accessories in strict compliance with Burnham Commercial installation
instructions. Burnham Commercial specifically disclaims liability of any kind
caused by or relating to improper installation.
4. Proper Use and Maintenance: The warranties extended by Burnham Commercial
conditioned upon the use of the commercial grade boiler, parts, and accessories
for its intended purposes and its maintenance accordance with Burnham
Commercial recommendations and hydronics industry standards. For proper
installation, use, and maintenance, see all applicable sections of the Installation
and Operating, and Service Instructions Manual furnished with the unit.
5. This warranty does not cover the following:
a. Expenses for removal or reinstallation. The owner will be responsible for
the cost of removing and reinstalling the alleged defective part or its
replacement and all labor and material connected therewith, and
transportation to and from Burnham Commercial.
b. Components that are part of the heating system but were not furnished by
Burnham Commercial as part of the commercial boiler.
c. Improper burner adjustment, control settings, care or maintenance.
d. This warranty cannot be considered as a guarantee of workmanship of an
installer connected with the installation of the Burnham Commercial boiler, or
as imposing on Burnham Commercial liability of any nature for unsatisfactory
performance as a result of faulty workmanship in the installation, which
liability is expressly disclaimed.
e. Boilers, parts, or accessories installed outside the 48 contiguous United
States, the State of Alaska and Canada.
f. Damage to the boiler and/or property due to installation or operation of the
boiler that is not in accordance with the boiler installation and operating
instruction manual.
g. Any damage or failure of the boiler resulting from hard water, scale buildup
or corrosion the heat exchanger.
h. Any damage caused by improper fuels, fuel additives or contaminated
combustion air that may cause fireside corrosion and/or clogging of the
burner or heat exchanger.
i. Any damage resulting from combustion air contaminated with particulate
which cause clogging of the burner or combustion chamber including but
not limited to sheetrock or plasterboard particles, dirt, and dust particulate.
j. Any damage, defects or malfunctions resulting from improper operation,
maintenance, misuse, abuse, accident, negligence including but not limited to
operation with insufficient water flow, improper water level, improper water
chemistry, or damage from freezing.
k. Any damage caused by water side clogging due to dirty systems or
corrosion products from the system.
l. Any damage resulting from natural disaster.
m. Damage or malfunction due to the lack of required maintenance outlined in
the Installation and Operating Manuals furnished with the unit.
6. Exclusive Remedy: Burnham Commercial obligation for any breach of these
warranties is limited to the repair or replacement of its parts (not including
labor) in accordance with the terms and conditions of these warranties.
7. Limitation of Damages: Under no circumstances shall Burnham Commercial be
liable for incidental, indirect, special or consequential damages of any kind
whatsoever under these warranties, including, but not limited to, injury or damage
to persons or property and damages for loss of use, inconvenience or loss of time.
Burnham Commercial liability under these warranties shall under no circumstances
exceed the purchase price paid by the owner for the commercial grade boiler
involved. Some states do not allow the exclusion or limitation of incidental or
consequential damages, so the above limitation or exclusion may not apply to you.
8. Limitation of Warranties: These warranties set forth the entire obligation of
Burnham Commercial with respect to any defect in a commercial grade boiler,
parts, or accessories and Burnham Commercial shall have no express obligations,
responsibilities or liabilities of any kind whatsoever other than those set forth
herein. These warranties are given in lieu of all other express warranties.
ALL APPLICABLE IMPLIED WARRANTIES, IF ANY, INCLUDING ANY
WARRANTY OF MERCHANTABILITY OR FITNESS FOR A PARTICULAR
PURPOSE ARE EXPRESSLY LIMITED IN DURATION TO A PERIOD OF ONE
YEAR EXCEPT THAT IMPLIED WARRANTIES, IF ANY, APPLICABLE TO
THE HEAT EXCHANGER IN A COMMERCIAL GRADE BOILER SHALL
EXTEND TO THE ORIGINAL OWNER FOR THE TIME SPECIFIED IN THE
HEAT EXCHANGER SECTION SHOWN ABOVE AT THE ORIGINAL PLACE
OF INSTALLATION. SOME STATES DO NOT ALLOW LIMITATION ON HOW
LONG AN IMPLIED WARRANTY LASTS, SO THE ABOVE LIMITATION MAY
NOT APPLY TO YOU.
PROCEDURE FOR OBTAINING WARRANTY SERVICE
In order to assure prompt warranty service, the owner is requested to complete
and mail the Warranty Card provided with the product or register product online
at www.burnhamcommercialcastiron.com within ten days after the installation of
the boiler, although failure to comply with this request will not void the owner’s
rights under these warranties. Upon discovery of a condition believed to be
related to a defect in material or workmanship covered by these warranties, the
owner should notify the installer, who will in turn notify the distributor. If this
action is not possible or does not produce a prompt response, the owner should
write to Burnham Commercial, P.O. Box 3939, Lancaster, PA 17604, giving full
particulars in support of the claim. The owner is required to make available for
inspection by Burnham Commercial or its representative the parts claimed to be
defective and, if requested by Burnham Commercial to ship these parts prepaid
to Burnham Commercial at the above address for inspection or repair. In
addition, the owner agrees to make all reasonable efforts to settle any
disagreement arising in connection with a claim before resorting to legal
remedies in the courts.
THIS WARRANTY GIVES YOU SPECIFIC LEGAL RIGHTS AND YOU MAY
ALSO HAVE OTHER RIGHTS WHICH VARY FROM STATE TO STATE.
F
Fo
or
rC
Co
om
mm
me
er
rc
ci
ia
al
lG
Gr
ra
ad
de
eB
Bo
oi
il
le
er
rs
s
Using Cast Iron, Carbon Steel,
or Stainless Steel Heat Exchangers
a
an
nd
dP
Pa
ar
rt
ts
s/
/
A
Ac
cc
ce
es
ss
so
or
ri
ie
es
s
L
Li
im
mi
it
te
ed
dW
Wa
ar
rr
ra
an
nt
ty
y
Years in Service 1 23456789 10+
Cast Iron 100
Carbon Steel No Charge
Stainless Steel 20 40 60 80 100
100
No Charge
No Charge
Service Charge as a % of Retail Price
Burnham Commercial, P.O. Box 3939, Lancaster, PA 17604
Pub. No. BCL1109041 Revised November 1, 2009
Commercial Boilers
3 Form No. 188 - Effective 12/1/09