CCT Tech Advanced MD7081H Digital Cordless Telephone System - Handset User Manual MD7081 User s Guide
CCT Tech Advanced Products Limited Digital Cordless Telephone System - Handset MD7081 User s Guide
Users Manual

1
MD7080 Series User Guide
Digital 5.8GHz
Expandable Cordless 2-Line Telephone
System with Base Speaker Phone, Keypad,
and Answering Machine

2
Welcome
Congratulations on your purchase of a Motorola
product! Your Motorola handset at a glance:

3
Base Station Controls
Soft Keys
The left and right soft keys perform the function
displayed. For example, pressing the left soft key
while PHONEBK is displayed, opens your list of phone
numbers and names.

4
For a copy of a large-print version of this
guide, or for product-related questions,
please contact:
1-800-353-2729 U.S.A.
1-800-461-4575 Canada
1-888-390-6456 TTY (Text Telephone)
Or visit us online: www.motorola.com/cordless
Product registration is an important step toward
enjoying your new Motorola product. Registering helps
us facilitate warranty service, and permits us to contact
you should your Motorola product require an update or
other service. Registration is not required for warranty
coverage.
To register your product online, visit:
www.motorola.com/warranty/cordless
Please retain your original dated sales receipt for your
records. For warranty service of your Motorola Product,
you will need to provide a copy of your dated sales
receipt to confirm warranty status.
Copyright © 2004 Motorola, Inc.
All rights reserved. No part of this publication may be
reproduced in any form or by any means or used to
make any derivative work (such as translation,
transformation or adaptation) without written permission
from Motorola, Inc.
Motorola reserves the right to revise this publication and
to make changes in content from time to time without
obligation on the part of Motorola to provide notification
of such revision or change. Motorola provides this
guide without warranty of any kind, either implied or
expressed, including but not limited to, the implied
warranties of merchantability and fitness for a particular
5
purpose. Motorola may make improvements or
changes in the product(s) described in this manual at
any time.
MOTOROLA, the Stylized M Logo, and PhoneWrap are
registered in the U.S. Patent and Trademark Office. All
other product or service names are the property of their
respective owners.

6
Table of Contents
Welcome . . . . . . . . . . . . . . . . . . . . . . . . . . . . . . . . . . . . . 2
Important Safety Instructions . . . . . . . . . . . . . . . . . . . 8
FCC Information . . . . . . . . . . . . . . . . . . . . . . . . . . . . . 10
Getting Started . . . . . . . . . . . . . . . . . . . . . . . . . . . . . . . . 14
Battery Safety Instructions . . . . . . . . . . . . . . . . . . . . . . 14
Charging the Battery . . . . . . . . . . . . . . . . . . . . . . . . . . 15
Installing Backup Batteries . . . . . . . . . . . . . . . . . . . . . . 16
Using the Phone . . . . . . . . . . . . . . . . . . . . . . . . . . . . . . . 18
Using the Display . . . . . . . . . . . . . . . . . . . . . . . . . . . . . . 18
Using the Soft Keys . . . . . . . . . . . . . . . . . . . . . . . . . . . . 19
Using the Navigation Key . . . . . . . . . . . . . . . . . . . . . . 20
Installation. . . . . . . . . . . . . . . . . . . . . . . . . . . . . . . . . . . . 21
Installing the Phone on a Desk . . . . . . . . . . . . . . . . . . . 21
Installing the Phone on the Wall . . . . . . . . . . . . . . . . . 22
Setting Up . . . . . . . . . . . . . . . . . . . . . . . . . . . . . . . . . . . 24
Personalizing Your Phone . . . . . . . . . . . . . . . . . . . . 24
Setting the Ring Volume . . . . . . . . . . . . . . . . . . . . . 24
Setting the Ring Tone . . . . . . . . . . . . . . . . . . . . . . . 25
Setting Key Beeps On or Off . . . . . . . . . . . . . . . . . 25
Naming a Handset or Base. . . . . . . . . . . . . . . . . . . . . . 28
Setting the Handset Date and Time . . . . . . . . . . . . . . 29
Setting the Language . . . . . . . . . . . . . . . . . . . . . . . . . 30
Setting Touch Tone or Pulse Dialing . . . . . . . . . . . . . . 30
Using the Phone . . . . . . . . . . . . . . . . . . . . . . . . . . . . 31
Making a Call . . . . . . . . . . . . . . . . . . . . . . . . . . . . . . . 31
Adjusting the Volume During a Call . . . . . . . . . . . . . . 31
Inserting Pauses in a Number . . . . . . . . . . . . . . . . . . 32
Using Automated Dialing . . . . . . . . . . . . . . . . . . . . . . 33
Using the Speakerphone . . . . . . . . . . . . . . . . . . . . . . 33
Muting a Call . . . . . . . . . . . . . . . . . . . . . . . . . . . . . . . 34
Putting a Call on Hold . . . . . . . . . . . . . . . . . . . . . . . . 34
7
Redialing a Number . . . . . . . . . . . . . . . . . . . . . . . . . . 35
Finding a Lost or Misplaced Handset . . . . . . . . . . . . 35
Using the Phonebook . . . . . . . . . . . . . . . . . . . . . . . . 36
Storing a New Number . . . . . . . . . . . . . . . . . . . . . . 36
Storing a Recently Called Number . . . . . . . . . . . . . 38
Storing a Caller ID Number . . . . . . . . . . . . . . . . . . 38
Editing a Phonebook Entry . . . . . . . . . . . . . . . . . . 39
Deleting a Phonebook Entry . . . . . . . . . . . . . . . . . 40
Sorting the Phonebook . . . . . . . . . . . . . . . . . . . . . 40
Calling a Number from the Phonebook . . . . . . . . . 41
Using Caller ID . . . . . . . . . . . . . . . . . . . . . . . . . . . . . 43
Reviewing the List of Caller ID Calls . . . . . . . . . . . 43
Deleting Caller ID Calls . . . . . . . . . . . . . . . . . . . . . 43
Multihandset Functions . . . . . . . . . . . . . . . . . . . . . . . 44
Using the Intercom . . . . . . . . . . . . . . . . . . . . . . . . . 44
Enabling Auto-Answer . . . . . . . . . . . . . . . . . . . . . . 45
Transferring Calls to Other Handsets . . . . . . . . . . . 46
Conference Calling . . . . . . . . . . . . . . . . . . . . . . . . 46
Monitoring a Room . . . . . . . . . . . . . . . . . . . . . . . . . 47
Using the Answering Machine. . . . . . . . . . . . . . . . . . . 48
Setting Up the Answering Machine . . . . . . . . . . . . . . 48
Turning the Answering Machine On or Off . . . . . . . 48
Setting the Date and Time . . . . . . . . . . . . . . . . . . . 50
Setting Up Your Outgoing Message . . . . . . . . . . . . 50
Setting the Number of Rings Before the Answering
Machine Picks Up . . . . . . . . . . . . . . . . . . . . . . . . . . 51
Setting the Security ID Number . . . . . . . . . . . . . . . 51
Setting Voice Prompts . . . . . . . . . . . . . . . . . . . . . . 52
Setting Record Quality . . . . . . . . . . . . . . . . . . . . . . 52
Recording a Memo . . . . . . . . . . . . . . . . . . . . . . . . . 52
Using the Answering Machine . . . . . . . . . . . . . . . . . . 52
Checking Messages from the Base Station . . . . . . 52
Checking Messages from a Handset . . . . . . . . . . . 52
Checking Messages Remotely . . . . . . . . . . . . . . . . 53
Message Forwarding . . . . . . . . . . . . . . . . . . . . . . . 54
Screening Calls . . . . . . . . . . . . . . . . . . . . . . . . . . . . 55
Miscellaneous . . . . . . . . . . . . . . . . . . . . . . . . . . . . 56
Registering a Handset . . . . . . . . . . . . . . . . . . . . . . . 56
Deregistering Handsets . . . . . . . . . . . . . . . . . . . . . . 56

8
Motorola Limited Warranty . . . . . . . . . . . . . . . . . . . . . 57
Contents
Important Safety Instructions
Follow these safety precautions when using your
cordless phone to reduce the risk of fire, electric shock
and injury to persons or property:
Reduce risk of fire and shock by
1. Keep all slits and openings of the phone unblocked.
Do not set the phone on a heating register or over a
radiator. Ensure that proper ventilation is provided
at the installation site.
2. Do not use while wet or while standing in water.
3. Do not use this product near water (for example,
near a bath tub, kitchen sink, or swimming pool).
4. Do not allow anything to rest on the power cord.
Place the power cord so that it will not be walked
on.
5. Never insert objects of any kind into the product
slits as that may result in fire or shock.
6. Unplug this product from the wall outlet before
cleaning. Do not use liquid cleaners or aerosol
cleaners. Use a damp cloth for cleaning.
7. Do not disassemble this product. If service or repair
work is required, contact the Motorola address
found in the back of this user’s guide.
8. Do not overload wall outlets and extension cords.
9. Avoid using during an electrical storm. Use a surge
protector to protect the equipment.
10. Do not use this cordless phone to report a gas leak,
especially if you are in the vicinity of the gas line.
Unplug this cordless phone immediately from
an outlet if:
• The power cord or plug is damaged or frayed.
• Liquid has been spilled into the product.
• The product has been exposed to rain or water. Do not
retrieve the handset or base until after you have unplugged
the power and phone from the wall. Then retrieve the unit by
unplugged cords.
• The product has been dropped or the cabinet has been
9
damaged.
• The product exhibits a distinct change in performance.
Installation Guidelines
1. Read and understand all instructions and save
them for future reference.
2. Follow all warnings and instructions marked on the
product.
3. Do not install this product near a bath tub, sink or
shower.
4. Operate this phone using only the power source
that is indicated on the marking label. If you are
unsure of the power supply to your home, consult
with your dealer or local power company.
5. Do not place this product on an unstable cart, stand
or table. This product may fall, causing serious
damage to the product.
6. Adjust only those controls that are covered by the
operating instructions. Improper adjustment of other
controls may result in damage and will often require
extensive work to restore the product to normal
operation.
7. Clean this product with a soft, damp cloth. Do not
use chemicals or cleaning agents to clean this
phone.
8. Use only the power supply that came with this unit.
Using other power supplies may damage the unit.
9. Because cordless phones operate on electricity,
you should have at least one phone in your home
that isn’t cordless, in case the power in your home
goes out.
10. To avoid interference to nearby appliances, do not
place the base of the cordless phone on or near a
TV, microwave oven, or VCR.FCC Info

10
FCC Information
This equipment complies with Parts 15 and 68 of the
FCC rules and the requirements adopted by the
Administrative Council for Terminal Attachments
(ACTA).
A plug and jack used to connect this equipment to the
premises wiring and telephone network must comply
with applicable FCC Part 68 rules and requirements
adopted by the ACTA. A compliant telephone cord and
modular plug is provided with this product. It is designed
to be connected to a compatible modular jack that is
also compliant. See installation instructions for details.
Notification of Local Telephone Company
On the bottom of this equipment main base is a label that contains,
among other information, a product identifier in the form
US:AAAEQ##TXXXX. You must, upon request, provide
this information to your telephone company.
The digits represented by ## in the product identifier
indicate the Ringer Equivalency Number (REN) for this
equipment. The REN is useful in determining the
number of devices you may connect to your telephone
line and still have all of these devices ring when your
telephone number is called. In most (but not all) areas,
the sum of the RENs of all devices connected to one line
should not exceed 5. To be certain of the number of
devices you may connect to your line as determined by
the REN, contact your local telephone company.
Note: This equipment may not be used on coin service
provided by the telephone company.
Connection to party line service is subject to state tariffs.
Contact the state public utility commission, public
service commission or corporation commission for
information.
11
If your home has specially wired alarm equipment
connected to the telephone line, ensure the installation
of this cordless phone does not disable your alarm
equipment. If you have questions about what will
disable alarm equipment, consult your telephone
company or a qualified installer.
Notice must be given to the telephone company upon
permanent disconnection of your telephone from your
line. The FCC requires that you connect your cordless
telephone to the nationwide telephone network through
a modular telephone jack (USOC RJ11C/RJ11W or
RJ14C/RJ14W).
Rights of the Telephone Company
Should your equipment cause trouble on your line which
may harm the telephone network, the telephone
company shall, where practicable, notify you that
temporary discontinuance of service may be required.
Where prior notice is not practical and the
circumstances warrant such action, the telephone
company may temporarily disconnect service
immediately. In case of such temporary discontinuance,
the telephone company must:
• Promptly notify you of such temporary
discontinuance
• Afford you the opportunity to correct the situation
• Inform you of your right to bring a complaint to the
Commission pursuant to procedures set forth in
Subpart E of Part 68, FCC Rules and Regulations.
The telephone company may make changes in its
facilities, equipment, operations, or procedures that
could affect the operation of the equipment. If this
happens, the telephone company will provide advance
notice in order for you to make necessary modifications
to maintain uninterrupted service.
12
Interference Information
This device complies with Part 15 of the FCC Rules.
Operation is subject to the following two conditions:
• This device may not cause harmful interference.
• This device must accept any interference received,
including interference that may cause undesired
operation.
This equipment has been tested and found to comply
with the limits for a Class B digital device, pursuant to
Part 15 of the FCC Rules. These limits are designed to
provide reasonable protection against harmful
interference in a residential installation.
This equipment generates, uses, and can radiate radio
frequency energy and, if not installed and used in
accordance with the instructions, may cause harmful
interference to radio communications. However, there is
no guarantee that interference will not occur in a
particular installation.
If this equipment does cause harmful interference to
radio or television reception, which can be determined
by turning the equipment on and off, the user is
encouraged to try to correct the interference with one or
more of the following measures:
• Reorient or relocate the receiving antenna (that is,
the antenna for the radio or television that is
"receiving" the interference).
• Reorient or relocate and increase the separation
between the telecommunications equipment and
the receiving antenna.
• Connect the telecommunications equipment into
an outlet on a circuit different from that to which
the receiving antenna is connected.
If these measures do not eliminate the interference,
please consult your dealer or an experienced radio/
television technician for additional suggestions. Also,
the Federal Communications Commission has prepared
a helpful booklet, "How to Identify and Resolve Radio/
13
TV Interference Problems." This booklet is available
from the U.S. Government Printing Office, Washington,
D.C. 20402. Please specify stock number
004-000-00345-4 when ordering copies.
The FCC requires this product to be serviced only by
Motorola or its authorized service agents.
CAUTION / WARNING: Changes or modifications not
expressly approved by Motorola could void not only the
user's authority to operate the equipment, but also the
limited warranty.
FCC Info
Hearing Aid Compatibility
This telephone system meets the FCC standards for
hearing aid compatibility.

14
Getting Started
Before you can use your telephone to make or
answer calls, you must charge the battery. This
section provides the step-by-step instructions you will
need.
Battery Safety Instructions
• Do not burn, disassemble, mutilate, or puncture the
battery. The battery contains toxic materials that could
be released, resulting in injury.
• Caution: There is a risk of explosion if you replace
the battery with an incorrect battery type. Use only the
battery that came with your phone or an authorized
replacement recommended by the manufacturer.
• Keep batteries out of the reach of children.
• Remove batteries if storing over 30 days.
• Do not dispose of batteries in fire, which could result
in explosion.
• The rechargeable batteries that power this
product must be disposed of properly and may
need to be recycled. Refer to your battery’s
label for battery type. Contact your local
recycling center for proper disposal methods.

15
Charging the Battery
1 Remove the battery door.
2 Insert the battery into the battery compartment.
3 Plug the battery connector into the receptacle in
the battery compartment and replace the battery
door.
4 Plug the power cord into the back of the base and
into an outlet.

16
5 Rest the handset in the base so the charging
LED lights.
6 For the initial charge, charge the battery for
at least 16 hours.
Note: Every time a battery is plugged in, the phone
must be charged in the base for at least 10 seconds
for the phone to properly restart.
Charging
Installing Backup Batteries
Four AA alkaline batteries (not included) can be
installed into the base as backup in case of a
power outage. These batteries allow the cordless
handset to operate with the base during power
outages.
Note: The corded handset will work during power
outages with or with out the backup batteries.
1 With the back of the base facing you, use a small
tool such as a small screw driver to press the cover latch
to remove the battery compartment cover.

17
2 Insert four AA alkaline batteries as directed on
the compartment.
3 To replace the compartment cover, insert the tabs
of the cover into the slots on the base station and
press down until the cover clicks into place.
The base display has a battery meter to show
status of the backup batteries.

18
Using the Phone
The display, soft keys, and navigation keys
are used to select the various features and functions
of the phone. This section describes how to use
these components so you can set up your
preferences.
For step-by-step instructions on setting personal
preferences, see “Setting Up.”
Using the Display
The main display:
When the phone is not in use, the standby screen
is displayed.
Note: Caller ID information is supplied only if you
subscribe to caller ID service from your local phone
company.
When the speakerphone is on, displays.

19
The menu display:
In a menu display, points to the currently selected
item, and indicates there are more items above
and below the currently selected item.
Using the Soft Keys
Two soft keys are used to select the functions shown
above them on the display. The functions change as
you move from one screen to the next. In this guide,
soft key functions are shown as the function name.
For example, if a step instructs you to “select MENU,”
do so by pressing the soft key below MENU.

20
Using the Navigation Key
The navigation key is used to scroll up and down
through menu items, lists of settings, caller ID and
redial lists, and the phonebook.

21
Installation
You can install the phone on a desktop or mount it to a wall. This
section provides the step-by-step instructions you will
need to install the phone.
Installing the Phone on a Desk
Once the battery is fully charged, plug the phone cord
into the back of the phone and then into the phone jack
on the wall.

22
Installing the Phone on the Wall
The MD7080 can be mounted on a wall instead of placed on a flat
surface. It works best with a wall mount bracket, which is
available at most electronic stores.
1 Press the release tab and then carefully slide the wall mount from
the base.
2 Turn the wall mount over so the key slot is facing upward. Alight
the holes of the wall mount with the feet of the base and push gently
until the wall mount fits snugly into place.

23
3 Plug the power cord into the back of the base and
into an electrical outlet.
4 Plug one end of the telephone line cord into the jack
on the back of the base.
5 Line up the tabs on the wall mount bracket with the
holes on the back of the wall mount. Snap the wall
mount firmly into place.

24
Setting Up
Once your handset has been fully
charged, you can set your own preferences.
Personalizing Your Phone
You can personalize each handset by setting unique
ring tones, adjusting the ringer volume for day and
night, and naming each handset so you can
distinguish one from another.
Setting the Ring Volume
If you want the volume of your ringer to differ from
daytime to nighttime, you can set a separate day
volume and night volume.
1 Select MENU.
2 Scroll to Ringer and select SELECT. Day Volume is
displayed, which sets the ringer volume from
6 AM to 9 PM.
3 Select CHANGE to scroll through the settings (off,
low, medium, high). Each volume level plays as
you select CHANGE. Stop at the volume level you
want to set.
To change the night volume, scroll down to Night
Volume, which sets the ringer volume from 9 PM to 6 AM,
and repeat step 3.
4 Select DONE.
Select EXIT to return to the standby screen, or scroll to a
different menu option.
25
Setting the Ring Tone
If you subscribe to a caller ID service, you can set a
specific ring tone for numbers stored in your
handset’s phonebook and another for all other
incoming calls.
1 Select MENU.
2 Scroll to Ringer and select SELECT.
3 Scroll down to Ring Tone, which sets the ring tone for
incoming calls.
4 Select CHANGE to scroll through the ring tones. Each
tone plays as you select CHANGE. Stop at the ring
tone you want to set.
5 Scroll down to PHONEBOOK TONE, which sets the ring tone
for numbers stored in your handset’s phonebook.
Repeat step 4 to select a tone.
6 Select DONE.
7 Select EXIT to return to the standby screen, or
scroll to a different menu option.
Setting Key Beeps On or Off
The phone beeps each time you press a key. You
can turn this feature off (the handset beeps by
default), or set it to beep only when the ringer is on.
1 Select MENU.
2 Scroll to Ringer and select SELECT.
3 Scroll to Key Beeps and select SELECT.
26
4 Select CHANGE to scroll through the options (ON, OFF,
or LINKED to RINGER). When your choice displays,
select SELECT.
Note: For the LINKED to RINGER option, key beeps are
on when the ringer is on, and off when the ringer
is off.
27
Naming a Handset or Base
When you register a handset, it is assigned a default
name of Handset(x), where x can be 1, 2, 3, 4, 5, 6, 7, or
8. You can change the name to something more
useful, for example a location (Kitchen) or someone’s
name (Evan). Naming a handset makes it easy to
select the handset from a list (for example, to
intercom another handset).
The name of the base can also be changed.
If you name a handset, the handset number remains
part of the name, for example, Kitchen(2).
1 Select MENU.
2 Scroll to Name handset (or Name Base for the base)
and select SELECT.
3 Enter the name you want to use (up to 12
characters). The flashing underline shows the
input cursor position. Select DELETE to erase
characters to the left of the input cursor.

28
The following table shows how many times to press
each button on the handset to enter letters and special
characters.
The first letter of the entry is an uppercase letter. To
change the entry from uppercase to lowercase,
press *. A flashing square indicates that you are in the
uppercase text entry mode. A flashing cursor indicates
that you are in the lowercase text entry mode.
4 Select DONE.
5 Select EXIT to return to the standby screen, or
scroll to a different menu option.
29
Setting the Handset Date and Time
To set the date and time on the answering machine,
see “Using the Answering Machine.”
1 Select MENU.
2 Scroll to Date/Time and select SELECT.
3 Enter the time. (2 digits are required for both hour
and minutes, so use a leading 0 for 1-digit
values.)
4 If using a 12-hour clock, select AM/PM to switch
between am and pm.
5 Scroll down to move the next field.
6 Select CHANGE to change the time format (12 or 24
hour clock). Scroll down to move to the next field.
7 Select CHANGE to select date format
(MM/DD or DD/MM).
8 Scroll down to move the next field.
9 Enter the current date.
10 Select DONE.
11 Select EXIT to return to the standby screen, or
scroll to a different menu option.

30
Setting the Language
1 Select MENU.
2 Scroll to Language and select SELECT.
3 Scroll until points to the language you want.
4 Select DONE.
5 Select EXIT to return to the standby screen, or
scroll to a different menu option.
Setting Touch Tone or Pulse Dialing
Your handset uses touch tone dialing by default. Do
not change this setting unless touch tone service is
not available in your area.
1 Select MENU.
2 Scroll to Tone/Pulse.
3 Scroll or press CHANGE to switch between Tone
and Pulse.
4 Select DONE.
5 Select EXIT to return to the standby screen, or
scroll to a different menu option.

31
Using the Phone
Making a Call
Press Line1 or Line2 (or pick up corded handset). When
you hear the dial tone, dial the number.
OR
Enter the phone number, then press Line1 or Line2 (or pick
up corded handset). This lets you see the phone
number on the display before the number is dialed.
During a call, a timer on the display shows the length
of the call.
When you are finished talking, press OFF to hang up
( or hang up corded handset).
Press Line1 or Line2 or HANDSFREE to answer using the speakerphone.
If you have call waiting service, press Line1 or Line2 to answer
the second call.
Adjusting the Volume During a Call
32
Inserting Pauses in a Number
When you call a number featuring a pause, the
phone waits 3 seconds before transmitting the next
digits in the dialing sequence. This is useful, for
example, when you have to dial 9 to get a dial tone or
for accessing a voicemail system.
To insert a pause within a number, press the pound
key (#) twice. A “P” is displayed on the handset
display.

33
Using Automated Dialing
You can retrieve numeric information (like a PIN or
credit card number) from the phonebook during a
phone call. This feature is useful when using
automated response system.
For example, if you frequently access your bank
account information over the phone, you can store
your account number and PIN in the phonebook, and
then access them during the call instead of entering
them manually each time.
1 While on a call, scroll until points to the entry
you want to recall.
2 Press DIAL.
3 Repeat steps 1 and 2 as often as necessary to
complete your transaction.

34
Using the Speakerphone
To make a call using the speakerphone, press
HANDSFREE and dial the number.
For optimal Handset speakerphone sound quality, make sure
the belt clip is on. This raises the handset up so it is
not lying flat (the speakerphone is on the back of the
handset).
When the speakerphone is on, appears on the
display.
If you have call waiting, press Line1 or Line2 to answer the
second call while using the speakerphone.
To adjust the speakerphone volume, press the
volume up or volume down key.
To toggle between the earcup and the
speakerphone, press HANDSFREE.
When you are finished talking, press OFF to hang up
and turn the speakerphone off.
Note: Pressing Handsfree while in the caller ID list,
redial list, or phonebook turns the speakerphone on
and dials the selected number.
Muting a Call
Press MUTE. To unmute the call, press UNMUTE.
Putting a Call on Hold
Press HOLD.
To return to the call, press UNHOLD or ON.

35
When a call is on hold, you can use the intercom
features (see the “Using the Intercom” section).
Redialing a Number
To redial the last number dialed, press ON and then
press REDIAL.
To redial one of the last 5 numbers you dialed:
1 Press REDIAL
2 Scroll until points to the number you want
to redial.
3 Press DIAL or ON or HANDSFREE.
If a number in the redial list matches a number in your
phonebook, the phonebook name and number
display in the redial list.
Finding a Lost or Misplaced Handset
To page a missing handset, press PAGE on the base
station. All handsets registered to the base station
will start beeping.
To stop paging all handsets, press PAGE again on the
base station or press EXIT or OFF on any handset. To
stop paging an individual handset, press OK on the
handset.
36
Using the Phonebook
Storing numbers in the phonebook makes it easy to
dial numbers you call frequently. You can enter
numbers directly into the phonebook or add them
from the caller ID or redial list.
Each handset has its own phonebook, which can
hold 50 names and numbers. The base has a
48-entry phonebook that is shared among
all handsets.
Storing a New Number
1 Select PHONEBK.
2 To store a number in the base phonebook, select
SHARED. To store a number in the handset
phonebook, select PRIVATE.
3 Scroll to NEW ENTRY and select SELECT.
4 Enter the name (up to 12 characters). The
flashing underline shows the input cursor
position. Select DELETE to erase characters to the
left of the input cursor.

37
The following table shows how many times to press
each button on the handset to enter letters and special
characters.
The first letter of the entry is an uppercase letter. To
change the entry from uppercase to lowercase,
press *. A flashing square indicates that you are in the
uppercase text entry mode. A flashing cursor indicates
that you are in the lowercase text entry mode.
5 Scroll down.
6 Enter the phone number (up to 24 digits). Select
DELETE to erase characters to the left of the
input cursor.
7 Scroll down.
8 To set the tones of incoming calls for this number,
select CHANGE. A tone plays each time you select
CHANGE. Stop at the ring tone you want to set.
9 Select DONE.

38
Storing a Recently Called Number
1 Press REDIAL. The display shows the last
five numbers you dialed, with the most recent
number at the top.
2 Scroll until points to the number you want
to store.
3 Press STORE.
4 Enter the name (up to 12 characters). The
flashing underline shows the input cursor
position. Select DELETE to erase characters to the
left of the input cursor. See Storing a New
Number for information on entering text.
5 Scroll down until the phone number displays in
the Number: field. Select DELETE to erase
characters to the left of the input cursor if
modifications need to be made.
6 Scroll down.
7 To set the tones of incoming calls for this number,
select CHANGE. A tone plays each time you select
CHANGE. Stop at the ring tone you want to set.
8 Select DONE.
Storing a Caller ID Number
1 From the caller ID list, select OPTIONS.
2 Scroll to STORE and select SELECT. The caller’s name is
displayed in the Name field.
If changes need to be made, select DELETE to erase
characters to the left of the input cursor. See
Storing a New Number for information on
entering text.
39
3 Scroll down until the Number field is displayed.
If changes need to be made, select DELETE to erase
characters to the left of the input cursor.
4 Scroll down.
5 To set the tones of incoming calls for this number,
select CHANGE. A tone plays each time you select
CHANGE. Stop at the ring tone you want to set.
6 Select DONE.
Editing a Phonebook Entry
1 Select PHONEBK.
2 Scroll down until points to the phonebook entry
you want to edit.
3 Select OPTIONS.
4 Scroll down to EDIT and select SELECT.
To edit the name, select DELETE to erase characters
to the left of the input cursor. See Storing a New
Number for information on entering text.
The first letter of the entry is an uppercase letter. To
change the entry from uppercase to lowercase,
press *. A flashing square indicates that you are in the
uppercase text entry mode. A flashing cursor indicates
that you are in the lowercase text entry mode.
5 Scroll down to the phone number field and modify
as necessary.
6 Scroll down.
7 To set the tones of incoming calls for this number,
select CHANGE. A tone plays each time you select
CHANGE. Stop at the ring tone you want to set.
40
8 Select DONE.
Deleting a Phonebook Entry
1 Select PHONEBK.
2 Scroll down until points to the phonebook entry
you want to delete.
3 Select OPTIONS.
4 Scroll down to DELETE and select SELECT.
Sorting the Phonebook
Phonebook entries are stored in the order in which
they were saved by default. However, you can set the
phonebook to sort entries alphabetically.
Once sorted, a phonebook cannot be unsorted or
reset to its previous list order.
1 Select PHONEBK and scroll to any phonebook entry.
2 Select OPTIONS.
3 Scroll down to SORT PHONEBK and select SELECT. The
option “Alphabetically sort phonebk?” is displayed
4 Select YES or NO.

41
Calling a Number from the Phonebook
1 Select PHONEBK.
2 Scroll down until points to the phonebook entry
you want to call.
To search numerically, press the numbers of the
phonebook entry that you want to dial.
3 Press ON or HANDSFREE.
To speed dial, select PHONEBK, enter the location number,
and then press ON.
42
Using Caller ID
If you subscribe to caller ID service, the caller’s name
and/or number are displayed when you receive an
incoming call. If information on the caller is not
available, or if you do not subscribe to caller ID
service, INCOMING CALL is displayed.
Reviewing the List of Caller ID Calls
The handset can store up to 40 caller ID records.
1 Scroll down to view the recent calls list. The most
recent call is listed first.
2 Scroll to review more calls.
3 To call the number, press Line1 or Line2 or HANDSFREE.
To reformat the number before you call, select FORMAT
until the correct format displays.
For example, if a number you want to call is stored
with the area code (10 digits), but you do not use the
area code to call this number, press FORMAT until the
number appears without the area code (7 digits).
Deleting Caller ID Calls
1 From the caller ID list, select OPTIONS.
2 Scroll to DELETE (to delete the current caller ID
entry) or DELETE ALL (to delete all caller ID records)
and select SELECT.
If you select Delete All, select YES at the Delete All?
prompt.
3 Press NO to return to the caller ID list.
43
Multihandset Functions
You can expand your phone system by adding
Motorola MD Series expansion handsets (up to 8).
Expansion handsets do not require connection to a
phone line. You can place the handset and its
charging base anywhere a standard electrical outlet
is available.
With multiple handsets, you can:
• Conference call
• Talk handset to handset on the intercom
• Set up handsets to automatically answer
intercom calls
• Transfer calls form one handset to another
• Monitor a room
To order expansion handsets, call:
1-800-353-2729 U.S.A.
1-800-461-4575 Canada
1-888-390-6456 TTY (Text Telephone)
Or visit us online: www.motorola.com/cordless
Using the Intercom
The handsets and base station can be used as an
intercom system, allowing you to talk to people in
other parts of your home.
1 Press INTERCOM.
If you only have one additional handset, pressing
INTERCOM automatically pages the handset.
44
If you have multiple handsets, a list of handsets is
displayed.
2 Scroll to and select the handset you want
to page.
3 Select PAGE. The other phone is paged.
To answer a page, press OK.
If your page is not answered after two minutes, or if the
person you are paging selects EXIT or presses OFF, NO
ANSWER is displayed on your handset and paging stops.
4 To end an intercom session, press OFF.
Enabling Auto-Answer
You can program a handset or base station to
automatically answer a page by turning on the
speakerphone. The handsets are not programmed to
do this by default.
1 Select MENU.
2 Scroll to and select INTERCOM SETUP.
3 Scroll to and select one of the following options:
AFTER 1 RING: The handset automatically answers a
page after one ring.
AFTER 3 RINGS: The handset automatically answers
a page after three rings.
4 Select EXIT to return to the standby screen, or
scroll to a different menu option.
45
Transferring Calls to Other Handsets
1 Select HOLD.
2 Press INTERCOM.
If you only have one additional handset, pressing
INTERCOM automatically pages the handset. Continue to
step 5.
3 Scroll to and select the handset to which you
want to transfer the call.
4 Select PAGE.
5 If you want to announce the transfer to the other
handset, speak once the page has been
answered.
6 Select UNHOLD. The call is transferred to the other
handset and all three individuals are on the call.
7 Press OFF to disconnect.
Conference Calling
Multiple handsets can participate in a call.
When only one handset is on a call, LINE IN USE is
displayed. Once additional handsets join the call, ON
CONFERENCE is displayed.
To connect to a call from an additional handset, press
ON or HANDSFREE.
To join a conference call, press ON from the base
station.
To disconnect from a conference call, press OFF on the
handset.
46
Monitoring a Room
Room monitoring allows you to place a handset in a
room and listen to the sounds in that room from
another handset.
1 Place a handset in the room to be monitored.
2 On that handset, select MENU.
3 Scroll to MONITOR ROOM and select SELECT. READY TO MONITOR
ROOM is displayed.
4 On the handset you want to listen from, press
INTERCOM.
If you only have one additional handset, pressing
INTERCOM automatically pages the handset.
5 If you have multiple additional handsets, scroll to
the handset you want to monitor, and select PAGE.
The handset being monitored automatically answers
the page, the microphone is turned on, and the
speaker is turned off.
MONITORING (HANDSET NAME) is displayed on the handset from
which you are monitoring.
To stop monitoring, select CANCEL or OFF on either
handset. Monitoring also stops whenever an
incoming call is answered.

47
Using the Answering Machine
The answering machine stores up to 30 minutes of
messages and/or memos. You can listen to your
messages from the base station, from the handset,
or remotely. You can also set your phone to
automatically forward answering machine messages
to another phone number.
The answering machine at a glance:
Setting Up the Answering Machine
You can set up the answering machine from a
handset or the base station.
Mail box 1 holds the messages for Line 1 and Mailbox 2 holds the
messages for Line 2. For each line there are individual settings for
On/Off, Announcement/Outgoing Messages, Number of rings before
answering, Security code, Voice prompt language, and Message
Forwarding.
48
Turning the Answering Machine On or Off
1 Select MENU and then scroll to and select
ANS MACH SETUP.
2 Scroll to and select Mailbox1 or Mailbox2.
3 Scroll to and select ANSWER ON/OFF.
4 Scroll to and select ON or OFF and then select DONE.
Setting the Answering Machine Date and Time
At the Answering Machine keypad,
1 Select MENU.
2 Scroll to Date/Time and select SELECT.
3 Enter the time. (2 digits are required for both hour
and minutes, so use a leading 0 for 1-digit
values.)
4 If using a 12-hour clock, select AM/PM to switch
between am and pm.
5 Scroll down to move to the next field.
6 Select CHANGE to change the time format (12 or 24
hour clock). Scroll down to move to the next field.
7 Select CHANGE to select the WEEKDAY. Scroll down
to move to the next field.
8 Select CHANGE to select date format
(MM/DD or DD/MM).
9 Scroll down to move the next field.
10 Enter the current date.
11 Select DONE.
12 Select EXIT to return to the standby screen, or
scroll to a different menu option.
49
Setting Up Your Outgoing Message
You can record a personal outgoing message (OGM)
that plays when you receive a call but cannot answer.
If you do not record a personal message, a
prerecorded greeting will play.
Recording an Outgoing Message
To record an outgoing message:
1 Select MENU and then scroll to and select
ANS MACH SETUP.
2 Scroll to and select Mailbox1 or Mailbox2.
3 Scroll to and select OUTGOING MSG.
4 Scroll to and select RECORD OGM.
5 Select YES to record your message.
6 When you are finished recording, select END.
To replay your message, select REPLAY.
Erasing an Outgoing Message
You can erase a personally recorded message; the
default greeting cannot be erased.
1 Select MENU and then scroll to and select
ANS MACH SETUP.
2 Scroll to and select Mailbox1 or Mailbox2.
3 Scroll to and select OUTGOING MSG.
4 Scroll to and select ERASE OGM.
50
5 Select YES.
To erase an outgoing message from the base, press
ANNCE to play the message. As the message plays,
press DEL.
Setting the Number of Rings Before the Answering
Machine Picks Up
You can specify how many times you want your
phone to ring before the answering machine picks up
the call.
1 Select MENU and then scroll to and select
ANS MACH SETUP.
2 Scroll to and select Mailbox1 or Mailbox2.
3 Scroll to and select RING NUMBER.
4 Scroll to and select 3, 4, 5, 6, or TOLLSAVER and then
select DONE.
Toll Saver sets the answering machine to pick up the
call after 3 rings when new messages are present, or
after 5 rings when there are no new messages.
Using this feature, if you call long distance to check
your messages and the phone does not pick up after
the third ring, you can hang up and avoid the toll
charge because no new messages are waiting.
Setting the Security ID Number
The security ID number allows you to remotely
access your messages from any touch-tone phone.
1 Select MENU and then scroll to and select
ANS MACH SETUP.
2 Scroll to and select Mailbox1 or Mailbox2.
3 Scroll to and select SECURITY ID.
4 Enter your 3-digit security number and then
select DONE.
51
Setting Voice Prompts
You can set your voice mail prompts to either English or
Spanish (if you have a Canadian model, you can set
your voice mail prompts to either English or French).
1 Select MENU and then scroll to and select
ANS MACH SETUP.
2 Scroll to and select Mailbox1 or Mailbox2.
3 Scroll to and select VOICE PROMPT.
4 Scroll to and select either ENGLISH or FRENCH or SPANISH.
5 Select DONE to save selection.
Setting Recording Quality
You can set your voice mail to record at higher sound quality but
shorter record time or for longer record time but lower sound quality.
1 Select MENU and then scroll to and select
ANS MACH SETUP.
2 Scroll to and select Mailbox1 or Mailbox2.
3 Scroll to and select Record Quality.
4 Scroll to and select either Med qual/Longr or Hi qual/Shortr.
5 Select DONE to save selection.
Note: The recording memory is shared between the 2 mailboxes.
Typical record time is 30 minutes when the longer record time setting
is used, or 18 minutes when the higher sound quality setting is used.
Recording a Memo
To record a message that you can play back later,
press and hold MEMO on the base station. Release the
button to stop recording.
Note: Memo’s are recorded to Mail box 1.
Using the Answering Machine
Checking Messages from the Base Station

52
Checking Messages from a Handset
1 Select MENU, then scroll to and select MESSAGES.
2 Scroll to and select Mailbox1 or Mailbox2.
3 Scroll to and select the function you want.
The functions are:
1: REVIEW
2: PLAY/STOP
3: SKIP
4: ANSWER ON/OFF
5: MEMO
7: REPEAT MENU
0: ERASE
Checking Messages Remotely
If you have a touch-tone phone, you can access your
messages remotely.
1 Call your home.
2 When the answering machine picks up the call,
press * and then enter your security ID number.
A synthesized voice prompts you with
instructions.
3 To skip the voice prompts and operate the base
station directly, press the appropriate number key
on the phone. The functions are:

53
Note: To access the messages for Mailbox 1 call the
Line 1 phone number. To access the messages for
Mailbox 2 call the Line 2 phone number.
54
Message Forwarding
Your Motorola phone can be set to automatically
forward answering machine messages to another
phone number.
To set up the phone number:
1 Select MENU and then scroll to and select
ANS MACH SETUP.
2 Scroll to and select Mailbox1 or Mailbox2.
3 Scroll to and select FORWARD MSGS.
4 Scroll to and select SET FWD NUMBER.
5 Enter the phone number to which you want to
forward messages and then select DONE. If a pause
is required, press the pound key (#) twice.
6 Scroll to and select FORWARD ON/OFF.
7 Select ENABLE and then select DONE.
To activate message forwarding, quickly press and
release the MEMO button on the base. The message
FWD ANSWER ON is displayed.
With Message Forwarding activated, the next time a
message is received, the answering machine will call
the phone number you specified. When you answer
the call, you will be prompted for your security code.
See “Setting the Security ID Number” for details. For
more information retrieving your message, see
“Checking Messages Remotely.”
To disable message forwarding, press and release
MEMO again.
55
Screening Calls
You can screen a call by allowing the answering
machine to pick up and listening to the message as it
is being recorded.
1 When RECORDING INCOMING MESSAGE is displayed, select
SCREEN.
2 To answer the call, press Line1 or Line2. To stop listening to
the incoming message, press OFF.
Miscellaneous
Miscellaneous items missing from 2 line descriptions above.
Registering a Handset
1 Press MENU.
2 Scroll to REGISTER.
3 Press SELECT.
4 Press and hold the PAGE button on the base until
the accessory device beeps.
5 Press OK to return to the handset screen
Deregistering Handsets
Caution: If you deregister all handsets from the base unit
you will render your cordless telephone system inoperable
until at least one handset is reregistered to the base unit.
Note: When deregistering a handset, delete or listen to all voicemail
messages, if necessary, to clear the IN USE/Voice Mail indicator.
1 Press OFF on the base station and all handsets.
2 Press and hold down PAGE on the base unit until the
IN USE indicator begins to flash slowly, then release.
3 Press and hold down PAGE again until the IN USE
indicator begins to flash quickly, then release PAGE.
4 Quickly and fully press and release PAGE again.
“Please register Handset” displays.
5 Press OK to register another device, or press EXIT.

56
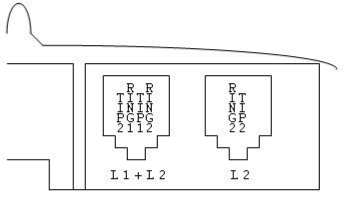
Phone Wiring for 2 lines
If your telephone outlet is wired for 2 lines then connect a single 4-
conductor TELCO line between the telephone outlet and the “L1 +
L2” jack on back of the base.
If you are connected 2 different lines, then connect a line 1 wiring to
the “L1 + L2 “ jack and connect line 2 wiring to “L2” jack on the back
of the base.
Answering 2nd call during 1st call
Suppose you receive a 2nd call during a call already in progress that
you wish to answer separately.
1 Press Line of the 2nd incoming call, the 1st call is automatically placed
on hold and you are connected to the 2nd call.
2 Complete your 2nd call and then press OFF to end the 2nd call.
3 Press UNHOLD to reconnect to the 1st call.
Conferencing 2 lines together
You conference the 2 lines together for a multi-party call.
1 Establish the first call, then HOLD that call.
2 Establish the second call on the other line.
3 Press the Line button for the line of the first call to join the calls.
4 Press OFF to end both calls.

57
Motorola Limited Warranty
Motorola Limited Warranty
for Consumer Products, Accessories, and Software
Purchased in the United States or Canada
What Does this Warranty Cover?
Subject to the exclusions contained below, Motorola, Inc.
warrants its cordless telephones ("Products"), Motorola branded
or certified accessories sold for use with these
Products ("Accessories"), and Motorola software contained
on CD-ROMs or other tangible media and sold for use with
these Products ("Software") to be free from defects in
materials and workmanship under normal consumer usage
for the period(s) outlined below. This limited warranty is a
consumer's exclusive remedy, and applies as follows to
new Motorola Products, Accessories and Software
purchased by consumers in the United States or Canada,
which are accompanied by this written warranty:
Products and Accessories as defined above, unless
otherwise provided for below. Length of coverage: one (1)
year from the date of purchase by the first consumer
purchaser of the product unless otherwise provided for
below.
• Decorative Accessories and Cases. Decorative
covers, bezels, PhoneWrap® covers and cases. Length
of coverage: limited lifetime warranty for the lifetime of
ownership by the first consumer purchaser of the
product.
• Monaural Headsets. Ear buds and boom headsets that
transmit mono sound through a wired connection. Length
of coverage: limited lifetime warranty for the lifetime of
ownership by the first consumer purchaser of the
product.
58
• Products and Accessories that are Repaired or
Replaced. Length of coverage: The balance of the
original warranty or for ninety (90) days from the date
returned to the consumer, whichever is longer.
• Software. Applies only to physical defects in the media
that embodies the copy of the software (e.g. CD-ROM,
or floppy disk). Length of coverage: ninety (90) days from
the date of purchase.
Exclusions
Normal Wear and Tear. Periodic maintenance, repair and
replacement of parts due to normal wear and tear are
excluded from coverage.
Batteries. Only batteries whose fully charged capacity falls
below 80% of their rated capacity and batteries that leak
are covered by this limited warranty.
Abuse & Misuse. Defects or damage that result from: (a)
improper operation, storage, misuse or abuse, accident or
neglect, such as physical damage (cracks, scratches, etc.)
to the surface of the product resulting from misuse; (b)
contact with liquid, water, rain, extreme humidity or heavy
perspiration, sand, dirt or the like, extreme heat, or food; (c)
use of the Products or Accessories for commercial
purposes or subjecting the Product or Accessory to
abnormal usage or conditions; or (d) other acts which are
not the fault of Motorola, are excluded from coverage.
Use of Non-Motorola Products and Accessories.
Defects or damage that result from the use of Non-
Motorola branded or certified Products, Accessories,
Software or other peripheral equipment are excluded
from coverage.
Unauthorized Service or Modification. Defects or
damages resulting from service, testing, adjustment,
installation, maintenance, alteration, or modification in any
way by someone other than Motorola, or its authorized
service centers, are excluded from coverage.
Altered Products. Products or Accessories with (a) serial
numbers or date tags that have been removed, altered, or
obliterated; (b) broken seals or that show evidence of
tampering; (c) mismatched board serial numbers; or (d)
nonconforming or non-Motorola housings, or parts, are
excluded from coverage.
59
Communication Services. Defects, damages, or the
failure of Products, Accessories or Software due to any
communication service or signal you may subscribe to or
use with the Products, Accessories or Software is excluded
from coverage.
Software Embodied in Physical Media. No warranty is
made that the software will meet your requirements or will
work in combination with any hardware or software
applications provided by third parties, that the operation of
the software products will be uninterrupted or error free, or
that all defects in the software products will be corrected.
Software NOT Embodied in Physical Media. Software
that is not embodied in physical media (e.g. software that is
downloaded from the internet), is provided "as is" and
without warranty.
Who is Covered
This warranty extends to the first end-user purchaser, only.
What will Motorola Do?
Motorola, at its option, will at no charge repair, replace or
refund the purchase price of any Products, Accessories or
Software that does not conform to this warranty. We may
use functionally equivalent reconditioned/refurbished/preowned
or new Products, Accessories or parts. No data,
software or applications added to your Product, Accessory
or Software, including but not limited to personal contacts,
games and ringer tones, will be reinstalled. To avoid losing
such data, software and applications please create a back
up prior to requesting service.
How to Get Warranty Service or Other
Information
For accessories and software, please call the telephone
number designated above for the product with which they
are used. You will receive instructions on how to ship the
Products, Accessories or Software, at your expense, to a
Motorola Authorized Repair Center. To obtain service, you
must include: (a) a copy of your receipt, bill of sale or other
In the USA, call: In Canada, call:
1-800-353-2729 1-800-461-4575
TTY 1-888-390-6456 TTY 1-888-390-6456
60
comparable proof of purchase; (b) a written description of
the problem; (c) the name of your service provider, if
applicable; (d) the name and location of the installation
facility (if applicable) and, most importantly; (e) your
address and telephone number.
What Other Limitations Are There?
ANY IMPLIED WARRANTIES, INCLUDING WITHOUT
LIMITATION THE IMPLIED WARRANTIES OF
MERCHANTABILITY AND FITNESS FOR A PARTICULAR
PURPOSE, SHALL BE LIMITED TO THE DURATION OF
THIS LIMITED WARRANTY, OTHERWISE THE REPAIR,
REPLACEMENT, OR REFUND AS PROVIDED UNDER
THIS EXPRESS LIMITED WARRANTY IS THE
EXCLUSIVE REMEDY OF THE CONSUMER, AND IS
PROVIDED IN LIEU OF ALL OTHER WARRANTIES,
EXPRESS OF IMPLIED. IN NO EVENT SHALL
MOTOROLA BE LIABLE, WHETHER IN CONTRACT OR
TORT (INCLUDING NEGLIGENCE) FOR DAMAGES IN
EXCESS OF THE PURCHASE PRICE OF THE
PRODUCT, ACCESSORY OR SOFTWARE, OR FOR ANY
INDIRECT, INCIDENTAL, SPECIAL OR
CONSEQUENTIAL DAMAGES OF ANY KIND, OR LOSS
OF REVENUE OR PROFITS, LOSS OF BUSINESS,
LOSS OF INFORMATION OR DATA, SOFTWARE OR
APPLICATIONS OR OTHER FINANCIAL LOSS ARISING
OUT OF OR IN CONNECTION WITH THE ABILITY OR
INABILITY TO USE THE PRODUCTS, ACCESSORIES
OR SOFTWARE TO THE FULL EXTENT THESE
DAMAGES MAY BE DISCLAIMED BY LAW.
Some states and jurisdictions do not allow the limitation or
exclusion of incidental or consequential damages, or
limitation on the length of an implied warranty, so the above
limitations or exclusions may not apply to you. This
warranty gives you specific legal rights, and you may also
have other rights that vary from state to state or from one
jurisdiction to another.
Laws in the United States and other countries preserve for
Motorola certain exclusive rights for copyrighted Motorola
software such as the exclusive rights to reproduce and
distribute copies of the Motorola software. Motorola
software may only be copied into, used in, and redistributed
61
with, the Products associated with such Motorola software.
No other use, including without limitation disassembly of
such Motorola software or exercise of the exclusive rights
reserved for Motorola, is permitted.

62
Visit our website at:
www.motorola.com
514779-001
08/04
MGBI