CHM PIC16F87X Data Sheet 28/40 Pin 8 Bit CMOS FLASH Microcontrollers PIC16F877 (Microchip)
User Manual: CHM PIC16F877 Data Sheet (Microchip)
Open the PDF directly: View PDF .
Page Count: 200 [warning: Documents this large are best viewed by clicking the View PDF Link!]
- 1.0 Device Overview
- 2.0 Memory Organization
- 3.0 I/O Ports
- 4.0 Data EEPROM and FLASH Program Memory
- 5.0 Timer0 Module
- 6.0 Timer1 Module
- 6.1 Timer1 Operation in Timer Mode
- 6.2 Timer1 Counter Operation
- 6.3 Timer1 Operation in Synchronized Counter Mode
- 6.4 Timer1 Operation in Asynchronous Counter Mode
- 6.5 Timer1 Oscillator
- 6.6 Resetting Timer1 Using a CCP Trigger Output
- 6.7 Resetting of Timer1 Register Pair (TMR1H, TMR1L)
- 6.8 Timer1 Prescaler
- 7.0 Timer2 Module
- 8.0 Capture/Compare/PWM Modules
- 9.0 Master Synchronous Serial Port (MSSP) Module
- 9.1 SPI Mode
- 9.2 MSSP I2C Operation
- 9.2.1 SLAVE Mode
- 9.2.2 General Call Address Support
- 9.2.3 Sleep Operation
- 9.2.4 Effects of a Reset
- 9.2.5 Master Mode
- 9.2.6 Multi-master Mode
- 9.2.7 I2C Master Mode Support
- 9.2.8 Baud Rate Generator
- 9.2.9 I2C Master Mode Start Condition Timing
- 9.2.10 I2C Master Mode Repeated Start Condition Timing
- 9.2.11 I2C Master Mode Transmission
- 9.2.12 I2C Master Mode Reception
- 9.2.13 Acknowledge Sequence Timing
- 9.2.14 Stop Condition Timing
- 9.2.15 Clock Arbitration
- 9.2.16 Sleep Operation
- 9.2.17 Effects of a Reset
- 9.2.18 Multi -Master Communication, Bus Collision, And Bus Arbitration
- 9.3 Connection Considerations for I2C Bus
- 10.0 Addressable Universal Synchronous Asynchronous Receiver Transmitter (USART)
- 11.0 Analog-to-Digital Converter (A/D) Module
- 12.0 Special Features of the CPU
- 12.1 Configuration Bits
- 12.2 Oscillator Configurations
- 12.3 Reset
- 12.4 Power-On Reset (POR)
- 12.5 Power-up Timer (PWRT)
- 12.6 Oscillator Start-up Timer (OST)
- 12.7 Brown-Out Reset (BOR)
- 12.8 Time-out Sequence
- 12.9 Power Control/Status Register (PCON)
- 12.10 Interrupts
- 12.11 Context Saving During Interrupts
- 12.12 Watchdog Timer (WDT)
- 12.13 Power-down Mode (SLEEP)
- 12.14 In-Circuit Debugger
- 12.15 Program Verification/Code Protection
- 12.16 ID Locations
- 12.17 In-Circuit Serial Programming
- 12.18 Low Voltage ICSP Programming
- 13.0 Instruction Set Summary
- 14.0 Development Support
- 14.1 MPLAB Integrated Development Environment Software
- 14.2 MPASM Assembler
- 14.3 MPLAB-C17 and MPLAB-C18 C Compilers
- 14.4 MPLINK/MPLIB Linker/Librarian
- 14.5 MPLAB-SIM Software Simulator
- 14.6 MPLAB-ICE High Performance Universal In-Circuit Emulator with MPLAB IDE
- 14.7 PICMASTER/PICMASTER CE
- 14.8 ICEPIC
- 14.9 MPLAB-ICD In-Circuit Debugger
- 14.10 PRO MATE II Universal Programmer
- 14.11 PICSTART Plus Entry Level Development System
- 14.12 SIMICE Entry-Level Hardware Simulator
- 14.13 PICDEM-1 Low-Cost PICmicro Demonstration Board
- 14.14 PICDEM-2 Low-Cost PIC16CXX Demonstration Board
- 14.15 PICDEM-3 Low-Cost PIC16CXXX Demonstration Board
- 14.16 PICDEM-17
- 14.17 SEEVAL Evaluation and Programming System
- 14.18 KeeLoq Evaluation and Programming Tools
- 15.0 Electrical Characteristics
- 15.1 DC Characteristics: PIC16F873/874/876/877-04 (Commercial, Industrial) PIC16F873/874/876/877-...
- 15.2 DC Characteristics: PIC16LF873/874/876/877-04 (Commercial, Industrial)
- 15.3 DC Characteristics: PIC16F873/874/876/877-04 (Commercial, Industrial) PIC16F873/874/876/877-...
- 15.4 Timing Parameter Symbology
- 16.0 DC and AC Characteristics Graphs and Tables
- 17.0 Packaging Information
- 17.1 Package Marking Information
- 17.2 K04-07028-Lead Skinny Plastic Dual In-line (SP) – 300 mil
- 17.3 K04-05228-Lead Plastic Small Outline (SO) –Wide, 300 mil
- 17.4 K04-01640-Lead Plastic Dual In-line (P) – 600 mil
- 17.5 K04-07644-Lead Plastic Thin Quad Flatpack (PT) 10x10x1 mm Body, 1.0/0.1 mm Lead Form
- 17.6 K04-07144-Lead Plastic Quad Flatpack (PQ) 10x10x2 mm Body, 1.6/0.15 mm Lead Form
- 17.7 K04-04844-Lead Plastic Leaded Chip Carrier (L) – Square
- Appendix A: Revision History
- Appendix B: Device Differences
- Appendix C: Conversion Considerations
- Index
- On-Line Support
- Reader Response
- PIC16F87X Product Identification System
- Worldwide Sales and Service

1999 Microchip Technology Inc. DS30292B-page 1
Devices Included in this Data Sheet:
Microcontroller Core Features:
• High-performance RISC CPU
• Only 35 single word instructions to learn
• All single cycle instructions except for program
branches which are two cycle
• Operating speed: DC - 20 MHz clock input
DC - 200 ns instruction cycle
• Up to 8K x 14 words of FLASH Program Memory,
Up to 368 x 8 bytes of Data Memory (RAM)
Up to 256 x 8 bytes of EEPROM data memory
• Pinout compatible to the PIC16C73B/74B/76/77
• Interrupt capability (up to 14 sources)
• Eight level deep hardware stack
• Direct, indirect and relative addressing modes
• Power-on Reset (POR)
• Power-up Timer (PWRT) and
Oscillator Start-up Timer (OST)
• Watchdog Timer (WDT) with its own on-chip RC
oscillator for reliable operation
• Programmable code-protection
• Power saving SLEEP mode
• Selectable oscillator options
• Low-power, high-speed CMOS FLASH/EEPROM
technology
• Fully static design
• In-Circuit Serial Programming (ICSP) via two
pins
• Single 5V In-Circuit Serial Programming capability
• In-Circuit Debugging via two pins
• Processor read/write access to program memory
• Wide operating voltage range: 2.0V to 5.5V
• High Sink/Source Current: 25 mA
• Commercial and Industrial temperature ranges
• Low-power consumption:
- < 2 mA typical @ 5V, 4 MHz
-20 µA typical @ 3V, 32 kHz
-< 1 µA typical standby current
Pin Diagram
Peripheral Features:
• Timer0: 8-bit timer/counter with 8-bit prescaler
• Timer1: 16-bit timer/counter with prescaler,
can be incremented during sleep via external
crystal/clock
• Timer2: 8-bit timer/counter with 8-bit period
register, prescaler and postscaler
• Two Capture, Compare, PWM modules
- Capture is 16-bit, max. resolution is 12.5 ns
- Compare is 16-bit, max. resolution is 200 ns
- PWM max. resolution is 10-bit
• 10-bit multi-channel Analog-to-Digital converter
• Synchronous Serial Port (SSP) with SPI (Master
Mode) and I2C (Master/Slave)
• Universal Synchronous Asynchronous Receiver
Transmitter (USART/SCI) with 9-bit address
detection
• Parallel Slave Port (PSP) 8-bits wide, with
external RD, WR and CS controls (40/44-pin only)
• Brown-out detection circuitry for
Brown-out Reset (BOR)
•PIC16F873
•PIC16F874
•PIC16F876
•PIC16F877
RB7/PGD
RB6/PGC
RB5
RB4
RB3/PGM
RB2
RB1
RB0/INT
VDD
VSS
RD7/PSP7
RD6/PSP6
RD5/PSP5
RD4/PSP4
RC7/RX/DT
RC6/TX/CK
RC5/SDO
RC4/SDI/SDA
RD3/PSP3
RD2/PSP2
MCLR/VPP/THV
RA0/AN0
RA1/AN1
RA2/AN2/VREF-
RA3/AN3/VREF+
RA4/T0CKI
RA5/AN4/SS
RE0/RD/AN5
RE1/WR/AN6
RE2/CS/AN7
VDD
VSS
OSC1/CLKIN
OSC2/CLKOUT
RC0/T1OSO/T1CKI
RC1/T1OSI/CCP2
RC2/CCP1
RC3/SCK/SCL
RD0/PSP0
RD1/PSP1
1
2
3
4
5
6
7
8
9
10
11
12
13
14
15
16
17
18
19
20
40
39
38
37
36
35
34
33
32
31
30
29
28
27
26
25
24
23
22
21
PIC16F877/874
PDIP
PIC16F87X
28/40-pin 8-Bit CMOS FLASH Microcontrollers

PIC16F87X
DS30292B-page 2 1999 Microchip Technology Inc.
Pin Diagrams
PIC16F876/873
10
11
2
3
4
5
6
1
8
7
9
12
13
14 15
16
17
18
19
20
23
24
25
26
27
28
22
21
MCLR/VPP/THV
RA0/AN0
RA1/AN1
RA2/AN2/VREF-
RA3/AN3/VREF+
RA4/T0CKI
RA5/AN4/SS
VSS
OSC1/CLKIN
OSC2/CLKOUT
RC0/T1OSO/T1CKI
RC1/T1OSI/CCP2
RC2/CCP1
RC3/SCK/SCL
RB7/PGD
RB6/PGC
RB5
RB4
RB3/PGM
RB2
RB1
RB0/INT
VDD
VSS
RC7/RX/DT
RC6/TX/CK
RC5/SDO
RC4/SDI/SDA
10
11
12
13
14
15
16
17
18
19
20
21
22
23
24
25
26
44
8
7
6
5
4
3
2
1
27
28
29
30
31
32
33
34
35
36
37
38
39
40
41
42
43
9
PIC16F877
RA4/T0CKI
RA5/AN4/SS
RE0/RD/AN5
OSC1/CLKIN
OSC2/CLKOUT
RC0/T1OSO/T1CK1
NC
RE1/WR/AN6
RE2/CS/AN7
VDD
VSS
RB3/PGM
RB2
RB1
RB0/INT
VDD
VSS
RD7/PSP7
RD6/PSP6
RD5/PSP5
RD4/PSP4
RC7/RX/DT
RA3/AN3/VREF+
RA2/AN2/VREF-
RA1/AN1
RA0/AN0
MCLR/VPP/THV
NC
RB7/PGD
RB6/PGC
RB5
RB4
NC
NC
RC6/TX/CK
RC5/SDO
RC4/SDI/SDA
RD3/PSP3
RD2/PSP2
RD1/PSP1
RD0/PSP0
RC3/SCK/SCL
RC2/CCP1
RC1/T1OSI/CCP2
10
11
2
3
4
5
6
1
18
19
20
21
22
12
13
14
15
38
8
7
44
43
42
41
40
39
16
17
29
30
31
32
33
23
24
25
26
27
28
36
34
35
9
PIC16F877
37
RA3/AN3/VREF+
RA2/AN2/VREF-
RA1/AN1
RA0/AN0
MCLR/VPP/THV
NC
RB7/PGD
RB6/PGC
RB5
RB4
NC RC6/TX/CK
RC5/SDO
RC4/SDI/SDA
RD3/PSP3
RD2/PSP2
RD1/PSP1
RD0/PSP0
RC3/SCK/SCL
RC2/CCP1
RC1/T1OSI/CCP2
NC
NC
RC0/T1OSO/T1CKI
OSC2/CLKOUT
OSC1/CLKIN
VSS
VDD
RE2/AN7/CS
RE1/AN6/WR
RE0/AN5/RD
RA5/AN4/SS
RA4/T0CKI
RC7/RX/DT
RD4/PSP4
RD5/PSP5
RD6/PSP6
RD7/PSP7
VSS
VDD
RB0/INT
RB1
RB2
RB3/PGM
PLCC
QFP
DIP, SOIC
PIC16F874
PIC16F874

1999 Microchip Technology Inc. DS30292B-page 3
PIC16F87X
Key Features
PICmicro™ Mid-Range Reference
Manual (DS33023) PIC16F873 PIC16F874 PIC16F876 PIC16F877
Operating Frequency DC - 20 MHz DC - 20 MHz DC - 20 MHz DC - 20 MHz
Resets (and Delays) POR, BOR
(PWRT, OST) POR, BOR
(PWRT, OST) POR, BOR
(PWRT, OST) POR, BOR
(PWRT, OST)
FLASH Program Memory
(14-bit words) 4K 4K 8K 8K
Data Memory (bytes) 192 192 368 368
EEPROM Data Memory 128 128 256 256
Interrupts 13 14 13 14
I/O Ports Ports A,B,C Ports A,B,C,D,E Ports A,B,C Ports A,B,C,D,E
Timers 3333
Capture/Compare/PWM modules 2 2 2 2
Serial Communications MSSP, USART MSSP, USART MSSP, USART MSSP, USART
Parallel Communications — PSP — PSP
10-bit Analog-to-Digital Module 5 input channels 8 input channels 5 input channels 8 input channels
Instruction Set 35 Instructions 35 Instructions 35 Instructions 35 Instructions

PIC16F87X
DS30292B-page 4 1999 Microchip Technology Inc.
Table of Contents
1.0 Device Overview ........................................................................................................................................................................... 5
2.0 Memory Organization.................................................................................................................................................................. 11
3.0 I/O Ports...................................................................................................................................................................................... 29
4.0 Data EEPROM and FLASH Program Memory ........................................................................................................................... 41
5.0 Timer0 Module ............................................................................................................................................................................ 47
6.0 Timer1 Module ............................................................................................................................................................................ 51
7.0 Timer2 Module ........................................................................................................................................................................... 55
8.0 Capture/Compare/PWM (CCP) Module(s).................................................................................................................................. 57
9.0 Master Synchronous Serial Port (MSSP) Module....................................................................................................................... 63
10.0 Universal Synchronous Asynchronous Receiver Transmitter (USART) ..................................................................................... 95
11.0 Analog-to-Digital Converter (A/D) Module................................................................................................................................. 111
12.0 Special Features of the CPU..................................................................................................................................................... 121
13.0 Instruction Set Summary........................................................................................................................................................... 137
14.0 Development Support ............................................................................................................................................................... 145
15.0 Electrical Characteristics........................................................................................................................................................... 151
16.0 DC and AC Characteristics Graphs and Tables........................................................................................................................ 173
17.0 Packaging Information .............................................................................................................................................................. 175
Appendix A: Revision History......................................................................................................................................................... 183
Appendix B: Device Differences..................................................................................................................................................... 183
Appendix C: Conversion Considerations........................................................................................................................................ 183
Index ................................................................................................................................................................................... 185
On-Line Support................................................................................................................................................................................. 191
Product Identification System............................................................................................................................................................. 193
To Our Valued Customers
Most Current Data Sheet
To obtain the most up-to-date version of this data sheet, please register at our Worldwide Web site at:
http://www.microchip.com
You can determine the version of a data sheet by examining its literature number found on the bottom outside corner of any page.
The last character of the literature number is the version number. e.g., DS30000A is version A of document DS30000.
New Customer Notification System
Register on our web site (www.microchip.com/cn) to receive the most current information on our products.
Errata
An errata sheet may exist for current devices, describing minor operational differences (from the data sheet) and recommended
workarounds. As device/documentation issues become known to us, we will publish an errata sheet. The errata will specify the revi-
sion of silicon and revision of document to which it applies.
To determine if an errata sheet exists for a particular device, please check with one of the following:
• Microchip’s Worldwide Web site; http://www.microchip.com
• Your local Microchip sales office (see last page)
• The Microchip Corporate Literature Center; U.S. FAX: (480) 786-7277
When contacting a sales office or the literature center, please specify which device, revision of silicon and data sheet (include liter-
ature number) you are using.
Corrections to this Data Sheet
We constantly strive to improve the quality of all our products and documentation. We have spent a great deal of time to ensure
that this document is correct. However, we realize that we may have missed a few things. If you find any information that is missing
or appears in error, please:
• Fill out and mail in the reader response form in the back of this data sheet.
• E-mail us at webmaster@microchip.com.
We appreciate your assistance in making this a better document.

1999 Microchip Technology Inc. DS30292B-page 5
PIC16F87X
1.0 DEVICE OVERVIEW
This document contains device-specific information.
Additional information may be found in the PICmicro™
Mid-Range Reference Manual, (DS33023), which may
be obtained from your local Microchip Sales Represen-
tative or downloaded from the Microchip website. The
Reference Manual should be considered a comple-
mentary document to this data sheet, and is highly rec-
ommended reading for a better understanding of the
device architecture and operation of the peripheral
modules.
There are four devices (PIC16F873, PIC16F874,
PIC16F876 and PIC16F877) covered by this data
sheet. The PIC16F876/873 devices come in 28-pin
packages and the PIC16F877/874 devices come in 40-
pin packages. The 28-pin devices do not have a Paral-
lel Slave Port implemented.
The following two figures are device block diagrams
sorted by pin number; 28-pin for Figure 1-1 and 40-pin
for Figure 1-2. The 28-pin and 40-pin pinouts are listed
in Table 1-1 and Table 1-2, respectively.
FIGURE 1-1: PIC16F873 AND PIC16F876 BLOCK DIAGRAM
FLASH
Program
Memory
13 Data Bus 8
14
Program
Bus
Instruction reg
Program Counter
8 Level Stack
(13-bit)
RAM
File
Registers
Direct Addr 7
RAM Addr (1) 9
Addr MUX
Indirect
Addr
FSR reg
STATUS reg
MUX
ALU
W reg
Power-up
Timer
Oscillator
Start-up Timer
Power-on
Reset
Watchdog
Timer
Instruction
Decode &
Control
Timing
Generation
OSC1/CLKIN
OSC2/CLKOUT
MCLR VDD, VSS
PORTA
PORTB
PORTC
RA4/T0CKI
RA5/AN4/SS
RB0/INT
RC0/T1OSO/T1CKI
RC1/T1OSI/CCP2
RC2/CCP1
RC3/SCK/SCL
RC4/SDI/SDA
RC5/SDO
RC6/TX/CK
RC7/RX/DT
8
8
Brown-out
Reset
Note 1: Higher order bits are from the STATUS register.
USART
CCP1,2 Synchronous
10-bit A/DTimer0 Timer1 Timer2
Serial Port
RA3/AN3/VREF+
RA2/AN2/VREF-
RA1/AN1
RA0/AN0
8
3
Data EEPROM
RB1
RB2
RB3/PGM
RB4
RB5
RB6/PGC
RB7/PGD
Device Program
FLASH Data Memory Data
EEPROM
PIC16F873 4K 192 Bytes 128 Bytes
PIC16F876 8K 368 Bytes 256 Bytes
In-Circuit
Debugger
Low-Voltage
Programming

PIC16F87X
DS30292B-page 6 1999 Microchip Technology Inc.
FIGURE 1-2: PIC16F874 AND PIC16F877 BLOCK DIAGRAM
FLASH
Program
Memory
13 Data Bus 8
14
Program
Bus
Instruction reg
Program Counter
8 Level Stack
(13-bit)
RAM
File
Registers
Direct Addr 7
RAM Addr (1) 9
Addr MUX
Indirect
Addr
FSR reg
STATUS reg
MUX
ALU
W reg
Power-up
Timer
Oscillator
Start-up Timer
Power-on
Reset
Watchdog
Timer
Instruction
Decode &
Control
Timing
Generation
OSC1/CLKIN
OSC2/CLKOUT
MCLR VDD, VSS
PORTA
PORTB
PORTC
PORTD
PORTE
RA4/T0CKI
RA5/AN4/SS
RC0/T1OSO/T1CKI
RC1/T1OSI/CCP2
RC2/CCP1
RC3/SCK/SCL
RC4/SDI/SDA
RC5/SDO
RC6/TX/CK
RC7/RX/DT
RD7/PSP7:RD0/PSP0
RE0/AN5/RD
RE1/AN6/WR
RE2/AN7/CS
8
8
Brown-out
Reset
Note 1: Higher order bits are from the STATUS register.
USART
CCP1,2 Synchronous
10-bit A/DTimer0 Timer1 Timer2
Serial Port
RA3/AN3/VREF+
RA2/AN2/VREF-
RA1/AN1
RA0/AN0
Parallel Slave Port
8
3
Data EEPROM
RB0/INT
RB1
RB2
RB3/PGM
RB4
RB5
RB6/PGC
RB7/PGD
Device Program
FLASH Data Memory Data
EEPROM
PIC16F874 4K 192 Bytes 128 Bytes
PIC16F877 8K 368 Bytes 256 Bytes
In-Circuit
Debugger
Low-Voltage
Programming

1999 Microchip Technology Inc. DS30292B-page 7
PIC16F87X
TABLE 1-1: PIC16F873 AND PIC16F876 PINOUT DESCRIPTION
Pin Name DIP
Pin# SOIC
Pin# I/O/P
Type Buffer
Type Description
OSC1/CLKIN 9 9 I ST/CMOS(3) Oscillator crystal input/external clock source input.
OSC2/CLKOUT 10 10 O — Oscillator crystal output. Connects to crystal or resonator in crystal
oscillator mode. In RC mode, the OSC2 pin outputs CLKOUT
which has 1/4 the frequency of OSC1, and denotes the instruction
cycle rate.
MCLR/VPP/THV 1 1 I/P ST Master clear (reset) input or programming voltage input or high
voltage test mode control. This pin is an active low reset to the
device.
PORTA is a bi-directional I/O port.
RA0/AN0 2 2 I/O TTL RA0 can also be analog input0
RA1/AN1 3 3 I/O TTL RA1 can also be analog input1
RA2/AN2/VREF- 4 4 I/O TTL RA2 can also be analog input2 or negative analog reference
voltage
RA3/AN3/VREF+ 5 5 I/O TTL RA3 can also be analog input3 or positive analog reference
voltage
RA4/T0CKI 6 6 I/O ST RA4 can also be the clock input to the Timer0 module. Output
is open drain type.
RA5/SS/AN4 7 7 I/O TTL RA5 can also be analog input4 or the slave select for the
synchronous serial port.
PORTB is a bi-directional I/O port. PORTB can be software
programmed for internal weak pull-up on all inputs.
RB0/INT 21 21 I/O TTL/ST(1) RB0 can also be the external interrupt pin.
RB1 22 22 I/O TTL
RB2 23 23 I/O TTL
RB3/PGM 24 24 I/O TTL RB3 can also be the low voltage programming input
RB4 25 25 I/O TTL Interrupt on change pin.
RB5 26 26 I/O TTL Interrupt on change pin.
RB6/PGC 27 27 I/O TTL/ST(2) Interrupt on change pin or In-Circuit Debugger pin. Serial
programming clock.
RB7/PGD 28 28 I/O TTL/ST(2) Interrupt on change pin or In-Circuit Debugger pin. Serial
programming data.
PORTC is a bi-directional I/O port.
RC0/T1OSO/T1CKI 11 11 I/O ST RC0 can also be the Timer1 oscillator output or Timer1 clock
input.
RC1/T1OSI/CCP2 12 12 I/O ST RC1 can also be the Timer1 oscillator input or Capture2 input/
Compare2 output/PWM2 output.
RC2/CCP1 13 13 I/O ST RC2 can also be the Capture1 input/Compare1 output/PWM1
output.
RC3/SCK/SCL 14 14 I/O ST RC3 can also be the synchronous serial clock input/output for
both SPI and I2C modes.
RC4/SDI/SDA 15 15 I/O ST RC4 can also be the SPI Data In (SPI mode) or
data I/O (I2C mode).
RC5/SDO 16 16 I/O ST RC5 can also be the SPI Data Out (SPI mode).
RC6/TX/CK 17 17 I/O ST RC6 can also be the USART Asynchronous Transmit or
Synchronous Clock.
RC7/RX/DT 18 18 I/O ST RC7 can also be the USART Asynchronous Receive or
Synchronous Data.
VSS 8, 19 8, 19 P — Ground reference for logic and I/O pins.
VDD 20 20 P — Positive supply for logic and I/O pins.
Legend: I = input O = output I/O = input/output P = power
— = Not used TTL = TTL input ST = Schmitt Trigger input
Note 1: This buffer is a Schmitt Trigger input when configured as the external interrupt.
2: This buffer is a Schmitt Trigger input when used in serial programming mode.
3: This buffer is a Schmitt Trigger input when configured in RC oscillator mode and a CMOS input otherwise.

PIC16F87X
DS30292B-page 8 1999 Microchip Technology Inc.
TABLE 1-2: PIC16F874 AND PIC16F877 PINOUT DESCRIPTION
Pin Name DIP
Pin# PLCC
Pin# QFP
Pin# I/O/P
Type Buffer
Type Description
OSC1/CLKIN 13 14 30 I ST/CMOS(4) Oscillator crystal input/external clock source input.
OSC2/CLKOUT 14 15 31 O — Oscillator crystal output. Connects to crystal or resonator in
crystal oscillator mode. In RC mode, OSC2 pin outputs CLK-
OUT which has 1/4 the frequency of OSC1, and denotes the
instruction cycle rate.
MCLR/VPP/THV 1 2 18 I/P ST Master clear (reset) input or programming voltage input or high
voltage test mode control. This pin is an active low reset to the
device.
PORTA is a bi-directional I/O port.
RA0/AN0 2 3 19 I/O TTL RA0 can also be analog input0
RA1/AN1 3 4 20 I/O TTL RA1 can also be analog input1
RA2/AN2/VREF- 4 5 21 I/O TTL RA2 can also be analog input2 or negative analog
reference voltage
RA3/AN3/VREF+ 5 6 22 I/O TTL RA3 can also be analog input3 or positive analog
reference voltage
RA4/T0CKI 6 7 23 I/O ST RA4 can also be the clock input to the Timer0 timer/
counter. Output is open drain type.
RA5/SS/AN4 7 8 24 I/O TTL RA5 can also be analog input4 or the slave select for the
synchronous serial port.
PORTB is a bi-directional I/O port. PORTB can be software
programmed for internal weak pull-up on all inputs.
RB0/INT 33 36 8 I/O TTL/ST(1) RB0 can also be the external interrupt pin.
RB1 34 37 9 I/O TTL
RB2 35 38 10 I/O TTL
RB3/PGM 36 39 11 I/O TTL RB3 can also be the low voltage programming input
RB4 37 41 14 I/O TTL Interrupt on change pin.
RB5 38 42 15 I/O TTL Interrupt on change pin.
RB6/PGC 39 43 16 I/O TTL/ST(2) Interrupt on change pin or In-Circuit Debugger pin. Serial
programming clock.
RB7/PGD 40 44 17 I/O TTL/ST(2) Interrupt on change pin or In-Circuit Debugger pin. Serial
programming data.
PORTC is a bi-directional I/O port.
RC0/T1OSO/T1CKI 15 16 32 I/O ST RC0 can also be the Timer1 oscillator output or a Timer1
clock input.
RC1/T1OSI/CCP2 16 18 35 I/O ST RC1 can also be the Timer1 oscillator input or Capture2
input/Compare2 output/PWM2 output.
RC2/CCP1 17 19 36 I/O ST RC2 can also be the Capture1 input/Compare1 output/
PWM1 output.
RC3/SCK/SCL 18 20 37 I/O ST RC3 can also be the synchronous serial clock input/output
for both SPI and I2C modes.
RC4/SDI/SDA 23 25 42 I/O ST RC4 can also be the SPI Data In (SPI mode) or
data I/O (I2C mode).
RC5/SDO 24 26 43 I/O ST RC5 can also be the SPI Data Out
(SPI mode).
RC6/TX/CK 25 27 44 I/O ST RC6 can also be the USART Asynchronous Transmit or
Synchronous Clock.
RC7/RX/DT 26 29 1 I/O ST RC7 can also be the USART Asynchronous Receive or
Synchronous Data.
Legend: I = input O = output I/O = input/output P = power
— = Not used TTL = TTL input ST = Schmitt Trigger input
Note 1: This buffer is a Schmitt Trigger input when configured as an external interrupt.
2: This buffer is a Schmitt Trigger input when used in serial programming mode.
3: This buffer is a Schmitt Trigger input when configured as general purpose I/O and a TTL input when used in the Parallel Slave
Port mode (for interfacing to a microprocessor bus).
4: This buffer is a Schmitt Trigger input when configured in RC oscillator mode and a CMOS input otherwise.

1999 Microchip Technology Inc. DS30292B-page 9
PIC16F87X
PORTD is a bi-directional I/O port or parallel slave port when
interfacing to a microprocessor bus.
RD0/PSP0 19 21 38 I/O ST/TTL(3)
RD1/PSP1 20 22 39 I/O ST/TTL(3)
RD2/PSP2 21 23 40 I/O ST/TTL(3)
RD3/PSP3 22 24 41 I/O ST/TTL(3)
RD4/PSP4 27 30 2 I/O ST/TTL(3)
RD5/PSP5 28 31 3 I/O ST/TTL(3)
RD6/PSP6 29 32 4 I/O ST/TTL(3)
RD7/PSP7 30 33 5 I/O ST/TTL(3)
PORTE is a bi-directional I/O port.
RE0/RD/AN5 8 9 25 I/O ST/TTL(3) RE0 can also be read control for the parallel slave port, or
analog input5.
RE1/WR/AN6 9 10 26 I/O ST/TTL(3) RE1 can also be write control for the parallel slave port, or
analog input6.
RE2/CS/AN7 10 11 27 I/O ST/TTL(3) RE2 can also be select control for the parallel slave port,
or analog input7.
VSS 12,31 13,34 6,29 P — Ground reference for logic and I/O pins.
VDD 11,32 12,35 7,28 P — Positive supply for logic and I/O pins.
NC — 1,17,28,
40
12,13,
33,34
— These pins are not internally connected. These pins should be
left unconnected.
TABLE 1-2: PIC16F874 AND PIC16F877 PINOUT DESCRIPTION (CONTINUED)
Pin Name DIP
Pin# PLCC
Pin# QFP
Pin# I/O/P
Type Buffer
Type Description
Legend: I = input O = output I/O = input/output P = power
— = Not used TTL = TTL input ST = Schmitt Trigger input
Note 1: This buffer is a Schmitt Trigger input when configured as an external interrupt.
2: This buffer is a Schmitt Trigger input when used in serial programming mode.
3: This buffer is a Schmitt Trigger input when configured as general purpose I/O and a TTL input when used in the Parallel Slave
Port mode (for interfacing to a microprocessor bus).
4: This buffer is a Schmitt Trigger input when configured in RC oscillator mode and a CMOS input otherwise.

PIC16F87X
DS30292B-page 10 1999 Microchip Technology Inc.
NOTES:

1999 Microchip Technology Inc. DS30292B-page 11
PIC16F87X
2.0 MEMORY ORGANIZATION
There are three memory blocks in each of these
PICmicro MCUs. The Program Memory and Data
Memory have separate buses so that concurrent
access can occur and is detailed in this section. The
EEPROM data memory block is detailed in
Section 4.0.
Additional information on device memory may be found
in the PICmicro Mid-Range Reference Manual,
(DS33023).
2.1 Program Memory Organization
The PIC16F87X devices have a 13-bit program counter
capable of addressing an 8K x 14 program memory
space. The PIC16F877/876 devices have 8K x 14
words of FLASH program memory and the PIC16F873/
874 devices have 4K x 14. Accessing a location above
the physically implemented address will cause a wrap-
around.
The reset vector is at 0000h and the interrupt vector is
at 0004h.
FIGURE 2-1: PIC16F877/876 PROGRAM
MEMORY MAP AND STACK
FIGURE 2-2: PIC16F874/873 PROGRAM
MEMORY MAP AND STACK
PC<12:0>
13
0000h
0004h
0005h
Stack Level 1
Stack Level 8
Reset Vector
Interrupt Vector
On-Chip
CALL, RETURN
RETFIE, RETLW
1FFFh
Stack Level 2
Program
Memory
Page 0
Page 1
Page 2
Page 3
07FFh
0800h
0FFFh
1000h
17FFh
1800h
PC<12:0>
13
0000h
0004h
0005h
Stack Level 1
Stack Level 8
Reset Vector
Interrupt Vector
On-Chip
CALL, RETURN
RETFIE, RETLW
1FFFh
Stack Level 2
Program
Memory
Page 0
Page 1
07FFh
0800h
0FFFh
1000h

PIC16F87X
DS30292B-page 12 1999 Microchip Technology Inc.
2.2 Data Memory Organization
The data memory is partitioned into multiple banks
which contain the General Purpose Registers and the
Special Function Registers. Bits RP1(STATUS<6>) and
RP0 (STATUS<5>) are the bank select bits.
Each bank extends up to 7Fh (128 bytes). The lower
locations of each bank are reserved for the Special
Function Registers. Above the Special Function Regis-
ters are General Purpose Registers, implemented as
static RAM. All implemented banks contain Special
Function Registers. Some “high use” Special Function
Registers from one bank may be mirrored in another
bank for code reduction and quicker access.
2.2.1 GENERAL PURPOSE REGISTER FILE
The register file can be accessed either directly, or indi-
rectly through the File Select Register FSR.
RP1:RP0 Bank
00 0
01 1
10 2
11 3
Note: EEPROM Data Memory description can be
found in Section 4.0 of this Data Sheet

1999 Microchip Technology Inc. DS30292B-page 13
PIC16F87X
FIGURE 2-3: PIC16F877/876 REGISTER FILE MAP
Indirect addr.(*)
TMR0
PCL
STATUS
FSR
PORTA
PORTB
PORTC
PCLATH
INTCON
PIR1
TMR1L
TMR1H
T1CON
TMR2
T2CON
SSPBUF
SSPCON
CCPR1L
CCPR1H
CCP1CON
OPTION_REG
PCL
STATUS
FSR
TRISA
TRISB
TRISC
PCLATH
INTCON
PIE1
PCON
PR2
SSPADD
SSPSTAT
00h
01h
02h
03h
04h
05h
06h
07h
08h
09h
0Ah
0Bh
0Ch
0Dh
0Eh
0Fh
10h
11h
12h
13h
14h
15h
16h
17h
18h
19h
1Ah
1Bh
1Ch
1Dh
1Eh
1Fh
80h
81h
82h
83h
84h
85h
86h
87h
88h
89h
8Ah
8Bh
8Ch
8Dh
8Eh
8Fh
90h
91h
92h
93h
94h
95h
96h
97h
98h
99h
9Ah
9Bh
9Ch
9Dh
9Eh
9Fh
20h A0h
7Fh FFh
Bank 0 Bank 1
Unimplemented data memory locations, read as ’0’.
* Not a physical register.
Note 1: These registers are not implemented on 28-pin devices.
2: These registers are reserved, maintain these registers clear.
File
Address
Indirect addr.(*) Indirect addr.(*)
PCL
STATUS
FSR
PCLATH
INTCON
PCL
STATUS
FSR
PCLATH
INTCON
100h
101h
102h
103h
104h
105h
106h
107h
108h
109h
10Ah
10Bh
10Ch
10Dh
10Eh
10Fh
110h
111h
112h
113h
114h
115h
116h
117h
118h
119h
11Ah
11Bh
11Ch
11Dh
11Eh
11Fh
180h
181h
182h
183h
184h
185h
186h
187h
188h
189h
18Ah
18Bh
18Ch
18Dh
18Eh
18Fh
190h
191h
192h
193h
194h
195h
196h
197h
198h
199h
19Ah
19Bh
19Ch
19Dh
19Eh
19Fh
120h 1A0h
17Fh 1FFh
Bank 2 Bank 3
Indirect addr.(*)
PORTD
PORTE
TRISD
ADRESL
TRISE
TMR0 OPTION_REG
PIR2 PIE2
RCSTA
TXREG
RCREG
CCPR2L
CCPR2H
CCP2CON
ADRESH
ADCON0
TXSTA
SPBRG
ADCON1
General
Purpose
Register
General
Purpose
Register
General
Purpose
Register
General
Purpose
Register
1EFh
1F0h
accesses
70h - 7Fh
EFh
F0h
accesses
70h-7Fh
16Fh
170h
accesses
70h-7Fh
General
Purpose
Register
General
Purpose
Register
TRISB
PORTB
96 Bytes 80 Bytes 80 Bytes 80 Bytes
16 Bytes 16 Bytes
(1)
(1)
(1)
(1)
SSPCON2
EEDATA
EEADR
EECON1
EECON2
EEDATH
EEADRH
Reserved(2)
Reserved(2)

PIC16F87X
DS30292B-page 14 1999 Microchip Technology Inc.
FIGURE 2-4: PIC16F874/873 REGISTER FILE MAP
Indirect addr.(*)
TMR0
PCL
STATUS
FSR
PORTA
PORTB
PORTC
PCLATH
INTCON
PIR1
TMR1L
TMR1H
T1CON
TMR2
T2CON
SSPBUF
SSPCON
CCPR1L
CCPR1H
CCP1CON
OPTION_REG
PCL
STATUS
FSR
TRISA
TRISB
TRISC
PCLATH
INTCON
PIE1
PCON
PR2
SSPADD
SSPSTAT
00h
01h
02h
03h
04h
05h
06h
07h
08h
09h
0Ah
0Bh
0Ch
0Dh
0Eh
0Fh
10h
11h
12h
13h
14h
15h
16h
17h
18h
19h
1Ah
1Bh
1Ch
1Dh
1Eh
1Fh
80h
81h
82h
83h
84h
85h
86h
87h
88h
89h
8Ah
8Bh
8Ch
8Dh
8Eh
8Fh
90h
91h
92h
93h
94h
95h
96h
97h
98h
99h
9Ah
9Bh
9Ch
9Dh
9Eh
9Fh
20h A0h
7Fh FFh
Bank 0 Bank 1
File
Address
Indirect addr.(*) Indirect addr.(*)
PCL
STATUS
FSR
PCLATH
INTCON
PCL
STATUS
FSR
PCLATH
INTCON
100h
101h
102h
103h
104h
105h
106h
107h
108h
109h
10Ah
10Bh
180h
181h
182h
183h
184h
185h
186h
187h
188h
189h
18Ah
18Bh
17Fh 1FFh
Bank 2 Bank 3
Indirect addr.(*)
PORTD
PORTE
TRISD
ADRESL
TRISE
TMR0 OPTION_REG
PIR2 PIE2
RCSTA
TXREG
RCREG
CCPR2L
CCPR2H
CCP2CON
ADRESH
ADCON0
TXSTA
SPBRG
ADCON1
General
Purpose
Register
General
Purpose
Register
1EFh
1F0h
accesses
A0h - FFh
16Fh
170h
accesses
20h-7Fh
TRISB
PORTB
96 Bytes 96 Bytes
(1)
(1)
(1)
(1)
SSPCON2
10Ch
10Dh
10Eh
10Fh
110h
18Ch
18Dh
18Eh
18Fh
190h
EEDATA
EEADR
EECON1
EECON2
EEDATH
EEADRH
Reserved(2)
Reserved(2)
Unimplemented data memory locations, read as ’0’.
* Not a physical register.
Note 1: These registers are not implemented on 28-pin devices.
2: These registers are reserved, maintain these registers clear.
120h 1A0h

1999 Microchip Technology Inc. DS30292B-page 15
PIC16F87X
2.2.2 SPECIAL FUNCTION REGISTERS
The Special Function Registers are registers used by
the CPU and peripheral modules for controlling the
desired operation of the device. These registers are
implemented as static RAM. A list of these registers is
given in Table 2-1.
The Special Function Registers can be classified into
two sets; core (CPU) and peripheral. Those registers
associated with the core functions are described in
detail in this section. Those related to the operation of
the peripheral features are described in detail in the
peripheral feature section.
TABLE 2-1: SPECIAL FUNCTION REGISTER SUMMARY
Addres
s Name Bit 7 Bit 6 Bit 5 Bit 4 Bit 3 Bit 2 Bit 1 Bit 0 Value on:
POR,
BOR
Value on
all other
resets
(2)
Bank 0
00h(4) INDF Addressing this location uses contents of FSR to address data memory (not a physical register) 0000 0000 0000 0000
01h TMR0 Timer0 module’s register xxxx xxxx uuuu uuuu
02h(4) PCL Program Counter's (PC) Least Significant Byte 0000 0000 0000 0000
03h(4) STATUS IRP RP1 RP0 TO PD ZDCC0001 1xxx 000q quuu
04h(4) FSR Indirect data memory address pointer xxxx xxxx uuuu uuuu
05h PORTA —— PORTA Data Latch when written: PORTA pins when read --0x 0000 --0u 0000
06h PORTB PORTB Data Latch when written: PORTB pins when read xxxx xxxx uuuu uuuu
07h PORTC PORTC Data Latch when written: PORTC pins when read xxxx xxxx uuuu uuuu
08h(5) PORTD PORTD Data Latch when written: PORTD pins when read xxxx xxxx uuuu uuuu
09h(5) PORTE — — — — —RE2RE1RE0---- -xxx ---- -uuu
0Ah(1,4) PCLATH ——— Write Buffer for the upper 5 bits of the Program Counter ---0 0000 ---0 0000
0Bh(4) INTCON GIE PEIE T0IE INTE RBIE T0IF INTF RBIF 0000 000x 0000 000u
0Ch PIR1 PSPIF(3) ADIF RCIF TXIF SSPIF CCP1IF TMR2IF TMR1IF 0000 0000 0000 0000
0Dh PIR2 —(6) — EEIF BCLIF —— CCP2IF -r-0 0--0 -r-0 0--0
0Eh TMR1L Holding register for the Least Significant Byte of the 16-bit TMR1 register xxxx xxxx uuuu uuuu
0Fh TMR1H Holding register for the Most Significant Byte of the 16-bit TMR1 register xxxx xxxx uuuu uuuu
10h T1CON —— T1CKPS1 T1CKPS0 T1OSCEN T1SYNC TMR1CS TMR1ON --00 0000 --uu uuuu
11h TMR2 Timer2 module’s register 0000 0000 0000 0000
12h T2CON — TOUTPS3 TOUTPS2 TOUTPS1 TOUTPS0 TMR2ON T2CKPS1 T2CKPS0 -000 0000 -000 0000
13h SSPBUF Synchronous Serial Port Receive Buffer/Transmit Register xxxx xxxx uuuu uuuu
14h SSPCON WCOL SSPOV SSPEN CKP SSPM3 SSPM2 SSPM1 SSPM0 0000 0000 0000 0000
15h CCPR1L Capture/Compare/PWM Register1 (LSB) xxxx xxxx uuuu uuuu
16h CCPR1H Capture/Compare/PWM Register1 (MSB) xxxx xxxx uuuu uuuu
17h CCP1CON —— CCP1X CCP1Y CCP1M3 CCP1M2 CCP1M1 CCP1M0 --00 0000 --00 0000
18h RCSTA SPEN RX9 SREN CREN ADDEN FERR OERR RX9D 0000 000x 0000 000x
19h TXREG USART Transmit Data Register 0000 0000 0000 0000
1Ah RCREG USART Receive Data Register 0000 0000 0000 0000
1Bh CCPR2L Capture/Compare/PWM Register2 (LSB) xxxx xxxx uuuu uuuu
1Ch CCPR2H Capture/Compare/PWM Register2 (MSB) xxxx xxxx uuuu uuuu
1Dh CCP2CON —— CCP2X CCP2Y CCP2M3 CCP2M2 CCP2M1 CCP2M0 --00 0000 --00 0000
1Eh ADRESH A/D Result Register High Byte xxxx xxxx uuuu uuuu
1Fh ADCON0 ADCS1 ADCS0 CHS2 CHS1 CHS0 GO/
DONE —ADON0000 00-0 0000 00-0
Legend: x = unknown, u = unchanged, q = value depends on condition, - = unimplemented read as ’0’, r = reserved.
Shaded locations are unimplemented, read as ‘0’.
Note 1: The upper byte of the program counter is not directly accessible. PCLATH is a holding register for the PC<12:8> whose
contents are transferred to the upper byte of the program counter.
2: Other (non power-up) resets include external reset through MCLR and Watchdog Timer Reset.
3: Bits PSPIE and PSPIF are reserved on the 28-pin devices; always maintain these bits clear.
4: These registers can be addressed from any bank.
5: PORTD, PORTE, TRISD, and TRISE are not physically implemented on the 28-pin devices, read as ‘0’.
6: PIR2<6> and PIE2<6> are reserved on these devices; always maintain these bits clear.

PIC16F87X
DS30292B-page 16 1999 Microchip Technology Inc.
Bank 1
80h(4) INDF Addressing this location uses contents of FSR to address data memory (not a physical register) 0000 0000 0000 0000
81h OPTION_R
EG RBPU INTEDG T0CS T0SE PSA PS2 PS1 PS0 1111 1111 1111 1111
82h(4) PCL Program Counter’s (PC) Least Significant Byte 0000 0000 0000 0000
83h(4) STATUS IRP RP1 RP0 TO PD ZDCC0001 1xxx 000q quuu
84h(4) FSR Indirect data memory address pointer xxxx xxxx uuuu uuuu
85h TRISA —— PORTA Data Direction Register --11 1111 --11 1111
86h TRISB PORTB Data Direction Register 1111 1111 1111 1111
87h TRISC PORTC Data Direction Register 1111 1111 1111 1111
88h(5) TRISD PORTD Data Direction Register 1111 1111 1111 1111
89h(5) TRISE IBF OBF IBOV PSPMODE — PORTE Data Direction Bits 0000 -111 0000 -111
8Ah(1,4) PCLATH ——— Write Buffer for the upper 5 bits of the Program Counter ---0 0000 ---0 0000
8Bh(4) INTCON GIE PEIE T0IE INTE RBIE T0IF INTF RBIF 0000 000x 0000 000u
8Ch PIE1 PSPIE(3) ADIE RCIE TXIE SSPIE CCP1IE TMR2IE TMR1IE 0000 0000 0000 0000
8Dh PIE2 —(6) —EEIEBCLIE—— CCP2IE -r-0 0--0 -r-0 0--0
8Eh PCON — — — — — —PORBOR ---- --qq ---- --uu
8Fh —Unimplemented — —
90h —Unimplemented — —
91h SSPCON2 GCEN ACKSTAT ACKDT ACKEN RCEN PEN RSEN SEN 0000 0000 0000 0000
92h PR2 Timer2 Period Register 1111 1111 1111 1111
93h SSPADD Synchronous Serial Port (I2C mode) Address Register 0000 0000 0000 0000
94h SSPSTAT SMP CKE D/A PSR/WUA BF 0000 0000 0000 0000
95h —Unimplemented — —
96h —Unimplemented — —
97h —Unimplemented — —
98h TXSTA CSRC TX9 TXEN SYNC — BRGH TRMT TX9D 0000 -010 0000 -010
99h SPBRG Baud Rate Generator Register 0000 0000 0000 0000
9Ah —Unimplemented — —
9Bh —Unimplemented — —
9Ch —Unimplemented — —
9Dh —Unimplemented — —
9Eh ADRESL A/D Result Register Low Byte xxxx xxxx uuuu uuuu
9Fh ADCON1 ADFM — — — PCFG3 PCFG2 PCFG1 PCFG0 0--- 0000 0--- 0000
TABLE 2-1: SPECIAL FUNCTION REGISTER SUMMARY (CONTINUED)
Addres
s Name Bit 7 Bit 6 Bit 5 Bit 4 Bit 3 Bit 2 Bit 1 Bit 0 Value on:
POR,
BOR
Value on
all other
resets
(2)
Legend: x = unknown, u = unchanged, q = value depends on condition, - = unimplemented read as ’0’, r = reserved.
Shaded locations are unimplemented, read as ‘0’.
Note 1: The upper byte of the program counter is not directly accessible. PCLATH is a holding register for the PC<12:8> whose
contents are transferred to the upper byte of the program counter.
2: Other (non power-up) resets include external reset through MCLR and Watchdog Timer Reset.
3: Bits PSPIE and PSPIF are reserved on the 28-pin devices; always maintain these bits clear.
4: These registers can be addressed from any bank.
5: PORTD, PORTE, TRISD, and TRISE are not physically implemented on the 28-pin devices, read as ‘0’.
6: PIR2<6> and PIE2<6> are reserved on these devices; always maintain these bits clear.

1999 Microchip Technology Inc. DS30292B-page 17
PIC16F87X
Bank 2
100h(4) INDF Addressing this location uses contents of FSR to address data memory (not a physical register) 0000 0000 0000 0000
101h TMR0 Timer0 module’s register xxxx xxxx uuuu uuuu
102h(4) PCL Program Counter's (PC) Least Significant Byte 0000 0000 0000 0000
103h(4) STATUS IRP RP1 RP0 TO PD Z DC C 0001 1xxx 000q quuu
104h(4) FSR Indirect data memory address pointer xxxx xxxx uuuu uuuu
105h —Unimplemented — —
106h PORTB PORTB Data Latch when written: PORTB pins when read xxxx xxxx uuuu uuuu
107h —Unimplemented — —
108h —Unimplemented — —
109h —Unimplemented — —
10Ah(1,4) PCLATH ——— Write Buffer for the upper 5 bits of the Program Counter ---0 0000 ---0 0000
10Bh(4) INTCON GIE PEIE T0IE INTE RBIE T0IF INTF RBIF 0000 000x 0000 000u
10Ch EEDATA EEPROM data register xxxx xxxx uuuu uuuu
10Dh EEADR EEPROM address register xxxx xxxx uuuu uuuu
10Eh EEDATH —— EEPROM data register high byte xxxx xxxx uuuu uuuu
10Fh EEADRH ——— EEPROM address register high byte xxxx xxxx uuuu uuuu
Bank 3
180h(4) INDF Addressing this location uses contents of FSR to address data memory (not a physical register) 0000 0000 0000 0000
181h OPTION_R
EG RBPU INTEDG T0CS T0SE PSA PS2 PS1 PS0 1111 1111 1111 1111
182h(4) PCL Program Counter's (PC) Least Significant Byte 0000 0000 0000 0000
183h(4) STATUS IRP RP1 RP0 TO PD Z DC C 0001 1xxx 000q quuu
184h(4) FSR Indirect data memory address pointer xxxx xxxx uuuu uuuu
185h —Unimplemented — —
186h TRISB PORTB Data Direction Register 1111 1111 1111 1111
187h —Unimplemented — —
188h —Unimplemented — —
189h —Unimplemented — —
18Ah(1,4) PCLATH ———Write Buffer for the upper 5 bits of the Program Counter ---0 0000 ---0 0000
18Bh(4) INTCON GIE PEIE T0IE INTE RBIE T0IF INTF RBIF 0000 000x 0000 000u
18Ch EECON1 EEPGD — — — WRERR WREN WR RD x--- x000 x--- u000
18Dh EECON2 EEPROM control register2 (not a physical register) ---- ---- ---- ----
18Eh —Reserved maintain clear 0000 0000 0000 0000
18Fh —Reserved maintain clear 0000 0000 0000 0000
TABLE 2-1: SPECIAL FUNCTION REGISTER SUMMARY (CONTINUED)
Addres
s Name Bit 7 Bit 6 Bit 5 Bit 4 Bit 3 Bit 2 Bit 1 Bit 0 Value on:
POR,
BOR
Value on
all other
resets
(2)
Legend: x = unknown, u = unchanged, q = value depends on condition, - = unimplemented read as ’0’, r = reserved.
Shaded locations are unimplemented, read as ‘0’.
Note 1: The upper byte of the program counter is not directly accessible. PCLATH is a holding register for the PC<12:8> whose
contents are transferred to the upper byte of the program counter.
2: Other (non power-up) resets include external reset through MCLR and Watchdog Timer Reset.
3: Bits PSPIE and PSPIF are reserved on the 28-pin devices; always maintain these bits clear.
4: These registers can be addressed from any bank.
5: PORTD, PORTE, TRISD, and TRISE are not physically implemented on the 28-pin devices, read as ‘0’.
6: PIR2<6> and PIE2<6> are reserved on these devices; always maintain these bits clear.

PIC16F87X
DS30292B-page 18 1999 Microchip Technology Inc.
2.2.2.1 STATUS REGISTER
The STATUS register contains the arithmetic status of
the ALU, the RESET status and the bank select bits for
data memory.
The STATUS register can be the destination for any
instruction, as with any other register. If the STATUS
register is the destination for an instruction that affects
the Z, DC or C bits, then the write to these three bits is
disabled. These bits are set or cleared according to the
device logic. Furthermore, the TO and PD bits are not
writable, therefore, the result of an instruction with the
STATUS register as destination may be different than
intended.
For example, CLRF STATUS will clear the upper-three
bits and set the Z bit. This leaves the STATUS register
as 000u u1uu (where u = unchanged).
It is recommended, therefore, that only BCF, BSF,
SWAPF and MOVWF instructions are used to alter the
STATUS register, because these instructions do not
affect the Z, C or DC bits from the STATUS register. For
other instructions not affecting any status bits, see the
"Instruction Set Summary."
REGISTER 2-1: STATUS REGISTER (ADDRESS 03h, 83h, 103h, 183h)
Note 1: The C and DC bits operate as a borrow
and digit borrow bit, respectively, in sub-
traction. See the SUBLW and SUBWF
instructions for examples.
R/W-0 R/W-0 R/W-0 R-1 R-1 R/W-x R/W-x R/W-x
IRP RP1 RP0 TO PD Z DC C R = Readable bit
W = Writable bit
U = Unimplemented bit,
read as ‘0’
- n= Value at POR reset
bit7 bit0
bit 7: IRP: Register Bank Select bit (used for indirect addressing)
1 = Bank 2, 3 (100h - 1FFh)
0 = Bank 0, 1 (00h - FFh)
bit 6-5: RP1:RP0: Register Bank Select bits (used for direct addressing)
11 = Bank 3 (180h - 1FFh)
10 = Bank 2 (100h - 17Fh)
01 = Bank 1 (80h - FFh)
00 = Bank 0 (00h - 7Fh)
Each bank is 128 bytes
bit 4: TO: Time-out bit
1 = After power-up, CLRWDT instruction, or SLEEP instruction
0 = A WDT time-out occurred
bit 3: PD: Power-down bit
1 = After power-up or by the CLRWDT instruction
0 = By execution of the SLEEP instruction
bit 2: Z: Zero bit
1 = The result of an arithmetic or logic operation is zero
0 = The result of an arithmetic or logic operation is not zero
bit 1: DC: Digit carry/borrow bit (ADDWF, ADDLW,SUBLW,SUBWF instructions)
(for borrow the polarity is reversed)
1 = A carry-out from the 4th low order bit of the result occurred
0 = No carry-out from the 4th low order bit of the result
bit 0: C: Carry/borrow bit (ADDWF, ADDLW,SUBLW,SUBWF instructions)
1 = A carry-out from the most significant bit of the result occurred
0 = No carry-out from the most significant bit of the result occurred
Note: For borrow the polarity is reversed. A subtraction is executed by adding the two’s complement of
the second operand. For rotate (RRF, RLF) instructions, this bit is loaded with either the high or low order
bit of the source register.

1999 Microchip Technology Inc. DS30292B-page 19
PIC16F87X
2.2.2.2 OPTION_REG REGISTER
The OPTION_REG Register is a readable and writable
register, which contains various control bits to configure
the TMR0 prescaler/WDT postscaler (single assign-
able register known also as the prescaler), the External
INT Interrupt, TMR0 and the weak pull-ups on PORTB.
REGISTER 2-2: OPTION_REG REGISTER (ADDRESS 81h, 181h)
Note: To achieve a 1:1 prescaler assignment for
the TMR0 register, assign the prescaler to
the Watchdog Timer.
R/W-1 R/W-1 R/W-1 R/W-1 R/W-1 R/W-1 R/W-1 R/W-1
RBPU INTEDG T0CS T0SE PSA PS2 PS1 PS0 R = Readable bit
W = Writable bit
U = Unimplemented bit,
read as ‘0’
- n= Value at POR reset
bit7 bit0
bit 7: RBPU: PORTB Pull-up Enable bit
1 = PORTB pull-ups are disabled
0 = PORTB pull-ups are enabled by individual port latch values
bit 6: INTEDG: Interrupt Edge Select bit
1 = Interrupt on rising edge of RB0/INT pin
0 = Interrupt on falling edge of RB0/INT pin
bit 5: T0CS: TMR0 Clock Source Select bit
1 = Transition on RA4/T0CKI pin
0 = Internal instruction cycle clock (CLKOUT)
bit 4: T0SE: TMR0 Source Edge Select bit
1 = Increment on high-to-low transition on RA4/T0CKI pin
0 = Increment on low-to-high transition on RA4/T0CKI pin
bit 3: PSA: Prescaler Assignment bit
1 = Prescaler is assigned to the WDT
0 = Prescaler is assigned to the Timer0 module
bit 2-0: PS2:PS0: Prescaler Rate Select bits
Note: When using low voltage ICSP programming (LVP) and the pull-ups on PORTB are enabled, bit 3 in the
TRISB register must be cleared to disable the pull-up on RB3 and ensure the proper operation of the device.
000
001
010
011
100
101
110
111
1 : 2
1 : 4
1 : 8
1 : 16
1 : 32
1 : 64
1 : 128
1 : 256
1 : 1
1 : 2
1 : 4
1 : 8
1 : 16
1 : 32
1 : 64
1 : 128
Bit Value TMR0 Rate WDT Rate

PIC16F87X
DS30292B-page 20 1999 Microchip Technology Inc.
2.2.2.3 INTCON REGISTER
The INTCON Register is a readable and writable regis-
ter, which contains various enable and flag bits for the
TMR0 register overflow, RB Port change and External
RB0/INT pin interrupts.
REGISTER 2-3: INTCON REGISTER (ADDRESS 0Bh, 8Bh, 10Bh, 18Bh)
Note: Interrupt flag bits get set when an interrupt
condition occurs, regardless of the state of
its corresponding enable bit or the global
enable bit, GIE (INTCON<7>). User soft-
ware should ensure the appropriate inter-
rupt flag bits are clear prior to enabling an
interrupt.
R/W-0 R/W-0 R/W-0 R/W-0 R/W-0 R/W-0 R/W-0 R/W-x
GIE PEIE T0IE INTE RBIE T0IF INTF RBIF R = Readable bit
W = Writable bit
U = Unimplemented bit,
read as ‘0’
- n= Value at POR reset
bit7 bit0
bit 7: GIE: Global Interrupt Enable bit
1 = Enables all un-masked interrupts
0 = Disables all interrupts
bit 6: PEIE: Peripheral Interrupt Enable bit
1 = Enables all un-masked peripheral interrupts
0 = Disables all peripheral interrupts
bit 5: T0IE: TMR0 Overflow Interrupt Enable bit
1 = Enables the TMR0 interrupt
0 = Disables the TMR0 interrupt
bit 4: INTE: RB0/INT External Interrupt Enable bit
1 = Enables the RB0/INT external interrupt
0 = Disables the RB0/INT external interrupt
bit 3: RBIE: RB Port Change Interrupt Enable bit
1 = Enables the RB port change interrupt
0 = Disables the RB port change interrupt
bit 2: T0IF: TMR0 Overflow Interrupt Flag bit
1 = TMR0 register has overflowed (must be cleared in software)
0 = TMR0 register did not overflow
bit 1: INTF: RB0/INT External Interrupt Flag bit
1 = The RB0/INT external interrupt occurred (must be cleared in software)
0 = The RB0/INT external interrupt did not occur
bit 0: RBIF: RB Port Change Interrupt Flag bit
1 = At least one of the RB7:RB4 pins changed state (must be cleared in software)
0 = None of the RB7:RB4 pins have changed state

1999 Microchip Technology Inc. DS30292B-page 21
PIC16F87X
2.2.2.4 PIE1 REGISTER
The PIE1 register contains the individual enable bits for
the peripheral interrupts.
REGISTER 2-4: PIE1 REGISTER (ADDRESS 8Ch)
Note: Bit PEIE (INTCON<6>) must be set to
enable any peripheral interrupt.
R/W-0 R/W-0 R/W-0 R/W-0 R/W-0 R/W-0 R/W-0 R/W-0
PSPIE(1) ADIE RCIE TXIE SSPIE CCP1IE TMR2IE TMR1IE R = Readable bit
W = Writable bit
U = Unimplemented bit,
read as ‘0’
- n= Value at POR reset
bit7 bit0
bit 7: PSPIE(1): Parallel Slave Port Read/Write Interrupt Enable bit
1 = Enables the PSP read/write interrupt
0 = Disables the PSP read/write interrupt
bit 6: ADIE: A/D Converter Interrupt Enable bit
1 = Enables the A/D converter interrupt
0 = Disables the A/D converter interrupt
bit 5: RCIE: USART Receive Interrupt Enable bit
1 = Enables the USART receive interrupt
0 = Disables the USART receive interrupt
bit 4: TXIE: USART Transmit Interrupt Enable bit
1 = Enables the USART transmit interrupt
0 = Disables the USART transmit interrupt
bit 3: SSPIE: Synchronous Serial Port Interrupt Enable bit
1 = Enables the SSP interrupt
0 = Disables the SSP interrupt
bit 2: CCP1IE: CCP1 Interrupt Enable bit
1 = Enables the CCP1 interrupt
0 = Disables the CCP1 interrupt
bit 1: TMR2IE: TMR2 to PR2 Match Interrupt Enable bit
1 = Enables the TMR2 to PR2 match interrupt
0 = Disables the TMR2 to PR2 match interrupt
bit 0: TMR1IE: TMR1 Overflow Interrupt Enable bit
1 = Enables the TMR1 overflow interrupt
0 = Disables the TMR1 overflow interrupt
Note 1: PSPIE is reserved on 28-pin devices; always maintain this bit clear.

PIC16F87X
DS30292B-page 22 1999 Microchip Technology Inc.
2.2.2.5 PIR1 REGISTER
The PIR1 register contains the individual flag bits for
the peripheral interrupts.
REGISTER 2-5: PIR1 REGISTER (ADDRESS 0Ch)
Note: Interrupt flag bits get set when an interrupt
condition occurs, regardless of the state of
its corresponding enable bit or the global
enable bit, GIE (INTCON<7>). User soft-
ware should ensure the appropriate inter-
rupt bits are clear prior to enabling an
interrupt.
R/W-0 R/W-0 R-0 R-0 R/W-0 R/W-0 R/W-0 R/W-0
PSPIF(1) ADIF RCIF TXIF SSPIF CCP1IF TMR2IF TMR1IF R = Readable bit
W = Writable bit
- n= Value at POR reset
bit7 bit0
bit 7: PSPIF(1): Parallel Slave Port Read/Write Interrupt Flag bit
1 = A read or a write operation has taken place (must be cleared in software)
0 = No read or write has occurred
bit 6: ADIF: A/D Converter Interrupt Flag bit
1 = An A/D conversion completed
0 = The A/D conversion is not complete
bit 5: RCIF: USART Receive Interrupt Flag bit
1 = The USART receive buffer is full
0 = The USART receive buffer is empty
bit 4: TXIF: USART Transmit Interrupt Flag bit
1 = The USART transmit buffer is empty
0 = The USART transmit buffer is full
bit 7: SSPIF: Synchronous Serial Port (SSP) Interrupt Flag
1 = The SSP interrupt condition has occurred, and must be cleared in software before returning from the interrupt ser-
vice routine. The conditions that will set this bit are:
SPI
A transmission/reception has taken place.
I2C Slave
A transmission/reception has taken place.
I2C Master
A transmission/reception has taken place.
The initiated start condition was completed by the SSP module.
The initiated stop condition was completed by the SSP module.
The initiated restart condition was completed by the SSP module.
The initiated acknowledge condition was completed by the SSP module.
A start condition occurred while the SSP module was idle (Multimaster system).
A stop condition occurred while the SSP module was idle (Multimaster system).
0 = No SSP interrupt condition has occurred.
bit 2: CCP1IF: CCP1 Interrupt Flag bit
Capture Mode
1 = A TMR1 register capture occurred (must be cleared in software)
0 = No TMR1 register capture occurred
Compare Mode
1 = A TMR1 register compare match occurred (must be cleared in software)
0 = No TMR1 register compare match occurred
PWM Mode
Unused in this mode
bit 1: TMR2IF: TMR2 to PR2 Match Interrupt Flag bit
1 = TMR2 to PR2 match occurred (must be cleared in software)
0 = No TMR2 to PR2 match occurred
bit 0: TMR1IF: TMR1 Overflow Interrupt Flag bit
1 = TMR1 register overflowed (must be cleared in software)
0 = TMR1 register did not overflow
Note 1: PSPIF is reserved on 28-pin devices; always maintain this bit clear.

1999 Microchip Technology Inc. DS30292B-page 23
PIC16F87X
2.2.2.6 PIE2 REGISTER
The PIE2 register contains the individual enable bits for
the CCP2 peripheral interrupt, the SSP bus collision
interrupt, and the EEPROM write operation interrupt.
REGISTER 2-6: PIE2 REGISTER (ADDRESS 8Dh)
U-0 R/W-0 U-0 R/W-0 R/W-0 U-0 U-0 R/W-0
——— EEIE BCLIE —— CCP2IE R = Readable bit
W = Writable bit
U = Unimplemented bit,
read as ‘0’
- n= Value at POR reset
bit7 bit0
bit 7: Unimplemented: Read as '0'
bit 6: Reserved: Always maintain this bit clear
bit 5: Unimplemented: Read as '0'
bit 4: EEIE: EEPROM Write Operation Interrupt Enable
1 = Enable EE Write Interrupt
0 = Disable EE Write Interrupt
bit 3: BCLIE: Bus Collision Interrupt Enable
1 = Enable Bus Collision Interrupt
0 = Disable Bus Collision Interrupt
bit 2-1: Unimplemented: Read as '0'
bit 0: CCP2IE: CCP2 Interrupt Enable bit
1 = Enables the CCP2 interrupt
0 = Disables the CCP2 interrupt

PIC16F87X
DS30292B-page 24 1999 Microchip Technology Inc.
2.2.2.7 PIR2 REGISTER
The PIR2 register contains the flag bits for the CCP2
interrupt, the SSP bus collision interrupt and the
EEPROM write operation interrupt.
.
REGISTER 2-7: PIR2 REGISTER (ADDRESS 0Dh)
Note: Interrupt flag bits get set when an interrupt
condition occurs, regardless of the state of
its corresponding enable bit or the global
enable bit, GIE (INTCON<7>). User soft-
ware should ensure the appropriate inter-
rupt flag bits are clear prior to enabling an
interrupt.
U-0 R/W-0 U-0 R/W-0 R/W-0 U-0 U-0 R/W-0
——— EEIF BCLIF —— CCP2IF R = Readable bit
W = Writable bit
U = Unimplemented bit,
read as ‘0’
- n= Value at POR reset
bit7 bit0
bit 7: Unimplemented: Read as '0'
bit 6: Reserved: Always maintain this bit clear
bit 5: Unimplemented: Read as '0'
bit 4: EEIF: EEPROM Write Operation Interrupt Flag bit
1 = The write operation completed (must be cleared in software)
0 = The write operation is not complete or has not been started
bit 3: BCLIF: Bus Collision Interrupt Flag
1 = A bus collision has occurred in the SSP, when configured for I2C master mode
0 = No bus collision has occurred
bit 2-1: Unimplemented: Read as '0'
bit 0: CCP2IF: CCP2 Interrupt Flag bit
Capture Mode
1 = A TMR1 register capture occurred (must be cleared in software)
0 = No TMR1 register capture occurred
Compare Mode
1 = A TMR1 register compare match occurred (must be cleared in software)
0 = No TMR1 register compare match occurred
PWM Mode
Unused

1999 Microchip Technology Inc. DS30292B-page 25
PIC16F87X
2.2.2.8 PCON REGISTER
The Power Control (PCON) Register contains flag bits
to allow differentiation between a Power-on Reset
(POR), a Brown-out Reset (BOR), a Watch-dog Reset
(WDT) and an external MCLR Reset.
REGISTER 2-8: PCON REGISTER (ADDRESS 8Eh)
Note: BOR is unknown on POR. It must be set by
the user and checked on subsequent rests
to see if BOR is clear, indicating a brown-
out has occurred. The BOR status bit is a
don’t care and is not predictable if the
brown-out circuit is disabled (by clearing
the BODEN bit in the configuration word).
U-0 U-0 U-0 U-0 U-0 U-0 R/W-0 R/W-1
————— —PORBOR R = Readable bit
W = Writable bit
U = Unimplemented bit,
read as ‘0’
- n= Value at POR reset
bit7 bit0
bit 7-2: Unimplemented: Read as '0'
bit 1: POR: Power-on Reset Status bit
1 = No Power-on Reset occurred
0 = A Power-on Reset occurred (must be set in software after a Power-on Reset occurs)
bit 0: BOR: Brown-out Reset Status bit
1 = No Brown-out Reset occurred
0 = A Brown-out Reset occurred (must be set in software after a Brown-out Reset occurs)

PIC16F87X
DS30292B-page 26 1999 Microchip Technology Inc.
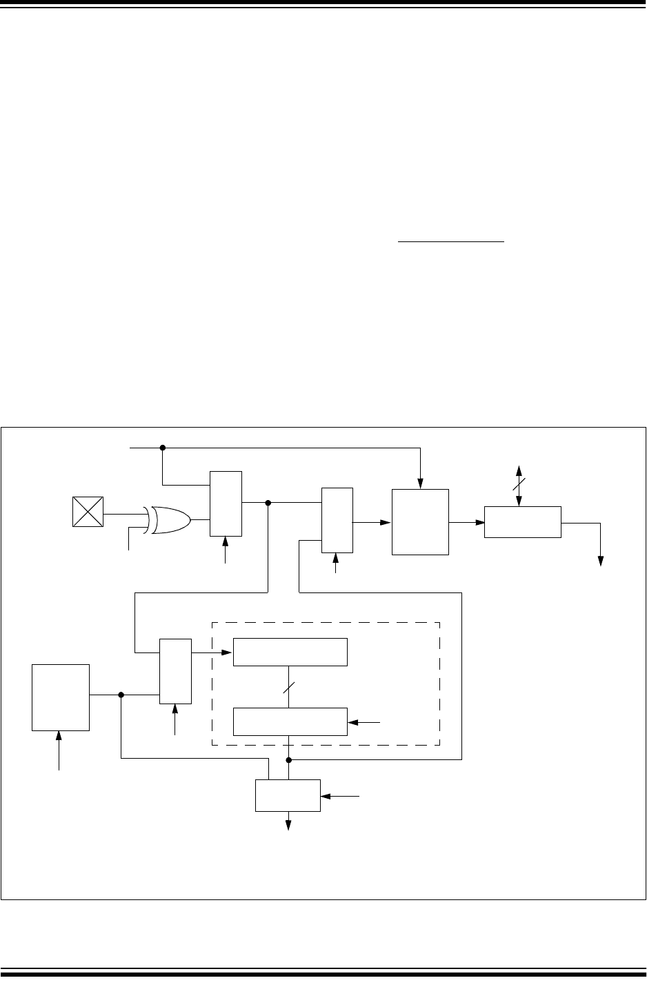
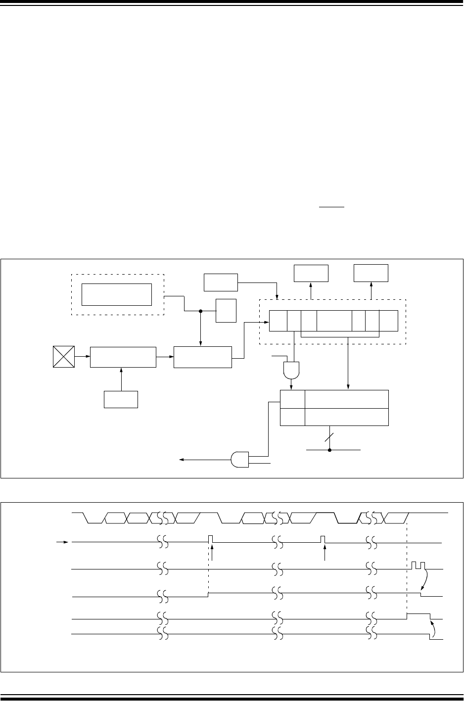
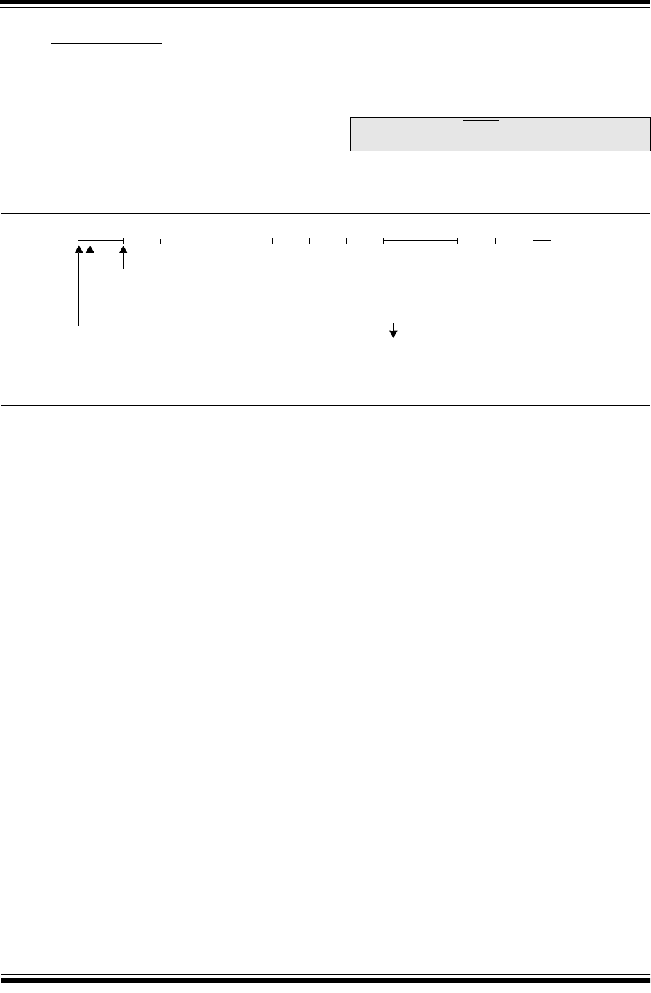
2.3 PCL and PCLATH
The program counter (PC) is 13-bits wide. The low byte
comes from the PCL register, which is a readable and
writable register. The upper bits (PC<12:8>) are not
readable, but are indirectly writable through the
PCLATH register. On any reset, the upper bits of the PC
will be cleared. Figure 2-5 shows the two situations for
the loading of the PC. The upper example in the figure
shows how the PC is loaded on a write to PCL
(PCLATH<4:0> → PCH). The lower example in the fig-
ure shows how the PC is loaded during a CALL or GOTO
instruction (PCLATH<4:3> → PCH).
FIGURE 2-5: LOADING OF PC IN
DIFFERENT SITUATIONS
2.3.1 COMPUTED GOTO
A computed GOTO is accomplished by adding an offset
to the program counter (ADDWF PCL). When doing a
table read using a computed GOTO method, care
should be exercised if the table location crosses a PCL
memory boundary (each 256 byte block). Refer to the
application note,
“Implementing a Table Read"
(AN556).
2.3.2 STACK
The PIC16CXX family has an 8-level deep x 13-bit wide
hardware stack. The stack space is not part of either
program or data space and the stack pointer is not
readable or writable. The PC is PUSHed onto the stack
when a CALL instruction is executed or an interrupt
causes a branch. The stack is POPed in the event of a
RETURN,RETLW or a RETFIE instruction execution.
PCLATH is not affected by a PUSH or POP operation.
The stack operates as a circular buffer. This means that
after the stack has been PUSHed eight times, the ninth
push overwrites the value that was stored from the first
push. The tenth push overwrites the second push (and
so on).
2.4 Program Memory Paging
PIC16CXX devices are capable of addressing a contin-
uous 8K word block of program memory. The CALL and
GOTO instructions provide only 11 bits of address to
allow branching within any 2K program memory page.
When doing a CALL or GOTO instruction, the upper 2
bits of the address are provided by PCLATH<4:3>.
When doing a CALL or GOTO instruction, the user must
ensure that the page select bits are programmed so
that the desired program memory page is addressed. If
a return from a CALL instruction (or interrupt) is exe-
cuted, the entire 13-bit PC is popped off the stack.
Therefore, manipulation of the PCLATH<4:3> bits are
not required for the return instructions (which POPs the
address from the stack)
Example 2-1 shows the calling of a subroutine in
page 1 of the program memory. This example assumes
that PCLATH is saved and restored by the interrupt ser-
vice routine (if interrupts are used).
EXAMPLE 2-1: CALL OF A SUBROUTINE IN
PAGE 1 FROM PAGE 0
ORG 0x500
BCF PCLATH,4
BSF PCLATH,3 ;Select page 1 (800h-FFFh)
CALL SUB1_P1 ;Call subroutine in
: ;page 1 (800h-FFFh)
:
ORG 0x900 ;page 1 (800h-FFFh)
SUB1_P1
: ;called subroutine
: ;page 1 (800h-FFFh)
:
RETURN ;return to Call subroutine
;in page 0 (000h-7FFh)
PC
12 8 7 0
5PCLATH<4:0>
PCLATH
Instruction with
ALU
GOTO,CALL
Opcode <10:0>
8
PC
12 11 10 0
11
PCLATH<4:3>
PCH PCL
87
2
PCLATH
PCH PCL
PCL as
Destination
Note 1: There are no status bits to indicate stack
overflow or stack underflow conditions.
2: There are no instructions/mnemonics
called PUSH or POP. These are actions that
occur from the execution of the CALL,
RETURN, RETLW and RETFIE instruc-
tions or the vectoring to an interrupt
address.

1999 Microchip Technology Inc. DS30292B-page 27
PIC16F87X
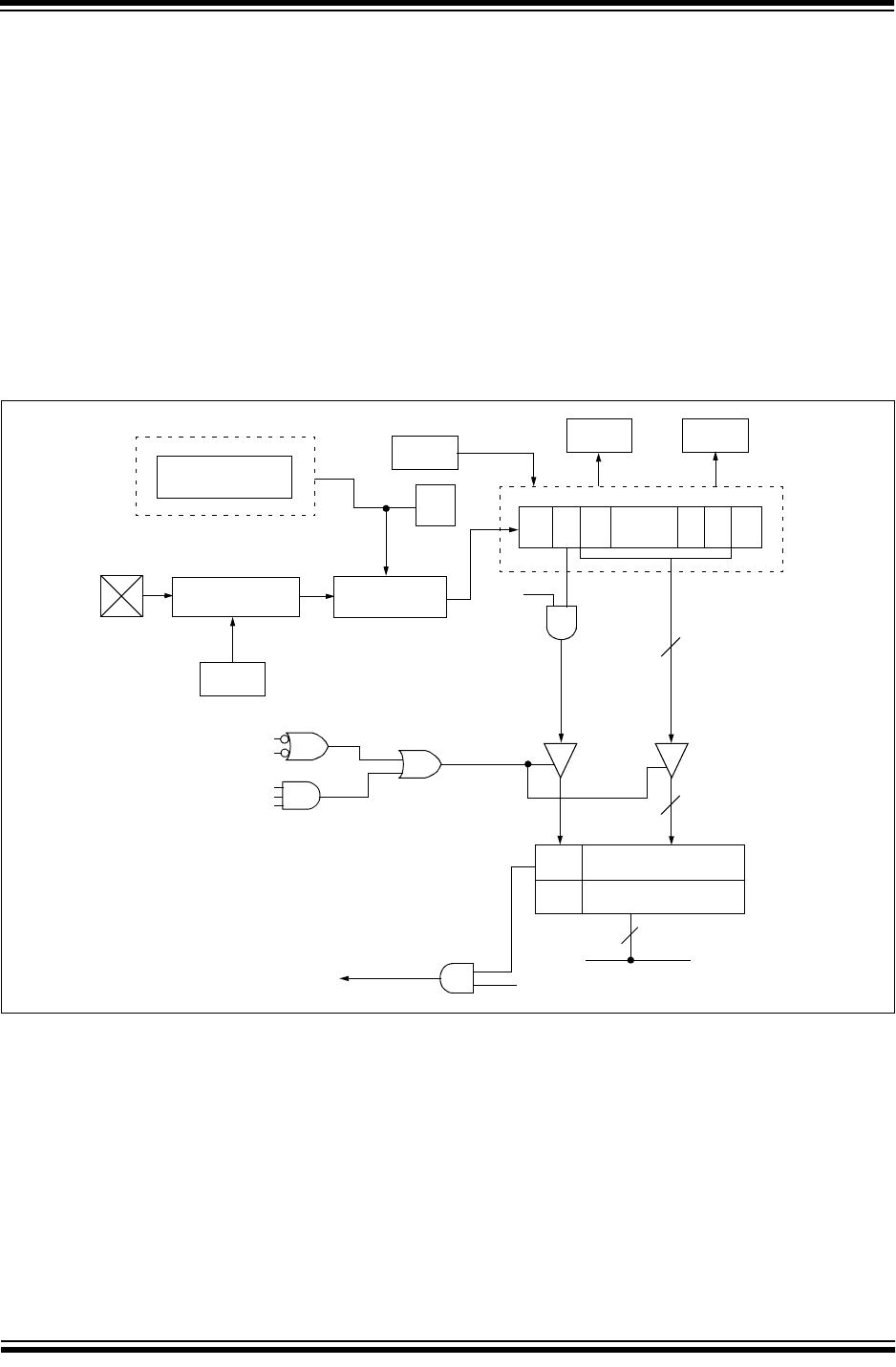
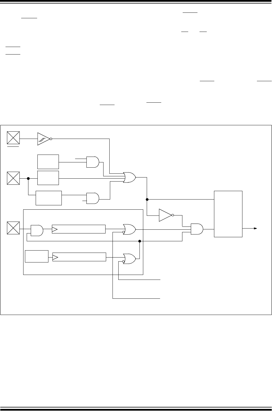
2.5 Indirect Addressing, INDF and FSR
Registers
The INDF register is not a physical register. Addressing
the INDF register will cause indirect addressing.
Indirect addressing is possible by using the INDF reg-
ister. Any instruction using the INDF register actually
accesses the register pointed to by the File Select Reg-
ister, FSR. Reading the INDF register itself indirectly
(FSR = ’0’) will read 00h. Writing to the INDF register
indirectly results in a no-operation (although status bits
may be affected). An effective 9-bit address is obtained
by concatenating the 8-bit FSR register and the IRP bit
(STATUS<7>), as shown in Figure 2-6.
A simple program to clear RAM locations 20h-2Fh
using indirect addressing is shown in Example 2-2.
EXAMPLE 2-2: INDIRECT ADDRESSING
movlw 0x20 ;initialize pointer
movwf FSR ;to RAM
NEXT clrf INDF ;clear INDF register
incf FSR,F ;inc pointer
btfss FSR,4 ;all done?
goto NEXT ;no clear next
CONTINUE
: ;yes continue
FIGURE 2-6: DIRECT/INDIRECT ADDRESSING
Note 1: For register file map detail see Figure 2-3.
Data
Memory(1)
Indirect AddressingDirect Addressing
bank select location select
RP1:RP0 6 0
from opcode IRP FSR register
70
bank select location select
00 01 10 11
Bank 0 Bank 1 Bank 2 Bank 3
FFh
80h
7Fh
00h
17Fh
100h
1FFh
180h

PIC16F87X
DS30292B-page 28 1999 Microchip Technology Inc.
NOTES:

1999 Microchip Technology Inc. DS30292B-page 29
PIC16F87X
3.0 I/O PORTS
Some pins for these I/O ports are multiplexed with an
alternate function for the peripheral features on the
device. In general, when a peripheral is enabled, that
pin may not be used as a general purpose I/O pin.
Additional information on I/O ports may be found in the
PICmicro™ Mid-Range Reference Manual,
(DS33023).
3.1 PORTA and the TRISA Register
PORTA is a 6-bit wide bi-directional port. The corre-
sponding data direction register is TRISA. Setting a
TRISA bit (=1) will make the corresponding PORTA pin
an input (i.e., put the corresponding output driver in a
hi-impedance mode). Clearing a TRISA bit (=0) will
make the corresponding PORTA pin an output (i.e., put
the contents of the output latch on the selected pin).
Reading the PORTA register reads the status of the
pins, whereas writing to it will write to the port latch. All
write operations are read-modify-write operations.
Therefore, a write to a port implies that the port pins are
read, the value is modified and then written to the port
data latch.
Pin RA4 is multiplexed with the Timer0 module clock
input to become the RA4/T0CKI pin. The RA4/T0CKI
pin is a Schmitt Trigger input and an open drain output.
All other PORTA pins have TTL input levels and full
CMOS output drivers.
Other PORTA pins are multiplexed with analog inputs
and analog VREF input. The operation of each pin is
selected by clearing/setting the control bits in the
ADCON1 register (A/D Control Register1).
The TRISA register controls the direction of the RA
pins, even when they are being used as analog inputs.
The user must ensure the bits in the TRISA register are
maintained set when using them as analog inputs.
EXAMPLE 3-1: INITIALIZING PORTA
BCF STATUS, RP0 ;
BCF STATUS, RP1 ; Bank0
CLRF PORTA ; Initialize PORTA by
; clearing output
; data latches
BSF STATUS, RP0 ; Select Bank 1
MOVLW 0x06 ; Configure all pins
MOVWF ADCON1 ; as digital inputs
MOVLW 0xCF ; Value used to
; initialize data
; direction
MOVWF TRISA ; Set RA<3:0> as inputs
; RA<5:4> as outputs
; TRISA<7:6> are always
; read as ’0’.
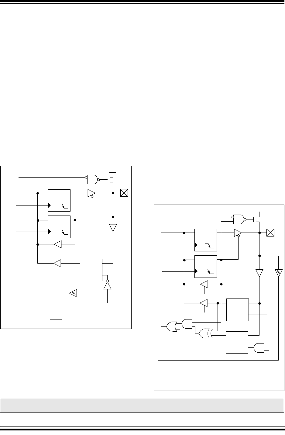
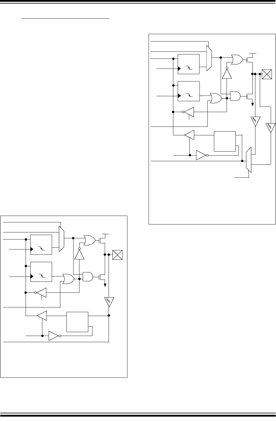
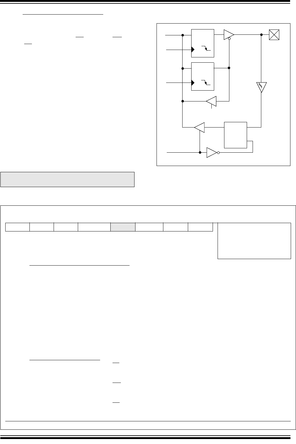
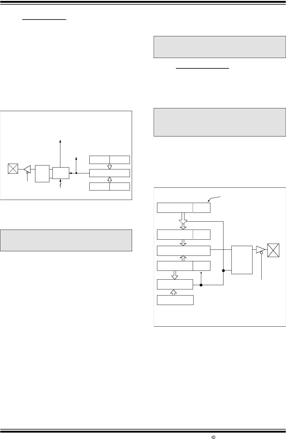
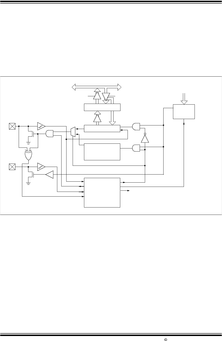
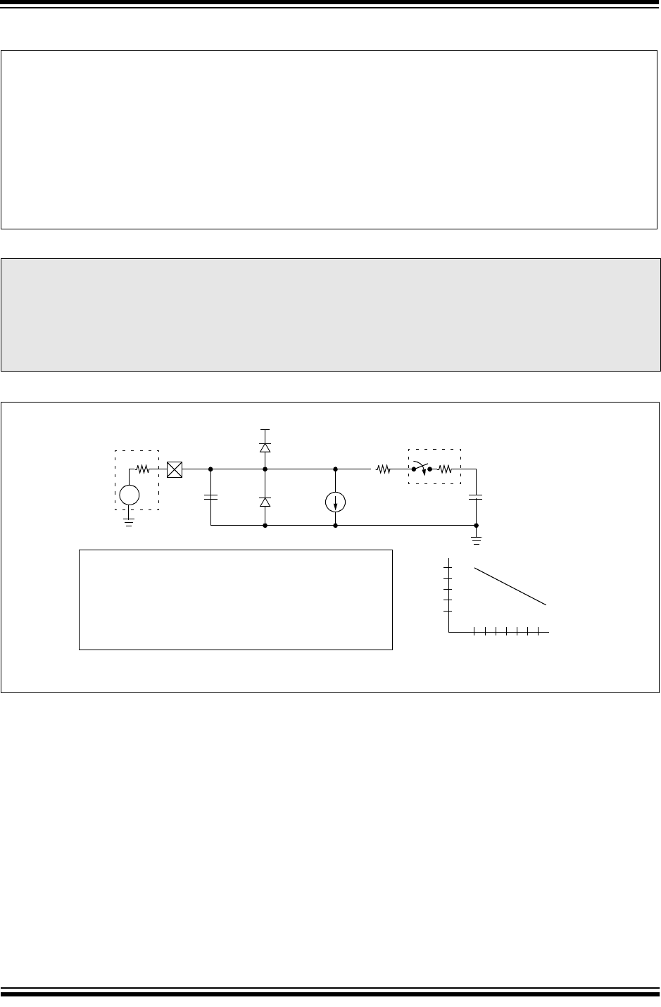
FIGURE 3-1: BLOCK DIAGRAM OF
RA3:RA0 AND RA5 PINS
FIGURE 3-2: BLOCK DIAGRAM OF RA4/
T0CKI PIN
Note: On a Power-on Reset, these pins are con-
figured as analog inputs and read as '0'.
Data
Bus
QD
Q
CK
QD
Q
CK
QD
EN
P
N
WR
Port
WR
TRIS
Data Latch
TRIS Latch
RD TRIS
RD PORT
VSS
VDD
I/O pin(1)
Note 1: I/O pins have protection diodes to VDD and VSS.
Analog
Input
Mode
TTL
Input
Buffer
To A/D Converter
Data
Bus
WR
PORT
WR
TRIS
RD PORT
Data Latch
TRIS Latch
RD TRIS
Schmitt
Trigger
Input
Buffer
N
VSS
I/O pin(1)
TMR0 clock input
QD
Q
CK
QD
Q
CK
EN
QD
EN
Note 1: I/O pin has protection diodes to VSS only.

PIC16F87X
DS30292B-page 30 1999 Microchip Technology Inc.
TABLE 3-1: PORTA FUNCTIONS
TABLE 3-2: SUMMARY OF REGISTERS ASSOCIATED WITH PORTA
Name Bit# Buffer Function
RA0/AN0 bit0 TTL Input/output or analog input
RA1/AN1 bit1 TTL Input/output or analog input
RA2/AN2 bit2 TTL Input/output or analog input
RA3/AN3/VREF bit3 TTL Input/output or analog input or VREF
RA4/T0CKI bit4 ST Input/output or external clock input for Timer0
Output is open drain type
RA5/SS/AN4 bit5 TTL Input/output or slave select input for synchronous serial port or analog input
Legend: TTL = TTL input, ST = Schmitt Trigger input
Address Name Bit 7 Bit 6 Bit 5 Bit 4 Bit 3 Bit 2 Bit 1 Bit 0 Value on:
POR,
BOR
Value on all
other
resets
05h PORTA —— RA5 RA4 RA3 RA2 RA1 RA0 --0x 0000 --0u 0000
85h TRISA —— PORTA Data Direction Register --11 1111 --11 1111
9Fh ADCON1 ADFM — — — PCFG3 PCFG2 PCFG1 PCFG0 --0- 0000 --0- 0000
Legend: x = unknown, u = unchanged, - = unimplemented locations read as '0'. Shaded cells are not used by PORTA.
Note: When using the SSP module in SPI slave mode and SS enabled, the A/D converter must be set to one of
the following modes where PCFG3:PCFG0 = 0100,0101, 011x, 1101, 1110, 1111.

1999 Microchip Technology Inc. DS30292B-page 31
PIC16F87X
3.2 PORTB and the TRISB Register
PORTB is an 8-bit wide, bi-directional port. The corre-
sponding data direction register is TRISB. Setting a
TRISB bit (=1) will make the corresponding PORTB pin
an input (i.e., put the corresponding output driver in a
hi-impedance mode). Clearing a TRISB bit (=0) will
make the corresponding PORTB pin an output (i.e., put
the contents of the output latch on the selected pin).
Three pins of PORTB are multiplexed with the Low Volt-
age Programming function; RB3/PGM, RB6/PGC and
RB7/PGD. The alternate functions of these pins are
described in the Special Features Section.
Each of the PORTB pins has a weak internal pull-up. A
single control bit can turn on all the pull-ups. This is per-
formed by clearing bit RBPU (OPTION_REG<7>). The
weak pull-up is automatically turned off when the port
pin is configured as an output. The pull-ups are dis-
abled on a Power-on Reset.
FIGURE 3-3: BLOCK DIAGRAM OF
RB3:RB0 PINS
Four of PORTB’s pins, RB7:RB4, have an interrupt on
change feature. Only pins configured as inputs can
cause this interrupt to occur (i.e. any RB7:RB4 pin con-
figured as an output is excluded from the interrupt on
change comparison). The input pins (of RB7:RB4) are
compared with the old value latched on the last read of
PORTB. The “mismatch” outputs of RB7:RB4 are
OR’ed together to generate the RB Port Change Inter-
rupt with flag bit RBIF (INTCON<0>).
This interrupt can wake the device from SLEEP. The
user, in the interrupt service routine, can clear the inter-
rupt in the following manner:
a) Any read or write of PORTB. This will end the
mismatch condition.
b) Clear flag bit RBIF.
A mismatch condition will continue to set flag bit RBIF.
Reading PORTB will end the mismatch condition and
allow flag bit RBIF to be cleared.
The interrupt on change feature is recommended for
wake-up on key depression operation and operations
where PORTB is only used for the interrupt on change
feature. Polling of PORTB is not recommended while
using the interrupt on change feature.
This interrupt on mismatch feature, together with soft-
ware configureable pull-ups on these four pins, allow
easy interface to a keypad and make it possible for
wake-up on key-depression. Refer to the Embedded
Control Handbook,
“Implementing Wake-Up on Key
Stroke”
(AN552).
RB0/INT is an external interrupt input pin and is config-
ured using the INTEDG bit (OPTION_REG<6>).
RB0/INT is discussed in detail in Section 12.10.1.
FIGURE 3-4: BLOCK DIAGRAM OF
RB7:RB4 PINS
Data Latch
RBPU(2)
P
VDD
QD
CK
QD
CK
QD
EN
Data Bus
WR Port
WR TRIS
RD TRIS
RD Port
weak
pull-up
RD Port
RB0/INT
I/O
pin(1)
TTL
Input
Buffer
Schmitt Trigger
Buffer
TRIS Latch
Note 1: I/O pins have diode protection to VDD and VSS.
2: To enable weak pull-ups, set the appropriate TRIS bit(s)
and clear the RBPU bit (OPTION_REG<7>).
RB3/PGM
Data Latch
From other
RBPU(2)
P
VDD
I/O
QD
CK
QD
CK
QD
EN
QD
EN
Data Bus
WR Port
WR TRIS
Set RBIF
TRIS Latch
RD TRIS
RD Port
RB7:RB4 pins
weak
pull-up
RD Port
Latch
TTL
Input
Buffer
pin(1)
ST
Buffer
RB7:RB6 in serial programming mode
Q3
Q1
Note 1: I/O pins have diode protection to VDD and VSS.
2: To enable weak pull-ups, set the appropriate TRIS bit(s)
and clear the RBPU bit (OPTION_REG<7>).
Note: When using Low Voltage ICSP Programming (LVP) and the pull-ups on PORTB are enabled, bit 3 in the
TRISB register must be cleared to disable the pull-up on RB3 and ensure the proper operation of the device.

PIC16F87X
DS30292B-page 32 1999 Microchip Technology Inc.
TABLE 3-3: PORTB FUNCTIONS
TABLE 3-4: SUMMARY OF REGISTERS ASSOCIATED WITH PORTB
Name Bit# Buffer Function
RB0/INT bit0 TTL/ST(1) Input/output pin or external interrupt input. Internal software
programmable weak pull-up.
RB1 bit1 TTL Input/output pin. Internal software programmable weak pull-up.
RB2 bit2 TTL Input/output pin. Internal software programmable weak pull-up.
RB3/PGM bit3 TTL Input/output pin or programming pin in LVP mode. Internal software
programmable weak pull-up.
RB4 bit4 TTL Input/output pin (with interrupt on change). Internal software programmable
weak pull-up.
RB5 bit5 TTL Input/output pin (with interrupt on change). Internal software programmable
weak pull-up.
RB6/PGC bit6 TTL/ST(2) Input/output pin (with interrupt on change) or In-Circuit Debugger pin.
Internal software programmable weak pull-up. Serial programming clock.
RB7/PGD bit7 TTL/ST(2) Input/output pin (with interrupt on change) or In-Circuit Debugger pin.
Internal software programmable weak pull-up. Serial programming data.
Legend: TTL = TTL input, ST = Schmitt Trigger input
Note 1: This buffer is a Schmitt Trigger input when configured as the external interrupt.
2: This buffer is a Schmitt Trigger input when used in serial programming mode.
Address Name Bit 7 Bit 6 Bit 5 Bit 4 Bit 3 Bit 2 Bit 1 Bit 0 Value on:
POR,
BOR
Value on all
other
resets
06h, 106h PORTB RB7 RB6 RB5 RB4 RB3 RB2 RB1 RB0 xxxx xxxx uuuu uuuu
86h, 186h TRISB PORTB Data Direction Register 1111 1111 1111 1111
81h, 181h OPTION_REG RBPU INTEDG T0CS T0SE PSA PS2 PS1 PS0 1111 1111 1111 1111
Legend: x = unknown, u = unchanged. Shaded cells are not used by PORTB.

1999 Microchip Technology Inc. DS30292B-page 33
PIC16F87X
3.3 PORTC and the TRISC Register
PORTC is an 8-bit wide, bi-directional port. The corre-
sponding data direction register is TRISC. Setting a
TRISC bit (=1) will make the corresponding PORTC pin
an input (i.e., put the corresponding output driver in a
hi-impedance mode). Clearing a TRISC bit (=0) will
make the corresponding PORTC pin an output (i.e., put
the contents of the output latch on the selected pin).
PORTC is multiplexed with several peripheral functions
(Table 3-5). PORTC pins have Schmitt Trigger input
buffers.
When the I2C module is enabled, the PORTC (3:4) pins
can be configured with normal I2C levels or with
SMBUS levels by using the CKE bit (SSPSTAT <6>).
When enabling peripheral functions, care should be
taken in defining TRIS bits for each PORTC pin. Some
peripherals override the TRIS bit to make a pin an out-
put, while other peripherals override the TRIS bit to
make a pin an input. Since the TRIS bit override is in
effect while the peripheral is enabled, read-modify-
write instructions (BSF, BCF, XORWF) with TRISC as
destination should be avoided. The user should refer to
the corresponding peripheral section for the correct
TRIS bit settings.
FIGURE 3-5: PORTC BLOCK DIAGRAM
(PERIPHERAL OUTPUT
OVERRIDE) RC<0:2>
RC<5:7>
FIGURE 3-6: PORTC BLOCK DIAGRAM
(PERIPHERAL OUTPUT
OVERRIDE) RC<3:4>
PORT/PERIPHERAL Select(2)
Data Bus
WR
PORT
WR
TRIS
RD
Data Latch
TRIS Latch
RD TRIS Schmitt
Trigger
QD
Q
CK
QD
EN
Peripheral Data Out 0
1
QD
Q
CK
P
N
VDD
VSS
PORT
Peripheral
OE(3)
Peripheral Input
I/O
pin(1)
Note 1: I/O pins have diode protection to VDD and VSS.
2: Port/Peripheral select signal selects between port
data and peripheral output.
3: Peripheral OE (output enable) is only activated if
peripheral select is active.
PORT/PERIPHERAL Select(2)
Data Bus
WR
PORT
WR
TRIS
RD
Data Latch
TRIS Latch
RD TRIS Schmitt
Trigger
QD
Q
CK
QD
EN
Peripheral Data Out 0
1
QD
Q
CK
P
N
VDD
Vss
PORT
Peripheral
OE(3)
SSPl Input
I/O
pin(1)
Note 1: I/O pins have diode protection to VDD and VSS.
2: Port/Peripheral select signal selects between port
data and peripheral output.
3: Peripheral OE (output enable) is only activated if
peripheral select is active.
0
1
CKE
SSPSTAT<6>
Schmitt
Trigger
with
SMBus
levels

PIC16F87X
DS30292B-page 34 1999 Microchip Technology Inc.
TABLE 3-5: PORTC FUNCTIONS
TABLE 3-6: SUMMARY OF REGISTERS ASSOCIATED WITH PORTC
Name Bit# Buffer Type Function
RC0/T1OSO/T1CKI bit0 ST Input/output port pin or Timer1 oscillator output/Timer1 clock input
RC1/T1OSI/CCP2 bit1 ST Input/output port pin or Timer1 oscillator input or Capture2 input/
Compare2 output/PWM2 output
RC2/CCP1 bit2 ST Input/output port pin or Capture1 input/Compare1 output/PWM1
output
RC3/SCK/SCL bit3 ST RC3 can also be the synchronous serial clock for both SPI and I2C
modes.
RC4/SDI/SDA bit4 ST RC4 can also be the SPI Data In (SPI mode) or data I/O (I2C mode).
RC5/SDO bit5 ST Input/output port pin or Synchronous Serial Port data output
RC6/TX/CK bit6 ST Input/output port pin or USART Asynchronous Transmit or Synchro-
nous Clock
RC7/RX/DT bit7 ST Input/output port pin or USART Asynchronous Receive or Synchro-
nous Data
Legend: ST = Schmitt Trigger input
Address Name Bit 7 Bit 6 Bit 5 Bit 4 Bit 3 Bit 2 Bit 1 Bit 0 Value on:
POR,
BOR
Value on
all
other
resets
07h PORTC RC7 RC6 RC5 RC4 RC3 RC2 RC1 RC0 xxxx xxxx uuuu uuuu
87h TRISC PORTC Data Direction Register 1111 1111 1111 1111
Legend: x = unknown, u = unchanged.

1999 Microchip Technology Inc. DS30292B-page 35
PIC16F87X
3.4 PORTD and TRISD Registers
This section is not applicable to the PIC16F873 or
PIC16F876.
PORTD is an 8-bit port with Schmitt Trigger input buff-
ers. Each pin is individually configurable as an input or
output.
PORTD can be configured as an 8-bit wide micropro-
cessor port (parallel slave port) by setting control bit
PSPMODE (TRISE<4>). In this mode, the input buffers
are TTL.
FIGURE 3-7: PORTD BLOCK DIAGRAM (IN
I/O PORT MODE)
TABLE 3-7: PORTD FUNCTIONS
TABLE 3-8: SUMMARY OF REGISTERS ASSOCIATED WITH PORTD
Data
Bus
WR
PORT
WR
TRIS
RD PORT
Data Latch
TRIS Latch
RD TRIS
Schmitt
Tr i gg e r
Input
Buffer
I/O pin(1)
Note 1: I/O pins have protection diodes to VDD and VSS.
QD
CK
QD
CK
EN
QD
EN
Name Bit# Buffer Type Function
RD0/PSP0 bit0 ST/TTL(1) Input/output port pin or parallel slave port bit0
RD1/PSP1 bit1 ST/TTL(1) Input/output port pin or parallel slave port bit1
RD2/PSP2 bit2 ST/TTL(1) Input/output port pin or parallel slave port bit2
RD3/PSP3 bit3 ST/TTL(1) Input/output port pin or parallel slave port bit3
RD4/PSP4 bit4 ST/TTL(1) Input/output port pin or parallel slave port bit4
RD5/PSP5 bit5 ST/TTL(1) Input/output port pin or parallel slave port bit5
RD6/PSP6 bit6 ST/TTL(1) Input/output port pin or parallel slave port bit6
RD7/PSP7 bit7 ST/TTL(1) Input/output port pin or parallel slave port bit7
Legend: ST = Schmitt Trigger input TTL = TTL input
Note 1: Input buffers are Schmitt Triggers when in I/O mode and TTL buffer when in Parallel Slave Port Mode.
Address Name Bit 7 Bit 6 Bit 5 Bit 4 Bit 3 Bit 2 Bit 1 Bit 0 Value on:
POR,
BOR
Value on all
other resets
08h PORTD RD7 RD6 RD5 RD4 RD3 RD2 RD1 RD0 xxxx xxxx uuuu uuuu
88h TRISD PORTD Data Direction Register 1111 1111 1111 1111
89h TRISE IBF OBF IBOV PSPMODE —PORTE Data Direction Bits 0000 -111 0000 -111
Legend: x = unknown, u = unchanged, - = unimplemented read as ’0’. Shaded cells are not used by PORTD.

PIC16F87X
DS30292B-page 36 1999 Microchip Technology Inc.
3.5 PORTE and TRISE Register
This section is not applicable to the PIC16F873 or
PIC16F876.
PORTE has three pins, RE0/RD/AN5, RE1/WR/AN6
and RE2/CS/AN7, which are individually configurable
as inputs or outputs. These pins have Schmitt Trigger
input buffers.
I/O PORTE becomes control inputs for the micropro-
cessor port when bit PSPMODE (TRISE<4>) is set. In
this mode, the user must make sure that the
TRISE<2:0> bits are set (pins are configured as digital
inputs). Ensure ADCON1 is configured for digital I/O. In
this mode, the input buffers are TTL.
Register 3-1 shows the TRISE register, which also con-
trols the parallel slave port operation.
PORTE pins are multiplexed with analog inputs. When
selected as an analog input, these pins will read as ’0’s.
TRISE controls the direction of the RE pins, even when
they are being used as analog inputs. The user must
make sure to keep the pins configured as inputs when
using them as analog inputs.
FIGURE 3-8: PORTE BLOCK DIAGRAM (IN
I/O PORT MODE)
REGISTER 3-1: TRISE REGISTER (ADDRESS 89h)
Note: On a Power-on Reset, these pins are con-
figured as analog inputs.
Data
Bus
WR
PORT
WR
TRIS
RD PORT
Data Latch
TRIS Latch
RD TRIS
Schmitt
Trigger
input
buffer
QD
CK
QD
CK
EN
QD
EN
I/O pin(1)
Note 1: I/O pins have protection diodes to VDD and VSS.
R-0 R-0 R/W-0 R/W-0 U-0 R/W-1 R/W-1 R/W-1
IBF OBF IBOV PSPMODE — bit2 bit1 bit0 R = Readable bit
W= Writable bit
U = Unimplemented bit,
read as ‘0’
- n= Value at POR reset
bit7 bit0
Parallel Slave Port Status/Control Bits
bit 7 : IBF: Input Buffer Full Status bit
1 = A word has been received and is waiting to be read by the CPU
0 = No word has been received
bit 6: OBF: Output Buffer Full Status bit
1 = The output buffer still holds a previously written word
0 = The output buffer has been read
bit 5: IBOV: Input Buffer Overflow Detect bit (in microprocessor mode)
1 = A write occurred when a previously input word has not been read (must be cleared in software)
0 = No overflow occurred
bit 4: PSPMODE: Parallel Slave Port Mode Select bit
1 = Parallel slave port mode
0 = General purpose I/O mode
bit 3: Unimplemented: Read as ’0’
PORTE Data Direction Bits
bit 2: Bit2: Direction Control bit for pin RE2/CS/AN7
1 = Input
0 = Output
bit 1: Bit1: Direction Control bit for pin RE1/WR/AN6
1 = Input
0 = Output
bit 0: Bit0: Direction Control bit for pin RE0/RD/AN5
1 = Input
0 = Output

1999 Microchip Technology Inc. DS30292B-page 37
PIC16F87X
TABLE 3-9: PORTE FUNCTIONS
TABLE 3-10: SUMMARY OF REGISTERS ASSOCIATED WITH PORTE
Name Bit# Buffer Type Function
RE0/RD/AN5 bit0 ST/TTL(1) Input/output port pin or read control input in parallel slave port mode or
analog input:
RD
1 = Not a read operation
0 = Read operation. Reads PORTD register (if chip selected)
RE1/WR/AN6 bit1 ST/TTL(1) Input/output port pin or write control input in parallel slave port mode or
analog input:
WR
1 = Not a write operation
0 = Write operation. Writes PORTD register (if chip selected)
RE2/CS/AN7 bit2 ST/TTL(1) Input/output port pin or chip select control input in parallel slave port
mode or analog input:
CS
1 = Device is not selected
0 = Device is selected
Legend: ST = Schmitt Trigger input TTL = TTL input
Note 1: Input buffers are Schmitt Triggers when in I/O mode and TTL buffers when in Parallel Slave Port Mode.
Addr Name Bit 7 Bit 6 Bit 5 Bit 4 Bit 3 Bit 2 Bit 1 Bit 0 Value on:
POR,
BOR
Value on all
other resets
09h PORTE — — — — —RE2RE1RE0---- -xxx ---- -uuu
89h TRISE IBF OBF IBOV PSPMODE — PORTE Data Direction Bits 0000 -111 0000 -111
9Fh ADCON1 ADFM — — — PCFG3 PCFG2 PCFG1 PCFG0 --0- 0000 --0- 0000
Legend: x = unknown, u = unchanged, - = unimplemented read as '0'. Shaded cells are not used by PORTE.

PIC16F87X
DS30292B-page 38 1999 Microchip Technology Inc.
3.6 Parallel Slave Port
The Parallel Slave Port is not implemented on the
PIC16F873 or PIC16F876.
PORTD operates as an 8-bit wide Parallel Slave Port or
microprocessor port when control bit PSPMODE
(TRISE<4>) is set. In slave mode, it is asynchronously
readable and writable by the external world through RD
control input pin RE0/RD and WR control input pin
RE1/WR.
It can directly interface to an 8-bit microprocessor data
bus. The external microprocessor can read or write the
PORTD latch as an 8-bit latch. Setting bit PSPMODE
enables port pin RE0/RD to be the RD input, RE1/WR
to be the WR input and RE2/CS to be the CS (chip
select) input. For this functionality, the corresponding
data direction bits of the TRISE register (TRISE<2:0>)
must be configured as inputs (set). The A/D port con-
figuration bits PCFG3:PCFG0 (ADCON1<3:0>) must
be set to configure pins RE2:RE0 as digital I/O.
There are actually two 8-bit latches. One for data-out
and one for data input. The user writes 8-bit data to the
PORTD data latch and reads data from the port pin
latch (note that they have the same address). In this
mode, the TRISD register is ignored, since the micro-
processor is controlling the direction of data flow.
A write to the PSP occurs when both the CS and WR
lines are first detected low. When either the CS or WR
lines become high (level triggered), the Input Buffer Full
(IBF) status flag bit (TRISE<7>) is set on the Q4 clock
cycle, following the next Q2 cycle, to signal the write is
complete (Figure 3-10). The interrupt flag bit PSPIF
(PIR1<7>) is also set on the same Q4 clock cycle. IBF
can only be cleared by reading the PORTD input latch.
The Input Buffer Overflow (IBOV) status flag bit
(TRISE<5>) is set if a second write to the PSP is
attempted when the previous byte has not been read
out of the buffer.
A read from the PSP occurs when both the CS and RD
lines are first detected low. The Output Buffer Full
(OBF) status flag bit (TRISE<6>) is cleared immedi-
ately (Figure 3-11) indicating that the PORTD latch is
waiting to be read by the external bus. When either the
CS or RD pin becomes high (level triggered), the inter-
rupt flag bit PSPIF is set on the Q4 clock cycle, follow-
ing the next Q2 cycle, indicating that the read is
complete. OBF remains low until data is written to
PORTD by the user firmware.
When not in PSP mode, the IBF and OBF bits are held
clear. However, if flag bit IBOV was previously set, it
must be cleared in firmware.
An interrupt is generated and latched into flag bit
PSPIF when a read or write operation is completed.
PSPIF must be cleared by the user in firmware and the
interrupt can be disabled by clearing the interrupt
enable bit PSPIE (PIE1<7>).
FIGURE 3-9: PORTD AND PORTE BLOCK
DIAGRAM (PARALLEL SLAVE
PORT)
Data Bus
WR
PORT
RD
RDx
QD
CK
EN
QD
EN
PORT
pin
One bit of PORTD
Set interrupt flag
PSPIF (PIR1<7>)
Read
Chip Select
Write
RD
CS
WR
Note: I/O pin has protection diodes to VDD and VSS.
TTL
TTL
TTL
TTL

1999 Microchip Technology Inc. DS30292B-page 39
PIC16F87X
FIGURE 3-10: PARALLEL SLAVE PORT WRITE WAVEFORMS
FIGURE 3-11: PARALLEL SLAVE PORT READ WAVEFORMS
TABLE 3-11: REGISTERS ASSOCIATED WITH PARALLEL SLAVE PORT
Address Name Bit 7 Bit 6 Bit 5 Bit 4 Bit 3 Bit 2 Bit 1 Bit 0 Value on:
POR,
BOR
Value on all
other resets
08h PORTD Port data latch when written: Port pins when read xxxx xxxx uuuu uuuu
09h PORTE — — — — —RE2RE1RE0---- -xxx ---- -uuu
89h TRISE IBF OBF IBOV PSPMODE — PORTE Data Direction Bits 0000 -111 0000 -111
0Ch PIR1 PSPIF ADIF RCIF TXIF SSPIF CCP1IF TMR2IF TMR1IF 0000 0000 0000 0000
8Ch PIE1 PSPIE ADIE RCIE TXIE SSPIE CCP1IE TMR2IE TMR1IE 0000 0000 0000 0000
9Fh ADCON1 ADFM — — — PCFG3 PCFG2 PCFG1 PCFG0 --0- 0000 --0- 0000
Legend: x = unknown, u = unchanged, - = unimplemented read as '0'. Shaded cells are not used by the Parallel Slave Port.
Q1 Q2 Q3 Q4
CS
Q1 Q2 Q3 Q4 Q1 Q2 Q3 Q4
WR
RD
IBF
OBF
PSPIF
PORTD<7:0>
Q1 Q2 Q3 Q4
CS
Q1 Q2 Q3 Q4 Q1 Q2 Q3 Q4
WR
IBF
PSPIF
RD
OBF
PORTD<7:0>

PIC16F87X
DS30292B-page 40 1999 Microchip Technology Inc.
NOTES:

1999 Microchip Technology Inc. DS30292B-page 41
PIC16F87X
4.0 DATA EEPROM AND FLASH
PROGRAM MEMORY
The Data EEPROM and FLASH Program Memory are
readable and writable during normal operation over the
entire VDD range. A bulk erase operation may not be
issued from user code (which includes removing code
protection). The data memory is not directly mapped in
the register file space. Instead it is indirectly addressed
through the Special Function Registers (SFR).
There are six SFRs used to read and write the program
and data EEPROM memory. These registers are:
• EECON1
• EECON2
• EEDATA
• EEDATH
• EEADR
• EEADRH
The EEPROM data memory allows byte read and write.
When interfacing to the data memory block, EEDATA
holds the 8-bit data for read/write and EEADR holds the
address of the EEPROM location being accessed. The
registers EEDATH and EEADRH are not used for data
EEPROM access. These devices have up to 256 bytes
of data EEPROM with an address range from 0h to
FFh.
The EEPROM data memory is rated for high erase/
write cycles. The write time is controlled by an on-chip
timer. The write time will vary with voltage and temper-
ature, as well as from chip-to-chip. Please refer to the
specifications for exact limits.
The program memory allows word reads and writes.
Program memory access allows for checksum calcula-
tion and calibration table storage. A byte or word write
automatically erases the location and writes the new
data (erase before write). Writing to program memory
will cease operation until the write is complete. The pro-
gram memory cannot be accessed during the write,
therefore code cannot execute. During the write opera-
tion, the oscillator continues to clock the peripherals,
and therefore they continue to operate. Interrupt events
will be detected and essentially “queued” until the write
is completed. When the write completes, the next
instruction in the pipeline is executed and the branch to
the interrupt vector address will occur.
When interfacing to the program memory block, the
EEDATH:EEDATA registers form a two byte word,
which holds the 14-bit data for read/write. The
EEADRH:EEADR registers form a two byte word,
which holds the 13-bit address of the EEPROM loca-
tion being accessed. These devices can have up to 8K
words of program EEPROM with an address range
from 0h to 3FFFh. The unused upper bits in both the
EEDATH and EEDATA registers all read as “0’s”.
The value written to program memory does not need to
be a valid instruction. Therefore, up to 14-bit numbers
can be stored in memory for use as calibration param-
eters, serial numbers, packed 7-bit ASCII, etc. Execut-
ing a program memory location containing data that
forms an invalid instruction results in a NOP.
4.1 EEADR
The address registers can address up to a maximum of
256 bytes of data EEPROM or up to a maximum of 8K
words of program FLASH.
When selecting a program address value, the MSByte
of the address is written to the EEADRH register and
the LSByte is written to the EEADR register. When
selecting a data address value, only the LSByte of the
address is written to the EEADR register.
On the PIC16F873/874 devices with 128 bytes of
EEPROM, the MSbit of the EEADR must always be
cleared to prevent inadvertent access to the wrong
location. This also applies to the program memory. The
upper MSbits of EEADRH must always be clear.
4.2 EECON1 and EECON2 Registers
EECON1 is the control register for memory accesses.
EECON2 is not a physical register. Reading EECON2
will read all '0's. The EECON2 register is used
exclusively in the memory write sequence.
Control bit EEPGD determines if the access will be a
program or a data memory access. When clear, any
subsequent operations will operate on the data mem-
ory. When set, any subsequent operations will operate
on the program memory.
Control bits RD and WR initiate read and write opera-
tions, respectively. These bits cannot be cleared, only
set, in software. They are cleared in hardware at the
completion of the read or write operation. The inability
to clear the WR bit in software prevents the accidental
or premature termination of a write operation.
The WREN bit, when set, will allow a write operation.
On power-up, the WREN bit is clear. The WRERR bit is
set when a write operation is interrupted by a MCLR
reset or a WDT time-out reset during normal operation.
In these situations, following reset, the user can check
the WRERR bit and rewrite the location. The value of
the data and address registers and the EEPGD bit
remains unchanged.
Interrupt flag bit EEIF, in the PIR2 register, is set when
write is complete. It must be cleared in software.

PIC16F87X
DS30292B-page 42 1999 Microchip Technology Inc.
REGISTER 4-1: EECON1 REGISTER (ADDRESS 18Ch)
R/W-x U-0 U-0 U-0 R/W-x R/W-0 R/S-0 R/S-0
EEPGD ——— WRERR WREN WR RD R = Readable bit
W = Writable bit
U = Unimplemented bit,
read as ‘0’
- n= Value at POR reset
bit7 bit0
bit 7: EEPGD: Program / Data EEPROM Select bit
1 = Accesses Program memory
0 = Accesses data memory
(This bit cannot be changed while a read or write operation is in progress)
bit 6:4: Unimplemented: Read as '0'
bit 3: WRERR: EEPROM Error Flag bit
1 = A write operation is prematurely terminated
(any MCLR reset or any WDT reset during normal operation)
0 = The write operation completed
bit 2: WREN: EEPROM Write Enable bit
1 = Allows write cycles
0 = Inhibits write to the EEPROM
bit 1: WR: Write Control bit
1 = initiates a write cycle. (The bit is cleared by hardware once write is complete. The WR bit can only be
set (not cleared) in software.
0 = Write cycle to the EEPROM is complete
bit 0: RD: Read Control bit
1 = Initiates an EEPROM read RD is cleared in hardware. The RD bit can only be set (not cleared) in
software.
0 = Does not initiate an EEPROM read

1999 Microchip Technology Inc. DS30292B-page 43
PIC16F87X
4.3 Reading the Data EEPROM Memory
To read a data memory location, the user must write the
address to the EEADR register, clear the EEPGD con-
trol bit (EECON1<7>) and then set control bit RD
(EECON1<0>). The data is available in the very next
instruction cycle of the EEDATA register, therefore it
can be read by the next instruction. EEDATA will hold
this value until another read operation or until it is writ-
ten to by the user (during a write operation).
EXAMPLE 4-1: DATA EEPROM READ
BSF STATUS, RP1 ;
BCF STATUS, RP0 ;Bank 2
MOVLW DATA_EE_ADDR ;
MOVWF EEADR ;Data Memory Address to read
BSF STATUS, RP0 ;Bank 3
BCF EECON1, EEPGD ;Point to DATA memory
BSF EECON1, RD ;EEPROM Read
BCF STATUS, RP0 ;Bank 2
MOVF EEDATA, W ;W = EEDATA
4.4 Writing to the Data EEPROM Memory
To write an EEPROM data location, the address must
first be written to the EEADR register and the data writ-
ten to the EEDATA register. Then the sequence in
Example 4-2 must be followed to initiate the write cycle.
EXAMPLE 4-2: DATA EEPROM WRITE
The write will not initiate if the above sequence is not
exactly followed (write 55h to EECON2, write AAh to
EECON2, then set WR bit) for each byte. It is strongly
recommended that interrupts be disabled during this
code segment.
Additionally, the WREN bit in EECON1 must be set to
enable writes. This mechanism prevents accidental
writes to data EEPROM due to unexpected code exe-
cution (i.e., runaway programs). The WREN bit should
be kept clear at all times, except when updating the
EEPROM. The WREN bit is not cleared by hardware
After a write sequence has been initiated, clearing the
WREN bit will not affect the current write cycle. The WR
bit will be inhibited from being set unless the WREN bit
is set. The WREN bit must be set on a previous instruc-
tion. Both WR and WREN cannot be set with the same
instruction.
At the completion of the write cycle, the WR bit is
cleared in hardware and the EEPROM Write Complete
Interrupt Flag bit (EEIF) is set. EEIF must be cleared by
software.
BSF STATUS, RP1 ;
BCF STATUS, RP0 ; Bank 2
MOVLW DATA_EE_ADDR ;
MOVWF EEADR ; Data Memory Address to write
MOVLW DATA_EE_DATA ;
MOVWF EEDATA ; Data Memory Value to write
BSF STATUS, RP0 ; Bank 3
BCF EECON1, EEPGD ; Point to DATA memory
BSF EECON1, WREN ; Enable writes
BCF INTCON, GIE ; Disable Interrupts
MOVLW 55h ;
Required MOVWF EECON2 ; Write 55h
Sequence MOVLW AAh ;
MOVWF EECON2 ; Write AAh
BSF EECON1, WR ; Set WR bit to begin write
BSF INTCON, GIE ; Enable Interrupts
SLEEP ; Wait for interrupt to signal write complete
BCF EECON1, WREN ; Disable writes

PIC16F87X
DS30292B-page 44 1999 Microchip Technology Inc.
4.5 Reading the FLASH Program Memory
A program memory location may be read by writing two
bytes of the address to the EEADR and EEADRH reg-
isters, setting the EEPGD control bit (EECON1<7>)
and then setting control bit RD (EECON1<0>). Once
the read control bit is set, the microcontroller will use
the next two instruction cycles to read the data. The
data is available in the EEDATA and EEDATH registers
after the second NOP instruction. Therefore, it can be
read as two bytes in the following instructions. The
EEDATA and EEDATH registers will hold this value until
another read operation or until it is written to by the user
(during a write operation).
EXAMPLE 4-3: FLASH PROGRAM READ
BSF STATUS, RP1 ;
BCF STATUS, RP0 ; Bank 2
MOVLW ADDRH ;
MOVWF EEADRH ; MSByte of Program Address to read
MOVLW ADDRL ;
MOVWF EEADR ; LSByte of Program Address to read
BSF STATUS, RP0 ; Bank 3
BSF EECON1, EEPGD ; Point to PROGRAM memory
Required BSF EECON1, RD ; EEPROM Read
Sequence
NOP ; memory is read in the next two cycles after BSF EECON1,RD
NOP ;
BCF STATUS, RP0 ; Bank 2
MOVF EEDATA, W ; W = LSByte of Program EEDATA
MOVF EEDATH, W ; W = MSByte of Program EEDATA

1999 Microchip Technology Inc. DS30292B-page 45
PIC16F87X
4.6 Writing to the FLASH Program
Memory
A word of the FLASH program memory may only be
written to if the word is in a non-code protected seg-
ment of memory and the WRT configuration bit is set.
To write a FLASH program location, the first two bytes
of the address must be written to the EEADR and
EEADRH registers and two bytes of the data to the
EEDATA and EEDATH registers, set the EEPGD con-
trol bit (EECON1<7>), and then set control bit WR
(EECON1<1>). The sequence in Example 4-4 must be
followed to initiate a write to program memory.
The microcontroller will then halt internal operations
during the next two instruction cycles for the TPEW
(parameter D133) in which the write takes place. This
is not SLEEP mode, as the clocks and peripherals will
continue to run. Therefore, the two instructions follow-
ing the “BSF EECON, WR” should be NOP instructions.
After the write cycle, the microcontroller will resume
operation with the 3rd instruction after the EECON1
write instruction.
EXAMPLE 4-4: FLASH PROGRAM WRITE
4.7 Write Verify
Depending on the application, good programming prac-
tice may dictate that the value written to the memory
should be verified against the original value. This
should be used in applications where excessive writes
can stress bits near the specification limit.
Generally a write failure will be a bit which was written
as a '1', but reads back as a '0' (due to leakage off the
bit).
BSF STATUS, RP1 ;
BCF STATUS, RP0 ; Bank 2
MOVLW ADDRH ;
MOVWF EEADRH ; MSByte of Program Address to read
MOVLW ADDRL ;
MOVWF EEADR ; LSByte of Program Address to read
MOVLW DATAH ;
MOVWF EEDATH ; MS Program Memory Value to write
MOVLW DATAL ;
MOVWF EEDATA ; LS Program Memory Value to write
BSF STATUS, RP0 ; Bank 3
BSF EECON1, EEPGD ; Point to PROGRAM memory
BSF EECON1, WREN ; Enable writes
BCF INTCON, GIE ; Disable Interrupts
MOVLW 55h ;
Required MOVWF EECON2 ; Write 55h
Sequence MOVLW AAh ;
MOVWF EECON2 ; Write AAh
BSF EECON1, WR ; Set WR bit to begin write
NOP ; Instructions here are ignored by the microcontroller
NOP
; Microcontroller will halt operation and wait for
; a write complete. After the write
; the microcontroller continues with 3rd instruction
BSF INTCON, GIE ; Enable Interrupts
BCF EECON1, WREN ; Disable writes

PIC16F87X
DS30292B-page 46 1999 Microchip Technology Inc.
4.8 Protection Against Spurious Write
4.8.1 EEPROM DATA MEMORY
There are conditions when the device may not want to
write to the data EEPROM memory. To protect against
spurious EEPROM writes, various mechanisms have
been built-in. On power-up, the WREN bit is cleared.
Also, the Power-up Timer (72 ms duration) prevents
EEPROM write.
The write initiate sequence and the WREN bit together
help prevent an accidental write during brown-out,
power glitch, or software malfunction.
4.8.2 PROGRAM FLASH MEMORY
To protect against spurious writes to FLASH program
memory, the WRT bit in the configuration word may be
programmed to ‘0’ to prevent writes. The write initiate
sequence must also be followed. WRT and the config-
uration word cannot be programmed by user code, only
through the use of an external programmer.
4.9 Operation during Code Protect
Each reprogrammable memory block has its own code
protect mechanism. External Read and Write opera-
tions are disabled if either of these mechanisms are
enabled.
4.9.1 DATA EEPROM MEMORY
The microcontroller itself can both read and write to the
internal Data EEPROM, regardless of the state of the
code protect configuration bit.
4.9.2 PROGRAM FLASH MEMORY
The microcontroller can read and execute instructions
out of the internal FLASH program memory, regardless
of the state of the code protect configuration bits. How-
ever the WRT configuration bit and the code protect bits
have different effects on writing to program memory.
Table 4-1 shows the various configurations and status
of reads and writes. To erase the WRT or code protec-
tion bits in the configuration word requires that the
device be fully erased.
TABLE 4-2: REGISTERS ASSOCIATED WITH DATA EEPROM/PROGRAM FLASH
TABLE 4-1: READ/WRITE STATE OF INTERNAL FLASH PROGRAM MEMORY
Configuration Bits Memory Location Internal
Read Internal
Write ICSP Read ICSP Write
CP1 CP0 WRT
00xAll program memory Yes No No No
010Unprotected areas Yes No Yes No
010Protected areas Yes No No No
011Unprotected areas Yes Yes Yes No
011Protected areas Yes No No No
100Unprotected areas Yes No Yes No
100Protected areas Yes No No No
101Unprotected areas Yes Yes Yes No
101Protected areas Yes No No No
110All program memory Yes No Yes Yes
111All program memory Yes Yes Yes Yes
AddressNameBit 7Bit 6Bit 5Bit 4Bit 3Bit 2Bit 1Bit 0
Value on:
POR,
BOR
Value on
all other
resets
0Bh, 8Bh,
10Bh, 18Bh INTCON GIE PEIE T0IE INTE RBIE T0IF INTF RBIF 0000 000x 0000 000u
10Dh EEADR EEPROM address register xxxx xxxx uuuu uuuu
10Fh EEADRH — — — EEPROM address high xxxx xxxx uuuu uuuu
10Ch EEDATA EEPROM data resister xxxx xxxx uuuu uuuu
10Eh EEDATH — — EEPROM data resister high xxxx xxxx uuuu uuuu
18Ch EECON1 EEPGD — — — WRERR WREN WR RD x--- x000 x--- u000
18Dh EECON2 EEPROM control resister2 (not a physical resister)
8Dh PIE2 —(1) — EEIE BCLIE — — CCP2IE -r-0 0--0 -r-0 0--0
0Dh PIR2 —(1) — EEIF BCLIF — — CCP2IF -r-0 0--0 -r-0 0--0
Legend: x = unknown, u = unchanged, r = reserved, - = unimplemented read as ’0’. Shaded cells are not used during FLASH/
EEPROM access.
Note 1: These bits are reserved; always maintain these bits clear.

1999 Microchip Technology Inc. DS30292B-page 47
PIC16F87X
5.0 TIMER0 MODULE
The Timer0 module timer/counter has the following fea-
tures:
• 8-bit timer/counter
• Readable and writable
• 8-bit software programmable prescaler
• Internal or external clock select
• Interrupt on overflow from FFh to 00h
• Edge select for external clock
Figure 5-1 is a block diagram of the Timer0 module and
the prescaler shared with the WDT.
Additional information on the Timer0 module is available
in the PICmicro™ Mid-Range MCU Family Reference
Manual (DS33023).
Timer mode is selected by clearing bit T0CS
(OPTION_REG<5>). In timer mode, the Timer0 mod-
ule will increment every instruction cycle (without pres-
caler). If the TMR0 register is written, the increment is
inhibited for the following two instruction cycles. The
user can work around this by writing an adjusted value
to the TMR0 register.
Counter mode is selected by setting bit T0CS
(OPTION_REG<5>). In counter mode, Timer0 will
increment either on every rising or falling edge of pin
RA4/T0CKI. The incrementing edge is determined by
the Timer0 Source Edge Select bit T0SE
(OPTION_REG<4>). Clearing bit T0SE selects the ris-
ing edge. Restrictions on the external clock input are
discussed in detail in Section 5.2.
The prescaler is mutually exclusively shared between
the Timer0 module and the watchdog timer. The pres-
caler is not readable or writable. Section 5.3 details the
operation of the prescaler.
5.1 Timer0 Interrupt
The TMR0 interrupt is generated when the TMR0 reg-
ister overflows from FFh to 00h. This overflow sets bit
T0IF (INTCON<2>). The interrupt can be masked by
clearing bit T0IE (INTCON<5>). Bit T0IF must be
cleared in software by the Timer0 module interrupt ser-
vice routine before re-enabling this interrupt. The
TMR0 interrupt cannot awaken the processor from
SLEEP since the timer is shut off during SLEEP.
FIGURE 5-1: BLOCK DIAGRAM OF THE TIMER0/WDT PRESCALER
RA4/T0CKI
T0SE
Pin
M
U
X
CLKOUT (= FOSC/4)
SYNC
2
Cycles TMR0 reg
8-bit Prescaler
8 - to - 1MUX
M
U
X
M U X
Watchdog
Timer
PSA
01
0
1
WDT
Time-out
PS2:PS0
8
Note: T0CS, T0SE, PSA, PS2:PS0 are (OPTION_REG<5:0>).
PSA
WDT Enable bit
M
U
X
0
10
1
Data Bus
Set Flag Bit T0IF
on Overflow
8
PSA
T0CS
PRESCALER

PIC16F87X
DS30292B-page 48 1999 Microchip Technology Inc.
5.2 Using Timer0 with an External Clock
When no prescaler is used, the external clock input is
the same as the prescaler output. The synchronization
of T0CKI with the internal phase clocks is accom-
plished by sampling the prescaler output on the Q2 and
Q4 cycles of the internal phase clocks. Therefore, it is
necessary for T0CKI to be high for at least 2Tosc (and
a small RC delay of 20 ns) and low for at least 2Tosc
(and a small RC delay of 20 ns). Refer to the electrical
specification of the desired device.
5.3 Prescaler
There is only one prescaler available, which is mutually
exclusively shared between the Timer0 module and the
watchdog timer. A prescaler assignment for the Timer0
module means that there is no prescaler for the watch-
dog timer, and vice-versa. This prescaler is not readable
or writable (see Figure 5-1).
The PSA and PS2:PS0 bits (OPTION_REG<3:0>) deter-
mine the prescaler assignment and prescale ratio.
When assigned to the Timer0 module, all instructions
writing to the TMR0 register (e.g. CLRF 1, MOVWF 1,
BSF 1,x....etc.) will clear the prescaler. When assigned
to WDT, a CLRWDT instruction will clear the prescaler
along with the Watchdog Timer. The prescaler is not
readable or writable.
REGISTER 5-1: OPTION_REG REGISTER
Note: Writing to TMR0, when the prescaler is
assigned to Timer0, will clear the prescaler
count, but will not change the prescaler
assignment.
R/W-1 R/W-1 R/W-1 R/W-1 R/W-1 R/W-1 R/W-1 R/W-1
RBPUINTEDG T0CS T0SE PSA PS2 PS1 PS0 R = Readable bit
W = Writable bit
U = Unimplemented bit,
read as ‘0’
- n = Value at POR reset
bit 7 bit 0
bit 7: RBPU
bit 6: INTEDG
bit 5: T0CS: TMR0 Clock Source Select bit
1 = Transition on T0CKI pin
0 = Internal instruction cycle clock (CLKOUT)
bit 4: T0SE: TMR0 Source Edge Select bit
1 = Increment on high-to-low transition on T0CKI pin
0 = Increment on low-to-high transition on T0CKI pin
bit 3: PSA: Prescaler Assignment bit
1 = Prescaler is assigned to the WDT
0 = Prescaler is assigned to the Timer0 module
bit 2-0: PS2:PS0: Prescaler Rate Select bits
000
001
010
011
100
101
110
111
1 : 2
1 : 4
1 : 8
1 : 16
1 : 32
1 : 64
1 : 128
1 : 256
1 : 1
1 : 2
1 : 4
1 : 8
1 : 16
1 : 32
1 : 64
1 : 128
Bit Value TMR0 Rate WDT Rate
Note: To avoid an unintended device RESET, the instruction sequence shown in the PICmicro™ Mid-Range MCU
Family Reference Manual (DS33023) must be executed when changing the prescaler assignment from
Timer0 to the WDT. This sequence must be followed even if the WDT is disabled.

1999 Microchip Technology Inc. DS30292B-page 49
PIC16F87X
TABLE 5-1: REGISTERS ASSOCIATED WITH TIMER0
Address Name Bit 7 Bit 6 Bit 5 Bit 4 Bit 3 Bit 2 Bit 1 Bit 0 Value on:
POR,
BOR
Value on all
other resets
01h,101h TMR0 Timer0 module’s register xxxx xxxx uuuu uuuu
0Bh,8Bh,
10Bh,18Bh INTCON GIE PEIE T0IE INTE RBIE T0IF INTF RBIF 0000 000x 0000 000u
81h,181h OPTION_REG RBPU INTEDG T0CS T0SE PSA PS2 PS1 PS0 1111 1111 1111 1111
Legend: x = unknown, u = unchanged, - = unimplemented locations read as '0'. Shaded cells are not used by Timer0.

PIC16F87X
DS30292B-page 50 1999 Microchip Technology Inc.
NOTES:

1999 Microchip Technology Inc. DS30292B-page 51
PIC16F87X
6.0 TIMER1 MODULE
The Timer1 module is a 16-bit timer/counter consisting
of two 8-bit registers (TMR1H and TMR1L), which are
readable and writable. The TMR1 Register pair
(TMR1H:TMR1L) increments from 0000h to FFFFh
and rolls over to 0000h. The TMR1 Interrupt, if enabled,
is generated on overflow, which is latched in interrupt
flag bit TMR1IF (PIR1<0>). This interrupt can be
enabled/disabled by setting/clearing TMR1 interrupt
enable bit TMR1IE (PIE1<0>).
Timer1 can operate in one of two modes:
•As a timer
•As a counter
The operating mode is determined by the clock select
bit, TMR1CS (T1CON<1>).
In timer mode, Timer1 increments every instruction
cycle. In counter mode, it increments on every rising
edge of the external clock input.
Timer1 can be enabled/disabled by setting/clearing
control bit TMR1ON (T1CON<0>).
Timer1 also has an internal “reset input”. This reset can
be generated by either of the two CCP modules
(Section 8.0). Register 6-1 shows the Timer1 control
register.
When the Timer1 oscillator is enabled (T1OSCEN is
set), the RC1/T1OSI/CCP2 and RC0/T1OSO/T1CKI
pins become inputs. That is, the TRISC<1:0> value is
ignored.
Additional information on timer modules is available in
the PICmicro™ Mid-range MCU Family Reference
Manual (DS33023).
REGISTER 6-1: T1CON: TIMER1 CONTROL REGISTER (ADDRESS 10h)
U-0 U-0 R/W-0 R/W-0 R/W-0 R/W-0 R/W-0 R/W-0
—— T1CKPS1 T1CKPS0 T1OSCEN T1SYNC TMR1CS TMR1ON R = Readable bit
W = Writable bit
U = Unimplemented bit,
read as ‘0’
- n = Value at POR reset
bit7 bit0
bit 7-6: Unimplemented: Read as ’0’
bit 5-4: T1CKPS1:T1CKPS0: Timer1 Input Clock Prescale Select bits
11 = 1:8 Prescale value
10 = 1:4 Prescale value
01 = 1:2 Prescale value
00 = 1:1 Prescale value
bit 3: T1OSCEN: Timer1 Oscillator Enable Control bit
1 = Oscillator is enabled
0 = Oscillator is shut off (The oscillator inverter is turned off to eliminate power drain)
bit 2: T1SYNC: Timer1 External Clock Input Synchronization Control bit
TMR1CS = 1
1 = Do not synchronize external clock input
0 = Synchronize external clock input
TMR1CS = 0
This bit is ignored. Timer1 uses the internal clock when TMR1CS = 0.
bit 1: TMR1CS: Timer1 Clock Source Select bit
1 = External clock from pin RC0/T1OSO/T1CKI (on the rising edge)
0 = Internal clock (FOSC/4)
bit 0: TMR1ON: Timer1 On bit
1 = Enables Timer1
0 = Stops Timer1

PIC16F87X
DS30292B-page 52 1999 Microchip Technology Inc.
6.1 Timer1 Operation in Timer Mode
Timer mode is selected by clearing the TMR1CS
(T1CON<1>) bit. In this mode, the input clock to the
timer is FOSC/4. The synchronize control bit T1SYNC
(T1CON<2>) has no effect since the internal clock is
always in sync.
6.2 Timer1 Counter Operation
Timer1 may operate in asynchronous or usynchronous
mode depnding on the setting of the TMR1CS bit.
When Timer1 is being incremented via an external
source, increments occur on a rising edge. After
Timer1 is enabled in counter mode, the module must
first have a falling edge before the counter begins to
increment.
FIGURE 6-1: TIMER1 INCREMENTING EDGE
6.3 Timer1 Operation in Synchronized
Counter Mode
Counter mode is selected by setting bit TMR1CS. In
this mode, the timer increments on every rising edge of
clock input on pin RC1/T1OSI/CCP2, when bit
T1OSCEN is set, or on pin RC0/T1OSO/T1CKI, when
bit T1OSCEN is cleared.
If T1SYNC is cleared, then the external clock input is
synchronized with internal phase clocks. The synchro-
nization is done after the prescaler stage. The pres-
caler stage is an asynchronous ripple-counter.
In this configuration, during SLEEP mode, Timer1 will
not increment even if the external clock is present,
since the synchronization circuit is shut off. The pres-
caler however will continue to increment.
FIGURE 6-2: TIMER1 BLOCK DIAGRAM
T1CKI
(Default high)
T1CKI
(Default low)
Note: Arrows indicate counter increments.
TMR1H TMR1L
T1OSC T1SYNC
TMR1CS
T1CKPS1:T1CKPS0 Q Clock
T1OSCEN
Enable
Oscillator(1)
FOSC/4
Internal
Clock
TMR1ON
on/off
Prescaler
1, 2, 4, 8
Synchronize
det
1
0
0
1
Synchronized
clock input
2
RC0/T1OSO/T1CKI
RC1/T1OSI/CCP2(2)
Note 1: When the T1OSCEN bit is cleared, the inverter is turned off. This eliminates power drain.
2: For the PIC16F873/876, the Schmitt Trigger is not implemented in external clock mode.
Set flag bit
TMR1IF on
Overflow TMR1
(2)

1999 Microchip Technology Inc. DS30292B-page 53
PIC16F87X
6.4 Timer1 Operation in Asynchronous
Counter Mode
If control bit T1SYNC (T1CON<2>) is set, the external
clock input is not synchronized. The timer continues to
increment asynchronous to the internal phase clocks.
The timer will continue to run during SLEEP and can
generate an interrupt on overflow, which will wake-up
the processor. However, special precautions in soft-
ware are needed to read/write the timer (Section 6.4.1).
In asynchronous counter mode, Timer1 can not be used
as a time-base for capture or compare operations.
6.4.1 READING AND WRITING TIMER1 IN
ASYNCHRONOUS COUNTER MODE
Reading TMR1H or TMR1L while the timer is running
from an external asynchronous clock will guarantee a
valid read (taken care of in hardware). However, the
user should keep in mind that reading the 16-bit timer
in two 8-bit values itself poses certain problems, since
the timer may overflow between the reads.
For writes, it is recommended that the user simply stop
the timer and write the desired values. A write conten-
tion may occur by writing to the timer registers, while
the register is incrementing. This may produce an
unpredictable value in the timer register.
Reading the 16-bit value requires some care. Examples
12-2 and 12-3 in the PICmicro™ Mid-Range MCU Fam-
ily Reference Manual (DS33023) show how to read and
write Timer1 when it is running in asynchronous mode.
6.5 Timer1 Oscillator
A crystal oscillator circuit is built-in between pins T1OSI
(input) and T1OSO (amplifier output). It is enabled by
setting control bit T1OSCEN (T1CON<3>). The oscilla-
tor is a low power oscillator rated up to 200 kHz. It will
continue to run during SLEEP. It is primarily intended
for use with a 32 kHz crystal. Table 6-1 shows the
capacitor selection for the Timer1 oscillator.
The Timer1 oscillator is identical to the LP oscillator.
The user must provide a software time delay to ensure
proper oscillator start-up.
TABLE 6-1: CAPACITOR SELECTION FOR
THE TIMER1 OSCILLATOR
6.6 Resetting Timer1 using a CCP Trigger
Output
If the CCP1 or CCP2 module is configured in compare
mode to generate a “special event trigger”
(CCP1M3:CCP1M0 = 1011), this signal will reset
Timer1.
Timer1 must be configured for either timer or synchro-
nized counter mode to take advantage of this feature. If
Timer1 is running in asynchronous counter mode, this
reset operation may not work.
In the event that a write to Timer1 coincides with a spe-
cial event trigger from CCP1 or CCP2, the write will
take precedence.
In this mode of operation, the CCPRxH:CCPRxL regis-
ter pair effectively becomes the period register for
Timer1.
6.7 Resetting of Timer1 Register Pair
(TMR1H, TMR1L)
TMR1H and TMR1L registers are not reset to 00h on a
POR or any other reset except by the CCP1 and CCP2
special event triggers.
T1CON register is reset to 00h on a Power-on Reset or
a Brown-out Reset, which shuts off the timer and
leaves a 1:1 prescale. In all other resets, the register is
unaffected.
6.8 Timer1 Prescaler
The prescaler counter is cleared on writes to the
TMR1H or TMR1L registers.
Osc Type Freq C1 C2
LP 32 kHz 33 pF 33 pF
100 kHz 15 pF 15 pF
200 kHz 15 pF 15 pF
These values are for design guidance only.
Crystals Tested:
32.768 kHz Epson C-001R32.768K-A ± 20 PPM
100 kHz Epson C-2 100.00 KC-P ± 20 PPM
200 kHz STD XTL 200.000 kHz ± 20 PPM
Note 1: Higher capacitance increases the stability of
oscillator but also increases the start-up time.
2: Since each resonator/crystal has its own charac-
teristics, the user should consult the resonator/
crystal manufacturer for appropriate values of
external components.
Note: The special event triggers from the CCP1
and CCP2 modules will not set interrupt
flag bit TMR1IF (PIR1<0>).

PIC16F87X
DS30292B-page 54 1999 Microchip Technology Inc.
TABLE 6-2: REGISTERS ASSOCIATED WITH TIMER1 AS A TIMER/COUNTER
Address Name Bit 7 Bit 6 Bit 5 Bit 4 Bit 3 Bit 2 Bit 1 Bit 0 Value on:
POR,
BOR
Value on
all other
resets
0Bh,8Bh,
10Bh,
18Bh
INTCON GIE PEIE T0IE INTE RBIE T0IF INTF RBIF 0000 000x 0000 000u
0Ch PIR1 PSPIF(1) ADIF RCIF TXIF SSPIF CCP1IF TMR2IF TMR1IF 0000 0000 0000 0000
8Ch PIE1 PSPIE(1) ADIE RCIE TXIE SSPIE CCP1IE TMR2IE TMR1IE 0000 0000 0000 0000
0Eh TMR1L Holding register for the Least Significant Byte of the 16-bit TMR1 register xxxx xxxx uuuu uuuu
0Fh TMR1H Holding register for the Most Significant Byte of the 16-bit TMR1 register xxxx xxxx uuuu uuuu
10h T1CON —— T1CKPS1 T1CKPS0 T1OSCEN T1SYNC TMR1CS TMR1ON --00 0000 --uu uuuu
Legend: x = unknown, u = unchanged, - = unimplemented read as '0'. Shaded cells are not used by the Timer1 module.
Note 1: Bits PSPIE and PSPIF are reserved on the PIC16F873/874; always maintain these bits clear.

1999 Microchip Technology Inc. DS30292B-page 55
PIC16F87X
7.0 TIMER2 MODULE
Timer2 is an 8-bit timer with a prescaler and a
postscaler. It can be used as the PWM time-base for
the PWM mode of the CCP module(s). The TMR2 reg-
ister is readable and writable, and is cleared on any
device reset.
The input clock (FOSC/4) has a prescale option of 1:1,
1:4 or 1:16, selected by control bits
T2CKPS1:T2CKPS0 (T2CON<1:0>).
The Timer2 module has an 8-bit period register PR2.
Timer2 increments from 00h until it matches PR2 and
then resets to 00h on the next increment cycle. PR2 is
a readable and writable register. The PR2 register is ini-
tialized to FFh upon reset.
The match output of TMR2 goes through a 4-bit
postscaler (which gives a 1:1 to 1:16 scaling inclusive)
to generate a TMR2 interrupt (latched in flag bit
TMR2IF, (PIR1<1>)).
Timer2 can be shut off by clearing control bit TMR2ON
(T2CON<2>) to minimize power consumption.
Register 7-1 shows the Timer2 control register.
Additional information on timer modules is available in
the PICmicro™ Mid-Range MCU Family Reference
Manual (DS33023).
7.1 Timer2 Prescaler and Postscaler
The prescaler and postscaler counters are cleared
when any of the following occurs:
• a write to the TMR2 register
• a write to the T2CON register
• any device reset (POR, MCLR reset, WDT reset
or BOR)
TMR2 is not cleared when T2CON is written.
7.2 Output of TMR2
The output of TMR2 (before the postscaler) is fed to the
SSPort module, which optionally uses it to generate
shift clock.
FIGURE 7-1: TIMER2 BLOCK DIAGRAM
REGISTER 7-1: T2CON: TIMER2 CONTROL REGISTER (ADDRESS 12h)
Comparator
TMR2
Sets flag
TMR2 reg
output (1)
Reset
Postscaler
Prescaler
PR2 reg
2
FOSC/4
1:1 1:16
1:1, 1:4, 1:16
EQ
4
bit TMR2IF
Note 1: TMR2 register output can be software selected
by the SSP module as a baud clock.
to
T2OUTPS3:
T2OUTPS0
T2CKPS1:
T2CKPS0
U-0 R/W-0 R/W-0 R/W-0 R/W-0 R/W-0 R/W-0 R/W-0
— TOUTPS3 TOUTPS2 TOUTPS1 TOUTPS0 TMR2ON T2CKPS1 T2CKPS0 R = Readable bit
W = Writable bit
U = Unimplemented bit,
read as ‘0’
- n = Value at POR reset
bit7 bit0
bit 7: Unimplemented: Read as '0'
bit 6-3: TOUTPS3:TOUTPS0: Timer2 Output Postscale Select bits
0000 = 1:1 Postscale
0001 = 1:2 Postscale
0010 = 1:3 Postscale
•
•
•
1111 = 1:16 Postscale
bit 2: TMR2ON: Timer2 On bit
1 = Timer2 is on
0 = Timer2 is off
bit 1-0: T2CKPS1:T2CKPS0: Timer2 Clock Prescale Select bits
00 = Prescaler is 1
01 = Prescaler is 4
1x = Prescaler is 16

PIC16F87X
DS30292B-page 56 1999 Microchip Technology Inc.
TABLE 7-1: REGISTERS ASSOCIATED WITH TIMER2 AS A TIMER/COUNTER
Address Name Bit 7 Bit 6 Bit 5 Bit 4 Bit 3 Bit 2 Bit 1 Bit 0 Value on:
POR,
BOR
Value on
all other
resets
0Bh,8Bh,
10Bh,18Bh INTCON GIE PEIE T0IE INTE RBIE T0IF INTF RBIF 0000 000x 0000 000u
0Ch PIR1 PSPIF(1) ADIF RCIF TXIF SSPIF CCP1IF TMR2IF TMR1IF 0000 0000 0000 0000
8Ch PIE1 PSPIE(1) ADIE RCIE TXIE SSPIE CCP1IE TMR2IE TMR1IE 0000 0000 0000 0000
11h TMR2 Timer2 module’s register 0000 0000 0000 0000
12h T2CON — TOUTPS3 TOUTPS2 TOUTPS1 TOUTPS0 TMR2ON T2CKPS1 T2CKPS0 -000 0000 -000 0000
92h PR2 Timer2 Period Register 1111 1111 1111 1111
Legend: x = unknown, u = unchanged, - = unimplemented read as '0'. Shaded cells are not used by the Timer2 module.
Note 1: Bits PSPIE and PSPIF are reserved on the PIC16F873/874; always maintain these bits clear.

PIC16F87X
1999 Microchip Technology Inc. DS30292B-page 57
8.0 CAPTURE/COMPARE/PWM
MODULES
Each Capture/Compare/PWM (CCP) module contains
a 16-bit register which can operate as a:
• 16-bit Capture register
• 16-bit Compare register
• PWM master/slave Duty Cycle register
Both the CCP1 and CCP2 modules are identical in
operation, with the exception being the operation of the
special event trigger. Table 8-1 and Tabl e 8-2 show the
resources and interactions of the CCP module(s). In
the following sections, the operation of a CCP module
is described with respect to CCP1. CCP2 operates the
same as CCP1, except where noted.
CCP1 Module:
Capture/Compare/PWM Register1 (CCPR1) is com-
prised of two 8-bit registers: CCPR1L (low byte) and
CCPR1H (high byte). The CCP1CON register controls
the operation of CCP1. The special event trigger is gen-
erated by a compare match and will reset Timer1.
CCP2 Module:
Capture/Compare/PWM Register1 (CCPR2) is com-
prised of two 8-bit registers: CCPR2L (low byte) and
CCPR2H (high byte). The CCP2CON register controls
the operation of CCP2. The special event trigger is gen-
erated by a compare match and will reset Timer1 and
start an A/D conversion (if the A/D module is enabled).
Additional information on CCP modules is available in
the PICmicro™ Mid-Range MCU Family Reference
Manual (DS33023) and in Application Note 594, “Using
the CCP Modules” (DS00594).
TABLE 8-1: CCP MODE - TIMER
RESOURCES REQUIRED
TABLE 8-2: INTERACTION OF TWO CCP MODULES
CCP Mode Timer Resource
Capture
Compare
PWM
Timer1
Timer1
Timer2
CCPx Mode CCPy Mode Interaction
Capture Capture Same TMR1 time-base.
Capture Compare The compare should be configured for the special event trigger, which clears TMR1.
Compare Compare The compare(s) should be configured for the special event trigger, which clears TMR1.
PWM PWM The PWMs will have the same frequency and update rate (TMR2 interrupt).
PWM Capture None.
PWM Compare None.

PIC16F87X
DS30292B-page 58 1999 Microchip Technology Inc.
REGISTER 8-1: CCP1CON REGISTER/CCP2CON REGISTER (ADDRESS: 17h/1dh)
U-0 U-0 R/W-0 R/W-0 R/W-0 R/W-0 R/W-0 R/W-0
—— CCPxX CCPxY CCPxM3 CCPxM2 CCPxM1 CCPxM0 R = Readable bit
W = Writable bit
U = Unimplemented bit, read as
‘0’
- n = Value at POR reset
bit7 bit0
bit 7-6: Unimplemented: Read as '0'
bit 5-4: CCPxX:CCPxY: PWM Least Significant bits
Capture Mode: Unused
Compare Mode: Unused
PWM Mode: These bits are the two LSbs of the PWM duty cycle. The eight MSbs are found in CCPRxL.
bit 3-0: CCPxM3:CCPxM0: CCPx Mode Select bits
0000 = Capture/Compare/PWM off (resets CCPx module)
0100 = Capture mode, every falling edge
0101 = Capture mode, every rising edge
0110 = Capture mode, every 4th rising edge
0111 = Capture mode, every 16th rising edge
1000 = Compare mode, set output on match (CCPxIF bit is set)
1001 = Compare mode, clear output on match (CCPxIF bit is set)
1010 = Compare mode, generate software interrupt on match (CCPxIF bit is set, CCPx pin is unaffected)
1011 = Compare mode, trigger special event (CCPxIF bit is set, CCPx pin is unaffected); CCP1 resets
TMR1; CCP2 resets TMR1 and starts an A/D conversion (if A/D module is enabled)
11xx =PWMmode

PIC16F87X
1999 Microchip Technology Inc. DS30292B-page 59
8.1 Capture Mode
In Capture mode, CCPR1H:CCPR1L captures the
16-bit value of the TMR1 register when an event occurs
on pin RC2/CCP1. An event is defined as:
• Every falling edge
• Every rising edge
• Every 4th rising edge
• Every 16th rising edge
An event is selected by control bits CCP1M3:CCP1M0
(CCP1CON<3:0>). When a capture is made, the inter-
rupt request flag bit CCP1IF (PIR1<2>) is set. The
interrupt flag must be cleared in software. If another
capture occurs before the value in register CCPR1 is
read, the old captured value will be lost.
8.1.1 CCP PIN CONFIGURATION
In Capture mode, the RC2/CCP1 pin should be config-
ured as an input by setting the TRISC<2> bit.
FIGURE 8-1: CAPTURE MODE OPERATION
BLOCK DIAGRAM
8.1.2 TIMER1 MODE SELECTION
Timer1 must be running in timer mode or synchronized
counter mode for the CCP module to use the capture
feature. In asynchronous counter mode, the capture
operation may not work.
8.1.3 SOFTWARE INTERRUPT
When the capture mode is changed, a false capture
interrupt may be generated. The user should keep bit
CCP1IE (PIE1<2>) clear to avoid false interrupts and
should clear the flag bit CCP1IF following any such
change in operating mode.
8.1.4 CCP PRESCALER
There are four prescaler settings, specified by bits
CCP1M3:CCP1M0. Whenever the CCP module is
turned off, or the CCP module is not in capture mode,
the prescaler counter is cleared. Any reset will clear the
prescaler counter.
Switching from one capture prescaler to another may
generate an interrupt. Also, the prescaler counter will
not be cleared, therefore, the first capture may be from
a non-zero prescaler. Example 8-1 shows the recom-
mended method for switching between capture pres-
calers. This example also clears the prescaler counter
and will not generate the “false” interrupt.
EXAMPLE 8-1: CHANGING BETWEEN
CAPTURE PRESCALERS
CLRF CCP1CON ;Turn CCP module off
MOVLW NEW_CAPT_PS ;Load the W reg with
; the new precscaler
; move value and CCP ON
MOVWF CCP1CON ;Load CCP1CON with this
; value
Note: If the RC2/CCP1 pin is configured as an
output, a write to the port can cause a cap-
ture condition.
CCPR1H CCPR1L
TMR1H TMR1L
Set flag bit CCP1IF
(PIR1<2>)
Capture
Enable
Q’s CCP1CON<3:0>
RC2/CCP1
Prescaler
÷1, 4, 16
and
edge detect
Pin

PIC16F87X
DS30292B-page 60 1999 Microchip Technology Inc.
8.2 Compare Mode
In Compare mode, the 16-bit CCPR1 register value is
constantly compared against the TMR1 register pair
value. When a match occurs, the RC2/CCP1 pin is:
•Drivenhigh
•Drivenlow
• Remains unchanged
The action on the pin is based on the value of control
bits CCP1M3:CCP1M0 (CCP1CON<3:0>). At the
same time, interrupt flag bit CCP1IF is set.
FIGURE 8-2: COMPARE MODE OPERATION
BLOCK DIAGRAM
8.2.1 CCP PIN CONFIGURATION
The user must configure the RC2/CCP1 pin as an out-
put by clearing the TRISC<2> bit.
8.2.2 TIMER1 MODE SELECTION
Timer1 must be running in Timer mode or Synchro-
nized Counter mode if the CCP module is using the
compare feature. In Asynchronous Counter mode, the
compare operation may not work.
8.2.3 SOFTWARE INTERRUPT MODE
When Generate Software Interrupt mode is chosen, the
CCP1 pin is not affected. The CCPIF bit is set causing
a CCP interrupt (if enabled).
8.2.4 SPECIAL EVENT TRIGGER
In this mode, an internal hardware trigger is generated,
which may be used to initiate an action.
The special event trigger output of CCP1 resets the
TMR1 register pair. This allows the CCPR1 register to
effectively be a 16-bit programmable period register for
Timer1.
The special event trigger output of CCP2 resets the
TMR1 register pair and starts an A/D conversion (if the
A/D module is enabled).
8.3 PWM Mode (PWM)
In pulse width modulation mode, the CCPx pin pro-
duces up to a 10-bit resolution PWM output. Since the
CCP1 pin is multiplexed with the PORTC data latch, the
TRISC<2> bit must be cleared to make the CCP1 pin
an output.
Figure 8-3 shows a simplified block diagram of the CCP
module in PWM mode.
For a step-by-step procedure on how to set up the CCP
module for PWM operation, see Section 8.3.3.
FIGURE 8-3: SIMPLIFIED PWM BLOCK
DIAGRAM
Note: Clearing the CCP1CON register will force
the RC2/CCP1 compare output latch to the
default low level. This is not the data latch.
CCPR1H CCPR1L
TMR1H TMR1L
Comparator
QS
R
Output
Logic
Special Event Trigger
Set flag bit CCP1IF
(PIR1<2>)
match
RC2/CCP1
TRISC<2>
CCP1CON<3:0>
Mode Select
Output Enable
Pin
Special event trigger will:
reset Timer1, but not set interrupt flag bit TMR1IF (PIR1<0>),
and set bit GO/DONE (ADCON0<2>).
Note: The special event trigger from the
CCP1and CCP2 modules will not set inter-
rupt flag bit TMR1IF (PIR1<0>).
Note: Clearing the CCP1CON register will force
the CCP1 PWM output latch to the default
low level. This is not the PORTC I/O data
latch.
CCPR1L
CCPR1H (Slave)
Comparator
TMR2
Comparator
PR2
(Note 1)
RQ
S
Duty Cycle Registers CCP1CON<5:4>
Clear Timer,
CCP1 pin and
latch D.C.
TRISC<2>
RC2/CCP1
Note 1: 8-bit timer is concatenated with 2-bit internal Q clock
or 2 bits of the prescaler to create 10-bit time-base.

PIC16F87X
1999 Microchip Technology Inc. DS30292B-page 61
A PWM output (Figure 8-4) has a time-base (period)
and a time that the output stays high (duty cycle). The
frequency of the PWM is the inverse of the period
(1/period).
FIGURE 8-4: PWM OUTPUT
8.3.1 PWM PERIOD
The PWM period is specified by writing to the PR2 reg-
ister. The PWM period can be calculated using the fol-
lowing formula:
PWM period = [(PR2) + 1] • 4 • TOSC •
(TMR2 prescale value)
PWM frequency is defined as 1 / [PWM period].
When TMR2 is equal to PR2, the following three events
occur on the next increment cycle:
• TMR2 is cleared
• The CCP1 pin is set (exception: if PWM duty
cycle = 0%, the CCP1 pin will not be set)
• The PWM duty cycle is latched from CCPR1L into
CCPR1H
8.3.2 PWM DUTY CYCLE
The PWM duty cycle is specified by writing to the
CCPR1L register and to the CCP1CON<5:4> bits. Up
to 10-bit resolution is available. The CCPR1L contains
the eight MSbs and the CCP1CON<5:4> contains the
two LSbs. This 10-bit value is represented by
CCPR1L:CCP1CON<5:4>. The following equation is
used to calculate the PWM duty cycle in time:
PWM duty cycle = (CCPR1L:CCP1CON<5:4>) •
Tosc • (TMR2 prescale value)
CCPR1L and CCP1CON<5:4> can be written to at any
time, but the duty cycle value is not latched into
CCPR1H until after a match between PR2 and TMR2
occurs (i.e., the period is complete). In PWM mode,
CCPR1H is a read-only register.
The CCPR1H register and a 2-bit internal latch are
used to double buffer the PWM duty cycle. This double
buffering is essential for glitchless PWM operation.
When the CCPR1H and 2-bit latch match TMR2 con-
catenated with an internal 2-bit Q clock or 2 bits of the
TMR2 prescaler, the CCP1 pin is cleared.
Maximum PWM resolution (bits) for a given PWM
frequency:
8.3.3 SET-UP FOR PWM OPERATION
The following steps should be taken when configuring
the CCP module for PWM operation:
1. Set the PWM period by writing to the PR2 register.
2. Set the PWM duty cycle by writing to the
CCPR1L register and CCP1CON<5:4> bits.
3. Make the CCP1 pin an output by clearing the
TRISC<2> bit.
4. Set the TMR2 prescale value and enable Timer2
by writing to T2CON.
5. Configure the CCP1 module for PWM operation.
Note: The Timer2 postscaler (see Section 8.1)is
not used in the determination of the PWM
frequency. The postscaler could be used to
have a servo update rate at a different fre-
quency than the PWM output.
Period
Duty Cycle
TMR2 = PR2
TMR2 = Duty Cycle
TMR2 = PR2
Note: If the PWM duty cycle value is longer than
the PWM period, the CCP1 pin will not be
cleared.
log(FPWM
log(2)
FOSC )bits
=
Resolution

PIC16F87X
DS30292B-page 62 1999 Microchip Technology Inc.
TABLE 8-3: REGISTERS ASSOCIATED WITH CAPTURE, COMPARE, AND TIMER1
TABLE 8-4: REGISTERS ASSOCIATED WITH PWM AND TIMER2
Address Name Bit 7 Bit 6 Bit 5 Bit 4 Bit 3 Bit 2 Bit 1 Bit 0 Value on:
POR,
BOR
Value on
all other
resets
0Bh,8Bh,
10Bh,18Bh
INTCON GIE PEIE T0IE INTE RBIE T0IF INTF RBIF 0000 000x 0000 000u
0Ch PIR1 PSPIF(1) ADIF RCIF TXIF SSPIF CCP1IF TMR2IF TMR1IF 0000 0000 0000 0000
0Dh PIR2 — — — — — — —CCP2IF---- ---0 ---- ---0
8Ch PIE1 PSPIE(1) ADIE RCIE TXIE SSPIE CCP1IE TMR2IE TMR1IE 0000 0000 0000 0000
8Dh PIE2 — — — — — — —CCP2IE---- ---0 ---- ---0
87h TRISC PORTC Data Direction Register 1111 1111 1111 1111
0Eh TMR1L Holding register for the Least Significant Byte of the 16-bit TMR1 register xxxx xxxx uuuu uuuu
0Fh TMR1H Holding register for the Most Significant Byte of the 16-bit TMR1 register xxxx xxxx uuuu uuuu
10h T1CON —— T1CKPS1 T1CKPS0 T1OSCEN T1SYNC TMR1CS TMR1ON --00 0000 --uu uuuu
15h CCPR1L Capture/Compare/PWM register1 (LSB) xxxx xxxx uuuu uuuu
16h CCPR1H Capture/Compare/PWM register1 (MSB) xxxx xxxx uuuu uuuu
17h CCP1CON — — CCP1X CCP1Y CCP1M3 CCP1M2 CCP1M1 CCP1M0 --00 0000 --00 0000
1Bh CCPR2L Capture/Compare/PWM register2 (LSB) xxxx xxxx uuuu uuuu
1Ch CCPR2H Capture/Compare/PWM register2 (MSB) xxxx xxxx uuuu uuuu
1Dh CCP2CON — — CCP2X CCP2Y CCP2M3 CCP2M2 CCP2M1 CCP2M0 --00 0000 --00 0000
Legend: x= unknown, u= unchanged, -= unimplemented read as '0'. Shaded cells are not used by Capture and Timer1.
Note 1: The PSP is not implemented on the PIC16F873/876; always maintain these bits clear.
Address Name Bit7 Bit6 Bit5 Bit4 Bit3 Bit2 Bit1 Bit0 Value on:
POR,
BOR
Value on
all other
resets
0Bh,8Bh,
10Bh,18Bh
INTCON GIE PEIE T0IE INTE RBIE T0IF INTF RBIF 0000 000x 0000 000u
0Ch PIR1 PSPIF(1) ADIF RCIF TXIF SSPIF CCP1IF TMR2IF TMR1IF 0000 0000 0000 0000
0Dh PIR2 — — — — — — —CCP2IF---- ---0 ---- ---0
8Ch PIE1 PSPIE(1) ADIE RCIE TXIE SSPIE CCP1IE TMR2IE TMR1IE 0000 0000 0000 0000
8Dh PIE2 — — — — — — —CCP2IE
---- ---0 ---- ---0
87h TRISC PORTC Data Direction Register 1111 1111 1111 1111
11h TMR2 Timer2 module’s register 0000 0000 0000 0000
92h PR2 Timer2 module’s period register 1111 1111 1111 1111
12h T2CON — TOUTPS3 TOUTPS2 TOUTPS1 TOUTPS0 TMR2ON T2CKPS1 T2CKPS0 -000 0000 -000 0000
15h CCPR1L Capture/Compare/PWM register1 (LSB) xxxx xxxx uuuu uuuu
16h CCPR1H Capture/Compare/PWM register1 (MSB) xxxx xxxx uuuu uuuu
17h CCP1CON —— CCP1X CCP1Y CCP1M3 CCP1M2 CCP1M1 CCP1M0 --00 0000 --00 0000
1Bh CCPR2L Capture/Compare/PWM register2 (LSB) xxxx xxxx uuuu uuuu
1Ch CCPR2H Capture/Compare/PWM register2 (MSB) xxxx xxxx uuuu uuuu
1Dh CCP2CON —— CCP2X CCP2Y CCP2M3 CCP2M2 CCP2M1 CCP2M0 --00 0000 --00 0000
Legend: x= unknown, u= unchanged, -= unimplemented read as '0'. Shaded cells are not used by PWM and Timer2.
Note 1: Bits PSPIE and PSPIF are reserved on the PIC16F873/876; always maintain these bits clear.

PIC16F87X
1999 Microchip Technology Inc. DS30292B-page 63
9.0 MASTER SYNCHRONOUS
SERIAL PORT (MSSP)
MODULE
The Master Synchronous Serial Port (MSSP) module is
a serial interface useful for communicating with other
peripheral or microcontroller devices. These peripheral
devices may be serial EEPROMs, shift registers, dis-
play drivers, A/D converters, etc. The MSSP module
can operate in one of two modes:
• Serial Peripheral Interface (SPI)
• Inter-Integrated Circuit (I2C)
Figure 9-1 shows a block diagram for the SPI mode,
while Figure 9-5 and Figure 9-9 show the block dia-
grams for the two different I2C modes of operation.

PIC16F87X
DS30292B-page 64 1999 Microchip Technology Inc.
REGISTER 9-1: SSPSTAT: SYNC SERIAL PORT STATUS REGISTER (ADDRESS: 94h)
R/W-0 R/W-0 R-0 R-0 R-0 R-0 R-0 R-0
SMP CKE D/A PSR/WUA BF R = Readable bit
W = Writable bit
U = Unimplemented bit, read
as ‘0’
- n = Value at POR reset
bit7 bit0
bit 7: SMP:Sample bit
SPI Master Mode
1= Input data sampled at end of data output time
0= Input data sampled at middle of data output time
SPI Slave Mode
SMP must be cleared when SPI is used in slave mode
In I2C master or slave mode:
1= Slew rate control disabled for standard speed mode (100 kHz and 1 MHz)
0= Slew rate control enabled for high speed mode (400 kHz)
bit 6: CKE: SPI Clock Edge Select (Figure 9-4,Figure 9-5 and Figure 9-6)
SPI Mode:
CKP = 0
1= Transmit happens on transistion from active clock state to idle clock state
0= Transmit happens on transistion from idle clock state to active clock state
CKP = 1
1= Data transmitted on falling edge of SCK
0=DatatransmittedonrisingedgeofSCK
In I2CMasterorSlaveMode:
1= Input levels conform to SMBUS spec
0= Input levels conform to I2Cspecs
bit 5: D/A: Data/Address bit (I2C mode only)
1= Indicates that the last byte received or transmitted was data
0= Indicates that the last byte received or transmitted was address
bit 4: P:Stopbit
(I2C mode only. This bit is cleared when the MSSP module is disabled, SSPEN is cleared)
1= Indicates that a stop bit has been detected last (this bit is '0' on RESET)
0= Stop bit was not detected last
bit 3: S:Startbit
(I2C mode only. This bit is cleared when the MSSP module is disabled, SSPEN is cleared)
1= Indicates that a start bit has been detected last (this bit is '0' on RESET)
0= Start bit was not detected last
bit 2: R/W: Read/Write bit information (I2C mode only)
This bit holds the R/W bit information following the last address match. This bit is only valid from the address match to
the next start bit, stop bit or not ACK bit.
In I2Cslavemode:
1= Read
0=Write
In I2C master mode:
1= Transmit is in progress
0= Transmit is not in progress.
Or’ing this bit with SEN, RSEN, PEN, RCEN or ACKEN will indicate if the MSSP is in IDLE mode.
bit 1: UA: Update Address (10-bit I2Cmodeonly)
1= Indicates that the user needs to update the address in the SSPADD register
0= Address does not need to be updated
bit 0: BF: Buffer Full Status bit
Receive (SPI and I2C modes)
1= Receive complete, SSPBUF is full
0= Receive not complete, SSPBUF is empty
Transmit (I2Cmodeonly)
1= Data Transmit in progress (does not include the ACK and stop bits), SSPBUF is full
0= Data Transmit complete (does not include the ACK and stop bits), SSPBUF is empty

PIC16F87X
1999 Microchip Technology Inc. DS30292B-page 65
REGISTER 9-2: SSPCON: SYNC SERIAL PORT CONTROL REGISTER (ADDRESS 14h)
R/W-0 R/W-0 R/W-0 R/W-0 R/W-0 R/W-0 R/W-0 R/W-0
WCOL SSPOV SSPEN CKP SSPM3 SSPM2 SSPM1 SSPM0 R = Readable bit
W = Writable bit
U = Unimplemented bit, read
as ‘0’
- n = Value at POR reset
bit7 bit0
bit 7: WCOL: Write Collision Detect bit
Master Mode:
1= A write to SSPBUF was attempted while the I2C conditions were not valid
0= No collision
Slave Mode:
1= SSPBUF register is written while still transmitting the previous word (must be cleared in software)
0= No collision
bit 6: SSPOV: Receive Overflow Indicator bit
In SPI mode
1= A new byte is received while SSPBUF holds previous data. Data in SSPSR is lost on overflow. . In
slave mode the user must read the SSPBUF, even if only transmitting data, to avoid overflows. In master
mode the overflow bit is not set since each operation is initiated by writing to the SSPBUF register. (Must
be cleared in software).
0=Nooverflow
In I2Cmode
1= A byte is received while the SSPBUF is holding the previous byte. SSPOV is a "don’t care" in trans-
mit mode. (Must be cleared in software).
0=Nooverflow
bit 5: SSPEN: Synchronous Serial Port Enable bit
In SPI mode, when enabled, these pins must be properly configured as input or output.
1= Enables serial port and configures SCK, SDO, SDI, and SS as the source of the serial port pins
0= Disables serial port and configures these pins as I/O port pins
In I2Cmode, when enabled, these pins must be properly configured as input or output.
1= Enables the serial port and configures the SDA and SCL pins as the source of the serial port pins
0= Disables serial port and configures these pins as I/O port pins
bit 4: CKP: Clock Polarity Select bit
In SPI mode
1= Idle state for clock is a high level
0= Idle state for clock is a low level
In I2C slave mode, SCK release control
1= Enable clock
0= Holds clock low (clock stretch) (Used to ensure data setup time)
In I2Cmastermode
Unused in this mode
bit 3-0: SSPM3:SSPM0: Synchronous Serial Port Mode Select bits
0000 = SPI master mode, clock = FOSC/4
0001 = SPI master mode, clock = FOSC/16
0010 = SPI master mode, clock = FOSC/64
0011 = SPI master mode, clock = TMR2 output/2
0100 = SPI slave mode, clock = SCK pin. SS pin control enabled.
0101 = SPI slave mode, clock = SCK pin. SS pin control disabled. SS canbeusedasI/Opin
0110 =I
2C slave mode, 7-bit address
0111 =I
2C slave mode, 10-bit address
1000 =I
2C master mode, clock = FOSC / (4 * (SSPADD+1) )
1011 =I
2C firmware controlled master mode (slave idle)
1110 =I
2C firmware controlled master mode, 7-bit address with start and stop bit interrupts enabled
1111 =I
2C firmware controlled master mode, 10-bit address with start and stop bit interrupts enabled.
1001, 1010, 1100, 1101 = reserved

PIC16F87X
DS30292B-page 66 1999 Microchip Technology Inc.
REGISTER 9-3: SSPCON2: SYNC SERIAL PORT CONTROL REGISTER2 (ADDRESS 91h)
R/W-0 R/W-0 R/W-0 R/W-0 R/W-0 R/W-0 R/W-0 R/W-0
GCEN ACKSTAT ACKDT ACKEN RCEN PEN RSEN SEN R =Readable bit
W=Writablebit
U = Unimplemented bit,
Read as ‘0’
- n =Value at POR reset
bit7 bit0
bit 7: GCEN: General Call Enable bit (In I2C slave mode only)
1= Enable interrupt when a general call address (0000h) is received in the SSPSR.
0= General call address disabled.
bit 6: ACKSTAT: Acknowledge Status bit (In I2C master mode only)
In master transmit mode:
1= Acknowledge was not received from slave
0= Acknowledge was received from slave
bit 5: ACKDT: Acknowledge Data bit (In I2C master mode only)
In master receive mode:
Value that will be transmitted when the user initiates an Acknowledge sequence at the end of a receive.
1= Not Acknowledge
0= Acknowledge
bit 4: ACKEN: Acknowledge Sequence Enable bit (In I2C master mode only).
In master receive mode:
1= Initiate Acknowledge sequence on SDA and SCL pins, and transmit ACKDT data bit. Automatically
cleared by hardware.
0= Acknowledge sequence idle
bit 3: RCEN: Receive Enable bit (In I2C master mode only).
1= Enables Receive mode for I2C
0= Receive idle
bit 2: PEN: Stop Condition Enable bit (In I2C master mode only).
SCK release control
1= Initiate Stop condition on SDA and SCL pins. Automatically cleared by hardware.
0= Stop condition idle
bit 1: RSEN: Repeated Start Condition Enabled bit (In I2C master mode only)
1= Initiate Repeated Start condition on SDA and SCL pins. Automatically cleared by hardware.
0= Repeated Start condition idle.
bit 0: SEN: Start Condition Enabled bit (In I2C master mode only)
1= Initiate Start condition on SDA and SCL pins. Automatically cleared by hardware.
0= Start condition idle.
Note: For bits ACKEN, RCEN, PEN, RSEN, SEN: If the I2C module is not in the idle mode, this bit may not
be set (no spooling), and the SSPBUF may not be written (or writes to the SSPBUF are disabled).

PIC16F87X
1999 Microchip Technology Inc. DS30292B-page 67
9.1 SPI Mode
The SPI mode allows 8 bits of data to be synchronously
transmitted and received simultaneously. All four
modes of SPI are supported. To accomplish communi-
cation, typically three pins are used:
• Serial Data Out (SDO)
• Serial Data In (SDI)
•SerialClock(SCK)
Additionally, a fourth pin may be used when in a slave
mode of operation:
• Slave Select (SS)
When initializing the SPI, several options need to be
specified. This is done by programming the appropriate
control bits (SSPCON<5:0> and SSPSTAT<7:6>).
These control bits allow the following to be specified:
• Master Mode (SCK is the clock output)
• Slave Mode (SCK is the clock input)
• Clock Polarity (Idle state of SCK)
• Data input sample phase
(middle or end of data output time)
• Clock edge
(output data on rising/falling edge of SCK)
• Clock Rate (Master mode only)
• Slave Select Mode (Slave mode only)
Figure 9-4 shows the block diagram of the MSSP mod-
ule when in SPI mode.
FIGURE 9-1: MSSP BLOCK DIAGRAM
(SPI MODE)
To enable the serial port, MSSP Enable bit, SSPEN
(SSPCON<5>) must be set. To reset or reconfigure SPI
mode, clear bit SSPEN, re-initialize the SSPCON reg-
isters, and then set bit SSPEN. This configures the
SDI, SDO, SCK and SS pins as serial port pins. For the
pins to behave as the serial port function, some must
have their data direction bits (in the TRIS register)
appropriately programmed. That is:
• SDI is automatically controlled by the SPI module
• SDO must have TRISC<5> cleared
• SCK (Master mode) must have TRISC<3>
cleared
• SCK (Slave mode) must have TRISC<3> set
•SS
must have TRISA<5> set
Any serial port function that is not desired may be over-
ridden by programming the corresponding data direc-
tion (TRIS) register to the opposite value.
Read Write
Internal
Data Bus
SSPSR reg
SSPBUF reg
SSPM3:SSPM0
bit0 Shift
Clock
SS Control
Enable
Edge
Select
Clock Select
TMR2 output
TOSC
Prescaler
4, 16, 64
2
Edge
Select
2
4
Data to TX/RX in SSPSR
Data direction bit
2
SMP:CKE
SDI
SDO
SS
SCK

PIC16F87X
DS30292B-page 68 1999 Microchip Technology Inc.
9.1.1 MASTER MODE
The master can initiate the data transfer at any time
because it controls the SCK. The master determines
when the slave (Processor 2, Figure 9-5) is to broad-
cast data by the software protocol.
In master mode, the data is transmitted/received as
soon as the SSPBUF register is written to. If the SPI
module is only going to receive, the SDO output could
be disabled (programmed as an input). The SSPSR
register will continue to shift in the signal present on the
SDIpinattheprogrammedclockrate.Aseachbyteis
received, it will be loaded into the SSPBUF register as
if a normal received byte (interrupts and status bits
appropriately set). This could be useful in receiver
applications as a “line activity monitor”.
The clock polarity is selected by appropriately program-
ming bit CKP (SSPCON<4>). This then would give
waveforms for SPI communication as shown in
Figure 9-6,Figure 9-8 and Figure 9-9 wheretheMSbis
transmitted first. In master mode, the SPI clock rate (bit
rate) is user programmable to be one of the following:
•F
OSC/4 (or TCY)
•F
OSC/16(or4•TCY)
•F
OSC/64 (or 16 • TCY)
• Timer2 output/2
This allows a maximum bit clock frequency (at 20 MHz)
of 5.0 MHz.
Figure 9-6 shows the waveforms for Master mode.
When CKE = 1, the SDO data is valid before there is a
clock edge on SCK. The change of the input sample is
shown based on the state of the SMP bit. The time
when the SSPBUF is loaded with the received data is
shown.
FIGURE 9-2: SPI MODE TIMING, MASTER MODE
SCK (CKP = 0,
SDI (SMP = 0)
SSPIF
bit7 bit6 bit5 bit4 bit3 bit2 bit1 bit0
SDI (SMP = 1)
SCK (CKP = 0,
SCK (CKP = 1,
SCK (CKP = 1,
SDO
bit7
bit7 bit0
bit0
CKE = 0)
CKE = 1)
CKE = 0)
CKE = 1)

PIC16F87X
1999 Microchip Technology Inc. DS30292B-page 69
9.1.2 SLAVE MODE
In slave mode, the data is transmitted and received as
the external clock pulses appear on SCK. When the
last bit is latched, the interrupt flag bit SSPIF (PIR1<3>)
is set.
While in slave mode, the external clock is supplied by
the external clock source on the SCK pin. This external
clock must meet the minimum high and low times as
specified in the electrical specifications.
While in sleep mode, the slave can transmit/receive
data. When a byte is received, the device will wake-up
from sleep.
FIGURE 9-3: SPI MODE TIMING (SLAVE MODE WITH CKE = 0)
FIGURE 9-4: SPI MODE TIMING (SLAVE MODE WITH CKE = 1)
Note: When the SPI module is in Slave Mode
with SS pin control enabled, (SSP-
CON<3:0> = 0100) the SPI module will
reset if the SS pin is set to VDD.
Note: If the SPI is used in Slave Mode with
CKE = '1', then SS pin control must be
enabled.
SCK (CKP = 0)
SDI (SMP = 0)
SSPIF
bit7 bit6 bit5 bit4 bit3 bit2 bit1 bit0
SCK (CKP = 1)
SDO
bit7 bit0
SS (optional)
SCK (CKP = 0)
SDI (SMP = 0)
SSPIF
bit7 bit6 bit5 bit4 bit3 bit2 bit1 bit0
SCK (CKP = 1)
SDO
bit7 bit0
SS

PIC16F87X
DS30292B-page 70 1999 Microchip Technology Inc.
TABLE 9-1 REGISTERS ASSOCIATED WITH SPI OPERATION
Address Name Bit 7 Bit 6 Bit 5 Bit 4 Bit 3 Bit 2 Bit 1 Bit 0 POR,
BOR MCLR,
WDT
0Bh, 8Bh,
10Bh,18Bh INTCON GIE PEIE T0IE INTE RBIE T0IF INTF RBIF 0000 000x 0000 000u
0Ch PIR1 PSPIF(1) ADIF RCIF TXIF SSPIF CCP1IF TMR2IF TMR1IF 0000 0000 0000 0000
8Ch PIE1 PSPIE(1) ADIE RCIE TXIE SSPIE CCP1IE TMR2IE TMR1IE 0000 0000 0000 0000
13h SSPBUF Synchronous Serial Port Receive Buffer/Transmit Register xxxx xxxx uuuu uuuu
14h SSPCON WCOL SSPOV SSPEN CKP SSPM3 SSPM2 SSPM1 SSPM0 0000 0000 0000 0000
94h SSPSTAT SMP CKE D/A P S R/W UA BF 0000 0000 0000 0000
Legend: x= unknown, u= unchanged, -= unimplemented read as '0'. Shaded cells are not used by the SSP in SPI mode.
Note 1: These bits are reserved on the 28-pin devices; always maintain these bits clear.

PIC16F87X
1999 Microchip Technology Inc. DS30292B-page 71
9.2 MSSP I2COperation
The MSSP module in I2C mode fully implements all
master and slave functions (including general call sup-
port) and provides interrupts-on-start and stop bits in
hardware to determine a free bus (multi-master func-
tion). The MSSP module implements the standard
mode specifications, as well as 7-bit and 10-bit
addressing.
RefertoApplicationNoteAN578,"Use of the SSP
Module in the I 2C Multi-Master Environment."
A "glitch" filter is on the SCL and SDA pins when the pin
is an input. This filter operates in both the 100 kHz and
400 kHz modes. In the 100 kHz mode, when these pins
are an output, there is a slew rate control of the pin that
is independant of device frequency.
FIGURE 9-5: I2C SLAVE MODE BLOCK
DIAGRAM
Two pins are used for data transfer. These are the SCL
pin, which is the clock, and the SDA pin, which is the
data. The SDA and SCL pins are automatically config-
ured when the I2C mode is enabled. The SSP module
functions are enabled by setting SSP Enable bit
SSPEN (SSPCON<5>).
The MSSP module has six registers for I2C operation.
They are the:
• SSP Control Register (SSPCON)
• SSP Control Register2 (SSPCON2)
• SSP Status Register (SSPSTAT)
• Serial Receive/Transmit Buffer (SSPBUF)
• SSP Shift Register (SSPSR) - Not directly acces-
sible
• SSP Address Register (SSPADD)
The SSPCON register allows control of the I2C opera-
tion. Four mode selection bits (SSPCON<3:0>) allow
one of the following I2C modes to be selected:
•I
2C Slave mode (7-bit address)
•I
2C Slave mode (10-bit address)
•I
2C Master mode, clock = OSC/4 (SSPADD +1)
Before selecting any I2C mode, the SCL and SDA pins
must be programmed to inputs by setting the appropri-
ate TRIS bits. Selecting an I2C mode, by setting the
SSPEN bit, enables the SCL and SDA pins to be used
as the clock and data lines in I2C mode.
The CKE bit (SSPSTAT<6:7>) sets the levels of the
SDA and SCL pins in either master or slave mode.
When CKE = 1, the levels will conform to the SMBUS
specification. When CKE = 0, the levels will conform to
the I2C specification.
Read Write
SSPSR reg
Match detect
SSPADD reg
Start and
Stop bit detect
SSPBUF reg
Internal
Data Bus
Addr Match
Set, Reset
S, P bits
(SSPSTAT reg)
SCL
Shift
Clock
MSb LSb
SDA

PIC16F87X
DS30292B-page 72 1999 Microchip Technology Inc.
The SSPSTAT register gives the status of the data
transfer. This information includes detection of a
START (S) or STOP (P) bit, specifies if the received
byte was data or address, if the next byte is the comple-
tion of 10-bit address, and if this will be a read or write
data transfer.
SSPBUF is the register to which the transfer data is
written to or read from. The SSPSR register shifts the
data in or out of the device. In receive operations, the
SSPBUF and SSPSR create a doubled buffered
receiver. This allows reception of the next byte to begin
before reading the last byte of received data. When the
complete byte is received, it is transferred to the
SSPBUF register and flag bit SSPIF is set. If another
complete byte is received before the SSPBUF register
is read, a receiver overflow has occurred and bit
SSPOV (SSPCON<6>) is set and the byte in the
SSPSR is lost.
The SSPADD register holds the slave address. In 10-bit
mode, the user needs to write the high byte of the
address (1111 0 A9 A8 0). Following the high byte
address match, the low byte of the address needs to be
loaded (A7:A0).
9.2.1 SLAVE MODE
In slave mode, the SCL and SDA pins must be config-
ured as inputs. The MSSP module will override the
input state with the output data when required (slave-
transmitter).
When an address is matched or the data transfer after
an address match is received, the hardware automati-
cally will generate the acknowledge (ACK) pulse, and
then load the SSPBUF register with the received value
currently in the SSPSR register.
There are certain conditions that will cause the MSSP
module not to give this ACK pulse. These are if either
(or both):
a) The buffer full bit BF (SSPSTAT<0>) was set
before the transfer was received.
b) The overflow bit SSPOV (SSPCON<6>) was set
before the transfer was received.
If the BF bit is set, the SSPSR register value is not
loaded into the SSPBUF, but bit SSPIF and SSPOV are
set. Table 9-2 shows what happens when a data trans-
fer byte is received, given the status of bits BF and
SSPOV. The shaded cells show the condition where
user software did not properly clear the overflow condi-
tion. Flag bit BF is cleared by reading the SSPBUF reg-
ister, while bit SSPOV is cleared through software.
The SCL clock input must have a minimum high and
low time for proper operation. The high and low times
of the I2C specification, as well as the requirement of
the MSSP module, is shown in timing parameter #100
and parameter #101 of the electrical specifications.
9.2.1.1 ADDRESSING
Once the MSSP module has been enabled, it waits for
a START condition to occur. Following the START con-
dition, the 8-bits are shifted into the SSPSR register. All
incoming bits are sampled with the rising edge of the
clock (SCL) line. The value of register SSPSR<7:1> is
compared to the value of the SSPADD register. The
address is compared on the falling edge of the eighth
clock (SCL) pulse. If the addresses match, and the BF
and SSPOV bits are clear, the following events occur:
a) The SSPSR register value is loaded into the
SSPBUF register on the falling edge of the 8th
SCL pulse.
b) The buffer full bit, BF, is set on the falling edge of
the8thSCLpulse.
c) An ACK pulse is generated.
d) SSP interrupt flag bit, SSPIF (PIR1<3>), is set
(interrupt is generated if enabled) on the falling
edge of the 9th SCL pulse.
In 10-bit address mode, two address bytes need to be
received by the slave. The five Most Significant bits
(MSbs) of the first address byte specify if this is a 10-bit
address. Bit R/W (SSPSTAT<2>) must specify a write
so the slave device will receive the second address
byte. For a 10-bit address the first byte would equal
‘1111 0 A9 A8 0’,whereA9andA8arethetwoMSbs
of the address. The sequence of events for a 10-bit
address is as follows, with steps 7- 9 for slave-transmit-
ter:
1. Receive first (high) byte of Address (bits SSPIF,
BF and UA (SSPSTAT<1>) are set).
2. Update the SSPADD register with the second
(low) byte of Address (clears bit UA and
releases the SCL line).
3. Read the SSPBUF register (clears bit BF) and
clear flag bit SSPIF.
4. Receive second (low) byte of Address (bits
SSPIF, BF and UA are set).
5. Update the SSPADD register with the first (high)
byte of Address. This will clear bit UA and
release the SCL line.
6. Read the SSPBUF register (clears bit BF) and
clear flag bit SSPIF.
7. Receive Repeated Start condition.
8. Receive first (high) byte of Address (bits SSPIF
and BF are set).
9. Read the SSPBUF register (clears bit BF) and
clear flag bit SSPIF.
Note: Following the Repeated Start condition
(step 7) in 10-bit mode, the user only
needs to match the first 7-bit address. The
user does not update the SSPADD for the
second half of the address.

PIC16F87X
1999 Microchip Technology Inc. DS30292B-page 73
9.2.1.2 SLAVE RECEPTION
When the R/W bit of the address byte is clear and an
address match occurs, the R/W bit of the SSPSTAT
register is cleared. The received address is loaded into
the SSPBUF register.
When the address byte overflow condition exists, then
no acknowledge (ACK) pulse is given. An overflow con-
dition is defined as either bit BF (SSPSTAT<0>) is set
or bit SSPOV (SSPCON<6>) is set.
An SSP interrupt is generated for each data transfer
byte. Flag bit SSPIF (PIR1<3>) must be cleared in soft-
ware. The SSPSTAT register is used to determine the
status of the received byte.
TABLE 9-2 DATA TRANSFER RECEIVED BYTE ACTIONS
9.2.1.3 SLAVE TRANSMISSION
When the R/W bit of the incoming address byte is set
and an address match occurs, the R/W bitofthe
SSPSTAT register is set. The received address is
loaded into the SSPBUF register. The ACK pulse will
be sent on the ninth bit, and the SCL pin is held low.
The transmit data must be loaded into the SSPBUF
register, which also loads the SSPSR register. Then the
SCL pin should be enabled by setting bit CKP (SSP-
CON<4>). The master must monitor the SCL pin prior
to asserting another clock pulse. The slave devices
may be holding off the master by stretching the clock.
The eight data bits are shifted out on the falling edge of
the SCL input. This ensures that the SDA signal is valid
duringtheSCLhightime(Figure 9-7).
An SSP interrupt is generated for each data transfer
byte. The SSPIF flag bit must be cleared in software
and the SSPSTAT register is used to determine the sta-
tus of the byte transfer. The SSPIF flag bit is set on the
falling edge of the ninth clock pulse.
As a slave-transmitter, the ACK pulse from the master
receiver is latched on the rising edge of the ninth SCL
input pulse. If the SDA line is high (not ACK), then the
data transfer is complete. When the not ACK is latched
by the slave, the slave logic is reset and the slave then
monitors for another occurrence of the START bit. If the
SDA line was low (ACK), the transmit data must be
loaded into the SSPBUF register, which also loads the
SSPSR register. Then the SCL pin should be enabled
by setting the CKP bit.
FIGURE 9-6: I2C WAVEFORMS FOR RECEPTION (7-BIT ADDRESS)
Note: The SSPBUF will be loaded if the SSPOV
bit is set and the BF flag is cleared. If a
read of the SSPBUF was performed, but
the user did not clear the state of the
SSPOV bit before the next receive
occurred, the ACK is not sent and the SSP-
BUF is updated.
Status Bits as Data
Transfer is Received
SSPSR → SSPBUF Generate ACK
Pulse
Set bit SSPIF
(SSP Interrupt occurs
if enabled)
BF SSPOV
00 Yes Yes Yes
1 0 No No Yes
1 1 No No Yes
0 1 Yes No Ye s
Note 1: Shaded cells show the conditions where the user software did not properly clear the overflow condition.
P
9
8
7
6
5
D0
D1
D2
D3D4
D5
D6D7
S
A7 A6 A5 A4 A3 A2 A1SDA
SCL 123456789123456789123
4
Bus Master
terminates
transfer
Bit SSPOV is set because the SSPBUF register is still full.
Cleared in software
SSPBUF register is read
ACK Receiving Data
Receiving Data
D0
D1
D2
D3D4
D5
D6D7
ACK
R/W=0
Receiving Address
SSPIF
BF (SSPSTAT<0>)
SSPOV (SSPCON<6>)
ACK
ACK is not sent.
Not

PIC16F87X
DS30292B-page 74 1999 Microchip Technology Inc.
FIGURE 9-7: I2C WAVEFORMS FOR TRANSMISSION (7-BIT ADDRESS)
9.2.2 GENERAL CALL ADDRESS SUPPORT
The addressing procedure for the I2C bus is such that
the first byte after the START condition usually deter-
mines which device will be the slave addressed by the
master. The exception is the general call address,
which can address all devices. When this address is
used, all devices should, in theory, respond with an
acknowledge.
The general call address is one of eight addresses
reserved for specific purposes by the I2C protocol. It
consists of all 0’s with R/W =0
The general call address is recognized when the Gen-
eral Call Enable bit (GCEN) is enabled (SSPCON2<7>
is set). Following a start-bit detect, 8-bits are shifted
into SSPSR and the address is compared against
SSPADD. It is also compared to the general call
address and fixed in hardware.
If the general call address matches, the SSPSR is
transferred to the SSPBUF, the BF flag is set (eighth
bit), and on the falling edge of the ninth bit (ACK bit), the
SSPIF flag is set.
When the interrupt is serviced, the source for the inter-
rupt can be checked by reading the contents of the
SSPBUF to determine if the address was device spe-
cific or a general call address.
In 10-bit mode, the SSPADD is required to be updated
for the second half of the address to match, and the UA
bit is set (SSPSTAT<1>). If the general call address is
sampled when GCEN is set while the slave is config-
ured in 10-bit address mode, then the second half of
the address is not necessary, the UA bit will not be set,
and the slave will begin receiving data after the
acknowledge (Figure 9-8).
FIGURE 9-8: SLAVE MODE GENERAL CALL ADDRESS SEQUENCE (7 OR 10-BIT MODE)
SDA
SCL
SSPIF
BF (SSPSTAT<0>)
CKP (SSPCON<4>)
A7 A6 A5 A4 A3 A2 A1
ACK
D7 D6 D5 D4 D3 D2 D1 D0
Not ACK
Transmitting Data
R/W =1
Receiving Address
123456789 123456789 P
cleared in software
SSPBUF is written in software From SSP interrupt
service routine
Set bit after writing to SSPBUF
SData in
sampled SCLheldlow
while CPU
responds to SSPIF
(the SSPBUF must be written-to
before the CKP bit can be set)
R/W =0
SDA
SCL
S
SSPIF
BF
SSPOV
Cleared in software
SSPBUF is read
R/W =0
ACK
General Call Address
Address is compared to General Call Address
GCEN
Receiving data ACK
123456789123456789
D7 D6 D5 D4 D3 D2 D1 D0
after ACK, set interrupt flag
'0'
'1'
(SSPSTAT<0>)
(SSPCON<6>)
(SSPCON2<7>)

PIC16F87X
1999 Microchip Technology Inc. DS30292B-page 75
9.2.3 SLEEP OPERATION
While in sleep mode, the I2C module can receive
addresses or data. When an address match or com-
plete byte transfer occurs, wake the processor from
sleep (if the SSP interrupt is enabled).
9.2.4 EFFECTS OF A RESET
A reset disables the SSP module and terminates the
current transfer.
TABLE 9-3 REGISTERS ASSOCIATED WITH I2C OPERATION
Address Name Bit 7 Bit 6 Bit 5 Bit 4 Bit 3 Bit 2 Bit 1 Bit 0 POR,
BOR MCLR,
WDT
0Bh, 8Bh,
10Bh,18Bh INTCON GIE PEIE T0IE INTE RBIE T0IF INTF RBIF 0000 000x 0000 000u
0Ch PIR1 PSPIF(1) ADIF RCIF TXIF SSPIF CCP1IF TMR2IF TMR1IF 0000 0000 0000 0000
8Ch PIE1 PSPIE(1) ADIE RCIE TXIE SSPIE CCP1IE TMR2IE TMR1IE 0000 0000 0000 0000
0Dh PIR2 —(2) —EEIF BCLIF — — CCP2IF -r-0 0--0 -r-0 0--0
8Dh PIE2 —(2) —EEIE BCLIE — — CCP2IE -r-0 0--0 -r-0 0--0
13h SSPBUF Synchronous Serial Port Receive Buffer/Transmit Register xxxx xxxx uuuu uuuu
14h SSPCON WCOL SSPOV SSPEN CKP SSPM3 SSPM2 SSPM1 SSPM0 0000 0000 0000 0000
91h SSPCON2 GCEN ACKSTAT ACKDT ACKEN RCEN PEN RSEN SEN 0000 0000 0000 0000
94h SSPSTAT SMP CKE D/A PSR/WUA BF 0000 0000 0000 0000
Legend: x= unknown, u= unchanged, -= unimplemented read as '0'. Shaded cells are not used by the SSP in I2C mode.
Note 1: These bits are reserved on the 28-pin devices; always maintain these bits clear.
2: These bits are reserved on these devices; always maintain these bits clear.

PIC16F87X
DS30292B-page 76 1999 Microchip Technology Inc.
9.2.5 MASTER MODE
Master mode of operation is supported by interrupt
generation on the detection of the START and STOP
conditions. The STOP (P) and START (S) bits are
cleared from a reset or when the MSSP module is dis-
abled. Control of the I2C bus may be TACKEN when the
P bit is set, or the bus is idle with both the S and P bits
clear.
In master mode, the SCL and SDA lines are manipu-
lated by the MSSP hardware.
The following events will cause the SSP Interrupt Flag
bit, SSPIF, to be set (SSP Interrupt if enabled):
• START condition
• STOP condition
• Data transfer byte transmitted/received
• Acknowledge transmit
• Repeated Start
FIGURE 9-9: SSP BLOCK DIAGRAM (I2CMASTERMODE)
Read Write
SSPSR
Start bit, Stop bit,
Start bit detect,
SSPBUF
Internal
Data Bus
Set/Reset, S, P, WCOL (SSPSTAT)
Shift
Clock
MSb LSb
SDA
Acknowledge
Generate
Stop bit detect
Write collision detect
Clock Arbitration
State counter for
end of XMIT/RCV
SCL
SCL in
Bus Collision
SDA in
Receive Enable
clock cntl
clock arbitrate/WCOL detect
(hold off clock source)
SSPADD<6:0>
Baud
Set SSPIF, BCLIF
Reset ACKSTAT, PEN (SSPCON2)
Rate
Generator
SSPM3:SSPM0,

PIC16F87X
1999 Microchip Technology Inc. DS30292B-page 77
9.2.6 MULTI-MASTER MODE
In multi-master mode, the interrupt generation on the
detection of the START and STOP conditions allows
the determination of when the bus is free. The STOP
(P) and START (S) bits are cleared from a reset or
when the MSSP module is disabled. Control of the I2C
bus may be taken when bit P (SSPSTAT<4>) is set, or
the bus is idle with both the S and P bits clear. When
the bus is busy, enabling the SSP Interrupt will gener-
ate the interrupt when the STOP condition occurs.
In multi-master operation, the SDA line must be moni-
tored for abitration to see if the signal level is the
expected output level. This check is performed in hard-
ware, with the result placed in the BCLIF bit.
The states where arbitration can be lost are:
• Address Transfer
•DataTransfer
• A Start Condition
• A Repeated Start Condition
• An Acknowledge Condition
9.2.7 I2C MASTER MODE SUPPORT
Master Mode is enabled by setting and clearing the
appropriate SSPM bits in SSPCON and by setting the
SSPEN bit. Once master mode is enabled, the user
has six options.
- AssertastartconditiononSDAandSCL.
- Assert a Repeated Start condition on SDA and
SCL.
- Write to the SSPBUF register initiating trans-
mission of data/address.
- Generate a stop condition on SDA and SCL.
- Configure the I2C port to receive data.
- Generate an Acknowledge condition at the end
of a received byte of data.
9.2.7.1 I2C MASTER MODE OPERATION
The master device generates all of the serial clock
pulses and the START and STOP conditions. A trans-
fer is ended with a STOP condition or with a Repeated
Start condition. Since the Repeated Start condition is
also the beginning of the next serial transfer, the I2C
bus will not be released.
In Master Transmitter mode serial data is output
through SDA, while SCL outputs the serial clock. The
first byte transmitted contains the slave address of the
receiving device (7 bits) and the Read/Write (R/W)bit.
In this case, the R/W bit will be logic '0'. Serial data is
transmitted 8 bits at a time. After each byte is transmit-
ted, an acknowledge bit is received. START and STOP
conditions are output to indicate the beginning and the
end of a serial transfer.
In Master receive mode, the first byte transmitted con-
tains the slave address of the transmitting device
(7 bits) and the R/W bit. In this case, the R/W bit will be
logic '1'. Thus the first byte transmitted is a 7-bit slave
address followed by a '1' to indicate receive bit. Serial
data is received via SDA, while SCL outputs the serial
clock. Serial data is received 8 bits at a time. After each
byte is received, an acknowledge bit is transmitted.
START and STOP conditions indicate the beginning
and end of transmission.
The baud rate generator used for SPI mode operation
is now used to set the SCL clock frequency for either
100 kHz, 400 kHz or 1 MHz I2C operation. The baud
rate generator reload value is contained in the lower 7
bits of the SSPADD register. The baud rate generator
will automatically begin counting on a write to the SSP-
BUF. Once the given operation is complete (i.e. trans-
mission of the last data bit is followed by ACK) the
internal clock will automatically stop counting and the
SCL pin will remain in its last state
A typical transmit sequence would go as follows:
a) The user generates a Start Condition by setting
the START enable bit (SEN) in SSPCON2.
b) SSPIF is set. The module will wait the required
start time before any other operation takes
place.
c) The user loads the SSPBUF with address to
transmit.
d) Address is shifted out the SDA pin until all 8 bits
are transmitted.
e) The MSSP Module shifts in the ACK bit from the
slave device and writes its value into the
SSPCON2 register ( SSPCON2<6>).
f) The module generates an interrupt at the end of
the ninth clock cycle by setting SSPIF.
g) The user loads the SSPBUF with eight bits of
data.
h) DATA is shifted out the SDA pin until all 8 bits
are transmitted.
Note: The MSSP Module, when configured in I2C
Master Mode, does not allow queueing of
events. For instance, the user is not
allowed to initiate a start condition and
immediately write the SSPBUF register to
initiate transmission before the START
condition is complete. In this case, the
SSPBUF will not be written to and the
WCOL bit will be set, indicating that a write
to the SSPBUF did not occur.

PIC16F87X
DS30292B-page 78 1999 Microchip Technology Inc.
i) The MSSP module shifts in the ACK bit from the
slave device, and writes its value into the
SSPCON2 register ( SSPCON2<6>).
j) The MSSP module generates an interrupt at the
end of the ninth clock cycle by setting the SSPIF
bit.
k) The user generates a STOP condition by setting
the STOP enable bit PEN in SSPCON2.
l) Interrupt is generated once the STOP condition
is complete.
9.2.8 BAUD RATE GENERATOR
In I2C master mode, the reload value for the BRG is
located in the lower 7 bits of the SSPADD register
(Figure 9-10). When the BRG is loaded with this value,
the BRG counts down to 0 and stops until another
reload has taken place. The BRG count is decremented
twice per instruction cycle (TCY), on the Q2 and Q4
clock.
In I2C master mode, the BRG is reloaded automatically.
If Clock Arbitration is taking place for instance, the BRG
will be reloaded when the SCL pin is sampled high
(Figure 9-11).
FIGURE 9-10: BAUD RATE GENERATOR
BLOCK DIAGRAM
FIGURE 9-11: BAUD RATE GENERATOR TIMING WITH CLOCK ARBITRATION
SSPM3:SSPM0
BRG Down Counter
CLKOUT FOSC/4
SSPADD<6:0>
SSPM3:SSPM0
SCL
Reload
Control
Reload
SDA
SCL
SCL deasserted but slave holds
DX-1DX
BRG
SCL is sampled high, reload takes
place, and BRG starts its count.
03h 02h 01h 00h (hold off) 03h 02h
reload
BRG
value
SCL low (clock arbitration)
SCL allowed to transition high
BRG decrements
(on Q2 and Q4 cycles)

PIC16F87X
1999 Microchip Technology Inc. DS30292B-page 79
9.2.9 I2C MASTER MODE START CONDITION
TIMING
To initiate a START condition, the user sets the start
condition enable bit, SEN (SSPCON2<0>). If the SDA
and SCL pins are sampled high, the baud rate genera-
tor is re-loaded with the contents of SSPADD<6:0> and
starts its count. If SCL and SDA are both sampled high
when the baud rate generator times out (TBRG), the
SDA pin is driven low. The action of the SDA being
driven low while SCL is high is the START condition,
and causes the S bit (SSPSTAT<3>) to be set. Follow-
ing this, the baud rate generator is reloaded with the
contents of SSPADD<6:0> and resumes its count.
When the baud rate generator times out (TBRG), the
SEN bit (SSPCON2<0>) will be automatically cleared
by hardware. The baud rate generator is suspended
leaving the SDA line held low, and the START condition
is complete.
9.2.9.1 WCOL STATUS FLAG
If the user writes the SSPBUF when an START
sequence is in progress, then WCOL is set and the
contents of the buffer are unchanged (the write doesn’t
occur).
FIGURE 9-12: FIRST START BIT TIMING
Note: If at the beginning of START condition the
SDA and SCL pins are already sampled
low, or if during the START condition the
SCL line is sampled low before the SDA
line is driven low, a bus collision occurs, the
Bus Collision Interrupt Flag (BCLIF) is set,
the START condition is aborted, and the
I2C module is reset into its IDLE state.
Note: Because queueing of events is not
allowed, writing to the lower 5 bits of
SSPCON2 is disabled until the START
condition is complete.
SDA
SCL
S
TBRG
1st Bit 2nd Bit
TBRG
SDA = 1, At completion of start bit,
SCL = 1
Write to SSPBUF occurs here
TBRG
Hardware clears SEN bit
TBRG
Write to SEN bit occurs here. Set S bit (SSPSTAT<3>)
and sets SSPIF bit

PIC16F87X
DS30292B-page 80 1999 Microchip Technology Inc.
9.2.10 I2C MASTER MODE REPEATED START
CONDITION TIMING
A Repeated Start condition occurs when the RSEN bit
(SSPCON2<1>) is programmed high and the I2C mod-
ule is in the idle state. When the RSEN bit is set, the
SCL pin is asserted low. When the SCL pin is sampled
low, the baud rate generator is loaded with the contents
of SSPADD<6:0> and begins counting. The SDA pin is
released (brought high) for one baud rate generator
count (TBRG). When the baud rate generator times out
if SDA is sampled high, the SCL pin will be deasserted
(brought high). When SCL is sampled high the baud
rate generator is reloaded with the contents of
SSPADD<6:0> and begins counting. SDA and SCL
must be sampled high for one TBRG. Thisactionisthen
followed by assertion of the SDA pin (SDA is low) for
one TBRG, while SCL is high. Following this, the RSEN
bit in the SSPCON2 register will be automatically
cleared and the baud rate generator will not be
reloaded, leaving the SDA pin held low. As soon as a
start condition is detected on the SDA and SCL pins,
the S bit (SSPSTAT<3>) will be set. The SSPIF bit will
not beset untilthe baud rate generator has timed-out.
Immediately following the SSPIF bit getting set, the
user may write the SSPBUF with the 7-bit address in
7-bit mode, or the default first address in 10-bit mode.
After the first eight bits are transmitted and an ACK is
received, the user may then transmit an additional eight
bits of address (10-bit mode) or eight bits of data (7-bit
mode).
9.2.10.1 WCOL STATUS FLAG
If the user writes the SSPBUF when a Repeated Start
sequence is in progress, then WCOL is set and the
contents of the buffer are unchanged (the write doesn’t
occur).
FIGURE 9-13: REPEAT START CONDITION WAVEFORM
Note 1: If RSEN is programmed while any other
event is in progress, it will not take effect.
Note 2: A bus collision during the Repeated Start
condition occurs if:
• SDA is sampled low when SCL goes
from low to high.
• SCL goes low before SDA is asserted
low. This may indicate that another
master is attempting to transmit a
data "1".
Note: Because queueing of events is not
allowed, writing of the lower 5 bits of
SSPCON2 is disabled until the Repeated
Start condition is complete.
SDA
SCL
Sr = Repeated Start
Write to SSPCON2
Write to SSPBUF occurs here.
Falling edge of ninth clock
End of Xmit
At completion of start bit,
hardware clear RSEN bit
1st Bit
Set S (SSPSTAT<3>)
TBRG
TBRG
SDA = 1,
SDA = 1,
SCL(no change)
SCL = 1
occurs here.
TBRG TBRG TBRG
and set SSPIF

PIC16F87X
1999 Microchip Technology Inc. DS30292B-page 81
9.2.11 I2C MASTER MODE TRANSMISSION
Transmission of a data byte, a 7-bit address or either
half of a 10-bit address is accomplished by simply writ-
ing a value to SSPBUF register. This action will set the
buffer full flag (BF) and allow the baud rate generator to
begin counting and start the next transmission. Each
bit of address/data will be shifted out onto the SDA pin
after the falling edge of SCL is asserted (see data hold
time spec). SCL is held low for one baud rate gener-
ator rollover count (TBRG). Data should be valid before
SCL is released high (see data setup time spec).
When the SCL pin is released high, it is held that way
for TBRG. The data on the SDA pin must remain stable
for that duration and some hold time after the next fall-
ingedgeofSCL. Aftertheeighthbitisshiftedout(the
falling edge of the eighth clock), the BF flag is cleared
and the master releases SDA allowing the slave device
being addressed to respond with an ACK bit during the
ninth bit time, if an address match occurs or if data was
received properly. The status of ACK is read into the
ACKDT on the falling edge of the ninth clock. If the
master receives an acknowledge, the acknowledge
status bit (ACKSTAT) is cleared. If not, the bit is set.
After the ninth clock, the SSPIF is set and the master
clock (baud rate generator) is suspended until the next
data byte is loaded into the SSPBUF, leaving SCL low
and SDA unchanged (Figure 9-14).
After the write to the SSPBUF, each bit of address will
be shifted out on the falling edge of SCL until all seven
address bits and the R/W bit are completed. On the fall-
ing edge of the eighth clock, the master will de-assert
the SDA pin allowing the slave to respond with an
acknowledge. On the falling edge of the ninth clock, the
master will sample the SDA pin to see if the address
was recognized by a slave. The status of the ACK bit is
loaded into the ACKSTAT status bit (SSPCON2<6>).
Following the falling edge of the ninth clock transmis-
sion of the address, the SSPIF is set, the BF flag is
cleared, and the baud rate generator is turned off until
another write to the SSPBUF takes place, holding SCL
low and allowing SDA to float.
9.2.11.1 BF STATUS FLAG
In transmit mode, the BF bit (SSPSTAT<0>) is set when
the CPU writes to SSPBUF and is cleared when all 8
bits are shifted out.
9.2.11.2 WCOL STATUS FLAG
If the user writes the SSPBUF when a transmit is
already in progress (i.e. SSPSR is still shifting out a
data byte), then WCOL is set and the contents of the
buffer are unchanged (the write doesn’t occur).
WCOL must be cleared in software.
9.2.11.3 ACKSTAT STATUS FLAG
In transmit mode, the ACKSTAT bit (SSPCON2<6>) is
cleared when the slave has sent an acknowledge
(ACK = 0), and is set when the slave does not acknowl-
edge (ACK = 1). A slave sends an acknowledge when
it has recognized its address (including a general call),
or when the slave has properly received its data.

PIC16F87X
DS30292B-page 82 1999 Microchip Technology Inc.
FIGURE 9-14: I2C MASTER MODE TIMING (TRANSMISSION, 7 OR 10-BIT ADDRESS)
SDA
SCL
SSPIF
BF (SSPSTAT<0>)
SEN
A7 A6 A5 A4 A3 A2 A1 ACK = 0 D7 D6 D5 D4 D3 D2 D1 D0
ACK
Transmitting Data or Second Half
R/W =0Transmit Address to Slave
123456789 123456789 P
Cleared in software service routine
SSPBUF is written in software
From SSP interrupt
After start condition SEN cleared by hardware.
S
SSPBUF written with 7-bit address and R/W
start transmit
SCLheldlow
while CPU
responds to SSPIF
SEN = 0
of 10-bit address
Write SSPCON2<0> SEN = 1
START condition begins From slave clear ACKSTAT bit SSPCON2<6>
ACKSTAT in
SSPCON2 = 1
Cleared in software
SSPBUF written
PEN
Cleared in software
R/W

PIC16F87X
1999 Microchip Technology Inc. DS30292B-page 83
9.2.12 I2C MASTER MODE RECEPTION
Master mode reception is enabled by programming the
receive enable bit, RCEN (SSPCON2<3>).
The baud rate generator begins counting, and on each
rollover, the state of the SCL pin changes (high to
low/low to high), and data is shifted into the SSPSR.
After the falling edge of the eighth clock, the receive
enable flag is automatically cleared, the contents of the
SSPSR are loaded into the SSPBUF, the BF flag is set,
the SSPIF is set, and the baud rate generator is sus-
pended from counting, holding SCL low. The SSP is
now in IDLE state, awaiting the next command. When
the buffer is read by the CPU, the BF flag is automati-
cally cleared. The user can then send an acknowledge
bit at the end of reception, by setting the acknowledge
sequence enable bit, ACKEN (SSPCON2<4>).
9.2.12.1 BF STATUS FLAG
In receive operation, BF is set when an address or data
byte is loaded into SSPBUF from SSPSR. It is cleared
when SSPBUF is read.
9.2.12.2 SSPOV STATUS FLAG
In receive operation, SSPOV is set when 8 bits are
received into the SSPSR, and the BF flag is already set
from a previous reception.
9.2.12.3 WCOL STATUS FLAG
If the user writes the SSPBUF when a receive is
already in progress (i.e. SSPSR is still shifting in a data
byte), then WCOL is set and the contents of the buffer
are unchanged (the write doesn’t occur).
Note: TheSSPmodulemustbeinanIDLE
STATE before the RCEN bit is set or the
RCEN bit will be disregarded.

PIC16F87X
DS30292B-page 84 1999 Microchip Technology Inc.
FIGURE 9-15: I2C MASTER MODE TIMING (RECEPTION 7-BIT ADDRESS)
P
9
876
5
D0
D1
D2
D3D4
D5
D6D7
S
A7 A6 A5 A4 A3 A2 A1
SDA
SCL 12345678912345678 9 1234
Bus Master
terminates
transfer
ACK
Receiving Data from Slave
Receiving Data from Slave
D0
D1
D2
D3D4
D5
D6D7ACK
R/W =1
Transmit Address to Slave
SSPIF
BF
ACK is not sent
WritetoSSPCON2<0> (SEN=1)
Write to SSPBUF occurs here ACK from Slave
Master configured as a receiver
by programming SSPCON2<3>, (RCEN = 1) PEN bit = 1
written here
Data shifted in on falling edge of CLK
Cleared in software
Start XMIT
SEN = 0
SSPOV
SDA = 0, SCL = 1
while CPU
(SSPSTAT<0>)
ACK
Last bit is shifted into SSPSR and
contents are unloaded into SSPBUF
Cleared in software
Cleared in software
Set SSPIF interrupt
at end of receive
Set P bit
(SSPSTAT<4>)
and SSPIF
Cleared in
software
ACK from Master
Set SSPIF at end
Set SSPIF interrupt
at end of acknowledge
sequence
Set SSPIF interrupt
at end of acknow-
ledge sequence
of receive
Set ACKEN start acknowledge sequence
SSPOV is set because
SSPBUF is still full
SDA = ACKDT = 1
RCEN cleared
automatically
RCEN = 1 start
next receive
WritetoSSPCON2<4>
to start acknowledge sequence
SDA = ACKDT (SSPCON2<5>) = 0
RCEN cleared
automatically
responds to SSPIF
ACKEN
Begin Start Condition
Cleared in software
SDA = ACKDT = 0

PIC16F87X
1999 Microchip Technology Inc. DS30292B-page 85
9.2.13 ACKNOWLEDGE SEQUENCE TIMING
An acknowledge sequence is enabled by setting the
acknowledge sequence enable bit, ACKEN
(SSPCON2<4>). When this bit is set, the SCL pin is
pulled low and the contents of the acknowledge data
bit is presented on the SDA pin. If the user wishes to
generate an acknowledge, the ACKDT bit should be
cleared. If not, the user should set the ACKDT bit
before starting an acknowledge sequence. The baud
rate generator then counts for one rollover period
(TBRG), and the SCL pin is deasserted (pulled high).
When the SCL pin is sampled high (clock arbitration),
the baud rate generator counts for TBRG.TheSCLpin
is then pulled low. Following this, the ACKEN bit is auto-
matically cleared, the baud rate generator is turned off,
and the SSP module then goes into IDLE mode.
(Figure 9-16)
9.2.13.1 WCOL STATUS FLAG
If the user writes the SSPBUF when an acknowledege
sequence is in progress, the WCOL is set and the con-
tents of the buffer are unchanged (the write doesn’t
occur).
FIGURE 9-16: ACKNOWLEDGE SEQUENCE WAVEFORM
Note: TBRG = one baud rate generator period.
SDA
SCL
Set SSPIF at the end
Acknowledge sequence starts here,
WritetoSSPCON2 ACKEN automatically cleared
Cleared in
TBRG TBRG
of receive
ACK
8
ACKEN = 1, ACKDT = 0
D0
9
SSPIF
software
Set SSPIF at the end
of acknowledge sequence
Cleared in
software

PIC16F87X
DS30292B-page 86 1999 Microchip Technology Inc.
9.2.14 STOP CONDITION TIMING
A stop bit is asserted on the SDA pin at the end of a
receive/transmit by setting the Stop Sequence Enable
bit PEN (SSPCON2<2>). At the end of a receive/trans-
mit, the SCL line is held low after the falling edge of the
ninth clock. When the PEN bit is set, the master will
assert the SDA line low . When the SDA line is sam-
pled low, the baud rate generator is reloaded and
counts down to 0. When the baud rate generator times
out, the SCL pin will be brought high, and one TBRG
(baud rate generator rollover count) later, the SDA pin
will be deasserted. When the SDA pin is sampled high
while SCL is high, the P bit (SSPSTAT<4>) is set. A
TBRG later, the PEN bit is cleared and the SSPIF bit is
set (Figure 9-17).
Whenever the firmware decides to take control of the
bus, it will first determine if the bus is busy by checking
the S and P bits in the SSPSTAT register. If the bus is
busy, then the CPU can be interrupted (notified) when
a Stop bit is detected (i.e. bus is free).
9.2.14.1 WCOL STATUS FLAG
If the user writes the SSPBUF when a STOP sequence
is in progress, then WCOL is set and the contents of the
buffer are unchanged (the write doesn’t occur).
FIGURE 9-17: STOP CONDITION RECEIVE OR TRANSMIT MODE
SCL
SDA
SDA asserted low before rising edge of clock
WritetoSSPCON2
Set PEN
Falling edge of
SCL=1forT
BRG,followedbySDA=1forTBRG
9th clock
SCL brought high after TBRG
Note: TBRG = one baud rate generator period.
TBRG TBRG
after SDA sampled high. P bit (SSPSTAT<4>) is set
TBRG
to setup stop condition.
ACK
P
TBRG
PEN bit (SSPCON2<2>) is cleared by
hardware and the SSPIF bit is set

PIC16F87X
1999 Microchip Technology Inc. DS30292B-page 87
9.2.15 CLOCK ARBITRATION
Clock arbitration occurs when the master, during any
receive, transmit, or repeated start/stop condition,
deasserts the SCL pin (SCL allowed to float high).
When the SCL pin is allowed to float high, the baud rate
generator (BRG) is suspended from counting until the
SCL pin is actually sampled high. When the SCL pin is
sampled high, the baud rate generator is reloaded with
the contents of SSPADD<6:0> and begins counting.
This ensures that the SCL high time will always be at
least one BRG rollover count in the event that the clock
is held low by an external device (Figure 9-18).
9.2.16 SLEEP OPERATION
While in sleep mode, the I2C module can receive
addresses or data, and when an address match or
complete byte transfer occurs, wake the processor from
sleep (if the SSP interrupt is enabled).
9.2.17 EFFECTS OF A RESET
A reset disables the SSP module and terminates the
current transfer.
FIGURE 9-18: CLOCK ARBITRATION TIMING IN MASTER TRANSMIT MODE
SCL
SDA
BRG overflow,
Release SCL,
IfSCL=1 LoadBRGwith
SSPADD<6:0>, and start count BRG overflow occurs,
Release SCL, Slave device holds SCL low. SCL = 1 BRG starts counting
clock high interval.
SCL line sampled once every machine cycle (TOSC •4).
Hold off BRG until SCL is sampled high.
TBRG TBRG TBRG
tomeasurehightimeinterval

PIC16F87X
DS30292B-page 88 1999 Microchip Technology Inc.
9.2.18 MULTI -MASTER COMMUNICATION, BUS
COLLISION, AND BUS ARBITRATION
Multi-Master mode support is achieved by bus arbitra-
tion. When the master outputs address/data bits onto
the SDA pin, arbitration takes place when the master
outputs a '1' on SDA by letting SDA float high and
another master asserts a '0'. When the SCL pin floats
high, data should be stable. If the expected data on
SDA is a '1' and the data sampled on the SDA pin = '0',
a bus collision has TACKEN place. The master will set
the Bus Collision Interrupt Flag, BCLIF and reset the
I2C port to its IDLE state. (Figure 9-19).
If a transmit was in progress when the bus collision
occurred, the transmission is halted, the BF flag is
cleared, the SDA and SCL lines are deasserted, and
the SSPBUF can be written to. When the user services
the bus collision interrupt service routine, and if the I2C
bus is free, the user can resume communication by
asserting a START condition.
If a START, Repeated Start, STOP or Acknowledge
condition was in progress when the bus collision
occurred, the condition is aborted, the SDA and SCL
lines are deasserted, and the respective control bits in
the SSPCON2 register are cleared. When the user
services the bus collision interrupt service routine, and
if the I2C bus is free, the user can resume communica-
tion by asserting a START condition.
The Master will continue to monitor the SDA and SCL
pins, and if a STOP condition occurs, the SSPIF bit will
be set.
A write to the SSPBUF will start the transmission of
data at the first data bit, regardless of where the trans-
mitter left off when the bus collision occurred.
In multi-master mode, the interrupt generation on the
detection of start and stop conditions allows the deter-
mination of when the bus is free. Control of the I2Cbus
can be TACKEN when the P bit is set in the SSPSTAT
register, or the bus is idle and the S and P bits are
cleared.
FIGURE 9-19: BUS COLLISION TIMING FOR TRANSMIT AND ACKNOWLEDGE
SDA
SCL
BCLIF
SDA released
SDA line pulled low
by another source
Sample SDA. While SCL is high,
data doesn’t match what is driven
Bus collision has occurred.
Set bus collision
interrupt.
by the master.
by master
Data changes
while SCL = 0

PIC16F87X
1999 Microchip Technology Inc. DS30292B-page 89
9.2.18.1 BUS COLLISION DURING A START
CONDITION
During a START condition, a bus collision occurs if:
a) SDA or SCL are sampled low at the beginning of
the START condition (Figure 9-20).
b) SCL is sampled low before SDA is asserted low.
(Figure 9-21).
During a START condition both the SDA and the SCL
pins are monitored.
If:
the SDA pin is already low
or the SCL pin is already low,
then:
the START condition is aborted,
and the BCLIF flag is set,
and the SSP module is reset to its IDLE state
(Figure 9-20).
The START condition begins with the SDA and SCL
pins deasserted. When the SDA pin is sampled high,
the baud rate generator is loaded from SSPADD<6:0>
and counts down to 0. If the SCL pin is sampled low
while SDA is high, a bus collision occurs, because it is
assumed that another master is attempting to drive a
data '1' during the START condition.
If the SDA pin is sampled low during this count, the
BRG is reset and the SDA line is asserted early
(Figure 9-22). If however a '1' is sampled on the SDA
pin, the SDA pin is asserted low at the end of the BRG
count. The baud rate generator is then reloaded and
counts down to 0. During this time, if the SCL pins are
sampled as '0', a bus collision does not occur. At the
end of the BRG count ,the SCL pin is asserted low.
FIGURE 9-20: BUS COLLISION DURING START CONDITION (SDA ONLY)
Note: The reason that bus collision is not a factor
during a START condition is that no two
bus masters can assert a START condition
at the exact same time. Therefore, one
master will always assert SDA before the
other. This condition does not cause a bus
collision, because the two masters must be
allowed to arbitrate the first address follow-
ing the START condition. If the address is
the same, arbitration must be allowed to
continue into the data portion, REPEATED
START or STOP conditions.
SDA
SCL
SEN
SDA sampled low before
SDA goes low before the SEN bit is set.
S bit and SSPIF set because
SSP module reset into idle state.
SEN cleared automatically because of bus collision.
S bit and SSPIF set because
Set SEN, enable start
condition if SDA = 1, SCL=1
SDA = 0, SCL = 1
BCLIF
S
SSPIF
SDA = 0, SCL = 1
SSPIF and BCLIF are
cleared in software.
SSPIF and BCLIF are
cleared in software.
Set BCLIF,
Set BCLIF.
START condition.

PIC16F87X
DS30292B-page 90 1999 Microchip Technology Inc.
FIGURE 9-21: BUS COLLISION DURING START CONDITION (SCL = 0)
FIGURE 9-22: BRG RESET DUE TO SDA COLLISION DURING START CONDITION
SDA
SCL
SEN Bus collision occurs, Set BCLIF.
SCL=0beforeSDA=0,
SetSEN,enablestart
sequence if SDA = 1, SCL = 1
TBRG TBRG
SDA = 0, SCL = 1
BCLIF
S
SSPIF
Interrupts cleared
in software.
Bus collision occurs, Set BCLIF.
SCL=0beforeBRGtimeout,
'0'
'0'
'0'
'0'
SDA
SCL
SEN
Set S
Set SEN, enable start
sequence if SDA = 1, SCL = 1
Less than TBRG TBRG
SDA = 0, SCL = 1
BCLIF
S
SSPIF
s
Interrupts cleared
in software.
Set SSPIF
SDA = 0, SCL = 1
SDA pulled low by other master.
Reset BRG and assert SDA
SCLpulledlowafterBRG
Timeout
Set SSPIF
'0'

PIC16F87X
1999 Microchip Technology Inc. DS30292B-page 91
9.2.18.2 BUS COLLISION DURING A REPEATED
START CONDITION
During a Repeated Start condition, a bus collision
occurs if:
a) A low level is sampled on SDA when SCL goes
from low level to high level.
b) SCL goes low before SDA is asserted low, indi-
cating that another master is attempting to trans-
mit a data ’1’.
When the user deasserts SDA and the pin is allowed to
float high, the BRG is loaded with SSPADD<6:0> and
counts down to 0. The SCL pin is then deasserted, and
when sampled high, the SDA pin is sampled. If SDA is
low, a bus collision has occurred (i.e. another master is
attempting to transmit a data ’0’). If however SDA is
sampled high, the BRG is reloaded and begins count-
ing. If SDA goes from high to low before the BRG times
out, no bus collision occurs, because no two masters
can assert SDA at exactly the same time.
If, however, SCL goes from high to low before the BRG
times out and SDA has not already been asserted, a
bus collision occurs. In this case, another master is
attempting to transmit a data ’1’ during the Repeated
Start condition.
If at the end of the BRG time out both SCL and SDA are
still high, the SDA pin is driven low, the BRG is reloaded
and begins counting. At the end of the count, regard-
less of the status of the SCL pin, the SCL pin is driven
low and the Repeated Start condition is complete
(Figure 9-23).
FIGURE 9-23: BUS COLLISION DURING A REPEATED START CONDITION (CASE 1)
FIGURE 9-24: BUS COLLISION DURING REPEATED START CONDITION (CASE 2)
SDA
SCL
RSEN
BCLIF
S
SSPIF
Sample SDA when SCL goes high.
If SDA = 0, set BCLIF and release SDA and SCL
Cleared in software
'0'
'0'
'0'
'0'
SDA
SCL
BCLIF
RSEN
S
SSPIF
Interrupt cleared
in software
SCL goes low before SDA,
Set BCLIF. Release SDA and SCL
TBRG TBRG
'0'
'0'
'0'
'0'

PIC16F87X
DS30292B-page 92 1999 Microchip Technology Inc.
9.2.18.3 BUS COLLISION DURING A STOP
CONDITION
Bus collision occurs during a STOP condition if:
a) After the SDA pin has been deasserted and
allowed to float high, SDA is sampled low after
the BRG has timed out.
b) After the SCL pin is deasserted, SCL is sampled
low before SDA goes high.
The STOP condition begins with SDA asserted low.
When SDA is sampled low, the SCL pin is allow to float.
When the pin is sampled high (clock arbitration), the
baud rate generator is loaded with SSPADD<6:0> and
counts down to 0. After the BRG times out, SDA is
sampled. If SDA is sampled low, a bus collision has
occurred. This is due to another master attempting to
drive a data '0'. If the SCL pin is sampled low before
SDA is allowed to float high, a bus collision occurs.
This is a case of another master attempting to drive a
data '0' (Figure 9-25).
FIGURE 9-25: BUS COLLISION DURING A STOP CONDITION (CASE 1)
FIGURE 9-26: BUS COLLISION DURING A STOP CONDITION (CASE 2)
SDA
SCL
BCLIF
PEN
P
SSPIF
TBRG TBRG TBRG
SDA asserted low
SDA sampled
low after TBRG,
Set BCLIF
'0'
'0'
'0'
'0'
SDA
SCL
BCLIF
PEN
P
SSPIF
TBRG TBRG TBRG
Assert SDA SCL goes low before SDA goes high
Set BCLIF
'0'
'0'

PIC16F87X
1999 Microchip Technology Inc. DS30292B-page 93
9.3 Connection Considerations for I2C
Bus
For standard-mode I2C bus devices, the values of
resistors Rpand Rsin Figure 9-27 depend on the fol-
lowing parameters:
• Supply voltage
• Bus capacitance
• Number of connected devices
(input current + leakage current).
The supply voltage limits the minimum value of resistor
Rpdue to the specified minimum sink current of 3 mA
at VOL max = 0.4V for the specified output stages. For
example, with a supply voltage of VDD =5V+10% and
VOL max = 0.4V at 3 mA, Rpmin= (5.5-0.4)/0.003 =
1.7 kΩ. VDD as a function of Rpis shown in Figure 9-27.
The desired noise margin of 0.1VDD for the low level
limits the maximum value of Rs. Series resistors are
optional and used to improve ESD susceptibility.
The bus capacitance is the total capacitance of wire,
connections, and pins. This capacitance limits the max-
imum value of Rpdue to the specified rise time
(Figure 9-27).
The SMP bit is the slew rate control enabled bit. This bit
is in the SSPSTAT register, and controls the slew rate
of the I/O pins when in I2Cmode(masterorslave).
FIGURE 9-27: SAMPLE DEVICE CONFIGURATION FOR I2CBUS
RpRp
VDD +10%
SDA
SCL
DEVICE
Cb=10-400pF
RsRs
Note: I2C devices with input levels related to VDD must have one common supply
line to which the pull-up resistor is also connected.

PIC16F87X
DS30292B-page 94 1999 Microchip Technology Inc.
NOTES:

1999 Microchip Technology Inc. DS30292B-page 95
PIC16F87X
10.0 ADDRESSABLE UNIVERSAL
SYNCHRONOUS
ASYNCHRONOUS RECEIVER
TRANSMITTER (USART)
The Universal Synchronous Asynchronous Receiver
Transmitter (USART) module is one of the two serial
I/O modules. (USART is also known as a Serial Com-
munications Interface or SCI). The USART can be con-
figured as a full duplex asynchronous system that can
communicate with peripheral devices such as CRT ter-
minals and personal computers, or it can be configured
as a half duplex synchronous system that can commu-
nicate with peripheral devices such as A/D or D/A inte-
grated circuits, serial EEPROMs etc.
The USART can be configured in the following modes:
• Asynchronous (full duplex)
• Synchronous - Master (half duplex)
• Synchronous - Slave (half duplex)
Bit SPEN (RCSTA<7>) and bits TRISC<7:6> have to
be set in order to configure pins RC6/TX/CK and
RC7/RX/DT as the Universal Synchronous Asynchro-
nous Receiver Transmitter.
The USART module also has a multi-processor com-
munication capability using 9-bit address detection.
REGISTER 10-1: TXSTA: TRANSMIT STATUS AND CONTROL REGISTER (ADDRESS 98h)
R/W-0 R/W-0 R/W-0 R/W-0 U-0 R/W-0 R-1 R/W-0
CSRC TX9 TXEN SYNC — BRGH TRMT TX9D R = Readable bit
W = Writable bit
U = Unimplemented bit,
read as ‘0’
- n = Value at POR reset
bit7 bit0
bit 7: CSRC: Clock Source Select bit
Asynchronous mode
Don’t care
Synchronous mode
1 = Master mode (Clock generated internally from BRG)
0 = Slave mode (Clock from external source)
bit 6: TX9: 9-bit Transmit Enable bit
1 = Selects 9-bit transmission
0 = Selects 8-bit transmission
bit 5: TXEN: Transmit Enable bit
1 = Transmit enabled
0 = Transmit disabled
Note: SREN/CREN overrides TXEN in SYNC mode.
bit 4: SYNC: USART Mode Select bit
1 = Synchronous mode
0 = Asynchronous mode
bit 3: Unimplemented: Read as '0'
bit 2: BRGH: High Baud Rate Select bit
Asynchronous mode
1 = High speed
0 = Low speed
Synchronous mode
Unused in this mode
bit 1: TRMT: Transmit Shift Register Status bit
1 = TSR empty
0 = TSR full
bit 0: TX9D: 9th bit of transmit data. Can be parity bit.

PIC16F87X
DS30292B-page 96 1999 Microchip Technology Inc.
REGISTER 10-2: RCSTA: RECEIVE STATUS AND CONTROL REGISTER (ADDRESS 18h)
R/W-0 R/W-0 R/W-0 R/W-0 R/W-0 R-0 R-0 R-x
SPEN RX9 SREN CREN ADDEN FERR OERR RX9D R = Readable bit
W = Writable bit
U = Unimplemented bit,
read as ‘0’
- n = Value at POR reset
bit7 bit0
bit 7: SPEN: Serial Port Enable bit
1 = Serial port enabled (Configures RC7/RX/DT and RC6/TX/CK pins as serial port pins)
0 = Serial port disabled
bit 6: RX9: 9-bit Receive Enable bit
1 = Selects 9-bit reception
0 = Selects 8-bit reception
bit 5: SREN: Single Receive Enable bit
Asynchronous mode
Don’t care
Synchronous mode - master
1 = Enables single receive
0 = Disables single receive
This bit is cleared after reception is complete.
Synchronous mode - slave
Unused in this mode
bit 4: CREN: Continuous Receive Enable bit
Asynchronous mode
1 = Enables continuous receive
0 = Disables continuous receive
Synchronous mode
1 = Enables continuous receive until enable bit CREN is cleared (CREN overrides SREN)
0 = Disables continuous receive
bit 3: ADDEN: Address Detect Enable bit
Asynchronous mode 9-bit (RX9 = 1)
1 = Enables address detection, enable interrupt and load of the receive burffer when RSR<8> is set
0 = Disables address detection, all bytes are received, and ninth bit can be used as parity bit
bit 2: FERR: Framing Error bit
1 = Framing error (Can be updated by reading RCREG register and receive next valid byte)
0 = No framing error
bit 1: OERR: Overrun Error bit
1 = Overrun error (Can be cleared by clearing bit CREN)
0 = No overrun error
bit 0: RX9D: 9th bit of received data (Can be parity bit)

1999 Microchip Technology Inc. DS30292B-page 97
PIC16F87X
10.1 USART Baud Rate Generator (BRG)
The BRG supports both the asynchronous and syn-
chronous modes of the USART. It is a dedicated 8-bit
baud rate generator. The SPBRG register controls the
period of a free running 8-bit timer. In asynchronous
mode, bit BRGH (TXSTA<2>) also controls the baud
rate. In synchronous mode, bit BRGH is ignored.
Table 10-1 shows the formula for computation of the
baud rate for different USART modes which only apply
in master mode (internal clock).
Given the desired baud rate and Fosc, the nearest inte-
ger value for the SPBRG register can be calculated
using the formula in Table 10-1. From this, the error in
baud rate can be determined.
It may be advantageous to use the high baud rate
(BRGH = 1) even for slower baud clocks. This is
because the FOSC/(16(X + 1)) equation can reduce the
baud rate error in some cases.
Writing a new value to the SPBRG register causes the
BRG timer to be reset (or cleared). This ensures the
BRG does not wait for a timer overflow before output-
ting the new baud rate.
10.1.1 SAMPLING
The data on the RC7/RX/DT pin is sampled three times
by a majority detect circuit to determine if a high or a
low level is present at the RX pin.
TABLE 10-1: BAUD RATE FORMULA
TABLE 10-2: REGISTERS ASSOCIATED WITH BAUD RATE GENERATOR
SYNC BRGH = 0 (Low Speed) BRGH = 1 (High Speed)
0
1
(Asynchronous) Baud Rate = FOSC/(64(X+1))
(Synchronous) Baud Rate = FOSC/(4(X+1)) Baud Rate= FOSC/(16(X+1))
NA
X = value in SPBRG (0 to 255)
Address Name Bit 7 Bit 6 Bit 5 Bit 4 Bit 3 Bit 2 Bit 1 Bit 0 Value on:
POR,
BOR
Value on all
other
resets
98h TXSTA CSRC TX9 TXEN SYNC —BRGHTRMT TX9D 0000 -010 0000 -010
18h RCSTA SPEN RX9 SREN CREN ADDEN FERR OERR RX9D 0000 000x 0000 000x
99h SPBRG Baud Rate Generator Register 0000 0000 0000 0000
Legend: x = unknown, - = unimplemented read as '0'. Shaded cells are not used by the BRG.

PIC16F87X
DS30292B-page 98 1999 Microchip Technology Inc.
-
TABLE 10-3: BAUD RATES FOR ASYNCHRONOUS MODE (BRGH = 0)
BAUD
RATE
(K)
FOSC = 20 MHz FOSC = 16 MHz FOSC = 10 MHz
KBAUD %
ERROR
SPBRG
value
(decimal) KBAUD %
ERROR
SPBRG
value
(decimal) KBAUD %
ERROR
SPBRG
value
(decimal)
0.3------- --
1.2 1.221 1.75 255 1.202 0.17 207 1.202 0.17 129
2.4 2.404 0.17 129 2.404 0.17 103 2.404 0.17 64
9.6 9.766 1.73 31 9.615 0.16 25 9.766 1.73 15
19.2 19.531 1.72 15 19.231 0.16 12 19.531 1.72 7
28.8 31.250 8.51 9 27.778 3.55 8 31.250 8.51 4
33.6 34.722 3.34 8 35.714 6.29 6 31.250 6.99 4
57.6 62.500 8.51 4 62.500 8.51 3 52.083 9.58 2
HIGH 1.221 - 255 0.977 - 255 0.610 - 255
LOW 312.500 - 0 250.000 - 0 156.250 - 0
BAUD
RATE
(K)
FOSC = 4 MHz FOSC = 3.6864 MHz
KBAUD
%
ERROR
SPBRG
value
(decimal) KBAUD
%
ERROR
SPBRG
value
(decimal)
0.3 0.300 0 207 0.301 0.33 185
1.2 1.202 0.17 51 1.216 1.33 46
2.4 2.404 0.17 25 2.432 1.33 22
9.6 8.929 6.99 6 9.322 2.90 5
19.2 20.833 8.51 2 18.643 2.90 2
28.8 31.250 8.51 1 - - -
33.6 - - - - - -
57.6 62.500 8.51 0 55.930 2.90 0
HIGH 0.244 - 255 0.218 - 255
LOW 62.500 - 0 55.930 - 0
TABLE 10-4: BAUD RATES FOR ASYNCHRONOUS MODE (BRGH = 1)
BAUD
RATE
(K)
FOSC = 20 MHz FOSC = 16 MHz FOSC = 10 MHz
KBAUD %
ERROR
SPBRG
value
(decimal) KBAUD %
ERROR
SPBRG
value
(decimal) KBAUD %
ERROR
SPBRG
value
(decimal)
0.3---------
1.2---------
2.4 - - - - - - 2.441 1.71 255
9.6 9.615 0.16 129 9.615 0.16 103 9.615 0.16 64
19.2 19.231 0.16 64 19.231 0.16 51 19.531 1.72 31
28.8 29.070 0.94 42 29.412 2.13 33 28.409 1.36 21
33.6 33.784 0.55 36 33.333 0.79 29 32.895 2.10 18
57.6 59.524 3.34 20 58.824 2.13 16 56.818 1.36 10
HIGH 4.883 - 255 3.906 - 255 2.441 - 255
LOW 1250.000 - 0 1000.000 0 625.000 - 0
BAUD
RATE
(K)
FOSC = 4 MHz FOSC = 3.6864 MHz
KBAUD
%
ERROR
SPBRG
value
(decimal) KBAUD
%
ERROR
SPBRG
value
(decimal)
0.3 - - - - - -
1.2 1.202 0.17 207 1.203 0.25 185
2.4 2.404 0.17 103 2.406 0.25 92
9.6 9.615 0.16 25 9.727 1.32 22
19.2 19.231 0.16 12 18.643 2.90 11
28.8 27.798 3.55 8 27.965 2.90 7
33.6 35.714 6.29 6 31.960 4.88 6
57.6 62.500 8.51 3 55.930 2.90 3
HIGH 0.977 - 255 0.874 - 255
LOW 250.000 - 0 273.722 - 0

1999 Microchip Technology Inc. DS30292B-page 99
PIC16F87X
10.2 USART Asynchronous Mode
In this mode, the USART uses standard non-return-to-
zero (NRZ) format (one start bit, eight or nine data bits,
and one stop bit). The most common data format is 8
bits. An on-chip, dedicated, 8-bit baud rate generator
can be used to derive standard baud rate frequencies
from the oscillator. The USART transmits and receives
the LSb first. The USART’s transmitter and receiver are
functionally independent, but use the same data format
and baud rate. The baud rate generator produces a
clock either x16 or x64 of the bit shift rate, depending
on bit BRGH (TXSTA<2>). Parity is not supported by
the hardware, but can be implemented in software (and
stored as the ninth data bit). Asynchronous mode is
stopped during SLEEP.
Asynchronous mode is selected by clearing bit SYNC
(TXSTA<4>).
The USART Asynchronous module consists of the fol-
lowing important elements:
• Baud Rate Generator
• Sampling Circuit
• Asynchronous Transmitter
• Asynchronous Receiver
10.2.1 USART ASYNCHRONOUS TRANSMITTER
The USART transmitter block diagram is shown in
Figure 10-1. The heart of the transmitter is the transmit
(serial) shift register (TSR). The shift register obtains its
data from the read/write transmit buffer, TXREG. The
TXREG register is loaded with data in software. The
TSR register is not loaded until the STOP bit has been
transmitted from the previous load. As soon as the
STOP bit is transmitted, the TSR is loaded with new
data from the TXREG register (if available). Once the
TXREG register transfers the data to the TSR register
(occurs in one TCY), the TXREG register is empty and
flag bit TXIF (PIR1<4>) is set. This interrupt can be
enabled/disabled by setting/clearing enable bit TXIE
( PIE1<4>). Flag bit TXIF will be set, regardless of the
state of enable bit TXIE and cannot be cleared in soft-
ware. It will reset only when new data is loaded into the
TXREG register. While flag bit TXIF indicates the status
of the TXREG register, another bit TRMT (TXSTA<1>)
shows the status of the TSR register. Status bit TRMT
is a read only bit, which is set when the TSR register is
empty. No interrupt logic is tied to this bit, so the user
has to poll this bit in order to determine if the TSR reg-
ister is empty.
Transmission is enabled by setting enable bit TXEN
(TXSTA<5>). The actual transmission will not occur
until the TXREG register has been loaded with data
and the baud rate generator (BRG) has produced a
shift clock (Figure 10-2). The transmission can also be
started by first loading the TXREG register and then
setting enable bit TXEN. Normally, when transmission
is first started, the TSR register is empty. At that point,
transfer to the TXREG register will result in an immedi-
ate transfer to TSR, resulting in an empty TXREG. A
back-to-back transfer is thus possible (Figure 10-3).
Clearing enable bit TXEN during a transmission will
cause the transmission to be aborted and will reset the
transmitter. As a result, the RC6/TX/CK pin will revert
to hi-impedance.
In order to select 9-bit transmission, transmit bit TX9
(TXSTA<6>) should be set and the ninth bit should be
written to TX9D (TXSTA<0>). The ninth bit must be
written before writing the 8-bit data to the TXREG reg-
ister. This is because a data write to the TXREG regis-
ter can result in an immediate transfer of the data to the
TSR register (if the TSR is empty). In such a case, an
incorrect ninth data bit may be loaded in the TSR
register.
FIGURE 10-1: USART TRANSMIT BLOCK DIAGRAM
Note 1: The TSR register is not mapped in data
memory, so it is not available to the user.
2: Flag bit TXIF is set when enable bit TXEN
is set. TXIF is cleared by loading TXREG.
TXIF
TXIE
Interrupt
TXEN Baud Rate CLK
SPBRG
Baud Rate Generator
TX9D
MSb LSb
Data Bus
TXREG register
TSR register
(8) 0
TX9
TRMT SPEN
RC6/TX/CK pin
Pin Buffer
and Control
8
• • •

PIC16F87X
DS30292B-page 100 1999 Microchip Technology Inc.
Steps to follow when setting up an Asynchronous
Transmission:
1. Initialize the SPBRG register for the appropriate
baud rate. If a high speed baud rate is desired,
set bit BRGH. (Section 10.1)
2. Enable the asynchronous serial port by clearing
bit SYNC and setting bit SPEN.
3. If interrupts are desired, then set enable bit
TXIE.
4. If 9-bit transmission is desired, then set transmit
bit TX9.
5. Enable the transmission by setting bit TXEN,
which will also set bit TXIF.
6. If 9-bit transmission is selected, the ninth bit
should be loaded in bit TX9D.
7. Load data to the TXREG register (starts trans-
mission).
FIGURE 10-2: ASYNCHRONOUS MASTER TRANSMISSION
FIGURE 10-3: ASYNCHRONOUS MASTER TRANSMISSION (BACK TO BACK)
TABLE 10-5: REGISTERS ASSOCIATED WITH ASYNCHRONOUS TRANSMISSION
Address Name Bit 7 Bit 6 Bit 5 Bit 4 Bit 3 Bit 2 Bit 1 Bit 0 Value on:
POR,
BOR
Value on
all other
Resets
0Ch PIR1 PSPIF(1) ADIF RCIF TXIF SSPIF CCP1IF TMR2IF TMR1IF 0000 0000 0000 0000
18h RCSTA SPEN RX9 SREN CREN —FERR OERR RX9D 0000 -00x 0000 -00x
19h TXREG USART Transmit Register 0000 0000 0000 0000
8Ch PIE1 PSPIE(1) ADIE RCIE TXIE SSPIE CCP1IE TMR2IE TMR1IE 0000 0000 0000 0000
98h TXSTA CSRC TX9 TXEN SYNC —BRGH TRMT TX9D 0000 -010 0000 -010
99h SPBRG Baud Rate Generator Register 0000 0000 0000 0000
Legend: x = unknown, - = unimplemented locations read as '0'. Shaded cells are not used for asynchronous transmission.
Note 1: Bits PSPIE and PSPIF are reserved on the PIC16F873/876; always maintain these bits clear.
Word 1 Stop Bit
Word 1
Transmit Shift Reg
Start Bit Bit 0 Bit 1 Bit 7/8
Write to TXREG Word 1
BRG output
(shift clock)
RC6/TX/CK (pin)
TXIF bit
(Transmit buffer
reg. empty flag)
TRMT bit
(Transmit shift
reg. empty flag)
Transmit Shift Reg.
Write to TXREG
BRG output
(shift clock)
RC6/TX/CK (pin)
TXIF bit
(interrupt reg. flag)
TRMT bit
(Transmit shift
reg. empty flag)
Word 1 Word 2
Word 1 Word 2
Start Bit Stop Bit Start Bit
Transmit Shift Reg.
Word 1 Word 2
Bit 0 Bit 1 Bit 7/8 Bit 0
Note: This timing diagram shows two consecutive transmissions.

1999 Microchip Technology Inc. DS30292B-page 101
PIC16F87X
10.2.2 USART ASYNCHRONOUS RECEIVER
The receiver block diagram is shown in Figure 10-4.
The data is received on the RC7/RX/DT pin and drives
the data recovery block. The data recovery block is
actually a high speed shifter operating at x16 times the
baud rate, whereas the main receive serial shifter oper-
ates at the bit rate or at FOSC.
Once asynchronous mode is selected, reception is
enabled by setting bit CREN (RCSTA<4>).
The heart of the receiver is the receive (serial) shift reg-
ister (RSR). After sampling the STOP bit, the received
data in the RSR is transferred to the RCREG register (if
it is empty). If the transfer is complete, flag bit RCIF
(PIR1<5>) is set. The actual interrupt can be enabled/
disabled by setting/clearing enable bit RCIE (PIE1<5>).
Flag bit RCIF is a read only bit which is cleared by the
hardware. It is cleared when the RCREG register has
been read and is empty. The RCREG is a double buff-
ered register (i.e. it is a two deep FIFO). It is possible
for two bytes of data to be received and transferred to
the RCREG FIFO and a third byte to begin shifting to
the RSR register. On the detection of the STOP bit of
the third byte, if the RCREG register is still full, the over-
run error bit OERR (RCSTA<1>) will be set. The word
in the RSR will be lost. The RCREG register can be
read twice to retrieve the two bytes in the FIFO. Over-
run bit OERR has to be cleared in software. This is
done by resetting the receive logic (CREN is cleared
and then set). If bit OERR is set, transfers from the
RSR register to the RCREG register are inhibited, so it
is essential to clear error bit OERR if it is set. Framing
error bit FERR (RCSTA<2>) is set if a stop bit is
detected as clear. Bit FERR and the 9th receive bit are
buffered the same way as the receive data. Reading
the RCREG will load bits RX9D and FERR with new
values, therefore it is essential for the user to read the
RCSTA register before reading RCREG register in
order not to lose the old FERR and RX9D information.
FIGURE 10-4: USART RECEVE BLOCK DIAGRAM
FIGURE 10-5: ASYNCHRONOUS RECEPTION
x64 Baud Rate CLK
SPBRG
Baud Rate Generator
RC7/RX/DT
Pin Buffer
and Control
SPEN
Data
Recovery
CREN OERR FERR
RSR register
MSb LSb
RX9D RCREG Register FIFO
Interrupt RCIF
RCIE
Data Bus
8
÷64
÷16
or
Stop Start
(8) 710
RX9
• • •
Start
bit bit7/8
bit1bit0 bit7/8 bit0Stop
bit
Start
bit Start
bit
bit7/8 Stop
bit
RX (pin)
reg
Rcv buffer reg
Rcv shift
Read Rcv
buffer reg
RCREG
RCIF
(interrupt flag)
OERR bit
CREN
WORD 1
RCREG WORD 2
RCREG
Stop
bit
Note: This timing diagram shows three words appearing on the RX input. The RCREG (receive buffer) is read after the third word,
causing the OERR (overrun) bit to be set.

PIC16F87X
DS30292B-page 102 1999 Microchip Technology Inc.
Steps to follow when setting up an Asynchronous
Reception:
1. Initialize the SPBRG register for the appropriate
baud rate. If a high speed baud rate is desired,
set bit BRGH. (Section 10.1).
2. Enable the asynchronous serial port by clearing
bit SYNC and setting bit SPEN.
3. If interrupts are desired, then set enable bit
RCIE.
4. If 9-bit reception is desired, then set bit RX9.
5. Enable the reception by setting bit CREN.
6. Flag bit RCIF will be set when reception is com-
plete and an interrupt will be generated if enable
bit RCIE is set.
7. Read the RCSTA register to get the ninth bit (if
enabled) and determine if any error occurred
during reception.
8. Read the 8-bit received data by reading the
RCREG register.
9. If any error occurred, clear the error by clearing
enable bit CREN.
TABLE 10-6: REGISTERS ASSOCIATED WITH ASYNCHRONOUS RECEPTION
Address Name Bit 7 Bit 6 Bit 5 Bit 4 Bit 3 Bit 2 Bit 1 Bit 0 Value on:
POR,
BOR
Value on
all other
Resets
0Ch PIR1 PSPIF(1) ADIF RCIF TXIF SSPIF CCP1IF TMR2IF TMR1IF 0000 0000 0000 0000
18h RCSTA SPEN RX9 SREN CREN — FERR OERR RX9D 0000 -00x 0000 -00x
1Ah RCREG USART Receive Register 0000 0000 0000 0000
8Ch PIE1 PSPIE(1) ADIE RCIE TXIE SSPIE CCP1IE TMR2IE TMR1IE 0000 0000 0000 0000
98h TXSTA CSRC TX9 TXEN SYNC —BRGHTRMT TX9D 0000 -010 0000 -010
99h SPBRG Baud Rate Generator Register 0000 0000 0000 0000
Legend: x = unknown, - = unimplemented locations read as '0'. Shaded cells are not used for asynchronous reception.
Note 1: Bits PSPIE and PSPIF are reserved on the 28-pin devices; always maintain these bits clear.

1999 Microchip Technology Inc. DS30292B-page 103
PIC16F87X
10.2.3 SETTING UP 9-BIT MODE WITH ADDRESS
DETECT
Steps to follow when setting up an Asynchronous
Reception with Address Detect Enabled:
• Initialize the SPBRG register for the appropriate
baud rate. If a high speed baud rate is desired, set
bit BRGH.
• Enable the asynchronous serial port by clearing
bit SYNC and setting bit SPEN.
• If interrupts are desired, then set enable bit RCIE.
• Set bit RX9 to enable 9-bit reception.
• Set ADDEN to enable address detect.
• Enable the reception by setting enable bit CREN.
• Flag bit RCIF will be set when reception is com-
plete, and an interrupt will be generated if enable
bit RCIE was set.
• Read the RCSTA register to get the ninth bit and
determine if any error occurred during reception.
• Read the 8-bit received data by reading the
RCREG register, to determine if the device is
being addressed.
• If any error occurred, clear the error by clearing
enable bit CREN.
• If the device has been addressed, clear the
ADDEN bit to allow data bytes and address bytes
to be read into the receive buffer, and interrupt the
CPU.
FIGURE 10-6: USART RECEIVE BLOCK DIAGRAM
x64 Baud Rate CLK
SPBRG
Baud Rate Generator
RC7/RX/DT
Pin Buffer
and Control
SPEN
Data
Recovery
CREN OERR FERR
RSR register
MSb LSb
RX9D RCREG Register FIFO
Interrupt RCIF
RCIE
Data Bus
8
÷ 64
÷ 16
or
Stop Start
(8) 710
RX9
• • •
RX9
ADDEN
RX9
ADDEN
RSR<8>
Enable
Load of
Receive
Buffer
8
8

PIC16F87X
DS30292B-page 104 1999 Microchip Technology Inc.
FIGURE 10-7: ASYNCHRONOUS RECEPTION WITH ADDRESS DETECT
FIGURE 10-8: ASYNCHRONOUS RECEPTION WITH ADDRESS BYTE FIRST
TABLE 10-7: REGISTERS ASSOCIATED WITH ASYNCHRONOUS RECEPTION
Address Name Bit 7 Bit 6 Bit 5 Bit 4 Bit 3 Bit 2 Bit 1 Bit 0 Value on:
POR,
BOR
Value on
all other
Resets
0Ch PIR1 PSPIF(1) ADIF RCIF TXIF SSPIF CCP1IF TMR2IF TMR1IF 0000 0000 0000 0000
18h RCSTA SPEN RX9 SREN CREN ADDEN FERR OERR RX9D 0000 000x 0000 000x
1Ah RCREG USART Receive Register 0000 0000 0000 0000
8Ch PIE1 PSPIE(1) ADIE RCIE TXIE SSPIE CCP1IE TMR2IE TMR1IE 0000 0000 0000 0000
98h TXSTA CSRC TX9 TXEN SYNC —BRGHTRMT TX9D 0000 -010 0000 -010
99h SPBRG Baud Rate Generator Register 0000 0000 0000 0000
Legend: x = unknown, - = unimplemented locations read as '0'. Shaded cells are not used for Asynchronous Reception.
Note 1: Bits PSPIE and PSPIF are reserved on the 28-pin devices; always maintain these bits clear.
Start
bit bit1bit0 bit8 bit0Stop
bit
Start
bit bit8 Stop
bit
RC7/RX/DT (pin)
Load RSR
Read
RCIF
WORD 1
RCREG
Bit8 = 0, Data Byte Bit8 = 1, Address Byte
Note: This timing diagram shows a data byte followed by an address byte. The data byte is not read into the RCREG
(receive buffer) because ADDEN = 1.
Start
bit bit1bit0 bit8 bit0Stop
bit
Start
bit bit8 Stop
bit
RC7/RX/DT (pin)
Load RSR
Read
RCIF
WORD 1
RCREG
Bit8 = 1, Address Byte Bit8 = 0, Data Byte
Note: This timing diagram shows a data byte followed by an address byte. The data byte is not read into the RCREG
(receive buffer) because ADDEN was not updated and still = 0.

1999 Microchip Technology Inc. DS30292B-page 105
PIC16F87X
10.3 USART Synchronous Master Mode
In Synchronous Master mode, the data is transmitted in
a half-duplex manne (i.e., transmission and reception
do not occur at the same time). When transmitting data,
the reception is inhibited and vice versa. Synchronous
mode is entered by setting bit SYNC (TXSTA<4>). In
addition, enable bit SPEN (RCSTA<7>) is set in order
to configure the RC6/TX/CK and RC7/RX/DT I/O pins
to CK (clock) and DT (data) lines respectively. The
Master mode indicates that the processor transmits the
master clock on the CK line. The Master mode is
entered by setting bit CSRC (TXSTA<7>).
10.3.1 USART SYNCHRONOUS MASTER
TRANSMISSION
The USART transmitter block diagram is shown in
Figure 10-6. The heart of the transmitter is the transmit
(serial) shift register (TSR). The shift register obtains its
data from the read/write transmit buffer register
TXREG. The TXREG register is loaded with data in
software. The TSR register is not loaded until the last
bit has been transmitted from the previous load. As
soon as the last bit is transmitted, the TSR is loaded
with new data from the TXREG (if available). Once the
TXREG register transfers the data to the TSR register
(occurs in one Tcycle), the TXREG is empty and inter-
rupt bit TXIF (PIR1<4>) is set. The interrupt can be
enabled/disabled by setting/clearing enable bit TXIE
(PIE1<4>). Flag bit TXIF will be set regardless of the
state of enable bit TXIE and cannot be cleared in soft-
ware. It will reset only when new data is loaded into the
TXREG register. While flag bit TXIF indicates the status
of the TXREG register, another bit TRMT (TXSTA<1>)
shows the status of the TSR register. TRMT is a read
only bit which is set when the TSR is empty. No inter-
rupt logic is tied to this bit, so the user has to poll this
bit in order to determine if the TSR register is empty.
The TSR is not mapped in data memory, so it is not
available to the user.
Transmission is enabled by setting enable bit TXEN
(TXSTA<5>). The actual transmission will not occur
until the TXREG register has been loaded with data.
The first data bit will be shifted out on the next available
rising edge of the clock on the CK line. Data out is sta-
ble around the falling edge of the synchronous clock
(Figure 10-9). The transmission can also be started by
first loading the TXREG register and then setting bit
TXEN (Figure 10-10). This is advantageous when slow
baud rates are selected, since the BRG is kept in reset
when bits TXEN, CREN and SREN are clear. Setting
enable bit TXEN will start the BRG, creating a shift
clock immediately. Normally, when transmission is first
started, the TSR register is empty, so a transfer to the
TXREG register will result in an immediate transfer to
TSR resulting in an empty TXREG. Back-to-back trans-
fers are possible.
Clearing enable bit TXEN during a transmission will
cause the transmission to be aborted and will reset the
transmitter. The DT and CK pins will revert to hi-imped-
ance. If either bit CREN or bit SREN is set during a
transmission, the transmission is aborted and the DT
pin reverts to a hi-impedance state (for a reception).
The CK pin will remain an output if bit CSRC is set
(internal clock). The transmitter logic, however, is not
reset, although it is disconnected from the pins. In order
to reset the transmitter, the user has to clear bit TXEN.
If bit SREN is set (to interrupt an on-going transmission
and receive a single word), then after the single word is
received, bit SREN will be cleared and the serial port
will revert back to transmitting, since bit TXEN is still
set. The DT line will immediately switch from hi-imped-
ance receive mode to transmit and start driving. To
avoid this, bit TXEN should be cleared.
In order to select 9-bit transmission, the TX9
(TXSTA<6>) bit should be set and the ninth bit should
be written to bit TX9D (TXSTA<0>). The ninth bit must
be written before writing the 8-bit data to the TXREG
register. This is because a data write to the TXREG can
result in an immediate transfer of the data to the TSR
register (if the TSR is empty). If the TSR was empty and
the TXREG was written before writing the “new” TX9D,
the “present” value of bit TX9D is loaded.
Steps to follow when setting up a Synchronous Master
Transmission:
1. Initialize the SPBRG register for the appropriate
baud rate (Section 10.1).
2. Enable the synchronous master serial port by
setting bits SYNC, SPEN and CSRC.
3. If interrupts are desired, set enable bit TXIE.
4. If 9-bit transmission is desired, set bit TX9.
5. Enable the transmission by setting bit TXEN.
6. If 9-bit transmission is selected, the ninth bit
should be loaded in bit TX9D.
7. Start transmission by loading data to the
TXREG register.

PIC16F87X
DS30292B-page 106 1999 Microchip Technology Inc.
TABLE 10-8: REGISTERS ASSOCIATED WITH SYNCHRONOUS MASTER TRANSMISSION
FIGURE 10-9: SYNCHRONOUS TRANSMISSION
FIGURE 10-10: SYNCHRONOUS TRANSMISSION (THROUGH TXEN)
Address Name Bit 7 Bit 6 Bit 5 Bit 4 Bit 3 Bit 2 Bit 1 Bit 0 Value on:
POR,
BOR
Value on all
other Resets
0Ch PIR1 PSPIF(1) ADIF RCIF TXIF SSPIF CCP1IF TMR2IF TMR1IF 0000 0000 0000 0000
18h RCSTA SPEN RX9 SREN CREN —FERR OERR RX9D 0000 -00x 0000 -00x
19h TXREG USART Transmit Register 0000 0000 0000 0000
8Ch PIE1 PSPIE(1) ADIE RCIE TXIE SSPIE CCP1IE TMR2IE TMR1IE 0000 0000 0000 0000
98h TXSTA CSRC TX9 TXEN SYNC —BRGH TRMT TX9D 0000 -010 0000 -010
99h SPBRG Baud Rate Generator Register 0000 0000 0000 0000
Legend: x = unknown, - = unimplemented, read as '0'. Shaded cells are not used for synchronous master transmission.
Note 1: Bits PSPIE and PSPIF are reserved on the 28-pin devices; always maintain these bits clear.
bit 0 bit 1 bit 7
WORD 1
Q1Q2 Q3Q4 Q1 Q2Q3 Q4Q1 Q2Q3 Q4Q1 Q2Q3 Q4Q1 Q2 Q3Q4 Q3Q4 Q1Q2 Q3Q4 Q1Q2 Q3Q4 Q1Q2 Q3 Q4Q1 Q2Q3 Q4Q1 Q2Q3 Q4Q1 Q2Q3 Q4
bit 2 bit 0 bit 1 bit 7
RC7/RX/DT pin
RC6/TX/CK pin
Write to
TXREG reg
TXIF bit
(Interrupt flag)
TRMT
TXEN bit ’1’ ’1’
Note: Sync master mode; SPBRG = '0'. Continuous transmission of two 8-bit words
WORD 2
TRMT bit
Write word1 Write word2
RC7/RX/DT pin
RC6/TX/CK pin
Write to
TXREG reg
TXIF bit
TRMT bit
bit0 bit1 bit2 bit6 bit7
TXEN bit

1999 Microchip Technology Inc. DS30292B-page 107
PIC16F87X
10.3.2 USART SYNCHRONOUS MASTER
RECEPTION
Once synchronous mode is selected, reception is
enabled by setting either enable bit SREN (RCSTA<5>)
or enable bit CREN (RCSTA<4>). Data is sampled on
the RC7/RX/DT pin on the falling edge of the clock. If
enable bit SREN is set, then only a single word is
received. If enable bit CREN is set, the reception is
continuous until CREN is cleared. If both bits are set,
CREN takes precedence. After clocking the last bit, the
received data in the Receive Shift Register (RSR) is
transferred to the RCREG register (if it is empty). When
the transfer is complete, interrupt flag bit RCIF
(PIR1<5>) is set. The actual interrupt can be enabled/
disabled by setting/clearing enable bit RCIE (PIE1<5>).
Flag bit RCIF is a read only bit, which is reset by the
hardware. In this case, it is reset when the RCREG reg-
ister has been read and is empty. The RCREG is a dou-
ble buffered register (i.e., it is a two deep FIFO). It is
possible for two bytes of data to be received and trans-
ferred to the RCREG FIFO and a third byte to begin
shifting into the RSR register. On the clocking of the last
bit of the third byte, if the RCREG register is still full,
then overrun error bit OERR (RCSTA<1>) is set. The
word in the RSR will be lost. The RCREG register can
be read twice to retrieve the two bytes in the FIFO. Bit
OERR has to be cleared in software (by clearing bit
CREN). If bit OERR is set, transfers from the RSR to
the RCREG are inhibited, so it is essential to clear bit
OERR if it is set. The ninth receive bit is buffered the
same way as the receive data. Reading the RCREG
register will load bit RX9D with a new value, therefore it
is essential for the user to read the RCSTA register
before reading RCREG in order not to lose the old
RX9D information.
Steps to follow when setting up a Synchronous Master
Reception:
1. Initialize the SPBRG register for the appropriate
baud rate. (Section 10.1)
2. Enable the synchronous master serial port by
setting bits SYNC, SPEN and CSRC.
3. Ensure bits CREN and SREN are clear.
4. If interrupts are desired, then set enable bit RCIE.
5. If 9-bit reception is desired, then set bit RX9.
6. If a single reception is required, set bit SREN.
For continuous reception set bit CREN.
7. Interrupt flag bit RCIF will be set when reception
is complete and an interrupt will be generated if
enable bit RCIE was set.
8. Read the RCSTA register to get the ninth bit (if
enabled) and determine if any error occurred
during reception.
9. Read the 8-bit received data by reading the
RCREG register.
10. If any error occurred, clear the error by clearing
bit CREN.
TABLE 10-9: REGISTERS ASSOCIATED WITH SYNCHRONOUS MASTER RECEPTION
FIGURE 10-11: SYNCHRONOUS RECEPTION (MASTER MODE, SREN)
Address Name Bit 7 Bit 6 Bit 5 Bit 4 Bit 3 Bit 2 Bit 1 Bit 0 Value on:
POR,
BOR
Value on all
other Resets
0Ch PIR1 PSPIF(1) ADIF RCIF TXIF SSPIF CCP1IF TMR2IF TMR1IF 0000 0000 0000 0000
18h RCSTA SPEN RX9 SREN CREN — FERR OERR RX9D 0000 -00x 0000 -00x
1Ah RCREG USART Receive Register 0000 0000 0000 0000
8Ch PIE1 PSPIE(1) ADIE RCIE TXIE SSPIE CCP1IE TMR2IE TMR1IE 0000 0000 0000 0000
98h TXSTA CSRC TX9 TXEN SYNC —BRGH TRMT TX9D 0000 -010 0000 -010
99h SPBRG Baud Rate Generator Register 0000 0000 0000 0000
Legend: x = unknown, - = unimplemented read as '0'. Shaded cells are not used for synchronous master reception.
Note 1: Bits PSPIE and PSPIF are reserved on the 28-pin devices; always maintain these bits clear.
CREN bit
RC7/RX/DT pin
RC6/TX/CK pin
Write to
bit SREN
SREN bit
RCIF bit
(interrupt)
Read
RXREG
Note: Timing diagram demonstrates SYNC master mode with bit SREN = '1' and bit BRG = '0'.
Q3 Q4 Q1 Q2 Q3 Q4 Q1 Q2 Q3 Q4Q2 Q1 Q2 Q3 Q4Q1 Q2 Q3 Q4 Q1 Q2 Q3 Q4Q1 Q2 Q3 Q4 Q1 Q2 Q3 Q4Q1 Q2 Q3 Q4 Q1 Q2 Q3 Q4
’0’
bit0 bit1 bit2 bit3 bit4 bit5 bit6 bit7
’0’
Q1 Q2 Q3 Q4

PIC16F87X
DS30292B-page 108 1999 Microchip Technology Inc.
10.4 USART Synchronous Slave Mode
Synchronous slave mode differs from the Master mode
in the fact that the shift clock is supplied externally at
the RC6/TX/CK pin (instead of being supplied internally
in master mode). This allows the device to transfer or
receive data while in SLEEP mode. Slave mode is
entered by clearing bit CSRC (TXSTA<7>).
10.4.1 USART SYNCHRONOUS SLAVE
TRANSMIT
The operation of the synchronous master and slave
modes are identical except in the case of the SLEEP
mode.
If two words are written to the TXREG and then the
SLEEP instruction is executed, the following will occur:
a) The first word will immediately transfer to the
TSR register and transmit.
b) The second word will remain in TXREG register.
c) Flag bit TXIF will not be set.
d) When the first word has been shifted out of TSR,
the TXREG register will transfer the second
word to the TSR and flag bit TXIF will now be
set.
e) If enable bit TXIE is set, the interrupt will wake
the chip from SLEEP and if the global interrupt
is enabled, the program will branch to the inter-
rupt vector (0004h).
Steps to follow when setting up a Synchronous Slave
Transmission:
1. Enable the synchronous slave serial port by set-
ting bits SYNC and SPEN and clearing bit
CSRC.
2. Clear bits CREN and SREN.
3. If interrupts are desired, then set enable bit
TXIE.
4. If 9-bit transmission is desired, then set bit TX9.
5. Enable the transmission by setting enable bit
TXEN.
6. If 9-bit transmission is selected, the ninth bit
should be loaded in bit TX9D.
7. Start transmission by loading data to the
TXREG register.
10.4.2 USART SYNCHRONOUS SLAVE
RECEPTION
The operation of the synchronous master and slave
modes is identical, except in the case of the SLEEP
mode. Bit SREN is a “don't care” in slave mode.
If receive is enabled by setting bit CREN prior to the
SLEEP instruction, then a word may be received during
SLEEP. On completely receiving the word, the RSR
register will transfer the data to the RCREG register
and if enable bit RCIE bit is set, the interrupt generated
will wake the chip from SLEEP. If the global interrupt is
enabled, the program will branch to the interrupt vector
(0004h).
Steps to follow when setting up a Synchronous Slave
Reception:
1. Enable the synchronous master serial port by
setting bits SYNC and SPEN and clearing bit
CSRC.
2. If interrupts are desired, set enable bit RCIE.
3. If 9-bit reception is desired, set bit RX9.
4. To enable reception, set enable bit CREN.
5. Flag bit RCIF will be set when reception is com-
plete and an interrupt will be generated, if
enable bit RCIE was set.
6. Read the RCSTA register to get the ninth bit (if
enabled) and determine if any error occurred
during reception.
7. Read the 8-bit received data by reading the
RCREG register.
8. If any error occurred, clear the error by clearing
bit CREN.

1999 Microchip Technology Inc. DS30292B-page 109
PIC16F87X
TABLE 10-10: REGISTERS ASSOCIATED WITH SYNCHRONOUS SLAVE TRANSMISSION
TABLE 10-11: REGISTERS ASSOCIATED WITH SYNCHRONOUS SLAVE RECEPTION
Address Name Bit 7 Bit 6 Bit 5 Bit 4 Bit 3 Bit 2 Bit 1 Bit 0 Value on:
POR,
BOR
Value on all
other Resets
0Ch PIR1 PSPIF(1) ADIF RCIF TXIF SSPIF CCP1IF TMR2IF TMR1IF 0000 0000 0000 0000
18h RCSTA SPEN RX9 SREN CREN ADDEN FERR OERR RX9D 0000 000x 0000 000x
19h TXREG USART Transmit Register 0000 0000 0000 0000
8Ch PIE1 PSPIE(1) ADIE RCIE TXIE SSPIE CCP1IE TMR2IE TMR1IE 0000 0000 0000 0000
98h TXSTA CSRC TX9 TXEN SYNC —BRGH TRMT TX9D 0000 -010 0000 -010
99h SPBRG Baud Rate Generator Register 0000 0000 0000 0000
Legend: x = unknown, - = unimplemented read as '0'. Shaded cells are not used for Synchronous Slave Transmission.
Note 1: Bits PSPIE and PSPIF are reserved on the 28-pin devices; always maintain these bits clear.
Address Name Bit 7 Bit 6 Bit 5 Bit 4 Bit 3 Bit 2 Bit 1 Bit 0 Value on:
POR,
BOR
Value on all
other Resets
0Ch PIR1 PSPIF(1) ADIF RCIF TXIF SSPIF CCP1IF TMR2IF TMR1IF 0000 0000 0000 0000
18h RCSTA SPEN RX9 SREN CREN ADDEN FERR OERR RX9D 0000 000x 0000 000x
1Ah RCRE
G
USART Receive Register 0000 0000 0000 0000
8Ch PIE1 PSPIE(1) ADIE RCIE TXIE SSPIE CCP1IE TMR2IE TMR1IE 0000 0000 0000 0000
98h TXSTA CSRC TX9 TXEN SYNC —BRGH TRMT TX9D 0000 -010 0000 -010
99h SPBRG Baud Rate Generator Register 0000 0000 0000 0000
Legend: x = unknown, - = unimplemented read as '0'. Shaded cells are not used for Synchronous Slave Reception.
Note 1: Bits PSPIE and PSPIF are reserved on the 28-pin devices, always maintain these bits clear.

PIC16F87X
DS30292B-page 110 1999 Microchip Technology Inc.
NOTES:

1999 Microchip Technology Inc. DS30292B-page 111
PIC16F87X
11.0 ANALOG-TO-DIGITAL
CONVERTER (A/D) MODULE
The Analog-to-Digital (A/D) Converter module has five
inputs for the 28-pin devices and eight for the other
devices.
The analog input charges a sample and hold capacitor.
The output of the sample and hold capacitor is the
input into the converter. The converter then generates
a digital result of this analog level via successive
approximation. The A/D conversion of the analog input
signal results in a corresponding 10-bit digital number.
The A/D module has high and low voltage reference
input that is software selectable to some combination
of VDD, VSS, RA2 or RA3.
The A/D converter has a unique feature of being able to
operate while the device is in SLEEP mode. To operate
in sleep, the A/D clock must be derived from the A/D’s
internal RC oscillator.
The A/D module has four registers. These registers
are:
• A/D Result High Register (ADRESH)
• A/D Result Low Register (ADRESL)
• A/D Control Register0 (ADCON0)
• A/D Control Register1 (ADCON1)
The ADCON0 register, shown in Register 11-1, con-
trols the operation of the A/D module. The ADCON1
register, shown in Register 11-2, configures the func-
tions of the port pins. The port pins can be configured
as analog inputs (RA3 can also be the voltage refer-
ence) or as digital I/O.
Additional information on using the A/D module can be
found in the PICmicro™ Mid-Range MCU Family Ref-
erence Manual (DS33023).
REGISTER 11-1: ADCON0 REGISTER (ADDRESS: 1Fh)
R/W-0 R/W-0 R/W-0 R/W-0 R/W-0 R/W-0 U-0 R/W-0
ADCS1 ADCS0 CHS2 CHS1 CHS0 GO/DONE — ADON R = Readable bit
W = Writable bit
U = Unimplemented bit,
read as ‘0’
- n = Value at POR reset
bit7 bit0
bit 7-6: ADCS1:ADCS0: A/D Conversion Clock Select bits
00 = FOSC/2
01 = FOSC/8
10 = FOSC/32
11 = FRC (clock derived from an RC oscillation)
bit 5-3: CHS2:CHS0: Analog Channel Select bits
000 = channel 0, (RA0/AN0)
001 = channel 1, (RA1/AN1)
010 = channel 2, (RA2/AN2)
011 = channel 3, (RA3/AN3)
100 = channel 4, (RA5/AN4)
101 = channel 5, (RE0/AN5)(1)
110 = channel 6, (RE1/AN6)(1)
111 = channel 7, (RE2/AN7)(1)
bit 2: GO/DONE: A/D Conversion Status bit
If ADON = 1
1 = A/D conversion in progress (setting this bit starts the A/D conversion)
0 = A/D conversion not in progress (This bit is automatically cleared by hardware when the A/D conversion is complete)
bit 1: Unimplemented: Read as '0'
bit 0: ADON: A/D On bit
1 = A/D converter module is operating
0 = A/D converter module is shutoff and consumes no operating current
Note 1: These channels are not available on the 28-pin devices.

PIC16F87X
DS30292B-page 112 1999 Microchip Technology Inc.
REGISTER 11-2: ADCON1 REGISTER (ADDRESS 9Fh)
U-0 U-0 R/W-0 U-0 R/W-0 R/W-0 R/W-0 R/W-0
ADFM — — — PCFG3 PCFG2 PCFG1 PCFG0 R = Readable bit
W = Writable bit
U = Unimplemented bit,
read as ‘0’
- n = Value at POR reset
bit7 bit0
bit 7: ADFM: A/D Result format select
1 = Right Justified. 6 most significant bits of ADRESH are read as ‘0’.
0 = Left Justified. 6 least significant bits of ADRESL are read as ‘0’.
bit 6-4: Unimplemented: Read as ’0’
bit 3-0: PCFG3:PCFG0: A/D Port Configuration Control bits
A = Analog input
D = Digital I/O
Note 1: These channels are not available on the 28-pin devices.
2: This column indicates the number of analog channels available as A/D inputs and the numer of analog channels
used as voltage reference inputs.
PCFG3:
PCFG0 AN7(1)
RE2 AN6(1)
RE1 AN5(1)
RE0 AN4
RA5 AN3
RA3 AN2
RA2 AN1
RA1 AN0
RA0 VREF+VREF-CHAN /
Refs(2)
0000 AAAA A AAAVDD VSS 8/0
0001 AAAAV
REF+AAARA3VSS 7/1
0010 DDDA A AAAV
DD VSS 5/0
0011 DDDAV
REF+AAARA3VSS 4/1
0100 DDDD A DAAV
DD VSS 3/0
0101 DDDDV
REF+D A A RA3VSS 2/1
011x DDDD D DDDV
DD VSS 0/0
1000 AAAAV
REF+VREF-A A RA3RA2 6/2
1001 DDAA A AAAV
DD VSS 6/0
1010 DDAAV
REF+AAARA3VSS 5/1
1011 DDAAV
REF+VREF-A A RA3RA2 4/2
1100 DDDAV
REF+VREF-A A RA3RA2 3/2
1101 DDDDV
REF+VREF-A A RA3RA2 2/2
1110 DDDD D DDAV
DD VSS 1/0
1111 DDDDV
REF+VREF-D A RA3RA2 1/2

1999 Microchip Technology Inc. DS30292B-page 113
PIC16F87X
The ADRESH:ADRESL registers contain the 10-bit
result of the A/D conversion. When the A/D conversion
is complete, the result is loaded into this A/D result reg-
ister pair, the GO/DONE bit (ADCON0<2>) is cleared
and the A/D interrupt flag bit ADIF is set. The block dia-
gram of the A/D module is shown in Figure 11-1.
After the A/D module has been configured as desired,
the selected channel must be acquired before the con-
version is started. The analog input channels must
have their corresponding TRIS bits selected as inputs.
To determine sample time, see Section 11.1. After this
acquisition time has elapsed, the A/D conversion can
be started. The following steps should be followed for
doing an A/D conversion:
1. Configure the A/D module:
• Configure analog pins / voltage reference /
and digital I/O (ADCON1)
• Select A/D input channel (ADCON0)
• Select A/D conversion clock (ADCON0)
• Turn on A/D module (ADCON0)
2. Configure A/D interrupt (if desired):
• Clear ADIF bit
• Set ADIE bit
• Set GIE bit
3. Wait the required acquisition time.
4. Start conversion:
• Set GO/DONE bit (ADCON0)
5. Wait for A/D conversion to complete, by either:
• Polling for the GO/DONE bit to be cleared
OR
• Waiting for the A/D interrupt
6. Read A/D Result register pair
(ADRESH:ADRESL), clear bit ADIF if required.
7. For next conversion, go to step 1 or step 2 as
required. The A/D conversion time per bit is
defined as TAD. A minimum wait of 2TAD is
required before next acquisition starts.

PIC16F87X
DS30292B-page 114 1999 Microchip Technology Inc.
FIGURE 11-1: A/D BLOCK DIAGRAM
11.1 A/D Acquisition Requirements
For the A/D converter to meet its specified accuracy,
the charge holding capacitor (CHOLD) must be allowed
to fully charge to the input channel voltage level. The
analog input model is shown in Figure 11-2. The
source impedance (RS) and the internal sampling
switch (RSS) impedance directly affect the time
required to charge the capacitor CHOLD. The sampling
switch (RSS) impedance varies over the device voltage
(VDD), Figure 11-2. The maximum recommended
impedance for analog sources is 10 kΩ. As the
impedance is decreased, the acquisition time may be
decreased. After the analog input channel is selected
(changed), this acquisition must be done before the
conversion can be started.
To calculate the minimum acquisition time,
Equation 11-1 may be used. This equation assumes
that 1/2 LSb error is used (1024 steps for the A/D). The
1/2 LSb error is the maximum error allowed for the A/D
to meet its specified resolution.
To calculate the minimum acquisition time, TACQ, see
the PICmicro™ Mid-Range Reference Manual
(DS33023).
(Input voltage)
VAIN
VREF+
(Reference
voltage)
VDD
PCFG3:PCFG0
CHS2:CHS0
RE2/AN7(1)
RE1/AN6(1)
RE0/AN5(1)
RA5/AN4
RA3/AN3/VREF+
RA2/AN2/VREF-
RA1/AN1
RA0/AN0
111
110
101
100
011
010
001
000
A/D
Converter
Note 1: Not available on 28-pin devices.
VREF-
(Reference
voltage) VSS
PCFG3:PCFG0

1999 Microchip Technology Inc. DS30292B-page 115
PIC16F87X
EQUATION 11-1: ACQUISITION TIME
FIGURE 11-2: ANALOG INPUT MODEL
TACQ
TC
TACQ
=
=
=
=
=
=
=
=
Amplifier Settling Time +
Hold Capacitor Charging Time +
Temperature Coefficient
TAMP + TC + TCOFF
2µS + TC + [(Temperature -25°C)(0.05µS/°C)]
CHOLD (RIC + RSS + RS) In(1/2047)
- 120pF (1kΩ + 7kΩ + 10kΩ) In(0.0004885)
16.47µS
2µS + 16.47µS + [(50°C -25×C)(0.05µS/×C)
19.72µS
Note 1: The reference voltage (VREF) has no effect on the equation, since it cancels itself out.
2: The charge holding capacitor (CHOLD) is not discharged after each conversion.
3: The maximum recommended impedance for analog sources is 10 kΩ. This is required to meet the pin leak-
age specification.
4: After a conversion has completed, a 2.0TAD delay must complete before acquisition can begin again.
During this time, the holding capacitor is not connected to the selected A/D input channel.
CPIN
VA
RSANx
5 pF
VDD
VT = 0.6V
VT = 0.6V I LEAKAGE
RIC ≤ 1k
Sampling
Switch
SS RSS
CHOLD
= DAC capacitance
VSS
6V
Sampling Switch
5V
4V
3V
2V
5 6 7 8 9 1011
( kΩ )
VDD
= 120 pF
± 500 nA
Legend CPIN
VT
I LEAKAGE
RIC
SS
CHOLD
= input capacitance
= threshold voltage
= leakage current at the pin due to
= interconnect resistance
= sampling switch
= sample/hold capacitance (from DAC)
various junctions

PIC16F87X
DS30292B-page 116 1999 Microchip Technology Inc.
11.2 Selecting the A/D Conversion Clock
The A/D conversion time per bit is defined as TAD. The
A/D conversion requires a minimum 12TAD per 10-bit
conversion. The source of the A/D conversion clock is
software selected. The four possible options for TAD
are:
•2T
OSC
•8TOSC
•32TOSC
• Internal RC oscillator
For correct A/D conversions, the A/D conversion clock
(TAD) must be selected to ensure a minimum TAD time
of 1.6 µs.
Table 11-1shows the resultant TAD times derived from
the device operating frequencies and the A/D clock
source selected.
TABLE 11-1: TAD vs. MAXIMUM DEVICE OPERATING FREQUENCIES (STANDARD DEVICES (C))
11.3 Configuring Analog Port Pins
The ADCON1, and TRIS registers control the operation
of the A/D port pins. The port pins that are desired as
analog inputs must have their corresponding TRIS bits
set (input). If the TRIS bit is cleared (output), the digital
output level (VOH or VOL) will be converted.
The A/D operation is independent of the state of the
CHS2:CHS0 bits and the TRIS bits.
AD Clock Source (TAD) Maximum Device Frequency
Operation ADCS1:ADCS0 Max.
2TOSC 00 1.25 MHz
8TOSC 01 5 MHz
32TOSC 10 20 MHz
RC(1, 2, 3) 11 Note 1
Note 1: The RC source has a typical TAD time of 4 µs but can vary between 2-6 µs.
2: When the device frequencies are greater than 1 MHz, the RC A/D conversion clock source is only recommended for sleep
operation.
3: For extended voltage devices (LC), please refer to the Electrical Specifications section.
Note 1: When reading the port register, any pin
configured as an analog input channel will
read as cleared (a low level). Pins config-
ured as digital inputs will convert an ana-
log input. Analog levels on a digitally
configured input will not affect the conver-
sion accuracy.
2: Analog levels on any pin that is defined as
a digital input (including the AN7:AN0
pins), may cause the input buffer to con-
sume current that is out of the device
specifications.

1999 Microchip Technology Inc. DS30292B-page 117
PIC16F87X
11.4 A/D Conversions
Clearing the GO/DONE bit during a conversion will
abort the current conversion. The A/D result register
pair will NOT be updated with the partially completed
A/D conversion sample. That is, the
ADRESH:ADRESL registers will continue to contain
the value of the last completed conversion (or the last
value written to the ADRESH:ADRESL registers).
After the A/D conversion is aborted, a 2TAD wait is
required before the next acquisition is started. After
this 2TAD wait, acquisition on the selected channel is
automatically started.
In Figure 11-3, after the GO bit is set, the first time seg-
mant has a minimum of TCY and a maximum of TAD.
FIGURE 11-3: A/D CONVERSION TAD CYCLES
Note: The GO/DONE bit should NOT be set in
the same instruction that turns on the A/D.
TAD1TAD2TAD3TAD4TAD5 TAD6TAD7 TAD8TAD9
Set GO bit
Holding capacitor is disconnected from analog input (typically 100 ns)
b9 b8 b7 b6 b5 b4 b3 b2
TAD10 TAD11
b1 b0
TCY to TAD
Conversion Starts
ADRES is loaded,
GO bit is cleared,
ADIF bit is set,
holding capacitor is connected to analog input.

PIC16F87X
DS30292B-page 118 1999 Microchip Technology Inc.
11.4.1 A/D RESULT REGISTERS
The ADRESH:ADRESL register pair is the location
where the 10-bit A/D result is loaded at the completion
of the A/D conversion. This register pair is 16-bits
wide. The A/D module gives the flexibility to left or right
justify the 10-bit result in the 16-bit result register. The
A/D Format Select bit (ADFM) controls this justifica-
tion. Figure 11-4 shows the operation of the A/D result
justification. The extra bits are loaded with ’0’s’. When
an A/D result will not overwrite these locations (A/D
disable), these registers may be used as two general
purpose 8-bit registers.
11.5 A/D Operation During Sleep
The A/D module can operate during SLEEP mode. This
requires that the A/D clock source be set to RC
(ADCS1:ADCS0 = 11). When the RC clock source is
selected, the A/D module waits one instruction cycle
before starting the conversion. This allows the SLEEP
instruction to be executed, which eliminates all digital
switching noise from the conversion. When the conver-
sion is completed the GO/DONE bit will be cleared and
the result loaded into the ADRES register. If the A/D
interrupt is enabled, the device will wake-up from
SLEEP. If the A/D interrupt is not enabled, the A/D mod-
ule will then be turned off, although the ADON bit will
remain set.
When the A/D clock source is another clock option (not
RC), a SLEEP instruction will cause the present conver-
sion to be aborted and the A/D module to be turned off,
though the ADON bit will remain set.
Turning off the A/D places the A/D module in its lowest
current consumption state.
11.6 Effects of a Reset
A device reset forces all registers to their reset state.
This forces the A/D module to be turned off, and any
conversion is aborted.
The value that is in the ADRESH:ADRESL registers is
not modified for a Power-on Reset. The
ADRESH:ADRESL registers will contain unknown data
after a Power-on Reset.
FIGURE 11-4: A/D RESULT JUSTIFICATION
Note: For the A/D module to operate in SLEEP,
the A/D clock source must be set to RC
(ADCS1:ADCS0 = 11). To allow the con-
version to occur during SLEEP, ensure the
SLEEP instruction immediately follows the
instruction that sets the GO/DONE bit.
10-Bit Result
ADRESH ADRESL
0000 00
ADFM = 0
0
2 1 0 77
10-bit Result
ADRESH ADRESL
10-bit Result
0000 00
70 7 6 5 0
ADFM = 1
Right Justified Left Justified

1999 Microchip Technology Inc. DS30292B-page 119
PIC16F87X
TABLE 11-2: REGISTERS/BITS ASSOCIATED WITH A/D
Addr Name Bit 7 Bit 6 Bit 5 Bit 4 Bit 3 Bit 2 Bit 1 Bit 0 POR,
BOR MCLR,
WDT
0Bh INTCON GIE PEIE T0IE INTE RBIE T0IF INTF RBIF 0000 000x 0000 000u
0Ch PIR1 PSPIF(1) ADIF RCIF TXIF SSPIF CCP1IF TMR2IF TMR1IF 0000 0000 0000 0000
8Ch PIE1 PSPIE(1) ADIE RCIE TXIE SSPIE CCP1IE TMR2IE TMR1IE 0000 0000 0000 0000
1Eh ADRESH A/D Result Register High Byte xxxx xxxx uuuu uuuu
9Eh ADRESL A/D Result Register Low Byte xxxx xxxx uuuu uuuu
1Fh ADCON0 ADCS1 ADCS0 CHS2 CHS1 CHS0 GO/DONE —ADON0000 00-0 0000 00-0
9Fh ADCON1 ADFM — — — PCFG3 PCFG2 PCFG1 PCFG0 --0- 0000 --0- 0000
85h TRISA —— PORTA Data Direction Register --11 1111 --11 1111
05h PORTA —— PORTA Data Latch when written: PORTA pins when read --0x 0000 --0u 0000
89h(1) TRISE IBF OBF IBOV PSPMODE — PORTE Data Direction Bits 0000 -111 0000 -111
09h(1) PORTE — — — — — RE2 RE1 RE0 ---- -xxx ---- -uuu
Legend: x = unknown, u = unchanged, - = unimplemented read as '0'. Shaded cells are not used for A/D conversion.
Note 1: These registers/bits are not available on the 28-pin devices.

PIC16F87X
DS30292B-page 120 1999 Microchip Technology Inc.
NOTES:

1999 Microchip Technology Inc. DS30292B-page 121
PIC16F87X
12.0 SPECIAL FEATURES OF THE
CPU
These devices have a host of features intended to max-
imize system reliability, minimize cost through elimina-
tion of external components, provide power saving
operating modes and offer code protection. These are:
• OSC Selection
• Reset
- Power-on Reset (POR)
- Power-up Timer (PWRT)
- Oscillator Start-up Timer (OST)
- Brown-out Reset (BOR)
• Interrupts
• Watchdog Timer (WDT)
• SLEEP
• Code protection
• ID locations
• In-Circuit Serial Programming
• Low Voltage In-Circuit Serial Programming
• In-Circuit Debugger
These devices have a watchdog timer, which can be
shut off only through configuration bits. It runs off its
own RC oscillator for added reliability. There are two
timers that offer necessary delays on power-up. One is
the Oscillator Start-up Timer (OST), intended to keep
the chip in reset until the crystal oscillator is stable. The
other is the Power-up Timer (PWRT), which provides a
fixed delay of 72 ms (nominal) on power-up only. It is
designed to keep the part in reset while the power sup-
ply stabilizes. With these two timers on-chip, most
applications need no external reset circuitry.
SLEEP mode is designed to offer a very low current
power-down mode. The user can wake-up from SLEEP
through external reset, Watchdog Timer Wake-up, or
through an interrupt. Several oscillator options are also
made available to allow the part to fit the application.
The RC oscillator option saves system cost while the
LP crystal option saves power. A set of configuration
bits are used to select various options.
Additional information on special features is available in
the PICmicro™ Mid-Range Reference Manual,
(DS33023).
12.1 Configuration Bits
The configuration bits can be programmed (read as '0')
or left unprogrammed (read as '1') to select various
device configurations. These bits are mapped in pro-
gram memory location 2007h.
The user will note that address 2007h is beyond the
user program memory space. In fact, it belongs to the
special test/configuration memory space (2000h -
3FFFh), which can be accessed only during program-
ming.

PIC16F87X
DS30292B-page 122 1999 Microchip Technology Inc.
REGISTER 12-1: CONFIGURATION WORD
CP1 CP0 DEBUG —WRT CPD LVP BODEN CP1 CP0 PWRTE WDTE F0SC1 F0SC0 Register: CONFIG
Address 2007h
bit13 bit0
bit 13-12:
bit 5-4: CP1:CP0: Flash Program Memory Code Protection bits (2)
11 = Code protection off
10 = 1F00h to 1FFFh code protected (PIC16F877, 876)
10 = 0F00h to 0FFFh code protected (PIC16F874, 873)
01 = 1000h to 1FFFh code protected (PIC16F877, 876)
01 = 0800h to 0FFFh code protected (PIC16F874, 873)
00 = 0000h to 1FFFh code protected (PIC16F877, 876)
00 = 0000h to 0FFFh code protected (PIC16F874, 873)
bit 11: DEBUG: In-Circuit Debugger Mode
1 = In-Circuit Debugger disabled, RB6 and RB7 are general purpose I/O pins.
0 = In-Circuit Debugger enabled, RB6 and RB7 are dedicated to the debugger.
bit 10: Unimplemented: Read as ‘1’
bit 9: WRT: Flash Program Memory Write Enable
1 = Unprotected program memory may be written to by EECON control
0 = Unprotected program memory may not be written to by EECON control
bit 8: CPD: Data EE Memory Code Protection
1 = Code protection off
0 = Data EEPROM memory code protected
bit 7: LVP: Low Voltage In-Circuit Serial Programming Enable bit
1 = RB3/PGM pin has PGM function, low voltage programming enabled
0 = RB3 is digital I/O, HV on MCLR must be used for programming
bit 6: BODEN: Brown-out Reset Enable bit (1)
1 = BOR enabled
0 = BOR disabled
bit 3: PWRTE: Power-up Timer Enable bit (1)
1 = PWRT disabled
0 = PWRT enabled
bit 2: WDTE: Watchdog Timer Enable bit
1 = WDT enabled
0 = WDT disabled
bit 1-0: FOSC1:FOSC0: Oscillator Selection bits
11 = RC oscillator
10 = HS oscillator
01 = XT oscillator
00 = LP oscillator
Note 1: Enabling Brown-out Reset automatically enables Power-up Timer (PWRT), regardless of the value of bit PWRTE. Ensure the
Power-up Timer is enabled anytime Brown-out Reset is enabled.
2: All of the CP1:CP0 pairs have to be given the same value to enable the code protection scheme listed.

1999 Microchip Technology Inc. DS30292B-page 123
PIC16F87X
12.2 Oscillator Configurations
12.2.1 OSCILLATOR TYPES
The PIC16F87X can be operated in four different oscil-
lator modes. The user can program two configuration
bits (FOSC1 and FOSC0) to select one of these four
modes:
• LP Low Power Crystal
• XT Crystal/Resonator
• HS High Speed Crystal/Resonator
• RC Resistor/Capacitor
12.2.2 CRYSTAL OSCILLATOR/CERAMIC
RESONATORS
In XT, LP or HS modes, a crystal or ceramic resonator
is connected to the OSC1/CLKIN and OSC2/CLKOUT
pins to establish oscillation (Figure 12-1). The
PIC16F87X oscillator design requires the use of a par-
allel cut crystal. Use of a series cut crystal may give a
frequency out of the crystal manufacturers specifica-
tions. When in XT, LP or HS modes, the device can
have an external clock source to drive the OSC1/
CLKIN pin (Figure 12-2).
FIGURE 12-1: CRYSTAL/CERAMIC
RESONATOR OPERATION
(HS, XT OR LP
OSC CONFIGURATION)
FIGURE 12-2: EXTERNAL CLOCK INPUT
OPERATION (HS, XT OR LP
OSC CONFIGURATION)
TABLE 12-1: CERAMIC RESONATORS
Note 1: See Table 12-1 and Table 12-2 for rec-
ommended values of C1 and C2.
2: A series resistor (RS) may be required
for AT strip cut crystals.
3: RF varies with the crystal chosen.
C1(1)
C2(1)
XTAL
OSC2
OSC1
RF(3)
SLEEP
To
logic
PIC16F87X
RS(2)
internal
OSC1
OSC2
Open
Clock from
ext. system PIC16F87X
Ranges Tested:
Mode Freq OSC1 OSC2
XT 455 kHz
2.0 MHz
4.0 MHz
68 - 100 pF
15 - 68 pF
15 - 68 pF
68 - 100 pF
15 - 68 pF
15 - 68 pF
HS 8.0 MHz
16.0 MHz 10 - 68 pF
10 - 22 pF 10 - 68 pF
10 - 22 pF
These values are for design guidance only. See
notes at bottom of page.
Resonators Used:
455 kHz Panasonic EFO-A455K04B ± 0.3%
2.0 MHz Murata Erie CSA2.00MG ± 0.5%
4.0 MHz Murata Erie CSA4.00MG ± 0.5%
8.0 MHz Murata Erie CSA8.00MT ± 0.5%
16.0 MHz Murata Erie CSA16.00MX ± 0.5%
All resonators used did not have built-in capacitors.

PIC16F87X
DS30292B-page 124 1999 Microchip Technology Inc.
TABLE 12-2: CAPACITOR SELECTION FOR
CRYSTAL OSCILLATOR
12.2.3 RC OSCILLATOR
For timing insensitive applications, the “RC” device
option offers additional cost savings. The RC oscillator
frequency is a function of the supply voltage, the resis-
tor (REXT) and capacitor (CEXT) values, and the operat-
ing temperature. In addition to this, the oscillator
frequency will vary from unit to unit due to normal pro-
cess parameter variation. Furthermore, the difference
in lead frame capacitance between package types will
also affect the oscillation frequency, especially for low
CEXT values. The user also needs to take into account
variation due to tolerance of external R and C compo-
nents used. Figure 12-3 shows how the R/C combina-
tion is connected to the PIC16F87X.
FIGURE 12-3: RC OSCILLATOR MODE
Osc Type Crystal
Freq Cap. Range
C1
Cap.
Range
C2
LP 32 kHz 33 pF 33 pF
200 kHz 15 pF 15 pF
XT 200 kHz 47-68 pF 47-68 pF
1 MHz 15 pF 15 pF
4 MHz 15 pF 15 pF
HS 4 MHz 15 pF 15 pF
8 MHz 15-33 pF 15-33 pF
20 MHz 15-33 pF 15-33 pF
These values are for design guidance only.
See notes at bottom of page.
Crystals Used
32 kHz Epson C-001R32.768K-A ± 20 PPM
200 kHz STD XTL 200.000KHz ± 20 PPM
1 MHz ECS ECS-10-13-1 ± 50 PPM
4 MHz ECS ECS-40-20-1 ± 50 PPM
8 MHz EPSON CA-301 8.000M-C ± 30 PPM
20 MHz EPSON CA-301 20.000M-C ± 30 PPM
Note 1: Higher capacitance increases the stability
of oscillator but also increases the start-up
time.
2: Since each resonator/crystal has its own
characteristics, the user should consult
the resonator/crystal manufacturer for
appropriate values of external compo-
nents.
3: Rs may be required in HS mode, as well
as XT mode, to avoid overdriving crystals
with low drive level specification.
4: When migrating from other PICmicro
devices, oscillator performance should be
verified.
OSC2/CLKOUT
Cext
Rext
PIC16F87X
OSC1
FOSC/4
Internal
Clock
VDD
VSS
Recommended values: 3 kΩ ≤ Rext ≤ 100 kΩ
Cext > 20pF

1999 Microchip Technology Inc. DS30292B-page 125
PIC16F87X
12.3 Reset
The PIC16F87X differentiates between various kinds of
reset:
• Power-on Reset (POR)
•MCLR
reset during normal operation
•MCLR reset during SLEEP
• WDT Reset (during normal operation)
• WDT Wake-up (during SLEEP)
• Brown-out Reset (BOR)
Some registers are not affected in any reset condition.
Their status is unknown on POR and unchanged in any
other reset. Most other registers are reset to a “reset
state” on Power-on Reset (POR), on the MCLR and
WDT Reset, on MCLR reset during SLEEP, and Brown-
out Reset (BOR). They are not affected by a WDT
Wake-up, which is viewed as the resumption of normal
operation. The TO and PD bits are set or cleared differ-
ently in different reset situations as indicated in
Table 12-4. These bits are used in software to deter-
mine the nature of the reset. See Table 12-6 for a full
description of reset states of all registers.
A simplified block diagram of the on-chip reset circuit is
shown in Figure 12-4.
These devices have a MCLR noise filter in the MCLR
reset path. The filter will detect and ignore small pulses.
It should be noted that a WDT Reset
does not drive
MCLR pin low.
FIGURE 12-4: SIMPLIFIED BLOCK DIAGRAM OF ON-CHIP RESET CIRCUIT
S
RQ
External
Reset
MCLR
VDD
OSC1
WDT
Module
VDD rise
detect
OST/PWRT
On-chip
RC OSC
WDT
Time-out
Power-on Reset
OST
10-bit Ripple counter
PWRT
Chip_Reset
10-bit Ripple counter
Reset
Enable OST
Enable PWRT
SLEEP
Note 1: This is a separate oscillator from the RC oscillator of the CLKIN pin.
Brown-out
Reset BODEN
(1)

PIC16F87X
DS30292B-page 126 1999 Microchip Technology Inc.
12.4 Power-On Reset (POR)
A Power-on Reset pulse is generated on-chip when
VDD rise is detected (in the range of 1.2V - 1.7V). To
take advantage of the POR, tie the MCLR pin directly
(or through a resistor) to VDD. This will eliminate exter-
nal RC components usually needed to create a Power-
on Reset. A maximum rise time for VDD is specified.
See Electrical Specifications for details.
When the device starts normal operation (exits the
reset condition), device operating parameters (voltage,
frequency, temperature,...) must be met to ensure oper-
ation. If these conditions are not met, the device must
be held in reset until the operating conditions are met.
Brown-out Reset may be used to meet the start-up con-
ditions. For additional information, refer to Application
Note, AN007, “Power-up Trouble Shooting”,
(DS00007).
12.5 Power-up Timer (PWRT)
The Power-up Timer provides a fixed 72 ms nominal
time-out on power-up only from the POR. The Power-
up Timer operates on an internal RC oscillator. The
chip is kept in reset as long as the PWRT is active. The
PWRT’s time delay allows VDD to rise to an acceptable
level. A configuration bit is provided to enable/disable
the PWRT.
The power-up time delay will vary from chip to chip due
to VDD, temperature and process variation. See DC
parameters for details (TPWRT, parameter #33).
12.6 Oscillator Start-up Timer (OST)
The Oscillator Start-up Timer (OST) provides 1024
oscillator cycle (from OSC1 input) delay after the
PWRT delay is over. This ensures that the crystal oscil-
lator or resonator has started and stabilized.
The OST time-out is invoked only for XT, LP and HS
modes and only on Power-on Reset or wake-up from
SLEEP.
12.7 Brown-Out Reset (BOR)
The configuration bit, BODEN, can enable or disable
the Brown-out Reset circuit. If VDD falls below VBOR
(parameter D005, about 4V) for longer than TBOR
(parameter #35, about 100µS), the brown-out situa-
tion will reset the device. If VDD falls below VBOR for
less than TBOR, a reset may not occur.
Once the brown-out occurs, the device will remain in
brown-out reset until VDD rises above VBOR. The
power-up timer then keeps the device in reset for
TPWRT (parameter #33, about 72mS). If VDD should
fall below VBOR during TPWRT, the brown-out reset
process will restart when VDD rises above VBOR with
the power-up timer reset. The power-up timer is
always enabled when the brown-out reset circuit is
enabled regardless of the state of the PWRT configu-
ration bit.
12.8 Time-out Sequence
On power-up, the time-out sequence is as follows: The
PWRT delay starts (if enabled) when a POR reset
occurs. Then OST starts counting 1024 oscillator
cycles when PWRT ends (LP, XT, HS). When the OST
ends, the device comes out of RESET.
If MCLR is kept low long enough, the time-outs will
expire. Bringing MCLR high will begin execution imme-
diately. This is useful for testing purposes or to synchro-
nize more than one PIC16CXX device operating in
parallel.
Table 12-5 shows the reset conditions for the STATUS,
PCON and PC registers, while Table 12-6 shows the
reset conditions for all the registers.
12.9 Power Control/Status Register
(PCON)
The Power Control/Status Register, PCON, has up to
two bits depending upon the device.
Bit0 is Brown-out Reset Status bit, BOR. Bit BOR is
unknown on a Power-on Reset. It must then be set by
the user and checked on subsequent resets to see if bit
BOR cleared, indicating a BOR occurred. The BOR bit
is a "don’t care" bit and is not necessarily predictable if
the Brown-out Reset circuitry is disabled (by clearing
bit BODEN in the Configuration Word).
Bit1 is POR (Power-on Reset Status bit). It is cleared on
a Power-on Reset and unaffected otherwise. The user
must set this bit following a Power-on Reset.

1999 Microchip Technology Inc. DS30292B-page 127
PIC16F87X
TABLE 12-3: TIME-OUT IN VARIOUS SITUATIONS
TABLE 12-4: STATUS BITS AND THEIR SIGNIFICANCE
TABLE 12-5: RESET CONDITION FOR SPECIAL REGISTERS
Oscillator Configuration Power-up Brown-out Wake-up from
SLEEP
PWRTE = 0 PWRTE = 1
XT, HS, LP 72 ms + 1024TOSC 1024TOSC 72 ms + 1024TOSC 1024TOSC
RC 72 ms —72 ms —
POR BOR TO PD
0x11Power-on Reset
0x0xIllegal, TO is set on POR
0xx0Illegal, PD is set on POR
1011Brown-out Reset
1101WDT Reset
1100WDT Wake-up
11uuMCLR Reset during normal operation
1110MCLR Reset during SLEEP or interrupt wake-up from SLEEP
Condition Program
Counter STATUS
Register PCON
Register
Power-on Reset 000h 0001 1xxx ---- --0x
MCLR Reset during normal operation 000h 000u uuuu ---- --uu
MCLR Reset during SLEEP 000h 0001 0uuu ---- --uu
WDT Reset 000h 0000 1uuu ---- --uu
WDT Wake-up PC + 1 uuu0 0uuu ---- --uu
Brown-out Reset 000h 0001 1uuu ---- --u0
Interrupt wake-up from SLEEP PC + 1(1) uuu1 0uuu ---- --uu
Legend: u = unchanged, x = unknown, - = unimplemented bit read as '0'.
Note 1: When the wake-up is due to an interrupt and the GIE bit is set, the PC is loaded with the interrupt vector
(0004h).

PIC16F87X
DS30292B-page 128 1999 Microchip Technology Inc.
TABLE 12-6: INITIALIZATION CONDITIONS FOR ALL REGISTERS
Register Devices Power-on Reset,
Brown-out Reset MCLR Resets
WDT Reset Wake-up via WDT or
Interrupt
W 873 874 876 877 xxxx xxxx uuuu uuuu uuuu uuuu
INDF 873 874 876 877 N/A N/A N/A
TMR0 873 874 876 877 xxxx xxxx uuuu uuuu uuuu uuuu
PCL 873 874 876 877 0000h 0000h PC + 1(2)
STATUS 873 874 876 877 0001 1xxx 000q quuu(3) uuuq quuu(3)
FSR 873 874 876 877 xxxx xxxx uuuu uuuu uuuu uuuu
PORTA 873 874 876 877 --0x 0000 --0u 0000 --uu uuuu
PORTB 873 874 876 877 xxxx xxxx uuuu uuuu uuuu uuuu
PORTC 873 874 876 877 xxxx xxxx uuuu uuuu uuuu uuuu
PORTD 873 874 876 877 xxxx xxxx uuuu uuuu uuuu uuuu
PORTE 873 874 876 877 ---- -xxx ---- -uuu ---- -uuu
PCLATH 873 874 876 877 ---0 0000 ---0 0000 ---u uuuu
INTCON 873 874 876 877 0000 000x 0000 000u uuuu uuuu(1)
PIR1 873 874 876 877 r000 0000 r000 0000 ruuu uuuu(1)
873 874 876 877 0000 0000 0000 0000 uuuu uuuu(1)
PIR2 873 874 876 877 -r-0 0--0 -r-0 0--0 -r-u u--u(1)
TMR1L 873 874 876 877 xxxx xxxx uuuu uuuu uuuu uuuu
TMR1H 873 874 876 877 xxxx xxxx uuuu uuuu uuuu uuuu
T1CON 873 874 876 877 --00 0000 --uu uuuu --uu uuuu
TMR2 873 874 876 877 0000 0000 0000 0000 uuuu uuuu
T2CON 873 874 876 877 -000 0000 -000 0000 -uuu uuuu
SSPBUF 873 874 876 877 xxxx xxxx uuuu uuuu uuuu uuuu
SSPCON 873 874 876 877 0000 0000 0000 0000 uuuu uuuu
CCPR1L 873 874 876 877 xxxx xxxx uuuu uuuu uuuu uuuu
CCPR1H 873 874 876 877 xxxx xxxx uuuu uuuu uuuu uuuu
CCP1CON 873 874 876 877 --00 0000 --00 0000 --uu uuuu
RCSTA 873 874 876 877 0000 000x 0000 000x uuuu uuuu
TXREG 873 874 876 877 0000 0000 0000 0000 uuuu uuuu
RCREG 873 874 876 877 0000 0000 0000 0000 uuuu uuuu
CCPR2L 873 874 876 877 xxxx xxxx uuuu uuuu uuuu uuuu
CCPR2H 873 874 876 877 xxxx xxxx uuuu uuuu uuuu uuuu
CCP2CON 873 874 876 877 0000 0000 0000 0000 uuuu uuuu
ADRESH 873 874 876 877 xxxx xxxx uuuu uuuu uuuu uuuu
ADCON0 873 874 876 877 0000 00-0 0000 00-0 uuuu uu-u
OPTION_REG 873 874 876 877 1111 1111 1111 1111 uuuu uuuu
TRISA 873 874 876 877 --11 1111 --11 1111 --uu uuuu
TRISB 873 874 876 877 1111 1111 1111 1111 uuuu uuuu
TRISC 873 874 876 877 1111 1111 1111 1111 uuuu uuuu
TRISD 873 874 876 877 1111 1111 1111 1111 uuuu uuuu
TRISE 873 874 876 877 0000 -111 0000 -111 uuuu -uuu
PIE1 873 874 876 877 r000 0000 r000 0000 ruuu uuuu
873 874 876 877 0000 0000 0000 0000 uuuu uuuu
PIE2 873 874 876 877 -r-0 0--0 -r-0 0--0 -r-u u--u
Legend: u = unchanged, x = unknown, - = unimplemented bit, read as ’0’, q = value depends on condition,
r = reserved maintain clear.
Note 1: One or more bits in INTCON, PIR1 and/or PIR2 will be affected (to cause wake-up).
2: When the wake-up is due to an interrupt and the GIE bit is set, the PC is loaded with the interrupt vector
(0004h).
3: See Table 12-5 for reset value for specific condition.

1999 Microchip Technology Inc. DS30292B-page 129
PIC16F87X
FIGURE 12-5: TIME-OUT SEQUENCE ON POWER-UP (MCLR TIED TO VDD)
PCON 873 874 876 877 ---- --qq ---- --uu ---- --uu
PR2 873 874 876 877 1111 1111 1111 1111 1111 1111
SSPADD 873 874 876 877 0000 0000 0000 0000 uuuu uuuu
SSPSTAT 873 874 876 877 --00 0000 --00 0000 --uu uuuu
TXSTA 873 874 876 877 0000 -010 0000 -010 uuuu -uuu
SPBRG 873 874 876 877 0000 0000 0000 0000 uuuu uuuu
ADRESL 873 874 876 877 xxxx xxxx uuuu uuuu uuuu uuuu
ADCON1 873 874 876 877 0--- 0000 0--- 0000 u--- uuuu
EEDATA 873 874 876 877 0--- 0000 0--- 0000 u--- uuuu
EEADR 873 874 876 877 xxxx xxxx uuuu uuuu uuuu uuuu
EEDATH 873 874 876 877 xxxx xxxx uuuu uuuu uuuu uuuu
EEADRH 873 874 876 877 xxxx xxxx uuuu uuuu uuuu uuuu
EECON1 873 874 876 877 x--- x000 u--- u000 u--- uuuu
EECON2 873 874 876 877 ---- ---- ---- ---- ---- ----
TABLE 12-6: INITIALIZATION CONDITIONS FOR ALL REGISTERS (CONTINUED)
Register Devices Power-on Reset,
Brown-out Reset MCLR Resets
WDT Reset Wake-up via WDT or
Interrupt
Legend: u = unchanged, x = unknown, - = unimplemented bit, read as ’0’, q = value depends on condition,
r = reserved maintain clear.
Note 1: One or more bits in INTCON, PIR1 and/or PIR2 will be affected (to cause wake-up).
2: When the wake-up is due to an interrupt and the GIE bit is set, the PC is loaded with the interrupt vector
(0004h).
3: See Table 12-5 for reset value for specific condition.
TPWRT
TOST
VDD
MCLR
INTERNAL POR
PWRT TIME-OUT
OST TIME-OUT
INTERNAL RESET

PIC16F87X
DS30292B-page 130 1999 Microchip Technology Inc.
FIGURE 12-6: TIME-OUT SEQUENCE ON POWER-UP (MCLR NOT TIED TO VDD): CASE 1
FIGURE 12-7: TIME-OUT SEQUENCE ON POWER-UP (MCLR NOT TIED TO VDD): CASE 2
FIGURE 12-8: SLOW RISE TIME (MCLR TIED TO VDD)
TPWRT
TOST
VDD
MCLR
INTERNAL POR
PWRT TIME-OUT
OST TIME-OUT
INTERNAL RESET
VDD
MCLR
INTERNAL POR
PWRT TIME-OUT
OST TIME-OUT
INTERNAL RESET
TPWRT
TOST
VDD
MCLR
INTERNAL POR
PWRT TIME-OUT
OST TIME-OUT
INTERNAL RESET
0V 1V
5V
TPWRT
TOST

1999 Microchip Technology Inc. DS30292B-page 131
PIC16F87X
12.10 Interrupts
The PIC16F87X family has up to 14 sources of inter-
rupt. The interrupt control register (INTCON) records
individual interrupt requests in flag bits. It also has indi-
vidual and global interrupt enable bits.
A global interrupt enable bit, GIE (INTCON<7>)
enables (if set) all un-masked interrupts or disables (if
cleared) all interrupts. When bit GIE is enabled, and an
interrupt’s flag bit and mask bit are set, the interrupt will
vector immediately. Individual interrupts can be dis-
abled through their corresponding enable bits in vari-
ous registers. Individual interrupt bits are set
regardless of the status of the GIE bit. The GIE bit is
cleared on reset.
The “return from interrupt” instruction, RETFIE, exits
the interrupt routine, as well as sets the GIE bit, which
re-enables interrupts.
The RB0/INT pin interrupt, the RB port change interrupt
and the TMR0 overflow interrupt flags are contained in
the INTCON register.
The peripheral interrupt flags are contained in the spe-
cial function registers, PIR1 and PIR2. The correspond-
ing interrupt enable bits are contained in special
function registers, PIE1 and PIE2, and the peripheral
interrupt enable bit is contained in special function reg-
ister INTCON.
When an interrupt is responded to, the GIE bit is
cleared to disable any further interrupt, the return
address is pushed onto the stack and the PC is loaded
with 0004h. Once in the interrupt service routine, the
source(s) of the interrupt can be determined by polling
the interrupt flag bits. The interrupt flag bit(s) must be
cleared in software before re-enabling interrupts to
avoid recursive interrupts.
For external interrupt events, such as the INT pin or
PORTB change interrupt, the interrupt latency will be
three or four instruction cycles. The exact latency
depends when the interrupt event occurs. The latency
is the same for one or two cycle instructions. Individual
interrupt flag bits are set regardless of the status of
their corresponding mask bit or the GIE bit
FIGURE 12-9: INTERRUPT LOGIC
Note: Individual interrupt flag bits are set, regard-
less of the status of their corresponding
mask bit or the GIE bit.
PSPIF
PSPIE
ADIF
ADIE
RCIF
RCIE
TXIF
TXIE
SSPIF
SSPIE
CCP1IF
CCP1IE
TMR2IF
TMR2IE
TMR1IF
TMR1IE
T0IF
T0IE
INTF
INTE
RBIF
RBIE
GIE
PEIE
Wake-up (If in SLEEP mode)
Interrupt to CPU
CCP2IE
CCP2IF
The following table shows which devices have which interrupts.
Device T0IF INTF RBIF PSPIF ADIF RCIF TXIF SSPIF CCP1IF TMR2IF TMR1IF EEIF BCLIF CCP2IF
PIC16F876/873 Yes Yes Yes - Yes Yes Yes Yes Yes Yes Yes Yes Yes Yes
PIC16F877/874 Yes Yes Yes Yes Yes Yes Yes Yes Yes Yes Yes Yes Yes Yes
BCLIE
BCLIF
EEIF
EEIE

PIC16F87X
DS30292B-page 132 1999 Microchip Technology Inc.
12.10.1 INT INTERRUPT
External interrupt on the RB0/INT pin is edge triggered,
either rising, if bit INTEDG (OPTION_REG<6>) is set,
or falling, if the INTEDG bit is clear. When a valid edge
appears on the RB0/INT pin, flag bit INTF
(INTCON<1>) is set. This interrupt can be disabled by
clearing enable bit INTE (INTCON<4>). Flag bit INTF
must be cleared in software in the interrupt service rou-
tine before re-enabling this interrupt. The INT interrupt
can wake-up the processor from SLEEP, if bit INTE was
set prior to going into SLEEP. The status of global inter-
rupt enable bit GIE decides whether or not the proces-
sor branches to the interrupt vector following wake-up.
See Section 12.13 for details on SLEEP mode.
12.10.2 TMR0 INTERRUPT
An overflow (FFh → 00h) in the TMR0 register will set
flag bit T0IF (INTCON<2>). The interrupt can be
enabled/disabled by setting/clearing enable bit T0IE
(INTCON<5>). (Section 5.0)
12.10.3 PORTB INTCON CHANGE
An input change on PORTB<7:4> sets flag bit RBIF
(INTCON<0>). The interrupt can be enabled/disabled
by setting/clearing enable bit RBIE (INTCON<4>).
(Section 3.2)
12.11 Context Saving During Interrupts
During an interrupt, only the return PC value is saved
on the stack. Typically, users may wish to save key reg-
isters during an interrupt, (i.e., W register and STATUS
register). This will have to be implemented in software.
For the PIC16F873/874 devices, the register W_TEMP
must be defined in both banks 0 and 1 and must be
defined at the same offset from the bank base address
(i.e., If W_TEMP is defined at 0x20 in bank 0, it must
also be defined at 0xA0 in bank 1.). The registers,
PCLATH_TEMP and STATUS_TEMP, are only defined
in bank 0.
Since the upper 16 bytes of each bank are common in
the PIC16F876/877 devices, temporary holding regis-
ters W_TEMP, STATUS_TEMP and PCLATH_TEMP
should be placed in here. These 16 locations don’t
require banking and therefore, make it easier for con-
text save and restore. The same basic code in
Example 12-1 can be used.
EXAMPLE 12-1: SAVING STATUS, W, AND PCLATH REGISTERS IN RAM
MOVWF W_TEMP ;Copy W to TEMP register
SWAPF STATUS,W ;Swap status to be saved into W
CLRF STATUS ;bank 0, regardless of current bank, Clears IRP,RP1,RP0
MOVWF STATUS_TEMP ;Save status to bank zero STATUS_TEMP register
MOVF PCLATH, W ;Only required if using pages 1, 2 and/or 3
MOVWF PCLATH_TEMP ;Save PCLATH into W
CLRF PCLATH ;Page zero, regardless of current page
:
:(ISR)
:
MOVF PCLATH_TEMP, W ;Restore PCLATH
MOVWF PCLATH ;Move W into PCLATH
SWAPF STATUS_TEMP,W ;Swap STATUS_TEMP register into W
;(sets bank to original state)
MOVWF STATUS ;Move W into STATUS register
SWAPF W_TEMP,F ;Swap W_TEMP
SWAPF W_TEMP,W ;Swap W_TEMP into W

1999 Microchip Technology Inc. DS30292B-page 133
PIC16F87X
12.12 Watchdog Timer (WDT)
The Watchdog Timer is as a free running on-chip RC
oscillator which does not require any external compo-
nents. This RC oscillator is separate from the RC oscil-
lator of the OSC1/CLKIN pin. That means that the WDT
will run, even if the clock on the OSC1/CLKIN and
OSC2/CLKOUT pins of the device has been stopped,
for example, by execution of a SLEEP instruction.
During normal operation, a WDT time-out generates a
device RESET (Watchdog Timer Reset). If the device is
in SLEEP mode, a WDT time-out causes the device to
wake-up and continue with normal operation (Watch-
dog Timer Wake-up). The TO bit in the STATUS register
will be cleared upon a Watchdog Timer time-out.
The WDT can be permanently disabled by clearing
configuration bit WDTE (Section 12.1).
WDT time-out period values may be found in the Elec-
trical Specifications section under parameter #31. Val-
ues for the WDT prescaler (actually a postscaler, but
shared with the Timer0 prescaler) may be assigned
using the OPTION_REG register.
.
FIGURE 12-10: WATCHDOG TIMER BLOCK DIAGRAM
FIGURE 12-11: SUMMARY OF WATCHDOG TIMER REGISTERS
Note: The CLRWDT and SLEEP instructions clear
the WDT and the postscaler, if assigned to
the WDT, and prevent it from timing out and
generating a device RESET condition.
Note: When a CLRWDT instruction is executed
and the prescaler is assigned to the WDT,
the prescaler count will be cleared, but the
prescaler assignment is not changed.
Address Name Bit 7 Bit 6 Bit 5 Bit 4 Bit 3 Bit 2 Bit 1 Bit 0
2007h Config. bits (1) BODEN(1) CP1 CP0 PWRTE(1) WDTE FOSC1 FOSC0
81h,181h OPTION_REG RBPU INTEDG T0CS T0SE PSA PS2 PS1 PS0
Legend: Shaded cells are not used by the Watchdog Timer.
Note 1: See Register 12-1 for operation of these bits.
From TMR0 Clock Source
(Figure 5-1)
To TMR0 (Figure 5-1)
Postscaler
WDT Timer
WDT
Enable Bit
0
1M
U
X
PSA
8 - to - 1 MUX PS2:PS0
01
MUX PSA
WDT
Time-out
Note: PSA and PS2:PS0 are bits in the OPTION_REG register.
8

PIC16F87X
DS30292B-page 134 1999 Microchip Technology Inc.
12.13 Power-down Mode (SLEEP)
Power-down mode is entered by executing a SLEEP
instruction.
If enabled, the Watchdog Timer will be cleared but
keeps running, the PD bit (STATUS<3>) is cleared, the
TO (STATUS<4>) bit is set, and the oscillator driver is
turned off. The I/O ports maintain the status they had
before the SLEEP instruction was executed (driving
high, low, or hi-impedance).
For lowest current consumption in this mode, place all
I/O pins at either VDD or VSS, ensure no external cir-
cuitry is drawing current from the I/O pin, power-down
the A/D and disable external clocks. Pull all I/O pins
that are hi-impedance inputs, high or low externally, to
avoid switching currents caused by floating inputs. The
T0CKI input should also be at VDD or VSS for lowest
current consumption. The contribution from on-chip
pull-ups on PORTB should be considered.
The MCLR pin must be at a logic high level (VIHMC).
12.13.1 WAKE-UP FROM SLEEP
The device can wake up from SLEEP through one of
the following events:
1. External reset input on MCLR pin.
2. Watchdog Timer wake-up (if WDT was
enabled).
3. Interrupt from INT pin, RB port change or some
Peripheral Interrupts.
External MCLR Reset will cause a device reset. All
other events are considered a continuation of program
execution and cause a "wake-up". The TO and PD bits
in the STATUS register can be used to determine the
cause of device reset. The PD bit, which is set on
power-up, is cleared when SLEEP is invoked. The TO
bit is cleared if a WDT time-out occurred and caused
wake-up.
The following peripheral interrupts can wake the device
from SLEEP:
1. PSP read or write.
2. TMR1 interrupt. Timer1 must be operating as
an asynchronous counter.
3. CCP capture mode interrupt.
4. Special event trigger (Timer1 in asynchronous
mode using an external clock).
5. SSP (Start/Stop) bit detect interrupt.
6. SSP transmit or receive in slave mode (SPI/I2C).
7. USART RX or TX (synchronous slave mode).
8. A/D conversion (when A/D clock source is RC).
9. EEPROM write operation completion
Other peripherals cannot generate interrupts since dur-
ing SLEEP, no on-chip clocks are present.
When the SLEEP instruction is being executed, the next
instruction (PC + 1) is pre-fetched. For the device to
wake-up through an interrupt event, the corresponding
interrupt enable bit must be set (enabled). Wake-up is
regardless of the state of the GIE bit. If the GIE bit is
clear (disabled), the device continues execution at the
instruction after the SLEEP instruction. If the GIE bit is
set (enabled), the device executes the instruction after
the SLEEP instruction and then branches to the inter-
rupt address (0004h). In cases where the execution of
the instruction following SLEEP is not desirable, the
user should have a NOP after the SLEEP instruction.
12.13.2 WAKE-UP USING INTERRUPTS
When global interrupts are disabled (GIE cleared) and
any interrupt source has both its interrupt enable bit
and interrupt flag bit set, one of the following will occur:
• If the interrupt occurs before the execution of a
SLEEP instruction, the SLEEP instruction will com-
plete as a NOP. Therefore, the WDT and WDT
postscaler will not be cleared, the TO bit will not
be set and PD bits will not be cleared.
• If the interrupt occurs during or after the execu-
tion of a SLEEP instruction, the device will imme-
diately wake up from sleep. The SLEEP instruction
will be completely executed before the wake-up.
Therefore, the WDT and WDT postscaler will be
cleared, the TO bit will be set and the PD bit will
be cleared.
Even if the flag bits were checked before executing a
SLEEP instruction, it may be possible for flag bits to
become set before the SLEEP instruction completes. To
determine whether a SLEEP instruction executed, test
the PD bit. If the PD bit is set, the SLEEP instruction
was executed as a NOP.
To ensure that the WDT is cleared, a CLRWDT instruc-
tion should be executed before a SLEEP instruction.

1999 Microchip Technology Inc. DS30292B-page 135
PIC16F87X
FIGURE 12-12: WAKE-UP FROM SLEEP THROUGH INTERRUPT
12.14 In-Circuit Debugger
When the DEBUG bit in the configuration word is pro-
grammed to a ’0’, the In-Circuit Debugger functionality
is enabled. This function allows simple debugging func-
tions when used with MPLAB. When the microcontrol-
ler has this feature enabled, some of the resources are
not available for general use. Table 12-7 shows which
features are consumed by the background debugger.
TABLE 12-7: DEBUGGER RESOURCES
To use the In-Circuit Debugger function of the micro-
controller, the design must implement In-Circuit Serial
Programming connections to MCLR/VPP, VDD, GND,
RB7 and RB6. This will interface to the In-Circuit
Debugger module available from Microchip or one of
the third party development tool companies.
12.15 Program Verification/Code Protection
If the code protection bit(s) have not been pro-
grammed, the on-chip program memory can be read
out for verification purposes.
12.16 ID Locations
Four memory locations (2000h - 2003h) are designated
as ID locations where the user can store checksum or
other code-identification numbers. These locations are
not accessible during normal execution but are read-
able and writable during program/verify. It is recom-
mended that only the 4 least significant bits of the ID
location are used.
Q1 Q2 Q3 Q4 Q1 Q2 Q3 Q4 Q1 Q1 Q2 Q3 Q4 Q1 Q2 Q3 Q4 Q1 Q2 Q3 Q4 Q1 Q2 Q3 Q4
OSC1
CLKOUT(4)
INT pin
INTF flag
(INTCON<1>)
GIE bit
(INTCON<7>)
INSTRUCTION FLOW
PC
Instruction
fetched
Instruction
executed
PC PC+1 PC+2
Inst(PC) = SLEEP
Inst(PC - 1)
Inst(PC + 1)
SLEEP
Processor in
SLEEP
Interrupt Latency
(Note 2)
Inst(PC + 2)
Inst(PC + 1)
Inst(0004h) Inst(0005h)
Inst(0004h)
Dummy cycle
PC + 2 0004h 0005h
Dummy cycle
TOST(2)
PC+2
Note 1: XT, HS or LP oscillator mode assumed.
2: TOST = 1024TOSC (drawing not to scale) This delay will not be there for RC osc mode.
3: GIE = ’1’ assumed. In this case after wake- up, the processor jumps to the interrupt routine.
If GIE = ’0’, execution will continue in-line.
4: CLKOUT is not available in these osc modes, but shown here for timing reference.
I/O pins RB6, RB7
Stack 1 level
Program Memory Address 0000h must be NOP
Last 100h words
Data Memory 0x070(0x0F0, 0x170, 0x1F0)
0x1EB - 0x1EF

PIC16F87X
DS30292B-page 136 1999 Microchip Technology Inc.
12.17 In-Circuit Serial Programming
PIC16F87X microcontrollers can be serially pro-
grammed while in the end application circuit. This is
simply done with two lines for clock and data and three
other lines for power, ground, and the programming
voltage. This allows customers to manufacture boards
with unprogrammed devices, and then program the
microcontroller just before shipping the product. This
also allows the most recent firmware or a custom firm-
ware to be programmed.
When using ICSP, the part must be supplied 4.5V to
5.5V if a bulk erase will be executed. This includes
reprogramming of the code protect both from an on-
state to off-state. For all other cases of ICSP, the part
may be programmed at the normal operating voltages.
This means calibration values, unique user IDs or user
code can be reprogrammed or added.
For complete details of serial programming, please
refer to the In-Circuit Serial Programming (ICSP™)
Guide, (DS30277B).
12.18 Low Voltage ICSP Programming
The LVP bit of the configuration word enables low volt-
age ICSP programming. This mode allows the micro-
controller to be programmed via ICSP using a VDD
source in the operating voltage range. This only means
that VPP does not have to be brought to VIHH, but can
instead be left at the normal operating voltage. In this
mode, the RB3/PGM pin is dedicated to the program-
ming function and ceases to be a general purpose I/O
pin. During programming, VDD is applied to the MCLR
pin. To enter programming mode, VDD must be applied
to the RB3/PGM provided the LVP bit is set. The LVP
bit defaults to on (‘1’) from the factory.
If low-voltage programming mode is not used, the LVP
bit can be programmed to a '0' and RB3/PGM becomes
a digital I/O pin. However, the LVP bit may only be pro-
grammed when programming is entered with VIHH on
MCLR. The LVP bit can only be charged when using
high voltage on MCLR.
It should be noted, that once the LVP bit is programmed
to 0, only the high voltage programming mode is avail-
able and only high voltage programming mode can be
used to program the device.
When using low voltage ICSP, the part must be sup-
plied 4.5V to 5.5V if a bulk erase will be executed. This
includes reprogramming of the code protect bits from
an on-state to off-state. For all other cases of low volt-
age ICSP, the part may be programmed at the normal
operating voltage. This means calibration values,
unique user IDs or user code can be reprogrammed or
added.
Note 1: The high voltage programming mode is
always available, regardless of the state of
the LVP bit, by applying VIHH to the MCLR
pin.
2: While in low voltage ICSP mode, the RB3
pin can no longer be used as a general
purpose I/O pin.
3: When using low voltage ICSP program-
ming (LVP) and the pull-ups on PORTB
are enabled, bit 3 in the TRISB register
must be cleared to disable the pull-up on
RB3 and ensure the proper operation of
the device.

1999 Microchip Technology Inc. DS30292B-page 137
PIC16F87X
13.0 INSTRUCTION SET SUMMARY
Each PIC16CXX instruction is a 14-bit word divided
into an OPCODE which specifies the instruction type
and one or more operands which further specify the
operation of the instruction. The PIC16CXX instruction
set summary in Table 13-2 lists byte-oriented, bit-ori-
ented, and literal and control operations. Table 13-1
shows the opcode field descriptions.
For byte-oriented instructions, ’f’ represents a file reg-
ister designator and ’d’ represents a destination desig-
nator. The file register designator specifies which file
register is to be used by the instruction.
The destination designator specifies where the result of
the operation is to be placed. If ’d’ is zero, the result is
placed in the W register. If ’d’ is one, the result is placed
in the file register specified in the instruction.
For bit-oriented instructions, ’b’ represents a bit field
designator which selects the number of the bit affected
by the operation, while ’f’ represents the number of the
file in which the bit is located.
For literal and control operations, ’k’ represents an
eight or eleven bit constant or literal value.
TABLE 13-1: OPCODE FIELD
DESCRIPTIONS
The instruction set is highly orthogonal and is grouped
into three basic categories:
•Byte-oriented operations
•Bit-oriented operations
•Literal and control operations
All instructions are executed within one single instruc-
tion cycle, unless a conditional test is true or the pro-
gram counter is changed as a result of an instruction.
In this case, the execution takes two instruction cycles
with the second cycle executed as a NOP. One instruc-
tion cycle consists of four oscillator periods. Thus, for
an oscillator frequency of 4 MHz, the normal instruction
execution time is 1 µs. If a conditional test is true or the
program counter is changed as a result of an instruc-
tion, the instruction execution time is 2 µs.
Table 13-2 lists the instructions recognized by the
MPASM assembler.
Figure 13-1 shows the general formats that the instruc-
tions can have.
All examples use the following format to represent a
hexadecimal number:
0xhh
where h signifies a hexadecimal digit.
FIGURE 13-1: GENERAL FORMAT FOR
INSTRUCTIONS
A description of each instruction is available in the
PICmicro™ Mid-Range Reference Manual,
(DS33023).
Field Description
fRegister file address (0x00 to 0x7F)
WWorking register (accumulator)
bBit address within an 8-bit file register
kLiteral field, constant data or label
xDon't care location (= 0 or 1)
The assembler will generate code with x = 0. It
is the recommended form of use for compati-
bility with all Microchip software tools.
dDestination select; d = 0: store result in W,
d = 1: store result in file register f.
Default is d = 1
PC Program Counter
TO Time-out bit
PD Power-down bit
Note: To maintain upward compatibility with
future PIC16CXX products, do not use the
OPTION and TRIS instructions.
Byte-oriented file register operations
13 8 7 6 0
d = 0 for destination W
OPCODE d f (FILE #)
d = 1 for destination f
f = 7-bit file register address
Bit-oriented file register operations
13 10 9 7 6 0
OPCODE b (BIT #) f (FILE #)
b = 3-bit bit address
f = 7-bit file register address
Literal and control operations
13 8 7 0
OPCODE k (literal)
k = 8-bit immediate value
13 11 10 0
OPCODE k (literal)
k = 11-bit immediate value
General
CALL and GOTO instructions only

PIC16F87X
DS30292B-page 138 1999 Microchip Technology Inc.
TABLE 13-2: PIC16CXXX INSTRUCTION SET
Mnemonic,
Operands
Description Cycles 14-Bit Opcode Status
Affected
Notes
MSb LSb
BYTE-ORIENTED FILE REGISTER OPERATIONS
ADDWF
ANDWF
CLRF
CLRW
COMF
DECF
DECFSZ
INCF
INCFSZ
IORWF
MOVF
MOVWF
NOP
RLF
RRF
SUBWF
SWAPF
XORWF
f, d
f, d
f
-
f, d
f, d
f, d
f, d
f, d
f, d
f, d
f
-
f, d
f, d
f, d
f, d
f, d
Add W and f
AND W with f
Clear f
Clear W
Complement f
Decrement f
Decrement f, Skip if 0
Increment f
Increment f, Skip if 0
Inclusive OR W with f
Move f
Move W to f
No Operation
Rotate Left f through Carry
Rotate Right f through Carry
Subtract W from f
Swap nibbles in f
Exclusive OR W with f
1
1
1
1
1
1
1(2)
1
1(2)
1
1
1
1
1
1
1
1
1
00
00
00
00
00
00
00
00
00
00
00
00
00
00
00
00
00
00
0111
0101
0001
0001
1001
0011
1011
1010
1111
0100
1000
0000
0000
1101
1100
0010
1110
0110
dfff
dfff
lfff
0xxx
dfff
dfff
dfff
dfff
dfff
dfff
dfff
lfff
0xx0
dfff
dfff
dfff
dfff
dfff
ffff
ffff
ffff
xxxx
ffff
ffff
ffff
ffff
ffff
ffff
ffff
ffff
0000
ffff
ffff
ffff
ffff
ffff
C,DC,Z
Z
Z
Z
Z
Z
Z
Z
Z
C
C
C,DC,Z
Z
1,2
1,2
2
1,2
1,2
1,2,3
1,2
1,2,3
1,2
1,2
1,2
1,2
1,2
1,2
1,2
BIT-ORIENTED FILE REGISTER OPERATIONS
BCF
BSF
BTFSC
BTFSS
f, b
f, b
f, b
f, b
Bit Clear f
Bit Set f
Bit Test f, Skip if Clear
Bit Test f, Skip if Set
1
1
1 (2)
1 (2)
01
01
01
01
00bb
01bb
10bb
11bb
bfff
bfff
bfff
bfff
ffff
ffff
ffff
ffff
1,2
1,2
3
3
LITERAL AND CONTROL OPERATIONS
ADDLW
ANDLW
CALL
CLRWDT
GOTO
IORLW
MOVLW
RETFIE
RETLW
RETURN
SLEEP
SUBLW
XORLW
k
k
k
-
k
k
k
-
k
-
-
k
k
Add literal and W
AND literal with W
Call subroutine
Clear Watchdog Timer
Go to address
Inclusive OR literal with W
Move literal to W
Return from interrupt
Return with literal in W
Return from Subroutine
Go into standby mode
Subtract W from literal
Exclusive OR literal with W
1
1
2
1
2
1
1
2
2
2
1
1
1
11
11
10
00
10
11
11
00
11
00
00
11
11
111x
1001
0kkk
0000
1kkk
1000
00xx
0000
01xx
0000
0000
110x
1010
kkkk
kkkk
kkkk
0110
kkkk
kkkk
kkkk
0000
kkkk
0000
0110
kkkk
kkkk
kkkk
kkkk
kkkk
0100
kkkk
kkkk
kkkk
1001
kkkk
1000
0011
kkkk
kkkk
C,DC,Z
Z
TO,PD
Z
TO,PD
C,DC,Z
Z
Note 1: When an I/O register is modified as a function of itself ( e.g., MOVF PORTB, 1), the value used will be that value present
on the pins themselves. For example, if the data latch is ’1’ for a pin configured as input and is driven low by an external
device, the data will be written back with a ’0’.
2: If this instruction is executed on the TMR0 register (and, where applicable, d = 1), the prescaler will be cleared if assigned
to the Timer0 Module.
3: If Program Counter (PC) is modified or a conditional test is true, the instruction requires two cycles. The second cycle is
executed as a NOP.
Note: Additional information on the mid-range instruction set is available in the PICmicro™ Mid-Range MCU Family
Reference Manual (DS33023).

1999 Microchip Technology Inc. DS30292B-page 139
PIC16F87X
13.1 Instruction Descriptions
ADDLW Add Literal and W
Syntax: [
label
] ADDLW k
Operands: 0 ≤ k ≤ 255
Operation: (W) + k → (W)
Status Affected: C, DC, Z
Description: The contents of the W register
are added to the eight bit literal ’k’
and the result is placed in the W
register.
ADDWF Add W and f
Syntax: [
label
] ADDWF f,d
Operands: 0 ≤ f ≤ 127
d ∈ [0,1]
Operation: (W) + (f) → (destination)
Status Affected: C, DC, Z
Description: Add the contents of the W register
with register ’f’. If ’d’ is 0, the result
is stored in the W register. If ’d’ is
1, the result is stored back in reg-
ister ’f’.
ANDLW AND Literal with W
Syntax: [
label
] ANDLW k
Operands: 0 ≤ k ≤ 255
Operation: (W) .AND. (k) → (W)
Status Affected: Z
Description: The contents of W register are
AND’ed with the eight bit literal
'k'. The result is placed in the W
register.
ANDWF AND W with f
Syntax: [
label
] ANDWF f,d
Operands: 0 ≤ f ≤ 127
d ∈ [0,1]
Operation: (W) .AND. (f) → (destination)
Status Affected: Z
Description: AND the W register with register
'f'. If 'd' is 0, the result is stored in
the W register. If 'd' is 1, the result
is stored back in register 'f'.
BCF Bit Clear f
Syntax: [
label
] BCF f,b
Operands: 0 ≤ f ≤ 127
0 ≤ b ≤ 7
Operation: 0 → (f<b>)
Status Affected: None
Description: Bit 'b' in register 'f' is cleared.
BSF Bit Set f
Syntax: [
label
] BSF f,b
Operands: 0 ≤ f ≤ 127
0 ≤ b ≤ 7
Operation: 1 → (f<b>)
Status Affected: None
Description: Bit 'b' in register 'f' is set.

PIC16F87X
DS30292B-page 140 1999 Microchip Technology Inc.
BTFSS Bit Test f, Skip if Set
Syntax: [
label
] BTFSS f,b
Operands: 0 ≤ f ≤ 127
0 ≤ b < 7
Operation: skip if (f<b>) = 1
Status Affected: None
Description: If bit ’b’ in register ’f’ is ’0’, the next
instruction is executed.
If bit ’b’ is ’1’, then the next instruc-
tion is discarded and a NOP is exe-
cuted instead making this a 2TCY
instruction.
BTFSC Bit Test, Skip if Clear
Syntax: [
label
] BTFSC f,b
Operands: 0 ≤ f ≤ 127
0 ≤ b ≤ 7
Operation: skip if (f<b>) = 0
Status Affected: None
Description: If bit ’b’ in register ’f’ is ’1’, the next
instruction is executed.
If bit ’b’, in register ’f’, is ’0’, the
next instruction is discarded, and
a NOP is executed instead, making
this a 2TCY instruction.
CALL Call Subroutine
Syntax: [
label
] CALL k
Operands: 0 ≤ k ≤ 2047
Operation: (PC)+ 1→ TOS,
k → PC<10:0>,
(PCLATH<4:3>) → PC<12:11>
Status Affected: None
Description: Call Subroutine. First, return
address (PC+1) is pushed onto
the stack. The eleven bit immedi-
ate address is loaded into PC bits
<10:0>. The upper bits of the PC
are loaded from PCLATH. CALL is
a two cycle instruction.
CLRF Clear f
Syntax: [
label
] CLRF f
Operands: 0 ≤ f ≤ 127
Operation: 00h → (f)
1 → Z
Status Affected: Z
Description: The contents of register ’f’ are
cleared and the Z bit is set.
CLRW Clear W
Syntax: [
label
] CLRW
Operands: None
Operation: 00h → (W)
1 → Z
Status Affected: Z
Description: W register is cleared. Zero bit (Z)
is set.
CLRWDT Clear Watchdog Timer
Syntax: [
label
] CLRWDT
Operands: None
Operation: 00h → WDT
0 → WDT prescaler,
1 → TO
1 → PD
Status Affected: TO, PD
Description: CLRWDT instruction resets the
Watchdog Timer. It also resets
the prescaler of the WDT. Status
bits TO and PD are set.

1999 Microchip Technology Inc. DS30292B-page 141
PIC16F87X
COMF Complement f
Syntax: [
label
] COMF f,d
Operands: 0 ≤ f ≤ 127
d ∈ [0,1]
Operation: (f) → (destination)
Status Affected: Z
Description: The contents of register ’f’ are
complemented. If ’d’ is 0, the
result is stored in W. If ’d’ is 1, the
result is stored back in register ’f’.
DECF Decrement f
Syntax: [
label
] DECF f,d
Operands: 0 ≤ f ≤ 127
d ∈ [0,1]
Operation: (f) - 1 → (destination)
Status Affected: Z
Description: Decrement register ’f’. If ’d’ is 0,
the result is stored in the W regis-
ter. If ’d’ is 1, the result is stored
back in register ’f’.
DECFSZ Decrement f, Skip if 0
Syntax: [
label
] DECFSZ f,d
Operands: 0 ≤ f ≤ 127
d ∈ [0,1]
Operation: (f) - 1 → (destination);
skip if result = 0
Status Affected: None
Description: The contents of register ’f’ are
decremented. If ’d’ is 0, the result
is placed in the W register. If ’d’ is
1, the result is placed back in reg-
ister ’f’.
If the result is 1, the next instruc-
tion is executed. If the result is 0,
then a NOP is executed instead
making it a 2TCY instruction.
GOTO Unconditional Branch
Syntax: [
label
] GOTO k
Operands: 0 ≤ k ≤ 2047
Operation: k → PC<10:0>
PCLATH<4:3> → PC<12:11>
Status Affected: None
Description: GOTO is an unconditional branch.
The eleven bit immediate value is
loaded into PC bits <10:0>. The
upper bits of PC are loaded from
PCLATH<4:3>. GOTO is a two
cycle instruction.
INCF Increment f
Syntax: [
label
] INCF f,d
Operands: 0 ≤ f ≤ 127
d ∈ [0,1]
Operation: (f) + 1 → (destination)
Status Affected: Z
Description: The contents of register ’f’ are
incremented. If ’d’ is 0, the result
is placed in the W register. If ’d’ is
1, the result is placed back in reg-
ister ’f’.
INCFSZ Increment f, Skip if 0
Syntax: [
label
] INCFSZ f,d
Operands: 0 ≤ f ≤ 127
d ∈ [0,1]
Operation: (f) + 1 → (destination),
skip if result = 0
Status Affected: None
Description: The contents of register ’f’ are
incremented. If ’d’ is 0, the result is
placed in the W register. If ’d’ is 1,
the result is placed back in regis-
ter ’f’.
If the result is 1, the next instruc-
tion is executed. If the result is 0, a
NOP is executed instead making it
a 2TCY instruction.

PIC16F87X
DS30292B-page 142 1999 Microchip Technology Inc.
IORLW Inclusive OR Literal with W
Syntax: [
label
] IORLW k
Operands: 0 ≤ k ≤ 255
Operation: (W) .OR. k → (W)
Status Affected: Z
Description: The contents of the W register are
OR’ed with the eight bit literal 'k'.
The result is placed in the W reg-
ister.
IORWF Inclusive OR W with f
Syntax: [
label
] IORWF f,d
Operands: 0 ≤ f ≤ 127
d ∈ [0,1]
Operation: (W) .OR. (f) → (destination)
Status Affected: Z
Description: Inclusive OR the W register with
register 'f'. If 'd' is 0 the result is
placed in the W register. If 'd' is 1
the result is placed back in regis-
ter 'f'.
MOVF Move f
Syntax: [
label
] MOVF f,d
Operands: 0 ≤ f ≤ 127
d ∈ [0,1]
Operation: (f) → (destination)
Status Affected: Z
Description: The contents of register f are
moved to a destination dependant
upon the status of d. If d = 0, des-
tination is W register. If d = 1, the
destination is file register f itself. d
= 1 is useful to test a file register
since status flag Z is affected.
MOVLW Move Literal to W
Syntax: [
label
] MOVLW k
Operands: 0 ≤ k ≤ 255
Operation: k → (W)
Status Affected: None
Description: The eight bit literal 'k' is loaded
into W register. The don’t cares
will assemble as 0’s.
MOVWF Move W to f
Syntax: [
label
] MOVWF f
Operands: 0 ≤ f ≤ 127
Operation: (W) → (f)
Status Affected: None
Description: Move data from W register to reg-
ister 'f'.
NOP No Operation
Syntax: [
label
] NOP
Operands: None
Operation: No operation
Status Affected: None
Description: No operation.

1999 Microchip Technology Inc. DS30292B-page 143
PIC16F87X
RETFIE Return from Interrupt
Syntax: [
label
] RETFIE
Operands: None
Operation: TOS → PC,
1 → GIE
Status Affected: None
RETLW Return with Literal in W
Syntax: [
label
] RETLW k
Operands: 0 ≤ k ≤ 255
Operation: k → (W);
TOS → PC
Status Affected: None
Description: The W register is loaded with the
eight bit literal ’k’. The program
counter is loaded from the top of
the stack (the return address).
This is a two cycle instruction.
RETURN Return from Subroutine
Syntax: [
label
] RETURN
Operands: None
Operation: TOS → PC
Status Affected: None
Description: Return from subroutine. The stack
is POPed and the top of the stack
(TOS) is loaded into the program
counter. This is a two cycle
instruction.
RLF Rotate Left f through Carry
Syntax: [
label
] RLF f,d
Operands: 0 ≤ f ≤ 127
d ∈ [0,1]
Operation: See description below
Status Affected: C
Description: The contents of register ’f’ are
rotated one bit to the left through
the Carry Flag. If ’d’ is 0, the
result is placed in the W register.
If ’d’ is 1, the result is stored back
in register ’f’.
RRF Rotate Right f through Carry
Syntax: [
label
] RRF f,d
Operands: 0 ≤ f ≤ 127
d ∈ [0,1]
Operation: See description below
Status Affected: C
Description: The contents of register ’f’ are
rotated one bit to the right through
the Carry Flag. If ’d’ is 0, the result
is placed in the W register. If ’d’ is
1, the result is placed back in reg-
ister ’f’.
SLEEP
Syntax: [
label
]SLEEP
Operands: None
Operation: 00h → WDT,
0 → WDT prescaler,
1 → TO,
0 → PD
Status Affected: TO, PD
Description: The power-down status bit, PD is
cleared. Time-out status bit, TO
is set. Watchdog Timer and its
prescaler are cleared.
The processor is put into SLEEP
mode with the oscillator stopped.
Register fC
Register fC

PIC16F87X
DS30292B-page 144 1999 Microchip Technology Inc.
SUBLW Subtract W from Literal
Syntax: [
label
]SUBLW k
Operands: 0 ≤ k ≤ 255
Operation: k - (W) → (W)
Status Affected: C, DC, Z
Description: The W register is subtracted (2’s
complement method) from the
eight bit literal 'k'. The result is
placed in the W register.
SUBWF Subtract W from f
Syntax: [
label
]SUBWF f,d
Operands: 0 ≤ f ≤ 127
d ∈ [0,1]
Operation: (f) - (W) → (destination)
Status Affected: C, DC, Z
Description: Subtract (2’s complement method)
W register from register 'f'. If 'd' is 0,
the result is stored in the W regis-
ter. If 'd' is 1, the result is stored
back in register 'f'.
SWAPF Swap Nibbles in f
Syntax: [
label
] SWAPF f,d
Operands: 0 ≤ f ≤ 127
d ∈ [0,1]
Operation: (f<3:0>) → (destination<7:4>),
(f<7:4>) → (destination<3:0>)
Status Affected: None
Description: The upper and lower nibbles of
register 'f' are exchanged. If 'd' is
0, the result is placed in W regis-
ter. If 'd' is 1, the result is placed in
register 'f'.
XORLW Exclusive OR Literal with W
Syntax: [
label
]XORLW k
Operands: 0 ≤ k ≤ 255
Operation: (W) .XOR. k → (W)
Status Affected: Z
Description: The contents of the W register
are XOR’ed with the eight bit lit-
eral 'k'. The result is placed in
the W register.
XORWF Exclusive OR W with f
Syntax: [
label
] XORWF f,d
Operands: 0 ≤ f ≤ 127
d ∈ [0,1]
Operation: (W) .XOR. (f) → (destination)
Status Affected: Z
Description: Exclusive OR the contents of the
W register with register 'f'. If 'd' is
0, the result is stored in the W
register. If 'd' is 1, the result is
stored back in register 'f'.

1999 Microchip Technology Inc. DS30292B-page 145
PIC16F87X
14.0 DEVELOPMENT SUPPORT
The PICmicro® microcontrollers are supported with a
full range of hardware and software development tools:
• Integrated Development Environment
- MPLAB® IDE Software
• Assemblers/Compilers/Linkers
- MPASM Assembler
- MPLAB-C17 and MPLAB-C18 C Compilers
- MPLINK/MPLIB Linker/Librarian
• Simulators
- MPLAB-SIM Software Simulator
•Emulators
- MPLAB-ICE Real-Time In-Circuit Emulator
- PICMASTER®/PICMASTER-CE In-Circuit
Emulator
-ICEPIC™
• In-Circuit Debugger
- MPLAB-ICD for PIC16F877
• Device Programmers
-PRO MATE
II Universal Programmer
- PICSTART Plus Entry-Level Prototype
Programmer
• Low-Cost Demonstration Boards
- SIMICE
- PICDEM-1
- PICDEM-2
- PICDEM-3
- PICDEM-17
- SEEVAL
-KEELOQ
14.1 MPLAB Integrated Development
Environment Software
The MPLAB IDE software brings an ease of software
development previously unseen in the 8-bit microcon-
troller market. MPLAB is a Windows-based applica-
tion which contains:
• Multiple functionality
-editor
- simulator
- programmer (sold separately)
- emulator (sold separately)
• A full featured editor
• A project manager
• Customizable tool bar and key mapping
• A status bar
• On-line help
MPLAB allows you to:
• Edit your source files (either assembly or ‘C’)
• One touch assemble (or compile) and download
to PICmicro tools (automatically updates all
project information)
• Debug using:
- source files
- absolute listing file
- object code
The ability to use MPLAB with Microchip’s simulator,
MPLAB-SIM, allows a consistent platform and the abil-
ity to easily switch from the cost-effective simulator to
the full featured emulator with minimal retraining.
14.2 MPASM Assembler
MPASM is a full featured universal macro assembler for
all PICmicro MCU’s. It can produce absolute code
directly in the form of HEX files for device program-
mers, or it can generate relocatable objects for
MPLINK.
MPASM has a command line interface and a Windows
shell and can be used as a standalone application on a
Windows 3.x or greater system. MPASM generates
relocatable object files, Intel standard HEX files, MAP
files to detail memory usage and symbol reference, an
absolute LST file which contains source lines and gen-
erated machine code, and a COD file for MPLAB
debugging.
MPASM features include:
• MPASM and MPLINK are integrated into MPLAB
projects.
• MPASM allows user defined macros to be created
for streamlined assembly.
• MPASM allows conditional assembly for multi pur-
pose source files.
• MPASM directives allow complete control over the
assembly process.
14.3 MPLAB-C17 and MPLAB-C18
C Compilers
The MPLAB-C17 and MPLAB-C18 Code Development
Systems are complete ANSI ‘C’ compilers and inte-
grated development environments for Microchip’s
PIC17CXXX and PIC18CXXX family of microcontrol-
lers, respectively. These compilers provide powerful
integration capabilities and ease of use not found with
other compilers.
For easier source level debugging, the compilers pro-
vide symbol information that is compatible with the
MPLAB IDE memory display.

PIC16F87X
DS30292B-page 146 1999 Microchip Technology Inc.
14.4 MPLINK/MPLIB Linker/Librarian
MPLINK is a relocatable linker for MPASM and
MPLAB-C17 and MPLAB-C18. It can link relocatable
objects from assembly or C source files along with pre-
compiled libraries using directives from a linker script.
MPLIB is a librarian for pre-compiled code to be used
with MPLINK. When a routine from a library is called
from another source file, only the modules that contains
that routine will be linked in with the application. This
allows large libraries to be used efficiently in many dif-
ferent applications. MPLIB manages the creation and
modification of library files.
MPLINK features include:
• MPLINK works with MPASM and MPLAB-C17
and MPLAB-C18.
• MPLINK allows all memory areas to be defined as
sections to provide link-time flexibility.
MPLIB features include:
• MPLIB makes linking easier because single librar-
ies can be included instead of many smaller files.
• MPLIB helps keep code maintainable by grouping
related modules together.
• MPLIB commands allow libraries to be created
and modules to be added, listed, replaced,
deleted, or extracted.
14.5 MPLAB-SIM Software Simulator
The MPLAB-SIM Software Simulator allows code
development in a PC host environment by simulating
the PICmicro series microcontrollers on an instruction
level. On any given instruction, the data areas can be
examined or modified and stimuli can be applied from
a file or user-defined key press to any of the pins. The
execution can be performed in single step, execute until
break, or trace mode.
MPLAB-SIM fully supports symbolic debugging using
MPLAB-C17 and MPLAB-C18 and MPASM. The Soft-
ware Simulator offers the flexibility to develop and
debug code outside of the laboratory environment mak-
ing it an excellent multi-project software development
tool.
14.6 MPLAB-ICE High Performance
Universal In-Circuit Emulator with
MPLAB IDE
The MPLAB-ICE Universal In-Circuit Emulator is
intended to provide the product development engineer
with a complete microcontroller design tool set for
PICmicro microcontrollers (MCUs). Software control of
MPLAB-ICE is provided by the MPLAB Integrated
Development Environment (IDE), which allows editing,
“make” and download, and source debugging from a
single environment.
Interchangeable processor modules allow the system
to be easily reconfigured for emulation of different pro-
cessors. The universal architecture of the MPLAB-ICE
allows expansion to support new PICmicro microcon-
trollers.
The MPLAB-ICE Emulator System has been designed
as a real-time emulation system with advanced fea-
tures that are generally found on more expensive devel-
opment tools. The PC platform and Microsoft® Windows
3.x/95/98 environment were chosen to best make these
features available to you, the end user.
MPLAB-ICE 2000 is a full-featured emulator system
with enhanced trace, trigger, and data monitoring fea-
tures. Both systems use the same processor modules
and will operate across the full operating speed range
of the PICmicro MCU.
14.7 PICMASTER/PICMASTER CE
The PICMASTER system from Microchip Technology is
a full-featured, professional quality emulator system.
This flexible in-circuit emulator provides a high-quality,
universal platform for emulating Microchip 8-bit
PICmicro microcontrollers (MCUs). PICMASTER sys-
tems are sold worldwide, with a CE compliant model
available for European Union (EU) countries.
14.8 ICEPIC
ICEPIC is a low-cost in-circuit emulation solution for the
Microchip Technology PIC16C5X, PIC16C6X,
PIC16C7X, and PIC16CXXX families of 8-bit one-time-
programmable (OTP) microcontrollers. The modular
system can support different subsets of PIC16C5X or
PIC16CXXX products through the use of
interchangeable personality modules or daughter
boards. The emulator is capable of emulating without
target application circuitry being present.
14.9 MPLAB-ICD In-Circuit Debugger
Microchip’s In-Circuit Debugger, MPLAB-ICD, is a pow-
erful, low-cost run-time development tool. This tool is
based on the flash PIC16F877 and can be used to
develop for this and other PICmicro microcontrollers
from the PIC16CXXX family. MPLAB-ICD utilizes the
In-Circuit Debugging capability built into the
PIC16F87X. This feature, along with Microchip’s In-Cir-
cuit Serial Programming protocol, offers cost-effective
in-circuit flash programming and debugging from the
graphical user interface of the MPLAB Integrated
Development Environment. This enables a designer to
develop and debug source code by watching variables,
single-stepping and setting break points. Running at
full speed enables testing hardware in real-time. The
MPLAB-ICD is also a programmer for the flash
PIC16F87X family.

1999 Microchip Technology Inc. DS30292B-page 147
PIC16F87X
14.10 PRO MATE II Universal Programmer
The PRO MATE II Universal Programmer is a full-fea-
tured programmer capable of operating in stand-alone
mode as well as PC-hosted mode. PRO MATE II is CE
compliant.
The PRO MATE II has programmable VDD and VPP
supplies which allows it to verify programmed memory
at VDD min and VDD max for maximum reliability. It has
an LCD display for instructions and error messages,
keys to enter commands and a modular detachable
socket assembly to support various package types. In
stand-alone mode the PRO MATE II can read, verify or
program PICmicro devices. It can also set code-protect
bits in this mode.
14.11 PICSTART Plus Entry Level
Development System
The PICSTART programmer is an easy-to-use, low-
cost prototype programmer. It connects to the PC via
one of the COM (RS-232) ports. MPLAB Integrated
Development Environment software makes using the
programmer simple and efficient.
PICSTART Plus supports all PICmicro devices with up
to 40 pins. Larger pin count devices such as the
PIC16C92X, and PIC17C76X may be supported with
an adapter socket. PICSTART Plus is CE compliant.
14.12 SIMICE Entry-Level
Hardware Simulator
SIMICE is an entry-level hardware development sys-
tem designed to operate in a PC-based environment
with Microchip’s simulator MPLAB-SIM. Both SIMICE
and MPLAB-SIM run under Microchip Technology’s
MPLAB Integrated Development Environment (IDE)
software. Specifically, SIMICE provides hardware sim-
ulation for Microchip’s PIC12C5XX, PIC12CE5XX, and
PIC16C5X families of PICmicro 8-bit microcontrollers.
SIMICE works in conjunction with MPLAB-SIM to pro-
vide non-real-time I/O port emulation. SIMICE enables
a developer to run simulator code for driving the target
system. In addition, the target system can provide input
to the simulator code. This capability allows for simple
and interactive debugging without having to manually
generate MPLAB-SIM stimulus files. SIMICE is a valu-
able debugging tool for entry-level system develop-
ment.
14.13 PICDEM-1 Low-Cost PICmicro
Demonstration Board
The PICDEM-1 is a simple board which demonstrates
the capabilities of several of Microchip’s microcontrol-
lers. The microcontrollers supported are: PIC16C5X
(PIC16C54 to PIC16C58A), PIC16C61, PIC16C62X,
PIC16C71, PIC16C8X, PIC17C42, PIC17C43 and
PIC17C44. All necessary hardware and software is
included to run basic demo programs. The users can
program the sample microcontrollers provided with
the PICDEM-1 board, on a PRO MATE II or
PICSTART-Plus programmer, and easily test firm-
ware. The user can also connect the PICDEM-1
board to the MPLAB-ICE emulator and download the
firmware to the emulator for testing. Additional proto-
type area is available for the user to build some addi-
tional hardware and connect it to the microcontroller
socket(s). Some of the features include an RS-232
interface, a potentiometer for simulated analog input,
push-button switches and eight LEDs connected to
PORTB.
14.14 PICDEM-2 Low-Cost PIC16CXX
Demonstration Board
The PICDEM-2 is a simple demonstration board that
supports the PIC16C62, PIC16C64, PIC16C65,
PIC16C73 and PIC16C74 microcontrollers. All the
necessary hardware and software is included to
run the basic demonstration programs. The user
can program the sample microcontrollers provided
with the PICDEM-2 board, on a PRO MATE II pro-
grammer or PICSTART-Plus, and easily test firmware.
The MPLAB-ICE emulator may also be used with the
PICDEM-2 board to test firmware. Additional prototype
area has been provided to the user for adding addi-
tional hardware and connecting it to the microcontroller
socket(s). Some of the features include a RS-232 inter-
face, push-button switches, a potentiometer for simu-
lated analog input, a Serial EEPROM to demonstrate
usage of the I2C bus and separate headers for connec-
tion to an LCD module and a keypad.
14.15 PICDEM-3 Low-Cost PIC16CXXX
Demonstration Board
The PICDEM-3 is a simple demonstration board that
supports the PIC16C923 and PIC16C924 in the PLCC
package. It will also support future 44-pin PLCC
microcontrollers with a LCD Module. All the neces-
sary hardware and software is included to run the
basic demonstration programs. The user can pro-
gram the sample microcontrollers provided with
the PICDEM-3 board, on a PRO MATE II program-
mer or PICSTART Plus with an adapter socket, and
easily test firmware. The MPLAB-ICE emulator may
also be used with the PICDEM-3 board to test firm-
ware. Additional prototype area has been provided to
the user for adding hardware and connecting it to the
microcontroller socket(s). Some of the features include
an RS-232 interface, push-button switches, a potenti-
ometer for simulated analog input, a thermistor and
separate headers for connection to an external LCD
module and a keypad. Also provided on the PICDEM-3
board is an LCD panel, with 4 commons and 12 seg-
ments, that is capable of displaying time, temperature
and day of the week. The PICDEM-3 provides an addi-
tional RS-232 interface and Windows 3.1 software for
showing the demultiplexed LCD signals on a PC. A sim-
ple serial interface allows the user to construct a hard-
ware demultiplexer for the LCD signals.

PIC16F87X
DS30292B-page 148 1999 Microchip Technology Inc.
14.16 PICDEM-17
The PICDEM-17 is an evaluation board that demon-
strates the capabilities of several Microchip microcon-
trollers, including PIC17C752, PIC17C756,
PIC17C762, and PIC17C766. All necessary hardware
is included to run basic demo programs, which are sup-
plied on a 3.5-inch disk. A programmed sample is
included, and the user may erase it and program it with
the other sample programs using the PRO MATE II or
PICSTART Plus device programmers and easily debug
and test the sample code. In addition, PICDEM-17 sup-
ports down-loading of programs to and executing out of
external FLASH memory on board. The PICDEM-17 is
also usable with the MPLAB-ICE or PICMASTER emu-
lator, and all of the sample programs can be run and
modified using either emulator. Additionally, a gener-
ous prototype area is available for user hardware.
14.17 SEEVAL Evaluation and Programming
System
The SEEVAL SEEPROM Designer’s Kit supports all
Microchip 2-wire and 3-wire Serial EEPROMs. The kit
includes everything necessary to read, write, erase or
program special features of any Microchip SEEPROM
product including Smart Serials and secure serials.
The Total Endurance Disk is included to aid in trade-
off analysis and reliability calculations. The total kit can
significantly reduce time-to-market and result in an
optimized system.
14.18 KEELOQ Evaluation and
Programming Tools
KEELOQ evaluation and programming tools support
Microchips HCS Secure Data Products. The HCS eval-
uation kit includes an LCD display to show changing
codes, a decoder to decode transmissions, and a pro-
gramming interface to program test transmitters.

1999 Microchip Technology Inc. DS30292B-page 149
PIC16F87X
TABLE 14-1: DEVELOPMENT TOOLS FROM MICROCHIP
PIC12CXXX
PIC14000
PIC16C5X
PIC16C6X
PIC16CXXX
PIC16F62X
PIC16C7X
PIC16C7XX
PIC16C8X
PIC16F8XX
PIC16C9XX
PIC17C4X
PIC17C7XX
PIC18CXX2
24CXX/
25CXX/
93CXX
HCSXXX
MCRFXXX
MCP2510
Software Tools
MPLAB Integrated
Development Environment
MPLAB C17 Compiler
MPLAB C18 Compiler
MPASM/MPLINK
Emulators
MPLAB-ICE **
PICMASTER/PICMASTER-CE
ICEPIC Low-Cost
In-Circuit Emulator
Debugger
MPLAB-ICD In-Circuit
Debugger **
Programmers
PICSTARTPlus
Low-Cost Universal Dev. Kit **
PRO MATE II
Universal Programmer **
Demo Boards and Eval Kits
SIMICE
PICDEM-1 †
PICDEM-2 † †
PICDEM-3
PICDEM-14A
PICDEM-17
KEELOQ® Evaluation Kit
KEELOQ Transponder Kit
microID™ Programmer’s Kit
125 kHz microID Developer’s Kit
125 kHz Anticollision microID
Developer’s Kit
13.56 MHz Anticollision microID
Developer’s Kit
MCP2510 CAN Developer’s Kit
* Contact the Microchip Technology Inc. web site at www.microchip.com for information on how to use the MPLAB-ICD In-Circuit Debugger (DV164001) with PIC16C62, 63, 64, 65, 72, 73, 74, 76, 77
** Contact Microchip Technology Inc. for availability date.
†Development tool is available on select devices.

PIC16F87X
DS30292B-page 150 1999 Microchip Technology Inc.
NOTES:

1999 Microchip Technology Inc. DS30292B-page 151
PIC16F87X
15.0 ELECTRICAL CHARACTERISTICS
Absolute Maximum Ratings †
Ambient temperature under bias.................................................................................................................-55 to +125°C
Storage temperature .............................................................................................................................. -65°C to +150°C
Voltage on any pin with respect to VSS (except VDD, MCLR. and RA4).......................................... -0.3V to (VDD + 0.3V)
Voltage on VDD with respect to VSS ............................................................................................................ -0.3 to +7.5V
Voltage on MCLR with respect to VSS (Note 2)..................................................................................................0 to +14V
Voltage on RA4 with respect to Vss..................................................................................................................0 to +8.5V
Total power dissipation (Note 1)................................................................................................................................1.0W
Maximum current out of VSS pin ...........................................................................................................................300 mA
Maximum current into VDD pin ..............................................................................................................................250 mA
Input clamp current, IIK (VI < 0 or VI > VDD)..................................................................................................................... ± 20 mA
Output clamp current, IOK (VO < 0 or VO > VDD).............................................................................................................± 20 mA
Maximum output current sunk by any I/O pin..........................................................................................................25 mA
Maximum output current sourced by any I/O pin ....................................................................................................25 mA
Maximum current sunk by PORTA, PORTB, and PORTE (combined) (Note 3)....................................................200 mA
Maximum current sourced by PORTA, PORTB, and PORTE (combined) (Note 3) ..............................................200 mA
Maximum current sunk by PORTC and PORTD (combined) (Note 3)..................................................................200 mA
Maximum current sourced by PORTC and PORTD (combined) (Note 3).............................................................200 mA
Note 1: Power dissipation is calculated as follows: Pdis = VDD x {IDD - ∑ IOH} + ∑ {(VDD - VOH) x IOH} + ∑(VOl x IOL)
2: Voltage spikes below VSS at the MCLR pin, inducing currents greater than 80 mA, may cause latch-up. Thus,
a series resistor of 50-100Ω should be used when applying a “low” level to the MCLR pin, rather than pulling
this pin directly to VSS.
3: PORTD and PORTE are not implemented on the 28-pin devices.
† NOTICE: Stresses above those listed under “Absolute Maximum Ratings” may cause permanent damage to the
device. This is a stress rating only and functional operation of the device at those or any other conditions above those
indicated in the operation listings of this specification is not implied. Exposure to maximum rating conditions for
extended periods may affect device reliability.

PIC16F87X
DS30292B-page 152 1999 Microchip Technology Inc.
FIGURE 15-1: PIC16FXXX-20 VOLTAGE-FREQUENCY GRAPH
FIGURE 15-2: PIC16LFXXX-04 VOLTAGE-FREQUENCY GRAPH
Frequency
Voltage
6.0 V
5.5 V
4.5 V
4.0 V
2.0 V
20 MHz
5.0 V
3.5 V
3.0 V
2.5 V
16 MHz
Frequency
Voltage
6.0 V
5.5 V
4.5 V
4.0 V
2.0 V
5.0 V
3.5 V
3.0 V
2.5 V
FMAX = (6.0 MHz/V) (VDDAPPMIN - 2.0 V) + 4 MHz
Note 1: VDDAPPMIN is the minimum voltage of the PICmicro® device in the application.
4 MHz 10 MHz
Note 2: FMAX has a maximum frequency of 10MHz.

1999 Microchip Technology Inc. DS30292B-page 153
PIC16F87X
FIGURE 15-3: PIC16FXXX-04 VOLTAGE-FREQUENCY GRAPH
Frequency
Voltage
6.0 V
5.5 V
4.5 V
4.0 V
2.0 V
5.0 V
3.5 V
3.0 V
2.5 V
PIC16CXXX-04
4 MHz

PIC16F87X
DS30292B-page 154 1999 Microchip Technology Inc.
15.1 DC Characteristics: PIC16F873/874/876/877-04 (Commercial, Industrial)
PIC16F873/874/876/877-20 (Commercial, Industrial)
DC CHARACTERISTICS Standard Operating Conditions (unless otherwise stated)
Operating temperature -40°C≤ TA ≤ +85°C for industrial and
0°C ≤ TA ≤ +70°C for commercial
Param
No. Characteristic Sym Min Typ† Max Units Conditions
D001
D001A Supply Voltage VDD 4.0
4.5
VBOR*
-
-
-
5.5
5.5
5.5
V
V
V
XT, RC and LP osc configuration
HS osc configuration
BOR enabled, Fmax = 14MHz (Note 7)
D002* RAM Data Retention
Voltage (Note 1) VDR -1.5-V
D003 VDD start voltage to
ensure internal Power-on
Reset signal
VPOR -VSS - V See section on Power-on Reset for details
D004* VDD rise rate to ensure
internal Power-on Reset
signal
SVDD 0.05 - - V/ms See section on Power-on Reset for details
D005 Brown-out Reset Voltage VBOR 3.7 4.0 4.35 V BODEN bit in configuration word enabled
D010
D013
Supply Current (Note 2,5) IDD -
-
1.6
7
4
15
mA
mA
XT, RC osc configuration
FOSC = 4 MHz, VDD = 5.5V (Note 4)
HS osc configuration
FOSC = 20 MHz, VDD = 5.5V
D015* Brown-out Reset Current
(Note 6) ∆IBOR -85200µA BOR enabled VDD = 5.0V
D020
D021
D021A
Power-down Current
(Note 3,5) IPD -
-
-
10.5
1.5
1.5
42
16
19
µA
µA
µA
VDD = 4.0V, WDT enabled, -40°C to +85°C
VDD = 4.0V, WDT disabled, -0°C to +70°C
VDD = 4.0V, WDT disabled, -40°C to +85°C
D023* Brown-out Reset Current
(Note 6) ∆IBOR -85200µA BOR enabled VDD = 5.0V
Legend: * These parameters are characterized but not tested.
† Data in "Typ" column is at 5V, 25°C unless otherwise stated. These parameters are for design guidance
only and are not tested.
Note 1: This is the limit to which VDD can be lowered without losing RAM data.
2: The supply current is mainly a function of the operating voltage and frequency. Other factors such as I/O pin
loading and switching rate, oscillator type, internal code execution pattern and temperature also have an
impact on the current consumption.
The test conditions for all IDD measurements in active operation mode are:
OSC1 = external square wave, from rail to rail; all I/O pins tristated, pulled to VDD
MCLR = VDD; WDT enabled/disabled as specified.
3: The power-down current in SLEEP mode does not depend on the oscillator type. Power-down current is
measured with the part in SLEEP mode, with all I/O pins in hi-impedance state and tied to VDD and VSS.
4: For RC osc configuration, current through Rext is not included. The current through the resistor can be esti-
mated by the formula Ir = VDD/2Rext (mA) with Rext in kOhm.
5: Timer1 oscillator (when enabled) adds approximately 20 µA to the specification. This value is from character-
ization and is for design guidance only. This is not tested.
6: The ∆ current is the additional current consumed when this peripheral is enabled. This current should be
added to the base IDD or IPD measurement.
7: When BOR is enabled, the device will operate correctly until the VBOR voltage trip point is reached.

1999 Microchip Technology Inc. DS30292B-page 155
PIC16F87X
15.2 DC Characteristics: PIC16LF873/874/876/877-04 (Commercial, Industrial)
DC CHARACTERISTICS Standard Operating Conditions (unless otherwise stated)
Operating temperature -40°C ≤ TA ≤ +85°C for industrial and
0°C ≤ TA ≤ +70°C for commercial
Param
No. Characteristic Sym Min Typ† Max Units Conditions
D001 Supply Voltage VDD 2.0 - 5.5 V LP, XT, RC osc configuration (DC - 4 MHz)
D002* RAM Data Retention
Voltage (Note 1) VDR -1.5- V
D003 VDD start voltage to
ensure internal Power-on
Reset signal
VPOR -VSS - V See section on Power-on Reset for details
D004* VDD rise rate to ensure
internal Power-on Reset
signal
SVDD 0.05 - - V/ms See section on Power-on Reset for details
D005 Brown-out Reset Voltage VBOR 3.7 4.0 4.35 V BODEN bit in configuration word enabled
D010
D010A
Supply Current (Note 2,5) IDD -
-
0.6
20
2.0
35
mA
µA
XT, RC osc configuration
FOSC = 4 MHz, VDD = 3.0V (Note 4)
LP osc configuration
FOSC = 32 kHz, VDD = 3.0V, WDT disabled
D015* Brown-out Reset Current
(Note 6) ∆IBOR -85200µA BOR enabled VDD = 5.0V
D020
D021
D021A
Power-down Current
(Note 3,5) IPD -
-
-
7.5
0.9
0.9
30
5
5
µA
µA
µA
VDD = 3.0V, WDT enabled, -40°C to +85°C
VDD = 3.0V, WDT disabled, 0°C to +70°C
VDD = 3.0V, WDT disabled, -40°C to +85°C
D023* Brown-out Reset Current
(Note 6) ∆IBOR -85200µA BOR enabled VDD = 5.0V
Legend: * These parameters are characterized but not tested.
† Data in "Typ" column is at 5V, 25°C unless otherwise stated. These parameters are for design guidance
only and are not tested.
Note 1: This is the limit to which VDD can be lowered without losing RAM data.
2: The supply current is mainly a function of the operating voltage and frequency. Other factors such as I/O pin
loading and switching rate, oscillator type, internal code execution pattern and temperature also have an
impact on the current consumption.
The test conditions for all IDD measurements in active operation mode are:
OSC1 = external square wave, from rail to rail; all I/O pins tristated, pulled to VDD
MCLR = VDD; WDT enabled/disabled as specified.
3: The power-down current in SLEEP mode does not depend on the oscillator type. Power-down current is
measured with the part in SLEEP mode, with all I/O pins in hi-impedance state and tied to VDD and VSS.
4: For RC osc configuration, current through Rext is not included. The current through the resistor can be esti-
mated by the formula Ir = VDD/2Rext (mA) with Rext in kOhm.
5: Timer1 oscillator (when enabled) adds approximately 20 µA to the specification. This value is from charac-
terization and is for design guidance only. This is not tested.
6: The ∆ current is the additional current consumed when this peripheral is enabled. This current should be
added to the base IDD or IPD measurement.

PIC16F87X
DS30292B-page 156 1999 Microchip Technology Inc.
15.3 DC Characteristics: PIC16F873/874/876/877-04 (Commercial, Industrial)
PIC16F873/874/876/877-20 (Commercial, Industrial)
PIC16LF873/874/876/877-04 (Commercial, Industrial)
DC CHARACTERISTICS
Standard Operating Conditions (unless otherwise stated)
Operating temperature -40°C ≤ TA ≤ +85°C for industrial and
0°C ≤ TA ≤ +70°C for commercial
Operating voltage VDD range as described in DC spec Section 15.1 and
Section 15.2.
Param
No. Characteristic Sym Min Typ† Max Units Conditions
Input Low Voltage
I/O ports VIL
D030 with TTL buffer VSS - 0.15VDD V For entire VDD range
D030A VSS -0.8VV4.5V ≤ VDD ≤ 5.5V
D031 with Schmitt Trigger buffer VSS -0.2VDD V
D032 MCLR, OSC1 (in RC mode) VSS -0.2VDD V
D033 OSC1 (in XT, HS and LP) VSS -0.3VDD VNote1
Ports RC3 and RC4
D034 with Schmitt Trigger buffer VSS -0.3VDD V For entire VDD range
D034A with SMBus -0.5 - 0.6 V for VDD = 4.5 to 5.5V
Input High Voltage
I/O ports VIH -
D040 with TTL buffer 2.0 - VDD V4.5V ≤ VDD ≤ 5.5V
D040A 0.25VDD
+ 0.8V -VDD V For entire VDD range
D041 with Schmitt Trigger buffer 0.8VDD -VDD V For entire VDD range
D042 MCLR 0.8VDD -VDD V
D042A OSC1 (XT, HS and LP) 0.7VDD -VDD VNote1
D043 OSC1 (in RC mode) 0.9VDD -VDD V
Ports RC3 and RC4
D044 with Schmitt Trigger buffer 0.7VDD -VDD V For entire VDD range
D044A with SMBus 1.4 - 5.5 V for VDD = 4.5 to 5.5V
D070 PORTB weak pull-up current IPURB 50 250 400 µAVDD = 5V, VPIN = VSS
Input Leakage Current
(Notes 2, 3)
D060 I/O ports IIL --±1µAVss ≤ VPIN ≤ VDD, Pin at hi-imped-
ance
D061 MCLR, RA4/T0CKI - - ±5µAVss ≤ VPIN ≤ VDD
D063 OSC1 - - ±5µAVss ≤ VPIN ≤ VDD, XT, HS and LP osc
configuration
Output Low Voltage
D080 I/O ports VOL --0.6VIOL = 8.5 mA, VDD = 4.5V,
-40°C to +85°C
D083 OSC2/CLKOUT (RC osc config) - - 0.6 V IOL = 1.6 mA, VDD = 4.5V,
-40°C to +85°C
Legend: * These parameters are characterized but not tested.
† Data in "Typ" column is at 5V, 25°C unless otherwise stated. These parameters are for design guidance
only and are not tested.
Note 1: In RC oscillator configuration, the OSC1/CLKIN pin is a Schmitt Trigger input. It is not recommended that the
PIC16F87X be driven with external clock in RC mode.
2: The leakage current on the MCLR pin is strongly dependent on the applied voltage level. The specified levels
represent normal operating conditions. Higher leakage current may be measured at different input voltages.
3: Negative current is defined as current sourced by the pin.

1999 Microchip Technology Inc. DS30292B-page 157
PIC16F87X
Output High Voltage
D090 I/O ports (Note 3) VOH VDD - 0.7 - - V IOH = -3.0 mA, VDD = 4.5V,
-40°C to +85°C
D092 OSC2/CLKOUT (RC osc config) VDD - 0.7 - - V IOH = -1.3 mA, VDD = 4.5V,
-40°C to +85°C
D150* Open-Drain High Voltage VOD - - 8.5 V RA4 pin
--
Capacitive Loading Specs on
Output Pins
D100 OSC2 pin COSC2 - - 15 pF In XT, HS and LP modes when exter-
nal clock is used to drive OSC1.
D101
D102 All I/O pins and OSC2 (in RC
mode) SCL, SDA in I2C mode
CIO
CB
-
--
-50
400 pF
pF
Data EEPROM Memory
D120 Endurance ED100K - - E/W 25°C at 5V
D121 VDD for read/write VDRW Vmin - 5.5 V Using EECON to read/write
Vmin = min operating voltage
D122 Erase/write cycle time TDEW -48ms
Program FLASH Memory
D130 Endurance EP1000 - - E/W 25°C at 5V
D131 VDD for read VPR Vmin - 5.5 V Vmin = min operating voltage
D132a VDD for erase/write Vmin - 5.5 V using EECON to read/write,
Vmin = min operating voltage
D133 Erase/Write cycle time TPEW -48ms
DC CHARACTERISTICS
Standard Operating Conditions (unless otherwise stated)
Operating temperature -40°C ≤ TA ≤ +85°C for industrial and
0°C ≤ TA ≤ +70°C for commercial
Operating voltage VDD range as described in DC spec Section 15.1 and
Section 15.2.
Param
No. Characteristic Sym Min Typ† Max Units Conditions
Legend: * These parameters are characterized but not tested.
† Data in "Typ" column is at 5V, 25°C unless otherwise stated. These parameters are for design guidance
only and are not tested.
Note 1: In RC oscillator configuration, the OSC1/CLKIN pin is a Schmitt Trigger input. It is not recommended that the
PIC16F87X be driven with external clock in RC mode.
2: The leakage current on the MCLR pin is strongly dependent on the applied voltage level. The specified levels
represent normal operating conditions. Higher leakage current may be measured at different input voltages.
3: Negative current is defined as current sourced by the pin.

PIC16F87X
DS30292B-page 158 1999 Microchip Technology Inc.
15.4 Timing Parameter Symbology
The timing parameter symbols have been created fol-
lowing one of the following formats:
FIGURE 15-4: LOAD CONDITIONS
1. TppS2ppS 3. TCC:ST (I2C specifications only)
2. TppS 4. Ts (I2C specifications only)
T
FFrequency TTime
Lowercase letters (pp) and their meanings:
pp
cc CCP1 osc OSC1
ck CLKOUT rd RD
cs CS rw RD or WR
di SDI sc SCK
do SDO ss SS
dt Data in t0 T0CKI
io I/O port t1 T1CKI
mc MCLR wr WR
Uppercase letters and their meanings:
S
FFall PPeriod
HHigh RRise
I Invalid (Hi-impedance) V Valid
L Low Z Hi-impedance
I2C only
AA output access High High
BUF Bus free Low Low
TCC:ST (I2C specifications only)
CC
HD Hold SU Setup
ST
DAT DATA input hold STO STOP condition
STA START condition
VDD/2
CL
RL
Pin Pin
VSS VSS
CL
RL= 464Ω
CL= 50 pF for all pins except OSC2, but including PORTD and PORTE outputs as ports
15 pF for OSC2 output
Note: PORTD and PORTE are not implemented on the 28-pin devices.
Load condition 1 Load condition 2

1999 Microchip Technology Inc. DS30292B-page 159
PIC16F87X
FIGURE 15-5: EXTERNAL CLOCK TIMING
OSC1
CLKOUT
Q4 Q1 Q2 Q3 Q4 Q1
1
2
3344
TABLE 15-1: EXTERNAL CLOCK TIMING REQUIREMENTS
Parameter
No. Sym Characteristic Min Typ† Max Units Conditions
FOSC External CLKIN Frequency
(Note 1) DC — 4 MHz XT and RC osc mode
DC — 4 MHz HS osc mode (-04)
DC — 20 MHz HS osc mode (-20)
DC — 200 kHz LP osc mode
Oscillator Frequency
(Note 1) DC — 4 MHz RC osc mode
0.1 — 4 MHz XT osc mode
4
5—
—20
200 MHz
kHz HS osc mode
LP osc mode
1TOSC External CLKIN Period
(Note 1) 250 — — ns XT and RC osc mode
250 — — ns HS osc mode (-04)
50 — — ns HS osc mode (-20)
5— —µs LP osc mode
Oscillator Period
(Note 1) 250 — — ns RC osc mode
250 — 10,000 ns XT osc mode
250 — 250 ns HS osc mode (-04)
50 — 250 ns HS osc mode (-20)
5— —µs LP osc mode
2TCY Instruction Cycle Time
(Note 1) 200 TCY DC ns TCY = 4/FOSC
3TosL,
Tos H External Clock in (OSC1) High
or Low Time 100 — — ns XT oscillator
2.5 — — µs LP oscillator
15 — — ns HS oscillator
4TosR,
TosF External Clock in (OSC1) Rise
or Fall Time — — 25 ns XT oscillator
— — 50 ns LP oscillator
— — 15 ns HS oscillator
Legend: † Data in "Typ" column is at 5V, 25°C unless otherwise stated. These parameters are for design guidance
only and are not tested.
Note 1: Instruction cycle period (TCY) equals four times the input oscillator time-base period. All specified values are
based on characterization data for that particular oscillator type under standard operating conditions with the
device executing code. Exceeding these specified limits may result in an unstable oscillator operation and/or
higher than expected current consumption. All devices are tested to operate at "min." values with an external
clock applied to the OSC1/CLKIN pin. When an external clock input is used, the "Max." cycle time limit is
"DC" (no clock) for all devices.

PIC16F87X
DS30292B-page 160 1999 Microchip Technology Inc.
FIGURE 15-6: CLKOUT AND I/O TIMING
TABLE 15-2: CLKOUT AND I/O TIMING REQUIREMENTS
Param
No. Sym Characteristic Min Typ† Max Units Conditions
10* TosH2ckL OSC1↑ to CLKOUT↓ — 75 200 ns Note 1
11* TosH2ckH OSC1↑ to CLKOUT↑ — 75 200 ns Note 1
12* TckR CLKOUT rise time — 35 100 ns Note 1
13* TckF CLKOUT fall time — 35 100 ns Note 1
14* TckL2ioV CLKOUT ↓ to Port out valid — — 0.5TCY + 20 ns Note 1
15* TioV2ckH Port in valid before CLKOUT ↑ T
OSC + 200 — — ns Note 1
16* TckH2ioI Port in hold after CLKOUT ↑ 0 — — ns Note 1
17* TosH2ioV OSC1↑ (Q1 cycle) to
Port out valid
— 100 255 ns
18* TosH2ioI OSC1↑ (Q2 cycle) to
Port input invalid (I/O in
hold time)
Standard (F) 100 — — ns
Extended (LF) 200 — — ns
19* TioV2osH Port input valid to OSC1↑ (I/O in setup time) 0 — — ns
20* TioR Port output rise time Standard (F) — 10 40 ns
Extended (LF) — — 145 ns
21* TioF Port output fall time Standard (F) — 10 40 ns
Extended (LF) — — 145 ns
22††* Tinp INT pin high or low time TCY ——ns
23††* Trbp RB7:RB4 change INT high or low time TCY ——ns
Legend: * These parameters are characterized but not tested.
† Data in "Typ" column is at 5V, 25°C unless otherwise stated. These parameters are for design guidance
only and are not tested.
†† These parameters are asynchronous events not related to any internal clock edges.
Note 1: Measurements are taken in RC Mode where CLKOUT output is 4 x TOSC.
Note: Refer to Figure 15-4 for load conditions.
OSC1
CLKOUT
I/O Pin
(input)
I/O Pin
(output)
Q4 Q1 Q2 Q3
10
13 14
17
20, 21
19 18
15
11
12 16
old value new value

1999 Microchip Technology Inc. DS30292B-page 161
PIC16F87X
FIGURE 15-7: RESET, WATCHDOG TIMER, OSCILLATOR START-UP TIMER AND POWER-UP
TIMER TIMING
FIGURE 15-8: BROWN-OUT RESET TIMING
TABLE 15-3: RESET, WATCHDOG TIMER, OSCILLATOR START-UP TIMER, POWER-UP TIMER,
AND BROWN-OUT RESET REQUIREMENTS
Parameter
No. Sym Characteristic Min Typ† Max Units Conditions
30 TmcL MCLR Pulse Width (low) 2 ——
µsVDD = 5V, -40°C to +85°C
31* Twdt Watchdog Timer Time-out Period
(No Prescaler)
71833msV
DD = 5V, -40°C to +85°C
32 Tost Oscillation Start-up Timer Period — 1024 TOSC ——TOSC = OSC1 period
33* Tpwrt Power up Timer Period 28 72 132 ms VDD = 5V, -40°C to +85°C
34 TIOZ I/O Hi-impedance from MCLR Low
or Watchdog Timer Reset
——2.1
µs
35 TBOR Brown-out Reset pulse width 100 — — µsVDD ≤ VBOR (D005)
Legend: * These parameters are characterized but not tested.
† Data in "Typ" column is at 5V, 25°C unless otherwise stated. These parameters are for design guidance
only and are not tested.
VDD
MCLR
Internal
POR
PWRT
Time-out
OSC
Time-out
Internal
Reset
Watchdog
Timer
Reset
33
32
30
31
34
I/O Pins
34
Note: Refer to Figure 15-4 for load conditions.
VDD VBOR
35

PIC16F87X
DS30292B-page 162 1999 Microchip Technology Inc.
FIGURE 15-9: TIMER0 AND TIMER1 EXTERNAL CLOCK TIMINGS
TABLE 15-4: TIMER0 AND TIMER1 EXTERNAL CLOCK REQUIREMENTS
Param
No. Sym Characteristic Min Typ† Max Units Conditions
40* Tt0H T0CKI High Pulse Width No Prescaler 0.5TCY + 20 — — ns Must also meet
parameter 42
With Prescaler 10 — — ns
41* Tt0L T0CKI Low Pulse Width No Prescaler 0.5TCY + 20 — — ns Must also meet
parameter 42
With Prescaler 10 — — ns
42* Tt0P T0CKI Period No Prescaler TCY + 40 — — ns
With Prescaler Greater of:
20 or TCY + 40
N
— — ns N = prescale value
(2, 4, ..., 256)
45* Tt1H T1CKI High Time Synchronous, Prescaler = 1 0.5TCY + 20 — — ns Must also meet
parameter 47
Synchronous,
Prescaler =
2,4,8
Standard(F)15——ns
Extended(LF)25——ns
Asynchronous Standard(F)30——ns
Extended(LF)50——ns
46* Tt1L T1CKI Low Time Synchronous, Prescaler = 1 0.5TCY + 20 — — ns Must also meet
parameter 47
Synchronous,
Prescaler =
2,4,8
Standard(F)15——ns
Extended(LF)25——ns
Asynchronous Standard(F)30——ns
Extended(LF)50——ns
47* Tt1P T1CKI input period Synchronous Standard(F) Greater of:
30 OR TCY + 40
N
— — ns N = prescale value
(1, 2, 4, 8)
Extended(LF) Greater of:
50 OR TCY + 40
N
N = prescale value
(1, 2, 4, 8)
Asynchronous Standard(F)60——ns
Extended(LF)100——ns
Ft1 Timer1 oscillator input frequency range
(oscillator enabled by setting bit T1OSCEN)
DC — 200 kHz
48 TCKEZtmr1 Delay from external clock edge to timer increment 2Tosc — 7Tosc —
* These parameters are characterized but not tested.
† Data in "Typ" column is at 5V, 25°C unless otherwise stated. These parameters are for design guidance only and are not
tested.
Note: Refer to Figure 15-4 for load conditions.
46
47
45
48
41
42
40
RA4/T0CKI
RC0/T1OSO/T1CKI
TMR0 or
TMR1

1999 Microchip Technology Inc. DS30292B-page 163
PIC16F87X
FIGURE 15-10: CAPTURE/COMPARE/PWM TIMINGS (CCP1 AND CCP2)
TABLE 15-5: CAPTURE/COMPARE/PWM REQUIREMENTS (CCP1 AND CCP2)
Param
No. Sym Characteristic Min Typ† Max Units Conditions
50* TccL CCP1 and CCP2
input low time
No Prescaler 0.5TCY + 20 ——ns
With Prescaler
Standard(F)10 — — ns
Extended(LF)20——ns
51* TccH CCP1 and CCP2
input high time
No Prescaler 0.5TCY + 20 — — ns
With Prescaler
Standard(F)10——ns
Extended(LF)20——ns
52* TccP CCP1 and CCP2 input period 3TCY + 40
N
— — ns N = prescale
value (1,4 or 16)
53* TccR CCP1 and CCP2 output rise time Standard(F) — 10 25 ns
Extended(LF) — 25 50 ns
54* TccF CCP1 and CCP2 output fall time Standard(F) — 10 25 ns
Extended(LF) — 25 45 ns
* These parameters are characterized but not tested.
† Data in "Typ" column is at 5V, 25°C unless otherwise stated.
These parameters are for design guidance only and are not tested.
Note: Refer to Figure 15-4 for load conditions.
and RC2/CCP1
(Capture Mode)
50 51
52
53 54
RC1/T1OSI/CCP2
and RC2/CCP1
(Compare or PWM Mode)
RC1/T1OSI/CCP2

PIC16F87X
DS30292B-page 164 1999 Microchip Technology Inc.
FIGURE 15-11: PARALLEL SLAVE PORT TIMING (40-PIN DEVICES ONLY)
TABLE 15-6: PARALLEL SLAVE PORT REQUIREMENTS (40-PIN DEVICES ONLY)
Parameter
No. Sym Characteristic Min Typ† Max Units Conditions
62 TdtV2wrH Data in valid before WR↑ or CS↑ (setup time) 20
25
—
—
—
—
ns
ns Extended
Range Only
63* TwrH2dtI WR↑ or CS↑ to data–in invalid (hold time) Standard(F)20——ns
Extended(LF)35——ns
64 TrdL2dtV RD↓ and CS↓ to data–out valid —
—
—
—
80
90
ns
ns Extended
Range Only
65 TrdH2dtI RD↑ or CS↓ to data–out invalid 10 — 30 ns
* These parameters are characterized but not tested.
† Data in "Typ" column is at 5V, 25°C unless otherwise stated. These parameters are for design guidance only and are not
tested.
Note: Refer to Figure 15-4 for load conditions.
RE2/CS
RE0/RD
RE1/WR
RD7:RD0
62
63
64
65

1999 Microchip Technology Inc. DS30292B-page 165
PIC16F87X
FIGURE 15-12: SPI MASTER MODE TIMING (CKE = 0, SMP = 0)
FIGURE 15-13: SPI MASTER MODE TIMING (CKE = 1, SMP = 1)
SS
SCK
(CKP = 0)
SCK
(CKP = 1)
SDO
SDI
70
71 72
73
74
75, 76
78
79
80
79
78
MSb LSb
BIT6 - - - - - -1
MSb IN LSb IN
BIT6 - - - -1
Note: Refer to Figure 15-4 for load conditions.
SS
SCK
(CKP = 0)
SCK
(CKP = 1)
SDO
SDI
81
71 72
74
75, 76
78
80
MSb
79
73
MSb IN
BIT6 - - - - - -1
LSb IN
BIT6 - - - -1
LSb
Note: Refer to Figure 15-4 for load conditions.

PIC16F87X
DS30292B-page 166 1999 Microchip Technology Inc.
FIGURE 15-14: SPI SLAVE MODE TIMING (CKE = 0)
FIGURE 15-15: SPI SLAVE MODE TIMING (CKE = 1)
SS
SCK
(CKP = 0)
SCK
(CKP = 1)
SDO
SDI
70
71 72
73
74
75, 76 77
78
79
80
79
78
SDI
MSb LSb
BIT6 - - - - - -1
MSb IN BIT6 - - - -1 LSb IN
83
Note: Refer to Figure 15-4 for load conditions.
SS
SCK
(CKP = 0)
SCK
(CKP = 1)
SDO
SDI
70
71 72
82
SDI
74
75, 76
MSb BIT6 - - - - - -1 LSb
77
MSb IN BIT6 - - - -1 LSb IN
80
83
Note: Refer to Figure 15-4 for load conditions.

1999 Microchip Technology Inc. DS30292B-page 167
PIC16F87X
TABLE 15-7: SPI MODE REQUIREMENTS
FIGURE 15-16: I2C BUS START/STOP BITS TIMING
TABLE 15-8: I2C BUS START/STOP BITS REQUIREMENTS
Param
No.
Sym Characteristic Min Typ† Max Units Conditions
70* TssL2scH,
TssL2scL
SS↓ to SCK↓ or SCK↑ input TCY ——ns
71* TscH SCK input high time (slave mode) TCY + 20 — — ns
72* TscL SCK input low time (slave mode) TCY + 20 — — ns
73* TdiV2scH,
TdiV2scL
Setup time of SDI data input to SCK edge 100 — — ns
74* TscH2diL,
TscL2diL
Hold time of SDI data input to SCK edge 100 — — ns
75* TdoR SDO data output rise time Standard(F)
Extended(LF)
—
—
10
25
25
50
ns
ns
76* TdoF SDO data output fall time — 10 25 ns
77* TssH2doZ SS↑ to SDO output hi-impedance 10 — 50 ns
78* TscR SCK output rise time (master mode) Standard(F)
Extended(LF)
—
—
10
25
25
50
ns
ns
79* TscF SCK output fall time (master mode) — 10 25 ns
80* TscH2doV,
TscL2doV
SDO data output valid after SCK
edge
Standard(F)
Extended(LF)
—
—
—
—
50
145
ns
81* TdoV2scH,
TdoV2scL
SDO data output setup to SCK edge TCY ——ns
82* TssL2doV SDO data output valid after SS↓ edge — — 50 ns
83* TscH2ssH,
TscL2ssH
SS ↑ after SCK edge 1.5TCY + 40 — — ns
* These parameters are characterized but not tested.
† Data in "Typ" column is at 5V, 25°C unless otherwise stated. These parameters are for design guidance only and are not
tested.
Parameter
No. Sym Characteristic Min Typ Max Units Conditions
90 TSU:STA START condition 100 kHz mode 4700 — — ns Only relevant for repeated START
condition
Setup time 400 kHz mode 600 — —
91 THD:STA START condition 100 kHz mode 4000 — — ns After this period the first clock
pulse is generated
Hold time 400 kHz mode 600 — —
92 TSU:STO STOP condition 100 kHz mode 4700 — — ns
Setup time 400 kHz mode 600 — —
93 THD:STO STOP condition 100 kHz mode 4000 — — ns
Hold time 400 kHz mode 600 — —
Note: Refer to Figure 15-4 for load conditions.
91 93
SCL
SDA
START
Condition STOP
Condition
90 92

PIC16F87X
DS30292B-page 168 1999 Microchip Technology Inc.
FIGURE 15-17: I2C BUS DATA TIMING
TABLE 15-9: I2C BUS DATA REQUIREMENTS
Param
No. Sym Characteristic Min Max Units Conditions
100 THIGH Clock high time 100 kHz mode 4.0 —µs Device must operate at a mini-
mum of 1.5 MHz
400 kHz mode 0.6 — µs Device must operate at a mini-
mum of 10 MHz
SSP Module 1.5TCY —
101 TLOW Clock low time 100 kHz mode 4.7 — µs Device must operate at a mini-
mum of 1.5 MHz
400 kHz mode 1.3 — µs Device must operate at a mini-
mum of 10 MHz
SSP Module 1.5TCY —
102 TRSDA and SCL rise
time
100 kHz mode — 1000 ns
400 kHz mode 20 + 0.1Cb 300 ns Cb is specified to be from
10 to 400 pF
103 TFSDA and SCL fall time 100 kHz mode — 300 ns
400 kHz mode 20 + 0.1Cb 300 ns Cb is specified to be from
10 to 400 pF
90 TSU:STA START condition
setup time
100 kHz mode 4.7 — µs Only relevant for repeated
START condition
400 kHz mode 0.6 — µs
91 THD:STA START condition hold
time
100 kHz mode 4.0 — µs After this period the first clock
pulse is generated
400 kHz mode 0.6 — µs
106 THD:DAT Data input hold time 100 kHz mode 0 — ns
400 kHz mode 0 0.9 µs
107 TSU:DAT Data input setup time 100 kHz mode 250 — ns Note 2
400 kHz mode 100 — ns
92 TSU:STO STOP condition setup
time
100 kHz mode 4.7 — µs
400 kHz mode 0.6 — µs
109 TAA Output valid from
clock
100 kHz mode — 3500 ns Note 1
400 kHz mode — — ns
110 TBUF Bus free time 100 kHz mode 4.7 — µs Time the bus must be free
before a new transmission can
start
400 kHz mode 1.3 — µs
Cb Bus capacitive loading — 400 pF
Note 1: As a transmitter, the device must provide this internal minimum delay time to bridge the undefined region (min. 300 ns) of
the falling edge of SCL to avoid unintended generation of START or STOP conditions.
2: A fast-mode (400 kHz) I2C-bus device can be used in a standard-mode (100 kHz) I2C-bus system, but the requirement tsu;
DAT ≥250 ns must then be met. This will automatically be the case if the device does not stretch the LOW period of the
SCL signal. If such a device does stretch the LOW period of the SCL signal, it must output the next data bit to the SDA line
TR max.+tsu; DAT = 1000 + 250 = 1250 ns (according to the standard-mode I2C bus specification) before the SCL line is
released.
Note: Refer to Figure 15-4 for load conditions.
90
91 92
100
101
103
106 107
109 109 110
102
SCL
SDA
In
SDA
Out

1999 Microchip Technology Inc. DS30292B-page 169
PIC16F87X
FIGURE 15-18: USART SYNCHRONOUS TRANSMISSION (MASTER/SLAVE) TIMING
TABLE 15-10: USART SYNCHRONOUS TRANSMISSION REQUIREMENTS
FIGURE 15-19: USART SYNCHRONOUS RECEIVE (MASTER/SLAVE) TIMING
TABLE 15-11: USART SYNCHRONOUS RECEIVE REQUIREMENTS
Param
No. Sym Characteristic Min Typ† Max Units Conditions
120 TckH2dtV SYNC XMIT (MASTER &
SLAVE)
Clock high to data out valid
Standard(F)
— — 80 ns
Extended(LF) — — 100 ns
121 Tckrf Clock out rise time and fall time
(Master Mode)
Standard(F)——45ns
Extended(LF)——50ns
122 Tdtrf Data out rise time and fall time Standard(F)——45ns
Extended(LF)——50ns
†: Data in “Typ” column is at 5V, 25°C unless otherwise stated. These parameters are for design guidance only and are not
tested.
Parameter
No. Sym Characteristic Min Typ† Max Units Conditions
125 TdtV2ckL SYNC RCV (MASTER & SLAVE)
Data setup before CK ↓ (DT setup time) 15 ——ns
126 TckL2dtl Data hold after CK ↓ (DT hold time) 15 — — ns
†: Data in “Typ” column is at 5V, 25°C unless otherwise stated. These parameters are for design guidance only and are not
tested.
Note: Refer to Figure 15-4 for load conditions.
121
121
122
RC6/TX/CK
RC7/RX/DT
Pin
Pin
120
Note: Refer to Figure 15-4 for load conditions.
125
126
RC6/TX/CK
RC7/RX/DT
pin
pin

PIC16F87X
DS30292B-page 170 1999 Microchip Technology Inc.
TABLE 15-12: PIC16F873/874/876/877-04 (COMMERCIAL, INDUSTRIAL)
PIC16F873/874/876/877-20 (COMMERCIAL, INDUSTRIAL)
PIC16LF873/874/876/877-04 (COMMERCIAL, INDUSTRIAL)
Param
No. Sym Characteristic Min Typ† Max Units Conditions
A01 NRResolution — — 10-bits bit VREF = VDD = 5.12V,
VSS ≤ VAIN ≤ VREF
A03 EIL Integral linearity error — — < ± 1 LSb VREF = VDD = 5.12V,
VSS ≤ VAIN ≤ VREF
A04 EDL Differential linearity error — — < ± 1 LSb VREF = VDD = 5.12V,
VSS ≤ VAIN ≤ VREF
A06 EOFF Offset error — — < ± 2 LSb VREF = VDD = 5.12V,
VSS ≤ VAIN ≤ VREF
A07 EGN Gain error — — < ± 1 LSb VREF = VDD = 5.12V,
VSS ≤ VAIN ≤ VREF
A10 — Monotonicity(3) — guaranteed — — VSS ≤ VAIN ≤ VREF
A20 VREF Reference voltage (VREF+ - VREF-) 2.0V — VDD + 0.3 V Absolute minimum electrical
spec. To ensure 10-bit
accuracy.
A21 VREF+ Reference voltage High AVDD - 2.5V AVDD + 0.3V V
A22 VREF- Reference voltage low AVSS - 0.3V VREF+ - 2.0V V
A25 VAIN Analog input voltage VSS - 0.3 — VREF + 0.3 V
A30 ZAIN Recommended impedance of
analog voltage source
— — 10.0 kΩ
A40 IAD A/D conversion cur-
rent (VDD)
Standard — 220 — µA Average current consumption
when A/D is on.
(Note 1)
Extended — 90 — µA
A50 IREF VREF input current (Note 2) 10
—
—
—
1000
10
µA
µA
During VAIN acquisition.
Based on differential of VHOLD
to VAIN to charge CHOLD, see
Section 11.1.
During A/D Conversion cycle
* These parameters are characterized but not tested.
† Data in "Typ" column is at 5V, 25°C unless otherwise stated. These parameters are for design guidance only and are not
tested.
Note 1: When A/D is off, it will not consume any current other than minor leakage current.
The power-down current spec includes any such leakage from the A/D module.
2: VREF current is from RA3 pin or VDD pin, whichever is selected as reference input.
3: The A/D conversion result never decreases with an increase in the Input Voltage, and has no missing codes.

1999 Microchip Technology Inc. DS30292B-page 171
PIC16F87X
FIGURE 15-20: A/D CONVERSION TIMING
TABLE 15-13: A/D CONVERSION REQUIREMENTS
Param
No. Sym Characteristic Min Typ† Max Units Conditions
130 TAD A/D clock period Standard(F)1.6 ——
µsTOSC based, VREF ≥ 3.0V
Extended(LF)3.0— —
µsT
OSC based, VREF ≥ 2.0V
Standard(F) 2.0 4.0 6.0 µs A/D RC Mode
Extended(LF) 3.0 6.0 9.0 µs A/D RC Mode
131 TCNV Conversion time (not including S/H time)
(Note 1)
—12TAD
132 TACQ Acquisition time Note 2
10*
40
—
—
—
µs
µs The minimum time is the ampli-
fier settling time. This may be
used if the "new" input voltage
has not changed by more than 1
LSb (i.e., 20.0 mV @ 5.12V)
from the last sampled voltage
(as stated on CHOLD).
134 TGO Q4 to A/D clock start — TOSC/2 § — — If the A/D clock source is
selected as RC, a time of TCY is
added before the A/D clock
starts. This allows the SLEEP
instruction to be executed.
* These parameters are characterized but not tested.
† Data in "Typ" column is at 5V, 25°C unless otherwise stated. These parameters are for design guidance only and are not
tested.
§ This specification ensured by design.
Note 1: ADRES register may be read on the following TCY cycle.
2: See Section 11.1 for min conditions.
131
130
132
BSF ADCON0, GO
Q4
A/D CLK
A/D DATA
ADRES
ADIF
GO
SAMPLE
OLD_DATA
SAMPLING STOPPED
DONE
NEW_DATA
(TOSC/2)(1)
987 210
Note 1: If the A/D clock source is selected as RC, a time of TCY is added before the A/D clock starts. This allows the SLEEP
instruction to be executed.
1 TCY
. . . . . .

PIC16F87X
DS30292B-page 172 1999 Microchip Technology Inc.
NOTES:

1999 Microchip Technology Inc. DS30292B-page 173
PIC16F87X
16.0 DC AND AC
CHARACTERISTICS GRAPHS
AND TABLES
The graphs and tables provided in this section are for
design guidance and are not tested.
In some graphs or tables, the data presented are out-
side specified operating range (i.e., outside specified
VDD range). This is for information only and devices
are ensured to operate properly only within the speci-
fied range.
The data presented in this section is a statistical sum-
mary of data collected on units from different lots over
a period of time and matrix samples. ’Typical’ repre-
sents the mean of the distribution at 25°C. ’Max’ or ’min’
represents (mean + 3σ) or (mean - 3σ) respectively,
where σ is standard deviation, over the whole temper-
ature range.
Graphs and Tables not available at this time.

PIC16F87X
DS30292B-page 174 1999 Microchip Technology Inc.
NOTES:

1999 Microchip Technology Inc. DS30292B-page 175
PIC16F87X
17.0 PACKAGING INFORMATION
17.1 Package Marking Information
28-Lead SOIC
AABBCDE
Example
PIC16F876-04/SO
XXXXXXXXXXXXXXXXXXXXX
AABBCDE
28-Lead PDIP (Skinny DIP) Example
PIC16F876-20/SP
9917HAT
9910SAA
XXXXXXXXXXXXXXXXXXXXXXXXX
Legend: MM...M Microchip part number information
XX...X Customer specific information*
AA Year code (last 2 digits of calendar year)
BB Week code (week of January 1 is week ‘01’)
C Facility code of the plant at which wafer is manufactured
O = Outside Vendor
C = 5” Line
S = 6” Line
H = 8” Line
D Mask revision number
E Assembly code of the plant or country of origin in which
part was assembled
Note: In the event the full Microchip part number cannot be marked on one line, it will
be carried over to the next line thus limiting the number of available characters
for customer specific information.
*Standard OTP marking consists of Microchip part number, year code, week code, facility code, mask
rev#, and assembly code. For OTP marking beyond this, certain price adders apply. Please check with
your Microchip Sales Office. For QTP devices, any special marking adders are included in QTP price.
XXXXXXXXXXXXXXXXXXXXXXXXX
XXXXXXXXXXXXXXXXXXXXX

PIC16F87X
DS30292B-page 176 1999 Microchip Technology Inc.
Package Marking Information (Cont’d)
XXXXXXXXXXXXXXXXXX
AABBCDE
40-Lead PDIP Example
PIC16F877-04/P
9912SAA
44-Lead TQFP
XXXXXXXXXX
AABBCDE
XXXXXXXXXX
Example
-04/PT
PIC16F877
44-Lead PLCC
44-Lead MQFP
Example
PIC16F877
-20/L
Example
-20/PQ
PIC16F877
9904SAT
9911HAT
9903SAT
XXXXXXXXXXXXXXXXXX
XXXXXXXXXXXXXXXXXX
XXXXXXXXXX
XXXXXXXXXX
AABBCDE
XXXXXXXXXX
XXXXXXXXXX
XXXXXXXXXX
AABBCDE
XXXXXXXXXX
XXXXXXXXXX

1999 Microchip Technology Inc. DS30292B-page 177
PIC16F87X
17.2 K04-070 28-Lead Skinny Plastic Dual In-line (SP) – 300 mil
* Controlling Parameter.
†Dimension “B1” does not include dam-bar protrusions. Dam-bar protrusions shall not exceed 0.003”
(0.076 mm) per side or 0.006” (0.152 mm) more than dimension “B1.”
‡Dimensions “D” and “E” do not include mold flash or protrusions. Mold flash or protrusions shall not
exceed 0.010” (0.254 mm) per side or 0.020” (0.508 mm) more than dimensions “D” or “E.”
0.320
0.270
0.280
1.345
0.125
0.015
0.070
0.140
0.008
0.000
0.040
0.016
Mold Draft Angle Bottom
Mold Draft Angle Top
Overall Row Spacing
Radius to Radius Width
Molded Package Width
Tip to Seating Plane
Base to Seating Plane
Top of Lead to Seating Plane
Top to Seating Plane
Upper Lead Width
Lower Lead Width
PCB Row Spacing
Package Length
Lead Thickness
Shoulder Radius
Number of Pins
Dimension Limits
Pitch
Units
E‡
β
eB
E1
α
A1
A2
L
D‡
A
c
R
n
B1†
B
p
MIN MIN
0.2950.288
5
5
10
0.350
0.283
10
0.380
0.295
15
15
0.090
1.365
0.130
0.020
0.150
0.010
0.005
NOM
INCHES*
28
0.053
0.019
0.100
0.300
1.385
0.135
0.025
0.110
0.160
0.012
0.010
0.065
0.022
MAX
7.497.307.11
8.89
7.18
5
8.13
6.86
5
10
10
15
15
9.65
7.49
34.67
3.30
0.51
2.29
3.81
0.25
0.13
1.33
0.48
2.54
7.62
MILLIMETERS
1.78
34.16
3.18
0.38
3.56
0.20
0.00
1.02
0.41
NOM
2.79
35.18
3.43
0.64
4.06
0.30
0.25
MAX
28
1.65
0.56
n 1
2
R
D
E
c
eB
β
E1
α
p
L
A1
B
B1
A
A2

PIC16F87X
DS30292B-page 178 1999 Microchip Technology Inc.
17.3 K04-052 28-Lead Plastic Small Outline (SO) – Wide, 300 mil
MIN
pPitch
Mold Draft Angle Bottom
Mold Draft Angle Top
Lower Lead Width
Radius Centerline
Gull Wing Radius
Shoulder Radius
Chamfer Distance
Outside Dimension
Molded Package Width
Molded Package Length
Shoulder Height
Overall Pack. Height
Lead Thickness
Foot Angle
Foot Length
Standoff
Number of Pins
β
α
B†
c
φ
X
A2
A1
A
n
E1
L
L1
R1
R2
E‡
D‡
Dimension Limits
Units
1.270.050
8
12
12
0.017
0
0.014
0
0.019
15
15
0.011
0.015
0.016
0.005
0.005
0.020
0.407
0.296
0.706
0.008
0.058
0.099
28
0.394
0.011
0.009
0.010
0
0.005
0.005
0.010
0.292
0.700
0.004
0.048
0.093
0.419
0.012
0.020
0.021
0.010
0.010
0.029
48
0.299
0.712
0.011
0.068
0.104
0.36
0
0
12
12
0.42
15
15
0.48
10.33
17.93
10.01
0.23
0.25
0.28
0.13
0.13
0.25
0
7.42
0.10
1.22
2.36
17.78
10.64
0.41
4
0.27
0.38
0.13
0.13
0.50
0.53
0.30
0.51
0.25
0.25
0.74
7.51
0.19
28
2.50
1.47
18.08
7.59
0.28
2.64
1.73
NOM
INCHES*
MAX NOM
MILLIMETERS
MIN MAX
n1
2
R1
R2
D
p
B
E1
E
L1
L
c
β
45°
X
φ
A1
α
A
A2
* Controlling Parameter.
†Dimension “B” does not include dam-bar protrusions. Dam-bar protrusions shall not exceed 0.003”
(0.076 mm) per side or 0.006” (0.152 mm) more than dimension “B.”
‡Dimensions “D” and “E” do not include mold flash or protrusions. Mold flash or protrusions shall not
exceed 0.010” (0.254 mm) per side or 0.020” (0.508 mm) more than dimensions “D” or “E.”

1999 Microchip Technology Inc. DS30292B-page 179
PIC16F87X
17.4 K04-016 40-Lead Plastic Dual In-line (P) – 600 mil
* Controlling Parameter.
†Dimension “B1” does not include dam-bar protrusions. Dam-bar protrusions shall not exceed 0.003”
(0.076 mm) per side or 0.006” (0.152 mm) more than dimension “B1.”
‡Dimensions “D” and “E” do not include mold flash or protrusions. Mold flash or protrusions shall not
exceed 0.010” (0.254 mm) per side or 0.020” (0.508 mm) more than dimensions “D” or “E.”
n2
1
R
Top to Seating Plane
Mold Draft Angle Bottom
Mold Draft Angle Top
Overall Row Spacing
Radius to Radius Width
Molded Package Width
Tip to Seating Plane
Base to Seating Plane
Top of Lead to Seating Plane
Package Length
E1
β
eB
α
L
E‡
D‡
A2
A1
0.670
0.585
0.540
2.023
0.135
0.040
0.113
0.545
5
5
0.630
0.125
0.530
2.013
0.020
0.073
0.565
10
0.610
10
0.130
0.535
2.018
0.020
0.093
16.00
13.84
13.46
51.13
3.18
0.51
1.85
15
15
14.35
5
5
10
15.49
10
3.30
13.59
51.26
0.51
2.36
14.86
17.02
15
15
13.72
51.38
3.43
1.02
2.87
PCB Row Spacing
Lead Thickness
Shoulder Radius
Upper Lead Width
Lower Lead Width
Pitch
Number of Pins
Dimension Limits
Units
p
c
A
R
B
B1†
n
0.160
0.011
0.010
0.055
0.020
NOM
INCHES*
0.110
0.009
0.000
0.045
0.016
MIN
0.100
0.160
0.010
0.005
0.050
0.018
40
0.600
MAX
2.79
0.23
0.00
1.14
0.41
MIN
2.54
4.06
0.25
0.13
1.27
0.46
NOM
MILLIMETERS
15.24
40
4.06
0.28
0.25
1.40
0.51
MAX
A1
D
E
c
β
eB
E1
α
p
L
B
B1
A
A2

PIC16F87X
DS30292B-page 180 1999 Microchip Technology Inc.
17.5 K04-076 44-Lead Plastic Thin Quad Flatpack (PT) 10x10x1 mm Body, 1.0/0.1 mm Lead Form
0.025
0.390
0.390
0.463
0.463
0.012
0.004
0.003
0.005
0.003
0.003
0.002
0.015
0.039
p
Mold Draft Angle Bottom
Mold Draft Angle Top
Pin 1 Corner Chamfer
Molded Pack. Width
Molded Pack. Length
Outside Tip Width
Outside Tip Length
Lower Lead Width
Lead Thickness
Radius Centerline
Gull Wing Radius
Shoulder Radius
Shoulder Height
Overall Pack. Height
Pins along Width
Number of Pins
Foot Length
Foot Angle
Standoff
D‡
β
X
α
E‡
L
D1
E1
B†
c
L1
φ
A1
R1
R2
A2
n1
A
n
Dimension Limits
Pitch
Units
MIN
0.3980.394
5
5
12
0.035
0.394
10
0.045
0.398
15
15
0.010
0
0.472
0.472
0.015
0.006
0.008
3.5
0.025
0.006
0.003
0.004
0.043
11
44
0.015
0.482
0.482
0.018
0.008
0.013
7
0.008
0.010
0.006
0.035
0.047
10.1010.009.90
12
10
0.89
10.00
5
0.64
9.90
5
15
15
1.14
10.10
12.00
12.00
0.38
0.15
0.20
3.5
0.25
0.14
0.08
0.10
0.64
1.10
11
44
0.13
11.75
11.75
0.30
0.09
0.08
0
0.38
0.08
0.08
0.05
1.00
0.38
12.25
12.25
0.45
0.20
0.33
7
0.89
0.20
0.25
0.15
1.20
MINNOM
INCHES
0.031
MAX
0.80
MILLIMETERS*
NOM MAX
X x 45°
n
1
2
R2
R1 L1
L
β
c
φ
D1D
B
p
# leads = n1
E
E1
α
A1
A2
A
* Controlling Parameter.
†Dimension “B” does not include dam-bar protrusions. Dam-bar protrusions shall not exceed 0.003”
(0.076 mm) per side or 0.006” (0.152 mm) more than dimension “B.”
‡Dimensions “D” and “E” do not include mold flash or protrusions. Mold flash or protrusions shall not
exceed 0.010” (0.254 mm) per side or 0.020” (0.508 mm) more than dimensions “D” or “E.”
JEDEC equivalent:MS-026 ACB

1999 Microchip Technology Inc. DS30292B-page 181
PIC16F87X
17.6 K04-071 44-Lead Plastic Quad Flatpack (PQ) 10x10x2 mm Body, 1.6/0.15 mm Lead Form
* Controlling Parameter.
†Dimension “B” does not include dam-bar protrusions. Dam-bar protrusions shall not exceed 0.003”
(0.076 mm) per side or 0.006” (0.152 mm) more than dimension “B.”
‡Dimensions “D” and “E” do not include mold flash or protrusions. Mold flash or protrusions shall not
exceed 0.010” (0.254 mm) per side or 0.020” (0.508 mm) more than dimensions “D” or “E.”
JEDEC equivalent:MS-022 AB
0.025
0.390
0.390
0.510
0.510
0.012
0.005
0.011
0.015
0.005
0.005
0.002
0.032
0.079
pPitch
Mold Draft Angle Bottom
Mold Draft Angle Top
Pin 1 Corner Chamfer
Molded Pack. Width
Molded Pack. Length
Outside Tip Width
Outside Tip Length
Lower Lead Width
Radius Centerline
Gull Wing Radius
Shoulder Radius
Shoulder Height
Overall Pack. Height
Pins along Width
Lead Thickness
Foot Angle
Foot Length
Standoff
Number of Pins
β
α
X
E‡
D‡
c
φ
A2
A1
A
n1
n
R2
E1
D1
B†
L1
L
R1
Dimension Limits
Units
MIN
0.800.031
0.635
12.95
12.95
0.035
0.394
0.394
5
5
10
12 15
15
0.045
0.398
0.398
0.012
0.520
0.520
0.015
0.007
0.016
0.020
03.5
0.005
0.006
0.044
0.086
11
44
0.015
0.009
0.530
0.530
0.018
0.021
0.025
7
0.010
0.010
0.056
0.093
5
5
9.90
9.90
10
12
10.00
10.00
0.89 1.143
10.10
10.10
15
15
0.300.13
0.13
0.30
0
0.28
0.38
0.18
13.20
13.20
0.37
3.5
0.41
0.51
0.13
0.05
0.81
2.00
0.13
0.15
1.11
11
2.18
44
0.38
13.45
13.45
0.45
0.23
0.53
0.64
7
0.25
0.25
1.41
2.35
MINNOM
INCHES
MAX
MILLIMETERS*
NOM MAX
X x 45°
n
1
2
R2
R1
DD1
B
p
E1
E
# leads = n1
L1
L
c
βφ
α
A1
A
A2

PIC16F87X
DS30292B-page 182 1999 Microchip Technology Inc.
17.7 K04-048 44-Lead Plastic Leaded Chip Carrier (L) – Square
* Controlling Parameter.
†Dimension “B1” does not include dam-bar protrusions. Dam-bar protrusions shall not exceed 0.003”
(0.076 mm) per side or 0.006” (0.152 mm) more than dimension “B1.”
‡Dimensions “D” and “E” do not include mold flash or protrusions. Mold flash or protrusions shall not
exceed 0.010" (0.254 mm) per side or 0.020" (0.508 mm) more than dimensions “D” or “E.”
JEDEC equivalent:MO-047 AC
0.015
0.003
0.050
0.015
0.026
0.008
0.610
0.610
0.650
0.650
0.685
0.685
0.000
0.040
0.024
0.015
0.095
0.165
MIN
pPitch
Mold Draft Angle Bottom
Mold Draft Angle Top
J-Bend Inside Radius
Shoulder Inside Radius
Upper Lead Length
Lower Lead Width
Upper Lead Width
Lead Thickness
Pins along Width
Footprint Length
Footprint Width
Molded Pack. Length
Molded Pack. Width
Overall Pack. Length
Overall Pack. Width
Corner Chamfer (other)
Corner Chamfer (1)
Side 1 Chamfer Dim.
Shoulder Height
Overall Pack. Height
Standoff
R2
R1
α
β
L
B
B1†
D2
E2
CH2
CH1
A3
A2
E1
c
n1
E‡
D‡
D1
A1
A
Number of Pins
Dimension Limits
Units
n
1.270.050
0
0
0.005
0.025
5
5
0.058
0.018
0.029
0.035
0.010
0.065
0.021
0.032
10
10
0.690
0.620
0.010
0.620
11
0.653
0.653
0.690
0.005
0.045
0.029
0.023
0.103
0.173
0.695
0.012
0.630
0.630
0.656
0.656
0.695
0.010
0.050
0.034
0.030
0.110
0.180
0.64
0.13
1.46
0.46
0.74
0.08
0.38
0
0
1.27
0.38
0.66
5
5
0.25
0.89
10
10
1.65
0.53
0.81
0.25
15.75
15.75
16.59
16.59
17.53
17.53
0.13
1.14
0.74
0.57
2.60
4.38
17.40
15.49
0.20
15.49
16.51
16.51
17.40
0.00
1.02
0.61
0.38
2.41
4.19
17.65
11
16.00
0.30
16.00
16.66
16.66
17.65
0.25
1.27
0.86
0.76
2.79
4.57
INCHES*
NOM
44
MAX
MILLIMETERS
MIN NOM MAX
44
1
CH2 x 45°
n
CH1 x 45°
2
β
R2
A1
R1
c
E2
D1
D
# leads = n1
E1
E
α
p
L
A3
A2
A
35°
B1
B
D2

1999 Microchip Technology Inc. DS30292B-page 183
PIC16F87X
APPENDIX A: REVISION HISTORY
APPENDIX B: DEVICE DIFFERENCES
The differences between the devices in this data sheet
are listed in Table B-1.
APPENDIX C: CONVERSION CONSIDERATIONS
Considerations for converting from previous versions of
devices to the ones listed in this data sheet are listed in
Table C-1.
Version Date Revision Description
A 1998 This is a new data sheet. However, these devices are similar to the PIC16C7X
devices found in the PIC16C7X Data Sheet (DS30390). Data Memory Map for
PIC16F873/874, moved ADFM bit from ADCON1<5> to ADCON1<7>
B 1999 FLASH EEPROM access information.
TABLE B-1: DEVICE DIFFERENCES
Difference PIC16F876/873 PIC16F877/874
A/D 5 channels, 10bits 8 channels, 10bits
Parallel Slave Port no yes
Packages 28-pin PDIP, 28-pin windowed CERDIP,
28-pin SOIC 40-pin PDIP, 44-pin TQFP,
44-pin MQFP, 44-pin PLCC
TABLE C-1: CONVERSION CONSIDERATIONS
Characteristic PIC16C7X PIC16F87X
Pins 28/40 28/40
Timers 3 3
Interrupts 11 or 12 13 or 14
Communication PSP, USART, SSP (SPI, I2C Slave) PSP, USART, SSP (SPI, I2C Master/Slave)
Frequency 20 MHz 20 MHz
A/D 8-bit 10-bit
CCP 2 2
Program Memory 4K, 8K EPROM 4K, 8K FLASH
RAM 192, 368 bytes 192, 368 bytes
EEPROM data None 128, 256 bytes
Other In-Circuit Debugger, Low Voltage
Programming

PIC16F87X
DS30292B-page 184 1999 Microchip Technology Inc.
NOTES:

PIC16F87X
1999 Microchip Technology Inc. DS30292B-page 185
INDEX
A
A/D ...................................................................................111
ADCON0 Register ....................................................111
ADCON1 Register ....................................................112
ADIF bit ....................................................................113
Analog Input Model Block Diagram .......................... 115
Analog Port Pins ......................................7, 8, 9, 37, 38
Block Diagram ..........................................................114
Configuring Analog Port Pins ................................... 116
Configuring the Interrupt ..........................................113
Configuring the Module ............................................ 113
Conversion Clock ..................................................... 116
Conversions ............................................................. 117
Delays ......................................................................115
Effects of a Reset ..................................................... 118
GO/DONE bit ...........................................................113
Internal Sampling Switch (Rss) Impedence .............114
Operation During Sleep ........................................... 118
Sampling Requirements ........................................... 114
Source Impedence ................................................... 114
Time Delays ............................................................. 115
Absolute Maximum Ratings .............................................151
ACK ....................................................................................72
Acknowledge Data bit ........................................................ 66
Acknowledge Pulse ............................................................ 72
Acknowledge Sequence Enable bit ................................... 66
Acknowledge Status bit ...................................................... 66
ADRES Register ........................................................ 15, 111
Application Note AN578, "Use of the SSP Module
in the I2C Multi-Master Environment." ............................... 71
Application Notes
AN552 (Implementing Wake-up on Key
Strokes Using PIC16CXXX) ....................................... 31
AN556 (Table Reading Using PIC16CXX) .................26
Architecture
PIC16F873/PIC16F876 Block Diagram ....................... 5
PIC16F874/PIC16F877 Block Diagram ....................... 6
Assembler
MPASM Assembler ..................................................145
B
Banking, Data Memory ................................................ 12, 18
Baud Rate Generator ......................................................... 78
BCLIF .................................................................................24
BF .................................................................... 64, 72, 81, 83
Block Diagrams
A/D ...........................................................................114
Analog Input Model ..................................................115
Baud Rate Generator ................................................. 78
Capture ......................................................................59
Compare .................................................................... 60
I2C Master Mode ........................................................ 76
I2C Module ................................................................. 71
PWM ..........................................................................60
SSP (I2C Mode) .........................................................71
SSP (SPI Mode) ......................................................... 67
Timer0/WDT Prescaler ..............................................47
Timer2 ........................................................................ 55
USART Receive .......................................................101
USART Transmit ........................................................ 99
BRG ...................................................................................78
BRGH bit ............................................................................97
Brown-out Reset (BOR) ........................... 121, 125, 127, 128
BOR Status (BOR Bit) ................................................ 25
Buffer Full bit, BF ............................................................... 72
Buffer Full Status bit, BF .................................................... 64
Bus Arbitration ................................................................... 88
Bus Collision Section ......................................................... 88
Bus Collision During a RESTART Condition ..................... 91
Bus Collision During a Start Condition ............................... 89
Bus Collision During a Stop Condition ............................... 92
Bus Collision Interrupt Flag bit, BCLIF ............................... 24
C
Capture/Compare/PWM
Capture
Block Diagram ................................................... 59
CCP1CON Register ........................................... 58
CCP1IF .............................................................. 59
Mode ................................................................. 59
Prescaler ........................................................... 59
CCP Timer Resources ............................................... 57
Compare
Block Diagram ................................................... 60
Mode ................................................................. 60
Software Interrupt Mode .................................... 60
Special Event Trigger ........................................ 60
Special Trigger Output of CCP1 ........................ 60
Special Trigger Output of CCP2 ........................ 60
Interaction of Two CCP Modules ............................... 57
Section ....................................................................... 57
Special Event Trigger and A/D Conversions ............. 60
Capture/Compare/PWM (CCP)
CCP1
RC2/CCP1 Pin ................................................. 7, 8
CCP2
RC1/T1OSI/CCP2 Pin ..................................... 7, 8
PWM Block Diagram ................................................. 60
PWM Mode ................................................................ 60
CCP1CON ......................................................................... 17
CCP2CON ......................................................................... 17
CCPR1H Register .................................................. 15, 17, 57
CCPR1L Register ........................................................ 17, 57
CCPR2H Register ........................................................ 15, 17
CCPR2L Register ........................................................ 15, 17
CCPxM0 bit ........................................................................ 58
CCPxM1 bit ........................................................................ 58
CCPxM2 bit ........................................................................ 58
CCPxM3 bit ........................................................................ 58
CCPxX bit .......................................................................... 58
CCPxY bit .......................................................................... 58
CKE ................................................................................... 64
CKP ................................................................................... 65
Clock Polarity Select bit, CKP ............................................ 65
Code Examples
Call of a Subroutine in Page 1 from Page 0 .............. 26
Indirect Addressing .................................................... 27
Code Protection ....................................................... 121, 135
Computed GOTO ............................................................... 26
Configuration Bits ............................................................ 121
Conversion Considerations .............................................. 183
D
D/A ..................................................................................... 64
Data Memory ..................................................................... 12
Bank Select (RP1:RP0 Bits) ................................ 12, 18
General Purpose Registers ....................................... 12
Register File Map ................................................ 13, 14
Special Function Registers ........................................ 15
Data/Address bit, D/A ........................................................ 64
DC Characteristics ........................................................... 154

PIC16F87X
DS30292B-page 186 1999 Microchip Technology Inc.
Development Support ......................................................145
Device Differences ...........................................................183
Device Overview ..................................................................5
Direct Addressing .........................................................27, 28
E
Electrical Characteristics ..................................................151
Errata ...................................................................................4
F
Firmware Instructions .......................................................137
FSR Register ....................................................15, 16, 17, 27
G
General Call Address Sequence ........................................74
General Call Address Support ...........................................74
General Call Enable bit ......................................................66
I
I/O Ports .............................................................................29
I2C ......................................................................................71
I2C Master Mode Reception ...............................................83
I2C Master Mode Restart Condition ...................................80
I2C Mode Selection ............................................................71
I2C Module
Acknowledge Sequence timing ..................................85
Addressing .................................................................72
Baud Rate Generator .................................................78
Block Diagram ............................................................76
BRG Block Diagram ...................................................78
BRG Reset due to SDA Collision ...............................90
BRG Timing ...............................................................78
Bus Arbitration ...........................................................88
Bus Collision ..............................................................88
Acknowledge ......................................................88
Restart Condition ...............................................91
Restart Condition Timing (Case1) ......................91
Restart Condition Timing (Case2) ......................91
Start Condition ...................................................89
Start Condition Timing .................................89, 90
Stop Condition ...................................................92
Stop Condition Timing (Case1) .......................... 92
Stop Condition Timing (Case2) .......................... 92
Transmit Timing .................................................88
Bus Collision timing ....................................................88
Clock Arbitration .........................................................87
Clock Arbitration Timing (Master Transmit) ................ 87
Conditions to not give ACK Pulse ..............................72
General Call Address Support ...................................74
Master Mode ..............................................................76
Master Mode 7-bit Reception timing ..........................84
Master Mode Operation ............................................. 77
Master Mode Start Condition .....................................79
Master Mode Transmission ........................................81
Master Mode Transmit Sequence ..............................77
Multi-Master Communication .....................................88
Multi-master Mode .....................................................77
Operation ...................................................................71
Repeat Start Condition timing ....................................80
Slave Mode ................................................................72
Slave Reception .........................................................73
Slave Transmission ....................................................73
SSPBUF .....................................................................72
Stop Condition Receive or Transmit timing ................86
Stop Condition timing .................................................86
Waveforms for 7-bit Reception ..................................73
Waveforms for 7-bit Transmission .............................74
I2C Module Address Register, SSPADD ........................... 72
I2C Slave Mode .................................................................. 72
ID Locations ............................................................. 121, 135
In-Circuit Serial Programming (ICSP) ...................... 121, 136
INDF .................................................................................. 17
INDF Register ........................................................ 15, 16, 27
Indirect Addressing ...................................................... 27, 28
FSR Register ............................................................. 12
Instruction Format ............................................................ 137
Instruction Set .................................................................. 137
ADDLW .................................................................... 139
ADDWF .................................................................... 139
ANDLW .................................................................... 139
ANDWF .................................................................... 139
BCF ......................................................................... 139
BSF .......................................................................... 139
BTFSC ..................................................................... 140
BTFSS ..................................................................... 140
CALL ........................................................................ 140
CLRF ....................................................................... 140
CLRW ...................................................................... 140
CLRWDT ................................................................. 140
COMF ...................................................................... 141
DECF ....................................................................... 141
DECFSZ .................................................................. 141
GOTO ...................................................................... 141
INCF ........................................................................ 141
INCFSZ .................................................................... 141
IORLW ..................................................................... 142
IORWF ..................................................................... 142
MOVF ...................................................................... 142
MOVLW ................................................................... 142
MOVWF ................................................................... 142
NOP ......................................................................... 142
RETFIE .................................................................... 143
RETLW .................................................................... 143
RETURN .................................................................. 143
RLF .......................................................................... 143
RRF ......................................................................... 143
SLEEP ..................................................................... 143
SUBLW .................................................................... 144
SUBWF .................................................................... 144
SWAPF .................................................................... 144
XORLW ................................................................... 144
XORWF ................................................................... 144
Summary Table ....................................................... 138
INTCON ............................................................................. 17
INTCON Register ............................................................... 20
GIE Bit ....................................................................... 20
INTE Bit ..................................................................... 20
INTF Bit ..................................................................... 20
PEIE Bit ..................................................................... 20
RBIE Bit ..................................................................... 20
RBIF Bit ............................................................... 20, 31
T0IE Bit ...................................................................... 20
T0IF Bit ...................................................................... 20
Inter-Integrated Circuit (I2C) .............................................. 63
Internal Sampling Switch (Rss) Impedence ..................... 114
Interrupt Sources ..................................................... 121, 131
Block Diagram ......................................................... 131
Interrupt on Change (RB7:RB4 ) ............................... 31
RB0/INT Pin, External ...................................... 7, 8, 132
TMR0 Overflow ........................................................ 132
USART Receive/Transmit Complete ......................... 95

PIC16F87X
1999 Microchip Technology Inc. DS30292B-page 187
Interrupts
Bus Collision Interrupt ................................................ 24
Synchronous Serial Port Interrupt .............................. 22
Interrupts, Context Saving During ....................................132
Interrupts, Enable Bits
Global Interrupt Enable (GIE Bit) .......................20, 131
Interrupt on Change (RB7:RB4) Enable
(RBIE Bit) .......................................................... 20, 132
Peripheral Interrupt Enable (PEIE Bit) ....................... 20
RB0/INT Enable (INTE Bit) ........................................ 20
TMR0 Overflow Enable (T0IE Bit) ..............................20
Interrupts, Flag Bits
Interrupt on Change (RB7:RB4) Flag
(RBIF Bit) ..................................................... 20, 31, 132
RB0/INT Flag (INTF Bit) ............................................. 20
TMR0 Overflow Flag (T0IF Bit) .......................... 20, 132
K
KeeLoq Evaluation and Programming Tools .................148
L
Loading of PC ....................................................................26
M
Master Clear (MCLR) .......................................................7, 8
MCLR Reset, Normal Operation .............. 125, 127, 128
MCLR Reset, SLEEP ............................... 125, 127, 128
Memory Organization
Data Memory .............................................................12
Program Memory ....................................................... 11
MPLAB Integrated Development Environment Software . 145
Multi-Master Communication .............................................88
Multi-Master Mode ............................................................. 77
O
OPCODE Field Descriptions ............................................137
OPTION .............................................................................17
OPTION_REG Register ..................................................... 19
INTEDG Bit ................................................................19
PS2:PS0 Bits .............................................................19
PSA Bit .......................................................................19
RBPU Bit ....................................................................19
T0CS Bit ..................................................................... 19
T0SE Bit ..................................................................... 19
OSC1/CLKIN Pin .............................................................7, 8
OSC2/CLKOUT Pin .........................................................7, 8
Oscillator Configuration ............................................ 121, 123
HS ....................................................................123, 127
LP .....................................................................123, 127
RC ............................................................123, 124, 127
XT .................................................................... 123, 127
Oscillator, WDT ................................................................ 133
Output of TMR2 .................................................................55
P
P ......................................................................................... 64
Packaging ........................................................................ 175
Paging, Program Memory ............................................ 11, 26
Parallel Slave Port (PSP) .........................................9, 35, 38
Block Diagram ............................................................ 38
RE0/RD/AN5 Pin ..............................................9, 37, 38
RE1/WR/AN6 Pin ............................................. 9, 37, 38
RE2/CS/AN7 Pin .............................................. 9, 37, 38
Read Waveforms ....................................................... 39
Select (PSPMODE Bit) .................................. 35, 36, 38
Write Waveforms ....................................................... 39
PCL Register .................................................... 15, 16, 17, 26
PCLATH Register ............................................ 15, 16, 17, 26
PCON Register .................................................... 17, 25, 126
BOR Bit ...................................................................... 25
POR Bit ...................................................................... 25
PIC16F876 Pinout Description ............................................ 7
PICDEM-1 Low-Cost PICmicro Demo Board .................. 147
PICDEM-2 Low-Cost PIC16CXX Demo Board ................ 147
PICDEM-3 Low-Cost PIC16CXXX Demo Board ............. 147
PICSTART Plus Entry Level Development System ...... 147
PIE1 Register .............................................................. 17, 21
PIE2 Register .............................................................. 17, 23
Pinout Descriptions
PIC16F873/PIC16F876 ............................................... 7
PIC16F874/PIC16F877 ............................................... 8
PIR1 Register .................................................................... 22
PIR2 Register .................................................................... 24
POP ................................................................................... 26
PORTA ...................................................................... 7, 8, 17
Analog Port Pins ...................................................... 7, 8
Initialization ................................................................ 29
PORTA Register ........................................................ 29
RA3, RA0 and RA5 Port Pins .................................... 29
RA4/T0CKI Pin .................................................. 7, 8, 29
RA5/SS/AN4 Pin ...................................................... 7, 8
TRISA Register .......................................................... 29
PORTA Register ................................................................ 15
PORTB ...................................................................... 7, 8, 17
PORTB Register ........................................................ 31
Pull-up Enable (RBPU Bit) ......................................... 19
RB0/INT Edge Select (INTEDG Bit) .......................... 19
RB0/INT Pin, External ..................................... 7, 8, 132
RB3:RB0 Port Pins .................................................... 31
RB7:RB4 Interrupt on Change ................................. 132
RB7:RB4 Interrupt on Change Enable
(RBIE Bit) ........................................................... 20, 132
RB7:RB4 Interrupt on Change Flag
(RBIF Bit) ..................................................... 20, 31, 132
RB7:RB4 Port Pins .................................................... 31
TRISB Register .......................................................... 31
PORTB Register ................................................................ 15
PORTC ...................................................................... 7, 8, 17
Block Diagram ........................................................... 33
PORTC Register ........................................................ 33
RC0/T1OSO/T1CKI Pin ........................................... 7, 8
RC1/T1OSI/CCP2 Pin ............................................. 7, 8
RC2/CCP1 Pin ......................................................... 7, 8
RC3/SCK/SCL Pin ................................................... 7, 8
RC4/SDI/SDA Pin .................................................... 7, 8
RC5/SDO Pin .......................................................... 7, 8
RC6/TX/CK Pin .................................................. 7, 8, 96
RC7/RX/DT Pin ........................................... 7, 8, 96, 97
TRISC Register ................................................... 33, 95
PORTC Register ................................................................ 15
PORTD .................................................................... 9, 17, 38
Block Diagram ........................................................... 35
Parallel Slave Port (PSP) Function ............................ 35
PORTD Register ........................................................ 35
TRISD Register ......................................................... 35
PORTD Register ................................................................ 15
PORTE .......................................................................... 9, 17
Analog Port Pins .............................................. 9, 37, 38
Block Diagram ........................................................... 36
Input Buffer Full Status (IBF Bit) ................................ 36
Input Buffer Overflow (IBOV Bit) ................................ 36
Output Buffer Full Status (OBF Bit) ........................... 36
PORTE Register ........................................................ 36

PIC16F87X
DS30292B-page 188 1999 Microchip Technology Inc.
PSP Mode Select (PSPMODE Bit) ................ 35, 36, 38
RE0/RD/AN5 Pin ..............................................9, 37, 38
RE1/WR/AN6 Pin .............................................9, 37, 38
RE2/CS/AN7 Pin ..............................................9, 37, 38
TRISE Register ..........................................................36
PORTE Register ................................................................15
Postscaler, WDT
Assignment (PSA Bit) ................................................19
Rate Select (PS2:PS0 Bits) .......................................19
Power-on Reset (POR) ....................121, 125, 126, 127, 128
Oscillator Start-up Timer (OST) .......................121, 126
POR Status (POR Bit) ................................................25
Power Control (PCON) Register ..............................126
Power-down (PD Bit) .........................................18, 125
Power-up Timer (PWRT) .................................121, 126
Time-out (TO Bit) ...............................................18, 125
Time-out Sequence on Power-up ....................129, 130
PR2 ....................................................................................17
PR2 Register ................................................................16, 55
Prescaler, Timer0
Assignment (PSA Bit) ................................................19
Rate Select (PS2:PS0 Bits) .......................................19
PRO MATE II Universal Programmer ............................147
Product Identification System ...........................................191
Program Counter
Reset Conditions ......................................................127
Program Memory ...............................................................11
Interrupt Vector ..........................................................11
Paging ..................................................................11, 26
Program Memory Map ...............................................11
Reset Vector ..............................................................11
Program Verification .........................................................135
Programming Pin (VPP) ....................................................7, 8
Programming, Device Instructions ...................................137
PUSH .................................................................................26
R
R/W ....................................................................................64
R/W bit ...............................................................................72
R/W bit ...............................................................................73
RCREG ..............................................................................17
RCSTA Register ...........................................................17, 96
CREN Bit ....................................................................96
FERR Bit ....................................................................96
OERR Bit ................................................................... 96
RX9 Bit .......................................................................96
RX9D Bit ....................................................................96
SPEN Bit ..............................................................95, 96
SREN Bit ....................................................................96
Read/Write bit, R/W ...........................................................64
Receive Enable bit .............................................................66
Receive Overflow Indicator bit, SSPOV .............................65
Register File .......................................................................12
Register File Map .........................................................13, 14
Registers
FSR Summary ...........................................................17
INDF Summary ..........................................................17
INTCON Summary .....................................................17
OPTION Summary .....................................................17
PCL Summary ............................................................17
PCLATH Summary ....................................................17
PORTB Summary ......................................................17
SSPSTAT ...................................................................64
STATUS Summary ....................................................17
TMR0 Summary .........................................................17
TRISB Summary ........................................................17
Reset ....................................................................... 121, 125
Block Diagram ......................................................... 125
Reset Conditions for All Registers ........................... 128
Reset Conditions for PCON Register ...................... 127
Reset Conditions for Program Counter .................... 127
Reset Conditions for STATUS Register ................... 127
Restart Condition Enabled bit ............................................ 66
Revision History ............................................................... 183
S
SCK ................................................................................... 67
SCL .................................................................................... 72
SDA ................................................................................... 72
SDI ..................................................................................... 67
SDO ................................................................................... 67
SEEVAL Evaluation and Programming System ............ 148
Serial Clock, SCK .............................................................. 67
Serial Clock, SCL ............................................................... 72
Serial Data Address, SDA ................................................. 72
Serial Data In, SDI ............................................................. 67
Serial Data Out, SDO ........................................................ 67
Slave Select, SS ................................................................ 67
SLEEP ............................................................. 121, 125, 134
SMP ................................................................................... 64
Software Simulator (MPLAB-SIM) ................................... 146
SPBRG .............................................................................. 17
SPBRG Register ................................................................ 16
Special Features of the CPU ........................................... 121
Special Function Registers ................................................ 15
Speed, Operating ................................................................. 1
SPI
Master Mode .............................................................. 68
Master Mode Timing .................................................. 68
Serial Clock ................................................................ 67
Serial Data In ............................................................. 67
Serial Data Out .......................................................... 67
Serial Peripheral Interface (SPI) ................................ 63
Slave Mode Timing .................................................... 69
Slave Mode Timing Diagram ..................................... 69
Slave Select ............................................................... 67
SPI clock .................................................................... 68
SPI Mode ................................................................... 67
SPI Clock Edge Select, CKE ............................................. 64
SPI Data Input Sample Phase Select, SMP ...................... 64
SPI Module
Slave Mode ................................................................ 69
SS ...................................................................................... 67
SSP .................................................................................... 63
Block Diagram (SPI Mode) ........................................ 67
RA5/SS/AN4 Pin ...................................................... 7, 8
RC3/SCK/SCL Pin ................................................... 7, 8
RC4/SDI/SDA Pin .................................................... 7, 8
RC5/SDO Pin ........................................................... 7, 8
SPI Mode ................................................................... 67
SSPADD .................................................................... 72
SSPBUF .............................................................. 68, 72
SSPCON1 ................................................................. 65
SSPCON2 ................................................................. 66
SSPSR ................................................................ 68, 72
SSPSTAT ............................................................ 64, 72
SSP I2C
SSP I2C Operation .................................................... 71

PIC16F87X
1999 Microchip Technology Inc. DS30292B-page 189
SSP Module
SPI Master Mode .......................................................68
SPI Slave Mode .........................................................69
SSPCON1 Register ...................................................71
SSP Overflow Detect bit, SSPOV ......................................72
SSPADD Register ........................................................16, 17
SSPBUF ....................................................................... 17, 72
SSPBUF Register ..............................................................15
SSPCON Register .............................................................15
SSPCON1 ....................................................................65, 71
SSPCON2 ..........................................................................66
SSPEN ............................................................................... 65
SSPIF ........................................................................... 22, 73
SSPM3:SSPM0 ..................................................................65
SSPOV ...................................................................65, 72, 83
SSPSTAT ..................................................................... 64, 72
SSPSTAT Register ......................................................16, 17
Stack ..................................................................................26
Overflows ...................................................................26
Underflow ...................................................................26
Start bit (S) ......................................................................... 64
Start Condition Enabled bit ................................................ 66
STATUS Register ........................................................ 17, 18
C Bit ........................................................................... 18
DC Bit .........................................................................18
IRP Bit ........................................................................ 18
PD Bit ................................................................. 18, 125
RP1:RP0 Bits .............................................................18
TO Bit ................................................................. 18, 125
Z Bit ............................................................................18
Stop bit (P) .........................................................................64
Stop Condition Enable bit .................................................. 66
Synchronous Serial Port .................................................... 63
Synchronous Serial Port Enable bit, SSPEN ..................... 65
Synchronous Serial Port Interrupt ......................................22
Synchronous Serial Port Mode Select bits,
SSPM3:SSPM0 ..................................................................65
T
T1CKPS0 bit ...................................................................... 51
T1CKPS1 bit ...................................................................... 51
T1CON ...............................................................................17
T1CON Register .......................................................... 17, 51
T1OSCEN bit .....................................................................51
T1SYNC bit ........................................................................ 51
T2CKPS0 bit ...................................................................... 55
T2CKPS1 bit ...................................................................... 55
T2CON Register .......................................................... 17, 55
TAD ...................................................................................116
Timer0
Clock Source Edge Select (T0SE Bit) ........................ 19
Clock Source Select (T0CS Bit) .................................19
Overflow Enable (T0IE Bit) ........................................20
Overflow Flag (T0IF Bit) .....................................20, 132
Overflow Interrupt ....................................................132
RA4/T0CKI Pin, External Clock ...............................7, 8
Timer1 ................................................................................51
RC0/T1OSO/T1CKI Pin ........................................... 7, 8
RC1/T1OSI/CCP2 Pin .............................................. 7, 8
Timers
Timer0
External Clock ................................................... 48
Interrupt ............................................................. 47
Prescaler ........................................................... 48
Prescaler Block Diagram ................................... 47
Section .............................................................. 47
T0CKI ................................................................ 48
Timer1
Asynchronous Counter Mode ............................ 53
Capacitor Selection ........................................... 53
Operation in Timer Mode ................................... 52
Oscillator ............................................................ 53
Prescaler ........................................................... 53
Resetting of Timer1 Registers ........................... 53
Resetting Timer1 using a CCP Trigger Output .. 53
Synchronized Counter Mode ............................. 52
T1CON .............................................................. 51
TMR1H .............................................................. 53
TMR1L ............................................................... 53
Timer2
Block Diagram ................................................... 55
Postscaler .......................................................... 55
Prescaler ........................................................... 55
T2CON .............................................................. 55
Timing Diagrams
A/D Conversion ....................................................... 172
Acknowledge Sequence Timing ................................ 85
Baud Rate Generator with Clock Arbitration .............. 78
BRG Reset Due to SDA Collision .............................. 90
Brown-out Reset ...................................................... 162
Bus Collision
Start Condition Timing ....................................... 89
Bus Collision During a Restart Condition (Case 1) .... 91
Bus Collision During a Restart Condition (Case2) ..... 91
Bus Collision During a Start Condition (SCL = 0) ...... 90
Bus Collision During a Stop Condition ....................... 92
Bus Collision for Transmit and Acknowledge ............ 88
Capture/Compare/PWM .......................................... 164
CLKOUT and I/O ..................................................... 161
I2C Bus Data ............................................................ 169
I2C Bus Start/Stop bits ............................................. 168
I2C Master Mode First Start bit timing ....................... 79
I2C Master Mode Reception timing ............................ 84
I2C Master Mode Transmission timing ...................... 82
Master Mode Transmit Clock Arbitration ................... 87
Power-up Timer ....................................................... 162
Repeat Start Condition .............................................. 80
Reset ....................................................................... 162
SPI Master Mode ....................................................... 68
SPI Slave Mode (CKE = 1) ........................................ 69
SPI Slave Mode Timing (CKE = 0) ............................ 69
Start-up Timer .......................................................... 162
Stop Condition Receive or Transmit .......................... 86
Time-out Sequence on Power-up .................... 129, 130
Timer0 ..................................................................... 163
Timer1 ..................................................................... 163
USART Asynchronous Master Transmission .......... 100
USART Asynchronous Reception ........................... 101
USART Synchronous Receive ................................ 170
USART Synchronous Reception ............................. 107
USART Synchronous Transmission ................ 106, 170
USART, Asynchronous Reception .......................... 104
Wake-up from SLEEP via Interrupt ......................... 135
Watchdog Timer ...................................................... 162

PIC16F87X
DS30292B-page 190 1999 Microchip Technology Inc.
TMR0 .................................................................................17
TMR0 Register ...................................................................15
TMR1CS bit ........................................................................51
TMR1H ...............................................................................17
TMR1H Register ................................................................15
TMR1L ...............................................................................17
TMR1L Register .................................................................15
TMR1ON bit .......................................................................51
TMR2 .................................................................................17
TMR2 Register ...................................................................15
TMR2ON bit .......................................................................55
TOUTPS0 bit ......................................................................55
TOUTPS1 bit ......................................................................55
TOUTPS2 bit ......................................................................55
TOUTPS3 bit ......................................................................55
TRISA .................................................................................17
TRISA Register ..................................................................16
TRISB .................................................................................17
TRISB Register ..................................................................16
TRISC ................................................................................17
TRISC Register ..................................................................16
TRISD ................................................................................17
TRISD Register ..................................................................16
TRISE .................................................................................17
TRISE Register ............................................................16, 36
IBF Bit ........................................................................36
IBOV Bit .....................................................................36
OBF Bit ......................................................................36
PSPMODE Bit ................................................35, 36, 38
TXREG ...............................................................................17
TXSTA ................................................................................17
TXSTA Register .................................................................95
BRGH Bit ...................................................................95
CSRC Bit ....................................................................95
SYNC Bit ....................................................................95
TRMT Bit ....................................................................95
TX9 Bit .......................................................................95
TX9D Bit .....................................................................95
TXEN Bit .................................................................... 95
U
UA ......................................................................................64
Universal Synchronous Asynchronous Receiver
Transmitter (USART)
Asynchronous Receiver
Setting Up Reception .......................................103
Timing Diagram ................................................104
Update Address, UA ..........................................................64
USART ...............................................................................95
Asynchronous Mode .................................................. 99
Receive Block Diagram ....................................103
Asynchronous Receiver ........................................... 101
Asynchronous Reception .........................................102
Asynchronous Transmitter ......................................... 99
Baud Rate Generator (BRG) ......................................97
Baud Rate Formula ............................................97
Baud Rates, Asynchronous Mode (BRGH=0) ...98
High Baud Rate Select (BRGH Bit) ....................95
Sampling ............................................................97
Clock Source Select (CSRC Bit) ................................95
Continuous Receive Enable (CREN Bit) ....................96
Framing Error (FERR Bit) ..........................................96
Mode Select (SYNC Bit) ............................................95
Overrun Error (OERR Bit) ..........................................96
RC6/TX/CK Pin ........................................................7, 8
RC7/RX/DT Pin ........................................................7, 8
RCSTA Register ........................................................ 96
Receive Block Diagram ........................................... 101
Receive Data, 9th bit (RX9D Bit) ............................... 96
Receive Enable, 9-bit (RX9 Bit) ................................. 96
Serial Port Enable (SPEN Bit) ............................. 95, 96
Single Receive Enable (SREN Bit) ............................ 96
Synchronous Master Mode ...................................... 105
Synchronous Master Reception ............................... 107
Synchronous Master Transmission ......................... 105
Synchronous Slave Mode ........................................ 108
Transmit Block Diagram ............................................ 99
Transmit Data, 9th Bit (TX9D) ................................... 95
Transmit Enable (TXEN Bit) ...................................... 95
Transmit Enable, Nine-bit (TX9 Bit) ........................... 95
Transmit Shift Register Status (TRMT Bit) ................ 95
TXSTA Register ......................................................... 95
W
Wake-up from SLEEP .............................................. 121, 134
Interrupts ......................................................... 127, 128
MCLR Reset ............................................................ 128
Timing Diagram ....................................................... 135
WDT Reset .............................................................. 128
Watchdog Timer (WDT) ........................................... 121, 133
Block Diagram ......................................................... 133
Enable (WDTE Bit) .................................................. 133
Programming Considerations .................................. 133
RC Oscillator ............................................................ 133
Time-out Period ....................................................... 133
WDT Reset, Normal Operation ................ 125, 127, 128
WDT Reset, SLEEP ................................. 125, 127, 128
Waveform for General Call Address Sequence ................. 74
WCOL .................................................. 65, 79, 81, 83, 85, 86
WCOL Status Flag ............................................................. 79
Write Collision Detect bit, WCOL ....................................... 65
WWW, On-Line Support ...................................................... 4

1999 Microchip Technology Inc. DS30292B-page 191
PIC16F87X
ON-LINE SUPPORT
Microchip provides on-line support on the Microchip
World Wide Web (WWW) site.
The web site is used by Microchip as a means to make
files and information easily available to customers. To
view the site, the user must have access to the Internet
and a web browser, such as Netscape or Microsoft
Explorer. Files are also available for FTP download
from our FTP site.
Connecting to the Microchip Internet Web Site
The Microchip web site is available by using your
favorite Internet browser to attach to:
www.microchip.com
The file transfer site is available by using an FTP ser-
vice to connect to:
ftp://ftp.microchip.com
The web site and file transfer site provide a variety of
services. Users may download files for the latest
Development Tools, Data Sheets, Application Notes,
User’s Guides, Articles and Sample Programs. A vari-
ety of Microchip specific business information is also
available, including listings of Microchip sales offices,
distributors and factory representatives. Other data
available for consideration is:
• Latest Microchip Press Releases
• Technical Support Section with Frequently Asked
Questions
• Design Tips
•Device Errata
• Job Postings
• Microchip Consultant Program Member Listing
• Links to other useful web sites related to
Microchip Products
• Conferences for products, Development Sys-
tems, technical information and more
• Listing of seminars and events
Systems Information and Upgrade Hot Line
The Systems Information and Upgrade Line provides
system users a listing of the latest versions of all of
Microchip's development systems software products.
Plus, this line provides information on how customers
can receive any currently available upgrade kits.The
Hot Line Numbers are:
1-800-755-2345 for U.S. and most of Canada, and
1-480-786-7302 for the rest of the world.
Trademarks: The Microchip name, logo, PIC, PICmicro,
PICSTART, PICMASTER, PRO MATE and MPLAB are regis-
tered trademarks of Microchip Technology Incorporated in
the U.S.A. and other countries.
Flex
ROM and
fuzzy
LAB are
trademarks and SQTP is a service mark of Microchip in the
U.S.A.
All other trademarks mentioned herein are the property of
their respective companies.
981103

PIC16F87X
DS30292B-page 192 1999 Microchip Technology Inc.
READER RESPONSE
It is our intention to provide you with the best documentation possible to ensure successful use of your Microchip prod-
uct. If you wish to provide your comments on organization, clarity, subject matter, and ways in which our documentation
can better serve you, please FAX your comments to the Technical Publications Manager at (480) 786-7578.
Please list the following information, and use this outline to provide us with your comments about this Data Sheet.
1. What are the best features of this document?
2. How does this document meet your hardware and software development needs?
3. Do you find the organization of this data sheet easy to follow? If not, why?
4. What additions to the data sheet do you think would enhance the structure and subject?
5. What deletions from the data sheet could be made without affecting the overall usefulness?
6. Is there any incorrect or misleading information (what and where)?
7. How would you improve this document?
8. How would you improve our software, systems, and silicon products?
To: Technical Publications Manager
RE: Reader Response
Total Pages Sent
From: Name
Company
Address
City / State / ZIP / Country
Telephone: (_______) _________ - _________
Application (optional):
Would you like a reply? Y N
Device: Literature Number:
Questions:
FAX: (______) _________ - _________
DS30292B
PIC16F87X

PIC16F87X
1999 Microchip Technology Inc. DS30292B-page 193
PIC16F87X PRODUCT IDENTIFICATION SYSTEM
To order or obtain information, e.g., on pricing or delivery, refer to the factory or the listed sales office.
* JW Devices are UV erasable and can be programmed to any device configuration. JW Devices meet the electrical requirement of
each oscillator type (including LC devices).
Sales and Support
PART NO. -XX X/XX XXX
PatternPackageTemperature
Range
Frequency
Range
Device
Device PIC16F87X(1), PIC16F87XT(2) ;VDD range 4.0V to 5.5V
PIC16LF87X(1), PIC16LF87XT(2 );VDD range 2.0V to 5.5V
Frequency Range 04 = 4 MHz
20 = 20 MHz
Temperature Range b(3) = 0
°C to 70°C (Commercial)
I= -40
°C to +85°C (Industrial)
Package PQ = MQFP (Metric PQFP)
PT = TQFP (Thin Quad Flatpack)
SO = SOIC
SP = Skinny plastic dip
P=PDIP
L=PLCC
Pattern QTP, SQTP, Code or Special Requirements
(blank otherwise)
Examples:
f) PIC16F877 -20/P 301 = Commercial temp.,
PDIP package, 4 MHz, normal VDD limits, QTP
pattern #301.
g) PIC16F876 - 04I/SO = Industrial temp., SOIC
package, 200 kHz, Extended VDD limits.
h) PIC16F877 - 04I/P = Industrial temp., PDIP
package, 10MHz, normal VDD limits.
Note 1: F = CMOS FLASH
LF = Low Power CMOS FLASH
T = in tape and reel - SOIC, PLCC,
MQFP, TQFP packages only.
Data Sheets
Products supported by a preliminary Data Sheet may have an errata sheet describing minor operational differences and recom-
mended workarounds. To determine if an errata sheet exists for a particular device, please contact one of the following:
1. Your local Microchip sales office
2. The Microchip Corporate Literature Center U.S. FAX: (480) 786-7277
3. The Microchip Worldwide Site (www.microchip.com)
Please specify which device, revision of silicon and Data Sheet (include Literature #) you are using.
New Customer Notification System
Register on our web site (www.microchip.com/cn) to receive the most current information on our products.

PIC16F87X
DS30292B-page 194 1999 Microchip Technology Inc.
NOTES:

PIC16F87X
1999 Microchip Technology Inc. DS30292B-page 195
NOTES:

PIC16F87X
DS30292B-page 196 1999 Microchip Technology Inc.
NOTES:

PIC16F87X
1999 Microchip Technology Inc. DS30292B-page 197
NOTES:

PIC16F87X
DS30292B-page 198 1999 Microchip Technology Inc.
NOTES:

PIC16F87X
1999 Microchip Technology Inc. DS30292B-page 199
NOTES:

Information contained in this publication regarding device applications and the like is intended for suggestion only and may be superseded by updates. No representation or warranty is given and no liability is assumed
by Microchip Technology Incorporated with respect to the accuracy or use of such information, or infringement of patents or other intellectual property rights arising from such use or otherwise. Use of Microchip’s products
as critical components in life support systems is not authorized except with express written approval by Microchip. No licenses are conveyed, implicitly or otherwise, under any intellectual property rights. The Microchip
logo and name are registered trademarks of Microchip Technology Inc. in the U.S.A. and other countries. All rights reserved. All other trademarks mentioned herein are the property of their respective companies.
DS30292B-page 200 1999 Microchip Technology Inc.
All rights reserved. © 1999 Microchip Technology Incorporated. Printed in the USA. 11/99 Printed on recycled paper.
AMERICAS
Corporate Office
Microchip Technology Inc.
2355 West Chandler Blvd.
Chandler, AZ 85224-6199
Tel: 480-786-7200 Fax: 480-786-7277
Technical Support: 480-786-7627
Web Address: http://www.microchip.com
Atlanta
Microchip Technology Inc.
500 Sugar Mill Road, Suite 200B
Atlanta, GA 30350
Tel: 770-640-0034 Fax: 770-640-0307
Boston
Microchip Technology Inc.
5 Mount Royal Avenue
Marlborough, MA 01752
Tel: 508-480-9990 Fax: 508-480-8575
Chicago
Microchip Technology Inc.
333 Pierce Road, Suite 180
Itasca, IL 60143
Tel: 630-285-0071 Fax: 630-285-0075
Dallas
Microchip Technology Inc.
4570 Westgrove Drive, Suite 160
Addison, TX 75248
Tel: 972-818-7423 Fax: 972-818-2924
Dayton
Microchip Technology Inc.
Two Prestige Place, Suite 150
Miamisburg, OH 45342
Tel: 937-291-1654 Fax: 937-291-9175
Detroit
Microchip Technology Inc.
Tri-Atria Office Building
32255 Northwestern Highway, Suite 190
Farmington Hills, MI 48334
Tel: 248-538-2250 Fax: 248-538-2260
Los Angeles
Microchip Technology Inc.
18201 Von Karman, Suite 1090
Irvine, CA 92612
Tel: 949-263-1888 Fax: 949-263-1338
New York
Microchip Technology Inc.
150 Motor Parkway, Suite 202
Hauppauge, NY 11788
Tel: 631-273-5305 Fax: 631-273-5335
San Jose
Microchip Technology Inc.
2107 North First Street, Suite 590
San Jose, CA 95131
Tel: 408-436-7950 Fax: 408-436-7955
AMERICAS (continued)
Toronto
Microchip Technology Inc.
5925 Airport Road, Suite 200
Mississauga, Ontario L4V 1W1, Canada
Tel: 905-405-6279 Fax: 905-405-6253
ASIA/PACIFIC
Hong Kong
Microchip Asia Pacific
Unit 2101, Tower 2
Metroplaza
223 Hing Fong Road
Kwai Fong, N.T., Hong Kong
Tel: 852-2-401-1200 Fax: 852-2-401-3431
Beijing
Microchip Technology, Beijing
Unit 915, 6 Chaoyangmen Bei Dajie
Dong Erhuan Road, Dongcheng District
New China Hong Kong Manhattan Building
Beijing 100027 PRC
Tel: 86-10-85282100 Fax: 86-10-85282104
India
Microchip Technology Inc.
India Liaison Office
No. 6, Legacy, Convent Road
Bangalore 560 025, India
Tel: 91-80-229-0061 Fax: 91-80-229-0062
Japan
Microchip Technology Intl. Inc.
Benex S-1 6F
3-18-20, Shinyokohama
Kohoku-Ku, Yokohama-shi
Kanagawa 222-0033 Japan
Tel: 81-45-471- 6166 Fax: 81-45-471-6122
Korea
Microchip Technology Korea
168-1, Youngbo Bldg. 3 Floor
Samsung-Dong, Kangnam-Ku
Seoul, Korea
Tel: 82-2-554-7200 Fax: 82-2-558-5934
Shanghai
Microchip Technology
RM 406 Shanghai Golden Bridge Bldg.
2077 Yan’an Road West, Hong Qiao District
Shanghai, PRC 200335
Tel: 86-21-6275-5700 Fax: 86 21-6275-5060
ASIA/PACIFIC (continued)
Singapore
Microchip Technology Singapore Pte Ltd.
200 Middle Road
#07-02 Prime Centre
Singapore 188980
Tel: 65-334-8870 Fax: 65-334-8850
Taiwan, R.O.C
Microchip Technology Taiwan
10F-1C 207
Tung Hua North Road
Taipei, Taiwan, ROC
Tel: 886-2-2717-7175 Fax: 886-2-2545-0139
EUROPE
United Kingdom
Arizona Microchip Technology Ltd.
505 Eskdale Road
Winnersh Triangle
Wokingham
Berkshire, England RG41 5TU
Tel: 44 118 921 5858 Fax: 44-118 921-5835
Denmark
Microchip Technology Denmark ApS
Regus Business Centre
Lautrup hoj 1-3
Ballerup DK-2750 Denmark
Tel: 45 4420 9895 Fax: 45 4420 9910
France
Arizona Microchip Technology SARL
Parc d’Activite du Moulin de Massy
43 Rue du Saule Trapu
Batiment A - ler Etage
91300 Massy, France
Tel: 33-1-69-53-63-20 Fax: 33-1-69-30-90-79
Germany
Arizona Microchip Technology GmbH
Gustav-Heinemann-Ring 125
D-81739 München, Germany
Tel: 49-89-627-144 0 Fax: 49-89-627-144-44
Italy
Arizona Microchip Technology SRL
Centro Direzionale Colleoni
Palazzo Taurus 1 V. Le Colleoni 1
20041 Agrate Brianza
Milan, Italy
Tel: 39-039-65791-1 Fax: 39-039-6899883
11/15/99
WORLDWIDE SALES AND SERVICE
Microchip received QS-9000 quality system
certification for its worldwide headquarters,
design and wafer fabrication facilities in
Chandler and Tempe, Arizona in July 1999. The
Company’s quality system processes and
procedures are QS-9000 compliant for its
PICmicro
®
8-bit MCUs, KEELOQ
®
code hopping
devices, Serial EEPROMs and microperipheral
products. In addition, Microchip’s quality
system for the design and manufacture of
development systems is ISO 9001 certified.