CIAS Elettronica S R L ERMO-482 User Manual INSTALLATION MANUAL

CIAS Elettronica S.R.L. INSTALLATION MANUAL

INSTALLATION MANUAL

ERMO 482Installation manualVersion 1.01
CIAS Elettronica version 1.01Installation manual ERMO 482ermo482e1INDEX1. GENERAL DESCRIPTION 012. BLOCK DIAGRAM 073. TECHNICAL SPECIFICATION 094. SYSTEM PARTS AND EXPLODED VIEW 105. ACCESSORIES 116. INSTALLATION 116.1 NUMBER OF BEAMS TO BE INSTALLED 116.2 LENGTH OF EACH LINE 136.3 LAND CONDITIONS 136.4 NATURE OF THE SOIL 156.5 PRESENCE OF WALLS, FENCES, POSTS, TREES, HEDGES, DIFFERENTOBSTACLES 166.6 BREADTH OF SENSITIVE BEAM 196.7 LENGTH OF THE DEAD ZONES IN PROXIMITY OF THE APPARATUS 216.8 HEIGHT OF THE APPARATUS FROM THE GROUND 216.9 SUPPORTING POSTS, FIXING TO THE GROUND, JUNCTION BOXES 246.10 CONNECTIONS TO THE AC POWER SUPPLY 256.11 CONNECTION OF THE BATTERY FOR RESERVE SUPPLY 266.12 CONNECTION OF THE APPARATUS TO THE CONTROL PANEL 267. CALIBRATION AND TESTINGSee the stc 95 manual
CIAS Elettronica version 1.01Installation manual ERMO 482ermo482e21) GENERAL DESCRIPTIONERMO 482/... is a microwave system for external protection of the volumetric barrier type.Volumetric barrier means the spatial protection obtained by using separate transmitter and receiver, placedopposite each other, in which one of the three dimensions is considerably greater than the other two.This type of systemis able to reveal the presence of a body moving within the sensitive field set up betweentransmitter and receiver.The shape and size of the sensitive field set up between transmitter and receiver in ERMO 482/... depend on thefollowing factors:a) Type of antenna usedb) Effective distance between transmitter and receiverc) Level of sensitivity set up on the receiverd) Presence of fixed parts within the sensitive field (land, walls, fencing, posts, etc.)e) The type of obstacles, if anyf) Alignment of transmitter and receiver- Two types of antenna are used:• 10cm PARABOLIC• 20cm PARABOLICThe 10cm PARABOLIC antennae are suitable for the formation of rather wide but short range fields ofprotection.The 20cm PARABOLIC antenna forms longer fields of protection, but less wide ranging. (FIG. 1. a-b)
CIAS Elettronica version 1.01Installation manual ERMO 482ermo482e3Figure 1 a-b - Maximum beam of the sensitive zones- The effective distance between transmitter and receiver, depending on the type of  antenna, determines the other two dimensions, due to the fact that the opening angle  of the antennae used remains constant to the variation of the reciprocal distance  between transmitter and receiver. (FIG. 2)
CIAS Elettronica version 1.01Installation manual ERMO 482ermo482e4Figure 2 - Variation of the dimension of the sensitive zone on the variation of the distance- The level of sensitivity set up on the receiver, according to a particular antenna,  ensures that the microwave barriers can have a sensitivity to more or less intense  disturbance signals. Bear in mind that the weaker signals come from more peripheral  zones of the field, while the more intense signals come from central zones. Thus it is  clear that the regulation of the sensitivity causes a corresponding variation of the  height and breadth of the field of protection. The length, on the other hand, is  determined exclusively by the distance between transmitter and receiver (FIG. 3).Figure 3 - Variation of the dimension of the sensitive zone on the variation of the sensitivity
CIAS Elettronica version 1.01Installation manual ERMO 482ermo482e5- The presence of fixed parts, within the sensitive field, alters the dimensions of the  protection field determined, in theory, by the distance between these and the level of  sensitivity imposed on the receiver.  These dimensions are valid only when the barrier is installed in a free space.  In all the other cases the obstacles present will provoke distortions of the shape and  alteration of the size of the protection field.- The nature of the obstacles, eventually present, provokes either a reflection or an  absorption, or a combination of both these phenomena in confrontation with the  electromagnetic energy contained. Therefore, different alterations of the protection  field occur depending on the nature of the obstacles. (FIG. 4)Figure 4 - Sensitive zone in the presence of an obstacle- An imperfect alignment between transmitter and receiver causes, a distortion  of the shape of the protective field which is set up, as well as an obvious reduction of  the signal received. This fact becomes clearly apparent when considering that the  protection field is determined, in the first approximation, by the combination of the principal radiation lobes of the two antennae, which, if perfectly aligned, will establish  a regular and symmetrical protection field in the two halves of the section, if badly  aligned they will cause asymmetry and a more probable interception of obstacles  (even though apparently outside the sensitive field). (FIG. 5)FIG. 5 - Sensible zone distorsion for bad alignement
CIAS Elettronica version 1.01Installation manual ERMO 482ermo482e6Bearing these basic considerations in mind, we can state that the general form of the protection field takes theshape of two trunks of a cone opposed to each other at the base. The minimum dimension of the field is the oneof the antennae, while the maximum dimension is determined by all the other factors already examined.The breadth of the signal received is the vectorial sum of the direct signal and all the reflected ones. (FIG. 6)Figure 6 - Vectorial representation of the signal receivedIt is easy to see how the introduction of any object into the protected field, whether reflecting or absorbingelectromagnetic energy, will provoke an alteration of the preceding condition, causing a variation in the breadthof the signal received in proportion to the size of the object introduced and its degree of penetration into thesensitive field. If the object introduced into the protection field is held in movement, it will provoke acontinuous variation of the breadth of the signal received, thus bringing about a modulating frequency whosebreadth is in proportion to the dimensions and position of the field and of the object introduced, and whosefrequency is proportional to the speed of movement in the field of the object. (FIG. 7)
CIAS Elettronica version 1.01Installation manual ERMO 482ermo482e7Figure 7 - Representation of the signal received during an intrusionElectromagnetic energy is radiated from the transmitter in the form of impulses, so that in the presence of anobject in movement within the protection field, as well as the breadth modulation of the peak of the signalreceived, we will find a phase modulation of the impulses detected.As the frequency of the transmitted impulses of electromagnetic energy has 4 different values, it is possible tocarry out on the receiver a check of the correspondence of the frequency received with a sample frequencywithin the receiver itself.Thus, we determine a channeling which, as well as offering greater possibilities to elaborate the signal, makesthe system much less vulnerable with regard to any attempt to neutralise it.2) BLOCK DIAGRAMThe block diagram of the transmitter of ERMO 482/... is shown in Fig. 8.Figure 8 - Block diagram of the transmitterThe block diagram of the receiver of ERMO 482/... is shown in Fig. 9.
CIAS Elettronica version 1.01Installation manual ERMO 482ermo482e8Figure 9 - Block diagram of the receiver3) TECHNICAL SPECIFICATIONSTable 1 shows the technical specifications of ERMO 482/...Min Nom Max NoteWorking frequence 9,5 GHz 9,9 GHz 9,95 GHzMaximum force - 20 mW -Modulation - - - on/off
CIAS Elettronica version 1.01Installation manual ERMO 482ermo482e9Duty-cycle - 50/50 -Number channels - - 4Range:ERMO 482/50 50 m - -ERMO 482/80 80 m - -ERMO 482/120 120 m - -ERMO 482/200 200 m - -Power supply tension (   ): 17 V 19 V 21 VPower supply tension (   ): 11,5 V 13,8 V 16 VPower supply current TX (  ): - 155 mA 165 mAPower supply current RX in control (    ): - 210 mA 220 mAPower supply current RX in alarm (     ): - 130 mA 130 mAPower supply current TX (   ): - 33 mA 40 mAPower supply current RX in control (   ): - 65 mA 72 mAPower supply current RX in alarm (   ): - 20 mA 25 mARoom for battery: - - - 12Y/1,9AhAlarm outputs:Contact redome removal (TX) - - 30 VA C-NCContact redome removal (RX) - - 30 VA C-NCExchange intrusion alarm - - 30 VA C-NC-NAlighting signals: - -Presence green led net (TX) - - - ONPresence green led net (RX) - - - ONRecognition green led net - - - ONState of green led NON alarm - - - ONSensibility regulation - - - trimmerIntegration regulation - - - trimmerWeight without battery (TX) - 2910 g -Weight without battery (RX) - 2970 g -DimensionsDiameter - - 305 mmDepth  jaws included - - 280 mmWorking temperature -25 °C - +55 °CPerformance level: 3°Level of wrapper protection: IP55Table 1 - Technical specificationsAdditive note for barriers ERMO 482 power supply and earthing:- The cable which carries the transformer power supply to the apparatus must be  masked and the mask must be connected to the soul- the metallic case must be connected to the soul, through a suitable earth  terminal projected inside.4) COMPONENT PARTS OF THE SYSTEMThe ERMO 482/... package is made up of the following parts:A) TransmitterB) ReceiverC) Post clampsD) Cavoflex endsE) Testing sheet diagramsF) Instruction manual
CIAS Elettronica version 1.01Installation manual ERMO 482ermo482e10For ease of assembly, the dismantling and the eventual replacement, for assistance, with the various parts of theapparatus ERMO 482, there is an “exploded” illustration of a barrier head.Rx or Tx CavityParabolaJunction box fortransformerRadials trunksPostClampsPolecoveringPipe withhole forcablesFront Cover Trunk PipeIlluminatorBack Cover5) ACCESSORIESIn the picture of page 10 there are several parts of the accessories that can be supplied on request by quoting therelevant code number. Here we are:A) 15cm trunk pipesB) Pole coveringC) Junction boxD) Transformers6) INSTALLATION
CIAS Elettronica version 1.01Installation manual ERMO 482ermo482e11When designing a volumetric barrier protection system, it is first necessary to carry out an inspection of the siteto be protected, in order to note the real operating conditions. In fact it is necessary to determine:6. 1) Number of lines to install6. 2) Length of each line6. 3) Land conditions6. 4) Nature of the ground6. 5) Presence of walls, fences, posts, trees, hedges, other obstacles6. 6) Breadth of sensitive bands6. 7) Breadth of the dead zones near the apparatus6. 8) Height of the apparatus from the ground6. 9) Supporting poles, their ground fixtures, connector boxes6. 10) Connections to AC supply6. 11) Connection of the battery to reserve supply6. 12) Connections to the elaboration centre6. 1) Number of lines to installAs the volumetric barrier protection has to be designed within a closed perimeter, as well as the obviousconsiderations of the subdivision of the perimeter into a certain number of lines which take into considerationthe operating requirements within the system, we must remember that it is always best to install an even numberof lines.This is due to the fact that the possible reciprocal interferences between adjacent lines are cancelled out if twoapparatus with the same name are installed at the vertices ofthe polygon obtained by the installation of the various lines: either two transmitters or two receivers.Obviously, this can always only takes place when there is an even number of lines.If it is not possible  to install an even number of lines, careful considerations should be given to the possibleinterferences for the correct choice of the most suitable vertex for the positioning of the transmitter near thereceiver.The following illustrations show a number of typical cases, with the most appropriate solution. (FIG. 11)
CIAS Elettronica version 1.01Installation manual ERMO 482ermo482e12Figure 11 - Examples of correct solutions6. 2) Length of each lineThe identification of the length of each line makes it possible to purchase the appropriate equipment and CIASsupplies, in the same container, a range of four different capacities and dimensions of the sensitive field.To better understand this subdivision, there follows a table illustrating the various models, showing the capacityand the type of antenna used. (TAB. 2)PARABOLA 10 cm PARABOLA 20 cmERMO 482 / 50 50 -ERMO 482 / 80 - 80ERMO 482 / 120 - 120ERMO 482 / 200 - 200
CIAS Elettronica version 1.01Installation manual ERMO 482ermo482e13Table 2 - Capacity and antenna used for each model6. 3)  Land conditionsThe soil is an enormous obstacle along the entire line, thus ables to exert a notable influence on the form ofintrusion and the response to it.To avoid shaded and hypersensitive zones, as much as possible, particular attention should be paid to theconditions of the land.It should be:a) FixedWe advise not to install the apparatus where there are vehicle weighbridges, long grass (over 10 cm), ponds,streams and rivers, and all types of soul where conditions can change rapidly.If this situation is not taken into consideration, there is the risk that the position of the soil could change rapidly,provoking false alarms. (FIG. 12)Figure 12 - Interference in the sensible zone of high grassb) StableWe advise not to install the apparatus where the soil can alter, in the course of the time, because of naturalcauses, such as sandy areas, or for man-made reasons, such as material deposits, where it is possible that theprotection zone changes its standard conditions after the installation. If this is not taken into consideration, thealteration of the soil can lead to the creation of dead and hypersensitive zones with, in the first case, insensitiveareas and, in the latter, false alarms. (FIG. 13)
CIAS Elettronica version 1.01Installation manual ERMO 482ermo482e14Figure 13 - Formation of dead and hypersensitive zones due to the presence of various obstaclesc) SmoothBe sure that the installation takes place along lines with ondulation of less than ± 20 cm. If the soil is notperfectly flat, we must bear in mind that there will be zones of less sensitivity or even dead zones in thedepressions, while on the ridges we will find greater sensitivity or even hypersensitivity, with the result, onceagain, of possible insensitive areas or false alarms. (FIG. 14)Figure 14 - Formation of  dead and hypersensitive zones due to excessively ondulation ground6. 4) Nature of the soilBearing tha above in mind, there follows a list of the various types of terrain suitable for the installation of theapparatus:a) asphaltb) concretec) beaten earthd) gravele) lawn (with grass no higher than 10 cm)
CIAS Elettronica version 1.01Installation manual ERMO 482ermo482e15The following table summarises the possibility of carrying out a good installation on  various possible soils, alsobearing in mind their conditions. (TAB. 3)SI SI SI SI SI NOSI SI SI SI SI NOSI SI SI SI SI NOSI SI SI SI SI NOSI SI SI SI SI NONO NO NO NO NO NONO NO NO NO NO NONO NO NO NO NO NONO NO NO NO NO NOSMOOTH FIXED STABLE INCLINED WAVY <20cm WAVY >20cmLAND CONDITIONSTYPE OFTERRAINASPHALTCEMENTGROUNDGRAVELGRASSWATERMETALVEGETATIONSANDTable 3 - Use of barriers in relation to the soil6. 5) Presence of walls, fences, posts, trees, hedges and various obstaclesAs we have already mentioned in the general description, any obstacle within the protection field brings about adistortion of the shape and  the alteration of the dimensions.It should be borne in mind that the obstacles in proximity of the protection field can also cause distortions of thefield itself and, in addition, when these elements are movable, there is the possibility of false alarms.In general walls, positioned longitudinally to the line, do not cause great problems, as they are fixed and poorreflectors. But if they are partially transverse or project significantly into the protection field, bear in mind thatdead zones will be created behind them and the signal received could be insufficient to guarantee reliableoperation with regard to false alarms. (FIG. 15)
CIAS Elettronica version 1.01Installation manual ERMO 482ermo482e16Figure 15 - Formation of dead zone due to the projection of a wall into the sensitive zoneFences, as they are generally made of metal and therefore highly reflective, can provoke different problems.First of all, we should be sure that the fence is well fixed, so that it does not move in the wind. In case oflongitudinal fences, this type of movement could create troubles of high order.If the fence in question is transverse, it is absolutely essential that it is perfectly immobile. It should becomposed of mesh or bars with a maximum space of 3 cm from one to the other; on the contrary, we couldhave false alarms.Metal fences behind the apparatus can also provoke distortions in the sensitive band, especially if the mesh isfine (less than 3 cm), and they can cause sudden movement with the possibility of false alarms (FIG. 16).
CIAS Elettronica version 1.01Installation manual ERMO 482ermo482e17Figure 16 - Possible interference due to the presence of metal fence postAlong the line of the protection field, the presence of tubes, posts or similar is tolerated (lighting standards, forexample), provided that their dimensions are not excessive in proportion to the band of protection.In such a case a sizeable dead zone would be created and if this zone was very large in relation to the band ofprotection, the operation would be unreliable, with the possibility of false alarms. (FIG. 17)Figure 17 - Example of unreliable working caused by the presence of an excessively large obstacleTrees, hedges and bushes in general require very careful attention, both near and within tha bands ofprotection.These obstacles are variable in dimension and position, and in fact they can be affected by growth and windmovement.We, therefore, advise very strongly not to place the protection bands in proximity of these obstacles. They  aretolerable only if thei growth is limited by methodical maintenance and their movement is checked by suitablecontainment barriers. (Fig. 18) Various obstacles may be present along the protection lines, and in the case it isnecessary to take the same precautions as in the previous cases.
CIAS Elettronica version 1.01Installation manual ERMO 482ermo482e18Figure 18 - Interference of shrubs and branches of trees in the sensitive zone6. 6) Breadth of the sensitive beamAs we have already seen, the breadth of the sensitive bands depends on the type of antenna used, the distancebetween transmitter and receiver and on the sensitivity regulation.The following pictures supply the diameter atthe halfway point of the sensitive bands, depending on the length, for both maximum and minimum sensitivityof the various models. (fig. 19/20)Figure 19 - Diameter of the sensitive zone at the halfway point depending on the length of the line for ERMO482/50
CIAS Elettronica version 1.01Installation manual ERMO 482ermo482e19Figure 20 - Diameter of the sensitive zone at the halfway point depending on the length of the line for ERMO482/80 - 120 - 2006. 7) Length of the dead zones in proximity of the apparatusThe length of the dead zones in proximity of the apparatus depends on the distance of the apparatus from theground, the sensitivity set up on the receiver and the type of antenna used.6. 8) Height of the apparatus from the groundBearing in mind the previous considerations and on the arrangement of the system, it is necessary to install theapparatus at the right height from the ground.In average conditions of the system and of taring the height should be 85 cm. (The measurement is calculatedfrom the ground to the centre of the apparatus). The following pictures give a complete idea of the situation forthe two types of antenna used. (FIG. 21-22)
CIAS Elettronica version 1.01Installation manual ERMO 482ermo482e20Figure 21 - Length of the dead zone near the apparatus depending on the height from the ground for ERMO482/50
CIAS Elettronica version 1.01Installation manual ERMO 482ermo482e21Figure 22 - Length of the dead zone near the apparatus depending on the height from the ground for ERMO482/80 - 120 - 200The following illustrations show the dead zones near the intersection of the two lines. (FIG. 22a - 22b)
CIAS Elettronica version 1.01Installation manual ERMO 482ermo482e22Figure 22a - Overlapping of two sensitive bands in an intersectionFigure 22b - Overlapping of two sensitive bands in an intersection6. 9) Supporting poles, ground fixtures, Junction boxesThe following illustration shows the maximum dimensions of each ERMO 482/... head and its support post.(FIG. 23)The external diameter of the support posts should be 60 mm. Poles of this diameter are
CIAS Elettronica version 1.01Installation manual ERMO 482ermo482e23Figure 23easy to find as they correspond to the external dimensions of two inch gas common pipes.As already seen in the section on accessories, CIAS is able to supply aluminium trunking pipes in 15 cm length,which can be used to build poles of the desired length, as well as available covers for poles.The best solution is shown in picture at pag. 10.The poles can be fixed to the ground by inserting them into holes which are then filled with concrete.The junction boxes contain the AC supply transformer, with the overall dimensions of: 85 * 70 * 70 mm.For corrent AC supply, this transformer should be placed immediately near the head it supplies. Picture 10shows an excellent solution using a coaxial aluminium junction box  at  the  pole  made of  trunkings. Thisjunction box    (supplied  by  CIAS as anaccessory) can house a bipolar switch and a 12V-5,7 Ah battery as well as the transformer.Note: The cable which carries the barrier supply from the transformers to the battery heads must be masked, andthe mask must be connected to the ground.6. 10) Connections of the apparatus to the AC supplyThe apparatus work with AC supply at a maximum voltage of 20 V. eff. The connection between head andtransformer should be inferior to 1.5 mmq.The conductors which connect the transformer to the 220 Vcc must have a section of 2.5 mmq.If the AC current is low tension (20 V eff.), insulation transformers should be used, 20 V: 20 V of at least 80VA. (fig. 24)
CIAS Elettronica version 1.01Installation manual ERMO 482ermo482e24Figure 24 - Two correct ways to supply the apparatusConnection between apparatus and transformer is similar to the previous one, the connection to the 20 V gridshould be carried out by bearing in mind its length and the possibility that each single head of the apparatus mayrequire a maximum current of 1A. In any case, the section should be no less than 1.5 mmq.6. 11)  Connection of the battery for reserve supplyWithin each head of the apparatus, there is a space for the housing of a rechargeable lead battery of 12 Vcc - 1,9Ah. The battery is charged by the supplier inside each head and it is connected to it by a red and black plate withconnecting clip fitted within each single head.This battery, when there is no grid power, gives apparatus autonomy of over 12 hours.if greater autonomy is necessary, a reserve supply group should be installed in the immediate vicinity of eachhead.The connection of these groups is carried out at the terminals of the apparatus marked with the symbols of massand + 13,8 Vcc.The size of these groups should bear in mind that the DC absorption of each single head is 70 mA approx.6. 12) Connection of the apparatus to the control panel
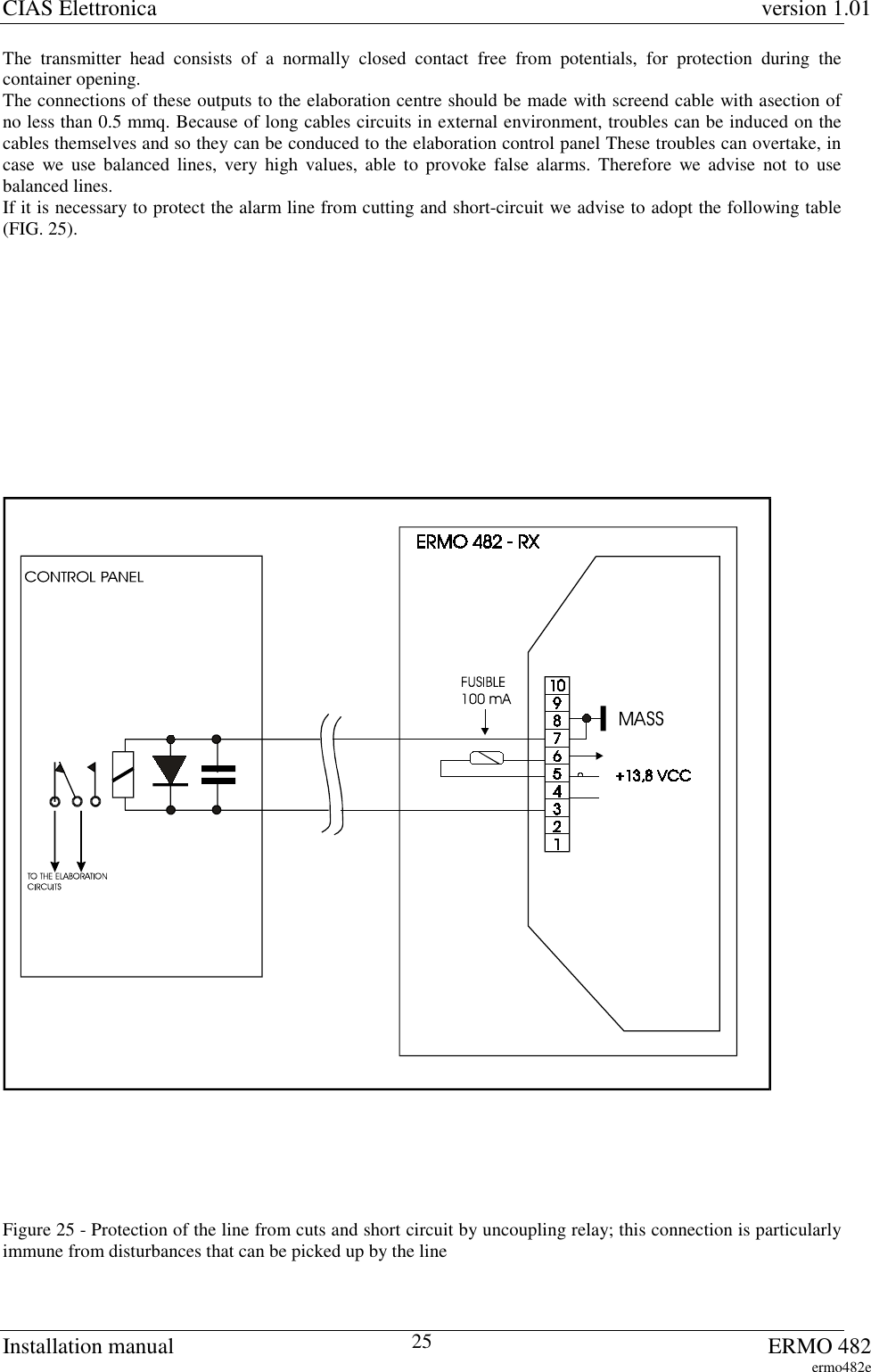
CIAS Elettronica version 1.01Installation manual ERMO 482ermo482e25The transmitter head consists of a normally closed contact free from potentials, for protection during thecontainer opening.The connections of these outputs to the elaboration centre should be made with screend cable with asection ofno less than 0.5 mmq. Because of long cables circuits in external environment, troubles can be induced on thecables themselves and so they can be conduced to the elaboration control panel These troubles can overtake, incase we use balanced lines, very high values, able to provoke false alarms. Therefore we advise not to usebalanced lines.If it is necessary to protect the alarm line from cutting and short-circuit we advise to adopt the following table(FIG. 25).Figure 25 - Protection of the line from cuts and short circuit by uncoupling relay; this connection is particularlyimmune from disturbances that can be picked up by the line
CIAS Elettronica version 1.01Installation manual ERMO 482ermo482e26STC 95 INSTRUMENTFigure - 26 -1. 3M connector 13. Buzzer threshold increase2. LCD display 14. Buzzer threshold decrease3. LED display 15. Buzzer enable/disable4. 13.8VDC supply LED 16. Buzzer on LED5. detected field LED 17. Loop open/close6. TX/RX sens. meas. LED 18. Loop open LED7. Rag meas. LED 19. Measurement on/off(Medusa PLUS TX/RXVersion)8. 9 VDC supply LED 20. Module  measurementson/off (Medusa PLUS TX/RXVersion)
CIAS Elettronica version 1.01Installation manual ERMO 482ermo482e279. 5 VDC supply LED 21. TX/RX  measurementson/off    (ermo 482-583-medusa base-medusa)10. Measurement selection 22. TX/RX  measurements  onLED11. Manual gain increase    (ermo 482-583-medusa base-medusa)12. Manual gain decrease 23. RCA connectorCONNECTING STC 95 TO CIAS BARRIERS
CIAS Elettronica version 1.01Installation manual ERMO 482ermo482e28Figure - 27 -7. ALIGNMENT AND CALIBRATION
CIAS Elettronica version 1.01Installation manual ERMO 482ermo482e29The STC 95 was developed by CIAS for aligning and calibrating its intrudersensor barriers, making it an ideal tool for installers.The unit is shown in figure 26 on page 28, together with its functionspecifications. Figure 27 shows the interconnections between the STC 95 andCIAS barriers.To set up and test ERMO 482 barriers, proceed as follows:7.1 - go to the transmitter- remove the radome unscrewing the allen screws- connect the AC power supply (19 VAC) to terminals 7-8 (fig. 28)- check that the "MAINS" led lights (fig. 28)- connect the faston connectors to the battery, observing the correct   polarity (red wire to battery positive, black wire to battery negative)WARNING: if polarity is accidentally inverted, the transmitter circuit fuse willblow (fig. 28) If the connections are then corrected and the blownfuse (2A) replaced, the transmitter will operate normally.- set one of the 4  available  frequencies  ( F1, F2, F3, F4 )  by switching  ON the corresponding dip-switch (the others must all be OFF) (fig. 28)- check that the transmitter operates using the STC 95 (fig. 26).7.1.1 - connect the STC 95 to the ERMO 482 barrier as shown in fig. 27.- plug the 4-pin connector (fig.28) into the "MEASUREMENTCONNECTOR" on the TRANSMITTER CIRCUIT" and proceed asfollows:7.1.2 - check that led 22 (fig. 26) lights. If not, press button 21(fig. 26) to turn iton7.1.3 - press button 10 (fig. 26) as many times as are necessary to make led  4light up (fig. 26). The voltage displayed must be 13.8 VDC +/- 10%7.1.4 - press button 10 until led 8 lights up. Voltage displayed (2) must be9VDC+/-10%.7.1.5 - press button 10 until led 6 lights up. Voltage displayed (2) must be 5VDC +/- 10%.
CIAS Elettronica version 1.01Installation manual ERMO 482ermo482e30AA: BULB FOR ANTIREMOVAL. IT MUST BE ALWAYS TURNEDUPSTAIRS. THE HEAD REMOVAL PROVOKES ALARM FORSABOTAGE.AA: BULB FOR ANTIREMOVAL. IT MUST BE ALWAYS TURNEDUPSTAIRS. THE HEAD REMOVAL PROVOKES ALARM FORSABOTAGE.
CIAS Elettronica version 1.01Installation manual ERMO 482ermo482e317.2 - go to the receiver:- remove the radome unscrewing the allen screws- connect the AC power supply (19 VAC) to terminals 7-8 (fig. 29)- check that the "MAINS" led lights- connect the faston connectors to the battery, observing the correctpolarity (red wire to battery positive, black wire to batterynegative)WARNING: if polarity is accidentally inverted, the receiver circuit fuse willblow (fig. 29) If the connections are then corrected and the blown fuse (2A)replaced, the receiver will operate normally.- set one of the 4 available frequencies (F1, F2, F3, F4) by switchingON the corresponding dip-switch (the others must all be OFF) (fig.29)- check that the receiver operates using the STC 95 (fig. 26).7.2.1 - connect the STC 95 to the ERMO 482 barrier as shown in fig. 27.7.2.2 - check that led 22 (fig. 26) lights. If not, press button 21 (fig. 26) to turnit on. Plug the 7- pin connector into "MEASUREMENT CONNECTOR"socket on the receiver circuit board (fig. 29) and proceed as follows:7.2.3 - press button 10 (fig. 26) as many times as are necessary to make led 4light up (fig. 26).The voltage displayed must be 13.8 VDC +/- 10%.
CIAS Elettronica version 1.01Installation manual ERMO 482ermo482e32If the units have already been aligned by eye, check that the leds "CHA"and "ALA" light up, indicating channel recognition and non-alarm status (fig.29).To optimise connection, proceed with electronic tune-up as follows:7.2.4 - Check that led 16 is off. If it is lit, press button 15 to turn it off. Thisdisables the STC 95 internal buzzer (fig. 26).7.2.5 - Check that led 18 is lit. If it is off, press button 17 to turn it on. Thisopens the LOOP(fig. 26).7.2.6 - press button 10 until led 5 lights up. Voltage displayed (2) must be 6VDC +/- 10%, and the central led (3) in the led array must be on (fig. 26). If thedisplayed voltage is different and one of the leds near the end of the array is lit,press button 11 or 12 until these conditions are corrected (centre led lit and6VDC displayed).7.2.7 - After slackening the screws holding the receiver to the pole, rotate thereceiver in the horizontal plane until the maximum reading is obtained on thedisplay (2). The led array will light from the centre led towards the right. If thelast led on the right stays on, press button 12 until the centre led lights, andcontinue adjusting the receiver head in the horizontal plane until the maximumreading is obtained on the display (2).7.2.8 - Repeat the tuning operation with the transmitter head horizontaladjustment.7.2.9 - Once optimal tuning is obtained, lock horizontal movement of the twoheads (RX and TX).7.2.10 - Slacken the vertical adjustment lock on the receiver (RX) head, and
CIAS Elettronica version 1.01Installation manual ERMO 482ermo482e33point it upwards. Shift it slowly downwards until the maximum reading isobtained on the display (2) and the led array (3) in the same way as forhorizontal adjustment.7.2.11 - Repeat the vertical adjustment on the TX head. Once optimal readingsare obtained, lock the vertical movement on both heads (TX and RX).7.2.12 - Press button 17 and check that led 18 goes off. Check that after amaximum recovery time of two minutes, the value shown on the display (2)reaches 6 VDC, and that the centre led in the array lights.7.2.13 - Press button 10 until led 7 lights up; check that display shows voltageof between 2.5 and 6.5 VDC. This RAG value is directly proportional to thedistance between transmitter and receiver heads. Press button 10 until leds (6)light.7.2.14 - Adjust "SEN" trimmer on receiver head (fig. 29) until displayed valuelies between 0 and 9 VDC. 0V corresponds to maximum and 9V to minimumsensitivity.7.2.15 - Adjust "INT" trimmer, next to "SEN" trimmer (fig. 29), until thedesired integration level is obtained.7.2.16 - Press button 15 until led 16 lights. This indicates that the buzzer isenabled (fig. 26).Make sure that the buzzer remains silent during the absence of movementin the protectedfield. If the buzzer sounds, press button 14 until it is mute.If the buzzer is already mute when this function is switched on, pressbutton 13 until the
CIAS Elettronica version 1.01Installation manual ERMO 482ermo482e34buzzer sounds intermittently, then press button slightly until it is muteagain.7.2.17 - Run the barrier crossing tests, checking first the intermittent buzzeralarm and then the continuous buzzing indicating that the barrier has beencrossed.Check that the buzzer does not sound when there is no movement in thefield. If this occurs, even intermittently, the field is disturbed.If the barrier is crossed by very large targets, the CHANNEL LED (fig.29) may also go out. This indicates that the RF signal has been interrupted.Barrier set up must suit specific user requirements. However, it should beborne in mind that excessive sensitivity will tend to cause the alarm to go offunder not strictly alarm conditions. Each individual case will require acompromise in parameters. Furthermore, it should be remembered that thesensor's perception of barrier crossing speed is affected by the integrationadjustment, while the perception of the mass crossing the barrier is affected bythe sensitivity adjustment.7.2.18 - The STC 95 features an RCA socket (23) (fig. 26). This can beconnected via a suitable cable to an oscilloscope (any type currently on themarket), for analysis of the received signal wave-form. The wave-form shouldbe of the type shown in figure 30 if the transmitter and receiver heads areproperly aligned.Poor alignment will lead to a received signal wave-form like that in figure31, where noise can be seen at the tips of the square wave. This means that thereceived signal is not of good quality. In this case, the alignment tuningoperations should be repeated until the wave-form is like that in figure 30.
CIAS Elettronica version 1.01Installation manual ERMO 482ermo482e35All data on the measurements taken on the installation should be writtenin the test cards provided with each barrier. This will make any assistanceoperations much easier.7.2.19 - Refit the radomes to the receiver and transmitter heads. Tighten downthe mounting screws to ensure water-tightness.A bad connection produces a waveform like the one shown in fig. 31.Note the presence of noise on the cusps of the square wave. This means that thesignal received is not good. In this case repeat the aiming operations until thewaveform in figure 30 is achieved.All data relating to measurements carried out on the system should bewritten on the test cards which are supplied with every barrier. This will makeassistance operations extremely easy.Replace the radomes and fix them evenly with the appropriate screws inorder to achieve good water-tightness.8. MAINTENANCEWhen breakdowns occur at a barrier, it is necessary to proceed as follows:8.1 -  Go to the receiver and, after removing the radome, plug in the connectorof instrument STC 95 as described in points 7.2.1/7.2.2.8.2 - Check that the "CAN" and "ALL" leds (fig. 29) are lit; obviously thischeck must be carried out with no moving obstacles in the protection field.8.3 - Press key F10 on the STC 95 in order to light led 4 (fig. 26).Check that the 13.8 DC voltage is within æ10%.
CIAS Elettronica version 1.01Installation manual ERMO 482ermo482e36If the voltage is lower, it means the power supply unit is not operatingcorrectly, or the AC power supply is missing; the latter possibility is also shownby the "GRID" led going out (fig. 29). In this case, check that there is a voltageacross the primary winding of the transformer (220 V) and its efficiency.In connection with this, it should be remembered that if the transformer isnot closed inside a sealed case, water may corrode the connections, and thesemay consequently disconnect and possibly cause irreversible damage to thetransformer.In this case, replace the transformer and make sure its container ishermetically sealed.If, on the other hand, the readings are higher, it means thatthe power supply unit is faulty, or that the installer has adjusted the voltageregulation trimmer.Check the voltage calibration by proceeding as follows:Disconnect the battery fastons and connect them to the prods of aprecision electronic voltmeter set to the 20 V DC scale. If the reading is not 13.8V DC adjust the RT trimmer until the reading reaches 13.8 V DC.If it is not possible to set the voltage to that value, it means the regulatoris unrepairable.In this case, it is necessary to replace the printed circuit. If the problemcan be solved by adjustment, remember to block the trimmer in position with adrop of fast-drying paint.8.4 -  Press key 10 on the STC 95 until led 5 comes on (fig. 26).Check that the voltage read in the "FIELD" RX function is 6 V DCæ10%.When there are no moving objects in the protection field, this reading isvery stable.
CIAS Elettronica version 1.01Installation manual ERMO 482ermo482e37Any oscillations greater than æ500 mA show system instability whichmay either mean interference due to moving objects in the protection field orbarrier malfunction.Occasional large oscillations (> 1V) may mean transmitter malfunction;in this case, the transmitter kit should be replaced.Small oscillations are almost certainly due to interference in theprotection field (tree foliage, grass waving in the wind, etc.); in this case thecause of the disturbance should be removed.If the reading in "FIELD" is different from the one shown (> æ 1V), itmeans the receiver has broken down and therefore the RX kit should bereplaced.8.5 - Press key 10 until led 7 comes on, and check that the voltage reading onthe display is between 2.5 and 6.5 V DC. This RAG value is directlyproportional to the distance between the transmitter and receiver heads.Check that the RAG has a value of between 2.5 and 6.5 V DC. If thereading on the display (2) reaches values of greater than 6.5 V DC, it means thatthe signal arriving at the receiver is very low, and therefore the connection ishighly precarious.This fact may be the result of two classes of problems, the first regardsreceiver breakdown, and the second regards transmitter breakdown. In order tofind out which event has occurred, it is necessary to carry out measurements onthe transmitter as shown in the next chapter (points 7.1.3/7.1.4/7.1.5).If, after carrying out measurements on the transmitter, it has been shownto be operating correctly, the receiver kit should be replaced as shown in the"USE OF ASSISTANCE KITS AND THEIR FUNCTION" chapter.It is important to notice that the RAG measurement taken during
CIAS Elettronica version 1.01Installation manual ERMO 482ermo482e38assistance is not only useful for revealing the breakdown but also shows anychange in the environmental conditions of the protection field.In fact, if the installer has calibrated the system correctly, filled in the testcards which accompany each barrier, and written the RAG reading after theelectronic aiming among the data on the card, comparison between the valueshown on the test card and the one read during assistance gives an immediateindication of the barrier operating state.More precisely, if the reading during assistance is only slightly differentfrom the one shown on the card (æ300 mV DC), the radio-frequency signalwhich arrives at the receiver is good and ensures correct barrier operation.In order to understand the meaning of the RAG measurement better, it isimportant to remember that it is strictly connected with the quantity of the radio-frequency signal which arrives at the receiver.It can therefore easily be understood that a drop in this signal (which isequivalent to an increase in the RAG value) compromises microwave barrieroperation.The signal received can be most efficiently checked by observing thewaveform at the receiving head as described in point 7.2.18. Check that the 13.8 V DC, 9 V DC and 4.5 V DC voltages at thetransmitting head are correct within æ1 V DC. If one of the two or both arehigher or lower, it means that the transmitting head has broken down. Replacewith the TX assistance kit.9.  USE OF THE ASSISTANCE KITS AND THEIR FUNCTIONThe assistance kits consist of the processing circuit part and the
CIAS Elettronica version 1.01Installation manual ERMO 482ermo482e39microwave part; more precisely, the transmitter kit (TX KIT) consists of aprinted circuit and the microwave detector cavity.One important fact to bear in mind is that the assistance kit is alwayscalibrated for maximum performance, i.e. 200 metre range.This is in order to make the task of the person called upon to provide theassistance easiersince it avoids having to have four different kits according to the ranges.In this way, theinstaller no longer has the expense of buying complete barriers for theassistance, and theoperation is also made simpler and quicker.Replacing the circuit and cavity parts both on the transmitter and receiverdoes not alterthe orientation of the barrier and therefore it is not necessary to carry outaiming operations again.7. ALIGNEMENT AND CALIBRATION  MEDUSA BASE
CIAS Elettronica version 1.01Installation manual ERMO 482ermo482e40In order to make the alignment and the calibration of the barrier MEDUSABASE it is necessary to proceed in the following way:7.1 -  Go to the transmitter      -  Remove the radome unscrewing the allen screws      -  Connect the AC power supply (19 VAC) to the terminals 1 and 3 of J7(fig. 31)      -  Check that the green led lights for net presence      -  Connect the faston  to the battery, observing the correct polarity (red wireto  battery positive, black wire to battery negative)WARNING:If polarity is accedentally inverted, the transmitter circuitfuse F3    (2A) will blow . If the connactions are then correctedand the    blown fuse replaced, the transmitter will operatenormally.- Verify that the module RF TX is connected to the connector TX1 J1 of theBASE  SERVER TX (fig. 31).- Set one of the 4 available frequencies (1/2/3/4) by switching ON the channels  selector on the module RF TX (fig. 31).- On the module RF TX, the only switched indication is the red led, whichcorresponds  to the writing “GUASTO” (fig. 31). The led is switched on in case of non-working of  the oscillator RF.- Check that the transmitter operates using the STC 95.7.1.1 - Insert the connector of the STC 95 into the connector J6 of the circuitBASE SERVER TX (fig. 33) and proceed as follows: 7.1.2 - Verify that the led 22 (fig. 29) is switched on. If it is switched off,press the button 21 (fig. 29) to switch it on.7.1.3 - Press button 10 (fig. 29) as many times as are necessary to make the led4 light   up. The voltage displayed (2) must be 13.8 VDC +/- 10%.
CIAS Elettronica version 1.01Installation manual ERMO 482ermo482e417.1.4 - Press the button 10 until led 8 lights up. The voltage displayed (2) mustbe 9   VDC +/- 10%.7.1.5 - Press the button 10 until led 6 lights up. The voltage displayed (2) mustbe 5   VDC +/- 10%.7.2 - Disconnect the instrument STC 95 from the circuit BASE SERVER TXand go to        the receiver:        - Remove the radome unscrewing the allen screws        - Connect the AC power supply (24 VAC) to the terminals 1 and 3 of J7(fig. 34)        - Check that the green led is switched on and the red led of intrusion alarmon the           circuit BASE SERVER RX (fig. 34)        - Connect the fastons to the battery.WARNING:  if polarity is accidentally inverted, either on the transmitteror on    the receiver, we have the interruption of the F3 (2A) fuse onthe    circuits base server TX and/or RX. If the connections arethen    corrected and the blown fuse replaced, the barrier willoperate    normally.- Check that the module RF RX is connected to the connector RX1 J3 ofthe circuit   Base Server RX (fig. 34).-  Consider the same channel on the TX by operating on the channelsselector on  the module RF RX (fig. 32).- On the module RF RX there are two leds with the writing “CHANNEL”and   “ALARM”. The first one is switched on when the channels   on TX and RX are the same, the second one is switched on when thebarrier is   not in allarm (fig. 32).- Check the correct working through the STC 95.7.2.1 - Insert the connector STC 95 into the “MEASUREMENTCONNECTOR” J6   of the circuit base server RX (fig. 34) and proceed asfollows:
CIAS Elettronica version 1.01Installation manual ERMO 482ermo482e427.2.2 - Check that  leds (22) (fig. 29) is swithed on, if it is switched off pressthe           button 21 to switch it on (fig. 29).7.2.3 - Press  button (10) to light up led (4) (fig. 29). The voltage on the display(2)   must be 13.8 Vdc +/- 10%. If the previous aiming of the apparatus hasbeen   done correctly, we must see on the module RF RX (fig. 32) the lightingup of  the leds “CHANNEL” and “ALARM” which indicate the channelrecognition   and the non-allarm indication. In order to optimize the  link wemust make the   electronic aiming in the following way:7.2.4 - Check that  led (16) is switched off. If it is switched on press  button (17) to   switch it on, so that we have the “LOOP” opening (fig. 26).7.2.5 - Check that  led (18) is switched on. If it is switched off press  button (17) to   switch it on, so that we have the “LOOP” opening (fig. 26).7.2.6 - Press  button (10) in order to obtain led (5) lightning. Check that on the display we can see a tension of about 6 Vdc and onled (3)  bar the central led is switched on. If  the value is different and theswitched led  is near the limits, press either the button (11) or the button(12) until we will  have the previous condition described (lighting of bar centralled and indications  of about 6 Vdc on the display).7.2.7 - After slackening the screws holding the receiver to the pole, rotate themodule  RF RX in the horizontal plane until the maximum reading inobtained on the  display (2).7.2.8 - Repeat the tuning operation with the horizontal regulation of the moduleRF TX.7.2.9 - Once optimal tuning is obtained, lock the horizontal movement of thetwo  heads RF TX and RF RX.7.2.10 - Slacken the vertical adjustement lock on the receiver (RX) head, andpoint it  upwards.
CIAS Elettronica version 1.01Installation manual ERMO 482ermo482e43Shift it slowly downwards until the maximum reading is obtained on thedisplay  (2) and  led array (3) in the same way as for horizontaladjustement.8. ALIGNMENT AND CALIBRATION MEDUSA PLUSThe barrier MEDUSA PLUS is different from the MEDUSA BASE as in thetransmitter and receiver heads there are respectively two modules RF TX andtwo modules RF RX.Also the circuits BASE SERVER TX and BASE SERVER RX are differentfrom the barrier MEDUSA BASE:To make the alignement and calibration of the barrier MEDUSA PLUS it isnecessary to proceed as it follows:8.1 - Go to the transmitter      - Remove the radome and unscrew the allen screws      - Connect the AC (24 VAC) to the terminals 1 and 3 of J7 (fig. 30)      - Check that the green led is switched on      - Connect the fastons to the battery by respecting the polarities (red wire tobattery      positive, black wire to battery negative).WARNING: the accidental inversion of polarity on the battery, either onthe   transmitter or the receiver, provokes the fuse F3 (2A)interruption   on the circuits base server TX and/or RX. If theconnections are   then corrected  and  the  blown  fuse  replaced,the barrier will work   normally.- Check that the module RF TX 1 is connected to the connector TX1, J1 of thecircuit  BASE SERVER  TX PLUS (fig. 34).
CIAS Elettronica version 1.01Installation manual ERMO 482ermo482e44- Check that the module RF TX 2 is connected to the connector TX 2 J2 of thecircuit  BASE SERVER TX PLUS (fig. 34).- Set one of the 4 available frequencies (1/2/3/4) by using the channels selectoron the  module RF TX1.- Set a different channel among the available ones (1/2/3/4) by using thachannels  selector on the module RF TX 2.- On the module RF TX, the only lighting indication is the red led, whichcorresponds  to the writing “GUASTO” (fig. 31). The led lights for non-working of theoscillator  RF.- Check the correct working of the transmitter through the instrument STC 95.8.1.1 - Insert the connector of the STC 95 on the connector J6 of the circuitBASE  SERVER TX PLUS (fig. 34) and proceed as follows:8.1.2 - Check that the led 22 (fig. 29) is switched on. If it is switched off pressthe  button 21 (fig. 29) to switch it on.8.1.3 - Press the button (10) until the led (29) as many times as it is necessary toswitch on the led (4). The voltage on the display (2) must be 13.8 Vdc +/-10%8.1.4 - Press the button (10) until the led (8) is switched on. The voltage on thedisplay  (2) must be 9 Vdc +/- 10%.8.1.5 - Press the button (10) until the led (6) is switched on. The voltage on thedisplay  (2) must be 5 Vdc +/- 10%.8.2 - Disconnect the instrument STC 95 from the circuit BASE SERVER TXPLUS  and go to the receiver:  - Remove the radome and unscrew the allen screws- Connect the AC power supply (24 VAC) to the terminals 1 and 3 of J7(fig.    35)
CIAS Elettronica version 1.01Installation manual ERMO 482ermo482e45- Check that the green led lights and the two red leds of intrusion alarmRX 1    and RX2 on the circuit BASE SERVER RX PLUS (fig. 35).- Connect the fastons to the battery.Warning: The accidental inversion of polarity on the battery provokesthe F3 (2A) interruption. If the connections are then corrected and theblown fuse replaced, the barrier will work normally.-Check that the modules RF RX 1 and RF RX 2 are connectedrespectively to      the connectors RX1 J3 and RX2 J4 of the circuit BASESERVER PLUS (fig.      35).- Set the same channels of the TX head by using the channels selectors onthe    modules RF RX 1 and RF RX 2 (fig. 38).- On the modules RF RX there are two leds with the writing“PRESENZA       CANALE” and “ALLARME”. The first one isswitched on when the channels   of the TX and RX are the same, the secondone is switched on when the      barrier doesn’t indicate any alarm (fig.32). - Check the correct working through the instrument STC 95.8.2.1 - Insert the connector of the STC 95 in the “CONNETTORE DIMISURA” J6 of  the circuit BASE SERVER RX PLUS (fig. 35) and proceedas follows:8.2.2 - Check that the led (22) (fig. 29) is switched on, if it is switched off pressthe  button 21 to switch it on. (fig, 29).In this way the instrument STC 95 can take the mesures, the tuning andthe  calibration of the barrier of the module RF RX 1.8.2.3 - Press the button (10) until switching the led (4) on (fig. 29). The voltageon the  display (2) must be 13.8 Vdc +/- 10%. If the previous tuning of theapparatus  has been done in a correct way we can check it on the module RFRX1. The led “PRESENZA CANALE” and “ALLARME” lighting linked tothe  channel recognition and to the non-alarm indication. In order to optimizethe  connection, we go on with the electronic tuning in the following way:8.2.4 - Check that the led (16) is switched off. If it is switched on press thebutton (15)  to switch it off, so that we have the “LOOP” opening (fig. 26).
CIAS Elettronica version 1.01Installation manual ERMO 482ermo482e468.2.5 - Check the button (18) is switched on. If it is switched off press the button(17)  to switch it on, so that we have the “LOOP” opening (fig. 26).8.2.6 - Press the button (10) until the led (5) lighting.Check that on the display we can read a tension of about 6 Vdc and on theled  (3) bar the central led is switched on. (fig. 29). If the tension value isdifferent  and the switched led is near the limits press eithr the button (11) orthe button  (12) till there will be the previous condition described (central ledlighting of the  bar and indications of about 6 Vdc on the display).8.2.7 - After slackening the screws holding the receiver on the pole, rotate thereceiver  in the horizontal plane until the maximum reading is obtained onthe display (2).8.2.8 - Repeat the tuning operation with the transmitter head horizontaladjustement.8.2.9 - Once optimal tuning is obtained, lock the horizontal movement of thetwo  heads (RX and TX).8.2.10 - Slacken the vertical adjustement lock on the receiver and point itupwards.Shift it slowly downwards until the maximum reading is obtained on thedisplay  (2) and the led array (3) in the same way as for horizontaladjustement.8.2.11 - Repeat the vertical adjustement on the TX head. Once optimal readingsare  obtained, lock the vertical movement on both heads (TX and RX).8.2.12 - Press button (17) and check  led (8) switching off. Check that after 2minutes,  the value on the display (2) is  about 6 Vdc and that the central ledof the bar  lights.8.2.13 - Press the button (10) to obtain the led (7) lighting and check on thedisplay  that the tension is between 2.5 and 6.5 Vdc. This RAG value isdirectly  proportional to the distance between transmitter and receiver head.8.2.14 - Press the button ( 10) to obtain the led (6) lighting. Use the trimmer “SENSIBILITA” which is on the module RF RX PLUS (fig. 38) till You
CIAS Elettronica version 1.01Installation manual ERMO 482ermo482e47read  on the display a value between 0 and 9 Vdc. We must take intoconsideration  the minimum sensitivity.8.2.15 - Regulate the trimmer “INTEGRAZIONE” on the module RF RX PLUS(fig.  38) to obtain the integration desired.8.2.16 - Press the button (15) to obtain the led (6) lighting which corresponds tothe  buzzer qualification (fig. 38). If there is not any movement in theprotection  field, check that the buzzer is silent. If it isn’t silent press thebutton (14) to  obtain its silence. If with the function activation the buzzer isalready silent  operate on the button (13) to obtain its intermittentintervention, so operate  slowly on the button (14) to obtain its silence.8.2.17 - Make the crossing proufs by cheking before its buzzer intermittent andthen  the sound which indicates the effective taking over of the barrier crossing.In addition check that without any movement in the protected field thebuzzer  doesn’t work. If it works, also in a discontinuous way, it means thatthe field is  troubled. Because of big targets crossing over  we can have also theturning off   of the LED.CANALE (fig. 38); in this way we indicate that we have had the radio frequency  signal interruption.8.2.18 - The STC 95 has an output RCA (fig. 26) which through a wire we give,(fig.  27) lets to check the wave form  of the received signal.This chek-in needs an oscilloscope (every kind present in the market).A good connection between the transmitter head and the receiver oneshows a  wave form as the one indicated in fig. 31.A connection shows a wave form as indicated in fig. 32.We can observe as on the square wave spires is there is a trouble.This means trhat the signal received is not good. In this case repeat thetuning  operations to obtain the wave form of fig. 32.8.2.19 - Press the button 21, check that the led 22 switches off (fig. 29)  and theled 20  switches on  (fig. 29). In this way the instrument STC 95 is set inorder to make  the measurement, the tuning and the calibration of the barrierlinked to the  module RF RX 2.
CIAS Elettronica version 1.01Installation manual ERMO 482ermo482e488.2.20 - Repeat all the operations of the paragraphes from 8.2.3 to 8.2.18 byusing the  barrier linked to the module RF RX 2 and RF TX 2.All the data linked to the mesures done in the apparatus must be written onthe slaves inserted in each barrier This will make the assistance operationsbe easier.8.2.21 - Press the button 21, chack that the led 22 is sawitched off (fig. 29) andthat  the led 20 is switched on (fig. 29). In this way the instrument STC 95 canmake the measurement, the tuning and the calibration of the barrier linked tothe  module RF RX 2.9. MAINTENANCE MEDUSA BASE BARIERIn case of bad working on the MEDUSA BASE it is necessary to proceed in thefollowing way:9.1 - Go to the receiver, and after taking away the cover, introduce the STC 95       connector, as it is indicated in the paragraphs 7.2.1/7.2.2.9.2 - Verify that the led “PRESENZA CANALE” and “ALLARME” includedin the     module RF RX are lighting, obviously this control must be done with theprotection     field free from obstacles in movement.9.3 - Press the button (10) of STC 95 in order to obtain the led (4) lighting (fig.30).        Verify that the tension of 13.8 Vcc is included in +/- 10%.For this reason it is important to remember that the transformer is not includedin airtight box; so that water can provoke some phenomena of connectionscorrosion with the following detachment of them, and possible irreversibledamages of the transformer.In this case proceed with the transformer replacement, by assuring that the boxguaratees the airtight closure.
CIAS Elettronica version 1.01Installation manual ERMO 482ermo482e49If, on the contrary, the values read are higher it means that the power supply isbroken or that the installer has modified trimmer tension.Make the control of tension taring by proceeding as follows:Detach the fastons from the battery and link them to the tag of an electronicvoltmeter of precision 20Vcc bottom scale. Use the trimmer RF on the basiccircuit SERVER RX till reading a tension of 13.8 Vcc.If we can’t  take the tension back to this value it means that the controller can’tbe repaired.In this case the problem is solved with the regulation, remember to blok thetrimmer with a paint drop  fast drying up.9.4 - Pressing the STC 95 button (10) to obtain the led (5) lighting (fig.1).Verify that the tension read on the display is 6 Vcc +/- 10%.In absence of  moving objects in the protection field this reading is very sure.Eventual oscillations superior to +/- 500 mA indicate system instability whichcan mean either moving obstacles interferences in the protection field or barierbad working.Occasional oscillations of big entity (> 1V) can mean transmitter bad working,in this case we must proceed with the chanhe of transmitter kit.Oscillations of live entity surely indicate interference in th protection field (treefoliage, grass waving by in the wind, etc.) in this case tha cause of disturbanceshould be removed.If the reading in “FIELD” is different from the one shown (> +/- 1V), it meansthat the receiver has broken down and therefore the RX should be replaced.9.5 - Press key 10 until led 7 comes on,  and check that the voltage reading onthe display is between 2.5 and 6.5 V DC. This RAG value is directlyproportional to the distance between the transmitter and receiver heads.Check that the RAG has a value of between 2.5 and 6.5 V DC. If the reading onthe display (2) reaches values of greater than 6.5 V DC, it means that the signalarriving at the receiver is very low, and therefore the connection is highlyprecarious.
CIAS Elettronica version 1.01Installation manual ERMO 482ermo482e50This fact may be the result of two classes of problems, the first regards receiverbreakdown, and the second regards transmitter breakdown. In order to find outwhich event has occured, it is necessary to carry out measurements on thetransmitter as shown in the next chapter (points 7.1.3/7.1.4/7.1.5).If, after carrying out measurements on the transmitter, it has been shown to beoperating correctly, the receiver kit should, be replaced as shown in the “USEOF ASSISTANCE KITS AND THEIR FUNCTION” chapter.It is important to notice that the RAG measurement taken during assistance isnot only useful for revealing the breakdown but also shows any change in theenvironmental conditions of the protection field.In fact, if the installer has calibrated the system correctly, filled in the test cardswhich accompany each barrier, and written the RAG readind after the electronicaiming among the data on the card, comparison between the value shown on thetest card and the one read during assistance gives immediate indication of thebarrier operating state.More precisely, if the reading during assistance is only slightly different fromthe one shown on the card (+/- 300 mV DC), the radio-frequency signal whicharrives at the receiver is good and ensures correct barrier operation.In order to undestand the meaning of the RAG measurement better, it isimportant to remember that it is strictly connected with the quantity of the radio-frequency signal which arrives at the receiver.
CIAS Elettronica version 1.01Installation manual ERMO 482ermo482e5110) MEDUSA PLUS MAINTENANCEIf there are some problems in MEDUSA PLUS procced as it is indicated inchapter (9) by making observations on modules RFTX!-RFTX2-RF RX1-RFRX2 present on the heads.11) USE OF THE ASSISTANCE KITS AND THEIR FUNCTIONThe assistance kits consist of basic circuit SERVER TX and by the module RFTX for the transmitter head and by basic circuit SERVER RX and by themodule RF RX for the receiving head.
CIAS Elettronica version 1.01Installation manual ERMO 482ermo482e52If we must intervene on the mEDUSA mod. PLUS remember that in thetransmitting head there are two modules RF TX and a basic circuit SERVERPLUS TX and in the receiving head there are two modules RF RX and a basiccircuit SERVER RX.

Navigation menu