CM Global KTX433-USB 433MHz TRANSCEIVER User Manual KTX433 Wireless Module User Guide
CM GLOBAL 433MHz TRANSCEIVER KTX433 Wireless Module User Guide
User manual

433MHz TRANSCEIVER
UserGuide
.
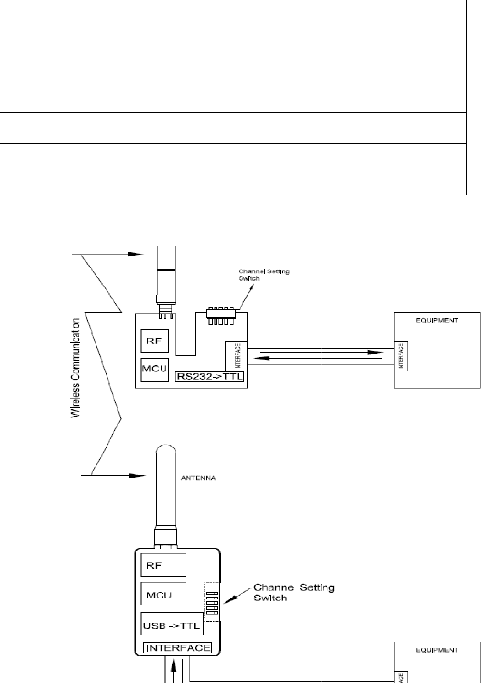
KTX433-USB Interface &Cable

Technic
a
RFChann
e
Modulatio
Baud Rat
e
Inte
r
face
D
Power Su
p
Overall Di
Commu
n
a
l Specifi
c
e
ls(MHz)
nMode
e
D
ata Fo
r
m
p
ply
mensions
n
ication A
p
c
ations:
432.
7
434.
0
GFS
K
960
0
at USB
DC
5
60 X
p
plicatio
n
7
00, 433.1
0
00, 434.3
K
0
bps
,8E1/8N1
d
5
V
42 X 21
m
n
:
00, 433.5
0
00, 434.6
0
d
ata form
a
m
m
0
0, 433.60
0
0
0, 434.90
0
a
t
0
0

There is a channel setting switch as shown in the Figure, defined as A1, A2, and A3
respectively, where A1~A3 is for channel setting.
Switch
Channel
A1A2A3Frequency
1000432.700Mhz
2100433.100Mhz
3010433.500Mhz
4110433.600Mhz
5001434.000Mhz
6101434.300Mhz
7011434.600Mhz
8111434.900Mhz
FCC Notices
This device complies with Part 15 of the FCC rules. Operation is subject to the
following two conditions: 1) this device may not cause harmful interference, and 2)
this device must accept any interference received, including interference that may
cause undesired operation.
Note: This equipment has been tested and found to comply with the limits for a Class
B digital device, pursuant to part 15 of the FCC Rules. These limits are designed to
provide reasonable protection against harmful interference in a residential installation.
This equipment generates uses and can radiate radio frequency energy and, if not
installed and used in accordance with the instructions, may cause harmful
interference to radio communications. However, there is no guarantee that
interference will not occur in particular installation. If this equipment does cause
harmful interference to radio or television reception, which can be determined by
turning the equipment off and on, the user is encouraged to try to correct the
interference by one or more of the following measures:
--Reorient or relocate the receiving antenna.
--Increase the separation between the equipment and receiver.
--Connect the equipment into an outlet on a circuit different from that to which the
receiver is connected.
--Consult the dealer or an experienced radio/TV technician for help.
Changes or modifications not expressly approved by the party responsible for
compliance could void the user’s authority to operate the equipment.
FCC Radiation Exposure Statement
This device complies with FCC RF radiation exposure limits set forth for an
uncontrolled environment. This transmitter must not be co-located or operating in
conjunction with any other antenna or transmitter.