COMPUTIME CT-EM2606 ZigBee Module User Manual Module Specification
Computime Limited ZigBee Module Module Specification
User Manual

CT-EM2606 ZigBee Ready RF Transceiver Modules
Computime Ltd. All rights reserved Confidential 1 / 16
ZigBee- Ready RF Transceiver Modules
EM-2606 Series Specification

CT-EM2606 ZigBee Ready RF Transceiver Modules
Computime Ltd. All rights reserved Confidential 2 / 16
Table of Content
1. General Description .................................................................................................................3
2. Applications ...............................................................................................................................3
3. Features.....................................................................................................................................3
4. Absolute Maximum Ratings ....................................................................................................4
5. Recommended Operating Conditions...................................................................................4
6. Electrical Specifications...........................................................................................................4
7. Introduction................................................................................................................................6
8. Typical application block .........................................................................................................6
9. Pin Assignment.........................................................................................................................7
10. Pin Description..........................................................................................................................7
11. Block Diagram...........................................................................................................................9
12. Circuit Description ....................................................................................................................9
13. SIF Module Programming and Debug Interface ................................................................10
14. Power Management ...............................................................................................................10
15. RF Frequency Detail .............................................................................................................. 11
16. Antenna Design Considerations...........................................................................................12
17. Product Approvals ..................................................................................................................13
18. Mechanical Dimensions ........................................................................................................15
19. Ordering Information .............................................................................................................. 16
20. Document Revision History...................................................................................................16

CT-EM2606 ZigBee Ready RF Transceiver Modules
Computime Ltd. All rights reserved Confidential 3 / 16
ZigBee- Ready RF Transceiver Modules
1. General Description
The CT-EM2606 RF Transceiver Modules is compact surface mounted modules specially
designed for Ember ZigBee™ protocol stack for wireless networks, EmberZNet, based on
IEEE 802.15.4 standard in the 2.4GHz world-wide ISM band. The complete module is
only 25.4 x 32.3 x 4mm .They both integrate a 2.4GHz, IEEE 802.15.4-compliant
transceiver with a 16-bit network processor (XAP2b core) to run EmberZNet. They
contain embedded Flash and integrated RAM for program and data storage. It utilizes
the non-intrusive SIF module for powerful software debugging and programming of the
network processor.
2. Applications
Home
automation &
building control
Home
appliances &
alarms
Monitoring of
remote
systems
Lighting
controls
Sensor data
capturing
3. Features
Complete ZigBee-ready module with or without integrated chip antenna
Integrated IEEE 802.15.4 PHY and MAC layer
12MHz XAP2b 16-bit network processor core
Integrated FEM
Non-intrusive debug interface (SIF)
SPI interface for communication and controlled by the Host using the EmberZNet
Serial Protocol (EZSP)
Internal RC oscillator for timer
16 channels in the 2.4 GHz ISM band
On-chip regulator for 2.7-3.6V operation , three sleep low power modes
-15dBm------20dBm output power, SW controlled

CT-EM2606 ZigBee Ready RF Transceiver Modules
Computime Ltd. All rights reserved Confidential 4 / 16
4. Absolute Maximum Ratings
Parameter Test
Conditions Min. Max. Unit
Regulator voltage (VDD_PADS) - 0.3 3.6 V
Voltage on nSSEL INT, MOSI, MISO, SCLK, nSSEL,
PTI_EN, PTI_DATA, nHOST_INT, SIF_CLK,
SIF_MISO, SIF_MOSI, nSIF_LOAD, SDBG,
LINK_ACTIVITY, nWAKE, nRESET
- 0.3 VDD_PADS+0.3 V
Storage temperature - 40 + 140 °C
Under no circumstances should the absolute maximum ratings given above be violated. Stress
exceeding one or more of the limiting values may cause permanent damage to the device.
5. Recommended Operating Conditions
Parameter Test
Conditions Min. Typ. Max. Unit
Regulator input voltage (VDD_PADS)
2.7 3.6
Core input voltage (VDD_24MHZ, VDD_VCO,
VDD_RF, VDD_IF, VDD_PADSA, VDD_FLASH,
VDD_SYNTH_PRE, VDD_CORE)
1.7 1.8 1.9 V
Temperature range - 40 + 85 °C
6. Electrical Specifications
T=25℃, VCC = 3.0V, Fo =2450MHZ, if nothing else stated.
Parameter Min Typ. Max Unit Condition / Note
Operating frequency 2400 2483.5 MHz
Programmable in 5MHz steps, 5
MHz steps for IEEE 802.15.4
compliance
Number of channels 16 For IEEE 802.15.4 compliance
Channel spacing 5 MHz For IEEE 802.15.4 compliance
Input/output impedance 50 Ohm
Data rate 250 kbit/s
DSSS chip rate 2 Mc/s
Frequency stability +/-40 ppm
Transmit power -17 20 dBm Programmable from firmware

CT-EM2606 ZigBee Ready RF Transceiver Modules
Computime Ltd. All rights reserved Confidential 5 / 16
Parameter Min Typ. Max Unit Condition / Note
Sensitivity -98 dBm
PER = 1% PER, 20byte packet
defined by IEEE 802.15.4 Boost
mode
Adjacent channel rejection
+/-5 MHz 35/35 dB
IEEE 802.15.4 compliance at -82
dBm
Adjacent channel rejection
+/-10 MHz 40/40 dB
IEEE 802.15.4 compliance at -82
dBm
Co-channel rejection -6
dB
Supply voltage 2.7 3.6 V
36 mA Max RX sensitivity (normal mode)
Current consumption,
RX mode 38 mA Max RX sensitivity (boost mode)
Current consumption,
TX mode 190 mA
Deep sleep current 5.0 μA
Flash Memory 1 Kbit
MCU clock frequency 12 MHz
RC OSCILATOR
frequency 10 KHZ

CT-EM2606 ZigBee Ready RF Transceiver Modules
Computime Ltd. All rights reserved Confidential 6 / 16
7. Introduction
The CT-EM2606 modules are specially designed for ZigBee application. They provide a
fast jump start design for system integrators or electronic designers wishing to use
ZigBee wireless technologies. The module contains qualified RF hardware and enough
processor power to run the EmberZNet stack or other ZigBee network stack (depending
on version), making it a powerful platform for building wireless networking products.
ZigBee Coordinators (ZC), ZigBee Routers (ZR), and ZigBee End Devices (ZED) are all
supported and are programmed onto the module together with a custom application.
Minimal RF design experience is need to use CT-EM2606 modules.
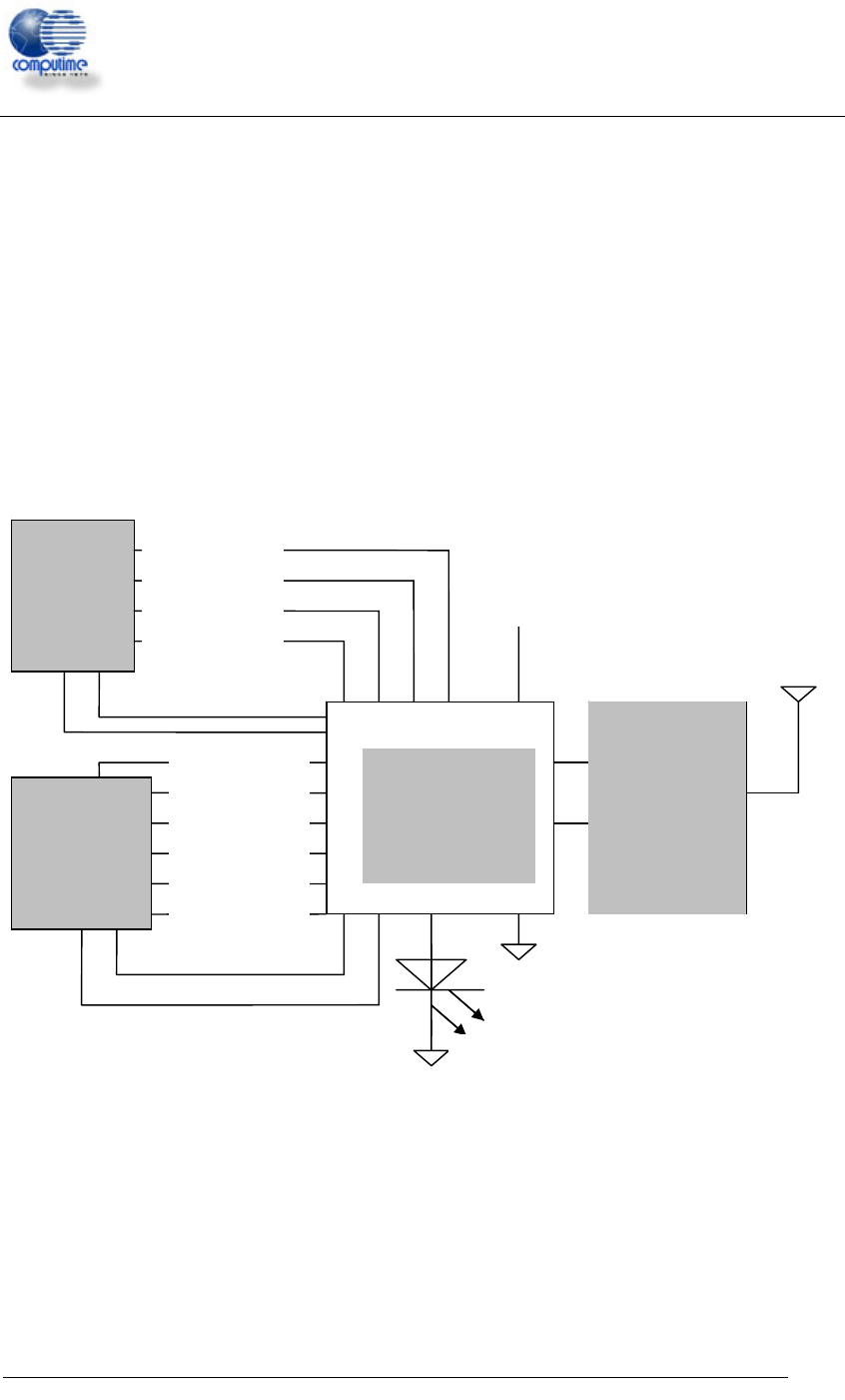
8. Typical application block
Ember
EM260
2.7- 3.6V
Debug and
programming
interface
HOST
UP
NREST
PTI_EN
PTI-DATA
SIF_CLK
SIF_MISO
SIF_MOSI
NSIF_LOAD
SDBG
LINK_ACTIVITY
FEM
NWAKE
NHOST_INT
NSSEL
SCLK
MISO
MOSI

CT-EM2606 ZigBee Ready RF Transceiver Modules
Computime Ltd. All rights reserved Confidential 7 / 16
9. Pin Assignment
TOP VIEW
10. Pin Description
Pin# Signal Direction Description
1 SIF_CLK DI SIF Interface clock
2 SIF_MISO DO SIF Interface master in/slave out
3 SIF_MOSI DI SIF Interface master out/slave in
4 nSIF_LOAD DI/DO SIF Interface load strobe
5 SDBG DO Spare Debug Signal
6 LINK_ACTIVITY DO Link and Activity signal
7 GROUND GND Ground
8 GROUND GND Ground
9 GROUND GND Ground
10 GROUND GND Ground
11 GROUND GND Ground
12 GROUND GND Ground
13 IDLE_EN I
Enable the FEM in deep sleep mode , Active high, in other state,
set it in low level

CT-EM2606 ZigBee Ready RF Transceiver Modules
Computime Ltd. All rights reserved Confidential 8 / 16
14 GROUND GND Ground
15 VBRD PI Power Supply Input
16 nRESET DI Reset, active low
17 MOSI DI SPI Data, Master Out/Slave In
18 MISO DO SPI Data, Master In/Slave Out
19 SCLK DI SPI Clock
20 GROUND GND Ground
21 nRTS DO UART RTS
22 nSSEL_INT/nCTS DI SPI Slave Select
23 PTI_EN DO PTI Frame signal
24 PTI_DATA DO PTI Data signal
25 TXD DO UART TXD
26 nHOST_INT/RXD DO/DI Host Interrupt Signal
27 nWAKE DI Wake Interrupt Signal
28 GROUND GND Ground

CT-EM2606 ZigBee Ready RF Transceiver Modules
Computime Ltd. All rights reserved Confidential 9 / 16
11. Block Diagram
Figure 5 : Block Diagram
12. Circuit Description
The module contains an IEEE 802.15.4 compliant RF transceiver, high speed oscillator,
RC oscillator and RF FEM . The module is intended to running the Ember ZigBee
software or other ZigBee network implementation, depending on the specific version.
The application software together with the ZigBee protocol software stack can be
programmed in Flash memory through SIF module, using an evaluation board from
Ember InSight Desktop.
To support user-defined applications, the module exposes the Ember Serial API over the
SPI, which allows application development to occur on a Host microcontroller of choice.
In addition to the four SPI signals, two additional signals, nHOST_INT and nWAKE,
provide an easy-to-use handshake mechanism between the Host and the module. Also,
an integrated voltage regulator, power-on-reset circuitry, sleep timer, and low-power
sleep modes are available. The deep sleep mode draws less than 5μA allowing products
to achieve long battery life.
For further details on the transceiver (Ember EM260), please consult data sheet at
http://www.ember.com
Rout
to
HOST
16
Bi
t
N
et
w
o
rk Pr
ocesso
r
User
Application
Zigbee
TM
Network
IEEE 802.15.4
MAC
IEEE 802.15.4
RF Transceiver
2.7 – 3.6V
RF FEM

CT-EM2606 ZigBee Ready RF Transceiver Modules
Computime Ltd. All rights reserved Confidential 10 / 16
13. SIF Module Programming and Debug Interface
SIF is a synchronous serial interface developed by Cambridge Consultants Ltd. It is the
primary programming and debug interface of the CT-260. The SIF module allows external
devices to read and write memory-mapped registers in real-time without changing the
functionality or timing of the XAP2b core.
The SIF interface provides the following:
IC production test (especially analog)
PCB production test
Firmware download
Product control and characterization
The pins are:
SIF_LOADB
SIF_CLK
SIF_MOSI
SIF_MISO
The maximum serial shift speed for the SIF interface is 48MHz. SIF interface accesses
can be initiated even when the chip is in idle, deep sleep or power down modes. An edge
on nSIF_LOAD wakes the chip to allow SIF cycles.
14. Power Management
The module supports four different power modes: active, idle, deep sleep, and power
down.
Active mode is the normal, operating state of the module.
While in idle mode, code execution halts until any interrupt occurs. All modules including
the radio continue to operate normally. The EmberZNet stack automatically invokes idle
as appropriate.
Deep sleep mode and power down mode both power off most of the functions, including
the radio, and leave only the critical chip functions powered. The internal regulator is
disabled. All output signals are maintained in a frozen state. Upon waking from deep
sleep or power down mode, the internal regulator is re_enabled. Deep sleep and power
down result in the same sleep current consumption. The two sleep modes differ as
follows: the module can wake on both an internal timer and an external signal from deep
sleep mode; power down mode can only wake on an external signal.

CT-EM2606 ZigBee Ready RF Transceiver Modules
Computime Ltd. All rights reserved Confidential 11 / 16
15. RF Frequency Detail
The following table shows the RF channels as defined by the IEEE 802.15.4 standard.
RF channel Frequency
11 2405MHz
12 2410MHz
13 2415MHz
14 2420MHz
15 2425MHz
16 2430MHz
17 2435MHz
18 2440MHz
19 2445MHz
20 2450MHz
21 2455MHz
22 2460MHz
23 2465MHz
24 2470MHz
25 2475MHz
26 2480MHz
The output power level of em250 can be configured in the range -32 to 3dBm and the
gain of FEM is 17dB, So the module output can controlled in range -15 to 20dBm. The RF
transceiver uses direct sequence spread spectrum (DSSS) with 2 Mchip/s chip rate,
giving a raw data rate of 250 kbit/s. The modulation format is Offset – Quadrature Phase
Shift Keying (O-QPSK). It is robust even under noisy environments when sharing the
same frequency band with other applications.
The use of RF frequencies and maximum allowed RF power should according to different
national regulations. The CT-260 is complying with the applicable regulations for the
world wide 2.4GHz ISM band.
[Subject to final approval: Specifically it complies with the European Union R&TTE directive
meeting EN 300 328 and EN300 440 class 2. It also meets the FCC CFR47 Part15 regulations for use
in the US and the ARIB T-66 for use in Japan.]

CT-EM2606 ZigBee Ready RF Transceiver Modules
Computime Ltd. All rights reserved Confidential 12 / 16
16. Antenna Design Considerations
The CT-EM2506 module includes an integrated PCB trace antenna. An optional MMCX
connector can be specified, enabling connection to a 50-ohm external antenna of the
user’s choice..
The PCB antenna employs an F-Antenna topology that is compact and supports an
omni-directional radiation pattern. To maximize antenna efficiency, an adequate ground
plane must be provided on the host PCB. If positioned correctly, the ground plane on the
host board under the module can contribute significantly to antenna performance.
The position of the module on the host board and overall design of the product enclosure
contribute to antenna performance. Poor design effects radiation patterns and can result
in reflection, diffraction, and/or scattering of the transmitted signal.
Here are some design guidelines to help ensure antenna performance:
• Never place the ground plane or route copper traces directly underneath the
antenna portion of the module.
• Never place the antenna close to metallic objects.
• In the overall design, ensure that wiring and other components are not placed near
the antenna.
• Do not place the antenna in a metallic or metallized plastic enclosure.
• Keep plastic enclosures 1cm or more from the antenna in any direction.
Test at 2440MHZ
__ Vertical Polarization Gain
(dBi)
Avg : -14.8
--- Horizontal Polarization Gain
(dBi)
Avg : -3.4

CT-EM2606 ZigBee Ready RF Transceiver Modules
Computime Ltd. All rights reserved Confidential 13 / 16
17. Product Approvals
17.1 FCC Approvals
The CT-EM2606 has been designed to meet all national regulations for World-wide use.
Using the integrated antenna it conforms to FCC CFR 47 Part 15 (USA).
This device complies with Part 15 of the FCC rules. Operation is subject to the
following two conditions: (1) this device may not cause harmful interference, and
(2) this device must accept any interference received, including interference that
may cause undesired operation.
The device CT-EM2606 carries FCC authorization and is marked with the FCC ID
Number. Whilst any device into which this authorized module is installed will not normally
be required to obtain FCC authorization, this does not preclude the possibility that some
other form of authorization or testing may be required for the finished device.
When the CT-EM2606 module is integrated inside another device/product, then the
outside surface of that device/product must display a label referring to the enclosed
module. This exterior label can use wording such as “Contains Transmitter Module
FCC ID:DICT-EM2606” or “Contains FCC ID: DICT-EM2606”, although any similar
wording that expresses the same meaning may be used.
To meet the Section 15.209 emission requirements in the restricted frequency
bands of Section 15.205, the transceiver transmitter power for the CT-EM2606
module needs to be reduced from the typical maximum setting on the upper two
channels (2475 MHz and 2480 MHz). Maximum values are TBD.
FCC statement:
If this equipment does cause harmful interference to radio or television reception, which
can be determined by turning the equipment off and on, the user is encouraged to try to
correct the interference by one or more of the following measures:
—Reorient or relocate the receiving antenna.
—Increase the separation between the equipment and receiver.
—Connect the equipment into an outlet on a circuit different from that to which the
receiver is connected.
—Consult the dealer or an experienced radio/TV technician for help.
Changes or modifications not expressly approved by the party responsible for compliance
could void the user's authority to operate the equipment.

CT-EM2606 ZigBee Ready RF Transceiver Modules
Computime Ltd. All rights reserved Confidential 14 / 16
17.2 CE Certificate
With the integrated antenna the CT-EM2606 has been tested and conforms to the
following standards:
• Radio: ETSI EN300 328 V1.6.1
• EMC: ETSI EN301 489-17 V1.2.1
• EMC: ETSI EN301 489-1 V1.6.1
• Safety: IEC/EN60950-1
If the CT-EM2606 module is incorporated into an OEM product, the OEM product
manufacturer must ensure compliance of the final product to the European EMC, and low
voltage/safety standards. A Declaration of Conformity must be issued for each of these
standards and kept on file as described in the R&TTE Directive. The final product must
not exceed the specified power ratings, as specified in this specification. If any of these
specifications are exceeded in the final product then a submission must be made to a
notified body for compliance testing to all of the required standards

CT-EM2606 ZigBee Ready RF Transceiver Modules
Computime Ltd. All rights reserved Confidential 15 / 16
18. Mechanical Dimensions
1.6
4.1
5.2
25.4
32.4
10.52
2.54
2.54
1.91
3.81
23.22
2.79Typ 28 pads
1.53
1.53
0.38
1.78Typ 28 pads
22.61
2.54 Pitch Typ
Unit in mm

CT-EM2606 ZigBee Ready RF Transceiver Modules
Computime Ltd. All rights reserved Confidential 16 / 16
19. Ordering Information
Ordering Part Number Description
CT-EM2606
ZigBee-ready RF module, 1kB Flash, PCB
trace antenna, 20dBm Version FCC/CE
certificate
20. Document Revision History
Document Revision change
1.0 Draft