COMPUTIME GES2181 Energy Saving Thermostat User Manual
Computime Limited Energy Saving Thermostat Users Manual
Users Manual

EnergySavingThermostat
[Insertproductpicture]
InstructionManual
Modelno.GES2181
1
2
CONTENTS

PRODUCTOVERVIEW
TheGES2181EnergySavingThermostatcanconnectto3Heat/2CoolconventionalHeatPumpHVAC
systems.Thethermostat’ssmartZigBee™technologyenablesittocommunicatewithyourutility
companysoyoucanreceivemessagesaboutenergysavingeventsandpricereductions.Inaddition,the
easy‐to‐useinterfacemakesitsimpletocontrolyourenergyconsumption.
SAFETYINSTRUCTIONS
Purposeandcorrectuse:
• Readtheseinstructionscarefullyandkeepinasafeplaceforfuturereference.
• Onlyanauthorized,qualifiedinstallershouldinstallthisunit.Allmanual/safetyinstructions
andelectricitysupplier’sregulationsmustbeadheredto.
• Onlyconnectthisunittoa24‐voltA/Cpowersource.
• Donotinstallthisunitatanaltitudeofover2000meters.
• Thisstandalonemountedelectronicunitservesasatemperaturecontrolsystemonlyindry,
closedlivingandofficespaces.Donotplacetheunitinabathroomorareaofexcessive
moisture.Donotallowtheunittogetwet.
• Placetheunitinaneasy‐to‐reachpositionwhereyoucancomfortablyreachthebuttonsand
viewthescreen.
• Donotexposetheunitto:temperaturesbelow5°Corabove40°C;humidityabove80%or
pollutionabovelevel2.
• Donotexposetheunittovoltagefluctuationsofmorethan+/‐10%.
• Cleantheunitwithadry,softcloth.Donotusesolventsoraggressivecleaningagents.
Themanufactureracceptsnoresponsibilityfordamagecausedbynon‐observanceofthese
instructions.
EnvironmentalProtection
Unwantedelectricalappliancescanberecycledandshouldnotbediscardedalongwithregular
householdwaste.Pleasehelptosupporttheconservationofresourcesandprotecttheenvironmentby
returningthisappliancetoyournearestcollectioncentre(ifavailable).
INSTALLATION
PleaserefertoAppendixforinstallationguide.
HOMESCREEN
TheHomescreenisthemaindisplayscreen.Ifyoudonotpress
anybuttonsfor30seconds,thethermostatwillreturntothe
Homescreen.
3
Comment [Kairy1]: Addedbelow

ThelargetemperaturereadingontheHomescreenisthecurrenttemperature.Thesmalltemperature
readingisyoursetpointtemperature.
Toquicklychangethesetpointtemperature:
PressUPorDOWN.
Whenyoureceiveaneventormessagefromtheutilitycompany,‘Event’or‘Message’appearsonthe
bottomoftheHomescreenandadviseshowmanyeventsormessagesyouhavereceived,andthe
event’slevelofimportance.
SETHEAT/COOLMODE
1. WhenyouareintheHomescreen,pressSYSandthe
screenoppositeappears.
2. PressSYSrepeatedlytoselectoneofthefollowing
options:
• ‘Heat’,‘Cool’or‘Off’(ConventionalHAVC)
• ‘Heat’,‘Emer’(EmergencyHeating),‘Cool’or‘Off’
(HeatpumpHVAC)
3. PressMENUtoconfirmyourselectionandreturntotheHomescreen.
Note:MakesureyoupressMENUtoconfirmyourchangesortheywillnotbesaved.
SETFANMODE
1. WhenyouareintheHomescreen,pressFANandthe
screenoppositeappears.
2. PressFANrepeatedlytoselect‘FanOn’or‘FanAuto’.
3. PressMENUtoconfirmyourselectionandreturnto
theHomescreen.
Notes:
4
eheating/coolingsystemisworking.
urchangesortheywillnotbesaved.
MAINMENUSETTINGS
een,pressMENUand
thescreenoppositeappears.
• Whenthefanissetto‘Auto’itonlyrunswhenth
• MakesureyoupressMENUtoconfirmyo
1. WhenyouareintheHomescr

5
tions.
sortheywillnotbesaved.
menu
ilitycompany,‘Event’or‘Message’appearson
anyeventsormessagesyouhavereceived,and
canviewthedetailsbyrepeatedlypressingINFO(seethe
ssages’sectionformoreinformation).
orejectevents:
t
AllEvents’.
confirm.Ifyourejectanevent,amessage
ttorejectit,press
en.
inuetorejectallnew
nthesystemandanyneweventsthat
mustselect‘AcceptCurrentEvent’
asshownbelow.
CurrentEvent’or‘Accept
AllEvents’.
confirm.
have
ogrammenuwhileyou
. SelectandentertheOverridemenu.
lect‘Vacation’andthescreen
SELECTtoconfirm.
settingsand
‘On’toactivatethisfunction.
dreturntothepreviousscreen.
2. PressUPorDOWNtoscrollthroughtheMainmenuop
3. PressSELECTtoenteramenu.
Note:MakesureyoupressMENUtoconfirmyourchange
Override
Whenyoureceiveaneventormessagefromtheut
thebottomoftheHomescreenandadviseshowm
theevent'slevelofimportance.You
‘Viewingeventsandme
IntheOverridemenu,youcanchoosetoacceptorrejecteventsandmessages,andsetthe
thermostatto‘Vacation’tooverridetheprogrammedsettings.
T
1. SelectandentertheOverridemenu.
2. PressUPorDOWNtoselect‘RejectCurrentEvent’or‘Rejec
3. PressSELECTto
appearstoaskifyouaresureyouwan
SELECTtoconfirmtherejectionorMENUtoreturntothe
previousscre
Note:Onceyouhaverejectedacurrentevent,theunitwillcont
haverejectedallevents,theunitwillrejectalleventsstoredo
mayoccur.Toenabletheunittoaccepteventsonceagain,you
or‘AcceptAllEvents’
events.Ifyou
Toacceptevents:
1. SelectandentertheOverridemenu.
2. PressUPorDOWNtoselect‘Accept
3. PressSELECTto
Note:Theunitwillautomaticallyaccepteventsunlessyou
setittorejecteventsandvice‐versa.
Tosetyourvacationtime:
ThissettingwilloverrideyourselectedprogramsettingsinthePr
vacation.
areon
1
2. PressUPorDOWNtose
oppositeappears.
3. Press
4. UseUPorDOWNtoscrollthroughthe
pressSYSorFANtochangeasetting.Youmustsetthe
‘VacationMode’to
5. PressMENUtoconfirman

6
overrideyourtemperaturesetting
whentheneweventsettingsavesenergy,forexample:
a) Inwintertimewhentheoutdoortemperatureiscold,youmaysetyourvacation
temperatureto10°Ctopreventpipesfromfreezing.However,iftheutilitycompanysends
aneventtoreducethetemperatureto8°Ctosaveenergy,itwilloverrideyourvacation
temperatureandmakethenew‘HeatSetPoint’8°C.
b) Insummertime,ifyouhavesetyourvacationtemperatureto20°Candtheutilitysendsan
eventtoincreasethetemperatureto25°Cinordertosaveenergy,itwilloverrideyour
vacationtemperatureandmakethenew‘CoolSetPoint’25°C.
Note:Theutilitycompanycannotoverrideyourvacationtemperatureifyouhavesettheunitto
‘RejectAllEvents’.
Programmenu
Toeditthetimeandtemperaturesettingsforanydayof
theweek:
1. SelectandentertheProgrammenuandthescreen
oppositeappears.
2. UseUPorDOWNtoscrollthroughthesettingsand
pressSYSorFANtochangeasetting.
3. PressMENUtoconfirmandreturntotheprevious
screen.
Tocopyorresetaprogram:
1. SelectandentertheProgrammenu.
2. PressINFOandthescreenoppositeappears.
3. UseUPorDOWNtoselect‘CopyProgram’or‘Reset
program’andpressSELECTtoconfirm.
• Ifyouselected‘CopyProgram’,usetheUPand
DOWNbuttonstoselectadaythatyouwant
theprogramsettingstobecopiedtoandpressSYSuntilthe‘N’cha
pressSELECTand‘SuccessfullyCopied’displays.
• Ifyouselected‘Resetprogram’,‘AreyousureyouwanttoRESETthe
PressSELECTtoconfirmorMENUtoexitandreturntotheprevious
resettheprogram,alltheProgrammenusettingsreturntothefact
Whenthevacationmodeisactivated,yourutilitycompanycan
ngestoa‘Y’.Then
program?’appears.
screen.Whenyou
orydefaultsettings.

Setupmenu
ToedittheSetupmenu:
7
,‘Thisactionwillrestorealluser[thermometric]settingstothe
Continue?’displays.PressSELECTtoconfirmorMENUtoexitandret
screen.
1. SelectandentertheSetupmenuandthescreen
oppositeappears.
2. UseUPorDOWNtoscrollthroughthesettingsand
pressSYSorFANtochangeasetting.
3. PressMENUtoconfirm.Here’salistofwhatthe
Setupmenusettingsmean:
UnitChangesthedisplaymeasurementfromCelsiustoFahrenheitorvice‐versa.Ifyouselectthis
option defaultsettings.
urntotheprevious
SpanChangesthetemperaturespanfrom0.5to2.0°Finincrementsof0.5°.
FanThefanwillcontinuetorunfor0,30,60or90secondsaftercoolingisturnedoff.
FilterSetsatime(upto500hours)forthesystemtoremindyoutochangeorclearthefan’sfilter.
DefaultIfyouselectthisoption,‘AreyousuretoRESTOREallsettingstofactorydefault’displays.Press
thepreviousscreen.SELECTtoconfirmorMENUtoexitandreturnto
TimeChangesthetime.
DateChangesthedate.
GetNetwork
Time
Ifyouselectandconfirm‘Yes’,asignalwillbesen
willbeupdatedonyourthermo
touttosearchforthenetworktimeandthis
stat.
Networkingmenu
sifthethermostatiscommunicatingwithyourutilitynetworkorifyou
ork,the‘Not
Note:IfyourassignedchannelnumberhasmorethanoneIDnumberyou
toscrollthroughandselectyourpreferredID.
4. PressSELECTtoconfirmandstartthechannelsearch.
5. Whenyouhavesuccessfullyconnected,the‘Joined’screenappearsand
Itwilltakeapproximatelyoneminutefortheconnectionprocesstocompl
problemsconnectingtoyourutilitynetwork,pleasecontactyourutility
Thenetworkingmenuadvise
aredisconnectedfromthenetwork.
Toconnecttoyourutilitynetwork:
1. SelectandentertheNetworkingmenu.
2. Ifyounotconnectedtoyourutilitynetw
Connected’screenappears.
3. UseUPorDOWNtoselectoneofthefollowing:
• ‘Auto’–enablesanautomaticscanforthe
channel.
• ‘All’–searchesallchannels.
• ‘Channel’–Ifyouknowyourchannelnumberenterithere(numbers1to26).
canuseUPorDOWN
theLEDlightisgreen.
ete.Ifyouexperience
company.

8
yourutilitynetwork:
tworkingmenu.Youshouldseethe
yousure?’
nfirm,or
viousscreen.
ed.
ryme
Thequerymen ty
company.
electan
opposite
UPo
riesa
‘Get
time orFANtoenterthedate
scro dthiswillautomaticallysend
• ‘Getcurrentprice’–Whenyouselectthisoptionyourrequesttobe
priceoptionswillautomaticallybesentout.
e’–Followthesamestepsas‘Getevent’toautomaticallysendoutyour
• ‘Getlastmessage’–Whenyouselectthisoptionyourrequesttobenotifiedofyourlast
aticallybesentout.
ay,youneedtoconnectyourthermostat
etheNetworkingmenusectionfordetails).
hin15seconds.
Todisconnectfrom
1. SelectandentertheNe
‘Joined’screenopposite.
2. PressSELECTtodisconnectandthemessage‘Are
appears.
3. PressandholdMENUandINFOsimultaneouslytoco
pressMENUtoexitandreturntothepre
Note:TherightLEDlightsupwhenyouaredisconnect
Que nu
uallowsyoutoretrieveandviewrecentevents,pricesormessagesfromyourutili
1. SdentertheQuerymenuandthescreen
appears.
2. Use rDOWNtoscrollthroughtheonscreen
que ndpressSELECTtoenterthemenuoption:
orDOWNtoselectthe•event’–PressUP
anddate.UseSYS
you wishtovieweventsfrom.ThenuseDOWNto
lltothelastsettinginthemenuan outyourquery.
notifiedofthecurrent
• ‘Getschedulepric
requestforthescheduleprice.
messagereceivedwillautom
Note:
• If‘Pleasejoinnetworkfirst!’appearsonthedispl
totheutilitynetwork(se
• Areplytoyourqueryshouldbereceivedwit

9
VIE GES
screen,pressINFOrepeatedlytoviewthefollowingnotifications
Description
WINGEVENTSANDMESSA
1. WhenyouareintheHome
fromyourutilitycompany:
Screen
EVENT:AnEvent
• Pending–AneventwillhappenattheSTARTTIME.
• Active–Thiseventiscurrentlyinprogress.
• Rejected–Youhaverejectedthisevent.
LEV
•
EL:Thereare9differenteventlevels:
‐5–Levelofmessageimportance;1islowand5ishigh
cy
• Plannedoutage
nnect
Green–Energysaving
• Levels1
• Emergen
• ServiceDisco
STARTTIME:Theeventwillstartatthistimei.e.8am.
DURATION:Theeventwilllastforthisdurationi.e.2hours.
YourcurrentenergyusageispricedatLevel1,whichiscurrently
$2.2perkilowatt‐hour.
APrice
AMessage
Yourutilitycompanywillsendyouawiderangeofmessages.
you’veWhenpromptedonthescreen,pressXXXXtoconfirmthat
readaspecificmessage.
Ifthemessageneedstheendusertomakeaconfirmation,
oraCancelcommandforapreviousmessageneedstobe
confirmed,the“Confirm”buttonguidestheusertoconfirm
it.
SUPPORT–Callthistelephonenumberforsupport.
CHANNEL–Writedownyourchannelnumberandputitinasafe
place.Itmaybeusefulifyouneedtoreconnecttothenetwork.
NetworkInformation
SHORT/PAN/EPAN/EU164/FIRM/HVAC–Ifyouphonefor

10
umaybeaskedtoprovidethesecodes.supportyo
2. viewinganyofthesescreens,lo right‐handcornertoseehowmanypages
therearei.e.1/2.UsetheUPandDOWNbuttonstoscrollthroughtotheendofthemessage.
INDICATORS
TherearetwoLEDs.OneisYellowin co HVAC
systemindicationandTri‐color(Green,Orange .
YellowColorLED:
HVACsystemworkingnormal:
HVACsystemworkingnormal questfromServerorutilitycompany:
Flashing
HVACsystemerror/warnin
Tri‐color(red,greenand)LED:
DemandResponsefromUtilityCompa
CurrentenergypriceisatLowlevel:G
tenergypriceisatMedium:Gr enLEDon
CurrentenergypriceisatHighlevel:O
CurrentenergypriceisatCriticallevel:
PRICETEMPERATUREOFFSE
There are (3) three settings progra med in the thermostat in response to different
energy price level.
Below is a table of for the Price ffset:
vel LED Indicator Offset (in F)
When okinthetop
lorandtheotheristri‐color.TheYellowLEDisforFor
andRed)forUtilityInformationindication
Off
withNetworkIdentifyRe
g:On
nyisrunning:RedLEDon
reenLEDon
Curren e
rangeLEDon
RedLEDon
T
m
temperature o
Energy Le
Medium Green 2
High Orange 4
Critical Red 6
For example, if the current programmed temperature is 75F and the current price level
from utility company is High (Orange, the actual set point for the home will be 79F.
RESET
Toresettheunit,insertathin,bluntinstrume
thatresettingtheunitwillreturnittothefact
SPECIFICATIONS
Temperatureunit
ntintotheRESETholeonthesideoftheunit.Pleasenote
orydefaultsettings.
°C/°F
Operatingtemperature32–113°F(0–45oC)
Indoortemperaturemeasurementrange40–99°F(5–37C)
o

11
RFfrequency2.40–2.48GHz
RFrangeUpto1300Ft(400m)LineofSight
A/Cpower18‐30VACatRandCterminals
Size
13.6(L)x10.6(W)x2.6(H)cm
5.4”(L)x4.2”(W)x1”(H)
Weight0.76lb(345g)
FCCDECLARATION
party r
quipm
h Part 15 of the FCC Rules. Operation is subject to the
rmful interference, and
) this luding interference that
ay ca
OTE: nd to comply with the limits for a
lass B digital device, pursuant to Part 15 of the FCC Rules. These limits are
tion against harmful interference in a
t generates, uses and can radiate radio
equency
instruc ver,
there is no guarantee that
this eq
which in the eq and on, the user is
encour co rferen more of the following
measures
• Re r relocat eiving antenna.
• Increase separat ween the equipment and receiver.
•
• Consult the dealer or an experienced radio/TV technician for help.
xposure statement:
ipment complies with FCC RF radiation exposure limits set forth for an
TL
lass 3 product and must be operating by approved power
8-30VAC. It must be conne supply of HVAC
System or transformer approved by UL/cUL/CSA.
Disconnection means: Type 1B
Pollution Degree: 2
Warning: Changes or modifications to this unit not expressly approved by the
esponsible for compliance could void the user’s authority to operate the
e ent.
This device complies wit
following two conditions: (1) this device may not cause ha
eived, inc(2 device must accept any interference rec
m use undesired operation.
N This equipment has been tested and fou
C
designed to provide reasonable protec
residential installation. This equipmen
fr energy and, if not installed and used in accordance with the
tions, may cause harmful interference to radio communications. Howe
interference will not occur in a particular installation. If
ipment does cause harmful interference to radio or television reception, u
can be determ
age to ed by turning
rre inte uipment off
ce by ne ord to try
: ct the o
orient o
the e ecthe r
ion bet
Connect the equipment into an outlet on a circuit different from that to
which the receiver is connected.
FCC RF Radiation E
This equ
uncontrolled environment. This equipment should be installed and operated with
a minimum distance of 20 centimeters between the radiator and your body.
E
This thermostat is a C
source under 1 cted to 18-30VAC
12
lse voltage: 330V
allation, please refer to the install
.
Warning: Do not connect any of the termi ply.
Rated Impu
For inst ation and wiring diagram under
Appendix
nals to 110V/220V AC sup

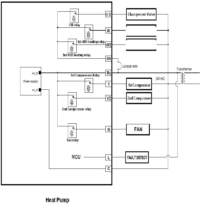
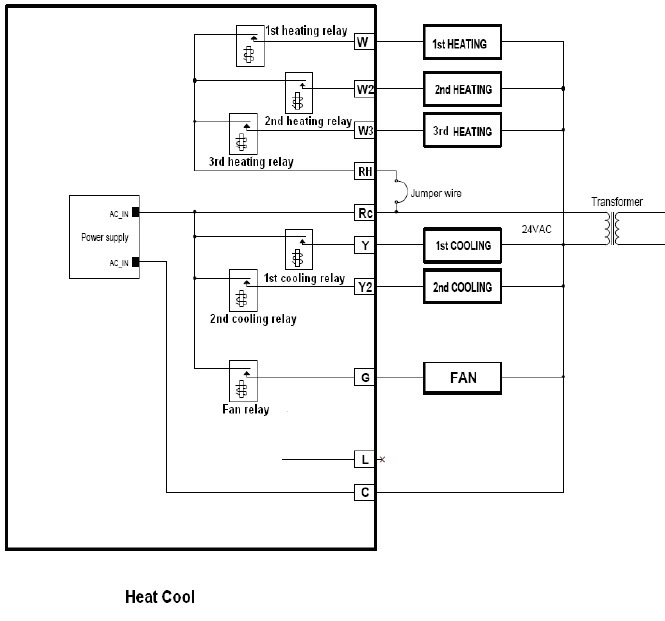
Appendix:InstallationandWiringDiagram
13
Terminaldefinition
TerminalConventionalHeatCoolSystem
HeatPump
System
NouseSystemmonitor
24VACcommonforcontrolcircuitandthermostat
powerinput
Fan
1ststagecooling1ststagecompressor
2ndstagecooling2ndstage
compressor
1ststageheatingAuxiliaryheating
2ndstageheatingEmergencyheating
3rdstageheatingChangeovervalve
24VACPowersupplyforHeatingside
L
C
G
Y
Y2
W
W2/E
W3/O/B
RH
24VACPowersupplyforCoolingside
RC

14
iringdiagramforHeatpumpsystemW
Aux heating
Emergency

15
systemWiringdiagramforconventionalHeatCool
©2010ComputimeLimited