CalAmp Wireless Network 2640G LMU2640 GPRS User Manual APV 2640G User Guide rev1

CalAmp LMU2640 GPRS APV 2640G User Guide rev1

User Guide

Copyright ©CalAmp DataCom Inc 2016   CalAmp Proprietary & Confidential LMU-2640™ Hardware and Installation Guide           Version 1.0 April 2016
LMU-2640™ Hardware and Installation Guide  V1.0.10    December 12, 2010 Copyright ©CalAmp DataCom Inc 2010 - ii -  CalAmp Proprietary & Confidential License Agreement  FOR SOFTWARE, APPLICATION PROGRAMING INTERFACES (APIS) & DOCUMENTATION  IMPORTANT: DO NOT INSTALL OR USE THE SOFTWARE OR DOCUMENTATION UNTIL YOU HAVE READ AND AGREED TO THIS LICENSE AGREEMENT.  This is a legal agreement between you, the Customer, and CalAmp DataCom Incorporated (“CalAmp”). By installing and/or using the software or documentation, you are consenting to the terms of this License. If you do not agree to the terms of this non-exclusive License Agreement, DO NOT INSTALL OR USE THE SOFTWARE, APIs OR DOCUMENTATION. For a full refund, return the unused media package and all accompanying materials within seven (7) days to CalAmp. Where there is no packaging or media, use of the software and/or documentation constitutes acceptance.  DEFINITIONS: As used in this License Agreement, “Software” means CalAmp’s LM Direct™, LMU Manager™,  LapTop Locator™, LMU Application/Programmable Event Generator™, CDMA LMU Provisioning Tool, GPRS LMU Provisioning Tool, iDEN™ Provisioning Tool, LMU Status, Clone Config, Hex Dump, LM Exchange™ Traffic Monitor, Freewave Base Station Config, Remote Serial Port, App Watcher Service and/or other software products licensed by CalAmp for use in computer applications development or integration including the computer programs, libraries and related materials either contained on the media provided to you by or from CalAmp, or which you have received or downloaded electronically. “Application” means a compiled or executable software program created by Developer that uses some or all of the functionality of the Software. “Software Copies” means the actual copies of all or any portion of the Software including backups, updates, merged or partial copies permitted hereunder or subsequently licensed to you. “Documentation” means the non-Software information contained on the media provided with this package or downloaded and which is used with and describes the operation and use of the Software. “Documentation Copies” means the actual copies of all or any portion of the Documentation including backups, updates, merged or partial copies permitted hereunder or subsequently provided to you. “Related Materials” means all other materials and whatever is provided by or from CalAmp, and the non-Software and non-Documentation contained on the media supplied, downloaded, or otherwise supplied by or from CalAmp for use with the Software and Documentation. “Server” means a single, networked computer that is accessible to other client machines on the network. “User” means (i) a single person using an Application for his/her internal, use or (ii) a single terminal or a single workstation of a computer used only by a person (and not accessed otherwise) for accessing an Application. “Use License” means limited rights granted by CalAmp for deployment of a single Application to a User. “Developer” means a single programmer developing an Application. “Developer License” means the grant of certain limited rights to use and maintain the Software, Software Copies, Documentation, Documentation Copies and Related Materials in development of Applications.  BACKGROUND: A Developer License is required for each Developer who uses the Software in building Application(s). A Use License is required and must be purchased by Customer for each User to which Customer provides access to an Application (unless a Server or Site license for unlimited or a specified number of users has been purchased). Each Use License is specific to one client-side Application only and may not be used for any other client-side Application. Each Server license is limited to Server-based Applications deployed on that Server for which the license has been purchased as specified in a CalAmp License Certificate. The Software is licensed on a per Developer, and on a per User, per Application basis. In order to preserve and protect its rights under applicable law, CalAmp is not selling you ownership rights to Software or Documentation (owned by or licensed to CalAmp). CalAmp specifically retains title to all CalAmp Software, Documentation and Related Materials and CalAmp licensors retain title to items owned by them.  DURATION: This License Agreement is effective from the day you install or start using the Software, or receive or download it electronically, and continues until terminated. If you fail to comply with any provision of the License, termination is automatic, without notice from CalAmp and without the necessity for recourse to any judicial authority. Upon termination, you must destroy the Related Materials, the Software, Documentation and all Software and Documentation copies. CalAmp can also enforce its other legal and equitable rights.  DEVELOPER LICENSE ONLY—USES PERMITTED: Software and Documentation may be used for the sole purpose of developing Applications and only by a licensed Developer. Software and Documentation may be installed onto a hard disk drive or a Server, access to which is restricted to Developers for which a Developer License has been purchased and may also be stored or installed on a storage device such as a network server, used only to install or access the Software or Documentation on your other computers over an internal network; however, you must have acquired a license for each separate computer on which the Software or Documentation is installed or accessed from the storage device. A Developer License may not be shared or used concurrently on different computers. One backup copy may be made for each legally obtained media copy or electronic copy you have received, provided that all CalAmp and third party licensor information — including copyright notices — are maintained and possession of the copy is retained in a secure location. In addition, you agree to use reasonable efforts to protect the Software and Documentation from unauthorized use, reproduction, distribution or publication. All rights not specifically granted in this License are reserved by CalAmp.
LMU-2640™ Hardware and Installation Guide  V1.0.10    December 12, 2010 Copyright ©CalAmp DataCom Inc 2010 - iii -  CalAmp Proprietary & Confidential Customer agrees to include the notice “Copyright © 1999 – 2009 CalAmp DataCom Inc., All Rights Reserved” in Applications developed with the Software. Customer agrees to include the following CalAmp Copyright and Government Restricted Use notice in all documentation and in any Application on-line help or readme file.  “Portions of this computer program are owned by CalAmp DataCom Inc., Copyright © l999 – 2009, CalAmp DataCom Inc., All Rights Reserved. Use, duplication or disclosure by the Government is subject to restrictions as set forth in subparagraph ©(1)(ii) of the Rights in Technical Data and Computer Software clause at DFARS 252.227-7013 or subparagraphs ©(l) and (2) of the Commercial Computer Software-Restricted Rights at 48 CFR 52.227-19, as applicable. Manufacturer is CalAmp DataCom Inc., 1401 North Rice Ave. Oxnard, CA 93030. Rights are reserved under copyright laws of the United States with respect to unpublished portions of the Software.”  DEVELOPER(S) LICENSE—USES NOT PERMITTED: UNLESS OTHERWISE AGREED TO IN WRITING WITH CALAMP, YOU MAY NOT (1) Make derivative works including but not limited to translations, adaptations, arrangements or any other alteration (each of which would become the property of CalAmp or its licensors, as applicable) or make copies of the Software or Documentation except as permitted above; (2) Make copies of the Related Materials; (3) Use any CalAmp product to translate the product of another licensor unless you have the legal right to do so; (4) Allow a greater number of Developers to access the Software at any one time than the total number of Developer licenses for which you have paid; (5) Rent, lease, sublicense or lend the Software, Software Copies, Documentation, Documentation Copies, Related Materials or your rights under this License or allow access to the Software for unlicensed users; (6) Alter, decompile (except to the limited extent that decompilation by the licensed Developer only is necessary as the only available way to achieve interoperability with other programs and, in that situation, any resulting information cannot be used in developing, producing or marketing any software substantially similar in expression to the Software), disassemble or reverse engineer the Software; (7) Make any attempt to unlock or bypass any initialization system or encryption techniques utilized by the Software or Documentation; (8) Alter, remove or obscure any proprietary legend, copyright or trademark notice contained in or on Software, Documentation or Related Materials; or (9) use the Software to create an Application intended solely to duplicate functionality of an existing CalAmp end user software product.  USE LICENSES: For each Server or Site License purchased, CalAmp grants the Customer the right to distribute Applications on a single Server or at a single Site, as the case may be, accessible to the number of individual users (not concurrent users) for which the Server or Site License has been purchased as evidenced by a CalAmp License Certificate. For each Use License purchased, as evidenced by a CalAmp License Certificate, CalAmp grants the Customer the right to distribute a single Application to a single User. In no circumstance may Customer distribute an Application under a site license or concurrent use license unless a comparable license has been purchased for the Software as evidenced by a CalAmp License Certificate. Customer agrees that distribution of an Application to a User will in all cases be accompanied by a license agreement containing at a minimum terms and conditions substantially similar to and at least as restrictive as the following:  The User may not (1) Make derivative works including but not limited to translations, adaptations, arrangements or any other alteration of the Application or make copies of the Application, except one backup copy may be made for each legally obtained copy of the Application, provided that all CalAmp and third party licensor information — including copyright notices — are maintained and possession of the copy is retained in a secure location; (2) Allow access to the Application for unlicensed users; (3) Rent, lease, sublicense or lend the Application or its rights under the license; (4) Alter, decompile, disassemble or reverse engineer the Application; (5) Make any attempt to unlock or bypass any initialization system or encryption technique utilized by the Application; or (6) Alter, remove or obscure any proprietary legend, copyright or trademark notice contained in or on the Application.  The User agrees to use reasonable efforts to protect the Application from unauthorized use, reproduction, distribution or publication.  AUDIT: Customer shall keep records of all transactions involving Software for five (5) years after the transaction. CalAmp shall have the right upon written notice to audit Customer’s records to verify compliance with this License including the number of Use Licenses granted by Customer. Audit may take place at Customer’s place or business during normal working hours. In the event that there is a discrepancy in excess of five percent (5%) between the number of Use Licenses granted and the number paid for, Customer shall pay all costs related to performing the audit in addition to remitting payment for those licenses granted in  excess of those paid for as evidenced by a CalAmp License Certificate.  GENERAL: This Agreement represents our entire understanding and agreement regarding the Software, Software Copies, Documentation, Documentation Copies and Related Materials and supersedes any prior purchase order, communication, advertising or representation and may only be modified in a written amendment signed by an authorized CalAmp representative or by a specific prior or subsequent written agreement between the parties. If any provision of this Agreement shall be unlawful, void or for any reason unenforceable, that provision shall be deemed severable from, and shall in no way affect the validity or enforceability of, the remaining provisions.
LMU-2640™ Hardware and Installation Guide  V1.0.10    December 12, 2010 Copyright ©CalAmp DataCom Inc 2010 - iv -  CalAmp Proprietary & Confidential Limited Warranty COVERING THE PHYSICAL MEDIA AND PRINTED MATERIALS: CalAmp warrants to you, the original licensee, that the media on which the Software is recorded are free from defects in materials and workmanship under normal use and service FOR A PERIOD OF NINETY (90) DAYS FROM THE DATE OF DEVELOPER LICENSE PURCHASE. CalAmp’s entire liability and your exclusive remedy as to defective media, Documentation or Related Material(s) shall be replacement of the media, Documentation or Related Material(s) by CalAmp. Each defective item, along with proof of license purchase and date, must be sent in a traceable manner to: CalAmp DataCom Inc., 1401 North Rice Ave. Oxnard, CA 93030.  DISCLAIMER REGARDING THE SOFTWARE, DOCUMENTATIONS AND RELATED MATERIALS: THE SOFTWARE, DOCUMENTATION AND RELATED MATERIALS ARE PROVIDED “AS IS.” EXCEPT AS MAY OTHERWISE BE EXPRESSLY SET FORTH HEREIN, CALAMP MAKES NO REPRESENTATIONS OR WARRANTIES, EXPRESS OR IMPLIED, WITH RESPECT TO THE SOFTWARE, DOCUMENTATION OR RELATED MATERIALS INCLUDING BY WAY OF EXAMPLE, AND NOT LIMITATION, THE IMPLIED WARRANTIES OF MERCHANTABILITY AND FITNESS FOR A PARTICULAR PURPOSE. BY WAY OF FURTHER EXAMPLE AND NOT LIMITATION, CALAMP MAKES NO REPRESENTATIONS OR WARRANTIES, EXPRESS OR IMPLIED, WITH RESPECT TO THE ACCURACY, RELIABILITY OR COMPLETENESS OF THE DOCUMENTATION OR THE RELATED MATERIALS. THE ENTIRE RISK AS TO THE USE OF THE SOFTWARE, DOCUMENTATION AND RELATED MATERIALS IS ASSUMED BY YOU. IN NO EVENT SHALL CALAMP BE LIABLE TO YOU OR ANY OTHER PERSON, REGARDLESS OF THE CAUSE, FOR THE EFFECTIVENESS OR ACCURACY OF THE SOFTWARE, DOCUMENTATION OR RELATED MATERIALS OR FOR ANY SPECIAL, INDIRECT, INCIDENTAL OR CONSEQUENTIAL DAMAGES ARISING FROM OR OCCASIONED BY YOUR USE OF THE SOFTWARE, DOCUMENTATION OR RELATED MATERIALS, EVEN IF ADVISED OF THE POSSIBILITY OF SUCH DAMAGES. IN THE EVENT THE FOREGOING IS FOUND BY A COURT OF COMPETENT JURISDICTION TO BE INEFFECTIVE, YOU HEREBY AGREE THAT CALAMP’S MAXIMUM LIABILITY FOR ANY CLAIM ARISING IN CONNECTION WITH THE SOFTWARE, DOCUMENTATION AND/OR RELATED MATERIALS (WHETHER IN CONTRACT, TORT, INCLUDING NEGLIGENCE, PRODUCT LIABILITY OR OTHERWISE) SHALL NOT EXCEED THE LICENSE FEES PAID BY YOU WITH RESPECT TO THE SOFTWARE, DOCUMENTATION AND/OR RELATED MATERIALS AT ISSUE. SOME STATES DO NOT ALLOW THE LIMITATION OR EXCLUSION OF INCIDENTAL OR CONSEQUENTIAL DAMAGES, SO THE FOREGOING PROVISION, WITH RESPECT TO EXCLUDING OR LIMITING SUCH DAMAGES, MAY NOT APPLY TO YOU.  ACKNOWLEDGEMENT: You acknowledge that you have read this LIMITED WARRANTY, understand it and agree to be bound by its terms and conditions. You also agree that: (1) No oral or written information or advice given by CalAmp, its dealers, distributors, agents or employees shall in any way increase the scope of this Limited Warranty and you may not rely on any such information or advice; (2) Unless a written governing agreement signed by you and CalAmp exists, this License Agreement is the complete and exclusive statement of agreement between CalAmp and you regarding the licensing of the Software, Documentation and Related Materials and supersedes all proposals, oral or written, and any other communications you may have had prior to purchasing your license; (3) Except for the price and delivery terms agreed upon by both parties, the terms and conditions of this License Agreement shall supersede those set forth in any purchase order where the purchase order conflicts or is inconsistent with or adds to the terms and conditions of this License and those superseded purchase order terms and conditions shall be null and void; (4) You agree to assure that copies of this License Agreement are distributed, read and agreed to by each Developer using the Software and/or Documentation.  GOVERNING LAW: This Agreement shall be governed by the laws of the State of California, United States, excluding its conflicts of law principles and excluding the United Nations Convention on Contracts for the International Sale of Goods. You agree to exclusive jurisdiction of California State federal and state courts, Ventura County, for resolution of any dispute related to this Agreement.  U.S. GOVERNMENT PROTECTED RIGHTS: The Software Documentation and Related Materials are provided with RESTRICTED RIGHTS. Use, duplication or disclosure by the Government is subject to restrictions as set forth in subparagraph ©(1)(ii) of the Rights in Technical Data and Computer Software clause at DFARS 252.227-7013 or subparagraphs ©(1) and (2) of the Commercial Computer Software-Restricted Rights at 48 CFR 52.227-19, as applicable. Manufacturer is CalAmp DataCom Inc., 1401 North Rice Ave. Oxnard, CA 93030. Rights are reserved under copyright laws of the United States with respect to unpublished portions of the Software.
LMU-2640™ Hardware and Installation Guide  V1.0.10    December 12, 2010 Copyright ©CalAmp DataCom Inc 2010 - v -  CalAmp Proprietary & Confidential Regulatory Information Human Exposure Compliance Statement Pursuant to 47 CFR § 24.52 of the FCC Rules and Regulations, personal communications services (PCS) equipment is subject to the radio frequency radiation exposure requirements specified in § 1.1307(b), § 2.1091 and § 2.1093, as appropriate.   CalAmp DataCom Inc. certifies that it has determined that the LMU-2640™ complies with the RF hazard requirements applicable to broadband PCS equipment operating under the authority of 47 CFR Part 24, Subpart E of the FCC Rules and Regulations. This determination is dependent upon installation, operation and use of the equipment in accordance with all instructions provided.   The LMU-2640™ is designed for and intended to be used in fixed and mobile applications. “Fixed” means that the device is physically secured at one location and is not able to be easily moved to another location. “Mobile” means that the device is designed to be used in other than fixed locations and generally in such a way that a separation distance of at least 20 cm is normally maintained between the transmitter’s antenna and the body of the user or nearby persons. The LMU-2640™ is not designed for or intended to be used in portable applications (within 20 cm of the body of the user) and such uses are strictly prohibited.   To ensure that the LMU-2640™ complies with current FCC regulations limiting both maximum RF output power and human exposure to radio frequency radiation, a separation distance of at least 20 cm must be maintained between the unit’s antenna and the body of the user and any nearby persons at all times and in all applications and uses. Additionally, in mobile applications, maximum antenna gain must not exceed 3 dBi.
LMU-2640™ Hardware and Installation Guide  V1.0.10    December 12, 2010 Copyright ©CalAmp DataCom Inc 2010 - vi -  CalAmp Proprietary & Confidential  TableofContentsLicense Agreement ................................................................................................................................................. iiLimited Warranty ..................................................................................................................................................ivRegulatory Information.......................................................................................................................................... vHuman Exposure Compliance Statement ............................................................................................................. v1INTRODUCTION .............................................. ............................................................................. ...................................................................... 11.1About This Manual ....................................................................................................................................... 11.2About The Reader ......................................................................................................................................... 21.3About CalAmp ............................................................................................................................................... 31.4About the CalAmp Location Messaging Unit-2640™ (LMU-2640™) ...................................................... 42SYSTEM OVERVIEW ...................................................................... .................................................................................................................... 52.1Overview ........................................................................................................................................................ 52.2Component Descriptions ............................................................................................................................... 72.2.1Wireless Data Network .......................................................................................................................... 72.2.2LMU-2640™ ......................................................................................................................................... 72.2.3LM Direct™ Server ............................................................................................................................... 72.2.4Backend Software .................................................................................................................................. 72.2.5PULS™ .................................................................................................................................................. 82.2.6LMU Manager™ ................................................................................................................................... 82.3Wireless Data Primer .................................................................................................................................... 92.3.1SMS (Short Message Service) ............................................................................................................... 92.3.2GPRS (General Packet Radio Service) .................................................................................................. 93HARDWARE OVERVIEW ................................................................................ ................................................................................................... 103.1Location Messaging Unit-2640™ (LMU-2640™) ..................................................................................... 103.1.1LMU-2640™ Handling Precautions .................................................................................................... 103.1.2Environmental Specifications .............................................................................................................. 123.2Primary Connector ..................................................................................................................................... 143.2.1LMU-2640™ -3 Wire Power Cable ..................................................................................................... 163.2.2LMU-2640™ – Full I/0 Wiring Harness  – Part Number 5C867......................................................... 173.2.3LMU-2640™ - Serial Adapter ............................................................................................................. 183.2.4LMU-2640™ Miscellaneous Accessories ........................................................................................... 203.2.5GPS Receiver ....................................................................................................................................... 223.3Available Radio Interfaces ......................................................................................................................... 223.4External RF Connector ............................................................................................................................... 22CONFIGURATION AND ACTIVATION .............................................................................................................................................................................. 233.5Configuration Quick Start Guide .............................................................................................................. 233.6Quick Start - General Config ..................................................................................................................... 243.7Auto provisioning of GSM LMUs .............................................................................................................. 253.8Activating a GSM LMU using AT Commands ......................................................................................... 273.9Accessing the SIM ....................................................................................................................................... 294INSTALLING THE LMU .................................................................................................................................................................................... 314.1Preparing for Installation ........................................................................................................................... 314.2Plan The Installation ................................................................................................................................... 324.2.1Size and Placement of LMU Unit ........................................................................................................ 324.2.2Placement of Antennas ........................................................................................................................ 334.2.3Access to the SIM (Subscriber Identity Module) Card ........................................................................ 364.2.4Protection from Heat ............................................................................................................................ 36
LMU-2640™ Hardware and Installation Guide  V1.0.10    December 12, 2010 Copyright ©CalAmp DataCom Inc 2010 - vii -  CalAmp Proprietary & Confidential 4.2.5Visibility of Diagnostic LEDs ............................................................................................................. 364.2.6Cable Length ........................................................................................................................................ 364.2.7Moisture and Weather Protection ........................................................................................................ 364.2.8Preventing Accidental or Unauthorized Modification ......................................................................... 364.3Installing the LMU in a Vehicle ................................................................................................................. 384.3.1Place the LMU unit in the vehicle. ...................................................................................................... 384.3.2Connect power, ignition, and ground. .................................................................................................. 384.3.3Place the GPS antenna. ........................................................................................................................ 384.3.4Mount the Comm. Antenna. ................................................................................................................ 394.3.5Typical Connection Sequence .............................................................................................................. 404.4I/O Descriptions ........................................................................................................................................... 424.4.1Ignition and Inputs ............................................................................................................................... 434.4.23-Axis Accelerometer Input ................................................................................................................. 454.4.3Outputs ................................................................................................................................................. 454.4.4Status LEDs ......................................................................................................................................... 464.5Installation Verification .............................................................................................................................. 474.5.1Comm Verification .............................................................................................................................. 474.5.2GPS Verification .................................................................................................................................. 484.5.3Inbound Verification ............................................................................................................................ 494.5.4Verification via SMS ........................................................................................................................... 50APPENDIX A - HYPERTERMINAL CONFIGURATION ...................................................... ................................................................................................... 53APPENDIX B - WINDOWS VISTA - PUTTY SETUP ........................................................................................................................................................... 57
LMU-2640™ Hardware and Installation Guide  V1.0.10    December 12, 2010 Copyright ©CalAmp DataCom Inc 2010 - 1 -  CalAmp Proprietary & Confidential 1 Introduction Welcome to the LMU-2640™ Hardware and Installation Guide. This manual is intended to give you information on the basic setup and installation of the CalAmp LMU-2640™ product including hardware descriptions, environmental specifications, wireless network overviews and device installation. 1.1 About This Manual The LMU-2640™ is one of the most flexible and economical mobile tracking hardware products available. In order to accurately describe the functionality of these units we have broken this manual into the following sections:   System Overview: A basic description of a CalAmp LMU-2640™ based tracking system. This includes a description of roles and responsibilities of each of the CalAmp components as well as a brief overview of the wireless data technologies used by the LMU-2640™.  Hardware Overview: Describes the physical characteristics and interfaces of the LMU-2640™.  Installation and Verification: Provides guidance for the installation of the LMU-2640™ in a vehicle and instructions on how to verify the installation is performing adequately.
LMU-2640™ Hardware and Installation Guide  V1.0.10    December 12, 2010 Copyright ©CalAmp DataCom Inc 2010 - 2 -  CalAmp Proprietary & Confidential 1.2 About The Reader In order to limit the size and scope of this manual, the following assumptions have been made about the reader.   You are familiar with GPS concepts and terminology  You have some experience with installing equipment in vehicles  You are familiar with the use of AT Commands   You are familiar with the use of terminal programs such as HyperTerminal or PuTTY
LMU-2640™ Hardware and Installation Guide  V1.0.10    December 12, 2010 Copyright ©CalAmp DataCom Inc 2010 - 3 -  CalAmp Proprietary & Confidential 1.3 About CalAmp CalAmp is a leading provider of wireless communications products that enable anytime/anywhere access to critical information, data and entertainment content. With comprehensive capabilities ranging from product design and development through volume production, CalAmp delivers cost-effective high quality solutions to a broad array of customers and end markets.  CalAmp is the leading supplier of Direct Broadcast Satellite (DBS) outdoor customer premise equipment to the U.S. satellite television market.  The Company also provides wireless data communication solutions for the telemetry and asset tracking markets, private wireless networks, public safety communications and critical infrastructure and process control applications.  For additional information, please visit our website at www.calamp.com.
LMU-2640™ Hardware and Installation Guide  V1.0.10    December 12, 2010 Copyright ©CalAmp DataCom Inc 2010 - 4 -  CalAmp Proprietary & Confidential 1.4 About the CalAmp Location Messaging Unit-2640™ (LMU-2640™) The LMU-2640™ fleet tracking unit offers leading edge technology including a new 3D accelerometer for measuring driver behavior and vehicle impacts while offering high reliability fleet customers demand.  Competitive Price, Competitive Technology, Competitive Edge The LMU-2640™ is a robust fleet device you can count on for AVL applications. The LMU-2640™ incorporates leading GSM-GPRS wireless communication and extra sensitive GPS in an affordable package. High-sensitivity GPS and an internal antenna option also means the device can be mounted virtually anywhere for less expensive installation. The LMU-2640™ also features 3D accelerometer to detect and act on hard braking, hard acceleration, vehicle impacts, and crashes.  Flexibility The LMU-2640™ features CalAmp's industry leading advanced on-board alert engine that monitors vehicle conditions giving you the most flexible tracking device in its class. The PEG™ (Programmable Event Generator) application supports hundreds of customized exception-based rules to help meet customers' dynamic requirements. Customers can modify the behavior of the device to meet with range of applications preprogrammed before shipment or in the field. Combining affordability and device intelligence with your unique application can give you distinct advantages over your competition.  Over-the-Air Serviceability The LMU-2640™ also incorporates CalAmp's industry leading over-the-air device management and maintenance system software, , PULS™ (Programming, Updates, and Logistics System). Configuration parameters, PEG rules, and firmware can all be updated over the air. Our web-based maintenance server, PULS™ scripts, and firmware, can all be updated over-the-air. PULS™ offers out-of-the-box hands free configuration and automatic post-installation upgrades. You can also monitor unit health status across your customers' fleets to quickly identify issues before they become expensive problems.
LMU-2640™ Hardware and Installation Guide  V1.0.10    December 12, 2010 Copyright ©CalAmp DataCom Inc 2010 - 5 -  CalAmp Proprietary & Confidential 2  System Overview 2.1 Overview The entire purpose behind a fleet management system is to be able to remotely contact a vehicle, determine its location or status, and do something meaningful with that information. This could include displaying the vehicle location on a map, performing an address look-up, providing real-time driving directions, updating the vehicles ETA, monitoring vehicle and driver status or dispatching the vehicle to its next pick up.  These functions, of course, are completely dependent on the capabilities of the vehicle management application. The role of the CalAmp LMU-2640™ is to deliver the location information when and where it is needed.  A typical fleet management system based on a CalAmp device includes the following components:   A wireless data network  An LMU-2640™  Host Device (GPS NMEA only)  An LM Direct™ communications server  Backend mapping and reporting software which typically includes mapping and fleet reporting functions  PULS™  LMU Manager™
LMU-2640™ Hardware and Installation Guide  V1.0.10    December 12, 2010 Copyright ©CalAmp DataCom Inc 2010 - 6 -  CalAmp Proprietary & Confidential  Figure 1 - Basic System Architecture
LMU-2640™ Hardware and Installation Guide  V1.0.10    December 12, 2010 Copyright ©CalAmp DataCom Inc 2010 - 7 -  CalAmp Proprietary & Confidential 2.2 Component Descriptions 2.2.1 Wireless Data Network The Wireless Data Network provides the information bridge between the LM Direct™ server and the LMU-2640s™. Wireless data networks can take a variety of forms, such as cellular networks, satellite systems or local area networks. At this point in time, the networks available to the LMU-2640™ are:   GSM/GPRS 2.2.2 LMU-2640™ The LMU-2640™ is responsible for delivering the location and status information when and where it is needed. Data requests can come from any of the following sources:   PEG™  script within the LMU-2640™  A location or status request from the LM Direct™  server  A location or status request from LMU Manager  An SMS request made from a mobile device such as a customer’s cell-phone  In some cases, it is necessary to run an application in the vehicle while it is being tracked by the backend software. Such examples could include instant messaging between vehicles or a central office, in-vehicle mapping or driving directions, email or database access. In most of these cases you will be using the LMU-2640™ as a wireless modem as well as a vehicle-location device. 2.2.3 LM Direct™ Server LM Direct™ is a CalAmp proprietary message interface specification detailing the various messages and their contents the LMU-2640™ is capable of sending and receiving. This interface allows System Integrators to communicate directly with LMU-2640’s™.  Please refer to the LM Direct™ Reference Guide for details. 2.2.4 Backend Software Backend software is a customer provided software application. Regardless of its purpose, one of its primary functions is to parse and present data obtained from the LM Direct™ server. This allows the application to do any of the following:   Display location database on reports received from the LMU-2640™ in a variety of formats  Present historic information received from the LMU-2640™, typically in a report/chart style format  Request location updates from one or more LMU-2640s™  Update and change the configuration of one or more LMU-2640s™
LMU-2640™ Hardware and Installation Guide  V1.0.10    December 12, 2010 Copyright ©CalAmp DataCom Inc 2010 - 8 -  CalAmp Proprietary & Confidential 2.2.5 PULS™ PULS™ (Programming, Update and Logistics System) is CalAmp’s web-based maintenance server offering out-of-the-box hands free configuration and automatic post-installation upgrades. PULSTM provides a means for configuration parameters, PEG scripts, and firmware to be updated Over-The-Air(OTA) and allows CalAmp customers to monitor unit health status across your customers’ fleets to quickly identify issues before they become expensive problems. 2.2.6 LMU Manager™ LMU Manager is the primary configuration tool in the CalAmp system. It allows access to almost every feature available to the LMU-2640™. Unlike the backend software, it has the option of talking directly to an LMU-2640™ or making a request forwarded by the LM Direct™ server.  For further details on using LMU Manager, please refer to the LMU Manager Users Guide.
LMU-2640™ Hardware and Installation Guide  V1.0.10    December 12, 2010 Copyright ©CalAmp DataCom Inc 2010 - 9 -  CalAmp Proprietary & Confidential 2.3 Wireless Data Primer This section is meant to give an overview of the wireless data technologies employed by the CalAmp LMU-2640™.  2.3.1 SMS (Short Message Service) “The Short Message Service (SMS) is the ability to send and receive text messages to and from mobile telephones. The text can comprise of words or numbers or an alphanumeric combination. SMS was created as part of the GSM Phase 1 standard.”1  SMS message are typically text based, though binary messages are possible and can range in size from 140 characters to 256 characters depending on the network being used. 2.3.2 GPRS (General Packet Radio Service) “The General Packet Radio Service (GPRS) is a new non-voice value-added service that allows information to be sent and received across a GSM mobile telephone network. It supplements today's Circuit Switched Data and Short Message Service. GPRS is NOT related to GPS (the Global Positioning System), a similar acronym that is often used in mobile contexts.”2  GPRS is being deployed in its initial stages in approximately 52 countries around the world. Keep in mind that GSM frequencies change depending on your geographic location. In Europe, GSM sits in both the 900Mhz and 1.8GHz bands. In North America it sits in the 1.9GHz and 850 MHz bands. This means, that in order to roam with your GSM/GPRS mobile between countries, it needs to be able to operate on multiple frequencies. The LMU-2640™ offers quad-band (850/900/1800/1900 MHz) capabilities to support networks worldwide.                                                 1 Excerpt taken from the GSM World website (http://www.gsmworld.com/technology/sms/intro.shtml#1) 2 Excerpt taken from the GSM World website (http://www.gsmworld.com/technology/gprs.html)
LMU-2640™ Hardware and Installation Guide  V1.0.10    December 12, 2010 Copyright ©CalAmp DataCom Inc 2010 - 10 -  CalAmp Proprietary & Confidential 3  Hardware Overview 3.1 Location Messaging Unit-2640™ (LMU-2640™) 3.1.1 LMU-2640™ Handling Precautions 3.1.1.1 Electrostatic Discharge (ESD) Electrostatic discharge (ESD) is the sudden and momentary electric current that flows between two objects at different electrical potentials caused by direct contact or induced by an electrostatic field. The term is usually used in the electronics and other industries to describe momentary unwanted currents that may cause damage to electronic equipment. 3.1.1.2 ESD Handling Precautions ESD prevention is based on establishing an Electrostatic Protective Area (EPA). The EPA can be a small working station or a large manufacturing area. The main principle of an EPA is that there are no highly charging materials in the vicinity of ESD sensitive electronics, all conductive materials are grounded, workers are grounded, and charge build-up on ESD sensitive electronics is prevented. International standards are used to define typical EPA and can be obtained for example from International Electro-technical Commission (IEC) or American National Standards Institute (ANSI).  This ESD classification of the sub assembly will be defined for the most sensitive component, therefore the following classifications apply:   Class 1B – Human Model (< 1 Kv)  Class M1 – Machine Model (< 100V)  When handling the LMU-2640’s™ main-board (i.e. sub assembly) by itself or in a partial housing proper ESD precautions should be taken.  The handler should be in an ESD safe area and be properly grounded. 3.1.1.3 GPS Ceramic Patch Handling When handling the sub assembly it may be natural to pick it up by sides and make contact with the antenna boards.  In an uncontrolled ESD environment contact with the center pin of ceramic patch antenna can create a path for electrostatic discharge directly to the GPS Module.  The GPS Module is very sensitive to ESD and can be damaged and rendered non-functional at low levels of ESD.  One should avoid contact with the center pin of the patch during handling.  Going forward the Factory will be placing a protective layer of Kapton® tape over the patch element to eliminate this ESD path.
LMU-2640™ Hardware and Installation Guide  V1.0.10    December 12, 2010 Copyright ©CalAmp DataCom Inc 2010 - 11 -  CalAmp Proprietary & Confidential 3.1.1.4 Packaging Anytime the sub assembly is shipped and it is not fully packaged in its final housing it must be sealed in an ESD safe bag. 3.1.1.5 Electrical Over-Stress (EOS) The GPS receiver can be damaged if exposed to an RF level that exceeds its maximum input rating.  Such exposure can happen if a nearby source transmits an RF signal at sufficiently high level to cause damage. 3.1.1.6 Storage and Shipping One potential source of EOS is proximity of one LMU-2640™ GPS Antenna to another LMU-2640™ GSM Antenna.  Should one of the units be in a transmit mode the potential exists for the other unit to become damaged.  Therefore any LMU-2640™ GPS Antenna should be kept at least four inches apart from any active LMU-2640™ GSM Antenna or any other active high power RF transmitter with power greater than 1 Watt.
LMU-2640™ Hardware and Installation Guide  V1.0.10    December 12, 2010 Copyright ©CalAmp DataCom Inc 2010 - 12 -  CalAmp Proprietary & Confidential 3.1.2 Environmental Specifications The LMU-2640™ is designed to operate in environments typically encountered by fleet vehicles, including wide temperature extremes, voltage transients, and potential interference from other vehicle equipment.   To ensure proper operation in such an environment, the LMU-2640™ was subjected to standard tests defined by the Society of Automotive Engineers (SAE). The specific tests included temperature, shock, vibration, and EMI/EMC. These tests were performed by independent labs and documented in a detailed test report. In accordance with Appendix A of SAE J1113 Part 1, the Unit is considered a “Functional Status Class B, Performance Region II” system that requires Threat Level 3 Testing.   The following shows the environmental conditions the LMU is designed to operate in and the relevant SAE tests that were performed. No formal altitude tests were conducted.  Size 4.0" long x 2.0" wide x 0.85" high 10.2 cm long x 5.1 cm wide x 2.2 cm high Weight 2.61 ounces / 75g (external antenna) 3.0 ounces / 85g (internal antenna) Operating Temperature -30o C to 75o C Storage Temperature  -40o C to 85o C Humidity 0% to 95% relative humidity, non-condensing Shock and Vibration SAE Test: SAE J1455 Compliant Mil Standard 202G and 810F Compliant Ground vehicle environment with associated shock and vibration Electromagnetic Compatibility (EMC/EMI) SAE Test: SAE J1113 Parts 2, 12, 21 and 41 Compliant FCC Part 15B Compliant Industry Canada Compliant EMC compliant for a ground vehicle environment Operating Voltage Range 7 – 32VDC
LMU-2640™ Hardware and Installation Guide  V1.0.10    December 12, 2010 Copyright ©CalAmp DataCom Inc 2010 - 13 -  CalAmp Proprietary & Confidential Power Consumption Active Standby :70mA at 12VDC Sleep on Network (SMS): 10mA Sleep on Network (GPRS): 20mA Deep Sleep: 3mA GPS 50 channel (with SBAS, DGPS) GPS Receiver 2m CEP (with SA off) -160 dBm tracking sensitivity Communications (Comm) Quad Band Class 12 GPRS Modem 850 MHz (Class 4) – 2W 900 MHz (Class 4) – 2W 1800 MHz (Class 1) – 1W 1900 MHz (Class 1) -1 W GPRS Packet Data (UDP) SMS RoHS Compliant
LMU-2640™ Hardware and Installation Guide  V1.0.10    December 12, 2010 Copyright ©CalAmp DataCom Inc 2010 - 14 -  CalAmp Proprietary & Confidential 3.2 Primary Connector The LMU-2640™ uses a Male (pin) Molex Micro-Fit 3.0TM Dual Row, 20 circuit header to receive power, ground and supply input and output signals. The pin out is as follows: <TBD> < – CHANGES FOR THE 2x30>  Pin  Signal Name  Description  Lead Color  Input or Output 1  GND  Ground  Black (22 AWG) Ground 2 OUT-0  Output 0 –Started Disable Relay Driver Orange (22 AWG) Output 3 IN-1  Input 1 – Digital Input Blue (22 AWG) Input 4 TXD  Host TxD  Blue (22 AWG) Input 5 ADC-1 Analog to Digital Input 1 Pink (22 AWG) Input 6 IN-3  RESERVED Violet (22 AWG)7  IN-4  RESERVED  Grey (22 AWG)8 IN-0  Ignition  White (20 AWG) Input 9 VDD VDD Reference Output (20-25mA Max) Orange (22 AWG) Output 10 OUT-1/BOOT  Output 1 – Digital Output (Open Collector) BOOT Input Brown (22 AWG) Input / Output 11 OUT-2  Output – 2 Digital Output (Open Collector) Yellow(22 AWG) Output 12 IN-2  Input 2 – Digital Input Orange (22 AWG) Input 13  RxD  Host RxD  Green (22 AWG) Output 14 VCC  Primary Power Input Red (20 AWG) Power 15  GND  Primary Ground Black (20 AWG) Ground 16  1BB-GND  1 Bit Bus Ground Black (22 AWG) Ground 17  1BB-D  1-Bit Bus Data  Input / Output 18 Aux - TxD Aux Port  - Transmit Data <TBD> Input 19 Aux -GND Aux Port  - Ground <TBD> Ground 20 Aux - RxD Aux Port  - Receive Data <TBD> Output       Figure 2 - LMU-2640™ Header
LMU-2640™ Hardware and Installation Guide  V1.0.10    December 12, 2010 Copyright ©CalAmp DataCom Inc 2010 - 15 -  CalAmp Proprietary & Confidential The mating connector for the LMU-2640™ is the 3.00mm (.118") Pitch Micro-Fit 3.0™ Receptacle Housing, Dual Row, 20 Circuits connector. Part Number 430252000 (http://www.molex.com/pdm_docs/ps/PS-43045.pdf)
LMU-2640™ Hardware and Installation Guide  V1.0.10    December 12, 2010 Copyright ©CalAmp DataCom Inc 2010 - 16 -  CalAmp Proprietary & Confidential  3.2.1 LMU-2x30™ -3 Wire Power Cable The standard power harness for the LMU-2640™ comes in two varieties:  Part Number 5C849-8: 20-pin basic 3-Wire Power Harness (unfused)  Part Number 5C848-8: 20 pin basic w-Wire Power Harness (fused)   Figure 3 - Basic 3-Wire Power Harness - unfused   Figure 4 - Basic 3-Wire Power Harness - fused
LMU-2640™ Hardware and Installation Guide  V1.0.10    December 12, 2010 Copyright ©CalAmp DataCom Inc 2010 - 17 -  CalAmp Proprietary & Confidential 3.2.2 LMU-2640™ – Full I/0 Wiring Harness  – Part Number 5C867 This harness provides the complete set of I/O connectors including fused Power and Ignition lines.   Figure 5 – Full I/O Wiring Harness
LMU-2640™ Hardware and Installation Guide  V1.0.10    December 12, 2010 Copyright ©CalAmp DataCom Inc 2010 - 18 -  CalAmp Proprietary & Confidential 3.2.3 LMU-2640™ - Serial Adapter To add a host serial adapter to the LMU-2640™ there are 2 additional parts:  Part Number 133360: Serial Pigtail Adapter. This is connected to 5C867 to provide a connection for the Serial Adapter itself  Part Number 133337: Serial Adapter.  Figure 6 - LMU-2640™ Serial Pigtail Adapter    Figure 7 – LMU-2640™ Serial Adapter
LMU-2640™ Hardware and Installation Guide  V1.0.10    December 12, 2010 Copyright ©CalAmp DataCom Inc 2010 - 19 -  CalAmp Proprietary & Confidential 3.2.3.1 Attaching the Pig-Tail Serial Adapter These instructions describe how to connect the Serial Pig-Tail Adapter to the LMU-2640™’s 20 Pin wiring harness. It is recommended that the LMU be powered-off and the cable detached when installing the lead kit. Insert crimped pins, one at a time into the back of the 20-pin wiring harness connector as indicated in the steps below.  1. Install Black ground lead to pin 1 of 20-pin connector on wiring  2. Install Blue TXD lead to pin 4 of 20-pin connector on wiring harness.(if pin 1 is occupied, alternate locations are pin 16, and pin 19) 3. Install Green RXD lead to pin 13 of 20-pin connector on wiring harness 4. Install Orange VDD lead to pin 9 of 20-pin connector on wiring harness   Figure 8 - Back view of 20-pin connector
LMU-2640™ Hardware and Installation Guide  V1.0.10    December 12, 2010 Copyright ©CalAmp DataCom Inc 2010 - 20 -  CalAmp Proprietary & Confidential 3.2.4 LMU-2640™ Miscellaneous Accessories The following items are available from CalAmp for use with the LMU-2640™’  Part Number 4C763: iButton Reader and Cable Assembly  Part Number 4C764: Switch LED Cable Assembly  Part Number 4C765: Buzzer and Cable Assembly   Figure 9 - iButton Reader and Cable Assembly   Figure 10 - Switch LED Cable Assumbly
LMU-2640™ Hardware and Installation Guide  V1.0.10    December 12, 2010 Copyright ©CalAmp DataCom Inc 2010 - 21 -  CalAmp Proprietary & Confidential  Figure 11 - Buzzer and Cable Assembly
LMU-2640™ Hardware and Installation Guide  V1.0.10    December 12, 2010 Copyright ©CalAmp DataCom Inc 2010 - 22 -  CalAmp Proprietary & Confidential 3.2.5 GPS Receiver The LMU-2640™’s GPS receiver has the following specifications:  50 channel GPS receiver  Accuracy: 2 meter CEP (with SA off)  -160dBm Tracking Sensitivity For external models, the antenna connector is SMA female.  Note that the CalAmp LMU-2640™ requires an antenna amplifier that operates at 3VDC; 5VDC amps will not work. 3.3 Available Radio Interfaces  GPRS – Built In Antenna   GPRS – External Antenna 3.4 External RF Connector The external antenna connection for the LMU-2640™ is SMC with a 50 Ω nominal impedance.
LMU-2640™ Hardware and Installation Guide  V1.0.10    December 12, 2010 Copyright ©CalAmp DataCom Inc 2010 - 23 -  CalAmp Proprietary & Confidential  Configuration and Activation 3.5 Configuration Quick Start Guide This section details how to quickly get an LMU-2640™ provisioned and configured to point at a specific server. It is assumed that a PEG script has already been created and is being managed through LMU Manager or PULS™, the CalAmp Maintenance System.  We are making three assumptions to simplify the setup process:   You have created, installed and configured an LM Direct™ Server to receive messages from the LMU-2640™. (See LM Direct™ Reference Guide for details)  You are using the standard wiring harness from CalAmp and the serial port expansion harness.  You have created a HyperTerminal or Putty session as described in Appendix A and B respectively
LMU-2640™ Hardware and Installation Guide  V1.0.10    December 12, 2010 Copyright ©CalAmp DataCom Inc 2010 - 24 -  CalAmp Proprietary & Confidential 3.6 Quick Start - General Config All LMU-2640s™ must go through a common step during the configuration and provisioning process. Specifically, this is pointing the LMU to the LM Direct™ server, either via IP or a URL This configuration process is accomplished via a series of AT Commands.  1. Power up the LMU-2640™ 2. Plug the serial cable into your laptop 3. Open a terminal session to the LMU-2640™ 4. Enter the address of the LM Direct™ server.  AT$APP PARAM 768,0,ddd.ddd.ddd.ddd AT$APP PARAM 769,0,ppppp  where ddd.ddd.ddd.ddd is the publicly addressable IPV4 address of the server and ppppp is the UDP port number  The LMU-2640™ will respond with: OK 5. Alternatively if a URL has been set up it may be programmed with:  AT$APP PARAM 2319,0, “myURL.MyCompany.Com” Where “myURL.MyCompany.com” is the URL assigned to the server, the LMU-2640™ will respond with: OK   Note that if you are not using a URL, this field must be cleared using: AT$APP PARAM 2319,0, “” 6. Verify your settings by using: AT$APP INBOUND?
LMU-2640™ Hardware and Installation Guide  V1.0.10    December 12, 2010 Copyright ©CalAmp DataCom Inc 2010 - 25 -  CalAmp Proprietary & Confidential 3.7 Auto provisioning of GSM LMUs For certain operators, the LMU can auto-populate the APN, username and password settings based on the Mobile Country Code (MCC) and the Mobile Network Code (MNC) of the SIM. Upon inserting a new SIM the APN, username and password will switch to the new SIM card's defaults if the MCC and MNC values change. The current list of supported MCC and MNC combinations are:   AT&T – formerly AT&T Wireless or Cingular Blue (MCC 310, MNC 38)  o APN 0: PROXY o APN 1: PUBLIC  AT&T – formerly Cingular Wireless (MCC 310, MNC 17, 18, 41) o APN 0 & 1: ISP.CINGULAR o Username: ISP@CINGULARGPRS.COM o Password: CINGULAR1  Manxpronto (MCC 234, MCN 058) o APN web.manxpronto.net o Username: gprs o Password: gprs  O2 UK (MCC 234, MNC 02, 10, 11) o APN 0 & 1: mobile.o2.co.uk o Username: mobileweb o Password: password  O2 Ireland (MCC 272, MNC 02) o APN 0 & 1:INTERNET o Username: gprs o Password: gprs  Orange UK (MCC 234, MNC 33, 34) o APN 0 & 1: orangeinternet o Username: user o Password: pass  T-Mobile (MCC 310, MNC 16, 20, 21, 22, 23, 24, 25, 26, 27, 31, 58, 66, 80) o APN 0: CONNECT.T-MOBILE.COM o APN 1: CONNECT.T-MOBILE.COM  T-Mobile UK (MCC 234, MNC 30,31,32) o APN 0 & 1: general.t-mobile.uk o Username: user o Password: wap  TelCel Mexico (MCC 334 MNC 02) o APN 0 & 1: INTERNET.ITELCEL.COM o Username: webgprs o Password: webgprs2002
LMU-2640™ Hardware and Installation Guide  V1.0.10    December 12, 2010 Copyright ©CalAmp DataCom Inc 2010 - 26 -  CalAmp Proprietary & Confidential  Telstra Australia (MCC 505, MNC 01, 11, 71, 72) o APN 0 & 1: telstra.internet  Vodafone Ireland (MCC 272, MNC 01) o APN 0 & 1: isp.vodafone.ie o Username: vodafone o Password: vodafone  Vodafone New Zealand (MCC 530, MNC 01) o APN 0 & 1: internet o Username: guest o Password: guest  Vodafone UK (MCC 234, MNC 15) o APN 0 & 1: internet o Username: web o Password: web  Unless otherwise stated, the username and password will be set to “dummy”.  This feature can be disabled by setting Bit 0 of S-Register 155.  AT$APP PARAM 1024,35,1,1  To re-enable auto-provisioning, use:  AT$APP PARAM 1024,35,1,0  Auto-provisioning occurs when the LMU detects a SIM with a new operator ID (i.e. the first 6 digits of the IMSI) or when Bit 0 of S155 is cleared and the GPRS context is blank (i.e Parameter 2306,0).
LMU-2640™ Hardware and Installation Guide  V1.0.10    December 12, 2010 Copyright ©CalAmp DataCom Inc 2010 - 27 -  CalAmp Proprietary & Confidential 3.8 Activating a GSM LMU using AT Commands For a GSM/GPRS operator3 you will get the LMU in one of two varieties, one with a SIM and one without.  If you get an LMU without a SIM (which is the typical case) the operator will simply ask for the IMEI of the LMU. The IMEI (International Mobile Equipment Identifier) is printed on the bottom of the LMU under the LMU’s ESN. Again, DO NOT give the operator the ESN of the LMU.  The operator will provide you with a SIM for each account activated. If they are especially nice (or you are especially persistent) they will also give you a list tying the IMSI (International Subscriber Identifier) of the SIM to the phone number assigned to it. Please note that the operator will likely tie the IMSI (i.e. the SIM) to a specific IMEI. Making sure the specific SIM matches to the right IMEI isn’t strictly necessary, but it will keep everyone’s book-keeping a little cleaner. You may also obtain this information by running a CSV report in PULS (after the devices have connected to the network and sent in their first ID Report). See the PULS Users Guide for more information.  If you do happen to have a SIM, the operator will ask for the IMSI and ICC-ID (Integrated Circuit Card Identifier) along with the IMEI of the LMU. Again, in return you should get a list of IMSIs and Phone Numbers.   The IMEI, IMSI and ICC-ID are all available through the ATI1 command. The IMEI should also be printed on the bottom of the LMU.  You should also get an APN (Access Point Name) value. The APN is the device on the network that allows a GPRS device (i.e. the LMU) to get to the internet. They tend to look like a URL, for example:  myAPN.myOperator.com  Operators can offer more than one type of APN and can even set up a custom APN just for your devices4. The rates they charge will vary depending on the APN service you want. Operators may also request you use a blank APN. With the APN, you should also receive a username and password combination.                                                  3 Trivia time… GSM is dominant in Europe and networks are run by Operators, not carriers. Carriers, at least in a European sense, refer to the rats that carried the black plague. 4 It is important to note that the operator may charge more to access certain APNs.
LMU-2640™ Hardware and Installation Guide  V1.0.10    December 12, 2010 Copyright ©CalAmp DataCom Inc 2010 - 28 -  CalAmp Proprietary & Confidential The last item an operator may provide is a SIM PIN. The PIN is effectively a password to the device. The main difference here is that the PIN will restrict all the capabilities of the GSM device, where the SPC is used just for configuration.  The activation sequence for a GSM LMU would therefore look as follows:  AT$APP PARAM 2306,0, “myAPN.myOperator.com” AT$APP PARAM 2306,0, “” (for a blank APN)  AT$APP PARAM 2314,0,“myUSername” AT$APP PARAM 2315,0,“myPassword”  Only enter this next command if you have been given a non-zero PIN as any errors may lock you out of the modem.  AT$APP PARAM 1285,0,<SIM pin>  You can confirm activation by watching the Comm LED to see if it goes solid. You may also confirm activation using ATIC A good response should look similar to the following:  GSM Registered:  Yes GPRS Registered:  Yes Connection:   Yes RSSI:     -70 dBm BER:    0 Channel:     0 Cell ID:      0 Base Station ID:  0 Local Area Code:  0 Network Code:   38 Country Code:   310 IMEI (Modem S/N):  500167110060440 IMSI (SIM S/N):  310380100521849 Phone Number:    GPRS APN:   IP:Public Quality of Srvc: 1,0,0,3,0,0 GSM Class:    B
LMU-2640™ Hardware and Installation Guide  V1.0.10    December 12, 2010 Copyright ©CalAmp DataCom Inc 2010 - 29 -  CalAmp Proprietary & Confidential 3.9 Accessing the SIM The following instructions should be used when attempting to access the SIM in a GSM LMU-2640™.        1. Remove the top plate of the LMU-2640™. The LMU-2640™’s enclosure is held together by 4 plastic clips. To remove the cover, squeeze the top plate of the LMU near the 20 pin header and pull up then repeat this action near the SIM cover.  2. Remove the top-plate to expose the top-side of the LMU-2640™’s main-board. 3. Align the SIM so the contacts are facing up and the notch is facing into the LMU-2640™  Figure 12 - LMU-2640™ SIM Alignment WhenopeningtheLMU‐2640™takecaretonottotouchtheGPSPatchAntennaasanaccidentalESDdischargesmayrenderitinoperable.DONOTTOUCHTHISAREA
LMU-2640™ Hardware and Installation Guide  V1.0.10    December 12, 2010 Copyright ©CalAmp DataCom Inc 2010 - 30 -  CalAmp Proprietary & Confidential 4. Insert the SIM into the LMU.  Figure 13 - LMU-2640™ - Partially Inserted SIM 5. Snap the LMU-2640™’s cover back in place.
LMU-2640™ Hardware and Installation Guide  V1.0.10    December 12, 2010 Copyright ©CalAmp DataCom Inc 2010 - 31 -  CalAmp Proprietary & Confidential 4  Installing the LMU The installation of the LMU and its antennas can have a major impact on the LMU’s performance. It is recommended that installers be familiar with the installation of GPS and cellular devices and are comfortable in a vehicle environment. 4.1 Preparing for Installation Be sure you have received all the LMU components you need. This must include:  The LMU to be installed  A power harness  GPS Antenna   Comm Antenna  Optional Components: o Input and output cables o Relays o Host serial devices (e.g. PDAs, laptops, other serial devices)
LMU-2640™ Hardware and Installation Guide  V1.0.10    December 12, 2010 Copyright ©CalAmp DataCom Inc 2010 - 32 -  CalAmp Proprietary & Confidential 4.2  Plan The Installation Verify Power, Ground and Ignition. Be sure to check each source (power, ground and ignition) to ensure that the proper signaling exists. This is typically accomplished with a multi-meter.  Before drilling any holes or running any wires, decide where each hardware component will be located (LMU, antennas, peripherals, etc.). Be sure that the cables to the LMU are not bent or constricted in any way. Also make sure that the LMU is kept free from direct exposure to the elements (sun, heat, rain, moisture etc...).   Be advised that an installation that violates the environmental specifications of the LMU will void the warranty.  The best way to ensure a trouble-free installation is to consider your options and make some decisions before you start. Take a look at the vehicle and determine how to best install the LMU for the following purposes:   Accurate data gathering and simulation of how customers actually use your solution  Ongoing monitoring and maintenance of LMU equipment  Accidental or intentional alteration of the equipment or cable connections  The following sections cover some of the issues to consider when planning your LMU installation. 4.2.1 Size and Placement of LMU Unit The dimensions of the LMU should be taken into account, particularly when installing in a vehicle:   Whether you intend to place the LMU under a seat or into a cavity behind the vehicle’s interior molded trim, be sure the LMU will fit before drilling any holes or running cable  Be certain that the cables running to the LMU will not be bent or constricted. Damage to the cables may impede the LMU’s performance.  Be certain that the installation point will not violate any of the LMU’s environmental specification (temperature, moisture, etc…) as improper installation of the LMU may void the warranty.  See the LMU Environmental Specifications for the exact measurements and specifications of the LMU-2640™.  Typical installations will place the LMU under the vehicle dash board, or in the trunk. Make sure you can get access to the unit afterwards as under some circumstances it may be necessary to add additional wiring or connections to the LMU.
LMU-2640™ Hardware and Installation Guide  V1.0.10    December 12, 2010 Copyright ©CalAmp DataCom Inc 2010 - 33 -  CalAmp Proprietary & Confidential 4.2.2 Placement of Antennas There are effectively three options for placements of an antenna:   Roof-mount (magnetic or thru-hole)  Glass-mount   Covert (e.g. under the seat, dash, etc…)  CalAmp offers three antennas for customers to purchase:  IV1353-QB-02 (Combined Comm and GPS antenna – Adhesive Covert Mount)  RM1353-QB-02 (Combined Comm and GPS antenna – Covert Heavry Duty Screw Mount)  RM1353-TB-04 (Combined Comm and GPS antenna – Thru-hole roof or magnetic mount)
LMU-2640™ Hardware and Installation Guide  V1.0.10    December 12, 2010 Copyright ©CalAmp DataCom Inc 2010 - 34 -  CalAmp Proprietary & Confidential 4.2.2.1 Comm Antenna Placement Guidelines The Comm. Antenna must be located at least 20cm away from vehicle passengers, other personnel, or bystanders in order to comply with FCC radio frequency exposure limits.  Typically, the Comm antenna used by the LMU for wireless service is a standard 3-dB gain whip. It mounts with standard mounts (i.e. thru-hole, magnetic mount or peel and stick) and requires a ground plane to work properly. If possible, it should be located at least 3 feet from the GPS antenna. Ensure that the cable does not get crushed during installation.  Please note that the antennas provided by CalAmp combine both the GPS and Comm portions. 4.2.2.2 GPS Antenna Placement Guidelines In order to maximize the performance of the LMU the GPS antenna should have a clear view of the sky. When installing the GPS antenna on a vehicle, make sure that there are no obstructions close to the antenna that might block the view 360 to the horizon. Things like air horns, lights, vents, etc… should not block the antenna beyond 5 above the horizon. The best location is usually near the center of the roof; however it is also desirable to locate the cellular antenna as far from the GPS antenna as is practical.   14 Examples of good and poor GPS antenna placements  The received signal levels at the GPS antenna from the satellites are very low in power (approximately -136 dBm), so any blockage of the antenna can affect the quality of the location computed by the receiver. Kinks or tight knots in the antenna cable can also
LMU-2640™ Hardware and Installation Guide  V1.0.10    December 12, 2010 Copyright ©CalAmp DataCom Inc 2010 - 35 -  CalAmp Proprietary & Confidential prevent the GPS receiver from operating properly. When laying out the antenna cable, care should be taken so that the cable is not subjected to crushing or strain. 4.2.2.3 Placement of Combination and Internal Antennas When dealing with combination antennas, it is more important to considered GPS performance over Comm performance. GPS signal strengths are much lower than those typically seen by cellular networks supported by the LMU. In order to maximize the performance the LMU should have a clear view of the sky as possible. When installing the GPS antenna in a vehicle, make sure that there are as few obstructions as possible close to the LMU that might block the view 360 to the horizon. As with stand-alone GPS antennas, nothing should not block the combination antenna beyond 5 above the horizon with the best location being near the center of the roof. For more covert installs, directly under the front or rear-windshields are also acceptable.   15 Examples of Good (Green), OK(Yellow) and Poor(Red) combo antenna placements   16 Examples OK(Yellow) and Poor(Red) internal antenna placements
LMU-2640™ Hardware and Installation Guide  V1.0.10    December 12, 2010 Copyright ©CalAmp DataCom Inc 2010 - 36 -  CalAmp Proprietary & Confidential 4.2.3 Access to the SIM (Subscriber Identity Module) Card When used in a GSM or iDEN network, each LMU uses a Subscriber Identity Module (SIM) card, which should be inserted before you install the LMU for the first time. The SIM card is attached to the main-board inside the housing of the LMU unit.   At some future time, you might need or want to replace the SIM card with a different one, so try to install the LMU in such a way that the cover can be removed to make the SIM card accessible. 4.2.4 Protection from Heat It is best not to place the LMU unit in an unusually warm location such as directly near heater vents, near hot engine components or in direct sunlight. The maximum temperature that can be tolerated by the LMU is described in the LMU Environmental Specifications section. 4.2.5 Visibility of Diagnostic LEDs Status LED lights on the front of the LMU unit can provide valuable information about the operation of the LMU. When feasible, attempt to install the LMU in such a way that these lights can be seen with reasonable ease.  You may find it useful to be able to view the LEDs periodically to make sure that the LMU is operating properly. If at any time you should encounter a problem with the LMU, you may need to read the LEDs in order to troubleshoot the problem. If you cannot fix the LMU yourself, you will need to provide the LED information to CalAmp customer support.  For information about how to interpret the LEDs, see the Status LED Behavior section. 4.2.6 Cable Length The RF cables which are provided for connecting to the LMU antennas should be used at the length provided. Do not cut cables. Instead, coil any excess cable length, making sure not to crimp or flatten the antenna cable. 4.2.7 Moisture and Weather Protection The LMU unit must be located where it will not be exposed to moisture or water. In a typical installation inside a vehicle this is not commonly thought to be a concern; however, it might be best to avoid locating the LMU below a car’s cup holders, or where rain might easily splash into the compartment when a door is opened.  4.2.8 Preventing Accidental or Unauthorized Modification If you anticipate that fleet drivers or others might interfere with the LMUs once they are installed, take steps to be sure that it is not easy to disconnect the antenna wiring, remove the LMU from its power source, etc.
LMU-2640™ Hardware and Installation Guide  V1.0.10    December 12, 2010 Copyright ©CalAmp DataCom Inc 2010 - 37 -  CalAmp Proprietary & Confidential Two common methods are the use of Tamper Proof Sealant or creation of PEG Script to detect power loss or GPS antenna disconnections.
LMU-2640™ Hardware and Installation Guide  V1.0.10    December 12, 2010 Copyright ©CalAmp DataCom Inc 2010 - 38 -  CalAmp Proprietary & Confidential 4.3 Installing the LMU in a Vehicle This section provides instructions for installing an LMU in a vehicle.   Be sure to consider the design decisions described in the previous sections. When you are ready to begin installing the LMU, follow these steps: 4.3.1 Place the LMU unit in the vehicle. Typically, the LMU should be placed under the passenger seat or dashboard of the vehicle. LMUs with internal antennas should be placed to maximize their GPS performance. A typical location include under the dash close to the front wind-shield.  Attach the LMU to the solid body of the vehicle, not to plastic panels. The LMU can be placed out of sight by removing interior trim and molding to expose available space, then replacing the trim once the LMU is in place.  4.3.2 Connect power, ignition, and ground. The power input (red wire) must be connected to a constant (un-switched) +12 VDC or +24 VDC supply; preferably, connected directly to the vehicle battery terminal or as close to it as possible. This connection point should be fuse protected to not more than 5 Amps. The ignition input (white wire) must be connected to the vehicle ignition or another appropriate key operated line, such as ACCESSORY, ensuring that power to the ignition wire is available only when the vehicle ignition is on.  The ground line (black wire) must be connected to chassis ground.   Failure to connect these lines in the manner described may result in discharge of the vehicle battery.  For best results, it is strongly recommended that the LMU connection be on its own circuit. Connect the power input directly to the vehicle battery if possible and protect the circuit with an inline fuse. If you must connect through the fuse box, use standard commercial wiring practices to create a permanent installation rather than using press-in fuse clips or other temporary measures.  DO NOT connect the power cable to the LMU at this time. 4.3.3 Place the GPS antenna. The GPS antenna must have a clear view of the sky. Mount the GPS antenna on the vehicle’s highest point (for example, the roof of a car). Make sure that there are no obstructions close to the antenna that might block the view 360° to the horizon. Air horns lights, vents, etc.. should not block the antenna beyond 5° above the horizon.
LMU-2640™ Hardware and Installation Guide  V1.0.10    December 12, 2010 Copyright ©CalAmp DataCom Inc 2010 - 39 -  CalAmp Proprietary & Confidential Kinks or knots in the antenna cable can prevent the GPS receiver from operating properly. When laying out the antenna cable, take care that the cable is not subjected to crushing or strain.  The ideal location is typically near the center of the vehicle’s roof. However, it is also desirable to locate the cellular antenna as far from the GPS antenna as possible.  Figure 17 - GPS Antenna Location 4.3.4 Mount the Comm. Antenna.  When using separate Comm and GPS antennas, it is best to locate the Comm. Antenna at least 3 feet from the GPS antenna. Ensure that the cable is not crushed during installation or normal vehicle operation.  Again, the Comm. Antenna must be located at least 20cm away from vehicle passengers, other personnel, or bystanders in order to comply with FCC radio frequency exposure limits.
LMU-2640™ Hardware and Installation Guide  V1.0.10    December 12, 2010 Copyright ©CalAmp DataCom Inc 2010 - 40 -  CalAmp Proprietary & Confidential  Figure 18 - Window Mount Antenna Location 4.3.5 Typical Connection Sequence  Attach the cable from the GPS antenna.  Connect the cable from the Comm.. antenna  Connect any peripherals to the LMU  Plug in the power harness.  The physical installation of the LMU hardware is now complete.
LMU-2640™ Hardware and Installation Guide  V1.0.10    December 12, 2010 Copyright ©CalAmp DataCom Inc 2010 - 41 -  CalAmp Proprietary & Confidential  Figure 19 - Completed Install – separate antennas    Figure 20 - Completed Install - Internal antennas
LMU-2640™ Hardware and Installation Guide  V1.0.10    December 12, 2010 Copyright ©CalAmp DataCom Inc 2010 - 42 -  CalAmp Proprietary & Confidential 4.4 I/O Descriptions The LMU-2640™ provides the following I/O: Digital Inputs  Input 0: Ignition Sense (Always biased low)  Input 1: Generic Digital Input (always biased low)  Input 2: Generic Digital Input (always biased high)  Input 3: Generic Digital Input (always biased high  Input 4: Generic Digital Input (always biased high  Input 5: Motion Sensor (low = no motion, high = motion) Analog to Digital Inputs  A/D 0: External Power Supply Monitor  A/D 1: Generic External A/D Input  A/D 2: GPS Antenna Monitor Outputs:  Output 0: Standard Open Collector Relay Output (150mA)  Output 1: Standard Open Collector Relay Output (150mA)  Output 2: Standard Open Collector Relay Output (150mA) 1-Wire® Interface  Temperature Sensor Support  iButton ID Support (based on S1171 settings)
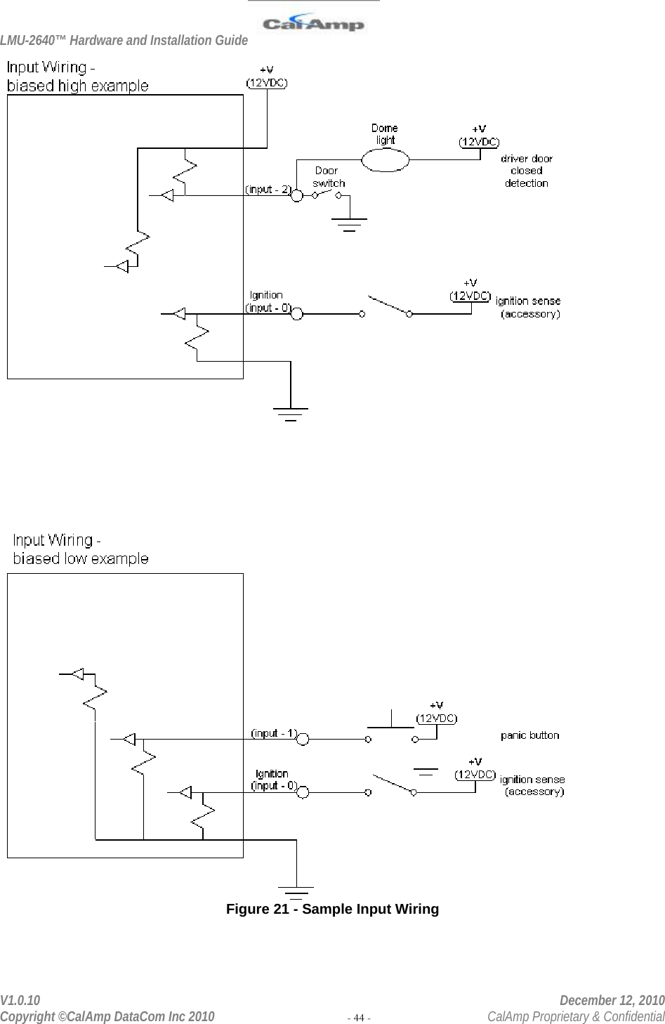
LMU-2640™ Hardware and Installation Guide  V1.0.10    December 12, 2010 Copyright ©CalAmp DataCom Inc 2010 - 43 -  CalAmp Proprietary & Confidential 4.4.1 Ignition and Inputs The LMU-2640™ provides up to 5 external inputs and one internal. The external inputs are protected from typical vehicle transients and can be directly connected to most vehicle level logical inputs from 4 volts up to the vehicle power input level (typically 12 VDC). Their input impedance is approximately 10k. One of these inputs is dedicated to sensing the vehicle’s ignition status to provide for flexible power management. The other two inputs may be used to sense vehicle inputs such as cooling unit operation, a hidden driver “Panic” switch, taxi on-duty/off-duty meter status or many others.   The ignition input is pulled to ground through the 10k resistance, where the other inputs can either be normally High (i.e. pulled to +12v through a 10k resistor) or Low (i.e. pulled to ground through a 10k resistor). Input 1 is always biased low, inputs, 2-4 are biased high The diagrams below show how to connect the inputs in both a high- and low-biased configuration:
LMU-2640™ Hardware and Installation Guide  V1.0.10    December 12, 2010 Copyright ©CalAmp DataCom Inc 2010 - 44 -  CalAmp Proprietary & Confidential  Figure 21 - Sample Input Wiring
LMU-2640™ Hardware and Installation Guide  V1.0.10    December 12, 2010 Copyright ©CalAmp DataCom Inc 2010 - 45 -  CalAmp Proprietary & Confidential 4.4.2 3-Axis Accelerometer Input The LMU-2640™ supports an internal 3 Axis Precision Accelerometer as one of its discreet inputs. When the LMU is moved in any direction, the associated input will be in the High state. If the LMU’s accelerometer does not detect motion, then the input will be in the Low state. No external connections are required for this functionality to be operational. 4.4.3 Outputs The LMU’s outputs are designed to drive external relays. These outputs provide a high-current, open-collector driver that can sink up to 150 mA each. These drivers may be used to drive external relays that can then control vehicle functions such as door locks, fuel shut-off valves, sirens and lights. If additional current is required to drive the relays, external circuitry can be added to source the current. This diagram is a typical use of an output to drive a relay.  Vehicle Power (+12VDC)Relay CoilRelay ContactsRelay GroundLMU8586 8730Output 0 Figure 22 - Sample Relay Wiring
LMU-2640™ Hardware and Installation Guide  V1.0.10    December 12, 2010 Copyright ©CalAmp DataCom Inc 2010 - 46 -  CalAmp Proprietary & Confidential 4.4.4 Status LEDs The LMU-2640™ is equipped with two Status LEDs, one for GPS and one for COMM (wireless network status). The LEDs use the following blink patterns to indicate service:  LED #1 (Comm LED - Orange) Definitions Condition  LED 1 Modem Off  OffComm On - Searching  Slow BlinkingNetwork Available  Fast BlinkingRegistered but no Inbound Acknowledgement Alternates from Solid to Fast Blink every 1sRegistered and Received Inbound Acknowledgement Solid LED #2 (GPS LED - Yellow) Definitions Condition  LED 1 GPS Off OffGPS On  Slow BlinkingGPS Time Sync  Fast BlinkingGPS Fix  Solid  Figure 23 - LMU-2640™ LED Positions
LMU-2640™ Hardware and Installation Guide  V1.0.10    December 12, 2010 Copyright ©CalAmp DataCom Inc 2010 - 47 -  CalAmp Proprietary & Confidential 4.5 Installation Verification In many cases it is desirable to verify that an installed LMU-2640™ is working properly. That is, installers should verify that the GPS and communications functions of the LMU-2640™ are working properly before departing the installation site. In more robust cases, some key configuration settings such as the Inbound Address and URL should also be verified.  Note that these processes are all based on issuing AT Commands to the LMU-2640™. It is expected that installers will have access to a serial port expansion cable and a laptop or PDA capable of a terminal connection. Alternatively, an SMS message can be sent to an LMU-2640™ to obtain its current status. 4.5.1 Comm Verification Installers should first verify that the LMU-2640™ has been acquired and has registered to the wireless network. This may be verified in one of two ways. First, installers may look at the Comm LED (i.e., the one closest to the SMC antenna connector). If this LED is solid, then the LMU has registered to the network and established a data session.  If the LED is not visible, then Comm may be verified using an AT Command: AT$APP COMM?  Depending on the wireless network being used, one of the following responses should appear: GSM RSSI:-69 Comm  If any of the responses return Not-Acquired or Not-Registered, the wireless network operator should be contacted for further troubleshooting.  Please note that it may take several seconds for the LMU-2640™ to communicate with the modem and acquire the wireless network.
LMU-2640™ Hardware and Installation Guide  V1.0.10    December 12, 2010 Copyright ©CalAmp DataCom Inc 2010 - 48 -  CalAmp Proprietary & Confidential 4.5.2 GPS Verification The next step is to verify that the GPS receiver is seeing enough satellites to obtain a valid GPS position. Again, installers have two choices on how to perform this verification. First, like the Comm Verification, there is a GPS status LED (i.e., the one closest to the SMA connector). If this LED is solid, then the LMU has found GPS service.   If the LED is not visible then GPS service may be verified using an AT Command: AT$APP GPS?  The response should be similar to: Lat=3304713, Lon=-11727730, Alt=0 Hdg=113 Spd=0 3D-RTIME HDOP=130 nSats=7  Installers are looking for the 3D-RTIME setting along with a valid Lat, Long pair (i.e. something other than 0). If the GPS receiver does not have a valid lock within 2-3 minutes, installers should check antenna placement (see the Installation Notes section for placement suggestions), the antenna connector and that the antenna has a clear view of the sky. For further troubleshooting, installers should contact CalAmp Support (M2MSupport@CalAmp.com)
LMU-2640™ Hardware and Installation Guide  V1.0.10    December 12, 2010 Copyright ©CalAmp DataCom Inc 2010 - 49 -  CalAmp Proprietary & Confidential 4.5.3 Inbound Verification The last item to verify is that the LMU-2640™ is sending data to the correct server. In general, this is a two-step process that will need the aid of an observer on the back end. That is, a technician will have to be logged in so they can monitor data coming into the backend mapping/vehicle management application.  First, verify that the LMU-2640™ is using the correct Inbound IP address by using: AT$APP INBOUND?  The response should be similar to: INBOUND LMD INBOUND 0 ADDR ddd.ddd.ddd.ddd:ppppp * INBOUND 0 URL  myURL.myCompany.com INBOUND 1 ADDR 0.0.0.0:20500 INBOUND 1 URL INBOUND 2 ADDR 0.0.0.0:20500 INBOUND 3 ADDR 0.0.0.0:20500  The installer will need to verify with a backend technician that the, URL (myURL.myCompany.com ), IP address (ddd.ddd.ddd.ddd) and port (<ppppp>) are correct.  The second step is to verify that the LMU-2640™ is sending data. The best way to do this is to force the LMU-2640™ to send in an unacknowledged Event Report (i.e., its current GPS location) with the following command:   AT$APP PEG SUNRPT 255  The LMU-2x30™ will respond with: OK  The backend monitor must then be contacted to confirm that they received an Event Report with Event Code 255.  Assuming that all three sections have passed, the installation can be considered to be complete.
LMU-2640™ Hardware and Installation Guide  V1.0.10    December 12, 2010 Copyright ©CalAmp DataCom Inc 2010 - 50 -  CalAmp Proprietary & Confidential 4.5.4 Verification via SMS The current Comm, GPS and Inbound status of a GSM LMU can be obtained via SMS provided you have access to an SMS capable phone or PDA.  Using your handset, send the following SMS Message to the LMU: !R0  Within a few minutes, the LMU should return a response in the following format:  APP: <App ID> <Firmware Version> COM:<RSSI> [./d/D][./a/A][./L][IP address] [<APN>] GPS:[Antenna <Short/Open/Off>] | [No Time Sync] | [<FixStatus> <Sat Count>] INP:<inputs states> <vehicle voltage> MID:<mobile ID> <mobile ID type> INB:<inbound IP address>:<inbound port> <Inbound Protocol (LMD/LMX)>   APP: o <App ID>: The Application ID value of the LMU indicating the host platform and the wireless networking technology of the LMU. o <Firmware Version>: The current firmware version in use by the LMU  COM: o <RSSI>: This is the signal strength the wireless modem sees from the network. In general the LMU is at least scanning for the network if the RSSI is not -113. o [./d/D]: If the character ‘D’ is present, it indicates the LMU had a data session established when it responded to the status request. For the 8-Bit product line an upper case ‘D’ indicates both the Inbound and Maintenance sockets are ready. The lower case ‘d’ indicates that only the Maintenance socket is ready. A ‘.’ indicates no sockets are ready. o [./a/A]: This field indicates if the LMU has received an Acknowledgement from the Inbound server.  This field will be empty if the LMU has never received an ACK.The lower case ‘a’ will be present if it has received an ACK since the last cold boot (i.e. power cycle) but not the last warm boot (App Restart or Sleep). The upper case ‘A’ will be present if the LMU has received an ACK since the last warm boot. A ‘.’ Indicates no acknowledgement has been received.
LMU-2640™ Hardware and Installation Guide  V1.0.10    December 12, 2010 Copyright ©CalAmp DataCom Inc 2010 - 51 -  CalAmp Proprietary & Confidential o [./L]: This field indicates if the LMU’s log is currently active. An ‘L’ indicates that the log is currently in use (i.e. one or more records have been stored) where a ‘.’ indicates the log is inactive. o  [IP Address]: This is an optional field if and is only present if the LMU has established a valid data session. This field will contain the current IP address of the LMU as assigned by the wireless network. Note that if you see a value of 192.168.0.0, this is an indication that the LMU has not been able to establish a data session. o [<APN>] The current Access Point Name in use by a GSM LMU.  GPS: o [Antenna <Short/Open/Off>]: This field, if present, indicates a problem with the LMU’s GPS antenna. A value of Short indicates that the antenna cable has likely been crushed. A value of Open indicates that the antenna cable is either cut or disconnected. A value of Off indicates that the LMU’ GPS receiver is off. o [No Time Sync]: If this field is present, it indicates that the LMU’s GPS receiver has not been able to find even a single GPS satellite. This would likely been seen in conjunction with the above antenna error, or if the LMU GPS antenna is otherwise blocked5. o [<FixStatus> <Sat Count>]: If these fields are present it indicates that the LMU has, or had a valid GPS solution. The <Sat Count> field indicates how many GPS satellites are currently in use by the LMU. The <FixStatus> field indicates the type of fix. The Fix Status types are detailed in the LM Direct Reference Guide.  INP: o <input states>: This field details the current state of each of the LMU’s discreet inputs. This field is always 8 characters long. The left most character represents the state of input 7 where the right most represents the state of input 0 (i.e. the ignition). A value of 1 indicates the input is currently in the high state. A value of 0 indicates it is currently in the low state. o <vehicle voltage>: This field will contain the current reading of the LMU’s internal A/D. This will be the supply voltage provided to the LMU in mV.  MID: o <mobile ID>: This will be the current mobile ID in use by the LMU.                                                 5 For example you may see this if the vehicle is in a garage when the LMU is powered up.
LMU-2640™ Hardware and Installation Guide  V1.0.10    December 12, 2010 Copyright ©CalAmp DataCom Inc 2010 - 52 -  CalAmp Proprietary & Confidential o <mobile ID type>: This will be the type of Mobile ID in use by the LMU. The available types are, Off, ESN, IMEI, IMSI, USER, MIN and IP ADDRESS.  INB: o <inbound IP address>: This is the current IP address in use by the LMU. This value should match the IP address of your LM Direct™ server. o <inbound port>: This is the current UDP port the LMU will use to deliver its LM Direct™ data. This value should match UDP port you are using on your LM Direct™ server. It is typically 20500. o <Inbound Protocol (LMD/LMX)>: This is the current UDP/IP messaging protocol in use by the LMU. In general it should be LMD.   Example GSM Response APP:081 8.3d COM:0 GPS:No Time Sync INP:11100111 13.7V MID:4141000100 ESN INB:207.7.101.227:20500 LMD
LMU-2640™ Hardware and Installation Guide  V1.0.10    December 12, 2010 Copyright ©CalAmp DataCom Inc 2010 - 53 -  CalAmp Proprietary & Confidential Appendix A - HyperTerminal Configuration Click the Start button and go to Programs, Accessories and Communications. Click the Hyper Terminal icon.     This should display a new connection wizard.    Name the connection LMU Click OK.
LMU-2640™ Hardware and Installation Guide  V1.0.10    December 12, 2010 Copyright ©CalAmp DataCom Inc 2010 - 54 -  CalAmp Proprietary & Confidential   Change Connect using field to read Direct to ComX, where X is the Com port that the LMU is attached to. Click OK.    Change Bits per second to read 115200. Click OK.
LMU-2640™ Hardware and Installation Guide  V1.0.10    December 12, 2010 Copyright ©CalAmp DataCom Inc 2010 - 55 -  CalAmp Proprietary & Confidential  The wizard should now close and a cursor should appear in the main HyperTerminal window. It is a good idea to verify that communications are established with the LMU. This can be done by issuing the following AT Command:  ATI0  A response similar to the following should appear:  APP:LMU,001 V8.0b (Sep 26 2007 18:10:32) PIC:TIM S/N 4130000200 GPS:UBLOX-00040001 -5.00    Jan 09 2006 12:00:00 Radio:SIEMENS TC65-REVISION 02.000  If another response appears it is a good chance that HyperTerminal is connected to the wrong Com Port. The com port setting can be changed by the following sequence.  Click the Call menu then select Disconnect. From the File menu click Properties.  The Com Port can be changed by altering the Connect Using entry and clicking OK.
LMU-2640™ Hardware and Installation Guide  V1.0.10    December 12, 2010 Copyright ©CalAmp DataCom Inc 2010 - 56 -  CalAmp Proprietary & Confidential  To reconnect HyperTerminal to the LMU select Call from the Call menu.
LMU-2640™ Hardware and Installation Guide  V1.0.10    December 12, 2010 Copyright ©CalAmp DataCom Inc 2010 - 57 -  CalAmp Proprietary & Confidential Appendix B - Windows Vista - Putty Setup  Microsoft stopped including the HyperTerminal program as part of its offering with Windows Vista. As a result you will need to find an alternate program to communicate directly with the LMU. One option is to purchase HyperTerminal from Hilgraeve  (http://www.hilgraeve.com/hyperterminal.html).  Alternatively you can use a terminal emulation program such as PuTTY.  (http://www.chiark.greenend.org.uk/~sgtatham/putty/).  The following instructions describe how to configure PuTTY for use with the CalAmp LMU. Download and save the PuTTY.exe file to your PC. 1. Launch the PuTTY.exe file 2. Change the Connection type to Serial 3. Change the Speed to 115200 4. Change the Serial Line field to COM<x> where <x> is the port the LMU is connected to. 5. In the Saved Sessions field enter CalAmp LMU    6. Click Save 7. Make sure the LMU is connected and powered on and then click Open 8. To test the connection, enter the AT Command ATI0. (Note, if you cannot see what you are typing, enter a second AT Command of ATE1 You should see a response similar to the following:
LMU-2640™ Hardware and Installation Guide  V1.0.10    December 12, 2010 Copyright ©CalAmp DataCom Inc 2010 - 58 -  CalAmp Proprietary & Confidential
LMU-2640™ Hardware and Installation Guide  V1.0.10    December 12, 2010 Copyright ©CalAmp DataCom Inc 2010 - 59 -  CalAmp Proprietary & Confidential FCC Regulations:  This device complies with part 15 of the FCC Rules. Operation is subject to the following two conditions: (1) This device may not cause harmful interference, and (2) this device must accept any interference received, including interference that may cause undesired operation.  This equipment has been tested and found to comply with the limits for a Class B digital device, pursuant to part 15 of the FCC Rules. These limits are designed to provide reasonable protection against harmful interference in a residential installation. This equipment generates, uses and can radiate radio frequency energy and, if not installed and used in accordance with the instructions, may cause harmful interference to radio communications. However, there is no guarantee that interference will not occur in a particular installation. If this equipment does cause harmful interference to radio or television reception, which can be determined by turning the equipment off and on, the user is encouraged to try to correct the interference by one or more of the following measures: —Reorient or relocate the receiving antenna. —Increase the separation between the equipment and receiver. —Connect the equipment into an outlet on a circuit different from that to which the receiver is connected. —Consult the dealer or an experienced radio/ TV technician for help. Caution : Changes or modifications not expressly approved by the manufacturer could void the user’s authority to operate the equipment. The devise cannot be used within 20cm of any persons and must not be co-located within 20cm of other transmitter antennas.

Navigation menu