CalAmp Wireless Network 4230CBT Fleet management and tracking device User Manual

CalAmp Fleet management and tracking device

User Manual

1/28/2015 LMU42x0Hardware&InstallationGuidePULSWikihttps://puls.calamp.com/wiki/LMU42x0_Hardware_%26_Installation_Guide 1/47LMU42x0Hardware&InstallationGuide1change(https://puls.calamp.com/w/index.php?title=LMU42x0_Hardware_%26_Installation_Guide&oldid=4791&diff=cur)inthisversionispendingreview.Thestableversion(https://puls.calamp.com/w/index.php?title=LMU42x0_Hardware_%26_Installation_Guide&stable=1)waschecked(https://puls.calamp.com/w/index.php?title=Special:Log&type=review&page=LMU42x0_Hardware_%26_Installation_Guide)on10June2014.Contents1Introduction1.1AboutThisManual1.2AboutTheReader1.3AboutCalAmp1.4AbouttheCalAmpLocationMessagingUnitLMU42x0™2SystemOverview2.1Overview2.2ComponentDescriptions2.2.1WirelessDataNetwork2.2.2LMU42x0™2.2.3LMDirect™Server2.2.4BackendSoftware2.2.5PULS™2.2.6LMUManager™3HardwareOverview3.1LocationMessagingUnitLMU42x0™3.1.1LMU42x0™HandlingPrecautions3.1.2BatteryBackupdevices3.1.3EnvironmentalSpecifications3.2LocationMessagingUnit4200™&4250™3.3LMU42x0™Connectors3.3.1PowerConnector3.3.2I/OConnector3.3.3ExpansionPort3.3.4SerialInterfaceConnectors3.3.5ExpansionInterface3.3.6SerialAdapter3.3.7Accessories3.4GPSReceiver3.5RFConnector3.6I/ODescriptions3.6.13AxisAccelerometerInput3.6.2IgnitionandInputs3.6.3Outputs3.6.4StatusLEDs4ConfigurationandActivation4.1QuickStartGeneralConfig4.2AutoprovisioningofGSMorHSPALMUs4.3ActivatingGSMorHSPALMUusingATCommands4.4AccessingtheSIM4.5ActivatingaCDMALMU42x0™
1/28/2015 LMU42x0Hardware&InstallationGuidePULSWikihttps://puls.calamp.com/wiki/LMU42x0_Hardware_%26_Installation_Guide 2/474.5.1ActivatingaCDMALMU42x0™–Verizon4.5.2ActivatingaCDMALMU42x0™–Sprint5InstallingtheLMU5.1PreparingforInstallation5.2PlanTheInstallation5.2.1SizeandPlacementofLMUUnit5.2.2PlacementofAntennas5.2.3AccesstotheSIM(SubscriberIdentityModule)Card5.2.4ProtectionfromHeat5.2.5VisibilityofDiagnosticLEDs5.2.6CableLength5.2.7MoistureandWeatherProtection5.2.8PreventingAccidentalorUnauthorizedModification5.3InstallingtheLMUinaVehicle5.3.1PlacetheLMUunitinthevehicle.5.3.2Connectpower,ignition,andground.5.3.3PlacetheGPSantenna.5.3.4MounttheComm.Antenna.5.3.5TypicalConnectionSequence5.4InstallationVerification5.4.1CommVerification5.4.2GPSVerification5.4.3InboundVerification5.4.4VerificationviaSMS6LicenseAgreement7LimitedWarranty8RegulatoryInformationLMU42x0™HardwareandInstallationGuideIMPORTANT:DONOTINSTALLORUSETHESOFTWAREORDOCUMENTATIONUNTILYOUHAVEREADANDAGREEDTOTHELICENSEAGREEMENTANDREVIEWEDTHELIMITEDWARRANTYANDREGULATORYINFORMATION.1Introduction
1/28/2015 LMU42x0Hardware&InstallationGuidePULSWikihttps://puls.calamp.com/wiki/LMU42x0_Hardware_%26_Installation_Guide 3/47WelcometotheLMU42x0™HardwareandInstallationGuide.ThismanualisintendedtogiveyouinformationonthebasicsetupandinstallationoftheCalAmpLMU42x0™product(s)includinghardwaredescriptions,environmentalspecifications,wirelessnetworkoverviewsanddeviceinstallation.1.1AboutThisManualTheLMU42x0™isoneofthemostflexibleeconomymobiletrackinghardwareproductsavailable.Inordertoaccuratelydescribethefunctionalityoftheseunitswehavebrokenthismanualintothefollowingsections:SystemOverview–AbasicdescriptionofaCalAmpLMU42x0™basedtrackingsystem.ThisincludesadescriptionofrolesandresponsibilitiesofeachoftheCalAmpcomponentsaswellasabriefoverviewofthewirelessdatatechnologiesusedbytheLMU42x0™.HardwareOverview–DescribesthephysicalcharacteristicsandinterfacesoftheLMU42x0™.InstallationandVerification–ProvidesguidancefortheinstallationoftheLMU42x0™inavehicleandinstructionsonhowtoverifytheinstallationisperformingadequately.1.2AboutTheReaderInordertolimitthesizeandscopeofthismanual,thefollowingassumptionshavebeenmadeaboutthereader.YouarefamiliarwithGPSconceptsandterminologyYouhavesomeexperiencewithinstallingequipmentinvehiclesYouarefamiliarwiththeuseofATCommandsYouarefamiliarwiththeuseofterminalprogramssuchasHyperTerminalorPuTTY1.3AboutCalAmpCalAmpisaleadingproviderofwirelesscommunicationsproductsthatenableanytime/anywhereaccesstocriticalinformation,dataandentertainmentcontent.Withcomprehensivecapabilitiesrangingfromproductdesignanddevelopmentthroughvolumeproduction,CalAmpdeliverscosteffectivehighqualitysolutionstoabroadarrayofcustomersandendmarkets.CalAmpistheleadingsupplierofDirectBroadcastSatellite(DBS)outdoorcustomerpremiseequipmenttotheU.S.satellitetelevisionmarket.TheCompanyalsoprovideswirelessdatacommunicationsolutionsforthetelemetryandassettrackingmarkets,privatewirelessnetworks,publicsafetycommunicationsandcriticalinfrastructureandprocesscontrolapplications.Foradditionalinformation,pleasevisittheCompany’swebsiteatwww.calamp.com(http://www.calamp.com/).1.4AbouttheCalAmpLocationMessagingUnitLMU42x0™TheCalAmpLocationandMessagingUnitLMU42x0™(LMU42x0™)isamobiledevicethatresidesinprivate,commercialorgovernmentvehicles.TheLMU42x0™isasingleboxenclosureincorporatingaprocessor,aGPSreceiver,awirelessdatamodem,andavehicleratedpowersupply.TheLMU42x0™alsosupportsinputsandoutputstomonitorandreacttothevehicularenvironmentand/ordriveractions.Flexibility
1/28/2015 LMU42x0Hardware&InstallationGuidePULSWikihttps://puls.calamp.com/wiki/LMU42x0_Hardware_%26_Installation_Guide 4/47TheLMU42x0™featuresCalAmp'sindustryleadingadvancedonboardalertenginethatmonitorsvehicleconditionsgivingyouthemostflexibletrackingdeviceinitsclass.ThePEG™(ProgrammableEventGenerator)applicationsupportshundredsofcustomizedexceptionbasedrulestohelpmeetcustomers'dynamicrequirements.Customerscanmodifythebehaviorofthedevicetomeetwitharangeofapplicationspreprogrammedbeforeshipmentorinthefield.Combiningaffordabilityanddeviceintelligencewithyouruniqueapplicationcangiveyoudistinctadvantagesoveryourcompetition.OvertheAirServiceabilityTheLMU42x0™alsoincorporatesCalAmp'sindustryleadingovertheairdevicemanagementandmaintenancesystemsoftware,PULS™(Programming,Updates,andLogisticsSystem).Configurationparameters,PEGrules,andfirmwarecanallbeupdatedovertheair.Ourwebbasedmaintenanceserver,PULS™scripts,andfirmware,canallbeupdatedovertheair.PULS™offersoutoftheboxhandsfreeconfigurationandautomaticpostinstallationupgrades.Youcanalsomonitorunithealthstatusacrossyourcustomers'fleetstoquicklyidentifyissuesbeforetheybecomeexpensiveproblems.2SystemOverview2.1OverviewTheentirepurposebehindafleetmanagementsystemistobeabletoremotelycontactavehicle,determineitslocationorstatus,anddosomethingmeaningfulwiththatinformation.Thiscouldincludedisplayingthevehiclelocationonamap,performinganaddresslookup,providingrealtimedrivingdirections,updatingthevehiclesETA,monitoringvehicleanddriverstatusordispatchingthevehicletoitsnextpickup.Thesefunctions,ofcourse,arecompletelydependentonthecapabilitiesofthevehiclemanagementapplication.TheroleoftheCalAmpLMU42x0™istodeliverthelocationinformationwhenandwhereitisneeded.AtypicalfleetmanagementsystembasedonaCalAmpdeviceincludesthefollowingcomponents:AwirelessdatanetworkAnLMU42x0™HostDevice(GPSNMEAonly)AnLMDirect™communicationsserverBackendmappingandreportingsoftwarewhichtypicallyincludesmappingandfleetreportingfunctionsPULS™LMUManager™
1/28/2015 LMU42x0Hardware&InstallationGuidePULSWikihttps://puls.calamp.com/wiki/LMU42x0_Hardware_%26_Installation_Guide 5/47BasicSystemArchitecture2.2ComponentDescriptions2.2.1WirelessDataNetworkTheWirelessDataNetworkprovidestheinformationbridgebetweentheLMDirect™serverandtheLMU42x0™.Wirelessdatanetworkscantakeavarietyofforms,suchascellularnetworks,satellitesystemsorlocalareanetworks.ContacttheCalAmpsalesteamforthenetworksavailabletotheLMU42x0™.2.2.2LMU42x0™TheLMU42x0™isresponsiblefordeliveringthelocationandstatusinformationwhenandwhereitisneeded.Datarequestsmainlycomefromthefollowingsources:PEG™scriptwithintheLMU42x0™AlocationorstatusrequestfromtheLMDirect™serverAlocationorstatusrequestfromLMUManagerAnSMSrequestmadefromamobiledevicesuchasacustomer’scellphoneInsomecases,itisnecessarytorunanapplicationinthevehiclewhileitisbeingtrackedbythebackend
1/28/2015 LMU42x0Hardware&InstallationGuidePULSWikihttps://puls.calamp.com/wiki/LMU42x0_Hardware_%26_Installation_Guide 6/47software.Suchexamplescouldincludeinstantmessagingbetweenvehiclesoracentraloffice,invehiclemappingordrivingdirections,emailordatabaseaccess.InmostofthesecasesyouwillbeusingtheLMU42x0™asawirelessmodemaswellasavehiclelocationdevice.2.2.3LMDirect™ServerLMDirect™isaCalAmpproprietarymessageinterfacespecificationdetailingthevariousmessagesandtheircontentstheLMU42x0™iscapableofsendingandreceiving.ThisinterfaceallowsSystemIntegratorstocommunicatedirectlywithLMU42x0's™.PleaserefertotheLMDirectReferenceGuidefordetails.2.2.4BackendSoftwareBackendsoftwareisacustomerprovidedsoftwareapplication.Regardlessofitspurpose,oneofitsprimaryfunctionsistoparseandpresentdataobtainedfromtheLMDirect™server.Thisallowstheapplicationtodoanyofthefollowing:DisplaylocationdatabaseonreportsreceivedfromtheLMU42x0™inavarietyofformatsPresenthistoricinformationreceivedfromtheLMU42x0™,typicallyinareport/chartstyleformatRequestlocationupdatesfromoneormoreLMU42x0s™UpdateandchangetheconfigurationofoneormoreLMU42x0s™2.2.5PULS™PULS™(Programming,UpdateandLogisticsSystem)isCalAmp’swebbasedmaintenanceserverofferingoutoftheboxhandsfreeconfigurationandautomaticpostinstallationupgrades.PULS™providesameansforconfigurationparameters,PEGscripts,andfirmwaretobeupdatedOverTheAir(OTA)andallowsCalAmpcustomerstomonitorunithealthstatusacrossyourcustomers’fleetstoquicklyidentifyissuesbeforetheybecomeexpensiveproblems.2.2.6LMUManager™LMUManageristheprimaryconfigurationtoolintheCalAmpsystem.ItallowsaccesstoalmosteveryfeatureavailabletotheLMU42x0™.Unlikethebackendsoftware,ithastheoptionoftalkingdirectlytoanLMU42x0™ormakingarequestforwardedbytheLMDirect™server.ForfurtherdetailsonusingLMUManager,pleaserefertotheLMUManagerUsersGuide.3HardwareOverview3.1LocationMessagingUnitLMU42x0™3.1.1LMU42x0™HandlingPrecautions
1/28/2015 LMU42x0Hardware&InstallationGuidePULSWikihttps://puls.calamp.com/wiki/LMU42x0_Hardware_%26_Installation_Guide 7/47ElectrostaticDischarge(ESD)Electrostaticdischarge(ESD)isthesuddenandmomentaryelectriccurrentthatflowsbetweentwoobjectsatdifferentelectricalpotentialscausedbydirectcontactorinducedbyanelectrostaticfield.Thetermisusuallyusedintheelectronicsandotherindustriestodescribemomentaryunwantedcurrentsthatmaycausedamagetoelectronicequipment.ESDHandlingPrecautionsESDpreventionisbasedonestablishinganElectrostaticProtectiveArea(EPA).TheEPAcanbeasmallworkingstationoralargemanufacturingarea.ThemainprincipleofanEPAisthattherearenohighlychargingmaterialsinthevicinityofESDsensitiveelectronics,allconductivematerialsaregrounded,workersaregrounded,andchargebuilduponESDsensitiveelectronicsisprevented.InternationalstandardsareusedtodefinetypicalEPAandcanbeobtainedforexamplefromInternationalElectrotechnicalCommission(IEC)orAmericanNationalStandardsInstitute(ANSI).ThisESDclassificationofthesubassemblywillbedefinedforthemostsensitivecomponent,thereforethefollowingclassificationsapply:Class1B–HumanModel(<1kV)ClassM1–MachineModel(<100V)WhenhandlingtheLMU42x0’s™mainboard(i.e.subassembly)byitselforinapartialhousingproperESDprecautionsshouldbetaken.ThehandlershouldbeinanESDsafeareaandbeproperlygrounded.GPSCeramicPatchHandlingWhenhandlingthesubassemblyitmaybenaturaltopickitupbysidesandmakecontactwiththeantennaboards.InanuncontrolledESDenvironmentcontactwiththecenterpinofceramicpatchantennacancreateapathforelectrostaticdischargedirectlytotheGPSModule.TheGPSModuleisverysensitivetoESDandcanbedamagedandrenderednonfunctionalatlowlevelsofESD.Oneshouldavoidcontactwiththecenterpinofthepatchduringhandling.TheFactorywillbeplacingaprotectivelayerofKapton®tapeoverthepatchelementtoeliminatethisESDpath.PackagingAnytimethesubassemblyisshippedanditisnotfullypackagedinitsfinalhousingitmustbesealedinanESDsafebag.ElectricalOverStress(EOS)TheGPSreceivercanbedamagedifexposedtoanRFlevelthatexceedsitsmaximuminputrating.SuchexposurecanhappenifanearbysourcetransmitsanRFsignalatsufficientlyhighleveltocausedamage.StorageandShippingOnepotentialsourceofEOSisproximityofoneLMU42x0™GPSAntennatoanotherLMU42x0™GSMAntenna.Shouldoneoftheunitsbeinatransmitmodethepotentialexistsfortheotherunittobecomedamaged.ThereforeanyLMU42x0™GPSAntennashouldbekeptatleastfourinchesapartfromanyactiveLMU42x0™GSMAntennaoranyotheractivehighpowerRFtransmitterwithpowergreaterthan1Watt.
1/28/2015 LMU42x0Hardware&InstallationGuidePULSWikihttps://puls.calamp.com/wiki/LMU42x0_Hardware_%26_Installation_Guide 8/473.1.2BatteryBackupdevicesPleaseproperlydisposeofthebatteryinanyoftheCalAmpproductsthatutilizeone,donotjustthrowusedbatteries,replacedbatteries,orunitscontainingabackupbatteryintothetrash.Consultyourlocalwastemanagementfacilityforproperdisposalinstructions.3.1.3EnvironmentalSpecificationsTheLMU42x0™isdesignedtooperateinenvironmentstypicallyencounteredbyfleetvehicles,includingwidetemperatureextremes,voltagetransients,andpotentialinterferencefromothervehicleequipment.Toensureproperoperationinsuchanenvironment,theLMU42x0™wassubjectedtostandardtestsdefinedbytheSocietyofAutomotiveEngineers(SAE).Thespecifictestsincludedtemperature,shock,vibration,andEMI/EMC.Thesetestswereperformedbyindependentlabsanddocumentedinadetailedtestreport.InaccordancewithAppendixAofSAEJ1113Part1,theUnitisconsidereda“FunctionalStatusClassB,PerformanceRegionII”systemthatrequiresThreatLevel3Testing.ThefollowingshowstheenvironmentalconditionstheLMUisdesignedtooperateinandtherelevantSAEteststhatwereperformed.Noformalaltitudetestswereconducted.Size4.8"longx3.3"widex0.85"highWeight11ounces.OperatingTemperature30°Cto+75°C10°Cto+60°C(WhenusingInternalBatteryPower)StorageTemperature40°Cto+85°C0°Cto+30°C(LongTermw/InternalBattery)InternalBatteryChargingTemperature+5°Cto+45°CHumidity0%to95%relativehumidity,at50°CnoncondensingShockandVibrationGroundvehicleenvironmentwithassociatedshockandvibrationSAETest:SAEJ1455MilStandard202Gand810F
1/28/2015 LMU42x0Hardware&InstallationGuidePULSWikihttps://puls.calamp.com/wiki/LMU42x0_Hardware_%26_Installation_Guide 9/47ElectromagneticCompatibility(EMC)EMCcompliantforagroundvehicleenvironmentSAETest:SAEJ1113Parts2,12,21and41OperatingVoltageRangeTheLMU42x0™supportsvehicleswith12or24VDCsystemsincludingtransientsandelectricalsystemnoise;thisincludesrangesfrom7to32VDC.ElectrostaticDischarge(ESD)NodamageorperformancedegradationaftertheESDdisturbance.SAETest:SAEJ1113Part13PowerConsumptionAverage:70mAat13.8VDCDeepSleep:4mASleeponNetwork(SMS):10mASleeponNetwork(GPRS):20mA3.2LocationMessagingUnit4200™&4250™Theblockdiagrambelowcorrectlyshowsthe4200boardwiththeoptionaladdonboardforWifiorjPOD.The4250differsfromthe4200inthattheWifiorjPODboardarebuiltintothedevice,ratherthanexistingasexternaladdons.
1/28/2015 LMU42x0Hardware&InstallationGuidePULSWikihttps://puls.calamp.com/wiki/LMU42x0_Hardware_%26_Installation_Guide 10/47LMU4200™BlockDiagram3.3LMU42x0™ConnectorsTheLMU42x0™offers5connectorstoaccesspower,I/O,serialcommunicationsandotherexpansioncapabilities.Theseconnectorsare:PrimaryPowerConnectorI/OConnectorSerialPortConnector–Host/Aux1SerialPortConnector–Aux2ExpansionConnector(onlyavailableon4200/4250,noton4x20devices)
1/28/2015 LMU42x0Hardware&InstallationGuidePULSWikihttps://puls.calamp.com/wiki/LMU42x0_Hardware_%26_Installation_Guide 11/47LMU42x0™Connectors3.3.1PowerConnectorTheLMU42x0™usesa4pinMolex430450402connectorasitspowerconnection.Thepinoutisasfollows:Pin SignalName Description 5C888ColorInputorOutput1 VIN Power Red Power/Input2 GND Ground Black Ground3 ADC1 AnalogtoDigitalInput1 Green Input4 INPUT0 Input0/IgnitionSense–DigitalInput White Input
1/28/2015 LMU42x0Hardware&InstallationGuidePULSWikihttps://puls.calamp.com/wiki/LMU42x0_Hardware_%26_Installation_Guide 12/47LMU42x0™Header(lookingintoLMU)3.3.2I/OConnectorTheLMU42x0™’sfeaturesexpandedI/Ocapabilitiesviaits22PinMolex430452202connector.Itspinoutisasfollows:
1/28/2015 LMU42x0Hardware&InstallationGuidePULSWikihttps://puls.calamp.com/wiki/LMU42x0_Hardware_%26_Installation_Guide 13/47Pin SignalName Description 5C889Color InputorOutput1 Input1 Input1–DigitalInput Blue Input2 Input2 Input2–DigitalInput Orange Input3 Input3 Input3–DigitalInput Violet Input4 Input4 Input4–DigitalInput Gray Input5 Input5 Input5–DigitalInput Green&White Input6 Input6 Input6–DigitalInput Blue&White Input7 Input7 Input7–DigitalInput Black&White Input8 1BBTData 1BitBusData(T) Green&Black Input/Output9 1BBGND 1BitBusGround Black Ground10 1BBRData 1BitBusData(R) Orange&Black Input/Output11 1BBGnd 1BitBusGround Black Ground12 Output0 Output0StarterDisableRelayDriver Green Output13 Output1 Output1DigitalOutput Brown Output14 Output2 Output2DigitalOutput Yellow Output15 Output3 Output3DigitalOutput Blue&White&Orange Output16 Output4 Output4DigitalOutput Green&Black&Orange Output17 Output5LED Output5LED1Driver Red&Green Output18 Output6LED Output6LED2Driver Orange&Green Output19 ADC2 AnalogtoDigitalInput2 Black&Red Input20 ADC3 AnalogtoDigitalInput3 White&Red Input21 ADC4 AnalogtoDigitalInput4 Orange&Red Input22 ADC5 AnalogtoDigitalInput5 Blue&Red InputLMU42x0™Header(lookingintoLMU)
1/28/2015 LMU42x0Hardware&InstallationGuidePULSWikihttps://puls.calamp.com/wiki/LMU42x0_Hardware_%26_Installation_Guide 14/473.3.3ExpansionPortTheLMU42x0™’sfeaturesexpandedI/Ocapabilitiesviaits16PinMolex430451600connector.Itspinoutisasfollows:Pin SignalName Description InputorOutput1 SPKR_ ModemSpeakerOutput() AudioOutput2 SPKR+ ModemSpeakerOutput(+) AudioOutput3 V_BATT PowerInput(12Voltnominal)forBatteryBackup Input4 VIN_FILT FilteredVehiclePower(12V) Output5 I2C_SDI I2CBusDataIn Input6 I2C_CLK I2CBusClock Output7 MDM_RXD ModemSerialInterfaceRcvDatatoMDTorotherperipheral(TTL) Output8 HOST_RXD HostPortSerialInterfaceRcvDatatoMDTorotherperipheral(TTL) Output9 MIC ModemMicrophoneInput() AudioInput10 MIC+ ModemMicrophoneInput(+) AudioInput11 GND Ground Ground12 EXT_INT ExternalInterrupt,activelow Input13 3.3VDC Forpoweringperipheraldevices(500mA) Output14 I2C_SDO I2CBusDataOut Output15 MDM_TXD ModemSerialInterfaceTxDatafromMDTorotherperipheral(TTL) Input16 HOST_TXD HostPortSerialInterfaceTxDatafromMDTorotherperipheral(TTL) InputLMU42x0™ExpansionPort(lookingintoLMU)
1/28/2015 LMU42x0Hardware&InstallationGuidePULSWikihttps://puls.calamp.com/wiki/LMU42x0_Hardware_%26_Installation_Guide 15/473.3.4SerialInterfaceConnectorsTheLMU42x0™offers2serialinterfaceconnections(Host/Aux1andAux2)onitsfrontface.Theseareprovidedvia2Molex436500501connectorsusingthefollowingpinouts.Pin SignalName Description 1333375Color InputorOutput1 VIN_FILT FilteredLMUPower Red PowerSupply2 VCC3V3 3.3VPower Orange PowerSupply3 Ground Ground Black Ground4 TX TransmitData Blue InputtoLMU5 RX ReceiveData Green OutputFromLMUSerialInterfaceConnectorUsersshouldonlyuseCalAmpapprovedserialadapterswiththeseconnections.(PartNumber1333375and1335641)LMU42x0™SerialCablePluggedintoAux13.3.5ExpansionInterfaceTheexpansioninterfacelocatedonthebackoftheLMU42x0™viathe16inMolexconnectorisusedtoextendI/OfunctionsandprovideserialaccesstotheLMU42x0™.ItshouldonlybeusedwithCalAmpexpansionharnesses.Theavailableaccessoriesare:
1/28/2015 LMU42x0Hardware&InstallationGuidePULSWikihttps://puls.calamp.com/wiki/LMU42x0_Hardware_%26_Installation_Guide 16/47jPOD™VehicleBusAdaptorTheCalAmpjPODAdapterisaJ1939compliantdevicethatreadstheparametersbroadcastintheJ1939bus,processesthemandprovidesfilteredvehicledatatotheLMU42x0™.AscriptiswrittenusingaspecialsoftwaretoolandloadedintothejPOD.Thisscriptdefinesthespecificparameters(PGNs/SPNs)toread,howtoprocessthemandhowtosendthemtothehost.Thescriptdoesnotsendanyrequestsontothebus.SelectedJ1939Parameters PGN SPNBatteryPotential/PowerInput1 65271 168EngineCoolantTemperature 65262 110EngineSpeedRPM 61444 190VehicleSpeed 65265 84AcceleratorPedalPosition% 61443 91BrakePedalSwitchOn/Off 65265 597TotalVehicleDistance 65248 245EngineTotalFuelUsed 65257 250DieselParticulateFilterStatus 64892 3701DM1(DiagMsg1activeDTC’s) 65226Size3.5"longx1.7"widex0.9"highTotallengthwithcable:12.7”Weight2.3ouncesPowerConsumptionAverage:70mAat13.8VDCDiagnostictoolsusedbyCalAmp:J1939SimulatorfromAUGroupElectronics,http://www.auelectronics.comJ1939ScannerfromDearbornGroupTechnology,http://www.dgtech.com/product/dpa5/dpa5.phpPinoutsfortheJ1939signalsontheDE15pinconnector:Pin1PowerPin2CANLowPin3CANHiPin15GND
1/28/2015 LMU42x0Hardware&InstallationGuidePULSWikihttps://puls.calamp.com/wiki/LMU42x0_Hardware_%26_Installation_Guide 17/47jPOD™VehicleBusAdaptor3.3.6SerialAdapterToaddahostserialadaptertotheLMU2610™thereis1additionalpart:PartNumber1333375:SerialAdapter.3.3.7AccessoriesSeetheHarnessDiagramspageformoreinformationonLMUaccessories,andsupportedproductstable.3.4GPSReceiver50channelGPSreceiver(withSBAS,DGPS)Accuracy:2meterCEP(withSBAS)Antennaconnector:SMATrackingSensitivity:160dBmAcquisitionSensitivity:144dBmNotethattheCalAmpLMU42x0™requiresanantennaamplifierthatoperatesat3VDC;5VDCampswillnotwork.3.5RFConnectorLMU42x0’s™usesanSMCconnectorwitha50Ωimpedance.3.6I/ODescriptionsTheLMU42x0™providesthefollowinginputsandoutputs(I/O):DigitalInputsInput0:IgnitionSense(Alwaysbiasedlow)Input1:GenericDigitalInput(Biasedhighorlow/S158Bit1)Input2:GenericDigitalInput(Biasedhighorlow/S158Bit2)
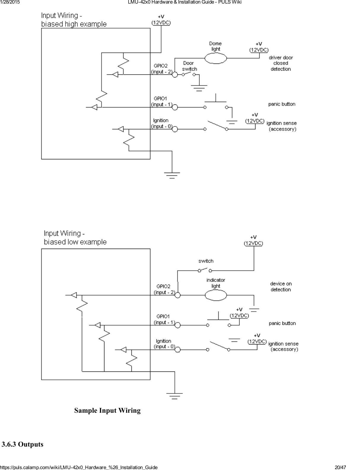
1/28/2015 LMU42x0Hardware&InstallationGuidePULSWikihttps://puls.calamp.com/wiki/LMU42x0_Hardware_%26_Installation_Guide 18/47Input3:GenericDigitalInput(Biasedhighorlow/S158Bit3)Input4:GenericDigitalInput(Biasedhighorlow/S158Bit4)Input5:GenericDigitalInput(Biasedhighorlow/S158Bit5)Input6:GenericDigitalInput(Fixedbiashigh)Input7:GenericDigitalInput(Fixedbiashigh)Input8:MotionSensorInput9:VBUSActiveInput10:PwrStateInput11:VbattLowAnalogtoDigitalInputsA/D0:ExternalPowerSupplyMonitorA/D1:GenericExternalAnalogtoDigitalInputA/D2:GenericExternalAnalogtoDigitalInputA/D3:GenericExternalAnalogtoDigitalInputA/D4:GenericExternalAnalogtoDigitalInputA/D5:GenericExternalAnalogtoDigitalInputA/D6:<TBD>A/D7:GPSAntennaMonitorOutputs:Output0:StandardOpenCollectorRelayOutputOutput1:StandardOpenCollectorRelayOutputOutput2:StandardOpenCollectorRelayOutputOutput3:StandardOpenCollectorRelayOutputOutput4:StandardOpenCollectorRelayOutputLEDDriversOutput5:StandardLEDDriverOutput6:StandardLEDDriveriButton/1BitBusiButtonIDSupport1Wirebuswithcurrentboostfortemperaturesensors3.6.13AxisAccelerometerInputTheLMU42x0™supportsaninternal3AxisPrecisionAccelerometerasoneofitsdiscreetinputs.WhentheLMUismovedinanydirection,theassociatedinputwillbeintheHighstate.IftheLMU’saccelerometerdoesnotdetectmotion,thentheinputwillbeintheLowstate.Noexternalconnectionsarerequiredforthisfunctionalitytobeoperational.3.6.2IgnitionandInputsTheLMU42x0™providesupto7inputs.Theseinputsareprotectedfromtypicalvehicletransientsandcanbedirectlyconnectedtomostvehiclelevellogicalinputsfrom4voltsuptothevehiclepowerinputlevel(typically12VDC).Theirinputimpedanceisapproximately10kΩ.Oneoftheseinputsisdedicatedtosensing
1/28/2015 LMU42x0Hardware&InstallationGuidePULSWikihttps://puls.calamp.com/wiki/LMU42x0_Hardware_%26_Installation_Guide 19/47thevehicle’signitionstatustoprovideforflexiblepowermanagement.Theothertwoinputsmaybeusedtosensevehicleinputssuchascoolingunitoperation,ahiddendriver“Panic”switch,taxionduty/offdutymeterstatusormanyothers.Theignitioninputispulledtogroundthroughthe10kresistance,wheretheotherinputscanbeconfiguredtobenormallyHigh(i.e.pulledto+12vthrougha10kresistor)orLow(i.e.pulledtogroundthrougha10kresistor).Thediagramsbelowshowhowtoconnecttheinputsinbothahighandlowbiasedconfiguration:
1/28/2015 LMU42x0Hardware&InstallationGuidePULSWikihttps://puls.calamp.com/wiki/LMU42x0_Hardware_%26_Installation_Guide 20/47SampleInputWiring3.6.3Outputs
1/28/2015 LMU42x0Hardware&InstallationGuidePULSWikihttps://puls.calamp.com/wiki/LMU42x0_Hardware_%26_Installation_Guide 21/47TheLMU’sandioPOD;soutputsaredesignedtodriveexternalrelays.Theseoutputsprovideahighcurrent,opencollectordriverthatcansinkupto150mAeach.Thesedriversmaybeusedtodriveexternalrelaysthatcanthencontrolvehiclefunctionssuchasdoorlocks,fuelshutoffvalves,sirensandlights.Ifadditionalcurrentisrequiredtodrivetherelays,externalcircuitrycanbeaddedtosourcethecurrent.Thisdiagramisatypicaluseofanoutputtodrivearelay.SampleRelayWiring3.6.4StatusLEDsTheLMU42x0™isequippedwithtwoStatusLEDs,oneforGPSandoneforCOMM(wirelessnetworkstatus).TheLEDsusethefollowingblinkpatternstoindicateservice:LED#1(CommLEDOrange)DefinitionsCondition LED1ModemOff OffCommOnSearching SlowBlinkingNetworkAvailable FastBlinkingRegisteredbutnoInboundAcknowledgement AlternatesfromSolidtoFastBlinkevery1sRegisteredandReceivedInboundAcknowledgement SolidLED#2(GPSLEDYellow)DefinitionsCondition LED2GPSOff OffGPSOn SlowBlinkingGPSTimeSync FastBlinkingGPSFix Solid
1/28/2015 LMU42x0Hardware&InstallationGuidePULSWikihttps://puls.calamp.com/wiki/LMU42x0_Hardware_%26_Installation_Guide 22/474ConfigurationandActivationThissectiondetailshowtoquicklygetanLMU42x0™provisionedandconfiguredtopointataspecificserver.ItisassumedthataPEGscripthasalreadybeencreatedandisbeingmanagedthroughLMUManagerorPULS™,theCalAmpMaintenanceSystem.Wearemakingthreeassumptionstosimplifythesetupprocess:Youhavecreated,installedandconfiguredanLMDirect™ServertoreceivemessagesfromtheLMU42x0™.(SeeLMDirect™ReferenceGuidefordetails)YouareusingthestandardwiringharnessfromCalAmpandtheserialportexpansionharness.YouhavecreatedaHyperTerminalorPuttysession.YouhavecontactedtheCalAmpsalesteamregardingthenetworkavailabilityoftheLMU42x0™.Thisdevicemaynotbesupportedforallthecarriersornetworkslistedinthissection(CDMAVerizon,CDMASprint,HSPA,GSM),forproductavailabilityconsulttheCalAmpsalesteam.4.1QuickStartGeneralConfigAllLMU42x0s™mustgothroughacommonstepduringtheconfigurationandprovisioningprocess.Specifically,thisispointingtheLMUtoyourLMDirect™server,eitherviaIPoraURL.ThisconfigurationprocessisaccomplishedviaaseriesofATCommands:1.PoweruptheLMU42x0™andconnectaserialcablefromtheLMUtoyourlaptop2.OpenaterminalsessiontotheLMU42x0™3.EntertheaddressoftheLMDirect™server:
1/28/2015 LMU42x0Hardware&InstallationGuidePULSWikihttps://puls.calamp.com/wiki/LMU42x0_Hardware_%26_Installation_Guide 23/47AT$APPPARAM2319,0,ddd.ddd.ddd.dddAT$APPPARAM768,0,ddd.ddd.ddd.ddd(32‐bitproductsonly)AT$APPPARAM769,0,pppppWhereddd.ddd.ddd.dddisthepubliclyaddressableIPV4addressofyourLMDirect™serverandpppppistheUDPportnumber.4.AlternativelyifaURLhasbeensetupforyourLMDirect™server,theLMUmaybeprogrammedwith:AT$APPPARAM2319,0,myURL.MyCompany.ComWheremyURL.MyCompany.comistheURLassignedtotheserver.5.EnterATICtoverifythecorrectsettingsaredisplayedforyourInboundServer.ThisconfigurationprocessisaccomplishedviaaseriesofSMSCommands:1.PoweruptheLMU42x0™andyourhandset2.Fromthehandset,sendanSMSmessagetotheLMU42x0™phonenumber:!RP,2319,0,ddd.ddd.ddd.ddd!RP,768,0,ddd.ddd.ddd.ddd(32‐bitproductsonly)!RP,769,pppppWhereddd.ddd.ddd.dddisthepubliclyaddressableIPV4addressofyourLMDirect™serverandpppppistheUDPportnumber3.AlternativelyifaURLhasbeensetupforyourLMDirect™server,theLMUmaybeprogrammedwith:!RP,2319,0,myURL.MyCompany.ComWheremyURL.MyCompany.comistheURLassignedtotheserver4.Verifyyoursettingsbysendingthecommands:!RP?2319,0!RP?769,0.4.2AutoprovisioningofGSMorHSPALMUs
1/28/2015 LMU42x0Hardware&InstallationGuidePULSWikihttps://puls.calamp.com/wiki/LMU42x0_Hardware_%26_Installation_Guide 24/47Forcertainoperators,theLMUcanautopopulatetheAPN,usernameandpasswordsettingsbasedontheMobileCountryCode(MCC)andtheMobileNetworkCode(MNC)oftheSIM.UponinsertinganewSIMtheAPN,usernameandpasswordwillswitchtothenewSIMcard'sdefaultsiftheMCCandMNCvalueschange.ThecurrentlistofsupportedMCCandMNCcombinationsare:AT&T–formerlyAT&TWirelessorCingularBlue(MCC310,MNC38)oAPN0:PROXYoAPN1:PUBLICAT&T–formerlyCingularWireless(MCC310,MNC17,18,41)oAPN0&1:ISP.CINGULARoUsername:ISP@CINGULARGPRS.COMoPassword:CINGULAR1Manxpronto(MCC234,MCN058)oAPNweb.manxpronto.netoUsername:gprsoPassword:gprsO2UK(MCC234,MNC02,10,11)oAPN0&1:mobile.o2.co.ukoUsername:mobileweboPassword:passwordO2Ireland(MCC272,MNC02)oAPN0&1:open.internetoUsername:gprsoPassword:gprsOrangeUK(MCC234,MNC33,34)oAPN0&1:orangeinternetoUsername:useroPassword:passTMobile(MCC310,MNC16,20,21,22,23,24,25,26,27,31,58,66,80)oAPN0:INTERNET2.VOICESTREAM.COMoAPN1:INTERNET3.VOICESTREAM.COMTMobileUK(MCC234,MNC30,31,32)oAPN0&1:general.tmobile.ukoUsername:useroPassword:wapTelCelMexico(MCC334MNC02)oAPN0&1:INTERNET.ITELCEL.COMoUsername:webgprsoPassword:webgprs2002
1/28/2015 LMU42x0Hardware&InstallationGuidePULSWikihttps://puls.calamp.com/wiki/LMU42x0_Hardware_%26_Installation_Guide 25/47TelstraAustralia(MCC505,MNC01,11,71,72)oAPN0&1:telstra.internetVodafoneIreland(MCC272,MNC01)oAPN0&1:isp.vodafone.ieoUsername:vodafoneoPassword:vodafoneVodafoneNewZealand(MCC530,MNC01)oAPN0&1:internetoUsername:guestoPassword:guestVodafoneUK(MCC234,MNC15)oAPN0&1:internetoUsername:weboPassword:webUnlessotherwisestated,theusernameandpasswordwillbesetto“dummy”.ThisfeaturecanbedisabledbysettingBit0ofSRegister155.AT$APPPARAM1024,35,1,1Toreenableautoprovisioning,use:AT$APPPARAM1024,35,1,0AutoprovisioningoccurswhentheLMUdetectsaSIMwithanewoperatorID(i.e.thefirst6digitsoftheIMSI)orwhenBit0ofS155isclearedandtheGPRScontextisblank(i.e.Parameter2306,0).4.3ActivatingGSMorHSPALMUusingATCommandsCheckwiththeCalAmpSalesteamforavailabilityoftheLMU42x0™withGSMorHSPAmodems.ForaGSM/GPRSoperatoryouwillgettheLMUinoneoftwovarieties,onewithaSIMandonewithout.IfyougetanLMUwithoutaSIM(whichisthetypicalcase)theoperatorwillsimplyaskfortheIMEIoftheLMU.TheIMEI(InternationalMobileEquipmentIdentifier)isprintedonthebottomoftheLMUundertheLMU’sESN.Again,DONOTgivetheoperatortheESNoftheLMU.TheoperatorwillprovideyouwithaSIMforeachaccountactivated.Iftheyareespeciallynice(oryouareespeciallypersistent)theywillalsogiveyoualisttyingtheIMSI(InternationalSubscriberIdentifier)oftheSIMtothephonenumberassignedtoit.PleasenotethattheoperatorwilllikelytietheIMSI(i.e.theSIM)toaspecificIMEI.MakingsurethespecificSIMmatchestotherightIMEIisn’tstrictlynecessary,butitwillkeepeveryone’sbookkeepingalittlecleaner.YoumayalsoobtainthisinformationbyrunningaCSVreportin
1/28/2015 LMU42x0Hardware&InstallationGuidePULSWikihttps://puls.calamp.com/wiki/LMU42x0_Hardware_%26_Installation_Guide 26/47PULS(afterthedeviceshaveconnectedtothenetworkandsentintheirfirstIDReport).SeethePULSUsersGuideformoreinformation.IfyoudohappentohaveaSIM,theoperatorwillaskfortheIMSIandICCID(IntegratedCircuitCardIdentifier)alongwiththeIMEIoftheLMU.Again,inreturnyoushouldgetalistofIMSIsandPhoneNumbers.TheIMEI,IMSIandICCIDareallavailablethroughtheATI1command.TheIMEIshouldalsobeprintedonthebottomoftheLMU.YoushouldalsogetanAPN(AccessPointName)value.TheAPNisthedeviceonthenetworkthatallowsaGPRSdevice(i.e.theLMU)togettotheinternet.TheytendtolooklikeaURL,forexample:myAPN.myOperator.comOperatorscanoffermorethanonetypeofAPNandcanevensetupacustomAPNjustforyourdevices.TheratestheychargewillvarydependingontheAPNserviceyouwant.OperatorsmayalsorequestyouuseablankAPN.WiththeAPN,youshouldalsoreceiveausernameandpasswordcombination.ThelastitemanoperatormayprovideisaSIMPIN.ThePINiseffectivelyapasswordtothedevice.ThemaindifferencehereisthatthePINwillrestrictallthecapabilitiesoftheGSMdevice,wheretheSPCisusedjustforconfiguration.TheactivationsequenceforaGSMLMUwouldthereforelookasfollows:AT$APPPARAM2306,0,“myAPN.myOperator.com”AT$APPPARAM2306,1,“myAPN.myOperator.com”AT$APPPARAM2314,0,“myUSername”AT$APPPARAM2315,0,“myPassword”ForablankAPNthefollowingcommandcanbeused:AT$APPPARAM2306,0,“”(forablankAPN)OnlyenterthisnextcommandifyouhavebeengivenanonzeroPINasanyerrorsmaylockyououtofthemodem.AT$APPPIN<SIMpin>YoucanconfirmactivationbywatchingtheCommLEDtoseeifitgoessolid.YoumayalsoconfirmactivationusingAT$APPCOMMSTATUS?Agoodresponseshouldlooksimilartothefollowing:
1/28/2015 LMU42x0Hardware&InstallationGuidePULSWikihttps://puls.calamp.com/wiki/LMU42x0_Hardware_%26_Installation_Guide 27/47GSMRegistered:YesGPRSRegistered: YesConnection:  YesRSSI:   ‐70dBmBER:   0Channel:   0CellID:   0BaseStationID: 0LocalAreaCode: 0NetworkCode:  38CountryCode:  310IMEI(ModemS/N): 500167110060440IMSI(SIMS/N):310380100521849PhoneNumber: GPRSAPN:  IP:PublicQualityofSrvc: 1,0,0,3,0,0GSMClass:  B4.4AccessingtheSIMTheSIMcarrierislocatedontherightsideoftheLMU42x0™underneaththewirelessmodem(GSMorHSPA).TheSIM’scontactsshouldfaceupwardswiththeSIMnotchorientedintotheLMU42x0™.LMU42x0™SIMInsertion
1/28/2015 LMU42x0Hardware&InstallationGuidePULSWikihttps://puls.calamp.com/wiki/LMU42x0_Hardware_%26_Installation_Guide 28/474.5ActivatingaCDMALMU42x0™CheckwiththeCalAmpSalesteamforavailabilityoftheLMU42x0™withCDMAmodems.ForCDMAdevices,theactivationsequenceyouwillusevariesfromcarriertocarrier.Eachofthesupportedcarriersisdocumentedbelow.Toobtainanaccount,aCDMAcarrierwillgenerallyaskforthreethings,theManufacturer,theProductTypeandtheESN.Obviouslythefirsttwoitemsareansweredby“CalAmpLMU”.Thelastoneisalittlemisleading.TheESNontheLMUistheCalAmpserialnumber.TheonetheoperatorisinterestedinistheMSND(whichtheycallthedecimalESN).DONOTgivethemtheCalAmpESN(i.e.thetoponeonthelabel).Itwillonlyleadtothecarriertellingyouthattheproductdoesn’texistandtheycan’tactivateitforyou.Whatyoushouldgetbackwillvaryfromoperatortooperator;howeveratveryleastitwillbetheMDN(MobileDirectoryNumber)andMIN(MobileInformationNumber).YoushouldalsoaskfortheSPC(ServiceProgrammingCode)incaseitisnot000000.TheSPCiseffectivelyapasswordtothemodemwhichallowsyoutoprogramsomeofthemoresensitiveitems(ex:theMDNandMIN).PleasenotethattheMINandMSIDcanbethesamevalue.4.5.1ActivatingaCDMALMU42x0™–VerizonVerizonsupportsasystemthatallowsCDMAdevicestobeprovisionedOverTheAir.ACalAmpLMU42x0™willautomaticallyusethissystemtoattempttoselfprovision.ThisprocedureassumesthattheLMU42x0™hasneverbeenprovisionedoractivatedbefore.1.PowerontheLMU42x0™,makingsureyoucanobservethebehavioroftheCommLED.2.WaituntiltheCommLEDturnssolid.Thiscouldtakeupto5minutes.3.Ifafter5minutesyouobservethattheCommLEDtransitionsfromaslowblinktoafastblinkseveraltimes(i.e.morethantwice)youwillneedtocontactVerizonWirelessforfurthersupportonaccountactivation.Onceconfigured,youmayverifythattheLMU42x0™’smodemhasregisteredtotheCDMAnetwork.Enter:AT$APPCOMMSTATUS?Theresponseshouldbesimilarto:CDMAService: IS‐2000Connection: YesRSSI: ‐80dBmChannel: 0Band:Side: 800:BBaseStationID:0NetworkID: 0SystemID: 4ESN(ModemS/N: 2676319948[9F8566CC]PhoneNumber: 1234567890IMSI: 310001234567890CarrierConfig: 5
1/28/2015 LMU42x0Hardware&InstallationGuidePULSWikihttps://puls.calamp.com/wiki/LMU42x0_Hardware_%26_Installation_Guide 29/47NotethatthePhoneNumbershouldmatchtheMDNvaluethecarriergaveyou.Thelast10digitsoftheIMSIfieldshouldmatchtheMIN/MSIDvaluetheygaveyou.Fordevicesthathavehadpreviousactivations,anOverTheAiractivationprocessmaybemanuallystartedusingasingleATCommand:AT$APPMODEMUPDATEThiscommandisalsousedtoinitiateanOverTheAirPRLUpdatefordevicesthatarealreadyprovisioned.Usersmayalsoforceareactivationwiththecommand:AT$APPMODEMACTIVATEKeepinmind,however,thismaycausethemodemtoloseitscredentialsandbecomeunabletoregistertothenetwork.4.5.2ActivatingaCDMALMU42x0™–SprintActivatinganLMU42x0™ontheSprintCDMAnetworkisidenticaltoactivatingontheVerizonnetwork.1.PowerontheLMU42x0™,makingsureyoucanobservethebehavioroftheCommLED.2.WaituntiltheCommLEDturnssolid.Thiscouldtakeupto5minutes.3.Ifafter5minutesyouobservethattheCommLEDtransitionsfromaslowblinktoafastblinkseveraltimes(i.e.morethantwice)youwillneedtocontactSprintforfurthersupportonaccountactivation..Onceconfigured,youmayverifythattheLMU42x0’s™modemhasregisteredtotheCDMAnetwork.Enter:AT$APPCOMMSTATUS?Theresponseshouldbesimilarto:CDMAService: IS‐2000Connection: YesRSSI: ‐80dBmChannel: 0Band:Side: 800:BBaseStationID: 0NetworkID: 0SystemID: 4145ESN(ModemS/N: 2676319948[9F8566CC]PhoneNumber: 1234567890IMSI: 310001234567890CarrierConfig: 1ThePhoneNumberfieldshouldmatchthe<PhoneNumber>valueyouusedinstep3or4.Thelast10digitsof
1/28/2015 LMU42x0Hardware&InstallationGuidePULSWikihttps://puls.calamp.com/wiki/LMU42x0_Hardware_%26_Installation_Guide 30/47theIMSIfieldshouldmatchthe<MSID>valueyouusedinstep3or4.5InstallingtheLMUTheinstallationoftheLMUanditsantennascanhaveamajorimpactontheLMU’sperformance.ItisrecommendedthatinstallersbefamiliarwiththeinstallationofGPSandcellulardevicesandarecomfortableinavehicleenvironment.5.1PreparingforInstallationBesureyouhavereceivedalltheLMUcomponentsyouneed.Thismustinclude:TheLMUtobeinstalledApowerharnessGPSAntenna(forexternaldevices)CommAntenna(forexternaldevices)OptionalComponents:InputandoutputcablesRelaysLMUperipherals(i.e.Serialadapter,jPOD,TetheredLocator)Hostserialdevices(e.g.PDAs,laptops,otherserialdevices)5.2PlanTheInstallationVerifyPower,GroundandIgnition.Besuretocheckeachsource(power,groundandignition)toensurethatthepropersignalingexists.Thisistypicallyaccomplishedwithamultimeter.Beforedrillinganyholesorrunninganywires,decidewhereeachhardwarecomponentwillbelocated(LMU,antennas,peripherals,etc.).BesurethatthecablestotheLMUarenotbentorconstrictedinanyway.AlsomakesurethattheLMUiskeptfreefromdirectexposuretotheelements(sun,heat,rain,moistureetc...).BeadvisedthataninstallationthatviolatestheenvironmentalspecificationsoftheLMUwillvoidthewarranty.Thebestwaytoensureatroublefreeinstallationistoconsideryouroptionsandmakesomedecisionsbeforeyoustart.TakealookatthevehicleanddeterminehowtobestinstalltheLMUforthefollowingpurposes:AccuratedatagatheringandsimulationofhowcustomersactuallyuseyoursolutionOngoingmonitoringandmaintenanceofLMUequipmentAccidentalorintentionalalterationoftheequipmentorcableconnectionsThefollowingsectionscoversomeoftheissuestoconsiderwhenplanningyourLMUinstallation.5.2.1SizeandPlacementofLMUUnit
1/28/2015 LMU42x0Hardware&InstallationGuidePULSWikihttps://puls.calamp.com/wiki/LMU42x0_Hardware_%26_Installation_Guide 31/47ThedimensionsoftheLMUshouldbetakenintoaccount,particularlywheninstallinginavehicle:WhetheryouintendtoplacetheLMUunderaseatorintoacavitybehindthevehicle’sinteriormoldedtrim,besuretheLMUwillfitbeforedrillinganyholesorrunningcableBecertainthatthecablesrunningtotheLMUwillnotbebentorconstricted.DamagetothecablesmayimpedetheLMU’sperformance.BecertainthattheinstallationpointwillnotviolateanyoftheLMU’senvironmentalspecification(temperature,moisture,etc…)asimproperinstallationoftheLMUmayvoidthewarranty.SeetheLMUEnvironmentalSpecificationsfortheexactmeasurementsandspecificationsoftheLMU42x0™.TypicalinstallationswillplacetheLMUunderthevehicledashboard,orinthetrunk.MakesureyoucangetaccesstotheunitafterwardsasundersomecircumstancesitmaybenecessarytoaddadditionalwiringorconnectionstotheLMU.5.2.2PlacementofAntennasThereareeffectivelythreeoptionsforplacementsofanantenna:Roofmount(magneticorthruhole)GlassmountCovert(e.g.undertheseat,dash,etc…)CommAntennaPlacementGuidelinesTheComm.Antennamustbelocatedatleast20cmawayfromvehiclepassengers,otherpersonnel,orbystandersinordertocomplywithFCCradiofrequencyexposurelimits.Typically,theCommantennausedbytheLMUforwirelessserviceisastandard3dBgainwhip.Itmountswithstandardmounts(i.e.thruhole,magneticmountorpeelandstick)andrequiresagroundplanetoworkproperly.Ifpossible,itshouldbelocatedatleast3feetfromtheGPSantenna.Ensurethatthecabledoesnotgetcrushedduringinstallation.PleasenotethattheantennasprovidedbyCalAmpcombineboththeGPSandCommportions.GPSAntennaPlacementGuidelinesInordertomaximizetheperformanceoftheLMUtheGPSantennashouldhaveaclearviewofthesky.WheninstallingtheGPSantennaonavehicle,makesurethattherearenoobstructionsclosetotheantennathatmightblocktheview360°tothehorizon.Thingslikeairhorns,lights,vents,etc…shouldnotblocktheantennabeyond5°abovethehorizon.Thebestlocationisusuallynearthecenteroftheroof;howeveritisalsodesirabletolocatethecellularantennaasfarfromtheGPSantennaasispractical.
1/28/2015 LMU42x0Hardware&InstallationGuidePULSWikihttps://puls.calamp.com/wiki/LMU42x0_Hardware_%26_Installation_Guide 32/47ExamplesofgoodandpoorGPSantennaplacementsThereceivedsignallevelsattheGPSantennafromthesatellitesareverylowinpower(approximately136dBm),soanyblockageoftheantennacanaffectthequalityofthelocationcomputedbythereceiver.KinksortightknotsintheantennacablecanalsopreventtheGPSreceiverfromoperatingproperly.Whenlayingouttheantennacable,careshouldbetakensothatthecableisnotsubjectedtocrushingorstrain.PlacementofCombinationandInternalAntennasWhendealingwithcombinationantennas,itismoreimportanttoconsideredGPSperformanceoverCommperformance.GPSsignalstrengthsaremuchlowerthanthosetypicallyseenbycellularnetworkssupportedbytheLMU.InordertomaximizetheperformancetheLMUshouldhaveaclearviewoftheskyaspossible.WheninstallingtheGPSantennainavehicle,makesurethatthereareasfewobstructionsaspossibleclosetotheLMUthatmightblocktheview360°tothehorizon.AswithstandaloneGPSantennas,nothingshouldnotblockthecombinationantennabeyond5°abovethehorizonwiththebestlocationbeingnearthecenteroftheroof.Formorecovertinstalls,directlyunderthefrontorrearwindshieldsarealsoacceptable.ExamplesofGood(Green),OK(Yellow)andPoor(Red)comboantennaplacements
1/28/2015 LMU42x0Hardware&InstallationGuidePULSWikihttps://puls.calamp.com/wiki/LMU42x0_Hardware_%26_Installation_Guide 33/47ExamplesOK(Yellow)andPoor(Red)internalantennaplacements5.2.3AccesstotheSIM(SubscriberIdentityModule)CardWhenusedinaGSMoriDENnetwork,eachLMUusesaSubscriberIdentityModule(SIM)card,whichshouldbeinsertedbeforeyouinstalltheLMUforthefirsttime.TheSIMcardisattachedtothemainboardinsidethehousingoftheLMUunit.Atsomefuturetime,youmightneedorwanttoreplacetheSIMcardwithadifferentone,sotrytoinstalltheLMUinsuchawaythatthecovercanberemovedtomaketheSIMcardaccessible.5.2.4ProtectionfromHeatItisbestnottoplacetheLMUunitinanunusuallywarmlocationsuchasdirectlynearheatervents,nearhotenginecomponentsorindirectsunlight.ThemaximumtemperaturethatcanbetoleratedbytheLMUisdescribedintheLMUEnvironmentalSpecificationssection.5.2.5VisibilityofDiagnosticLEDsStatusLEDlightsonthefrontoftheLMUunitcanprovidevaluableinformationabouttheoperationoftheLMU.Whenfeasible,attempttoinstalltheLMUinsuchawaythattheselightscanbeseenwithreasonableease.YoumayfinditusefultobeabletoviewtheLEDsperiodicallytomakesurethattheLMUisoperatingproperly.IfatanytimeyoushouldencounteraproblemwiththeLMU,youmayneedtoreadtheLEDsinordertotroubleshoottheproblem.IfyoucannotfixtheLMUyourself,youwillneedtoprovidetheLEDinformationtoCalAmpcustomersupport.ForinformationabouthowtointerprettheLEDs,seetheStatusLEDBehaviorsection.5.2.6CableLengthTheRFcableswhichareprovidedforconnectingtotheLMUantennasshouldbeusedatthelengthprovided.
1/28/2015 LMU42x0Hardware&InstallationGuidePULSWikihttps://puls.calamp.com/wiki/LMU42x0_Hardware_%26_Installation_Guide 34/47Donotcutcables.Instead,coilanyexcesscablelength,makingsurenottocrimporflattentheantennacable.5.2.7MoistureandWeatherProtectionTheLMUunitmustbelocatedwhereitwillnotbeexposedtomoistureorwater.Inatypicalinstallationinsideavehiclethisisnotcommonlythoughttobeaconcern;however,itmightbebesttoavoidlocatingtheLMUbelowacar’scupholders,orwhererainmighteasilysplashintothecompartmentwhenadoorisopened.5.2.8PreventingAccidentalorUnauthorizedModificationIfyouanticipatethatfleetdriversorothersmightinterferewiththeLMUsoncetheyareinstalled,takestepstobesurethatitisnoteasytodisconnecttheantennawiring,removetheLMUfromitspowersource,etc.TwocommonmethodsaretheuseofTamperProofSealantorcreationofPEGScripttodetectpowerlossorGPSantennadisconnections.5.3InstallingtheLMUinaVehicleThissectionprovidesinstructionsforinstallinganLMUinavehicle.Besuretoconsiderthedesigndecisionsdescribedintheprevioussections.WhenyouarereadytobegininstallingtheLMU,followthesesteps:5.3.1PlacetheLMUunitinthevehicle.Typically,theLMUshouldbeplacedunderthepassengerseatordashboardofthevehicle.LMUswithinternalantennasshouldbeplacedtomaximizetheirGPSperformance.Atypicallocationincludeunderthedashclosetothefrontwindshield.AttachtheLMUtothesolidbodyofthevehicle,nottoplasticpanels.TheLMUcanbeplacedoutofsightbyremovinginteriortrimandmoldingtoexposeavailablespace,thenreplacingthetrimoncetheLMUisinplace.5.3.2Connectpower,ignition,andground.Thepowerinput(redwire)mustbeconnectedtoaconstant(unswitched)+12VDCor+24VDCsupply;preferably,connecteddirectlytothevehiclebatteryterminalorasclosetoitaspossible.Thisconnectionpointshouldbefuseprotectedtonotmorethan5Amps.Theignitioninput(whitewire)mustbeconnectedtothevehicleignitionoranotherappropriatekeyoperatedline,suchasACCESSORY,ensuringthatpowertotheignitionwireisavailableonlywhenthevehicleignitionison.Thegroundline(blackwire)mustbeconnectedtochassisground.Failuretoconnecttheselinesinthemannerdescribedmayresultindischargeofthevehiclebattery.
1/28/2015 LMU42x0Hardware&InstallationGuidePULSWikihttps://puls.calamp.com/wiki/LMU42x0_Hardware_%26_Installation_Guide 35/47Forbestresults,itisstronglyrecommendedthattheLMUconnectionbeonitsowncircuit.Connectthepowerinputdirectlytothevehiclebatteryifpossibleandprotectthecircuitwithaninlinefuse.Ifyoumustconnectthroughthefusebox,usestandardcommercialwiringpracticestocreateapermanentinstallationratherthanusingpressinfuseclipsorothertemporarymeasures.DONOTconnectthepowercabletotheLMUatthistime.5.3.3PlacetheGPSantenna.TheGPSantennamusthaveaclearviewofthesky.MounttheGPSantennaonthevehicle’shighestpoint(forexample,theroofofacar).Makesurethattherearenoobstructionsclosetotheantennathatmightblocktheview360°tothehorizon.Airhornslights,vents,etc..shouldnotblocktheantennabeyond5°abovethehorizon.KinksorknotsintheantennacablecanpreventtheGPSreceiverfromoperatingproperly.Whenlayingouttheantennacable,takecarethatthecableisnotsubjectedtocrushingorstrain.Theideallocationistypicallynearthecenterofthevehicle’sroof.However,itisalsodesirabletolocatethecellularantennaasfarfromtheGPSantennaaspossible.GPSAntennaLocation5.3.4MounttheComm.Antenna.WhenusingseparateCommandGPSantennas,itisbesttolocatetheComm.Antennaatleast3feetfromtheGPSantenna.Ensurethatthecableisnotcrushedduringinstallationornormalvehicleoperation.Again,theComm.Antennamustbelocatedatleast20cmawayfromvehiclepassengers,otherpersonnel,orbystandersinordertocomplywithFCCradiofrequencyexposurelimits.
1/28/2015 LMU42x0Hardware&InstallationGuidePULSWikihttps://puls.calamp.com/wiki/LMU42x0_Hardware_%26_Installation_Guide 36/47WindowMountAntennaLocation5.3.5TypicalConnectionSequenceAttachthecablefromtheGPSantenna.ConnectthecablefromtheComm..antennaConnectanyperipheralstotheLMUPluginthepowerharness.ThephysicalinstallationoftheLMUhardwareisnowcomplete.CompletedInstall–separateantennasCompletedInstallInternalantennas
1/28/2015 LMU42x0Hardware&InstallationGuidePULSWikihttps://puls.calamp.com/wiki/LMU42x0_Hardware_%26_Installation_Guide 37/475.4InstallationVerificationInmanycasesitisdesirabletoverifythataninstalledLMU42x0™isworkingproperly.Thatis,installersshouldverifythattheGPSandcommunicationsfunctionsoftheLMU42x0™areworkingproperlybeforedepartingtheinstallationsite.Inmorerobustcases,somekeyconfigurationsettingssuchastheInboundAddressandURLshouldalsobeverified.NotethattheseprocessesareallbasedonissuingATCommandstotheLMU42x0™.ItisexpectedthatinstallerswillhaveaccesstoaserialportexpansioncableandalaptoporPDAcapableofaterminalconnection.Alternatively,anSMSmessagecanbesenttoanLMU42x0™toobtainitscurrentstatus.5.4.1CommVerificationInstallersshouldfirstverifythattheLMU42x0™hasbeenacquiredandhasregisteredtothewirelessnetwork.Thismaybeverifiedinoneoftwoways.First,installersmaylookattheCommLED(i.e.,theoneclosesttotheSMCantennaconnector).IfthisLEDissolid,thentheLMUhasregisteredtothenetworkandestablishedadatasession.IftheLEDisnotvisible,thenCommmaybeverifiedusinganATCommand:ATICDependingonthewirelessnetworkbeingusedsomethingsimilartowhatisshownbelowwillbedisplayed.Itisimportanttoverifythat'Yes'valuesaredisplayedatthetopforDataandNetworkregistrationandthecorrectAPNisdisplayed.RadioAccess:GSMNetworkReg.:Yes,HomeDataReg.:Yes,HomeConnection:YesRSSI:‐97dBmBER:99Channel:737CellID:3441BaseStationID:40LocalAreaCode:31003NetworkCode:410CountryCode:310IMEI(ModemS/N):351802055396182IMSI(SIMID):310410202524377ICC‐ID(SIMS/N):89014102212025243778PhoneNumber:GPRSAPN:ISP.CINGULARMaint.Server:maint.vehicle‐location.com(216.177.93.246):20500InboundServer:(0.0.0.0):20500DualComm:routingid=0,logcid=0,modemtype=21,inbndindex=0OKIfanyoftheresponsesreturnNotAcquiredorNotRegistered(andtheAPNiscorrect),thewirelessnetworkoperatorshouldbecontactedforfurthertroubleshooting.
1/28/2015 LMU42x0Hardware&InstallationGuidePULSWikihttps://puls.calamp.com/wiki/LMU42x0_Hardware_%26_Installation_Guide 38/47Pleasenotethatitmaytakeseveralseconds(orlonger)fortheLMU42x0™tocommunicatewiththemodemandacquirethewirelessnetwork.5.4.2GPSVerificationThenextstepistoverifythattheGPSreceiverisseeingenoughsatellitestoobtainavalidGPSposition.Again,installershavetwochoicesonhowtoperformthisverification.First,liketheCommVerification,thereisaGPSstatusLED(i.e.,theoneclosesttotheSMAconnector).IfthisLEDissolid,thentheLMUhasfoundGPSservice.IftheLEDisnotvisiblethenGPSservicemaybeverifiedusinganATCommand:AT$APPGPS?Theresponseshouldbesimilarto:Lat=3304713,Lon=‐11727730,Alt=0Hdg=113Spd=03D‐RTIMEHDOP=130nSats=7Installersarelookingforthe3DRTIMEsettingalongwithavalidLat,Longpair(i.e.somethingotherthan0).IftheGPSreceiverdoesnothaveavalidlockwithin23minutes,installersshouldcheckantennaplacement(seetheInstallationNotessectionforplacementsuggestions),theantennaconnectorandthattheantennahasaclearviewofthesky.Forfurthertroubleshooting,installersshouldcontactCalAmpSupport(M2MSupport@CalAmp.com)5.4.3InboundVerificationThelastitemtoverifyisthattheLMU42x0™issendingdatatothecorrectserver.Ingeneral,thisisatwostepprocessthatwillneedtheaidofanobserveronthebackend.Thatis,atechnicianwillhavetobeloggedinsotheycanmonitordatacomingintothebackendmapping/vehiclemanagementapplication.First,verifythattheLMU42x0™isusingthecorrectInboundIPaddressbyusing:AT$APPINBOUND?Theresponseshouldbesimilarto:INBOUNDLMDINBOUND0ADDRddd.ddd.ddd.ddd:ppppp*INBOUND0URLmyURL.myCompany.comINBOUND1ADDR0.0.0.0:20500INBOUND1URLINBOUND2ADDR0.0.0.0:20500INBOUND3ADDR0.0.0.0:20500
1/28/2015 LMU42x0Hardware&InstallationGuidePULSWikihttps://puls.calamp.com/wiki/LMU42x0_Hardware_%26_Installation_Guide 39/47Theinstallerwillneedtoverifywithabackendtechnicianthatthe,URL(myURL.myCompany.com),IPaddress(ddd.ddd.ddd.ddd)andport(<ppppp>)arecorrect.ThesecondstepistoverifythattheLMU42x0™issendingdata.ThebestwaytodothisistoforcetheLMU42x0™tosendinanunacknowledgedEventReport(i.e.,itscurrentGPSlocation)withthefollowingcommand:AT$APPPEGSUNRPT255TheLMU42x0™willrespondwith:OKThebackendmonitormustthenbecontactedtoconfirmthattheyreceivedanEventReportwithEventCode255.Assumingthatallthreesectionshavepassed,theinstallationcanbeconsideredtobecomplete.5.4.4VerificationviaSMSThecurrentComm,GPSandInboundstatusofaGSMLMUcanbeobtainedviaSMSprovidedyouhaveaccesstoanSMScapablephoneorPDA.Usingyourhandset,sendthefollowingSMSMessagetotheLMU:!R0Withinafewminutes,theLMUshouldreturnaresponseinthefollowingformat:APP:<AppID><FirmwareVersion>COM:<RSSI>[./d/D][./a/A][./L][IPaddress][<APN>]GPS:[Antenna<Short/Open/Off>]|[NoTimeSync]|[<FixStatus><SatCount>]INP:<inputsstates><vehiclevoltage>MID:<mobileID><mobileIDtype>INB:<inboundIPaddress>:<inboundport><InboundProtocol(LMD/LMX)>APP:o<AppID>:TheApplicationIDvalueoftheLMUindicatingthehostplatformandthewirelessnetworkingtechnologyoftheLMU.o<FirmwareVersion>:ThecurrentfirmwareversioninusebytheLMUCOM:
1/28/2015 LMU42x0Hardware&InstallationGuidePULSWikihttps://puls.calamp.com/wiki/LMU42x0_Hardware_%26_Installation_Guide 40/47o<RSSI>:Thisisthesignalstrengththewirelessmodemseesfromthenetwork.IngeneraltheLMUisatleastscanningforthenetworkiftheRSSIisnot113.o[./d/D]:Ifthecharacter‘D’ispresent,itindicatestheLMUhadadatasessionestablishedwhenitrespondedtothestatusrequest.Forthe8Bitproductlineanuppercase‘D’indicatesboththeInboundandMaintenancesocketsareready.Thelowercase‘d’indicatesthatonlytheMaintenancesocketisready.A‘.’indicatesnosocketsareready.o[./a/A]:ThisfieldindicatesiftheLMUhasreceivedanAcknowledgementfromtheInboundserver.ThisfieldwillbeemptyiftheLMUhasneverreceivedanACK.Thelowercase‘a’willbepresentifithasreceivedanACKsincethelastcoldboot(i.e.powercycle)butnotthelastwarmboot(AppRestartorSleep).Theuppercase‘A’willbepresentiftheLMUhasreceivedanACKsincethelastwarmboot.A‘.’Indicatesnoacknowledgementhasbeenreceived.o[./L]:ThisfieldindicatesiftheLMU’slogiscurrentlyactive.An‘L’indicatesthatthelogiscurrentlyinuse(i.e.oneormorerecordshavebeenstored)wherea‘.’indicatesthelogisinactive.o[IPAddress]:ThisisanoptionalfieldifandisonlypresentiftheLMUhasestablishedavaliddatasession.ThisfieldwillcontainthecurrentIPaddressoftheLMUasassignedbythewirelessnetwork.Notethatifyouseeavalueof192.168.0.0,thisisanindicationthattheLMUhasnotbeenabletoestablishadatasession.o[<APN>]ThecurrentAccessPointNameinusebyaGSMLMU.GPS:o[Antenna<Short/Open/Off>]:Thisfield,ifpresent,indicatesaproblemwiththeLMU’sGPSantenna.AvalueofShortindicatesthattheantennacablehaslikelybeencrushed.AvalueofOpenindicatesthattheantennacableiseithercutordisconnected.AvalueofOffindicatesthattheLMU’GPSreceiverisoff.o[NoTimeSync]:Ifthisfieldispresent,itindicatesthattheLMU’sGPSreceiverhasnotbeenabletofindevenasingleGPSsatellite.Thiswouldlikelybeenseeninconjunctionwiththeaboveantennaerror,oriftheLMUGPSantennaisotherwiseblocked.o[<FixStatus><SatCount>]:IfthesefieldsarepresentitindicatesthattheLMUhas,orhadavalidGPSsolution.The<SatCount>fieldindicateshowmanyGPSsatellitesarecurrentlyinusebytheLMU.The
1/28/2015 LMU42x0Hardware&InstallationGuidePULSWikihttps://puls.calamp.com/wiki/LMU42x0_Hardware_%26_Installation_Guide 41/47<FixStatus>fieldindicatesthetypeoffix.TheFixStatustypesaredetailedintheLMDirectReferenceGuide.INP:o<inputstates>:ThisfielddetailsthecurrentstateofeachoftheLMU’sdiscreetinputs.Thisfieldisalways8characterslong.Theleftmostcharacterrepresentsthestateofinput7wheretherightmostrepresentsthestateofinput0(i.e.theignition).Avalueof1indicatestheinputiscurrentlyinthehighstate.Avalueof0indicatesitiscurrentlyinthelowstate.o<vehiclevoltage>:ThisfieldwillcontainthecurrentreadingoftheLMU’sinternalA/D.ThiswillbethesupplyvoltageprovidedtotheLMUinmV.MID:o<mobileID>:ThiswillbethecurrentmobileIDinusebytheLMU.o<mobileIDtype>:ThiswillbethetypeofMobileIDinusebytheLMU.Theavailabletypesare,Off,ESN,IMEI,IMSI,USER,MINandIPADDRESS.INB:o<inboundIPaddress>:ThisisthecurrentIPaddressinusebytheLMU.ThisvalueshouldmatchtheIPaddressofyourLMDirect™server.o<inboundport>:ThisisthecurrentUDPporttheLMUwillusetodeliveritsLMDirect™data.ThisvalueshouldmatchUDPportyouareusingonyourLMDirect™server.Itistypically20500.o<InboundProtocol(LMD/LMX)>:ThisisthecurrentUDP/IPmessagingprotocolinusebytheLMU.IngeneralitshouldbeLMD.ExampleGSMResponseAPP:0818.3dCOM:0GPS:NoTimeSyncINP:1110011113.7VMID:4141000100ESNINB:207.7.101.227:20500LMD
1/28/2015 LMU42x0Hardware&InstallationGuidePULSWikihttps://puls.calamp.com/wiki/LMU42x0_Hardware_%26_Installation_Guide 42/476LicenseAgreementFORSOFTWARE,APPLICATIONPROGRAMINGINTERFACES(APIs)&DOCUMENTATIONIMPORTANT:DONOTINSTALLORUSETHESOFTWAREORDOCUMENTATIONUNTILYOUHAVEREADANDAGREEDTOTHISLICENSEAGREEMENT.Thisisalegalagreementbetweenyou,theCustomer,andCalAmpDataComIncorporated(“CalAmp”).Byinstallingand/orusingthesoftwareordocumentation,youareconsentingtothetermsofthisLicense.IfyoudonotagreetothetermsofthisnonexclusiveLicenseAgreement,DONOTINSTALLORUSETHESOFTWARE,APIsORDOCUMENTATION.Forafullrefund,returntheunusedmediapackageandallaccompanyingmaterialswithinseven(7)daystoCalAmp.Wherethereisnopackagingormedia,useofthesoftwareand/ordocumentationconstitutesacceptance.Definitions:AsusedinthisLicenseAgreement,“Software”meansCalAmp’sLMDirect™,LMUManager™,LapTopLocator™,LMUApplication/ProgrammableEventGenerator™,CDMALMUProvisioningTool,GPRSLMUProvisioningTool,iDEN™ProvisioningTool,LMUStatus,CloneConfig,HexDump,LMExchange™TrafficMonitor,FreewaveBaseStationConfig,RemoteSerialPort,AppWatcherServiceand/orothersoftwareproductslicensedbyCalAmpforuseincomputerapplicationsdevelopmentorintegrationincludingthecomputerprograms,librariesandrelatedmaterialseithercontainedonthemediaprovidedtoyoubyorfromCalAmp,orwhichyouhavereceivedordownloadedelectronically.“Application”meansacompiledorexecutablesoftwareprogramcreatedbyDeveloperthatusessomeorallofthefunctionalityoftheSoftware.“SoftwareCopies”meanstheactualcopiesofalloranyportionoftheSoftwareincludingbackups,updates,mergedorpartialcopiespermittedhereunderorsubsequentlylicensedtoyou.“Documentation”meansthenonSoftwareinformationcontainedonthemediaprovidedwiththispackageordownloadedandwhichisusedwithanddescribestheoperationanduseoftheSoftware.“DocumentationCopies”meanstheactualcopiesofalloranyportionoftheDocumentationincludingbackups,updates,mergedorpartialcopiespermittedhereunderorsubsequentlyprovidedtoyou.“RelatedMaterials”meansallothermaterialsandwhateverisprovidedbyorfromCalAmp,andthenonSoftwareandnonDocumentationcontainedonthemediasupplied,downloaded,orotherwisesuppliedbyorfromCalAmpforusewiththeSoftwareandDocumentation.“Server”meansasingle,networkedcomputerthatisaccessibletootherclientmachinesonthenetwork.“User”means(i)asinglepersonusinganApplicationforhis/herinternal,useor(ii)asingleterminalorasingleworkstationofacomputerusedonlybyaperson(andnotaccessedotherwise)foraccessinganApplication.“UseLicense”meanslimitedrightsgrantedbyCalAmpfordeploymentofasingleApplicationtoaUser.“Developer”meansasingleprogrammerdevelopinganApplication.“DeveloperLicense”meansthegrantofcertainlimitedrightstouseandmaintaintheSoftware,SoftwareCopies,Documentation,DocumentationCopiesandRelatedMaterialsindevelopmentofApplications.Background:ADeveloperLicenseisrequiredforeachDeveloperwhousestheSoftwareinbuildingApplication(s).AUseLicenseisrequiredandmustbepurchasedbyCustomerforeachUsertowhichCustomerprovidesaccesstoanApplication(unlessaServerorSitelicenseforunlimitedoraspecifiednumberofusershasbeenpurchased).EachUseLicenseisspecifictooneclientsideApplicationonlyandmaynotbeusedforanyotherclientsideApplication.EachServerlicenseislimitedtoServerbasedApplicationsdeployedonthatServerforwhichthelicensehasbeenpurchasedasspecifiedinaCalAmpLicenseCertificate.TheSoftwareislicensedonaperDeveloper,andonaperUser,perApplicationbasis.Inordertopreserveandprotectitsrightsunderapplicablelaw,CalAmpisnotsellingyouownershiprightstoSoftwareorDocumentation(ownedbyorlicensedtoCalAmp).CalAmpspecificallyretainstitletoallCalAmpSoftware,DocumentationandRelatedMaterialsandCalAmplicensorsretaintitletoitemsownedbythem.
1/28/2015 LMU42x0Hardware&InstallationGuidePULSWikihttps://puls.calamp.com/wiki/LMU42x0_Hardware_%26_Installation_Guide 43/47Duration:ThisLicenseAgreementiseffectivefromthedayyouinstallorstartusingtheSoftware,orreceiveordownloaditelectronically,andcontinuesuntilterminated.IfyoufailtocomplywithanyprovisionoftheLicense,terminationisautomatic,withoutnoticefromCalAmpandwithoutthenecessityforrecoursetoanyjudicialauthority.Upontermination,youmustdestroytheRelatedMaterials,theSoftware,DocumentationandallSoftwareandDocumentationcopies.CalAmpcanalsoenforceitsotherlegalandequitablerights.DeveloperLicenseOnly—UsesPermitted:SoftwareandDocumentationmaybeusedforthesolepurposeofdevelopingApplicationsandonlybyalicensedDeveloper.SoftwareandDocumentationmaybeinstalledontoaharddiskdriveoraServer,accesstowhichisrestrictedtoDevelopersforwhichaDeveloperLicensehasbeenpurchasedandmayalsobestoredorinstalledonastoragedevicesuchasanetworkserver,usedonlytoinstalloraccesstheSoftwareorDocumentationonyourothercomputersoveraninternalnetwork;however,youmusthaveacquiredalicenseforeachseparatecomputeronwhichtheSoftwareorDocumentationisinstalledoraccessedfromthestoragedevice.ADeveloperLicensemaynotbesharedorusedconcurrentlyondifferentcomputers.Onebackupcopymaybemadeforeachlegallyobtainedmediacopyorelectroniccopyyouhavereceived,providedthatallCalAmpandthirdpartylicensorinformation—includingcopyrightnotices—aremaintainedandpossessionofthecopyisretainedinasecurelocation.Inaddition,youagreetousereasonableeffortstoprotecttheSoftwareandDocumentationfromunauthorizeduse,reproduction,distributionorpublication.AllrightsnotspecificallygrantedinthisLicensearereservedbyCalAmp.Customeragreestoincludethenotice“Copyright©1999–2009CalAmpDataComInc.,AllRightsReserved”inApplicationsdevelopedwiththeSoftware.CustomeragreestoincludethefollowingCalAmpCopyrightandGovernmentRestrictedUsenoticeinalldocumentationandinanyApplicationonlinehelporreadmefile.“PortionsofthiscomputerprogramareownedbyCalAmpDataComInc.,Copyright©l999–2009,CalAmpDataComInc.,AllRightsReserved.Use,duplicationordisclosurebytheGovernmentissubjecttorestrictionsassetforthinsubparagraph©(1)(ii)oftheRightsinTechnicalDataandComputerSoftwareclauseatDFARS252.2277013orsubparagraphs©(l)and(2)oftheCommercialComputerSoftwareRestrictedRightsat48CFR52.22719,asapplicable.ManufacturerisCalAmpDataComInc.,1401NorthRiceAve.Oxnard,CA93030.RightsarereservedundercopyrightlawsoftheUnitedStateswithrespecttounpublishedportionsoftheSoftware.”Developer(s)License—UsesNotPermitted:UnlessOtherwiseAgreedToInWritingwithCalAmp,YouMayNot(1)Makederivativeworksincludingbutnotlimitedtotranslations,adaptations,arrangementsoranyotheralteration(eachofwhichwouldbecomethepropertyofCalAmporitslicensors,asapplicable)ormakecopiesoftheSoftwareorDocumentationexceptaspermittedabove;(2)MakecopiesoftheRelatedMaterials;(3)UseanyCalAmpproducttotranslatetheproductofanotherlicensorunlessyouhavethelegalrighttodoso;(4)AllowagreaternumberofDeveloperstoaccesstheSoftwareatanyonetimethanthetotalnumberofDeveloperlicensesforwhichyouhavepaid;(5)Rent,lease,sublicenseorlendtheSoftware,SoftwareCopies,Documentation,DocumentationCopies,RelatedMaterialsoryourrightsunderthisLicenseorallowaccesstotheSoftwareforunlicensedusers;(6)Alter,decompile(excepttothelimitedextentthatdecompilationbythelicensedDeveloperonlyisnecessaryastheonlyavailablewaytoachieveinteroperabilitywithotherprogramsand,inthatsituation,anyresultinginformationcannotbeusedindeveloping,producingormarketinganysoftwaresubstantiallysimilarinexpressiontotheSoftware),disassembleorreverseengineertheSoftware;(7)MakeanyattempttounlockorbypassanyinitializationsystemorencryptiontechniquesutilizedbytheSoftwareorDocumentation;(8)Alter,removeorobscureanyproprietarylegend,copyrightortrademarknoticecontainedinoronSoftware,DocumentationorRelatedMaterials;or(9)usetheSoftwaretocreateanApplicationintendedsolelytoduplicatefunctionalityofanexistingCalAmpendusersoftwareproduct.
1/28/2015 LMU42x0Hardware&InstallationGuidePULSWikihttps://puls.calamp.com/wiki/LMU42x0_Hardware_%26_Installation_Guide 44/47UseLicenses:ForeachServerorSiteLicensepurchased,CalAmpgrantstheCustomertherighttodistributeApplicationsonasingleServeroratasingleSite,asthecasemaybe,accessibletothenumberofindividualusers(notconcurrentusers)forwhichtheServerorSiteLicensehasbeenpurchasedasevidencedbyaCalAmpLicenseCertificate.ForeachUseLicensepurchased,asevidencedbyaCalAmpLicenseCertificate,CalAmpgrantstheCustomertherighttodistributeasingleApplicationtoasingleUser.InnocircumstancemayCustomerdistributeanApplicationunderasitelicenseorconcurrentuselicenseunlessacomparablelicensehasbeenpurchasedfortheSoftwareasevidencedbyaCalAmpLicenseCertificate.CustomeragreesthatdistributionofanApplicationtoaUserwillinallcasesbeaccompaniedbyalicenseagreementcontainingataminimumtermsandconditionssubstantiallysimilartoandatleastasrestrictiveasthefollowing:TheUsermaynot(1)Makederivativeworksincludingbutnotlimitedtotranslations,adaptations,arrangementsoranyotheralterationoftheApplicationormakecopiesoftheApplication,exceptonebackupcopymaybemadeforeachlegallyobtainedcopyoftheApplication,providedthatallCalAmpandthirdpartylicensorinformation—includingcopyrightnotices—aremaintainedandpossessionofthecopyisretainedinasecurelocation;(2)AllowaccesstotheApplicationforunlicensedusers;(3)Rent,lease,sublicenseorlendtheApplicationoritsrightsunderthelicense;(4)Alter,decompile,disassembleorreverseengineertheApplication;(5)MakeanyattempttounlockorbypassanyinitializationsystemorencryptiontechniqueutilizedbytheApplication;or(6)Alter,removeorobscureanyproprietarylegend,copyrightortrademarknoticecontainedinorontheApplication.TheUseragreestousereasonableeffortstoprotecttheApplicationfromunauthorizeduse,reproduction,distributionorpublication.Audit:CustomershallkeeprecordsofalltransactionsinvolvingSoftwareforfive(5)yearsafterthetransaction.CalAmpshallhavetherightuponwrittennoticetoauditCustomer’srecordstoverifycompliancewiththisLicenseincludingthenumberofUseLicensesgrantedbyCustomer.AuditmaytakeplaceatCustomer’splaceorbusinessduringnormalworkinghours.Intheeventthatthereisadiscrepancyinexcessoffivepercent(5%)betweenthenumberofUseLicensesgrantedandthenumberpaidfor,CustomershallpayallcostsrelatedtoperformingtheauditinadditiontoremittingpaymentforthoselicensesgrantedinexcessofthosepaidforasevidencedbyaCalAmpLicenseCertificate.General:ThisAgreementrepresentsourentireunderstandingandagreementregardingtheSoftware,SoftwareCopies,Documentation,DocumentationCopiesandRelatedMaterialsandsupersedesanypriorpurchaseorder,communication,advertisingorrepresentationandmayonlybemodifiedinawrittenamendmentsignedbyanauthorizedCalAmprepresentativeorbyaspecificpriororsubsequentwrittenagreementbetweentheparties.IfanyprovisionofthisAgreementshallbeunlawful,voidorforanyreasonunenforceable,thatprovisionshallbedeemedseverablefrom,andshallinnowayaffectthevalidityorenforceabilityof,theremainingprovisions.7LimitedWarrantyCoveringthePhysicalMediaandPrintedMaterials:CalAmpwarrantstoyou,theoriginallicensee,thatthemediaonwhichtheSoftwareisrecordedarefreefromdefectsinmaterialsandworkmanshipundernormaluse
1/28/2015 LMU42x0Hardware&InstallationGuidePULSWikihttps://puls.calamp.com/wiki/LMU42x0_Hardware_%26_Installation_Guide 45/47andserviceFORAPERIODOFNINETY(90)DAYSFROMTHEDATEOFDEVELOPERLICENSEPURCHASE.CalAmp’sentireliabilityandyourexclusiveremedyastodefectivemedia,DocumentationorRelatedMaterial(s)shallbereplacementofthemedia,DocumentationorRelatedMaterial(s)byCalAmp.Eachdefectiveitem,alongwithproofoflicensepurchaseanddate,mustbesentinatraceablemannerto:CalAmpDataComInc.,1401NorthRiceAve.Oxnard,CA93030.DisclaimerRegardingtheSoftware,DocumentationsandRelatedMaterials:THESOFTWARE,DOCUMENTATIONANDRELATEDMATERIALSAREPROVIDED“ASIS.”EXCEPTASMAYOTHERWISEBEEXPRESSLYSETFORTHHEREIN,CALAMPMAKESNOREPRESENTATIONSORWARRANTIES,EXPRESSORIMPLIED,WITHRESPECTTOTHESOFTWARE,DOCUMENTATIONORRELATEDMATERIALSINCLUDINGBYWAYOFEXAMPLE,ANDNOTLIMITATION,THEIMPLIEDWARRANTIESOFMERCHANTABILITYANDFITNESSFORAPARTICULARPURPOSE.BYWAYOFFURTHEREXAMPLEANDNOTLIMITATION,CALAMPMAKESNOREPRESENTATIONSORWARRANTIES,EXPRESSORIMPLIED,WITHRESPECTTOTHEACCURACY,RELIABILITYORCOMPLETENESSOFTHEDOCUMENTATIONORTHERELATEDMATERIALS.THEENTIRERISKASTOTHEUSEOFTHESOFTWARE,DOCUMENTATIONANDRELATEDMATERIALSISASSUMEDBYYOU.INNOEVENTSHALLCALAMPBELIABLETOYOUORANYOTHERPERSON,REGARDLESSOFTHECAUSE,FORTHEEFFECTIVENESSORACCURACYOFTHESOFTWARE,DOCUMENTATIONORRELATEDMATERIALSORFORANYSPECIAL,INDIRECT,INCIDENTALORCONSEQUENTIALDAMAGESARISINGFROMOROCCASIONEDBYYOURUSEOFTHESOFTWARE,DOCUMENTATIONORRELATEDMATERIALS,EVENIFADVISEDOFTHEPOSSIBILITYOFSUCHDAMAGES.INTHEEVENTTHEFOREGOINGISFOUNDBYACOURTOFCOMPETENTJURISDICTIONTOBEINEFFECTIVE,YOUHEREBYAGREETHATCALAMP’SMAXIMUMLIABILITYFORANYCLAIMARISINGINCONNECTIONWITHTHESOFTWARE,DOCUMENTATIONAND/ORRELATEDMATERIALS(WHETHERINCONTRACT,TORT,INCLUDINGNEGLIGENCE,PRODUCTLIABILITYOROTHERWISE)SHALLNOTEXCEEDTHELICENSEFEESPAIDBYYOUWITHRESPECTTOTHESOFTWARE,DOCUMENTATIONAND/ORRELATEDMATERIALSATISSUE.SOMESTATESDONOTALLOWTHELIMITATIONOREXCLUSIONOFINCIDENTALORCONSEQUENTIALDAMAGES,SOTHEFOREGOINGPROVISION,WITHRESPECTTOEXCLUDINGORLIMITINGSUCHDAMAGES,MAYNOTAPPLYTOYOU.Acknowledgement:YouacknowledgethatyouhavereadthisLIMITEDWARRANTY,understanditandagreetobeboundbyitstermsandconditions.Youalsoagreethat:(1)NooralorwritteninformationoradvicegivenbyCalAmp,itsdealers,distributors,agentsoremployeesshallinanywayincreasethescopeofthisLimitedWarrantyandyoumaynotrelyonanysuchinformationoradvice;(2)UnlessawrittengoverningagreementsignedbyyouandCalAmpexists,thisLicenseAgreementisthecompleteandexclusivestatementofagreementbetweenCalAmpandyouregardingthelicensingoftheSoftware,DocumentationandRelatedMaterialsandsupersedesallproposals,oralorwritten,andanyothercommunicationsyoumayhavehadpriortopurchasingyourlicense;(3)Exceptforthepriceanddeliverytermsagreeduponbybothparties,thetermsandconditionsofthisLicenseAgreementshallsupersedethosesetforthinanypurchaseorderwherethepurchaseorderconflictsorisinconsistentwithoraddstothetermsandconditionsofthisLicenseandthosesupersededpurchaseordertermsandconditionsshallbenullandvoid;(4)YouagreetoassurethatcopiesofthisLicenseAgreementaredistributed,readandagreedtobyeachDeveloperusingtheSoftwareand/orDocumentation.GoverningLaw:ThisAgreementshallbegovernedbythelawsoftheStateofCalifornia,UnitedStates,excludingitsconflictsoflawprinciplesandexcludingtheUnitedNationsConventiononContractsfortheInternationalSaleofGoods.YouagreetoexclusivejurisdictionofCaliforniaStatefederalandstatecourts,VenturaCounty,forresolutionofanydisputerelatedtothisAgreement.
1/28/2015 LMU42x0Hardware&InstallationGuidePULSWikihttps://puls.calamp.com/wiki/LMU42x0_Hardware_%26_Installation_Guide 46/47U.S.GovernmentProtectedRights:TheSoftwareDocumentationandRelatedMaterialsareprovidedwithRESTRICTEDRIGHTS.Use,duplicationordisclosurebytheGovernmentissubjecttorestrictionsassetforthinsubparagraph©(1)(ii)oftheRightsinTechnicalDataandComputerSoftwareclauseatDFARS252.2277013orsubparagraphs©(1)and(2)oftheCommercialComputerSoftwareRestrictedRightsat48CFR52.22719,asapplicable.ManufacturerisCalAmpDataComInc.,1401NorthRiceAve.Oxnard,CA93030.RightsarereservedundercopyrightlawsoftheUnitedStateswithrespecttounpublishedportionsoftheSoftware.8RegulatoryInformationHumanExposureComplianceStatementPursuantto47CFR§24.52oftheFCCRulesandRegulations,personalcommunicationsservices(PCS)equipmentissubjecttotheradiofrequencyradiationexposurerequirementsspecifiedin§1.1307(b),§2.1091and§2.1093,asappropriate.CalAmpDataComInc.certifiesthatithasdeterminedthattheLMU42x0™complieswiththeRFhazardrequirementsapplicabletobroadbandPCSequipmentoperatingundertheauthorityof47CFRPart24,SubpartEoftheFCCRulesandRegulations.Thisdeterminationisdependentuponinstallation,operationanduseoftheequipmentinaccordancewithallinstructionsprovided.TheLMU42x0™isdesignedforandintendedtobeusedinfixedandmobileapplications.“Fixed”meansthatthedeviceisphysicallysecuredatonelocationandisnotabletobeeasilymovedtoanotherlocation.“Mobile”meansthatthedeviceisdesignedtobeusedinotherthanfixedlocationsandgenerallyinsuchawaythataseparationdistanceofatleast20cmisnormallymaintainedbetweenthetransmitter’santennaandthebodyoftheuserornearbypersons.TheLMU42x0™isnotdesignedfororintendedtobeusedinmobileapplications(within20cmofthebodyoftheuser)andsuchusesarestrictlyprohibited.ToensurethattheLMU42x0™complieswithcurrentFCCregulationslimitingbothmaximumRFoutputpowerandhumanexposuretoradiofrequencyradiation,aseparationdistanceofatleast20cmmustbemaintainedbetweentheunit’santennaandthebodyoftheuserandanynearbypersonsatalltimesandinallapplicationsanduses.Additionally,inmobileapplications,maximumantennagainmustnotexceed3.2dBi.FCCRulesandIndustryCanada(IC)regulatoryinformationComplianceStatement(Part15.19)TheequipmentdevicecomplieswithPart15oftheFCCRules.Operationissubjecttothefollowingtwoconditions:(1)Thisdevicemaynotcauseharmfulinterference,and(2)Thisdevicemustacceptanyinterferencereceivedincludinginterferencethatmaycauseundesiredoperation.Warning(Part15.21)ChangesormodificationsnotexpresslyapprovedbyTransCoreAmtechSystemscouldvoidtheuser’sauthoritytooperatetheequipment.ManufacturerisnotresponsibleforanyradioorTVinterferencecausedbyunauthorizedmodificationstothisequipment.
1/28/2015 LMU42x0Hardware&InstallationGuidePULSWikihttps://puls.calamp.com/wiki/LMU42x0_Hardware_%26_Installation_Guide 47/47ComplianceStatement(Part15.105(b))Note:ThisequipmenthasbeentestedandfoundtocomplywiththelimitsforaClassBdigitaldevice,pursuanttopart15oftheFCCRules.Theselimitsaredesignedtoprovidereasonableprotectionagainstharmfulinterferenceinaresidentialinstallation.Thisequipmentgenerates,usesandcanradiateradiofrequencyenergyand,ifnotinstalledandusedinaccordancewiththeinstructions,maycauseharmfulinterferencetoradiocommunications.However,thereisnoguaranteethatinterferencewillnotoccurinaparticularinstallation.Ifthisequipmentdoescauseharmfulinterferencetoradioortelevisionreception,whichcanbedeterminedbyturningtheequipmentoffandon,theuserisencouragedtotrytocorrecttheinterferencebyoneormoreofthefollowingmeasures:—Reorientorrelocatethereceivingantenna.—Increasetheseparationbetweentheequipmentandreceiver.—Connecttheequipmentintoanoutletonacircuitdifferentfromthattowhichthereceiverisconnected.—Consultthedealeroranexperiencedradio/TVtechnicianforhelp.ThisdevicecomplieswithIndustryCanadalicenseexemptRSSstandard(s).Operationissubjecttothefollowingtwoconditions:(1)thisdevicemaynotcauseinterference,and(2)thisdevicemustacceptanyinterference,includinginterferencethatmaycauseundesiredoperationofthedevice.LeprésentappareilestconformeauxCNRd'IndustrieCanadaapplicablesauxappareilsradioexemptsdelicence.L'exploitationestautoriséeauxdeuxconditionssuivantes:(1)l'appareilnedoitpasproduiredebrouillage,et(2)l'utilisateurdel'appareildoitacceptertoutbrouillageradioélectriquesubi,mêmesilebrouillageestsusceptibled'encompromettrelefonctionnement.ClassBdigitaldevicenotice“CANICES3(B)/NMB3(B)”RFRadiationExposureStatementThisequipmentcomplieswiththeFCC/ICradiationexposurelimitssetfourthformobiletransmittingdevicesoperationinanuncontrolledenvironment.EndusersmustfollowthespecificoperatinginstructionstosatisfyRFexposurecompliance.Theequipmentshouldonlybeusedwherethereisnormallyatleast20cmseparationbetweentheantennaandallperson/user.Thistransmittermustnotbecolocatedoroperationinconjunctionwithanyotherantennaortransmitter.Anychangesormodificationsnotexpresslyapprovedbythepartyresponsibleforcompliancecouldvoidtheuser’sauthoritytooperatethisequipment.

Navigation menu