Cambium Networks 54500 Point to Point Wireless Bridge User Manual 2 Manual
Cambium Networks Limited Point to Point Wireless Bridge 2 Manual
Contents
- 1. Manual 1
- 2. Manual 2
- 3. Revised Manual May 13
- 4. Manual
Manual 2

PTP 500 Series
User Guide
phn-1115-000v001

2
MOTOROLA, Inc.
Point-to-Point Wireless Bridges – PTP 500 Series
Software Release PTP 500-01-xx
System User Manual
March 7th , 2008
Ref: PHN-1115-00.01
Copyright Information
This document is the confidential property of Motorola, Inc. and without its prior written consent
may not be copied or released to third parties.
MOTOROLA, the stylized M Logo and all other trademarks indicated as such herein are trade-
marks of Motorola, Inc. Reg. U.S. Pat & Tm. Office. PTP 500 is a trademark of Motorola, Inc.
All other product or service names are the property of their respective owners.
C
2008 Motorola, Inc. All rights reserved.
http://www.motorola.com/ptp
Compliance
General
Changes or modifications not expressly approved by Motorola could void the user’s authority to
operate the system.
NOTE: This system has achieved Type Approval in various countries around the world. This
means that the system has been tested against various local technical regulations and found to
comply. The frequency bands in which the system operates is may be ‘unlicensed’ and, in these
bands, the system can be used provided it does not cause interference. Further, it is not guaranteed
protection against interference from other products and installations.

3
The system has been tested for compliance to both US (FCC) and European (ETSI) specifications.
It has been shown to comply with the limits for emitted spurious radiation for a Class B digital
device1, pursuant to Part 15 of the FCC Rules in the USA and appropriate European ENs. These
limits have been designed to provide reasonable protection against harmful interference. However
the equipment can radiate radio frequency energy and, if not installed and used in accordance
with the instructions, may cause harmful interference to other radio communications. There is no
guarantee that interference will not occur in a particular installation.
If this equipment does cause harmful interference to radio or television reception, which can be
determined by turning the equipment off and on, the user is encouraged to try to correct the
interference by one or more of the following measures:
•Reorient or relocate the Outdoor Unit (ODU).
•Increase the separation between the affected equipment and ODU.
•Connect the ODU/PIDU into a power outlet on a circuit different from that to which the
receiver is connected.
•Consult your installer or supplier for help.
Deployment and Operation
The Radio Regulations of various countries’ limits constrain the operation of radio products gen-
erally. In particular the local regulator may limit the amount of conducted or radiated transmitter
power and may require registration of the radio link.
The power transmitted by the PTP 500 Series Bridge is controlled by the use of Region-specific
License Keys.
The following examples show how the regulatory limits apply in some specific countries at the
current time. Operators should note that regulations are subject to change.
Contact your supplier/installer to ensure that your product is set for the correct License Key for
your Country/Region and to ensure that you have fulfilled all the local regulatory requirements,
especially if you are intending to use a link with external antennas. Notes below the tables indicate
countries where registration of the link is currently mandatory.
The system has been tested for compliance to both US (FCC) and European (ETSI) specifications.
It has been shown to comply with the limits for emitted spurious radiation for a Class B digital
device, pursuant to Part 15 of the FCC Rules in the USA and appropriate European ENs. These
limits have been designed to provide reasonable protection against harmful interference. However
the equipment can radiate radio frequency energy and, if not installed and used in accordance
with the instructions, may cause harmful interference to other radio communications. There is no
guarantee that interference will not occur in a particular installation.
Class B Digital Device, A digital device that is marketed for use in a residential environment notwithstanding use
1
in commercial, business and industrial environments.

4
Regulations applicable to 5.4GHz PTP 500 Series Bridge variant
Examples of Regulatory Limits at 5.4GHz
FCC Under FCC Regulations, operation of this product is only allowed with a
License Key for Region 12 (30dBm or 1W EIRP with Radar Detection)
ETSI Under ETSI Regulations, operation of this product is only allowed with a
License Key for Region 24 (30dBm or 1W EIRP with Radar Detection)
Australia, Canada Under Australian Communications Authorities and Industry Canada
Regulations, operation of this product is only allowed with a License Key
for Region 13 (30dBm or 1W EIRP with Radar Detection and barring of
the band 5600-5650MHz)
Thailand Operation of this product is only allowed with a License Key for Region
20 (30 dBm or 1W EIRP)
Korea Operation of this product is only allowed with a License Key for Region
21 (28 dBm EIRP (15 MHz))
General Notice Applicable to Europe
This equipment complies with the essential requirements for the EU R&E Directive
1999/5/EC.
Note:In regions other than EU/USA, specific local regulations may apply. It is the responsibility
of the installer/user to check that the equipment as deployed meets local regulatory requirements.

5
Regulations applicable to 5.8GHz PTP 500 Series Bridge variant
Examples of Regulatory Limits at 5.8GHz
USA / Canada / Taiwan / Brazil Equipment can be operated in any mode, best results will
be obtained using Region 1 settings
China Operation of this product is only allowed with a License
Key for Region 2 (33 dBm or 2W EIRP)
Australia Operation of this product is only allowed with a License
Key for Region 3 (36 dBm or 4W EIRP)
Hong Kong Under Hong Kong Regulations, operation of this product is
only allowed with a License Key for Region 3 (36 dBm or
4W EIRP)
UK Under UK Regulations, operation of this product is
allowed with a License Key for Region 4 (3W EIRP with
Radar Detection)
Singapore Under Singapore Regulations, operation of this product is
only allowed with a License Key for Region 5 (20 dBm or
100mW EIRP)
Eire Under Eire Regulations, operation of this product is only
allowed with a License Key for Region 6 (33 dBm or 2W
EIRP. Note lower power limits in narrow bandwidths.)
Korea Under Korean Regulations, operation of this product is
only allowed with a License Key for Region 11 (43 dBm or
20W EIRP)
India Operation of this product is only allowed with a License
Key for Region 19 (36 dBm or 4W EIRP at 15 MHz)
Thailand Operation of this product is only allowed with a License
Key for Region 20 (30 dBm or 1W EIRP)
Germany Operation of this product is only allowed with a License
Key for Region 22 (36 dBm or 4W EIRP)
Bahrain Operation of this product is only allowed with a License
Key for Region 24 (33 dBm or 2W EIRP)

6
General Notice Applicable to Europe
This equipment complies with the essential requirements for the EU R&E Directive
1999/5/EC.
The use of 5.8GHz for Point to Point radio links is not harmonized across the EU.
However, the regulatory situation in Europe is changing and the radio spectrum may become
available in other countries in the near future. Please contact Motorola for the latest situation.
Notes:
UK Registration of Links – OfCom, The application form may be found at
http://www.ofcom.org.uk/radiocomms/isu
Eire Registration of Links – Commission for Communication Regulation, The application form
may be found at
http://www.comreg.ie/licensing_and_services
Disclaimer
The parameters quoted in this document must be specifically confirmed in writing before they
become applicable to any particular order or contract. The company reserves the right to make
alterations or amendments to the detail specification at its discretion. The publication of infor-
mation in this document does not imply freedom from patent or other rights of Motorola, Inc. or
others.
7
Contents
1 About This User Guide . . . .................................................. 15
1.1 Interpreting Typeface and Other Conventions ................................. 15
1.2 Getting Additional Help . . . ................................................. 16
1.2.1 Sending Feedback .......................................................... 17
2 Avoiding Hazards . . ........................................................ 18
2.1 Preventing Overexposure to RF Energy . ...................................... 18
2.1.1 Calculations for Separation Distances and Power Compliance Margins . . . ......... 18
3 Getting Started ............................................................ 20
3.1 For Your Safety . . .......................................................... 20
3.2 Welcome .................................................................. 20
3.2.1 Who Should Use This Guide? . .............................................. 21
3.2.2 Contact Information ........................................................ 21
3.2.3 Repair and Service . . ....................................................... 21
3.3 Product Description ........................................................ 22
3.3.1 The Outdoor Unit (ODU) ................................................... 24
3.3.2 PIDU Plus – PTP 500 Series Bridge .......................................... 25
3.3.3 Redundancy and Alternate Powering Configurations ............................ 27
3.3.4 Remote LEDs and Recovery Switch .......................................... 29
3.3.5 Cables and connectors . . . ................................................... 29
3.3.6 PTP and Lightning Protection . . ............................................. 30
3.3.7 Mounting Brackets . . ....................................................... 30
3.3.8 Configuration and Management . . ............................................ 30
3.4 Warranty ................................................................. 31
4 Product Architecture . . . .................................................... 32
5 General Considerations ..................................................... 34
5.1 Spectrum Planning ......................................................... 34
5.2 Region Codes .............................................................. 35
5.3 Operational Restrictions .................................................... 37
5.3.1 Radar Avoidance . .......................................................... 37
5.3.2 RTTT Avoidance and Other Channel Use Restrictions . ......................... 38
5.3.3 Radar Avoidance, i-DFS and Variable (Narrow) Bandwidth Operation ............ 38
5.4 Variable Channel Bandwidth Operation . . ..................................... 38
5.5 5.4 GHz Specific Frequency Planning Considerations ........................... 39
5.5.1 5.4 GHz Raster Considerations . . ............................................ 39
5.5.2 5.4 GHz Transmit Power Reduction at the Band Edges . ........................ 39
5.6 5.8 GHz Specific Frequency Planning Considerations ........................... 40
5.6.1 5.8 GHz Raster Considerations . . ............................................ 40
5.6.2 5.8 GHz Transmit Power Reduction at the Band Edges . ........................ 40
5.7 Distance .................................................................. 41
5.8 Networking Information . . .................................................. 41
5.9 Lightning Protection and regulations . . . ...................................... 41
5.10 Electrical Requirements . .................................................... 41
6 Site Planning . ............................................................. 42
6.1 Site Selection Criteria ...................................................... 42
6.1.1 ODU Site Selection ........................................................ 42
6.1.2 PTP 500 Series Bridge PIDU Plus Site Selection ............................... 42
6.1.3 Path Loss Considerations ................................................... 42
8
6.1.4 Definitions . ............................................................... 43
6.1.5 5.4 GHz Product Variant - Link Loss, Output Power and System Thresholds
versus Modulation Mode .................................................... 44
6.1.6 5.8 GHz Product Variant - Link Loss, Output Power and System Thresholds
versus Modulation Mode .................................................... 45
7 Installation . . .............................................................. 46
7.1 Preparation . . . ............................................................ 46
7.2 Installation Procedure ...................................................... 46
7.3 Tools Required . . .......................................................... 46
7.4 Installation Support . ....................................................... 46
7.5 Legal Disclaimer . . ......................................................... 47
7.6 Mounting the ODUs . . . ..................................................... 47
7.7 Connecting Up . . . ......................................................... 48
7.7.1 Preparing the PIDU Plus To ODU Cable . . . .................................. 48
7.7.2 Making the Connections at the ODU ......................................... 50
7.7.3 Making the PTP 500 Series Bridge PIDU Plus Connection At The ODU . . ........ 51
7.7.4 Routing the Cable . ........................................................ 52
7.7.5 Fitting a Lightning Protection Unit .......................................... 52
7.7.6 Grounding the Installation . . . ............................................... 52
7.7.7 Making the ODU Connection at the PTP 500 Series Bridge PIDU Plus . .......... 53
7.7.8 Making the Network Connection at The PIDU Plus – PTP 500 Series Bridge ...... 54
7.7.9 Mounting the PTP 500 Series Bridge PIDU Plus . .............................. 54
7.7.10 Powering Up .............................................................. 55
7.7.11 Aligning the PTP 500 Series Bridge ODUs . . . ................................. 56
8 WebPageReference ........................................................ 58
8.1 Home Page – PTP 500 Series Bridge ......................................... 59
8.1.1 Home Page Alarm Display . ................................................. 59
8.2 Systems Status Page ....................................................... 61
8.3 System Administration Pages ................................................ 65
8.3.1 System Configuration . . . .................................................... 66
8.3.2 Statistics Page . . . .......................................................... 78
8.3.3 Detailed Counters Page . .................................................... 81
8.3.4 Install Pages . . ............................................................ 82
8.3.5 Graphical Install . . ......................................................... 94
8.3.6 Software Upgrade .......................................................... 95
8.3.7 Spectrum Management ..................................................... 98
8.3.8 Spectrum Management (Fixed Frequency) ................................... 105
8.3.9 Spectrum Management Control – With Operational Restrictions . . . ............. 107
8.3.10 Remote Management Page . . . .............................................. 111
8.3.11 Diagnostics . . . ............................................................ 116
8.3.12 Change System Administration Password .................................... 119
8.3.13 License Key . . . ........................................................... 119
8.3.14 Properties ................................................................ 121
8.3.15 Reboot . ................................................................. 122
9 RecoveryMode ........................................................... 123
9.1 Upgrade Software Image ................................................... 125
9.2 Reset IP and Ethernet Configuration ........................................ 126
9.3 Erase Configuration . . . .................................................... 128
9.4 Erase Security Parameters . . . .............................................. 130
9
9.5 Reboot .................................................................. 131
10 Fault Finding ............................................................ 132
10.1 Hardware ................................................................ 132
10.1.1 Power ................................................................... 132
10.1.2 Ethernet . . ............................................................... 132
10.1.3 Checking your wiring . ..................................................... 133
10.2 Radio ................................................................... 134
10.2.1 No Activity . . . ........................................................... 134
10.2.2 Some Activity ............................................................ 134
11 Lightning Protection . ..................................................... 135
11.1 Overview . . .............................................................. 135
11.1.1 Lightning Protection Zones . . . .............................................. 135
11.2 Detailed Installation . ...................................................... 137
11.3 Testing Your Installation ................................................... 139
11.3.1 Pre-Power Testing . . . ..................................................... 140
11.3.2 Post-Power Testing ........................................................ 140
11.4 Locating the Fault . ....................................................... 142
12 Wind Loading . ........................................................... 143
12.1 General .................................................................. 143
12.2 Calculation of Lateral Force . . .............................................. 143
12.3 Capabilities of the PTP 500 Series Bridges . . . ................................ 144
12.4 Wind Speed Statistics . .................................................... 144
13 PTP 500 Series Bridge - Connectorized Model . . . ............................. 145
13.1 Scope . . ................................................................. 145
13.2 Product Description ....................................................... 145
13.2.1 Hardware ................................................................ 145
13.2.2 Antenna Choices – 5.8 GHz . . .............................................. 145
13.2.3 Antenna Choices – 5.4 GHz . . .............................................. 146
13.3 Software/Features . ........................................................ 146
13.3.1 Status Page . . . ........................................................... 146
13.3.2 Configuration Pages . . . .................................................... 147
13.3.3 Installation Pages . . . ...................................................... 148
13.4 Deployment Considerations ................................................ 150
13.5 Link Budget . . ............................................................ 151
13.6 Regulatory Issues . . ....................................................... 151
13.6.1 Antenna Choice (FCC and Industry Canada Regions Only) . . . ................. 151
13.6.2 Cable Losses (FCC Regions Only) . . . ........................................ 152
13.6.3 Antennas for USA / Canada – 5.8 GHz ...................................... 153
13.6.4 Antennas for USA / Canada – 5.4 GHz ...................................... 157
13.7 Installation . .............................................................. 158
13.7.1 Antenna Choice ........................................................... 158
13.7.2 Cables and Connectors . . .................................................. 159
13.7.3 Tools . . . ................................................................. 159
13.7.4 Miscellaneous supplies ..................................................... 159
13.7.5 Mounting the Connectorized 500 Series Bridge ................................ 159
13.7.6 Mounting the antennas .................................................... 160
13.7.7 Alignment Process ........................................................ 160
13.7.8 Aligning Dual Polar Antennas .............................................. 160
13.7.9 Aligning Separate Antennas . ............................................... 160
10
13.7.10 Completing the Installation ................................................ 161
13.7.11 Antenna Cable Fixing . .................................................... 161
13.7.12 Antenna Connection Weatherproofing . . ..................................... 161
13.8 Additional Lightning Protection . ........................................... 162
13.8.1 ODU Mounted Outdoors ................................................... 162
13.8.2 ODU Mounted Indoors . ................................................... 163
14 Data Rate Calculations . . .................................................. 164
15 AES Encryption Upgrade . ................................................. 172
15.1 Configuring Link Encryption . . . ............................................ 172
15.1.1 License Keys ............................................................. 172
15.1.2 Encryption Mode and Key . ................................................ 173
15.2 Wireless Link Encryption FAQ . ............................................ 175
15.2.1 Encryption data entry fields are not available ................................. 175
15.2.2 Link fails to bridge packets after enabling link encryption . . .................... 175
15.2.3 Loss of AES following downgrade ........................................... 175
16 Legal and Regulatory Notices . . . ............................................ 176
16.1 Important Note on Modifications . . ......................................... 176
16.2 National and Regional Regulatory Notices – 5.8 GHz variant . . . ................ 176
16.2.1 European Union Notification ............................................... 177
16.2.2 UK Notification .......................................................... 178
16.3 National and Regional Regulatory Notices – 5.4 GHz Variant ................... 178
16.3.1 U.S. Federal Communication Commission (FCC) and Industry Canada (IC)
Notification . . . ........................................................... 178
16.3.2 European Union Notification ............................................... 179
16.4 Exposure . . . ............................................................. 180
16.5 Legal Notices ............................................................. 180
16.5.1 Motorola Inc. End User License Agreement .................................. 180
16.5.2 Limit of Liability ......................................................... 186
17 Specifications . . ........................................................... 187
17.1 System Specifications ...................................................... 187
17.1.1 Wireless 5.4GHz Variant . .................................................. 187
17.1.2 Wireless 5.8GHz Variant . .................................................. 188
17.1.3 Management . ............................................................ 189
17.1.4 Ethernet Bridging . ........................................................ 189
17.1.5 Physical . . . .............................................................. 190
17.1.6 Powering . . ............................................................... 190
17.2 Safety Compliance ........................................................ 190
17.3 EMC Emissions Compliance . . . ............................................. 190
17.3.1 5.4GHz Variant ........................................................... 190
17.3.2 5.8GHz Variant ........................................................... 190
17.4 EMC Immunity Compliance . . .............................................. 191
17.5 Radio Certifications ....................................................... 191
17.5.1 Radio Certifications - 5.4 GHz Variant ....................................... 191
17.5.2 Radio Certifications - 5.8 GHz Variant ....................................... 192
17.6 Environmental Specifications . . ............................................. 192
17.7 System Connections ....................................................... 193
17.7.1 PIDU Plus to ODU and ODU to Network Equipment Connections . . ............ 193
18 FAQs .................................................................... 194
19 Glossary ................................................................. 196
11
List of Figures
1 Typical PTP 500 Series Bridge Deployment ................................... 22
2 PTP 500 Series Bridge Outdoor Unit (ODU) with PTP-LPU . . .................. 24
3 Power Indoor Unit (PIDU Plus) – PTP 500 Series . . . .......................... 25
4 PIDU Plus Recovery Switch Location ......................................... 25
5 PTP 500 Series Bridge PIDU Plus Power Input . ............................... 26
6 PTP 500 Series Bridge PIDU Plus to ODU Cable Length Graph . ................ 27
7 External DC Supply Only . . ................................................. 27
8 External DC Supply and AC Supply ......................................... 28
9 External DC Supply and Redundant AC Supply . .............................. 28
10 Remote LED and Recovery Switch Wiring . . . ................................. 29
11 PTP 500 Series Bridge Layer Diagram ........................................ 33
12 5.8 GHz UK RTTT Channel Avoidance – 15 MHz Channel Bandwidth Only ....... 38
13 5.4 GHz Available Spectrum Settings – 15 MHz Channel Bandwidth . ............. 39
14 5.8 GHz Available Spectrum Settings – 15 MHz Channel Bandwidth . ............. 40
15 Mounting to pole diameters 25mm (1”) to 50mm (2”) .......................... 47
16 Integral Safety Loop ........................................................ 48
17 Correct Cable Preparation for the Recommended Cable . ........................ 49
18 Completed ODU Connector . . . .............................................. 50
19 Warning Not To Over tighten Cable Gland .................................... 50
20 PTP 500 Series Bridge PIDU Plus Connexion . . ............................... 50
21 Connecting the PIDU+ to the ODU . ......................................... 51
22 Disconnecting the ODU . . ................................................... 52
23 Making the Network Connection at the PIDU Plus ............................. 54
24 PTP 500 Series PIDU Plus Drip Loop Configuration ........................... 55
25 Menu Navigation Bar ....................................................... 58
26 System Summary Page . . ................................................... 59
27 Alarm Warning Triangle . . .................................................. 60
28 Status Page ............................................................... 62
29 System Administration Login Page ........................................... 65
30 System Configuration Page . ................................................. 67
31 LAN Configuration Page . . . ................................................. 68
32 Configuration Reboot Page . . . ............................................... 70
33 Configuration Reboot Page – Ethernet Auto Negotiation Disabled . . . ............. 70
34 VLAN Configuration Fields . . ............................................... 71
35 LAN Configuration Page – Manual Ethernet Configuration . . .................... 72
36 Save and Restore Configuration Page ......................................... 73
37 Save Configuration File Screen . . . ............................................ 74
38 PTP 500 Example Configuration File . . ....................................... 75
39 Restore Configuration File Pop Up Screen . . . .................................. 76
40 Reset Configuration and Reboot Confirmation Pop-up . . . ....................... 76
41 System Statistics . . ......................................................... 78
42 Detailed Counters Page . . . .................................................. 81
43 License Key Data Entry . . .................................................. 84
44 Installation Wizard Internet Protocol Configuration ............................ 85
45 VLAN Warning ............................................................ 86
46 5.8 GHz and 5.4 GHz Variants - Installation Wizard Wireless Configuration ....... 86
47 5.8 GHz and 5.4 GHz Variants - Fixed Frequency Operation . . . .................. 89
12
48 5.8 GHz and 5.4 GHz Variants - Installation Wizard Confirm Configuration . ...... 90
49 Reboot Confirmation Pop Up ................................................ 91
50 5.8 GHz and 5.4 GHz Variant - Disarm Installation ............................ 92
51 Optional Post Disarm Configuration 2 . ....................................... 93
52 Optional Post Disarm Configuration 1 . ....................................... 93
53 Graphical Installation Screen . . . ............................................. 94
54 Software Upgrade . . ........................................................ 95
55 Software Upgrade Image Check .............................................. 96
56 Software Download Progress Indicator ........................................ 97
57 Software Upgrade Complete . ................................................ 97
58 Reboot Confirmation Pop Up ................................................ 97
59 Spectrum Management as seen from the Master . . . ............................ 100
60 Spectrum Management as seen from the Slave ................................ 101
61 Example Spectrum Management Graphic . . . ................................. 103
62 Active Channel History Screen . . ............................................ 104
63 Spectrum Management Time Series Plot ..................................... 105
64 Spectrum Management Fixed Frequency Screen ............................... 106
65 Spectrum Management Help Page (Fixed Frequency) . ......................... 107
66 Spectrum Management Master Screen With Operational Restrictions . . .......... 108
67 Spectrum Management Slave Screen With Operational Restrictions ............. 109
68 Remote Management ...................................................... 112
69 Warning when disabling HTTP Interface ..................................... 113
70 Remote Management – Diagnostic Alarms . .................................. 114
71 Diagnostic Plotter ........................................................ 117
72 CSV Download . . ......................................................... 118
73 Password Change . . ....................................................... 119
74 Software License Key Data Entry ........................................... 120
75 LicenseKeyrebootScreen ................................................. 120
76 Reboot Confirmation Pop Up ............................................... 121
77 Properties . ............................................................... 121
78 SystemReboot ........................................................... 122
79 Reboot Confirmation Pop Up ............................................... 122
80 Recovery Mode Warning Page .............................................. 123
81 Recovery Options Page . . . ................................................. 124
82 Software Download Progress Indicator Page .................................. 125
83 Software Download Complete Page .......................................... 125
84 Reboot Confirmation Pop Up ............................................... 126
85 Confirm Reset to Factory Default Pop Up .................................... 126
86 IP and Ethernet Erased Successfully page .................................... 127
87 Reboot Confirmation Pop Up ............................................... 127
88 Confirm Erase Configuration Pop Up ........................................ 128
89 Erase Configuration Successful Page . . . ...................................... 129
90 Erase Configuration – Reboot Confirmation Pop Up . .......................... 129
91 Confirm Zeroise Security Parameters Pop Up ................................. 130
92 Zeroise Parameters Successful Page .......................................... 131
93 Recovery – Reboot Confirmation Pop Up .................................... 131
94 ODU mounted in Zones A and B . .......................................... 136
95 Showing how the use of a Finial enables the ODU to be mounted inside Zone B . . . 136
96 Diagrammatically Showing Typical Mast and Wall Installations . . . .............. 138
13
97 PTPLPUEndKit ........................................................ 138
98 Simplified Circuit Diagram . ................................................ 139
99 PTPLPUtestPoints ...................................................... 142
100 Connectorized 500 Series Bridge Outdoor Unit . ............................... 145
101 Connectorized 500 Series bridge Status Page . ................................ 147
102 Connectorized 500 Series bridge ‘System Configuration’ Page ................... 147
103 Connectorized PTP 500 Series Bridge ‘Installation Wizard’ Page ................ 148
104 Connectorized 500 Series bridge ‘Confirm Installation’ Page . . . ................. 149
105 Connectorized 500 Series bridge ‘Disarm Installation’ Page . . ................... 150
106 Forming a Drip Loop . ..................................................... 161
107 Weatherproofing the Antenna Connections . .................................. 162
108 Additional Grounding When Using Connectorized Units . . . .................... 162
109 Lightning Arrestor Mounting ............................................... 163
110 Polyphaser Assembly . . . ................................................... 163
111 BPSK 0.50 Single Payload . . . .............................................. 164
112 QPSK 0.50 Single Payload . ................................................ 165
113 QPSK 0.75 Single Payload . ................................................ 165
114 16 QAM 0.50 Single Payload ............................................... 166
115 16 QAM 0.75 Single Payload ............................................... 166
116 64 QAM 0.67 Single Payload ............................................... 167
117 64 QAM 0.83 Single Payload ............................................... 167
118 256 QAM 0.75 Single Payload .............................................. 168
119 QPSK 0.50 Dual Payload . ................................................. 168
120 QPSK 0.75 Dual Payload . ................................................. 169
121 16 QAM 0.50 Dual Payload ................................................ 169
122 16 QAM 0.75 Dual Payload ................................................ 170
123 64 QAM 0.67 Dual Payload ................................................ 170
124 64 QAM 0.83 Dual Payload ................................................ 171
125 256 QAM 0.75 Dual Payload ............................................... 171
126 AES Software License Key Data Entry ...................................... 173
127 AES Configuration Data Entry Page . ....................................... 174
128 Configuration Reboot Screen ............................................... 175
129 Cable Connection Diagram (T568B Color Coding) ............................ 193
14
List of Tables
1 Fonttypes ................................................................ 15
2 Admonition types . . ........................................................ 16
3 Power Compliance Margins .................................................. 19
4 Contact Information . ....................................................... 21
5 PTP 500 Series Bridge Variants .............................................. 34
6 5.8 GHz Band Edge Tx Power Reduction . .................................... 41
7 5.4GHz - IP Mode - Sensitivity Figures . . ..................................... 44
8 5.4GHz -TDM Mode - Sensitivity Figures . . . .................................. 44
9 5.8GHz - IP Mode - Sensitivity Figures . . ..................................... 45
10 5.8GHz - TDM Mode - Sensitivity Figures . . . ................................. 45
11 Audio indications from the ODU ............................................. 56
12 500 Series Bridge Factory Configuration Values ................................ 83
13 Spectrum Management change state key . . ................................... 104
14 Spectrum Management Time Series Key . . . .................................. 105
15 Spectrum Management Change State Key With Operational Restrictions . . . ..... 110
16 Protection Requirements ................................................... 137
17 Resistance Table Referenced to the RJ45 at the PIDU Plus . . .................. 140
18 Lateral Force – Imperial . . . ................................................ 143
19 Lateral Force – Metric ..................................................... 143
20 Cable Losses per Length ................................................... 152

About This User Guide
15
1 About This User Guide
This guide covers the installation, commissioning, operation and fault finding of the Motorola PTP
500 Series of Point-to-Point Wireless Ethernet Bridges.
1.1 Interpreting Typeface and Other Conventions
This document employs distinctive fonts to indicate the type of information, as described in
Table 1.
Font Type of Information
variable width bold Selectable option in a graphical user interface or settable
parameter in a web-based interface.
constant width regular Literal system response in a command-line interface.
constant width italic Variable system response in a command-line interface.
constant width bold Literal user input in a command-line interface.
constant width bold italic Variable user input in a command-line interface.
Table 1 Font types
This document employs specific imperative terminology as follows:
•Type means press the following characters.
•Enter means type the following characters and then press Enter.
•Highlight means click anywhere in a row of data to highlight the entire row.
•Select means use the mouse to click on or branch to the menu item that follows.
Use this table and the Glossary to aid in interpreting the technical acronyms used throughout this
User Guide.

About This User Guide
16
This document also employs a set of consistently used admonitions. Each type of admonition has
a general purpose that underlies the specific information in the box. These purposes are indicated
in Table 2.
Admonition
Label
General Message
Note Informative content that may:
•Defy common or cursory logic.
•Describe a peculiarity of the 500 Series solutions implementation.
•Add a conditional caveat.
•Provide a reference.
•Explain the reason for a preceding statement or provide background for
what immediately follows.
Recommendation Suggestion for an easier, quicker, or safer action or
practice.
Informative content that may:
•Identify an indication that you should watch for.
•Advise that your action can disturb something that you may not want
disturbed.
•Reiterate something that you presumably know but should always keep in
mind.
Caution! A notice that the risk of harm to equipment or service exists.
Warning! A notice that the risk of harm to person exists.
Table 2 Admonition types
1.2 Getting Additional Help
To get information or assistance as soon as possible for problems that you encounter, use the
following sequence of action:
1. Search this document, the user manuals that support the modules, and the software release
notes of supported releases:
a. In the Table of Contents for the topic.
b. In the Adobe Readersearch capability for keywords that apply.2
2. Visit the Motorola website at http://www.motorola.com/ptp
Reader is a registered trademark of Adobe Systems, Incorporated.
2
About This User Guide
17
3. Ask your Motorola products supplier to help.
4. Gather information from affected units such as:
a. the IP addresses and MAC addresses
b. the software releases
c. the configuration of software features
d. any available diagnostic downloads
5. Escalate the problem to Motorola Technical Support as follows. You may either:
a. Send e-mail to support.ptp@motorola.com
b. Call our 24x7 Technical Support Center on +1 (0) 877 515 0400 (Worldwide) or +44 (0)
808 234 4640 (UK Customers).
For warranty assistance, contact your reseller or distributor for the process.
1.2.1 Sending Feedback
We welcome your feedback on the PTP 500 Series Bridge system documentation
support.ptp@motorola.com.
This includes feedback on the structure, content, accuracy, or completeness of our documents, and
any other comments you have.

Avoiding Hazards
18
2 Avoiding Hazards
2.1 Preventing Overexposure to RF Energy
Caution To protect from overexposure to RF energy, install the radios for the 500 family of PTP
wireless solutions so as to provide and maintain the minimum separation distances from all persons
as shown in Table 3.
When the system is operational, avoid standing directly in front of the antenna. Strong RF fields
are present when the transmitter is on. The Outdoor Unit (ODU) must not be deployed in a
location where it is possible for people to stand or walk inadvertently in front of the antenna.
At these and greater separation distances, the power density from the RF field is below generally
accepted limits for the general population.
Note These are conservative distances that include compliance margins.
2.1.1 Calculations for Separation Distances and Power Compliance Margins
Limits and guidelines for RF exposure come from:
•US FCC limits for the general population. See the FCC web site at http://www.fcc.gov,
and the policies, guidelines, and requirements in Part 1 of Title 47 of the Code of Federal
Regulations, as well as the guidelines and suggestions for evaluating compliance in FCC OET
Bulletin 65.
•Health Canada limits for the general population.
See the Health Canada web site at
http://www.hc-sc.gc.ca/ewh-semt/pubs/radiation/99ehd-dhm237/limits-limites_e.html
and Safety Code 6.
•ICNIRP (International Commission on Non-Ionizing Radiation Protection) guidelines for the
general public. See the ICNIRP web site at http://www.icnirp.de/ and Guidelines for
Limiting Exposure to Time-Varying Electric, Magnetic, and Electromagnetic Fields.
The applicable power density exposure limits from the documents referenced above are:
•6 W/m2 for RF energy in the 900-MHz frequency band in the US and Canada.
•10 W/m2 for RF energy in the 2.4-, 5.2-, 5.4-, and 5.8-GHz frequency bands.
Peak power density in the far field of a radio frequency point source is calculated as follows:
S=P.G
4πd2(1)
Where:-
S= power density W/m2
P= Maximum Average transmit power capability of the radio W
G= total Tx gain as a factor, converted from dB
d= distance from point source m

Avoiding Hazards
19
Rearranging terms to solve for distance yields
d=P.G
4πS (2)
2.1.1.1 Calculated Distances and Power Compliance Margins
Table 3 shows calculated minimum separation distances d, recommended distances and resulting
power compliance margins for each frequency band and antenna combination.
Band Antenna Max
Average
Transmit
Power in
Burst (Watt)
Variable D
(m)
Recom-
mended
Distance (m)
Power
Compliance
Margin
P
(Watt)
G S
(W/m2)
5.4
GHz
Integrated 0.005
(7dBm)
0.00250 200
(23dBi)
10 0.06 1 15.9
External
3ft Dish
0.00035
(-4.6dBm)
0.00017 2884
(34.6dBi)
10 0.06
5.8
GHz
Integrated 0.32
(25dBm)
0.16 200
(23dBi)
10 0.5 2 4.0
External
2ft Flat
Plate
0.32
(25dBm)
0.16 631
(28dBi)
10 0.9 4 4.5
External
6ft Dish
0.32
(25dBm)
0.16 6310
(38dbi)
10 2.83 10 3.5
Table 3 Power Compliance Margins
Notes:
1. The regulations require that the power used for the calculations is the maximum power in the
transmit burst subject to allowance for source-based time-averaging.
2. At 5.4GHz the product is generally to a fixed EIRP which can be achieved with the Integrated
Antenna. If there are no EIRP limits, use the distance calculations for 5.8GHz.
3. At 5.8GHz, for antennas between 0.6m (2ft) and 1.8m (6ft), alter the distance proportionally
to the antenna gain

Getting Started
20
3 Getting Started
3.1 For Your Safety
WARNING: Use extreme care when installing antennas near power lines.
WARNING: Use extreme care when working at heights.
WARNING: The Outdoor Unit (ODU) for the PTP 500 Series Bridge must be properly grounded
to protect against lightning. It is the user’s responsibility to install the equipment in accordance
with Section 810 of the National Electric Code, ANSI/NFPA No.70-1984 or Section 54 of the
Canadian Electrical Code. These codes describe correct installation procedures for grounding the
outdoor unit, mast, lead-in wire and discharge unit, size of grounding conductors and connection
requirements for grounding electrodes. It is recommended that installation of the outdoor unit be
contracted to a professional installer.
WARNING: The ODU for the PTP 500 Series Bridge must be grounded to a Protective Earth
in accordance with the Local Electrical Regulations.
WARNING: It is recommended that the supplied Power Indoor Plus (PIDU Plus) – PTP 500
Series is used to power the PTP 500 Series Bridge ODU. The use of other power sources may
invalidate safety approval and affect your warranty.
WARNING: When using alternate DC supplies (via the PIDU Plus DC in terminals as described
in Section 3.3.3 “Redundancy and Alternate Powering Configurations”), such as battery-backed
DC power source, the supply MUST comply with the following requirements:
•The voltage and polarity is correct and is applied to the correct terminals in the PIDU Plus
•The power source is rated as SELV
•The power source is rated to supply at least 1A continuously, and
•The power source cannot provide more than the Energy Hazard Limit as defined by IEC/EN/UL6090,
Clause 2.5, Limited Power (The Energy Hazard Limit is 240VA)
CAUTION: Users and installers should note that the main power supply is the primary disconnect
device.
CAUTION: Safety will be compromised if external quality cables are not used for connections
that will be exposed to the weather.
CAUTION: Safety will be compromised if a different power supply is used than the one supplied
by Motorola as part of the system.
3.2 Welcome
Congratulations on the purchase of the PTP 500 Series Bridge from Motorola. The PTP 500
Series Bridge is the latest innovation in high-speed wireless networking that lets you deploy wireless
networks in areas previously unattainable.

Getting Started
21
3.2.1 Who Should Use This Guide?
The guide is for use by the system installer and the end user IT professional. The system installer
will require expertise in the following areas:
•Outdoor radio equipment installation
•Network configuration
•Use of web browser for system configuration, monitoring and fault finding
3.2.2 Contact Information
Postal Address: Motorola, Inc.
Unit A1, Linhay Business Park,
Eastern Road,
Ashburton,
Devon. TQ13 7UP
United Kingdom
Web Site: http://www.motorola.com/ptp
Sales Enquiries: sales.ptp@motorola.com
Web Support: http://www.motorola.com/ptp
Email Support: support.ptp@motorola.com
All Other Enquiries: info.ptp@motorola.com
Telephone Enquiries and Global Support: +1 (0) 877 515 0400 (Toll Free in the USA) and
+44 (0) 808 234 4640 (Toll Free in the Uk).
Table 4 Contact Information
3.2.3 Repair and Service
For unit repair or service, contact your service provider or an authorized Motorola Point-to-Point
Distributor for Return Material Authorization (RMA) and shipping instructions. Alternatively,
contact the PTP Global Technical Support Center to process an RMA.

Getting Started
22
3.3 Product Description
This User Manual is specifically written for the 500 family of point-to-point broadband wireless
solutions. The PTP 500 Series Bridge has been developed to provide Point-to-Point data connec-
tivity via a 5.4 GHz or 5.8 GHz wireless Ethernet bridge operating at broadband data rates. The
PTP 500 Series Bridge is aimed at a wide range of applications. An example application is an
enterprise that has a requirement to connect together the Local Area Network (LAN) of two or
more buildings as shown in Figure 1.
Figure 1 Typical PTP 500 Series Bridge Deployment
The PTP 500 Series Bridge offers true non-line-of-sight (NLOS) operation by using a combination
of Orthogonal Frequency Division Multiplexing (OFDM) modulation and Multiple-Input Multiple-
Output (MIMO) techniques. These technologies enable the PTP 500 Series Bridge to drive through
foliage and around buildings to such an extent that almost universal coverage can be expected at
short range.
A PTP 500 Series Bridge system consists of a pair of identical devices that are deployed one at
each end of the link. At installation, the user sets up one unit as the Master and the other as the
Slave. Either unit can be configured as Master or Slave.
Each end of the link consists of:
•An integrated (or connectorized - see section 13) outdoor transceiver unit containing all the
radio and networking electronics hereafter referred to as the Outdoor Unit (ODU).
•An indoor connection box containing a mains power supply, status indicators and network
connection port. Hereafter referred to as the Power Indoor Unit Plus (PIDU Plus).
Getting Started
23
A pair of units is normally supplied pre-configured as a link.
The network connection to a PTP 500 Series Bridge is made via a 100BaseT Ethernet connection.
Power is provided to the ODU over the 100BaseT Ethernet connection using a patented non-
standard powering technique.
Power is fed into the PTP 500 Series Bridge PIDU Plus from the mains via a standard “figure of
eight” mains plug. Connection between the ODU and PIDU Plus is made using standard CAT5e
outdoor UV resistant cable. Connection between the PIDU Plus and the Network Equipment is
made using standard CAT5e cable.

Getting Started
24
3.3.1 The Outdoor Unit (ODU)
The ODU is a self-contained unit. It houses both radio and networking electronics. The ODU
for the PTP 500 Series Bridge should only be deployed using the supplied PTP 500 Series Bridge
PIDU Plus. Figure 2 shows an installation example of a PTP 500 Series ODU with a Motorola
lightning protection unit (PTP-LPU).
Figure 2 PTP 500 Series Bridge
Outdoor Unit (ODU) with PTP-LPU

Getting Started
25
3.3.2 PIDU Plus – PTP 500 Series Bridge
The PTP 500 Series Bridge PIDU Plus is used to generate the ODU supply voltage from the
mains supply and inject this supply voltage into the 1000BaseT Ethernet connection to the ODU.
Connection uses a CAT5e cable using standard RJ45 wiring.
CAUTION: Care should be taken not to connect equipment other than an ODU for the PTP 500
Series Bridge to a PIDU Plus ODU port as equipment damage may occur. The PTP 500 Series
Bridge PIDU Plus is not interchangeable with the PTP 400 Series PIDU Plus but can be used
with the PTP 600 Series.
Figure 3 Power Indoor Unit
(PIDU Plus) – PTP 500 Series
The front panel contains indicators showing the status of the power and Ethernet connections.
The power indicator is illuminated when the PIDU Plus is receiving mains power.
The Ethernet indicator normally illuminates when the Ethernet link is working, flashing when
there is Ethernet activity. The fact that it lights also indicates that the ODU is powered. At
power up the LED will flash 10 times to indicate that a correct start up sequence has occurred.
See Section 10 “Fault Finding” for further fault finding information.
At the bottom of the PIDU Plus is an entry point for the PIDU Plus to ODU cable, the 100BaseT
Ethernet network port and the Recovery switch.
Figure 4 PIDU Plus Recovery Switch Location

Getting Started
26
The Recovery switch is used to recover the unit from configuration errors or software image corrup-
tion. To put a PTP 500 Series Bridge into Recovery mode the Recovery switch should be pressed
then the power applied. The Recovery switch should be kept pressed for at least 30 seconds after
the power has been applied. Full instruction on the recovery mode can be found in Section 9
“Recovery Mode”.
A simple reboot can be performed by removing and re-applying the mains power to the PTP 500
Series Bridge PIDU Plus.
On the left hand side of the PIDU Plus, 48V DC input and output connections can be found. These
are used to power the PTP 500 Series Bridge from an external DC source or to provide a level
of power supply redundancy, as shown in Section 3.3.3 “Redundancy and Alternate Powering
Configurations”.
WARNING: When using alternate DC supplies the supply MUST comply with the following
requirements:
•The voltage and polarity is correct and is applied to the correct terminals in the PIDU Plus
•The power source is rated as SELV
•The power source is rated to supply at least 1A continuously
•The power source cannot provide more than the Energy Hazard Limit as defined by IEC/EN/UL6090,
Clause 2.5, Limited Power (The Energy Hazard Limit is 240VA)
Also on the left hand side of the PTP 500 Series Bridge PIDU Plus, connectors and jumpers can
be found that allow the remote connection of power LED, Ethernet LED and Recovery switch.
The connection instructions can be found in Section 3.3.4 “Remote LEDs and Recovery Switch”.
The input supply range for the 500 Series PIDU Plus is 90V-264V AC, 47-63Hz. Mains connection
to the PIDU Plus is made using a standard “figure of eight” mains lead as shown in Figure 5.
Figure 5 PTP 500 Series Bridge PIDU
Plus Power Input

Getting Started
27
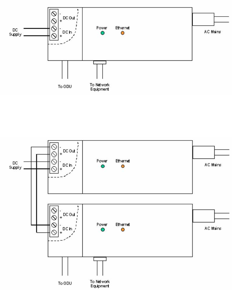
3.3.3 Redundancy and Alternate Powering Configurations
NOTE: The use of DC supplies of less than 55v will reduce the usable distance between the PIDU
Plus and ODU see Figure 6.
Figure 6 PTP 500 Series Bridge PIDU
Plus to ODU Cable Length Graph
CAUTION: The maximum distance from the ODU to the connected network equipment is 100m
(330 ft) when using 100BaseT.
3.3.3.1 External DC Supply Only
For use where there is no mains supply.
Figure 7 External DC Supply Only

Getting Started
28
3.3.3.2 External DC Supply and AC Supply
To give redundancy through the use of mains and DC supply.
Figure 8 External DC Supply and AC Supply
3.3.3.3 External DC Supply and Redundant AC Supply
To guard against mains failure, DC supply failure of PTP 500 Series Bridge PIDU Plus failure.
Figure 9 External DC Supply and Redundant AC Supply

Getting Started
29
3.3.4 Remote LEDs and Recovery Switch
The PTP 500 Series Bridge PIDU Plus provides a facility to connect remote LEDs and Recovery
switch allowing the PIDU Plus to be mounted inside an enclosure. At the left hand end of the PIDU
Plus under the ODU connection cover can be found a PCB header and three jumpers. Jumpers
J906 and J907 should be removed and connection to the remote LEDs and Recovery switch made
to J908 as shown in Figure 10.
Figure 10 Remote LED and Recovery Switch Wiring
3.3.5 Cables and connectors
The cable used to connect the PTP 500 Series Bridge PIDU Plus to the ODU can be any standard
CAT5e type provided that it is suitable for outdoor deployment. Motorola recommends that cables
to the specification below be used:
Cable: Superior Essex BBDGE CAT 5e
Connector Type: Tyco, 5-558530-1
Gland: Motorola WB1811

Getting Started
30
Caution: Failure to use the recommended (or equivalent) standard of cable may invalidate the
system’s safety certification.
The cable used to connect the PTP 500 Series Bridge PIDU Plus to the users Network Equipment
can be any standard CAT5e Cable.
The PIDU Plus to ODU and the PIDU Plus to Network Equipment cables may be unscreened
(UTP) or screened (STP). However, unscreened cables reduce the system’s ability to cope with
nearby lightning strikes. If lightning activity is common in the area of deployment, the use of
screened cable is highly recommended. See Section 11 “Lightning Protection”.
The PIDU Plus provides screen continuity between the ODU and Network Equipment connections.
Note:The ODU network connection implements automatic MDI/MDI-X sensing and pair swapping
allowing connection to networking equipment that require cross-over cables (MDI-X networks) or
straight-through cables (MDI Networks).
3.3.6 PTP and Lightning Protection
The PTP 500 Series Bridge PIDU Plus meets the low level static discharge specifications identified
in Section 17 “Specifications”, but does not provide lightning or surge suppression. Installations
will generally require lightning or surge suppression, a separate Ethernet surge suppressor must
be used and appropriately earthed. Suitable surge suppressors can be sourced from your Motorola
Point-to-Point Distributor or Solutions Provider. See Section 11 “Lightning Protection”.
3.3.7 Mounting Brackets
The PTP 500 Series Bridge is supplied with a mounting bracket suitable for mounting the ODU
to a pole of 50mm (2”) to 75mm (3”) in diameter. For more details on mounting, see Section 7
“Installation”.
The bracket allows for adjustment in both azimuth and elevation. The bracket may be split
allowing the pole mount section of the bracket to be mounted to the pole first. This allows the
installer to take the weight of the unit and secure it, one handed, with a single mounting bolt.
The PIDU Plus can either be desk or wall mounted. The preference is wall mounted with the
cables dressed to a cable channel. Wall mounting is achieved by screwing through the mounting
lugs on either side of the unit. Remember to leave space for access to the Recovery button. See
Section 3.3.2 “PIDU Plus – PTP 500 Series Bridge”.
3.3.8 Configuration and Management
Configuration and Management of the PTP 500 Series Bridge is implemented using an inbuilt web
server hosting a number of Configuration and Management web pages. This approach allows Con-
figuration and Management to be carried out on any standard web browsing technology. The PTP
500 Series Bridge can also be managed remotely using the SNMP management protocol. Connec-
tion to the bridge is via the Ethernet connection carrying the bridge network traffic. Connection
to the unit is via a preset IP address. This address can be changed via the Network Interface
Configuration web page. A full explanation of the available web pages and their use can be found
in Section 8 “Web Page Reference”.
Getting Started
31
3.4 Warranty
Motorola’s standard hardware warranty is for one (1) year from date of shipment from Motorola
or a Motorola Point-to-Point Distributor. Motorola warrants that hardware will conform to the
current relevant published specifications and will be free from material defects in material and
workmanship under normal use and service. Motorola shall within this time, at its own option,
either repair or replace the defective product within thirty (30) days of receipt of the defective
product. Repaired or replaced product will be subject to the original warranty period but not less
than thirty (30) days.
Motorola warranty for software is described in details in Section 16.5.1 “Motorola Inc. End User
License Agreement”.
Product Architecture
32
4 Product Architecture
The PTP 500 Series Bridge consists of an identical pair of units deployed one at each end of the
link. The radio link operates on a single frequency channel in each direction using Time Division
Duplex (TDD). One unit is deployed as a master and the other as a slave. The master unit takes
responsibility for controlling the link in both directions. The non-line-of-sight (NLOS) aspects of
the product are provided by Multiple-Input Multiple-Output (MIMO), coupled with Orthogonal
Frequency Division Multiplexing (OFDM) modulation.
The PTP 500 Series Bridge has been developed to operate within license exempt frequency bands.
The current product range supports:
•ETSI 5.4 GHz band B (5.470-5.725 GHz)
•ETSI 5.8 GHz band C (5.725-5.850 GHz) and the USA 5 GHz ISM band (5.725-5.850 GHz)
The PTP 500 Series Bridge has been designed to coexist with other users of the band in an
optimal fashion using a combination of Transmit Power Control (TPC), Spectrum Management
functionality and Antenna beam shape.
In order to maintain link availability, the product employs adaptive modulation techniques that
dynamically reduce the data rate in severe or adverse conditions. The PTP 500 series provides
wireless Ethernet bridging between two fixed locations. To be more precise, it forwards Ethernet
frames as a two-port transparent heterogeneous encapsulation bridge, meaning that each bridge
forwards frames between two dissimilar interfaces (Ethernet and wireless), encapsulating Ethernet
MAC frames within a PTP MAC frames for transmission at the wireless interface. A link consisting
of a pair of back to back bridges appears to the data network to be very similar to a standard
two-port Ethernet bridge.
The PTP500 series provides two egress queues in each direction, classifying Ethernet frames into
one of the two prioritised queues based on inspection of the user priority field (802.1p) in the
IEEE802.1Q VLAN tag. Untagged frames receive a default priority. The queuing method is
strict priority. The bridge does not implement any VLAN functions for bridged frames apart from
inspection of the priority field, and consequently the bridge forwards tagged and untagged Ethernet
frames regardless of VLAN ID and without modification of any protocol header fields..
The management function of the PTP 500 Series Bridge is logically equivalent to a separate protocol
stack with virtual point of attachment at the Ethernet interface. This is illustrated in Figure 11.

Product Architecture
33
Figure 11 PTP 500 Series Bridge Layer Diagram
Each unit in the link is manageable through an IP connection. Standard IP protocols are utilized
for all management functions e.g., HP, SNMP, etc. The unit can be configured to use VLAN tags
on the management interfaces.
The PTP 500 Series Bridge is fully software upgradeable. New software images are first downloaded
from the Motorola website http://www.motorola.com/ptp to a convenient computer. The
image is then uploaded to the ODU via the web management page described in Section 8.3.6
“Software Upgrade”. The compressed image is first loaded into RAM and check-summed. If the
compressed image transfer has completed successfully the image is decompressed and written to
flash memory. On completion of this process the unit can be rebooted to use the newly uploaded
image. Should this process fail, the unit will revert to a protected compressed image installed
during manufacturing to allow the unit to be recovered.

General Considerations
34
5 General Considerations
5.1 Spectrum Planning
The PTP 500 Series Bridge has four frequency variants in its product range.
Band Definition Frequency
Coverage
Variable Channel
Width
Channel
Raster
5.4 GHz ETSI 5 GHz band B, USA UNII
Band
5470-5725 MHz 15 MHz 5 MHz
5.8 GHz USA ISM Band / ETSI 5 GHz
band C
5725-5850 MHz 15 MHz 5 MHz
Table 5 PTP 500 Series Bridge Variants
Note: for 5.4 GHz and 5.8 GHz, use of the product is allowed according to local regulations.
There are two distinct approaches to spectrum planning:
•First an operator can utilize the default spectrum management mode i-DFS (intelligent Dy-
namic Frequency Selection). This mode uses the PTP 500 Series Bridge ability to measure the
interference levels in all channels to build up a picture of the interference / noise levels in all
channels. The PTP 500 Series Bridge uses statistical techniques to select the most appropri-
ate transmit and receive channels. i-DFS can be influenced in its channel decision process by
selectively barring channels from use. The use of this functionality is described in detail in
Section 8.3.7 “Spectrum Management”.
•Second, when detailed control of the spectrum allocation is required, it is recommended that
the fixed frequency mode is used to statically allocate transmit and receive channels.

General Considerations
35
5.2 Region Codes
The PTP 500 Series Bridge uses a system of Region Codes to control the operation of the radio
link. The Region Code is set by a License Key.
Caution: To meet the regulatory requirements of your region you should set the correct Region
Code by obtaining a new License Key from your reseller or distributor.
Region
Code
Frequency
Band
Regulatory Body
or
Countries
Max
Tx
Power
EIRP
Limit
Operational
Restrictions (see
Section 5.3
“Operational
Restrictions”)
1 5.8 GHz FCC Compliant (e.g.
USA, Canada,
Taiwan, Brazil)
25 dBm None Reduced TX Power
at Band Edges see
Section 5.6.2 “5.8
GHz Transmit Power
Reduction at the
Band Edges”
2 5.8 GHz China 10 dBm 33 dBm
3 5.8 GHz Australia, Hong
Kong
13 dBm 36 dBm
4 5.8 GHz UK 12 dBm 35 dBm Radar Avoidance
Enabled and RTTT
(Road Transport and
Traffic Telematics,
5795 to 5815 MHz
channels cannot be
used)
5 5.8 GHz Singapore -3 dBm 20 dBm
6 5.8 GHz Eire 10 dBm 33 dBm
7 5.4/5.8 GHz Unregulated DFS
and RTTT
25 dBm None Radar Avoidance
Enabled and RTTT
(Road Transport and
Traffic Telematics,
5795 to 5815 MHz
channels cannot be
used)
8 5.4 / 5.8 GHz Unregulated Internal
Use
25 dBm None

General Considerations
36
Region
Code
Frequency
Band
Regulatory Body
or
Countries
Max
Tx
Power
EIRP
Limit
Operational
Restrictions (see
Section 5.3
“Operational
Restrictions”)
11 5.4 GHz Korea 20 dBm 43 dBm Band restricted :
5725 MHz to 5825
MHz
12 5.4 GHz USA 7 dBm 30 dBm Radar Avoidance
Enabled
13 5.4 GHz Australia, Canada 7 dBm 30 dBm Radar Avoidance
Enabled Weather;
Radar Band (5600 to
5650 MHz) barred
16 2.5 GHz USA 23 dBm >=63 dBm Licensed Band
operation. Note
Power reduction in
the Upper Band.
18 2.5 GHz Taiwan 23 dBm Channel 2590 MHz
should not be used
because of in-band
interference.
19 5.8 GHz India 13 dBm 36 dBm 5.825 MHz to 5.850
MHz Only
20 5.4 / 5.8 GHz Thailand 7 dBm 30 dBm Fixed Power for all
bandwidths.
21 5.4 GHz Korea 5 dBm 28 dBm Maximum Channel
Bandwidth 20 MHz.
5470 MHz to 5650
MHz only.
22 5.8 GHz Germany 12 dBm 35 dBm 5755 MHz to 5850
MHz only.
23 4.5 GHz Military 25 dBm None
24 5.8 GHz Bahrain 20 dBm 33 dBm
26 5.4 GHz ETSI 7 dBm 30 dBm Radar Avoidance
Enabled Weather;
Radar Band (5600 to
5650 MHz) barred

General Considerations
37
Note: For Region Code 16, the EIRP limit is approximately 63 dBm + 10 x Log(360/Antenna
Azimuth BW.
When shipped from the factory units3are configured as follows:
•PTP 500 Series Bridge 5.4 GHz – Region Code 264
•PTP 500 Series Bridge 5.8 GHz – Region Code 1
5.3 Operational Restrictions
5.3.1 Radar Avoidance
Radar Avoidance requires that equipment used in the region:
•Detects interference from other systems and avoids co-channel operation with these systems,
notably radar systems.
•Provide on aggregate a uniform loading of the spectrum across all devices, i.e. Fixed Frequency
operation is not allowed.
•Radar avoidance is not applicable to the PTP54600 product.
To address the primary aims the Spectrum Management algorithm implements a radar detection
function which looks for impulsive interference on the active channel only. If impulsive interference
is detected Spectrum Management will mark the current active channel as having detected radar
and initiate a channel hop to an available channel. The previous active channel will remain in the
radar detected state for thirty minutes after the last impulsive interference pulse was detected.
After the thirty minutes have expired the channel will be returned to the available channel pool.
The radar detection algorithm will always scan the active channel for 60 seconds for radar interfer-
ence before using the channel. This compulsory channel scan will mean that there is a 60 seconds
service outage every time radar is detected and that the installation time is extended by 60 seconds
even if there is found to be no radar on the channel.
NOTE: On system installation or start-up this extends the initial scan time of the Master unit
by 60 seconds. To address the “provide aggregate uniform loading of the spectrum across all
devices” requirement, the channel selection algorithm will choose a channel at random from a list
of available channels. The channel selection algorithm is initiated at link initialization and when
radar interference is detected.
Note that 5.4 GHz and 5.8 GHz are different products.
3
Note that the Quickstart Guide also contains the license keys for region 12 and 13.
4

General Considerations
38
5.3.2 RTTT Avoidance and Other Channel Use Restrictions
Where regulatory restrictions apply to certain channels these channels are barred. The user should
note that the number of channels barred is dependent on the channel raster selected. For example
see the effect of the UK RTTT channel restrictions in Figure 12. Barred channels are indicated
by a “No Entry” symbol displayed on the “Spectrum Management” web page, see Section 8.3.9
“Spectrum Management Control - With Operational Restrictions”.
NOTE: “Radar Avoidance Enabled” is only valid with 30 MHz channel bandwidth.
Band Edge
5725 MHz
Band Edge
5850 MHz
Default
5735MHz
5735
5740
5745
5750
5755
5760
5765
5770
5775
5780
5785
5790
5795
5800
5805
5810
5815
5820
5825
5830
5835
5840
5736MHz
5736
5741
5746
5751
5756
5761
5766
5771
5776
5781
5786
5791
5796
5801
5806
5811
5816
5821
5826
5831
5836
5841
5737MHz
5737
5742
5747
5752
5757
5762
5767
5772
5777
5782
5787
5792
5797
5802
5807
5812
5817
5822
5827
5832
5837
5842
5738MHz
5738
5743
5748
5753
5758
5763
5768
5773
5778
5783
5788
5793
5798
5803
5808
5813
5818
5823
5828
5833
5838
5739MHz
5739
5744
5749
5754
5759
5764
5769
5774
5779
5784
5789
5794
5799
5804
5809
5814
5819
5824
5829
5834
5839
Lower Center
Frequency
Figure 12 5.8 GHz UK RTTT Channel
Avoidance – 15 MHz Channel Bandwidth Only
5.3.3 Radar Avoidance, i-DFS and Variable (Narrow) Bandwidth Operation
Radar avoidance at 5.8 GHz is applicable to EU operation and the requirements are currently as
defined in EN 302 502 v1.1.1
5.4 Variable Channel Bandwidth Operation
Channel bandwidth of 15 MHz5is supported for Only Full versions of the PTP 500.
Configuration of the variable bandwidth operation must be symmetric, i.e. the Transmit and
receive channels must use identical channel bandwidths.
15MHz channel widths are available where allowed by local regulations and subject to some restrictions on channel
5
choice.

General Considerations
39
5.5 5.4 GHz Specific Frequency Planning Considerations
Adjustment of the lower centre frequency allows the operator to slide the available frequency
settings up and down the 5.4 GHz band. See Figure 13.
Band Edge
5470 MHz
Band Edge
5725 MHz
Default
5480MHz
5480
5485
5490
5495
5500
5505
5510
5515
5520
5525
5530
5535
5540
5545
5550
5555
5560
5565
5570
5575
5580
5585
5590
5595
5600
5605
5610
5615
5620
5625
5630
5635
5640
5645
5650
5655
5660
5665
5670
5675
5680
5685
5690
5695
5700
5705
5710
5715
5481MHz
5481
5486
5491
5496
5501
5506
5511
5516
5521
5526
5531
5536
5541
5546
5551
5556
5561
5566
5571
5576
5581
5586
5591
5596
5601
5606
5611
5616
5621
5626
5631
5636
5641
5646
5651
5656
5661
5666
5671
5676
5681
5686
5691
5696
5701
5706
5711
5716
5482MHz
5482
5487
5492
5497
5502
5507
5512
5517
5522
5527
5532
5537
5542
5547
5552
5557
5562
5567
5572
5577
5582
5587
5592
5597
5602
5607
5612
5617
5622
5627
5632
5637
5642
5647
5652
5657
5662
5667
5672
5677
5682
5687
5692
5697
5702
5707
5712
5717
5483MHz
5483
5488
5493
5498
5503
5508
5513
5518
5523
5528
5533
5538
5543
5548
5553
5558
5563
5568
5573
5578
5583
5588
5593
5598
5603
5608
5613
5618
5623
5628
5633
5638
5643
5648
5653
5658
5663
5668
5673
5678
5683
5688
5693
5698
5703
5708
5713
5484MHz
5484
5489
5494
5499
5504
5509
5514
5519
5524
5529
5534
5539
5544
5549
5554
5559
5564
5569
5574
5579
5584
5589
5594
5599
5604
5609
5614
5619
5624
5629
5634
5639
5644
5649
5654
5659
5664
5669
5674
5679
5684
5689
5694
5699
5704
5709
5714
Lower Center
Frequency
Figure 13 5.4 GHz Available Spectrum Settings – 15 MHz Channel Bandwidth
5.5.1 5.4 GHz Raster Considerations
The PTP 500 Series Bridge 5.4 GHz variant operates on a 5 MHz channel raster. The channel
raster is set to even centre frequencies. See Figure 13.
5.5.2 5.4 GHz Transmit Power Reduction at the Band Edges
The 5.4 GHz product variant does not apply any band edge power reduction.

General Considerations
40
5.6 5.8 GHz Specific Frequency Planning Considerations
Adjustment of the lower center frequency allows the operator to slide the available frequency
settings up and down the 5.8 GHz bands. Figure 14 shows the available spectrum.
Band Edge
5725 MHz
Band Edge
5850 MHz
Default
5735MHz
5735
5740
5745
5750
5755
5760
5765
5770
5775
5780
5785
5790
5795
5800
5805
5810
5815
5820
5825
5830
5835
5840
5736MHz
5736
5741
5746
5751
5756
5761
5766
5771
5776
5781
5786
5791
5796
5801
5806
5811
5816
5821
5826
5831
5836
5841
5737MHz
5737
5742
5747
5752
5757
5762
5767
5772
5777
5782
5787
5792
5797
5802
5807
5812
5817
5822
5827
5832
5837
5842
5738MHz
5738
5743
5748
5753
5758
5763
5768
5773
5778
5783
5788
5793
5798
5803
5808
5813
5818
5823
5828
5833
5838
5739MHz
5739
5744
5749
5754
5759
5764
5769
5774
5779
5784
5789
5794
5799
5804
5809
5814
5819
5824
5829
5834
5839
Lower Center
Frequency
Figure 14 5.8 GHz Available Spectrum Settings – 15 MHz Channel Bandwidth
5.6.1 5.8 GHz Raster Considerations
The PTP 500 Series Bridge 5.8 GHz variant operates on a 5 MHz channel raster. The channel
raster is set to even center frequencies. See Figure 14.
5.6.2 5.8 GHz Transmit Power Reduction at the Band Edges
Operation at or near the 5.8 GHz band edges can results in a lower maximum transmit power.
In some configurations the PTP 500 Series Bridge solution reduces the power when operating at
the edge channels. The amount of reduction, if any, is dependent on the region code of the region
of operation. This currently only affects systems configured with Region Code 1. The power
reduction in the edge channels for 15 MHz is presented in Table 6 (for region code 1 ONLY).

General Considerations
41
Channel Center Frequency
(MHz)
Maximum Output Power (dBm)
Channel Bandwidth (MHz)
15
5735 25
5736 25
5737 25
5738 25
5739 - 5838 25
5740 25
5742 - 5832 25
5839 26
5840 26
Table 6 5.8 GHz Band Edge Tx Power Reduction
5.7 Distance
The PTP 500 Series Bridge will operate at ranges from 100 m (330 ft) to 200 km (124 miles), within
3 modes: 0-40km (0-25 miles), 0-100km (0-62 miles) and 0-200km (0-124 miles). Operation of the
system will depend on obstacles in the path between the units. Operation at 40 km (25 miles) or
above will require a near line-of-sight path. Operation at 100m (330 ft) could be achieved with one
unit totally obscured from the other unit, but with the penalty of transmitting at higher power
in a non-optimal direction, thereby increasing interference in the band. This subject is covered in
more detail in Section 6.1.3 “Path Loss Considerations”.
5.8 Networking Information
The PTP 500 Series Bridge operates as a transparent Ethernet bridge. Each unit requires an IP
address. This IP address is for management purposes only and it plays no part in the operation
of the system. IP addresses are assigned during initial configuration as described in Section 7.2
“Installation Procedure”.
5.9 Lightning Protection and regulations
The amount of lightning protection is dependent on regulatory requirements and the end user
requirements. The standard ODU for the PTP 500 Series Bridge is fitted with surge limiting
circuits and other features to minimize the risk of damage due to nearby lightning strikes. These
standard features may require some additional equipment to be configured as part of the system
installation to be fully effective. Motorola recommends the use of screened cable and Lightning
Protection units to protect connected equipment from nearby strikes.
NOTE: The PTP 500 Series Bridge is not designed to survive direct lightning strikes. For this
reason the unit should not be installed as the highest point in a localized area, unless specific
precautions are taken. See Section 11 “Lightning Protection”.
5.10 Electrical Requirements
The PTP 500 Series Bridge requires one mains supply outlet at each end of the link to plug in the
PIDU Plus units (Section 3.3.2 “PIDU Plus – PTP 500 Series Bridge”).
Site Planning
42
6 Site Planning
6.1 Site Selection Criteria
The following are guidelines for selecting the installation location of the ODU and PIDU Plus for
a PTP 500 Series Bridge.
6.1.1 ODU Site Selection
When selecting a site for the ODU the following should be taken into consideration:
•It is not possible for people to stand or walk inadvertently in front of the antenna
•Height and location to achieve the best radio path
•Height in relation to other objects with regard to lightning strikes
•Aesthetics and planning permission issues
•Distance from the ODU and connected Network equipment (Maximum cable run from the ODU
to the connected equipment is 100m [330 ft])
•Distance from the PIDU Plus to the ODU (Maximum cable run from the PIDU Plus to the
ODU is 300m [990 ft] when using the Fiber interface)
6.1.2 PTP 500 Series Bridge PIDU Plus Site Selection
When selecting a site for the PIDU Plus the following should be taken into consideration:
•Availability of a mains electricity supply
•Accessibility for viewing status indicators and pressing Recovery switch.
6.1.3 Path Loss Considerations
The path loss is the amount of attenuation the radio signal undergoes between the two ends of the
link. The path loss is the sum of the attenuation of the path if there were no obstacles in the way
(Free Space Path Loss), the attenuation caused by obstacles (Excess Path Loss) and a margin to
allow for possible fading of the radio signal (Fade Margin).
Lfree_space +Lexcess +Lfade +Lseasonal <L
capability (3)
Where
Lfree_space = Free Space Path Loss dB
Lexcess = Excess Path Loss dB
Lfade = Fade Margin Required dB
Lseasonal = Seasonal Fading dB
Lcapability = Equipment Capability dB
Site Planning
43
6.1.4 Definitions
The equipment capability is given in Table 7,Table 9 (IP Mode) and Table ??,Table 10 (TDM
Mode). Each table gives Link Loss Output Power and System Thresholds for PTP 500 Series
Bridge in all modulation modes for the channel bandwidth 15 MHz. Adaptive Modulation will
ensure that the highest throughput that can be achieved instantaneously will be obtained taking
account of propagation and interference. The calculation of Equation 3 needs to be performed
to judge whether a particular link can be installed. When the link has been installed, web pages
provide information about the link loss currently measured by the equipment both instantaneously
and averaged. The averaged value will require maximum seasonal fading to be added, and then
the radio reliability of the link can be computed.
For minimum error rates on TDM links the maximum modulation mode should be limited to
64QAM 0.75.
The values for (BPSK) are static receive sensitivity measurements. The other values are static
receive sensitivity measurements with an AMOD threshold applied. The AMOD threshold applied
is for a benign radio channel.
Sensitivity: Sensitivity is defined as the combined receive input signal level on both horizontal
and vertical inputs that produces a Null Bit Error Ratio of 3x10-7.
Output Power: The output power is for a centre channel in Region 1. The output power will be
reduced on the edge channels and may vary if different region codes are selected.
AMOD Threshold: The AMOD threshold is the combined receive input signal level on both
horizontal and vertical inputs that results in the link consistently entering the receive modulation
mode under consideration as the signal level is increased.
System Threshold: Thresholds for all modes except BPSK are for the relevant link optimization
AMOD thresholds. System threshold for BPSK is the RPSK receive sensitivity.
Max Link Loss: The maximum link loss for each modulation mode is derived from the AMOD
threshold for that mode (sensitivity threshold for BPSK) and the maximum Region 1 centre channel
output power. The figures assume integral antennas with 23dBi (5.8 GHz and 5.4 GHz) gain are
used.

Site Planning
44
6.1.5 5.4 GHz Product Variant - Link Loss, Output Power and System Thresholds versus
Modulation Mode
Table 7 and Table 8 show respectively sensitivity figures for IP and TDM respectively.
Modulation Mode Threshold Value (dBm) Output Power (dBm) Maximum Link Loss (dB)
Channel Bandwidth (MHz)
15 MHz
256QAM 0.75 dual -65.02 +21 133.02
64 QAM 0.83 dual -69.63 +21 137.63
64QAM 0.67 dual -73.22 +22 142.22
16QAM 0.75 dual -76.59 +23 146.59
16QAM 0.50 dual -80.72 +24 151.72
QPSK 0.75 dual -82.78 +25 154.78
QPSK 0.50 dual -89.08 +26 162.08
256QAM 0.75 single -68.58 +21 136.58
64QAM 0.83 single -72.90 +21 140.90
64QAM 0.67 single -76.35 +22 145.35
16QAM 0.75 single -79.72 +23 149.72
16QAM 0.50 single -83.82 +24 154.82
QPSK 0.75 single -85.74 +25 157.74
QPSK 0.50 single -89.02 +26 162.02
BPSK 0.50 single -94.25 +27 168.25
Table 7 5.4GHz - IP Mode - Sensitivity Figures
Modulation Mode Threshold Value (dBm) Output Power (dBm) Maximum Link Loss (dB)
Channel Bandwidth (MHz)
15 MHz
256QAM 0.75 dual -63.52 +21 131.52
64 QAM 0.83 dual -68.13 +21 136.13
64QAM 0.67 dual -71.72 +22 140.72
16QAM 0.75 dual -75.09 +23 145.09
16QAM 0.50 dual -79.22 +24 150.22
QPSK 0.75 dual -81.28 +25 153.28
QPSK 0.50 dual -87.58 +26 160.58
256QAM 0.75 single -67.08 +21 135.08
64QAM 0.83 single -71.40 +21 139.40
64QAM 0.67 single -74.85 +22 143.85
16QAM 0.75 single -78.22 +23 148.22
16QAM 0.50 single -82.32 +24 153.32
QPSK 0.75 single -84.24 +25 156.24
QPSK 0.50 single -87.52 +26 160.52
BPSK 0.50 single -94.25 +27 168.25
Table 8 5.4GHz -TDM Mode - Sensitivity Figures

Site Planning
45
6.1.6 5.8 GHz Product Variant - Link Loss, Output Power and System Thresholds versus
Modulation Mode
Table 9 and Table 10 show respectively sensitivity figures for IP and TDM respectively.
Modulation Mode Threshold Value (dBm) Output Power (dBm) Maximum Link Loss (dB)
Channel Bandwidth (MHz)
15 MHz
256QAM 0.75 dual -65.02 +21 133.02
64 QAM 0.83 dual -69.63 +21 137.63
64QAM 0.67 dual -73.22 +22 142.22
16QAM 0.75 dual -76.59 +23 146.59
16QAM 0.50 dual -80.72 +24 151.72
QPSK 0.75 dual -82.78 +25 154.78
QPSK 0.50 dual -89.08 +26 162.08
256QAM 0.75 single -68.58 +21 136.58
64QAM 0.83 single -72.90 +21 140.90
64QAM 0.67 single -76.35 +22 145.35
16QAM 0.75 single -79.72 +23 149.72
16QAM 0.50 single -83.82 +24 154.82
QPSK 0.75 single -85.74 +25 157.74
QPSK 0.50 single -89.02 +26 162.02
BPSK 0.50 single -94.25 +27 168.25
Table 9 5.8GHz - IP Mode - Sensitivity Figures
Modulation Mode Threshold Value (dBm) Output Power (dBm) Maximum Link Loss (dB)
Channel Bandwidth (MHz)
Channel Bandwidth (MHz)
15 MHz
256QAM 0.75 dual -63.52 +21 131.52
64 QAM 0.83 dual -68.13 +21 136.13
64QAM 0.67 dual -71.72 +22 140.72
16QAM 0.75 dual -75.09 +23 145.09
16QAM 0.50 dual -79.22 +24 150.22
QPSK 0.75 dual -81.28 +25 153.28
QPSK 0.50 dual -87.58 +26 160.58
256QAM 0.75 single -67.08 +21 135.08
64QAM 0.83 single -71.40 +21 139.40
64QAM 0.67 single -74.85 +22 143.85
16QAM 0.75 single -78.22 +23 148.22
16QAM 0.50 single -82.32 +24 153.32
QPSK 0.75 single -84.24 +25 156.24
QPSK 0.50 single -87.52 +26 160.52
BPSK 0.50 single -94.25 +27 168.25
Table 10 5.8GHz - TDM Mode - Sensitivity Figures

Installation
46
7 Installation
Motorola recommends that only qualified personnel undertake the installation of a PTP 500 Series
Bridge solution.
7.1 Preparation
Before proceeding with the installation you should:
•Check the contents of all packages against the parts lists shown in the packing list.
•Ensure that you have the correct tools for the job.
•Ensure that you are qualified to undertake the work.
•Ensure that you have taken the correct safety precautions.
•Have completed the site planning as described in Section 6 “Site Planning”.
7.2 Installation Procedure
The 500 Series installation procedure consists of the following steps:
•Mounting the ODUs, Section 7.6 “Mounting the ODUs”
•Connecting up, Section 7.7 “Connecting Up”
•Mounting the PIDU Plus Units, Section 7.7.9 “Mounting the PTP 500 Series Bridge PIDU
Plus”
•Mounting the Lightning Protection Units, Section 7.7.5 “Fitting a Lightning Protection Unit”.
•Powering Up, Section 7.7.10 “Powering Up”
•Aligning the ODUs, Section 7.7.11 “Aligning the PTP 500 Series Bridge ODUs”
7.3 Tools Required
The following specific tools are required to install a PTP 500 Series Bridge in addition to general
tools:
•13mm Spanner / Wrench
•RJ45 Crimp Tool
•IBM Compatible Personal Computer (PC) running Windows 98 or later with 10, 100 or
1000BaseT Ethernet (Ability to change IP settings easily is recommended)
•Either Internet Explorer version 6 or higher, or FireFox 1.5 or higher are recommended.
•Ethernet patch cable
7.4 Installation Support
Online installation support and contact details for your regional support can be found at
http://www.motorola.com/ptp. A Frequently Asked Questions (FAQ) section can be found
in Section 18 “FAQs”.

Installation
47
7.5 Legal Disclaimer
IN NO EVENT SHALL MOTOROLA, INC. BE LIABLE FOR ANY INJURY TO ANY PERSONS
OR ANY DAMAGE CAUSED DURING THE INSTALLATION OF THE MOTOROLA PTP 500
SERIES PRODUCT.
7.6 Mounting the ODUs
The ODU mounting bracket is designed to ease installation by fixing the bracket to a pole and
then bringing the ODU into position using a single bolt fixing. The ODU should be mounted using
the following steps ensuring that the cable entry is at the bottom.
The ODU mounting bracket is designed to work with poles with diameters in the range 50mm (2”)
to 75mm (3”).
Step 1: Mount the
bracket to the pole.
Step 2: Mate the unit to
the bracket together and
tighten the nut and bolt.
Pole diameters of 25mm (1”) to 50mm (2”) can be accommodated by inverting the back of the
bracket as shown in Figure 15.
Figure 15 Mounting to pole diameters
25mm (1”) to 50mm (2”)
When adjustment is complete tighten all bolts to 14Nm (11lb ft).
CAUTION: Do not over tighten the bolts as bracket failure may occur.

Installation
48
The enclosure and mounting brackets of the PTP 500 Series Bridge product range are capable of
withstanding wind speeds up to 151mph (242kph). The installer should ensure that the structure
the bridge is fixed to is also capable of withstanding the prevalent wind speeds and loads. See
Section 12 "Wind Loading".
The integral safety loop should be used both for hoisting the ODU up a mast or building and into
position, and also as a fixing point to secure a permanent safety lanyard from the tower/building
to the ODU in case of mounting failure.
Figure 16 Integral Safety Loop
The length of the safety lanyard must not exceed 1m (approx 3 ft) in length. The lanyard should
be made from a material that does not degrade in an outdoor environment.
The safety lanyard must be fixed to a separate fixing point that is not part of the direct mounting
system for the ODU.
7.7 Connecting Up
7.7.1 Preparing the PIDU Plus To ODU Cable
NOTE: The maximum cable length between the ODU and the user’s Network Equipment is 100m
(330 ft). Cable lengths up to 300m (984 ft) can be used where the PIDU Plus to ODU cable is
supplying power only, i.e., when using the PTP 500 Series Bridge Optical Interface.

Installation
49
The cable should be assembled as shown in Figure 17:
Figure 17 Correct Cable Preparation for the Recommended Cable
Both ends of the ODU cable are terminated in the same way. The above procedure should be
repeated for the PIDU Plus end of the cable when the cable routing process is complete. This
assumes that the installation uses PTP LPUs. If not, then the PIDU Plus end of the cable does
not require a Gland, but just the RJ45.
NOTE: The PIDU Plus end of the cable does not use a cable gland.

Installation
50
Figure 18 shows a completed ODU to PIDU Plus cable.
Figure 18 Completed ODU Connector
CAUTION: Do not over tighten the glands as the internal seal and structure may be damaged.
See Figure 19 for an example of an over tightened cable gland.
Figure 19 Warning Not To Over
tighten Cable Gland
7.7.2 Making the Connections at the ODU
Looking at the back of the unit with the cable entry at the bottom, the PTP 500 Series Bridge
PIDU Plus connection is the first hole on the right (Figure 20) and is labeled “PIDU +”.
Figure 20 PTP 500 Series Bridge
PIDU Plus Connexion

Installation
51
7.7.3 Making the PTP 500 Series Bridge PIDU Plus Connection At The ODU
The following procedure describes how connection is made at the ODU. It is often easier to carry
out this procedure on the ground or a suitable surface prior to mounting the ODU.
Ensure that no power is connected to the PIDU Plus or present on the cable before connecting the
ODU.
Step 1: Assemble the cable
as described in 5.7.1 above
Step 2: Insert the RJ45 connector making
sure that the locking tab snaps home
Step 3: Screw in the body of the
weather proofing gland and tighten
Step 4: Screw on the clamping nut and tighten
(Do not over tighten – see Figure 19)
Figure 21 Connecting the PIDU+ to the ODU

Installation
52
Should it be necessary to disconnect the PIDU Plus to ODU cable at the ODU, this can be
achieved by removing the weather proofing gland and depressing the RJ45 locking tab with a
small screwdriver as shown below:
Figure 22 Disconnecting the ODU
CAUTION: Ensure that power is removed from the system at the PIDU Plus to prevent damage
to the ODU while making or breaking the connection.
7.7.4 Routing the Cable
After connecting the cable to the ODU it can be routed and secured using standard cable routing
and securing techniques. When the cable is in place it can then be cut to the desired length at the
PIDU Plus prior to connection to the PIDU Plus
7.7.5 Fitting a Lightning Protection Unit
If you have opted to fit a Lightning Protection unit, this should be installed by following the
manufacturer’s instruction. For recommended types see Section 11 "Lightning Protection”
7.7.6 Grounding the Installation
The Outdoor Unit (ODU) must be properly grounded to protect against power surges. It is the
user’s responsibility to install the equipment in accordance with Section 810 of the National Electric
Code, ANSI/NFPA No.70-1984 or Section 54 of the National Electrical Code in the country of
installation. These codes describe correct installation procedures for grounding the outdoor unit,
mast, lead-in wire and discharge unit, size of grounding conductors and connection requirements
for grounding electrodes. It is recommended that installation of the outdoor unit be contracted to
a professional installer.

Installation
53
7.7.7 Making the ODU Connection at the PTP 500 Series Bridge PIDU Plus
The ODU is connected to the PIDU Plus by means of a concealed RJ45 connector. The RJ45 con-
nection has been placed inside the PIDU Plus hinged cover to prevent the user from inadvertently
plugging other equipment into the ODU RJ45 socket.
CAUTION: Plugging other equipment into the ODU RJ45 socket may damage the equipment
due to the non-standard techniques employed to inject DC power into the 1000BaseT connection
between the PIDU Plus and the ODU. Plugging the ODU into other equipment may damage the
ODU and/or the other equipment.
Step 1: Undo the retaining
screw and hinge back the cover
Step 2: Plug in the ODU into the PIDU
Plus Cable ensuring that it snaps home
Step 3: Replace the cover and secure with the retaining screw

Installation
54
7.7.8 Making the Network Connection at The PIDU Plus – PTP 500 Series Bridge
The Network connection is made by connecting the user’s Network Equipment directly to the
PIDU Plus LAN port as shown in Figure 23.
Figure 23 Making the Network Con-
nection at the PIDU Plus
7.7.9 Mounting the PTP 500 Series Bridge PIDU Plus
This step is optional. Motorola recommends that you mount the PIDU Plus on a wall or other
suitable mounting surface. This prevents the unit from being knocked or kicked and can help
maintain link availability. Ensure that the Recovery switch can be accessed when mounting the
unit.
Plus to the wall using the lugs provided
Make connections as per Section 7.7.8

Installation
55
CAUTION: The PIDU Plus is not waterproof and should be mounted away from sources of
moisture. If mounted outdoors, the unit should be mounted in a rain proof enclosure, preferably
ventilated.
It is also recommended that you fit a drip loop on the PIDU Plus to ODU cable to ensure that
any moisture that runs down the cable into the cabinet or enclosure cannot enter the PIDU Plus.
As shown in Figure 24. The network connection and mains cable should be treated in the same
way if there is a risk that they can carry moisture to the PIDU Plus.
Figure 24 PTP 500 Series PIDU Plus Drip Loop Configuration
CAUTION: It is possible for moisture to enter the cable due to damage to the outer protective
layer. This moisture can track down the inside of the cable, filling up the drip loop and eventually
finding its way into the PIDU Plus. To protect against this the outer protective layer of the cable
can be opened up at the bottom of the drip loop to allow this moisture to escape.
7.7.10 Powering Up
The PTP 500 Series Bridge is supplied as a pair of matched Master/Slave units. The Master unit
can now be powered up and accessed using the default URL http://169.254.1.2/; the Slave unit
can be accessed using http://169.254.1.1/.
Prior to powering up the PTP 500 Series Bridge, a computer with web browsing capabilities should
be configured with an IP address of 169.254.n.n and subnet mask of 255.255.0.0 where n is any
value between 1 and 254 but excluding 1.1 or 1.2. If the default addresses of the unit 169.254.1.1/2
clashes with an address you are already using on your LAN, or you are not sure, you should set up
an isolated LAN. As the LAN connection presented at the PIDU Plus has a default configuration

Installation
56
as a hub/switch (and auto-sensing MDI/MDIX cross over is employed), connection can be made
directly to the computer using a standard CAT 5 patch cable.
Before physical installation takes place the units to be installed should be set up as described in
the Section 8.3.4 "Install Pages". It is recommended that this procedure be carried out on the
bench before physical installation commences. Providing it is safe to do so, the installer should
take the process to the point where a radio link is established before proceeding to the installation
site.
NOTE: It is possible that some units may not be accessed using the above default URL. This is
because these units may have been previously configured with IP addresses 10.10.10.11 (Master)
and 10.10.10.10 (Slave). Therefore, users must use the URL http://10.10.10.10/ and/or URL
http://10.10.10.11/ to configure the units. Please ensure that a computer with web browsing
capabilities is configured with an IP address of 10.10.10.n, where n is any value between 2 and 254
but excluding 10 and 11, to configure these units.
7.7.11 Aligning the PTP 500 Series Bridge ODUs
The following is a description of the steps taken to establish a radio link between the two units
forming the bridge and align the units for the best signal strength.
The PTP 500 Series Bridge uses audible tones during installation to assist the installer with
alignment. The installer should adjust the alignment of the ODU in both azimuth and elevation
until highest pitch tone is achieved6. The tones and their meanings are as follows:
State Name Tone Description State Description Pitch Indication
(Higher pitch =
higher power)
Free Channel Search Regular beep Executing band scan N/A
Scanning Slow broken tone Not demodulating the
wanted signal
Rx Power
Synchronized Fast broken tone Demodulating the
wanted signal
Rx Power
Registered Solid tone Both Master and Slave
units exchanging Radio
layer MAC management
messages
Rx Power
Table 11 Audio indications from the ODU
The term ‘wanted signal’ refers to that of the peer unit being installed.
In each of the states detailed above, the unit should be aligned to give the highest pitch tone. It
should be noted that if, when in the Synchronized or Registered state, the tone varies wildly, you
The pitch of the alignment tone is proportional to the received power of the wireless signals. The best results are
6
usually achieved by making small incremental movement in angular alignment.

Installation
57
may be suffering from interference or a fast fading link. Installing in this situation may not give a
reliable link. The cause of the problem should be investigated.
For the ease of alignment, both Master and Slave units use the install tones in the same way but
with some small behavioral differences. This allows the installer to install the Slave unit first and
carry out the initial alignment with the Master unit if desired. However, due to the behavioral
differences of Master and Slave units, it is recommended that the Master unit is installed first and
the initial alignment carried out at the Slave unit.
Note also that there is a graphical installation screen (Section 8.3.5 "Graphical Install") avail-
able using the web interface that displays the state of the link during the alignment process (up
green,Down, red).
The following behavior should be noted:
•When first started up and from time to time, the Master unit will carry out a band scan to
determine which channels are not in use. During this time, between 10 and 15 seconds, the
Master unit will not transmit and as a consequence of this neither will the Slave unit. During
this time the installation tone on the master unit will drop back to the band scan state, and the
Slave unit will drop back to the Scanning state with the pitch of the tone set to the background
noise level. Alignment of the unit should cease during this time.
•The master unit can take up to 60 seconds in 0-40km (0-25 miles) mode, 90 seconds in 0-130km
(0-81 miles) mode and 120 seconds in 0-200km (0-124 miles) mode to determine the range of
the link being installed7. The Master unit will remain in the Scanning state until the range of
the link has been established. The Master unit will only move to the Synchronized state when
the range of the link has been established.
•If, at the end of the ranging period, the Registered state is not achieved due to interference
or other reasons, the Master unit will retry twice more on the same channel before moving to
another available channel. Should this occur it might take a number of minutes to establish a
link in the Registered state.
•The Slave unit does not have a ranging process. The slave unit will change to the Synchronized
state as soon as the wanted signal is demodulated.
When the alignment process is complete the installer MUST REMEMBER TO DISARM8BOTH
UNITS in the link as described in Section 8.3.4 "Install Pages". This is necessary in order to:
•Turn off the audible alignment aid (Section 8.3.4.4 "Disarm")
•Enable Adaptive Modulation
•Fully enable Advanced Spectrum Management with i-DFS
•Clear unwanted installation information from the various systems statistics
•Store the link range for fast link acquisition on link drop
•Enable higher data rates
If the unit is operating where mandatory radar avoidance algorithms are implemented the ranging behavior for the
7
PTP 500 Series Bridge may be affected. The Master has to monitor the initially chosen channel for 60 seconds to
make sure it is clear of radar signals before transmitting. If a radar is detected during any of the installation phases
a further compulsory 60 seconds channel scan will take place as the master unit attempts to locate a new channel
that is free of radar interference.
After 24 hours, the units will be disarmed automatically provided that they are armed and that the link is UP.
8

Web Page Reference
58
8 Web Page Reference
The web user interface has three main sections. The home page presents to the operator a high
level summary of the PTP 500 Series Bridge point-to-point wireless link. The status page presents
a more detailed set of system parameters describing the performance of the wireless link together
with other key system performance metrics. The final section is the system administration section.
This section is password protected and allows the system administrator to perform all the day-to-
day administrative procedures, e.g. software upgrade and performing configuration changes.
The following subsections give a detailed usage guide for all the web user interfaces. The web pages
are best viewed using a screen resolution of at least 1024 x 768 pixels on a PC using Microsoft
Internet Explorer Version 6 or 79.
The navigation bar on the left hand side of the web page is used to move between the various
management pages. The currently selected page is always highlighted with a light blue background.
The menu is hierarchical. Selecting a menu item which has associated submenu options will
automatically display all sub options. A sample web page with the navigation menu is shown in
Figure 25 when the ‘Home’ Link is highlighted as the current page.
Figure 25 Menu
Navigation Bar
The web pages have also been tested with Firefox 2.0.0.12. Other browsers may function correctly but have not
9
been tested.

Web Page Reference
59
8.1 Home Page – PTP 500 Series Bridge
The home page for the PTP 500 Series Bridge has been designed to display a high level summary
of the status of the wireless link and associated equipment. The home page (Figure 26) normally
displays four key system attributes:
Wireless Link Status: The Wireless Link Status attribute displays the current status of the
PTP 500 Series Bridge wireless link. A state of ‘Up’ on a green background indicates that a point-
to-point link is established. A state of ‘Down’ on a red background indicates that the wireless link
is not established. If the link is down for an unknown reason the system administrator should first
consult the status web page for a more detailed summary of up to date system diagnostics.
Link Name: The link name attribute is a name and/or handle allocated by the system adminis-
trator to aid the identification of the unit, network or building.
Figure 26 System Summary Page
Elapsed Time Indicator: The elapsed time indicator attribute presents the total time in days,
hours, minutes and seconds since the last system restart. The system can restart for several reasons,
e.g., commanded reboot from the system reboot webpage, or a power cycle of the equipment.
System Clock: If SNTP (Simple Network Time Protocol) is enabled, or the clock has been
set, then a system clock attribute is displayed giving the date and time of the last page refresh.
Section 8.3.10.8 “SNTP (Simple Network Time Protocol) explains how to enable SNTP and
Section 8.3.10.9 explains how to set the clock.
8.1.1 Home Page Alarm Display
The home page is also used to display all outstanding major system alarms. Whenever system
alarms are asserted, a yellow warning triangle is displayed on web page navigation bar. The warning
triangle will be visible from all web pages. Clicking the warning triangle will cause the web page
to jump back to the system homepage. Figure 27 shows a sample alarm screen.

Web Page Reference
60
Figure 27 Alarm Warning Triangle
The following system alarms are defined:
Region Code: The region code prohibits the wireless unit from operating outside the regulated
limits. An invalid region code indicates a corrupted license key. Note that a change of state may
generate an SNMP trap and/or SMTP email alert.
Install Status: A non-OK value indicates that signaling was received with the wrong MAC
address. Note that it is very unusual to detect this, because units with misconfigured Target MAC
Address will normally fail to establish a wireless link. However, rare circumstances may establish
a partial wireless link and detect this situation. NB: A non-OK value on start-up, or a change of
value during operation, may generate an SNMP trap and/or SMTP email alert.
Install Arm State: This alarm warns when a wireless unit is in installation mode. After instal-
lation the wireless unit should be disarmed. This will increase the wireless link’s data-carrying
capacity and stop the installation tone generator. The wireless link is disarmed from the ‘Installa-
tion Wizard’ see Section 8.3.4.4 “Disarm”. Note that a change of state may generate an SNMP
trap and/or SMTP email alert.
Unit Out Of Calibration: The unit is out of calibration and must be returned to the factory
using the RMA process for re-calibration. Note that a change of state may generate an SNMP
trap and/or SMTP email alert.
Incompatible Region Codes: The PTP 500 Series Bridge uses region codes to comply with
local regulatory requirements governing the transmission of wireless signals in the 5.8, 5.4 GHz
and 2.5 GHz bands. Region codes can only be changed by obtaining a new PTP 500. Note that a
change of state may generate an SNMP trap and/or SMTP email alert.
Web Page Reference
61
Incompatible Master and Slave: A non-zero value indicates that the master and slave ends of
the wireless link are different hardware products, or have different software versions. Note that it
is very unusual to detect this because incompatible units will normally fail to establish a wireless
link. However, some combinations may establish a partial wireless link and detect this situation.
Note that a non-zero value may generate an SNMP trap and/or SMTP email alert.
Ethernet Configuration Mismatch Alarm: The detection of Ethernet fragments (runt packets)
when the link is in full duplex is an indication of an auto-negotiation or forced configuration
mismatch. Note that a change of state may generate an SNMP trap and/or SMTP email alert.
No Wireless Channel Available: Spectrum Management was unable to locate a suitable wireless
channel to operate on. Note that a change of state may generate an SNMP trap and/or SMTP
email alert.
SNTP Synchronization Failed: This warning indicates that SNTP has been enabled but that
the unit is unable to synchronize with the specified SNTP server. Section 8.3.10.8 “SNTP
(Simple Network Time Protocol) explains how to configure SNTP. Note that a change of state
may generate an SNMP trap and/or SMTP email alert.
Wireless Link Disable Warning: This warning is displayed if the Wireless link has been admin-
istratively disabled via the SNMP Interface (see Section 8.3.10 “Remote Management Page”).
The Wireless Interface MIB-II ifAdminStatus attribute has been set to DOWN. To enable the Eth-
ernet interface, set the ifAdminStatus attribute to UP. Note that a change of state may generate
an SNMP trap and/or SMTP email alert.
Ethernet Link Disable Warning: This warning is displayed if the Ethernet link has been admin-
istratively disabled via the SNMP Interface (see Section 8.3.10 “Remote Management Page”).
The Ethernet Interface MIB-II ifAdminStatus attribute has been set to DOWN. To enable the Eth-
ernet interface, set the ifAdminStatus attribute to UP. Note that a change of state may generate
an SNMP trap and/or SMTP email alert.
Ethernet Link Status: Current status of the Ethernet link. If there are any problems with the
Ethernet interface, this alarm will be asserted. This alarm will most likely be seen if the unit has
no Ethernet cable plugged into its Ethernet socket. Note that a change of state may generate an
SNMP trap and/or SMTP email alert.
Fiber Link Status: If the fiber link is not OK, there are two possible causes: Either the fiber
link has been installed but disabled (because the license key does not include fiber support), or
the link could not be established even though an optical carrier was detected (due perhaps to a
broken TX fiber, or the link is disabled at the fiber link partner). Note that a change of status
may generate an SNMP trap and/or SMTP email alert.
TDD Synchronization Status: Current status of the TDD Synchronization (acquiring synchro-
nization, no timing reference and timing system not connected). Note that a change of state may
generate an SNMP trap and/or SMTP email alert.
8.2 Systems Status Page
The status page has been designed to give the system administrator a detailed view of the operation
of the 500 Series Bridge from both the wireless and network perspectives.

Web Page Reference
62
The page is subdivided into three main categories Equipment, Wireless and Ethernet/Internet. The
‘Equipment’ section contains the unit’s inventory and identification information. The ‘Wireless’
section presents the key wireless metrics, which are displayed as a series of measurements. The
‘Ethernet/Internet’ section describes the unit’s network identity and connectivity.
The status page can be configured to refresh itself at an operator defined rate (if the user is logged
in as system administrator). The refresh period defaults to 3600 seconds and can easily be changed
to refresh at any period between 2 seconds and 3600 seconds. Pressing the ‘Update Page Refresh
Period’ button causes a new page refresh period to be adopted by the system. The page refresh
mechanism uses a HTML Meta refresh command. Therefore the refresh is always initiated by the
local browser and not by the 500 Series Bridge at this interval.
The two PTP 500 Series bridges units are arranged in a master and slave relationship. The roles
of the units in this relationship are displayed in the page title. The master unit will always have
the title ‘- Master’, and the slave will always have ‘- Slave’ appended to the ‘Systems Status’ page
title.
Figure 28 Status Page
The following section details all the attributes displayed on the status page:
Link Name: The link name is allocated by the system administrator and is used to identify the
equipment on the network. The link name attribute is limited to a maximum size of 63 ASCII
characters.
Link Location: The link location is allocated by the system administrator and can be used as
a generic scratch pad to describe the location of the equipment or any other equipment related
notes. The link location attribute is limited to a maximum size of 63 ASCII characters.
Software Version: The attribute describes the version of software installed on the equipment.
The format of the attributes is FFSSS-XX-YY where FF is the frequency variant (2.5, 5.4 or 5.8
GHz), SSS is the System Release, XX is the major release version and YY is the minor release
version.

Web Page Reference
63
Hardware Version: The hardware version attribute contains all the combined hardware version
information. The attribute is formatted as DXX-RYY-Z where DXX contain the version of the
digital card, RYY contains the version of the RF (radio frequency) card and Z describes the antenna
type which can be I (integrated) or C (connectorized).
Region Code: The region code is used by the system to constrain the wireless to operate within
regulatory regime of the particular country. The region code is encoded in the product license key.
If the operator wishes to change region code, a new license key must be obtained from Motorola
or the local point-to-point distributor / system integrator.
Elapsed Time Indicator: The elapsed time indicator attribute presents the total time in years,
days, hours, minutes and seconds since the last system restart. The system can restart for sev-
eral reasons, e.g. commanded reboot from the system reboot web page, or a power cycle of the
equipment.
Ethernet Link Status: Current status of the Ethernet link. A state of ‘Up’ with a green back-
ground indicates that an Ethernet link is established. A state of ‘Down’ with a red background
indicates that the Ethernet link is not established.
Ethernet Speed and Duplex: The negotiated speed and duplex setting of the Ethernet interface.
The speed setting is specified in Mbps. Full Duplex data transmission means that data can be
transmitted in both directions on a signal carrier at the same time. For example, on a local area
network with a technology that has full duplex transmission; one workstation can be sending data
on the line while another workstation is receiving data. Half Duplex data transmission means
that data can be transmitted in both directions on a signal carrier, but not at the same time.
For example, on a local area network using a technology that has half duplex transmission, one
workstation can send data on the line and then immediately receive data on the line from the same
direction in which data was just transmitted.
Remote IP Address: Hyperlink to the other side of the Link. The IP address of the peer link is
displayed if the Link is UP, otherwise “unavailable” is displayed.
Refresh Page Period: The Status page refreshes automatically according to the setting entered
here (in seconds). This attribute is only displayed when the user is logged on as System Adminis-
trator.
Wireless Link Status: As the attribute name suggests it displays the current status of the wireless
link. A state of ‘Up’ on a green background indicates that a point-to-point link is established. A
state of ‘Down’ on a red background indicates that the wireless link is not established.
Maximum Transmit Power: The maximum transmit power that the local wireless unit is per-
mitted to use to sustain a link.
Remote Maximum Transmit Power: The maximum transmit power that the remote wireless
unit is permitted to use to sustain a link.
Transmit Power: Transmit power histogram10 is expressed in dBm and presented as: max, mean,
min, and latest. The max, min and latest are true instantaneous measurements; the mean is the
mean of a set of one second means.
An histogram is calculated over a one hour period. If the equipment has been running for less than one hour then
10
the histogram is calculated over the current elapsed time. The data used to compute the histogram statistics can
be downloaded in an ASCII comma separated value (CSV) format via the diagnostics CSV Download page, see
Section 8.3.11.2 “Diagnostics Download”.

Web Page Reference
64
Receive Power: Receive power histogram is expressed in dBm and presented as: max, mean,
min, and latest. The max, min and latest are true instantaneous measurements; the mean is the
mean of a set of one second means. See footnote 10 “histograms”.
Vector Error: The vector error measurement compares the received signal’s In phase / Quad-
rature (IQ) modulation characteristics to an ideal signal to determine the composite error vector
magnitude. The results are stored in an histogram and expressed in dB and presented as: max,
mean, min and latest. The max, min and latest are true instantaneous measurements; the mean
is the mean of a set of one second means. The expected range for Vector Error would be approx-
imately -2dB (NLOS link operating at sensitivity limit on BPSK 0.67) to -33dB (short LOS link
running 256 QAM 0.83). See footnote 10 “histograms”.
Link Loss: The link loss is the total attenuation of the wireless signal between the two point-to-
point units. See footnote 10 “histograms”.
The link loss calculation presented below:
Pl=PT−PR+gT+gR(4)
Where
Pl= Link Loss dB
PT= Transmit power of the remote wireless unit dBm
PR= Received signal power at the local unit dBm
gt,g
r= Antenna gain at the remote and local units respectively11 dBi
Equation - Link Loss
Transmit Data Rate: The data rate in the transmit direction, expressed in Mbps and presented
as: max, mean, min, and latest in an histogram format. The max, min and latest are true
instantaneous measurements; the mean is the mean of a set of one second means.
See footnote 10 “histograms”. Expected data rates can be found in Section 14 “Data Rate
Calculations”.
Receive Data Rate: The data rate in the receive direction, expressed in Mbps and presented as:
max, mean, min, and latest in an histogram format. The max, min and latest are true instantaneous
measurements; the mean is the mean of a set of one second means.
See footnote 10 “histograms”. Expected data rates can be found in Section 14 “Data Rate
Calculations”.
Link Capacity: The maximum aggregate data rate capacity available for user traffic, assuming
the units have been connected using Gigabit Ethernet. The link capacity is variable and depends
of the prevailing wireless conditions as well as the distance (range) between the two wireless units.
Transmit Modulation Mode: The modulation mode currently being used on the transmit
channel. List of all the modulation modes can be found in Section 14 where data rate calculations
plots are given for each available modulation mode.
The antenna gain of the 500 Series bridge (23.5 dBi) is used unless one or both of the units is a Connectorized
11
version.

Web Page Reference
65
Receive Modulation Mode: The modulation mode currently being used on the receive channel.
List of all the modulation modes can be found in Section 14 where data rate calculations plots
are given for each available modulation mode.
Receive Modulation Mode Detail: This supplies the user with information regarding the
receive modulation mode in use. Possible values are:
•Running at maximum receive mode
•Running at user-configured Max Modulation Mode
•Restricted due to byte errors on the wireless link or local Ethernet Tx Fifo Drops
•Restricted because a DFS channel change is in progress
•Restricted due to telecoms acquisition mode
•Restricted due to the low Ethernet link speed
•Limited by the wireless conditions
Range: The range12 between the 500 Series bridge ODUs.
8.3 System Administration Pages
The following menu options are available for the system administrator and can be password pro-
tected. Figure 29 shows the system administration login page. By default a system administrator
password is not set. Simply click the login button to access the system administration features.
Figure 29 System Administration Login Page
Once the password has been set using the ‘Change Password’ menu item the system administration
pages will only be available after the user has entered the correct password.
The features that are only available to the system administrator are:
•Configuration
•Statistics
•The Installation Wizard
•Software Upgrade
The PTP 500 Series Bridge displays range in km by default, if the user would prefer to display range using Miles the
12
‘Distance Units’ attribute should be set to imperial, see the “Properties” web page Section 8.3.14 “Properties”.
Web Page Reference
66
•Spectrum Management including DFS
•Remote management
•Diagnostics Plotter
•Password Management
•License Key Management
•Properties
•System Reboot
8.3.1 System Configuration
The configuration of the 500 Series Bridge is organized into three sections:
•General configuration
•LAN configuration
•Telecoms Configuration
•Save and Restore
The general configuration allows modification of high level administrative (descriptive) attributes
and high level wireless configuration.
The LAN configuration sub menu allows the system administrator to modify the Ethernet and IP
configuration of the 500 Series Bridge.
The telecoms submenu displays the current status of the telecoms interface and allows the config-
uration of interface loopbacks.
The save and restore submenu allows the system administrator to backup and restore the bridge
configuration. It is recommended after a unit has been successfully installed; a copy of the active
configuration is taken and archived by the system administrator.
8.3.1.1 General Configuration Page
The general configuration page (Figure 30) is used by the system administrator to configure
the 500 Series Bridge’s high level administrative (descriptive) attributes and high level wireless
configuration.

Web Page Reference
67
Figure 30 System Configuration Page
While the majority of the system configuration is entered during installation and should never
require changing, this page offers the system administrator the ability to change the basic system
parameters for both the wireless and Ethernet components.
Link Name: User defined identity for the unit (max 63 characters).
Link Location: Can be used as a generic scratch pad to describe the location of the equipment.
Master Slave Mode and Link Mode Optimization current settings are displayed and can be
modified using the Installation Wizard pages. See Section 8.3.4 “Install Pages”
Max Receive Modulation Mode: This is the maximum mode the unit will use as its adaptive
modulation. By default the Max Receive Modulation Mode is the highest mode available.
For minimum error rates on TDM links the user should set the maximum modulation mode to
64QAM 0.75 at both ends of the link.
Ethernet Capped Max Wireless Speed: When enabled this option will cap the wireless speed
to a mode that the connected Ethernet connection can sustain.
Maximum Transmit Power: This specifies the maximum transmit power in dBm of the system.
It is country dependent and although the user can change this in 1dB steps, it will be limited to
that country’s regulations13.
In the UK there is a legal requirement to provide a minimum of 19dB of transmit power control range. When the
13
equipment is operating with a UK License Key, an additional facility is provided on the configuration page that
allows the transmitted power to be reduced by 19dB compared to the maximum allowed with a simple single step
control.

Web Page Reference
68
Why Reduce Transmit Power?
If the link losses are low and the link data rate and availability targets are being easily achieved,
the transmitted power level may be reduced with a consequent benefit to other users of the band,
e.g. fixed satellite links.
8.3.1.2 LAN Configuration Page
The LAN configuration page (Figure 31) is used by the system administrator to configure the
500 Series Bridge’s LAN interface.
Figure 31 LAN Configuration Page
IP Address: Internet protocol (IP) address. This address is used by the family of Internet
protocols to uniquely identify this unit on a network.
Subnet Mask: A subnet allows the flow of network traffic between hosts to be segregated based
on a network configuration.
Gateway IP Address: The IP address of a computer / router on the current network that acts
as a gateway.

Web Page Reference
69
VLAN High Priority Traffic Threshold: All packets with an 802.1P priority tag greater than
or equal to the indicated value will be treated as a high priority packet for transmission over the
wireless link.
Use VLAN For Management Interfaces: This controls whether the management interfaces
(WWW/SNMP/SMTP/SNTP) use 802.1Q VLAN tags or not. See Section 8.3.1.3 “LAN Con-
figuration Page - Use VLAN For Management Interface”.
Ethernet Auto Negotiation: This enables the Ethernet configuration to be forced rather than
auto negotiated.
Caution:The configuration should only be forced if you are having problems with auto
negotiation. You must ensure that you configure both this unit and the Ethernet port
to which it is connected identically. If you force a fixed Ethernet Configuration on
the 500 Series bridge then you MUST also force the same fixed configuration on
the equipment to which it is connected. If you fail to force the configuration of the
connected equipment, its automatic configuration mechanisms will normally cause a
duplex mismatch, and you will receive greatly reduced throughput!
When Ethernet Auto Negotiation is Disabled the format of the LAN configuration page will change
see Section 8.3.1.4 “LAN Configuration Page – Manual Ethernet Configuration”.
Auto Neg Advertisement: This controls the rates that the auto negotiation mechanism will ad-
vertise as available. Warning: Over the air throughput will be capped to the rate of the Ethernet
interface at the receiving end of the link.
Ethernet Auto Mdix: This enables/disables the Auto Medium Dependent Interface (MDI)/Medium
Dependent Interface Crossover (MDIX) capability. Default is “Enabled”.
Drop Ethernet Link On Wireless Link Down: When this option is enabled the Ethernet
link is momentarily dropped when the wireless link goes down. This feature is used to indicate to
the connected network equipment that this Ethernet link is no longer available, thus causing STP
(Spanning Tree Protocol) to re-route packets through an alternate link.
Local Packet Filtering: When Local Packet Filtering is “Enabled”, the bridge learns the source
MAC addresses of devices transmitting Ethernet packets on the local Ethernet network, and only
bridges packets to the remote unit if the destination MAC address has not been learned as a
’local’ device. When Local Packet Filtering is ‘Disabled’ the bridge does not learn the source MAC
addresses of devices transmitting Ethernet packets on the local Ethernet network, and bridges
ALL Ethernet packets received to the remote unit. Local Packet Filtering should be disabled when
external Ethernet switching hardware or a router is present. The default setting for Local Packet
Filtering is disabled.
All of the above attributes are non-volatile, once set they will be used by the unit even after a power
on reboot. A number of attributes, such as IP Address, Subnet Mask and Gateway IP Address and
VLAN settings will require a reboot before they are used. If any of these attributes are changed a
reboot screen appears asking the user to verify the reboot (Figure 32 or Figure 33).

Web Page Reference
70
Figure 32 Configuration Reboot Page
Figure 33 Configuration Reboot Page
– Ethernet Auto Negotiation Disabled
This will be followed by a pop-up dialogue box asking to confirm the action.
Note: At this point you will lose connection to the unit. If you have just changed the IP Address
you now have to reconnect to the unit using the address just set.
8.3.1.3 LAN Configuration Page – Use VLAN For Management Interfaces
The layout of the LAN Configuration page changes if this attribute is enabled in order to allow the
VLAN VID and VLAN Priority to be set, see Figure 34. The VLAN settings are applied only
after the unit is rebooted.

Web Page Reference
71
Caution: You must ensure that you can access the VLAN which you configure here, otherwise
you will be unable to access the unit following the next reboot.
Caution: The PTP 500 is only compatible with single VLAN tagged packets. Any packet with
two or more tags will be ignored.
Figure 34 VLAN Configuration Fields
VLAN Management VID: This 802.1Q VLAN VID will be included in packets generated by
the management interfaces. Valid settings are in the range 0 to 4094.
VLAN Management Priority: This 802.1Q VLAN Priority will be included in packets generated
by the management interfaces. Valid settings are in the range 0 to 7.
VLAN Management VID Validation: If enabled, the management interfaces will only respond
to Ethernet packets tagged with the configured 802.1Q VLAN Management VID; otherwise packets
with any VID will be accepted.

Web Page Reference
72
8.3.1.4 LAN Configuration Page – Manual Ethernet Configuration
Figure 35 LAN Configuration Page – Manual Ethernet Configuration
Force Configuration: This option allows the user to force the speed and duplex setting of the
Ethernet interface.
Warning: Over the air throughput will be capped to the rate of the Ethernet interface
at the receiving end of the link

Web Page Reference
73
8.3.1.5 Save and Restore Configuration File
The save and restore feature of a PTP 500 Series Bridge allows the system administrator to
backup the operation configuration of the wireless unit. It is recommended that this facility is
used immediately after a successful PTP 500 Series Bridge installation or prior to any software
upgrade. In the unlikely event that a unit has to be replaced in the field, the replacement unit can
be reconfigured by simply playing back the saved configuration file.
To save the configuration file click on the ‘Save Configuration File’ button (Figure 36) and save
the configuration file (.cfg) to the hard drive of your computer14 15.
Figure 36 Save and Restore Configuration Page
There is a feature of Internet Explorer (all versions) that will always look at the content of any downloadable file
14
as make an assessment whether to treat the file as an ASCII or binary file. Unfortunately the configuration file is
always treated as ASCII and the browser attempts to display it instead of downloading it. Firefox (all versions)
makes no such assumptions.
The configuration file format is MAC-mm-mm-mm_IP-iii-iii-iii-iii.cfg where mm and iii are the lower 3 bytes of the
15
MAC address and the unit IP address respectively.

Web Page Reference
74
Figure 37 Save Configuration File Screen

Web Page Reference
75
The configuration file is encoded using an ASCII encoding scheme. An example is show in
Figure 38.
Figure 38 PTP 500 Example Configuration File
CAUTION: The configuration file is currently restricted to a single software version and can
only be restored into a wireless unit operating the software version indicated in the configuration
file header.
The configuration file can also be used when swapping out a faulty wireless unit. If one of the
wireless units is replaced on a wireless link a configuration file captured from the faulty unit can
be uploaded into the new unit to speed up replacement. It should be noted that when placing
a configuration file into a wireless unit with a different MAC Address the license key will not be
restored and may need to be entered. This can be obtained either from the Quick Start Guide
supplied with the replacement wireless unit or directly from Motorola. Note that the target MAC
address at the other end needs to be changed to ensure that it is using the MAC address of the
replaced unit.
The restoration of configuration files can be performed using the Restore configuration tool. Using
the browser button to locate the configuration file you wish to restore then click the ‘Restore
Configuration File and Reboot’ button (Figure 39). The user will then be prompted to confirm
the action (Figure 40)

Web Page Reference
76
Figure 39 Restore Configuration File Pop Up Screen
Figure 40 Reset Configuration and Reboot Confirmation Pop-up

Web Page Reference
77
On confirmation the PTP 500 Series Bridge will:
•Upload the configuration file
•Perform data integrity checking
•Erase previous configuration
•Apply the new configuration
•Restart
After the unit has restarted the entire configuration from the configuration file will now be active.
Note: The IP address of the unit may have also been changed. The user can check the new IP
address by reading the header of the configuration file, Figure 38.
CAUTION: A reboot is always required to restore a configuration file.

Web Page Reference
78
8.3.2 Statistics Page
The 500 Series bridge statistics page is designed to display some key statistics of the Ethernet
Bridge and the underlying wireless performance.
Figure 41 System Statistics
Wireless Tx Packets: This displays the total number of good packets the bridge has sent for
transmission by the wireless interface16.
Wireless Rx Packets: This displays the total number of good packets the bridge has received
from the wireless interface. See footnote 16 “number of packets”.
The number in between brackets displays the number of packets received since the last page refresh.
16
Web Page Reference
79
Ethernet Tx Packets: This displays the total number of good packets the bridge has sent for
transmission by the local Ethernet interface. . See footnote 16 “number of packets”.
Ethernet Rx Packets: This displays the total number of good packets the bridge has received
from the local Ethernet interface. . See note See footnote 16 “number of packets”.
Packets To Internal Stack: This displays the total number of good packets the bridge has trans-
mitted to the internal stack (e.g., ARP requests, PING requests, HTTP requests). See footnote 16
“number of packets”.
Packets From Internal Stack: This displays the total number of good packets the bridge has
received from the internal stack (e.g. ARP responses, PING replies, HTTP responses). See
footnote 16 “number of packets”.
Transmit Data Rate: The data rate in the transmit direction, expressed in Mbps and presented
as: max, mean, min, and latest in an histogram format. The max, min and latest are true
instantaneous measurements; the mean is the mean of a set of one second means. See footnote 10
“histograms”. Expected data rates can be found in Section 14 “Data Rate Calculations”.
Receive Data Rate: The data rate in the receive direction, expressed in Mbps and presented as:
max, mean, min, and latest in an histogram format. The max, min and latest are true instantaneous
measurements; the mean is the mean of a set of one second means. . See footnote 10 “histograms”.
Expected data rates can be found in Section 14 “Data Rate Calculations”.
Aggregate Data Rate: The sum of the data rate in the directions expressed in Mbps and
presented as: max, mean, min, and latest in an histogram format. The max, min and latest are
true instantaneous measurements; the mean is the mean of a set of one second means. See Note
15. Expected data rates can be found in Section 14 “Data Rate Calculations”.
Link Capacity: The maximum aggregate data capacity available for user traffic under the current
radio link conditions, assuming the units have been connected using Gigabit Ethernet. The sum
of the displayed Transmit and Receive data rates may be lower than this figure if the link isn’t
fully loaded by the current traffic profile.
Transmit Modulation Mode: The modulation mode currently being used on the transmit
channel. The number in brackets after the modulation mode and coding rate string is the effective
data rate available to all MAC layer protocols. List of all the modulation modes can be found
in Section 14 “Data Rate Calculations” where data rate calculations plots are given for each
available modulation mode.
Receive Modulation Mode: The modulation mode currently being used on the receive channel.
The number in brackets after the modulation mode and coding rate string is the effective data rate
available to all MAC layer protocols. List of all the modulation modes can be found in Section 14
“Data Rate Calculations” where data rate calculations plots are given for each available modulation
mode.
Receive Modulation Mode Detail: This supplies the user with information regarding the
receive modulation mode in use. Possible values are:
•Running at maximum receive mode
•Running at user-configured Target Modulation Mode
Web Page Reference
80
•Restricted because Installation is armed
•Restricted because of byte errors on the wireless link
•Restricted because a DFS channel change is in progress
•Restricted due to the low Ethernet link speed
•Limited by the radio conditions
Signal Strength Ratio: The Signal Strength Ratio is the ratio of the power received by the
Vertical / Horizontal receivers and presented as: max, mean, min, and latest in an histogram
format. The max, min and latest are true instantaneous measurements; the mean is the mean of
a set of one second means. See footnote 10 “histograms”.
Wireless Link Availability: Expresses the link availability as a percentage of time since the first
successful registration after a system restart, expressed as a percentage to four decimal places.
Byte Error Ratio: The ratio of detected Byte errors to the total number of bytes since the last
system reboot. This is a true measure of link quality as this measurement is made continually
using null frames when there is no user data to transport.
Code Word Error Ratio: The ratio of uncorrected Codeword errors to the total number of
Codewords, calculated since the last reset of the system counters.
Statistics Page Refresh Period: The statistics page refreshes automatically according to the
setting entered here (in seconds).
Reset System Counters: By pressing this button all counters in the system are reset to zero.
Reset System Histograms: All histograms are reset, and the calculation period is restarted.

Web Page Reference
81
8.3.3 Detailed Counters Page
Figure 42 Detailed Counters Page
The detailed counters page is subdivided into two columns. Column one presents the detailed
statistics for the bridge’s Ethernet interface. Column two relates to the wireless interface.
The Counters have the following definitions:
Tx & Rx Octets: Total number of octets (bytes) transmitted or received over the interface.
Rx Drops: Frames dropped due to lack of receive buffer. This includes packets dropped when
the wireless link cannot transmit packets as quickly as they are being received at the Ethernet
interface.
Rx Packets: Total number of packets received by the interface. This includes both good and bad
packets.
Rx Broadcasts: Total number of good broadcast packets.
Rx Multicasts: Total number of good multicast packets.
Web Page Reference
82
Rx CRC and Align: Total number of packets with CRC or frame alignment errors.
Rx Undersize: Total number of packets received that are less than 64 bytes and have a valid
CRC.
Rx Oversize: Total number of packets received that are greater than the maximum number of
bytes with a valid CRC.
Rx Fragments: Total number of packets that are less than 64 bytes with an invalid CRC (these
packet types are also known as runts).
Rx Jabbers: Total number of packets received that are greater than the maximum number of
bytes with an invalid CRC.
Tx Drops: Total number of frames dropped due excessive collisions, late collision and frame
ageing.
Tx Packets: Total number of packets received by the interface. This includes both good and bad
packets.
Tx Broadcasts: Total number of good broadcast packets.
Tx Multicasts: Total number of good multicast packets.
Tx Collisions: Total number frames experiencing collisions.
Tx FIFO Drops: Total number frames dropped due to lack of capacity in the transmit buffer,
for example when the 500 Series bridge is connected to the local Ethernet at a connection speed
of less than 1 Gbps.
Rx & Tx High Priority: Total number of received or transmitted frames marked as high priority.
Rx & Tx Low Priority: Total number of received or transmitted frames marked as low priority.
Rx & Tx Pause Frames: Total number of received or transmitted pause frames.
Statistics Page Refresh Period: The statistics page refreshes automatically according to the
setting entered here (in seconds).
8.3.4 Install Pages
These pages are used during system installation. There follows a description of the install pages
along with their use during the installation configuration process. The actual installation process
is described in Section 8.3.4.1 “Manually Configuring the Wireless Units”.
All wireless links are shipped as paired units. They are pre-configured at the factory so that
they can be installed without the user supplying any configuration. Each wireless link is shipped
with a quick start guide. Attached to the quick start guide is a summary of the pre-configured
configuration data. Table 12 shows a sample link configuration. The values highlighted have been
committed to the wireless unit’s non-volatile storage.

Web Page Reference
83
Example PTP 500 Series Configuration
Data
For your convenience these two units have been
pre-configured as a link Units
Units:
ODU serial number ODU serial number
0167100000A0 016710000096
Ethernet MAC address Ethernet MAC address
00:04:56:10:00:96 00:04:56:10:00:A0
Configured as:
Master Slave
Target MAC address Target MAC address
00:04:56:10:00:A0 00:04:56:10:00:96
License key License Key
0557-D8B0-47A1-B0DD 534F-4F54-D1B0-E2DA
IP Address IP Address
169.254.1.2 169.254.1.1
Table 12 500 Series Bridge
Factory Configuration Values
The factory default configuration is limited in range to 40 Km (25 miles). If you wish to install a
wireless link with a range of >40 Km (>25 miles) and <200 Km (<124 miles) or <5Km(<3
miles) you must follow the steps in Section 8.3.4.1 “Manually Configuring The Wireless Units”.
The factory default configuration is set to Region 26. Region 26 allows the 500 Series bridge a
maximum transmit power of 25 dBm. If the local regulatory regime limits the maximum transmit
power (EIRP) to less than 25 dBm you should obtain a new license key containing the correct
region code from your local distributor or direct from Motorola. Alternatively in the short term,
you should reduce the maximum transmit power by following the procedures in Section 8.3.4.1
“Manually Configuring The Wireless Units”.
8.3.4.1 Manually Configuring The Wireless Units
If the installer / system administrator wishes, they may modify the default installation configu-
ration. If only the IP addresses (network configuration) are incorrect it is recommended that the
values are changed via the configuration menu (Section 8.3.1.2 “LAN Configuration Page”). If

Web Page Reference
84
any other parameters require modification then it is recommended that the system administrator
use the Installation Wizard.
A detailed description of the Installation Wizard follows: The 500 Series bridge operational software
requires a license key to enable the wireless bridging capability and programs region code specific
parameters in to the unit.
Figure 43 License Key Data Entry
A license key is programmed into each unit during production and can be found written on the
Configuration Data Summary Label which is attached to the Quick Install Guide. If subsequently
the license key has been mislaid, replacement keys can be applied for online or via your distributor.
If a valid license key is not detected in the unit’s non-volatile memory then the user is prompted
to enter a valid key. It should be noted that 500 Series bridge units are shipped as link pairs and,
as such, valid license keys are entered during the production process. To enter a license key simply
type or paste the license key into the data entry box (Figure 43) and click the ‘validate license
key’ button.
8.3.4.2 Internet Protocol Configuration
Step 1 of the installation wizard requires the installer to enter the Internet Protocol (IP) configu-
ration.

Web Page Reference
85
Figure 44 Installation Wizard Internet Protocol Configuration
IP Address:Internet protocol (IP) address. This address is used by the family of Internet protocols
to uniquely identify this unit on a network.
Subnet Mask:A subnet allows the flow of network traffic between hosts to be segregated based on
a network configuration. By organizing hosts into logical groups, subnetting can improve network
security and performance. Gateway IP Address: The IP address of a computer / router on the
current network that acts as a gateway. A gateway acts as an entrance / exit to packets from / to
other networks.
Use VLAN Management Interface:Controls whether the management interfaces (HTTP/SNMP
/SMTP/SNTP) use a VLAN. Selecting this option presents the user with extra fields in which to
enter the Management VLAN ID, Priority and whether to validate the VLAN ID. If the user
modifies this control, a warning dialog is displayed see Figure 45.
Telecoms Interface This allows the activation of the 500 Series bridge telecoms interface. If the
selection options are disabled, T1 or E1 note mixed T1/E1 configurations are not permitted.

Web Page Reference
86
Figure 45 VLAN Warning
Once complete, click the ‘Submit Internet Protocol Configuration’ button or the ‘Next’ link.
8.3.4.3 Wireless Configuration
Step 2 of the installation wizard requires the installer to enter the wireless configuration parameters.
Figure 46 5.8 GHz and 5.4 GHz Variants -
Installation Wizard Wireless Configuration
Web Page Reference
87
Target MAC Address:It is the MAC Address of the peer unit that will be at the other end of
the wireless link. This is used by the system to ensure the unit establishes a wireless link to the
correct peer.
The MAC Address can be found embedded within the serial number of the unit. The last six
characters of the serial number are the last three bytes of the unit’s MAC address. (Note: A PTP
500 Series system is shipped as a pair of units with pre-loaded correct MAC addresses. Target
MAC addresses will only need to be entered if an existing unit has to be replaced in the field or
the units configuration has been erased).
Master Slave Mode:At this point it is necessary to decide which end will designate a Master.
The Master unit is the controlling unit with respect to the point-to-point link and its maintenance.
The master transmits until the link is made, while the Slave listens for its peer and only transmits
when the peer has been identified.
Link Mode Optimization:Optimizes the link behavior according to the type of traffic that will
be bridged. There are two modes to choose from: IP and TDM.
In IP Mode, the PTP 500 product runs an Adaptive TDD scheme. Basically an unloaded link
runs 10:10 mode (10 OFDM bursts alternately in each direction). A sustained traffic load in one
direction for example may cause a threshold to be reached where the TDD mode automatically
adapts to say 20:10. If the load continues to increase, then the TDD structure may adapt even
further through 30:10 to 40:10. This is a state of maximum link asymmetry (40 OFDM bursts
in one direction compared with 10 in the other). If the load increases in BOTH directions, then
the TDD structure can adapt from 10:10, through 20:20, 30:30 and finally 40:40. This is a state
of maximum aggregate throughput. So if three out of these combinations are considered; 10:10,
40:10 and 40:40 they would give the following characteristics:
10:10: equal performance in each direction, lowest aggregate throughput and lowest Latency.
40:10: achieves maximum one way throughput performance, to the detriment of both latency and
throughput in the opposite direction.
40:40: Maximum link aggregate rate, balanced performance in each direction, higher latency.
Note that there is an engineering trade-off between the flexibility of ATDD and Latency as follows:
When the TDD structure changes, there will be a short term impact on Latency for a few Frames.
This would not affect the steady state long term average latency, but could be recorded as a
Maximum latency. This affect may be amplified for short Latency tests or if the traffic loading
is oscillating either side of a boundary condition. As the TDD burst length increases, Traffic in
each direction will have to wait longer before a Transmit window is available, but more data can
be sent during the burst. There is an impact on latency but it varies depending upon installation
range, Frame size and modulation mode.
In TDM mode, two major differences in link behaviour occur compared with IP mode. First the
TDD structure is fixed symmetrically. Either 10:10, 20:20, 30:30 or 40:40 based upon the installed
range.
Secondly, the point at which a modulation mode changes for given RF conditions is more conser-
vative. In practice, this means that the link will typically stay in a lower modulation mode, but
with increased tolerance to RF variability.

Web Page Reference
88
Depending upon the link characteristic that the customer requires, this may very well be the best
choice. It increases consistency of link performance and equality in each direction as a trade-off
against maximum throughput.
Tx Max Power:This attribute controls the maximum transmit power the unit is permitted to
use when installing and executing the wireless link. The maximum setting for a particular region
or country is controlled by the License Key.
Platform Variant:Chooses between an integrated unit or a connectorized unit that requires an
external antenna.
Channel Bandwidth:Users can choose a variable channel bandwidth for the available spectrum.
Value is 15 MHz.
Spectrum Management Control:Is used to configure the PTP 500 Series Bridge’s Spectrum
Management features, see Section 8.3.7 “Spectrum Management” for more details. i-DFS is the
abbreviation for intelligent Dynamic Frequency Selection. This feature continually monitors the
spectrum looking for the channel with the lowest level of on channel and co-channel interference.
Fixed frequency mode allows the installer to fix transmit and receive frequencies on the units. The
frequencies may be configured symmetrically or asymmetrically.
Lower Center Frequency:The software for the PTP 500 Series Bridge allows a user to optionally
adjust the channel center frequencies. Changing the Lower Center Frequency attribute causes all
channel center frequencies to be offset. It effectively slides the channelization up or down. See
Sections Section 5.5 “5.4 GHz Specific Frequency Planning Considerations” and Section 5.6
“5.8 GHz Specific Frequency Planning Considerations” depending on the frequency variant.
Warning: The lower center frequency attribute must be configured to the same value for both
the master and slave. Failure to do so will cause the wireless link to fail reestablishment. The only
way to recover from this situation is to modify the Lower Center Frequency attribute so that they
are identical on both the master and slave unit.
Fixed Transmit Frequency, Fixed Receive Frequency:The software for the PTP 500 Se-
ries Bridge allows a user to optionally fix the Transmit and the Receive frequencies for a wireless
link. The settings must be compatible at each end of the link. Once configured the spectrum
management software will not attempt to move the wireless link to a channel with lower co or
adjacent channel interference. Therefore this mode of operation is only recommended for deploy-
ments where the installer has a good understanding of the prevailing interference environment.
Figure 47 shows a sample fixed frequency configuration for a 30 MHz channel bandwidth. In the
example the lower center frequency is set to its default values and the Fixed Transmit Frequency
is set to 5735 MHz and the Fixed Receive Frequency is set to 5735 MHz. Care must be taken
when configuring the Fixed Transmit and Receive Frequencies to ensure that both frequencies are
on the same 5 MHz channel raster as the Lower Center Frequency. For example both the Fixed
Transmit and Receive Frequencies must be a multiple of 5 MHz from the Lower Center Frequency
(5740 = 5735 + 5 MHz) and (5745 = 5735 + 5 MHz x 2). Please note that there is a raster that
limits the selection of the Rx frequency based upon the setting of the Tx frequency, and that the
list of options presented in the fixed Tx frequency box is limited to that raster.

Web Page Reference
89
Figure 47 5.8 GHz and 5.4 GHz Variants - Fixed Frequency Operation
Installation Tones:Where the use of audio installation tones is not required this control allows the
installer to optionally disable the tone generator during the installation process. Once the installer
is satisfied with the wireless configuration options then the “Submit Wireless Configuration” button
or the “Next” link should be clicked.

Web Page Reference
90
Figure 48 5.8 GHz and 5.4 GHz Variants -
Installation Wizard Confirm Configuration
If the settings are correct and appropriate, click the “Confirm Configuration, Arm Installation and
Reboot” button. The user will now be prompted to confirm the action (Figure 49).

Web Page Reference
91
Figure 49 Reboot Confirmation Pop Up
All the attributes are committed to non-volatile memory. Immediately following the write to non-
volatile memory the unit is reset. Note: If you have changed the Ethernet parameters you must
reconnect using the correct network and address settings.

Web Page Reference
92
8.3.4.4 Disarm
Step 5 of the installation wizard is the disarm phase.
Figure 50 5.8 GHz and 5.4 GHz Variant - Disarm Installation

Web Page Reference
93
Once Section 8.3.4.3 “Wireless Configuration” is complete pressing the “Disarm Installation
Agent” button completes the installation process17 and the audible installation tone will be
switched off. If the installer wishes to modify the installation configuration then the ‘Back’ link
can be used to access the installation wizard steps described above.
After disarming the wireless link the user is presented with one of two possible configuration
pages, see Figure 52 and Figure 51. The screen presents hyperlinks to the main configuration
and spectrum management pages.
Figure 51 Optional Post Disarm Configuration 2
Figure 52 Optional Post Disarm Configuration 1
After installation the system administrator may wish to modify the wireless units descriptive con-
figuration (link name and link location). In addition the system administrator may wish to change
the spectrum management configuration of the wireless unit, or look at the analysis of the 5.8 GHz
spectrum to see if the automatic channel selection is appropriate for the system administrator’s
network. It is also recommended that a backup copy of the wireless units configuration is taken.
Hyperlinks are provided on the post disarm page for ease of use.
The installation process is completed when both ends of the link are ‘disarmed’.
17

Web Page Reference
94
8.3.5 Graphical Install
To aid the installation of wireless links two graphical installation aids have been introduced in this
500 Series system version.
•A PDA installation screen
•A larger installation screen available from the main HTTP management interface.
The design of the installation screen has been deliberately kept simple and uncluttered. An example
of the installation screen is shown in Figure 53. Both the PDA and the large format installation
screen have the same content and only differ in size. The PDA installation screen is 232 by 220
pixels to be compatible with the typical size of a PDA screen.
Figure 53 Graphical Installation Screen
The screen displays the receive power over the last three minutes. This will allow the installer
to slowly sweep the antenna during installation and monitor the variation in signal strength with
angular position. The screen automatically refreshes every three seconds.
The screen also displays the current state of the wireless link in two ways. First, the actual state
of the wireless link is written in the top left corner of the screen. The instantaneous receive power
bar also encodes the state of the wireless link using green to signify that the wireless link is up and
red for all other states.
For the more technically aware, the installation metric is simply the instantaneous receive power
in dBm + 100.
The PDA installation tool is accessed via a hidden URL http://<ip-address>/pda.cgi. It should
be noted that this link is only available after the user has logged in as system administrator.
The large screen version of the graphical user interface is available as a submenu option of the
installation wizard.

Web Page Reference
95
8.3.6 Software Upgrade
The 500 Series system has two software image banks; one is a fixed image which is stored in
protected non-volatile memory and cannot be modified by the user. The second bank is used by
the system administrator to upgrade the firmware when necessary. Figure 54 shows the main
software upgrade web page.
Figure 54 Software Upgrade
The ‘Fixed’ or ‘Recovery’ image is used by the System Administrator to:
•Reset Ethernet configuration to default settings
•Erase Configuration
•Upgrade software
For a full description of the Recovery image see Section 9 “Recovery Mode”.
The software upgrade pages are used to update a unit’s operational software. The software image
to be uploaded should be downloaded to local storage from the Motorola web site. The software
image is delivered by Motorola as a compressed zip file. Once the zip file has been downloaded,
the user should extract the PTP 500 Series Software image, identifiable by its ‘.dld’ file extension.
The first step (Figure 54) is to use the “Browse” button to locate the software image previously
downloaded to local storage from the Motorola web site. Once the image is located, the user should
press the “Upload image to wireless unit” button to start the software upgrade process18.
During the software upgrade process, ensure that the remote end is upgraded first using the wireless connection and
18
then the local end can be upgraded.

Web Page Reference
96
The software image will now be uploaded to the unit. This upload should only take a few seconds.
Once complete the image is verified and validated to ensure that no errors occurred during transfer
and that the image is valid to run on the current platform. If there are any problems a warning
screen will appear.
The unit being upgraded will now display information about the build it currently has stored in
the image bank and the one that’s just been uploaded. If the image is not the right one, the user
has the option to go back and reload a new image. (See Figure 55)
Figure 55 Software Upgrade Image Check
The user should ensure that the correct image is shown before pressing the “Program Software
Image into Non-Volatile Memory” button. Once this button has been pressed the image is stored
into non-volatile memory, this process can take up to 60 seconds and must not be interrupted.
If the upgrade process is interrupted during the erasure of the image bank, or during the repro-
gramming of the image bank, the image bank will be left in a corrupt state. If this occurs the
software must be reloaded. All software images that are stored in non-volatile memory are pro-
tected via the use of CRCs. If the software detects an invalid CRC the image bank is marked as
‘corrupt’ and the 500 Series bridge boot code will boot the fixed software image. If this occurs the
user must attempt to reload the correct version of software.
During the write process the progress of the upgrade is displayed on the progress tracking page
(Figure 56). The upgrade process should not be interrupted. Interruption of this process can
result in a corrupt main software image, which will result in the recovery image been booted at
the next reset cycle.

Web Page Reference
97
Figure 56 Software Download Progress Indicator
Figure 57 Software Upgrade Complete
When the software image has been written to non-volatile memory Figure 57 will be displayed
showing the status of the software upload.
Reboot the unit by clicking the “Reboot Wireless Unit” button. You will be asked to confirm this
action as shown in Figure 58.
Figure 58 Reboot Confirmation Pop Up
This will reboot the unit, taking up to 120 seconds. During this time you will not be able to
communicate with the unit.

Web Page Reference
98
If you cannot communicate with the unit after 120 seconds, this could indicate a problem with the
memory update process. Under these circumstances the user should enter “Recovery Mode”, see
Section 9 “Recovery Mode”.
After the reboot the user should check that the required software image is loaded and running.
NOTE: Please ensure that you are upgrading the correct units. Units cannot be downgraded..
8.3.7 Spectrum Management
Spectrum Management Selection is the PTP 500 Series Bridge feature that monitors the available
wireless spectrum and directs both ends of the wireless link to operate on a channel with a minimum
level of co-channel and adjacent channel interference.
8.3.7.1 Wireless Channels
The PTP 500 Series Bridge operates using a set of predefined overlapping channels. There are a
different number of channels, depending on the raster mode selected. Each channel occupies 15
MHz of wireless spectrum and is offset in center frequency from its neighboring channel by 5 MHz.
It is important to note that adjacent channels on the Spectrum management display have a 5 MHz
overlap to the adjacent channel.
The default channelization can be modified by varying the lower center frequency attribute in
the installation wizard - see Section 8.3.4.3 “Wireless Configuration”. See Section 5 “General
Considerations” for more detail.
8.3.7.2 Spectrum Management Measurements
The 500 Series Bridge performs two mean signal measurements per TDD cycle, per channel. This
mean measurement represents the mean received signal power for the 40 microseconds measurement
period.
The Spectrum Management algorithm collects measurements equally from all channels.
This process is called the Channel Availability Check (hereafter referred to by the acronym CAC).
The CAC uses a round-robin channel selection process to collect an equal amount of measurements
from each channel. It is important to note that the CAC measurement process is not altered by
the channel barring process. Measurements are still collected for all channels irrespective of the
number of barred channels.
8.3.7.3 Measurement Analysis
Spectrum Management uses statistical analysis to process the received peak and mean measure-
ment. The statistical analysis is based on a fixed, one minute, measurement quantization period.
Spectrum Management collects data for the specified quantization period and only at the end of
the period is the statistical analysis performed.
The analysis produces three key metrics for each channel:

Web Page Reference
99
•Peak of Means
•99.9% Percentile of the Means
•Mean of Means
Peak of Means:is the largest mean interference measurement encountered during the quantization
period. The peak of means is similar to the peak of peaks and is useful for detecting slightly longer
duration spikes in the interference environment. 99.9% Percentile of the Means is the value of
mean interference measurement which 99.9% of all mean measurements fall below, during the
quantization period. The 99.9% percentile metric is useful for detecting short duration repetitive
interference that by its very nature has a minimal effect of the mean of means.
Mean of Means:is the arithmetic mean19 of the measured means during a quantization period.
The mean of means is a coarse measure of signal interference and gives an indication of the
average interference level measured during the quantization period. The metric is not very good
at predicting intermittent interference and is included to show the spread between the mean of
means, the 99.9% percentile and the peak of means.
Important Note: Spectrum Management uses the 99.9% percentile as the prime interference
measurement. All subsequent references to interference level refer to this percentile measurement.
The display of statistical measurement on the spectrum management page always shows a statistical
summary of all channel measurement. The statistical summary is controlled by the Statistics
Window attribute. This attribute defaults to a value of twenty minutes, which means that the
mean and percentile values displayed for each channel are calculated over the 20 minute period.
All channel decisions are made using the values computed over the statistics window period.
8.3.7.4 The Spectrum Management Master / Slave Relationship
The Spectrum Management operates in a master / slave relationship. The master is assumed to be
the link master configured during installation. All Spectrum Management configuration changes
MUST be performed from the master. To enforce this, the Spectrum Management web page has
a different appearance depending if you are viewing the data from the master or slave.
All configuration changes are applied at the master only. These changes are then messaged from
the master to the slave. Any Spectrum Management configuration messages received at the slave
are stored in non-volatile memory. This enables both master and slave to keep identical copies of
Spectrum Management configuration data in their non-volatile memories. It is therefore possible
to swap master and slave roles on an active Point-to-Point link without modifying Spectrum
Management configuration.
The arithmetic mean is the true power mean and not the mean of the values expressed in dBm.
19

Web Page Reference
100
Figure 59 Spectrum Management as seen from the Master

Web Page Reference
101
Figure 60 Spectrum Management as seen from the Slave
Figure 59 shows an example Spectrum Management webpage as seen from the master.
Figure 60 shows an example Spectrum Management webpage as seen from the slave. It should
be noted that the key configuration attributes are not available on the slave web page.
8.3.7.5 Spectrum Management Configuration
The following section describes the user modifiable configuration accessible from the Spectrum
Management webpage. It is recommended that the default values are maintained. If the user
believes that the performance of the Spectrum Management algorithm requires some modifications
this should only be done after consulting your Motorola Point-to-Point distributor or one of the
system field support engineers.
Page Refresh Period: The page refreshes automatically according to the setting entered here
(in seconds).
Web Page Reference
102
Hopping Margin:Spectrum Management uses this margin when making a channel hop decision.
The target channel has to have an interference level 3 dB (default) better than the current active
channel.
Hopping Period (not configurable):The Spectrum Management algorithm evaluates the met-
rics every ‘Hopping Period’ seconds (180 seconds by default) looking for a channel with lower levels
of interference. If a better channel is located, Spectrum Management performs an automated chan-
nel hop. If SNMP or SMTP alerts are enabled an SNMP TRAP or an email alert is sent warning
the system administrator of the channel change.
Hopping Counter:is used to record the number of channel hops. The number in the “(+)”
brackets indicates the number of channel changes since the last screen refresh.
Interference Threshold:Spectrum Management uses the interference threshold to perform in-
stantaneous channel hops. If the measured interference on a channel exceeds the specified threshold,
then iDFS will instruct the wireless to immediately move to a better channel. If a better channel
cannot be found the 500 Series Bridge will continue to use the current active channel. (Default -85
dBm)
Asymmetric DFS:The default configuration of symmetric operation constrains the link to op-
erate symmetrically, using the same transmit and receive channels. When in symmetric mode the
slave unit will always follow the master. If the master moves to a new channel the slave will hop
to the same channel. When the Point-to-Point link is configured as an asymmetric link both the
master and slave are free to select the best channel from their own set of local interference metrics.
Channel Bandwidth (not configurable):shows the value of the variable channel bandwidth
selected.
8.3.7.6 Barring Channels
Channels can only be barred / unbarred by the system administrator from the master Spectrum
Management web page. The barring / unbarring operations are disabled on the slave web page. If
an attempt to bar / unbar a channel is made at the slave, a warning dialog is generated.
Barring/Unbarring of channels is performed by clicking the appropriate channel on the local or
peer channel spectrum plots on the master web page. Each bar / unbar attempt will be proceeded
by a confirmation dialog. It should be noted that the channel bar will take effect immediately and
is not related to the measurement quantization period.
8.3.7.7 Master and Slave Channel Spectrum Graphics
Spectrum Management presents its computed statistical measurements in a graphical display on
both the master and slave Spectrum Management web page.

Web Page Reference
103
Figure 61 Example Spectrum Management Graphic
The X-axis shows a stylized view of the selectable wireless channels. It is important to note that
adjacent channels on the display have a 10 MHz overlap. The display separates the display of
channels to help the clarity of the resultant display. The axis is labeled using the channel center
frequencies in MHz.
The Y-axis shows the interference power levels from -100 to -40 dBm.
The active channel (channel 5 in Figure 61) is always marked using hatched green and white lines.
The width of the hatching is directly proportional the channel bandwidth spectral occupancy of
the channel.
The individual channel metrics are displayed using a colored bar and an ‘I’ bar.
The colored bar represents the following channel state:

Web Page Reference
104
Green Active The channel is currently in use, hosting the Point-to-Point wireless
link.
Orange Interference The channel has interference above the intererence threshold
Blue Available The channel has an interference level below the interference threshold
and is considered by the Spectrum Management algorithm suitable for
hosting the Point-to-Point link.
Grey Barred The system administrator has barred this channel from use. For
improved visibility, an additional red ’lock’ symbol is used to indicate
that a channel is barred
Table 13 Spectrum Management change state key
The top of the colored bar represents the 99.9% percentile metric for specific channel. The ‘I’
Bar is used to display the mean of means and peak of means metrics. The lower horizontal bar
represents the mean of means and the upper horizontal bar represents the peak of means. The
vertical bar is used as a visual cue to highlight the statistical spread between the peak and the
mean of the statistical distribution.
8.3.7.8 Active Channel History
The active channel history is a time series display of the channels used by the PTP 500 Series
Bridge over the last 25 hours. The active channel history is activated from the main Spectrum
Management page using the ‘Active Channel History’ hyperlink. An example of the active channel
history display is shown in Figure 62. Where there are parallel entries on the display this signifies
that the wireless link occupied this channel during the measurement period. The measurement
periods are one minute (from zero to sixty minutes) and twenty minutes from (60 minutes to twenty
five hours).
Figure 62 Active Channel History Screen

Web Page Reference
105
8.3.7.9 Viewing Historic Spectrum Management Metrics
Spectrum Management allows the system administrator to view the results of previous measure-
ment quantization periods. Holding down the shift key and clicking the appropriate channel on the
local channel spectrum plots activates this feature. This feature is available on both the master
and slave web page.
Figure 63 Spectrum Management Time Series Plot
Figure 63 shows an example time series plot. A time series plot displays the previous 132 measure-
ment quantization periods. If the PTP 500 Series Bridge has not been running for 132 quantization
periods then only the number of measurement quantization periods that are available are displayed.
GREEN Peak of Means interference measurement
BLACK 99.9% percentile of means intinterference measurement
BLUE Mean of means interference measurement
Table 14 Spectrum Management Time Series Key
8.3.8 Spectrum Management (Fixed Frequency)
The PTP 500 Series Bridge software allows a user to optionally fix transmit and receive frequencies
for a wireless link. Once configured, the spectrum management software will not attempt to move
the wireless link to a channel with lower co and adjacent channel interference. Therefore this mode
of operation is only recommended for deployments where the installer has a good understanding
the prevailing interference environment. (See Section 8.3.4.3 “Wireless Configuration”). Care
must also be taken to ensure that the frequency allocations at each end of the link are compatible.
To help the user when identifying the mode of operation Spectrum Management uses two visual
cues. See Figure 64.
The main page title identifies the mode of operation using the “Fixed Frequency Mode” postfix
and the selected channels are identified by a red capital ‘F’.

Web Page Reference
106
Figure 64 Spectrum Management Fixed Frequency Screen
Channel barring is disabled in fixed frequency mode; it is not required as dynamic channel hopping
is prohibited in this mode.
The only controls available to the master are the Statistics Window and Interference Threshold
attributes. They will have no effect on the operation of the wireless link and will only effect the
generation of the channel spectrum graphics.
The active channel history menu is removed in this mode of operation as channel hopping is
prohibited.

Web Page Reference
107
Figure 65 Spectrum Management Help Page (Fixed Frequency)
8.3.9 Spectrum Management Control – With Operational Restrictions
When operating with Radar Avoidance enabled the following variances in operation apply:
•The words “Radar Avoidance” are appended to the “Spectrum Management” title at the top
of the screen. See Figure 66 and Figure 67.
•The only controls available to the master are the Interference Threshold attribute. This has
no effect on the operation of the wireless link and will only affect the generation of the channel
spectrum graphics. See Figure 66.
•Extra color coding of the interference histogram is provided. See Table 15.
When operating with RTTT (Road transport and Traffic Telematics) Avoidance enabled or
other regulatory restrictions on channel usage the following variances apply:
•All channels marked with a ‘no entry’ symbol with their associated statistics colored black are
the prohibited channels. See Figure 66 and Figure 67. These channels are never used to
host the wireless link, but CAC measurements are still taken so that adjacent channel biases
can be calculated correctly and so the user can see if other equipment is in use.

Web Page Reference
108
Figure 66 Spectrum Management Master Screen With Operational Restrictions

Web Page Reference
109
Figure 67 Spectrum Management Slave Screen With Operational Restrictions
The colored bar represents the following channel state:

Web Page Reference
110
Green Active The channel is currently in use hosting the Point-to-Point
wireless link
Orange Interference The channel has interference above the interference threshold
Blue Available The channel has an interference level below the interference
threshold and is considered by the Spectrum Management
algorithm suitable for hosting the Point-to-Point link
Grey Barred The system administrator has barred this channel from use.
Because the low signal levels encountered when a unit is
powered up in a laboratory environment prior to installation
(which makes the grey of the channel bar difficult to see). An
additional red ‘lock’ symbol is used to indicate that a channel is
barred.
Red Radar detected Detected Impulsive Radar Interference has been detected on
this channel.
Region Bar Region Bar This channel has been barred from use by the local region
regulator
Table 15 Spectrum Management Change State Key With Operational Restrictions

Web Page Reference
111
8.3.10 Remote Management Page
The Remote Management page (Figure 68) allows the system administrator to configure the
remote management of the PTP 500 Series Bridge.
8.3.10.1 Control Access to HTTP Interface
The attribute HTTP Access Enabled allows a user to stop any access to a unit via the web
interface. The default value for this control is set to “yes”, which means that the unit can be
accessed using the web interface. If the option “No” is selected, then a warning is displayed as
shown in Figure 69.
8.3.10.2 Control Access to Telnet Interface
The attribute HTTP Telnet Enabled allows a user to stop any access to a unit via the telnet
interface. The default value for this control is set to “yes”, which means that the unit can be
accessed using the telnet interface20
8.3.10.3 SNMP (Simple Network Management Protocol)
The industry standard remote management technique is SNMP (Simple Network Management
Protocol). The PTP 500 Series Bridge supports version 1 and version 2c of the SNMP protocol.
8.3.10.4 Supported Management Information Bases (MIBS)
The PTP 500 Series Bridge SNMP stack currently supports the following MIBs:
•MIB-II, RFC-1213, The PTP 500 Series Bridge supports the ‘System Group’ and ‘Interfaces
Group’.
•Bridge MIB, RFC-1493, The PTP 500 Series Bridge supports the ‘dot1dBase Group’ and the
‘dot1dBasePortTable Group’.
•PTP 500 Series Bridge proprietary MIB
•RFC-2233 (High capacity counter) MIB
•WiMAX MIB SNMP TRAPs supported:
•Cold Start
•Link Up
•Link Down
•DFS Channel Change
•DFS Impulsive Interference
Note that if HTTP, Telnet and SNMP interfaces have been disabled, then the user needs to use the Recovery image
20
to Şreset IP & Ethernet Configuration back to factory defaultsŤ to re-enable the HTTP-Telnet interfaces. SNMP
can also be used to re-enable the other interfaces if SNMP is enabled.

Web Page Reference
112
Figure 68 Remote Management

Web Page Reference
113
Figure 69 Warning when disabling HTTP Interface
8.3.10.5 Diagnostics Alarms
A number of diagnostics alarms have been added to allow SNMP agents to receive traps and
emails if required. Refer to Section 8.1.1 “Home Page Alarm Display” for a description of all
these alarms. Checking the control “Enabled Diagnostic Alarms” in SNMP and/or SNTP selects
all the alarms shown in Figure 70. Users can access the sub-menu “Diagnostic Alarms” to modify
the alarms selected.

Web Page Reference
114
Figure 70 Remote Management – Diagnostic Alarms
For a copy of the Motorola proprietary version 1 and version 2 MIB RFCs please consult the
installation CD
8.3.10.6 SNMP Configuration
SNMP State:The SNMP state attribute controls the creation of the SNMP features. Changing
the SNMP state attribute requires a mandatory reboot of the unit. Only when the SNMP state is
enabled at system start-up will the SNMP processor task be created.
SNMP Enabled Traps:The SNMP Enabled Traps attribute controls which SNMP Traps the
unit will send.
Web Page Reference
115
SNMP Community String:The SNMP community string acts like a password between the
networks SNMP management entity and the distributed SNMP clients (600 Series bridge). Only
if the community string is configured correctly on all SNMP entities can the flow of management
information take place. By convention the default value is set to ‘public’. When the community
string is changed the system requires a mandatory reboot before the new string or phrase is
adopted.
SNMP Port Number:Is the port the SNMP management agent is listening to for commands
from an SNMP manager. The default value for this port number is 161.
SNMP Trap IP Address:Is the address of either the network SNMP manager or Trap receiver.
When asynchronous events (traps in SNMP terminology) are generated, the client unicasts these
to this IP Address. When the address is changed the system requires a mandatory reboot before
the setting is adopted
SNMP Trap Port Number:The SNMP Trap Port Number is the port number of either the
networked SNMP manager or Trap receiver. By convention the default value for the port number
is 162. When the port number is changed the system requires a mandatory reboot before the
setting is adopted.
WiMAX Control:Enables and Disables the WiMAX (802.16) MIB. This control is only displayed
when ‘Fixed Frequency’ is selected during installation.
8.3.10.7 SMTP (Simple Mail Transport Protocol)
The SMTP client is an alternative method for the 500 Series bridge to alert a system administrator
when there are or have been system errors SMTP
Email Alert:This attribute controls the activation of the SMTP client.
SMTP Enabled Messages:The SMTP Enabled Messages attribute controls which email alerts
the unit will send.
SMTP IP Address:The IP address of the networked SMTP server.
SMTP Port Number:The SMTP Port Number is the port number used by the networked
SMTP server:By convention the default value for the port number is 25.
SMTP Source Email Address:The email address used by the 500 Series to log into the SMTP
server. This must be a valid email address that will be accepted by your SMTP Server.
SMTP Destination Email Address:The email address to which the 500 Series bridge will send
the alert messages.
8.3.10.8 SNTP (Simple Network Time Protocol)
The SNTP client allows the 500 Series to obtain accurate date and time updates from a networked
timeserver. The system time is used for SNMP and event logging.
SNTP State:When enabled, the Remote Management web page permits the following attributes
to be set.
Web Page Reference
116
SNTP IP Address:The IP Address of the networked SNTP Server.
SNTP Port Number:The port number of the networked SNTP server. By convention the default
value for the port number is 123.
SNTP Poll Interval:The period at which the SNTP client polls the server for time correction
updates. Default 1 hour. If for any reason an SNTP poll fails, the client will automatically perform
3 retries before waiting for the user defined poll period.
Time Zone:The time zone is a fixed offset from GMT that is added to the SNTP time to allow
the expression of time in all geographic time zones.
Daylight Saving:Allows a fixed offset of one hour to be added to the SNTP time in order to
reflect the local daylight saving time.
8.3.10.9 Setting the Clock
The PTP 500 Series bridge has a system clock which can be used to supply accurate date and
time information in the absence of a SNTP server. The system clock is battery backed and will
continue to operate for several days if the 500 Series bridge has been switched off.
SNTP State:If the SNTP State is set to “Disabled”, see Figure 68, then the Remote Manage-
ment web page allows the following attributes to be set:
Set Time:Shows the current time in 24 hour mode. The three editable fields display hours minutes
and seconds.
Set Date:Displays the current date. The year, month and day can be set using the drop-down
selection boxes.
Time Zone:See Section 8.3.10.9 “Setting The Clock”.
Daylight Saving:See Section 8.3.10.9 “Setting The Clock”
8.3.11 Diagnostics
To further enhance the diagnostic capabilities of the PTP 500 Series, the storage of link performance
histograms has been extended to 31. To optimize RAM (volatile memory) usage a cascading
histogram approach has been adopted. The root histogram is identical to the histograms in earlier
releases of the software, that is data is stored for one hour at a resolution of one second. Previously,
the histograms were simple cyclic buffers which never stored more that the last one hour of data.
The new cascading histogram approach daisy chains multiple histograms together. When the first
histogram fills up the overflow from the first is used as an input to the next histogram in line.
To optimize memory utilization, a statistical analysis is performed on the overflow to reduce the
amount of data to be stored. In the case of the PTP 500 Series the cascading histograms are
defined as:
•Histogram 1: 1 hour at a resolution of 1 second
•Histogram 2: 24 hours at a resolution of 1 minute
•Histogram 3: 30 Days at a resolution of 1 hour

Web Page Reference
117
For example, when histogram 1 fills up and starts to overflow the first minute of overflow is analyzed
and the maximum, minimum and mean over that minute are computed and inserted into histogram
2. When histogram 2 fills up and starts to overflow the first hour of overflow is analyzed and the
maximum, minimum and mean over that hour is computed and inserted into histogram 3. When
histogram 3 starts to overflow, the overflow data is simply discarded.
8.3.11.1 Diagnostic Plotter
New for the PTP 500 Series is the system administration diagnostic plotter facility see Figure 71:
Figure 71 Diagnostic Plotter
The diagnostic plotter allows the system administrator to view the cascading histogram data in
an easily accessible graphical form. The plot always displays three traces, maximum, minimum
and mean by default. The diagnostic selector allows the user to select the various categories of
histogram.
The histograms that are available are:
•Vector Error
•Rx Power
•Tx Power
•Signal Strength Ratio
•Link Loss
•Rx Data Rate

Web Page Reference
118
•Tx Data Rate
•Aggregate Data Rate
The diagnostic plotter uses a novel time representation in the x-axis which compresses the timeline
of the plot without sacrificing resolution.
The trace selection allows the user to control which traces are plotted.
As with other management pages the page refresh period can be used to interactively monitor the
wireless link.
8.3.11.2 Diagnostics Download
The diagnostics Download page allows the system administrator to download snapshots of system
diagnostics.
Figure 72 CSV Download
The following diagnostics are available:
•Vector Error
•Rx Power
•Tx Power
•Signal Strength Ratio V/H
•Link Loss
•Rx Data Rate
•Tx Data Rate
•Aggregate Data Rate
•Receive SNR
•Rx Gain
All diagnostics are extracted from the associated status and statistics web page histograms. They
are translated in a CSV file containing at most 578425 entries.

Web Page Reference
119
255784 entries comprises 3600 entries for the first hour, 1440 entries for the next 24 hours and 744
entries for the next 31 days.
8.3.12 Change System Administration Password
This page (Figure 73) is used to change the password for the system administration (The factory
default is blank).
Figure 73 Password Change
To change the password any combination of alphanumeric characters, up to 31 characters in length,
can be used.
8.3.13 License Key
The License Key data entry page allows the system administrator to update the 500 Series bridge
license key. Figure 74 shows a sample license key data entry page.

Web Page Reference
120
Figure 74 Software License Key Data Entry
The user must enter the license key and click the ‘Validate License Key’ button to check that the
key is valid and program it to non-volatile memory. If a valid license key is detected then the user
will be presented by a system reboot screen.
Figure 75 License Key reboot Screen
The user will then be asked to confirm the reboot (Figure 76).

Web Page Reference
121
Figure 76 Reboot Confirmation Pop Up
8.3.14 Properties
The web page properties screen allows the user to configure the web page interface.
Figure 77 Properties
WEB Properties:Disable Front Page Login. Allows access to homepage and status page web
pages without forcing a login as the system administrator.
WEB Properties:Disable HTTP NO-CACHE META data. Removes the HTTP NO-CACHE
META clause from all dynamically created web pages.
Auto Logout TimerConfigures the time, in minutes, when the system administrator is automat-
ically logged out if no web page activity is detected.
Distance UnitsSwaps the default metric display of distance in to imperial units, for example km
to Miles.
Use Long Integer Comma FormattingChanges the format of long integers from 1000000 to
1,000,000.

Web Page Reference
122
8.3.15 Reboot
The reboot page allows the system administrator to perform commanded reboots of the wireless
unit. The reboot page also allows the system administrator to view a list of past reboot reasons.
The “Previous Reasons For Reset/Reboot” field has been implemented as a drop down selection
box, where the latest reason for reboot is located at the top of the list.
If the SNTP service from the remote management section above is active, or the system time has
been set, then the command reboot reason will be accompanied by the date and time at which the
reboot occurred.
Figure 78 System Reboot
Figure 79 Reboot Confirmation Pop Up

Recovery Mode
123
9 Recovery Mode
The Motorola PTP 500 point-to-point wireless Ethernet bridges have a special mode of operation
that allows the user to recover a unit from configuration errors or software image corruption.
Recovery mode is entered by depressing the Recovery Switch located on the underside of the PIDU
Plus while applying mains power, as shown in Section 3.3.2 “PIDU Plus - PTP 500 Series Bridge”.
The Recovery Switch should be held in the depressed state for between 10 and 20 seconds after
the application of mains power. The Ethernet LED will flash with 10 double flashes at power up
(following the release of the Recovery switch).
When in recovery mode the user will be able to access the unit via the Ethernet interface. The
Ethernet interface will have its IP address set to 169.254.1.1 (or 10.10.10.10 see Section 7.7.10
“Powering Up”). On connection to a unit in recovery mode the following screen is displayed
Figure 80:
Figure 80 Recovery Mode Warning Page
Clicking on the warning page image will take the user on to the Recovery Option Page (Figure 81).

Recovery Mode
124
Figure 81 Recovery Options Page
The recovery options available are:
Upgrade Software Image:This allows the user to reload a software image. This may be the
original image if software corruption is suspected or a step back to an old image if an incorrect
image has just been loaded.
Reset IP and Ethernet Configuration back to factory defaults:This allows the user to
reset the unit back to the factory defaults:
•IP Address 169.254.1.1 (or 10.10.10.10)
•Netmask 255.255.0.0
•Gateway 169.254.1.0
•Ethernet Interface Auto-negotiate, Auto-MDI/MDIX
Erase Configuration:This allows the user to erase the unit’s entire configuration. Executing this
option will also erase factory settings such as target MAC address, range setting, license key, etc.
Zeroise Critical Security Parameters:This allows the user to erase the security parameters
such as AES parameters. This is to comply with FIPS requirements.
Reboot:This allows the user to reboot the unit. This option must be executed after resetting the
IP and Ethernet configuration or erasing the configuration detailed above.
Software Version:This is the software version of the recovery operating system permanently
installed during manufacture.

Recovery Mode
125
Recovery Reason:Indicates the reason the unit is operating in Recovery mode. Possible reasons
are “Recovery button active” or “Invalid or corrupt image”
MAC Address:The MAC address shown here is the MAC address of the unit programmed during
manufacture.
9.1 Upgrade Software Image
The first step (Figure 81) is to use the ‘Browse’ button to locate the software image to be
downloaded. Once located the user should press the “Upgrade Software Image” button to start
the software download process.
During software download, progress is indicated by a pair of progress bars (Figure 82).
Figure 82 Software Download Progress Indicator Page
When the download is complete a page is displayed indicating the status of the software download
(Figure 83).
Figure 83 Software Download Complete Page
After carefully checking that correct image has been downloaded the user should reboot the unit
by pressing the “Reboot Wireless Unit” button. The user will then be presented with a pop up
box asking them to confirm the action (Figure 84)
The unit will now reboot. Providing the unit configuration is still intact the unit should restart in
normal operational mode and the link should recover. Should the unit or link fail to recover the
user should refer to Section 10 “Fault Finding”.

Recovery Mode
126
Figure 84 Reboot Confirmation Pop Up
9.2 Reset IP and Ethernet Configuration
To reset IP and Ethernet configuration back to factory defaults the user should press the “Reset
IP and Ethernet Configuration back to factory defaults” button on the “Recovery Options” page
(Figure 81). The user will now be presented with a pop up box asking them to confirm the action
(Figure 85).
Figure 85 Confirm Reset to Factory Default Pop Up
On confirmation the following page will be displayed (Figure 84). The user should now reboot
the unit by pressing the “Reboot” button.

Recovery Mode
127
Figure 86 IP and Ethernet Erased Successfully page
The user will now be presented with a pop up box asking them to confirm the action Figure 87.
Figure 87 Reboot Confirmation Pop Up
The unit will now reboot. The unit should now start up in normal mode but with the IP address
set to 169.254.1.1 and the Ethernet interface set to auto-negotiate and auto-MDI/MDIX.
Should the unit fail to start up the user should refer to Section 10 “Fault Finding”.

Recovery Mode
128
9.3 Erase Configuration
To erase the unit’s configuration the user should press the “Erase Configuration” button on the
“Recovery Options” page (Figure 81). The user will now be presented with a pop up box asking
them to confirm the action (Figure 88).
Figure 88 Confirm Erase Configuration Pop Up
On confirmation the following page will be displayed (Figure 89). The user should now reboot
the unit by pressing the “Reboot” button.

Recovery Mode
129
Figure 89 Erase Configuration Successful Page
The user will now be presented with a pop up box asking them to confirm the action Figure 90.
Figure 90 Erase Configuration
– Reboot Confirmation Pop Up
The unit will now reboot. The unit should now start up in normal mode but with all configuration
erased. Should the unit fail to start up the user should refer to Section 10 “Fault Finding”.

Recovery Mode
130
9.4 Erase Security Parameters
To erase the unit’s security parameters and to comply with FIPS the user should press the “Zeroise
Critical Security Parameters” button on the “Recovery Options” page (Figure 81). The user will
now be presented with a pop up box asking them to confirm the action (Figure 91).
Figure 91 Confirm Zeroise Security Parameters Pop Up
On confirmation the following page will be displayed (Figure 92).

Recovery Mode
131
Figure 92 Zeroise Parameters Successful Page
9.5 Reboot
This option can be used to reboot the unit. The user will now be presented with a pop up box
asking them to confirm the action (Figure 93).
Figure 93 Recovery – Reboot Confirmation Pop Up
The unit will now reboot. The unit should now start up in normal operational mode. Should the
unit fail to start up the user should refer to Section 10 “Fault Finding”.

Fault Finding
132
10 Fault Finding
If communication has been lost with the unit at the near end of the link then there may be a
hardware fault with the wiring, network or hardware. Go to the hardware section below. If
communication with the far end of the link is lost then go to the radio section below.
10.1 Hardware
If there are problems suspected with the link hardware the following procedure is recommended.
10.1.1 Power
Check the power LED at each end of the link. If the power lights are illuminated go to the Ethernet
section below. If at either end they are not illuminated then21 check the power source. If neither
is illuminated then there is no voltage on the power wires to the ODU.
•Check that the mains power is connected and switched on.
•Check that the power LED illuminates if the ODU connector is disconnected at the PIDU Plus
(Open the PIDU Plus flap on the left hand side).
If it does illuminate then either the ODU is drawing too much current, or the power wiring to the
ODU is short circuit or the PSU is supplying insufficient power. The likely fault can be determined
by removing the jumper (J906), found inside the removable cover of the PIDU Plus, and measuring
the current taken with an ammeter placed across the 2 jumper pins. This is normally 10mA without
the ODU connected and 300mA to 1A when the ODU is connected.
If it does not illuminate then recheck that power is applied to the PIDU Plus by measuring the
voltage across +55V and 0V pads inside the removable cover in the PIDU Plus. Check that the
PIDU Plus is not short circuit by measuring the impedance across the Power connector. Is the led
faulty?
10.1.2 Ethernet
The Ethernet LED is driven from the ODU processor and thus is capable of informing you of many
conditions using different flash sequences. If the Ethernet indicator does not illuminate at all there
are four possible conditions.
1. There is no power reaching the ODU because of a wiring fault
2. The ODU is faulty
3. The PIDU Plus is faulty
4. The Ethernet network side is faulty
Look at the following table to check the LED response for power up, disconnect the power and
reapply and note what happens.
The power indicator LED should be continually illuminated.
21

Fault Finding
133
Differentiating between 1-3 and 4 can be achieved by removing the power for 1 second. Watch
the Ethernet indicator for 1 minute while power is removed, if it never flashes then the problem is
1-3. Take the jumper (J905) out of the PIDU Plus and check the current taken by the ODU. This
should be 300mA to 1A when starting to run normally.
If the Ethernet indicator flashes to begin with but then stops flashing, the ODU is powered and
software loaded but Ethernet connectivity has been lost between the ODU and the users connected
equipment. All Ethernet connections should be rechecked.
Power Indoor Unit LED check chart:
Mode Green LED Yellow LED No Ethernet
Cable Connected
Yellow LED Ethernet
Cable Connected
between PIDU Plus and
NIC/Switch/Hub
No Power Applied Off Off Off
Power Applied On Will flash once per
second regularly
approximately 30 seconds
after power applied for
10 seconds then will go
out and stay out
Will flash once per
second regularly
approximately 30 seconds
after power applied for
10 seconds then operate
as Ethernet
Link/Activity LED
Valid Ethernet Link and
no traffic
On N/A Will be on solid for a
valid link.
Valid Ethernet Link with
traffic
On N/A Will be on solid, but will
blink randomly as traffic
passes through.
Recovery Switch Pressed
and held for greater than
10 seconds from power on
(Recovery is pressed
while power is applied)
On Off while switch pressed. Approximately 30 seconds
after releasing the switch, flashes twice per second
regularly for 10 seconds, then boots in “Recovery
Mode” While in “Recovery Mode” the unit will only
be accessible via the IP address 10.10.10.10 or
169.254.1.1.
10.1.3 Checking your wiring
If the above procedures fail to diagnose the issue you may have a wiring fault. Unplug the RJ45
from the PIDU+ and check the following resistances at the RJ45:
1. Check the cable resistance between pins 1 & 2, 3 & 6, 4 & 5 and 7 & 8 at the RJ45.
2. Check against column 2 in Table 17. Resistances for each pair should be within 1 ohm of each
other.
Fault Finding
134
3. Check the cable resistance between pins 1 & 3 at the RJ45. Check against column 3 in
Table 17.
4. Check the cable resistance between pins 4 & 7 at the RJ45. Check against column 4 in
Table 17.
5. Ensure that there is greater than 100K ohms between pins 1 & 8 for all cable lengths.
6. Ensure that there is greater than 100K ohms between pin 1 and ODU ground for all cable
lengths.
7. Ensure that there is greater than 100K ohms between pin 8 and ODU ground for all cable
lengths
10.2 Radio
10.2.1 No Activity
If communication over the radio link has been lost and the unit at the other end of the link can be
managed on its local network, the following procedure should be adopted: If there is no wireless
activity then the configuration should be checked. It is essential that the following items are
correct:
•Check for Alarm conditions on Home page
•Check that the software at each end of the link is the same version
•Check that the Target Mac address has not been misconfigured at each end of the link
•Check Range
•Check Tx Power
•Check License keys to ensure that both units are the same product variant
•Check Master/Slave status for each unit and ensure that one unit is Master and the other unit
is slave
•Check that the link has not been further obscured or the ODU misaligned
•Check the DFS page at each end of the link and establish that there is a quiet wireless channel
to use If there are no faults found in the configuration and there is absolutely no wireless signal
retry the installation procedure. If this doesn’t work then the ODU may be faulty.
10.2.2 Some Activity
If there is some activity but the link is unreliable or doesn’t achieve the data rates required then:
•Check that the interference has not increased using the i-DFS measurements
•If a quieter channel is available check that it is not barred
•Check that the path loss is low enough for the communication rates required
•Check that the ODU has not become misaligned

Lightning Protection
135
11 Lightning Protection
EMD (Lightning) damage is not covered under standard warranty The recommendations in this
user manual when installed correctly give the user the best protection from the harmful effects of
EMD. However 100% protection is neither implied nor possible.
11.1 Overview
The idea of lightning protection is to protect structures, equipment and people against lightning
by conducting the lightning current to ground via a separate preferential solid path.
The following should be treated as a guide only, the actual degree of lightning protection required
depends on local conditions and weather patterns and applicable local regulations.
Full details of lightning protection methods and requirements can be found in the international
standards IEC 61024-1 and IEC 61312-1, the U.S. National Electric Code ANSI/NFPA No. 70-1984
or section 54 of the Canadian Electric Code.
11.1.1 Lightning Protection Zones
The installation of the ODU can be classified into two different lightning protection zones.
Zone A - In this zone a direct lighting strike is possible. Zone B - In this zone a direct lightning
strike is unusual, but the full electromagnetic field is still present.
The zones are determined using the ‘rolling sphere method’, an imaginary sphere, typically 50
meter in radius is rolled over the structure. All structure points that contact the sphere, (Zone A)
indicate the zone where a direct strike is possible. Similarly points that do not contact the sphere
indicate a zone (zone B) where a direct strike is less likely.
The following diagrams (Figure 94 and Figure 95) show this zoning pictorially:
Equipment mounted in Zone A should be capable of carrying the full lightning current. Mounting of
the ODU in Zone A is not recommended. Mounting in Zone A should only be carried out observing
the rules governing installations in Zone A22 Failure to do so may put structures, equipment and
life at risk.
Equipment mounted in Zone B should be grounded using grounding wire of at least 10 AWG. This
grounding wire should be connected to a grounding rod or the building grounding system before
entry in to building.
The PTP 500 Series bridge ODU grounding point can be found on the bottom of the unit. The
600 Series Bridge is supplied with an appropriate grounding lug for attachment to the ODU.
Local regulations may also require the fitting of the 8 AWG ground wire referred below.
22

Lightning Protection
136
Figure 94 ODU mounted in Zones A and B
Figure 95 Showing how the use of a Finial enables the ODU to
be mounted inside Zone B

Lightning Protection
137
Zone A Zone B
Earth ODU Mandatory Mandatory
Screen Cable Mandatory Mandatory
Lightning protection Unit at ODU - PTP-LPU Mandatory Mandatory
Earth Cable at Building Entry Mandatory Mandatory
Lightning protection Unit at Building Entry - PTP-LPU Mandatory Mandatory
Table 16 Protection Requirements
11.2 Detailed Installation
The recommended components for an installation protected for nearby strikes are:
•Recommended cables as described in Section 3.3.5.
•Lightning protection: Motorola PTP-LPU - 2 per link (2 Motorola Kits, part number 2978)
•Grounding Stake
•RJ45 screened connectors
NOTE: There may be a local regulatory requirement to cross bond the CAT 5e cable at regular
intervals to the mast. This may be as frequent as every 10 meters (33 feet).
Figure 96 includes illustrations showing the placement of the PTP lightning protection units and
the recommended components for typical Mast/Tower or Wall installations.

Lightning Protection
138
Figure 96 Diagrammatically Showing Typical Mast and Wall Installations
The Lightning protection Unit should be mounted at the building entry point and must be
grounded.
Figure 97 shows all the components that are supplied with the Motorola Kit 2978.
Figure 97 PTP LPU End Kit

Lightning Protection
139
11.3 Testing Your Installation
If you have followed the above instructions you will have wired your system to the following
diagram:
Figure 98 Simplified Circuit Diagram

Lightning Protection
140
11.3.1 Pre-Power Testing
Before plugging the RJ45 from the lower LPU (or if not fitted the ODU) into the PIDU, check the
following resistances at the RJ45:
1. Check the cable resistance between pins 1&2, 3&6, 4&5 and 7&8 at the RJ45. Check against
column 2 in Table 17. Resistances for each pair should be within 1 ohm of each other.
2. Check the cable resistance between pins 1&3 and 4&7 at the RJ45. Check against columns 3
and 4 respectively in Table 17.
3. Ensure that there is greater than 100K ohms between pins 1&8 for all cable lengths.
4. Ensure that there is greater than 100K ohms between pin 1 and ODU ground for all cable
lengths.
5. Ensure that there is greater than 100K ohms between pin 8 and ODU ground for all cable
lengths.
CAT-5 Length
(Meters)
Resistance
between pins 1&2,
3&6 , 4&5 and
pins 7&8 (ohms)
Resistance
between pins 1&3
(ohms)
Resistance
between pins 4&7
(ohms)
0 0.8 1.0 1.6
10 2.5 2.7 3.3
20 4.2 4.4 5.0
30 5.9 6.1 6.7
40 7.6 7.8 8.4
50 9.3 9.5 10.1
60 11.0 11.2 11.8
70 12.7 12.9 13.5
80 14.4 14.6 15.2
90 16.1 16.3 16.9
100 17.8 18.0 18.6
Table 17 Resistance Table Referenced to the RJ45 at the PIDU Plus
11.3.2 Post-Power Testing
The Correct Operation is as follows:
Lightning Protection
141
1. Connect the RJ45 to the PIDU and apply power to the PIDU, the power LED should illuminate
continuously.
2. 30 seconds after powering, the Ethernet LED should be observed starting with 10 slow flashes.
3. If there is a network connection the Ethernet LED will then show Ethernet activity.
If the system does not operate corrctly, refer to the fault finding below.
The PIDU Green power LED does not illuminateUnplug the ODU connection from the
PIDU and check the power LED illumination. If the power LED still does not light then check the
power source.
The PIDU Green power LED flashesA flashing power LED indicates that there is a short
circuit on the output of the PIDU. Check that pins 4&5 and 7&8 are not crossed with pins 1&2
and 3&6 on the RJ45, and also greater than 100K ohms between pins 1&8.
The Ethernet LED flashes ten times but does not show Ethernet activityFailure of the
Ethernet LED to show Ethernet activity can be due to wiring to pins 1&2 and 3&6 being incorrect,
for example if the wiring to pins 1 and 3 are crossed.
The Ethernet connection to the network is only 10/100BaseT, when 1000BaseT was
expectedIt is likely there is a fault with the wiring to pins 4&5 and 7&8.

Lightning Protection
142
11.4 Locating the Fault
Having identified which of the wiring cores are likely to be connected incorrectly, the location of
the faulty cable can be narrowed by disconnecting sections of the drop cable and by unplugging
the relevant RJ45 connectors from the LPUs.
As a further aid to locating the fault the Ethernet connections are also available inside the LPU.
The connections can be accessed by rotating the LPU lid as shown in Figure 99 The Lid nut only
needs to be slacken, do not remove. Test point P1 on the LPU PCB corresponds to pin 1 on the
RJ45 etc.
An indication of power on the Ethernet cable is also provided inside the LPU, LED PWR1 will
illuminate in the case of the PTP600 series, LED PWR2 should not.
Figure 99 PTP LPU test Points

Wind Loading
143
12 Wind Loading
12.1 General
Antennas and electronic equipment mounted on towers or pole mounted on buildings will subject
the mounting structure to significant lateral forces when there is appreciable wind. Antennas are
normally specified by the amount of force (in pounds) for specific wind strengths.
The magnitude of the force depends on both the wind strength and size of the antenna.
12.2 Calculation of Lateral Force
The 500 Series bridge with or without the integral antenna is essentially a flat structure and so
the magnitude of the lateral force can be estimated from:
Force (in pounds) = 0.0042 . A . v2
Where A is the surface area in square feet and v is the wind speed in miles per hour.
The lateral force produced by a single 500 Series bridge (integrated or connectorized model) at
different wind speeds is shown in Table 18 and Table 19.
Largest Surface Area (sq
ft)
Lateral Force (Pound)
at wind speed (mph)
80 100 120 160 200
PTP 500 Series Bridge -
Integrated
1.36 27 41 57 101 164
PTP 500 Series Bridge -
Connectorized
1.00 27 42 60 98 N/A
Table 18 Lateral Force – Imperial
Largest Surface Area (sq m) Lateral Force (Kg)
at wind speed
(m/s)
30 40 50 60 70
PTP 500 Series Bridge - Integrated 0.130 12 22 34 49 66
PTP 500 Series Bridge -
Connectorized
0.093 9 16 24 35 48
Table 19 Lateral Force – Metric

Wind Loading
144
Note: When the connectorized version of 500 Series bridge is used with external antennas, the
figures from the antenna manufacturer for lateral force should be included to calculate to total
loading on the mounting structure.
12.3 Capabilities of the PTP 500 Series Bridges
The structure and mounting brackets of the PTP Series systems are capable of withstanding wind
speeds up to 151mph (242 kph). The installer should ensure that the structure to which the 500
Series Bridge is fixed to is also capable of withstanding the prevalent wind speeds and loads.
12.4 Wind Speed Statistics
Installers are recommended to contact the national meteorological office for the country concerned
to identify the likely wind speeds prevalent at the proposed location. This will enable the installer
to estimate the total wind loading on the support structures.
Examples of the sort of statistics that are available are:
USA - Reported Fastest Single Wind Velocities for Selected U.S. Cities (Source: National Weather
Service)
City, State Wind Velocity (mph)
Bismark, North Dakota 72
Buffalo, New York 91
Chicago, Illinois 87
Hatteras, North Carolina 110
Miami, Florida 132
New York, New York 99
Pensacola, Florida 114
UK Meteorological Office, http://www.meto.gov.uk
Peak wind speed contour maps can be found as Fig 3a/3b at:
http://www.meto.gov.uk/education/historic/1987.html

PTP 500 Series Bridge - Connectorized Model
145
13 PTP 500 Series Bridge - Connectorized Model
13.1 Scope
This section details the changes and additional features relevant to the connectorized version of
the PTP 500 Series products..
13.2 Product Description
13.2.1 Hardware
The Connectorized PTP 500 Series Bridge is a variant designed to provide the system integrator
and installer with the ability to provide extra capability to cope with very difficult radio links
compared to the PTP 500 Series Integrated model. The variant allows the use of a variety of
externally mounted antennas, either Flat Plate or Dish, which have higher gains than provided by
the integrated antenna that is normally used.
Figure 100 Connectorized 500 Series Bridge Outdoor Unit
13.2.2 Antenna Choices – 5.8 GHz
The integrated antenna has a gain of 23.5 dBi.

PTP 500 Series Bridge - Connectorized Model
146
In non-FCC regions antenna choice is not restricted but any region specific EIRP limit must be
obeyed by reducing the maximum Transmit power23, see Table 6 in Section 5.2 “Region Codes”.
In FCC regions external antennas from the list in Section 13.6.3 “Antennas for USA / Canada –
5.8 GHz” can be used with the Connectorized version of the 500 Series Bridge. These are approved
by the FCC for use with the product and are basically constrained by the following limits:
•Single Polarization Flat Plate Antennas – up to 28 dBi per antenna.
•Single/Dual Polarization Parabolic Dish Antennas – up to 37.7 dBi per polarization or antenna.
In FCC regions when using external antennas – cable loss between the connectorized version of
the 500 Series Bridge and the antenna ports must not be less than 1.2 dB.
13.2.3 Antenna Choices – 5.4 GHz
The integrated antenna has a gain of 23.5 dBi.
In FCC regions external antennas from the list in Section 13.2.3 “Antenna Choices – 5.4 GHz”
can be used with the Connectorized version of the 500 Series Bridge. These are approved by the
FCC for use with the product and are basically constrained by the following limits:
•Single/Dual Polarization Parabolic Dish Antennas – up to 34.6 dBi per polarization or antenna.
However, the Maximum Transmit Power must be reduced to avoid exceeding the EIRP limits. In
FCC regions when using external antennas – cable loss between the connectorized version of the
500 Series Bridge and the antenna ports must not be less than 1.2 dB.
13.3 Software/Features
The connectorized variant operates in the same way as the basic 500 Series and is released initially
with the feature set to the Connectorized 500 Series variant. The areas where the functionality is
modified are:
13.3.1 Status Page
The link loss calculation presented on the Status Page of the management interface has to be
modified to allow for the increased antenna gains at each end of the link. The manufacturing
process of the Connectorized 500 Series Bridge configures the standard hardware of the unit for
use with external antennas. The installer is prompted, as part of the installation process, to enter
the gain of the external antenna(s) and cable losses at each end of the link.
Peer-to-peer messaging is used to pass the effective antenna gain to each end of the link so that
the link loss calculations can be correctly computed.
Maximum Transmit Power Allowed = EIRP Limit – Antenna Gain + Cable Losses; set the power to the 1dB value
23
lower than the actual value calculated.

PTP 500 Series Bridge - Connectorized Model
147
Figure 101 Connectorized 500 Series bridge Status Page
13.3.2 Configuration Pages
The amended Configuration web page is shown below as Figure 102. Please refer to Section 8.3.4
for the definitions of the parameters Antenna Gain, Cable Loss and EIRP.
Figure 102 Connectorized 500 Series bridge ‘System Configuration’ Page

PTP 500 Series Bridge - Connectorized Model
148
13.3.3 Installation Pages
The installer is prompted to enter the Antenna Gain and Cable Loss (Connectorized PTP 500 Series
Bridge to antenna) at each end of the link. The Installation Page(s) is shown as Figure 103 to
Figure 105.
Figure 103 Connectorized PTP 500
Series Bridge ‘Installation Wizard’ Page
Antenna Gain:Gain of the antenna you are connecting to the unit, see table in Section 13.2.3
“Antenna Choices – 5.4 GHz”.
Cable Loss:Loss in the cable between the ODU and the antenna. Note: In the event that there is
a significant difference in length of the antenna cables for the two antenna ports, then the average
value should be entered.

PTP 500 Series Bridge - Connectorized Model
149
Spectrum Management Control:Is used to configure the 500 Series Bridge Spectrum Man-
agement features, see Section 8.3.7 for more details. iDFS is the abbreviation for intelligent
Dynamic Frequency Selection, which continually monitors the spectrum looking for the channel
with the lowest level of on channel and co-channel interference. Fixed frequency mode allows
the installer to fix the Transmit and receive frequencies on the units. The frequencies may be
configured symmetrically or asymmetrically.
Figure 104 Connectorized 500 Series
bridge ‘Confirm Installation’ Page

PTP 500 Series Bridge - Connectorized Model
150
EIRP:The Confirm Installation Page displays the EIRP (Effective Isotropic Radiated Power),
which describes the strength of the radio signal leaving the wireless unit. This allows the operator
to verify that their link configuration (Max Transmit Power, Antenna Gain and Cable Loss) do
not cause the link to exceed any applicable regulatory limit.
Figure 105 Connectorized 500 Series bridge ‘Disarm Installation’ Page
13.4 Deployment Considerations
The majority of radio links can be successfully deployed with the 500 Series. It should only be
necessary to use external antennas where the Link Estimator indicates marginal performance for a
PTP 500 Series Bridge - Connectorized Model
151
specific link – for example when the link is heavily obscured by dense woodland on an NLOS link
or extremely long LOS links (>80km or >50 miles) over water.
The external antennas can be either dual-polarization (as the integrated antenna) or two single
polarized antennas can be used in a spatially diverse configuration. It is expected that the dual-
polarization antennas would normally be used to simplify the installation process; spatially diverse
antennas may provide additional fade margin on very long LOS links where there is evidence of
correlation of the fading characteristics on Vertical and Horizontal polarizations.
Dual polarization antennas (with a gain greater than the integrated antenna) are currently only
available in parabolic dish form.
13.5 Link Budget
An estimate of the link budget for a specific application can be obtained by using the Motorola
Systems link estimation tools. For more information see the Motorola web site.
13.6 Regulatory Issues
Installations must conform to any applicable local regulations for the Equivalent Isotropic Radiated
Power (EIRP).
Ensuring compliance becomes more complex when the connectorized unit is used with external
antennas which may be locally sourced. With higher gain external antennas fitted, the Maximum
Transmit power may need to be reduced for operation in specific countries.
See table in Section 5.2 for any EIRP restrictions that may apply in your region.
In some regions, operation of the PTP54500 products is constrained by an EIRP limit. The normal
constraint is that the EIRP does not exceed 30 dBm (33 dBm for PTP58500) for radio signals with
a bandwidth of >=20 MHz. As the PTP54500 operating bandwidth is approximately 27 MHz,
then the limit is 30 dBm EIRP (33 dBm for PTP58500).
When operating with external antennas, the installer/operator has to set the maximum transmit
power to ensure that the EIRP limit is not exceeded. The Set_Max_Transmit_Power is calculated
as below:
Set_Max_Transmit_Power = [Max_Transmit_Power] rounded down to nearest lower dB.
13.6.1 Antenna Choice (FCC and Industry Canada Regions Only)
The antennas which can be deployed with the Connectorized 500 Series Bridge are shown in
Section 13.6.3 “Antennas for USA / Canada – 5.8 GHz” and Section 13.6.4 “Antennas for
USA / Canada – 5.4 GHz”.
For FCC and Industry Canada, the PTP500 Series Bridge has been designated to operate with the
antennas listed in Section 13.6.3 “Antennas for USA / Canada – 5.8 GHz” and Section 13.6.4
“Antennas for USA / Canada – 5.4 GHz”, and having a maximum gain of 37.7 dB (34.9 dB for
5.4 GHz product variant). Antennas not included in these tables or having a gain greater than
37.7 dB (34.9 dB for 5.4 GHz product variant) are strictly prohibited for use with this device. The
required antenna impedance is 50 ohms.

PTP 500 Series Bridge - Connectorized Model
152
13.6.2 Cable Losses (FCC Regions Only)
The FCC approval for the product is based on tests with a cable loss between the units of ap-
proximately 1.2dB at 5.8GHz. The use of lower cable losses would result in the installation being
outside the FCC rules.
As an indication, 1.2dB of cable loss corresponds to the following cable lengths excluding connector
losses (source: Times Microwave).
Cable Length
for
1.2dB
Cable
Loss at
5.8GHz
(ft) (m)
LMR100 1.9 0.6
LMR200 4.6 1.4
LMR300 7.25 2.2
LMR400 11.1 3.4
LMR600 16.5 5.0
Table 20 Cable
Losses per Length

PTP 500 Series Bridge - Connectorized Model
153
13.6.3 Antennas for USA / Canada – 5.8 GHz
Manufacturer Antenna Type Gain
(dBi)
Flat
Plate
Parabolic
Dish
Andrew Andrew 1-foot Flat Panel, FPA5250D12-N
(23.6dBi)
23.6 Y
Andrew Andrew 2-foot Flat Panel, FPA5250D24-N
(28dBi)
28 Y
Gabriel Gabriel 1-foot Flat Panel, DFPD1-52 (23.5dBi) 23.5 Y
Gabriel Gabriel 2-foot Flat Panel, DFPD2-52 (28dBi) 28 Y
MTI MTI 17 inch Diamond Flat Panel, MT-485009
(23dBi)
23 Y
MTI MTI 15 inch Dual-Pol Flat Panel,
MT-485025/NVH (23dBi)
23 Y
MTI MTI 2 ft Directional Flat Panel, MT-20004
(28dBi)
28 Y
MTI MTI 2 ft Flat Panel, MT-485001 (28dBi) 28 Y
RFS RFS 1-foot Flat Panel, MA0528-23AN (23dBi) 23 Y
RFS RFS 2-foot Flat Panel, MA0528-28AN (28dBi) 28 Y
Teletronics Teletronics 2-foot Flat Plate Antenna,
ANT-P5828 (28dBi)
28 Y
Andrew Andrew 2-foot Parabolic, P2F-52 (29.4dBi) 29.4 Y
Andrew Andrew 2-foot Dual-Pol Parabolic, PX2F-52
(29.4dBi)
29.4 Y
Andrew Andrew 3-foot Parabolic, P3F-52 (33.4dBi) 33.4 Y
Andrew Andrew 3-foot Dual-Pol Parabolic, PX3F-52
(33.4dBi)
33.4 Y
Andrew Andrew 4-foot Parabolic, P4F-52 (34.9dBi) 34.9 Y
Andrew Andrew 4-foot Dual-Pol Parabolic, PX4F-52
(34.9dBi)
34.9 Y
Andrew Andrew 6-foot Parabolic, P6F-52 (37.6dBi) 37.6 Y
Andrew Andrew 6-foot Dual-Pol Parabolic, PX6F-52
(37.6dBi)
37.6 Y

PTP 500 Series Bridge - Connectorized Model
154
Manufacturer Antenna Type Gain
(dBi)
Flat
Plate
Parabolic
Dish
Gabriel Gabriel 2-foot High Performance QuickFire
Parabolic, HQF2-52-N
28.2 Y
Gabriel Gabriel 4-foot High Performance QuickFire
Parabolic, HQF4-52-N
34.4 Y
Gabriel Gabriel 6-foot High Performance QuickFire
Parabolic, HQF6-52-N
37.4 Y
Gabriel Gabriel 2-foot High Performance Dual
QuickFire Parabolic, HQFD2-52-N
28.1 Y
Gabriel Gabriel 4-foot High Performance Dual
QuickFire Parabolic, HQFD4-52-N
34.3 Y
Gabriel Gabriel 6-foot High Performance Dual
QuickFire Parabolic, HQFD6-52-N
37.3 Y
Gabriel Gabriel 2-foot Standard QuickFire Parabolic,
QF2-52-N
28.5 Y
Gabriel Gabriel 2-foot Standard QuickFire Parabolic,
QF2-52-N-RK
28.5 Y
Gabriel Gabriel 2.5-foot Standard QuickFire Parabolic,
QF2.5-52-N
31.2 Y
Gabriel Gabriel 4-foot Standard QuickFire Parabolic,
QF4-52-N
34.8 Y
Gabriel Gabriel 4-foot Standard QuickFire Parabolic,
QF4-52-N-RK
34.8 Y
Gabriel Gabriel 6-foot Standard QuickFire Parabolic,
QF6-52-N
37.7 Y
Gabriel Gabriel 2-foot Standard Dual QuickFire
Parabolic, QFD2-52-N
28.4 Y
Gabriel Gabriel 2.5-foot Standard Dual QuickFire
Parabolic, QFD2.5-52-N
31.1 Y
Gabriel Gabriel 2-foot Standard Dual QuickFire
Parabolic, QFD2-52-N-RK
28.4 Y
Gabriel Gabriel 4-foot Standard Dual QuickFire
Parabolic, QFD4-52-N
34.7 Y

PTP 500 Series Bridge - Connectorized Model
155
Manufacturer Antenna Type Gain
(dBi)
Flat
Plate
Parabolic
Dish
Gabriel Gabriel 4-foot Standard Dual QuickFire
Parabolic, QFD4-52-N-RK
34.7 Y
Gabriel Gabriel 6-foot Standard Dual QuickFire
Parabolic, QFD6-52-N
37.7 Y
RadioWaves Radio Waves 2-foot Dual-Pol Parabolic,
SPD2-5.2 (28.1dBi)
28.1 Y
RadioWaves Radio Waves 2-foot Parabolic, SP2-5.2
(29.0dBi)
29 Y
RadioWaves Radio Waves 3-foot Dual-Pol Parabolic,
SPD3-5.2 (31.1dBi)
31.1 Y
RadioWaves Radio Waves 3-foot Parabolic, SP3-5.2
(31.4dBi)
31.4 Y
RadioWaves Radio Waves 4-foot Dual-Pol Parabolic,
SPD4-5.2 (34.4dBi)
34.4 Y
RadioWaves Radio Waves 4-foot Parabolic, SP4-5.2
(34.8dBi)
34.8 Y
RadioWaves Radio Waves 6-foot Dual-Pol Parabolic,
SPD6-5.2 (37.5dBi)
37.5 Y
RadioWaves Radio Waves 6-foot Parabolic, SP6-5.2
(37.7dBi)
37.7 Y
RadioWaves Radio Waves 2-foot Parabolic, SP2-2/5
(28.3dBi)
28.3 Y
RadioWaves Radio Waves 3-foot Parabolic, SP3-2/5
(31.4dBi)
31.4 Y
RadioWaves Radio Waves 4-foot Parabolic, SP4-2/5
(34.6dBi)
34.6 Y
RadioWaves Radio Waves 6-foot Parabolic, SP6-2/5
(37.7dBi)
37.7 Y
RFS RFS 2-foot Parabolic, SPF2-52AN or
SPFX2-52AN (27.9dBi)
27.9 Y
RFS RFS 3-foot Parabolic, SPF3-52AN or
SPFX3-52AN(31.4dBi)
31.4 Y

PTP 500 Series Bridge - Connectorized Model
156
Manufacturer Antenna Type Gain
(dBi)
Flat
Plate
Parabolic
Dish
RFS RFS 4-foot Parabolic, SPF4-52AN or
SPFX4-52AN(33.9dBi)
33.9 Y
RFS RFS 6-foot Parabolic, SPF6-52AN or
SPFX6-52AN (37.4dBi)
37.4 Y
RFS RFS 2-foot HP Parabolic, SDF2-52AN or
SDFX2-52AN (31.4dBi)
31.4 Y
RFS RFS 4-foot HP Parabolic, SDF4-52AN or
SDFX4-52AN (33.9dBi)
33.9 Y
RFS RFS 6-foot HP Parabolic, SDF6-52AN or
SDFX6-52AN (37.4dBi)
37.4 Y
StellaDoradus StellaDoradus 45 inch Parabolic Antenna,
58PSD113
33.8 Y

PTP 500 Series Bridge - Connectorized Model
157
13.6.4 Antennas for USA / Canada – 5.4 GHz
Manufacturer Antenna Type Gain
(dBi)
Parabolic
Dish
Andrew Andrew 2-foot Parabolic, P2F-52 (29.4dBi) 29.4 Y
Andrew Andrew 2-foot Dual-Pol Parabolic, PX2F-52 (29.4dBi) 29.4 Y
Andrew Andrew 3-foot Parabolic, P3F-52 (33.4dBi) 33.4 Y
Andrew Andrew 3-foot Dual-Pol Parabolic, P3F-52 (33.4dBi) 33.4 Y
Andrew Andrew 4-foot Parabolic, P4F-52 (34.9dBi) 34.9 Y
Andrew Andrew 4-foot Dual-Pol Parabolic, P4F-52 (34.9dBi) 34.9 Y
Gabriel Gabriel 2-foot High Performance QuickFire Parabolic,
HQF2-52-N
28.2 Y
Gabriel Gabriel 4-foot High Performance QuickFire Parabolic,
HQF4-52-N
34.4 Y
Gabriel Gabriel 2-foot High Performance Dual QuickFire
Parabolic, HQFD2-52-N
28.1 Y
Gabriel Gabriel 4-foot High Performance Dual QuickFire
Parabolic, HQFD4-52-N
34.3 Y
Gabriel Gabriel 2-foot Standard QuickFire Parabolic, QF2-52-N 28.5 Y
Gabriel Gabriel 2-foot Standard QuickFire Parabolic,
QF4-52-N-RK
28.5 Y
Gabriel Gabriel 2.5-foot Standard QuickFire Parabolic,
QF2.5-52-N
31.2 Y
Gabriel Gabriel 4-foot Standard QuickFire Parabolic, QF4-52-N 34.8 Y
Gabriel Gabriel 4-foot Standard QuickFire Parabolic,
QF4-52-N-RK
34.8 Y
Gabriel Gabriel 2-foot Standard Dual QuickFire Parabolic,
QFD2-52-N
28.4 Y
Gabriel Gabriel 2.5-foot Standard Dual QuickFire Parabolic,
QFD2.5-52-N
31.1 Y
Gabriel Gabriel 2-foot Standard Dual QuickFire Parabolic,
QFD2-52-N-RK
28.4 Y
Gabriel Gabriel 4-foot Standard Dual QuickFire Parabolic,
QFD4-52-N
34.7 Y

PTP 500 Series Bridge - Connectorized Model
158
Manufacturer Antenna Type Gain
(dBi)
Parabolic
Dish
Gabriel Gabriel 4-foot Standard Dual QuickFire Parabolic,
QFD4-52-N-RK
34.7 Y
RadioWaves Radio Waves 2-foot Dual-Pol Parabolic, SPD2-5.2
(28.1dBi)
28.1 Y
RadioWaves Radio Waves 2-foot Parabolic, SP2-5.2 (29.0dBi) 29 Y
RadioWaves Radio Waves 3-foot Dual-Pol Parabolic, SPD3-5.2
(31.1dBi)
31.1 Y
RadioWaves Radio Waves 3-foot Parabolic, SP3-5.2 (31.4dBi) 31.4 Y
RadioWaves Radio Waves 4-foot Dual-Pol Parabolic, SPD4-5.2
(34.4dBi)
34.4 Y
RadioWaves Radio Waves 4-foot Parabolic, SP4-5.2 (34.8dBi) 34.8 Y
RadioWaves Radio Waves 2-foot Parabolic, SP2-2/5 (28.3dBi) 28.3 Y
RadioWaves Radio Waves 3-foot Parabolic, SP3-2/5 (31.4dBi) 31.4 Y
RadioWaves Radio Waves 4-foot Parabolic, SP4-2/5 (34.6dBi) 34.6 Y
RFS RFS 2-foot Parabolic, SPF2-52AN or SPFX2-52AN
(27.9dBi)
27.9 Y
RFS RFS 3-foot Parabolic, SPF3-52AN or SPFX3-52AN
(31.4dBi)
31.4 Y
RFS RFS 4-foot Parabolic, SPF4-52AN or SPFX4-52AN
(33.9dBi)
33.9 Y
RFS RFS 2-foot HP Parabolic, SDF2-52AN or SDFX2-52AN
(31.4dBi)
31.4 Y
RFS RFS 4-foot HP Parabolic, SDF4-52AN or SDFX4-52AN
(33.9dBi)
33.9 Y
13.7 Installation
The section covers the generic installation instructions for the Connectorized versions of the PTP
500 Series point-to-point wireless Ethernet bridges. The actual installation procedure will depend
on antenna choice, cable choice, required antenna separation etc.
13.7.1 Antenna Choice
Section 13.6.3 “Antennas for USA / Canada – 5.8 GHz” and Section 13.6.4 “Antennas for USA
/ Canada – 5.4 GHz” show a wide variety of antennas that can be used with the Connectorized PTP
PTP 500 Series Bridge - Connectorized Model
159
500 Series bridge. The main selection criteria will be the required antenna gain. The secondary
criteria should be the ease of mounting and alignment. For example the Radio Waves Parabolic
dishes are supplied with a mount that allows adjustment for alignment independent of the actual
antenna mounting. This type of antenna is much easier to align than those that have to be rotated
around the mounting pole for alignment.
13.7.2 Cables and Connectors
Cables should be selected using the above criteria. However it should be noted that a cable of a
type similar to LMR400 is a lot more difficult to handle and route than a cable of a type similar to
LMR100. Motorola recommends the use of weatherproof connectors – preferably, ones that come
supplied with adhesive lined heat shrink sleeve that is fitted over the cable/connector interface.
The connectors required at the Connectorized 500 Series bridge end of the antenna cables are
N-Type Male. The connectors required at the antenna end of the antenna cables is dependant on
the antenna type chosen.
13.7.3 Tools
The tools required for mounting a Connectorized 500 Series bridge unit are the same as those
required for an Integrated 500 Series bridge detailed in Section 7.3. The tools required for
mounting the antennas are specific to the antenna chosen. The installer should refer to the antenna
manufacturer’s instructions.
13.7.4 Miscellaneous supplies
The following miscellaneous supplies will be required:
•Cable ties, cable cleats – for securing cables
•Self-amalgamating tape – to weatherproof the RF connectors
•PVC tape – for additional protection of the RF connectors and securing cables
13.7.5 Mounting the Connectorized 500 Series Bridge
A Connectorized 500 Series bridge is shipped with the same bracket as supplied with an Integrated
unit. Details on the use of this bracket can be found in Section 3.3.7. The 500 Series Bridge should
be mounted in a position that gives it maximum protection from the elements, but still allows easy
access for making off the various connections and applying the recommended weatherproofing.
When using dual polar antennas the Connectorized 500 Series bridge should be mounted in such
a position as to minimize the cable length, keeping losses to a minimum (taking into account the
minimum cable lengths required by the FCC regulations, see Section 13.6.3 “Antennas for USA
/ Canada – 5.8 GHz” .
When using separate antennas the Connectorized 500 Series Bridge should be mounted in such a
position as to minimize both cable runs between the unit and the antennas. It is not necessary to
mount the Connectorized 500 Series Bridge at the mid point between the antennas.
PTP 500 Series Bridge - Connectorized Model
160
13.7.6 Mounting the antennas
The Antennas should be mounted according to the manufacturer’s instructions. Actual antenna
position will depend on the available mounting positions and link requirements. It may be necessary
to mount the antennas 20m apart or at a certain distance from the ground to get the desired results.
13.7.7 Alignment Process
When aligning antennas deployed with a Connectorized 500 Series bridge unit it may not be
possible to hear the alignment tone emanating from the unit. In this case it may be necessary for
a second installer to assist in the operation. Alternatively, it may be possible to extend the tube
on the supplied stethoscope to give a longer reach.
Tip: Fine antenna alignment can sometimes be achieved by tightening and loosening the bolts on
either side of the antenna mounting bracket, rather than trying to turn the whole bracket on the
mounting pole.
13.7.8 Aligning Dual Polar Antennas
The process for aligning a dual polar antenna is the same as aligning an Integrated unit with an
integrated antenna. This procedure is detailed in Section 7.7.11 “Aligning the PTP 500 Series
Bridge ODUs”.
13.7.9 Aligning Separate Antennas
When using separate antennas to achieve spatial diversity, one should be mounted with Horizontal
polarization and the other with Vertical polarization.
The following steps should be followed:
Step 1: Mount the Antennas
Step 2: Mount the connectorized version of the PTP 500 Series Bridge unit
Step 3: Route and make off the ends of the Antenna cables
Step 4: Connect the antenna cables at the antennas
Step 5: Connect one of the antenna cables at the Connectorized version of the 500 Series bridge
unit.
Step 6: Connect the Connectorized 500 Series Bridge ODU to PIDU Plus cable and configure the
unit as described in Section 7.7 “Connecting Up”.
Step 7: Align the connected antenna using the tones as described in Section 7.7.11 “Aligning
the PTP 500 Series Bridge ODUs”.
Step 8: Connect the other antenna to the Connectorized 500 Series bridge.
Step 9: Disconnect the cable to the already aligned antenna.
Step 10: Align the second antenna using the tones as described in Section 7.7.11 “Aligning the
PTP 500 Series Bridge ODUs”.
Step 11: Re-connect the second antenna to the Connectorized 500 Series bridge (Note: you will
notice the tone pitch increase as you re-connect the second antenna due to the additional received
signal).
Step 12: Use the relevant status web pages to check that you are getting the results you expect
from your link planning.
Step 13: Complete the installation as detailed below.

PTP 500 Series Bridge - Connectorized Model
161
13.7.10 Completing the Installation
The installation should be completed by checking all mounting nuts bolts and screws, securing all
cables and weatherproofing the installation. Warning: Finally tightening the antenna mountings
may cause the antenna alignment to be altered, due to distortion in the mounting bracket caused
by action of tightening. It is recommended that the installation tone be left turned on (armed)
during this process so that any movement can be noticed and counteracted by tightening the other
side of the bracket.
13.7.11 Antenna Cable Fixing
Cables should be secured in place using cable ties, cleats or PVC tape. Care should be taken
to ensure that no undue strain is placed on the connectors on both the Connectorized 500 Series
bridge and the Antennas and also to ensure that the cables do not flap in the wind. Flapping
cables are prone to damage and induce unwanted vibrations in the mast to which the units are
attached.
13.7.12 Antenna Connection Weatherproofing
Where a cable connects to an antenna or unit from above, a drip loop should be left to ensure that
water is not constantly channeled towards the connector.
Figure 106 Forming a Drip Loop
All joints should be weatherproofed using self-amalgamating tape. It is recommended that a
layer of PVC tape be placed over the self-amalgamating tape to protect the joint while the self-
amalgamating tape cures and gives additional protection.
Figure 107 shows this diagrammatically for the 500 Series bridge end of the antenna cables. If
the antenna manufacturer has not supplied guidance on this matter, the same technique should be
employed at the antenna end of the cable.

PTP 500 Series Bridge - Connectorized Model
162
Figure 107 Weatherproofing the Antenna Connections
13.8 Additional Lightning Protection
The following guidelines should be applied in addition to those described in Section 11 ”Lightning
Protection”.
13.8.1 ODU Mounted Outdoors
Where the ODU is mounted outdoors and is mounted some distance from the antenna, it is
advisable to add additional grounding by utilizing Andrew Assemblies (such as Andrew Type
223158 www.andrew.com) as shown in Figure 108.
Figure 108 Additional Grounding When Using Connectorized Units

PTP 500 Series Bridge - Connectorized Model
163
13.8.2 ODU Mounted Indoors
Where the ODU is mounted indoors, lightning arrestors should be deployed where the antenna
cables enter the building as shown in Figure 109.
Figure 109 Lightning Arrestor Mounting
The lighting arrestors should be ground bonded to the building ground at the point of entry. Mo-
torola recommends Polyphaser LSXL-ME or LSXL lighting arrestors. These should be assembled
as show in Figure 110.
Figure 110 Polyphaser Assembly

Data Rate Calculations
164
14 Data Rate Calculations
To aid the calculation of data rate throughput, the following plots of throughput verses link range
have been produced for all the PTP 500 Series modulation modes, assuming the units are connected
using 100 Mbps Ethernet. Please note that only 15 MHz channel bandwidth has been considered
and the plots are the same for IP or TDM modes. Aggregate data rate capacity can be calculated
using four key system parameters:
•Receive modulation mode
•Transmit modulation mode
•Range Between the two wireless units
•Wireless link mode (IP or TDM) Using these parameters the Receive and Transmit data rates
can be looked up using the plots Figure 111 through Figure 125.
Figure 111 BPSK 0.50 Single Payload

Data Rate Calculations
165
Figure 112 QPSK 0.50 Single Payload
Figure 113 QPSK 0.75 Single Payload

Data Rate Calculations
166
Figure 114 16 QAM 0.50 Single Payload
Figure 115 16 QAM 0.75 Single Payload

Data Rate Calculations
167
Figure 116 64 QAM 0.67 Single Payload
Figure 117 64 QAM 0.83 Single Payload

Data Rate Calculations
168
Figure 118 256 QAM 0.75 Single Payload
Figure 119 QPSK 0.50 Dual Payload

Data Rate Calculations
169
Figure 120 QPSK 0.75 Dual Payload
Figure 121 16 QAM 0.50 Dual Payload

Data Rate Calculations
170
Figure 122 16 QAM 0.75 Dual Payload
Figure 123 64 QAM 0.67 Dual Payload

Data Rate Calculations
171
Figure 124 64 QAM 0.83 Dual Payload
Figure 125 256 QAM 0.75 Dual Payload
AES Encryption Upgrade
172
15 AES Encryption Upgrade
The Motorola PTP 500 Series bridges support link encryption using the NIST approved Advanced
Encryption Standard, HFIPS-197 UTH. This standard specifies AES (Rijndael) as a FIPS-approved
symmetric encryption algorithm that may be used by U.S. Government organizations (and others)
to protect sensitive information.
Link Encryption is not available in the standard PTP 500 Series system. A license key to enable link
encryption can be purchased from your Motorola Point-to-Point Distributor or Solutions Provider.
AES can be activated on receipt of the activation on the Motorola Systems Support Page.
There are two levels of encryption that are available to purchase:
•128-bit
•128 and 256-bit
Option 1 allows the user to encrypt all traffic sent over the wireless link using 128-bit encryption.
Option 2 allows the user to encrypt traffic using either 128 or 256-bit encryption. The configuration
process for both encryption variants is identical except for the selection of algorithm. The following
configuration example is for a 256-bit encryption key.
15.1 Configuring Link Encryption
After purchasing AES encryption for the PTP 500 Series wireless link, two new license keys will
be issued, one for each end of the wireless link. The following configuration process gives a step
by step guide to enabling AES link encryption on a PTP 500 Series bridge.
15.1.1 License Keys
The first step when configuring link encryption is to enter the new license keys in both 500 Series
wireless units.
Figure 126 shows the license key data entry screen. This screen can only be accessed by the
system administrator. If you do not have access to the PTP 500 Series system administration
pages then please contact your designated system administrator.
It must be noted that configuring link encryption will necessitate a 500 Series bridge service outage.
Therefore it is recommended that the configuration process be scheduled during an appropriate
period of low link utilization. Motorola recommends the following process for entering new license
keys and minimizing service outage.
1. Open two browsers, one for each end of the link
2. Navigate to the ‘License Key’ data entry page for each end of the link
3. Enter the license keys and click the ‘Validate license key’ button at each end of the link. This
will allow the software to validate the license key prior to the system reset. (DO NOT CLICK
ARE YOU SURE POPUP DIALOG)

AES Encryption Upgrade
173
Figure 126 AES Software License Key Data Entry
4. When both license keys have been successfully validated confirm the reboot for both ends of
the link. The software is designed to allow five seconds so that a user can command both ends
of the link to reset before the wireless link drops.
5. The link will automatically re-establish.
15.1.2 Encryption Mode and Key
Entering the license keys only does not initialize AES link encryption. Link encryption can only
be enabled via the Configuration or Installation Wizard pages. Motorola recommends that the
Configuration page Figure 127 be used to configure AES link encryption.

AES Encryption Upgrade
174
Figure 127 AES Configuration Data Entry Page
Motorola recommends the following process for entering AES link encryption configuration:-
1. Open two browsers, one for each end of the link
2. Navigate to the ‘Configuration’ data entry page for each end of the link
3. At both ends of the link select the ‘AES (Rijndael)’ Encryption Algorithm required.
4. At both ends of the link enter ether an 128-bit or 256-bit encryption key. Note the key consists
of 32/64 case insensitive hexadecimal characters. The same Key must be entered at both ends
of the link. Failure to enter the same key will cause the link to fail.

AES Encryption Upgrade
175
5. Submit configuration on both ends of the link, but do not reboot.
6. Reboot both ends of the link Figure 128. The software is designed to allow five seconds so
that a user can command both ends of the link to reboot before the wireless link drops.
Figure 128 Configuration Reboot Screen
15.2 Wireless Link Encryption FAQ
15.2.1 Encryption data entry fields are not available
Check that the correct license key has been inserted into the unit. The current license key is
displayed on the ‘License Key’ data entry page.
15.2.2 Link fails to bridge packets after enabling link encryption
If the wireless link status on the status web page indicates that the link is ‘Searching’, and you can
browse to the local end of the link but not to the remote end, then check that the same encryption
algorithm and key have been entered at both ends of the link. Failure to enter the same algorithm
and key will result in received packets not being decrypted correctly.
15.2.3 Loss of AES following downgrade
When downgrading (using Recovery software image 05-01 onwards) to an earlier version of software
that does not support AES, the unit will indicate that the region code is invalid. The user will be
required to re-install correct software (supplied when AES key was activated) and reboot the unit.
Legal and Regulatory Notices
176
16 Legal and Regulatory Notices
16.1 Important Note on Modifications
Intentional or unintentional changes or modifications to the equipment must not be made unless
under the express consent of the party responsible for compliance. Any such modifications could
void the user’s authority to operate the equipment and will void the manufacturer’s warranty.
16.2 National and Regional Regulatory Notices – 5.8 GHz variant
19.2.1 U.S. Federal Communication Commission (FCC) and Industry Canada (IC) Notification
This system has achieved Type Approval in various countries around the world. This means that
the system has been tested against various local technical regulations and found to comply. The
frequency band in which the system operates is ‘license exempt’ and the system is allowed to be
used provided it does not cause interference. Further, the licensing authority does not guaranteed
protection against interference from other products and installations.
This device complies with part 15 of the US FCC Rules and Regulations and with RSS-210 of
Industry Canada. Operation is subject to the following two conditions: (1) This device may not
cause harmful interference, and (2) This device must accept any interference received, including
interference that may cause undesired operation. In Canada, users should be cautioned to take
note that high power radars are allocated as primary users (meaning they have priority) of 5250
- 5350 MHz and 5650 - 5850 MHz and these radars could cause interference and/or damage to
license-exempt local area networks (LELAN).
For the connectorized version of the product and in order to reduce potential radio interference
to other users, the antenna type and its gain should be so chosen that the Effective Isotropically
Radiated Power (EIRP) is not more than that permitted for successful communication.
This equipment has been tested and found to comply with the limits for a Class B digital device,
pursuant to Part 15 of the US FCC Rules and with RSS-210 of Industry Canada. These limits are
designed to provide reasonable protection against harmful interference in a residential installation.
This equipment generates, uses, and can radiate radio-frequency energy and, if not installed and
used in accordance with these instructions, may cause harmful interference to radio communica-
tions. If this equipment does cause harmful interference to radio or television reception, which
can be determined by turning the equipment on and off, the user is encouraged to correct the
interference by one or more of the following measures:
•Increase the separation between the affected equipment and the unit;
•Connect the affected equipment to a power outlet on a different circuit from that which the
receiver is connected to;
•Consult the dealer and/or experienced radio/TV technician for help.
•FCC IDs and Industry Canada Certification Numbers are listed below:

Legal and Regulatory Notices
177
Where necessary, the end user is responsible for obtaining any National licenses required to oper-
ate this product and these must be obtained before using the product in any particular country.
Contact the appropriate national administrations for details on the conditions of use for the bands
in question and any exceptions that might apply. Also see http://www.ero.dk for further infor-
mation.
16.2.1 European Union Notification
The 5.8 GHz connectorized product is a two-way radio transceiver suitable for use in Broadband
Wireless Access System (BWAS), Radio Local Area Network (RLAN), or Fixed Wireless Access
(FWA) systems. It is a Class 2 device and uses operating frequencies that are not harmonized
throughout the EU member states. The operator is responsible for obtaining any national licenses
required to operate this product and these must be obtained before using the product in any
particular country.
This equipment complies with the essential requirements for the EU R&TTE Directive 1999/5/EC.
The use of 5.8GHz for Point to Point radio links is not harmonized across the EU and currently
the product may only be deployed in the UK and Eire (IRL). However, the regulatory situation in
Europe is changing and the radio spectrum may become available in other countries in the near
future.
This equipment is marked to show compliance with the European R&TTE directive 1999/5/EC.
The relevant Declaration of Conformity can be found at www.motorola.com/ptp.
European Union (EU) Waste of Electrical and Electronic Equipment (WEEE) direc-
tive The European Union’s WEEE directive requires that products sold into EU countries must
have the crossed out trash bin label on the product (or the package in some cases). As defined

Legal and Regulatory Notices
178
by the WEEE directive, this cross-out trash bin label means that customers and end-users in
EU countries should not dispose of electronic and electrical equipment or accessories in house-
hold waste. Customers or end-users in EU countries should contact their local equipment supplier
representative or service center for information about the waste collection system in their country.
16.2.2 UK Notification
The 5.8 GHz connectorized product has been notified for operation in the UK, and when operated
in accordance with instructions for use it is compliant with UK Interface Requirement IR2007.
For UK use, installations must conform to the requirements of IR2007 in terms of EIRP spectral
density against elevation profile above the local horizon in order to protect Fixed Satellite Services.
The frequency range 5795-5815 MHz is assigned to Road Transport & Traffic Telematics (RTTT)
in the U.K. and shall not be used by FWA systems in order to protect RTTT devices. UK
Interface Requirement IR2007 specifies that radiolocation services shall be protected by a Dynamic
Frequency Selection (DFS) mechanism to prevent co-channel operation in the presence of radar
signals.
Important Note This equipment operates as a secondary application, so it has no rights against
harmful interference, even if generated by similar equipment, and must not cause harmful inter-
ference on systems operating as primary applications.
16.3 National and Regional Regulatory Notices – 5.4 GHz Variant
16.3.1 U.S. Federal Communication Commission (FCC) and Industry Canada (IC) Notifica-
tion24
This device complies with part 15.407 of the US FCC Rules and Regulations and with RSS-210
Issue 7 of Industry Canada. Operation is subject to the following two conditions: (1) This device
may not cause harmful interference, and (2) This device must accept any interference received,
including interference that may cause undesired operation. In Canada, users should be cautioned
to take note that high power radars are allocated as primary users (meaning they have priority) of
5250 - 5350 MHz and 5650 - 5850 MHz and these radars could cause interference and/or damage
to license-exempt local area networks (LELAN).
For the connectorized version of the product and in order to reduce potential radio interference
to other users, the antenna type and its gain should be so chosen that the equivalent isotropically
radiated power (EIRP) is not more than that permitted for successful communication.
This equipment has been tested and found to comply with the limits for a Class B digital device,
pursuant to Part 15E of the US FCC Rules and with RSS-210 Issue 7 of Industry Canada. These
limits are designed to provide reasonable protection against harmful interference in a residential
installation. This equipment generates, uses, and can radiate radio-frequency energy and, if not
installed and used in accordance with these instructions, may cause harmful interference to radio
communications. If this equipment does cause harmful interference to radio or television reception,
which can be determined by turning the equipment on and off, the user is encouraged to correct
the interference by one or more of the following measures:
FCC and IC certification approval applies ONLY to INTEGRATED variant.
24

Legal and Regulatory Notices
179
•Increase the separation between the affected equipment and the unit;
•Connect the affected equipment to a power outlet on a different circuit from that which the
receiver is connected to;
•Consult the dealer and/or experienced radio/TV technician for help.
•FCC IDs and Industry Canada Certification Numbers are listed below:
Where necessary, the end user is responsible for obtaining any National licenses required to operate
this product and these must be obtained before using the product in any particular country.
Contact the appropriate national administrations for details on the conditions of use for the bands
in question and any exceptions that might apply. Also see www.eor.dk for further information.
16.3.2 European Union Notification
The 5.4 GHz product is a two-way radio transceiver suitable for use in Broadband Wireless Access
System (WAS), Radio Local Area Network (RLAN), or Fixed Wireless Access (FWA) systems. It
is a Class 1 device and uses operating frequencies that are harmonized throughout the EU member
states. The operator is responsible for obtaining any national licenses required to operate this
product and these must be obtained before using the product in any particular country.
This equipment complies with the essential requirements for the EU R&TTE Directive 1999/5/EC
and has been tested compliant with EuroNorm EN 301 893. This equipment is marked to show
compliance with the European R&TTE directive 1999/5/EC.
The relevant Declaration of Conformity can be found at www.motorola.com
European Union (EU) Waste of Electrical and Electronic Equipment (WEEE) directive
The European Union’s WEEE directive requires that products sold into EU countries must have the
crossed out trash bin label on the product (or the package in some cases). As defined by the WEEE
directive, this cross-out trash bin label means that customers and end-users in EU countries should
Legal and Regulatory Notices
180
not dispose of electronic and electrical equipment or accessories in household waste. Customers or
end-users in EU countries should contact their local equipment supplier representative or service
center for information about the waste collection system in their country.
16.4 Exposure
See Section 2 “Avoiding Hazards”.
16.5 Legal Notices
16.5.1 Motorola Inc. End User License Agreement
In connection with Motorola’s delivery of certain proprietary software or products
containing embedded or pre-loaded proprietary software, or both, Motorola is willing
to license this certain proprietary software and the accompanying documentation to
you only on the condition that you accept all the terms in this End User License
Agreement (“Agreement”).
IF YOU DO NOT AGREE TO THE TERMS OF THIS AGREEMENT, DO NOT USE THE
PRODUCT OR INSTALL THE SOFTWARE. INSTEAD, YOU MAY, FOR A FULL REFUND,
RETURN THIS PRODUCT TO THE LOCATION WHERE YOU ACQUIRED IT OR PROVIDE
WRITTEN VERIFICATION OF DELETION OF ALL COPIES OF THE SOFTWARE. ANY
USE OF THE SOFTWARE, INCLUDING BUT NOT LIMITED TO USE ON THE PRODUCT,
WILL CONSTITUTE YOUR ACCEPTANCE TO THE TERMS OF THIS AGREEMENT.
16.5.1.1 Definitions
In this Agreement, the word “Software” refers to the set of instructions for computers, in executable
form and in any media, (which may include diskette, CD-ROM, downloadable internet, hardware,
or firmware) licensed to you. The word “Documentation” refers to electronic or printed manuals
and accompanying instructional aids licensed to you. The word “Product” refers to Motorola’s
MOTOwi4âĎć fixed wireless broadband devices for which the Software and Documentation is
licensed for use.
16.5.1.2 Grant of License
Motorola, Inc. (“Motorola”) grants you (“Licensee” or “you”) a personal, nonexclusive, non-
transferable license to use the Software and Documentation subject to the Conditions of Use set
forth in Section 3.4 “Warranty” and the terms and conditions of this Agreement. Any terms or
conditions relating to the Software and Documentation appearing on the face or reverse side of any
purchase order, purchase order acknowledgment or other order document that are different from,
or in addition to, the terms of this Agreement will not be binding on the parties, even if payment
is accepted.
16.5.1.3 Conditions of Use
Any use of the Software and Documentation outside of the conditions set forth in this Agreement
is strictly prohibited and will be deemed a breach of this Agreement.
Legal and Regulatory Notices
181
1. Only you, your employees or agents may use the Software and Documentation. You will take all
necessary steps to insure that your employees and agents abide by the terms of this Agreement.
2. You will use the Software and Documentation (i) only for your internal business purposes; (ii)
only as described in the Software and Documentation; and (iii) in strict accordance with this
Agreement.
3. You may use the Software and Documentation, provided that the use is in conformance with
the terms set forth in this Agreement.
4. Portions of the Software and Documentation are protected by United States copyright laws, in-
ternational treaty provisions, and other applicable laws. Therefore, you must treat the Software
like any other copyrighted material (e.g., a book or musical recording) except that you may
either: (i) make 1 copy of the transportable part of the Software (which typically is supplied
on diskette, CD-ROM, or downloadable internet), solely for back-up purposes; or (ii) copy the
transportable part of the Software to a PC hard disk, provided you keep the original solely
for back-up purposes. If the Documentation is in printed form, it may not be copied. If the
Documentation is in electronic form, you may print out 1 copy, which then may not be copied.
With regard to the copy made for backup or archival purposes, you agree to reproduce any
Motorola copyright notice, and other proprietary legends appearing thereon. Such copyright
notice(s) may appear in any of several forms, including machine-readable form, and you agree
to reproduce such notice in each form in which it appears, to the extent it is physically possible
to do so. Unauthorized duplication of the Software or Documentation constitutes copyright
infringement, and in the United States is punishable in federal court by fine and imprisonment.
5. You will not transfer, directly or indirectly, any product, technical data or software to any coun-
try for which the United States Government requires an export license or other governmental
approval without first obtaining such license or approval.
16.5.1.4 Title; Restrictions
If you transfer possession of any copy of the Software and Documentation to another party outside
of the terms of this agreement, your license is automatically terminated. Title and copyrights to the
Software and Documentation and any copies made by you remain with Motorola and its licensors.
You will not, and will not permit others to: (i) modify, translate, decompile, bootleg, reverse
engineer, disassemble, or extract the inner workings of the Software or Documentation, (ii) copy
the look-and-feel or functionality of the Software or Documentation; (iii) remove any proprietary
notices, marks, labels, or logos from the Software or Documentation; (iv) rent or transfer all or some
of the Software or Documentation to any other party without Motorola’s prior written consent;
or (v) utilize any computer software or hardware which is designed to defeat any copy protection
device, should the Software and Documentation be equipped with such a protection device. If
the Software and Documentation is provided on multiple types of media (such as diskette, CD-
ROM, downloadable internet), then you will only use the medium which best meets your specific
needs, and will not loan, rent, lease, or transfer the other media contained in the package without
Motorola’s written consent. Unauthorized copying of the Software or Documentation, or failure to
comply with any of the provisions of this Agreement, will result in automatic termination of this
license.
Legal and Regulatory Notices
182
16.5.1.5 Confidentiality
You acknowledge that all Software and Documentation contain valuable proprietary information
and trade secrets and that unauthorized or improper use of the Software and Documentation
will result in irreparable harm to Motorola for which monetary damages would be inadequate
and for which Motorola will be entitled to immediate injunctive relief. If applicable, you will
limit access to the Software and Documentation to those of your employees and agents who need
to use the Software and Documentation for your internal business purposes, and you will take
appropriate action with those employees and agents to preserve the confidentiality of the Software
and Documentation, using the same degree of care to avoid unauthorized or improper disclosure as
you use for the protection of your own proprietary software, but in no event less than reasonable
care.
1. You have no obligation to preserve the confidentiality of any proprietary information that: (i)
was in the public domain at the time of disclosure; (ii) entered the public domain through
no fault of yours; (iii) was given to you free of any obligation to keep it confidential; (iv)
is independently developed by you; or (v) is disclosed as required by law provided that you
notify Motorola prior to such disclosure and provide Motorola with a reasonable opportunity
to respond.
16.5.1.6 Right to Use Motorola’s Name
Except as required in 19.6.1.3 above, you will not, during the term of this Agreement or thereafter,
use any trademark of Motorola, or any word or symbol likely to be confused with any Motorola
trademark, either alone or in any combination with another word or words.
16.5.1.7 Transfer
The Software and Documentation may not be transferred to another party without the express
written consent of Motorola, regardless of whether or not such transfer is accomplished by physical
or electronic means. Motorola’s consent may be withheld at its discretion and may be conditioned
upon transferee paying all applicable license fees and agreeing to be bound by this Agreement.
16.5.1.8 Updates
During the first 12 months after purchase of a Product, or during the term of any executed Mainte-
nance and Support Agreement for the Product, you are entitled to receive Updates. An “Update”
means any code in any form which is a bug fix, patch, error correction, or minor enhancement,
but excludes any major feature added to the Software. Updates are available for download at
http://www.motowi4solutions.com/software/
1. Major features may be available from time to time for an additional license fee. If Motorola
makes available to you major features and no other end user license agreement is provided,
then the terms of this Agreement will apply.
16.5.1.9 Maintenance
Except as provided above, Motorola is not responsible for maintenance or field service of the
Software under this Agreement.
Legal and Regulatory Notices
183
16.5.1.10 Disclaimer
MOTOROLA DISCLAIMS ALL WARRANTIES OF ANY KIND, WHETHER EXPRESS, IM-
PLIED, STATUTORY, OR IN ANY COMMUNICATION WITH YOU. MOTOROLA SPECIF-
ICALLY DISCLAIMS ANY WARRANTY INCLUDING THE IMPLIED WARRANTIES OF
MERCHANTABILTY, NONINFRINGEMENT, OR FITNESS FOR A PARTICULAR PURPOSE.
THE SOFTWARE AND DOCUMENTATION ARE PROVIDED “AS IS.” MOTOROLA DOES
NOT WARRANT THAT THE SOFTWARE WILL MEET YOUR REQUIREMENTS, OR THAT
THE OPERATION OF THE SOFTWARE WILL BE UNINTERRUPTED OR ERROR FREE,
OR THAT DEFECTS IN THE SOFTWARE WILL BE CORRECTED. MOTOROLA MAKES
NO WARRANTY WITH RESPECT TO THE CORRECTNESS, ACCURACY, OR RELIABIL-
ITY OF THE SOFTWARE AND DOCUMENTATION. Some jurisdictions do not allow the ex-
clusion of implied warranties, so the above exclusion may not apply to you.
16.5.1.11 Limitation of Liability
THE TOTAL LIABILITY OF MOTOROLA UNDER THIS AGREEMENT FOR DAMAGES
WILL NOT EXCEED THE TOTAL AMOUNT PAID BY YOU FOR THE PRODUCT LI-
CENSED UNDER THIS AGREEMENT. IN NO EVENT WILL MOTOROLA BE LIABLE IN
ANY WAY FOR INCIDENTAL, CONSEQUENTIAL, INDIRECT, SPECIAL OR PUNITIVE
DAMAGES OF ANY NATURE, INCLUDING WITHOUT LIMITATION, LOST BUSINESS
PROFITS, OR LIABILITY OR INJURY TO THIRD PERSONS, WHETHER FORESEEABLE
OR NOT, REGARDLESS OF WHETHER MOTOROLA HAS BEEN ADVISED OF THE POS-
SIBLITY OF SUCH DAMAGES. Some jurisdictions do not permit limitations of liability for
incidental or consequential damages, so the above exclusions may not apply to you.
16.5.1.12 U.S. Government
If you are acquiring the Product on behalf of any unit or agency of the U.S. Government, the
following applies. Use, duplication, or disclosure of the Software and Documentation is subject to
the restrictions set forth in subparagraphs (c) (1) and (2) of the Commercial Computer Software
– Restricted Rights clause at FAR 52.227-19 (JUNE 1987), if applicable, unless being provided
to the Department of Defense. If being provided to the Department of Defense, use, duplication,
or disclosure of the Products is subject to the restricted rights set forth in subparagraph (c)
(1) (ii) of the Rights in Technical Data and Computer Software clause at DFARS 252.227-7013
(OCT 1988), if applicable. Software and Documentation may or may not include a Restricted
Rights notice, or other notice referring specifically to the terms and conditions of this Agreement.
The terms and conditions of this Agreement will each continue to apply, but only to the extent
that such terms and conditions are not inconsistent with the rights provided to you under the
aforementioned provisions of the FAR and DFARS, as applicable to the particular procuring agency
and procurement transaction.
16.5.1.13 Term of License
Your right to use the Software will continue in perpetuity unless terminated as follows. Your right
to use the Software will terminate immediately without notice upon a breach of this Agreement by
you. Within 30 days after termination of this Agreement, you will certify to Motorola in writing
that through your best efforts, and to the best of your knowledge, the original and all copies, in
whole or in part, in any form, of the Software and all related material and Documentation, have
Legal and Regulatory Notices
184
been destroyed, except that, with prior written consent from Motorola, you may retain one copy
for archival or backup purposes. You may not sublicense, assign or transfer the license or the
Product, except as expressly provided in this Agreement. Any attempt to otherwise sublicense,
assign or transfer any of the rights, duties or obligations hereunder is null and void.
16.5.1.14 Governing Law
This Agreement is governed by the laws of the United States of America to the extent that they
apply and otherwise by the laws of the State of Illinois.
16.5.1.15 Assignment
This agreement may not be assigned by you without Motorola’s prior written consent.
16.5.1.16 Survival of Provisions
The parties agree that where the context of any provision indicates an intent that it survives the
term of this Agreement, then it will survive.
16.5.1.17 Entire Agreement
This agreement contains the parties’ entire agreement regarding your use of the Software and
may be amended only in writing signed by both parties, except that Motorola may modify this
Agreement as necessary to comply with applicable laws.
16.5.1.18 Third Party Software
The software may contain one or more items of Third-Party Software supplied by other third-party
suppliers. The terms of this Agreement govern your use of any Third-Party Software UNLESS A
SEPARATE THIRD-PARTY SOFTWARE LICENSE IS INCLUDED, IN WHICH CASE YOUR
USE OF THE THIRD-PARTY SOFTWARE WILL THEN BE GOVERNED BY THE SEPA-
RATE THIRD-PARTY LICENSE.
1. UCD SNMP. Copyright 1989, 1991, 1992 by Carnegie Mellon University, Derivative Work –
1996, 1998-2000, Copyright 1996, 1998-2000 The regents of the University of California All
Rights reserved. Permission to use, copy, modify and distribute this software and its documen-
tation for any purpose and without fee is hereby granted, provided that the above copyright
notice appears in all copies and that both that copyright notice and this permission notice
appear in supporting documentation, and that the name of CMU and The Regents of the
University of California not be used in advertising or publicity pertaining to distribution of
the software without specific written permission. CMU AND THE REGENTS OF THE UNI-
VERSITY OF CALIFORNIA DISCLAIM ALL WARRANTIES WITH REGARD TO THIS
SOFTWARE, INCLUDING ALL IMPLIED. WARRANTIES OF MERCHANTABILITY AND
FITNESS. IN NO EVENT SHALL CMU OR THE REGENTS OF THE UNIVERSITY OF
CALIFORNIA BE LIABLE FOR ANY SPECIAL, INDIRECT OR CONSEQUENTIAL DAM-
AGES OR ANY DAMAGES WHATSOEVER RESULTING FROM THE LOSS OF USE,
DATA OR PROFITS, WHETHER IN AN ACTION OF CONTRACT, NEGLIGENCE OR
OTHER TORTIOUS ACTION, ARISING OUT OF OR IN CONNECTION WITH THE USE
Legal and Regulatory Notices
185
OR PERFORMANCE OF THIS SOFTWARE. ONLY OPEN THE PACKAGE, OR USE THE
SOFTWARE AND RELATED PRODUCT IF YOU ACCEPT THE TERMS OF THIS LI-
CENSE. BY BREAKING THE SEAL ON THIS DISK KIT / CDROM, OR IF YOU USE
THE SOFTWARE OR RELATED PRODUCT, YOU ACCEPT THE TERMS OF THIS LI-
CENSE AGREEMENT. IF YOU DO NOT AGREE TO THESE TERMS, DO NOT USE
THE SOFTWARE OR RELATED PRODUCT; INSTEAD, RETURN THE SOFTWARE TO
PLACE OF PURCHASE FOR A FULL REFUND. THE FOLLOWING AGREEMENT IS A
LEGAL AGREEMENT BETWEEN YOU (EITHER AN INDIVIDUAL OR ENTITY), AND
MOTOROLA, INC. (FOR ITSELF AND ITS LICENSORS). THE RIGHT TO USE THIS
PRODUCT IS LICENSED ONLY ON THE CONDITION THAT YOU AGREE TO THE
FOLLOWING TERMS.
2. BZIP2 License Terms. Terms. This. “bzip2” and associated library “libbzip2”, are copyright
(C) 1996-2000 Julian R Seward. All rights reserved. Redistribution and use in source and binary
forms, with or without modification, are permitted provided that the following conditions are
met:
−Redistributions of source code must retain the above copyright notice, this list of condition
sand the following disclaimer.
−The origin of this software must not be misrepresented; you must not claim that you wrote
the original software. If you use this software in a product, an acknowledgment in the
product documentation would be appreciated but is not required.
−Altered source versions must be plainly marked as such, and must not be misrepresented as
being the original software.
−The name of the author may not be used to endorse or promote products derived from this
software without specific prior written permission.
THIS SOFTWARE IS PROVIDED BY THE AUTHOR “AS IS” AND ANY EXPRESS OR
IMPLIED WARRANTIES, INCLUDING, BUT NOT LIMITED TO, THE IMPLIED WAR-
RANTIES OF MERCHANTABILITY AND FITNESS FOR A PARTICULAR PURPOSE
ARE DISCLAIMED. IN NO EVENT SHALL THE AUTHOR BE LIABLE FOR ANY DI-
RECT, INDIRECT, INCIDENTAL, SPECIAL, EXEMPLARY, OR CONSEQUENTIAL DAM-
AGES (INCLUDING, BUT NOT LIMITED TO, PROCUREMENT OF SUBSTITUTE GOODS
OR SERVICES; LOSS OF USE, DATA, OR PROFITS; OR BUSINESS INTERRUPTION)
HOWEVER CAUSED AND ON ANY THEORY OF LIABILITY, WHETHER IN CON-
TRACT, STRICT LIABILITY, OR TORT (INCLUDING NEGLIGENCE OR OTHERWISE)
ARISING IN ANY WAY OUT OF THE USE OF THIS SOFTWARE, EVEN IF ADVISED
OF THE POSSIBILITY OF SUCH DAMAGE.
3. zlib.h – Interface of the ’zlib’ general purpose compression library version 1.2.3, July 18th,
2005. Copyright (C) 1995-2005 Jean-loup Gailly and Mark Adler. This software is provided
’as-is’, without any express or implied warranty. In no event will the authors be held liable for
any damages arising from the use of this software. Permission is granted to anyone to use this
software for any purpose, including commercial applications, and to alter it and redistribute it
freely, subject to the following restrictions:
Legal and Regulatory Notices
186
−The origin of this software must not be misrepresented; you must not claim that you wrote
the original software. If you use this software in a product, an acknowledgment in the
product documentation would be appreciated but is not required.
−Altered source versions must be plainly marked as such, and must not be misrepresented as
being the original software.
−This notice may not be removed or altered from any source distribution.
Jean-loup Gailly jloup@gzip.org
Mark Adler madler@alumni.caltech.edu
19.6.2 Hardware Warranty in U.S.
Motorola U.S. offers a warranty covering a period of one year from the date of purchase by the
customer. If a product is found defective during the warranty period, Motorola will repair or
replace the product with the same or a similar model, which may be a reconditioned unit, without
charge for parts or labor.
16.5.2 Limit of Liability
IN NO EVENT SHALL MOTOROLA BE LIABLE TO YOU OR ANY OTHER PARTY FOR
ANY DIRECT, INDIRECT, GENERAL, SPECIAL, INCIDENTAL, CONSEQUENTIAL, EX-
EMPLARY OR OTHER DAMAGE ARISING OUT OF THE USE OR INABILITY TO USE
THE PRODUCT (INCLUDING, WITHOUT LIMITATION, DAMAGES FOR LOSS OF BUSI-
NESS PROFITS, BUSINESS INTERRUPTION, LOSS OF BUSINESS INFORMATION OR ANY
OTHER PECUNIARY LOSS, OR FROM ANY BREACH OF WARRANTY, EVEN IF MO-
TOROLA HAS BEEN ADVISED OF THE POSSIBILITY OF SUCH DAMAGES. (Some states
do not allow the exclusion or limitation of incidental or consequential damages, so the above ex-
clusion or limitation may not apply to you.) IN NO CASE SHALL MOTOROLA’S LIABILITY
EXCEED THE AMOUNT YOU PAID FOR THE PRODUCT.

Specifications
187
17 Specifications
17.1 System Specifications
17.1.1 Wireless 5.4GHz Variant
Radio Technology Specification
RF Band 5.470-5.725GHz
Channel Selection By dynamic frequency control and manual
intervention.
Automatic detection on start-up and continual
adaptation to avoid interference.
Dynamic Frequency Control Initial capture 10-15 sec. Out of service on interference
100 ms.
Channel size 5, 10, 15 and 30 MHz
Manual Power Control Maximum power can be controlled lower than the
power limits shown above in order to control
interference to other users of the band.
Receiver Noise Figure Typically 6 dB
Antenna Type Integrated flat plate antenna
Antenna Gain 23dBi typical
Antenna Beamwidth 8 Degrees
Max Path Loss (5 MHz channel) 169 dB
Duplex Scheme TDD, Symmetric (1:1)
Range 125 miles (200km) optical Line-of-Sight
6 miles (10km) non-Line-of-Sight
Over-the-Air Encryption Proprietary scrambling mechanism.
Weather Sensitivity Sensitivity at higher modes may be reduced during
high winds through trees due to Adaptive Modulation
Threshold changes
Error Correction FEC

Specifications
188
17.1.2 Wireless 5.8GHz Variant
Radio Technology Specification
RF Band 5.725-5.850GHz
Channel Selection By dynamic frequency control and manual
intervention.
Automatic detection on start-up and continual
adaptation to avoid interference.
Dynamic Frequency Control Initial capture 10-15 sec. Out of service on interference
100 ms.
Channel size 5, 10, 15 and 30 MHz
Manual Power Control Maximum power can be controlled lower than the
power limits shown above in order to control
interference to other users of the band.
Receiver Noise Figure Typically 6 dB
Antenna Type Integrated flat plate antenna
Antenna Gain 23dBi typical
Antenna Beamwidth 8 Degrees
Max Path Loss (5 MHz channel) 166 dB
Duplex Scheme TDD, Symmetric (1:1)
Range 125 miles (200km) optical Line-of-Sight
6 miles (10km) non-Line-of-Sight
Over-the-Air Encryption Proprietary scrambling mechanism.
Weather Sensitivity Sensitivity at higher modes may be reduced during
high winds through trees due to Adaptive Modulation
Threshold changes
Error Correction FEC

Specifications
189
17.1.3 Management
Management Specification
Status Indication Power status
Ethernet Link Status
Data activity
Installation Web server and browser for setup
Audio tone feedback during installation , plus
graphical installation tool suitable for laptop and
PDA computing devices
Web server for confirmation
Radio Performance and Management Via web server and browser, SNMP
Alarms Via configurable email alerts, SNMP
17.1.4 Ethernet Bridging
Ethernet Bridging Specification
Protocol IEEE802.1; IEEE802.1P; IEEE802.3 compatible
Interface 10/100/1000BaseT (RJ-45), Supports MDI/MDIX Auto Crossover
Data Rates See Section 14 “Data Rate Calculations”
Note: Practical Ethernet rates will depend on network configuration, higher layer protocols and
platforms used.
Caution: Over the air throughput will be capped to the rate of the Ethernet interface at the
receiving end of the link.

Specifications
190
17.1.5 Physical
Integrated Specification
Dimensions Width 14.5” (370mm), Height 14.5” (370mm), Depth 3.75” (95mm)
Weight 12.1 lbs (5.5 Kg) including bracket
Connectorized Specification
Dimensions Width 12” (305mm), Height 12” (305mm), Depth 4.01” (105mm)
Weight 9.1 lbs (4.3 Kg) including bracket
17.1.6 Powering
Power Supply Separate power supply unit (included)
Dimensions Width 9.75” (250mm), Height 1.5” (40mm), Depth 3” (80mm)
Weight 1.9 lbs (0.864 Kg)
Power source 90 - 264 VAC, 50 - 60 Hz / 36 - 60 VDC
Power consumption 55 W max
17.2 Safety Compliance
Region Specification
USA UL 60950
Canada CSA C22.2 No.60950
International CB certified & certificate to IEC 60950
17.3 EMC Emissions Compliance
17.3.1 5.4GHz Variant
Region Specification
USA FCC Part 15 Class B
Canada CSA Std C108.8, 1993 Class B
Europe EN55022 CISPR 22
17.3.2 5.8GHz Variant

Specifications
191
Region Specification
USA FCC Part 15 Class B
Canada CSA Std C108.8, 1993 Class B
Europe EN55022 CISPR 22
17.4 EMC Immunity Compliance
Top-level Specification ETSI 301-489.
Specification Comment
EN 55082-1 Generic EMC and EMI
requirements for Europe
EN 61000-4-2: 1995 Electro Static Discharge
(ESD), Class 2, 8 kV air, 4 kV contact
discharge
Testing will be carried to ensure immunity to
15kV air and 8kV contact
EN 61000-4-3: 1995 ENV50140: 1993
(radiated immunity) 3 V/m
EN 61000-4-4: 1995 (Bursts/Transients),
Class 4, 4 kV level (power lines AC & DC)
Signal lines @ 0.5 kV open circuit voltage
EN 6100045:1995, (Surge Immunity) Requires screened connection to users network
EN 61000-4-6: 1996 (Injected RF), power
line, Class 3 @ 10 V/m
Signal lines, Class 3 @ 3 V RMS
unmodulated.
17.5 Radio Certifications
17.5.1 Radio Certifications - 5.4 GHz Variant
Region Specification (Type Approvals)
USA FCC Part 15.407
EU EN301 893 V1.2.3/V1.3.1
Canada RSS 210 Issue 7

Specifications
192
17.5.2 Radio Certifications - 5.8 GHz Variant
Region Specification (Type Approvals)
USA FCC Part 15.247
Canada RSS 210 Issue 7
UK IR 2007
Eire Comreg 03/42
17.6 Environmental Specifications
Category Specification
Temperature ODU -40◦F (-40◦C) to 140◦F (+60◦C)
PIDU Plus (indoor) 32◦F(0
◦C) to 104◦F (+40◦C)
PIDU Plus (outdoor)-40◦F (-40◦C) to 140◦F (+60◦C)
Wind Loading 150mph Max (242 kmh). See Section 12 “Wind Loading” for a full
description
Humidity 100% condensing
Waterproof IP65 (ODU), IP53 (PIDU Plus)
UV Exposure 10 year operational life (UL746C test evidence)

Specifications
193
17.7 System Connections
17.7.1 PIDU Plus to ODU and ODU to Network Equipment Connections
Figure 129 Cable Connection Diagram (T568B Color Coding)
FAQs
194
18 FAQs
Can I source and use my own PoE adaptor with the 500 Series bridge? No. The 500
Series bridge uses a non-standard PoE configuration. Failure to use the Motorola supplied Power
Indoor Unit could result in equipment damage and will invalidate the safety certification and may
cause a safety hazard.
Why has Motorola launched the 500 Series bridge? The 500 Series bridge is the first product
to feature Multiple-Input Multiple-Output (MIMO). The PTP 500 Series solutions allow wireless
connections of up to 200km (124 miles) in near line-of-sight conditions and up to 10km (6 miles)
in deep non-line-of-sight conditions.
What is Multiple-Input Multiple-Output (MIMO)? The 500 Series bridge radiates multiple
beams from the antenna - the effect of which is to significantly protect against fading and to
radically increase the probability that the receiver will decode a usable signal. When the effects
of MIMO are combined with those of OFDM techniques and a best in class link budget, there is
a significant improvement to the probability of a robust connection over a non-line-of-sight path.
What do you mean by “non-line-of-sight”? A wireless connection between two points without
optical line-of-sight, i.e., with obstructions between the antennas the transmitted signal is still able
to reach the receiver and produce a good quality link.
What else is special about the 500 Series bridge ? There are many special features built-in
to the hardware of the 500 Series bridge. The product offers the highest system gain in its class
through high sensitivity antennas for improved signal recovery. It also features a Software Defined
Radio system that operates on ultra fast digital signal processors but is controlled by firmware
giving the ability to download new firmware when enhancements become available. The 500 Series
bridge has a built-in web server for advanced management capabilities including detailed radio
signal diagnosis.
In which frequency bands does the 500 Series bridge operate? The Motorola point-to-
point 500 Series bridge operates in the unlicensed 5.4 GHz (ETSI Band B) and 5.8 GHz (ETSI
Band C and FCC ISM band). This means no license is required to operate the 500 Series bridge.
Why does the 500 Series bridge operate in the 5GHz band? The 5 GHz band offers the
dual benefits of high data throughput and good radio propagation characteristics. The wide band
of spectrum available is subdivided into several channels such that multiple systems can operate
in the vicinity without causing interference to one another.
Is the 500 Series bridge an 802.11a device?No, although similar, the 500 Series bridge uses
different encoding and radio transmission systems from 802.11a. In areas where 802.11a systems
are operating, the 500 Series bridge will detect the 802.11a radio signals and choose a clear channel
away from any interference.
How much power does the 500 Series bridge transmit?At all times the 500 Series bridge
operates within country / region specific regulations for radio power emissions. In addition, the
500 Series bridge uses a technique known as Transmit Power Control (TPC) to ensure that it only
transmits sufficient radio power such that the other antenna can receive a high quality signal.
How does the PTP 500 Series Bridge avoid interference from other devices nearby?
At initialization, the 500 Series bridge monitors the available frequency channels to find a channel
FAQs
195
that is clear of interference. In operation 500 Series bridge continuously monitors the spectrum to
ensure it is operating on the cleanest channel.
How does the 500 Series bridge integrate into my data network?The 500 Series bridge
acts as a transparent bridge between two segments of your network. In this sense, it can be treated
like a virtual wired connection between the two buildings. The 500 Series bridge forwards 802.3
Ethernet packets destined for the other part of the network and filters packets it does not need
to forward. The system is transparent to higher-level management systems such as VLANs and
Spanning Tree.
How does the 500 Series bridge provide security for data traffic?The 500 Series bridge
has a range of security features. At installation time each link must be programmed with the serial
ID of its partner. The two ends of the link will only communicate with one another, eliminating
any chance of “man in the middle” attacks. Over the air security is achieved through a proprietary
scrambling mechanism that cannot be disabled, spoofed or snooped by commercial tools.
Can I use Apple Macintosh OS X to control and monitor my 500 Series bridge?Yes,
but there are some restrictions. Mozilla 1.6 or higher is recommended.
Glossary
196
19 Glossary
AES Advanced Encryption Standard
ARP Address Resolution Protocol
ARQ Automatic Repeat reQuest
BPSK Binary Phase Shift Keying
CAC Channel Availability Check
DC Direct Current Multiplex
DFS Dynamic Frequency Selection
EIRP Equivalent Isotropically Radiated Power
EMD Earth Movers Distance
ETSI European Telecommunications Standards Institute
FAQ Frequently Asked Question
FCC Federal
GPS Global Positioning System
HTTP Hypertext Transfer Protocol
ID Identity
IEEE Institute of Electrical and Electronic Engineers
i-DFS Intelligent Dynamic Frequency Spectrum
IP Internet Protocol
IQ In phase / Quadrature
ISM Industrial Scientific and Medical
ITU International Telecommunications Union
LAN Local Area Network
LED Light Emitting Diode
LPU Lightning Protection Unit
MAC Medium Access Control Layer
MDI Medium Dependent Interface
MDIX Medium Dependent Interface Crossover UV Ultraviolet
MIMO Multiple In Multiple Out
NIST National Institute of Standards and Technology
NLOS non-Line-of-Sight
ODU Outdoor Unit
OFDM Orthogonal Frequency Division
PC IBM Compatible Personal Computer
PIDU+ Power Indoor Unit Plus
PING Packet Internet Groper
PoE Power over Ethernet
PSU Power Supply Unit
PTP Point-to-Point
QAM Quadrature Amplitude Modulation
RAM Random Access Memory
RTTT Road Transport and Traffic Telematics
STC Space Time Coding
STP Shielded Twisted Pair
TCP Transmission Control Protocol
TPC Transmit Power Control
URL Universal Resource Location
USA United States of America
Glossary
197
UTP Unshielded Twisted Pair
VLAN Virtual Local Area Network

Unit A1, Linhay Business Park
Eastern Road, Ashburton
Devon, TQ13 7UP, UK
Telephone Support: +1 877 515-0400 (Worldwide)
+44 803 234 4640 (UK)
www.motorola.com/ptp
Motorola, the stylized M Logo and all other trademarks indicated as such
herein are trademarks of Motorola, Inc. Reg. US Pat & TM. Office. All other
product or service names are the property of their respective owners. C
2008
Motorola, Inc. All rights reserved