CanTops CTS-HCOM Hybrid PIO User Manual Appendix 8 x

CanTops Hybrid PIO Appendix 8 x

Users Manual

    1   CTS-HCOM-AA01 (EQ-PIO) CTS-HCOM-AB01 (OHT-PIO)         * This device may have the possibility of radio interference during operation. 2016. 01. 08.(Ver1.2)    Hybrid-PIO Specification (RF, IR)
    2 FCC STATEMENT This device complies with part 15 of the FCC Rules. Operation is  subject  to  the following two conditions: (1) this device may not cause harmful interference, and (2) this  device  must  accept  any  interference  received,  including  interference  that  may cause undesired operation.  FCC ID: RMNCTS-HCOM  WARNING!    Changes or modifications to this unit not expressly approved by the party responsible for compliance could void the user’s authority to operate the equipment.  RF  EXPOSURE  WARNING!  This  equipment  must  be  installed  and  operated  in accordance  with  provided  instructions  and  the  antenna(s)  used  for  this  transmitter must be installed to provide a separation distance of at least 20 cm from all persons and  must  not  be  co-located  or  operating  in  conjunction  with  any other antenna or transmitter.  End-users  and  installers  must  be  provided  with  antenna  installation instructions  and  transmitter  operating  conditions  for  satisfying  RF  exposure compliance.  Note: This equipment has been tested and found to comply with the limits for a Class B digital  device,  pursuant  to  part 15 of the  FCC Rules.  These limits are designed to provide reasonable protection against harmful interference in a residential installation. This equipment generates, uses and can radiate radio frequency energy  and,  if  not installed  and  used  in  accordance  with  the  instructions,  may  cause  harmful interference  to  radio  communications.  However,  there  is  no  guarantee  that interference will not occur in a particular installation. If this  equipment  does  cause harmful  interference  to  radio  or  television  reception,  which  can  be  determined  by turning  the  equipment  off  and  on,  the  user  is  encouraged  to  try  to  correct  the interference by one or more of the following measures: —Reorient or relocate the receiving antenna. —Increase the separation between the equipment and receiver. —Connect the equipment into an outlet on a circuit different from  that  to  which the receiver is connected. —Consult the dealer or an experienced radio/TV technician for help.
    3 [ Table of Contents ]  1 Product Overview  ······························································  3 2 Product Feature  ································································  3 3 Product Code Configuration  ·················································  4 4 Input/Output Circuit  ···························································  6 5 Product Specification  ·························································  7 6 Device Specification  ··························································  9 7 Connector Specification  ····················································  10 8 LED Display  ···································································  13 9 Major Pin Function  ···························································  14 10 Communication Medium Selecting Method  ······························  15 11 RF Function  ···································································  16 12 IR Function  ····································································  20 13 List of Serial Communication Commands  ·······························  22
    4 1. Product Overview The CTS-HCOM Series is an integrated device that uses both RF communi-cation in 2.4GHz and 5GHz and IR (Infrared light, optical) communication.  It  is capable  of  choosing  the  stable  communication  media  depending  on the surrounding conditions. This product is a communication device to transmit and receive 8-bit  data contactlessly according to the SEMI-E84 protocol regulation. It is possible to set many comfortable additional functions by the serial port or the  wireless  communication.  Also  it  is  possible  to  change  the  communication media from IR to RF and vice versa, depending on the noise level of surrounding. Moreover, it provides various functions that find causes and solutions promptly when there are abnormalities in transmitted/received data during  the communication. This  device  is  mainly  for  the  exchange  of  the  control  signals  between  the vehicle (Master or Active devices such as AGV/OHT) and the equipment (Slave or Passive devices).  2. Product Feature • The integration of RF (2.4GHz, 5GHz) and IR (Infrared light, optical) communication in one device. • The contactless exchange of the 8-bit input/output signals. • The  ability  to  choose  the  optimal  communication  media  depending on the surrounding condition. • Wireless  communication  in  2.5GHz and 5GHz: Additional functions such as data transmission/reception and F/W downloading. • The maximum operational distance is 5m. (Only when there is no obstacles to electromagnetic wave in the middle.) • Designation of Wireless communication ID (address): 6 digits (ASCII code) • Storage  of  various  data  using  a  large-capacity  SRAM:  Up  to  about  130 operations including data and errors, standard time, signal intensity, etc. (The SRAM is cleared when the power is off.) • Additional functions using a serial port: Changing the settings, receiving real-time communication data, F/W downloading, etc.
    5 3. Product Code Configuration Usage  Product Code Configuration Equipment (EQ)  OHT (VHL)     1000500 (Standard)300030510xx IR Communication Distance(mm)Front ViewTop ViewTFyOptical(Tx, Rx) Axis Direction300025001500150250300zzz I/O Cable Length1500150300No Cable00030rrr Serial Cable Length(mm)No Connector0Serial ConnectoruNo Connector0I/O Connectorw9P DSUB, Female Type125P DSUB, Male Type1
    6  Example of Product Code Usage  Product Code Optical Axis Direction Serial Cable  Data Cable Connector Type Length (mm) Connector Type Length (mm) Equipment (EQ) CTS-HCOM-AA10-05-T-250-050 Top  DSUB9P  500  None  2500 CTS-HCOM-AA11-05-F-250-050 Front  DSUB9P  500  DSUB 25P (#4-40UNC)  2500 CTS-HCOM-AA11-05-T-150-050 Top  DSUB9P  500  DSUB 25P (#4-40UNC)  1500 OHT (VHL) CTS-HCOM-AB10-05-T-250-050  Top  DSUB9P  500  None  2500 CTS-HCOM-AB21-05-F-080-050  Front  Molex 4P (53375-0410) 500  Hirose (HIF6-26D-1.27R) 800 CTS-HCOM-AB44-05-T-120-120  Top  JST  1200  AMP  1200
    7 RF-PIOInsideINPUT+24V VCCPIO 4. Input/Output Circuit Input Signal : Maximum 10mA   Output Signal :NPN Open Collector, maximum driving current is 50mA / 30V   VCE    max. 100mV / 10mA  RF-PIOInsideOUTPUTDCVPIO
    8 5. Product Specification Division  Specifics  Content Display GO  ON when the RF or IR communication between a master (OHT, AGV) PIO and a slave (EQ) PIO begins. STATE  FLASHS as watchdog signals showing operation status. IN  Displays the operation status of 8-bit input port OUT  Displays the operation status of 8-bit input port External Equipment Connection Connector (Optional) AA01 Model(Slave) : 25-pin DSUB, No Connector. AB01 Model(Master) : Hirose 26-pin, JST, Molex, No Connector Cable  26AWG x 22C + 24AWG x 3C, Foil Shield Input  8 Bit, Photo-Coupler, 24V On : 10mA, Off : 0.1mA or less Output  8Bit, Open Collector, NPN, 30V Maximum operating current: 50mA IR Commu-nication Major Function  8-bit I/O Communication Communication Media 870nm, Infrared Transmission Distance 0.5m (0°), 0.25m (+15°, -15°) Directional Angle 30°  (±15°) Transmission Method 1:1 Transmission, Half Duplex Optical Axis Direction T Type : Pointing TOP F Type : Pointing FRONT Optical Modulation Type  Pulse Modulation Transmission Error Check  Parity Transmission Period About  24ms  when  linked,  about  85ms  when disconnected. RF Commu-nication Major Function  8-bit  I/O  communication,  downloading  F/W  and communication data, changing the settings, etc. Communication Media  2.4GHz, 5GHz ISM Band, bandwidth 1MHz Freac-ency Band 2.4GHz  2.403~2.480GHz, 78 channels*1) 5GHz  5.728~5.825GHz, 95개  channels*1) Safety Function  Serial number confirmation function, CRC-16 Transmission Method 1:1 transmission, Half Duplex ID Setting  PIO serial number to avoid an interference with neighboring PIOs, which is composed of 6 digits (ASCII)
    9 Channel Setting Transmission  frequency to avoid an interference with neighboring  PIOs,  which  is  composed  of  3  digits (ASCII). ID Setting Method Serial communication command (Set as default when released) Operational Distance 5m@0dBm (Only  when  there  is  no  obstacles  to  electromagnetic wave in the middle.) Environ-ment Storage Environment Temperature: -25 ~ 70°C Humidity: 5 ~ 95%RH (There shall be no dew condensation.) Operating Environment Ambient brightness(When using IR) : 4000lx or less (Incandescent lamp, fluorescent lamp) *) Install it such that no external light may enter the receiver. Temperature : 0 ~ 40°C Humidity    : 35~85%RH (There shall be no dew condensation.) Vibration : 4~150 Hz, 4.9m/s2 or less Power  Input Voltage  DC 24V±10% Supply Current  130mA or less @ 24V Case Material  Polycarbonate Dimension (WHD)  505320mm (Excluding the cable overhang)   Weight  About 300g (CTS-HCOM-AA01-05-T-150) *1)  Can  be  used  in  an  environment  without  frequency  interference  with  other wireless devices such as wireless LAN, Bluetooth, etc.
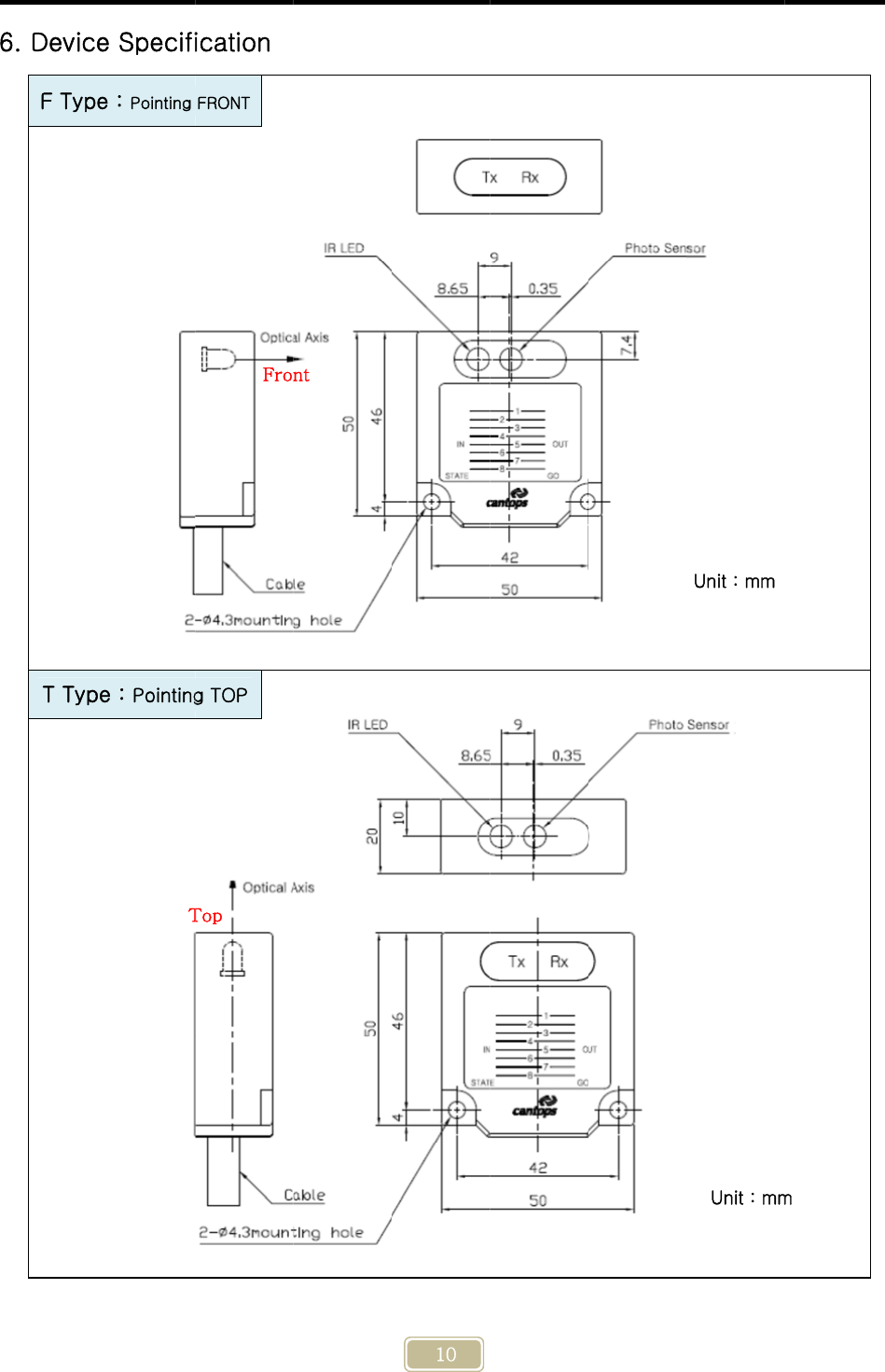
 6. DevicF Typ T Typ e Specifie : Pointing pe : PointingTication FRONT  g TOP  Top Front 10 Unit : mm Unit : mmm
    11 7. Connector Specification 1) For Equipment (CTS-HCOM-AA01) : Slave, DSUB 25-pin, Pin Type, Maximum cable length is 10m. Function  Pin No.  Color  Function  Pin No.  Color IN 1  1  Red 1  OUT 1  14  Blue 1 IN 2  2  Red 2  OUT 2  15  Blue 2 IN 3  3  Red 3  OUT 3  16  Blue 3 IN 4  4  Red 4  OUT 4  17  Blue 4 IN 5  5  Green 1  OUT 5  18  White 1 IN 6  6  Green 2  OUT 6  19  White 2 IN 7  7  Green 3  OUT 7  20  White 3 IN 8  8  Green 4  OUT 8  21  Black 1 Not Connected  9  X  Not Connected  22  X SELECT  10  Yellow 3  +VIN  23  Red MODE1)  11 (GND)  Yellow 2  GND  24  Black Go (Ready)  12  Black 2  GND  25  White Not Connected  13    X  x  x   Serial Port (DSUB 9-pin, Female) TxD  2  Black RxD  3  Brown GND  5  Red Cable Connection Diagram     1) Mode pin(11) is connected to GND inside so no additional connection is needed.
    12 2) For OHT (CTS-HCOM-AB01), Master  Hirose 26-pin, 1.27mm IDE Connector Function  Pin No.  Color  Function  Pin No.  Color IN 1  16  Black  OUT 1  3  Gray + Pink IN 2  17  Brown OUT 2  4  Yellow + Brown IN 3  18  Red OUT 3  5  White + Gray IN 4  19  Yellow OUT 4  6  Red + Blue IN 5  20  Green OUT 5  7  Gray + Brown IN 6  21  Blue OUT 6  8  White + Green IN 7  22  Purple OUT 7  9  White + Black IN 8  23  Gray OUT 8  10  White + Yellow SELECT  14  White Ready (Go)  2  White + Pink MODE  15  Pink  +VIN  12  Brown + Green X  11, 24  X  GND  1  Brown + Red X  25, 26  X  GND  13  White + Red Serial Port DSUB 9-pin, female TxD  2  Black RxD  3  Brown GND  5  Red Molex 4P (5557-04R) TxD  1  Black RxD  2  Brown GND  3  Red Molex 3P (51103-0300) TxD  1  Black RxD  2  Brown GND  3  Red Cable Connection Diagram
    13  AMP 12-pin, 172170 A Connector  Function  Pin No.  Color  Function  Pin No.  Color IN 1  5  Red 1 OUT 1  6  Blue 1 IN 2  7  Red 2 OUT 2  8  Blue 2 IN 3  9  Red 3  OUT 3  10  Blue 3 IN 4  11  Red 4  OUT 4  12  Blue 4 SELECT  3  Yellow 3 Ready (Go)  4  Black 2 MODE  2  Yellow 2 GND  1  White Cable Connection Diagram  B Connector  Function  Pin No.  Color  Function  Pin No.  Color IN 5  1  Green 1  OUT 5  2  White 1 IN 6  3  Green 2  OUT 6  4  White 2 IN 7  5  Green 3  OUT 7  6  White 3 IN 8  7  Green 4  OUT 8  8  Black 1 X  11  X  +VIN  9  Red X  12  X  GND  10  Black Cable Connection Diagram
    14 8. LED Display LED Name  Display Content 1~8 IN  Indicates the operation status of input circuit inside of PIO, which is ON when the input is LOW. OUT  Indicates the output status inside of PIO, which is ON when TR is ON. GO Turns ON when there is data transmission/reception between a master and a slave PIOs. The maximum time that GO LED and output remain OFF after the wireless communication is disconnected is 775ms. This can be adjusted by user through <R> command. STATE1) Used as watchdog signal to check whether there is an abnormality in the product. ▪ RF mode: Blinks with periods of Master mode (0.25 sec),   Slave mode (1 sec), standby mode (0.1 sec). ▪ IR mode : Similar to that of RF mode, but has different   blinking periods. ※ Operation modes are distinguishable. See the diagram below. *) LED Diagram  1) STATE LED Operation Timing Mode  Period Graph IR Slave  Master 2.4G Slave Master
    15  9. Major Pin Function Signal Name  Usage Mode (Input) Input to select a mode of PIO ▪  GND : Slave Mode (EQ, Connected to GND inside of PIO so no additional connection is necessary.) ▪  OPEN : Master Mode (OHT) Select (Input) Input to operate the PIO ▪  GND : Stops a wireless communication of PIOs. ▪  OPEN : Operates a wireless communication of PIOs. GO (Output)  Turns ON if there is a normal communication between a master and a slave PIOS.   Modes Master Mode  Transmits data from input port wirelessly if PIO is operated by OPENing the Select signal. This mode is used by OHT or AGV. Slave Mode   Even though PIO is operated by OPENing the Select signal, does not transmit  but  only  receives  optical  signals.  Transmits  data  from input port  wirelessly  when  receives  optical signals from the master. This mode is used by equipment.    5G Slave Master
    16 10. Communication Medium Selecting Method This product has two contactless communication media: the optical (infrared light) and the wireless communication (2.4GHz, 5GHz RF). There can be a communication interference  in  the  semiconductor  factories  because  of  surrounding  equipment  or sensors. If  this  happens,  this  product provides  a  stable communication  by  selecting the other medium without an interference. A communication medium can be selected by the serial communication command (M command). In case of wireless communication (RF), the distinct channel ID and other variables must be set.
    17 11. RF Function  RF Communication Characteristics RF communication using ISM (Industrial Scientific and Medical) Band of 2.4GHz and 5GHz that can be used without an authorization. High-speed data communication - 1Mbps per channel. GFSK modulation, 1MHz bandwidth. A  great  expandability  provided  by  the  function  selecting  the  serial  numbers  of  6 bytes and frequencies of 3 bytes. Channel  occupation  time  is  about  1ms  (Communication  period:  25ms).  Minimizes the interference between other wireless devices. Setting  the  channel  without  conflict  is  necessary  because  of  the  frequency interference with 2.4GHz and 5GHz wireless LEN and other wireless devices. Maximum RF output power: 0dBm Sensitivity of the receiver : -90dBm Antenna Configuration    Emission Pattern   81234567STATE GOOUTIN
    18  How to install   These are the examples of the damping ratios depending on directions  of  the master and slave PIOs in 10cm. See the values as the relative values with error of measurement.  Like  the  diagrams  below,  the  reception  sensitivity can be vary depending on the directions, even in such a short distance. This can influence the performance of RF communication. Therefore, check the optimal conditions for RF communication before the installation of PIOs. Damping Ratio Installation Direction -25dB    -30dB         -
    19   Dampting Ratio Installation Direction -33dB  - -35dB   - -37dB  -
    20  12. IR Function Precautions for Installation  1) Metals, mirrors and other objects existing in a space at the  straight-line  distance between  two  sensors  reduce  the  communication  performance.  Remove  the  obstacles on the path if possible. 2) You can use it stably without communication errors when there is no interference with other wireless devices in an open space. 3) There may be no metals or other obstacles within a 60mm radius around this antenna. 4) There may happen frequency interference due to other RF devices around. Use this in an environment without frequency interference for stable operation. 5)    Especially,  when  using  this  together  with  a  device  using  a  5GHz  band,  allocate  a channel by avoiding overlaps. 6)    Maintain a 20cm or more interval between PIOs for equipment. Wireless Environment Setting  The wireless communication (RF) function of CTS-HCOM Series can be simultaneously connected to many devices due to its characteristics.  In  order  to communicate with one device (equipment), the ID and CH(channel) of the communication  counterparty  (For  equipment,  Slave  PIO)  shall  be  set  before  starting communication with the vehicle (OHT, Master PIO). The ID and CH setting is possible using serial communication commands.  PIO  Setting Method Slave ▪  Connect  to  PIO  serial  port  =>  Set  by  a  communication commands (ID and CH, transmission power etc.) ▪  The set data is stored in the memory, so it doesn’t need to be set again even though power is turned OFF. Master ▪    Connect to PIO serial port => Set by a communication commands (No. of VHL/Communication Medium/ID/CH/PORT) ▪  In  case  of  Select  OFF(Communication  Permitted)   ON (Communication  Prohibited), the IC and CH are changed to defaults. The No. of VHL, communication medium, ID, CH, PORT must be reset before Select OFF. ※ If it is not ready for data transmission, it does not transmit data even though it becomes Select OFF. ※  For more information, see the Serial Communication Specification.
    21 IR Communication Characteristics  Wavelength : 870nm (Infrared light, Optical)  Ambient brightness : 4000lx or less of incandescent light and fluorescent light,   the place without direct light  Transmission/reception method : Half Duplex  Modulation : Pulse Modulation  Operational distance and angle : 0.5m at 0°, 0.25m at  ±15°  Adjustment of communication distance : Serial/RF communication command  Adjustment of reception level : Serial/RF communication command (To eliminate surrounding noises if any.)  Input signals and GO output filtering : Is possible to set the time by the serial  command. IR Radiation Characteristics   As shown in the figure below, the communicable angle is 30°, and communication is possible from a 0.25m away distance at ±15°  and  from  a 0.5m  away  distance  at  0°.  If  light,  sunshine,  IR  remote  controller,  optical sensor, etc. applies light directly to the transmission/reception window, loss of communication may happen. In this case, block the external light and then use it.     Unit : mm
    22 Considerations for installation  This product uses both IR and RF communication. In case of IR (optical  and  infrared light) communication, the performance declines if light is blocked by fixed  brackets or parts since it uses invisible infrared light. As shown in the figure below, when PIOs of VHL stop without error or within the range of  ±15°, surrounding objects shall not block the light of PIOs. Stop without error  Stop at 15 degrees to the right  Stop at 15 degrees to the left     The  cases  of  the  light  of  PIO  is  blocked  by  the  surrounding  objects are shown in diagrams below. In these cases, there is high possibility of PIO communication error depending on where VHL stops. If a VHL stops without error, the PIO communication will operate normally. However, if it stops with error, communication error can happen becuse  light  is  blocked.  Therefore,  be  careful  when  install  the fixed equipment and surrounding devices. Stop without error  Stop at 15 degrees to the right  Stop at 15 degrees to the left   Also, if there is optical noise, it is necessary to block the noise using the fixed objects.
    23 13. List of Serial Communication Commands How to set commands   • Serial Communication Setting Value: 38400,8,n,1, No flow control • The first letter of every commands is “<” and the last letter is “>”. • The first letter of responds for commands is “[“ and the last letter is “]”. Command  Function  Medium1) Master2) Slave2) M  Set the communication medium  IR/RF  Maintain  Maintain R  The  number  of  trials  for stable connection  IR/RF  Maintain  Maintain T  Set the current time  IR/RF  Reset  Reset Y  Check whether it is ready to communicate  IR/RF  -  - G  Check the GO status  IR/RF  -  - L  Download the communication data  IR/RF  - (Function N/A) - (Available) S  Download the status of the communication data  IR/RF  - (Function N/A) - (Available) V  Check the version  IR/RF  -  - C  Set the channel  RF  Reset  Maintain A  Set the ID  RF  Reset  Maintain N  Set the PORT number  RF  Reset  Unused P  Intensity of RF radiation  RF  Maintain  Maintain W  Time to check whether   there are other devices.  RF  Maintain  Unused O  The number of OHT  RF  Maintain  Unused 1) Whether to use the set values is dependent on media (optical or wireless) 2) Whether to save the set values (If the set value is saved, it maintains this value even though the power is off.) is dependent on the mode (Master/Slave), so be careful when use serial commands. ※ Use the serial communication program provided by CanTops to enter the commands.   About A Serial Command Setting for Different Modes Master Mode Setting the No. of OHT, communication medium, ID, CH, and No. of PORT is only possible when SELECT is ON (Communication prohibited). Other commands can be used at any time through the serial communication. Slave Mode  Serial commands can be used at any time, regardless of SELECT status. ※ See “Serial communication specification” for more detailed information. *) The specification of this product may change without notice to improve performance of the product. * Rev Information
    24 Document Ver.  Date  Modified content V 1.0  2015.8.6 ▪ Maximum value of Go signal: 375ms => 775ms (p.11) ▪ Period of standby mode of STATE LED: 0.05 => 0.1초 ▪ Display the number of blinks of STATE LED depending on media - Only for IR : 3 times - RF Mode, when IR operates : 5 times - RF Mode, when 2.4GHz operates : 7 times - RF Mode, when 5GHz operates : 9 times ▪ Modification in part of formats ▪ Addition of cable (Master) AMP for OHT V1.1  2015.9.7 ▪ Addition of the item number code format V1.2  2016.1.8 ▪ Addition of the RF patterns and installation method depending on the damping ratios. (p. 16, 17, 18 are added.)

Navigation menu