CanTops CTS-STBR-AA RFID Reader User Manual Appendix 8

CanTops RFID Reader Appendix 8

Users Manual

                                RFID Reader (4 channels, EtherCAT ) Operation manual CTS-STBR-AA Series (Ver 1.1)
CTS-STBR-AA      21. Outline This product is a RFID Reader which can read the tag (Transponder) of ISO 11785 standard using 134.2KHz. This is a product which is optimized in such a way that it can stably be operated in a diversity of noise environment, and it is used for logistics of semiconductor line.   The product is constituted with reader, antenna, and sensor as shown in <Fig. 1>. <Fig. 1-b> shows the antenna which is used together with the reader, and a specialized antenna can also be developed and used in accordanced with application. <Fig. 1-c> shows the sensor detecting FOUP, and for further information, please refer to the specification of sensors.   For this product, network function is strengthened so that ID and sensor information required for overall factory logistics can be collected and managed in real time by utilizing ethernet based industrial filed bus called EtherCAT.    ( a ) RFID reader             ( b ) Antenna             ( c ) FOUP detecting sensor <Fig. 1> Shape of reader and antenna
CTS-STBR-AA      3  ☞ During the operation of reader, a high voltage of more than 200V is generated at the antenna. Therefore, cares shall be taken as there is a danger of electric shock if the wire around the antenna is touched. In addition, there is also the danger of electric shock when any part(s) at the case inside is touched. Never touch any part(s) at the board inside.   ☞ Reader and antenna are in the optimally adjusted state to suit to the  product  of our  company.  If  using  another  product,  it  can  be the cause of part breakdown.   ☞ In accordance with the type of this company’s antenna, the setup value of the reader will be different, therefore, confirm the antenna which can be connected to the reader before the use.   ☞ The frequency used by this reader is 120~140KHz. In order to use this  product  under  the  optimum  state,  install  it  at  the  location where  the  electric  wave  of  this  frequency  band  is  not  generated from surrounding appliances or equipments.     ! Caution
CTS-STBR-AA      4Main specification and installation environment of this product are shown in the following <Table 1>.    <Table 1> Main specification for RFID reader and antenna Classification  Detailed item  Description Reader Frequency  134.2KHz Reading time*1)  150ms / Page Writing time  390ms / Page Maximum reading distance  80mm  (There  are  differences  in  accordance with the types of antenna.) Maximum writing distance  35mm  (There  are  differences  in  accordance with the types of antenna.) The number of connected antenna Maximum 4 units The number of sensor input  Maximum 8 units (2 units/antenna channel), filtering function Firmware Upgrade  EtherCAT communication Additional function  Opening  of  antenna,  detection  of  sensor abnormality, auto tuning, etc. Cable of antenna Diameter  3mm Bending diameter  45mm Length  0.1M  ~  3M  (Optional  item,  in  the  unit  of 10cm) Material  PVC Head section of antenna Size  4330.5x12mm Material  Polycarbonate, black color Connector  43650-0200 (MOLEX) Type of tag  RI-TRP-DR2B  17Page64bit, Read/Write Specification for communication RS-232C  1 CH, Full Duplex, for the purpose of setting up Field Bus  EtherCAT, 100MHz Protocol  CoE, FoE, etc. Manually operating section LED indicating section  16  units,  indicating  mode  and  operating state 7 Segment indicating section  3 units, ID, used for tuning Manually operating switch  3  units,  for  manually  installing  the  reader without PC
CTS-STBR-AA      5Environment and safety Storing environment Temperature: -25 ~ 70°C Humidity: 5 ~ 95 %RH (However, there shall not be any condensing phenomenon.) Operating environment Temperature: 0 ~ 50°C Humidity:35~85 %RH  (However,  there  shall not be any condensing phenomenon.) Withstand voltage  More than 500V Power source  Input voltage  DC 20V ~ 26V, 400mA Size (WHD)  1859741.3mm  (Excluding  the  protruding section of connector) Material of case  Fixing plate:SCP1(Steel)??? Main body: Polycarbonate Weight  Approx. 460g ???
CTS-STBR-AA      62. Function for each section <Fig. 2> Arrangement diagram of main parts  2.1 EtherCAT connector and indicating section EtherCAT communication configuration, which connects ethernet communication line with the shape of daisy chain as shown in <Fig. 3>, is an industrial ethernet communication standard of conducting real time communication with 100MHz. In order to have this kind of daisy chain shape wiring,  there  are  2  communication  ports  in  a  reader,  and  E.IN  is  connected  to  E.OUT  of  the previous reader, and E.OUT is connected to E.IN of the next reader.    <Fig. 3> Basic configuration diagram of EtherCAT system ① ② ③④  ⑤① ①
CTS-STBR-AA      7 Communication line is constituted with the shape as shown in the following <Fig. 4>.   <Fig. 4> Configuration diagram of EtherCAT cable <Table 2> Specification of cable parts  Wiring diagram of EtherCAT cable is as shown in the following <Table 3  >.   <Table 3> Wiring diagram of EtherCAT cable CN1  Color  Function  CN2 1  Yellow  Tx+  1 2  Orange  Tx-  2 3  White  Rx+  3 4  N.C  -  4 5  N.C  -  5 6  Blue  Rx-  6 7  N.C  -  7 8  N.C  -  8 Shell  Shield braiding wire Shield  Shell  Description  Specification  Maker  Q`ty Remark① Plug  6GK1 901-1BB10-2AA0  Siemens  2EA CN1 CN2 ② Label 1 Starting  point  (A),  indicating  the  ending  point  (B),  thermally shrunken  transparent  tube,  attached  to  the  location  10mm away from the connector end    ③ Classification of input/output port Attaching color tape at the cable end (Tape width is 10mm.) Input: Yellow    1EA  Output: Red or orange color    1EA  ④ Label 2  Starting  point  (A),  indicating  the  ending  point  (B),  thermally shrunken transparent tube, attached to the side of ②     ⑤ Cable  AWG#22, 2Pair, SFTP, Profinet Type B  Siemens  1EA
CTS-STBR-AA      8The  items  to  be  careful  about  when  connecting  the  communication  line  are  that  the inscription marked at the starting point (A) and ending point (B) of cable shall be corresponded to the unit number attached to the reader, and connection shall be made as shown in <Fig. 5> so that the colors (red and yellow) indicated at the cable shall be agreed with those of E.OUT(red) and E.IN(yellow) located at the case of the reader.     <Previous position: A>  <Current position: B>  <Next position: C>  <Fig. 5> Connection method of EtherCAT cable  Operation state of EtherCAT is indicated with the 7 units of state indication LEDs.    From the E.RUN LED, connecting state of EtherCAT communication port can be grasped as follows.  E.RUN  State Off  When  EtherCAT  is  at  INIT  which  is  the  initial  communication state Slowly flickering  When curret state is at Pre-OP mode Lighted once  When curret state is at Safe-OP mode Continously turned on  When it is in normal operation mode after completing initialization Rapidly flickering  When it is in bootstrap mode
CTS-STBR-AA      9LNK0(E.IN) and LNK1(E.OUT) LED indicate following state for each of the ports. LNK0, or LNK1  State Off  When communication line is not connected Flickering  When  EtherCAT  communication  is  underway  as communication line is connected Continously turned on  When  it  is  the  state  of  connection  only  without communication  FDX0 and FDX1 are the function of indicating communication velocity, and in the case of EtherCAT, it  uses  the  communication  velocity  of  100MHz  as  the  basis,  therefore,  under  the  normal connecting state of EtherCAT communication line, the continously turned on state shall always be maintained.      ACT0(E.IN) and ACT1(E.OUT) indicate following state for each of the ports. ACT0, or ACT1  State Off  When communication line is not connected Flickering  When  EtherCAT  communication  is  underway  as communication line is connected Continously turned on  When  it  is  the  state  of  connection  only  without communication  2.2 RS-232C communication connector This is a serial communication port in which the reader is connected with PC for simple setup and state confirmation without using EtherCAT communication. The connector used in the connection is 43650-0300(Molex). For pin arrangement and function, refer to <Table 4>.             (a) Header : Reader                     (b) Receptacle : Cable <Fig. 6> Arrangement of pin number of RS-232C communication port
CTS-STBR-AA      10 <Table 4> Arrangement of RS-232 connector pin Reader Function    TxD  RxD  GND     Number    2  1    3         Computer/high rank Number  1  2  3  4  5  6  7  8  9 Function  x  RxD  TxD  x  GND x  x  x  x   2.3 Power input connector Power source applied to reader is DC +24V, and pin numbers are as shown in the following Figure.    <Fig. 7> Power input connector  2.4 Manually operating section This is the operating section which is used when tuning the antenna for displaying the highest performance of RFID Reader and setting the noise environment analysis function and ID required for communication with host. This is a convenient function which can verify all functions with the reader itself without PC so that setup can easily be conducted at the job site.   Operation  state  of  reader  is  indicated with 4 LEDs located at the left side of the manually operating section, and ID number and a variety of states are indicated with 7 sgment located at Pin number  1  2  3 Function  FG  GND  +24V Name of connector  39303035, Molex Connector for cable  039014030, Molex
CTS-STBR-AA      11the middle, and the antenna channel under operation is indicated with 4 LEDs located at the right side, and the reader is operated with 3 switches located at lower section. ERR LED located at the top right side indicates the latest reading result.      <Fig. 8> Manually operating section  a) LED for indicating operation mode Operation mode of reader is indicated with 4 LEDs. For selection of mode, if pressing the mode switch, the mode is changed as the LED of corresponding mode is sequentially lighted from the upper to lower section.     =>    =>   =>    =>    => Repetition =>  <Fig. 9> LED for indicating mode
CTS-STBR-AA      12<Table 5> Description of function of LED for indicating mode Name of LED Function    Remarks RDY  This is the LED which is lighted under the state of being able to read or write the tag, and unless it is the state of reader setup mode, it shall always be lighted in normal situation.   Green TUNE  This is the LED which is lighted when it is the antenna tuning mode.   Yellow SENS  This is the LED which is lighted when it is the mode for measuring  the  noise  deserted  around  the  antenna  under  the state  of  installing  reader  and  antenna  in  the  actural  operation environment Yellow ID  This  is  the  LED  which  is  lighted  when  setting  up  individual numbers to 4 antennas and reader, respectively Yellow  b) 7 Segment section This is used for indicating the operation state of reader and individual numbers (ID) of reader and antenna, and displaying the state of noise level, antenna output tuning value, and so forth with numerals. The segment is constituted with 3-digit, and a diversity of states are indicated for each of the modes.      <Fig. 10> 3 Digit 7 Segment
CTS-STBR-AA      13Those numerals and  characters indicated through 7 Segment are as  shown  in  the following <Table 6>.    <Table 6> Details of numeral and character indication with 7 Segment Indicated numeralIndicated contents Indicated numeralIndicated contentsIndicated characterIndicated contents 0  5  S   1  6  c  2  7  E  3  8  r  4  9     The red dot at the top left side of Segment in <Fig. 10> displays a variety of indications at each of the modes. The dot at the first segment is lighted when the command inputted through EtherCAT communication or button is performed, and the dot at the second segment is  lighted when the Sensor2(HOME Sensor) input is  ON,  and  the  dot at the third  segment is lighted when the Sensor1(FOUP Sensor) input is ON. In addition, from the ID setup mode, the location of digit number to be set up is indicated.    <Fig. 11> Dot indication of 7 Segment
CTS-STBR-AA      14c) LED for indicating antenna channel The antenna under operation is indicated with 4 LEDs. For selecting antenna, if pressing SEL switch, corresponding antenna will sequentially (from No. 1 to No. 4) be selected.     =>  =>  =>  =>  => Repetition => <Fig. 12> LED for indicating antenna channel  d) LED for indicating error When error is occurred under the operation of reading or writing the tag, the error LED is lighted. Error state is remembered by the reader inside for each channel, and even when the selection of antenna is changed, the latest error state is indicated at LED.    <Fig. 13> LED for indicating error   e) Switch for manual operation There  are  3  switches  for  manual  operation,  and  each  of  their  functions  is  as  shown  in  the following <Table 7>.     <Fig. 14> Manual operation switch
CTS-STBR-AA      15 <Table 7> Function of switch Name of switch Function  Remarks MODE When this button is pressed, 3 types of setup modes (TUNE, SENS, ID)  can  sequentially  be  selected. If the function of reading and writing data on the tag is to be used, press the MODE switch so that RDY LED is lighted.   SEL This is the button of selecting antenna channel. When pressing this button, the antennas of 4 channels  can  sequentially  be  selected. Whenever  pressing  the  button,  the  antenna  to  be  used  will  be selected in the order of the number 1 -> 2 -> 3 -> 4.   UP/TEST ①  RDY mode: Whenever pressing this button with the function of manually reading the data in the tag, the tag data is read once a time. When this switch is pressed for the duration of more than 1 second, continuous reading mode is operated. If it is wanted to get out of this continuous reading mode, simply press this button once more. This action can be operated only under the turning on state of READY LED which is not a setup mode.   ②  TUNE mode: When the tuning mode is activated, this is used in the same way as that of general enter key. ③  SENS mode: No operation is conducted.  ④ ID  setup mode: This is used as the function of increasing the number indicated at the 7 Segment one by one. When this switch is pressed with the duration of more than 1 second, it will be used as the function of changing the digit to be set up. The digit is changed in the order of single-digit -> double-digit -> three-digit. Read Page = 15
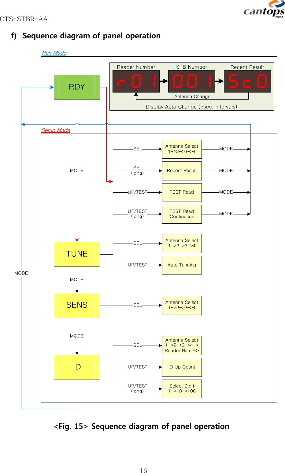
CTS-STBR-AA      16f) Sequence diagram of panel operation  <Fig. 15> Sequence diagram of panel operation
CTS-STBR-AA      17g) Description of panel operation  ⓐ  RDY MODE This  is  the  function  for  testing  the  reading  of  the  tag  data  by  the  reader  independently without high rank host. It can simply be activated by pressing the  UP/TEST  switch  under  the turning on  state of RDY  LED  after coming out of setup mode  with the MODE switch. With this mode, the data in the page 15 of the tag will be read.     <Fig. 16> Indicating state of RDY MODE  When the test of manually  reading the tag from the  reader is conducted, Er(Reading  failed) and Sc(Reading succeeded) are indicated through the indication window as shown in <Table 8>. In the third digit of the Segment, the number of re-attempted reading is indicated in the case of succeeded reading, and error code is indicated in the case of failed reading.   <Table 8> Contents of state indication during the reading operation of tag State  Contents of indication State  Contents of indication Sc(No error)  Er(Error is generated)    The error codes at the time of failed reading are as shown in the following <Table 9>.
CTS-STBR-AA      18<Table 9> Type of error code Code  State  Remarks ‘4’  When writing the data on the tag is failed   ‘5’  When there is no tag   ‘6’  When  the  type  of  tag  is  different  from  that  of  the  received command   ‘7’  When the check sum error is generated from the tag   ‘8’  Communication error with the tag   ‘9’  When  there  is  no  antenna  or  when  problem  is  occurred  for installing the antenna   ⓑ  TUNE MODE Basic  principle  of RFID is to transmit and receive data  in  accordance with mutually  decided agreement  after  supplying  power  to  the  Tag(Transponder)  by  producing  high  voltage  signal from antenna. This high voltage signal is created by the LC resonance from the oscillation circuit of antenna and reader inside, and,  in general, the higher this oscillated voltage becomes,  the lengthier will be the reading distance.   This  TUNE(Tx  Tuning)  mode  is  the  function  of  tuning  internal  circuit  in  such  a  way  that transmitting voltage of antenna becomes the highest one. This is the function to be conducted in the first place in order to have a stable operation after installing the reader.   Setup value is indicated at the 7 Segment, and it will be adjusted to 16 steps from 00 to 15.     <Fig. 17> is the initial indication state under the TUNE mode. In the initial state, currently set up tuning value is displayed. When UP/TEST button is pressed, tuning is started. It takes around 1 second for the tuning, and when the tuning is finished, a new setup value is indicated at the 7 Segment. This value is automatically saved and used internally, therefore, a separate recording is not required.  If antenna is not connected or if there is problem for the wiring of antenna, measuring value of transmitting  voltage may  become too low  during  the  Tx  Tuning. In this  case,  the  resultant value after the tuning is not applied, and the previous setup value will be maintained as it is. In the 7 Segment, ‘Err’ is indicated as shown in <Fig. 18>. In this circumstances, Tx Tuning shall be attempted again after confirming the connecting state of antenna. When SEL button is pressed to change the channel of antenna, each of the antennas can be selected in the order of ANT1 -> ANT2 -> ANT3 -> ANT4. The case of selecting No. 2 antenna is shown in <Fig. 19>.
CTS-STBR-AA      19 <Fig. 17> Indicating state of TUNE MODE  <Fig. 18> Indication of tuning error state  <Fig. 19> Indication of ANT2 state  ⓒ  SENS MODE In the case of RFID, communication between Tag and antenna is conducted  by  using  the
CTS-STBR-AA      20frequency of around 130KHz. This frequency of around 130KHz is the electromagnetic wave which can  generally  be  created during  the  switching  of semiconductor  for  motor  or  power.  Therefore, under the deteriorated environment with this kind of switching element, normal operation of RFID is difficult to expect. This SENS(Rx Sensitivity) mode is the function of indicating the strength of noise around the frequency of 130KHz. With this function, the antenna  can  be  installed  at  the location without noise,  and  the  noise  level  can  directly be  confirmed  when  corrective measures are prepared for other  appliances, therefore, it is  a  convenient function of rapidly providing the optimum measures.  <Fig.  20>  is  the  example  of indicating  the  operation  state  of this mode, and  the  indicated value is 00 ~ 99, and the lower value indicates the state of not having the noise. Therefore, please set up the surronding environment so that the value ouputted from the 7 Segment becomes “00” as much as possible. Especially, when this value becomes more than  “70”,  the  reading performance  may be dropped by external noise, therefore, a sufficient corrective measures shall be established.   When  entering  to  SENS  mode,  Rx  Sensitivity  action  is  started,  and the noise level will continously be indicated at the 7 Segment as shown in <Fig. 20>.   <Fig. 20> Operation result of SENS MODE   ⓓ  ID MODE This is the function of setting up the individual number of the reader, and 1 reader number and 4 STB (antenna) numbers can be set up. For the reader number, 64 numbers can be set up in the range of r01 ~ r64, and for the STB (antenna) number, 255 IDs can be set up in the range of 001  ~  255.  Basic  setup  value  is  “r00”  and  “000”,  respectively,  and  the  reader  set  up  as  “000” becomes a disabled state in which no operation is conducted. Cares shall be taken not to have
CTS-STBR-AA      21the identical ID.   When UP/TEST button is pressed under ID setup mode, the number of selected digit will be increased one by one. When UP/TEST button is pressed with the duration of more than 1 second, it is used as the function of changing the digit to be set up. The digit is changed in the order of single-digit -> double-digit -> three-digit.    RDYTUNESENSIDMODE SEL UP/TESTERRANT1ANT2ANT3ANT4 <Fig. 21> Indicating state of reader number (left) and STB number (right) of ID MODE  <Table 10> Indication of ID setup digit state  Setting up the second digit of the Reader Setting up the first digit of the Reader   Setting up the third digit of STB Setting up the second digit of STB Setting up the first digit of STB     2.5 Antenna and sensor linking connector From this reader, maximum 4 antennas and sensor can be connected as shown in <Fig. 22>.  The  occasions  that  reading  work  is  conducted  by  RFID  reader  are  the  unit  reading command through EtherCAT communication, the Verify command which confirms the state of FOUP and tag data, the function of automatic reading at the time  when  the  FOUP  sensor becomes  changed  from  Off  to  On,  and  the  reading  function  under  the  manual  operation mode. In this way, except manual mode and simple reading command, operation is always
CTS-STBR-AA      22conducted in connection with FOUP sensor in actual operation environment, therefore, it shall always be operated with the same number.    <Fig. 22> Example of using antenna and sensor  The antenna and sensor cable  provided by this company are supposed to be  linked to  this connector, and separation and connection of antenna and sensor cable shall always be conducted under turned off or disabled state of power.    This antenna is the one made in such a way that it can have the reading by attaching to the plate such as STB which saves FOUP, or UTB, etc. When special products such as different shape or reading performance, cable length, and so forth are required, please contact with this company.          <Fig. 23> Arrangement of antenna connector pin Pin number  1  2 Function  ANT+  ANT- Name of connector  43650-0200, Molex Connector for cable  42645-0200, Molex
CTS-STBR-AA      23 <Fig. 24> Size of antenna head section  Description  Specification  Maker  Q`ty  Remark① Connector  Housing : 42645-0200 Terminal : 43030-0002  Molex  1EA 2EA  ② Cable  AWG#22, 1 strand, Shield, UL1185, Grey  CanTops  1EA   ③ Antenna head  43x30.5x12mm, Polycarbonate, black  CanTops  1EA   <Fig. 25> Constitution of antenna cable   ☞ As high voltage is being flown in this antenna connector, do not touch it because there is the danger of electric shock when it is touched. Attaching and detaching the cable  during  the operation of the reader  is  extremely dangerous. Connecting and  separating work of cable shall always be conducted under the turned off state of electric power. ☞ Only the cable manufactured by this company shall be used as the antenna  cable,  and  when  the  extenstion  of  cable  is  unavoidable, taked  care  that  all  wires  shall  not  touch  external  appliances, !  Caution
CTS-STBR-AA      24grounding wire, etc.   ☞ Conductor, cable, and so forth shall be away from the vicinity of antenna  head  as  much  as  possible.  Otherwise,  reading performance can be deteriorated.   ☞ The shapes of antenna and sensor are the same with each other, therefore,  cares  shall  be  taken  to have wiring of antenna and sensor to the same number during the installation.   ☞ When antenna is installed for the first time or when surrounding circumstances  are  changed,  a  new  tuning  shall  definitely  be conducted in order to have the optimum operating condition for the reader.   Connecting specification and configuration diagram of the sensors which detect the state of FOUP are as shown in the following Figure. Pin numbers are based on the view from the connector actually  installed in the board. Basically, 2 sensors can be interlocked with 1 antenna, however, basic operation is conducted with 1 FOUP sensor. Additional sensor can be used by connecting with general sensor other than FOUP detecting sensor. Check IN1 & 2 are the signals outputted from the reader for checking in advance the change of sensitivity and life of sensors. With this function, abnormality of the function related with the sensitivity of sensors installed at the entire line can systematically be managed.   <Fig. 26> Arrangement of sensor connector pin Pin number  1  2  3  4  5  6  7  8 Function  +24V  GND Sensor OUT1 (FOUP Sensor)Check IN1  +24V GNDSensor OUT2 (Home Sensor) Check   IN2 Name of connector  43045-0800, Molex Connector for cable  43025-0800, Molex
CTS-STBR-AA      25   <Fig. 27> Size of sensor head section  (a) Head separation type  (b) Head integration type Description  Specification  Maker  Q`ty  Remark ① Housing  Housing : 43025-0800 Terminal : 43030-0001  Molex  1EA 4EA  ② Cable  4C X 24AWG, UL2464  Gwangil Electric  L   ③ Housing  SMP-04V-NC, 4 Pin, Plug(Socket) SHF-001T-0.8BS  JST  1EA 4EA  ④ Housing  SMR-04V-N, 4 Pin, Receptacle(Pin) SYM-001T-P0.6  JST  1EA 4EA
CTS-STBR-AA      26<Fig. 28> Constitution of sensor cable When FOUP sensor is operated in actual using environment, there  is  an  unstable  period  in which signal becomes On/Off in the transient state. This unstable time of signal can be set up as the time constant of filter. For detailed information, refer to the setup parameter.     ☞ Optical type sensor is  used  at the FOUP detecting sensor  inside. Therefore, when particles are flown in from outside, abnormality of FOUP detection can be occurred because sensitivity of sensor is deteriorated. Periodic inspection of sensor state is required. ⑤ Cable  4C X 24AWG, UL2464  Gwangil Electric  0.2m   ⑥ Sensor Head  Main body of sensor  CanTops 1EA   !  Caution
CTS-STBR-AA      273. EtherCAT connection and communication specification 3.1 Connecting method of EtherCAT Although it is different in accordance with the configuration of system, readers, in general, are not installed once and for all, but extension is conducted during the line expansion. However, in the case of  basic  infrastructure required  such  as  overall network,  power  lines, and so forth,  it can be efficient to install them during the initial investment. The following <Fig. 29> is the example of connecting only 10 units after constituting the network so that maximum 32 units of readers can be connected. Maximum 64 units of readers can be connected  to  one  EtherCAT Master, and in the case of antenna, up to the total 255 units can be used.   As the number of the reader connected to EtherCAT Master, a serial number is given and this serial number is also applied to the number of the antenna connected to the  reader.  For  the antenna which is not used, No. 0 can simply be designated. In the case of the nth reader, the ID numbers of 4(n-1)+1, 4(n-1)+2, 4(n-1)+3, and 4(n-1)+4 can be designated.         <Fig. 29> Example of EtherCAT wiring  2 readers are installed in a unit, and for the sake of this expansibility, communication line is connected with RJ45 Coupler or EtherCAT Coupler as shown in <Fig. 30>. In general, LAN line is connected  with  RJ45  coupler,  and  when  more  than  3  units  of  this coupler are to be used, EtherCAT Coupler shall always be installed. Once a coupler is installed,  it  shall  always  be remained at the fixed location.
CTS-STBR-AA      28(a) RJ45 Coupler                  (b) EtherCAT Coupler <Fig. 30> Type of coupler  The  method  of  wiring  the  LAN  line in accordance with the existence  and  nonexistence  of reader is as shown in <Fig. 31>. When the reader is to be installed  in  the  unit  where  RJ45 Coupler  is  used,  RJ45  Coupler  will  not  be  used.  In  the  structure  where  EtherCAT  Coupler  has been used, the wiring shall always be conducted with the structure of using EtherCAT Coupler.    (a) Internal wiring diagram of the unit constituted with RJ45 Coupler  (b) Internal wiring diagram of the unit constituted with EtherCAT Coupler <Fig. 31> Internal wiring diagram of the unit considering expansibility in the future
CTS-STBR-AA      29      3.2 Structure of EtherCAT communication The structure of transmitting and receiving data between EtherCAT Master and Slave(Reader) is to have the communication in real time by loading the data packet for EtherCAT on the basic Ethernet communication frame as shown in <Fig. 32>. From this reader (Slave), data is renewed with the cycle of 10ms, and maximum 255 units of antenna can be used.     통신  주기  Communication cycle  <Fig. 32> EtherCAT communication flow  In order to transmit cyclical data in real time, PDO(Process Data Objects) which is a cyclic data is
CTS-STBR-AA      30to be used. PDO data format of this reader is as shown in the following <Fig. 33>.    TxPDO (96Byte) : Slave -> Master   RxPDO (18Byte) : Master -> Slave <Fig. 33> Configuration of PDO data  3.3 PDO map list System Parameters Index Sub Index SizeName RWRangeDefault Refer0x1000    4  Device Type  RO 0x00001389 0x1001    2  Error Register  RO 0x0000 0x1008    2  Device Name  RO 0x0001 0x1009    2  Hardware Version RO 0x0013  *10x100A   2 Software Version RO 0x0012  *1 RFID Reader Parameters Index  Sub Index SizeName RWRangeDefault Refer0x2000  RFID Error and Status 0 2  Sub Index Number 1  2  RFID Reader Error Code RO 0x0000 ~ 0x00ff 0x0000     LSB  RFID Error Code RO   *2MSB    RO  2  2  RFID Reader Status RO 0x0000 ~  0x0000
CTS-STBR-AA      310xffff    0  RFID Reader Ready RO 0 ~ 1 0  Ready=11  Reserved RO 0 ~ 1 0 2  Reserved RO 0 ~ 1 0 3  E.CAT IN Connect RO 0 ~ 1 0  Connect=1 4  E.CAT OUT Connect RO 0 ~ 1 0  Connect=1 5  Reserved RO 0 ~ 1 0 6  Firmware Download Status RO 0 ~ 1 1  *37  Command Done Flag RO 0 ~ 1 1  *48  Reserved RO 0 ~ 1 0 9  Reserved RO 0 ~ 1 0 10  Reserved RO 0 ~ 1 0 11  Reserved RO 0 ~ 1 0 12  Reserved RO 0 ~ 1 0 13  Reserved RO 0 ~ 1 0 14  Reserved RO 0 ~ 1 0 15  Reserved RO 0 ~ 1 0 0x2001  RFID Parameter 0 2  Sub Index Number 1  2  RFID Reader ID RW 1 ~ 64 0 2  2  UART Baud rate RW 0 ~ 5 5  5=1152003  2  Tx Duty  RW 0 ~ 99 50  (%)4  2  Tx Start Duty  RW 0 ~ 99 50  (%)5  2  Tx Start Time  RW 0 ~ 255 100  (us)6  2  Charge Time  RW 20 ~ 255 60  (ms)7  2  Rx Sensitivity Low Voltage RW 0 ~ 30 8  (0.1V)8  2  Rx Sensitivity High Voltage RW 0 ~ 30 20  (0.1V)9  2  Rx Sensitivity Time Delay RW 0 ~ 65535 200  (ms)10  2  Read Retry Count RW 1 ~ 10 3  (time)11  2  Read Retry Interval RW 0 ~ 255 100  (ms)12  2  Read Start Delay RO 0 ~ 65535   *513  2  Test Read Page  RW 1 ~ 17 15  (page)14  2  Test Read Interval RW 0 ~ 65535 1000  (ms)15  2  HRE Clear Time RW 0 ~ 999 30  (s)16  2  Reserved   17  2  Reserved   18  2  Reserved   19  2  Reserved   20  2  Reserved   0x2002  Index Of Page Data 0 2  Sub Index Number 1  2  Index Of PageData1 RW 1~17 1  0xFF=auto2  2  Index Of PageData2 RW 1~17 2  0xFF=auto3  2  Index Of PageData3 RW 1~17 0 4  2  Index Of PageData4 RW 1~17 0 5  2  Index Of PageData5 RW 1~17 0 6  2  Index Of PageData6 RW 1~17 0 7  2  Index Of PageData7 RW 1~17 0 8  2  Index Of PageData8 RW 1~17 0  Antenna1 (STB) Parameters Index  Sub Index SizeName RWRangeDefault Refer0x2100  ANT1 Error and Status 0 2  Sub Index Number 1  2  STB Error Code RO      LSB  STBC Error Code  RO 0x0000 ~ 0x00ff 0x0000  *6MSB  ANT Error Code RO 0x0000 ~ 0xff00 0x0000  *72  2  STB Status  RO  0  STB Ready RO 0 ~ 1 0  Ready=11  Carrier Sensor State (Foup) RO 0 ~ 1 0  ON=12  Home Sensor State (HP) RO 0 ~ 1 0  ON=1
CTS-STBR-AA      323  E.CAT IN Connect RO 0 ~ 1 0  Connect=1 4  E.CAT OUT Connect RO 0 ~ 1 0  Connect=1 5  Tag Read Complete RO 0 ~ 1 0  Detect=16  Home Rising Edge RO 0 ~ 1 1  Detect=17  Reserved  8  STB Enable RO 0 ~ 1 0  Enable=19  Carrier Sensor Diagnosis RO 0 ~ 1 1  Normal=110  Home Sensor Diagnosis RO 0 ~ 1 1  Normal=111  Tx Power Diagnosis RO 0 ~ 1 1  Normal=112  Noise Sens Diagnosis RO 0 ~ 1 1  Normal=113  Sensor1 Enabled RO 0 ~ 1 0  Enable=114  Page Data Info. RO 0 ~ 1 0  *815  Sensor2 Enabled RO 0 ~ 1 0  Enable=10x2101  ANT1 Parameter 0 2  Sub Index Number 1  2  STB Number  RW 0 ~ 255 0  *92  2  Tx Tuning Level RW 0 ~ 15 8 3  2  Tx Power  RO 0 ~ 65535 0  (V)4  2  Tx Power Diag Threshold RW 0 ~ 65535 100  (V)5  2  Noise Sensitivity RO 0 ~ 99 0  (%)6  2  Noise Sens Diag Threshold RW 0 ~ 99 90  (%)7  2  Sensor1 Enable (Foup/Carrier) RW 0 ~ 1 1 8  2  Sensor1 Polarity (Foup/Carrier) RW 0 ~ 1 1 9  2  Sensor1 Filter Order (Foup/Carrier) RW 1 ~ 31 10(200ms)  (20ms)10  2  Sensor2 Enable (Home/HP) RW 0 ~ 1 0 11  2  Sensor2 Polarity (Home/HP) RW 0 ~ 1 1 12  2  Sensor2 Filter Order (Home/HP) RW 1 ~ 31 10(200ms)  (20ms)13  2  Reserved   14  2  Reserved   15  2  Reserved   16  2  Reserved   0x2102  ANT1 Page Data 0 2  Sub Index Number 1  8  PageData1  RO  2  8  PageData2  RO  3  8  PageData3  RO  4  8  PageData4  RO  5  8  PageData5  RO  6  8  PageData6  RO  7  8  PageData7  RO  8  8  PageData8  RO   Antenna2 (STB) Parameters Index  Sub Index SizeName RWRangeDefault Refer0x2200  ANT2 Error and Status 0 2  Sub Index Number 1  2  STB Error Code RO      LSB  STBC Error Code  RO 0x0000 ~ 0x00ff 0x0000  *6MSB  ANT Error Code RO 0x0000 ~ 0xff00 0x0000  *72  2  STB Status  RO  0  STB Ready RO 0 ~ 1 0  Ready=11  Carrier Sensor State (Foup) RO 0 ~ 1 0  ON=12  Home Sensor State (HP) RO 0 ~ 1 0  ON=13  E.CAT IN Connect RO 0 ~ 1 0  Connect=1 4  E.CAT OUT Connect RO 0 ~ 1 0  Connect=1 5  Tag Read Complete RO 0 ~ 1 0  Detect=16  Home Rising Edge RO 0 ~ 1 1  Detect=17  Reserved
CTS-STBR-AA      338  STB Enable RO 0 ~ 1 0  Enable=19  Carrier Sensor Diagnosis RO 0 ~ 1 1  Normal=110  Home Sensor Diagnosis RO 0 ~ 1 1  Normal=111  Tx Power Diagnosis RO 0 ~ 1 1  Normal=112  Noise Sens Diagnosis RO 0 ~ 1 1  Normal=113  Sensor1 Enabled RO 0 ~ 1 0  Enable=114  Page Data Info. RO 0 ~ 1 0  *815  Sensor2 Enabled RO 0 ~ 1 0  Enable=10x2201  ANT2 Parameter 0 2  Sub Index Number 1  2  STB Number  RW 0 ~ 255 0  *92  2  Tx Tuning Level RW 0 ~ 15 8 3  2  Tx Power  RO 0 ~ 65535 0  (V)4  2  Tx Power Diag Threshold RW 0 ~ 65535 100  (V)5  2  Noise Sensitivity RO 0 ~ 99 0  (%)6  2  Noise Sens Diag Threshold RW 0 ~ 99 90  (%)7  2  Sensor1 Enable (Foup/Carrier) RW 0 ~ 1 1 8  2  Sensor1 Polarity (Foup/Carrier) RW 0 ~ 1 1 9  2  Sensor1 Filter Order (Foup/Carrier) RW 1 ~ 31 10(200ms)  (20ms)10  2  Sensor2 Enable (Home/HP) RW 0 ~ 1 0 11  2  Sensor2 Polarity (Home/HP) RW 0 ~ 1 1 12  2  Sensor2 Filter Order (Home/HP) RW 1 ~ 31 10(200ms)  (20ms)13  2  Reserved   14  2  Reserved   15  2  Reserved   16  2  Reserved   0x2202  ANT2 Page Data 0 2  Sub Index Number 1  8  PageData1  RO  2  8  PageData2  RO  3  8  PageData3  RO  4  8  PageData4  RO  5  8  PageData5  RO  6  8  PageData6  RO  7  8  PageData7  RO  8  8  PageData8  RO   Antenna3 (STB) Parameters Index  Sub Index SizeName RWRangeDefault Refer0x2300  ANT3 Error and Status 0 2  Sub Index Number 1  2  STB Error Code RO      LSB  STBC Error Code  RO 0x0000 ~ 0x00ff 0x0000  *6MSB  ANT Error Code RO 0x0000 ~ 0xff00 0x0000  *72  2  STB Status  RO  0  STB Ready RO 0 ~ 1 0  Ready=11  Carrier Sensor State (Foup) RO 0 ~ 1 0  ON=12  Home Sensor State (HP) RO 0 ~ 1 0  ON=13  E.CAT IN Connect RO 0 ~ 1 0  Connect=1 4  E.CAT OUT Connect RO 0 ~ 1 0  Connect=1 5  Tag Read Complete RO 0 ~ 1 0  Detect=16  Home Rising Edge RO 0 ~ 1 1  Detect=17  Reserved  8  STB Enable RO 0 ~ 1 0  Enable=19  Carrier Sensor Diagnosis RO 0 ~ 1 1  Normal=110  Home Sensor Diagnosis RO 0 ~ 1 1  Normal=111  Tx Power Diagnosis RO 0 ~ 1 1  Normal=112  Noise Sens Diagnosis RO 0 ~ 1 1  Normal=113  Sensor1 Enabled RO 0 ~ 1 0  Enable=114  Page Data Info. RO 0 ~ 1 0  *8
CTS-STBR-AA      3415  Sensor2 Enabled RO 0 ~ 1 0  Enable=10x2301  ANT3 Parameter 0 2  Sub Index Number 1  2  STB Number  RW 0 ~ 255 0  *92  2  Tx Tuning Level RW 0 ~ 15 8 3  2  Tx Power  RO 0 ~ 65535 0  (V)4  2  Tx Power Diag Threshold RW 0 ~ 65535 100  (V)5  2  Noise Sensitivity RO 0 ~ 99 0  (%)6  2  Noise Sens Diag Threshold RW 0 ~ 99 90  (%)7  2  Sensor1 Enable (Foup/Carrier) RW 0 ~ 1 1 8  2  Sensor1 Polarity (Foup/Carrier) RW 0 ~ 1 1 9  2  Sensor1 Filter Order (Foup/Carrier) RW 1 ~ 31 10(200ms)  (20ms)10  2  Sensor2 Enable (Home/HP) RW 0 ~ 1 0 11  2  Sensor2 Polarity (Home/HP) RW 0 ~ 1 1 12  2  Sensor2 Filter Order (Home/HP) RW 1 ~ 31 10(200ms)  (20ms)13  2  Reserved   14  2  Reserved   15  2  Reserved   16  2  Reserved   0x2302  ANT3 Page Data 0 2  Sub Index Number 1  8  PageData1  RO  2  8  PageData2  RO  3  8  PageData3  RO  4  8  PageData4  RO  5  8  PageData5  RO  6  8  PageData6  RO  7  8  PageData7  RO  8  8  PageData8  RO   Antenna4 (STB) Parameters Index  Sub Index SizeName RWRangeDefault Refer0x2400  ANT4 Error and Status 0 2  Sub Index Number 1  2  STB Error Code RO      LSB  STBC Error Code  RO 0x0000 ~ 0x00ff 0x0000  *6MSB  ANT Error Code RO 0x0000 ~ 0xff00 0x0000  *72  2  STB Status  RO  0  STB Ready RO 0 ~ 1 0  Ready=11  Carrier Sensor State (Foup) RO 0 ~ 1 0  ON=12  Home Sensor State (HP) RO 0 ~ 1 0  ON=13  E.CAT IN Connect RO 0 ~ 1 0  Connect=1 4  E.CAT OUT Connect RO 0 ~ 1 0  Connect=1 5  Tag Read Complete RO 0 ~ 1 0  Detect=16  Home Rising Edge RO 0 ~ 1 1  Detect=17  Reserved  8  STB Enable RO 0 ~ 1 0  Enable=19  Carrier Sensor Diagnosis RO 0 ~ 1 1  Normal=110  Home Sensor Diagnosis RO 0 ~ 1 1  Normal=111  Tx Power Diagnosis RO 0 ~ 1 1  Normal=112  Noise Sens Diagnosis RO 0 ~ 1 1  Normal=113  Sensor1 Enabled RO 0 ~ 1 0  Enable=114  Page Data Info. RO 0 ~ 1 0  *815  Sensor2 Enabled RO 0 ~ 1 0  Enable=10x2401  ANT4 Parameter 0 2  Sub Index Number 1  2  STB Number  RW 0 ~ 255 0  *92  2  Tx Tuning Level RW 0 ~ 15 8 3  2  Tx Power  RO 0 ~ 65535 0  (V)4  2  Tx Power Diag Threshold RW 0 ~ 65535 100  (V)5  2  Noise Sensitivity RO 0 ~ 99 0  (%)6  2  Noise Sens Diag Threshold RW 0 ~ 99 90  (%)
CTS-STBR-AA      357  2  Sensor1 Enable (Foup/Carrier) RW 0 ~ 1 1 8  2  Sensor1 Polarity (Foup/Carrier) RW 0 ~ 1 1 9  2  Sensor1 Filter Order (Foup/Carrier) RW 1 ~ 31 10(200ms)  (20ms)10  2  Sensor2 Enable (Home/HP) RW 0 ~ 1 0 11  2  Sensor2 Polarity (Home/HP) RW 0 ~ 1 1 12  2  Sensor2 Filter Order (Home/HP) RW 1 ~ 31 10(200ms)  (20ms)13  2  Reserved   14  2  Reserved   15  2  Reserved   16  2  Reserved   0x2402  ANT4 Page Data 0 2  Sub Index Number 1  8  PageData1  RO  2  8  PageData2  RO  3  8  PageData3  RO  4  8  PageData4  RO  5  8  PageData5  RO  6  8  PageData6  RO  7  8  PageData7  RO  8  8  PageData8  RO    3.4 PDO function list Index  Sub Index Size  Name  Function 0x1000    4 Device Type Product group of device is indicated with the form of code.  0x00001389 => RFID Reader0x1001    2 Error Register Error state of reader inside is indicated.0x00000x1008    2 Device Name Name of device is indicated with the form of code. 0x0001 => Cantops RFID 4CH Reader0x1009    2 Hardware Version Hardware version of reader is described.0x0013 => Version 1.3 0x100A    2 Software Version Software version of reader inside is described. 0x0020 => Version 2.0 0x2000  RFID Error and Status 0 2Sub Index Number1  2RFID Reader Error Code Communication of RFID inside and the state for reading result are informed, and for further information, refer to <Table 11>.   2  2RFID Reader Status 16 bit state register for indicating the state of RFID Reader  1bit  RFID Reader Ready A normal state without error1bit  Reserved X 1bit  Reserved X 1bit  E.CAT IN Connect Connecting state of EtherCAT input port connector: 1= Normal connection, 0= Abnormality 1bit  E.CAT OUT Connect Connecting state of EtherCAT output port connector: 1= Normal connection, 0= Abnormality 1bit  Reserved X 1bit  Reserved X 1bit  Command Done Flag RFID The flag which informs that disposal has been conducted in accordance with the
CTS-STBR-AA      36command  from  high  rank  through EtherCAT1bit  Reserved X 1bit  Reserved X 1bit  Reserved X 1bit  Reserved X 1bit  Reserved X 1bit  Reserved X 1bit  Reserved X 1bit  Reserved X 0x2001  RFID Parameter 0 2Sub Index NumberChanging is not allowed except specialist because a great influence is exerted to performance. 1  2RFID Reader ID Individual number of reader 2  2UART Baud rate Setting up the communication velocity of RS-232 communication port3  2Tx Duty Variable 1 which adjusts transmissionoutput of antenna4  2Tx Start DutyVariable 2 which adjusts transmissionoutput of antenna5  2Tx Start Time Variable 3 which adjusts transmissionoutput of antenna6  2Charge Time Setting up the charging time in which electric power is supplied to the tag7  2Rx Sensitivity Low VoltageSetting up the level and measuring time in order to measure peripheral noise 8  2Rx Sensitivity High Voltage9  2Rx Sensitivity Time Delay10  2Read Retry Count This is the number of re-attempt to be performed when reading error is generated, and the initial value is 3 times. Namely, if error is occurred, re-attempt is automatically conducted up to 3 times.   11  2Read Retry Interval Cycle of re-attempt 12  2Read Start Delay Setting up reading delay time to avoid interference with peripheral readers13  2Tes t Rea d  Pa ge Setting up the page to be read with read button 14  2Tes t Rea d  In terval Cycle of manual reading 15  2Reserved  X 16  2Reserved  X 17  2Reserved  X 18  2Reserved  X 19  2Reserved  X 20  2Reserved  X 0x2002  Index Of Page Data 0 2Sub Index Number 1  2Index Of Page Data1Setting up the page to be read 2  2Index Of Page Data23  2Index Of Page Data34  2Index Of Page Data45  2Index Of Page Data56  2Index Of Page Data67  2Index Of Page Data78  2Index Of Page Data80x2100  ANT1 Error and Status 0 2Sub Index NumberThe state for the first antenna1  2STB Error Code 1Byte  STBC Error Code  This is the error code for the STB where the first antenna is installed, and for detailed information, refer to <Table 12>. 1Byte  ANT Error Code These are the error code indicating the reading result of the antennas for each STB, and for further information, refer to <Table 11>. 2  2STB Status  The state of the STB where the first antenna is installed
CTS-STBR-AA      371bit  STB Ready 1: Normal state without error1bit  Carrier Sensor State 1: With carrier 1bit  Home Sensor State 1: Mobile type STB is located at home position.1bit  E.CAT IN Connect 1: Normal connection of EtherCAT input port connector 1bit  E.CAT OUT Connect 1: Normal connection of EtherCAToutput port connector 1bit  Reserved X 1bit  Reserved X 1bit  Reserved X 1bit  STB Enable 1:STB Enable 1bit  Carrier Sensor Diagnosis 0: Abnormality of carrier detection sensor1bit  Home Sensor Diagnosis 0: Abnormality of home sensor1bit  Tx Power Diagnosis 0: Abnormality of antenna transmission output1bit  Noise Sens Diagnosis 0: Standard value is exceeded by peripheral noise. 1bit  Reserved X1bit  Page Data Info. 0: The data read with sensor input1: The data read with communication command1bit  Command Busy 1: Disposal of received command is underway.0x2101  ANT1 Parameter 0 2Sub Index Number 1  2STB Number ID number manually set up at reader. 0 means Disable. Take care not to have duplication with other number.2  2Tx Tuning Level Tuning level of antenna 3  2Tx Power  Tuning voltage of antenna 4  2Tx Power Diag Threshold The boundary value with which abnormality of antenna is checked5  2Noise Sensitivity The noise level currently measured with antenna6  2Noise Sens Diag Threshold The level with which the size of noise is judged7  2Sensor1 Enable Setting up the using or not using of the sensor which detects FOUP 8  2Sensor1 Polarity Selection  of  sensor  operation  voltage level. Initial setup value is 1. 9  2Sensor1 Filter Order The  filter  for  removing  the  chattering which  is  generated  when  sensor  is  in operation10  2Sensor2 Enable Setting up the using or not using of the sensor which detects Home 11  2Sensor2 Polarity Selection  of  sensor  operation  voltage level. Initial setup value is 1. 12  2Sensor2 Filter Order The  filter  for  removing  the  chattering which  is  generated  when  sensor  is  in operation13  2Reserved  X 14  2Reserved  X 15  2Reserved  X 16  2Reserved  X 0x2102  ANT1 Page Data 0 2Sub Index Number 1  8Page Data1  The data of the first page read from the Tag2  8Page Data2  The data of the second page read from the Tag3  8Page Data3  Null for every page4  8Page Data4  Null for every page5  8Page Data5  Null for every page6  8Page Data6  Null for every page7  8Page Data7  Null for every page8  8Page Data8  Null for every page
CTS-STBR-AA      380x2200  ANT2 Error and Status 0 2Sub Index NumberThe state for the second antenna1  2STB Error Code 1Byte  STBC Error Code  This is the error code for the STB where the second antenna is installed, and for further information, refer to <Table 12>.1Byte  ANT Error Code These are the error code indicating the reading result of the antennas for each STB, and for further information, refer to <Table 11>. 2  2STB Status  The state of the STB where the second antenna is installed 1bit  STB Ready 1: Normal state without error1bit  Carrier Sensor State 1: With carrier 1bit  Home Sensor State 1: Mobile type STB is located at home position.1bit  E.CAT IN Connect 1: Normal connection of EtherCAT input port connector 1bit  E.CAT OUT Connect 1: Normal connection of EtherCAToutput port connector 1bit  Reserved X 1bit  Reserved X 1bit  Reserved X 1bit  STB Enable 1:STB Enable 1bit  Carrier Sensor Diagnosis 0: Abnormality of carrier detection sensor1bit  Home Sensor Diagnosis 0: Abnormality of home sensor1bit  Tx Power Diagnosis 0: Abnormality of antenna transmission output1bit  Noise Sens Diagnosis 0: Standard value is exceeded by peripheral noise. 1bit  Reserved X1bit  Page Data Info. 0: The data read with sensor input1: The data read with communication command1bit  Command Busy 1: Disposal of received command is underway.0x2201  ANT2 Parameter 0 2Sub Index Number 1  2STB Number ID number manually set up at reader. 0 means Disable. Take care not to have duplication with other number.2  2Tx Tuning Level Tuning level of antenna 3  2Tx Power  Tuning voltage of antenna 4  2Tx Power Diag Threshold The boundary value with which abnormality of antenna is checked5  2Noise Sensitivity The noise level currently measured with antenna6  2Noise Sens Diag Threshold The level with which the size of noise is judged7  2Sensor1 Enable Setting up the using or not using of the sensor which detects FOUP 8  2Sensor1 Polarity Selection  of  sensor  operation  voltage level. Initial setup value is 1. 9  2Sensor1 Filter Order The  filter  for  removing  the  chattering which  is  generated  when  sensor  is  in operation10  2Sensor2 Enable Setting up the using or not using of the sensor which detects Home 11  2Sensor2 Polarity Selection  of  sensor  operation  voltage level. Initial setup value is 1. 12  2Sensor2 Filter Order The  filter  for  removing  the  chattering which  is  generated  when  sensor  is  in operation13  2Reserved  X 14  2Reserved  X 15  2Reserved  X 16  2Reserved  X
CTS-STBR-AA      390x2202  ANT2 Page Data 0 2Sub Index Number 1  8Page Data1  The data of the first page read from the Tag2  8Page Data2  The data of the second page read from the Tag3  8Page Data3  Null for every page4  8Page Data4  Null for every page5  8Page Data5  Null for every page6  8Page Data6  Null for every page7  8Page Data7  Null for every page8  8Page Data8  Null for every page0x2300  ANT3 Error and Status 0 2Sub Index NumberThe state for the third antenna1  2STB Error Code 1Byte  STBC Error Code  This is the error code for the STB where the third antenna is installed, and for detailed information, refer to <Table 12>.1Byte  ANT Error Code These are the error code indicating the reading result of the antennas for each STB, and for further information, refer to <Table 11>. 2  2STB Status  The state of the STB where the third antenna is installed 1bit  STB Ready 1: Normal state without error1bit  Carrier Sensor State 1: With carrier 1bit  Home Sensor State 1: Mobile type STB is located at home position.1bit  E.CAT IN Connect 1: Normal connection of EtherCAT input port connector 1bit  E.CAT OUT Connect 1: Normal connection of EtherCAToutput port connector 1bit  Reserved X 1bit  Reserved X 1bit  Reserved X 1bit  STB Enable 1:STB Enable 1bit  Carrier Sensor Diagnosis 0: Abnormality of carrier detection sensor1bit  Home Sensor Diagnosis 0: Abnormality of home sensor1bit  Tx Power Diagnosis 0: Abnormality of antenna transmission output1bit  Noise Sens Diagnosis 0: Standard value is exceeded by peripheral noise. 1bit  Reserved X1bit  Page Data Info. 0: The data read with sensor input1: The data read with communication command1bit  Command Busy 1: Disposal of received command is underway.0x2301  ANT3 Parameter 0 2Sub Index Number 1  2STB Number ID number manually set up at reader. 0 means Disable. Take care not to have duplication with other number.2  2Tx Tuning Level Tuning level of antenna 3  2Tx Power  Tuning voltage of antenna 4  2Tx Power Diag Threshold The boundary value with which abnormality of antenna is checked5  2Noise Sensitivity The noise level currently measured with antenna6  2Noise Sens Diag Threshold The level with which the size of noise is judged7  2Sensor1 Enable Setting up the using or not using of the sensor which detects FOUP 8  2Sensor1 Polarity Selection  of  sensor  operation  voltage level. Initial setup value is 1. 9  2Sensor1 Filter Order The  filter  for  removing  the  chattering which  is generated  when  sensor  is  in
CTS-STBR-AA      40operation10  2Sensor2 Enable Setting up the using or not using of the sensor which detects Home 11  2Sensor2 Polarity Selection  of  sensor  operation  voltage level. Initial setup value is 1. 12  2Sensor2 Filter Order The  filter  for  removing  the  chattering which  is  generated  when  sensor  is  in operation13  2Reserved  X 14  2Reserved  X 15  2Reserved  X 16  2Reserved  X 0x2302  ANT3 Page Data 0 2Sub Index Number 1  8Page Data1  The data of the first page read from the Tag2  8Page Data2  The data of the second page read from the Tag3  8Page Data3  Null for every page4  8Page Data4  Null for every page5  8Page Data5  Null for every page6  8Page Data6  Null for every page7  8Page Data7  Null for every page8  8Page Data8  Null for every page0x2400  ANT4 Error and Status 0 2Sub Index NumberThe state for the fourth antenna1  2STB Error Code 1Byte  STBC Error Code  This is the error code for the STB where the fourth antenna is installed, and for detailed information, refer to <Table 12>.1Byte  ANT Error Code These are the error code indicating the reading result of the antennas for each STB, and for further information, refer to <Table 11>. 2  2STB Status  The state of the STB where the fourth antenna is installed 1bit  STB Ready 1: Normal state without error1bit  Carrier Sensor State 1: With carrier 1bit  Home Sensor State 1: Mobile type STB is located at home position.1bit  E.CAT IN Connect 1: Normal connection of EtherCAT input port connector 1bit  E.CAT OUT Connect 1: Normal connection of EtherCAToutput port connector 1bit  Reserved X 1bit  Reserved X 1bit  Reserved X 1bit  STB Enable 1:STB Enable 1bit  Carrier Sensor Diagnosis 0: Abnormality of carrier detection sensor1bit  Home Sensor Diagnosis 0: Abnormality of home sensor1bit  Tx Power Diagnosis 0: Abnormality of antenna transmission output1bit  Noise Sens Diagnosis 0: Standard value is exceeded by peripheral noise. 1bit  Reserved X1bit  Page Data Info. 0: The data read with sensor input1: The data read with communication command1bit  Command Busy 1: Disposal of received command is underway.0x2401  ANT4 Parameter 0 2Sub Index Number 1  2STB Number ID number manually set up at reader. 0 means Disable. Take care not to have duplication with other number.2  2Tx Tuning Level Tuning level of antenna 3  2Tx Power  Tuning voltage of antenna
CTS-STBR-AA      414  2Tx Power Diag Threshold The boundary value with which abnormality of antenna is checked5  2Noise Sensitivity The noise level currently measured with antenna6  2Noise Sens Diag Threshold The level with which the size of noise is judged7  2Sensor1 Enable Setting up the using or not using of the sensor which detects FOUP 8  2Sensor1 Polarity Selection  of  sensor  operation  voltage level. Initial setup value is 1. 9  2Sensor1 Filter Order The  filter  for  removing  the  chattering which  is  generated  when  sensor  is  in operation10  2Sensor2 Enable Setting up the using or not using of the sensor which detects Home 11  2Sensor2 Polarity Selection  of  sensor  operation  voltage level. Initial setup value is 1. 12  2Sensor2 Filter Order The  filter  for  removing  the  chattering which  is  generated  when  sensor  is  in operation13  2Reserved  X 14  2Reserved  X 15  2Reserved  X 16  2Reserved  X 0x2402  ANT4 Page Data 0 2Sub Index Number 1  8Page Data1  The data of the first page read from the Tag2  8Page Data2  The data of the second page read from the Tag3  8Page Data3  Null for every page4  8Page Data4  Null for every page5  8Page Data5  Null for every page6  8Page Data6  Null for every page7  8Page Data7  Null for every page8  8Page Data8  Null for every page0x3000  RFID Command 0 2Sub Index Number 1  2STB Number 0: Reader related command 1: Antenna related command2  2Command Type The command defined for EtherCATwhich is the master and reader which is the slave3  2Command Ack Disposal  state  and  result  for  the received command 4  2Data Length Length of transmitted/received data5  2Checksum  Data for error checking 6  2Reserved  X7  2 Command Data0 Auxiliary data 0 required for command8  2 Command Data1 Auxiliary data 1 required for command0x4000  RFID   Live Check 0 2Sub Index Number1  2Master CounterThe counter for checking abnormal state between master and slave 2  2Slave Counter <Table 11> Error code of RFID reader Code  State  Remarks ‘0’  When there is no abnormality at the received data, and the command is normally executed  0x30 ‘1’  When there is abnormality at the Check Sum of the received data  0x31
CTS-STBR-AA      42‘2’  In the case of receiving command even though there isn’t any abnormality at ID and Check Sum  0x32 ‘3’  When received data has the value deviating the range which can be set up  0x33 ‘4’  When it is failed to write data on the tag  0x34 ‘5’  When there is no tag  0x35 ‘6’  When type of tag is different from that of the received command  0x36 ‘7’  When Check Sum error is generated at the tag  0x37 ‘8’  Communication error with the tag  0x38 ‘9’  When  there  is  no  antenna  or  when  problem  is  generated regarding installation of antenna  0x39 When STB is not registered, raise to 0x00.    <Table 12> Error state of RFID Reader which is responded to STBC Code Description 0  OK (Read OK or Not detect Carrier) 1  Read Error 3  STB Home is OFF (AZFS only)
CTS-STBR-AA      434. Type of tag The  tag  currently  used  has  the  memory  of  17  Pages  (8Byte/Page)  with  which  reading  and writing can be conducted. Since basic unit of reading and writing at the tag is page, it is desirable to handle with 8 Byte of page unit when reading and writing the tag are conducted at high rank. Each page is constituted with the shape as shown in the following <Table 13>.    <Table 13> Type of tag Page number  Application  Remarks 1, 2  8 Byte in low rank and 8 Byte in high rank of Material ID  MID information 2, 3  8 Byte in low rank and 8 Byte in high rank of Material ID 4~17  The  area  for  freely  reading  and  writing  the process information Notepad area
< Attachment 1> Specification of RFID Reader case (Color and printed character are for reference only.)
CTS-STBR-AA      45 < Attachment 2> Dimension of fixing holes for RFID Reader
Version  Date  Details of revision  Remarks1.0  2011-08-22  Initial Revision   1.1  2012-09-06  2.4  Contents  of  manually  operating  section  are revised. 3.3 Contents of PDO Map list are revised. 3.4 Contents of PDO function list are revised.                                                                                   ◀

Navigation menu