Carlson Wireless Technologies TB49 Trailblazer TB 4.9 User Manual TB UserManual 1 02
Carlson Wireless Technologies Inc Trailblazer TB 4.9 TB UserManual 1 02
Users Manual

Installation & User’s Manual
Trailblazer Digital Radio 2005
TB 2.4-5.8 and TB 4.9 series
Part Number 490-2000
Rev 1.02
Copyright 2006

Trailblazer Installation and User Manual version 1.02 ii
Trademark Information
Trailblazer, the Trailblazer logo, RuralConnect, and the RuralConnect logo are registered
trademarks of Carlson Wireless Technologies Inc. Windows is a registered trademark of Microsoft
Corporation.
Copyright
Copyright © 2002-2005 Carlson Wireless, Inc. All Rights Reserved. No part of this manual may
be reproduced without permission from Carlson Wireless Technologies. The information
contained in this publication is the latest available; however, Carlson Wireless Technologies
reserves the right to make changes without notice.
US Headquarters:
1180-B Evergreen Road
Redway, CA 95560 USA
Presales Inquires and Applications Support
Please contact your local distributor or the Carlson Wireless sales department. Purchasers of
Carlson Wireless Technologies products should make their own evaluations to determine the
suitability of each such product for their specific application. Carlson Wireless Technologies
obligations regarding the use or application of its products shall be limited to those commitments
to the purchaser set forth in its Standard Terms and Conditions of Sale for a delivered product.
The use of this manual is also limited to the terms and conditions stated in the contract between
CWT and the purchaser.
Tel: +1 707.923.3000
Fax: +1 707.923.1913
Email: sales@carlsonwireless.com
URL: http://www.carlsonwireless.com
Repair and Return
Carlson Wireless will replace or repair this product within one year from the date of shipment if it
does not meet its published specification, or if it fails while in service. A return material
authorization (RMA) is required prior to returning equipment to CWT.
Customer Service
Technical support is available Monday - Friday, 9:00 am to 4:30 pm, PDT.
Tel: +1 707.923.3000
Email: support@carlsonwireless.com
URL: http://www.carlsonwireless.com/support.html
Training
The Customer Service department offers training classes including overviews on: applications,
engineering, in-house testing, configuration, field testing and maintenance. Please contact our
Customer Service department for more specific details.
Trailblazer Installation and User Manual version 1.02 iii
SAFETY WARNING
Potentially hazardous voltages exist on TELCO lines and associated equipment. Always observe
standard safety precautions during installation, operation, and maintenance of these products.
To avoid the possibility of electric shock, be sure to disconnect the power from the remote power
source before you perform any line connections or repairs. Always disconnect all the cables
connected to the system before disconnecting the grounding connection. After disconnecting the
power allow a few seconds for the internal capacitances to discharge before accessing the
boards.
QUALIFIED PERSONNEL WARNING
The installation procedures described in this manual must be performed by qualified personnel
aware of the hazards involved. The personnel involved in equipment installation must be trained
in the installation of telephone equipment and associated power systems; these personnel must
strictly observe all the safety precautions related to the installation of communication equipment.
Never install, remove, or adjust equipment and associated cables. Do not work on roofs, masts,
or towers during a lightning storm.
ATTENTION! STATIC SENSITIVE DEVICES
PROPER HANDLING AND GROUNDING WARNING
Components within the Trailblazer system are sensitive to electrostatic discharge (ESD). To
avoid and prevent ESD damage and device failure maintain proper grounding during
configuration, repair or maintenance. This is achieved through the use of an antistatic wrist strap
securely connected to chassis ground. Do not use conductive tools for adjusting channel select
switch.
FCC, RF SAFETY HAZARD WARNING
Due to the energy radiated from the antenna, this product must never be mounted such that the
cabinet containing the antenna can be closer than 2 meters (6.7 feet) to any person. Refer to
Section 4.2 for further restrictions.
UL INSTALLATION SAFETY INSTRUCTIONS
• Never install telephone wiring during a lightning storm.
• Never install telephone jacks in a wet location unless the jack is specifically designed for
wet locations.
• Never touch telephone wires or terminals unless the telephone line has been
disconnected at the network interface.
• Use caution when installing or modifying telephone lines.
Connection to the Telephone Network
The equipment complies with Part 68 of the FCC rules. You will find the label located on the
device. This label contains the FCC Registration Number and the Ringer Equivalence Number
(REN) for this equipment. You must, upon request, provide this information to your telephone
company. The REN is used to determine the quantity of devices that may be connected to the
telephone line and still have all of those devices ring with an incoming call signal. In most areas
the sum of the RENs of all devices connected to one line should not exceed five (5.0). Confirm
the number of devices possible on the telephone line (in REN) by contacting the local telephone
company who provides the service.
Trailblazer Installation and User Manual version 1.02 iv
Incidence of Harm
If your telephone equipment causes harm to the telephone network, the telephone company may
disconnect your service temporarily. When possible, the telephone company will notify you in
advance. If advanced notice is not practical, you will be notified as soon as possible. You will also
be informed of your right to file a compliant with the FCC.
Rights of the Telephone Company
Your telephone company may make changes in its facilities, equipment, operations or procedures
that could affect the proper functioning of your equipment. In this case, you will be notified in
advance to give you an opportunity to maintain uninterrupted telephone service.
Coin Service or Party Use Line
This equipment may not be used on the coin service provided by the telephone company.
Connection to party lines is subject to state tariffs.
Compliance and US Regulatory Information
Model TB 4.9
FCC Reg No., Part 68 BMD8 USA – 27773-PT-E
FCC Reg No., Part 90 subpart Y FCCID: OPA-TB49
Industry Canada CS-03 3448A-10241A
Model TB 2.4-5.8
FCC Reg No., Part 68 BMD8 USA – 27773-PT-E
FCC Reg No., Part 15 FCCID: OPA-TB24-58
Industry Canada CS-03 3448A-10241A
Industry Canada RSS-210 3448A-TB24-58
Compliance Classification
This equipment has been tested and found to comply with the limits for a Class A digital device,
pursuant to part 15 of the FCC Rules. These limits are designed to provide reasonable protection
against harmful interference when the equipment is operated in a commercial environment. This
equipment generates, uses, and can radiate radio frequency energy and, if not installed and used
in accordance with the instruction manual, may cause harmful interference to radio
communications. Operation of this equipment in a residential area is likely to cause harmful
interference in which case the user will be required to correct the interference at his own
expense.
Radio Interference: Carlson Wireless USA Model TB 2.4-5.8
This device complies with Part 15 of the FCC Rules. Operation is subject to the following two
conditions:
(1) This device may not cause harmful interference, and
(2) This device must accept any interference received, including interference that may
cause undesired operation. Changes of modification not expressly approved by the party
responsible for compliance could void the user’s authority to operate the equipment.
Trailblazer Installation and User Manual version 1.02 v
Declaration of Conformity
Manufacturer’s Name: Carlson Wireless Technologies Inc.
Manufacturer’s Address: 1180–B Evergreen Rd.
Redway, CA 95560
USA
Declares that the product:
Product Name: Trailblazer TB 2.4-5.8
Conforms to the following standard(s) or other normative document(s):
EMC:
FCC Part 15.247
And also declares that the product:
Product Name: Trailblazer TB 4.9
Conforms to the following standard(s) or other normative document(s):
EMC:
FCC Part 90 subpart Y
Supplementary Information:
Published Specifications
William Mc Bride
Director of Quality Management
Redway, CA
Jan 2006

Trailblazer Installation and User Manual version 1.02 vi
Table of Contents
_____________________________________________________________________________
1 Introduction..................................................................................................1
1.1 Scope of Manual.....................................................................................1
1.2 Functional Overview and Applications....................................................1
1.2.1 Main Features and Advantages.......................................................1
1.2.2 General Specifications.....................................................................3
2 Pretest and System Planning .....................................................................4
2.1 Site Requirements and System Planning ...............................................4
2.1.1 Grounding........................................................................................4
2.1.2 Lightning Protection.........................................................................4
2.1.3 Line of Sight: Is it enough? ..............................................................5
2.1.4 Fresnel Zone: What it is in plain English!.........................................5
2.1.5 Path Loss ........................................................................................6
2.1.6 Interference .....................................................................................7
2.1.7 RF Cable Sizing and Recommendations.........................................7
2.1.8 Data Cable Recommendations........................................................8
2.1.9 General Tools..................................................................................8
2.2 Unpacking...............................................................................................9
2.3 Bench Testing Instructions ...................................................................10
2.3.1 Setting up Your Trailblazer on the Bench ......................................10
2.3.2 Powering the Trailblazer................................................................10
2.3.3 Connecting the POTS Lines ..........................................................12
2.3.4 Connecting the Leased Lines ........................................................13
3 Operation....................................................................................................16
3.1 Configuring and Accessing the Trailblazer Unit ....................................16
3.1.1 Connecting the Serial Cable..........................................................16
3.1.2 Installing the CWT GUI on Your PC ..............................................16
3.1.3 Using the GUI................................................................................16
3.1.4 Software Downloads Using the GUI ..............................................17
3.2 Accessing the Trailblazer using HyperTerminal™ ................................19
3.2.1 Windows™ HyperTerminal™ Software .........................................19
3.3 Setting the Radio Frequency and Scrambling Code.............................19
3.3.1 Selecting the CPE Time Slot .........................................................21
3.4 Allocating Bandwidth to Voice and/or Data...........................................21
4 Field Installation Options..........................................................................24
4.1 Mounting the Enclosure........................................................................24
4.2 External Antennas ................................................................................25
4.2.1 Marketing and Sales Channels......................................................26
4.2.2 Calculating the EIRP of an External Antenna ................................27
4.2.3 RF Safety Hazard Warning............................................................27
4.3 18dBi 2.4 GHz Directional Flat Panel Antenna .....................................28
4.3.1 Product Overview ..........................................................................28
Trailblazer Installation and User Manual version 1.02 vii
4.3.2 Unpacking .....................................................................................28
4.3.3 Mounting........................................................................................28
4.4 23dBi 5.8 GHz Directional Flat Panel Antenna .....................................31
4.5 22dBi 4.9 GHz Directional Flat Panel Antenna .....................................31
4.6 Weatherproofing RF Connections ........................................................31
4.7 Antenna Alignment ...............................................................................31
4.8 Interference Solutions...........................................................................32
4.9 Lightning Protection..............................................................................33
4.9.1 Antenna Port Protection ................................................................33
4.9.2 Telephone Line Port/ Subscriber Premises Protection ..................35
5 Test & Maintenance...................................................................................37
5.1 Diagnostics ...........................................................................................37
5.1.1 LED Function.................................................................................37
5.2 Maintenance .........................................................................................38
5.2.1 Installation of Software/Firmware Upgrades..................................38
6 Appendix ....................................................................................................39
6.1 About Carlson Wireless ........................................................................39
6.1.1 Mission ..........................................................................................39
6.1.2 History ...........................................................................................39
6.1.3 Summary .......................................................................................39
6.2 System Specifications...........................................................................40
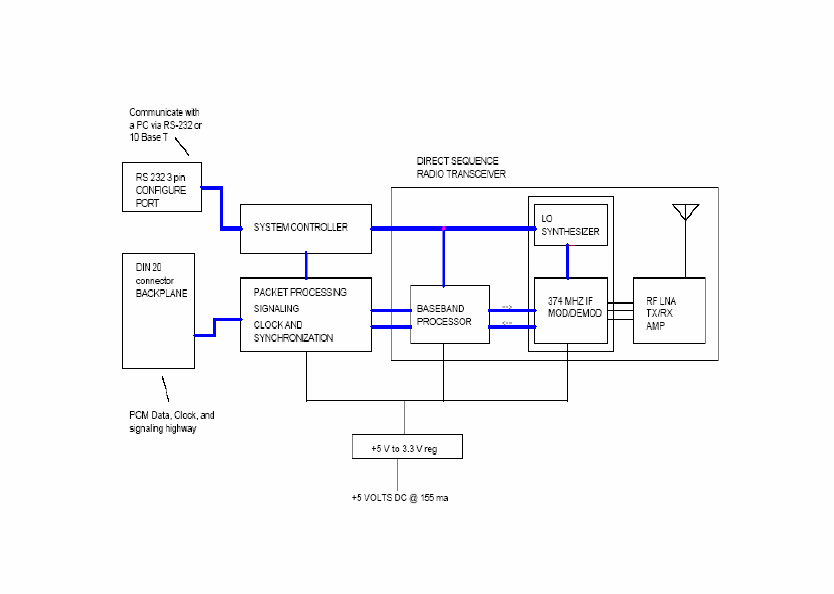
6.2.1 Block Diagram ...............................................................................41
6.3 Cable Pin outs ......................................................................................42
6.3.1 Configuration Port Pinout ..............................................................42
6.4 Advanced Programming and Diagnostics.............................................44
6.4.1 Configuring the Serial Port Parameters.........................................44
6.4.2 Setting the V35 enable and port location.......................................45
6.4.3 Received Signal Strength Indicator (RSSI)....................................45
6.4.4 Air Link Quality ..............................................................................46
6.4.5 Installation of Software/Firmware Upgrades..................................46
6.5 Antenna Patterns and Specifications....................................................48
6.5.1 18dBi Directional Panel Plots and Specs ......................................48
6.6 Warranty...............................................................................................49
6.7 Acronyms/Abbreviations.......................................................................50
6.8 Glossary ...............................................................................................51
Trailblazer Installation and User Manual version 1.02 viii
List of Figures
_____________________________________________________________________________
Figure 1: Line of Sight is clear, the first Fresnel Zone is NOT clear......................5
Figure 2: Base Unit Power Connections .............................................................11
Figure 3: Connecting the Serial Cable ................................................................16
Figure 4: Rotary Switch and Reset Button ..........................................................19
Figure 5: CPE Time Slot Selection Switch ..........................................................21
Figure 6: Wall mounting the Trailblazer enclosure..............................................24
Figure 7: Pole mounting the Trailblazer enclosure..............................................25
Figure 8: Surge Protection, RF ...........................................................................34
Figure 9: Antenna Port Lightning Protector, VSWR and Insertion Loss..............34
Figure 10: Primary Telephone Line Transient Protection....................................35
Figure 11: Trailblazer Radio Card LEDs .............................................................37
Figure 12: Block Diagram of Radio Card ............................................................41
Figure 13: Serial Data Cable Pinout (PCB View) ................................................42
Figure 14: Serial Data Cable Schematic .............................................................43
List of Tables
_____________________________________________________________________________
Table 1: Fresnel Zone Chart .................................................................................6
Table 2: Fade Margin Chart ..................................................................................6
Table 3: Coax Cable Loss Table...........................................................................8
Table 4: Feed Cable Sizing and Distance for the Traiblazer...............................12
Table 5: 2.4G International Band – Frequency/Code Switch Matrix ..................20
Table 6: 2.4G Domestic Band – Frequency/Code Switch Matrix .......................20
Table 7: 4.9G Public Safety Lic. Band – Frequency/Code Switch Matrix...........20
Table 8: 5.8G Low Band – Frequency/Code Switch Matrix................................20
Table 9: 5.8G High Band – Frequency/Code Switch Matrix...............................20
Table 10: Commands and switches for bandwidth..............................................22
Table 11: Example configuration scripts .............................................................23
Table 12: RF Lightning Protection.......................................................................33
Table 13: Subscriber side protection...................................................................36
Table 14: System Status LED Information Table ................................................37
Table 15: Configuration Port Cable Construction Table......................................42
Table 16: Serial Data Cable Pinout.....................................................................43
Table 17: 18dBi Directional Panel Specifications................................................48
Trailblazer Installation and User Manual version 1.02 1
1 Introduction
1.1 Scope of Manual
The purpose of this manual is to provide planning and installation personnel with
the appropriate procedures to plan and install the 2005 Trailblazer Digital
Microwave Radio and accessory equipments. In order to avoid harm to persons
or damage to the product, please ensure that you have read and understand the
safety, unpacking, and installation sections before proceeding.
1.2 Functional Overview and Applications
Using state-of-the-art digital electronics, the Trailblazer provides 512kbps of high-
quality, reliable, wireless voice and/or high-speed data connection over distances
of up to 32mi/ 50 km or more in repeated applications. This radio integrates
seamlessly with POTS voice cards and Leased Line cards, V.35 protocol or
standard 10baseT Ethernet devices. CWT provides competitive price and
performance solutions for many of the world’s telecommunication needs in both
point-to-point and point-to-multipoint applications. Applications include:
• Security Monitoring Cameras
• Public Safety Data Links
• Internet Cafés and Telephone Calling Centers
• Point-to-Point Commercial Data Links
• Cellular Backhaul Data Needs
• Permanent or Temporary Telephone Service
• Temporary or Emergency Restoration of Service
• Public Calling Phones
• Retrofit for Exhausted Wire line Systems
• Islands and other Isolated Areas
• Inaccessible, Environmentally Sensitive and Historic Areas
• Harsh Climates and Geologically Adverse Environments
1.2.1 Main Features and Advantages
Advantages Over Wire Line
The Trailblazer’s wireless link eliminates the expense of right-of-way and wire
line costs, provides solutions for areas where adverse geology, climate or
inaccessibility exclude the installation of wire lines, and preserves the beauty and
integrity of sensitive environments and historic structures.
Wire Line Quality Voice and Data
You can configure your Trailblazer for data speeds up to 512 kbps or designate
part of your bandwidth to POTS lines, as the Trailblazer seamlessly integrates
Trailblazer Installation and User Manual version 1.02 2
our 64kbps full bandwidth PCM POTS or Leased Line cards for high quality,
uncompressed audio with an excellent signal-to-noise ratio.
Easy Installation
The units mount on a 1"- 2.25" pipe or pole or to any vertical surface, use an
external antenna, and have their own power supply (optional) or operate on 12-
24 VDC, easily powered by solar.
Low Power Draw: Ideal for Solar Applications
The low power consumption of 2 Watts makes the units very energy efficient.
They accept any DC voltage from 12V to 24V and are thus easily powered by
solar. CWT solar powering kits are available with up to 7 days of back-up power.
Flexible & Programmable
All Trailblazer models are bench or field programmable. Using the GUI
(Graphical User Interface) application with a Windows PC and serial COM port,
you can configure the amount of bandwidth, allocate voice and data channels,
select different frequencies and CDMA codes, use antenna alignment aids and
other diagnostic tools, as well as upgrade software and firmware. The Trailblazer
models support all CLASS features, fax, and V.90 dial-up modems.
Rugged & Weatherproof
All components, including the digital radio cards, multiplexer, power supplies &
CPU, are fully integrated into the 8lb/ 3kg waterproof enclosure. The units are
housed in a NEMA 4X waterproof enclosure, built to last in tough climates. The
lockable polycarbonate enclosure with a neoprene gasket will protect against
wind, rain, and ice ensuring years of service.
No License Required for the 2.4 and 5.8 GHz, Simple license for 4.9 MHz
Private and Secure
The Trailblazer TB 2.4-5.8 uses the, in most countries, the license-exempt 2.4
GHz or 5.8 GHz frequency bands, while fully encrypted spread-spectrum CDMA
modulations, proprietary framing structure and packet size assure complete
privacy and security.
Standard ISO 2593 V.35 DTE port
Because the Trailblazer models feature a standard ISO 2593 V.35 DTE port,
most other V.35 devices plug right into the Trailblazer Phone Extender.
Repeater Mode
This product can be used as a digital repeater by simply connecting two units via
the V.35 data port and optional repeater cable.
Expandable
Starting with only one link, you can add CPE units, gaining the features of a
point-to-multipoint topology for your current and future growing needs without
loosing any of your original investment.
Trailblazer Installation and User Manual version 1.02 3
10BaseT On-Board Ethernet Port
On-board Ethernet satisfies simultaneous LAN / IP data and PCM voice needs
with an Industry Standard RJ45 10BaseT connection. Some of its advanced
features include 802.3 Ethernet supported by Transparent LAN bridging and
Automatic LAN MAC address filtering at the MAC level, making it transparent to
higher level protocols such as TCP/IP, DECnet, NETBIOS, and IPX network
protocols. Broadcast, multicast, or frames set up for peered LAN are forwarded
while reserving maximum RF bandwidth.
1.2.2 General Specifications
Note: More technical details are found in the Appendix of this manual
Product Description Digital Microwave Radio with POTS, Leased
Lines and 10BaseT / V.35 port
Data Interfaces
Primary Serial Data Port (1) RJ45 port providing 10BaseT
Data Rate and Type 256/512 kbps, synchronous
Serial Command Port RS 232, 57.6 kbps, N, 8, 1, No flow, Echo on
Latency < 4.4ms depending on speed selected
Power Requirements
Input Voltage 12 to 24 VDC or 100-260 VAC with AC power
supply (optional)
Power Consumption 2 Watts (not including add-on cards)
Battery Backup (optional) Up to 8 hours with a 2.2mAh SLA battery.
RF Specifications
RF Frequency Range 2.400 to 2.4835 GHz
Modulation Type BPSK (256) or QPSK (512kbs) DSSS
Transmitter Output Power +20dBm max, auto set for CDMA operation
Receiver Sensitivity (10-6 BER) -93dBm @ 256 kbps, -90dBm @ 512 kbps
Operating Temp -30 to +60 Degrees C with solar shielding,
0-90% Non-Condensing
Physical Characteristics
Enclosure Dimensions 13 x 11 x 6 in / 33 x 28 x 15 cm
Unit Weight 8 lbs / 3.7kg
Enclosure Specifications NEMA 4X, rain, wind and ice protected GE
Valox99® polycarbonate w/ neoprene gasket
Mounting 1”-2.25” or 2.5cm-5.7cm pipe/pole
Trailblazer Installation and User Manual version 1.02 4
2 Pretest and System Planning
2.1 Site Requirements and System Planning
2.1.1 Grounding
A ground is a low impedance electrical connection to earth that is used to
dissipate energy. Grounding your Trailblazer is very important for safety reasons
as well as to protect your system from damage due to lightning and static charge
build up. Since lightning strikes and surges follow the path of least resistance, all
ground wires must be as short and straight as possible and not be coiled or
looped. Choose the largest diameter ground wire your ground connectors will
accept for good electrical conductivity.
Recommended grounds are: the utility company ground, a ground rod, well
casings, and cold water pipes that are of continuous metal. A note of caution:
sometimes the metal-cold water pipes are repaired and/or extended with PVC
piping hidden behind drywall. The introduction of PVC material disrupts the
material’s conductivity and thus renders it unacceptable as a ground.
Unacceptable grounds are: sprinkler pipes, PVC pipes, conduit, buried wire,
and any ground that cannot be verified.
2.1.2 Lightning Protection
Lightning protection with a poor ground is the same as having no
protection at all!
Lightning is one of the most dangerous and unfortunately most frequently
encountered natural hazards to your Trailblazer. Ensure that your system is
adequately protected. A good connection to ground is indispensable for your
lightning protection to work correctly and thus preventing lighting and surge
damage to your Trailblazer. The Trailblazer system is equipped with on-board
secondary active lightning protection only. The lightning protection is only
effective when the system is powered up. If you power down your Trailblazer,
disconnect the antennas and phone lines to prevent damage from lightning
strikes. Install primary lightning protection with a good ground on all RF,
data/voice line connections that have even a moderate outdoor line build out. A
good rule of thumb is that all lines entering or exiting a building need protection.
Both ends of the cables between buildings must be protected! See section 5.2 for
detailed specifications and usage information on primary lightning protection
available from Carlson Wireless.

Trailblazer Installation and User Manual version 1.02 5
2.1.3 Line of Sight: Is it enough?
Visual line of sight (LOS) is the straight, unobstructed line between the Base
unit’s antenna and the CPE’s antenna. In other words, when you stand next to
one antenna, you can see the other one. Because RF waves spread out three
dimensionally rather than in a straight line, LOS is important in microwave
transmission but not adequate. As the waves travel out from the transmitting
antenna, the signal density decreases and more three dimensional space around
the visual LOS is necessary to be able to receive a reasonable signal at the
receiving antenna. This three dimensional space is called the RF LOS or
Fresnel zone for the French physicist who first discovered its importance.
2.1.4 Fresnel Zone: What it is in plain English!
The Fresnel zone is the tree dimensional cone around the line-of-sight that radio
waves spread out into after they leave the antenna. The cross section of the first
Fresnel zone is circular; subsequent zones’ cross sections are annular. The
signal strength is strongest in zone 1 and decreases in each successive zone.
Not only trees, buildings and mountains can occupy a Fresnel Zone, the
curvature of the earth, even for some short paths, also has to be taken into
consideration. Because 2.4 GHz is one of the resonant frequencies at which
water absorbs energy, path obstructions such as trees, rivers, lakes or any other
water containing objects are especially detrimental to the microwave signal. A
rule of thumb is that 60% of the first Fresnel zone must be free of any
obstructions for tolerable attenuation of the signal.
In addition to absorbing the RF signal, objects in the RF path can also reflect it,
making the signal out of phase with the original signal, and effectively causing
signal cancellation. In zone 1 the signal will be 0 to 90o out of phase in zone 2, 90
to 270o in zone 3, 270 to 450o and so on. Even numbered zones have the
maximum phase canceling effect and in odd numbered zones the reflected
waves will add to the signal.
Figure 1: Line of Sight is clear, the first Fresnel Zone is NOT clear.

Trailblazer Installation and User Manual version 1.02 6
Zone
Frequency
(MHz) Wavelength
(feet)
Distance to
start
(miles) (km)
Distance to
end
(miles) (km) Fresnel Radius
(feet) (m) 60% of Zone
(feet) (m)
1 2400 0.41 2.0 3.2 2.0 3.2 46.53 14.18 27.92 8.51
2 2400 0.41 2.0 3.2 2.0 3.2 65.80 20.06 39.48 12.03
1 2400 0.41 1.5 2.4 4.5 7.2 49.35 15.04 29.61 9.03
1 2400 0.41 3.0 4.8 3.0 4.8 56.98 17.37 34.19 10.42
1 2400 0.41 4.0 6.4 10.0 16.0 78.65 23.97 47.19 14.38
1 2400 0.41 6.0 9.6 6.0 9.6 80.59 24.56 48.35 14.74
1 2400 0.41 12.0 19.2 12.0 19.2 113.97 34.74 68.38 20.84
Table 1: Fresnel Zone Chart
Some examples are given in the table above. On the software CD that comes
with each system there is a folder called “Calculators”. In that folder you will find
an excel spreadsheet called fresnel zone calculator.xls you can use to
calculate your own path.
Set the Fresnel zone to even numbered values when plotting a profile to see
potential areas of phase canceling present in the path. You can improve your
path by optimizing the height of antennas so that the first Fresnel zone is clear.
2.1.5 Path Loss
After confirming line of sight and adequate Fresnel zone clearance, add the Free
Space Loss of the radio signal, RF cable losses, and antenna gains to determine
your system’s remaining signal, i.e. fade margin. The chart below shows various
antenna and distance combinations.
Distance
in miles Distance
in km Ant Gain
in dBi Ext RF
Cable(s) Path Loss
in dB RF power
in dBm ERP
in dBm Link Margin
in dB
1.5 2.4 14.0 0.0 108 17 31 28.0
2.0 3.2 14.0 0.0 110 17 31 25.5
5.0 8.0 14.0 0.0 118 17 31 17.6
8.0 12.9 14.0 0.0 122 17 31 13.5
10.0 16.1 14.0 0.0 124 17 31 11.5
12.0 19.3 14.0 0.0 126 17 31 10.0
14.0 22.5 14.0 0.0 127 17 31 8.6
20.0 32.2 24.0 1.4 130 17 41 24.1
35.0 56.3 24.0 1.4 135 17 41 19.3
50.0 80.5 24.0 1.4 138 17 41 16.2
Table 2: Fade Margin Chart
You can also calculate your own path loss using the integrated radio link margin
calculator included on the CWT product CD in a folder called “Calculators”.
Trailblazer Installation and User Manual version 1.02 7
What’s an acceptable fade margin? A rule of thumb theory is that 10 dB of fade
margin will deliver about 90% reliability, and 20 dB will deliver about 99%
reliability. Because there is only a small ground wave component involved in the
radio propagation at 2.4 GHz, the above numbers presume both clear LOS (line
of sight) and clearing at least 60% of the first Fresnel zone. A fade margin of 16
to 20dB is suggested to overcome multi-path degradation and polarization.
2.1.6 Interference
The ISM (Industrial, Scientific, and Medical) band at 2.400-2.483 GHz is an
unlicensed, shared band. All users in the band must accept all other signals
within the band, interfering or not. There are only a few devices operating in this
band, but they could become a source of interference for the Trailblazer
products. If the interfering signal is stationary and has a bandwidth less than 3
MHz, it will not create any significant problem even if it is 100 times (20dB)
stronger than the receive threshold. If the interfering signal has a bandwidth
wider than 4 MHz and is 10 times (10dB) stronger than the receive threshold, it
can render channel(s) unusable. If the interfering signal is frequency hopping
throughout the band, such as the LAN bridge device, and is only 1/10 (–10dB) as
strong as the receive threshold, it can cause significant dropouts.
Some examples are:
Video Transmitters
These devices use analog radios which are usually fixed in frequency, utilize 6 to
10 MHz of bandwidth and are low power with an ERP of less then +10dBm.
Cordless phones
These devices are narrow band and fixed in frequency (during each use), utilize
1 to 2 MHz of bandwidth, are low power with an ERP of less then +10dBm. It is
strongly recommended to avoid the use of 2.4GHz cordless phones in the vicinity
of Trailblazer products.
Local Area Network (LAN) Bridges
These devices are true spread spectrum devices. They either frequency hop a 1
MHz bandwidth over the complete band or utilize CDMA of 16 MHz bandwidth
and are stationary. ERPs can range up to +30dBm.
Microwave Ovens
Microwave oven outputs have been measured at levels up to +20dBm ERP. The
circulators built into the ovens cause transmission of narrow pulses that sweep
the 2.4GHz band. The higher power spikes are mostly concentrated in the upper
half of the band between 2.450 and 2.485 GHz.
2.1.7 RF Cable Sizing and Recommendations
Before making any decisions as to which cable to use, first consider several
factors; the final length of the cable, the amount of power you want the cable to
tolerate, the loss factor of the cable at your chosen frequency and the outdoor
climate conditions the cable will be exposed to. For most general installations,

Trailblazer Installation and User Manual version 1.02 8
LMR400 will work fine. Heliax™ is recommended for any cable runs over 100
feet. The chart below provides the loss factor for several popular cable sizes.
Coax Cable Attenuation (dB per 100 feet)
Cable Type at 2.5 GHz at 5.8 GHz
LMR 400 6.8 dB 10.8 dB
LMR 500 5.5 dB 8.9 dB
LMR 600 4.4 dB 7.3 dB
1/2 inch LDF Heliax™ 3.9 dB 7.0 dB
LMR 900 3.0 dB 4.9 dB
7/8 inch LDF Heliax™ 2.3 dB 3.7 dB
Table 3: Coax Cable Loss Table
2.1.8 Data Cable Recommendations
The new design of the Trailblazer replaces proprietary cables with standard
CAT5 Ethernet cables terminated with RJ45 connectors for the sync and
repeater functions.
NOTE: Feed the cable through the weatherproof cord grip before terminating it.
The cord grip is too small to accept an RJ45 connector especially while occupied
by other cables!
2.1.9 General Tools
• ESD Gear
• Desktop PC or Laptop Computer with Windows™
• Wrench Set
• Socket Set
• Screwdriver Set
• Multi Meter
• Butt-set or Test Telephone with bare wire connection
• Wire Cutters
• Wire Strippers
• Vapor Wrap
• Electrical Tape
• Small Non-Conductive adjustment tool
• Safety Gear
Trailblazer Installation and User Manual version 1.02 9
2.2 Unpacking
NOTE: Always observe ESD precautions when handling circuit boards!
Before opening inspect the shipping box(es) and report any damage to the
shipping carrier. Unpack and compare the contents against the packing slip and
inspect for damage. Report any damage to the units or missing components to
your CWT sales representative.
Included in your purchase is:
• The Quick Start Guide to help you become familiar with your system
• The CWT Product CD (contains the user manuals, back up
configuration software, and other needed items!)
• (2) Test Antennas for bench testing
• One Serial Interface Cable to connect to the GUI
• Mounting Hardware (optional)
• Power Supplies (optional) will be pre-installed in the enclosures

Trailblazer Installation and User Manual version 1.02 10
2.3 Bench Testing Instructions
Before going into the field set up the units on your bench to become familiar with
their set up, operation, configuration, and verify their functionality. Each system is
shipped with a handy, full-color “Quick Start Guide” for simplified step-by-step
instructions for bench testing. The following section will provide you with the
same information in greater detail.
2.3.1 Setting up Your Trailblazer on the Bench
Set your units next to each other and attach the included test antennas to the N
female connectors on the enclosures as shown. The units may not achieve an
RF connection without these little antennas.
2.3.2 Powering the Trailblazer
The Trailblazer units accept 12 -24VDC negative ground. There are special
provisions for using a positive ground, please contact your CWT sales
representative for more information. If your system is equipped with a battery
backup, verify that the battery output is 12VDC or more. If the battery output is
less than 12VDC, disconnect the power supply’s black and red power cables,
connected to the terminal block, from your unit, and simply connect the power
supply’s terminated red (+) and black (-) power cables to their respective
terminals on the battery. Plug the AC power supply cable into an AC source to
charge the battery, and verify that the battery is charging. Ensure that the battery
is fully charged before proceeding into the field. When the battery is fully
charged, verify that the unit powers up by noting that the LEDs are lit.
Test Antennas

Trailblazer Installation and User Manual version 1.02 11
Figure 2: Base Unit Power Connections
If you are not using the CWT power supply, size your power supply adequately
using Ohm’s law. For example, if you provide 12VDC you consume 2/12 A or
about 167mA. If you provide 24VDC you use about half of that or 85mA. CWT
recommends providing at least 4 times the power consumption. The Trailblazer
consumes 2 Watts. CWT’s power supply with battery backup supplies 13.8VDC
@ 1 A or 14 Watts.
You can also power your Trailblazer by using several of the unused voice/data
pairs in a standard 6 pair telephone cable. Don’t forget to allow for additional
current if add-on card options are selected.
The standard 6 pair telephone cable is made of 22 AWG size copper. This
means that both legs will have 3.2 ohms of resistance per 100 feet. The table
below shows the distance at which you have a 5% maximum recommended
voltage drop using 2 pairs of wires paralleled together.
Positive
12 to 24 VDC
Negative
(Normally earth ground)
Terminal Block

Trailblazer Installation and User Manual version 1.02 12
Cable Size
(A.W.G.)
(mm) Ohms/100ft
(both legs ) feet per Ohm
(both legs)
if feeding 13.8,
distance with 5%
(voltage loss 2pr.)
if feeding 24,
distance with 5%
(voltage loss 2pr.)
14 1.63 0.516 194 1783 6202
16 1.29 0.818 122 1125 3912
18 1.09 1.302 77 707 2458
19 0.91 1.642 61 560 1949
22 0.64 3.3 30 279 970
24 0.51 5.24 19 176 611
26 0.41 8.32 12 111 385
Table 4: Feed Cable Sizing and Distance for the Traiblazer
2.3.3 Connecting the POTS Lines
Connect POTS lines as shown in the figure below using the black screw
terminals on the units’ interface cards. Remember to connect the telephone
line(s) from the phone company to the Base unit and the handset(s) to the CPE
unit. The location of your active lines will depend on the time slots selection
made by the CPE and the bandwidth used. Note the “Active Line” label on your
Base and CPE units.
CPE
#0
Line
2
Line 1
CPE
#1
Line
2
Line 1
CPE
#2
Line
2
Line 1
CPE
#3
Line
2
Line 1
Repeater
Ports
Re
p
eater “A”
Re
p
eater “B”
Sync
Port
RJ45
Screw
Terminals
10BaseT
Port
Ethernet

Trailblazer Installation and User Manual version 1.02 13
Connecting POTS lines, Repeater, and Sync
For durability as well as ease of installation and acquisition, repeater and
synchronization cables require standard RJ45 connectors and CAT5 cable using
standard Ethernet cable wiring. Remember to feed the CAT5 cable through the
weatherproof cord grips before terminating the ends. In addition to the RJ45
connector, there are (4) screw terminals for synchronization. Wire SYNC OUT to
SYNC IN and vice versa.
2.3.4 Connecting the Leased Lines
The Leased Line interface is provided on two standard 50 pin female Centronics
connectors. The connector 1 contains the audio and E&M signaling for lines 1
through 4, and connector 2 contains the audio and E&M signaling for lines 5
through 8. See figure below for pin out information:
Connector pin-out:
Connector 1 Connector 2
Pin Signal Pin Signal
1 Transmit Audio 1+ 1 Transmit Audio 5+
26 Transmit Audio 1- 26 Transmit Audio 5-
2 Ground 2 Ground
27 Transmit Audio 2+ 27 Transmit Audio 6+
3 Transmit Audio 2- 3 Transmit Audio 6-
28 Ground 28 Ground
4 Transmit Audio 3+ 4 Transmit Audio 7+
29 Transmit Audio 3- 29 Transmit Audio 7-
5 Ground 5 Ground
30 Transmit Audio 4+ 30 Transmit Audio 8+
6 Transmit Audio 4- 6 Transmit Audio 8-
31 Ground 31 Ground
7 Receive Audio 1+ 7 Receive Audio 5+
32 Receive Audio 1- 32 Receive Audio 5-
8 Ground 8 Ground
33 Receive Audio 2+ 33 Receive Audio 6+
9 Receive Audio 2- 9 Receive Audio 6-
34 Ground 34 Ground
10 Receive Audio 3+ 10 Receive Audio 7+
35 Receive Audio 3- 35 Receive Audio 7-
11 Ground 11 Ground
36 Receive Audio 4+ 36 Receive Audio 8+
12 Receive Audio 4- 12 Receive Audio 8-
50 Pin Centronics Connecto
r

Trailblazer Installation and User Manual version 1.02 14
37 Ground 37 Ground
13 E1 13 E5
38 M1 38 M5
14 E2 14 E6
39 M2 39 M6
15 E3 15 E7
40 M3 40 M7
16 E4 16 E8
41 M4 41 M8
17 Ground 17 Ground
42 Ground 42 Ground
If a standard telephone cable is used, the connections may be brought to pre-
wired punch blocks using two 25 pair telephone cables. The location of the
signals is shown in the following table as they appear on a standard punch block.
The punch block terminals are numbered from top to bottom. The 50 pin
Centronics connector pins (abbreviated Ctrnx) are included for reference.
50 pin
Ctrnx
Punch
Term
Signal
name
50 pin
Ctrnx
Punch
Term
Signal
name
26 1 Transmit Audio 1- 26 1 Transmit Audio 5-
1 2 Transmit Audio 1+ 1 2 Transmit Audio 5+
27 3 Transmit Audio 2+ 27 3 Transmit Audio 6+
2 4 Ground 2 4 Ground
28 5 Ground 28 5 Ground
3 6 Transmit Audio 2- 3 6 Transmit Audio 6-
29 7 Transmit Audio 3- 29 7 Transmit Audio 7-
4 8 Transmit Audio 3+ 4 8 Transmit Audio 7+
30 9 Transmit Audio 4+ 30 9 Transmit Audio 8+
5 10 Ground 5 10 Ground
31 11 Ground 31 11 Ground
6 12 Transmit Audio 4- 6 12 Transmit Audio 8-
32 13 Receive Audio 1- 32 13 Receive Audio 5-
7 14 Receive Audio 1+ 7 14 Receive Audio 5+
33 15 Receive Audio 2+ 33 15 Receive Audio 6+
8 16 Ground 8 16 Ground
34 17 Ground 34 17 Ground
9 18 Receive Audio 2- 9 18 Receive Audio 6-
35 19 Receive Audio 3- 35 19 Receive Audio 7-
10 20 Receive Audio 3+ 10 20 Receive Audio 7+
36 21 Receive Audio 4+ 36 21 Receive Audio 8+
11 22 Ground 11 22 Ground
37 23 Ground 37 23 Ground
12 24 Receive Audio 4- 12 24 Receive Audio 8-
38 25 M1 38 25 M5
13 26 E1 13 26 E5
39 27 M2 39 27 M6
14 28 E2 14 28 E6
40 29 M3 40 29 M7
15 30 E3 15 30 E7

Trailblazer Installation and User Manual version 1.02 15
41 31 M4 41 31 M8
16 32 E4 16 32 E8
42 33 Ground 42 33 Ground
17 34 Ground 17 34 Ground

Trailblazer Installation and User Manual version 1.02 16
3 Operation
3.1 Configuring and Accessing the Trailblazer Unit
3.1.1 Connecting the Serial Cable
You can access your Trailblazer with the GUI program, included on the CWT
product CD, and the included serial cable. Simply plug the DB 9 connector of the
serial cable into the serial port on your computer and the three pin connector to
the three pin connector (COM1) on the radio board (bottom board) as shown.
DO NOT USE COM2! It is currently reserved for future applications.
NOTE: Unpredictable results may occur if you are using a USB to serial
COM Port adapter!
Should you need to replace the serial cable, contact CWT or see Section 6.3.1 in
the appendix for a pin-out and a description on how to make one.
Figure 3: Connecting the Serial Cable
3.1.2 Installing the CWT GUI on Your PC
The CD included with your system contains a folder called “GUI” with the self
executing file CWT Trailblazer GUI 1.0x.xxxx [ALL-OS].exe. Browse to the CD
and open the file to install the GUI program on your PC. After you have
successfully installed the GUI, start the program by either double clicking the
CWT Trailblazer GUI ver. x.xx file on your desktop or browse
start-> programs-> Carlson Wireless Technologies Inc-> CWT Trailblazer GUI
ver. x.xx
3.1.3 Using the GUI
Double click the CWT icon and choose the appropriate COM port connected to
your serial cable.
RESET
CONNECT SERIAL
CABLE TO COM1 HERE
(Don’t use COM2!)

Trailblazer Installation and User Manual version 1.02 17
After you have selected the correct
COM port, the software will display
the connected unit’s current
configuration data.
The screen will look slightly
different depending on whether you
are connected to the CPE or Base
unit. The box highlighted in green
will display the type of unit that is
currently communicating with the
software. All systems are
shipped pre-configured. Do not
change any parameters unless
advised to do so by a CWT
technician. The integrated V.35
data port can be enabled and disabled here as well.
3.1.4 Software Downloads Using the GUI
To download new software, click
on the “Program Download” button
on the Configuration tab and
browse to the location of the file as
shown to the right. For the CPE
units, use the firmware
“station_xxx” file and the software
CPE APPxxx.hex file. For the
Base unit, use the firmware
“station_xxx” file and the software
LINE CARD APPxxx.hex file.
Select the file, and click “Open” to
start downloading.
GUI Showing File Browse
r
GUI showing starting screen

Trailblazer Installation and User Manual version 1.02 18
The new CPE and Base unit
software will take about a minute to
download. The firmware takes
about 3 or 4 minutes to download.
To the right you will see a sample
view of what you should see during
the download.
Do not interrupt the download!
When the download is complete,
the unit will automatically reboot
and update the version numbers.
Once the “Program Download”
button reappears, you can
select another file to
download.
Select the Status tab to view the
current status of RF link, signal
strength, line “hook” state, SFD
loss count and an on-board
temperature reading. Select
DISCONNECT in the COM Port
selection box before moving the
serial cable to another radio card.
Resume connection and status
readings by selecting the active
COM port. The battery voltage
status only applies to CPEs
equipped with solar power.
Loading Software with the GUI
GUI Showing Status of a CPE

Trailblazer Installation and User Manual version 1.02 19
Click on the Terminal tab to monitor
status, view and log real-time link
quality reports and manually
interface with the Trailblazer radio
cards via the Terminal screen. In the
middle of the terminal screen you will
notice a command line box. One
command at a time may be entered
and sent to the radio card via this
terminal interface or by using
terminal software.
3.2 Accessing the Trailblazer using HyperTerminal™
3.2.1 Windows™ HyperTerminal™ Software
As a secondary precaution, as well as to allow user access to advanced
configurations, such as allocation of bandwidth to data and voice lines not
supported by the GUI software, the Trailblazer system is alternately equipped
with a terminal interface. If you do not have access to a PC with the Windows™
operating system or have trouble with the GUI software, many diagnostic and
setup tasks can be performed with a basic terminal program such as Windows
HyperTerminal™. See Section 6.4 in the Appendix for connection instructions,
settings and usage.
3.3 Setting the Radio Frequency and Scrambling Code
Figure 4: Rotary Switch and Reset Button
Radio
Frequency
Selector
Reset
Switch
GUI showing status of a CPE terminal

Trailblazer Installation and User Manual version 1.02 20
The radio frequency and scrambling code of the Carlson Wireless radios operate
on numerous band selections based on purchased configuration. Within the
selected operational band, multiple frequencies are provided in combination with
code variations. Selections within the offered band are provided using the 16
position rotary switch located between the 10BaseT port and the white three pin
connectors. The tables below show the switch settings for the 16 frequency/code
combinations for each band currently offered.
Channel Ê 2.412 GHz 2.432 GHz 2.452 GHz 2.472 GHz
code 0 0 1 2 3
code 1 4 5 6 7
code 2 8 9 A B
code 3 C D E F
Table 5: 2.4G International Band – Frequency/Code Switch Matrix
Channel Ê 2.414 GHz 2.430 GHz 2.446 GHz 2.462 GHz
code 0 0 1 2 3
code 1 4 5 6 7
code 2 8 9 A B
code 3 C D E F
Table 6: 2.4G Domestic Band – Frequency/Code Switch Matrix
Channel Ê 4.950 GHz 4.960 GHz 4.970 GHz 4.980 GHz
code 0 0 1 2 3
code 1 4 5 6 7
code 2 8 9 A B
code 3 C D E F
Table 7: 4.9G Public Safety Lic. Band – Frequency/Code Switch Matrix
Channel Ê 5.735 GHz 5.750 GHz 5.765 GHz 5.780 GHz
code 0 0 1 2 3
code 1 4 5 6 7
code 2 8 9 A B
code 3 C D E F
Table 8: 5.8G Low Band – Frequency/Code Switch Matrix
Channel Ê 5.795 GHz 5.810 GHz 5.825 GHz 5.840 GHz
code 0 0 1 2 3
code 1 4 5 6 7
code 2 8 9 A B
code 3 C D E F
Table 9: 5.8G High Band – Frequency/Code Switch Matrix

Trailblazer Installation and User Manual version 1.02 21
3.3.1 Selecting the CPE Time Slot
Up to (4) CPE units can communicate with each Base unit when used in a STAR
topology. To distinguish between the four CPEs, a different time slot is allocated
to each CPE using the rotary DIP switch located immediately behind the LEDs as
shown in the figure below. Use a non-conductive trim tool to select time slots 0,
1, 2, and 3 to avoid shorting any components. Reset the unit to put your
selection in effect by pressing the reset button located behind the second white
three pin connector as shown.
Figure 5: CPE Time Slot Selection Switch
3.4 Allocating Bandwidth to Voice and/or Data
Preceding future integration of these functions into
the GUI software, some system configurations
must be performed on a manual text entry level.
To do this, you can interface with the Trailblazer
radio card using either the GUI software on the
Terminal screen (See Section 3.1.3) or by using
the HyperTerminal™ software. You will also need
to add a 50ms delay to the linefeed in your
terminal ASCII settings in order to send text
commands to the Trailblazer radio through
terminal software. See the screenshot (right) for
an example.
Begin by starting the GUI or making sure your
terminal software is loaded and properly configured to communicate with the
Trailblazer radios. See Section 6.4 for configuration instructions.
CPE Time
Slot
Selector
Reset
Button

Trailblazer Installation and User Manual version 1.02 22
Each setting is controlled by a short “command name” followed by an EEprom
register or “switch” designated by a letter or letters on your screen. Type the
command name for the function you wish to implement followed by the
appropriate “switch” and press enter. The Trailblazer radio card should respond
by echoing the new setting back to you. It usually takes (7) sets of these
commands to configure a radio card for any of its many functional states. The
settings may be changed one at a time or combined in a text file, known as a
“script”, and loaded into the Trailblazer radio card. See the following table for
details and examples.
Write to
EEprom
register
EEprom
register
0=Star
8=P2P
# of
Total
Ch.
wee e
Write to
EEprom
register
EEprom
register
# of Data
Channels
wee f 0
Write to
EEprom
register
EEprom
register
# of
Data
Ch.
# of
Voice
Ch.
CPE 0 wee 10
CPE 1 wee 11
CPE 2 wee 12
CPE 3 wee 13
reset
Table 10: Commands and switches for bandwidth
To set for Star topology or Point-to-Point and Bandwidth of the Base unit:
This is set using the EEprom register “E”.
If the first digit of the switch setting or “most significant digit” is an “8” then it is
planned to be in point-to-point mode. If the first is “0” or none then it will be in
Star mode.
The second digit or “least significant digit” is for the bandwidth (as transmitted
from the base unit) with the number corresponding to how many 64 kb channels
are made available.
For example, type in though Hyper terminal or the GUI window [wee e 84]
The system should respond back with [000E: 84]
This will set up a Point to Point with 256 kb available bandwidth.
Entering [wee e 08] would set the radio to be a Star with 512 kb bandwidth.

Trailblazer Installation and User Manual version 1.02 23
To allocate total data Bandwidth of the base unit:
To allocate data channels in 64kbps increments, EEprom register “F” is the total
number of data channels allocated to the Base unit.
To allocate total data Bandwidth of the CPE terminal:
To allocate channels to the CPE stations, the EEprom registers 10,11,12,13 are
used. This will handle up to (4) CPEs in a star configuration.
In the CPE, EEprom registers 10,11,12,13 the MSB is used to state the amount
of 64kb channels bonded for data. The LSB is used to state the number of 64kb
channels available for voice services. See the following table for some example
scripts.
Point to Point Point to Point Star
256kb bandwidth, 2 data channels
and 2 voice channels:
256kb bandwidth, 3 data channels
and 1 voice channel:
512kb bandwidth, 2 voice
channels for each CPE:
wee e 84
000E: 84 wee e 84
000E: 84
wee e 08
000E: 08
wee f 02
000F: 02 wee f 03
000F: 03
wee f 00
000F: 00
wee 10 22
0010: 22 wee 10 31
0010: 31
wee 10 02
0010: 02
wee 11 00
0011: 00 wee 11 00
0011: 00
wee 11 02
0011: 02
wee 12 00
0012: 00 wee 12 00
0012: 00
wee 12 02
0012: 02
wee 13 00
0013: 00 wee 13 00
0013: 00
wee 13 02
0013: 02
reset reset reset
Table 11: Example configuration scripts
Additional Configuration Notes:
• Total transmit channel count may only be 1, 2, 3, 4, 5, 6, 7, or 8
• Total CPE channels may not exceed 8
• The sum of CPE voice and data channels may not exceed 8 either
individually or collectively
• Currently, all timeslots must be the same return bandwidth
• There are distance issues regarding use timeslot zero (TS0)

Trailblazer Installation and User Manual version 1.02 24
4 Field Installation Options
4.1 Mounting the Enclosure
The versatile mounting bracket assembly (PN: 900-7200) allows the Trailblazer
enclosure to be properly mounted on a pole up to 2.25” in diameter. The
mounting bracket assembly also converts to a wall mount for mounting the
Trailblazer enclosure on a flat surface. See below for details for the two different
mounting applications.
Figure 6: Wall mounting the Trailblazer enclosure
Wall Mounting Instructions:
• Attach the mounting flanges to the enclosure using the ¼ -20 x 1”
bolts, ¼” flat washers, ¼” lock washers, and ¼” hex nuts.
• Tighten the ¼” nuts to maximum of 25 in-lbs (2.1 ft-lbs). Do not
over tighten!
• Position the enclosure on the wall.
• It is recommended that you attach the enclosure to the wall using a
lock washer and fasteners of your choice as shown in figure 2.
• Tighten the fasteners of your choice. Do not over tighten!

Trailblazer Installation and User Manual version 1.02 25
Figure 7: Pole mounting the Trailblazer enclosure
Pole Mounting Instructions:
• Attach the mounting flanges to the enclosure using the ¼ -20 x 1”
bolts, ¼” flat washers, ¼” lock washers, and ¼” hex nuts.
• Tighten the ¼” nuts to maximum of 25 in-lbs (2.1 ft-lbs). Do not
over tighten!
• Position the enclosure on the pole.
• Place the U-bolts around the pole, and slide the pipe flanges over
them with the serrated sides facing the pole. See figure 1.
• Apply an anti-seizing compound to the threads of the U-bolts.
• Slide the mounting flanges (now attached to the enclosure) over the
U-bolts and secure them using the 5/16” lock washers and 5/16”
hex nuts.
• Tighten the 5/16”nuts. Do not over tighten!
4.2 External Antennas
The use of an external antenna with Model Trailblazer RC Pro system mandates
professionally trained personnel to ensure compliance with FCC rules and
regulations. Specifically the installer must ensure that the EIRP of the
Trailblazer Installation and User Manual version 1.02 26
transmitting antenna does not exceed the requirements of the Code of Federal
Regulations, Title 47, paragraph 15.247.
This device has been designed to operate with the antennas listed below, and
having a maximum gain of 26 dB. Antennas not included in this list or having a
gain greater than 26 dB are strictly prohibited for use with this device. The
required antenna impedance is 50 ohms.
WARNING! YOU CAN BE KILLED!
The Trailblazer system is designed to be installed by professionally trained
installers only! Failure to follow basic installation procedures and safety
precautions can result in one or all of: damage to tools and/or equipment,
interference with and/or damage to other equipment or accessories, violation of
safety code, local laws and/or building codes, personal injury or even death.
Detached antennas, whether installed indoors or out, should be installed ONLY
by experienced antenna installation professionals who are familiar with local
building and safety codes and, wherever applicable, are licensed by the
appropriate government regulatory authorities. Failure to do so may void the
CWT product warranty and may expose the end user to legal and financial
liabilities."
"Regulations regarding maximum antenna gains vary from country to country. It
is the responsibility of the end user to operate within the limits of these
regulations and to ensure that the professional installer is aware of these
regulations, as well. "
Installations of the Trailblazer System require topographic analysis, site survey,
and link budget calculation; therefore CWT trained professionals are required to
perform the installation.
4.2.1 Marketing and Sales Channels
CWT DOES NOT sell the Trailblazer PRO direct to end users. i WLL Trailblazer
PRO System will be sold only to CWT's Authorized Resellers. Those authorized
resellers are technically trained by CWT's Engineers periodically and must follow
the rules set by CWT. The Trailblazer PRO system is designed for Long Range
(15-35 miles) applications and it involves a complicated mandatory site survey,
roof top mast installation, high gain antennas, accurate antenna alignment, etc.
Those activities can be done ONLY by professional installers that are familiar
with the FCC regulations. CWT does not sell the Trailblazer PRO in the
consumer business at all. We have no resellers in this market and we do not
advertise in consumers based publications or attend consumer oriented trade
shows. The system will be advertised in technical trade shows and magazines.
Trailblazer Installation and User Manual version 1.02 27
4.2.2 Calculating the EIRP of an External Antenna
The for all bands of frequency the output of the Trailblazer TB series radio is
calibrated at the factory to limit the peak power output to +17dBm.
Using this example one can calculate the following:
Note that the radio is calibrated for a maximum output power of +17dBm.
Subtract the interconnecting cable and lightning protection losses of 2dB = total
power arriving to antenna of 15dBm. Now add the 2.4 GHz panel antenna gain
of 18dBi and this will give the total Effective Isotropic Rated Power of 33dBm.
For 2.4 GHz, the FCC uses a “3 for 1” rule. The “3 for 1” FCC rule states that for
every 3dB above 6dB of antenna gain you must lower the maximum RF power
available to the antenna from +30dBm ( 1 watt) by 1dB. In this example the
antenna gain is (18 – 6) 12dBi above 6 or (12 / 3) or 4 times 3dB above 6dB.
Checking to see if the transmit power meets the rule is done by subtracting 4
from +30dB equaling +26dBm. This transmitter output RF power is set to
+17dBm so it is below the limit.
For 5.8 GHz, the FCC allows a maximum EIRP of 50dBm. This would mean that
an antenna with a gain of 33dBi would be acceptable with no cable losses.
For 4.9 GHz, the FCC allows a maximum EIRP of 42dBm. If you had no losses in
between the radio and were using the supplied 22 dBi gain panel antenna you
would have an ERP of 39dBm which is under the maximum of 42.
Following this guideline ensures compliance with the maximum transmitter ERP
allowed with the antenna provided as a system.
4.2.3 RF Safety Hazard Warning
Due to the substantial energy radiated from these antennas, it is imperative that
they never be mounted such that the antenna or the cabinet containing the
antenna will be closer than 2 Meters (6.7 Feet) to any persons.
Trailblazer Installation and User Manual version 1.02 28
4.3 18dBi 2.4 GHz Directional Flat Panel Antenna
This section is designed to support the installation, operation and maintenance of
the 18dBi directional flat panel antenna. Due to it’s small size, ease of mounting
and low maintenance it is most commonly used in conjunction with the
Trailblazer system. To avoid harm to persons or damage to the product please
ensure that you have read through the safety, unpacking and installation sections
before proceeding.
4.3.1 Product Overview
The 18dBi directional flat panel antenna includes adjustable Heavy Duty brackets
to provide down or uptilt mounting to a mast up to 2.88 inch O.D. (2.5 inch
schedule 40 pipe). These outdoor antenna systems are designed to provide
maximum gain in the 2.4GHz band as well as survive high wind environments.
Refer to the “Product Specification” Section for specifications and characteristics.
Key Features and Benefits:
• Patented printed circuit board design. Best performance-to-price
ratio.
• Attractive, low profile UV stable housing. Blends well with indoor
and outdoor environments where aesthetic considerations are
important.
• Corner exit RG-58/U pigtail design. Permits the panel to be
mounted in vertical or horizontal polarity.
• Adjustable mounting brackets for outdoor mounting. Provide
maximum flexibility for outdoor installations.
4.3.2 Unpacking
The 18dBi directional flat panel is smaller in size and therefore may be packaged
with other items. Thoroughly inspect the package and the antenna inside before
proceeding. Immediately report any damage to the shipper.
4.3.3 Mounting
Included with the antenna you will find the MPAB8 TILT MOUNTING BRACKET.
The MPAB8 tilt mounting bracket is used to provide down or uptilt mounting to a
mast up to 2.88 inch O.D. (2.5inch schedule 40 pipe). You will need a 7/16”
wrench or #2 Philips screwdriver, a 9/16” open end wrench, vapor wrapping
materials and cable ties to properly complete this 3-step installation.

Trailblazer Installation and User Manual version 1.02 29
This is a properly mounted panel antenna. Note
the ability of the mount the aim the antenna uptilt,
downtilt and to either side.

Trailblazer Installation and User Manual version 1.02 30
Hint: You may want to complete the first two steps on the ground!
1. Assemble the mount to
the antenna using the
hardware provided as
described in the diagram to
the left.
2. Adjust the nuts nearest
the antenna to positions that
will provide the tilt angle
required. Use the mounting
diagram (left) with the table
below to roughly align the
antenna to your position
requirements.
3. Assemble the antenna to
the mast as shown at left.
Fine adjustment to the tilt
angle can be made after the
antenna has been mounted
to the mast. Spacing
references for downtilt (L1,
L2) will be as shown (left).
Spacing references for
uptilt (L1, L2) will be
opposite as shown (left).
Once the antenna has been mounted, aligned and tested be sure to properly
complete the installation by weatherproofing the cable connections. See Section
4.5 “23dBi 5.8 GHz Directional Flat Panel Antenna
This antenna is similar to the 18dBi 2.4 GHz antenna except that it is properly
polarized when the arrow on the back indicates a vertical line. This results in a
diamond shape presented.
4.4 22dBi 4.9 GHz Directional Flat Panel Antenna
This antenna is similar to the 18dBi 2.4 GHz antenna except that it is properly
polarized when the arrow on the back indicates a vertical line. This results in a
diamond shape presented.
Weatherproofing RF Connections

Trailblazer Installation and User Manual version 1.02 31
4.5 23dBi 5.8 GHz Directional Flat Panel Antenna
This antenna is similar to the 18dBi 2.4 GHz antenna except that it is properly
polarized when the arrow on the back indicates a vertical line. This results in a
diamond shape presented.
4.6 22dBi 4.9 GHz Directional Flat Panel Antenna
This antenna is similar to the 18dBi 2.4 GHz antenna except that it is properly
polarized when the arrow on the back indicates a vertical line. This results in a
diamond shape presented.
4.7 Weatherproofing RF Connections
Once you have the antenna mounted and secured. Complete the installation by
properly weatherproofing the RF connector. The connector will be waterproof and
durable as well as easy to service if it needs to be removed. You need electrical
tape and a thick, sticky sealing tape commonly known as “vapor wrap”. Start by
connecting the RF cable to the antenna. Cover the entire connector, any visible
threads on the antenna’s RF connector and about ½ inch of the coax cable with
electrical tape. Next, cover the tape with vapor wrap, overlapping the tape on
each end by ¼ inch. Finish by covering the entire vapor wrap with another layer
of black electrical tape. You can easily remove the weatherproofing by cutting
down one side of the wrap and peeling it away.
4.8 Antenna Alignment
Rough alignment: This is fairly straight forward. Since it is a prerequisite that
you have line of sight between the two points, here are several ideas that have
worked for installers:
• If you can see the other unit, simply aim the units towards each other.
• During midday, use a mirror or compact disk to create a reflection
approximately towards the other site while someone watches for the flash.
• Plot out the path on a topographical map and set the antennas using a
compass.
Trailblazer Installation and User Manual version 1.02 32
How close in alignment do they need to be? +/- 10 degrees will be adequate
for most paths using the 14 dB gain antenna. Certain paths that have a low fade
margin may require a more accurate setting.
Alignment indicators: Due to the nature of digital modulation and the
associated circuitry, there is no analog test point at which the signal strength may
be monitored. Rather, the bit error rate is indicated on the digital board. If there
are obstructions or interference in the link the middle, red LED will begin to blink.
The rate of flash is an indication of the degree of signal degradation, with a
higher flash rate indicating more errors.
Final alignment is performed by connecting a standard telephone directly to the
CPE terminal (FXS) and listening to the dial tone. As the antenna is moved to
the left the signal will degrade, the bit error LED will flash, and eventually the link
will be lost. Note where the antenna is aimed when the link is lost and rotate the
antenna to the other side until the signal is lost again. The midpoint between the
positions where the signal was lost indicates the best antenna position. Use the
GUI software and a laptop to determine the exact signal peak and then tighten
the antenna mounts.
4.9 Interference Solutions
Sometimes after installation, final alignment is found to interfere with external
devices, and/or external devices are later installed that affect the Carlson
Wireless Radio device. To determine if the Carlson Wireless radio is an
interferer, power down the radio unit and check if the interference is removed.
To determine if an external device is interfering with the Carlson Wireless radio,
shut down suspected devices while listening to an audible tone (such as dial
tone) on a phone connected through the Carlson Wireless system.
Common Interferers are: microwave, wireless household controls, emergency
radio equipment, cordless telephones, wireless video products, etc.
(refer to Interference Section 2.1.6 for more information)
Before calling the manufacturer the installer is encouraged to try correcting the
problem by trying one or more of the following suggestions:
• Slightly reorient or move the Carlson Wireless antenna to a new position
• Change the frequency of Carlson Wireless radio or offending device
• Relocate the offending/offended device
• Separate power sources, or filter sources between the offenders
• If not installer, consult dealer or experienced technician

Trailblazer Installation and User Manual version 1.02 33
4.10 Lightning Protection
CWT stocks in-line, gas-discharge style lightning surge suppressors as primary
lightning protection for their reliability, ease of installation and low cost to the
customer. In-line protectors mount in series with the coaxial cable or telephone
line which provides an excellent solution for a retrofit application. The protector is
grounded through an external ground screw that is attached to the body of the
surge protector. Be sure to take the other end of this ground circuit into
consideration as well.
4.10.1 Antenna Port Protection
Mount the CWT in-line, gas discharge lightning surge suppressor in parallel with
the coaxial cable between the radio and the antenna. Place the protector as near
the radio as possible in order to limit the amount of cable that will be exposed to
either direct or indirect strikes of lightning or atmospheric static charges. Connect
the largest wire (usually #8 or #10AWG solid) to the ground screw on the body of
the surge protector and terminate it to a proper ground (see above). If you have
any question about the quality of your ground system, stop and remedy the issue
before continuing.
RF Gas Discharge Lightning Surge Protector Specifications
CWT Part number 640-6600
Description High Frequency co-axial surge protector (Gas tube)
Maximum power (50 Ohms) 70 W
Breakdown Voltage (100 V/s) 90-130 V
Residual Voltage (1 kV/µs) < 600 V
Power Handling (8/20 µs waveform)
10 shocks
1 shock
10 kA
20 kA
Return Loss and Attenuation
@ 0.5 GHz
@ 1 GHz
@ 4 GHz
< -25 dB
< - 25 dB
< -20 dB
Insertion Loss
@ 0.5 GHz
@ 1 GHz
@ 2.5 GHz
@ 4 GHz
< 0.05 dB
< 0.03 dB
< 0.067 dB
< 0.29 dB
Connector Type “N”
Housing Material Copper alloy with CuZnSn finish
Contact Sockets Material Gold Plated Copper alloy
Insulation Material Teflon per ASTM-D-170
Table 12: RF Lightning Protection

Trailblazer Installation and User Manual version 1.02 34
Figure 8: Surge Protection, RF
Figure 9: Antenna Port Lightning Protector, VSWR and Insertion Loss

Trailblazer Installation and User Manual version 1.02 35
4.10.2 Telephone Line Port/ Subscriber Premises Protection
Figure 10: Primary Telephone Line Transient Protection
The telephone line surge protector is designed to be used as a primary station
protector at the subscriber end of the loop. It provides protection against lightning
surges, power cross conditions, and ground potential rises.
The protector element for each line consists of a heavy duty rated, (2) element
gas tube, an external backup gap assembly and a unique switch grade shorting
mechanism. The enclosure accommodates two protectors.
Two gas tubes are sealed in a fire resistant plastic body with plated #10 brass
studs, washers and hex nuts for connection to (2) subscriber pairs. A plated
brass ground connector is slotted to fit the ground connection points of station
protector housings and network interface devices. It has sectionalized grommet
in base for wire entry.
Line 1 Ti
p
Earth Ground
Line 1 Rin
g
Line 2 Ti
p
Line 2 Rin
g

Trailblazer Installation and User Manual version 1.02 36
Telephone Line Gas Discharge Lightning Surge Protector Specifications
CWT Part number 640-6500
Description Sealed gas tube station protector
DC Breakdown@100V/s 300-500V
Impulse Breakdown
100V/µs
10kV/µs
100V/µs, vented
600V
850V
1200V
Insulation Resistance@100V/leakage current 10e10 Ω
Capacitance@1kHz <15pF
DC Extinguishing (Network applied) @52V, 135V, 150V
<150ms
Impulse Life Characteristics >400x500A 10/1000µs
10kA 8/20µs
AC Life characteristics >65A, 11 cycles
Enclosure Material Weather and UV resistant , high impact, flame retardant plastic.
Dimensions 5.7”H x 3.4”W x 2.2”D
Table 13: Subscriber side protection

Trailblazer Installation and User Manual version 1.02 37
5 Test & Maintenance
5.1 Diagnostics
5.1.1 LED Function
The Trailblazer units’ are equipped with multifunction status indication LEDs on
the top and radio card. There are no LEDs on the interface card. You can read
the link and alignment status as well as packet loss information quickly, without
using a PC. Use the table below for translating the LED patterns.
CPE Unit BASE Unit
D4 D5 D6 D4 D5 D6 Description
NO POWER Off Off Off Off Off Off Power system failure or no power applied
POWER ON Off Off Solid Off Off Solid Initial Power up, FPGA not loaded by CPU
CPE
ACQUIRING Solid Solid Flashing Off Solid Flashing CPE – receiver on, looking for valid signal.
Base - FPGA loaded, radio transmitting
CPE
RANGING Solid Off Flashing Off Solid Flashing
CPE acquired and locked, CPE begins
transmitting locator beacon
BASE
RANGING Solid Off Flashing Solid Off Flashing
Base accepts CPE locator beacon and
begins ranging operation
ALIGNMENT Off Blinks Solid Off Blinks Solid Final alignment, minimizing bit errors
LOCKED Off Off Flashing Off Off Flashing
Units locked and aligned, ready for service
PACKET
ERRORS Off Blinks Flashing Off Blinks Flashing D5 blinking indicates packet errors, weak
signal or interference
Table 14: System Status LED Information Table
Figure 11: Trailblazer Radio Card LEDs
D4
(
Red
)
Reset
Button
D5
(
Red
)
D6
(
Green
)
Trailblazer Installation and User Manual version 1.02 38
Setting your units next to each other on your bench with the test antennas
attached to the N female connectors on the enclosureThe LED will indicate from
top to bottom in the preceding table, from the No Power to the Final Alignment
and Errors state. The Trailblazer system should reach the CPU Operational
state within 20 seconds after power is applied. The Acquired state completes
when the CPE terminal has detected and locked to the radio signal from the base
unit. The Ranged state is complete when the CPE terminal has turned on the
radio transmitter and is aligned with the base unit. After ranging both units will do
an Alignment to minimize bit errors. During the Operation and Diagnostics stage,
any bit errors are occurring will be indicated by D5 blinking or flashing depending
on the severity of the errors. This condition may also be caused by interference
or misalignment of the antennas (or weak signal). If D4 and D5 are OFF and D6
is FLASHING, the unit is ready for service!
5.2 Maintenance
5.2.1 Installation of Software/Firmware Upgrades
Most maintenance and upgrading of the system can and should be performed
with the included GUI software. See Section 3 for operating instructions for the
GUI. If for some reason you are unable to use the GUI software, you may
alternately use the Terminal Interface. See the Appendix for advanced
programming and diagnostics details.

Trailblazer Installation and User Manual version 1.02 39
6 Appendix
6.1 About Carlson Wireless
6.1.1 Mission
Carlson Wireless Technologies Inc. (CWT) is dedicated to designing,
manufacturing and marketing innovative, low power digital WLL (wireless local
loop) telephone systems that provide high-quality voice and data links for rural
and remote telephone users worldwide.
6.1.2 History
CWT (Carlson Wireless Technologies) Inc. was founded in 1999 by James
Carlson and is a privately held California “C” corporation headquartered in
Redway, California. CWT purchased the assets of Adicom Wireless Inc. formerly
of Pleasanton, CA. Adicom Wireless had spent 4 years and over $40 million in
development of a CDMA multipoint system. The designs and patents are being
used this newer Trailblazer RC Point-to-Point and Point-to-Multipoint product
line.
6.1.3 Summary
CWT is marketing the Trailblazer product through established telecom and
wireless equipment distributors. Please contact our Sales Department +1.707.
923.3000, or email sales@carlsonwireless.com for more information.
Trailblazer Installation and User Manual version 1.02 40
6.2 System Specifications
Air Interface
Data Throughput Rate
End-to-End System Latency
Fax Compatibility
Modem Performance
RF Performance
Frequency Range
RF Channels
RF Output Power
Receive Sensitivity
External Antenna Port
Environmental Specifications
Operating Temp
Humidity
Voltage Requirements
Operating Current
CPE Terminal (FXS) Specifications
Regulatory
Open Loop Voltage
Loop Current
Maximum Loop Length
Ringing Voltage
Ringing Load
Ringing Waveform
Nominal Transmit Level
Nominal Receive Level
2 Wire Port Return Loss
Voltage Requirements
Operating Current: No Load, Full Load
Base Unit Specifications
Regulatory
Maximum Loop Length
Ring Equivalent Number
Ring Detect Threshold
2 Wire Port Return Loss
Operating Voltage
Operating Current: No Load, Full Load
Certifications
Warranty
*Proprietary DSSS CDMA using a negotiated QOS with
Time Division Duplexing
512, 256, 128, 64 kbps, Configurable with GUI
Less than 4.4 ms Depending on Speed Selected
G3 (9.6kbps) and G4 (14.4kbps)
V.34 (33kbps) via POTS, up to V.90 (56kbps) via
RuralConnect™
2.4GHz Standard. 4.9 and 5.8 GHz Options Available
4 sub channels in 2.4 GHz band,
8 sub channels in 5.8 GHz
17dBm typical in 2.4 GHz, 17dBm in 5.8 GHz
-93 dBm/256 kbps @10-6 BER -90 dBm/512 kbps @10-
6 BER
“N” Type Female
-30 to +60 Degrees C (Ambient with Solar Shielding)
0 to 90% - Non-Condensing
Filtered DC nominal 12 to 24 V Negative Earth Ground
2 Watts Minimum, 8 Watts Maximum Configuration
LSSGR, TR57, ITU Q.552, and G.712
36 to 48V
20 mA to 24 mA
1200 Ohms Including Instrument
60 VAC RMS
3 REN
Balanced Sinusoidal, 20 Hz Standard, Factory
Programmable 16 to 33Hz
0.0 dBm0, Factory Programmable
-2.0 dBm0, Factory Programmable
24 dB min.
Filtered DC Nominal 12 to 24V
1.4 Watts (i.e. 24v @ 60ma) Idle, 4 Watts (i.e. 24v @
200ma) max Including Radio
TIA/EIA/IS-968 (FCC), UL 1950, UL 60950, EN 60950,
IEC60950, EN55022B
1500 ohms or 18 ma.
0.3B per line
24-110Vrms, 17-34 Hz
24dB min.
Filtered DC Nominal 12 to 24V
Less then 2 Watts (i.e. 24v @ 200ma) with 8 Lines
Active Including Radio
US, Canada, Brazil, Mexico, Philippians’ Islands,
Morocco
1 Year Parts and Labor

Trailblazer Installation and User Manual version 1.02 41
6.2.1 Block Diagram
Figure 12: Block Diagram of Radio Card

Trailblazer Installation and User Manual version 1.02 42
6.3 Cable Pin outs
Should you misplace or lose your serial programming cable, you can call your
CWT sales rep. and order a replacement or construct a new cable from a few
simple parts using the diagram below.
6.3.1 Configuration Port Pinout
Configuration Port Cable Construction Table
A DB9 pin Female to be fit in the PC is wired
with: A 3 pin, .100” spacing connector, female,
connecting to the Trailblazer as shown:
DCD on pin 1, (not used)
TX Data on pin 2, TX Data on pin 1,
RX Data on pin 3, RX Data on pin 3,
DTR on pin 4, (not used)
SG on pin 5, (signal ground) SG on pin 2, (signal ground)
DSR on pin 6, (not used)
RTS on pin 7, (not used)
CTS on pin 8, (not used)
RI on pin 9, (not used)
Table 15: Configuration Port Cable Construction Table
Figure 13: Serial Data Cable Pinout (PCB View)
TRANSMIT
GROUN
D
RECEIV
E

Trailblazer Installation and User Manual version 1.02 43
Standard “AT” Pinout for a DB9 Connector
Figure 14: Serial Data Cable Schematic
Table 16: Serial Data Cable Pinout
Serial Data Cable Pinout
Pin Signal Description Direction
1 DCD Data Carrier Detect To PC
2 RD Receive Data To PC
3 TD Transmit Data From PC
4 DTR Data Terminal Ready From PC
5 GND Signal Ground Common
6 DSR Data Set Ready To PC
7 RTS Request to Send From PC
8 CTS Clear to Send To PC
9 RI Ring Indicator To PC

Trailblazer Installation and User Manual version 1.02 44
6.4 Advanced Programming and Diagnostics
6.4.1 Configuring the Serial Port Parameters
In order to communicate with the Trailblazer
units using the Command Line Interface, the
serial port parameters need to be configured.
The serial port parameters are illustrated in
the following figure.
These settings were configured within the
program by Hilgraeve (see left and below).
This program is readily available and runs on
any Windows platform, but any terminal
emulation program can be used that can
communicate across the asynchronous serial
COM ports of a PC.
The ASCII setup screen in
HyperTerminal™ needs to be configured
as well in order to properly communicate
with the Trailblazer units. In addition to the
basic ASCII setup (shown right) which you
will use most to configure the system, you
must insert a 50ms line delay in order to
be able to send scripts to the Trailblazer
units. Scripts are what you will need to
use in order to configure the amount of
and allocation of bandwidth within the
Trailblazer system. See Section 3.4
Allocating Bandwidth to Voice and/or Data
for complete details.

Trailblazer Installation and User Manual version 1.02 45
6.4.2 Setting the V35 enable and port location
To enable the V35 data port,
open up the Hyperterminal™
interface and if you are
communicating with a CPE unit
after booting type: [stop]. If you
are connected to a base unit it
will stop on it’s own after a
minute.
Then type in:
[wee 5 1] or [wee 5 2]
depending on which line no you
wish to be used as a data path
for the Ethernet connection. The
system should respond back with: 0005: 02 as shown above.
To disable theV35 data port, open up the HyperTerminal™ interface and type in:
[wee 5 FF] . The system should respond back with: 0005: FF .
6.4.3 Received Signal Strength Indicator (RSSI)
The RSSI value can be accessed
through the Command Line
Interface using the following
command:
rdm ff28 4 <enter>.
The figure at right shows the
output for the RSSI from the CPE
unit. The RSSI value is repeated
4 times, but just look at a single
number. The figure to the right
shows an RSSI of 0C. The RSSI
should be 8 or higher. If the
value displayed contains an alphabetic character (A, B, C, D, E or F), the value is
greater than 9. The undesirable RSSI values are from 00 to 07.

Trailblazer Installation and User Manual version 1.02 46
The RSSI command can be used on the base unit. The above figure displays the
results of the command. 3 of the 4 values will always read 00, just ignore these
values. 1 of the 4 numbers should be greater than 7. If the value displayed
contains an alphabetic character (A, B, C, D, E or F), the value is greater than 9.
In the above example the RSSI value is sufficient.
6.4.4 Air Link Quality
The quality of the Air Link can be
interrogated through the
Command Line Interface using
the following command: debug 1
<enter>. This command causes
the Air Link statistics to be printed
every 4 seconds. The statistics
can be stopped by typing, debug
0 <enter>. The processing of
the debug command is illustrated
in the following figure.
With a completely clean link, the
SFD Loss Count and Signal Byte
Error Count should be both zero. A SFD Loss Count greater than (6) could
indicate a low signal strength or external interference.
6.4.5 Installation of Software/Firmware Upgrades
In addition to maintenance using
the GUI software, as a failsafe
the software/firmware for the
Trailblazer systems can be
upgraded in the field through the
serial port using a terminal
emulation program and the
Command Line Interface.
1. Reset the board using the
RESET button near the
rotary channel switch.
2. Stop the program through
the Command Line
Interface. The figure above illustrates this step. When the Boot program
starts, the software version information is displayed. When the prompt
“Boot Loader Ready” appears, type: [stop] and press: <enter>. The Boot
program confirms the stop command by displaying the text “Boot Loader
Stopped”. If the text “Boot Loader Stopped” is not displayed immediately,
RESET the unit and try again. Although timing is not extremely critical, try to
type the command in the first couple of seconds.

Trailblazer Installation and User Manual version 1.02 47
3. Download the new
software/firmware
program. The following
two figures illustrate this
step. The menu option
“Send Text File …” is
selected. Next, the dialog
box will appear which
allows the selection of the
file to download to the
Trailblazer unit. After the
file is selected, click the
“Open” button. The
download will proceed
automatically from this point.
4. Download has
completed. The end of
the download is
illustrated below. The
version information at
the end of the download
will indicate the
successful completion of
the download. Re-
display the version
information again by
typing <versions>.
5. Reset the board either
manually using the reset
button or by typing <reset>.
The Trailblazer unit will need
to be reset before the new
software/firmware upgrade
will take effect.

Trailblazer Installation and User Manual version 1.02 48
6.5 Antenna Patterns and Specifications
6.5.1 18dBi Directional Panel Plots and Specs
18dBi Directional Panel Specifications
Pole Size 1” (25) to 2.88” (73) In (mm)
Weight 3.9(1.76) Lbs. (kg)
Dimension (W x L) 15.1 x 13.9 x 1.9 (384x353x48) In (mm)
Wind Load 85 @100MPH
Frequency Range 2300-2500 MHz
3 deg beam width 19 vertical, 18 horizontal deg
Front to Back 25 dB
VSWR 1.6:1
Impedance 50 ohms
Input Power 20 watts
Operating Temperature -40 to +70 Deg C.
Gain 18 dBi
Bracket Tilt 45 Deg
Table 17: 18dBi Directional Panel Specifications
Trailblazer Installation and User Manual version 1.02 49
6.6 Warranty
Limited Warranty, USA
Carlson Wireless Technologies Inc. (CWT) or Carlson Wireless USA, collectively referred to as
"Carlson“), will repair this product with new or rebuilt parts, free of charge, in the USA or Puerto
Rico for one (1) year from the date of original purchase in the event of a defect in material or
workmanship. Mail-in service in the USA can be obtained during the warranty period from a
Carlson Factory Service center by calling +1.707.923.3000 or online by visiting
http://carlsonwireless.com/service/rma_request.php for an RMA (Return Materials
Authorization) number. After receiving your RMA confirmation via telephone or email, ship your
product adequately packed, postage paid and insured to the address provided. This warranty
extends to the original purchaser only. A purchase receipt or other proof of the date of original
purchase will be required before warranty services are rendered. This warranty only covers failures
due to defects in materials or workmanship which occur during normal use. It does not cover
damages incurred in shipment or failures caused by products not supplied by Carlson. It also does
not cover failures which result from accident, misuse, abuse, neglect, mishandling, misapplication,
alteration, modification, lightning, power line surge, introduction of sand, dust, humidity and/or
liquids, or service by anyone other than a Carlson Factory Service Center or authorized Carlson
Service Center, or damage that is attributable to acts of God.
Limits and Exclusions
There are no express warranties except as listed above.
CARLSON SHALL NOT BE LIABLE FOR INCIDENTAL OR CONSEQUENTIAL DAMAGES
RESULTING FROM THE USE OF THIS PRODUCT OR ARISING OUT OF ANY BREACH OF
THIS WARRANTY. ALL EXPRESS AND IMPLIED WARRANTIES, INCLUDING THE
WARRANTIES OF MERCHANTABILITY AND FITNESS FOR A PARTICULAR PURPOSE, ARE
LIMITED TO THE APPLICABLE WARRANTY PERIOD SET FORTH ABOVE.
Some states do not allow the exclusion or limitation of incidental or consequential damages or
limitations on how long an implied warranty lasts, so the above exclusions or limitations may not
apply to you. This warranty gives you specific legal rights and you may also have other rights which
vary from state to state. If a problem with this product develops during or after the warranty period
you may contact your dealer or Service center.
Trailblazer Installation and User Manual version 1.02 50
6.7 Acronyms/Abbreviations
ANSI ................. American National Standards Institute
async ............... asynchronous
CCITT................ Comité Consultatif International Téléphonique et Télégraphique
CD ..................... carrier detect
CPE.................... customer premise equipment
CS ...................... clear to send
CSU ................... channel service unit
CTS ................... clear to send
CO ……………... central office
dB....................... decibel
DCE ................... data communications equipment
DDS................... digital data service
DSR................... data set ready
DSU................... data service unit
DTE ................... data terminal equipment
DTR................... data terminal ready
EA ...................... extended address
FR....................... frame relay
FSU.................... frame relay service unit
GUI.................... graphical user interface
HDLC................ high-speed data link control
IP........................ internet protocol
ISDN................. integrated services digital network
ITU..................... International Telecommunications Union
kbps................... kilobits per second
LAN................... local area network
LED.................... light emitting diode
MIB ................... management information base
ms ...................... millisecond
PPP .................... point-to-point protocol
RD ..................... receive data
RDL................... remote digital loop-back
RFC.................... request for comments
RIP..................... routing information protocol
RMA.................. return material authorization
RR...................... receiver ready
RTS.................... request to send
Rx....................... receive
SDLC................. synchronous data link control
SNA................... systems network architecture
SNMP ............... simple network management protocol
SW56 ................. switched 56
sync.................... synchronous
TD...................... transmit data
TR ...................... data terminal ready
Tx ....................... transmit
UNI.................... user-to-network interface
WAN.................. wide area network

Trailblazer Installation and User Manual version 1.02 51
6.8 Glossary
ANSI
Acronym for American National Standards Institute. Devises and proposes recommendations for
international communications standards.
asynchronous
A method of data transmission which allows characters, that are preceded by a start bit and are
followed by a stop bit, to be sent at irregular intervals.
bandwidth
A range within a band of frequencies or an amount of data that can be transmitted in a preset
amount of time. The bandwidth determines the rate at which information can be sent.
bridge
A connectivity advice that operates at the OSI Data Link Layer and filters and forwards packets
by physical addresses. See also router.
CD
Acronym for Carrier Detect. It is a signal generated by a modem or DSU/CSU and indicates the
presence of a carrier signal on a communications link.
CSU
Acronym for Channel Service Unit. A device used to connect a digital phone line from the phone
company to a multiplexer, channel bank, or directly to another device producing a digital signal. A
CSU performs line-conditioning and equalization functions, responds to loop-back commands
sent from the central office, regenerates digital signals and monitors them for problems, and
provides a way of testing a digital circuit.
CLASS features
Acronym for Custom Local Area Signaling Services. Consists of number-translation services, such
as call-forwarding and caller identification.
clock
Is an oscillator-generated signal that provides a timing reference and generates periodic signals
for the timing of certain functions in a transmission link.
CPE
Acronym for Customer Premise Equipment. It includes all telecommunications terminal
equipment located on the customer premises, including telephone sets, PBXs, data terminals,
and customer-owned coin-operated telephones.
CTS
Acronym for Clear To Send. A signal on the DTE interface indicating that the DCE is clear to
send data.
dB
Is an abbreviation for decibel, a logarithmic unit used to measure sound level or signal strength.
DCE
Acronym for Data Communications Equipment. A device that provides all the functions required
for connection to telephone company lines and for converting signals between telephone lines
and DTE. Also see DTE.
DSR
Acronym for Data Set Ready. It is a signal on the EIA-232 interface that indicates a connection
and readiness to start handshaking control signals for communication to begin.
DSU
Acronym for Data Service Unit. A hardware component needed to transmit digital data over a
hardware channel. It converts signals from bridges, routers, and multiplexers into the bipolar
digital signals used on the telephone company digital lines and ensures that voltage levels are
correct.
DSU loop back
Is a Telco initiated test which loops the DSU back to the Telco and is used to test the DDS circuit
as well as the DSU/CSU.
DTE
Trailblazer Installation and User Manual version 1.02 52
Acronym for Data Terminal Equipment. It is the end-user terminal or computer that plugs into the
termination point (DCE) of a communications circuit.
gateway
Is a device which enables information to be exchanged between two dissimilar systems or
networks.
HDLC
Acronym for High Level Data Link Control. It is a generic link-level communications protocol
developed by ISO, that manages synchronous code-transparent serial information transfer over a
link connection. See also SDLC.
host computer
The primary or controlling computer in a multiple computer operation.
in-band signaling
is signaling over the same channel used for data.
IP
Acronym for Internet Protocol. It provides for transmitting blocks of data between hosts identified
by fixed-length addresses.
ISDN
Acronym for Integrated Services Digital Network. It is a network architecture that enables end-to-
end digital connections. It supports diverse services through integrated access arrangements
and defines a limited set of standard, multipurpose interfaces for equipment vendors, network
providers, and customers.
LAN
Acronym for Local Area Network. A privately owned network that offers high-speed
communications channels connecting information processing equipment in a limited geographic
area.
MIB
Acronym for Management Information Base. It is a database of network management information
used by SNMP.
multi-point
Is a configuration or topology designed to transmit data between a central site and a number of
remote terminals on the same circuit. Individual terminals are not able to send data to each other.
out-of-band signaling
Is signaling that is separated from the channel carrying information (voice, data, video, etc.) by a
filter.
packet
Is a bundle of data that contains both control information and the data itself. The control
information is used for routing the packet through a network to its final destination.
packet-switching network
Is a telecommunications network based on packet-switching technology, wherein a transmission
channel is occupied only for the duration of the transmission of the packet.
parameter
Is a numerical code that controls an aspect of terminal and/or network operation. Parameters
control page size, data transmission speed, and timing options.
ping
Is an internet protocol standard that provides loop-back on demand for any device in an IP
network. One device "pings" another by sending a loop-back request to the device's IP address.
point-to-point
Is a type of communications link that connects a single device to another single device, such as a
Base unit to a CPE unit.
remote configuration
A feature that allows the CPE unit to be configured from the Base unit or VT-100 compatible
terminal.
router
Is a device that supports LAN-to-LAN communications. IT reads logical addressing information
and directs data across a network to its destination. See also bridge.
SNMP
Trailblazer Installation and User Manual version 1.02 53
Acronym for Simple Network Management Protocol. It is a control and reporting scheme widely
used to manage devices from different vendors and operates on top of the Internet protocol.
switched network
Is a network of dial-up telephone lines that uses circuit switching to provide communications
services to network users.
synchronous
A method of data transmission in which timing information is sent along with the transmitted data.
Synchronous communication is achieved when timing shares a single clock.
SDLC
Acronym for synchronous data link control. A link-level communications protocol that manages
synchronous, code-transparent, serial information transfer over a link connection.
TELNET
The standard TCP/IP remote login protocol
VT-100
A non-intelligent terminal or terminal emulation mode used for asynchronous communications.