Carrier 17 19Ex Users Manual
1719EX to the manual 5adea36d-cf78-455d-9e4e-dbf482418a2f
2015-01-24
: Carrier Carrier-17-19Ex-Users-Manual-311010 carrier-17-19ex-users-manual-311010 carrier pdf
Open the PDF directly: View PDF
.
Page Count: 437 [warning: Documents this large are best viewed by clicking the View PDF Link!]
- Contents
- Safety Considerations
- Introduction
- Abbreviations
- 17/19EX Machine Familiarization
- Refrigeration Cycle
- Motor/Oil Refrigeration Cooling Cycle
- Hermetic Machines (19 Series) Lubrication Cycle
- Open-Drive Machines (17 Series) Lubrication Cycle
- Starters
- Controls
- Definitions
- General
- PIC System Components
- Processor Module (PSIO)
- Starter Management Module (SMM)
- Local Interface Device (LID)
- 6-Pack Relay Board
- 8-Input Modules
- Oil Heater Contactor (1C)
- Oil Pump Contactor (2C)
- Hot Gas Bypass Contactor Relay (3C) (Optional)
- Oil Auxiliary Relay (4C)
- Control Transformers (T1-T4)
- Control and Oil Heater Voltage Selector (S1)
- Oil Differential Pressure/Power Supply Module
- LID Operation and Menus
- PIC System Functions
- Safety Controls
- Default Screen Freeze
- Motor Cooling Control (Hermetic Motors Only)
- Auxiliary Oil Pump Control (Open Drive Machines Only)
- Shaft Seal Oil Control (Open Drive Machines Only)
- Ramp Loading Control
- Capacity Override
- High Discharge Temperature Control
- Oil Sump Temperature Control
- Oil Cooler
- Remote Start/Stop Controls
- Spare Safety Inputs
- Spare Alarm Contacts
- Condenser Pump Control
- Condenser Freeze Prevention
- Tower-Fan Relay
- Auto. Restart After Power Failure
- Water/Brine Reset
- Demand Limit Control, Option (Requires Optional 8-Input Module)
- Surge Prevention Algorithm
- Surge Protection
- Lead/Lag Control
- Ice Build Control
- Attach to Network Device Control
- Service Operation
- Start-Up/Shutdown/Recycle Sequence
- Before Initial Start-Up
- Job Data Required
- Equipment Required
- Using the Utility Vessel and Pumpout System
- Remove Shipping Packaging
- Open-Drive Motor Electrical Connection
- Open-Drive Motor Auxiliary Devices
- Open Oil Circuit Valves
- Torque All Gasketed Joints
- Check Machine Tightness
- Refrigerant Tracer
- Leak Test Machine
- Standing Vacuum Test
- Machine Dehydration
- Inspect Water Piping
- Check Optional Pumpout Compressor Water Piping
- Check Relief Devices
- Inspect Wiring
- Open-Drive Motor Pre-Start Checks
- Carrier Comfort Network Interface
- Check Starter
- Oil Charge
- Power Up the Controls and Check the Oil Heater
- Set Up Machine Control Configuration
- Input the Design Set Points
- Input the Local Occupied Schedule (OCCPC01S)
- Input Service Configurations
- Check Pumpout System Controls and Optional Pumpout Compressor
- High Altitude Locations
- Charge Refrigerant into Machine
- Initial Start-Up
- Preparation
- Manual Operation of the Guide Vanes
- Dry Run to Test Start-Up Sequence
- Check Rotation (Open-Drive Motor)
- Check Rotation (Hermetic Motor)
- Check Oil Pressure and Compressor Stop
- Calibrate Motor Current Demand Setting
- To Prevent Accidental Start-Up
- Hot Alignment Check for Open-Drive Machines
- Doweling for Open-Drive Machines
- Check Machine Operating Condition
- Instruct the Customer Operator
- Operating Instructions
- Pumpout and Refrigerant Transfer Procedures
- General Maintenance
- Refrigerant Properties
- Adding Refrigerant
- Removing Refrigerant
- Adjusting the Refrigerant Charge
- Refrigerant Leak Testing
- Leak Rate
- Test After Service, Repair, or Major Leak
- Repair the Leak, Retest, and Apply Standing Vacuum Test
- Checking Guide Vane Linkage
- Contact Seal Maintenance (Open-Drive Machines)
- Machine Alignment (Open-Drive Machines)
- Weekly Maintenance
- Scheduled Maintenance
- Service Ontime
- Inspect the Control Center
- Check Safety and Operating Controls Monthly
- Changing Oil Filter
- Oil Specification
- Oil Changes
- Refrigerant Filter
- Oil Reclaim Filter
- Inspect Refrigerant Float System
- Inspect Relief Valves and Piping
- Coupling Maintenance (Open-Drive Machines)
- Motor Maintenance (Open-Drive Machines)
- Open-Drive Motor Handling/Rigging
- Open-Drive Motor Storage
- Compressor Bearing and Gear Maintenance
- Inspect the Heat Exchanger Tubes
- Water Leaks
- Water Treatment
- Inspect the Starting Equipment
- Check Pressure Transducers
- Pumpout System Maintenance
- Ordering Replacement Chiller Parts
- Troubleshooting Guide
- 17/19EX Physical Data And Wiring Schematics
- Initial Start-Up Checklist for 17/19EX Centrifugal Liquid Chiller
- List of Tables
- LIst of Figures

17/19EX
50/60 Hz
Centrifugal Liquid Chillers
with HFC-134a
Start-Up, Operation, and Maintenance Instructions
Manufacturer reserves the right to discontinue, or change at any time, specifications or designs without notice and
without incurring obligations.
PC 211 Catalog No. 531-715 9-95 Form 17/19EX-1SS Replaces: 19EX-1SS
Copyright © Carrier Corporation 1995
Safety Considerations
Centrifugal liquid chillers are designed to provide safe and reliable service when
operated within design specifications. When operating this equipment, use good
judgement and safety precautions to avoid damage to equipment and property or injury
to personnel.
Be sure you understand and follow the procedures and safety precautions contained
in the machine instructions as well as those listed in this guide.
®

DO NOT VENT refrigerant relief valves within a building. Outlet from rupture disc
or relief valve must be vented outdoors in accordance with the latest edition of
ASHRAE 15 (Safety Code for Mechanical Refrigeration). The accumulation of
refrigerant in an enclosed space can displace oxygen and cause asphyxiation.
PROVIDE adequate ventilation in accordance with ASHRAE 15, especially for
enclosed and low overhead spaces. Inhalation of high concentrations of vapor is
harmful and may cause heart irregularities, unconsciousness, or death. Misuse
can be fatal. Vapor is heavier than air and reduces the amount of oxygen avail-
able for breathing. Product causes eye and skin irritation. Decomposition prod-
ucts are hazardous.
DO NOT USE OXYGEN to purge lines or to pressurize a machine for any purpose.
Oxygen gas reacts violently with oil, grease, and other common substances.
NEVER EXCEED specified test pressures, VERIFY the allowable test pressure by
checking the instruction literature and the design pressures on the equipment
nameplate.
DO NOT USE air for leak testing. Use only refrigerant or dry nitrogen.
DO NOT VALVE OFF any safety device.
BE SURE that all pressure relief devices are properly installed and functioning
before operating any machine.
DANGER !DANGER

DO NOT WELD OR FLAMECUT any refrigerant line or vessel until all refrigerant
(
liquid and vapor
) has been removed from chiller. Traces of vapor should be dis-
placed with dry air or nitrogen and the work area should be well ventilated.
Refrig-
erant in contact with an open flame produces toxic gases
.
DO NOT USE eyebolts or eyebolt holes to rig machine sections or the entire
assembly.
DO NOT work on high-voltage equipment unless you are a qualified electrician.
DO NOT WORK ON electrical components, including control panels, switches,
starters, or oil heater until you are sure ALL POWER IS OFF and no residual volt-
age can leak from capacitors or solid-state components.
LOCK OPEN AND TAG electrical circuits during servicing. IF WORK IS INTER-
RUPTED, confirm that all circuits are deenergized before resuming work.
AVOID SPILLING liquid refrigerant on skin or getting it into the eyes. USE SAFETY
GOGGLES. Wash any spills from the skin with soap and water. If any enters the
eyes, IMMEDIATELY FLUSH EYES with water and consult a physician.
NEVER APPLY an open flame or live steam to a refrigerant cylinder. Dangerous
overpressure can result. When necessary to heat refrigerant, use only warm (110
F [43 C]) water.
DO NOT REUSE disposable (nonreturnable) cylinders or attempt to refill them. It
is DANGEROUS AND ILLEGAL. When cylinder is emptied, evacuate remaining
WARNING !WARNING

gas pressure, loosen the collar and unscrew and discard the valve stem. DO NOT
INCINERATE.
CHECK THE REFRIGERANT TYPE before adding refrigerant to the machine. The
introduction of the wrong refrigerant can cause damage or malfunction to this
machine.
Operation of this equipment with refrigerants other than those cited herein should
comply with ASHRAE-15 (latest edition). Contact Carrier for further information
on use of this machine with other refrigerants.
DO NOTATTEMPT TO REMOVE fittings, covers, etc., while machine is under pres-
sure or while machine is running. Be sure pressure is at 0 psig (0 kPa) before
breaking any refrigerant connection.
CAREFULLY INSPECT all relief devices, rupture discs, and other relief devices AT
LEAST ONCE A YEAR. If machine operates in a corrosive atmosphere, inspect the
devices at more frequent intervals.
DO NOT ATTEMPT TO REPAIR OR RECONDITION any relief device when corro-
sion or build-up of foreign material (rust, dirt, scale, etc.) is found within the valve
body or mechanism. Replace the device.
DO NOT install relief devices in series or backwards.
USE CARE when working near or in line with a compressed spring. Sudden
release of the spring can cause it and objects in its path to act as projectiles.
WARNING !WARNING

CAUTION CAUTION
!
DO NOT STEP on refrigerant lines. Broken lines can whip about and cause per-
sonal injury.
DO NOT climb over a machine. Use platform, catwalk, or staging. Follow safe
practices when using ladders.
USE MECHANICAL EQUIPMENT (crane, hoist, etc.) to lift or move inspection cov-
ers or other heavy components. Even if components are light, use such equip-
ment when there is a risk of slipping or losing your balance.
BE AWARE that certain automatic start arrangements CAN ENGAGE THE
STARTER. Open the disconnect
ahead of
the starter in addition to shutting off
the machine or pump.
USE only repair or replacement parts that meet the code requirements of the
original equipment.
DO NOT VENT OR DRAIN waterboxes containing industrial brines, liquid, gases,
or semisolids without permission of your process control group.
DO NOT LOOSEN waterbox cover bolts until the waterbox has been completely
drained.
DOUBLE-CHECK that coupling nut wrenches, dial indicators, or other items have
been removed before rotating any shafts.
DO NOT LOOSEN a packing gland nut before checking that the nut has a positive
thread engagement.

Contents
General
PIC System Components
Processor Module (PSIO)
Starter Management Module (SMM)
Local Interface Device (LID)
6-Pack Relay Board
8-Input Modules
Oil Heater Contactor (1C)
Oil Pump Contactor (2C)
Hot Gas Bypass Contactor Relay (3C) (Optional)
Control Transformers (T1-T4)
Control and Oil Heater Voltage Selector (S1)
Oil Differential Pressure/Power Supply Module

Contents
LID Operation and Menus
General
Alarms and Alerts
LID Default Screen Menu Items
Menu Structure
To View or Change Point Status
Override Operations
To View or Change Time Schedule Operation
To View and Change Set Points
Service Operation
PIC System Functions
Capacity Control
Entering Chilled Water Control
Deadband
Proportional Bands and Gain

Contents
Demand Limiting
Machine Timers
Occupancy Schedule
Safety Controls
Shunt Trip
Default Screen Freeze
Motor Cooling Control (Hermetic Motors Only)
Auxiliary Oil Pump Control (Open-Drive Machines Only)
Shaft Seal Oil (Open Drive Machines Only)
Ramp Loading Control
Capacity Override
High Discharge Temperature Control
Oil Sump Temperature Control
Oil Cooler
Remote Start/Stop Controls

Contents
Spare Safety Inputs
Spare Alarm Contacts
Condenser Pump Control
Condenser Freeze Prevention
Tower-Fan Relay
Auto. Restart After Power Failure
Water/Brine Reset
Demand Limit Control, Option (Requires Optional 8-Input Module)
Surge Prevention Algorithm
Surge Protection
Lead/Lag Control
Common Point Sensor Installation
Machine Communication Wiring
Lead/Lag Operation
Faulted Chiller Operation

Contents
Load Balancing
Auto. Restart After Power Failure
Ice Build Control
Ice Build Initiation
Start-Up/Recycle Operation
Temperature Control During Ice Build
Termination of Ice Build
Return to Non-Ice Build Operations
Attach to Network Device Control
Attaching to Other CCN Modules
Service Operation
To Log On
To Log Off
Holiday Scheduling

Contents
Start-Up/Shutdown/Recycle Sequence
Local Start-Up
Shutdown Sequence
Automatic Soft Stop Amps Threshold
Chilled Water Recycle Mode
Safety Shutdown
Before Initial Start-Up
Job Data Required
Equipment Required
Using the Utility Vessel and Pumpout System
Remove Shipping Packaging
Open-Drive Motor Electrical Connection
Open-Drive Motor Auxiliary Devices
Open Oil Circuit Valves

Contents
Torque All Gasketed Joints
Check Machine Tightness
Refrigerant Tracer
Leak Test Machine
Standing Vacuum Test
Machine Dehydration
Inspect Water Piping
Check Optional Pumpout Compressor Water Piping
Check Relief Devices
Inspect Wiring
Check Insulation Resistance (Hermetic Motor)
Check Insulation Resistance (Open-Drive Motor)
Open-Drive Motor Pre-Start Checks
Carrier Comfort Network Interface

Contents
Check Starter
Mechanical-Type Starters
Solid-State Starters
Oil Charge
Power Up the Controls and Check the Oil Heater
Software Version
Set Up Machine Control Configuration
Input the Design Set Points
Input the Local Occupied Schedule (OCCPC01S)
Input Service Configurations
Password
Input Time and Date
Change LID Configuration If Necessary
Modify Controller Identification If Necessary
Input Equipment Service Parameters If Necessary

Contents
Modify Equipment Configuration If Necessary
Check Voltage Supply
Perform an Automated Control Test
Check Pumpout System Controls and Optional Pumpout Compressor
High Altitude Locations
Charge Refrigerant into Machine
Trimming Refrigerant Charge
Initial Start-Up
Preparation
Manual Operation of the Guide Vanes
Dry Run to Test Start-Up Sequence
Check Rotation (Open-Drive Motor)
Check Rotation (Hermetic Motor)
If Rotation Is Proper
If the Motor Rotation Is Not Clockwise

Contents
Check Oil Pressure and Compressor Stop
Calibrate Motor Current Demand Setting
To Prevent Accidental Start-Up
Hot Alignment Check for Open-Drive Machines
Doweling for Open-Drive Machines
Check Machine Operating Condition
Instruct the Customer Operator
Cooler-Condenser
Utility Vessel
Pumpout System
Motor Compressor Assembly
Motor Compressor Lubrication System
Control System
Auxiliary Equipment
Describe Machine Cycles

Contents
Review Maintenance
Safety Devices and Procedures
Check Operator Knowledge
Review the Start-Up, Operation, and Maintenance Manual
Operating Instructions
Operator Duties
Prepare the Machine for Start-Up
To Start the Machine
Check the Running System
To Stop the Machine
After Limited Shutdown
Extended Shutdown
After Extended Shutdown
Cold Weather Operation
Manual Guide Vane Operation
Refrigeration Log

Contents
Pumpout and Refrigerant Transfer Procedures
Preparation
Operating the Optional Pumpout Compressor
To Read Refrigerant Pressures
Transferring Refrigerant from Normal Operation into the Utility Vessel
Transferring Refrigerant from Normal Operation into the
Cooler/Condenser/Compressor Section
Return Refrigerant to Normal Operating Conditions
General Maintenance
Refrigerant Properties
Adding Refrigerant
Removing Refrigerant
Adjusting the Refrigerant Charge
Refrigerant Leak Testing
Leak Rate

Contents
Test After Service, Repair, or Major Leak
Refrigerant Tracer
To Pressurize with Dry Nitrogen
Repair the Leak, Retest, and Apply Standing Vacuum Test
Checking Guide Vane Linkage
Contact Seal Maintenance (Open-Drive Machines)
Seal Disassembly
Seal Reassembly
Machine Alignment (Open-Drive Machines)
Alignment Methods
Preliminary Alignment
Near Final Alignment
Final Alignment
Hot Alignment Check
Doweling

Contents
Inspect Refrigerant Float System
Inspect Relief Valves and Piping
Coupling Maintenance (Open-Drive Machines)
Procedure
Motor Maintenance (Open-Drive Machines)
Cleanliness
Sleeve Bearings
Open-Drive Motor Handling/Rigging
Open-Drive Motor Storage
Compressor Bearing and Gear Maintenance
Inspect the Heat Exchanger Tubes
Cooler
Condenser
Water Leaks
Water Treatment

Contents
Inspect the Starting Equipment
Check Pressure Transducers
Pumpout System Maintenance
Optional Pumpout Compressor Oil Charge
Pumpout Safety Control Settings
Ordering Replacement Chiller Parts
Open-Drive Motor Renewal Parts
Troubleshooting Guide
Overview
Checking the Display Messages
Checking Temperature Sensors
Resistance Check
Voltage Drop
Check Sensor Accuracy
Dual Temperature Sensors

Contents
List of Tables
Table 1 — Major PIC Components and Panel Locations
Table 2 — LID Screens
Example 1 — Status01 Display Screen
Example 2 — Status02 Display Screen
Example 3 — Status03 Display Screen
Example 4 — Setpoint Display Screen
Example 5 — Configuration (Config) Display Screen
Example 6 — Lead/Lag Configuration Display Screen
Example 7 — Service1 Display Screen
Example 8 — Service2 Display Screen
Example 9 — Service3 Display Screen
Example 10 — Maintenance (Maint01) Display Screen
Example 11 — Maintenance (Maint02) Display Screen
Example 12 — Maintenance (Maint03) Display Screen
Example 13 — Maintenance (Maint04) Display Screen

Contents
Table 3 — Protective Safety Limits and Control Settings
Table 4 — Capacity Overrides
Table 5A — HFC-134a Pressure — Temperature (F)
Table 5B — HFC-134a Pressure — Temperature (C)
Table 6 — Recommended Torque
Table 7 — Control Test Menu Functions
Table 8 — LID Primary and Secondary Messages and Custom Alarm/
Alert Messages with Troubleshooting Guides
A. Shutdown with ON/OFF/RESET-OFF
B. Timing Out or Timed Out
C. In Recycle Shutdown
D. Pre-Start Alerts
E. Normal or AUTO.-RESTART
F. Start-Up Failures
G. Compressor Jumpstart and Refrigerant Protection

Contents
Table 8 — LID Primary and Secondary Messages and Custom Alarm/
Alert Messages with Troubleshooting Guides (Continued)
H. Normal Run with Reset, Temperature, Or Demand
I. Normal Run Overrides Active (Alerts)
J. Out-of-Range Sensor Failures
K. Machine Protect Limit Faults
L. Machine Alerts
M. Spare Sensor Alert Messages
N. Other Problems/Malfunctions
Table 9A — Thermistor Temperature (F) vs Resistance/Voltage Drop
Table 9B — Thermistor Temperature (C) vs Resistance/Voltage Drop
Table 10 — 17/19EX Heat Exchanger, Economizer/Storage Vessel,
Piping, and Pumpout Unit Weights
Table 11 — Additional Condenser Weights
Table 12 — Compressor/Motor/Suction Elbow Weights
Table 13 — Additional Cooler Weights

Contents
List of Figures
Figure 1 — 17/19EX Identification
Figure 2 — Typical 17EX Installation
Figure 3 — Typical 19EX Installation
Figure 4 — Refrigerant, Motor Cooling, and Oil Cooling Cycles
Figure 5 — Hermetic Compressor Lubrication System (EX Compres-
sor Shown)
Figure 6 — Open-Drive (17 Series) Lubrication Cycle
Figure 7 — 17EX Controls and Sensor Locations
Figure 8 — 19EX Controls and Sensor Locations
Figure 9 — Control Center (Front View); Shown with Options Module
Figure 10 — Control Sensors (Temperature)
Figure 11 — Control Sensors (Pressure Transducer, Typical)
Figure 12 — Power Panel without Options (Open-Drive Machine
Shown)

Contents
Figure 13 — Power Panel with Options (Hermetic Machine Shown)
Figure 14 — LID Default Screen
Figure 15 — LID Service Screen
Figure 16 — 17/19EX Menu Structure
Figure 17 — 17/19EX Service Menu Structure
Figure 18 — Example of Point Status Screen (Status01)
Figure 19 — Example of Time Schedule Operation Screen
Figure 20 — Example of Set Point Screen
Figure 21 — 17/19EX Hot Gas Bypass/Surge Prevention
Figure 22 — 17/19EX with Default Metric Settings
Figure 23 — Example of Attach to Network Device Screen
Figure 24 — Example of Holiday Period Screen
Figure 25 — Control Sequence
Figure 26 — Typical Wet-Bulb Type Vacuum Indicator

Contents
Figure 27 — Shipping Bolt on Open Drive Motor
Figure 28 — 17/19EX Leak Test Procedures
Figure 29 — Dehydration Cold Trap
Figure 30 — Correct Motor Rotation
Figure 31 — Refrigeration Log
Figure 32 — Pumpout Arrangement and Valve Number Locations
(12-ft Vessel Shown)
Figure 33 — Pumpout Unit Wiring Schematic (19EX Shown)
Figure 34 — Optional Pumpout Compressor
Figure 35 — Electronic Vane Actuator Linkage
Figure 36 — Compressor Contact Seal (Open-Drive Machines)
Figure 37 — Checking Preliminary Alignment
Figure 38 — Measuring Angular Misalignment in Elevation
Figure 39 — Measuring Angular Misalignment on Brackets
Figure 40 — Alignment Formula

Contents
Figure 41 — Adjusting Angular Misalignment in Plan
Figure 42 — Correcting Parallel Misalignment
Figure 43 — Alignment Check — Assembled Coupling
Figure 44 — Removing the Oil Filter
Figure 45 — Typical Float Valve Arrangement
Figure 46 — Lifting Open-Drive Motor
Figure 47 — Controls for Optional Pumpout Compressor
Figure 48 — Oil Differential Pressure/Power Supply Module
Figure 49 — PSIO Module LED Locations
Figure 50 — LID Module (Rear View) and LED Locations
Figure 51 — Processor (PSIO) Module
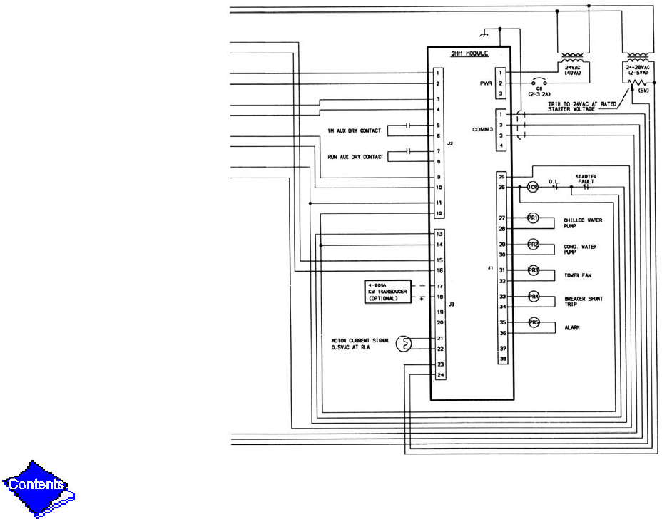
Figure 52 — Starter Management Module (SMM)
Figure 53 — Options Module
Figure 54 — Model Number Nomenclature for Compressor Size
(See Figure 1 also)

Contents
Figure 55 — Open-Drive Compressor Fits and Clearances
Figure 56 — Hermetic Compressor Fits and Clearances
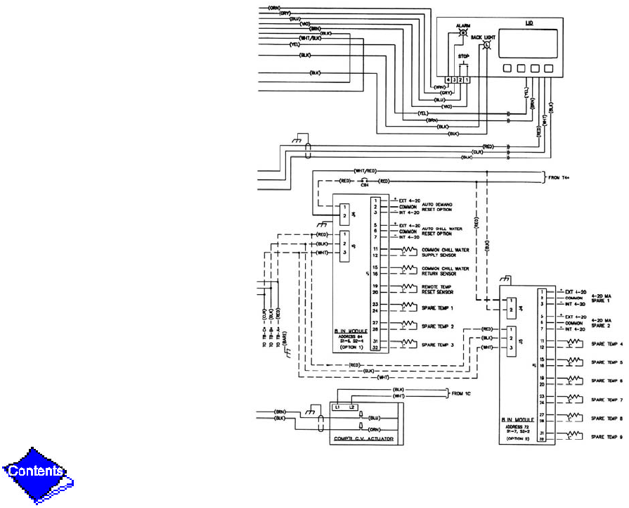
Figure 57 — Electronic PIC Controls Wiring Schematic —
Hermetic Machine
Figure 58 — Electronic PIC Controls Wiring Schematic —
Open-Drive Machine
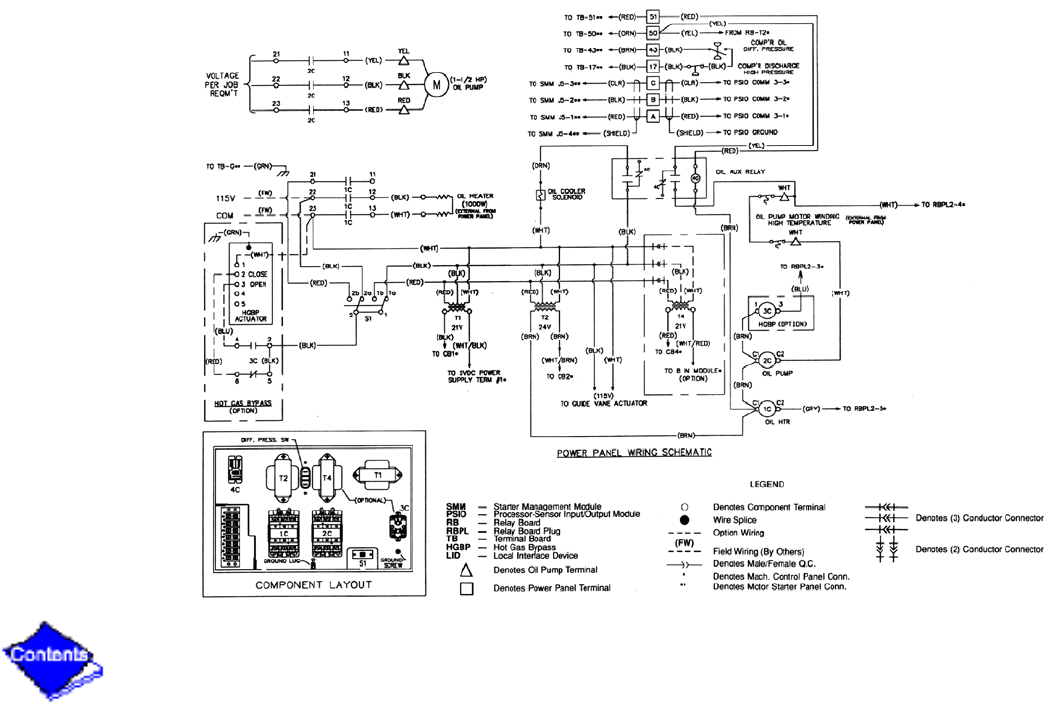
Figure 59 — Machine Power Panel, Starter Assembly,
and Motor Wiring Schematic
Figure 60 — Hermetic Drive — Power Panel with Water-Cooled Oil
Cooler
Figure 61 — Hermetic Drive — Power Panel with Motor
Cooling Solenoid
Figure 62 — Open Drive — Power Panel

Introduction
Prior to initial start-up of the 17/19EX unit, those involved in the start-up, operation, and
maintenance should be thoroughly familiar with these instructions and other necessary job data.
This book is outlined so that you may become familiar with the control system before performing
start-up procedures. Procedures in this manual are arranged in the sequence required for
proper machine start-up and operation.
This unit uses a microprocessor control system. Do not short or jumper between
terminations on circuit boards or modules; control or board failure may result.
Be aware of electrostatic discharge (static electricity) when handling or making
contact with circuit boards or module connections. Always touch a chassis
(grounded) part to dissipate body electrostatic charge before working inside con-
trol center.
Use extreme care when handling tools near boards and when connecting or dis-
connecting terminal plugs. Circuit boards can easily be damaged. Always hold
boards by the edges and avoid touching components and connections.
WARNING !WARNING

This equipment uses, and can radiate, radio frequency energy. If not installed and
used in accordance with the instruction manual, it may cause interference to
radio communications. It has been tested and found to comply with the limits for
a Class A computing device pursuant to Subpart J of Part 15 of FCC Rules, which
are designed to provide reasonable protection against such interference when
operated in a commercial environment. Operation of this equipment in a residen-
tial area is likely to cause interference, in which case the user, at his own
expense, will be required to take whatever measures may be required to correct
the interference.
Always store and transport replacement or defective boards in anti-static ship-
ping bag.
WARNING !WARNING

Abbreviations
Frequently used abbreviations in this manual include:
CCN — Carrier Comfort Network LCDW — Leaving Condenser Water
CCW — Counterclockwise LCW — Leaving Chilled Water
CHW — Chilled Water LED — Light-Emitting Diode
CHWR — Chilled Water Return LID — Local Interface Device
CHWS — Chilled Water Supply OLTA — Overload Trip Amps
CW — Clockwise PIC — Product Integrated Control
ECW — Entering Chilled Water PSIO — Processor Sensor Input/Output Module
ECDW — Entering Condenser Water RLA — Rated Load Amps
EMS — Energy Management System SCR — Silicon Control Rectifier
HGBP — Hot Gas Bypass SMM — Starter Management Module
I/O — Input/Output TXV — Thermostatic Expansion Valve
LCD — Liquid Crystal Display

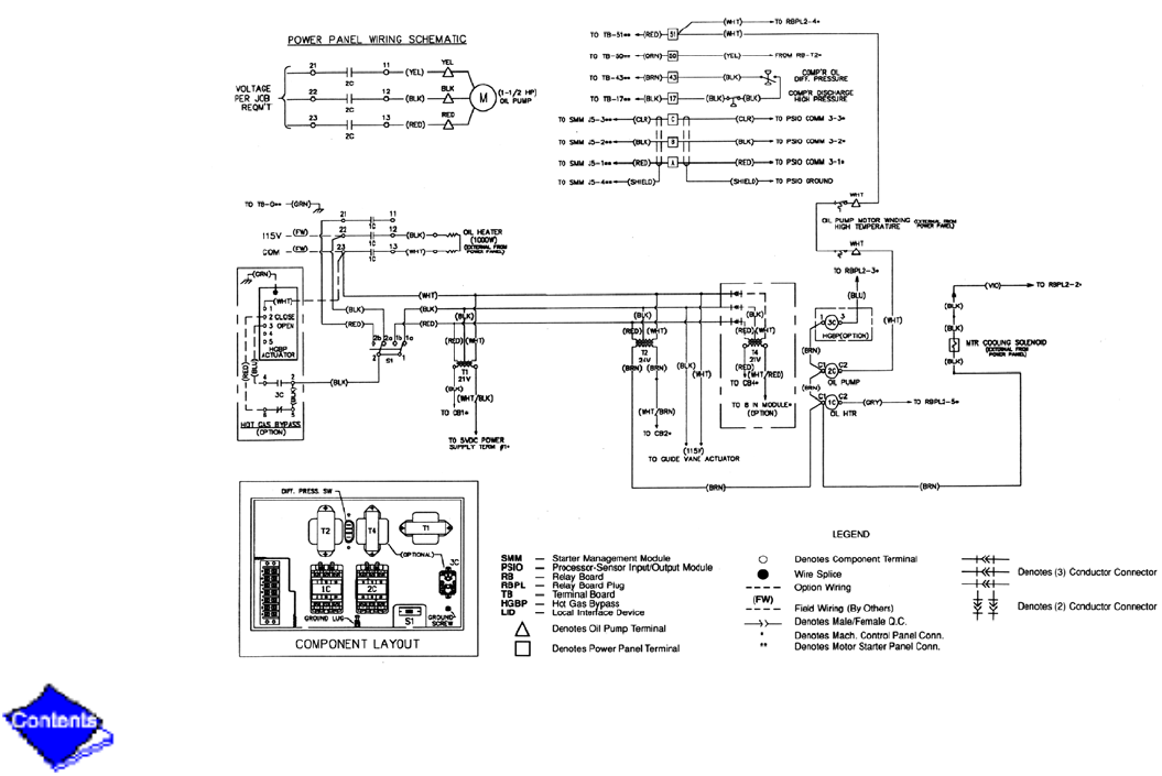
17/19EX Machine Familiarization (Figure 1, Figure 2, and Figure 3)
Machine Identification Label
The identification label is located on the right side of the machine control center panel. The
label contains information on model number, refrigerant charge, rated voltage, etc.
System Components
The components include the cooler and condenser heat exchangers in separate vessels,
motor-compressor, lubrication package, control center, utility vessel, and motor starter. All
connections from pressure vessels have external threads to enable each component to be
pressure tested with a threaded pipe cap during factory assembly.
Click here for Figure 1 — 17/19EX Identification
Click here for Figure 2 — Typical 17EX Installation
Click here for Figure 3 — Typical 19EX Installation

Cooler
This vessel (also known as the evaporator) is located underneath the condenser, next to the
utility vessel. The cooler is maintained at lower temperature/pressure so that evaporating
refrigerant can remove heat from water flowing through its internal tubes.
Condenser
The condenser operates at a higher temperature/pressure than the cooler, and has water
flowing through its internal tubes in order to remove heat from the refrigerant.
Motor-Compressor
This component maintains system temperature/pressure differences and moves the heat
carrying refrigerant from the cooler to the condenser.
Control Center
The control center is the user interface for controlling the machine and regulates the machine
capacity as required to maintain proper leaving chilled water temperature. The control center:
• registers cooler, condenser, and lubricating system pressures
• shows machine operating condition and alarm shutdown conditions
• records the total machine operating hours and how many hours the machine has
been running
• sequences machine start, stop, and recycle under microprocessor control
• provides access to other CCN (Carrier Comfort Network) devices

Motor Starter (Purchased Separately)
The starter allows for the proper starting and disconnecting of the electrical energy for the
compressor-motor, oil pump, oil heater, and control panels.
Utility Vessel
During normal operation, this vessel functions as an economizer, returning flash gas to the
second stage of the compressor and increasing the efficiency of the refrigeration cycle. During
periods of shutdown and service, the utility vessel can serve as a storage tank for the
refrigerant.
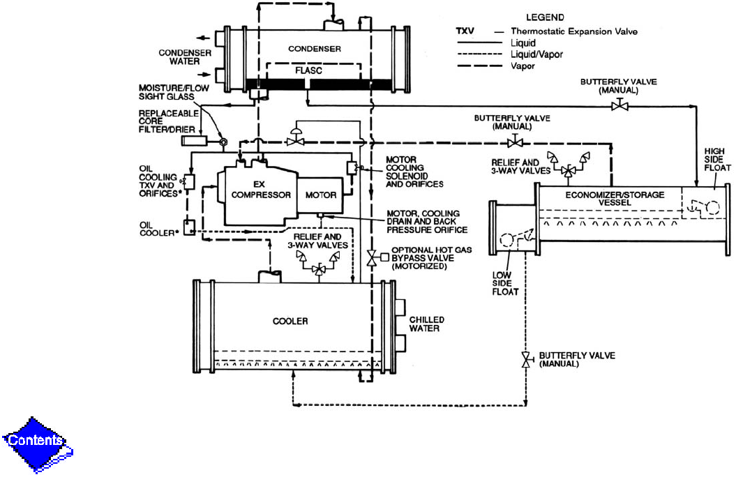
Refrigeration Cycle (Figure 4)
The machine compressor continuously draws large quantities of refrigerant vapor from the
cooler, at a rate determined by the amount of guide vane opening. This compressor suction
reduces the pressure within the cooler, allowing the liquid refrigerant to boil vigorously at a fairly
low temperature (typically 38 to 42 F [3 to 6 C]).
The liquid refrigerant obtains the energy needed to vaporize by removing heat from the water
or brine in the cooler tubes. The cold water or brine can then be used in air conditioning and/or
other processes.
After removing heat from the water or brine, the refrigerant vapor enters the first stage of the
compressor, is compressed and flows into the compressor second stage. Here it is mixed with
flash-economizer gas and is further compressed.

Compression raises the refrigerant temperature above that of the water flowing through the
condenser tubes. When the warm (typically 98 to 102 F [37 to 40 C]) refrigerant vapor comes
into contact with the condenser tubes, the relatively cool condensing water (typically 85 to 95 F
[29 to 35 C]) removes some of the heat and the vapor condenses into a liquid.
The liquid refrigerant passes through an orifice into the FLASC chamber. Because the
coolest condenser water is flowing through the FLASC, it is at a lower pressure and part of the
entering liquid refrigerant will flash to vapor, thereby cooling the remaining liquid. The vapor is
then recondensed by the condenser water flowing through the FLASC chamber.
The subcooled liquid refrigerant drains into a high-side valve chamber which meters the
refrigerant liquid into a flash economizer chamber. Pressure in this chamber is intermediate
between condenser and cooler pressures. At this lower pressure, some of the liquid refrigerant
flashes to gas, further cooling the remaining liquid. The flash gas, having absorbed heat, is
returned directly to the compressor second stage. Here it is mixed with discharge gas that is
already compressed by the first-stage impeller. Since the flash gas has to pass through only
half the compression cycle, to reach condenser pressure, there is a savings in power.
The cooled liquid refrigerant in the economizer is metered through the low-side valve
chamber into the cooler. Because pressure in the cooler is lower than economizer pressure,
some of the liquid flashes and cools the remainder to evaporator (cooler) temperature. The
cycle is now complete.

Motor/Oil Refrigeration Cooling Cycle
The motor is cooled by liquid refrigerant taken from the bottom of the condenser vessel
(Figure 4). Flow of refrigerant is maintained by the pressure differential that exists due to
compressor operation. After the refrigerant flows past an isolation valve, an in-line filter, and a
sight glass/moisture indicator, the flow is split between motor cooling and oil cooling systems.
Flow to the motor flows through an orifice and into the motor. On models with a solenoid
valve, the valve will open if additional motor cooling is required. Once past the orifice, the
refrigerant is directed over the motor by a spray nozzle.
The refrigerant collects in the bottom of the motor casing and then is drained back into the
cooler through the motor refrigerant drain line. An orifice in this line maintains a higher pressure
in the motor shell than in the cooler/oil sump. The motor is protected by a temperature sensor
imbedded in the stator windings. On models with a solenoid valve, higher motor temperatures
(above 125 F [51 C]) energize the solenoid to provide additional motor cooling. On all models, a
further increase in temperature past the motor override set point will override the temperature
capacity control to hold, and if the motor temperature rises 10° F (5.5° C) above this set point,
will close the inlet guide vanes. If the temperature rises above the safety limit, the compressor
will shut down.
On machines with EX compressors, the oil is also cooled by liquid refrigerant. Refrigerant
that flows to the oil cooling system is regulated by a thermostatic expansion valve. There is

always a minimum flow bypassing the TXV, which flows through an orifice. The TXV valve
regulates flow into the oil/refrigerant plate and frame-type heat exchanger. The bulb for the
expansion valve controls oil temperature to the bearings. The refrigerant leaving the heat
exchanger then returns to the cooler.
On machines with FA compressors, the oil is water cooled. Water flow through the oil cooler
is manually adjusted by a plug valve to maintain an operating temperature at the reservoir of
approximately 145 F (63 C).
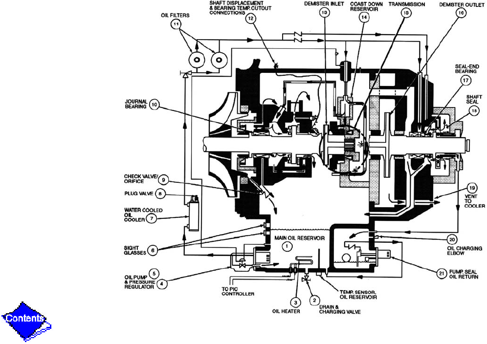
Hermetic Machines (19 Series) Lubrication Cycle
Summary
The compressor oil pump and oil reservoir are located in the compressor base. Oil is pumped
through an oil cooler and a filter to remove heat and any foreign particles. Part of the oil flow is
directed to the compressor motor-end bearings and seal. The remaining flow lubricates the
compressor transmission, thrust and journal bearings and seal. Oil is then returned to the
reservoir to complete the cycle (Figure 5).
Click here for Figure 4 — Refrigerant, Motor Cooling, and Oil Cooling Cycles

Details
Oil is charged into the reservoir (Item 1) through a hand valve (Item 4) which also functions
as an oil drain. If there is refrigerant in the machine, a pump is required for charging. Sight
glasses (Item 10) on the reservoir wall permit observation of the oil level. The normal operating
oil level is from the middle of the lower sight glass to the top of the lower sight glass.
The motor-driven oil pump (Item 8) discharges oil to an oil cooler (Item 12) at a rate and
pressure controlled by an oil regulator (Item 7). The differential pressure (supply versus return)
is registered at the control center. Oil differential pressure is maintained between 18 to 30 psi
(124 to 207 kPa).
The oil pump discharges oil to the oil cooler (Item 12). Oil is then piped to the oil filter
assembly (Item 9). This filter is capable of being valved closed to permit removal of the filter
without draining the entire oil system (see Scheduled Maintenance, Changing Oil Filter section
for details). The oil is then piped to the oil cooler (Item 12).
The oil cooler on the EX compressor is a plate-and-frame type, refrigerant cooled, heat
exchanger. The EX compressor oil cooler heat exchanger uses refrigerant from the condenser
as a coolant. The refrigerant cools the oil to a temperature between 110 and 120 F (43 and
49 C) supply oil temperature to the bearings.
The FA compressor oil cooler heat exchanger is water cooled. The water flow through the
cooler is manually controlled by a plug valve. The valve should be adjusted to maintain
approximately 145 F (63 C) in the oil sump during running conditions.

As the oil leaves the oil cooler, it passes the oil pressure transducer (Item 14) and then the
thermostatic expansion valve bulb (Item 13). The oil flow is then divided, and a portion flows to
the motor-end bearing (Item 19) and seal. The remainder lubricates the compressor
transmission (Item 2) and the thrust and journal bearings (Item 3). Thrust bearing temperature
is indicated at the Local Interface Device (LID). Oil from each circuit returns by gravity to the
reservoir.
A demister (Items 17 and 18), by centrifugal action, draws refrigerant gas from the
transmission area to the motor shell. The resulting pressure difference prevents oil in the trans-
mission cavity from leaking into the motor shell.
Several safety features are part of the lubrication system:
In the event of power failure, a small oil reservoir (Item 16) supplies sufficient oil reserve to
ensure continued lubrication until all compressor parts have come to a complete stop. The
bearing temperature sensor (Item 15) monitors thrust bearing temperatures and shuts off the
machine if the temperature rises above a selected point. Low-oil pressure will shut down the
machine or prevent a start if oil pressure is not adequate.
The PIC (Product Integrated Control) measures the temperature of the oil in the sump and
maintains the temperature during shutdown (see Controls, Oil Sump Temperature Control
section). This temperature is read on the LID default screen.

During the machine start-up, the PIC will energize the oil pump and provide 15 seconds of
prelubrication to the bearings after the oil pressure is verified and before the controls start the
compressor. During shutdown, the oil pump will run for 60 seconds after the compressor
actually shuts down for the purpose of post-lubrication. The oil pump can also be energized for
testing purposes in controls test.
Ramp loading can slow the rate of guide vane opening to minimize oil foaming at start-up. If
the guide vanes open quickly, the sudden drop in suction pressure can cause any refrigerant in
the oil to flash. The resulting oil foam cannot be pumped efficiently; oil pressure falls off, and
lubrication is poor. If oil pressure falls below 15 psi (90 kPa) differential, the PIC will shut down
the compressor.
Oil reclaim is accomplished by returning the system oil through the check valve/orifice (Item
11). As oil builds up behind the second stage impeller, it is drained by the check valve/orifice
back into the oil reservoir. An oil/refrigerant mixture is drawn up from the operating level of the
cooler into the guide vane housing. This assists the oil return system at low load operating
conditions.
Click here for Figure 5 — Hermetic Compressor Lubrication System
(EX Compressor Shown)

Open-Drive Machines (17 Series) Lubrication Cycle
Summary
The main oil pump and oil reservoir are contained in the compressor base. Oil is pumped
through an oil cooler and a filter to remove heat and any foreign particles. A portion of the oil is
then directed to shaft-end bearing and the shaft seal. The balance of the oil lubricates the
compressor transmission and the thrust and journal bearings. The bearing and transmission oil
returns directly to the reservoir to complete the cycle. Contact-seal oil leakage, however, is
collected in an atmospheric float chamber to be pumped back to the main reservoir as the oil
accumulates.
Details (See Figure 6)
Oil may be charged into the reservoir (1) through a hand valve (2) which also functions as an
oil drain. If there is refrigerant in the machine, however, a hand pump will be required for
charging at this connection.
An oil-charging elbow (Item 20) on the seal-oil return chamber allows oil to be added without
pumping. The seal-oil return pump (Item 21) automatically transfers the oil to the main reservoir.
Sight glasses (Item 6) on the reservoir wall permit observation of the oil level.
A motor-driven oil pump (Item 5) discharges oil to an oil cooler (Item 7) at a rate and pressure
controlled by an oil regulator (Item 4). The differential oil pressure (bearing supply versus oil
reservoir) is registered on the control panel.

Water flow through the oil cooler is manually adjusted by a plug valve (Item 9) to maintain the
oil at an operating temperature of approximately 145 F (63 C). During shutdown, the oil
temperature is also maintained at 150 to 160 F (65 to 71 C) by an immersion heater (Item 3) in
order to minimize absorption of refrigerant by the oil.
Upon leaving the oil cooler, the oil is filtered (11) and a portion is directed to the seal-end
bearing (17) and the shaft seal (18). The remainder lubricates the compressor transmission (15)
and the thrust and journal bearings (10). Thrust bearing temperature is indicated by the PIC
controls. Oil from both circuits returns by gravity to the reservoir.
A demister (13 and 16), by centrifugal action, draws refrigerant gas from the transmission
area to a housing that is vented to the cooler (Item 19). The resulting pressure difference
prevents oil from the transmission cavity from leaking into the seal.
The open compressor drive requires that the shaft seal (18) be kept full of lubrication oil,
even when the machine is not operating, to prevent loss of refrigerant.
If the machine is not operating and the oil pump has not operated during the last 12 hours,
the control system will automatically run the oil pump for one minute in order to keep the contact
seal filled with oil.
IMPORTANT: If the control power is to be deenergized for more than one day, the
machine refrigerant should be pumped over to the utility vessel.

Starters
All starters, whether supplied by Carrier or the customer, must meet Carrier Starter
Specification Z-375. This specification can be obtained from the Carrier Sales Representative.
The purpose of this specification is to ensure the compatibility of the starter and the machine.
Many styles of compatible starters are available, including solid-state starters, autotransformer,
wye-delta closed transition starters, and full voltage starters.
Controls
Definitions
Analog Signal
An analog signal
varies in proportion to the monitored source. It quantifies values between
operating limits. (Example: A temperature sensor is an analog device because its resistance
changes in proportion to the temperature, generating many values.)
Digital Signal
A digital (discrete) signal
is a 2-position representation of the value of a monitored source.
(Example: A switch is a digital device because it only indicates whether a value is above or
below a set point or boundary by generating an on/off, high/low, or open/closed signal.)

Volatile Memory
Volatile memory
is memory incapable of being sustained if power is lost and subsequently
restored.
General
The 17/19EX hermetic centrifugal liquid chiller contains a microprocessor-based control
center that monitors and controls all operations of the machine. The microprocessor control
system matches the cooling capacity of the machine to the cooling load while providing state-of-
the-art machine protection. The system controls cooling load within the set point plus the
deadband by sensing the leaving chilled water or brine temperature, and regulating the inlet
guide vane via a mechanically linked actuator motor. The guide vane is a variable flow prewhirl
assembly that controls the refrigeration effect in the cooler by regulating the amount of
refrigerant vapor flow into the compressor. An increase in guide vane opening increases
capacity. A decrease in guide vane opening decreases capacity. Machine protection is provided
by the processor which monitors the digital and analog inputs and executes capacity overrides
or safety shutdowns, if required.
CAUTION CAUTION
!
The memory of the PSIO and LID modules are volatile. If the battery in a module
is removed or damaged, all programming will be lost.

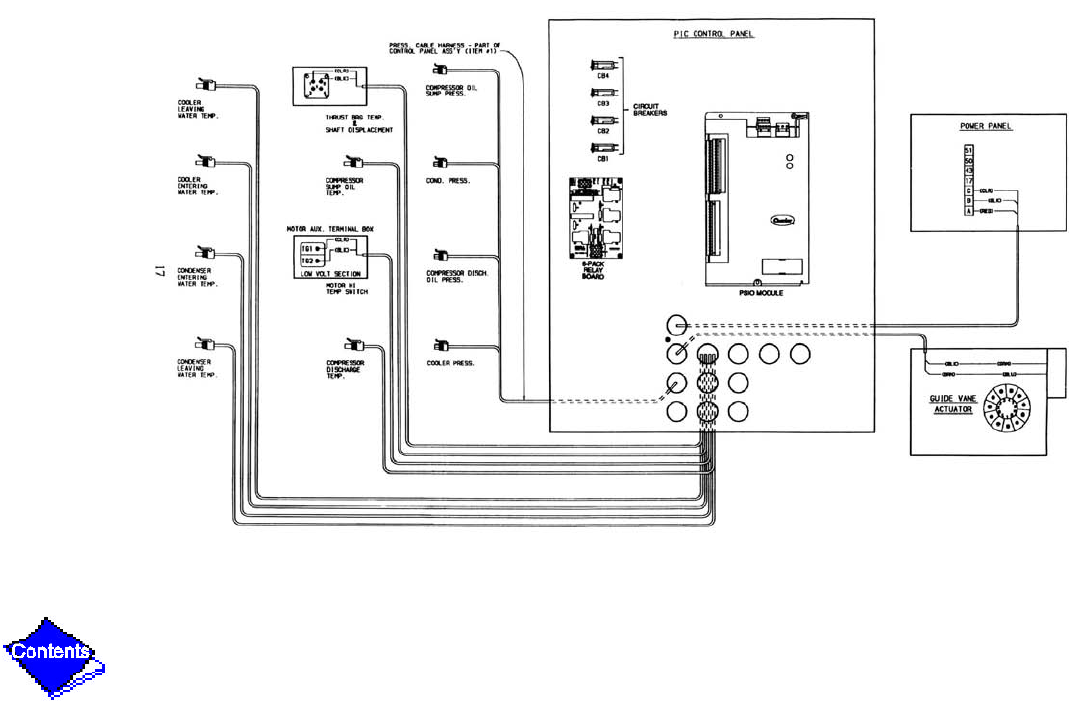
PIC System Components
The Product Integrated Control (PIC) is the control system on the machine. See Table 1. The
PIC controls the operation of the machine by monitoring all operating conditions. The PIC can
diagnose a problem and let the operator know what the problem is and what to check. It
promptly positions the guide vanes to maintain leaving chilled water temperature. It can
interface with auxiliary equipment such as pumps and cooling tower fans to turn them on only
when required. It continually checks all safeties to prevent any unsafe operating condition. It
also regulates the oil heater while the compressor is off, and the hot gas bypass valve, if
installed.
The PIC can be interfaced with the Carrier Comfort Network (CCN) if desired. It can
communicate with other PIC-equipped chillers and other CCN devices.
Click here for Figure 6 — Open-Drive (17 Series) Lubrication Cycle

The PIC consists of 3 modules housed inside the 3 major components. The component
names and the control voltage contained in each component are listed below (also see
Table 1):
• control center
– all extra low-voltage wiring (24 v or less)
• power panel
– 115 v control voltage
– up to 600 v for oil pump power
• starter cabinet
– machine power wiring (per job requirement)
Processor Module (PSIO)
This module contains all of the operating software needed to control the machine. The open-
drive machines use a different software package within the PSIO than the hermetic machines.
There are also control hardware differences between the two types of machines. The 19EX
uses 3 pressure transducers and 8 thermistors to sense pressures and temperatures. The
17EX uses 4 pressure transducers and 7 thermistors to sense pressures and temperatures.
Click here for Table 1 — Major PIC Components and Panel Locations

These inputs are connected to the PSIO module. The PSIO also provides outputs to the:
guide vane actuator; oil pump; oil heater; hot gas bypass (optional); motor cooling solenoid; and
alarm contact. The PSIO communicates with the LID, the SMM, and the optional 8-input
modules for user interface and starter management.
Starter Management Module (SMM)
This module is located within the starter cabinet. This module initiates PSIO commands for
starter functions such as start/stop of the compressor, start/stop of the condenser and chilled
water pumps, start/stop of the tower fan, spare alarm contacts, and the shunt trip. The SMM
monitors starter inputs such as flow switches, line voltage, remote start contact, spare safety,
condenser high pressure, oil pump interlock, motor current signal, starter 1M and run contacts,
and kW transducer input (optional). The SMM contains logic capable of safely shutting down the
machine if communication with the PSIO is lost.
Local Interface Device (LID)
The LID is mounted to the control center and allows the operator to interface with the PSIO
or other CCN devices. It is the input center for all local machine set points, schedules, set-up
functions, and options. The LID has a STOP button, an alarm light, 4 buttons for logic inputs,
and a display. The function of the 4 buttons or ‘‘softkeys’’ are menu driven and are shown on the
display directly above the key.

6-Pack Relay Board
This device is a cluster of 6 pilot relays located in the control center. It is energized by the
PSIO for the oil pump, oil heater, alarm, optional hot gas bypass relay, and motor cooling
solenoid (19EX machines) on auxiliary oil pump (17EX machines).
8-Input Modules
One optional module is factory installed in the control center panel when ordered. There can
be up to 2 of these modules per chiller with 8 spare inputs each. They are used whenever
chilled water reset, demand reset, or reading a spare sensor is required. The sensors or 4 to
20 mA signals are field-installed.
The spare temperature sensors must have the same temperature/resistance curve as the
other temperature sensors on this unit. These sensors are rated 5,000 ohm at 75 F (25 C).
Oil Heater Contactor (1C)
This contactor is located in the power panel and operates the heater at 115 v. It is controlled
by the PIC to maintain oil temperature during machine shutdown.
Oil Pump Contactor (2C)
This contactor is located in the power panel. It operates all 200 to 575-v oil pumps. The PIC
energizes the contactor to turn on the oil pump as necessary.

Hot Gas Bypass Contactor Relay (3C) (Optional)
This relay, located in the power panel, controls the opening of the hot gas bypass valve. The
PIC energizes the relay during low load, high lift conditions.
Oil Auxiliary Relay (4C)
This relay, supplied only with open-drive machines, opens the oil cooler solenoid valve and
interlocks the oil pump with the compressor.
Control Transformers (T1-T4)
These transformers are located in the power panel and convert incoming control voltage to
either 21 vac power for the PSIO module and options modules, or 24 vac power for 3 power
panel contactor relays and a control solenoid valve.
Control and Oil Heater Voltage Selector (S1)
It is necessary to use 115 v incoming control power in the power panel. The switch must be
set to the 115-v position.
Oil Differential Pressure/Power Supply Module
This module, which is located in the control center, provides 5 vdc power for the transducers
and LID backlight.
On open-drive machines, this module outputs the difference between two pressure
transducer input signals. The module subtracts oil supply pressure from transmission sump

pressure and outputs the difference as an oil differential pressure signal to the PSIO. The PSIO
converts this signal to differential oil pressure. To calibrate this reading, refer to the
Troubleshooting Guide, Checking Pressure Transducers section.
Click here for Figure 7 — 17EX Controls and Sensor Locations
Click here for Figure 8 — 19EX Controls and Sensor Locations
Click here for Figure 9 — Control Center (Front View); Shown with Options Module
Click here for Figure 10 — Control Sensors (Temperature)
Click here for Figure 11 — Control Sensors (Pressure Transducer, Typical)
Click here for Figure 12 — Power Panel Without Options (Open-Drive Machine
Shown)

LID Operation and Menus (Figure 14, Figure 15, Figure 16, Figure 17, Figure 18,
Figure 19, and Figure 20)
General
• The LID display will automatically revert to the default screen after 15 minutes if no
softkey activity takes place and if the machine is not in the Pumpdown mode
(Figure 14).
• When not in the default screen, the upper right-hand corner of the LID always dis-
plays the name of the screen that you have entered (Figure 15).
• The LID may be configured in English or SI units, through the LID configuration
screen.
• Local Operation — By pressing the LOCAL softkey, the PIC is now in the LOCAL
operation mode and the control will accept modification to programming from the LID
only. The PIC will use the Local Time Schedule to determine machine start and stop
times.
• CCN Operation — By pressing the CCN softkey, the PIC is now in the CCN operation
mode, and the control will accept modifications from any CCN interface or module
(with the proper authority), as well as the LID. The PIC will use the CCN time sched-
ule to determine start and stop times.
Click here for Figure 13 — Power Panel with Options (Hermetic Machine Shown)

Alarms and Alerts
Alarm (*) and alert (!) status are indicated on the Default screen and the Status tables. An
alarm (*) will shut down the compressor. An alert (!) notifies the operator that an unusual
condition has occurred. The machine will continue to operate when an alert is shown.
Alarms are indicated when the control center alarm light (!) flashes. The primary alarm
message is viewed on the default screen and an additional, secondary, message and
troubleshooting information are sent to the Alarm History table.
Note: When an alarm is detected, the LID default screen will freeze (stop updating) at the time
of alarm. The freeze enables the operator to view the machine conditions at the time of
alarm. The Status tables will show the updated information. Once all alarms have been
cleared (by pressing the RESET softkey), the default LID screen will return to normal
operation.
Click here for Figure 14 — LID Default Screen
Click here for Figure 15 — LID Service Screen

LID Default Screen Menu Items
To perform any of the operations described below, the PIC must be powered up and have
successfully completed its self test.
The Default screen menu selection offers four options (Status, Schedule, Setpoint, and
Service). The Status menu allows for viewing and limited calibration/modification of control
points and sensors, relays and contacts, and the options board. The Schedule menu allows for
the viewing and modification of the Local Control, CCN Control, and Ice Build time schedules.
Numerous set points including Base Demand Limit, LCW, ECW, and Ice Build can be adjusted
under the Setpoint menu. The Service menu can be used to revise alarm history, control test,
control algorithm status, equipment configuration, equipment service, time and date, attach to
network, log out of device, controller identification, and LID configurations. Figure 16 and
Figure 17 provide additional information on the menu structure.
Press the MENU softkey to select from the 4 options. To view or change parameters within
any menu structure, use the SELECT softkey to choose the desired table or item. The softkey
modification choices displayed will depend on whether the selected item is a discrete point,
analog point, or an override point. At this point, press the softkey that corresponds to your
configuration selection or press the QUIT softkey. If the QUIT softkey is depressed, the
configuration will not be modified. Use the following softkeys to access and select the desired
section.

Menu Structure
To perform any of the operations described below, the PIC must be powered up and have
successfully completed its self test.
• Press MENU to select from the four available options.
• Press the softkey that corresponds to the desired menu structure.
• Press NEXT or PREVIOUS to highlight the desired entry.
CCN LOCAL RESET MENU
STATUS SCHEDULE SETPOINT SERVICE
NEXT PREVIOUS SELECT ENTER

To View or Change Point Status (Figure 18)
Point Status is the actual value of all of the temperatures, pressures, relays, and actuators
sensed and controlled by the PIC.
1. On the Menu screen, press STATUS to view the list of Point Status tables.
2. Press NEXT or PREVIOUS to highlight the desired status table. The list of tables is:
• Status01 — Status of control points and sensors
• Status02 — Status of relays and contacts
• Status03 — Status of both optional 8-input modules and sensors
STATUS SCHEDULE SETPOINT SERVICE
NEXT PREVIOUS SELECT ENTER
Click here for Figure 16 — 17/19EX Menu Structure

3. Press SELECT to view the desired Point Status table.
4. On the Point Status table press NEXT or PREVIOUS until desired point is displayed on the
screen.
For Discrete Points
— Press START or STOP, YES or NO, ON or OFF, etc. to select the
desired state.
Click here for Figure 17 — 17/19EX Service Menu Structure
NEXT PREVIOUS SELECT ENTER
NEXT PREVIOUS SELECT ENTER
START STOP RELEASE ENTER

For Analog Points
— Press INCREASE or DECREASE to select the desired value.
5. Press ENTER to register new value.
Override Operations
Note: When overriding or changing metric values, it is necessary to hold the softkey down for a
few seconds in order to see a value change, especially on kilopascal values.
INCREASE DECREASE RELEASE ENTER
INCREASE DECREASE RELEASE ENTER
Click here for Figure 18 — Example of Point Status Screen (Status01)

To Remove an Override
1. On the Point Status table press NEXT or PREVIOUS to highlight the desired point.
2. Press SELECT to access the highlighted point.
3. Press RELEASE to remove the override and return the point to the PIC’s automatic control.
NEXT PREVIOUS SELECT EXIT
NEXT PREVIOUS SELECT EXIT
INCREASE DECREASE RELEASE ENTER

Override Indication
An override value is indicated by ‘‘SUPVSR,’’ ‘‘SERVC,’’ or ‘‘BEST’’ flashing next to the point
value on the Status table.
To View or Change Time Schedule Operation (Figure 19)
1. On the Menu screen, press SCHEDULE .
2. Press NEXT or PREVIOUS to highlight one of the following schedules.
OCCPC01S — LOCAL Time Schedule
OCCPC02S — ICE BUILD Time Schedule
OCCPC03-99S — CCN Time Schedule (Actual number is defined in Config table.)
STATUS SCHEDULE SETPOINT SERVICE
NEXT PREVIOUS SELECT EXIT

6.a. Press INCREASE or DECREASE to change the time values. Override values are in one-
hour increments, up to 4 hours.
b. Press ENABLE to select days in the day-of-week fields. Press DISABLE to eliminate
days from the period.
7. Press ENTER to register the values and to move horizontally (left to right) within a period.
INCREASE DECREASE ENTER EXIT
ENABLE DISABLE ENTER EXIT
ENABLE DISABLE ENTER EXIT

8. Press EXIT to leave the period or override.
9. Either return to Step 4 to select another period or override, or press EXIT again to leave the
current time schedule screen and save the changes.
10. Holiday Designation (HOLIDEF table) may be found in the Service Operation section. You
must assign the month, day, and duration for the holiday. The Broadcast function in the
Brodefs table also must be enabled for holiday periods to function.
NEXT PREVIOUS SELECT EXIT
NEXT PREVIOUS SELECT EXIT
Click here for Figure 19 — Example of Time Schedule Operation Screen

To View and Change Set Points (Figure 20)
1. To view the Set Point table, at the Menu screen press SETPOINT.
2. There are 4 set points on this screen: Base Demand Limit; LCW Set Point (leaving chilled
water set point); ECW Set Point (entering chilled water set point); and ICE BUILD set point.
Only one of the chilled water set points can be active at one time, and the type of set point
is activated in the Service menu. ICE BUILD is also activated and configured in the Service
menu.
3. Press NEXT or PREVIOUS to highlight the desired set point entry.
STATUS SCHEDULE SETPOINT SERVICE
NEXT PREVIOUS SELECT EXIT

4. Press SELECT to modify the highlighted set point.
5. Press INCREASE or DECREASE to change the selected set point value.
6. Press ENTER to save the changes and return to the previous screen.
Service Operation
To view the menu-driven programs available for Service Operation, see Service Operation
section. For examples of LID display screens, see Table 2.
NEXT PREVIOUS SELECT EXIT
INCREASE DECREASE QUIT ENTER
INCREASE DECREASE QUIT ENTER
Click here for Figure 20 — Example of Set Point Screen

Table 2 — LID Screens
Example 1 — Status01 Display Screen
Example 2 — Status02 Display Screen
Example 3 — Status03 Display Screen
Example 4 — Setpoint Display Screen
Example 5 — Configuration (CONFIG) Display Screen
Example 6 — Lead/Lag Configuration Display Screen
Example 7 — Service1 Display Screen
Example 8 — Service2 Display Screen
Example 9 — Service3 Display Screen
Example 10 — Maintenance (Maint01) Display Screen
Example 11 — Maintenance (Maint02) Display Screen
Example 12 — Maintenance (Maint03) Display Screen
Example 13 — Maintenance (Maint04) Display Screen

PIC System Functions
Note: Throughout this manual, words printed in capital letters and italics are values that may be
viewed on the LID. See Table 2 for examples of LID screens. Point names are listed in
the Description column. An overview of LID operation and menus is given in Figure 14,
Figure 15, Figure 16, Figure 17, Figure 18, Figure 19, and Figure 20.
Capacity Control
The PIC controls the machine capacity by modulating the inlet guide vanes in response to
chilled water temperature changes away from the
CONTROL POINT
. The
CONTROL POINT
may be changed by a CCN network device, or is determined by the PIC adding any active
chilled water reset to the chilled water
SET POINT
. The PIC uses the
PROPORTIONAL INC
(Increase) BAND, PROPORTIONAL DEC (Decrease) BAND
, and the
PROPORTIONAL ECW
(Entering Chilled Water) GAIN
to determine how fast or slow to respond.
CONTROL POINT
may be viewed/overridden on the Status table, Status01 selection.
Entering Chilled Water Control
If this option is enabled, the PIC uses
ENTERING CHILLED WATER
temperature to
modulate the vanes instead of
LEAVING CHILLED WATER
temperature.
ENTERING CHILLED
WATER
control option may be viewed/modified on the Equipment Configuration table, Config
table.

Deadband
This is the tolerance on the chilled water/ brine temperature
CONTROL POINT
. If the water
temperature goes outside of the
DEADBAND
, the PIC opens or closes the guide vanes in
response until it is within tolerance. The PIC may be configured with a 0.5° to 2° F (0.3° to
1.1° C) deadband.
DEADBAND
may be viewed or modified on the Equipment Service1 table.
For example, a 1° F (0.6° C) deadband setting controls the water temperature within ±0.5° F
(0.3° C) of the control point. This may cause frequent guide vane movement if the chilled water
load fluctuates frequently. A value of 1° F (0.6° C) is the default setting.
Proportional Bands and Gain
Proportional band is the rate at which the guide vane position is corrected in proportion to
how far the chilled water/brine temperature is from the control point. Proportional gain
determines how quickly the guide vanes react to how quickly the temperature is moving from
CONTROL POINT
.
The Proportional Band can be viewed/modified on the LID. There are two response modes,
one for temperature response above the control point, the other for response below the control
point.
The first type is called
PROPORTIONAL INC BAND
, and it can slow or quicken vane
response to chilled water/brine temperature above
DEADBAND
. It can be adjusted from a
setting of 2 to 10; the default setting is 6.5.
PROPORTIONAL DEC BAND
can slow or quicken

vane response to chilled water temperature below deadband plus control point. It can be
adjusted on the LID from a setting of 2 to 10, and the default setting is 6.0. Increasing either of
these settings will cause the vanes to respond slower than a lower setting.
The
PROPORTIONAL ECW GAIN
can be adjusted at the LID display from a setting of 1.0 to
3.0, with a default setting of 2.0. Increase this setting to increase guide vane response to a
change in entering chilled water temperature. The proportional bands and gain may be viewed/
modified on the Equipment Service3 table.
Demand Limiting
The PIC will respond to the
ACTIVE DEMAND LIMIT
set point by limiting the opening of the
guide vanes. It will compare the set point to either
COMPRESSOR MOTOR LOAD
or
COMPRESSOR MOTOR CURRENT
(percentage), depending on how the control is configured
for the
DEMAND LIMIT SOURCE
which is accessed on the SERVICE1 table. The default
setting is current limiting.
Machine Timers
The PIC maintains 2 runtime clocks, known as
COMPRESSOR ONTIME
and
SERVICE ON-
TIME. COMPRESSOR ONTIME
indicates the total lifetime compressor run hours. This timer
can register up to 500,000 hours before the clock turns back to zero. The
SERVICE ONTIME
is
a resettable timer that can be used to indicate the hours since the last service visit or any other
reason. The time can be changed through the LID to whatever value is desired. This timer can
register up to 32,767 hours before it rolls over to zero.

The chiller also maintains a start-to-start timer and a stop-to-start timer. These timers limit
how soon the machine can be started. See the Start-Up/Shutdown/Recycle Sequence section
for operational information.
Occupancy Schedule
This schedule determines when the chiller is either occupied or unoccupied.
Each schedule consists of from one to 8 occupied/unoccupied time periods, set by the
operator. These time periods can be enabled to be in effect, or not in effect, on each day of the
week and for holidays. The day begins with 0000 hours and ends with 2400 hours. The machine
is in OCCUPIED mode unless an unoccupied time period is in effect.
The machine will shut down when the schedule goes to UNOCCUPIED. These schedules
can be set up to follow the building schedule or to be 100% OCCUPIED if the operator wishes.
The schedules also can be bypassed by forcing the Start/Stop command on the PIC Status
screen to start. The schedules also can be overridden to keep the unit in an OCCUPIED mode
for up to 4 hours, on a one-time basis.
Figure 19 shows a schedule for a typical office building time schedule, with a 3-hour, off-peak
cool down period from midnight to 3 a.m., following a weekend shutdown. Example: Holiday
periods are unoccupied 24 hours per day. The building operates Monday through Friday, 7:00
a.m. to 6:00 p.m., with a Saturday schedule of 6:00 a.m. to 1:00 p.m., and includes the Monday
midnight to 3:00 a.m. weekend cool-down schedule.

Note: This schedule is for illustration only, and is not intended to be a recommended schedule
for chiller operation.
Whenever the chiller is in the LOCAL mode, the machine uses Occupancy Schedule 01.
The Ice Build Time Schedule is Schedule 02. When in the CCN mode, Occupancy Schedule
03 is used.
The CCN schedule number is defined on the Config table in the Equipment Configuration
table. The schedule number can change to any value from 03 to 99. If this schedule number is
changed on the Config table, the operator must use the Attach to Network Device table to
upload the new number into the Schedule screen. See Figure 17.

Safety Controls
The PIC monitors all safety control inputs, and if required, shuts down the machine or limits
the guide vanes to protect the machine from possible damage from any of the following
conditions:
• high bearing temperature
• high motor winding temperature
• high discharge temperature
• low oil pressure
• low cooler refrigerant temperature/pressure
• condenser high pressure or low pressure
• inadequate water/brine cooler and condenser flow
• high, low, or loss of voltage
• excessive motor acceleration time
• excessive starter transition time
• lack of motor current signal
• excessive motor amps
• excessive compressor surge
• temperature and transducer faults
Starter faults or optional protective devices within the starter can shut down the machine.
These devices are dependent on what has been purchased as options.

If the controller initiates a safety shutdown, it displays the fault on the LID with a primary and
a secondary message, and energizes an alarm relay in the starter and blinks the alarm light on
the control center. The alarm is stored in memory and can be viewed in the PIC Alarm History
table along with a message for troubleshooting.
To give a better warning as to the operating condition of the machine, the operator also can
define alert limits on various monitored inputs. Safety contact and alert limits are defined in
Table 3. Alarm and alert messages are listed in the Troubleshooting Guide section.
Shunt Trip
The optional shunt trip function of the PIC is a safety trip. The shunt trip is wired from an
output on the SMM to the motor circuit breaker. If the PIC tries to shut down the compressor
through normal shutdown procedure but is unsuccessful for 30 seconds, the shunt trip output is
energized and causes the circuit breaker to trip off. If ground fault protection has been applied
to the starter, the ground fault trip will also energize the shunt trip to trip the circuit breaker.
CAUTION CAUTION
!
If compressor motor overload or ground fault occurs, check the motor for
grounded or open phases before attempting a restart.

Default Screen Freeze
Whenever an alarm occurs, the LID default screen will freeze displaying the condition of the
machine at the time of alarm. Knowledge of the operating state of the chiller at the time an
alarm occurs is useful when troubleshooting. Current machine information can be viewed on the
Status tables. Once all existing alarms are cleared (by pressing the RESET softkey), the default
LID will return to normal operation.
Motor Cooling Control (Hermetic Motors Only)
Motor temperature is reduced by refrigerant entering the motor shell and evaporating. The
refrigerant is regulated by the motor cooling relay. This relay will energize when the compressor
is running and motor temperature is above 125 F (51.7 C). The relay will close when motor
temperature is below 100 F (37.8 C). Note that there is always a minimum flow of refrigerant
when the compressor is operating for motor cooling; the relay only controls additional
refrigerant to the motor.
Note: An additional motor cooling relay is not required for Hermetic FA style compressors.
Auxiliary Oil Pump Control (Open Drive Machines Only)
The auxiliary oil pump (optional) is controlled by the PIC. During start-up, if the main oil pump
cannot raise pressure to 18 psid (124 kPa), the auxiliary oil pump will be energized. During
compressor operation, the auxiliary oil pump will be energized if the oil pressure falls below the

alert threshold (18 psid [124 kPa]). Once running, the auxiliary oil pump will remain on until the
compressor is turned off and will deenergize with the main oil pump after the post-lube time
period.
Shaft Seal Oil Control (Open Drive Machines Only)
All open drive machines require that the shaft seal be bathed in oil at all times, especially
when the machine is not running. This ensures that refrigerant does not leak past the seal. The
PIC control will energize the oil pump for one minute if the oil pump has not operated during the
past 12 hours.
It is important to note that if control power is to be turned off for longer than this period, the
refrigerant charge must be pumped over into the utility vessel. Because the oil heater will also
be off during this time, storing the refrigerant will also prevent refrigerant migration into the oil.
Ramp Loading Control
The ramp loading control slows down the rate at which the compressor loads up. This control
can prevent the compressor from loading up during the short period of time when the machine
is started, and the chilled water loop has to be brought down to normal design conditions. This
helps reduce electrical demand charges by slowly bringing the chilled water to control point.
However, the total power draw during this period remains almost unchanged.

There are 2 methods of ramp loading with the PIC. Ramp loading can be based on chilled
water temperature or on motor load.
1. Temperature ramp loading limits the rate at which either leaving chilled water or entering
chilled water temperature decreases by an operator-configured rate. The lowest
temperature ramp table will be used the first time the machine is started (at
commissioning). The lowest temperature ramp rate will also be used if machine power has
been off for 3 hours or more (even if the motor ramp load is selected).
2. Motor load ramp loading limits the rate at which the compressor motor current or
compressor motor load increases by an operator-configured rate.
The
TEMP (Temperature) PULLDOWN, LOAD PULL DOWN,
and
SELECT RAMP TYPE
may be viewed/modified on the LID Equipment Configuration table, Config table (see Table 2).
Motor load is the default type.
Capacity Override (See Table 4)
These can prevent some safety shutdowns caused by exceeding motor amperage limit,
refrigerant low temperature safety limit, motor high temperature safety limit, and condenser high
pressure limit. In all cases there are 2 stages of compressor vane control.
1. The vanes are held from opening further, and the status line on the LID indicates the reason
for the override.
2. The vanes are closed until condition decreases below the first step set point, and then the
vanes are released to normal capacity control.

Whenever the motor current demand limit set point is reached, it activates a capacity
override, again with a 2-step process. Exceeding 110% of the rated load amps for more than 30
seconds will initiate a safety shutdown.
The compressor high lift (surge prevention) set point will cause a capacity override as well.
When the surge prevention set point is reached, the controller normally will only hold the guide
vanes from opening. If so equipped, the hot gas bypass valve will open instead of holding the
vanes.
High Discharge Temperature Control
If the discharge temperature increases above 200 F (93 C), the guide vanes are
proportionally opened to increase gas flow through the compressor. If the leaving chilled water
temperature drops 5° F (2.8° C) below the control point temperature, machine will enter the
recycle mode.
Click here for Table 3 — Protective Safety Limits and Control Settings
Click here for Table 4 — Capacity Overrides

Oil Sump Temperature Control
The oil sump temperature control is regulated by the PIC which uses the oil heater relay
when the machine is shut down.
As part of the pre-start checks executed by the controls, oil sump temperature is compared
against evaporator refrigerant temperature. If the difference between these 2 temperatures is
50 F (27.8 C) or less, the start-up will be delayed until the oil temperature is 50 F (27.8 C) or
more. Once this temperature is confirmed, the start-up continues.
The oil heater relay is energized whenever the chiller compressor is off and the oil sump
temperature is less than 150 F (65.6 C) or the oil sump temperature is less than the cooler
refrigerant temperature plus 70° F (39° C). The oil heater is turned off when the oil sump
temperature is either 1) more than 160 F (71.1 C); or 2) the oil sump temperature is more than
155 F (68.3 C) and more than the cooler refrigerant temperature plus 75° F (41.6° C). The oil
heater is always off during start-up or when the compressor is running.
When a power failure to the PSIO module has occurred for more than 3 hours (i.e., initial
start-up), the compressor guide vane opening will be slowed down to prevent excessive oil
foaming that may result from refrigerant migration into the oil sump during the power failure.
The vane opening will be slowed to a value of 2° F (1.1° C) per minute with temperature ramp
loading.

Oil Cooler
The oil must be cooled when the compressor is running.
EX Compressors: This is accomplished through a small, plate-type heat exchanger. The heat
exchanger uses liquid condenser refrigerant as the cooling liquid. A refrigerant thermostatic
expansion valve (TXV) regulates refrigerant flow to control oil temperature entering the
bearings. There is always a flow of refrigerant bypassing the TXV. The bulb for the expansion
valve is strapped to the oil supply line leaving the heat exchanger and the valve is set to
maintain 110 F (43 C).
Note: The expansion valve is not adjustable. Oil sump temperature may be at a lower tempera-
ture.
FA Compressors: The oil cooler is a water cooled, tube-in-shell type heat exchanger. A plug
valve is manually set to maintain proper temperatures. Set the valve to maintain 145 F (63 C) oil
sump temperatures while the compressor is running.
Remote Start/Stop Controls
A remote device, such as a timeclock which uses a set of contacts, may be used to start and
stop the machine. However, the device should not be programmed to start and stop the
machine in excess of 2 or 3 times every 12 hours. If more than 8 starts in 12 hours occur, then
an Excessive Starts alarm is displayed, preventing the machine from starting. The operator
must reset the alarm at the LID in order to override the starts counter and start the machine. If

Automatic Restart After a Power Failure is not activated when a power failure occurs, and the
remote contact is closed, the machine will indicate an alarm because of the loss of voltage.
The contacts for Remote Start are wired into the starter at terminal strip TB5, terminals 8A
and 8B. See the certified drawings for further details on contact ratings. The contacts must be
dry (no power).
Spare Safety Inputs
Normally closed (NC) digital inputs for additional field-supplied safeties may be wired to the
spare protective limits input channel in place of the factory installed jumper. (Wire multiple
inputs in series.) The opening of any contact will result in a safety shutdown and LID display.
Refer to the certified drawings for safety contact ratings.
Analog temperature sensors may also be added to the options modules, if installed. These
may be programmed to cause an alert on the CCN network, but will not shut the machine down.
Spare Alarm Contacts
Two spare sets of alarm contacts are provided within the starter. The contact ratings are
provided in the certified drawings. The contacts are located on terminal strip TB6, terminals 5A
and 5B, and terminals 5C and 5D.

Condenser Pump Control
The machine will monitor the
CONDENSER PRESSURE
and may turn on this pump if the
pressure becomes too high whenever the compressor is shut down.
CONDENSER
PRESSURE OVERRIDE
is used to determine this pressure point. This value is found on the
Equipment Service1 LID table and has a default value (Table 4). If the
CONDENSER
PRESSURE
is greater than or equal to the
CONDENSER PRESSURE OVERRIDE
, and the
ENTERING CONDENSER WATER TEMP (Temperature)
is less than 115 F (46 C), then the
condenser pump will energize to try to decrease the pressure. The pump will turn off when the
condenser pressure is less than the pressure override less 5 psi (34 kPa), or the
CONDENSER
REFRIG (Refrigerant) TEMP
is within 3° F (2° C) of the
ENTERING CONDENSER WATER
temperature.
Condenser Freeze Prevention
This control algorithm helps prevent condenser tube freeze-up by energizing the condenser
pump relay. If the pump is controlled by the PIC, starting the pump will help prevent the water in
the condenser from freezing. Condenser freeze prevention can occur whenever the machine is
not running except when it is either actively in pumpdown or in Pumpdown Lockout with the
freeze prevention disabled (refer to Control Test table, Pumpdown/Terminate Lockout tables).
When the
CONDENSER REFRIG TEMP
is less than or equal to the
CONDENSER FREEZE
POINT
, or the
ENTERING CONDENSER WATER
temperature is less than or equal to the

CONDENSER FREEZE POINT
, then the
CONDENSER WATER PUMP
shall be energized
until the
CONDENSER REFRIG TEMP
is greater than the
CONDENSER FREEZE POINT
plus
5° F (2.7° C). An alarm will be generated if the machine is in
PUMPDOWN
mode and the pump
is energized. An alert will be generated if the machine is not in
PUMPDOWN
mode and the
pump is energized. If in recycle shutdown, the mode shall transition to a non-recycle shutdown.
Tower-Fan Relay
This control can be used to assist the condenser water temperature control system (field
supplied). Low condenser water temperature can cause the chiller to shut down on low
refrigerant temperature. The tower fan relay, located in the starter, is controlled by the PIC to
energize and deenergize as the pressure differential between cooler and condenser vessels
changes in order to prevent low condenser water temperature and to maximize machine
efficiency. The tower-fan relay can only accomplish this if the relay has been added to the
cooling tower temperature controller. The
TOWER FAN RELAY
is turned on whenever the
CONDENSER WATER PUMP
is running, flow is verified, and the difference between cooler
and condenser pressure is more than 30 psid (207 kPad) or entering condenser water
temperature is greater than 85 F (29 C). The
TOWER FAN RELAY
is deenergized when the
condenser pump is off, flow is lost, the evaporator refrigerant temperature is less than the
override temperature, or the differential pressure is less than 28 psid (193 kPad) and entering
condensing water is less than 80 F (27 C).

Auto. Restart After Power Failure
This option may be enabled or disabled, and may be viewed/modified in the Config table of
Equipment Configuration. If enabled, the chiller will start up automatically after a single cycle
drop-out, low, high, or loss of voltage has occurred, and the power is within ±10% of normal.
The 15-min start-to-start timer and the stop-to-start timer are ignored during this type of start-up.
When power is restored after the power failure, and if the compressor had been running, the
oil pump will be energized for one minute prior to the evaporator pump energizing. Auto restart
will then continue like a normal start-up.
IMPORTANT: Afield-supplied water temperature control system for condenser
water should be installed. The system should maintain the leaving condenser water
temperature at a temperature that is 20° F (11° C) above the leaving chilled water
temperature.
CAUTION CAUTION
!
The tower-fan relay control is not a substitute for a condenser water temperature
control. When used with a Water Temperature Control system, the tower fan
relay control can be used to help prevent low condenser water temperatures and
associated problems.

Water/Brine Reset
Three types of chilled water or brine reset are available and can be viewed or modified on the
Equipment Configuration table Config selection.
The LID default screen status message indicates when the chilled water reset is active. The
Control Point temperature on the Status01 table indicates the machine’s current reset
temperature.
To activate a reset type, input all configuration information for that reset type in the Config
table. Then input the reset type number in the
SELECT/ENABLE RESET TYPE
input line.
1. Reset Type 1 (Requires optional 8-input module) — Automatic chilled water temperature
reset based on a 4 to 20 mA input signal. This type permits up to ±30° F (±16° C) of
automatic reset to the chilled water or brine temperature set point, based on the input from
a 4 to 20 mA signal. This signal is hardwired into the number one 8-input module.
If the 4-20 mA signal is externally powered from the 8-input module, the signal is wired to
terminals J1-5(+) and J1-6(–). If the signal is to be internally powered by the 8-input module
(for example, when using variable resistance), the signal is wired to J1-7(+) and J1-6(–).
The PIC must now be configured on the Service2 table to ensure that the appropriate power
source is identified.
2. Reset Type 2 (Requires optional 8-input module) — Automatic chilled water temperature
reset based on a remote temperature sensor input. This type permits ±30° F (±16° C) of

automatic reset to the set point based on a temperature sensor wired to the number one 8-
input module (see wiring diagrams or certified drawings).
The temperature sensor must be wired to terminal J1-19 and J1-20.
To configure Reset Type 2, enter the temperature of the remote sensor at the point where
no temperature reset will occur. Next, enter the temperature at which the full amount of
reset will occur. Then, enter the maximum amount of reset required to operate the machine.
Reset Type 2 can now be activated.
3. Reset Type 3 — Automatic chilled water temperature reset based on cooler temperature
difference. This type of reset will add ±30° F (±16° C) based on the temperature difference
between entering and leaving chilled water temperature. This is the only type of reset
available without the need of the number one 8-input module. No wiring is required for this
type as it already uses the cooler water sensors.
To configure Reset Type 3, enter the chilled water temperature difference (the difference
between entering and leaving chilled water) at which no temperature reset occurs. This
chilled water temperature difference is usually the full design load temperature difference.
The difference in chilled water temperature at which the full amount of reset will occur is
now entered on the next input line. Next, the amount of reset is entered. Reset Type 3 can
now be activated.

Demand Limit Control, Option (Requires Optional 8-Input Module)
The demand limit may be externally controlled with a 4 to 20 mA signal from an energy
management system (EMS). The option is set up on the Config table. When enabled, the
control is set for 100% demand with 4 mA and an operator configured minimum demand set
point at 20 mA.
The Demand Reset input from an energy management system is hardwired into the number
one, 8-input module. The signal may be internally powered by the module or externally
powered. If the signal is externally powered, the signal is wired to terminals J1-1(+) and J1-2(–).
If the signal is internally powered, the signal is wired to terminals J1-3(+) and J1-2(–). When
enabled, the control is set for 100% demand with 4 mA and an operator configured minimum
demand set point at 20 mA.
Surge Prevention Algorithm
This is an operator configurable feature which can determine if lift conditions are too high for
the compressor and then take corrective action. Lift is defined as the difference between the
pressure at the impeller eye and the impeller discharge. The maximum lift that a particular
impeller wheel can perform varies with the gas flow across the impeller, and the size of the
wheel.
The algorithm first determines if corrective action is necessary. This is done by checking 2
sets of operator configured data points, which are the MINIMUM and the MAXIMUM Load

Points, (T1/P1;T2/P2). These points have default settings as defined on the Service1 table, or
on Table 4. These settings and the algorithm function are graphically displayed in Figure 21 and
Figure 22. The 2 sets of load points on this graph (default settings are shown) describe a line
which the algorithm uses to determine the maximum lift of the compressor. Whenever the actual
differential pressure between the cooler and condenser, and the temperature difference
between the entering and leaving chilled water are above the line on the graph (as defined by
the MINIMUM and MAXIMUM Load Points) the algorithm will go into a corrective action mode. If
the actual values are below the line, the algorithm takes no action. Modification of the default
set points of the MINIMUM and MAXIMUM load points is described in the Input Service
Configurations section.
Corrective action can be taken by making one of 2 choices. If a hot gas bypass line is
present, and the hot gas is configured on the Service1 table, then the hot gas bypass valve can
be energized. If a hot gas bypass if not present, then the action taken is to hold the guide vanes.
See Table 4, Capacity Overrides. Both of these corrective actions will reduce the lift
experienced by the compressor and help to prevent a surge condition. Surge is a condition
when the lift becomes so high that the gas flow across the impeller reverses. This condition can
eventually cause machine damage. The surge prevention algorithm is intended to notify the
operator that machine operating conditions are marginal, and to take action, such as lowering
entering condenser water temperature, to help prevent machine damage.

Surge Protection
Surging of the compressor can be determined by the PIC through operator configured
settings. Surge will cause amperage fluctuations of the compressor motor. The PIC monitors
these amperage swings, and if the swing is greater than the configurable setting in one second,
then one surge count has occurred. The
SURGE DELTA PERCENT AMPS
setting is displayed
and configured on the Service1 screen. It has a default setting of 25% amps,
SURGE
PROTECTION COUNTS
can be monitored on the Maint03 table.
A surge protection shutdown of the machine will occur whenever the surge protection
counter reaches 12 counts within an operator specified time, known as the
SURGE TIME
PERIOD
. The
SURGE TIME PERIOD
is displayed and configured on the Service1 screen. It
has a default of 2 minutes.
Click here for Figure 21 — 17/19EX Hot Gas Bypass/Surge Prevention
Click here for Figure 22 — 17/19EX With Default Metric Settings

Lead/Lag Control
Lead/Lag is a control system process that automatically starts and stops a lag or second
chiller in a 2-chiller water system. Refer to Figure 16 and Figure 17 for menu, table, and screen
selection information. On machines that have PSIO software with Lead/Lag capability, it is
possible to utilize the PIC controls to perform the lead/lag function on 2 machines. A third
machine can be added to the lead/lag system as a standby chiller to start up in case the lead or
lag chiller in the system has shut down during an alarm condition and additional cooling is
required.
Note: Lead/lag configuration is viewed and edited under Lead/Lag in the Equipment Configura-
tion table (located in the Service menu). Lead/lag status during machine operation is
viewed in the MAINT04 table in the Control Algorithm Status table. See Table 2.
Lead/Lag System Requirements:
• all machines must have PSIO software capable of performing the lead/lag function
• water pumps MUST be energized from the PIC controls
• water flows should be constant
• CCN Time Schedules for all machines must be identical
Operation Features:
• 2 chiller lead/lag
• addition of a third chiller for backup
• manual rotation of lead chiller
• load balancing if configured
• staggered restart of the chillers after a power failure
• chillers may be piped in parallel or in series chilled water flow

Common Point Sensor Installation
Lead/lag operation does not require a common chilled water point sensor. Common point
sensors can be added to the 8-input option module, if desired. Refer to the certified drawings for
termination of sensor leads.
Note: If the common point sensor option is chosen on a chilled water system, both machines
should have their own 8-input option module and common point sensor installed. Each
machine will use its own common point sensor for control, when that machine is desig-
nated as the lead chiller. The PIC cannot read the value of common point sensors
installed on other machines in the chilled water system.
When installing chillers in series, a common point sensor should be used. If a common point
sensor is not used, the leaving chilled water sensor of the upstream chiller must be moved into
the leaving chilled water pipe of the downstream chiller.
If return chilled water control is required on chillers piped in series, the common point return
chilled water sensor should be installed. If this sensor is not installed, the return chilled water
sensor of the downstream chiller must be relocated to the return chilled water pipe of the
upstream machine.
To properly control the common supply point temperature sensor when chillers are piped in
parallel, the water flow through the shutdown chillers must be isolated so that no water by-pass
around the operating chiller occurs. The common point sensor option must not be used if water
bypass around the operating chiller is occurring.

Machine Communication Wiring
Refer to the machine’s Installation Instructions and Carrier Comfort Network Interface section
for information on machine communication wiring.
Lead/Lag Operation
The PIC control provides the ability to operate 2 chillers in the LEAD/LAG mode. It also
provides the additional ability to start a designated standby chiller when either the lead or lag
chiller is faulted and capacity requirements are not met. The lead/lag option operates in CCN
mode only. If any other chiller configured for lead/lag is set to the LOCAL or OFF modes, it will
be unavailable for lead/lag operation.
Note: Lead/lag configuration is viewed and edited in Lead/Lag, under the Equipment Configu-
ration table of the Service menu. Lead/lag status during machine operation is viewed in
the MAINT04 table in the Control Algorithm Status table.
Lead/Lag Chiller Configuration and Operation
The configured lead chiller is identified when the LEAD/LAG SELECT value for that chiller is
configured to the value of ‘‘1.’’ The configured lag chiller is identified when the LEAD/LAG
SELECT for that chiller is configured to the value of ‘‘2.’’ The standby chiller is configured to a
value of ‘‘3.’’ A value of ‘‘0’’ disables the lead/lag in that chiller.
To configure the LAG ADDRESS value on the LEAD/LAG Configuration table, always use
the address of the other chiller on the system for this value. Using this address will make it
easier to rotate the lead and lag machines.

If the address assignments placed into the LAG ADDRESS and STANDBY ADDRESS
values conflict, the lead/lag will be disabled and an alert (!) message will occur. For example, if
the LAG ADDRESS matches the lead machine’s address, the lead/lag will be disabled and an
alert (!) message will occur. The lead/lag maintenance screen (MAINT04) will display the
message ‘INVALID CONFIG’ in the LEAD/LAG CONFIGURATION and CURRENT MODE
fields.
The lead chiller responds to normal start/stop controls such as occupancy schedule, forced
start/stop, and remote start contact inputs. After completing start up and ramp loading, the PIC
evaluates the need for additional capacity. If additional capacity is needed, the PIC initiates the
start up of the chiller configured at the LAG ADDRESS. If the lag chiller is faulted (in alarm) or is
in the OFF or LOCAL modes, then the chiller at the STANDBY ADDRESS (if configured) is
requested to start. After the second chiller is started and is running, the lead chiller shall monitor
conditions and evaluate whether the capacity has reduced enough for the lead chiller to sustain
the system alone. If the capacity is reduced enough for the lead chiller to sustain the CONTROL
POINT temperatures alone, then the operating lag chiller is stopped.
If the lead chiller is stopped in CCN mode for any reason other than an alarm (*) condition,
then the lag and standby chillers are stopped. If the configured lead chiller stops for and alarm
condition, then the configured lag chiller takes the lead chiller’s place as the lead chiller and the
standby chiller serves as the lag chiller.

If the configured lead chiller does not complete the start-up before the PRESTART FAULT
TIMER (user configured value) elapses, then the lag chiller shall be started and the lead chiller
will shut down. The lead chiller then monitors the start request from the acting lead chiller to
start. The PRESTART FAULT TIMER is initiated at the time of a start request. The PRESTART
FAULT TIMER’s function is to provide a timeout in the event that there is a prestart alert
condition preventing the machine from starting in a timely manner. The timer is configured
under Lead/Lag, found in the Equipment Configuration table of the Service menu.
If the lag chiller does not achieve start-up before the PRESTART FAULT TIMER elapses,
then the lag chiller shall be stopped and the standby chiller will be requested to start, if
configured and ready.
Standby Chiller Configuration and Operation
The configured standby chiller is identified as such by having the LEAD/LAG SELECT
configured to the value of ‘‘3.’’ The standby chiller can only operate as a replacement for the lag
chiller if one of the other two chillers is in an alarm (*) condition (as shown on the LID panel). If
both lead and lag chillers are in an alarm (*) condition, the standby chiller shall default to
operate in CCN mode based on its configured Occupancy Schedule and remote contacts input.

Lag Chiller Start-Up Requirements
Before the lag chiller can be started, the following conditions must be met:
1. Lead chiller ramp loading must be complete.
2. Lead chiller CHILLED WATER temperature must be greater than the CONTROL POINT
plus 1/2 the WATER/BRINE DEADBAND.
Note: The chilled water temperature sensor may be the leaving chilled water sensor, the return
water sensor, the common supply water sensor, or the common return water sensor,
depending on which options are configured and enabled.
3. Lead chiller ACTIVE DEMAND LIMIT value must be greater than 95% of full load amps.
4. Lead chiller temperature pulldown rate of the CHILLED WATER temperature is less than
0.5° F (0.27° C) per minute.
5. The lag chiller status indicates it is in CCN mode and is not faulted. If the current lag chiller
is in an alarm condition, then the standby chiller becomes the active lag chiller, if it is
configured and available.
6. The configured LAG START TIMER entry has elapsed. The LAG START TIMER shall be
started when the lead chiller ramp loading is completed. The LAG STARTTIMER entry is
accessed by selecting Lead/Lag from the Equipment Configuration table of the Service
menu.
When all of the above requirements have been met, the lag chiller is forced to a START
mode. The PIC control then monitors the lag chiller for a successful start. If the lag chiller fails to
start, the standby chiller, if configured, is started.

Lag Chiller Shutdown Requirements
The following conditions must be met in order for the lag chiller to be stopped.
1. Lead chiller COMPRESSOR MOTOR LOAD value is less than the lead chiller percent
capacity plus 15%.
Note: Lead chiller percent capacity = 100 – LAG PERCENT CAPACITY
The LAG PERCENT CAPACITY value is configured on the Lead/Lag Configuration screen.
2. The lead chiller chilled water temperature is less than the CONTROL POINT plus 1/2 of the
WATER/BRINE DEADBAND.
3. The configured LAG STOP TIMER entry has elapsed. The LAG STOP TIMER is started
when the CHILLED WATER TEMPERATURE is less than the CHILLED WATER
CONTROL POINT plus 1/2 of the WATER/BRINE DEADBAND and the lead chiller
COMPRESSOR MOTOR LOAD is less than the lead chiller percent capacity plus 15%. The
timer is ignored if the chilled water temperature reaches 3° F (1.67° C) below the
CONTROL POINT and the lead chiller COMPRESSOR MOTOR LOAD value is less than
the lead chiller percent capacity plus 15%.
Faulted Chiller Operation
If the lead chiller shuts down on an alarm (*) condition, it stops communication to the lag and
standby chillers. After 30 seconds, the lag chiller will now become the acting lead chiller and will
start and stop the standby chiller, if necessary.

If the lag chiller faults when the lead chiller is also faulted, the standby chiller reverts to a
stand-alone CCN mode of operation.
If the lead chiller is in an alarm (*) condition (as shown on the LID panel), the RESET softkey
is pressed to clear the alarm, and the chiller is placed in the CCN mode, the lead chiller will now
communicate and monitor the RUN STATUS of the lag and standby chillers. If both the lag and
standby chillers are running, the lead chiller will not attempt to start and will not assume the role
of lead chiller until either the lag or standby chiller shuts down. If only one chiller is running, the
lead chiller will wait for a start request from the operating chiller. When the configured lead
chiller starts, it assumes its role as lead chiller.
Load Balancing
When the LOAD BALANCE OPTION is enabled, the lead chiller will set the ACTIVE DE-
MAND LIMIT in the lag chiller to the lead chiller’s COMPRESSOR MOTOR LOAD value. This
value has limits of 40% to 100%. When setting the lag chiller ACTIVE DEMAND LIMIT, the
CONTROL POINT shall be modified to a value of 3° F (1.67° C) less than the lead chiller’s
CONTROL POINT value. If the LOAD BALANCE OPTION is disabled, the ACTIVE DEMAND
LIMIT and the CONTROL POINT are forced to the same value as the lead chiller.

Auto. Restart After Power Failure
When an autorestart condition occurs, each chiller may have a delay added to the start-up
sequence, depending on its lead/lag configuration. The lead chiller does not have a delay. The
lag chiller has a 45-second delay. The standby chiller has a 90-second delay. The delay time is
added after the chiller water flow verification. The PIC controls ensure that the guide vanes are
closed. After the guide vane position is confirmed, the delay for lag and standby chiller occurs
prior to energizing the oil pump. The normal start-up sequence then continues. The auto. restart
delay sequence occurs whether the chiller is in CCN or LOCAL mode and is intended to stagger
the compressor motors from being energized simultaneously. This will help reduce the inrush
demands on the building power system.
Ice Build Control
Ice build control automatically sets the chilled WATER/BRINE CONTROL POINT of the
machine from normal operation set point temperature to a temperature where an ice building
operation for thermal storage can be accomplished.
Note: For ice build control to properly operate, the PIC controls must be placed in CCN mode.
See Figure 16 and Figure 17.
The PIC can be configured for ice build operation. Configuration of ice build control is
accomplished through entries in the Config table, Ice Build Setpoint table, and the Ice Build
Time Schedule table. Figure 16 and Figure 17 show how to access each entry.

The Ice Build Time Schedule defines the period during which ice build is active if the ice build
option is ENABLED. If the Ice Build Time Schedule overlaps other schedules defining time, then
the Ice Build Time Schedule shall take priority. During the ice build period, the WATER/BRINE
CONTROL POINT is set to the ICE BUILD SETPOINT for temperature control. The ICE BUILD
RECYCLE OPTION and ICE BUILD TERMINATION entries from a screen in the Config
(configuration) table provide options for machine recycle and termination of ice build cycle,
respectively. Termination of ice build can result from the ENTERING CHILLED WATER/BRINE
temperature being less than the ICE BUILD SETPOINT, opening of the REMOTE CONTACT
inputs from an ice level indicator, or reaching the end of the Ice Build Time Schedule.
Ice Build Initiation
The Ice Build Time Schedule provides the means for activating ice build. The ice build time
table is named OCCPC02S.
If the Ice Build Time Schedule is OCCUPIED and the ICE BUILD OPTION is ENABLED, then
ice build is active and the following events automatically take place (unless overridden by a
higher authority CCN device):
1. Force CHILLER START/STOP to START.
2. Force WATER/BRINE CONTROL POINT to the ICE BUILD SETPOINT.
3. Remove any force (Auto) on the ACTIVE DEMAND LIMIT.
Note: Items 1-3 (shown above) shall not occur if the chiller is configured and operating as a lag

or standby chiller for lead/lag and is actively controlled by a lead chiller. The lead chiller
communicates the ICE BUILD SETPOINT, desired CHILLER START/STOP state, and
ACTIVE DEMAND LIMIT to the lag or standby chiller as required for ice build, if config-
ured to do so.
Start-Up/Recycle Operation
If the machine is not running when ice build activates, then the PIC checks the following
parameters, based on the ICE BUILD TERMINATION value, to avoid starting the compressor
unnecessarily:
• if ICE BUILD TERMINATION is set to the TEMPERATURE ONLY OPTION and the
ENTERING CHILLED WATER temperature is less than or equal to the ICE BUILD
SETPOINT;
• if ICE BUILD TERMINATION is set to the CONTACTS ONLY OPTION and the
remote contacts are open;
• if the ICE BUILD TERMINATION is set to the BOTH (temperature and contacts)
option and ENTERING CHILLED WATER temperature is less than or equal to the
ICE BUILD SETPOINT and remote contacts are open.
The ICE BUILD RECYCLE OPTION determines whether or not the PIC will go into a
RECYCLE mode. If the ICE BUILD RECYCLE OPTION is set to DSABLE (disable) when the
ice build terminates, the PIC will revert back to normal temperature control duty. If the ICE
BUILD RECYCLE OPTION is set to ENABLE, when ice build terminates, the PIC will go into an
ICE BUILD RECYCLE mode and the chilled water pump relay will remain energized to keep the

chilled water flowing. If the entering CHILLED WATER/BRINE TEMPERATURE increases
above the ICE BUILD SETPOINT plus the RECYCLE DELTA T value, the compressor will
restart and control the CHILLED WATER/BRINE TEMPERATURE to the ICE BUILD
SETPOINT.
Temperature Control During Ice Build
During ice build, the capacity control algorithm uses the WATER/BRINE CONTROL POINT
minus 5 F (2.7 C) to control the LEAVING CHILLED WATER temperature. The ECW OPTION
and any temperature reset option are ignored during ice build. The 20 mA DEMAND LIMIT
OPTION is also ignored during ice build.
Termination of Ice Build
Ice build termination occurs under the following conditions:
1. Ice Build Time Schedule — When the Ice Build Time Schedule transitions to
UNOCCUPIED, ice build operation shall terminate.
2. ECW TEMPERATURE — Termination of compressor operation, based on temperature,
shall occur if the ICE BUILD TERMINATION is set to the ICE BUILD TERMINATION TEMP
option and the ENTERING CHILLED WATER temperature is less than the ICE BUILD
SETPOINT. If the ICE BUILD RECYCLE OPTION is set to ENABLE, a recycle shutdown
occurs and recycle start-up shall be based on LEAVING CHILLED WATER temperature
being greater than the WATER/BRINE CONTROL POINT plus RECYCLE DELTA T.

3. Remote Contacts/Ice Level Input — Termination of compressor operation occurs when ICE
BUILD TERMINATION is set to CONTACTS ONLY OPTION and the remote contacts are
open. In this case, the contacts are provided for ice level termination control. The remote
contacts can still be opened and closed to start and stop the chiller when the Ice Build Time
Schedule is UNOCCUPIED. The contacts are used to stop the ICE BUILD mode when the
Ice Build Time Schedule is OCCUPIED.
4. ECW TEMPERATURE and Remote Contacts — Termination of compressor operation shall
occur when ICE BUILD TERMINATION is set to BOTH (temperature and contacts) option
and the previously described conditions for ECW TEMPERATURE and remote contacts
have occurred.
Note: Overriding the CHILLER START/STOP, WATER/BRINE CONTROL POINT, and
ACTIVE DEMAND LIMIT variables by CCN devices (with a priority less than 4) during
the ice build period is not possible. However, overriding can be accomplished with CCN
during two chiller lead/lag.
Return to Non-Ice Build Operations
Upon termination of ice build, the machine shall return to normal temperature control and
start/stop schedule operation. If the CHILLER START/STOP or WATER/BRINE CONTROL
POINT has been forced (with a priority less than 4), prior to entering ice build operation, then
chiller START/STOP and WATER/BRINE CONTROL POINT forces will be removed.

Attach to Network Device Control
On the Service menu, one of the selections is ATTACH TO NETWORK DEVICE. This table
serves the following purposes:
• to upload the Occupancy Schedule Number (if changed) for OCCPC03S, as defined
in the Service01 table
• to attach the LID to any CCN device, if the machine has been connected to a CCN
Network. This may include other PIC controlled chillers.
• to change to a new PSIO or LID module or upgrade software.
Figure 23 illustrates the ATTACH TO NETWORK DEVICE table. The Local description is
always the PSIO module address of the machine the LID is mounted on. Whenever the
controller identification of the PSIO is changed, this change is reflected on the bus and address
for the LOCAL DEVICE of the ATTACH TO DEVICE screen automatically. See Figure 17.
Whenever the ATTACH TO NETWORK DEVICE table is entered, the LID erases information
on the module to which it was attached in order to make room for another device. Therefore, it is
then required to attach to a CCN module when this screen is entered, even if the LID is attached
back to the original module. When the ATTACH softkey is pressed, the message ‘‘UPLOADING
TABLES, PLEASE WAIT’’ flashes. The LID will then upload the highlighted device or module. If
the module address cannot be found, the message ‘‘COMMUNICATION FAILURE’’ will appear.
The LID will then revert back to the ATTACH TO DEVICE screen. The upload process time for
various CCN modules is different for each module. In general, the uploading process will take 3
to 5 minutes.

Attaching to Other CCN Modules
If the machine PSIO has been connected to a CCN Network or other PIC controlled chillers
through CCN wiring, the LID can be used to view or change parameters on the other controllers.
Other PIC machines can be viewed and set points changed (if the other unit is in CCN control),
if desired from this particular LID module.
To view the other devices, move to the ATTACH TO NETWORK DEVICE table. Move the
highlight bar to any device number. Press SELECT softkey to change the bus number and
address of the module to be viewed. Press EXIT softkey to move back to the ATTACH TO
NETWORK DEVICE table. If the module number is not valid, the ‘‘COMMUNICATION
FAILURE’’ message will show and a new address number should be entered or the wiring
checked. If the model is communicating properly, the ‘‘UPLOAD IN PROGRESS’’ message will
flash and the new module can now be viewed.
Whenever there is a question regarding which CCN module the LID is currently showing,
check the device name descriptor on the upper left hand corner of the LID screen. See
Figure 23.
When the CCN device has been viewed, the ATTACH TO NETWORK DEVICE table should
now be used to attach to the PSIO that is on the machine. Move to the ATTACH TO NETWORK
DEVICE table and press the ATTACH softkey to upload the LOCAL device. The PSIO for the
19XT will now be uploaded.

Note: The LID will not automatically re-attach to the PSIO module on the machine. Press the
ATTACH softkey to attach to LOCAL DEVICE and view the machine PSIO.
Service Operation
An overview of the menu-driven programs available for Service Operation is shown in
Figure 17.
To Log On
1. On the Menu screen, press SERVICE. The keys now correspond to the numerals 1, 2, 3, 4.
2. Press the four digits of your password, one at a time. An asterisk (*) appears as you enter
each digit.
Click here for Figure 23 — Example of Attach to Network Device Screen
ENTER A 4 DIGIT PASSWORD:*
1234

The menu bar (Next-Previous-Select-Exit) is displayed to indicate that you have success-
fully logged on.
If the password is entered incorrectly, an error message is displayed. If this occurs, return to
Step 1 and try logging on again.
Note: The initial factory set password is 1-1-1-1.
To Log Off
Access the Log Out of Device table of the Service menu in order to password-protect the
Service menu. The LID will automatically sign off and password-protect itself if a key is not
pressed for 15 minutes. The LID default screen is then displayed.
NEXT PREVIOUS SELECT EXIT
INVALID PASSWORD
1234

Holiday Scheduling (Figure 24)
The time schedules may be configured for special operation during a holiday period. When
modifying a time period, the ‘‘H’’ at the end of the days of the week field signifies that the period
is applicable to a holiday. (See Figure 24.)
The Broadcast function must be activated for the holidays configured in the Holidef tables to
work properly. Access the Brodefs table in the Equipment Configuration table and answer
‘‘Yes’’ to the activated function. However, when the machine is connected to a CCN Network,
only one machine or CCN device can be configured to be the broadcast device. The controller
that is configured to be the broadcaster is the device responsible for transmitting holiday, time,
and daylight-savings dates throughout the network.
To view or change the holiday periods for up to 18 different holidays, perform the following
operation:
1. At the Menu screen, press SERVICE to access the Service menu.
STATUS SCHEDULE SETPOINT SERVICE

2. If not logged on, follow the instructions for To Log On or To Log Off. Once logged on, press
NEXT until Equipment Configuration is highlighted.
3. Once Equipment Configuration is highlighted, press SELECT to access.
4. Press NEXT until Holidef is highlighted. This is the Holiday Definition table.
NEXT PREVIOUS SELECT EXIT
NEXT PREVIOUS SELECT EXIT
NEXT PREVIOUS SELECT EXIT

5. Press SELECT to enter the Data Table Select screen. This screen lists 18 holiday tables.
6. Press NEXT to highlight the holiday table that you wish to view or change. Each table is one
holiday period, starting on a specific date, and lasting up to 99 days.
7. Press SELECT to access the holiday table. The Configuration Select table now shows the
holiday start month and day, and how many days the holiday period will last.
NEXT PREVIOUS SELECT EXIT
NEXT PREVIOUS SELECT EXIT
NEXT PREVIOUS SELECT EXIT

Start-Up/Shutdown/Recycle Sequence (Figure 25)
Local Start-Up
Local start-up (or a manual start-up) is initiated by pressing the LOCAL menu softkey which
is on the default LID screen. Local start-up can proceed when Time Schedule 01 is in
OCCUPIED mode, and after the internal 15-minute start-to-start timer and the stop-to-start
inhibit timer have expired.
The chiller start/stop status point on the Status01 table may be overridden to start,
regardless of the time schedule, in order to locally start the unit. Also, the remote contacts may
be enabled through the LID and closed to initiate a start-up.
Whenever the chiller is in LOCAL control mode, the PIC will wait for Time Schedule 01 to
become occupied and the remote contacts to close, if enabled. The PIC will then perform a
series of pre-start checks to verify that all pre-start alerts and safeties are within the limits
shown in Table 3. The run status line on the LID now reads ‘‘Starting.’’ If the checks are
successful, the chilled water/brine pump relay will be energized. Five seconds later, the
condenser pump relay is energized. Thirty seconds later the PIC monitors the chilled water and
condenser water flow switches, and waits until the
WATER FLOW VERIFY TIME
(operator
configured, default 5 minutes) to confirm flow. After flow is verified, the chilled water/brine
temperature is compared to
CONTROL POINT
plus
DEADBAND
. If the temperature is less
than or equal to this value, the PIC will turn off the condenser pump relay and go into a

RECYCLE mode. If the water/brine temperature is high enough, the start-up sequence
continues on to check the guide vane position. If the guide vanes are more than 6% open, the
start-up waits until the PIC closes the vanes. If the vanes are closed, and the oil pump pressure
is less than 4 psid (28 kPad), the oil pump relay will then be energized. The PIC then waits until
the
OIL PRESS (Pressure) VERIFY TIME
(operator configured, default 15 seconds) for oil
pressure to reach 18 psid (124 kPad). After oil pressure is verified, the PIC waits 10 seconds,
and then the compressor start relay (1CR) is energized to start the compressor.
Failure to verify any of the requirements up to this point will result in the PIC aborting the start
and displaying the applicable pre-start mode of failure on the LID default screen. A pre-start
failure does not advance the starts in 12 hours counter. Any failure after the 1CR relay has
energized results in a safety shutdown, advances the starts in the 12 hours counter by one, and
displays the applicable shut-down status on the LID display.
Click here for Figure 25 — Control Sequence

Shutdown Sequence
Shutdown of the machine can occur if any of the following events happen:
• the STOP button is pressed for at least one second (the alarm light will blink once to
confirm stop command)
• recycle condition is present (see Chilled Water Recycle Mode section)
• time schedule has gone into UNOCCUPIED mode
• remote contact opens
• the start/stop status is overridden to stop from the CCN network or the LID
When a stop signal occurs, the shutdown sequence first stops the compressor by
deactivating the start relay. A status message of ‘‘SHUTDOWN IN PROGRESS, COMPRES-
SOR DEENERGIZED’’ is displayed. The guide vanes are then brought to the closed position.
The oil pump relay and the chilled water/brine pump relay are shut down 60 seconds after the
compressor stops. The condenser water pump will be shut down when the
CONDENSER
REFRIGERANT TEMP
is less than the
CONDENSER PRESSURE OVERRIDE
minus 5 psi
(34 kPa) or is less than or equal to the
ENTERING CONDENSER WATER TEMP
plus 3° F
(2° C). The stop-to-start timer will now begin to count down. If the start-to-start timer is still
greater than the value of the start-to-stop timer, then this time is now displayed on the LID.

Certain conditions during shutdown will change this sequence:
• if the
COMPRESSOR MOTOR LOAD
is greater than 10% after shutdown, or the
starter contacts remain energized, the oil pump and chilled water pump remain ener-
gized and the alarm is displayed
• if the
ENTERING CONDENSER WATER
temperature is greater than 115 F (46 C) at
shutdown, the condenser pump will be deenergized after the 1CR compressor start
relay
• if the machine shuts down due to low refrigerant temperature, the chilled water pump
will stay running until the
LEAVING CHILLED WATER
is greater than
CONTROL
POINT
, plus 5° F (3° C)
Automatic Soft Stop Amps Threshold
The SOFT STOP AMPS THRESHOLD closes the guide vanes of the compressor
automatically when a non-recycle, non-alarm stop signal occurs before the compressor motor is
deenergized.
If the STOP button is pressed, the guide vanes close to a preset amperage percent or until
the guide vane is less than 2% open. The compressor will then shut off.
If the machine enters an alarm state or if the compressor enters a RECYCLE mode, the
compressor will be deenergized immediately.
To activate SOFT STOP AMPS THRESHOLD, view the bottom of Service1 table. Set the
SOFT STOP AMPS THRESHOLD value to the percentage amps at which the motor will shut
down. The default setting is 100% amps (no Soft Stop).

When the SOFT STOP AMPS THRESHOLD is being applied, a status message
‘‘SHUTDOWN IN PROGRESS, COMPRESSOR UNLOADING’’ is shown.
Chilled Water Recycle Mode
The machine may cycle off and wait until the load increases to restart again when the
compressor is running in a lightly loaded condition. This cycling of the chiller is normal and is
known as recycle. A recycle shutdown is initiated when any of the following conditions are true:
• when in LCW control, the difference between the
LEAVING CHILLED WATER
tem-
perature and
ENTERING CHILLED WATER
temperature is less than the
RECYCLE
SHUTDOWN DELTA T
(found in the SERVICE 1 table) and the
LEAVING CHILLED
WATER TEMP
is below the
CONTROL POINT
, and the
CONTROL POINT
has not
increased in the last 5 minutes
• when
ECW CONTROL OPTION
is enabled, the difference between the
ENTERING
CHILLED WATER
temperature and the
LEAVING CHILLED WATER
temperature is
less than the
RECYCLE SHUTDOWN DELTA T
(found in the SERVICE 1 table) and
the
ENTERING CHILLED WATER TEMPERATURE
is below the
CONTROL POINT
,
and the
CONTROL POINT
has not increased in the last 5 minutes
• when the
LEAVING CHILLED WATER
temperature is within 3° F (2° C) of the
BRINE
REFRIG TRIPPOINT
When the machine is in RECYCLE mode, the chilled water pump relay remains energized so
that the chilled water temperature can be monitored for increasing load. The recycle control
uses
RECYCLE RESTART DELTA T
to check when the compressor should be restarted. This

is an operator-configured function which defaults to 5° F (3° C). This value is viewed/modified
on the Service1 table. The compressor will restart when:
• in LCW CONTROL the
LEAVING CHILLED WATER
temperature is greater than the
CONTROL POINT
plus the
RECYCLE RESTART DELTA T
; or
• in ECW CONTROL, the
ENTERING CHILLED WATER
temperature is greater than
the
CONTROL POINT
plus the
RECYCLE RESTART DELTA T
Once these conditions are met, the compressor shall initiate a start-up, with a normal start-up
sequence.
An alert condition may be generated if 5 or more RECYCLE STARTUPs occur in less than 4
hours. This excessive recycling can reduce machine life. Compressor recycling due to
extremely low loads should be reduced. To reduce compressor recycling, use the time schedule
to shut the machine down during low load operation or increase the machine load by running
the fan systems. If the hot gas bypass is installed, adjust the values to ensure that hot gas is
energized during light load conditions. Increase the
RECYCLE RESTART DELTA T
on the
Service1 table to lengthen the time between restarts.
The machine should not be operated below design minimum load without a hot gas bypass
installed on the machine.

Safety Shutdown
A safety shutdown is identical to a manual shutdown with the exception that the LID will
display the reason for the shutdown, the alarm light will blink continuously, and the spare alarm
contacts will be energized. A safety shutdown requires that the RESET softkey be pressed in
order to clear the alarm. If the alarm is still present, the alarm light will continue to blink. Once
the alarm is cleared, the operator must press the CCN or LOCAL softkeys to restart the
machine.
CAUTION CAUTION
!
Do not reset starter loads or any other starter safety for 30 seconds after the
compressor has stopped. Voltage output to the compressor start signal is main-
tained for 10 seconds to determine starter fault.

Before Initial Start-Up
Job Data Required
• list of applicable design temperatures and pressures (product data submittal)
• machine certified drawings
• starting equipment details and wiring diagrams
• diagrams and instructions for special controls or options
• 17/19EX Installation Instructions
• pumpout unit instructions
Equipment Required
• mechanic’s tools (refrigeration)
• digital volt-ohmmeter (DVM)
• clamp-on ammeter
• electronic leak detector
• absolute pressure manometer or wet-bulb vacuum indicator (Figure 26)
• 500 v insulation tester (megohmmeter) for compressor motors with nameplate volt-
age of 600 v or less, or a 5000-v insulation tester for compressor motor rated above
600 v
Using the Utility Vessel and Pumpout System
Refer to Pumpout and Refrigerant Transfer Procedures section for: pumpout system
preparation, refrigerant transfer, and machine evacuation.

Remove Shipping Packaging
Remove any packaging material from the control center, power panel, guide vane actuator,
motor cooling and oil reclaim solenoids, motor and bearing temperature sensor covers, and the
factory-mounted starter.
Open Drive Motor
The motor should be inspected for any temporary, yellow caution tags whose legends
convey information concerning actions necessary before the motor can be safely operated. Any
CAUTION CAUTION
!
The motor may be provided with a shipping brace or shipping bolt (normally
painted yellow) to prevent shaft movement during transit. It must be removed
prior to operation. See Figure 27.
Click here for Figure 26 — Typical Wet-Bulb Type Vacuum Indicator
Click here for Figure 27 — Shipping Bolt on Open Drive Motor

slushing compound on the shaft or other parts must be removed using a petroleum type solvent
and observing proper safety precautions.
Note: If the motor utilized a shipping bolt for restraining the rotor, the Westinghouse logo must
be installed over the hole in the endcover. The logo, the gasket, and hardware can be
found with the parts that have been shipped loose. (Usually these are packed inside of
the main power lead box.)
Open-Drive Motor Electrical Connection
All interconnecting wiring for controls and grounding should be in strict accordance with both
the National Electrical Code and any local requirements.
The main lead box furnished with the motor has been sized to provide adequate space for
the make-up of the connections between the motor lead cables and the incoming power cables.
The bolted joints between the motor lead and the power cables must be made and insulated in
a workman-like manner following the best trade practices.
Fabricated motors are provided with 2 stainless steel grounding pads drilled and tapped with
the NEMA 2-hole pattern (two 1/2 -13 tapped holes on 1 3/4 in. centers). Fan cooled cast
frames are provided with a special grounding bolt. The motor should be grounded by a proper
connection to the electrical system ground.
The rotation direction of the motor will be as shown by either a nameplate on the motor or the
certified drawing. The required phase rotation of the incoming power for this motor rotation may

also be stated. If either is unknown, the correct sequence can be determined in the following
manner: While the motor is uncoupled from the load, start the motor and observe the direction
of rotation. Allow the motor to achieve full speed before disconnecting it from the power source.
Refer to Open-Drive Motor Pre-Start Checks for information concerning initial start-up. If
resulting rotation is incorrect, it can be reversed by interchanging any 2 incoming cables.
Open-Drive Motor Auxiliary Devices
Auxiliary devices such as resistance temperature detectors, thermocouples, thermoguards,
etc., will generally terminate on terminal blocks located in the auxiliary terminal box on the
motor. Other devices may terminate on their own enclosures elsewhere on the motor. Such
information can be obtained by referring to the certified drawing. Information regarding terminal
designation and the connection of auxiliary devices can be obtained from auxiliary drawings
referenced by the outline drawing.
If the motor is provided with internal space heaters, the incoming voltage supplied to them
must be exactly as shown by either a nameplate on the motor or the outline drawing for proper
heater operation. Caution must be exercised anytime contact is made with the incoming space
heater circuit as space heater voltage is often automatically applied when the motor is shut
down.

Open Oil Circuit Valves
Check that the oil filter isolation valves are open by removing the valve cap and checking the
valve stem. (See Scheduled Maintenance, Changing Oil Filter.)
Torque All Gasketed Joints
Gaskets normally have relaxed by the time the machine arrives at the jobsite. Tighten all
gasketed joints to ensure a leak tight machine.
Note: On open-drive machines, check the machine cold alignment. Refer to Machine Align-
ment in the Maintenance section.
Check Machine Tightness
Figure 28 outlines the proper sequence and procedures for leak testing.
17/19EX chillers are shipped with the refrigerant contained in the utility vessel and the oil
charge shipped in the compressor. The cooler/condenser vessels will have a 15 psig (103 kPa)
refrigerant charge. Units may be ordered with the refrigerant shipped separately, along with a
15 psig (103 kPa) nitrogen-holding charge in each vessel. To determine if there are any leaks,
the machine should be charged with refrigerant. Use an electronic leak detector to check all
flanges and solder joints after the machine is pressurized. If any leaks are detected, follow the
leak test procedure.
If the machine is spring isolated, keep all springs blocked in both directions in order to

prevent possible piping stress and damage during the transfer of refrigerant from vessel to
vessel during the leak test process, or any time refrigerant is transferred. Adjust the springs
when the refrigerant is in operating condition, and when the water circuits are full.
Refrigerant Tracer
Carrier recommends the use of an environmentally acceptable refrigerant tracer for leak
testing with an electronic detector or halide torch.
Ultrasonic leak detectors also can be used if the machine is under pressure.
Leak Test Machine
Due to regulations regarding refrigerant emissions and the difficulties associated with
separating contaminants from refrigerant, Carrier recommends the following leak test
procedures. See Figure 28 for an outline of the leak test procedures. Refer to Table 5A and
Table 5B for refrigerant pressure/temperature values and to Pumpout and Refrigerant Transfer
Procedures section.
Do not use air or oxygen as a means of pressurizing the machine. Some mixtures
of HFC-134a and air can undergo combustion.
WARNING !WARNING

1. If the pressure readings are normal for machine condition:
a. Evacuate the nitrogen holding charge from the vessels, if present.
b. Raise the machine pressure, if necessary, by adding refrigerant until pressure is at
equivalent saturated pressure for the surrounding temperature. Follow the pumpout
procedures in the Pumpout and Refrigerant Transfer Procedures section.
c. Leak test machine as outlined in Steps 3 -9.
2. If the pressure readings are abnormal for machine condition:
a. Prepare to leak test machines shipped with refrigerant (Step 2h).
b. Check for large leaks by connecting a nitrogen bottle and raising the pressure to 30 psig
(207 kPa). Soap test all joints. If the test pressure holds for 30 minutes, prepare the test
for small leaks (Steps 2g - h).
Never charge liquid refrigerant into the machine if the pressure in the machine is
less than 35 psig (241 kPa). Charge as a gas only, with the cooler and condenser
pumps running, until this pressure is reached, using PUMPDOWN LOCKOUT and
TERMINATE LOCKOUT mode on the PIC. Flashing of liquid refrigerant at low
pressures can cause tube freezeup and considerable damage.
WARNING !WARNING

c. Plainly mark any leaks which are found.
d. Release the pressure in the system.
e. Repair all leaks.
f. Retest the joints that were repaired.
g. After successfully completing the test for large leaks, remove as much nitrogen, air, and
moisture as possible, given the fact that small leaks may be present in the system. This
can be accomplished by following the dehydration procedure, outlined in the Machine
Dehydration section.
h. Slowly raise the system pressure to the equivalent saturated pressure for the
surrounding temperature but no less than 35 psig (241 kPa) by adding HFC-134a
refrigerant. Proceed with the test for small leaks (Steps 3-9).
3. Check the machine carefully with an electronic leak detector, halide torch, or soap bubble
solution.
4. Leak Determination — If an electronic leak detector indicates a leak, use a soap bubble
solution, if possible, to confirm. Total all leak rates for the entire machine. Leakage at rates
greater than 1 lb/year (0.45 kg/year) for the entire machine must be repaired. Note total
machine leak rate on the start-up report. This leak rate repair is only for new start-ups. See
operating machine leak rate/repair recommendations in the General Maintenance section.

5. If no leak is found during initial start-up procedures, complete the transfer of refrigerant gas
(see Pumpout and Refrigerant Transfer Procedures section.)
6. If no leak is found after a retest:
a. Transfer the refrigerant to the utility vessel or other storage tank and perform a standing
vacuum test as outlined in the Standing Vacuum Test section.
b. If the machine fails this test, check for large leaks (Step 2b).
c. Dehydrate the machine if it passes the standing vacuum test. Follow the procedure in the
Machine Dehydration section. Charge machine with refrigerant (see Pumpout and
Refrigerant Transfer Procedures section.)
7. If a leak is found, pump the refrigerant back into the utility vessel or other storage tank.
8. Transfer the refrigerant until machine pressure is at 18 in. Hg (41 kPa absolute).
9. Repair the leak and repeat the procedure, beginning from Step 2g to ensure a leaktight
repair. (If machine is opened to the atmosphere for an extended period, evacuate it before
repeating leak test.)

Standing Vacuum Test
When performing the standing vacuum test, or machine dehydration, use a manometer or a
wet bulb indicator. Dial gages cannot indicate the small amount of acceptable leakage during a
short period of time.
1. Attach an absolute pressure manometer or wet bulb indicator to the machine.
2. Evacuate the vessel (see Pumpout and Refrigerant Transfer Procedures section) to at least
18 in. Hg vac, ref 30-in. bar (41 kPa), using a vacuum pump or the pump-out unit.
3. Valve off the pump to hold the vacuum and record the manometer or indicator reading.
4.a. If the leakage rate is less than 0.05 in. Hg (.17 kPa) in 24 hours, the machine is suffi-
ciently tight.
b. If the leakage rate exceeds 0.05 in. Hg (.17 kPa) in 24 hours, repressurize the vessel and
test for leaks. If refrigerant is available in the other vessel, pressurize by following Steps
2-10 of Return Refrigerant to Normal Operating Conditions section. If not, use nitrogen
and a refrigerant tracer. Raise the vessel pressure in increments until the leak is
detected. If refrigerant is used, the maximum gas pressure is approximately 70 psig
(483 kPa) at normal ambient temperature.
5. Repair leak, retest, and proceed with dehydration.

Machine Dehydration
Dehydration is recommended if the machine has been open for a considerable period of
time, if the machine is known to contain moisture, or if there has been a complete loss of
machine holding charge or refrigerant pressure.
Click here for Table 5A — HFC-134a Pressure — Temperature (F)
Click here for Figure 28 — 17/19EX Leak Test Procedures
Click here for Table 5B — HFC-134a Pressure — Temperature (C)
Do not start or megohm test the compressor motor or oil pump motor, even for a
rotation check, if the machine is under dehydration vacuum. Insulation break-
down and severe damage may result.
WARNING !WARNING

Dehydration is readily accomplished at room temperatures. Use of a cold trap (Figure 29)
may substantially reduce the time required to complete the dehydration. The higher the room
temperature, the faster dehydration takes place. At low room temperatures, a very deep
vacuum is required for boiling off any moisture. If low ambient temperatures are involved,
contact a qualified service representative for the dehydration techniques required.
Perform dehydration as follows:
1. Connect a high capacity vacuum pump (5 cfm [.002 m 3/s] or larger is recommended) to the
refrigerant charging valve (Figure 7 and Figure 8). Tubing from the pump to the machine
should be as short and as large a diameter as possible to provide least resistance to gas
flow.
2. Use an absolute pressure manometer or a wet bulb vacuum indicator to measure the
vacuum. Open the shutoff valve to the vacuum indicator only when taking a reading. Leave
the valve open for 3 minutes to allow the indicator vacuum to equalize with the machine
vacuum.
3. Open all isolation valves (if present), if the entire machine is to be dehydrated.
4. With the machine ambient temperature at 60 F (15.6 C) or higher, operate the vacuum
pump until the manometer reads 29.8 in. Hg vac, ref 30 in. bar. (0.1 psig) (–100.61 kPa) or
a vacuum indicator reads 35 F (1.7 C). Operate the pump an additional 2 hours.
Do not apply greater vacuum than 29.82 in. Hg vac (757.4 mm Hg) or go below 33 F (.56 C)

on the wet bulb vacuum indicator. At this temperature/pressure, isolated pockets of mois-
ture can turn into ice. The slow rate of evaporation (sublimation) of ice at these low temper-
atures/pressures greatly increases dehydration time.
5. Valve off the vacuum pump, stop the pump, and record the instrument reading.
6. After a 2-hour wait, take another instrument reading. If the reading has not changed,
dehydration is complete. If the reading indicates vacuum loss, repeat Steps 4 and 5.
7. If the reading continues to change after several attempts, perform a leak test up to the
maximum 180 psig (1241 kPa) pressure. Locate and repair the leak, and repeat
dehydration.
Inspect Water Piping
Refer to piping diagrams provided in the certified drawings, and the piping instructions in the
17/19EX Installation Instructions manual. Inspect the piping to the cooler and condenser. Be
sure that flow directions are correct and that all piping specifications have been met.
Piping systems must be properly vented, with no stress on waterbox nozzles and covers.
Water flows through the cooler and condenser must meet job requirements. Measure the
pressure drop across cooler and across condenser.
Click here for Figure 29 — Dehydration Cold Trap

Check Optional Pumpout Compressor Water Piping
If the optional storage tank and/or pumpout system are installed, check to ensure the
pumpout condenser water has been piped in. Check for field-supplied shutoff valves and
controls as specified in the job data. Check for refrigerant leaks on field-installed piping.
Check Relief Devices
Be sure that relief devices have been piped to the outdoors in compliance with the latest
edition of ANSI/ASHRAE Standard 15 and applicable local safety codes. Piping connections
must allow for access to the valve mechanism for periodic inspection and leak testing.
Relief valves are set to relieve at the 225 psig (1551 kPa) machine design pressure.
CAUTION CAUTION
!
Water must be within design limits, clean, and treated to ensure proper machine
performance and reduce the potential of tubing damage due to corrosion, scal-
ing, or erosion. Carrier assumes no responsibility for chiller damage resulting
from untreated or improperly treated water.

Inspect Wiring
1. Examine wiring for conformance to job wiring diagrams and to all applicable electrical
codes.
2. On low-voltage compressors (600 v or less) connect voltmeter across the power wires to
the compressor starter and measure the voltage. Compare this reading with the voltage
rating on the compressor and starter nameplates.
3. Compare the ampere rating on the starter nameplate with the compressor nameplate. The
overload trip amps must be 108% to 120% of the rated load amps.
Do not check voltage supply without proper equipment and precautions. Serious
injury may result. Follow power company recommendations.
WARNING !WARNING
CAUTION CAUTION
!
Do not apply any kind of test voltage, even for a rotation check, if the machine is
under a dehydration vacuum. Insulation breakdown and serious damage may
result.

4. The starter for a centrifugal compressor motor must contain the components and terminals
required for PIC refrigeration control. Check certified drawings.
5. Check the voltage to the following components and compare to the nameplate values: oil
pump contact, pumpout compressor starter, and power panel.
6. Be sure that fused disconnects or circuit breakers have been supplied for the oil pump,
power panel, and pumpout unit.
7. Check that all electrical equipment and controls are properly grounded in accordance with
job drawings, certified drawings, and all applicable electrical codes.
8. Make sure that the customer’s contractor has verified proper operation of the pumps,
cooling tower fans, and associated auxiliary equipment. This includes ensuring that motors
are properly lubricated and have proper electrical supply and proper rotation.
9. Tighten up all wiring connections to the plugs on the SMM, 8-input, and PSIO modules.
10. Ensure that the voltage selector switch inside the power panel is switched to the incoming
voltage rating.
11. On machines with free-standing starters, inspect the power panel to ensure that the
contractor has fed the wires into the bottom of the panel. Wiring into the top of the panel can
cause debris to fall into the contactors. Clean and inspect the contactors if this has
occurred.

Check Insulation Resistance (Hermetic Motor)
Test the machine compressor motor and its power lead insulation resistance with a 500-v
insulation tester such as a megohmmeter. (Use a 5000-v tester for motors rated over 600 v.)
Factory-mounted starters do not require a megohm test.
1. Open the starter main disconnect switch and follow lockout/tagout rules.
2. With the tester connected to the motor leads, take 10-second and 60-second megohm
readings as follows:
6-Lead Motor — Tie all 6 leads together and test between the lead group and ground. Next
tie leads in pairs, 1 and 4, 2 and 5, and 3 and 6. Test between each pair while grounding the
third pair.
3-Lead Motor — Tie terminals 1, 2, and 3 together and test between the group and ground.
3. Divide the 60-second resistance reading by the 10-second reading. The ratio, or
polarization index, must be one or higher. Both the 10- and 60-second readings must be at
least 50 megohms.
CAUTION CAUTION
!
If the motor starter is a solid-state starter, the motor leads must be disconnected
from the starter before an insulation test is performed. The voltage generated
from the tester can damage the starter solid-state components.

If the readings on a field-installed starter are unsatisfactory, repeat the test at the motor with
the power leads disconnected. Satisfactory readings in this second test indicate the fault is
in the power leads.
Note: Unit-mounted starters do not have to be megohm tested.
Check Insulation Resistance (Open-Drive Motor)
Before operating voltages is applied to the motor, whether for checking rotation direction or
for actual operation, the resistance of the stator winding insulation should be measured.
The test voltage, based on the motor operating voltage, is as follows:
This is particularly important if the motor may have been exposed to excessive dampness
either during transit or while in storage. A ‘‘megger’’ type instrument can be used to measure
the insulation resistance. The test voltage should be applied between the entire winding (all
winding leads connected together) and ground for approximately one minute with the winding at
ambient temperature. The recommended minimum insulation resistance is determined as
follows:
Operating Voltage DC Test Voltage
0- 900 500
901- 7000 1000
7001-14500 2500

RM = KV + 1
Where
RM = Recommended minimum insulation resistance in megohms at 104° F (40° C) of
the entire winding.
KV = Rated motor terminal to terminal voltage in kilovolts (1000 volts = 1 KV).
On a new winding, where the contaminant causing low insulation resistance is generally
moisture, drying the winding through the proper application of heat will normally increase the
insulation resistance to an acceptable level. The following are several accepted methods for
applying heat to a winding:
1. If the motor is equipped with space heaters, they can be energized to heat the winding.
2. Direct current (as from a welder) can be passed through the winding. The total current
should not exceed approximately 50% of rated full load current. If the motor has only 3
leads, 2 must be connected together to form one circuit through the winding. In this case,
one phase will carry the full applied current and each of the others, one-half each. If the
motor has 6 leads (3 mains and 3 neutrals), the 3 phases should be connected into one
series circuit.
3. Heated air can be either blown directly into the motor or into a temporary enclosure
surrounding the motor. The source of heated air should preferably be electrical as opposed
to fueled (such as kerosene) where a malfunction of the fuel burner could result in carbon

entering the motor. Caution must be exercised, when heating the motor with any source of
heat other than self contained space heaters, to raise the winding temperature at a gradual
rate to allow any entrapped moisture to vaporize and escape without rupturing the
insulation. The entire heating cycle should extend over 15 to 20 hours.
Insulation resistance measurements can be made while the winding is being heated.
However, they must be corrected to 104 F (40 C) for evaluation since the actual insulation
resistance will decrease with increasing temperature. As an approximation for a new winding,
the insulation resistance will approximately halve for each 18° F (10° C) increase in insulation
temperature above the dew point temperature.
Open-Drive Motor Pre-Start Checks
To pre-vent damage to the motor, the following steps must be taken prior to initial start-up:
1. Remove the shaft shipping brace (if supplied).
2. For sleeve bearing motors, the oil reservoir must be filled with oil to the correct level. The
proper oil is a rust and oxidation inhibited, turbine grade oil. The viscosity of the oil must be
32 ISO (150 SSU) at 100 F (37.7 C). Oil capacity in each of the two bearings is 0.6 gal.
(2.3 L) per bearing. Use of Carrier Oil Specification PP16-0 is approved (Mobil DTE Light or
Sun Oil SUNVIS 916).
3. If possible, the shaft should be turned over by hand to ensure that there is free rotation. On
sleeve bearing motors, the shaft should be moved to both extremes of its end play while it is

being rotated, and the oil rings should be viewed through the viewing ports in the top of the
bearing housing to verify free ring rotation.
4. On fan-cooled motors, the area around he external fan inlet should be checked for loose
debris that could be drawn into the fan during operation.
5. All external, factory-made, bolted joints should be checked for any looseness that may have
occurred in transit. Refer to Table 6 for recommended bolt torques.
Carrier Comfort Network Interface
The Carrier Comfort Network (CCN) communication bus wiring is supplied and installed by
the electrical contractor. It consists of shielded, 3-conductor cable with drain wire.
The system elements are connected to the communication bus in a daisy chain
arrangement. The positive pin of each system element communication connector must be wired
to the positive pins of the system element on either side of it; the negative pins must be wired to
the negative pins; the signal ground pins must be wired to signal ground pins.
To attach the CCN communication bus wiring, refer to the certified drawings and wiring
diagrams. The wire is inserted into the CCN communications plug (COMM1) on the PSIO
module. This plug also is referred to as J5.
Click here for Table 6 — Recommended Torque

Note: Conductors and drain wire must be 20 AWG (American Wire Gage) minimum stranded,
tinned copper. Individual conductors must be insulated with PVC, PVC/nylon, vinyl,
Teflon, or polyethylene. An aluminum/polyester 100% foil shield and an outer jacket of
PVC, PVC/nylon, chrome vinyl or Teflon with a minimum operating temperature range of
–20 C to 60 C is required. See table below for cables that meet the requirements.
When connecting the CCN communication bus to a system element, a color code system for
the entire network is recommended to simplify installation and checkout. The following color
code is recommended:
Manufacturer Cable No.
Alpha 2413 or 5463
American A22503
Belden 8772
Columbia 02525
SIGNAL TYPE CCN BUS CONDUCTOR
INSULATION COLOR PSIO MODULE COMM 1
PLUG (J5) PIN NO.
+
Ground
–
RED
WHITE
BLACK
1
2
3

Check Starter
Use the instruction and service manual supplied by the starter manufacturer to verify that the
starter has been installed correctly.
Whenever a starter safety trip device activates, wait at least 30 seconds before resetting the
safety. The microprocessor maintains its output to the 1CR relay for 10 seconds after starter
safety shutdown to determine the fault mode of failure.
CAUTION CAUTION
!
BE AWARE that certain automatic start arrangements
can engage the starter
.
Open the disconnect
ahead
of the starter in addition to shutting off the machine
or pump.
CAUTION CAUTION
!
The main disconnect on the starter front panel may not deenergize all internal
circuits. Open all internal and remote disconnects before servicing the starter.

Mechanical-Type Starters
1. Check all field wiring connections for tightness, clearance from moving parts, and correct
connection.
2. Check the contactor(s) to be sure they move freely. Check the mechanical interlock
between contactors to ensure that 1S and 2M contactors cannot be closed at the same
time. Check all other electro-mechanical devices, e.g., relays, timers, for free movement. If
the devices do not move freely, contact the starter manufacturer for replacement
components.
3. Some dashpot-type magnetic overload relays must be filled with oil on the job site. If the
starter is equipped with devices of this type, remove the fluid cups from these magnetic
overload relays. Add dashpot oil to cups per instructions supplied with the starter. The oil is
usually shipped in a small container attached to the starter frame near the relays. Use only
dashpot oil supplied with the starter. Do not substitute.
Factory-filled dashpot overload relays need no oil at start-up and solid-state overload relays
do not have oil.
4. Reapply starter control power (
not main chiller power
) to check electrical functions. When
using a reduced-voltage starter (such as a wye-delta type) check the transition timer for
proper setting. The factory setting is 30 seconds (±5 seconds), timed closing. The timer is
adjustable in a range between 0 and 60 seconds and settings other than the nominal 30

seconds may be chosen as needed (typically 20 to 30 seconds are used).
When the timer has been set, check that the starter (with relay 1CR closed) goes through a
complete and proper start cycle.
Solid-State Starters
1. Check that all wiring connections are properly terminated to the starter.
2. Verify that the ground wire to the starter is installed properly and is of sufficient size.
3. Verify that the motors are properly grounded to the starter.
4. Check that all of the relays are properly seated in their sockets.
5. Verify that the proper ac input voltage is brought into the starter per the certified drawings.
6. Verify the initial factory settings (i.e., starting torque, ramp potentiometers, etc. are set per
the manufacturer’s instructions.
This equipment is at line voltage when AC power is connected. Pressing the Stop
button does not remove voltage. Use caution when adjusting the potentiometers
on the equipment.
WARNING !WARNING

Oil Charge
If oil is added, it must meet Carrier’s specification for centrifugal compressor usage as
described in the Scheduled Maintenance, Oil Specification section.
On hermetic machines, add oil through the oil drain charging valve (Figure 3, Item 26). A
pump is required for adding oil against refrigerant pressure. The pumping device must be able
to lift from 0 to 150 psig (0 to 1034 kPa) or above unit pressure. On open-drive machines, oil
may be added through the oil drain and charging valve (Figure 2, Item 18) using a pump.
However, an oil charging elbow on the seal-oil return chamber (Figure 6) allows oil to be added
without pumping. The seal oil return pump automatically transfers the oil to the main oil
reservoir.
Oil should only be charged or removed when the machine is shut down. Maximum oil level is
the middle of the upper sight glass.
Power Up the Controls and Check the Oil Heater
Ensure that an oil level is visible in the compressor before energizing controls. A separate
disconnect energizes the oil heater and the control circuit. When first powered, the LID should
display the default screen within a short period of time.
The oil heater is energized by powering the control circuit. This should be done several hours
before start-up to minimize oil-refrigerant migration. The oil heater is controlled by the PIC and
is powered through a contactor in the power panel. Starters contain a separate circuit breaker to

power the heater and the control circuit. This set up allows the heater to energize when the
main motor circuit breaker is off for service work or extended shutdowns. The oil heater relay
status can be viewed on the Status02 screen on the LID. Oil sump temperature can be viewed
on the LID default screen.
Software Version
The software version will always be labeled on the PSIO module, and on the back side of the
LID module. On both the Controller ID and LID ID display screens, the software version number
will also appear.
Set Up Machine Control Configuration
As configuration of the 17/19EX unit is performed, write down all configuration settings. A
log, such as the one shown in Initial Start-Up Checklist, provides a convenient list for con-
figuration values.
Do not operate the machine before the control configurations have been checked
and a Control Test has been satisfactorily completed. Protection by safety con-
trols cannot be assumed until all control configurations have been confirmed.
WARNING !WARNING

Input the Design Set Points
Access the LID set point screen and view/modify the base demand limit set point, and
either
the LCW set point
or
the ECW set point. The PIC can control a set point to either the leaving or
entering chilled water. This control method is set in the Equipment Configuration table, Config
table.
Input the Local Occupied Schedule (OCCPC01S)
Access the schedule OCCPC01S screen on the LID and set up the occupied time schedule
per the customer’s requirements. If no schedule is available, the default is factory set for 24
hours occupied 7 days per week including holidays.
For more information about how to set up a time schedule, see the Controls section.
The CCN Occupied Schedule (OCCPC03S) should be configured if a CCN system is being
installed or if a secondary time schedule is needed.
The Ice Build Occupied Schedule (OCCPC02S) should be configured for Ice Build
applications.

Input Service Configurations
The following configurations require the LID screen to be in the Service portion of the menu.
• password
• input time and date
• LID configuration
• controller identification
• service parameters
• equipment configuration
• automated control test
Password
When accessing the Service tables, a password must be entered. All LIDs are initially set for
a password of 1-1-1-1. This password may be changed in the LID configuration screen, if
desired.
Input Time and Date
Access the Time and Date table on the Service menu. Input the present time of day, date,
and day of the week. ‘‘Holiday Today’’ should only be configured to ‘‘Yes’’ if the present day is a
holiday.

Change LID Configuration If Necessary
The LID Configuration screen is used to view or modify the LID CCN address, change to
English or SI units, and to change the password. If there is more than one machine at the job-
site, change the LID address on each machine so that each machine has its own address. Note
and record the new address. Change the screen to SI units as required, and change the
password if desired. A copy of the password should be retained for future reference.
Modify Controller Identification If Necessary
The controller identification screen is used to change the PSIO module address. Change this
address for each machine if there is more than one machine at the job-site. Write the new
address on the PSIO module for future reference.
Input Equipment Service Parameters If Necessary
The Equipment Service table has 3 service tables: Service1, Service2, and Service3.

Configure SERVICE1 Table
Access Service1 table to modify/view the following to jobsite parameters:
*Open-drive machines only.
Note: Other values are left at the default values. These may be changed by the operator as
required. Service2 and Service3 tables can be modified by the owner/operator as
required.
Modify Minimum and Maximum Load Points (∆T1/P1; ∆T2/P2) If Necessary
These pairs of machine load points, located on the Service1 table, determine when to limit
guide vane travel or to open the hot gas bypass valve when surge prevention is needed. These
points should be set based on individual machine operating conditions.
Chilled Medium
Brine Refrigerant Trippoint
Surge Limiting or Hot Gas
Bypass Option
Minimum Load Points (T1/P1)
Maximum Load Points (T2/P2)
Motor Rated Load Amps
Motor Rated Line Voltage
Motor Rated Line kW
Line Frequency
Compressor Starter Type
Stop-to-Start Time*
Water or Brine?
Usually 3° F (1.7° C) below design refrigerant temperature
Is HGBP installed?
Per job data — See Modify Load Points section (below)
Per job data — See Modify Load Points section (below)
Per job data
Per job data
Per job data (if kW meter installed)
50 or 60 Hz
Reduced voltage or full?
Follow motor vendor recommendation for time between starts.
See certified prints for correct value.

If, after configuring a value for these points, surge prevention is operating too soon or too late
for conditions, these parameters should be changed by the operator.
Example of configuration: Machine operating parameters
Refrigerant used: HFC-134a
Estimated Minimum Load Conditions:
44 F (6.7 C) LCW
45.5 F (7.5 C) EWC
43 F (6.1 C) Suction Temperature
70 F (21.1 C) Condensing Temperature
Estimated Maximum Load Conditions:
44 F (6.7 C) LCW
54 F (12.2 C) ECW
42 F (5.6 C) Suction Temperature
98 F (36.7 C) Condensing Temperature
Calculate Maximum Load
To calculate maximum load points, use design load condition data. If the machine full load
cooler temperature difference is more than 15° F (8.3° C), estimate the refrigerant suction and
condensing temperatures at this difference. Use the proper saturated pressure and temperature
for the particular refrigerant used.

Suction Temperature:
42 F (5.6 C) = 37 psig (255 kPa) saturated refrigerant pressure (HFC-134a)
Condensing Temperature:
98 F (36.7 C) = 120 psig (1827 kPa) saturated refrigerant pressure (HFC-134a)
Maximum Load ∆T2:
54 – 44 = 10° F (12.2 – 6.7 = 5.5° C)
Maximum Load ∆P2:
120 – 37 = 83 psid (827 – 255 = 572 kPad)
To avoid unnecessary surge prevention, add about 10 psid (70 kPad) to ∆P2 from these
conditions:
∆T2 = 10° F (5.5° C)
∆P2 = 93 psid (642 kPad)

Calculate Minimum Load
To calculate minimum load conditions, estimate the temperature difference that the cooler
will have at 20% load, then estimate what the suction and condensing temperatures will be at
this point. Use the proper saturated pressure and temperature for the particular refrigerant
used.
Suction Temperature:
43 F (6.1 C) = 38 psig (262 kPa) saturated refrigerant pressure (HFC-134a)
Condensing Temperature:
70 F (21.1 C) = 71 psig (490 kPa) saturated refrigerant pressure (HFC-134a)
Minimum Load ∆T1 (at 20% Load):
2° F (1.1° C)
Minimum Load ∆P1:
71 – 38 = 33 psid (490 – 262 = 228 kPad)
Again, to avoid unnecessary surge prevention, add 20 psid (140 kPad) at ∆P1 from these
conditions:
∆T1 = 2° F (1.1° C)
∆P1 = 53 psid (368 kPad)

If surge prevention occurs too soon or too late:
Modify Equipment Configuration If Necessary
The Equipment Configuration table has tables to select and view or modify. Carrier’s certified
drawings will have the configuration values required for the jobsite. Modify these tables only if
requested.
Config Table Modifications
Change the values in this table per job data. See certified drawings for values. Modifications
include:
• chilled water reset
• entering chilled water control (Enable/Disable)
• 4-20 mA demand limit
• auto restart option (Enable/Disable)
• remote contact option (Enable/Disable)
Load Surge Prevention Occurs Too Soon Surge Prevention Occurs Too Late
At low loads (<50%) Increase P1 by 10 psid (70 kPad) Decrease P1 by 10 psid (70 kPad)
At high loads (>50%) Increase P2 by 10 psid (70 kPad) Decrease P2 by 10 psid (70 kPad)

Owner-Modified CCN Tables
The following tables are described for reference only.
Occdef Table Modifications
— The Occdef tables contain the Local and CCN time
schedules, which can be modified here, or in the Schedule screen as described previously.
Holidef Table Modifications
— The Holidef tables configure the days of the year that holidays
are in effect. See the holiday paragraphs in the Controls section for more details.
Brodefs Table Modifications
— The Brodefs table defines the outside-air temperature sensor
and humidity sensor if one is to be installed. It will define the start and end of daylight savings
time. Enter the dates for the start and end of daylight savings if required for the location.
Brodefs also will activate the Broadcast function which enables the holiday periods that are
defined on the LID.
Other Tables
—The Alarmdef, Cons-def, and Runt-def contain tables for use with a CCN
system. See the applicable CCN manual for more information on these tables. These tables can
only be defined through a CCN Building Supervisor.
Check Voltage Supply
Access the Status 01 screen and read the LINE VOLTAGE: ACTUAL value. This reading
should be equal to the incoming power to the starter. Use a voltmeter to check incoming power
at the starter power leads. If the readings are not equal, an adjustment can be made by
selecting the LINE VOLTAGE: ACTUAL point and then increasing or decreasing the value so

that the value appearing on the LID is calibrated to the incoming power voltage reading. Voltage
can be calibrated only to between 90 and 100 percent of rated line voltage.
Perform an Automated Control Test
Check the safety controls status by performing an automated controls test. Access the
Control Test table and select the Automated Tests function (Table 7).
The Automated Control Test will check all outputs and inputs for function. It will also set the
refrigerant type. The compressor must be in the OFF mode in order to operate the controls test
and the 24-v input to the SMM must be in range (per line voltage percent on Status01 table).
The OFF mode is caused by pressing the STOP pushbutton on the LID. Each test will ask the
operator to confirm that the operation is occurring, and whether or not to continue. If an error
occurs, the operator has the choice to try to address the problem as the test is being done, or to
note the problem and proceed to the next test.
Note: If during the Control Test the guide vanes do not open, check to see that the low pres-
sure alarm is not active. (This will cause the guide vanes to close.)
Note: The oil pump test will not energize the oil pump if cooler pressure is below –5 psig
(–35 kPa).

When the test is finished, or the EXIT softkey is pressed, the test will be stopped and the
Control Test menu will be displayed. If a specific automated test procedure is not completed,
access the particular control test to test the function when ready. The Control Test menu is
described as follows.
Automated Tests
PSIO Thermistors
Options Thermistors
Transducers
Guide Vane Actuator
Pumps
Discrete Outputs
Pumpdown/Lockout
Terminate Lockout
As described above, a complete control test.
Check of all PSIO thermistors only.
Check of all options boards thermistors.
Check of all transducers.
Check of the guide vane operation.
Check operation of pump outputs, either all pumps can be activated, or indi-
vidual pumps. The test will also test the associated input such as flow or
pressure.
Activation of all on/off outputs or individually.
Pumpdown prevents the low refrigerant alarm during evacuation so refriger-
ant can be removed from the unit; locks the compressor off; and starts the
water pumps.
To charge refrigerant and enable the chiller to run after pumpdown lockout.
Click here for Table 7 — Control Test Menu Functions

Check Pumpout System Controls and Optional Pumpout Compressor
Controls include an on/off switch, a 3-amp fuse, the compressor overloads, an internal
thermostat, a compressor contactor, and a refrigerant high pressure cutout. The high pressure
cutout is factory set to open at 161 psig (1110 kPa) and reset at 130 psig (896 kPa). Check that
the water-cooled condenser has been connected. Loosen the compressor holddown bolts to
allow free spring travel. Open the compressor suction and discharge service valves. Check that
oil is visible in the compressor sight glass. Add oil if necessary.
See Pumpout and Refrigerant Transfer Procedures and Pumpout System Maintenance
sections for details on transfer of refrigerant, oil specifications, etc.
High Altitude Locations
Recalibration of the pressure transducers will be necessary as the machine was initially
calibrated at sea level. Please see the calibration procedure in the Troubleshooting Guide
section.

Charge Refrigerant into Machine
The 17/19EX machine may have the refrigerant already charged in the utility vessels. If
machine is not shipped fully charged, refrigerant is shipped separately to conform with
transportation regulations. The 17/19EX may be ordered with a nitrogen holding charge of
15 psig (103 kPa). Evacuate the entire machine, and charge machine from refrigerant cylinders.
The full refrigerant charge on the 17/19EX will vary with machine components and design
conditions, indicated on the job data specifications. An approximate charge may be found in
17/19EX Physical Data section. The full machine charge is printed on the machine identification
label.
Always operate the condenser and chilled water pumps during charging operations to
prevent freeze-ups. Use the Controls Test Terminate Lockout to monitor conditions and start
the pumps.
If the machine has been shipped with a holding charge, the refrigerant will be added through
CAUTION CAUTION
!
The transfer, addition, or removal of refrigerant in spring isolated machines may
place severe stress on external piping if springs have not been blocked in both
up and down directions.

the refrigerant charging valve, (Figure 7 and Figure 8) or to the pumpout charging connection.
First evacuate the nitrogen holding charge from the vessels. Charge the refrigerant as a gas
until the system pressure exceeds 35 psig (141 kPa). After the machine is beyond this pressure
the refrigerant should be charged as a liquid until all of the recommended refrigerant charge has
been added.
Trimming Refrigerant Charge
The 17/19EX is shipped with the correct charge for the design duty of the machine. Trimming
the charge can be best accomplished when design load is available. To trim, check the
temperature difference between leaving chilled water temperature and cooler refrigerant
temperature at full load design conditions. If necessary, add or remove refrigerant to bring the
temperature difference to design conditions or a minimum differential.

Initial Start-Up
Preparation
Before starting the machine, check that the:
1. Power is on to the main starter, oil pump relay, tower fan starter, oil heater relay, and the
machine control center.
2. Cooling tower water is at proper level, and at or below design entering temperature.
3. Machine is charged with refrigerant and all refrigerant and oil valves are in their proper
operating position.
4. Oil is at the proper level in the reservoir sight glasses.
5. Oil reservoir temperature is above 140 F (60 C) or refrigerant temperature plus 50° F
(28° C).
6. Valves in the evaporator and condenser water circuits are open.
Note: If pumps are not automatic, make sure water is circulating properly.
7. Check the starter to ensure it is ready to start and that all safety circuits have been reset. Be
sure to keep the starter door closed.

8. Press RELEASE to automate the chiller start/stop value on the Status01 screen to enable
the chiller to start. The initial factory setting of this value is overridden to stop in order to
prevent accidental start-up.
Manual Operation of the Guide Vanes
Manual operation of the guide vanes is helpful to establish a steady motor current for
calibration of the motor amps value.
In order to manually operate the guide vanes, it is necessary to override the
TARGET GUIDE
VANE POSITION
value which is accessed on the Status01 screen. Manual control is indicated
by the word ‘‘SUPVSR!’’ flashing after the target value position. Manual control is also indicated
on the default screen on the run status line.
1. Access the Status01 screen and look at the target guide vane position (Figure 18). If the
compressor is off, the value will read zero.
2. Move the highlight bar to the
TARGET GUIDE VANE POSITION
line and press the
SELECT softkey.
Do not permit water or brine that is warmer than 110 F (43 C) to flow through the
cooler or condenser. Refrigerant overpressure may discharge through the relief
devices and result in the loss of refrigerant charge.
WARNING !WARNING

3. Press ENTER to override the automatic target. The screen will now read a value of zero,
and the word ‘‘SUPVSR!’’ will flash.
4. Press the SELECT softkey, and then press RELEASE softkey to release the vanes to
AUTOMATIC mode. After a few seconds the ‘‘SUPVSR!’’ will disappear.
Dry Run to Test Start-Up Sequence
1. Disengage the main motor disconnect on the starter front panel. This should only
disconnect the motor power. Power to the controls, oil pump, and starter control circuit
should still be energized.
2. Look at the default screen on the LID: the Status message in the upper left-hand corner will
show a ‘‘Manually Stopped’’ message. Press CCN or Local to start. If not, go to the
Schedule screen and override the schedule or change the occupied time. Press the LOCAL
softkey to begin the start-up sequences.
3. Check that chilled water and condenser water pumps energize.
4. Check that the oil pump starts and pressurizes the lubrication system. After the oil pump
has run about 15 seconds, the starter will be energized and go through its start-up
sequence.
5. Check the main contactor for proper operation.
6. The PIC will eventually show an alarm for motor amps not sensed. Reset this alarm and
continue with the initial start-up.

Check Rotation (Open-Drive Motor)
Open Drive Motor Initial Start-Up
Initial Uncoupled Start-Up
The initial start-up of the motor should be made with the motor uncoupled. Verify that oil has
been added to each bearing housing to the correct level.
1. If the motor is equipped with unidirectional fans (refer to the certified drawing) and
verification of rotation direction is required, the following procedure should be followed:
a. Start the motor and observe the rotation direction.
b. Allow the motor to achieve full speed before disconnecting it from the power source.
c. If the rotation direction must be changed, refer to the Before Initial Start-Up, Open Drive
Motor Electrical Connection section. Otherwise, the motor can be restarted immediately
after it has coasted to a stop.
2. Following the initial start-up, the bearing temperatures should be closely monitored. On
sleeve bearings, the free rotation of the oil rings should be verified by observing them
through the viewing port in the top of the housing. The rate of rise in bearing temperature is
more indicative of impending trouble than the actual temperature. If the rate of rise in
temperature is excessive or if the motor exhibits excessive vibration or noise, it should be
shut down immediately and a thorough investigation made as to the cause before it is
operated again.

If the bearing temperature rises and motor operation appears to be normal, operation
should continue until the bearing temperatures stabilize. Recommended limits on bearing
temperature rises over ambient temperature are as follows:
Note: When operating flood-lubricated sleeve bearings, the bearing temperature must not be
allowed to exceed 185 F (85 C) total temperature.
Sleeve Bearings Temperature Rise Over Ambient Temperature
By permanently installed detector 72° F (40° C)
By temporary detector on top of the
bearing sleeve near the oil ring 63° F (35° C)
CAUTION CAUTION
!
Under normal conditions, for the self-lube bearing, the rate of temperature rise
should be from 20° to 25° F (11° to 14° C) for the first 10 minutes after starting up
and approximately 40° F (22° C) at 30 minutes. The rate of bearing temperature
rise is a function of the natural ventilation and operating conditions.

3. Any abnormal noise or vibration should be immediately investigated and corrected.
Increased vibration (with the motor uncoupled from its load) can be indicative of a change in
balance due to a mechanical failure or the loosening of a rotor part, a stator winding
problem, foundation problem, or a change in motor alignment.
4. Verify that the magnetic center indicator aligns with the shaft.
CAUTION CAUTION
!
When the rate of bearing temperature rise is less than 2° F (1.1° C) per half-hour,
the bearing temperature is considered to be stabilized.
CAUTION CAUTION
!
If the total bearing temperature exceeds 195 F (91 C), the motor should be shut
down immediately.

Initial Coupled Start-Up
After initial uncoupled start-up, the following steps should be taken to ensure safe coupled
operation:
1. Follow the procedure stated in General Maintenance, Machine Alignment section to align
the motor to the driven machine.
2. Prepare the coupling for operation in accordance with the coupling manufacturer’s
instructions. Note any match marks on the couplings and assemble accordingly. For sleeve
bearing motors, verify that the correct limited endfloat coupling has been installed. The
endfloat limits can be found on the certified drawing.
3. Ensure that all personnel are at a safe distance from rotating parts. Start the motor in
accordance with instructions supplied with the motor control.
4. If the motor rotor fails to start turning in a second or two, shut off the power supply
immediately. This can result from:
a. Too low a voltage at the motor terminals.
b. The load is too much for the rotor to accelerate.
c. The load is frozen up mechanically.
d. All electrical connections are not made.
e. Single phase power has been applied.
f. Any combination of the above.
Investigate thoroughly and take corrective action before attempting a restart.

5. Carefully observe the vibration of the bearing housing and any abnormal noise generator.
Note that motor vibration may not be identical to the uncoupled values. If coupled vibration
is excessive, recheck the mounting and alignment.
6. Carefully observe the bearing temperature rise and the movement of the oil ring.
If the bearing temperature rise and motor operation appear normal, operation should con-
tinue until the bearing temperatures stabilize.
7. If possible, check the motor line currents for balance.
It should be recognized that each start of an induction motor subjects the motor to full inrush
current with resulting heating of the stator and rotor windings. Each acceleration and repeated
starts can produce more heat than is produced and dissipated by the motor under full load. The
starting duty for which the motor is designed is shown by a nameplate mounted on the motor
and must not be exceeded, if long motor life is expected. Abnormally low terminal voltage,
excessive load torque and/or excessive load inertia during motor start-up can cause lengthened
acceleration times during which rotor ventilation is reduced. This can cause rotor damage or
can lead to shortened rotor life.
The temperature rating of the motor is shown on the main nameplate as a temperature rise
above an ambient temperature. If there is a service factor, it is also shown. If the motor
temperature switch opens, an investigation should be made before further operation is
attempted.

If the motor is of TEWAC (Totally Enclosed Water-to-Air Cooled) design, the maximum inlet
water temperature and the water flow rate (GPM) at the air cooler must be as shown by the
certified drawing. Otherwise, the discharge air temperature from the cooler (actually the
ambient air for the motor as shown by the main nameplate) could be too high for the motor to
properly cool.
Check Rotation (Hermetic Motor)
1. Engage the main motor disconnect on the front of the starter panel. The motor is now ready
for rotation check.
2. After the default screen Status message states ‘‘Ready for Start’’ press the LOCAL softkey;
start-up checks will be made by the control.
3. When the starter is energized and the motor begins to turn over, check for clockwise
rotation (Figure 30).
If Rotation Is Proper, allow the compressor to come up to speed.
If the Motor Rotation Is Not Clockwise (as viewed through the sight glass), reverse any
2 of the 3 incoming power leads to the starter and recheck rotation.
Note: Starters may also have phase protection and will not allow a start if the phase is not cor-
rect. Instead, a Starter Fault message will occur if this happens.

Check Oil Pressure and Compressor Stop
1. When the motor is up to full speed, note the differential oil pressure reading on the LID
default screen. It should be between 18 and 30 psid (124 to 206 kPad).
2. Press the Stop button and listen for any unusual sounds from the compressor as it coasts to
a stop.
Calibrate Motor Current Demand Setting
1. Make sure that the compressor motor rated load amps in the Service1 screen has been
configured. Place an ammeter on the line that passes through the motor load current
transfer on the motor side of the power factor correction capacitors (if provided).
2. Start the compressor and establish a steady motor current value between 70% and 100%
CAUTION CAUTION
!
Do not check motor rotation during coastdown. Rotation may have reversed dur-
ing equalization of vessel pressures.
Click here for Figure 30 — Correct Motor Rotation

RLA by manually overriding the guide vane target value on the LID and setting the chilled
water set point to a low value. Do not exceed 105% of the nameplate RLA.
3. When a steady motor current value in the desired range is met, compare the compressor
motor amps value on the Status01 screen to the actual amps shown on the ammeter on the
starter. Adjust the amps value on the LID to the actual value seen at the starter if there is a
difference. Highlight the amps value then press SELECT. Press INCREASE or DECREASE
to bring the value to that indicated on the ammeter. Press ENTER when equal.
4. Make sure that the target guide vane position is released into AUTOMATIC mode.
To Prevent Accidental Start-Up
The PIC can be set up so that start-up of the unit is more difficult than just pressing the
LOCAL or CCN softkeys during machine service or when necessary. By accessing the
Status01 screen, and highlighting the chiller Start/Stop line, the value can be overridden to stop
by pressing SELECT and then the STOP and ENTER softkeys. ‘‘SUPVSR’’ will appear after the
value. When attempting to restart, remember to release the override. The default machine
message line will also state that the Start/Stop has been set to ‘‘Start’’ or ‘‘Stop’’ when the value
is overridden.

Hot Alignment Check for Open-Drive Machines
Alignment of compressor with heat exchangers, gear, and driver may be affected by the
operating temperatures of the various components. When all machine components have
reached operating temperature (after running near full load for 4 to 8 hours), make a hot
alignment check.
With the proper equipment and procedure, hot check can be made with either assembled or
disassembled couplings. The procedures are detailed in the Maintenance section.
A clamping tool, Part No. TS-170, is available for checking alignment without disassembling
the couplings. Check with your local Carrier representative.
Doweling for Open-Drive Machines
The size, quantity, and location of dowels vary considerably with type and arrangement of
gear and drive. Check your job data for specific doweling instructions. Typical doweling
practices are described in the Maintenance section.
Never operate compressor or drive with coupling guards removed. Serious injury
can result from contact with rotating equipment.
WARNING !WARNING

Check Machine Operating Condition
Check to be sure that machine temperatures, pressures, water flows, and oil and refrigerant
levels indicate that the system is functioning properly.
Instruct the Customer Operator
Check to be sure that the operator(s) understands all operating and maintenance
procedures. Point out the various machine parts and explain their function as part of the
complete system.
Cooler-Condenser
Relief devices, temperature sensor locations, pressure transducer locations, Schrader
fittings, waterboxes and tubes, and vents and drains.
Utility Vessel
Float chambers, relief valves, charging valve.
Pumpout System
Transfer valves and pumpout system, refrigerant charging and pumpdown procedure,
lubrication, and relief devices.

Motor Compressor Assembly
Guide vane actuator, transmission, motor cooling system, oil cooling system, temperature
and pressure sensors, oil sight glasses, integral oil pump, isolatable oil filter, extra oil and motor
temperature sensors, synthetic oil, and compressor serviceability.
Motor Compressor Lubrication System
Oil pump, cooler filter, oil heater, oil charge and specification, operating and shutdown oil
level, temperature and pressure, oil charging connections, and seal oil chambers.
Control System
CCN and Local start, reset, menu, softkey functions, LID operation, occupancy schedule, set
points, safety controls, and auxiliary and optional controls.
Auxiliary Equipment
Starters and disconnects, separate electrical sources, pumps, and cooling tower.
Describe Machine Cycles
Refrigerant, motor cooling, lubrication, and oil reclaim.
Review Maintenance
Scheduled, routine, and extended shutdowns, importance of a log sheet, importance of water
treatment and tube cleaning, and importance of maintaining a leak-free machine.

Safety Devices and Procedures
Electrical disconnects, relief device inspection, and handling refrigerant.
Check Operator Knowledge
Start, stop, and shutdown procedures, safety and operating controls, refrigerant and oil
charging, and job safety.
Review the Start-Up, Operation, and Maintenance Manual
Operating Instructions
Operator Duties
1. Become familiar with refrigeration machine and related equipment before operating the
machine.
2. Prepare the system for start-up, start and stop the machine, and place the system in a
shutdown condition.
3. Maintain a log of operating conditions and document any abnormal readings.
4. Inspect the equipment, make routine adjustments, and perform a control test. Maintain the
proper oil and refrigerant levels.
5. Protect the system from damage during shutdown periods.
6. Maintain the set point, time schedules, and other PIC functions.

Prepare the Machine for Start-Up
Follow the steps described in the Initial Start-Up section.
To Start the Machine
1. Start the water pumps, if they are not automatic.
2. On the LID default screen, press the LOCAL or CCN softkey to start the system. If the
machine is in the OCCUPIED mode, and the 3- and 15-minute start timers have expired,
the start sequence will start. Follow the procedure described in the Start-Up/Shutdown/
Recycle section.
Check the Running System
After the compressor starts, the operator should monitor the LID display and observe the
parameters for normal operating conditions:
1. The oil reservoir temperature should be above 150 F (66 C) or refrigerant temperature plus
70° F (38° C) during shutdown, and above 125 F (52 C) during compressor operation.
2. The bearing oil temperature accessed on the Status01 LID screen should be 150 to 200 F
(65 to 93 C). If the bearing temperature reads more than 210 F (99 C) with the oil pump
running, stop the machine and determine the cause of the high temperature.
Do not restart
the machine until corrected.
3. The oil level should be visible in the lower sight glass when the compressor is running.

At shutdown, oil level should be halfway in the lower sight glass.
4. The oil pressure should be between 18 and 30 psi (124 to 207 kPa) differential, as seen on
the LID default screen. Typically the reading will be 18 to 25 psi (124 to 172 kPa) at initial
start-up.
5. The moisture indicating sight glass on the refrigerant motor cooling line should indicate
refrigerant flow and a dry condition.
6. The condenser pressure and temperature varies with the machine design conditions.
Typically the pressure will range between 100 and 210 psig (690 to 1450 kPa) with a
corresponding temperature range of 60 to 105 F (15 to 41 C). The condenser entering
water temperature should be controlled below the specified design entering water
temperature to save on compressor kilowatt requirements. The leaving condenser water
temperature should be at least 20° F (11° C) above leaving chilled water temperature.
7. Cooler pressure and temperature also will vary with the design conditions. Typical pressure
range will be between 60 and 80 psig (410 and 550 kPa), with temperature ranging
between 34 and 45 F (1 and 8 C).
8. The compressor may operate at full capacity for a short time after the pulldown ramping has
ended, even though the building load is small. The active electrical demand setting can be
overridden to limit the compressor IkW, or the pulldown rate can be decreased to avoid a
high demand charge for the short period of high demand operation. Pulldown rate can be

based on kW rate or temperature rate. It is accessed on the Equipment Configuration menu
Config screen (Table 2, Example 5).
9. On open-drive machines, the oil pump will be energized once every 12 hours during
shutdown periods to ensure that the shaft seal is filled with oil.
To Stop the Machine
1. The occupancy schedule will start and stop the machine automatically once the time
schedule is set up.
2. By pressing the Stop button for one second, the alarm light will blink once to confirm that
the button has been pressed, then the compressor will follow the normal shutdown
sequence as described in the Controls section. The machine will not restart until the CCN or
LOCAL softkey is pressed. The machine is now in the OFF mode.
Note: If the machine fails to stop, in addition to action that the PIC will initiate, the operator
should close the guide vanes by overriding the guide vane target to zero to reduce
machine load; then by opening the main disconnect. Do not attempt to stop the machine
by opening an isolating knife switch. High intensity arcing may occur.
Do not restart
the
machine until the problem is diagnosed and corrected.

After Limited Shutdown
No special preparations should be necessary. Follow the regular preliminary checks and
starting procedures. Control Power must be maintained in order to keep oil temperature hot and
all control safeties operational. The oil pump on open-drive machines will operate occasionally
to keep the contact seal filled with oil to prevent refrigerant loss.
Extended Shutdown
The refrigerant should be transferred into the utility vessel (see Pumpout and Refrigerant
Transfer Procedures) in order to reduce machine pressure and possibility of leaks. Maintain a
holding charge of 5 to 10 lbs (2.27 to 4.5 kg) of refrigerant within the cooler/condenser/
compressor sections, to prevent air from leaking into the machine.
If freezing temperatures are likely to occur in the machine area, drain the chilled water,
condenser water, and the pump-out condenser water circuits to avoid freeze-up. Keep the
waterbox drains open.
Leave the oil charge in the machine with the oil heater and controls energized to maintain the
minimum oil reservoir temperature.
After Extended Shutdown
Be sure that the water system drains are closed. It may be advisable to flush the water
circuits to remove any soft rust which may have formed. This is a good time to brush the tubes if
necessary.

Check the cooler pressure on the LID default screen, and compare to the original holding
charge that was left in the machine. If (after adjusting for ambient temperature changes) any
loss in pressure is indicated, check for refrigerant leaks. See Check Machine Tightness section.
Recharge the machine by transferring refrigerant from the utility vessel. Follow the Pumpout
and Refrigerant Transfer Procedures section. Observe freeze-up precautions.
Carefully make all regular preliminary and running system checks. Perform a controls test
before start-up. If the compressor oil level appears abnormally high, the oil may have absorbed
refrigerant. Make sure that the oil temperature is above 150 F (66 C) or cooler refrigerant
temperature plus 70° F (39° C).
Cold Weather Operation
When the entering condenser water drops very low, the PIC can automatically cycle the
cooling tower fans off to keep the temperature up. Piping may also have to be arranged to
bypass the cooling tower as well as a tower temperature control system.
Manual Guide Vane Operation
Manual operation of the guide vanes in order to check control operation or control of the
guide vanes in an emergency operation is possible by overriding the target guide vane position.
Access the Status01 screen on the LID and highlight
TARGET GUIDE VANE POSITION
. To
control the position, enter a percentage of guide vane opening that is desired. Zero percent is

fully closed, 100% is fully open. To release the guide vanes to AUTOMATIC mode, press the
RELEASE softkey.
Note: Manual control will increase the guide vanes and override the pulldown rate during start-
up. Motor current above the electrical demand setting, capacity overrides, and chilled
water below control point will override the manual target and close the guide vanes. For
descriptions of capacity overrides and set points, see the Controls section.
Refrigeration Log
A refrigeration log, such as the one shown in Figure 31, provides a convenient checklist for
routine inspection and maintenance and provides a continuous record of machine performance.
It is an aid in scheduling routine maintenance and in diagnosing machine problems.
Keep a record of the machine pressures, temperatures, and liquid levels on a sheet similar to
that shown. Automatic recording of PIC data is possible through the use of CCN devices such
as the Data Collection module and a Building Supervisor. Contact your Carrier representative
for more information.
Click here for Figure 31 — Refrigeration Log

Pumpout and Refrigerant Transfer Procedures
Preparation
The 17/19EX may come equipped with an optional pumpout compressor. The refrigerant can
be pumped for service work to either the cooler/condenser/compressor sections or the utility
vessel by using the pumpout system. The following procedures are used to describe how to
transfer refrigerant from vessel to vessel and perform machine evacuations.
Operating the Optional Pumpout Compressor
1. Be sure that the suction and the discharge service valves on the optional pumpout
compressor are open (backseated) during operation. Figure 32 shows the location of these
valves. Rotate the valve stem fully counterclockwise to open. Front seating the valve closes
the refrigerant line and opens the gage port to compressor pressure.
2. Make sure that the compressor holddown bolts have been loosened to allow free spring
travel.
3. Open the refrigerant inlet valve on the pumpout compressor.
4. Oil should be visible in the compressor sight glass under all operating conditions and during
shutdown. If oil is low, add oil as described under Optional Pumpout System Maintenance
section. The pumpout unit control wiring schematic is detailed in Figure 33. The Optional
Pumpout System is detailed in Figure 34.

To Read Refrigerant Pressures during pumpout or leak testing:
1. The LID display on the machine control center is suitable for determining refrigerant-side
pressures and low (soft) vacuum. For evacuation or dehydration measurement, use a
quality vacuum indicator or manometer to ensure the desired range and accuracy. This can
be placed on the Schrader connections on each vessel (Figure 7 and Figure 8) by removing
the pressure transducer.
2. To determine utility vessel pressure, a 30 in.-0-400 psi (-101-0-2760 kPa) gage is attached
to the vessel.
3. Refer to Figure 32 for valve locations and numbers.
CAUTION CAUTION
!
Transfer, addition, or removal of refrigerant in spring-isolated machines may
place severe stress on external piping if springs have not been blocked in both
up and down directions.
Click here for Figure 32 — Pumpout Arrangement and Valve Number Locations
(12-ft Vessel Shown)

Transferring Refrigerant from Normal Operation into the Utility Vessel
These steps describe the method of moving refrigerant from the cooler/condenser/
compressor sections into the utility vessel. This is normally performed for service work on the
cooler, condenser, or the compressor components or for long-term machine shutdown.
1. Isolate and push refrigerant into the utility vessel with the pumpout compressor.
a. Valve positions: (Blank spaces indicate open valves).
b. Turn off the machine water pumps and pumpout condenser water.
c. Turn on pumpout compressor to push liquid out of the cooler/condenser/compressor
section.
Valve 1 2 3 4 5 6 7 8 9 10 11
Condition CC CCCC
Click here for Figure 33 — Pumpout Unit Wiring Schematic (19EX Shown)
Click here for Figure 34 — Optional Pumpout Compressor

d. When all liquid has been pushed into the utility vessel, close the cooler isolation valve 7.
e. Access the Control Test, Pumpdown function on the LID display to turn on the machine
water pumps and view the machine pressures.
f. Turn off pumpout compressor.
2. Evacuate refrigerant gas from the cooler/condenser/compressor vessel.
a. Valve positions: close valves 2 and 5, open valves 3 and 4.
b. Turn on pumpout condenser water.
c. Run pumpout compressor until the suction reaches 15 in. Hg (50 kPa abs). Monitor
pressures on the LID and on the refrigerant gages.
d. Close valve 1.
e. Turn off pumpout compressor.
f. Close valves 3, 4, and 6. (All valves are now closed.)
g. Turn off pumpout condenser water.
h. Continue pumpdown function on the LID to turn off the machine water pumps and to lock
out the machine compressor from operation.
Valve 1 2 3 4 5 6 7 8 9 10 11
Condition C C CCCCC

Transferring Refrigerant from Normal Operation into the Cooler/Condenser/
Compressor Section
These steps describe the method of moving refrigerant from the utility vessel into the cooler/
condenser/compressor section. This is normally performed for service work on the utility vessel.
1. Isolate and push refrigerant into the cooler/condenser/compressor section:
a. Valve positions:
b. Turn off machine water pumps and pumpout condenser water.
c. Turn on pumpout compressor to push refrigerant out of the utility vessel.
d. When all liquid is out of the utility vessel, close cooler isolation valve 7.
e. Turn off pumpout compressor.
2. Evacuate refrigerant from the utility vessel.
a. Access the Control Test, pumpout function on the LID display to turn on the machine
water pumps and monitor vessel pressures.
Valve 1 2 3 4 5 6 7 8 9 10 11
Condition C C CCCC

b. Valve positions: Close valves 3 and 4, open valves 2 and 5.
c. Turn on pumpout condenser water.
d. Run the pumpout compressor until the suction reaches 15 in. Hg (50 kPa abs). Monitor
pressures on the LID and on refrigerant gages.
e. Close valve 6.
f. Turn off pumpout compressor.
g. Close valves 1, 2, and 5 (all valves are now closed).
h. Turn off pumpout condenser water.
i. Continue pumpdown function on the LID to turn off machine water pumps and lock out
the machine compressor from operation.
Valve 1 2 3 4 5 6 7 8 9 10 11
Condition CC CCCCC

Return Refrigerant to Normal Operating Conditions
1. Be sure that the vessel that was opened has been evacuated and dehydrated.
2. Access the Control Test, terminate lockout function to view vessel pressures and to turn on
machine water pumps.
3. Open valves 1, 3, and 6.
4. Slowly open valve 5, gradually increasing pressure in the evacuated vessel to 35 psig
(141 kPa) for HFC-134a. Feed refrigerant slowly to prevent freezeup.
5. Perform leak test at 35 psig (141 kPa).
6. Open valve 5 fully. Let vessel pressures equalize.
7. Open valves 9 and 10.
8. Open valve 7 to equalize liquid refrigerant levels.
Valve 1 2 3 4 5 6 7 8 9 10 11
Condition C CC CCCCC
Valve 1 2 3 4 5 6 7 8 9 10 11
Condition C C CCCCC

General Maintenance
Refrigerant Properties
HFC-134a is the standard refrigerant in the 17/19EX. At normal atmospheric pressure,
HFC-134a will boil at -14 F (-25 C) and must, therefore, be kept in pressurized containers or
storage tanks. The refrigerant is practically odorless when mixed with air. This refrigerant is
non-combustible at atmospheric pressure. Read the Material Safety Data Sheet and the latest
ASHRAE Safety Guide for Mechanical Refrigeration to learn more about safe handling of this
refrigerant.
HFC-134a will dissolve oil and some non-metallic materials, dry the skin, and, in
heavy concentrations, may displace enough oxygen to cause asphyxiation. In
handling this refrigerant, protect the hands and eyes and avoid breathing fumes.
DANGER !DANGER

Adding Refrigerant
Follow the procedures described in Charge Refrigerant into Machine section.
Removing Refrigerant
When the optional pumpout system is used, the 17/19EX refrigerant charge may be
transferred to a storage vessel, or within the utility vessel. Follow procedures in the Pumpout
and Refrigerant Transfer Procedures section when removing refrigerant.
Adjusting the Refrigerant Charge
If the addition or removal of refrigerant is required for improved machine performance, follow
the procedures given under the Trim Refrigerant Charge section.
Always use the compressor pumpdown function in the Control Test mode to turn
on the evaporator pump and lock out the compressor when transferring refriger-
ant. Liquid refrigerant may flash into a gas and cause possible freeze-up when the
machine pressure is below 30 psig (207 kPa) for HFC-134a.
WARNING !WARNING

Refrigerant Leak Testing
Because HFC-134a is above atmospheric pressure at room temperature, leak testing can be
performed with refrigerant in the machine. Use an electronic detector, soap bubble solution, or
ultra-sonic leak detector. Be sure that the room is well ventilated and free from concentration of
refrigerant to keep false readings to a minimum. Before making any necessary repairs to a leak,
transfer all refrigerant from the leaking vessel.
Leak Rate
ASHRAE recommends that machines should be immediately taken off line and repaired if
the refrigerant leakage rate for the entire machine is more than 10% of the operating refrigerant
charge per year.
Additionally, Carrier recommends that leaks totalling less than the above rate but more than
a rate of 1 lb (0.5 kg) per year should be repaired during annual maintenance or whenever the
refrigerant is pumped over for other service work.
Test After Service, Repair, or Major Leak
If all refrigerant has been lost or if the machine has been opened for service, the machine or
the affected vessels must be pressured and leak tested. Refer to the Leak Test Machine section
to perform a leak test.

Refrigerant Tracer
Use an environmentally acceptable refrigerant as a tracer for leak test procedures.
To Pressurize with Dry Nitrogen
Another method of leak testing is to pressurize with nitrogen only and use a soap bubble
solution or an ultrasonic leak detector to determine if leaks are present. This should only be
done if all refrigerant has been evacuated from the vessel.
1. Connect a copper tube from the pressure regulator on the cylinder to the refrigerant
charging valve. Never apply full cylinder pressure to the pressurizing line. Follow the listed
sequence.
2. Open the charging valve fully.
3. Slowly open the cylinder regulating valve.
4. Observe the pressure gage on the machine and close the regulating valve when the
HFC-134a MUST NOT be mixed with air or oxygen and pressurized for leak test-
ing. In general, this refrigerant should not be allowed to be present with high con-
centrations of air or oxygen above atmospheric pressures, as the mixture can
undergo combustion.
WARNING !WARNING

pressure reaches test level.
Do not exceed
140 psig (965 kPa).
5. Close the charging valve on the machine. Remove the copper tube if no longer required.
Repair the Leak, Retest, and Apply Standing Vacuum Test
After pressurizing the machine, test for leaks with an electronic leak detector, soap bubble
solution, or an ultrasonic leak detector. Bring the machine back to atmospheric pressure, repair
any leaks found, and retest.
After retesting and finding no leaks, apply a standing vacuum test, and then dehydrate the
machine. Refer to the Standing Vacuum Test and Machine Dehydration in the Before Initial
Start-Up section.
Checking Guide Vane Linkage (Refer to Figure 35)
If slack develops in the drive chain, backlash can be eliminated as follows:
1. With machine shut down (guide vanes closed), remove chain guard, loosen actuator
holddown bolts and remove chain.
2. Loosen vane sprocket set screw and rotate sprocket wheel until set screw clears existing
spotting hole.
3. With set screw still loose, replace chain and move vane actuator to the left until all chain
slack is taken up.
4. Tighten actuator holddown bolts and retighten set screw in new position.
5. Realign chain guard as required to clear chain.

Contact Seal Maintenance (Open-Drive Machines) (Refer to Figure 36)
During machine operation, a few drops of oil per minute normally seeps through the space
between the contact sleeve (Item 16) and the shaft locknut (Item 8). This oil slowly accumulates
in an atmospheric oil chamber and is automatically returned to the system by a seal oil return
pump.
Oil should never leak between the contact sleeve and the packing gland (Item 14). If oil is
found in this area, the O-ring (Item 12) should be checked and replaced.
The oil passing through the shaft seal carries with it some absorbed refrigerant. As the oil
reaches the atmosphere, the absorbed refrigerant flashes to gas because of the reduction in
pressure. For this reason, a detector will indicate the presence of a slight amount of refrigerant
around the compressor shaft whenever the machine is running.
During machine shutdown, however, no refrigerant should be detected nor should there be
any oil seepage. If oil flow or the presence of refrigerant is noted while the machine is shut
down, a seal defect is indicated. Arrange for a seal-assembly inspection by a qualified
serviceman to determine the cause of the leakage and make the necessary repairs.
Click here for Figure 35 — Electronic Vane Actuator Linkage

Seal Disassembly (Figure 36)
Contact seal disassembly and repair should be performed only by well qualified compressor
maintenance personnel. These disassembly instructions are included only as a convenient
reference for the authorized serviceman.
For ease of disassembly, refer to Figure 36 while following these instructions.
1. Remove refrigerant.
2. Remove shaft coupling and spacer (if any).
3. Remove screws holding windage baffle (Item 4) and remove baffle.
4. Remove shaft-end labyrinth (Item 7), gasket (Item 5) and necessary piping.
5. Remove snap ring (Item 11) from shaft-end baffle and assemble to contact sleeve (Item
16).
6. Remove seal housing cover (Item 2). The contact sleeve, spring (Item 15) and packing
gland (Item 14) will come out with the cover.
7. Place assembly on bench with contact sleeve assembly face down on a soft cloth or clean
cardboard.
Protect seal faces at all times
.
8. Press down on seal housing cover to compress the contact sleeve spring.
9. Maintain pressure and remove snap ring.
10. Slowly release pressure on cover. Spring tension will force contact sleeve out of housing.
For further inspection, remove packing gland and O-ring (Item 12).

11. Place contact sleeve in a protected area to avoid damage to lapped face.
12. Remove outer carbon ring (Item 17).
Handle carefully
.
13. Remove spray header (Item 3).
14. Use a spanner wrench to remove shaft nut (Item 8).
15. Remove shaft sleeve (Item 9) and contact ring key (Item 18).
16. Carefully remove contact ring (Item 19), avoiding a jammed or cocked position. If binding
occurs, reinstall shaft sleeve and nut to free the ring.
17. Replace O-ring (Item 10) if damaged or deformed.
18. Remove inner carbon ring key (Item 27) and retaining ring (Item 21). Screws must be
loosened evenly against guide-ring spring pressure.
19. Remove guide ring assembly consisting of inner carbon ring (Item 20), diaphragm (Item 24)
and guide ring (Item 25).
Protect seal faces of ring
.
20. Remove guide-ring spring (Item 26).
Clean all parts to be reused with solvent, coat with oil and place in a protected area until
needed.

Seal Reassembly (Figure 36)
Be sure that all gasket surfaces are clean and that all holes, including oil holes, are properly
aligned between gasket and mating flange. Coat gasket with oil-graphite mixture to prevent
sticking.
1. Assembly guide-ring spring (Item 26) and guide-ring assembly (Items 20, 24 and 25).
Check that travel of inner carbon seal ring (Item 20) is .06 in. minimum in each direction.
2. Install retaining ring (Item 21) and inner carbon ring key (Item 27).
Tighten screws evenly
against spring pressure
.
3. Replace O-ring (Item 10) in shaft shoulder groove.
4. Install spray header gasket (Item 29) and spray header (Item 3).
5. Install contact ring (Item 19), contact ring key (Item 18), shaft sleeve (Item 9) and shaft nut
(Item 8).
6. Carefully install outer carbon ring (Item 17).
7. Insert O-ring (Item 12) into packing gland (Item 14).
8. Place contact sleeve (Item 16) face down on clean cloth or cardboard.
Click here for Figure 36 — Compressor Contact Seal (Open-Drive Machines)

9. Place outer spring (Item 15) over sleeve.
10. Separately assemble seal housing cover (Item 2), packing gland gasket (Item 13), packing
gland (Item 14), and O-ring (Item 12).
11. Oil the contact sleeve and the O-ring and place the housing and gland assembly over the
sleeve.
12. Carefully depress the spring until snap ring (Item 11) can be attached to the sleeve.
13. Position key (Item 6) to complete the bench assembly.
14. Install seal housing cover gasket (Item 1) and cover assembly on the compressor.
15. Remove the snap ring.
16. Install shaft-end labyrinth gasket (Item 5) and labyrinth (Item 7).
17. Install windage baffle (Item 4). Attach snap ring to baffle for safekeeping.

Machine Alignment (Open-Drive Machines)
Alignment Methods
There are several established procedures for aligning shafts. The dial indicator method is
presented here since it is considered to be one of the most accurate and reliable. Another faster
and easier method for alignment involves the use of laser alignment tools and computers.
Follow the laser tool manufacturer’s guidelines when using the laser technique.
Where job conditions such as close-spaced shafts prohibit the use of dial indicators for
coupling face readings, other instruments such as a taper gage may be used. The same
procedures described for the dial indicator may be used with the taper gage.
Shafts placed in perfect alignment in the nonoperating (cold) condition will always move out
of alignment to some extent as the machine warms to operating temperature. In most cases,
this shaft misalignment is acceptable for the initial run-in period before hot check and alignment
can be made (see Hot Alignment Check section.)
General
1. Final shaft alignment must be within .002-in. TIR (Total Indicated Runout) in parallel.
Angular alignment must be within .00033 inches per inch of traverse across the coupling
face (or inch of indicator swing diameter)
at operating temperatures
. For example, if a
bracket-mounted indicator moves through a 10-in. diameter circle when measuring angular
misalignment, the allowable dial movement will be 10 times .00033 for a total of .0033
inches.

2. Follow the alignment sequence specified in the Near Final Alignment section.
3. All alignment work is performed on gear and drive equipment. Once the compressor is
bolted in a perfectly level position and is piped to cooler and condenser, it must not be
moved prior to hot check.
4. All alignment checks must be made with equipment holddown bolts tightened.
5. In setting dial indicators on zero and when taking readings, both shafts should be tight
against their respective thrust bearings.
6. Space between coupling hub faces must be held to coupling manufacturer’s
recommendations.
7. Accept only repeatable readings.
Gear and Drive Coupling Alignment
1. Move gear with coupling attached into alignment with compressor coupling. Adjust
jackscrews to reach close alignment. Follow procedures outlined in Correcting Angular
Misalignment and Correcting Parallel Misalignment sections.
2. Generally, a 5-in. long spacer hub is supplied between gear and compressor. Maintain
exact hub-to-hub distance specified on job drawings.
3. Where shaft ends are very close, a taper gage may be used in place of the dial indicator.
4. Get drive alignment as close as possible by jackscrew adjustment.

Note: Drive shaft end-float at final drive position must not allow coupling hub faces to contact,
or the coupling shroud to bind.
Preliminary Alignment
To get within dial indicator range, roughly align the equipment as shown in Figure 37 and as
described below.
Place a straight edge across the OD of one coupling to the OD of the other. Measure the gap
between the straight edge and the OD of the second coupling with a feeler gage. Then, by
adding or removing shims at each corner, raise or lower the equipment by the measured
amount.
In a similar manner, measure the shaft offset from side to side and jack the equipment over
as required to correct.
Click here for Figure 37 — Checking Preliminary Alignment

Near Final Alignment
Once the machine components are within dial indicator range, the adjustments for
misalignment should be made in a specific sequence. The four positions of alignment described
below are arranged in the recommended order.
1. Angular in elevation — This alignment is adjusted with shims and is not readily lost in
making the other adjustments.
2. Parallel in elevation — This alignment is also made with shims, but it cannot be made while
there is angular misalignment in elevation.

Correcting Angular Misalignment
Preparation
— Shaft angular misalignment is measured on the face of the coupling hubs or
on brackets attached to each shaft (see Figure 38 and Figure 39). Brackets are preferred since
they extend the diameter of the face readings.
Attach a dial indicator to one coupling hub or shaft and place the indicator button against the
face of the opposite hub. Position the indicator so that the plunger is at approximately mid-
position when the dial is set to zero. Both shafts should be held tightly against their thrust
bearings when the dial is set and when readings are taken.
To be sure that the indicator linkage is tight and the button is on securely, rotate the coupling
exactly 360 degrees. The dial reading should return to zero. Accept only repeatable readings.
Click here for Figure 38 — Measuring Angular Misalignment in Elevation

Measurement
— Occasionally, coupling faces may not be perfectly true, or may have been
damaged in handling. To compensate for any such runout, determine the actual or ‘‘net’’ shaft
misalignment as follows:
Check the opening at the top and at the bottom of the coupling faces (or at each side when
making plan adjustment). Rotate
both
shafts exactly 180 degrees and recheck the openings.
Record the difference. (Example below is in inches.)
If the larger opening remains the same but changes from side to side, the shafts are in
perfect alignment. The change in opening is due entirely to coupling runout, as above,
Click here for Figure 39 — Measuring Angular Misalignment on Brackets

or to a burr or other damage to the coupling face.
If the larger opening remains the same, and remains on the same side, the amount is entirely
shaft (net) misalignment.
If the larger opening remains on the same side but changes amount, misalignment
and
runout are present. Add the two amounts and then divide by two to get the actual or net
misalignment.
If the larger opening changes amount and also changes from side to side, subtract the
smaller amount from the larger and divide by two to obtain the net misalignment.

Adjustment
— Having obtained the net misalignment, the amount by which the equipment
must be moved can now be calculated.
To determine:
S — amount of movement (in plan) or the thickness of shim (in elevation) required.
Obtain:
D — coupling face diameter in inches (or indicator button circle)
L — distance between front and rear holddown bolts (inches)
M — net misalignment in inches
And:
Divide L, the bolt distance, by D, the coupling diameter. Multiply the result by M, the net
misalignment.
Example: Face diameter 5 in. (D). Distance between front and rear holddown bolts 30 in.
(L). Net misalignment in elevation .012 in. (M).
30 divided by 5 is 6
6 multiplied by .012 is .072 in.
S = .072 in.
S = Lx M
D
Click here for Figure 40 — Alignment Formula

If the larger opening between coupling faces is at the top, place .072 in. of shim under each
rear foot or remove .072 in. from the front footings to bring the couplings into angular alignment
in elevation.
Tighten the holddown bolts and recheck the net misalignment.
The height of the shaft above the footings and the distance the shaft extends beyond the
equipment will not affect the calculations.
Determine the angular adjustment in plan by the same method of calculation. At this point,
however, the procedure should include a correction for the change in coupling gap which
always occurs in adjusting angular alignment. By selecting the proper pivot point (see
Figure 40), the coupling gap can be kept at the dimension specified in the job data.
1. Pivot on the front bolt at the closed side of the couplings to shorten the gap; pivot on the
front bolt at the open side to lengthen it. It may sometimes be advantageous to pivot half the
required amount on one front footing and half on the other.
2. Place a dial indicator against the rear foot as indicated in Figure 41.
3. Place a screw jack on the other rear foot to move the equipment towards the indicator.
4. Loosen all holddown bolts except the pivot bolt. Turn the screw jack until the rear end of the
equipment moves against the indicator by the desired amount.

5. Tighten the holddown bolts and recheck the indicator. If the reading has changed, loosen
the three bolts and readjust. It may be necessary to over or undershoot the desired reading
to allow for the effect of bolt tightening.
Correcting Parallel Misalignment
Preparation
— Attach the dial indicator to one shaft or coupling hub and place the indicator
button on the O.D. of the other hub. The reach of the dial from one hub to the other should be
parallel to the shafts, and the dial button shaft should point directly through the center of the
shaft on which it rests. Compress the plunger to about mid-position and set the dial at zero.
Check the tightness of the dial button and the indicator linkage by rotating the shaft to which
the indicator is attached 360 degrees. The dial should return to zero. Check for repeatability.
Check for runout by rotating the hub on which the dial button rests 180 degrees. If the runout
exceeds .001 total indicator reading, the hub should be removed and the shaft checked. Shaft
runout must not exceed .001 TIR.
The effect of hub runout can be eliminated by locating a position on the half coupling where
two readings 180 degrees apart read zero. Rotate the coupling so that one zero point is at the
top and the other at the bottom when checking for misalignment in elevation. Place the zero
Click here for Figure 41 — Adjusting Angular Misalignment in Plan

points side to side in a similar manner when checking for misalignment in plan.
Measurement
— With dial set at zero in the top position, rotate the shaft to which the
indicator is attached 180 degrees. If the dial reading is plus, the shaft on which the button rests
is low. If the reading is minus, the shaft on which the button rests is high.
Never accept a single reading. Look for repeatability. Rotate the shaft several times to see if
the reading remains the same. It is good practice to reverse the procedure and read from zero
at the bottom.
Always rotate the shafts in the same direction when taking readings. Backlash in the coupling
teeth could cause some differences.
Adjustment
— Divide the total indicator reading by two to obtain the exact amount of shaft
offset. As illustrated in Figure 42, the indicator will read the total of A plus B but the required
shaft adjustment is only half of this as indicated by C.
Add or remove identical amounts of shims at all footings to bring the shaft to the proper
elevation. Tighten all the holddown bolts and recheck the readings. Parallel alignment must be
within .002 TIR.
To correct parallel misalignment in plan, use a screw jack and dial indicator as shown in
Figure 42. With a front holddown bolt as the pivot, move the rear of the equipment over. Then,
with the rear holddown bolt
on the same side
acting as the pivot, move the front end of the
equipment over by the same amount.

Final Alignment
The procedures and tolerance requirements for final alignment are the same as those de-
scribed in the Near Final Alignment section. Final alignment is performed just prior to grouting
and machine hot check. All piping, including water and steam, must be completed, but the water
and refrigerant charges need not be in place.
Hot Alignment Check
General
When all machine components have reached operating temperature (after running near full
load for from 4 to 8 hours), a hot alignment check must be made. Hot alignment check may be
made with couplings assembled or disassembled.

Disassembled Couplings
1. Shut down machine.
2. With machine hot, quickly disassemble couplings.
3. Check angular and parallel alignment in plan and elevation as described in the Near Final
Alignment section. Record the indicator readings (see Initial Start-Up Checklist) and make
necessary adjustments to bring alignment within .002 TIR and .00033 inches per in. of
coupling face traverse (or in. of indicator swing). Follow procedures described in the Near
Final Alignment section.
4. Reinstall couplings and run machine until it again reaches operating temperature.
5. Repeat steps 1 through 4 until alignment remains within specified tolerances.
Click here for Figure 42 — Correcting Parallel Misalignment

Assembled Couplings
If there is room on the shaft between coupling and component to clamp a sturdy bracket, the
arrangement illustrated in Figure 43 may be used. The clamps must have room to rotate with
the shaft.
This method is quicker because the couplings do not have to be disassembled. In addition,
eccentricity or coupling face runout are not problems since both shafts rotate together.
When using brackets, the diameter in the alignment formula (see Near Final Alignment,
Connecting Angular Misalignment section) will be that of the circle through which the dial
indicator rotates.
1. Shut down the machine.
2. With machine at operating temperature, quickly install brackets.
3. Check that alignment is within .002 TIR and .00033 per in. of traverse across the diameter
of measurement. Adjust alignment as required. (Refer to Near Final Alignment section.)
4. Remove brackets and run machine until operating temperature is again reached.
5. Recheck the alignment per steps 1 through 4 until it remains within the specified tolerances.
Be sure that coupling guards are replaced after these checks.
Click here for Figure 43 —Alignment Check —Assembled Coupling

Doweling
Techniques
After hot alignment check has been completed, the compressor, gear and drive must be
doweled to their soleplates. Doweling permits exact repositioning of components if they have to
be moved.
1. Doweling must be completed with equipment at maximum operating temperature (full load).
2. Use no. 8 taper dowels to dowel compressor, gear and drive to the base. Use a 13/32-in.
drill and no. 8 taper reamer with straight flutes. Drill pilot hole and then expand the pilot hole
to final dimension.
3. Fit dowel so that 1/16-in. of taper is left above the equipment foot. If dowel holes are
rereamed as a result of re-alignment, be sure dowels are tight and do not bottom.
4. Place dowels as nearly vertical as possible.
5. Coat the dowels with white lead or other lubricant to prevent rusting.
6. Tap dowel lightly into position with a small machinist’s hammer. A ringing sound will
indicate proper seating.
Dowel the suction end of the compressor base, the two feet at the high speed end of the
gear, and the drive feet in accordance with the drive manufacturer’s instructions. The number of
dowels used in the drive is usually four, but some manufacturers require more.

Weekly Maintenance
Check the Lubrication System
Mark the oil level on the reservoir sight glass, and observe the level each week while the
machine is shut down.
If the level goes below the lower sight glass, the oil reclaim system will need to be checked
for proper operation. If additional oil is required, add oil as follows:
On hermetic machines, add oil through the oil drain charging valve (Figure 3, Item 26.) A
pump is required for adding oil against refrigerant pressure. On open-drive machines, oil may
be added through the oil drain and charging valve (Figure 2, Item 18) using a pump. However,
an oil charging elbow on the seal-oil return chamber (Figure 6) allows oil to be added without
pumping. The seal oil return pump automatically transfers the oil to the main oil reservoir. A
pump is required for adding oil against refrigerant pressure. The oil charge is approximately
15 gallons (57 L) for EX and FA (size 421-469) style compressors; 20 gallons (76 L) for EA (size
531-599) style compressors. The added oil
must
meet Carrier’s specifications. Refer to
Changing Oil Filter and Oil Changes sections. Any additional oil that is added should be logged
by noting the amount and date. Any oil that is added due to oil loss that is not related to service
will eventually return to the sump, and must be removed when the level is high.
An oil heater is controlled by the PIC to maintain oil temperature above 150 F (65.5 C) or
refrigerant temperature plus 70° F (38.9° C) (see the Controls section) when the compressor is

off. The LID Status02 screen displays whether the heater is energized or not. If the PIC shows
that the heater is energized, but the sump is not heating up, the power to the oil heater may be
off or the oil level may be too low. Check the oil level, the oil heater contactor voltage, and oil
heater resistance.
The PIC will not permit compressor start-up if the oil temperature is too low. The control will
continue with start-up only after the temperature is within limits.
After the initial start or a 3 hour power failure, the controls will allow the machine to start once
the oil is up to proper temperature, but a slow ramp load rate of 2° F (1.6° C) per minute is used.
Be sure that the hand isolation valves on the oil line near the filter(s) (Figure 44, Items 1 and
2) are fully open before operating the compressor.
Lubrication requirements for the FA coupling and drive are contained in the manufacturer’s
instructions for these components.
Click here for Figure 44 — Removing the Oil Filter

Scheduled Maintenance
Establish a regular maintenance schedule based on the actual machine requirements such
as machine load, run hours, and water quality. The time intervals listed in this section are
offered as guides to service only.
Service Ontime
The LID will display a
SERVICE ONTIME
value on the Status01 screen. This value should be
reset to zero by the service person or the operator each time major service work is completed
so that time between service can be viewed.
Inspect the Control Center
Maintenance is limited to general cleaning and tightening of connections. Vacuum the
cabinet to eliminate dust build-up. In the event of machine control malfunctions, refer to the
Troubleshooting Guide section for control checks and adjustments.
CAUTION CAUTION
!
Be sure power to the control center is off when cleaning and tightening connec-
tions inside the control center.

Check Safety and Operating Controls Monthly
To ensure machine protection, the Control Test Automated Test should be done at least
once per month. See Table 3 for safety control settings.
Changing Oil Filter
19EX Compressors
Change the oil filter on an annual basis or when the machine is opened for repairs. The 19EX
compressor has an isolatable oil filter so that the filter may be changed with the refrigerant
remaining in the machine. See Figure 44. Use the following procedure:
1. Make sure that the compressor is off, and the disconnect for the compressor is open.
2. Disconnect the power to the oil pump.
3. Close the oil filter isolation valves (Figure 44, Items 1 and 2).
4. Loosen the filter holding clamp, (Figure 44, Item 3).
5. Rotate the filter nut, (Figure 44, Item 4), counterclockwise to remove the filter housing.
Keep the filter housing upright to avoid an oil spill.
6. Drain the oil; use this oil to obtain an oil analysis; remove and replace the filter cartridges.
Do not use any of the extra felt washers supplied with the filters.
7. Bench assemble Items A - D upside down, then slide the filter housing (Item 5) over the
stack to ensure that the spring (Item D) is centered in the bottom of the housing as

indicated. Screw the assembly into the locking ring.
8. Evacuate the filter/piping assembly.
9. Open the isolation valves.
FA Style Compressors
1. Turn off oil heater.
2. Close the line valve (Figure 44, Item 1) to isolate the oil filter(s).
Note: FA STYLE COMPRESSORS DO NOT HAVE ISOLATION VALVE NO. 2, ONLY A
CHECK VALVE. Vent the pressure in the oil filter by opening the Schrader valve on the
oil filter housing. Run a hose from the valve to a bucket to catch the oil. Check to ensure
that the check valve is properly seating.
3. Loosen the filter holding clamp (Item 3).
4. Rotate filter nut (Item 4) counterclockwise to remove filter housing. Keep the filter housing
upright to avoid oil spill.
5. Drain the oil; remove and replace filter cartridges. Do not use any of the extra felt washers
supplied with the filters.
6. Bench assemble Items A - D upside down. Then slide filter housing (Item 5) over the stack
to ensure that spring (Item D) is centered in the bottom of the filter housing as indicated.
7. Evacuate air from the filter assembly. Open the isolation valve.

8. Turn on oil heater and warm the oil to 140 to 150 F (60 to 66 C). Operate the oil pump for 2
minutes. Add oil if required to keep level up to lower sight glass.
Oil should be visible in the reservoir sight glass during all operating and shutdown condi-
tions.
Oil Specification
If oil is to be added, it must meet the following Carrier specifications:
• Oil Type for units using HFC-134a............................................ Inhibited
polyol ester-based synthetic compressor oil formatted for use with
HCFC and HFC, gear-driven, hermetic compressors.
• ISO Viscosity Grade ............................................................................68
The polyol ester-based oil may be ordered from your local Carrier representative (Carrier
Part No. PP23B2103).
Oil Changes
Carrier recommends changing the oil after the first year of operation and every three to five
years thereafter as a minimum along with a yearly oil analysis. However, if a continuous oil
monitoring system is functioning and a yearly oil analysis is performed, time between oil
changes can be extended.

To Change the Oil
1. Open the control and oil heater circuit breaker.
2. Drain the oil reservoir by opening the oil charging valve, (Figure 2, Item 18 or Figure 3, Item
26). Slowly open the valve against refrigerant pressure.
3. Change the oil filter at this time. See Changing Oil Filter section.
4. Change the refrigerant filter at this time, see the next section, Refrigerant Filter.
5. Charge the machine with oil. The EX uses approximately 15 gallons (57 L), for EX and FA
(size 421-469) style compressors; 20 gallons (76 L) for FA (size 531-599) style
compressors in order to bring the level to the middle of the upper sight glass (Figure 2, Item
17 and Figure 3, Item 19). Turn on the power to the oil heater and let the PIC warm it up to
at least 140 F (60 C). Operate the oil pump manually, through the Control Test, for 2
minutes. The oil level should be between the lower sight glass and one-half full in the upper
sight glass for shutdown conditions.
Refrigerant Filter
On hermetic machines with EX compressor, a replaceable core refrigerant filter/drier is
located on the refrigerant cooling line to the motor (Figure 3, Item 29). On FA style machines,
the refrigerant filter is located behind the compressor. The filter core should be changed once a
year, or more often if filter condition indicates a need for more frequent replacement. Change
the filter with the machine pressure at 0 psig (0 kPa) by transferring the refrigerant to the utility

vessel. A moisture indicating sight glass is located beyond this filter to indicate the volume and
moisture in the refrigerant. If the dry-eye indicates moisture, locate the source of water
immediately by performing a thorough leak check.
Oil Reclaim Filter
The oil reclaim system has a filter on the cooler scavenging line. Replace this filter once per
year, or more often if filter condition indicates a need for more frequent replacement. Change
this filter with the cooler/condenser/compressor vessel at 0 psig (0 kPa) by transferring the
refrigerant charge to the utility vessel.
Inspect Refrigerant Float System
Perform inspection once every 5 years or when the utility vessel is opened for service.
Transfer the refrigerant into the cooler vessel, or into a storage tank. There are two floats on the
17/19EX, one on each side of the utility vessel. Remove the float access covers. Clean the
chambers and valve assembly thoroughly. Be sure that the valves move freely. Make sure that
all openings are free of obstructions. Examine the cover gaskets and replace if necessary. See
Figure 45 for a view of both floats.
Inspect Relief Valves and Piping
The relief valves on this machine protect the system against the potentially dangerous

effects of overpressure. To ensure against damage to the equipment and possible injury to
personnel, these devices must be kept in peak operating condition.
As a minimum, the following maintenance is required.
1. At least once a year, disconnect the vent piping at the valve outlet and carefully inspect the
valve body and mechanism for any evidence of internal corrosion or rust, dirt, scale,
leakage, etc.
2. If corrosion or foreign material is found, do not attempt to repair or recondition.
Replace the
valve
.
3. If the machine is installed in a corrosive atmosphere or the relief valves are vented into a
corrosive atmosphere, make valve inspections at more frequent intervals.
Coupling Maintenance (Open-Drive Machines)
Proper maintenance of the coupling is important since the coupling supports the outboard
end of the compressor low speed shaft. Only the compressor end of the coupling has gear teeth
and these are manufactured with special tolerances for this application.
Procedure
Clean and inspect the gear teeth in the compressor end coupling for wear yearly. If the teeth
are worn, replace the tapered coupling hub, sleeve and O-ring. Repack the gear teeth and

spacer with 8 oz. of Kop-Flex KHP high performance coupling grease (Carrier Part No. 17DK
680 001). Install new gaskets.
When the coupling assembly is removed for scheduled service of the carbon seal, replace
the O-ring, spacer gaskets, and hex bolts.
Operating conditions such as high temperatures or severe environments may require more
frequent inspection and relubrication.
Misalignment causes undue noise and wear. Check alignment yearly, or more often if
vibration or heating occur. Refer to Machine Alignment section.
Motor Maintenance (Open-Drive Machines)
A carefully planned and executed program of inspection and maintenance will do much to
ensure maximum motor availability and minimum maintenance cost. If it becomes necessary to
Never operate drive without coupling guards in place. Contact with moving shaft
or coupling can cause serious injury.
WARNING !WARNING
Click here for Figure 45 — Typical Float Valve Arrangement

repair, recondition, or rebuild the motor, it is recommended that the nearest Westinghouse
apparatus repair facility be consulted.
In addition to a daily observation of the appearance and operation of the motor, it is
recommended that a general inspection procedure be established to periodically check the
following items:
1. Cleanliness, both external and internal
2. Stator and rotor (squirrel-cage) windings
3. Bearings
Cleanliness
On open ventilated motors, screens and louvers over the inlet air openings should not be
allowed to accumulate any build-up of dirt, lint, etc. that could restrict free air movement.
Screens and louvers should never be cleaned or disturbed while the motor is in operation
because any dislodged dirt or debris can be drawn directly into the motor.
If the motor is equipped with air filters, they should be replaced (disposable type) or cleaned
and reconditioned (permanent type) at a frequency that is dictated by conditions. It is better to
replace or recondition filters too often than not often enough.
Totally enclosed, air-to-air cooled (TEAAC) motors and totally enclosed, fan-cooled (TEFC)
motors require special cleaning considerations. The external fan must be cleaned thoroughly
since any dirt build-up not removed can lead to imbalance and vibration. All of the tubes of the

air-to-air heat exchanger of TEAAC motors should be cleaned using a supplied tube brush
having synthetic fiber bristles (not wire of any type). The standard cooler is equipped with steel
tubes, however, in special cases aluminum tubes may be used and wire brushes can seriously
erode the tube interiors over several cleanings. All tube brushing should be conducted from the
front (fan end) toward the drive end of the motor such that dislodged dirt will not fall into the fan
housing.
The stator windings of motors with open ventilation systems can become contaminated with
dirt and other substances brought into the motor by the ventilating air. Such contaminants can
impair cooling of the winding by clogging the air passages in the winding end-turns and vent
CAUTION CAUTION
!
Water spray washing of motors is not recommended. Manual or compressed air
cleaning is preferred. If it becomes necessary to spray wash a motor, it should
be done with extreme care. Do not aim high pressure sprays directly at air inlet
openings, conduit connections, shaft seals, or gasketed surfaces to prevent the
possibility of forcing water inside the machine.

ducts through the stator core and by reducing heat transfer from the winding insulation surfaces
to the cooling air. Conducting contaminants can change or increase electrical stresses on the
insulation and corrosive contaminants can chemically attack and degrade the insulation. This
may lead to shortened insulation life and failure.
Several satisfactory methods of cleaning stator windings and stator cores are offered below:
Compressed Air
Low pressure (30 psi max.), clean (no oil) and dry air can be used to dislodge loose dust and
particles in inaccessible areas such as air vent ducts in the stator core and vent passages in the
winding end-turns. Excessive air pressure can damage insulation and can drive contaminants
into inaccessible cracks and crevices.
Vacuum
Vacuum cleaning can be used, both before and after other methods of cleaning, to remove
loose dirt and debris. It is a very effective way to remove loose surface contamination from the
winding without scattering it. Vacuum cleaning tools should be nonmetallic to avoid any damage
to the winding insulation.
Wiping
Surface contamination on the winding can be removed by wiping, using a soft, lint-free
wiping material. If the contamination is oily, the wiping material can be moistened (not dripping
wet) with a safety-type petroleum solvent, such as Stoddard solvent. In hazardous locations, a

solvent such as inhibited methyl chloroform may be used, but must be used sparingly and
immediately removed. While this solvent is non-flammable under ordinary conditions, it is toxic
and proper health and safety precautions should be followed while using it.
Solvents of any type should never be used on windings provided with abrasion protection.
Abrasion protection is a grey, rubber-like coating applied to the winding end-turns.
Adequate ventilation must always be provided in any area where solvents are
being used to avoid the danger of fire, explosion or health hazards. In confined
areas (such as pits) each operator should be provided with an air line respirator, a
hose mask or a self-contained breathing apparatus. Operators should wear gog-
gles, aprons and suitable gloves. Solvents and their vapors should never be
exposed to open flames or sparks and should always be stored in approved
safety containers.
WARNING !WARNING

Sleeve Bearings
Oil Changing
The oil reservoirs of the self lubricated bearings should be drained and refilled every 6
months. More frequent changes may be needed if severe oil discoloration or contamination
occurs. In conditions where contamination does occur, it may be advisable to flush the reservoir
with kerosene to remove any sediment before new oil is added. Proper care must be taken to
thoroughly drain the reservoir of the flushing material before refilling with the new oil.
Refill the reservoir to the center of the oil sight glass with a rust and oxidation inhibited,
turbine grade oil. The viscosity of the oil must be 32 ISO (150 SSU) at 100 F (37.7 C). Oil
capacity in each of the 2 bearings is 0.6 gal. (2 l) per bearing. Use of Carrier Oil Specification
PP16-0 is approved (Mobil DTE Light or Sun Oil SUNVIS 916).
Disassembly
The bearing sleeve is of the spherically seated, self-aligning type. The opposite drive end
bearing is normally insulated for larger motors (or when specified). On some motors, the
insulation is bonded to the spherical seat of the bearing housing. Use extreme care when
removing the sleeve from the insulated support to avoid damaging this insulation.
Note that some bolts and tapped holes associated with the bearing housings, bearing
sleeves, and seals are metric.

The following is the recommended procedure for removing the bearing sleeve:
1. Remove the oil drain plug in the housing bottom and drain the oil sump.
2. Remove all instrumentation sensors that are in contact with the bearing sleeve. These
would include resistance temperature detectors, thermocouples, temperature relay bulbs,
thermometers, etc.
3. Remove the end cover.
4. Remove the socket head bolts holding the bearing cap and the inner air seal together at the
horizontal split. The front end cover plate must also be removed if the front bearing is being
disassembled. Remove the bearing cap and top half of the inner air seal by lifting straight
up to avoid damaging the labyrinth seals. Place them on a clean, dry surface to avoid
damage to the parting surfaces.
5. Remove any split bolts that may be holding the two bearing halves together. Remove the
top half of the bearing sleeve using suitable eye-bolts in the tapped holes provided. Lift the
bearing top straight up and avoid any contact with the shoulders of the shaft journals that
might damage the thrust faces of the bearing. Place on a clean, dry surface taking care to
prevent damage to either the parting surfaces or the locating pins that are captive in the top
bearing half.
6. Remove the 4 screws at the partings in the oil ring and dismantle the ring by gently tapping
the dowel pin ends with a soft face mallet. Remove the ring halves and immediately

reassemble them to avoid any mix up in parts or damage to the surfaces at the partings.
7. When removing the labyrinth seals, make note of the position of the anti-rotation button
located on the inside of the top half of the seal. Pull up the garter spring surrounding the
floating labyrinth seal and carefully slip out the top half. Rotate the garter spring until the
lock is visible. Twist counterclockwise to disengage the lock, remove the garter spring, then
rotate the lower half of the seal out of the groove in the bearing housing while noting the
orientation of the oil drain holes. Note the condition of these floating labyrinth seals. If they
are cracked or chipped, they must be replaced. Do not attempt to reuse a damaged seal.
8. To remove the bottom bearing half, the shaft must be raised a slight amount to relieve
pressure on the bearing. On the rear end, this can be done by jacking or lifting on the shaft
extension. (Care must be taken to protect the shaft from damage.) On the front end, jacking
or lifting can be done using bolts threaded into the tapped holes provided in the shaft end.
Note: Lift only enough to free the bearing; overlifting the shaft can cause difficulty in removal of
the bearing.
9. Roll the bottom bearing half to the top of the shaft journal and then lift it using suitable
eyebolts threaded into the holes provided. Again avoid any contact with the shaft shoulders
that could damage the bearing thrust faces. Place the lower bearing half on a clean, dry
surface to protect the parting surfaces.

10. Protect the shaft journal by wrapping it with clean, heavy paper or cardboard.
Reassembly
Bearing reassembly is basically a reversal of the disassembly procedures outlined above,
with the following additional steps.
Use extreme care when rolling out the lower bearing half. Keep the hands and fin-
gers well clear of any position where they might be caught by the bearing half if it
were accidentally released and rotated back to its bottom position. Serious per-
sonal injury could result.
WARNING !WARNING
CAUTION CAUTION
!
Curil-T is the only approved compound for use in the assembly of the bearings
on this motor. Other products may harden and impede the operation.

1. The interior of the bearing housing should be cleaned and then flushed with clean oil or
kerosene.
2. The bearing halves and the shaft journal should be wiped clean using lint-free cloth soaked
with clean oil.
CAUTION CAUTION
!
During the reassembly of the bearing parts, a thin layer of Curil-T should be
applied to all gasketed and machined interface surfaces. This suggestion does
not apply to the machined surfaces of the bearing liner halves.
CAUTION CAUTION
!
When seating the bearing shell, apply a thin layer of lube oil at the spherical sur-
face of the liner. Slowly roll the lower bearing liner into the bearing housing mak-
ing sure that the split surfaces of the liner and the housing are flush. Gradually
lower the shaft onto the bearing. The weight of the shaft will help rotate the bear-
ing liner so that the babbitt surface of the liner will match the slope of the journal.
Sometimes it is required to use a rubber mallet to tap lightly on the bearing hous-
ing while slowly rolling the shaft to help this seating operation.

3. All parts should be carefully inspected for nicks, scratches, etc., in any contact surfaces.
Such imperfections should be removed by an appropriate method such as stoning,
scraping, filing, etc., followed by thorough cleaning.
4. Apply a few drops of oil to the journal and bearing saddles.
5. Roll the bottom half of the bearing into place and lower the shaft.
6. Before installing the floating labyrinth seal halves, observe their condition. Do not attempt to
use a cracked or chipped seal. The bottom half seal has a set of drilled holes in its side
face. These must be placed at the bottom toward the inside of the bearing so that
accumulating oil may drain back into the housing.
7. Put a small head of Curil-T around the bottom seal half outside diameters on both sides
adjacent to the garter spring groove. This will prevent oil by-passing the seal around its
outside.
8. Place the bottom seal half on top of the shaft (ensuring that the proper orientation of the
drain holes is provided and roll it into position. Install the top half of the seal making sure
that the anti-rotation button is located in the proper position on the inboard side of the
bearing. Insert the garter spring pulling up on both ends to permit engaging the lock. Run a
small bead of Curil-T around the outside diameters on both sides adjacent to the garter
spring groove on this half also.
9. Carefully reassemble the two oil ring halves. Inspect the dowel pins for burrs and

straightness and make any corrections required. Do not force the ring halves together.
Excessive force may alter the roundness or flatness of the ring which can change its oil
delivery performance. Apply locking compound to the oil ring screws prior to reassembly.
10. Assemble the top half of the bearing liner making sure that the match marks on the liner
halves align with one another. Failure to ensure alignment of match marks can cause
misalignment and possible damage to bearings and journal surfaces. Reinstall any split
bolts, if supplied, between the bearing halves.
11. Some of the pipe plugs in the housing are metric thread type. These are identified as those
which have a copper, lead, or similar material washer. If these plugs are removed, be
careful not to lose the washers. Before reassembly, inspect the washers and replace them
as required.
12. Before installing the bearing cap, observe the position of the floating labyrinth seal. The
‘‘tab’’ must be on top to engage the pocket. Failure to position the seal properly will result in
damage when the cap is assembled.
13. Carefully lower the bearing housing cap over the floating seals. Keep the bearing cap level
to avoid binding and possibly damaging the seals. The bearing cap should seat evenly on
the bearing housing base.

If the bearing cap does not seat completely, remove and reset the floating labyrinth seal
position. When installing upper bearing cap the floating labyrinth seals sometimes rotate
and the anti-rotation ‘‘tab’’ does not seat in its holder, thus preventing the bearing housing
from seating properly. This procedure should be repeated until the bearing cap seats prop-
erly.
14. Reinstall the bearing housing split bolts. Before torquing bearing housing cap bolts, rotate
shaft by hand while bumping bearing housing with a rubber or rawhide mallet in the
horizontal and axial planes to allow the bearings to align themselves to the shaft journals.
15. Torque the bearing housing cap bolts by following the torque values as provided in Table 6.
CAUTION CAUTION
!
Do not force bearing cap down. Damage could occur to the labyrinth seals.

Open-Drive Motor Handling/Rigging
Each motor is provided with lifting lugs, welded to the four corners of the motor frame, for
lifting the assembled machine. The motor should always be lifted by using the lifting lugs
located on all four corners of the motor frame. (See Figure 46.)
If the motor is lifted with the top air housing removed, the angle of the lifting slings with the
horizontal should never be less than 45 degrees.
With the exclusion of the TEWAC cooler, the top air housing is provided with 3/4 -10 tapped
holes for lifting devices to be installed in order to remove the air housing from the motor. The top
air housing can be detached by removing the enclosure holddown bolts, located in the inside
corners of the enclosure. These enclosure holddown bolts are accessed through the louver/
screens located on the front and rear end of the machine or through access panels bolted to the
sides of the enclosure.
CAUTION CAUTION
!
Spreader bars of adequate capacity and number must be used to avoid applying
any pressure against the top air housing with the lifting plugs.
Click here for Figure 46 — Lifting Open-Drive Motor

Note: Refer to weights specified on certified drawing to determine proper lifting equipment
required for specific components or assemblies.
Open-Drive Motor Storage
If the machine is to be placed in extended shutdown, certain precautions must be taken to
provide proper protection while the motor is being stored. The motor should be stored under
cover in a clean, dry location and should be protected from rapid temperature changes.
Since moisture can be very detrimental to electrical components, the motor temperature
should be maintained at approximately 5° F (3° C) above the dew point temperature by
providing either external or internal heat. If the motor is equipped with space heaters, they
CAUTION CAUTION
!
Uneven lifting must always be avoided. When single point lifting is to be used,
slings of equal lengths must always be used to avoid uneven lifting.
CAUTION CAUTION
!
Under no circumstances should the motor be lifted using the shaft as an attach-
ment point.

should be energized at the voltage shown by the space heater nameplate attached to the
motor. Incandescent light bulbs can be placed within the motor to provide heat. However, if
used, they must not be allowed to come in contact with any parts of the motor because of the
concentrated hot spot that could result.
This motor has been provided with a shaft shipping brace or shipping bolt (normally painted
yellow) to prevent shaft movement during transit, it must be removed to allow shaft rotation
(refer to Before Initial Start-Up, Remove Shipping Packaging section). It is very important that
this brace be reinstalled exactly as it was originally, before the motor is moved from storage or
any time when the motor is being transported. This prevents axial rotor movement that might
damage the bearings.
Motors equipped with sleeve bearings are shipped from the factory with the bearing oil
reservoirs drained. In storage, the oil reservoirs should be properly filled to the center of the oil
level gage with a good grade of rust inhibiting oil (refer to the certified drawing for oil viscosity
and any special requirements). To keep the bearing journals well oiled and to prevent rusting,
the motor shaft should be rotated several revolutions every 2 weeks. While the shaft is rotating
it should be pushed to both extremes of the endplay to allow for oil flow over the entire length of
the journals.

Compressor Bearing and Gear Maintenance
The key to good bearing and gear maintenance is proper lubrication. Use the proper grade of
oil, maintained at recommended level, temperature, and pressure. Inspect the lubrication
system regularly and thoroughly.
Only a trained service technician should remove and examine the bearings. The bearings
and gears should be examined on a scheduled basis for signs of wear. The frequency of
examination is determined by the hours of machine operation, load conditions during operation,
and the condition of the oil and the lubrication system. Excessive bearing wear can sometimes
be detected through increased vibration or increased bearing temperature. If either symptom
appears, contact an experienced and responsible service organization for assistance.
Inspect the Heat Exchanger Tubes
Cooler
Inspect and clean the cooler tubes at the end of the first operating season. Because these
tubes have internal ridges, a rotary-type tube cleaning system is necessary to fully clean the
tubes. Upon inspection, the tube condition will determine the scheduled frequency for cleaning,
and will indicate whether water treatment is adequate in the chilled water/brine circuit. Inspect
the entering and leaving chilled water temperature sensors for signs of slime, corrosion, or
scale. Replace the sensor if corroded or remove any scale if found.

Condenser
Since this water circuit is usually an open-type system, the tubes may be subject to
contamination and scale. Clean the condenser tubes with a rotary tube cleaning system at least
once per year, and more often if the water is contaminated. Inspect the entering and leaving
condenser water sensors for signs of slime, corrosion, or scale. Replace the sensor if corroded
or remove any scale if found.
Higher than normal condenser pressures, together with the inability to reach full refrigeration
load, usually indicate dirty tubes or air in the machine. If the refrigeration log indicates a rise
above normal condenser pressures, check the condenser refrigerant temperature against the
leaving condenser water temperature. If this reading is more than what the design difference is
supposed to be, then the condenser tubes may be dirty, or water flow may be incorrect.
Because HFC134-a is a high-pressure refrigerant, air usually does not enter the machine,
rather, the refrigerant leaks out.
During the tube cleaning process, use brushes especially designed to avoid scraping and
scratching the tube wall. Contact your Carrier representative to obtain these brushes.
Do not
use wire brushes.

Water Leaks
Water is indicated during machine operation by the refrigerant moisture indicator (Figure 2)
on the refrigerant motor cooling line. Water leaks should be repaired immediately.
Water Treatment
Untreated or improperly treated water may result in corrosion, scaling, erosion, or algae. The
services of a qualified water treatment specialist should be obtained to develop and monitor a
treatment program.
CAUTION CAUTION
!
Hard scale may require chemical treatment for its prevention or removal. Consult
a water treatment specialist for proper treatment.
CAUTION CAUTION
!
Machine must be dehydrated after repair of water leaks. See Machine Dehydration
section.

Inspect the Starting Equipment
Before working on any starter, shut off the machine, and open all disconnects supplying
power to the starter.
CAUTION CAUTION
!
Water must be within design flow limits, clean, and treated to ensure proper
machine performance and reduce the potential of tubing damage due to corro-
sion, scaling, erosion, and algae. Carrier assumes no responsibility for chiller
damage resulting from untreated or improperly treated water.
The disconnect on the starter front panel does not deenergize all internal circuits.
Open all internal and remote disconnects before servicing the starter.
WARNING !WARNING

Inspect starter contact surfaces for wear or pitting on mechanical-type starters. Do not
sandpaper or file silver-plated contacts. Follow the starter manufacturer’s instructions for
contact replacement, lubrication, spare parts ordering, and other maintenance requirements.
Periodically vacuum or blow off accumulated debris on the internal parts with a high-velocity,
low-pressure blower.
Power connections on newly installed starters may relax and loosen after a month of
operation. Turn power off and retighten. Recheck annually thereafter.
Never open isolating knife switches while equipment is operating. Electrical arc-
ing can cause serious injury.
WARNING !WARNING
CAUTION CAUTION
!
Loose power connections can cause voltage spikes, overheating, malfunction-
ing, or failures.

Check Pressure Transducers
Once a year, the pressure transducers should be checked against a pressure gage reading.
Check all three transducers: oil pressure, condenser pressure, cooler pressure.
Note the evaporator and condenser pressure readings on the Status01 screen on the LID.
Attach an accurate set of refrigeration gages to the cooler and condenser Schrader fittings.
Compare the two readings. If there is a difference in readings, the transducer can be calibrated,
as described in the Troubleshooting Guide section.
Pumpout System Maintenance
For compressor maintenance details, refer to the 06D, 07D Installation, Start-Up, and
Service Instructions.
Optional Pumpout Compressor Oil Charge
Use oil conforming to Carrier specifications for reciprocating compressor usage. Oil
requirements are as follows:
• HFC-134a
ISO Viscosity ................................68
Carrier Part Number ..................PP23BZ103
The total oil charge, 4.5 pints (2.6 L), consists of 3.5 pints (2.0 L) for the compressor and one
additional pint (0.6 L) for the oil separator.

Oil should be visible in the compressor sight glass both during operation and at shutdown.
Always check the oil level before operating the compressor. Before adding or changing oil,
relieve the refrigerant pressure as follows:
1. Attach a pressure gage to the gage port of either compressor service valve (Figure 34).
2. Close the suction service valve and open the discharge line to the storage tank or the
machine.
3. Operate the compressor until the crankcase pressure drops to 2 psig (13 kPa).
4. Stop the compressor and isolate the system by closing the discharge service valve.
5. Slowly remove the oil return line connection (Figure 33). Add oil as required.
6. Replace the connection and reopen the compressor service valves.
Pumpout Safety Control Settings (Figure 47)
The pumpout system high-pressure switch should open at 161 psig (1110 kPa) and closes at
130 psig (896 kPa). Check the switch setting by operating the pumpout compressor and slowly
throttling the pumpout condenser water.
Click here for Figure 47 — Controls for Optional Pumpout Compressor

Ordering Replacement Chiller Parts
When ordering Carrier specified parts, the following information must accompany an order:
• machine model number and serial number
• name, quantity, and part number of the part required
• delivery address and method of shipment
Open-Drive Motor Renewal Parts
Renewal parts information for the motor and any auxiliary devices can be obtained from the
nearest Westinghouse Motor Company sales office. A complete description of the part(s)
required is necessary, together with the complete motor nameplate reading for positive motor
identification.

Troubleshooting Guide
Overview
The PIC has many features to aid the operator and the technician in troubleshooting a
17/19EX machine.
• By using the LID display, the chiller actual operating conditions can be viewed while
the unit is running.
• The Control Algorithm Status screens will display various screens of information in
order to diagnose problems with chilled water temperature control, chilled water tem-
perature control overrides, hot gas bypass, surge algorithm status, and time schedule
operation.
• The Control Test feature allows proper operation and testing of temperature sensors,
pressure transducers, the guide vane actuator, oil pump, water pumps, tower control,
and other on/off outputs while the compressor is stopped. It also has the ability to lock
off the compressor and turn on water pumps for pumpout operation. The display will
show the required temperatures and pressures during these operations.
• Other Service menu tables can access configured items, such as chilled water resets,
override set points, etc.
• If an operating fault is detected, an alarm message is generated and displayed on the
LID default screen. A more detailed message — along with a diagnostic message —
also is stored into the Alarm History table.

Checking the Display Messages
The first area to check when troubleshooting the 17/19EX is the LID display. If the alarm light
is flashing, check the primary and secondary message lines on the LID default screen (Figure
14). These messages will indicate where the fault is occurring. The Alarm History table on the
LID Service menu will also carry an alarm message to further expand on this alarm. For a
complete listing of messages, see Table 8. If the alarm light starts to flash while accessing a
menu screen, depress EXIT to return to the Default screen to read the failure message. The
compressor will not run with an alarm condition existing, unless the alarm type is an
unauthorized start or a failure to shut down.
Checking Temperature Sensors
All temperature sensors are of the thermistor type. This means that the resistance of the
sensor varies with temperature. All sensors have the same resistance characteristics.
Determine sensor temperature by measuring voltage drop if the controls are powered, or
resistance if the controls are powered off. Compare the readings to the values listed in Table 9A
or Table 9B.

Resistance Check
Turn off the control power and disconnect the terminal plug of the sensor in question from the
module. Measure sensor resistance between receptacles designated by the wiring diagram with
a digital ohmmeter. The resistance and corresponding temperature is listed in Table 9A or
Table 9B. Check the resistance of both wires to ground. This resistance should be infinite.
Voltage Drop
Using a digital voltmeter, the voltage drop across any energized sensor can be measured
while the control is energized. Table 9A or Table 9B lists the relationship between temperature
and sensor voltage drop (volts dc measured across the energized sensor). Exercise care when
measuring voltage to prevent damage to the sensor leads, connector plugs, and modules.
Sensor wire should also be checked at the sensor plug connection. Check the sensor wire by
removing the condenser at the sensor and measure for 5 vdc back to the module if the control is
powered.
CAUTION CAUTION
!
Relieve all refrigerant pressure or drain the water prior to replacing the tempera-
ture sensors.

Check Sensor Accuracy
Place the sensor in a medium of a known temperature and compare that temperature to the
measured reading. The thermometer used to determine the temperature of the medium should
be of laboratory quality with 0.5° F (.25° C) graduations. The sensor in question should be
accurate to within 2° F (1.2° C).
See Figure 7 and Figure 8 for sensor locations. The sensors are immersed directly in the
refrigerant or water circuits. The wiring at each sensor is easily disconnected by unlatching the
connector. These connectors allow only one-way connection to the sensor. When installing a
new sensor, apply a pipe sealant or thread sealant to the sensor threads.
Dual Temperature Sensors
There are 2 sensing elements on each of the bearing temperature sensors (hermetic and
open-drive machines) and motor temperature sensors (hermetic machines only) for servicing
convenience. In case one of the dual sensors is damaged, the other one can be used by
moving a wire.
The number 1 terminal in the sensor terminal box is the common line. To use the second
sensor, move the wire from the number 2 position to the number 3 position.

Checking Pressure Transducers
There are 3 pressure transducers on hermetic machines. These determine cooler,
condenser, and oil pressure. Open-drive machines have 4 transducers. These transducers
sense cooler pressure, condenser pressure, oil supply pressure, and oil sump pressure. The oil
supply pressure and the oil transmission sump pressure difference is calculated by a differential
pressure power supply module on open-drive machines. The PSIO then reads this differential.
In effect, then, the PSIO reads 3 pressure inputs for open-drive machines and 3 pressure inputs
for hermetic machines. The cooler and condenser transducers are used by the PIC to
determine refrigerant temperatures.
All pressure inputs can be calibrated, if necessary. It is not usually necessary to calibrate at
initial start-up. However, at high altitude locations, calibration of the transducer will be
necessary to ensure the proper refrigerant temperature/pressure relationship. Each transducer
is supplied with 5 vdc power from a power supply. If the power supply fails, a transducer voltage
reference alarm will occur. If the transducer reading is suspected of being faulty, check the
supply voltage. It should be 5 vdc ± .5 v. If the supply voltage is correct, the transducer should
be recalibrated or replaced.
IMPORTANT: For hermetic machines, whenever the oil pressure or the cooler pres-
sure transducer is calibrated, the other sensor should be calibrated to prevent prob-
lems with oil differential pressure readings.

To calibrate oil pressure differential on open-drive machines, refer to Oil Pressure Differential
Calibration at the end of this section.
Calibration can be checked by comparing the pressure readings from the transducer against
an accurate refrigeration gage. These readings are all viewed or calibrated from the Status01
table on the LID. The transducer can be checked and calibrated at 2 pressure points. These
calibration points are 0 psig (0 kPa) and between 240 and 260 psig (1655 to 1793 kPa). To
calibrate these transducers:
1. Shut down the compressor.
2. Disconnect the transducer in question from its Schrader fitting.
Note: If the cooler or condenser vessels are at 0 psig (0 kPa) or are open to atmospheric pres-
sure, the transducers can be calibrated for zero without removing the transducer from
the vessel.
3. Access the Status01 table, and view the particular transducer reading; it should read 0 psi
(0 kPa). If the reading is not 0 psi (0 kPa), but within ± 5 psi (35 kPa), the value may be
zeroed by pressing the SELECT softkey while the highlight bar is located on the transducer,
and then by pressing the ENTER. The value will now go to zero.
If the transducer value is not within the calibration range, the transducer will return to the
original reading. If the LID pressure value is within the allowed range (noted above), check
the voltage ratio of the transducer. To obtain the voltage ratio, divide the voltage (dc) input

from the transducer by the supply voltage signal, measured at the PSIO terminals J7-J34
and J7-J35. For example, the condenser transducer voltage input is measured at PSIO ter-
minals J7-1 and J7-2. The voltage ratio must be between 0.80 vdc and 0.11 vdc for the soft-
ware to allow calibration. Pressurize the transducer until the ratio is within range. Then
attempt calibration again.
4. A high pressure point can also be calibrated between 240 and 260 psig (1655 and
1793 kPa) by attaching a regulated 250 psig (1724 kPa) pressure (usually from a nitrogen
cylinder). The high pressure point can be calibrated by accessing the transducer on the
Status01 screen, highlighting the transducer, pressing the SELECT softkey, and then
increasing or decreasing the value to the exact pressure on the refrigerant gage. Press
ENTER to finish. High altitude locations must compensate the pressure so that the
temperature/pressure relationship is correct.
If the transducer reading returns to the previous value and the pressure is within the
allowed range, check the voltage ratio of the transducer. Refer to Step 3 above. The voltage
ratio for this high pressure calibration must be between 0.585 and 0.634 vdc to allow cali-
bration. Change the pressure at the transducer until the ratio is within the acceptable range.
Then attempt calibrate to the new pressure input.
The PIC will not allow calibration if the transducer is too far out of calibration. A new
transducer must be installed and re-calibrated.

Oil Differential Pressure/Power Supply Module Calibration (See Figure 48.)
The oil reservoir in the 17EX machine is not common to cooler pressure. Therefore, a
comparison of pump output to cooler pressure could not be used to provide differential oil
pressure information. A different method has been developed.
Oil transmission sump pressure and oil supply pressure are fed to a comparator circuit on a
5V power supply board. The output of this circuit, which represents differential oil pressure, is
fed to the PSIO. The oil differential pressure is calibrated to zero PSIO (0 kPad) by selecting the
oil pressure input on the Service1 screen. Then, with the oil pump turned OFF and the
transducers CONNECTED, press ENTER to zero the point. No high end calibration is needed
or possible.
Click here for Figure 48 — Oil Differential Pressure/Power Supply Module

Troubleshooting Transducers
When troubleshooting transducers, keep the negative lead of your voltohmmeter on terminal
U4 of the power supply (or terminal 4 on power supplies without the comparator circuit).
voltage VO1 = (VH1-VL1) + .467 ± .1 V
For all PIC transducers:
Measured pressure = (507.97 × (Vout /Vin)) -47.33
Vout = transducer output ref. to neg. terminal (4 or U4) i.e., VH1 to U4 or VL1 to U4
Vin = power supply output, i.e., U3 to U4
Transducer Replacement
Since the transducers are mounted on Schrader-type fittings, there is no need to remove
refrigerant from the vessel. Disconnect the transducer wiring by pulling up on the locking tab
while pulling up on the weather-tight connecting plug from the end of the transducer.
Do not pull
on the transducer wires
. Unscrew the transducer from the Schrader fitting. When installing a
new transducer, do not use pipe sealer, which can plug the sensor. Put the plug connector back
on the sensor and snap into place. Check for refrigerant leaks.
Make sure to use a backup wrench on the Schrader fitting whenever removing a
transducer.
WARNING !WARNING

Control Algorithms Checkout Procedure
In the LID Service menu, one of the tables is Control Algorithm Status. This table contains 6
tables that may be viewed in order to see how the particular control algorithm is operating.
These maintenance tables are very useful in determining guide vane position, reaction from
load changes, control point overrides, hot gas bypass reaction, surge prevention, etc.
MAINT01
MAINT02
MAINT03
MAINT04
OCCDEFM
WSMDEFME
Capacity Control
Override Status
Surge/HGBP
Status
LEAD/LAG Status
Time Schedules
Status
Water System
Manager Status
This table shows all values that are used to calculate the
chilled water/brine control point.
Details of all chilled water control override values are
viewed here.
The surge and hot gas bypass control algorithm status is
viewed from this screen. All values dealing with this con-
trol are displayed.
This screen indicates LEAD/LAG operation status.
The Local and CCN occupied schedules are displayed
here in a manner that allows the operator to quickly
determine whether the schedule is in the OCCUPIED
mode or not.
The water system manager is a CCN module which can
turn on the chiller and change the chilled water control
point. This screen indicates the status of this system.

Control Test
The Control Test feature can check all of the thermistor temperature sensors, including those
on the Options modules, pressure transducers, pumps and their associated flow switches, the
guide vane actuator, and other control outputs, such as hot gas bypass. The tests can help to
determine whether a switch is defective, or a pump relay is not operating, among other useful
troubleshooting tests. During pumpdown operations, the pumps are energized to prevent
freeze-up and the vessel pressures and temperatures are displayed. The lockout feature will
prevent start-up of the compressor when no refrigerant is present in the machine, or if the
vessels are isolated. The lockout is then terminated by the operator by using the Terminate
Lockout function after the pumpdown procedure is reversed and refrigerant is added.
Table 8, A - N — LID Primary and Secondary Messages and Custom Alarm/Alert
Messages with Troubleshooting Guides
Click here for Table 8A — Shutdown with ON/OFF/RESET-OFF
Click here for Table 8B — Timing OUT or Timed OUT

Click here for Table 8C — In Recycle Shutdown
Click here for Table 8D — Pre-Start Alerts
Click here for Table 8E — Normal or Auto.-Restart
Click here for Table 8F — Start-Up Failures
Click here for Table 8G — Compressor Jumpstart and Refrigerant Protection
Click here for Table 8H — Normal Run with Reset, Temperature, or Demand

Click here for Table 8I — Normal Run Overrides Active (Alerts)
Click here for Table 8J — Out-of-Range Sensor Failures
Click here for Table 8K — Machine Protect Limit Faults
Click here for Table 8L — Machine Alerts
Click here for Table 8M — Spare Sensor Alert Messages
Click here for Table 8N — Other Problems/Malfunctions

Control Modules
The Processor module (PSIO), 8-input (Options) modules, Starter Management Module
(SMM), and the Local Interface Device (LID) module perform continuous diagnostic evaluations
of the hardware to determine its condition. Proper operation of all modules is indicated by LEDs
(light-emitting diodes) located on the side of the LID, and on the top horizontal surface of the
PSIO, SMM, and 8-input modules.
Click here for Table 9A — Thermistor Temperature (F) vs Resistance/Voltage Drop
Click here for Table 9B — Thermistor Temperature (C) vs Resistance/Voltage Drop
CAUTION CAUTION
!
Turn controller power off before servicing controls. This ensures safety and pre-
vents damage to controller.

Red LED
If the LED is blinking continuously at a 2-second rate, it is indicating proper operation. If it is
lit continuously it indicates a problem requiring replacement of the module. Off continuously
indicates that the power should be checked. If the red LED blinks 3 times per second, a
software error has been discovered and the module must be replaced. If there is no input
power, check fuses and the circuit breaker. If fuse is good, check for shorted secondary of
transformer, or if power is present to the module, replace the module.
Green LEDs
There are 1 or 2 green LEDs on each type of module. These LEDs indicate communication
status between different parts of the controller and the network modules as follows:
LID Module
Upper LED
— Communication with CCN network, if present; blinks when communication
occurs.
Lower LED
— Communication with PSIO module; must blink every 5 to 8 seconds when the
LID default screen is displayed.

Notes on Module Operation
1. The machine operator monitors and modifies configurations in the microprocessor through
the 4 softkeys and the LID. Communication with the LID and the PSIO is accomplished
through the CCN bus. The communication between the PSIO, SMM, and both 8-input
modules is accomplished through the sensor bus, which is a 3-wire cable.
On sensor bus terminal strips, Terminal 1 of PSIO module is connected to Terminal 1 of
each of the other modules. Terminals 2 and 3 are connected in the same manner. See
Figure 49, Figure 50, Figure 51, Figure 52, and Figure 53. If a Terminal 2 wire is connected
to Terminal 1, the system does not work.
2. If a green LED is solid on, check communication wiring. If a green LED is off, check the red
LED operation. If the red LED is normal, check the module address switches (Figure 49,
Figure 50, Figure 51, Figure 52, and Figure 53). Proper addresses are:
Module Address
SW1 SW2
SMM (Starter Management Module)
8-input Options Module 1
8-input Options Module 2
3
6
7
2
4
2

If all modules indicate communications failure, check communications plug on the PSIO
module for proper seating. Also check the wiring (CCN bus — 1:red, 2:wht, 3:blk; Sensor
bus — 1:red, 2:blk, 3:clr/wht). If a good connection is assured and the condition persists,
replace the PSIO module.
If only one 8-input module or SMM indicates communication failure, check the communica-
tions plug on that module. If a good connection is assured and the condition persists,
replace the module.
All system operating intelligence rests in the PSIO module. Some safety shutdown logic
resides in the SMM in case communications are lost between the 2 modules. The PSIO
monitors conditions using input ports on the PSIO, the SMM, and the 8-input modules. Out-
puts are controlled by the PSIO and SMM as well.
3. Power is supplied to modules within the control panel via 21-vac power sources.
The transformers are located within the power panel, with the exception of the SMM, which
operates from a 24-vac power source and has its own 24-vac transformer located within the
starter.
Within the power panel, T1 supplies power to the LID, the PSIO, and the 5-vac power sup-
ply for the transducers. The other 21-vac transformer is T4, which supplies power to both 8-
input modules (if present). T4 is capable of supplying power to two modules; if additional
modules are added, another power supply will be required.
Power is connected to Terminals 1 and 2 of the power input connection on each module.

Processor Module (PSIO) (Figure 51)
Inputs
Each input channel has 3 terminals; only 2 of the terminals are used. Application of machine
determines which terminals are normally used. Always refer to individual unit wiring for terminal
numbers.
Outputs
Output is 20 vdc. There are 3 terminals per output, only 2 of which are used, depending on
the application. Refer to the unit wiring diagram.
Click here for Figure 49 — PSIO Module LED Locations
Click here for Figure 50 — LID Module (Rear View) and LED Locations
Click here for Figure 51 — Processor (PSIO) Module

Starter Management Module (SMM) (Figure 52)
Inputs
Inputs on strips J2 and J3 are a mix of analog and discrete (on/off) inputs. Application of the
machine determines which terminals are used. Always refer to the individual unit wiring diagram
for terminal numbers.
Outputs
Outputs are 24 vdc and wired to strip J1. There are 2 terminals used per output.
Click here for Figure 52 — Starter Management Module (SMM)

Options Modules (8-Input)
The options modules are optional additions to the PIC, and are used to add temperature
reset inputs, spare sensor inputs, and demand limit inputs. Each option module contains 8
inputs, each input meant for a specific duty. See the wiring diagram for exact module wire
terminations. Inputs for each of the options modules available include the following:
Options Module 1
4 to 20 mA Auto. Demand Reset
4 to 20 mA Auto. Chilled Water Reset
Common Chilled Water Supply Temperature
Common Chilled Water Return Temperature
Remote Temperature Reset Sensor
Spare Temperature 1
Spare Temperature 2
Spare Temperature 3
Options Module 2
4 to 20 mA Spare 1
4 to 20 mA Spare 2
Spare Temperature 4
Spare Temperature 5
Spare Temperature 6
Spare Temperature 7
Spare Temperature 8
Spare Temperature 9

Terminal block connections are provided on the options modules. All sensor inputs are field
wired and installed. Options module 1 can be factory or field-installed. Options module 2 is
shipped separately and must be field installed. For installation, refer to the unit or field wiring
diagrams. Be sure to address the module for the proper module number (Figure 53) and to
configure the chiller for each feature being used.
Replacing Defective Processor Modules
The replacement part number is printed in a small label on front of the PSIO module. The
model and serial numbers are printed on the unit nameplate located on an exterior corner post.
The proper software is factory-installed by Carrier in the replacement module. When ordering a
replacement processor module (PSIO), specify complete replacement part number, full unit
model number, and serial number. This new unit requires reconfiguration to the original
machine data by the installer. Follow the procedures described in the Set Up Machine Control
Configuration section.
Click here for Figure 53 — Options Module
CAUTION CAUTION
!
Electrical shock can cause personal injury. Disconnect all electrical power
before servicing.

Installation of New PSIO Module
1. Verify if the existing PSIO module is defective, by using the procedure described in the
Notes on Module Operation section, and Control Modules section. Do not select the Attach
to Network Device table if the LID displays communication failure.
2. Data regarding the PSIO configuration should have been recorded and saved. This data will
have to be reconfigured into the LID. If this data is not available, follow the procedures
described in the Set Up Machine Control Configuration section. Record the TOTAL
COMPRESSOR STARTS and the COMPRESSOR ONTIME from the STATUS01 table on
the LID.
If a CCN Building Supervisor or Service Tool is present, the module configuration should
have already been uploaded into memory; then, when the new module is installed, the con-
figuration can be downloaded from the computer (if the software version is the same).
Any communication wires from other machines or CCN modules must be disconnected.
3. Check that all power to the unit is off. Carefully disconnect all wires from the defective
module by unplugging the 6 connectors. It is not necessary to remove any of the individual
wires from the connectors.
4. Remove defective PSIO by removing its mounting screw with a long-shaft Phillips
screwdriver, and removing the module from the control box. Save the screw for later use.
The green ground wire is held in place with the module mounting screw.

5. Package the defective module in the carton of the new module for return to Carrier.
6. Restore control system power (LID will show ‘‘COMMUNICATION FAILURE’’ at bottom of
screen).
7. Access the SERVICE menu. Highlight and select ‘‘ATTACH TO NETWORK DEVICE.’’
Push the ‘‘ATTACH’’ softkey. (The LID will show ‘‘UPLOADING TABLES. PLEASE WAIT,’’
then show ‘‘COMMUNICATION FAILURE.’’) Press the EXIT softkey.
8. Turn off control power.
9. Mount the new module in the unit control box using a long-shaft Phillips screwdriver and the
screw saved in Step 4 above. Make sure that the green grounding wire is reinstalled along
with the mounting screw.
10. Connect the LID communication wires (CCN bus) and the power wires. If CCN wiring has
been attached to the CCN bus, disconnect the wires. Attach the sensor bus plug and the
input and output plugs.
11. Carefully check all wiring connections before restoring power.
12. Restore control power and verify that the red and green LEDs on the PSIO are functioning
properly.
13. The LID should indicate ‘‘AVAILABLE MEMORY’’ and a value. This value should start to
decrease. (If not, check LID wiring to PSIO, ensure connection to the proper plug.) The
bottom of the screen will indicate ‘‘UPLOADING TABLES, PLEASE WAIT.’’

14. After the PSIO tables have been uploaded into the LID, access the STATUS01 screen.
Move the highlight bar to the ‘‘TOTAL COMPRESSOR STARTS’’ value. Select this value
and increase the value until it is the same as the value from the old module. Press ENTER
to save this value.
15. Move the highlight bar to the ‘‘COMPRESSOR ONTIME’’ value. Select this point and
increase the value until it matches the old module run hours. Press SELECT to save this
value.
16. Change the address of the PSIO in the Controller Identification table back to the previous
value. Write the address on the PSIO.
17. Use the configuration sheets to input setpoint, configuration, and schedule information into
the PSIO. The Time and Date table also must be set. A Building Supervisor can be used to
download, the old configuration into the PSIO.
18. Perform a Control Test and verify all tests. If the software version has been updated, a CCN
download of the configuration will not be allowed. Configure the PSIO by hand, and upload
the PSIO into the network by using the Attach to Network Device table.
19. Restore chiller to normal operation, calibrate motor amps.

17/19EX Physical Data and Wiring Schematics
Table 10, Table 11, Table 12, Table 13, Table 14, Table 15, Table 16, Table 17, Table 18,
Figure 54, Figure 55, Figure 56, Figure 57, Figure 58, Figure 59, Figure 60, Figure 61, and
Figure 62 provide additional information regarding compressor fits and clearances, physical and
electrical data, and wiring schematics for operator convenience during troubleshooting.
Click here for Figure 54 — Model Number Nomenclature for Compressor Size
(See Figure 1 also)
Click here for Table 10 — 17/19EX Heat Exchanger, Economizer/Storage Vessel,
Piping, and Pumpout Unit Weights
Click here for Table 11 — Additional Condenser Weights
Click here for Table 12 — Compressor/Motor/Suction Elbow Weights

Compressor Fits and Clearances
Service and repair of Carrier centrifugal compressors should be performed only by fully
trained and qualified service personnel.The information in this section is included as a reference
for such personnel only.
Click here for Table 13 — Additional Cooler Weights
Click here for Table 14 — Marine Waterbox Cover Weights
Click here for Table 15 — NIH Waterbox Cover Weights
Click here for Table 16 — Auxiliary Systems, Electrical Data
Click here for Figure 55 — Open-Drive Compressor Fits and Clearances

Click here for Table 17 — Open-Drive Compressor Fits and Clearances
Click here for Figure 56 — Hermetic Compressor Fits and Clearances
Click here for Table 18 — Hermetic Compressor Fits and Clearances
Click here for Figure 57 — Electronic PIC Controls Wiring Schematic — Hermetic
Machine
Click here for Figure 58 — Electronic PIC Controls Wiring Schematic — Open-Drive
Machine
Click here for Figure 59 — Machine Power Panel, Starter Assembly, and Motor
Wiring Schematic

* See Figure 7, Figure 8, Figure 9, Figure 10, Figure 11, Figure 12, and Figure 13.
Table 1 — Major PIC Components and Panel Locations*
PIC Component Panel Location
Processor Sensor Input/Output Module
(PSIO)
Control Center
Starter Management Module (SMM) Starter Cabinet
Local Interface Device (LID) Control Center
6-Pack Relay Board Control Center
8-Input Modules (Optional) Control Center
Oil Differential Pressure/Power Supply
Module
Control Center
Oil Heater Contactor (1C) Power Panel
Oil Pump Contactor (2C) Power Panel
Hot Gas Bypass Relay (3C) (Optional) Power Panel
Control Transformers (T1-T4) Power Panel
Control and Oil Heater Voltage Selector
(S1)
Power Panel
Temperature Sensors See Figure 10
Pressure Transducers See Figure 11

Table 2 — LID Screens
Notes:
1. Only 12 lines of information appear on the LID screen at any given time. Press NEXT or PREVIOUS to
highlight a point or to view points below or above the current screen.
2. The LID may be configured in English or SI units, as required, through the LID configuration screen.
3. Data appearing in the Reference Point Names column is used for CCN operations only.
Example 1 — Status01 Display Screen
To access this display from the LID default screen:
1. Press MENU.
2. Press STATUS (STATUS01 will be highlighted).
3. Press SELECT.
Table 2, Example 1 — Status01 Display Screen
Description Range Units Reference Point
Name (Alarm
History)
Control Mode
Run Status
Occupied ?
Alarm State
*Chiller Start/Stop
Base Demand Limit
*Active Demand Limit
Compressor Motor Load
Current
Amps
*Target Guide Vane Pos
Actual Guide Vane Pos
Water/Brine: Setpoint
* Control Point
Reset.Off.Local.CCN
Timeout.Recycle.Startup.
Ramping.Running.Demand.
Override.Shutdown.Abnormal.
Pumpdown
No/Yes
NORMAL/ALARM
STOP/START
40-100
40-100
0-999
0-999
0-9999
0-100
0-100
10-120 (–12.2-48.9)
10-120 (–12.2-48.9)
%
%
%
%
AMPS
%
%
DEG F (DEG C)
DEG F (DEG C)
MODE
STATUS
OCC
ALM
CHIL S S
DLM
DEM LIM
CA L
CA P
CA A
GV TRG
GV ACT
SP
LCW STPT

Note: All values are variables available for read operation to a CCN. Descriptions shown with (*) support
write operations for BEST programming language, data-transfer, and overriding.
† Information is applicable to hermetic machines only.
** Information is applicable to open-drive machines only.
†† Oil pressure is read directly from a differential pressure module on 17EX machines.
Entering Chilled Water
Leaving Chilled Water
Entering Condenser Water
Leaving Condenser Water
Evaporator Refrig Temp
Evaporator Pressure
Condenser Refrig Temp
Condenser Pressure
Discharge Temperature
Bearing Temperature
Motor Winding Temp†
Motor Winding Hi
Temp Cutout**
Oil Sump Temperature
Oil Pressure Transducer†
Oil Pressure††
Line Voltage: Percent
Actual
*Remote Contacts Input
Total Compressor Starts
Starts in 12 Hours
Compressor Ontime
*Service Ontime
*Compressor Motor kW
–40-245 (–40-118)
–40-245 (–40-118)
–40-245 (–40-118)
–40-245 (–40-118)
–40-245 (–40-118)
–6.7-420 (–46-2896)
–40-245 (–40-118)
–6.7-420 (–46-2896)
–40-245 (–40-118)
–40-245 (–40-118)
–40-245 (–40-118)
Normal/Alarm
–40-245 (–40-118)
–6.7-420 (–46-2896)
–6.7-420 (–46-2896)
0-999
0-9999
Off/On
0-65535
0-8
0-500000.0
0-32767
0-9999
DEG F (DEG C)
DEG F (DEG C)
DEG F (DEG C)
DEG F (DEG C)
DEG F (DEG C)
PSI (kPa)
DEG F (DEG C)
PSI (kPa)
DEG F (DEG C)
DEG F (DEG C)
DEG F (DEG C)
DEG F (DEG C)
PSI (kPa)
PSID (kPad)
%
VOLTS
HOURS
HOURS
kW
ECW
LCW
ECDW
LCDW
ERT
ERP
CRT
CRP
CMPD
MTRB
MTRW
MTRW
OILT
OILP
OILPD
V P
V A
REMCON
c starts
STARTS
c hrs
S HRS
CKW
Table 2, Example 1 — Status01 Display Screen (Continued)
Description Range Units Reference Point
Name (Alarm
History)

Example 2 — Status02 Display Screen
To access this display from the LID default screen:
1. Press MENU.
2. Press STATUS.
3. Scroll down to highlight STATUS02.
4. Press SELECT.
Note: All values are variables available for read operation to a CCN. Descriptions shown with (*) support
write operations from the LID only.
† Information is applicable to hermetic machines only.
** Information is applicable to open-drive machines only.
Table 2, Example 2 — Status02 Display Screen
Description Point Type Units Reference Point
Name (Alarm
History)
Input Output
Hot Gas Bypass Relay
*Chilled Water Pump
Chilled Water Flow
*Condenser Water Pump
Condenser Water Flow
Compressor Start Relay
Compressor Start Contact
Compressor Run Contact
Starter Fault Contact
Pressure Trip Contact
Single Cycle Dropout
Oil Pump Relay
Oil Heater Relay
Motor Cooling Relay†
Auxiliary Oil Pump Relay**
*Tower Fan Relay
Compr. Shunt Trip Relay
Alarm Relay
Spare Prot Limit Input
X
X
X
X
X
X
X
X
X
X
X
X
X
X
X
X
X
X
X
OFF/ON
OFF/ON
NO/YES
OFF/ON
NO/YES
OFF/ON
OPEN/CLOSED
OPEN/CLOSED
OPEN/CLOSED
OPEN/CLOSED
NORMAL/ALARM
OFF/ON
OFF/ON
OFF/ON
OFF/ON
OFF/ON
OFF/ON
NORMAL/ALARM
ALARM/NORMAL
HGBR
CHWP
EVFL
CDP
CDFL
CMPR
1CR AUX
RUN AUX
STR FLT
PRS TRIP
V1 CYCLE
OILR
OILH
MTRC
AUXOILR
TFR
TRIPR
ALM
SPR PL

Example 3 — Status03 Display Screen
To access this display from the LID default screen:
1. Press MENU.
2. Press STATUS.
3. Scroll down to highlight STATUS03.
4. Press SELECT.
Note: All values shall be variables available for read operation to a CCN network. Descriptions shown with (*)
support write operations for BEST programming language, data-transfer, and overriding.
Table 2, Example 3 — Status03 Display Screen
Description Range Units Reference Point Name
(Alarm History)
OPTIONS BOARD 1
*Demand Limit 4-20 mA
*Temp Reset 4-20 mA
*Common CHWS Sensor
*Common CHWR Sensor
*Remote Reset Sensor
*Temp Sensor — Spare 1
*Temp Sensor — Spare 2
*Temp Sensor — Spare 3
OPTIONS BOARD 2
*4-20 mA — Spare 1
*4-20 mA — Spare 2
*Temp Sensor — Spare 4
*Temp Sensor — Spare 5
*Temp Sensor — Spare 6
*Temp Sensor — Spare 7
*Temp Sensor — Spare 8
*Temp Sensor — Spare 9
4-20
4-20
–40-245 (–40-118)
–40-245 (–40-118)
–40-245 (–40-118)
–40-245 (–40-118)
–40-245 (–40-118)
–40-245 (–40-118)
4-20
4-20
–40-245 (–40-118)
–40-245 (–40-118)
–40-245 (–40-118)
–40-245 (–40-118)
–40-245 (–40-118)
–40-245 (–40-118)
mA
mA
DEG F (DEG C)
DEG F (DEG C)
DEG F (DEG C)
DEG F (DEG C)
DEG F (DEG C)
DEG F (DEG C)
mA
mA
DEG F (DEG C)
DEG F (DEG C)
DEG F (DEG C)
DEG F (DEG C)
DEG F (DEG C)
DEG F (DEG C)
DEM OPT
RES OPT
CHWS
CHWR
R RESET
SPARE1
SPARE2
SPARE3
SPARE1 M
SPARE2 M
SPARE4
SPARE5
SPARE6
SPARE7
SPARE8
SPARE9

Example 4 — Setpoint Display Screen
To access this display from the LID default screen:
1. Press MENU.
2. Press SETPOINT.
Table 2, Example 4 — Setpoint Display Screen
Description Configurable
Range Units Reference Point
Name Default Value
Base Demand Limit
LCW Setpoint
ECW Setpoint
ICE BUILD Setpoint
40-100
20-120 (–6.7-48.9)
20-120 (–6.7-48.9)
20-60 (–6.7-15.6)
%
DEG F (DEG C)
DEG F (DEG C)
DEG F (DEG C)
DLM
lcw sp
ecw sp
ice sp
100
50.0 (10.0)
60.0 (15.6)
40.0 ( 4.4)

Example 5 — Configuration (Config) Display Screen
To access this display from the LID default screen:
1. Press MENU.
2. Press SERVICE.
3. Scroll down to highlight EQUIPMENT CONFIGURATION.
4. Press SELECT.
5. Scroll down to highlight CONFIG.
6. Press SELECT.
Note: ∆ = delta degrees.
Table 2, Example 5 — Configuration (Config) Display Screen
Description Configurable
Range Units Reference
Point Name Default
Value
RESET TYPE 1
Degrees Reset at 20 mA
RESET TYPE 2
Remote Temp (No Reset)
Remote Temp (Full Reset)
Degrees Reset
RESET TYPE 3
CHW Delta T (No Reset)
CHW Delta T (Full Reset)
Degrees Reset
Select/Enable Reset Type
ECW CONTROL OPTION
Demand Limit At 20 mA
20mA Demand Limit Option
Auto Restart Option
Remote Contacts Option
Temp Pulldown Deg/Min
Load Pulldown %/Min
Select Ramp Type:
Temp = 0, Load = 1
Loadshed Group Number
Loadshed Demand Delta
Maximum Loadshed Time
CCN Occupancy Config:
Schedule Number
Broadcast Option
ICE BUILD Option
ICE BUILD TERMINATION
0 =Temp, 1 =Contacts, 2 =Both
ICE BUILD Recycle Option
–30-30 (–17-17)
–40-245 (–40-118)
–40-245 (–40-118)
–30-30 (–17-17)
0-15 (0-8)
0-15 (0-8)
–30-30 (–17-17)
0-3
DISABLE/ENABLE
40-100
DISABLE/ENABLE
DISABLE/ENABLE
DISABLE/ENABLE
2-10
5-20
0/1
0-99
0-60
0-120
3-99
DISABLE/ENABLE
DISABLE/ENABLE
0-2
DISABLE/ENABLE
DEG F (DEG C)
DEG F (DEG C)
DEG F (DEG C)
DEG F (DEG C)
DEG F (DEG C)
DEG F (DEG C)
DEG F (DEG C)
%
%
MIN
deg 20mA
res rt1
res rt2
res rt
restd 1
restd 2
deg chw
res sel
ecw opt
dem 20ma
dem sel
astart
r contact
tmp ramp
kw ramp
ramp opt
ldsgrp
ldsdelta
maxldstm
occpcxxe
occbrcst
ibopt
ibterm
ibrecyc
10∆(6∆)
85 (29)
65 (18)
10∆(6∆)
10∆(6∆)
0∆(0∆)
5∆(3∆)
0
DISABLE
40
DISABLE
DISABLE
DISABLE
3
10
1
0
20
60
3
DISABLE
DISABLE
0
DISABLE

Example 6 — Lead/Lag Configuration Display Screen
To access this display from the LID default screen:
1. Press MENU.
2. Press SERVICE.
3. Scroll down to highlight EQUIPMENT CONFIGURATION.
4. Press SELECT.
5. Scroll down to highlight Lead/Lag.
6. Press SELECT.
Table 2, Example 6 — Lead/Lag Configuration Screen
Description Configurable
Range Units Reference
Point Name Default
Value
LEAD/LAG SELECT
DISABLE =0, LEAD =1,
LAG =2, STANDBY =3
Load Balance Option
Common Sensor Option
LAG Percent Capacity
LAG Address
LAG START Timer
LAG STOP Timer
PRESTART FAULT Timer
STANDBY Chiller Option
STANDBY Percent Capacity
STANDBY Address
0-3
DISABLE/ENABLE
DISABLE/ENABLE
25-75
1-236
2-60
2-60
0-30
DISABLE/ENABLE
25-75
1-236
%
MIN
MIN
MIN
%
leadlag
loadbal
commsens
lag per
lag add
lagstart
lagstop
preflt
stndopt
stnd per
stnd add
0
DISABLE
DISABLE
50
92
10
10
15
DISABLE
50
93

Example 7 — Service1 Display Screen
To access this display from the LID default screen:
1. Press MENU.
2. Press SERVICE.
3. Scroll down to highlight EQUIPMENT SERVICE.
4. Press SELECT.
5. Scroll down to highlight SERVICE1.
6. Press SELECT.
Table 2, Example 7 — Service1 Display Screen
Description Configurable
Range Units Reference
Point
Name Default Value
Motor Temp Override*
Cond Press Override
Refrig Override Delta T
Chilled Medium
Brine Refrig Trippoint
Compr Discharge Alert
Bearing Temp Alert
Water Flow Verify Time
Oil Press Verify Time
Water/Brine Deadband
Recycle Restart Delta T
Recycle Shutdown Delta†
Surge Limit/HGBP Option
Select: Surge = 0, HGBP = 1
Surge/HGBP Delta T1
Surge/HGBP Delta P1
Min. Load Points (T1/P1)
Surge/HGBP Delta T2
Surge/HGBP Delta P2
Full Load Points (T2/P2)
Surge/HGBP Deadband
Surge Delta Percent Amps
Surge Time Period
150-200 (66-93)
90-200 (620-1379)
2-5 (1-3)
Water/Brine
8-40 (–13.3-4)
125-200 (52-93)
165-210 (74-99)
0.5-5
15-300
0.5-2.0 (0.3-1.1)
2.0-10.0 (1.1-5.6)
0.5-4.0 (.27-2.2)
0/1
0.5-15 (0.3-8.3)
30-170 (207-1172)
0.5-15 (0.3-8.3)
30-170 (207-1172)
1.3 (0.6-1.6)
10-50
1-5
DEG F (DEG C)
PSI (kPa)
DEG F (DEG C)
DEG F (DEG C)
DEG F (DEG C)
DEG F (DEG C)
MIN
SEC
DEG F (DEG C)
DEG F (DEG C)
DEG F (DEG C)
PSI (kPa)
DEG F (DEG C)
PSI (kPad)
DEG F (DEG C)
%
MIN
mt over
cp over
ref over
medium
br trip
cd alert
tb alert
wflow t
oilpr t
cw db
rcycrdt
rcycsdt
srg hgbp
hgb dt1
hgb dp1
hgb dt2
hgb dp2
hgb dp
surge a
surge t
200 (93)
125 (862)
3∆ (1.6∆)
WATER
33 (1)
200 (93)
175 (79)
5
15
1.0 (0.6)
5 (2.8)
1.0 (0.6)
0
1.5 (0.8)
50 (345)
10 (5.6)
85 (586)
1 (0.6)
25
2

Note: ∆ = delta degrees.
* Information is applicable to hermetic machines only.
† Information is applicable to open-drive machines only.
Demand Limit Source
Select: Amps=0, Load=1
Amps Correction Factor
Motor Rated Load Amps
Motor Rated Line Voltage
Meter Rated Line KW
Line Frequency
Select: 0=60 Hz, 1=50 Hz
Compr Starter Type
Condenser Freeze Point
Soft Stop Amps Threshold
Stop to Start Timer†
0/1
1-8
1-9999
1-9999
1-9999
0/1
REDUCE/FULL
–20-35 (–28.9-1.7)
40-100
3-50
AMPS
VOLTS
kW
HZ
DEG F (DEG C)
%
MIN
dem src
corfact
a fs
v fs
kw fs
freq
starter
cdfreeze
softstop
stopmtr
0
3
200
460
600
0
REDUCE
34 (1)
100
20
Table 2, Example 7 — Service1 Display Screen (Continued)
Description Configurable
Range Units Reference
Point
Name Default Value

Example 8 — Service2 Display Screen
To access this display from the LID default screen:
1. Press MENU.
2. Press SERVICE.
3. Scroll down to highlight EQUIPMENT SERVICE.
4. Press SELECT.
5. Scroll down to highlight SERVICE2.
6. Press SELECT.
Table 2, Example 8 — Service2 Display Screen
Description Configurable
Range Units Reference
Point
Name
Default
Value
OPTIONS BOARD 1
20 mA POWER CONFIGURATION
External = 0, Internal = 1
RESET 20 mA Power Source
DEMAND 20 mA Power Source
SPARE ALERT ENABLE
Disable = 0, 1 = High Alert, 2 = Low Alert,
3 = High Alarm, 4 = Low Alarm
Temp = Alert Threshold
CHWS Temp Enable
CHWS Temp Alert
CHWR Temp Enable
CHWR Temp Alert
Reset Temp Enable
Reset Temp Alert
Spare Temp 1 Enable
Spare Temp 1 Alert
Spare Temp 2 Enable
Spare Temp 2 Alert
Spare Temp 3 Enable
Spare Temp 3 Alert
0, 1
0, 1
0-4
–40-245 (–40-118)
0-4
–40-245 (–40-118)
0-4
–40-245 (–40-118)
0-4
–40-245 (–40-118)
0-4
–40-245 (–40-118)
0-4
–40-245 (–40-118)
DEG F (DEG C)
DEG F (DEG C)
DEG F (DEG C)
DEG F (DEG C)
DEG F (DEG C)
DEG F (DEG C)
res 20 ma
dem 20 ma
chws en
chws al
chwr en
chwr al
rres en
rres al
spr1 en
spr1 al
spr2 en
spr2 al
spr3 en
spr3 al
0
0
0
245 (118)
0
245 (118)
0
245 (118)
0
245 (118)
0
245 (118)
0
245 (118)

Note: This screen provides the means to generate alert messages based on exceeding the ‘‘Temp’’ thresh-
old for each point listed. If the ‘‘Enable’’ is set to 1, a value above the ‘‘Temp’’ threshold shall generate
an alert message. If the ‘‘Enable’’ is set to 2, a value below the ‘‘Temp Alert’’ threshold shall generate
an alert message. If the ‘‘Enable’’ is set to 0, alert generation is disabled. If the “Enable” is set to 3, a
value above the “Temp” threshold will generate an alarm. If the “Enable” is set to 4, a value below the
“Temp” threshold will generate an alarm.
OPTIONS BOARD 2
20 mA POWER CONFIGURATION
External = 0, Internal = 1
SPARE 1 20 mA Power Source
SPARE 2 20 mA Power Source
SPARE ALERT ENABLE
Disable = 0, 1 = High Alert, 2 = Low Alert,
3 = High Alarm, 4 = Low Alarm
Temp = Alert Threshold
Spare Temp 4 Enable
Spare Temp 4 Alert
Spare Temp 5 Enable
Spare Temp 5 Alert
Spare Temp 6 Enable
Spare Temp 6 Alert
Spare Temp 7 Enable
Spare Temp 7 Alert
Spare Temp 8 Enable
Spare Temp 8 Alert
Spare Temp 9 Enable
Spare Temp 9 Alert
0, 1
0, 1
0-4
–40-245 (–40-118)
0-4
–40-245 (–40-118)
0-4
–40-245 (–40-118)
0-4
–40-245 (–40-118)
0-4
–40-245 (–0-118)
0-4
–40-245 (–40-118)
DEG F (DEG C)
DEG F (DEG C)
DEG F (DEG C)
DEG F (DEG C)
DEG F (DEG C)
DEG F (DEG C)
sp1 20 ma
sp2 20 ma
spr4 en
spr4 al
spr5 en
spr5 al
spr6 en
spr6 al
spr7 en
spr7 al
spr8 en
spr8 al
spr9 en
spr9 al
0
0
0
245 (118)
0
245 (118)
0
245 (118)
0
245 (118)
0
245 (118)
0
245 (118)
Table 2, Example 8 — Service2 Display Screen (Continued)
Description Configurable
Range Units Reference
Point
Name
Default
Value

Example 9 — Service3 Display Screen
To access this display from the LID default screen:
1. Press MENU.
2. Press SERVICE.
3. Scroll down to highlight EQUIPMENT SERVICE.
4. Press SELECT.
5. Scroll down to highlight SERVICE3.
Table 2, Example 9 — Service3 Display Screen
Description Configurable
Range Units Reference
Point
Name Default Value
Proportional Inc Band
Proportional Dec Band
Proportional ECW Gain
Guide Vane Travel Limit
2-10
2-10
1-3
30-100 %
gv inc
gv de
gv ecw
gv lim
6.5
6.0
2.0
50

Example 10 — Maintenance (Maint01) Display Screen
To access this display from the LID default screen:
1. Press MENU.
2. Press SERVICE.
3. Scroll down to highlight ALGORITHM STATUS.
4. Press SELECT.
5. Scroll down to highlight MAINT01.
Note: Overriding is not supported on this maintenance screen. Active overrides show the associated point in
alert (*). Only values with capital letter reference point names are variables available for read opera-
tion.
Table 2, Example 10 — Maintenance (Maint01) Display Screen
Description Range/Status Units Reference
Point Name
CAPACITY CONTROL
Control Point
Leaving Chilled Water
Entering Chilled Water
Control Point Error
ECW Delta T
ECW Reset
LCW Reset
Total Error + Resets
Guide Vane Delta
Target Guide Vane Pos
Actual Guide Vane Pos
Proportional Inc Band
Proportional Dec Band
Proportional ECW Gain
Water/Brine Deadband
10-120 (–12.2-48.9)
–40-245 (–40-118)
–40-245 (–40-118)
–99-99 (–55-55)
–99-99 (–55-55)
–99-99 (–55-55)
–99-99 (–55-55)
–99-99 (–55-55)
–2-2
0-100
0-100
2-10
2-10
1-3
0.5-2 (0.3-1.1)
DEG F (DEG C)
DEG F (DEG C)
DEG F (DEG C)
DEG F (DEG C)
DEG F (DEG C)
DEG F (DEG C)
DEG F (DEG C)
DEG F (DEG C)
%
%
%
DEG F (DEG C)
ctrlpt
LCW
ECW
cperr
ecwdt
ecwres
lcwres
error
gvd
GV TRG
GV ACT
gv inc
gv dec
gv ecw
cwdb

Example 11 — Maintenance (Maint02) Display Screen
To access this display from the LID default screen:
1. Press MENU.
2. Press SERVICE.
3. Scroll down to highlight CONTROL ALGORITHM STATUS.
4. Press SELECT.
5. Scroll down to highlight MAINT02.
6. Press SELECT.
Note: Overriding is not supported on this maintenance screen. Active overrides show the associated point in
alert (*). Only values with capital letter reference point names are variables available for read opera-
tion.
† Information is applicable to hermetic machines only.
Table 2, Example 11 — Maintenance (Maint02) Display Screen
Description Range/Status Units Reference
Point Name
OVERRIDE/ALERT STATUS
MOTOR WINDING TEMP†
Override Threshold
CONDENSER PRESSURE
Override Threshold
EVAPORATOR REFRIG TEMP
Override Threshold
DISCHARGE TEMPERATURE
Alert Threshold
BEARING TEMPERATURE
Alert Threshold
–40-245 (–40-118)
150-200 (66-93)
-6.7-420 (-42-2896)
90-245 (621-1689)
–40-245 (–40-118)
2-45 (1-7.2)
–40-245 (–40-118)
125-200 (52-93)
–40-245 (–40-118)
175-185 (79-85)
DEG F (DEG C)
DEG F (DEG C)
PSI (kPa)
PSI (kPa)
DEG F (DEG C)
DEG F (DEG C)
DEG F (DEG C)
DEG F (DEG C)
DEG F (DEG C)
DEG F (DEG C)
MTRW
mt over
CRP
cp over
ERT
rt over
CMPD
cd alert
MTRB
tb alert

Example 12 — Maintenance (Maint03) Display Screen
To access this display from the LID default screen:
1. Press MENU.
2. Press SERVICE.
3. Scroll down to highlight CONTROL ALGORITHM STATUS.
4. Press SELECT.
5. Scroll down to highlight MAINT03.
6. Press SELECT.
Note: Override is not supported on this maintenance screen. Only values with capital letter reference point
names are variables available for read operation.
Table 2, Example 12 — Maintenance (Maint03) Display Screen
Description Range/Status Units Reference Point Name
SURGE/HGBP ACTIVE?
Active Delta P
Active Delta T
Calculated Delta T
Surge Protection Counts
NO/YES
0-200 (0-1379)
0-200 (0-111)
0-200 (0-111)
0-12
PSI (kPa)
DEG F (DEG C)
DEG F (DEG C)
dp a
dt a
dt c
spc

Example 13 — Maintenance (Maint04) Display Screen
To access this display from the LID default screen:
1. Press MENU.
2. Press SERVICE.
3. Scroll down to highlight CONTROL ALGORITHM STATUS.
4. Press SELECT.
5. Scroll down to highlight MAINT04.
6. Press SELECT.
Notes:
1. Only values with capital letter reference point names are variables available for read operation. Forcing is
not supported on this maintenance screen.
2. ∆ = delta degrees.
Table 2, Example 13 — Maintenance (Maint04) Display Screen
Description Range/Status Units Reference
Point
Name
LEAD/LAG: Configuration
Current Mode
Load Balance Option
LAG Start Time
LAG Stop Time
Prestart Fault Time
Pulldown: Delta T/Min
Satisfied?
LEAD CHILLER in Control
LAG CHILLER: Mode
Run Status
Start/Stop
Recovery Start Request
STANDBY CHILLER: Mode
Run Status
Start/Stop
Recovery Start Request
DISABLE, LEAD, LAG, STANDBY, INVALID
DISABLE, LEAD, LAG, STANDBY, CONFIG
DISABLE/ENABLE
0-60
0-60
0-30
x.xx
No/Yes
No/Yes
Reset,Off,Local,CCN
Timeout,Recycle,Startup,Ramping,Running
Demand,Override,Shutdown,Abnormal,Pumpdown
Stop,Start,Retain
No/Yes
Reset,Off,Local,CCN
Timeout,Recycle,Startup,Ramping,Running
Demand,Override,Shutdown,Abnormal,Pumpdown
Stop,Start,Retain
No/Yes
MIN
MIN
MIN
∆ DEG (∆ DEG C)
leadlag
llmode
loadbal
lagstart
lagstop
preflt
pull dt
pull sat
leadctrl
lagmode
lagstat
lag s s
lag rec
stdmode
stdstat
std s s
std rec

Table 3 — Protective Safety Limits and Control Settings
Monitored Parameter Limit Applicable Comments
Temperature Sensors Out
Of Range
–40 to 245 F (–40 to 118.3 C) Must be outside range for 2 seconds
Pressure Transducers Out
Of Range
0.08 to 0.98 Voltage Ratio Must be outside range for 2 seconds.
Ratio = Input Voltage ÷ Voltage Refer-
ence
Compressor Discharge
Temperature
>220 F (104.4 C) Preset, alert setting configurable
Motor Winding Temperature >220 F (104.4 C) Preset; alert setting configurable
Bearing Temperature >220 F (104.4 C) Preset; alert setting configurable
Evaporator Refrigerant
Temperature (Temp
converted from Pressure
Reading)
<33 F (for water chilling) (0.6° C) Preset; configure chilled medium for
water (Service1 table)
<Brine Refrigerant Trippoint (set point
adjustable from 0 to 40 F [–18 to 4 C]
for brine chilling)
Configure chilled medium for brine
(Service1 table). Adjust brine refrigerant
trippoint for proper cutout
Transducer Voltage <4.5 vdc > 5.5 vdc Preset (Read voltage at terminals 34
and 35 on PSIO module)
Condenser Pressure – Switch
– Control
>218 psig ± 7 psig (1503 ± 48 kPa),
reset at 120 ± 10 (827 ± 69 kPa) Preset
215 psig (1482 kPa) Preset
Oil Pressure – Switch
– Control
Cutout <11 psid (76 kPad) ± 1.5 psid
(10.3 kPad) Cut-in > 16.5 psid (114
kPad) ± 4 psid (27.5 kPad)
Preset, no calibration needed
Cutout < 15 psid (103 kPad)
Alert < 18 psid (124 kPad) Preset
Line Voltage — High
— Low
— Single-cycle
>110% for one minute Preset, based on transformed line volt-
age to 24 vac rated-input to the Starter
Management Module. Also monitored at
PSIO power input.
<90% for one minute and ≤85% for 3
seconds
<50% for one cycle
Compressor Motor Load
(% Compressor Amps)
>110% for 30 seconds Preset
<10% with compressor running Preset
>10% with compressor off Preset

Flow Switches (Field Supplied)
Operate water pumps with machine off. Manually reduce water flow and observe switch for proper cutout.
Safety shutdown occurs when cutout time exceeds 3 seconds.
Starter Acceleration Time
(Determined by inrush
current going below 100%
compressor motor load)
>45 seconds For machines with reduced voltage
mechanical and solid-state starters
>10 seconds For machines with full voltage starters
(Configured on Service1 table)
Starter Transition >75 seconds Reduced voltage starters only
Condenser Freeze
Protection
Energizes condenser pump relay if
condenser refrigerant temperature or
condenser entering water tempera-
ture is below the configured con-
denser freeze point temperature.
Deenergizes when the temperature is
5 F (3 C) above condenser freeze
point temperature.
CONDENSER FREEZE POINT config-
ured in Service01 table with a default
seting of 34 F (1 C).
Impeller Clearance Displacement switch open Thrust movement excessive
Motor Leak Detector*
Water from motor cooling is leaking Water sensors are installed only on
open-drive motors that use water cool-
ing. (Totally enclosed, water-to-air
cooled [TEWAC] motors)
Table 3 — Protective Safety Limits and Control Settings (Continued)
Monitored Parameter Limit Applicable Comments
Carrier Part No. HK06ZC033
* Applicable to open drive machines only.
Carrier Part No. HK06ZC001
Note: Dimensions in parenthesis are
in millimeters
NO ADJUSTMENTS ARE TO BE MADE ON THIS
SETSCREW! (FACTORY ADJUSTED ONLY)

Legend
P1 — Minimum Pressure Load T1 — Minimum Temperature Load
P2 — Maximum Pressure Load T2 — Maximum Temperature Load
* Not available on open drive machines.
Table 4 — Capacity Overrides
Override
Capacity
Control
First Stage Setpoint Second
Stage
Setpoint
Override
Termination
View/
Modify
on LID
Screen
Default Value Configurable Range Value Value
High
Condenser
Pressure
Equip-
ment
Service1
125 psig (862 kPa) 90 to 200 psig
(620-1379 kPa) >Override Set
Point + 4 psid
(28 kPad)
<Override
Set Point
High Motor
Temperature*
Equip-
ment
Service1
>200 F (93.3 C) 150 to 200 F
(66 to 93 C) >Override Set
Point +10° F
(6° C)
<Override
Set Point
Low
Refrigerant
Temperature
(Refrigerant
Override
Delta
Temperature)
Equip-
ment
Service1
<3° F (1.6° C) (Above
Trippoint) 2° to 5° F
(1° to 3° C) ≤Trippoint +
Override
∆T –1° F
(0.56° C)
>Trippoint +
Override
∆T +2° F
(1.2° C)
High
Compressor
LIft (Surge
Prevention)
Equip-
ment
Service1
Min: T1 – 1.5° F
(0.8° C)
P1 – 50 psid
(345 kPad)
Max: T2 – 10° F
(5.6° C)
P2 – 85 psid
(586 kPad)
0.5° to 15° F
(0.3° to 8.3° C)
30 to 170 psid
(207 to 1172 kPad)
0.5° to 15° F
(0.3° to 8.3° C)
30 to 170 psid
(207 to 1172 kPad)
None Within Lift
Limits Plus
Surge/HGBP
Deadband
Setting
Manual Guide
Vane Target
Control
Algorithm
Maint01
Automatic 0 to 100% None Release of
Manual Con-
trol
Motor Load —
Active
Demand Limit
Status01 100% 40 to 100% ≥5% of Set
Point 2% Lower
Than Set
Point

Table 5A — HFC-134a Pressure — Temperature (F)
Temperature (F) Pressure (psi)
0
2
4
6
8
6.50
7.52
8.60
9.66
10.79
10
12
14
16
18
11.96
13.17
14.42
15.72
17.06
20
22
24
26
28
18.45
19.88
21.37
22.90
24.48
30
32
34
36
38
26.11
27.80
29.53
31.32
33.17
40
42
44
46
48
35.08
37.04
39.06
41.14
43.28
50
52
54
56
58
45.48
47.74
50.07
52.47
54.93
60
62
64
66
68
57.46
60.06
62.73
65.47
68.29
70
72
74
76
78
71.18
74.14
77.18
80.30
83.49
80
82
84
86
88
86.17
90.13
93.57
97.09
100.70

90
92
94
96
98
104.40
108.18
112.06
116.02
120.08
100
102
104
106
108
124.23
128.47
132.81
137.25
141.79
110
112
114
116
118
146.43
151.17
156.01
160.96
166.01
120
122
124
126
128
171.17
176.45
181.83
187.32
192.93
130
132
134
136
138
140
198.66
204.50
210.47
216.55
222.76
229.09
Table 5A — HFC-134a Pressure — Temperature (F) (Continued)
Temperature (F) Pressure (psi)

Table 5B — HFC-134a Pressure — Temperature (C)
Temperature (C) Pressure (kPa)
-18.0
-16.7
-15.6
-14.4
-13.3
44.8
51.9
59.3
66.6
74.4
-12.2
-11.1
-10.0
-8.9
-7.8
82.5
90.8
99.4
108.0
118.0
-6.7
-5.6
-4.4
-3.3
-2.2
127.0
137.0
147.0
158.0
169.0
-1.1
0.0
1.1
2.2
3.3
180.0
192.0
204.0
216.0
229.0
4.4
5.0
5.6
6.1
6.7
242.0
248.0
255.0
261.0
269.0
7.2
7.8
8.3
8.9
9.4
276.0
284.0
290.0
298.0
305.0
10.0
11.1
12.2
13.3
14.4
314.0
329.0
345.0
362.0
379.0
15.6
16.7
17.8
18.9
20.0
396.0
414.0
433.0
451.0
471.0
21.1
22.2
23.3
24.4
25.6
491.0
511.0
532.0
554.0
576.0

26.7
27.8
28.9
30.0
31.1
598.0
621.0
645.0
669.0
694.0
32.2
33.3
34.4
35.6
36.7
720.0
746.0
773.0
800.0
828.0
37.8
38.9
40.0
41.1
42.2
857.0
886.0
916.0
946.0
978.0
43.3
44.4
45.6
46.7
47.8
1010.0
1042.0
1076.0
1110.0
1145.0
48.9
50.0
51.1
52.2
53.3
1180.0
1217.0
1254.0
1292.0
1330.0
54.4
55.6
56.7
57.8
58.9
60.0
1370.0
1410.0
1451.0
1493.0
1536.0
1580.0
Table 5B — HFC-134a Pressure — Temperature (C) (Continued)
Temperature (C) Pressure (kPa)

* Torque values based upon dry friction.
Table 6 — Recommended Torque
Bolt size 1/4” 5/16” 3/8” 1/2” 5/8” 3/4” 7/8” 1” 1 1/3” 1 1/2”
Grade SAE GR 5
Torque* Ft-lbs 3.5 7 12 31 63 115 180 275 550 960
N•m 4.7 9.5 16 42 85 156 244 373 746 1302
Bolt size M4 M6 M8 M10 M12 M10 M12 M16
Grade DIN 8.8 DIN 12.9
Torque* Ft-lbs 2 8 15 35 65 45 92 225
N•m 2.71120 478861125305

Table 7 — Control Test Menu Functions
Tests To Be Performed Devices Tested
1. Automated Tests*
2. PSIO Thermistors
3. Options Thermistors
4. Transducers
5. Guide Vane Actuator
6. Pumps
Operates the second through seventh tests
Entering chilled water
Leaving chilled water
Entering condenser water
Leaving condenser water
Discharge temperature
Bearing temperature
Motor winding temperature
Oil sump temperature
Common chilled water supply sensor
Common chilled water return sensor
Remote reset sensor
Temperature sensor — Spare 1
Spare 2
Spare 3
Spare 4
Spare 5
Spare 6
Spare 7
Spare 8
Spare 9
Evaporator pressure
Condenser pressure
Oil pressure differential†
Oil pump pressure**
Open
Close
All pumps or individual pumps may be activated:
Oil pump — Confirm pressure
Chilled water pump — Confirm flow
Condenser water pump — Confirm flow
Auxiliary oil pump — Confirm pressure†

* During any of the tests that are not automated, an out-of-range reading will have an asterisk (*) next to
the reading and a message will be displayed.
† On open-drive machines, differential pressure is the only oil pressure displayed.
** Displayed only on hermetic machines.
7. Discrete Outputs
8. Pumpdown/Lockout
9. Terminate Lockout
All outputs or individual outputs may be energized:
Hot gas bypass relay
Oil heater relay
Motor cooling relay**
Tower fan relay
Alarm relay
Shunt trip relay
When using pumpdown/lockout, observe freeze up precau-
tions when removing charge:
Instructs operator as to which valves to close and when
Starts chilled water and condenser water pumps and con-
firms flows
Monitors —
Evaporator pressure
Condenser pressure
Evaporator temperature during pumpout procedures
Turns pumps off after pumpdown
Locks out compressor
Starts pumps and monitors flows
Instructs operator as to which values to open and when
Monitors —
Evaporator pressure
Condenser pressure
Evaporator temperature during charging process
Terminates compressor lockout
Table 7 — Control Test Menu Functions (Continued)
Tests To Be Performed Devices Tested

LEGEND For Table 8, A - N
1CR AUX — Compressor Start Contact OILPD — Oil Pressure
CA P — Compressor Current OILT — Oil Sump Temperature
CDFL — Condenser Water Flow PIC — Product Integrated Control
CHIL S S — Chiller Start/Stop PRS TRIP — Pressure Trip Contact
CMPD — Discharge Temperature PSIO — Processor Sensor Input/Output Module
CRP — Condenser Pressure RLA — Rated Load Amps
ERT — Evaporator Refrigerant Temperature RUN AUX — Compressor Run Contact
EVFL — Chilled Water Flow SMM — Starter Management Module
GV TRG — Target Guide Vane Position SPR PL — Spare Protective Limit Input
LID — Local Interface Device STR FLT — Starter Fault
MTRB — Bearing Temperature TXV — Thermostatic Expansion Valve
MTRW — Motor Winding Temperature V P — Line Voltage: Percent
V REF — Voltage Reference
Table 8 — LID Primary and Secondary Messages and Custom Alarm/Alert Messages
with Troubleshooting Guides
A. Shutdown with ON/OFF/RESET-OFF
Primary Message Secondary Message Probable Cause/Remedy
Manually Stopped —
Press
CCN or Local to Start PIC in OFF mode; press the CCN or local softkey to
start unit.
Terminate Pumpdown
Mode
To Select CCN or Local Enter the Control Test table and select Terminate Lock-
out to unlock compressor.
Shutdown In Progress Compressor Unloading Machine unloading before shutdown due to Soft Stop
feature.
Shutdown In Progress Compressor Deenergized Machine compressor is being commanded to stop.
Water pumps are deenergized within one minute.
Ice Build Operation Complete Machine shutdown from Ice Build operation.

Table 8 — LID Primary and Secondary Messages and Custom Alarm/Alert Messages
with Troubleshooting Guides
B. Timing Out or Timed Out
Primary Message Secondary Message Probable Cause/Remedy
Ready To Start In XX
Min
Unoccupied Mode Time schedule for PIC is unoccupied. Machines will
start only when occupied.
Ready To Start In XX
Min
Remote Contacts Open Remote contacts have stopped machine. Close con-
tacts to start.
Ready To Start In XX
Min
Stop Command In Effect Chiller START/STOP on Status01 manually forced to
stop. Release value to start.
Ready To Start In XX
Min
Recycle Restart Pending Machine in recycle mode.
Ready To Start Unoccupied Mode Time schedule for PIC is UNOCCUPIED. Machine will
start when occupied. Make sure the time and date have
been set on the Service menu.
Ready To Start Remote Contacts Open Remote contacts have stopped machine. Close con-
tacts to start.
Ready To Start Stop Command In Effect Chiller START/STOP on Status01 manually forced to
stop. Release value to start.
Ready To Start In XX
Min
Remote Contacts Closed Machine timer counting down unit. Ready for start.
Ready To Start In XX
Min
Occupied Mode Machine timer counting down unit. Ready for start.
Ready To Start Remote Contacts Closed Machine timers complete, unit start will commence.
Ready To Start Occupied Mode Machine timers complete, unit start will commence.
Startup Inhibited Loadshed In Effect CCN loadshed module commanding chiller to stop.
Ready To Start In XX
Min
Start Command In Effect Chiller START/STOP on Status01 has been manually
forced to start. Machine will start regardless of time
schedule or remote contact status.

Table 8 — LID Primary and Secondary Messages and Custom Alarm/Alert Messages
with Troubleshooting Guides
C. In Recycle Shutdown
Primary Message Secondary Message Probable Cause/Remedy
Recycle Restart
Pending
Occupied Mode Unit in recycle mode, chilled water temperature is not high
enough to start.
Recycle Restart
Pending
Remote Contact Closed Unit in recycle mode, chilled water temperature is not high
enough to start.
Recycle Restart
Pending
Start Command In
Effect Chiller START/STOP on Status01 manually forced to start,
chilled water temperature is not high enough to start.
Recycle Restart
Pending
Ice Build Mode Machine in ICE BUILD mode. Chilled Water/Brine Tem-
perature is satisfied for Ice Build Setpoint temperature.

* [LIMIT] is shown on the LID as temperature, pressure, voltage, etc., set point predefined or selected by
the operator as an override, alert, or alarm condition. [VALUE] is the actual pressure, temperature,
voltage, etc., at which the control tripped.
Table 8 — LID Primary and Secondary Messages and Custom Alarm/Alert Messages
with Troubleshooting Guides
D. Pre-Start Alerts: These alerts only delay start-up. When alert is corrected, the start-up will continue. No
reset is necessary.
Primary
Message Secondary
Message Alarm Message/Primary
Cause Additional Cause/Remedy
Prestart Alert Starts Limit Exceeded STARTS EXCESSIVE Com-
pressor Starts (8 in 12 hours) Depress the RESET softkey if addi-
tional start is required. Reasses
start-up requirements.
Prestart Alert High Motor Tempera-
ture MTRW [VALUE] exceeded limit
of [LIMIT]*. Check motor tem-
perature.
Check motor cooling line for proper
operation. Check for excessive
starts within a short time span.
Prestart Alert
High Bearing Tempera-
ture MTRB [VALUE] exceeded limit
of [LIMIT]*. Check thrust bear-
ing temperature.
Check oil heater for proper opera-
tion, check for low oil level, partially
closed oil supply valves, etc. Check
sensor accuracy.
Prestart Alert High Discharge Temp CMPD [VALUE] exceeded limit
of [LIMIT]*. Check discharge
temperature.
Check sensor accuracy. Allow dis-
charge temperature to cool. Check
for excessive starts.
Prestart Alert Low Refrigerant Temp ERT [VALUE] exceeded limit of
[LIMIT]*. Check refrigerant tem-
perature.
Check transducer accuracy.
Check for low chilled water/brine
supply temperature.
Prestart Alert Low Oil Temperature OILT [VALUE] exceeded limit of
[LIMIT]*. Check oil temperature. Check oil heater power, oil heater
relay. Check oil level.
Prestart Alert
Low Line Voltage V P [VALUE] exceeded limit of
[LIMIT]*. Check voltage supply. Check voltage supply. Check volt-
age transformers. Consult power
utility if voltage is low. Calibrate
voltage reading on STATUS01
Table.
Prestart Alert
High Line Voltage V P [VALUE] exceeded limit of
[LIMIT]*. Check voltage supply. Check voltage supply. Check volt-
age transformers. Consult power
utility if voltage is low. Calibrate
voltage reading on STATUS01
Table.
Prestart Alert High Condenser Pres-
sure CRP [VALUE] exceeded limit of
[LIMIT]*. Check condenser
water and transducer.
Check for high condenser water
temperature. Check transducer
accuracy.

Table 8 — LID Primary and Secondary Messages and Custom Alarm/Alert Messages
with Troubleshooting Guides
E. Normal or AUTO.-RESTART
Primary Message Secondary Message Probable Cause/Remedy
Startup in Progress Occupied Mode Machine starting. Time schedule is occupied.
Startup in Progress Remote Contact Closed Machine starting. Remote contacts are closed.
Startup in Progress Start Command In Effect Machine starting. Chiller START/STOP on Status01
manually forced to start.
AutoRestart in Progress Occupied Mode Machine starting. Time schedule is occupied.
AutoRestart in Progress Remote Contact Closed Machine starting. Remote contacts are closed.
AutoRestart in Progress Start Command In Effect Machine starting. Chiller START/STOP on Status01
manually forced to start.

Table 8 — LID Primary and Secondary Messages and Custom Alarm/Alert Messages
with Troubleshooting Guides
F. Start-Up Failures: This is an alarm condition. A manual reset is required to clear.
Primary
Message Secondary
Message Alarm Message/Primary
Cause Additional Cause/Remedy
Failure To
Start
Low Oil Pressure OILPD [VALUE] exceeded limit
of [LIMIT]*. Check oil pump sys-
tem.
Check for closed oil supply valves.
Check oil filter. Check for low oil tem-
perature. Check transducer accuracy.
Failure To
Start
Oil Press Sensor
Fault OILPD [VALUE] exceeded limit
of [LIMIT]*. Check oil pressure
sensor.
Check for excessive refrigerant in oil
sump. Run oil pump manually for 5 min-
utes. For hermetic compressors, check
both oil pressure and cooler pressure.
For open-drive units, check calibration
of oil pressure differential amplifier
modules. Check wiring. Replace trans-
ducers if necessary.
Failure To
Start
Low Chilled
Water Flow EVFL Evap Flow Fault: Check
water pump/flow switch. Check wiring to flow switch. Check
through Control Test for proper switch
operation.
Failure To
Start
Low Condenser
Water Flow CDFL Cond. Flow Fault: Check
water pump/flow switch. Check wiring to flow switch. Check
through Control Test for proper switch
operation.
Failure To
Start
Starter Fault STR FLT Starter Fault: Check
starter for Fault Source. A starter protective device has faulted.
Check starter for ground fault, voltage
trip, temperature trip, etc.
Failure To
Start
Starter Overload
Trip STR FLT Starter Overload Trip:
Check amps calibration/reset
overload.
Reset overloads, check ICR relay
before restarting machine.
Failure To
Start
Line Voltage
Dropout V P Single-Cycle Dropout
Detected: Check voltage supply. Check voltage supply. Check trans-
formers for supply. Check with utility if
voltage supply is erratic. Monitor must
be installed to confirm consistent,
single-cycle dropouts. Check low oil
pressure switch.
Failure To
Start
High Condenser
Pressure High Condenser Pressure
[LIMIT]:* Check switch 2C aux,
and water temperature/flow.
Check for proper design condenser flow
and temperature. Check condenser
approach. Check 2C auxiliary contacts
on oil sump starter. Check high pres-
sure switch.
Failure To
Start
Excess Accelera-
tion Time CA P Excess Acceleration:
Check guide vane closure at
start-up.
Check that guide vanes are closed at
start-up. Check starter for proper opera-
tion. Reduce unit pressure if possible.

* [LIMIT] is shown on the LID as temperature, pressure, voltage, etc., set point predefined or selected by
the operator as an override, alert, or alarm condition. [VALUE] is the actual pressure, temperature,
voltage, etc., at which the control tripped.
Failure To
Start
Starter Transi-
tion Fault RUN AUX Starter Transition
Fault: Check 1CR/1M/Interlock
mechanism.
Check starter for proper operation. Run
contact failed to close.
Failure To
Start
1CR AUX Con-
tact Fault 1CR AUX Starter Contact Fault:
Check 1CR/1M aux. contacts. Check starter for proper operation. Start
contact failed to close.
Failure To
Start
Motor Amps Not
Sensed CA P Motor Amps Not Sensed:
Check motor load signal. Check for proper motor amps signal to
SMM. Check wiring from SMM to cur-
rent transformer. Check main motor cir-
cuit breaker for trip.
Failure To
Start
Check Refriger-
ant Type Current Refrigerant Properties
Abnormal — Check Selection of
refrigerant type
Pressures at transducers indicate
another refrigerant type in Contol Test.
Make sure to access the ATTACH TO
NETWORK DEVICE table after specify-
ing HFC-134a refrigerant type.
Failure To
Start
Low Oil Pressure Low Oil Pressure [LIMIT]:*
Check oil pressure switch/pump
and 2C aux.
The oil pressure differential switch is
open when the compressor tried to
START. Check the switch for proper
operation. Also, check the oil pump
interlock (2C aux) in the power panel
and the high condenser pressure
switch.
Table 8 — LID Primary and Secondary Messages and Custom Alarm/Alert Messages
with Troubleshooting Guides
F. Start-Up Failures: This is an alarm condition. A manual reset is required to clear. (Continued)
Primary
Message Secondary
Message Alarm Message/Primary
Cause Additional Cause/Remedy

* [LIMIT] is shown on the LID as the temperature, pressure, voltage, etc., set point predefined or selected
by the operator as an override, alert, or alarm condition. [VALUE] is the actual pressure, temperature,
voltage, etc., at which the control tripped.
Table 8 — LID Primary and Secondary Messages and Custom Alarm/Alert Messages
with Troubleshooting Guides
G. Compressor Jumpstart and Refrigerant Protection
Primary Message Secondary
Message Alarm Message/Primary
Cause Additional Cause/Remedy
Unauthorized
Operation
Unit Should Be
Stopped CA P Emergency: Compres-
sor running without control
authorization.
Compressor is running with
more than 10% RLA and control
is trying to shut it down. Throw
power off to compressor if
unable to stop. Determine cause
before repowering.
Potential Freeze-
up
Evap Press/Temp
Too Low ERT Emergency: Freeze-up
prevention. Determine cause. If pumping
refrigerant out of machine, stop
operation and go over pumpout
procedures.
Failure To Stop
Disconnect Power RUN AUX Emergency: DIS-
CONNECT POWER. Starter and run and start con-
tacts are energized while control
tried to shut down. Disconnect
power to starter.
Loss Of
Communciation
With Starter Loss of Communication with
Starter: Check machine. Check wiring from PSIO to
SMM. Check SMM module trou-
bleshooting procedures.
Starter Contact
Fault
Abnormal 1CR or
RUN AUX 1CR AUX Starter Contact
Fault: Check 1CR/1M aux.
contacts.
Starter run and start contacts
energized while machine was
off. Disconnect power.
Potential Freeze-
up
Cond Press/Temp
Too Low CRT [VALUE] exceeded limit
of [LIMIT]* Emergency:
Freeze-up prevention.
The condenser pressure trans-
ducer is reading a pressure that
could freeze the water in the
condenser tubes. Check for con-
denser refrigerant leaks, bad
transducers, or transferred
refrigerant. Place the unit in
Pumpdown mode to eliminate
ALARM if vessel is evacuated.

Table 8 — LID Primary and Secondary Messages and Custom Alarm/Alert Messages
with Troubleshooting Guides
H. Normal Run with Reset, Temperature, Or Demand
Primary Message Secondary Message Probable Cause/Remedy
Running — Reset Active 4-20MA Signal
Reset program active based upon Config
table setup.
Running — Reset Active Remote Sensor Control
Running — Reset Active CHW Temp Difference
Running — Temp Control Leaving Chilled Water Default method of temperature control.
Running — Temp Control Entering Chilled Water ECW control activated on Config table.
Running — Temp Control Temperature Ramp Loading Ramp loading in effect. Use Service1 table to
modify.
Running — Demand Limited By Demand Ramp Loading Ramp loading in effect. Use Service1 table to
modify.
Running — Demand Limited By Local Demand Setpoint Demand limit setpoint is < actual demand.
Running — Demand Limited By 4-20MA Signal
Demand limit is active based on Config table
setup.
Running — Demand Limited By CCN Signal
Running — Demand Limited By Loadshed/Redline
Running — Temp Control Hot Gas Bypass Hot Gas Bypass is energized. See surge pre-
vention in the Control section.
Running — Demand Limited By Local Signal Active demand limit manually overridden or
Status01 table.
Running — Temp Control Ice Build Mode Machine is running under Ice Build tempera-
ture control.

* [LIMIT] is shown on the LID as the temperature, pressure, voltage, etc., set point predefined or selected
by the operator as an override, alert, or alarm contition. [VALUE] is the actual temperature, pressure,
voltage, etc., at which the control tripped.
Table 8 — LID Primary and Secondary Messages and Custom Alarm/Alert Messages
with Troubleshooting Guides
I. Normal Run Overrides Active (Alerts)
Primary Message Secondary Message Alarm Message/Primary
Cause Additional Cause/
Remedy
Run Capacity
Limited
High Condenser Pres-
sure CRP [VALUE] exceeded limit of
[LIMIT]*. Condenser pressure
override.
See Capacity Over-
rides, Table 4. Correct
operating condition,
modify setpoint, or
release override.
Run Capacity
Limited
High Motor Temperature MTRW [VALUE] exceeded limit of
[LIMIT]*. Motor temperature over-
ride.
Run Capacity
Limited
Low Evap Refrig Temp ERT [VALUE] exceeded limit of
[LIMIT]*. Check refrigerant charge
level.
Run Capacity
Limited
High Compressor Lift Surge Prevention Override; lift too
high for compressor.
Run Capacity
Limited
Manual Guide Vane Tar-
get GV TRG Run Capacity Limited:
Manual Guide Vane Target.

Table 8 — LID Primary and Secondary Messages and Custom Alarm/Alert Messages
with Troubleshooting Guides
J. Out-of-Range Sensor Failures
Primary Message Secondary Message Alarm Message/Primary
Cause Additional Cause/
Remedy
Sensor Fault Leaving CHW Tempera-
ture Sensor Fault: Check leaving CHW
sensor.
See
sensor test procedure
and check sensors for
proper operation and
wiring.
Sensor Fault Entering CHW Tempera-
ture Sensor Fault: Check entering
CHW sensor.
Sensor Fault Condenser Pressure Sensor Fault: Check condenser
pressure transducer.
Sensor Fault Evaporator Pressure Sensor Fault: Check evaporator
pressure transducer.
Sensor Fault Bearing Temperature Sensor Fault: Check bearing tem-
perature sensor.
Sensor Fault Motor Winding Temp Sensor Fault: Check motor tem-
perature sensor.
Sensor Fault Discharge Temperature Sensor Fault: Check discharge
temperature sensor.
Sensor Fault Oil Sump Temperature Sensor Fault: Check oil sump tem-
perature sensor.
Sensor Fault Oil Pressure Transducer Sensor Fault: Check oil pressure
transducer.

Table 8 — LID Primary and Secondary Messages and Custom Alarm/Alert Messages
with Troubleshooting Guides
K. Machine Protect Limit Faults
Primary
Message Secondary
Message Alarm Message/
Primary Cause Additional Cause/Remedy
Protective
Limit
High Discharge
Temp CMPD [VALUE] exceeded
limit of [LIMIT]*. Check dis-
charge temperature.
Check discharge temperature immedi-
ately. Check sensor for accuracy; check
for proper condenser flow and tempera-
ture; check oil reservoir temperature.
Check condenser for fouled tubes or air in
machine. Check for proper guide vane
actuator operation.
Protective
Limit
Low Refrigerant
Temp ERT [VALUE] exceeded
limit of [LIMIT]*. Check
evap pump and flow switch.
Check for proper amount of refrigerant
charge; check for proper water flow and
temperatures. Check for proper guide
vane actuator operation.
Protective
Limit
High Motor Temper-
ature MTRW [VALUE] exceeded
limit of [LIMIT]*. Check
motor cooling and solenoid.
Check motor temperature immediately.
Check sensor for accuracy. Check for
proper condenser flow and temperature.
Check motor cooling system for restric-
tions. Check motor cooling solenoid for
proper operation. Check refrigerant filter.
Protective
Limit
High Bearing Tem-
perature MTRB [VALUE] exceeded
limit of [LIMIT]*. Check oil
cooling control.
Check for throttled oil supply isolation
valves. Valves should be wide open.
Check oil cooler thermal expansion valve.
Check sensor accuracy. Check journal
and thrust bearings. Check refrigerant fil-
ter. Check for excessive oil sump level.
Protective
Limit
Low Oil Pressure OILPD [VALUE] exceeded
limit of [LIMIT]*. Check oil
pump and transducer.
Check power to oil pump and oil level.
Check for dirty filters or oil foaming at
start-up. Check for thermal overload cut-
out. Reduce ramp load rate if foaming
noted.
Note: This is not related to pressure
switch problems.
Excessive numbers of the same fault can lead to severe machine damage. Seek service expertise.
WARNING !WARNING

Protective
Limit
No Motor Current CA P Loss of Motor Cur-
rent: Check sensor. Check wiring: Check torque setting on
solid-state starter. Check for main circuit
breaker trip. Check power supply to PSIO
module.
Protective
Limit
Power Loss V P Power Loss: Check
voltage supply.
Check 24-vac input on the SMM (termi-
nals 23 and 24). Check transformers to
SMM. Check power to PSIO module.
Check distribution bus. Consult power
company.
Protective
Limit
Low Line Voltage V P [VALUE] exceeded
limit of [LIMIT]*. Check volt-
age supply.
Protective
Limit
High Line Voltage V P [VALUE] exceeded
limit of [LIMIT]*. Check volt-
age supply.
Protective
Limit
Low Chilled Water
Flow EVFL Flow Fault: Check
evap pump/flow switch. Perform pumps Control Test and verify
proper switch operation. Check all water
valves and pump operation.
Protective
Limit
Low Condenser
Water Flow CDFL Flow Fault: Check
cond pump/flow switch.
Protective
Limit
High Condenser
Pressure High Cond Pressure
[OPEN]: Check switch, 2C
aux., and water temp/flow.
Check the high-presure switch. Check for
proper condenser pressures and con-
denser waterflow. Check for fouled tubes.
Check the 2C aux. contact and the oil
pressure switch in the power panel. This
alarm is not caused by the transducer.
Protective
Limit
High Condenser
Pressure High Cond Pressure
[VALUE]: Check switch,
water flow, and transducer.
Check water flow in condenser. Check for
fouled tubes. Transducer should be
checked for accuracy. This alarm is not
caused by the high pressure switch.
Protective
Limit
1CR AUX Contact
Fault CR AUX Starter Contact
Fault: Check 1CR/1M aux
contacts.
1CR auxiliary contact opened while
machine was running. Check starter for
proper operation.
Table 8 — LID Primary and Secondary Messages and Custom Alarm/Alert Messages
with Troubleshooting Guides
K. Machine Protect Limit Faults (Continued)
Primary
Message Secondary
Message Alarm Message/
Primary Cause Additional Cause/Remedy
Excessive numbers of the same fault can lead to severe machine damage. Seek service expertise.
WARNING !WARNING

* [LIMIT] is shown on the LID as the temperature, pressure, voltage, etc., set point predefined or selected
by the operator as an override, alert, or alarm contition. [VALUE] is the actual temperature, pressure,
voltage, etc., at which the control tripped.
Protective
Limit
Run AUX Contact
Fault RUN AUX Starter Contact
Fault: Check 1CR/1M aux
contacts.
Run auxiliary contact opened while
machine was running. Check starter for
proper operation.
Protective
Limit
CCN Override Stop CHIL S S CCN Override
Stop while in LOCAL run
mode.
CCN has signaled machine to stop. Reset
and restart when ready. If the signal was
sent by the LID, release the Stop signal
on STATUS01 screen.
Protective
Limit
Spare Safety Device SRP PL Spare Safety
Fault: Check contacts. Spare safety input has tripped or factory-
installed jumper not present.
Protective
Limit
Excessive Motor
Amps CA P [VALUE] exceeded
limit of [LIMIT]*. High
Amps; Check guide vane
drive.
Check motor current for proper calibra-
tion. Check guide vane drive and actuator
for proper operation.
Protective
Limit
Excessive Compr
Surge Compressor Surge: Check
condenser water temp and
flow.
Check condenser flow and temperatures.
Check configuration of surge protection.
Protective
Limit
Starter Fault STR FLT Starter Fault:
Check starter for fault
source.
Check starter for possible ground fault,
reverse rotation, voltage trip, etc.
Protective
Limit
Starter Overload Trip STR FLT Starter Overload
Trip: Check amps calibra-
tion/reset overload.
Reset overloads and reset alarm. Check
motor current calibration or overload cali-
bration (do not field-calibrate overloads).
Protective
Limit
Transducer Voltage
Fault V REF [VALUE] exceeded
limit of [LIMIT]*. Check
transducer power supply.
Check transformer power (5 vdc) supply
to transducers. Power must be 4.5 to
5.5 vdc.
Protective
Limit
Low Oil Pressure Low Oil Pressure [OPEN]:
Check oil pressure switch/
pump and 2C aux.
Check the oil pressure switch for proper
operation. Check oil pump for proper
pressure. Check for excessive refrigerant
in oil system.
Table 8 — LID Primary and Secondary Messages and Custom Alarm/Alert Messages
with Troubleshooting Guides
K. Machine Protect Limit Faults (Continued)
Primary
Message Secondary
Message Alarm Message/
Primary Cause Additional Cause/Remedy
Excessive numbers of the same fault can lead to severe machine damage. Seek service expertise.
WARNING !WARNING

Table 8 — LID Primary and Secondary Messages and Custom Alarm/Alert Messages
with Troubleshooting Guides
L. Machine Alerts
Primary
Message Secondary
Message Alarm Message/
Primary Cause Additional Cause/Remedy
Recycle Alert
High Amps at Shut-
down High Amps at Recycle:
Check guide vane
drive.
Check that guide vanes are closing.
Check motor amps correction calibration is
correct. Check actuator for proper opera-
tion.
Sensor Fault
Alert
Leaving Cond Water
Temp Sensor Fault: Check
leaving condenser
water sensor. Check sensor. See sensor test procedure.
Sensor Fault
Alert
Entering Cond Water
Temp Sensor Fault: Check
entering condenser
water sensor.
Low Oil
Pressure Alert
Check Oil Filter Low Oil Pessure Alert:
Check oil. Check oil filter. Check for improper oil level
or temperature.
AutoRestart
Pending
Power Loss V P Power Loss:
Check voltage supply.
Check power supply if there are excessive
compressor starts occurring.
AutoRestart
Pending
Low Line Voltage V P [VALUE] exceeded
limit of [LIMIT]*. Check
voltage supply.
AutoRestart
Pending
High Line Voltage V P [VALUE] exceeded
limit of [LIMIT]*. Check
voltage supply.
Sensor Alert
High Discharge Temp CMPD [VALUE]
exceeded limit of
[LIMIT]*. Check dis-
charge temperature.
Discharge temperature exceeded the alert
threshold. Check entering condenser
water temperature.
Sensor Alert
High Bearing Temper-
ature MTRB [VALUE]
exceeded limit of
[LIMIT]*. Check thrust
bearing temperature.
Thrust bearing temperature exceeded the
alert threshold. Check for closed valves,
improper oil level or temperatures.
Condenser
Pressure Alert
Pump Relay Energized CRP High Condenser
Pressure [LIMIT]*.
Pump energized to
reduce pressure.
Check ambient conditions. Check con-
denser pressure for accuracy.

* [LIMIT] is shown on the LID as the temperature, pressure, voltage, etc., set point predefined or selected
by the operator as an override, alert, or alarm contition. [VALUE] is the actual temperature, pressure,
voltage, etc., at which the control tripped.
Recycle Alert
Excessive Recycle
Starts Excessive recycle
starts. The machine load is too small to keep the
machine on line and there have been
more than 5 restarts in 4 hours. Increase
machine load, adjust hot gas bypass,
increase RECYCLE RESTART DELTA T.
Table 8 — LID Primary and Secondary Messages and Custom Alarm/Alert Messages
with Troubleshooting Guides
L. Machine Alerts (Continued)
Primary
Message Secondary
Message Alarm Message/
Primary Cause Additional Cause/Remedy

Table 8 — LID Primary and Secondary Messages and Custom Alarm/Alert Messages
with Troubleshooting Guides
M. Spare Sensor Alert Messages
Primary Message Secondary
Message Alarm Message/Primary Cause Additional Cause/
Remedy
Spare Sensor
Alert
Common CHWS Sen-
sor Sensor Fault: Check common CHWS
sensor.
Check alert tempera-
ture set points on
Equipment Service,
SERVICE2 LID
table.
Check sensor for
accuracy if reading is
not accurate.
Spare Sensor
Alert
Common CHWR Sen-
sor Sensor Fault: Check common CHWR
sensor.
Spare Sensor
Alert
Remote Reset Sensor Sensor Fault: Check remote reset
temperature sensor.
Spare Sensor
Alert
Temp Sensor —
Spare 1 Sensor Fault: Check temperature sen-
sor — Spare 1.
Spare Sensor
Alert
Temp Sensor —
Spare 2 Sensor Fault: Check temperature sen-
sor — Spare 2.
Spare Sensor
Alert
Temp Sensor —
Spare 3 Sensor Fault: Check temperature sen-
sor — Spare 3.
Spare Sensor
Alert
Temp Sensor —
Spare 4 Sensor Fault: Check temperature sen-
sor — Spare 4.
Spare Sensor
Alert
Temp Sensor —
Spare 5 Sensor Fault: Check temperature sen-
sor — Spare 5.
Spare Sensor
Alert
Temp Sensor —
Spare 6 Sensor Fault: Check temperature sen-
sor — Spare 6.
Spare Sensor
Alert
Temp Sensor —
Spare 7 Sensor Fault: Check temperature sen-
sor — Spare 7.
Spare Sensor
Alert
Temp Sensor —
Spare 8 Sensor Fault: Check temperature sen-
sor — Spare 8.
Spare Sensor
Alert
Temp Sensor —
Spare 9 Sensor Fault: Check temperature sen-
sor — Spare 9.

Table 8 — LID Primary and Secondary Messages and Custom Alarm/Alert Messages
with Troubleshooting Guides
N. Other Problems/Malfunctions
Description Remedy
Chilled Water/Brine
Temperature Too
High
(Machine Running)
Chilled water set point set too high. Access set point on LID and verify.
Capacity override or excessive cooling load (machine at design capacity). Check LID
status messages. Check for outside air infiltration into conditioned space.
Condenser temperature too high. Check for proper flow, examine cooling tower opera-
tion, check for air or water leaks, check for fouled tubes.
Refrigerant level low. Check for leaks, add refrigerant, and trim charge.
Liquid bypass in waterbox. Examine division plates and gaskets for leaks.
Guide vanes fail to open. Use Control Test to check operation.
Chilled water control point too high. Access control algorithm status and check chilled
water control operation.
Guide vanes fail to open fully. Be sure that the guide vane target is released. Check
guide vane linkage. Check limit switch in actuator. Check that sensor is in the proper ter-
minals.
Chilled Water
Temperature Too
Low
(Machine Running)
Chilled water set point set too low. Access set point on LID and verify.
Chilled water control point too low. Access control algorithm status and check chilled
water control for proper resets.
High discharge temperature keeps guide vanes open.
Guide vanes fail to close. Be sure that guide vane target is released. Check chilled water
sensor accuracy. Check guide vane linkage. Check actuator operation.
Chilled Water
Temperature
Fluctuates. Vanes
Hunt
Deadband too narrow. Configure LID for a larger deadband.
Proportional bands too narrow. Either INC or DEC proportional bands should be
increased.
Loose guide vane drive. Adjust chain drive.
Defective vane actuator. Check through Control Test.
Defective temperature sensor. Check sensor accuracy.
Low Oil Sump
Temperature While
Running (Less than
100 F [38 C])
Check for proper oil level (not enough oil).
At Power Up, Default
Screen Does Not
Appear, “Tables
Loading” Message
Continually Appears
Check for proper communications wiring on PSIO module. Check that the COMM1 com-
munications wires from the LID are terminated to the COMM1 PSIO connection. Check
for ground or short on CCN system wiring.

SMM
Communications
Failure
Check that PSIO communication plugs are connected correctly. Check SMM communi-
cation plug. Check for proper SMM power supply. See Control Modules section.
High Oil
Temperature While
Running
Check for proper oil level (too much oil). On hermetic EX compressors, check that TXV
valve is operating properly. On hermetic or open-drive FA compressors, check water
supply to oil cooler.
Blank LID Screen
(Minimal Contrast
Visible)
Incrase contrast potentiometer. See Figure 50. Check red LED on LID for proper opera-
tion, (power supply). If LED is blinking, but green LED’s are not, replace LID module,
(memory failure). Check light bulb if backlit model.
‘‘Communications
Failure’’ Highlighted
Message At Bottom
of LID Screen
LID is not properly addressed to the PSIO. Make sure that “Attach to Network Device,”
“Local Device” is set to read the PSIO address. Check LED’s on PSIO. Is red LED oper-
ating properly? Are green LED’s blinking? See control module troubleshooting section.
Control Test Disabled
Press the “Stop” pushbutton. The PIC must be in the OFF mode for the Control Test to
operate. Clear all alarms. Check line voltage percent on Status01 screen. The percent
must be within 90% to 110%. Check voltage input to SMM, calibrate starter voltage
potentiometer for accuracy.
Vanes Will Not Open
in Control Test
Low pressure alarm is active. Put machine into pumpdown mode or equalize pressure.
Check guide vane actuator wiring.
Oil Pump Does Not
Run
Check oil pump voltage supply. Cooler vessel pressure under vacuum. Pressurize ves-
sel. Check temperature overload cutout switch.
LID Default Screen
Does Not Update
This is normal operation when an alarm is present. The screen freezes the moment the
alarm is activated to aid in troubleshooting. The Status01 screen provides current infor-
mation.
Machine Does Not
Stop When the STOP
Button is Pressed
The STOP button wiring connector on the LID module is not properly connected or the
machine is in soft stop mode and the guide vanes are closing.
LID Screen Dark Light bulb burned out. Replace as needed.
Table 8 — LID Primary and Secondary Messages and Custom Alarm/Alert Messages
with Troubleshooting Guides
N. Other Problems/Malfunctions (Continued)
Description Remedy

Table 9A — Thermistor Temperature (F) vs Resistance/Voltage Drop
Temperature
(F)
Voltage
Drop
(V)
Resistance
(Ohms) Temperature
(F)
Voltage
Drop
(V)
Resistance
(Ohms) Temperature
(F) Voltage
Drop
(V)
Resistance
(Ohms)
-25.0
-24.0
-23.0
-22.0
-21.0
-20.0
-19.0
-18.0
-17.0
-16.0
-15.0
-14.0
-13.0
-12.0
-11.0
-10.0
-9.0
-8.0
-7.0
-6.0
-5.0
-4.0
-3.0
-2.0
-1.0
0.0
1.0
2.0
3.0
4.0
5.0
6.0
7.0
8.0
9.0
10.0
11.0
12.0
13.0
14.0
15.0
16.0
17.0
18.0
19.0
20.0
21.0
22.0
23.0
24.0
4.821
4.818
4.814
4.806
4.800
4.793
4.786
4.779
4.772
4.764
4.757
4.749
4.740
4.734
4.724
4.715
4.705
4.696
4.688
4.676
4.666
4.657
4.648
4.636
4.624
4.613
4.602
4.592
4.579
4.567
4.554
4.540
4.527
4.514
4.501
4.487
4.472
4.457
4.442
4.427
4.413
4.397
4.381
4.366
4.348
4.330
4.313
4.295
4.278
4.258
98010
94707
91522
88449
85486
82627
79871
77212
74648
72175
69790
67490
65272
63133
61070
59081
57162
55311
53526
51804
50143
48541
46996
45505
44066
42679
41339
40047
38800
37596
36435
35313
34231
33185
32176
31202
30260
29351
28473
27624
26804
26011
25245
24505
23789
23096
22427
21779
21153
20547
25.0
26.0
27.0
28.0
29.0
30.0
31.0
32.0
33.0
34.0
35.0
36.0
37.0
38.0
39.0
40.0
41.0
42.0
43.0
44.0
45.0
46.0
47.0
48.0
49.0
50.0
51.0
52.0
53.0
54.0
55.0
56.0
57.0
58.0
59.0
60.0
61.0
62.0
63.0
64.0
65.0
66.0
67.0
68.0
69.0
70.0
71.0
72.0
73.0
74.0
4.241
4.223
4.202
4.184
4.165
4.145
4.125
4.103
4.082
4.059
4.037
4.017
3.994
3.968
3.948
3.927
3.902
3.878
3.854
3.828
3.805
3.781
3.757
3.729
3.705
3.679
3.653
3.627
3.600
3.575
3.547
3.520
3.493
3.464
3.437
3.409
3.382
3.353
3.323
3.295
3.267
3.238
3.210
3.181
3.152
3.123
3.093
3.064
3.034
3.005
19960
19393
18843
18311
17796
17297
16814
16346
15892
15453
15027
14614
14214
13826
13449
13084
12730
12387
12053
11730
11416
11112
10816
10529
10250
9979
9717
9461
9213
8973
8739
8511
8291
8076
7868
7665
7468
7277
7091
6911
6735
6564
6399
6238
6081
5929
5781
5637
5497
5361
75
76
77
78
79
80
81
82
83
84
85
86
87
88
89
90
91
92
93
94
95
96
97
98
99
100
101
102
103
104
105
106
107
108
109
110
111
112
113
114
115
116
117
118
119
120
121
122
123
124
2.977
2.947
2.917
2.884
2.857
2.827
2.797
2.766
2.738
2.708
2.679
2.650
2.622
2.593
2.563
2.533
2.505
2.476
2.447
2.417
2.388
2.360
2.332
2.305
2.277
2.251
2.217
2.189
2.162
2.136
2.107
2.080
2.053
2.028
2.001
1.973
1.946
1.919
1.897
1.870
1.846
1.822
1.792
1.771
1.748
1.724
1.702
1.676
1.653
1.630
5229
5101
4976
4855
4737
4622
4511
4403
4298
4196
4096
4000
3906
3814
3726
3640
3556
3474
3395
3318
3243
3170
3099
3031
2964
2898
2835
2773
2713
2655
2597
2542
2488
2436
2385
2335
2286
2239
2192
2147
2103
2060
2018
1977
1937
1898
1860
1822
1786
1750

125
126
127
128
129
130
131
132
133
134
135
136
137
138
139
140
141
142
143
144
145
146
147
148
149
150
151
152
153
154
155
156
157
158
159
160
161
162
163
164
165
166
1.607
1.585
1.562
1.538
1.517
1.496
1.474
1.453
1.431
1.408
1.389
1.369
1.348
1.327
1.308
1.291
1.289
1.269
1.250
1.230
1.211
1.192
1.173
1.155
1.136
1.118
1.100
1.082
1.064
1.047
1.029
1.012
0.995
0.978
0.962
0.945
0.929
0.914
0.898
0.883
0.868
0.853
1715
1680
1647
1614
1582
1550
1519
1489
1459
1430
1401
1373
1345
1318
1291
1265
1240
1214
1190
1165
1141
1118
1095
1072
1050
1029
1007
986
965
945
925
906
887
868
850
832
815
798
782
765
750
734
167
168
169
170
171
172
173
174
175
176
177
178
179
180
181
182
183
184
185
186
187
188
189
190
191
192
193
194
195
196
197
198
199
200
201
202
203
204
205
206
207
208
0.838
0.824
0.810
0.797
0.783
0.770
0.758
0.745
0.734
0.722
0.710
0.700
0.689
0.678
0.668
0.659
0.649
0.640
0.632
0.623
0.615
0.607
0.600
0.592
0.585
0.579
0.572
0.566
0.560
0.554
0.548
0.542
0.537
0.531
0.526
0.520
0.515
0.510
0.505
0.499
0.494
0.488
719
705
690
677
663
650
638
626
614
602
591
581
570
561
551
542
533
524
516
508
501
494
487
480
473
467
461
456
450
445
439
434
429
424
419
415
410
405
401
396
391
386
209
210
211
212
213
214
215
216
217
218
219
220
221
222
223
224
225
0.483
0.477
0.471
0.465
0.459
0.453
0.446
0.439
0.432
0.425
0.417
0.409
0.401
0.393
0.384
0.375
0.366
382
377
372
367
361
356
350
344
338
332
325
318
311
304
297
289
282
Table 9A — Thermistor Temperature (F) vs Resistance/Voltage Drop (Continued)
Temperature
(F)
Voltage
Drop
(V)
Resistance
(Ohms) Temperature
(F)
Voltage
Drop
(V)
Resistance
(Ohms) Temperature
(F) Voltage
Drop
(V)
Resistance
(Ohms)

Table 9B — Thermistor Temperature (C) vs Resistance/Voltage Drop
Temperature (C) Voltage
Drop (V) Resistance
(Ohms) Temperature (C) Voltage
Drop (V) Resistance
(Ohms)
-40
-39
-38
-37
-36
-35
-34
-33
-32
-31
-30
-29
-28
-27
-26
-25
-24
-23
-22
-21
-20
-19
-18
-17
-16
-15
-14
-13
-12
-11
-10
-9
-8
-7
-6
-5
-4
-3
-2
-1
0
1
2
3
4
5
4.896
4.889
4.882
4.874
4.866
4.857
4.848
4.838
4.828
4.817
4.806
4.794
4.782
4.769
4.755
4.740
4.725
4.710
4.693
4.676
4.657
4.639
4.619
4.598
4.577
4.554
4.531
4.507
4.482
4.456
4.428
4.400
4.371
4.341
4.310
4.278
4.245
4.211
4.176
4.140
4.103
4.065
4.026
3.986
3.945
3.903
168 230
157 440
147 410
138 090
129 410
121 330
113 810
106 880
100 260
94 165
88 480
83 170
78 125
73 580
69 250
65 205
61 420
57 875
54 555
51 450
48 536
45 807
43 247
40 845
38 592
38 476
34 489
32 621
30 866
29 216
27 633
26 202
24 827
23 532
22 313
21 163
20 079
19 058
18 094
17 184
16 325
15 515
14 749
14 026
13 342
12 696
6
7
8
9
10
11
12
13
14
15
16
17
18
19
20
21
22
23
24
25
26
27
28
29
30
31
32
33
34
35
36
37
38
39
40
41
42
43
44
45
46
47
48
49
50
51
3.860
3.816
3.771
3.726
3.680
3.633
3.585
3.537
3.487
3.438
3.387
3.337
3.285
3.234
3.181
3.129
3.076
3.023
2.970
2.917
2.864
2.810
2.757
2.704
2.651
2.598
2.545
2.493
2.441
2.389
2.337
2.286
2.236
2.186
2.137
2.087
2.039
1.991
1.944
1.898
1.852
1.807
1.763
1.719
1.677
1.635
12 085
11 506
10 959
10 441
9 949
9 485
9 044
8 627
8 231
7 855
7 499
7 161
6 840
6 536
6 246
5 971
5 710
5 461
5 225
5 000
4 786
4 583
4 389
4 204
4 028
3 861
3 701
3 549
3 404
3 266
3 134
3 008
2 888
2 773
2 663
2 559
2 459
2 363
2 272
2 184
2 101
2 021
1 944
1 871
1 801
1 734

52
53
54
55
56
57
58
59
60
61
62
63
64
65
66
67
68
69
70
71
72
73
74
75
76
77
78
79
80
81
82
83
1.594
1.553
1.513
1.474
1.436
1.399
1.363
1.327
1.291
1.258
1.225
1.192
1.160
1.129
1.099
1.069
1.040
1.012
0.984
0.949
0.920
0.892
0.865
0.838
0.813
0.789
0.765
0.743
0.722
0.702
0.683
0.665
1 670
1 609
1 550
1 493
1 439
1 387
1 337
1 290
1 244
1 200
1 158
1 118
1 079
1 041
1 006
971
938
906
876
836
805
775
747
719
693
669
645
623
602
583
564
547
84
85
86
87
88
89
90
91
92
93
94
95
96
97
98
99
100
101
102
103
104
105
106
107
0.648
0.632
0.617
0.603
0.590
0.577
0.566
0.555
0.545
0.535
0.525
0.515
0.506
0.496
0.486
0.476
0.466
0.454
0.442
0.429
0.416
0.401
0.386
0.370
531
516
502
489
477
466
456
446
436
427
419
410
402
393
385
376
367
357
346
335
324
312
299
285
Table 9B — Thermistor Temperature (C) vs Resistance/Voltage Drop (Continued)
Temperature (C) Voltage
Drop (V) Resistance
(Ohms) Temperature (C) Voltage
Drop (V) Resistance
(Ohms)

* If a machine configuration other than 2-pass, 150 psig (1034 kPa), NIH waterbox configuration is used, refer to the Additional Cooler
Weights or Additional Condenser Weights tables, Table 11 and Table 13 to obtain the additional dry and water weights that must be
added to the values shown in this table.
† Cooler and condenser weights shown are based upon 2-pass, nozzle-in-head (NIH) waterboxes with 150 psig (1034 kPa) covers.
Includes components attached to cooler, but does not include suction/discharge, elbow, or other interconnecting piping.
** Dry weight includes all components attached to economizer: Covers, float valves, brackets, control center (31 lb [14 kg]), and power
panel (20 lb [9 kg]). Dry weight does not include compressor weight, motor weight, or pumpdown condensing unit weight. The pumpdown
condensing unit weight is 210 lb (95 kg). For compressor and motor weights, refer to Table 12.
†† Operating weight includes dry weight, refrigerant weight, and water weight.
Table 10 — 17/19EX Heat Exchanger, Economizer/Storage Vessel, Piping, and Pumpout Unit Weights*
(Page 1 of 2)
Cooler
Size†
Cooler Total Weight Cooler Charge Economizer/
Storage
Vessel
Economizer
Refrigerant Miscellaneous
Piping Pumpout
Unit
Dry** Operating†† Refrigerant Water lb kg lb kg lb kg lb kg
lb kg lb kg lb kg lb kg
41 21,674 9 831 26,120 11 848 2,005 909 2,441 1 107
7,169 3 525 610 277 1,095 497
210 95
42 22,019 9 988 26,736 12 127 2,142 972 2,575 1 168
43 22,364 10 144 27,322 12 393 2,249 1 020 2,709 1 229
44 23,841 10 814 29,836 13 533 2,710 1 229 3,285 1 490
45 25,032 11 354 30,790 13 966 2,752 1 248 3,006 1 363
7,900 3 583 844 383 1,149 521
46 25,529 11 580 31,658 14 360 2,937 1 332 3,192 1 448
47 26,025 11 805 32,496 14 740 3,093 1 403 3,378 1 532
48 28,153 12 770 36,053 16 353 3,727 1 691 4,173 1 893

* If a machine configuration other than 2-pass, 150 psig (1034 kPa), NIH waterbox configuration is used,
refer to the Additional Cooler Weights or Additional Condenser Weights tables, Table 11 and Table 13 to
obtain the additional dry and water weights that must be added to the values shown in this table.
† Cooler and condenser weights shown are based upon 2-pass, nozzle-in-head (NIH) waterboxes with 150
psig (1034 kPa) covers. Includes components attached to cooler, but does not include suction/discharge,
elbow, or other interconnecting piping.
** Dry weight includes all components attached to economizer: Covers, float valves, brackets, control
center (31 lb [14 kg]), and power panel (20 lb [9 kg]). Dry weight does not include compressor weight,
motor weight, or pumpdown condensing unit weight. The pumpdown condensing unit weight is 210 lb (95
kg). For compressor and motor weights, refer to Table 12.
†† Operating weight includes dry weight, refrigerant weight, and water weight.
Table 10 — 17/19EX Heat Exchanger, Economizer/Storage Vessel, Piping, and
Pumpout Unit Weights* (Continued)
Condenser
Size†
Condenser Total Weight Condenser Charge
Dry** Operating†† Refrigerant Water
lb kg lb kg lb kg lb kg
41
42
43
45
46
47
51
52
53
55
56
57
13,768
14,118
14,468
16,676
17,172
17,669
17,188
17,848
18,400
20,725
21,663
22,446
6 245
6 404
6 563
7 564
7 789
8 015
7 796
8 096
8 346
9 401
9 826
10 181
16,999
17,498
17,978
20,800
21,489
22,178
20,993
21,923
22,682
25,598
26,896
27,980
7 711
7 937
8 155
9 435
9 747
10 060
9 522
9 944
10 288
11 611
12 199
12 691
1,085
1,098
1,091
1,404
1,409
1,413
1,098
1,111
1,104
1,420
1,425
1,429
492
498
495
637
639
641
498
504
501
644
646
648
2,146
2,282
2,419
2,720
2,908
3,096
2,707
2,964
3,178
3,453
3,808
4,105
973
1 035
1 097
1 234
1 319
1 404
1 228
1 344
1 442
1 566
1 727
1 862

NIH — Nozzle-In-Head
† Subtract 228 lb (103 kg) from the rigging weight shown in Table 10.
* When using a machine configuration other than 2-pass, NIH waterboxes with 150 psig (1034 kPa)
covers, add the weights listed in this table to the appropriate weights in Table 10 to obtain the correct
condenser weight.
Table 11 — Additional Condenser Weights*
Component Heat Exchanger
Size Waterbox
Type
Number
of
Passes
Design
Maximum Additional
Dry Weight
Additional
Water
Weight
psig kPa lb kg lb kg
Condenser
41 – 43
45 – 47
NIH 1, 3 150 1034 344 156 - -
NIH 1, 3 300 2068 1652 749 - -
NIH 2 300 2068 1132 513 - -
Marine 1, 3 150 1034 1692 767 3 400 1 542
Marine 2 150 1034 674 306 1 700 771
Marine 1, 3 300 2068 2651 1 202 3 400 1 542
Marine 2 300 2068 1630 739 1 700 771
51 – 53
55 – 57
NIH 1 150 1034 †† --
NIH 1 300 2068 1588 720 - -
NIH 2 300 2068 1591 721 - -
Marine 2 150 1034 25 11 1 700 771
Marine 2 300 2068 1225 555 1 700 771

* Based on 4160 v, FD motor.
† Based on 6900 v, DQ motor.
** Based on 6900 v, DP motor.
†† Based on 6900 v, EE motor.
* Based on 3300 v, FD motor.
† Based on 6300 v, DQ motor.
** Based on 6300 v, DP motor.
†† Based on 6300 v, EE motor.
Table 12 — Compressor/Motor/Suction Elbow Weights
(English)
Compressor/Motor/Suction Elbow Weight (lb)
17 Series, All Compressor Sizes* 14,650
19 Series, 51-89 Compressor Sizes† 8,853
19 Series, 421-469 Compressor Sizes** 6,352
19 Series, 531-599 Compressor Sizes†† 9,950
(SI)
Compressor/Motor/Suction Elbow Weight (kg)
17 Series, All Compressor Sizes* 6 645
19 Series, 51-89 Compressor Sizes† 4 081
19 Series, 421-469 Compressor Sizes** 2 927
19 Series, 531-599 Compressor Sizes†† 4 638

NIH — Nozzle-In-Head
* When using a machine configuration other than 2-pass, NIH waterboxes with 150 psig (1038 kPa)
covers, add the weights listed in this table to the appropriate weights in Table 10 to obtain the correct
cooler weight.
Table 13 — Additional Cooler Weights*
Component Waterbox
Type
Number
of
Passes
Design
Maximum
Water Pressure
Additional
Dry Weight Additional
Water Weight
psig kPa lb kg lb kg
Condenser
NIH 1, 3 150 1034 515 234 - -
NIH 1, 3 300 2068 2941 1334 - -
NIH 2 300 2068 2085 946 - -
Marine 1, 3 150 1034 2100 953 5102 2314
Marine 2 150 1034 792 359 2551 1157
Marine 1, 3 300 2068 3844 1744 5102 2314
Marine 2 300 2068 2536 1150 2551 1157

* Heat exchangers with marine waterboxes have heavier dry and operating weights than heat exchangers
with nozzle-in-head waterboxes.
Table 14 — Marine Waterbox Cover Weights*
Heat Exchanger Size
Design Maximum
Water Pressure Cooler Condenser
psi kPa lb kg lb kg
41 – 48 150 1034 2236 1015 1275 579
300 2068 3060 1389 1660 754
51 – 57 150 1034 – – 1643 746
300 2068 – – 2243 1018

NIH — Nozzle-in-Head
* The 150 psig (1034 kPa) waterbox cover weights are included in the dry weight shown in Table 10.
† Two different waterbox covers are present on 2-pass machines. The weight shown in this table
represents the weight of the waterbox cover that contains the nozzles. A blank waterbox cover is also
present on 2-pass units. The weight of the blank waterbox cover is identical to the weight of the same
size marine waterbox cover. Refer to Table 14.
Table 15 — NIH Waterbox Cover Weights*
Heat Exchanger
Size Passes
Design Maximum
Water Pressure Cooler Condenser
psi kPa lb kg lb kg
41 – 48
1 150 1034 2997 1361 1735 788
300 2068 4225 1918 2510 1140
2†150 1034 2984 1355 1885 856
300 2068 4188 1901 2590 1176
3 150 1034 3035 1378 1777 807
300 2068 4244 1927 2539 1153
51 – 57
1 150 1034 – – 2032 923
300 2068 – – 2940 1335
2†150 1034 – – 2649 1203
300 2068 – – 3640 1653
3 150 1034 – – – –
300 2068 – – – –

Legend
FLA — Full Load Amps
LRA — Locked Rotor Amps
Notes:
1. The oil pump is powered through a field wiring terminal into the power panel.
2. Power to the controls and oil heater via the power panel must be on circuits that can provide continuous
service when the compressor starter is disconnected.
Table 16 — Auxiliary Systems, Electrical Data
Power Source Item Supply V-PH-HZ FLA LRA
1
Control Module and
Actuator 115-1-60
115-1-50 3.50 —
Oil Sump Heater 115-1-60
115-1-50 8.70 —
2
Oil Pump 200/240-3-60
380/480-3-60
507/619-3-60
4.32
2.15
2.13
24.5
12.2
25.0
220/240-3-50
346/440-3-50 4.83
2.59 28.0
12.2
3 (Optional)
Pumpout Compressor 200/208-3-60
220/240-3-60
440/480-3-60
550/600-3-60
10.9
9.50
4.70
3.80
63.5
57.5
28.8
23.0
380/415-3-50 4.70 28.8

Table 17 — Open-Drive Compressor Fits and Clearances
Item Description
Clearance
Type of
Measure
17FA4 17FA5
Min Max Min Max
in. mm in. mm. in. mm in. mm
11st stage impeller to
diaphragm See Tabulation
Axial
22nd stage impeller
to discharge wall Axial
31st stage labyrinth .016 .4060 .020 .5080 .016 .4060 .020 .5080 Diametral
4Interstage labyrinth .012 .3050 .016 .4060 .012 .3050 .016 .4060 Diametral
52nd stage labyrinth .008 .2030 .012 .3050 .008 .2030 .012 .3050 Diametral
6Balancing piston lab-
yrinth .008 .2030 .012 .3050 .008 .2030 .012 .3050 Diametral
7Impeller shaft jour-
nal bearing .0020 .0510 .0035 .0889 .0030 .0762 .0045 .1143 Diametral
8Thrust-end float .010 .2540 .015 .381 .010 .2540 .015 .381 Axial
9Counterthrust bear-
ing seal ring .002 .0510 .004 .1020 .002 .0510 .004 .1020 Diametral
10 Gear bearing to gear .0040 .1016 .0055 .1397 .0050 .1270 .0065 .1651 Diametral
10a Gear bearing to gear .010 .2540 .0185 .4699 .010 .2540 .0185 .4699 Axial
11 Gear bearing to
bearing housing .0005 .0127 .0025 .0635 .0005 .0127 .0025 .0635 Diametral
12 Pinion bearing to pin-
ion .0020 .0510 .0035 .0889 .0040 .1016 .0055 .1397 Diametral
13 Pinion bearing to
bearing housing .001 .0254 .003 .0762 .0005 .0127 .0025 .0635 Diametral
14 Transmission laby-
rinth .006 .1520 .010 .2540 .006 .1520 .010 .2540 Diametral
15 Shaft end labyrinth .001 .0254 .005 .1270 .001 .0254 .005 .1270 Diametral

See Figure 55 for item callouts.
16 Drive-end journal
bearing .003 .0762 .005 .1270 .0035 .0889 .0055 .1397 Diametral
17 Windage baffle to
shaft .083 2.108 .104 2.642 .079 2.007 .100 2.540 Diametral
18 Inner carbon ring
travel .06 MIN Each Direction .06 MIN Each Direction Axial
Table 17 — Open-Drive Compressor Fits and Clearances (Continued)
Item Description
Clearance
Type of
Measure
17FA4 17FA5
Min Max Min Max
in. mm in. mm. in. mm in. mm

* Measured with shaft in thrust position (towards suction end); tolerance = ± .005 in. (± .127 mm).
Table 17 — Open-Drive Compressor Fits and Clearances (Continued)
Tabulation — Impeller Clearances (Open-Drive Compressors)
Compressor
Size Shroud Diam
Code
Impeller Diameter Dinension*
Item 1 Item 2
in. mm in. mm in. mm
17FA5
31 12.00 304.8 .837 21.26 .638 16.21
3 12.38 314.5 .797 20.24 .609 15.47
5 12.75 323.8 .757 19.23 .579 14.71
7 13.25 336.6 .717 18.21 .541 13.74
9 13.75 349.2 .690 17.53 .541 13.74
41 12.00 304.8 .977 24.82 .760 19.30
3 12.38 314.5 .937 23.80 .726 18.44
5 12.75 323.8 .897 22.78 .688 17.48
7 13.25 336.6 .837 23.62 .639 16.23
9 13.75 349.2 .810 20.57 .632 16.05
51 12.00 304.8 1.177 29.90 .895 25.02
3 12.38 314.5 1.137 28.88 .852 21.64
5 12.75 323.8 1.077 27.36 .809 20.55
7 13.25 336.6 1.017 25.83 .750 19.05
9 13.75 349.2 .970 24.64 .731 18.57
61 12.00 304.8 1.297 32.94 .972 24.69
3 12.38 314.5 1.237 31.42 .928 23.57
5 12.75 323.8 1.177 29.90 .880 22.35
7 13.25 336.6 1.097 27.86 .817 20.75
9 13.75 349.2 1.050 26.67 .796 20.22

* See Figure 56 for item callouts.
† Clearances represent factory tolerances for new components.
Table 18 — Hermetic Compressor Fits and Clearances
Item* Description
Clearance†
Type of
Measure
in. mm
Minimum Maximum Minimum Maximum
11st Stage Impeller to Diaphragm
See Tabulation
Axial
22nd Stage Impeller to Discharge
Wall Axial
31st Stage Labyrinth .0160 .0200 .4060 .5080 Diametral
4Interstage Labyrinth .0120 .0160 .3050 .4060 Diametral
52nd Stage Labyrinth .0080 .0120 .2030 .3050 Diametral
6Balancing Piston Labyrinth .0080 .0120 .2030 .3050 Diametral
7Impeller Shaft Journal Bearing .0030 .0045 .0762 .1143 Diametral
8Thrust-end Float .0100 .0150 .2540 .3810 Axial
9Counterthrust Bearing Seal Ring .0020 .0040 .0510 .1020 Diametral
10 Gear Bearing to Gear .0050 .0065 .1270 .1651 Diametral
11 Gear Bearing to Gear .0100 .0185 .2540 .4699 Axial
12 Gear Bearing to Bearing Housing .0005 .0025 .0127 .0635 Diametral
13 Pinion Bearing to Pinion .0040 .0055 .1016 .1397 Diametral
14 Pinion Bearing to Bearing Housing .0005 .0025 .1270 .0635 Diametral
15 Transmission Labyrinth .0060 .0100 .1520 .2540 Diametral
16 Motor-End Labyrinth .0050 .0080 .1270 .0635 Diametral
17 Motor-End Bearing to Shaft .0040 .0054 .1016 .1372 Diametral
18 Motor-End Bearing to Bearing
Housing .0005 .0020 .0127 .0508 Diametral

* Measured with shaft in thrust position (towards suction end); tolerance = ± .005 in. (± .127 mm).
† First-stage diameter.
** Second-stage diameter.
Table 18 — Hermetic Compressor Fits and Clearances (Continued)
Tabulation — Impeller Clearances (Hermetic Compressors)
19EX
Shroud
Code
FA Shroud
Code Impeller
Code
Impeller
Diameter
Dimension*
Item 1 Item 2
in. mm in. mm in. mm
5 3
1
3
5
7
9
12.00
12.38
12.75
13.25
13.75
304.8
314.5
323.8
336.6
349.2
0.837
0.797
0.757
0.717
0.690
21.26
20.24
19.23
18.21
17.53
0.638
0.609
0.579
0.541
0.541
16.21
15.47
14.71
13.74
13.74
6 4
1
3
5
7
9
12.00
12.38
12.75
13.25
13.75
304.8
314.5
323.8
336.6
349.2
0.977
0.937
0.897
0.837
0.810
24.82
23.80
22.78
23.62
20.57
0.760
0.726
0.688
0.639
0.632
19.30
18.44
17.48
16.23
16.05
7 5
1
3
5
7
9
12.00
12.38
12.75
13.25
13.75
304.8
314.5
323.8
336.6
349.2
1.177
1.137
1.077
1.017
0.970
29.90
28.88
27.36
25.83
24.64
0.895
0.852
0.809
0.750
0.731
25.02
21.64
20.55
19.05
18.57
8 6
1
3
5
7
9
12.00
12.38
12.75
13.25
13.75
304.8
314.5
323.8
336.6
349.2
1.297
1.237
1.177
1.007
1.050
32.94
31.42
29.90
27.86
26.67
0.972
0.928
0.880
0.817
0.796
24.69
23.57
22.35
20.75
20.22
— 8 —13.75†349.2 1.341 34.06 .876 22.25
— 9 — 13.50** 342.9 1.638 41.61 1.055 26.80

INITIAL START-UP CHECKLIST FOR
17/19EX CENTRIFUGAL LIQUID CHILLER
(Remove and use for job file.)
MACHINE INFORMATION:
NAME JOB NO.
ADDRESS MODEL
CITY STATE ZIP S/N
DESIGN CONDITIONS:
TONS BRINE FLOW
RATE TEMPERATURE
IN TEMPERATURE
OUT PRESSURE
DROP PASS SUCTION
TEMPERATURE CONDENSER
TEMPERATURE
COOLER ******
CONDENSER ******
COMPRESSOR: Volts RLA OLTA
STARTER: Mfg Type
OIL PUMP: Volts RLA OLTA
REFRIGERANT: Charge Lbs
CARRIER OBLIGATIONS: Assemble ...............YesMNo M
Leak Test ...............YesMNo M
Dehydrate ...............YesMNo M
Charging ................YesMNo M
Alignment ...............YesMNo M
Operating Instructions Hrs.
START-UP TO BE PERFORMED IN ACCORDANCE WITH APPROPRIATE MACHINE START-UP
INSTRUCTIONS
JOB DATA REQUIRED:
1. Machine Installation Instructions .........................YesMNo M
2. Machine Assembly, Wiring and Piping Diagrams ............YesMNo M
3. Starting Equipment Details and Wiring Diagrams ............YesMNo M
4. Applicable Design Data (see above) ......................YesMNo M
5. Diagrams and Instructions for Special Controls .............YesMNo M
INITIAL MACHINE PRESSURE:
YES NO
Was Machine Tight?
If Not, Were Leaks Corrected?
Was Machine Dehydrated After Repairs?
CHECK COMPRESSOR OIL LEVEL AND RECORD: ADD OIL: Yes MNo M
Amount:
RECORD PRESSURE DROPS: Cooler Condenser
CHARGE REFRIGERANT: Initial Charge Final Charge After Trim
Manufacturer reserves the right to discontinue, or change at any time, specifications or designs without notice and without incurring obligations.
Book 2 2
Tab 5a 5d
PC 211 Catalog No. 531-715 Printed in U.S.A. Form 17/19EX-1SS Pg CL-1 9-95 Replaces: 19EX-1SS

INSPECT WIRING AND RECORD ELECTRICAL DATA:
RATINGS:
Motor Voltage Motor(s) Amps Oil Pump Voltage Starter Amps
Line Voltages: Motor Oil Pump Controls/Oil Heater
STARTER CHECKOUT:
Check continuity T1 to T1, etc. (Motor to starter, disconnect motor leads T4, T5, T6.) Do not megohm test solid-state starters,
disconnect leads to motor and megger the leads.
MEGGER MOTOR ‘‘PHASE TO PHASE’’ ‘‘PHASE TO GROUND’’
T1-T2 T1-T3 T2-T3 T1-G T2-G T3-G
10-Second Readings:
60-Second Readings:
Polarization Ratio:
STARTER: Electro-Mechanical MSolid-State M
Motor Load Current Transformer Ratio : Signal Resistor Size Ohms
Transition Timer Time Seconds
Check Magnetic Overloads Add Dash Pot Oil Yes MNo MSolid-State Overloads Yes MNo M
Solid State Starter: Torque Setting O’Clock Ramp Setting Seconds
OPEN-DRIVE MOTOR BEARINGS: Added Oil to Proper Level MYes
CONTROLS: SAFETY, OPERATING, ETC.
Perform Controls Test (Yes/No)
PIC CAUTION
COMPRESSOR MOTOR AND CONTROL PANEL MUST BE PROPERLY AND INDIVIDUALLY CON-
NECTED BACK TO THE EARTH GROUND IN THE STARTER. (IN ACCORDANCE WITH BULLETIN
C-8912).
Yes
RUN MACHINE: Do these safeties shut down machine?
Condenser Water Flow Switch Yes MNo M
Chilled Water Flow Switch Yes MNo M
Pump Interlocks Yes MNo M
INITIAL START:
Line Up All Valves in Accordance With Instruction Manual: Start Water Pumps and Establish Water Flow
Oil Level OK and Oil Temperature OK Check Oil Pump Rotation-Pressure
Check Compressor Motor Rotation (Motor End Sight Glass) and Record: Clockwise
Restart Compressor, Bring Up To Speed. Shut Down. Any Abnormal Coastdown Noise? Yes* MNo M
*If yes determine cause.
START MACHINE AND OPERATE. COMPLETE THE FOLLOWING:
A: Trim Charge and Record Under Charge Refrigerant Section on page 57.
B: Complete Any Remaining Control Calibration and Record Under Controls Section (pages 12-45).
C: Take At Least 2 Sets of Operational Log Readings and Record.
E: After Machine Has Been Successfully Run and Set Up, Shut Down and Mark Shutdown Oil and Refrigerant Levels.
F: Give Operating Instructions to Owner’s Operating Personnel. Hours Given: Hours
G: Perform Hot Alignment (Open Drive Machines Only)
SIGNATURES: DATE
CARRIER CUSTOMER REPRESENTATIVE
TECHNICIAN DATE
CL-2

17/19EX
CENTRIFUGAL LIQUID CHILLER
CONFIGURATION SETTINGS LOG
(Remove and use for job file.)
SET POINT TABLE CONFIGURATION SHEET
DESCRIPTION RANGE UNITS DEFAULT VALUE
Base Demand Limit 40 to 100 % 100.0
LCW Setpoint 20 to 120
(–6.7 to 48.9) DEG F
(DEG C) 50.0
ECW Setpoint 20 to 120
(–6.7 to 48.9) DEG F
(DEG C) 60.0
ICE BUILD Setpoint 20 to 60
(–6.7 to 15.6) DEG F
(DEG C) 40.0
PSIO Software Version Number:
LID Software Version Number:
PSIO Controller Identification: BUS ADDRESS
LID Identification: BUS ADDRESS
CL-3

LOCAL MODE TIME SCHEDULE CONFIGURATION SHEET OCCPC01S
Day Flag Occupied Unoccupied
MTWTF S SH Time Time
Period 1:
Period 2:
Period 3:
Period 4:
Period 5:
Period 6:
Period 7:
Period 8:
NOTE: Default setting is OCCUPIED 24 hours/day.
ICE BUILD MODE TIME SCHEDULE CONFIGURATION SHEET OCCPC02S
Day Flag Occupied Unoccupied
MTWTF S SH Time Time
Period 1:
Period 2:
Period 3:
Period 4:
Period 5:
Period 6:
Period 7:
Period 8:
NOTE: Default setting is UNOCCUPIED 24 hours/day.
CCN MODE TIME SCHEDULE CONFIGURATION SHEET OCCPC S
Day Flag Occupied Unoccupied
MTWTF S SH Time Time
Period 1:
Period 2:
Period 3:
Period 4:
Period 5:
Period 6:
Period 7:
Period 8:
NOTE: Default setting is OCCUPIED 24 hours/
CL-4

CONFIG TABLE CONFIGURATION SHEET
DESCRIPTION RANGE UNITS DEFAULT VALUE
RESET TYPE 1
Degrees Reset at 20 mA –30 to 30
(–17 to 17) DEG F
(DEG C) 10
(6)
RESET TYPE 2
Remote Temp (No Reset) –40 to 245
(–40 to 118) DEG F
(DEC C) 85
(29)
Remote Temp (Full Reset) –40 to 245
(–40 to 118) DEG F
(DEG C) 65
(18)
Degrees Reset –30 to 30
(–17 to 17) DEG F
(DEG C) 10
(6)
RESET TYPE 3
CHW Temp (No Reset) 0to15
(0 to 8) DEG F
(DEG C) 10
(6)
CHW Temp (Full Reset) 0to15
(0 to 8) DEG F
(DEG C) 0
(0)
Degrees Reset –30 to 30
(–17 to 17) DEG F
(DEG C) 5
(3)
Select/Enable Reset Type 0to3 0
ECW Control Option Disable/Enable Disable
Demand Limit at 20 mA 40 to 100 % 40
20 mA Demand Limit Option Disable/Enable Disable
Auto Restart Option Disable/Enable Disable
Remote Contacts Option Disable/Enable Disable
Temp Pulldown Deg/Min 2to10 3
Load Pulldown %/Min 5to20 10
Select Ramp Type:
Temp=0/Load=1 0/1 1
Loadshed Group Number 0to99 0
Loadshed Demand Delta 0to60 % 20
Maximum Loadshed Time 0 to 120 Min 60
CCN Occupancy Config:
Schedule Number 3to99 3
CCN Occupancy Config:
Broadcast Option Disable/Enable Disable
ICE BUILD Option Disable/Enable Disable
ICE BUILD TERMINATION:
0 =Temp, 1 =Contacts, 2 =Both 0, 1, 2 0
ICE BUILD RECYCLE Option Disable/Enable Disable
CL-5

LEAD/LAG TABLE CONFIGURATION SHEET
DESCRIPTION RANGE UNITS DEFAULT VALUE
LEAD/LAG SELECT
DISABLE =0, LEAD =1,
LAG =2, STANDBY =3 0, 1, 2, 3 0
Load Balance Option Disable/Enable Disable
Common Sensor Option Disable/Enable Disable
LAG Percent Capacity 25 to 75 % 50
LAG Address 1 to 236 92
LAG START Timer 2 to 60 Min 10
LAG STOP Timer 2 to 60 Min 10
PRESTART FAULT Timer 0to30 Min 5
STANDBY Chiller Option Disable/Enable Disable
STANDBY Percent Capacity 25 to 75 % 50
STANDBY Address 1 to 236 93
CL-6

SERVICE1 TABLE CONFIGURATION SHEET
DESCRIPTION RANGE UNITS DEFAULT VALUE
Motor Temp Override 150 to 200
(66 to 93) DEG F
(DEG C) 200
(93)
Cond Pressure Override 90 to 200 (620 to 1379) psig
(kPa) 125 (862)
Refrig Override Delta T 2to5
(1 to 3) DEG F
(DEG C) 3
(1.6)
Chilled Medium Water/Brine Water
Brine Refrig Trippoint 8to40
(–13.3 to 4) DEG F
(DEG C) 33
(1)
Compr Discharge Alert 125 to 200
(52 to 93) DEG F
(DEG C) 200
(93)
Bearing Temp Alert 165 to 210
(74 to 99) DEG F
(DEG C) 210
(99)
Water Flow Verify Time 0.5 to 5 MIN 5
Oil Press Verify Time 15 to 300 SEC 15
Water/Brine Deadband 0.5 to 2.0
(0.3 to 1.1) DEG F
(DEG C) 1.0
(0.6)
Recycle Restart Delta T 2.0 to 10
(1.1 to 5.5) DEG F
(DEG C) 5
(2.8)
Recycle Shutdown Delta T 0.5 to 4.0
(0.27 to 2.2) DEG F
(DEG C) 1.0
(0.6)
Surge Limit/HGBP Option
Surge=0/HGBP=1 0/1 0
Surge/HGBP Delta T1 0.5 to 15
(0.3 to 8.3) DEG F
(DEG C) 1.5
(0.8)
Surge/HGBP Delta P1 30 to 170 (206 to 1172) psi
(kPa) 50 (345)
Surge/HGBP Delta T2 0.5 to 15.0
(0.3 to 8.3) DEG F
(DEG C) 10
(5.6)
Surge/HGBP Delta P2 30 to 170 (206 to 1172) psi
(kPa) 85 (586)
Surge/HGBP Deadband 1to3
(0.6 to 1.6) DEG F
(DEG C) 1
(0.6)
Surge Delta Percent Amps 10 to 50 % 25
Surge Time Period 1to5 MIN 2
Demand Limit Source
Amps=0/Load=1 0/1 0
Amps Correction Factor 1to8 3
CL-7

SERVICE1 TABLE CONFIGURATION SHEET
DESCRIPTION RANGE UNITS DEFAULT VALUE
Motor Rated Load Amps 1 to 9999 AMPS 200
Motor Rated Line Voltage 1 to 9999 VOLTS 460
Meter Rated Line kW 1 to 9999 kW 600
Line Frequency
0=60 Hz/1=50 Hz 0/1 0
Compressor Starter Type REDUCE/FULL REDUCE
Condenser Freeze Point –20 to 35
(–28.9 to 1.7) DEG F
(DEG C) 34
(1.1)
Soft Stop Amps Threshold 40 to 100 % 100
Stop-to-Start Timer* 3 to 50 MIN 20
*Open-drive machines only. Standard stop-to-start time for hermetic machines is 3 minutes.
CL-8

SERVICE2 TABLE CONFIGURATION SHEET
DESCRIPTION RANGE UNITS DEFAULT VALUE
RESET 20 mA Power Source 0/1 0 = EXTERNAL, 1 = INTERNAL 0
DEMAND 20 mA Power Source 0/1 0 = EXTERNAL, 1 = INTERNAL 0
CHWS Temp Enable 0to4 0 = DISABLE, 1 = HIGH ALERT, 2 = LOW ALERT,
3 = HIGH ALARM, 4 = LOW ALARM 0
CHWS Temp Alert –40 to 245
(–40 to 118) DEG F
(DEG C) 245
(118)
CHWR Temp Enable 0to4 0 = DISABLE, 1 = HIGH ALERT, 2 = LOW ALERT,
3 = HIGH ALARM, 4 = LOW ALARM 0
CHWR Temp Alert –40 to 245
(–40 to 118) DEG F
(DEG C) 245
(118)
Reset Temp Enable 0to4 0 = DISABLE, 1 = HIGH ALERT, 2 = LOW ALERT,
3 = HIGH ALARM, 4 = LOW ALARM 0
Reset Temp Alert –40 to 245
(–40 to 118) DEG F
(DEG C) 245
(118)
Spare Temp 1 Enable 0to4 0 = DISABLE, 1 = HIGH ALERT, 2 = LOW ALERT,
3 = HIGH ALARM, 4 = LOW ALARM 0
Spare Temp 1 Alert –40 to 245
(–40 to 118) DEG F
(DEG C) 245
(118)
Spare Temp 2 Enable 0to4 0 = DISABLE, 1 = HIGH ALERT, 2 = LOW ALERT,
3 = HIGH ALARM, 4 = LOW ALARM 0
Spare Temp 2 Alert –40 to 245
(–40 to 118) DEG F
(DEG C) 245
(118)
Spare Temp 3 Enable 0to4 0 = DISABLE, 1 = HIGH ALERT, 2 = LOW ALERT,
3 = HIGH ALARM, 4 = LOW ALARM 0
Spare Temp 3 Alert –40 to 245
(–40 to 118) DEG F
(DEG C) 245
(118)
SPARE 1 20 mA Power Source 0/1 0 = EXTERNAL, 1 = INTERNAL 0
SPARE 2 20 mA Power Source 0/1 0 = EXTERNAL, 1 = INTERNAL 0
Spare Temp 4 Enable 0to4 0 = DISABLE, 1 = HIGH ALERT, 2 = LOW ALERT,
3 = HIGH ALARM, 4 = LOW ALARM 0
Spare Temp 4 Alert –40 to 245
(–40 to 118) DEG F
(DEG C) 245
(118)
Spare Temp 5 Enable 0to4 0 = DISABLE, 1 = HIGH ALERT, 2 = LOW ALERT,
3 = HIGH ALARM, 4 = LOW ALARM 0
Spare Temp 5 Alert –40 to 245
(–40 to 118) DEG F
(DEG C) 245
(118)
Spare Temp 6 Enable 0to4 0 = DISABLE, 1 = HIGH ALERT, 2 = LOW ALERT,
3 = HIGH ALARM, 4 = LOW ALARM 0
Spare Temp 6 Alert –40 to 245
(–40 to 118) DEG F
(DEG C) 245
(118)
Spare Temp 7 Enable 0to4 0 = DISABLE, 1 = HIGH ALERT, 2 = LOW ALERT,
3 = HIGH ALARM, 4 = LOW ALARM 0
Spare Temp 7 Alert –40 to 245
(–40 to 118) DEG F
(DEG C) 245
(118)
Spare Temp 8 Enable 0to4 0 = DISABLE, 1 = HIGH ALERT, 2 = LOW ALERT,
3 = HIGH ALARM, 4 = LOW ALARM 0
Spare Temp 8 Alert –40 to 245
(–40 to 118) DEG F
(DEG C) 245
(118)
Spare Temp 9 Enable 0to4 0 = DISABLE, 1 = HIGH ALERT, 2 = LOW ALERT,
3 = HIGH ALARM, 4 = LOW ALARM 0
Spare Temp 9 Alert –40 to 245
(–40 to 118) DEG F
(DEG C) 245
(118)
CL-9

SERVICE3 TABLE CONFIGURATION SHEET
DESCRIPTION RANGE UNITS DEFAULT VALUE
Proportional Inc Band 2to10 6.5
Proportional Dec Band 2to10 6.0
Proportional ECW Gain 1to3 2.0
Guide Vane Travel Limit 30 to 100 % 50
HOLIDAY (HOLIDEF) CONFIGURATION SHEET HOLIDEF S
DESCRIPTION RANGE UNITS VALUE
Holiday Start Month 1to12
Start Day 1to31
Duration 0to99 DAYS
HOLIDAY (HOLIDEF) CONFIGURATION SHEET HOLIDEF S
DESCRIPTION RANGE UNITS VALUE
Holiday Start Month 1to12
Start Day 1to31
Duration 0to99 DAYS
HOLIDAY (HOLIDEF) CONFIGURATION SHEET HOLIDEF S
DESCRIPTION RANGE UNITS VALUE
Holiday Start Month 1to12
Start Day 1to31
Duration 0to99 DAYS
NOTE: There are no HOLIDAYS defined on the default menu. HOLIDAY dates must be updated yearly if they are used.
CL-10

BROADCAST (BRODEFS) CONFIGURATION SHEET
DESCRIPTION RANGE UNITS DEFAULT VALUE
Activate Yes/No No
OAT Broadcast
Controller Name 8 characters Text
Bus Number 0 to 239 Bus #s 0
Element Number 0 to 239 SE #s 0
OARH Broadcast
Controller Name 8 characters Text
Bus Number 0 to 239 Bus #s 0
Element Number 0 to 239 SE #s 0
Daylight Savings Start
Month 1to12 4
Day 1to31 15
Time 00:00 to 23:59 HH:MM 02:00
Minutes To Add 1 to 1440 MIN 60
Daylight Savings Stop
Month 1to12 10
Day 1to31 15
Time 00:00 to 23:59 HH:MM 02:00
Minutes To Subtract 1 to 1440 MIN 60
CL-11

MACHINE ALIGNMENT REPORT
JOB NAME COUPLING SIZE
JOB NUMBER TYPE
MACHINE SER. NO. WEAR CONDITION
DRIVER TYPE SPACER LENGTH
HOT CHECK □COLD CHECK □
COMPRESSOR COUPLING
Open ’’
On ’’
Top □
Bottom □
Diam
Step 1 — Angular in Elevation
Gear □Hi □
Drive □’’ Lo □
DRIVE COUPLING
Open ’’
On ’’
Top □
Bottom □
Diam
Step 2 — Parallel in Elevation
Open ’’
On ’’
In □
Out □
Diam
Step 3 — Angular in Plan
Gear □In □
Drive □’’ Out □
Step 4 — Parallel in Plan
Drive ’’ Hi □
Lo □
Open ’’
On ’’
In □
Out □
Diam
Drive ’’ In □
Out □
KEY: In — Side toward compressor discharge (side next to cooler).
Out — Side opposite compressor discharge (side furthest from cooler).
SIGNED
DATE
Copyright 1995 Carrier Corporation
Manufacturer reserves the right to discontinue, or change at any time, specifications or designs without notice and without incurring obligations.
Book 2 2
Tab 5a 5d
PC 211 Catalog No. 531-715 Printed in U.S.A. Form 17/19EX-1SS Pg CL-12 9-95 Replaces: 19EX-1SS






























































































