Carrier 48 50Pg C03 14 Users Manual
48/50PM C16-28 48-50pgpm-03t
4850PG C03-14 to the manual 400a4665-4d6e-49a1-85d8-9d3b9a246451
2015-01-24
: Carrier Carrier-48-50Pg-C03-14-Users-Manual-310450 carrier-48-50pg-c03-14-users-manual-310450 carrier pdf
Open the PDF directly: View PDF
.
Page Count: 188 [warning: Documents this large are best viewed by clicking the View PDF Link!]

48/50PG C03-14
48/50PM C16-28
Single Package Rooftop Units
With COMFORTLinkt Controls Version 5.x
and PURONR (R-410A) Refrigerant
Controls, Start-Up, Operation, Service
and Troubleshooting Instructions
IMPORTANT: This literature covers 48/50PG03−14 and
48/50PM16−28 models with Comfortlink Software version 5.x.
The 48/50PG C16−28 (15 – 25 ton) model reference has been
removed from this manual; however version 5.x software is
backward compatible with all Comfortlink PG models. Refer to
past manuals for obsolete model information.
TABLE OF CONTENTS
Page
SAFETY CONSIDERATIONS 2.........................
GENERAL 3.........................................
BASIC CONTROL USAGE 3...........................
ComfortLink Control 3..............................
Scrolling Marquee 3..................................
Accessory Navigator Display 4..........................
Operation 4.........................................
System Pilot and Touch Pilot Devices 4.................
CCN Tables and Display 4.............................
Conventions Used in This Manual 6......................
START−UP 6.........................................
Unit Preparation 6....................................
Compressor Mounting 6...............................
Refrigerant Service Ports 6.............................
Crankcase Heater(s) 6.................................
Compressor Rotation 6................................
Power Supply 6.....................................
Internal Wiring 6.....................................
Evaporator Fan 6....................................
Condenser Fans and Motors 8...........................
Return−Air Filters 8..................................
Outdoor−Air Inlet Screens 8............................
Air Baffles 8........................................
Accessory Installation 8...............................
Orifice Change (48PG and 48PM) 8......................
Gas Heat (48PG and 48PM) 8..........................
EnergyX 8.........................................
CONTROLS QUICK SET−UP 8.........................
Control Set Point and Configuration Log 8................
Thermostat Control 8.................................
Space Temperature Sensor Control − Direct Wired
(T−55 or T−56 or T−59) 9.............................
T−58 Communicating Room Sensor 9....................
CCN Linkage Control 9...............................
System Pilot − Communication Space Sensor 9.............
Thermidistat Control 9................................
Space Humidistat Control 9............................
Relative Humidity Sensor Control 9......................
CCN Communication 9...............................
Accessories 9.......................................
Programming Operating Schedules 10....................
SERVICE TEST 12....................................
Independent Outputs 12...............................
Fan Test 12.........................................
Cooling Test 12.....................................
Humidi−MiZer Test 12..............................
Heating Test 13......................................
THIRD PARTY CONTROL 13..........................
Cooling/Heating Control 13............................
Dehumidification Control 13...........................
Remote Occupancy 13................................
Fire Shutdown 13....................................
Alarm Output 13.....................................
Economizer Monitoring 14.............................
Economizer Damper Control 14.........................
CONTROLS OPERATION 14...........................
Display Configuration 14..............................
Unit Configuration 14.................................
Modes 15..........................................
General Operation 16.................................
Temperature Setpoint Determination 16...................
Occupancy Determination 17...........................
Indoor Fan Operation 17...............................
Cooling Operation 18.................................
Heating Operation 21.................................
Economizer 23......................................
Optional Humidi−MiZer Dehumidification System 24......
Indoor Air Quality (IAQ) 30............................
EnergyX 34........................................
Adaptive Fan 34.....................................
Temperature Compensated Start 35.......................
Carrier Comfort Network (CCN) Configuration 35.........
Demand Limit 36....................................
Linkage 36.........................................
Alarm Handling 37...................................

2
TROUBLESHOOTING 37..............................
Complete Unit Stoppage 37............................
Restart Procedure 37..................................
Alarms and Alerts 37.................................
Control Module Communication 44......................
Communication Failures 44............................
Cooling Troubleshooting 45............................
Humidi−MiZer Troubleshooting 46....................
Economizer Troubleshooting 47.........................
Heating Troubleshooting 48............................
Phase Loss Protection 51..............................
Thermistor Troubleshooting 51.........................
Transducer Troubleshooting 52.........................
Forcing Inputs and Outputs 52..........................
MAJOR SYSTEM COMPONENTS 55....................
General 55.........................................
Main Base Board (MBB) 71............................
Economizer Control Board (ECB) 73.....................
Integrated Gas Control (IGC) Board 75...................
Low Voltage Terminal Strip (TB1) 76.....................
Scrolling Marquee Display 77..........................
Accessory Navigator Display 77.......................
Carrier Comfort Network (CCN) Interface 77.............
EnergyX 78........................................
Field−Installed Accessories 79..........................
SERVICE 82.........................................
Cleaning 82........................................
Lubrication 84......................................
Evaporator Fan Service and Replacement 85...............
Evaporator Fan Performance Adjustment 86...............
Evaporator Fan Belt Tension Adjustment 86...............
Condenser−Fan Adjustment 87..........................
NOVATION Heat Exchanger Condenser
Service and Replacement 87............................
Verify Sensor Performance 87..........................
Economizer Operation During Power Failure 87............
Evacuation 87.......................................
Refrigerant Charge 88.................................
Gas Valve Adjustment (48PG and 48PM) 91...............
High Altitude (48PG and 48PM) 92......................
Main Burners (48PG and 48PM) 92......................
Filter Drier 93.......................................
Protective Devices 93.................................
Relief Devices 93....................................
Control Circuit, 24−V93..............................
Replacement Parts 93.................................
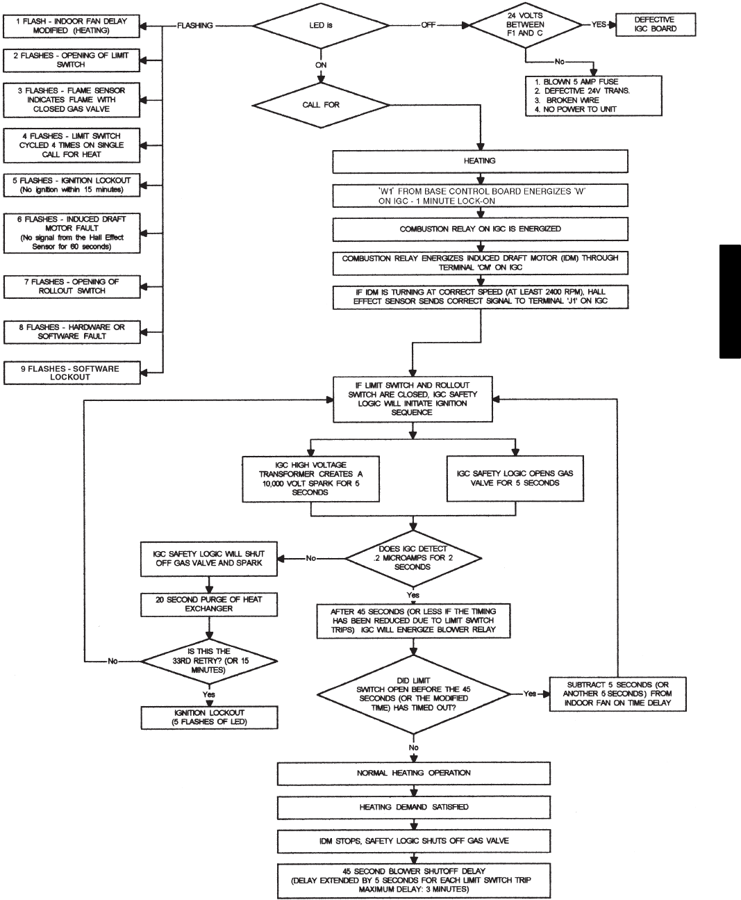
Diagnostic LEDs 93..................................
EnergyX 93........................................
APPENDIX A − LOCAL DISPLAY AND
CCN TABLES 94.....................................
APPENDIX B − CONTROL MODES WITH
Humidi−MiZer SYSTEM AND ECONOMIZER 112........
APPENDIX C − START−UP DATA 113...................
APPENDIX D − ADDITIONAL START−UP DATA 169......
CONTROL SET POINT AND CONFIGURATION LOG 180...
INDICATE UNIT SETTINGS BELOW 180................
UNIT START−UP CHECKLIST 188......................
SAFETY CONSIDERATIONS
Installation and servicing of air-conditioning equipment can be
hazardous due to system pressure and electrical components. Only
trained and qualified service personnel should install, repair, or
service air-conditioning equipment. Untrained personnel can
perform the basic maintenance functions of replacing filters.
Trained service personnel should perform all other operations.
When working on air-conditioning equipment, observe precautions
in the literature, tags and labels attached to the unit, and other
safety precautions that may apply. Follow all safety codes. Wear
safety glasses and work gloves. Use quenching cloth for unbrazing
operations. Have fire extinguishers available for all brazing
operations.
Follow all safety codes. Wear safety glasses and work gloves. Have
fire extinguisher available. Read these instructions thoroughly and
follow all warnings or cautions attached to the unit. Consult local
building codes and National Electrical Code (NEC) for special
requirements.
Recognize safety information. This is the safety−alert symbol .
When you see this symbol on the unit and in instructions or
manuals, be alert to the potential for personal injury.
Understand the signal words DANGER, WARNING, and
CAUTION. These words are used with the safety−alert symbol.
DANGER identifies the most serious hazards which will result in
severe personal injury or death. WARNING signifies a hazard
which could result in personal injury or death. CAUTION is used
to identify unsafe practices which may result in minor personal
injury or product and property damage. NOTE is used to highlight
suggestions which will result in enhanced installation, reliability, or
operation.
ELECTRICAL SHOCK HAZARD
Failure to follow this warning could cause personal
injury or death.
Before performing service or maintenance operations
on unit, turn off main power switch to unit and install
lockout tag. Ensure electrical service to rooftop unit
agrees with voltage and amperage listed on the unit
rating plate.
!WARNING
UNIT DAMAGE HAZARD
Failure to follow this caution may cause equipment
damage.
This unit uses a microprocessor−based electronic control
system. Do not use jumpers or other tools to short out
components or to bypass or otherwise depart from
recommended procedures. Any short−to−ground of the
control board or accompanying wiring may destroy the
electronic modules or electrical components.
CAUTION
!
48/50PG and PM

3
FIRE, EXPLOSION HAZARD
Failure to follow this warning could result in personal
injury, death and/or property damage.
Improper installation, adjustment, alteration, service, or
maintenance can cause property damage, personal
injury, or loss of life. Refer to the User’s Information
Manual provided with this unit for more details.
Do not store or use gasoline or other flammable vapors
and liquids in the vicinity of this or any other appliance.
What to do if you smell gas:
1. DO NOT try to light any appliance.
2. DO NOT touch any electrical switch, or use any
phone in your building.
3.IMMEDIATELY call your gas supplier from a
neighbor’s phone. Follow the gas supplier’s
instructions.
4. If you cannot reach your gas supplier, call the fire
department.
!WARNING
GENERAL
This publication contains Start−Up, Controls, Operation, Service,
and Troubleshooting information for the 48/50PG and 48/50PM
rooftop units. (See Table 1.) These units are equipped with
ComfortLink controls version 5.X or higher and use Puron
refrigerant. The specific base unit installation instructions and/or
wiring label diagram may also be required in conjunction with this
book as a guide to a specific unit on the roof. All the units in table
1 are Constant Volume (CV) units that provide stand−alone or
network operation.
Table 1 – Rooftop Units
MODEL SIZE NOMINAL TONS
48/50PG
03 2
04 3
05 4
06 5
07 6
08 7.5
09 8.5
12 10
14 12.5
48/50PM
16 15
20 18
24 20
28 25
BASIC CONTROL USAGE
ComfortLink Control
The ComfortLink control is a comprehensive unit-management
system. The control system is easy to access, configure, diagnose
and troubleshoot.
The ComfortLink control is fully communicating and cable-ready
for connection to the Carrier Comfort Network (CCN) building
management system. The control provides high-speed
communications for remote monitoring via the Internet. Multiple
units can be linked together (and to other ComfortLink control
equipped units) using a 3-wire communication bus.
The ComfortLink control system is easy to access through the use
of a unit-mounted display module. There is no need to bring a
separate computer to this unit for start-up. Access to control menus
is simplified by the ability to quickly select from 11 menus. A
scrolling readout provides detailed explanations of control
information. Only four, large, easy-to-use buttons are required to
maneuver through the entire controls menu. The display readout is
designed to be visible even in bright sunlight.
For added service flexibility, an accessory hand-held Navigator
module is also available. This portable device has an extended
communication cable that can be plugged into the unit’s
communication network at the main control box. The Navigator
display provides the same menu structure, control access and
display data as is available at the unit-mounted Scrolling Marquee
display.
Run Status
Service Test
Temperature
Pressures
Setpoints
Inputs
Outputs
Configuration
Time Clock
Operating Modes
Alarms
Alarm Status
ENTER
MODE
ESCAPE
C06320
Fig. 1 − Scrolling Marquee
Scrolling Marquee
This device is the keypad interface used to access the control
information, read sensor values, and test the unit. The Scrolling
Marquee is located in the main control box and is standard on all
units. The Scrolling Marquee display is a 4-key, 4-character,
16-segment LED (light-emitting diode) display module. The
display also contains an Alarm Status LED. (See Fig. 1.)
The display is easy to operate using 4 buttons and a group of 11
LEDs that indicate the following menu structures:
Run Status
Service Test
Temperatures
Pressures
Set points
Inputs
Outputs
Configuration
Timeclock
Operating Modes
Alarms
Through the Scrolling Marquee, the user can access all of the
inputs and outputs to check on their values and status, configure
operating parameters plus evaluate the current decision status for
operating modes. The control also includes an alarm history which
can be accessed from the display. In addition, through the Scrolling
Marquee, the user can access a built-in test routine that can be used
at start-up commissioning and to diagnose operational problems
with the unit. (See Table 2.)
48/50PG and PM

4
Accessory Navigator Display
The accessory hand-held Navigator display can be used with the
48/50PG and 48/50PM units. (See Fig. 2.) The Navigator display
operates the same way as the Scrolling Marquee device. The
Navigator display is plugged into the LEN (local equipment
network) port on either TB1/TB2 or the J3 port on the ECB
(economizer control board).
Run Status
Service Test
Temperatures
Pressures
Setpoints
Inputs
Outputs
Configuration
Time Clock
Operating Modes
Alarms
ENTER
ESC
MODE
Alarm Status
TIME
EWT
LWT
SETP
12.58
54.6°F
44.1°F
44.0°F
NAVIGATOR
ComfortLink
C06321
Fig. 2 − Accessory Navigator Display
Operation
All units are shipped from the factory with the Scrolling Marquee
display, which is located in the main control box. (See Fig. 1.) In
addition, the ComfortLink control also supports the use of the
handheld Navigator display.
Both displays provide the user with an interface to the
ComfortLink control system. The displays have up and down
arrow keys, an ESCAPE key and an ENTER key. These keys are
used to navigate through the different levels of the display
structure. The Navigator display and the Scrolling Marquee operate
in the same manner, except that the Navigator display has multiple
lines of display and the Scrolling Marquee has a single line. All
further discussions and examples in this document will be based on
the Scrolling Marquee display. See Table 2 for the menu structure.
The four keys are used to navigate through the display structure,
which is organized in a tiered mode structure. If the buttons have
not been used for a period, the display will default to the AUTO
VIEW display category as shown under the RUN STATUS
category. To show the top-level display, press the ESCAPE key
until a blank display is shown. Then use the up and down arrow
keys to scroll through the top-level categories. These are listed in
Appendix A and will be indicated on the Scrolling Marquee by the
LED next to each mode listed on the face of the display.
When a specific mode or sub-mode is located, push the ENTER
key to enter the mode. Depending on the mode, there may be
additional tiers. Continue to use the up and down keys and the
ENTER keys until the desired display item is found. At any time,
the user can move back a mode level by pressing the ESCAPE key.
Once an item has been selected the display will flash showing the
item, followed by the item value and then followed by the item
units (if any).
Items in the Configuration and Service Test modes are password
protected. The display will flash PASS and WORD when required.
Use the ENTER and arrow keys to enter the four digits of the
password. The default password is 1111.
Pressing the ESCAPE and ENTER keys simultaneously will scroll
an expanded text description across the display indicating the full
meaning of each display point. Pressing the ESCAPE and ENTER
keys when the display is blank (MODE LED level) will return the
display to its default menu of rotating AUTO VIEW display items.
In addition, the password will need to be entered again before
changes can be made.
Changing item values or testing outputs is accomplished in the
same manner. Locate and display the desired item. If the display is
in rotating auto-view, press the ENTER key to stop the display at
the desired item. Press the ENTER key again so that the item value
flashes. Use the arrow keys to change the value of state of an item
and press the ENTER key to accept it. Press the ESCAPE key and
the item, value or units display will resume. Repeat the process as
required for other items.
There are some points that can be forced from the Scrolling
Marquee or the Navigator. If the user needs to force a variable,
follow the same process as when editing a configuration parameter.
A forced variable, regardless where the force has come from will
be displayed with a blinking “.” on a Scrolling Marquee and a
blinking “f” on a Navigator following its value. For example, if
economizer commanded position (EC.CP) is forced, the Navigator
display shows “80f”, where the “f” is blinking to signify a force on
the point. The Scrolling Marquee display shows “80.” Where the
“.” is blinking to signify a force on the point. Remove the force by
selecting the point that is forced with the key ENTER and then
pressing the up and down arrow keys simultaneously.
Depending on the unit model, factory-installed options and
field-installed accessories, some of the items in the various Mode
categories may not apply.
System Pilott and Touch Pilot Devices
The System Pilot device (33PILOT-01) and Touch Pilot device
(33CNTPILOT) can be used as CCN communication
user−interfaces. These devices can be put on the CCN bus and
addressed to communicate with any other device on the network.
Unlike the Scrolling Marquee and Navigator, these pilots read the
unit’s CCN tables and its CCN points can be monitored, forced, or
configured. The Pilot devices can be used to install and
commission a 3V zoning system, linkage compatible air source,
universal controller, and all other devices operating on the Carrier
communicating network.
Additionally, the System Pilot device can serve as a wall-mounted
temperature sensor for space temperature measurement. The
occupant can use the System Pilot device to change set points. A
security feature is provided to limit access of features for
unauthorized users. See Fig. 3 for System Pilot device details.
CCN Tables and Display
In addition to the unit−mounted Scrolling Marquee display, the
user can also access the same information through the CCN tables
by using the Service tool or other CCN programs/devices. The
variable names used for the CCN tables and the Scrolling Marquee
menus may be different and more items may be displayed in the
CCN tables. Details on the CCN tables are included with the local
display menus in Appendix A. Appendix A is structured towards
the organization of the local display (Scrolling Marquee) menus.
Because of the variety of CCN programs and devices, the CCN
tables, sub−tables, and points are referenced within that
organization.
48/50PG and PM

5
Table 2 – Scrolling Marquee Mode and Menu Display Structure
RUN
STATUS
SERVICE
TEST TEMPERATURES PRESSURES SETPOINTS INPUTS OUTPUTS CONFIGURATION TIME
CLOCK
OPERATING
MODES ALARMS
Auto View
of
Run Status
(VIEW)
↓
Software
Version
Numbers
(VERS)
↓
Control
Modes
(MODE)
↓
Cooling
Status
(COOL)
↓
Heating
Status
(HEAT)
↓
Economizer
Status
(ECON)
↓
Outside Air
Unit Status
(OAU)
↓
Component
Run Hours
(HRS)
↓
Component
Starts
(STRT)
Service Test
Mode
(TEST)
↓
Test Indepen
dent
Outputs
(INDP)
↓
Test Fans
(FANS)
↓
Test Cooling
(COOL)
↓
Test
Humidi‐MiZer™
(HMZR)
↓
Test Heating
(HEAT)
Air
Temperatures
(AIR.T)
↓
Refrigerant
Temperatures
(REF.T)
Thermostat
Inputs
(STAT)
↓
General In
puts
(GEN.I)
↓
Current
Sensor In
puts
(CS.IN)
↓
Air Quality
Inputs
(AIR.Q)
Fan
Outputs
(FANS)
↓
Cool
Outputs
(COOL)
↓
Heat
Outputs
(HEAT)
↓
Economiz
er
Outputs
(ECON)
↓
Alarm
Relay
(ALRM)
Display
Configuration
(DISP)
↓
Unit
Configuration
(UNIT)
↓
Cooling
Configuration
(COOL)
↓
Humidi‐MiZer™
Config.
(HMZR)
↓
Heating
Configuration
(HEAT)
↓
Economizer
Configuration
(ECON)
↓
Air Quality
Cfg.
(AIR.Q)
↓
Outside Air Unit
Configuration
(OAU)
↓
Adaptive Fan
Configuration
(A.FN)
↓
Alarm Relay
Config.
(ALM.O)
↓
Sensor
Calibration
(TRIM)
↓
CCN
Configuration
(CCN)
Time of
Day
(TIME)
↓
Month,
Date
Day and
Year
(DATE)
↓
Daylight
Savings
Time
(DST)
↓
Local Time
Schedule
(SCH.L)
↓
Local
Holiday
Schedules
(HOL.L)
Control
Modes
(MODE)
↓
Cool Mode
Diagnostic
(COOL)
↓
Heat Mode
Diagnostic
(HEAT)
↓
Economizer
Diagnostic
(ECON)
↓
Outside
Air Unit
Diagnostic
(OAU)
↓
Demand
Listing
(DMD.L)
Reset All
Current
Alarms
(R.CURR)
↓
Reset
Alarm
History
(R.HIST)
↓
Currently
Active
Alarms
(CURR)
↓
Alarm
HIstory
(HIST)
SCROLL +
-
NAVIGATE/
EXIT MODIFY
/
SELECT
PAGE
C06322
Fig. 3 − System Pilott User Interface
Force Hierarchy
There is a hierarchy in CCN with regards to forcing a point.
Programs and devices write a force at different priority levels. A
higher level (smaller number, 1 being the highest) will override a
lower level force. The Scrolling Marquee uses a Control Force at
level 7. The Navigator writes a Service Force which is level 3.
System Pilots and Touch Pilots write Supervisor Forces at level 4.
Network programs can be set to write different level priority forces.
Generic Status Display Table
The GENERIC points table allows the service/installer the ability
to create a custom table in which up to 20 points from the 5 CCN
categories (Points, Config, Service−Config, Set Point, and
Maintenance) may be collected and displayed.
In the Service−Config table section, there is a table named
“GENERICS.” This table contains placeholders for up to 20 CCN
point names and allows the user to decide which points are
displayed in the GENERIC points sub−table under the status
display table. Each one of these placeholders allows the input of an
8−character ASCII string. Using a CCN interface, enter the Edit
mode for the Service−Config table “GENERICS” and enter the
CCN name for each point to be displayed in the custom points
table in the order they will be displayed. When done entering point
names, download the table to the rooftop unit control.
IMPORTANT: The computer system software (ComfortVIEW,
Service Tool, etc.) that is used to interact with CCN controls,
always saves a template of items it considers as static (e.g., limits,
units, forcibility, 24−character text strings, and point names) after
the software uploads the tables from a control. Thereafter, the
software is only concerned with run time data like value and
hardware/force status. With this in mind, it is important that
anytime a change is made to the Service−Config table
“GENERICS” (which in turn changes the points contained in the
GENERIC point table), that a complete new upload be performed.
This requires that any previous table database be completely
removed first. Failure to do this will not allow the user to display
the new points that have been created and the CCN interface will
have a different table database than the unit control.
48/50PG and PM

6
Conventions Used in This Manual
The following conventions for discussing configuration points for
the local display (Scrolling Marquee or Navigator accessory) will
be used in this manual.
Point names will be written with the Mode name first, then any
submodes, then the point name, each separated by an arrow symbol
(→). Names will also be shown in bold and italics. As an example,
the Thermostat Control Type which is located in the Configuration
mode, and Unit sub-mode would be written as Configuration→
UNIT→T.CTL.
This path name will show the user how to navigate through the
local display to reach the desired configuration. The user would
scroll through the modes and sub-modes using the up and down
keys. The arrow symbol in the path name represents pressing
ENTER to move into the next level of the menu structure.
When a value is included as part of the path name, it will be shown
at the end of the path name after an equals sign. If the value
represents a configuration setting, an explanation will be shown in
parenthesis after the value. As an example,
Configuration→UNIT→T.CTL = 1 (1 Stage Y1).
Pressing the ESCAPE and ENTER keys simultaneously will scroll
an expanded text description of the point name across the display.
The expanded description is shown in the local display tables but
will not be shown with the path names in text.
The CCN point names are also referenced in the local display
tables for users configuring the unit with CCN software instead of
the local display. See Appendix A of this manual.
START-UP
IMPORTANT: Do not attempt to start unit, even momentarily,
until all items on the Start−Up Checklist (last page) and the
following steps have been read/completed.
Unit Preparation
Check that unit has been installed in accordance with these
installation instructions and all applicable codes.
Compressor Mounting
Compressors are internally spring mounted. Do not loosen or
remove compressor holddown bolts.
Refrigerant Service Ports
Each independent refrigerant system has a total of 3 Schrader-type
service gauge ports per circuit. One port is located on the suction
line, one on the compressor discharge line, and one on the liquid
line. Be sure that caps on the ports are tight.
Crankcase Heater(s)
Compressor crankcase heater operation varies depending on the
unit size and type. In general for all units, the crankcase heaters are
energized if there is power to the unit, the compressor is not
operating, and the ambient temperature is below 75F.
IMPORTANT: Unit power must be on for 24 hours prior to
start−up. Otherwise, damage to compressor may result.
Compressor Rotation
UNIT DAMAGE HAZARD
Failure to follow this caution may result in unit damage.
Improper wiring will cause compressor stoppage and alarm.
Correct wiring by switching leads as indicated below.
CAUTION
!
On 3-phase units, it is important to be certain the compressors are
rotating in the proper direction. To determine whether or not
compressors are rotating in the proper direction, use a
phase-rotation meter on the unit input power to check for
L1-L2-L3 or clockwise rotation or use the Service Test mode to
energize a compressor. If the compressor is rotating in the wrong
direction, the controls will stop the compressor and display alarm
for “Circuit x Failure to Pressurize,” where x is the corresponding
A, B or C compressor circuit.
NOTE: Indoor or outdoor fan rotation direction may not indicate
proper input power phase sequence, as some 3-phase units use
single-phase fan motors.
To correct the wrong compressor rotation direction, perform the
following procedure:
1. Turn off power to the unit and lock out the power.
2. Switch any two of the incoming unit power leads.
3. Turn on power to the unit.
4. Verify corrected compressor rotation.
Power Supply
All 208/230-v units are factory wired for 230-v power supply. If
the 208/230-v unit is to be connected to a 208-v power supply, the
transformers (TRAN1, TRAN2 and TRAN3) must be rewired by
moving the wire from the 230-volt connection and moving to the
200-volt terminal on the primary side of the transformer. Refer to
unit label diagram for additional information.
Internal Wiring
Check all electrical connections in unit control boxes; tighten as
required.
Evaporator Fan
Fan belt and variable pulleys are factory−installed, but may need to
be adjusted for specific applications. Be sure that the fans rotate in
the proper direction. See Appendix C for unit specific fan
performance data. See Appendix D for unit specific air quality
limits, evaporator fan motor specifications, FIOP static pressures,
and fan RPM for various motor pulley settings. To alter fan
performance, see Evaporator Fan Performance Adjustment in the
Service section.
NOTE: Units equipped with Adaptive Fan still must conform to
minimum CFM requirements at all times and the fan speed
configurations must be set for this compliance.
48/50PG and PM

7
CONTROL BOX
AND
COMPRESSOR
OUTDOOR AIR
SCREEN
(HIDDEN)
FILTER ACCESS DOOR
GAS SECTION
ACCESS
INDOOR MOTOR
ACCESS DOOR
ELECTRICAL
OPTIONS PANEL
BASEPAN CONNECTIONS
ACCESS PANEL
CONDENSER COIL
ACCESS PANEL
C07002
Fig. 4 − 48/50PG03−14 Size Units, Panel and Filter Locations (48PG03−07 Unit Shown)
CONTROL BOX
FILTER ACCESS
DOOR
GAS SECTION
OUTDOOR AIR
SCREEN
(HIDDEN)
PEM 1 & 2
CO SENSOR
2
RETURN SMOKE
DETECTOR
SMOKE CONTROL
MODULE
CONVENIENCE
OUTLET
C08076
Fig. 5 − 48/50PM16−28 Size Units, Panel and Filter Locations (48PM24 Unit Shown)
48/50PG and PM

8
Condenser Fans and Motors
Condenser fans and motors are factory set. Refer to Condenser-Fan
Adjustment section as required.
Return−Air Filters
Check that correct filters are installed in filter tracks (see Physical
Data table in Installation Instructions). Do not operate unit without
return-air filters.
NOTE: For units with 4-in. filter option, units are shipped with
standard 2-in. filters. To install 4-in. filters, the filter spacers must
be removed.
Outdoor−Air Inlet Screens
Outdoor-air inlet screens must be in place before operating unit.
Air Baffles
Units with Humidi-MiZer option are equipped with
Motormaster control to maintain adequate discharge pressure for
proper unit operation during low ambient operation.
Field-fabricated and installed wind baffles may be required. See
Optional Humidi-MiZer Dehumidification System section.
Accessory Installation
Check to make sure that all accessories including space thermostats
and sensors have been installed and wired as required by the
instructions and unit wiring diagrams.
Orifice Change (48PG and 48PM)
This unit is factory assembled for heating operation using natural
gas at an elevation from sea level to 2000 ft.
Use accessory high altitude kit when installing this unit at an
elevation of 2000 to 7000 ft. For elevations above 7000 ft, refer to
High Altitude section to identify the correct orifice size for the
elevation. Purchase these orifices from your local Carrier dealer.
Follow instructions in accessory Installation Instructions to install
the correct orifices.
Use accessory LP (liquid propane) gas conversion kit when
converting this unit for use with LP fuel usage for elevations up to
7000 ft. For elevations above 7000 ft, refer to High Altitude
section to identify the correct orifice size for the elevation.
Purchase these orifices from your local Carrier dealer. Follow
instructions in accessory Installation Instructions to install the
correct orifices.
Gas Heat (48PG and 48PM)
Inspect the gas heat section of the unit. Verify the number of
burners match the number of heat exchanger openings and the
burner assembly is properly aligned. If the orifices were changed
out for elevation or Liquid Propane purposes, verify proper
installation. Visually inspect other components in heat section.
Verify gas pressures before turning on heat as follows:
1. Turn off field-supplied manual gas stop, located external to
unit.
2. Connect pressure gauge to supply gas tap, located on
field-supplied manual shutoff valve. (See Fig. 6.)
3. Connect pressure gauge to manifold pressure tap.
4. Turn on field-supplied manual gas stop. Enter Service Test
mode by setting Service Test→TEST to “ON” using the
Scrolling Marquee display. Temporarily install the jumper
wire between “R” and “W1” on TB1. Use the Service Test
feature to set Service Test→HEAT→HT.1 to ON (first stage
of heat) using the Scrolling Marquee.
MANUAL SHUT OFF
(FIELD SUPPLIED)
PRESSURE TAP
(1/8˝ NPT PLUG)
GAS
SUPPLY
SEDIMENT TRAP
UNION
TO
UNIT
C09242
Fig. 6 − Field Gas Piping
5. After the unit has run for several minutes, verify the supply
gas pressure is between 5.5−in. wg to 13.0−in. wg, and the
manifold pressure is 3.50−in. wg on sizes 03−14,
3.00−in.wg on sizes 16−28 with a vertical supply or
2.95−in.wg on sizes 16−28 with a horizontal supply. If
manifold pressure must be adjusted, refer to Gas Valve
Adjustment section.
NOTE: Supply gas pressure must not exceed 13.0−in. wg.
6. Set Service Test→HEAT→HT.1 to OFF using Scrolling
Marquee.
7. Remove jumper wire if the unit will be operating under
thermostat mode. The jumper must remain if a space
temperature sensor (T-55, T-56, T-58, or System Pilot
device) will control the unit.
8. Exit Service Test mode by setting Service Test→TEST to
“OFF” using the Scrolling Marquee.
EnergyX
For units equipped with the EnergyX factory installed option, there
is an EnergyXv2 Supplement Installation Instructions in the unit’s
information packet. Follow the start up sequence and complete the
start up checklist contained in the EnergyXv2 manual to complete
unit startup.
CONTROLS QUICK SET−UP
The following information will provide a quick guide to setting up
and configuring the 48/50PG and 48/50PM series units with
ComfortLink controls. Unit controls are pre-configured at the
factory for factory-installed options. Field-installed accessories will
require configuration at start-up. Service Test is recommended for
initial start−up. Additionally, specific job requirements may require
changes to default configuration values. See the CCN and Display
parameter tables and other sections of these instructions for more
details. Refer to the Major System Components or accessory
installation instructions for specific wiring detail.
Control Set Point and Configuration Log
During start up, accessory installation, and equipment service set
points and/or configuration changes might have to be made. When
setting set points or changing configuration settings,
documentation is recommended. The Control Log starting on page
192 should be filled out and left with the unit at all times, a copy
should also be provided to the equipment owner.
Thermostat Control
Wire accessory thermostat to the corresponding R, Y1, Y2, W1,
W2, and G terminals on the field connection terminal board located
at the unit control box.
The Unit Control Type configuration, Configuration
→UNIT→U.CTL, default value is for Thermostat (2) so there is
no need to configure this item.
The Thermostat Control Type, Configuration →UNIT→T.CTL,
selects the unit response to the thermostat inputs above.
48/50PG and PM

9
Space Temperature Sensor Control − Direct Wired
(T−55 or T−56 or T−59)
Wire accessory space temperature sensor(s) to the T-55 terminals
on the field connection terminal board located at the unit control
box. Refer to Field-Installed Accessories section for additional
information.
The Unit Control Type configuration, Configuration
→UNIT→U.CTL, must be set to Space Sensor (3). The jumper
wire in the installer’s packet must be connected between R and W1
for heating mode to operate.
T−58 Communicating Room Sensor
Install the T-58 communicating thermostat. Connect the CCN
communication bus from the T-58 to the CCN terminals on the
field connection terminal board located at the unit control box.
Configure the unit’s CCN communication element number, bus
number, and baud rate. Configure the T−58’s CCN communication
bus number and baud rate the same as the unit, while the element
number has to be different. Configure the T−58 to send SPT to the
unit’s element number. Refer to the Field−Installed Accessories
section for additional information.
The Unit Control Type configuration, Configuration
→UNIT→U.CTL, must be set to Space Sensor (3). The jumper
wire in the installer’s packet must be connected between R and W1
for heating mode to operate.
CCN Linkage Control
The CCN communication must be properly configured for the
48/50PG and 48/50PM units and all other devices. Linkage
configuration is automatically done by the supervisory CCN
Linkage device.
The Unit Control Type configuration, Configuration
→UNIT→U.CTL must be set to Space Sensor (3). The jumper
wire in the installer’s packet must be connected between R and W1
for heating mode to operate.
Installation of an accessory supply air temperature (SAT) sensor in
the supply duct is recommended for Linkage applications. A
supply duct SAT measurement is valid for heating mode display,
while the factory-standard internal SAT is not valid for heating due
to its location upstream of the heating section. When installing the
supply duct SAT, the heating mode display is enabled by setting
Configuration→HEAT→SAT.H to ENBL.
Installation of an accessory return air temperature (RAT) sensor in
the return duct and wired to the space sensor input is recommended
for Linkage applications. This will allow the unit to continue to
run if Linkage communication is lost.
System Pilot − Communication Space Sensor
Install the System Pilot and connect the CCN communication bus
from it to the unit’s CCN connection on the low voltage terminal
board. Configure the unit’s CCN communication element number,
bus number, and baud rate. Refer to the System Pilot’s installation
instructions for configuring it to be used as a space temperature and
attaching it to a unit.
Thermidistat Control
The thermidistat is a thermostat and humidistat combined
and the inputs are provided on the field connection
terminal board. The unit control type configuration,
Configuration→UNIT→U.CTL, default value is for thermostat
(2) so there is no need to configure this item. The thermostat
control type configuration, Configuration→UNIT→T.CTL,
selects the unit response to the thermostat inputs above. The space
humidity switch configuration, Configuration→UNIT→RH.SW,
identifies the normally open or normally closed status of this input
at LOW humidity, and the input is the Humidistat 1 terminal (only
on Humidi-MiZer units).
Space Humidistat Control
For units with the factory Humidi-MiZer option, the
humidistat input is provided on the field connection
terminal board. The Space Humidity Switch configuration,
Configuration→UNIT→RH.SW, identifies the normally open or
normally closed status of this input at LOW humidity. Humidistat
2 terminal is the 24 VAC source for dry contact and the Humidistat
1 terminal is the signal input.
NOTE: On units with Humidi-MiZer, the Humidistat terminals
1 and 2 are the same as the Fire Shutdown terminals 1 and 2 on a
standard unit. See Fire Shutdown section.
Relative Humidity Sensor Control
For units with the factory installed Humidi-MiZer option and the
economizer option (with the ECB−economizer control board), the
humidity sensor input is provided on the field connection terminal
board (TB1/TB2). The sensor can be used in addition to or instead
of a humidistat or thermidistat. The RH Sensor on OAQ Input
configuration, Configuration→UNIT→RH.S=YES, identifies that
the sensor is being used instead of an OAQ sensor. Adjust RH
setpoints as needed. Terminal 1 is the 24vdc loop power and
Terminal 4 is the 4−20 mA signal input. Refer to the Field Installed
Accessories and Humidi-MiZer Operation sections for more
information.
CCN Communication
Configure Configuration→CCN→CCN.A to desired element
number. (Default is 1.) Configure Configuration"CCN" CCN.B
to desired bus number. (Default is 0.) Configure
Configuration→CCN→BAUD to desired code number for baud
rate (Default is 3 = 9600 baud).
Accessories
Below are quick configuration settings for field installed
accessories. If these accessories were installed by the factory, they
will already be configured. See the Field−Installed Accessories
section, third party control, control connection tables, and CCN or
Display parameter tables for any accessories not mentioned below
and any additional information on accessories.
Economizer
If an Economizer accessory was field installed, the unit must be
configured for it by setting Configuration"ECON"EC.EN to
YES. The default settings for the other economizer configurations
should be satisfactory. If they need to be changed, additional
information about these configuration settings can be found in the
Economizer section.
Power Exhaust
If a Power Exhaust accessory was field installed, the unit must be
configured for it by setting Configuration"ECON"PE.EN to
ENBL. The default settings for the other power exhaust
configurations should be satisfactory. If they need to be changed,
additional information about these configurations can be found in
the Power Exhaust section.
Electric Heat
If an Electric Heat accessory was field installed, the unit must be
configured for it by setting Configuration→HEAT→HT.TY to a
value of 2. The number of electric heat stages must be configured
by setting Configuration→HEAT→N.HTR per the installed
heater.
Fire Shutdown
If a Fire Shutdown or Smoke Detector accessory was field
installed, the unit must be configured for it by setting
Configuration→UNIT→FS.SW to normally open (1) or normally
closed (2) when there is not a fire alarm. Normally open (1) is the
preferred configuration.
48/50PG and PM

10
NOTE: On standard units, the fire shutdown input is the terminals
Fire Shutdown 1 and 2. On Humidi-MiZer units, the fire
shutdown connections are at PL19.
Outdoor Enthalpy
If an Outdoor Enthalpy accessory was field installed, the unit must
be configured for it by setting Configuration→ECON→EN.SW,
identifies the normally open or normally closed status of this input
when the outdoor enthalpy is low.
IAQ Switch
If an IAQ Switch accessory was field installed, the unit must be
configured for it by setting Configuration→AIR.Q→II.CF,
identifies the normally open or normally closed status of this input
when the indoor air quality value is low (good) and also selects the
unit response to this input.
NOTE: An IAQ switch cannot be used if an enthalpy switch is
already on this input.
IAQ Sensor
If an CO2 Sensor accessory was field installed, the unit must be
configured for it by setting Configuration→AIR.Q→IA.CF
selects the unit response to this input. Default conversion to 0 to
2000 ppm.
OAQ Sensor
If an Outdoor Air Quality Sensor accessory was field installed, the
unit must be configured for it by setting Configuration→AIR.Q
→OA.CF selects the unit response to this input. Default
conversion to 0 to 2000 ppm.
Fan Status
If a Fan Status accessory was field installed, the unit must be
configured for it by setting Configuration→UNIT→FN.SW to
normally open (1) or normally closed (2). Normally open (1) is the
preferred configuration.
NOTE: Fan Status input is not on the terminals marked Fan
Status.
Filter Status
If a Filter Status accessory was field installed, the unit must be
configured for it by setting Configuration→UNIT→FL.SW to
normally open (1) or normally closed (2). Normally open (1) is the
preferred configuration.
Programming Operating Schedules
The ComfortLink controls will accommodate up to eight
different schedules (Periods 1 through 8), and each schedule is
assigned to the desired days of the week. Each schedule includes
an occupied on and off time. As an example, to set an occupied
schedule for 8 AM to 5 PM for Monday through Friday, the user
would set days Monday through Friday to ON for Period 1. Then
the user would configure the Period 1 Occupied From point to
08:00 and the Period 1 Occupied To point to 17:00. To create a
different weekend schedule, the user would use Period 2 and set
days Saturday and Sunday to ON with the desired Occupied On
and Off times.
NOTE: By default, the time schedule periods are programmed for
24 hours of occupied operation.
To create a schedule, perform the following procedure:
1. Scroll to the Configuration mode, and select CCN
CONFIGURATION (CCN). Scroll down to the Schedule
Number (Configuration→CCN→SCH.O=SCH.N). If
password protection has been enabled, the user will be
prompted to enter the password before any new data is
accepted. SCH.N has a range of 0 to 99. The default value
is 1. A value of 0 is always occupied, and the unit will
control to its occupied set points. A value of 1 means the
unit will follow a local schedule, and a value of 65 to 99
means it will follow a CCN schedule. Schedules 2−64 are
not used as the control only supports one internal/local
schedule. If one of the 2−64 schedules is configured, then
the control will force the number back to 1. Make sure the
value is set to 1 to use a local schedule.
2. Enter the Time Clock mode. Scroll down to the LOCAL
TIME SCHEDULE (SCH.L) sub−mode, and press
ENTER. Period 1 (PER.1) will be displayed.
3. Scroll down to the MON.1 point. This point indicates if
schedule 1 applies to Monday. Use the ENTER command
to go into Edit mode, and use the Up or Down key to
change the display to YES or NO. Scroll down through the
rest of the days and apply schedule 1 where desired. The
schedule can also be applied to a holiday.
4. Configure the beginning of the occupied time period for
Period 1 (OCC). Press ENTER to go into Edit mode, and
the first two digits of the 00.00 will start flashing. Use the
Up or Down key to display the correct value for hours, in
24−hour (military) time. Press ENTER and hour value is
saved and the minutes digits will start flashing. Use the
same procedure to display and save the desired minutes
value.
5. Configure the unoccupied time for period 1 (UNC). Press
ENTER to go into Edit mode, and the first two digits of the
00.00 will start flashing. Use the Up or Down key to display
the correct value for hours, in 24−hour (military) time. Press
ENTER and hour value is saved and the minutes digits will
start flashing. Use the same procedure to display and save
the desired minutes value.
6. The first schedule is now complete. If a second schedule is
needed, such as for weekends or holidays, scroll down and
repeat the entire procedure for period 2 (PER.2). If
additional schedules are needed, repeat the process for as
many as are needed. Eight schedules are provided. See
Table 3 for an example of setting the schedule.
48/50PG and PM

11
Table 3 – Setting an Occupied Time Schedule — Weekdays Only for 7:30 to 22:30
DISPLAY
MENU
SUB‐SUB
MODE
KEYPAD
ENTRY ITEM DISPLAY ITEM EXPANSION COMMENT
TIMECLOCK
SCH.L ENTER Local Occupancy Schedule
PER.1 ENTER OCC.1 Period Occupied Time
ENTER 00.00 Scrolling stops
ENTER 00.00 Hours Flash
07.00 Select 7
ENTER 07.00 Change accepted, minutes flash
07.30 Select 30
ENTER 07.30 Change accepted
ESCAPE OCC.1 07.30 Period Occupied Time Item/Value/Units scrolls again
UNC.1 00.00 Period Unoccupied Time
ENTER 00.00 Scrolling stops
ENTER 00.00 Hours Flash
22.00 Select 22
ENTER 22.00 Change accepted, minutes flash
22.30 Select 30
ENTER 22.30 Change accepted
ESCAPE UNC.1 22.30 Period Unoccupied Time Item/Value/Units scrolls again
MON.1 NO Monday In Period
ENTER NO Scrolling stops
YES Select YES
ENTER YES Change accepted
ESCAPE MON.1 YES Monday In Period Item/Value/Units scrolls again
TUE.1 NO Tuesday In Period
ENTER NO Scrolling stops
YES Select YES
ENTER YES Change accepted
ESCAPE TUE.1 YES Tuesday In Period Item/Value/Units scrolls again
WED.1 NO Wednesday In Period
ENTER NO Scrolling stops
YES Select YES
ENTER YES Change accepted
ESCAPE WED.1 YES Wednesday In Period Item/Value/Units scrolls again
THU.1 NO Thursday In Period
ENTER NO Scrolling stops
YES Select YES
ENTER YES Change accepted
ESCAPE THU.1 YES Thursday In Period Item/Value/Units scrolls again
FRI.1 NO Friday In Period
ENTER NO Scrolling stops
YES Select YES
ENTER YES Change accepted
ESCAPE FRI.1 YES Friday In Period Item/Value/Units scrolls again
ESCAPE
ESCAPE
48/50PG and PM

12
SERVICE TEST
The Service Test function can be used to verify proper operation of
compressors, heating stages, Humidi−MiZer System, indoor fan,
outdoor fans, power exhaust fans, economizer, crankcase heaters,
and the alarm relay. Use of Service Test is recommended at initial
system start up and during troubleshooting (See Table 4 for point
details).
Service Test mode has the following changes from normal
operation:
Outdoor air temperature limits for cooling circuits, economizer,
and heating are ignored. Normal compressor time guards and
other staging delays are reduced to 30 seconds or less.
Circuit alerts are limited to 1 strike (versus 3) before changing to
alarm shut down state.
The status of ALM.N is ignored so all alerts and alarms are
broadcast on CCN.
The words “SERVICE TEST” are inserted into every alarm
message.
Service test can only be turned ON/OFF at the unit display. Once
turned ON, other entries may be made with the display or through
CCN. To turn Service Test on, change the value of TEST to ON.
To turn service test off, change the value of TEST to OFF.
NOTE: Service Test mode may be password protected. Refer to
Basic Control Usage section for more information. Depending on
the unit model, factory−installed options, and field−installed
accessories, some of the Service Test functions may not apply.
Independent Outputs
The independent (INDP) submenu is used to change output status
for the economizer, power exhaust stages, crankcase heaters, alarm
relay, and outside air unit.. These independent outputs can operate
simultaneously with other Service Test modes. All outputs return to
normal operation when Service Test is turned off. When the
economizer is using the factory default Digital Control Type
(Configuration→ECON→E.CTL is 1 or 2) then the Economizer
Calibration feature may be used to automatically check and reset
the economizer actuator range of motion. Refer to the economizer
operation section of more details. On EnergyX equipped units, use
the outside air unit (OAU) points to test the ERV components.
Fan Test
The fans (FANS) submenu is used to change output status for the
indoor fan and outdoor fan stages. Indoor fan speed test (F.SPD) is
only available for use when adaptive fan is configured
(Configuration→A.FAN→AF.EN) for Yes. F.SPD runs the fan at
the desired speed entered. Units with Humidi−MiZer systems have
limited or no manual outdoor fan control from test mode.
Cooling Test
The cooling (COOL) submenu is used to change output status for
the individual compressors. Compressor starts are staggered by 15
seconds. The fans (FANS) and heating (HEAT) service test outputs
are reset to OFF for the cooling service test. Indoor fans and
outdoor fans are controlled normally to maintain proper unit
operation. If adaptive fan is configured, then the indoor fan speed
will default to the Mech. Cooling Fan Speed configuration point
(Configuration→A.FAN→FS.CL) when one compressor is
turned on. The Reduced Cool Fan Speed (F.SPD) can only be
changed while one stage is running. If more then one stage is on
the actual fan speed will be 100%. F.SPD shows the reduced speed
not actual speed. On single stage units, actual fan speed will be
100% when the compressor is on. All normal cooling alarms and
alerts are functional.
When charging unit, all outdoor fans may be forced on in cooling
service test modes by setting the Outdoor Fan Override (OF.OV) to
on.
NOTE: Circuit A is always operated with Circuit B and/or C in
Humidi-MiZer system equipped units.
Humidi−MiZert Test
For units with the factory Humidi-MiZer option, the
Humidi-MiZer (HZMR) submenu is used to change the output
status to operate the circuits in different Humidi−MiZer modes or
to separately test the Humidi−MiZer valve operations. Refer to the
Humidi-MiZer operation section for details on these modes and
valves. The fans (FANS), cooling (COOL), and heating (HEAT)
service test outputs are reset to OFF for the Humdi−MiZer service
test. Indoor and outdoor fans are controlled normally to maintain
proper unit operation. If adaptive fan is configured, then the indoor
fan speed will default to the Reheat2 Fan Speed configuration
point (Configuration→A.FAN→FS.RH) when Reheat2 test is
turned on. The Reheat2 fan speed (F.SPD) only reflects the speed
setting for testing Reheat2 circuits, and can only be changed when
a circuit is in Reheat2. Actual speed may be different if Reheat 1
tests are being performed. All normal cooling alarms and alerts are
functional. Refer to the Humidi−MiZer operating section for more
information.
NOTE: Circuit A is always operated with Circuit B and/or C in
Humidi-MiZer system equipped units.
Table 4 – Service Test Modes and Submodes Directory
DISPLAY MENU/
SUB-MENU/
NAME
EXPANDED NAME VALUES
SERVICE TEST
TEST Field Service Test Mode Off/On
INDP Test Independent Outputs
ECON Economizer Position Test 0 to 100
E.CAL Calibrate Economizer Off/On
PE.1 Power Exhaust 1 Test Off/On
PE.2 Power Exhaust 2 Test Off/On
ALRM Alarm Relay Test Off/On
CCH Crankcase Heat Test Off/On
OA.DM OAU 2position Damper Close/Open
WHL OAU Wheel Test 0 to 100
OA.OF OAU OA Fan Speed Test 0 to100
OA.XF OAU PE Fan Speed Test 0 to100
OA.HT OAU Tempring Heater Test 0 to 100
FANS Test Fans
IDF Indoor Fan Power Test Off/On
F.SPD Indoor Fan Speed Test 0 to 100
OFC.1 Outdoor Fan 1 Test Off/On
OFC.2 Outdoor Fan 2 Test Off/On
OFC.3 Outdoor Fan 3 Test Off/On
COOL Test Cooling
CMP.A Cool A Test Off/On
CMP.B Cool B Test Off/On
CMP.C Cool C Test Off/On
F.SPD Reduced Cool Fan Speed 60 to 100
OF.OV Outdoor Fan Override Off/On
HMZR Test Humidi-MiZer
RH1.A Reheat1 A Test Off/On
RH1.B Reheat1 B Test Off/On
RH1.C Reheat1 C Test Off/On
RH2.A Reheat2 A Test Off/On
RH2.B Reheat2 B Test Off/On
RH2.C Reheat2 C Test Off/On
F.SPD Reheat2 Fan Speed 65 to 100
CRC Cool>Reheat1 Valve Test Off/On
RHV.A Reheat2 Valve A Test Off/On
RHV.B Reheat2 Valve B,C Test Off/On
HEAT Test Heating
HT.1 Heat Stage 1 Test Off/On
HT.2 Heat Stage 2 Test Off/On
F.SPD Reduced Heat Fan Speed 65 to 100
48/50PG and PM

13
Heating Test
The heating (HEAT) submenu is used to change output status for
the individual heat stages, gas or electric. The fans (FANS) and
cooling (COOL) service test outputs are reset to OFF for the
heating service test. Indoor and outdoor fans are controlled
normally to maintain proper unit operation. If adaptive fan is
configured, then the indoor fan speed will default to the heating
configuration point (Configuration→A.FAN→FS.HT) when a
stage of heat is turned on. The Reduced Heat Fan Speed (F.SPD)
can only be changed while one stage is running. If more then one
stage is on the actual fan speed will be 100%. F.SPD shows the
reduced speed not actual speed. On single stage units actual fan
speed will be 100% when that stage is turned on. All normal
heating alarms and alerts are functional.
NOTE: Field terminal strip terminal R must be connected to W1
for the heat to operate in service test. Alert number T410 will occur
as a reminder if not done. If the normal unit control mode is
thermostat mode, then remove the R−W1 jumper after completing
service test.
THIRD PARTY CONTROL
Third party controls may interface with the unit ComfortLink
controls through the connections described below. See other
sections of these instructions for more information on the related
unit control and configurations.
Cooling/Heating Control
The thermostat inputs are provided on the field connection terminal
board. The Unit Control Type configuration,
Configuration→UNIT→U.CTL, must be 2 to recognize the
below inputs. Terminal R is the 24vac source for the following:
Y1 = First stage cooling
Y2 = Second stage cooling
W1 = First stage heating
W2 = Second stage heating
G = Indoor fan
Dehumidification Control
On Humidi−MiZer units terminals Humidistat 1 and 2 are
provided on the field connection terminal board. Humidity Switch
configuration, Configuration→UNIT→RH.SW, identifies the
normally open or normally closed status of this input at LOW
humidity. The Humidistat 1 terminal is the input signal and R can
be used as the source.
NOTE: Dehumidification is considered a cooling function in the
software and is only available on Humidi-MiZer equipped units.
Remote Occupancy
The remote occupancy input is provided on the field connection
terminal board (TB1). The Remote Occupancy Switch
configuration, Configuration→UNIT→RM.SW, identifies the
normally open or normally closed status of this input when
unoccupied.
5 = 24 VAC signal input
6 = 24 VAC source for dry contact
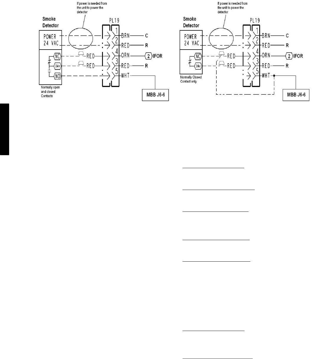
Fire Shutdown
The fire shutdown input is provided for unit shutdown in response
to a fire alarm or smoke detector. The Fire Shutdown Switch
configuration, Configuration→UNIT→FS.SW, identifies the
normally open or normally closed status of this input when there is
no fire alarm.
For 48/50 units without Humidi-MiZer system, input at field
connection terminal board (TB1)
Fire Shutdown 1 = 24 VAC source for dry contact
Fire Shutdown 2 = 24 VAC signal input
For 50 series units with Humidi-MiZer system, input at wire
harness plug 19 (PL 19). (See Fig. 7.)
PL 19-3 = 24 VAC source for dry contact
PL 19-5 = 24 VAC signal input
For 48 series units with Humidi-MiZer system, input at wire
harness plug 19 (PL 19). (See Fig. 8.)
PL 19-3 = 24 VAC source for dry contact
PL 19-5 = 24 VAC signal for Fire Shutdown
PL 19-4 = 24 VAC power for indoor fan contactor control
circuit
NOTE: If the indoor fan must be shut down without any delay
upon Fire Shutdown input, then the factory jumper between
PL19-3 and PL19-4 must be replaced with a normally closed
contact when there is no alarm (open with alarm).
The plug PL19 is located in the return air section on
48/50PG03−14 size units and under the control box on and
48/50PM16−28 units.
Alarm Output
The alarm output is provided on the field connection terminal
board (TB1) to indicate a current alarm status. The output will be
24VAC if a current alarm exists.
C = 24 VAC common
X = 24 VAC signal output
C08580
Fig. 7 − 50PG/PM Humidi−MiZert − Third Party Smoke
Detector Wiring
48/50PG and PM

14
FS.SW = 1 (NO) FS.SW = 2 (NC)
C09346
Fig. 8 − 48PG/PM Humidi−MiZert − Third Party Smoke Detector Wiring
Economizer Monitoring
On field terminal board (TB1), terminals 8, 9, and 10 can be used
to monitor economizer position from a third party control system.
See economizer operation section for additional information.
NOTE: Terminal 8 will not represent economizer position if the
unit is equipped with Adaptive Fan.
In digital mode (E.CTL = 1 or 2), the economizer commanded
position can be read as a 2−10v or 4−20mA signal. TB1−8 and
TB1−9 are used as follows:
To read a 2−10v signal, disconnect the violet wire on
TB1−J10−8 and place volt meter device across TB1−8 and
TB1−9.
To read a 4−20mA signal, disconnect the violet wire on
TB1−J10−8 and the 500Ω resister at TB1−J10−6. Place amp
meter device between TB1−8 and TB1−9.
In analog mode (E.CTL = 3), the economizer position can be read
as a 2−10v feedback signal across TB1−10 and TB1−9 at any time.
NOTE: The violet wire and 500Ω resister must be connected at
the J10 connector as originally wired to operate the economizer in
analog mode.
Economizer Damper Control
For units with the economizer option or accessory and the ECB
control board, the damper position can be directly controlled
through the IAQ sensor input provided on the field connection
terminal board. The IAQ Analog Input configuration,
Configuration→AIR.Q→IA.CF will have to set to 3 (Control
Minimum Position). When IA.CF = 3, an external 4 to 20 mA
source is used to move the damper 0% to 100% directly.
Terminal 2 = 4−20mA + signal
Terminal 3 = 4−20mA − common
NOTE: In this mode, preset minimum positions configurations are
not valid, the damper position may exceed the input position to
provide economizer cooling and CO2 sensor input can not be used
for DCV control. Refer to the Indoor Air Quality operation section
for more information.
CONTROLS OPERATION
Display Configuration
The Configuration→DISP submenu is used to configure the local
display settings.
Metric Display (METR)
This variable is used to change the display from English units to
Metric units.
Language Selection (LANG)
This variable is used to change the language of the ComfortLink
display. At this time, only English is available.
Password Enable (PROT)
This variable enables or disables the use of a password. The
password is used to restrict use of the control to change
configurations.
Service Password (PSWD)
This variable is the 4-digit numeric password that is required if
enabled.
Test Display LEDs (TEST)
This is used to test the operation of the ComfortLink display.
Unit Configuration
Many configurations that indicate what factory options and/or field
accessories are installed and other common operation variables are
included in Unit Configuration (Configuration→UNIT). These
configurations will be set in the factory for the factory−installed
options (FIOPs). Field−installed accessories installed will require
configuration changes. General unit and fan control configurations
are also covered under this Unit Configuration menu.
Start−Up Delay (S.DLY)
This configuration sets the control start-up delay after the power is
interrupted. This can be used to stagger the start-up of multiple
units.
Unit Control Type (U.CTL)
This configuration defines if temperature control is based on
thermostat inputs or space temperature sensor input.
U.CTL = 2 (Thermostat) – The unit determines cooling and
heating demand by the state of G, Y1, Y2, W1, and W2 inputs
from a space thermostat. This value is the factory default.
U.CTL = 3 (Space Sensor) – The unit determines cooling and
heating demand based on the space temperature and the
appropriate set point. Used also as Linkage configuration. The
jumper wire in the installer’s packet must be connected between
R and W1 on the low voltage terminal board (TB) for heating
mode to operate.
48/50PG and PM

15
Thermostat Control Type (T.CTL)
This configuration applies only if Unit Control Type is Thermostat
(Configuration→Unit→U.CTL = 2). The value determines
alternative cooling and Humidi-MiZer circuit staging. See the
Cooling and Humidi-MiZer sections for more information. The
factory default value is T.CTL = 0 (Adaptive).
Fan On When Occupied (OC.FN)
This configuration applies only if Unit Control Type is Space
Sensor (Configuration →Unit→U.CTL = 3). A YES value will
operate the indoor fan whenever the unit is in the Occupied mode.
A NO value will operate the indoor fan only when heating or
cooling is necessary. The factory default value is YES.
Shut Down on IDF Failure (IDF.F)
This configuration applies only if a fan switch is installed and
configured. A YES value will enable diagnostic Alert T409 to shut
down the unit when incorrect fan status is sensed. A NO value will
still permit Alert T409 but will not cause unit shutdown. The
factory default value is YES.
Fan Status Switch (FN.SW)
This configuration identifies if a fan status switch is installed, and
what status (normally open, normally closed) the input is when the
indoor fan is OFF.
Filter Status Switch (FL.SW)
This configuration identifies if a filter status switch is installed, and
what status (normally open, normally closed) the input is when the
filter is CLEAN.
Fire Shutdown Switch (FS.SW)
This configuration identifies if a fire shutdown switch is installed,
and what status (normally open, normally closed) the input is when
the fire or smoke alarm is OFF (no alarm).
Remote Occupancy Switch (RM.SW)
This configuration identifies if a remote occupancy switch is
installed, and what status (normally open, normally closed) the
input is when UNOCCUPIED.
SAT Settling Time (SAT.T)
This configuration sets the settling time of the supply air
temperature (SAT). This tells the control how long to wait after a
stage change before trusting the SAT reading. See Adaptive
Thermostat Control (U.CTL = 2, T.CTL = 0) and Space Sensor
Control (U.CTL = 3) within the Cooling operation section for
more information. The factory default value is 240 seconds.
RAT Sensor On SPTO Input (RAT.S)
This configuration identifies if a return air temperature (RAT)
sensor is installed on the space temperature offset (SPTO) input. A
YES value enables RAT display. A NO value disables RAT
display. Installing an RAT sensor will allow economizer differential
dry bulb control. Refer to the economizer operation for more
information.
RH Sensor On OAQ Input (RH.S)
This configuration identifies if a space relative humidity sensor is
installed on the outdoor air quality (OAQ) input. A YES value
enables SP.RH display. If a Humdi-MiZer unit, then the unit
determines dehumidification demand based on this input and the
appropriate set point. A NO value disables SP.RH display and use.
Space Humidity Switch (RH.SW)
This configuration identifies if a space relative humidity switch is
installed on the ENTHALPY input, and what status (normally
open, normally closed) the input is when the space humidity is
LOW.
Temperature Compensated Start Cooling Factor
(TCS.C)
This factor is used in the equation of the Temperature
Compensated Start Time Bias for cooling. A setting of 0 minutes
indicates Temperature Compensated Start in Cooling is not
permitted.
Temperature Compensated Start Heating Factor
(TCS.H)
This factor is used in the equation of the Temperature
Compensated Start Time Bias for heating. A setting of 0 minutes
indicates Temperature Compensated Start in Heating is not
permitted.
Modes
The ComfortLink controls operate under a hierarchy of
command structure as defined by four main elements: the System
Mode, the HVAC Mode, the Occupied status, and the Unit Control
Type.
The System Mode is the top level that defines three main states of
the control system: Disabled, Enabled, or Test.
The HVAC Mode is the next level that defines four main states of
functional operation: Disabled, Fan Only, Cool, and Heat.
The Occupied status affects set points for cooling and heating in
Space Sensor control mode and operation of the economizer for
indoor air quality ventilation and free cooling.
The Unit Control Type (Configuration→UNIT→U.CTL) defines
if temperature control is based on thermostat inputs or space
temperature sensor input.
The general operating mode of the control and the status of some
related operation lockouts are located on the display at two
locations: Run Status→ MODE and Operating Modes→ MODE.
System Mode (SYS)
In Run Status and Operating Modes, the current system mode is
displayed with expandable text. This is an overall state of the unit.
Three states are: Unit Operation Disabled, Unit Operation Enabled,
or Service Test Enabled.
HVAC Mode (HVAC)
In Run Status and Operating Modes, the current allowed HVAC
mode is displayed with expandable text. This is the mode the unit
decides to run in based on its inputs. There are four main HVAC
modes; cooling has six different expanded texts. These modes are
shown below.
HVAC
Mode
Expanded Text Brief Description
Disabled HVAC Operation
Disabled
Unit is in test mode or System mode
is disabled
Fan Only Ventilation (fan-
only)
Fan may run for ventilation
Cooling Cooling Mechanical cooling
Free Cooling Only economizer used for cooling
Unoccupied Free
Cooling
Only economizer use for cooling
(occupied cooling set point active)
Reheat1 All running circuits in sub-cooling
mode
Reheat2 All running circuits in Hot Gas Reheat
mode
Reheat1/Reheat2 Sub-cooling and Hot Gas Reheat
active
Heating Heating Heating mode
48/50PG and PM

16
HVAC Operation Disabled (HV.DN)
Allow disabling of HVAC mode. This is only available on a
network connection and shows if the unit has been forced into the
disabled status.
Cool Setpoint In Effect (EFF.C)
This shows the actual setpoint that is being used for control during
cooling mode. If a 0 is displayed, then space sensor control is not
being used and the unit is being controlled by a thermostat.
Heat Setpoint In Effect (EFF.H)
This shows the actual setpoint that is being used for control during
heating mode. If a 0 is displayed, then space sensor control is not
being used and the unit is being controlled by a thermostat.
Currently Occupied (OCC)
Displays the current state of assumed space occupancy based on
unit configuration and inputs.
Timed Override in Effect (T.OVR)
Displays if the state of occupancy is currently occupied due to an
override.
Linkage Active (LINK)
Displays if a linkage communication “Linkage” is established
between the unit and a linkage source.
Demand Limit in Effect (D.LMT)
Displays if a demand limit has been placed on the unit’s capacity.
Compressor OAT Lockout (C.LOC)
Displays if operation of one or more compressors is prevented due
to outdoor temperature limit lockout.
Heat OAT Lockout (H.LOC)
Displays if heating operation is prevented due to outdoor
temperature limit lockout.
Econo Cool OAT Lockout (E.LOC)
Displays if economizer operation for cooling is prevented due to
outdoor temperature limit lockout.
General Operation
48/50PG and 48/50PM units can provide cooling,
dehumidification, heating, and ventilation operation. Each unit
will operate under one of two basic types of control: thermostat or
space temperature sensor. There are many inputs, configurations,
safety factors, and conditions that ultimately control the unit. Refer
to the specific operation sections for detail on a specific unit
operation.
When thermostat control is enabled (Configuration→UNIT
→U.CTL = 1), the unit will operate based on discrete input
commands (G, Y1, Y2, W1, and W2) and there is a one minute
time delay between modes and when re−entering a mode. The G
command calls for ventilation, the Y1 and Y2 commands call for
cooling, and the W1 and W2 commands call for heating.
Thermostat Control Type (Configuration→UNIT→T.CTL) affects
how cooling operates based on Y1 and Y2 commands and if
cooling/heating stage time guards are applied.
When space temperature sensor control is enabled (Configuration
→UNIT→U.CTL = 2), the unit will try to maintain the Space
Temperature (Temperatures→AIR.T→SPT) between the effective
cool and heat setpoints (Run Status→MODE→EFF.C and
EFF.H). However, to minimize unnecessary cool to heat and heat
to cool changes, there is a 10 minute delay after the last stage turns
off before the control will switch modes and a 1 minute delay when
re−entering the last mode. Linkage operation overrides the mode
changeover delay to 15 seconds. The cooling and heating Mode
Select Timeguard (Operating Modes→COOL→MS.TG and
Operating Modes→HEAT→MS.TG) show the remaining time
before allowing the respective mode to be entered.
Temperature Setpoint Determination
Setpoints are used to control the unit while under space
temperature sensor control. The Cool Setpoint in Effect (EFF.C)
and the Heat Setpoint in Effect (EFF.H) are the points in which the
unit is controlling to at a specific time. These points are read only
points and change according to occupancy, the offset slider status,
and network writes (Linkage or LON).
If the building is in occupied mode, the Occupied Cool Setpoint
(Setpoints→OCSP) and the Occupied Heat Setpoint (Setpoints
→OHSP) are active. When the building is in unoccupied mode,
the Unoccupied Cool Setpoint (Setpoints→UCSP) and the
Unoccupied Heat Setpoint (Setpoints→UHSP) are active. The
heating and cooling set points are also separated by a Heat−Cool
Set Point Gap (Setpoints→GAP) that is user configurable from 2
to 10 degrees F. This parameter will not allow the setpoints to be
set too close together, it will change the last setpoint adjusted if it is
set within the GAP.
When the space sensor has a setpoint slider adjustment, the cool
and heat setpoints (occupied) can be offset by sliding the bar from
one side to the other. The SPT Offset Range (+/−) (Setpoints
→STO.R) sets the total positive or negative degrees that can be
added to the setpoints. With the slider in the middle, no offset is
applied. Moving the slider to the “COOL” side will subtract from
each setpoint, and sliding it to the “WARM” side will add to the
setpoints. The slider offset being applied at any given time is
displayed as Space Temperature Offset (Temperatures→AIR.T
→SPTO).
48/50PG and PM

17
Occupancy Determination
The building’s occupancy is affected by a number of different
factors. When the unit is operating with a space temperature sensor
(T−55, T−56, T−58 or T−59), occupancy affects the unit set points
and the operation of the economizer. If the unit is operating under
thermostat control, occupancy only affects the operation of the
economizer. If the unit’s Humidi−MiZer is being controlled by a
relative humidity sensor, then occupancy will affect the RH
setpoints. The factors affecting occupancy are listed below from
highest to lowest priority.
Level 1 Priority
Level 1 classification is a force/write to occupancy and can occur three
ways. Listed in order of priority: force on OCCUPIED, a write to
NVI_OCC, and a Linkage write. The CCN point OCCUPIED is
forced via an external device such as a ComfortID controller or a
service tool. When OCCUPIED is forced to YES, the unit is
considered occupied, when OCCUPIED is forced to NO, the unit is
considered unoccupied. If the 3rd party protocol LON is writing to
NVI_OCC, the control maps it to OCCUPIED as an input. If the unit
is being controlled by Linkage, the occupancy is communicated and
mapped to OCCUPIED as an input. LON and Linkage do not force
the point, only write to it, therefore a force applied to OCCUPIED
will override them.
If OCCUPIED is not being forced or written to, proceed to the
level 2 priority.
Level 2 Priority
Remote Occupancy Switch should be configured to either
Normally Open or Normally Closed when the user would like to
control the occupancy with an external switch. This switch is
field−supplied (24v, single pole, single throw [SPST]). There are
three possible configurations for the remote occupancy switch:
1. (Configuration→UNIT→RM.SW = 0) No Switch
2. (Configuration→UNIT→RM.SW = 1) Normally Open
Switch
3. (Configuration→UNIT→RM.SW = 2) Normally Closed
Switch
If the switch is configured to No Switch (0), the switch input value
will be ignored and software will proceed to level 3 priority. For
each type of switch, the appropriate configuration and states are
listed in the table below. The Remote Occupancy Switch
(INPUTS→GEN.I→RM.OC) point will show the status of the
switch.
TYPE OF SWITCH SWITCH
CONFIGURATION
STATE OF SWITCH
AND STATE OF
OCCUPANCY
Occupied when Closed
or Unoccupied when
Open
Normal Open (1) Open and Unoccupied
Closed and Occupied
Occupied when Open or
Unoccupied when
Closed
Normal Closed (2) Open and Occupied
Closed and Unoccupied
NOTE: To perform remote occupancy, an Economizer Control
Board must be installed in the unit.
Level 3 Priority
The following occupancy options are determined by the state of
Occupancy Schedule Number (Configuration→CCN→SCH.O
→SCH.N) and the Global Schedule Broadcast (Configuration
→CCN→ BROD→B.GS).
1. (Configuration→CCN→SCH.O→SCH.N = 0)
The unit is always considered occupied and the
programmed schedule is ignored. This is the factory
default.
2. (Configuration→CCN→SCH.O→SCH.N = 1−64)
Follow the local programmed schedule. Schedules 1 to 64
are local within the controller. The unit can only store one
local schedule and therefore changing this number only
changes the title of the schedule table.
3. (Configuration→CCN→SCH.O→SCH.N = 65−99)
Follow the global programmed schedule. If the unit is
configured as a Global Schedule Broadcaster
(Configuration→CCN→BROD→B.GS = YES), the unit
will follow the unit’s programmed schedule and broadcast
the schedule so that other devices programmed to follow
this schedule number can receive the schedule. If the unit is
not programmed as a Global Schedule Broadcaster
(Configuration→CCN→BROD→B.GS = NO), the unit
will receive broadcasted schedules from a unit programmed
to broadcast this schedule number. While using the
programmed schedule, occupancy can be temporarily
switched from unoccupied to occupied by pressing the
override button for approximately 3 seconds on the T−55,
T−56, T−58 or T−59 space temperature sensor. Override
will only occur if SPT Override Enabled (Configuration
→CCN→SCH.O→OV.SP) is set to YES. The length of the
override period when pressing the override button is
determined by the Override Time Limit (Configuration
→CCN→SCH.O→OV.TL). The hours remaining in
override is displayed as Timed Override Hours
(Configuration→CCN→SCH.O→OV.EX). This point can
also be changed from the local display or network to set or
change the override period length.
Indoor Fan Operation
The indoor fan is controlled by the Indoor Fan Relay (Outputs
→FANS→IDF) on the MBB (main base board) control, which
then operates the indoor fan contactor (IFC). For gas heating units,
the IGC control fan output is also monitored by the MBB control.
This can result in additional modification of fan delays or other
operation due to safety functions of the IGC control. The
Humidi−MiZer gas heating units do not monitor the IGC fan
output; instead an indoor fan on relay (IFOR) is used to allow the
IGC to turn the fan on. If configured for IAQ fan operation, the
fan may be turned on to satisfy air quality demands. See the
Indoor Air Quality section if using IAQ (indoor air quality)
accessory sensors. The fan can only be turned on under thermostat
or space sensor control if the System Mode (SYS) status is enabled.
The fan will remain on if compressors or heat relays are ever stuck
on. If configured for fan status switch (FN.SW) and Shut Down
on IDF Failure (Configuration→UNIT→IDF.F = Yes) is enabled,
the fan and unit will be shutdown on alarm. See the Adaptive Fan
section for information on its operation.
Thermostat Control
In thermostat mode, the IDF relay will be on in the following
situations: fan request G in ON, cooling request Y1 or Y2 is ON,
or heating request W1 or W2 is ON. If G is dropped or never on
with an Y1, Y2, W1, or W2 call, the IDF relay will turn off after a
configurable time delay with respect to the HVAC mode that is
ending. The Fan−off Delay delays are as follows: Mech Cool
(Configuration→COOL→FOD.C), Elect Heat (Configuration
→HEAT→FOD.E), and Gas Heat (Configuration→HEAT
→FOD.G).
Space Sensor Control
In Space Sensor mode, the IDF relay will be on if the unit is in
Occupied mode and the indoor fan is configured to always run
while occupied (Configuration→UNIT→OC.FN = YES). If the
indoor fan is configured for intermittent fan (Configuration
→UNIT→OC.FN = No), the fan will only be on when there are
cooling, heating, or dehumidification stages running; or if there is
an air quality demand. During the unoccupied period, the fan will
operate intermittent. With intermittent fan, the IDF relay will turn
off after a configurable time delay with respect to the HVAC mode
that is ending. The Fan−off Delay delays are as follows: Mech
Cool (Configuration→COOL →FOD.C), Elect Heat
(Configuration→HEAT→FOD.E), and Gas Heat
(Configuration→HEAT→FOD.G).
48/50PG and PM

18
Cooling Operation
The 48/50PG and 48/50PM unit’s cooling operation consists of:
demand, mode determination, staging request to satisfy the
demand, and handling a request with the unit’s resources. These
resources can include compressors, an economizer, and a reheat
coil. This section covers mechanical cooling. For economizer and
reheat cooling, refer to the Economizer and Humidi−mizer
sections, respectively. The unit enters a cooling mode based on a
demand, decides how to satisfy the demand, executes its plan, and
then leaves the cooling mode.
Cooling Mode Control
The cooling HVAC mode (Run Status→MODE→HVAC=3) has
six different expandable texts: Cooling, Free Cooling, Unoccupied
Free Cooling, Reheat1, Reheat2, or Reheat1/Reheat2. These are all
part of a general cooling mode and resemble the specific type of
cooling that is being performed at any given time. All types of
cooling are still performed under the general cooling function, and
the expanded text is for user reference only. The control will
display if it is ok to select the cooling mode (Operating Modes
→COOL→OK.CL= Yes).
Thermostat Control
For the unit to enter cooling mode, three things must be true: the
indoor fan must be ok to use, the mode changeover time guard
must be expired, and there must be a cooling demand (Y1, Y2, or
reheat demand). The unit will remain in cooling until the cooling
demand is dropped or if any of the above conditions turn false. If
only a reheat demand exists and a heat demand (W1, W2) occurs,
the unit will end cooling. The cooling mode can not officially end
until all compressors are off.
Space Sensor Control
For the unit to enter cooling mode, four things must be true: the
indoor fan must be ok to use, the mode changeover time guard
must be expired, the unit must have a valid space temperature, and
there must be a cooling or reheat demand. The unit will remain in
cooling for at least one minute and until the cooling demand drops
below −0.5F or if any of the above conditions turn false. If only a
reheat demand exists and the heat demand becomes greater than the
Reheat Heat Setpoint Deadband (Setpoints→RH.HB), the unit will
end cooling. The cooling mode can not officially end until all
compressors are off.
Staging Control
Once the unit is in a cooling mode, it must decide what the demand
is and how to satisfy it. If an economizer is installed and can be
used for cooling (Operating Modes→COOL→OK.EC= Yes), the
unit will use it first (see economizer section for its operation). If
the economizer can not be used or additional cooling is needed, a
mechanical cooling check is performed. OK to use Compressors?
(Operating Modes→COOL→OK.MC), will be set to yes when
compressors are enabled and not locked out. Based on the unit
control configuration, requested cooling stages (Run Status
→COOL→REQ.C) will be determined then passed to compressor
control to actually add the cooling stages.
Thermostat Control
There are two ways of requesting stages when thermostat control is
enabled, Traditional Thermostat control or Adaptive control.
Traditional Thermostat control is used if the Thermostat Control
Type (T.CTL) is set to 1, 2, or 3 and the economizer is not
available for free cooling. If Thermostat Control (T.CTL) is set to
0 or any time the economizer is available for free cooling, the unit
will use Adaptive control for staging.
T.CTL = 0 (Adaptive Control)
Stage timers, Supply air trend, and supply air temperature limits
apply when determining the request for stages. The first request
(REQ.C=1) comes immediately when the Y1 input is active. The
Cool Stage Increase Time (Configuration→COOL→C.INC) or
the Cool Stage Decrease Time (Configuration→COOL→C.DEC)
has to expire before another stage can be added or a stage can be
subtracted. The Supply−Air Trend (Operating
Modes→COOL→SA.TR) decides if the next stage can be
requested or should be subtracted based on the Y2 input status.
For 48/50PG16 units, the supply air trend will allow up to 2
requested stages for just the Y1 input and allow up to 3 requested
stages for an Y1 and Y2 input. If the Y1 and Y2 inputs are
dropped, the supply air trend is not considered because cooling is
no longer needed. If at any time the Supply−Air Temperature
(SAT) falls below the Minimum Supply Air Temperature Upper
Level (Configuration→COOL→SAT→SAT.U), the requested
stages will not be allowed to increase. If at any time the SAT falls
below the Minimum Supply Air Temperature Lower Level
(Configuration→COOL→SAT→SAT.L), the requested stages will
be reduced by one without honoring C.DEC. If SAT.L and SAT.U
are configured so that they are close together, the last stage of
compressor might cycle rapidly, slowed only by its minimum on
and off−time requirements.
T.CTL = 1 (1 Stage Y1)
Stage timers, Supply air trend, and supply air temperature limits do
not apply when determining the request for stages. Request staging
will follow the thermostat inputs directly. Y1 will request one
stage. Y2 will request all stages.
T.CTL = 2 (2 Stage Y1)
Stage timers, Supply air trend, and supply air temperature limits do
not apply when determining the request for stages. Request staging
will follow the thermostat inputs directly. Y1 will request two
stages on 48/50PG16 units and one stage for all other units. Y2
will request all stages.
T.CTL = 3 (Digital)
Stage timers, Supply air trend, and supply air temperature limits do
not apply when determining the request for stages. Request staging
will follow the thermostat inputs directly. Y1 will request one
stage. Y2 will request two stages. Y1 and Y2 will request three
stages on 48/50PG16 units and two stages for all other nits.
48/50PG and PM

19
Space Sensor Control
Space sensor staging control is an adaptive anticipation control that
weighs the actual space demand against the trend of that demand
and the trend of the supply air. It also honors stage time guards
and supply air limits. The demand for cooling in the space is
displayed as the Cooling Demand (Run Status→COOL
→DMD.C). The control tries to anticipate the change in the space
because of its current stage status. This anticipation is based on the
Supply−Air Trend (Operating Modes→COOL→SA.TR) and the
Cool Demand Trend (Operating Modes→COOL→TRD.C).
These trends will show the control how the space is reacting to the
current running conditions and help it decide when to add or
remove one stage from the requested stages. The Cool Stage
Increase Time (Configuration→COOL→C.INC) or the Cool
Stage Decrease Time (Configuration→COOL→C.DEC) has to
expire before another stage can be added or a stage can be
subtracted. If at any time the Supply−Air Temperature (SAT) falls
below the Minimum Supply Air Temperature Upper Level
(Configuration→COOL→SAT→SAT.U), the requested stages
will not be allowed to increase. If at any time the SAT falls below
the Minimum Supply Air Temperature Lower Level
(Configuration→COOL→SAT→SAT.L), the requested stages will
be reduced by one without honoring C.DEC. If SAT.L and SAT.U
are configured so that they are close together, the last stage of
compressor might cycle rapidly, slowed only by its minimum on
and off−time requirements.
Compressor Control
The compressor control works hand and hand with the staging
control. As the staging control requests stages, the compressor
control determines what actual compressors are available or
running and tries to provide stages for what is requested. The
availability of a compressor depends on time guards, circuit
diagnostics, outdoor temperature, and the unit size.
The Number of Circuits (Configuration→COOL→N.CIR)
configuration tells the control how many compressors are installed
on the unit. The Circuit A Lockout Temp
(Configuration→COOL→CIR.A →CA.LO), Circuit B Lockout
Temp (Configuration→COOL →CIR.B→CB.LO), and Circuit C
Lockout Temp (Configuration →COOL→CIR.C→CC.LO)
configurations set the outdoor temperature in which the respective
compressor is allowed to run down to. Timeguard A (Run
Status→COOL→CIR.A→TG.A), Timeguard B (Run
Status→COOL→CIR.B→TG.B), and Timeguard C (Run
Status→COOL→CIR.C→TG.C) display the time a respective
compressor has before it is available for use. Individual circuit
diagnostic tests are performed during operation which may or may
not allow a compressor to be used. The configuration point
Compressors On Circuit A (Configuration →COOL→N.A)
informs the control to run diagnostics on one or two compressors
for circuit A. The available stages at any given time are displayed
as Available Compressors (Run Status→COOL →AVL.C). The
actual compressors running at any given time are displayed as
Actual Cooling Stages (Operating Modes→COOL →ACT.C).
Compressor A (Run Status→COOL→CIR.A →CMP.A),
Compressor B (Run Status→COOL→CIR.B →CMP.B), and
Compressor C (Run Status→COOL→CIR.C →CMP.C) are
displayed on when the respective compressor is running.
There are time guards to protect the compressors. Compressor Min
On Time (Configuration→COOL→MRT.C) and Compressor Min
Off Time (Configuration→COOL→MOT.C) apply before a
compressor can be turned back on or turned off.
Outdoor Fan Control
Each unit has a means for variable outdoor airflow to control
condenser pressure control within an acceptable range by
responding to varied operating modes and ambient temperatures.
This is implemented differently on different units using
multi−speed motors, multiple outdoor fans, or variable−speed
motor controllers.
NOTE: Factory default configurations account for these model
differences and should not be changed. The default configurations
have been qualified over a large range of conditions and are
provided in case a field replacement of a control board occurs and
the settings need to be checked or manually configured. Outdoor
fan operation is further described below to assist in
troubleshooting.
The outdoor fans are controlled by levels. There are 4 levels of
operation (0−3) and the current operating level is shown as
Outdoor Fan Level (Operating Modes→COOL→F.LEV). The
fan level selected during operation is based on factory
configurations of outdoor temperature limits and condenser
pressure limits. These are in the Outdoor Fan Control submenu
(Configuration→COOL→OFC) and shown in Table 5. The
starting level is picked after a compressor is turned on and is based
on the Outdoor Air Temperature (Temperatures→AIR.T→OAT).
A circuit’s Saturated Condensing Temperature (Temperatures
→REF.T→SCT.x) can override the fan level at any time if the
specific Fan Level Max Pressure (Configuration→COOL→OFC
→x.MXP) is exceeded. This override will end if the circuit’s
saturated condensing temperature (SCT) drops below the specific
Fan Level Min Pressure (Configuration→COOL→OFC
→x.MNP). The number of fans and contactors on at a given fan
level depends on the specific unit options and size. See Tables 6
and 7 and below text for specific fan and contactor status at any
given fan level.
Units Without Humidi−MiZert System
Outdoor Fan Motors (OFM) are controlled by Outdoor Fan
Contactors (OFC) which are controlled by the main base board
(MBB).
For 48/50PG03−07 units, a duel speed motor is used. The
Compressor Contactor (C.A1) turns the OFM on in high speed and
the OFC1 is used to change to low speed.
For 48/50PG08−14 units, OFM1 is controlled by OFC1 and
OFM2 is controlled by OFC2.
For 48/50PG16 units, OFM1 is controlled by OFC1 and OFM1
and 2 are controlled by OFC2.
For 48/50PG20−28 and 48/50PM16−28 units, OFM1 is controlled
by OFC1, OFM4 is controlled by OFC3, and OFC2 controls the
remaining two fans (16 and 20 size) or remaining 4 fans (24 and 28
sizes).
Units With Humidi−MiZer System
Outdoor fan control for Humidi−MiZer units includes a
Motormaster variable−speed control of some or all outdoor fans,
depending on unit size. The Motormaster control automatically
adjusts the outdoor fan speed to maintain approximately 80 to
100F condenser temperature for circuit A at all outdoor ambient
temperatures. Some unit sizes have additional on/off staging of
some outdoor fans. The fan level operation is determined by some
or all Outdoor Fan Control configurations described above, plus
additional Humidi−MiZer Configuration (Configuration
→HZMR). Refer to the Humidi−MiZer operation section for
details on the Reheat function fan control.
48/50PG and PM

20
For 48/50PG03−07 units, one outdoor fan is controlled in all
modes by the Motormaster sensing on circuit A.
For 48/50PG08−14 units, 2 outdoor fans are controlled in all
modes by the Motormaster sensing on circuit A.
For 48/50PG16 units, 3 outdoor fans are controlled in normal
cooling and sub−cooling Reheat1 modes by the Motormaster
sensing circuit A. Two of the fans are additionally controlled with
OFC.1 output, based on outdoor temperature, during the hot−gas
Reheat2 mode (level 1 = 1 fan, level 2 = 3 fans).
For 48/50PG20−28 and 48/50PM16−28 units, contactor OFC1
controls power to the Motormaster which controls OFM1 and
OFM4. Contactor OFC2 controls the remaining two fans (16 and
20 size) or remaining 4 fans (24 and 28 sizes).
Table 5 – Outdoor Fan Level Transitions
FAN LEVEL OUTDOOR TEMPERATURE (F)
Without Humidi-MiZer™ System With Humidi-MiZer System
Level 2 On 55 (sizes 03-20), 45 (sizes 24-28) 61 (PG03-16, sizes 24-28), 68 (size 20, PM16)
Level 2 Off 45 (PG03-16), 50 (size 20, PM16), 40 (sizes 24-28) 57
Level 3 On 65 68 (PG03-16, size 24-28), 88 (size 20, PM16)
Level 3 Off 55 62 (PG03-16, size 24-28), 78 (size 20, PM16)
NOTE: Where not specified, the models are both PG and PM. Levels 0 and 1 are only in play if the OAT is lower than the Level 2 On temperature and the
pressure is not above its respected max.
Table 6 – 48/50PG03−16 Fan Level Control of Fans and Contactors
FAN LEVEL 48/50PG03-07 48/50PG08-14 48/50PG16
Standard Unit Humidi-MiZer Unit Standard Unit Humidi-MiZer Unit Standard Unit Humidi-Mizer Unit
0 OFF OFF OFF OFF OFF OFF
1OFC1 On
Low Speed
Motormaster
Fan 1
OFC1 On,
OFC2 Off
Fan 1 On
Motormaster
Fan 1 and Fan 2
OFC1 On,
OFC2 Off
Fan 1 On
Motormaster, OFC1
Off
Fan 2
2OFC1 Off
High Speed N/A
OFC1 On,
OFC2 On
Fan 1 and 2 On
N/A
OFC1 On,
OFC2 On
Fan 1, 2, 3 On
Motormaster, OFC1
On
Fan 1, 2, 3
3 N/A N/A N/A N/A N/A N/A
Table 7 – 48/50PG20−28 and PM16−28 Fan Level Control of Outdoor Fan contactors (OFC(X))
FAN LEVEL With Humidi-MiZer System With Humidi-MiZer System
Circuit A Circuit B Circuit A and B
0 - - -
11
1, 3 (PG28) 3 1
21,2 (20, PM16)
2 (24-28)
2, 3 (20, PM16)
2 (24-28)
1, 2 (20, PM16)
2 (24-28)
31,2
1, 2, 3 (PG28) 2, 3 1, 2
48/50PG and PM

21
Heating Operation
The 48/50PG and 48/50PM unit’s heating operation consists of:
demand, mode determination, staging request to satisfy the
demand, and handling a request with the unit’s resources. These
resources can be gas heat or electric heat. This section covers both
gas heat units and electric heat units. The Type of Heat Installed
(Configuration→HEAT→HT.TY) configuration will be factory
set to 1 for gas units, 2 for electric heat units with heaters installed,
and 0 for electric heat units without heat installed. The unit enters
a heating mode based on a demand, decides how to satisfy the
demand, executes its plan, and then leaves the heating mode.
Heating Mode Control
The heating HVAC mode (Run Status→MODE→HVAC=4),
represents both types of heating (gas or electric) under all types of
control. For the unit to be allowed to enter the heat mode, heat
must be enabled (HT.TY = 1 or 2), and the Outdoor Air
Temperature (Temperatures→AIR.T→OAT) must be less than the
Heating Lockout Temp (Configuration→HEAT→HT.LO). Heat
OAT Lockout (Run Status→MODE→H.LOC) displays when
heat is locked out on outdoor temperature and therefore can not
allow heat mode. The control will display if it is ok to select the
heating mode (Operating Modes→HEAT →OK.HT= Yes).
Thermostat Control
For the unit to enter heating mode, three additional things must be
true: the indoor fan must be ok to use, the mode changeover time
guard must be expired, and there must be a heating demand (W1,
W2). The unit will remain in heating until the heating demand is
dropped or if any of the above conditions turn false. The heating
mode can not officially end until all heat stages are off and the IGC
fan request is dropped (on gas units without Humidi−MiZer).
Space Sensor Control
For the unit to enter heating mode, five additional things must be
true: the indoor fan must be ok to use, the mode changeover time
guard must be expired, the unit must have a valid space
temperature, the W1 jumper must be installed, and there must be a
heating demand. The unit will remain in heating for at least one
minute and until the heat demand drops below −0.5F or if any of
the above conditions turn false. The heating mode can not
officially end until all heat stages are off and the IGC fan request is
dropped (on gas units without Humidi−MiZer).
Supply−Air Temperature Sensor (SAT)
The SAT Heat Mode Sensing (Configuration
→HEAT→SAT→SAT.H) informs the unit if the supply air sensor
has been relocated downstream of the heat section. This
configuration affects the Supply Air Temperature (Temperatures
→AIR.T→SAT) value displayed as listed below.
When SAT.H = DSBL, the Supply Air Temperature (Temperatures
→AIR.T→SAT) value on the Scrolling Marquee and the CCN
tables will be forced to zero when heat outputs turn ON or OFF
and for 5 minutes after. The default Supply Air Temperature
location is at the fan inlet, upstream of the heat section.
When SAT.H = ENBL, the Supply Air Temperature (Temperatures
→AIR.T→SAT) sensor reading is displayed at the Scrolling
Marquee and the CCN tables during heating mode. This setting
should only be used if the original SAT sensor wires are removed
from the Main Base Board (MBB) and replaced by an accessory
SAT sensor located in the supply duct downstream of the
heat section.
There are two supply air temperature limits that affect heating
operation, the Maximum SAT Lower Level (Configuration
→HEAT→SAT→SAM.L) the Maximum SAT Upper Level
(Configuration→HEAT→SAT→SAM.U). Any time the supply
air temperature rises above SAM.L the heat staging will be limited
to what is currently on and no additional stages can be added until
the supply air temperature falls back below SAM.L. If the supply
air temperature rises above SAM.U, then heating will be reduced
by removing a heat stage. That stage can not be added again until
the Supply Air Temperature falls below SAM.L. If the supply air
temperature stays above SAM.U, then another stage will be
removed after the Heat Stage Decrease Time (Configuration
→HEAT→H.DEC). If SAM.L and SAM.U are configured so that
they are close together, the last stage of heat might cycle rapidly,
slowed only by its minimum on and off−time requirements.
Staging Control
Once the unit is in a heating mode, it must decide what the demand
is and how to satisfy. Based on the unit control configuration,
requested heating stages (Run Status→HEAT→REQ.H) will be
determined then passed to heat control to actually add the heating
stages.
Thermostat Control
There are two ways of requesting stages when thermostat control is
enabled: Traditional Thermostat control or Adaptive control.
Traditional Thermostat control is used if the Thermostat Control
Type (T.CTL) is set to 1, 2, or 3. Adaptive control is used if
Thermostat Control (T.CTL) is set for 0.
T.CTL = 0 (Adaptive Control)
Stage timers and supply air temperature limits apply when
determining the request for stages. The first request (REQ.C=1)
comes immediately when the W1 input is active. The Heat Stage
Increase Time (Configuration→HEAT→H.INC) or the Heat
Stage Decrease Time (Configuration→HEAT→H.DEC) has to
expire before another stage can be added or a stage can be
subtracted. If at any time the Supply−Air Temperature (SAT) rises
above the Maximum Supply Air Temperature Lower Level
(Configuration→HEAT→SAT→SAM.L), the requested stages
will not be allowed to increase. If at any time the SAT rises above
the Maximum Supply Air Temperature Upper Level
(Configuration→HEAT→SAT→SAM.U), the requested stages
will be reduced by one without honoring H.DEC.
T.CTL = 1, 2 or 3 (Traditional thermostat control)
Stage timers and supply air temperature limits do not apply when
determining the request for stages. Request staging will follow the
thermostat inputs directly. W1 will request one stage. W2 will
request all stages.
48/50PG and PM

22
Space Sensor Control
Space sensor staging control is an adaptive anticipation control that
weighs the actual space demand against the trend of that demand.
It also honors stage time guards and supply air limits. The demand
for heating in the space is displayed as the Heating Demand (Run
Status→HEAT→DMD.H). The control tries to anticipate the
change in the space because of its current stage status. This
anticipation is based on the Heat Demand Trend (Operating Modes
→HEAT→TRD.H). This trend will show the control how the
space is reacting to the current running conditions and help it
decide when to add or remove one stage from the requested stages.
The Heat Stage Increase Time (Configuration→HEAT→H.INC)
or the Heat Stage Decrease Time (Configuration→HEAT
→H.DEC) has to expire before another stage can be added or a
stage can be subtracted. If at any time the Supply−Air Temperature
(SAT) rises above the Maximum Supply Air Temperature Lower
Level (Configuration→HEAT→SAT→SAM.L), the requested
stages will not be allowed to increase. If at any time the SAT rises
above the Maximum Supply Air Temperature Upper Level
(Configuration→HEAT→SAT→SAM.U), the requested stages
will be reduced by one without honoring H.DEC.
Heat Relay Control
The heat relay control is responsible for energizing or
de−energizing the MBB’s heat stage relays and works hand in hand
with the staging control. As the staging control requests stages, the
heat relay control determines what actual heat relays are available
or energized and tries to provide stages for what is requested. The
availability of a heat relays depends on heat being installed, how
many stages, and time guards. The type of Heat Installed
(Configuration→HEAT→HT.TY) must be set for gas or electric
for any stages to be available. The Number of Heat Stages
(Configuration→HEAT→N.HTR) configuration tells the control
how many heat relays can be used. Heat Stage 1Timeguard (Run
Status→HEAT→TG.H1) and Heat Stage 2 Timeguard (Run
Status→HEAT→TG.H2) display the time a respective heat relay
has before it is available for use. The available stages at any given
time are displayed as Available Heating Stages (Run Status
→HEAT→AVL.H). The actual heat relays on at any given time
are displayed as Actual Heating Stages (Operating Modes→HEAT
→ACT.H). Heat Stage 1 Relay (Run Status→HEAT→HT.1) and
Heat Stage 2 Relay (Run Status→HEAT→HT.2) are displayed on
when the respective relay is energized. There are time guards to
protect from short cycling, Heat Minimum On Time
(Configuration→HEAT→MRT.H) and Heat Minimum Off Time
(Configuration→HEAT→MOT.H) apply before a heat relay can
be turned back on or turned off.
Integrated Gas Controller (IGC)
The heat staging is determined as described above and the
Integrated Gas Controller (IGC) initiates the gas heat module
start−up. The Integrated Gas Controller (IGC) minimum on−time
of 1 minute will be followed even if Heat Minimum On Time
(Configuration→HEAT→MRT.H) is lower and during Service
Test. If the IGC temperature limit switch opens within 10 minutes
of the end of the gas heat cycle, the next fan off delay will be
extended by 15 seconds. The maximum delay is 3 minutes. Once
modified by the IGC, the fan off delay will not change back to the
configured Fan−off Delay, Gas Heat (Configuration→HEAT
→FOD.G) unless power is reset to the control. A light emitting
diode (LED) is provided on the IGC to indicate status. During
normal operation the LED is continuously on. See the
Troubleshooting section if the LED is off or flashing. The IGC is
located behind the gas section access panel door.
When the control energizes Heat Stage 1 Relay (Run Status
→HEAT→HT.1), power is sent to the W terminal on the IGC
board. A check is made to ensure that the rollout switch and limit
switch are closed. The induced−draft motor is then energized, and
when speed is proven with the Hall Effect sensor on the motor, the
ignition activation period begins. The burners will ignite within 5
seconds. If the burners do not light, there is a 22−second delay
before another 5−second attempt. If the burners still do not light,
this sequence is repeated for 15 minutes. After the 15 minutes have
elapsed, if the burners still have not lit, heating is locked out. The
control will reset when the request for heat is temporarily removed.
When ignition occurs, the IGC board will continue to monitor the
condition of the rollout switch, limit switches, the Hall Effect
sensor, as well as the flame sensor. If the unit is controlled through
a room thermostat or space sensor set for fan auto, 45 seconds after
ignition occurs the indoor−fan motor will be energized (and the
outdoor−air dampers will open to their minimum position). If for
some reason the over temperature limit opens prior to the start of
the indoor fan blower, on the next attempt, the 45−second delay
will be shortened to 5 seconds less than the time from initiation of
heat to when the limit tripped. Gas will not be interrupted to the
burners and heating will continue. Once modified, the fan on delay
will not change back to 45 seconds unless power is reset to the
control. When the control energizes Heat Stage 2 Relay (Run
Status→HEAT→HT.2), power is supplied to the second stage of
the main gas valve. If both stage 1 and stage 2 of the gas valve
close, gas will be turned off to the main burners.
48/50PG and PM

23
Economizer
If an economizer is installed, then Economizer Installed configuration
(Configuration→UNIT→EC.EN) should be set to YES. The
economizer is controlled by the economizer output signal
(Outputs→ECON→EC.CP) on the ECB control. If the indoor fan is
off or the building is unoccupied, the economizer position is zero. If in
Occupied mode and the unit is heating or cooling and the economizer
cannot provide free cooling, the economizer position is the configured
economizer minimum position (Configuration→ECON→EC.MN)
or the position specified by the IAQ algorithm. If in Unoccupied
mode, the position is 0% open.
The economizer will be allowed to help with cooling if the outdoor-air
temperature (Temperature→AIR.T→OAT) is less than the configured
economizer high temperature lockout (Setpoints→EH.LO) and
greater than the configured economizer low temperature lockout
(Setpoints→EL.LO). If an enthalpy sensor is installed, the outdoor
temperature must be below the economizer high temperature lockout
and the enthalpy (Inputs→GEN.I→ENTH) must be LOW. If a return
air temperature (RAT) sensor is installed and Diff Dry Bulb Control
(Configurations→ ECON → DF.DB = Enable) is enabled, the
outdoor air temperature must be lower than the return air temperature
in addition to the the lockouts and enthaply. For
cooling, the economizer position can vary between the configured
economizer minimum position (Configuration→ECON→EC.MN)
and the economizer maximum cooling position
(Configuration→ECON→EC.MX).
Thermostat Control
If the unit is in cooling, operating under thermostat control, Y1 = ON,
and the economizer is available for cooling, the economizer will
control the supply-air temperature to the low cool set point
(Setpoints→LCSP). When Y2 = ON, the economizer will control the
supply-air temperature to high cool set point (Setpoints→HCSP).
Space Sensor Control
If the unit is in cooling, operating under space temperature control,
the economizer is available for cooling, and no compressors are
operating, the economizer will control the SAT to either
Setpoints→LCSP or Setpoints→HCSP (See Table 8.) If a
compressor is ON, the economizer will try to position
itself at the economizer maximum cooling position
(Configuration→ECON→EC.MX).
If the control senses low suction pressure for any active refrigerant
circuit when the economizer is also providing cooling, the
maximum allowable economizer position will be reduced. Factory
default configurations have been qualified over a large range of
conditions and should only be changed with care. For unit
troubleshooting, factory default maximum economizer limits for
this condition are provided in Table 9.
Table 8 – LCSP and HCSP Transitions for
Space Temperature Mode
CURRENT SAT
SET POINT
COOL DEMAND
(∆F)
NEXT SAT
SET POINT
LCSP >0.5 HCSP
HCSP <0 LCSP
LCSP <–0.5 Exit Cooling
LEGEND
HCSP - High Cool Set Point
LCSP - Low Cool Set Point
SAT - Supply-Air Temperature
Table 9 – Maximum Economizer Limits
During Low Suction Pressure
COOLING
STAGE
SIZES
03‐07
SIZES
08‐14 SIZE 16 SIZES
20-28
Bottom 50 50 50 50
Middle — — 35 50
Top — 25 25 0
Economizer Actuator Communications
The actuator used with 48/50PG and PM units is a Multi−Function
Technology (MFT) actuator. This allows the ComfortLink
system to communicate with the actuator through a feedback
signal. The configuration Economizer Control Type determines the
communication method, either digital or analog, used to
communicate between the ECB and the economizer actuator.
Economizer Control Type is accessible via the Scrolling Marquee
at Configurations→ECON→E.CTL. The power to the unit
must be cycled after E.CTL is changed.
NOTE: If unit is equipped with Adaptive Fan, the control
automatically defaults the economizer control type to 1 (E.CTL =
1) and controls the actuator digitally. This is because the analog
signal from the ECB is used to drive the VFD’s speed and therefore
can not be used to control the actuator. The field connection
terminal block TB−8 no longer represents the commanded or
actual position of the actuator.
E.CTL = 1 or 2 (Digital/Position or Digital/Command)
When E.CTL is set to 1, the ECB will communicate with the
economizer actuator using the digital protocol, from ECB J7−1 to
actuator pin 5. The commanded position and the actuators actual
position are communicated back and forth between actuator and
ECB. When the ECB and actuator first initiate communication, a
control angle (Operating Modes→ECON→C.ANG) is provided to
the ECB and represents the actuator’s range of motion. This control
angle must be greater then the minimum angle
(Configurations→ECON→M.ANG).
During this digital control, the ECB’s analog 4 to 20mA output
will represent the actuator’s actual position when E.CTL = 1 or
commanded position when E.CTL = 2. Because the wiring has a
built−in 500−ohm resistor, the 4 to 20mA signal is converted to a 2
to 10−v signal that is accessible via field connection terminal board
TB−8 and TB−9. However, before this signal can be read remotely,
the violet wire that connects the actuator to field connection
terminal board TB−J10−8 must be removed or cut.
E.CTL = 3 (Analog Control)
When E.CTL is set to 3, the ECB will NOT communicate with the
economizer actuator using the digital MFT. It will instead control
the actuator directly with the 4 to 20 mA analog signal wired to
TB−8 and TB−9 along with the 500−ohm resistor producing a 2 to
10−v signal for the actuator. While in this mode, the actuator’s
built−in 2 to 10−v feedback signal is accessible via TB−9 and
TB−10 any time because it is not used by the ECB.
Unoccupied Free Cooling
The unoccupied free cooling algorithm attempts to maintain the
building space temperature half way between the occupied cool
and occupied heat setpoints using only the economizer when the
conditions in the building and the outdoors are suitable. Three
different configurations define this algorithm: Unoccupied Free
Cooling (Configuration→ECON→UEFC), Free Cooling
Preoccupancy Time (Configuration→ECON→FC.TM) and Free
Cool Low Temp Limit (Configuration→ECON→FC.LO).
UEFC = 0 (Disabled)
When UEFC = 0, unoccupied free cooling is disabled. Cooling
will only occur if the space exceeds the unoccupied setpoints.
UEFC = 1 (Unoccupied)
When UEFC is set to 1, unoccupied free cooling can occur
throughout the entire unoccupied period. The space temperature
must be higher then the mid−point between the occupied cooling
and heating setpoints.
UEFC = 2 (Preoccupancy)
When UEFC is set to 2, unoccupied free cooling can only occur
when the time until the next occupied period is less than the Free
Cool PreOcc Time (FC.TM) in minutes.
48/50PG and PM

24
Free Cool PreOcc Time (FC.TM)
FC.TM is the configuration that determines how many minutes
before occupancy that free cooling can occur when set for
Preoccupancy (UEFC = 2).
Free Cool Low Temp Limit (FC.LO)
Unoccupied free cooling cannot occur if the Outdoor Air
Temperature (Temperature→ AIR.T→ OAT) is less than FC.LO.
Power Exhaust
To enable power exhaust, Configuration→ECON→PE.EN must
be set to ENBL. If power exhaust is enabled, Power Exhaust 1 will
turn on when the economizer position is greater than the value of
Configuration→ECON→PE.1. If power exhaust is enabled,
Power Exhaust 2 will turn on when the economizer position is
greater than the value of Configuration→ECON→PE.2. There are
small time delays to ensure that rapid cycling does not occur.
Optional Humidi−MiZert Dehumidification
System
Units with the factory−equipped Humidi−MiZer option are capable
of providing multiple modes of improved dehumidification as a
variation of the normal cooling cycle. The Humidi−MiZer option
includes additional valves in the liquid line and discharge line of
each refrigerant circuit, a small reheat condenser coil downstream
of the evaporator, and Motormaster variable−speed control of
some or all outdoor fans. The Humidi−MiZer Equipped
(Configuration→HMZR→REHT) configuration is factory set to
Yes for Humidi−MiZer equipped units. This enables
Humidi−MiZer operating modes and service test.
NOTE: If the unit is a Humidi−MiZer unit, this configuration
must always be set to yes. The Humidi−MiZer option does affect
the base unit wiring.
Humidi−MiZer operation requires installation and configuration of
either a space relative humidity sensor or a relative humidity switch
input. Space Humidity Switch (Configuration→UNIT→RH.SW)
set to 1 for use of a normally open switch or 2 for normally closed
switch. The switch is wired to field connection terminal board
terminals labeled HUMDISTAT. Set RH Sensor on OAQ Input
(Configuration→UNIT→RH.S) to Yes for use of a 4 to 20 mA
output RH sensor wired to field connection terminal board (TB)
terminals 1 and 4 (for loop powered). RH Sensor Value at 4ma
(Configuration→AIR.Q→H.4M) sets the % display for a 4mA
input from the relative humidity sensor. RH Sensor Value at 20ma
(Configuration→AIR.Q→H.20M) sets the % display for a 20mA
input from the relative humidity sensor.
Dehumidification Demand
When using a humidistat or switch input, the demand for
dehumidification is seen as Space Humidity Switch (Inputs
→GEN.I→HUM) being Low or High. A low value means
humidity level is good and a high value means that
dehumidification is needed. When using an RH sensor, the demand
is based on the Space Humidity Sensor (Inputs→AIR.Q→SP.RH)
value compared to the Space RH Occupied Setpoint
(Setpoints→RH.SP) during the occupied period and Space RH
Unoccupied Setpoint (Setpoints → RH.UN) during unoccupied
periods. If the Space Humidity Sensor (SP.RH) value is above the
Space RH Setpoint (RH.SP), then dehumidification is needed. If
the Space Humidity Sensor (SP.RH) value is below the Space RH
Setpoint (RH.SP) minus the Space RH Deadband
(Setpoints→RH.DB), then dehumidification is no longer needed.
If the unit is configured for space sensor control
(Configuration→UNIT →U.CTL = 3), then the setpoint Reheat
Heat SP Deadband (Setpoints→RH.HB) applies. This
configuration sets the offset above the heating set point at which a
unit in Reheat2 mode will turn off. This is a protection against over
cooling the space and causing a heat demand.
NOTE: When there is a dehumidification demand, the economizer
damper position is limited to it’s minimum damper position
(Operating Mode→ECON→EC.MP).
Reheat Modes
Dehumidification (reheat) is a cooling mode function. Refer to
Cooling Operation for cooling mode control. With Humidi−MiZer
units there are three additional HVAC Mode (HVAC) expanded
texts available for the user: Reheat1, Reheat2, and
Reheat1/Reheat2. Selection of the reheat mode for each refrigerant
circuit is determined by the dehumidification demand and the
cooling demand. Table 10 shows the corresponding circuit mode
and output status for the different demand combinations. Units
with multiple circuits can operate with a combination of Reheat1
and Reheat2 circuits, as determined by the amount of space cooling
demand. See Appendix B for complete tables of unit operation
response to thermostat and humidity inputs.
NOTE: Compressor staging control for Humidi−MiZer units
requires that circuit A always operates when either circuits B or C
are on. This applies to normal operation, service test, and for
control alarm responses. This operation difference is required due
to the fact that the Motormaster outdoor fan control senses circuit
A only.
Operation of the revised refrigerant circuit for each mode is
described below.
NOTE: x = refrigerant circuit A, B, or C
Normal Cooling
For 48/50PG03−16 units, refrigerant flows from the outdoor
condenser through the normally open Cooling Valve (CV.x) to the
expansion device. Reheat1 Valve (RH1.x) and Reheat2 Valve
(RH2.x) are closed. (See Fig. 9.)
For 48/50PG20−28 and 48/50PM16−28 units, refrigerant flows
from the outdoor condenser through the de−energized 3−way valve
(RH.x) to the expansion device. Reheat2 Valve (RH2.x) is closed.
(See Fig. 12.)
Reheat 1 (Subcooling Mode)
This mode increases latent cooling and decreases sensible cooling
compared to normal cooling.
For 48/50PG03−16 units, refrigerant flows from the outdoor
condenser, through the normally open Reheat 1 Valve (RH1.x),
and through the reheat condenser coil to the expansion device.
Cooling Valve (CV.x) and Reheat2 Valve (RH2.x) are closed. (See
Fig. 10.)
For 48/50PG20−28 and 48/50PM16−28 units, refrigerant flows
from the outdoor condenser, through the energized 3−way Valve
(RH1.x), and through the reheat condenser coil to the expansion
device. Cooling Reheat2 Valve (RH2.x) is closed. (See Fig. 13.)
Reheat 2 (Hot Gas Reheat Mode)
This mode provides maximum latent cooling with little to no
sensible capacity. This mode can operate to provide
dehumidification when there is no cooling demand. Similar to
Reheat 1 mode, refrigerant flows from the outdoor condenser,
through the normally open Reheat 1 Valve (RH1.x), or through the
energized 3−way valve (RH.1x), and through the reheat condenser
coil to the expansion device. Reheat2 Valve (RH2.x) is open which
provides some compressor discharge gas to the reheat condenser to
further increase the reheat of the evaporator air stream (See Fig. 11
or 14 based on unit and size).
NOTE: Humidi−MiZer outdoor fan configurations are dependent
on the specific unit and should not be changed. The configurations
are provided in case a field replacement of a control board occurs
and the settings need to be checked or manually configured. See
Appendix A for range and defaults.
48/50PG and PM

25
Table 10 – Control Modes with Humidi−MiZert System
Output and Valve States versus Circuit Mode .x = Circuit A, B, or C identifier
DEMAND AND MODE OUTPUTS 48/50PG03-16 VALVES
48/50PG20-28
48/50PM16-28
VALVES
Space
Humidity
Circuit
Cooling
Demand
Circuit
Mode
Indoor
Fan (IDF)
Circuit
Compressor
(CMP.x)
Cooling-
Reheat
Control
(CRC)*
Reheat2
Valve
(RH2.x)
CV.x
Valve
2-way
RH1.x
Valve
2-way
RH2.x
Valve
2-way
RH1.x
Valve
3-way
RH2.x
Valve
2-way
——No
power OFF Off Off Off Off
(open)
Off
(open)
Off
(closed) Off Off
(closed)
Low No Off
Per
Ventilation
Control
Off Off Off Off
(open)
On
(closed)
Off
(closed) Off Off
(closed)
Low Ye s Cool On On Off Off Off
(open)
On
(closed)
Off
(closed) Off Off
(closed)
High Ye s Reheat1 On On On Off On
(closed)
Off
(open)
Off
(closed) On Off
(closed)
High No Reheat2 On On On On On
(closed)
Off
(open)
On
(open) On On
(open)
COMP COND COIL HUMIDI-MIZER COIL
EVAP COIL
INDOOR ENTERING
AIR
OUTDOOR AIR
METERING
DEVICE
CLOSED VALVE
OPEN VALVE
3-WAY VALVE
RH1.x
RH2.x
CV.x
C07003
Fig. 9 − Normal Cooling Mode — Humidi−MiZert System
48/50PG03−16
48/50PG and PM

26
COMP COND COIL HUMIDI-MIZER COIL
EVAP COIL
INDOOR ENTERING
AIR
OUTDOOR AIR
METERING
DEVICE
CLOSED VALVE
OPEN VALVE
3-WAY VALVE
RH1.x
RH2.x
CV.x
C07004
Fig. 10 − Subcooling Mode (Reheat1) — Humidi−MiZert System
48/50PG03−16
COMP COND COIL HUMIDI-MIZER COIL
EVAP COIL
INDOOR ENTERING
AIR
OUTDOOR AIR
METERING
DEVICE
CLOSED VALVE
OPEN VALVE
RH1.x
RH2.x
CV.x
a48-8174
C07005
Fig. 11 − Hot Gas Reheat Mode (Reheat2) — Humidi−MiZer System
48/50PG03−16
48/50PG and PM

27
a48-8172
COMP COND COIL HUMIDI-MIZER COIL
EVAP COIL
INDOOR ENTERING
AIR
OUTDOOR AIR
METERING
DEVICE
CLOSED VALVE
OPEN VALVE
3-WAY VALVE
RH1.x
RH2.x
a48-8222
C07122
Fig. 12 − Normal Cooling Mode — Humidi−MiZert System
48/50PG20−28 and 48/50PM16−28
COMP COND COIL HUMIDI-MIZER COIL
EVAP COIL
INDOOR ENTERING
AIR
OUTDOOR AIR
METERING
DEVICE
CLOSED VALVE
OPEN VALVE
3-WAY VALVE
RH1.x
RH2.x
C07123
Fig. 13 − Subcooling Mode (Reheat1) — Humidi−MiZer System
48/50PG20−28 and 48/50PM16−28
48/50PG and PM

28
COMP COND COIL HUMIDI-MIZER COIL
EVAP COIL
INDOOR ENTERING
AIR
OUTDOOR AIR
METERING
DEVICE
CLOSED VALVE
OPEN VALVE
3-WAY VALVE
RH1.x
RH2.x
C07124
Fig. 14 − Hot Gas Reheat Mode (Reheat2) — Humidi−MiZert System
48/50PG20−28 and 48/50PM16−28
Reheat Control
The cooling staging and compressor control routines are
responsible for controlling each circuit in one of the three
sub−modes (Cool, Reheat1, or Reheat2). When there is only a
cooling demand, one or more circuits will operate in normal
cooling mode. When there is only dehumidification demand, all
circuits will operate in Reheat2 mode. When there is both cooling
demand and dehumidification demand, all circuits will operate in
either Reheat1 or Reheat2 mode, with the portion of Reheat1
circuits determined from the cooling demand. The Requested
Reheat2 Stages (Operating Modes→COOL→HMZR→REQ.R)
shows the control’s request for reheat circuits if cooling is not
already requesting all stages. Available Reheat2 Stages (Operating
Modes→COOL→HMZR→AVL.R) displays circuits that are
available for reheat use. Actual Reheat2 Stages (Operating
Modes→COOL→HMZR→ACT.R) displays the current number
of circuits running in Reheat2 mode. These three status points
should only be monitored when there is only a dehumidification
demand, because their values can be forfeited to cooling stages
when cooling demand is present. Reheat2 Stage Incr. Time
(Configuration→HMZR →R.INC) and Reheat2 Stage Decr. Time
(Configuration→HMZR→R.DEC) set the time delay when
adding or subtracting a compressor for a reheat function. These
only apply when using adaptive thermostat or space sensor control.
There are three relay outputs that show reheat status. Cool − >
Reheat1 Control (Outputs→COOL→CRC) show when the unit
has switch from pure cooling to reheat ready (based on a
dehumidification demand). Reheat2 Valve A
(Outputs→COOL→RH2.A) and Reheat2 Valve B,C
(Outputs→COOL→RH2.B) display when the respective circuit’s
Reheat2 valve is energized.
A circuit can be restricted from Reheat2 operation by the outside
temperature and saturated suction temperature. Reheat2 OAT
Limit A (Configuration→HMZR→RA.LO) and Reheat2 OAT
Limit B,C (Configuration→HMZR→RB.LO) set the lowest
outside temperature the respected circuit is allowed to run in
reheat2 mode. The lockout on/off status is shown as Reheat2 OAT
Lockout A (Operating Modes→COOL→HMZR→R.LO.A) and
Reheat2 OAT Lockout B,C (Operating Modes→COOL→HMZR
→R.LO.B) for their respective circuit. If a circuit’s saturated
suction pressure falls below the low limit configuration during
Reheat2 operation, the circuit will switch to reheat1 (the circuits
Reheat2 valve will be turned off) for at least 2 minutes and until its
suction rises back above the high limit. Reheat2 SSP Lo Limit A
(Configuration→HMZR→RA.LP) and Reheat2 SSP Lo Limit
B,C (Configuration→HMZR→RB.LP) set the low pressure limit
for Reheat2 mode for individual circuits. Reheat2 SSP Hi Limit A
(Configuration→HMZR→RA.HP) and Reheat2 SSP Hi Limit B,
C (Configuration→HMZR→RB.HP) set the high pressure limit
for Reheat2 mode for each circuit.
Reheat Outdoor Fan Control
On specific units, the outdoor fans are controlled differently while
in a reheat mode versus just cooling mode. If Reheat Fan Control
(Configurations → HMZR → RH.FN) is set to yes, reheat fan
control is enabled and anytime the unit is running reheat it will use
the following logic to control the outdoor fans.
During reheat fan control, the outdoor fans will start and stay at
level 1 until the Reheat ODF Fan On Temp (Configurations →
HMZR → RF.ON) is reached. When the outdoor air temperature
is above this reheat fan on temperature, the outdoor fans will
change to the Reheat ODF Fan On Level (Configurations →
HMZR → RF.LV). The fans will stay at this level until the Reheat
ODF Fan Off Temp (Configurations → HMZR → RF.OF) is
reached. When the outdoor temperature drops below the reheat fan
off temperature, the outdoor fans will change back to level 1.
Reheat fan control will cease if at any time the unit stops running
reheat and shuts off or switches to just cooling. At this time the
fans will either stay off or run under normal fan control.
48/50PG and PM

29
Reheat Mode Diagnostic Help
The status of reheat mode sensor inputs may be viewed within the
display Inputs menu. The status of reheat mode outputs may be
viewed within the display Outputs or Run Status→COOL menus.
Additional diagnostic help, including status of circuit reheat
temperature limit lockouts may be viewed within the
Humidi-MiZer sub-menu of the cooling mode diagnostic table at
Operating Modes→COOL→HMZR.
The Service Test mode may be used to force the system to operate
in various stages of Reheat1 or Reheat2 mode, or to independently
operate the reheat valve control outputs. Fig. 15−19 show the
valve locations of Humidi−MiZer equipped units.
The following forced operating states are changed or added to the
available service test operation for a Humidi-MiZer equipped unit:
Service Test"COOL"CMP.A (Cool A Test)
A value of On will turn on circuit A in Normal Cooling mode.
Service Test→COOL→CMP.B (Cool B Test)
A value of On will turn on circuits A and B in Normal Cooling
mode.
Service Test→COOL→CMP.C (Cool C Test)
A value of On will turn on circuits A and C in Normal Cooling
mode.
Service Test"HMZR"RH1.A (Reheat1 A Test)
A value of On will turn on circuit A in Reheat1 mode.
Service Test"HMZR"RH1.B (Reheat1 B Test)
A value of On will turn on circuits A and B in Reheat1 mode.
Service Test"HMZR"RH1.C (Reheat1 C Test)
A value of On will turn on circuits A and C in Reheat 1 mode.
Service Test"HMZR"RH2.A (Reheat2 A Test)
A value of On will turn on circuit A in Reheat2 mode.
Service Test"HMZR"RH2.B (Reheat2 B, C Test)
A value of On will turn on circuits A B and C in Reheat2 mode.
Service Test"HMZR"CRC (Cool-Reheat1 Valve Test)
For 48/50PG03−16 units, a value of On will turn on the CRC
relay. This will turn on CV.x valves and turn off RH1.x valves.
For 48/50PG20−28 and 48/50PM16−28 units, a value of On will
turn on the CRC relay. This will energize RH.1 and RH.B.
Service Test"HMZR"RHV.A (Reheat2 Valve A Test)
A value of On will turn on the RH2.A valve.
Service Test"HMZR"RHV.B (Reheat2 Valve B,C Test)
A value of On will turn on the RH2.B and RH2.C valves.
Service Test"Fans"OFC.1 (Outdoor Fan 1 Test)
For 48/50PG03−14: not used. For 48/50PG16 only: a value of On
will turn on the OFC relay only which controls status of fans 1 and
3; but fans are not powered unless compressor A contactor is on.
For 48/50PG20−28 and 48/50PM16−28: Turning on OFC1,
provides power to the Motormaster controller. Outdoor fans 1 and
4 will operate under the control of the Motormaster controller.
Service Test"Fans"OFC.2 (Outdoor Fan 2 Test)
For 48/50PG03−16: Not used. For 48/50PG20−28 and
48/50PM16−28: Turn on OFC2. Outdoor fans 2, 3, 5, and 6 will
operate.
Service Test"Fans"OFC.3 (Outdoor Fan 1 Test)
Not used.
Service Test"INDP"CCH (Crankcase Heat Test)
Not used. Compressor crankcase heaters are wired directly to line
power.
RH1A
CVA
RH2A
LEGEND
CV -- Cooling Valve
RH -- Reheat Valve
C07007
Fig. 15 − Humidi−MiZert System Valve Locations
48/50PG03−07
RH1B
CVB
RH2B
RH1A
CVA
RH2A
LEGEND
CV -- Cooling Valve
RH -- Reheat Valve
C07006
Fig. 16 − Humidi−MiZert System Valve Locations
48/50PG08−14
48/50PG and PM

30
C08057
Fig. 17 − Humidi−MiZer System Valve Locations
48/50PM16−28
Air Baffles
The units with Humidi-MiZer option are equipped with
Motormaster control to maintain adequate discharge pressure for
proper unit operation during low ambient operation. This becomes
especially critical in the Reheat2 mode of operation. Wind could
have a detrimental effect depending on the orientation and the
expected design latent load of the space. If the unit is oriented with
the vertical condenser coil toward the prevailing wind, then the
field-fabricated wind baffles are required. If the unit is not oriented
as described above, but there is expected long operational periods
in the Reheat2 mode, then the field-fabricated wind baffles are
recommended. See Fig. 18 or 19 for dimensions of the
field-fabricated wind baffles.
Indoor Air Quality (IAQ)
The ComfortLink control has the capability for several methods
of demand ventilation control. Indoor air quality is typically
measured using a CO2 sensor whose measurements are displayed
in parts per million (ppm). Outdoor air quality may be measured
with a CO2 sensor for indoor-outdoor differential demand
ventilation control, or with other sensor types for the outdoor air
lockout function. The factory-installed indoor air quality CO2
sensor is mounted in the return section. A field-installed indoor air
quality CO2 sensor may be mounted in the return or directly in the
occupied space, per job requirements. The indoor air quality modes
of operation can be affected by configurations for indoor air quality
sensor (Configuration→AIR.Q→IA.CF), indoor air quality
switch (Configuration→AIR.Q→II.CF), outdoor air quality
sensor (Configuration→AIR.Q→OA.CF) and other related fan
and limit configurations as described below.
IAQ (Analog Input)
The ComfortLink control is configured for indoor air quality
sensors which provide 4 to 20 mA for 0 to 2000 ppm. If a sensor
has a different range, the ppm display range must be reconfigured
by entering new values for Configuration→AIR.Q→I.4M and
Configuration→AIR.Q→I.20M.
IA.CF = 0 (No IAQ)
IA.CF = 0 signifies that there is no IAQ sensor installed. The
damper will operate at the Configuration→AIR.Q→EC.MN
position when the space is occupied and the indoor fan is on.
IA.CF = 1 (DCV)
When IA.CF = 1, the IAQ algorithm is set for Demand Control
Ventilation (DCV). During DCV, the damper modulates between
two user configurations depending upon the relationship between
the IAQ and the Outdoor Air Quality (OAQ). The lower of these
two positions is referred to as the Minimum IAQ Damper Position
(Configuration→AIR.Q→AQ.MN) while the higher is referred to
as Economizer Minimum Position (EC.MN). The AQ.MN should
be set to an economizer position that brings in enough fresh air to
remove contaminants and CO2 generated by sources other than
people. The EC.MN should be set to an economizer position that
brings in enough fresh air to remove contaminants and CO2
generated by all sources including people. The EC.MN value is the
design value for maximum occupancy.
The ComfortLink control will begin to open the damper from the
AQ.MN position when the IAQ level begins to exceed the Outdoor
Air Quality (OAQ) level by a configurable amount. This amount is
referred to as AQ Differential Low
(Configuration→AIR.Q→AQD.L). When the differential
between IAQ and OAQ reaches AQ Differential High
(Configuration→AIR.Q→AQD.H), the economizer position will
be EC.MN. When the IAQ/OAQ differential is between AQD.L
and AQD.H, the control will modulate the damper between
AQ.MN and EC.MN in a linear manner as shown in Fig. 20. The
damper position will never exceed the bounds specified by
AQ.MN and EC.MN during IAQ control.
IA.CF = 2 (Override IAQ)
When IA.CF = 2, the IAQ algorithm maintains the damper at
Configuration →AIR.Q→EC.MN until the override condition
triggers. The override triggers when the IAQ/OAQ differential is
greater than Configuration→AIR.Q→AQD.H. The override
position is Configuration→AIR.Q→OVR.P (Economizer
Override Position). The economizer position will return to EC.MN
when the IAQ/OAQ differential is less than Configuration
→AIR.Q→AQD.L.
The Override algorithm will operate whenever the building is
occupied and the indoor fan is operating or whenever the IAQ
algorithm has caused the indoor fan to operate. The configuration
IA.FN determines whether or not the IAQ algorithm can turn on
the indoor fan.
If the indoor fan is not operating, the economizer position will be
zero. If the override is not active and the building is
unoccupied, the economizer position will be zero. The damper
position may exceed Configuration→AIR.→EC.MN or
Configuration→AIR.Q→OVR.P to provide economizer cooling.
48/50PG and PM

31
C07009
Fig. 18 − Air Baffle Dimensions
48/50PG03−16
48/50PG and PM

32
C08077
Fig. 19 − Air Baffle Dimensions
48/50PM16−28
48/50PG and PM

33
100 700 INSIDE/OUTSIDE CO
2
DIFFERENTIAL
AQ
DIFFERENTIAL
LOW (AQD.L)
AQ
DIFFERENTIAL
HIGH (AQD.H)
MINIMUM
IAQ
DAMPER
POSITION
(AQ. MN)
ECONOMIZER
MINIMUM
DAMPER
POSITION
(EC. MN)
INCREASING VENTILATION
VENTILATION FOR PEOPLE
VENTILATION FOR SOURCES
C07010
Fig. 20 − IAQ Control
IA.CF = 3 (Control Minimum Position)
When IA.CF = 3, an external 4 to 20 mA source is used to set the
minimum position. The 4 mA signal corresponds to 0% and the 20
mA signal corresponds to 100%. In this mode, configurations such
as Configuration→AIR.Q→EC.MN and Configuration→
AIR.Q→AQ.MN are not used.
If the indoor fan is not operating, the economizer position will be
zero. The damper position may exceed the economizer minimum
position to provide economizer cooling.
IAQ (Switch Input)
Indoor air quality can also be measured using a switch input. For
the purpose of specifying the type of switch input, low CO2 levels
are considered normal. The IAQ switch input is defined by the
configuration by Configuration→AIR.Q→II.CF IAQ Level
(Switch Input). Enthalpy and IAQ are controlled by the same
switch input and therefore they cannot be used simultaneously.
II.CF = 0 (No IAQ)
The II.CF = 0 configuration signifies that there is no IAQ switch
input. The damper will operate at the EC.MN position when the
space is occupied and the indoor fan is on.
II.CF = 1 (DCV NO) or II.CF = 2 (DCV NC)
The Demand Control Ventilation (DCV) allows the economizer
minimum position to be decreased when there is no IAQ problem.
If IAQ is low, the economizer minimum position is Minimum IAQ
Damper Position (Configuration→AIR.Q→AQ.MN). If IAQ is
high, the economizer minimum position is the Economizer
Minimum Position (Configuration→AIR.Q→EC.MN).
II.CF = 3 (Override NO) or II.CF = 4 (Override NC)
The damper override function permits absolute positioning of the
economizer damper for ventilation purposes. The override is active
when IAQ is high and inactive when IAQ is low. The override
position is configurable by the configuration by Configuration
→AIR.Q→OVR.P (Economizer Override Position).
Outdoor Air Quality (Analog Input)
The ComfortLink control is configured for outdoor air quality
sensors which provide 4 to 20 mA for 0 to 2000 ppm. If a sensor
has a different range, the ppm display range must be reconfigured
by entering new values for Configuration→AIR.Q →O.4M and
Configuration→AIR.Q→O.20M.
OA.CF = 0 (No OAQ)
This signifies there is no outdoor air sensor installed. The default
value of OAQ is 400 ppm.
OA.CF = 1 (DCV)
The outdoor air quality sensor analog input is for the value of OAQ
during demand control ventilation operation.
OA.CF = 2 (OAQ Lockout)
The outdoor air quality sensor analog input is only used to lock out
the outdoor ventilation. The economizer commanded position is set
to 0% when the ppm exceeds the OAQ lockout value configured
for Configuration→AIR.Q→OAQ.L. The default value of OAQ.L
is 600 ppm.
48/50PG and PM

34
Fan Enable (Analog IAQ Sensor)
The DCV algorithm will operate whenever the building is
occupied and the indoor fan is operating or whenever the IAQ
algorithm has caused the indoor fan to operate. The configuration
Configuration→AIR.Q→IA.FN (Fan Enable for IAQ),
determines whether or not the IAQ algorithm can turn on the
indoor fan. If the indoor fan is not operating, the economizer
position will be zero. The damper position may exceed
Configuration→AIR.Q→EC.MN to provide economizer cooling.
IA.FN = 0 (Never)
When IA.FN = 0, the IAQ algorithm can never turn on the fan.
IA.FN = 1 (Occupied)
When IA.FN = 1, the IAQ algorithm will turn on the indoor fan
whenever the building is occupied and IAQ/OAQ differential is
greater than the configuration Configuration→AIR.Q→ DF.ON
(Fan On AQ Differential). The indoor fan will turn off when the
IAQ/OAQ differential is less than the configuration
Configuration→AIR.Q→DF.OF (Fan Off AQ Differential).
IA.FN = 2 (Always)
The indoor fan performance for IA.FN = 2 is the same as the
performance when IA.FN = 1 except the algorithm is not limited to
occupied periods only. The fan can be triggered on when the space
is occupied or unoccupied.
Fan Enable (Switch Input)
The DCV algorithm will operate whenever the building is
occupied and the indoor fan is operating or the whenever the IAQ
algorithm has caused the indoor fan to operate. The configuration
Configuration→AIR.Q→II.FN (IAQ Switch Input Fan CFG)
determines whether or not the IAQ algorithm can turn on the
indoor fan. If the indoor fan is not operating, the economizer
position will be zero. The damper position may exceed
Configuration→AIR.Q→EC.MN to provide economizer cooling.
II.FN = 0 (Never)
When II.FN = 0, the IAQ algorithm can never turn on the fan.
II.FN = 1 (Occupied)
When II.FN = 1, the IAQ algorithm will turn on the indoor fan
whenever the building is occupied and IAQ is high. The indoor fan
will turn off if IAQ returns to normal.
II.FN = 2 (Always)
The indoor fan performance for II.FN = 2 is the same as the
performance when II.FN = 1 except the algorithm is not limited to
occupied periods only. The fan can be triggered on when the space
is occupied or unoccupied.
EnergyX
For units equipped with the EnergyX factory installed option, there
will be an EnergyXv2 Supplement Installation Instructions in the
unit’s information packet. Refer to this supplement for details on
how the ERV operates relative to the base unit.
Adaptive Fan
The Adaptive Fan Option is a new method of controlling the
supply fan in a typical constant volume rooftop unit. This control
method employs a Variable Frequency Drive (VFD) to operate the
supply fan at different speeds in order to achieve energy savings
through reduced fan power. This method is specifically not
concerned with controlling static pressure in the supply duct, but
rather with setting different fan speeds for different operating
conditions, such as ventilation mode or part−load mechanical
cooling. This option should not be confused with a linearly
variable VFD concept − the different speeds are pre−programmed
per condition; there is no linear−modulation of fan speed.
Adaptive Fan is enabled by setting Adaptive Fan Operation to yes,
(Configuration→A.FAN→AF.EN = Ye s).
The adaptive fan function is NOT a Variable Air Volume (VAV)
function. The fan adapts its speed to one of nine based on mode
and current state to satisfy a demand. The nine speeds consist of
two hard coded values and seven configurable values. The two
hard coded values are 0% (or OFF) and 100%. The seven
configurable fan speeds are: Ventilation (FS.VN), IAQ Override
(FS.AQ), Free Cool Lo (FS.E1), Free Cool Hi (FS.E2), Mech
Cooling (FS.CL), Heating (FS.HT), and Reheat2 (FS.RH).
The VFD is powered by the indoor fan contactor and is always on
unless the unit is in test mode. When the thermostat or space
sensor control conditions require the fan on, the VFD will then
ramp to desired speed. Fan speed is always calculated by
evaluating the current applicable conditions. Each fan speed
“mode” is evaluated independently, and the highest fan speed is
used. For example, if an IAQ Override event occurs during
Ventilation mode, the fan speed is set to the higher of the two
(FE.VN or FS.AQ)
NOTE: Adaptive Fan operation and Analog economizer actuator
operation are mutually exclusive because they both use the AO1
output on the ECB. Priority is given to Adaptive Fan, so if the unit
is configured for Adaptive Fan (Configuration→A.FAN→AF.EN
= Ye s), the software will automatically set the actuator control
method to digital (Configuration→ECON→E.CTL = 1
(DIG/POSITION).
Fan Speed − Ventilation (FS.VN)
This configuration defines the fan speed used in Ventilation
(fan−only) mode. Ventilation mode is when the supply fan is
running, but there is no demand for heating or cooling.
Fan Speed − IAQ Override (FS.AQ)
This configuration defines the fan speed used when an IAQ
Override is active. This pertains only to the Override function of
IAQ (Configuration→AIR.Q→IA.CF = 2) (Override IAQ) or
(Configuration→AIR.Q→II.CF = 3 or 4) (Override N/O or N/C),
not the DCV or Minimum Position functions.
Fan Speed − Free Cool Lo (FS.E1)
This configuration defines the fan speed used when in Free
Cooling at low cool mode. Refer to the Economizer Controls
Operation section for details on low cool mode.
Fan Speed − Free Cool Hi (FS.E2)
This configuration defines the fan speed used when in Free
Cooling at high cool mode. Refer to the Economizer Controls
Operation section for details on high cool mode.
Fan Speed − Mech Cooling (FS.CL)
This configuration defines the intermediate fan speed used when
mechanical cooling is being requested. Fan speed is based on how
many cooling stages the unit has, how many cooling stages are
being requested, and how many reheat stages are being requested.
If the unit only has one circuit of cooling, then the fan speed will
be 100% whenever that stage is requested. If the unit has more
then one circuit of cooling but only one is being requested, the fan
speed will be set to FS.CL. Any time more than one stage is
requested the fan speed will be set to 100%. On Humidi−MiZer
equipped units fan speed is more complex. Refer to the FS.RH and
Table 11 for details.
48/50PG and PM

35
Fan Speed − Reheat2 (FS.RH)
This configuration defines the fan speed used when Hot Gas
Reheat (reheat2) is being requested. Fan speed is based on how
many cooling stages the unit has, how many cooling stages are
being requested, and how many reheat stages are being requested.
If only reheat stages are being requested, then the fan speed will be
set to FS.RH. If the unit only has one circuit of cooling, then the
fan speed will be 100% when dehumidification and cooling is
being requested. If the unit has more then one circuit of cooling
and only one cooling stage is being requested, the fan speed will be
set to FS.CL. Any time more then one cooling stage is requested
the fan speed will be set to 100%. If only one cooling stage is
requested and reheat is requested, then the fan speed will be set to
the greater of the two configurations (FS.CL or FS.RH). (See
Table 11.)
Fan Speed − Heating (FS.HT)
This configuration defines the intermediate fan speed used when in
heating mode. Fan speed is based on how many heating stages the
unit has and how many heating stages are actually on. If the unit
only has one stage of heat, then the fan speed is set to 100%
anytime the heat stage is on. If the unit has more than one stage of
heat but only one heat stage is on, then the fan speed will be set to
FS.HT. Any time more than one stage of heat is on, the fan speed
is set to 100%.
Table 11 – Cooling Fan Speed Determination
Number
of
Circuits
Cooling
Stages
Requested
Reheat
Stages
Requested
HVAC Mode Fan
Speed
1
1 0 Cooling 100%
1 >0 Reheat1 100%
0 >0 Reheat2 FS.RH
>1
1 0 Cooling FS.CL
>1 0 Cooling 100%
>1 >0 Reheat1 100%
1 >0 Reheat1/
Reheat2
FS.CL
or
FS.RH
0 >0 Reheat2 FS.RH
Temperature Compensated Start
This logic is used when the unit is in the unoccupied state. The
control will calculate early Start Bias time based on Space
Temperature deviation from the occupied cooling and heating set
points. This will allow the control to start the unit so that the space
is at conditioned levels when the occupied period starts. This is
required for ASHRAE 90.1 compliance. A space sensor is required
for non-linkage applications.
Setting Up the System
The settings for temperature compensated start can be found in the
local display under Configuration→UNIT.
ITEM EXPANSION RANGE UNITS CCN POINT
TCS.C Temp.Cmp.Strt.Cool Factr 0 ‐ 60 min TCSTCOOL
TCS.H Temp.Cmp.Strt.Heat Factr 0 ‐ 60 min TCSTHEAT
Temp Comp Strt Cool Factr (TCS.C)
This is the factor for the start time bias equation for cooling.
Temp Comp Strt Heat Factr (TCS.H)
This is the factor for the start time bias equation for heating.
NOTE: Temperature compensated start is disabled when these
factors are set to 0.
Temperature Compensated Start Logic
The following conditions must be met for the algorithm to run:
Unit is in unoccupied state.
Next occupied time is valid.
Current time of day is valid.
Valid space temperature reading is available (sensor or CCN
network).
The algorithm will calculate a Start Bias time in minutes using the
following equations:
If (space temperature > occupied cooling set point)
Start Bias Time = (space temperature – occupied cooling set
point)* TCS.C
If (space temperature < occupied heating set point)
Start Bias Time = (occupied heating set point – space
temperature)*TCS.H
When the Start Bias Time is greater than zero the algorithm will
subtract it from the next occupied time to calculate the new start
time. When the new start time is reached, the Temperature
Compensated Start mode is set, the fan is started and the unit
controlled as in an occupied state. Once set, Temperature
Compensated mode will stay on until the unit goes into the
Occupied mode. The Start Bias Time will be written into the CCN
Linkage Equipment Table if the unit is controlled in DAV mode. If
the Unoccupied Economizer Free Cool mode is active when
temperature compensated start begins, the Unoccupied Free Cool
mode will be stopped.
NOTE: The maximum minutes Start Bias can be is 180.
Carrier Comfort Network (CCN)R Configuration
It is possible to configure the ComfortLink control to participate
as an element of the Carrier Comfort Network (CCN) system
directly from the local display. This section will deal with
explaining the various programmable options which are found
under the CCN sub-menu in the Configuration mode.
The major configurations for CCN programming are located in the
local displays at Configuration→CCN. See Appendix A.
CCN Address (CCN.A)
This configuration is the CCN address the rooftop is assigned.
CCN Address (CCN.B)
This configuration is the CCN bus the rooftop is assigned.
CCN Baud Rate (BAUD)
This configuration is the CCN baud rate.
CCN Time/Date Broadcast (BROD"B.TIM)
If this configuration is set to ON, the control will periodically send
the time and date out onto the CCN bus once a minute. If this
device is on a CCN network then it will be important to make sure
that only one device on the bus has this configuration set to ON. If
more than one time broadcaster is present, problems with the time
will occur.
NOTE: Only the time and date broadcaster can perform
daylight savings time adjustments. Even if the rooftop is stand
alone, the user may want to set this to ON to accomplish the
daylight/savings function.
CCN OAT Broadcast (BROD"B.OAT)
If this configuration is set to ON, the control will periodically
broadcast its outside-air temperature at a rate of once every 30
minutes.
48/50PG and PM

36
Global Schedule Broadcast (BROD"B.GS)
If this configuration is set to ON and the schedule number
(SCH.N) is between 65 and 99, then the control will broadcast the
internal time schedule once every 2 minutes.
CCN Broadcast Acknowledger (BROD"B.ACK)
If this configuration is set to ON, then when any broadcasting is
done on the bus, this device will respond to and acknowledge.
Only one device per bus can be configured for this option.
Schedule Number (SCH.O"SCH.N)
This configuration determines what schedule the control may
follow.
SCH.N = 0 The control is always occupied.
SCH.N = 1 The control follows its internal
time schedules. The user may
enter any number between 1
and 64 but it will be overwritten
to “1” by the control as it only
has one internal schedule.
SCH.N = 65-99 The control is either set up to
receive to a broadcasted time
schedule set to this number or
the control is set up to broad
cast its internal time schedule
(B.GS) to the network and this is
the global schedule number it is
broadcasting. If this is the case,
then the control still follows its
internal time schedules.
Accept Global Holidays? (SCH.O"HOL.G)
If a device is broadcasting the time on the bus, it is possible to
accept the time yet not accept the global holiday from the broadcast
message.
Override Time Limit (SCH.O"OV.TL)
This configuration allows the user to decide how long an override
occurs when it is initiated. The override may be configured from 1
to 4 hours. If the time is set to 0, the override function will
become disabled.
Timed Override Hours (SCH.O"OV.EX)
This displays the current number of hours left in an override. It is
possible to cancel an override in progress by writing “0” to this
variable, thereby removing the override time left.
SPT Override Enabled? (SCH.O"OV.SP)
If a space sensor is present, then it is possible to override an
unoccupied period by pushing the override button on the T55 or
T56 sensor. This option allows the user to disable this function by
setting this configuration to NO.
Demand Limit
Demand Limit Control may override the cooling algorithm to limit
or reduce cooling capacity during run time. The term Demand
Limit Control refers to the restriction of machine capacity to
control the amount of power that a machine will use. This can save
the owner money by limiting peaks in the power supply. Demand
limit control is intended to interface with an external network
system. This is through a CCN Loadshed POC Device or writing
to network points.
To limit stages through network writes, the points Run Status
→COOL→MAX.C and Run Status→HEAT→MAX.H are forced
on the network through CCN points MAXCSTGS and
MAXHSTGS respectively. Force these to the desired maximum
stages of cooling/dehumidification and heating, respectively. When
there is no force on these points, they automatically reset to allow
all cooling/dehumidification and heating stages to be used. These
points are reset at power−on/reset (POR).
When using the Loadshed POC to do Demand Limiting, the cool
and heat stage limits under both Redline and Loadshed conditions
can be set individually with configuration decisions. If the active
stages is greater then the loadshed or redline configurations when a
loadshed or redline command is given, the unit will remove stages.
Configuration→CCN→LDSH→S.GRP
This is the Loadshed Group Number and corresponds to the
loadshed supervisory devices that resides elsewhere on the CCN
network and broadcasts loadshed and redline commands to its
associated equipment parts. This variable will default to zero which
is an invalid group number. This allows the loadshed function to be
disabled until configured.
Configuration→CCN→LDSH→R.MXC
This configuration tells the unit the maximum cooling stages
allowed to be on during a redline condition.
Configuration→CCN→LDSH→S.MXC
This configuration tells the unit the maximum cooling stages
allowed to be on during a loadshed condition.
Configuration→CCN→LDSH→R.MXH
This configuration tells the unit the maximum heating stages
allowed to be on during a redline condition.
Configuration→CCN→LDSH→S.MXH
This configuration tells the unit the maximum heating stages
allowed to be on during a loadshed condition.
The two Demand Limiting methods can be active simultaneously.
The lowest cool and heat stage limits imposed by either method are
applied, and these ”effective stage limits” are shown in the points
CSTGLIMT (Run Status→COOL→LMT.C) and HSTGLIMT
(Run Status→HEAT→LMT.H), respectively. In normal running
mode, these limits will prevent stages from being added, or stages
to be removed, as applicable. In test mode, these limits are ignored,
and the user may continue to operate all stages. The point
MODEDMDL (Run Status→MODE→D.LMT) is used to show if
any Demand Limiting is in effect that prevents the unit from
operating either cooling or heating at full−capacity.
NOTE: MODEDMDL may reflect that staging is NOT limited
even though Loadshed is active, or the network points are being
forced, if the stage limits in effect are not less than the stages
present in the unit.
If a more drastic mode of Demand Limiting is required, the
network point HVACDOWN (Run Status→MODE→HV.DN) can
be used to prohibit the unit from selecting any HVAC mode, thus
preventing the operation of the supply fan, compressors, condenser
fans, and heat stages. This point must also be forced, and is reset
automatically when not forced, and at POR.
NOTE: HVACDOWN can be used as an immediate shutdown of
the unit before limiting capacity (ex. Generator switching).
Linkage
ComfortLink controls do not require any configuration settings
to establish linkage with a Linkage Coordinator. This is done
automatically when the unit’s bus and element address are
configured in the Linkage Coordinator’s LINKAGE configuration
table. The linkage information that is supplied to the ComfortLink
unit by the Linkage Coordinator is as follows:
Reference zone temperature
Reference zone occupied biased heating and cooling set points
Reference zone unoccupied heating and cooling set points
Composite occupancy mode
The unit will control the equipment based on this information and
in return will provide the Linkage Coordinator with the following
data:
Operating mode − Cooling, Heating, Free Cooling, Fire
Shutdown Evacuation, or Off
Supply−air temperature
Optimal Start Bias time (Based on worst case zone)
48/50PG and PM

37
This synchronization of data optimizes the efficiency of the unit
and the zones to operate at peak system performance at all times.
This information can be seen in linkage maintenance tables of the
Linkage Coordinator and the RTU; it is updated at approximately
1−minute intervals.
Cooling and heating operation is slightly modified during Linkage
control. A PID loop is run to calculate required stages. This is
necessary because in stand alone operation, the unit tries to
anticipate the space. With Linkage, the unit must try to satisfy the
demand as soon as possible. The PID configurations are in
Configuration→PID. These values have been field tested and the
default values should NOT BE CHANGED.
For information on set up and configuration, see the Space
Temperature Control−CCN Linkage text in the Controls Quick
Start section of this book.
For additional information on the Linkage Coordinator or Zone
Controllers, please refer to their appropriate manuals.
Alarm Handling
There are a variety of different alerts and alarms in the system.
Alerts are indicated by TXXX (where XXX is the alert number) on
the display and generally signify that the improperly functioning
circuit can restart without human interaction. If an alarm occurs,
indicated by AXXX (where XXX is the alarm number), the
damaged circuit will generally not restart without an alarm reset via
the Scrolling Marquee display or CCN.
The response of the control system to various alerts and alarms
depends on the seriousness of the particular alert or alarm. In the
mildest case, an alert does not affect the operation of the unit in any
manner. An alert can also cause a “strike.” A “striking” alert will
cause the circuit to shut down for 15 minutes. This feature reduces
the likelihood of false alarms causing a properly working system to
be shut down incorrectly. If three strikes occur before the circuit
has an opportunity to show that it can function properly, the circuit
will strike out, causing the shutdown alarm for that particular
circuit. Once activated, the shutdown alarm can only be cleared via
an alarm reset.
However, circuits with strikes will be given an opportunity to reset
their strike counter to zero. As discussed above, a strike typically
causes the circuit to shut down. Fifteen minutes later, that circuit
will once again be allowed to run. If the circuit is able to run for 1
minute, its replacement circuit will be allowed to shut down (if not
required to run to satisfy requested stages). However, the
“troubled” circuit must run continuously for a user defined time
(Configuration→COOL→RST.C) with no detectable problems
before the strike counter will be reset to zero. Default value is
5 minutes.
CCN Alarm Broadcast
Operators of CCN networks might not want to be notified of
“striking” alerts for refrigerant circuits until the circuit has been
shut down due to 3 strikes. Set the cooling configuration of Alert
Each Strike (Configuration→COOL→ALM.N on display,
ALM_NOW on CCN) to YES to broadcast each circuit strike alert.
Set Alert Each Strike to NO to broadcast only circuit shut down.
Alert Each Strike configuration is ignored during Service Test and
all alerts are broadcast.
Alarm Relay Output
The alarm relay output is a normally open 24 vac output between
field connection terminal board terminals C and X. Selection of
which alerts and alarms will result in closing of the alarm relay
may be set in the Alarm Relay Configuration
(Configuration→ALM.O). Setting a configuration to YES will
result in the alarm output relay, ALRM, status of ON and 24 vac
between C and X when that particular condition is in an alarm
state. Setting a configuration to NO will result in no action by the
alarm output relay for that particular condition.
NOTE: An accessory filter switch can be used along with the
alarm relay output function to indicate dirty filter service need.
See the Troubleshooting section for more information on viewing,
diagnosing, and clearing alerts and alarms.
TROUBLESHOOTING
The Scrolling Marquee display shows the actual operating
conditions of the unit while it is running. If there are alarms or
there have been alarms, they will be displayed in either the current
alarm list or the history alarm list. (See Table 14.) The Service Test
mode allows proper operation of the compressors, fans, and other
components to be checked while the unit is not operating. See
Service Test.
Complete Unit Stoppage
There are several conditions that can cause the unit not to provide
heating or cooling:
If an alarm is active which causes the unit to shut down,
diagnose the problem using the information provided in Alarms
and Alerts section below.
Cooling and heating loads are satisfied.
Programmed occupancy schedule.
General power failure.
Tripped CB1, CB2, or CB3 (24-volt transformer circuit
breakers).
Blown fuse (FU1−4)
Unit is turned off through the CCN network.
If supply-air temperature is less than the Minimum SAT Lower
Level (SAT.L) configuration value, unit cannot cool.
If outdoor-air temperature is less than the Compressor Lockout
Temperature (CA.LO, CB.LO, CC.LO) configuration value, unit
cannot cool.
If outdoor-air temperature is greater than the Heating Lockout
Temperature (HT.LO) configuration value, unit cannot heat.
Restart Procedure
Before attempting to restart the machine, check the alarm list to
determine the cause of the shut down. If the shutdown alarm for a
particular control function has occurred, determine and correct the
cause before allowing the unit to run under its own control again.
When there is problem, the unit should be diagnosed in Service
Test mode. The alarms must be reset before the control function
can operate in either Normal mode or Service Test mode.
Alarms and Alerts
Viewing and Clearing Unit Alarms
Presence of active alarms will be indicated on the Scrolling
Marquee display by the Alarm Status light turning on and by the
number of active alarms being displayed in the automatic View of
Run Status. Presence of active alarms may also be signaled on the
Alarm Output terminals. Each alarm may also be broadcast on the
CCN network. Active alarms and past alarm history can be
reviewed and cleared via the local display or a CCN device. The
following menu locations are used for the local display:
Alarms"R.CURR (Reset All Current Alarms)
Change to YES to reset all active alarms. Turning unit power off
will also reset all current alarms.
48/50PG and PM

38
Alarms"R.HIST (Reset Alarm History)
Change to YES to reset the alarm history. Turning unit power off
will not reset the alarm history.
Alarms"CURR (Currently Active Alarms)
Use the ENTER key, then scroll through any alarm numbers using
the up and down arrow keys. Alarms are displayed in numerical
order.
Alarms"HIST (Alarm History)
Use the ENTER key, then scroll through any alarm numbers using
the up and down arrow keys. Up to 20 alarms are displayed in
order of occurrence, with time and date.
The description for an alarm can be viewed on the Scrolling
Marquee display by pressing ESCAPE and ENTER keys
simultaneously while displaying the alarm code number. Be sure to
expand description for each code, because in some cases there are
different possible descriptions and causes for the same code
number.
Diagnostic Alarm Codes and Possible Causes
Alert Codes T051, T052, T055 and T059
There are 4 different texts for each alert code. There are two
different alerts which have corresponding test mode alerts indicated
with “Service Test” in the expanded text. Pressing enter and esc on
the marquee or navigator to expand the T051, T052, T055, or
T059 alert will show you one of the below alerts. Make sure the
expanded text is read correctly before troubleshooting. Alert codes
T051, T052, T055, and T059 are for compressors A1, A2, B1, and
C1, respectively.
Compressor Safety Trip
These alerts occur when the Current Sensor (CS) does not detect
compressor current during compressor operation. When this
occurs, the control turns off the compressor and logs a strike for
the respective circuit. These alerts reset automatically. The
possible causes are: high−pressure switch (HPS) open (The HPS
is wired in series with compressor relays on the MBB. If the
high−pressure switch opens during compressor operation, the
compressor stops, and the CS no longer detects current, causing
the control to activate this alert), compressor internal protection
is open, or a wiring error (a wiring error might not allow the
compressor to start).
To check out the alert:
1. Turn on the compressor in question using Service Test
mode. If the compressor does not start, then most likely the
problem is one of the following: HPS open, open internal
protection, incorrect safety wiring, or incorrect compressor
wiring.
2. If the compressor starts, verify that the indoor and outdoor
fans are operating properly.
3. If the CS is always detecting current, then verify that the
compressor is on. If the compressor is on, check the
contactor and the relay on the MBB. If the compressor is off
and there is no current, verify CS wiring and replace if
necessary.
4. Return to Normal mode and observe compressor operation
to verify that compressor current sensor is working and
condenser fans are energized after compressor starts.
Compressor Current Detected After Turnoff
These alerts occur when the Current Sensor (CS) detects current
when the compressor should be off. When this occurs, the
control turns off all of the compressors. Use the Scrolling
Marquee to reset the alert. The possible causes are a welded
contactor or frozen compressor relay on MBB.
To check out alert:
1. Place the unit in Service Test mode. All compressors should
be Off.
2. Verify that there is not 24vac at the contactor coil. If there is
24vac at the contactor, check relay on MBB and wiring.
3. Check for welded contactor.
4. Verify CS wiring.
5. Return to Normal mode and observe compressor operation
to verify that compressor current sensor is working and
condenser fans are energized after compressor starts.
Alert Codes T064, T065 and T080 – Circuit Saturated
Condensing Temp Thermistor Failure
Alert codes T064, T065, and T080 are for circuits A, B and C,
respectively. These alerts occur when the temperature is outside the
range –40 to 240F (–40 to 116C). When this occurs, the
control will use only the outdoor temperature to control the
outdoor fans. If both the SCT and OAT fail, then circuit shutdown
alarm will occur also. The cause of the alert is usually a faulty
thermistor, a shorted or open thermistor caused by a wiring error,
or a loose connection.
Alert Code T066, T067, and T081 − Circuit Saturated Suction
Temperature Thermistor Failure
Alert codes T066, T067, and T081 are for circuits A, B and C,
respectively. These alerts occur when the unit’s suction transducers
are turned off internally. Cooling will not operate. This is usually
due to a network force on a non exposed CCN point. Reload
factory defaults or reinstall software on the MBB. Consult the
network manager if alert continues.
Alert Code T073 − Outdoor Air Temperature Thermistor
Failure
This alert occurs when the temperature is outside the range –40 to
240F (–40 to 116C). For all units, all ambient temperature
lockout limits for cooling and heating are ignored. For all units, if
both SCT and OAT fail, then circuit shutdown alarm will also
occur. For economizer equipped units, the economizer will not
operate to provide cooling. The economizer will still operate for
ventilation. The control will use condenser temperatures for
outdoor fan control. For units with CCH crankcase heat relay
control, the crankcase heat relay will be turned on if any
compressor is off. This alert resets automatically. The cause of the
alert is usually a faulty thermistor, a shorted or open thermistor
caused by a wiring error, or a loose connection.
Alert Code T074 − Space Temperature Thermistor Failure
This alert occurs when the temperature is outside the range –40 to
240F (–40 to 116C). This alert will only occur if the unit
control type is configured for Space Sensor (versus Thermostat).
Cooling and heating will not operate. For economizer equipped
units, the economizer will still operate for ventilation. This alert
resets automatically. The cause of the alert is usually a faulty
thermistor in the T−55, T−56, or T−58 device, a shorted or open
thermistor caused by a wiring error, or a loose connection.
48/50PG and PM

39
Alert Code T075 − Supply Air Temperature Thermistor
Failure
This alert occurs when the temperature is outside the range –40 to
240F (–40 to 116C). Economizer cooling and adaptive
compressor staging cannot occur while this alarm is active. This
alert resets automatically. The cause of the alert is usually a faulty
thermistor, a shorted or open thermistor caused by a wiring error,
or a loose connection.
Alert Code T076 − Return Air Thermistor Failure
This alert occurs when the temperature is outside the range –40 to
240F (–40 to 116C). This alert will only occur if the unit is
configured for a return air sensor. Economizer differential dry bulb
control will not be allowed during this alert. This alert resets
automatically. The cause of the alert is usually a faulty thermistor, a
shorted or open thermistor caused by a wiring error, or a loose
connection.
Alert Code T077 − Space Relative Humidity Sensor Failure
This alert occurs when the input is less than 3.5 mA and the sensor
is configured as installed. If a humidistat is not installed, then
dehumidification will not be functional. Check sensor and wiring.
This alert clears automatically.
NOTE: An ECB must be installed to use the space relative
humidity sensor.
Alert Code T080 − Circuit C Saturated Condensing Temp
Thermistor Failure
See Alert T064
Alert Code T081 − Circuit Saturated Suction Temperature
Thermistor Failure
See Alert T066
Alert Codes T092, T093, T101 – Circuit Suction Pressure
Transducer Failure
Alert codes T092, T093, and T101 are for circuits A, B and C,
respectively. These alerts occur when the board does not properly
read the transducer voltage. A circuit cannot run when this alert is
active. Use the Scrolling Marquee to reset the alarm. The cause of
the alert is usually a faulty transducer, faulty 5−v power supply, or
a loose connection.
Alert Codes T102, T103, and T104 − Compressor Current
Sensor Failure
Alert codes T102, T103, and T104 are for compressors A1 and A2,
B1 and C1, respectively. These alerts occur when the output of the
current sensor (CS) is a constant high value. These alerts reset
automatically. The cause of the alert is a wiring error or a loose
connection. If the problem cannot be resolved and the CS board
must be replaced, the CS board can be temporarily disabled while
securing a replaced board. A CS board is disabled by setting the
corresponding configuration to DISABLE
(Configuration→COOL→CIR.A→CS.A1, CS.B1 or CS.C1).
Alert Codes T110, T111, and T140 – Circuit Loss of Charge
Alert codes T110, T111, and T140 are for circuits A, B and C,
respectively. These alerts have “Service Test” text that will be
displayed if the alert occurred during service test. These alerts
occur when the compressor is OFF and the suction pressure is less
than 5 psig and OAT is greater than –5F for 1 continuous minute.
Use the Scrolling Marquee to reset the alert. The cause of the alert
is usually low refrigerant pressure or a faulty suction pressure.
These alerts only occur when the compressor is OFF because the
low refrigerant pressure alarms (alerts T133, T134 and T141)
handle this situation when the compressor is operating.
Alert Codes T126, T127 and T142 − Circuit High Discharge
Pressure
Alert codes T126, T127, and T142 are for circuits A, B and C,
respectively. These alerts have “Service Test” text that will be
displayed if the alert occurred during service test. These alerts
occur when alerts T051, T055, or T059 are active while the
appropriate condensing temperature is greater than 150F. These
alerts reset automatically. The cause of the alert is usually an
overcharged system, high outdoor ambient temperature coupled
with dirty outdoor coil, plugged filter drier, or a faulty
high−pressure switch. See Alerts T051, T055 and T059 for
diagnostic procedure.
Alert Codes T133, T134 and T141 − Circuit Low Refrigerant
Pressure
Alert codes T133, T134 and T141 are for circuits A, B and C,
respectively. These alerts have “Service Test” text that will be
displayed if the alert occurred during service test. These alerts
occur when the compressor is operating and the evaporating
temperature (converted from the suction pressure) is less than
configured low suction control levels,
Configuration→COOL→SST→SST.1 (Low Suction — Level 1)
or SST.2 (Low Suction — Level 2) or SST.3 (Low Suction Level
3). The circuit SST value must be less than SST.1 (for 5 minutes),
SST.2 (for 4 minutes), or SST.3 (for 3 minutes when using the
economizer and 1.5 minutes when not using the economizer) for
the alert to occur. When the outdoor temperature is less than 40F,
the above values are reduced 1F for every 2F the OAT is below
40F. An alert will also occur if the circuit SST value is less than
SST.3 –5F for 20 seconds and the outdoor temperature is above
40F. All the above timers will reset if the suction temperature rises
above SST.O for 1 minute. These alerts cause a strike for the
respective circuit. If the OAT is less than 10F, the circuit will shut
down without a strike. These alerts will activate when the coil
becomes frosted. However, during the 15−minute reset period, the
coils will thaw and strike should clear at restart if there is nothing
else wrong with the circuit. The alert resets automatically. The
cause of the alert is usually low refrigerant charge, dirty filters,
evaporator fan operating backwards, loose or broken belt, plugged
filter drier, faulty transducer, excessively cold return air, or stuck
open economizer when the ambient temperature is low.
Alert Codes T140 − Circuit C Loss of Charge
See Alert T110.
Alert Codes T141 – Circuit C Low Refrigerant Pressure
See Alert T133.
Alert Codes T142 – Circuit High Discharge Pressure
See Alert T126.
Alert Codes T143, T144 − Circuit Failure to Pressurize
Alert codes T143, T144, and T145 are for circuits A, B, and C,
respectively. These alerts have “Service Test” text that will be
displayed if the alert occurred during service test. These alerts
occur when the compressor turns on and the suction pressure does
not drop at least 10 PSIG and stay there for the first 20 seconds
AND the condensing temperature does not rise at least 5F and
stay there for the first 65 seconds (both conditions have to occur).
These alerts cause a strike for the respective circuit. The alert resets
automatically. The cause of the alert is usually compressor wiring
causing reverse rotation or a faulty compressor.
48/50PG and PM

40
Alarm Code T153 − Real Time Clock Hardware Failure
The alert occurs when the RTC clock chip on the MBB is not
responding. Time and date functions will not operate, such as local
occupancy schedules. The unit will default to 24/7 unoccupied
mode. Recovery is automatic but MBB board replacement may be
necessary. Cycling power to the control and reconfiguring the time
and date should be tried before board replacement.
Alarm Code A154 − Serial EEPROM Hardware Failure
The unit will completely shut down. The serial EEPROM chip on
the MBB which stores the unit’s configuration is not responding.
Recovery is automatic, but MBB board replacement may be
necessary. Cycling the power to the control should be tried before
board replacement.
Alarm Code T155 − Serial EEPROM Storage Failure Error
Configuration data in the serial EEPROM chip can not be verified.
The unit will run to last know good values or defaults, and
therefore operating errors may occur. Recovery is automatic but
MBB board replacement may be necessary. Cycling power to the
control and reconfiguring the control points should be tried before
board replacement.
Alarm Code A156 − Critical Serial EEPROM Storage
Fail Error
The unit will completely shut down. Critical configuration data in
the serial EEPROM chip can not be verified. Recovery is automatic
but MBB board replacement may be necessary. Cycling power to
the control and reconfiguring the critical control points should be
tried before board replacement. Check the configurations for the
following critical points:
Configuration→COOL→N.CIR (Number of Circuits)
Configuration→COOL→N.A(Compressors on Circuit A)
Configuration→COOL→OFC→OFC.3 (OFC.3 Enable, CCH
Disable)
Configuration→HMZR→REHT (Humidi−MiZer Equipped)
Configuration→HMZR→RH.FN (Reheat Fan Control)
Alarm Code A157 − A/D Hardware Failure
The unit will completely shut down. The analog to digital
conversion chip on the MBB has failed. Recovery is automatic but
MBB board replacement may be necessary. Cycling power to the
control should be tried before board replacement.
Alarm Codes A163, A164, and A165 − Circuit Down due to
Failure
Alarm codes A163, A164, and A165 are for circuits A, B, and C,
respectively. These alarms have “Service Test” text that will be
displayed if the alarm occurred during service test. These alarms
occur when a circuit has 3 strikes. Use the Scrolling Marquee
display to reset the alarm. Investigate the alarm that caused the
strikes to occur.
Alert Code T173 – Loss of Communication with the Energy
Management Module
This alert occurs when the MBB cannot communicate with the
EMM. These units do not currently support any operation with the
EMM. This alert is caused by an internal force to look for the
EMM board. When this happens, reload software on the MBB and
do not restore configurations, the factory configurations must be
used at first. Replace the MBB if alert continues.
Alert Code T179 – Loss of Communication with the
Economizer Control Board
This alert occurs when the MBB cannot communicate with the
ECB. Economizer operation will be disabled. This is usually
caused by a wiring problem. If a relative humidity sensor is
installed and configured but there is not an ECB installed on the
unit, this alert will be generated (the ECB is required for RH sensor
operation). Investigate using the Low Voltage Schematic, check
that the ECB address is correct, and verify the resistance between
pins on the LEN connections.
Alert Code T180 − Loss of Communication with the
Economizer Actuator
This alert occurs when the ECB cannot communicate with the
Belimo Actuator. If the analog signal is connected properly, the
economizer can still be controlled through it. This is usually
caused by a wiring problem, actuator failure, or the wrong actuator.
Investigate using the Low Voltage Schematic. Make sure the
actuator is a MFT communication actuator and verify the feedback
signal from the actuator is correct.
Alert Code T181 – Loss of communication with Outside Air
Unit
This alert occurs when the Outdoor Air Unit Type (Configuration
→ OAU → OA.TY) is not set to 0 and the OAU Operating Mode
(Run Status → OAU → OA.OP) has not been communicated in
the past 3 minutes. The control will reset all OAU data. This alert
will automatically reset when communication is established again.
This alert is usually caused by a wiring problem or a problem with
the OAU communication.
Alarm Code A200 − Linkage Timeout − Comm Failure
This alarm occurs when the MBB fails to communicate with a
Linkage device. This only occurs when the MBB has previously
communicated with a Linkage device since last power cycle. If a
back up sensor was not installed the T074 alert will occur shortly
after this one. Reset power to the unit and verify Linkage is
communicating.
Alarm Code A404 − Fire Shutdown
This alarm occurs when the shutdown input is either open or
closed depending upon its configuration. This alarm is usually
caused by an auxiliary device that is trying to shut down the unit,
e.g., smoke detector. The configuration for this switch input can be
found at variable Configuration→UNIT→FS.SW. Verify that the
configuration is set correct, verify the wiring and auxiliary device.
This alarm resets automatically.
Alert Code T408 − Dirty Air Filter
This alert occurs when the Filter Status switch senses a plugged
filter for 120 continuous seconds after the indoor fan has been
running for 10 seconds. Because the Dirty Air Filter switch can be
configured normally opened or closed, the switch might be open or
closed. The configuration for this switch input can be found at
variable Configuration→UNIT→FL.SW. Verify that the
configuration is set correct, verify the wiring and filter status
switch. The hose should be connected to the low side of the switch.
This alert resets automatically.
Alert Code T409
There are 2 different texts for this alert code. Pressing enter and esc
on the marquee or navigator to expand the T409 alert will show
you one of the below alerts. Make sure the expanded text is read
correctly before troubleshooting.
Fan Status Switch On, Fan Contactor Off
This alarm occurs when the fan status switch has sensed that the
indoor fan has been on for 10 seconds and the indoor fan
feedback has determined that the indoor fan should be off.
Because the Fan Status switch can be configured normally
opened or closed, the switch might be open or closed. The
configuration for this switch input can be found at
Configuration→UNIT→FN.SW. Verify that the configuration
is set correctly. Verify the wiring and fan status switch. The hose
should be connected to the high side of the switch. If the IDF is
configured to shut down the unit when this alarm occurs
(Configuration→UNIT→IDF.F = YES), then this alarm can
only be reset manually and the unit is shut down. If the IDF is
not configured to shut the unit down when this alarm occurs
(IDF.F = NO), then this alarm resets automatically and no
specific control action is taken.
48/50PG and PM

41
Table 12 – ComfortLinkt Alarm Codes
ALARM
OR
ALERT
NUMBER
DESCRIPTION ACTION TAKEN BY
CONTROL
RESET
METHOD PROBABLE CAUSE
T051
Compressor A1 Safety Trip Add Strike for Circuit A Automatic High-pressure switch open. Compressor internal protection
open. Wiring error
Service Test - Compressor A1 Safety Trip
Compressor A1 Current Detected After Turnoff
Turn off all compressors Automatic Welded contactorService Test - Compressor A1 Current Detected
After Turnoff
T052
Compressor A2 Safety Trip Add Strike for Circuit A Automatic High-pressure switch open. Compressor internal protection
open. Wiring error
Service Test - Compressor A2 Safety Trip
Compressor A2 Current Detect After Turnoff
Turn off all compressors Automatic Welded contactorService Test - Compressor A2 Current Detected
After Turnoff
T055
Compressor B1 Safety Trip Add Strike for Circuit B Automatic High-pressure switch open. Compressor internal protection
open. Wiring error
Service Test - Compressor B1 Safety Trip
Compressor B1 Current Detect After Turnoff Turn off all compressors Automatic
Welded contactorService Test - Compressor B1 Current Detected
After Turnoff
T059
Compressor C1 Safety Trip Add Strike for Circuit C Automatic High-pressure switch open. Compressor internal protection
open. Wiring error
Service Test - Compressor C1 Safety Trip
Compressor C1 Current Detect After Turnoff
Turn off all compressors Automatic Welded contactorService Test - Compressor C1 Current Detected
After Turnoff
T064 Circuit A Saturated Condensing Temp Thermistor
Failure
Use OAT to control Outdoor
fans Automatic Faulty, shorted, or open thermistor caused by wiring error or
loose connection.
T065 Circuit B Saturated Condensing Temp Thermistor
Failure
Use OAT to control Outdoor
fans Automatic Faulty, shorted, or open thermistor caused by wiring error or
loose connection.
T066 Circuit A Saturated Suction Temperature
Thermistor Failure No Circuit A Cooling Automatic Circuit A Suction transducer internally forced inactive
T067 Circuit B Saturated Suction Temperature
Thermistor Failure No Circuit B Cooling Automatic Circuit B Suction transducer internally forced inactive
T073 Outdoor Air Temperature Thermistor Failure No cooling with economizer Automatic Faulty, shorted, or open thermistor caused by wiring error or
loose connection.
T074 Space Temperature Thermistor Failure If U.CTL = 3, then no
heating or cooling Automatic Faulty, shorted, or open thermistor caused by wiring error or
loose connection.
T075 Supply Air Temperature Thermistor Failure
No cooling with economizer
and No adaptive compressor
staging
Automatic Faulty, shorted, or open thermistor caused by wiring error or
loose connection.
T076 Return Air Thermistor Failure If RAT.S = Yes, then no
differential Dry Bulb control Automatic Faulty, shorted, or open thermistor caused by wiring error or
loose connection.
T077 Space Relative Humidity Sensor Failure If RH.S = Yes, then no
indoor humidity control Automatic Faulty, shorted, or open sensor caused by wiring error or loose
connection.
T080 Circuit C Saturated Condensing Temp Thermistor
Failure
Use OAT to control Outdoor
fans Automatic Faulty, shorted, or open thermistor caused by wiring error or
loose connection.
T081 Circuit C Saturated Suction Temperature
Thermistor Failure No Circuit C Cooling Automatic Circuit C Suction transducer internally forced inactive
T092 Circuit A Suction Pressure Transducer Failure Lockout Circuit A Manual Faulty transducer, faulty 5-V power supply, or loose
connection
T093 Circuit B Suction Pressure Transducer Failure Lockout Circuit B Manual Faulty transducer, faulty 5-V power supply, or loose
connection
T101 Circuit C Suction Pressure Transducer Failure Lockout Circuit C Manual Faulty transducer, faulty 5-V power supply, or loose
connection
T102 Compressor A1 Current Sensor Failure If CS.A1 = Enable, then no
T051 current alarm Automatic Faulty current sensor caused by wiring error or loose
connection
Compressor A2 Current Sensor Failure If CS.A2 = Enable, then no
T052 current alarm Automatic Faulty current sensor caused by wiring error or loose
connection
T103 Compressor B1 Current Sensor Failure If CS.B1 = Enable, then no
T055 current alarm Automatic Faulty current sensor caused by wiring error or loose
connection
T104 Compressor C1 Current Sensor Failure If CS.C1 = Enable, then no
T059 current alarm Automatic Faulty current sensor caused by wiring error or loose
connection
T110 Circuit A Loss of Charge Lockout Circuit A Manual Low refrigerant or faulty suction pressure transducer
Service Test - Circuit A Loss of Charge
T111 Circuit B Loss of Charge Lockout Circuit B Manual Low refrigerant or faulty suction pressure transducer
Service Test - Circuit B Loss of Charge
T126 Circuit A High Discharge Pressure Shutdown Circuit A Automatic
An overcharged system, high outdoor ambient temperature
coupled with dirty outdoor coil, plugged filter drier, or a faulty
high-pressure switch.
Service Test - Circuit A High Discharge Pressure
T127 Circuit B High Discharge Pressure Shutdown Circuit B Automatic
An overcharged system, high outdoor ambient temperature
coupled with dirty outdoor coil, plugged filter drier, or a faulty
high-pressure switch.
Service Test - Circuit B High Discharge Pressure
T133
Circuit A Low Refrigerant Pressure
Add Strike for Circuit A Automatic
Low refrigerant charge, dirty filters, evaporator fan turning
backwards, loose or broken fan belt, plugged filter drier, faulty
transducer, excessively cold return air, or stuck open
economizer when the ambient temperature is low.
Service Test - Circuit A Low Refrigerant Pressure
T134
Circuit B Low Refrigerant Pressure
Add Strike for Circuit B Automatic
Low refrigerant charge, dirty filters, evaporator fan turning
backwards, loose or broken fan belt, plugged filter drier, faulty
transducer, excessively cold return air, or stuck open
economizer when the ambient temperature is low.
Service Test - Circuit B Low Refrigerant Pressure
T140 Circuit C Loss of Charge Lockout Circuit C Manual Low refrigerant or faulty suction pressure transducer
Service Test - Circuit C Loss of Charge
T141
Circuit C Low Refrigerant Pressure
Add Strike for Circuit C Automatic
Low refrigerant charge, dirty filters, evaporator fan turning
backwards, loose or broken fan belt, plugged filter drier, faulty
transducer, excessively cold return air, or stuck open
economizer when the ambient temperature is low.
Service Test - Circuit C Low Refrigerant Pressure
T142 Circuit C High Discharge Pressure Shutdown Circuit C Automatic
An overcharged system, high outdoor ambient temperature
coupled with dirty outdoor coil, plugged filter drier, or a faulty
high-pressure switch.
Service Test - Circuit C High Discharge Pressure
T143 Circuit A Failure To Pressurize Add Strike for Circuit A Automatic Wiring causing reverse rotation or faulty compressor
Service Test - Circuit A Failure to Pressurize
T144 Circuit B Failure To Pressurize Add Strike for Circuit B Automatic Wiring causing reverse rotation or faulty compressor
Service Test - Circuit B Failure to Pressurize
T145 Circuit C Failure To Pressurize Add Strike for Circuit C Automatic Wiring causing reverse rotation or faulty compressor
Service Test - Circuit C Failure to Pressurize
T153 Real Timeclock Hardware Failure No time and date schedule
operation Automatic No time/date configured, software failure, or MBB failure
* See Legend on next page
48/50PG and PM

42
Table 12 — ComfortLinkt Alarm Codes (cont)
ALARM
OR
ALERT
NUMBER
DESCRIPTION ACTION TAKEN BY
CONTROL
RESET
METHOD PROBABLE CAUSE
A154 Serial EEPROM Hardware Failure Unit Shutdown Automatic Software failure or MBB failure
T155 Serial EEPROM Storage Failure Error Unit operation errors Automatic Software failure or MBB failure
A156 Critical Serial EEPROM Storage Fail Error Unit Shutdown Automatic Software failure or MBB failure
A157 A/D Hardware Failure Unit Shutdown Automatic Software failure or MBB failure
A163 Circuit A Down Due to Failure Lockout Circuit A Manual Circuit has 3 strikes or has been locked out by another alarm
Service Test - Circuit A Down Due to Failure
A164 Circuit B Down Due to Failure Lockout Circuit B Manual Circuit has 3 strikes or has been locked out by another alarm
Service Test - Circuit B Down Due to Failure
A165 Circuit C Down Due to Failure Lockout Circuit C Manual Circuit has 3 strikes or has been locked out by another alarm
Service Test - Circuit C Down Due to Failure
T173 Loss of communication with the Energy
Management Module No action Automatic MBB Software failure, reload software or replace board
T179 Loss of communication with the Economizer
Control Board No economizer operation Automatic Communication wiring problem with ECB or faulty MBB or ECB
T180 Loss of communication with the Economizer
Actuator No economizer operation Automatic Communication wiring problem with actuator.
T181 Loss of communication with Outside Air Unit Reset OAU data Automatic Wiring Problem or OAU communication failure
A200 Linkage Timeout Error - Comm Failure No Linkage Operation fall
back to local SPT Automatic Received a table write from Linkage before, now not receiving
any linkage commands
A404 Fire Shutdown Unit Shutdown Automatic Smoke detected by smoke detector
T408 Dirty Air Filter Alert Generated Automatic Dirty Filter
T409
Fan Status Switch ON, fan commanded off If IDF.F = Yes, then Unit
Shutdown
If IDF.F =
YES, then
Manual,
otherwise
automatic
Bad Fan Status Switch. Configuration incorrect.
Fan Status Switch OFF, fan commanded on If IDF.F = Yes, then Unit
Shutdown
If IDF.F =
YES, then
Manual,
otherwise
automatic
Tripped Circuit Breaker. Broken belt. Bad indoor fan motor.
Configuration incorrect. Bad fan status switch.
T410
R-W1 Jumper Not Installed in Space Temp Mode Unable to run heat Automatic Missing jumper wire
R-W1 Jumper Must Be Installed to Run Heat In
Service Test Unable to Test Heat Outputs Automatic Missing jumper wire
T411 Thermostat Y2 Input Activated without Y1 Activated Run unit as if Y2 and Y1 are
On Automatic Bad Thermostat or Thermostat Wiring
T412 Thermostat W2 Input Activated without W1
Activated
Run unit as if W2 and W1 are
On Automatic Bad Thermostat or Thermostat Wiring
T413 Thermostat Y and W Inputs Activated
Simultaneously
Run unit in mode activated
first Automatic Bad Thermostat or Thermostat Wiring
T414
Economizer Damper Actuator Out of Calibration Alert Generated Automatic Calibrate economizer (E.CAL). If problem still exist then
determine what is limiting economizer rotation.
Economizer Damper Actuator Torque Above Load
Limit Alert Generated Automatic Actuator load too high. Check damper load.
Economizer Damper Actuator Hunting Excessively Alert Generated Automatic Damper position changing too quickly.
Economizer Damper Stuck or Jammed Alert Generated Automatic No economizer motion. Check damper blades, gears, and
actuator.
Economizer Damper Actuator Mechanical Failure Alert Generated Automatic Check actuator and replace if necessary.
Economizer Damper Actuator Direction Switch
Wrong Alert Generated Automatic Actuator direction control switch (CCW, CW) wrong.
T415 IAQ Input Out of Range No IAQ Operations Automatic Bad sensor, bad wiring, or sensor configured incorrectly.
T416 OAQ Input Out of Range No OAQ Operations Automatic Bad sensor, bad wiring, or sensor configured incorrectly.
T418
OAU Motor Failure Alert generated Automatic Check OAU motors for failure
OAU Dirty Filter Alert generated Automatic Check/change OAU filters
OAU Low CFM Alert generated Automatic Check OAU air flow
OAU General Alarm Alert generated Automatic Check OAU
LEGEND
ECB - Economizer Control Board
IGC - Integrated Gas Controller
MBB - Main Base Board
OAT - Outdoor-Air Thermistor
48/50PG and PM

43
Fan Status Switch Off, Fan Contactor On
This alert occurs when the fan status switch has sensed that the
indoor fan has been off for 10 seconds and the indoor fan
feedback has determined that the indoor fan should be on.
Because the Fan Status switch can be configured normally
opened or closed, the switch might be open or closed. The
configuration for this switch input can be found at
Configuration→UNIT→FN.SW. Verify that the configuration
is set correctly. Verify the wiring and fan status switch. The hose
should be connected to the high side of the switch. If the IDF is
configured to shut down the unit down when this alert occurs
(Configuration→UNIT→IDF.F = YES), then this alarm can
only be reset manually and the unit is shut down. If the IDF is
not configured to shut the unit down when this alert occurs
(IDF.F = NO), then this alert resets automatically and no specific
control action is taken.
Alert Code T410
R−W1 Jumper Not Installed in Space Temp Mode
This alert occurs when the control mode is Space Temperature
mode via Auto Select or Space Temp Select, yet there is no
power to W1. Verify that space temperature mode is the desired
mode or add jumper between R and W1. This alert resets
automatically.
R−W1 Jumper Must be Installed to Run Heat in Service Test
This alert occurs when a request for a heat output has occurred
yet the W1 input is not high. A jumper must be installed
between R and W1 when trying to test heat in Service Test. The
alert will clear when Service Test is exited or if another Service
Test mode is selected. Remove jumper when done using Service
Test if the unit is operating with a thermostat. The jumper should
only be left in place if the unit is operating with a space
temperature probe.
Alert Code T411 − Thermostat Y2 Input Activated without
Y1 Activated
This alert occurs in Thermostat mode when Y2 is energized and
Y1 is not. Verify thermostat and thermostat wiring. When Y2 turns
On, the software will behave as if Y1 and Y2 are both On. When
Y2 turns Off, the software will behave as if Y1 and Y2 are both
Off. This alert resets automatically when Y1 is turned On.
Alert Code T412 – Thermostat W2 Input Activated without
W1 Activated
This alert occurs in Thermostat mode when W2 is energized and
W1 is not. Verify thermostat and thermostat wiring. When W2
turns On, the software will behave as if W1 and W2 are both On.
When W2 turns Off, the software will behave as if W1 and W2 are
both Off. This alert resets automatically when W1 is turned On.
Alert Code T413 – Thermostat Y and W Inputs Activated
Simultaneously
This alert occurs in Thermostat mode when Y1 or Y2 is energized
simultaneously with W1 or W2. Verify thermostat and thermostat
wiring. The software will enter either the cooling or heating mode
depending upon which input turned on first. This alert resets
automatically when Y1 and Y2 are not on simultaneously with W1
and W2.
Alert Code T414
There are 6 different alerts under this one alert code. Pressing enter
and esc on the marquee or navigator to expand the T414 alert will
show you one of the below alerts. All these alerts are generated by
the Belimo actuator and reported to the ECB. These alerts can only
occur if the ECB is controlling the actuator digitally through MFT.
Economizer Damper Actuator Out of Calibration
This alert occurs when the economizer actuator reports a control
angle (Operating Modes→ECON→C.ANG) less than the
minimum control angle (Configuration→ECON→M.ANG).
Initiate economizer calibration (Service Test→INDP→E.CAL)
using the Service Test menu. The economizer calibration
procedure will try to find new maximum open and closed
positions. If the alert does not clear automatically after the
calibration procedure is complete, investigate what is limiting
economizer rotation. After that step, run another calibration, but
first power off unit (spring return the damper), loosen the
actuator clamp, and while pushing the damper closed, tighten the
clamp. This alert resets automatically.
Economizer Damper Actuator Torque Above Load Limit
This alert occurs when the actuator load is too high. Investigate
to determine what is increasing damper load, and verify that the
actuator is the correct size for the unit. This alert resets
automatically.
Economizer Damper Actuator Hunting Excessively
This alert occurs when the commanded damper position is
changing too rapidly. The stop jog ratio must be less than 21%
to clear this alert. Leave the actuator powered with no signal for
a few hours to allow the ratio to decrease (may have to wait
longer than a few hours). If the alert continues, determine if the
ECB or actuator is bad. This alert resets automatically.
Economizer Damper Stuck or Jammed
This alarm occurs when the actuator is no longer moving and the
actual position is greater than or less than 3% of the commanded
position for 20 seconds. Investigate what is stopping the rotation
of the actuator and fix. This alert resets automatically.
Economizer Damper Actuator Mechanical Failure
This alert occurs when the actuator senses a catastrophic failure.
Investigate actuator and replace if necessary. This alert resets
automatically.
Economizer Damper Actuator Direction Switch Wrong Position
This alert occurs when the economizer damper direction switch
is in the wrong position. The direction switch should be in the
clockwise position and the actuator should be mounted so that
the CW face of the actuator is accessible. Correct if necessary.
This alert clears automatically.
48/50PG and PM

44
Alert Code T415 − IAQ Input Out of Range
This alert occurs when the IAQ input (on ECB) is less than 3.5 mA
and the sensor is configured as installed. IAQ operation will be
disabled. Check sensor and wiring. This alert clears automatically.
Alert Code T416 − OAQ Input Out of Range
This alert occurs when the OAQ input (on ECB) is less than 3.5
mA and the sensor is configured as installed. OAQ operation will
be disabled. Check sensor and wiring. This alert clears
automatically.
Alert Code T418
There are 4 different alerts under this one alert code. Pressing enter
and esc on the marquee or navigator to expand the T418 alert will
show you one of the below alerts. All these alerts are generated by
the OAU device and reported to the MBB. These alerts can only
occur if the Outdoor Air Unit Type (Configuration → OAU →
OA.TY) is not set to 0. Control action is only taken on the OAU
side and these alerts will reset automatically when the OAU clears
them. Refer to the EnergyXv2 Supplement Installation
Instructions for more information on these alarms.
OAU Motor Failure
This alert occurs when the OAU Motor Failure Alarm (Operating
Modes → OAU → ALM.1) is on. This is usually due to motor
status reporting a failure on the OAU.
OAU Dirty Filter
This alert occurs when the OAU Dirty Filter Alarm (Operating
Modes → OAU → ALM.2) is on. This is usually due to filter
status reporting a dirty filter on the OAU.
OAU Low CFM
This alert occurs when the OAU Low CFM Alarm (Operating
Modes → OAU → ALM.3) is on. This is usually due to OAU not
capable of achieving proper CFM.
OAU General Alarm
This alert occurs when the OAU Alarm (Operating Modes →
OAU → ALM.4) is on. Refer to the specific OAU documentation
for details.
Control Module Communication
Red LED
Proper operation of the MBB and ECB control boards can be
visually checked by looking at the red status LEDs. When
operating correctly, the red status LEDs should blink in unison at a
rate of once every 2 seconds. If the red LED on the ECB is not
blinking, check the DIP switch positions on the board. If the red
LEDs are not blinking in unison, verify that correct power is being
supplied to all modules. A blinking red LED at the rate of once per
second means that software is not loaded on the board. Also, be
sure that the board is supplied with the current software. If
necessary, reload current software. A board LED that is lit
continuously should be replaced.
Green LED
The MBB and ECB each have one green LED. The Local
Equipment Network (LEN) LED should always be blinking
whenever power is on. If LEN LED is not blinking, check LEN
connections for potential communication errors (MBB J3, J4, and
J5). Communication between modules is accomplished by a 3-wire
sensor bus. These 3 wires run in parallel from module to module.
The J4 connector on the MBB also provides both power and
communication directly to the Scrolling Marquee display. The J5
connector on the MBB provides a LEN interface at the field
connection terminal (TB).
Yellow LED
The MBB has one yellow LED which is used to indicate CCN
communication activity. The Carrier Comfort Network (CCN)
LED will blink during times of network communication.
Communication Failures
If the Scrolling Marquee or Navigator display Communication
Failure or the green or yellow LED’s do not flash on the boards
then the problem could be the communication chip on one of the
control boards (MBB or ECB). Disconnect all the LEN and CCN
plugs from the board and use an ohm meter to measure the
resistance on the communication pins of the boards to determine if
the board is bad. If the reading is less than half the value indicated
in Table 13, then the board needs to be replaced.
NOTE: The resistive values should be read when the board is
powered off and the unit is locked out.
Table 13 – LEN and CCN Communication Resistances
Device Board Serial
Number
(LEN) Resistance between Pins/Connector (CCN) Resistance between Pins/Connector
Pins 1 to 3 Pins 1 to 2 Pins 2 to 3 Pins 5 to 7 Pins 5 to 6 Pins 6 to 7
MBB
Prior to 4702N 15K Ω
J3, J4, & J5
7.5K Ω
J3, J4, & J5
7.5K Ω
J3, J4, & J5
15K Ω
J5
7.5K Ω
J5
7.5K Ω
J5
Starting 4702N 18.9K Ω
J3, J4, & J5
9.9K Ω
J3, J4, & J5
9.9K Ω
J3, J4, & J5
18.9K Ω
J5
9.9K Ω
J5
9.9K Ω
J5
ECB
Prior to 0803N 5.9K Ω
J2
5.2K Ω
J2
5K Ω
J2 - - -
Starting 0803N 18.9K Ω
J2
9.9K Ω
J2
9.9K Ω
J2 - - -
48/50PG and PM

45
Cooling Troubleshooting
Use the Scrolling Marquee display or a CCN device to view the
cooling status display and the cooling diagnostic display (see
Appendix A) for information on the cooling operation. Check the
current alarms and alarm history for any cooling alarm codes and
correct any causes. (See Table 12.) Verify any unique control
configurations per installed site requirements or accessories.
If alarms conditions are corrected and cleared, operation of the
compressors and fans may be verified by using the Service Test
mode. (See Table 4.) See Table 14 for general cooling service
analysis.
Table 14 – Cooling Service Analysis
PROBLEM CAUSE REMEDY
Compressor and Fan Will Not
Start.
Power failure. Call power company.
Fuse blown or circuit breaker tripped. Check CB1,
CB2, and CB3.
Replace fuse or reset circuit breaker.
Disconnect off. Power disconnect.
Compressor time guard to prevent short cycling. Check using ComfortLink Scrolling Marquee.
Thermostat or occupancy schedule set point not
calling for Cooling.
Check using ComfortLink Scrolling Marquee.
Outdoor temperature too low. Check Compressor Lockout Temperature using
ComfortLink Scrolling Marquee.
Active alarm. Check active alarms using ComfortLink Scrolling
Marquee.
Compressor Cycles (other than
normally satisfying thermostat).
Insufficient line voltage. Determine cause and correct.
Active alarm. Check active alarms using ComfortLink Scrolling
Marquee.
Compressor Operates
Continuously.
Unit undersized for load. Decrease load or increase size of unit.
Thermostat or occupancy schedule set point too low. Reset thermostat or schedule set point.
Dirty air filters. Replace filters.
Low refrigerant charge. Check pressure, locate leak, repair, evacuate, and
recharge.
Condenser coil dirty or restricted. Clean coil or remove restriction.
Excessive Condenser Pressures. Loose condenser thermistors. Tighten thermistors.
Dirty condenser coil. Clean coil.
Refrigerant overcharge. Recover excess refrigerant.
Faulty TXV. 1. Check TXV bulb mounting and secure tightly to
suction line and insulate.
2. Replace TXV (and filter drier) if stuck open or
closed.
Condenser air restricted or air short cycling. Determine cause and correct.
Restriction in liquid tube. Remove restriction.
Condenser Fans Not Operating. No Power to contactors. Fuse blown or plug at motor loose.
Excessive Suction Pressure. High heat load. Check for sources and eliminate
Faulty TXV. 1. Check TXV bulb mounting and secure tightly to
suction line and insulate.
2. Replace TXV (and filter drier) if stuck open or
closed.
Refrigerant overcharged. Recover excess refrigerant.
Suction Pressure Too Low. Dirty air filters. Replace air filters.
Low refrigerant charge. Check pressure, locate leak, repair, evacuate, and
recharge.
Faulty TXV. 1. Check TXV bulb mounting and secure tightly to
suction line and insulate.
2. Replace TXV (and filter drier) if stuck open or
closed.
Insufficient evaporator airflow. Check belt tension. Check for other restrictions.
Temperature too low in conditioned area (low
return‐air temperature).
Reset thermostat or occupancy schedule.
LEGEND
CB - Circuit Breaker
TXV - Thermostatic Expansion Valve
48/50PG and PM

46
Humidi−MiZert Troubleshooting
Use the unit Scrolling Marquee display or a CCN device to view
the cooling status display and the cooling diagnostic display (see
Appendix A) for information on the cooling operation and the
related Humidi-MiZer operation. Check the current alarms and
alarm history for any cooling alarm codes and correct any causes.
(See Table 12.) Verify any unique control configurations per
installed site requirements or accessories.
If alarm conditions are corrected and cleared, operation of the
compressors, fans, and Humidi-MiZer valves may be verified by
using the Service Test mode. (See Table 4.) In addition to general
cooling service analysis (See Table 14), see Table 15 for general
Humidi-MiZer service analysis.
NOTE: Wiring, operation, and charge are different on a
Humidi-MiZer unit compared to a standard unit.
Table 15 – Humidi-MiZer Service Analysis
PROBLEM CAUSE REMEDY
Subcooling Reheat Mode
Will Not Activate.
General cooling mode problem. See Cooling Service Analysis (Table 14).
No dehumidification demand. See No Dehumidification Demand, below.
CRC relay operation. See CRC Relay Operation, below.
Circuit RH1 valve is not open. See RH1 Valve Operation, below.
Circuit CV valve is not closed. See CV Valve Operation, below.
Hot Gas Reheat Mode
Will Not Activate.
General cooling mode problem. See Cooling Service Analysis (Table 14).
No dehumidification demand. See No Dehumidification Demand, below.
CRC relay operation. See CRC Relay Operation, below.
Circuit RH1 valve is not open. See RH1 Valve Operation, below.
Circuit CV valve is not closed. See CV Valve Operation, below.
Circuit RH2 valve is not open. See RH2 Valve Operation, below.
Outdoor temperature too low. Check Reheat2 Circuit Limit Temperatures
(Configuration→HMZR→RA.LO and RB.LO)
using ComfortLink Scrolling Marquee.
No Dehumidification Demand.
Relative humidity setpoint is
too low — Humidistat Check/reduce setting on accessory humidistat.
Relative humidity setpoint is
too low — RH sensor.
Check Space RH Setpoints (Setpoints→RH.SP and RH.UN) and
occupancy using ComfortLink Scrolling Marquee.
Software configuration error
for accessory humidistat.
Check Space Humidity Switch (Configuration→
UNIT→RH.SW) using ComfortLink Scrolling Marquee.
Software configuration error
for accessory humidity sensor.
Check RH Sensor on OAQ Input (Configuration→
UNIT→RH.S) using ComfortLink Scrolling Marquee.
No humidity signal. Check wiring. Check humidistat or humidity sensor.
CRC Relay Operation.
No 24V signal to input terminals.
Check using Cool→Reheat1 Valve Test (Service Test→HMZR→CRC)
using ComfortLink Scrolling Marquee.
Check MBB relay output.
Check wiring.
Check transformer and circuit breaker.
No power to output terminals. Check wiring.
Relay outputs do not change state. Replace faulty relay.
CV or RH1 Valve Operation.
(NOTE: Normally Open
When De‐energized)
No 24V signal to input terminals.
Check using Cool→Reheat1 Valve Test (Service Test→HMZR→CRC)
using ComfortLink Scrolling Marquee.
Check CRC Relay Operation.
Check Wiring.
Check transformer and circuit beaker or fuses.
Solenoid coil burnout.
Check continuous over‐voltage is less than 10%.
Check under‐voltage is less than 15%.
Check for missing coil assembly parts.
Check for damaged valve enclosing tube.
Stuck valve. Replace valve. Replace filter drier.
RH2 Valve Operation.
(NOTE: Normally Closed
When De‐energized)
No 24V signal to input terminals.
Check using Cool→Reheat1 Valve Test (Service Test→HMZR→RHV.A or
RHV.B) using ComfortLink Scrolling Marquee.
Check MBB relay output.
Check wiring.
Check transformer and circuit breaker or fuses.
Solenoid coil burnout.
Check continuous over‐voltage is less than 10%.
Check under‐voltage is less than 15%.
Check for missing coil assembly parts.
Check for damaged valve enclosing tube.
Stuck valve. Replace valve. Replace filter drier.
Low Latent Capacity in Subcooling or
Hot Gas Reheat Modes. CV valve open or leaking. See CV Valve Operation, above.
Low Sensible Capacity in Normal Cool
or Subcooling Reheat Modes. RH2 valve open or leaking. See RH2 Valve Operation, above.
Low Suction Pressure and High
Superheat During Normal Cool Mode.
General cooling mode problem. See Cooling Service Analysis (Table 14).
RH2 valve open or leaking. See RH2 Valve Operation, above.
Low Suction Pressure
and High Discharge Pressure.
General cooling mode problem. See Cooling Service Analysis (Table 14).
Both RH1 and CV valves closed. See RH1 and CV Valve Operation, above.
RH2 Valve Cycling On/Off. Hot Gas Reheat mode low suction pressure limit. Normal Operation During Mixed Circuit Subcooling and Hot Gas Reheat
Modes at Lower Outdoor Temperatures.
Circuit B or C Will Not Operate With
Circuit A Off. Normal operation. Motormaster outdoor fan con
trol requires operation of circuit A. None
LEGEND
CRC - Cooling/Reheat Control
CV - Cooling Valve
RH - Relative Humidity
48/50PG and PM

47
Economizer Troubleshooting
Use the unit Scrolling Marquee display or a CCN device to view
the economizer status display and the economizer diagnostic
display (see Appendix A) for information on the economizer
operation. Check the current alarms and alarm history for any
economizer alarm codes and correct any causes. (See Table 12.)
Verify any unique control configurations per installed site
requirements or accessories. If alarms conditions are corrected and
cleared, operation of the economizer may be verified by using the
Service Test mode (see Service Test section and Table 4). The
following steps specify how to test the economizer using the
Scrolling Marquee display. See Table 16 for general economizer
service analysis.
1. Enter the Service Test main menu on the display.
2. Enter TEST and turn ON test mode. A password may be
needed in order to turn ON the Service Test. The default
password is 1111.
3. Return to the main level of Service Test.
4. Enter the INDP submenu and enter an initial value for
ECON. This will drive the economizer damper to the
specified position. Continue to adjust the ECON value to
make sure the economizer opens and closes.
5. Because of a mechanical problem with the economizer, the
actuator might acquire a new degree of rotation which is
less than M.ANG. If this occurs, a “T414 Economizer
Damper Actuator Out of Calibration” alert will be
generated. This alert can only occur if the economizer is
using digital communications (Configuration
→ECON→E.CTL = 1 or 2). The economizer calibration
procedure (Service Test→IND.P→E.CAL) will reconfigure
the actuator to the new fully closed and fully open
positions. To implement the calibration procedure, change
E.CAL from OFF to ON. E.CAL will remain ON as long as
the calibration procedure is being implemented (as long as 5
minutes). During the calibration procedure the actuator will
close fully and then open fully. After the calibration is
complete, the degree of rotation should be greater than
M.ANG, causing the T414 alert to clear. If the T414 alert
does not clear, check the economizer damper for other
mechanical problems.
6. Return to Service Test→TEST and turn OFF test mode.
This will cause the unit to return to normal operation.
Table 16 – Economizer Service Analysis
PROBLEM POSSIBLE CAUSE REMEDY
Damper Does Not Move. Indoor Fan is off. Check for proper thermostat connection.
Unit is not configured for continuous fan
operation and the thermostat is not calling for
heating or cooling.
Unit is in Unoccupied mode and there is no
call for heating or cooling.
Tripped circuit breaker.
No power to the unit.
Unit is off via CCN command.
Actuator is unplugged at motor or at
economizer board.
Check wiring connections.
Unit is not configured for economizer. Configure unit for economizer per the
instructions.
Outdoor‐air temperature is above economizer
high temperature lockout.
Adjust the high temperature lockout setting
if it is incorrect, otherwise, economizer is
operating correctly.
Outdoor‐air temperature is below economizer low
temperature lockout.
Adjust the low temperature lockout setting
if it is incorrect, otherwise, economizer is
operating correctly.
Communication loss to economizer board. Check wiring connections.
Damper is jammed. Identify the obstruction and safely remove.
Economizer Operation is Limited
to Minimum Position.
Minimum position is set incorrectly. Adjust minimum position setting.
Outdoor‐air temperature is above economizer
high temperature lockout.
Adjust the high temperature lockout setting
if it is incorrect, otherwise, economizer is
operating correctly.
Outdoor‐air temperature is below economizer
low temperature lockout.
Adjust the low temperature lockout setting if it is
incorrect, otherwise, economizer is operating
correctly.
Enthalpy or differential dry bulb are preventing free
cooling.
Check enthalpy and return air compared to
outside air temperature.
Outdoor‐air thermistor is faulty. Replace outdoor‐air thermistor.
Low suction pressure problem with a compressor. Economizer is operating correctly, identify
compressor problem.
Economizer Position is Less
Than Minimum Position.
IAQ is controlling minimum damper position. Adjust the IAQ settings if incorrect,
otherwise, the economizer is operating correctly.
Unit is in Unoccupied mode. Adjust unit occupied schedule if incorrect,
otherwise, economizer is operating correctly.
Economizer Does Not Return
to Minimum Position.
Unit is operating under free cooling. Economizer is operating correctly.
Damper Does Not Close on
Power Loss.
Damper is jammed or spring return is backwards. Identify the obstruction and safely remove.
Outdoor Damper Does Not Fully
Close at 0% or Fully Open at 100%.
Economizer actuator is out of calibration or spring
return is backwards.
Enter Service Test mode and run the Calibrate
Economizer (E.CAL) procedure.
Economizer is Not at Configured
Minimum Position
Unit is operating under free cooling or a force is
applied to the commanded position.
Economizer is operating correctly.
LEGEND
CCN - Carrier Comfort Network
IAQ - Indoor Air Quality
48/50PG and PM

48
Heating Troubleshooting
Use the unit Scrolling Marquee display or a CCN device to view
the heating status display and the heating diagnostic display (see
Appendix A) for information on the heating operation. Check the
current alarms and alarm history for any heating alarm codes and
correct any causes. (See Table 12.) Verify any unique control
configurations per installed site requirements or accessories. If
alarms conditions are corrected and cleared, operation of the heat
stages and indoor fan may be verified by using the Service Test
mode. (See Table 4.)
Gas Heat (48PG Units)
See Table 17 for general gas heating service analysis. See Fig. 21
for service analysis of the IGC board logic. Check the status LED
on the IGC board for any flashing alarm codes and correct any
causes. (See Table 18.)
Electric Heat (50PG Units)
See Table 19 for electric heating service analysis.
Table 17 – Gas Heating Service Analysis
PROBLEM CAUSE REMEDY
Heat Will Not Turn On. Unit is NOT configured for heat. Check heating configurations using the ComfortLink Scrolling
Marquee
Burners Will Not Ignite.
Active alarm. Check active alarms using ComfortLink Scrolling Marquee
and the IGC flash codes.
No power to unit. Check power supply, fuses, wiring, and circuit breakers.
No power to IGC (Integrated Gas Control). Check fuses and plugs.
Heaters off due to time guard to prevent short
cycling.
Check using ComfortLink Scrolling Marquee and the IGC flash
codes.
Thermostat or occupancy schedule set point not
calling for Cooling.
Check using ComfortLink Scrolling Marquee.
No gas at main burners. Check gas line for air and purge as necessary. After purging gas
line of air, allow gas to dissipate for at least 5 minutes before
attempting to re‐light unit.
Water in gas line. Drain water and install drip.
Inadequate Heating. Dirty air filters. Replace air filters.
Gas input too low. Check gas pressure at manifold. Refer to gas valve adjustment.
Thermostat or occupancy schedule set point only
calling for W1.
Allow time for W2 to energize or adjust setpoints.
Unit undersized for load. Decrease load or increase of size of unit.
Restricted airflow. Remove restriction. Check SAT compared to the SAT heating
limits.
Too much outdoor air. Check economizer position and configuration. Adjust minimum
position using ComfortLink Scrolling Marquee.
Limit switch cycles main burners. Check rotation of blower, thermostat heat anticipator settings,
and temperature rise of unit. Adjust as needed.
Poor Flame
Characteristics.
Incomplete combustion (lack of combustion air)
results in: Aldehyde odors, CO, sooting flame, or
floating flame.
Check all screws around flue outlets and burner compartment.
Tighten as necessary.
Cracked heat exchanger, replace.
Unit is over‐fired, reduce input. Adjust gas line or manifold
pressure.
Check vent for restriction. Clean as necessary.
Check orifice to burner alignment.
Burners Will Not Turn Off. Unit is in Minimum on‐time. Check using ComfortLink Scrolling Marquee and the IGC flash
codes.
Unit running in Service Test mode. Check using ComfortLink Scrolling Marquee.
Main gas valve stuck. Turn off gas supply and unit power. Replace gas valve.
48/50PG and PM

49
LEGEND
IDM -- Induced-Draft Motor
IGC -- Integrated Gas Unit Controller
NOTE: Thermostat Fan Switch in the
“AUTO” position.
C07014
Fig. 21 − IGC Service Analysis Logic
48/50PG and PM

50
Table 18 – IGC Board LED Alarm Codes
LED
FLASH
CODE
DESCRIPTION ACTION TAKEN BY
CONTROL RESET METHOD PROBABLE CAUSE
On Normal Operation — — —
Off Hardware Failure No gas heating. —Loss of power to the IGC. Check 5 amp fuse on IGC,
power to unit, 24V circuit breaker, transformer, and
wiring to the IGC.
1 Flash Indoor Fan On/Off Delay
Modified
5 seconds subtracted from
On delay.
5 seconds added to Off
delay (3 min max).
Power reset. High temperature limit switch opens during heat
exchanger warm‐up period before fan‐on delay
expires.
High temperature limit switch opens within
10 minutes of heat call (W) Off.
See Limit Switch Fault.
2 Flashes Limit Switch Fault Gas valve and igniter Off.
Indoor fan and inducer On.
Limit switch closed, or
heat call (W) Off.
High temperature limit switch is open. Check the
operation of the indoor (evaporator) fan motor.
Ensure that the supply‐air temperature rise is within
the range on the unit nameplate. Check wiring and
limit switch operation.
3 Flashes Flame Sense Fault Indoor fan and inducer On. Flame sense normal.
Power reset for LED
reset.
The IGC sensed a flame when the gas valve should
be closed. Check wiring, flame sensor, and gas valve
operation.
4 Flashes Four Consecutive Limit
Switch Fault
No gas heating. Heat call (W) Off.
Power reset for LED
reset.
4 consecutive limit switch faults within a single call for
heat. See Limit Switch Fault.
5 Flashes Ignition Fault No gas heating. Heat call (W) Off.
Power reset for LED
reset.
Unit unsuccessfully attempted ignition for 15 minutes.
Check igniter and flame sensor electrode spacing, gaps,
etc. Check flame sense and igniter wiring. Check gas
valve operation and gas supply.
6 Flashes Induced Draft Motor
Fault
If heat off: no gas heating.
If heat on: gas valve Off
and inducer On.
Inducer sense normal, or
heat call (W) Off.
Inducer sense On when heat call Off, or inducer
sense Off when heat call On. Check wiring, voltage,
and operation of IGC motor. Check speed sensor
wiring to IGC.
7 Flashes Rollout Switch Lockout Gas valve and igniter Off.
Indoor fan and inducer On.
Power reset. Rollout switch has opened. Check gas valve
operation. Check induced‐draft blower wheel is
properly secured to motor shaft.
8 Flashes Internal Control Lockout No gas heating. Power reset. IGC has sensed internal hardware or software error. If
fault is not cleared by resetting 24 v power, replace
the IGC.
9 Flashes Temporary Software
Lockout
No gas heating. 1 hour auto reset, or
power reset.
Electrical interference is disrupting the IGC software.
LEGEND
IGC - Integrated Gas Unit Control
LED - Light-Emitting Diode
NOTES:
1. There is a 3-second pause between alarm code displays.
2. If more than one alarm code exists, all applicable alarm codes will be
displayed in numerical sequence.
3. Alarm codes on the IGC will be lost if power to the unit is interrupted.
Table 19 – Electric Heat Service Analysis
PROBLEM CAUSE REMEDY
Heat Will Not Turn On. Active alarm. Check active alarms using ComfortLink Scrolling
Marquee.
Unit is NOT configured for heat. Check heating configurations using the ComfortLink
Scrolling Marquee
No power to unit. Check power supply, fuses, wiring, and circuit breakers.
Unit is in minimum heat off‐time, or minimum cool‐heat
changeover time.
Check using ComfortLink Scrolling Marquee.
Thermostat or occupancy schedule setpoint not
calling for heating.
Check using ComfortLink Scrolling Marquee.
Heat forced off in Service Test mode. Check using ComfortLink Scrolling Marquee. Turn Service
Test mode off.
No 24 vac at heater contactor. Check transformer and circuit breaker.
Check auto‐reset limit switches on heater.
Check manual‐reset limit switch (LS) on indoor fan housing.
Open temperature limit switch on heater. Check minimum airflow. Check limit switch when it is cool,
replace if open.
Inadequate Heating. Dirty air filters. Replace air filters.
Thermostat or occupancy schedule setpoint only
calling for W1.
Allow time for W2 to energize or adjust setpoints.
Heat undersized for load. Decrease load or increase size of heater.
Restricted airflow Remove restriction. Check SAT compared to the SAT
heating limits.
Too much outdoor air. Check economizer position and configuration. Adjust
minimum position.
Limit switch cycles heaters. Check rotation of blower and minimum airflow.
Bad heater elements. Power off unit and remove high voltage wires. Check
resistance of element, replace if open.
Heat Will Not Turn Off. Unit is in minimum heat on‐time. Check using ComfortLink Scrolling Marquee.
Thermostat or occupancy schedule setpoint still
calling for heating.
Check using ComfortLink Scrolling Marquee.
Heat forced on in Service Test mode. Check using ComfortLink Scrolling Marquee. Turn Service
Test mode off.
Heater contactor failed. Power off unit. Check contactor and replace if closed.
48/50PG and PM

51
Phase Loss Protection
The phase loss protection option will monitor the three-phase
electrical system to provide phase reversal and phase loss
protection.
Phase Reversal Protection
If the control senses an incorrect phase relationship, the relay (K1)
will be de-energized (opening its contact). If the phase relationship
is correct, the relay will be energized. The control has a self-bypass
function after a pre-set time. If the control determines that the three
phases stay in a correct relationship for 10 consecutive minutes, the
relay will stay energized regardless of the phase sequence of three
inputs as long as 24-vac control voltage is applied. This self-bypass
function will be reset if all three phases are restored in a phase loss
event.
Phase Loss Protection
If the reverse rotation board senses any one of the three phase
inputs has no AC voltage, the relay will be de−energized (opening
its contact). This protection is always active as long as 24-vac
control voltage is applied, and is not affected by the self by-pass
function of the phase sequence monitoring function. However, in
the event of phase loss, the relay will be re-energized only if all
three phases are restored and the three phases are in the correct
sequence.
A red LED is provided to indicate the function of the board. See
the table below.
LED STATUS FUNCTION
On Continuously Relay contact closed (normal operation).
Blinking Relay contact open (phase loss or phase
reversal has occurred) — No power will be
supplied to the control system.
Off 24 vac control power not present (off).
Thermistor Troubleshooting
The electronic control uses thermistors to sense temperatures used
to control operation of the unit. Resistances at various temperatures
are listed in Table 20 and 21. Thermistor pin connection points are
shown in the Major System Components section. The general
locations of the thermistors are shown the Major System
Components section.
Air Temperatures
Air temperatures are measured with 10 kilo-ohm thermistors. This
includes supply-air temperature (SAT), outdoor-air temperature
(OAT), space temperature sensors (T55, T56, T58), and return air
temperature (RAT).
The supply air temperature (SAT) and outdoor air temperature
(OAT) thermistors use a snap-mount to attach through the unit
sheet metal panels. The snap-mount tabs must be flattened on the
tip end of the sensor to release for removal from the panel. (See
Fig. 22.) To reinstall, make sure the snap-mount tabs extend out.
Refrigerant Temperatures
Condenser coil temperatures are measured with 5 kilo-ohm
thermistors. These measurements provide an approximate saturated
condensing temperature for each circuit (SCT.A, SCT.B, SCT.C).
Fig. 23−24 show the factory locations for the SCT thermistors on
48/50PG03−16 units. On 48/50PG20−28 and 48/50PM16−28
units the location is on the component arrangement diagrams.
Ensure that thermistors are placed at the correct location and are
snapped securely over the return bend so that contact is made
between the thermistor and the tube.
C07015
Fig. 22 − SAT and OAT Thermistor Mounting
Thermistor/Temperature Sensor Check
A high quality digital volt-ohmmeter is required to perform this
check.
Connect the digital voltmeter across the appropriate thermistor
terminals at the J8 terminal strip on the Main Base Board (see
Major System Components section).
Using the voltage reading obtained, read the sensor temperature
from Table 20 and 21.
To check thermistor accuracy, measure temperature at
probe location with an accurate thermocouple-type
temperature-measuring instrument. Insulate thermocouple to avoid
ambient temperatures from influencing reading. Temperature
measured by thermocouple and temperature determined from
thermistor voltage reading should be close, within 5°F if care was
taken in applying thermocouple and taking readings.
If a more accurate check is required, unit must be shut down and
thermistor removed and checked at a known temperature (freezing
point or boiling point of water) using either voltage drop measured
across thermistor at the J8 terminal, or by determining the
resistance with unit shut down and thermistor disconnected from
J8. Compare the values determined with the value read by the
control in the Temperatures mode using the Scrolling Marquee
display.
48/50PG and PM

52
SCT.A
MOTORMASTER
SENSOR
SCT.A
MOTORMASTER
SENSOR
48/50PG03,04
(3rd return bend
down from top)
(bottom stub
of outside header)
48/50PG03-07
C09347
Fig. 23 − Saturated Condensing Temperature Thermistor Location — 48/50PG03−07
THERMISTOR
LOCATION
(SCT.B)
THERMISTOR
LOCATION
(SCT.B)
THERMISTOR
LOCATION
(SCT.A)
48/50PG08-12
THERMISTOR
LOCATION
(SCT.A)
48/50PG14
MOTORMASTER
SENSOR
(2nd stub from bottom
of outside header)
MOTORMASTER
SENSOR
(4th stub from bottom
of outside header)
C09348
Fig. 24 − Saturated Condensing Temperature Thermistor Location — 48/50PG08−14
Sensor Trim
Corrective offsets can be applied to the space temperature and the
supply air temperature sensor readings. These corrections are set in
the Configuration→TRIM menu for the display, or in the
Maintenance→TRIM table for CCN. See the Indoor Air Quality
section for available adjustments to IAQ and OAQ sensor readings.
The space temperature may be corrected by entering either a
calibration temperature value in SPT.C, or an offset temperature
value in SPT.T. The supply-air temperature may be corrected by
entering either a calibration temperature value in SAT.C, or an
offset temperature value in SAT.T. Temperature corrections should
only be made if sensor readings are compared to an accurate
reference temperature measurement device.
Transducer Troubleshooting
The electronic control uses suction pressure transducers to measure
the suction pressure of the refrigerant circuits. The pressure/voltage
characteristics of these transducers are in shown in Table 22, the
5vdc power is applied to legs A and B of the transducer and legs B
to C represent the signal voltage. To use the voltage drop table for
troubleshooting, read the voltage across A and B, then subtract the
voltage reading from B to C. This is the voltage drop which can be
looked up in table 22. The accuracy of these transducers can be
verified by connecting an accurate pressure gauge to the second
refrigerant port in the suction line.
Forcing Inputs and Outputs
Many variables may have their value forced through CCN or
directly at the local display. This can be useful during diagnostic
testing and also during operation, typically as part of an advanced
third party control scheme. Input and output points that may be
forced are indicated as ‘forcible’ in the write status column of the
display and CCN tables.
If the user needs to force a variable, follow the same process as
when editing a configuration parameter. A forced variable will be
displayed on the Scrolling Marquee with a blinking period “.”
following its value. A forced value on Navigator accessory is
indicated with a blinking “f”. A forced value on CCN devices is
indicated with “Control” if forced at the unit display, or
“Supervisor” if forced via CCN. To remove a local force with the
Scrolling Marquee, select the point with the ENTER key and then
press the up-arrow and down-arrow keys simultaneously.
NOTE: In the case of a control power reset, any force in effect at
the time of power reset will be cleared.
48/50PG and PM

53
Table 20 – Temperature (_F) vs Resistance/Voltage Drop Values for
OAT, SAT, and SPT Thermistors (10K at 25_C Type II Resistors)
TEMP
(F)
VOLTAGE
DROP (V)
RESISTANCE
(Ohms)
TEMP
(F)
VOLTAGE
DROP (V)
RESISTANCE
(Ohms)
TEMP
(F)
VOLTAGE
DROP (V)
RESISTANCE
(Ohms)
–25 4.758 196,453 61 2.994 14,925 147 0.890 2,166
–24 4.750 189,692 62 2.963 14,549 148 0.876 2,124
–23 4.741 183,300 63 2.932 14,180 149 0.862 2,083
–22 4.733 177,000 64 2.901 13,824 150 0.848 2,043
–21 4.724 171,079 65 2.870 13,478 151 0.835 2,003
–20 4.715 165,238 66 2.839 13,139 152 0.821 1,966
–19 4.705 159,717 67 2.808 12,814 153 0.808 1,928
–18 4.696 154,344 68 2.777 12,493 154 0.795 1,891
–17 4.686 149,194 69 2.746 12,187 155 0.782 1,855
–16 4.676 144,250 70 2.715 11,884 156 0.770 1,820
–15 4.665 139,443 71 2.684 11,593 157 0.758 1,786
–14 4.655 134,891 72 2.653 11,308 158 0.745 1,752
–13 4.644 130,402 73 2.622 11,031 159 0.733 1,719
–12 4.633 126,183 74 2.592 10,764 160 0.722 1,687
–11 4.621 122,018 75 2.561 10,501 161 0.710 1,656
–10 4.609 118,076 76 2.530 10,249 162 0.699 1,625
–9 4.597 114,236 77 2.500 10,000 163 0.687 1,594
–8 4.585 110,549 78 2.470 9,762 164 0.676 1,565
–7 4.572 107,006 79 2.439 9,526 165 0.666 1,536
–6 4.560 103,558 80 2.409 9,300 166 0.655 1,508
–5 4.546 100,287 81 2.379 9,078 167 0.645 1,480
–4 4.533 97,060 82 2.349 8,862 168 0.634 1,453
–3 4.519 94,020 83 2.319 8,653 169 0.624 1,426
–2 4.505 91,019 84 2.290 8,448 170 0.614 1,400
–1 4.490 88,171 85 2.260 8,251 171 0.604 1,375
04.476 85,396 86 2.231 8,056 172 0.595 1,350
14.461 82,729 87 2.202 7,869 173 0.585 1,326
24.445 80,162 88 2.173 7,685 174 0.576 1,302
34.429 77,662 89 2.144 7,507 175 0.567 1,278
44.413 75,286 90 2.115 7,333 176 0.558 1,255
54.397 72,940 91 2.087 7,165 177 0.549 1,233
64.380 70,727 92 2.059 6,999 178 0.540 1,211
74.363 68,542 93 2.030 6,838 179 0.532 1,190
84.346 66,465 94 2.003 6,683 180 0.523 1,169
94.328 64,439 95 1.975 6,530 181 0.515 1,148
10 4.310 62,491 96 1.948 6,383 182 0.507 1,128
11 4.292 60,612 97 1.921 6,238 183 0.499 1,108
12 4.273 58,781 98 1.894 6,098 184 0.491 1,089
13 4.254 57,039 99 1.867 5,961 185 0.483 1,070
14 4.235 55,319 100 1.841 5,827 186 0.476 1,052
15 4.215 53,693 101 1.815 5,698 187 0.468 1,033
16 4.195 52,086 102 1.789 5,571 188 0.461 1,016
17 4.174 50,557 103 1.763 5,449 189 0.454 998
18 4.153 49,065 104 1.738 5,327 190 0.447 981
19 4.132 47,627 105 1.713 5,210 191 0.440 964
20 4.111 46,240 106 1.688 5,095 192 0.433 947
21 4.089 44,888 107 1.663 4,984 193 0.426 931
22 4.067 43,598 108 1.639 4,876 194 0.419 915
23 4.044 42,324 109 1.615 4,769 195 0.413 900
24 4.021 41,118 110 1.591 4,666 196 0.407 885
25 3.998 39,926 111 1.567 4,564 197 0.400 870
26 3.975 38,790 112 1.544 4,467 198 0.394 855
27 3.951 37,681 113 1.521 4,370 199 0.388 841
28 3.927 36,610 114 1.498 4,277 200 0.382 827
29 3.903 35,577 115 1.475 4.185 201 0.376 814
30 3.878 34,569 116 1.453 4,096 202 0.370 800
31 3.853 33,606 117 1.431 4,008 203 0.365 787
32 3.828 32,654 118 1.409 3,923 204 0.359 774
33 3.802 31,752 119 1.387 3,840 205 0.354 762
34 3.776 30,860 120 1.366 3,759 206 0.349 749
35 3.750 30,009 121 1.345 3,681 207 0.343 737
36 3.723 29,177 122 1.324 3,603 208 0.338 725
37 3.697 28,373 123 1.304 3,529 209 0.333 714
38 3.670 27,597 124 1.284 3,455 210 0.328 702
39 3.654 26,838 125 1.264 3,383 211 0.323 691
40 3.615 26,113 126 1.244 3,313 212 0.318 680
41 3.587 25,396 127 1.225 3,244 213 0.314 670
42 3.559 24,715 128 1.206 3,178 214 0.309 659
43 3.531 24,042 129 1.187 3,112 215 0.305 649
44 3.503 23,399 130 1.168 3,049 216 0.300 639
45 3.474 22,770 131 1.150 2,986 217 0.296 629
46 3.445 22,161 132 1.132 2,926 218 0.292 620
47 3.416 21,573 133 1.114 2,866 219 0.288 610
48 3.387 20,998 134 1.096 2,809 220 0.284 601
49 3.357 20,447 135 1.079 2,752 221 0.279 592
50 3.328 19,903 136 1.062 2,697 222 0.275 583
51 3.298 19,386 137 1.045 2,643 223 0.272 574
52 3.268 18,874 138 1.028 2,590 224 0.268 566
53 3.238 18,384 139 1.012 2,539 225 0.264 557
54 3.208 17,904 140 0.996 2,488
55 3.178 17,441 141 0.980 2,439
56 3.147 16,991 142 0.965 2,391
57 3.117 16,552 143 0.949 2,343
58 3.086 16,131 144 0.934 2,297
59 3.056 15,714 145 0.919 2,253
60 3.025 15,317 146 0.905 2,209
48/50PG and PM

54
Table 21 – Temperature (_F) vs. Resistance/Voltage Drop Values for SCT Sensors (5K at 25_C Resistors)
TEMP
(F)
VOLTAGE
DROP (V)
RESISTANCE
(Ohms) TEMP (F) VOLTAGE
DROP (V)
RESISTANCE
(Ohms) TEMP (F) VOLTAGE
DROP (V)
RESISTANCE
(Ohms)
–25 3.699 98,010 59 1.982 7,866 143 0.511 1,190
–24 3.689 94,707 60 1.956 7,665 144 0.502 1,165
–23 3.679 91,522 61 1.930 7,468 145 0.494 1,141
–22 3.668 88,449 62 1.905 7,277 146 0.485 1,118
–21 3.658 85,486 63 1.879 7,091 147 0.477 1,095
–20 3.647 82,627 64 1.854 6,911 148 0.469 1,072
–19 3.636 79,871 65 1.829 6,735 149 0.461 1,050
–18 3.624 77,212 66 1.804 6,564 150 0.453 1,029
–17 3.613 74,648 67 1.779 6,399 151 0.445 1,007
–16 3.601 72,175 68 1.754 6,238 152 0.438 986
–15 3.588 69,790 69 1.729 6,081 153 0.430 965
–14 3.576 67,490 70 1.705 5,929 154 0.423 945
–13 3.563 65,272 71 1.681 5,781 155 0.416 925
–12 3.550 63,133 72 1.656 5,637 156 0.408 906
–11 3.536 61,070 73 1.632 5,497 157 0.402 887
–10 3.523 59,081 74 1.609 5,361 158 0.395 868
–9 3.509 57,162 75 1.585 5,229 159 0.388 850
–8 3.494 55,311 76 1.562 5,101 160 0.381 832
–7 3.480 53,526 77 1.538 4,976 161 0.375 815
–6 3.465 51,804 78 1.516 4,855 162 0.369 798
–5 3.450 50,143 79 1.493 4,737 163 0.362 782
–4 3.434 48,541 80 1.470 4,622 164 0.356 765
–3 3.418 46,996 81 1.448 4,511 165 0.350 750
–2 3.402 45,505 82 1.426 4,403 166 0.344 734
–1 3.386 44,066 83 1.404 4,298 167 0.339 719
03.369 42,679 84 1.382 4,196 168 0.333 705
13.352 41,339 85 1.361 4,096 169 0.327 690
23.335 40,047 86 1.340 4,000 170 0.322 677
33.317 38,800 87 1.319 3,906 171 0.317 663
43.299 37,596 88 1.298 3,814 172 0.311 650
53.281 36,435 89 1.278 3,726 173 0.306 638
63.262 35,313 90 1.257 3,640 174 0.301 626
73.243 34,231 91 1.237 3,556 175 0.296 614
83.224 33,185 92 1.217 3,474 176 0.291 602
93.205 32,176 93 1.198 3,395 177 0.286 591
10 3.185 31,202 94 1.179 3,318 178 0.282 581
11 3.165 30,260 95 1.160 3,243 179 0.277 570
12 3.145 29,351 96 1.141 3,170 180 0.272 561
13 3.124 28,473 97 1.122 3,099 181 0.268 551
14 3.103 27,624 98 1.104 3,031 182 0.264 542
15 3.082 26,804 99 1.086 2,964 183 0.259 533
16 3.060 26,011 100 1.068 2,898 184 0.255 524
17 3.038 25,245 101 1.051 2,835 185 0.251 516
18 3.016 24,505 102 1.033 2,773 186 0.247 508
19 2.994 23,789 103 1.016 2,713 187 0.243 501
20 2.972 23,096 104 0.999 2,655 188 0.239 494
21 2.949 22,427 105 0.983 2,597 189 0.235 487
22 2.926 21,779 106 0.966 2,542 190 0.231 480
23 2.903 21,153 107 0.950 2,488 191 0.228 473
24 2.879 20,547 108 0.934 2,436 192 0.224 467
25 2.856 19,960 109 0.918 2,385 193 0.220 461
26 2.832 19,393 110 0.903 2,335 194 0.217 456
27 2.808 18,843 111 0.888 2,286 195 0.213 450
28 2.784 18,311 112 0.873 2,239 196 0.210 445
29 2.759 17,796 113 0.858 2,192 197 0.206 439
30 2.735 17,297 114 0.843 2,147 198 0.203 434
31 2.710 16,814 115 0.829 2,103 199 0.200 429
32 2.685 16,346 116 0.815 2,060 200 0.197 424
33 2.660 15,892 117 0.801 2,018 201 0.194 419
34 2.634 15,453 118 0.787 1,977 202 0.191 415
35 2.609 15,027 119 0.774 1,937 203 0.188 410
36 2.583 14,614 120 0.761 1,898 204 0.185 405
37 2.558 14,214 121 0.748 1,860 205 0.182 401
38 2.532 13,826 122 0.735 1,822 206 0.179 396
39 2.506 13,449 123 0.723 1,786 207 0.176 391
40 2.480 13,084 124 0.710 1,750 208 0.173 386
41 2.454 12,730 125 0.698 1,715 209 0.171 382
42 2.428 12,387 126 0.686 1,680 210 0.168 377
43 2.402 12,053 127 0.674 1,647 211 0.165 372
44 2.376 11,730 128 0.663 1,614 212 0.163 367
45 2.349 11,416 129 0.651 1,582 213 0.160 361
46 2.323 11,112 130 0.640 1,550 214 0.158 356
47 2.296 10,816 131 0.629 1,519 215 0.155 350
48 2.270 10,529 132 0.618 1,489 216 0.153 344
49 2.244 10,250 133 0.608 1,459 217 0.151 338
50 2.217 9,979 134 0.597 1,430 218 0.148 332
51 2.191 9,717 135 0.587 1,401 219 0.146 325
52 2.165 9,461 136 0.577 1,373 220 0.144 318
53 2.138 9,213 137 0.567 1,345 221 0.142 311
54 2.112 8,973 138 0.557 1,318 222 0.140 304
55 2.086 8,739 139 0.548 1,291 223 0.138 297
56 2.060 8,511 140 0.538 1,265 224 0.135 289
57 2.034 8,291 141 0.529 1,240 225 0.133 282
58 2.008 8,076 142 0.520 1,214
48/50PG and PM

55
Table 22 – Pressure (psig) vs. Voltage Drop Values for Suction Pressure Transducers
PRESSURE
(psig)
VOLTAGE
DROP (V)
PRESSURE
(psig)
VOLTAGE
DROP (V)
PRESSURE
(psig)
VOLTAGE
DROP (V)
PRESSURE
(psig)
VOLTAGE
DROP (V)
0 0.465 68 1.135 136 1.804 204 2.474
2 0.485 70 1.154 138 1.824 206 2.493
4 0.505 72 1.174 140 1.844 208 2.513
6 0.524 74 1.194 142 1.863 210 2.533
8 0.544 76 1.214 144 1.883 212 2.553
10 0.564 78 1.233 146 1.903 214 2.572
12 0.583 80 1.253 148 1.922 216 2.592
14 0.603 82 1.273 150 1.942 218 2.612
16 0.623 84 1.292 152 1.962 220 2.631
18 0.642 86 1.312 154 1.982 222 2.651
20 0.662 88 1.332 156 2.001 224 2.671
22 0.682 90 1.351 158 2.021 226 2.690
24 0.702 92 1.371 160 2.041 228 2.710
26 0.721 94 1.391 162 2.060 230 2.730
28 0.741 96 1.410 164 2.080 232 2.749
30 0.761 98 1.430 166 2.100 234 2.769
32 0.780 100 1.450 168 2.119 236 2.789
34 0.800 102 1.470 170 2.139 238 2.809
36 0.820 104 1.489 172 2.159 240 2.828
38 0.839 106 1.509 174 2.178 242 2.848
40 0.859 108 1.529 176 2.198 244 2.868
42 0.879 110 1.548 178 2.218 246 2.887
44 0.898 112 1.568 180 2.237 248 2.907
46 0.918 114 1.588 182 2.257 250 2.927
48 0.938 116 1.607 184 2.277 252 2.946
50 0.958 118 1.627 186 2.297 254 2.966
52 0.977 120 1.647 188 2.316 256 2.986
54 0.997 122 1.666 190 2.336 258 3.005
56 1.017 124 1.686 192 2.356 260 3.025
58 1.036 126 1.706 194 2.375 262 3.045
60 1.056 128 1.726 196 2.395 264 3.065
62 1.076 130 1.745 198 2.415 266 3.084
64 1.095 132 1.765 200 2.434 268 3.104
66 1.115 134 1.785 202 2.454 270 3.124
MAJOR SYSTEM COMPONENTS
General
The 48/50PG and 48/50PM single package rooftop units contain
the ComfortLink electronic control system that monitors all
operations of the rooftop. The control system is composed of
several main control components and available factory-
installed options or field-installed accessories as listed in
sections below. See Fig. 25−36 for the control and power
schematics for 48/50PG. See Fig. 31−36 for the control and power
schematics for 48/50PM. Fig. 37 shows the layout of the control
box, unit, and thermistor and transducer locations for the 48/50PG
and Fig. 38−39 for the 48/50PM.
48/50PG and PM

56
C08549
Fig. 25 − 48PG03−16 Control Wiring Schematic
48/50PG and PM

57
C08550
Fig. 26 − 50PG03−16 Control Wiring Schematic
48/50PG and PM

58
C101249
Fig. 27 − Typical 48/50PG03−14 Power Wiring Schematic and Legend (48/50PG08−14 Shown)
48/50PG and PM

59
C08552
Fig. 28 − Typical 48PG03−16 with Humidi−MiZert System Control Wiring Schematic(48PG08−16 Shown)
48/50PG and PM

60
C08554
Fig. 29 − Typical 50PG03−16 with Humidi−MiZert System Control Wiring Schematic(50PG08−16 Shown)
48/50PG and PM

61
C101250
Fig. 30 − Typical 48/50PG03−14 with Humidi−MiZert System Power Wiring Schematic and Legend
(48/50PG08−14 Shown)
48/50PG and PM

62
C08471
Fig. 31 − Typical 48PM16−28 Control Schematic
48/50PG and PM

63
C08062
Fig. 32 − Typical 48PM16−28 with Humidi−MiZert System Control Schematic
48/50PG and PM

64
C101251
Fig. 33 − Typical 50PM16−28 Control Schematic
48/50PG and PM

65
C08064
Fig. 34 − Typical 50PM16−28 with Humidi−MiZert Control Schematic
48/50PG and PM

66
C10902
Fig. 35 − Typical 48/50PM16−28 Power Schematic
48/50PG and PM

67
C09213
Fig. 36 − Typical 48/50PM16−28 with Humidi−MiZert System Power Schematic
48/50PG and PM

68
SAT
OFM
TXV
IFM
SCROLLING
MARQUEE
DISPLAY
HPS
SSP
COMPRESSOR(S)
OAT
SCT
COMPRESSOR
CONTACTOR
CAPACITOR
CURRENT
SENSOR
TB1
(LOW VOLTAGE TERMINAL STRIP)
OFC
CCHR
MBB
ECB
CB
IGC
TRAN 1 TRAN 2
UNIT CONTROL BOX
IFC
C07025
Fig. 37 − Typical 48/50PG03−16 Unit Component Arrangement (Sizes 03−07 Shown)
48/50PG and PM

69
C08067
Fig. 38 − 48/50PM16−28 Component Arrangement
48/50PG and PM

70
C101252
Fig. 39 − 48/50PM16−28 with Humidi−MiZert Component Arrangement
48/50PG and PM

71
Main Base Board (MBB)
See Fig. 40 and Table 23. The MBB is the center of the
ComfortLink control system. It contains the major portion of the
operating software and controls the operation of the unit. The
MBB continuously monitors input/output channel information
received from its inputs and from the Economizer Control Board
(ECB). The MBB receives inputs from thermistors and transducers.
The MBB also receives the Current Sensor inputs for compressors
and other discrete or digital inputs. The MBB reads space
temperature (SPT) from either a T-55, T-56 or T-58 device and
space temperature offset (SPTO) from a T-56 device. See
Field-Installed Accessories section. The MBB controls 9 relays.
NOTE: The Main Base Board (MBB) has a 3-position instance
jumper that is factory set to ‘1.’ Do not change this setting.
CEPL130346-01
STATUS
LEN
J1 J2
J4 J3
J5
J6
J7 J8 J9
J10
CCN
RED LED - STATUS GREEN LED -
LEN (LOCAL EQUIPMENT NETWORK) YELLOW LED -
CCN (CARRIER COMFORT NETWORK)
INSTANCE JUMPER (SET TO 1)
C07026
Fig. 40 − Main Base Board (MBB)
48/50PG and PM

72
Table 23 – MBB Connections
DISPLAY
NAME POINT DESCRIPTION SENSOR LOCATION TYPE OF I/O CONNECTION
PIN NUMBER
INPUTS
Input power from TRAN1 control box 24 VAC J1, 1-3
HUM IGC Fan Request or
Humidistat switch input
gas section /
space switch input J6, 4
FDWN Fire shutdown switch supply/return/space switch input J6, 6
GThermostat G (Fan) space switch input J7, 2
W2 Thermostat W2 (2nd Stage Heat) space switch input J7, 4
W1 Thermostat W1 (1st Stage Heat) space switch input J7, 6
Y2 Thermostat Y2 (2nd Stage Cool) space switch input J7, 8
Y1 Thermostat Y1 (1st Stage Cool) space switch input J7, 10
FIL.S Filter status switch indoor fan section switch input J9, 2-3
CS.A1 Compressor A1 Current Sensor control box 0-5vdc digital input J9, 4-6
CS.B1 or
CS.A2
Compressor B1 or
A2 Current Sensor control box 0-5vdc digital input J9, 7-9
CS.C1 or
CS.B1
Compressor C1or
B1 Current Sensor control box 0-5vdc digital input J9, 10-12
SPT Space temperature (T55/56) space 10k thermistor J8, 1-2
SPTO or
RAT
Space temperature offset (T56) or
Return air temperature space or return 10k thermistor J8, 2-3
OAT Outdoor air temperature outdoor coil support 10k thermistor J8, 5-6
SAT Supply air temperature indoor fan housing, or
supply duct 10k thermistor J8, 7-8
SCT.A Saturated condenser temperature, circuit A outdoor coil, circuit A 5k thermistor J8, 9-10
SCT.B Saturated condenser temperature, circuit B outdoor coil, circuit B 5k thermistor J8, 11-12
SCT.C Saturated condenser temperature, circuit C outdoor coil, circuit C 5k thermistor J8, 13-14
FAN.S Fan status switch indoor fan section switch input J8, 15-16
SSP.A Suction pressure, circuit A compressor A suction 0-5 VDC pressure
transducer J8, 18-20
SSP.B Suction pressure, circuit B compressor B suction 0-5 VDC pressure
transducer J8, 21-23
SSP.C Suction pressure, circuit C compressor C suction 0-5 VDC pressure
transducer J8, 24-26
OUTPUTS
CRC Cooling Reheat Control relay J10, 3
CMP.C or
OFC.2
Compressor C1 relay or
Outdoor fan 2 relay relay J10, 6
COMP.B Compressor B1 relay relay J10, 9
COMP.A Compressor A1 relay relay J10, 11
CCH or
OFC.3
OFC.1
Crankcase heat relay or
Outdoor fan 3 relay or
Outdoor fan 1 relay
relay J10, 13
OFC.2 or
RH2.B
Outdoor fan 2 relay or
Reheat 2 valve circuit B & C relay J10, 16
OFC.1 or
RH2.A
Outdoor fan 1 relay or
Reheat 2 valve circuit A relay J10, 19
IDF Indoor fan relay relay J10, 21
ALRM Alarm relay relay J10, 23
HT.1 Heat Stage 2 relay relay J10, 25
HT.2 Heat Stage 1 relay relay J10, 27
COMMUNICATION
Local Equipment Network (LEN)
communication J5, 1-3
Carrier Comfort Network (CCN) communication J5, 5-7
Network device power 24 VAC J5, 9-10
Scrolling Marquee Display (LEN) communication J4, 1-3
Scrolling Marquee Display power 24 VAC J4, 5-6
Optional ECB (LEN) communication J3, 1-3
Optional ECB power 24 VAC J2, 1-2
48/50PG and PM

73
Economizer Control Board (ECB)
The ECB controls the economizer actuator. (See Fig. 41 and Table
24.) The control signal from the ECB uses either the MFT
(Multi-Function Technology) digital communication protocol or a
4 to 20 mA output signal as defined by the configuration
Configuration→ECON→E.CTL. The ECB has inputs for
Indoor Air Quality (IAQ), Outdoor Air Quality (OAQ), enthalpy
and RH sensor. It also controls two power exhaust outputs.
By digitally communicating with the ECB, the economizer
actuator is able to provide the damper position and diagnostic
information to the ComfortLink controller. The damper
position is displayed at Outputs→ECON→EC.AP. Diagnostic
information is displayed via Alert T414. More information about
these alarms is contained in the Alarms and Alerts section.
NOTE: The Economizer Control Board (ECB) has a
4-position DIP switch that is factory set to ‘0’ (ON, towards the
center of the board). Do not change this setting.
C07027
Fig. 41 − Economizer Control Board (ECB)
48/50PG and PM

74
Table 24 – ECB Connections
DISPLAY
NAME
POINT DESCRIPTION SENSOR
LOCATION
TYPE OF I/O CONNECTION
PIN NUMBER
INPUTS
Input power from MBB control box 24 VAC J1, 1-2
RM.OC Remote occupancy switch field installed switch input J4, 2
ENTH or
IAQ.S
Outdoor enthalpy switch, or
Indoor air quality switch
economizer, or
return/space
switch input J4, 4
IAQ Indoor air quality sensor return/space 0-20 mA J5, 2
OAQ or
SP.RH
Outdoor air quality sensor, or
Relative humidity sensor
field installed 0-20 mA J5, 5
Sensor Common Ground J5, 3
Actuator Common Ground J7, 3
OUTPUTS
Output power to enthalpy switch 24 VAC J4, 3
Output power for loop power sensors 24 VDC J5, 1
Output power to economizer actuator 24 VAC J7, 2
PE.1 Power exhaust 1 relay relay J8, 3
PE.2 Power exhaust 2 relay relay J8, 6
EC.CP or
F.SPD
Commanded Economizer position or
Commanded Fan Speed
0-20 mA J9, 1
COMMUNICATION
Local Equipment Network (LEN) communication J2, 1-3
Carrier Comfort Network (CCN) communication J3
EC.CP &
EC.AP
Economizer actuator position
(digital control)
MFT
communication
J7, 1
48/50PG and PM

75
Integrated Gas Control (IGC) Board
The IGC is provided on gas heat units. (See Fig. 42 and Table 25.)
The IGC controls the direct spark ignition system and monitors the
rollout switch, limit switch, and induced-draft motor Hall Effect
switch.
The IGC is equipped with an LED (light-emitting diode) for
diagnostics. See the Troubleshooting section for more information.
RED LED-STATUS
C07028
Fig. 42 − Integrated Gas Control (IGC) Board
Table 25 – IGC Connections
TERMINAL
LABEL POINT DESCRIPTION SENSOR LOCATION TYPE OF I/O CONNECTION
PIN NUMBER
INPUTS
RT, C Input power from TRAN 1 control box 24 VAC
SS Speed sensor gas section analog input J1, 1-3
FS, T1 Flame sensor gas section switch input
WHeat stage 1 MBB 24 VAC J2, 2
RS Rollout switch gas section switch input J2, 5-6
LS Limit switch gas section switch input J2, 7-8
CS Centrifugal switch (not used) switch input J2, 9-10
OUTPUTS
L1, CM Induced draft combustion motor gas section line VAC
IFO Indoor fan request control box relay J2, 1
GV (W1) Gas valve (heat stage 1) gas section relay J2, 12
GV (W2) Gas Valve (heat stage 2, from MBB) gas section Not on IGC
48/50PG and PM

76
Low Voltage Terminal Strip
(TB1 on PG03−16 size and TB2 on PG20−28 and
PM16−28 size units)
This circuit board provides a connection point between the major
control boards and a majority of the field-installed accessories. (See
Fig. 43 and Table 26.)
The circuit breakers for the low voltage control transformers,
interface connection for the Carrier Comfort Network (CCN)
communication, and interface connection for the Local Equipment
Network (LEN) communications are also located on the low
voltage terminal strip.
SEPARATION OF CIRCUITS TO EACH 24V TRANSFORMER MUST BE MAINTAINED
1 2 3 4 5 6 7 8 9 10 R Y1 Y2 W1 W2 G C X 1 2 1 2 3 1 2
FAN STATUS
T55
J12
FIRE SHUTDOWN
RUN TEST
J13
78
J11 7
14
17 J10
LEN CCN
CCN
(COM) SHIELD
(-)
(+)
48HG500382
C07029
Fig. 43 − Low−Voltage Terminal Strip
Table 26 – Field Connection Terminal Strip
TERMINAL LABEL DISPLAY
NAME POINT DESCRIPTION SENSOR
LOCATION TYPE OF I/O CONNECTION
PIN NUMBER
1 24 VDC Sensor Loop power 24 VDC output J10, 17
2 IAQ Indoor air quality sensor return/space 4-20 mA input J10, 16
3 Air quality & humidity sensor common Ground J10, 15
4OAQ or
SP.RH
Outdoor air quality sensor or
Relative humidity sensor field installed 4-20 mA input J10, 14
5 RM.OC Remote occupancy switch field installed 24 VAC input J10, 13
6 Switch power (ENTH, RM.OC, IAQ.S) 24 VAC output J10, 11-12
7ENTH or
IAQ.S
Outdoor enthalpy switch, or
Indoor air quality switch
economizer, or
return/space 24 VAC input J10, 9-10
8* EC.CP Economizer commanded position actu
ator (when in digital control) economizer 2-10 VDC output J10, 6-8
9 Economizer signal common Ground J10, 3-5
10* EC.AP Economizer position feedback (when in
analog control) economizer communication
2-10 VDC output J10, 1-2
R 24 VAC power 24 VAC output J11, 11-14
Y1 Y1 Thermostat Y1 (1st stage cool) space 24 VAC input J11,10
Y2 Y2 Thermostat Y2 (2nd stage cool) space 24 VAC input J11, 9
W1 W1 Thermostat W1 (1st stage heat) space 24 VAC input J11, 7-8
W2 W2 Thermostat W2 (2nd stage heat) space 24 VAC input J11, 6
G G Thermostat G (Fan) space 24 VAC input J11, 5
C 24 VAC common 24 VAC output J11, 2-4
X ALRM Alarm output (normally open) 24 VAC output J11, 1
FIRE SHUTDOWN
or
HUMIDISTAT 1*
FDWN
or
HUM
Fire shutdown switch 24 VAC output
or
Humidistat switch input
supply/return/
space switch input J12, 7
FIRE SHUTDOWN
or
HUMIDISTAT 2*
FDWN
or
HUM
Fire shutdown switch input
or
Humidistat switch 24 VAC output
supply/return/
space switch input J12, 6
T55
1-2 SPT Space temperature (T55/56) space 10k thermistor J12, 4-5
T55
2-3
SPTO or
RAT
Space temperature offset (T56) or
Return air temperature space or return 10k thermistor J12, 3-4
FAN STATUS
1-2 NOT USED J12, 1-2
LEN Local Equipment Network (LEN) communication J13, 6-8, 4-5
CCN Carrier Comfort Network (CCN) communication J13, 1-3, 4-5
* Refer to Third Party Control section for more information
48/50PG and PM

77
Scrolling Marquee Display
This device is the keypad interface used to access rooftop
information, read sensor values, and test the unit. (See Fig. 44.)
The Scrolling Marquee display is a 4-key, 4-character, 16-segment
LED (light-emitting diode) display. Eleven mode LEDs are located
on the display as well as an Alarm Status LED. See Basic Control
Usage section for further details.
Accessory Navigatort Display
The accessory hand-held Navigator display can be used with
48/50PG and PM units. (See Fig. 45.) The Navigator display
operates the same way as the Scrolling Marquee device. The
Navigator display plugs into the LEN port on either TB or the
ECB board.
Run Status
Service Test
Temperature
Pressures
Setpoints
Inputs
Outputs
Configuration
Time Clock
Operating Modes
Alarms
Alarm Status
ENTER
MODE
ESCAPE
C06320
Fig. 44 − Scrolling Marquee
Run Status
Service Test
Temperatures
Pressures
Setpoints
Inputs
Outputs
Configuration
Time Clock
Operating Modes
Alarms
ENTER
ESC
MODE
Alarm Status
TIME
EWT
LWT
SETP
12.58
54.6°F
44.1°F
44.0°F
NAVIGATOR
ComfortLink
C06321
Fig. 45 − Accessory Navigatort Display
Carrier Comfort Network (CCN)R Interface
The units can be connected to the CCN if desired. The
communication bus wiring is a shielded, 3-conductor cable with
drain wire and is field supplied and installed. The system elements
are connected to the communication bus in a daisy chain
arrangement. (See Fig. 46.) The positive pin of each system
element communication connector must be wired to the positive
pins of the system elements on either side of it. This is also
required for the negative and signal ground pins of each system
element. Wiring connections for CCN should be made at TB. (See
Fig. 18.) Consult the CCN Contractor’s Manual for further
information.
NOTE: Conductors and drain wire must be 20 AWG (American
Wire Gauge) minimum stranded, tinned copper. Individual
conductors must be insulated with PVC, PVC/nylon, vinyl, Teflon,
or polyethylene. An aluminum/polyester 100% foil shield and an
outer jacket of PVC, PVC/nylon, chrome vinyl, or Teflon with a
minimum operating temperature range of –20C to 60C is
required. See Table below for acceptable wiring.
MANUFACTURER PART NO.
Alpha 2413 or 5463
Belden 8772
Carol C2528
West Penn 302
It is important when connecting to a CCN communication bus that
a color-coding scheme be used for the entire network to simplify
the installation. It is recommended that red be used for the signal
positive, black for the signal negative and white for the signal
ground. Use a similar scheme for cables containing different
colored wires.
At each system element, the shields of its communication bus
cables must be tied together. The shield screw on TB1 can be used
to tie the cables together. If the communication bus is entirely
within one building, the resulting continuous shield must be
connected to a ground at one point only. The shield screw on TB1
is not acceptable for grounding. If the communication bus cable
exits from one building and enters another, the shields must be
connected to grounds at the lightning suppressor in each building
where the cable enters or exits the building (one point per building
only). To connect the unit to the network:
1. Turn off power to the control box.
2. Cut the CCN wire and strip the ends of the red (+), white
(ground), and black (–) conductors. (Substitute appropriate
colors for different colored cables.)
3. Connect the red wire to (+) terminal on TB1, the white wire
to COM terminal, and the black wire to the (–) terminal.
4. The RJ14 CCN connector on TB1 can also be used, but is
only intended for temporary connection (for example, a
laptop computer running Carrier network software).
5. Restore power to unit.
IMPORTANT: A shorted CCN bus cable will prevent some
routines from running and may prevent the unit from starting. If
abnormal conditions occur, unplug the connector. If conditions
return to normal, check the CCN connector and cable. Run new
cable if necessary. A short in one section of the bus can cause
problems with all system elements on the bus.
48/50PG and PM

78
NETWORK
OPTIONS
REMOTE
CCN SITE AUTODIAL
GATEWAY
NON CARRIER
HVAC
EQUIPMENT
TERMINAL
SYSTEM
MANAGER
TCU
ROOFTOP
UNIT DAV AIR
TERMINAL
TCU TCU
DAV AIR
TERMINAL
AIR DISTRIBUTION-DIGITAL AIR VOLUME CONTROL (DAV)
DAV FAN
POWERED
MIXING
BOX
TO
ADDITIONAL
TERMINALS
HEATING/COOLING UNITS
BUILDING SUPERVISOR
ROOFTOP
UNIT
CL
ROOFTOP
UNIT
CL
ROOFTOP
UNIT
CL
ROOFTOP
UNIT
CL
CCN BUS
CL
COMFORT
CONTROLLER
LEGEND
CCN -- Carrier Comfort Networkr
CL -- ComfortLinkt Controls
DAV -- Digital Air Volume
HVAC -- Heating, Ventilation, and
Air Conditoning
TCU -- Terminal Control Unit
C07030
Fig. 46 − CCN System Architecture
EnergyX
Units equipped with Optional EnergyX have a factory installed
energy recovery ventilator (ERV). The ERV is used to
pre−condition outside air as it is brought into the rooftop unit. To
do this it uses building air and an enthalpy wheel. It can also have
a wheel bypass that acts as an economizer to allow free cooling. In
Appendix A there are ERV points for display under Outside Air
Unit (OAU) menus. These points and ERV specifics are explained
in the EnergyXv2 Supplement Installation Instructions contained
in the unit’s information packet.
48/50PG and PM

79
Field-Installed Accessories
Space Temperature Sensor (T−55)
The T-55 space temperature sensor (part no. 33ZCT55SPT) is a
field-installed accessory. The sensor is installed on a building
interior wall to measure room air temperature. The T-55 sensor also
includes an override button on the front cover to permit occupants
to override the Unoccupied Schedule (if programmed). The jumper
wire in the installer’s packet must be connected between R and W1
when using a T-55 device.
TB−T55−1 Sensor Input.......
TB−T55−2 Sensor Common.......
Space Temperature Sensor (T−56)
The T-56 space temperature sensor (part no. 33ZCT56SPT) is a
field-installed accessory. This sensor includes a sliding scale on the
front cover that permits an occupant to adjust the space temperature
set point remotely. The T-56 sensor also includes an override
button on the front cover to allow occupants to override the
unoccupied schedule (if programmed). The jumper wire in the
installer’s packet must be connected between R and W1 when
using a T-56 device.
TB−T55−1 Sensor Input.......
TB−T55−2 Sensor Common.......
TB−T55−3 Setpoint Offset Input.......
Space Temperature Sensor (T−58)
The T-58 space temperature sensor (part no. 33ZCT58SPT) is a
field-installed accessory. The T-58 sensor communicates with the
ComfortLink controller, providing space temperature, heating
and cooling set points, and mode operation information. The
jumper wire in the installer’s packet must be connected between R
and W1 when using a T-58 device.
Refer to the T-58 installation instructions for information on
installing and configuring the T-58 sensor.
Each T-58 sensor must have a unique address on the CCN. Each
T-58 sensor must also be configured with the address of the unit
control it is communicating to.
Space Temperature Sensor Averaging
See Fig. 47 for space temperature averaging with T-55 sensors
only. If the use of one T-56 sensor is required, refer to Fig. 48.
48/50PG and PM

80
TO MAIN
BASE BOARD
RED
BLK
RED
BLK
RED
BLK
SENSOR 1 SENSOR 2 SENSOR 3
RED
BLK
SENSOR 6SENSOR 5
RED
BLK
SENSOR 4
RED
BLK
RED
BLK
RED
BLK
SENSOR 8SENSOR 7 SENSOR 9
1RED
BLK
TB1-T55
SENSOR 1 SENSOR 2 SENSOR 3 SENSOR 4
RED
BLK
RED
BLK
RED
BLK
RED
BLK
TO MAIN
BASE BOARD
RED
BLK
TB1-T55
1
2
2
SPACE TEMPERATURE AVERAGING --4 T-55 SENSOR APPLICATION
SPACE TEMPERATURE AVERAGING --9 T-55 SENSOR APPLICATION
LEGEND
T
B -- Terminal Block
______ -- Factory Wiring
_ _ _ _ -- Field Wiring
C07032
Fig. 47 − Space Temperature Sensor Averaging
T-55 SENSOR 1 T-55 SENSOR 2 T-55 SENSOR 3 T-56 SENSOR 4
RED
BLK
RED
BLK
RED
BLK
RED
BLK
TO MAIN
BASE
BOARD
RED
BLK
TB1-T55
1
2
TO MAIN
BASE
BOARD
3
TB1-T55 WHT
C07033
Fig. 48 − Space Temperature Sensor Averaging with 3 T−55 Sensors and One T−56 Sensor
48/50PG and PM

81
Carrier Accessory Kits
There are specific accessory kits sold for various field installed
accessories. These kits vary based on model, size, voltage,
manufacture date, and duct orientation. Some of these kits include
Economizer, Power Exhaust, and Electric Heat. Refer to the
Controls Quick Set−Up section for configuration and more
information on these accessories.
Two−Position Damper
The two-position outdoor air damper accessory usage depends on
model size and return duct orientation. This accessory wires
directly into the low voltage circuit for the indoor fan control. No
other control configuration is needed.
Indoor Air Quality
The indoor air quality (IAQ) sensor (part no. 33ZCSENCO2) is a
field-installed accessory which measures CO2 levels in the air.
When installing this sensor, an ECB board must be installed and
the unit must be configured for IAQ use by setting
Configuration→AIR.Q→IA.CF to a value of 1, 2, or 3. See the
Indoor Air Quality section for more information.
TB−24−20mA Input..........
TB−3 Sensor Common..........
TB−R 24vac Output.........
TB−C Common (GND).........
Outdoor Air Quality
The outdoor air quality (OAQ) sensor is a field-installed accessory
that measures CO2 levels in the air. When installing this sensor, an
ECB board must be installed and the unit must be configured for
OAQ use by setting Configuration→AIR.Q→OA.CF to a value
of 1 or 2. See the Indoor Air Quality section for more information.
TB−24−20mA Input..........
TB−3 Sensor Common..........
TB−R 24vac Output.........
TB−C Common (GND).........
Smoke Detectors
The smoke detectors are field-installed accessories. These detectors
can detect smoke in either the return air (part no.
CRSMKDET003A00) or supply and return air (part no.
CRSMKSUP002A00). When installing either detector, the unit
must be configured for fire shutdown by setting
Configuration→UNIT→FS.SW to normally open (1) or normally
closed (2).
TB−Fire Shutdown−1 Dry Contact Source.............
TB−Fire Shutdown−2 Discrete Input to Board...........
TB−R 24vac Output.........
TB−C Common (GND).........
NOTE: When a Humidi-Mizer system is installed, the inputs to
the fire shutdown are moved to the control harness. See the Third
Party Control section for more information.
Filter Status
The filter status accessory (part no. CRSTATUS002B00) is a
field-installed accessory. This accessory detects plugged filters.
When installing this accessory, the unit must be configured for
filter status by setting Configuration→UNIT→FL.SW to
normally open (1) or normally closed (2). Normally open (1) is the
preferred configuration.
Filter status wires are pre−run in the unit harness and located near
the switch installation location. Refer to the Filter Accessory
installation instructions for more information.
Fan Status
The fan status accessory (part no. CRSTATUS003B00) is a
field-installed accessory. This accessory detects when the indoor
fan is blowing air. When installing this accessory, the unit must be
configured for fan status by setting
Configuration→UNIT→FN.SW to normally open (1) or
normally closed (2). Normally open (1) is the preferred
configuration.
Fan status wires are pre−run in the unit harness and located near the
switch installation location. Refer to the Fan Accessory installation
instructions for more information.
NOTE: The fan status terminals on TB1 are NOT to be used.
Enthalpy Sensors
The enthalpy accessories (part no. CRENTSNG002A00 and
CRENTDIF002A00) are field-installed accessories. The first
accessory (outdoor air only) determines when the enthalpy is low
relative to a fixed reference. Adding the second accessory (return
air) compares the enthalpy between the outdoor and return
airstreams. In each case, the enthalpy 4 to 20 mA signals are
converted to a switch output which is read by the ECB. When
installing this accessory, the unit must be configured for
enthalpy-based control by setting
Configuration→ECON→EN.SW to normally open (1). See Fig.
26 and 27 for wiring details.
Normal status is an active switch which tells the control that
enthalpy is LOW. The actual switch terminal LOW is normally
closed. Refer to the Enthalpy Kit installation instructions for more
information on the installation.
Return/Supply Air Temperature Sensor
The temperature sensor (part no. 33ZCSENSAT) is a field-installed
accessory which may be installed on the common return air duct
and/or the common supply air duct near the unit. The duct return
air temperature (RAT) may be selected for display only if the space
temperature offset (SPTO) is not used. When installing the sensor,
the unit must be configured by setting
Configuration→UNIT→RAT.S to YES. Using a RAT will allow
differential dry bulb control of the economizer. The duct supply air
temperature (SAT) may be used to replace the SAT sensor that is
internal to the unit. A supply duct SAT measurement is valid for
heating mode display while the factory-standard internal SAT is
not valid for heating due to its location upstream of the heating
section. When installing the supply duct SAT, the unit must be
configured by setting Configuration→UNIT→SAT.H to ENBL.
A SAT sensor in the supply duct is the preferred configuration for
systems with Carrier variable volume and temperature (VVT)
accessory controls.
Space Humidistat
The Space Humidistat (part no. −−HL−−38MG−029) is a wall
mounted device with an adjustable setpoint to control humidity
levels. The humidistat input is provided on the field connection
terminal board. The Space Humidity Switch configuration,
Configuration→UNIT→RH.SW, identifies the normally open or
normally closed status of this input at LOW humidity.
TB−HUMIDISTAT1 Discrete Input to Board............
TB−HUMIDISTAT2 24 VAC Dry Contact Source.......
NOTE: The humidistat terminals are only in use when the unit is
equipped with the Humidi−MiZer factory option.
48/50PG and PM

82
Space Humidity Sensor
The space relative humidity sensor (part no. 33ZCSENDRH−01
duct mount or 33ZCSENSRH−01 wall mount) is a field−installed
accessory. The space relative humidity (RHS) may be selected for
use if the outdoor air quality sensor (OAQ) is not used and an
economizer board is installed. When installing the relative
humidity sensor, the unit must be configured by setting
Configuration→UNIT→RH.S to YES.
TB−1 24 VDC Loop Power..........
TB−44−20mA Input Signal..........
SERVICE
ELECTRICAL SHOCK HAZARD
Failure to follow this warning could cause personal
injury or death.
Before performing service or maintenance operations
on unit, turn off main power switch to unit and install
lockout tag. Ensure electrical service to rooftop unit
agrees with voltage and amperage listed on the unit
rating plate.
!WARNING
UNIT OPERATION AND SAFETY HAZARD
Failure to follow this warning could cause personal
injury, death and/or equipment damage.
Puron (R−410A) refrigerant systems operate at higher
pressures than standard R−22 systems. Do not use R−22
service equipment or components on Puron refrigerant
equipment.
!WARNING
FIRE, EXPLOSION HAZARD
Failure to follow this warning could result in personal
injury, death and/or property damage.
1. Improper installation, adjustment, alteration, service,
or maintenance can cause property damage, personal
injury, or loss of life. Refer to the User’s Information
Manual provided with this unit for more details.
2. Do not store or use gasoline or other flammable
vapors and liquids in the vicinity of this or any other
appliance.
What to do if you smell gas:
1. DO NOT try to light any appliance.
2. DO NOT touch any electrical switch, or use any
phone in your building.
3. IMMEDIATELY call your gas supplier from a
neighbor’s phone. Follow the gas supplier’s
instructions.
4. If you cannot reach your gas supplier, call the fire
department.
!WARNING
FIRE, EXPLOSION HAZARD
Failure to follow this warning could result in personal
injury or death.
Disconnect gas piping from unit when pressure testing at
pressure greater than 0.5 psig. Pressures greater than
0.5 psig will cause gas valve damage resulting in hazardous
condition. If gas valve is subjected to pressure greater than
0.5 psig, it must be replaced before use. When pressure
testing field-supplied gas piping at pressures of 0.5 psig or
less, a unit connected to such piping must be isolated by
closing the manual gas valve(s).
!WARNING
Cleaning
Inspect unit interior at beginning of each heating and cooling
season and as operating conditions require. Remove unit top panel
and/or side panels for access to unit interior.
Coil Maintenance and Cleaning Recommendation
Routine cleaning of coil surfaces is essential to maintain proper
operation of the unit. Elimination of contamination and removal of
harmful residues will greatly increase the life of the coil and extend
the life of the unit. The following maintenance and cleaning
procedures are recommended as part of the routine maintenance
activities to extend the life of the coil.
Remove Surface Loaded Fibers
Surface loaded fibers or dirt should be removed with a vacuum
cleaner. If a vacuum cleaner is not available, a soft non-metallic
bristle brush may be used. In either case, the tool should be applied
in the direction of the fins. Coil surfaces can be easily damaged (fin
edges can be easily bent over and damage to the coating of a
protected coil) if the tool is applied across the fins.
NOTE: Use of a water stream, such as a garden hose, against a
surface loaded coil will drive the fibers and dirt into the coil. This
will make cleaning efforts more difficult. Surface loaded fibers
must be completely removed prior to using low velocity clean
water rinse.
Periodic Clean Water Rinse
A periodic clean water rinse is very beneficial for coils that are
applied in coastal or industrial environments. However, it is very
important that the water rinse is made with very low velocity water
stream to avoid damaging the fin edges. Monthly cleaning as
described below is recommended.
Routine Cleaning of NOVATION Heat Exchanger Coil
Surfaces
To clean the NOVATION Heat Exchanger condenser coil,
chemicals are NOT to be used; only water is approved as the
cleaning solution. Only clean portable water is authorized for
cleaning NOVATION Heat Exchanger condensers. Carefully
remove any foreign objects or debris attached to the coil face or
trapped within the mounting frame and brackets. Using a high
pressure water sprayer, purge any soap or industrial cleaners from
hose and/or dilution tank prior to wetting the coil.
Clean condenser face by spraying the coil core steadily and
uniformly from top to bottom directing the spray straight into or
toward the coil face. Do not exceed 900 psig or a 45 degree angle;
nozzle must be at least 12” (30 cm) from the coil face. Reduce
pressure and use caution to prevent damage to air centers (fins). Do
not fracture the braze between air centers and refrigerant tubes.
Allow water to drain from the coil core and check for refrigerant
leaks prior to startup.
48/50PG and PM

83
NOTE: Please see the NOVATION Heat Exchanger Condenser
Service section for specific information on the NOVATION Heat
Exchanger coil.
EQUIPMENT DAMAGE HAZARD
Failure to follow this caution may result in damage to
equipment.
Chemical cleaner should NOT be used on the aluminum
NOVATION condenser. Damage to the coil can occur. Only
approved cleaner is recommended.
CAUTION
!
Routine Cleaning of Round−Tube Coil Surfaces
Monthly cleaning with Totaline environmentally sound coil
cleaner is essential to extend the life of coils. This cleaner is
available from Carrier Replacement parts division as part number
P902-0301 for a one gallon container, and part number P902-0305
for a 5 gallon container. It is recommended that all round−tube
coils, including standard aluminum, pre-coated, copper/copper or
E-coated coils be cleaned with the Totaline environmentally sound
coil cleaner as described below. Coil cleaning should be part of the
unit’s regularly scheduled maintenance procedures to ensure long
life of the coil. Failure to clean the coils may result in reduced
durability in the environment.
Avoid the use of:
coil brighteners
acid cleaning prior to painting
high pressure washers
poor quality water for cleaning
Totaline environmentally sound coil cleaner is non-flammable,
hypoallergenic, non−bacterial, and a USDA accepted
biodegradable agent that will not harm the coil or surrounding
components such as electrical wiring, painted metal surfaces, or
insulation. Use of non-recommended coil cleaners is strongly
discouraged since coil and unit durability could be affected.
Totaline Environmentally Sound Coil Cleaner Application
Equipment
21/2 gallon garden sprayer
water rinse with low velocity spray nozzle
UNIT DAMAGE HAZARD
Failure to follow this caution may result in corrosion and
damage to the unit.
Harsh chemicals, household bleach or acid or basic cleaners
should not be used to clean outdoor or indoor coils of any
kind. These cleaners can be very difficult to rinse out of the
coil and can accelerate corrosion at the fin/tube interface
where dissimilar materials are in contact. If there is dirt
below the surface of the coil, use the Totaline
environmentally sound coil cleaner as described above.
CAUTION
!
UNIT RELIABILITY HAZARD
Failure to follow this caution may result in reduced unit
performance.
High velocity water from a pressure washer, garden hose, or
compressed air should never be used to clean a coil. The
force of the water or air jet will bend the fin edges and
increase airside pressure drop.
CAUTION
!
Totaline Environmentally Sound Coil Cleaner Application
Instructions
1. Proper eye protection such as safety glasses is
recommended during mixing and application.
2. Remove all surface loaded fibers and dirt with a vacuum
cleaner as described above.
3. Thoroughly wet finned surfaces with clean water and a low
velocity garden hose, being careful not to bend fins.
4. Mix Totaline environmentally sound coil cleaner in a
21/2 gallon garden sprayer according to the instructions
included with the cleaner. The optimum solution
temperature is 100F.
NOTE: Do NOT USE water in excess of 130F, as the enzymatic
activity will be destroyed.
5. Thoroughly apply Totaline environmentally sound coil
cleaner solution to all coil surfaces including finned area,
tube sheets and coil headers.
6. Hold garden sprayer nozzle close to finned areas and apply
cleaner with a vertical, up-and-down motion. Avoid
spraying in horizontal pattern to minimize potential for fin
damage.
7. Ensure cleaner thoroughly penetrates deep into finned
areas.
8. Interior and exterior finned areas must be thoroughly
cleaned.
9. Finned surfaces should remain wet with cleaning solution
for 10 minutes.
10. Ensure surfaces are not allowed to dry before rinsing.
Reapplying cleaner as needed to ensure 10-minute
saturation is achieved.
11. Thoroughly rinse all surfaces with low velocity clean water
using downward rinsing motion of water spray nozzle.
Protect fins from damage from the spray nozzle.
Condensate Drain Pan (48/50PG03−14 Units)
Check and clean each year at the start of the cooling season. In
winter, keep drains and traps dry.
To clean the condensate pan:
1. Disconnect condensate drain system from side or bottom
drain connection.
2. Remove and clean trap.
3. Remove 4 screws securing condensate pan access cover to
unit. Save screws and panel.
4. Slide condensate pan out from unit and clean. Pan is made
of non-corrosive plastic. Use a mild cleaner to remove
heavy deposits of dirt and grime.
5. Replace pan in unit.
6. Replace condensate pan access cover with 4 screws saved
from Step 3.
7. Re-attach and prime condensate trap.
8. Connect condensate drainage system.
48/50PG and PM

84
Condensate Drain Pan (48/50PM16−28 Units)
Check and clean each year at the start of the cooling season. An
access panel is located above the condensate connection to allow
easy clean out of the condensate pan. The first time the panel is
removed, the insulation behind the access panel will need to be cut
away. Carefully cut the insulation with a knife or blade on three
sides so the insulation can be folded out of the way during
cleaning. Be careful not to damage components behind the
insulation while cutting. Once cleaning is completed, fold the
insulation back into place and secure the access panel in the
original position.
Filters
Clean or replace at start of each heating and cooling season, or
more often if operating conditions require. Refer to unit Installation
Instructions for type and size.
Outdoor−Air Inlet Screens
Clean screens with steam or hot water and a mild detergent. Do
not use throwaway filters in place of screens. See unit installation
instructions for quantity and size.
Main Burner (48PG and PM)
At the beginning of each heating season, inspect for deterioration
or blockage due to corrosion or other causes. Observe the main
burner flames. Refer to Main Burners section.
Flue Gas Passageways (48PG and PM)
The flue collector box and heat exchanger cells may be inspected
by opening heat section access door (Fig. 5), flue box cover, and
main burner assembly. (See Fig. 50.) Refer to Main Burners section
for burner removal sequence. If cleaning is required, clean tubes
with a wire brush. Use Caution with ceramic heat exchanger
baffles. When installing retaining clip, be sure the center leg of the
clip extends inward toward baffle. (See Fig. 49.)
CERAMIC
BAFFLE
CLIP
NOTE: One baffle and clip will be in each upper tube of the heat exchanger.
C07260
Fig. 49 − Removing Heat Exchanger Ceramic
Baffles and Clips
Combustion−Air Blower
Clean periodically to assure proper airflow and heating efficiency.
Inspect blower wheel every fall and periodically during heating
season. For the first heating season, inspect blower wheel
bi-monthly to determine proper cleaning frequency.
To inspect blower wheel, open heat section door. Using a
flashlight, look into the flue exhaust duct to inspect. If cleaning is
required, remove motor and wheel assembly by removing the
screws holding the flue box cover to the flue box. (See Fig. 50 or
51.) Remove the screws holding the inducer housing to the inlet
plate. The wheel can then be removed from the motor shaft and
cleaned with a detergent or solvent. Replace the wheel onto the
motor shaft in the correct position and reassemble the flue cover
onto the flue box.
Lubrication
Compressors
Each compressor is charged with the correct amount of oil at the
factory.
UNIT DAMAGE HAZARD
Failure to follow this caution may result in damage to unit
components.
The compressor is in a Puron refrigerant system and uses a
polyolester (POE) oil. This oil is extremely hygroscopic,
meaning it absorbs water readily. POE oils can absorb 15
times as much water as other oils designed for HCFC and
CFC refrigerants. Avoid exposure of the oil to the
atmosphere.
CAUTION
!
Polyolester (POE) compressor lubricants are known to cause long
term damage to some synthetic roofing materials. Exposure, even if
immediately cleaned up, may cause roofing materials to become
brittle (leading to cracking) within a year. When performing any
service which may risk exposure of compressor oil to the roof, take
appropriate precautions to protect roofing. Procedures which risk
oil leakage include compressor replacement, repairing refrigerant
leaks, and replacing refrigerant components. To prepare rooftop:
1. Cover extended roof work area with an impermeable plastic
dropcloth or tarp. Make sure a 10 x 10 ft area around the
work area is covered.
2. Cover area in front of the unit service panel with a terry
cloth shop towel to absorb lubricant spills and prevent
run-offs. Towel will also protect dropcloth from tears caused
by tools or components.
3. Place terry cloth shop towel inside the unit directly under
components to be serviced to prevent spills through the
bottom of the unit.
4. Perform the required service.
5. Remove and dispose of any oil contaminated material per
local codes.
Indoor Fan Shaft Bearings (Sizes 03−14)
The indoor fan has permanently sealed bearings. No field
lubrication is necessary.
Indoor Fan Shaft Bearings (Sizes 16−28)
Lubricate bearings at least every 6 months with suitable bearing
grease. Typical lubricants are given below:
MANUFACTURER LUBRICANT
Texaco Regal AFB‐2*
Mobil Mobilplex EP No. 1
Sunoco Prestige 42
Texaco Multifak 2
* Preferred lubricant because it contains rust and oxidation inhibitors.
48/50PG and PM

85
INDUCED
DRAFT
MOTOR
COMBUSTION
FAN HOUSING
MAIN GAS
VALVE
MAIN BURNER SECTION
HEAT EXCHANGER
SECTION
ROLLOUT
SWITCH
C07037
Fig. 50 − 48PG03−14 Typical Gas Heating Section
(48PG03−07 Shown)
HEAT
EXCHANGER
SECTION
IGC BOARD
(HIDDEN)
COMBUSTION
FAN HOUSING
MAIN BURNER
SECTION
INDUCED
DRAFT
MOTOR
MAIN GAS
VALVE
C07259
Fig. 51 − 48PM16−28
Typical Gas Heating Section
Condenser and Evaporator−Fan Motor Bearings
The condenser-fan and evaporator-fan motors have permanently
sealed bearings, so no field lubrication is necessary.
Economizer or Manual Outside Air Damper
If blade adjustment is required, refer to unit or accessory
installation instructions.
Evaporator Fan Service and Replacement
The units feature a slide-out fan deck for easy servicing of the
indoor-fan motor, pulleys, belt, and bearings. To service
components in this section, perform the following procedure:
1. Turn off unit power.
2. Open the fan section access door.
3. Remove two no. 10 screws at front of slide-out fan deck.
Save screws. (See Fig. 52 or 53.)
4. For 48/50PG03−14 units, disconnect the electrical wires
connected to the slide−out fan deck (supply air thermistor
and fan status switch if installed). Wires may be damaged if
not disconnected. For 48/50PM16−28 units, disconnect the
limit switch wires located on the right side of the fan deck
(48 series only). Other wires do not need to be
disconnected.
5. Fan deck can now be slid out to access serviceable
components.
UNIT DAMAGE HAZARD
Failure to follow this caution may result in damage to the
unit.
DO NOT SLIDE FAN DECK OUT PAST THE FAN
DECK STOP. If further access is required, the fan deck
must be supported. Make sure plugs and wiring are not
pinched between fan housing and unit sheet metal post.
CAUTION
!
6. To replace fan deck to operating position, slide fan deck
back into the unit. Secure with the two no. 10 screws
removed in Step 3.
7. Re-attach electrical wires.
8. Close fan section access door.
9. Restore power to unit.
MOUNTING
BASE
FAN
PULLEY
MOTOR
PULLEY
SLIDE-OUT
FAN DECK
SCREW
SCREW
(HIDDEN)
MOTOR FAN DECK STOP
C06177
Fig. 52 − 48/50PG03−14
Evaporator−Fan Motor Adjustment
FAN
PULLEY
MOTOR
MOUNTING
BASE
MOTOR
PULLEY
(HIDDEN)
SLIDE-OUT
FAN DECK
LIMIT
SWITCH
QUICK
CONNECT
(48PM ONLY)
C08008
Fig. 53 − 48/50PM16−28
Evaporator−Fan Motor Adjustment
48/50PG and PM

86
Table 27 – Belt Tension Adjustment
48PM VOLTAGE
BELT TENSION (lb)
Unit Model Number Position 10
A,J B,K C,L D,M E,N F, P G,Q H,R
16 230 4.8 5.1 5.6 4.5 NA 4.7 5.0 5.5
460 4.8 5.1 5.6 4.5 NA 4.7 5.0 5.5
575 5.3 5.1 5.6 4.5 NA 5.2 5.0 5.5
20 230 4.8 5.1 5.6 4.5 NA 4.7 5.0 5.5
460 4.8 5.1 5.6 4.5 NA 4.7 5.0 5.5
575 5.3 5.1 5.6 4.5 NA 5.2 5.0 5.5
24 230 4.8 5.1 5.6 4.5 NA 4.7 5.0 5.5
460 4.8 5.1 5.6 4.5 NA 4.7 5.0 5.5
575 5.3 5.1 5.6 4.5 NA 5.2 5.0 5.5
28 230 4.5 5.4 5.9 4.5 4.5 5.4 5.9 4.5
460 4.5 5.4 5.9 4.5 4.5 5.4 5.9 4.5
575 4.5 5.4 5.9 4.5 4.5 5.4 5.9 4.5
50PM VOLTAGE
BELT TENSION (lb)
Unit Model Number Position 10
A,J B,K C,L D,M E,N F, P G,Q H,R
16 230 4.8 5.1 5.6 4.5 4.8 5.1 5.6 4.5
460 4.8 5.1 5.6 4.5 4.8 5.1 5.6 4.5
575 5.3 5.1 5.6 4.5 5.3 5.1 5.6 4.5
20 230 4.8 5.1 5.6 4.5 4.8 5.1 5.6 4.5
460 4.8 5.1 5.6 4.5 4.8 5.1 5.6 4.5
575 5.3 5.1 5.6 4.5 5.3 5.1 5.6 4.5
24 230 4.8 5.1 5.6 4.5 4.8 5.1 5.6 4.5
460 4.8 5.1 5.6 4.5 4.8 5.1 5.6 4.5
575 5.3 5.1 5.6 4.5 5.3 5.1 5.6 4.5
28 230 4.5 5.4 5.9 4.5 4.5 5.4 5.9 4.5
460 4.5 5.4 5.9 4.5 4.5 5.4 5.9 4.5
575 4.5 5.4 5.9 4.5 4.5 5.4 5.9 4.5
Evaporator Fan Performance Adjustment
(Fig. 52−54)
Fan motor pulleys are factory set for speed shown in Appendix D.
To change fan speeds:
1. Shut off unit power supply.
2. Loosen nuts on the 4 carriage bolts in the mounting base.
Using adjusting bolts and plate, slide motor and remove
belt.
3. Loosen movable-pulley flange setscrew. (See Fig. 54.)
4. Screw movable flange toward fixed flange to increase speed
and away from fixed flange to decrease speed. Increasing
fan speed increases load on motor. Do not exceed maximum
speed specified in Appendix D.
See Appendix D for air quantity limits.
5. Set movable flange at nearest keyway of pulley hub and
tighten setscrew. (See Appendix D for speed change for
each full turn of pulley flange.)
6. Replace belts.
7. Realign fan and motor pulleys:
a. Loosen fan pulley setscrews.
b. Slide fan pulley along fan shaft.
c. Make angular alignment by loosening motor from
mounting plate.
8. Tighten belts.
9. Restore power to unit.
C06041
Fig. 54 − Evaporator−Fan Alignment and Adjustment
Evaporator Fan Belt Tension Adjustment
To adjust belt tension:
1. Turn off unit power.
2. Slide out fan deck to service position as shown in
Evaporator Fan Service and Replacement section above.
3. Loosen motor mounting plate bolts.
4. Move motor mounting plate to adjust to proper belt tension.
Motor adjuster bolts may be used to tighten belts. (See Fig.
52 or 53.) Do not overtighten belt. See Table 27 for
48/50PM16−28 size belt tension
5. Check for proper belt alignment. Adjust if necessary.
6. Tighten motor mounting plate bolts to lock motor in proper
position.
7. Return fan deck back into operating position.
8. Restore power to unit.
48/50PG and PM

87
Condenser-Fan Adjustment (Fig. 55)
1. Shut off unit power supply.
2. Remove condenser-fan assembly (grille, motor, motor
cover, and fan) and loosen fan hub setscrews.
3. Adjust fan height as shown in Fig. 55.
4. Tighten setscrews and replace condenser-fan assembly.
5. Turn on power to unit.
C09292
Fig. 55 − Condenser−Fan Adjustment
NOVATION Heat Exchanger Condenser Service
and Replacement
The condenser coil in this unit is a NOVATION heat exchanger
surface. The NOVATION heat exchanger is an all−aluminum
construction with fins over a single−depth crosstube. The
crosstubes have multiple small passages through which the
refrigerant passes from header to header on each end. (See Fig. 56.)
The all−aluminum construction provides increased resistance to
corrosion over aluminum fins on copper tubes in normal and mild
marine applications.
EQUIPMENT DAMAGE HAZARD
Failure to follow this caution may result in damage to
equipment.
Refer to product data manual for coil usage in coastal or
industrial applications.
CAUTION
!
TUBES
FINS
MICROCHANNELS
MANIFOLD
a30-4457
C07273
Fig. 56 − NOVATION Heat Exchanger Coils
Repairing Tube Leaks
RCD offers service repair kits for repairing tube leaks in the
crosstubes. These kits include approved braze materials and
instructions specific to the aluminum NOVATION heat exchanger
coil.
EQUIPMENT DAMAGE HAZARD
Failure to follow this caution may result in damage to
equipment.
Use of other than approved repair procedures may affect the
pressure rating or the corrosion resistance of the NOVATION
heat exchanger condenser coil.
CAUTION
!
Replacing the NOVATION Heat Exchanger Coil
The service replacement coil is preformed and is equipped with
transition joints with copper stub tubes. When brazing the
connection joints to the unit tubing, use a wet cloth around the
aluminum tube at the transition joint. Avoid applying torch flame
directly onto the aluminum tubing.
Verify Sensor Performance
Verify that thermistor, transducer, and switch inputs are reading
correctly. These values can be accessed through the Scrolling
Marquee display in the Temperatures, Pressures, and Inputs menus.
Some values will depend on configuration choices. Refer to the
Control Set Up Checklist completed for the specific unit
installation and to the configuration tables in Appendix A.
Economizer Operation During Power Failure
Dampers have a spring return. In event of power failure, dampers
will return to fully closed position until power is restored. Do not
manually operate damper motor.
Evacuation
Proper evacuation of the system will remove noncondensables and
ensure a tight, dry system before charging. Evacuate from both
high and low side ports. Never use the system compressor as a
vacuum pump. Refrigerant tubes and indoor coil should be
evacuated to 500 microns. Always break a vacuum with dry
nitrogen. The two possible methods are the deep vacuum method
and the triple evacuation method.
Deep Vacuum Method
The deep vacuum method requires a vacuum pump capable of
pulling a minimum vacuum of 500 microns and a vacuum gauge
capable of accurately measuring this vacuum depth. The deep
vacuum method is the most positive way of assuring a system is
free of air and liquid water. (See Fig. 57.)
LEAK IN
SYSTEM
VACUUM TIGH
T
TOO WET
TIGHT
DRY SYSTEM
01234567
MINUTES
5000
4500
4000
3500
3000
2500
2000
1500
1000
500
MICRONS
C06264
Fig. 57 − Deep Vacuum Graph
48/50PG and PM

88
Triple Evacuation Method
The triple evacuation method should only be used when vacuum
pump is capable of pumping down to 28−in. of mercury and
system does not contain any liquid water. Proceed as follows:
1. Pump system down to 28−in. of mercury and allow pump
to continue operating for an additional 15 minutes.
2. Close service valves and shut off vacuum pump.
3. Connect a nitrogen cylinder and regulator to system and
open until system pressure is 2 psig.
4. Close service valve and allow system to stand for 1 hr.
During this time, dry nitrogen will be able to diffuse
throughout the system, absorbing moisture.
5. Repeat this procedure. System will then contain minimal
amounts of contaminants and water vapor.
Refrigerant Charge
Amount of refrigerant charge is listed on unit nameplate. Refer to
Carrier GTAC II; Module 5; Charging, Recovery, Recycling, and
Reclamation section for charging methods and procedures. Unit
panels must be in place when unit is operating during charging
procedure.
Puron (R-410A) refrigerant systems should be charged with
liquid refrigerant. Use a commercial type metering device in the
manifold hose.
UNIT OPERATION AND SAFETY HAZARD
Failure to follow this warning could cause personal
injury, death and/or equipment damage.
Puron (R−410A) refrigerant systems operate at higher
pressures than standard R−22 systems. Do not use R−22
service equipment or components on Puron refrigerant
equipment. Gauge set, hoses, and recovery system must
be designed to handle Puron refrigerant. If unsure
about equipment, consult the equipment manufacturer.
!WARNING
NOTE: Do not use recycled refrigerant as it may contain
contaminants.
No Charge
Use standard evacuating techniques. After evacuating system,
weigh in the specified amount of refrigerant (refer to unit
nameplate).
NOTE: System charge for units with Humidi-MiZer system is
greater than the system charge of the standard unit.
Low Charge Cooling
Using cooling charging chart (see Fig. 58−79), add or remove
refrigerant until conditions of the chart are met. An accurate
pressure gauge and temperature-sensing device is required.
Charging is accomplished by ensuring the proper amount of liquid
subcooling. Connect pressure gauge to the compressor discharge
service valve. Connect temperature sensing device to the liquid
line between the condenser and the TXV (thermostatic expansion
valve), and insulate it so that ambient temperature does not affect
reading.
To Use the Cooling Charging Chart, Standard Unit
NOTE: All circuits must be running in normal cooling mode.
Indoor airflow must be within specified air quantity limits for
cooling. (See Appendix D.) All outdoor fans must be on and
running at high speed. Use the Cooling Service Test Outdoor Fan
Override function to start all outdoor fans.
R410A
R410A
REFRIGERA
REFRIGERA
NT
NT
OUTDOOR
OUTDOOR
FAN
FAN
MUST
MUST
BE
BE
OPERATING
OPERATING
ON
ON
HIGH
HIGH
SPEED
SPEED
20
20
40
40
60
60
80
80
100
100
120
120
140
140
160
160
150
150
200
200
250
250
300
300
350
350
400
400
450
450
500
500
550
550
600
600
Comp
Comp
ressor
ressor
Disch
Disch
arge
arge
Pressu
Pressu
re,
re,
[p
[p
sig
sig
]
Outdoor
Outdoor
Coil
Coil
Leavin
eavin
gTe m p
Temp
eratu
eratu
re,
re,
[Deg
[Deg
rees
rees
F]
F]
Add
dd
Charge
Charge
if
if
Above
bove
the
the
Curve
Curve
Remo
Remo
ve
ve
Charge
Charge
if
if
Below
Below
the
the
Curve
Curve
C07038
Fig. 58 − Charging Chart — 48/50PG03
R4
R4
10A RE
RE
FRI
RI
GERANT
RANT
OUTDOORF
R F
ANM
N M
UST BE OPERATING ONH
N H
IGHS
H S
PEED
20
20
40
40
60
60
80
80
10
10
0
12
12
0
14
14
0
16
16
0
150
150
200
200
250
250
300
300
350
350
400
400
450
450
500
500
550
550
600
600
Compress
ss
or Disc
isc
harge Pre ss
ss
ure, [psig
sig
]
Add Cha
ha
rge
ge
if Abov
bov
ethe
the
Cur
ur
ve
Re
Re
move Charge if Be
Be
low the Curve
Outdoor
Outdoor
Coil
Coil
Leavin
eavin
gTe m p
Temp
eratu
eratu
re,
re,
[Deg
[Deg
rees
rees
F]
F]
C07039
Fig. 59 − Charging Chart — 48/50PG04
Use the temperature and pressure readings, and find the
intersection point on the cooling charging chart. If intersection
point on chart is above line, add refrigerant. If intersection point on
chart is below line, carefully recover some of the charge. Recheck
suction pressure as charge is adjusted.
The TXV is set to maintain between 10 and 15 degrees of
superheat at the compressors. The valves are factory set and cannot
be adjusted. Do not use A TXV designed for use with R-22.
To Use the Cooling Charging Charts, Units With
Humidi−Mizert Adaptive Dehumidification System
NOTE: All circuits must be running in normal cooling mode.
Indoor airflow must be within specified air quantity limits for
cooling. (See Appendix D.) All outdoor fans must be on and
running at high speed. Use the Cooling Service Test Outdoor Fan
function (Service Test→COOL→OF.OV) to start all outdoor fans.
48/50PG and PM

89
If the outdoor temperature is low, the Motormaster outdoor fan
control device may need to be temporarily bypassed by rewiring
the power leads to obtain full speed.
R4
R4
10A RE
RE
FRI
RI
GERANT
RANT
OUTDOORF
R F
ANM
N M
UST BE OPERATING ONH
N H
IGHS
H S
PEED
20
20
40
40
60
60
80
80
10
10
0
12
12
0
14
14
0
16
16
0
150
150
200
200
25
25
0 300
00
350
350
400
400
450
450
500
500
550
550
600
600
Compress
ss
or Disc
isc
harge P ress
ss
ure, [psig
sig
]
Add
dd
Cha
ha
rge if Abov
bov
ethe
the
Cur
ur
ve
Remove
ve
Ch
Ch
ar
ar
ge if
if
Belo
lo
w the Cu
Cu
rve
ve
Outdoor
Outdoor
Coil
Coil
Leavin
eavin
gTe m p
Temp
eratu
eratu
re,
re,
[Deg
[Deg
rees
rees
F]
F]
C07040
Fig. 60 − Charging Chart — 48/50PG05
R4
R4
10A RE
RE
FRI
RI
GERANT
RANT
OUTDOORF
R F
ANM
N M
UST BE OPERATING ONH
N H
IGHS
H S
PEED
20
20
40
40
60
60
80
80
10
10
0
12
12
0
14
14
0
16
16
0
150
150
200
200
25
25
0 300
00
350
350
400
400
450
450
500
500
550
550
600
600
Compress
ss
or Disc
isc
harge P ress
ss
ure, [psig
sig
]
Add
dd
Cha
ha
rge if Abov
bov
ethe
the
Cur
ur
ve
Remove
ve
Ch
Ch
ar
ar
ge if
if
Belo
lo
w the Cu
Cu
rve
ve
Outdoor
Outdoor
Coil
Coil
Leavin
eavin
gTe m p
Temp
eratu
eratu
re,
re,
[Deg
[Deg
rees
rees
F]
F]
C07041
Fig. 61 − Charging Chart — 48/50PG06
R4
R4
10A RE
RE
FRI
RI
GERANT
RANT
OUTDOORF
R F
ANM
N M
UST BE OPERATING ONH
N H
IGHS
H S
PEED
20
20
40
40
60
60
80
80
10
10
0
12
12
0
14
14
0
16
16
0
150
150
200
200
25
25
0 300
00
350
350
400
400
450
450
500
500
550
550
600
600
Compress
ss
or Disc
isc
harge Pre ss
ss
ure, [psig
sig
]
Add
dd
Cha
ha
rge if Abov
bov
ethe
the
Cur
ur
ve
Remove
ve
Ch
Ch
ar
ar
ge if
if
Belo
lo
w the Cu
Cu
rve
ve
Outdoor
Outdoor
Coil
Coil
Leavin
eavin
gTe m p
Temp
eratu
eratu
re,
re,
[Deg
[Deg
rees
rees
F]
F]
C07042
Fig. 62 − Charging Chart — 48/50PG07
R
R
410A
410A
R
R
E
E
F
F
R
R
I
I
GE
GE
R
R
A
A
NT
NT
AL
AL
L
L
O
O
UTDO
UTDO
O
O
R
R
F
F
ANS
ANS
M
M
US
US
T
T
BE
BE
RUNNI
RUNNI
NG
NG
20
20
40
40
60
60
80
80
10
10
0
0
12
12
0
0
14
14
0
0
16
16
0
0
100
100
150
150
20
20
0
0
250
250
300
300
35
35
0
0
400
400
450
450
500
500
550
550
600
600
C
C
o
o
m
m
p
p
r
r
e
e
ss
ss
o
o
r
r
D
D
isc
isc
h
h
a
a
r
r
g
g
e
e
P
P
r
r
e
e
ss
ss
u
u
r
r
e
e
,
,
[
[
p
p
sig
sig
]
]
A
A
dd
dd
C
C
ha
ha
r
r
g
g
e
e
i
i
f
f
A
A
bov
bov
e
e
the
the
C
C
ur
ur
v
v
e
e
R
R
e
e
m
m
o
o
ve
ve
Ch
Ch
ar
ar
g
g
e
e
if
if
B
B
e
e
lo
lo
w
w
t
t
h
h
e
e
Cu
Cu
r
r
ve
ve
Outdoor
Outdoor
Coil
Coil
L
L
eavin
eavin
g
g
Te m p
Temp
eratu
eratu
re,
re,
[Deg
[Deg
rees
rees
F]
F]
C06265
Fig. 63 − Charging Chart — 48/50PG08 and 09
48/50PG and PM

90
R
R
410A
410A
R
R
E
E
F
F
R
R
I
I
GE
GE
R
R
A
A
NT
NT
AL
AL
L
L
O
O
UTDO
UTDO
O
O
R
R
F
F
ANS
ANS
M
M
US
US
T
T
BE
BE
RUNNI
RUNNI
NG
NG
20
20
40
40
60
60
80
80
10
10
0
0
12
12
0
0
14
14
0
0
16
16
0
0
100
100
150
150
20
20
0
0
250
250
300
300
35
35
0
0
400
400
450
450
500
500
550
550
600
600
C
C
o
o
m
m
p
p
r
r
e
e
ss
ss
o
o
r
r
D
D
isc
isc
h
h
a
a
r
r
g
g
e
e
P
P
r
r
e
e
ss
ss
u
u
r
r
e
e
,
,
[
[
p
p
sig
sig
]
]
A
A
dd
dd
C
C
ha
ha
r
r
g
g
e
e
i
i
f
f
A
A
bov
bov
e
e
the
the
C
C
ur
ur
v
v
e
e
R
R
e
e
m
m
o
o
ve
ve
Ch
Ch
ar
ar
g
g
e
e
if
if
B
B
e
e
lo
lo
w
w
t
t
h
h
e
e
Cu
Cu
r
r
ve
ve
Outdoor
Outdoor
Coil
Coil
L
L
eavin
eavin
g
g
Temp
Temp
eratu
eratu
re,
re,
[Deg
[Deg
rees
rees
F]
F]
C06266
Fig. 64 − Charging Chart — 48/50PG12
R4
R4
10
10
A
A
REF
REF
RI
RI
G
G
E
E
RANT
RANT
A
A
L
L
L
L
O
O
UT
UT
DO
DO
O
O
R
R
F
F
ANS
ANS
M
M
US
US
T
T
B
B
E
E
R
R
UNNI
UNNI
NG
NG
20
20
40
40
60
60
80
80
10
10
0
0
12
12
0
0
14
14
0
0
16
16
0
0
100
100
150
150
20
20
0
0
250
250
300
300
35
35
0
0
400
400
450
450
500
500
550
550
600
600
C
C
o
o
m
m
p
p
r
r
e
e
ss
ss
o
o
r
r
D
D
isc
isc
h
h
a
a
r
r
g
g
e
e
P
P
r
r
e
e
ss
ss
u
u
r
r
e
e
,
,
[
[
p
p
sig
sig
]
]
A
A
dd
dd
C
C
ha
ha
r
r
g
g
e
e
i
i
f
f
A
A
bov
bov
e
e
the
the
C
C
ur
ur
v
v
e
e
R
R
e
e
m
m
o
o
ve
ve
Ch
Ch
ar
ar
g
g
e
e
if
if
B
B
e
e
lo
lo
w
w
t
t
h
h
e
e
Cu
Cu
r
r
ve
ve
Outdoor
Outdoor
Coil
Coil
L
L
eavin
eavin
g
g
Te m p
Temp
eratu
eratu
re,
re,
[Deg
[Deg
rees
rees
F]
F]
C06267
Fig. 65 − Charging Chart — 48/50PG14
PM16 and 20
C09294
Fig. 66 − Charging Chart − 48/50PM16 and 20
C08048
Fig. 67 − Charging Chart − 48/50PM24
C08049
Fig. 68 − Charging Chart − 48/50PM28
48/50PG and PM

91
Be sure unit is in normal cooling mode by checking that the RH2
solenoid coil(s) and the CRC relay are deenergized (control outputs
off). Adjust charge per the charging charts as described in the To
Use The Cooling Charging Charts, Standard Unit section. Switch
system to run in the dehumidification mode for 5 minutes.
Dehumidification mode is when the RH2 solenoid coil(s) and the
CRC relay are energized. Switch back to cooling mode to recheck
pressures and temperatures on the charging chart and adjust charge
if necessary. If charge adjustment is necessary, then repeat the steps
in this paragraph until no charge adjustment is necessary. When no
more charge adjustment is necessary after switching from
Dehumidification mode back to Cooling mode, then charge
adjustment procedure is complete. Remove jumper from the
outdoor motor speed controller.
PuronR Refrigerant
Puron refrigerant operates at 50 to 70 percent higher pressures than
R-22. Be sure that servicing equipment and replacement
components are designed to operate with Puron refrigerant. Do not
mix with components that have been used with other refrigerants.
Puron refrigerant, as with other HFCs, is only compatible with
POE oils.
Recovery cylinder service pressure rating must be 400 psig. Puron
systems should be charged with liquid refrigerant. Use a
commercial-type metering device in the manifold hose. Manifold
sets should be 750 psig high-side and 200 psig low-side with 520
psig low-side retard. Use hoses with 750 psig service pressure
rating. Leak detectors should be designed to detect HFC
refrigerant.
Table 28 – Altitude Compensation*
48PG03−07
ELEVATION
(ft)
NATURAL GAS
ORIFICE†
PROPANE
ORIFICE†
0‐1,999 45 52
2,000 47 52
3,000 47 53
4,000 47 53
5,000 48 53
6,000 48 53
7,000 48 53
8,000 49 54
9,000 49 54
10,000 50 54
11,000 51 54
12,000 51 55
13,000 52 55
14,000 52 56
48PG08−14
ELEVATION
(ft)
NATURAL GAS
ORIFICE†
PROPANE
ORIFICE†
0‐1,999 43 50
2,000 44 51
3,000 44 51
4,000 44 51
5,000 45 51
6,000 45 52
7,000 47 52
8,000 47 52
9,000 47 53
10,000 48 53
11,000 49 53
12,000 50 54
13,000 50 54
14,000 51 55
48PG08−14
ELEVATION
(ft)
NATURAL GAS
ORIFICE†
PROPANE
ORIFICE†
0‐1,999 30 38
2,000 30 40
3,000 31 40
4,000 31 41
5,000 31 41
6,000 31 42
7,000 32 42
8,000 32 43
9,000 32 43
10,000 35 44
11,000 36 44
12,000 37 45
13,000 38 46
14,000 39 47
*As the height above sea level increases, there is less oxygen per cubic foot of air.
Therefore, heat input rate should be reduced at higher altitudes. Includes a 4%
input reduction per each 1000 ft.
†Orifices available through your Carrier dealer.
Gas Valve Adjustment (48PG and PM)
The gas valve opens and closes in response to the thermostat or
limit control.
When power is supplied to valve terminals W2 (High Fire) and C1,
the main valve opens to its preset position.
The regular factory setting is stamped on the valve body.
To adjust regulator:
1. Set unit at setting for no call for heat.
2. Turn main gas valve to OFF position.
3. Remove 1/8-in. pipe plug from manifold pressure tap
connection. Install a suitable pressure-measuring device.
4. Set main gas valve to ON position.
5. Set thermostat at setting to call for heat.
6. Remove screw cap covering regulator adjustment screw.
(See Fig. 69.)
7. Turn adjustment screw clockwise to increase pressure or
counterclockwise to decrease pressure. The setting is 3.50
in. wg on sizes 03-14 and 3.00 on size 16−28.
8. Once desired pressure is established, set unit setting for no
call for heat, turn off main gas valve, remove
pressure-measuring device, and replace 1/8-in. pipe plug and
screw cap.
OFF
ON
W-1
W-2
D-1 D-2
C1
C2
PILOT
ADJ.
INLET PRESSURE TAP
(PLUGGED)
1/8 - 27 N.P.T. THDS.
2 LEADS, #18 WIRE 1/32 INSULATION,
600V. MAX., 105°CREGULATOR
ADJUSTMENT SCREW
(REMOVE COVER)
OUTLET PRESSURE
TAP (PLUGGED)
1/8-27 N.P.T. THDS.
PILOT CONNECTION
FOR 1/4” O.D. TUBING
(PLUGGED)
RECEPTACLE AND
TAB COMBINATION
TERMINAL
RECEPTACLE TERMINAL
C07262
Fig. 69 − Typical Gas Valve (20−28 Sizes Shown)
48/50PG and PM

92
Table 29 – Altitude Compensation* − 48PM16−20
NATURAL GAS
ELEVATION
(ft)
NATURAL GAS ORIFICE SIZE†
Low Heat (D,L) Medium Heat (E,M) High Heat (F,N)
0‐1,999 29 30 29
2,000 29 30 29
3,000 30 31 30
4,000 30 31 30
5,000 30 31 30
6,000 30 31 30
7,000 31 32 31
8,000 31 32 31
9,000 31 32 31
10,000 32 33 32
*As the height above sea level increases, there is less oxygen per cubic foot of air. Therefore, heat input rate should be reduced at higher altitudes. Includes a
4% input reduction per each 1000 ft.
†Orifices available through the local Carrier dealer.
PROPANE GAS
ELEVATION
(ft)
PROPANE GAS ORIFICE SIZE†
Low Heat (D,L) Medium Heat (E,M) High Heat (F,N)
0‐1,999 35 38 35
2,000 36 39 36
3,000 36 39 36
4,000 37 40 37
5,000 37 40 37
6,000 38 41 38
7,000 39 42 39
8,000 40 43 40
9,000 41 44 41
10,000 42 45 42
*As the height above sea level increases, there is less oxygen per cubic foot of air. Therefore, heat input rate should be reduced at higher altitudes. Includes a
4% input reduction per each 1000 ft.
†Orifices available through the local Carrier dealer.
High Altitude (48PG and PM)
For high altitude applications greater than 2,000 ft the heat input
rate should be reduced. The higher the altitude is above sea level,
the less oxygen is in the air. See Table 28 for orifice sizing. A high
altitude kit is available to convert unit for altitudes up to 7,000 ft.
Main Burners (48PG and 48PM)
For all applications, main burners are factory set and should require
no adjustment.
Main Burner Removal
1. Shut off (field-supplied) manual main gas valve.
2. Shut off power to unit.
3. Open gas section access door.
4. Disconnect gas piping from gas valve inlet.
5. Remove wires from gas valve.
6. Remove wires from rollout switch.
7. Remove sensor wire and ignitor cable from IGC board.
8. Remove 2 screws that hold the burner assembly to vestibule
plate. For 48PM16−28 units, also remove the 2 screws se-
curing the manifold bracket to the basepan.
9. Rotate the burner/manifold assembly to the right, away
from the flue extension and lift burner/manifold assembly
out of unit.
Cleaning and Adjustment
1. Remove burner rack from unit as described in Main Burner
Removal section above.
2. Inspect burners, and if dirty, remove burners from rack. The
two outer burners have the flame crossover closed off in
order to prevent gas flow from exiting the sides of the
burner assembly. To prevent ignition problems, make sure
the outer burners are returned to their original position when
done servicing.
3. Using a soft brush, clean burners and crossover port as
required.
4. Adjust spark gap. (See Fig. 70.)
5. Reinstall burners on rack.
6. Reinstall burner rack as described above.
48/50PG and PM

93
E
E
AA B
B
25.4
MAX. TYP.
SPARK GAP
0.120 TO 0.140”
[3.05 TO 3.56]
D
D
E-E
SECTION
SCALE 2:1
D-D
SECTION
B-B
SECTION
SCALE 1:1
A-A
SECTION
SCALE 1:1
C-C
SECTION
C
C
SPARK GAP
0.181”
[4.6]
C06269
Fig. 70 − Spark Gap Adjustment
Filter Drier
Replace whenever refrigerant system is exposed to atmosphere.
Only use factory specified liquid-line filter driers with working
pressures no less than 650 psig. Do not install a suction-line filter
drier in liquid line. A liquid-line filter drier designed for use with
Puron refrigerant is required on every unit.
Protective Devices
Compressor Rotation
Overcurrent
Each compressor has internal line break motor protection.
Overtemperature
Each compressor has an internal protector to protect it against
excessively high discharge gas temperatures.
High−Pressure Switch
If the high-pressure switch trips, the compressor will shut down
and the current sensor (3-phase units only) will not detect current.
See the Current Sensor section below for more information.
Current Sensor (CS) (3−Phase Units Only)
The purpose of the CS is to detect losses in compressor power.
After detecting a loss in compressor power, unit control locks out
the compressor for 15 minutes. After 15 minutes, the alarm will
automatically reset. If this alarm occurs 3 times consecutively, the
compressor will remain locked out until an alarm reset is initiated
via CCN or manually via the Scrolling Marquee display (see
Alarms and Alerts section for more details).
Evaporator Fan Motor Protection
Indoor-fan motors less than 5 hp are equipped with internal
overcurrent and overtemperature protection. Protection devices
reset automatically. Disconnect and lock out power when servicing
motor. Indoor-fan motors 5 hp and larger are equipped with a
manual reset, calibrated trip, magnetic circuit breaker and
overcurrent protection. Do not bypass connections or increase the
size of the breaker to correct trouble. Determine the cause and
correct it before resetting the breaker.
Condenser−Fan Motor Protection
Each condenser-fan motor is internally protected against
overtemperature.
Fuses are located in the control box and feed power to the
condenser fan motors. Always replace blown fuses with the
correct size fuse as indicated on the unit fuse label.
Saturated Suction Pressure (SSP)
If the SSP for a particular circuit is reading below the alarm set point
for an extended period of time, that circuit will be shut down. After 15
minutes, the alarm will automatically reset. If this alarm occurs 3 times
consecutively, the circuit will remain locked out until an alarm reset is
initiated via CCN or manually via the Scrolling Marquee display (see
Alarms and Alerts section for more details).
Relief Devices
All units have relief devices to protect against damage from
excessive pressures (i.e., fire). These devices protect the high and
low side and are located at the suction line service port. Protect
joint during brazing operations near joint.
Control Circuit, 24−V
Each control circuit is protected against overcurrent by a circuit
breaker. Breaker can be reset. If it trips, determine cause of trouble
before resetting.
Replacement Parts
A complete list of replacement parts may be obtained from any
Carrier distributor upon request.
Diagnostic LEDs
The MBB, ECB, and IGC control boards have LED lights for
diagnostic purposes. The meanings and error codes can be found
in the troubleshooting section of this manual.
EnergyX
For units equipped with the EnergyX factory installed option, there
will be an EnergyXv2 Supplement Installation Instructions in the
unit’s information packet. Refer to this supplement for details on
service and Maintenance.
48/50PG and PM

94
APPENDIX A — LOCAL DISPLAY AND CCN TABLES
MODE — RUN STATUS
ITEM EXPANSION RANGE UNITS CCN TABLE/
SUBTABLE
CCN POINT CCN
WRITE
STATUS
MENU
WRITE
STATUS
RUN STATUS STATUS DISPLAY
VIEW Auto View of Run Status (VIEW = Display only)
HVAC HVAC Mode Status 1=Disabled
2=Ventilation
3=Cool
4=Heat
HVACMODE
OCC Currently Occupied No/Yes OCCUPIED
SAT Suppy Air Temperature xxx..x °F SAT_DISP
ALRM Current Alarms & Alerts xx ALRMALRT
TIME Time of Day xx.xx hh.mm TIMECOPY
VERS Software Version Numbers VERSIONS
MBB CESR131320xxxx (xxxx in table) MODEL_NUMBER_01
ECB CESR131249xxxx MODEL_NUMBER_02
MARQ CESR131171xxxx MODEL_NUMBER_03
MODE Control Modes MODEDISP
SYS Current System Mode 1=Disabled
2=Run Enabled
3=Service Test
SYS_MODE
HVAC Current HVAC Mode 1=Disabled
2=Ventilation
3=Cool
4=Heat
HVACMODE
HV.DN Remote HVAC Mode Disable No/Yes HVACDOWN forcible
EFF.C Cool Setpoint In Effect xx.x °F CSP_EFF
EFF.H Heat Setpoint In Effect xx.x °F HSP_EFF
OCC Currently Occupied No/Yes OCCUPIED forcible forcible
T.OVR Timed Override in Effect No/Yes MODETOVR
LINK Linkage Active No/Yes MODELINK
D.LMT Demand Limit In Effect No/Yes MODEDMDL
C.LOC Compressor OAT Lockout No/Yes COMPLOCK
H.LOC Heat OAT Lockout No/Yes HEATLOCK
OK.EC OK to Use Economizer? No/Yes ECONCOOL
COOL Cooling Status COOLDISP
DMD.C Cooling Demand xxx.x ^F COOL_DMD
AVL.C Available Cooling Stages x AVLCSTGS
REQ.C Requested Cooling Stages x REQCSTGS
MAX.C Max Allowed Cool Stages x MAXCSTGS forcible
LMT.C Max Cool Stage In Effect x CSTGLIMT
IDF Indoor Fan State Off/On IDFSTATE
F.SPD Commanded Fan Speed xxx % FANSPEED
OFC.1 Outdoor Fan 1 Relay Off/On OFC_1
OFC.2 Outdoor Fan 2 Relay Off/On OFC_2
OFC.3 Outdoor Fan 3 Relay Off/On OFC_3
CRC Cool>Reheat1 Control Off/On CRC
CIR.A Refrigerant Circuit A CIRCUIT A
CMP.A Circuit A Compressor(s) Off/On COMP_A
TG.A Timeguard A xxx sec TIMGD_A
RH2.A Reheat2 Valve A Off/On RH2_A
SST.A Sat. Suction Temp A xxx.x °F SST_A
SSP.A Suction Pressure A xxx.x psig SSP_A
SCT.A Sat. Condenser Temp A xxx.x °F SCT_A
SCP.A Condenser Pressure A xxx.x psig SCP_A
CIR.B Refrigerant Circuit B CIRCUIT B
CMP.B Circuit B Compressor Off/On COMP_B
TG.B Timeguard B xxx sec TIMGD_B
RH2.B Reheat2 Valve B,C Off/On RH2_B
SST.B Sat. Suction Temp B xxx.x °F SST_B
SSP.B Suction Pressure B xxx.x psig SSP_B
SCT.B Sat. Condenser Temp B xxx.x °F SCT_B
SCP.B Condenser Pressure B xxx.x psig SCP_B
CIR.C Refrigerant Circuit C CIRCUIT C
CMP.C Circuit C Compressor Off/On COMP_C
TG.C Timeguard C xxx sec TIMGD_C
RH2.C Reheat2 Valve B,C Off/On RH2_B
SST.C Sat. Suction Temp C xxx.x °F SST_C
SSP.C Suction Pressure C xxx.x psig SSP_C
SCT.C Sat. Condenser Temp C xxx.x °F SCT_C
SCP.C Condenser Pressure C xxx.x psig SCP_C
48/50PG and PM

95
APPENDIX A — LOCAL DISPLAY AND CCN TABLES (CONT)
MODE — RUN STATUS (cont)
ITEM EXPANSION RANGE UNITS CCN TABLE/
SUBTABLE
CCN POINT CCN
WRITE
STATUS
MENU
WRITE
STATUS
HEAT Heating Status HEATDISP
DMD.H Heating Demand xxx.x ^F HEAT_DMD
AVL.H Available Heating Stages x AVLHSTGS
REQ.H Requested Heating Stages x REQHSTGS
MAX.H Max Allowed Heat Stages x MAXHSTGS forcible
LMT.H Max Heat Stage In Effect x HSTGLIMT
IDF Indoor Fan State Off/On IDFSTATE
F.SPD Commanded Fan Speed xxx % FANSPEED
HT.1 Heat Stage 1 Relay Off/On HEAT_1
TG.H1 Heat Stage 1 Timeguard xxx sec TIMGD_H1
HT.2 Heat Stage 2 Relay Off/On HEAT_2
TG.H2 Heat Stage 2 Timeguard xxx sec TIMGD_H2
ECON Economizer Status ECONDISP
EC.CP Econo Commanded Position xxx % ECONOCMD
EC.AP Econo Actual Position xxx % ECONOPOS
EC.MP Min Position in Effect xxx % MIN_POS forcible
IAQ.S IAQ Level (switch) Low/High IAQIN
IAQ IAQ Level (sensor) xxxx IAQ
OAT Outdoor Air Temperature xxx.x °F OA_TEMP
ENTH Outdoor Enthalpy Switch Low/High ENTHALPY
OAQ OAQ Level (sensor) xxxx OAQ
PE.1 Power Exhaust 1 Relay Off/On PE_1
PE.2 Power Exhaust 2 Relay Off/On PE_2
OAU Outside Air Unit Status OAUDISP
OA.RN OAU System Run State 1=AUTO
2=OFF
3=TEST
OAU_RUN
OA.OP OAU Operating Mode 0=Off
1=ERV (DCV)
2=Free Cooling
3=OA Tempering
4=Defrost
5=Test
6=Ext. Mode 1
7=Ext. Mode 2
8=Ext. Mode 3
OAU_MODE
UPC UPC Software Version xxxx UPC_VER
OAU OA Unit Software Version xxxx OAU_VER
2P.DM OAU 2position Damper Close/Open OAUDMPR
WHL OAU Wheel Speed xxx % OAUWHEEL
LAT OAU Leaving Air Temp xxx.x °F OAU_LAT
EXAT OAU Exhaust Air Temp xxx.x °F OAU_EXAT
OA.MN Minimum Outside Air CFM xxxxx CFM MINOACFM
DCV.M Min DCV Outside Air CFM xxxxx CFM MINDCVSP
OA.FS OAU OA Fan Speed xxx % OAFANSPD
A.OA Actual Outside Air CFM xxxxx CFM ACTOACFM
C.OA Command Outside Air CFM xxxxx CFM CMDOACFM
PE.OF Power Exhaust CFM Offset xxxxx CFM EXOFFSET
EX.FS OAU Exhaust Fan Speed xxx % OAUPESPD
A.EX Actual Exhaust Air CFM xxxxx CFM ACTEXCFM
C.EX Command Exhaust Air CFM xxxxx CFM CMDEXCFM
BP.SP Building Pressure Setpnt x.xx in H2O OAU_BPSP
BP Building Pressure x.xx in H2O OAU_BP
TM.LO OA Tempring Lockout Temp xx °F OATMPLOC
TM.SP OA Tempring SAT Setpoint xx °F OATMPSPT
OA.HT OAU Tempering Heater xxx % OAHEATER
HRS Component Run Hours STRTHOUR
A1 Compressor A1 Run Hours xxxxx.xx hours HR_A1 forcible
A2 Compressor A2 Run Hours xxxxx.xx hours HR_A2 forcible
B1 Compressor B1 Run Hours xxxxx.xx hours HR_B1 forcible
C1 Compressor C1 Run Hours xxxxx.xx hours HR_C1 forcible
CCH Crankcase Heat Run Hours xxxxx.xx hours HR_CCH forcible
IDF Indoor Fan Run Hours xxxxx.xx hours HR_IDF forcible
OFC.1 Outdoor Fan 1 Run Hours xxxxx.xx hours HR_OFC_1 forcible
OFC.2 Outdoor Fan 2 Run Hours xxxxx.xx hours HR_OFC_2 forcible
OFC.3 Outdoor Fan 3 Run Hours xxxxx.xx hours HR_OFC_3 forcible
HT.1 Heat Stage 1 Run Hours xxxxx.xx hours HR_HTR_1 forcible
HT.2 Heat Stage 2 Run Hours xxxxx.xx hours HR_HTR_2 forcible
PE.1 Power Exhaust1 Run Hours xxxxx.xx hours HR_PE_1 forcible
PE.2 Power Exhaust2 Run Hours xxxxx.xx hours HR_PE_2 forcible
ALRM Alarm Relay Run Hours xxxxx.xx hours HR_ALM forcible
CRC Reheat1 Valve Run Hours xxxxx.xx hours HR_CRC forcible
RH2.A Reheat2 Valve A Run Hrs xxxxx.xx hours HR_RH2_A forcible
RH2.B Reheat2 Valve BC Run Hrs xxxxx.xx hours HR_RH2_B forcible
48/50PG and PM

96
APPENDIX A — LOCAL DISPLAY AND CCN TABLES (CONT)
MODE — RUN STATUS (cont)
ITEM EXPANSION RANGE UNITS CCN TABLE/
SUBTABLE
CCN POINT CCN
WRITE
STATUS
MENU
WRITE
STATUS
STRT Component Starts
A1 Compressor A1 Starts xxxxxx ST_A1 forcible
A2 Compressor A2 Starts xxxxxx ST_A2 forcible
B1 Compressor B1 Starts xxxxxx ST_B1 forcible
C1 Compressor C1 Starts xxxxxx ST_C1 forcible
CCH Crankcase Heat Starts xxxxxx ST_CCH forcible
IDF Indoor Fan Starts xxxxxx ST_IDF forcible
OFC.1 Outdoor Fan 1 Starts xxxxxx ST_OFC_1 forcible
OFC.2 Outdoor Fan 2 Starts xxxxxx ST_OFC_2 forcible
OFC.3 Outdoor Fan 3 Starts xxxxxx ST_OFC_3 forcible
HT.1 Heat Stage 1 Starts xxxxxx ST_HTR_1 forcible
HT.2 Heat Stage 2 Starts xxxxxx ST_HTR_2 forcible
PE.1 Power Exhaust 1 Starts xxxxxx ST_PE_1 forcible
PE.2 Power Exhaust 2 Starts xxxxxx ST_PE_2 forcible
ALRM Alarm Relay Starts xxxxxx ST_ALM forcible
CRC Reheat1 Valve Starts xxxxxx ST_CRC forcible
RH2.A Reheat2 Valve A Starts xxxxxx ST_RH2_A forcible
RH2.B Reheat2 Valve BC Starts xxxxxx ST_RH2_B forcible
(ALRMDISP) =
CCN only)
ALRMDISP
Active Alarm 1 Code xxx ALMCODE1
Active Alarm 2 Code xxx ALMCODE2
Active Alarm 3 Code xxx ALMCODE3
Active Alarm 4 Code xxx ALMCODE4
Active Alarm 5 Code xxx ALMCODE5
Reset All Current Alarms No/Yes ALRESET forcible
Reset Alarm History No/Yes ALHISCLR forcible
(GENERIC =
CCN only)
GENERIC
up to 20 points
(LON_DATA =
CCN only)
LON_DATA
nviSpaceTemp xxx.x °F NVI_SPT Forcible
nviSetPoint xxx.x °F NVI_SP forcible
nvoSpaceTemp xxx.x °F NVO_SPT
nvoUnitStatus.mode xxxx NVO_MODE
nvoUnitStatus.heat_out_p xxx.x % NVO_HPRI
nvoUnitStatus.heat_out_s xxx.x % NVO_HSEC
nvoUnitStatus.cool_out xxx.x % NVO_COOL
nvoUnitStatus.econ_out xxx.x % NVO_ECON
nvoUnitStatus.fan_out xxx % NVO_FAN
nvoUnitStatus.in_alarm xxx NVO_ALRM
nviSetPtOffset xxx.x ^F NVI_SPTO forcible
nviOutsideTemp xxx.x °F NVI_OAT forcible
nviOutsideRH xxxx.x % NVI_OARH forcible
nvoEffectSetPt xxx.x °F NVO_EFSP
nvoOutsideTemp xxxx.x °F NVO_OAT
nvoOutsideRH xxx.x % NVO_OARH
nviSpaceRH xxx.x % NVI_SPRH forcible
nviCO2 xxxxx NVI_CO2 forcible
nvoCO2 xxxxx NVO_CO2
nvoTEMP1 xxx.x °F NVO_SAT
nvoTEMP2 xxx.x °F NVO_RAT
nviPCT1 xxx.x % NVI_RHSP forcible
nvoPCT1 xxx.x % NVO_SPRH
nviDISCRETE1 Off/On NVI_FSD forcible
nviDISCRETE2 No/Yes NVI_OCC forcible
nviDISCRETE3 Off/On NVI_IAQD forcible
nvoDISCRETE1 Off/On NVO_FSD
nvoDISCRETE2 No/Yes NVO_OCC
nvoDISCRETE3 Off/On NVO_IAQD
nciCO2Limit xxxxx NCI_CO2 forcible
nciSetPnts.occupied_cool xxx.x °F NCI_OCSP forcible
nciSetPnts.standby_cool xxx.x °F NCI_SCSP forcible
nciSetPnts.unoccupd_cool xxx.x °F NCI_UCSP forcible
nciSetPnts.occupied_heat xxx.x °F NCI_OHSP forcible
nciSetPnts.standby_heat xxx.x °F NCI_SHSP forcible
nciSetPnts.unoccupd_heat xxx.x °F NCI_UHSP forcible
48/50PG and PM

97
APPENDIX A — LOCAL DISPLAY AND CCN TABLES (CONT)
MODE — SERVICE TEST
ITEM EXPANSION RANGE UNITS DEFAULT CCN TABLE/
SUB-TABLE CCN POINT
CCN
WRITE
STATUS
DISPLAY
WRITE
STATUS
SERVICE TEST MAINTENANCE
DISPLAY
TEST Field Service Test Mode Off/On Off (TEST = display only) MAN_CTRL forcible forcible
INDP Test Independent Outputs TESTINDP
ECON Economizer Position Test 0 to 100 % 0 S_ECONO forcible forcible
E.CAL Calibrate Economizer Off/On Off S_ECOCAL forcible forcible
PE.1 Power Exhaust 1 Test Off/On Off S_PE_1 forcible forcible
PE.2 Power Exhaust 2 Test Off/On Off S_PE_2 forcible forcible
ALRM Alarm Relay Test Off/On Off S_ALMOUT forcible forcible
CCH Crankcase Heat Test Off/On Off S_CCH forcible forcible
OA.DM OAU 2position Damper Close/
Open
Close S_OADMPR forcible forcible
WHL OAU Wheel Test 0 to 100 % 0 S_WHEEL forcible forcible
OA.OF OAU OA Fan Speed Test 0 to100 % 0 S_OAFAN forcible forcible
OA.XF OAU PE Fan Speed Test 0 to100 % 0 S_EXFAN forcible forcible
OA.HT OAU Tempring Heater Test 0 to 100 % 0 S_OAHEAT forcible forcible
FANS Test Fans TESTFANS
IDF Indoor Fan Power Test Off/On Off S_IDF forcible forcible
F.SPD Indoor Fan Speed Test 0 to 100 % 0 S_FANSPD forcible forcible
OFC.1 Outdoor Fan 1 Test Off/On Off S_OFC_1 forcible forcible
OFC.2 Outdoor Fan 2 Test Off/On Off S_OFC_2 forcible forcible
OFC.3 Outdoor Fan 3 Test Off/On Off S_OFC_3 forcible forcible
COOL Test Cooling TESTCOOL
CMP.A Cool A Test Off/On Off S_COMP_A forcible forcible
CMP.B Cool B Test Off/On Off S_COMP_B forcible forcible
CMP.C Cool C Test Off/On Off S_COMP_C forcible forcible
F.SPD Reduced Cool Fan Speed 60 to 100 % 0 S_FSPDCL forcible forcible
OF.OV Outdoor Fan Override Off/On Off S_OFC_OV forcible forcible
HMZR Test Humidimizer TESTHMZR
RH1.A Reheat1 A Test Off/On Off S_RH1_A forcible forcible
RH1.B Reheat1 B Test Off/On Off S_RH1_B forcible forcible
RH1.C Reheat1 C Test Off/On Off S_RH1_C forcible forcible
RH2.A Reheat2 A Test Off/On Off S2_RH2_A forcible forcible
RH2.B Reheat2 B Test Off/On Off S2_RH2_B forcible forcible
RH2.C Reheat2 C Test Off/On Off S2_RH2_C forcible forcible
F.SPD Reheat2 Fan Speed 65 to 100 % 0 S_FSPDRH forcible forcible
CRC Cool>Reheat1 Valve Test Off/On Off S_CRC forcible forcible
RHV.A Reheat2 Valve A Test Off/On Off S_RH2_A forcible forcible
RHV.B Reheat2 Valve B,C Test Off/On Off S_RH2_B forcible forcible
HEAT Test Heating TESTHEAT
HT.1 Heat Stage 1 Test Off/On Off S_HEAT_1 forcible forcible
HT.2 Heat Stage 2 Test Off/On Off S_HEAT_2 forcible forcible
F.SPD Reduced Heat Fan Speed 65 to 100 % 0 S_FSPDHT forcible forcible
MODE — TEMPERATURES
ITEM EXPANSION RANGE UNITS CCN TABLE/
SUB-TABLE CCN POINT
CCN
WRITE
STATUS
DISPLAY
WRITE
STATUS
STATUS DISPLAY
TEMPERATURES UINPUT
AIR.T Air Temperatures
SAT Supply Air Temperature xxx.x dF SAT_DISP
OAT Outdoor Air Temperature xxx.x dF OA_TEMP forcible forcible
SPT Space Temperature xxx.x dF SPACE_T forcible forcible
SPTO Space Temperature Offset xxx.x dF SPTO forcible forcible
RAT Return Air Temperature xxx.x dF RETURN_T forcible
REF.T Refrigerant Temperatures
SST.A Sat. Suction Temp A xxx.x dF SST_A
SCT.A Sat. Condenser Temp A xxx.x dF SCT_A
SST.B Sat. Suction Temp B xxx.x dF SST_B
SCT.B Sat. Condenser Temp B xxx.x dF SCT_B
SST.C Sat. Suction Temp C xxx.x dF SST_C
SCT.C Sat. Condenser Temp C xxx.x dF SCT_C
MODE — PRESSURES
ITEM EXPANSION RANGE UNITS CCN TABLE/SUB-TABLE CCN POINT CCN WRITE
STATUS
STATUS DISPLAY
PRESSURES UINPUT
SSP.A Suction Pressure A xxx.x psig SSP_A
SCP.A Condenser Pressure A xxx.x psig SCP_A
SSP.B Suction Pressure B xxx.x psig SSP_B
SCP.B Condenser Pressure B xxx.x psig SCP_B
SSP.C Suction Pressure C xxx.x psig SSP_C
SCP.C Condenser Pressure C xxx.x psig SCP_C
48/50PG and PM

98
APPENDIX A — LOCAL DISPLAY AND CCN TABLES (CONT)
MODE — SET POINTS
ITEM EXPANSION RANGE UNITS DEFAULT CCN TABLE/
SUB-TABLE CCN POINT
SETPOINT CONFIGURATION
SETPOINTS SET_PNT
OCSP Occupied Cool Setpoint 55 to 80 °F 78 OCSP
UCSP Unoccupied Cool Setpoint 65 to 95 °F 85 UCSP
OHSP Occupied Heat Setpoint 55 to 80 °F 68 OHSP
UHSP Unoccupied Heat Setpoint 40 to 80 °F 60 UHSP
GAP HeatCool Setpoint Gap 2 to 10 ^F 5 HCSP_GAP
STO.R SPT Offset Range (+/) 0 to 5 ^F 5 SPTO_RNG
RH.SP Space RH Occupied SP 30 to 100 % 50 SPRH_SP
RH.UN Space RH Unoccupied SP 30 to 100 % 50 SPRH_USP
RH.DB Space RH Deadband 2 to 20 % 8 SPRH_DB
RH.HB Reheat Heat SP Deadband 5 to 5 ^F 2 RH_HSPDB
CA.LO Circuit A Lockout Temp 0 to 100 °F 0 OATLCMPA
CB.LO Circuit B Lockout Temp 0 to 100 °F 0: no HumidiMiZer FIOP
HumidiMiZer FIOP:
40 (PG0816)
0 (2028, PM16)(0307)
OATLCMPB
CC.LO Circuit C Lockout Temp 0 to 100 °F 0 OATLCMPC
HT.LO Heating Lockout Temp 40 to 125 °F 75 OATLHEAT
EH.LO Econo Cool Hi Temp Limit 40 to 100 °F 65 OATLECLH
EL.LO Econo Cool Lo Temp Limit 30 to 50 °F 0 OATLECLL
FC.LO Free Cool Low Temp Limit 30 to 70 °F 50 OATLUEFC
LCSP Low Cool SAT Setpoint 55 to 75 °F 55 (0307)
65 (0828)
LCSASP
HCSP High Cool SAT Setpoint 50 to 70 °F 55 HCSASP
MODE — INPUTS
ITEM EXPANSION RANGE UNITS CCN TABLE/
SUB-TABLE CCN POINT
CCN
WRITE
STATUS
DISPLAY
WRITE
STATUS
STATUS DISPLAY
INPUTS UINPUT
STAT Thermostat Inputs
Y1 Thermostat Y1 Input On/Off Y1 forcible
Y2 Thermostat Y2 Input On/Off Y2 forcible
W1 Thermostat W1 Input On/Off W1 forcible
W2 Thermostat W2 Input On/Off W2 forcible
GThermostat G Input On/Off G forcible
GEN.I General Inputs
FIL.S Filter Status Switch Dirty/Clean FILTSTAT forcible
FAN.S Fan Status Switch On/Off FAN_STAT forcible
FDWN Fire Shutdown Switch On/Off FIREDOWN forcible
ENTH Outdoor Enthalpy Switch High/Low ENTHALPY forcible
RM.OC Remote Occupancy Switch On/Off REM_OCC forcible
HUM Space Humidity Switch High/Low HUM_STAT forcible
CS.IN Current Sensor Inputs
CS.A1 Compressor A1 Feedback On/Off CS_A1
CS.A2 Compressor A2 Feedback On/Off CS_A2
CS.B1 Compressor B1 Feedback On/Off CS_B1
CS.C1 Compressor C1 Feedback On/Off CS_C1
AIR.Q Air Quality Inputs
IAQ.S IAQ Level (switch) High/Low IAQIN forcible forcible
IAQ IAQ Level (sensor) xxxx ppm IAQ forcible forcible
OAQ OAQ Level (sensor) xxxx ppm OAQ forcible forcible
SP.RH Space Humidity Sensor xxx.x % SPRH forcible forcible
48/50PG and PM

99
APPENDIX A — LOCAL DISPLAY AND CCN TABLES (CONT)
MODE — OUTPUTS
ITEM EXPANSION RANGE UNITS CCN TABLE/
SUB-TABLE CCN POINT
CCN
WRITE
STATUS
DISPLAY
WRITE
STATUS
STATUS DISPLAY
OUTPUTS UOUTPUT
FANS Fan Outputs
IDF Indoor Fan State On/Off IDFSTATE
F.SPD Commanded Fan Speed xxx FANSPEED
OFC.1 Outdoor Fan 1 Relay On/Off OFC_1
OFC.2 Outdoor Fan 2 Relay On/Off OFC_2
OFC.3 Outdoor Fan 3 Relay On/Off OFC_3
COOL Cool Outputs
CMP.A Circuit A Compressor(s) On/Off COMP_A
CMP.B Compressors B On/Off COMP_B
CMP.C Compressors C On/Off COMP_C
CCH Crankcase Heat Relay On/Off CCH
CRC Cool>Reheat1 Control On/Off CRC
RH2.A Reheat2 Valve A On/Off RH2_A
RH2.B Reheat2 Valve BC On/Off RH2_B
HEAT Heat Outputs
HT.1 Heat Stage 1 Relay On/Off HEAT_1
HT.2 Heat Stage 2 Relay On/Off HEAT_2
ECON Economizer Outputs
EC.CP Econo Commanded Position 0 to 100 % ECONOCMD forcible forcible
EC.AP Econo Actual Position 0 to 100 % ECONOPOS
PE.1 Power Exhaust 1 Relay On/Off PE_1 forcible
PE.2 Power Exhaust 2 Relay On/Off PE_2 forcible
ALRM Alarm Relay On/Off ALMOUT forcible
48/50PG and PM

100
APPENDIX A — LOCAL DISPLAY AND CCN TABLES (CONT)
MODE — CONFIGURATION
ITEM EXPANSION RANGE UNITS DEFAULT CCN TABLE/
SUB-TABLE CCN POINT PAGE NO.
CONFIGURATION SERVICE
CONFIGURATION 14
DISP Display Configuration DISPLAY 14
METR Metric Display Off/On Off DISPUNIT 14
LANG Language Selection 0=English
1=Spanish
2=French
3=Portuguese
0 LANGUAGE 14
PROT Password Enable Disable/Enable Enable PASS_EBL 14
PSWD Service Password 0000 to 9999 1111 PASSWORD 14
TEST Test Display LEDs Off/On Off (display
only, not in table)
DISPTEST 14
UNIT Unit Configuration UNIT 14
S.DLY Startup Delay 10 to 600 sec 30 STARTDLY 14
U.CTL Unit Control Type 2=Thermostat
3=Space
Sensor
2 CTL_TYPE 14
T.CTL Thermostat Control Type 0=Adaptive
1=1 Stage Y1
2=2 Stage Y1
3=Digital
0 STATTYPE 15
OC.FN Fan On When Occupied No/Yes Yes OCC_FAN 15
IDF.F Shut Down on IDF Failure No/Yes Yes FATALFAN 15
FN.SW Fan Status Switch 0=No Switch
1=Normal
Open
2=Normal
Closed
0: no FIOP
1: FIOP
FANSTCFG 15
FL.SW Filter Status Switch 0=No Switch
1=Normal
Open
2=Normal
Closed
0: no FIOP
1: FIOP
FILSTCFG 15
FS.SW Fire Shutdown Switch 0=No Switch
1=Normal
Open
2=Normal
Closed
0: no FIOP
1: FIOP
SHTDNCFG 15
RM.SW Remote Occupancy
Switch
0=No Switch
1=Normal
Open
2=Normal
Closed
0 REMOCCFG 15
SAT.T SAT Settling Time 10 to 900 sec 240 SAT_SET 15
RAT.S RAT Sensor on SPTO In
put
No/Yes No RAT_SPTO 15
RH.S RH Sensor on OAQ Input No/Yes No RH_OAQ 15
RH.SW Space Humidity Switch 0=No Switch
1=Normal
Open
2=Normal
Closed
0: no HumidiMiZer
FIOP
1: HumidiMiZer
FIOP
HUMSTCFG 15
TCS.C Temp Cmp Strt Cool
Factr
0 to 60 mins 0 TCSTCOOL 15
TCS.H Temp Cmp Strt Heat
Factr
0 to 60 mins 0 TCSTHEAT 15
48/50PG and PM

101
APPENDIX A — LOCAL DISPLAY AND CCN TABLES (CONT)
MODE — CONFIGURATION (cont)
ITEM EXPANSION RANGE UNITS DEFAULT CCN TABLE/
SUB-TABLE CCN POINT PAGE NO.
COOL Cooling Configuration COOL_CFG 15
N.CIR Number of Circuits 0 to 3 1 (0307)
2 (0814)
3 (PG16)
2 (2028, PM16)
NUM_CIRC 19
N.A Compressors on Circuit A 1 to 2 1 (PG0324)
1 (PM(1628)
2 PG(28)
A_COMPS 19
MRT.C Compressor Min On Time 120 to 999 sec 180 MIN_ON 19
MOT.C Compressor Min Off Time 300 to 999 sec 300 MIN_OFF 19
RST.C Runtime to Reset Strikes 120 to 999 sec 300 MIN_ON_S 37
C.DEC Cool Stage Decrease
Time
120 to 999 sec 300 STAGEDEC 18
C.INC Cool Stage Increase Time 120 to 999 sec 450 STAGEINC 18
FOD.C Fanoff Delay, Mech Cool 0 to 600 sec 60 COOL_FOD 17
ALM.N Alert Each Strike No/Yes Yes ALM_NOW 37
SAT Supply Air Temperature 21
SA.PD SAT Cool Demand (+)
Level
0.5 to 10 ^F 1 SAT_POS
SA.ND SAT Cool Demand ()
Level
10 to 0.5 ^F 1 SAT_NEG
SAT.U Minimum SAT Upper
Level
35.0 to 65.0 °F 60 (PG0316)
58 (PG 2024)(PM
1628)
53 (PG 28)
SATMIN_H
SAT.L Minimum SAT Lower
Level
35.0 to 65.0 °F 35 (0307)
45 (0814)
50 (PG16)
48 (2028, PM16)
SATMIN_L
SPT Space Temperature 16
CL.PD SPT Cool Demand (+)
Level
0.5 to 5 ^F 1 DEM_POS
CL.ND SPT Cool Demand ()
Level
5 to 0.5 ^F 1 DEM_NEG
C.LAG Cool Thermal Lag Factor 0 to 5 1 COOL_LAG
CIR.A Circuit A 19
CA.LO Circuit A Lockout Temp 0 to 100F °F 0 OATLCMPA
CS.A1 Current Sensing A1 Disable/En
able
Disable (1phase)
Enable (3phase)
A1_SENSE
CS.A2 Current Sensing A2 Disable/En
able
Disable (0324)
Enable (PG 28)
A2_SENSE
A1.FN Level 1 Fans A 0 to 7 no HumidiMiZer
FIOP:
1 (0324)(PM 28)
5 (PG 28)
HumidiMiZer FIOP:
0 (PG0316)
1 (2028, PM16)
CIR_A_1
A2.FN Level 2 Fans A 0 to 7 no HumidiMiZer
FIOP:
0 (0307)
3 (0820)
2 (2428)
HumidiMiZer FIOP:
0 (0314)
1 (PG16)
3 (20, PM16)
2 (2428)
CIR_A_2
A3.FN Level 3 Fans A 0 to 7 no HumidiMiZer
FIOP:
0 (0307)
3 (0824)(PM 28)
7 (PG 28)
HumidiMiZer FIOP:
0 (0314)
1 (PG16)
3 (2028, PM16)
CIR_A_3
CIR.B Circuit B
CB.LO Circuit B Lockout Temp 0 to 100F °F 0: no HumidiMiZer
FIOP
HumidiMiZer FIOP:
40 (PG0816)
0 (2028,
PM16)(0307)
OATLCMPB
CS.B1 Current Sensing B1 Disable/En
able
Disable (0307)
Enable (0828)
B1_SENSE
B1.FN Level 1 Fans B 0 to 7 no HumidiMiZer
FIOP:
0 (0307)
1 (PG0816)
4 (2028, PM16)
HumidiMiZer FIOP:
0 (PG0316)
1 (2028, PM16)
CIR_B_1
48/50PG and PM

102
APPENDIX A — LOCAL DISPLAY AND CCN TABLES (CONT)
MODE — CONFIGURATION (cont)
ITEM EXPANSION RANGE UNITS DEFAULT CCN TABLE/
SUB-TABLE CCN POINT PAGE NO.
COOL (cont) Cooling Configuration COOL_CFG 15
B2.FN Level 2 Fans B 0 to 7 no HumidiMiZer
FIOP:
0 (0307)
3 (PG0816)
6 (20, PM16)
2 (2428)
HumidiMizer FIOP:
0 (0314)
1 (PG16)
3 (20, PM16)
2 (2428)
CIR_B_2
B3.FN Level 3 Fans B 0 to 7 no HumidiMiZer
FIOP:
0 (0307)
3 (PG0816)
6 (2028, PM16)
HumidiMiZer FIOP:
0 (0314)
1 (PG16)
3 (2028, PM16)
CIR_B_3
CIR.C Circuit C 19
CC.LO Circuit C Lockout Temp 0 to 100F °F 0 OATLCMPC
CS.C1 Current Sensing C1 Disable/En
able
Disable (0314,
2028)
Enable (PG16)
C1_SENSE
C1.FN Level 1 Fans C 07 no HumidiMiZer
FIOP:
0 (0314)
1 (PG16)
0 (2028, PM16)
HumidiMiZer FIOP:
0 (PG0316)
1 (2028, PM16)
CIR_C_1
C2.FN Level 2 Fans C 0 to 7 no HumidiMiZer
FIOP:
0 (0314)
3 (PG16)
0 (2028, PM16)
HumidiMiZer FIOP:
0 (0314)
1 (PG16)
2 (2028, PM16)
CIR_C_2
C3.FN Level 3 Fans C 0 to 7 no HumidiMiZer
FIOP:
0 (0314)
3 (PG16)
0 (2028, PM16)
HumidiMiZer FIOP:
0 (0314)
1 (PG16)
3 (2028, PM16)
CIR_C_3
SST Low Suction Control 39
SST.O Suction OK Temperature 10 to 50 °F 18 SSTOK
SST.1 Low Suction Level 1 10 to 50 °F 20 SSTLEV1
SST.2 Low Suction Level 2 5 to 50 °F 15 SSTLEV2
SST.3 Low Suction Level 3 0 to 50 °F 10 SSTLEV3
CK.DL Delay On Low SST Check 0 to 300 sec 0 SSTCKDLY
OFC Outdoor Fan Control 19
OFC.3 OFC3 Enable. CCH Dis
able
No/Yes No (PG0316)
Yes (2028, PM16)
OFC3_CTL
0.MXP Fan Lev0 Max Pressure 100 to 500 psig 200 LEV0MAXP
1.MXP Fan Lev1 Max Pressure 100 to 500 psig 400 (PG0316)
450 (2028, PM16)
LEV1MAXP
2.MNP Fan Lev2 Min Pressure 100 to 500 psig 150 (PG0316)
200 (2028, PM16)
LEV2MINP
2.ON Fan Lev2 On Temperature 0 to 100 °F no HumidiMiZer
FIOP:
55 (0320)
45 (2428)
HumidiMiZer FIOP:
68 (20, PM16)
61 (2428)(PG0316)
LEV2ON
2.OFF Fan Lev2 Off Temperature 0 to 100 °F no HumidiMiZer
FIOP:
45 (PG0316)
50 (20, PM16)
40 (2428)
HumidiMiZer FIOP:
57 (2028,
PM16)(PG0316)
LEV2OFF
2.MXP Fan Lev2 Max Pressure 100 to 500 psig 400 LEV2MAXP
3.MNP Fan Lev3 Min Pressure 100 to 500 psig 250 LEV3MINP
48/50PG and PM

103
APPENDIX A — LOCAL DISPLAY AND CCN TABLES (CONT)
MODE — CONFIGURATION (cont)
ITEM EXPANSION RANGE UNITS DEFAULT CCN TABLE/
SUB-TABLE CCN POINT PAGE NO.
COOL (cont) Cooling Configuration COOL_CFG 15
3.ON Fan Lev3 On Temperature 0 to 100 °F no HumidiMiZer FIOP:
65
HumidiMiZer FIOP:
88 (20, PM16)
68 (2428)(PG0316)
LEV3ON
3.OFF Fan Lev3 Off Temperature 0 to 100 °F no HumidiMiZer FIOP:
55
HumidiMiZer FIOP:
78 (20, PM16)
62 (2428)(PG0316)
LEV3OFF
HMZR Humidimizer Config HMZR_CFG 24
REHT Humidimizer Equipped No/Yes No: no HumidiMiZer
FIOP
Yes: HumidiMiZer FIOP
REHEAT 24
R.DEC Reheat2 Stage Decr.
Time
0 to 999 secs 60 RSTAGDEC 28
R.INC Reheat2 Stage Incr. Time 0 to 999 secs 300 RSTAGINC 28
RH.FN Reheat Fan Control No/Yes No (0314)
Yes (1628)
RHFANCTL 28
RF.LV Reheat ODF Fan On
Level
0 to 3 2 (0320)
3 (2428)
RHFANLEV 28
RF. ON Reheat ODF Fan On
Temp
0 to 100 °F 75 (PG0316)
93 (PG2024)(PM1628)
85 (PG 28)
RHFANON 28
RF.OF Reheat ODF Fan Off
Temp
0 to 100 °F 70 (PG0316)
83 (20, PM16)
88 (24)(PM 28)
80 (PG 28)
RHFANOFF 28
RA.LO Reheat2 OAT Limit A 20 to 70 °F 40 OATLRH_A 28
RA.LP Reheat2 SSP Lo Limit A 50 to 100 psig 80 RHSSPL_A 28
RA.HP Reheat2 SSP Hi Limit A 50 to 100 psig 90 RHSSPH_A 28
RB.LO Reheat2 OAT Limit B,C 20 to 70 °F 50 OATLRH_B 28
RB.LP Reheat2 SSP Lo Limit
B,C
50 to 100 psig 80 RHSSPL_B 28
RB.HP Reheat2 SSP Hi Limit B,C 50 to 100 psig 90 RHSSPH_B 28
HEAT Heating Configuration HEAT_CFG 15
HT.TY Type of Heat Installed 0=No Heat
1=Gas
2=Electric
0 (50 series with no elec
tric heat)
1 (48 series)
2 (50 series with electric
heat)
HEATTYPE 21
N.HTR Number of Heat Stages 1 to 2 1 (48 series 1phase, 50
series <15kW)
2 (48 series 3phase, 50
series >=15kW)
NUM_HEAT 22
MRT.H Heat Minimum On Time 60 to 999 sec 120 HMIN_ON 22
MOT.H Heat Minimum Off Time 60 to 999 sec 120 HMIN_OFF 22
H.DEC Heat Stage Decrease
Time
120 to 999 sec 300 HSTAGDEC 21
H.INC Heat Stage Increase
Time
120 to 999 sec 450 HSTAGINC 21
FOD.E Fanoff Delay, Elect Heat 10 to 600 sec 30 ELEC_FOD 17
FOD.G Fanoff Delay, Gas Heat 45 to 600 sec 45 GAS_FOD 17
HT.LO Heating Lockout Temp 40 to 125 °F 75 OATLHEAT 21
SAT 15
SAT.H SAT Heat Mode Sensing Disable/En
able
Disable SAT_HEAT 16
SAM.L Maximum SAT Lower
Level
85 to 200 °F 140 SATMAX_L
SAM.U Maximum SAT Upper
Level
85 to 200 °F 160 SATMAX_H
SPT Space Temperature 16
HT.PD SPT Heat Demand (+)
Level
0.5 to 5 ^F 1 HDEM_POS
HT.ND SPT Heat Demand ()
Level
5 to 0.5 ^F 1 HDEM_NEG
H.LAG Heat Thermal Lag Factor 0 to 5 1 HEAT_LAG
48/50PG and PM

104
APPENDIX A — LOCAL DISPLAY AND CCN TABLES (CONT)
MODE — CONFIGURATION (cont)
ITEM EXPANSION RANGE UNITS DEFAULT CCN TABLE/
SUB-TABLE CCN POINT PAGE NO.
ECON Economizer Configuration ECON_CFG 23
EC.EN Economizer Installed No/Yes No: no FIOP
Yes: FIOP
ECONO 23
E.CTL Economizer Control Type 1=Dig/Posi
tion
2=Dig/Com
mand
3=Analog
Ctrl
1 ECON_CTL 14
EC.MN Econo Minimum Position 0 to 100 % 30
0: ERV FIOP
ECONOMIN 23
EC.MX Econo Cool Max Position 0 to 100 % 100 ECONOMAX 23
M.ANG Min Actuator Ctrl Angle 75 to 90 88 MINANGLE 23
EH.LO Econo Cool Hi Temp Limit 40 to 100 °F 65 OATLECLH 23
EL.LO Econo Cool Lo Temp
Limit
30 to 50 °F 0 OATLECLL 23
DF.DB Diff Dry Bulb Control Disable/En
able
Disable DIFFBULB 23
UEFC Unoccupied Free Cooling 0=Disabled
1=Unoc
cpied
2=PreOccu
pancy
2 UEFC_CFG 23
FC.TM Free Cool PreOcc Time 1 to 9999 mins 120 UEFCTIME 23
FC.LO Free Cool Low Temp Limit 30 to 70 °F 50 OATLUEFC 23
PE.EN Power Exhaust Installed No/Yes No: no FIOP
Yes: FIOP
PE_ENABL 24
PE.1 PE Stage1 Econo Position 0 to 100 % 40 PE1_POS 24
PE.2 PE Stage2 Econo Position 0 to 100 % 75 PE2_POS 24
EN.SW Enthalpy Switch 0=No Switch
1=Normal
Open
2=Normal
Closed
0: no FIOP
1: FIOP
ENTHLCFG 10
E.TRV Economizer Travel Time 5 to 300 secs 150 ECONOTRV 104
E.MXB Bottom Stage Max Econo 0 to 100 % 50 ECONMAXB 104
E.MXM Middle Stage Max Econo 0 to 100 % 35 ECONMAXM 104
E.MXT Top Stage Max Econo 0 to 100 % 25 (PG0316)
0 (2028, PM16)
ECONMAXT 104
AIR.Q Air Quality Config. IAQ_CFG 14
IA.CF IAQ Analog Input Config 0=No IAQ
1=DCV
2=Override
IAQ
3=Ctrl Min
Pos
0: no FIOP
1: FIOP
IAQANCFG 14
IA.FN IAQ Analog Fan Config 0=Never
1=Occupied
2=Always
0 IAQANFAN 30
II.CF IAQ Switch Input Config 0=No IAQ
1=DCV N/O
2=DCV N/C
3=Override
N/O
4=Override
N/C
0 IAQINCFG 30
II.FN IAQ Switch Fan Config 0=Never
1=Occupied
2=Always
0 IAQINFAN 34
AQ.MN Econo Min IAQ Position 0 to 100 % 10
0: ERV FIOP
IAQMINP 30
EC.MN Econo Minimum Position 0 to 100 % 30
0: ERV FIOP
ECONOMIN 23
OVR.P IAQ Override Position 0 to 100 % 100 IAQOVPOS 30
OA.CF OAQ Analog Input Config 0=No OAQ
1=DCV
2=Lockout
OAQ
0 OAQANCFG 30
OAQ.L OAQ Lockout Limit 0 to 5000 600 OAQLOCK 30
AQD.L AQ Differential Low 0 to 5000 100 DAQ_LOW 30
AQD.H AQ Differential High 0 to 5000 700 DAQ_HIGH 30
DF.ON Fan On AQ Differential 0 to 5000 600 DAQFNON 34
DF.OF Fan Off AQ Differential 0 to 5000 200 DAQFNOFF 34
I.4M IAQ Sensor Value at 4mA 0 to 5000 0 IAQ_4MA 30
I.20M IAQ Sensor Value at
20mA
0 to 5000 2000 IAQ_20MA 30
O.4M OAQ Sensor Value at
4mA
0 to 5000 0 OAQ_4MA 33
O.20M OAQ Sensor Value at
20mA
0 to 5000 2000 OAQ_20MA 33
H.4M RH Sensor Value at 4mA 0 to 50 % 0 RH_4MA 24
H.20M RH Sensor Value at 20mA 60 to 100 % 100 RH_20MA 24
48/50PG and PM

105
APPENDIX A — LOCAL DISPLAY AND CCN TABLES (CONT)
MODE — CONFIGURATION (cont)
ITEM EXPANSION RANGE UNITS DEFAULT CCN TABLE/
SUB-TABLE CCN POINT PAGE NO.
OAU Outside Air Unit Config OAU_CFG 12
OA.TY Outdoor Air Unit Type 0=No OAU
1=ERV Module
2=Economizer
3=Pwr Exhaust
4=OA Monitor
5=100% OA
Unit
6=EXv1 ERV
0: no FIOP
1: FIOP EXv2
OAU_TYPE 40
OA.FC Outside Air Fan Curve 0 to 999 0: no FIOP
1: PG0307 1ph low
CFM ERV
2: PG0307 3ph low
CFM ERV
3: PG0307 1ph high
CFM ERV
4: PG0307 3ph high
CFM ERV
5: PG0814 low CFM
ERV
6: PG0814 high CFM
ERV
7: PM1624 low CFM
ERV
8: PM1624 high CFM
ERV
9: PM28 low CFM ERV
10: PM28 high CFM
ERV
OAFANCRV 105
PE.FC Exhaust Air Fan Curve 0 to 999 0: no FIOP
1: PG0306 1ph low
CFM ERV
2: PG0307 3ph low
CFM ERV
3: PG0306 1ph high
CFM ERV
4: PG0307 3ph high
CFM ERV
5: PG0814 low CFM
ERV
6: PG0814 high CFM
ERV
7: PM1624 low CFM
ERV
8: PM1624 high CFM
ERV
9: PM28 low CFM
ERV
10: PM28 high CFM
ERV
PEFANCRV 105
U.RUN OAU Unoccupied Operation No/Yes NO UNOCCRUN 105
OAU.F Shut Down on Fan Failure No/Yes Yes FATALOAU 105
M.WHL Modulating Wheel Install No/Yes NO MODWHEEL 105
OA.MN Minimum Outside Air
CFM
0 to 32000 CFM 375: PG0307 low
CFM ERV
800: PG0307 high
CFM ERV
1000: PG0814 low
CFM ERV
2500: PG0814 high
CFM ERV
3000: PM1628 low
CFM ERV
4000: PM1624 high
CFM ERV
5000: PM28 high
CFM ERV
MINOACFM 95
DCV.M Min DCV Outside Air CFM 0 to 32000 CFM 100: PG0307 ERV
250: PG0814 low
CFM ERV
600: PG0814 high
CFM ERV
1000: PM1624 low
CFM ERV
1500: PM1624 high
CFM ERV, PM28 low
CFM ERV
2000: PM28 high
CFM ERV
MINDCVSP 95
PEX.C Power Exhaust Control 0=Offset CFM
1=BP
0 PEX_CTL 105
PE.OF Power Exhaust CFM Offset 17000 to
17000
CFM 200 EXOFFSET 95
BP.SP Building Pressure Setpnt 0.25 to 0.25 in H2O 0.05 OAU_BPSP 95
OA.TM Outside Air Tempering Disable/Enable Disable OATEMPER 95
TM.LO OA Tempring Lockout Temp 0 to 80 °F 60 OATMPLOC 95
TM.SP OA Tempring SAT Setpoint 35 to 80 °F 55 OATMPSPT 95
OAC.K Outside Air CFM k Factor 0.8 to 1.2 1.0 OACFM_K 105
EXC.K Exhaust Air CFM k Factor 0.8 to 1.2 1.0 EXCFM_K 105
48/50PG and PM

106
APPENDIX A — LOCAL DISPLAY AND CCN TABLES (CONT)
MODE — CONFIGURATION (cont)
ITEM EXPANSION RANGE UNITS DEFAULT CCN TABLE/
SUB-TABLE CCN POINT PAGE
NO.
A.FAN Adaptive Fan AFAN_CFG 34
AF.EN Adaptive Fan Operation No/Yes No ADAPTFAN 34
FS.VN Fan Speed Ventilation 0 to 100 % 50 FSPDVENT 34
FS.AQ Fan Speed IAQ Over
ride
0 to 100 % 50 FSPDAQOR 34
FS.E1 Fan Speed Free Cool
Lo
0 to 100 % 60 FSPDECO1 34
FS.E2 Fan Speed Free Cool
Hi
0 to 100 % 90 FSPDECO2 34
FS.CL Fan Speed Mech Cool
ing
60 to 100 % 100 FSPDCOOL 34
FS.HT Fan Speed Heating 65 to 100 % 100 FSPDHEAT 34
FS.RH Fan Speed Reheat2 65 to 100 % 100 FSPDREHT 34
ALM.O Alarm Relay Config. ALM_CFG 37
A.SPC SPT/SPRH Sensor Fail
ure
No/Yes Yes SPACE_AL 106
A.SRT SAT/RAT Sensor Failure No/Yes Yes SATRATAL 106
A.OAT OAT Thermistor Failure No/Yes Yes OAT_AL 106
A.CS Current Sensor Failure No/Yes Yes CS_AL 105
A.CMP Compressor Failure No/Yes Yes COMP_AL 106
A.CKT Refrig Circuit Failure No/Yes Yes CKT_AL 106
A.SSP SSP Transducer Failure No/Yes Yes SSP_AL 106
A.SCT SCT Thermistor Failure No/Yes Yes SCT_AL 106
A.FAN Indoor Fan Failure No/Yes Yes FAN_AL 106
A.FIL Dirty Filter No/Yes Ye s FILT_AL 106
A.TST Thermostat Failure No/Yes Yes TSTAT_AL 106
A.ECO Economizer Failure No/Yes Yes ECON_AL 106
PID PID Configurations PID_CFG 37
EC.P Economizer PID kP 0.00 to 99.90 2.5 ECONO_P 106
EC.I Economizer PID kI 0.00 to 99.90 0.12 ECONO_I 106
EC.D Economizer PID kD 0.00 to 99.90 1 ECONO_D 106
EC.DT Economizer PID rate 10.00 to 180.00 secs 15 ECONO_DT 106
EC.DB Economizer PID Dead
band
0 to 25 % 3 ECONBAND 106
LK.P Linkage Staging PID kP 0.00 to 99.90 10 LINK_P 106
LK.I Linkage Staging PID kI 0.00 to 99.90 5 LINK_I 106
LK.D Linkage Staging PID
kD
0.00 to 99.90 5 LINK_D 106
LK.DT Linkage Staging PID
rate
10.00 to 180.00 secs 30 LINK_DT 106
(GENERIC = CCN
only)
GENERICS 96
POINT 01 Definition Point_01
POINT 02 Definition Point_02
POINT 03 Definition Point_03
POINT 04 Definition Point_04
POINT 05 Definition Point_05
POINT 06 Definition Point_06
POINT 07 Definition Point_07
POINT 08 Definition Point_08
POINT 09 Definition Point_09
POINT 10 Definition Point_10
POINT 11 Definition Point_11
POINT 12 Definition Point_12
POINT 13 Definition Point_13
POINT 14 Definition Point_14
POINT 15 Definition Point_15
POINT 16 Definition Point_16
POINT 17 Definition Point_17
POINT 18 Definition Point_18
POINT 19 Definition Point_19
POINT 20 Definition Point_20
TRIM Sensor Calibration (CCN TRIM see
Maintenance Dis
play)
5
SPT.C Space Temp Calibration 30 to 130 °F 52
SPT.T Space Temp Trim 30 to 30 ^F 0 52
SAT.C Supply Air Temp Calib. 30 to 130 °F 52
SAT.T Supply Air Temp Trim 30 to 30 ^F 0 15
RAT.C Return Air Temp Calib. 30 to 130 °F 106
RAT.T Return Air Temp Trim 30 to 30 ^F 0 106
CCN
CONFIGURATION
CCN CCN Configuration 4850PGPM 17
CCN.A CCN Element Number 1 to 239 1 CCNADD 35
CCN.B CCN Bus Number 0 to 239 0 CCNBUS 35
BAUD CCN Baud Rate 1=2400
2=4800
3=9600
4=19200
5=38400
3 CCNBAUDD 35
48/50PG and PM

107
APPENDIX A — LOCAL DISPLAY AND CCN TABLES (CONT)
MODE — CONFIGURATION (cont)
ITEM EXPANSION RANGE UNITS DEFAULT CCN TABLE/
SUB-TABLE CCN POINT PAGE
NO.
BROD CCN Broadcast Config. BRODEFS 17
B.TIM CCN Time/Date Broad
cast
No/Yes No CCNBC 35
B.OAT CCN OAT Broadcast No/Yes No OATBC 35
B.GS Global Schedule
Broadcst
No/Yes No GSBC 17
B.ACK CCN Broadcast Ack'er No/Yes No CCNBCACK 36
SCH.O CCN Schedule Over
rides
SCHEDOVR 36
SCH.N Schedule Number 0 = Always Oc
cupied
164 = Local
Schedule
6599 = Global
Schedule
0 SCHEDNUM 17
HOL.G Accept Global Holidays No/Yes No HOLIDAYT 36
OV.TL Override Time Limit 0 to 4 hours 4 OTL 17
OV.EX Timed Override Hours 0 to 4 hours OVR_EXT 17
OV.SP SPT Override Enabled No/Yes Yes TIMEOVER 17
LDSH CCN LOADSHED CON
FIG.
LOADSHED 36
S.GRP Loadshed Group Num
ber
0 to 16 0 SHED_NUM 36
R.MXC Redline Max Cool
Stages
0 to 3 3 MAXCREDL 36
S.MXC Loadshed Max Cool
Stages
0 to 3 3 MAXCSHED 36
R.MXH Redline Max Heat
Stages
0 to 2 2 MAXHREDL 36
S.MXH Loadshed Max Heat
Stages
0 to 2 2 MAXHSHED 36
48/50PG and PM

108
APPENDIX A — LOCAL DISPLAY AND CCN TABLES (CONT)
MODE — TIME CLOCK
ITEM EXPANSION RANGE UNITS DEFAULT CCN TABLE/
SUB-TABLE CCN POINT
TIME CLOCK CONFIGURATION
TIME Time of Day TIME
TIME Hour and Minute xx.xx hh.mm TIME
DATE Current Date
MNTH Month of Year January, February, ...,
December
MOY
DOM Day of Month 1 to 31 DOM
YEAR Year xxxx YOCDISP
DAY Day of Week Monday, Tuesday, ...,
Sunday
DOWDISP
DST Daylight Savings Config. BRODEFS (continued)
STR.M Start Month January, February, ...,
December
4 STARTM
STR.W Start Week 1 to 5 1 STARTW
STR.D Start Day 1 to 7 7 STARTD
M.ADD Minutes to Add 0 to 90 60 MINADD
STP.M Stop Month January, February, ...,
December
10 STOPM
STP.W Stop Week 1 to 5 5 STOPW
STP.D Stop Day 1 to 7 7 STOPD
M.SUB Minutes to Subtract 0 to 90 60 MINSUB
SCH.L Occupancy Schedule (SCH.L = Display only)
PER.x Occupancy Period x
OCC.x Occupied From 00.00 to 23.59 hh.mm 00.00 PERxOCC
UNC.x Occupied To 00.00 to 23.60 hh.mm 00.00 PERxUNC
MON.x Monday in Period Yes/No No PERxMON
TUE.x Tuesday in Period Yes/No No PERxTUE
WED.x Wednesday in Period Yes/No No PERxWED
THU.x Thursday in Period Yes/No No PERxTHU
FRI.x Friday in Period Yes/No No PERxFRI
SAT.x Saturday in Period Yes/No No PERxSAT
SUN.x Sunday in Period Yes/No No PERxSUN
HOL.x Holiday in Period Yes/No No PERxHOL
(repeat up to x=8
Periods)
(OCCFECS = CCN only) OCCDEFCS
Timed Override Hours x hours OVREXT
Period x DOW
(MTWTFSSH)
xxxxxxxx 00000000 DOWx
Occupied From 00.00 to 24.00 hh.mm 00.00 OCCTODx
Occupied To 00.00 to 24.00 hh.mm 00.00 UNOCTODx
(repeat up to x=8
Periods)
HOL.L Holiday Schedule HOLIDAY
HOL.x Holiday x HOLDYxxS
MON.x Holiday Start Month 1 to 12 = January to
December
0 HOLMONxx
DAY.x Holiday Start Day 1 to 31 0 HOLDAYxx
LEN.x Holiday Duration (days) 1 to 99 0 HOLLENxx
(repeat up to x=9 Hol
idays)
(repeat up to
xx=30 Holidays)
CCN ONLY TABLES
ITEM EXPANSION RANGE UNITS DEFAULT CCN TABLE/
SUB-TABLE CCN POINT
(ALARMDEF = CCN only) ALARMDEF
Alarm Routing Control 00000000 to 11111111 11000000 ALRM_CNT
Equipment Priority 0 to 7 5 EQP_TYPE
Comm Failure Retry Time 1 to 240 min 10 RETRY_TM
Re-Alarm Time 1 to 255 min 180 RE-ALARM
Alarm System Name up to 8 alphanum 4850PGPM ALRM_NAM
(CTLRID = CCN only) CTLR-ID
Device Name: 4850PGPM
Description: text string
Location: text string
Software Part Number: CESR131320-XX-XX
Model Number:
Serial Number:
Reference Number:
48/50PG and PM

109
APPENDIX A — LOCAL DISPLAY AND CCN TABLES (CONT)
MODE — OPERATING MODES
ITEM EXPANSION RANGE UNITS CCN TABLE/
SUB-TABLE CCN POINT CCN WRITE
STATUS
DISPLAY
WRITE
STATUS
OPERATING MODES MAINTENANCE
MODE Control Modes MODES
SYS Unit operation disabled
Unit operation enabled
Service test enabled
SYS_MODE_TEXT1
SYS_MODE_TEXT2
(table only)
SYS_MODE_TEXT3
(table only)
HVAC HVAC Operation Disabled
Ventilation (fanonly)
Cooling
Free Cooling
Unoccupied Free Cooling
Reheat1
Reheat2
Reheat1 / Reheat2
Heating
HVACMODE_TEXT_1
HVACMODE_TEXT_2
(table only)
HVACMODE_TEXT_3
(table only)
HV.DN Remote HVAC Mode Disable No/Yes HVACDOWN forcible
EFF.C Cool Setpoint In Effect xx.x °F CSP_EFF
EFF.H Heat Setpoint In Effect xx.x °F HSP_EFF
OCC Currently Occupied No/Yes OCCUPIED forcible forcible
T.OVR Timed Override in Effect No/Yes MODETOVR
LINK Linkage Active No/Yes MODELINK
D.LMT Demand Limit In Effect No/Yes MODEDMDL
C.LOC Compressor OAT Lockout No/Yes COMPLOCK
H.LOC Heat OAT Lockout No/Yes HEATLOCK
OK.EC OK to Use Economizer? No/Yes ECONCOOL
COOL Cool Mode Diagnostic COOLDIAG
COOL In Cooling Mode? No/Yes IN_COOL
OK.CL OK to Select Cool Mode? No/Yes OKTOCOOL
MS.TG Mode Select Timeguard xxx secs COOLMSTG
OK.EC OK to Use Economizer? No/Yes ECONCOOL
OK.MC OK to Use Compressors? No/Yes MECHCOOL
C.LOC Compressor OAT Lockout No/Yes COMPLOCK
CA.LO Circuit A Lockout Temp xxx °F OATLCMPA
CB.LO Circuit B Lockout Temp xxx °F OATLCMPB
CC.LO Circuit C Lockout Temp xxx °F OATLCMPC
IDF Indoor Fan State Off/On IDFSTATE
F.SPD Commanded Fan Speed xxx % FANSPEED
AVL.C Available Cooling Stages x AVLCSTGS
REQ.C Requested Cooling Stages x REQCSTGS
LMT.C Max Cool Stage In Effect x CSTGLIMT
ACT.C Actual Cooling Stages x ACTCSTGS
CMP.A Circuit A Compressor(s) Off/On COMP_A
CMP.B Circuit B Compressor Off/On COMP_B
CMP.C Circuit C Compressor Off/On COMP_C
ST.A Circuit A Strikes x ASTRIKES
ST.B Circuit B Strikes x BSTRIKES
ST.C Circuit C Strikes x CSTRIKES
F.LEV Outdoor Fan Level x FANLEV
SAT Supply Air Temperature
SAT Supply Air Temperature xxx.x °F SAT_DISP
SA.DM Supply Air Temp Demand xxx.x ^F SAT_DMD
SA.PD SAT Cool Demand (+) Level xx.x ^F SAT_POS
SA.ND SAT Cool Demand () Level xx.x ^F SAT_NEG
SAT.U Minimum SAT Upper Level xx.x °F SATMIN_H
SAT.L Minimum SAT Lower Level xx.x °F SATMIN_L
SA.TR Supply Air d/dt (F/min) xxxx.x SATTREND
SA.DR SAT Delta Reference Temp xxx.x °F SAT_REF
SPT Space Temperature
SPT Space Temperature xxx.x °F SPACE_T forcible forcible
DMD.C Cooling Demand xxx.x ^F COOL_DMD
TRD.C Cool Demand d/dt (F/min) xxx.x CLDTREND
CL.PD SPT Cool Demand (+) Level xx.x ^F DEM_POS
CL.ND SPT Cool Demand () Level xx.x ^F DEM_NEG
C.LAG Cool Thermal Lag Factor x.x COOL_LAG
HMZR Humidimizer
REHT Humidimizer Equipped No/Yes REHEAT
HUM Space Humidity Switch Low/High HUM_STAT forcible
SP.RH Space Humidity Sensor xxx.x % SPRH forcible forcible
R.LO.A Reheat2 OAT Lockout A No/Yes RHALOCK
RA.LO Reheat2 OAT Limit A xx °F OATLRH_A
R.LP.A Reheat2 SSP Override A No/Yes RHALPOV
R.LO.B Reheat2 OAT Lockout B,C No/Yes RHBLOCK
RB.LO Reheat2 OAT Limit B,C xx °F OATLRH_B
R.LP.B Reheat2 SSP Override B,C No/Yes RHBLPOV
AVL.R Available Reheat2 Stages x AVLRSTGS
REQ.R Requested Reheat2 Stages x REQRSTGS
ACT.R Actual Reheat2 Stages x ACTRSTGS
CRC Cool>Reheat1 Control Off/On CRC
RH2.A Reheat2 Valve A Off/On RH2_A
RH2.B Reheat2 Valve B,C Off/On RH2_B
48/50PG and PM

110
APPENDIX A — LOCAL DISPLAY AND CCN TABLES (CONT)
MODE — OPERATING MODES (cont)
ITEM EXPANSION RANGE UNITS CCN TABLE/
SUB-TABLE CCN POINT CCN WRITE
STATUS
DISPLAY
WRITE
STATUS
HEAT Heat Mode Diagnostic HEATDIAG
HEAT In Heating Mode? No/Yes IN_HEAT
OK.HT OK to Select Heat Mode? No/Yes OKTOHEAT
MS.TG Mode Select Timeguard xxx secs HEATMSTG
H.LOC Heat OAT Lockout No/Yes HEATLOCK
HT.LO Heating Lockout Temp xxx °F OATLHEAT
IDF Indoor Fan State Off/On IDFSTATE
F.SPD Commanded Fan Speed xxx % FANSPEED
AVL.H Available Heating Stages x AVLHSTGS
REQ.H Requested Heating Stages x REQHSTGS
LMT.H Max Heat Stage In Effect x HSTGLIMT
ACT.H Actual Heating Stages x ACTHSTGS
HT.1 Heat Stage 1 Relay Off/On HEAT_1
HT.2 Heat Stage 2 Relay Off/On HEAT_2
SAT Supply Air Temperature
SAT.H SAT Heat Mode Sensing Disable/
Enable
SAT_HEAT
SAT Supply Air Temperature xxx.x °F SAT_DISP
SAM.L Maximum SAT Lower Level xxx.x °F SATMAX_L
SAM.U Maximum SAT Upper Level xxx.x °F SATMAX_H
SPT Space Temperature
SPT Space Temperature xxx.x °F SPACE_T forcible forcible
DMD.H Heating Demand xxx.x ^F HEAT_DMD
TRD.H Heat Demand d/dt (F/min) xxx.x HTDTREND
HT.PD SPT Heat Demand (+)
Level
xx.x ^F HDEM_POS
HT.ND SPT Heat Demand () Level xx.x ^F HDEM_NEG
H.LAG Heat Thermal Lag Factor x.x HEAT_LAG
ECON Economizer Diagnostic ECONDIAG
EC.EN Economizer Installed No/Yes ECONO
OK.EC OK to Use Economizer? No/Yes ECONCOOL
OCC Currently Occupied No/Yes OCCUPIED forcible forcible
IDF Indoor Fan State Off/On IDFSTATE
F.SPD Commanded Fan Speed xxx % FANSPEED
COOL In Cooling Mode? No/Yes IN_COOL
OAT Outdoor Air Temperature xxx.x °F OA_TEMP forcible forcible
RAT Return Air Temperature xxx.x °F RETURN_T forcible forcible
E.LOC Econo Cool OAT Lockout No/Yes ECONLOCK
D.LOC Econo Diff Dbulb Lockout No/Yes DFDBLOCK
EH.LO Econo Cool Hi Temp Limit xxx °F OATLECLH
EL.LO Econo Cool Lo Temp Limit xxx °F OATLECLL
FC.LO Free Cool Low Temp Limit xxx °F OATLUEFC
EN.LO Econo Cool Enth Lockout No/Yes ENTHLOCK
EC.MX Econo Cool Max Position xxx % ECONOMAX
EC.MN Econo Minimum Position xxx % ECONOMIN
AQ.DV IAQ DCV Mode No/Yes IN_IAQDV
AQ.MN Econo Min IAQ Position xxx % IAQMINP
AQ.OV IAQ Override Mode No/Yes IN_IAQOV
OVR.P IAQ Override Position xxx % IAQOVPOS
AQ.LO OAQ Lockout Mode No/Yes IN_OAQLO
OAQ.L OAQ Lockout Limit xxxx OAQLOCK
LP.OV Lo Refrig Press Override No/Yes IN_LPOV
EC.CP Econo Commanded Posi
tion
xxx % ECONOCMD forcible forcible
EC.AP Econo Actual Position xxx % ECONOPOS
EC.MP Min Position in Effect xxx % MIN_POS forcible forcible
C.ANG Actuator Control Angle xx.x CTLANGLE
E.CAL Economizer Calibrating No/Yes ECOINCAL
OAU Outside Air Unit Diagnostic OAU_DIAG
OA.RN OAU System Run State 1=AUTO
2=OFF
3=TEST
OAU_RUN
OA.OP OAU Operating Mode 0=Off
1=ERV
(DCV)
2=Free
Cooling
3=OA
Tempering
4=Defrost
5=Test
6=Ext.
Mode 1
7=Ext.
Mode 2
8=Ext.
Mode 3
OAU_MODE
2P.DM OAU 2position Damper Close/
Open
OAUDMPR
WHL OAU Wheel Speed xxx % OAUWHEEL
LAT OAU Leaving Air Temp xxx.x °F OAU_LAT
EXAT OAU Exhaust Air Temp xxx.x °F OAU_EXAT
OA.MN Minimum Outside Air CFM xxxxx CFM MINOACFM
DCV.M Min DCV Outside Air CFM xxxxx CFM MINDCVSP
OA.FS OAU OA Fan Speed xxx % OAFANSPD
A.OA Actual Outside Air CFM xxxxx CFM ACTOACFM
C.OA Command Outside Air CFM xxxxx CFM CMDOACFM
PE.OF Power Exhaust CFM Offset xxxxx CFM EXOFFSET
48/50PG and PM

111
APPENDIX A — LOCAL DISPLAY AND CCN TABLES (CONT)
MODE — OPERATING MODES (cont)
ITEM EXPANSION RANGE UNITS CCN TABLE/
SUB-TABLE CCN POINT CCN WRITE
STATUS
DISPLAY
WRITE
STATUS
OAU (cont) Outside Air Unit Diagnostic OAU_DIAG
EX.FS OAU Exhaust Fan Speed xxx % OAUPESPD
A.EX Actual Exhaust Air CFM xxxxx CFM ACTEXCFM
C.EX Command Exhaust Air CFM xxxxx CFM CMDEXCFM
BP.SP Building Pressure Setpnt x.xx in
H2O
OAU_BPSP
BP Building Pressure x.xx in
H2O
OAU_BP
TM.LO OA Tempring Lockout Temp xx °F OATMPLOC
TM.SP OA Tempring SAT Setpoint xx °F OATMPSPT
OA.HT OAU Tempering Heater xxx % OAHEATER
ALM.1 OAU Motor Failure Alarm Off/On OAUALRM1
ALM.2 OAU Dirty Filter Alarm Off/On OAUALRM2
ALM.3 OA Low CFM Alarm Off/On OAUALRM3
ALM.4 OAU Alarm Off/On OAUALRM4
DMD.L DEMAND LIMITING DMDL
D.LMT Demand Limit In Effect No/Yes MODEDMDL
LMT.C Max Cool Stage In Effect x CSTGLIMT
LMT.H Max Heat Stage In Effect x HSTGLIMT
REDL Redline Activated No/Yes MODEREDL
SHED Loadshed Activated No/Yes MODESHED
MAX.C Max Allowed Cool Stages x MAXCSTGS
MAX.H Max Allowed Heat Stages x MAXHSTGS
(Display TRIM see
Configuration)
Sensor Calibration TRIM
Space Temp Calibration 30 to 130 °F SPT_CAL forcible
Space Temp Trim 30 to 30 ^F SPT_OFF forcible
Supply Air Temp Calib. 30 to 130 °F SAT_CAL forcible
Supply Air Temp Trim 30 to 30 ^F SAT_OFF forcible
Return Air Temp Calib. 30 to 130 °F RAT_CAL forcible
Return Air Temp Trim 30 to 30 ^F RAT_OFF forcible
(LINKDATA = CCN
only)
CCN Linkage LINKDATA
Supervisory Element # xxx SUPEADR
Supervisory Bus xxx SUPEBUS
Supervisory Block Number xxx BLOCKNUM
Average Occup. Heat Stp. xxxx.x °F AOHS
Average Occup. Cool Stp. xxxx.x °F AOCS
Average Unocc. Heat Stp. xxxx.x °F AUHS
Average Unocc. Cool Stp. xxxx.x °F AUCS
Average Zone Temperature xxxx.x °F AZT
Average Occup. Zone Temp xxxx.x °F AOZT
Linkage System Occupied? No/Yes LOCC
Next Occupied Day "Mon",
"Tue", ... ,
"Sun"
3char
text
LNEXTOCD
Next Occupied Time xx:xx hh:mm LNEXTOCC forcible
Next Unoccupied Day "Mon",
"Tue", ... ,
"Sun"
3char
text
LNEXTUOD
Next Unoccupied Time xx:xx hh:mm LNEXTUNC forcible
Last Unoccupied Day "Mon",
"Tue", ... ,
"Sun"
3char text LLASTUOD
Last Unoccupied Time xx:xx hh:mm LLASTUNC forcible
(OCCDEFM = CCN
only)
Occupancy Supervisory OCCDEFM
Current Mode (1=Occup) 0,1 MODE
Current Occup Period # 0 to 8 PER_NO
TimeOverride in Effect No/Yes OVERLAST
TimeOverride Duration 0 to 4 hours OVR_HRS
Current Occupied Tiime xx.xx hh:m
m
STRTTIME
Current Unoccupied Time xx.xx hh:mm ENDTIME
Next Occupied Day NXTOCDAY
Next Occupied Time xx.xx hh:mm NXTOCTIM
Next Unoccupied Day NXTUNDAY
Next Unoccupied Time xx.xx hh:mm NXTUNTIM
Previous Unoccupied Day PRVUNDAY
Previous Unoccupied Time xx.xx hh.mm PRVUNTIM
MODE — ALARMS
ITEM EXPANSION RANGE DEFAULT CCN TABLE/
SUB-TABLE
CCN
POINT
CCN
WRITE
STATUS
DISPLAY
WRITE
STATUS
MAINTENANCE DISPLAY
ALARMS ALARMS
R.CUR Reset All Current Alarms Yes/No No ALRESET forcible forcible
R.HIS Reset Alarm History Yes/No No ALHISCLR forcible forcible
CURR Currently Active Alarms
alarm# text string ALARM01C -
ALARM25C
(repeat up to 25 alarms)
HIST Alarm History ALARM HISTORY
alarm# alarm#-mm/dd/yy-
hh.mm-text string
(repeat up to 20 alarms)
48/50PG and PM

112
APPENDIX B — CONTROL MODES WITH
Humidi−MiZer SYSTEM AND ECONOMIZER
Thermostat input shown for cooling demand (versus temperature
sensor and set point). Humidistat input shown for
dehumidification demand (versus relative humidity sensor and set
point). Economizer cooling availability is dependent on outdoor
temperature or enthalpy.
Circuit Subcooling mode = REHEAT 1
Circuit HGRH mode = hot gas reheat = REHEAT 2
Circuit ON mode = normal cooling
Thermostat Control type configuration = 0 = Adaptive, or Unit
Control Type configuration = 3 = Space Temperature, for
Dual-circuit and Tri-Circuit units results in added staging timers
and flex between 1-stage Y1 and 2-stage Y1.
SINGLE-CIRCUIT UNITS
(Thermostat Control Type configuration is ignored)
ECONO AVAILABLE? Y1 Y2 HUMIDISTAT CIRCUIT A ECONOMIZER
NO OFF OFF LOW OFF Min. Position (Econo closed if fan off)
NO OFF OFF HIGH HGRH Min. Position
NO ON OFF HIGH Subcooling Min. Position
NO OFF ON HIGH Subcooling Min. Position alarm T411: Y2 without Y1
NO ON ON HIGH Subcooling Min. Position no alarm
NO ON OFF LOW ON Min. Position
NO OFF ON LOW ON Min. Position alarm T411: Y2 without Y1
NO ON ON LOW ON Min. Position no alarm
YES OFF OFF LOW OFF Min. Position (Econo closed if fan off)
YES OFF OFF HIGH HGRH Min. Position
YES ON OFF HIGH Subcooling Min. Position
YES OFF ON HIGH Subcooling Min. Position alarm T411: Y2 without Y1
YES ON ON HIGH Subcooling Min. Position no alarm
YES ON OFF LOW OFF or ON Cooling
YES OFF ON LOW OFF or ON Cooling alarm T411: Y2 without Y1
YES ON ON LOW OFF or ON Cooling no alarm
DUAL CIRCUIT UNITS
1-Stage Y1 (Thermostat Control Type configuration = 1)
and 2-Stage Y1 (Thermostat Control Type configuration = 2)
ECONO AVAILABLE? Y1 Y2 HUMIDISTAT CIRCUIT A CIRCUIT B ECONOMIZER
NO OFF OFF LOW OFF OFF Min. Position (Econo closed if fan off)
NO OFF OFF HIGH HGRH HGRH Min. Position
NO ON OFF HIGH Subcooling HGRH Min. Position
NO OFF ON HIGH Subcooling Subcooling Min. Position alarm T411: Y2 without Y1
NO ON ON HIGH Subcooling Subcooling Min. Position
NO ON OFF LOW ON OFF Min. Position
NO OFF ON LOW ON ON Min. Position alarm T411: Y2 without Y1
NO ON ON LOW ON ON Min. Position
YES OFF OFF LOW OFF OFF Min. Position (Econo closed if fan off)
YES OFF OFF HIGH HGRH HGRH Min. Position
YES ON OFF HIGH Subcooling HGRH Min. Position
YES OFF ON HIGH Subcooling Subcooling Min. Position alarm T411: Y2 without Y1
YES ON ON HIGH Subcooling Subcooling Min. Position
YES ON OFF LOW OFF or ON OFF Cooling
YES OFF ON LOW OFF or ON OFF or ON Cooling alarm T411: Y2 without Y1
YES ON ON LOW OFF or ON OFF or ON Cooling
DUAL-CIRCUIT UNITS
Digital (Thermostat Control Type configuration = 3)
ECONO AVAILABLE? Y1 Y2 HUMIDISTAT CIRCUIT A CIRCUIT B ECONOMIZER
NO OFF OFF LOW OFF OFF Min. Position (Econo closed if fan off)
NO OFF OFF HIGH HGRH OFF Min. Position
NO ON OFF HIGH HGRH HGRH Min. Position
NO OFF ON HIGH Subcooling HGRH Min. Position
NO ON ON HIGH Subcooling Subcooling Min. Position
NO ON OFF LOW ON OFF Min. Position
NO OFF ON LOW ON ON Min. Position
NO ON ON LOW ON ON Min. Position
YES OFF OFF LOW OFF OFF Min. Position (Econo closed if fan off)
YES OFF OFF HIGH HGRH OFF Min. Position
YES ON OFF HIGH HGRH HGRH Min. Position
YES OFF ON HIGH Subcooling HGRH Min. Position
YES ON ON HIGH Subcooling Subcooling Min. Position
YES ON OFF LOW OFF or ON OFF Cooling
YES OFF ON LOW OFF or ON OFF or ON Cooling
YES ON ON LOW OFF or ON OFF or ON Cooling
48/50PG and PM

113
APPENDIX C — START−UP DATA
Fan Performance — 48PGD03 Vertical Units
AIRFLOW
(Cfm)
AVAILABLE EXTERNAL STATIC PRESSURE (in. wg)
0.2 0.4 0.6 0.8 1.0
Rpm Bhp Rpm Bhp Rpm Bhp Rpm Bhp Rpm Bhp
600 407 0.05 551 0.10 663 0.15 759 0.21 843 0.27
650 413 0.06 555 0.11 667 0.17 763 0.22 847 0.29
700 419 0.06 560 0.12 671 0.18 766 0.24 851 0.30
750 425 0.07 565 0.13 676 0.19 770 0.25 854 0.32
800 433 0.08 570 0.14 680 0.20 774 0.27 858 0.34
850 440 0.08 575 0.15 685 0.22 779 0.29 862 0.36
900 448 0.09 581 0.16 690 0.23 783 0.30 866 0.38
950 456 0.10 587 0.17 695 0.24 788 0.32 871 0.40
1000 465 0.11 594 0.18 700 0.26 792 0.34 875 0.42
AIRFLOW
(Cfm)
AVAILABLE EXTERNAL STATIC PRESSURE (in. wg)
1.2 1.4 1.6 1.8 2.0
Rpm Bhp Rpm Bhp Rpm Bhp Rpm Bhp Rpm Bhp
600 920 0.33 \990 0.40 1056 0.47 1117 0.54 1176 0.62
650 923 0.35 \994 0.42 1059 0.49 1121 0.57 1179 0.65
700 927 0.37 \997 0.44 1063 0.52 1124 0.60 1182 0.68
750 931 0.39 1001 0.47 1066 0.54 1128 0.62 1186 0.71
800 934 0.41 1004 0.49 1070 0.57 1131 0.65 1189 0.74
850 938 0.44 1008 0.52 1073 0.60 1135 0.68 1193 0.77
900 942 0.46 1012 0.54 1077 0.63 1138 0.71 1196 0.80
950 946 0.48 1016 0.57 1081 0.65 1142 0.74 1200 0.83
1000 950 0.51 1020 0.59 1085 0.68 1146 0.78 1204 0.87
LEGEND
Bhp - Brake Horsepower
NOTES:
1. Motor drive range is 482 to 736 rpm for low range motor/drive and 656 to 1001 rpm
for high range motor/drive. All other rpms require a field‐supplied drive.
2. Maximum continuous bhp is 0.85 for low range motor/drive and 0.85 for high range
motor/drive.
3. See General Fan Performance Notes.
Fan Performance — 48PGD04 Vertical Units
AIRFLOW
(Cfm)
AVAILABLE EXTERNAL STATIC PRESSURE (in. wg)
0.2 0.4 0.6 0.8 1.0
Rpm Bhp Rpm Bhp Rpm Bhp Rpm Bhp Rpm Bhp
900 448 0.09 581 0.16 690 0.23 783 0.30 866 0.38
950 456 0.10 587 0.17 695 0.24 788 0.32 871 0.40
1000 465 0.11 594 0.18 700 0.26 792 0.34 875 0.42
1050 474 0.12 600 0.20 706 0.27 797 0.36 880 0.44
1100 483 0.13 607 0.21 711 0.29 803 0.38 884 0.46
1150 493 0.14 614 0.22 717 0.31 808 0.40 889 0.49
1200 503 0.16 622 0.24 724 0.33 813 0.42 894 0.51
1250 513 0.17 630 0.25 730 0.34 819 0.44 899 0.54
1300 524 0.19 638 0.27 737 0.36 825 0.46 905 0.56
1350 535 0.20 646 0.29 744 0.38 831 0.48 910 0.59
1400 546 0.22 655 0.31 751 0.41 837 0.51 916 0.61
1450 557 0.24 664 0.33 759 0.43 844 0.53 922 0.64
1500 569 0.25 673 0.35 766 0.45 851 0.56 928 0.67
AIRFLOW
(Cfm)
AVAILABLE EXTERNAL STATIC PRESSURE (in. wg)
1.2 1.4 1.6 1.8 2.0
Rpm Bhp Rpm Bhp Rpm Bhp Rpm Bhp Rpm Bhp
900 \942 0.46 1012 0.54 1077 0.63 1138 0.71 1196 0.80
950 \946 0.48 1016 0.57 1081 0.65 1142 0.74 1200 0.83
1000 \950 0.51 1020 0.59 1085 0.68 1146 0.78 - -
1050 \955 0.53 1024 0.62 1089 0.71 1150 0.81 - -
1100 \959 0.56 1028 0.65 1093 0.74 1154 0.84 - -
1150 \963 0.58 1032 0.68 1097 0.78 - - - -
1200 \968 0.61 1037 0.71 1101 0.81 - - - -
1250 \973 0.64 1041 0.74 1105 0.84 - - - -
1300 \978 0.66 1046 0.77 - - - - - -
1350 \983 0.69 1051 0.80 - - - - - -
1400 \988 0.72 1056 0.83 - - - - - -
1450 \994 0.75 - - - - - - - -
1500 1000 0.79 - - - - - - - -
LEGEND
Bhp - Brake Horsepower
NOTES:
1. Motor drive range is 482 to 736 rpm for low range motor/drive and 796 to 1128 rpm
for high range motor/drive. All other rpms require a field‐supplied drive.
2. Maximum continuous bhp is 0.85 for low range motor/drive and 0.85 for high range
motor/drive.
3. See General Fan Performance Notes.
48/50PG and PM

114
Fan Performance — 48PGE04 Vertical Units
AIRFLOW
(Cfm)
AVAILABLE EXTERNAL STATIC PRESSURE (in. wg)
0.2 0.4 0.6 0.8 1.0
Rpm Bhp Rpm Bhp Rpm Bhp Rpm Bhp Rpm Bhp
900 452 0.09 584 0.16 693 0.23 786 0.31 870 0.38
950 460 0.10 590 0.17 698 0.25 791 0.32 874 0.40
1000 469 0.11 597 0.18 703 0.26 796 0.34 878 0.42
1050 479 0.12 604 0.20 709 0.28 801 0.36 883 0.45
1100 488 0.13 611 0.21 715 0.29 806 0.38 888 0.47
1150 498 0.15 619 0.23 721 0.31 812 0.40 893 0.49
1200 509 0.16 627 0.24 728 0.33 817 0.42 898 0.52
1250 519 0.17 635 0.26 735 0.35 823 0.44 903 0.54
1300 530 0.19 643 0.28 742 0.37 829 0.47 909 0.57
1350 542 0.21 652 0.29 749 0.39 836 0.49 915 0.59
1400 553 0.22 661 0.31 756 0.41 842 0.51 921 0.62
1450 565 0.24 670 0.33 764 0.44 849 0.54 927 0.65
1500 577 0.26 680 0.36 772 0.46 856 0.57 933 0.68
AIRFLOW
(Cfm)
AVAILABLE EXTERNAL STATIC PRESSURE (in. wg)
1.2 1.4 1.6 1.8 2.0
Rpm Bhp Rpm Bhp Rpm Bhp Rpm Bhp Rpm Bhp
900 945 0.46 1016 0.55 1081 0.63 1143 0.72 1201 0.81
950 950 0.49 1019 0.57 1085 0.66 1146 0.75 1204 0.84
1000 954 0.51 1023 0.60 1089 0.69 1150 0.78 — —
1050 958 0.53 1028 0.63 1093 0.72 1154 0.81 — —
1100 963 0.56 1032 0.65 1097 0.75 1158 0.85 — —
1150 967 0.59 1036 0.68 1101 0.78 — — — —
1200 972 0.61 1041 0.71 1105 0.81 — — — —
1250 977 0.64 1045 0.74 1110 0.85 — — — —
1300 982 0.67 1050 0.78 — — — — — —
1350 987 0.70 1055 0.81 — — — — — —
1400 993 0.73 1060 0.84 — — — — — —
1450 999 0.76 — — — — — — — —
1500 1004 0.79 — — — — — — — —
LEGEND
Bhp - Brake Horsepower
NOTES:
1. Motor drive range is 482 to 736 rpm for low range motor/drive and 796 to 1128 rpm
for high range motor/drive. All other rpms require a field‐supplied drive.
2. Maximum continuous bhp is 0.85 for low range motor/drive and 0.85 for high range
motor/drive.
3. See General Fan Performance Notes.
Fan Performance — 48PGF04 Vertical Units
AIRFLOW
(Cfm)
AVAILABLE EXTERNAL STATIC PRESSURE (in. wg)
0.2 0.4 0.6 0.8 1.0
Rpm Bhp Rpm Bhp Rpm Bhp Rpm Bhp Rpm Bhp
900 459 0.10 590 0.16 698 0.24 792 0.31 876 0.39
950 468 0.11 597 0.18 704 0.25 797 0.33 881 0.41
1000 477 0.12 604 0.19 710 0.27 802 0.35 885 0.43
1050 488 0.13 611 0.20 716 0.28 807 0.37 890 0.45
1100 498 0.14 619 0.22 722 0.30 813 0.39 895 0.48
1150 509 0.15 627 0.23 729 0.32 819 0.41 900 0.50
1200 520 0.17 636 0.25 736 0.34 825 0.43 906 0.53
1250 531 0.18 644 0.27 743 0.36 831 0.45 911 0.55
1300 543 0.20 653 0.28 751 0.38 838 0.48 917 0.58
1350 555 0.21 663 0.30 759 0.40 845 0.50 923 0.61
1400 567 0.23 672 0.32 767 0.42 852 0.53 930 0.63
1450 579 0.25 682 0.35 775 0.45 859 0.55 936 0.66
1500 592 0.27 692 0.37 784 0.47 867 0.58 943 0.69
AIRFLOW
(Cfm)
AVAILABLE EXTERNAL STATIC PRESSURE (in. wg)
1.2 1.4 1.6 1.8 2.0
Rpm Bhp Rpm Bhp Rpm Bhp Rpm Bhp Rpm Bhp
900 953 0.47 1023 0.56 1089 0.64 1151 0.73 1210 0.82
950 957 0.49 1027 0.58 1093 0.67 1155 0.76 — —
1000 961 0.52 1031 0.61 1097 0.70 1159 0.80 — —
1050 965 0.54 1035 0.64 1101 0.73 1162 0.83 — —
1100 970 0.57 1040 0.67 1105 0.76 — — — —
1150 975 0.60 1044 0.69 1109 0.80 — — — —
1200 980 0.62 1049 0.73 1114 0.83 — — — —
1250 985 0.65 1054 0.76 — — — — — —
1300 990 0.68 1059 0.79 — — — — — —
1350 996 0.71 1064 0.82 — — — — — —
1400 1002 0.74 — — — — — — — —
1450 1008 0.78 — — — — — — — —
1500 1014 0.81 — — — — — — — —
LEGEND
Bhp - Brake Horsepower
NOTES:
1. Motor drive range is 482 to 736 rpm for low range motor/drive and 796 to 1128 rpm
for high range motor/drive. All other rpms require a field‐supplied drive.
2. Maximum continuous bhp is 0.85 for low range motor/drive and 0.85 for high range
motor/drive.
3. See General Fan Performance Notes.
48/50PG and PM

115
Fan Performance — 48PGD05 Vertical Units
AIRFLOW
(Cfm)
AVAILABLE EXTERNAL STATIC PRESSURE (in. wg)
0.2 0.4 0.6 0.8 1.0
Rpm Bhp Rpm Bhp Rpm Bhp Rpm Bhp Rpm Bhp
1200 504 0.16 613 0.23 710 0.31 798 0.40 881 0.49
1300 527 0.19 632 0.27 725 0.35 810 0.44 890 0.54
1400 551 0.22 652 0.31 741 0.40 823 0.49 900 0.59
1500 576 0.26 673 0.35 759 0.44 838 0.54 912 0.65
1600 600 0.30 694 0.40 777 0.50 854 0.60 926 0.71
1700 626 0.35 716 0.45 797 0.55 871 0.66 941 0.78
1800 651 0.40 739 0.51 817 0.62 889 0.73 957 0.85
1900 677 0.46 762 0.57 838 0.69 908 0.80 974 0.93
2000 703 0.52 785 0.64 859 0.76 927 0.88 992 1.01
AIRFLOW
(Cfm)
AVAILABLE EXTERNAL STATIC PRESSURE (in. wg)
1.2 1.4 1.6 1.8 2.0
Rpm Bhp Rpm Bhp Rpm Bhp Rpm Bhp Rpm Bhp
1200 \957 0.59 1030 0.70 1098 0.80 1163 0.91 1225 1.03
1300 \964 0.64 1035 0.75 1102 0.86 1166 0.98 1227 1.10
1400 \973 0.70 1042 0.81 1107 0.92 1170 1.04 1231 1.17
1500 \983 0.76 1050 0.87 1114 0.99 1176 1.12 1235 1.24
1600 \994 0.82 1060 0.94 1122 1.06 1183 1.19 1241 1.32
1700 1007 0.89 1071 1.02 1132 1.14 1191 1.27 1248 1.41
1800 1021 0.97 1083 1.10 1143 1.23 1200 1.36 1256 1.50
1900 1037 1.05 1097 1.18 1155 1.32 1211 1.45 1266 1.60
2000 1053 1.14 1111 1.27 1168 1.41 1223 1.55 1276 1.70
LEGEND
Bhp - Brake Horsepower
High Range Motor/Drive Required
NOTES:
1. Motor drive range is 596 to 910 rpm for low range motor/drive and 828 to 1173 rpm
for high range motor/drive. All other rpms require a field‐supplied drive.
2. Maximum continuous bhp is 0.85 for low range motor/drive and 1.60 (single phase)
for high range motor/drive.
3. See General Fan Performance Notes.
Fan Performance − 48PGE05 Vertical Units
AIRFLOW
(Cfm)
AVAILABLE EXTERNAL STATIC PRESSURE (in. wg)
0.2 0.4 0.6 0.8 1.0
Rpm Bhp Rpm Bhp Rpm Bhp Rpm Bhp Rpm Bhp
1200 509 0.16 618 0.24 714 0.32 802 0.41 884 0.50
1300 533 0.19 637 0.27 730 0.36 814 0.45 894 0.55
1400 557 0.23 658 0.31 746 0.40 828 0.50 905 0.60
1500 582 0.27 679 0.36 764 0.45 843 0.55 917 0.66
1600 608 0.31 701 0.40 783 0.50 860 0.61 931 0.72
1700 634 0.36 723 0.46 803 0.56 877 0.67 947 0.79
1800 660 0.41 747 0.52 824 0.63 896 0.74 963 0.86
1900 686 0.47 770 0.58 846 0.70 915 0.82 981 0.94
2000 713 0.54 795 0.66 868 0.78 935 0.90 999 1.02
AIRFLOW
(Cfm)
AVAILABLE EXTERNAL STATIC PRESSURE (in. wg)
1.2 1.4 1.6 1.8 2.0
Rpm Bhp Rpm Bhp Rpm Bhp Rpm Bhp Rpm Bhp
1200 \961 0.60 1033 0.70 1101 0.81 1166 0.92 1228 1.03
1300 \968 0.65 1039 0.76 1106 0.87 1169 0.98 1230 1.10
1400 \977 0.70 1046 0.82 1111 0.93 1174 1.05 1234 1.17
1500 \987 0.77 1054 0.88 1118 1.00 1180 1.12 1239 1.25
1600 \999 0.83 1065 0.95 1127 1.07 1187 1.20 1245 1.33
1700 1013 0.90 1076 1.03 1137 1.15 1196 1.28 1253 1.42
1800 1027 0.98 1089 1.11 1148 1.24 1206 1.37 1261 1.51
1900 1043 1.06 1103 1.20 1161 1.33 1217 1.47 1271 1.61
2000 1060 1.16 1118 1.29 1175 1.43 1229 1.57 1282 1.72
LEGEND
Bhp - Brake Horsepower
High Range Motor/Drive Required
NOTES:
1. Motor drive range is 596 to 910 rpm for low range motor/drive and 828 to 1173 rpm
for high range motor/drive. All other rpms require a field‐supplied drive.
2. Maximum continuous bhp is 0.85 for low range motor/drive and 1.60 (single phase)
and 2.40 (3 phase) for high range motor/drive.
3. See General Fan Performance Notes.
48/50PG and PM

116
Fan Performance — 48PGF05 Vertical Units
AIRFLOW
(Cfm)
AVAILABLE EXTERNAL STATIC PRESSURE (in. wg)
0.2 0.4 0.6 0.8 1.0
Rpm Bhp Rpm Bhp Rpm Bhp Rpm Bhp Rpm Bhp
1200 520 0.17 628 0.24 723 0.33 811 0.41 \892 0.51
1300 545 0.20 648 0.28 739 0.37 823 0.46 \902 0.56
1400 570 0.24 668 0.32 756 0.41 837 0.51 \913 0.61
1500 596 0.28 691 0.37 775 0.46 853 0.56 \927 0.67
1600 623 0.32 714 0.42 795 0.52 870 0.62 \942 0.73
1700 650 0.37 737 0.48 816 0.58 889 0.69 \958 0.80
1800 677 0.43 762 0.54 838 0.65 909 0.76 \976 0.88
1900 705 0.50 787 0.61 861 0.72 929 0.84 \994 0.97
2000 734 0.57 813 0.68 884 0.80 951 0.93 1014 1.06
AIRFLOW
(Cfm)
AVAILABLE EXTERNAL STATIC PRESSURE (in. wg)
1.2 1.4 1.6 1.8 2.0
Rpm Bhp Rpm Bhp Rpm Bhp Rpm Bhp Rpm Bhp
1200 \968 0.61 1040 0.71 1108 0.82 1172 0.93 1233 1.04
1300 \976 0.66 1046 0.77 1112 0.88 1176 1.00 1237 1.11
1400 \985 0.72 1054 0.83 1119 0.95 1181 1.07 1241 1.19
1500 \996 0.78 1063 0.90 1127 1.02 1188 1.14 1247 1.27
1600 1009 0.85 1074 0.97 1136 1.09 1196 1.22 1254 1.35
1700 1024 0.92 1087 1.05 1147 1.17 1205 1.31 1262 1.44
1800 1039 1.00 1100 1.13 1159 1.26 1216 1.40 1272 1.54
1900 1056 1.09 1116 1.22 1173 1.36 1229 1.50 1283 1.64
2000 1074 1.19 1132 1.32 1188 1.46 1242 1.61 1295 1.75
LEGEND
Bhp - Brake Horsepower
High Range Motor/Drive Required
NOTES:
1. Motor drive range is 596 to 910 rpm for low range motor/drive and 828 to 1173 rpm
for high range motor/drive. All other rpms require a field‐supplied drive.
2. Maximum continuous bhp is 0.85 for low range motor/drive and 1.60 (single phase)
and 2.40 (3 phase) for high range motor/drive.
3. See General Fan Performance Notes.
Fan Performance — 48PGD06 Vertical Units
AIRFLOW
(Cfm)
AVAILABLE EXTERNAL STATIC PRESSURE (in. wg)
0.2 0.4 0.6 0.8 1.0
Rpm Bhp Rpm Bhp Rpm Bhp Rpm Bhp Rpm Bhp
1500 593 0.27 688 0.37 \773 0.46 \851 0.56 \925 0.67
1600 620 0.32 711 0.42 \793 0.52 \868 0.62 \939 0.73
1700 646 0.37 734 0.47 \813 0.58 \886 0.69 \955 0.80
1800 673 0.43 758 0.53 \835 0.64 \905 0.76 \972 0.88
1900 700 0.49 783 0.60 \857 0.72 \925 0.84 \990 0.96
2000 728 0.56 807 0.68 \879 0.80 \946 0.92 1009 1.05
2100 755 0.63 833 0.76 \903 0.88 \968 1.01 1029 1.14
2200 783 0.71 858 0.84 \926 0.97 \990 1.11 1050 1.24
2300 811 0.80 884 0.94 \950 1.07 1012 1.21 1071 1.35
2400 840 0.90 910 1.04 \975 1.18 1035 1.33 1092 1.47
2500 868 1.00 937 1.15 1000 1.30 1059 1.45 1115 1.60
AIRFLOW
(Cfm)
AVAILABLE EXTERNAL STATIC PRESSURE (in. wg)
1.2 1.4 1.6 1.8 2.0
Rpm Bhp Rpm Bhp Rpm Bhp Rpm Bhp Rpm Bhp
1500 \995 0.78 1061 0.89 1125 1.01 1186 1.14 1245 1.26
1600 1007 0.85 1072 0.96 1134 1.09 1194 1.22 1252 1.35
1700 1021 0.92 1084 1.04 1145 1.17 1203 1.30 1260 1.44
1800 1036 1.00 1098 1.13 1157 1.26 1214 1.39 1269 1.53
1900 1053 1.08 1112 1.22 1170 1.35 1226 1.49 1280 1.63
2000 1070 1.18 1128 1.31 1184 1.45 1238 1.60 1291 1.74
2100 1088 1.28 1145 1.42 1199 1.56 1253 1.71 1304 1.86
2200 1107 1.38 1162 1.53 1216 1.68 1268 1.83 1318 1.98
2300 1127 1.50 1181 1.65 1233 1.80 1284 1.95 1333 2.11
2400 1147 1.62 1200 1.77 1251 1.93 1300 2.09 1349 2.25
2500 1168 1.75 1220 1.91 1270 2.07 1318 2.23 1365 2.40
LEGEND
Bhp - Brake Horsepower
High Range Motor/Drive Required
NOTES:
1. Motor drive range is 690 to 978 rpm for low range motor/drive and 929 to 1261 rpm
for high range motor/drive. All other rpms require a field‐supplied drive.
2. Maximum continuous bhp is 0.85 (single phase) and 2.40 (3 phase) for low range
motor/drive and 1.60 (single phase) and 2.40 (3 phase) for high range motor/drive.
3. See General Fan Performance Notes.
48/50PG and PM

117
Fan Performance — 48PGE06 Vertical Units
AIRFLOW
(Cfm)
AVAILABLE EXTERNAL STATIC PRESSURE (in. wg)
0.2 0.4 0.6 0.8 1.0
Rpm Bhp Rpm Bhp Rpm Bhp Rpm Bhp Rpm Bhp
1500 607 0.29 700 0.38 \784 0.47 \861 0.57 \934 0.68
1600 634 0.33 724 0.43 \804 0.53 \879 0.64 \950 0.75
1700 662 0.39 748 0.49 \826 0.60 \898 0.71 \967 0.82
1800 690 0.45 773 0.55 \848 0.67 \918 0.78 \985 0.90
1900 719 0.51 799 0.63 \872 0.74 \940 0.86 1004 0.98
2000 748 0.59 825 0.70 \896 0.83 \962 0.95 1024 1.08
2100 777 0.67 852 0.79 \920 0.92 \985 1.05 1045 1.18
2200 807 0.75 879 0.88 \946 1.01 1008 1.15 1067 1.29
2300 837 0.85 907 0.98 \971 1.12 1032 1.26 1090 1.40
2400 867 0.95 935 1.09 \998 1.24 1057 1.38 1113 1.53
2500 897 1.06 963 1.21 1024 1.36 1082 1.51 1137 1.66
AIRFLOW
(Cfm)
AVAILABLE EXTERNAL STATIC PRESSURE (in. wg)
1.2 1.4 1.6 1.8 2.0
Rpm Bhp Rpm Bhp Rpm Bhp Rpm Bhp Rpm Bhp
1500 1004 0.79 1070 0.91 1133 1.03 1194 1.15 1253 1.28
1600 1017 0.86 1081 0.98 1143 1.11 1203 1.24 1260 1.37
1700 1032 0.94 1094 1.06 1155 1.19 1213 1.32 1269 1.46
1800 1048 1.02 1109 1.15 1168 1.28 1224 1.42 1279 1.56
1900 1066 1.11 1125 1.24 1182 1.38 1237 1.52 1291 1.66
2000 1084 1.21 1142 1.35 1197 1.49 1251 1.63 1304 1.78
2100 1104 1.31 1160 1.45 1214 1.60 1267 1.75 1318 1.90
2200 1124 1.43 1179 1.57 1231 1.72 1283 1.87 1333 2.03
2300 1145 1.55 1198 1.70 1250 1.85 1300 2.01 1349 2.17
2400 1167 1.68 1219 1.83 1269 1.99 1318 2.15 1366 2.31
2500 1189 1.82 1240 1.97 1290 2.14 1337 2.30 — —
LEGEND
Bhp - Brake Horsepower
NOTES:
1. Motor drive range is 690 to 978 rpm for low range motor/drive and 929 to 1261 rpm
for high range motor/drive. All other rpms require a field‐supplied drive.
2. Maximum continuous bhp is 0.85 (single phase) and 2.40 (3 phase) for low range
motor/drive and 1.60 (single phase) and 2.40 (3 phase) for high range motor/drive.
3. See General Fan Performance Notes.
Fan Performance − 48PGF06 Vertical Units
AIRFLOW
(Cfm)
AVAILABLE EXTERNAL STATIC PRESSURE (in. wg)
0.2 0.4 0.6 0.8 1.0
Rpm Bhp Rpm Bhp Rpm Bhp Rpm Bhp Rpm Bhp
1500 620 0.30 711 0.39 \794 0.49 \871 0.59 \944 0.70
1600 648 0.35 736 0.45 \816 0.55 \890 0.65 \960 0.76
1700 677 0.40 762 0.51 \838 0.61 \910 0.72 \978 0.84
1800 707 0.47 788 0.58 \862 0.69 \931 0.80 \997 0.92
1900 737 0.54 815 0.65 \887 0.77 \954 0.89 1017 1.01
2000 767 0.61 843 0.73 \912 0.85 \977 0.98 1039 1.11
2100 798 0.70 871 0.82 \938 0.95 1001 1.08 1061 1.21
2200 829 0.79 900 0.92 \965 1.05 1026 1.19 1084 1.33
2300 861 0.89 929 1.03 \992 1.17 1052 1.31 1108 1.45
2400 893 1.00 959 1.15 1020 1.29 1078 1.43 1133 1.58
2500 925 1.12 989 1.27 1048 1.42 1105 1.57 1158 1.72
AIRFLOW
(CFM)
AVAILABLE EXTERNAL STATIC PRESSURE (in. wg)
1.2 1.4 1.6 1.8 2.0
Rpm Bhp Rpm Bhp Rpm Bhp Rpm Bhp Rpm Bhp
1500 1013 0.81 1078 0.92 1141 1.05 1202 1.17 1260 1.30
1600 1027 0.88 1091 1.00 1152 1.13 1211 1.25 1269 1.39
1700 1043 0.96 1105 1.08 1165 1.21 1222 1.35 1278 1.48
1800 1060 1.05 1120 1.18 1179 1.31 1235 1.44 1290 1.59
1900 1078 1.14 1137 1.27 1194 1.41 1249 1.55 1302 1.70
2000 1098 1.24 1155 1.38 1210 1.52 1264 1.67 1316 1.81
2100 1119 1.35 1174 1.49 1228 1.64 1280 1.79 1331 1.94
2200 1140 1.47 1195 1.62 1247 1.77 1298 1.92 1348 2.08
2300 1163 1.60 1216 1.75 1267 1.90 1317 2.06 1365 2.22
2400 1186 1.73 1238 1.89 1288 2.05 1336 2.21 1384 2.37
2500 1210 1.88 1261 2.04 1309 2.20 1357 2.37 — —
LEGEND
Bhp - Brake Horsepower
NOTES:
1. Motor drive range is 690 to 978 rpm for low range motor/drive and 929 to 1261 rpm
for high range motor/drive. All other rpms require a field‐supplied drive.
2. Maximum continuous bhp is 0.85 (single phase) and 2.40 (3 phase) for low range
motor/drive and 1.60 (single phase) and 2.40 (3 phase) for high range motor/drive.
3. See General Fan Performance Notes.
48/50PG and PM

118
Fan Performance — 48PGD07 Vertical Units
AIRFLOW
(Cfm)
AVAILABLE EXTERNAL STATIC PRESSURE (in. wg)
0.2 0.4 0.6 0.8 1.0
Rpm Bhp Rpm Bhp Rpm Bhp Rpm Bhp Rpm Bhp
1800 \686 0.44 \769 0.55 \845 0.66 \915 0.77 \982 0.89
1900 \714 0.51 \794 0.62 \868 0.73 \936 0.85 1000 0.98
2000 \742 0.58 \820 0.70 \891 0.82 \957 0.94 1020 1.07
2100 \770 0.66 \846 0.78 \915 0.91 \979 1.03 1040 1.17
2200 \799 0.74 \872 0.87 \939 1.00 1002 1.13 1061 1.27
2300 \828 0.83 \899 0.97 \964 1.10 1025 1.24 1083 1.39
2400 \856 0.93 \926 1.07 \989 1.22 1049 1.36 1105 1.51
2500 \886 1.04 \953 1.19 1015 1.33 1073 1.48 1128 1.64
2600 \915 1.15 \980 1.31 1040 1.46 1097 1.62 1151 1.77
2700 \944 1.28 1008 1.44 1067 1.60 1122 1.76 1175 1.92
2800 \974 1.41 1035 1.58 1093 1.74 1147 1.91 1199 2.08
2900 1003 1.55 1063 1.72 1120 1.90 1173 2.07 1223 2.24
3000 1033 1.70 1092 1.88 1146 2.06 1198 2.24 — —
AIRFLOW
(Cfm)
AVAILABLE EXTERNAL STATIC PRESSURE (in. wg)
1.2 1.4 1.6 1.8 2.0
Rpm Bhp Rpm Bhp Rpm Bhp Rpm Bhp Rpm Bhp
1800 1045 1.02 1106 1.14 1165 1.28 1222 1.41 1277 1.55
1900 1062 1.10 1121 1.24 1179 1.37 1234 1.51 1288 1.66
2000 1080 1.20 1138 1.34 1193 1.48 1247 1.62 1300 1.77
2100 1099 1.30 1155 1.44 1209 1.59 1262 1.73 1313 1.89
2200 1118 1.41 1173 1.56 1226 1.71 1278 1.86 1328 2.01
2300 1138 1.53 1192 1.68 1244 1.83 1294 1.99 1343 2.15
2400 1159 1.66 1212 1.81 1262 1.97 1312 2.13 1360 2.29
2500 1181 1.79 1232 1.95 1282 2.11 1330 2.27 — —
2600 1203 1.93 1253 2.10 1301 2.26 — — — —
2700 1226 2.08 1275 2.25 — — — — — —
2800 1249 2.25 — — — — — — — —
2900 — — — — — — — — — —
3000 — — — — — — — — — —
LEGEND
Bhp - Brake Horsepower
NOTES:
1. Motor drive range is 796 to 1128 rpm for low range motor/drive and 1150 to 1438
rpm for high range motor/drive. All other rpms require a field‐supplied drive.
2. Maximum continuous bhp is 2.40 for low range motor/drive and 3.10 for high range
motor/drive.
3. See General Fan Performance Notes.
Fan Performance — 48PGE07 Vertical Units
AIRFLOW
(Cfm)
AVAILABLE EXTERNAL STATIC PRESSURE (in. wg)
0.2 0.4 0.6 0.8 1.0
Rpm Bhp Rpm Bhp Rpm Bhp Rpm Bhp Rpm Bhp
1800 \703 0.46 \784 0.57 \859 0.68 \928 0.80 \994 0.92
1900 \732 0.53 \811 0.64 \882 0.76 \950 0.88 1014 1.00
2000 \761 0.61 \838 0.72 \907 0.85 \972 0.97 1034 1.10
2100 \791 0.69 \865 0.81 \932 0.94 \996 1.07 1056 1.20
2200 \822 0.78 \893 0.91 \958 1.04 1020 1.18 1079 1.31
2300 \852 0.88 \921 1.01 \985 1.15 1045 1.29 1102 1.43
2400 \883 0.98 \950 1.13 1011 1.27 1070 1.41 1125 1.56
2500 \914 1.10 \978 1.25 1039 1.39 1096 1.55 1150 1.70
2600 \945 1.22 1008 1.38 1066 1.53 1122 1.69 1175 1.84
2700 \976 1.36 1037 1.52 1094 1.68 1148 1.84 1200 2.00
2800 1007 1.50 1067 1.67 1122 1.83 1175 2.00 1226 2.17
2900 1039 1.65 1097 1.82 1151 2.00 1203 2.17 1252 2.34
3000 1071 1.82 1127 2.00 1180 2.17 1230 2.35 — —
AIRFLOW
(Cfm)
AVAILABLE EXTERNAL STATIC PRESSURE (in. wg)
1.2 1.4 1.6 1.8 2.0
Rpm Bhp Rpm Bhp Rpm Bhp Rpm Bhp Rpm Bhp
1800 1057 1.04 1117 1.17 1176 1.30 1232 1.44 1287 1.58
1900 1075 1.13 1134 1.27 1191 1.40 1246 1.54 1299 1.69
2000 1094 1.23 1151 1.37 1207 1.51 1260 1.65 1312 1.80
2100 1114 1.34 1170 1.48 1224 1.63 1276 1.77 1327 1.93
2200 1135 1.46 1189 1.60 1242 1.75 1293 1.90 1343 2.06
2300 1157 1.58 1209 1.73 1261 1.88 1311 2.04 1359 2.20
2400 1179 1.71 1231 1.87 1281 2.02 1329 2.19 1377 2.35
2500 1202 1.85 1252 2.01 1301 2.18 1349 2.34 — —
2600 1226 2.01 1275 2.17 1323 2.34 — — — —
2700 1250 2.17 1298 2.34 — — — — — —
2800 1275 2.34 — — — — — — — —
2900 — — — — — — — — — —
3000 — — — — — — — — — —
LEGEND
Bhp - Brake Horsepower
NOTES:
1. Motor drive range is 796 to 1128 rpm for low range motor/drive and 1150 to 1438
rpm for high range motor/drive. All other rpms require a field‐supplied drive.
2. Maximum continuous bhp is 2.40 for low range motor/drive and 3.10 for high range
motor/drive.
3. See General Fan Performance Notes.
48/50PG and PM

119
Fan Performance — 48PGF07 Vertical Units
AIRFLOW
(Cfm)
AVAILABLE EXTERNAL STATIC PRESSURE (in. wg)
0.2 0.4 0.6 0.8 1.0
Rpm Bhp Rpm Bhp Rpm Bhp Rpm Bhp Rpm Bhp
1800 \719 0.48 \799 0.59 \872 0.70 \941 0.82 1006 0.94
1900 \749 0.55 \826 0.67 \897 0.79 \964 0.91 1027 1.03
2000 \780 0.63 \855 0.75 \923 0.88 \988 1.00 1049 1.13
2100 \812 0.72 \884 0.85 \950 0.97 1012 1.10 1072 1.24
2200 \844 0.82 \913 0.95 \977 1.08 1038 1.22 1096 1.36
2300 \876 0.92 \943 1.06 1005 1.20 1064 1.34 1120 1.48
2400 \908 1.04 \973 1.18 1033 1.32 1091 1.47 1145 1.62
2500 \941 1.16 1003 1.31 1062 1.46 1118 1.61 1171 1.76
2600 \974 1.29 1034 1.45 1092 1.60 1146 1.76 1198 1.92
2700 1007 1.43 1066 1.59 1121 1.76 1174 1.92 1225 2.08
2800 1040 1.59 1097 1.75 1151 1.92 1203 2.09 1252 2.26
2900 1073 1.75 1129 1.93 1181 2.10 1232 2.27 — —
3000 1107 1.93 1161 2.11 1212 2.29 — — — —
AIRFLOW
(Cfm)
AVAILABLE EXTERNAL STATIC PRESSURE (in. wg)
1.2 1.4 1.6 1.8 2.0
Rpm Bhp Rpm Bhp Rpm Bhp Rpm Bhp Rpm Bhp
1800 1069 1.06 1129 1.19 1187 1.33 1243 1.46 1297 1.61
1900 1088 1.16 1146 1.29 1202 1.43 1257 1.57 1310 1.72
2000 1108 1.26 1165 1.40 1220 1.54 1273 1.69 1325 1.84
2100 1129 1.38 1184 1.52 1238 1.67 1290 1.82 1340 1.97
2200 1151 1.50 1205 1.65 1257 1.80 1308 1.95 1357 2.11
2300 1174 1.63 1227 1.78 1278 1.93 1327 2.09 1375 2.25
2400 1198 1.77 1249 1.92 1299 2.08 1347 2.25 — —
2500 1223 1.92 1273 2.08 1321 2.24 — — — —
2600 1248 2.08 1297 2.24 — — — — — —
2700 1274 2.25 — — — — — — — —
2800 — — — — — — — — — —
2900 — — — — — — — — — —
3000 — — — — — — — — — —
LEGEND
Bhp - Brake Horsepower
NOTES:
1. Motor drive range is 796 to 1128 rpm for low range motor/drive and 1150 to 1438
rpm for high range motor/drive. All other rpms require a field‐supplied drive.
2. Maximum continuous bhp is 2.40 for low range motor/drive and 3.10 for high range
motor/drive.
3. See General Fan Performance Notes.
Fan Performance — 48PGD08 Vertical Units
AIRFLOW
(Cfm)
AVAILABLE EXTERNAL STATIC PRESSURE (in. wg)
0.2 0.4 0.6 0.8 1.0
Rpm Bhp Rpm Bhp Rpm Bhp Rpm Bhp Rpm Bhp
2250 464 0.35 541 0.46 612 0.58 677 0.70 739 0.83
2400 479 0.40 554 0.52 622 0.64 686 0.77 745 0.90
2550 496 0.46 568 0.58 633 0.71 695 0.84 753 0.98
2700 512 0.53 582 0.65 646 0.79 705 0.92 762 1.07
2850 530 0.60 597 0.73 658 0.87 716 1.01 771 1.16
3000 547 0.68 612 0.82 672 0.96 728 1.11 782 1.26
3150 565 0.77 628 0.91 686 1.06 741 1.21 793 1.37
3300 583 0.86 644 1.01 701 1.17 754 1.32 805 1.49
3450 602 0.97 661 1.12 716 1.28 768 1.44 817 1.61
3600 621 1.08 678 1.24 732 1.41 782 1.57 831 1.75
3750 640 1.20 696 1.37 748 1.54 797 1.71 844 1.89
AIRFLOW
(Cfm)
AVAILABLE EXTERNAL STATIC PRESSURE (in. wg)
1.2 1.4 1.6 1.8 2.0
Rpm Bhp Rpm Bhp Rpm Bhp Rpm Bhp Rpm Bhp
2250 797 0.96 852 1.10 905 1.25 \955 1.40 1003 1.55
2400 802 1.04 856 1.19 908 1.34 \957 1.49 1005 1.65
2550 808 1.13 861 1.28 912 1.43 \960 1.59 1007 1.75
2700 816 1.22 867 1.37 917 1.53 \965 1.70 1011 1.86
2850 824 1.31 874 1.47 923 1.64 \970 1.81 1015 1.98
3000 833 1.42 882 1.58 930 1.75 \976 1.93 1020 2.11
3150 843 1.53 891 1.70 937 1.88 \982 2.05 1026 2.24
3300 854 1.66 900 1.83 946 2.01 \990 2.19 1033 2.38
3450 865 1.79 911 1.97 955 2.15 \998 2.34 1040 2.53
3600 877 1.93 922 2.11 965 2.30 1007 2.49 1048 2.69
3750 889 2.08 933 2.26 976 2.46 1017 2.65 1057 2.86
LEGEND
Bhp - Brake Horsepower
High Range Motor/Drive Required
NOTES:
1. Motor drive range is 568 to 771 rpm for low range motor/drive and 812 to 1015 rpm
for high range motor/drive. All other rpms require a field‐supplied drive.
2. Maximum continuous bhp is 2.40 for low range motor/drive and 3.10 for high range
motor/drive.
3. See General Fan Performance Notes.
48/50PG and PM

120
Fan Performance — 48PGE08 Vertical Units
AIRFLOW
(Cfm)
AVAILABLE EXTERNAL STATIC PRESSURE (in. wg)
0.2 0.4 0.6 0.8 1.0
Rpm Bhp Rpm Bhp Rpm Bhp Rpm Bhp Rpm Bhp
2250 463 0.35 541 0.46 611 0.58 677 0.70 738 0.83
2400 481 0.41 556 0.52 623 0.64 687 0.77 747 0.90
2550 499 0.47 571 0.59 637 0.72 698 0.85 756 0.99
2700 518 0.54 587 0.66 650 0.80 710 0.93 766 1.08
2850 537 0.62 603 0.75 665 0.88 722 1.03 777 1.18
3000 556 0.70 620 0.84 680 0.98 735 1.13 789 1.28
3150 575 0.79 637 0.93 695 1.08 749 1.24 801 1.40
3300 595 0.89 655 1.04 711 1.19 764 1.35 814 1.52
3450 615 1.00 673 1.16 727 1.32 778 1.48 828 1.65
3600 635 1.12 691 1.28 744 1.44 794 1.62 842 1.79
3750 655 1.24 710 1.41 761 1.58 810 1.76 856 1.94
AIRFLOW
(Cfm)
AVAILABLE EXTERNAL STATIC PRESSURE (in. wg)
1.2 1.4 1.6 1.8 2.0
Rpm Bhp Rpm Bhp Rpm Bhp Rpm Bhp Rpm Bhp
2250 797 0.96 852 1.10 904 1.25 \954 1.40 1002 1.55
2400 803 1.04 857 1.19 909 1.34 \958 1.49 1006 1.65
2550 811 1.13 864 1.28 914 1.44 \963 1.60 1009 1.76
2700 820 1.23 871 1.38 921 1.54 \968 1.71 1014 1.88
2850 829 1.33 879 1.49 928 1.66 \974 1.83 1019 2.00
3000 840 1.44 888 1.61 936 1.78 \981 1.95 1026 2.13
3150 851 1.56 898 1.73 944 1.90 \989 2.08 1033 2.27
3300 862 1.69 909 1.86 954 2.04 \998 2.23 1040 2.41
3450 875 1.82 920 2.00 964 2.19 1007 2.38 1049 2.57
3600 888 1.97 932 2.15 975 2.34 1017 2.54 1058 2.73
3750 901 2.12 944 2.31 987 2.51 1028 2.71 1068 2.91
LEGEND
Bhp - Brake Horsepower
High Range Motor/Drive Required
NOTES:
1. Motor drive range is 568 to 771 rpm for low range motor/drive and 812 to 1015 rpm
for high range motor/drive. All other rpms require a field‐supplied drive.
2. Maximum continuous bhp is 2.40 for low range motor/drive and 3.10 for high range
motor/drive.
3. See General Fan Performance Notes.
Fan Performance — 48PGF08 Vertical Units
AIRFLOW
(Cfm)
AVAILABLE EXTERNAL STATIC PRESSURE (in. wg)
0.2 0.4 0.6 0.8 1.0
Rpm Bhp Rpm Bhp Rpm Bhp Rpm Bhp Rpm Bhp
2250 468 0.36 545 0.46 615 0.58 680 0.71 741 0.83
2400 486 0.41 560 0.53 627 0.65 691 0.78 750 0.91
2550 505 0.48 576 0.60 641 0.72 702 0.86 760 1.00
2700 524 0.55 592 0.68 655 0.81 714 0.95 771 1.09
2850 544 0.63 609 0.76 670 0.90 728 1.04 782 1.19
3000 564 0.71 627 0.85 686 1.00 741 1.14 794 1.30
3150 584 0.81 645 0.95 702 1.10 756 1.26 807 1.42
3300 604 0.91 663 1.06 719 1.22 771 1.38 821 1.54
3450 625 1.02 682 1.18 736 1.34 787 1.51 835 1.68
3600 646 1.15 701 1.31 753 1.48 803 1.65 850 1.82
3750 667 1.28 720 1.45 771 1.62 819 1.80 865 1.98
AIRFLOW
(Cfm)
AVAILABLE EXTERNAL STATIC PRESSURE (in. wg)
1.2 1.4 1.6 1.8 2.0
Rpm Bhp Rpm Bhp Rpm Bhp Rpm Bhp Rpm Bhp
2250 799 0.97 854 1.11 907 1.26 \957 1.40 1005 1.56
2400 807 1.05 860 1.20 912 1.35 \961 1.50 1008 1.66
2550 815 1.14 867 1.29 918 1.45 \966 1.61 1013 1.77
2700 824 1.24 875 1.40 925 1.56 \972 1.72 1018 1.89
2850 834 1.35 884 1.51 932 1.67 \979 1.84 1024 2.02
3000 845 1.46 894 1.63 941 1.80 \986 1.97 1030 2.15
3150 857 1.58 904 1.75 950 1.93 \995 2.11 1038 2.29
3300 869 1.71 916 1.89 960 2.07 1004 2.25 1046 2.44
3450 882 1.85 928 2.03 971 2.22 1014 2.41 1055 2.60
3600 896 2.00 940 2.19 983 2.38 1025 2.57 1065 2.77
3750 910 2.16 953 2.35 995 2.55 1036 2.75 1076 2.95
LEGEND
Bhp - Brake Horsepower
High Range Motor/Drive Required
NOTES:
1. Motor drive range is 568 to 771 rpm for low range motor/drive and 812 to 1015 rpm
for high range motor/drive. All other rpms require a field‐supplied drive.
2. Maximum continuous bhp is 2.40 for low range motor/drive and 3.10 for high range
motor/drive.
3. See General Fan Performance Notes.
48/50PG and PM

121
Fan Performance — 48PGD09 Vertical Units
AIRFLOW
(Cfm)
AVAILABLE EXTERNAL STATIC PRESSURE (in. wg)
0.2 0.4 0.6 0.8 1.0
Rpm Bhp Rpm Bhp Rpm Bhp Rpm Bhp Rpm Bhp
2550 496 0.46 568 0.58 633 0.71 695 0.84 753 0.98
2700 512 0.53 582 0.65 646 0.79 705 0.92 762 1.07
2850 530 0.60 597 0.73 658 0.87 716 1.01 771 1.16
3000 547 0.68 612 0.82 672 0.96 728 1.11 782 1.26
3150 565 0.77 628 0.91 686 1.06 741 1.21 793 1.37
3300 583 0.86 644 1.01 701 1.17 754 1.32 805 1.49
3450 602 0.97 661 1.12 716 1.28 768 1.44 817 1.61
3600 621 1.08 678 1.24 732 1.41 782 1.57 831 1.75
3750 640 1.20 696 1.37 748 1.54 797 1.71 844 1.89
3900 659 1.33 713 1.50 764 1.68 812 1.86 858 2.05
4050 679 1.47 731 1.65 781 1.83 828 2.02 873 2.21
4200 698 1.62 750 1.81 798 2.00 844 2.19 888 2.38
AIRFLOW
(Cfm)
AVAILABLE EXTERNAL STATIC PRESSURE (in. wg)
1.2 1.4 1.6 1.8 2.0
Rpm Bhp Rpm Bhp Rpm Bhp Rpm Bhp Rpm Bhp
2550 808 1.13 861 1.28 \912 1.43 \960 1.59 1007 1.75
2700 816 1.22 867 1.37 \917 1.53 \965 1.70 1011 1.86
2850 824 1.31 874 1.47 \923 1.64 \970 1.81 1015 1.98
3000 833 1.42 882 1.58 \930 1.75 \976 1.93 1020 2.11
3150 843 1.53 891 1.70 \937 1.88 \982 2.05 1026 2.24
3300 854 1.66 900 1.83 \946 2.01 \990 2.19 1033 2.38
3450 865 1.79 911 1.97 \955 2.15 \998 2.34 1040 2.53
3600 877 1.93 922 2.11 \965 2.30 1007 2.49 1048 2.69
3750 889 2.08 933 2.26 \976 2.46 1017 2.65 1057 2.86
3900 903 2.24 945 2.43 \987 2.63 1027 2.83 1067 3.03
4050 916 2.40 958 2.60 \999 2.81 1038 3.01 1077 3.22
4200 930 2.58 971 2.79 1011 3.00 1050 3.21 1088 3.42
LEGEND
Bhp - Brake Horsepower
High Range Motor/Drive Required
NOTES:
1. Motor drive range is 568 to 771 rpm for low range motor/drive and 812 to 1015 rpm
for high range motor/drive. All other rpms require a field‐supplied drive.
2. Maximum continuous bhp is 2.40 for low range motor/drive and 3.70 for high range
motor/drive.
3. See General Fan Performance Notes.
Fan Performance — 48PGE09 Vertical Units
AIRFLOW
(Cfm)
AVAILABLE EXTERNAL STATIC PRESSURE (in. wg)
0.2 0.4 0.6 0.8 1.0
Rpm Bhp Rpm Bhp Rpm Bhp Rpm Bhp Rpm Bhp
2550 499 0.47 571 0.59 637 0.72 698 0.85 756 0.99
2700 518 0.54 587 0.66 650 0.80 710 0.93 766 1.08
2850 537 0.62 603 0.75 665 0.88 722 1.03 777 1.18
3000 556 0.70 620 0.84 680 0.98 735 1.13 789 1.28
3150 575 0.79 637 0.93 695 1.08 749 1.24 801 1.40
3300 595 0.89 655 1.04 711 1.19 764 1.35 814 1.52
3450 615 1.00 673 1.16 727 1.32 778 1.48 828 1.65
3600 635 1.12 691 1.28 744 1.44 794 1.62 842 1.79
3750 655 1.24 710 1.41 761 1.58 810 1.76 856 1.94
3900 675 1.38 728 1.55 778 1.73 826 1.91 871 2.10
4050 695 1.52 747 1.71 796 1.89 842 2.08 886 2.27
4200 716 1.68 766 1.87 814 2.06 859 2.25 902 2.45
AIRFLOW
(Cfm)
AVAILABLE EXTERNAL STATIC PRESSURE (in. wg)
1.2 1.4 1.6 1.8 2.0
Rpm Bhp Rpm Bhp Rpm Bhp Rpm Bhp Rpm Bhp
2550 811 1.13 864 1.28 \914 1.44 \963 1.60 1009 1.76
2700 820 1.23 871 1.38 \921 1.54 \968 1.71 1014 1.88
2850 829 1.33 879 1.49 \928 1.66 \974 1.83 1019 2.00
3000 840 1.44 888 1.61 \936 1.78 \981 1.95 1026 2.13
3150 851 1.56 898 1.73 \944 1.90 \989 2.08 1033 2.27
3300 862 1.69 909 1.86 \954 2.04 \998 2.23 1040 2.41
3450 875 1.82 920 2.00 \964 2.19 1007 2.38 1049 2.57
3600 888 1.97 932 2.15 \975 2.34 1017 2.54 1058 2.73
3750 901 2.12 944 2.31 \987 2.51 1028 2.71 1068 2.91
3900 915 2.29 957 2.48 \999 2.68 1039 2.89 1078 3.09
4050 929 2.47 971 2.67 1011 2.87 1051 3.08 1089 3.29
4200 944 2.65 985 2.86 1024 3.07 1063 3.28 1100 3.50
LEGEND
Bhp - Brake Horsepower
High Range Motor/Drive Required
NOTES:
1. Motor drive range is 568 to 771 rpm for low range motor/drive and 812 to 1015 rpm
for high range motor/drive. All other rpms require a field‐supplied drive.
2. Maximum continuous bhp is 2.40 for low range motor/drive and 3.70 for high range
motor/drive.
3. See General Fan Performance Notes.
48/50PG and PM

122
Fan Performance — 48PGF09 Vertical Units
AIRFLOW
(Cfm)
AVAILABLE EXTERNAL STATIC PRESSURE (in. wg)
0.2 0.4 0.6 0.8 1.0
Rpm Bhp Rpm Bhp Rpm Bhp Rpm Bhp Rpm Bhp
2550 505 0.48 576 0.60 641 0.72 702 0.86 760 1.00
2700 524 0.55 592 0.68 655 0.81 714 0.95 771 1.09
2850 544 0.63 609 0.76 670 0.90 728 1.04 782 1.19
3000 564 0.71 627 0.85 686 1.00 741 1.14 794 1.30
3150 584 0.81 645 0.95 702 1.10 756 1.26 807 1.42
3300 604 0.91 663 1.06 719 1.22 771 1.38 821 1.54
3450 625 1.02 682 1.18 736 1.34 787 1.51 835 1.68
3600 646 1.15 701 1.31 753 1.48 803 1.65 850 1.82
3750 667 1.28 720 1.45 771 1.62 819 1.80 865 1.98
3900 688 1.42 740 1.60 789 1.77 836 1.96 881 2.14
4050 709 1.57 760 1.75 808 1.94 854 2.13 898 2.32
4200 730 1.73 780 1.92 827 2.12 871 2.31 914 2.51
AIRFLOW
(Cfm)
AVAILABLE EXTERNAL STATIC PRESSURE (in. wg)
1.2 1.4 1.6 1.8 2.0
Rpm Bhp Rpm Bhp Rpm Bhp Rpm Bhp Rpm Bhp
2550 815 1.14 867 1.29 \918 1.45 \966 1.61 1013 1.77
2700 824 1.24 875 1.40 \925 1.56 \972 1.72 1018 1.89
2850 834 1.35 884 1.51 \932 1.67 \979 1.84 1024 2.02
3000 845 1.46 894 1.63 \941 1.80 \986 1.97 1030 2.15
3150 857 1.58 904 1.75 \950 1.93 \995 2.11 1038 2.29
3300 869 1.71 916 1.89 \960 2.07 1004 2.25 1046 2.44
3450 882 1.85 928 2.03 \971 2.22 1014 2.41 1055 2.60
3600 896 2.00 940 2.19 \983 2.38 1025 2.57 1065 2.77
3750 910 2.16 953 2.35 \995 2.55 1036 2.75 1076 2.95
3900 925 2.33 967 2.53 1008 2.73 1048 2.93 1087 3.14
4050 940 2.52 981 2.72 1021 2.92 1060 3.13 1099 3.35
4200 956 2.71 996 2.92 1035 3.13 1074 3.34 1111 3.56
LEGEND
Bhp - Brake Horsepower
High Range Motor/Drive Required
NOTES:
1. Motor drive range is 568 to 771 rpm for low range motor/drive and 812 to 1015 rpm
for high range motor/drive. All other rpms require a field‐supplied drive.
2. Maximum continuous bhp is 2.40 for low range motor/drive and 3.70 for high range
motor/drive.
3. See General Fan Performance Notes.
Fan Performance — 48PGD12 Vertical Units
AIRFLOW
(Cfm)
AVAILABLE EXTERNAL STATIC PRESSURE (in. wg)
0.2 0.4 0.6 0.8 1.0
Rpm Bhp Rpm Bhp Rpm Bhp Rpm Bhp Rpm Bhp
3000 566 0.72 630 0.86 688 1.00 744 1.15 \797 1.31
3200 593 0.85 653 0.99 710 1.15 763 1.30 \814 1.46
3400 620 0.99 678 1.15 732 1.30 783 1.47 \832 1.64
3600 647 1.15 702 1.31 754 1.48 804 1.65 \851 1.83
3800 674 1.33 728 1.50 778 1.67 825 1.85 \871 2.03
4000 702 1.52 753 1.70 802 1.88 848 2.07 \892 2.26
4200 729 1.73 779 1.92 826 2.11 870 2.31 \913 2.50
4400 757 1.96 805 2.16 850 2.36 894 2.56 \935 2.77
4600 785 2.21 832 2.42 875 2.63 917 2.84 \958 3.05
4800 814 2.49 858 2.70 901 2.92 941 3.14 \981 3.36
5000 842 2.78 885 3.01 926 3.23 966 3.46 1004 3.69
AIRFLOW
(Cfm)
AVAILABLE EXTERNAL STATIC PRESSURE (in. wg)
1.2 1.4 1.6 1.8 2.0
Rpm Bhp Rpm Bhp Rpm Bhp Rpm Bhp Rpm Bhp
3000 \847 1.47 \896 1.63 \943 1.80 \988 1.98 1032 2.16
3200 \863 1.63 \910 1.80 \955 1.98 \999 2.16 1042 2.35
3400 \879 1.81 \925 1.99 \969 2.17 1012 2.36 1054 2.55
3600 \897 2.01 \941 2.19 \984 2.38 1026 2.58 1066 2.78
3800 \915 2.22 \958 2.41 1000 2.61 1040 2.81 1080 3.02
4000 \935 2.45 \976 2.65 1017 2.86 1056 3.06 1095 3.28
4200 \955 2.71 \995 2.91 1035 3.12 1073 3.34 1110 3.55
4400 \976 2.98 1015 3.19 1053 3.41 1090 3.63 - -
4600 \997 3.27 1035 3.49 - - - - - -
4800 1019 3.59 - - - - - - - -
5000 - - - - - - - - - -
LEGEND
Bhp - Brake Horsepower
High Range Motor/Drive Required
NOTES:
1. Motor drive range is 690 to 893 rpm for low range motor/drive and 852 to 1055 rpm
for high range motor/drive. All other rpms require a field‐supplied drive.
2. Maximum continuous bhp is 3.10 for low range motor/drive and 3.70 for high range
motor/drive.
3. See General Fan Performance Notes.
48/50PG and PM

123
Fan Performance — 48PGE12 Vertical Units
AIRFLOW
(Cfm)
AVAILABLE EXTERNAL STATIC PRESSURE (in. wg)
0.2 0.4 0.6 0.8 1.0
Rpm Bhp Rpm Bhp Rpm Bhp Rpm Bhp Rpm Bhp
3000 574 0.74 636 0.87 695 1.02 750 1.17 \802 1.32
3200 601 0.87 661 1.01 717 1.17 770 1.32 \820 1.49
3400 629 1.02 686 1.17 740 1.33 791 1.49 \840 1.66
3600 657 1.18 712 1.34 764 1.51 813 1.68 \860 1.86
3800 686 1.36 739 1.53 788 1.71 836 1.89 \881 2.07
4000 715 1.56 765 1.74 813 1.93 859 2.12 \903 2.31
4200 744 1.78 792 1.97 839 2.17 883 2.36 \925 2.56
4400 773 2.03 820 2.22 864 2.43 907 2.63 \949 2.84
4600 802 2.29 848 2.50 891 2.71 932 2.92 \972 3.13
4800 832 2.58 876 2.79 917 3.01 958 3.23 \996 3.45
5000 862 2.88 904 3.11 944 3.34 983 3.56 - -
AIRFLOW
(Cfm)
AVAILABLE EXTERNAL STATIC PRESSURE (in. wg)
1.2 1.4 1.6 1.8 2.0
Rpm Bhp Rpm Bhp Rpm Bhp Rpm Bhp Rpm Bhp
3000 \853 1.48 \901 1.65 \948 1.82 \993 2.00 1037 2.18
3200 \869 1.65 \916 1.83 \961 2.00 1005 2.19 1048 2.37
3400 \887 1.84 \932 2.02 \976 2.20 1019 2.39 1060 2.58
3600 \905 2.04 \949 2.23 \992 2.42 1033 2.61 1074 2.81
3800 \925 2.26 \967 2.46 1009 2.65 1049 2.86 1088 3.06
4000 \945 2.50 \987 2.70 1027 2.91 1066 3.12 1104 3.33
4200 \967 2.76 1007 2.97 1046 3.18 1084 3.40 1121 3.62
4400 \988 3.05 1027 3.26 1065 3.48 1102 3.70 - -
4600 1011 3.35 1049 3.57 - - - - - -
4800 1034 3.68 - - - - - - - -
5000 - - - - - - - - - -
LEGEND
Bhp - Brake Horsepower
High Range Motor/Drive Required
NOTES:
1. Motor drive range is 690 to 893 rpm for low range motor/drive and 852 to 1055 rpm
for high range motor/drive. All other rpms require a field‐supplied drive.
2. Maximum continuous bhp is 3.10 for low range motor/drive and 3.70 for high range
motor/drive.
3. See General Fan Performance Notes.
Fan Performance — 48PGF12 Vertical Units
AIRFLOW
(Cfm)
AVAILABLE EXTERNAL STATIC PRESSURE (in. wg)
0.2 0.4 0.6 0.8 1.0
Rpm Bhp Rpm Bhp Rpm Bhp Rpm Bhp Rpm Bhp
3000 578 0.74 640 0.88 698 1.03 753 1.18 \805 1.33
3200 606 0.88 665 1.03 721 1.18 774 1.34 \824 1.50
3400 635 1.03 691 1.18 745 1.34 795 1.51 \844 1.68
3600 663 1.20 718 1.36 769 1.53 818 1.70 \865 1.88
3800 693 1.38 745 1.56 794 1.73 841 1.91 \886 2.10
4000 722 1.59 772 1.77 820 1.95 865 2.14 \909 2.33
4200 752 1.81 800 2.00 846 2.20 889 2.39 \932 2.59
4400 781 2.06 828 2.26 872 2.46 914 2.66 \955 2.87
4600 811 2.33 856 2.54 899 2.75 940 2.96 \980 3.17
4800 841 2.62 884 2.84 926 3.05 966 3.28 1004 3.50
5000 871 2.94 913 3.16 953 3.39 992 3.62 - -
AIRFLOW
(Cfm)
AVAILABLE EXTERNAL STATIC PRESSURE (in. wg)
1.2 1.4 1.6 1.8 2.0
Rpm Bhp Rpm Bhp Rpm Bhp Rpm Bhp Rpm Bhp
3000 \856 1.49 \904 1.66 \951 1.83 \996 2.01 1040 2.19
3200 \873 1.67 \919 1.84 \965 2.02 1008 2.20 1051 2.39
3400 \891 1.85 \936 2.03 \980 2.22 1022 2.41 1064 2.60
3600 \910 2.06 \954 2.25 \996 2.44 1037 2.63 1078 2.83
3800 \930 2.29 \972 2.48 1014 2.68 1054 2.88 1093 3.09
4000 \951 2.53 \992 2.73 1032 2.94 1071 3.15 1109 3.36
4200 \973 2.80 1013 3.00 1051 3.22 1089 3.43 1126 3.65
4400 \995 3.08 1034 3.30 1072 3.52 - - - -
4600 1018 3.39 1056 3.61 - - - - - -
4800 - - - - - - - - - -
5000 - - - - - - - - - -
LEGEND
Bhp - Brake Horsepower
High Range Motor/Drive Required
NOTES:
1. Motor drive range is 690 to 893 rpm for low range motor/drive and 852 to 1055 rpm
for high range motor/drive. All other rpms require a field‐supplied drive.
2. Maximum continuous bhp is 3.10 for low range motor/drive and 3.70 for high range
motor/drive.
3. See General Fan Performance Notes.
48/50PG and PM

124
Fan Performance — 48PGD14 Vertical Units
AIRFLOW
(Cfm)
AVAILABLE EXTERNAL STATIC PRESSURE (in. wg)
0.2 0.4 0.6 0.8 1.0
Rpm Bhp Rpm Bhp Rpm Bhp Rpm Bhp Rpm Bhp
3750 \667 1.28 \721 1.45 \772 1.62 \820 1.80 \866 1.98
3950 \695 1.47 \747 1.65 \796 1.83 \842 2.01 \887 2.20
4150 \723 1.68 \772 1.86 \820 2.05 \865 2.25 \908 2.44
4350 \750 1.90 \799 2.10 \844 2.30 \888 2.50 \930 2.70
4550 \778 2.15 \825 2.35 \869 2.56 \911 2.77 \952 2.98
4750 \807 2.42 \851 2.63 \894 2.85 \935 3.06 \975 3.28
4950 \835 2.71 \878 2.93 \920 3.15 \960 3.38 \998 3.61
5150 \863 3.02 \905 3.25 \946 3.48 \984 3.72 1022 3.95
5350 \892 3.36 \933 3.60 \972 3.84 1009 4.08 1046 4.32
5550 \920 3.72 \960 3.97 \998 4.22 1035 4.47 1070 4.72
5750 \949 4.10 \987 4.36 1024 4.62 1060 4.88 1095 5.14
5950 \978 4.52 1015 4.78 1051 5.05 — — — —
6150 1006 4.96 1043 5.23 — — — — — —
6250 1021 5.19 — — — — — — — —
AIRFLOW
(Cfm)
AVAILABLE EXTERNAL STATIC PRESSURE (in. wg)
1.2 1.4 1.6 1.8 2.0
Rpm Bhp Rpm Bhp Rpm Bhp Rpm Bhp Rpm Bhp
3750 \911 2.17 \954 2.36 \996 2.55 1037 2.75 1076 2.95
3950 \930 2.39 \972 2.59 1012 2.79 1052 3.00 1091 3.21
4150 \950 2.64 \991 2.85 1030 3.05 1069 3.27 1106 3.48
4350 \971 2.91 1010 3.12 1048 3.34 1086 3.55 1123 3.78
4550 \992 3.20 1030 3.41 1068 3.64 1104 3.86 1140 4.09
4750 1013 3.50 1051 3.73 1087 3.96 1123 4.19 1158 4.43
4950 1036 3.84 1072 4.07 1108 4.31 1142 4.55 1176 4.79
5150 1058 4.19 1094 4.43 1129 4.68 1162 4.93 1196 5.18
5350 1082 4.57 1116 4.82 1150 5.07 — — — —
5550 1105 4.98 1139 5.23 — — — — — —
5750 — — — — — — — — — —
5950 — — — — — — — — — —
6150 — — — — — — — — — —
6250 — — — — — — — — — —
LEGEND
Bhp - Brake Horsepower
High Range Motor/Drive Required
NOTES:
1. Motor drive range is 690 to 893 rpm for low range motor/drive and 852 to 1055 rpm
for high range motor/drive. All other rpms require a field‐supplied drive.
2. Maximum continuous bhp is 3.70 for low range motor/drive and 5.25 for high range
motor/drive.
3. See General Fan Performance Notes.
48/50PG and PM

125
Fan Performance — 48PGE14 Vertical Units
AIRFLOW
(Cfm)
AVAILABLE EXTERNAL STATIC PRESSURE (in. wg)
0.2 0.4 0.6 0.8 1.0
Rpm Bhp Rpm Bhp Rpm Bhp Rpm Bhp Rpm Bhp
3750 \679 1.31 \732 1.49 \782 1.66 \830 1.84 \876 2.02
3950 \708 1.51 \759 1.69 \807 1.87 \853 2.06 \897 2.25
4150 \737 1.73 \786 1.92 \832 2.11 \877 2.30 \920 2.50
4350 \766 1.96 \813 2.16 \858 2.36 \901 2.56 \943 2.76
4550 \795 2.22 \841 2.43 \884 2.63 \926 2.84 \966 3.06
4750 \825 2.50 \869 2.72 \911 2.93 \951 3.15 \990 3.37
4950 \854 2.80 \897 3.03 \938 3.25 \977 3.48 1015 3.71
5150 \884 3.13 \925 3.36 \965 3.60 1003 3.83 1040 4.07
5350 \914 3.49 \954 3.73 \992 3.97 1029 4.21 1065 4.46
5550 \944 3.86 \982 4.11 1020 4.36 1056 4.62 1091 4.87
5750 \974 4.27 1011 4.53 1048 4.79 1083 5.05 — —
5950 1004 4.70 1040 4.97 1076 5.24 — — — —
6150 1034 5.17 — — — — — — — —
6250 — — — — — — — — — —
AIRFLOW
(Cfm)
AVAILABLE EXTERNAL STATIC PRESSURE (in. wg)
1.2 1.4 1.6 1.8 2.0
Rpm Bhp Rpm Bhp Rpm Bhp Rpm Bhp Rpm Bhp
3750 \920 2.21 \963 2.40 1004 2.59 1045 2.79 1084 3.00
3950 \940 2.44 \982 2.64 1022 2.84 1061 3.05 1100 3.26
4150 \961 2.70 1001 2.90 1041 3.11 1079 3.33 1116 3.54
4350 \983 2.97 1022 3.19 1060 3.40 1097 3.62 1134 3.85
4550 1005 3.27 1043 3.49 1080 3.72 1117 3.94 1152 4.17
4750 1028 3.59 1065 3.82 1101 4.05 1137 4.29 1171 4.52
4950 1052 3.94 1088 4.17 1123 4.41 1157 4.65 1191 4.90
5150 1076 4.31 1111 4.55 1145 4.80 1179 5.05 — —
5350 1100 4.70 1134 4.95 1168 5.21 — — — —
5550 1125 5.13 — — — — — — — —
5750 — — — — — — — — — —
5950 — — — — — — — — — —
6150 — — — — — — — — — —
6250 — — — — — — — — — —
LEGEND
Bhp - Brake Horsepower
High Range Motor/Drive Required
NOTES:
1. Motor drive range is 690 to 893 rpm for low range motor/drive and 852 to 1055 rpm
for high range motor/drive. All other rpms require a field‐supplied drive.
2. Maximum continuous bhp is 3.70 for low range motor/drive and 5.25 for high range
motor/drive.
3. See General Fan Performance Notes.
48/50PG and PM

126
Fan Performance — 48PGF14 Vertical Units
AIRFLOW
(Cfm)
AVAILABLE EXTERNAL STATIC PRESSURE (in. wg)
0.2 0.4 0.6 0.8 1.0
Rpm Bhp Rpm Bhp Rpm Bhp Rpm Bhp Rpm Bhp
3750 \685 1.33 \738 1.51 \788 1.68 \835 1.86 \881 2.04
3950 \715 1.54 \765 1.71 \813 1.90 \859 2.08 \903 2.27
4150 \744 1.76 \793 1.94 \839 2.13 \883 2.33 \926 2.53
4350 \774 2.00 \821 2.19 \865 2.39 \908 2.59 \950 2.80
4550 \804 2.26 \849 2.47 \892 2.67 \934 2.88 \974 3.10
4750 \834 2.54 \877 2.76 \919 2.98 \959 3.19 \998 3.42
4950 \864 2.85 \906 3.08 \946 3.30 \985 3.53 1023 3.76
5150 \894 3.19 \935 3.42 \974 3.65 1012 3.89 1049 4.13
5350 \924 3.55 \964 3.79 1002 4.03 1039 4.28 1074 4.52
5550 \955 3.94 \993 4.19 1030 4.44 1066 4.69 1101 4.94
5750 \985 4.35 1023 4.61 1058 4.87 1093 5.13 — —
5950 1016 4.79 1052 5.06 — — — — — —
6150 — — — — — — — — — —
6250 — — — — — — — — — —
AIRFLOW
(Cfm)
AVAILABLE EXTERNAL STATIC PRESSURE (in. wg)
1.2 1.4 1.6 1.8 2.0
Rpm Bhp Rpm Bhp Rpm Bhp Rpm Bhp Rpm Bhp
3750 \925 2.23 \968 2.42 1009 2.62 1050 2.82 1089 3.02
3950 \946 2.47 \987 2.67 1027 2.87 1067 3.08 1105 3.29
4150 \967 2.73 1007 2.93 1047 3.14 1085 3.36 1122 3.58
4350 \990 3.01 1029 3.22 1067 3.44 1104 3.66 1140 3.89
4550 1012 3.31 1050 3.53 1087 3.76 1123 3.99 1159 4.22
4750 1036 3.64 1073 3.87 1109 4.10 1144 4.34 1178 4.57
4950 1060 3.99 1096 4.23 1131 4.47 1165 4.71 1199 4.96
5150 1084 4.37 1119 4.61 1153 4.86 1187 5.11 — —
5350 1109 4.77 1143 5.02 — — — — — —
5550 1135 5.20 — — — — — — — —
5750 — — — — — — — — — —
5950 — — — — — — — — — —
6150 — — — — — — — — — —
6250 — — — — — — — — — —
LEGEND
Bhp - Brake Horsepower
High Range Motor/Drive Required
NOTES:
1. Motor drive range is 690 to 893 rpm for low range motor/drive and 852 to 1055 rpm
for high range motor/drive. All other rpms require a field‐supplied drive.
2. Maximum continuous bhp is 3.70 for low range motor/drive and 5.25 for high range
motor/drive.
3. See General Fan Performance Notes.
48/50PG and PM

127
Fan Performance — 48PGD03 Horizontal Units
AIRFLOW
(Cfm)
AVAILABLE EXTERNAL STATIC PRESSURE (in. wg)
0.2 0.4 0.6 0.8 1.0
Rpm Bhp Rpm Bhp Rpm Bhp Rpm Bhp Rpm Bhp
600 387 0.05 529 0.09 641 0.14 736 0.20 821 0.25
650 391 0.05 532 0.10 643 0.15 738 0.21 822 0.27
700 397 0.06 535 0.11 646 0.16 741 0.22 824 0.28
750 402 0.06 539 0.12 649 0.17 743 0.23 826 0.30
800 408 0.07 543 0.12 652 0.18 745 0.25 829 0.31
850 415 0.08 547 0.13 655 0.20 748 0.26 831 0.33
900 422 0.08 552 0.14 659 0.21 751 0.28 834 0.35
950 430 0.09 557 0.15 662 0.22 754 0.29 837 0.37
1000 437 0.10 562 0.16 666 0.23 758 0.31 839 0.38
AIRFLOW
(Cfm)
AVAILABLE EXTERNAL STATIC PRESSURE (in. wg)
1.2 1.4 1.6 1.8 2.0
Rpm Bhp Rpm Bhp Rpm Bhp Rpm Bhp Rpm Bhp
600 897 0.31 967 0.38 1032 0.45 1094 0.51 1152 0.59
650 899 0.33 969 0.40 1034 0.47 1096 0.54 1154 0.61
700 900 0.35 970 0.42 1036 0.49 1097 0.56 1155 0.64
750 902 0.37 972 0.44 1038 0.51 1099 0.59 1157 0.66
800 904 0.38 974 0.46 1039 0.53 1101 0.61 1159 0.69
850 907 0.40 976 0.48 1041 0.56 1102 0.64 1160 0.72
900 909 0.42 978 0.50 1043 0.58 1104 0.66 1162 0.75
950 911 0.44 981 0.52 1045 0.61 1106 0.69 1164 0.78
1000 914 0.46 983 0.55 1048 0.63 1109 0.72 1166 0.81
LEGEND
Bhp - Brake Horsepower
NOTES:
1. Motor drive range is 482 to 736 rpm for low range motor/drive and 656 to 1001 rpm
for high range motor/drive. All other rpms require a field‐supplied drive.
2. Maximum continuous bhp is 0.85 for low range motor/drive and 0.85 for high range
motor/drive.
3. See General Fan Performance Notes.
Fan Performance — 48PGD04 Horizontal Units
AIRFLOW
(Cfm)
AVAILABLE EXTERNAL STATIC PRESSURE (in. wg)
0.2 0.4 0.6 0.8 1.0
Rpm Bhp Rpm Bhp Rpm Bhp Rpm Bhp Rpm Bhp
900 422 0.08 552 0.14 659 0.21 751 0.28 834 0.35
950 430 0.09 557 0.15 662 0.22 754 0.29 837 0.37
1000 437 0.10 562 0.16 666 0.23 758 0.31 839 0.38
1050 446 0.11 568 0.17 671 0.25 761 0.32 843 0.40
1100 454 0.12 573 0.19 675 0.26 765 0.34 846 0.42
1150 463 0.13 580 0.20 680 0.28 769 0.36 849 0.44
1200 473 0.14 586 0.21 685 0.29 773 0.37 853 0.46
1250 482 0.15 593 0.23 691 0.31 778 0.39 857 0.48
1300 492 0.16 601 0.24 697 0.32 783 0.41 861 0.50
1350 503 0.18 608 0.26 703 0.34 788 0.43 865 0.53
1400 513 0.19 616 0.27 709 0.36 793 0.45 870 0.55
1450 524 0.21 624 0.29 716 0.38 799 0.48 875 0.58
1500 535 0.23 633 0.31 722 0.40 804 0.50 880 0.60
AIRFLOW
(Cfm)
AVAILABLE EXTERNAL STATIC PRESSURE (in. wg)
1.2 1.4 1.6 1.8 2.0
Rpm Bhp Rpm Bhp Rpm Bhp Rpm Bhp Rpm Bhp
900 909 0.42 \978 0.50 1043 0.58 1104 0.66 1162 0.75
950 911 0.44 \981 0.52 1045 0.61 1106 0.69 1164 0.78
1000 914 0.46 \983 0.55 1048 0.63 1109 0.72 1166 0.81
1050 917 0.48 \986 0.57 1050 0.66 1111 0.75 1168 0.84
1100 920 0.51 \988 0.59 1053 0.68 1113 0.78 — —
1150 923 0.53 \991 0.62 1055 0.71 1116 0.81 — —
1200 926 0.55 \994 0.64 1058 0.74 1118 0.84 — —
1250 930 0.58 \997 0.67 1061 0.77 — — — —
1300 933 0.60 1001 0.70 1064 0.80 — — — —
1350 937 0.63 1004 0.73 1067 0.83 — — — —
1400 941 0.65 1008 0.75 — — — — — —
1450 945 0.68 1012 0.78 — — — — — —
1500 950 0.71 1016 0.81 — — — — — —
LEGEND
Bhp - Brake Horsepower
NOTES:
1. Motor drive range is 482 to 736 rpm for low range motor/drive and 796 to 1128 rpm
for high range motor/drive. All other rpms require a field‐supplied drive.
2. Maximum continuous bhp is 0.85 for low range motor/drive and 0.85 for high range
motor/drive.
3. See General Fan Performance Notes.
48/50PG and PM

128
Fan Performance — 48PGE04 Horizontal Units
AIRFLOW
(Cfm)
AVAILABLE EXTERNAL STATIC PRESSURE (in. wg)
0.2 0.4 0.6 0.8 1.0
Rpm Bhp Rpm Bhp Rpm Bhp Rpm Bhp Rpm Bhp
900 425 0.08 554 0.14 661 0.21 754 0.28 837 0.35
950 433 0.09 560 0.15 665 0.22 757 0.29 840 0.37
1000 442 0.10 565 0.16 669 0.24 761 0.31 843 0.39
1050 450 0.11 571 0.18 674 0.25 764 0.33 846 0.41
1100 459 0.12 577 0.19 679 0.26 768 0.34 849 0.43
1150 469 0.13 584 0.20 684 0.28 773 0.36 853 0.45
1200 478 0.14 591 0.22 689 0.29 777 0.38 857 0.47
1250 488 0.16 598 0.23 695 0.31 782 0.40 861 0.49
1300 498 0.17 606 0.25 701 0.33 787 0.42 865 0.51
1350 509 0.18 614 0.26 707 0.35 792 0.44 870 0.53
1400 520 0.20 622 0.28 714 0.37 798 0.46 874 0.56
1450 531 0.21 630 0.30 721 0.39 803 0.48 879 0.58
1500 542 0.23 639 0.32 728 0.41 809 0.51 885 0.61
AIRFLOW
(Cfm)
AVAILABLE EXTERNAL STATIC PRESSURE (in. wg)
1.2 1.4 1.6 1.8 2.0
Rpm Bhp Rpm Bhp Rpm Bhp Rpm Bhp Rpm Bhp
900 912 0.43 \982 0.50 1047 0.59 1108 0.67 1167 0.75
950 915 0.45 \984 0.53 1049 0.61 1110 0.70 1168 0.78
1000 917 0.47 \987 0.55 1051 0.64 1113 0.72 1170 0.81
1050 920 0.49 \989 0.57 1054 0.66 1115 0.75 1173 0.85
1100 923 0.51 \992 0.60 1056 0.69 1117 0.78 — —
1150 926 0.53 \995 0.62 1059 0.72 1120 0.81 — —
1200 930 0.56 \998 0.65 1062 0.75 1122 0.84 — —
1250 933 0.58 1001 0.68 1065 0.77 — — — —
1300 937 0.61 1005 0.70 1068 0.80 — — — —
1350 941 0.63 1008 0.73 1071 0.83 — — — —
1400 945 0.66 1012 0.76 — — — — — —
1450 950 0.68 1016 0.79 — — — — — —
1500 955 0.71 1020 0.82 — — — — — —
LEGEND
Bhp - Brake Horsepower
NOTES:
1. Motor drive range is 482 to 736 rpm for low range motor/drive and 796 to 1128 rpm
for high range motor/drive. All other rpms require a field‐supplied drive.
2. Maximum continuous bhp is 0.85 for low range motor/drive and 0.85 for high range
motor/drive.
3. See General Fan Performance Notes.
Fan Performance — 48PGF04 Horizontal Units
AIRFLOW
(Cfm)
AVAILABLE EXTERNAL STATIC PRESSURE (in. wg)
0.2 0.4 0.6 0.8 1.0
Rpm Bhp Rpm Bhp Rpm Bhp Rpm Bhp Rpm Bhp
900 432 0.09 560 0.15 667 0.21 760 0.28 843 0.36
950 441 0.09 566 0.16 671 0.23 763 0.30 846 0.37
1000 450 0.10 572 0.17 676 0.24 767 0.31 849 0.39
1050 459 0.11 578 0.18 680 0.25 771 0.33 852 0.41
1100 468 0.12 585 0.19 686 0.27 775 0.35 856 0.43
1150 478 0.14 592 0.21 691 0.28 780 0.37 860 0.45
1200 489 0.15 600 0.22 697 0.30 784 0.39 864 0.47
1250 499 0.16 608 0.24 703 0.32 790 0.41 868 0.50
1300 510 0.18 616 0.25 710 0.34 795 0.43 873 0.52
1350 521 0.19 624 0.27 717 0.36 801 0.45 878 0.54
1400 533 0.21 633 0.29 724 0.38 807 0.47 883 0.57
1450 545 0.23 642 0.31 731 0.40 813 0.49 888 0.59
1500 556 0.24 652 0.33 739 0.42 819 0.52 894 0.62
AIRFLOW
(Cfm)
AVAILABLE EXTERNAL STATIC PRESSURE (in. wg)
1.2 1.4 1.6 1.8 2.0
Rpm Bhp Rpm Bhp Rpm Bhp Rpm Bhp Rpm Bhp
900 919 0.43 \989 0.51 1055 0.60 1117 0.68 1175 0.77
950 921 0.45 \991 0.54 1057 0.62 1119 0.71 1177 0.80
1000 924 0.48 \994 0.56 1059 0.65 1121 0.74 1179 0.83
1050 927 0.50 \996 0.58 1061 0.67 1123 0.77 — —
1100 930 0.52 \999 0.61 1064 0.70 1125 0.80 — —
1150 934 0.54 1002 0.63 1067 0.73 1128 0.83 — —
1200 937 0.57 1005 0.66 1070 0.76 — — — —
1250 941 0.59 1009 0.69 1073 0.79 — — — —
1300 945 0.62 1013 0.72 1076 0.82 — — — —
1350 949 0.64 1016 0.74 1080 0.85 — — — —
1400 954 0.67 1020 0.77 — — — — — —
1450 959 0.70 1025 0.80 — — — — — —
1500 964 0.73 1029 0.84 — — — — — —
LEGEND
Bhp - Brake Horsepower
NOTES:
1. Motor drive range is 482 to 736 rpm for low range motor/drive and 796 to 1128 rpm
for high range motor/drive. All other rpms require a field‐supplied drive.
2. Maximum continuous bhp is 0.85 for low range motor/drive and 0.85 for high range
motor/drive.
3. See General Fan Performance Notes.
48/50PG and PM

129
Fan Performance — 48PGD05 Horizontal Units
AIRFLOW
(Cfm)
AVAILABLE EXTERNAL STATIC PRESSURE (in. wg)
0.2 0.4 0.6 0.8 1.0
Rpm Bhp Rpm Bhp Rpm Bhp Rpm Bhp Rpm Bhp
1200 436 0.12 559 0.19 661 0.27 753 0.35 839 0.45
1300 456 0.14 574 0.22 673 0.30 762 0.39 845 0.49
1400 477 0.17 592 0.25 687 0.34 774 0.43 853 0.53
1500 500 0.20 611 0.29 703 0.38 787 0.48 864 0.58
1600 523 0.24 631 0.33 721 0.43 801 0.53 877 0.63
1700 548 0.28 652 0.38 739 0.48 818 0.58 891 0.69
1800 573 0.32 674 0.43 759 0.54 835 0.64 906 0.76
1900 600 0.37 697 0.48 779 0.60 854 0.71 923 0.83
2000 627 0.43 720 0.55 801 0.67 873 0.79 941 0.91
AIRFLOW
(Cfm)
AVAILABLE EXTERNAL STATIC PRESSURE (in. wg)
1.2 1.4 1.6 1.8 2.0
Rpm Bhp Rpm Bhp Rpm Bhp Rpm Bhp Rpm Bhp
1200 \918 0.54 \993 0.64 1063 0.75 1130 0.86 1193 0.97
1300 \922 0.58 \995 0.69 1064 0.80 1130 0.91 1193 1.03
1400 \929 0.63 1000 0.74 1067 0.85 1132 0.97 1194 1.09
1500 \937 0.69 1006 0.80 1072 0.91 1136 1.03 1196 1.16
1600 \947 0.74 1015 0.86 1079 0.98 1141 1.10 1201 1.23
1700 \959 0.81 1025 0.93 1088 1.05 1148 1.18 1207 1.31
1800 \973 0.88 1037 1.00 1098 1.13 1157 1.26 1214 1.39
1900 \988 0.95 1050 1.08 1110 1.21 1168 1.35 1223 1.48
2000 1004 1.04 1065 1.17 1123 1.30 1179 1.44 1234 1.58
LEGEND
Bhp - Brake Horsepower
High-Range Motor/Drive Required
NOTES:
1. Motor drive range is 596 to 910 rpm for low range motor/drive and 828 to 1173 rpm
for high range motor/drive. All other rpms require a field‐supplied drive.
2. Maximum continuous bhp is 0.85 for low range motor/drive and 1.60 (single phase)
and 2.40 (3 phase) for high range motor/drive.
3. See General Fan Performance Notes.
Fan Performance — 48PGE05 Horizontal Units
AIRFLOW
(Cfm)
AVAILABLE EXTERNAL STATIC PRESSURE (in. wg)
0.2 0.4 0.6 0.8 1.0
Rpm Bhp Rpm Bhp Rpm Bhp Rpm Bhp Rpm Bhp
1200 443 0.12 564 0.20 666 0.27 758 0.36 842 0.45
1300 463 0.15 580 0.22 678 0.31 767 0.40 849 0.49
1400 485 0.17 598 0.26 693 0.34 778 0.44 858 0.54
1500 508 0.21 617 0.30 709 0.39 792 0.48 869 0.59
1600 532 0.24 638 0.34 727 0.43 807 0.54 882 0.64
1700 558 0.28 660 0.39 746 0.49 824 0.59 896 0.70
1800 584 0.33 682 0.44 766 0.55 842 0.66 912 0.77
1900 611 0.38 706 0.50 788 0.61 861 0.72 930 0.84
2000 639 0.44 731 0.56 810 0.68 882 0.80 948 0.92
AIRFLOW
(Cfm)
AVAILABLE EXTERNAL STATIC PRESSURE (in. wg)
1.2 1.4 1.6 1.8 2.0
Rpm Bhp Rpm Bhp Rpm Bhp Rpm Bhp Rpm Bhp
1200 \922 0.55 \996 0.65 1066 0.75 1133 0.86 1196 0.97
1300 \926 0.59 \999 0.69 1068 0.80 1133 0.92 1196 1.03
1400 \933 0.64 1004 0.75 1071 0.86 1136 0.98 1197 1.10
1500 \942 0.69 1011 0.80 1077 0.92 1140 1.04 1200 1.17
1600 \952 0.75 1020 0.87 1084 0.99 1146 1.11 1205 1.24
1700 \965 0.82 1030 0.94 1093 1.06 1153 1.19 1211 1.32
1800 \979 0.89 1043 1.01 1104 1.14 1163 1.27 1220 1.41
1900 \995 0.97 1057 1.09 1116 1.22 1174 1.36 1229 1.50
2000 1012 1.05 1072 1.18 1130 1.32 1186 1.46 1240 1.60
LEGEND
Bhp - Brake Horsepower
High-Range Motor/Drive Required
NOTES:
1. Motor drive range is 596 to 910 rpm for low range motor/drive and 828 to 1173 rpm
for high range motor/drive. All other rpms require a field‐supplied drive.
2. Maximum continuous bhp is 0.85 for low range motor/drive and 1.60 (single phase)
and 2.40 (3 phase) for high range motor/drive.
3. See General Fan Performance Notes.
48/50PG and PM

130
Fan Performance — 48PGF05 Horizontal Units
AIRFLOW
(Cfm)
AVAILABLE EXTERNAL STATIC PRESSURE (in. wg)
0.2 0.4 0.6 0.8 1.0
Rpm Bhp Rpm Bhp Rpm Bhp Rpm Bhp Rpm Bhp
1200 456 0.13 574 0.20 675 0.28 766 0.37 850 0.46
1300 477 0.16 591 0.23 688 0.32 776 0.41 857 0.50
1400 500 0.18 610 0.27 703 0.36 788 0.45 867 0.55
1500 524 0.22 630 0.31 720 0.40 802 0.50 879 0.60
1600 550 0.26 652 0.35 739 0.45 819 0.55 893 0.66
1700 576 0.30 675 0.40 759 0.50 836 0.61 908 0.72
1800 604 0.35 699 0.46 781 0.57 856 0.68 925 0.79
1900 633 0.41 724 0.52 804 0.63 876 0.75 944 0.87
2000 662 0.47 750 0.59 828 0.71 898 0.83 964 0.95
AIRFLOW
(Cfm)
AVAILABLE EXTERNAL STATIC PRESSURE (in. wg)
1.2 1.4 1.6 1.8 2.0
Rpm Bhp Rpm Bhp Rpm Bhp Rpm Bhp Rpm Bhp
1200 \929 0.56 1003 0.66 1073 0.76 1139 0.87 1202 0.98
1300 \934 0.60 1006 0.71 1075 0.82 1140 0.93 1202 1.05
1400 \941 0.65 1012 0.76 1079 0.87 1143 0.99 1204 1.11
1500 \951 0.71 1020 0.82 1085 0.94 1148 1.06 1208 1.18
1600 \963 0.77 1029 0.89 1093 1.01 1155 1.13 1214 1.26
1700 \976 0.84 1041 0.96 1103 1.08 1163 1.21 1221 1.34
1800 \991 0.91 1054 1.04 1115 1.16 1174 1.30 1230 1.43
1900 1008 0.99 1070 1.12 1129 1.25 1186 1.39 1241 1.53
2000 1026 1.08 1086 1.21 1144 1.35 1199 1.49 1253 1.63
LEGEND
Bhp - Brake Horsepower
High Range Motor/Drive Required
NOTES:
1. Motor drive range is 596 to 910 rpm for low range motor/drive, 828 to 1173 rpm for
high range motor/drive. All other rpms require a field‐supplied drive.
2. Maximum continuous bhp is 0.85 for low range motor/drive and 1.60 (single phase)
and 2.40 (3 phase) for high range motor/drive.
3. See General Fan Performance Notes.
Fan Performance — 48PGD06 Horizontal Units
AIRFLOW
(Cfm)
AVAILABLE EXTERNAL STATIC PRESSURE (in. wg)
0.2 0.4 0.6 0.8 1.0
Rpm Bhp Rpm Bhp Rpm Bhp Rpm Bhp Rpm Bhp
1500 521 0.22 628 0.31 718 0.40 \800 0.49 \877 0.60
1600 546 0.25 649 0.35 737 0.45 \816 0.55 \890 0.65
1700 572 0.30 671 0.40 757 0.50 \834 0.61 \906 0.72
1800 599 0.35 695 0.45 777 0.56 \852 0.67 \922 0.79
1900 627 0.40 719 0.51 799 0.63 \872 0.74 \940 0.86
2000 655 0.46 745 0.58 822 0.70 \893 0.82 \959 0.94
2100 684 0.53 771 0.66 846 0.78 \915 0.91 \979 1.03
2200 714 0.61 797 0.74 871 0.87 \938 1.00 1001 1.13
2300 744 0.69 824 0.83 896 0.96 \961 1.10 1022 1.24
2400 775 0.78 852 0.92 922 1.06 \985 1.21 1045 1.35
2500 806 0.88 880 1.03 948 1.18 1010 1.32 1069 1.47
AIRFLOW
(Cfm)
AVAILABLE EXTERNAL STATIC PRESSURE (in. wg)
1.2 1.4 1.6 1.8 2.0
Rpm Bhp Rpm Bhp Rpm Bhp Rpm Bhp Rpm Bhp
1500 \949 0.70 1018 0.82 1083 0.93 1146 1.05 1207 1.18
1600 \961 0.77 1027 0.88 1091 1.00 1153 1.13 1212 1.26
1700 \974 0.83 1039 0.95 1101 1.08 1161 1.21 1219 1.34
1800 \988 0.91 1052 1.03 1112 1.16 1171 1.29 1227 1.43
1900 1004 0.99 1066 1.11 1125 1.25 1182 1.38 1238 1.52
2000 1022 1.07 1082 1.20 1139 1.34 1195 1.48 1249 1.62
2100 1040 1.17 1099 1.30 1155 1.44 1209 1.59 1262 1.73
2200 1060 1.27 1117 1.41 1172 1.55 1225 1.70 1277 1.85
2300 1081 1.38 1136 1.52 1190 1.67 1242 1.82 1292 1.98
2400 1102 1.50 1156 1.65 1209 1.80 1259 1.96 1309 2.12
2500 1124 1.62 1177 1.78 1228 1.94 1278 2.10 1326 2.26
LEGEND
Bhp - Brake Horsepower
NOTES:
1. Motor drive range is 690 to 978 rpm for low range motor/drive and 929 to 1261 rpm
for high range motor/drive. All other rpms require a field‐supplied drive.
2. Maximum continuous bhp is 0.85 (single phase) and 2.40 (3 phase) for low range
motor/drive and 1.60 (single phase) and 2.40 (3 phase) for high range motor/drive.
3. See General Fan Performance Notes.
48/50PG and PM

131
Fan Performance — 48PGE06 Horizontal Units
AIRFLOW
(Cfm)
AVAILABLE EXTERNAL STATIC PRESSURE (in. wg)
0.2 0.4 0.6 0.8 1.0
Rpm Bhp Rpm Bhp Rpm Bhp Rpm Bhp Rpm Bhp
1500 536 0.23 640 0.32 729 0.41 \811 0.51 \887 0.61
1600 563 0.27 663 0.36 749 0.46 \828 0.56 \901 0.67
1700 590 0.31 686 0.42 770 0.52 \846 0.62 \917 0.74
1800 619 0.37 711 0.47 792 0.58 \866 0.69 \935 0.81
1900 648 0.43 737 0.54 816 0.65 \887 0.77 \954 0.89
2000 678 0.49 764 0.61 840 0.73 \909 0.85 \975 0.98
2100 709 0.56 792 0.69 865 0.81 \933 0.94 \996 1.07
2200 740 0.65 820 0.78 891 0.91 \957 1.04 1019 1.17
2300 772 0.73 849 0.87 918 1.01 \982 1.14 1042 1.28
2400 804 0.83 879 0.97 946 1.12 1008 1.26 1066 1.40
2500 837 0.94 909 1.09 974 1.24 1034 1.38 1092 1.53
AIRFLOW
(Cfm)
AVAILABLE EXTERNAL STATIC PRESSURE (in. wg)
1.2 1.4 1.6 1.8 2.0
Rpm Bhp Rpm Bhp Rpm Bhp Rpm Bhp Rpm Bhp
1500 \958 0.72 1027 0.83 1092 0.95 1154 1.07 1214 1.20
1600 \971 0.78 1037 0.90 1101 1.02 1162 1.15 1221 1.28
1700 \985 0.85 1049 0.97 1111 1.10 1171 1.23 1228 1.36
1800 1001 0.93 1063 1.05 1124 1.18 1182 1.32 1238 1.45
1900 1018 1.01 1079 1.14 1138 1.27 1194 1.41 1249 1.55
2000 1036 1.10 1096 1.24 1153 1.37 1208 1.51 1262 1.66
2100 1056 1.20 1114 1.34 1170 1.48 1224 1.63 1276 1.78
2200 1077 1.31 1134 1.45 1188 1.60 1241 1.75 1292 1.90
2300 1099 1.43 1154 1.57 1207 1.72 1259 1.88 1309 2.03
2400 1122 1.55 1176 1.70 1228 1.86 1278 2.02 1327 2.18
2500 1146 1.69 1198 1.84 1249 2.00 1298 2.16 1346 2.33
LEGEND
Bhp - Brake Horsepower
NOTES:
1. Motor drive range is 690 to 978 rpm for low range motor/drive and 929 to 1261 rpm
for high range motor/drive. All other rpms require a field‐supplied drive.
2. Maximum continuous bhp is 0.85 (single phase) and 2.40 (3 phase) for low range
motor/drive and 1.60 (single phase) and 2.40 (3 phase) for high range motor/drive.
3. See General Fan Performance Notes.
Fan Performance — 48PGF06 Horizontal Units
AIRFLOW
(Cfm)
AVAILABLE EXTERNAL STATIC PRESSURE (in. wg)
0.2 0.4 0.6 0.8 1.0
Rpm Bhp Rpm Bhp Rpm Bhp Rpm Bhp Rpm Bhp
1500 551 0.24 653 0.33 741 0.42 821 0.52 \896 0.62
1600 579 0.28 676 0.38 761 0.48 839 0.58 \912 0.69
1700 608 0.33 701 0.43 783 0.54 858 0.64 \929 0.76
1800 638 0.39 727 0.49 807 0.60 879 0.71 \948 0.83
1900 668 0.45 755 0.56 831 0.68 902 0.79 \968 0.91
2000 700 0.52 783 0.64 857 0.76 925 0.88 \990 1.01
2100 732 0.60 812 0.72 884 0.85 950 0.97 1013 1.11
2200 765 0.68 842 0.81 912 0.95 976 1.08 1037 1.21
2300 799 0.78 873 0.92 940 1.05 1002 1.19 1062 1.33
2400 833 0.88 904 1.03 969 1.17 1030 1.31 1087 1.46
2500 867 1.00 936 1.15 999 1.30 1058 1.44 1114 1.60
AIRFLOW
(Cfm)
AVAILABLE EXTERNAL STATIC PRESSURE (in. wg)
1.2 1.4 1.6 1.8 2.0
Rpm Bhp Rpm Bhp Rpm Bhp Rpm Bhp Rpm Bhp
1500 \968 0.73 1035 0.85 1100 0.97 1162 1.09 1222 1.21
1600 \981 0.80 1047 0.92 1110 1.04 1171 1.16 1229 1.29
1700 \996 0.87 1060 0.99 1121 1.12 1181 1.25 1238 1.38
1800 1013 0.95 1075 1.08 1135 1.21 1193 1.34 1248 1.48
1900 1031 1.04 1092 1.17 1150 1.30 1206 1.44 1261 1.58
2000 1051 1.14 1110 1.27 1166 1.41 1221 1.55 1275 1.69
2100 1072 1.24 1129 1.38 1185 1.52 1238 1.67 1290 1.82
2200 1094 1.35 1150 1.50 1204 1.64 1256 1.79 1307 1.95
2300 1118 1.48 1172 1.62 1225 1.77 1275 1.93 1325 2.09
2400 1142 1.61 1195 1.76 1246 1.92 1296 2.07 1344 2.24
2500 1168 1.75 1219 1.91 1269 2.07 1317 2.23 1365 2.40
LEGEND
Bhp - Brake Horsepower
NOTES:
1. Motor drive range is 690 to 978 rpm for low range motor/drive and 929 to 1261 rpm
for high range motor/drive. All other rpms require a field‐supplied drive.
2. Maximum continuous bhp is 0.85 (single phase) and 2.40 (3 phase) for low range
motor/drive and 1.60 (single phase) and 2.40 (3 phase) for high range motor/drive.
3. See General Fan Performance Notes.
48/50PG and PM

132
Fan Performance — 48PGD07 Horizontal Units
AIRFLOW
(Cfm)
AVAILABLE EXTERNAL STATIC PRESSURE (in. wg)
0.2 0.4 0.6 0.8 1.0
Rpm Bhp Rpm Bhp Rpm Bhp Rpm Bhp Rpm Bhp
1800 614 0.36 \707 0.47 \788 0.58 \863 0.69 \932 0.80
1900 642 0.42 \732 0.53 \811 0.64 \883 0.76 \950 0.88
2000 671 0.48 \758 0.60 \835 0.72 \905 0.84 \970 0.97
2100 701 0.55 \785 0.68 \859 0.80 \927 0.93 \991 1.06
2200 731 0.63 \812 0.76 \884 0.89 \950 1.02 1012 1.16
2300 762 0.72 \840 0.85 \910 0.99 \975 1.13 1035 1.27
2400 793 0.81 \869 0.95 \937 1.10 \999 1.24 1058 1.38
2500 825 0.91 \898 1.06 \964 1.21 1025 1.36 1082 1.51
2600 856 1.03 \927 1.18 \991 1.33 1051 1.49 1107 1.64
2700 889 1.15 \957 1.31 1019 1.47 1077 1.63 1132 1.79
2800 921 1.28 \987 1.44 1048 1.61 1104 1.78 1158 1.94
2900 953 1.42 1017 1.59 1076 1.76 1132 1.94 1184 2.11
3000 986 1.57 1048 1.75 1106 1.93 1160 2.10 1211 2.28
AIRFLOW
(Cfm)
AVAILABLE EXTERNAL STATIC PRESSURE (in. wg)
1.2 1.4 1.6 1.8 2.0
Rpm Bhp Rpm Bhp Rpm Bhp Rpm Bhp Rpm Bhp
1800 \997 0.92 1060 1.05 1121 1.18 1179 1.31 1235 1.45
1900 1014 1.01 1075 1.13 1134 1.27 1191 1.40 1246 1.54
2000 1032 1.09 1092 1.23 1149 1.36 1204 1.50 1258 1.65
2100 1051 1.19 1109 1.33 1165 1.47 1219 1.61 1272 1.76
2200 1071 1.30 1128 1.44 1183 1.58 1235 1.73 1287 1.88
2300 1093 1.41 1148 1.56 1201 1.70 1253 1.86 1303 2.01
2400 1115 1.53 1168 1.68 1220 1.84 1271 1.99 1320 2.15
2500 1137 1.66 1190 1.82 1241 1.98 1290 2.14 1338 2.30
2600 1161 1.80 1212 1.96 1262 2.12 1310 2.29 — —
2700 1185 1.95 1235 2.12 1284 2.28 — — — —
2800 1209 2.11 1259 2.28 — — — — — —
2900 1235 2.28 — — — — — — — —
3000 — — — — — — — — — —
LEGEND
Bhp - Brake Horsepower
NOTES:
1. Motor drive range is 796 to 1128 rpm for low range motor/drive and 1150 to 1438
rpm for high range motor/drive. All other rpms require a field‐supplied drive.
2. Maximum continuous bhp is 2.40 for low range motor/drive and 3.10 for high range
motor/drive.
3. See General Fan Performance Notes.
Fan Performance — 48PGE07 Horizontal Units
AIRFLOW
(Cfm)
AVAILABLE EXTERNAL STATIC PRESSURE (in. wg)
0.2 0.4 0.6 0.8 1.0
Rpm Bhp Rpm Bhp Rpm Bhp Rpm Bhp Rpm Bhp
1800 \633 0.38 \723 0.49 \803 0.60 \876 0.71 \944 0.83
1900 \663 0.44 \750 0.56 \827 0.67 \898 0.79 \964 0.91
2000 \694 0.51 \777 0.63 \852 0.75 \921 0.87 \985 1.00
2100 \725 0.59 \806 0.71 \878 0.84 \945 0.96 1007 1.09
2200 \757 0.67 \835 0.80 \905 0.93 \969 1.06 1030 1.20
2300 \789 0.76 \864 0.90 \932 1.04 \995 1.17 1055 1.31
2400 \822 0.86 \894 1.01 \960 1.15 1022 1.29 1079 1.44
2500 \855 0.98 \925 1.12 \989 1.27 1049 1.42 1105 1.57
2600 \889 1.10 \956 1.25 1018 1.40 1076 1.56 1131 1.71
2700 \923 1.23 \988 1.39 1048 1.55 1105 1.71 1158 1.87
2800 \957 1.37 1020 1.53 1079 1.70 1134 1.87 1186 2.03
2900 \991 1.52 1052 1.69 1109 1.86 1163 2.04 1214 2.21
3000 1026 1.68 1085 1.86 1140 2.04 1193 2.22 1243 2.40
AIRFLOW
(Cfm)
AVAILABLE EXTERNAL STATIC PRESSURE (in. wg)
1.2 1.4 1.6 1.8 2.0
Rpm Bhp Rpm Bhp Rpm Bhp Rpm Bhp Rpm Bhp
1800 1010 0.95 1072 1.07 1132 1.20 1190 1.33 1246 1.47
1900 1027 1.03 1088 1.16 1146 1.30 1203 1.43 1258 1.57
2000 1047 1.13 1106 1.26 1162 1.40 1218 1.54 1271 1.68
2100 1067 1.23 1124 1.37 1180 1.51 1234 1.65 1286 1.80
2200 1089 1.34 1145 1.48 1199 1.63 1251 1.78 1302 1.93
2300 1111 1.46 1166 1.60 1218 1.76 1269 1.91 1319 2.07
2400 1135 1.59 1188 1.74 1239 1.89 1289 2.05 1338 2.21
2500 1159 1.73 1211 1.88 1261 2.04 1310 2.20 1357 2.37
2600 1184 1.87 1235 2.03 1284 2.20 1331 2.37 — —
2700 1210 2.03 1259 2.20 1307 2.37 — — — —
2800 1236 2.20 1284 2.37 — — — — — —
2900 1263 2.38 — — — — — — — —
3000 — — — — — — — — — —
LEGEND
Bhp - Brake Horsepower
NOTES:
1. Motor drive range is 796 to 1128 rpm for low range motor/drive and 1150 to 1438
rpm for high range motor/drive. All other rpms require a field‐supplied drive.
2. Maximum continuous bhp is 2.40 for low range motor/drive and 3.10 for high range
motor/drive.
3. See General Fan Performance Notes.
48/50PG and PM

133
Fan Performance — 48PGF07 Horizontal Units
AIRFLOW
(Cfm)
AVAILABLE EXTERNAL STATIC PRESSURE (in. wg)
0.2 0.4 0.6 0.8 1.0
Rpm Bhp Rpm Bhp Rpm Bhp Rpm Bhp Rpm Bhp
1800 \651 0.40 \739 0.51 \817 0.62 \889 0.73 \957 0.85
1900 \683 0.47 \767 0.58 \843 0.69 \912 0.81 \978 0.93
2000 \715 0.54 \796 0.66 \869 0.78 \937 0.90 1000 1.03
2100 \748 0.62 \826 0.75 \896 0.87 \962 1.00 1024 1.13
2200 \781 0.71 \856 0.84 \925 0.97 \988 1.10 1048 1.24
2300 \815 0.81 \888 0.95 \954 1.08 1015 1.22 1074 1.36
2400 \850 0.92 \919 1.06 \983 1.20 1043 1.35 1100 1.49
2500 \885 1.04 \952 1.18 1014 1.33 1072 1.48 1127 1.63
2600 \920 1.17 \985 1.32 1045 1.47 1101 1.63 1155 1.79
2700 \956 1.31 1018 1.47 1076 1.63 1131 1.79 1184 1.95
2800 \992 1.46 1052 1.62 1108 1.79 1162 1.96 1213 2.12
2900 1028 1.62 1086 1.79 1141 1.96 1193 2.14 1243 2.31
3000 1064 1.80 1121 1.98 1174 2.15 1225 2.33 — —
AIRFLOW
(Cfm)
AVAILABLE EXTERNAL STATIC PRESSURE (in. wg)
1.2 1.4 1.6 1.8 2.0
Rpm Bhp Rpm Bhp Rpm Bhp Rpm Bhp Rpm Bhp
1800 1022 0.97 1083 1.10 1143 1.23 1201 1.36 1256 1.50
1900 1041 1.06 1101 1.19 1159 1.32 1215 1.46 1269 1.60
2000 1061 1.16 1119 1.29 1176 1.43 1230 1.57 1283 1.72
2100 1083 1.26 1140 1.40 1194 1.55 1248 1.69 1299 1.84
2200 1106 1.38 1161 1.52 1214 1.67 1266 1.82 1317 1.98
2300 1130 1.51 1183 1.65 1236 1.81 1286 1.96 1335 2.12
2400 1155 1.64 1207 1.80 1258 1.95 1307 2.11 1355 2.27
2500 1180 1.79 1231 1.95 1281 2.11 1329 2.27 — —
2600 1207 1.95 1257 2.11 1305 2.27 — — — —
2700 1234 2.11 1283 2.28 — — — — — —
2800 1262 2.29 — — — — — — — —
2900 — — — — — — — — — —
3000 — — — — — — — — — —
LEGEND
Bhp - Brake Horsepower
NOTES:
1. Motor drive range is 796 to 1128 rpm for low range motor/drive and 1150 to 1438
rpm for high range motor/drive. All other rpms require a field‐supplied drive.
2. Maximum continuous bhp is 2.40 for low range motor/drive and 3.10 for high range
motor/drive.
3. See General Fan Performance Notes.
Fan Performance — 48PGD08 Horizontal Units
AIRFLOW
(Cfm)
AVAILABLE EXTERNAL STATIC PRESSURE (in. wg)
0.2 0.4 0.6 0.8 1.0
Rpm Bhp Rpm Bhp Rpm Bhp Rpm Bhp Rpm Bhp
2250 409 0.29 493 0.39 567 0.50 636 0.62 700 0.75
2400 422 0.33 503 0.44 576 0.56 642 0.68 704 0.81
2550 436 0.38 515 0.49 585 0.62 650 0.74 710 0.88
2700 450 0.43 527 0.55 595 0.68 658 0.81 717 0.95
2850 465 0.49 539 0.62 606 0.75 667 0.89 724 1.03
3000 480 0.56 552 0.69 617 0.83 676 0.97 732 1.12
3150 496 0.63 566 0.77 629 0.91 687 1.06 741 1.21
3300 511 0.70 579 0.85 641 1.00 698 1.16 751 1.31
3450 527 0.79 593 0.94 653 1.10 709 1.26 761 1.42
3600 543 0.88 608 1.04 666 1.21 721 1.37 772 1.54
3750 560 0.98 622 1.15 680 1.32 733 1.49 783 1.66
AIRFLOW
(Cfm)
AVAILABLE EXTERNAL STATIC PRESSURE (in. wg)
1.2 1.4 1.6 1.8 2.0
Rpm Bhp Rpm Bhp Rpm Bhp Rpm Bhp Rpm Bhp
2250 760 0.88 817 1.01 871 1.16 923 1.30 \972 1.45
2400 763 0.94 819 1.09 872 1.23 923 1.38 \972 1.54
2550 768 1.02 822 1.16 874 1.32 924 1.47 \973 1.63
2700 773 1.10 826 1.25 877 1.40 927 1.56 \974 1.73
2850 779 1.18 831 1.34 881 1.50 929 1.66 \976 1.83
3000 786 1.27 837 1.43 886 1.60 933 1.77 \979 1.94
3150 793 1.37 843 1.54 891 1.70 938 1.88 \983 2.06
3300 802 1.48 851 1.65 898 1.82 943 2.00 \987 2.18
3450 811 1.59 859 1.76 905 1.94 949 2.12 \992 2.31
3600 820 1.71 867 1.89 912 2.07 956 2.26 \998 2.45
3750 830 1.84 876 2.02 920 2.21 963 2.40 1005 2.60
LEGEND
Bhp - Brake Horsepower
__ High Range Motor/Drive Required
NOTES:
1. Motor drive range is 568 to 771 rpm for low range motor/drive and 812 to 1015 rpm
for high range motor/drive. All other rpms require a field‐supplied drive.
2. Maximum continuous bhp is 2.40 for low range motor/drive and 3.10 for high range
motor/drive.
3. See General Fan Performance Notes.
48/50PG and PM

134
Fan Performance — 48PGE08 Horizontal Units
AIRFLOW
(Cfm)
AVAILABLE EXTERNAL STATIC PRESSURE (in. wg)
0.2 0.4 0.6 0.8 1.0
Rpm Bhp Rpm Bhp Rpm Bhp Rpm Bhp Rpm Bhp
2250 408 0.28 492 0.39 567 0.50 635 0.62 699 0.74
2400 424 0.33 505 0.44 577 0.56 644 0.68 706 0.81
2550 440 0.38 519 0.50 588 0.62 653 0.75 713 0.88
2700 457 0.44 532 0.56 600 0.69 662 0.82 721 0.96
2850 473 0.50 547 0.63 612 0.77 673 0.90 730 1.05
3000 490 0.57 561 0.71 625 0.85 684 0.99 740 1.14
3150 507 0.65 576 0.79 638 0.94 695 1.08 750 1.24
3300 524 0.73 591 0.88 651 1.03 708 1.19 760 1.34
3450 542 0.82 606 0.98 665 1.13 720 1.29 772 1.46
3600 559 0.92 622 1.08 679 1.24 733 1.41 783 1.58
3750 577 1.02 638 1.19 694 1.36 746 1.53 795 1.71
AIRFLOW
(Cfm)
AVAILABLE EXTERNAL STATIC PRESSURE (in. wg)
1.2 1.4 1.6 1.8 2.0
Rpm Bhp Rpm Bhp Rpm Bhp Rpm Bhp Rpm Bhp
2250 760 0.88 817 1.01 871 1.16 923 1.30 \972 1.45
2400 765 0.95 820 1.09 874 1.24 924 1.39 \973 1.54
2550 770 1.03 825 1.17 877 1.32 927 1.48 \975 1.64
2700 777 1.11 830 1.26 881 1.42 930 1.58 \977 1.74
2850 784 1.20 836 1.35 886 1.51 934 1.68 \981 1.85
3000 793 1.29 843 1.45 892 1.62 939 1.79 \985 1.96
3150 801 1.40 851 1.56 899 1.73 945 1.91 \990 2.09
3300 811 1.51 859 1.68 906 1.85 951 2.03 \995 2.21
3450 821 1.63 868 1.80 914 1.98 958 2.16 1001 2.35
3600 831 1.75 878 1.93 923 2.11 966 2.30 1008 2.49
3750 843 1.89 888 2.07 932 2.26 974 2.45 1016 2.65
LEGEND
Bhp - Brake Horsepower
High Range Motor/Drive Required
NOTES:
1. Motor drive range is 568 to 771 rpm for low range motor/drive and 812 to 1015 rpm
for high range motor/drive. All other rpms require a field‐supplied drive.
2. Maximum continuous bhp is 2.40 for low range motor/drive and 3.10 for high range
motor/drive.
3. See General Fan Performance Notes.
Fan Performance — 48PGF08 Horizontal Units
AIRFLOW
(Cfm)
AVAILABLE EXTERNAL STATIC PRESSURE (in. wg)
0.2 0.4 0.6 0.8 1.0
Rpm Bhp Rpm Bhp Rpm Bhp Rpm Bhp Rpm Bhp
2250 413 0.29 496 0.39 571 0.51 639 0.63 703 0.75
2400 429 0.34 510 0.45 581 0.57 647 0.69 709 0.82
2550 446 0.39 524 0.51 593 0.63 657 0.76 717 0.89
2700 464 0.45 538 0.57 605 0.70 667 0.83 726 0.97
2850 481 0.52 553 0.65 618 0.78 678 0.92 735 1.06
3000 499 0.59 569 0.72 632 0.86 690 1.01 746 1.16
3150 517 0.67 584 0.81 646 0.95 703 1.10 756 1.26
3300 535 0.75 600 0.90 660 1.05 715 1.21 768 1.37
3450 553 0.85 617 1.00 675 1.16 729 1.32 780 1.48
3600 571 0.95 633 1.11 690 1.27 742 1.44 792 1.61
3750 590 1.06 650 1.23 705 1.40 756 1.57 805 1.74
AIRFLOW
(Cfm)
AVAILABLE EXTERNAL STATIC PRESSURE (in. wg)
1.2 1.4 1.6 1.8 2.0
Rpm Bhp Rpm Bhp Rpm Bhp Rpm Bhp Rpm Bhp
2250 763 0.88 820 1.02 874 1.16 925 1.31 \974 1.46
2400 768 0.96 824 1.10 877 1.25 927 1.40 \976 1.55
2550 774 1.04 829 1.18 881 1.33 930 1.49 \978 1.65
2700 781 1.12 834 1.27 885 1.43 934 1.59 \981 1.75
2850 789 1.21 841 1.37 891 1.53 939 1.70 \985 1.87
3000 798 1.31 849 1.47 897 1.64 944 1.81 \990 1.98
3150 808 1.42 857 1.58 905 1.75 951 1.93 \995 2.11
3300 818 1.53 866 1.70 913 1.88 958 2.06 1001 2.24
3450 829 1.65 876 1.83 921 2.01 965 2.19 1008 2.38
3600 840 1.78 886 1.96 931 2.15 974 2.34 1016 2.53
3750 852 1.92 897 2.11 941 2.30 983 2.49 1024 2.69
LEGEND
Bhp - Brake Horsepower
High Range Motor/Drive Required
NOTES:
1. Motor drive range is 568 to 771 rpm for low range motor/drive and 812 to 1015 rpm
for high range motor/drive. All other rpms require a field‐supplied drive.
2. Maximum continuous bhp is 2.40 for low range motor/drive and 3.10 for high range
motor/drive.
3. See General Fan Performance Notes.
48/50PG and PM

135
Fan Performance — 48PGD09 Horizontal Units
AIRFLOW
(Cfm)
AVAILABLE EXTERNAL STATIC PRESSURE (in. wg)
0.2 0.4 0.6 0.8 1.0
Rpm Bhp Rpm Bhp Rpm Bhp Rpm Bhp Rpm Bhp
2550 436 0.38 515 0.49 585 0.62 650 0.74 710 0.88
2700 450 0.43 527 0.55 595 0.68 658 0.81 717 0.95
2850 465 0.49 539 0.62 606 0.75 667 0.89 724 1.03
3000 480 0.56 552 0.69 617 0.83 676 0.97 732 1.12
3150 496 0.63 566 0.77 629 0.91 687 1.06 741 1.21
3300 511 0.70 579 0.85 641 1.00 698 1.16 751 1.31
3450 527 0.79 593 0.94 653 1.10 709 1.26 761 1.42
3600 543 0.88 608 1.04 666 1.21 721 1.37 772 1.54
3750 560 0.98 622 1.15 680 1.32 733 1.49 783 1.66
3900 576 1.08 637 1.26 693 1.44 745 1.61 794 1.79
4050 593 1.19 652 1.38 707 1.56 758 1.75 806 1.93
4200 610 1.32 668 1.51 721 1.70 771 1.89 818 2.08
AIRFLOW
(Cfm)
AVAILABLE EXTERNAL STATIC PRESSURE (in. wg)
1.2 1.4 1.6 1.8 2.0
Rpm Bhp Rpm Bhp Rpm Bhp Rpm Bhp Rpm Bhp
2550 768 1.02 822 1.16 874 1.32 924 1.47 \973 1.63
2700 773 1.10 826 1.25 877 1.40 927 1.56 \974 1.73
2850 779 1.18 831 1.34 881 1.50 929 1.66 \976 1.83
3000 786 1.27 837 1.43 886 1.60 933 1.77 \979 1.94
3150 793 1.37 843 1.54 891 1.70 938 1.88 \983 2.06
3300 802 1.48 851 1.65 898 1.82 943 2.00 \987 2.18
3450 811 1.59 859 1.76 905 1.94 949 2.12 \992 2.31
3600 820 1.71 867 1.89 912 2.07 956 2.26 \998 2.45
3750 830 1.84 876 2.02 920 2.21 963 2.40 1005 2.60
3900 841 1.98 886 2.16 929 2.35 971 2.55 1012 2.75
4050 852 2.12 896 2.31 938 2.51 980 2.71 1020 2.91
4200 863 2.27 906 2.47 948 2.67 989 2.88 1028 3.09
LEGEND
Bhp - Brake Horsepower
High Range Motor/Drive Required
NOTES:
1. Motor drive range is 568 to 771 rpm for low range motor/drive and 812 to 1015 rpm
for high range motor/drive. All other rpms require a field‐supplied drive.
2. Maximum continuous bhp is 2.40 for low range motor/drive and 3.70 for high range
motor/drive.
3. See General Fan Performance Notes.
Fan Performance — 48PGE09 Horizontal Units
AIRFLOW
(Cfm)
AVAILABLE EXTERNAL STATIC PRESSURE (in. wg)
0.2 0.4 0.6 0.8 1.0
Rpm Bhp Rpm Bhp Rpm Bhp Rpm Bhp Rpm Bhp
2550 440 0.38 519 0.50 588 0.62 653 0.75 713 0.88
2700 457 0.44 532 0.56 600 0.69 662 0.82 721 0.96
2850 473 0.50 547 0.63 612 0.77 673 0.90 730 1.05
3000 490 0.57 561 0.71 625 0.85 684 0.99 740 1.14
3150 507 0.65 576 0.79 638 0.94 695 1.08 750 1.24
3300 524 0.73 591 0.88 651 1.03 708 1.19 760 1.34
3450 542 0.82 606 0.98 665 1.13 720 1.29 772 1.46
3600 559 0.92 622 1.08 679 1.24 733 1.41 783 1.58
3750 577 1.02 638 1.19 694 1.36 746 1.53 795 1.71
3900 594 1.13 654 1.31 708 1.49 759 1.66 808 1.84
4050 612 1.25 670 1.44 723 1.62 773 1.80 821 1.99
4200 630 1.38 686 1.57 738 1.76 787 1.95 834 2.14
AIRFLOW
(Cfm)
AVAILABLE EXTERNAL STATIC PRESSURE (in. wg)
1.2 1.4 1.6 1.8 2.0
Rpm Bhp Rpm Bhp Rpm Bhp Rpm Bhp Rpm Bhp
2550 770 1.03 825 1.17 877 1.32 \927 1.48 \975 1.64
2700 777 1.11 830 1.26 881 1.42 \930 1.58 \977 1.74
2850 784 1.20 836 1.35 886 1.51 \934 1.68 \981 1.85
3000 793 1.29 843 1.45 892 1.62 \939 1.79 \985 1.96
3150 801 1.40 851 1.56 899 1.73 \945 1.91 \990 2.09
3300 811 1.51 859 1.68 906 1.85 \951 2.03 \995 2.21
3450 821 1.63 868 1.80 914 1.98 \958 2.16 1001 2.35
3600 831 1.75 878 1.93 923 2.11 \966 2.30 1008 2.49
3750 843 1.89 888 2.07 932 2.26 \974 2.45 1016 2.65
3900 854 2.03 898 2.22 941 2.41 \983 2.61 1024 2.81
4050 866 2.18 909 2.37 951 2.57 \992 2.77 1032 2.98
4200 878 2.34 921 2.54 962 2.74 1002 2.95 1041 3.16
LEGEND
Bhp - Brake Horsepower
High Range Motor/Drive Required
NOTES:
1. Motor drive range is 568 to 771 rpm for low range motor/drive and 812 to 1015 rpm
for high range motor/drive. All other rpms require a field‐supplied drive.
2. Maximum continuous bhp is 2.40 for low range motor/drive and 3.70 for high range
motor/drive.
3. See General Fan Performance Notes.
48/50PG and PM

136
Fan Performance — 48PGF09 Horizontal Units
AIRFLOW
(Cfm)
AVAILABLE EXTERNAL STATIC PRESSURE (in. wg)
0.2 0.4 0.6 0.8 1.0
Rpm Bhp Rpm Bhp Rpm Bhp Rpm Bhp Rpm Bhp
2550 446 0.39 524 0.51 593 0.63 657 0.76 717 0.89
2700 464 0.45 538 0.57 605 0.70 667 0.83 726 0.97
2850 481 0.52 553 0.65 618 0.78 678 0.92 735 1.06
3000 499 0.59 569 0.72 632 0.86 690 1.01 746 1.16
3150 517 0.67 584 0.81 646 0.95 703 1.10 756 1.26
3300 535 0.75 600 0.90 660 1.05 715 1.21 768 1.37
3450 553 0.85 617 1.00 675 1.16 729 1.32 780 1.48
3600 571 0.95 633 1.11 690 1.27 742 1.44 792 1.61
3750 590 1.06 650 1.23 705 1.40 756 1.57 805 1.74
3900 608 1.18 667 1.35 720 1.53 771 1.71 819 1.89
4050 627 1.30 684 1.49 736 1.67 786 1.85 832 2.04
4200 646 1.44 701 1.63 752 1.82 801 2.01 846 2.20
AIRFLOW
(Cfm)
AVAILABLE EXTERNAL STATIC PRESSURE (in. wg)
1.2 1.4 1.6 1.8 2.0
Rpm Bhp Rpm Bhp Rpm Bhp Rpm Bhp Rpm Bhp
2550 774 1.04 829 1.18 881 1.33 \930 1.49 \978 1.65
2700 781 1.12 834 1.27 885 1.43 \934 1.59 \981 1.75
2850 789 1.21 841 1.37 891 1.53 \939 1.70 \985 1.87
3000 798 1.31 849 1.47 897 1.64 \944 1.81 \990 1.98
3150 808 1.42 857 1.58 905 1.75 \951 1.93 \995 2.11
3300 818 1.53 866 1.70 913 1.88 \958 2.06 1001 2.24
3450 829 1.65 876 1.83 921 2.01 \965 2.19 1008 2.38
3600 840 1.78 886 1.96 931 2.15 \974 2.34 1016 2.53
3750 852 1.92 897 2.11 941 2.30 \983 2.49 1024 2.69
3900 864 2.07 908 2.26 951 2.46 \993 2.65 1033 2.86
4050 877 2.23 920 2.42 962 2.62 1003 2.83 1042 3.03
4200 890 2.40 933 2.60 974 2.80 1013 3.01 1052 3.22
LEGEND
Bhp - Brake Horsepower
High Range Motor/Drive Required
NOTES:
1. Motor drive range is 568 to 771 rpm for low range motor/drive and 812 to 1015 rpm
for high range motor/drive. All other rpms require a field‐supplied drive.
2. Maximum continuous bhp is 2.40 for low range motor/drive and 3.70 for high range
motor/drive.
3. See General Fan Performance Notes.
Fan Performance — 48PGD12 Horizontal Units
AIRFLOW
(Cfm)
AVAILABLE EXTERNAL STATIC PRESSURE (in. wg)
0.2 0.4 0.6 0.8 1.0
Rpm Bhp Rpm Bhp Rpm Bhp Rpm Bhp Rpm Bhp
3000 502 0.60 571 0.73 634 0.87 693 1.01 748 1.16
3200 525 0.70 592 0.85 652 0.99 709 1.14 762 1.30
3400 549 0.82 613 0.97 671 1.13 726 1.29 777 1.45
3600 573 0.95 634 1.11 691 1.28 743 1.44 793 1.61
3800 597 1.10 656 1.27 711 1.44 762 1.62 810 1.79
4000 621 1.26 678 1.44 731 1.62 781 1.80 828 1.99
4200 645 1.43 700 1.62 752 1.81 800 2.00 846 2.20
4400 669 1.62 723 1.83 772 2.02 819 2.22 864 2.42
4600 694 1.83 745 2.04 794 2.25 839 2.46 883 2.67
4800 719 2.06 768 2.28 815 2.50 860 2.71 902 2.93
5000 743 2.30 791 2.53 837 2.76 880 2.98 922 3.21
AIRFLOW
(Cfm)
AVAILABLE EXTERNAL STATIC PRESSURE (in. wg)
1.2 1.4 1.6 1.8 2.0
Rpm Bhp Rpm Bhp Rpm Bhp Rpm Bhp Rpm Bhp
3000 800 1.32 \851 1.48 \899 1.64 \946 1.82 \992 1.99
3200 813 1.46 \862 1.63 \909 1.80 \955 1.98 \999 2.16
3400 827 1.62 \874 1.79 \920 1.97 \964 2.15 1007 2.34
3600 841 1.79 \887 1.97 \932 2.15 \975 2.34 1017 2.53
3800 857 1.97 \901 2.16 \945 2.35 \986 2.55 1027 2.75
4000 873 2.18 \916 2.37 \958 2.56 \999 2.77 1039 2.97
4200 889 2.39 \932 2.59 \973 2.80 1013 3.00 1051 3.22
4400 907 2.63 \948 2.83 \988 3.04 1027 3.26 1065 3.48
4600 925 2.88 \965 3.09 1004 3.31 1042 3.53 — —
4800 943 3.15 \982 3.37 1020 3.59 — — — —
5000 962 3.44 1000 3.67 — — — — — —
LEGEND
Bhp - Brake Horsepower
High Range Motor/Drive Required
NOTES:
1. Motor drive range is 690 to 893 rpm for low range motor/drive, 852 to 1055 rpm for
high range motor/drive. All other rpms require a field‐supplied drive.
2. Maximum continuous bhp is 3.10 for low range motor/drive and 3.70 for high range
motor/drive.
3. See General Fan Performance Notes.
48/50PG and PM

137
Fan Performance — 48PGE12 Horizontal Units
AIRFLOW
(Cfm)
AVAILABLE EXTERNAL STATIC PRESSURE (in. wg)
0.2 0.4 0.6 0.8 1.0
Rpm Bhp Rpm Bhp Rpm Bhp Rpm Bhp Rpm Bhp
3000 510 0.61 579 0.75 641 0.89 699 1.03 754 1.18
3200 535 0.72 600 0.87 660 1.01 716 1.16 769 1.32
3400 560 0.84 623 1.00 680 1.15 734 1.31 785 1.48
3600 585 0.98 645 1.14 701 1.31 753 1.47 802 1.65
3800 610 1.14 668 1.31 722 1.48 772 1.65 820 1.83
4000 635 1.30 691 1.48 743 1.66 792 1.85 839 2.03
4200 661 1.49 715 1.68 765 1.87 813 2.06 858 2.25
4400 687 1.69 739 1.89 788 2.09 834 2.29 878 2.49
4600 713 1.91 763 2.12 811 2.33 855 2.53 898 2.74
4800 739 2.15 788 2.37 834 2.58 877 2.80 919 3.02
5000 765 2.41 812 2.63 857 2.86 899 3.08 940 3.31
AIRFLOW
(Cfm)
AVAILABLE EXTERNAL STATIC PRESSURE (in. wg)
1.2 1.4 1.6 1.8 2.0
Rpm Bhp Rpm Bhp Rpm Bhp Rpm Bhp Rpm Bhp
3000 806 1.34 \856 1.50 \905 1.66 \951 1.84 \997 2.01
3200 820 1.48 \868 1.65 \915 1.82 \961 2.00 1005 2.18
3400 834 1.64 \881 1.82 \927 2.00 \971 2.18 1014 2.37
3600 850 1.82 \896 2.00 \940 2.19 \983 2.38 1024 2.57
3800 866 2.01 \911 2.20 \954 2.39 \995 2.59 1036 2.79
4000 884 2.22 \927 2.42 \969 2.61 1009 2.82 1049 3.02
4200 902 2.45 \944 2.65 \984 2.85 1024 3.06 1062 3.28
4400 920 2.69 \961 2.90 1001 3.11 1039 3.33 1077 3.55
4600 939 2.96 \979 3.17 1018 3.39 1055 3.61 — —
4800 959 3.24 \998 3.46 1035 3.69 — — — —
5000 979 3.54 — — — — — — — —
LEGEND
Bhp - Brake Horsepower
High Range Motor/Drive Required
NOTES:
1. Motor drive range is 690 to 893 rpm for low range motor/drive, 852 to 1055 rpm for
high range motor/drive. All other rpms require a field‐supplied drive.
2. Maximum continuous bhp is 3.10 for low range motor/drive and 3.70 for high range
motor/drive.
3. See General Fan Performance Notes.
Fan Performance — 48PGF12 Horizontal Units
AIRFLOW
(Cfm)
AVAILABLE EXTERNAL STATIC PRESSURE (in. wg)
0.2 0.4 0.6 0.8 1.0
Rpm Bhp Rpm Bhp Rpm Bhp Rpm Bhp Rpm Bhp
3000 514 0.62 583 0.75 645 0.89 702 1.04 757 1.19
3200 540 0.73 605 0.88 665 1.02 720 1.18 773 1.33
3400 565 0.86 628 1.01 685 1.17 739 1.33 790 1.49
3600 591 1.00 651 1.16 706 1.33 758 1.49 808 1.66
3800 617 1.16 675 1.33 728 1.50 778 1.67 826 1.85
4000 643 1.33 699 1.51 750 1.69 799 1.87 845 2.06
4200 670 1.52 723 1.71 773 1.90 820 2.09 865 2.28
4400 696 1.72 748 1.92 796 2.12 842 2.32 885 2.52
4600 723 1.95 772 2.16 819 2.37 864 2.57 906 2.78
4800 749 2.19 797 2.41 843 2.63 886 2.84 927 3.06
5000 776 2.46 823 2.69 867 2.91 909 3.14 949 3.36
AIRFLOW
(Cfm)
AVAILABLE EXTERNAL STATIC PRESSURE (in. wg)
1.2 1.4 1.6 1.8 2.0
Rpm Bhp Rpm Bhp Rpm Bhp Rpm Bhp Rpm Bhp
3000 809 1.35 \859 1.51 \908 1.67 \954 1.85 \999 2.02
3200 823 1.50 \872 1.66 \919 1.84 \964 2.01 1008 2.20
3400 839 1.66 \886 1.83 \931 2.01 \975 2.20 1018 2.39
3600 855 1.84 \900 2.02 \944 2.21 \987 2.40 1029 2.59
3800 872 2.04 \916 2.22 \959 2.42 1000 2.61 1041 2.81
4000 890 2.25 \933 2.44 \974 2.64 1015 2.85 1054 3.05
4200 908 2.48 \950 2.68 \990 2.89 1030 3.10 1068 3.31
4400 927 2.73 \968 2.94 1007 3.15 1046 3.37 1083 3.59
4600 947 3.00 \987 3.21 1025 3.43 1062 3.65 — —
4800 967 3.28 1006 3.51 — — — — — —
5000 988 3.59 — — — — — — — —
LEGEND
Bhp - Brake Horsepower
High Range Motor/Drive Required
NOTES:
1. Motor drive range is 690 to 893 rpm for low range motor/drive, 852 to 1055 rpm for
high range motor/drive. All other rpms require a field‐supplied drive.
2. Maximum continuous bhp is 3.10 for low range motor/drive and 3.70 for high range
motor/drive.
3. See General Fan Performance Notes.
48/50PG and PM

138
Fan Performance — 48PGD14 Horizontal Units
AIRFLOW
(Cfm)
AVAILABLE EXTERNAL STATIC PRESSURE (in. wg)
0.2 0.4 0.6 0.8 1.0
Rpm Bhp Rpm Bhp Rpm Bhp Rpm Bhp Rpm Bhp
3750 591 1.06 651 1.23 706 1.40 \757 1.57 \806 1.75
3950 615 1.22 672 1.40 726 1.57 \776 1.75 \823 1.94
4150 639 1.39 695 1.58 746 1.76 \795 1.95 \841 2.14
4350 663 1.58 717 1.77 767 1.97 \814 2.17 \859 2.36
4550 688 1.78 740 1.99 788 2.19 \834 2.40 \878 2.60
4750 712 2.00 763 2.22 810 2.43 \855 2.65 \897 2.86
4950 737 2.24 786 2.47 832 2.69 \875 2.91 \917 3.14
5150 762 2.50 809 2.73 853 2.97 \896 3.20 \937 3.43
5350 787 2.77 832 3.02 876 3.26 \917 3.50 \957 3.75
5550 811 3.07 856 3.33 898 3.58 \938 3.83 \977 4.08
5750 836 3.39 879 3.65 920 3.92 \960 4.18 \998 4.44
5950 861 3.72 903 4.00 943 4.28 \982 4.55 1019 4.81
6150 886 4.09 927 4.37 966 4.66 1004 4.94 1040 5.21
6250 899 4.28 939 4.57 977 4.85 1015 5.14 — —
AIRFLOW
(Cfm)
AVAILABLE EXTERNAL STATIC PRESSURE (in. wg)
1.2 1.4 1.6 1.8 2.0
Rpm Bhp Rpm Bhp Rpm Bhp Rpm Bhp Rpm Bhp
3750 \853 1.93 \898 2.11 \941 2.30 \983 2.49 1025 2.69
3950 \869 2.12 \912 2.31 \955 2.51 \996 2.71 1036 2.91
4150 \885 2.34 \928 2.53 \969 2.74 1009 2.94 1048 3.15
4350 \902 2.57 \944 2.77 \984 2.98 1023 3.19 1061 3.41
4550 \920 2.81 \961 3.03 1000 3.24 1038 3.46 1075 3.68
4750 \938 3.08 \978 3.30 1016 3.52 1053 3.75 1090 3.98
4950 \957 3.36 \996 3.59 1033 3.82 1069 4.05 1105 4.29
5150 \976 3.67 1014 3.90 1050 4.14 1086 4.38 1121 4.62
5350 \995 3.99 1032 4.23 1068 4.48 1103 4.72 1137 4.97
5550 1015 4.33 1051 4.58 1086 4.84 1120 5.09 — —
5750 1035 4.70 1070 4.96 1105 5.22 — — — —
5950 1055 5.08 — — — — — — — —
6150 — — — — — — — — — —
6250 — — — — — — — — — —
LEGEND
Bhp - Brake Horsepower
High Range Motor/Drive Required
NOTES:
1. Motor drive range is 690 to 893 rpm for low range motor/drive, 852 to 1055 rpm for
high range motor/drive. All other rpms require a field‐supplied drive.
2. Maximum continuous bhp is 3.70 for low range motor/drive and 5.25 for high range
motor/drive.
3. See General Fan Performance Notes.
48/50PG and PM

139
Fan Performance — 48PGE14 Horizontal Units
AIRFLOW
(Cfm)
AVAILABLE EXTERNAL STATIC PRESSURE (in. wg)
0.2 0.4 0.6 0.8 1.0
Rpm Bhp Rpm Bhp Rpm Bhp Rpm Bhp Rpm Bhp
3750 604 1.10 662 1.26 \717 1.43 \767 1.61 \816 1.78
3950 629 1.26 686 1.44 \738 1.62 \787 1.80 \834 1.98
4150 655 1.44 709 1.63 \760 1.82 \808 2.00 \853 2.20
4350 681 1.64 733 1.83 \782 2.03 \829 2.23 \873 2.43
4550 706 1.85 757 2.06 \805 2.26 \850 2.47 \893 2.68
4750 732 2.09 782 2.30 \828 2.52 \872 2.73 \914 2.95
4950 759 2.34 806 2.56 \851 2.79 \894 3.01 \935 3.24
5150 785 2.61 831 2.85 \874 3.08 \916 3.31 \956 3.54
5350 811 2.91 856 3.15 \898 3.39 \939 3.63 \978 3.88
5550 838 3.22 881 3.48 \922 3.73 \961 3.98 \999 4.23
5750 864 3.56 906 3.82 \946 4.08 \985 4.34 1022 4.60
5950 891 3.92 931 4.19 \970 4.46 1008 4.73 1044 5.00
6150 917 4.31 957 4.59 \995 4.87 1032 5.15 — —
6250 931 4.51 970 4.80 1007 5.08 — — — —
AIRFLOW
(Cfm)
AVAILABLE EXTERNAL STATIC PRESSURE (in. wg)
1.2 1.4 1.6 1.8 2.0
Rpm Bhp Rpm Bhp Rpm Bhp Rpm Bhp Rpm Bhp
3750 \862 1.96 \907 2.15 \950 2.34 \992 2.53 1033 2.73
3950 \879 2.17 \923 2.36 \965 2.56 1006 2.76 1045 2.96
4150 \897 2.39 \939 2.59 \980 2.79 1020 3.00 1059 3.21
4350 \915 2.63 \957 2.84 \996 3.05 1035 3.26 1073 3.48
4550 \934 2.89 \975 3.10 1013 3.32 1051 3.54 1088 3.76
4750 \954 3.16 \993 3.39 1031 3.61 1068 3.84 1104 4.07
4950 \974 3.46 1012 3.69 1049 3.92 1085 4.16 1120 4.39
5150 \994 3.78 1032 4.02 1068 4.25 1103 4.50 1137 4.74
5350 1015 4.12 1051 4.36 1087 4.61 1121 4.86 1155 5.11
5550 1036 4.48 1072 4.73 1106 4.99 1140 5.24 — —
5750 1058 4.86 1092 5.12 — — — — — —
5950 — — — — — — — — — —
6150 — — — — — — — — — —
6250 — — — — — — — — — —
LEGEND
Bhp - Brake Horsepower
High Range Motor/Drive Required
NOTES:
1. Motor drive range is 690 to 893 rpm for low range motor/drive, 852 to 1055 rpm for
high range motor/drive. All other rpms require a field‐supplied drive.
2. Maximum continuous bhp is 3.70 for low range motor/drive and 5.25 for high range
motor/drive.
3. See General Fan Performance Notes.
48/50PG and PM

140
Fan Performance — 48PGF14 Horizontal Units
AIRFLOW
(Cfm)
AVAILABLE EXTERNAL STATIC PRESSURE (in. wg)
0.2 0.4 0.6 0.8 1.0
Rpm Bhp Rpm Bhp Rpm Bhp Rpm Bhp Rpm Bhp
3750 611 1.12 669 1.28 \723 1.45 \773 1.63 \821 1.80
3950 637 1.28 693 1.46 \745 1.64 \794 1.82 \840 2.01
4150 663 1.47 717 1.66 \767 1.84 \815 2.03 \860 2.22
4350 690 1.67 742 1.87 \790 2.06 \836 2.26 \880 2.46
4550 716 1.89 766 2.10 \813 2.30 \858 2.51 \901 2.72
4750 743 2.13 791 2.35 \837 2.56 \880 2.77 \922 2.99
4950 770 2.39 816 2.62 \861 2.84 \903 3.06 \944 3.29
5150 796 2.67 842 2.90 \885 3.14 \926 3.37 \965 3.60
5350 823 2.97 867 3.22 \909 3.46 \949 3.70 \988 3.94
5550 850 3.29 893 3.55 \933 3.80 \972 4.05 1010 4.30
5750 877 3.64 918 3.90 \958 4.16 \996 4.42 1033 4.68
5950 904 4.01 944 4.28 \983 4.55 1020 4.82 1056 5.09
6150 931 4.41 970 4.69 1008 4.97 1044 5.24 — —
6250 945 4.61 983 4.90 1020 5.18 — — — —
AIRFLOW
(Cfm)
AVAILABLE EXTERNAL STATIC PRESSURE (in. wg)
1.2 1.4 1.6 1.8 2.0
Rpm Bhp Rpm Bhp Rpm Bhp Rpm Bhp Rpm Bhp
3750 \868 1.99 \912 2.17 \955 2.36 \997 2.56 1038 2.76
3950 \885 2.19 \928 2.39 \970 2.58 1011 2.79 1051 2.99
4150 \904 2.42 \946 2.62 \986 2.82 1026 3.03 1065 3.24
4350 \923 2.66 \963 2.87 1003 3.08 1042 3.30 1079 3.52
4550 \942 2.93 \982 3.14 1021 3.36 1058 3.58 1095 3.81
4750 \962 3.21 1001 3.43 1039 3.66 1075 3.88 1111 4.12
4950 \983 3.51 1020 3.74 1057 3.97 1093 4.21 1128 4.45
5150 1004 3.84 1040 4.07 1076 4.31 1111 4.56 1146 4.80
5350 1025 4.18 1061 4.43 1096 4.67 1130 4.92 1164 5.18
5550 1046 4.55 1082 4.80 1116 5.06 — — — —
5750 1068 4.94 1103 5.20 — — — — — —
5950 — — — — — — — — — —
6150 — — — — — — — — — —
6250 — — — — — — — — — —
LEGEND
Bhp - Brake Horsepower
High Range Motor/Drive Required
NOTES:
1. Motor drive range is 690 to 893 rpm for low range motor/drive, 852 to 1055 rpm for
high range motor/drive. All other rpms require a field‐supplied drive.
2. Maximum continuous bhp is 3.70 for low range motor/drive and 5.25 for high range
motor/drive.
3. See General Fan Performance Notes.
48/50PG and PM

141
Fan Performance — 50PG03 Vertical Units
AIRFLOW
(Cfm)
AVAILABLE EXTERNAL STATIC PRESSURE (in. wg)
0.2 0.4 0.6 0.8 1.0
Rpm Bhp Rpm Bhp Rpm Bhp Rpm Bhp Rpm Bhp
600 402 0.05 549 0.10 664 0.15 761 0.21 847 0.27
650 407 0.06 553 0.11 667 0.17 764 0.23 850 0.29
700 413 0.06 556 0.12 670 0.18 767 0.24 853 0.31
750 418 0.07 560 0.13 673 0.19 770 0.25 856 0.32
800 425 0.07 565 0.13 677 0.20 773 0.27 859 0.34
850 431 0.08 569 0.14 681 0.21 776 0.28 862 0.36
900 438 0.09 574 0.15 685 0.23 780 0.30 865 0.38
950 446 0.10 579 0.17 689 0.24 784 0.32 868 0.40
1000 454 0.11 585 0.18 693 0.25 787 0.33 872 0.42
AIRFLOW
(Cfm)
AVAILABLE EXTERNAL STATIC PRESSURE (in. wg)
1.2 1.4 1.6 1.8 2.0
Rpm Bhp Rpm Bhp Rpm Bhp Rpm Bhp Rpm Bhp
600 925 0.34 \997 0.41 1064 0.48 1126 0.55 1186 0.63
650 928 0.36 \999 0.43 1066 0.50 1129 0.58 1188 0.66
700 930 0.38 1002 0.45 1069 0.53 1131 0.61 1191 0.69
750 933 0.40 1005 0.47 1071 0.55 1134 0.63 1193 0.72
800 936 0.42 1007 0.49 1074 0.58 1136 0.66 1196 0.75
850 939 0.44 1010 0.52 1077 0.60 1139 0.69 1198 0.78
900 942 0.46 1013 0.54 1079 0.63 1142 0.72 1201 0.81
950 945 0.48 1016 0.57 1082 0.66 1145 0.75 1204 0.84
1000 948 0.50 1019 0.59 1085 0.68 1147 0.78 — —
LEGEND
Bhp - Brake Horsepower
NOTES:
1. Motor drive range is 482 to 736 rpm for low range motor/drive and 656 to 1001 rpm
for high range motor/drive. All other rpms require a field‐supplied drive.
2. Maximum continuous bhp is 0.85 for low range motor/drive and 0.85 for high range
motor/drive.
3. See General Fan Performance Notes.
Fan Performance — 50PG04 Vertical Units
AIRFLOW
(Cfm)
AVAILABLE EXTERNAL STATIC PRESSURE (in. wg)
0.2 0.4 0.6 0.8 1.0
Rpm Bhp Rpm Bhp Rpm Bhp Rpm Bhp Rpm Bhp
900 438 0.09 574 0.15 685 0.23 780 0.30 865 0.38
950 446 0.10 579 0.17 689 0.24 784 0.32 868 0.40
1000 454 0.11 585 0.18 693 0.25 787 0.33 872 0.42
1050 462 0.12 590 0.19 698 0.27 791 0.35 875 0.44
1100 471 0.13 596 0.20 703 0.28 796 0.37 879 0.46
1150 480 0.14 603 0.21 708 0.30 800 0.39 883 0.48
1200 489 0.15 610 0.23 713 0.32 805 0.41 887 0.50
1250 499 0.16 617 0.24 719 0.33 809 0.43 891 0.53
1300 509 0.18 624 0.26 725 0.35 814 0.45 896 0.55
1350 519 0.19 632 0.28 731 0.37 820 0.47 900 0.57
1400 529 0.21 639 0.29 737 0.39 825 0.49 905 0.60
1450 540 0.22 648 0.31 744 0.41 831 0.52 910 0.63
1500 551 0.24 656 0.33 751 0.43 837 0.54 915 0.65
AIRFLOW
(Cfm)
AVAILABLE EXTERNAL STATIC PRESSURE (in. wg)
1.2 1.4 1.6 1.8 2.0
Rpm Bhp Rpm Bhp Rpm Bhp Rpm Bhp Rpm Bhp
900 942 0.46 1013 0.54 1079 0.63 1142 0.72 1201 0.81
950 945 0.48 1016 0.57 1082 0.66 1145 0.75 1204 0.84
1000 948 0.50 1019 0.59 1085 0.68 1147 0.78 — —
1050 952 0.53 1022 0.62 1088 0.71 1150 0.81 — —
1100 955 0.55 1026 0.65 1091 0.74 1153 0.84 — —
1150 959 0.57 1029 0.67 1095 0.77 — — — —
1200 962 0.60 1032 0.70 1098 0.80 — — — —
1250 966 0.63 1036 0.73 1101 0.83 — — — —
1300 970 0.65 1040 0.76 — — — — — —
1350 975 0.68 1044 0.79 — — — — — —
1400 979 0.71 1048 0.82 — — — — — —
1450 984 0.74 1052 0.85 — — — — — —
1500 988 0.77 — — — — — — — —
LEGEND
Bhp - Brake Horsepower
NOTES:
1. Motor drive range is 482 to 736 rpm for low range motor/drive and 796 to 1128 rpm
for high range motor/drive. All other rpms require a field‐supplied drive.
2. Maximum continuous bhp is 0.85 for low range motor/drive and 0.85 for high range
motor/drive.
3. See General Fan Performance Notes.
48/50PG and PM

142
Fan Performance — 50PG05 Vertical Units
AIRFLOW
(Cfm)
AVAILABLE EXTERNAL STATIC PRESSURE (in. wg)
0.2 0.4 0.6 0.8 1.0
Rpm Bhp Rpm Bhp Rpm Bhp Rpm Bhp Rpm Bhp
1200 492 0.15 604 0.22 701 0.31 790 0.39 873 0.49
1300 513 0.18 620 0.26 714 0.34 800 0.43 880 0.53
1400 534 0.21 638 0.29 729 0.38 812 0.48 889 0.58
1500 557 0.24 657 0.33 745 0.43 825 0.53 900 0.63
1600 580 0.28 677 0.38 762 0.48 839 0.58 912 0.69
1700 603 0.33 697 0.43 779 0.53 855 0.64 926 0.75
1800 627 0.38 718 0.48 798 0.59 871 0.70 940 0.82
1900 651 0.43 739 0.54 817 0.65 889 0.77 956 0.89
2000 675 0.49 761 0.61 837 0.72 907 0.85 972 0.97
AIRFLOW
(Cfm)
AVAILABLE EXTERNAL STATIC PRESSURE (in. wg)
1.2 1.4 1.6 1.8 2.0
Rpm Bhp Rpm Bhp Rpm Bhp Rpm Bhp Rpm Bhp
1200 \950 0.58 1023 0.69 1092 0.79 1157 0.90 1219 1.02
1300 \955 0.63 1027 0.74 1094 0.85 1158 0.96 1220 1.08
1400 \962 0.68 1032 0.79 1098 0.91 1161 1.03 1222 1.15
1500 \971 0.74 1039 0.85 1103 0.97 1165 1.09 1225 1.22
1600 \981 0.80 1047 0.92 1110 1.04 1171 1.17 1229 1.30
1700 \993 0.87 1057 0.99 1118 1.11 1178 1.24 1235 1.38
1800 1005 0.94 1068 1.06 1128 1.19 1186 1.33 1242 1.46
1900 1019 1.02 1080 1.14 1139 1.28 1196 1.41 1251 1.56
2000 1034 1.10 1094 1.23 1151 1.37 1206 1.51 1260 1.65
LEGEND
Bhp - Brake Horsepower
High Range Motor/Drive Required
NOTES:
1. Motor drive range is 596 to 910 rpm for low range motor/drive and 828 to 1173 rpm
for high range motor/drive. All other rpms require a field‐supplied drive.
2. Maximum continuous bhp is 0.85 for low range motor/drive and 1.60 (single phase)
and 2.40 (3 phase) for high range motor/drive.
3. See General Fan Performance Notes.
Fan Performance — 50PG06 Vertical Units
AIRFLOW
(Cfm)
AVAILABLE EXTERNAL STATIC PRESSURE (in. wg)
0.2 0.4 0.6 0.8 1.0
Rpm Bhp Rpm Bhp Rpm Bhp Rpm Bhp Rpm Bhp
1500 568 0.25 667 0.34 753 0.44 \833 0.54 \908 0.64
1600 592 0.29 687 0.39 771 0.49 \848 0.59 \920 0.70
1700 616 0.34 708 0.44 789 0.54 \864 0.65 \934 0.76
1800 641 0.39 730 0.50 809 0.61 \881 0.72 \950 0.83
1900 665 0.45 752 0.56 829 0.67 \900 0.79 \966 0.91
2000 690 0.51 775 0.63 850 0.75 \918 0.87 \983 0.99
2100 716 0.57 798 0.70 871 0.82 \938 0.95 1001 1.08
2200 742 0.65 821 0.78 892 0.91 \958 1.04 1020 1.18
2300 768 0.73 845 0.86 915 1.00 \979 1.14 1039 1.28
2400 794 0.81 869 0.96 937 1.10 1000 1.24 1059 1.38
2500 820 0.91 894 1.05 960 1.20 1021 1.35 1079 1.50
AIRFLOW
(Cfm)
AVAILABLE EXTERNAL STATIC PRESSURE (in. wg)
1.2 1.4 1.6 1.8 2.0
Rpm Bhp Rpm Bhp Rpm Bhp Rpm Bhp Rpm Bhp
1500 \978 0.75 1046 0.87 1110 0.98 1172 1.11 1231 1.23
1600 \989 0.81 1055 0.93 1117 1.05 1178 1.18 1236 1.31
1700 1001 0.88 1065 1.00 1126 1.13 1185 1.26 1242 1.39
1800 1015 0.96 1077 1.08 1136 1.21 1194 1.35 1250 1.48
1900 1029 1.04 1090 1.16 1148 1.30 1204 1.44 1259 1.58
2000 1045 1.12 1104 1.26 1161 1.39 1216 1.53 1269 1.68
2100 1061 1.21 1119 1.35 1174 1.49 1228 1.64 1280 1.79
2200 1078 1.31 1135 1.45 1189 1.60 1241 1.75 1293 1.90
2300 1096 1.42 1151 1.57 1204 1.71 1256 1.87 1306 2.02
2400 1115 1.53 1169 1.68 1221 1.84 1271 1.99 1320 2.15
2500 1134 1.65 1187 1.81 1238 1.97 1287 2.13 1335 2.29
LEGEND
Bhp - Brake Horsepower
NOTES:
1. Motor drive range is 690 to 978 rpm for low range motor/drive and 929 to 1261 rpm
for high range motor/drive. All other rpms require a field‐supplied drive.
2. Maximum continuous bhp is 0.85 (single phase) and 2.40 (3 phase) for low range
motor/drive and 1.60 (single phase) and 2.40 (3 phase) for high range motor/drive.
3. See General Fan Performance Notes.
48/50PG and PM

143
Fan Performance — 50PG07 Vertical Units
AIRFLOW
(Cfm)
AVAILABLE EXTERNAL STATIC PRESSURE (in. wg)
0.2 0.4 0.6 0.8 1.0
Rpm Bhp Rpm Bhp Rpm Bhp Rpm Bhp Rpm Bhp
1800 654 0.41 \742 0.51 \819 0.62 \891 0.73 \959 0.85
1900 680 0.46 \765 0.58 \840 0.69 \910 0.81 \976 0.93
2000 706 0.53 \788 0.65 \862 0.77 \930 0.89 \994 1.01
2100 732 0.60 \812 0.72 \883 0.85 \950 0.97 1012 1.10
2200 758 0.67 \836 0.80 \906 0.93 \970 1.07 1031 1.20
2300 785 0.76 \860 0.89 \929 1.03 \992 1.17 1051 1.31
2400 812 0.85 \885 0.99 \952 1.13 1014 1.27 1072 1.42
2500 839 0.94 \910 1.09 \975 1.24 1036 1.39 1093 1.54
2600 866 1.05 \936 1.20 \999 1.36 1058 1.51 1114 1.66
2700 894 1.16 \961 1.32 1023 1.48 1081 1.64 1136 1.80
2800 921 1.28 \987 1.45 1048 1.61 1105 1.78 1158 1.94
2900 949 1.41 1013 1.58 1073 1.75 1128 1.92 1181 2.10
3000 977 1.54 1039 1.72 1098 1.90 1152 2.08 1204 2.26
AIRFLOW
(Cfm)
AVAILABLE EXTERNAL STATIC PRESSURE (in. wg)
1.2 1.4 1.6 1.8 2.0
Rpm Bhp Rpm Bhp Rpm Bhp Rpm Bhp Rpm Bhp
1800 1023 0.97 1085 1.10 1145 1.23 1202 1.36 1258 1.50
1900 1039 1.06 1099 1.19 1157 1.32 1213 1.46 1267 1.60
2000 1055 1.14 1113 1.28 1170 1.42 1225 1.56 1278 1.70
2100 1072 1.24 1129 1.38 1184 1.52 1238 1.67 1290 1.81
2200 1090 1.34 1145 1.48 1199 1.63 1252 1.78 1303 1.93
2300 1108 1.45 1163 1.60 1215 1.75 1267 1.90 1316 2.06
2400 1127 1.57 1181 1.72 1232 1.87 1282 2.03 1331 2.19
2500 1147 1.69 1199 1.85 1250 2.01 1299 2.17 1347 2.33
2600 1168 1.82 1219 1.98 1268 2.15 1316 2.31 — —
2700 1188 1.96 1239 2.13 1287 2.30 — — — —
2800 1210 2.11 1259 2.28 — — — — — —
2900 1231 2.27 — — — — — — — —
3000 — — — — — — — — — —
LEGEND
Bhp - Brake Horsepower
NOTES:
1. Motor drive range is 796 to 1128 rpm for low range motor/drive and 1150 to 1438
rpm for high range motor/drive. All other rpms require a field‐supplied drive.
2. Maximum continuous bhp is 2.40 for low range motor/drive and 3.10 for high range
motor/drive.
3. See General Fan Performance Notes.
Fan Performance — 50PG08 Vertical Units
AIRFLOW
(Cfm)
AVAILABLE EXTERNAL STATIC PRESSURE (in. wg)
0.2 0.4 0.6 0.8 1.0
Rpm Bhp Rpm Bhp Rpm Bhp Rpm Bhp Rpm Bhp
2250 439 0.32 519 0.43 592 0.54 659 0.66 721 0.79
2400 455 0.37 532 0.48 602 0.60 667 0.73 728 0.86
2550 471 0.43 546 0.55 613 0.67 676 0.80 735 0.94
2700 488 0.49 560 0.61 625 0.74 686 0.88 743 1.02
2850 505 0.56 574 0.69 638 0.82 697 0.96 753 1.11
3000 522 0.63 589 0.77 651 0.91 708 1.05 763 1.21
3150 539 0.71 605 0.86 664 1.00 720 1.15 773 1.31
3300 557 0.80 620 0.95 679 1.10 733 1.26 785 1.42
3450 575 0.90 636 1.06 693 1.21 746 1.37 797 1.54
3600 593 1.00 653 1.17 708 1.33 760 1.50 809 1.67
3750 611 1.12 669 1.29 723 1.46 774 1.63 822 1.81
AIRFLOW
(Cfm)
AVAILABLE EXTERNAL STATIC PRESSURE (in. wg)
1.2 1.4 1.6 1.8 2.0
Rpm Bhp Rpm Bhp Rpm Bhp Rpm Bhp Rpm Bhp
2250 780 0.92 836 1.06 889 1.21 940 1.35 \989 1.51
2400 785 1.00 840 1.14 892 1.29 942 1.44 \990 1.60
2550 791 1.08 845 1.23 896 1.38 945 1.54 \993 1.70
2700 798 1.17 851 1.32 901 1.48 949 1.64 \996 1.81
2850 806 1.26 857 1.42 906 1.58 954 1.75 \999 1.92
3000 815 1.36 865 1.52 913 1.69 959 1.86 1004 2.04
3150 824 1.47 873 1.64 920 1.81 965 1.99 1009 2.17
3300 834 1.59 882 1.76 928 1.94 972 2.12 1015 2.30
3450 845 1.71 891 1.89 936 2.07 980 2.26 1022 2.45
3600 856 1.85 902 2.03 946 2.21 988 2.40 1030 2.60
3750 868 1.99 912 2.17 955 2.36 997 2.56 1038 2.76
LEGEND
Bhp - Brake Horsepower
High Range Motor/Drive Required
NOTES:
1. Motor drive range is 568 to 771 rpm for low range motor/drive and 812 to 1015 rpm
for high range motor/drive. All other rpms require a field‐supplied drive.
2. Maximum continuous bhp is 2.40 for low range motor/drive and 3.10 for high range
motor/drive.
3. See General Fan Performance Notes.
48/50PG and PM

144
Fan Performance — 50PG09 Vertical Units
AIRFLOW
(Cfm)
AVAILABLE EXTERNAL STATIC PRESSURE (in. wg)
0.2 0.4 0.6 0.8 1.0
Rpm Bhp Rpm Bhp Rpm Bhp Rpm Bhp Rpm Bhp
2550 471 0.43 546 0.55 613 0.67 676 0.80 735 0.94
2700 488 0.49 560 0.61 625 0.74 686 0.88 743 1.02
2850 505 0.56 574 0.69 638 0.82 697 0.96 753 1.11
3000 522 0.63 589 0.77 651 0.91 708 1.05 763 1.21
3150 539 0.71 605 0.86 664 1.00 720 1.15 773 1.31
3300 557 0.80 620 0.95 679 1.10 733 1.26 785 1.42
3450 575 0.90 636 1.06 693 1.21 746 1.37 797 1.54
3600 593 1.00 653 1.17 708 1.33 760 1.50 809 1.67
3750 611 1.12 669 1.29 723 1.46 774 1.63 822 1.81
3900 630 1.24 686 1.41 739 1.59 788 1.77 835 1.95
4050 648 1.37 703 1.55 754 1.73 803 1.92 849 2.11
4200 667 1.51 721 1.70 771 1.89 818 2.08 863 2.27
AIRFLOW
(Cfm)
AVAILABLE EXTERNAL STATIC PRESSURE (in. wg)
1.2 1.4 1.6 1.8 2.0
Rpm Bhp Rpm Bhp Rpm Bhp Rpm Bhp Rpm Bhp
2550 791 1.08 845 1.23 896 1.38 \945 1.54 \993 1.70
2700 798 1.17 851 1.32 901 1.48 \949 1.64 \996 1.81
2850 806 1.26 857 1.42 906 1.58 \954 1.75 \999 1.92
3000 815 1.36 865 1.52 913 1.69 \959 1.86 1004 2.04
3150 824 1.47 873 1.64 920 1.81 \965 1.99 1009 2.17
3300 834 1.59 882 1.76 928 1.94 \972 2.12 1015 2.30
3450 845 1.71 891 1.89 936 2.07 \980 2.26 1022 2.45
3600 856 1.85 902 2.03 946 2.21 \988 2.40 1030 2.60
3750 868 1.99 912 2.17 955 2.36 \997 2.56 1038 2.76
3900 880 2.14 924 2.33 966 2.52 1007 2.72 1047 2.93
4050 893 2.30 936 2.49 977 2.70 1017 2.90 1056 3.11
4200 906 2.47 948 2.67 988 2.88 1028 3.09 1066 3.30
LEGEND
Bhp - Brake Horsepower
High Range Motor/Drive Required
NOTES:
1. Motor drive range is 568 to 771 rpm for low range motor/drive and 812 to 1015 rpm
for high range motor/drive. All other rpms require a field‐supplied drive.
2. Maximum continuous bhp is 2.40 for low range motor/drive and 3.70 for high range
motor/drive.
3. See General Fan Performance Notes.
Fan Performance — 50PG012 Vertical Units
AIRFLOW
(Cfm)
AVAILABLE EXTERNAL STATIC PRESSURE (in. wg)
0.2 0.4 0.6 0.8 1.0
Rpm Bhp Rpm Bhp Rpm Bhp Rpm Bhp Rpm Bhp
3000 533 0.65 599 0.79 660 0.93 717 1.08 771 1.23
3200 557 0.77 620 0.91 679 1.06 734 1.21 786 1.37
3400 581 0.90 642 1.05 699 1.21 751 1.37 802 1.53
3600 606 1.04 665 1.20 719 1.36 770 1.53 819 1.71
3800 631 1.20 687 1.37 740 1.54 789 1.71 837 1.89
4000 656 1.37 711 1.55 761 1.73 809 1.91 855 2.10
4200 682 1.56 734 1.75 783 1.94 830 2.13 874 2.32
4400 707 1.77 758 1.96 806 2.16 851 2.36 894 2.57
4600 733 1.99 782 2.20 828 2.41 872 2.62 914 2.83
4800 759 2.24 806 2.45 851 2.67 894 2.89 935 3.11
5000 785 2.50 831 2.73 875 2.95 916 3.18 956 3.41
AIRFLOW
(Cfm)
AVAILABLE EXTERNAL STATIC PRESSURE (in. wg)
1.2 1.4 1.6 1.8 2.0
Rpm Bhp Rpm Bhp Rpm Bhp Rpm Bhp Rpm Bhp
3000 822 1.39 \872 1.55 \920 1.72 \966 1.89 1011 2.07
3200 836 1.54 \884 1.71 \930 1.88 \975 2.06 1019 2.24
3400 850 1.70 \897 1.88 \942 2.06 \985 2.24 1028 2.43
3600 866 1.88 \911 2.06 \955 2.25 \997 2.44 1038 2.64
3800 882 2.08 \926 2.27 \968 2.46 1010 2.66 1050 2.86
4000 899 2.29 \942 2.49 \983 2.69 1023 2.89 1063 3.10
4200 917 2.52 \959 2.72 \999 2.93 1038 3.14 1076 3.36
4400 936 2.77 \976 2.98 1015 3.19 1054 3.41 1091 3.63
4600 955 3.04 \994 3.26 1033 3.48 1070 3.70 — —
4800 975 3.33 1013 3.55 — — — — — —
5000 995 3.63 — — — — — — — —
LEGEND
Bhp - Brake Horsepower
High Range Motor/Drive Required
NOTES:
1. Motor drive range is 690 to 893 for low range motor/drive and 852 to 1055 rpm for
high range motor/drive. All other rpms require a field‐supplied drive.
2. Maximum continuous bhp is 3.10 for low range motor/drive and 3.70 for high range
motor/drive.
3. See General Fan Performance Notes.
48/50PG and PM

145
Fan Performance — 50PG014 Vertical Units
AIRFLOW
(Cfm)
AVAILABLE EXTERNAL STATIC PRESSURE (in. wg)
0.2 0.4 0.6 0.8 1.0
Rpm Bhp Rpm Bhp Rpm Bhp Rpm Bhp Rpm Bhp
3750 625 1.15 682 1.32 \735 1.49 \785 1.67 832 1.85
3950 650 1.32 705 1.50 \756 1.68 \804 1.86 851 2.05
4150 675 1.51 728 1.70 \778 1.88 \825 2.07 870 2.27
4350 701 1.71 752 1.91 \800 2.11 \846 2.30 889 2.50
4550 727 1.93 776 2.14 \823 2.34 \867 2.55 909 2.76
4750 753 2.17 800 2.39 \846 2.60 \889 2.82 930 3.03
4950 779 2.43 825 2.66 \869 2.88 \911 3.10 951 3.33
5150 805 2.71 850 2.95 \892 3.18 \933 3.41 972 3.64
5350 831 3.01 875 3.26 \916 3.50 \956 3.74 994 3.98
5550 858 3.34 900 3.59 \940 3.84 \979 4.09 1016 4.34
5750 884 3.68 925 3.95 \965 4.21 1002 4.47 1039 4.73
5950 911 4.05 951 4.33 \989 4.60 1026 4.86 1062 5.13
6150 938 4.45 976 4.73 1014 5.01 — — — —
6250 951 4.66 989 4.94 1026 5.23 — — — —
AIRFLOW
(Cfm)
AVAILABLE EXTERNAL STATIC PRESSURE (in. wg)
1.2 1.4 1.6 1.8 2.0
Rpm Bhp Rpm Bhp Rpm Bhp Rpm Bhp Rpm Bhp
3750 \878 2.03 \922 2.22 \965 2.41 1006 2.60 1047 2.80
3950 \895 2.24 \938 2.43 \979 2.63 1020 2.83 1059 3.04
4150 \913 2.46 \954 2.66 \995 2.87 1034 3.08 1073 3.29
4350 \931 2.71 \972 2.91 1011 3.13 1050 3.34 1087 3.56
4550 \950 2.97 \990 3.18 1028 3.40 1066 3.63 1102 3.85
4750 \970 3.25 1008 3.47 1046 3.70 1082 3.93 1118 4.16
4950 \990 3.56 1028 3.79 1064 4.02 1100 4.25 1135 4.49
5150 1010 3.88 1047 4.12 1083 4.36 1118 4.60 1152 4.85
5350 1031 4.23 1067 4.47 1102 4.72 1136 4.97 1170 5.22
5550 1053 4.59 1088 4.85 1122 5.10 — — — —
5750 1074 4.99 1109 5.25 — — — — — —
5950 — — — — — — — — — —
6150 — — — — — — — — — —
6250 — — — — — — — — — —
LEGEND
Bhp - Brake Horsepower
High Range Motor/Drive Required
NOTES:
1. Motor drive range is 690 to 893 for low range motor/drive and 852 to 1055 rpm for
high range motor/drive. All other rpms require a field‐supplied drive.
2. Maximum continuous bhp is 3.70 for low range motor/drive and 5.25 for high range
motor/drive.
3. See General Fan Performance Notes.
48/50PG and PM

146
Fan Performance — 50PG03 Horizontal Units
AIRFLOW
(Cfm)
AVAILABLE EXTERNAL STATIC PRESSURE (in. wg)
0.2 0.4 0.6 0.8 1.0
Rpm Bhp Rpm Bhp Rpm Bhp Rpm Bhp Rpm Bhp
600 382 0.05 527 0.09 641 0.14 738 0.20 824 0.26
650 386 0.05 529 0.10 643 0.15 739 0.21 825 0.27
700 390 0.06 532 0.11 644 0.16 741 0.22 826 0.28
750 395 0.06 534 0.11 646 0.17 742 0.23 827 0.30
800 401 0.07 537 0.12 648 0.18 744 0.25 828 0.31
850 407 0.07 541 0.13 651 0.19 746 0.26 830 0.33
900 413 0.08 544 0.14 653 0.20 748 0.27 832 0.35
950 420 0.09 549 0.15 656 0.22 750 0.29 833 0.36
1000 427 0.09 553 0.16 659 0.23 752 0.30 835 0.38
AIRFLOW
(Cfm)
AVAILABLE EXTERNAL STATIC PRESSURE (in. wg)
1.2 1.4 1.6 1.8 2.0
Rpm Bhp Rpm Bhp Rpm Bhp Rpm Bhp Rpm Bhp
600 902 0.32 973 0.38 1040 0.45 1102 0.52 1162 0.60
650 902 0.33 974 0.40 1040 0.47 1103 0.55 1162 0.62
700 903 0.35 975 0.42 1041 0.49 1104 0.57 1163 0.65
750 904 0.37 976 0.44 1042 0.52 1104 0.59 1164 0.67
800 906 0.39 977 0.46 1043 0.54 1105 0.62 1164 0.70
850 907 0.40 978 0.48 1044 0.56 1106 0.64 1165 0.73
900 908 0.42 979 0.50 1045 0.58 1107 0.67 1166 0.75
950 910 0.44 980 0.52 1046 0.61 1108 0.69 1167 0.78
1000 912 0.46 982 0.54 1048 0.63 1110 0.72 1168 0.81
LEGEND
Bhp - Brake Horsepower
NOTES:
1. Motor drive range is 482 to 736 rpm for low range motor/drive and 658 to 1001 rpm
for high range motor/drive. All other rpms require a field‐supplied drive.
2. Maximum continuous bhp is 0.85 for low range motor/drive and 0.85 for high range
motor/drive.
3. See General Fan Performance Notes.
Fan Performance — 50PG04 Horizontal Units
AIRFLOW
(Cfm)
AVAILABLE EXTERNAL STATIC PRESSURE (in. wg)
0.2 0.4 0.6 0.8 1.0
Rpm Bhp Rpm Bhp Rpm Bhp Rpm Bhp Rpm Bhp
900 413 0.08 544 0.14 653 0.20 748 0.27 832 0.35
950 420 0.09 549 0.15 656 0.22 750 0.29 833 0.36
1000 427 0.09 553 0.16 659 0.23 752 0.30 835 0.38
1050 435 0.10 558 0.17 663 0.24 755 0.32 838 0.40
1100 443 0.11 563 0.18 667 0.25 758 0.33 840 0.42
1150 451 0.12 569 0.19 671 0.27 761 0.35 843 0.43
1200 460 0.13 575 0.20 675 0.28 764 0.37 846 0.45
1250 469 0.14 581 0.22 680 0.30 768 0.38 849 0.47
1300 478 0.16 587 0.23 685 0.31 772 0.40 852 0.49
1350 488 0.17 594 0.25 690 0.33 776 0.42 855 0.51
1400 498 0.18 602 0.26 695 0.35 781 0.44 859 0.54
1450 508 0.20 609 0.28 701 0.37 785 0.46 863 0.56
1500 518 0.21 617 0.30 707 0.39 790 0.48 867 0.58
AIRFLOW
(Cfm)
AVAILABLE EXTERNAL STATIC PRESSURE (in. wg)
1.2 1.4 1.6 1.8 2.0
Rpm Bhp Rpm Bhp Rpm Bhp Rpm Bhp Rpm Bhp
900 908 0.42 \979 0.50 1045 0.58 1107 0.67 1166 0.75
950 910 0.44 \980 0.52 1046 0.61 1108 0.69 1167 0.78
1000 912 0.46 \982 0.54 1048 0.63 1110 0.72 1168 0.81
1050 913 0.48 \983 0.57 1049 0.66 1111 0.75 1169 0.84
1100 915 0.50 \985 0.59 1051 0.68 1112 0.77 — —
1150 918 0.52 \987 0.61 1052 0.71 1114 0.80 — —
1200 920 0.54 \989 0.64 1054 0.73 1115 0.83 — —
1250 923 0.57 \992 0.66 1056 0.76 — — — —
1300 925 0.59 \994 0.69 1058 0.79 — — — —
1350 928 0.61 \997 0.71 1061 0.82 — — — —
1400 932 0.64 \999 0.74 1063 0.85 — — — —
1450 935 0.66 1002 0.77 — — — — — —
1500 938 0.69 1005 0.80 — — — — — —
LEGEND
Bhp - Brake Horsepower
NOTES:
1. Motor drive range is 482 to 736 rpm for low range motor/drive and 796 to 1128 rpm
for high range motor/drive. All other rpms require a field‐supplied drive.
2. Maximum continuous bhp is 0.85 for low range motor/drive and 0.85 for high range
motor/drive.
3. See General Fan Performance Notes.
48/50PG and PM

147
Fan Performance — 50PG05 Horizontal Units
AIRFLOW
(Cfm)
AVAILABLE EXTERNAL STATIC PRESSURE (in. wg)
0.2 0.4 0.6 0.8 1.0
Rpm Bhp Rpm Bhp Rpm Bhp Rpm Bhp Rpm Bhp
1200 422 0.11 548 0.19 652 0.26 745 0.35 831 0.44
1300 439 0.13 561 0.21 662 0.29 752 0.38 835 0.47
1400 457 0.16 577 0.24 674 0.33 761 0.42 842 0.51
1500 477 0.19 593 0.27 688 0.37 773 0.46 851 0.56
1600 498 0.22 611 0.31 704 0.41 786 0.51 862 0.61
1700 521 0.25 630 0.35 720 0.46 801 0.56 875 0.67
1800 545 0.29 650 0.40 738 0.51 817 0.62 889 0.73
1900 569 0.34 672 0.45 757 0.57 834 0.68 904 0.80
2000 595 0.39 694 0.51 777 0.63 852 0.75 921 0.87
AIRFLOW
(Cfm)
AVAILABLE EXTERNAL STATIC PRESSURE (in. wg)
1.2 1.4 1.6 1.8 2.0
Rpm Bhp Rpm Bhp Rpm Bhp Rpm Bhp Rpm Bhp
1200 911 0.53 \986 0.63 1056 0.74 1123 0.85 1187 0.96
1300 913 0.57 \986 0.68 1056 0.78 1122 0.90 1185 1.01
1400 918 0.62 \989 0.72 1058 0.84 1123 0.95 1185 1.07
1500 925 0.67 \995 0.78 1061 0.89 1125 1.01 1186 1.14
1600 934 0.72 1002 0.84 1067 0.95 1129 1.08 1189 1.21
1700 944 0.78 1010 0.90 1074 1.02 1135 1.15 1194 1.28
1800 956 0.85 1021 0.97 1083 1.09 1143 1.23 1200 1.36
1900 970 0.92 1033 1.04 1094 1.17 1152 1.31 1208 1.45
2000 985 1.00 1047 1.13 1106 1.26 1162 1.40 1217 1.54
LEGEND
Bhp - Brake Horsepower
High Range Motor/Drive Required
NOTES:
1. Motor drive range is 596 to 910 rpm for low range motor/drive and 828 to 1173 rpm
for high range motor/drive. All other rpms require a field‐supplied drive.
2. Maximum continuous bhp is 0.85 for low range motor/drive and 1.60 (single phase)
and 2.40 (3 phase) for high range motor/drive.
3. See General Fan Performance Notes.
Fan Performance — 50PG06 Horizontal Units
AIRFLOW
(Cfm)
AVAILABLE EXTERNAL STATIC PRESSURE (in. wg)
0.2 0.4 0.6 0.8 1.0
Rpm Bhp Rpm Bhp Rpm Bhp Rpm Bhp Rpm Bhp
1500 491 0.19 604 0.28 697 0.37 781 0.47 \859 0.57
1600 513 0.23 623 0.32 714 0.42 795 0.52 \871 0.62
1700 537 0.27 643 0.37 731 0.47 810 0.57 \884 0.68
1800 561 0.31 664 0.42 750 0.52 827 0.63 \899 0.75
1900 586 0.36 686 0.47 770 0.58 845 0.70 \915 0.82
2000 613 0.41 709 0.53 790 0.65 864 0.77 \932 0.89
2100 640 0.47 732 0.60 812 0.72 884 0.85 \950 0.97
2200 667 0.54 757 0.67 834 0.80 904 0.93 \969 1.06
2300 695 0.61 782 0.75 857 0.89 926 1.02 \989 1.16
2400 724 0.69 807 0.84 881 0.98 948 1.12 1010 1.26
2500 753 0.78 833 0.93 905 1.08 971 1.23 1032 1.38
AIRFLOW
(Cfm)
AVAILABLE EXTERNAL STATIC PRESSURE (in. wg)
1.2 1.4 1.6 1.8 2.0
Rpm Bhp Rpm Bhp Rpm Bhp Rpm Bhp Rpm Bhp
1500 \932 0.68 1002 0.79 1068 0.91 1132 1.03 1192 1.15
1600 \942 0.73 1009 0.85 1074 0.97 1136 1.09 1196 1.22
1700 \953 0.80 1019 0.91 1082 1.04 1143 1.17 1201 1.30
1800 \966 0.86 1030 0.99 1092 1.11 1151 1.24 1208 1.38
1900 \980 0.94 1043 1.06 1103 1.19 1161 1.33 1217 1.47
2000 \996 1.02 1057 1.15 1115 1.28 1172 1.42 1227 1.56
2100 1012 1.11 1072 1.24 1129 1.38 1184 1.52 1238 1.67
2200 1030 1.20 1088 1.34 1144 1.48 1198 1.63 1251 1.78
2300 1049 1.30 1106 1.44 1160 1.59 1213 1.74 1265 1.89
2400 1068 1.41 1124 1.56 1178 1.71 1229 1.86 1279 2.02
2500 1089 1.53 1143 1.68 1196 1.84 1246 1.99 1295 2.16
LEGEND
Bhp - Brake Horsepower
Low Range Motor/Drive Required
NOTES:
1. Motor drive range is 690 to 978 for low range motor/drive and 929 to 1261 rpm for
high range motor/drive. All other rpms require a field‐supplied drive.
2. Maximum continuous bhp is 0.85 (single phase) and 2.40 (3 phase) for low range
motor/drive and 1.60 (single phase) and 2.40 (3 phase) for high range motor/drive.
3. See General Fan Performance Notes.
48/50PG and PM

148
Fan Performance — 50PG07 Horizontal Units
AIRFLOW
(Cfm)
AVAILABLE EXTERNAL STATIC PRESSURE (in. wg)
0.2 0.4 0.6 0.8 1.0
Rpm Bhp Rpm Bhp Rpm Bhp Rpm Bhp Rpm Bhp
1800 577 0.32 677 0.43 \761 0.54 \838 0.65 \908 0.76
1900 603 0.38 700 0.49 \782 0.60 \856 0.72 \925 0.83
2000 630 0.43 723 0.55 \803 0.67 \876 0.79 \943 0.91
2100 658 0.49 748 0.62 \826 0.74 \896 0.87 \962 1.00
2200 686 0.56 773 0.70 \849 0.83 \918 0.96 \981 1.09
2300 715 0.64 798 0.78 \872 0.92 \940 1.05 1002 1.19
2400 744 0.72 825 0.87 \897 1.01 \963 1.15 1024 1.30
2500 773 0.82 852 0.97 \922 1.12 \986 1.26 1046 1.41
2600 803 0.92 879 1.07 \947 1.23 1010 1.38 1069 1.54
2700 834 1.03 907 1.19 \974 1.35 1035 1.51 1092 1.67
2800 864 1.14 935 1.31 1000 1.48 1060 1.65 1116 1.81
2900 895 1.27 964 1.45 1027 1.62 1086 1.79 1141 1.96
3000 927 1.41 993 1.59 1055 1.77 1112 1.95 1165 2.12
AIRFLOW
(Cfm)
AVAILABLE EXTERNAL STATIC PRESSURE (in. wg)
1.2 1.4 1.6 1.8 2.0
Rpm Bhp Rpm Bhp Rpm Bhp Rpm Bhp Rpm Bhp
1800 \975 0.88 1039 1.00 1100 1.13 1159 1.26 1216 1.40
1900 \990 0.96 1052 1.08 1112 1.21 1169 1.35 1225 1.49
2000 1006 1.04 1067 1.17 1125 1.31 1181 1.44 1236 1.59
2100 1024 1.13 1083 1.26 1139 1.40 1194 1.55 1248 1.69
2200 1042 1.23 1100 1.37 1155 1.51 1209 1.66 1261 1.81
2300 1061 1.33 1118 1.47 1172 1.62 1224 1.77 1275 1.93
2400 1081 1.44 1137 1.59 1190 1.74 1241 1.90 1291 2.06
2500 1102 1.56 1156 1.72 1208 1.87 1258 2.03 1307 2.20
2600 1124 1.69 1177 1.85 1228 2.01 1277 2.18 1325 2.34
2700 1146 1.83 1198 1.99 1248 2.16 1296 2.33 — —
2800 1169 1.98 1220 2.15 1269 2.32 — — — —
2900 1193 2.14 1242 2.31 — — — — — —
3000 1217 2.30 — — — — — — — —
LEGEND
Bhp - Brake Horsepower
NOTES:
1. Motor drive range is 796 to 1128 rpm for low range motor/drive and 1150 to 1438
rpm for high range motor/drive. All other rpms require a field‐supplied drive.
2. Maximum continuous bhp is 2.40 for low range motor/drive and 3.10 for high range
motor/drive.
3. See General Fan Performance Notes.
Fan Performance — 50PG08 Horizontal Units
AIRFLOW
(Cfm)
AVAILABLE EXTERNAL STATIC PRESSURE (in. wg)
0.2 0.4 0.6 0.8 1.0
Rpm Bhp Rpm Bhp Rpm Bhp Rpm Bhp Rpm Bhp
2250 381 0.26 469 0.36 546 0.47 616 0.58 682 0.71
2400 395 0.30 480 0.41 555 0.52 623 0.64 686 0.77
2550 408 0.34 491 0.46 564 0.58 630 0.70 691 0.83
2700 422 0.39 503 0.51 573 0.64 638 0.77 698 0.91
2850 437 0.45 515 0.58 583 0.71 646 0.84 705 0.98
3000 451 0.51 527 0.64 594 0.78 655 0.92 712 1.07
3150 466 0.57 540 0.72 605 0.86 665 1.00 721 1.15
3300 481 0.64 553 0.79 617 0.94 675 1.09 730 1.25
3450 496 0.72 566 0.88 628 1.03 686 1.19 739 1.35
3600 512 0.80 579 0.97 640 1.13 696 1.29 749 1.46
3750 527 0.89 593 1.07 653 1.24 708 1.41 759 1.58
AIRFLOW
(Cfm)
AVAILABLE EXTERNAL STATIC PRESSURE (in. wg)
1.2 1.4 1.6 1.8 2.0
Rpm Bhp Rpm Bhp Rpm Bhp Rpm Bhp Rpm Bhp
2250 743 0.84 801 0.97 856 1.11 908 1.26 958 1.41
2400 746 0.90 803 1.04 857 1.19 908 1.34 957 1.49
2550 750 0.97 805 1.12 858 1.27 909 1.42 958 1.58
2700 755 1.05 809 1.20 861 1.35 911 1.51 958 1.67
2850 760 1.13 813 1.28 864 1.44 913 1.60 960 1.77
3000 767 1.22 818 1.37 868 1.54 916 1.70 962 1.88
3150 774 1.31 824 1.47 873 1.64 920 1.81 966 1.99
3300 781 1.41 831 1.58 879 1.75 925 1.92 969 2.11
3450 790 1.52 838 1.69 885 1.86 930 2.04 974 2.23
3600 799 1.63 846 1.81 892 1.99 936 2.17 979 2.36
3750 808 1.75 854 1.93 899 2.12 943 2.31 985 2.50
LEGEND
Bhp - Brake Horsepower
High Range Motor/Drive Required
NOTES:
1. Motor drive range is 568 to 771 rpm for low range motor/drive and 812 to 1015 rpm
for high range motor/drive. All other rpms require a field‐supplied drive.
2. Maximum continuous bhp is 2.40 for low range motor/drive and 3.10 for high range
motor/drive.
3. See General Fan Performance Notes.
48/50PG and PM

149
Fan Performance — 50PG09 Horizontal Units
AIRFLOW
(Cfm)
AVAILABLE EXTERNAL STATIC PRESSURE (in. wg)
0.2 0.4 0.6 0.8 1.0
Rpm Bhp Rpm Bhp Rpm Bhp Rpm Bhp Rpm Bhp
2550 408 0.34 491 0.46 564 0.58 630 0.70 691 0.83
2700 422 0.39 503 0.51 573 0.64 638 0.77 698 0.91
2850 437 0.45 515 0.58 583 0.71 646 0.84 705 0.98
3000 451 0.51 527 0.64 594 0.78 655 0.92 712 1.07
3150 466 0.57 540 0.72 605 0.86 665 1.00 721 1.15
3300 481 0.64 553 0.79 617 0.94 675 1.09 730 1.25
3450 496 0.72 566 0.88 628 1.03 686 1.19 739 1.35
3600 512 0.80 579 0.97 640 1.13 696 1.29 749 1.46
3750 527 0.89 593 1.07 653 1.24 708 1.41 759 1.58
3900 543 0.99 607 1.17 665 1.35 719 1.52 770 1.70
4050 559 1.09 621 1.28 678 1.47 731 1.65 780 1.83
4200 575 1.20 635 1.40 691 1.59 743 1.78 792 1.97
AIRFLOW
(Cfm)
AVAILABLE EXTERNAL STATIC PRESSURE (in. wg)
1.2 1.4 1.6 1.8 2.0
Rpm Bhp Rpm Bhp Rpm Bhp Rpm Bhp Rpm Bhp
2550 750 0.97 805 1.12 858 1.27 909 1.42 \958 1.58
2700 755 1.05 809 1.20 861 1.35 911 1.51 \958 1.67
2850 760 1.13 813 1.28 864 1.44 913 1.60 \960 1.77
3000 767 1.22 818 1.37 868 1.54 916 1.70 \962 1.88
3150 774 1.31 824 1.47 873 1.64 920 1.81 \966 1.99
3300 781 1.41 831 1.58 879 1.75 925 1.92 \969 2.11
3450 790 1.52 838 1.69 885 1.86 930 2.04 \974 2.23
3600 799 1.63 846 1.81 892 1.99 936 2.17 \979 2.36
3750 808 1.75 854 1.93 899 2.12 943 2.31 \985 2.50
3900 817 1.88 863 2.07 907 2.26 950 2.45 \991 2.65
4050 827 2.02 872 2.21 916 2.40 958 2.60 \998 2.80
4200 838 2.16 882 2.36 925 2.56 966 2.76 1006 2.97
LEGEND
Bhp - Brake Horsepower
High Range Motor/Drive Required
NOTES:
1. Motor drive range is 568 to 771 rpm for low range motor/drive and 812 to 1015 rpm
for high range motor/drive. All other rpms require a field‐supplied drive.
2. Maximum continuous bhp is 2.40 for low range motor/drive and 3.70 for high range
motor/drive.
3. See General Fan Performance Notes.
Fan Performance — 50PG12 Horizontal Units
AIRFLOW
(Cfm)
AVAILABLE EXTERNAL STATIC PRESSURE (in. wg)
0.2 0.4 0.6 0.8 1.0
Rpm Bhp Rpm Bhp Rpm Bhp Rpm Bhp Rpm Bhp
3000 464 0.53 538 0.66 604 0.80 664 0.94 721 1.09
3200 484 0.62 556 0.77 619 0.91 678 1.06 733 1.21
3400 505 0.72 574 0.88 636 1.03 692 1.19 746 1.35
3600 526 0.84 593 1.00 652 1.17 708 1.33 759 1.50
3800 548 0.96 611 1.14 670 1.31 723 1.48 774 1.66
4000 569 1.10 631 1.29 687 1.47 739 1.65 789 1.83
4200 591 1.25 650 1.45 705 1.64 756 1.83 804 2.02
4400 613 1.42 670 1.63 723 1.83 773 2.03 820 2.23
4600 635 1.60 690 1.82 742 2.03 790 2.24 836 2.44
4800 657 1.80 710 2.02 761 2.24 808 2.46 853 2.68
5000 680 2.01 731 2.24 780 2.48 826 2.70 870 2.93
AIRFLOW
(Cfm)
AVAILABLE EXTERNAL STATIC PRESSURE (in. wg)
1.2 1.4 1.6 1.8 2.0
Rpm Bhp Rpm Bhp Rpm Bhp Rpm Bhp Rpm Bhp
3000 775 1.24 826 1.40 876 1.56 \923 1.73 \969 1.90
3200 785 1.37 835 1.53 883 1.70 \929 1.88 \974 2.06
3400 796 1.51 845 1.68 892 1.86 \937 2.04 \981 2.22
3600 809 1.67 856 1.84 901 2.03 \945 2.21 \988 2.40
3800 822 1.84 868 2.02 912 2.21 \955 2.40 \996 2.59
4000 835 2.02 880 2.21 923 2.40 \965 2.60 1006 2.80
4200 850 2.21 893 2.41 936 2.61 \976 2.81 1016 3.02
4400 865 2.43 907 2.63 949 2.84 \988 3.05 1027 3.26
4600 880 2.65 922 2.86 962 3.08 1001 3.29 1039 3.51
4800 896 2.89 937 3.11 976 3.33 1014 3.56 — —
5000 912 3.15 952 3.38 991 3.61 — — — —
LEGEND
Bhp - Brake Horsepower
High Range Motor/Drive Required
NOTES:
1. Motor drive range is 690 to 893 for low range motor/drive and 852 to 1055 rpm for
high range motor/drive. All other rpms require a field‐supplied drive.
2. Maximum continuous bhp is 3.10 for low range motor/drive and 3.70 for high range
motor/drive.
3. See General Fan Performance Notes.
48/50PG and PM

150
Fan Performance — 50PG14 Horizontal Units
AIRFLOW
(Cfm)
AVAILABLE EXTERNAL STATIC PRESSURE (in. wg)
0.2 0.4 0.6 0.8 1.0
Rpm Bhp Rpm Bhp Rpm Bhp Rpm Bhp Rpm Bhp
3750 542 0.93 607 1.10 665 1.27 719 1.44 770 1.62
3950 564 1.07 626 1.25 683 1.43 735 1.61 785 1.79
4150 586 1.22 645 1.41 701 1.60 752 1.78 800 1.97
4350 608 1.38 665 1.58 719 1.78 769 1.98 816 2.17
4550 630 1.55 685 1.77 737 1.98 786 2.18 832 2.39
4750 652 1.75 705 1.97 756 2.19 804 2.40 849 2.62
4950 674 1.95 726 2.19 775 2.42 822 2.64 866 2.86
5150 697 2.18 747 2.42 794 2.66 840 2.89 883 3.13
5350 719 2.42 767 2.67 814 2.92 858 3.16 901 3.41
5550 742 2.67 789 2.94 834 3.20 877 3.45 918 3.70
5750 765 2.95 810 3.22 854 3.49 896 3.76 936 4.02
5950 788 3.24 831 3.53 874 3.81 915 4.08 955 4.36
6150 811 3.56 853 3.85 894 4.14 935 4.43 973 4.71
6250 822 3.72 864 4.02 905 4.32 944 4.61 983 4.89
AIRFLOW
(Cfm)
AVAILABLE EXTERNAL STATIC PRESSURE (in. wg)
1.2 1.4 1.6 1.8 2.0
Rpm Bhp Rpm Bhp Rpm Bhp Rpm Bhp Rpm Bhp
3750 \818 1.79 \865 1.97 \909 2.16 \952 2.35 \994 2.54
3950 \832 1.97 \877 2.16 \920 2.35 \963 2.55 1003 2.75
4150 \846 2.16 \890 2.36 \932 2.56 \974 2.76 1014 2.97
4350 \861 2.37 \904 2.57 \945 2.78 \985 2.99 1024 3.20
4550 \876 2.59 \918 2.80 \959 3.02 \998 3.23 1036 3.45
4750 \892 2.83 \933 3.05 \973 3.27 1011 3.49 1049 3.72
4950 \908 3.09 \948 3.31 \987 3.54 1025 3.77 1061 4.00
5150 \924 3.36 \964 3.59 1002 3.83 1039 4.06 1075 4.30
5350 \941 3.65 \980 3.89 1017 4.13 1054 4.38 1089 4.62
5550 \958 3.96 \996 4.21 1033 4.46 1069 4.71 1103 4.96
5750 \975 4.28 1013 4.54 1049 4.80 1084 5.06 — —
5950 \993 4.63 1030 4.89 1065 5.16 — — — —
6150 1011 4.99 — — — — — — — —
6250 1020 5.18 — — — — — — — —
LEGEND
Bhp - Brake Horsepower
High Range Motor/Drive Required
NOTES:
1. Motor drive range is 690 to 893 for low range motor/drive and 852 to 1055 rpm for
high range motor/drive. All other rpms require a field‐supplied drive.
2. Maximum continuous bhp is 3.70 for low range motor/drive and 5.25 for high range
motor/drive.
3. See General Fan Performance Notes.
GENERAL NOTES FOR FAN PERFORMANCE DATA TABLES
1. Static pressure losses from accessories and options
(Humidi-MiZer system, economizer, etc.) must be added
to external static pressure before entering Fan Performance
table. Refer to Accessory/FIOP Static Pressure information.
2. Interpolation is permissible. Do not extrapolate.
3. Fan performance tables are based on wet coils, clean filters,
and casing losses. Gas heat losses are included for 48 series
units.
4. Extensive motor and drive testing on these units ensures
that the full horsepower range of the motor can be utilized
with confidence. Using the fan motors up to the bhp rating
shown will not result in nuisance tripping or premature
motor failure. Unit warranty will not be affected.
5. Use of a field-supplied motor may affect wire size.
Recalculate the unit power supply MCA and MOCP if
required. Contact your Carrier representative for details.
6. Use the following formula to calculate input watts:
Input Watts = Bhp x (746/Motor Eff)
48/50PG and PM

151
Fan Performance — 48PMD16 Vertical Supply / Return Units
CFM
Available External Static Pressure (in. wg)
0.2 0.4 0.6 0.8 1.0
RPM BHP Drive RPM BHP Drive RPM BHP Drive RPM BHP Drive RPM BHP Drive
4500 513 0.79 A 585 0.99 A 656 1.23 A 730 1.53 A 807 1.91 A
4800 535 0.92 A 604 1.14 A 670 1.37 A 738 1.66 A 809 2.02 A
5100 558 1.07 A 624 1.30 A 687 1.54 A 749 1.82 A 814 2.15 A
5400 582 1.23 A 645 1.47 A 704 1.72 A 763 2.00 A 823 2.32 A
5700 605 1.42 A 666 1.67 A 723 1.93 A 779 2.21 A 835 2.52 A
6000 629 1.62 A 688 1.88 A 743 2.15 A 796 2.44 A 848 2.75 A
6300 653 1.83 A 710 2.12 A 763 2.40 A 814 2.69 A 864 3.00 A
6600 677 2.07 A 732 2.37 A 784 2.66 A 833 2.96 A 880 3.28 A
6900 701 2.33 A 755 2.64 A 805 2.95 A 852 3.26 A 898 3.58 A
7200 726 2.61 A 777 2.94 A 826 3.26 A 872 3.58 A 917 3.91 A
7500 750 2.92 A 800 3.25 A 848 3.59 A 893 3.92 A 936 4.26 B
CFM
Available External Static Pressure (in. wg)
1.2 1.4 1.6 1.8 2.0
RPM BHP Drive RPM BHP Drive RPM BHP Drive RPM BHP Drive RPM BHP Drive
4500 880 2.33 A 942 2.75 A 993 3.12 A 1035 3.46 A 1072 3.77 A
4800 881 2.44 A 948 2.90 A 1005 3.34 A 1054 3.74 A 1095 4.11 A
5100 882 2.56 A 950 3.03 A 1012 3.51 A 1065 3.98 A 1112 4.41 B
5400 886 2.71 A 950 3.16 A 1013 3.66 A 1071 4.17 A 1123 4.67 B
5700 893 2.89 A 953 3.32 A 1014 3.81 A 1073 4.34 B 1128 4.88 B
6000 902 3.10 A 958 3.51 A 1016 3.98 A 1074 4.50 B 1130 5.06 B
6300 914 3.35 A 966 3.74 A 1020 4.18 A 1075 4.69 B 1130 5.24 B
6600 928 3.62 A 977 4.00 A 1027 4.43 B 1079 4.91 B 1132 5.44 B
6900 944 3.92 A 990 4.30 B 1037 4.71 B 1085 5.17 B 1135 5.68 B
7200 960 4.25 A 1004 4.63 B 1049 5.03 B 1094 5.47 B 1141 5.96 C
7500 978 4.61 B 1020 4.98 B 1062 5.38 B 1105 5.82 C 1149 6.29 C
Fan Performance — 48PME16 and 48PMF16 Vertical Supply / Return Units
CFM
Available External Static Pressure (in. wg)
0.2 0.4 0.6 0.8 1.0
RPM BHP Drive RPM BHP Drive RPM BHP Drive RPM BHP Drive RPM BHP Drive
4500 527 0.82 A 599 1.03 A 670 1.28 A 745 1.60 A 822 1.99 A
4800 551 0.97 A 619 1.18 A 685 1.43 A 753 1.73 A 825 2.10 A
5100 575 1.12 A 639 1.35 A 701 1.60 A 764 1.89 A 830 2.25 A
5400 599 1.30 A 661 1.54 A 720 1.79 A 779 2.08 A 839 2.42 A
5700 623 1.49 A 683 1.74 A 739 2.00 A 795 2.29 A 851 2.62 A
6000 648 1.70 A 706 1.97 A 760 2.24 A 812 2.53 A 865 2.85 A
6300 673 1.93 A 729 2.21 A 781 2.49 A 831 2.79 A 881 3.11 A
6600 698 2.18 A 752 2.48 A 802 2.77 A 851 3.08 A 898 3.40 A
6900 723 2.46 A 775 2.77 A 824 3.07 A 871 3.39 A 917 3.72 A
7200 749 2.75 A 799 3.08 A 846 3.40 A 892 3.72 A 936 4.06 A
7500 774 3.08 A 823 3.41 A 869 3.74 A 913 4.08 A 956 4.42 B
CFM
Available External Static Pressure (in. wg)
1.2 1.4 1.6 1.8 2.0
RPM BHP Drive RPM BHP Drive RPM BHP Drive RPM BHP Drive RPM BHP Drive
4500 893 2.42 A 953 2.82 A 1002 3.19 A 1043 3.52 A 1078 3.83 A
4800 896 2.54 A 961 3.00 A 1016 3.43 A 1063 3.82 A 1103 4.19 A
5100 899 2.67 A 965 3.14 A 1025 3.63 A 1077 4.09 A 1122 4.51 B
5400 903 2.82 A 967 3.29 A 1029 3.80 A 1086 4.31 B 1135 4.79 B
5700 910 3.01 A 971 3.45 A 1031 3.96 A 1090 4.50 B 1143 5.03 B
6000 920 3.22 A 976 3.65 A 1034 4.14 A 1092 4.68 B 1147 5.24 B
6300 932 3.47 A 985 3.88 A 1039 4.35 B 1094 4.87 B 1149 5.44 B
6600 946 3.76 A 996 4.15 A 1046 4.60 B 1099 5.10 B 1151 5.66 B
6900 962 4.07 A 1009 4.46 B 1056 4.89 B 1105 5.37 B 1155 5.90 C
7200 980 4.41 B 1024 4.80 B 1069 5.22 B 1114 5.68 B 1162 6.19 C
7500 998 4.78 B 1040 5.17 B 1082 5.58 B 1126 6.03 C 1170 6.53 C
LEGEND
BHP - Brake Horsepower (motor input to fan)
RPM - Revolutions Per Minute (fan speed)
Drive - Motor & Pulley Drive Option Based on 460V motor maximum BHP. See
notes on this page.
See General Notes for Fan Performance Data Tables.
NOTES:
Grey Cells indicate field-supplied pulley change required.
Do not exceed listed motor maximum BHP value.
Motor Drive Ranges
(A) Low Range: 208/230 and 460V, RPM Range - 685 to 939, Maximum BHP - 4.26
(B) Mid-Low Range: All voltages, RPM Range - 949 to 1206, Maximum BHP - 5.75
(C) Mid-High Range: All voltages, RPM Range - 941 to 1176, Maximum BHP - 8.63
(D) High Range: Not used
48/50PG and PM

152
Fan Performance — 48PMD20 Vertical Supply/Return Units
CFM
Available External Static Pressure (in. wg)
0.2 0.4 0.6 0.8 1.0 1.2
RPM BHP Drive RPM BHP Drive RPM BHP Drive RPM BHP Drive RPM BHP Drive RPM BHP Drive
5400 582 1.23 A 645 1.47 A 704 1.72 A 763 2.00 A 823 2.32 A 886 2.71 A
5700 605 1.42 A 666 1.67 A 723 1.93 A 779 2.21 A 835 2.52 A 893 2.89 A
6000 629 1.62 A 688 1.88 A 743 2.15 A 796 2.44 A 848 2.75 A 902 3.10 A
6300 653 1.83 A 710 2.12 A 763 2.40 A 814 2.69 A 864 3.00 A 914 3.35 A
6600 677 2.07 A 732 2.37 A 784 2.66 A 833 2.96 A 880 3.28 A 928 3.62 A
6900 701 2.33 A 755 2.64 A 805 2.95 A 852 3.26 A 898 3.58 A 944 3.92 A
7200 726 2.61 A 777 2.94 A 826 3.26 A 872 3.58 A 917 3.91 A 960 4.25 A
7500 750 2.92 A 800 3.25 A 848 3.59 A 893 3.92 A 936 4.26 B 978 4.61 B
7800 775 3.24 A 824 3.60 A 870 3.94 A 913 4.29 B 955 4.64 B 996 5.00 B
8100 800 3.59 A 847 3.96 A 892 4.32 B 935 4.68 B 975 5.04 B 1015 5.41 B
8400 825 3.97 A 871 4.35 B 914 4.73 B 956 5.10 B 996 5.48 B 1035 5.85 C
8700 850 4.38 B 894 4.77 B 937 5.16 B 978 5.55 B 1017 5.93 C 1055 6.32 C
9000 875 4.81 B 918 5.21 B 960 5.62 B 1000 6.02 C 1038 6.42 C 1075 6.82 C
CFM
Available External Static Pressure (in. wg)
1.4 1.6 1.8 2.0 2.2 2.4
RPM BHP Drive RPM BHP Drive RPM BHP Drive RPM BHP Drive RPM BHP Drive RPM BHP Drive
5400 950 3.16 A 1013 3.66 A 1071 4.17 A 1123 4.67 B 1167 5.14 B 1207 5.57 B
5700 953 3.32 A 1014 3.81 A 1073 4.34 B 1128 4.88 B 1177 5.41 B 1221 5.90 C
6000 958 3.51 A 1016 3.98 A 1074 4.50 B 1130 5.06 B 1182 5.63 B 1230 6.19 C
6300 966 3.74 A 1020 4.18 A 1075 4.69 B 1130 5.24 B 1184 5.83 C 1234 6.43 C
6600 977 4.00 A 1027 4.43 B 1079 4.91 B 1132 5.44 B 1184 6.03 C 1236 6.65 C
6900 990 4.30 B 1037 4.71 B 1085 5.17 B 1135 5.68 B 1185 6.25 C 1236 6.86 C
7200 1004 4.63 B 1049 5.03 B 1094 5.47 B 1141 5.96 C 1188 6.51 C 1237 7.10 C
7500 1020 4.98 B 1062 5.38 B 1105 5.82 C 1149 6.29 C 1194 6.81 C 1240 7.38 C
7800 1037 5.37 B 1077 5.77 C 1118 6.20 C 1160 6.66 C 1202 7.16 C 1245 7.70 C
8100 1054 5.79 C 1093 6.19 C 1132 6.61 C 1172 7.07 C 1212 7.55 C 1253 8.08 C
8400 1073 6.24 C 1110 6.64 C 1148 7.07 C 1186 7.51 C 1224 7.99 C 1263 8.50 C
8700 1092 6.72 C 1128 7.13 C 1164 7.55 C 1201 8.00 C 1237 8.47 C 1274 8.97 D
9000 1111 7.22 C 1146 7.64 C 1181 8.07 C 1216 8.51 C 1252 8.98 D 1287 9.48 D
LEGEND
Bhp - Brake Horsepower Input to Fan
Rpm - Fan speed
Drive - Drive option code based on 460V motor max BHP
Grey cells indicate field supplied pulley change required.
Fan Performance — 48PME20 and 48PMF20 — Vertical Supply/Return Units
Available External Static Pressure (in. wg)
0.2 0.4 0.6 0.8 1.0 1.2
CFM RPM BHP Drive RPM BHP Drive RPM BHP Drive RPM BHP Drive RPM BHP Drive RPM BHP Drive
5400 599 1.30 A 661 1.54 A 720 1.79 A 779 2.08 A 839 2.42 A 903 2.82 A
5700 623 1.49 A 683 1.74 A 739 2.00 A 795 2.29 A 851 2.62 A 910 3.01 A
6000 648 1.70 A 706 1.97 A 760 2.24 A 812 2.53 A 865 2.85 A 920 3.22 A
6300 673 1.93 A 729 2.21 A 781 2.49 A 831 2.79 A 881 3.11 A 932 3.47 A
6600 698 2.18 A 752 2.48 A 802 2.77 A 851 3.08 A 898 3.40 A 946 3.76 A
6900 723 2.46 A 775 2.77 A 824 3.07 A 871 3.39 A 917 3.72 A 962 4.07 A
7200 749 2.75 A 799 3.08 A 846 3.40 A 892 3.72 A 936 4.06 A 980 4.41 B
7500 774 3.08 A 823 3.41 A 869 3.74 A 913 4.08 A 956 4.42 B 998 4.78 B
7800 800 3.42 A 847 3.77 A 892 4.12 A 935 4.47 B 976 4.82 B 1017 5.19 B
8100 826 3.79 A 871 4.16 A 915 4.52 B 957 4.88 B 997 5.24 B 1036 5.62 B
8400 851 4.19 A 896 4.57 B 939 4.94 B 979 5.32 B 1018 5.69 B 1057 6.07 C
8700 877 4.62 B 921 5.01 B 962 5.40 B 1002 5.78 C 1040 6.17 C 1077 6.56 C
9000 904 5.07 B 946 5.48 B 986 5.88 C 1025 6.28 C 1062 6.68 C 1098 7.08 C
CFM
Available External Static Pressure (in. wg)
1.4 1.6 1.8 2.0 2.2 2.4
RPM BHP Drive RPM BHP Drive RPM BHP Drive RPM BHP Drive RPM BHP Drive RPM BHP Drive
5400 967 3.29 A 1029 3.80 A 1086 4.31 B 1135 4.79 B 1178 5.25 B 1216 5.68 B
5700 971 3.45 A 1031 3.96 A 1090 4.50 B 1143 5.03 B 1191 5.55 B 1233 6.04 C
6000 976 3.65 A 1034 4.14 A 1092 4.68 B 1147 5.24 B 1198 5.81 C 1244 6.36 C
6300 985 3.88 A 1039 4.35 B 1094 4.87 B 1149 5.44 B 1202 6.04 C 1251 6.64 C
6600 996 4.15 A 1046 4.60 B 1099 5.10 B 1151 5.66 B 1204 6.26 C 1254 6.88 C
6900 1009 4.46 B 1056 4.89 B 1105 5.37 B 1155 5.90 C 1206 6.49 C 1256 7.12 C
7200 1024 4.80 B 1069 5.22 B 1114 5.68 B 1162 6.19 C 1210 6.76 C 1258 7.37 C
7500 1040 5.17 B 1082 5.58 B 1126 6.03 C 1170 6.53 C 1215 7.07 C 1262 7.66 C
7800 1057 5.57 B 1098 5.98 C 1139 6.42 C 1181 6.90 C 1224 7.43 C 1267 8.00 C
8100 1075 6.01 C 1114 6.42 C 1154 6.85 C 1193 7.32 C 1234 7.83 C 1275 8.38 C
8400 1094 6.47 C 1132 6.88 C 1170 7.32 C 1208 7.78 C 1246 8.28 C 1285 8.81 D
8700 1114 6.97 C 1150 7.38 C 1187 7.82 C 1223 8.28 C 1260 8.77 D 1297 9.29 D
9000 1134 7.50 C 1169 7.92 C 1204 8.36 C 1239 8.82 D 1275 9.30 D 1310 9.81 D
LEGEND
Bhp - Brake Horsepower Input to Fan
Rpm - Fan speed
Drive - Drive option code based on 460V motor max BHP
Grey cells indicate field supplied pulley change required.
48/50PG and PM

153
Fan Performance — 48PMD24 — Vertical Supply/Return Units
CFM
Available External Static Pressure (in. wg)
0.2 0.4 0.6 0.8 1.0 1.2
RPM BHP Drive RPM BHP Drive RPM BHP Drive RPM BHP Drive RPM BHP Drive RPM BHP Drive
6000 629 1.62 A 688 1.88 A 743 2.15 A 796 2.44 A 848 2.75 A 902 3.10 A
6400 661 1.91 A 717 2.20 A 770 2.48 A 820 2.78 A 869 3.09 A 919 3.43 A
6800 693 2.24 A 747 2.55 A 798 2.85 A 845 3.16 A 892 3.48 A 939 3.82 A
7200 726 2.61 A 777 2.94 A 826 3.26 A 872 3.58 A 917 3.91 A 960 4.25 A
7600 758 3.02 A 808 3.37 A 855 3.70 A 899 4.04 A 942 4.38 B 984 4.74 B
8000 792 3.48 A 839 3.84 A 884 4.19 A 927 4.55 B 969 4.91 B 1009 5.27 B
8400 825 3.97 A 871 4.35 B 914 4.73 B 956 5.10 B 996 5.48 B 1035 5.85 C
8800 858 4.52 B 902 4.91 B 945 5.31 B 985 5.70 B 1024 6.09 C 1061 6.48 C
9200 892 5.11 B 934 5.52 B 975 5.94 C 1014 6.35 C 1052 6.76 C 1088 7.17 C
9600 926 5.75 C 967 6.18 C 1006 6.62 C 1044 7.05 C 1081 7.48 C 1116 7.90 C
10000 960 6.45 C 999 6.90 C 1037 7.35 C 1074 7.80 C 1110 8.25 C 1144 8.69 D
CFM
Available External Static Pressure (in. wg)
1.4 1.6 1.8 2.0 2.2 2.4
RPM BHP Drive RPM BHP Drive RPM BHP Drive RPM BHP Drive RPM BHP Drive RPM BHP Drive
6000 958 3.51 A 1016 3.98 A 1074 4.50 B 1130 5.06 B 1182 5.63 B 1230 6.19 C
6400 970 3.82 A 1022 4.26 A 1076 4.76 B 1131 5.31 B 1184 5.90 C 1235 6.50 C
6800 985 4.19 A 1033 4.61 B 1083 5.08 B 1134 5.60 B 1185 6.17 C 1236 6.79 C
7200 1004 4.63 B 1049 5.03 B 1094 5.47 B 1141 5.96 C 1188 6.51 C 1237 7.10 C
7600 1026 5.11 B 1067 5.51 B 1109 5.94 C 1152 6.41 C 1196 6.92 C 1241 7.48 C
8000 1048 5.65 B 1088 6.05 C 1128 6.47 C 1168 6.93 C 1208 7.42 C 1250 7.95 C
8400 1073 6.24 C 1110 6.64 C 1148 7.07 C 1186 7.51 C 1224 7.99 C 1263 8.50 C
8800 1098 6.88 C 1134 7.29 C 1170 7.72 C 1206 8.16 C 1242 8.63 D 1278 9.13 D
9200 1124 7.58 C 1159 8.00 C 1193 8.43 C 1228 8.88 D 1262 9.35 D 1296 9.84 D
9600 1151 8.33 C 1184 8.76 D 1218 9.20 D 1251 9.66 D 1284 10.13 D 1316 10.62 D
10000 1178 9.13 D 1211 9.58 D 1243 10.04 D 1275 10.50 D 1307 10.97 D 1338 11.46 ---
LEGEND
Bhp - Brake Horsepower Input to Fan
Rpm - Fan speed
Drive - Drive option code based on 460V motor max BHP
Grey cells indicate field-supplied pulley change required.
Fan Performance — 48PME24 and 48PMF24 — Vertical Supply/Return Units
CFM
Available External Static Pressure (in. wg)
0.2 0.4 0.6 0.8 1.0 1.2
RPM BHP Drive RPM BHP Drive RPM BHP Drive RPM BHP Drive RPM BHP Drive RPM BHP Drive
6000 648 1.70 A 706 1.97 A 760 2.24 A 812 2.53 A 865 2.85 A 920 3.22 A
6400 681 2.01 A 736 2.30 A 788 2.58 A 837 2.88 A 887 3.21 A 937 3.56 A
6800 715 2.36 A 767 2.67 A 817 2.97 A 864 3.28 A 910 3.61 A 957 3.96 A
7200 749 2.75 A 799 3.08 A 846 3.40 A 892 3.72 A 936 4.06 A 980 4.41 B
7600 783 3.19 A 831 3.53 A 877 3.87 A 920 4.21 A 962 4.55 B 1004 4.92 B
8000 817 3.67 A 863 4.03 A 907 4.38 B 949 4.74 B 990 5.10 B 1030 5.47 B
8400 851 4.19 A 896 4.57 B 939 4.94 B 979 5.32 B 1018 5.69 B 1057 6.07 C
8800 886 4.77 B 929 5.16 B 970 5.56 B 1009 5.95 C 1047 6.34 C 1084 6.73 C
9200 921 5.39 B 962 5.81 C 1002 6.22 C 1040 6.63 C 1077 7.04 C 1113 7.45 C
9600 956 6.07 C 996 6.50 C 1034 6.94 C 1071 7.36 C 1107 7.79 C 1142 8.22 C
10000 991 6.81 C 1029 7.26 C 1067 7.71 C 1103 8.15 C 1137 8.60 C 1171 9.04 D
CFM
Available External Static Pressure (in. wg)
1.4 1.6 1.8 2.0 2.2 2.4
RPM BHP Drive RPM BHP Drive RPM BHP Drive RPM BHP Drive RPM BHP Drive RPM BHP Drive
6000 976 3.65 A 1034 4.14 A 1092 4.68 B 1147 5.24 B 1198 5.81 C 1244 6.36 C
6400 988 3.97 A 1041 4.43 B 1095 4.95 B 1150 5.51 B 1202 6.11 C 1252 6.72 C
6800 1004 4.35 B 1053 4.79 B 1103 5.28 B 1154 5.82 C 1205 6.41 C 1255 7.04 C
7200 1024 4.80 B 1069 5.22 B 1114 5.68 B 1162 6.19 C 1210 6.76 C 1258 7.37 C
7600 1046 5.30 B 1087 5.71 B 1130 6.16 C 1173 6.65 C 1218 7.18 C 1263 7.77 C
8000 1069 5.86 C 1109 6.27 C 1149 6.71 C 1189 7.18 C 1230 7.69 C 1272 8.25 C
8400 1094 6.47 C 1132 6.88 C 1170 7.32 C 1208 7.78 C 1246 8.28 C 1285 8.81 D
8800 1121 7.14 C 1157 7.56 C 1192 8.00 C 1228 8.46 C 1265 8.94 D 1301 9.46 D
9200 1148 7.86 C 1182 8.29 C 1217 8.74 D 1251 9.20 D 1285 9.68 D 1320 10.19 D
9600 1176 8.65 D 1209 9.09 D 1242 9.54 D 1275 10.00 D 1308 10.49 D 1341 10.99 D
10000 1204 9.49 D 1236 9.94 D 1268 10.40 D 1300 10.87 D 1332 11.36 --- --- --- ---
LEGEND
Bhp - Brake Horsepower Input to Fan
Rpm - Fan speed
Drive - Drive option code based on 460V motor max BHP
Grey cells indicate field-supplied pulley change required.
48/50PG and PM

154
Fan Performance — 48PMD28 — Vertical Supply/Return Units
CFM
Available External Static Pressure (in. wg)
0.2 0.4 0.6 0.8 1.0 1.2
RPM BHP Drive RPM BHP Drive RPM BHP Drive RPM BHP Drive RPM BHP Drive RPM BHP Drive
7500 719 2.59 A 770 2.93 A 817 3.26 A 861 3.59 A 903 3.93 B 944 4.28 B
8000 759 3.09 A 808 3.45 A 853 3.81 A 895 4.16 B 935 4.51 B 974 4.87 B
8500 799 3.65 A 846 4.03 A 889 4.41 B 930 4.79 B 969 5.16 B 1006 5.54 B
9000 840 4.28 A 884 4.68 B 926 5.09 B 966 5.48 B 1003 5.88 C 1039 6.28 C
9500 881 4.97 B 923 5.40 B 964 5.83 C 1002 6.25 C 1038 6.67 C 1073 7.09 C
10000 922 5.74 B 963 6.19 C 1001 6.64 C 1038 7.09 C 1074 7.53 C 1108 7.97 C
10500 963 6.59 C 1002 7.06 C 1040 7.54 C 1075 8.01 C 1110 8.47 C 1143 8.93 D
11000 1005 7.52 C 1042 8.01 C 1078 8.51 C 1113 9.01 D 1146 9.50 D 1178 9.98 D
11500 1046 8.53 C 1082 9.05 D 1117 9.57 D 1151 10.09 D 1183 10.60 D 1214 11.11 D
12000 1088 9.64 D 1123 10.18 D 1156 10.72 D 1189 11.26 --- --- --- --- --- --- ---
CFM
Available External Static Pressure (in. wg)
1.4 1.6 1.8 2.0 2.2 2.4
RPM BHP Drive RPM BHP Drive RPM BHP Drive RPM BHP Drive RPM BHP Drive RPM BHP Drive
7500 984 4.65 B 1025 5.05 B 1067 5.48 B 1109 5.95 C 1152 6.48 C 1197 7.06 C
8000 1013 5.25 B 1051 5.65 B 1089 6.07 C 1128 6.53 C 1167 7.02 C 1207 7.56 C
8500 1043 5.93 C 1079 6.33 C 1114 6.75 C 1150 7.20 C 1187 7.67 C 1224 8.18 C
9000 1074 6.68 C 1109 7.09 C 1142 7.52 C 1176 7.97 C 1210 8.43 C 1244 8.93 D
9500 1107 7.51 C 1140 7.93 C 1172 8.37 C 1204 8.82 D 1237 9.29 D 1269 9.78 D
10000 1140 8.41 C 1172 8.85 D 1203 9.31 D 1234 9.77 D 1265 10.24 D 1295 10.73 D
10500 1174 9.40 D 1205 9.86 D 1236 10.33 D 1265 10.80 D 1295 11.29 --- --- --- ---
11000 1209 10.46 D 1239 10.95 D 1269 11.43 --- --- --- --- --- --- --- --- --- ---
11500 --- --- --- --- --- --- --- --- --- --- --- --- --- --- --- --- --- ---
12000 --- --- --- --- --- --- --- --- --- --- --- --- --- --- --- --- --- ---
LEGEND
Bhp - Brake Horsepower Input to Fan
Rpm - Fan speed
Drive - Drive option code based on 460V motor max BHP
Grey cells indicate field-supplied pulley change required.
Fan Performance — 48PME28 and 48PMF28 — Vertical Supply/Return Units
CFM
Available External Static Pressure (in. wg)
0.2 0.4 0.6 0.8 1.0 1.2
RPM BHP Driv
e
RPM BHP Driv
e
RPM BHP Driv
e
RPM BHP Driv
e
RPM BHP Driv
e
RPM BHP Driv
e
7500 743 2.75 A 792 3.09 A 838 3.42 A 881 3.75 B 922 4.09 B 963 4.45 B
8000 785 3.28 A 832 3.64 A 875 3.99 B 916 4.34 B 956 4.70 B 995 5.07 B
8500 827 3.88 A 872 4.26 A 914 4.63 B 953 5.01 B 991 5.38 B 1028 5.77 C
9000 869 4.54 A 912 4.95 B 952 5.35 B 990 5.74 B 1027 6.14 C 1062 6.54 C
9500 912 5.28 B 953 5.71 B 991 6.13 C 1028 6.55 C 1063 6.97 C 1098 7.39 C
10000 954 6.10 C 994 6.55 C 1031 7.00 C 1067 7.44 C 1101 7.88 C 1134 8.32 C
10500 997 7.00 C 1035 7.47 C 1071 7.95 C 1105 8.41 C 1138 8.87 D 1170 9.34 D
11000 1040 7.99 C 1076 8.48 C 1111 8.98 D 1144 9.47 D 1177 9.96 D 1208 10.44 D
11500 1083 9.06 D 1118 9.59 D 1152 10.10 D 1184 10.62 D 1215 11.13 D --- --- ---
12000 1126 10.24 D 1160 10.78 D 1192 11.32 --- --- --- --- --- --- --- --- --- ---
CFM
Available External Static Pressure (in. wg)
1.4 1.6 1.8 2.0 2.2 2.4
RPM BHP Driv
e
RPM BHP Driv
e
RPM BHP Driv
e
RPM BHP Driv
e
RPM BHP Driv
e
RPM BHP Driv
e
7500 1003 4.83 B 1045 5.24 B 1086 5.70 B 1129 6.19 C 1173 6.74 C 1218 7.35 C
8000 1033 5.46 B 1071 5.87 C 1109 6.31 C 1148 6.78 C 1188 7.30 C 1229 7.86 C
8500 1064 6.16 C 1100 6.58 C 1136 7.01 C 1172 7.47 C 1208 7.97 C 1246 8.50 C
9000 1097 6.95 C 1131 7.37 C 1165 7.81 C 1198 8.27 C 1233 8.75 D 1267 9.27 D
9500 1131 7.81 C 1163 8.25 C 1196 8.69 D 1228 9.16 D 1260 9.64 D 1292 10.15 D
10000 1166 8.76 D 1197 9.21 D 1228 9.67 D 1259 10.14 D 1289 10.63 D 1319 11.13 D
10500 1201 9.80 D 1232 10.26 D 1261 10.74 D 1291 11.22 --- --- --- --- --- --- ---
11000 1238 10.92 D 1267 11.41 --- --- --- --- --- --- --- --- --- --- --- --- ---
11500 --- --- --- --- --- --- --- --- --- --- --- --- --- --- --- --- --- ---
12000 --- --- --- --- --- --- --- --- --- --- --- --- --- --- --- --- --- ---
LEGEND
Bhp - Brake Horsepower Input to Fan
Rpm - Fan speed
Drive - Drive option code based on 460V motor max BHP
Grey cells indicate field-supplied pulley change required.
48/50PG and PM

155
Fan Performance — 50PM16 Vertical Supply / Return Units
CFM
Available External Static Pressure (in. wg)
0.2 0.4 0.6 0.8 1.0
RPM BHP Drive RPM BHP Drive RPM BHP Drive RPM BHP Drive RPM BHP Drive
4500 467 0.67 A 544 0.87 A 615 1.09 A 687 1.35 A - - -
4800 486 0.78 A 561 1.00 A 628 1.22 A 694 1.47 A 763 1.78 A
5100 506 0.91 A 578 1.13 A 642 1.36 A 704 1.61 A 768 1.91 A
5400 526 1.04 A 596 1.28 A 658 1.53 A 717 1.78 A 776 2.06 A
5700 547 1.19 A 614 1.45 A 674 1.70 A 731 1.96 A 786 2.25 A
6000 568 1.36 A 632 1.63 A 691 1.90 A 746 2.17 A 798 2.45 A
6300 589 1.54 A 651 1.82 A 708 2.11 A 761 2.39 A 812 2.68 A
6600 610 1.74 A 670 2.04 A 726 2.33 A 777 2.63 A 827 2.92 A
6900 632 1.96 A 689 2.27 A 743 2.58 A 794 2.88 A 842 3.19 A
7200 654 2.19 A 709 2.51 A 762 2.84 A 811 3.16 A 858 3.48 A
7500 676 2.45 A 729 2.78 A 780 3.12 A 829 3.45 A 874 3.79 A
CFM
Available External Static Pressure (in. wg)
1.2 1.4 1.6 1.8 2.0
RPM BHP Drive RPM BHP Drive RPM BHP Drive RPM BHP Drive RPM BHP Drive
4500 - - - - - - - - - - - - - - -
4800 - - - - - - - - - - - - - - -
5100 834 2.26 A - - - - - - - - - - - -
5400 836 2.40 A 900 2.80 A - - - - - - - - -
5700 842 2.57 A 901 2.94 A - - - - - - - - -
6000 851 2.76 A 905 3.12 A 961 3.53 A - - - - - -
6300 862 2.99 A 913 3.33 A 965 3.72 A 1018 4.17 A - - -
6600 875 3.24 A 923 3.58 A 971 3.95 A 1021 4.37 B 1073 4.85 B
6900 888 3.51 A 934 3.85 A 980 4.21 A 1027 4.62 B 1075 5.07 B
7200 903 3.80 A 947 4.15 A 991 4.51 B 1035 4.90 B 1080 5.33 B
7500 918 4.12 A 961 4.47 B 1003 4.83 B 1045 5.22 B 1088 5.64 B
LEGEND
BHP - Brake Horsepower (motor input to fan)
RPM - Revolutions Per Minute (fan speed)
Drive - Motor & Pulley Drive Option Based on 460V motor maximum BHP. See
notes on this page.
See General Notes for Fan Performance Data Tables.
NOTES:
Grey Cells indicate field-supplied pulley change required.
Do not exceed listed motor maximum BHP value.
Motor Drive Ranges
(A) Low Range:
208/230 and 460V - RPM Range - 685 to 939, Maximum BHP - 4.26
575V - RPM Range - 751 to 954 , Maximum BHP - 5.75
(B) Mid-Low Range: All voltages,
RPM Range - 949 to 1206, Maximum BHP - 5.75
(C) Mid-High Range: All voltages,
RPM Range - 941 to 1176, Maximum BHP - 8.63
(D) High Range: Not Used
48/50PG and PM

156
Fan Performance — 50PM20 — Vertical Supply/Return Units
CFM
Available External Static Pressure (in. wg)
0.2 0.4 0.6 0.8 1.0 1.2
RP
MBHP Drive RPM BHP Drive RPM BHP Drive RPM BHP Drive RPM BHP Drive RPM BHP Drive
5400 526 1.04 A 596 1.28 A 658 1.53 A 717 1.78 A 776 2.06 A 836 2.40 A
5700 547 1.19 A 614 1.45 A 674 1.70 A 731 1.96 A 786 2.25 A 842 2.57 A
6000 568 1.36 A 632 1.63 A 691 1.90 A 746 2.17 A 798 2.45 A 851 2.76 A
6300 589 1.54 A 651 1.82 A 708 2.11 A 761 2.39 A 812 2.68 A 862 2.99 A
6600 610 1.74 A 670 2.04 A 726 2.33 A 777 2.63 A 827 2.92 A 875 3.24 A
6900 632 1.96 A 689 2.27 A 743 2.58 A 794 2.88 A 842 3.19 A 888 3.51 A
7200 654 2.19 A 709 2.51 A 762 2.84 A 811 3.16 A 858 3.48 A 903 3.80 A
7500 676 2.45 A 729 2.78 A 780 3.12 A 829 3.45 A 874 3.79 A 918 4.12 A
7800 698 2.72 A 749 3.06 A 799 3.42 A 846 3.77 A 891 4.11 A 934 4.46 B
8100 720 3.02 A 770 3.37 A 818 3.73 A 864 4.10 A 908 4.46 B 950 4.82 B
8400 743 3.33 A 791 3.70 A 837 4.07 A 883 4.45 B 926 4.83 B 967 5.20 B
8700 765 3.67 A 812 4.05 A 857 4.44 B 901 4.83 B 943 5.22 B 984 5.61 B
9000 788 4.03 A 833 4.42 B 877 4.82 B 920 5.23 B 961 5.63 B 1001 6.03 C
CFM
Available External Static Pressure (in. wg)
1.4 1.6 1.8 2.0 2.2 2.4
RPM BHP Drive RPM BHP Drive RPM BHP Drive RPM BHP Drive RPM BHP Drive RPM BHP Drive
5400 900 2.80 A -- --- --- --- --- --- --- --- --- --- --- --- --- --- ---
5700 901 2.94 A --- --- --- --- --- --- --- --- --- --- --- --- --- --- ---
6000 905 3.12 A 961 3.53 A --- --- --- --- --- --- --- --- --- --- --- ---
6300 913 3.33 A 965 3.72 A 1018 4.17 A --- --- --- --- --- --- --- --- ---
6600 923 3.58 A 971 3.95 A 1021 4.37 B 1073 4.85 B --- --- --- --- --- ---
6900 934 3.85 A 980 4.21 A 1027 4.62 B 1075 5.07 B 1124 5.57 B --- --- ---
7200 947 4.15 A 991 4.51 B 1035 4.90 B 1080 5.33 B 1126 5.81 C 1174 6.33 C
7500 961 4.47 B 1003 4.83 B 1045 5.22 B 1088 5.64 B 1131 6.09 C 1176 6.59 C
7800 975 4.81 B 1016 5.18 B 1057 5.56 B 1097 5.98 C 1138 6.42 C 1180 6.90 C
8100 991 5.18 B 1030 5.56 B 1069 5.94 C 1108 6.35 C 1147 6.78 C 1187 7.25 C
8400 1007 5.58 B 1045 5.96 C 1083 6.35 C 1120 6.75 C 1158 7.18 C 1196 7.64 C
8700 1023 5.99 C 1060 6.38 C 1097 6.78 C 1134 7.19 C 1170 7.62 C 1206 8.07 C
9000 1039 6.43 C 1076 6.84 C 1112 7.24 C 1148 7.66 C 1183 8.09 C 1218 8.53 C
LEGEND
Bhp - Brake Horsepower Input to Fan
Rpm - Fan speed
Drive - Drive option code based on 460V motor max BHP
Grey cells indicate field-supplied pulley change required.
Fan Performance — 50PM24 — Vertical Supply/Return Units
Available External Static Pressure (in. wg)
0.2 0.4 0.6 0.8 1.0 1.2
CFM RPM BHP Drive RPM BHP Drive RPM BHP Drive RPM BHP Drive RPM BHP Drive RPM BHP Drive
6000 568 1.36 A 632 1.63 A 691 1.90 A 746 2.17 A 798 2.45 A 851 2.76 A
6400 596 1.61 A 657 1.89 A 714 2.18 A 767 2.47 A 817 2.76 A 866 3.07 A
6800 625 1.88 A 683 2.19 A 737 2.49 A 789 2.80 A 837 3.10 A 884 3.42 A
7200 654 2.19 A 709 2.51 A 762 2.84 A 811 3.16 A 858 3.48 A 903 3.80 A
7600 683 2.54 A 736 2.87 A 786 3.21 A 835 3.55 A 880 3.89 A 923 4.23 A
8000 713 2.91 A 763 3.27 A 812 3.63 A 858 3.99 A 903 4.34 B 945 4.70 B
8400 743 3.33 A 791 3.70 A 837 4.07 A 883 4.45 B 926 4.83 B 967 5.20 B
8800 773 3.79 A 819 4.17 A 864 4.56 B 907 4.96 B 949 5.36 B 990 5.75 B
9200 803 4.28 B 847 4.68 B 890 5.09 B 933 5.51 B 973 5.92 C 1013 6.33 C
9600 833 4.82 B 876 5.24 B 917 5.66 B 958 6.10 C 998 6.53 C 1036 6.96 C
10000 864 5.41 B 905 5.84 C 945 6.28 C 984 6.73 C 1023 7.18 C 1060 7.63 C
CFM
Available External Static Pressure (in. wg)
1.4 1.6 1.8 2.0 2.2 2.4
RPM BHP Drive RPM BHP Drive RPM BHP Drive RPM BHP Drive RPM BHP Drive RPM BHP Drive
6000 905 3.12 A 961 3.53 A --- --- --- --- --- --- --- --- --- --- --- ---
6400 916 3.41 A 967 3.80 A 1019 4.23 A 1073 4.72 B --- --- --- --- --- ---
6800 930 3.75 A 977 4.12 A 1025 4.53 B 1074 4.99 B 1124 5.50 B --- --- ---
7200 947 4.15 A 991 4.51 B 1035 4.90 B 1080 5.33 B 1126 5.81 C 1174 6.33 C
7600 966 4.58 B 1007 4.94 B 1049 5.33 B 1091 5.74 B 1133 6.20 C 1177 6.69 C
8000 986 5.06 B 1025 5.43 B 1065 5.81 C 1104 6.22 C 1144 6.66 C 1185 7.13 C
8400 1007 5.58 B 1045 5.96 C 1083 6.35 C 1120 6.75 C 1158 7.18 C 1196 7.64 C
8800 1028 6.14 C 1066 6.53 C 1102 6.93 C 1138 7.34 C 1174 7.77 C 1210 8.22 C
9200 1050 6.74 C 1087 7.15 C 1123 7.56 C 1157 7.98 C 1192 8.42 C 1226 8.86 D
9600 1073 7.39 C 1109 7.81 C 1144 8.24 C 1178 8.67 D 1211 9.11 D 1244 9.56 D
10000 1096 8.08 C 1131 8.52 C 1165 8.97 D 1198 9.41 D 1231 9.86 D 1263 10.32 D
LEGEND
Bhp - Brake Horsepower Input to Fan
Rpm - Fan speed
Drive - Drive option code based on 460V motor max BHP
Grey cells indicate field-supplied pulley change required.
48/50PG and PM

157
Fan Performance — 50PM28 — Vertical Supply/Return Units
CFM
Available External Static Pressure (in. wg)
0.2 0.4 0.6 0.8 1.0 1.2
RP
MBHP Driv
e
RP
MBHP Driv
eRPM BHP Driv
eRPM BHP Driv
eRPM BHP Driv
eRPM BHP Driv
e
7500 640 2.12 A 697 2.45 A 750 2.79 A 798 3.13 A 843 3.46 A 886 3.79 B
8000 676 2.53 A 729 2.88 A 780 3.24 A 827 3.60 A 871 3.95 A 912 4.30 B
8500 711 2.99 A 762 3.36 A 810 3.74 A 856 4.12 A 899 4.50 B 939 4.87 B
9000 748 3.50 A 795 3.89 A 842 4.29 A 886 4.70 B 928 5.10 B 967 5.50 B
9500 784 4.08 A 829 4.48 A 874 4.90 B 916 5.33 B 957 5.76 C 996 6.18 C
10000 820 4.71 A 864 5.13 A 906 5.57 B 947 6.02 C 987 6.47 C 1025 6.92 C
10500 857 5.41 A 899 5.85 C 939 6.31 C 979 6.78 C 1017 7.25 C 1054 7.73 C
11000 894 6.18 C 934 6.63 C 973 7.11 C 1011 7.60 C 1048 8.10 C 1084 8.59 C
11500 931 7.02 C 969 7.49 C 1007 7.98 C 1043 8.49 C 1079 9.01 D 1114 9.53 D
12000 969 7.93 C 1005 8.42 C 1041 8.93 D 1076 9.46 D 1111 10.00 D 1145 10.54 D
Available External Static Pressure (in. wg)
1.4 1.6 1.8 2.0 2.2 2.4
CFM RP
MBHP Driv
eRPM BHP Driv
eRPM BHP Driv
eRPM BHP Driv
eRPM BHP Driv
eRPM BHP Driv
e
7500 927 4.13 B 968 4.49 B 1008 4.88 B 1050 5.30 B 1092 5.75 C 1134 6.26 C
8000 952 4.66 B 990 5.03 B 1028 5.41 B 1067 5.82 C 1105 6.26 C 1144 6.73 C
8500 978 5.25 B 1015 5.63 B 1051 6.02 C 1087 6.43 C 1123 6.85 C 1159 7.31 C
9000 1005 5.89 C 1041 6.29 C 1076 6.69 C 1110 7.11 C 1144 7.54 C 1178 7.98 C
9500 1032 6.60 C 1067 7.02 C 1101 7.44 C 1134 7.86 C 1167 8.30 C 1199 8.75 D
10000 1061 7.37 C 1095 7.81 C 1128 8.24 C 1160 8.69 D 1192 9.13 D 1223 9.59 D
10500 1089 8.19 C 1123 8.66 D 1155 9.12 D 1187 9.58 D 1218 10.04 D 1248 10.51 D
11000 1118 9.09 D 1152 9.58 D 1183 10.06 D 1214 10.54 D 1244 11.03 D --- --- ---
11500 1148 10.05 D 1181 10.56 D 1212 11.07 D --- --- --- --- --- --- --- --- ---
12000 1178 11.08 D--- --- --- --- --- --- --- --- --- --- --- --- --- --- ---
LEGEND
Bhp - Brake Horsepower Input to Fan
Rpm - Fan speed
Drive - Drive option code based on 460V motor max BHP
Grey cells indicate field-supplied pulley change required.
48/50PG and PM

158
Fan Performance — 48PMD16 Horizontal Supply / Return Units
CFM
Available External Static Pressure (in. wg)
0.2 0.4 0.6 0.8 1.0
RPM BHP Drive RPM BHP Drive RPM BHP Drive RPM BHP Drive RPM BHP Drive
4500 787 2.11 F 847 2.38 F 904 2.65 F 957 2.92 F 1008 2.88 F
4800 832 2.42 F 889 2.70 F 943 2.98 F 994 3.26 F 1042 3.25 F
5100 877 2.76 F 931 3.05 F 982 3.33 F 1031 3.30 F 1078 3.66 F
5400 922 3.13 F 974 3.43 F 1023 3.38 F 1070 3.74 F 1115 4.12 F
5700 967 3.53 F 1017 3.47 F 1064 3.84 F 1109 4.22 F 1153 4.61 G
6000 1013 3.58 F 1060 3.96 F 1105 4.35 G 1149 4.75 G 1191 5.16 G
6300 1059 4.10 F 1104 4.50 G 1147 4.91 G 1189 5.32 G 1230 5.75 G
6600 1105 4.67 G 1148 5.09 G 1190 5.52 G 1230 5.95 H 1269 6.39 H
6900 1151 5.30 G 1192 5.73 G 1232 6.17 H 1272 6.62 H 1310 7.08 H
7200 1197 5.98 H 1237 6.43 H 1275 6.89 H 1313 7.36 H 1350 7.83 H
7500 1243 6.71 H 1281 7.18 H 1319 7.66 H 1355 8.14 H 1391 8.63 H
CFM
Available External Static Pressure (in. wg)
1.2 1.4 1.6 1.8 2.0
RPM BHP Drive RPM BHP Drive RPM BHP Drive RPM BHP Drive RPM BHP Drive
4500 1056 3.21 F 1103 3.56 F 1147 3.91 F 1191 4.28 G 1233 4.65 G
4800 1089 3.60 F 1134 3.96 F 1178 4.33 G 1220 4.71 G 1261 5.10 G
5100 1124 4.03 F 1167 4.41 G 1209 4.79 G 1250 5.18 G 1290 5.58 G
5400 1159 4.50 G 1201 4.89 G 1242 5.29 G 1282 5.70 G 1320 6.12 H
5700 1195 5.01 G 1236 5.42 G 1275 5.84 H 1314 6.26 H 1352 6.69 H
6000 1232 5.57 G 1271 6.00 H 1310 6.43 H 1348 6.87 H 1384 7.31 H
6300 1269 6.18 H 1308 6.62 H 1345 7.07 H 1382 7.52 H ---- --- ---
6600 1308 6.84 H 1345 7.29 H 1381 7.76 H ---- --- --- ---- --- ---
6900 1347 7.55 H 1383 8.02 H ---- --- --- ---- --- --- ---- --- ---
7200 1386 8.31 H ---- --- --- ---- --- --- ---- --- --- ---- --- ---
7500 ---- --- --- ---- --- --- ---- --- --- ---- --- --- ---- --- ---
Fan Performance — 48PME16 Horizontal Supply / Return Units
CFM
Available External Static Pressure (in. wg)
0.2 0.4 0.6 0.8 1.0
RPM BHP Drive RPM BHP Drive RPM BHP Drive RPM BHP Drive RPM BHP Drive
4500 800 2.18 F 861 2.47 F 918 2.75 F 972 3.04 F 1024 3.01 F
4800 845 2.51 F 903 2.80 F 958 3.10 F 1009 3.05 F 1059 3.41 F
5100 891 2.86 F 946 3.17 F 998 3.47 F 1048 3.47 F 1095 3.84 F
5400 937 3.24 F 989 3.56 F 1039 3.54 F 1087 3.93 F 1133 4.32 G
5700 983 3.66 F 1033 3.63 F 1081 4.03 F 1127 4.43 G 1171 4.84 G
6000 1029 3.74 F 1077 4.15 F 1123 4.56 G 1167 4.98 G 1210 5.41 G
6300 1075 4.28 G 1121 4.71 G 1165 5.14 G 1208 5.58 G 1249 6.03 H
6600 1122 4.88 G 1166 5.32 G 1208 5.78 H 1250 6.24 H 1290 6.70 H
6900 1169 5.52 G 1211 5.99 H 1252 6.46 H 1292 6.94 H 1330 7.43 H
7200 1215 6.23 H 1256 6.72 H 1296 7.21 H 1334 7.71 H 1371 8.21 H
7500 1262 7.00 H 1302 7.50 H 1340 8.01 H 1377 8.53 H ---- ---- ---
CFM
Available External Static Pressure (in. wg)
1.2 1.4 1.6 1.8 2.0
RPM BHP Drive RPM BHP Drive RPM BHP Drive RPM BHP Drive RPM BHP Drive
4500 1073 3.36 F 1120 3.71 F 1165 4.07 F 1209 4.43 G 1252 4.80 G
4800 1106 3.77 F 1152 4.14 F 1196 4.52 G 1239 4.90 G 1280 5.29 G
5100 1141 4.22 F 1186 4.61 G 1228 5.01 G 1270 5.41 G 1310 5.81 H
5400 1177 4.72 G 1220 5.13 G 1261 5.54 G 1302 5.95 H 1341 6.38 H
5700 1214 5.26 G 1255 5.68 G 1296 6.11 H 1335 6.55 H 1373 6.99 H
6000 1251 5.85 H 1292 6.29 H 1331 6.74 H 1369 7.19 H ---- ---- ---
6300 1290 6.49 H 1329 6.95 H 1367 7.41 H ---- ---- --- ---- ---- ---
6600 1328 7.18 H 1366 7.65 H ---- ---- --- ---- ---- --- ---- ---- ---
6900 1368 7.92 H ---- ---- --- ---- ---- --- ---- ---- --- ---- ---- ---
7200 ---- ---- --- ---- ---- --- ---- ---- --- ---- ---- --- ---- ---- ---
7500 ---- ---- --- ---- ---- --- ---- ---- --- ---- ---- --- ---- ---- ---
LEGEND
BHP - Brake Horsepower (motor input to fan)
RPM - Revolutions Per Minute (fan speed)
Drive - Motor & Pulley Drive Option Based on 460V motor maximum
BHP. See notes on this page.
NOTES:
Grey Cells - Indicates field-supplied pulley change required.
Do not exceed listed motor maximum BHP value.
Motor Drive Ranges
(E) Low Range: Not Used
(F) Mid-Low Range: 208/230 and 460V - RPM Range - 896 to 1227,
Maximum BHP - 4.26
(G) Mid-High Range: All voltages, RPM Range - 1113 to 1414,
Maximum BHP - 5.75
(H) High Range: All voltages, RPM Range - 1096 to 1339,
Maximum BHP - 8.63
See General Notes for Fan Performance Data Tables.
48/50PG and PM

159
Fan Performance — 48PMD20 — Horizontal Supply/Return Units
Airflow
(Cfm)
Available External Static Pressure (in. wg)
0.2 0.4 0.6 0.8 1.0
Rpm Bhp Rpm Bhp Rpm Bhp Rpm Bhp Rpm Bhp
5000 862 2.65 917 2.93 F969 3.21 F1019 3.17 F1066 3.52
5500 F\937 3.26 F988 3.56 1036 3.53 1083 3.90 G1127 4.28
6000 \1013 3.58 1060 3.96 1105 4.35 G1149 4.75 1191 5.16
6500 1089 4.48 G1133 4.89 G1175 5.31 1216 5.73 H1256 6.17
7000 G \1166 5.52 H1207 5.96 H1247 6.41 H1285 6.86 1323 7.32
7500 H\1243 6.71 1282 7.18 1319 7.66 1355 8.14 1391 8.63
8000 \1320 8.07 1356 8.57 1392 9.08 — — — —
8500 1398 9.60 — — — — — — — —
9000 — — — — — — — — — —
Airflow
(Cfm)
Available External Static Pressure (in. wg)
1.2 1.4 1.6 1.8 2.0
Rpm Bhp Rpm Bhp Rpm Bhp Rpm Bhp Rpm Bhp
5000 F 1112 3.88 F1156 4.25 G1199 4.63 G1240 5.02 G1280 5.42
5500 G1171 4.67 G1212 5.06 1253 5.47 H1292 5.88 H1331 6.30
6000 1232 5.57 H1271 6.00 H1310 6.43 1348 6.87 1384 7.31
6500 H 1295 6.61 1333 7.06 1369 7.52 — — — —
7000 1360 7.80 1396 8.27 — — — — — —
7500 — — — — — — — — — —
8000 — — — — — — — — — —
8500 — — — — — — — — — —
9000 — — — — — — — — — —
LEGEND
Bhp - Brake Horsepower Input to Fan
Boldface indicates field-supplied drive required.
NOTES:
1. Motor drive ranges:
(E) Low Range: Not Used
(F) Mid‐Low Range: 896 to 1227 rpm, 4.26 Bhp (208/230 and 460‐v), 873 to 1108
rpm, 5.75 Bhp (575‐v)
(G) Mid‐High Range: 1113 to 1414 rpm, 5.75 Bhp
(H) High Range: 1096 to 1339 rpm, 8.63 Bhp
All other rpms require field-supplied drive.
2. See General Fan Performance Notes.
48/50PG and PM

160
Fan Performance — 48PME20 — Horizontal Supply/Return Units
Airflow
(Cfm)
Available External Static Pressure (in. wg)
0.2 0.4 0.6 0.8 1.0
Rpm Bhp Rpm Bhp Rpm Bhp Rpm Bhp Rpm Bhp
5000 875 2.74 931 3.04 F984 3.34 F1035 3.33 F1083 3.69
5500 F\952 3.38 F1003 3.32 1053 3.70 1100 4.09 G1145 4.49
6000 \1029 3.74 1077 4.15 G1123 4.56 G1167 4.98 1210 5.41
6500 1106 4.67 G1151 5.11 1194 5.56 H1236 6.01 H1276 6.47
7000 G \1184 5.75 H1226 6.23 H1266 6.71 1306 7.19 1344 7.68
7500 H \1262 7.00 1302 7.50 1340 8.01 1377 8.53 — —
8000 \1341 8.41 1378 8.95 — — — — — —
8500 — — — — — — — — — —
9000 — — — — — — — — — —
Airflow
(Cfm)
Available External Static Pressure (in. wg)
1.2 1.4 1.6 1.8 2.0
Rpm Bhp Rpm Bhp Rpm Bhp Rpm Bhp Rpm Bhp
5000 F 1130 4.07 G1174 4.45 G1218 4.84 G1259 5.23 G1300 5.63
5500 G 1189 4.90 1232 5.31 1273 5.72 H1313 6.15 1352 6.58
6000 H1251 5.85 H1292 6.29 H1331 6.74 1369 7.19 — —
6500 1315 6.94 1354 7.41 1391 7.89 — — — —
7000 1381 8.18 — — — — — — — —
7500 — — — — — — — — — —
8000 — — — — — — — — — —
8500 — — — — — — — — — —
9000 — — — — — — — — — —
LEGEND
Bhp - Brake Horsepower Input to Fan
Boldface indicates field-supplied drive required.
NOTES:
1. Motor drive ranges:
(E) Low Range: Not Used
(F) Mid‐Low Range: 896 to 1227 rpm, 4.26 Bhp (208/230 and 460‐v), 873 to 1108
rpm, 5.75 Bhp (575‐v)
(G) Mid‐High Range: 1113 to 1414 rpm, 5.75 Bhp
(H) High Range: 1096 to 1339 rpm, 8.63 Bhp
All other rpms require field-supplied drive.
2. See General Fan Performance Notes.
Fan Performance — 48PMF20 — Horizontal Supply/Return Units
Airflow
(Cfm)
Available External Static Pressure (in. wg)
0.2 0.4 0.6 0.8 1.0
Rpm Bhp Rpm Bhp Rpm Bhp Rpm Bhp Rpm Bhp
5000 875 2.74 931 3.04 F984 3.34 F1035 3.33 F1083 3.69
5500 F\952 3.38 F1003 3.32 1053 3.70 1100 4.09 G1145 4.49
6000 \1029 3.74 1077 4.15 G1123 4.56 G1167 4.98 1210 5.41
6500 1106 4.67 G1151 5.11 1194 5.56 H1236 6.01 H1276 6.47
7000 G \1184 5.75 H1226 6.23 H1266 6.71 1306 7.19 1344 7.68
7500 H \1262 7.00 1302 7.50 1340 8.01 1377 8.53 — —
8000 \1341 8.41 1378 8.95 — — — — — —
8500 — — — — — — — — — —
9000 — — — — — — — — — —
Airflow
(Cfm)
Available External Static Pressure (in. wg)
1.2 1.4 1.6 1.8 2.0
Rpm Bhp Rpm Bhp Rpm Bhp Rpm Bhp Rpm Bhp
5000 F 1130 4.07 G1174 4.45 G1218 4.84 G1259 5.23 G1300 5.63
5500 G 1189 4.90 1232 5.31 1273 5.72 H1313 6.15 1352 6.58
6000 H1251 5.85 H1292 6.29 H1331 6.74 1369 7.19 — —
6500 1315 6.94 1354 7.41 1391 7.89 — — — —
7000 1381 8.18 — — — — — — — —
7500 — — — — — — — — — —
8000 — — — — — — — — — —
8500 — — — — — — — — — —
9000 — — — — — — — — — —
LEGEND
Bhp - Brake Horsepower Input to Fan
Boldface indicates field-supplied drive required.
NOTES:
1. Motor drive ranges:
(E) Low Range: Not Used
(F) Mid‐Low Range: 896 to 1227 rpm, 4.26 Bhp (208/230 and 460‐v), 873 to 1108
rpm, 5.75 Bhp (575‐v)
(G) Mid‐High Range: 1113 to 1414 rpm, 5.75 Bhp
(H) High Range: 1096 to 1339 rpm, 8.63 Bhp
All other rpms require field-supplied drive.
2. See General Fan Performance Notes.
48/50PG and PM

161
Fan Performance — 48PMD24 — Horizontal Supply/Return Units
Airflow
(Cfm)
Available External Static Pressure (in. wg)
0.2 0.4 0.6 0.8 1.0
Rpm Bhp Rpm Bhp Rpm Bhp Rpm Bhp Rpm Bhp
5500 F\937 3.26 F988 3.56 F1036 3.53 F1083 3.90 G1127 4.28
6000 \1013 3.58 1060 3.96 1105 4.35 G1149 4.75 1191 5.16
6500 1089 4.48 G1133 4.89 G1175 5.31 1216 5.73 H1256 6.17
7000 G \1166 5.52 H1207 5.96 H1247 6.41 H1285 6.86 1323 7.32
7500 H\1243 6.71 1282 7.18 1319 7.66 1355 8.14 1391 8.63
8000 \1320 8.07 1356 8.57 1392 9.08 — — — —
8500 1398 9.60 — — — — — — — —
9000 — — — — — — — — — —
9500 — — — — — — — — — —
10000 — — — — — — — — — —
Airflow
(Cfm)
Available External Static Pressure (in. wg)
1.2 1.4 1.6 1.8 2.0
Rpm Bhp Rpm Bhp Rpm Bhp Rpm Bhp Rpm Bhp
5500 G1171 4.67 G1212 5.06 G1253 5.47 H1292 5.88 H1331 6.30
6000 1232 5.57 H1271 6.00 H1310 6.43 1348 6.87 1384 7.31
6500 H 1295 6.61 1333 7.06 1369 7.52 — — — —
7000 1360 7.80 1396 8.27 — — — — — —
7500 — — — — — — — — — —
8000 — — — — — — — — — —
8500 — — — — — — — — — —
9000 — — — — — — — — — —
9500 — — — — — — — — — —
10000 — — — — — — — — — —
LEGEND
Bhp - Brake Horsepower Input to Fan
Boldface indicates field-supplied drive required.
NOTES:
1. Motor drive ranges:
(E) Low Range: Not Used
(F) Mid‐Low Range: 896 to 1227 rpm, 4.26 Bhp (208/230 and 460‐v), 873 to 1108
rpm, 5.75 Bhp (575‐v)
(G) Mid‐High Range: 1113 to 1414 rpm, 5.75 Bhp
(H) High Range: 1096 to 1339 rpm, 8.63 Bhp
All other rpms require field-supplied drive.
2. See General Fan Performance Notes.
Fan Performance — 48PME24 — Horizontal Supply/Return Units
Airflow
(Cfm)
Available External Static Pressure (in. wg)
0.2 0.4 0.6 0.8 1.0
Rpm Bhp Rpm Bhp Rpm Bhp Rpm Bhp Rpm Bhp
5500 F\952 3.38 F1003 3.32 F1053 3.70 F1100 4.09 G1145 4.49
6000 \1029 3.74 1077 4.15 G1123 4.56 G1167 4.98 1210 5.41
6500 1106 4.67 G1151 5.11 1194 5.56 H1236 6.01 H1276 6.47
7000 G\1184 5.75 H1226 6.23 H1266 6.71 1306 7.19 1344 7.68
7500 H\1262 7.00 1302 7.50 1340 8.01 1377 8.53 — —
8000 \1341 8.41 1378 8.95 — — — — — —
8500 — — — — — — — — — —
9000 — — — — — — — — — —
9500 — — — — — — — — — —
10000 — — — — — — — — — —
Airflow
(Cfm)
Available External Static Pressure (in. wg)
1.2 1.4 1.6 1.8 2.0
Rpm Bhp Rpm Bhp Rpm Bhp Rpm Bhp Rpm Bhp
5500 G1189 4.90 G1232 5.31 G1273 5.72 H1313 6.15 1352 6.58
6000 H1251 5.85 H1292 6.29 H1331 6.74 1369 7.19 — —
6500 1315 6.94 1354 7.41 1391 7.89 — — — —
7000 1381 8.18 — — — — — — — —
7500 — — — — — — — — — —
8000 — — — — — — — — — —
8500 — — — — — — — — — —
9000 — — — — — — — — — —
9500 — — — — — — — — — —
10000 — — — — — — — — — —
LEGEND
Bhp - Brake Horsepower Input to Fan
Boldface indicates field-supplied drive required.
NOTES:
1. Motor drive ranges:
(E) Low Range: Not Used
(F) Mid‐Low Range: 896 to 1227 rpm, 4.26 Bhp (208/230 and 460‐v), 873 to 1108 rpm,
5.75 Bhp (575‐v)
(G) Mid‐High Range: 1113 to 1414 rpm, 5.75 Bhp
(H) High Range: 1096 to 1339 rpm, 8.63 Bhp
All other rpms require field-supplied drive.
2. See General Fan Performance Notes.
48/50PG and PM

162
Fan Performance — 48PMF24 — Horizontal Supply/Return Units
Airflow
(Cfm)
Available External Static Pressure (in. wg)
0.2 0.4 0.6 0.8 1.0
Rpm Bhp Rpm Bhp Rpm Bhp Rpm Bhp Rpm Bhp
5500 F\952 3.38 F1003 3.32 F1053 3.70 F1100 4.09 G1145 4.49
6000 \1029 3.74 1077 4.15 G1123 4.56 G1167 4.98 1210 5.41
6500 1106 4.67 G1151 5.11 1194 5.56 H1236 6.01 H1276 6.47
7000 G\1184 5.75 H1226 6.23 H1266 6.71 1306 7.19 1344 7.68
7500 H\1262 7.00 1302 7.50 1340 8.01 1377 8.53 — —
8000 \1341 8.41 1378 8.95 — — — — — —
8500 — — — — — — — — — —
9000 — — — — — — — — — —
9500 — — — — — — — — — —
10000 — — — — — — — — — —
Airflow
(Cfm)
Available External Static Pressure (in. wg)
1.2 1.4 1.6 1.8 2.0
Rpm Bhp Rpm Bhp Rpm Bhp Rpm Bhp Rpm Bhp
5500 G1189 4.90 G1232 5.31 G1273 5.72 H1313 6.15 1352 6.58
6000 H1251 5.85 H1292 6.29 H1331 6.74 1369 7.19 — —
6500 1315 6.94 1354 7.41 1391 7.89 — — — —
7000 1381 8.18 — — — — — — — —
7500 — — — — — — — — — —
8000 — — — — — — — — — —
8500 — — — — — — — — — —
9000 — — — — — — — — — —
9500 — — — — — — — — — —
10000 — — — — — — — — — —
LEGEND
Bhp - Brake Horsepower Input to Fan
Boldface indicates field-supplied drive required.
NOTES:
1. Motor drive ranges:
(E) Low Range: Not Used
(F) Mid‐Low Range: 896 to 1227 rpm, 4.26 Bhp (208/230 and 460‐v), 873 to 1108 rpm,
5.75 Bhp (575‐v)
(G) Mid‐High Range: 1113 to 1414 rpm, 5.75 Bhp
(H) High Range: 1096 to 1339 rpm, 8.63 Bhp
All other rpms require field-supplied drive.
2. See General Fan Performance Notes.
48/50PG and PM

163
Fan Performance — 48PMD28 — Horizontal Supply/Return Units
Airflow
(Cfm)
Available External Static Pressure (in. wg)
0.2 0.4 0.6 0.8 1.0
Rpm Bhp Rpm Bhp Rpm Bhp Rpm Bhp Rpm Bhp
6500 E786 2.50 E819 2.70 E857 2.96
F
899 3.25 F943 3.59
7000 842 3.09 871 3.30
F
905 3.55 943 3.85 983 4.19
7500 F898 3.77 F925 3.99 955 4.24 989 4.54
G
1026 4.88
8000 955 4.55 979 4.77 1007 5.03
G
1037 5.33 1070 5.67
8500
G
1012 5.42
G
1034 5.65
G
1059 5.92 1087 6.22 1117 6.56
9000 1069 6.41 1090 6.65 1113 6.92 1138 7.23 1165 7.57
9500 1127 7.51 1146 7.76 1167 8.04
H
1190 8.35 H1215 8.69
10000 H1184 8.74 H1202 8.99 H1221 9.28 1243 9.59 1266 9.93
10500 1242 10.09 1258 10.35 1276 10.64 1296 10.96 1318 11.31
11000 1299 11.58 1315 11.85 1332 12.15 1350 12.47 1370 12.82
11500 1357 13.20 1372 13.48 1388 13.79 — — — —
12000 — — — — — — — — — —
12500 — — — — — — — — — —
Airflow
(Cfm)
Available External Static Pressure (in. wg)
1.2 1.4 1.6 1.8 2.0
Rpm Bhp Rpm Bhp Rpm Bhp Rpm Bhp Rpm Bhp
6500 F988 3.97
G
1035 4.39
G
1082 4.87 G1129 5.39
H
1177 5.95
7000
G
1024 4.57 1066 4.98 1109 5.43 1153 5.93 1197 6.48
7500 1063 5.25 1102 5.66 1141 6.11
H
1181 6.59 1221 7.11
8000 1105 6.04 1140 6.45 1176 6.89 1213 7.36 1250 7.87
8500 1149 6.94
H
1181 7.34
H
1215 7.78 1249 8.25 1283 8.74
9000
H
1194 7.94 1225 8.35 1256 8.79 1287 9.25 1319 9.74
9500 1242 9.07 1270 9.47 1298 9.91 1328 10.37 1358 10.87
10000 1290 10.31 1316 10.72 1343 11.16 1370 11.62 1399 12.11
10500 1340 11.69 1364 12.10 1389 12.54 — — — —
11000 1391 13.20 — — — — — — — —
11500 — — — — — — — — — —
12000 — — — — — — — — — —
12500 — — — — — — — — — —
LEGEND
Bhp - Brake Horsepower Input to Fan
Boldface indicates field-supplied drive required.
NOTES:
1. Motor drive ranges:
(E) Low Range: 687-873 rpm, 5.75 Bhp
(F) Mid‐Low Range: 805 to 1007 rpm, 5.75 Bhp
(G) Mid‐High Range: 941 to 1176 rpm, 8.63 Bhp
(H) High Range: 1014 to 1297 rpm, 11.50 Bhp
All other rpms require field-supplied drive.
2. See General Fan Performance Notes.
48/50PG and PM

164
Fan Performance — 48PME28 — Horizontal Supply/Return Units
Airflow
(Cfm)
Available External Static Pressure (in. wg)
0.2 0.4 0.6 0.8 1.0
Rpm Bhp Rpm Bhp Rpm Bhp Rpm Bhp Rpm Bhp
6500 E799 2.58 E883 2.79 E872 3.05
F
914 3.36 F958 3.71
7000 856 3.19 887 3.41 F921 3.67 958 3.98 999 4.33
7500 F913 3.89 F941 4.12 972 4.39 1006 4.69 1042 5.04
8000 971 4.69 996 4.93
G
1024 5.20
G
1055 5.51 G1088 5.86
8500
G
1029 5.60
G
1052 5.85 1078 6.12 1106 6.44 1136 6.78
9000 1087 6.62 1108 6.87 1132 7.16 1158 7.47
H
1185 7.82
9500 1145 7.75 1165 8.02 H1187 8.31 H1211 8.63 1236 8.99
10000 H1203 9.01 H1222 9.29 1243 9.59 1265 9.92 1288 10.28
10500 1261 10.40 1279 10.69 1299 11.00 1319 11.34 1341 11.70
11000 1320 11.93 1337 12.23 1355 12.55 1374 12.89 1394 13.26
11500 1378 13.61 — — — — — — — —
12000 — — — — — — — — — —
12500 — — — — — — — — — —
Airflow
(Cfm)
Available External Static Pressure (in. wg)
0.2 0.4 0.6 0.8 1.0
Rpm Bhp Rpm Bhp Rpm Bhp Rpm Bhp Rpm Bhp
6500 F 1005 4.12
G
1052 4.57
G
1100 5.06 G1148 5.60
H
1195 6.17
7000
G
1041 4.72 1084 5.16 1128 5.64 1172 6.17 1217 6.74
7500 1080 5.43 1119 5.86 1160 6.33
H
1201 6.84 1242 7.40
8000 1122 6.24 1158 6.66
H
1195 7.13 1233 7.63 1272 8.17
8500 1167 7.16
H
1200 7.58 1234 8.04 1269 8.53 1304 9.06
9000 H1214 8.21 1244 8.62 1275 9.07 1308 9.56 1340 10.08
9500 1262 9.37 1290 9.78 1319 10.23 1349 10.71 1379 11.23
10000 1312 10.66 1338 11.08 1365 11.52 1392 12.00 — —
10500 1363 12.09 1387 12.51 — — — — — —
11000 — — — — — — — — — —
11500 — — — — — — — — — —
12000 — — — — — — — — — —
12500 — — — — — — — — — —
LEGEND
Bhp - Brake Horsepower Input to Fan
Boldface indicates field-supplied drive required.
NOTES:
1. Motor drive ranges:
(E) Low Range: 687-873 rpm, 5.75 Bhp
(F) Mid‐Low Range: 805 to 1007 rpm, 5.75 Bhp
(G) Mid‐High Range: 941 to 1176 rpm, 8.63 Bhp
(H) High Range: 1014 to 1297 rpm, 11.50 Bhp
All other rpms require field-supplied drive.
2. See General Fan Performance Notes.
48/50PG and PM

165
Fan Performance — 48PMF28 — Horizontal Supply/Return Units
Airflow
(Cfm)
Available External Static Pressure (in. wg)
0.2 0.4 0.6 0.8 1.0
Rpm Bhp Rpm Bhp Rpm Bhp Rpm Bhp Rpm Bhp
6500 E799 2.58 E883 2.79 E872 3.05
F
914 3.36 F958 3.71
7000 856 3.19 887 3.41 F921 3.67 958 3.98 999 4.33
7500 F913 3.89 F941 4.12 972 4.39 1006 4.69 1042 5.04
8000 971 4.69 996 4.93
G
1024 5.20
G
1055 5.51 G1088 5.86
8500
G
1029 5.60
G
1052 5.85 1078 6.12 1106 6.44 1136 6.78
9000 1087 6.62 1108 6.87 1132 7.16 1158 7.47
H
1185 7.82
9500 1145 7.75 1165 8.02 H1187 8.31 H1211 8.63 1236 8.99
10000 H1203 9.01 H1222 9.29 1243 9.59 1265 9.92 1288 10.28
10500 1261 10.40 1279 10.69 1299 11.00 1319 11.34 1341 11.70
11000 1320 11.93 1337 12.23 1355 12.55 1374 12.89 1394 13.26
11500 1378 13.61 — — — — — — — —
12000 — — — — — — — — — —
12500 — — — — — — — — — —
Airflow
(Cfm)
Available External Static Pressure (in. wg)
0.2 0.4 0.6 0.8 1.0
Rpm Bhp Rpm Bhp Rpm Bhp Rpm Bhp Rpm Bhp
6500 F 1005 4.12
G
1052 4.57
G
1100 5.06 G1148 5.60
H
1195 6.17
7000
G
1041 4.72 1084 5.16 1128 5.64 1172 6.17 1217 6.74
7500 1080 5.43 1119 5.86 1160 6.33
H
1201 6.84 1242 7.40
8000 1122 6.24 1158 6.66
H
1195 7.13 1233 7.63 1272 8.17
8500 1167 7.16
H
1200 7.58 1234 8.04 1269 8.53 1304 9.06
9000 H1214 8.21 1244 8.62 1275 9.07 1308 9.56 1340 10.08
9500 1262 9.37 1290 9.78 1319 10.23 1349 10.71 1379 11.23
10000 1312 10.66 1338 11.08 1365 11.52 1392 12.00 — —
10500 1363 12.09 1387 12.51 — — — — — —
11000 — — — — — — — — — —
11500 — — — — — — — — — —
12000 — — — — — — — — — —
12500 — — — — — — — — — —
LEGEND
Bhp - Brake Horsepower Input to Fan
Boldface indicates field-supplied drive required.
NOTES:
1. Motor drive ranges:
(E) Low Range: 687-873 rpm, 5.75 Bhp
(F) Mid‐Low Range: 805 to 1007 rpm, 5.75 Bhp
(G) Mid‐High Range: 941 to 1176 rpm, 8.63 Bhp
(H) High Range: 1014 to 1297 rpm, 11.50 Bhp
All other rpms require field-supplied drive.
2. See General Fan Performance Notes.
48/50PG and PM

166
Fan Performance — 50PM16 Horizontal Supply / Return Units
CFM
Available External Static Pressure (in. wg)
0.2 0.4 0.6 0.8 1.0
RPM BHP Drive RPM BHP Drive RPM BHP Drive RPM BHP Drive RPM BHP Drive
4500 533 1.09 E 603 1.31 E 664 1.53 E 724 1.76 E 784 2.01 E
4800 558 1.25 E 626 1.48 E 685 1.71 E 742 1.95 E 798 2.20 E
5100 584 1.43 E 650 1.68 E 707 1.91 E 761 2.15 E 813 2.40 E
5400 610 1.63 E 674 1.88 E 729 2.13 E 781 2.38 E 831 2.63 E
5700 636 1.85 E 698 2.11 E 753 2.36 E 802 2.62 E 850 2.88 E
6000 663 2.09 E 723 2.35 E 776 2.62 E 825 2.88 E 871 3.14 E
6300 690 2.35 E 748 2.62 E 800 2.89 E 847 3.16 E 892 3.43 E
6600 717 2.62 E 773 2.90 E 824 3.18 E 870 3.46 E 914 3.73 E
6900 744 2.92 E 799 3.20 E 849 3.49 E 894 3.77 E 936 4.06 E
7200 772 3.24 E 825 3.52 E 873 3.82 E 918 4.11 E 959 4.40 F
7500 800 3.58 E 850 3.86 E 898 4.16 E 942 4.47 F 982 4.77 F
CFM
Available External Static Pressure (in. wg)
1.2 1.4 1.6 1.8 2.0
RPM BHP Drive RPM BHP Drive RPM BHP Drive RPM BHP Drive RPM BHP Drive
4500 845 2.29 E 907 2.59 E 970 2.93 E - - - - - -
4800 854 2.47 E 912 2.76 E 970 3.08 E 1028 3.42 E - - -
5100 866 2.67 E 920 2.96 E 974 3.26 E 1029 3.60 E 1084 3.95 E
5400 881 2.89 E 931 3.18 E 981 3.48 E 1033 3.80 E 1085 4.14 E
5700 898 3.14 E 945 3.42 E 992 3.72 E 1040 4.03 E 1089 4.36 F
6000 916 3.41 E 960 3.69 E 1005 3.98 E 1050 4.29 F 1096 4.61 F
6300 935 3.70 E 978 3.98 E 1021 4.27 F 1063 4.57 F 1106 4.89 F
6600 956 4.01 E 997 4.29 F 1037 4.59 F 1078 4.89 F 1119 5.20 F
6900 977 4.34 F 1017 4.63 F 1056 4.92 F 1095 5.23 F 1133 5.54 F
7200 999 4.69 F 1037 4.99 F 1075 5.28 F 1112 5.59 F 1150 5.90 G
7500 1021 5.07 F 1059 5.37 F 1095 5.67 F 1131 5.98 G 1167 6.29 G
LEGEND
BHP - Brake Horsepower (motor input to fan)
RPM - Revolutions Per Minute (fan speed)
Drive - Motor & Pulley Drive Option Based on 460V motor maximum BHP. See
notes on this page.
NOTES:
Grey Cells - Indicates field-supplied pulley change required.
Do not exceed listed motor maximum BHP value.
Motor Drive Ranges
(E) Low Range:
208/230 and 460V - RPM Range - 685 to 939, Maximum BHP - 4.26
575V - RPM Range - 751 to 954, Maximum BHP - 5.75
(F) Mid-Low Range:
All voltages, RPM Range - 949 to 1206, Maximum BHP - 5.75
(G) Mid-High Range:
All voltages, RPM Range - 941 to 1176, Maximum BHP - 8.63
(H) High Range: Not Used
See General Notes for Fan Performance Data Tables.
Fan Performance — 50PM20 — Horizontal Supply/Return Units
Airflow
(Cfm)
Available External Static Pressure (in. wg)
0.2 0.4 0.6 0.8 1.0
Rpm Bhp Rpm Bhp Rpm Bhp Rpm Bhp Rpm Bhp
5000 575 1.37 642 1.61 \700 1.84 \754 2.08 \808 2.33
5500 619 1.71 682 1.96 \737 2.21 \788 2.45 \837 2.71
6000 663 2.09 723 2.35 E\776 2.62 E\825 2.88 E\871 3.14
6500 708 2.53 765 2.80 \816 3.08 \863 3.35 \906 3.63
7000 E 753 3.02 E807 3.30 \857 3.59 \902 3.88 \944 4.17
7500 800 3.58 850 3.86 \898 4.16 \942 4.47 \982 4.77
8000 847 4.20 894 4.48 \940 4.80 F\982 5.11 F1022 5.43
8500 894 4.88 939 5.17 F\982 5.49 1024 5.82 1062 6.14
9000 G 941 5.63 G983 5.92 G1025 6.24 G1065 6.58 G1103 6.92
Airflow
(Cfm)
Available External Static Pressure (in. wg)
1.2 1.4 1.6 1.8 2.0
Rpm Bhp Rpm Bhp Rpm Bhp Rpm Bhp Rpm Bhp
5000 \862 2.60 \917 2.89 \972 3.20 1028 3.53 1084 3.89
5500 E\886 2.97 E\935 3.25 \985 3.55 1035 3.87 1086 4.21
6000 \916 3.41 \960 3.69 F1005 3.98 F1050 4.29 F1096 4.61
6500 \949 3.90 \990 4.19 1032 4.48 1073 4.78 1114 5.10
7000 F \984 4.46 F1023 4.75 1062 5.04 1100 5.34 1139 5.66
7500 1021 5.07 1059 5.37 1095 5.67 G1131 5.98 G1167 6.29
8000 1059 5.74 1095 6.05 G1130 6.36 1165 6.67 1199 6.99
8500 1099 6.47 G1133 6.79 1167 7.11 1200 7.43 H1232 7.76
9000 G 1138 7.26 1172 7.59 H1205 7.93 H1237 8.26 1268 8.59
LEGEND
Bhp - Brake Horsepower Input to Fan
Boldface indicates field-supplied drive required.
NOTES:
1. Motor drive ranges:
(E) Low Range: 685-939 rpm, 4.26 Bhp (208/230 and 460-v), 751-954, 575 Bhp
(575-v)
(F) Mid‐Low Range: 949 to 1206 rpm, 5.75 Bhp
(G) Mid‐High Range: 941 to 1176 rpm, 8.63 Bhp
(H) High Range: 1014 to 1297 rpm, 11.50 Bhp
All other rpms require field-supplied drive.
2. See General Fan Performance Notes.
48/50PG and PM

167
Fan Performance — 50PM24 — Horizontal Supply/Return Units
Airflow
(Cfm)
Available External Static Pressure (in. wg)
0.2 0.4 0.6 0.8 1.0
Rpm Bhp Rpm Bhp Rpm Bhp Rpm Bhp Rpm Bhp
5500 \619 1.71 \682 1.96 \737 2.21 \788 2.45 \837 2.71
6000 \663 2.09 \723 2.35 \776 2.62 \825 2.88 E\871 3.14
6500 \708 2.53 E\765 2.80 E\816 3.08 E\863 3.35 \906 3.63
7000 E \753 3.02 \807 3.30 \857 3.59 \902 3.88 \944 4.17
7500 \800 3.58 \850 3.86 \898 4.16 \942 4.47 \982 4.77
8000 \847 4.20 \894 4.48 \940 4.80 F\982 5.11 F1022 5.43
8500 \894 4.88 \939 5.17 F\982 5.49 1024 5.82 1062 6.14
9000 \941 5.63 \983 5.92 1025 6.24 1065 6.58 G1103 6.92
9500 G \989 6.45 G1029 6.74 G1069 7.07 G1108 7.41 1144 7.77
10000 1037 7.34 1075 7.63 1113 7.96 1150 8.32 H1186 8.68
Airflow
(Cfm)
Available External Static Pressure (in. wg)
1.2 1.4 1.6 1.8 2.0
Rpm Bhp Rpm Bhp Rpm Bhp Rpm Bhp Rpm Bhp
5500 \886 2.97 E\935 3.25 \985 3.55 1035 \3.87 1086 \4.21
6000 E\916 3.41 \960 3.69 1005 3.98 1050 \4.29 1096 \4.61
6500 \949 3.90 \990 4.19 F1032 4.48 F1073 \4.78 F1114 \5.10
7000 \984 4.46 F1023 4.75 1062 5.04 1100 \5.34 1139 \5.66
7500 F 1021 5.07 1059 5.37 1095 5.67 1131 \5.98 G1167 \6.29
8000 1059 5.74 1095 6.05 1130 6.36 G1165 \6.67 1199 \6.99
8500 1099 6.47 G1133 6.79 G1167 7.11 1200 \7.43 H1232 \7.76
9000 G 1138 7.26 1172 7.59 1205 7.93 H1237 \8.26 1268 \8.59
9500 1179 8.12 1212 8.46 H1244 8.81 1275 \9.15 1305 \9.50
10000 H 1220 9.04 H1252 9.40 1283 9.76 1313 10.11 1342 10.47
LEGEND
Bhp - Brake Horsepower Input to Fan
Boldface indicates field-supplied drive required.
NOTES:
1. Motor drive ranges:
(E) Low Range: 685-939 rpm, 4.26 Bhp (208/230 and 460-v), 751-954, 575 Bhp
(575-v)
(F) Mid‐Low Range: 949 to 1206 rpm, 5.75 Bhp
(G) Mid‐High Range: 941 to 1176 rpm, 8.63 Bhp
(H) High Range: 1014 to 1297 rpm, 11.50 Bhp
All other rpms require field-supplied drive.
2. See General Fan Performance Notes.
48/50PG and PM

168
Fan Performance — 50PM28 — Horizontal Supply/Return Units
Airflow
(Cfm)
Available External Static Pressure (in. wg)
0.2 0.4 0.6 0.8 1.0
Rpm Bhp Rpm Bhp Rpm Bhp Rpm Bhp Rpm Bhp
6500 \759 \2.89 \804 \3.17 E\844 \3.42 \883 \3.68 \922 \3.96
7000 E\810 \3.47 E\853 \3.77 \891 \4.04 F\928 \4.30 F\964 \4.58
7500 \862 \4.12 \903 \4.43 F\939 \4.72 \974 \5.00 1008 \5.29
8000 F \913 \4.84 F\953 \5.18 \988 \5.48 1021 \5.77 1053 \6.07
8500 \965 \5.63 1003 \5.99 1037 \6.32 G1069 \6.62 G1100 \6.93
9000 1017 \6.50 1054 \6.89 G1087 \7.23 1118 \7.55 1147 \7.87
9500 G 1069 \7.45 G1105 \7.86 1137 \8.22 1167 \8.56 1195 \8.89
10000 1121 \8.48 1156 \8.92 1187 \9.30 1216 \9.66 H1243 \10.01
10500 1173 \9.60 H1207 \10.06 H1238 10.47 H1266 10.85 1292 11.21
11000 H 1226 10.81 1259 11.30 1288 11.72 1316 12.12 1342 12.50
11500 1278 12.11 1310 12.62 1339 13.07 1366 13.49 — —
12000 1331 13.51 — — — — — — — —
12500 — — — — — — — — — —
Airflow
(Cfm)
Available External Static Pressure (in. wg)
1.2 1.4 1.6 1.8 2.0
Rpm Bhp Rpm Bhp Rpm Bhp Rpm Bhp Rpm Bhp
6500 \962 \4.27 F1003 \4.61 1045 \4.98 1090 \5.41 1135 \5.87
7000 F1000 \4.88 1037 \5.21 G1075 \5.56 G1115 \5.95 G1155 \6.38
7500 1041 \5.58 G1075 \5.90 1110 \6.24 1145 \6.61 1182 \7.01
8000 G 1085 \6.37 1116 \6.68 1148 \7.01 1180 \7.36 1214 \7.74
8500 1129 \7.23 1159 \7.55 1189 \7.88 H1219 \8.22 H1249 \8.59
9000 1175 \8.18 1204 \8.50 H1232 \8.83 1260 \9.18 1288 \9.53
9500 1222 \9.22 H1249 \9.55 1276 \9.88 1302 \10.22 1329 10.58
10000 H 1270 10.34 1296 10.68 1321 11.02 1346 11.37 1371 11.72
10500 1318 11.56 1343 11.90 1367 12.25 1391 12.61 — —
11000 1366 12.86 1390 13.22 — — — — — —
11500 — — — — — — — — — —
12000 — — — — — — — — — —
12500 — — — — — — — — — —
LEGEND
Bhp - Brake Horsepower Input to Fan
Boldface indicates field-supplied drive required.
NOTES:
1. Motor drive ranges:
(E) Low Range: 687-873, 5.75 Bhp
(F) Mid‐Low Range: 805 to 1007 rpm, 5.75 Bhp
(G) Mid‐High Range: 941 to 1176 rpm, 8.63 Bhp
(H) High Range: 1014 to 1297 rpm, 11.50 Bhp
All other rpms require field-supplied drive.
2. See General Fan Performance Notes.
GENERAL NOTES FOR FAN PERFORMANCE DATA TABLES
1. Static pressure losses from accessories and options
(Humidi-MiZer system, economizer, etc.) must be added
to external static pressure before entering Fan Performance
table. Refer to Accessory/FIOP Static Pressure information.
2. Extensive motor and drive testing on these units ensures
that the full horsepower range of the motor can be utilized
with confidence. Using the fan motors up to the bhp rating
shown will not result in nuisance tripping or premature
motor failure. Unit warranty will not be affected. See
Evaporator−Fan Motor Specifications for additional
information.
3. Use of a field-supplied motor may affect wire size. Contact
your Carrier representative for details.
4. Interpolation is permissible. Do not extrapolate.
48/50PG and PM

169
APPENDIX D — ADDITIONAL START−UP DATA
Air Quantity Limits (50PG03−14 Units)
UNIT
50PG
COOLING (cfm) HEATING (cfm)
OPTIONAL ELECTRIC HEAT
Min Max Min Max
03 \600 1000 \600 1000
04 \900 1500 \900 1500
05 1200 2000 1200 2000
06 1500 2500 1500 2500
07 1800 3000 1800 3000
08 2250 3750 2250 3750
09 2550 4250 2550 4250
12 3000 5000 3000 5000
14 3750 6250 3750 6250
Air Quantity Limits (48PG03−14 Units)
UNIT
48PG
COOLING (cfm) HEATING (cfm)
Min Max Min Max
03 \600 1000 \600 1680
04 (Low Heat) \900 1500 \600 1680
04 (Med Heat) \900 1500 \940 2810
04 (High Heat) \900 1500 1130 2820
05 (Low Heat) 1200 2000 \600 1680
05 (Med Heat) 1200 2000 \940 2810
05 (High Heat) 1200 2000 1130 2820
06 (Low Heat) 1500 2500 \940 2810
06 (Med Heat) 1500 2500 1130 2820
06 (High Heat) 1500 2500 1510 2520
07 (Low Heat) 1800 3000 \940 2810
07 (Med Heat) 1800 3000 1130 2820
07 (High Heat) 1800 3000 1510 2520
08 (Low Heat) 2250 3750 2060 5160
08 (Med Heat) 2250 3750 2110 6870
08 (High Heat) 2250 3750 2450 4900
09 (Low Heat) 2550 4250 2060 5160
09 (Med Heat) 2550 4250 2110 6870
09 (High Heat) 2550 4250 2450 4900
12 (Low Heat) 3000 5000 2110 6870
12 (Med Heat) 3000 5000 2450 4900
12 (High Heat) 3000 5000 3150 6300
14 (Low Heat) 3750 6250 2110 6870
14 (Med Heat) 3750 6250 2450 4900
14 (High Heat) 3750 6250 3150 6300
Air Quantity Limits (48PM16−28 Units)
48PM
COOLING
GAS HEAT
HEATING
(NAT. GAS,
VERTICAL)
HEATING
(NAT. GAS,
HORIZONTAL)
HEATING
(PROPANE,
VERTICAL)
HEATING
(PROPANE,
HORIZONTAL)
Minimum
Cfm
Maximum
Cfm Minimum Cfm Minimum Cfm Minimum Cfm Minimum Cfm
16 4500 7500
High Heat (8 Cell) 5522 5522 5522 4920
Medium Heat (8 Cell) 4977 4977 4480 4480
Low Heat (5 Cell) 4218 4218 4218 3796
20 5400 9,000
High Heat (8 Cell) 5522 5522 5522 4920
Medium Heat (8 Cell) 4977 4977 4480 4480
Low Heat (5 Cell) 4218 4218 4218 3796
24 6000 10,000
High Heat (8 Cell) 5522 5522 5522 4920
Medium Heat (8 Cell) 4977 4977 4480 4480
Low Heat (5 Cell) 4218 4218 4218 3796
28 7500 12,000
High Heat (8 Cell) 5522 5470* 5522 4920*
Medium Heat (8 Cell) 4977 4977* 4480 4480*
Low Heat (5 Cell) 4218 4218 4218 3796
*7000 cfm minimum recommended above 1.0-in. wg external static pressure.
Air Quantity Limits (50PM16−28 Units)
50PM COOLING ELECTRIC HEAT
ELECTRIC HEAT
(Vertical)
ELECTRIC HEAT
(Horizontal)
Minimum Cfm Maximum Cfm Minimum Cfm Minimum Cfm
16 4500 \7500
High Heat (75 kW) 4,500 5,400
Medium Heat (50 kW) 3,750 4,800
Low Heat (25 kW) 3,750 3,750
20 5400 \9,000
High Heat (75 kW) 4,500 5,400
Medium Heat (50 kW) 3,750 4,800
Low Heat (25 kW) 3,750 3,750
24 6000 10,000
High Heat (75 kW) 4,500 5,400
Medium Heat (50 kW) 3,750 4,800
Low Heat (25 kW) 3,750 3,750
28 7500 12,000
High Heat (75 kW) 4,500 5,400
Medium Heat (50 kW) 3,750 4,800
Low Heat (25 kW) 3,750 3,750
48/50PG and PM

170
Evaporator Fan Motor Specifications − 48/50PG
48/50PG DRIVE VOLTAGE/PHASE EFFICIENCY MAX BHP MAX AMPS
03 Low 208/1ph 0.73 0.85 \4.0
230/1ph 0.73 0.85 \4.0
High 208/1ph 0.73 0.85 \4.0
230/1ph 0.73 0.85 \4.0
04
Low
208/1ph 0.73 0.85 \4.0
230/1ph 0.73 0.85 \4.0
208/3ph 0.73 0.85 \4.0
230/3ph 0.73 0.85 \4.0
460/3ph 0.73 0.85 \2.0
575/3ph 0.73 0.85 \1.6
High
208/1ph 0.73 0.85 \4.0
230/1ph 0.73 0.85 \4.0
208/3ph 0.73 0.85 \4.0
230/3ph 0.73 0.85 \4.0
460/3ph 0.73 0.85 \2.0
575/3ph 0.73 0.85 \1.6
05
Low
208/1ph 0.73 0.85 \4.0
230/1ph 0.73 0.85 \4.0
208/3ph 0.73 0.85 \4.0
230/3ph 0.73 0.85 \4.0
460/3ph 0.73 0.85 \2.0
575/3ph 0.73 0.85 \1.6
High
208/1ph 0.78 1.6 \8.3
230/1ph 0.78 1.6 \8.3
208/3ph 0.80 2.4 \6.4
230/3ph 0.80 2.4 \6.4
460/3ph 0.80 2.4 \3.2
575/3ph 0.80 2.4 \2.4
06
Low
208/1ph 0.73 0.85 \4.0
230/1ph 0.73 0.85 \4.0
208/3ph 0.80 2.4 \6.4
230/3ph 0.80 2.4 \6.4
460/3ph 0.80 2.4 \3.2
575/3ph 0.80 2.4 \2.4
High
208/1ph 0.78 1.6 \8.3
230/1ph 0.78 1.6 \8.3
208/3ph 0.80 2.4 \6.4
230/3ph 0.80 2.4 \6.4
460/3ph 0.80 2.4 \3.2
575/3ph 0.80 2.4 \2.4
07
Low
208/3ph 0.80 2.4 \6.4
230/3ph 0.80 2.4 \6.4
460/3ph 0.80 2.4 \3.2
575/3ph 0.80 2.4 \2.4
High
208/3ph 0.84 3.1 \8.8
230/3ph 0.84 3.1 \8.8
460/3ph 0.84 3.1 \4.4
575/3ph 0.82 3.7 \4.2
08
Low
208/3ph 0.80 2.4 \6.4
230/3ph 0.80 2.4 \6.4
460/3ph 0.80 2.4 \3.2
575/3ph 0.80 2.4 \2.4
High
208/3ph 0.84 3.1 \8.8
230/3ph 0.84 3.1 \8.8
460/3ph 0.84 3.1 \4.4
575/3ph 0.82 3.7 \4.2
09
Low
208/3ph 0.80 2.4 \6.4
230/3ph 0.80 2.4 \6.4
460/3ph 0.80 2.4 \3.2
575/3ph 0.80 2.4 \2.4
High
208/3ph 0.83 3.7 11.0
230/3ph 0.83 3.7 11.0
460/3ph 0.83 3.7 \5.5
575/3ph 0.82 3.7 \4.2
NOTES:
1. Extensive motor and electrical testing ensures that the motors can be
utilized with confidence up to the maximum applied bhp, watts, and amps.
Using the fan motor up to the maximum ratings shown will not result in
nuisance tripping or premature motor failure. Unit warranty will not be af
fected.
2. Convert bhp to watts using the following formula:
watts = bhp (746)
motor efficiency
3. The EPACT (Energy Policy Act of 1992) regulates energy requirements
for specific types of indoor‐fan motors. Motors regulated by EPACT include
any general purpose, T‐frame (three‐digit, 143 and larger), single‐speed,
foot mounted, polyphase, squirrel cage induction motors of NEMA (National
Electrical Manufacturers Association) design A and B, manufactured for use
in the United States. Ranging from 1 to 200 Hp, these continuous‐duty
motors operate on 230 and 460 volt, 60 Hz power. If a motor does not fit
into these specifications, the motor does not have to be replaced by an
EPACT‐compliant energy‐efficient motor. Variable‐speed motors are exempt
from EPACT compliance requirements. Therefore, the indoor‐fan motors for
Carrier 48/50PG03‐14 units are exempt from these requirements.
48/50PG and PM

171
Evaporator Fan Motor Specifications − 48/50PG (cont)
48/50PG DRIVE VOLTAGE/PHASE EFFICIENCY MAX BHP MAX AMPS
12
Low
208/3ph 0.84 3.1 \8.8
230/3ph 0.84 3.1 \8.8
460/3ph 0.84 3.1 \4.4
575/3ph 0.82 3.7 \4.2
High
208/3ph 0.83 3.7 11.0
230/3ph 0.83 3.7 11.0
460/3ph 0.83 3.7 \5.5
575/3ph 0.82 3.7 \4.2
14
Low
208/3ph 0.83 3.7 11.0
230/3ph 0.83 3.7 11.0
460/3ph 0.83 3.7 \5.5
575/3ph 0.82 3.7 \4.2
High
208/3ph 0.81 5.25 14.8
230/3ph 0.81 5.25 14.8
460/3ph 0.81 5.25 \7.4
575/3ph 0.81 5.25 \5.9
NOTES:
1. Extensive motor and electrical testing ensures that the motors can be
utilized with confidence up to the maximum applied bhp, watts, and amps.
Using the fan motor up to the maximum ratings shown will not result in
nuisance tripping or premature motor failure. Unit warranty will not be af
fected.
2. Convert bhp to watts using the following formula:
watts = bhp (746)
motor efficiency
3. The EPACT (Energy Policy Act of 1992) regulates energy requirements
for specific types of indoor‐fan motors. Motors regulated by EPACT include
any general purpose, T‐frame (three‐digit, 143 and larger), single‐speed,
foot mounted, polyphase, squirrel cage induction motors of NEMA (National
Electrical Manufacturers Association) design A and B, manufactured for use
in the United States. Ranging from 1 to 200 Hp, these continuous‐duty
motors operate on 230 and 460 volt, 60 Hz power. If a motor does not fit
into these specifications, the motor does not have to be replaced by an
EPACT‐compliant energy‐efficient motor. Variable‐speed motors are exempt
from EPACT compliance requirements. Therefore, the indoor‐fan motors for
Carrier 48/50PG03‐14 units are exempt from these requirements.
48/50PG and PM

172
Evaporator Fan Motor Specifications − 48PM16−28
UNIT
48PM DRIVE ORIENTATION VOLTAGE EFFICIENCY % MAX BHP MAX AMPS
16
Low Vertical
208 85.8 4.26 10.6
230 85.8 4.26 9.6
460 85.8 4.26 4.8
575 87.5 5.75 6.0
Mid-Low Vertical
208 87.5 5.37 15.8
230 87.5 5.75 15.4
460 87.5 5.75 7.7
575 87.5 5.75 6.0
Mid-High Vertical
208 88.5 7.66 22.0
230 88.5 8.51 22.0
460 88.5 8.63 11.6
575 88.5 8.63 9.4
High Vertical
N/A N/A N/A N/A
N/A N/A N/A N/A
N/A N/A N/A N/A
N/A N/A N/A N/A
Low Horizontal
N/A N/A N/A N/A
N/A N/A N/A N/A
N/A N/A N/A N/A
N/A N/A N/A N/A
Mid-Low Horizontal
208 85.8 4.26 10.6
230 85.8 4.26 9.6
460 85.8 4.26 4.8
575 87.5 5.75 6.0
Mid-High Horizontal
208 87.5 5.37 15.8
230 87.5 5.75 15.4
460 87.5 5.75 7.7
575 87.5 5.75 6.0
High Horizontal
208 88.5 7.66 22.0
230 88.5 8.51 22.0
460 88.5 8.63 11.6
575 88.5 8.63 9.4
20
Low Vertical
208 85.8 4.26 10.6
230 85.8 4.26 9.6
460 85.8 4.26 4.8
575 87.5 5.75 6.0
Mid-Low Vertical
208 87.5 5.37 15.8
230 87.5 5.75 15.4
460 87.5 5.75 7.7
575 87.5 5.75 6.0
Mid-High Vertical
208 88.5 7.66 22.0
230 88.5 8.51 22.0
460 88.5 8.63 11.6
575 88.5 8.63 9.4
High Vertical
208 89.5 9.94 28.0
230 89.5 10.45 28.0
460 89.5 11.19 15.0
575 89.5 11.50 12.0
Low Horizontal
208 N/A N/A N/A
230 N/A N/A N/A
460 N/A N/A N/A
575 N/A N/A N/A
Mid-Low Horizontal
208 85.8 4.26 10.6
230 85.8 4.26 9.6
460 85.8 4.26 4.8
575 87.5 5.75 6.0
Mid-High Horizontal
208 87.5 5.37 15.8
230 87.5 5.75 15.4
460 87.5 5.75 7.7
575 87.5 5.75 6.0
High Horizontal
208 88.5 7.66 22.0
230 88.5 8.51 22.0
460 88.5 8.63 11.6
575 88.5 8.63 9.4
See Notes on next page
48/50PG and PM

173
Evaporator Fan Motor Specifications − 48PM16−28 (cont)
UNIT
48PM DRIVE ORIENTATION VOLTAGE EFFICIENCY % MAX BHP MAX AMPS
24
Low Vertical
208 85.8 4.26 10.6
230 85.8 4.26 9.6
460 85.8 4.26 4.8
575 87.5 5.75 6.0
Mid-Low Vertical
208 87.5 5.37 15.8
230 87.5 5.75 15.4
460 87.5 5.75 7.7
575 87.5 5.75 6.0
Mid-High Vertical
208 88.5 7.66 22.0
230 88.5 8.51 22.0
460 88.5 8.63 11.6
575 88.5 8.63 9.4
High Vertical
208 89.5 9.94 28.0
230 89.5 10.45 28.0
460 89.5 11.19 15.0
575 89.5 11.50 12.0
Low Horizontal
208 N/A N/A N/A
230 N/A N/A N/A
460 N/A N/A N/A
575 N/A N/A N/A
Mid-Low Horizontal
208 85.8 4.26 10.6
230 85.8 4.26 9.6
460 85.8 4.26 4.8
575 87.5 5.75 6.0
Mid-High Horizontal
208 87.5 5.37 15.8
230 87.5 5.75 15.4
460 87.5 5.75 7.7
575 87.5 5.75 6.0
High Horizontal
208 88.5 7.66 22.0
230 88.5 8.51 22.0
460 88.5 8.63 11.6
575 88.5 8.63 9.4
28
Low Vertical
208 87.5 5.37 15.8
230 87.5 5.75 15.4
460 87.5 5.75 7.7
575 87.5 5.75 6.0
Mid-Low Vertical
208 87.5 5.37 15.8
230 87.5 5.75 15.4
460 87.5 5.75 7.7
575 87.5 5.75 6.0
Mid-High Vertical
208 88.5 7.66 22.0
230 88.5 8.51 22.0
460 88.5 8.63 11.6
575 88.5 8.63 9.4
High Vertical
208 89.5 9.94 28.0
230 89.5 10.45 28.0
460 89.5 11.19 15.0
575 89.5 11.50 12.0
Low Horizontal
208 87.5 5.37 15.8
230 87.5 5.75 15.4
460 87.5 5.75 7.7
575 87.5 5.75 6.0
Mid-Low Horizontal
208 87.5 5.37 15.8
230 87.5 5.75 15.4
460 87.5 5.75 7.7
575 87.5 5.75 6.0
Mid-High Horizontal
208 88.5 7.66 22.0
230 88.5 8.51 22.0
460 88.5 8.63 11.6
575 88.5 8.63 9.4
High Horizontal
208 89.5 9.94 28.0
230 89.5 10.45 28.0
460 89.5 11.19 15.0
575 89.5 11.50 12.0
NOTES:
1. Extensive motor and electrical testing ensures that the motors can be utilized with confidence up to the maximum applied bhp, watts, and amps. Using the fan
motor up to the maximum ratings shown will not result in nuisance tripping or premature motor failure. Unit warranty will not be affected.
2. All Indoor-fan motors 5 hp and larger meet the minimum efficiency requirements as established by the Energy Policy Act of 1992 (EPACT) effective October
24, 1997.
48/50PG and PM

174
Evaporator Fan Motor Specifications − 50PM16−28
UNIT
50PM DRIVE ORIENTATION VOLTAGE EFFICIENCY
(%) MAX BHP MAX AMPS
16
Low Vertical
208 85.8 \4.26 10.6
230 85.8 \4.26 \9.6
460 85.8 \4.26 \4.8
575 87.5 \5.75 \6.0
Mid‐Low Vertical
208 87.5 \5.37 15.8
230 87.5 \5.75 15.4
460 87.5 \5.75 \7.7
575 87.5 \5.75 \6.0
Mid‐High Vertical
208 88.5 \7.66 22.0
230 88.5 \8.51 22.0
460 88.5 \8.63 11.6
575 88.5 \8.63 \9.4
High Vertical
N/A N/A N/A N/A
N/A N/A N/A N/A
N/A N/A N/A N/A
N/A N/A N/A N/A
Low Horizontal
208 85.8 \4.26 10.6
230 85.8 \4.26 \9.6
460 85.8 \4.26 \4.8
575 87.5 \5.75 \6.0
Mid‐Low Horizontal
208 87.5 \5.37 15.8
230 87.5 \5.75 15.4
460 87.5 \5.75 \7.7
575 87.5 \5.75 \6.0
Mid‐High Horizontal
208 88.5 \7.66 22.0
230 88.5 \8.51 22.0
460 88.5 \8.63 11.6
575 88.5 \8.63 \9.4
High Horizontal
N/A N/A N/A N/A
N/A N/A N/A N/A
N/A N/A N/A N/A
N/A N/A N/A N/A
20
Low Vertical
208 85.8 \4.26 10.6
230 85.8 \4.26 \9.6
460 85.8 \4.26 \4.8
575 87.5 \5.75 \6.0
Mid‐Low Vertical
208 87.5 \5.37 15.8
230 87.5 \5.75 15.4
460 87.5 \5.75 \7.7
575 87.5 \5.75 \6.0
Mid‐High Vertical
208 88.5 \7.66 22.0
230 88.5 \8.51 22.0
460 88.5 \8.63 11.6
575 88.5 \8.63 \9.4
High Vertical
208 89.5 \9.94 28.0
230 89.5 10.45 28.0
460 89.5 11.19 15.0
575 89.5 11.50 12.0
Low Horizontal
208 85.8 \4.26 10.6
230 85.8 \4.26 \9.6
460 85.8 \4.26 \4.8
575 87.5 \5.75 \6.0
Mid‐Low Horizontal
208 87.5 \5.37 15.8
230 87.5 \5.75 15.4
460 87.5 \5.75 \7.7
575 87.5 \5.75 \6.0
Mid‐High Horizontal
208 88.5 \7.66 22.0
230 88.5 \8.51 22.0
460 88.5 \8.63 11.6
575 88.5 \8.63 \9.4
High Horizontal
208 89.5 \9.94 28.0
230 89.5 10.45 28.0
460 89.5 11.19 15.0
575 89.5 11.50 12.0
See Notes next page
48/50PG and PM

175
Evaporator Fan Motor Specifications − 50PM16−28 (cont)
UNIT
50PM DRIVE ORIENTATION VOLTAGE EFFICIENCY
(%) MAX BHP MAX AMPS
24
Low Vertical
208 85.8 \4.26 10.6
230 85.8 \4.26 \9.6
460 85.8 \4.26 \4.8
575 87.5 \5.75 \6.0
Mid‐Low Vertical
208 87.5 \5.37 15.8
230 87.5 \5.75 15.4
460 87.5 \5.75 \7.7
575 87.5 \5.75 \6.0
Mid‐High Vertical
208 88.5 \7.66 22.0
230 88.5 \8.51 22.0
460 88.5 \8.63 11.6
575 88.5 \8.63 \9.4
High Vertical
208 89.5 \9.94 28.0
230 89.5 10.45 28.0
460 89.5 11.19 15.0
575 89.5 11.50 12.0
Low Horizontal
208 85.8 \4.26 10.6
230 85.8 \4.26 \9.6
460 85.8 \4.26 \4.8
575 87.5 \5.75 \6.0
Mid‐Low Horizontal
208 87.5 \5.37 15.8
230 87.5 \5.75 15.4
460 87.5 \5.75 \7.7
575 87.5 \5.75 \6.0
Mid‐High Horizontal
208 88.5 \7.66 22.0
230 88.5 \8.51 22.0
460 88.5 \8.63 11.6
575 88.5 \8.63 \9.4
High Horizontal
208 89.5 \9.94 28.0
230 89.5 10.45 28.0
460 89.5 11.19 15.0
575 89.5 11.50 12.0
28
Low Vertical
208 87.5 \5.37 15.8
230 87.5 \5.75 15.4
460 87.5 \5.75 \7.7
575 87.5 \5.75 \6.0
Mid‐Low Vertical
208 87.5 \5.37 15.8
230 87.5 \5.75 15.4
460 87.5 \5.75 \7.7
575 87.5 \5.75 \6.0
Mid‐High Vertical
208 88.5 \7.66 22.0
230 88.5 \8.51 22.0
460 88.5 \8.63 11.6
575 88.5 \8.63 \9.4
High Vertical
208 89.5 \9.94 28.0
230 89.5 10.45 28.0
460 89.5 11.19 15.0
575 89.5 11.50 12.0
Low Horizontal
208 87.5 \5.37 15.8
230 87.5 \5.75 15.4
460 87.5 \5.75 \7.7
575 87.5 \5.75 \6.0
Mid‐Low Horizontal
208 87.5 \5.37 15.8
230 87.5 \5.75 15.4
460 87.5 \5.75 \7.7
575 87.5 \5.75 \6.0
Mid‐High Horizontal
208 88.5 \7.66 22.0
230 88.5 \8.51 22.0
460 88.5 \8.63 11.6
575 88.5 \8.63 \9.4
High Horizontal
208 89.5 \9.94 28.0
230 89.5 10.45 28.0
460 89.5 11.19 15.0
575 89.5 11.50 12.0
NOTES:
1. Extensive motor and electrical testing ensures that the motors can be utilized with confidence up to the maximum applied bhp, watts, and amps. Using the fan
motor up to the maximum ratings shown will not result in nuisance tripping or premature motor failure. Unit warranty will not be affected.
2. Convert bhp to watts using the following formula:
watts = bhp (746)
motor efficiency
48/50PG and PM

176
Fan Rpm at Motor Pulley Settings* − 48/50PG
UNIT
48/50PG DRIVE MOTOR PULLEY TURNS OPEN
01/21 11/22 21/23 31/24 41/25
03 Low \736 \710 \685 \660 \634 \609 \583 \558 \533 \507 \482
High 1001 \966 \932 \897 \863 \828 \794 \759 \725 \690 \656
04 Low \736 \710 \685 \660 \634 \609 \583 \558 \533 \507 \482
High 1128 1095 1062 1028 \995 \962 \929 \896 \863 \829 \796
05 Low \910 \878 \847 \815 \784 \753 \721 \690 \659 \627 \596
High 1173 1139 1104 1070 1035 1001 \966 \932 \897 \863 \828
06 Low \978 \949 \920 \891 \863 \834 \805 \776 \748 \719 \690
High 1261 1227 1194 1161 1128 1095 1062 1028 \995 \962 \929
07 Low 1128 1095 1062 1028 \995 \962 \929 \896 \863 \829 \796
High 1438 1409 1380 1351 1323 1294 1265 1236 1208 1179 1150
08 Low \771 \751 \731 \710 \690 \670 \649 \629 \609 \589 \568
High 1015 \994 \974 \954 \934 \913 \893 \873 \852 \832 \812
09 Low \771 \751 \731 \710 \690 \670 \649 \629 \609 \589 \568
High 1015 994 \974 \954 \934 \913 \893 \873 \852 \832 \812
12 Low \893 \873 \852 \832 \812 \791 \771 \751 \731 \710 \690
High 1055 1035 1015 \994 \974 \954 \934 \913 \893 \873 \852
14 Low \893 \873 \852 \832 \812 \791 \771 \751 \731 \710 \690
High 1055 1035 1015 \994 \974 \954 \934 \913 \893 \873 \852
*Approximate fan rpm shown, based on 1725 rpm motor.
NOTE: Factory speed setting is at 5 turns open.
Fan RPM at Motor Pulley Settings* − 48PM16−28
UNIT 48PM DRIVE MOTOR PULLEY TURNS OPEN
0 1/2 1 1-1/2 2 2-1/2 3 3-1/2 4 4-1/2 5 5-1/2 6
PM16, 20
and 24
(230 and
460 volt)
Vertical
Low 685 706 727 749 770 791 812 833 854 876 897 918 939
Mid-
Low 949 970 992 1013 1035 1056 1078 1099 1120 1142 1163 1185 1206
Mid-
High 941 961 980 1000 1019 1039 1059 1078 1098 1117 1137 1156 1176
High 1014 1038 1061 1085 1108 1132 1156 1179 1203 1226 1250 1273 1297
Horizontal
Low n/a n/a n/a n/a n/a n/a n/a n/a n/a n/a n/a n/a n/a
Mid-
Low 896 924 951 979 1006 1034 1062 1089 1117 1144 1172 1199 1227
Mid-
High 1113 1138 1163 1188 1213 1238 1264 1289 1314 1339 1364 1389 1414
High 1096 1116 1137 1157 1177 1197 1218 1238 1258 1278 1299 1319 1339
PM16, 20
and 24
(575 volt)
Vertical
Low 751 768 785 802 819 836 853 869 886 903 920 937 954
Mid-
Low 949 970 992 1013 1035 1056 1078 1099 1120 1142 1163 1185 1206
Mid-
High 941 961 980 1000 1019 1039 1059 1078 1098 1117 1137 1156 1176
High 1014 1038 1061 1085 1108 1132 1156 1179 1203 1226 1250 1273 1297
Horizontal
Low n/a n/a n/a n/a n/a n/a n/a n/a n/a n/a n/a n/a n/a
Mid-
Low 873 893 912 932 951 971 991 1010 1030 1049 1069 1088 1108
Mid-
High 1113 1138 1163 1188 1213 1238 1264 1289 1314 1339 1364 1389 1414
High 1096 1116 1137 1157 1177 1197 1218 1238 1258 1278 1299 1319 1339
28
(all
voltages)
Vertical
Low 687 703 718 734 749 765 780 796 811 827 842 858 873
Mid-
Low 805 822 839 856 872 889 906 923 940 957 973 990 1007
Mid-
High 941 961 980 1000 1019 1039 1059 1078 1098 1117 1137 1156 1176
High 1014 1038 1061 1085 1108 1132 1156 1179 1203 1226 1250 1273 1297
Horizontal
Low 687 703 718 734 749 765 780 796 811 827 842 858 873
Mid-
Low 805 822 839 856 872 889 906 923 940 957 973 990 1007
Mid-
High 941 961 980 1000 1019 1039 1059 1078 1098 1117 1137 1156 1176
High 1014 1038 1061 1085 1108 1132 1156 1179 1203 1226 1250 1273 1297
LEGEND
n/a - not available
* Approximate fan rpm shown.
NOTE: Factory pulley speed setting is at 3 turns open.
48/50PG and PM

177
Fan RPM at Motor Pulley Settings* − 50PM16−28
50PM DRIVE MOTOR PULLEY TURNS OPEN
01/21 11/22 21/23 31/24 41/25 51/26
PM16, 20
and 24
(230 and
460 volt)
Low Range Vertical \685 \706 \727 \749 \770 \791 \812 \833 \854 \876 \897 \918 \939
Mid‐Low Range Vertical \949 \970 \992 1013 1035 1056 1078 1099 1120 1142 1163 1185 1206
Mid‐High Range Vertical \941 \961 \980 1000 1019 1039 1059 1078 1098 1117 1137 1156 1176
High Range Vertical 1014 1038 1061 1085 1108 1132 1156 1179 1203 1226 1250 1273 1297
Low Range Horizontal \685 \706 \727 \749 \770 \791 \812 \833 \854 \876 \897 \918 \939
Mid‐Low Range Horizontal \949 \970 \992 1013 1035 1056 1078 1099 1120 1142 1163 1185 1206
Mid‐High Range Horizontal \941 \961 \980 1000 1019 1039 1059 1078 1098 1117 1137 1156 1176
High Range Horizontal 1014 1038 1061 1085 1108 1132 1156 1179 1203 1226 1250 1273 1297
PM16, 20
and 24
(575 Volt)
Low Range Vertical \751 \768 \785 \802 \819 \836 \853 \869 \886 \903 \920 \937 \954
Mid‐Low Range Vertical \949 \970 \992 1013 1035 1056 1078 1099 1120 1142 1163 1185 1206
Mid‐High Range Vertical \941 \961 \980 1000 1019 1039 1059 1078 1098 1117 1137 1156 1176
High Range Vertical 1014 1038 1061 1085 1108 1132 1156 1179 1203 1226 1250 1273 1297
Low Range Horizontal \751 \768 \785 \802 \819 \836 \853 869 \886 \903 \920 \937 \954
Mid‐Low Range Horizontal \949 \970 \992 1013 1035 1056 1078 1099 1120 1142 1163 1185 1206
Mid‐High Range Horizontal \941 \961 \980 1000 1019 1039 1059 1078 1098 1117 1137 1156 1176
High Range Horizontal 1014 1038 1061 1085 1108 1132 1156 1179 1203 1226 1250 1273 1297
28
(all voltages)
Low Range Vertical \687 \703 \718 \734 \749 \765 \780 \796 \811 \827 \842 \858 \873
Mid‐Low Range Vertical \805 \822 \839 \856 \872 \889 \906 \923 \940 \957 \973 \990 1007
Mid‐High Range Vertical \941 \961 \980 1000 1019 1039 1059 1078 1098 1117 1137 1156 1176
High Range Vertical 1014 1038 1061 1085 1108 1132 1156 1179 1203 1226 1250 1273 1297
Low Range Horizontal \687 \703 \718 \734 \749 \765 \780 \796 \811 \827 \842 \858 \873
Mid‐Low Range Horizontal \805 \822 \839 \856 \872 \889 \906 \923 \940 \957 \973 \990 1007
Mid‐High Range Horizontal \941 \961 \980 1000 1019 1039 1059 1078 1098 1117 1137 1156 1176
High Range Horizontal 1014 1038 1061 1085 1108 1132 1156 1179 1203 1226 1250 1273 1297
* Approximate fan rpm shown, based on 1725 rpm motor.
NOTE: Factory pulley speed setting is at 3 turns open.
48/50PG and PM

178
Accessory/FIOP Pressure Drop (in. wg) — 48/50PG03-07
AIRFLOW
(CFM)
ELECTRIC
HEAT
(Sizes 03‐07)
ECONOMIZER
(Vertical)
(Sizes 03‐07)
ECONOMIZER
(Horizontal)
(Sizes 03‐07)
Humidi-MiZer™
SYSTEM
(Sizes 03‐04)
Humidi-MiZer™
SYSTEM
(Sizes 05‐07)
600 0.01 0.01 0.03 0.01 —
800 0.01 0.01 0.05 0.02 —
1000 0.02 0.02 0.07 0.03 —
1200 0.02 0.03 0.10 0.04 0.02
1400 0.03 0.04 0.14 0.04 0.03
1600 0.04 0.06 0.17 0.05 0.03
1800 0.05 0.07 0.22 — 0.04
2000 0.07 0.09 0.26 — 0.04
2200 0.08 0.11 0.31 — 0.05
2400 0.10 0.13 0.37 — 0.06
2600 0.11 0.15 0.43 — 0.06
2800 0.13 0.18 0.49 — 0.07
3000 0.15 0.21 0.56 — 0.08
Accessory/FIOP Pressure Drop (in. wg) — 48/50PG08-14
AIRFLOW
(CFM)
ELECTRIC
HEAT
ECONOMIZER
(Vertical)
ECONOMIZER
(Horizontal)
Humidi-MiZer™
SYSTEM
2250 0.03 0.05 0.10 0.03
2650 0.05 0.06 0.13 0.03
3050 0.06 0.08 0.17 0.04
3450 0.08 0.09 0.21 0.05
3850 0.10 0.10 0.26 0.06
4250 0.12 0.12 0.31 0.07
4650 0.14 0.13 0.37 0.08
5050 0.17 0.15 0.44 0.09
5450 0.20 0.17 0.50 0.10
5850 0.23 0.18 0.58 0.11
6250 0.26 0.20 0.66 0.12
LEGEND
FIOP - Factory-Installed Option
* The static pressure must be added to the external static pressure. The sum and the evaporator entering-air cfm should then be used in conjunction with the
Fan Performance tables to determine blower rpm and watts.
48/50PG and PM

179
Accessory/FIOP Static Pressure Drops (in. wg)* − 48/50PM16−28
CFM Economizer Humidi-MiZer™ (16, 20, 24) Humidi-MiZer™ (28)
4000 0.02 0.17 -
4500 0.03 0.19 -
5000 0.04 0.21 -
5500 0.05 0.24 -
6000 0.06 0.27 -
6500 0.07 0.31 0.19
7000 0.08 0.35 0.21
7500 0.09 0.39 0.23
8000 0.1 0.43 0.26
8500 0.11 0.48 0.29
9000 0.12 0.52 0.31
9500 0.13 0.57 0.34
10000 0.15 0.62 0.37
10500 0.16 - 0.4
11000 0.17 - 0.43
11500 0.19 - 0.46
12000 0.2 - 0.5
LEGEND
FIOP - Factory-Installed Option
* The static pressure must be added to the external static pressure. The sum and the evaporator entering-air cfm should then be used in conjunction with the
Fan Performance tables to determine blower rpm and watts.
Accessory/FIOP Electric Heat Static Pressure Drop (in. wg) − 50PM16−28
CFM Nominal Heater
Size (kw)
Pressure Drop (in.
wg)
Nominal Heater
Size (kw)
Pressure Drop (in.
wg)
Nominal Heater
Size (kw)
Pressure Drop (in.
wg)
4800
25
0.01
50
0.02
75
0.03
5000 0.01 0.02 0.04
6000 0.02 0.04 0.06
7000 0.03 0.06 0.08
8000 0.04 0.08 0.12
9000 0.05 0.1 0.15
10000 0.06 0.13 0.2
11500 0.09 0.18 0.27
LEGEND
FIOP - Factory-Installed Option
NOTES:
1. Heaters are rated at 240v, 480v, and 600v.
2. The static pressure must be added to the external static pressure. The
sum and the evaporator entering-air cfm should then be used in
conjunction with the Fan Performance tables to determine blower rpm, bhp,
and watts.
Copyright 2011 Carrier Corp. 7310 W. Morris St. Indianapolis, IN 46231 Printed in U.S.A. Edition Date: 1/11
Manufacturer reserves the right to change, at any time, specifications and designs without notice and without obligations.
Catalog No:48-50PGPM-03T
Replaces: 48-50PGPM-02T
48/50PG and PM

180
CONTROL SET POINT AND CONFIGURATION LOG
Model Number: _____________________________
Serial Number: ______________________________
Date: ______________________________________
Technician: _________________________________
Software Versions: ___________________________
MBB: CESR131320−− _ _
ECB: CESR131249−− _ _
MARQ: CESR131171−− _ _
INDICATE UNIT SETTINGS BELOW
Control Type: Thermostat/T55 Space Temp./T−56 Space Temp./T−58 Space Temp.
Set Points: Cooling Occupied: _______________ Unoccupied: __________________
Heating Occupied: _______________ Unoccupied: __________________
MODE — CONFIGURATION
ITEM EXPANSION RANGE UNITS DEFAULT CCN TABLE/
SUB-TABLE CCN POINT PAGE NO.
CONFIGURATION SERVICE
CONFIGURATION 14
DISP Display Configuration DISPLAY 14
METR Metric Display Off/On Off DISPUNIT 14
LANG Language Selection 0=English
1=Spanish
2=French
3=Portuguese
0 LANGUAGE 14
PROT Password Enable Disable/Enable Enable PASS_EBL 14
PSWD Service Password 0000 to 9999 1111 PASSWORD 14
TEST Test Display LEDs Off/On Off (display
only, not in table)
DISPTEST 14
UNIT Unit Configuration UNIT 14
S.DLY Startup Delay 10 to 600 sec 30 STARTDLY 14
U.CTL Unit Control Type 2=Thermostat
3=Space
Sensor
2 CTL_TYPE 14
T.CTL Thermostat Control Type 0=Adaptive
1=1 Stage Y1
2=2 Stage Y1
3=Digital
0 STATTYPE 15
OC.FN Fan On When Occupied No/Yes Yes OCC_FAN 15
IDF.F Shut Down on IDF Failure No/Yes Yes FATALFAN 15
FN.SW Fan Status Switch 0=No Switch
1=Normal
Open
2=Normal
Closed
0: no FIOP
1: FIOP
FANSTCFG 15
FL.SW Filter Status Switch 0=No Switch
1=Normal
Open
2=Normal
Closed
0: no FIOP
1: FIOP
FILSTCFG 15
FS.SW Fire Shutdown Switch 0=No Switch
1=Normal
Open
2=Normal
Closed
0: no FIOP
1: FIOP
SHTDNCFG 15
RM.SW Remote Occupancy
Switch
0=No Switch
1=Normal
Open
2=Normal
Closed
0 REMOCCFG 15
SAT.T SAT Settling Time 10 to 900 sec 240 SAT_SET 15
RAT.S RAT Sensor on SPTO In
put
No/Yes No RAT_SPTO 15
RH.S RH Sensor on OAQ Input No/Yes No RH_OAQ 15
RH.SW Space Humidity Switch 0=No Switch
1=Normal
Open
2=Normal
Closed
0: no HumidiMiZer
FIOP
1: HumidiMiZer
FIOP
HUMSTCFG 15
TCS.C Temp Cmp Strt Cool
Factr
0 to 60 mins 0 TCSTCOOL 15
TCS.H Temp Cmp Strt Heat
Factr
0 to 60 mins 0 TCSTHEAT 15
48/50PG and PM

181
MODE — CONFIGURATION (cont)
ITEM EXPANSION RANGE UNITS DEFAULT CCN TABLE/
SUB-TABLE CCN POINT PAGE NO.
COOL Cooling Configuration COOL_CFG 15
N.CIR Number of Circuits 0 to 3 1 (0307)
2 (0814)
3 (PG16)
2 (2028, PM16)
NUM_CIRC 19
N.A Compressors on Circuit A 1 to 2 1 (PG0324)
1 (PM(1628)
2 PG(28)
A_COMPS 19
MRT.C Compressor Min On Time 120 to 999 sec 180 MIN_ON 19
MOT.C Compressor Min Off Time 300 to 999 sec 300 MIN_OFF 19
RST.C Runtime to Reset Strikes 120 to 999 sec 300 MIN_ON_S 37
C.DEC Cool Stage Decrease
Time
120 to 999 sec 300 STAGEDEC 18
C.INC Cool Stage Increase Time 120 to 999 sec 450 STAGEINC 18
FOD.C Fanoff Delay, Mech Cool 0 to 600 sec 60 COOL_FOD 18
ALM.N Alert Each Strike No/Yes Yes ALM_NOW 17
SAT Supply Air Temperature 37
SA.PD SAT Cool Demand (+)
Level
0.5 to 10 ^F 1 SAT_POS 21
SA.ND SAT Cool Demand ()
Level
10 to 0.5 ^F 1 SAT_NEG
SAT.U Minimum SAT Upper
Level
35.0 to 65.0 °F 60 (PG0316)
58 (PG 2024)(PM
1628)
53 (PG 28)
SATMIN_H
SAT.L Minimum SAT Lower
Level
35.0 to 65.0 °F 35 (0307)
45 (0814)
50 (PG16)
48 (2028, PM16)
SATMIN_L
SPT Space Temperature 16
CL.PD SPT Cool Demand (+)
Level
0.5 to 5 ^F 1 DEM_POS
CL.ND SPT Cool Demand ()
Level
5 to 0.5 ^F 1 DEM_NEG
C.LAG Cool Thermal Lag Factor 0 to 5 1 COOL_LAG
CIR.A Circuit A 19
CA.LO Circuit A Lockout Temp 0 to 100F °F 0 OATLCMPA
CS.A1 Current Sensing A1 Disable/En
able
Disable (1phase)
Enable (3phase)
A1_SENSE
CS.A2 Current Sensing A2 Disable/En
able
Disable (0324)
Enable (PG 28)
A2_SENSE
A1.FN Level 1 Fans A 0 to 7 no HumidiMiZer
FIOP:
1 (0324)(PM 28)
5 (PG 28)
HumidiMiZer FIOP:
0 (PG0316)
1 (2028, PM16)
CIR_A_1
A2.FN Level 2 Fans A 0 to 7 no HumidiMiZer
FIOP:
0 (0307)
3 (0820)
2 (2428)
HumidiMiZer FIOP:
0 (0314)
1 (PG16)
3 (20, PM16)
2 (2428)
CIR_A_2
A3.FN Level 3 Fans A 0 to 7 no HumidiMiZer
FIOP:
0 (0307)
3 (0824)(PM 28)
7 (PG 28)
HumidiMiZer FIOP:
0 (0314)
1 (PG16)
3 (2028, PM16)
CIR_A_3
CIR.B Circuit B 19
CB.LO Circuit B Lockout Temp 0 to 100F °F 0: no HumidiMiZer
FIOP
HumidiMiZer FIOP:
40 (PG0816)
0 (2028,
PM16)(0307)
OATLCMPB
CS.B1 Current Sensing B1 Disable/En
able
Disable (0307)
Enable (0828)
B1_SENSE
B1.FN Level 1 Fans B 0 to 7 no HumidiMiZer
FIOP:
0 (0307)
1 (PG0816)
4 (2028, PM16)
HumidiMiZer FIOP:
0 (PG0316)
1 (2028, PM16)
CIR_B_1
48/50PG and PM

182
MODE — CONFIGURATION (cont)
ITEM EXPANSION RANGE UNITS DEFAULT CCN TABLE/
SUB-TABLE CCN POINT PAGE NO.
COOL (cont) Cooling Configuration COOL_CFG 15
B2.FN Level 2 Fans B 0 to 7 no HumidiMiZer
FIOP:
0 (0307)
3 (PG0816)
6 (20, PM16)
2 (2428)
HumidiMizer FIOP:
0 (0314)
1 (PG16)
3 (20, PM16)
2 (2428)
CIR_B_2
B3.FN Level 3 Fans B 0 to 7 no HumidiMiZer
FIOP:
0 (0307)
3 (PG0816)
6 (2028, PM16)
HumidiMiZer FIOP:
0 (0314)
1 (PG16)
3 (2028, PM16)
CIR_B_3
CIR.C Circuit C 19
CC.LO Circuit C Lockout Temp 0 to 100F °F 0 OATLCMPC
CS.C1 Current Sensing C1 Disable/En
able
Disable (0314,
2028)
Enable (PG16)
C1_SENSE
C1.FN Level 1 Fans C 07 no HumidiMiZer
FIOP:
0 (0314)
1 (PG16)
0 (2028, PM16)
HumidiMiZer FIOP:
0 (PG0316)
1 (2028, PM16)
CIR_C_1
C2.FN Level 2 Fans C 0 to 7 no HumidiMiZer
FIOP:
0 (0314)
3 (PG16)
0 (2028, PM16)
HumidiMiZer FIOP:
0 (0314)
1 (PG16)
2 (2028, PM16)
CIR_C_2
C3.FN Level 3 Fans C 0 to 7 no HumidiMiZer
FIOP:
0 (0314)
3 (PG16)
0 (2028, PM16)
HumidiMiZer FIOP:
0 (0314)
1 (PG16)
3 (2028, PM16)
CIR_C_3
SST Low Suction Control 39
SST.O Suction OK Temperature 10 to 50 °F 18 SSTOK
SST.1 Low Suction Level 1 10 to 50 °F 20 SSTLEV1
SST.2 Low Suction Level 2 5 to 50 °F 15 SSTLEV2
SST.3 Low Suction Level 3 0 to 50 °F 10 SSTLEV3
CK.DL Delay On Low SST Check 0 to 300 sec 0 SSTCKDLY
OFC Outdoor Fan Control 19
OFC.3 OFC3 Enable. CCH Dis
able
No/Yes No (PG0316)
Yes (2028, PM16)
OFC3_CTL
0.MXP Fan Lev0 Max Pressure 100 to 500 psig 200 LEV0MAXP
1.MXP Fan Lev1 Max Pressure 100 to 500 psig 400 (PG0316)
450 (2028, PM16)
LEV1MAXP
2.MNP Fan Lev2 Min Pressure 100 to 500 psig 150 (PG0316)
200 (2028, PM16)
LEV2MINP
2.ON Fan Lev2 On Temperature 0 to 100 °F no HumidiMiZer
FIOP:
55 (0320)
45 (2428)
HumidiMiZer FIOP:
68 (20, PM16)
61 (2428)(PG0316)
LEV2ON
2.OFF Fan Lev2 Off Temperature 0 to 100 °F no HumidiMiZer
FIOP:
45 (PG0316)
50 (20, PM16)
40 (2428)
HumidiMiZer FIOP:
57 (2028,
PM16)(PG0316)
LEV2OFF
2.MXP Fan Lev2 Max Pressure 100 to 500 psig 400 LEV2MAXP
3.MNP Fan Lev3 Min Pressure 100 to 500 psig 250 LEV3MINP
48/50PG and PM

183
MODE — CONFIGURATION (cont)
ITEM EXPANSION RANGE UNITS DEFAULT CCN TABLE/
SUB-TABLE CCN POINT PAGE NO.
COOL (cont) Cooling Configuration COOL_CFG
3.ON Fan Lev3 On Temperature 0 to 100 °F no HumidiMiZer FIOP:
65
HumidiMiZer FIOP:
88 (20, PM16)
68 (2428)(PG0316)
LEV3ON
3.OFF Fan Lev3 Off Temperature 0 to 100 °F no HumidiMiZer FIOP:
55
HumidiMiZer FIOP:
78 (20, PM16)
62 (2428)(PG0316)
LEV3OFF
HMZR Humidimizer Config HMZR_CFG 24
REHT Humidimizer Equipped No/Yes No: no HumidiMiZer
FIOP
Yes: HumidiMiZer FIOP
REHEAT 24
R.DEC Reheat2 Stage Decr.
Time
0 to 999 secs 60 RSTAGDEC 28
R.INC Reheat2 Stage Incr. Time 0 to 999 secs 300 RSTAGINC 28
RH.FN Reheat Fan Control No/Yes No (0314)
Yes (1628)
RHFANCTL 28
RF.LV Reheat ODF Fan On
Level
0 to 3 2 (0320)
3 (2428)
RHFANLEV 28
RF. ON Reheat ODF Fan On
Temp
0 to 100 °F 75 (PG0316)
93 (PG2024)(PM1628)
85 (PG 28)
RHFANON 28
RF.OF Reheat ODF Fan Off
Temp
0 to 100 °F 70 (PG0316)
83 (20, PM16)
88 (24)(PM 28)
80 (PG 28)
RHFANOFF 28
RA.LO Reheat2 OAT Limit A 20 to 70 °F 40 OATLRH_A 28
RA.LP Reheat2 SSP Lo Limit A 50 to 100 psig 80 RHSSPL_A 28
RA.HP Reheat2 SSP Hi Limit A 50 to 100 psig 90 RHSSPH_A 28
RB.LO Reheat2 OAT Limit B,C 20 to 70 °F 50 OATLRH_B 28
RB.LP Reheat2 SSP Lo Limit
B,C
50 to 100 psig 80 RHSSPL_B 28
RB.HP Reheat2 SSP Hi Limit B,C 50 to 100 psig 90 RHSSPH_B 28
HEAT Heating Configuration HEAT_CFG 15
HT.TY Type of Heat Installed 0=No Heat
1=Gas
2=Electric
0 (50 series with no elec
tric heat)
1 (48 series)
2 (50 series with electric
heat)
HEATTYPE 21
N.HTR Number of Heat Stages 1 to 2 1 (48 series 1phase, 50
series <15kW)
2 (48 series 3phase, 50
series >=15kW)
NUM_HEAT 22
MRT.H Heat Minimum On Time 60 to 999 sec 120 HMIN_ON 22
MOT.H Heat Minimum Off Time 60 to 999 sec 120 HMIN_OFF 22
H.DEC Heat Stage Decrease
Time
120 to 999 sec 300 HSTAGDEC 21
H.INC Heat Stage Increase
Time
120 to 999 sec 450 HSTAGINC 21
FOD.E Fanoff Delay, Elect Heat 10 to 600 sec 30 ELEC_FOD 17
FOD.G Fanoff Delay, Gas Heat 45 to 600 sec 45 GAS_FOD 17
HT.LO Heating Lockout Temp 40 to 125 °F 75 OATLHEAT 21
SAT 15
SAT.H SAT Heat Mode Sensing Disable/En
able
Disable SAT_HEAT
SAM.L Maximum SAT Lower
Level
85 to 200 °F 140 SATMAX_L
SAM.U Maximum SAT Upper
Level
85 to 200 °F 160 SATMAX_H
SPT Space Temperature 16
HT.PD SPT Heat Demand (+)
Level
0.5 to 5 ^F 1 HDEM_POS
HT.ND SPT Heat Demand ()
Level
5 to 0.5 ^F 1 HDEM_NEG
H.LAG Heat Thermal Lag Factor 0 to 5 1 HEAT_LAG
48/50PG and PM

184
MODE — CONFIGURATION (cont)
ITEM EXPANSION RANGE UNITS DEFAULT CCN TABLE/
SUB-TABLE CCN POINT PAGE NO.
ECON Economizer Configuration ECON_CFG 23
EC.EN Economizer Installed No/Yes No: no FIOP
Yes: FIOP
ECONO 23
E.CTL Economizer Control Type 1=Dig/Posi
tion
2=Dig/Com
mand
3=Analog
Ctrl
1 ECON_CTL 14
EC.MN Econo Minimum Position 0 to 100 % 30
0: ERV FIOP
ECONOMIN 23
EC.MX Econo Cool Max Position 0 to 100 % 100 ECONOMAX 23
M.ANG Min Actuator Ctrl Angle 75 to 90 88 MINANGLE 23
EH.LO Econo Cool Hi Temp Limit 40 to 100 °F 65 OATLECLH 23
EL.LO Econo Cool Lo Temp
Limit
30 to 50 °F 0 OATLECLL 23
DF.DB Diff Dry Bulb Control Disable/En
able
Disable DIFFBULB 23
UEFC Unoccupied Free Cooling 0=Disabled
1=Unoc
cpied
2=PreOccu
pancy
2 UEFC_CFG 23
FC.TM Free Cool PreOcc Time 1 to 9999 mins 120 UEFCTIME 23
FC.LO Free Cool Low Temp Limit 30 to 70 °F 50 OATLUEFC 23
PE.EN Power Exhaust Installed No/Yes No: no FIOP
Yes: FIOP
PE_ENABL 24
PE.1 PE Stage1 Econo Position 0 to 100 % 40 PE1_POS 24
PE.2 PE Stage2 Econo Position 0 to 100 % 75 PE2_POS 24
EN.SW Enthalpy Switch 0=No Switch
1=Normal
Open
2=Normal
Closed
0: no FIOP
1: FIOP
ENTHLCFG 10
E.TRV Economizer Travel Time 5 to 300 secs 150 ECONOTRV 104
E.MXB Bottom Stage Max Econo 0 to 100 % 50 ECONMAXB 104
E.MXM Middle Stage Max Econo 0 to 100 % 35 ECONMAXM 104
E.MXT Top Stage Max Econo 0 to 100 % 25 (PG0316)
0 (2028, PM16)
ECONMAXT 104
AIR.Q Air Quality Config. IAQ_CFG 14
IA.CF IAQ Analog Input Config 0=No IAQ
1=DCV
2=Override
IAQ
3=Ctrl Min
Pos
0: no FIOP
1: FIOP
IAQANCFG 14
IA.FN IAQ Analog Fan Config 0=Never
1=Occupied
2=Always
0 IAQANFAN 30
II.CF IAQ Switch Input Config 0=No IAQ
1=DCV N/O
2=DCV N/C
3=Override
N/O
4=Override
N/C
0 IAQINCFG 30
II.FN IAQ Switch Fan Config 0=Never
1=Occupied
2=Always
0 IAQINFAN 34
AQ.MN Econo Min IAQ Position 0 to 100 % 10
0: ERV FIOP
IAQMINP 30
EC.MN Econo Minimum Position 0 to 100 % 30
0: ERV FIOP
ECONOMIN 23
OVR.P IAQ Override Position 0 to 100 % 100 IAQOVPOS 30
OA.CF OAQ Analog Input Config 0=No OAQ
1=DCV
2=Lockout
OAQ
0 OAQANCFG 30
OAQ.L OAQ Lockout Limit 0 to 5000 600 OAQLOCK 30
AQD.L AQ Differential Low 0 to 5000 100 DAQ_LOW 30
AQD.H AQ Differential High 0 to 5000 700 DAQ_HIGH 30
DF.ON Fan On AQ Differential 0 to 5000 600 DAQFNON 34
DF.OF Fan Off AQ Differential 0 to 5000 200 DAQFNOFF 34
I.4M IAQ Sensor Value at 4mA 0 to 5000 0 IAQ_4MA 30
I.20M IAQ Sensor Value at
20mA
0 to 5000 2000 IAQ_20MA 30
O.4M OAQ Sensor Value at
4mA
0 to 5000 0 OAQ_4MA 33
O.20M OAQ Sensor Value at
20mA
0 to 5000 2000 OAQ_20MA 33
H.4M RH Sensor Value at 4mA 0 to 50 % 0 RH_4MA 24
H.20M RH Sensor Value at 20mA 60 to 100 % 100 RH_20MA 24
48/50PG and PM

185
MODE — CONFIGURATION (cont)
ITEM EXPANSION RANGE UNITS DEFAULT CCN TABLE/
SUB-TABLE CCN POINT PAGE NO.
OAU Outside Air Unit Config OAU_CFG 12
OA.TY Outdoor Air Unit Type 0=No OAU
1=ERV Module
2=Economizer
3=Pwr Exhaust
4=OA Monitor
5=100% OA
Unit
6=EXv1 ERV
0: no FIOP
1: FIOP EXv2
OAU_TYPE 40
OA.FC Outside Air Fan Curve 0 to 999 0: no FIOP
1: PG0307 1ph low
CFM ERV
2: PG0307 3ph low
CFM ERV
3: PG0307 1ph high
CFM ERV
4: PG0307 3ph high
CFM ERV
5: PG0814 low CFM
ERV
6: PG0814 high CFM
ERV
7: PM1624 low CFM
ERV
8: PM1624 high CFM
ERV
9: PM28 low CFM ERV
10: PM28 high CFM
ERV
OAFANCRV 105
PE.FC Exhaust Air Fan Curve 0 to 999 0: no FIOP
1: PG0306 1ph low
CFM ERV
2: PG0307 3ph low
CFM ERV
3: PG0306 1ph high
CFM ERV
4: PG0307 3ph high
CFM ERV
5: PG0814 low CFM
ERV
6: PG0814 high CFM
ERV
7: PM1624 low CFM
ERV
8: PM1624 high CFM
ERV
9: PM28 low CFM
ERV
10: PM28 high CFM
ERV
PEFANCRV 105
U.RUN OAU Unoccupied Operation No/Yes NO UNOCCRUN 105
OAU.F Shut Down on Fan Failure No/Yes Yes FATALOAU 105
M.WHL Modulating Wheel Install No/Yes NO MODWHEEL 105
OA.MN Minimum Outside Air
CFM
0 to 32000 CFM 375: PG0307 low
CFM ERV
800: PG0307 high
CFM ERV
1000: PG0814 low
CFM ERV
2500: PG0814 high
CFM ERV
3000: PM1628 low
CFM ERV
4000: PM1624 high
CFM ERV
5000: PM28 high
CFM ERV
MINOACFM 95
DCV.M Min DCV Outside Air CFM 0 to 32000 CFM 100: PG0307 ERV
250: PG0814 low
CFM ERV
600: PG0814 high
CFM ERV
1000: PM1624 low
CFM ERV
1500: PM1624 high
CFM ERV, PM28 low
CFM ERV
2000: PM28 high
CFM ERV
MINDCVSP 95
PEX.C Power Exhaust Control 0=Offset CFM
1=BP
0 PEX_CTL 105
PE.OF Power Exhaust CFM Offset 17000 to
17000
CFM 200 EXOFFSET 95
BP.SP Building Pressure Setpnt 0.25 to 0.25 in H2O 0.05 OAU_BPSP 95
OA.TM Outside Air Tempering Disable/Enable Disable OATEMPER 95
TM.LO OA Tempring Lockout Temp 0 to 80 °F 60 OATMPLOC 95
TM.SP OA Tempring SAT Setpoint 35 to 80 °F 55 OATMPSPT 95
OAC.K Outside Air CFM k Factor 0.8 to 1.2 1.0 OACFM_K 105
EXC.K Exhaust Air CFM k Factor 0.8 to 1.2 1.0 EXCFM_K 105
48/50PG and PM

186
MODE — CONFIGURATION (cont)
ITEM EXPANSION RANGE UNITS DEFAULT CCN TABLE/
SUB-TABLE CCN POINT PAGE
NO.
A.FAN Adaptive Fan AFAN_CFG 34
AF.EN Adaptive Fan Operation No/Yes No ADAPTFAN 34
FS.VN Fan Speed Ventilation 0 to 100 % 50 FSPDVENT 34
FS.AQ Fan Speed IAQ Over
ride
0 to 100 % 50 FSPDAQOR 34
FS.E1 Fan Speed Free Cool
Lo
0 to 100 % 60 FSPDECO1 34
FS.E2 Fan Speed Free Cool
Hi
0 to 100 % 90 FSPDECO2 34
FS.CL Fan Speed Mech Cool
ing
60 to 100 % 100 FSPDCOOL 34
FS.HT Fan Speed Heating 65 to 100 % 100 FSPDHEAT 34
FS.RH Fan Speed Reheat2 65 to 100 % 100 FSPDREHT 34
ALM.O Alarm Relay Config. ALM_CFG 37
A.SPC SPT/SPRH Sensor Fail
ure
No/Yes Yes SPACE_AL 106
A.SRT SAT/RAT Sensor Failure No/Yes Yes SATRATAL 106
A.OAT OAT Thermistor Failure No/Yes Yes OAT_AL 106
A.CS Current Sensor Failure No/Yes Yes CS_AL 105
A.CMP Compressor Failure No/Yes Yes COMP_AL 106
A.CKT Refrig Circuit Failure No/Yes Yes CKT_AL 106
A.SSP SSP Transducer Failure No/Yes Yes SSP_AL 106
A.SCT SCT Thermistor Failure No/Yes Yes SCT_AL 106
A.FAN Indoor Fan Failure No/Yes Yes FAN_AL 34
A.FIL Dirty Filter No/Yes Ye s FILT_AL 37
A.TST Thermostat Failure No/Yes Yes TSTAT_AL 106
A.ECO Economizer Failure No/Yes Yes ECON_AL 106
PID PID Configurations PID_CFG 37
EC.P Economizer PID kP 0.00 to 99.90 2.5 ECONO_P 106
EC.I Economizer PID kI 0.00 to 99.90 0.12 ECONO_I 106
EC.D Economizer PID kD 0.00 to 99.90 1 ECONO_D 106
EC.DT Economizer PID rate 10.00 to 180.00 secs 15 ECONO_DT 106
EC.DB Economizer PID Dead
band
0 to 25 % 3 ECONBAND 106
LK.P Linkage Staging PID kP 0.00 to 99.90 10 LINK_P 106
LK.I Linkage Staging PID kI 0.00 to 99.90 5 LINK_I 106
LK.D Linkage Staging PID
kD
0.00 to 99.90 5 LINK_D 106
LK.DT Linkage Staging PID
rate
10.00 to 180.00 secs 30 LINK_DT 106
(GENERIC = CCN
only)
GENERICS 96
POINT 01 Definition Point_01
POINT 02 Definition Point_02
POINT 03 Definition Point_03
POINT 04 Definition Point_04
POINT 05 Definition Point_05
POINT 06 Definition Point_06
POINT 07 Definition Point_07
POINT 08 Definition Point_08
POINT 09 Definition Point_09
POINT 10 Definition Point_10
POINT 11 Definition Point_11
POINT 12 Definition Point_12
POINT 13 Definition Point_13
POINT 14 Definition Point_14
POINT 15 Definition Point_15
POINT 16 Definition Point_16
POINT 17 Definition Point_17
POINT 18 Definition Point_18
POINT 19 Definition Point_19
POINT 20 Definition Point_20
TRIM Sensor Calibration (CCN TRIM see
Maintenance Dis
play)
5
SPT.C Space Temp Calibration 30 to 130 °F 52
SPT.T Space Temp Trim 30 to 30 ^F 0 52
SAT.C Supply Air Temp Calib. 30 to 130 °F 52
SAT.T Supply Air Temp Trim 30 to 30 ^F 0 15
RAT.C Return Air Temp Calib. 30 to 130 °F 106
RAT.T Return Air Temp Trim 30 to 30 ^F 0 106
CCN
CONFIGURATION
CCN CCN Configuration 4850PGPM 17
CCN.A CCN Element Number 1 to 239 1 CCNADD 35
CCN.B CCN Bus Number 0 to 239 0 CCNBUS 35
BAUD CCN Baud Rate 1=2400
2=4800
3=9600
4=19200
5=38400
3 CCNBAUDD 35
48/50PG and PM

187
MODE — CONFIGURATION (cont)
ITEM EXPANSION RANGE UNITS DEFAULT CCN TABLE/
SUB-TABLE CCN POINT PAGE
NO.
BROD CCN Broadcast Config. BRODEFS 17
B.TIM CCN Time/Date Broad
cast
No/Yes No CCNBC 35
B.OAT CCN OAT Broadcast No/Yes No OATBC 35
B.GS Global Schedule
Broadcst
No/Yes No GSBC 17
B.ACK CCN Broadcast Ack'er No/Yes No CCNBCACK 36
SCH.O CCN Schedule Over
rides
SCHEDOVR 36
SCH.N Schedule Number 0 = Always Oc
cupied
164 = Local
Schedule
6599 = Global
Schedule
0 SCHEDNUM 17
HOL.G Accept Global Holidays No/Yes No HOLIDAYT 36
OV.TL Override Time Limit 0 to 4 hours 4 OTL 17
OV.EX Timed Override Hours 0 to 4 hours OVR_EXT 17
OV.SP SPT Override Enabled No/Yes Yes TIMEOVER 17
LDSH CCN LOADSHED CON
FIG.
LOADSHED 36
S.GRP Loadshed Group Num
ber
0 to 16 0 SHED_NUM 36
R.MXC Redline Max Cool
Stages
0 to 3 3 MAXCREDL 36
S.MXC Loadshed Max Cool
Stages
0 to 3 3 MAXCSHED 36
R.MXH Redline Max Heat
Stages
0 to 2 2 MAXHREDL 36
S.MXH Loadshed Max Heat
Stages
0 to 2 2 MAXHSHED 36
48/50PG and PM

188
UNIT START-UP CHECKLIST
MODEL NO.:
DATE: ______________
SERIAL NO: _____________________________________
TECHNICIAN: ___________________________________
I. PRE-START-UP:
VERIFY THAT ALL PACKAGING MATERIALS HAVE BEEN REMOVED FROM UNIT
VERIFY INSTALLATION OF OUTDOOR AIR HOOD
VERIFY INSTALLATION OF FLUE EXHAUST AND INLET HOOD (48PG and PM ONLY)
VERIFY THAT CONDENSATE CONNECTION IS INSTALLED PER INSTALLATION INSTRUCTIONS
VERIFY THAT ALL ELECTRICAL CONNECTIONS AND TERMINALS ARE TIGHT
VERIFY GAS PRESSURE TO UNIT GAS VALVE IS WITHIN SPECIFIED RANGE (48PG and PM ONLY)
CHECK GAS PIPING FOR LEAKS (48PG AND 48PM)
CHECK THAT INDOOR−AIR FILTERS ARE CLEAN AND IN PLACE
CHECK THAT OUTDOOR AIR INLET SCREENS ARE IN PLACE
VERIFY THAT UNIT IS LEVEL
CHECK FAN WHEELS AND PROPELLER FOR LOCATION IN HOUSING/ORIFICE AND VERIFY SETSCREW IS TIGHT
VERIFY THAT FAN SHEAVES ARE ALIGNED AND BELTS ARE PROPERLY TENSIONED
VERIFY THAT SCROLL COMPRESSORS ARE ROTATING IN THE CORRECT DIRECTION
VERIFY INSTALLATION OF THERMOSTAT/SPACE SENSOR
VERIFY CONFIGURATION VALUES FOR ELECTRONIC CONTROLS (REFER TO CONTROL SET UP CHECKLIST)
VERIFY THAT CRANKCASE HEATERS HAVE BEEN ENERGIZED FOR AT LEAST 24 HOURS
II. START-UP
ELECTRICAL
SUPPLY VOLTAGE L1‐L2 L2‐L3 L3‐L1
COMPRESSOR AMPS — COMPRESSOR A1 L1 L2 L3
]]—COMPRESSOR B1 L1 L2 L3
ELECTRIC HEAT AMPS (IF EQUIPPED) L1 L2 L3
SUPPLY FAN AMPS _______ L1 L2 L3
TEMPERATURES
OUTDOOR‐AIR TEMPERATURE F DB (Dry Bulb)
RETURN‐AIR TEMPERATURE F DB F WB (Wet Bulb)
COOLING SUPPLY AIR F
GAS HEAT SUPPLY AIR (48PG AND PM ) F
ELECTRIC HEAT SUPPLY AIR (50PG AND PM) F
PRESSURES
GAS INLET PRESSURE IN. WG
GAS MANIFOLD PRESSURE STAGE NO. 1 IN. WG STAGE NO. 2 IN. WG
REFRIGERANT SUCTION CIRCUIT A PSIG CIRCUIT A Superheat degF
CIRCUIT B PSIG CIRCUIT B Superheat degF
REFRIGERANT DISCHARGE CIRCUIT A PSIG CIRCUIT A Subcooling degF
CIRCUIT B PSIG CIRCUIT B Subcooling degF
VERIFY REFRIGERANT CHARGE USING CHARGING CHARTS
GENERAL
ECONOMIZER MINIMUM VENT AND CHANGEOVER SETTINGS TO JOB REQUIREMENTS
Copyright 2011 Carrier Corp. 7310 W. Morris St. Indianapolis, IN 46231 Printed in U.S.A. Edition Date: 1/11
Manufacturer reserves the right to change, at any time, specifications and designs without notice and without obligations.
Catalog No:48-50PGPM-03T
Replaces: 48-50PGPM-02T
48/50PG and PM