Carrier 48Tm016 028 Users Manual
48TM025 48TM-4SI
48TM016-028 to the manual 671ff065-a06f-4315-8ce6-0f2846b76f70
2015-01-24
: Carrier Carrier-48Tm016-028-Users-Manual-310488 carrier-48tm016-028-users-manual-310488 carrier pdf
Open the PDF directly: View PDF
.
Page Count: 60

Manufacturer reserves the right to discontinue, or change at any time, specifications or designs without notice and without incurring obligations.
Catalog No. 04-53480016-01 Printed in U.S.A. Form 48TM-4SI Pg 1 3-06 Replaces: 48TM-3SI
Book 1 4
Tab 1a 6 a
Installation, Start-Up and Service Instructions
CONTENTS
Page
SAFETY CONSIDERATIONS........................1
INSTALLATION ..................................2-32
Step 1 — Provide Unit Support.....................2
• ROOF CURB
• ALTERNATE UNIT SUPPORT
Step 2 — Rig and Place Unit .......................2
• POSITIONING
• ROOF MOUNT
Step 3 — Field Fabricate Ductwork ...............11
Step 4 — Make Unit Duct Connections ...........11
Step 5 — Install Flue Hood and Wind Baffle ......11
Step 6 — Trap Condensate Drain .................11
Step 7 — Orifice Change ..........................12
Step 8 — Install Gas Piping .......................13
Step 9 — Make Electrical Connections ...........13
• FIELD POWER SUPPLY
• FIELD CONTROL WIRING
• OPTIONAL NON-FUSED DISCONNECT
• OPTIONAL CONVENIENCE OUTLET
Step 10 — Make Outdoor-Air Inlet
Adjustments.....................................16
• MANUAL OUTDOOR-AIR DAMPER
Step 11 — Install Outdoor-Air Hood ..............16
Step 12 — Install All Accessories ...............17
• MOTORMASTER® I CONTROL INSTALLATION
• MOTORMASTER V CONTROL INSTALLATION
Step 13 — Adjust Factory-Installed Options .....19
• PREMIERLINK™ CONTROL
• ENTHALPY SWITCH/RECEIVER
• OUTDOOR ENTHALPY CONTROL
• DIFFERENTIAL ENTHALPY CONTROL
• OPTIONAL ECONOMI$ERIV AND ECONOMI$ER2
• ECONOMI$ERIV STANDARD SENSORS
• ECONOMI$ERIV CONTROL MODES
Step 14 — Install Humidistat for
Optional MoistureMi$er™ Package............31
START-UP .................................... 33-43
SERVICE ..................................... 43-50
TROUBLESHOOTING......................... 51-56
INDEX ...........................................57
START-UP CHECKLIST ........................CL-1
SAFETY CONSIDERATIONS
Installation and servicing of air-conditioning equipment can
be hazardous due to system pressure and electrical compo-
nents. Only trained and qualified service personnel should in-
stall, repair, or service air-conditioning equipment.
Untrained personnel can perform basic maintenance func-
tions of cleaning coils and filters and replacing filters. All other
operations should be performed by trained service personnel.
When working on air-conditioning equipment, observe precau-
tions in the literature, tags and labels attached to the unit, and
other safety precautions that may apply.
Follow all safety codes. Wear safety glasses and work
gloves. Use quenching cloth for unbrazing operations. Have
fire extinguishers available for all brazing operations.
Before performing service or maintenance operations on
unit, turn off main power switch to unit. Electrical shock
could cause personal injury.
1. Improper installation, adjustment, alteration, service,
or maintenance can cause property damage, personal
injury, or loss of life. Refer to the User’s Information
Manual provided with this unit for more details.
2. Do not store or use gasoline or other flammable
vapors and liquids in the vicinity of this or any other
appliance.
What to do if you smell gas:
1. DO NOT try to light any appliance.
2. DO NOT touch any electrical switch, or use any
phone in your building.
3. IMMEDIATELY call your gas supplier from a neigh-
bor’s phone. Follow the gas supplier’s instructions.
4. If you cannot reach your gas supplier, call the fire
department.
Disconnect gas piping from unit when pressure testing at
pressure greater than 0.5 psig. Pressures greater than
0.5 psig will cause gas valve damage resulting in hazardous
condition. If gas valve is subjected to pressure greater than
0.5 psig, it must be replaced before use. When pressure
testing field-supplied gas piping at pressures of 0.5 psig or
less, a unit connected to such piping must be isolated by
closing the manual gas valve(s).
IMPORTANT: Units have high ambient operating limits. If
limits are exceeded, the units will automatically lock the
compressor out of operation. Manual reset will be required
to restart the compressor.
48TM016-028
Single-Package Rooftop Units
Electric Cooling/Gas Heating

2
INSTALLATION
Inspect unit for transportation damage. If damage is found,
file any claim with the transportation agency.
Step 1 — Provide Unit Support
ROOF CURB — Assemble and install accessory roof curb or
horizontal adapter roof curb in accordance with instructions
shipped with this accessory. See Fig. 1-2B. Install insulation,
cant strips, roofing, and counter flashing as shown. Ductwork
can be installed to roof curb or horizontal adapter roof curb be-
fore unit is set in place. Curb or adapter roof curb should be
level. This is necessary to permit unit drain to function proper-
ly. Unit leveling tolerance is ± 1/16 in. per linear ft in any direc-
tion. Refer to Accessory Roof Curb or Horizontal Adapter
Roof Curb Installation Instructions for additional information
as required. When accessory roof curb or horizontal adapter
roof curb is used, unit may be installed on class A, B, or C roof
covering material.
ALTERNATE UNIT SUPPORT — When the curb or adapter
cannot be used, install unit on a noncombustible surface. Sup-
port unit with sleepers, using unit curb support area. If sleepers
cannot be used, support long sides of unit with a minimum of
3 equally spaced 4-in. x 4-in. pads on each side.
Step 2 — Rig and Place Unit — Do not drop unit;
keep upright. Use spreader bars over unit to prevent sling or ca-
ble damage. Rollers may be used to move unit across a roof.
Level by using unit frame as a reference; leveling tolerance is ±
1/16 in. per linear ft in any direction. See Fig. 3 for additional in-
formation. Unit operating weight is shown in Table 1.
Four lifting holes are provided in ends of unit base rails as
shown in Fig. 3. Refer to rigging instructions on unit.
NOTE: On 48TM028 units, the lower forklift braces must
be removed prior to setting unit on roof curb.
POSITIONING — Maintain clearance, per Fig. 4-6, around
and above unit to provide minimum distance from combustible
materials, proper airflow, and service access.
Do not install unit in an indoor location. Do not locate unit
air inlets near exhaust vents or other sources of contaminated
air. For proper unit operation, adequate combustion and venti-
lation air must be provided in accordance with Section 5.3 (Air
for Combustion and Ventilation) of the National Fuel Gas
Code, ANSI Z223.1 (American National Standards Institute).
Although unit is weatherproof, guard against water from
higher level runoff and overhangs.
Locate mechanical draft system flue assembly at least 4 ft
from any opening through which combustion products could
enter the building, and at least 4 ft from any adjacent building.
When unit is located adjacent to public walkways, flue assem-
bly must be at least 7 ft above grade. Locate unit at least 10 ft
away from adjacent units.
ROOF MOUNT — Check building codes for weight distri-
bution requirements. Unit operating weight is shown in
Table 1.
Instructions continued on page 11.
IMPORTANT: The gasketing of the unit to the roof curb
or adapter roof curb is critical for a watertight seal.
Install gasket with the roof curb or adapter as shown in
Fig. 2A and 2B. Improperly applied gasket can also
result in air leaks and poor unit performance.
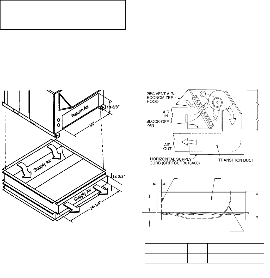
Fig. 1 — Horizontal Supply/Return Adapter Installation (48TM016-025)
NOTE: CRRFCURB013A00 is a fully factory preassembled hori-
zontal adapter and includes an insulated transition duct. The pres-
sure drop through the adapter curb is negligible.
For horizontal return applications: The power exhaust and baro-
metric relief dampers must be installed in the return air duct.
23"
14 3/4"
6"
3 1/2"
FULLY INSULATED
SUPPLY PLENUM
1" INSULATION
1 1/2 # DENSITY,
STICK PINNED & GLUED
2" X 1/4
SUPPORT TYP.
STITCH WELDED
12" WIDE STANDING
SEAM PANELS
ACCESSORY
PACKAGE NO.
CURB
HEIGHT DESCRIPTION
CRRFCURB013A00 1′-11″
(584)
Pre-Assembled, Roof Curb,
Horizontal Adapter

3
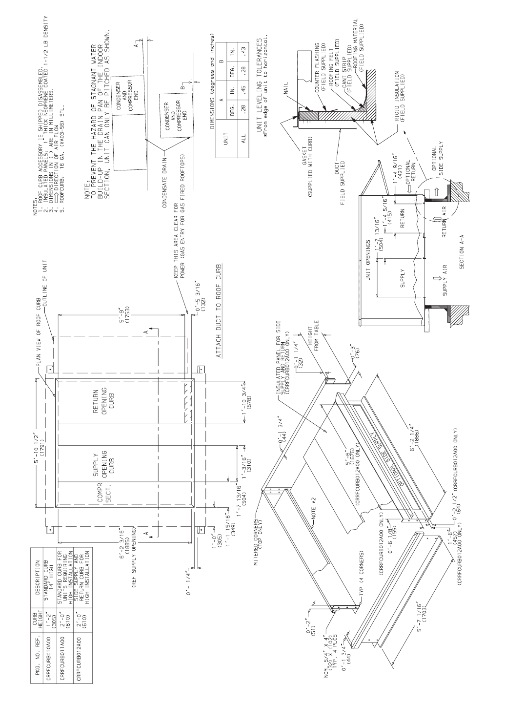
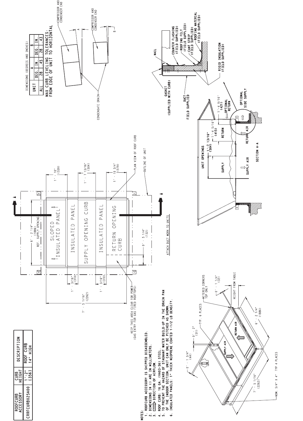
Fig. 2A — Roof Curb Details — 48TM016-025

4
Fig. 2B — Roof Curb Details — 48TM028

5
NOTES:
1. Dimensions in ( ) are in millimeters.
2. Refer to Fig. 4-6 for unit operating weights.
3. Remove boards at ends of unit and runners prior to rigging.
4. Rig by inserting hooks into unit base rails as shown. Use corner post from packaging to protect coil from
damage. Use bumper boards for spreader bars on all units.
5. Weights do not include optional economizer. Add 90 lb (41 kg) for economizer weight.
6. Weights given are for aluminum evaporator and condenser coil plate fins.
All panels must be in place when rigging.
Fig. 3 — Rigging Details
UNIT
48TM
MAXIMUM
SHIPPING WEIGHT
DIMENSIONS
AB
lb kg ft-in. mm ft-in. mm
016 1875 850 6-111/22121 4-0 1219
020 1925 873 6-111/22121 3-2 964
025 2035 923 6-111/22121 3-4 1016
028 2445 1109 6-111/22121 3-4 1016

6
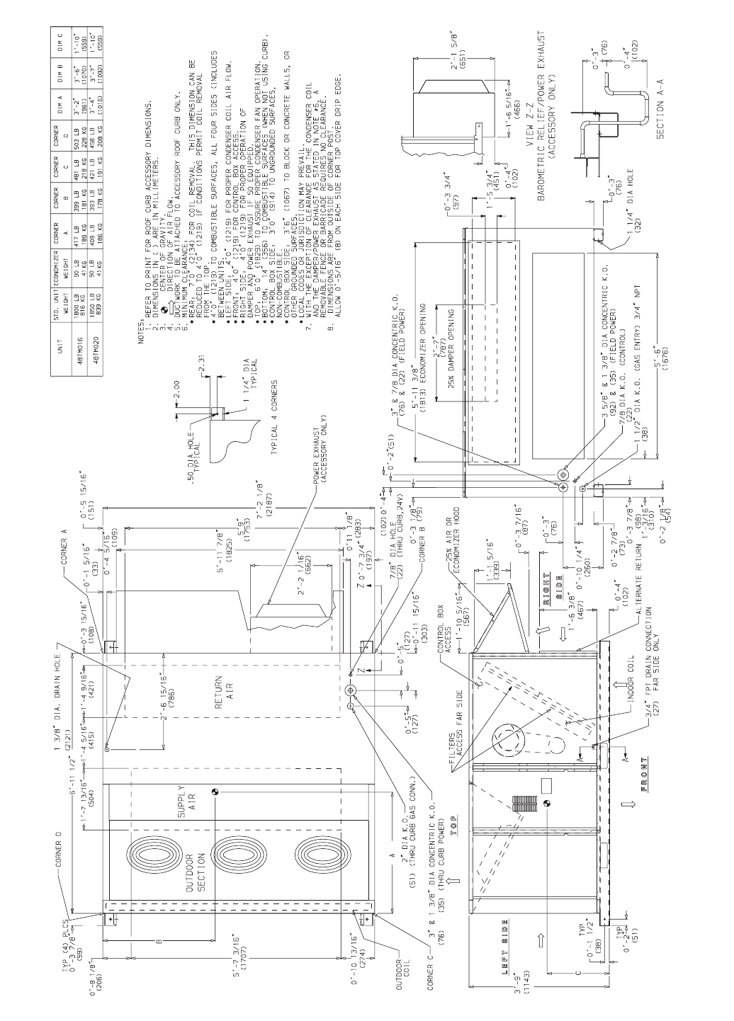
Fig. 4 — Base Unit Dimensions — 48TM016,020

7
Fig. 5 — Base Unit Dimensions — 48TM025

8
Fig. 6 — Base Unit Dimensions — 48TM028

9
Table 1 — Physical Data
LEGEND
*The ZRU140KC compressor is a tandem compressor, consisting of a ZR72KC (25% total
capacity) and a ZR68KC (24% total capacity).
†Circuit 1 uses the lower portion of the condenser coil and lower portion of the evaporator
coils; and Circuit 2 uses the upper portion of both coils.
**Pulley has 6 turns. Due to belt and pulley size, movable pulley cannot be set to 0 to 11/2
turns open.
††Pulley has 6 turns. Due to belt and pulley size, movable pulley cannot be set to 0 to 1/2turns
open.
***Rollout switch is manual reset.
†††A Liquid Propane kit is available as an accessory.
¶The 48TM028 unit requires 2-in. industrial-grade filters capable of handling face velocities up
to 625 ft/min (such as American Air Filter no. 5700 or equivalent).
NOTE: The 48TM016-028 units have a low-pressure switch (standard) located on the suction
side.
UNIT 48TM 016D/F 020D/F 025D/F 028D/F
NOMINAL CAPACITY (tons) 15 18 20 25
OPERATING WEIGHT 1800 1850 1900 2270
Economizer 90 90 90 90
MoistureMi$er™ Dehumidification Package 40 40 40 40
COMPRESSOR/MANUFACTURER Scroll, Copeland
Quantity...Model (Ckt 1, Ckt 2) 1...ZR94KC,
1...ZR72KC
1...ZR108KC,
1...ZR94KC
1...ZR125KC,
1...ZR108KC
1...ZRU140KC,*
1...ZR144KC
Capacity Stages (%) 60, 40 55, 45 55, 45 50, 50
Number of Refrigerant Circuits 22 2 2
Oil (oz) (Ckt 1, Ckt 2) 85, 60 106, 81 106,106 136, 106
REFRIGERANT TYPE R-22
Expansion Device TXV
Operating Charge (lb-oz)
Circuit 1† 19-8 19-8 19-11 26-13
Circuit 2 13-8 19-2 13-14 25-10
CONDENSER COIL Cross-Hatched 3/8-in. Copper Tubes, Aluminum Lanced,
Aluminum Pre-Coated, or Copper Plate Fins
Rows...Fins/in. 4...15 4...15 4...15 3...15 (2 coils)
Total Face Area (sq ft) 21.7 21.7 21.7 43.4
CONDENSER FAN Propeller Type
Nominal Cfm 10,500 10,500 14,200 21,000
Quantity...Diameter (in.) 3...22 3...22 2...30 6...22
Motor Hp...Rpm 1/2...1050 1/2...1050 1...1075 1/2...1050
Watts Input (Total) 1100 1100 3400 2200
EVAPORATOR COIL Cross-Hatched 3/8-in. Copper Tubes, Aluminum Lanced or
Copper Plate Fins, Face Split
Rows...Fins/in. 4...15 4...15 4...15 4...15
Total Face Area (sq ft) 17.5 17.5 17.5 17.5
EVAPORATOR FAN Centrifugal Type
Quantity...Size (in.) 2...12 x 12 2...12 x 12 2...12 x 12 2...12 x 12
Type Drive Belt Belt Belt Belt
Nominal Cfm 6000 7200 8000 10,000
Motor Hp 55 7.5 10
Motor Nominal Rpm 1745 1745 1745 1740
Maximum Continuous Bhp 6.13 5.90 8.7 [208/230, 575 v]
9.5 [460 v]
10.2 [208/230, 575 v]
11.8 [460 v]
Motor Frame Size 184T 184T 213T 215T
Nominal Rpm High/Low —— — —
Fan Rpm Range Low-Medium Static 873-1021 910-1095 1002-1151 1066-1283
High Static 1025-1200 1069-1287 1193-1369 1332-1550
Motor Bearing Type Ball Ball Ball Ball
Maximum Allowable Rpm 1550 1550 1550 1550
Motor Pulley Pitch Diameter Low-Medium Static 4.9/5.9 4.9/5.9 5.4/6.6 4.9/5.9
Min/Max (in.) High Static 4.9/5.9 4.9/5.9 5.4/6.6 4.9/5.9
Nominal Motor Shaft Diameter (in.) 11/811/813/813/8
Fan Pulley Pitch Diameter (in.) Low-Medium Static 9.4 9.4 9.4 8.0
High Static 8.0 8.0 7.9 6.4
Nominal Fan Shaft Diameter (in.) 17/16 17/16 17/16 17/16
Belt, Quantity...Type...Length (in.) Low-Medium Static 1...BX...50 1...BX...50 1...BX...53 2...BX...50
High Static 1...BX...48 1...BX...48 1...BX...50 2...BX...47
Pulley Center Line Distance (in.) 13.3-14.8 13.3-14.8 14.6-15.4 14.6-15.4
Speed Change per Full Turn of
Movable Pulley Flange (rpm)
Low-Medium Static 37 37 37 36
High Static 44 34 44 45
Movable Pulley Maximum Full Turns
From Closed Position 6** 6†† 6** 6††
Factory Speed 3.5 3.5 3.5 3.5
Factory Speed Setting (rpm) Low-Medium Static 965 1002 1120 1182
High Static 1134 1178 1328 1470
Fan Shaft Diameter at Pulley (in.) 17/16 17/16 17/16 17/16
Bhp — Brake Horsepower
TXV — Thermostatic Expansion Valve

10
Table 1 — Physical Data (cont)
LEGEND
*The ZRU140KC compressor is a tandem compressor, consisting of a ZR72KC (25% total
capacity) and a ZR68KC (24% total capacity).
†Circuit 1 uses the lower portion of the condenser coil and lower portion of the evaporator
coils; and Circuit 2 uses the upper portion of both coils.
**Pulley has 6 turns. Due to belt and pulley size, movable pulley cannot be set to 0 to 11/2
turns open.
††Pulley has 6 turns. Due to belt and pulley size, movable pulley cannot be set to 0 to 1/2turns
open.
***Rollout switch is manual reset.
†††A Liquid Propane kit is available as an accessory.
¶The 48TM028 unit requires 2-in. industrial-grade filters capable of handling face velocities up
to 625 ft/min (such as American Air Filter no. 5700 or equivalent).
NOTE: The 48TM016-028 units have a low-pressure switch (standard) located on the suction
side.
UNIT 48TM 016D/F 020D/F 025D/F 028D/F
FURNACE SECTION
Rollout Switch Cutout Temp (F)*** 190 190 190 190
Burner Orifice Diameter (in. ...drill size)
Natural Gas Std 0.1285...30/0.136...29 0.1285...30/0.136...29 0.1285...30/0.136...29 0.1285...30/0.136...29
Thermostat Heat Anticipator Setting (amps)
208/230, 575 v Stage 1 0.98 0.98 0.98 0.98
Stage 2 0.44 0.44 0.44 0.44
460 v Stage 1 0.80 0.80 0.80 0.80
Stage 2 0.44 0.44 0.44 0.44
Gas Input Stage 1 172,000/225,000 206,000/270,000 206,000/270,000 206,000/270,000
Stage 2 230,000/300,000 275,000/360,000 275,000/360,000 275,000/360,000
Efficiency (Steady-State) (%) 81 81 81 81
Temperature Rise Range 15-45/20-50 15-45/20-50 15-45/20-50 15-45/20-50
Manifold Pressure (in. wg)
Natural Gas Std 3.3 3.3 3.3 3.3
Liquid Propane††† Alt 3.3 3.3 3.3 3.3
Gas Valve Quantity 1111
Gas Valve Pressure Range
in. wg 5.5-13.5 5.5-13.5 5.5-13.5 5.5-13.5
psig 0.235-0.487 0.235-0.487 0.235-0.487 0.235-0.487
Field Gas Connection Size (in.-FPT) 3/43/43/43/4
HIGH-PRESSURE SWITCH (psig)
Cutout 426
Reset (Auto) 320
LOW-PRESSURE SWITCH (psig)
Cutout 27
Reset (Auto) 44
FREEZE PROTECTION THERMOSTAT (F)
Opens 30 ± 5
Closes 45 ± 5
OUTDOOR-AIR INLET SCREENS Cleanable
Quantity...Size (in.) 2...20 x 25 x 1
1...20 x 20 x 1
RETURN-AIR FILTERS Throwaway¶
Quantity...Size (in.) 4...20 x 20 x 2
4...16 x20 x 2
POWER EXHAUST 1/2Hp, 208/230-460 v Motor Direct Drive, Propeller-Fan (Factory-Wired for 460 v)
Bhp — Brake Horsepower
TXV — Thermostatic Expansion Valve

11
Step 3 — Field Fabricate Ductwork — Secure all
ducts to building structure. Use flexible duct connectors be-
tween unit and ducts as required. Insulate and weatherproof all
external ductwork, joints, and roof openings with counter
flashing and mastic in accordance with applicable codes.
Ducts passing through an unconditioned space must be in-
sulated and covered with a vapor barrier.
Step 4 — Make Unit Duct Connections — Unit
is shipped for thru-the-bottom duct connections. Ductwork
openings are shown in Fig. 1 and 4-6. Duct connections are
shown in Fig. 7. Field-fabricated concentric ductwork may be
connected as shown in Fig. 8 and 9. Attach all ductwork to roof
curb and roof curb basepans.
Step 5 — Install Flue Hood and Wind Baffle —
Flue hood and wind baffle are shipped secured under main
control box. To install, secure flue hood to access panel. See
Fig. 10. The wind baffle is then installed over the flue hood.
NOTE: When properly installed, flue hood will line up with
combustion fan housing. See Fig. 11.
Step 6 — Trap Condensate Drain — See Fig. 12
for drain location. One 3/4-in. half coupling is provided inside
unit evaporator section for condensate drain connection. An
81/2-in. x 3/4-in. diameter and 2-in. x 3/4-in. diameter pipe nip-
ple, coupled to standard 3/4-in. diameter elbows, provide a
straight path down through hole in unit base rails (see Fig. 13).
A trap at least 4-in. deep must be used.
WIND
BAFFLE
NOTE: Dimensions A, A′, B, and B′are obtained from field-supplied
ceiling diffuser.
Shaded area indicates block-off panels.
Fig. 9 — Concentric Duct Details
Fig. 10 — Flue Hood Location
NOTE: Do not drill in this area; damage to basepan may result in
water leak.
Fig. 8 — Concentric Duct Air Distribution
NOTE: Do not drill in this area; damage to basepan may result in
water leak.
Fig. 7 — Air Distribution — Thru-the-Bottom

12
Step 7 — Orifice Change — This unit is factory as-
sembled for heating operation using natural gas at an elevation
from sea level to 2000 ft. This unit uses orifice type
LH32RFnnn, where “nnn” indicates the orifice size based on
drill size diameter in thousands of an inch.
HIGH ELEVATION (Above 2000 ft) — Use accessory high
altitude kit when installing this unit at an elevation of 2000 to
7000 ft. For elevations above 7000 ft, refer to Table 2 to identi-
fy the correct orifice size for the elevation. See Table 3 for the
number of orifices required for each unit size. Purchase these
orifices from your local Carrier dealer. Follow instructions in
accessory Installation Instructions to install the correct orifices.
Table 2 — Altitude Compensation*
*As the height above sea level increases, there is less oxygen per
cubic foot of air. Therefore, heat input rate should be reduced at
higher altitudes. Includes a 4% input reduction per each 1000 ft.
†Orifices available through your Carrier dealer.
Table 3 — Orifice Quantity
CONVERSION TO LP (Liquid Propane) GAS — Use acces-
sory LP gas conversion kit when converting this unit for use
with LP fuel usage for elevations up to 7000 ft. For elevations
above 7000 ft, refer to Table 4 to identify the correct orifice
size for the elevation. See Table 3 for the number of orifices
required for each unit size. Purchase these orifices from your
local Carrier dealer. Follow instructions in accessory Installa-
tion Instructions to install the correct orifices.
Table 4 — LP Gas Conversion*
*As the height above sea level increases, there is less oxygen per
cubic foot of air. Therefore, heat input rate should be reduced at
higher altitudes. Includes a 4% input reduction per each 1000 ft.
†Orifices available through your Carrier dealer.
ELEVATION (ft) NATURAL GAS ORIFICE†
Low Heat High Heat
0-1,999 30 29
2,000 30 29
3,000 31 30
4,000 31 30
5,000 31 30
6,000 31 30
7,000 32 31
8,000 32 31
9,000 33 31
10,000 35 32
UNIT ORIFICE QUANTITY
48TMD016 5
48TMD020,
48TMD024,
48TMD028,
48TMF016
6
48TMF020,
48TMF024,
48TMF028
7
ELEVATION (ft) LP GAS ORIFICE†
0-1,999 36
2,000 37
3,000 38
4,000 38
5,000 39
6,000 40
7,000 41
8,000 41
9,000 42
10,000 43
INDUCED DRAFT
MOTOR
MAIN BURNER
SECTION
COMBUSTION
FAN HOUSING
HEAT EXCHANGER
SECTION
Fig. 11 — Combustion Fan Housing Location
3/4" FPT DRAIN
CONNECTION
1-3/8"
DRAIN HOLE
Fig. 12 — Condensate Drain Details
(48TM016 Shown)
Fig. 13 — Condensate Drain Piping Details

13
Step 8 — Install Gas Piping — Unit is equipped for
use with natural gas. Installation must conform with local
building codes or, in the absence of local codes, with the
National Fuel Gas Code, ANSI Z223.1.
Install field-supplied manual gas shutoff valve with a 1/8-in.
NPT pressure tap for test gage connection at unit. Field gas
piping must include sediment trap and union. See Fig. 14.
Size gas-supply piping for 0.5-in. wg maximum pressure
drop. Do not use supply pipe smaller than unit gas connection.
Step 9 — Make Electrical Connections
FIELD POWER SUPPLY — Unit is factory wired for volt-
ageshownonnameplate.
When installing units, provide a disconnect per NEC
(National Electrical Code) of adequate size (Table 5).
All field wiring must comply with NEC and local
requirements.
Route power ground lines through control box end panel or
unit basepan (see Fig. 4-6) to connections as shown on unit
wiring diagram and Fig. 15.
Field wiring must confirm to temperature limitations for
type “T” wire. All field wiring must comply with NEC and lo-
cal requirements.
Transformer no. 1 is wired for 230-v unit. If 208/230-v unit
is to be run with 208-v power supply, the transformer must be
rewired as follows:
1. Remove cap from red (208 v) wire.
2. Remove cap from orange (230 v) spliced wire.
3. Replace orange wire with red wire.
4. Recap both wires.
Operating voltage to compressor must be within voltage
range indicated on unit nameplate. On 3-phase units, voltages
between phases must be balanced within 2%.
Unit failure as a result of operation on improper line voltage
or excessive phase imbalance constitutes abuse and may cause
damage to electrical components.
FIELD CONTROL WIRING — Install a Carrier-approved
accessory thermostat assembly according to installation in-
structions included with accessory. Locate thermostat assembly
on a solid interior wall in the conditioned space to sense aver-
age temperature.
Route thermostat cable or equivalent single leads of
colored wire from subbase terminals through conduit in unit to
low-voltage connections as shown on unit label wiring diagram
andinFig.16.
NOTE: For wire runs up to 50 ft, use no. 18 AWG (American
Wire Gage) insulated wire (35 C minimum). For 50 to 75 ft,
use no. 16 AWG insulated wire (35 C minimum). For over
75 ft, use no. 14 AWG insulated wire (35 C minimum). All
wire larger than no. 18 AWG cannot be directly connected at
the thermostat and will require a junction box and splice at the
thermostat.
Set heat anticipator settings as follows:
Settings may be changed slightly to provide a greater degree
of comfort for a particular installation.
Do not pressure test gas supply while connected to unit.
Always disconnect union before servicing. Exceeding
maximum manifold pressure may cause explosion and
injury.
IMPORTANT: Natural gas pressure at unit gas connec-
tion must not be less than 5.5 in. wg or greater than
13.5 in. wg.
The correct power phasing is critical in the operation of the
scroll compressors. An incorrect phasing will cause the
compressor to rotate in the wrong direction. This may lead
to premature compressor failure.
The unit must be electrically grounded in accordance with
local codes and NEC ANSI/NFPA 70 (National Fire Pro-
tection Association) to protect against fire and electrical
shock.
Be certain unused wires are capped. Failure to do so may
damage the transformers.
VOLTAGE W1 W2
208/230,575
460
0.98
0.80
0.44
0.44
NOTE:ThemaximumwiresizeforTB1is2/0.
LEGEND
Fig. 15 — Field Power Wiring Connections
EQUIP — Equipment
GND — Ground
NEC — National Electrical Code
TB — Terminal Block
Fig. 14 — Field Gas Piping

14
OPTIONAL NON-FUSED DISCONNECT — On units with
the optional non-fused disconnect, incoming power will be
wired into the disconnect switch. Refer to Fig. 17 for wiring
for 100 and 200 amp disconnect switches. Units with an
MOCP (maximum overcurrent protection) under 100 will use
the 100 amp disconnect switch. Units with an MOCP over 100
will use the 200 amp disconnect switch. Refer to the applicable
disconnect wiring diagram.
To prevent breakage during shipping, the disconnect han-
dle and shaft are shipped and packaged inside the unit control
box. Install the disconnect handle before unit operation. To in-
stall the handle and shaft, perform the following procedure:
1. Open the control box door and remove the handle and
shaft from shipping location.
2. Loosen the Allen bolt located on the disconnect switch.
The bolt is located on the square hole and is used to hold
the shaft in place. The shaft cannot be inserted until the
Allen bolt is moved.
3. Insert the disconnect shaft into the square hole on the dis-
connect switch. The end of the shaft is specially cut and
the shaft can only be inserted in the correct orientation.
4. Tighten the Allen bolt to lock the shaft into position.
5. Close the control box door.
6. Attach the handle to the external access door with the two
screws provided. When the handle is in the ON position,
thehandlewillbevertical.WhenthehandleisintheOFF
position, the handle will be horizontal.
7. Turn the handle to the OFF position and close the door.
The handle should fit over the end of the shaft when the
door is closed.
8. The handle must be in the OFF position to open the con-
trol box door.
OPTIONAL CONVENIENCE OUTLET — On units with
optional convenience outlet, a 115-v GFI (ground fault inter-
rupt) convenience outlet receptacle is provided for field wiring.
Field wiring should be run through the 7/8-in. knockout pro-
vided in the basepan near the return air opening.
RH RC Y1 Y2 W1 W2 GCX
L
X
C
G
W2
W1Y2
Y1
R
REMOVABLE JUMPER
RED
BLU
PNK
ORN
VIO
BLK
BRN
WHT
THERMOSTAT ASSEMBLY
5L3 3L2 1L1 LINE
6T3 4T2 2T1 LOAD
Fig. 16 — Field Control Thermostat Wiring
NOTE: The disconnect takes the place of TB-1 as shown on the unit wiring dia
-
gram label and the component arrangement label.
Fig. 17 — Optional Non-Fused Disconnect Wiring

15
Table 5 — Electrical Data
LEGEND
*Fuse or HACR circuit breaker.
NOTES:
1. In compliance with NEC requirements for multimotor and combination
load equipment (refer to NEC Articles 430 and 440), the overcurrent pro-
tective device for the unit shall be fuse or HACR breaker. Canadian units
maybefuseorcircuitbreaker.
2. Unbalanced 3-Phase Supply Voltage
Never operate a motor where a phase imbalance in supply voltage is
greater than 2%.
Use the following formula to determine the percent
voltage imbalance.
% Voltage Imbalance
EXAMPLE: Supply voltage is 460-3-60.
Determine maximum deviation from average voltage.
(AB) 457 – 452 =5v
(BC) 464 – 457 =7v
(AC) 457 – 455 =2v
Maximum deviation is 7 v.
Determine percent voltage imbalance.
=1.53%
This amount of phase imbalance is satisfactory as it is below the maximum
allowable 2%.
UNIT
48TM
NOMINAL
VOLTAGE
(3 Ph, 60 Hz)
VO LTAGE
RANGE
COMPRESSOR OFM IFM POWER
EXHAUST
COMBUSTION
FAN MOTOR
POWER
SUPPLY
No. 1 No. 1A No. 2
Min Max RLA LRA RLA LRA RLA LRA Qty Hp FLA (ea) Hp FLA FLA LRA FLA MCA MOCP*
016
208/230 187 253 32.1 195 — — 20.7 156 3 0.5 1.7 5.0 15.8/15.8 — — 0.57 82/82 110/110
4.6 18.8 0.57 86/86 110/110
460 414 508 16.4 95 — — 10 70 3 0.5 0.8 5.0 7.9 — — 0.30 41 50
2.3 6.0 0.30 43 50
575 518 633 12 80 — — 8.2 54 3 0.5 0.75 5.0 6.0 — — 0.57 31 40
2.1 4.8 0.57 34 40
020
208/230 187 253 30.1 225 — — 28.8 195 3 0.5 1.7 5.0 15.8/15.8 — — 0.57 87/87 110/110
4.6 18.8 0.57 92/92 110/110
460 414 508 15.5 114 — — 14.7 95 3 0.5 0.8 5.0 7.9 — — 0.30 44 50
2.3 6.0 0.30 47 60
575 518 632.5 12.1 80 — — 10.7 80 3 0.5 0.75 5.0 6.0 — — 0.57 34 40
2.1 4.8 0.57 36 40
025
208/230 187 253 42 239 — — 33.6 225 2 1 6.6 7.5 25.0/25.0 — — 0.57 124/124 150/150
4.6 18.8 0.57 129/129 150/150
460 414 508 19.2 125 — — 17.3 114 2 1 3.3 7.5 13.0 — — 0.30 61 80
2.3 6.0 0.30 63 80
575 518 633 13.8 80.0 — — 13.5 80.0 2 1.0 3.4 7.5 10.0 — — 0.57 48 60
2.1 4.8 0.57 50 60
028
208/230 187.2 253 20.7 156 20.7 156 47.1 245 6 0.5 1.7 10.0 28.0/28.0 — — 0.57 138/138 175/175
4.6 18.8 0.57 143/143 150/175
460 414 508 10 75 10 75 19.6 125 6 0.5 0.8 10.0 14.6 — — 0.30 64 80
2.3 6 0.30 66 80
575 517.5 632.5 8.2 54 8.2 54 15.8 100 6 0.5 0.8 10.0 13.0 — — 0.57 54 60
2.1 4.8 0.57 56 70
FLA — Full Load Amps
HACR — Heating, Air Conditioning and Refrigeration
IFM — Indoor (Evaporator) Fan Motor
LRA — Locked Rotor Amps
MCA — Minimum Circuit Amps
MOCP — Maximum Overcurrent Protection
NEC — National Electrical Code
OFM — Outdoor (Condenser) Fan Motor
RLA — RatedLoadAmps
=100 x max voltage deviation from average voltage
average voltage
AB =452 v
BC =464 v
AC =455 v
Average Voltage =452 +464 +455
3
=1371
3
=457
% Voltage Imbalance =100 x 7
457
IMPORTANT: If the supply voltage phase imbalance is more than 2%,
contact your local electric utility company immediately.

16
Step 10 — Make Outdoor-Air Inlet Adjust-
ments
MANUAL OUTDOOR-AIR DAMPER — All units (except
those equipped with a factory-installed economizer) have a
manual outdoor-air damper to provide ventilation air.
Damper can be preset to admit up to 25% outdoor air into
return-air compartment. To adjust, loosen securing screws and
move damper to desired setting, then retighten screws to secure
damper (Fig. 18).
Step 11 — Install Outdoor-Air Hood
The outdoor-air hood is common to 25% air ventilation,
EconoMi$erIV and EconoMi$er2. If EconoMi$erIV or
EconoMi$er2 is used, all electrical connections have been
made and adjusted at the factory. Assemble and install hood in
the field.
NOTE: The hood top panel, upper and lower filter retainers,
hood drain pan, baffle (sizes 025 and 028), and filter support
bracket are secured opposite the condenser end of the unit. The
screens, hood side panels, remaining section of filter support
bracket, seal strip, and hardware are in a package located
inside the return-air filter access panel (Fig. 19).
1. Attach seal strip to upper filter retainer. See Fig. 20.
2. Assemble hood top panel, side panels, upper filter retain-
er, and drain pan (see Fig. 21).
3. Secure lower filter retainer and support bracket to unit.
See Fig. 21. Leave screws loose on 025 and 028 units.
4. Slide baffle (sizes 025 and 028) behind lower filter retain-
er and tighten screws.
5. Loosen sheet metal screws for top panel of base unit
located above outdoor-air inlet opening, and remove
screws for hood side panels located on the sides of the
outdoor-air inlet opening.
6. Match notches in hood top panel to unit top panel screws.
Insert hood flange between top panel flange and unit.
Tighten screws.
7. Hold hood side panel flanges flat against unit, and install
screwsremovedinStep5.
8. Insert outdoor-air inlet screens and spacer in channel
created by lower filter retainer and filter support bracket.
IMPORTANT: If the unit is equipped with the optional
EconoMi$erIV component, move the outdoor-air tempera-
ture sensor prior to installing the outdoor-air hood. See the
Optional EconoMi$erIV and EconoMi$er2 section for
more information.
Fig. 18 — Standard 25% Outdoor-Air
Section Details
Fig. 19 — Outdoor-Air Hood Component Location
Fig. 20 — Seal Strip Location
HOOD TOP
PANEL
HOOD SIDE
PANELS (2)
BAFFLE
(025 AND
028 ONLY)
LOWER
FILTER
RETAINER
FILTER SUPPORT
BRACKET
HOOD DRAIN PAN
UPPER FILTER RETAINER
BAFFLE
LOWER FILTER
RETAINER
FILTER SUPPORT
BRACKET
Fig. 21 — Outdoor-Air Hood Details

17
Step 12 — Install All Accessories — After all the
factory-installed options have been adjusted, install all field-
installed accessories. Refer to the accessory installation
instructions included with each accessory.
MOTORMASTER® I CONTROL INSTALLATION
(48TM016,020, and 028)
Install Field-Fabricated Wind Baffles — Wind baffles must
be field-fabricated for all units to ensure proper cooling cycle
operation at low ambient temperatures. See Fig. 22 for baffle
details. Use 20-gage, galvanized sheet metal, or similar
corrosion-resistant metal for baffles. Use field-supplied screws
to attach baffles to unit. Screws should be 1/4-in. diameter and
5/8-in. long. Drill required screw holes for mounting baffles.
Install Motormaster I Controls — Only one Motormaster I
control is required for 48TM016 and 020 units. The 48TM028
requires 2 Motormaster I controls — one for circuit 1 and
one for circuit 2. The Motormaster I control must be used in
conjunction with the accessory 0° F low ambient kit
(purchased separately). The Motormaster I device controls
outdoor fan no. 1 (and 4 on size 028 units) while outdoor fans
no. 2 and 3 (and 5 and 6 on 028 units) are sequenced off by the
Accessory 0° F Low Ambient Kit.
Accessory 0° F Low Ambient Kit — Install the accessory 0° F
low ambient kit per instruction supplied with accessory.
Sensor Assembly — Install the sensor assembly in the location
shown in Fig. 23.
Motor Mount — To ensure proper fan height, replace the exist-
ing motor mount with the new motor mount provided with
accessory.
Transformer (460 and 575-v Units Only) — On 460 and 575-v
units, a transformer is required. The transformer is provided
with the accessory and must be field-installed.
Motormaster I Control — Recommended mounting location is
on the inside of the panel to the left of the control box. The
control should be mounted on the inside of the panel, verti-
cally, with leads protruding from bottom of extrusion.
To avoid damage to the refrigerant coils and electrical com-
ponents, use recommended screw sizes only. Use care
when drilling holes.
NOTE: Dimensions in ( ) are in mm.
Fig. 22 — Wind Baffle Details
SENSOR
LOCATION
HAIRPIN END
SENSOR
LOCATION
HAIRPIN END
SENSOR
LOCATION
HAIRPIN END
48TM016 48TM020 48TM028
(Circuits 1 and 2)
NOTE: All sensors are located on the eighth hairpin up from the
bottom.
Fig. 23 — Motormaster® I Sensor Locations

18
MOTORMASTER® V CONTROL INSTALLATION
(48TM025 Only)
Install Field-Fabricated Wind Baffles — Wind baffles must
be field-fabricated for all units to ensure proper cooling cycle
operation at low ambient temperatures. See Fig. 22 for baffle
details. Use 20-gage, galvanized sheet metal, or similar
corrosion-resistant metal for baffles. Use field-supplied screws
to attach baffles to unit. Screws should be 1/4-in. diameter and
5/8-in. long. Drill required screw holes for mounting baffles.
Install Motormaster V Controls — The Motormaster V
(MMV) control is a motor speed control device which adjusts
condenser fan motor speed in response to declining liquid
refrigerant pressure. A properly applied Motormaster V control
extends the operating range of air-conditioning systems and
permits operation at lower outdoor ambient temperatures.
The minimum ambient temperatures at which the unit will
operate are:
To operate down to the ambient temperatures listed,
Motormaster V controls (Fig. 24) must be added. Field-
fabricated and installed wind baffles are also required for all units
(see Fig. 22). The Motormaster V control permits operation of
the unit to an ambient temperature of –20 F (–29 C). The control
regulates the speed of 3-phase fan motors that are compatible
with the control. These motors are factory installed.
See Table 6 for the Motormaster V control accessory
package usage. Table 7 shows applicable voltages and motors.
Replacement of fan motor IS NOT REQUIRED ON
CURRENT PRODUCTION UNITS since the control is
compatible with the factory-installed fan motors. Only field
wiring control is required.
Install the Motormaster V control per instructions supplied
with accessory.
Table 6 — Motormaster V Control Package Usage
Table 7 — Applicable Voltages and Motors
To avoid damage to the refrigerant coils and electrical com-
ponents, use recommended screw sizes only. Use care
when drilling holes.
TEMPERATURE OPERATING LIMITS — F° (C°)
Standard
Unit
Unit with
Low Ambient Kit
Unit with
MMV Control
40 (4) 25 (–4) –20 (–29)
UNIT VOLTAGE ITEM DESCRIPTION
48TM016-028
208/230 CRLOWAMB015A00
460 CRLOWAMB016A00
575 CRLOWAMB017A00
VOLTAGE COMPATIBLE MOTOR
208/230-3-60 HD52AK654
460-3-60 HD52AK654
575-3-60 HD52GE576
Fig. 24 — Motormaster® V Control
256 2
12 13A
13B 13C
123
TO MOTOR(S)
TO PRESSURE
TRANSDUCER
BLK
YEL
BLU
FROM FUSE BLOCK
B

19
Step 13 — Adjust Factory-Installed Options
PREMIERLINK™ CONTROL — The PremierLink control-
ler is available as a special order from the factory and is
compatible with the Carrier Comfort Network® (CCN) sys-
tem. This control is designed to allow users the access and abil-
ity to change factory-defined settings, thus expanding the func-
tion of the standard unit control board. Carrier’s diagnostic
standard tier display tools such as Navigator™ device or
Scrolling Marquee can be used with the PremierLink
controller.
The PremierLink controller (see Fig. 25) requires the use of
a Carrier electronic thermostat or a CCN connection for time
broadcast to initiate its internal timeclock. This is necessary for
broadcast of time of day functions (occupied/unoccupied). No
sensors are supplied with the field-mounted PremierLink
control. The factory-installed PremierLink control includes
only the supply-air temperature (SAT) sensor and the outdoor
air temperature (OAT) sensor as standard. An indoor air quality
(CO2) sensor can be added as an option. Refer to Table 8 for
sensor usage. Refer to Fig. 26 for PremierLink controller
wiring. The PremierLink control may be mounted in the
control panel or an area below the control panel.
NOTE: PremierLink controller version 1.3 and later is shipped
in Sensor mode. If used with a thermostat, the PremierLink
controller must be configured to Thermostat mode.
Install the Supply Air Temperature (SAT) Sensor —When
the unit is supplied with a factory-mounted PremierLink con-
trol, the supply-air temperature (SAT) sensor (33ZCSENSAT)
is factory-supplied and wired. The wiring is routed from the
PremierLink control over the control box, through a grommet,
into the fan section, down along the back side of the fan, and
along the fan deck over to the supply-air opening.
The SAT probe is wire-tied to the supply-air opening (on the
horizontal opening end) in its shipping position. Remove the
sensor for installation. Re-position the sensor in the flange of
the supply-air opening or in the supply air duct (as required by
local codes). Drill or punch a 1/2-in. hole in the flange or duct.
Use two field-supplied, self-drilling screws to secure the sensor
probe in a horizontal orientation.
NOTE: The sensor must be mounted in the discharge airstream
downstream of the cooling coil and any heating devices. Be
sure the probe tip does not come in contact with any of the unit
or heat surfaces.
Outdoor Air Temperature (OAT) Sensor — When the unit is
supplied with a factory-mounted PremierLink control, the
outdoor-air temperature sensor (OAT) is factory-supplied and
wired.
Install the Indoor Air Quality (CO2)Sensor — Mount the
optional indoor air quality (CO2) sensor according to manufac-
turer specifications.
A separate field-supplied transformer must be used to
power the CO2sensor.
Wire the CO2sensor to the COM and IAQI terminals of J5 on
the PremierLink controller. Refer to the PremierLink Installa-
tion, Start-up, and Configuration Instructions for detailed wiring
and configuration information.
Fig. 25 — PremierLink Controller

20
2
3
4
5
6
7
8
9
10
11
12
13
14
15
16
17
18
19
20
21
22
23
24
26
25
1
SAT
OAT
RED
WHT
RED
BLU
YEL
VIO
BRN
ORN
BRN
BLK
BRN
BLUE
ECONO
NOT
USED RELAYS
RED
RED
REDREDRED
RED
R
Y1
Y2
W1
W2
G
C
X
ORN
GRN
PNK
BRN
RED
RED
RED
RED
BRN
BRN
RED
BLU
ORN
PNK
WHT
BLU
YELGRN
R
Y1
Y2
W1
W2
G
FIELD
THERMOSTAT*
C
X
WHT
X
CLO1
R
W2
W
9
8
G
IGC PL1 PL1 IGC MGV IGC
BLK
WHT
RED
BRN
VIO
RED
FROM 24V
UNIT
TRANSFORMER
ECONO
PLUG
BRN
GRAY
PremierLink
RED
TB2
BRN
C
TRAN1
BRN
2
12
1
PL1
SPT
COM
STO
BLU
BRN
BLK
BRN
ORN
BRN
VIO
COM
SAT
COM
OAT
COM
IAQI
COM
OAQ
BRN
RED
BRN
BLU
DDC
CONTROL
RMTOCC
CMPSAFE
FSD
SFS
NOT USED
ENTH
GRN
RED
YEL
RED
BLU
RED
WHT
RED
PNK
RED
ORN
RED
D
ISCRETE
J5
J6J4
ANALO G0-20mAIN
J1
PWR
BRN
J2
CCN/LEN
-+
BLK
WHT
RED
J3
SERVICE/
NAVIGATOR PORT
1234
0
1
J9
ECONO
BRN
GND
VIO
+4-20
J7
NOT
USED J8
RED CUT TO ISOLATE POWER SUPPLY TO CONTROLLER
FAN
GRN
CMP1
YEL
CMP2
BLU
HS1
WHT
HS2
PNK ORN
HS3/
EXH/
RVS
RED
PWR
CUT FOR DUAL
TRANSFORMER
EQUIPMENT
RELAYS RED
TSTAT CONTROL
G
Y1
Y2
W1
W2
ENTH
GRN
YEL
BLU
WHT
PNK
ORN
RED
RED
RED
RED
RED
RED
J4DISCRETE
SWITCH
POSITION 0
POSITION 1
1
LEN
CCN LOAD FACTORY DEFAULTS ON POWERUP
NO ACTION
4
R
Y1
Y2
W1
W2
G
C
X
DDC CONTROL TSTAT CONTROL
Y1
CMP SAFE
FSD Y2
SFS W1
XX
CC
RMTOCC
NOT USED
G
W2
TB2-C
WHT
OR
BLK
FROM
IGC-G
BLU
FROM
PL1-8
PNK
FROM
PL1-9
ORN
FROM
IGC-W
VIO
FROM
MGV-W2
RED
FROM
IGC-R
PL1 - 5
PL1 - 6
12
12
RED
BLK WHT
2
3
1
4-20ma
ECONO
MOTOR
ECONOMIZER
50TJ401148
(CRECOMZR010B00)
BLU
PNK
BRN
VIO
GRN
WHT
Control
PL1-1
PL1-2
PL1-12
RED
TB2†
Fig. 26 — Typical PremierLink™ Controls Wiring
LEGEND
*If PremierLink control is in thermostat mode.
†TB2 terminal designations for 24 vac discrete
inputs. Default is for DDC control.
CLO — Compressor Lockout
CMP — Compressor
ECONO — Economizer
ENTH — Enthalpy Sensor
IGC — Integrated Gas Unit Controller
MGV — Main Gas Valve
OAT — Outdoor Air Temperature Sensor
PL — Plug
SAT — Supply Air Temperature Sensor
SPT — Space Temperature Sensor
TB — Terminal Block
†

21
Table 8 — PremierLink™ Sensor Usage
*PremierLink control requires supply air temperature sensor 33ZCSENSAT and
outdoor air temperature sensor HH79NZ039 — Included with factory-installed PremierLink control;
field-supplied and field-installed with field-installed PremierLink control.
NOTES:
1. CO2Sensors (Optional):
33ZCSENCO2 — Room sensor (adjustable). Aspirator box is required for duct mounting of the sensor.
33ZCASPCO2 — Aspirator box used for duct-mounted CO2room sensor.
33ZCT55CO2 — Space temperature and CO2room sensor with override.
33ZCT56CO2 — Space temperature and CO2room sensor with override and setpoint.
2. All units include the following standard sensors:
Outdoor-air sensor — 50HJ540569 — Opens at 67 F, closes at 52 F, not adjustable.
Mixed-air sensor — HH97AZ001 — (PremierLink control requires supply air temperature sensor 33ZCSENSAT
and outdoor air temperature sensor HH79NZ039)
Compressor lockout sensor — 50HJ540570 — Opens at 35 F, closes at 50 F.
ENTHALPY SWITCH/RECEIVER — The accessory en-
thalpy switch/receiver (33CSENTHSW) senses temperature
and humidity of the air surrounding the device and calculates
theenthalpywhenusedwithoutanenthalpysensor.Therelayis
energized when enthalpy is high and deenergized when
enthalpy is low (based on ASHRAE [American Society of
Heating, Refrigeration and Air Conditioning Engineers] 90.1
criteria). If an accessory enthalpy sensor (33CSENTSEN) is
attached to the return air sensor input, then differential enthalpy
is calculated. The relay is energized when the enthalpy detected
by the return air enthalpy sensor is less than the enthalpy at the
enthalpy switch/receiver. The relay is deenergized when the
enthalpy detected by the return air enthalpy sensor is greater
than the enthalpy at the enthalpy switch/receiver (differential
enthalpy control). See Fig. 27 and 28.
OUTDOOR ENTHALPY CONTROL (Fig. 29) — Out-
door enthalpy control requires only an enthalpy switch/
receiver (33CSENTHSW). The enthalpy switch/receiver is
mounted in the outdoor air inlet and calculates outdoor air
enthalpy. The enthalpy switch/receiver energizes the relay
output when the outdoor enthalpy is above 28 BTU/lb OR dry
bulb temperature is above 75 F and is deenergized when
the outdoor enthalpy is below 27 BTU/lb AND dry bulb
temperature is below 74.5 F. The relay output is wired to the
unit economizer which will open or close depending on the
output of the switch.
NOTE: The enthalpy calculation is done using an average
altitude of 1000 ft above sea level.
Mounting — Mount the enthalpy switch/receiver in a location
where the outdoor air can be sampled (such as the outdoor air
intake). The enthalpy switch/receiver is not a NEMA 4
(National Electrical Manufacturers Association) enclosure and
should be mounted in a location that is not exposed to outdoor
elements such as rain or snow. Use two field-supplied no. 8 x
3/4-in. TEK screws. Insert the screws through the holes in the
sides of the enthalpy switch/receiver.
Wiring — Carrier recommends the use of 18 to 22 AWG
(American Wire Gage) twisted pair or shielded cable for all
wiring. All connections must be made with 1/4-in. female spade
connectors.
A 24-vac transformer is required to power the enthalpy
switch/receiver; as shown in Fig. 29, the PremierLink™ board
provides 24 vac. Connect the GND and 24 VAC terminals on
the enthalpy switch/receiver to the terminals on the transform-
er. On some applications, the power from the economizer
harness can be used to power the enthalpy switch/receiver. To
power the enthalpy switch/receiver from the economizer
harness, connect power of the enthalpy switch/receiver to the
red and brown wires (1 and 4) on the economizer harness.
For connection to rooftop units with PremierLink™ control,
connect the LOW Enthalpy terminal on the enthalpy switch/
receiver to J4 — pin 2 of the PremierLink control on the
HVAC unit. The switch can be powered through the Premier-
Link control board if desired. Wire the 24 VAC terminal on the
enthalpy switch/receiver to J4 — pin 1 on the PremierLink
control. Wire the GND terminal on the enthalpy switch/
receiver to J1 — pin 2 on the PremierLink control. The HI
Enthalpy terminal is not used. See Fig. 29.
APPLICATION OUTDOOR AIR
TEMPERATURE SENSOR
RETURN AIR
TEMPERATURE SENSOR
OUTDOOR AIR
ENTHALPY SENSOR
RETURN AIR
ENTHALPY SENSOR
Differential Dry Bulb
Temperature with
PremierLink*
(PremierLink
requires 4-20 mA
Actuator)
Included —
HH79NZ039
Required —
33ZCT55SPT
or Equivalent
——
Single Enthalpy with
PremierLink*
(PremierLink
requires 4-20 mA
Actuator)
Included —
Not Used —
Required —
33CSENTHSW
(HH57ZC003)
or
HH57AC077
—
Differential Enthalpy
with PremierLink*
(PremierLink
requires 4-20 mA
Actuator)
Included —
Not Used —
Required —
33CSENTHSW
(HH57ZC003)
or
HH57AC077
Required —
33CSENTSEN
or
HH57AC078

22
Fig. 27 — Enthalpy Switch/Receiver Dimensions
(33CSENTHSW) Fig. 28 — Enthalpy Sensor Dimensions
(33CSENTSEN)
Fig. 29 — Typical Wiring Schematic — Carrier Rooftop Unit with PremierLink™ Controls
*Used with Differential Enthalpy Control only.

23
DIFFERENTIAL ENTHALPY CONTROL (Fig. 30) —
Differential enthalpy control requires both an enthalpy switch/
receiver (33CSENTHSW) and an enthalpy sensor
(33CSENTSEN). The enthalpy switch/receiver is mounted in
the outdoor air inlet and calculates outdoor air enthalpy. The
enthalpy sensor is mounted in the return airstream and calcu-
lates the enthalpy of the indoor air.
The enthalpy switch/receiver energizes the HI Enthalpy
relay output when the outdoor enthalpy is greater than the
indoor enthalpy. The LOW Enthalpy terminal is energized
when the outdoor enthalpy is lower than the indoor enthalpy.
The relay output is wired to the unit economizer which will
open or close depending on the output of the switch.
NOTE: The enthalpy calculation is done using an average
altitude of 1000 ft above sea level.
Mounting — Mount the enthalpy switch/receiver in a location
where the outdoor air can be sampled (such as the outdoor air
intake). The enthalpy switch/receiver is not a NEMA 4 enclo-
sure and should be mounted in a location that is not exposed to
outdoor elements such as rain, snow, or direct sunlight. Use
two field-supplied no. 8 x 3/4-in. TEK screws. Insert the screws
through the holes in the sides of the enthalpy switch/receiver.
Mount the enthalpy sensor in a location where the indoor air
can be sampled (such as the return air duct). The enthalpy
sensor is not a NEMA 4 enclosure and should be mounted in a
location that is not exposed to outdoor elements such as rain or
snow. Use two field-supplied no. 8 x 3/4-in. TEK screws. Insert
the screws through the holes in the sides of the enthalpy sensor.
Wiring — Carrier recommends the use of 18 to 22 AWG
twisted pair or shielded cable for all wiring. All connections
must be made with 1/4-in. female spade connectors.
The PremierLink™ board provides 24-vac to power the
enthalpy switch/receiver. Connect the GND and 24 VAC
terminals on the enthalpy switch/receiver to the terminals on
the transformer. On some applications, the power from the
economizer harness can be used to power the enthalpy switch/
receiver. To power the enthalpy switch/receiver from the econ-
omizer harness, connect power of the enthalpy switch/receiver
to the red and brown wires (1 and 4) on the economizer
harness.
Connect the LOW Enthalpy terminal on the enthalpy
switch/receiver to J4 — pin 2 of the PremierLink control on the
HVAC unit. The switch can be powered through the Premier-
Link control board if desired. Wire the 24VAC terminal on the
enthalpy switch/receiver to J4 — pin 1 on the PremierLink
control. Wire the GND terminal on the enthalpy switch/
receiver to J1 — pin 2 on the PremierLink control. The HI
Enthalpy terminal is not used. See Fig. 29.
Connect the 4-20 mA IN terminal on the enthalpy switch/
receiver to the 4-20 mA OUT terminal on the return air
enthalpy sensor. Connect the 24-36 VDC OUT terminal on the
enthalpy switch/receiver to the 24-36 VDC IN terminal on the
return air enthalpy sensor. See Fig. 30.
Enthalpy Switch/Receiver Jumper Settings —Therearetwo
jumpers. One jumper determines the mode of the enthalpy
switch/receiver. The other jumper is not used. To access the
jumpers, remove the 4 screws holding the cover on the
enthalpy switch/receiver and then remove the cover. The
factory settings for the jumpers are M1 and OFF.
The mode jumper should be set to M2 for differential
enthalpy control. The factory test jumper should remain on
OFF or the enthalpy switch/receiver will not calculate enthalpy.
Enthalpy Sensor Jumper Settings — There are two jumpers.
One jumper determines the mode of the enthalpy sensor. The
other jumper is not used. To access the jumpers, remove the
4 screws holding the cover on the enthalpy sensor and then
remove the cover. The factory settings for the jumpers are M3
and OFF.
Fig. 30 — Differential Enthalpy Control Wiring
24 VAC OUTPUT FROM N/C CONTACT WHEN THE
OUTDOOR ENTHALPY IS LESS THAN THE
INDOOR ENTHALPY
(ENABLE ECONOMIZER)
24 VAC OUTPUT FROM N/O CONTACT WHEN THE
INDOOR ENTHALPY IS GREATER THAN THE
OUTDOOR ENTHALPY
24 VAC
SECONDARY
HI LOW GND 24
VAC
ENTHALPY 4-20
mA
IN
24-36
VDC
OUT
JUMPER SETTINGS FOR 33CSENTHSW
M1
M2
M3
0%
50%
100%
OFF
33CSENTHSW
JUMPER SETTINGS FOR 33CSENTSEN
M1
M2
M3
0%
50%
100%
OFF
33CSENTSEN
24-36
VDC
IN
ORN
120 VAC
LINE VOLTAGE
4-20
mA
OUT
LEGEND
N/C — Normally Closed
N/O — Normally Open

24
The mode jumper should be set to M3 for 4 to 20 mA
output. The factory test jumper should remain on OFF or the
enthalpy sensor will not calculate enthalpy.
ENTHALPY SENSORS AND CONTROL — The enthalpy
control (HH57AC077) is supplied as a field-installed accessory
to be used with the EconoMi$er2 damper control option. The
outdoor air enthalpy sensor is part of the enthalpy control. The
separate field-installed accessory return air enthalpy sensor
(HH57AC078) is required for differential enthalpy control.
NOTE: The enthalpy control must be set to the “D” setting for
differential enthalpy control to work properly.
The enthalpy control receives the indoor and return
enthalpy from the outdoor and return air enthalpy sensors and
provides a dry contact switch input to the PremierLink™
controller. Locate the controller in place of an existing econo-
mizer controller or near the actuator. The mounting plate may
not be needed if existing bracket is used.
A closed contact indicates that outside air is preferred to the
return air. An open contact indicates that the economizer
should remain at minimum position.
Outdoor Air Enthalpy Sensor/Enthalpy Controller
(HH57AC077) — To wire the outdoor air enthalpy sensor,
perform the following (see Fig. 31 and 32):
NOTE: The outdoor air sensor can be removed from the back
of the enthalpy controller and mounted remotely.
1. Use a 4-conductor, 18 or 20 AWG cable to connect the
enthalpy control to the PremierLink controller and power
transformer.
2. Connect the following 4 wires from the wire harness
located in rooftop unit to the enthalpy controller:
a. Connect the BRN wire to the 24 vac terminal (TR1)
on enthalpy control and to pin 1 on 12-pin harness.
b. Connect the RED wire to the 24 vac GND terminal
(TR) on enthalpy sensor and to pin 4 on 12-pin
harness.
c. Connect the GRAY/ORN wire to J4-2 on Premier-
Link controller and to terminal (3) on enthalpy
sensor.
d. Connect the GRAY/RED wire to J4-1 on Premier-
Link controller and to terminal (2) on enthalpy sensor.
NOTE: If installing in a Carrier rooftop, use the two gray wires
provided from the control section to the economizer to connect
PremierLinkcontrollertoterminals2and3onenthalpysensor.
Return Air Enthalpy Sensor — Mount the return-air enthalpy
sensor (HH57AC078) in the return-air duct. The return air
sensor is wired to the enthalpy controller (HH57AC077). The
outdoor enthalpy changeover set point is set at the controller.
To wire the return air enthalpy sensor, perform the follow-
ing (see Fig. 31):
1. Use a 2-conductor, 18 or 20 AWG, twisted pair cable to
connect the return air enthalpy sensor to the enthalpy
controller.
2. At the enthalpy control remove the factory-installed
resistor from the (SR) and (+) terminals.
3. Connect the field-supplied RED wire to (+) spade
connector on the return air enthalpy sensor and the (SR+)
terminal on the enthalpy controller. Connect the BLK
wire to (S) spade connector on the return air enthalpy
sensor and the (SR) terminal on the enthalpy controller.
OPTIONAL ECONOMI$ERIV AND ECONOMI$ER2 —
See Fig. 33 and 34 for EconoMi$erIV component locations.
See Fig. 35 for EconoMi$er2 component locations.
NOTE: These instructions are for installing the optional
EconoMi$erIV and EconoMi$er2 only. Refer to the accessory
EconoMi$erIV or EconoMi$er2 installation instructions when
field installing an EconoMi$erIV or EconoMi$er2 accessory.
To complete installation of the optional EconoMi$erIV, per-
form the following procedure.
1. Remove the EconoMi$erIV hood. Refer to Step 11 — In-
stall Outdoor-Air Hood on page 16 for information on
removing and installing the outdoor-air hood.
2. Relocate outdoor air temperature sensor from shipping
position to operation position on EconoMi$erIV. See
Fig. 33.
3. Reinstall economizer hood.
4. Install all EconoMi$erIV accessories. EconoMi$erIV
wiring is shown in Fig. 36. EconoMi$er2 wiring is shown
in Fig. 37.
IMPORTANT: Failure to relocate the sensor will result in
the EconoMi$erIV not operating properly.
BRACKET
+
C7400A1004
Fig. 32 — Differential Enthalpy Control,
Sensor and Mounting Plate (33AMKITENT006)
HH57AC077
ENTHALPY
CONTROL AND
OUTDOOR AIR
ENTHALPYSENSOR
HH57AC078 ENTHALPY
SENSOR (USED WITH
ENTHALPYCONTROL
FOR DIFFERENTIAL
ENTHALPYOPERATION)
MOUNTING PLATE
LED
ABC
D
TR TR1
SO
SR
2
3
1
+
+
BRN
RED
GRAY/ORN
GRAY/RED
WIRE HARNESS
IN UNIT
BLK
RED
S
+
(RETURN AIR
ENTHALPY
SENSOR)
S
+
(OUTDOOR
AIR
ENTHALPY
SENSOR)
ENTHALPY CONTROLLER
NOTES:
1. Remove factory-installed jumper across SR and +before con-
necting wires from return air sensor.
2. Switches shown in high outdoor air enthalpy state. Terminals 2
and 3 close on low outdoor air enthalpy relative to indoor air
enthalpy.
3. Remove sensor mounted on back of control and locate in out-
side airstream.
Fig. 31 — Outdoor and Return Air Sensor Wiring
Connections for Differential Enthalpy Control

25
Outdoor air leakage is shown in Table 9. Return air pressure
drop is shown in Table 10.
Table 9 — Outdoor Air Damper Leakage
Table 10 — Return Air Pressure Drop (in. wg)
ECONOMI$ERIV STANDARD SENSORS
Outdoor Air Temperature (OAT) Sensor — The outdoor air
temperature sensor (HH57AC074) is a 10 to 20 mA device
used to measure the outdoor-air temperature. The outdoor air
temperature is used to determine when the EconoMi$erIV can
be used for free cooling. The sensor must be field-relocated.
See Fig. 33. The operating range of temperature measurement
is 40 to 100 F.
Supply Air Temperature (SAT) Sensor — The supply air
temperature sensor is a 3 K thermistor located at the inlet of the
indoor fan. See Fig. 34. This sensor is factory installed. The op-
erating range of temperature measurement is 0° to 158 F. See
Table 11 for sensor temperature/resistance values.
The temperature sensor looks like an eyelet terminal with
wires running to it. The sensor is located in the “crimp end”
and is sealed from moisture.
Low Temperature Compressor Lockout Switch — The Econo-
Mi$erIV is equipped with an ambient temperature lockout
switch located in the outdoor airstream which is used to lockout
the compressors below a 42 F ambient temperature. See Fig. 33.
Table 11 — Supply Air Sensor Temperature/
Resistance Values
DAMPER STATIC PRESSURE (in. wg)
0.2 0.4 0.6 0.8 1.0 1.2
LEAKAGE (cfm) 35 53 65 75 90 102
CFM
4500 5000 5400 6000 7200 7500 9000 10,000 11,250
0.040 0.050 0.060 0.070 0.090 0.100 0.110 0.120 0.140
TEMPERATURE (F) RESISTANCE (ohms)
–58 200,250
–40 100,680
–22 53,010
–4 29,091
14 16,590
32 9,795
50 5,970
68 3,747
77 3,000
86 2,416
104 1,597
122 1,080
140 746
158 525
176 376
185 321
194 274
212 203
230 153
248 116
257 102
266 89
284 70
302 55
ECONOMI$ERIV
OUTDOOR AIR
TEMPERATURE SENSOR
(INSTALLED OPERATION
POSITION)
SCREWS
SCREWS FRAME
TOP
LOW TEMPERATURE
COMPRESSOR
LOCKOUT SWITCH
ACTUATOR
ECONOMI$ERIV
FLANGE
AND SCREWS
(HIDDEN)
CONTROLLER
SUPPLY AIR
TEMPERATURE SENSOR
LOCATION
TR1
24 Vac
COM
TR
24
Vac
HOT
12
34
5
EFEF1
+_
P1
T1
P
T
N
EXH
2V1
0V
EXH
Set
Set
2V1
0V
2V10V
DCV
DCV
Free
Cool
BC
AD
SO+
SR+
SR
SO
AQ1
AQ
DCV
Min
Pos
Open
Max
N1
Fig. 33 — EconoMi$erIV Component Locations —
End View
Fig. 34 — EconoMi$erIV Component Locations —
Side View
FRAME
TOP
SCREWS
ECONOMI$ER2 SCREWS
Fig. 35 — EconoMi$er2 Component Locations

26
LEGEND
DCV — Demand Controlled Ventilation
IAQ — Indoor Air Quality
LALS — Low Temperature Compressor
Lockout Switch
OAT — Outdoor-Air Temperature
POT — Potentiometer
Potentiometer Default Settings:
Power Exhaust Middle
Minimum Pos. Fully Closed
DCV Max. Middle
DCV Set Middle
Enthalpy C Setting
NOTES:
1. 620 ohm, 1 watt 5% resistor should be removed only when using differential
enthalpy or dry bulb.
2. If a separate field-supplied 24 v transformer is used for the IAQsensor power
supply, it cannot have the secondary of the transformer grounded.
3. For field-installed remote minimum position POT, remove black wire jumper
between P and P1 and set control minimum position POT to the minimum
position.
Fig. 36 — EconoMi$erIV Wiring
4
3
5
2
8
6
7
1
10
11
9
12
PINK
BLACK
BLUE
NOTE 1
NOTE 2
RUN
500 OHM
RESISTOR
50HJ540573
ACTUATOR
ASSEMBLY
RED
WHITE
ECONOMISER2 PLUG
DIRECT DRIVE
ACTUATOR
OAT
LEGEND
OAT — Outdoor Air Temperature Sensor
NOTES:
1. Switch on actuator must be in run position for economizer to operate.
2. 50HJ540573 actuator consists of the 50HJ540567 actuator and a harness with 500-ohm resistor.
Fig. 37 — EconoMi$er2 Wiring

27
ECONOMI$ERIV CONTROL MODES
Determine the EconoMi$erIV control mode before set up of
the control. Some modes of operation may require different sen-
sors. Refer to Table 12. The EconoMi$erIV is supplied from the
factory with a supply air temperature sensor, a low temperature
compressor lockout switch, and an outdoor air temperature sen-
sor. This allows for operation of the EconoMi$erIV with out-
door air dry bulb changeover control. Additional accessories
can be added to allow for different types of changeover control
and operation of the EconoMi$erIV and unit.
Table 12 — EconoMi$erIV Sensor Usage
*CRENTDIF004A00 and CRTEMPSN002A00 accessories are
used on many different base units. As such, these kits may con-
tain parts that will not be needed for installation.
†33ZCSENCO2 is an accessory CO2sensor.
**33ZCASPCO2 is an accessory aspirator box required for duct-
mounted applications.
††CRCBDIOX005A00 is an accessory that contains both
33ZCSENCO2 and 33ZCASPCO2 accessories.
Outdoor Dry Bulb Changeover — The standard controller is
shipped from the factory configured for outdoor dry bulb
changeover control. The outdoor air and supply air temperature
sensors are included as standard. For this control mode, the
outdoor temperature is compared to an adjustable set point
selected on the control. If the outdoor-air temperature is above
the set point, the EconoMi$erIV will adjust the outdoor-air
dampers to minimum position. If the outdoor-air temperature is
below the set point, the position of the outdoor-air dampers will
be controlled to provide free cooling using outdoor air. When
in this mode, the LED next to the free cooling set point potenti-
ometer will be on. The changeover temperature set point is
controlled by the free cooling set point potentiometer located
on the control. See Fig. 38. The scale on the potentiometer is A,
B, C, and D. See Fig. 39 for the corresponding temperature
changeover values.
Differential Dry Bulb Control — For differential dry bulb
control the standard outdoor dry bulb sensor is used in conjunc-
tion with an additional accessory return air sensor (part number
CRTEMPSN002A00). The accessory sensor must be mounted
in the return airstream. See Fig. 40.
In this mode of operation, the outdoor-air temperature is
compared to the return-air temperature and the lower tempera-
ture airstream is used for cooling. When using this mode of
changeover control, turn the free cooling/enthalpy set point
potentiometer fully clockwise to the D setting. See Fig. 38.
IMPORTANT: The optional EconoMi$er2 does not include
acontroller.TheEconoMi$er2isoperatedbya4to20mA
signal from an existing field-supplied controller (such as
PremierLink™ control). See Fig. 37 for wiring information.
APPLICATION
ECONOMI$ERIV WITH OUTDOOR AIR
DRY BULB SENSOR
Accessories Required
Outdoor Air
Dry Bulb
None. The outdoor air dry bulb sensor
is factory installed.
Differential
Dry Bulb CRTEMPSN002A00*
Single Enthalpy HH57AC078
Differential
Enthalpy
HH57AC078
and
CRENTDIF004A00*
CO2for DCV
Control using a
Wall-Mounted
CO2Sensor
33ZCSENCO2
CO2for DCV
Control using a
Duct-Mounted
CO2Sensor
33ZCSENCO2†
and
33ZCASPCO2**
OR
CRCBDIOX005A00††
Fig. 38 — EconoMi$erIV Controller Potentiometer
and LED Locations
LED ON
LED ON
LED ON
LED ON
LED OFF
19
18
LED OFF
LED OFF
LED OFF
17
16
15
14
13
12
11
10
9
40 45 50 55 60 65 70 75 80 85 90 95 100
DEGREES FAHRENHEIT
mA
D
C
B
A
Fig. 39 — Outside Air Temperature
Changeover Set Points
IAQ
SENSOR
RETURN AIR
TEMPERATURE
OR ENTHALPY
SENSOR
TR1
24 Vac
COM
TR
24
Vac
HOT
12
34
5
EFEF1
+_
P1
T1
P
T
N
EXH
2V10V
EXH
Set
Set
2V10V
2V10V
DCV
DCV
Free
Cool
BC
AD
SO+
SR+
SR
SO
AQ1
AQ
DCV
Min
Pos
Open
Max
N1
Fig. 40 — Return Air Temperature or
Enthalpy Sensor Mounting Location

28
Outdoor Enthalpy Changeover — For enthalpy control, ac-
cessory enthalpy sensor (part number HH57AC078) is
required. Replace the standard outdoor dry bulb temperature
sensor with the accessory enthalpy sensor in the same mount-
ing location. See Fig. 33. When the outdoor air enthalpy rises
above the outdoor enthalpy changeover set point, the outdoor-
air damper moves to its minimum position. The outdoor
enthalpy changeover set point is set with the outdoor enthalpy
set point potentiometer on the EconoMi$erIV controller. The
set points are A, B, C, and D. See Fig. 41. The factory-installed
620-ohm jumper must be in place across terminals SR and SR+
on the EconoMi$erIV controller. See Fig. 33 and 42.
Differential Enthalpy Control — For differential enthalpy
control, the EconoMi$erIV controller uses two enthalpy sen-
sors (HH57AC078 and CRENTDIF004A00), one in the out-
side air and one in the return airstream or the EconoMi$erIV
frame. The EconoMi$erIV controller compares the outdoor air
enthalpy to the return air enthalpy to determine EconoMi$erIV
use. The controller selects the lower enthalpy air (return or out-
door) for cooling. For example, when the outdoor air has a low-
er enthalpy than the return air and is below the set point, the
EconoMi$erIV opens to bring in outdoor air for free cooling.
Replace the standard outside air dry bulb temperature sen-
sor with the accessory enthalpy sensor in the same mounting
location. See Fig. 33. Mount the return air enthalpy sensor in
the return airstream. See Fig. 40. The outdoor enthalpy
changeover set point is set with the outdoor enthalpy set point
potentiometer on the EconoMi$erIV controller. When using
this mode of changeover control, turn the enthalpy set point
potentiometer fully clockwise to the D setting.
NOTE: Remove 620-ohm resistor if differential enthalpy sen-
sor is installed.
Indoor Air Quality (IAQ) Sensor Input — The IAQ input
can be used for demand control ventilation control based on the
level of CO2measured in the space or return air duct.
Mount the accessory IAQ sensor according to manufacturer
specifications. The IAQ sensor should be wired to the AQ and
AQ1 terminals of the controller. Adjust the DCV potentiome-
ters to correspond to the DCV voltage output of the indoor air
quality sensor at the user-determined set point. See Fig. 43.
If a separate field-supplied transformer is used to power the
IAQ sensor, the sensor must not be grounded or the
EconoMi$erIV control board will be damaged.
Exhaust Set Point Adjustment — The exhaust set point will
determine when the exhaust fan runs based on damper position
(if accessory power exhaust is installed). The set point is modi-
fied with the Exhaust Fan Set Point (EXH SET) potentiometer.
See Fig. 36. The set point represents the damper position above
which the exhaust fan will be turned on. When there is a
call for exhaust, the EconoMi$erIV controller provides a
45 ± 15 second delay before exhaust fan activation to allow the
dampers to open. This delay allows the damper to reach the
appropriate position to avoid unnecessary fan overload.
Minimum Position Control — There is a minimum damper
position potentiometer on the EconoMi$erIV controller. See
Fig. 36. The minimum damper position maintains the mini-
mum airflow into the building during the occupied period.
When using demand ventilation, the minimum damper po-
sition represents the minimum ventilation position for VOC
(volatile organic compound) ventilation requirements. The
maximum demand ventilation position is used for fully occu-
pied ventilation.
When demand ventilation control is not being used, the
minimum position potentiometer should be used to set the oc-
cupied ventilation position. The maximum demand ventilation
position should be turned fully clockwise.
Adjust the minimum position potentiometer to allow the
minimum amount of outdoor air, as required by local codes, to
enter the building. Make minimum position adjustments with
at least 10° F temperature difference between the outdoor and
return-air temperatures.
To determine the minimum position setting, perform the
following procedure:
1. Calculate the appropriate mixed-air temperature using the
following formula:
TO= Outdoor-Air Temperature
OA = Percent of Outdoor Air
TR= Return-Air Temperature
RA = Percent of Return Air
TM= Mixed-Air Temperature
As an example, if local codes require 10% outdoor air
during occupied conditions, outdoor-air temperature is
60 F, and return-air temperature is 75 F.
(60 x .10) + (75 x .90) = 73.5 F
2. Disconnect the supply-air sensor from terminals T and
T1.
3. Ensure that the factory-installed jumper is in place across
terminals P and P1. If remote damper positioning is being
used, make sure that the terminals are wired according to
Fig. 36 and that the minimum position potentiometer is
turned fully clockwise.
4. Connect 24 vac across terminals TR and TR1.
5. Carefully adjust the minimum position potentiometer
until the measured mixed-air temperature matches the
calculated value.
6. Reconnect the supply-air sensor to terminals T and T1.
Remote control of the EconoMi$erIV damper is desirable
when requiring additional temporary ventilation. If a
field-supplied remote potentiometer (Honeywell part number
S963B1128) is wired to the EconoMi$erIV controller, the min-
imum position of the damper can be controlled from a remote
location.
To control the minimum damper position remotely, remove
the factory-installed jumper on the P and P1 terminals on the
EconoMi$erIV controller. Wire the field-supplied potentiome-
ter to the P and P1 terminals on the EconoMi$erIV controller.
See Fig. 40.
Damper Movement — Damper movement from full open to
full closed (or vice versa) takes 21/2minutes.
Thermostats — The EconoMi$erIV control works with con-
ventional thermostats that have a Y1 (cool stage 1), Y2 (cool
stage 2), W1 (heat stage 1), W2 (heat stage 2), and G (fan). The
EconoMi$erIV control does not support space temperature
sensors. Connections are made at the thermostat terminal con-
nection board located in the main control box.
Occupancy Control — The factory default configuration for
the EconoMi$erIV control is occupied mode. Occupied status
is provided by the black jumper from terminal TB2-9 to termi-
nal TB2-10. When unoccupied mode is desired, install a field-
supplied timeclock function in place of the jumper between
terminals TB2-9 and TB2-10. See Fig. 36. When the timeclock
contacts are closed, the EconoMi$erIV control will be in occu-
pied mode. When the timeclock contacts are open (removing
the 24-v signal from terminal N), the EconoMi$erIV will be in
unoccupied mode.
Demand Controlled Ventilation (DCV) — When using the
EconoMi$erIV for demand controlled ventilation, there are
some equipment selection criteria which should be considered.
When selecting the heat capacity and cool capacity of the
equipment, the maximum ventilation rate must be evaluated for
design conditions. The maximum damper position must be cal-
culated to provide the desired fresh air.
(TOxOA )+(TRxRA )=T
M
100 100

29
Typically the maximum ventilation rate will be about 5 to
10% more than the typical cfm required per person, using
normal outside air design criteria.
A proportional anticipatory strategy should be taken with
the following conditions: a zone with a large area, varied occu-
pancy, and equipment that cannot exceed the required ventila-
tion rate at design conditions. Exceeding the required ventila-
tion rate means the equipment can condition air at a maximum
ventilation rate that is greater than the required ventilation rate
for maximum occupancy. A proportional-anticipatory strategy
will cause the fresh air supplied to increase as the room CO2
level increases even though the CO2set point has not been
reached. By the time the CO2level reaches the set point, the
damper will be at maximum ventilation and should maintain
the set point.
CONTROL
CURVE
A
B
C
D
CONTROL POINT
APPROX. °F (°C)
AT 50% RH
73 (23)
70 (21)
67 (19)
63 (17)
12 14 16 18 20 22 24 26 28 30 32 34 36 38 40 42 44 46
90
100
80
70
60
50
40
30
20
10
ENTHALPY—BTU PER POUND DRY AIR
85
(29)
90
(32)
95
(35)
100
(38)
105
(41)
110
(43)
35
(2)
35
(2)
40
(4)
40
(4)
105
(41)
110
(43)
45
(7)
45
(7)
50
(10)
50
(10)
55
(13)
55
(13)
60
(16)
60
(16)
65
(18)
65
(18)
70
(21)
70
(21)
75
(24)
75
(24)
80
(27)
80
(27)
85
(29)
90
(32)
95
(35)
100
(38)
APPROXIMATE DRY BULB TEMPERATURE— °F (°C)
A
A
B
B
C
C
D
D
RELATIVE HUMIDITY (%)
HIGH LIMIT
CURVE
Fig. 41 — Enthalpy Changeover Set Points
TR1
24 Vac
COM
TR
24
Vac
HOT
12
34
5
EF EF1
+_
P1
T1
P
T
N
EXH
2V 10V
EXH
Set
Set
2V 10V
2V 10V
DCV
DCV
Free
Cool
BC
AD
SO+
SR+
SR
SO
AQ1
AQ
DCV
Min
Pos
Open
Max
N1
Fig. 42 — EconoMi$erIV Controller
0
1000
2000
3000
4000
5000
6000
2345678
800 ppm
900 ppm
1000 ppm
1100 ppm
RANGE CONFIGURATION (ppm)
DAMPER VOLTAGE FOR MAX VENTILATION RATE
CO SENSOR MAX RANGE SETTING
2
Fig. 43 — CO2Sensor Maximum Range Setting

30
In order to have the CO2sensor control the economizer
damper in this manner, first determine the damper voltage out-
put for minimum or base ventilation. Base ventilation is the
ventilation required to remove contaminants during unoccu-
pied periods. The following equation may be used to determine
the percent of outside-air entering the building for a given
damper position. For best results there should be at least a
10 degree difference in outside and return-air temperatures.
TO= Outdoor-Air Temperature
OA = Percent of Outdoor Air
TR= Return-Air Temperature
RA = Percent of Return Air
TM= Mixed-Air Temperature
Once base ventilation has been determined, set the mini-
mum damper position potentiometer to the correct position.
The same equation can be used to determine the occupied or
maximum ventilation rate to the building. For example, an out-
put of 3.6 volts to the actuator provides a base ventilation rate
of 5% and an output of 6.7 volts provides the maximum venti-
lation rate of 20% (or base plus 15 cfm per person). Use Fig. 43
to determine the maximum setting of the CO2sensor. For ex-
ample, a 1100 ppm set point relates to a 15 cfm per person de-
sign. Use the 1100 ppm curve on Fig. 43 to find the point when
the CO2sensor output will be 6.7 volts. Line up the point on the
graph with the left side of the chart to determine that the range
configuration for the CO2sensor should be 1800 ppm. The
EconoMi$erIV controller will output the 6.7 volts from the
CO2sensor to the actuator when the CO2concentration in the
space is at 1100 ppm. The DCV set point may be left at 2 volts
since the CO2sensor voltage will be ignored by the
EconoMi$erIV controller until it rises above the 3.6 volt setting
of the minimum position potentiometer.
Once the fully occupied damper position has been deter-
mined, set the maximum damper demand control ventilation
potentiometer to this position. Do not set to the maximum posi-
tion as this can result in over-ventilation to the space and poten-
tial high-humidity levels.
CO2Sensor Configuration —TheCO
2sensor has preset
standard voltage settings that can be selected anytime after the
sensor is powered up. See Table 13.
Use setting 1 or 2 for Carrier equipment. See Table 13.
1. Press Clear and Mode buttons. Hold at least 5 seconds
until the sensor enters the Edit mode.
2. Press Mode twice. The STDSET Menu will appear.
3. Use the Up/Down button to select the preset number. See
Table 13.
4. Press Enter to lock in the selection.
5. Press Mode to exit and resume normal operation.
The custom settings of the CO2sensor can be changed any-
time after the sensor is energized. Follow the steps below to
change the non-standard settings:
1. Press Clear and Mode buttons. Hold at least 5 seconds
until the sensor enters the Edit mode.
2. Press Mode twice. The STDSET Menu will appear.
3. Use the Up/Down button to toggle to the NONSTD menu
and press Enter.
4. Use the Up/Down button to toggle through each of the
nine variables, starting with Altitude, until the desired set-
ting is reached.
5. Press Mode to move through the variables.
6. Press Enter to lock in the selection, then press Mode to
continue to the next variable.
Dehumidification of Fresh Air with DCV Control — Infor-
mation from ASHRAE indicates that the largest humidity load
on any zone is the fresh air introduced. For some applications,
a field-installed energy recovery unit can be added to reduce
the moisture content of the fresh air being brought into the
building when the enthalpy is high. In most cases, the normal
heating and cooling processes are more than adequate to re-
move the humidity loads for most commercial applications.
If normal rooftop heating and cooling operation is not ade-
quate for the outdoor humidity level, an energy recovery unit
and/or a dehumidification option should be considered.
Table 13 — CO2Sensor Standard Settings
LEGEND
ppm — Parts Per Million
(TOxOA )+(TRxRA )=T
M
100 100
SETTING EQUIPMENT OUTPUT
VENTILATION
RATE
(cfm/Person)
ANALOG
OUTPUT
CO2
CONTROL RANGE
(ppm)
OPTIONAL
RELAY SETPOINT
(ppm)
RELAY
HYSTERESIS
(ppm)
1
Interface with Standard
Building Control System
Proportional Any 0-10V
4-20 mA 0-2000 1000 50
2Proportional Any 2-10V
7-20 mA 0-2000 1000 50
3Exponential Any 0-10V
4-20 mA 0-2000 1100 50
4
Economizer
Proportional 15 0-10V
4-20 mA 0-1100 1100 50
5Proportional 20 0-10V
4-20 mA 0- 900 900 50
6Exponential 15 0-10V
4-20 mA 0-1100 1100 50
7Exponential 20 0-10V
4-20 mA 0- 900 900 50
8Health &Safety Proportional — 0-10V
4-20 mA 0-9999 5000 500
9Parking/Air Intakes/
Loading Docks Proportional — 0-10V
4-20 mA 0-2000 700 50

31
Step 14 — Install Humidistat for Optional
MoistureMi$er™ Package — MoistureMi$er dehu-
midification package operation can be controlled by field
installation of a Carrier-approved humidistat. To install the
humidistat perform the following procedure:
1. Locate humidistat on a solid interior wall in the condi-
tioned space. Location should be a well ventilated area
to sense average humidity.
2. Route thermostat cable or equivalent single leads of col-
ored wire from Humidistat terminals through conduit in
unit to the low voltage connection on the 2-pole terminal
strip (TB3) as shown in Fig. 44 and Fig. 45. See Fig. 46
for operational diagram.
Fig. 45 — Typical MoistureMi$er Dehumidification
Package Control Box
Fig. 44 — Typical MoistureMi$er Dehumidification Package
Humidistat Wiring Schematic (460 V Unit Shown)
GRN-YEL
24V
TRAN1
RED BLK YEL
ORN
AC
GRN-YEL
24V
TRAN3
RED BLK YEL
ORN
AC
YEL
BLK
BLK BLK
TO CRANKCASE
HEATER CIRCUITS
YEL
BLK
21
11
BLK
BLK
TB3
S-LPS1
S-LPS2
LLSV1
LLSV2
12
CB4
3.2 AMPS
FACTORY INSTALLED JUMPER
(OR HUMIDISTAT IF USED)
MOISTUREMI$ER
LEGEND
CB — Circuit Breaker
LLSV — Liquid Line Solenoid Valve
LPS — Low-Pressure Switch
TB — Terminal Block
TRAN — Transformer

32
Fig. 46 — MoistureMi$er™ Dehumidification Operation Diagram
TXV — Thermostatic Expansion Valve

33
START-UP
Use the following information and Start-Up Checklist on
page CL-1 to check out unit PRIOR to start-up.
Unit Preparation — Check that unit has been installed in
accordance with these installation instructions and all applica-
ble codes.
COMPRESSOR MOUNTING — Compressors are internal-
ly spring mounted. Do not loosen or remove compressor
holddown bolts.
REFRIGERANT SERVICE PORTS — Each refrigerant sys-
tem has a total of 3 Schrader-type service gage ports. One port
is located on the suction line, one on the compressor discharge
line, and one on the liquid line. In addition Schrader-type
valves are located underneath the low-pressure switches. Be
sure that caps on the ports are tight.
COMPRESSOR ROTATION — It is important to be certain
the compressors are rotating in the proper direction. To deter-
mine whether or not compressors are rotating in the proper
direction:
1. Connect service gages to suction and discharge
pressure fittings.
2. Energize the compressor.
3. The suction pressure should drop and the discharge
pressure should rise, as is normal on any start-up.
If the suction pressure does not drop and the discharge
pressure does not rise to normal levels:
1. Note that the evaporator fan is probably also rotating
in the wrong direction.
2. Turn off power to the unit.
3. Reverse any two of the incoming power leads.
4. Turn on power to the compressor.
The suction and discharge pressure levels should now move
to their normal start-up levels.
NOTE: When compressors are rotating in the wrong direction,
the unit will have increased noise levels and will not provide
heating and cooling.
After a few minutes of reverse operation, the scroll
compressor internal overload protection will open, which will
activate the unit’s lockout and requires a manual reset. Reset is
accomplished by turning the thermostat on and off.
INTERNAL WIRING — Check all electrical connections in
unit control boxes; tighten as required.
GAS PIPING — Check gas piping for leaks.
CRANKCASE HEATER — Crankcase heater(s) is energized
as long as there is power to the unit and the compressor is not
operating.
EVAPORATOR FAN — Fan belt and variable pulleys are
factory-installed. See Tables 14-21 for fan performance data.
Be sure that fans rotate in the proper direction. See Table 22 for
air quantity limits. See Table 23 for static pressure information
for accessories and options. See Table 24 for fan rpm at various
motor pulley settings. See Tables 25 and 26 for evaporator fan
motor data. To alter fan performance, see Evaporator Fan
Performance Adjustment section on page 44.
NOTE: A 31/2-in. bolt and threaded plate are included in the
installer’s packet. They can be added to the motor support
channel below the motor mounting plate to aid in raising the
fan motor.
CONDENSER-FANS AND MOTORS — Condenser fans
and motors are factory set. Refer to Condenser-Fan Adjustment
section on page 45 as required. Be sure that fans rotate in the
proper direction.
RETURN-AIR FILTERS — Check that correct filters are
installed in filter tracks (see Table 1). Do not operate unit
without return-air filters.
OUTDOOR-AIR INLET SCREENS — Outdoor-air inlet
screens must be in place before operating unit.
GAS HEAT — Verify gas pressures before turning on heat as
follows:
1. Turn off manual gas stop.
2. Connect pressure gage to supply gas pressure tap (see
Fig. 14).
3. Connect pressure gage to manifold pressure tap on gas
valve.
4. Turn on manual gas stop and set thermostat to HEAT
position. After the unit has run for several minutes, verify
that incoming pressure is 5.5 in. wg or greater, and that
the manifold pressure is 3.3 in. wg. If manifold pressure
must be adjusted, refer to Gas Valve Adjustment section
on page 46.
5. After unit has been in operation for 5 minutes, check
temperature rise across the heat exchangers. See unit
informative plate for correct rise limits of the heat
supplied. Air quantities may need to be adjusted to bring
the actual rise to within the allowable limits.
Disconnect gas piping from unit when leak
testing at pressure greater than 1/2psig. Pres-
sures greater than 1/2psig will cause gas
valve damage resulting in hazardous condi-
tion. If gas valve is subjected to pressure
greater than 1/2psig, it must be replaced
before use. When pressure testing field-
supplied gas piping at pressures of 1/2psig
or less, a unit connected to such piping must
be isolated by manually closing the gas
valve.
IMPORTANT: Unit power must be on for 24 hours prior
to start-up. Otherwise, damage to the compressor may
result.

34
Table 14 — Fan Performance — 48TMD016 (Low Heat Units)*
LEGEND
*Standard low-medium static drive range is 873 to 1021 rpm. Alter-
nate high-static drive range is 1025 to 1200. Other rpms require a
field-supplied drive.
Refer to page 39 for general Fan Performance Data notes.
NOTE: Maximum continuous bhp for the standard motor is 6.13. The
maximum continuous watts is 5180. Do not adjust motor rpm such
that motor maximum bhp and/or watts is exceeded at the maximum
operating cfm. See Table 25 for more information.
AIRFLOW
(cfm)
AVAILABLE EXTERNAL STATIC PRESSURE (in. wg)
0.2 0.4 0.6 0.8 1.0
Rpm Watts Bhp Rpm Watts Bhp Rpm Watts Bhp Rpm Watts Bhp Rpm Watts Bhp
4500 753 1307 1.53 761 1330 1.56 840 1572 1.84 912 1822 2.14 980 2080 2.44
4800 747 1384 1.62 790 1515 1.78 866 1765 2.07 936 2023 2.37 1002 2289 2.68
5100 741 1465 1.72 820 1718 2.01 893 1977 2.32 961 2243 2.63 1025 2516 2.95
5700 810 1911 2.24 882 2182 2.56 950 2459 2.88 1014 2741 3.21 1075 3029 3.55
6000 844 2164 2.54 914 2444 2.87 980 2730 3.20 1042 3021 3.54 1100 3317 3.89
6300 879 2439 2.86 947 2729 3.20 1010 3023 3.55 1070 3322 3.90 1127 3626 4.25
6600 915 2737 3.21 980 3035 3.56 1041 3338 3.91 1099 3645 4.28 1155 3957 4.64
6900 950 3057 3.59 1013 3364 3.95 1072 3675 4.31 1129 3991 4.68 1183 4311 5.06
7200 986 3401 3.99 1047 3717 4.36 1104 4037 4.74 1159 4361 5.11 1211 4689 5.50
7500 1022 3770 4.42 1081 4095 4.80 1136 4423 5.19 1189 4755 5.58 1241 5091 5.97
AIRFLOW
(cfm)
AVAILABLE EXTERNAL STATIC PRESSURE (in. wg)
1.2 1.4 1.6 1.8 2.0
Rpm Watts Bhp Rpm Watts Bhp Rpm Watts Bhp Rpm Watts Bhp Rpm Watts Bhp
4500 1044 2345 2.75 1105 2619 3.07 1163 2899 3.40 1218 3187 3.74 1271 3481 4.08
4800 1065 2561 3.00 1124 2841 3.33 1180 3127 3.67 1235 3420 4.01 1287 3720 4.36
5100 1086 2795 3.28 1144 3082 3.61 1199 3375 3.96 1252 3674 4.31 1304 3979 4.67
5700 1132 3324 3.90 1187 3624 4.25 1240 3929 4.61 1291 4241 4.97 1341 4558 5.35
6000 1157 3619 4.24 1210 3925 4.60 1262 4239 4.97 1312 4557 5.34 1361 4880 5.72
6300 1182 3935 4.62 1234 4249 4.98 1285 4569 5.36 1334 4894 5.74 — — —
6600 1208 4274 5.01 1259 4595 5.39 1309 4922 5.77 — — — — — —
6900 1235 4636 5.44 1285 4964 5.82 — — — — — — — — —
7200 1262 5021 5.89 — — — — — — — — — — — —
7500 ———————————————
AIRFLOW
(cfm)
AVAILABLE EXTERNAL STATIC PRESSURE (in. wg)
2.2 2.4 2.6 2.8 3.0
Rpm Watts Bhp Rpm Watts Bhp Rpm Watts Bhp Rpm Watts Bhp Rpm Watts Bhp
4500 1322 3781 4.43 1372 4088 4.79 1419 4400 5.16 1466 4719 5.53 1511 5042 5.91
4800 1337 4025 4.72 1386 4337 5.09 1433 4655 5.46 1479 4978 5.84 — — —
5100 1353 4290 5.03 1401 4607 5.40 1448 4930 5.78 — — — — — —
5700 1388 4881 5.72 — — — — — — — — — — — —
6000 ———————————————
6300 ———————————————
6600 ———————————————
6900 ———————————————
7200 ———————————————
7500 ———————————————
Bhp — Brake Horsepower
Watts — Input Watts to Motor

35
Table 15 — Fan Performance — 48TMF016 (High Heat Units)*
LEGEND
*Standard low-medium static drive range is 873 to 1021 rpm. Alter-
nate high-static drive range is 1025 to 1200. Other rpms require a
field-supplied drive.
Refer to page 39 for general Fan Performance Data notes.
NOTE: Maximum continuous bhp for the standard motor is 6.13. The
maximum continuous watts is 5180. Do not adjust motor rpm such
that motor maximum bhp and/or watts is exceeded at the maximum
operating cfm. See Table 25 for more information.
AIRFLOW
(cfm)
AVAILABLE EXTERNAL STATIC PRESSURE (in. wg)
0.2 0.4 0.6 0.8 1.0
Rpm Watts Bhp Rpm Watts Bhp Rpm Watts Bhp Rpm Watts Bhp Rpm Watts Bhp
4500 753 1307 1.53 786 1404 1.65 861 1644 1.93 932 1893 2.22 997 2150 2.52
4800 747 1384 1.62 818 1603 1.88 890 1852 2.17 958 2108 2.47 1022 2373 2.78
5100 775 1571 1.84 850 1822 2.14 920 2079 2.44 986 2344 2.75 1048 2616 3.07
5700 849 2054 2.41 918 2323 2.73 982 2598 3.05 1044 2879 3.38 1102 3166 3.71
6000 886 2329 2.73 952 2607 3.06 1015 2891 3.39 1074 3180 3.73 1130 3474 4.08
6300 924 2628 3.08 987 2915 3.42 1047 3207 3.76 1105 3504 4.11 1160 3807 4.46
6600 962 2951 3.46 1023 3246 3.81 1081 3547 4.16 1136 3853 4.52 1190 4163 4.88
6900 1000 3298 3.87 1059 3603 4.23 1115 3912 4.59 1168 4225 4.96 1220 4543 5.33
7200 1038 3672 4.31 1095 3986 4.67 1149 4303 5.05 1201 4625 5.42 1251 4950 5.81
7500 1077 4072 4.78 1131 4394 5.15 1184 4720 5.54 1234 5050 5.92 — — —
AIRFLOW
(cfm)
AVAILABLE EXTERNAL STATIC PRESSURE (in. wg)
1.2 1.4 1.6 1.8 2.0
Rpm Watts Bhp Rpm Watts Bhp Rpm Watts Bhp Rpm Watts Bhp Rpm Watts Bhp
4500 1060 2414 2.83 1119 2685 3.15 1175 2964 3.48 1230 3250 3.81 1282 3542 4.15
4800 1082 2644 3.10 1140 2922 3.43 1195 3207 3.76 1248 3498 4.10 1299 3795 4.45
5100 1106 2894 3.39 1163 3178 3.73 1216 3470 4.07 1268 3767 4.42 1319 4071 4.77
5700 1157 3459 4.06 1211 3757 4.41 1262 4061 4.76 1312 4371 5.13 1360 4686 5.50
6000 1184 3774 4.43 1236 4080 4.79 1287 4391 5.15 1335 4707 5.52 1382 5029 5.90
6300 1212 4114 4.83 1263 4427 5.19 1312 4745 5.57 1359 5067 5.94 — — —
6600 1241 4478 5.25 1290 4798 5.63 1338 5122 6.01 — — — — — —
6900 1270 4866 5.71 — — — — — — — — — — — —
7200 ———————————————
7500 ———————————————
AIRFLOW
(cfm)
AVAILABLE EXTERNAL STATIC PRESSURE (in. wg)
2.2 2.4 2.6 2.8 3.0
Rpm Watts Bhp Rpm Watts Bhp Rpm Watts Bhp Rpm Watts Bhp Rpm Watts Bhp
4500 1332 3841 4.50 1381 4145 4.86 1428 4456 5.23 1473 4772 5.60 1518 5095 5.98
4800 1349 4100 4.81 1397 4409 5.17 1443 4725 5.54 1488 5046 5.92 — — —
5100 1367 4380 5.14 1414 4695 5.51 1460 5016 5.88 — — — — — —
5700 1407 5007 5.87 — — — — — — — — — — — —
6000 ———————————————
6300 ———————————————
6600 ———————————————
6900 ———————————————
7200 ———————————————
7500 ———————————————
Bhp — Brake Horsepower
Watts — Input Watts to Motor

36
Table 16 — Fan Performance — 48TMD020 (Low Heat Units)*
LEGEND
*Standard low-medium static drive range is 910 to 1095 rpm. Alternate high-
static drive range is 1069 to 1287. Other rpms require a field-supplied drive.
Refer to page 39 for general Fan Performance Data notes.
NOTE: Maximum continuous bhp is 5.90. The maximum continuous watts is
5180. Do not adjust motor rpm such that motor maximum bhp and/or watts is
exceeded at the maximum operating cfm. See Table 25 for more information.
Table 17 — Fan Performance — 48TMF020 (High Heat Units)*
LEGEND
*Standard low-medium static drive range is 910 to 1095 rpm. Alternate high-
static drive range is 1069 to 1287. Other rpms require a field-supplied drive.
Refer to page 39 for general Fan Performance Data notes.
NOTE: Maximum continuous bhp is 5.90. The maximum continuous watts is
5180. Do not adjust motor rpm such that motor maximum bhp and/or watts is
exceeded at the maximum operating cfm. See Table 25 for more information.
AIRFLOW
(cfm)
AVAILABLE EXTERNAL STATIC PRESSURE (in. wg)
0.2 0.4 0.6 0.8 1.0 1.2
Rpm Bhp Watts Rpm Bhp Watts Rpm Bhp Watts Rpm Bhp Watts Rpm Bhp Watts Rpm Bhp Watts
5,500 755 2.27 1908 831 2.58 2171 901 2.91 2443 968 3.24 2723 1031 3.58 3009 1091 3.93 3302
6,000 810 2.72 2287 881 3.04 2556 947 3.37 2833 1010 3.71 3116 1070 4.05 3406 1127 4.40 3702
6,500 866 3.22 2710 932 3.55 2985 994 3.88 3266 1054 4.23 3554 1111 4.57 3847 1166 4.93 4146
7,000 923 3.78 3177 985 4.11 3458 1044 4.45 3744 1100 4.80 4036 1155 5.15 4333 1207 5.51 4635
7,500 980 4.39 3690 1038 4.73 3976 1094 5.07 4267 1148 5.43 4564 1200 5.78 4864 1250 6.15 5170
8,000 1038 5.06 4251 1093 5.40 4542 1146 5.75 4838 1197 6.11 5138 1246 6.47 5443 1294 6.84 5752
8,500 1096 5.78 4859 1148 6.13 5156 1198 6.49 5456 1247 6.85 5761 1294 7.22 6070 1340 7.59 6382
9,000 1154 6.56 5517 1204 6.92 5818 1251 7.28 6123 1298 7.65 6432 1343 8.02 6745 1388 8.40 7062
9,500 1213 7.40 6224 1260 7.77 6531 1306 8.13 6840 1350 8.51 7154 1394 8.88 7471 1436 9.26 7791
10,000 1272 8.30 6983 1317 8.67 7294 1360 9.05 7608 1403 9.43 7926 1445 9.81 8247 1486 10.19 8570
AIRFLOW
(cfm)
AVAILABLE EXTERNAL STATIC PRESSURE (in. wg)
1.4 1.6 1.8 1.9 2.0
Rpm Bhp Watts Rpm Bhp Watts Rpm Bhp Watts Rpm Bhp Watts Rpm Bhp Watts
5,500 1149 4.28 3602 1204 4.65 3907 1258 5.02 4217 1284 5.20 4375 1309 5.39 4533
6,000 1183 4.76 4003 1236 5.13 4310 1288 5.50 4622 1313 5.68 4780 1337 5.87 4939
6,500 1219 5.29 4450 1270 5.66 4759 1320 6.03 5073 1344 6.22 5232 1368 6.41 5391
7,000 1258 5.88 4942 1307 6.25 5253 1355 6.62 5569 1378 6.81 5729 1402 7.00 5890
7,500 1299 6.52 5480 1346 6.89 5794 1392 7.27 6113 1415 7.46 6273 1437 7.65 6435
8,000 1341 7.21 6065 1387 7.59 6383 1392 7.97 6704 1453 8.16 6866 1475 8.36 7028
8,500 1385 7.97 6699 1429 8.35 7019 1472 8.73 7343 1493 8.93 7506 1514 9.12 7670
9,000 1431 8.78 7382 1473 9.15 7705 1515 9.55 8032 1535 9.75 8196 — — —
9,500 1478 9.65 8114 1519 10.04 8441 — — — — — — — — —
10,000 —— — — — — —— — —— — —— —
Bhp — Brake Horsepower
Watts — Input Watts to Motor
AIRFLOW
(cfm)
AVAILABLE EXTERNAL STATIC PRESSURE (in. wg)
0.2 0.4 0.6 0.8 1.0 1.2
Rpm Bhp Watts Rpm Bhp Watts Rpm Bhp Watts Rpm Bhp Watts Rpm Bhp Watts Rpm Bhp Watts
5,500 795 2.43 2043 866 2.74 2306 934 3.07 2578 998 3.40 2856 1059 3.74 3142 1117 4.08 3434
6,000 854 2.92 2452 921 3.24 2722 984 3.57 3998 1044 3.90 3281 1102 4.25 3570 1158 4.60 3865
6,500 914 3.46 2909 977 3.79 3184 1036 4.12 3465 1093 4.46 3752 1148 4.81 4045 1201 5.16 4343
7,000 975 4.06 3414 1034 4.39 3695 1090 4.73 3981 1144 5.08 4272 1196 5.43 4569 1246 5.79 4870
7,500 1037 4.72 3969 1092 5.06 4255 1145 5.41 4546 1196 5.76 4842 1256 6.12 5142 1294 6.48 5447
8,000 1099 5.44 4575 1150 5.79 4866 1201 6.14 5162 1249 6.50 5462 1297 6.86 5766 1343 7.22 6075
8,500 1161 6.22 5232 1210 6.57 5529 1258 6.93 5829 1304 7.29 6134 1349 7.66 6443 1393 8.03 6755
9,000 1223 7.07 5943 1270 7.43 6245 1315 7.79 6550 1360 8.16 6869 1403 8.53 7171 1445 8.90 7487
9,500 1286 7.98 6708 1331 8.34 7014 1374 8.71 7324 1416 9.08 7638 1457 9.46 7954 1498 9.84 8274
10,000 1349 8.95 7528 1392 9.32 7839 1433 9.70 8154 1473 10.07 8471 — — — — — —
AIRFLOW
(cfm)
AVAILABLE EXTERNAL STATIC PRESSURE (in. wg)
1.4 1.6 1.8 1.9 2.0
Rpm Bhp Watts Rpm Bhp Watts Rpm Bhp Watts Rpm Bhp Watts Rpm Bhp Watts
5,500 1173 4.44 3732 1227 4.80 4036 1279 5.17 4345 1304 5.35 4502 1329 5.54 4629
6,000 1211 4.95 4165 1263 5.32 4471 1313 5.69 4782 1337 5.87 4939 1361 6.06 5097
6,500 1252 5.53 4646 1302 5.89 4954 1350 6.26 5267 1373 6.56 5425 1396 6.64 5584
7,000 1295 6.16 5176 1343 6.52 5487 1389 6.90 5802 1412 7.09 5961 1434 7.28 6121
7,500 1340 6.85 5756 1386 7.22 6070 1431 7.60 6387 1452 7.79 6547 1474 7.98 6709
8,000 1388 7.60 6388 1431 7.97 6704 1474 8.35 7024 1495 8.54 7186 1516 8.74 7348
8,500 1436 8.41 7071 1478 8.79 7390 1520 9.17 7713 1540 9.37 7876 — — —
9,000 14869.28780715279.678130—————————
9,500 153810.228597————————————
10,000 ———————————————
Bhp — Brake Horsepower
Watts — Input Watts to Motor

37
Table 18 — Fan Performance — 48TMD025 (Low Heat Units)*
LEGEND
*Standard low-medium static drive range is 1002 to 1151 rpm. Alter-
nate high-static drive range is 1193 to 1369. Other rpms require a
field-supplied drive.
Refer to page 39 for general Fan Performance Data notes.
NOTE: Maximum continuous bhp for the standard motor is 8.7 (for
208/230 and 575-v units) and 9.5 (for 460-v units). The maximum
continuous watts is 7915 (for 208/230 and 575-v units) and 8640 (for
460-v units). Do not adjust motor rpm such that motor maximum bhp
and/or watts is exceeded at the maximum operating cfm. See
Table 25 for additional information.
AIRFLOW
(cfm)
AVAILABLE EXTERNAL STATIC PRESSURE (in. wg)
0.2 0.4 0.6 0.8 1.0
Rpm Watts Bhp Rpm Watts Bhp Rpm Watts Bhp Rpm Watts Bhp Rpm Watts Bhp
6,000 824 2607 3.09 894 2844 3.37 961 3085 3.66 1023 3330 3.95 1083 3578 4.24
6,500 881 3030 3.59 947 3266 3.88 1009 3507 4.16 1069 3751 4.45 1126 3998 4.74
7,000 939 3488 4.14 1001 3725 4.42 1060 3965 4.70 1116 4208 4.99 1170 4454 5.28
7,500 998 3982 4.72 1055 4218 5.00 1111 4458 5.29 1165 4701 5.58 1217 4946 5.87
8,000 1056 4512 5.35 1111 4748 5.63 1164 4988 5.92 1215 5230 6.20 1264 5474 6.49
8,500 1116 5077 6.02 1167 5314 6.30 1218 5553 6.59 1266 5795 6.87 1314 6039 7.16
9,000 1175 5678 6.74 1224 5915 7.02 1272 6154 7.30 1319 6395 7.59 1364 6639 7.88
9,500 1235 6315 7.49 1282 6552 7.77 1327 6791 8.06 1372 7033 8.34 1415 7276 8.63
10,000 1295 6988 8.29 1340 7225 8.57 1383 7465 8.86 1426 7706 9.14 1468 7949 9.43
AIRFLOW
(cfm)
AVAILABLE EXTERNAL STATIC PRESSURE (in. wg)
1.2 1.4 1.6 1.8 2.0
Rpm Watts Bhp Rpm Watts Bhp Rpm Watts Bhp Rpm Watts Bhp Rpm Watts Bhp
6,000 1141 3829 4.54 1196 4082 4.84 1249 4337 5.15 1301 4596 5.45 1351 4856 5.76
6,500 1181 4247 5.04 1234 4499 5.34 1285 4753 5.64 1334 5009 5.94 1383 5267 6.25
7,000 1223 4702 5.58 1274 4953 5.88 1323 5205 6.18 1371 5460 6.48 1417 5716 6.78
7,500 1267 5194 6.16 1316 5443 6.46 1363 5694 6.76 1409 5947 7.06 1454 6202 7.36
8,000 1313 5721 6.79 1359 5970 7.08 1405 6220 7.38 1449 6472 7.68 1493 6726 7.98
8,500 1360 6285 7.46 1405 6533 7.75 1449 6783 8.05 1491 7034 8.34 1533 7286 8.64
9,000 1408 6885 8.17 1451 7132 8.46 1494 7381 8.76 1535 7631 9.05 — — —
9,500 1458 7521 8.92 1499 7768 9.22 1540 8016 9.51 — — — — — —
10,000 1508 8193 9.72 1549 8440 10.01 — — — — — — — — —
AIRFLOW
(cfm)
AVAILABLE EXTERNAL STATIC PRESSURE (in. wg)
2.2 2.4 2.6 2.8 3.0
Rpm Watts Bhp Rpm Watts Bhp Rpm Watts Bhp Rpm Watts Bhp Rpm Watts Bhp
6,000 1399 5118 6.07 1446 5381 6.38 1492 5647 6.70 1537 5914 7.02 — — —
6,500 1429 5527 6.56 1475 5789 6.87 1520 6052 7.18 — — — — — —
7,000 1462 5974 7.09 1507 6234 7.40 1550 6495 7.71 — — — — — —
7,500 1498 6459 7.66 1540 6717 7.97 — — — — — — — — —
8,000 1535 6981 8.28 — — — — — — — — — — — —
8,500 ———————————————
9,000 ———————————————
9,500 ———————————————
10,000 ———————————————
Bhp — Brake Horsepower
Watts — Input Watts to Motor

38
Table 19 — Fan Performance — 48TMF025 (High Heat Units)*
LEGEND
*Standard low-medium static drive range is 1002 to 1151 rpm. Alter-
nate high-static drive range is 1193 to 1369. Other rpms require a
field-supplied drive.
Refer to page 39 for general Fan Performance Data notes.
NOTE: Maximum continuous bhp for the standard motor is 8.7 (for
208/230 and 575-v units) and 9.5 (for 460-v units). The maximum
continuous watts is 7915 (for 208/230 and 575-v units) and 8640 (for
460-v units). Do not adjust motor rpm such that motor maximum bhp
and/or watts is exceeded at the maximum operating cfm. See
Table 25 for more information.
AIRFLOW
(cfm)
AVAILABLE EXTERNAL STATIC PRESSURE (in. wg)
0.2 0.4 0.6 0.8 1.0
Rpm Watts Bhp Rpm Watts Bhp Rpm Watts Bhp Rpm Watts Bhp Rpm Watts Bhp
6,000 868 2752 3.26 934 2987 3.54 997 3227 3.83 1058 3470 4.12 1115 3716 4.41
6,500 929 3201 3.80 991 3436 4.08 1051 3675 4.36 1108 3917 4.65 1162 4163 4.94
7,000 991 3687 4.37 1049 3923 4.65 1105 4161 4.94 1159 4403 5.22 1211 4647 5.51
7,500 1054 4211 5.00 1109 4447 5.28 1161 4686 5.56 1213 4926 5.84 1262 5170 6.13
8,000 1117 4773 5.66 1168 5009 5.94 1218 5247 6.22 1267 5488 6.51 1314 5731 6.80
8,500 1180 5373 6.37 1229 5609 6.65 1277 5847 6.94 1323 6088 7.22 1368 6331 7.51
9,000 1244 6011 7.13 1290 6247 7.41 1335 6485 7.69 1380 6726 7.98 1423 6968 8.27
9,500 1308 6687 7.93 1352 6924 8.21 1395 7162 8.50 1437 7402 8.78 1479 7644 9.07
10,000 1372 7401 8.78 1414 7638 9.06 1455 7876 9.34 1496 8117 9.63 1535 8358 9.92
AIRFLOW
(cfm)
AVAILABLE EXTERNAL STATIC PRESSURE (in. wg)
1.2 1.4 1.6 1.8 2.0
Rpm Watts Bhp Rpm Watts Bhp Rpm Watts Bhp Rpm Watts Bhp Rpm Watts Bhp
6,000 1171 3965 4.70 1224 4216 5.00 1276 4469 5.30 1326 4726 5.61 1374 4983 5.91
6,500 1215 4410 5.23 1266 4659 5.53 1316 4911 5.83 1364 5165 6.13 1411 5421 6.43
7,000 1262 4894 5.81 1311 5142 6.10 1358 5392 6.40 1404 5645 6.70 1449 5899 7.00
7,500 1310 5415 6.42 1357 5663 6.72 1403 5912 7.01 1447 6164 7.31 1490 6416 7.61
8,000 1360 5976 7.09 1405 6222 7.38 1449 6471 7.68 1492 6721 7.97 1533 6973 8.27
8,500 1412 6575 7.80 1455 6821 8.09 1497 7068 8.39 1538 7318 8.68 — — —
9,000 1465 7212 8.56 1506 7457 8.85 1547 7705 9.14 — — — — — —
9,500 1519 7888 9.36 — — — — — — — — — — — —
10,000 ———————————————
AIRFLOW
(cfm)
AVAILABLE EXTERNAL STATIC PRESSURE (in. wg)
2.2 2.4 2.6 2.8 3.0
Rpm Watts Bhp Rpm Watts Bhp Rpm Watts Bhp Rpm Watts Bhp Rpm Watts Bhp
6,000 1422 5243 6.22 1468 5505 6.53 1513 5768 6.84 — — — — — —
6,500 1456 5679 6.74 1501 5938 7.04 1544 6199 7.35 — — — — — —
7,000 1493 6155 7.30 1536 6412 7.61 — — — — — — — — —
7,500 1533 6670 7.91 — — — — — — — — — — — —
8,000 ———————————————
8,500 ———————————————
9,000 ———————————————
9,500 ———————————————
10,000 ———————————————
Bhp — Brake Horsepower
Watts — Input Watts to Motor

39
Table 20 — Fan Performance — 48TMD028 (Low Heat Units)*
LEGEND
*Standard low-medium static drive range is 1066 to 1283 rpm. Alternate high-
static drive range is 1332 to 1550. Other rpms require a field-supplied drive.
Refer to this page for general Fan Performance Data notes.
NOTE: Maximum continuous bhp is 10.20 (208/230, 575 v) or 11.80 (460 v)
and the maximum continuous watts are 9510 (208/230, 575 v) or 11,000
(460 v). Do not adjust motor rpm such that motor maximum bhp and/or
watts is exceeded at the maximum operating cfm. See Table 25 for more
information.
Table 21 — Fan Performance — 48TMF028 (High Heat Units)*
LEGEND
*Standard low-medium static drive range is 1066 to 1283 rpm. Alternate high-
static drive range is 1332 to 1550. Other rpms require a field-supplied drive.
Refer to this page for general Fan Performance Data notes.
NOTE: Maximum continuous bhp is 10.20 (208/230, 575 v) or 11.80 (460 v)
and the maximum continuous watts are 9510 (208/230, 575 v) or 11,000
(460 v). Do not adjust motor rpm such that motor maximum bhp and/or
watts is exceeded at the maximum operating cfm. See Table 25 for more
information.
GENERAL NOTES FOR FAN PERFORMANCE DATA TABLES
1. Static pressure losses (i.e., economizer) must be added to external
static pressure before entering Fan Performance table.
2. Interpolation is permissible. Do not extrapolate.
3. Fan performance is based on wet coils, clean filters, and casing losses.
See Table 23 for accessory/FIOP static pressure information.
4. Extensive motor and drive testing on these units ensures that the
full horsepower and watts range of the motor can be utilized with
confidence. Using fan motors up to the watts or bhp rating shown will not
result in nuisance tripping or premature motor failure. Unit warranty will
not be affected.
5. Use of a field-supplied motor may affect wire size. Contact your Carrier
representative for details.
AIRFLOW
(cfm)
AVAILABLE EXTERNAL STATIC PRESSURE (in. wg)
0.2 0.4 0.6 0.8 1.0 1.2
Rpm Bhp Watts Rpm Bhp Watts Rpm Bhp Watts Rpm Bhp Watts Rpm Bhp Watts Rpm Bhp Watts
7,000 941 3.35 2,769 1002 3.80 3,140 1061 4.27 3528 1117 4.76 3,934 1171 5.27 4,356 1224 5.80 4,794
7,500 999 4.05 3,348 1057 4.53 3,742 1112 5.02 4152 1166 5.54 4,579 1218 6.07 5,020 1268 6.63 5,478
8,000 1058 4.85 4,007 1113 5.35 4,424 1165 5.87 4856 1216 6.41 5,304 1266 6.97 5,766 1314 7.55 6,243
8,500 1117 5.74 4,750 1169 6.28 5,190 1219 6.83 5645 1268 7.40 6,114 1315 7.98 6,597 1361 8.58 7,094
9,000 1177 6.75 5,583 1226 7.31 6,047 1274 7.89 6524 1320 8.48 7,015 1365 9.09 7,520 1410 9.72 8,037
9,500 1237 7.98 6,511 1284 8.46 6,999 1329 9.07 7499 1374 9.69 8,012 1417 10.33 8,538 1459 10.98 9,076
10,000 1297 9.12 7,450 1342 9.74 8,051 1385 10.37 8574 1428 11.02 9,110 1469 11.68 9,657 1510 12.36 10,217
10,500 1358 10.49 8,674 1400 11.14 9,209 1442 11.80 9755 1483 12.47 10,314 1523 13.16 10,883 — — —
11,000 1418 12.00 9,919 1459 12.67 10,478 — — — — — — — — — — — —
11,250 1449 12.80 10,585 — — — — — — — — — — — — — — —
AIRFLOW
(cfm)
AVAILABLE EXTERNAL STATIC PRESSURE (in. wg)
1.4 1.6 1.8
Rpm Bhp Watts Rpm Bhp Watts Rpm Bhp Watts
7,000 1274 6.35 5248 1323 6.92 5,718 1371 5.54 6204
7,500 1316 7.20 6960 1364 7.79 6,437 1410 6.41 6939
8,000 1360 8.14 6734 1406 8.76 7,239 1450 7.40 7759
8,500 1406 9.20 7605 1449 9.83 8,129 1492 8.48 8666
9,000 1453 10.36 8568 1495 11.02 9,111 1536 9.69 9667
9,500 1501 11.64 9627 1541 12.32 10,190 — — —
10,000 —— ——— — ———
10,500 —— ——— — ———
11,000 —— ——— — ———
11,250 —— ——— — ———
Bhp — Brake Horsepower
Watts — Input Watts to Motor
AIRFLOW
(cfm)
AVAILABLE EXTERNAL STATIC PRESSURE (in. wg)
0.2 0.4 0.6 0.8 1.0 1.2
Rpm Bhp Watts Rpm Bhp Watts Rpm Bhp Watts Rpm Bhp Watts Rpm Bhp Watts Rpm Bhp Watts
7,000 992 4.05 3,348 1051 4.44 3,668 1106 4.83 3995 1160 5.24 4331 1212 5.65 4675 1262 6.08 5026
7,500 1055 4.77 3,947 1110 5.17 4,277 1162 5.58 4615 1214 6.00 4960 1263 6.43 5312 1311 6.86 5672
8,000 1118 5.58 4,610 1170 5.99 4,950 1220 6.41 5298 1268 6.84 5653 1315 7.27 6014 1361 7.72 6382
8,500 1182 6.46 5,339 1231 6.88 5,690 1278 7.31 6047 1324 7.75 6411 1369 8.20 6782 1413 8.66 7158
9,000 1246 7.42 6,136 1292 7.86 6,498 1337 8.30 6865 1381 8.75 7239 1424 9.21 7618 1466 9.68 8003
9,500 1310 8.47 7,005 1354 8.92 7,377 1397 9.38 7754 1439 9.84 8137 1480 10.31 8525 1520 10.79 8918
10,000 1374 9.61 7,947 1416 10.07 8,329 1457 10.54 8715 1497 11.02 9107 1537 11.50 9504 — — —
10,500 1439 10.84 8,964 1479 11.32 9,356 1518 11.79 9752 — — — — — — — — —
11,000 1503 12.17 10,059 1542 12.65 10,460 — — — — — — — — — — — —
11,250 1536 12.86 10,636 — — — — — — — — — — — — — — —
AIRFLOW
(cfm)
AVAILABLE EXTERNAL STATIC PRESSURE (in. wg)
1.4 1.6 1.8
Rpm Bhp Watts Rpm Bhp Watts Rpm Bhp Watts
7,000 1311 6.51 5385 1359 6.96 5751 1405 6.00 6124
7,500 1358 7.30 6039 1403 7.76 6412 1448 6.84 6792
8,000 1406 8.17 6767 1560 8.63 7137 1492 7.75 7524
8,500 1456 9.12 7541 1498 9.59 7929 1539 8.75 8323
9,000 1507 10.15 8393 1548 10.63 8790 — — —
9,500 —————————
10,000 —————————
10,500 —————————
11,000 —————————
11,250 —————————
Bhp — Brake Horsepower
Watts — Input Watts to Motor

40
Table 22 — Air Quantity Limits
Table 23 — Accessory/FIOP Static Pressure (in. wg)* — 48TM016-028
LEGEND
*The static pressure must be added to external static pressure. The sum and the evaporator entering-air cfm should then
be used in conjunction with the Fan Performance tables to determine blower rpm and watts.
Table 24 — Fan Rpm at Pulley Settings*
*Approximate fan rpm shown.
†Indicates standard drive package.
**Indicates alternate drive package.
††Due to belt and pulley size, pulley cannot be set to this number of turns open.
Table 25 — Evaporator-Fan Motor Data
LEGEND
*Extensive motor and electrical testing on these units ensures that the full
horsepower (brake kilowatt) range of the motors can be utilized with confi-
dence. Using fan motors up to the horsepower (brake kilowatt) ratings shown
in this table will not result in nuisance tripping or premature motor failure.
Unit warranty will not be affected.
NOTE: All indoor-fan motors 5 hp and larger meet the minimum efficiency
requirements as established by the Energy Policy Act of 1992 (EPACT) effec-
tive October 24, 1997.
Table 26 — Evaporator-Fan Motor Efficiency
NOTE: All indoor-fan motors 5 hp and larger meet the minimum efficiency
requirements as established by the Energy Policy Act of 1992 (EPACT) effec-
tive October 24, 1997.
UNIT
48TM
MINIMUM
COOLING
CFM
MINIMUM
HEATING CFM MAXIMUM
CFM
Low Heat High Heat
016 4500 3800 3800 7,500
020 5400 4750 5450 9,000
025 6000 4750 5450 10,000
028 7000 4750 5450 11,250
COMPONENT CFM
4500 5000 5400 6000 7200 7500 9000 10,000 11,250
EconoMi$erIV and EconoMi$er2 0.040 0.050 0.060 0.070 0.090 0.100 0.110 0.120 0.140
MoistureMi$er™ Dehumidification 0.045 0.048 0.060 0.071 0.103 0.111 0.160 0.197 0.250
FIOP — Factory-Installed Option
UNIT
48TM
MOTOR PULLEY TURNS OPEN
01/211
1/222
1/233
1/244
1/255
1/26
016† †† †† †† †† 1021 1002 984 965 947 928 910 891 873
016** †† †† †† †† 1200 1178 1156 1134 1112 1091 1069 1047 1025
020† †† †† 1095 1077 1058 1040 1021 1002 984 965 947 928 910
020** †† †† 1287 1265 1243 1222 1200 1178 1156 1134 1112 1091 1069
025† †† †† †† †† 1151 1132 1114 1095 1077 1058 1040 1021 1002
025** †† †† †† †† 1369 1347 1325 1303 1281 1259 1237 1215 1193
028† †† †† 1283 1269 1247 1225 1203 1182 1160 1138 1116 1095 1066
028** †† †† †† †† 1551 1524 1497 1470 1443 1415 1388 1361 1332
UNIT
48TM
UNIT
VOLTAGE
MAXIMUM
ACCEPTABLE
CONTINUOUS
BHP*
MAXIMUM
ACCEPTABLE
CONTINUOUS
BkW*
MAXIMUM
ACCEPTABLE
OPERATING
WATTS
MAXIMUM
AMP DRAW
016
208/230
6.13 4.57 5,180
15.8
460 7.9
575 6.0
020
208/230
5.90 4.40 5,180
15.8
460 7.9
575 6.0
025
208/230 8.70 6.49 7,915 22.0
460 9.50 7.08 8,640 13.0
575 8.70 6.49 7,915 10.0
028
208/230 10.20 7.61 9,510 28.0
460 11.80 8.80 11,000 14.6
575 10.20 7.61 9,510 13.0
BHP — Brake Horsepower
BkW — Brake Kilowatts
UNIT
48TM
MOTOR EFFICIENCY
(%)
5Hp 87.5
7.5 Hp 88.5
10 Hp 89.5
41
Operating Sequence
COOLING, UNITS WITHOUT ECONOMIZER — When
thermostat calls for cooling, terminals G and Y1 are energized.
The indoor (evaporator) fan contactor (IFC), compressor con-
tactor no. 1 (C1) and outdoor-fan contactor (OFC) are ener-
gized, and evaporator-fan motor, compressor no. 1, and both
condenser fans start. The condenser-fan motors run continuous-
ly while unit is cooling. If the thermostat calls for a second stage
of cooling by energizing Y2, compressor contactor no. 2 (C2) is
energized and compressor no. 2 starts.
When the thermostat is satisfied, C1 and C2 are deener-
gized and the compressors and outdoor (condenser) fan motors
(OFM) shut off. After a 30-second delay, the indoor (evapora-
tor) fan motor (IFM) shuts off. If the thermostat fan selector
switch is in the ON position, the evaporator-fan motor will run
continuously.
HEATING, UNITS WITHOUT ECONOMIZER — When
the thermostat calls for heating, terminal W1 is energized. In
order to prevent thermostat short-cycling, the unit is locked
into the Heating mode for at least 1 minute when W1 is ener-
gized. The induced-draft motor (IDM) is then energized and
the burner ignition sequence begins. The indoor (evaporator)
fan motor (IFM) is energized 45 seconds after a flame is
ignited. On units equipped for two stages of heat, when addi-
tional heat is needed, W2 is energized and the high-fire sole-
noid on the main gas valve (MGV) is energized. When the
thermostat is satisfied and W1 and W2 are deenergized, the
IFM stops after a 45-second time-off delay.
COOLING, UNITS WITH ECONOMI$ERIV — When free
cooling is not available, the compressors will be controlled by
the zone thermostat. When free cooling is available, the
outdoor-air damper is modulated by the EconoMi$erIV control
to provide a 50 to 55 F supply-air temperature into the zone. As
the supply-air temperature fluctuates above 55 or below 50 F,
the dampers will be modulated (open or close) to bring the
supply-air temperature back within the set point limits.
For EconoMi$erIV operation, there must be a thermostat
call for the fan (G). This will move the damper to its minimum
position during the occupied mode.
Above 50 F supply-air temperature, the dampers will modu-
late from 100% open to the minimum open position. From 50 F
to 45 F supply-air temperature, the dampers will maintain
at the minimum open position. Below 45 F the dampers will
be completely shut. As the supply-air temperature rises, the
dampers will come back open to the minimum open position
once the supply-air temperature rises to 48 F.
If optional power exhaust is installed, as the outdoor-air
damper opens and closes, the power exhaust fans will be ener-
gized and deenergized.
If field-installed accessory CO2sensors are connected to the
EconoMi$er IV control, a demand controlled ventilation strate-
gy will begin to operate. As the CO2level in the zone increases
above the CO2set point, the minimum position of the damper
will be increased proportionally. As the CO2level decreases
because of the increase in fresh air, the outdoor-air damper will
be proportionally closed. Damper position will follow the high-
er demand condition from DCV mode or free cooling mode.
Damper movement from full closed to full open (or vice
versa) will take between 11/2and 21/2minutes.
If free cooling can be used as determined from the appropri-
ate changeover command (switch, dry bulb, enthalpy curve,
differential dry bulb, or differential enthalpy), a call for cooling
(Y1 closes at the thermostat) will cause the control to modulate
the dampers open to maintain the supply air temperature set
point at 50 to 55 F.
As the supply air temperature drops below the set point
range of 50 to 55 F, the control will modulate the outdoor-air
dampers closed to maintain the proper supply-air temperature.
HEATING, UNITS WITH ECONOMI$ERIV — When the
room thermostat calls for heat, the heating controls are ener-
gized as described in the Heating, Units Without Economizer
section. When the indoor fan is energized, the economizer
damper moves to the minimum position. When the indoor fan
is off, the economizer damper is fully closed.
COOLING, UNITS WITH ECONOMI$ER2, PREMIER-
LINK™ CONTROL AND A THERMOSTAT — When free
cooling is not available, the compressors will be controlled by
the PremierLink control in response to the Y1 and Y2 inputs
from the thermostat.
The PremierLink control will use the following information
to determine if free cooling is available:
• Indoor fan has been on for at least 30 seconds.
• The SPT, SAT, and OAT inputs must have valid readings.
• OAT must be less than 75 F.
• OAT must be less than SPT.
• Enthalpy must be LOW (may be jumpered if an enthalpy
sensor not available).
• Economizer position is NOT forced.
Pre-cooling occurs when the is no call from the thermostat
except G. Pre-cooling is defined as the economizer modulates
to provide 70 F supply air.
When free cooling is available the PremierLink control will
control the compressors and economizer to provide a supply-
air temperature determined to meet the Y1 and Y2 calls from
the thermostat using the following three routines. The three
control routines are based on OAT.
The 3 routines are based on OAT where:
SASP = Supply Air Set Point
DXCTLO = Direct Expansion Cooling Lockout Set Point
PID = Proportional Integral
Routine 1 (OAT < DXCTLO)
• Y1 energized – economizer maintains a SASP =
(SATLO1 + 3).
• Y2 energized – economizer maintains a SASP =
(SATLO2 + 3).
Routine 2 (DXCTLO < OAT < 68 F)
• If only Y1 energized, the economizer maintains a SASP
=(SATLO1+3).
• If SAT > SASP + 5 and economizer position > 80%,
economizer will go to minimum position for 3 minutes or
until SAT > 68 F.
• First stage of mechanical cooling will be energized.
• Integrator resets.
• Economizer opens again and controls to current SASP
after stage one on for 90 seconds.
• With Y1 and Y2 energized economizer maintains an
SASP = SATLO2 + 3.
• If SAT > SASP + 5 and economizer position >80%,
economizer will go to minimum position for 3 minutes or
until SAT > 68 F.
• If compressor one is on then second stage of mechanical
cooling will be energized. Otherwise the first stage will
be energized.
• Integrator resets.
• Economizer opens again and controls to SASP after
stage one on for 90 seconds.

42
Routine 3 (OAT > 68)
• Economizer is opened 100%.
• Compressors 1 and 2 are cycled based on Y1 and Y2
using minimum on and off times and watching the sup-
ply air temperature as compared to SATLO1 and
SATLO2 set points.
If optional power exhaust is installed, as the outdoor-air
damper opens and closes, the power exhaust fans will be ener-
gized and deenergized.
If field-installed accessory CO2sensors are connected to the
PremierLink™ control, a PID-controlled demand ventilation
strategy will begin to operate. As the CO2level in the zone
increases above the CO2set point, the minimum position of the
damper will be increased proportionally. As the CO2level
decreases because of the increase in fresh air, the outdoor-air
damper will be proportionally closed.
HEATING, UNITS WITH ECONOMI$ER2, PREMIERLINK
CONTROL AND A THERMOSTAT — When the thermostat
calls for heating, terminal W1 is energized. The PremierLink
control will move the economizer damper to the minimum
position if there is a call for G and closed if there is a call for
W1 without G. In order to prevent thermostat from short cy-
cling, the unit is locked into the heating mode for at least
10 minutes when W1 is energized. The induced-draft motor is
then energized and the burner ignition sequence begins.
On units equipped for two stages of heat, when additional
heat is needed, W2 is energized and the high-fire solenoid on
the main gas valve (MGV) is energized. When the thermostat
is satisfied and W1 is deenergized, the IFM stops after a
45-second time-off delay unless G is still maintained.
COOLING, UNITS WITH ECONOMI$ER2, PREMIER-
LINK CONTROL AND A ROOM SENSOR — When free
cooling is not available, the compressors will be controlled by
the PremierLink controller using a PID Error reduction calcula-
tion as indicated by Fig 47.
The PremierLink controller will use the following informa-
tion to determine if free cooling is available:
• Indoor fan has been on for at least 30 seconds.
• The SPT, SAT, and OAT inputs must have valid readings.
• OAT must be less than 75 F.
• OAT must be less than SPT.
• Enthalpy must be LOW (may be jumpered if and
enthalpy sensor is not available).
• Economizer position is NOT forced.
When free cooling is available, the outdoor-air damper is
positioned through the use of a Proportional Integral (PID)
control process to provide a calculated supply-air temperature
into the zone. The supply air will maintain the space tempera-
ture between the heating and cooling set points as indicated in
Fig. 48.
The PremierLink will integrate the compressors stages with
the economizer based on similar logic as the three routines list-
ed in the previous section. The SASP will float up and down
based on the error reduction calculations that compare space
temperature and space set point.
When outdoor-air temperature conditions require the econo-
mizer to close for a compressor stage-up sequence, the econo-
mizer control integrator is reset to zero after the stage-up
sequence is completed. This prevents the supply-air tempera-
ture from dropping too quickly and creating a freeze condition
that would make the compressor turn off prematurely.
The high space set point is used for DX (direct expansion)
cooling control, while the economizer space set point is a
calculated value between the heating and cooling set points.
The economizer set point will always be at least one degree
below the cooling set point, allowing for a smooth transition
from mechanical cooling with economizer assist, back to
economizer cooling as the cooling set point is achieved.
The compressors may be used for initial cooling then the
PremierLink controller will modulate the economizer using an
error reduction calculation to hold the space temperature
between the heating and cooling set points. See Fig. 48.
The controller uses the following conditions to determine
economizer cooling:
• Enthalpy is Low
• SAT reading is available
• OAT reading is available
• SPT reading is available
•OAT≤ SPT
• Economizer Position is NOT forced
If any of the above conditions are not met, the economizer
submaster reference (ECSR) is set to maximum limit and the
damper moves to minimum position. The operating sequence
is complete. The ECSR is recalculated every 30 seconds.
If an optional power exhaust is installed, as the outdoor-air
damper opens and closes, the power exhaust fans will be
energized and deenergized.
If field-installed accessory CO2sensors are connected to
the PremierLink control, a PID-controlled demand ventilation
strategy will begin to operate. As the CO2level in the zone
increases above the CO2set point, the minimum position of the
damper will be increased proportionally. As the CO2level
decreases because of the increase in fresh air, the outdoor-air
damper will be proportionally closed.
68
69
70
71
72
73
74
75
SPACE TEMPERATURE
TIME
TEMPERATURE CONTROL
SET POINT
TEMPERATURE
NOTE: PremierLink control performs smart staging of 2 stages of DX
cooling and up to 3 stages of heat.
Fig. 47 — DX Cooling Temperature
Control Example
68
69
70
71
72
73
74
75
SPACE TEMPERATURE
TIME
TEMPERATURE CONTROL
COOL SETPOINT
TEMPERATURE
HEAT SETPOINT
Fig. 48 — Economizer Temperature
Control Example

43
HEATING, UNIT WITH ECONOMI$ER2, PREMIERLINK
CONTROL AND A ROOM SENSOR — Every 40 seconds
the controller will calculate the required heat stages (maximum
of 3) to maintain supply air temperature (SAT) if the following
qualifying conditions are met:
• Indoor fan has been on for at least 30 seconds.
• COOL mode is not active.
• OCCUPIED, TEMP.COMPENSATED START or HEAT
mode is active.
• SAT reading is available.
• Fire shutdown mode is not active.
If all of the above conditions are met, the number of heat
stages is calculated; otherwise the required number of heat
stages will be set to 0.
If the PremierLink controller determines that heat stages are
required, the economizer damper will be moved to minimum
position if occupied and closed if unoccupied.
Staging should be as follows:
If Heating PID STAGES=2
• HEAT STAGES=1 (75% capacity) will energize HS1
• HEAT STAGES=2 (100% capacity) will energize HS2
In order to prevent short cycling, the unit is locked into the
Heating mode for at least 10 minutes when HS1 is deenergized.
When HS1 is energized the induced-draft motor is then
energized and the burner ignition sequence begins. On units
equipped for two stages of heat, when additional heat is need-
ed, HS2 is energized and the high-fire solenoid on the main gas
valve (MGV) is energized. When the space condition is satis-
fied and HS1 is deenergized the IFM stops after a 45-second
time-off delay unless in the occupied mode. The fan will run
continuously in the occupied mode as required by national
energy and fresh air standards.
SERVICE
Cleaning — Inspect unit interior at beginning of each
heating and cooling season and as operating conditions require.
Remove unit top panel and/or side panels for access to unit
interior.
MAIN BURNER — At the beginning of each heating season,
inspect for deterioration or blockage due to corrosion or other
causes. Observe the main burner flames. Refer to Main Burn-
ers section on page 46.
FLUE GAS PASSAGEWAYS — The flue collector box and
heat exchanger cells may be inspected by removing heat
exchanger access panel (Fig. 4-6), flue box cover, and main
burner assembly. Refer to Main Burners section on page 46 for
burner removal sequence. If cleaning is required, remove heat
exchanger baffles and clean tubes with a wire brush.
Use caution with ceramic heat exchanger baffles. When
installing retaining clip, be sure the center leg of the clip
extends inward toward baffle. See Fig. 49.
COMBUSTION-AIR BLOWER — Clean periodically to
assure proper airflow and heating efficiency. Inspect blower
wheel every fall and periodically during heating season. For the
first heating season, inspect blower wheel bi-monthly to deter-
mine proper cleaning frequency.
To inspect blower wheel, remove heat exchanger access
panel. Shine a flashlight into opening to inspect wheel. If
cleaning is required, remove motor and wheel assembly by
removing screws holding motor mounting plate to top of
combustion fan housing. The motor and wheel assembly will
slide up and out of the fan housing. Remove the blower wheel
from the motor shaft and clean with a detergent or solvent.
Replace motor and wheel assembly.
EVAPORATOR COIL — Clean as required with a commer-
cial coil cleaner.
CONDENSER COIL — Clean condenser coil annually and
as required by location and outdoor-air conditions. Inspect coil
monthly — clean as required.
CONDENSATE DRAIN — Check and clean each year at
start of cooling season. In winter, keep drains and traps dry.
FILTERS — Clean or replace at start of each heating and cool-
ing season, or more often if operating conditions require. Refer
to Table 1 for type and size.
NOTE: The 48TM028 unit requires industrial grade throw-
away filters capable of withstanding face velocities up to
625 fpm. Ensure that replacement filters for the 48TM028
units are rated for 625 fpm.
OUTDOOR-AIR INLET SCREENS — Clean screens with
steam or hot water and a mild detergent. Do not use throwaway
filters in place of screens.
Lubrication
COMPRESSORS — Each compressor is charged with the
correct amount of oil at the factory. Conventional white oil
(Sontext 200LT) is used. White oil is compatible with 3GS oil,
and 3GS oil may be used if the addition of oil is required. See
compressor nameplate for original oil charge. A complete
recharge should be four ounces less than the original oil charge.
When a compressor is exchanged in the field it is possible that
a major portion of the oil from the replaced compressor may
still be in the system. While this will not affect the reliability of
the replacement compressor, the extra oil will add rotor drag
and increase power usage. To remove this excess oil, an access
valve may be added to the lower portion of the suction line at
the inlet of the compressor. The compressor should then be run
for 10 minutes, shut down, and the access valve opened until
no oil flows. This should be repeated twice to make sure the
proper oil level has been achieved.
Before performing service or maintenance operations on
unit, turn off main power switch to unit. Electrical shock
could cause personal injury.
CERAMIC
BAFFLE
CLIP
HEAT EXCHANGER
TUBES
NOTE: One baffle and clip will be in each upper tube of the heat
exchanger.
Fig. 49 — Removing Heat Exchanger Ceramic
Baffles and Clips

44
FAN SHAFT BEARINGS — Lubricate bearings at least
every 6 months with suitable bearing grease. Extended grease
line is provided for far side fan bearing (opposite drive side).
Typical lubricants are given below:
*Preferred lubricant because it contains rust and oxidation inhibitors.
CONDENSER AND EVAPORATOR-FAN MOTOR
BEARINGS — The condenser-fan and evaporator-fan motors
have permanently sealed bearings, so no field lubrication is
necessary.
Evaporator Fan Performance Adjustment
(Fig. 50 and 51) — Fan motor pulleys are factory set for
speed shown in Table 1.
To change fan speeds:
1. Shut off unit power supply.
2. Loosen nuts on the 2 carriage bolts in the motor mounting
base. Install jacking bolt and plate under motor base (bolt
and plate are shipped in installer’s packet). Using bolt and
plate, raise motor to top of slide and remove belt. Secure
motor in this position by tightening the nuts on the car-
riage bolts.
3. Loosen movable-pulley flange setscrew (see Fig. 50).
4. Screw movable flange toward fixed flange to increase
speed and away from fixed flange to decrease speed. In-
creasing fan speed increases load on motor. Do not ex-
ceed maximum speed specified in Table 1.
See Table 22 for air quantity limits.
5. Set movable flange at nearest keyway of pulley hub and
tighten setscrew. (See Table 1 for speed change for each
full turn of pulley flange.)
6. Replace and tighten belts. See Belt Tension Adjustment
sectiononpage45.
To align fan and motor pulleys:
1. Loosen fan pulley setscrews.
2. Slide fan pulley along fan shaft.
3. Make angular alignment by loosening motor from
mounting plate.
Evaporator Fan Service and Replacement — The
48TM units use a fan motor mounting system that features a
slide-out motor mounting plate. See Fig. 51. To replace or ser-
vice the motor, slide out the bracket.
1. Remove the evaporator-fan access panel and the heat-
ing control access panel.
2. Remove the center post (located between the evaporator
fan and heating control access panels) and all screws
securing it.
3. Loosen nuts on the 2 carriage bolts in the motor mounting
base.
4. Using jacking bolt under motor base, raise motor to top of
slide and remove belt. Secure motor in this position by
tightening the nuts on the carriage bolts.
5. Remove the belt drive.
6. Remove jacking bolt and tapped jacking bolt plate.
7. Remove the 2 screws that secure the motor mounting
plate to the motor support channel.
8. Remove the 3 screws from the end of the motor support
channel that interfere with the motor slide path.
9. Slide out the motor and motor mounting plate.
10. Disconnect wiring connections and remove the 4 mount-
ing bolts.
11. Remove the motor.
12. To install the new motor, reverse Steps 1-11.
MANUFACTURER LUBRICANT
Texaco Regal AFB-2*
Mobil Mobilplex EP No. 1
Sunoco Prestige 42
Texaco Multifak 2
Fig. 50 — Evaporator-Fan Pulley
and Adjustment
NOTE: A 31/2-in. bolt and threaded plate are included in the
installer’s packet. They should be added to the motor support chan-
nel below the motor mounting plate to aid in raising the motor. The
plate part number is 50DP503842. The adjustment bolt is 3/8-16 x
13/4in. LG.
Fig. 51 — Evaporator-Fan Motor Section

45
Belt Tension Adjustment — To adjust belt tension:
1. Loosen fan motor bolts.
2. Turn motor jacking bolt to move motor mounting plate up
or down for proper belt tension (3/8in. deflection at
midspan with one finger [9 lb force]).
3. Tighten nuts.
4. Adjust bolts and nut on mounting plate to secure motor in
fixed position.
Condenser-Fan Adjustment
48TM016,020,028 UNITS (Fig. 52)
1. Shut off unit power supply.
2. Remove access panel(s) closest to the fan to be adjusted.
3. Loosen fan hub setscrews.
4. Adjust fan height on shaft using a straightedge placed
across the fan orifice.
5. Tighten setscrews and replace panel(s).
6. Turn on unit power.
48TM025 UNITS (Fig. 53)
1. Shut off unit power supply.
2. Remove fan top-grille assembly and loosen fan hub
screws.
3. Adjust fan height on unit, using a straightedge placed
across the fan orifice.
4. Tighten setscrews and replace rubber hubcap to prevent
hub from rusting to motor shaft.
5. Fill hub recess with permagum if rubber hubcap is
missing.
Power Failure — Dampers have a spring return. In event
of power failure, dampers will return to fully closed position
until power is restored. Do not manually operate economizer
motor.
Refrigerant Charge — Amount of refrigerant charge is
listed on unit nameplate and in Table 1. Refer to Carrier GTAC
II; Module 5; Charging, Recovery, Recycling, and Reclama-
tion section for charging methods and procedures. Unit
panels must be in place when unit is operating during charging
procedure.
NOTE: Do not use recycled refrigerant as it may contain
contaminants.
NO CHARGE — Use standard evacuating techniques. After
evacuating system, weigh in the specified amount of refriger-
ant (refer to Table 1).
LOW CHARGE COOLING — Using cooling charging chart
(see Fig. 54), add or remove refrigerant until conditions of the
chart are met. Note that charging chart is different from those
normally used. An accurate pressure gage and temperature-
sensing device is required. Charging is accomplished by
ensuring the proper amount of liquid subcooling. Measure
liquid line pressure at the liquid line service valve using
pressure gage. Connect temperature sensing device to the
liquid line near the liquid line service valve and insulate it so
that outdoor ambient temperature does not affect reading.
TO USE THE COOLING CHARGING CHART — Use the
above temperature and pressure readings, and find the intersec-
tion point on the cooling charging chart. If intersection point
on chart is above line, add refrigerant. If intersection point on
chart is below line, carefully recover some of the charge.
Recheck suction pressure as charge is adjusted.
NOTE: Indoor-air cfm must be within normal operating range
of unit. All outdoor fans must be operating.
The TXV (thermostatic expansion valve) is set to maintain
between 15 and 20 degrees of superheat at the compressors.
The valves are factory set and should not require re-adjustment.
MOISTUREMI$ER™ SYSTEM CHARGING — The sys-
tem charge for units with the MoistureMi$er option is greater
than that of the standard unit alone. The charge for units with
this option is indicated on the unit nameplate drawing. To
charge systems using the MoistureMi$er dehumidification
package, fully evacuate, recover, and re-charge the system to
the nameplate specified charge level. To check or adjust
refrigerant charge on systems using the MoistureMi$er
dehumidification package, charge per the standard subcooling
charts. The subcooler MUST be deenergized to use the
charging charts. The charts reference a liquid pressure (psig)
and temperature at a point between the condenser coil and the
subcooler coil. A tap is provided on the unit to measure liquid
pressure entering the subcooler (leaving the condenser).
NOTE: Dimensions are in inches.
Fig. 53 — Condenser-Fan Adjustment,
48TM025
NOTE: Dimensions are in inches.
Fig. 52 — Condenser Fan Adjustment,
48TM016,020,028
50
40 100 150 200 250 300 350 400
60
80
100
120
140
ALL OUTDOOR FANS MUST BE OPERATING
LIQUID PRESSURE AT LIQUID VALVE (PSIG)
LIQUID TEMPERATURE AT LIQUID VALVE (DEG F)
BOTH CIRCUITS
REDUCE CHARGE IF BELOW CURVE
ADD CHARGE IF ABOVE CURVE
Fig. 54 — Cooling Charging Chart

46
Gas Valve Adjustment
NATURAL GAS — The gas valve opens and closes in
response to the thermostat or limit control.
When power is supplied to valve terminals D1 and C2, the
main valve opens to its preset position.
The regular factory setting is stamped on the valve body
(3.3 in. wg).
To adjust regulator:
1. Set thermostat at setting for no call for heat.
2. Turn main gas valve to OFF position.
3. Remove 1/8-in. pipe plug from manifold or gas valve
pressure tap connection. Install a suitable pressure-
measuring device.
4. Set main gas valve to ON position.
5. Set thermostat at setting to call for heat.
6. Remove screw cap covering regulator adjustment screw
(See Fig. 55).
7. Turn adjustment screw clockwise to increase pressure or
counterclockwise to decrease pressure.
8. Once desired pressure is established, set thermostat set-
ting for no call for heat, turn off main gas valve, remove
pressure-measuring device, and replace 1/8-in. pipe plug
and screw cap.
Main Burners — For all applications, main burners are
factory set and should require no adjustment.
MAIN BURNER REMOVAL
1. Shut off (field-supplied) manual main gas valve.
2. Shut off power to unit.
3. Remove unit control box access panel, burner section
access panel, and center post (Fig. 4-6).
4. Disconnect gas piping from gas valve inlet.
5. Remove wires from gas valve.
6. Remove wires from rollout switch.
7. Remove sensor wire and ignitor cable from IGC board.
8. Remove 2 screws securing manifold bracket to basepan.
9. Remove 2 screws that hold the burner support plate
flange to the vestibule plate.
10. Lift burner assembly out of unit.
CLEANING AND ADJUSTMENT
1. Remove burner rack from unit as described in Main
Burner Removal section above.
2. Inspect burners, and if dirty, remove burners from rack.
3. Using a soft brush, clean burners and crossover port as
required.
4. Adjust spark gap. See Fig. 56.
5. Reinstall burners on rack.
6. Reinstall burner rack as described above.
Filter Drier — Replace whenever refrigerant system is
exposed to atmosphere.
Protective Devices
COMPRESSOR PROTECTION
Overcurrent — Each compressor has internal line break motor
protection.
Crankcase Heater — All units are equipped with a 70-watt
crankcase heater to prevent absorption of liquid refrigerant by
oil in the crankcase when the compressor is idle. The crank-
case heater is energized whenever there is a main power to the
unit and the compressor is not energized.
Compressor Lockout — If any of the safeties (high-pressure,
low-pressure, freeze protection thermostat, compressor internal
thermostat) trip, or if there is loss of power to the compressors,
the cooling lockout (CLO) will lock the compressors off. To
reset, manually move the thermostat setting.
EVAPORATOR-FAN MOTOR PROTECTION — A man-
ual reset, calibrated trip, magnetic circuit breaker protects
against overcurrent. Do not bypass connections or increase the
size of the breaker to correct trouble. Determine the cause and
correct it before resetting the breaker.
CONDENSER-FAN MOTOR PROTECTION — Each
condenser-fan motor is internally protected against
overtemperature.
HIGH-PRESSURE AND LOW-PRESSURE SWITCHES —
If either switch trips, or if the compressor overtemperature
switch activates, that refrigerant circuit will be automatically
locked out by the CLO. To reset, manually move the thermo-
stat setting.
FREEZE PROTECTION THERMOSTAT (FPT) — An FPT
is located on the top and bottom of the evaporator coil. They
detect frost build-up and turn off the compressor, allowing the
coil to clear. Once the frost has melted, the compressor can be
reenergized by resetting the compressor lockout.
Relief Devices — All units have relief devices to protect
against damage from excessive pressures (i.e., fire). These
devices protect the high and low side.
Control Circuit, 24-V — This control circuit is pro-
tected against overcurrent by a 3.2 amp circuit breaker.
Breaker can be reset. If it trips, determine cause of trouble
before resetting. See Fig. 57 and 58 for typical wiring
diagrams.
Replacement Parts — A complete list of replacement
parts may be obtained from any Carrier distributor upon
request.
IMPORTANT: After a prolonged shutdown or servicing,
energize the crankcase heaters for 24 hours before start-
ing the compressors.
OFF
ON
W-1
W-2
D-1 D-2
C1
C2
PILOT
ADJ.
INLET PRESSURE TAP
(PLUGGED)
1/8 - 27 N.P.T. THDS.
2 LEADS, #18 WIRE 1/32 INSULATION,
600V. MAX., 105°C
REGULATOR
ADJUSTMENT SCREW
(REMOVE COVER)
OUTLET PRESSURE
TAP (PLUGGED)
1/8-27 N.P.T. THDS.
PILOT CONNECTION
FOR 1/4”O.D. TUBING
(PLUGGED)
RECEPTACLE AND
TAB COMBINATION
TERMINAL
RECEPTACLE TERMINAL
Fig. 55 — Gas Valve

47
Diagnostic IGC Control LEDs — The IGC board
has LEDs for diagnostic purposes. Refer to Troubleshooting
sectiononpage51.
Optional Hinged Access Doors — When the optional
service package is ordered or the if the hinged access doors
option is ordered, the unit will be provided with external and
internal hinged access doors to facilitate service.
Four external hinged access doors are provided on size
016-025 units. Two external hinged doors are provided on size
028 units. All external doors are provided with 2 large 1/4turn
latches with folding bail-type handles. (Compressor access
doors have one latch.) A single door is provided for filter and
drive access. One door is provided for control box access. The
control box access door is interlocked with the non-fused
disconnect which must be in the OFF position to open the door.
Two doors are provided on 48TM016-025 units for access to
the compressor compartment.
Two internal access doors are provided inside the filter/
drive access door. The filter access door (on the left) is secured
by2small1/4turn latches with folding bail-type handles. This
door must be opened prior to opening the drive access door.
The drive access door is shipped with 2 sheet metal screws
holding the door closed. Upon initial opening of the door, these
screws may be removed and discarded. The door is then held
shut by the filter access door, which closes over it.
SEE
DETAIL
"C"
SEE
DETAIL
"C"
SEE
DETAIL
"C"
48TMD016
48TMD020-028 AND 48TMF016
48TMF020-028
Fig. 56 — Spark Gap Adjustment

48
Fig. 57 — Typical Wiring Schematic (48TM016,020 — 208/230 V Shown)

49
Fig. 58 — Typical Component Arrangement

50
AHA — Adjustable Heat Anticipator
C—Contactor, Compressor
CAP — Capacitor
CB — Circuit Breaker
CC — Cooling Compensator
CH — Crankcase Heater
CLO — Compressor Lockout
COMP — Compressor Motor
CR — Control Relay
DM — Damper Motor
DU — Dummy Terminal
EQUIP — Equipment
FPT — Freeze Protection Thermostat
FU — Fuse
GND — Ground
HPS — High-Pressure Switch
HS — Hall Effect Sensor
HV — High Voltage
I—Ignitor
IAQ — Indoor Air Quality Sensor
IDM — Induced-Draft Motor
IFC — Indoor-Fan Contactor
IFCB — Indoor-Fan Circuit Breaker
IFM — Indoor-Fan Motor
IGC — Integrated Gas Unit Controller
L—Light
LED — Light-Emitting Diode
LOR — Lockout Relay
LPS — Low-Pressure Switch
LS — Limit Switch
MGV — Main Gas Valve
NEC — National Electrical Code
OAT — Outdoor Air Temperature Sensor
OCCUP — Occupancy Sensor
OFC — Outdoor-Fan Contactor
OFM — Outdoor-Fan Motor
PL — Plug Assembly
PRI — Primary
QT — Quadruple Terminal
RAT — Return Air Temperature Sensor
RS — Rollout Switch
SN — Sensor
SR — Solenoid Relay
SW — Switch
TB — Terminal Block
TC — Thermostat Cooling
TH — Thermostat Heating
TRAN — Transformer
Terminal (Marked)
Terminal (Unmarked)
Te r m i n a l B l o c k
Splice
Factory Wiring
Field Control Wiring
Option/Accessory Wiring
To indicate common potential
only; not to represent wiring.
Economizer Motor
Remote POT Field
Accessory
OAT Sensor
Disch Air Sensor
RAT Accessory Sensor
Low Ambient Lockout Switch
LEGEND AND NOTES FOR FIG. 57 AND 58
LEGEND
NOTES:
1. Compressor and/or fan motor(s) thermally protected. Three-phase motors protected against primary single phasing conditions.
2. If any of the original wire furnished must be replaced, it must be replaced with Type 90° C or its equivalent.
3. Jumpers are omitted when unit is equipped with economizer.
4. IFCB must trip amps is equal to or less than 140% FLA.
5. On TRAN1 use BLK lead for 460-v power supply and ORN lead for 575-v power supply.
6. The CLO locks out the compressor to prevent short cycling on compressor overload and safety devices; before replacing CLO check these devices.
7. Number(s) indicates the line location of used contacts. A bracket over (2) numbers signifies a single pole, double throw contact. An underlined num-
ber signifies a normally closed contact. Plain (no line) number signifies a normally open contact.
8. 620 Ohm, 1 watt, 5% resistor should be removed only when using differential enthalpy or dry bulb.
9. If a separate field supplied 24 v transformer is used for the IAQsensor power supply, it cannot have the secondary of the transformer grounded.
10. OAT sensor is shipped inside unit and must be relocated in the field for proper operation.
11. For field installed remote minimum position POT. remove black wire jumper between P and P1 and set control minimum position POT to the mini-
mum position.

51
TROUBLESHOOTING
Unit Troubleshooting — Refer to Tables 27-29 and
Fig. 59.
EconoMi$erIV Troubleshooting — See Table 30
for EconoMi$er IV logic.
A functional view of the EconoMi$erIV is shown in
Fig. 60. Typical settings, sensor ranges, and jumper positions
are also shown. An EconoMi$erIV simulator program is
available from Carrier to help with EconoMi$erIV training and
troubleshooting.
ECONOMI$ERIV PREPARATION — This procedure is
used to prepare the EconoMi$erIV for troubleshooting. No
troubleshooting or testing is done by performing the following
procedure.
NOTE: This procedure requires a 9-v battery, 1.2 kilo-ohm
resistor, and a 5.6 kilo-ohm resistor which are not supplied
with the EconoMi$erIV.
1. Disconnect power at TR and TR1. All LEDs should be
off. Exhaust fan contacts should be open.
2. Disconnect device at P and P1.
3. Jumper P to P1.
4. Disconnect wires at T and T1. Place 5.6 kilo-ohm resistor
across T and T1.
5. Jumper TR to 1.
6. Jumper TR to N.
7. If connected, remove sensor from terminals SOand +.
Connect 1.2 kilo-ohm 4074EJM checkout resistor across
terminals SOand +.
8. Put 620-ohm resistor across terminals SRand +.
9. Set minimum position, DCV set point, and exhaust
potentiometers fully CCW (counterclockwise).
10. Set DCV maximum position potentiometer fully CW
(clockwise).
11. Set enthalpy potentiometer to D.
12. Apply power (24 vac) to terminals TR and TR1.
DIFFERENTIAL ENTHALPY — To check differential
enthalpy:
1. Make sure EconoMi$erIV preparation procedure has
been performed.
2. Place 620-ohm resistor across SOand +.
3. Place 1.2 kilo-ohm resistor across SRand +. The Free
Cool LED should be lit.
4. Remove 620-ohm resistor across SOand +. The Free
Cool LED should turn off.
5. Return EconoMi$erIV settings and wiring to normal
after completing troubleshooting.
SINGLE ENTHALPY — To check single enthalpy:
1. Make sure EconoMi$erIV preparation procedure has
been performed.
2. Set the enthalpy potentiometer to A (fully CCW). The
Free Cool LED should be lit.
3. Set the enthalpy potentiometer to D (fully CW). The Free
Cool LED should turn off.
4. Return EconoMi$erIV settings and wiring to normal
after completing troubleshooting.
DCV (Demand Controlled Ventilation) AND POWER
EXHAUST — To check DCV and Power Exhaust:
1. Make sure EconoMi$erIV preparation procedure has
been performed.
2. Ensure terminals AQ and AQ1 are open. The LED for
both DCV and Exhaust should be off. The actuator
should be fully closed.
3. Connect a 9-v battery to AQ (positive node) and AQ1
(negative node). The LED for both DCV and Exhaust
should turn on. The actuator should drive to between 90
and 95% open.
4. Turn the Exhaust potentiometer CW until the Exhaust
LED turns off. The LED should turn off when the
potentiometer is approximately 90%. The actuator should
remain in position.
5. Turn the DCV set point potentiometer CW until the DCV
LED turns off. The DCV LED should turn off when the
potentiometer is approximately 9 v. The actuator should
drive fully closed.
6. Turn the DCV and Exhaust potentiometers CCW until
the Exhaust LED turns on. The exhaust contacts will
close 30 to 120 seconds after the Exhaust LED turns on.
7. Return EconoMi$erIV settings and wiring to normal
after completing troubleshooting.
DCV MINIMUM AND MAXIMUM POSITION — To check
the DCV minimum and maximum position:
1. Make sure EconoMi$erIV preparation procedure has
been performed.
2. Connect a 9-v battery to AQ (positive node) and AQ1
(negative node). The DCV LED should turn on. The
actuator should drive to between 90 and 95% open.
3. Turn the DCV Maximum Position potentiometer to mid-
point. The actuator should drive to between 20 and 80%
open.
4. Turn the DCV Maximum Position potentiometer to fully
CCW. The actuator should drive fully closed.
5. Turn the Minimum Position potentiometer to midpoint.
The actuator should drive to between 20 and 80% open.
6. Turn the Minimum Position Potentiometer fully CW. The
actuator should drive fully open.
7. Remove the jumper from TR and N. The actuator should
drive fully closed.
8. Return EconoMi$erIV settings and wiring to normal
after completing troubleshooting.
SUPPLY-AIR INPUT — To check supply-air input:
1. Make sure EconoMi$erIV preparation procedure has
been performed.
2. Set the Enthalpy potentiometer to A. The Free Cool LED
turns on. The actuator should drive to between 20 and
80% open.
3. Remove the 5.6 kilo-ohm resistor and jumper T to T1.
The actuator should drive fully open.
4. Remove the jumper across T and T1. The actuator should
drive fully closed.
5. Return EconoMi$erIV settings and wiring to normal
after completing troubleshooting.
ECONOMI$ERIV TROUBLESHOOTING COMPLE-
TION — This procedure is used to return the EconoMi$erIV
to operation. No troubleshooting or testing is done by perform-
ing the following procedure.
1. Disconnect power at TR and TR1.
2. Set enthalpy potentiometer to previous setting.
3. Set DCV maximum position potentiometer to previous
setting.
4. Set minimum position, DCV set point, and exhaust
potentiometers to previous settings.
5. Remove 620-ohm resistor from terminals SRand +.
6. Remove 1.2 kilo-ohm checkout resistor from terminals
SOand +. If used, reconnect sensor from terminals SOand
+.
IMPORTANT: Be sure to record the positions of all poten-
tiometers before starting troubleshooting.

52
7. Remove jumper from TR to N.
8. Remove jumper from TR to 1.
9. Remove 5.6 kilo-ohm resistor from T and T1. Reconnect
wires at T and T1.
10. Remove jumper from P to P1. Reconnect device at P and
P1.
11. Apply power (24 vac) to terminals TR and TR1.
Table 27 — Cooling Service Analysis
LEGEND
TXV — Thermostatic Expansion Valve
PROBLEM CAUSE REMEDY
Compressor and
Condenser Fan
Will Not Start.
Power failure. Call power company.
Fuse blown or circuit breaker tripped. Replace fuse or reset circuit breaker.
Defective thermostat, contactor, transformer, or control
relay.
Replace component.
Insufficient line voltage. Determine cause and correct.
Incorrect or faulty wiring. Check wiring diagram and rewire correctly.
Thermostat setting too high. Lower thermostat setting below room temperature.
Compressor Will Not
Start but Condenser Fan
Runs.
Faulty wiring or loose connections in compressor circuit. Check wiring and repair or replace.
Compressor motor burned out, seized, or internal over-
load open.
Determine cause. Replace compressor.
Defective overload. Determine cause and replace.
Compressor locked out Determine cause for safety trip and reset lockout.
One leg of 3-phase power dead. Replace fuse or reset circuit breaker.
Determine cause.
Compressor Cycles
(other than normally
satisfying thermostat).
Refrigerant overcharge or undercharge. Recover refrigerant, evacuate system, and recharge
to nameplate.
Defective compressor. Replace and determine cause.
Insufficient line voltage. Determine cause and correct.
Blocked condenser. Determine cause and correct.
Defective overload. Determine cause and replace.
Defective thermostat. Replace thermostat.
Faulty condenser-fan motor. Replace.
Restriction in refrigerant system. Locate restriction and remove.
Compressor Operates
continuously.
Dirty air filter. Replace filter.
Unit undersized for load. Decrease load or increase unit size.
Thermostat set too low. Reset thermostat.
Low refrigerant charge. Locate leak, repair, and recharge.
Air in system. Recover refrigerant, evacuate system, and recharge.
Condenser coil dirty or restricted. Clean coil or remove restriction.
Excessive Head
Pressure.
Dirty air filter. Replace filter.
Dirty condenser coil. Clean coil.
Refrigerant overcharged. Recover excess refrigerant.
Faulty TXV. 1. Check TXV bulb mounting and secure tightly to
suction line.
2. Replace TXV if stuck open or closed.
Air in system. Recover refrigerant, evacuate system, and recharge.
Condenser air restricted or air short-cycling. Determine cause and correct.
Head Pressure Too Low. Low refrigerant charge. Check for leaks, repair, and recharge.
Restriction in liquid tube. Remove restriction.
Excessive Suction
Pressure.
High heat load. Check for source and eliminate.
Faulty TXV. 1. Check TXV bulb mounting and secure tightly to
suction line.
2. Replace TXV if stuck open or closed.
Refrigerant overcharged. Recover excess refrigerant.
Suction Pressure Too
Low.
Dirty air filter. Replace filter.
Low refrigerant charge. Check for leaks, repair, and recharge.
Metering device or low side restricted. Remove source of restriction.
Faulty TXV. 1. Check TXV bulb mounting and secure tightly to
suction line.
2. Replace TXV if stuck open or closed.
Insufficient evaporator airflow. Increase air quantity. Check filter and replace if
necessary.
Temperature too low in conditioned area. Reset thermostat.
Field-installed filter drier restricted. Replace.

53
Table 28 — Heating Service Analysis
LEGEND
GR — Ground
Table 29 — MoistureMi$er™ Dehumidification Subcooler Service Analysis
PROBLEM CAUSE REMEDY
Burners Will Not
Ignite.
Misaligned spark electrodes. Check flame ignition and sensor electrode positioning.
Adjust as needed.
No gas at main burners. Check gas line for air; purge as necessary. After purging
gas line of air, allow gas to dissipate for at least 5 min-
utes before attempting to relight unit.
Check gas valve.
Water in gas line. Drain water and install drip leg to trap water.
No power to furnace. Check power supply, fuses, wiring, and circuit breaker.
No 24 v power supply to control circuit. Check transformer. Transformers with internal overcur-
rent protection require a cool-down period before
resetting. Check 24-v circuit breaker; reset if necessary.
Miswired or loose connections. Check all wiring and wire nut connections.
Burned-out heat anticipator in thermostat. Replace thermostat.
Broken thermostat wires. Run continuity check. Replace wires if necessary.
Inadequate Heating. Dirty air filter. Clean or replace filter as necessary.
Gas input to unit too low. Check gas pressure at manifold. Clock gas meter for
input. If too low, increase manifold pressure or replace
with correct orifices.
Unit undersized for application. Replace with proper unit or add additional unit.
Restricted airflow. Clean filter, replace filter, or remove any restrictions.
Blower speed too low. Install alternate motor, if applicable, or adjust pulley to
increase fan speed.
Limit switch cycles main burners. Check rotation of blower, thermostat heat anticipator set-
tings, and temperature rise of unit. Adjust as needed.
Too much outdoor air. Adjust minimum position.
Check economizer operation.
Poor Flame
Characteristics.
Incomplete combustion (lack of combustion air)
results in:
Aldehyde odors, CO, sooting flame, or floating flame.
Check all screws around flue outlets and burner com-
partment. Tighten as necessary.
Cracked heat exchanger.
Overfired unit — reduce input, change orifices, or adjust
gas line or manifold pressure.
Check vent for restriction. Clean as necessary.
Check orifice to burner alignment.
Burners Will Not Turn
Off.
Unit is locked into Heating mode for a one minute
minimum.
Wait until mandatory one minute time period has
elapsed or power to unit.
PROBLEM CAUSE REMEDY
Subcooler Will Not Energize No power to subcooler control transformer. Check power source. Ensure all wire connections
are tight.
No power from subcooler control transformer to
liquid line three-way valve.
1. Fuse open; check fuse. Ensure continuity of wiring.
2. Subcooler control low-pressure switch open.
Cycle unit off and allow low-pressure switch
to reset. Replace switch if it will not close.
3. Transformer bad; check transformer.
Liquid line three-way valve will not operate. 1. Solenoid coil defective; replace.
2. Solenoid valve stuck closed; replace.
Subcooler Will Not Deenergize Liquid Line three-way valve will not close. Valve is stuck open; replace.
Low System Capacity Low refrigerant charge or frosted coil. 1. Check charge amount. See system charging
section.
2. Evaporator coil frosted; check and replace
subcooler control low-pressure switch if necessary.

54
Table 30 — EconoMi$erIV Input/Output Logic
*For single enthalpy control, the module compares outdoor
enthalpy to the ABCD set point.
†Power at N terminal determines Occupied/Unoccupied setting:
24 vac (Occupied), no power (Unoccupied).
**Modulation is based on the supply air sensor signal.
††Modulation is based on the DCV signal.
***Modulation is based on the greater of DCV and supply-air sen-
sor signals, between minimum position and either maximum
position (DCV) or fully open (supply-air signal).
†††Modulation is based on the greater of DCV and supply-air
sensor signals, between closed and either maximum position
(DCV) or fully open (supply-air signal).
INPUTS OUTPUTS
Demand Control
Ventilation (DCV)
Enthalpy*
Y1 Y2
Compressor N Terminal†
Outdoor Return Stage
1
Stage
2
Occupied Unoccupied
Damper
Below set
(DCV LED Off)
High
(Free Cooling LED Off)
Low On On On On Minimum position Closed
On Off On Off
Off Off Off Off
Low
(Free Cooling LED On)
High On On On Off Modulating** (between min.
position and full-open)
Modulating** (between
closed and full-open)
On Off Off Off
Off Off Off Off Minimum position Closed
Above set
(DCV LED On)
High
(Free Cooling LED Off)
Low On On On On Modulating†† (between min.
position and DCV maximum)
Modulating†† (between
closed and DCV
maximum)
On Off On Off
Off Off Off Off
Low
(Free Cooling LED On)
High On On On Off Modulating*** Modulating†††
On Off Off Off
Off Off Off Off

55
Fig. 59 — IGC Control (Heating and Cooling)
LEGEND
IGC — Integrated Gas Unit Controller
NOTE: Thermostat Fan Switch in the “AUTO”
position.

56
Fig. 60 — EconoMi$erIV Functional View
57
INDEX
Air quality limits 40
Altitude compensation 12
Burner section 12
Burner spark gap 47
Carrier Comfort Network® 19
Charging chart, refrigerant 45
Clearance 6-8
CO2sensor
Configuration 30
Settings 29, 30
Combustion blower wheel 43
Compressor
Lockout 25, 46
Lubrication 43
Mounting 33
Rotation 33
Concentric duct 11
Condensate drain
Cleaning 43
Location 11, 12
Condenser coil 9
Cleaning 43
Condenser fan 9
Adjustment 45
Control circuit 46
Wiring 13
Convenience outlet 14
Crankcase heater 33, 46
Demand control ventilation 28
Dehumidification 30
Dimensions 3, 4, 6-8
Ductwork 11
EconoMi$erIV 24-30
Control mode 27
Controller wiring 26
Damper movement 28
Demand ventilation control 28
Troubleshooting 51, 52, 54
Usage 27
Wiring 26
EconoMi$er2 24-26
Electrical connections 13
Electrical data 15
Enthalpy changeover set points 29
Error codes 47, 55
Evaporator coil 9
Cleaning 43
Evaporator fan motor
Efficiency 40
Lubrication 44
Motor data 40
Performance 34-39
Pulley adjustment 44
Pulley setting 9, 40
Speed 9
Filter
Cleaning 43
Size 10
Filter drier 46
Flue collector box 43
Flue gas passageways 43
Flue hood 11
Freeze protection thermostat 10, 46
Gas connection 10
Gas input 10
Gas piping 13, 33
Gas pressure 1, 10
Heat anticipator settings 10, 13
High-pressure switch 10, 46
Hinged access doors 47
Horizontal adapter roof curb 2
Humidistat 31
Indoor air quality sensor 19
Integrated gas controller
Error codes 55
Liquid propane 10, 12
Low-pressure switch 10, 46
Main burners 43, 46
Manual outdoor air damper 16
MoistureMi$er dehumidification
package 31, 32, 45, 53
MotorMaster® I control 17
Motormaster V control 18
Mounting
Compressor 33
Unit 2
Natural gas 10
Non-fused disconnect 14
Operating limits 18
Operating sequence 41-43
Cooling 41-43
EconoMi$erIV 41
EconoMi$er2 with
PremierLink control 41-43
Heating 41-43
Outdoor air hood 16
Outdoor air temperature sensor 19, 25
Outdoor air inlet screens
Cleaning 43
Dimensions 10
Physical data 9, 10
Power supply 13
Wiring 13
PremierLink controls 19-22
Pressure, drop
EconoMi$erIV 40
MoistureMi$er 40
Pressure switches
High pressure 10
Low pressure 10
Refrigerant
Charge 45
Type 9
Refrigerant service ports 33
Replacement parts 46
Return air filter 10, 33
Return air temperature sensor 27
Rigging unit 2, 5
Roof curb
Assembly 2
Dimensions 3, 4
Leveling tolerances 2-4
Safety considerations 1
Service 43-50
Service ports 33
Start-up 33-43
Start-up checklist CL-1
Supply-air temperature sensor 19, 25
Thermostat 14, 28
Troubleshooting 51-56
Weight
Corner 6-8
EconoMi$erIV 6-9
Maximum 5
MoistureMi$er 9
Unit 6-9
Wind baffle 11, 17, 18
Wiring
4to20mAcontrol 24
EconoMi$erIV 26
EconoMi$er2 26
Humidistat 31
Power connections 13
PremierLink 20
Thermostat 14
Unit 48, 49

Manufacturer reserves the right to discontinue, or change at any time, specifications or designs without notice and without incurring obligations.
Catalog No. 04-53480016-01 Printed in U.S.A. Form 48TM-4SI Pg 58 3-06 Replaces: 48TM-3SI
Book 1 4
Tab 1a 6 a
Copyright 2006 Carrier Corporation
SERVICE TRAINING
Packaged Service Training programs are an excellent way to increase your knowledge of the equipment
discussed in this manual, including:
• Unit Familiarization • Maintenance
• Installation Overview • Operating Sequence
A large selection of product, theory, and skills programs are available, using popular video-based formats
and materials. All include video and/or slides, plus companion book.
Classroom Service Training which includes “hands-on” experience with the products in our labs can
mean increased confidence that really pays dividends in faster troubleshooting and fewer callbacks. Course
descriptions and schedules are in our catalog.
CALL FOR FREE CATALOG 1-800-644-5544
[ ] Packaged Service Training [ ] Classroom Service Training

Manufacturer reserves the right to discontinue, or change at any time, specifications or designs without notice and without incurring obligations.
Catalog No. 04-53480016-01 Printed in U.S.A. Form 48TM-4SI Pg CL-1 3-06 Replaces: 48TM-3SI
Book 1 4
Tab 1 a 6 a
Copyright 2006 Carrier Corporation
-
-------------------------------------------------------------------------------------------------------------------------------------------------------------------------------------------------
CUT ALONG DOTTED LINE CUT ALONG DOTTED LINE
START-UP CHECKLIST
PRE-START-UP
VERIFY THAT ALL PACKING MATERIALS HAVE BEEN REMOVED FROM UNIT
VERIFY INSTALLATION OF INDOOR FAN MOTOR ADJUSTMENT BOLT AND PLATE
VERIFY INSTALLATION OF OUTDOOR-AIR HOOD
VERIFY INSTALLATION OF FLUE HOOD AND WIND BAFFLE
VERIFY THAT CONDENSATE CONNECTION IS INSTALLED PER INSTRUCTIONS
VERIFY THAT ALL ELECTRICAL CONNECTIONS AND TERMINALS ARE TIGHT
CHECK GAS PIPING FOR LEAKS
CHECK THAT FILTERS AND SCREENS ARE CLEAN AND IN PLACE
VERIFY THAT UNIT IS LEVEL
CHECK FAN WHEEL AND PROPELLER FOR LOCATION IN HOUSING/ORIFICE, AND VERIFY SETSCREW
IS TIGHT
VERIFY THAT FAN SHEAVES ARE ALIGNED AND BELTS ARE PROPERLY TENSIONED
VERIFY THAT SCROLL COMPRESSOR IS ROTATING IN THE CORRECT DIRECTION
VERIFY THAT CRANKCASE HEATER HAS BEEN ENERGIZED FOR 24 HOURS
START-UP
ELECTRICAL
SUPPLY FAN AMPS EXHAUST FAN AMPS
TEMPERATURES
OUTDOOR-AIR TEMPERATURE FDB(Dry-Bulb)
RETURN-AIR TEMPERATURE FDB F WB (Wet-Bulb)
COOLING SUPPLY AIR F
GAS HEAT SUPPLY AIR F
PRESSURES
VERIFY REFRIGERANT CHARGE USING CHARGING CHART ON PAGE 45.
GENERAL
ECONOMIZER MINIMUM VENT AND CHANGEOVER SETTINGS TO JOB REQUIREMENTS
MODEL NO.: SERIAL NO.:
DATE: TECHNICIAN:
SUPPLY VOLTAGE L1-L2 L2-L3 L3-L1
COMPRESSOR AMPS — COMPRESSOR NO. 1 L1 L2 L3
— COMPRESSOR NO. 2 L1 L2 L3
GAS INLET PRESSURE IN. WG
GAS MANIFOLD PRESSURE STAGE NO. 1 IN. WG STAGE NO. 2 IN. WG
REFRIGERANT SUCTION CIRCUIT NO. 1 PSIG CIRCUIT NO. 2 PSIG
REFRIGERANT DISCHARGE CIRCUIT NO. 1 PSIG CIRCUIT NO. 2 PSIG